Бесплатная библиотека стандартов и нормативов www.docload.ru

Все документы, размещенные на этом сайте, не являются их официальным изданием и предназначены исключительно для ознакомительных целей.
Электронные копии этих документов могут распространяться без всяких ограничений. Вы можете размещать информацию с этого сайта на любом другом сайте.
Это некоммерческий сайт и здесь не продаются документы. Вы можете скачать их абсолютно бесплатно!
Содержимое сайта не нарушает чьих-либо авторских прав! Человек имеет право на информацию!

 

ГОСТ Р 51328-99

(МЭК 61540-97)

ГОСУДАРСТВЕННЫЙ СТАНДАРТ РОССИЙСКОЙ ФЕДЕРАЦИИ

УСТРОЙСТВА ЗАЩИТНОГО ОТКЛЮЧЕНИЯ
ПЕРЕНОСНЫЕ
БЫТОВОГО
И
АНАЛОГИЧНОГО НАЗНАЧЕНИЯ,
УПРАВЛЯЕМЫЕ
ДИФФЕРЕНЦИАЛЬНЫМ
ТОКОМ,
БЕЗ ВСТРОЕННОЙ ЗАЩИТЫ
ОТ
СВЕРХТОКОВ (УЗО-ДП)

Общие требования и методы испытаний

ГОССТАНДАРТ РОССИИ

Москва

Предисловие

1 РАЗРАБОТАН И ВНЕСЕН Техническим комитетом по стандартизации ТК 330 «Электроустановочные изделия»

2 УТВЕРЖДЕН И ВВЕДЕН В ДЕЙСТВИЕ Постановлением Госстандарта России от 29 декабря 1999 г. № 874-ст

3 Настоящий стандарт содержит полный аутентичный текст международного стандарта МЭК 61540-97, издание 1.0 «Устройства защитного отключения переносные бытового и аналогичного назначения, управляемые дифференциальным током, без встроенной защиты от сверхтоков (УЗО-ДП)» с Изменением № 1 (1998) и дополнительными требованиями, учитывающими потребности экономики страны

4 ВВЕДЕН ВПЕРВЫЕ

СОДЕРЖАНИЕ

1 Область применения. 2

2 Нормативные ссылки. 3

3 Определения. 4

4 Классификация. 9

5 Характеристики УЗО-ДП.. 10

6 Маркировка и другая информация об изделии. 13

7 Нормальные условия эксплуатации и монтажа. 15

8 Требования к конструкции и функционированию.. 16

9 Испытания. 29

Приложение А. Порядок испытаний и число образцов, подвергаемых проверке на соответствие требованиям настоящего стандарта. 82

Приложение B. Приемо-сдаточные испытания. 87

Приложение С. Определение воздушных зазоров и путей утечки тока. 88

Приложение D. Перечень испытаний, дополнительные последовательности испытаний и число образцов для проверки соответствия УЗО-ДП требованиям электромагнитной совместимости (ЭМС) 90

Приложение Е. Дополнительные требования к УЗО-ДП, устанавливаемые в стандартах, технических условиях на УЗО-ДП конкретных типов. 92

Приложение F. Требования к протоколу испытаний УЗО-ДП.. 93

Приложение G. Библиография. 94

Введение

Настоящий основополагающий стандарт устанавливает область применения, основные параметры, технические требования и методы испытаний переносных устройств защитного отключения (далее - УЗО-ДП) бытового и аналогичного назначения и разработан для обеспечения нормирования требований, обеспечивающих безопасность и создание нормативной основы для проведения в России сертификации УЗО-ДП на основе прямого применения первого издания международного стандарта МЭК 61540-97 с Изменением № 1 (1998) и дополнительными требованиями, учитывающими потребности экономики страны.

Стандартизация этих требований будет способствовать повышению безопасности эксплуатации потребителем УЗО-ДП и дальнейшему расширению межгосударственных отношений и взаимных поставок.

Информацию о нормативной документации по стандартизации и консультации при разработке, изготовлении и эксплуатации указанных УЗО-ДП представляет Всероссийский научно-исследовательский институт по стандартизации и сертификации в машиностроении (ВНИИНМАШ).

Адрес: 123007, Москва, ул. Шеногина, 4.

ГОСТ Р 51328-99

(МЭК 61540-97)

ГОСУДАРСТВЕННЫЙ СТАНДАРТ РОССИЙСКОЙ ФЕДЕРАЦИИ

УСТРОЙСТВА ЗАЩИТНОГО ОТКЛЮЧЕНИЯ ПЕРЕНОСНЫЕ БЫТОВОГО И АНАЛОГИЧНОГО НАЗНАЧЕНИЯ, УПРАВЛЯЕМЫЕ ДИФФЕРЕНЦИАЛЬНЫМ ТОКОМ, БЕЗ ВСТРОЕННОЙ ЗАЩИТЫ ОТ СВЕРХТОКОВ (УЗО-ДП)

Общие требования и методы испытаний

Portable residual current devices without integral overcurrent protection for household and similar use (PRCDs). General requirements and test methods

Дата введения 2001-01-01

1 Область применения

Настоящий стандарт распространяется на устройства защитного отключения бытового и аналогичного назначения (УЗО), управляемые дифференциальным (остаточным) током (УЗО-Д*), предназначенные для использования в качестве переносных устройств защитного отключения (далее - УЗО-ДП**) в однофазных цепях переменного тока с номинальным напряжением не более 250 В и номинальным током не более 16 А или номинальным напряжением не более 130 В и номинальным током не более 32 А без встроенной защиты от сверхтоков.

* В развитие ГОСТ Р 50807.

** Обозначение условное, и может быть изменено.

Устройства могут состоять из вилки, УЗО-Д, функционально зависимого или независимого от напряжения сети, а также из одной или более розеток.

Вилки и розетки соответствуют требованиям ГОСТ Р 51322.1 и ГОСТ 7396.1.

Устройства предназначены для защиты людей от поражения электрическим током в случае прямого контакта, помимо защиты цепи, обеспечиваемой стационарными установками (например, автоматическими выключателями, управляемые дифференциальным током и установленные в квартирных щитках с номинальным дифференциальным управляющим током от 0,03 А).

УЗО-ДП не предназначены для использования в качестве составных частей стационарных электрических установок.

Номинальный дифференциальный управляющий ток УЗО-ДП не превышает 0,03 А.

УЗО-ДП обеспечивают отключение электрической сети при наличии дифференциальных переменных токов и/или дифференциальных пульсирующих постоянных токов, независимо от того, подаются ли они внезапно или их величина медленно увеличивается (см. 8.15).

Настоящий стандарт распространяется на УЗО-ДП, выполняющие одновременно функции обнаружения дифференциального тока, измерения и сравнения его величины с заданной величиной тока отключения, а также для отключения защищаемой цепи при превышении величины дифференциального тока отключения исполнительным органом (разъединителем).

В качестве присоединительных устройств к внешним электрическим сетям применяют вилки, розетки, зажимы или гибкие кабели.

Примечания

1 Требования, предъявляемые к УЗО-ДП, соответствуют требованиям ГОСТ Р 51326.1.

УЗО-ДП предназначены для эксплуатации неквалифицированным персоналом и имеют конструкцию, не требующую технического обслуживания и текущего ремонта.

Они могут быть объектом сертификации.

2 Чувствительный элемент устройства защитного отключения (далее - УЗО-Д), входящий в конструкцию УЗО-ДП, не предназначен выполнять функцию размыкания главной цепи, которая может быть обеспечена вилкой.

3 При необходимости допускается использование встроенного предохранителя в соответствующих системах с вилками и розетками.

Требования настоящего стандарта распространяются на эксплуатацию УЗО-ДП в условиях внешних воздействующих факторов, указанных в 7.1.

Могут потребоваться дополнительные требования для УЗО-ДП, используемых в местах с более жесткими внешними воздействующими факторами.

Настоящий стандарт не распространяется на УЗО-ДП, включающие переносные источники питания.

В настоящем стандарте отсутствуют дополнительные требования к УЗО-ДП без заземляющих контактов, к которым могут предъявляться особые требования.

Стандарт может применяться в качестве руководства для таких устройств, которые предназначены для использования с электроприборами класса II.

Настоящий стандарт не распространяется на УЗО-ДП, выполняющие дополнительную функцию обнаружения неисправности на входе и исключающие замыкание УЗО-ДП неисправной электрической сети.

В тексте стандарта методы испытаний выделены курсивом, примечания - петитом.

Дополнения, учитывающие потребности экономики страны, приведены в приложении Е.

2 Нормативные ссылки

В настоящем стандарте использованы ссылки на следующие стандарты:

ГОСТ 12.2.006-87 (МЭК 65-85) Система стандартов безопасности труда. Безопасность аппаратуры электронной сетевой и сходных с ней устройств, предназначенных для бытового и аналогичного общего применения. Общие требования и методы испытаний

ГОСТ МЭК 384-14-95/ГОСТ Р МЭК 384-14-94 Конденсаторы постоянной емкости для электронной аппаратуры. Часть 14. Групповые технические условия на конденсаторы постоянной емкости для подавления электромагнитных помех и соединения с питающими магистралями

ГОСТ 7396.1-89 (МЭК 83-75) Соединители штепсельные бытового и аналогичного назначения. Основные размеры.

ГОСТ 8724-81 Основные нормы взаимозаменяемости. Резьба метрическая. Диаметры и шаги

ГОСТ 14254-96 (МЭК 529-89) Степени защиты, обеспечиваемые оболочками. (Код IP)

ГОСТ 27473-87 (МЭК 112-79) Материалы электроизоляционные твердые. Метод определения сравнительного и контрольного индексов трекингостойкости во влажной среде. Испытание нагретой проволокой

ГОСТ 27483-87 (МЭК 695-2-1-80) Испытания на пожарную опасность. Часть 2. Методы испытания. Испытания раскаленной проволокой и руководство

ГОСТ 28214-89 (МЭК 68-2-28-81) Основные методы испытаний на воздействие внешних факторов. Часть 2. Испытания. Руководство по испытаниям на влажное тепло

ГОСТ 28216-89 (МЭК 68-2-30-87) Основные методы испытаний на воздействие внешних факторов. Часть 2. Испытания. Испытания Db и руководство: влажное тепло циклическое (12 + 12-часовой цикл)

ГОСТ 28312-89 (МЭК 417-73) Аппаратура радиоэлектронная профессиональная. Условные графические обозначения

ГОСТ 30331.4-95 (МЭК 364-4-42-80)/ГОСТ Р 50571.4-94 (МЭК 364-4-42-80) Электроустановки зданий. Часть 4. Требования по обеспечению безопасности. Защита от тепловых воздействий

ГОСТ Р МЭК 245-1-97 Кабели с резиновой изоляцией на номинальное напряжение до 450/750 В включительно. Общие требования

ГОСТ Р 50462-92 (МЭК 446-89) Идентификация проводников по цветам или цифровым обозначениям

ГОСТ Р 50807-95 (МЭК 755-83) Устройства защитные, управляемые дифференциальным (остаточным) током. Общие требования и методы испытаний

ГОСТ Р 51318.14.1-99 (СИСПР 14-1-93) Совместимость технических средств электромагнитная. Радиопомехи индустриальные от бытовых приборов, электрических инструментов и аналогичных устройств. Нормы и методы испытаний

ГОСТ Р 51322.1-99 (МЭК 60884-1-94) Соединители электрические штепсельные бытового и аналогичного назначения. Общие требования и методы испытаний

ГОСТ Р 51326.1-99 (МЭК 61008-1-96) Выключатели автоматические, управляемые дифференциальным током, бытового и аналогичного назначения без встроенной защиты от сверхтока. Общие требования и методы испытаний

ГОСТ Р 51329-99 (МЭК 61543-95) Совместимость технических средств электромагнитная. Устройства защитного отключения, управляемые дифференциальным током (УЗО-Д), бытового и аналогичного назначения. Требования и методы испытаний

ГОСТ Р МЭК 60227-1-99 Кабели с поливинилхлоридной изоляцией на номинальное напряжение до 450/750 В включительно. Общие требования

3 Определения

В настоящем стандарте используют следующие термины.

При отсутствии других указаний под понятиями «напряжение» и «ток» подразумевают средние квадратические значения этих величин.

Термин «заземление» означает «защитное заземление».

Термин «соединитель» используют в качестве общего термина, распространяющегося на вилки и розетки.

Термин «переносное установочное изделие» распространяется на вилки и переносные розетки.

Применение установочных изделий проиллюстрировано на рисунке 1а ГОСТ Р 51322.1.

Условные обозначения - по ГОСТ Р 50807, приложение В.

3.1 Термины и определения, относящиеся к вилкам и розеткам

3.1.1 вилка: По ГОСТ Р 51322.1.

3.1.2 розетка: По ГОСТ Р 51322.1.

3.1.3 переносная розетка: По ГОСТ Р 51322.1.

3.1.4 многоместная розетка: По ГОСТ Р 51322.1.

3.1.5 разборная вилка: Установочное изделие, конструкция которого позволяет заменить гибкий кабель или шнур.

3.1.6 впрессованная вилка или впрессованная переносная розетка: По ГОСТ Р 51322.1.

3.1.7 литое изделие: Неразборное установочное изделие, изготовление которого завершается заливкой изоляционного материала вокруг предварительно собранных деталей компонентов и выводов гибкого кабеля или шнура.

3.1.8 армированный шнур: По ГОСТ Р 51322.1.

3.1.9 контактный зажим: По ГОСТ Р 51322.1.

3.1.10 контактное соединение: По ГОСТ Р 51322.1.

3.1.11 зажимной узел контактного зажима: По ГОСТ Р 51322.1.

3.1.12 контактный зажим винтового типа: По ГОСТ Р 51322.1.

3.1.13 торцевой контактный зажим: По ГОСТ Р 51322.1.

3.1.14 зажим с крепежной головкой: По ГОСТ Р 51322.1.

3.1.15 зажим с крепежной гайкой: По ГОСТ Р 51322.1.

3.1.16 зажим с прижимной планкой: По ГОСТ Р 51322.1.

3.1.17 колпачковый зажим: По ГОСТ Р 51322.1.

3.1.18 безвинтовой контактный зажим: По ГОСТ Р 51322.1.

3.1.19 шторки: По ГОСТ Р 51322.1.

3.1.20 разветвитель: По ГОСТ Р 51322.5.

3.1.21 промежуточный разветвитель: По ГОСТ Р 51322.5.

3.2 Термины и определения, относящиеся к устройствам, управляемым дифференциальным (остаточным) током

3.2.1 Термины и определения, относящиеся к токам, стекающим с токоведущих частей в землю

3.2.1.1 ток замыкания на землю: По ГОСТ Р 51326.1.

3.2.1.2 ток утечки: По ГОСТ Р 51326.1.

3.2.1.3 пульсирующий постоянный ток: По ГОСТ Р 51326.1.

3.2.1.4 угол задержки тока a: По ГОСТ Р 51326.1.

3.2.1.5 опасная ситуация: Ситуация, связанная с опасностью поражения электрическим током и возникающая, когда ток замыкания на землю, превышающий IDn (5.2.3), протекает через УЗО-ДП в течение периода времени, превышающего значение, указанное в таблице 2 (5.3.11).

3.2.1.6 неисправность сети питания, создающая опасность поражения электрическим током: Неисправность, возникающая в случае:

- разрыва цепи нейтрального провода;

- разрыва цепи фазы в случае использования систем, в которых:

питание подается между фазами,

имеет место разрыв цепи защитного заземления (РЕ).

3.2.2 Термины и определения, относящиеся к подключению УЗО-ДП к источнику питания

3.2.2.1 подводимая величина: По ГОСТ Р 51326.1.

3.2.2.2 подводимая входная величина: Электрическая величина, вызывающая отключение УЗО-ДП в заданных условиях эксплуатации.

Эти условия могут, например, заключаться в обеспечении электропитания некоторых вспомогательных органов.

3.2.2.3 дифференциальный (остаточный) ток (ID): Действующее значение векторной суммы токов, протекающих в главной цепи УЗО-ДП (далее - дифференциальный ток).

3.2.2.4 отключающий дифференциальный ток: Значение дифференциального тока, вызывающее отключение УЗО-ДП в заданных условиях эксплуатации.

3.2.2.5 неотключающий дифференциальный ток: Значение дифференциального тока, при котором и ниже которого УЗО-ДП не отключается в заданных условиях эксплуатации.

3.2.3 Термины и определения, относящиеся к работе и различным функциям УЗО-ДП

3.2.3.1 УЗО-Д: По ГОСТ Р 50807.

3.2.3.2 автоматический выключатель, управляемый дифференциальным током: По ГОСТ Р 51326.1 (3.3.1).

3.2.3.3 УЗО-ДП, функционально независимые от напряжения сети: УЗО-ДП, у которого функции обнаружения, оценки и отключения не зависят от напряжения сети.

3.2.3.4 УЗО-ДП, функционально зависимые от напряжения сети: УЗО-ДП, у которого функции обнаружения, оценки и (или) отключения зависят от напряжения цепи.

3.2.3.5 значение tu: Значение времени отключения источника питания, ниже которой УЗО-ДП, функционально зависимый от напряжения сети, автоматически не отключается при отсутствии дифференциального тока (9.17.2).

3.2.3.6 коммутационный аппарат: Устройство, предназначенное для включения или отключения тока в одной или нескольких электрических цепях.

3.2.3.7 механический коммутационный аппарат: Коммутационный аппарат, предназначенный для замыкания или размыкания одной или нескольких электрических цепей с помощью разъединяемых контактов.

3.2.3.8 УЗО-ДП со свободным расцеплением: УЗО-ДП, подвижные контакты которого возвращаются в разомкнутое положение и остаются в этом положении, если автоматическая команда на отключении поступает после начала операции по включению, даже в случае, когда команда на включение продолжает поступать.

Примечание - Чтобы обеспечить надежное отключение тока, протекающего по цепи, может возникнуть необходимость в мгновенном переводе контактов в замкнутое положение.

3.2.3.9 время отключения УЗО-ДП: Промежуток времени между моментом внезапного возникновения отключающего дифференциального тока и моментом полного гашения дуги на всех полюсах.

3.2.3.10 замкнутое положение: Положение, в котором обеспечивается установленная непрерывность главной цепи УЗО-ДП.

3.2.3.11 разомкнутое положение: Положение, в котором обеспечивается установленный зазор между разомкнутыми контактами в главной цепи УЗО-ДП.

3.2.3.12 полюс: Часть УЗО-ДП, связанная исключительно с одним электрически изолированным токопроводящим каналом главной цепи, снабженная контактами, предназначенными для присоединения и отсоединения самой главной цепи, исключая устройства, обеспечивающие установку и одновременное функционирование полюсов.

3.2.3.13 главная цепь (УЗО-Д): Все токопроводящие части УЗО-ДП, входящие в состав токовых путей.

3.2.3.14 цепь управления (УЗО-Д): Цепь, не являющаяся токовым путем главной цепи и предназначенная для выполнения УЗО-ДП операции по включению или отключению или для выполнения обеих операций.

Примечание - Данное определение распространяется на цепи устройства эксплуатационного контроля.

3.2.3.15 вспомогательная цепь (УЗО-ДП): Все токопроводящие пути УЗО-ДП, предназначенные для включения в цепь помимо главной и контрольной цепей.

3.2.3.16 устройство эксплуатационного контроля: Устройство, включенное в состав УЗО-ДП и моделирующее условия дифференциального тока для функционирования УЗО-ДП в установленных условиях.

3.2.3.17 УЗО-Д типа А: УЗО-ДП, отключение которого обеспечивается при использовании дифференциальных синусоидальных переменных токов и дифференциальных пульсирующих постоянных токов, независимо от того, подаются ли они внезапно или медленно увеличиваются (см. также таблицу 76 ГОСТ Р 50807).

3.2.4 Термины и определения, относящиеся к значениям и диапазонам подводимых величин

3.2.4.1 номинальное значение подводимой величины: Значение подводимой величины, с которым соотнесены характеристики, установленные изготовителем.

3.2.4.2 сверхток неотключения в главной цепи: Максимальная величина сверхтока однофазной нагрузки, которая при отсутствии любого замыкания на корпус или землю и при отсутствии тока утечки может протекать через двухполюсное УЗО-ДП, не вызывая его срабатывания.

Примечание - При наличии сверхтока в главной цепи, при отсутствии дифференциального тока устройство обнаружения может функционировать ввиду несимметричности, существующей в самом устройстве обнаружения.

3.2.4.3 дифференциальный ток, выдерживающий короткое замыкание: Максимальная величина дифференциального тока, при которой обеспечивается функционирование УЗО-ДП в установленных условиях и выше которой устройство может подвергнуться необратимым изменениям.

3.2.4.4 ожидаемый ток: Ток, который протекал бы в цепи, если бы главный токопроводящий путь УЗО-ДП и устройства защиты от сверхтоков (если оно имеется) были заменены проводником с бесконечно малым полным сопротивлением.

Примечание - Ожидаемый ток можно квалифицировать так же, как фактический: ожидаемый отключающий ток, ожидаемый пиковый ток, ожидаемый дифференциальный ток.

3.2.4.5 включающая способность: Значение переменной составляющей ожидаемого тока, которое УЗО-ДП способно включать при установленном напряжении в заданных условиях эксплуатации без нарушения работоспособности.

3.2.4.6 отключающая способность: Значение переменной составляющей ожидаемого тока, которое УЗО-ДП способно отключать при установленном напряжении в заданных условиях эксплуатации без нарушения его работоспособности.

3.2.4.7 способность включения и отключения дифференциального тока: Значение переменной составляющей ожидаемого дифференциального тока, которое УЗО-ДП способно включать, пропускать в течение своего времени отключения и отключать в заданных условиях эксплуатации без нарушения его работоспособности.

3.2.4.8 условный ток короткого замыкания: Значение переменной составляющей ожидаемого тока, которое УЗО-ДП, защищенное соответствующим последовательно включенным устройством защиты от короткого замыкания (далее - УЗКЗ), может выдержать в заданных условиях эксплуатации без нарушения его работоспособности.

3.2.4.9 условный дифференциальный ток короткого замыкания: Значение переменной составляющей ожидаемого дифференциального тока, которое УЗО-ДП, защищенное соответствующим УЗКЗ, способно включать, пропускать в течение своего времени отключения и отключать в заданных условиях эксплуатации без нарушения его работоспособности.

3.2.4.10 Термины и определения, относящиеся к предельным значениям (Ux и Uy) напряжения сети у УЗО-ДП, функционально зависимых от напряжения сети

3.2.4.10.1 Ux: Минимальная величина напряжения сети, при которой УЗО-ДП, функционально зависимое от напряжения сети, продолжает работать в заданных условиях при снижении напряжения сети (9.17.1.1).

3.2.4.10.2 Uy: Минимальная величина напряжения сети, ниже которой УЗО-ДП, функционально зависимое от напряжения сети, автоматически размыкает цепь при отсутствии какого-либо дифференциального тока (9.17.1.1).

3.2.4.11 I2t (интеграл Джоуля): Интеграл квадрата силы тока по данному интервалу времени (t0, t1):

.

3.2.4.12 восстанавливающееся напряжение: Напряжение, появляющееся после отключения тока на зажимах УЗО-ДП, к которым подсоединяется сеть питания.

Примечание - Можно считать, что данное напряжение включает два последовательных периода времени: в течение одного из них существует переходное напряжение, затем следует второй период времени, в течение которого существует лишь восстанавливающееся напряжение с промышленной частотой.

3.2.4.12.1 переходное восстанавливающееся напряжение: Восстанавливающееся напряжение в течение времени, когда оно носит значимый переходный характер.

Примечание - В зависимости от характеристик цепи и УЗО-ДП переходное напряжение может быть колебательным или неколебательным, или тем и иным одновременно.

3.2.4.12.2 восстанавливающееся напряжение с промышленной частотой: Восстанавливающееся напряжение после того, как исчезнет переходное напряжение.

3.2.5 Термины и определения, относящиеся к значениям и диапазонам воздействующих факторов

3.2.5.1 воздействующий фактор: Любая величина, которая может изменить заданное функционирование УЗО-ДП.

3.2.5.2 исходное значение воздействующего фактора: Значение воздействующего фактора, к которому привязаны характеристики, заданные изготовителем.

Примечание - При проведении испытаний допуски могут быть установлены для данного значения.

3.2.5.3 исходные условия воздействующих факторов: Совокупность исходных значений всех воздействующих факторов.

3.2.5.4 диапазон воздействующего фактора: Диапазон значений воздействующего фактора, в пределах которого в заданных условиях обеспечивается работоспособность УЗО-ДП, при этом остальные воздействующие факторы имеют свои исходные значения.

3.2.5.5 предельный диапазон воздействующего фактора: Диапазон значений, в пределах которого УЗО-ДП претерпевает обратимые изменения лишь непроизвольно, при этом необязательно удовлетворяя любым требованиям.

3.2.5.6 температура окружающей среды: Температура воздуха, окружающего УЗО-ДП и определенная в установленных условиях.

3.2.6 Рабочие условия

3.2.6.1 срабатывание: Перемещение подвижного(ых) контакта(ов) из разомкнутого положения в замкнутое и наоборот.

Примечание - Если необходимо различать термины, то используют термин «операция переключения» в случаях, когда речь идет об электрической операции (включение или отключение), и термин «механическое срабатывание», когда речь идет о механической операции (например, замыкание и размыкание).

3.2.6.2 включение: Операция, в результате которой УЗО-ДП из разомкнутого положения отключения переводится в замкнутое положение.

3.2.6.3 отключение: Операция, в результате которой УЗО-ДП из замкнутого положения включения переводится в разомкнутое положение.

3.2.6.4 рабочий цикл: Последовательность операций по переводу из одного положения в другое и обратно в первое положение.

3.2.6.5 последовательность срабатывания: Последовательность заданных операций с установленными временными интервалами.

3.3 Термины и определения, относящиеся к испытаниям

3.3.1 типовое испытание: Испытание одного или нескольких устройств, имеющих определенную конструкцию, чтобы проверить, отвечает ли данная конструкция определенным требованиям.

3.3.2 приемосдаточные испытания: Испытания, которым подвергается каждое отдельное устройство в процессе изготовления и (или) после него, чтобы установить, отвечает ли оно определенным критериям.

4 Классификация

УЗО-ДП подразделяют:

4.1 по типу соединения и применению (см. рисунок 1)

4.1.1 УЗО-ДП с встроенным разветвителем (адаптером)

УЗО-ДП, встроенное в опрессованную вилку, гибкий кабель и одну или две розетки

4.1.2 Неразборное устройство на кабеле в качестве выносного элемента

4.1.2.1 УЗО-Д как часть УЗО-ДП, встроенное в вилку удлинителя с одной или несколькими розетками.

4.1.2.2 УЗО-Д как часть УЗО-ДП, выполненное на кабеле удлинителя, на одном конце которого - вилка, на другом - одна или две розетки.

4.1.2.3 УЗО-Д как часть УЗО-ДП, встроенное в розетку удлинителя на одном конце и спрессованную вилку - на другом конце.

4.1.3 Вилки с дифференциальной защитой

4.1.3.1 УЗО-ДП, встроенное в вилку и укомплектованное контактными зажимами.

4.1.3.2 УЗО-ДП, встроенное в опрессованную вилку с кабелем для электрических приборов.

4.1.4 УЗО-ДП на гибком кабеле

4.1.4.1 УЗО-ДП, укомплектованное с одной стороны кабелем с вилкой для подключения к источнику питания, а с другой стороны - набором контактных зажимов.

4.1.4.2 УЗО-ДП, укомплектованное на входе и выходе опрессованными кабелями, на одном из которых со стороны источника питания имеется опрессованная вилка.

4.1.4.3 УЗО-ДП, укомплектованное на входе и выходе набором контактных зажимов или подсоединенными опрессованными кабелями и предназначенное для монтажа в продукцию завода-изготовителя с выполнением специальных мер безопасности.

4.2 По типу контактных зажимов

4.2.1 УЗО-ДП с винтовыми контактными зажимами.

4.2.2 УЗО-ДП с безвинтовыми контактными зажимами (на рассмотрении).

4.3 По способу срабатывания

Примечание - Разделение УЗО-ДП на различные типы выполнено в соответствии с требованиями МЭК 60364-5-53 [1].

4.3.1 УЗО-ДП, функционально независимые от напряжения сети (см. 3.2.3.3).

4.3.2 УЗО-ДП, функционально зависимые от напряжения сети (см. 3.2.3.4):

4.3.2.1 УЗО-ДП, автоматически размыкающие контакты при отсутствии напряжения в электрической сети:

a) автоматически повторно замыкающие контакты при восстановлении напряжения;

b) автоматически повторно не замыкающие контакты при восстановлении напряжения.

4.3.2.2 УЗО-ДП, автоматически не размыкающие контакты в случае отсутствия напряжения в электрической сети, но которое допускает отключение контактов в случае возникновения опасной ситуации в сети (например, при замыкании на землю).

Примечание - Специальные требования находятся на рассмотрении.

4.4 По применению при температуре окружающей среды

4.4.1 В диапазоне от минус 5 до плюс 40 °С.

4.4.2 В диапазоне от минус 5 до плюс 40 °С (на рассмотрении).

5 Характеристики УЗО-ДП

5.1 Перечень характеристик

УЗО-ДП используют в однофазных цепях, и электрическая цепь должна иметь два полюса с электрической цепью заземления.

Наименование применяемых характеристик:

- тип соединения и область применения;

- система вилок и розеток, к которой принадлежит тип соединения;

- степень защиты по ГОСТ 14254;

- номинальное напряжение Un (см. 5.2.1);

- номинальный ток In (см. 5.2.2);

- номинальный отключающий дифференциальный ток IDn (см. 5.2.3);

- номинальный неотключающий дифференциальный ток IDn0 (см. 5.2.2);

- номинальная частота (см. 5.2.5);

- номинальная включающая и отключающая способности Im (см. 5.2.6);

- номинальная способность включения и отключения дифференциального тока IDm (см. 5.2.7);

- рабочие характеристики в случае дифференциальных токов с составляющими постоянного тока (см. 5.2.8);

- координация изоляции, включая зазоры и пути утечки (см. 5.2.9);

- номинальный условный ток короткого замыкания Inc (см. 5.4.2);

- номинальный условный дифференциальный ток короткого замыкания IDc (см. 5.4.3).

5.2 Номинальные величины и другие характеристики

5.2.1 Номинальное напряжение (Un)

5.2.1.1 Номинальное рабочее напряжение (Ue) (далее - номинальное напряжение)

Примечание - Величина номинального напряжения указывается изготовителем и с ней взаимосвязаны рабочие характеристики УЗО-ДП.

5.2.1.2 Номинальное напряжение изоляции (Ui)

Величина напряжения, заданная изготовителем и на основании которой определяют напряжения при проверке электрической прочности изоляции и зазоров у УЗО-ДП.

Если нет других указаний, номинальное напряжение при проверке изоляции представляет собой величину максимального номинального напряжения УЗО-ДП.

Максимальное номинальное напряжение не должно превышать номинальное напряжение при проверке изоляции.

5.2.2 Номинальный ток (In)

Установленное изготовителем значение тока, которое УЗО-ДП может пропускать в непрерывном режиме работы.

5.2.3 Номинальный отключающий дифференциальный ток (IDn)

Установленное изготовителем значение отключающего дифференциального тока (см. 3.2.2.4), которое вызывает отключение УЗО-ДП при заданных условиях эксплуатации.

5.2.4 Номинальный неотключающий дифференциальный ток (IDn0)

Установленное изготовителем значение неотключающего дифференциального тока (см. 3.2.2.5), которое не вызывает отключения УЗО-ДП при заданных условиях эксплуатации.

5.2.5 Номинальная частота

Промышленная частота, на которую рассчитано УЗО-ДП и которой соответствуют значения других характеристик.

Примечание - Для одного и того же УЗО-ДП могут быть установлены несколько частот.

5.2.6 Номинальная включающая и отключающая способности (Im)

Установленное изготовителем действующее значение переменной составляющей ожидаемого тока (см. 3.2.4.4), которое УЗО-ДП способно включать, пропускать и отключать при заданных условиях эксплуатации.

Под заданными условиями эксплуатации понимают условия, приведенные в 9.11.2.2.

5.2.7 Номинальная способность включения и отключения дифференциального тока (IDm)

Установленное изготовителем действующее значение переменной составляющей ожидаемого дифференциального тока (см. 3.2.4.7), которое УЗО-ДП способно включать, пропускать и отключать при заданных условиях эксплуатации.

Под заданными условиями эксплуатации понимают условия, приведенные в 9.11.2.3.

5.2.8 Рабочие характеристики в случае, когда дифференциальные токи содержат постоянную составляющую

Рабочие характеристики УЗО-ДП обеспечивают отключение при дифференциальных синусоидальных токах и дифференциальных пульсирующих постоянных токах, независимо от того, подаются ли они внезапно или их величина медленно увеличивается.

5.2.9 Координация изоляции, включающая воздушные зазоры и пути утечки

На рассмотрении.

Примечание - Зазоры и пути утечки принимают по 8.1.3.

5.3 Стандартные и предпочтительные значения

5.3.1 Предпочтительные значения номинального напряжения (Un)

Предпочтительными значениями номинального напряжения являются 230 и 120 В.

Примечание - Временно напряжение 240 В также является предпочтительным значением в дополнение к значению 230 В.

5.3.2 Стандартные величины номинального тока (In)

Стандартные значения номинального тока приведены в таблице 1.

Таблица 1 - Стандартные значения номинального тока и соответствующие стандартные значения номинальных напряжений

Тип

Номинальное напряжение, В

Номинальный ток, А

Два полюса +

Земля

230

6, 10,

13, 16

124

10, 13,

20, 32*

* Номинальный ток 30, а также 15 А.

У УЗО-ДП номинальный ток розетки (ок) должен быть не выше, а номинальное напряжение - не ниже соответствующих величин вилки.

5.3.3 Стандартные значения номинального отключающего дифференциального тока (IDn)

Стандартные значения номинального отключающего дифференциального тока выбирают из ряда: 0,006; 0,01; 0,03 А.

5.3.4 Стандартные значения неотключающего дифференциального тока (IDn0)

Стандартное значение переменного неотключающего дифференциального тока равно 0,5 IDn.

Примечание - При пульсирующем постоянном дифференциальном токе неотключающие дифференциальные токи зависят от угла задержки тока a (см. таблицу 16).

5.3.5 Стандартное минимальное значение сверхтока неотключения, протекающего через УЗО-ДП

Стандартное минимальное значение сверхтока неотключения, протекающего через УЗО-ДП, равно 4 In.

5.3.6 Предпочтительные значения номинальной частоты

Предпочтительными значениями номинальной частоты являются 50 и 60 Гц.

Если используют другое значение, номинальная частота должна быть указана на маркировочной табличке УЗО-ДП, и испытания должны проводиться на этой частоте.

5.3.7 Минимальное значение номинальной включающей и отключающей способности (Im)

Минимальное значение номинальной включающей и отключающей способности равно 10 In или 250 А, в зависимости от того, какое значение больше.

5.3.8 Минимальное значение номинальной способности включения и отключения дифференциального тока (IDm)

Минимальное значение номинальной способности включения и отключения равно 10 Im или 250 А, в зависимости от того, какое значение больше.

5.3.9 Стандартное значение номинального условного тока короткого замыкания (Inc)

Стандартное значение номинального условного тока короткого замыкания равно 1500 А.

5.3.10 Стандартное значение номинального условного дифференциального тока при коротких замыканиях (IDc)

Стандартное значение номинального условного дифференциального тока при коротких замыканиях равно 1500 А.

5.3.11 Стандартные значения максимального времени отключения

Стандартные значения максимального времени отключения приведены в таблице 2.

Таблица 2 - Стандартные значения времени отключения переменных дифференциальных токов

Дифференциальный ток

IDn

2IDn

5IDn

250 А

Время, с

0,30

0,15

0,04

0,04

Примечание - Условия работы при дифференциальных токах, имеющих постоянную составляющую, приведены в 9.21.

5.4 Координация с устройствами, обеспечивающими защиту от короткого замыкания (УЗКЗ)

5.4.1 Общие положения

УЗО-ДП должны быть защищены от короткого замыкания путем применения автоматических выключателей или предохранителей, отвечающих требованиям соответствующих стандартов, при соблюдении правил установки, приведенных в ГОСТ 30331.4/ГОСТ Р 50571.4.

Координация между УЗО-ДП и ПЗУ должна проверяться при общих условиях, изложенных в 9.11.2.1, с использованием испытаний, описанных в 9.11.2.4 и предназначенных для проверки того, обеспечивается ли надлежащая защита от токов до значений номинального условного тока короткого замыкания Inс и номинального условного дифференциального тока при коротких замыканиях IDс.

5.4.2 Номинальный условный ток короткого замыкания (Inс)

Установленное изготовителем действующее значение ожидаемого тока, которое может выдержать УЗО-ДП, защищенное ПЗУ, при заданных условиях эксплуатации, не подвергаясь изменениям, нарушающим его функционирование.

Под заданными условиями эксплуатации понимают условия, приведенные в 9.11.2.4а.

5.4.3 Номинальный условный дифференциальный ток при коротких замыканиях (IDс)

Установленное изготовителем значение ожидаемого дифференциального тока, которое может выдержать УЗО-ДП, защищенное УЗКЗ, при заданных условиях эксплуатации, не подвергаясь изменениям, нарушающим его функционирование.

Под заданными условиями эксплуатации понимают условия, приведенные в 9.11.2.4b.

6 Маркировка и другая информация об изделии

6.1 Каждое УЗО-ДП должно быть снабжено долговечной маркировкой с указанием следующих данных:

a) наименование изготовителя или торгового знака (марки);

b) обозначение типа, каталожного номера или номера серии;

c) номинальное (ые) напряжение (я) и род тока;

d) номинальная частота, если УЗО-ДП разработан для частоты, отличной от 50 и 60 Гц (см. 5.3.6);

e) номинальный ток;

f) номинальный отключающий дифференциальный ток;

g) степень защиты (только в случае ее отличия от IP4X);

h) обозначение органа управления устройством эксплуатационного контроля буквой Т;

i) символ;

j) надпись «ПРОВЕСТИ ЭКСПЛУАТАЦИОННЫЙ КОНТРОЛЬ»;

k) УЗО-ДП, соответствующие требованиям 4.4.2, должны иметь в маркировке символ.

Для маркировки номинального тока и номинального напряжения могут использоваться только цифры, которые следует наносить на одном уровне и разделять их косой линией, или же значение номинального тока должно находиться над значением номинального напряжения, в этом случае они должны разделяться горизонтальной линией.

Маркировка символа тока должна находиться рядом с обозначением номинальных токов и напряжения.

Примеры маркировки тока, напряжения и рода тока:

16 А 230 В ~ или  ~, или 16 А 230 В переменного тока, или 16/230 перем. тока и т.д.

Если используют символы, они должны быть следующими:

амперы.............................................. А

вольты............................................... В

переменный ток...............................

нулевой проводник.......................... N

защитное заземление....................... .

Примечания

1 Следы, образованные путем литья, не считают частью маркировки.

2 Описание символов для обозначения переменного тока и защитного заземления приводятся в ГОСТ 28312.

Маркировка должна наноситься непосредственно на основную часть УЗО-ДП или на табличку(и), закрепляемую(ые) на УЗО-ДП, и должна быть расположена таким образом, чтобы быть видимой и разборчивой после сборки УЗО-ДП как для нормальной эксплуатации.

Данные, предусмотренные подпунктами h) и j), должны быть различимы в процессе нормальной эксплуатации УЗО-ДП.

Если УЗО-ДП состоит более чем из одного компонента, включающего УЗО, маркировочные данные, предусмотренные подпунктами с) - е), должны быть продублированы на каждом из этих компонентов.

Для УЗО-ДП, отличных от управляемых нажимными кнопками, разомкнутое положение должно быть обозначено символом , а замкнутое положение - символом │ (короткая вертикальная линия).

Допускается использование дополнительных символов, приведенных в действующих нормативных электротехнических документах по стандартизации. Эти обозначения должны быть хорошо видны на установленном УЗО-ДП.

Для УЗО-ДП, управляемых двумя нажимными кнопками, кнопка, предназначенная только для отключения, должна быть красного цвета и/или обозначаться символом .

В этом случае отдельная аналогичная контрольная кнопка не должна быть красного цвета, а должна быть маркирована буквой Т.

Если контрольная кнопка является единственным средством для размыкания контактов, ее маркируют буквой Т. В этом случае можно использовать красный цвет.

Красный цвет не допускается использовать ни для какой другой кнопки УЗО-ДП. Если кнопка служит для замыкания контактов и ясно распознается как таковая, то для указания замкнутого положения контактов достаточно ее утопленного положения.

Контактные зажимы, предназначенные для подсоединения нулевого рабочего проводника, должны быть обозначены буквой N.

Если необходимо различать входные и выходные контактные зажимы, связанные с сетью и нагрузкой, они должны быть четко обозначены (например, словами «сеть» и «нагрузка», расположенными около соответствующих зажимов, или стрелками, указывающими направление протекания тока).

Зажимы, предназначенные для соединения цепи рабочего нулевого проводника, должны быть обозначены символом  (по ГОСТ 28312).

Кроме того, разборные устройства с безвинтовыми контактными зажимами должны иметь соответствующую маркировку с указанием, на какую длину необходимо удалить изоляцию перед вставлением проводника в безвинтовой контактный зажим. Эти данные могут быть нанесены на УЗО-ДП, упаковку и (или) могут быть указаны в инструкции изготовителя, которая прикладывается к УЗО-ДП.

Маркировка должна быть несмываемой, разборчивой и не должна наноситься на зажимы, шайбы или другие разборные элементы.

Соответствие данному требованию проверяют внешним осмотром и испытанием по 9.3.

6.2 Инструкция по эксплуатации и монтажу должна содержать следующие данные:

a) подробную методику, представляющую собой логическую последовательность действий и предписывающую изготовителю испытывать УЗО-ДП каждый раз перед использованием;

b) предупреждение, что УЗО-ДП нельзя использовать, если оно не функционирует в соответствии с инструкцией;

c) соответствующие предписания по безопасному подсоединению гибких кабелей и шнуров согласно ГОСТ Р МЭК 60227-1 и ГОСТ Р МЭК 245-1, количеству и цвету жил, минимальному и максимальному сечениям жил проводников и их длине (при необходимости);

d) указание о принадлежности к системе вилок и розеток, к которой принадлежит УЗО-ДП;

e) указание, запрещающее хранить и использовать УЗО-ДП в условиях эксплуатации, отличных от указанных в таблице 3, и небрежное обращение с УЗО-ДП (нанесение ударов, погружение в жидкости и т.п.);

f) предупреждение, что небрежное обращение с электрическими приборами и электрической сетью недопустимо. Применение УЗО-ДП заменяет основные меры по безопасности, а также специальное указание, что отсоединение УЗО-ДП обеспечивает отключение;

g) указание, согласно которому пользователь должен обращаться за консультацией к изготовителю, ответственному продавцу или опытному специалисту в случае, если УЗО-ДП неоднократно размыкает цепь с подсоединенным электрическим прибором или не размыкает цепь при испытании в соответствии с инструкцией;

h), указание, что пользователь должен подсоединять УЗО-ДП непосредственно к стационарной розетке.

Соответствие данному требованию проверяют внешним осмотром.

7 Нормальные условия эксплуатации и монтажа

7.1 Нормальные условия эксплуатации

УЗО-ДП, удовлетворяющие требованиям настоящего стандарта, должны быть работоспособны при нормальных условиях, приведенных в таблице 3.

Таблица 3 - Нормальные условия эксплуатации

Воздействующий фактор

Нормальный диапазон применения

Исходное значение

Допуск при проведении испытаний

Температура окружающей среды (см. примечания 1-6)

От -5 до +40 °С

От -25 до +40 °С

20 °С

±5 °С

Высота

Не более 2000 м

-

-

Относительная влажность (максимальная величина при 40 °С)

50 %

-

-

Внешнее магнитное поле

Менее чем в пять раз превышает магнитное поле Земли во всех направлениях

Магнитное поле Земли

См. примечание 4

Частота

Исходное значение ±5%

Номинальное значение

±2%

Искажение гармонической волны

Не более 5%

Нуль

5%

Примечания

1 Максимальное значение средней дневной температуры равно 35 °С.

2 По согласованию между изготовителем и пользователем допускается использовать значения факторов, не входящие в диапазон, при более жестких климатических условиях.

3 Допускается более высокая относительная влажность при более низкой температуре (например, 90 % при 20 °С).

4 УЗО-ДП не должны использоваться вблизи сильного магнитного поля. В данном случае могут потребоваться дополнительные требования.

5 Допуски применяют в случае, если иные не указаны при проведении соответствующих испытаний.

6 Для диапазона от минус 5 до плюс 40 °С допускается использовать предельные значения, равные минус 20 и плюс 60 °С, в процессе хранения и транспортирования, которые должны быть учтены в конструкции устройств. Для диапазона от минус 25 до плюс 40 °С подобные предельные значения находятся на рассмотрении.

7 См. также 4.4.2.

7.2 Условия монтажа

УЗО-ДП должны быть смонтированы в соответствии с указаниями, приведенными в инструкциях изготовителя.

8 Требования к конструкции и функционированию

8.1 Механическая конструкция

УЗО-ДП должны иметь такую конструкцию, чтобы при использовании они обеспечивали надежность функциональных характеристик и не представляли опасности для пользователя и окружающей среды даже при повреждении электрической сети или обрыве нулевого провода.

Цепь защитного заземления УЗО-ДП должна быть непрерывной. На нее не должно оказывать влияние функционирование УЗО-ДП.

УЗО-Д должно иметь блочную конструкцию, и его надежная работа не должна зависеть от расположения гибких кабелей и шнуров, соединенных с ним. Оно должно иметь минимальную степень защиты IPXXD после сборки, осуществляемой в условиях нормальной эксплуатации (8.2.1.4).

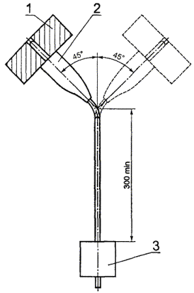
Максимальная длина шнура между вилкой и УЗО-Д, входящего в его комплектацию, должна составлять 2 м (см. рисунок 1).

У УЗО-ДП с гибкими проводами в качестве провода защитного заземления следует использовать цвет проводника по ГОСТ 50462.

Недопустимы указания, позволяющие изменение рабочих характеристик УЗО-ДП.

Вилки и розетки, входящие в комплектацию УЗО-ДП, по механическим и электрическим характеристикам должны быть совместимы с системой вилок и розеток, в которой они предназначены для использования.

Соответствие данному требованию проверяют внешним осмотром.

8.1.1 Вилки, розетки и УЗО-Д, входящие в комплект УЗО-ДП

8.1.1.1 Размеры вилок и розеток

Соответствие данному требованию проверяют согласно разделу 9 ГОСТ Р 51322.1.

8.1.1.2 Требования к заземлению

8.1.1.2.1 Контакт цепи заземления должен быть сконструирован таким образом, чтобы при вставлении вилки в розетку соединение с контактом цепи заземления осуществлялось до того, как фазные штыри вилки окажутся под напряжением.

При выведении вилки из розетки фазные штыри должны разъединяться раньше отключения заземляющих контактов.

Соответствие данному требованию проверяют внешним осмотром рабочих чертежей с учетом допусков и путем сличения образцов с этими чертежами.

Примечание - Соответствие техническим условиям на изделия конкретного типа обеспечивает удовлетворение данному требованию.

8.1.1.2.2 Заземляющие контактные зажимы разборных УЗО-ДП должны отвечать соответствующим требованиям 8.1.5.

Они должны иметь тот же размер, что и соответствующие контактные зажимы питающих проводов.

Соединение проводника цепи заземления должно обеспечивать надежный контакт при любых условиях эксплуатации, включая ослабление винтов, используемых для крепления корпуса, небрежный монтаж корпуса и т.д.

Элементы заземляющей цепи должны быть выполнены как одно целое или надежно соединены между собой клепкой, сваркой и т.д.

Примечания

1 В соответствии с требованиями данного подпункта винты не считают частями деталей контакта.

2 При рассмотрении вопроса о надежности соединения между частями цепи заземления следует учесть влияние возможной коррозии.

Соответствие данному требованию проверяют внешним осмотром и испытанием по 9.5.

8.1.1.2.3 Соединение между заземляющим контактным зажимом и доступными прикосновению металлическими частями, которые к нему присоединяют, должны иметь малое электрическое сопротивление.

Соответствие проверяют испытанием по 9.6.4.

8.1.1.3 Работа заземляющих контактов

Заземляющие контакты должны обеспечить соответствующее контактное давление и не должны разрушаться при нормальной эксплуатации.

Соответствие данному требованию проверяют испытанием, приведенным в 9.8, но при этом номинальный ток протекает только по цепи заземления.

8.1.1.4 Усилие, необходимое для отсоединения вилки

По ГОСТ Р 51322.1, раздел 22.

8.1.1.5 Конструкция

8.1.1.5.1 Неразборная часть УЗО-ДП должна быть такой, чтобы:

- гибкий кабель нельзя было отсоединить от этой части, не нарушив полностью работоспособность УЗО-ДП;

- УЗО-ДП невозможно было вскрыть инструментом обычного назначения (например, отвертки).

Примечание - Полное нарушение работоспособности УЗО-ДП может быть в случае, когда для повторной сборки используют новые детали и материалы вместо ранее использованных.

8.1.1.5.2 Штыри вилок и переносные розетки должны иметь соответствующую механическую прочность.

Соответствие данному требованию проверяют испытанием по 9.12 и для сплошных штырей - по 9.26, которое проводят после испытания по 9.10.

8.1.1.5.3 Штыри вилок должны быть:

- зафиксированы от проворачивания;

- несъемными без разборки вилки;

- соответствующим образом закреплены на корпусе вилки, когда к ним присоединены питающие провода и вилка готова к нормальной эксплуатации.

Должна быть исключена возможность смещения заземляющего, нейтрального и фазных штырей вилки.

Соответствие данному требованию проверяют внешним осмотром, испытанием, проводимым вручную, и испытанием по 9.12.

8.1.1.5.4 Заземляющие и нейтральные контакты переносных розеток должны быть зафиксированы от проворачивания и сдвигаться после разборки розетки только с применением инструмента.

Соответствие данному требованию проверяют внешним осмотром и испытанием, проводимым вручную после испытания по 9.12.

8.1.1.5.5 Гнездовые контакты розеток должны обладать достаточной упругостью для обеспечения необходимого контактного нажатия.

Требование распространяется также на розетки, в которых контактное нажатие обеспечивается изолирующими частями, если эти части выполняют следующие функции:

- обеспечивают электробезопасность;

- поддерживают постоянство контактирования в нормальных условиях эксплуатации с учетом их сжатия, старения и прогиба.

Соответствие данному требованию проверяют внешним осмотром и испытаниями, приведенными в 9.10 и разделе 22 ГОСТ Р 51322.1.

8.1.1.5.6 Штыри и гнездовые контакты должны быть устойчивы к коррозии и обладать износостойкостью.

Соответствие данному требованию проверяют путем проведения испытаний, которые находятся на рассмотрении.

8.1.1.5.7 Крышки разборных соединителей должны по площади охватывать контактные зажимы и концы гибкого кабеля, шнура или провода.

Конструкция должна обеспечивать правильное и надежное присоединение проводов и, если провода присоединены к соединителю и готовы к нормальной эксплуатации, должно быть исключено:

- соприкосновение друг с другом жил проводов;

- касание жил проводов, присоединенных к контактным зажимам, и доступных металлических частей;

- касание жилы провода, присоединенного к заземляющему контактному зажиму токоведущих частей.

Соответствие данному требованию проверяют внешним осмотром и испытанием, проводимым вручную.

8.1.1.5.8 УЗО-ДП в соответствии с 4.1.3.1 и 4.1.4.1 должны иметь такую конструкцию, чтобы винты или гайки контактных зажимов не ослабевали, не выпадали из углублений и создавали надежное контактирование как при нормальной эксплуатации.

Соответствие данному требованию проверяют внешним осмотром и испытанием, проводимым вручную.

8.1.1.5.9 УЗО-ДП в соответствии с 4.1.3.1 и 4.1.4.1 должны иметь такую конструкцию, чтобы обеспечивалось достаточное пространство для свободного размещения заземляющего провода, а при ослаблении его в контактном зажиме последующее закрепление заземляющего провода можно было произвести, не нарушая присоединения фазных проводов. При непредусмотренных избыточных механических нагрузках заземляющий провод должен выходить из строя (обрываться) после фазных.

Соответствие данному требованию проверяют испытанием по 9.2.7.

8.1.1.5.10 Контактные зажимы УЗО-ДП в соответствии с 4.1.3.1 и 4.1.4.1 должны быть закреплены и защищены таким образом, чтобы они не снижали электробезопасность изделия.

Соответствие данному требованию проверяют испытанием по 9.6.5.

8.1.1.5.11 Для разборных УЗО-ДП в соответствии с 4.1.3.1 и 4.1.4.1:

- должно быть ясно, как осуществить ослабление натяжения и избежать скручивания провода;

- устройство для зажима изоляции провода или часть его должно быть несъемным или постоянно зафиксированным с одной из частей вилки или переносной розетки;

- недопустимо, например, завязывание кабеля или шнура в узел или привязывание концов кабеля;

- устройство для зажима изоляции должно быть пригодно для гибких проводов и шнуров различных типов, которые могут использоваться, и эффективность его не должна зависеть от сборки частей корпуса;

- устройство для зажима изоляции должно быть из изоляционного материала или снабжено изоляционной прокладкой, закрепленной на металлических деталях;

- металлические детали устройства для зажима изоляции, включающие зажимные винты, должны быть изолированы от заземляющей цепи.

Соответствие данному требованию проверяют внешним осмотром.

8.1.1.5.12 Изолирующие части, на которых закрепляют токоведущие детали, должны надежно присоединяться друг к другу, и должна исключаться возможность разборки соединений без помощи инструмента.

Соответствие данному требованию проверяют внешним осмотром и испытанием, проводимым вручную.

8.1.1.5.13 Если УЗО-ДП выполнено в одном корпусе с розеткой и крышка розетки снабжена проходными втулками для ввода штырей вилки, эти втулки не должны перемещаться под действием извне или от случайного прикосновения изнутри при снятой крышке.

Соответствие данному требованию проверяют внешним осмотром.

8.1.1.5.14 Винты, предназначенные для обеспечения доступа к внутренним частям УЗО-ДП, должны быть предохранены от самопроизвольного выпадания.

Примечание - Использование шайб из картона или аналогичного материала является достаточным условием для выполнения этого требования.

Соответствие данному требованию проверяют внешним осмотром.

8.1.1.5.15 Если УЗО-ДП выполнено в одном корпусе с вилкой, то рабочая поверхность вилки в собранном для нормальной эксплуатации состоянии не должна иметь выступов, препятствующих полному вставлению ее штырей в розетку.

Соответствие данному требованию проверяют внешним осмотром после подсоединения проводников с сечением, указанным в таблице 4.

Примечание - Заземляющие контакты не считают выступами на рабочей поверхности.

8.1.1.5.16 Розетки, если они выполнены в одном корпусе с УЗО-ДП, должны обеспечивать отсутствие на рабочей поверхности каких-либо выступов, препятствующих полному вставлению в них соответствующей вилки.

Соответствие данному требованию проверяют путем определения, не превышает ли зазор между поверхностями сочленения розетки с вилкой 1 мм при полном вставлении вилки в розетку.

8.1.1.5.17 УЗО-ДП со степенью защиты выше IPX4 должны быть снабжены кабельным вводом с эластичным уплотнением или иметь аналогичное устройство.

УЗО-ДП со степенью защиты выше IPX4 должны быть полностью уплотнены, когда к ним присоединен гибкий кабель или шнур как для нормальной эксплуатации.

Розетки, отличные от обычных, должны быть уплотнены, даже без вставленной вилки.

Соответствие данному требованию проверяют внешним осмотром и испытанием по 16.2 ГОСТ Р 51322.1.

Примечание - Полное уплотнение розетки без вставленной вилки обеспечивается подпружиненной крышкой.

8.1.1.5.18 Конструкция УЗО-ДП, имеющих устройство для подвески их на стене или другой монтажной поверхности, а также для крепления к стене или другим монтажным поверхностям должна обеспечивать невозможность прикосновения этих устройств к токоведущим частям, и отдельные неполадки с этим устройством во время испытаний не должны влиять на токоведущие части.

Примечание - Соответствующее испытание находится на рассмотрении.

8.1.1.5.19 Если вилка является встроенной частью прибора, то последний не должен допускать перегрев ее штырей или значительную механическую перегрузку стационарных розеток.

Для вилок с номинальными токами до 16 А включ. и напряжениями до 250 В включ. соответствие данному требованию проверяют испытаниями по 9.8 и 9.28.

Примечание - Испытания вилок с более высокими токовыми параметрами находятся на рассмотрении.

8.1.1.5.20 Вилка должна иметь такую форму и изготовляться из такого материала, чтобы ее легко и удобно можно было вынуть рукой из соответствующей розетки.

Кроме того, поверхность захвата должна быть такой, чтобы вилку можно было вынуть из розетки, не натягивая при этом кабель или шнур.

Примечания

1 Соответствующее испытание находится на рассмотрении.

2 Дополнительные требования к многоместным переносным розеткам находятся на рассмотрении.

8.1.1.6 Гибкие кабели и шнуры и их подсоединение

8.1.1.6.1 Любая разборная часть УЗО-ДП должна иметь устройство, предназначенное для защиты присоединяемых гибких кабелей и шнуров от натяжения и скручивания в месте присоединения к контактным зажимам или вводам, а их изоляция должна быть защищена от истирания.

Оболочка шнура, если таковая имеется, должна также зажиматься данным устройством.

Соответствие данному требованию проверяют внешним осмотром и испытанием по 9.29.

8.1.1.6.2 Неразборные части УЗО-ДП должны быть снабжены гибким кабелем или шнуром по ГОСТ Р МЭК 60227-1 или ГОСТ Р МЭК 245-1. Сечения кабелей или шнуров в зависимости от номинальных параметров соединителя приведены в таблице 4.

Таблица 4 - Минимальное сечение кабелей или шнуров, используемых для присоединения неразборных вилок или розеток с УЗО-ДП

Номинальный параметр вилочных розеточных частей

Минимальное сечение, мм2

Ток, А

Напряжение, В

6

130/250

0,75

10

1,00

13, 16

1,50

20

130

2,50

32

6,00

Проводник, соединенный с контактным зажимом цепи заземления, должен быть идентифицирован за счет использования комбинации цветов (зеленого и желтого) согласно ГОСТ Р 50462.

Соответствие данному требованию проверяют внешним осмотром, измерением и определением удовлетворения гибких кабелей и шнуров требованиям ГОСТ Р МЭК 60227-1 или ГОСТ Р МЭК 245-1, если они применимы.

8.1.1.6.3 Неразборные части должны быть сконструированы таким образом, чтобы обеспечивалась защита гибкого кабеля или шнура от чрезмерных изгибов на вводе в УЗО-ДП.

Предназначенное для этого ограничительное устройство должно быть из изолирующего материала и надежно укрепляться.

Примечание - Спиральные металлические пружины, покрытые или не покрытые изолирующим составом, не должны использоваться в качестве ограничительного устройства.

Соответствие данному требованию проверяют внешним осмотром и испытанием по 9.30.

8.1.1.6.4 Литые части УЗО-ДП должны иметь устройство, не допускающее, чтобы незакрепленные провода уменьшали изоляционный промежуток между этими проводами и всеми доступными внешними поверхностями устройства, за исключением рабочей поверхности вилки.

Соответствие данному требованию проверяют внешним осмотром и испытанием по 9.6.6.

8.1.2 Механизм

Подвижные контакты двух полюсов УЗО-ДП должны быть механически соединены таким образом, чтобы они замыкали и размыкали цепь практически одновременно, независимо от способа приведения в действие (вручную или автоматически).

Коммутационный механизм УЗО-ДП должен обладать свободным расцеплением.

Должно быть предусмотрено устройство, позволяющее вручную обеспечить возврат в исходное положение после автоматического срабатывания.

Кроме этого, должно быть предусмотрено устройство эксплуатационного контроля (см. 8.11), а его органы ручного управления должны быть доступны при использовании УЗО-ДП как при нормальной эксплуатации.

Должна быть предусмотрена возможность отключения УЗО-ДП при его применении и подаче питания как при нормальной эксплуатации. Данное требование не считают выполненным за счет возможного отсоединения вилки от источника питания. Для этой цели используют устройство эксплуатационного контроля.

Для УЗО-ДП, функционально зависимых от напряжения сети, необходимо предусматривать возможность ручного отключения для значений напряжения от 0,7 до 1,1Uе. Для отключения вручную может использоваться устройство эксплуатационного контроля. Данное требование не распространяется на значения напряжения питания, составляющие менее 0,7 от номинального напряжения.

УЗО-ДП должны быть сконструированы таким образом, чтобы подвижные контакты могли находиться в состоянии покоя только во включенном (см. 3.2.3.10) или в отключенном положении (см. 3.2.3.11), даже если орган управления освобождается в промежуточном положении.

УЗО-ДП должны быть снабжены четкими и надежными указателями замкнутого и разомкнутого положений контактов, и эти указатели должны быть легко различимы на лицевой поверхности УЗО-ДП, установленного как при нормальной эксплуатации.

Если положение контактов указывает орган управления, то он должен, после освобождения, автоматически занимать положение, соответствующее положению подвижных контактов. В этом случае орган управления должен иметь два четко различающихся состояния, соответствующих положению контактов, но при автоматическом отключении может быть предусмотрено третье отдельное положение органа управления.

В этом случае УЗО-ДП должно вручную возвращаться в исходное положение до того, как может произойти повторное замыкание контактов.

Если для замыкания контактов используют кнопочный выключатель и он четко идентифицирует включенное положение, этого достаточно для индикации замкнутого положения контактов.

Если для замыкания и размыкания контактов используют кнопочный выключатель и он идентифицирует вышеуказанное положение, кнопки, остающейся в нажатом положении, достаточно для индикации замкнутого положения. С другой стороны, если кнопка не остается в нажатом положении, должно быть предусмотрено дополнительное устройство, указывающее положение контактов. Индикаторным устройством может быть или орган управления при условии, что он имеет два четких положения покоя, или специальное устройство, или используется то и другое.

УЗО-ДП, функционально зависимые от напряжения сети, автоматически размыкающие цепь в случае повреждения электрической цепи и автоматически повторно замыкающие цепь при восстановлении напряжения сети (см. 3.2.1), должны быть снабжены устройством для индикации следующих положений:

«Вкл.» - в случае, когда контакты могут быть или замкнуты, если на УЗО-ДП подается питание, или разомкнуты после повреждения электрической цепи, когда они автоматически замыкаются повторно после восстановления напряжения сети;

«Выкл.» - в случае, когда контакты были разомкнуты вручную или путем отключения в результате замыкания на землю.

Примечание - У УЗО-ДП данного типа устройство управления нельзя использовать в качестве устройства, обеспечивающего индикацию замкнутого и разомкнутого положений контактов.

Если для индикации замкнутого и разомкнутого положений используют индикаторную лампочку яркого света, то она должна гореть, когда УЗО-ДП находится в замкнутом положении.

Индикаторная лампочка не должна быть единственным устройством, указывающим на замкнутое положение.

На работу механизма не должно влиять положение корпусов или крышек, и она не должна зависеть от любой съемной детали.

Корпус, герметично выполненный изготовителем, считают несъемным элементом.

Если корпус используют в качестве направляющего устройства для кнопочных выключателей, то должна быть исключена возможность извлечения кнопок с лицевой поверхности УЗО-ДП.

Органы управления должны быть надежно закреплены на своих осях, и должна быть исключена возможность удаления их без применения инструмента.

Допускается использовать органы управления, закрепленные на корпусе.

Соответствие приведенным выше требованиям проверяют внешним осмотром, испытанием, проводимым вручную, а для расцепляющего механизма - испытанием по 9.15.

8.1.3 Воздушные зазоры и пути токов утечки (см. приложение С)

Воздушные зазоры и пути токов утечки должны быть не менее приведенных в таблице 5, если УЗО-ДП установлено как при нормальной эксплуатации. Вилки и розетки должны отвечать требованиям ГОСТ Р 51322.1.

Печатные платы с покрытием типа В в соответствии с МЭК 60664-3 [2] данной проверке не подвергают.

Примечание - Пересмотр значений, приведенных в таблице 5, находится на рассмотрении.

У электронных цепей, присоединенных между активными проводниками (фазным и нулевым) и (или) между активными проводниками и цепью заземления, когда контакты находятся в замкнутом положении, проверку воздушных зазоров и путей токов утечки заменяют испытаниями по 9.32.

Таблица 5 - Воздушные зазоры и пути токов утечки

Воздушные зазоры и пути токов утечки

Расстояние4), мм

Зазоры1)

 

а) Между токоведущими частями, которые изолированы друг от друга, когда УЗО-ДП находится в разомкнутом положении

3

б) Между токоведущими частями различной полярности3)

3

в) Между токоведущими частями и:

 

- металлическими органами управления

3

- винтами или другими устройствами для закрепления корпусов, которые должны быть сняты при подсоединении УЗО-ДП

3

- металлическими крышками и кожухами

3

- другими доступными металлическими частями2)

 

г) Между металлическими частями механизма и доступными металлическими частями2)

3

Пути утечки1)

 

а) Между токоведущими частями, которые изолированы друг от друга, когда УЗО-Д находится в разомкнутом положении

3

б) Между токоведущими частями различной полярности3)

3

в) Между токоведущими частями и:

 

- металлическими органами управления

3

- винтами или другими устройствами для закрепления корпусов, которые могут быть сняты при подсоединении УЗО-ДП

3

- доступными металлическими частями2)

3

1) Зазоры и пути утечки вторичной цепи и между первичными обмотками трансформаторов УЗО-ДП не рассматриваются.

2) Включая металлическую фольгу, контактирующую с поверхностями изоляционного материала, которые доступны после установки в процессе нормальной эксплуатации.

Фольгу заталкивают в углы, выемки и т.д. при помощи испытательного пальца, приведенного на рисунке 2.

3) У УЗО-ДП с электронными компонентами, постоянно подсоединенными между двумя полюсами, зазоры и пути утечки измеряют у зажимов для подсоединения внешних проводников. Другие соответствующие измерения заменяют испытаниями по 9.32 и 9.33.

4) Меньшие величины для устройств с номинальным напряжением 120 В относительно земли находятся на рассмотрении.

8.1.4 Винты, токоведущие части и соединения

8.1.4.1 Соединения независимо от того, являются ли они электрическими или механическими, должны выдерживать механические нагрузки, возникающие при нормальной эксплуатации.

Винты, используемые при присоединении УЗО-Д, не должны быть самонарезающего типа.

Соответствие данному требованию проверяют внешним осмотром.

Примечания

1 К винтам или гайкам, применяемым при монтаже УЗО-ДП, относятся винты для крепления крышек, закрывающих пластин и т.д. Однако к ним не относятся соединительные детали для ввинчивания кабельных вводов и винты для крепления основания изделия.

2 Винты самонарезающего типа находятся на рассмотрении.

3 Считают, что винтовые соединения должны проверяться путем проведения испытаний в соответствии с 9.8, 9.11 - 9.13 и 9.23.

Соответствие данному требованию проверяют внешним осмотром и испытанием по 9.4.

8.1.4.2 Для винтов, ввинчивающихся в изолирующий материал и предназначенных для крепления проводников при монтаже УЗО-ДП, должен быть обеспечен их правильный ввод в отверстие или гайку.

Примечание - Требование к правильному введению винта может быть соблюдено при наличии направляющего устройства на фиксируемой части, применении утопленной гаечной резьбы или винтов со снятой начальной резьбой.

Соответствие данному требованию проверяют внешним осмотром и испытанием, выполняемым вручную.

8.1.4.3 Электрические соединения должны иметь такую конструкцию, чтобы контактное давление не передавалось через изолирующий материал, как то: керамику, чистую слюду или другие материалы с аналогичными свойствами, за исключением случаев, когда металлические детали обладают достаточной упругостью и могут при этом компенсировать возможную усадку и сжатие изолирующего материала.

Соответствие данному требованию проверяют внешним осмотром.

Примечание - Пригодность применяемых материалов рассматривают в отношении их устойчивости к стабильности размеров.

8.1.4.4 Токоведущие части, включая контактные зажимы (также и заземляющие), должны быть изготовлены из металла, имеющего механическую прочность, электропроводность и устойчивость к коррозии как при нормальной эксплуатации.

Соответствие данному требованию проверяют внешним осмотром и, при необходимости, химическим анализом.

Примерами таких металлов, работающих в пределах допустимых температур при нормальных химических загрязнениях, являются:

- медь;

- сплав, содержащий не менее 58 %, для частей, изготавливаемых из холоднокатаных листов, или не менее 50 % меди для других частей;

- нержавеющая сталь, содержащая не менее 13 % хрома и не более 0,09 % углерода;

- другой металл или металл с соответствующим покрытием, который в равной степени пригоден для предполагаемого использования.

Примечание - Новые требования и соответствующие испытания для определения коррозиеустойчивости находятся на рассмотрении. Эти требования позволят использовать другие материалы с соответствующим покрытием.

Требования данного подпункта не распространяются на контакты, магнитные цепи, элементы нагревателя, биметаллы, шунты, части электронных устройств, винты, гайки, шайбы, прижимные пластины, аналогичные части зажимов и части контрольной цепи.

8.1.5 Зажимы для подсоединения внешних проводников к разборным УЗО-ДП

8.1.5.1 Контактные зажимы для присоединения внешних проводников должны иметь такую конструкцию, чтобы обеспечивалось постоянное контактное давление.

В настоящем стандарте рассматривают только винтовые контактные зажимы для присоединения внешних медных проводников.

Примечание - Требования к безвинтовым зажимам на токи до 16 А включ. находятся на рассмотрении.

Зажимы должны быть легкодоступны в предполагаемых условиях использования.

Соответствие данному требованию проверяют внешним осмотром и испытанием по 9.5.

8.1.5.2 УЗО-ДП должны быть снабжены зажимами, которые позволяю подсоединять медные проводники с номинальными сечениями, приведенными в таблице 6.

Примечание - Примеры конструкций зажимов приведены в приложении 1C ГОСТ Р 51326.1.

Соответствие данному требованию проверяют внешним осмотром, измерением и испытанием по 9.5.3.

Таблица 6 - Сечение медных проводников, предназначенных для присоединения к винтовым зажимам

Номинальный ток, А

Номинальное сечение, мм2

Усилие при испытаниях, Н

6, 10, 13, 16

От 0,75 до 1,50

40

20

» 1,50 » 4,00

60

32

» 2,50 » 6,00

80

Примечание - Для сечений проводников американской системы AGW см. приложение 1D к ГОСТ Р 51326.1.

8.1.5.3 Детали для крепления проводов в зажимах не должны использоваться для крепления каких-либо других частей, хотя они могут удерживать контактный зажим на месте и препятствовать проворачиванию.

Соответствие данному требованию проверяют внешним осмотром и испытанием по 9.5.

8.1.5.4 Контактные зажимы должны позволять присоединение проводов без специальной подготовки.

Соответствие данному требованию проверяют внешним осмотром.

Примечание - Термин «специальная подготовка» означает пропаивание жилы провода, использование кабельных наконечников и т.д., но не изменение формы жилы проводника перед введением ее в контактный зажим или скручивание гибкого провода для укрепления его концов.

8.1.5.5 Контактные зажимы должны обладать соответствующей механической прочностью.

Винты и гайки контактных зажимов должны иметь метрическую резьбу по ГОСТ 8724.

Соответствие данному требованию проверяют внешним осмотром и испытанием по 9.4 и 9.5.1.

8.1.5.6 Контактные зажимы должны иметь такую конструкцию, чтобы они закрепляли проводник без чрезмерных повреждений.

Соответствие данному требованию проверяют внешним осмотром и испытанием по 9.5.2.

8.1.5.7 Конструкция контактных зажимов должна обеспечивать закрепление жилы проводника между металлическими поверхностями с достаточным контактным усилием.

Соответствие данному требованию проверяют внешним осмотром и испытанием по 9.4 и 9.5.1.

8.1.5.8 Конструкция контактных зажимов или их расположение в соединителе должны обеспечивать невозможность выхода жилы жесткого одно- и многопроволочного провода за пределы зажимов или гаек в затянутом положении.

Соответствие данному требованию проверяют испытанием по 9.5.3.

8.1.5.9 Контактные зажимы должны быть установлены или размещены так, чтобы при затянутых или ослабленных винтах и гайках они не перемещались.

Требование не исключает смещения или проворачивания контактного зажима, но всякое смещение или поворачивание должно быть ограничено, чтобы не нарушались требования настоящего стандарта.

Использование компаунда или смолы считают достаточным для предотвращения выпадания контактного зажима при условии, что:

- компаунд или смола не подвергаются нагрузкам при нормальной эксплуатации;

- эффективность компаунда или смолы не ослабевает при температурах нагрева контактных зажимов в наиболее неблагоприятных условиях из указанных в настоящем стандарте.

Соответствие данному требованию проверяют внешним осмотром, измерением и испытанием по 9.4.

8.1.5.10 Зажимные винты или гайки заземляющих контактных зажимов должны быть защищены от случайного ослабления. Следует исключать возможность самопроизвольного ослабления их без помощи инструмента.

Соответствие данному требованию проверяют испытанием, проводимым вручную.

Конструкция контактных зажимов, примеры которых приведены в приложении 1C ГОСТ Р 51326.1, обеспечивает достаточную упругость, соответствующую настоящему требованию.

При других конструкциях может возникнуть необходимость в принятии специальных мер, таких как использование частей, имеющих соответствующую упругость, которые не могут быть сняты в результате неумышленных действий.

8.1.5.11 Винты и гайки контактных зажимов, предназначенных для присоединения внешних проводников, должны сочленяться с металлической резьбой. Не допускается применение винтов самонарезающего типа.

Соответствие данному требованию проверяют внешним осмотром.

8.1.6 Зажимы неразборных УЗО-ДП

В опрессованных УЗО-ДП все соединения должны проводиться пайкой, сваркой, обжатием или другим эквивалентным способом.

Не допускается использование винтовых и втычных соединений.

Соединения, выполненные скручиванием пропаянного гибкого провода, допустимы в случае, когда пропаянная часть находится за пределами участка скручивания.

Соответствие данному требованию проверяют внешним осмотром.

8.1.7 Токоведущие части вилок или розеток должны отвечать требованиям 26.5 ГОСТ Р 51322.1.

Токоведущие части, которые могут подвергаться механическому износу, не должны изготавливаться из стали с электролитическим покрытием.

8.2 Защита от поражения электрическим током

УЗО-ДП должны быть сконструированы таким образом, чтобы при использовании в соответствии с инструкциями изготовителей части, находящиеся под напряжением, не были доступны после удаления частей без применения инструмента.

Часть считают доступной, если к ней можно дотронуться стандартным испытательным пальцем (рисунок 2).

Внешние части, помимо винтов или других устройств для крепления корпусов и табличек, которые доступны, когда УЗО-ДП используют как при нормальной эксплуатации, должны быть изготовлены из изолирующего материала или иметь прокладку из изолирующего материала, если части под напряжением не находятся во внутренней оболочке из изолирующего материала. Такая прокладка должна быть закреплена во избежание потери. Она должна иметь соответствующую толщину и обладать достаточной механической прочностью, обеспечивая защиту даже при наличии в устройстве острых кромок.

Входные отверстия для кабелей должны быть изготовлены из изолирующего материала или снабжены втулкой или аналогичным устройством из изолирующего материала. Эти устройства должны быть надежно закреплены и обладать достаточной механической прочностью.

Доступные части органа управления должны быть изготовлены из изолирующего материала.

Металлические части механизма должны быть недоступны. Кроме того, они должны быть изолированы от всех доступных металлических частей, включая металлические корпуса, пластины, винты или другие устройства, выполняющие несущие и крепежные функции.

Считают, что лак и эмаль не могут обеспечить соответствующую изоляцию, предусмотренную данным пунктом.

Соответствие данному требованию проверяют внешним осмотром и испытанием по 9.6.

8.2.1 Требования к вилкам и розеткам, встроенным или используемым в качестве отдельных элементов

Примечание - Эти требования соответствуют ГОСТ Р 51322.1, 10.1-10.4, 10.5 (в части 8.2.1.1) и 10.6 (в части 8.2.1.2).

8.2.1.1 Требования к вставлению вилок в розетки

Токоведущие части вилок не должны быть доступными в случае, когда вилка частично или полностью вставлена в розетку.

Соответствие данному требованию проверяют внешним осмотром и, если это необходимо, испытанием по 9.6.1.

Должна быть исключена возможность осуществления соединения между штырем вилки и гнездовым контактом розетки, находящимся под напряжением, если любой другой штырь является доступным.

Соответствие данному требованию проверяют испытанием, проводимым, вручную и с помощью калибров с размерами, наименее благоприятными для данного вида испытания. Допуски на размеры калибров должны удовлетворять указанным в 10.1 ГОСТ Р 51322.1.

Устройства с оболочками или корпусами, изготовленными из термопластичного материала, испытывают при температуре окружающей среды, равной (35±2) °С, при этом как устройство, так и калибр должны иметь данную температуру.

При испытании розеток с оболочками или корпусами, изготовленными из поливинилхлорида, калибр должен быть приложен с силой 75 Н в течение 1 мин.

8.2.1.2 Розетки со встроенным в корпус УЗО-ДП должны быть защищены шторками (см. 3.1.19) и быть сконструированы таким образом, чтобы части, находящиеся под напряжением, не были доступны при вставленном калибре, приведенном на рисунке 3, при не вставленной в розетку вилке.

Они должны иметь такую конструкцию, при которой контакты, находящиеся под напряжением, автоматически закрываются при отсоединении вилки.

Устройство, обеспечивающее выполнение данного требования, должно иметь конструкцию, при которой его нельзя легко привести в действие чем-нибудь, помимо вилки, и оно не включает в себя детали, которые могут быть потеряны.

Невозможность случайного доступа к контактам проверяют с помощью калибра.

Калибр, приведенный на рисунке 3, должен быть приложен к входным отверстиям, соответствующим лишь контактам, находящимся под напряжением, и не должен касаться токоведущих частей.

Контакт с соответствующей частью фиксируется электрическим индикатором с напряжением не менее 40 и не более 50 В.

Соответствие данному требованию проверяют внешним осмотром и испытанием по 9.6.2.

8.2.1.3 Заземляющие контакты розетки должны иметь такую конструкцию, чтобы они не могли деформироваться при вставлении вилки на такую глубину, когда снижается безопасность.

Соответствие данному требованию проверяют испытанием по 9.6.2.

8.2.1.4 Степень защиты УЗО-ДП

Степень защиты частей УЗО-ДП должна быть не ниже указанной в таблице 7 (см. также примечание в 8.2.1.1).

Таблица 7 - Степень защиты частей УЗО-ДП

Часть УЗО-ДП

Минимальная степень защиты

Испытание

УЗО-Д

Розетка (корпус)

IP4X

По ГОСТ 14254

Розетка (контакты под напряжением)

IP2X

По 9.6.2 настоящего стандарта

Вилка в процессе вставления

IP2X

По 9.6.1 настоящего стандарта

Вилка, сочлененная с розеткой

Соответствие данному требованию проверяют испытанием по таблице 7.

Кабельный ввод разборных УЗО-ДП в соответствии с 4.1.3.1 и 4.1.4.1 должен иметь степень защиты не менее IP2X.

Соответствие данному требованию проверяют испытанием по ГОСТ 14254.

8.3 Диэлектрические характеристики

УЗО-ДП должны иметь соответствующие диэлектрические характеристики.

Соответствие данному требованию проверяют испытаниями по 9.7 и 9.20.

8.4 Превышение температуры

8.4.1 Предельные значения превышения температуры

Превышения температуры у частей УЗО-ДП, приведенные в таблице 8 и измеренные в условиях, оговоренных в 9.8, не должны быть более предельных значений, указанных в данной таблице.

Таблица 8 - Значения превышения температуры

Части*

Превышение температуры, °С

Штыри вилок, контакты розеток или зажимов для подсоединения внешних проводников

50

Внешние части, прикосновение к которым возможно в процессе нормальной эксплуатации

40

* Для контактов значение превышения температуры не устанавливают, так как большинство УЗО-ДП имеют такую конструкцию, при которой прямое измерение температуры у этих частей невозможно без риска внесения изменений или смещения частей, которые могут повлиять на воспроизводимость результатов испытаний.

Считают, что достаточно проводить испытания в соответствии с 9.22.2 с целью косвенной проверки поведения контактов в условиях чрезмерного превышения температуры в процессе эксплуатации.

Для других частей, помимо перечисленных в таблице, значения превышения температуры не устанавливают, однако не должны быть повреждены соседние части из изоляционных материалов и не должна ухудшиться работоспособность УЗО-ДП.

8.4.2 Температура окружающего воздуха

Предельные значения превышения температуры, приведенные в таблице 8, применимы только в случае, если температура окружающего воздуха остается в пределах, указанных в таблице 3.

8.5 Рабочие характеристики

Рабочие характеристики УЗО-ДП должны быть такими, чтобы были выполнены требования 9.9.

8.6 Механическая и коммутационная износостойкость

УЗО-ДП должны быть способны выполнить соответствующее число операций без нагрузки и под нагрузкой.

Соответствие данному требованию проверяют испытаниями по 9.10.1 и 9.10.2.

8.7 Функционирование при токах короткого замыкания

УЗО-ДП должны быть способны выполнить установленное число операций при коротком замыкании.

8.8 Устойчивость к механическим ударам

УЗО-ДП должны обладать механической прочностью, позволяющей им выдерживать нагрузки, возникающие в процессе соединения и эксплуатации.

Соответствие данному требованию проверяют испытанием по 9.12.

8.9 Нагревостойкость

УЗО-ДП должны обладать достаточной теплоустойчивостью.

Соответствие данному требованию проверяют испытанием по 9.13.

8.10 Теплостойкость и огнестойкость

Внешние части УЗО-ДП, изготовленные из изоляционного материала, не должны воспламеняться и распространять огонь, если токоведущие части, расположенные рядом с ними, в условиях неисправности или перегрузки достигнут высокой температуры. Считают, что тепло- и огнестойкость других частей, изготовленных из изоляционного материала, проверяют другими испытаниями, приведенными в настоящем стандарте.

Соответствие данному требованию проверяют испытанием по 9.14.

8.11 Устройство эксплуатационного контроля

УЗО-ДП, снабженные устройством эксплуатационного контроля, моделирующим дифференциальный ток, протекающий через дифференциальный трансформатор, испытывают с целью периодической проверки исправности УЗО-Д.

Примечание - Устройство эксплуатационного контроля предназначено для проверки функции отключения, а не значения номинального отключающего дифференциального тока и времени отключения.

Ампер-витки, связанные с работой устройства эксплуатационного контроля УЗО-ДП, не должны превышать более чем в 3,5 раза ампер-витки, связанные с пропусканием тока IDn через один из полюсов УЗО-ДП.

Примечание - Значение, равное 3,5, необходимо для УЗО-ДП, которые могут использоваться в странах, имеющих питающее напряжение от 100 до 240 В.

Устройство эксплуатационного контроля должно отвечать требованиям испытания 9.16. Защитный провод установки не должен попасть под напряжение при приведении в действие устройства эксплуатационного контроля.

Должна быть исключена возможность подачи напряжения в электрическую цепь на выходе в результате приведения в действие устройства эксплуатационного контроля, когда УЗО-ДП находится в разомкнутом положении и подсоединено, как в условиях нормальной эксплуатации.

Устройство эксплуатационного контроля может быть единственным средством выполнения операции отключения, и в этом случае оно должно также отвечать требованиям, установленным в 8.6.

8.12 Требования к УЗО-ДП, функционально зависимых от напряжения сети

УЗО-ДП, функционально зависимые от напряжения сети, должны правильно срабатывать при любом значении напряжения сети от 0,7 до 1,1 номинального напряжения. В случае неисправности источника питания они должны автоматически отключаться или продолжать обеспечивать защиту цепи.

УЗО-ДП, классифицируемые в соответствии с 4.3.2.1а, должны осуществлять повторное замыкание контактов при восстановлении напряжения сети при условии, что они осуществили отключение цепи под действием дифференциального тока.

Соответствие данному требованию проверяют испытанием по 9.17 при дополнительных условиях испытания, указанных в 9.9.2.

8.13 Поведение УЗО-ДП в случае появления сверхтока в главной цепи

УЗО-ДП не должны срабатывать в установленных условиях появления сверхтока в главной цепи.

Соответствие данному требованию проверяют испытанием по 9.18.

8.14 Устойчивость УЗО-ДП к нежелательному отключению из-за замыкания сверхтока на землю под действием импульсных напряжений

УЗО-ДП должны соответствующим образом выдерживать импульсные напряжения. Соответствие данному требованию проверяют испытанием по 9.19.

8.15 Поведение УЗО-ДП при токе замыкания на землю, содержащем постоянную составляющую

УЗО-ДП должны обеспечить отключение как при дифференциальном переменном токе, так и при дифференциальном пульсирующем постоянном токе, независимо от того, подаются ли они внезапно или их значение медленно увеличивается.

Соответствие данному требованию проверяют испытаниями по 9.21.

8.16 Надежность

УЗО-ДП должны надежно срабатывать даже после длительной эксплуатации с учетом старения их компонентов.

Соответствие данному требованию проверяют испытаниями по 9.22 и 9.23.

8.17 Дугостойкость

Части изоляционных материалов, контактирующие с токоведущими частями, должны быть дугостойкими.

Соответствие данному требованию проверяют испытанием по 9.24.

8.18 Электромагнитная совместимость (ЭМС)

На рассмотрении.

Считают, что пункты 8.12 и 8.14 также включают некоторые требования к ЭМС.

9 Испытания

9.1 Общие положения

Для проверки соответствия УЗО-ДП требованиям настоящего стандарта проводят:

- типовые испытания;

- приемо-сдаточные испытания.

9.1.1 Характеристики УЗО-ДП проверяют с помощью типовых испытаний.

Перечень типовых испытаний приведен в таблице 9.

Примечание - Не испытывают вилки и розетки, которые подвергались типовым испытаниям в соответствии с ГОСТ Р 51322.1.

Таблица 9 - Перечень типовых испытаний

Испытание

Пункт настоящего стандарта

Прочность маркировки

9.3

Надежность винтов, токоведущих частей и соединений

9.4

Надежность зажимов для подсоединения внешних проводников

9.5

Защита от поражения электрическим током

9.6

Диэлектрические характеристики

9.7

Превышение температуры

9.8

Рабочие характеристики

9.9

Механическая и коммутационная износостойкость

9.10

Поведение УЗО-ДП в условиях сверхтока

9.11

Устойчивость к механическим ударам

9.12

Нагревостойкость

9.13

Тепло- и огнестойкость изоляционного материала

9.14

Механизм отключения

9.15

Функционирование устройства эксплуатационного контроля

9.16

Поведение УЗО-ДП, функционально зависимых от напряжения сети и классифицированных в соответствии с 4.3.2, в случае неисправности источника питания

9.17

Предельные значения неотключающего тока при сверхтоке

9.18

Устойчивость УЗО-ДП с IDn ³ 0,010 А к нежелательному отключению из-за сверхтока, замыкаемого на землю, под действием импульсных напряжений

9.19

Устойчивость УЗО-ДП к импульсным напряжениям

9.20

Правильное срабатывание при дифференциальных токах с постоянными составляющими

9.21

Надежность

9.22

Старение электронных компонентов

9.23

Дугостойкость

9.24

Частично опрессованные штыри с изоляционными трубками

9.25

Механическая прочность полых штырей у вилок и переносных розеток

9.26

Механическое напряжение, которому подвергаются проводники

9.27

Крутящий момент, прикладываемый вставляемыми УЗО-ДП к стационарным розеткам

9.28

Удерживающая способность устройства крепления шнура

9.29

Испытание на изгиб неразборных УЗО-ДП

9.30

Электромагнитная совместимость (ЭМС)

9.31

Испытания, проводимые вместо проверок путей утечки и зазоров у УЗО-ДП, содержащих электронные компоненты, постоянно подсоединенные между двумя полюсами

9.32

Требования к отдельным электронным компонентам, используемым в УЗО-ДП

9.33

Примечание - Для народнохозяйственной продукции в соответствии с ГОСТ 16504 предусматривают следующие виды испытаний: квалификационные, периодические, приемо-сдаточные и типовые. Программа типовых испытаний по МЭК 61540 [3] является основой для установления программ любых контрольных испытаний на УЗО-ДП.

9.1.2 С целью проверки соответствия УЗО-ДП требованиям данного стандарта типовые испытания проводят в определенной последовательности.

Примечание - Проверка соответствия может осуществляться:

- изготовителем - в целях декларации поставщика (13.5.1 Руководства ИСО/МЭК 2 [4]);

- независимым органом по сертификации - в целях сертификации (13.5.2 Руководства ИСО/МЭК 2).

В соответствии с терминологией, установленной Руководством ИСО/МЭК 2, термин «сертификация» может использоваться только во втором случае.

Последовательность испытаний и число образцов приведены в приложении А.

Если не оговорено иное, каждому типовому испытанию (или последовательности типовых испытаний) подвергают новые УЗО-ДП в состоянии поставки, при этом воздействующие факторы имеют обычные исходные значения (см. таблицу 3).

9.1.3 Приемо-сдаточные испытания

Приемо-сдаточные испытания предназначены для выявления дефектов в материалах и проверки качества изготовления, а также для оценки безопасности и соответствующего функционирования УЗО-ДП. Этим испытаниям должно подвергаться каждое отдельное устройство УЗО-ДП.

Перечень приемо-сдаточных испытаний, которые должны проводиться изготовителем, приведен в приложении В.

9.2 Условия испытания

Испытанию подвергают новые образцы, соответствующие требованиям настоящего стандарта.

Если не оговорено иное, УЗО-ДП подсоединяют как в условиях нормальной эксплуатации с использованием вилок и (или) розеток, относящихся к той же системе, при температуре окружающей среды, равной 20 - 25 °С, в соответствии с инструкциями изготовителя.

УЗО-ДП испытывают с использованием стационарной розетки с подсоединенными жесткими проводниками длиной 1 м и вилки с подсоединенными гибкими проводниками в соответствии с таблицей 10.

Таблица 10 - Сечение проводников, используемых при испытании

Номинальный ток УЗО-ДП, А

Номинальное сечение, мм2

Гибкие проводники для подсоединения к испытательной вилке и зажимам УЗО-ДП

Жесткие проводники (одно- или многожильные) для подсоединения к стационарной испытательной розетке

До 10 включ.

1,0

1,5

Св. 10 до 16 включ.

1,5

2,5

» 16 » 20 »

2,5

4,0

» 20 » 32 »

4,0

6,0

Примечание - Для проводников по Американскому сортаменту проводов данные приведены в приложение 1D ГОСТ Р 51326.1.

Если допуски не указаны, типовые испытания проводят при значениях не менее установленных в настоящем стандарте. Если не оговорено иное, испытания проводят при номинальной частоте, с отклонением ±5 %.

Крутящие моменты затяжки, прикладываемые к винтам зажимов, составляют две трети от значений, приведенных в таблице 11. Во время данных испытаний не разрешается осуществлять ремонт и разборку образца.

9.3 Испытание маркировки

Маркировку следует протереть вручную в течение 15 с хлопчатобумажной тканью, смоченной водой, а затем в течение 15 с такой же тканью, смоченной бензином.

Рекомендуется, чтобы используемый бензин был на основе гексана в качестве растворителя (с содержанием ароматических соединений не более 0,1 % от общего объема и каури-бутанола 29 %, с начальной температурой кипения » 65 °С, температурой полного испарения » 69 °С и плотностью » 0,68 г/см3).

Маркировку, нанесенную оттиском, отливкой или гравировкой, данному испытанию не подвергают.

После испытания, а также после всех испытаний, предусмотренных настоящим стандартом, маркировка должна оставаться четкой.

Таблички не должны легко отслаиваться и деформироваться.

9.4 Испытание винтов, токоведущих частей и соединений на надежность

Соответствие требованиям 8.1.4 проверяют внешним осмотром, а в части винтов и гаек, которые используют при монтаже УЗО-ДП, - следующим испытанием.

Винты и гайки затягивают и ослабляют:

- 10 раз для винтов, ввинчивающихся в резьбу из изолирующего материала;

- 5 раз во всех остальных случаях.

Винты или гайки, ввинчивающиеся в резьбу из изолирующего материала, каждый раз полностью ввинчивают и вывинчивают.

Испытание проводят с помощью соответствующей испытательной отвертки или гаечного ключа с приложением крутящего момента, указанного в таблице 11. Винты и гайки следует затягивать плавно, без рывков.

Испытание проводят с использованием жестких жил проводников с максимальным сечением, указанным в таблице 6. При каждом ослаблении винта или гайки проводник извлекают.

Таблица 11 - Диаметры резьбы винтов и прикладываемые крутящие моменты

Номинальный диаметр резьбы, мм

Крутящий момент, Н · м

I

II

До 2,8 включ.

0,20

0,4

Св. 2,8 до 3,0 включ.

0,25

0,5

Св. 3,0 до 3,2 включ.

0,30

0,6

Св. 3,2 до 3,6 включ.

0,40

0,8

Св. 3,6 до 4,1 включ.

0,70

1,2

Св. 4,1 до 4,7 включ.

0,80

1,8

Св. 4,7 до 5,3 включ.

2,0

Примечания

1 Данные в графе I распространяют на винты без головок, если винт при его затяжке не выступает за пределы отверстия, и на другие винты, которые не могут быть затянуты с помощью отвертки, лезвие которой шире диаметра винта.

2 Данные в графе II распространяют на другие винты, затяжку которых осуществляют с помощью отвертки.

Во время данного испытания соединения, осуществляемые с помощью винтов, не должны ослабляться, и не должно быть повреждений, таких как поломка винтов или повреждение шлицев у головок, резьбы, шайб или хомутиков, которые не позволяют использовать УЗО-ДП в дальнейшем.

Кроме того, не должны быть повреждены корпуса и крышки.

9.5 Испытание зажимов для внешних проводников на надежность

Соответствие требованиям 8.1.5 проверяют внешним осмотром, испытанием по 9.4, при котором в зажим вставляют медный проводник с максимальными площадями сечения, приведенными в таблице 6, и испытаниями по 9.5.1 - 9.5.3.

Испытания по 9.5.1 - 9.5.3 проводят с использованием соответствующей испытательной отвертки и гаечного ключа.

9.5.1 В контактные зажимы поочередно вставляют медные жилы проводников с минимальными и максимальными сечениями, указанными в таблице 6.

Проводник вставляют в зажим на минимальное установленное расстояние или (там, где расстояние не оговаривается) на такое расстояние, когда он слегка выступает с противоположной стороны и находится в положении, при котором наиболее вероятно выпадание жилы (или жил) из зажима.

Затем зажимной винт затягивают путем приложения крутящего момента, значение которого составляет две трети от приведенного в соответствующей графе таблицы 10.

Затем каждый проводник подвергают воздействию вытягивающего усилия, значение которого приведено в таблице 6.

Вытягивающее усилие прикладывают без рывков в течение 1 мин в направлении оси пространства, предназначенного для проводника. Во время испытания не должно происходить заметного смещения проводника в зажиме.

9.5.2 В зажимы поочередно вставляют медные жилы проводников с минимальными и максимальными сечениями, приведенными в таблице 6, а винты зажимов затягивают путем приложения крутящего момента, значение которого составляет две трети от приведенного в соответствующей графе таблицы 11.

Затем винты зажимов ослабляют и часть проводника, которая могла быть повреждена зажимом, осматривают.

Проводники не должны иметь чрезмерных повреждений.

Примечание - Считают, что проводники имеют чрезмерное повреждение, если сломаны более 10 % жил.

Во время данного испытания зажимы не должны ослабляться и не должно быть повреждений, таких как поломка винтов или повреждение шлицев у головок винтов, резьбы, шайб или хомутиков, которые не позволяют использовать зажим в дальнейшем.

9.5.3 В зажимы (если они имеются) поочередно вставляют гибкие медные проводники с минимальным и максимальным сечениями, приведенными в таблице 6, и параметрами, приведенными в таблице 12.

Таблица 12 - Параметры проводников

Номинальное сечение, мм2

Гибкий проводник

Число жил

Диаметр жил, мм

0,75

24

0,20

1,00

32

1,50

30

0,25

2,50

50

4,00

56

0,30

6,00

84

Перед вставлением в зажим жилам проводника придают соответствующую форму.

Проводник вставляют в зажим до тех пор, пока он не достигнет дна зажима или не выйдет с противоположной стороны и не займет положение, в котором наиболее вероятно выпадание жилы (или жил). Затем затягивают зажимной винт или гайку путем приложения крутящего момента, значение которого составляет две трети от значения, приведенного в соответствующей графе таблицы 11.

После испытания ни одна из жил не должна выпадать из крепежного устройства.

9.6 Проверка защиты от поражения электрическим током

9.6.1 Образец подсоединяют как при нормальной эксплуатации и заряжают проводниками с минимальным сечением, а затем данное испытание повторяют с использованием проводников, имеющих максимальные сечения в соответствии с таблицей 6.

Стандартный испытательный палец, приведенный на рисунке 2, прикладывают к УЗО-ДП в каждом возможном положении.

Что касается вилки, испытательный палец прикладывают в каждом возможном положении при частичном или полном вставлении вилки в розетку.

Для подтверждения наличия электрического контакта с соответствующей частью используют электрический индикатор с напряжением не менее 40 и не более 50 В.

Для УЗО-ДП, у которых испытание эластомерных или термопластичных материалов может повлиять на соблюдение указанного требования, испытание повторяют, но при температуре окружающей среды (35±2) °С, при этом УЗО-ДП должен иметь эту же температуру.

Во время этого дополнительного испытания УЗО-ДП подвергают в течение 1 мин воздействию силы 75 Н, приложенной через прямой несочлененный испытательный палец, имеющий те же размеры, что и стандартный испытательный палец. Этот же палец, снабженный электрическим индикатором, описанным выше, прикладывают ко всем местам, в которых текучесть изоляционного материала может неблагоприятно повлиять на безопасность УЗО-ДП.

Во время испытания УЗО-ДП не должны деформироваться до такой степени, чтобы происходило резкое изменение размеров, указанных в технических условиях на изделия конкретных типов и гарантирующих безопасность, и ни одна из частей, находящихся под напряжением, не должна быть доступной для стандартного испытательного пальца (см. рисунок 2).

Если это применимо, каждый образец вилки или переносной розетки зажимают между двумя плоскими поверхностями с силой 150 Н в течение 5 мин, как показано на рисунке 12.

Через 15 мин после снятия испытательного устройства образец не должен иметь таких повреждений, которые приведут к чрезмерному изменению размеров, приведенных в технических условиях на изделия конкретных типов и гарантирующих безопасность.

9.6.2 Розетки испытывают без вставленной вилки, прикладывая стальной калибр, как показано на рисунке 3, с силой до 1 Н тремя независимыми движениями перпендикулярно поверхности розетки, выполняемыми в наиболее неблагоприятных условиях, и при этом извлекая калибр после каждого движения. Розетки с частично вставленной вилкой проверяют с помощью стандартного испытательного пальца (см. рисунок 2).

Розетки с кожухами или корпусами из термопластичного материала испытывают при температуре окружающей среды (35±2) °С, при этом розетка (и) и калибр должны иметь эту же температуру.

9.6.3 Розетку устанавливают в такое положение, когда ее рабочая поверхность расположена горизонтально.

Испытательную вилку, соответствующую розетке данного типа, вставляют в розетку с силой 150 Н, которую прикладывают в течение 1 мин.

9.6.4 Проверка сопротивления между заземляющим зажимом и доступной металлической частью

Ток, превышающий в 1,5 раза номинальный, или равный 25 А (в зависимости от того, какая величина больше) и подаваемый от источника переменного тока, у которого напряжение холостого хода не превышает 12 В, пропускают поочередно между заземляющим зажимом и каждой доступной металлической частью.

Измеряют падение напряжения между заземляющим зажимом и доступной металлической частью, и на основе тока и падения напряжения вычисляют сопротивление.

Ни в коем случае значение сопротивления не должно превышать 0,05 Ом.

Примечание - Следует принять меры к тому, чтобы контактное сопротивление между кончиком измерительного щупа и испытываемой металлической частью не оказывало влияния на результаты испытания.

9.6.5 Испытание отдельного (незакрепленного) провода у разборных УЗО-ДП

С конца гибкого проводника с номинальным сечением, указанным в таблице 4, удаляют изоляцию на длине 6 мм. Один провод многожильного проводника оставляют незакрепленным, а остальные провода полностью вставляют в зажим и закрепляют, как при нормальной эксплуатации.

Незакрепленный провод изгибают, не нарушая изоляцию и не отводя его назад, в каждом из возможных направлений, не допуская при этом изгибов под острым углом через перегородки.

Незакрепленный провод проводника, присоединенный к контактному зажиму, находящемуся под напряжением, не должен касаться какой-либо доступной металлической части или выходить за пределы корпуса после того, как устройство было собрано.

Незакрепленный провод проводника, присоединенный к заземляющему зажиму, не должен касаться части, находящейся под напряжением.

При необходимости, данное испытание проводят повторно с незакрепленным проводом в другом положении.

Недопустимость изгибов под острым углом через перегородки не означает, что во время испытания незакрепленный провод должен оставаться прямым. Кроме того, изгибы под острым углом выполняют в случае, если считают, что такие изгибы могут иметь место во время обычной сборки вилки или переносной розетки, например, при установке крышки.

После испытания розетка должна по-прежнему соответствовать требованиям раздела 10 ГОСТ Р 51322.1.

Примечание - Пересмотр данного испытания находится на рассмотрении.

9.6.6 Проверка незакрепленных проводов у неразборных УЗО-ДП

У частей неразборных УЗО-ДП, покрытие которых выполнено методом литья, соответствие требованиям 8.1.1.6.4 проверяют внешним осмотром.

Примечание - Проверка «устройства» может потребовать проверки конструкции изделия и метода сборки.

9.7 Проверка диэлектрических свойств

9.7.1 Влагоустойчивость

9.7.1.1 Подготовка УЗО-ДП к испытанию

Части УЗО-ДП, которые могут быть сняты без помощи инструмента, снимают и подвергают воздействию влаги вместе с основной частью. Во время испытания пружинные крышки, если они имеются, оставляют открытыми. Кабельные вводы, если они имеются, оставляют открытыми.

9.7.1.2 Условия испытания

Испытание на влагоустойчивостъ проводят в камере влажности, в которой относительную влажность поддерживают в пределах 91-95 %.

Температуру воздуха окружающей среды, в которую помещают образец, поддерживают с погрешностью до ±1 °С при любом удобном значении Т в диапазоне температур 20-30 °С.

Перед помещением образца в камеру влажности его температуру доводят до значения от Т до (Т+4) °С.

9.7.1.3 Метод испытания

Образец выдерживают в камере в течение 48 ч.

Примечания

1 Относительную влажность от 91 до 95 % можно создать путем помещения в камеру влажности насыщенного раствора сульфата натрия или нитрата калия (КNО3) с достаточно большой поверхностью, контактирующей с воздухом.

2 Для создания указанных условий рекомендуется обеспечить в камере постоянную циркуляцию воздуха и использовать камеру с термоизоляцией.

9.7.1.4 Состояние УЗО-ДП после испытания

После воздействия влажности образец не должен иметь повреждений, оговоренных в данном стандарте, и должен выдерживать испытания по 9.7.2 и 9.7.3.

9.7.2 Сопротивление изоляции главной цепи

Затем УЗО-ДП, подвергнутое испытанию на влагоустойчивостъ в соответствии с 9.7.1, извлекают из камеры влажности.

Через 30-60 мин после испытания измеряют сопротивление изоляции через 5 с после подачи напряжения постоянного тока, равного » 500 B, в следующем порядке:

a) при УЗО-ДП в разомкнутом положении - поочередно между каждой парой контактных зажимов или штырей, или контактных гнезд розеток, которые с электрической точки зрения соединены друг с другом, когда УЗО-ДП находится в замкнутом положении;

b) при УЗО-ДП в замкнутом положении - между обоими полюсами, электронными компонентами, подсоединенными между токовыми каналами, которые отсоединены с целью проведения испытания.

Примечание - В случаях, когда невозможно сохранять УЗО-ДП в замкнутом положении, каждый полюс должен быть соединен с помощью внешнего соединения;

c) при УЗО-ДП в замкнутом положении - между полюсами, соединенными вместе, и корпусом, включая металлическую фольгу, контактирующую с внешней поверхностью внутренней оболочки изоляционного материала, если она имеется;

d) между внутренними металлическими частями механизма и корпусом.

Примечание - Доступ к внутренней металлической части механизма может быть специально обеспечен изготовителем для данного измерения;

e) при УЗО-ДП с металлическим корпусом и внутренней прокладкой из изоляционного материала, если она имеется, включая втулку и аналогичные устройства, и металлической фольгой, соприкасающейся с внутренней поверхностью изолирующей прокладки.

Термин «корпус» включает в себя:

- все доступные металлические части и металлическую фольгу, контактирующую с поверхностями изоляционного материала, которые являются доступными при нормальной эксплуатации;

- винты для закрепления крышек, которые должны быть сняты при подсоединении УЗО-ДП.

При данном испытании защитный провод подсоединяют к корпусу.

При измерениях по подпунктам b) - е) металлическую фольгу прикладывают таким образом, чтобы герметизирующий компаунд, если он используется, был эффективно испытан.

Сопротивление изоляции должно быть не менее:

2 МОм - при измерениях по подпунктам а), b);

5 МОм - при других измерениях.

9.7.3 Электрическая прочность изоляции главной цепи

Сразу после того, как УЗО-ДП успешно выдержало испытание по 9.7.2, указанное ниже испытательное напряжение подают в течение 1 мин между частями, приведенными в 9.7.2, при этом электронные компоненты, если они имеются, в процессе данного испытания отсоединяют.

Испытательное напряжение должно иметь практически синусоидальную форму и частоту в пределах 45-65 Гц.

Источник испытательного напряжения должен быть способен выдавать ток короткого замыкания как минимум 0,2 А.

Никакое устройство, предназначенное для отключения максимального тока трансформатора, не должно срабатывать, если ток в выходной цепи меньше 100 мА.

Значения испытательного напряжения должны быть следующими:

- 2000 В, когда испытательное напряжение подают между частями, указанными в 9.7.2 a) - d);

- 2500 В, когда испытательное напряжение подают между частями, указанными в 9.7.2е.

В начале испытания подают напряжение, величина которого не превышает половины установленного значения, затем его повышают до полного значения в течение 5 с.

Во время данного испытания не должно быть поверхностного перекрытия или пробоя изоляции. Тлеющие разряды, не сопровождающиеся падением напряжения, во внимание не принимают.

Примечание - Значения испытательного напряжения изменены при пересмотре таблицы 5.

9.7.4 Вторичная обмотка трансформатора в составе детектирующего устройства

Цепь, включающую вторичную обмотку трансформатора в составе детектирующего устройства, не подвергают какому-либо испытанию на сопротивление изоляции при условии, что эта цепь не соединена с доступными металлическими частями или с защитным проводом, или с токоведущими частями.

9.8 Испытание на превышение температуры

9.8.1 Условия испытания

Применимы общие условия испытания, приведенные в 9.2.

Разборные УЗО-ДП заряжают медными проводниками с поливинилхлоридной изоляцией с номинальным сечением, указанным в таблице 10, а неразборные УЗО-ДП испытывают в состоянии поставки.

Вилки, необходимые для проведения данного испытания, должны иметь латунные штыри с минимальными размерами.

Розетки, необходимые для проведения данного испытания, должны соответствовать требованиям ГОСТ Р 51322.1 и иметь характеристики, близкие к средним значениям.

9.8.2 Температура окружающей среды

Температура окружающей среды должна быть измерена в течение последней четверти испытания с помощью минимум двух термометров или термопар, установленных симметрично вокруг УЗО-ДП приблизительно на уровне, равном половине высоты прибора, и на расстоянии 1 м от него.

Термометры или термопары должны быть защищены от сквозняков и излучаемого тепла.

Примечание - Необходимо принять меры предосторожности, чтобы избежать ошибок в результате внезапных изменений температуры.

9.8.3 Метод испытания

Ток, равный In, пропускают одновременно через два полюса УЗО-ДП в течение времени, достаточного для того, чтобы превышение температуры достигло стабильного значения. На практике это условие выполняется, когда колебание превышения температуры не превышает 1 К/ч.

На УЗО-ДП, функционально зависимые от напряжения сети, подают напряжение, равное 1,05 Un.

Во время этих испытаний превышение температуры не должно быть более приведенного в таблице 8.

9.8.4 Измеренue превышения температуры разных частей УЗО-ДП

Температуру разных частей, указанную в таблице 8, следует измерять с помощью термопары с тонкими проволочками или другого эквивалентного устройства, расположенного в ближайшем доступном месте от самой нагретой точки.

Должна быть обеспечена хорошая удельная теплопроводность между термопарой и поверхностью испытуемой части.

9.8.5 Превышение температуры у части УЗО-ДП

Превышение температуры у части УЗО-ДП представляет собой разницу между температурой этой части, измеренной в соответствии с 9.8.4, и температурой окружающей среды, измеренной согласно 9.8.2.

9.9 Проверка рабочих характеристик

Примечание - Соответствующие проверки рабочих характеристик УЗО-ДП, предназначенных для использования при температурах от минус 25 до плюс 40 °С, находятся на рассмотрении (4.4.2).

9.9.1 Испытательная схема

УЗО-ДП подсоединяют, как для нормальной эксплуатации.

Испытательная схема должна иметь пренебрежимо малую индуктивность и соответствовать рисунку 4.

Измерительные приборы для измерения дифференциального тока должны быть как минимум класса 0,5 и осуществлять индикацию (или позволять определять истинное действующее значение).

Приборы для измерения времени обеспечивают максимальную относительную погрешность не более 10 % измеряемого значения.

9.9.2 Испытания без нагрузки с дифференциальными синусоидальными переменными токами при исходной температуре (20±2) °С

УЗО-ДП должны удовлетворять требованиям испытаний по 9.9.2.1 - 9.9.2.3 (каждое из которых предусматривает пять измерений), при которых испытывают лишь один полюс устройства, выбранный произвольно, при этом у всех образцов испытывают разные полюса.

9.9.2.1 Проверка правильности отключения при постоянном увеличении значения дифференциального тока

При замкнутых выключателях S1, S2 и УЗО-ДП постепенно повышают значение дифференциального тока с таким расчетом, чтобы дифференциальный ток от исходного уровня не более 0,2 IDn в течение 30 с достиг величины IDn. Каждый раз измеряют ток отключения. Все пять измеренных значений должны находиться в диапазоне от IDn0 до IDn.

9.9.2.2 Проверка правильности отключения в присутствии дифференциального тока

a) В условиях, когда испытательная схема откалибрована при каждом значении дифференциального тока, указанного в таблице 2, а испытательные выключатели S1 и S2 замкнуты, УЗО-ДП замыкает цепь с целью более точного моделирования условий эксплуатации. Проводят пять измерений времени отключения.

Ни один измеренный результат не должен превышать соответствующего установленного предельного значения.

b) У УЗО-ДП, классифицированных в соответствии с 4.3.2.1a, после последнего отключения под действием дифференциального тока, выключатель S1 отключают, а затем снова включают (см. рисунок 4) без возврата вручную в исходное состояние.

УЗО-ДП должно оставаться в отключенном состоянии.

c) У УЗО-ДП, классифицированных в соответствии с 4.3.2.1а, в дополнение к 9.9.2.2а, если выключатель S1 находится во включенном положении, то УЗО-ДП также находится во включенном состоянии. Затем выключатель S1 отключают; УЗО-ДП должно отключить цепь. Затем включают выключатель S2, а потом и выключатель S1. УЗО-ДП может снова замкнуть контакты, но должно отключить цепь в течение соответствующего установленного времени. Проводят пять измерений времени отключения при IDn и пять измерений при 5 IDn. Ни один измеренный результат не должен превышать соответствующее установленное предельное значение.

9.9.2.3 Проверка правильности отключения в случае внезапного появления дифференциального тока

В условиях, когда испытательную цепь последовательно калибруют при каждом значении дифференциального тока, указанном в таблице 2 (5.3.11), а испытательный выключатель S1 и УЗО-ДП находятся во включенном состоянии, внезапно подают дифференциальный ток путем включения выключателя S2.

УЗО-ДП должен отключать цепь во время каждого испытания.

При каждом значении дифференциального тока проводят пять измерений времени отключения.

Ни один результат не должен превышать соответствующее установленное предельное значение.

9.9.3 Проверка правильности отключения под нагрузкой при контрольной температуре

Испытания по 9.9.2.2 и 9.9.2.3 повторяют с подачей в УЗО-ДП номинального тока, как в нормальных условиях эксплуатации, в течение периода времени, достаточного для достижения теплового равновесия.

На практике эти условия достигаются в случае, когда изменение превышения температуры составляет не более 1 К/ч.

9.9.4 Испытания при предельных значениях температуры

9.9.4.1 УЗО-ДП, классифицированные в соответствии с 4.4.1

УЗО-ДП должны удовлетворять требованиям испытаний, приведенным в 9.9.2.3, последовательно в указанных ниже условиях:

a) температура окружающей среды - минус 5 °С без нагрузки;

b) температура окружающей среды - плюс 40 °С, до этого на УЗО-ДП подают номинальный ток при любом подходящем напряжении до достижения им тепловой стабильности.

На практике эти условия достигаются, когда изменение превышения температуры не более 1 К/ч.

Примечание - Может быть осуществлен предварительный нагрев при пониженном напряжении.

9.9.4.2 УЗО-ДП, классифицированные согласно 4.4.2

На рассмотрении.

9.9.5 Особые условия испытаний для УЗО-ДП, функционально зависимых от напряжения сети

Испытание УЗО-ДП, функционально зависимых от напряжения сети, осуществляют при следующих значениях напряжения сети, подаваемого на соответствующие контактные зажимы: 1,1 и 0,7Un.

9.10 Проверка механической и коммутационной износостойкости

9.10.1 Нормальное функционирование розеток и вилок УЗО-ДП

Соответствие данному требованию проверяют испытанием отдельно вилки и розетки с использованием устройства, пример которого приведен на рисунке 7.

Примечание - Вилки и розетки испытывают отдельно согласно ГОСТ Р 51322.1.

Испытуемые штыри следует заменять во время испытания через каждые две серии из 500 движений.

Вилку вставляют в розетку и вытаскивают из нее 5000 раз (10000 движений) со скоростью 30 раз в минуту.

Переходники вставляют в розетку, используемую для данного испытания, и вытаскивают из нее только 2500 раз (5000 движений).

Для испытания встроенной вилки у УЗО-ДП, зависимого от напряжения сети, может возникнуть необходимость в специально подготовленных образцах.

Образцы испытывают переменным током, значение которого равно значениям номинального тока образцов, при номинальном напряжении в цепях с коэффициентом мощности cos j = 0,6±0,05.

Испытательный ток пропускают при каждом вставлении вилки.

Через заземляющую цепь ток не пропускают.

Данное испытание проводят с использованием схемы соединения, приведенной на рисунке 8, при этом селекторный переключатель С находится в одном положении при выполнении половины установленных движений и в другом положении - при выполнении остальной части движений.

Во время данного испытания не должно наблюдаться устойчивой электрической дуги.

В результате испытания не должно быть:

- износа, препятствующего дальнейшему использованию образцов;

- механического истирания корпуса, изоляционных прокладок или перегородок;

- повреждения гнездовых контактов для штырей вилок, которое может нарушить нормальную работу;

- ослабления электрических или механических соединений;

- утечки герметизирующего компаунда.

С целью испытания шторок розеток калибр, приведенный на рисунке 9, прикладывают с силой до 20 Н к входному отверстию, соответствующему каждому токоведущему гнездовому контакту, последовательно в трех направлениях, не вынимая при этом калибр после каждого движения. Затем прикладывают стальной калибр, изображенный на рисунке 3, с силой до 1 Н в трех направлениях с независимыми движениями (т.е. вынимая калибр после каждого движения).

Калибр, приведенный на рисунке 9, не должен касаться токоведущих частей в процессе приложения силы. Калибр, изображенный на рисунке 3, не должен проходить сквозь шторки.

После испытания образцы должны соответствовать требованиям 9.8, а превышение температуры в любой точке должно быть не более 45 °С. Они должны выдерживать испытание на электрическую прочность изоляции в соответствии с 9.7, однако испытательное напряжение при этом снижают до 1500 В для УЗО-ДП с номинальным напряжением 250 В и до 1000 В - для УЗО-ДП с номинальным напряжением 130 В.

После испытания, предусмотренного данным подпунктом, с целью проверки соответствия требованиям 8.1.1.5.2 проводят испытания, описанные в 9.12 и 9.26.

9.10.2 Испытание УЗО-Д, входящего в состав УЗО-ДП

УЗО-Д подготавливают к испытанию в соответствии с 9.2.

Проводят испытания на износостойкость со скоростью четыре рабочих цикла в минуту, при этом период, в течение которого контакты УЗО-ДП замкнуты, равен 1,5-2 с.

9.10.2.1 Метод испытания под нагрузкой

Испытание проводят при номинальном рабочем напряжении и токе, отрегулированном до значения номинального тока при помощи резисторов и катушек индуктивности, соединенных последовательно и подсоединенных к контактным зажимам нагрузки.

Если используют катушки индуктивности без сердечника, то параллельно с каждой катушкой подсоединяют резистор, забирающий приблизительно 0,6 % тока, протекающего через катушки.

Если используют катушки индуктивности с железным сердечником, то потери мощности в железном сердечнике не должны заметно влиять на восстанавливающееся напряжение.

Ток должен иметь практически синусоидальную форму, а коэффициент мощности должен быть равен 0,85-0,9.

УЗО-ДП подвергают воздействию 2000 рабочих циклов, при этом каждый цикл состоит из замыкания цепи с ее последующим размыканием.

УЗО-ДП следует приводить в действие как при нормальной эксплуатации.

Операции отключения должны осуществляться следующим образом:

a) первые 500 операций отключения осуществляют с использованием ручного органа управления, если он имеется;

b) последующие 750 операций отключения осуществляют путем пропускания отключающего дифференциального тока IDn через один полюс;

c) у УЗО-ДП, функционально зависимых от напряжения сети и классифицированных в соответствии с 4.3.2.1, 250 операций отключения проводят путем размыкания цепи, по которой подается питающее напряжение;

d) оставшуюся часть операций отключения из общего числа, равного 2000, осуществляют с помощью устройства эксплуатационного контроля.

9.10.2.2 Метод испытания без нагрузки

После испытания по 9.10.2.1 УЗО-ДП подвергают испытанию без нагрузки в течение 2000 рабочих циклов с использованием ручного органа управления.

Примечания

1 На УЗО-ДП, функционально зависимые от напряжения сети, подают их номинальное напряжение со стороны источника питания.

2 У УЗО-ДП без ручного органа управления устройство эксплуатационного контроля используют для осуществления операций отключения, а устройство возврата в исходное состояние - для операций включения.

У УЗО-ДП, функционально зависимых от напряжения сети и классифицированных в соответствии с 4.3.2.1, 1000 дополнительных рабочих циклов проводят путем отключения УЗО-ДП за счет отключения питающего напряжения, а затем повторного замыкания цепи путем восстановления питающего напряжения и, если необходимо, используя орган управления.

9.10.2.3 Состояние УЗО-ДП после испытаний

В результате испытаний по 9.10.2.1 и 9.10.2.2 при внешнем осмотре УЗО-ДП не должно быть:

- чрезмерного износа;

- механического истирания корпуса, в результате которого появляется доступ к токоведущим частям при использовании стандартного калибра, приведенного на рисунке 3;

- ослабления электрических и механических соединений;

- утечки герметизирующего компаунда, если он используется.

В условиях испытания, предусмотренного в 9.9.2.3, УЗО-ДП должен отключать испытательный ток, равный 1,25 IDn. Проводят только одно испытание без измерения времени отключения.

Затем УЗО-ДП должно удовлетворительно выдержать испытание на электрическую прочность изоляции в соответствии с 9.7.3, но при напряжении, равном 900 В и подаваемом в течение 1 мин, и без предварительного воздействия влажностью.

9.11 Проверка поведения УЗО-ДП в условиях сверхтоков

9.11.1 Перечень испытаний в условиях сверхтоков

Различные испытания, проводимые с целью проверки поведения УЗО-ДП в условиях сверхтоков, приведены в таблице 13.

Таблица 13 - Испытания для проверки поведения УЗО-ДП в условиях сверхтоков

Проверка

Пункт настоящего стандарта

Номинальная включающая и отключающая способности Im

9.11.2.2

Номинальная способность включения и отключения дифференциального тока IDm

9.11.2.3

Координация при токе 500 А и номинальном условном токе короткого замыкания

9.11.2.4а

Координация при номинальной включающей и отключающей способности Im

9.11.2.4b

Координация при токе 500 А и номинальном условном дифференциальном токе короткого замыкания

9.11.2.4с

Включающая и отключающая способности вилки и розетки (ок) УЗО-ДП (отдельных или встроенных)

9.11.3

Более высокие характеристики, чем в разделе 5, и соответствующие коэффициенты мощности следует принимать из ГОСТ Р 51326.1.

9.11.2 Испытания на короткое замыкание

9.11.2.1 Общие условия испытаний

Условия испытаний по 9.11.2 применимы к любому испытанию, предназначенному для проверки поведения УЗО-ДП в условиях короткого замыкания.

а) Схема испытательной цепи

На рисунке 10 приведена схема цепи, которую следует использовать при данных испытаниях.

Источник электрической энергии S обеспечивает питание электрической цепи, включающей резисторы R, катушки индуктивности L, устройство защиты от коротких замыканий при его наличии (3.2.4.8), испытуемое УЗО-ДП и дополнительные резисторы R2 и (или) R3 в зависимости от того, какие из них применяют.

Резисторы и катушки индуктивности испытательной цепи должны быть регулируемыми, чтобы удовлетворять заданным условиям испытания.

Катушки индуктивности должны быть с воздушными сердечниками. Они должны быть всегда соединены последовательно с резисторами R, а их величина должна достигаться последовательным соединением отдельных катушек. Допускается параллельное соединение катушек, если они имеют практически одинаковую постоянную времени.

Так как величина восстанавливающегося напряжения испытательной цепи, включающей большие катушки индуктивности с воздушными сердечниками, не характерна для нормальных условий эксплуатации, катушка с воздушным сердечником должна быть зашунтирована резистором, отводящим около 0,6 % от значения тока, проходящего через катушку, если нет других соглашений между изготовителем и потребителем.

В каждой испытательной цепи резисторы R и катушки индуктивности включают между источником электрической энергии S и испытуемым УЗО-ДП.

Устройство защиты от коротких замыканий или эквивалентное полное сопротивление (9.11.2.2а и 9.11.2.3а) подключают между резисторами R и испытуемым УЗО-ДП.

Дополнительный резистор R3, если его используют, должен быть подключен к испытуемому УЗО-ДП со стороны нагрузки.

Для испытаний по 9.11.2.4а,с разборные УЗО-ДП и промежуточные переходники УЗО-Д должны быть подсоединены к отрезкам кабеля длиной 0,75 м на каждый полюс и максимальным сечением, соответствующим номинальному току, приведенному в таблице 6, а неразборные УЗО-ДП, включающие переходники, не имеют дополнительного кабеля.

Примечание - Рекомендуется, чтобы длина кабеля у УЗО-ДП со стороны источника питания составляла 0,5 м, а со стороны нагрузки - 0,25 м.

Схема испытательной цепи должна прилагаться к протоколу испытаний. Она должна соответствовать конкретному рисунку настоящего стандарта.

Заземляют только одну точку испытательной цепи: закорачивающее соединение испытательной цепи или нейтральную точку источника питания, или любую другую удобную точку. Способ заземления следует указывать в протоколе испытания.

Откалиброванный соответствующим образом резистор R2 используют для достижения:

- отключающего дифференциального тока 10 IDn, способного вызвать отключение УЗО-ДП за соответствующее минимальное время, установленное в таблице 2;

- номинальной способности включения и отключения дифференциального тока IDm;

- номинального условного дифференциального тока при коротком замыкании IDс.

S1 - вспомогательный выключатель.

Для проверки минимальных тепловых потерь (интеграл Джоуля I2t) и минимального пикового тока, который должно выдерживать УЗО-ДП с целью получения воспроизводимых результатов испытания, в устройстве защиты от коротких замыканий должна использоваться серебряная проволока, установленная в измерительный прибор, приведенный на рисунке 20.

Серебряная проволока должна иметь диаметр 0,35 км и содержать как минимум 99,9 % чистого серебра.

Приблизительные значения I2t и Ip равны соответственно 1 кА2-с и 1,02 кА при испытании с использованием номинального условного тока короткого замыкания или номинального условного дифференциального тока при коротком замыкании (значение ожидаемого тока 1500 А) до номинального тока 16 А. При более высоких значениях номинальных токов следует использовать серебряную проволоку диаметром 0,5 мм, у которой приблизительные значения тепловых потерь I2t и пикового тока Ip равны соответственно 4,1 кА2 с и 1,5 кА.

Серебряная проволока должна быть установлена в соответствующее положение в испытательном приборе (горизонтально и в натянутом положении).

После каждого испытания серебряную проволоку следует заменять.

Все токоведущие части испытуемого УЗО-ДП, которые в процессе эксплуатации бывают обычно заземлены, включая металлическое основание, на которое установлено или закреплено УЗО-ДП, или любой металлический корпус (см. 9.11.2.1f), должны быть соединены с нейтральной точкой источника питания или с практически безындуктивной искусственной нейтралью, допускающей ожидаемый аварийный ток не менее 100 А.

Это соединение должно включать медный провод F диаметром 0,1 мм и длиной не менее 50 мм для обнаружения аварийного тока и, при необходимости, резистор R1, ограничивающий ожидаемый аварийный ток до значения ~ 100 А.

Осциллограф 01 подсоединяют к выходу испытуемого УЗО-ДП.

Осциллограф 02 подсоединяют между контактными зажимами каждого полюса испытуемого УЗО-ДП.

При отсутствии в протоколе испытаний других указаний сопротивление измерительных цепей должно составлять 100 Ом на 1 В восстанавливающегося напряжения промышленной частоты.

Номинальное напряжение подают на вход УЗО-ДП, функционально зависимых от напряжения сети.

При испытании УЗО-ДП, функционально зависимых от напряжения сети, для осуществления операций отключения необходимо подсоединить устройство Т, замыкающее цепь короткого замыкания, или дополнительное устройство для замыкания цепи короткого замыкания на входе УЗО-ДП.

b) Допуски на испытательные параметры

Все испытания по проверке номинальной включающей и отключающей способности и правильной координации между УЗО-ДП и устройством защиты от коротких замыканий проводят при значениях параметров и коэффициентов, указанных изготовителем в таблице 3 (при отсутствии других указаний).

Результаты испытаний следует считать удовлетворительными, если значения, внесенные в протокол испытаний, находятся в пределах указанных ниже допусков на указанные величины:

- по току...................................................... +5 %

- по частоте............................................... ±5 %

- по коэффициенту мощности................. 0; -0,05

- по напряжению........................................ ±5 % (включая восстанавливающееся

                                                                      напряжение промышленной частоты).

c) Коэффициент мощности испытательной цепи

Коэффициент мощности испытательной цепи определяют в соответствии с установленным методом, который приводится в протоколе испытания.

Два примера приведены в приложении IA ГОСТ Р 51326.1. Коэффициент мощности должен быть в пределах 0,93-0,98.

d) Восстанавливающееся напряжение промышленной частоты.

Значение восстанавливающегося напряжения промышленной частоты должно равняться значению, соответствующему 105 % номинального напряжения испытуемого УЗО-ДП.

Примечание - Считают, что значение, равное 105 % номинального напряжения, учитывает влияние колебаний напряжения системы в нормальных условиях эксплуатации. Верхний предел может быть увеличен с согласия изготовителя.

После каждого гашения электрической дуги восстанавливающееся напряжение промышленной частоты должно сохраняться в течение не менее 0,1 с.

e) Калибровка испытательной цепи

Испытуемое УЗО-ДП и устройство защиты от коротких замыканий, при его наличии, заменяют временными соединениями G1, полным сопротивлением которых можно пренебречь по сравнению с полным сопротивлением испытательной цепи.

Для испытания по 9.11.2.4а выходные соединения испытуемого УЗО-ДП замыкают накоротко с помощью соединений С с пренебрежимо малым полным сопротивлением, а сопротивления R и катушки индуктивности L регулируют так, чтобы при испытательном напряжении обеспечить ток, равный номинальному условному току короткого замыкания при заданном коэффициенте мощности. Испытательная цепь получает питание одновременно на всех полюсах, и осциллограф 01 фиксирует ток в испытательной цепи.

Кроме того, для испытаний по 9.11.2.2, 9.11.2.3, 9.11.2.4 b) и с) используют, при необходимости, дополнительные резисторы R2 и (или) R3 для достижения требуемых значений испытательных токов (1т, IDm и IDс соответственно).

f) Состояние УЗО-ДП, подлежащего испытаниям

УЗО-ДП должно быть смонтировано и подсоединено в соответствии с инструкциями изготовителя и, насколько это применимо, установлено на металлическую подставку в условиях атмосферного воздуха.

Только для осуществления операции отключения (О) используют прозрачный полиэтиленовый лист толщиной (0,05±0,01) мм, размеры которого не менее чем на 50 мм превышают во всех направлениях габаритные размеры лицевой поверхности УЗО-ДП, но должны быть не менее 200 ´ 200 мм. Лист закрепляют и умеренно натягивают на рамку, размещенную на расстоянии 10 мм от:

- максимального выступа органа управления устройства без углубления под орган управления или

- ободка углубления под орган управления устройства, имеющего подобное углубление.

Пленка должна иметь следующие характеристики:

- плотность при 23 °С............................... (0,92±0,05) г/см3

- точка плавления....................................... 110-120 °С

Механизм управления коммутационными операциями должен моделировать в максимально возможной степени обычные операции, выполняемые вручную.

Следует проверить правильность срабатывания УЗО-ДП без нагрузки, когда оно приводится в действие в установленных условиях.

g) Последовательность операций

Метод испытания предусматривает определенную последовательность операций. Для обозначения последовательности операций используют следующие символы:

О - размыкание УЗО-ДП, при этом короткое замыкание обеспечивается выключателем Т, а испытуемое УЗО-ДП и устройство защиты от короткого замыкания, если оно используется, находятся в замкнутом положении;

СО - замыкание испытуемого УЗО-ДП, при этом выключатель Т и устройство защиты от короткого замыкания, если оно используется, находятся в замкнутом положении, с последующим автоматическим размыканием (при использовании устройства защиты от короткого замыкания следует учитывать требования 9.11.2.4);

t - временнóй интервал между двумя последовательными операциями по короткому замыканию длительностью 3 мин. Может потребоваться более длительный интервал, необходимый для возврата в исходное состояние или замены устройства защиты от короткого замыкания, если оно используется.

h) Поведение УЗО-ДП при испытаниях

Во время испытаний испытуемое УЗО-ДП не должно представлять опасность для оператора.

Кроме того, не должны появляться устойчивая дуга, перекрытие между полюсами или между полюсами и открытыми токопроводящими частями, и не должно быть срабатывания устройства F, приводящего к отключению УЗО-ДП.

Примечание - При наличии встроенного предохранителя он может сработать во время данного испытания.

i) Состояние УЗО-ДП после испытания

После каждого из применимых испытаний, выполняемых в соответствии с 9.11.2.2, 9.11.2.3, 9.11.2.4а, испытуемое УЗО-ДП не должно иметь признаков повреждения, препятствующих его дальнейшему использованию, а полиэтиленовая пленка не должна иметь отверстий, видимых невооруженным глазом.

УЗО-ДП должно без ремонта:

- соответствовать требованиям 9.7.3, но при напряжении, равном удвоенному номинальному и приложенному в течение 1 мин без предварительной выдержки в условиях влажности;

- включать и отключать свой номинальный ток при номинальном напряжении.

УЗО-ДП должно отключать испытательный ток, равный 1,25 IDn, в условиях испытаний, предусмотренных в 9.9.2.2а. Проводят только одно испытание на одном полюсе, выбранном произвольно, без измерения времени отключения.

Кроме того, УЗО-ДП, функционально зависимые от напряжения сети, должны удовлетворять требованиям испытания по 9.17, если оно применимо.

9.11.2.2 Проверка номинальной включающей и отключающей способности (Im)

Это испытание предназначено для проверки способности УЗО-ДП включать, пропускать в течение установленного времени и отключать токи короткого замыкания в то время, как дифференциальный ток вызывает срабатывание УЗО-ДП.

a) Условия испытания

УЗО-ДП испытывают в условиях, предписанных в 9.11.2.1, без ввода в цепь отдельного устройства защиты от коротких замыканий.

Соединения G1 с бесконечно малым полным сопротивлением заменяют УЗО-ДП и соединениями с приблизительно таким же полным сопротивлением, как у устройства защиты от коротких замыканий.

Вспомогательный выключатель S1 остается включенным.

b) Методика испытания

При отключающем дифференциальном токе, равном 10 IDn и протекающем через выключатель S1 и резистор R1, выполняют следующую последовательность операций: СО - t - СО - t - СО.

9.11.2.3 Проверка номинальной способности включения и отключения дифференциального тока при коротком замыкании (IDm)

Это испытание предназначено для проверки способности УЗО-ДП включать, попускать в течение установленного времени и отключать дифференциальный ток при коротком замыкании.

а) Условия испытания

УЗО-ДП следует испытывать согласно общим условиям испытаний, установленным в 9.11.2.1, без ввода в цепь отдельного устройства защиты от коротких замыканий, но УЗО-ДП должно быть подсоединено таким образом, чтобы ток короткого замыкания был дифференциальным.

Для данного испытания резисторы R3 не используют, при этом цепь остается разомкнутой.

Токопроводящие части, не предназначенные для пропускания дифференциального тока при коротком замыкании, подключают на входных зажимах к источнику напряжения.

Соединения G1 с бесконечно малым полным сопротивлением заменяют УЗО-ДП и соединениями с приблизительно таким же полным сопротивлением, как у устройства защиты от коротких замыканий.

Вспомогательный выключатель SI остается включенным.

Испытание проводят поочередно на каждом из двух полюсов.

b) Методика испытания

Выполняют следующую последовательность операций: О - t - СО - t - СО.

Для выполнения размыкания вспомогательный выключатель Т синхронизируют относительно волны напряжения так, чтобы дуга зажигалась в точке (45±5) °С.

9.11.2.4 Проверка координации между УЗО-ДП и устройством защиты от коротких замыканий

Эти испытания предназначены для проверки способности УЗО-ДП, защищаемого устройством защиты от коротких замыканий, выдерживать без повреждения токи короткого замыкания не более номинального условного тока короткого замыкания (5.3.9 и 5.3.10).

Ток короткого замыкания прерывают за счет координации между УЗО-ДП и устройством защиты от коротких замыканий.

Во время этого испытания возможно отключение или УЗО-ДП, или устройства защиты от коротких замыканий, или отключения обоих устройств. Однако если происходит отключение только УЗО-ДП, результаты испытания также считают удовлетворительными.

После каждой операции устройство защиты от коротких замыканий заменяют или возвращают в исходное состояние.

Приведенные ниже испытания (см. также таблицу 13) проводят в общих условиях, соответствующих 9.11.2.1:

- испытание в отсутствии дифференциального тока с целью проверки, что до номинального условного тока короткого замыкания Inc устройство защиты от коротких замыканий защищает УЗО-ДП в соответствии с приведенным ниже подпунктом а);

- испытание в отсутствии дифференциального тока с целью проверки, что при токе короткого замыкания, соответствующем по величине номинальной включающей и отключающей способности Im, устройство защиты от коротких замыканий срабатывает и защищает УЗО-ДП согласно приведенному ниже подпункту b);

- испытание с целью проверки, что в случае короткого замыкания фазы на землю при токах не более номинального условного дифференциального тока при коротком замыкании IDc УЗО-ДП способно выдерживать соответствующие нагрузки благодаря устройству защиты от коротких замыканий согласно приведенному ниже подпункту с).

Для выполнения размыкания вспомогательный выключатель Т синхронизируют относительно волны напряжения так, чтобы дуга зажигалась в точке (45±5) °.

a) Проверка координации при токе 500 А и номинальном условном токе короткого замыкания Inc

1) Условия испытания

Соединения G1 с бесконечно малым полным сопротивлением заменяют испытуемым УЗО-ДП и устройством защиты от коротких замыканий.

Вспомогательный выключатель S1 остается отключенным. В испытательной цепи отсутствует дифференциальный ток.

2) Методика испытания

Выполняют следующую последовательность операций: О - t - СО.

b) Проверка координации при номинальной способности включения и отключения (Im)

1) Условия испытания

Соединения G1 с бесконечно малым полным сопротивлением заменяют испытуемым УЗО-ДП и устройством защиты от коротких замыканий.

Вспомогательный выключатель S1 остается выключенным. В испытательной цепи отсутствует дифференциальный ток.

2) Методика испытания

Выполняют следующую последовательность операций: О - t - СО - t - СО.

c) Проверка координации при токе 500 А и номинальном условном токе при коротком замыкании (IDc)

1) Условия испытания

УЗО-ДП должно быть подсоединено таким образом, чтобы ток короткого замыкания являлся дифференциальным током. Испытывают только один полюс.

Токоведущие части, не предназначенные для пропускания дифференциального тока при коротком замыкании, подключают на входных зажимах к источнику напряжения. Соединения G1 с бесконечно малым полным сопротивлением заменяют испытуемым УЗО-ДП и устройством защиты от коротких замыканий.

Вспомогательный выключатель S1 остается включенным.

2) Методика испытания

Выполняют следующую последовательность операций: О - t - СО - t - СО.

9.11.3 Проверка включающей и отключающей способности вилки и розетки (ок) УЗО-ДП (отдельных или встроенных)

Соответствие данному требованию проверяют согласно разделу 20 ГОСТ Р 51322.1.

9.12 Проверка устойчивости к механическим воздействиям

УЗО-ДП должны обладать соответствующей механической прочностью, достаточной для того, чтобы выдерживать нагрузки, возникающие в процессе нормальной эксплуатации.

Соответствие данному требованию проверяют испытаниями согласно таблице 14.

Таблица 14 - Перечень испытаний для проверки устойчивости к механическим воздействиям

Испытуемая часть

Пункт настоящего стандарта

Переходники, классифицированные по 4.4.1

9.12.1

Переходники по 4.1.1, классифицированные по 4.4.2

9.12.1 и 9.12.5

Устройства по 4.1.2.1-4.1.2.3, 4.1.3.1, 4.1.3.2, 4.1.4.1 и 4.1.4.2

9.12.1 и 9.12.5

Уплотнители УЗО-ДП, закрепляемые винтами

9.12.2

Спрессованные штыри вилок, снабженные изоляционными трубками

9.12.3

Шторки розеток

9.12.4

Соответствие одиночных розеток, многоместных розеток и вилок, не включающих УЗО-Д, проверяют испытаниями, приведенными в ГОСТ Р 51322.1.

9.12.1 Образцы испытывают в барабане для испытания на свободное падение в соответствии с рисунком 11.

Разборные УЗО-ДП заряжают гибким кабелем или шнуром, в соответствии с таблицей 4, длиной до 100 мм, если необходимо обеспечить свободное падение.

Винты контактных зажимов и крепежные винты затягивают с крутящим моментом, равным 2/3 от указанного в таблице 11.

Неразборные УЗО-ДП испытывают в состоянии поставки, при этом гибкий кабель или шнур, при их наличии, имеет длину ~ 100 мм, если необходимо обеспечить свободное падение, и выходит за пределы устройства.

Образцы сбрасывают с высоты 50 см на стальную плиту толщиной 3 мм 25 раз.

Барабан вращают с частотой 5 мин-1, что соответствует 10 падениям испытуемого образца в 1 мин.

Каждый раз в барабане испытывают только один образец.

После испытания образцы не должны иметь повреждений, нарушающих требования настоящего стандарта.

В особенности:

- ни одна из деталей не должна быть разъединена, и не должно быть ослаблено ее крепление;

- штыри вилки не должны быть деформированы до такой степени, чтобы вилку нельзя было вставить в розетку, отвечающую требованиям стандарта на изделие конкретного типа, а также требованиям 9.1 и 9.3 ГОСТ Р 51322.1;

- штыри вилки не должны проворачиваться при приложении крутящего момента 0,4 Н·м, при этом усилие прикладывают без рывков, сначала в течение 1 мин в одном направлении, а затем в противоположном, также в течение 1 мин;

- если это применимо, УЗО-Д должно осуществить отключение при приложении дифференциального тока, равного 1,25 IDn, к одному полюсу, выбранному произвольно, при этом время отключения не измеряют.

После этого испытания не должна быть нарушена защита от поражения электрическим током, а образец должен соответствовать требованиям 9.6.

Примечания

1 При внешнем осмотре после этого испытания особое внимание следует уделить присоединению гибкого кабеля или шнура. Небольшие куски могут отламываться, что не является причиной для отбраковывания при условии, что это не влияет на защиту от поражения электрическим током.

2 Не принимают во внимание повреждения поверхности и небольшие вмятины, которые не снижают величины путей утечки тока или воздушные зазоры ниже значений, указанных в 8.1.3.

9.12.2 Уплотнители, закрепляемые при помощи винтов, снаряжают цилиндрическим металлическим стержнем, диаметр которого равен ближайшему целому числу в миллиметрах, которое меньше внутреннего диаметра уплотняющего кольца.

Затем уплотнители затягивают при помощи соответствующего гаечного ключа, к которому в течение 1 мин прикладывают крутящий момент, указанный в таблице 15.

Таблица 15 - Крутящий момент, прикладываемый к гаечному ключу

Диаметр испытательного стержня, мм

Крутящий момент, Н · м

Металлические уплотнители

Уплотнители из литьевого материала

До 14 включ.

6,25

3,75

После этого испытания уплотнители и корпуса образцов не должны иметь повреждений, нарушающих требования настоящего стандарта.

9.12.3 Частично спрессованные штыри вилок подвергают приведенному ниже испытанию с использованием прибора, указанного на рисунке 13.

Прибор состоит из горизонтального стержня, имеющего в центре шарнир. Короткий кусок стальной проволоки диаметром 1 мм, имеющий U-образную форму, основание которой является прямым, жестко крепят обоими концами к одному концу стержня таким образом, чтобы прямая часть выступала под стержнем и была параллельна его оси вращения.

Испытуемая вилка находится в зажимном устройстве в таком положении, при котором прямая часть (перемычка) стальной проволоки опирается на штырь вилки и расположена перпендикулярно его оси. Штырь вилки должен быть наклонен вниз под углом 10 ° к горизонтали.

Стержень нагружают таким образом, чтобы перемычка создавала на штыре вилки силу, равную 4 Н.

Вилка может смещаться назад или вперед по горизонтали в плоскости оси стержня таким образом, чтобы перемычка из проволоки скользила вдоль штыря. Таким образом, истиранию должен подвергаться отрезок штыря длиной 9 мм, из которой » 7 мм приходятся на впрессованную часть штыря. Число циклов - 20000 (по 10000 в каждом направлении), а скорость движения перемычки - 30 движений в 1 мин.

Испытания проводят на одном штыре каждой вилки.

После испытания штыри не должны иметь повреждений, способных нарушить безопасность или препятствовать дальнейшей эксплуатации вилки. Особенно спрессованные части не должны иметь проколов или складок.

9.12.4 Шторки должны иметь такую конструкцию, чтобы они могли выдерживать механическое усилие, которое может возникнуть при нормальной эксплуатации, например, когда штырь вилки неумышленно прижат к шторке в отверстии розетки.

Соответствие данному требованию проверяют следующими испытаниями, которые проводят на образцах, ранее подвергнутых испытанию по разделу 21 ГОСТ Р 51322.1, с предварительной обработкой и без нее согласно 16.1 ГОСТ Р 51322.1.

Один штырь вилки той же системы, что и розетка, прижимают в течение 1 мин к шторке в отверстии розетки с силой 40 Н перпендикулярно рабочей поверхности розетки.

Для шторок, которые являются единственным способом предотвращения однополюсного введения вилки в розетку, сила должна равняться 75 Н.

Если конструкция розетки позволяет применять вилки различных типов, испытание проводят со штырем наибольшего размера.

Штырь вилки не должен контактировать с токоведущими деталями розетки.

Электрический индикатор с напряжением не менее 40 и не более 50 В используют для определения контактирования с соответствующими деталями розетки.

После испытания образцы не должны иметь повреждений, нарушающих требования настоящего стандарта.

Примечание - Небольшими вмятинами на поверхности шторки, которые не влияют на дальнейшую эксплуатацию розетки, пренебрегают.

9.12.5 Разборные розетки заряжают самым легким гибким кабелем или шнуром наименьшего сечения из указанных в таблице 17.

Неразборные розетки испытывают в состоянии поставки.

УЗО-ДП, классифицированные в соответствии с 4.4.2, испытывают при температуре минус 25 °С.

Свободный конец кабеля или шнура прикрепляют к стене на высоте 750 мм от пола, как показано на рисунке 19.

УЗО-ДП, классифицированные в соответствии с 4.1.1, испытывают без шнура.

Образец располагают таким образом, чтобы ось кабеля или шнура была горизонтальна, а затем сбрасывают его восемь раз на бетонный пол, при этом кабель или шнур должны поворачиваться между падениями на угол 45 ° в месте закрепления.

После испытания образцы не должны иметь повреждений, нарушающих требования настоящего стандарта. Особенно - ни одна деталь не должна быть разъединена и не должно быть ослаблено ее крепление.

Примечание - Небольшими сколами и вмятинами, которые не снижают защиту от поражения электрическим током, пренебрегают.

Если это применимо, УЗО-ДП должны осуществлять отключение при подаче дифференциального тока 1,25 IDn на один полюс, выбранный произвольно, при этом время отключения не измеряют.

После этого испытания защита от поражения электрическим током не должна быть нарушена, и образцы должны отвечать требованиям 9.6.

9.13 Испытание на нагревостойкость

Испытания проводят в соответствии с 9.13.1 - 9.13.3 в зависимости от того, что применимо.

Если две изолирующие детали или более, о которых идет речь в 9.13.2 и 9.13.3, изготовлены из одинакового материала, испытание проводят только на одной из этих деталей в соответствии с 9.13.2 или 9.13.3 в зависимости от того, что применимо.

9.13.1 Образцы без съемных крышек, если таковые имеются, выдерживают в течение 1 ч в термокамере при температуре (100±2) °С.

Съемные крышки, если таковые имеются, выдерживают в течение 1 ч в термокамере при температуре (70±20) °С.

Во время испытания не должны происходить изменения, препятствующие дальнейшему использованию образцов, а герметизирующий компаунд, если он используется, не должен плавиться до такой степени, чтобы оголились токоведущие части.

После испытания и после того, как образцы охладили приблизительно до комнатной температуры, не должно быть доступа до токоведущих частей, которые в условиях нормальной эксплуатации не являются обычно доступными, даже если стандартный испытательный палец прикладывают с силой 5 Н.

В условиях испытания по 9.9.2.2а УЗО-ДП должно отключать испытательный ток, равный 1,25 IDn. Проводят только одно испытание на одном полюсе, выбранном произвольно, без измерения времени отключения.

После испытания маркировка должна оставаться разборчивой.

Примечание - Изменение цвета, появление пузырей и небольшое вытекание герметизирующего компаунда не принимают во внимание, если при этом не нарушены требования безопасности в соответствии с настоящим стандартом.

9.13.2 Внешние детали УЗО-ДП, изготовленные из изоляционного материала, необходимого для крепления токоведущих деталей или деталей заземляющей цепи, а также контактных зажимов и выводов, испытывают стальным шариком с помощью устройства, приведенного на рисунке 14.

Части из термопластичного материала в зоне рабочей поверхности шириной 2 мм, окружающей фазные и нейтральные входные отверстия розеток, также подвергают данному испытанию

Испытуемая деталь также должна быть помещена на стальную пластину толщиной 3 мм или быть в непосредственном контакте с ней.

Испытуемую деталь помещают на стальную подставку, при этом испытуемую поверхность располагают горизонтально. Стальной шарик диаметром 5 мм вдавливают в испытуемую поверхность с силой 20 Н.

Испытательную нагрузку и подставку следует поместить в термокамеру на время, достаточное для того, чтобы они достигли стабильной температуры до начала испытания.

Испытание проводят в термокамере при температуре (125±2) °С.

Через 1 ч шарик убирают с образца, который затем погружают на 10 с в холодную воду с целью охлаждения его приблизительно до комнатной температуры.

Измеренный диаметр оттиска должен быть не более 2 мм.

9.13.3 Внешние части УЗО-ДП из изоляционного материала, необязательно предназначенные для крепления на них токоведущих частей и частей заземляющей цепи, даже если они контактируют с ними, подвергают испытанию шариком в соответствии с 9.13.2, однако в данном случае испытание проводят при температуре (70±2) °С или (40±2) °С плюс наибольшая температура перегрева, определенная для соответствующей части в процессе испытания по 9.8, в зависимости от того, какое из двух значений больше.

9.14 Испытание раскаленной проволокой

9.14.1 Испытание проводят в соответствии с разделами 4-10 ГОСТ 27483 в следующих условиях:

- для частей из изоляционного материала, предназначенных для крепления на них токоведущих частей и частей заземляющей цепи, - при температуре 750 °С;

- для частей из изоляционного материала, не предназначенных для крепления на них токоведущих частей и частей заземляющей цепи, даже если они контактируют с ними, - при температуре 650 °С.

Если указанное испытание необходимо проводить в нескольких местах одного и того же образца, следует принять меры предосторожности, чтобы любое повреждение, вызванное предыдущими испытаниями, не повлияло на результаты последующего испытания.

Небольшие детали, такие как шайбы, не подвергают испытанию, приведенному в данном пункте.

Данному испытанию не подвергают детали из керамики.

Если это возможно, образцом должно являться полностью смонтированное УЗО-ДП.

Если испытание не может быть проведено на полностью смонтированном УЗО-ДП, для проведения испытания может быть вырезана соответствующая часть.

Испытание проводят на одном образце.

В случае сомнения испытание следует провести повторно на двух дополнительных образцах.

Испытание проводят путем однократного приложения раскаленной проволоки.

Во время данного испытания образец должен быть расположен в наиболее неблагоприятном положении, характерном для нормальной эксплуатации (испытуемая поверхность расположена вертикально).

Конец раскаленной проволоки должен быть приложен к указанной поверхности образца с учетом условий предполагаемого использования, когда нагретый или раскаленный элемент может иметь контакт с образцом.

Считают, что образец выдержал испытание раскаленной проволокой, если выполняется одно из условий:

- отсутствуют видимое пламя и тление;

- пламя и тление угасают в течение 30 с после удаления раскаленной проволоки;

- не должно иметь место загорание тонкой бумаги или подпаливание доски.

9.14.2 Вилку или часть вилки с частично опрессованными штырями испытывают с помощью установки, приведенной на рисунке 15.

Установка состоит из изолирующей плиты 4 и металлической части 2. Между этими двумя частями должен быть воздушный промежуток, равный 3 мм и достигаемый с помощью средств, которые не препятствуют циркуляции воздуха вокруг штырей.

Лицевая поверхность изолирующей плиты 4 должна быть круглой с плоской поверхностью и иметь диаметр, который должен в два раза превышать максимальный допустимый размер рабочей поверхности вилки, приведенный в соответствующем стандартном листе по ГОСТ 7396.1.

Толщина этой изолирующей плиты должна быть равна 5 мм.

Металлическая часть 2 должна быть изготовлена из латуни, иметь длину не менее 20 мм и такую же форму, что и контур вилки, соответствующий стандартному листу по ГОСТ 7396.1.

В остальном данная металлическая часть должна иметь такую форму, чтобы испытуемая часть вилки нагревалась ею за счет теплопроводности и передача тепла испытуемой части вилки путем конвекции или излучения была бы снижена до минимума.

Термопара должна быть установлена симметрично на расстоянии 7 мм от лицевой поверхности металлической части, как показано на рисунке 15.

Размеры отверстий для штырей вилки в металлической части 2 должны быть на 0,1 мм больше, чем максимальные размеры штырей, указанные в стандартах на изделия конкретных типов, а расстояние между штырями должно быть таким же, как указано в стандарте на изделия конкретных типов. Глубина отверстий должна быть достаточной для полного введения в них вилки.

Испытуемые образцы вставляют в установку в наиболее неблагоприятном горизонтальном положении, когда установка достигает установившейся температуры, измеряемой с помощью термопары: (180±50) °С для УЗО-ДП на номинальный ток 6 А или (200±50) °С для УЗО-ДП, имеющих более высокий номинальный ток.

Примечание - Значение (200±50) °С является временным.

Температуру при этих значениях поддерживают в течение 3 ч.

Затем образцы вынимают из установки и охлаждают до комнатной температуры, при которой их выдерживают как минимум в течение 4 ч.

Изоляционные трубки на частично впрессованных штырях у испытуемых образцов подвергают затем испытанию на удар в соответствии с 9.12 (но при температуре окружающей среды) и внешнему осмотру.

9.15 Проверка механизма со свободным расцеплением

9.15.1 Общие условия испытаний

УЗО-ДП подсоединяют и монтируют проводами так же, как в условиях нормальной эксплуатации. Его испытывают в цепи с практически активной нагрузкой, схема которой приведена на рисунке 4.

9.15.2 Методика испытания

Путем замыкания контактов выключателя S2 по цепи пропускают дифференциальный ток, равный 1,5 IDn, при этом УЗО-ДП предварительно включают, а орган управления коротко замыкают. УЗО-ДП должен отключиться.

Затем это испытание повторяют медленно путем перевода органа управления УЗО-ДП в течение 1 с в положение, при котором в цепи начинает протекать ток. Отключение должно произойти без дополнительного движения органа управления.

Оба испытания проводят три раза, не менее одного раза на каждом полюсе, предназначенном для подсоединения к фазе.

Примечание - Если УЗО-ДП имеет несколько органов управления, операцию со свободным расцеплением проводят у каждого органа управления.

9.16 Проверка устройства эксплуатационного контроля

9.16.1 Проверка работы устройства эксплуатационного контроля

a) При подаче на УЗО-ДП напряжения, равного 0,85Un, или в случаях, когда имеется несколько номинальных напряжений, при 0,85 наименьшего номинального напряжения устройство эксплуатационного контроля на мгновение приводят в действие 25 раз с интервалами в 5 с, при этом УЗО-ДП повторно замыкает контакты перед каждой операцией по подпункту b).

b) Затем испытание по подпункту а) повторяют при 1,1Un или, в случаях, когда имеется несколько номинальных напряжений, при 1,1 наибольшего номинального напряжения.

c) Затем испытание по подпункту b) повторяют, но только один раз, при этом орган управления находится в замкнутом положении в течение 30 с.

При каждом испытании УЗО-Д должно срабатывать. После испытания не должно быть изменений, препятствующих его дальнейшему использованию.

9.16.2 Проверка ампер-витков

Для проверки того, что количество ампер-витков из-за срабатываний устройства эксплуатационного контроля в 3,5 раза меньше, чем ампер-витков, создаваемых дифференциальным током, равным IDn при номинальном напряжении, в случае, когда используются несколько номинальных напряжений, при наибольшем номинальном напряжении, измеряют полное сопротивление цепи устройства эксплуатационного контроля, а испытательный ток вычисляют с учетом конфигурации схемы устройства эксплуатационного контроля.

Если для данной проверки требуется разборка УЗО-ДП, следует использовать отдельный образец.

Примечание - Считают, что проверка износостойкости устройства эксплуатационного контроля предусмотрена испытаниями по 9.10.

9.17 Проверка поведения УЗО-ДП, функционально зависимых от напряжения сети и классифицированных в соответствии с 4.3.2, в случае неисправностей, связанных с напряжением сети

9.17.1 УЗО-ДП, классифицированные в соответствии с 4.3.2.1

9.17.1.1 Определение предельного значения напряжения сети (Ux)

На входные контактные зажимы УЗО-ДП подают напряжение, равное номинальному напряжению, или, в случае использования нескольких номинальных напряжений, любое одно номинальное напряжение. Затем УЗО-ДП возвращают в исходное состояние. Напряжение источника питания постепенно понижают до нуля в течение ~ 30 с до автоматического отключения УЗО-ДП.

Измеряют напряжение, при котором произошло автоматическое отключение.

Данное испытание проводят пять раз.

Автоматическое отключение УЗО-ДП должно произойти при напряжении, меньшем, чем 0,70Un (или, если это применимо, при напряжении 0,70 от наименьшего номинального напряжения).

В конце этих измерений на УЗО-ДП снова подают напряжение, равное номинальному напряжению, и УЗО-ДП снова замыкает контакты. Напряжение питания понижают до уровня, на 5 % превышающего максимальное из ранее измеренных значений напряжения, при котором произошло отключение, но не менее 50 В. При этих условиях следует проверить, срабатывает ли УЗО-ДП в течение 300 мс при подаче дифференциального тока, равного 1,25 IDn.

Затем следует удостовериться, что при любом значении напряжения сети, меньшем, чем минимальное измеренное значение, невозможно замкнуть контакты устройства с помощью средств ручного управления.

9.17.1.2 Проверка поведения УЗО-ДП в случае неисправности, связанной с напряжением сети

На вход УЗО-ДП, подсоединенного в соответствии с рисунком 4, подают номинальное напряжение (или, если это применимо, напряжение с любым значением в пределах диапазона номинальных напряжений), и оно замыкает свои контакты.

Напряжение питания прерывают на (25±5) мс. УЗО-ДП не должно автоматически отключаться.

После этого испытания напряжение питания прерывают на 0,5 с.

УЗО-ДП должно автоматически отключиться.

Затем на УЗО-ДП подают номинальное напряжение и включают выключатель S2.

УЗО-ДП, классифицированные в соответствии с 4.3.2.1b, не должны повторно замыкать контакты при восстановлении напряжения сети.

Указанную выше серию испытаний проводят пять раз.

Примечание - Проверку значения Uy (3.2.4.10.2) в настоящем стандарте не рассматривают.

9.17.1.3 Проверка повторного замыкания контактов УЗО-ДП, классифицированных в соответствии с 4.3.2.1а, при восстановлении напряжения сети после автоматического отключения при неисправности, связанной с напряжением сети

Подают напряжение питания, которое медленно повышают, чтобы получить номинальное напряжение или, в случае использования ряда номинальных напряжений, наименьшее номинальное напряжение, начиная с нуля, в течение 30 с. УЗО-ДП должно повторно замкнуть контакты до того, как напряжение достигнет 0,7 от этого номинального напряжения.

9.17.2 Проверка правильного срабатывания (в присутствии дифференциального тока) УЗО-ДП, классифицированных в соответствии с 4.3.2.2, в случае неисправности источника питания

На рассмотрении.

9.18 Проверка предельных значений неотключающего тока при сверхтоке

УЗО-ДП подсоединяют как при нормальной эксплуатации с практически активной нагрузкой, соответствующей дифференциальному току, равному 41п.

9.19 Проверка устойчивости к нежелательному расцеплению из-за возникновения сверхтоков на землю в результате подачи импульсного напряжения у УЗО-ДП с IDn ³ 0,010 А

УЗО-ДП испытывают с использованием генератора импульсов, способного подавать затухающий колебательный ток, как показано на рисунке 24а. Пример принципиальной электрической схемы для испытания УЗО-ДП приведен на рисунке 24b. Один полюс УЗО-ДП, выбранный произвольно, подвергают испытанию, 10 раз подавая сверхток. После каждых двух подач сверхтока полярность волны тока должна быть изменена на обратную. Интервал между двумя последовательными подачами тока должен составлять » 30 с.

Импульс тока следует измерять с помощью соответствующих средств и регулировать с использованием дополнительного образца УЗО-ДП того же типа с тем, чтобы были выполнены следующие требования:

- пиковое значение........................................................ 25 А + 10 %

- эффективная длительность фронта импульса..... 0,5 мкс ± 30 %

- период последующей колебательной волны............ 10 мкс ± 20 %

- каждый последующий пик......................................... около 60 % от предыдущего пика

Во время данных испытаний УЗО-ДП не должно отключать цепь.

9.20 Проверка стойкости УЗО-ДП к ложным отключениям при импульсном напряжении

Данному испытанию подвергают УЗО-ДП, закрепленное на металлической подставке, подсоединенное как в нормальных условиях эксплуатации и находящееся во включенном состоянии.

Импульсы напряжения подают генератором импульсов с длительностью фронта, равной 1,2 мкс, и временем достижения половинного значения 50 мкс со следующими допусками:

±5 % - для пикового значения;

±30 % - для длительности фронта;

±20 % - для времени достижения половинного значения.

Первую серию испытаний выполняют при пиковом импульсном напряжении 4 кВт с подачей импульсов напряжения между двумя полюсами УЗО-ДП.

Вторую серию испытаний выполняют при пиковом напряжении 5 кВт с подачей импульсов напряжения между металлической опорой, соединенной с контактными зажимами, предназначенными для подключения защитного проводника, и полюсами, соединенными между собой.

Примечание - Волновое сопротивление испытательного прибора должно быть равно 500 Ом с предельным отклонением минус 20 %.

В обоих случаях подают пять положительных и пять отрицательных импульсов с интервалами между последовательными импульсами не менее 10 с.

Если УЗО-ДП отключает цепь при одном испытании, она должна быть снова замкнута при следующем испытании.

Не должно быть неумышленного разряда с пробоем.

Если, однако, происходит лишь один такой разряд с пробоем, дополнительно подают 10 импульсов той же полярности, которые вызвали разряд с пробоем, и с использованием той же схемы соединений.

Более одного разряда с пробоем не допускается, если это не предусмотрено специально конструкцией (см. примечание 2).

Примечания

1 Термин «преднамеренный разряд с пробоем» охватывает явления, связанные с повреждением изоляции под электрической нагрузкой, включающем падение напряжения и протекание тока.

2 Преднамеренные разряды с пробоем охватывают любые разряды от встроенного устройства подавления импульсов напряжения.

Осуществляют регулировку формы импульсов, при этом испытуемое УЗО-ДП подсоединено к генератору импульсов. Поэтому должны использоваться соответствующие делители напряжения и осциллографы.

Допускаются незначительные колебания величины импульсов при условии, что величина колебаний не превышает 5 % от их пикового значения.

Для импульсов на первой половине фронта допускаются амплитуды колебаний, не превышающие 10 % от пикового значения импульса.

9.21 Проверка правильности отключения при наличии постоянной составляющей дифференциального тока (следует использовать испытательные цепи, приведенные на рисунке 5 и 6, в зависимости от того, что применимо)

9.21.1 Проверка правильности отключения в случае непрерывного нарастания дифференциального пульсирующего постоянного тока

Испытание проводят с использованием испытательной схемы, приведенной на рисунке 5.

Включают вспомогательные выключатели S1 и S2 и испытуемое УЗО-ДП. Соответствующий тиристор настраивают так, чтобы углы задержки тока ее равнялись 0, 90 и 135 °. Каждый полюс УЗО-ДП испытывают дважды при каждом значении угла задержки тока, в положениях I и II вспомогательного переключателя S3.

В ходе каждого испытания ток постоянно увеличивают в течение 30 с до:

1,4IDn - для УЗО-ДП при IDn > 0,01 А;

2IDn - для УЗО-ДП при IDn £ 0,01 А.

Ток отключения должен соответствовать значениям, приведенным в таблице 16.

Таблица 16 - Диапазоны значений тока отключения у УЗО-ДП в случае пульсирующего постоянного тока

Угол задержки тока, α

Ток отключения, А

Нижний предел (для всех значений IDn)

Верхний предел

0 °

0,35IDn

2IDn* для IDn £ 10 мА;

1,4IDn* для IDn > 10 мА

90 °

0,25IDn

135 °

0,11IDn

* В США, например, для IDn < 10 мА принято значение 30 мА.

9.21.2 Проверка правильности отключения в случае внезапного появления пульсирующего постоянного тока

УЗО-ДП следует испытывать с использованием испытательной схемы, приведенной на рисунке 5.

Цепь последовательно калибруют при значениях ID, приведенных в таблице 2 и умноженных на:

1,4IDn для УЗО-ДП при IDn > 0,01 А;

2IDn, для УЗО-ДП при IDn £ 0,01 А.

Осуществляют два измерения времени отключения при каждом из указанных значений и угле задержки тока a = 0°, при этом переключатель S3 находится в положении I для первого измерения и в положении II - для второго измерения.

Ни один из результатов измерения не должен превышать установленных предельных величин, приведенных в таблице 2.

9.21.3 Проверка правильности отключения под нагрузкой при контрольной температуре

Повторяют испытание по 9.21.1, при этом на УЗО-ДП подают номинальный ток, включаемый непосредственно перед испытанием.

Примечание - На рисунке 5 подача номинального тока не показана.

9.21.4 Проверка правильности отключения в случае дифференциальных пульсирующих постоянных токов, на которые накладывается стабилизированный постоянный ток 0,006 А

УЗО-ДП следует испытывать с использованием испытательной схемы, приведенной на рисунке 6, с наложением на выпрямленный по полуволне дифференциальный ток (угол задержки тока a = 0 °) стабилизированного постоянного тока 0,006 А.

Каждый полюс УЗО-ДП испытывают поочередно: дважды в положении I и дважды в положении II переключателя.

При каждом испытании ток полуволны I1 постоянно увеличивают в течение 30 с от нуля до:

1,4IDn для УЗО-ДП при IDn > 0,01 А;

2IDn для УЗО-ДП при IDn £ 0,01 А.

УЗО-ДП должно отключаться до достижения током значения 1,4IDn + 6 мА, в зависимости от того, что применимо.

9.22 Проверка надежности

Соответствие данному требованию проверяют испытаниями по 9.22.1 и 9.22.2.

9.22.1 Климатическое испытание

Данное испытание основано на положениях ГОСТ 28216 с учетом требований ГОСТ 28214.

9.22.1.1 Испытательная камера

Конструкция камеры должна соответствовать требованиям раздела 2 ГОСТ 28216. Конденсат следует постоянно удалять из камеры, и до его (конденсата) очистки им не следует пользоваться снова. Для поддержания влажности в камере следует использовать только дистиллированную воду.

До попадания в камеру дистиллированная вода должна иметь удельное сопротивление не менее 500 Ом·м и значение рН = 7,0±0,2. До и после испытания удельное сопротивление должно быть не менее 100 Ом·м, а значение рН должно оставаться равным 7±1,0.

9.22.1.2 Требования к испытаниям

Циклы испытаний выполняют в следующих условиях:

- максимальная температура.................................. (55±2) °С

- число циклов............................................................ 28

9.22.1.3 Методика испытания

Методика испытания должна соответствовать разделу 4 ГОСТ 28216 и ГОСТ 28214.

a) Начальная проверка

Начальную проверку проводят, подвергая УЗО-ДП испытанию в соответствии с 9.9.2.3, но только при IDn.

b) Условия испытаний

1) УЗО-ДП, приведенное как при нормальной эксплуатации, помещают в камеру. Оно должно быть во включенном состоянии.

На УЗО-ДП, функционально зависимые от напряжения сети, подают номинальное напряжение или, в случае использования нескольких номинальных напряжений, любое одно номинальное напряжение.

2) Период стабилизации (см. рисунок 21)

УЗО-ДП должно быть стабилизировано на значении (25±3) °С:

- либо путем выдерживания УЗО-ДП в отдельной камере перед помещением его в испытательную камеру;

- либо путем регулирования температуры испытательной камеры до (23±3) °С после помещения в нее УЗО-ДП и выдерживания его до достижения установившейся температуры.

В период стабилизации температуры одним из перечисленных методов, относительная влажность должна оставаться в пределах, предписанных для нормальных атмосферных условий испытания (см. таблицу 3).

В течение последнего часа пребывания УЗО-ДП в испытательной камере значение относительной влажности следует повысить до 95 % при температуре окружающего воздуха (25±3) °С.

3) Описание 24-часового цикла испытаний (см. рисунок 22)

i) температуру испытательной камеры постепенно повышают до соответствующего верхнего предела температуры, установленного в 9.22.1.2. Этот предел температуры должен быть достигнут за 3 ч ± 30 мин со скоростью нарастания температуры в пределах заштрихованной зоны на рисунке 22. В течение этого периода относительная влажность должна быть не ниже 95 %. За время повышения температуры на УЗО-ДП должна конденсироваться влага.

Примечание - Конденсация влаги происходит, если температура поверхности УЗО-ДП ниже «точки росы», т.е. относительная влажность должна быть выше 95 %, если тепловая постоянная времени невелика;

ii) затем температура испытательной камеры должна поддерживаться практически на постоянном уровне, соответствующем максимальной температуре в пределах ±2 °С, в течение 12 ч ± 30 мин с момента начала цикла.

В этот период относительная влажность должна составлять (93+3) %, за исключением первых и последних 15 мин, в течение которых ее значение должно находиться в пределах 90-100 %.

В течение последних 15 мин конденсации на УЗО-ДП не должно быть;

iii) затем температуру испытательной камеры понижают до (25±3) °С в течение 3-6 ч. В течение первых 90 мин скорость понижения температуры должна быть такой, что, если бы она поддерживалась согласно рисунку 22, то температура (25±3) °С была бы достигнута за 3 ч ± 15 мин. Во время понижения температуры относительная влажность не должна быть ниже 95 %, за исключением первых 15 мин, когда она должна быть не менее 90 %;

iv) до завершения 24-часового цикла температуру поддерживают на уровне (25±3) °С при относительной влажности не менее 95 %.

9.22.1.4 Восстановление

После окончания циклов УЗО-ДП не следует удалять из испытательной камеры.

Дверцу испытательной камеры открывают и прекращают регулировку температуры и влажности.

Прежде чем перейти к заключительным измерениям, восстанавливают условия окружающей среды (температуру и влажность) в течение 4-6 ч.

В течение 28 циклов испытания УЗО-ДП не должно осуществлять отключение цепи.

9.22.1.5 Заключительная проверка

В условиях испытаний, предусмотренных в 9.9.2.3, УЗО-ДП должны отключать цепь при испытательном токе, равном 1,25IDn. Проводят только одно испытание на одном полюсе, выбранном произвольно, без измерения времени отключения.

9.22.2 Испытание при температуре 40 °С

УЗО-ДП помещают, как и при нормальной эксплуатации, на фанерную подставку толщиной 20 мм, окрашенную в матовый черный цвет.

На входе и выходе УЗО-ДП к каждому полюсу подсоединяют одножильный кабель длиной 1 м с номинальным сечением, указанным в таблице 10, при этом винты и гайки контактных зажимов затягивают крутящим моментом, равным 2/3 от указанного в таблице 11. Собранный узел помещают в камеру тепла.

Неразборные УЗО-ДП испытывают в состоянии поставки.

На УЗО-ДП подают ток, равный номинальному, при любом подходящем напряжении, и подвергают его при температуре (40±2) °С 28 циклам испытания, при этом в каждом цикле в течение 21 ч по цепи пропускают ток, а затем в течение 3 ч ток не пропускают. Ток прерывают при помощи вспомогательного выключателя, при этом УЗО-ДП не включают.

На УЗО-ДП, функционально зависимые от напряжения сети, подают номинальное напряжение или, в случае использования нескольких номинальных напряжений, любое одно номинальное напряжение.

В конце последнего периода длительностью 21 ч, когда пропускают ток, превышение температуры у контактных зажимов определяют с помощью термопар с тонкими проволочками. Это превышение температуры не должно быть более 50 °С.

После этого испытания УЗО-ДП охлаждают в камере приблизительно до комнатной температуры без пропускания тока.

При условиях испытания, указанных в 9.9.2.3, УЗО-ДП должно отключать цепь, по которой протекает испытательный ток, равный 1,25IDn. Проводят только одно испытание на одном полюсе, выбранном произвольно, без измерения времени отключения.

Примечание- Пример испытательной цепи, используемой при данной проверке, приводится на рисунке 23.

9.23 Проверка старения

УЗО-ДП и его электронные компоненты, если они используются, должны отвечать требованиям двух последующих испытаний, в зависимости от того, какое из них применимо.

а) Устойчивость к старению

Детали, выполняющие лишь декоративную функцию, такие как крышки, должны быть сняты перед испытанием.

УЗО-ДП испытывают после того, как они смонтированы как при нормальной эксплуатации, в камере тепла с атмосферой, состав и давление которой такие же, как у окружающей среды, при этом вентиляция обеспечивается за счет естественной циркуляции воздуха.

Температура в камере должна быть (70±2) °С.

Образцы выдерживают в камере в течение 7 сут. (168 ч).

Рекомендуется использовать камеру с электроподогревом.

Естественная циркуляция воздуха может быть обеспечена за счет наличия отверстий в стенках камеры.

После выдержки образцов в камере их оттуда удаляют и выдерживают при комнатной температуре и относительной влажности 45-55 % не менее 4 сут. (96 ч).

Образцы не должны иметь трещин, видимых невооруженным глазом, а материал не должен стать липким, что определяют следующим образом.

К образцу с силой 5 Н прижимают указательный палец, обернутый куском сухой грубой ткани. На образце не должно остаться следов и волокон ткани.

После испытания образцы не должны иметь повреждений, в результате которых они не будут отвечать требованиям настоящего стандарта.

Примечание - Усилие 5 Н можно создать следующим образом.

Образцы помещают на одну чашу весов, а другую чашу нагружают массой, равной массе образца плюс 500 г.

Затем восстанавливают равновесие, прижимая указательный палец.

b) Старение электронных компонентов.

Примечание - Пересмотр данного испытания находится на рассмотрении.

УЗО-ДП выдерживают в течение 168 ч при температуре окружающей среды (40±2) °С и нагружают номинальным током. Напряжение электронных деталей должно составлять 1,1 от напряжения, соответствующего номинальному напряжению УЗО-ДП, или, в случае использования нескольких номинальных напряжений, напряжения, удовлетворяющего наибольшему номинальному напряжению. После этого испытания УЗО-ДП охлаждают в камере до приблизительно комнатной температуры без пропускания тока.

При условиях испытания, указанных в 9.9.2.3, УЗО-ДП должно отключать цепь, по которой протекает ток, равный 7,25IDn. Проводят только одно испытание на одном полюсе, выбранном произвольно, без измерения времени отключения.

Примечание - Пример испытательной цепи, используемой при данной проверке, приведен на рисунке 23.

9.24 Устойчивость к токам поверхностного разряда

Керамические материалы и материалы со сравнительным индексом трекингостойкости более 400 В не испытывают.

У других материалов соответствие данному требованию проверяют испытанием согласно требованиям ГОСТ 27473 при следующих параметрах:

- плоскую поверхность испытуемой детали размером по возможности не менее 15 ´ 15 мм располагают горизонтально;

- испытуемый материал должен иметь контрольный индекс трекингостойкости, равный 175 В, при использовании испытательного раствора А, с интервалом между каплепадениями (30±5) с;

- до того, как упадут все 50 капель, не должно быть горения, поверхностного перекрытия или пробоя между электродами.

Примечания

1 Необходимо, чтобы электроды были чистыми, имели правильную форму и были правильно расположены перед началом каждого испытания.

2 В случае сомнения, данное испытание повторяют, если необходимо, с использованием нового комплекта образцов.

9.25 Испытание частично впрессованных штырей с изоляционными трубками

Соответствие штырей УЗО-ДП проверяют согласно разделу 30 ГОСТ Р 51322.1.

9.26 Испытание полых штырей вилок и переносных розеток на механическую прочность

Соответствие данному требованию проверяют согласно 14.2 ГОСТ Р 51322.1.

9.27 Проверка воздействия натяжения на проводники

Гибкий кабель или шнур подсоединяют к УЗО-ДП таким образом, чтобы токоведущие проводники были проложены от устройства крепления провода или шнура к соответствующим контактным зажимам по кратчайшему возможному пути.

После подсоединения токоведущих проводников жилу заземляющего проводника максимального сечения в соответствии с таблицей 17 подводят к контактному зажиму и отрезают с припуском 8 мм, что необходимо для ее правильного подсоединения.

Затем заземляющий проводник также подсоединяют к контактному зажиму. Должно оставаться место для петли за счет припуска 8 мм, которую образует заземляющий проводник. Петля заземляющего проводника должна свободно размещаться в пространстве, предусмотренном для проводов, при этом она не должна сдавливать или выдавливать жилу в случае, когда корпус или крышка УЗО-ДП установлены и закреплены правильно.

9.28 Проверка крутящего момента, прикладываемого вставляемыми УЗО-ДП к стационарным розеткам

Устройство вставляют в стационарную розетку, которая соответствует требованиям настоящего стандарта; розетку поворачивают вокруг горизонтальной оси, проходящей по оси токоведущих контактов розетки на расстоянии 8 мм от рабочей поверхности розетки и параллельно этой рабочей поверхности.

Дополнительный крутящий момент, который должен быть приложен к розетке с целью удержания рабочей поверхности в вертикальной плоскости, не должен превышать 0,25 Н м.

9.29 Испытания устройства крепления шнура

Эффективность крепления шнура проверяют приведенным ниже испытанием с использованием установки, изображенной на рисунке 17.

Неразборные УЗО-ДП испытывают в состоянии поставки.

Разборные устройства испытывают с кабелем или шнуром каждого типа, которые соответствуют требованиям ГОСТ Р МЭК 245-1 и указаны в таблице 17.

Таблица 17 - Конструкция кабелей, которые могут быть использованы при испытании устройства крепления кабеля у разборных УЗО-ДП

Номинальный ток, А

Тип кабеля или шнура

Число проводников и номинальное сечение, мм2

Предельные значения наружных размеров, мм

минимальные

максимальные

6; 10

245 IEC 53

3 ´ 0,75

6,5

-

3 ´ 1,00

-

9,2

13-16

3 ´ 0,75

6,5

-

3 ´ 1,50

-

11,0

20

3 ´ 1,00

7,0

-

3 ´ 2,50

-

13,0

32

245 IEC 53

3 ´ 2,50

10,0

-

245 IEC 66

3 ´ 6,00

-

20,0

Примечание - Данная таблица соответствует таблице 19 ГОСТ Р 51322.1.

Проводники гибкого кабеля или шнура у разборных устройств вводят в контактные зажимы, и винты контактных зажимов затягивают так, чтобы исключить возможность легкого изменения положения проводников.

Устройство крепления шнура используют обычным способом. Зажимные винты, если таковые имеются, затягивают крутящим моментом, равным 2/3 от указанного в таблице 11.

После повторной сборки испытуемого образца его части должны быть хорошо подогнаны, и должна быть исключена возможность продвижения кабеля или шнура в образец сверх установленного предела.

Проверяемый образец устанавливают на испытательный прибор так, чтобы ось кабеля или шнура располагалась вертикально в месте ввода их в образец.

Затем к кабелю или шнуру прикладывают 100 раз силу 60 Н.

Каждый раз силу прикладывают без рывков в течение 1 с.

Примечание - Силу следует прикладывать ко всем элементам (жила, изоляция и оболочка) гибкого кабеля и шнура одновременно.

Сразу же после этого кабель или шнур подвергают в течение 1 мин воздействию крутящего момента, равного 0,25 Н·м.

После испытаний кабель или шнур не должны смещаться более чем на 2 мм при приложении растягивающего усилия 60 Н к кабелю. В разборных устройствах конец проводников не должен заметно смещаться в контактных зажимах. В неразборных устройствах не должно быть разрывов в электрических соединениях.

Для измерения продольного смещения перед началом испытания делают метку на кабеле или шнуре на расстоянии ~ 2 см от края образца или ограничителя шнура.

Если в неразборных устройствах не имеется четкого края у части УЗО-ДП с подсоединенным шнуром, то на корпусе этой части делают дополнительную метку.

9.30 Испытание неразборных УЗО-ДП на изгиб

Испытание на изгиб проводят при помощи установки, изображенной на рисунке 18.

Испытуемый образец прикрепляют к качающейся части установки таким образом, чтобы ось гибкого кабеля или шнура на вводе в образец располагалась вертикально и проходила через ось качания, когда образец находится в середине амплитуды качания.

Испытуемые образцы с плоскими шнурами монтируют так, чтобы главная ось шнура была параллельна оси качения.

Испытуемый образец должен быть закреплен на установке следующим образом:

- вилки - на штырях;

- переносные розетки - на расстоянии 4-5 мм от рабочей поверхности по направлению к шнуру. Испытательная вилка, имеющая максимальные размеры, должна в процессе испытания вставляться в переносную розетку.

Изменяя расстояния между частью качающегося элемента, обеспечивающей закрепление, и осью качания, УЗО-ДП располагают таким образом, чтобы шнур совершал минимальные горизонтальные движения, когда качающийся элемент испытательной установки перемещается по полной амплитуде.

Примечания

1 Для легкого определения опытным путем монтажного положения шнура с минимальным горизонтальным движением в процессе испытания установка для испытания на изгиб должна иметь такую конструкцию, чтобы различные опорные части для устройств, помещаемых на установку, могли легко регулироваться.

2 Рекомендуется, чтобы испытательная установка имела приспособления (например, прорезь или штырь), позволяющие наблюдать, совершает ли шнур минимальные горизонтальные движения.

К кабелю или шнуру прикладывают силу:

20 Н - для УЗО-ДП с кабелями или шнурами с номинальным сечением более 0,75 мм2;

10 Н - для других УЗО-ДП.

Через проводники пропускают ток, равный номинальному току УЗО-ДП или следующему току, в зависимости от того что больше:

16 А - для УЗО-ДП с кабелями или шнурами номинальным сечением более 0,75 мм2;

10 А - для УЗО-ДП со шнурами номинальным сечением, равным 0,75 мм2.

Напряжение между проводниками должно быть равно номинальному напряжению УЗО-ДП или, в случае использования нескольких номинальных напряжений, наибольшему номинальному напряжению.

Качающаяся часть должна иметь угол отклонения 90 ° (45 ° по каждую сторону от вертикали). Число изгибов составляет 10000 при скорости 60 изгибов в 1 мин.

Примечание - Изгиб представляет собой одно движение назад или вперед.

После 5000 изгибов испытуемые образцы с кабелями или шнурами круглого сечения поворачивают на 90 ° в качающейся части. Образцы с плоскими шнурами изгибают только по направлению, перпендикулярному плоскости, в которой находятся оси проводников.

В процессе испытания на изгиб не должны иметь место:

- прерывание тока;

- короткое замыкание между проводниками.

Примечание - Считают, что короткое замыкание между проводниками гибкого кабеля или шнуров может произойти в случае, когда значение тока в два раза превышает испытательный ток УЗО-ДП.

Падение напряжения между каждым контактом и соответствующим проводником при подаче испытательного тока должно быть не более 10 мВ.

После испытания ограничительное устройство, если таковое имеется, не должно отделяться от корпуса, а изоляция гибкого кабеля или шнура не должна иметь следов износа или истирания. Поврежденные жилы проводника не должны прокалывать изоляцию, становясь тем самым доступными для прикосновения.

Примечание - Пересмотр данного испытания находится на рассмотрении.

9.31 Проверка электромагнитной совместимости (ЭМС)

См. приложение D.

9.32 Испытания, заменяющие проверки путей утечки и зазоров в электронных цепях, подсоединенных между активными проводниками (фазами и нейтралью) и (или) активными проводниками и цепью заземления, когда контакты находятся в замкнутом положении

УЗО-ДП не должны вызывать возгорания и (или) создавать опасность поражения электрическим током в ненормальных условиях, которые могут иметь место в процессе эксплуатации.

Условия, в которых компонент, используемый в УЗО-ДП, должен соответствовать рабочим характеристикам, указанным в маркировке на компоненты и (или) приведенным в данных, представляемых изготовителем.

9.32.1 Когда УЗО-ДП подвергают воздействию ненормальных условий, ни одна часть не должна достигать температур, которые могли бы привести к возгоранию в среде, окружающей УЗО-ДП, и никакие токоведущие части не должны стать доступными.

Соответствие данному требованию проверяют испытанием УЗО-ДП на нагрев в условиях неисправности, как описано в 9.32.2, и проверкой защиты от поражения электрическим током, как это предусмотрено в 9.6.

9.32.2 Если не указано иное, испытаниям подвергают УЗО-ДП, которые смонтированы, подсоединены и на которые подана электрическая нагрузка в соответствии с 9.8.

Внешний осмотр УЗО-ДП и изучение электрической схемы позволяют установить условия неисправности, которые должны быть применены. Вообще применительно к каждому условию неисправности испытывают один отдельный образец.

Поочередно применяют условия неисправности а) - е), указанные ниже. Для каждых приведенных условий неисправности проводят лишь одно испытание.

a) Короткое замыкание через зазоры и пути утечки, если они меньше значений, определяемых по кривой А на рисунке 25 (см. ГОСТ 12.2.006, таблица I), исключением следующего.

Требования, предъявляемые к зазорам и путям утечки между проводниками (один из которых может быть подсоединен к одному полюсу сети питания) на печатной плате, отвечающей требованиям к прочности на отрыв и сопротивлению на отслаивание, приведенным на рисунке 25, заменяют значениями, вычисляемыми по формуле

log d = 0,78 log U/300 при минимуме 0,2 мм,

где d - расстояние, мм;

U - пиковое значение напряжения, В.

Примечания

1 Эти расстояния могут быть определены путем ссылки на рисунок 26.

2 Указанные выше уменьшенные значения относятся к проводникам, а не к установленным компонентам или соответствующим паяным соединениям. Лакокрасочное или аналогичное покрытие на печатных платах при расчете расстояний во внимание не принимают.

Зазоры и пути утечки, соответствующие требованиям таблицы 5, и печатные платы с покрытием типа В, удовлетворяющие требованиям МЭК 60664-3 [2], исключены из данного испытания.

b) Короткое замыкание по изоляции, состоящей из лакокрасочных или эмалевых покрытий.

c) Короткое замыкание или отключение устройств на полупроводниках.

Примечание - Для интегральных схем и других полупроводниковых устройств, имеющих более двух контактных зажимов, из-за количества предусмотренных испытаний невозможно подвергать все комбинации контактных зажимов отключению и (или) закорачиванию.

В данном случае допускается провести сначала подробный теоретический анализ всех возможных механических, тепловых и электрических неисправностей, которые могут возникнуть в УЗО-ДП из-за нарушения нормальной работы электронного устройства или других компонентов цепи.

При помощи данного метода можно исследовать лишь комбинации, соответствующие неисправностям, которые на основе этого анализа считают возможными причинами несоответствия УЗО-ДП требованиям последних двух абзацев данного подпункта.

d) Короткое замыкание электролитических конденсаторов.

e) Короткое замыкание или отсоединение резисторов, катушек индуктивности или конденсаторов.

Примечание - Нет необходимости применять условие е), если эти компоненты соответствуют требованиям 9.33.

Температуры, возникающие в результате условий неисправности, измеряют у частей, указанных в таблице 18, после достижения установившегося режима или через 4 ч (в зависимости от того, какой промежуток времени короче) в каждом из условий неисправности а) - е).

Эти температуры не должны превышать значений, приведенных в таблице 18, при испытаниях b) и с). Они могут превышать эти значения при испытании а).

После испытаний а) - е) УЗО-ДП могут больше не удовлетворять всем эксплуатационным требованиям, однако они должны соответствовать требованиям, предъявляемым к защите от поражения электрическим током согласно 9.6.

9.33 Требования к конденсаторам, специальным резисторам и катушкам индуктивности в электронных цепях, подсоединенных между активными проводниками (фазы и нейтраль) и (или) между активными проводниками и заземляющей цепью, когда контакты находятся в замкнутом положении

9.33.1 Конденсаторы

Конденсаторы должны отвечать требованиям ГОСТ МЭК 384-14/ГОСТ Р МЭК 384-14.

Используют следующие типы:

X1 или Х2, когда конденсаторы используют для подавления помех;

y1 или y2, когда конденсаторы используют для обеспечения защиты от поражения электрическим током.

Маркировка данных конденсаторов должна содержать номинальное напряжение в вольтах, номинальную емкость в микрофарадах и контрольную температуру в градусах Цельсия, или же изготовитель может представлять спецификации.

9.33.2 Резисторы и катушки индуктивности

Резисторы и катушки индуктивности, закорачивание или отключение которых может привести к неудовлетворительным результатам при испытаниях согласно 9.32, должны соответствовать требованиям безопасности по ГОСТ 12.2.006.

Нет необходимости повторно испытывать резисторы и катушки, отвечающие требованиям ГОСТ 12.2.006, если они уже подвергались испытаниям.

Таблица 18 - Максимальные допустимые температуры в специальных ненормальных условиях работы

Части УЗО-ДП

Максимальная допустимая температура,°С

Доступные части

 

Ручки, рычаги управления, доступные поверхности, корпуса, если они:

 

- металлические

100

- неметаллические1)

100

Внутренние поверхности изоляционных оболочек

2)

Шнуры питания и электропроводка с использованием в качестве изоляции3), 6):

 

- поливинилхлорида или синтетического каучука

135

- натурального каучука

135

Другие изоляционные материалы3):

 

- термопластичные материалы4)

5)

- непропитанная бумага

105

- непропитанный картон

115

- пропитанная хлопчатобумажная ткань, шелк, бумага и текстильные материалы

125

- слоистые пластики на целлюлозной или текстильной основе с использованием

 

в качестве связующего вещества:

 

- - фенолформальдегида, меламинформальдегида, фенолфурфурола или сложного полиэфира

145

- - эпоксидной смолы

185

- литье с использованием:

 

- - фенолформальдегида или фенолфуртирола, меламина и меламинфенольных компаундов:

 

- - - с целлюлозными наполнителями

165

- - - с минеральными наполнителями

185

- - термореактивного сложного полиэфира

 

- - - с минеральными наполнителями

185

- - - алкидной смолы с минеральными наполнителями

185

- композитные материалы, состоящие:

 

- - из сложного полиэфира со стекловолокнистым наполнителем

185

- - из эпоксидной смолы со стекловолокнистым наполнителем

185

- силоксиновый каучук

225

Части из термопластичных материалов4), выполняющие несущую функцию или служащие в качестве механических перегородок

5)

Обмоточные провода, у которых в качестве изоляции используются3), 6):

110

- непропитанные шелк, хлопчатобумажная ткань и т.п.

135

- пропитанные шелк, хлопчатобумажная ткань и т.п.

170

- масляно-смоляные материалы

185

- поливинилформальдегид или полиуретан

190

- полиэфирные смолы

215

- полиэфироимидные смолы

215

Пластины сердечников

Как для соответствующих обмоток

Контактные зажимы и части, которые после установки могут контактировать с изоляцией кабелей

135

Примечание - Значения, приведенные в таблице, взяты из таблицы II ГОСТ 12.2.006.

1) Если эта температура выше допустимой, исходя из класса соответствующего изоляционного материала, определяющим фактором являются свойства материала.

2) Допустимыми температурами для внутренней части изоляционных оболочек являются температуры, которые указаны для соответствующих изоляционных материалов.

3) В данном стандарте допустимые температуры установлены на основе опыта эксплуатации в части тепловой стабильности материалов. Приведенные материалы даны в качестве примеров. Для материалов, для которых установлены более высокие температурные пределы, и для материалов, помимо указанных в таблице, максимальные температуры не должны превышать значения, которые были признаны удовлетворительными.

4) Натуральный и синтетический каучуки не считают термопластичными материалами.

5) Из-за большого разнообразия термопластичных материалов невозможно установить для них допустимые температуры.

Пока данный вопрос находится на рассмотрении, следует использовать следующий метод:

а) температуру размягчения материала определяют на отдельном образце в условиях, указанных в ИСО 306[5], со следующими изменениями:

- глубина проникновения равна 0,1 мм;

- прикладывают общее осевое усилие, равное 10 Н перед тем, как циферблатный индикатор установится на нуль или будет зарегистрировано его начальное показание;

b) предельной температурой считают температуру размягчения.

6) В настоящее время рассматривается возможность повышения значений для проводов и кабелей, у которых в качестве изоляции используют теплостойкий поливинилхлорид.

4.1.1 Промежуточный разветвитель

4.1.2.1 Неразборный удлинитель с устройством защиты (УЗО-Д), встроенным в вилку

4.1.2.2 Неразборный удлинитель с устройством защиты (УЗО-Д), встроенным в гибкий кабель

4.1.2.3 Неразборный удлинитель с устройством защиты (УЗО-Д), встроенным в блок розеток

4.1.3.1 Разборная вилка с устройством защиты (УЗО-Д) и зажимами для монтажа

4.1.3.2 Неразборная вилка с устройством защиты (УЗО-Д) и гибким кабелем

4.1.4.1 Неразборная вилка с гибким кабелем на одном, и устройством защиты (УЗО-Д), встроенное в гибкий кабель на другом конце кабеля, и зажимами для монтажа

4.1.4.2 Устройство защиты (УЗО-ДП), встроенное в кабель с опрессованной вилкой

4.1.4.3 Устройство защиты (УЗО-ДП), встроенное в кабель, для монтажа в оборудовании

Рисунок 1 - Примеры соединений с гибким кабелем устройств защиты, управляемых дифференциальным током, согласно классификации по 4.1

Неуказанные допуски:

- на угловые размеры................................. 10 °

- на линейные размеры:

менее 25 мм.............................................. 0,05

более 25 мм.............................................. +0,2

Материал испытательного пальца - легированная сталь.

Оба сочленения пальца могут быть согнуты под углом 90 °-10 °, но в одном и том же направлении.

Применение штыря и паза является лишь одним из ограничений угла сгибания до 90°.

Поэтому размеры и допуски для этих деталей на рисунке не указаны.

1 - рукоятка; 2 - упорная пластина; 3 - торцевой упор; 4 - шарниры; 5 - изоляционный материал

Рисунок 2 - Стандартный испытательный палец

Рисунок 3 - Измерительный прибор для проверки недоступности токоведущих частей

D - испытуемый УЗО-ДП; S - источник электрической энергии; V - вольтметр; А - амперметр; S1 - двухполюсный выключатель; S2, S3 или S4 - однополюсные выключатели; R - регулируемый резистор

Рисунок 4 - Испытательная цепь для проверки:

- рабочих характеристик (см. 9.9);

- механизма со свободным расцеплением (см. 9.15);

- поведения в случае неисправности (см. 9.17) УЗО-ДП, функционально зависимых от напряжения питания

S - источник электрической энергии; V - вольтметр; А - амперметр, показывающий среднее квадратическое значение; D - испытуемое УЗО-ДП; R - регулируемый резистор; Th - тиристор; S1 - двухполюсный выключатель; S2 - однополюсный выключатель; S3 - однополюсный выключатель на два направления

Рисунок 5 - Испытательная цепь для проверки правильности срабатывания УЗО-ДП в случае дифференциального пульсирующего постоянного тока

S - источник электрической энергии; V - вольтметр; А - амперметр, показывающий среднее квадратическое значение; D - УЗО-ДП; R - регулируемый резистор; D1 - диод; S1 - двухполюсный выключатель; S2 - однополюсный выключатель; S3 - двухполюсный выключатель на два направления

Рисунок 6 - Испытательная цепь для проверки правильности срабатывания УЗО-ДП при дифференциальных пульсирующих постоянных токах, на которые накладывается стабилизированный постоянный ток

1 - вилка; 2 - розетка; 3 - стальной шар диаметром 20 мм

Пружины, отличные от пружины В, выбирают и регулируют так, чтобы при сжатии они передавали на держатель вилки усилие, равное 0,9-кратному минимального усилия расчленения согласно раздела 22 по ГОСТ Р 51322.1.

Будучи сжатыми на 1/3 от первоначальной длины, пружины создают усилие, равное 1,2-кратному максимальному усилию, указанному в разделе 22 ГОСТ Р 51322.1.

Рисунок 7 - Пример установки для испытаний на отключающую способность и нормальную работу

Рисунок 8 - Схемы соединения для испытания на нормальную работу

Рисунок 9 - Измерительный прибор для проверки недоступности токоведущих частей розеток через шторки после испытания на нормальную работу

N - нулевой провод; S - источник электрической энергии; R - регулируемый резистор; L - регулируемая катушка индуктивности; Р - устройство защиты от коротких замыканий; D - образец для испытаний - УЗО-ДП; G1 - временные соединения для калибровки; G2 - соединение для испытания при номинальном условном токе короткого замыкания; Т - устройство, создающее короткое замыкание; 01 - самописец, регистрирующий ток; 02 - самописец, регистрирующий напряжение; F - детектор обнаружения аварийного тока повреждения в устройстве F; R1 - резистор, ограничивающий ток в устройстве F; R2 - регулируемый резистор для калибровки тока отключения; R3 - дополнительный регулируемый резистор для получения токов, меньших по величине номинальных условных токов короткого замыкания; S1 - вспомогательный регулятор

Рисунок 10 - Испытательная цепь для проверки номинальной включающей и отключающей способности УЗО-ДП и координации его работы с устройством защиты от коротких замыканий

Рисунок 11 - Барабан для испытания соединителей на свободное падение

Р - усилие 150 Н; 1 - стальная нажимная пластина; 2 - образец; 3 - стальное основание

Рисунок 12 - Установка для испытания на сжатие

1 - стальной шарик; 2 - образец

Рисунок 14 - Установка для испытания прочности материалов при нагревании

1 - основание; 2 - образец; 3 - зажим; 4 - груз; 5 - стержень; 6 - ось; 7 - стальная проволока; 8 - штырь вилки

В сечении А-А видна конфигурация стальной проволоки

Рисунок 13 - Установка для испытания на истирание изоляционных трубок штырей вилок

1 - нагревательный элемент; 2 - металлическая часть; 3 - термопара; 4 - изоляционная плита; 5 - прокладка; 6 - контур вилки

Примечания

1 Максимальный контур вилки должен соответствовать ГОСТ 7396.1.

2 Диаметр изоляционной плиты 4 должен быть в два раза больше максимально допустимого размера рабочей поверхности, указанной в соответствующем стандартном листе по ГОСТ 7396.1.

Рисунок 15 - Установка для испытания опрессованных вилок с частично изолированными штырями

1 - электрод; 2 - образец

Рисунок 16 - Установка для проверки устойчивости к токам утечки

1 - эксцентрик; 2 - ручка; 3 - образец

Рисунок 17 - Установка для испытания узла крепления шнура

1 - устройство для закрепления образца; 2 - образец; 3 - груз

Регулировку устройств для закрепления образца для различных соединителей проводят в соответствии с 9.30.

Рисунок 18 - Установка для испытания на изгиб провода соединителя

Рисунок 19 - Устройство для проверки механической прочности УЗО-ДП, снабженных кабелем

1 - направляющие скользящие пластины; 2 - зажим; 3 - серебряная проволока; 4 - упор для скользящей направляющей пластины; 5 - направляющая скользящая пластина

Рисунок 20 - Испытательная установка для проверки минимальных значений I2t и Iр, которые должны выдерживать УЗО-ДП (см. 9.11.2.1а)

Рисунок 21 - Период стабилизации при испытании на надежность (см. 9.22.1.3)

Рисунок 22 - Цикл испытания на надежность (9.22.1.3)

1 - источник питания при напряжении, равном 1,1Un; 2 - испытуемое УЗО-ДП; 3 - источник тока

Рисунок 23 - Пример схемы испытательной цепи для проверки процесса старения электронных компонентов

Рисунок 24а - Ток с затухающей амплитудой (0,5 мкс/100 кГц)

1 - пусковое устройство; 2 - индикатор автоматического выключателя, управляемого дифференциальным током; 3 - фильтр; 4 - источник питания; 5 - пусковое устройство; 6 - контактный зажим цепи заземления, соединенный с нейтральным проводом при наличии соответствующей маркировки на УЗО-ДП

Рисунок 24б - Пример испытательной схемы для проверки устойчивости к нежелательному отключению

У деталей, соединенных с источником питания напряжением от 220 до 250 В (среднее квадратическое значение), выбирают те же размеры, что и для напряжения 354 В (пиковое значение):

- кривая А: 34 В соответствуют 0,6 мм,

                  354 В             »              3,0 мм;

- кривая В: 34 В             »              1,2 мм,

                  354 В             »              6,0 мм.

Рисунок 25 - Минимальные пути утечки и зазоры как функция пикового значения напряжения

Рисунок 26 - Минимальные пути утечки и зазоры как функция пикового значения рабочего напряжения

ПРИЛОЖЕНИЕ А

(обязательное)

Порядок испытаний и число образцов, подвергаемых проверке на соответствие требованиям настоящего стандарта

А.1 Проверка соответствия

Проверка соответствия может быть осуществлена:

- изготовителем для целей, связанных с декларацией поставщика (см. 13.5.1 Руководства ИСО/МЭК 2 [4]);

- независимым органом по сертификации с целью проведения сертификации (см. 13.5.1 Руководства ИСО/МЭК 2).

А.2 Последовательности испытаний

Испытания проводят в последовательности, указанной в таблице А.1.

Таблица А.1 - Последовательность испытаний

Последовательность испытаний

Раздел настоящего стандарта

Испытание (или осмотр)

А

6

Маркировка. Общие положения1)

9.3

Несмываемость маркировки

9.15

Механизм свободного расцепления

9.4

Надежность винтов, токоведущих частей и соединений

9.27

Натяжение проводников

9.28

Крутящий момент, создаваемый вставляемым устройством и прикладываемый к стационарным розеткам

В

9.7

Проверка диэлектрических характеристик

9.8

Превышение температуры

9.20

Стойкость изоляции к воздействию импульсных напряжений

9.22.2

Надежность при температуре 40 °С

9.23

Старение компонентов

9.25

Испытание изоляционных трубок

С

С1

9.11.2.5

Включающая и отключающая способность вилок и розеток

9.10

Механическая и коммутационная износостойкость

9.26

Механическая прочность сплошных штырей вилок и розеток

9.292)

Испытание устройства крепления шнура

9.29

Испытание устройства крепления шнура

9.30

Испытание неразборных УЗО-ДП на изгиб

D

d0

9.9

Рабочие характеристики при дифференциальном токе

d1

9.17

Поведение УЗО-ДП в случае неисправностей, связанных с напряжением сети

9.19

Нежелательное отключение

9.21

Правильность отключения при наличии постоянной составляющей дифференциального тока

9.11.2.3

Способность включения и отключения дифференциального тока при коротком замыкании (IDm)

9.16

Устройство эксплуатационного контроля

9.12

Устойчивость к воздействию одиночных и многократных ударов

9.18

Неотключающий ток при сверхтоке

9.32

Испытания, заменяющие проверки путей утечки и зазоров у УЗО-ДП, содержащих электронные компоненты, которые постоянно подсоединены между полюсами

Е

9.11.2.4а

Координация при номинальном условном токе короткого замыкания Inc

9.11.2.2

Проверка номинальной включающей и отключающей способности Im

F

9.11.2.4b

Координация при номинальной включающей и отключающей способности Im

9.11.2.4с

Координация при номинальном условном дифференциальном токе при коротком замыкании IDc

G

9.22.1

Надежность (климатическое испытание)

Н

9.31

Электромагнитная совместимость

1) Пункт «Общие положения» содержит проверки и измерения, содержащиеся в 8.1.1 и 8.1.2. Отдельные испытания из этих подпунктов могут быть включены в любое подходящее место в последовательности испытаний А.

2) Только для разборных устройств.

3) Распространяется на неразборные устройства.

А.3 Число образцов, испытываемых по полной методике

Если испытанию подвергают только один тип УЗО-ДП с одним номинальным током и одним отключающим дифференциальным током, то число образцов, используемых при различных сериях испытаний, соответствует таблице А.2, где также приведены минимальные критерии качества работы.

Если все образцы, указанные во второй графе таблицы А.2, выдерживают испытания, это свидетельствует о соответствии требованиям данного стандарта. Если испытания выдерживают только минимальное число образцов, указанное в третьей графе, следует испытать дополнительные образцы, число которых указано в четвертой графе, и все они должны удовлетворительно выдержать испытания, включенные в последовательность.

Таблица А.2 - Число образцов, испытываемых по полной методике

Последовательность испытаний1)

Число образцов

Минимальное число принятых образцов2)

Число образцов для повторных испытаний3)

1

2

3

4

А

1

1

-

В

3

2

3

С

3

2

3

D

3

2

3

Е

3

2

3

F

3

2

3

G

3

2

3

Н

См. таблицу D.2

1) Всего повторно можно выполнить максимум три последовательности испытаний.

2) Предполагают, что образец, не прошедший испытание, не отвечает установленным требованиям из-за качества изготовления или дефектов сборки, которые не являются репрезентативными с точки зрения конструкции.

3) В случае повторных испытаний все испытания должны быть успешно выдержаны.

Примечания

1 Если для целей испытания необходимо осуществить разборку изделия, может потребоваться один дополнительный образец. В этом случае изготовитель может поставить специально подготовленные образцы.

2 По просьбе изготовителя последовательности испытаний С2 и (или) С3 должны проводиться только с использованием одной (или двух) партии (ий) образцов.

3 Все образцы должны отвечать требованиям, приведенным в 9.9.2, 9.9.3 и 9.11.2.3, в зависимости от того, что применимо. Кроме того, ни у одного из образцов не должно быть постоянной дуги или поверхностного перекрытия между полюсами или между полюсами и корпусом при проведении испытаний в соответствии с 9.11.2.2, 9.11.2.4а, 9.11.2.4b или 9.11.2.4с.

А.4 Число образцов, испытываемых по упрощенной методике в случае, когда одновременно испытывают ряд УЗО-ДП, имеющих одинаковую основную конструкцию

А.4.1 Если ряд УЗО-ДП, имеющих одинаковую основную конструкцию, или дополнительные устройства к такому ряду УЗО-ДП представляют для сертификации, число испытуемых образцов может быть сокращено в соответствии с таблицей А.3.

Примечание - Для целей данного приложения одинаковая основная конструкция включает ряд номинальных токов (In) и ряд номинальных отключающих дифференциальных токов (IDn).

Можно считать, что УЗО-ДП имеют одинаковую основную конструкцию, если выполнены условия a) - j).

a) УЗО-ДП имеют одинаковую базовую конструкцию, в частности:

- типы устройств, зависимые и независимые от напряжения, не должны быть включены в один и тот же ряд;

- УЗО-ДП с предохранителем и без него не должны быть включены в один и тот же ряд.

b) Устройства отключения дифференциального тока имеют идентичные механизмы отключения и идентичные реле или соленоиды за исключением изменений, допускаемых в подпунктах l) и m).

c) Материалы, окончательная обработка поверхности и размеры внутренних токоведущих частей идентичны за исключением изменений, приведенных в подпункте k).

d) Размер, материал, расположение и способ закрепления контактов идентичны.

e) Ручной механизм управления, материалы и физические характеристики идентичны.

f) Литьевые и изоляционные материалы идентичны.

g) Способ, материалы и конструкция устройства для гашения дуги идентичны.

h) Базовая конструкция устройства для детектирования дифференциального тока идентична за исключением изменений, допускаемых в подпунктах l) и m).

i) Базовая конструкция устройства для отключения дифференциального тока идентична за исключением изменений, допускаемых в подпункте m).

j) Базовая конструкция устройства эксплуатационного контроля идентична за исключением изменений, допускаемых в подпункте n).

Допускаются следующие изменения при условии, что УЗО-Д соответствует во всех других отношениях требованиям, указанным выше.

k) Сечение внутренних токоведущих соединений.

1) Число витков и сечение проводов обмоток, размер и материал сердечника у дифференциального трансформатора.

m) Чувствительность реле и (или) соответствующей электронной схемы, если она имеется.

n) Омическое значение у устройства для получения максимальных ампер-витков, необходимых для выполнения требований испытания, предусмотренного в 9.16.

А.4.2 Для УЗО-ДП, имеющих одинаковую классификационную группу (4.1) и одинаковую основную конструкцию, но разный номинальный и номинальный дифференциальный ток, число испытуемых образцов может быть уменьшено в соответствии с таблицей А.3.

Таблица А.3 - Уменьшение числа испытуемых образцов

Последовательность испытаний

Число образцов1)

А

1

Максимальный номинальный ток In

Минимальный номинальный отключающий дифференциальный ток IDn

В

3

Максимальный номинальный ток In

Минимальный номинальный отключающий дифференциальный ток IDn

C1

3

Максимальный номинальный ток In

Минимальный номинальный отключающий дифференциальный ток IDn

С2 или С3

3

Любое номинальное значение In или IDn

d0 + d1

3

Максимальный номинальный ток In

Минимальный номинальный ток IDn

d0

1

Для всех других номинальных значений IDn

Е

3

Максимальный номинальный ток In

Минимальный номинальный отключающий дифференциальный ток IDn

F

3

Максимальный номинальный ток In

Минимальный номинальный отключающий дифференциальный ток IDn2)

3

Минимальный номинальный ток In

Максимальный номинальный отключающий дифференциальный ток IDn2)

G

3

Максимальный номинальный ток In

Минимальный номинальный отключающий дифференциальный ток IDn2)

3

Минимальный номинальный ток In

Максимальный номинальный отключающий дифференциальный ток IDn2)

Н

См. приложение L ГОСТ Р 51326.1

1) Если возникает необходимость повторить какое-либо испытание согласно минимальным критериям качества работы, оговоренными в А.3, для соответствующего испытания берут новый комплект образцов. При проведении повторного испытания все результаты должны быть удовлетворительными.

2) Если представляется только одно значение номинального отключающего дифференциального тока IDn, эти комплекты образцов не требуются.

А.4.3 У УЗО-Д, имеющих такую же основную конструкцию, как и у устройств в соответствии с А.4.2, но относящихся к другой классификационной группе по 4.1, дополнительные последовательности могут быть сокращены согласно таблице А.4, при этом число образцов берут из таблицы А.3.

Таблица А.4 - Сокращение числа дополнительных последовательностей испытаний

Классификация первоначально испытанных УЗО-ДП

Последовательность испытаний для других типов УЗО-ДП1)

4.1.1

4.1.2.1

4.1.2.2

4.1.2.3

4.1.3.1

4.1.3.2

4.1.4.1

4.1.4.2

4.1

Промежуточный разветвителъ

-

А, В С

9.127)

А, В, С

9.127)

А, В, С

9.127)

А, В, С

9.127)

А, В, С

9.127)

А, В, С

9.127)

А, В, С

9.127)

4.1.2.1

Неразборный удлинитель с УЗО-ДП, встроенным в вилку

А, В С

9.127)

-

А 9.8

С23

А, В С

9.127)

А3)

9.127)

С2

4)

А3)

9.8

9.127)

С2

А3)

9.8

С23

4.1.2.2

Неразборный удлинитель с УЗО-Д, встроенным в гибкий кабель

А, В, С

9.127)

Е, F

А, В, С 9.127)

Е, F

-

А, В, С

9.127)

А, В, С

9.127)

Е, F

А, В, С

9.127)

Е, F

А, В, С

9.127)

Е, F

А, В, С

Е, F

4.1.2.3

Неразборный удлинитель с УЗО-ДП, встроенным в блок розеток

А, В, С

9.127)

Е, F

А, В, С

9.127)

Е, F

А, В, С

Е, F

-

А, В, С

9.127)

Е, F

А, В С

9.127)

Е, F

А, В, С 9.127)

Е, F

А, В, С

Е, F

4.1.3.1

Разборная вилка с УЗО-Д и зажимами для монтажа

А, В, С

А3)

9.127)

С2, С3

А, В, С

9.127)

А, В, С

9.127)

-

А3)

9.127)

С2, С3

А, В, С

9.127)

А, В, С

9.127)

4.1.3.2

Неразборная вилка с УЗО-Д и гибким кабелем

А, В, С

2)

А, В, С

9.127)

А, В, С

9.127)

А3)

9.127)

9.86)

С2

-

А, В, С

9.127)

А, В, С

9.127)

4.1.4.1

Неразборная вилка с гибким кабелем на одном, и УЗО-ДП, встроенное в гибкий кабель на другом конце кабеля, и зажимами для монтажа

А, В, С

Е, F

А, В, С

Е, F

9.277)

С2, С3

А, В, С

9.127)

А, В, С

9.127)

Е, F

А, В, С

9.127)

Е, F

-

9.86)

9.275)

С2, С3

4.1.4.2

Устройство защиты УЗО-ДП, встроенное в кабель с опрессованной вилкой

А, В, С

9.127)

Е, F

А, В, С

9.127)

E, F

2)

А, В, С

9.127)

А, В, С

9.127)

Е, F

А, В, С

9.127)

Е, F

А3)

9.86)

9.127)

С2

 

1) Последовательность А:

- все испытания за исключением 9.15;

- все испытания, за исключением 9.14 и 9.24, если используются те же материалы.

Последовательность В: по 9.7, 9.8 и 9.25.

Последовательность С: все испытания, за исключением 9.10.

2) Если вилка и (или) розетка соответствуют требованиям ГОСТ Р 51322.1, никакие другие испытания не требуются.

3) Последовательность А: испытания по разд. 6, пп. 8.1, 8.1.3, 9.5, 9.6 и 9.27.

4) Никакие другие испытания не требуются.

5) Из последовательности А.

6) Из последовательности В.

7) Из последовательности D.

А.4.4 Для УЗО-ДП, относящихся к одной и той же классификационной группе, имеющих одинаковую основную конструкцию и одинаковые номинальные ток, напряжение и отключающий дифференциальный ток, что и устройства, испытанные в соответствии с А.4.2, но имеющих разные технические условия (по требованиям к размерам) на вилку и (или) розетку, дополнительные последовательности испытаний могут быть сокращены в соответствии с таблицей А.5. 5, при этом число образцов берут из таблицы А.3.

Таблица А.5 - Сокращение дополнительных последовательностей испытаний

Классификация УЗО-ДП, прошедших первоначальные испытания

Последовательности испытаний для УЗО-ДП, входящих в ту же классификационную группу, но имеющих разные технические условия на вилку и (или) розетку1), 2)

Последовательности испытаний для УЗО-ДП, входящих в ту же классификационную группу, которая отличается лишь соединительной частью цепи заземления

4.1.1

4.1.2.1

4.1.2.3

4.1.3.1

4.1.3.2

А, В, С

9.125)

А3)

4.1.2.2

4.1.4.1

4.1.4.2

4)

4)

1) Если первоначально испытанное УЗО-ДП имеет встроенный предохранитель, а УЗО-ДП, которое должно быть испытано, - нет, то требуются испытательные последовательности Е и F.

2) Последовательность А: - все испытания, за исключением 9.15;

- то же, за исключением 9.14 и 9.24, если используют те же материалы.

Последовательность В: - по 9.7, 9.8 и 9.25.

Последовательность С: - все испытания, за исключением 9.10.

3) Последовательность А: - испытания по разд. 6, пп. 9.1 и 8.1.3.

4) Если вилка и (или) розетка соответствуют требованиям ГОСТ Р 51322.1, никакие другие испытания не требуются.

5) Из последовательности D.

ПРИЛОЖЕНИЕ B

(обязательное)

Приемо-сдаточные испытания

В общем случае может потребоваться больший объем испытаний для того, чтобы каждое УЗО-ДП удовлетворяло образцам, которые выдержали испытания, предусмотренные в настоящем стандарте в соответствии с опытом, накопленным изготовителем.

Выбор соответствующей последовательности испытаний также остается за изготовителем.

B.1 Испытание на отключение

Дифференциальный ток пропускают поочередно по каждому токовому пути УЗО-ДП. УЗО-ДП не должно отключать цепь при токе, который меньше или равен 0,5 IDn, однако оно должно отключать цепь при IDn в пределах установленного времени (см. таблицу 2).

Испытательный ток должен быть приложен как минимум пять раз к каждому УЗО-ДП и как минимум два раза к каждому полюсу.

B.2 Испытание на электрическую прочность изоляции

Напряжение, имеющее практически синусоидальную форму и равное 1500 В с частотой 50/60 Гц, прикладывают в течение 1 мин между следующими частями:

a) у УЗО-ДП в разомкнутом положении - между каждой парой контактных зажимов, соединенных друг с другом, когда УЗО-ДП находится в замкнутом положении;

b) у УЗО-ДП, не включающих электронные компоненты, - между двумя токовыми путями, когда УЗО-ДП находится в замкнутом положении;

c) у УЗО-ДП, включающих электронные компоненты, когда УЗО-ДП находится в разомкнутом положении - или между каждым из двух входных контактных зажимов, или между каждым из двух выходных контактных зажимов с тем, чтобы напряжение не подавалось на электронные компоненты;

d) между контактными зажимами всех токоведущих путей, соединенными вместе, и проводником заземления.

Не должно быть поверхностного перекрытия или пробоя.

Примечание - Для электронных цепей, соединенных с проводником заземления, пересмотр испытания находится на рассмотрении.

B.3 Работа устройства эксплуатационного контроля

Устройство эксплуатационного контроля должно быть приведено в действие, при этом УЗО-ДП должно находиться в замкнутом положении и быть подсоединено к источнику питания при напряжении, составляющем 0,85 Un, в результате чего УЗО-ДП должно отключать цепь.

В случаях, когда устройство эксплуатационного контроля предназначено для работы при нескольких значениях напряжения, испытание следует проводить при 0,85 от наименьшего значения напряжения.

B.4 Испытание незакрепленных (свободных) проводов

Каждое УЗО-ДП, залитое изоляционным материалом (3.1.7), должно выдерживать испытание с использованием высокого напряжения при номинальной частоте устройства, которое прикладывают между всеми токоведущими частями, соединенными вместе, и токопроводящим электродом, контактирующим со всей наружной доступной поверхностью, за исключением рабочей поверхности. Данное испытание следует проводить при напряжении 6 кВ переменного тока в течение 3-5 с.

Во время данного испытания не должно быть поверхностного перекрытия или пробоя. Тлеющие разряды, не сопровождаемые падением напряжения, во внимание не принимают.

B.5 Проверка непрерывности электрической цепи

УЗО-ДП, отнесенные к типам в соответствии с 4.1.2.1 - 4.1.2.3 и 4.1.3.2, должны быть подвергнуты указанным ниже испытаниям в зависимости от того, какие из них применимы. Соответствие установленным требованиям проверяют с помощью любого подходящего напряжения, которое прикладывают:

- у УЗО-ДП, отнесенного к типу согласно 4.1.2.1, - между удаленным концом каждого проводника, включая проводник защитного заземления в составе гибкого шнура, установленного отдельно, и соответствующим штырем или контактом УЗО-ДП;

- у УЗО-ДП, отнесенного к типу согласно 4.1.2.1 - 4.1.2.3, - между каждым штырем или контактом вилки, включая защитное заземление, и соответствующим штырем или контактом каждой розетки УЗО-ДП.

Должна быть обеспечена непрерывность электрической цепи и правильная полярность, если данное требование применимо.

Могут использоваться другие соответствующие испытания.

ПРИЛОЖЕНИЕ С

(обязательное)

Определение воздушных зазоров и путей утечки тока

При определении воздушных зазоров и путей тока утечки рекомендуется рассматривать следующие вопросы.

Если зазор или путь тока утечки зависит от одной или более металлических частей, сумма отдельных участков должна по крайней мере иметь установленную минимальную величину.

При определении путей тока утечек:

a) канавки шириной и глубиной не менее 1 мм следует измерять вдоль их контура;

b) канавки, любой размер которых меньше 1 мм не должны учитываться;

c) гребни канавок высотой по крайней мере 1 мм измеряют:

- вдоль их контура, если они являются неотъемлемой частью компонента из изоляционного материала (например, когда они получены методом литья, сваркой или склеиванием);

- вдоль более короткого из двух следующих путей: или вдоль соединения, или вдоль профиля гребня, если гребни не являются неотъемлемой частью компонента из изоляционного материала.

Применение указанных выше рекомендаций проиллюстрировано следующими рисунками:

- С.1 - С.3 - включение или исключение канавки из пути тока утечки;

- С.4 и С.5 - включение или исключение гребня из пути тока утечки;

- С.6 - учет соединения, когда гребень образуется вставленной изоляционной перегородкой, наружный профиль которой выходит за пределы длины соединения;

- С.7 - С.10 - определение пути тока утечки в случае, когда крепежные устройства расположены в углублениях частей из изоляционного материала.

Рисунок С.1

Рисунок С.2

Рисунок С.3

Рисунок С.4

Рисунок С.5

Рисунок С.6

Рисунок С.7

Рисунок С.8

Рисунок С.9

Рисунок С. 10

А - изоляционный материал; С - токопроводящая часть; F - путь утечки

Рисунки С.1 - С.10 - Иллюстрации к определению путей токов утечки

ПРИЛОЖЕНИЕ D

(обязательное)

Перечень испытаний, дополнительные последовательности испытаний и число образцов для проверки соответствия УЗО-ДП требованиям электромагнитной совместимости (ЭМС)

Данное приложение содержит все испытания и последовательности испытаний, которым подвергают УЗО-ДП с целью проверки их соответствия требованиям ЭМС.

В разделе D.1 приведены ссылки на испытания, уже содержавшиеся в настоящем стандарте и включенные в последовательности испытаний, и минимальные рабочие условия, указанные в приложении А.

В разделе D.2 приведены дополнительные испытания, число образцов, последовательности испытаний и минимальные условия, необходимые для полной проверки соответствия УЗО-ДП требованиям ЭМС.

Условия испытания и критерии качества функционирования приведены в ГОСТ Р 51329, распространяющийся на группу УЗО-Д.

D.1 Испытания на ЭМС, уже включенные в стандарт на изделия конкретного типа

В третьей графе таблицы D.1 приведены испытания, уже включенные в последовательности испытаний приложения А, обеспечивающие соответствующий уровень устойчивости к электромагнитным помехам, перечисленным во второй графе. В первой графе приведены соответствующие ссылки на таблицы 1 и 2 ГОСТ Р 51329.

Таблица D.1

Ссылка на таблицы 1 и 2 ГОСТ Р 51329

Электромагнитные помехи

Испытания, приведенные в настоящем стандарте

1

2

3

1.3

Изменения напряжения

9.9.5 и 9.17

1.4

Несимметрия напряжений

9.9.5 и 9.17

1.5

Изменение частоты

9.2

1.8

Излучаемое магнитное поле

9.11 и 9.18

2.4

Колебательные затухающие помехи

9.19

D.2 Дополнительные испытания по ГОСТ Р 51329, которые должны быть проведены

Указанные ниже испытания по ГОСТ Р 51329 должны проводиться в соответствии с таблицей D.2.

Если не оговорено иное, каждой последовательности испытаний подвергают три новых образца.

Если все образцы, представленные в четвертой графе, выдерживают эти испытания, обеспечивается соответствие требованиям настоящего стандарта. Если испытания выдерживают минимальное число образцов, приведенное в пятой графе, следует испытать дополнительные образцы, приведенные в шестой графе, и все они должны удовлетворять требованиям последовательности испытаний.

Таблица D.2

Последовательность испытаний

Ссылки на ГОСТ Р 51329

Помеха

Число образцов

Минимальное число образцов, которые должны выдержать испытания

Число образцов для повторных испытаний

1

 

3

4

5

6

D.2.1*

1.1

Гармоники

3IDn минимальный

2

3

1.2

Сигналы, передаваемые по силовым линиям

Любой In

 

 

2.3

Микросекундные импульсные помехи большой энергии

 

 

 

D.2.2

Т 2.1 и Т 2.5

Кондуктивные помехи, наведенные высокочастотным электромагнитным полем

3IDn минимальный

2

3

 

Наносекундные импульсные помехи

Любой In

 

 

 

Т 2.2

Синфазный режим

 

 

 

D.2.3

Т 2.5

Излучаемое электромагнитное поле

На рассмотрении

D.2.4

Т 3.1

Электростатические разряды

3IDn минимальный

Любой In

2

3

* Для устройств, содержащих постоянно действующий высокочастотный генератор, испытание в соответствии с ГОСТ Р 51318.14.1 должно проводиться на образцах до испытаний этой последовательности.

Примечание - По просьбе изготовителя один и тот же комплект образцов может быть подвергнут более чем одной последовательности испытаний.

ПРИЛОЖЕНИЕ Е

(обязательное)

Дополнительные требования к УЗО-ДП, устанавливаемые в стандартах, технических условиях на УЗО-ДП конкретных типов

1 Требования к стойкости к внешним воздействующим факторам

1.1 Номинальные и предельные значения климатических факторов, отличающиеся от приведенных в настоящем стандарте, должны соответствовать ГОСТ 15543.1 и ГОСТ 15150.

1.2 Конкретные требования по воздействию механических факторов, отличающиеся от приведенных в настоящем стандарте, должны соответствовать группам условий эксплуатации по ГОСТ 17516.1.

2 Требования к консервации, упаковке, транспортированию и хранению

2.1 Требования к консервации и упаковке - по ГОСТ 23216.

2.2 Условия транспортирования устанавливают в зависимости от назначения УЗО-ДП по ГОСТ 23216 и ГОСТ 15150.

3 Требования к защитным покрытиям

Металлические детали УЗО-ДП должны иметь защитные покрытия в соответствии со стандартами единой системы защиты от коррозии и старения материалов и изделий.

Контактные участки выводов УЗО-ДП должны иметь защитные покрытия по ГОСТ 9.005.

4 Защита от поражения электрическим током

4.1 Конструкция УЗО-ДП должна соответствовать требованиям ГОСТ 12.1.004, ГОСТ 12.2.007.0 и ГОСТ 12.2.007.6, быть пожаробезопасной и безопасной для людей.

4.2 Классы УЗО-ДП по способу защиты человека от поражения электрическим током должны быть установлены в стандартах или технических условиях на УЗО-ДП конкретных типов в соответствии с ГОСТ 12.2.007.0.

4.3 Дополнительные требования безопасности УЗО-ДП должны быть указаны в стандартах или технических условиях на УЗО-ДП конкретных типов.

5 Виды испытаний и правила приемки

5.1 В настоящем стандарте программа типовых испытаний является основой для установления программ любых видов контрольных испытаний по ГОСТ 16504.

5.2 УЗО-ДП подвергают квалификационным, периодическим, приемо-сдаточным и типовым испытаниям; порядок их проведения должен соответствовать ГОСТ 15.001; периодичность испытаний, программы испытаний и условия их проведения должны устанавливаться в стандартах и технических условиях на УЗО-ДП конкретных типов.

Программы приемочных и квалификационных испытаний УЗО-ДП должны включать в себя полную программу типовых испытаний по настоящему стандарту, а также испытания на стойкость к внешним воздействующим факторам, проверку защитных покрытий, испытания на надежность по ГОСТ 27.003 и ГОСТ 27.410.

5.3 Правила приемки УЗО-ДП должны устанавливаться в стандартах и технических условиях на УЗО-ДП конкретных типов.

6 Требования к гарантии

Изготовитель должен гарантировать надежную работу УЗО-ДП в течение определенного срока эксплуатации, который должен быть не менее пяти лет с момента ввода в эксплуатацию.

7 Рекомендации по учету дополнительных требований

При разработке, изготовлении и эксплуатации УЗО-ДП учет требований действующих государственных стандартов должен осуществляться на основе опросных листов, в которых должен быть определен и согласован с потребителем перечень дополнительных требований и требований, изменяющих положения настоящего стандарта, исходя из условий функционирования и эксплуатации УЗО-ДП.

8 Нормативные ссылки

В настоящем приложении использованы ссылки на следующие стандарты:

ГОСТ 9.005-72 Единая система защиты от коррозии и старения. Металлы, сплавы, металлические и неметаллические неорганические покрытия. Допустимые и недопустимые контакты с металлами и неметаллами

ГОСТ 12.1.004-91 Система стандартов безопасности труда. Пожарная безопасность. Общие требования

ГОСТ 12.2.007.0-75 Система стандартов безопасности труда. Изделия электротехнические. Общие требования безопасности

ГОСТ 12.2.007.6-93 Система стандартов безопасности труда. Аппараты электрические коммутационные на напряжение до 1000 В. Требования безопасности

ГОСТ 15.001-88 Система разработки и постановки продукции на производство. Продукция производственно-технического назначения

ГОСТ 27.003-90 Надежность в технике. Состав и общие правила задания требований по надежности

ГОСТ 27.410-87 Надежность в технике. Методы контроля показателей надежности и планы контрольных испытаний на надежность

ГОСТ 15150-69 Машины, приборы и другие технические изделия. Исполнения для различных климатических районов. Категории, условия эксплуатации, хранения и транспортирования в части воздействия климатических факторов внешней среды

ГОСТ 15543.1-89 Изделия электротехнические. Общие требования в части стойкости к климатическим внешним воздействующим факторам

ГОСТ 16504-81 Система государственных испытаний продукции. Испытания и контроль качества продукции. Основные термины и определения

ГОСТ 17516.1-90 Изделия электротехнические. Общие требования в части стойкости к механическим внешним воздействующим факторам

ГОСТ 23216-78 Изделия электротехнические. Общие требования к хранению, транспортированию, временной противокоррозионной защите и упаковке

ПРИЛОЖЕНИЕ F

(справочное)

Требования к протоколу испытаний УЗО-ДП

F.1 Протокол испытаний должен содержать достоверные, объективные и точные результаты испытаний, данные об условиях испытаний и погрешности измерений, заключение о соответствии испытываемых УЗО-ДП требованиям нормативных документов и конструкторской документации и представлять точно, четко и недвусмысленно результаты испытаний и другую относящуюся к ним информацию.

F.2 Протокол испытаний должен содержать следующие основные сведения:

- наименование и адрес испытательной лаборатории;

- регистрационный номер испытательной лаборатории, дату выдачи и срок действия аттестата аккредитации, наименование аккредитующей организации, выдавшей аттестат;

- номер и дату регистрации протокола испытаний, подпись руководителя испытаний, печать испытательной лаборатории на каждой странице протокола испытаний, а также общее количество пронумерованных страниц;

- полное наименование УЗО-ДП;

- код ОКП;

- наименование организации или фамилию, имя, отчество заказчика и его адрес;

- дату получения заявки на испытания;

- дату проведения испытаний;

- место проведения испытаний (например, в случае договора подряда);

- климатические условия проведения испытаний (температура, влажность, давление);

- цель испытаний (приемо-сдаточные, контрольные, для целей сертификации и т.д.);

- программа испытаний (объем испытаний в виде перечисления пунктов (разделов) нормативного документа).

Примечание - Программа испытаний может быть приведена в приложении к протоколу испытаний;

- нормативный документ, на соответствие требованиям которого проведены испытания (стандарт, технические условия);

- перечень применяемого испытательного оборудования и средств измерений с указанием наименования и типа испытательного оборудования и средств измерений, диапазона и точности измерений, данных о номере метрологического аттестата или свидетельства и дате последней и очередной аттестации и государственной поверки;

- значения показателей по нормативным документам и допусков, при необходимости;

- фактическое значение показателей испытанных УЗО-ДП с указанием погрешности (не более ±10 %) и достоверности измерений (не менее 0,9), при необходимости;

- наименование и тип устройства для калибровки измерительной цепи до и после проведения испытаний, при необходимости;

- вывод о соответствии нормативному документу по каждому показателю;

- информацию о дополнительном протоколе испытаний, выполненных на условиях субподряда (при его наличии);

- заключение о соответствии (или несоответствии) испытанных УЗО-ДП требованиям стандартов или других нормативных документов;

- подписи и должности лиц, ответственных за проведение испытаний и оформление протокола испытаний, включая руководителя испытательной лаборатории;

- печать испытательной лаборатории (или организации) на всех листах протокола;

- указание о недопустимости частичной или полной перепечатки или размножении без разрешения заказчика / испытательной лаборатории (на титульном листе).

F.3 Исправления и дополнения в тексте протокола испытаний после его выпуска не допускаются. При необходимости исправления и дополнения оформляют только в виде отдельного документа «Дополнение к протоколу испытаний» с указанием номера и даты в соответствии с приведенными выше требованиями к протоколу.

На конкретные виды испытаний могут оформляться отдельные протоколы, входящие в состав общего протокола испытаний УЗО-ДП.

F.4 В протоколе испытаний не допускается помещать рекомендации и советы по устранению недостатков или совершенствованию испытанных УЗО-ДП.

F.5 Копии протоколов испытаний подлежат хранению в испытательной лаборатории не менее шести лет.

ПРИЛОЖЕНИЕ G

(справочное)

Библиография*

* Международные стандарты МЭК и их переводы находятся во Всероссийском научно-исследовательском институте классификации, терминологии и информации по стандартизации и качеству (ВНИИКИ).

Адрес: 103001, Москва, Гранатный пер., 4.

[1] МЭК 60364-5-53-94 Электрические установки зданий. Часть 5. Выбор и монтаж электрооборудования. Глава 53. Коммутационная аппаратура и механизмы управления

[2] МЭК 60664-3-92 Координация изоляции для оборудования в низковольтных системах. Часть 3. Использование покрытий для достижения координации изоляции в печатных платах

[3] МЭК 61540-97 Электроустановочные изделия. Переносные защитные устройства бытового и аналогичного назначения, управляемые дифференциальным (остаточным) током, без встроенной защиты от сверхтоков (УЗО-Д)

[4] ИСО/МЭК 2-91 Общие термины и их определения, относящиеся к стандартизации и связанной с ней видам деятельности

[5] ИСО 306-94 Пластмассы. Термопластические материалы. Определение температуры размягчения по Вика

Ключевые слова: устройства защитные, управление дифференциальным током, требования безопасности, методы испытаний




Rambler's Top100 Яндекс цитирования
  Copyright © 2008-2026, www.docload.ru