Бесплатная библиотека стандартов и нормативов www.docload.ru

Все документы, размещенные на этом сайте, не являются их официальным изданием и предназначены исключительно для ознакомительных целей.
Электронные копии этих документов могут распространяться без всяких ограничений. Вы можете размещать информацию с этого сайта на любом другом сайте.
Это некоммерческий сайт и здесь не продаются документы. Вы можете скачать их абсолютно бесплатно!
Содержимое сайта не нарушает чьих-либо авторских прав! Человек имеет право на информацию!

 

ГОСУДАРСТВЕННЫЙ СТАНДАРТ СОЮЗА ССР

МАШИНЫ ЗЕМЛЕРОЙНЫЕ

РАЗМЕРЫ НАЛИВНЫХ ГОРЛОВИН
ТОПЛИВНЫХ БАКОВ

ГОСТ 27533-87
(ИСО 3541-85)

ГОСУДАРСТВЕННЫЙ КОМИТЕТ СССР ПО СТАНДАРТАМ

Москва

ГОСУДАРСТВЕННЫЙ СТАНДАРТ СОЮЗА ССР

МАШИНЫ ЗЕМЛЕРОЙНЫЕ

Размеры наливных горловин топливных баков

Earth-moving machinery. Dimensions of fuel filler opening

ГОСТ
27533-87

(ИСО 3541-85)

Дата введения 01.07.89

1. НАЗНАЧЕНИЕ И ОБЛАСТЬ ПРИМЕНЕНИЯ

Настоящий стандарт устанавливает типы и размеры наливных горловин и крышек топливных баков для землеройных машин. Основные типы землеройных машин - по ИСО 6165.

Примечание. Форму горловины топливного бака устанавливает изготовитель с учетом соблюдения следующих требований:

а) удобства обслуживания при заправке топливного бака;

б) обеспечения достаточного размера горловины для введения топливно-раздаточного крана;

в) защиты от попадания посторонних материалов в топливный бак;

г) возможности применения фильтра, размер и конструкция которого обеспечивают соответствующий поток топлива при заправке топливного бака;

д) возможности применения штыкового указателя уровня вместо индикатора уровня топлива.

2. ССЫЛКИ

Ссылочные документы приведены в приложении.

3. НАИМЕНОВАНИЕ ДЕТАЛЕЙ

Наименования деталей наливной горловины топливного бака, указаны на черт. 1.

Горловина с резьбой

Горловина с байонетным замком

1 - крышка; 2 - прокладка; 3 - наливная горловина

Черт. 1

Примечание. Настоящий чертеж не определяет форму горловины топливного бака.

4. ТИПЫ И РАЗМЕРЫ

Типы и номинальные размеры горловин топливных баков приведены в таблице. Тип и размер горловины выбирает изготовитель.

мм

Тип

Номинальный размер

С резьбой для крепления крышки

-

50

75

100

С байонетным замком

40

60

80

100

5. РАЗМЕРЫ ГОРЛОВИНЫ С РЕЗЬБОЙ ДЛЯ КРЕПЛЕНИЯ КРЫШКИ

5.1. Наливная горловина

Размеры наливных горловин с резьбой для крепления крышки

Номинальный размер

Номинальный размер резьбы d

D

min

L1

min

L2

min

50

М60´3

50

30

20

75

М90´3

75

100

М120´3

100

Черт. 2

5.2. Крышка

Размеры крышек с резьбой

мм

Номинальный размер

Номинальный размер резьбы

d

L

max

50

М60´3

18

75

М90´3

100

М120´3

Черт. 3


6. РАЗМЕРЫ ГОРЛОВИНЫ С БАЙОНЕТНЫМ ЗАМКОМ

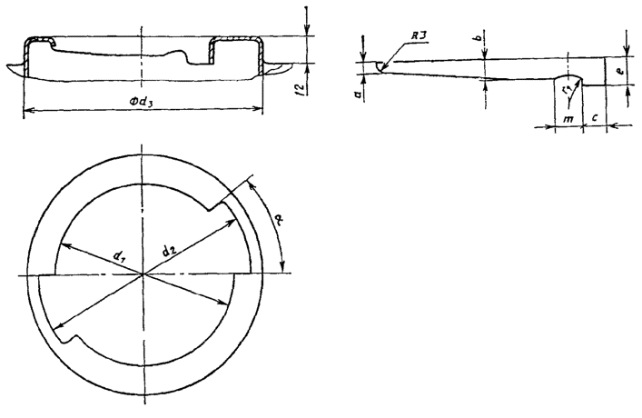
6.1. Наливная горловина

Размеры горловин с байонетным замком


Размеры, мм

Номинальный размер d

d2

min

d3

max

a

a

max

b

min

c

min

e

min

m

max

r1

max

40

49

58

50°

4

6

7

10

10

16

60

70

80

40°

4

6

10

10

11

16

80

92

105

40°

5

8

12

12

17

16

100

113

125

35°

5

8

12

12

18

20

Черт. 4

Размеры крышек с байонетным замком

мм

Номинальный размер

g

max

d1

min

h

min

f

max

L

max

r2

max

40

39

59

6

10

47,5

8

60

59

81

7

10

68,5

11

80

79

106

8

13

90

14

100

99

126

8,5

13

110

14

Черт. 5

Примечание. Настоящий чертеж не определяет форму крышки.

7. КРЕПЛЕНИЕ КРЫШКИ

Крышку следует постоянно крепить к топливному баку или к машине при помощи цепи, троса и других приспособлений, подходящих к типу машины или типу топлива.

ПРИЛОЖЕНИЕ
Обязательное

ССЫЛОЧНЫЕ НОРМАТИВНО-ТЕХНИЧЕСКИЕ ДОКУМЕНТЫ

Раздел, подраздел, пункт, в котором приведена ссылка

Обозначение соответствующего стандарта ИСО

Обозначение отечественного нормативно-технического документа, на который дана ссылка

1

ИСО 6165

-

ИНФОРМАЦИОННЫЕ ДАННЫЕ

1.  ВНЕСЕН Министерством строительного, дорожного и коммунального машиностроения СССР

2. Постановлением Государственного комитета СССР по стандартам от 18.12.87 № 4693 введен в действие государственный стандарт СССР, ГОСТ 27533-87, в качестве которого непосредственно применен международный стандарт ИСО 3541-85, с 01.07.89

СОДЕРЖАНИЕ

 




Rambler's Top100 Яндекс цитирования
  Copyright © 2008-2026, www.docload.ru