Бесплатная библиотека стандартов и нормативов www.docload.ru

Все документы, размещенные на этом сайте, не являются их официальным изданием и предназначены исключительно для ознакомительных целей.
Электронные копии этих документов могут распространяться без всяких ограничений. Вы можете размещать информацию с этого сайта на любом другом сайте.
Это некоммерческий сайт и здесь не продаются документы. Вы можете скачать их абсолютно бесплатно!
Содержимое сайта не нарушает чьих-либо авторских прав! Человек имеет право на информацию!

 

ГОСУДАРСТВЕННЫЙ СТАНДАРТ СОЮЗА ССР

ДРЕВЕСИНА КЛЕЕНАЯ МАССИВНАЯ

МЕТОД ОПРЕДЕЛЕНИЯ ПРЕДЕЛА ПРОЧНОСТИ
КЛЕЕВОГО СОЕДИНЕНИЯ ПРИ РАСКАЛЫВАНИИ

ГОСТ 15613.2-77

ГОСУДАРСТВЕННЫЙ КОМИТЕТ СССР ПО СТАНДАРТАМ
Москва

ГОСУДАРСТВЕННЫЙ СТАНДАРТ СОЮЗА ССР

ДРЕВЕСИНА КЛЕЕНАЯ МАССИВНАЯ

Метод определения предела прочности клеевого соединения при раскалывании

Massive glued wood. Method for determination of glued joint cleavage strength

ГОСТ

15613.2-77

Взамен

ГОСТ 14348-69

Постановлением Государственного комитета стандартов Совета Министров СССР от 3 марта 1977 г. № 565 срок действия установлен

с 01.07.78

Проверен в 1985 г. Постановлением Госстандарта от 12.09.85 № 2894 срок действия продлен

до 01.01.91

Несоблюдение стандарта преследуется по закону

Настоящий стандарт распространяется на массивную клееную древесину и устанавливает метод определения предела прочности клеевого соединения на гладкую фугу при двухстороннем раскалывании клиньями.

Сущность метода заключается в определении максимальной нагрузки при разрушении образца и вычислении напряжения при этой нагрузке.

1. АППАРАТУРА

1.1. Для проведения испытаний должны применяться:

машина испытательная по ГОСТ 7855-84 с погрешностью измерения не более 1 % измеряемой нагрузки в диапазоне 200 - 2000 Н (20 - 200 кгс);

штангенциркуль по ГОСТ 166-80 с погрешностью измерения не более 0,1 мм;

линейка металлическая по ГОСТ 427-75 с погрешностью измерения не более 1 мм;

аппаратура для определения влажности древесины по ГОСТ 16483.7-71;

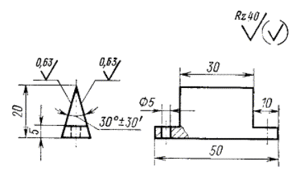
два клина, изготовленных из стали марки 40 по ГОСТ 1050-74 (черт. 1).

Черт. 1

2. ОТБОР И ПОДГОТОВКА ОБРАЗЦОВ

2.1. Способ отбора и количество образцов должны устанавливаться нормативно-технической документацией на конкретный вид клееной продукции.

Минимальное количество образцов должно быть не менее пяти для испытания одного клеевого соединения.

2.2. Заготовку для образцов склеивают специально или выпиливают из готовой продукции в виде прямоугольной призмы с клеевым швом посередине ширины заготовки. Ширина заготовки должна быть 40 мм. Толщина должна быть равна толщине склеиваемых элементов, но не более 20 мм. Длина заготовки принимается в зависимости от необходимого количества образцов.

2.3. В случае специального изготовления образцов заготовку склеивают по технологии, установленной для данного вида клееной продукции.

Образцы должны изготовляться из древесины той породы, из которой изготовляется клееная продукция.

2.4. Форма и размеры образца в миллиметрах должны соответствовать указанным на черт. 2. Длина площади раскалывания образца l должна быть 20 мм, ширина b не более 20 мм.

Дно пропилов должно быть закруглено.

2.5. Точность и качество изготовления образцов должны соответствовать требованиям ГОСТ 16483.0-78.

Образцы с видимыми пороками древесины по ГОСТ 2140-81 и дефектами склеивания испытаниям не подлежат.

2.6. Время от окончания процесса склеивания до испытания должно быть не менее 24 ч при склеивании с нагревом и не менее трех суток при склеивании без нагрева.

При контрольных испытаниях образцы до испытания должны находиться в том же помещении, что и контролируемая продукция.

Черт. 2

3. ПРОВЕДЕНИЕ ИСПЫТАНИЙ

3.1. Ширину b и длину l площади раскалывания образца измеряют с погрешностью не более 0,1 мм после разрушения образца.

3.2. Образец устанавливают в приспособление для испытания, как показано на черт. 2, между двумя клиньями, острые углы которых входят в пропилы образца. Верхний клин крепят жестко к верхней траверсе, а нижний устанавливают свободно на шаровую опору. На клинья наносят смазку по ГОСТ 1033-79.

Нагружают образец с постоянной скоростью, обеспечивающей достижение максимальной нагрузки в течение 1,0 ± 0,5 мин. Нагружение производят до разрушения образца.

3.3. Отсчет максимальной нагрузки Рmax производят с погрешностью не более 10 Н (1 кгс).

3.4. После испытания определяют влажность древесины образцов по ГОСТ 16483.7-71. Пробой для определения влажности служит одна половина образца. Количество проб должно быть не менее пяти.

4. ОБРАБОТКА РЕЗУЛЬТАТОВ

4.1. Предел прочности клеевого соединения при раскалывании (а) в МПа (кгс/см2) вычисляют с погрешностью не более 0,1 МПа (1 кгс/см2) по формуле

где Рmax - максимальная нагрузка, Н (кгс);

l - длина площади раскалывания образца, м (см);

b - ширина площади раскалывания образца, м (см).

4.2. Статистическую обработку опытных данных выполняют по ГОСТ 16483.0-78.

4.3. За результат испытания принимают среднее арифметическое значение предела прочности всех испытанных образцов.

4.4. Результаты измерений и испытаний заносят в протокол (см. рекомендуемое приложение).

ПРИЛОЖЕНИЕ

Рекомендуемое

ПРОТОКОЛ определения предела прочности клеевого соединения при раскалывании

Порода древесины                                                 Температура, °С

Клей                                                                        Степень насыщенности воздуха, %.

Изделие

Режим склеивания:

1. Температура

2. Время открытой выдержки, мин

3. Время закрытой выдержки, мин

4. Время выдержки под давлением, мин (ч)

5. Давление прессования, МПа (кгс/см2)

6. Выдержка после прессования

Маркировка образцов

Размеры площади раскалывания образца

Разрушающая нагрузка Рmax Н (кгс)

Предел прочности s МПа (кгс/см2)

Влажность образцов W, %

Ширина b, м (см)

Длина l, м (см)

 

 

 

 

 

 

Число                                                                     Подпись

СОДЕРЖАНИЕ

 




Rambler's Top100 Яндекс цитирования
  Copyright © 2008-2026, www.docload.ru