|
ИЗМЕНЕНИЕ №1 "МЕТОДИЧЕСКИХ УКАЗАНИЙ ПО
СОСТАВЛЕНИЮ И СОДЕРЖАНИЮ ЭНЕРГЕТИЧЕСКИХ ХАРАКТЕРИСТИК ОБОРУДОВАНИЯ ТЕПЛОВЫХ
ЭЛЕКТРОСТАНЦИЙ: РД 34.09.155-93" (М.: СПО ОРГРЭС, 1993) Утверждено Министерством топлива и энергетики Российской Федерации 21.07.99 г. Министр В.И. КАЛЮЖНЫЙ Согласовано с Российским акционерным обществом энергетики и электрификации "ЕЭС России" 19.07.99 г. Первый заместитель председателя правления О.В. БРИТВИН 1. Действие РД 34.09.155-93 продлить без ограничения срока. 2. На стр. 8 в п. 3.2.4 заменить формулу (1) формулой
3.
На стр. 9: 3.1. Первый абзац вверху заменить текстом в следующей редакции: " Δqэ -
относительный прирост расхода тепла на выработку электроэнергии,
ГДж/(МВт·ч)(Гкал/(МВт·ч)]; для турбоагрегатов с регулируемыми отборами пара
значение Δqэ
в диапазоне изменения электрической мощности (МВт) от Nт,1 до Nт,2
определяется с использованием зависимостей
здесь qт,1, и qт,2
- удельные расходы тепла на выработку электроэнергии,
кДж/(кВт·ч)[ккал/(кВт·ч)], при мощности, равной соответственно Nт,1
и Nт,2,
и неизменных значениях 3.2. Пункт 3.2.5 изложить в следующей редакции: "3.2.5. Значение коэффициента, учитывающего точность исходного материала, устанавливается в пределах, указанных в приложении 1, а значения допусков на эксплуатационные условия принимаются в соответствии с приложением 2." 4. На стр. 10 в четвертой строке п. 3.2.8 ссылку на "Минэнерго СССР" заменить ссылкой на "Минэнерго РФ". 5. На стр. 11 в п. 3.2.10: 5.1. Изменить редакцию двух последних строк первого абзаца: "тех же
(начальных) значениях его электрической мощности и соотношений 5.2. Заменить формулу (9) формулой
5.3. После формул (8) и (9) в пояснении к ним перед "qт" добавить следующее: "где
6. На стр. 13 в формуле (15) значение коэффициента пропорциональности "103" заменить на "10-3". 7.
На стр. 14: 7.1. Заменить формулу (16) формулой
7.2. Из второго абзаца п. 4.2.2 исключить слова "распределения питательной воды между турбоагрегатами". 8.
На стр. 16: 8.1. В п.
4.2.4.14 вместо " 8.2. Исключить п. 4.2.5. 9.
На стр. 17: 9.1. В п. 4.2.6 третью строку первого абзаца дополнить словами "и возможных режимов работы.", второй и третий абзацы исключить. 9.2. Пункт 4.2.7 изложить в следующей редакции: "4.2.7. Энергетические характеристики турбоагрегата определяются при условии равенства часовых расходов свежего пара и питательной воды, а также пара из отборов турбоагрегата к потребителям и возвращаемого конденсата." 9.3. В п. 4.3.1 исключить текст после последней запятой. 9.4. Исключить п. 4.3.2. 9.5. Пункт 4.3.3 изложить в следующей редакции: "4.3.3. В общем случае поправки к основным показателям турбоагрегата приводятся на отклонение значений следующих внешних факторов:" 9.6. Исключить п. 4.3.3.1. 10. На стр. 18 исключить п. 4.3.3.13. 11.
На стр. 19: 11.1. Пункт 4.3.5 изложить в следующей редакции: "4.3.5. Для обеспечения возможности проведения анализа показателей работы турбоагрегатов и определения резервов их тепловой экономичности должны быть приведены поправки на изменение: давления и температуры свежего пара; потери давления в тракте промежуточного перегрева и температуры пара после него; температуры питательной воды; места ввода в тепловую схему турбоагрегата конденсата пара регулируемого отбора." 11.2. Из п. 4.3.9 исключить первый и второй абзацы. 12. Слова "вводится, вводятся "заменить словами "приводится, приводятся": на стр. 20 в последнем абзаце п. 4.3.9 и во втором абзаце п. 4.3.10; на стр. 21 в последней строке п. 4.3.11; на стр. 24 в первом абзаце п. 4.3.18; на стр. 25 во второй строке п. 4.3.21; на стр. 31 в первом абзаце п. 4.4.4.1; на стр. 40 в первом абзаце п. 4.5.3.6; на стр. 44 в первых абзацах пп. 4.5.4.8 и 4.5.4.10; на стр. 47 в первом абзаце п. 4.5.5.6; на стр. 49 в первом абзаце п. 4.5.6.5; на стр. 50 в первом абзаце п. 4.5.7.4; на стр. 51 в п. 4.5.7.6; на стр. 52
в первом абзаце п. 4.5.8.6. 13. На стр. 20 исключить второй абзац п. 4.3.10.2. 14. На стр. 21 исключить второй абзац п. 4.3.12. 15. На стр. 23 последний абзац п. 4.3.17 изложить в следующей редакции: "Потери при пуске принимаются в соответствии с "Нормами потерь топлива, электроэнергии и пара при пусках энергоблоков мощностью 160 - 1200 МВт тепловых электростанций: РД 34.09.106-94" (М.: ПМБ ВТИ, 1994), "Нормами потерь топлива, электроэнергии и пара при пусках теплофикационных энергоблоков мощностью 110 - 250 МВт тепловых электростанций: РД 34.09.112-89" (М.: СПО Союзтехэнерго, 1990) и результатами произведенных специальных испытаний." 16. На стр. 24 в п. 4.3.18: 16.1. В конце первого абзаца исключить ссылку на рис. П4.13. 16.2. Второй абзац исключить. 17. На стр. 26 в формуле (23) значение коэффициента пропорциональности "10-3" заменить на "103". 18. На стр. 27 заменить текст п. 4.3.23 следующим: "4.3.23. Поправки к мощности турбоагрегатов, оговоренные в пп. 4.3.9, 4.3.11.2, 4.3.11.3, 4.3.13.3, 4.3.18, 4.3.19 и 4.3.20 при нормировании показателей тепловой экономичности не используются и в энергетические характеристики турбоагрегатов включаются по инициативе электростанции." 19. На стр. 28 в наименовании п. 4.4.2 слово "электрические" заменить словом "энергетические". 20. На стр. 31 второй и третий абзацы п. 4.4.2.6 заменить следующим текстом: "Затраты
мощности на привод осевых с неизменным углом разворота лопастей и центробежных
циркуляционных насосов определяются для трех имеющих место в эксплуатационных
условиях значений напора насосов: минимального, среднего и максимального. Для
каждого из значений напора насосов при трех значениях температуры охлаждающей воды
(максимальном, среднем и минимальном) определяются значения мощности
турбоагрегата Nт
(или расхода пара в конденсатор Затраты мощности на привод осевых циркуляционных насосов, угол разворота υ лопастей которых остается постоянным в течение сезона, определяются для трех значений напора (минимального, среднего и максимального) насоса при каждом из трех значений υ (максимальном, среднем и минимальном). Затраты мощности на привод осевых циркуляционных насосов с регулированием угла разворота лопастей на ходу определяются при оптимальных расходах циркуляционной воды для различных значений ее температуры. При расчетах затрат мощности на привод циркуляционных насосов используются результаты их испытаний, типовые энергетические характеристики, паспортные данные заводов-изготовителей или данные каталогов. Гидравлическая характеристика сети принимается по данным испытаний, проектным или эксплуатационным данным." 21. На стр. 34 из наименования п. 4.5.2 исключить слова "и нормативной мощности". 22. На стр. 40 в п. 4.5.3.7 из последнего абзаца исключить слова "и часовому расходу тепла на выработку электроэнергии". 23.
На стр. 55: 23.1. Заменить формулу (29) формулой
23.2. Пункт 5.2.2 дополнить третьим абзацем: "В случае экономической нецелесообразности или отсутствия технической возможности доведения присосов воздуха до норм ПТЭ допускается принимать в качестве нормативного значения лучшие результаты, достигнутые после капитальных ремонтов." 24. На стр. 56 исключить пп. 5.2.2.2, 5.2.2.3 и 5.2.2.4. 25. На стр. 58 заменить формулу (33) формулой
26. На стр. 58 и 59 в п. 5.2.6 в пояснениях к коэффициентам К, С, в и на стр. 64 вверху в пояснениях к энтальпии шлака (С υ)шл в п. 5.2.10 ссылку на "Методические указания по подготовке и передаче информации о тепловой экономичности работы электростанций и энергосистем: МУ 34-70-065-84" (М.: СПО Союзтехэнерго, 1984) заменить ссылкой на "Методические указания по составлению отчета электростанции и акционерного общества энергетики и электрификации о тепловой экономичности оборудования: РД 34.08.552-95" (М.: СПО ОРГРЭС, 1995). 27.
На стр. 59: 27.1.
Исключить второй абзац сверху ( 27.2. Заменить формулу (34) формулой
28. На стр.
60: 28.1. Изменить текст первой строки: "кп
- коэффициент пропорциональности: кп = 4,187, если 28.2. Заменить формулу (40) формулой
29. На стр. 61 формулу (42), текст перед ней и пояснения к ней заменить следующими: "Тепло, внесенное в топку при паровой обдувке поверхностей нагрева qо6д.п [кДж/кг(ккал/кг)] и затраченное на испарение воды при водяной обдувке и расшлаковке поверхностей нагрева qо6д.в [кДж/кг(ккал/кг)], определяется по формулам: qобд.п = dобд(iобд.п – iух); (42) qобд.в = gобд(iобд.в – iух), (42а) где dобд и gобд - удельные расходы пара и воды (на 1 кг топлива) на паровую и водяную обдувку поверхностей нагрева; iобд.п и iобд.в - энтальпия пара и воды, используемых для обдувки, кДж/кг(ккал/кг)." 30. На стр. 62 заменить формулу (45) формулой
31. На стр.
63: 31.1. Заменить три верхние строки следующим текстом: "где αтв - доля по теплу твердого топлива, сжигаемого в смеси; q'4 - потери тепла от механической неполноты сгорания твердого топлива, определенные по формуле (44) с подстановкой в нее значений Гшл и Гун при сжигании смеси топлив, %." 31.2. После пояснений к формуле (46) перед п. 5.2.9 поместить следующий текст: "При
отсутствии результатов испытаний котла на смеси топлив допускается значение
где а - коэффициент, значение которого принимается (в зависимости
от доли газа или мазута в смеси) следующим:
31.3. Из формулы (48) исключить член "αтв" 32.
На стр. 64 п. 5.2.10 дополнить следующим текстом: "При сжигании смеси
твердого топлива, мазута и газа потери тепла с физическим теплом шлака и золы Потери тепла
при охлаждении панелей и балок, не включенных в циркуляционную схему котла,
или приближенно
где Hохл - площадь
лучевоспринимающей поверхности балок и панелей (для последних в расчет
принимается только боковая, обращенная в топку, поверхность), м2." 33. Текст на стр. 68 заменить следующим: "температура холодного воздуха tхв (°C); способ
предварительного подогрева воздуха; температура воздуха перед
воздухоподогревателями t'вп
(°С); характеризуется постоянным значением или графической зависимостью (рис. П5.16); нагрев воздуха за счет рециркуляции горячего воздуха Δtрец (°С); нагрев воздуха в калориферах котла Δtкф (°С); температура питательной воды tпв (°C); характеризуется постоянным значением или графической зависимостью (рис. П5.15); количество
впрыскиваемой воды в топку [ число часов
работы с начала эксплуатации допуск на
эксплуатационные условия введенная
поправка на старение оборудования введенные поправки на действие факторов, указанных в пп. 3.2.3.3 - 3.2.3.6; значения других внешних факторов, присущих индивидуальным" 34.
На стр. 71: 34.1. В п. 5.4.2 слово "могут" заменить словом "должны". 34.2. Во втором абзаце п. 5.4.3 исключить ссылку на табл.1. 34.3. Текст последнего абзаца заменить следующим: "Поправки
к q2
и 35. На стр. 72 исключить верхние три строки. 36. На стр. 73 исключить таблицы 1 и 2. 37.
На стр. 74: 37.1. Второй абзац сверху изложить в следующей редакции: "Поправка на отклонение температуры холодного воздуха определяется с помощью формулы (33), на отклонение расхода воды на впрыск в топку для предотвращения образования оксидов азота - по формуле (51а)*:
37.2. В конце стр. 74 поместить сноску: "* Здесь и далее наличие подстрочного индекса "исх" обозначает исходное (принятое при составлении энергетической характеристики) значение показателя, а его отсутствие - текущее значение показателя." 37.3. Заменить формулу (52) и пояснения к ней:
где кпв, квп, крец, кr, кэнд - удельные поправки к температуре уходящих газов на изменение соответственно температуры питательной воды, температуры воздуха перед воздухоподогревателем, нагрева воздуха за счет рециркуляции горячего воздуха (°С/°С), коэффициента рециркуляции дымовых газов (°С/%), тепловой нагрузки экономайзера низкого давления {°С/(ГДж/ч)[°С/(Гкал/ч)]};
38.
На стр.75: 38.1. Исключить первый и второй абзацы сверху - пояснения к формуле (52). 38.2. Второй абзац снизу изложить в следующей редакции: "В зависимости от конструкции котла и его поверхностей нагрева, вида сжигаемого топлива и нагрузки значения коэффициентов составляют кпв = 0,1...0,25; квп = 0,5...0,8; крец = -0,2...-0,45; кr = 0,05...0,6." 39.
На стр. 77: 39.1. Во втором абзаце снизу вместо [кДж/ч(ккал/кг)] следует читать [кДж/кг(ккал/кг)]. 39.2. Заменить формулу (55) формулой
40. На стр. 82 исключить п. 6.2.2. 41. На стр.87 в п. 7.1.8 последний абзац изложить в следующей редакции: "Указанный в формуле (60) коэффициент 1,03, учитывающий потери электроэнергии в трансформаторах собственных нужд, применяется в том случае, когда счетчики установлены на стороне низшего напряжения трансформаторов." 42. На стр. 93 и 94 в третьих строках пп. 8.2 и 8.3 после слов "параметры пара" поместить в скобках следующий текст: "(установленные заводом-изготовителем или утвержденные для данной электростанции Департаментом электрических станций РАО "ЕЭС России")." 43. На стр. 96, 97 и 98 исключить пп. 9.3, 9.4, 9.5 и 9.6. 44. На стр. 115 заменить рис. П4.25 новым и поместить дополнительно рис. П4.25а.
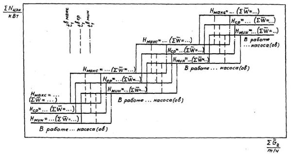
Рис. П4.25. Потребляемая мощность осевых (с неизменным углом разворота лопастей) и центробежных циркуляционных насосов: 1 - в работе один насос (в работе один насос
на первой частоте вращения вала); 2 - в работе два насоса (в работе один насос на второй частоте вращения вала)
Рис. П4.25а. Потребляемая мощность осевых циркуляционных насосов, угол разворота Ф лопастей которых остается постоянным в течение сезона: 1 - υмакс =...; 2 - υср
= ...;3 - υмин =... 45. На стр. 150 заменить рис. П6.8 новым.
Рис. П6.8. Потребляемая мощность циркуляционных насосов группы турбоагрегатов |
|
|
|
|