Бесплатная библиотека стандартов и нормативов www.docload.ru

Все документы, размещенные на этом сайте, не являются их официальным изданием и предназначены исключительно для ознакомительных целей.
Электронные копии этих документов могут распространяться без всяких ограничений. Вы можете размещать информацию с этого сайта на любом другом сайте.
Это некоммерческий сайт и здесь не продаются документы. Вы можете скачать их абсолютно бесплатно!
Содержимое сайта не нарушает чьих-либо авторских прав! Человек имеет право на информацию!

 

МИНИСТЕРСТВО РОССИЙСКОЙ ФЕДЕРАЦИИ ПО ДЕЛАМ
ГРАЖДАНСКОЙ ОБОРОНЫ, ЧРЕЗВЫЧАЙНЫМ СИТУАЦИЯМ
И ЛИКВИДАЦИИ ПОСЛЕДСТВИЙ СТИХИЙНЫХ БЕДСТВИЙ

ГОСУДАРСТВЕННАЯ ПРОТИВОПОЖАРНАЯ СЛУЖБА

НОРМЫ ПОЖАРНОЙ БЕЗОПАСНОСТИ

ТЕХНИКА ПОЖАРНАЯ.
МОТОПОМПЫ ПОЖАРНЫЕ.
ОБЩИЕ ТЕХНИЧЕСКИЕ ТРЕБОВАНИЯ.
МЕТОДЫ ИСПЫТАНИЙ

НПБ 313-2002

МОСКВА 2003

Разработаны Федеральным государственным учреждением «Всероссийский ордена "Знак Почета" научно-исследовательский институт противопожарной обороны» Министерства Российской Федерации по делам гражданской обороны, чрезвычайным ситуациям и ликвидации последствий стихийных бедствий (ФГУ ВНИИПО МЧС России) (В.А. Варганов, Г.И. Пунчик, Е.А. Синельникова).

Внесены и подготовлены к утверждению отделом пожарной техники и вооружения Главного управления Государственной противопожарной службы Министерства Российской Федерации по делам гражданской обороны, чрезвычайным ситуациям и ликвидации последствий стихийных бедствий (ГУГПС МЧС России) (И.В. Рыбкин, В.В. Жидовленков).

Утверждены приказом ГУГПС МЧС России от 31 декабря 2002 г. № 61.

Дата введения в действие 1 марта 2003 г.

Вводятся впервые.

МИНИСТЕРСТВО РОССИЙСКОЙ ФЕДЕРАЦИИ ПО ДЕЛАМ
ГРАЖДАНСКОЙ ОБОРОНЫ, ЧРЕЗВЫЧАЙНЫМ СИТУАЦИЯМ
И ЛИКВИДАЦИИ ПОСЛЕДСТВИЙ СТИХИЙНЫХ БЕДСТВИЙ

ГОСУДАРСТВЕННАЯ ПРОТИВОПОЖАРНАЯ СЛУЖБА

НОРМЫ ПОЖАРНОЙ БЕЗОПАСНОСТИ

ТЕХНИКА ПОЖАРНАЯ.
МОТОПОМПЫ ПОЖАРНЫЕ.
ОБЩИЕ ТЕХНИЧЕСКИЕ ТРЕБОВАНИЯ.
МЕТОДЫ
ИСПЫТАНИЙ

FIRE-FIGHTING EQUIPMENT. FIRE MOTOR PUMPS.
GENERAL TECHNICAL REQUIREMENTS.
TEST METHODS

НПБ 313-2002

Дата введения 01.03.2003 г.

1. ОБЛАСТЬ ПРИМЕНЕНИЯ

1.1. Настоящие нормы пожарной безопасности (далее - нормы) распространяются на мотопомпы пожарные, которые предназначены для подачи воды и водных растворов пенообразователей температурой до 30 °С с водородным показателем рН от 7 до 10,5, плотностью до 1100 кг/м3 и массовой концентрацией твердых частиц до 0,5 % при их максимальном размере 3 мм при тушении пожаров.

1.2. Настоящие нормы устанавливают общие технические требования к мотопомпам пожарным, методы их испытаний. Нормы могут использоваться при подтверждении соответствия этих изделий нормативным требованиям в системе сертификации в области пожарной безопасности.

2. ТЕРМИНЫ И ОПРЕДЕЛЕНИЯ

2.1. В настоящих нормах используются следующие термины с соответствующими определениями.

Мотопомпа пожарная (далее мотопомпа) - насосный агрегат с двигателем внутреннего сгорания, укомплектованный пожарно-техническим оборудованием.

Номинальный режим насоса - режим работы насоса, обеспечивающий заданные технические показатели: подачу и напор при установленной номинальной частоте вращения и номинальной геометрической высоте всасывания.

Номинальная подача насоса Qном. - подача насоса при номинальном напоре Нном., номинальной геометрической высоте всасывания hг.ном. и номинальной частоте вращения рабочего колеса насоса пном..

Давление на входе в насос Р1 - давление жидкой среды на входе в насос.

Давление на выходе из насоса Р2 - давление жидкой среды на выходе из насоса.

Давление насоса Рн - величина, определяемая зависимостью

, Па                           (1)

где Р2 и Р1 - давление на выходе и на входе в насос, Па; r - плотность жидкой среды, кг/м3; V2 и V1 - скорость жидкой среды на выходе и входе в насос, м/с; g - ускорение свободного падения, м/с2; z2 и z1 - высота центра тяжести сечения выхода и входа в насос, м.

Напор насоса Нн - величина, определяемая зависимостью

, м                                                                             (2)

где Рн - давление насоса, Па; r - плотность жидкой среды, кг/м3; g - ускорение свободного падения, м/с2.

Номинальный напор насоса Нном. - напор насоса при номинальной подаче Qном., номинальной геометрической высоте всасывания hг.ном. и номинальной частоте вращения рабочего колеса насоса пном.

Геометрическая высота всасывания hг - расстояние между осью вращения рабочего колеса первой ступени насоса и уровнем воды со стороны линии всасывания при нормальном атмосферном давлении и при температуре воды 4 °С.

При других значениях атмосферного давления и температуры воды геометрическая высота всасывания должна быть скорректирована по формуле

, м                                (3)

где hг - измеренная геометрическая высота всасывания, м; Рб - местное барометрическое давление воздуха при испытаниях, Па; Рп - давление паров воды, Па.

Номинальная геометрическая высота всасывания hг.ном. - расстояние между осью вращения рабочего колеса первой ступени насоса и уровнем воды со стороны линии всасывания, при которой обеспечиваются номинальные значения подачи насоса Qном. и напора Нном. при частоте вращения пном..

Номинальная частота вращения пном. - частота вращения рабочего колеса первой ступени насоса при номинальных значениях подачи насоса Qном., напора Нном. и геометрической высоты всасывания hг.ном..

Направление вращения привода: правое - вращение по часовой стрелке со стороны привода, левое - вращение против часовой стрелки со стороны привода.

Определение видов насосов по принципу действия и конструкции должны соответствовать ГОСТ 17398.

2.2. В зависимости от типа привода насосных агрегатов мотопомпы подразделяются на:

мотонасосные агрегаты - насосные агрегаты, в которых приводным двигателем является карбюраторный двигатель;

дизель-насосные агрегаты - насосные агрегаты, в которых приводным двигателем является дизельный двигатель.

2.3. В зависимости от конструктивных особенностей и основных показателей мотопомпы классифицируются на:

мотопомпы нормального давления, обеспечивающие подачу воды и огнетушащих растворов при давлении на выходе до 2,0 МПа (20 кгс/см2);

мотопомпы высокого давления, обеспечивающие подачу воды и огнетушащих растворов при давлении на выходе свыше 2,0 МПа (20 кгс/см2).

2.4. В зависимости от способа перемещения при эксплуатации мотопомпы подразделяются на:

переносные - мотопомпы, доставляемые к месту эксплуатации вручную (силами расчета);

прицепные - мотопомпы, установленные на прицепе (полуприцепе) и доставляемые к месту применения автомобильным транспортом.

2.5. Для мотопомп устанавливается следующая номенклатура показателей, которые должны включаться в соответствующие нормативные документы и техническую документацию:

номинальная подача насоса Qном., л/с (л/мин, м3/ч);

номинальный напор насоса Нном., м;

номинальная частота вращения пном., об/мин;

номинальная геометрическая высота всасывания hг.ном., м;

максимальная геометрическая высота всасывания hг.тах, м;

время всасывания (заполнения) с максимальной геометрической высоты всасывания tвc., с;

подача при максимальной геометрической высоте всасывания Q, л/с;

напор при максимальной геометрической высоте всасывания Н, м;

максимальное рабочее давление на входе в насос Р1тах, кгс/см2;

максимальное рабочее давление на выходе из насоса Р2тах, кгс/см2;

габаритные размеры, мм;

масса, кг;

количество и условный диаметр всасывающих и напорных патрубков, мм;

тип системы водозаполнения;

мощность приводного двигателя Nдв., кВт (л. с.);

вид топлива;

расход топлива в номинальном режиме работы насоса gm, кг/ч;

тип системы охлаждения;

тип системы запуска двигателя.

2.6. Показатели надежности мотопомпы должны быть указаны в нормативно-технической документации (НТД) на конкретный тип мотопомпы.

2.7. Для мотопомп, оборудованных системой дозирования пенообразователя (добавок, веществ), должен быть указан диапазон дозирования (регулирования) уровня концентрации пенообразователя при заданных значениях подачи и давления насоса.

2.8. В номенклатуру показателей могут быть внесены показатели, не указанные в п. 2.5.

2.9. Номенклатура показателей мотопомп нормального и высокого давления, поставляемых по импорту, может изменяться и включать в себя не указанные в п. 2.5 настоящих норм показатели, которые установлены изготовителем.

3. ТЕХНИЧЕСКИЕ ТРЕБОВАНИЯ ПОЖАРНОЙ БЕЗОПАСНОСТИ

3.1. Типы и основные показатели мотопомп нормального давления приведены в таблице.

Показатель

Тип мотопомп

переносные

прицепные

1. Номинальная подача, л/мин (л/с)

200

(3,3)

400

(6,6)

600

(10,0)

800

(13,3)

1200

(20,0)

1600

(26,7)

2400

(40,0)

2. Номинальный напор, м, не менее

60

60

60

80

100

100

100

3. Номинальная геометрическая высота всасывания, м

1,5

1,5

1,5

1,5

3,5

3,5

3,5

4. Максимальная геометрическая высота всасывания, м, не менее

5

5

5

5

7

7

7

5. Время всасывания (заполнения) с максимальной геометрической высоты всасывания, с, не более

40

40

40

40

40

40

40

6. Подача при максимальной геометрической высоте всасывания, л/мин, не менее

100

200

300

400

600

800

1200

7. Условный диаметр всасывающего патрубка, мм

1´80

1´80

1´80

1´80

(1´100)

1´100

(1´125)

1´100

(1´125)

1´125

8. Количество и условный диаметр напорных патрубков

1´50

(1´70)

1´50

(1´70)

1´50

(1´70)

1´70

(2´70)

2´70

2´70

2´70

Примечание. Значения показателей в пп. 7, 8, указанные в скобках, являются допустимыми.

3.2. Значения показателей мотопомп, поставляемых по импорту, должны соответствовать значениям, установленным изготовителем и указанным в технической документации на эти мотопомпы.

3.3. В конструкции мотопомпы должны быть предусмотрены устройства, обеспечивающие слив воды из полостей насоса.

3.4. В корпусе насоса должны быть предусмотрены отверстия для слива воды при наличии утечек через уплотнения вала.

3.5. Напорный патрубок насоса должен быть оборудован запорно-регулирующей арматурой.

В конструкции насоса (запорно-регулирующей арматуры) должно быть предусмотрено устройство, обеспечивающее предотвращение обратного тока жидкости из напорной магистрали в полость насоса.

3.6. Во всасывающей линии или во всасывающем патрубке насоса должно устанавливаться фильтрующее устройство.

3.7. Всасывающий и напорный патрубки насоса должны быть оборудованы пожарными головками по ГОСТ 28352.

3.8. Мотопомпа должна быть оборудована вакуумной или другого типа системой водозаполнения с ручным или автоматическим управлением.

Автоматическая система должна обеспечивать трехкратное заполнение насоса при следующих друг за другом срывах водяного столба во всасывающей линии при работе с максимальной геометрической высоты всасывания.

3.9. Мотопомпы могут иметь в своем составе систему дозирования пенообразователя с ручным или автоматическим управлением.

Система дозирования пенообразователя (ГОСТ Р 50588) должна обеспечивать его подачу с концентрацией по объему в водном растворе, указанной в технической документации при заданных подачах насоса и давлениях.

При наличии системы дозирования в конструкции насоса рекомендуется предусмотреть устройство, исключающее попадание пенообразователя во всасывающую линию при нулевой подаче насоса.

3.10. Конструкция насоса мотопомпы, предназначенной для работы как от пожарного гидранта, так и из открытого водоисточника, должна обеспечивать его герметичность и прочность при испытательном статическом давлении Р1исп = (6,0 ± 0,5) кгс/см2 и при испытательном динамическом давлении Р2исп = (1,5 ± 0,5) Рном. кгс/см2, а также обеспечивать его герметичность при величине вакуума не менее минус 0,75 кгс/см2.

3.11. Приводной двигатель должен быть оборудован ограничителем количества оборотов.

3.12. В системе управления двигателем должен быть предусмотрен плавный регулятор скорости вращения.

3.13. Электрическая система двигателя должна иметь защиту от воздействия влаги и коротких замыканий. Степень защиты по ГОСТ 14254 должна быть указана в технической документации.

3.14. Двигатель должен быть оснащен ручной или электрической пусковой системой.

Продолжительность запуска не должна превышать 2 мин.

3.15. Система водяного охлаждения должна быть оборудована сливными устройствами, обеспечивающими полный слив охлаждающей жидкости.

Конструкция системы охлаждения должна обеспечивать доступ к элементам, подверженным загрязнению и требующим проведения профилактических работ без демонтажа других элементов.

3.16. Двигатель должен быть оборудован системой выпуска отработанных газов с глушителем.

Уровень звука, создаваемый мотопомпой при работе в номинальном режиме, не должен превышать 90 дБА.

Отработанные газы должны быть направлены в сторону, противоположную рабочему месту оператора.

Система выпуска отработанных газов должна обеспечивать исключение контакта с другими элементами конструкции мотопомпы (охлаждения, электропитания, подачи топлива) и возможности травматизма при эксплуатации.

Для дизельных двигателей система выпуска отработанных газов должна быть оборудована искрогасительным устройством.

3.17. Топливная система должна быть оборудована топливным баком, емкость которого должна обеспечивать непрерывную работу мотопомпы в номинальном режиме без дозаправки в течение не менее 2 ч.

Элементы топливной системы должны сохранять прочность и герметичность при воздействии на них вибраций, возникающих при работе мотопомпы и во время ее транспортирования.

Топливный бак должен быть оборудован заливной горловиной с закрывающим устройством, конструкция которого должна исключать утечку топлива из горловины при допустимых углах наклона мотопомпы во время работы и при транспортировании.

Топливный бак для прицепных мотопомп рекомендуется оборудовать указателем уровня топлива.

Топливная система должна быть оборудована топливным краном и легкосъемным грязеотделительным отстойником или фильтрующим устройством.

3.18. Конструкция системы смазки приводного двигателя и насоса должна обеспечивать доступ к заливке и сливу масла, а также к системе контроля за его уровнем.

Подтекание смазочных материалов при хранении мотопомпы, ее транспортировании и эксплуатации не допускается.

3.19. Переносные мотопомпы должны устанавливаться на несущей раме, обеспечивающей возможность ее переноски вручную, транспортировки автотранспортом, автомобильным прицепом и установки на грунт.

Рукоятки на раме для перемещения мотопомпы должны быть оборудованы теплоизоляционным материалом.

3.20. Прицепные мотопомпы должны быть установлены на автомобильные прицепы в соответствии с существующими на них нормами и правилами оборудования и транспортирования грузов.

3.21. Рекомендуется оборудовать мотопомпу съемным кожухом, обеспечивающим защиту мотопомпы от механических повреждений и атмосферных осадков. В зонах обслуживания кожух должен быть легкосъемным.

3.22. Усилия на органах управления мотопомпой должны соответствовать требованиям ГОСТ 21752, ГОСТ 21753.

3.23. Конструкция мотопомпы должна обеспечивать ее непрерывную работу в номинальном режиме в течение не менее 2 ч.

3.24. На мотопомпах рекомендуется устанавливать следующие контрольно-измерительные приборы:

мановакуумметр во всасывающем патрубке насоса;

манометр (мановакуумметр) в напорном патрубке насоса;

тахометр;

счетчик моточасов;

датчик (индикатор) температуры охлаждающей жидкости (для двигателей с жидкостной системой охлаждения);

датчик (индикатор) давления масла в системе смазки (для двигателей с картерной системой смазки);

индикатор разрядки акамуляторной батареи;

индикатор включения системы зажигания.

Класс точности не менее 2,5.

Допускается установка дополнительных контрольно-измерительных приборов.

Наличие манометра (мановакуумметра) в напорном патрубке насоса обязательно.

3.25. Органы управления мотопомпой и контрольно-измерительные приборы должны располагаться в рабочей зоне оператора.

3.26. Рама, топливный бак, наружные поверхности мотопомпы и защитный кожух должны иметь защитное лакокрасочное покрытие, стойкое к атмосферным осадкам, пенообразователю, моторному маслу и бензину.

Основной цвет окрашиваемых наружных поверхностей - красный.

3.27. В нормативно-технической документации на мотопомпу должна быть указана категория климатического использования по ГОСТ 15150.

3.28. Устройства для заливки топлива, охлаждающей жидкости, смазки, органы и элементы управления, контрольно-измерительные приборы, функциональное назначение которых требует пояснения, должны быть оборудованы табличками с разъяснительными надписями или обозначениями рабочих (регулирующих) положений.

3.29. На видном месте должна быть прикреплена табличка предприятия-изготовителя, выполненная по ГОСТ 12969 и ГОСТ 12971 и содержащая следующую информацию:

наименование или товарный знак предприятия-изготовителя;

условное обозначение мотопомпы;

заводской номер по системе предприятия-изготовителя;

год выпуска;

номинальную подачу;

номинальный напор;

мощность приводного двигателя.

3.30. Маркировка табличек, обозначение органов и элементов управления, контрольно-измерительных приборов должны быть выполнены способом, обеспечивающем четкость и сохранность надписей в течение всего срока эксплуатации.

3.31. На насосе мотопомпы должно быть указано стрелкой на поверхности корпуса или крышки направление вращения вала.

3.32. В комплект поставки мотопомпы должны входить комплектующие изделия, предусмотренные технической документацией на мотопомпу, паспорт, техническое описание, инструкция по эксплуатации или единый документ, их заменяющий.

Аналогичные документы на мотопомпы, поставляемые по импорту, должны представляться поставщиком на русском языке либо вместе с переводом на русский язык, заверенным изготовителем.

4. МЕТОДЫ ИСПЫТАНИЙ

4.1. Изготавливаемые предприятиями России мотопомпы должны пройти все стадии и этапы разработки, предусмотренные ГОСТ 2.103, ГОСТ Р 15.201, и все виды испытаний. Мотопомпы должны иметь полный комплект конструкторской документации на серийное производство, оформленной в соответствии с требованиями ЕСКД, и эксплуатационную документацию.

4.2. На сертификационные испытания предъявляют образцы, которые выбраны методом случайного отбора из числа мотопомп, прошедших приемо-сдаточные испытания на предприятии-изготовителе, в количестве 1 - 3 штук каждого типоразмера и идентифицированы в соответствии с разделом 3 настоящих норм.

4.3. Результаты сертификационных испытаний считаются положительными, если значения всех показателей, полученные при испытаниях предъявленных образцов, полностью соответствуют требованиям настоящих норм.

4.4. При получении хотя бы одного отрицательного результата по любому из испытанных образцов этот результат считается окончательным и распространяется на всю предъявленную на испытания продукцию.

4.5. Все средства измерений, контроля, испытательное оборудование (стенды, устройства), используемые при проведении испытаний, должны иметь действующие аттестаты, клейма или свидетельства и применяться в условиях, установленных в эксплуатационной документации на них.

4.6. Мотопомпы предъявляются на испытания с сопроводительными документами в соответствии с требованиями п. 3.32.

4.7. Испытания должны проводиться при температуре, входящей в диапазон рабочих температур эксплуатации мотопомп, который указан в НТД.

4.8. Внешний осмотр

При внешнем осмотре проверяют соответствие мотопомп требованиям пп. 3.25, 3.26, 3.28 - 3.32.

Проверку проводят визуально и посредством анализа содержания информации.

4.9. Соответствие мотопомп требованиям пп. 7, 8 таблицы и пп. 3.3 - 3.9, 3.11 - 3.15, 3.18 - 3.21, 3.24 - 3.27 проверяют посредством анализа технической документации.

4.10. Проверка массы

Массу мотопомпы проверяют на соответствие требованиям технической документации взвешиванием с погрешностью не более ± 1 кг.

4.11. Проверка габаритных размеров

Габаритные размеры мотопомпы должны проверяться на соответствие требованиям технической документации изготовителя с погрешностью не более ± 5 мм.

4.12. Определение показателей номинального режима

Испытания по проверке показателей на соответствие пп. 1, 2 таблицы проводятся по схеме, представленной в приложении 1.

При испытаниях на номинальных частоте вращения, подаче и геометрической высоте всасывания определяют напор насоса. При этом измеряют и фиксируют:

подачу насоса Qн.;

частоту вращения пн.;

давление на входе в насос Р1;

давление на выходе из насоса Р2 ,

геометрическую высоту всасывания hг.;

барометрическое давление воздуха Рб.;

температуру воды Tв..

Напор насоса определяют по формулам (1), (2).

Погрешность измерения подачи насоса, частоты вращения, давления - в соответствии с требованиями ГОСТ 6134.

Геометрическую высоту всасывания определяют с погрешностью не более ±0,1 м.

Температуру воды определяют с погрешностью не более ± 0,5 °С.

4.13. Проверка параметров при работе с наибольшей геометрической высоты всасывания

Проверку показателей на соответствие пп. 4, 6 таблицы проводят по схеме, представленной в приложении 1.

При испытаниях с наибольшей геометрической высоты всасывания определяют подачу и напор насоса.

При этом измеряют и фиксируют:

подачу насоса Qн.;

частоту вращения пн.;

давление на входе в насос Р1;

давление на выходе из насоса Р2;

геометрическую высоту всасывания hг.;

барометрическое давление воздуха Pб.;

температуру воды Тв..

4.14. Проверка времени заполнения насоса с максимальной геометрической высоты всасывания

Проверку показателей на соответствие пп. 4, 5 таблицы, п. 3.8 проводят по схеме, представленной в приложении 1.

После запуска приводного двигателя фиксируют время с момента включения вакуумной системы до появления устойчивой струи воды из ручного пожарного ствола.

Для мотопомпы с автоматической вакуумной системой проводят проверку автоматического повтора забора воды при двукратном принудительном срыве столба воды во всасывающей линии.

При этом измеряют и фиксируют:

геометрическую высоту всасывания hг.;

время заполнения tз.;

барометрическое давление воздуха Р6.;

температуру воды Тв..

4.15. Проверка системы дозирования пенообразователя

Проверка системы дозирования пенообразователя на соответствие п. 3.9 проводится по схеме, представленной в приложении 1.

Испытания проводят при каждом регулировочном положении дозирующего устройства на режимах, установленных в нормативно-технической документации.

Подача пенообразователя производится из мерной емкости и определяется весовым или объемным способом.

Концентрация пенообразователя в водном растворе должна соответствовать значениям, указанным в НТД. Она определяется по формуле

,                                                             (4)

где Qn. - расход пенообразователя, л/с; Qн. - подача насоса, л/с.

Отсутствие подачи пенообразователя во всасывающую линию при нулевой подаче насоса контролируется визуально по уровню в мерном баке в течение не менее 3 мин.

При испытаниях измеряют и фиксируют:

подачу насоса Qн.;

расход пенообразователя Qn.;

давление на входе в насос Р1;

давление на выходе из насоса Р2;

геометрическую высоту всасывания hг..

Расход пенообразователя определяют с погрешностью не более ± 0,01 л/с.

При испытаниях допускается использовать вместо пенообразователя воду с последующим пересчетом концентрации по формуле

,                                                                  (5)

где Qв. - расход воды, л/с; Qн. - подача насоса, л/с; К - коэффициент пересчета в зависимости от типа пенообразователя.

4.16. Проверка герметичности

Проверку на соответствие требованиям п. 3.10 проводят при невращающемся рабочем колесе испытательным статическим давлением Р1исп. = (6,0 ± 0,5) кгс/см2. После заполнения насоса водой и полного выпуска из него воздуха должны быть перекрыты все запирающие устройства (вентили, краны, заглушки). С помощью поршневого или другого насоса давление плавно доводят до испытательного и поддерживают в течение не менее 5 мин.

При вращающемся рабочем колесе насоса герметичность проверяют при испытательном давлении Р2исп. = (1,5Рном. ± 0,5) кгс/см2. После заполнения насоса водой путем увеличения давления на входе и частоты вращения приводного двигателя давление на выходе из насоса доводят до испытательного и поддерживают в течение не менее 1 мин.

При проведении испытаний появление течи и каплеобразований через стенки корпуса насоса и соединения деталей не допускается.

Герметичность насоса при создании вакуума проверяют после создания в полости насоса разрежения не менее минус 0,75 кгс/см2. После отключения вакуумной системы и остановки приводного двигателя определяют величину падения вакуума за установленное время. Величина падения вакуума должна быть не более минус 0,13 кгс/см2 за 150 с.

4.17. Проверка усилий, прикладываемых к органам управления

Проверку значений усилий, прикладываемых к органам управления, на соответствие требованиям п. 3.22 проводят непосредственно на органах управления или с использованием шкивов, заменяющих маховик (рукоятку) и рычажные элементы управления двигателем.

Измерения на элементах управления насосом проводят при их открытии (при подаче, равной нулю, и номинальном напоре) и при закрытии (при номинальных подаче и напоре).

Усилия измеряют с помощью динамометра класса точности не ниже 2.

4.18. Проверка уровня звука в рабочей зоне оператора

Уровень звука в рабочей зоне оператора на соответствие требованиям п. 3.16 определяют при работе мотопомпы на открытой площадке в номинальном режиме при отсутствии атмосферных осадков.

Прибор для измерения располагают со стороны органов (пульта) управления на расстоянии 0,8 - 1,0 м и на высоте 1,2 - 1,5 м.

Испытания проводят по ГОСТ 17187.

4.19. Проверка времени непрерывной работы

Проверку времени непрерывной работы на соответствие требованиям пп. 3.17, 3.23 проводят на предварительно прогретом приводном двигателе при работе в номинальном режиме по схеме приложения 1 без дозаправки топливного бака.

При испытаниях измеряют и фиксируют:

подачу насоса Qн.;

давление на входе в насос Р1;

давление на выходе из насоса Р2;

геометрическую высоту всасывания hг.;

время работы мотопомпы t, мин.

температуру окружающего воздуха Твоз..

4.20. Мотопомпу следует считать выдержавшей испытания и удовлетворяющей требованиям настоящих норм, если значения всех показателей, полученных в результате испытаний, соответствуют требованиям нормативно-технической документации и настоящих норм.

5. НОРМАТИВНЫЕ ССЫЛКИ

В настоящих нормах использованы ссылки на следующие нормативные документы.

ГОСТ 2.103-68 ЕСКД Стадии разработки.

ГОСТ Р 15.201-2000 Система разработки и постановки продукции на производство. Продукция производственно-технического назначения.

ГОСТ 26.020-80 Шрифты для средств измерений и автоматизации. Начертания и основные размеры.

ГОСТ 6134-87 Насосы динамические. Методы испытаний.

ГОСТ 12969-67 Таблички для машин и приборов. Технические требования.

ГОСТ 12971-67 Таблички прямоугольные для машин и приборов. Размеры.

ГОСТ 14254-96 Степени защиты, обеспечиваемые оболочками.

ГОСТ 15150-69 Машины, приборы и другие технические изделия. Исполнения для различных климатических районов. Категория, условия эксплуатации, хранения, транспортирования в части воздействия климатических факторов внешней среды.

ГОСТ 17187-81 Шумомеры. Общие технические требования и методы испытаний.

ГОСТ 17398-85 Насосы. Термины и определения.

ГОСТ 21752-76 Система «человек - машина». Маховики управления и штурвалы. Общие эргономические требования.

ГОСТ 21753-76 Система «человек - машина». Рычаги управления. Общие эргономические требования.

ГОСТ 28352-89 Головки соединительные для пожарного оборудования. Типы, основные параметры и размеры.

ГОСТ 50588-93 Пенообразователи для тушения пожаров. Общие технические требования и методы испытаний.

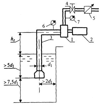
ПРИЛОЖЕНИЕ 1

(обязательное)

Схема испытаний мотопомпы:

1 - насос мотопомпы; 2 - приводной двигатель; 3 - всасывающая линия;

4 - напорный вентиль; 5 - устройство для измерения подачи;

6, 7 – мановакуумметры

СОДЕРЖАНИЕ

 




Rambler's Top100 Яндекс цитирования
  Copyright © 2008-2026, www.docload.ru