|
|
ГОСУДАРСТВЕННЫЙ КОМИТЕТ РОССИЙСКОЙ ФЕДЕРАЦИИ
ЕДИНООБРАЗНЫЕ
ПРЕДПИСАНИЯ, Regulation № 83 Москва 2004 Предисловие Задачи,
основные принципы и правила проведения работ по государственной стандартизации
в Российской Федерации установлены ГОСТ Р 1.0-92 «Государственная система
стандартизации Российской Федерации. Основные положения» и ГОСТ Р 1.2-92
«Государственная система стандартизации Российской Федерации. Порядок
разработки государственных стандартов» Сведения
о стандарте 1 РАЗРАБОТАН Всероссийским научно-исследовательским
институтом стандартизации и сертификации в машиностроении (ВНИИНМАШ) и
Научно-техническим центром по испытаниям и доводке автомототехники (НИЦИАМТ) 2 ВНЕСЕН
Управлением стандартизации Госстандарта России 3 УТВЕРЖДЕН И
ВВЕДЕН В ДЕЙСТВИЕ Постановлением Госстандарта России от 9 марта 2004 г. №
126-ст 4 Настоящий
стандарт является модифицированным по отношению к Правилам ЕЭК ООН № 83
(Пересмотр 2, включая поправки серии 05) «Единообразные предписания, касающиеся
официального утверждения транспортных средств в отношении выбросов загрязняющих
веществ в зависимости от топлива, необходимого для двигателя (Uniform provisions concerning the approval of vehicles with regard to the emission of pollutants according to engine fuel requirements)». При этом дополнительные слова (фразы, раздел 1а и приложение С),
включенные в текст стандарта для учета особенности национальной стандартизации,
выделены курсивом 5 ВЗАМЕН ГОСТ
Р 41.83-99 СОДЕРЖАНИЕ ГОСТ Р 41.83-2004 (Правила
ЕЭК ООН № 83) НАЦИОНАЛЬНЫЙ СТАНДАРТ РОССИЙСКОЙ ФЕДЕРАЦИИ ЕДИНООБРАЗНЫЕ
ПРЕДПИСАНИЯ, КАСАЮЩИЕСЯ СЕРТИФИКАЦИИ ТРАНСПОРТНЫХ СРЕДСТВ В ОТНОШЕНИИ ВЫБРОСОВ
ВРЕДНЫХ ВЕЩЕСТВ В ЗАВИСИМОСТИ ОТ ТОПЛИВА, НЕОБХОДИМОГО ДЛЯ ДВИГАТЕЛЕЙ Uniform provisions concerning the approval of vehicles with regard to
the emission of pollutants according to engine fuel requirements Дата
введения - 2005-01-01 1
Область применения
1.1 Настоящий стандарт применяют в отношении: 1.1.1 выбросов вредных веществ с отработавшими
газами при нормальной и низкой температуре окружающей среды, выбросов в
результате испарений и выбросов картерных газов, долговечности устройств для
очистки отработавших газов, а также в отношении бортовой диагностической
системы (БДС) транспортных средств, оснащенных двигателями с принудительным
зажиганием и имеющих не менее четырех колес; 1.1.2 выбросов вредных веществ с отработавшими
газами, долговечности устройств для очистки отработавших газов и БДС
транспортных средств категорий М1 и N11) максимальной массой
не более 3500 кг, оснащенных двигателями с воспламенением от сжатия и имеющих
не менее четырех колес; 1) Определение категорий - в соответствии с ГОСТ
Р 52051. 1.1.3 выбросов вредных веществ с отработавшими
газами при нормальной и низкой температуре окружающего воздуха, выбросов в
результате испарения топлива, выбросов картерных газов, долговечности системы
снижения вредных выбросов и БДС гибридных электрических транспортных средств (ГЭТС),
оснащенных двигателями с принудительным зажиганием и имеющих не менее четырех
колес; 1.1.4 выбросов вредных веществ, долговечности
системы снижения вредных выбросов и БДС гибридных электрических транспортных
средств (ГЭТС) категорий М1 и N1 максимальной массой не более 3500 кг, оснащенных двигателями с
воспламенением от сжатия, имеющих не менее четырех колес. 1.1.5 Настоящий стандарт не применяют к
транспортным средствам максимальной массой менее 400 кг и к транспортным
средствам, максимальная расчетная скорость которых менее 50 км/ч. 1.1.6 По запросу изготовителя действие сертификата
соответствия, выданного на основании настоящего стандарта для транспортных
средств категорий М1 и N1, оснащенных
двигателями с воспламенением от сжатия и утвержденных по типу конструкции,
может быть распространено на транспортные средства категорий М2 и N2 контрольной массой не более 2840 кг, которые соответствуют требованиям
раздела 7. 1.1.7 Настоящий стандарт не распространяется на
транспортные средства категорий М1, М2 и N1, оснащенные двигателями с воспламенением от сжатия, двигателями,
работающими на компримированном природном газе (КПГ), или двигателями с
принудительным зажиганием, работающими на сжиженном нефтяном газе (СНГ),
максимальной массой не более 3500 кг при условии, что установленный на них
двигатель соответствует действующим требованиям ГОСТ
Р 41.49. 1.2 Стандарт не распространяется на транспортные
средства, оснащенные двигателями с принудительным зажиганием, работающими на
СНГ, применяемыми на транспортных средствах с максимальной массой более 3500 кг
и подпадающими под действие ГОСТ
Р 41.49. 1а Нормативные ссылки
В
настоящем стандарте использованы нормативные ссылки на следующие стандарты: ГОСТ
Р 41.48-2004 (Правила ЕЭК ООН № 48) Единообразные предписания, касающиеся
сертификации транспортных средств в отношении установки устройств освещения и
световой сигнализации ГОСТ
Р 41.49-2003 (Правила ЕЭК ООН № 49) Единообразные предписания, касающиеся
сертификации двигателей с воспламенением от сжатия и двигателей, работающих на
природном газе, а также двигателей с принудительным зажиганием, работающих на
сжиженном нефтяном газе, и транспортных средств, оснащенных двигателями с
воспламенением от сжатия, двигателями, работающими на природном газе и
двигателями с принудительным зажиганием, работающими на сжиженном нефтяном
газе, в отношении выбросов вредных веществ ГОСТ
Р 41.101-99 (Правила ЕЭК ООН № 101) Единообразные предписания, касающиеся
официального утверждения легковых автомобилей, оборудованных двигателем
внутреннего сгорания, в отношении измерения объема выбросов двуокиси углерода и
расхода топлива, а также транспортных средств категорий М1 и N1,
оборудованных электроприводом, в отношении измерения расхода электроэнергии и
запаса хода ГОСТ
Р 50460-92 Знак соответствия при обязательной сертификации. Форма, размеры
и технические требования ГОСТ
Р 52051-2003 Механические транспортные средства и прицепы. Классификация и
определения Директива
ЕС 70/220 О сближении законов государств-членов в отношении мер, принимаемых
для борьбы с загрязняющими выбросами механических транспортных средств Примечание - При пользовании настоящим стандартом
целесообразно проверить действие ссылочных стандартов по указателю
«Национальные стандарты», составленному по состоянию на 1 января текущего года,
и по соответствующим информационным указателям, опубликованным в текущем году.
Если ссылочный документ заменен (изменен), то при пользовании настоящим
стандартом следует руководствоваться замененным (измененным) стандартом. Если
ссылочный документ отменен без замены, то положение, в котором дана ссылка на
него, применяется в части, не затрагивающей эту ссылку. 2 Термины и
определения
В
настоящем стандарте применяют следующие термины с соответствующими
определениями: 2.1 тип транспортного средства (vehicle type): Механические транспортные средства, не имеющие существенных различий
в отношении: 2.1.1 эквивалентной инерции, определяемой в
зависимости от контрольной массы в соответствии с Г.5.1 приложения Г; 2.1.2 характеристик двигателя и транспортного
средства в соответствии с приложением А. 2.2 контрольная масса (reference mass): Сумма «массы без нагрузки» транспортного средства и единой условной
массы в 100 кг для проведения испытания в соответствии с приложениями Г и И. 2.2.1 масса без нагрузки (unladen mass): Масса снаряженного транспортного средства без водителя, пассажиров и
загрузки по ГОСТ
Р 52051. 2.3 максимальная масса (maximum mass): Технически допустимая максимальная масса, объявленная изготовителем
транспортного средства. Примечание - Максимальной
массой, которую необходимо учитывать при классификации полуприцепа или прицепа
с центральной осью, является масса, соответствующая статической вертикальной
нагрузке, передаваемой на опорную поверхность полуприцепом или прицепом с
центральной осью, несущим максимальную нагрузку, при наличии соединения с
буксирующим транспортным средством. 2.4 газообразные вредные вещества (gaseous pollutants): Вещества, выбрасываемые с отработавшими газами в виде оксида
углерода, оксидов азота, выраженных в эквиваленте диоксида азота (NО2), и углеводородов, выраженных в
следующих эквивалентах: C1H1,85 - для бензина; C1H1,86 - Для дизельного
топлива; C1H2,525 - для СНГ; C1H4 -
для ПГ. 2.5 вредные частицы (particulate pollutants): Компоненты отработавших газов, улавливаемые при максимальной
температуре 325 К (52 °С) в разбавленных отработавших газах с помощью фильтров
в соответствии с приложением Г. 2.6 выбросы вредных веществ с отработавшими
газами (exhaust emissions): Выбросы газообразных вредных веществ двигателями
с принудительным зажиганием, а также газообразных вредных веществ и вредных
частиц - двигателями с воспламенением от сжатия. 2.7 выбросы в результате испарения (evaporative emissions): Выбросы паров углеводородов из топливной системы питания
транспортного средства: 2.7.1 выбросы паров из топливного бака (tank breathing losses): Выбросы углеводородов, вызванные изменением температуры в топливном
баке (выражают в эквиваленте C1H2,33); 2.7.2 выбросы в результате горячего насыщения (hot soak losses): Выбросы
углеводородов из системы питания транспортного средства, остановленного после
периода движения (выражают в эквиваленте C1H2,20). 2.8 картер двигателя (engine crankcase): Имеющиеся в двигателе или вне его емкости, соединенные с
маслоотстойником внутренними или внешними каналами, из которых могут
просачиваться газы и пары. 2.9 устройство для запуска холодного двигателя (cold start device): Устройство
временного обогащения в двигателе топливовоздушной смеси для облегчения запуска
двигателя. 2.10 вспомогательное устройство запуска
двигателя (starting aid): Устройство, которое облегчает запуск двигателя
без обогащения топливовоздушной смеси в двигателе (свеча предпускового
подогрева, изменение момента впрыскивания топлива и т.д.). 2.11 рабочий объем двигателя (engine capacity): Номинальный объем цилиндров - для поршневых двигателей, двойной
номинальный объем камер сгорания для каждого ротора - для роторно-поршневых
двигателей (двигатель Ванкеля). 2.12 устройства для предотвращения загрязнения (pollution control devices): Устройства
транспортного средства, которые контролируют и/или ограничивают выбросы
отработавших газов и выбросы в результате испарения. 2.13 БДС (OBD): Бортовая диагностическая система контроля за
выбросами, способная выявлять возможную зону неисправности при помощи программ,
введенных в память компьютера. 2.14 эксплуатационное испытание (in-service test): Испытание и оценка
соответствия согласно 8.2.1. 2.15 надлежащее техническое обслуживание и
эксплуатация (properly maintained and used): Техническое
обслуживание и эксплуатация, при которых транспортное средство отвечает
критериям приемлемости отобранного транспортного средства, предусмотренным в 3.2
дополнения 3
к настоящему стандарту. 2.16 блокирующее устройство (defeat device): Любой элемент конструкции, определяющий температуру, скорость
транспортного средства, частоту вращения двигателя, передаточный механизм,
вакуумную систему или любой другой параметр, предназначенный для целей
активации, модулирования, приостановки или отключения какой-либо части системы
контроля выбросов, что приводит к снижению эффективности работы системы
контроля выбросов в нормальных условиях эксплуатации. Такой
элемент конструкции не рассматривается как блокирующее устройство, если:
потребность в данном устройстве обусловлена соображениями защиты двигателя от
разрушения или серьезного повреждения и безопасного функционирования
транспортного средства либо данное устройство не работает после запуска
двигателя, либо соответствующие условия предусмотрены процедурой испытаний типа
I
или типа VI. 2.17 семейство транспортных средств (family of vehicles): Группа типов
транспортных средств, определенных по базовому транспортному средству в
соответствии с приложением Н. 2.18 топливо, необходимое для двигателей (fuel requirement by the engine): Обычно используемое для питания двигателя
топливо: - бензин, - сжиженный нефтяной газ (СНГ), - компримированный природный газ (КПГ), - бензин либо СНГ, - бензин либо КПГ, - дизельное топливо. 2.19 сертификация транспортного средства (approval of a vehicles): Сертификация типа транспортного средства
в отношении ограничений, приведенных в 2.19.1 - 2.19.3: 2.19.1 сертификация
В1 (approval В):
Ограничения в отношении выбросов газообразных вредных веществ двигателем,
выбросов в результате испарения, выбросов картерных газов и долговечности
устройств контроля выбросов вредных веществ, выбросов вредных веществ при
запуске холодного двигателя, проверки БДС транспортных средств, работающих на
неэтилированном бензине, или которые могут работать на неэтилированном топливе
либо на СНГ или КПГ; 2.19.2 сертификация С (approval С): Ограничения в отношении выбросов газообразных
вредных веществ и вредных частиц, долговечности устройств контроля выбросов
вредных веществ, проверки БДС транспортных средств, работающих на дизельном
топливе; 2.19.3 сертификация
D (approval D): Ограничения
в отношении выбросов газообразных вредных веществ, выбросов картерных газов,
долговечности устройств контроля выбросов вредных веществ, выбросов вредных
веществ при запуске холодного двигателя, проверки БДС транспортных средств,
работающих на СНГ или КПГ. 2.20 система периодической
регенерации (periodically regenerating system): Устройство
для ограничения загрязнения (например, каталитический нейтрализатор, сажевый
фильтр), которое требует периодического процесса регенерации менее чем через
4000 км обычной эксплуатации транспортного средства. В ходе циклов регенерации
нормы выбросов могут быть превышены. Если регенерация устройства происходит, по
крайней мере, один раз в ходе испытания типа I и если до этого оно было регенерировано хотя бы
один раз при проведении подготовительных испытательных циклов, это устройство
считают системой постоянной регенерации, не требующей специальной процедуры
испытания. Приложение П к системам постоянной регенерации не применяют. По
заявке изготовителя специальную процедуру испытания, применяемую к системам
периодической регенерации, не используют, если изготовитель представляет данные
о том, что в ходе циклов регенерации выбросы соответствуют требованиям 5.3.1.4,
для транспортных средств соответствующей категории. 2.21 гибридные транспортные средства (hybrid vehicles): 2.21.1 гибридное транспортное средство (ГТС) (hybrid vehicle): Транспортное средство с двумя различными источниками (конвертерами)
энергии и двумя различными системами хранения энергии на транспортном средстве
для начала движения; 2.21.2 гибридное
электрическое транспортное средство (ГЭТС) (hybrid electric vehicles): Транспортное средство, которое
с помощью механического двигателя тянет энергию из следующих источников с двумя
различными конвертерами энергии: - потребляемое топливо; - электрическое запоминающее устройство энергии
(аккумулятор, конденсатор, генератор и т.д.). 2.22 монотопливное транспортное средство (mono-fuel vehicles): Транспортное
средство, изначально сконструированное для постоянной эксплуатации на сжиженном
нефтяном газе (СНГ) или компримированном природном газе (КПГ), но оснащенное в
некоторых случаях системой подачи бензина только для экстренных случаев во
время запуска, при этом емкость топливного бака должна быть не более 15 л (дм3)
бензина. 2.23 двухтопливное транспортное средство (bi-fuel vehicles): Транспортное
средство, предназначенное для эксплуатации часть времени на бензине, и часть
времени - на СНГ или КПГ. 3 Заявка на сертификацию
3.1 Заявку на сертификацию типа
транспортного средства в отношении выбросов отработавших газов, картерных
газов, выбросов в результате испарения и долговечности устройств контроля
выбросов вредных веществ, а также БДС подает изготовитель или его уполномоченный
представитель. Если
заявка касается БДС, то используют метод в соответствии с М.3
приложения М. 3.1.1 К заявке на сертификацию БДС прилагают
дополнительную информацию, указанную в А.4.2.11.2.7, а также следующие документы: 3.1.1.1 декларацию изготовителя транспортного
средства: 3.1.1.1.1 для транспортных средств, оснащенных
двигателями с принудительным зажиганием, - информацию в процентах о доле
пропусков зажигания в общем числе попыток зажигания, приводящих
к превышению предельных значений выбросов в соответствии с М.3.3.2
приложения М,
при условии, что ее фиксируют от начала испытания типа I в соответствии с Г.5.3.1 приложения
Г; 1 Сертификация А отменена. Поправками серии 05
применение этилированного бензина запрещено. 3.1.1.1.2 для транспортных средств, оснащенных
двигателями с принудительным зажиганием, - информацию в процентах о доле
пропусков зажигания в общем числе попыток зажигания, которые могут привести к
необратимым повреждениям нейтрализатора(ов) вследствие перегрева; 3.1.1.2 подробную информацию с полным описанием
функционально-эксплуатационных характеристик БДС, включая перечень всех
соответствующих частей системы контроля выбросов, т.е. датчиков, исполнительных
механизмов и деталей, контролируемых БДС; 3.1.1.3 описание индикатора неисправностей,
используемого в БДС для оповещения водителя транспортного средства о
неисправности; при наличии - копии других сертификатов соответствия типа
для учета при оформлении нового сертификата соответствия; 3.1.1.4 в соответствующих случаях - подробные
сведения о семействе транспортных средств в соответствии с дополнением 2 к
приложению М. 3.1.2 Для проведения испытаний в соответствии с М.3
приложения М
испытательной лаборатории передают транспортное средство, оснащенное БДС,
представляющее тип транспортного средства, подлежащего сертификации. Если
испытательная лаборатория определит, что представленное транспортное средство
не в полной мере представляет тип или семейство транспортных средств в
соответствии с дополнением 2 к приложению М, то в соответствии с М.3 для
проведения испытаний представляют альтернативное и, при необходимости,
дополнительное транспортное средство. 3.2 Образец информационного документа, касающегося
выбросов вредных веществ с отработавшими газами, выбросов в результате
испарения, долговечности устройств контроля выбросов и БДС, приведен в
приложении А.
Информация, приведенная в А.4.2.11.2.7.6
приложения А,
должна быть включена в приложение Б - раздел БДС-испытания. 3.3 В лабораторию, уполномоченную проводить испытания
для сертификации, должно быть представлено транспортное средство,
соответствующее типу транспортного средства, подлежащего сертификации, с
целью проведения испытаний, предусмотренных в разделе 5. 4 Предоставление
сертификата соответствия
4.1 Если тип транспортного средства,
представленного на сертификацию в соответствии с настоящим стандартом,
удовлетворяет требованиям раздела 5, то данный тип транспортного средства считают сертифицированным. 4.2 Для каждого сертифицированного типа
транспортного средства выдают сертификат соответствия, в котором
указывают обозначение настоящего стандарта и серию поправок, соответствующих
самым последним техническим изменениям, внесенным в настоящий стандарт на дату сертификации
(в настоящее время это соответствует поправкам серии 05). Номер этого сертификата
не может быть присвоен транспортному средству другого типа. 4.3 Сертификат соответствия в виде
приложения должен включать информацию по образцу, приведенному в приложении Б. - знак соответствия по ГОСТ
Р 50460; - обозначение настоящего стандарта; - дополнительное обозначение для проведения
различия между предельными значениями выбросов, в отношении которых
предоставлен сертификат соответствия, в виде римских цифр I или II, соответствующих разделам А или В таблицы 2. 4.5 Если транспортное средство соответствует типу
транспортного средства, сертифицированному на основании другого
стандарта, то дополнительные обозначения всех стандартов, в соответствии с
которыми было сертифицировано это транспортное средство, должны быть
расположены в вертикальных колонках справа от обозначения знака соответствия
по ГОСТ
Р 50460. 4.6 Все элементы маркировки должны быть четкими и
не стираемыми. 4.7 Знак соответствия помещают рядом с
табличкой, на которой приведены характеристики транспортного средства, или
наносят на эту табличку. Примеры
схем маркировки приведены на рисунках В.1
и В.2. 4.8 Орган по сертификации проверяет эффективность
контроля за соответствием производства до выдачи сертификата соответствия. 5 Технические требования и методы испытаний
В
качестве альтернативы требованиям, изложенным в настоящем разделе, изготовители
транспортных средств, выпускающие в обращение на рынок Российской Федерации не
более 20000 транспортных средств в год, могут получать сертификат соответствия
на основании соответствующих технических требований, указанных в Директиве ЕС
70/220 «О сближении законов государств-членов в отношении мер, принимаемых для
борьбы с загрязняющими выбросами механических транспортных средств» с поправкой
2002/80 от 03.10.20021). 1) Опубликовано в Official Journal № L 291 от 28.10.2002. 5.1 Общие положения 5.1.1 Узлы, способные влиять на выброс вредных
веществ, должны быть спроектированы, изготовлены и установлены таким образом,
чтобы в нормальных условиях эксплуатации, несмотря на вибрацию, которой они могут
быть подвержены, транспортное средство соответствовало требованиям настоящего
стандарта. 5.1.2 Изготовитель должен принимать такие
технические меры, которые в соответствии с требованиями настоящего стандарта
обеспечивают в течение срока службы транспортных средств при нормальных
условиях эксплуатации эффективное ограничение выбросов вредных веществ с
отработавшими газами и в результате испарения. Эти меры включают в себя
надежность креплений и соединений всех патрубков, входящих в систему
ограничения выбросов, которые должны быть установлены так, чтобы
соответствовать исходной конструктивной схеме. Для выбросов отработавших газов
и выбросов в результате испарения должны быть выполнены соответственно
требования 5.3.1.4 и 8.2.3.1.1. 5.1.2.1 Использование
блокирующих устройств запрещается. 5.1.3 Заливные горловины топливных баков Транспортное
средство, оснащенное двигателем с принудительным зажиганием и работающее на
неэтилированном бензине или которое может работать на неэтилированном бензине в
сочетании с СНГ или КПГ, должно соответствовать требованиям 5.1.3.1
или 5.1.3.2. 5.1.3.1 При условии соблюдения требований 5.1.3.2 конструкция заливной горловины бензинового бака не
должна позволять заполнять его с помощью топливозаправочного пистолета,
наружный диаметр наконечника которого равен или превышает 23,6 мм. 5.1.3.2 Пункт 5.1.2.1
не применяют к транспортному средству, в отношении которого соблюдаются два следующих
условия: 5.1.3.2.1 транспортное средство сконструировано и
построено таким образом, чтобы этилированное топливо не оказывало
отрицательного воздействия ни на одно устройство для предотвращения выбросов
вредных веществ; 5.1.3.2.2 на этом транспортном средстве на хорошо
видимом для лица, заполняющего бензиновый бак, месте проставляют легко читаемый
и не стираемый символ для неэтилированного бензина по [1]. Допускается использовать дополнительную
маркировку. 5.1.4 Изготовитель должен принимать необходимые
технические меры для предотвращения чрезмерных выбросов в результате испарения
и утечки топлива из-за отсутствия крышки заливной горловины топливного бака. Для
этого принимают следующие меры: 5.1.4.1 несъемную крышку заливной горловины
топливного бака, открывающуюся и закрывающуюся автоматически; 5.1.4.2 элементы конструкции, не допускающие
чрезмерных выбросов в результате испарения в случае потери крышки заливной
горловины топливного бака; 5.1.4.3 любые другие меры, позволяющие достичь той
же цели: использование крышки со страховочным фалом, крышки, страхуемой цепью,
или крышки, для открытия которой используют тот же ключ, что и для замка
зажигания транспортного средства, при этом ключ должен вытаскиваться из замка
крышки заливной горловины только в закрытом положении. 5.1.5 Меры по обеспечению безопасности электронной
системы 5.1.5.1 На любом транспортном средстве,
оборудованном компьютером для контроля выбросов вредных веществ, должны быть
предусмотрены элементы, исключающие возможность изменения его конструкции, не
допускаемые изготовителем. Изготовитель должен выдать разрешение на изменения
конструкции, если они необходимы для диагностического контроля, обслуживания,
технического осмотра, модернизации или ремонта транспортного средства. Любые
перепрограммируемые команды или эксплуатационные параметры должны быть защищены
от несанкционированного вмешательства, имея в виду, что безопасная передача
данных осуществляется с использованием диагностических средств по 6.5
дополнения 1
к приложению М.
Любые съемные калибруемые модули памяти должны быть капсулированы, помещены в
герметичный контейнер или защищены электронными алгоритмами и не должны
поддаваться изменению без использования специализированных инструментов и
процедур. 5.1.5.2 Программируемые параметры функционирования
двигателя не должны поддаваться изменению без использования специализированных
инструментов и процедур (например, речь идет о запаянных или герметичных
элементах компьютера либо опечатанном или запаянном корпусе компьютера). 5.1.5.3 При использовании механических топливных
насосов высокого давления, установленных на двигателях с воспламенением от
сжатия, изготовители должны принять меры для защиты регулировки максимальной
подачи топлива от несанкционированного вмешательства в эксплуатации. 5.1.5.4 Изготовитель может обратиться в орган по
сертификации с просьбой об освобождении от выполнения одного из этих
требований в отношении транспортных средств, которые не нуждаются в защите. К
числу критериев, которыми руководствуется (но не ограничивается ими) орган
по сертификации при рассмотрении обращения об упомянутом освобождении,
относятся, в частности, доступность функциональных микросхем, высокие
характеристики автомобиля и предполагаемый объем продажи транспортных средств. 5.1.5.5 Изготовители, использующие программируемые
системы команд (например, модули памяти типа EEPROM), должны исключить возможность
несанкционированного перепрограммирования. Изготовители должны использовать
эффективные стратегии защиты от несанкционированного вмешательства и
предусматривать функции защиты, требующие электронного доступа к внешнему
компьютеру, обслуживаемому изготовителем. Методы, позволяющие обеспечить
адекватный уровень защиты от неправильного обращения, должны быть утверждены
компетентным органом в установленном порядке. 5.1.6 Должна быть
предусмотрена возможность проверки транспортного средства на предмет его
пригодности к эксплуатации с целью определения характеристик, необходимых для
испытания, собираемых по 5.3.7. Если проверка требует специальной процедуры, она
должна быть описана в руководстве по эксплуатации (или эквивалентном
сопроводительном документе). Процедура не должна требовать специального
оборудования, кроме установленного на транспортном средстве. 5.2
Методы испытаний Типы
испытаний для сертификации транспортного средства приведены в таблице 1. 5.2.1 Транспортные средства, оснащенные двигателями
с принудительным зажиганием, и гибридные электрические транспортные средства,
оснащенные двигателями с принудительным зажиганием, подвергают испытаниям
следующих типов: I - определение уровня выбросов вредных веществ с
отработавшими газами после запуска холодного двигателя; II - определение выброса оксида углерода в режиме
холостого хода; III - определение выброса картерных газов; IV - определение выброса в результате испарения
топлива транспортными средствами, оснащенными двигателями с принудительным
зажиганием; V - ресурсные испытания для проверки долговечности
устройств контроля выбросов вредных веществ; VI - определение выброса оксидов углерода и
углеводородов с отработавшими газами после запуска холодного двигателя при
низкой температуре окружающей среды; БДС-испытания. 5.2.2 Транспортные средства, оснащенные двигателями
с принудительным зажиганием, и гибридные электрические транспортные средства,
оснащенные двигателями с принудительным зажиганием, работающими только на СНГ
или КПГ (монотопливными или двухтопливными), подвергают испытаниям следующих
типов: I - определение средних значений выбросов вредных
веществ с отработавшими газами после запуска холодного двигателя; II - определение выбросов оксида углерода в режиме
холостого хода; III - определение выброса картерных газов; IV - определение выбросов в результате испарения
топлива транспортными средствами, где это применимо; V - ресурсные испытания для проверки долговечности
устройств контроля выбросов вредных веществ; VI - определение средних значений выбросов оксида
углерода и углеводородов с отработавшими газами после запуска холодного
двигателя при низкой температуре окружающей среды, где это применимо; БДС-испытания,
где это применимо. 5.2.3 Транспортные средства, оснащенные
двигателями с воспламенением от сжатия, и гибридные электрические транспортные
средства, оснащенные двигателями с воспламенением от сжатия, подвергают
испытаниям следующих типов: I - определение уровня выбросов отработавших газов
после запуска холодного двигателя; V - ресурсные испытания для проверки надежности
устройств контроля выбросов вредных веществ; БДС-испытания
(в соответствующем случае). Таблица
1 - Схемы предоставления сертификата
соответствия и возможного распространения его действия
5.3 Описание испытаний 5.3.1 Испытание типа I. Определение уровня выбросов отработавших газов
после запуска холодного двигателя 5.3.1.1 Схема сертификации типа транспортного
средства на основании испытания типа I приведена на рисунке 1. Этому
испытанию подвергают все транспортные средства, предусмотренные в разделе 1,
максимальной массой не более 3500 кг. 5.3.1.2 Транспортное средство устанавливают на
динамометрическом стенде, оборудованном системой имитации нагрузки и инерции. 5.3.1.2.1 Испытание проводят без перерыва в течение
19 мин. 40 с. Испытание состоит из двух частей, между которыми, по согласованию
с изготовителем, может быть предусмотрен период не более 20 с, в течение
которого не проводят отбор проб для облегчения регулирования испытательного
оборудования. 5.3.1.2.1.1
Транспортные средства, работающие на СНГ или КПГ, подвергают испытанию типа I с вариантами в составе СНГ или КПГ в соответствии
с приложением Н. Транспортные
средства, которые могут работать на бензине в сочетании с СНГ или КПГ,
подвергают испытаниям типа I
с использованием обоих видов топлива, при этом при испытании на газе используют
два варианта соответствующего газового топлива в соответствии с приложением Н. 5.3.1.2.1.2 Несмотря на требования 5.3.1.2.1.1, транспортные
средства, которые могут работать как на бензине, так и на газообразном топливе,
с системой подачи бензина только в аварийных ситуациях или для запуска
двигателя и вместимостью топливного бака не более 15 л (дм3)
бензина, подвергают испытанию типа I как транспортные средства, которые предназначены для работы только на
газообразном топливе. 5.3.1.2.2 Первая часть испытания состоит из четырех
простых городских циклов. Каждый простой городской цикл состоит из 15 режимов
работы (холостой ход, ускорение, постоянная скорость, замедление и т.д.). 5.3.1.2.3 Вторая часть состоит из одного
внегородского цикла, включающего 13 режимов работы (холостой ход, ускорение,
постоянная скорость, замедление и т.д.). 5.3.1.2.4 Во время испытания отработавшие газы
транспортного средства разбавляют, а пропорциональную пробу собирают в одну или
несколько емкостей. Разбавление, отбор, анализ и определение общего объема
разбавленных отработавших газов проводят в соответствии с описываемой ниже
процедурой. Для
автомобилей, оснащенных двигателями с воспламенением от сжатия, измеряют не
только выбросы оксида углерода, углеводородов, оксидов азота, но и выбросы
вредных частиц. 5.3.1.3 Испытание проводят в соответствии с
приложением Г.
Сбор и анализ газов, а также сбор и взвешивание вредных частиц следует
проводить в соответствии с методами, предписанными настоящим стандартом. 5.3.1.4 В соответствии с требованиями 5.3.1.5 испытания проводят три раза. Результаты каждого
испытания умножают на соответствующие коэффициенты ухудшения, определенные в 5.3.6, и, в случае
систем периодической регенерации (2.20), умножают на
коэффициенты регенерации каждого вредного вещества Кi, полученные в
соответствии с приложением П.
Результирующие массы газообразных выбросов, а для транспортных средств,
оснащенных двигателями с воспламенением от сжатия, также массы вредных частиц,
полученные в каждом испытании, должны быть меньше предельных значений,
указанных в таблице 2 для транспортных средств соответствующих
категорий. 5.3.1.4.1 Независимо от требований 5.3.1.4 для каждого вредного
вещества или их сочетания одна из трех полученных суммарных масс может
превышать не более чем на 10 % предельное значение по таблице 2 при условии, что среднеарифметическое значение всех
трех суммарных масс менее предельного значения. Если
предельные значения превышены более чем по одному вредному веществу, то не
имеет значения, происходит это в рамках одного и того же или различных
испытаний. 5.3.1.4.2 Если испытания проводят с использованием
газового топлива, то суммарная масса газообразных выбросов должна быть меньше
предельных значений, установленных в таблице 2
для транспортных средств, работающих на бензине. 5.3.1.5 Число испытаний по 5.3.1.4 сокращают при
определенных ниже условиях испытаний, где V1 - результат первого испытания, a V2 - результат второго
испытания по каждому вредному веществу или общему объему выбросов двух вредных
веществ, на которые распространяется ограничение.
Рисунок 1 - Схема проведения сертификационных
испытаний типа I 5.3.1.5.1 Проводят
только одно испытание, если полученное значение по каждому вредному веществу
или по общему выбросу двух вредных веществ, на которые распространяется
ограничение, меньше или равно 0,70 L (V1 £ 0,70 L), где L - предельное значение содержания вредного вещества
в отработавших газах. 5.3.1.5.2 Два испытания проводят, если не удовлетворяются
условия 5.3.1.5.1 и если для каждого вредного
вещества или общего выброса двух вредных веществ, на которые распространяется
ограничение, соблюдаются следующие условия: V1 £
0,85 L
и V1
+ V2
£
1,70 L
и V2
£ L. Таблица 2 - Предельные значения
вредных веществ в отработавших газах
5.3.2 Испытание типа II. Определение выброса оксида углерода в режиме
холостого хода 5.3.2.1 Испытание проводят на транспортных
средствах максимальной массой более 3500 кг, оснащенных двигателями с
принудительным зажиганием. 5.3.2.1.1
Транспортные средства, которые могут работать на бензине или СНГ, или КПГ,
должны проходить испытание типа II с использованием топлива обоих видов. 5.3.2.1.2 Несмотря на требования 5.3.2.1.1, транспортные
средства, которые могут работать как на бензине, так и на газообразном топливе,
с системой подачи бензина только в особых случаях или для запуска двигателя, и
топливным баком объемом не более 15 л (дм3) бензина проходят
испытание типа II как транспортные
средства, которые могут работать только на газообразном топливе. 5.3.2.2 При проведении испытания в соответствии с
приложением Д
содержание оксида углерода в отработавших газах двигателя, работающего в режиме
холостого хода, не должно превышать 3,5 % (по объему) при регулировке,
указанной изготовителем, и 4,5 % - в диапазоне регулировок в соответствии с
приложением Д. 5.3.3 Испытание типа III. Определение выброса картерных газов 5.3.3.1 Испытание типа III проводят на всех транспортных средствах, указанных
в разделе 1, за
исключением транспортных средств, оснащенных двигателями с воспламенением от
сжатия. 5.3.3.1.1
Транспортные средства, которые могут работать на бензине и СНГ или КПГ, должны
проходить испытание типа III только с использованием бензина. 5.3.3.1.2 Несмотря на требования 5.3.3.1.1, транспортные
средства, которые могут работать на бензине и на газообразном топливе, но в
которых система подачи бензина установлена только для особых случаев или для
запуска двигателя с топливным баком объемом не более 15 л бензина, должны
проходить испытание типа III как транспортные средства, которые могут работать только на
газообразном топливе. 5.3.3.2 В ходе
проверки в условиях в соответствии с приложением Е система
вентиляции картера не должна допускать выброса картерных газов в атмосферу. 5.3.4 Испытание типа IV. Определение выброса в результате испарения
топлива, производимого транспортными средствами, оснащенными двигателями с
принудительным зажиганием 5.3.4.1 Испытание типа IV проводят на всех транспортных средствах, указанных
в разделе 1, за
исключением транспортных средств, оснащенных двигателем с воспламенением от
сжатия, транспортных средств, работающих на СНГ или КПГ, и транспортных средств
максимальной массой более 3500 кг. 5.3.4.1.1 Транспортные средства, которые могут
работать на бензине, СНГ или КПГ, подвергают испытаниям типа IV только при работе на бензине. 5.3.4.2 В ходе проверки в условиях в соответствии с
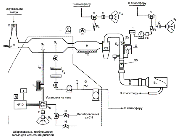
приложением Ж
выбросы в результате испарения должны быть менее 2 г на испытание. 5.3.5 Испытание типа V. Ресурсные испытания для проверки долговечности
устройств контроля выбросов вредных веществ. 5.3.5.1 Испытание
типа V проводят на
всех транспортных средствах, указанных в разделе 1 и
подвергаемых испытанию, указанному в 5.3.1. Это
испытание, представляющее собой испытание на старение при пробеге 80000 км,
проводят по программе в соответствии с приложением К на испытательном треке,
дороге или динамометрическом стенде. 5.3.5.1.1 Транспортные средства, которые могут
работать на бензине или СНГ, или КПГ, должны проходить испытание типа V только с использованием бензина, при этом
поправочный коэффициент, определенный при работе на неэтилированном бензине,
учитывают также для СНГ или КПГ. 5.3.5.2 В качестве альтернативы проведению
испытания по 5.3.5.1 изготовитель может выбрать для
использования коэффициенты ухудшения, которые указаны в таблице 3. Таблица
3
По
заявке изготовителя испытательная лаборатория может провести испытание типа I до завершения испытания типа V с использованием коэффициентов
ухудшения, указанных в таблице 3. После
завершения испытаний типа V
испытательная лаборатория может изменить результаты сертификации, указанные
в приложении Б,
заменой коэффициентов ухудшения, указанных в таблице 3,
коэффициентами, полученными в ходе испытания типа V. 5.3.5.3 Коэффициенты ухудшения определяют в
соответствии с 5.3.5.1 или по таблице 3. Коэффициенты используют для установления соответствия
требованиям 5.3.1.4 и 8.2.3.1. 5.3.6 Испытание типа VI. Определение выброса оксида углерода и
углеводородов с отработавшими газами после запуска холодного двигателя при
низкой температуре окружающей среды 5.3.6.1 Испытание типа VI проводят на всех транспортных средствах категорий
М1 и N1 класса I, оснащенных двигателями с принудительным зажиганием, за исключением
транспортных средств, предназначенных для перевозки более шести человек, и
транспортных средств максимальной массой более 2500 кг. 5.3.6.1.1 Транспортное средство устанавливают на
динамометрическом стенде, оборудованном системой имитации нагрузки и инерции. 5.3.6.1.2 Испытание состоит из четырех простых
городских ездовых циклов, предусмотренных первой частью испытания типа I. Первая часть испытания приведена в соответствии с
дополнением 1
к приложению Г
и представлена на рисунках Г.1 - Г.3. Испытание
при низкой температуре окружающей среды проводят без остановки двигателя, начиная
с его запуска в течение 780 с. 5.3.6.1.3 Для проведения испытаний при низкой
температуре температура окружающей среды составляет 266 К (минус 7 °С). Перед
проведением испытания транспортные средства выдерживают в единообразных
условиях для обеспечения воспроизводимости результатов испытания. Предварительное
кондиционирование транспортных средств и другие процедуры испытания проводят в
соответствии с приложением К. 5.3.6.1.4 В ходе испытания отработавшие газы
разбавляют и отбирают их пропорциональную пробу. Отработавшие
газы испытуемого транспортного средства разбавляют, отбирают, анализируют и
измеряют общий объем разбавленных отработавших газов в соответствии с
приложением К. Анализ
разбавленных отработавших газов проводят на содержание оксида углерода и
углеводородов. 5.3.6.2 Испытание проводят три раза при условии
соблюдения требований 5.3.6.2.2 и 5.3.6.3. Выбросы
оксида углерода и углеводородов с отработавшими газами должны быть меньше
значений, указанных в таблице 4. Таблица
4
5.3.6.2.1 Независимо от требований 5.3.6.2, для каждого вредного вещества один из трех
полученных результатов может превышать не более чем на 10 % установленное
предельное значение при условии, что среднеарифметическое значение всех
результатов меньше предельного значения. Если предельные значения превышены
более чем по одному вредному веществу, то не имеет значения, происходит это в
рамках одного и того же испытания или разных испытаний. 5.3.6.2.2 Число испытаний по 5.3.6.2 может быть увеличено
по заявке изготовителя до десяти, если среднеарифметическое значение первых
трех результатов ниже значения, соответствующего 110 % установленного
предельного значения. В этом случае после испытаний среднеарифметическое
значение всех результатов должно быть ниже предельного значения. 5.3.6.3 Число
испытаний по 5.3.6.2 сокращают в соответствии с 5.3.6.3.1
и 5.3.6.3.2. 5.3.6.3.1 Если
полученное значение по каждому вредному веществу в рамках 1-го испытания меньше
или равно 0,70 L, то проводят
только одно испытание. 5.3.6.3.2 Проводят
только два испытания, если не удовлетворяются условия 5.3.6.3.1 и для каждого вредного вещества результат 1-го
испытания не более 0,85 L, а сумма
первых двух результатов не более 1,70 L и результат 2-го испытания не более L: V1
£
0,85 L
и V1
+ V2
£
1,70 и V2
£ L. 5.3.7 Данные о
выбросах вредных веществ с отработавшими газами для проверок в эксплуатации 5.3.7.1 Это требование применяют ко всем
транспортным средствам, оснащенным двигателями с принудительным зажиганием,
подвергаемым сертификации в соответствии с требованиями настоящего стандарта. 5.3.7.2 При испытании типа II в режиме холостого хода в соответствии с
приложением Д
регистрируют: - объемную долю оксида углерода в отработавших
газах; - частоту вращения двигателя, включая возможные
допуски. 5.3.7.3 При испытании
типа II в режиме
холостого хода с повышенной частотой вращения двигателя (более 2000 мин-1)
регистрируют: - объемную долю оксида углерода в отработавших
газах; - частоту вращения двигателя, включая возможные
допуски; - коэффициент избытка воздуха λ - безразмерную величину, отражающую отношение
массы воздуха, поступившей в цилиндр двигателя, к количеству воздуха,
теоретически необходимому для полного сгорания поданного в цилиндр топлива, по
результатам измерений отдельных компонентов отработавших газов. Коэффициент
λ рассчитывают по упрощенной формуле Бреттшнайдера
где [СО2],
[СО], [О2] - объемная доля диоксида и оксида углерода и кислорода,
%; Hcv - отношение числа атомов водорода к числу атомов
углерода (для бензина - 1,73, для СНГ - 2,53, для КПГ - 4,0); Ocv - отношение числа атомов кислорода к числу атомов
углерода (для бензина - 0,02, для СНГ и КПГ - 0); [СН] - объемная доля углеводородов в пересчете на
гексан, млн-1; K1 - коэффициент приведения измерения углеводородов инфракрасным методом (NDIR) в гексановом эквиваленте к содержанию
углеводородов, измеренному методом FID (значение K1 указывает
изготовитель прибора). 5.3.7.4 В ходе испытаний следует измерять и
регистрировать температуру масла в двигателе. 5.3.7.5 По результатам испытания следует заполнить
таблицу Б.3 в соответствии с приложением
Б. 5.3.7.6 Изготовитель должен подтвердить, что
значение λ, зарегистрированное при сертификации в соответствии с 5.3.7.3,
является представительным для серийных транспортных средств, изготовляемых в
течение 24 мес. после даты сертификации. Проводимая для этих целей
оценка должна быть основана на инспектировании и изучении производимых
транспортных средств. 6 Изменение типа транспортного
средства
6.1 Любое изменение типа транспортного средства
доводят до сведения органа по сертификации, который предоставил сертификат
соответствия данному типу транспортного средства. Этот орган может: 6.1.1 прийти к заключению, что внесенные изменения
не будут иметь значительного отрицательного влияния и данное транспортное
средство продолжает соответствовать требованиям настоящего стандарта; 6.1.2 потребовать дополнительный протокол
испытательной лаборатории, уполномоченной проводить испытания. 6.2 Действие сертификата соответствия может
быть распространено при условии соблюдения особых требований. 7 Распространение сертификата соответствия
При
изменении типа транспортного средства следует соблюдать особые требования в
соответствии с 7.1
- 7.4. 7.1 Выбросы вредных
веществ с отработавшими газами - испытания типов I, II и VI. 7.1.1 Типы
транспортных средств различной контрольной массы 7.1.1.1 Сертификация определенного типа
транспортного средства может быть распространена только на транспортные
средства контрольной массой, требующей использования следующих двух более
высоких категорий эквивалентной инерции или любой меньшей категории
эквивалентной инерции. 7.1.1.2 Для транспортных средств категории N1 и М1, указанных в примечании 2 к таблице 2, контрольной массой транспортного средства, на которую
распространяют действие сертификата соответствия, предполагающее использование
эквивалентной инерционной массы не более массы, которая использована для типа сертифицированного
транспортного средства, действие сертификата соответствия
может быть распространено, если массы вредных веществ на сертифицированном
транспортном средстве находятся в пределах, установленных для транспортного
средства, на которое предполагают распространить сертификат соответствия. 7.1.2 Типы
транспортных средств, различающиеся общими передаточными числами Действие
сертификата соответствия может быть распространено на транспортные
средства, отличающиеся от сертифицированного типа только передаточными
числами, при соблюдении условий 7.1.2.1 - 7.1.2.3. 7.1.2.1 Для каждого
передаточного числа, используемого при проведении испытания типа I и типа
VI
при частоте вращения двигателя 1000 мин-1, определяют соотношение
где v1
- скорость сертифицированного транспортного средства; v2 - скорость
транспортного средства, для которого запрошено распространение. 7.1.2.2 Если для каждого транспортного средства
передаточное число Е менее 8 %, то решение о распространении действия сертификата
соответствия может быть принято без проведения повторных испытаний типа I и типа VI. 7.1.2.3 Если хотя бы
одно передаточное число Е более 8 % и каждое передаточное число Е не
более 13 %, то испытания типа I и типа VI должны быть повторены. Испытания можно проводить в
испытательной лаборатории, выбираемой изготовителем, при согласии лаборатории,
проводившей сертификационные испытания. Протокол
о проведении испытаний направляют испытательной лаборатории, уполномоченной
проводить испытания для сертификации данного типа транспортного
средства. 7.1.3 Типы
транспортных средств, имеющие иную контрольную массу и иные общие передаточные
числа Действие
сертификата соответствия типа транспортного средства может быть
распространено на транспортные средства других типов, отличающиеся от сертифицированного
типа контрольной массой и общими передаточными числами, при соблюдении
условий 7.1.1
и 7.1.2. 7.1.4 Если данный тип транспортного средства в
соответствии с 7.1.1 - 7.1.3 был сертифицирован, то
действие такого сертификата не может быть распространено на другие типы
транспортных средств. 7.2 Выбросы в результате испарения (испытание типа
IV) 7.2.1 Действие сертификата соответствия типа
транспортного средства, оснащенного системой контроля выбросов в результате
испарения, может быть распространено при условиях 7.2.1.1 - 7.2.1.6. 7.2.1.2 Форма топливного бака, материал, из
которого изготовлен топливный бак и топливопроводы, должны быть идентичными.
Испытывают наиболее неблагоприятный вариант с точки зрения поперечного сечения
и приблизительной длины топливопровода. Испытательная лаборатория, несущая
ответственность за проведение испытаний, принимает решение о том, являются ли
приемлемыми неидентичные сепараторы пар/жидкость. Допуск
по объему топливного бака не должен превышать ± 10 %. Регулировка
предохранительного клапана должна быть идентичной. 7.2.1.3 Метод удержания паров топлива должен быть
идентичным, например форма и объем ловушки, субстанция хранения, воздушный
фильтр (если его используют для контроля выбросов в результате испарения) и
т.д. 7.2.1.4 Допуск на объем поплавковой камеры
карбюратора не должен превышать ± 10 см3. 7.2.1.5 Метод продувки абсорбированных паров
топлива должен быть идентичным (например, расход воздуха, начало продувки или
объем воздуха, пропускаемый при продувке в ходе ездового цикла). 7.2.2 Дополнительные замечания: а)
допускаются двигатели иного рабочего объема; б)
допускаются двигатели иной мощности; в)
допускаются автоматические или механические коробки передач, два или четыре
ведущих колеса; г)
допускаются иные формы кузова; д)
допускаются колеса и пневматические шины других размеров. 7.3 Испытания на долговечность устройств для
контроля вредных выбросов (испытание типа V) 7.3.1 Действие сертификата соответствия транспортного
средства определенного типа может быть распространено на другие типы
транспортных средств при условии, что сочетание «двигатель/система контроля
выбросов» идентично комбинации для транспортного средства уже сертифицированного. Для
различных типов транспортных средств комбинации «двигатель/система контроля
выбросов» будут рассматриваться как идентичные, если приводимые ниже параметры
этих транспортных средств являются идентичными или не выходят за пределы
установленных значений: 7.3.1.1 Двигатель: - число цилиндров; - рабочий объем (± 15 %); - конфигурация блока цилиндров; - количество клапанов; - система питания; - система охлаждения; - процесс сгорания; - межцентровые расстояния цилиндров. 7.3.1.2 Система контроля выбросов Каталитические нейтрализаторы: - число каталитических нейтрализаторов и элементов; - размер и форма каталитических нейтрализаторов
(объем монолита ± 10 %); - тип каталитической активности (окисление,
трехкомпонентный нейтрализатор и т.д.); - содержание драгоценных металлов (идентичное или
большее); - соотношение драгоценных металлов (± 15 %); - основа катализатора (структура и материал); - плотность ячеек; - тип оболочки каталитического нейтрализатора
(каталитических нейтрализаторов); - изменения местоположения нейтрализатора в системе
выпуска не должны допускать изменения температуры отработавших газов более чем
на 50 К на входе в каталитический нейтрализатор. Примечание - Эти изменения
температуры проверяют в стабильных условиях на скорости 120 км/ч с нагрузкой,
предусмотренной для испытания типа I. Подача
воздуха: - имеется или отсутствует; - тип (импульсный нагнетатель, воздушный насос и
т.д.). Рециркуляция отработавших газов: имеется или
отсутствует. 7.3.1.3 Категория инерции: две ближайшие большие
категории инерции и любая меньшая категория инерции. 7.3.1.4 Испытание на долговечность может проводиться
на транспортном средстве, кузов, коробка передач (автоматическая или
механическая), размеры колес или шин которого отличаются от соответствующих
показателей транспортного средства, в отношении которого запрашивается сертификат
соответствия. 7.4 Бортовая
диагностическая система 7.4.1 Действие сертификата соответствия транспортного
средства в отношении БДС может быть распространено на другие типы транспортных
средств, принадлежащих к одному и тому же семейству БДС в соответствии с
дополнением 2
к приложению М,
независимо от следующих характеристик транспортных средств: - дополнительных устройств двигателя; - шин; - категории эквивалентной инерции; - системы охлаждения, - общего передаточного числа; - типа трансмиссии; - типа кузова. 8 Соответствие
производства
8.1 Каждое транспортное средство, имеющее сертификат соответствия типа
на основании настоящего стандарта, должно соответствовать сертифицированному
типу транспортного средства в отношении элементов, влияющих на выделение
двигателем вредных веществ и выбросов в виде испарений. Процедуры
инспекционного контроля должны соответствовать Добавлению 21) к
Соглашению 1958 г. 8.2 Как правило,
инспекционный контроль в отношении ограничения выбросов транспортным средством
(испытания типов I, II, III и IV) проводят на основе описания в соответствии с
приложением А. В
отношении выбросов вредных веществ, использованные мероприятия должны быть
пригодны также для подтверждения функциональных возможностей устройств контроля
выбросов при эксплуатации транспортных средств в нормальных условиях
(транспортные средства, которые используются и обслуживаются надлежащим образом).
Для целей настоящего стандарта эти мероприятия должны быть проверены на
протяжении периода эксплуатации транспортных средств, равного пяти годам, или
пробега до 80000 км, в зависимости от того, какое из этих условий будет
выполнено раньше, а с 01.01.2005 г. - на протяжении периода эксплуатации
транспортных средств, равного пяти годам, или пробега до 100000 км в
зависимости от того, какое из этих условий будет достигнуто раньше. 8.2.1 Аудит
соответствия продукции в эксплуатации орган по сертификации проводит на
основе любой относящейся к данному случаю информации, имеющейся у изготовителя,
с использованием процедур инспекционного контроля в соответствии с Добавлением
21) к Соглашению 1958 г. Процедуры проверки - в соответствии с
рисунками Г.1 и Г.2 1) Добавление 2 «Соответствие методов производства»
Соглашения 1958 года (Е/ЕСЕ/324-E/ECE/TRANS/505/Rev.2) «О принятии единообразных технических
предписаний для колесных транспортных средств, предметов оборудования и частей,
которые могут быть установлены и/или использованы на колесных транспортных
средствах, и об условиях взаимного признания официальных утверждений,
выдаваемых на основе этих предписаний». Информация,
представляемая изготовителем, должна содержать: 8.2.1.1 Параметры, определяющие семейство в
отношении эксплуатационного контроля Семейство
транспортных средств в отношении эксплуатационного контроля определяют по
базовым параметрам конструкции, которые должны быть общими для всех
транспортных средств семейства. Те типы транспортных средств, которые имеют
общие значения параметров, указанных ниже, или для которых значения этих
параметров находятся в пределах установленных отклонений, могут рассматриваться
как принадлежащие одному семейству: - рабочий процесс (двух- или четырехтактный,
роторно-поршневой); - число цилиндров; - структура блока цилиндров - конфигурация
расположения (рядная, V-образная, радиальная, горизонтально-оппозитная, иная). Наклон и
ориентация осей цилиндров не является критерием; - система топливоподачи в двигатель (с помощью
карбюратора или путем впрыскивания: прямой впрыск/впрыск в форкамеру/впрыск в
вихревую камеру); - тип системы охлаждения (воздушная, жидкостная,
масляная); - метод смесеобразования; - топливо, необходимое для работы двигателя
(бензин, дизельное, СНГ, КПГ и т.д.). Транспортные средства, оснащенные
двигателями, работающими на двух видах топлива, могут быть выделены в отдельное
семейство с транспортными средствами, предназначенными для работы на конкретном
топливе по признаку хотя бы одного общего вида топлива; - тип каталитического нейтрализатора
(трехкомпонентный, другой); - уловитель частиц (есть/нет); - рециркуляция отработавших газов (есть/нет); - рабочий объем самого большого двигателя семейства
минус 30 %. 8.2.1.2 Проверку соответствия продукции в
эксплуатации орган по сертификации проводит на основе информации,
представленной изготовителем. Такая информация может включать, но не
ограничиваться ими, следующие данные: 8.2.1.2.1 Наименование изготовителя, его адрес,
телефон, номер факса и электронной почты. 8.2.1.2.2 Адрес, телефон, номер факса и электронной
почты уполномоченного представителя в пределах области, охваченной информацией
изготовителя. 8.2.1.2.3 Название модели (моделей) транспортных
средств, включенных в информацию изготовителя. 8.2.1.2.4 В соответствующих случаях перечень типов
транспортных средств, входящих в семейство в пределах информации изготовителя в
соответствии с 8.2.1.1. 8.2.1.2.5 Код идентификации транспортного средства
(VIN), применимый к типам
транспортных средств в пределах семейства. 8.2.1.2.6 Номера сертификатов соответствия, относящиеся
к этим типам транспортных средств в пределах одного семейства, включая, в
соответствующих случаях, распространения действия сертификата и случаи отзыва
продукции. 8.2.1.2.7 Конкретные подробности распространения
действия и отзывов продукции (в случае запроса от органа по сертификации). 8.2.1.2.8 Период времени, в течение которого
собиралась информация изготовителя. 8.2.1.2.9 Период времени, в течение которого
производились транспортные средства в соответствии с информацией изготовителя
(например, транспортные средства, выпускаемые в течение 2001 г.). 8.2.1.2.10 Процедура проверки изготовителем
транспортных средств, находящихся в эксплуатации, включая приведенные в 8.2.1.2.10.1
- 8.2.1.2.10.6: 8.2.1.2.10.1 метод
установления расположения транспортных средств; 8.2.1.2.10.2 критерии отбора и выбраковки
транспортных средств; 8.2.1.2.10.3 типы испытаний и процедуры,
используемые для программы; 8.2.1.2.10.4 критерии принятия/отклонения,
применяемые изготовителем в группах семейств; 8.2.1.2.10.5 географическую область, в пределах
которой изготовителем собрана информация; 8.2.1.2.10.6 объем
выборки и план выборочного контроля, использованный изготовителем. 8.2.1.2.11 Результаты проверки изготовителем
транспортных средств, находящихся в эксплуатации, включая приведенные в 8.2.1.2.11.1
- 8.2.1.2.11.5. Идентификация
должна включать: - наименование модели; - код идентификации транспортного средства (VIN); - регистрационный номер транспортного средства; - дату выпуска; - область (регион) эксплуатации (если известно); - шины, предназначенные для эксплуатации в
климатических условиях эксплуатации. 8.2.1.2.11.2 Причины исключения транспортного
средства из выборки. 8.2.1.2.11.3 История эксплуатации каждого
транспортного средства в выборке (включая любые устранения неисправностей). 8.2.1.2.11.4 История ремонтов каждого транспортного
средства в выборке (при наличии данных). 8.2.1.2.11.5 Данные
испытаний, включающие: - дату проведения испытаний; - место проведения испытаний; - пробег по показаниям бортового указателя пробега; - характеристику использованного при испытаниях
топлива (эталонное или рыночное); - условия проведения испытаний (температуру,
влажность, эквивалентную инерционную массу динамометра); - регулирование динамометрического стенда (например,
установку поглощаемой мощности); - результаты испытаний (по крайней мере, трех
различных транспортных средств от семейства). 8.2.1.2.12 Записи показаний БДС. 8.2.1.3 Другую информацию об испытаниях и
наблюдениях, зарегистрированную изготовителем, включая записи показаний работы
БДС. 8.2.2 Информация,
собранная изготовителем, должна быть достаточно всесторонней, чтобы обеспечить
уверенность, что характер эксплуатации может быть оценен как нормальный в
соответствии с тем, как это определено в 8.2, и является
представительным для рынков сбыта изготовителя. Для
целей настоящего стандарта изготовитель может не проводить проверку
соответствия продукции сертифицированному типу в эксплуатации, если он
сможет продемонстрировать органу по сертификации, что годовые продажи
данного типа транспортного средства во всех странах не превышают 10000 шт. В
случае транспортных средств, предназначенных для продажи в Европейском Союзе,
изготовитель может не проводить проверку соответствия продукции сертифицированному
типу в эксплуатации, если он сможет продемонстрировать органу по
сертификации, что годовые продажи данного типа транспортного средства в
странах Европейского Союза не превышают 5000 шт. 8.2.3 Если необходимо провести испытание типа I и сертификат соответствия транспортного
средства имеет одно или несколько распространений, то испытания проводят на
транспортном средстве, соответствующем первоначальному описанию или на
транспортном средстве, включенном в соответствующее распространение. 8.2.3.1 Для проверки соответствия транспортных средств при
испытании типа I применяют следующую
процедуру, указанную в 8.2.3.1.1 - 8.2.3.1.3. После
отбора транспортных средств органом по сертификации изготовитель не
должен производить на этих транспортных средствах никаких регулировок. Для
ГЭТС испытания проводят в соответствии с приложением Р: - для транспортных средств с внешней зарядкой
определение вредных выбросов проводят на транспортном средстве,
кондиционированном согласно условию В испытания типа I для ГТС; - для транспортных средств с внутренней зарядкой
определение вредных выбросов проводят при тех же условиях, что и испытания типа
I для ГЭТС. 8.2.3.1.1 Три
транспортных средства последовательно отбирают методом случайной выборки и
подвергают испытанию, описанному в 5.3.1. Коэффициенты
ухудшения используют аналогичным образом. Предельные значения указаны в таблице
2. Для
систем периодической регенерации по 2.20 результаты умножают на
коэффициенты Ki,
полученные в соответствии с приложением П на
дату оформления сертификата соответствия. По
заявке изготовителя испытание может быть проведено непосредственно после
завершения процесса регенерации. 8.2.3.1.2 Если орган по сертификации удовлетворен
представленными изготовителем данными по среднеквадратичным отклонениям своей
продукции в соответствии с 8.2.1, оценку проводят в соответствии с
дополнением 1
к настоящему стандарту. Если
орган по сертификации не удовлетворен среднеквадратичными отклонениями в
производстве, представленными изготовителем в соответствии с 8.2.1,
оценку проводят в соответствии с дополнением 2 к настоящему стандарту. Принятое
положительное решение о прохождении испытания в отношении одного вредного
вещества не может быть изменено в результате дополнительных испытаний,
проводимых для принятия решения в отношении других вредных веществ. Если
положительное решение о прохождении испытания в отношении всех вредных веществ
или отрицательное решение в отношении одного вредного вещества не принимают,
испытание проводят на дополнительном транспортном средстве (см. рисунок 2). 8.2.3.2 Независимо от требований Г.3.1.1 приложения Г испытания проводят на новых
транспортных средствах, поступивших непосредственно с конвейера. 8.2.3.2.1 По заявке изготовителя испытания могут
проводиться на транспортных средствах с пробегом: - не более 3000 км - для транспортных средств,
оснащенных двигателем с принудительным зажиганием; - не более 15000 км - для транспортных средств,
оснащенных двигателем с воспламенением от сжатия. В
обоих случаях обкатку будет осуществлять изготовитель, обязуясь не производить
на этих транспортных средствах никаких регулировок. 8.2.3.2.2 Если изготовитель обращается с просьбой
произвести обкатку транспортных средств (Х км, где Х £ 3000 км для транспортных средств, оснащенных
двигателем с принудительным зажиганием, и X £ 15000 км - для транспортных средств, оснащенных
двигателем с воспламенением от сжатия), можно использовать следующий метод: а)
на первом испытуемом транспортном средстве выбросы вредных веществ (испытание
типа I)
определяют при нулевом пробеге и при Х км; б)
коэффициент изменения выбросов между значениями при нулевом пробеге и пробеге Х
км рассчитывают для каждого из вредных веществ. Выбросы
при пробеге Х км/выбросы при нулевом пробеге Это
значение может быть меньше 1; в)
последующие испытуемые транспортные средства не подвергают процедуре обкатки,
однако значения выбросов при нулевом пробеге корректируют с учетом полученного
коэффициента изменения. В
этом случае используют следующие значения: -
при пробеге Х км - для первого транспортного средства; - при нулевом пробеге, умноженные на коэффициент
изменения, - для других транспортных средств. Рисунок 2 8.2.3.2.3 Все эти испытания можно проводить с
использованием коммерческих сортов топлива. По просьбе изготовителя можно
использовать эталонное топливо в соответствии с приложением Л. Если
необходимо провести испытание типа III, то его проводят на всех транспортных
средствах, отобранных для испытания на соответствие продукции по типу I. При этом должны быть выполнены условия,
приведенные в 5.3.3.2. Для
гибридных транспортных средств испытания следует проводить при условиях раздела
5 приложения Р. Если
необходимо провести испытание типа IV, его проводят в соответствии с разделом Ж.7 приложения Ж. 8.2.4 Если испытание проводят в соответствии с
приложением Ж,
то средний уровень выбросов в результате испарения для всех серийных
транспортных средств сертифицированного типа должен быть ниже предельных
значений таблицы 2. 8.2.5 Для обычных проверок в конце производственной линии владелец сертификата
может продемонстрировать соответствие производства путем отбора
транспортных средств в соответствии с Ж.7 приложения Ж. 8.2.6 Бортовая диагностическая система (БДС) Если
требуется проверка эффективности БДС, то ее проводят в соответствии с 8.2.6.1
- 8.2.6.4. 8.2.6.1 Если орган по сертификации определяет
качественный уровень производства как неудовлетворительный, то изданной серии
произвольно отбирают транспортное средство, которое подвергают испытаниям в
соответствии с дополнением 1 к приложению М. Для
ГЭТС испытания проводят при условиях в соответствии с разделом 9 приложения Р. 8.2.6.2 Производство считают соответствующим
установленным требованиям, если результаты испытания данного транспортного
средства, в соответствии с дополнением 1 к приложению М,
положительные. 8.2.6.3 Если транспортное средство, отобранное из
данной серии, не соответствует требованиям 8.2.6.1, то из данной серии дополнительно отбирают
четыре транспортных средства и подвергают их испытаниям в соответствии с
дополнением 1
к приложению М.
Испытаниям можно подвергать транспортные средства с пробегом не более 15000 км. 8.2.6.4 Производство
считают соответствующим установленным требованиям, если результат испытаний не
менее трех транспортных средств в соответствии с дополнением 1 к приложению М признан
положительным. 8.2.7 На основе инспекционного контроля,
упомянутого в 8.2,
орган по сертификации принимает одно из следующих решений: - соответствие типа транспортного средства или
семейства в эксплуатации является удовлетворительным, и нет необходимости в
каких-либо дополнительных действиях; - информация, представленная изготовителем, является
недостаточной или уровень соответствия транспортных средств, проверяемых в
эксплуатации, является неудовлетворительным, и от изготовителя требуется
дополнительная информация или результаты испытаний; - проверенное в эксплуатации соответствие типа
(типов) транспортного средства, являющегося(ихся) частью семейства, в отношении
эксплуатации неудовлетворительное и требуется проведение испытаний данного типа
(типов) транспортных средств в соответствии с дополнением 3. Если
изготовитель получит разрешение не проводить проверку отдельного типа
транспортного средства в соответствии с 8.2.2, орган по
сертификации может потребовать проведения испытаний данного типа (типов)
транспортных средств в соответствии с дополнением 3. 8.2.7.1 Если принято решение, что для проверки
соответствия устройств контроля за выбросами требованиям в отношении их
эффективности при эксплуатации следует провести испытания типа I, такие испытания проводят с использованием
статистических критериев в соответствии с дополнением 4 к настоящему стандарту. 8.2.7.2 Орган по сертификации совместно с
изготовителем проводит выборку транспортных средств с достаточным пробегом,
эксплуатация которых в обычных условиях может быть обеспечена надлежащим
образом. С изготовителем проводят консультации по вопросу выборки транспортных
средств, и его присутствие допускается при подтверждающих проверках этих
транспортных средств. 8.2.7.3 Под наблюдением органа по сертификации изготовителю
разрешается проверять (даже с использованием разрушающих методов) транспортные
средства, уровень выбросов с отработавшими газами которых превышает предельные
значения, с целью выявления возможных причин ухудшения функционирования не по
вине изготовителя (например использование этилированного бензина до проведения
испытаний). Если
результаты проверок подтверждают наличие таких причин, эти результаты испытаний
исключают. 8.2.7.3.1 Не следует также учитывать при проверке
соответствия продукции результаты испытаний транспортных средств в выборке,
которые: - сертифицированы на соответствие предельным
значениям уровня А по таблице 2, если
транспортные средства регулярно использовали топливо с содержанием серы более
150 мг/кг для бензина и 350 мг/кг - для дизельного топлива, или - сертифицированы на соответствие предельным
значениям уровня В по таблице 2, если
транспортные средства регулярно использовали топливо с содержанием серы более
50 мг/кг для бензина и дизельного топлива. 8.2.7.4 Если орган по сертификации не
удовлетворен результатами испытаний по критериям приложения Г, то
меры по исправлению положения, указанные в Добавлении 2 к Соглашению 1958 г. (E/TCT/324-E/ECE/TRANS/505/Rev.2) распространяют на
транспортные средства, находящиеся в эксплуатации и принадлежащие к тому же
типу транспортного средства, на которых предположительно отразилось действие
тех же самых дефектов, в соответствии с 3.6
дополнения 3
к настоящему стандарту. План
мероприятий по исправлению положения, представленный изготовителем, утверждает
орган по сертификации. Изготовитель несет ответственность за реализацию
утвержденного плана мероприятий. 8.2.7.5 Если установлено, что тот или иной тип
транспортного средства не соответствует требованиям дополнения 3 к
настоящему стандарту, орган по сертификации, предоставивший
первоначальный сертификат соответствия типа транспортного средства,
должен проинформировать изготовителя о том, что данный тип транспортного
средства не соответствует требованиям этих положений и что изготовитель должен
принять конкретные меры. В течение 2 мес. после этого уведомления изготовитель
должен представить органу по сертификации план мероприятий по устранению
неисправностей в соответствии с 3.6.1 - 3.6.8 дополнения 3 к
настоящему стандарту. Орган по сертификации, предоставивший
первоначальный сертификат соответствия типа транспортного средства,
должен в течение 2 мес. провести консультации изготовителя для согласования
плана мероприятий и шагов по реализации этого плана. Если орган по сертификации,
предоставивший первоначальный сертификат соответствия типа
транспортного средства, приходит к выводу, что договоренности достичь
невозможно, проводят соответствующие процедуры, предусмотренные «Порядком
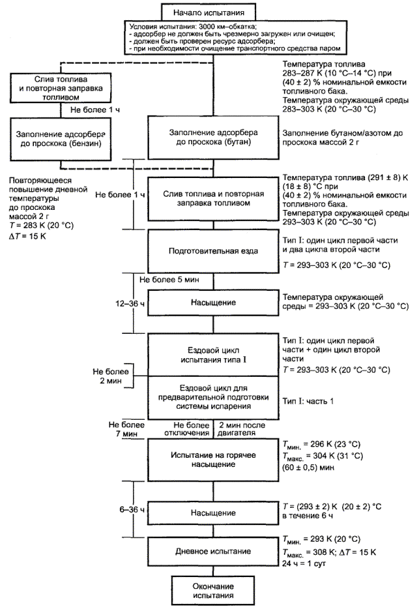
проведения сертификации продукции в Российской Федерации»1). 9 Меры, принимаемые
при выявлении несоответствия производства
9.1 Сертификат соответствия транспортного
средства, предоставленный на основании настоящего стандарта, может быть
отменен, если не соблюдаются требования 8.1
или данное транспортное средство не выдержало испытания по 8.2. 9.2 Отмену сертификата соответствия проводят
в соответствии с «Порядком проведения сертификации продукции в Российской
Федерации»1). 1) Принят Постановлением Госстандарта России от 21 сентября 1994 г. № 15. 10 Окончательное
прекращение производства
Если
владелец сертификата соответствия, предоставленного на основании
настоящего стандарта, полностью прекращает производство сертифицированного типа
транспортного средства, он должен информировать об этом орган,
предоставивший сертификат соответствия. Орган по сертификации направляет в Государственный
реестр копию сертификата соответствия типа, на которой внизу
крупными буквами делает отметку «ПРОИЗВОДСТВО ПРЕКРАЩЕНО» и проставляет подпись
и дату. 11 Переходные
положения
11.1 Сертификат соответствия типа может быть
предоставлен только в том случае, если тип транспортного средства, подлежащего сертификации,
соответствует требованиям настоящего стандарта. 11.1.1 Для транспортных средств категории М
максимальной массой не более 2500 кг или транспортных средств категории N1 класса I (см. таблицу 2) эти требования следует применять с
01.01.2006. 11.1.2 Для транспортных средств категории М
максимальной массой более 2500 кг или транспортных средств категории N1 классов II или III (см. таблицу 2)
эти требования следует применять с 01.01.2008. 11.1.3 Для ГЭТС, оборудованных двигателями с
принудительным зажиганием и ГЭТС категории М, оборудованных двигателями с
воспламенением от сжатия, максимальной массой не более 2500 кг и ГЭТС категории
N класса I, оборудованных
двигателями с воспламенением от сжатия, эти требования следует применять с
01.01.2005 для новых типов и с 01.01.2006 - для всех типов. 11.1.4 Для ГЭТС категории N классов II и III, оборудованных двигателями с воспламенением от сжатия, и ГЭТС категории
М, оборудованных двигателями с воспламенением от сжатия, максимальной массой
более 2500 кг, эти требования следует применять с 01.01.2006 для новых типов и
с 01.01.2007 - для всех типов. Дополнение 1Проверка выполнения
требований соответствия производства, если устанавливаемое изготовителем
среднеквадратичное отклонение для выпущенных изделий является приемлемым
1.1 Данный метод инспекционной проверки
производства для испытания типа 1 применяют, когда устанавливаемое
изготовителем среднеквадратичное отклонение для выпущенных изделий является
приемлемым. 1.2 При минимальной выборке 3 шт. процедуру отбора
устанавливают таким образом, чтобы при доле дефектных транспортных средств 40 %
вероятность прохождения партии была 0,95 (риск изготовителя 5 %), а при доле
дефектных транспортных средств 65 % - 0,1 (риск потребителя 10 %). 1.3 Для каждого из вредных веществ, указанных в 6.3.1.4
настоящего стандарта, используют процедуру в соответствии с рисунком 2 настоящего стандарта. 1.4 Расчет для соответствующей выборки проводят с
учетом того, что данные, полученные в результате испытаний, представляют сумму
стандартных отклонений и определяют по формуле
где L - натуральный логарифм предельного
значения для данного вредного вещества; xi - натуральный логарифм величины, измеренной для i-го транспортного средства данной выборки; s - оценка отклонения от настоящего стандарта (после определения
натурального логарифма измеренных величин); n - число транспортных средств в данной
выборке. 1.5
Заключение 1.5.1 Если результаты испытания превышают значения
для выборки, предусмотренные в таблице 1.1
для принятия решения о приемлемости, то по этому вредному веществу испытание
считают пройденным. 1.5.2 Если результаты испытания менее значения для
размера выборки, предусмотренного в таблице 1.1 для принятия решения о неприемлемости, то по этому
вредному веществу испытывают еще одно транспортное средство, и расчеты проводят
вновь по выборке, увеличенной на 1 шт. Таблица
1.1
Дополнение 2Проверка выполнения
требований соответствия производства, если устанавливаемое изготовителем
среднеквадратичное отклонение для выпущенных изделий является неприемлемым или
отсутствует
2.1 Данный метод проверки соответствия производства
для испытания типа I применяют, когда
устанавливаемое изготовителем среднеквадратичное отклонение для выпущенных
изделий является неприемлемым или отсутствует. 2.2 При минимальной выборке 3 шт. процедуру отбора
устанавливают таким образом, чтобы при доле дефектных транспортных средств 40
%, вероятность прохождения партии равнялась 0,95 (риск изготовителя 5 %), а при
доле дефектных транспортных средств 65 % - 0,1 (риск потребителя 10 %). 2.3 Значения каждого из вредных веществ, указанных
в 6.3.1.4
настоящего стандарта, подчиняются закону нормального логарифмического
распределения и должны вначале быть преобразованы в натуральные логарифмы. Пусть
т0 и т обозначают соответственно минимальный и
максимальный размеры выборки (m0
= 3 и т = 32), а n
- существующий размер выборки. 2.4 Если натуральные логарифмы величин измерения в
данной партии равны x1, х2,
···, xi, а L - натуральный логарифм предельного значения для
данного вредного вещества, то используют формулы: di = xi
- L,
и
2.5 В таблице 2.1 указаны предельные значения для принятия партии (Ап)
и непринятия партии (Вп) в зависимости от размера
соответствующей выборки. Результаты
испытания, представляющие собой соотношение При
т0 £
п £
т: - партию принимают, если - партию не принимают, если - проводят еще одно измерение, если Таблица
2.1
2.6 Для расчета последовательных значений в
результате испытания используют следующие рекуррентные формулы:
(n = 2, 3, ···; Дополнение 3
Эксплуатационная проверка
соответствия
3.1 В настоящем дополнении изложены критерии,
касающиеся отбора транспортных средств для испытаний и процедур
эксплуатационного контроля за соответствием. Критерии
принятия отобранного транспортного средства приведены в 3.2.1 - 3.2.8
настоящего дополнения. Информацию собирают посредством исследования
транспортного средства и опроса водителя/владельца. 3.2.2 Транспортное средство должно иметь пробег не
менее 15000 км или находиться в эксплуатации не менее 6 мес. в зависимости от
того, какое из этих граничных условий наступит позднее; пробег не должен быть
более 80000 км или транспортное средство должно находиться в эксплуатации не
более пяти лет, в зависимости от того, какое из этих граничных условий наступит
раньше. 3.2.3 Инспектируемое транспортное средство должно
сопровождаться документом о его техническом обслуживании, подтверждающим, что
техническое обслуживание осуществлялось должным образом, например в
соответствии с рекомендациями изготовителя. 3.2.4 На транспортном средстве не должно быть
следов непредусмотренной эксплуатации (например использования на гонках, с
перегрузкой, с заправкой топливом непредусмотренного вида и других
злоупотреблений) или других характерных признаков (например несанкционированное
вмешательство в регулировки), которые могут повлиять на объем выбросов.
В случае транспортных средств, оснащенных БДС, принимают во внимание информацию
о кодах неисправностей и накопленном пробеге, если сохраненная в компьютере
информация показывает, что оно эксплуатировалось после того, как код ошибки был
сохранен, а соответствующий ремонт не был своевременно выполнен. 3.2.5 Ни двигатель транспортного средства, ни само
транспортное средство не должны были подвергаться несанкционированному
капитальному ремонту. 3.2.6 Содержание свинца и серы в пробе топлива,
взятой из топливного бака транспортного средства, должно удовлетворять
требованиям соответствующих стандартов и не должно быть выявлено никаких
признаков использования непредусмотренного топлива. Допускается проводить
проверки содержания указанных веществ в отработавших газах. 3.2.7 Не должно быть выявлено никаких факторов,
которые могли бы представлять опасность для сотрудников испытательной
лаборатории. 3.3 Диагностика и техническое обслуживание На
транспортных средствах, принятых для проведения испытаний, проводят необходимые
диагностику и техническое обслуживание до определения выбросов вредных веществ
с отработавшими газами в соответствии с 3.2.1 - 3.2.8. 3.3.1 При техническом
обслуживании проверяют: - воздушный фильтр; - приводные ремни; - уровень жидкости во всех резервуарах; - герметичность крышки радиатора; - целостность всех вакуумных шлангов; - электропроводку устройства контроля выбросов
вредных веществ; -системы зажигания, дозирования подачи топлива,
устройства контроля выбросов вредных веществ на предмет неправильной
регулировки и/или несанкционированного вмешательства. Все
несоответствия должны быть зарегистрированы. 3.3.2 При проверке БДС любые признаки неисправности
в ее запоминающем устройстве должны быть зарегистрированы, в случае их наличия
должен быть проведен необходимый ремонт. Если БДС-индикатор неисправности
регистрирует сбой в работе в рамках цикла предварительной подготовки
транспортного средства, этот сбой следует идентифицировать и устранить. Допускается
проведение повторного испытания с использованием результатов отремонтированного
транспортного средства. 3.3.3 Проводят проверку системы зажигания и замену
неисправных элементов, например свечей зажигания, проводов и т.д. 3.3.4 Проверяют режим компрессии. Если результаты
проверки являются неудовлетворительными, транспортное средство не принимают. 3.3.5 Проверяют параметры двигателя в соответствии
с техническими требованиями изготовителя и при необходимости его регулирование. 3.3.6 Если до прохождения технического обслуживания
транспортного средства остается примерно 800 км, то данное обслуживание
проводят в соответствии с инструкциями изготовителя. Независимо от показаний
счетчика километража по просьбе изготовителя могут быть заменены масляный и
воздушный фильтры. 3.3.7 После принятия транспортного средства
находящееся в нем топливо заменяется соответствующим эталонным топливом,
используемым для испытания на определение объема выбросов вредных веществ, если
изготовитель не даст согласие на использование топлива, реализуемого на рынке. 3.4 Эксплуатационные испытания 3.4.1 При необходимости проверку транспортных
средств на определение объема выбросов вредных веществ проводят в соответствии
с приложением Г на предварительно подготовленных транспортных
средствах, которые отбирают согласно 3.2
и 3.3 настоящего
дополнения. 3.4.2 Транспортные средства, оснащенные БДС,
допускается проверять на индицирование неисправностей в отношении уровня
выбросов вредных веществ (например, неисправностей, касающихся индицирования
предельных значений в соответствии с приложением М) для спецификаций,
касающихся конкретных сертификатов соответствия. 3.4.3 БДС допускается проверять, например, на
отсутствие индикации при превышении предельных значений выбросов вредных
веществ, систематическое ошибочное включение неисправности и выявление
неисправных или поврежденных элементов БДС. 3.5 Оценка результатов 3.5.1 Результаты испытаний оценивают в соответствии
с дополнением 4. 3.5.2 Результаты испытаний не подлежат умножению на
поправочные коэффициенты. 3.5.3 Для систем периодической регенерации,
определенных в 2.20,
результаты должны быть умножены на коэффициенты Кi, полученные в момент предоставления сертификата
соответствия типа конструкции. 3.6 План мероприятий по исправлению положения - либо отвечают условиям 4.3.2.3 дополнения 4 и
при этом орган по сертификации уверен, что данный тип транспортного
средства не соответствует требованиям настоящего стандарта; - либо отвечают условиям 4.3.2.3 дополнения 4 и
при этом орган по сертификации определил, что существенное превышение
происходит по одной и той же причине; орган
по сертификации должен потребовать от изготовителя план
мероприятий по исправлению несоответствия. 3.6.2 План мероприятий по исправлению положения
представляют в орган по сертификации не позднее чем через 60 дней после
даты уведомления, упомянутой в 3.6.1. Орган по сертификации должен в
течение 30 дней заявить о своем утверждении или не утверждении плана
мероприятий. Если изготовитель представит в орган по сертификации убедительные
доказательства, что для выяснения вопроса требуется дополнительное время для
представления плана мероприятий, то предоставляется отсрочка предоставления
плана. 3.6.3 Меры по исправлению положения принимают в
отношении всех транспортных средств, которые могут иметь одну и ту же
неисправность. Должна быть определена потребность во внесении поправок в сертификат
соответствия. 3.6.4 Изготовитель представляет копии всех
сообщений, имеющих отношение к плану мероприятий по исправлению положения, а
также ведет учет всех случаев изъятия недоброкачественной продукции и регулярно
представляет отчет о своей деятельности в этом направлении органу по
сертификации. 3.6.5 План мероприятий по исправлению положения
должен включать выполнение требований, указанных в 3.6.5.1 - 3.6.5.11.
Изготовитель дает однозначно идентифицированное название или присваивает
однозначный идентифицированный номер плану мероприятий. 3.6.5.2 Описание конкретных модификаций, переделок,
ремонта, исправлений, регулировок или других изменений, которые должны быть
проведены для приведения транспортных средств в соответствие с установленными
требованиями, включая краткое резюме данных и технических исследований,
обосновывающее решение изготовителя относительно принятия конкретных мер для
устранения несоответствия. 3.6.5.3 Описание метода, при помощи которого
изготовитель представляет информацию владельцам транспортных средств. 3.6.5.4 Описание надлежащего технического
обслуживания или эксплуатации, если они осуществляются, которые изготовитель
определяет в качестве условия исправления положения в соответствии с планом
мероприятий по исправлению положения, и разъяснение оснований для введения
изготовителем таких условий. Никакие условия в отношении технического
обслуживания не могут быть введены, если они не имеют отношения к решению
проблемы несоответствия и к принятию плана мероприятий по исправлению
положения. 3.6.5.5 Описание процедуры, которой должны
следовать владельцы транспортных средств для решения проблемы несоответствия. В
ней должны быть указаны дата, после которой могут быть приняты меры по
исправлению положения, предполагаемое время, необходимое мастерской для проведения
ремонтных работ, а также места, в которых эти работы могут быть проведены.
Ремонт следует осуществлять оперативно в пределах разумного срока после
доставки транспортного средства в мастерскую. 3.6.5.6 Копия информационного документа,
переданного владельцу транспортного средства. 3.6.5.7 Краткое описание системы, используемой
изготовителем для обеспечения надлежащей поставки элементов или систем,
позволяющих провести мероприятия по исправлению положения. Должно быть указано,
когда будет обеспечена доставка элементов или систем, необходимых для начала
комплекса мероприятий. 3.6.5.8 Копии всех инструкций, подлежащих
направлению лицам, которые должны провести ремонт. 3.6.5.9 Описание воздействия предлагаемых мер,
направленных на исправление положения, объем выбросов, потребление топлива,
возможность использования каждого типа транспортного средства в качестве
базового и безопасность каждого транспортного средства, охватываемого планом
мероприятий по исправлению положения, с указанием соответствующих данных,
результатов технических исследований и т.д., подтверждающих эти выводы. 3.6.5.10 Любая другая информация, отчеты или
данные, которые орган по сертификации может обоснованно счесть
необходимыми для оценки плана мероприятий по исправлению положения. 3.6.6 От изготовителя может быть потребовано
проведение необходимых испытаний элементов и транспортных средств, которые были
видоизменены, отремонтированы или модифицированы предлагаемым образом с целью
подтверждения эффективности такого видоизменения, ремонта или модификации. 3.6.7 Изготовитель отвечает за учет каждого
отозванного и отремонтированного транспортного средства, а также мастерской, в
которой проводили ремонт. Орган по сертификации должен иметь доступ к
учетной документации, которая должна быть представлена по запросу на протяжении
5-летнего периода после реализации плана мероприятий по исправлению положения. Дополнение 4
Статистический
метод испытания на соответствие
эксплуатационным требованиям
4.1 Настоящий метод используют для проверки
соответствия транспортного средства эксплуатационным требованиям в рамках
испытания I. 4.2 Используют два метода: - один относится к выявленным в выборке
транспортным средствам, которые из-за неисправностей, влияющих на уровень
вредных выбросов, приводят к существенному превышению предельных значений (4.3); - другой - для всех транспортных средств в выборке
(4.4). 4.3 Процедуры, которые должны быть выполнены при
наличии в выборке транспортных средств с существенно превышенными предельными
значениями (СППЗ) выбросов вредных веществ1) 1) Что касается фактических эксплуатационных данных,
полученных до 31 декабря 2003 г., должны быть рассмотрены следующие вопросы: а) нуждается ли
определение транспортных средств с чрезмерными выбросами, уже сертифицированных
на соответствие предельным значениям уровня В по таблице 2, в пересмотре; б) нужны ли
поправки к процедуре идентификации транспортного средства с чрезмерными
выбросами; в)
следует ли заменить процедуру испытаний на соответствие продукции в
эксплуатации в определенный момент новой статистической процедурой. Если это
будет целесообразно, будут предложены необходимые поправки. 4.3.1 При минимальной выборке 3 шт. и максимальной
выборке, размер которой определяют по 4.4, случайным образом отбирают
транспортное средство, на котором определяют выбросы нормируемых вредных
веществ с целью установить, является ли данное транспортное средство
транспортным средством с существенно превышенными предельными выбросами. 4.3.2 Транспортное средство считают транспортным
средством с СППЗ по выбросам, если выполнены условия 4.3.2.1 и 4.3.2.2. 4.3.2.1 Для
транспортных средств, сертифицированных на соответствие предельным
значениям уровня А таблицы 2, транспортным
средством с СППЗ по выбросам считают транспортное средство, для которого зафиксировано
превышение вредных выбросов не менее чем в 1,2 раза по любому из нормируемых
компонентов. 4.3.2.2 Для
транспортных средств, сертифицированных на соответствие предельным
значениям уровня В таблицы 2, транспортным
средством с СППЗ по выбросам считают транспортное средство, для которого
зафиксировано превышение вредных выбросов не менее чем в 1,5 раза по любому из
нормируемых компонентов. 2) Для любого транспортного средства «промежуточную
зону» определяют следующим образом: транспортное средство должно отвечать
требованиям 4.3.2.1 или 4.3.2.2 и, кроме того, измеренное
значение любого вредного вещества должно быть ниже уровня, который определяют
предельным значением того же нормируемого вредного вещества, соответствующим
уровню А таблицы 2, умноженным на
коэффициент 2,5. 4.3.2.3.1 Если транспортное средство отвечает
требованиям данного раздела, должна быть определена причина чрезмерных
выбросов, и затем из выборки должно быть отобрано случайным образом другое
транспортное средство. 4.3.2.3.2 Если условиям данного раздела отвечает
более одного транспортного средства, орган по сертификации и
изготовитель должны вместе определить, происходит ли чрезмерное превышение
выбросов обоих транспортных средств по одной причине или нет. 4.3.2.3.2.1 Если орган по сертификации и
изготовитель согласны, что чрезмерное превышение выбросов происходит по одной
причине, выборку признают отрицательной и применяют план мероприятий по
исправлению положения, описанный в 3.6 дополнения 3. 4.3.2.3.2.2 Если орган по сертификации и
изготовитель не согласны во мнении о причине чрезмерных выбросов одного
транспортного средства из выборки или что причины чрезмерных выбросов более чем
одного транспортного средства из выборки являются одними и теми же, из выборки
случайным образом выбирают другое транспортное средство, если только
максимальный размер выборки не был уже достигнут. 4.3.2.3.3 Если обнаружено только одно транспортное
средство, отвечающее условиям данного раздела, или если обнаружено более одного
транспортного средства и имеется согласие между органом по сертификации и
изготовителем, что это обусловлено разными причинами, из выборки случайным
образом выбирают другое транспортное средство, если только максимальный размер
выборки не был уже достигнут. 4.3.2.3.4 Если максимальный размер выборки уже
достигнут и обнаружено не более одного транспортного средства, отвечающего
условиям данного раздела, когда чрезмерные выбросы обусловлены одной причиной,
выборку признают положительной (прошедшей) в соответствии с 4.3
настоящего дополнения. 4.3.2.3.5 Если в любой момент первоначальная
выборка заканчивается, к первоначальной выборке добавляют еще одно транспортное
средство и выбирают это транспортное средство. 4.3.2.3.6 Когда бы транспортное средство ни
выбиралось из выборки, статистическую процедуру 4.4
настоящего приложения применяют к увеличенной выборке. 4.3.2.4 Особый случай для транспортных средств с
измеренными значениями выбросов вредных веществ, находящихся в «непроходной
зоне»1) 1) Для любою транспортного средства «непроходную
зону» определяют следующим образом: измеренное значение любого нормируемого
вредного вещества превышает уровень, определенный предельным значением
нормируемой величины выбросов того же вредного вещества, соответствующим уровню
А таблицы 2, умноженным на коэффициент
2,5. 4.3.2.4.1 Если транспортное средство отвечает
требованиям настоящего раздела, органом по сертификации должна быть
определена причина чрезмерных выбросов, и затем из выборки должно быть отобрано
случайны образом другое транспортное средство. 4.3.2.4.2 Если условиям настоящего раздела отвечает
более одного транспортного средства и орган по сертификации определил,
что причина чрезмерных выбросов каждый раз одна и та же, изготовитель должен
быть уведомлен, что выборка оценена как отрицательная (не прошедшая), а также
должны быть объяснены мотивы такого решения, при этом применяют план
мероприятий по исправлению положения, описанному в 3.6 дополнения 3. 4.3.2.4.3 Если обнаружено только одно транспортное
средство, отвечающее условиям настоящего раздела или если обнаружено более
одного транспортного средства и имеется согласие между органом по
сертификации и изготовителем, что это обусловлено разными причинами, из
выборки случайным образом выбирают другое транспортное средство, если только
максимальный размер выборки не был уже достигнут. 4.3.2.4.4 Если максимальный размер выборки уже
достигнут и обнаружено не более одного транспортного средства, отвечающего
условиям настоящего раздела, когда чрезмерные выбросы обусловлены одной
причиной, выборку признают положительной (прошедшей) в соответствии с 4.3
настоящего дополнения. 4.3.2.4.5 Если в любой момент первоначальная
выборка заканчивается, к первоначальной выборке добавляют еще одно транспортное
средство и выбирают это транспортное средство. 4.3.2.4.6 Когда бы транспортное средство ни
выбиралось из выборки, статистическую процедуру 4.4 настоящего дополнения применяют к увеличенной
выборке. 4.3.2.5 В каком бы случае транспортное средство ни
было признано не принадлежащим к числу транспортных средств СППЗ по выбросам,
из выборки случайным образом отбирают следующее транспортное средство. 4.3.4 Если установлено, что более одного
транспортного средства определено как СППЗ по выбросам по одной и той же
причине, выборку считают неудачной. 4.3.5 Если выявлено лишь одно транспортное средство
СППЗ по выбросам, или выявлено два или более транспортных средств, но причины
повышенных выбросов различны, то размер выборки увеличивают на одно
транспортное средство, если размер выборки уже не является максимальным. 4.3.5.1 Если в выборке, размер которой увеличен,
выявлено два или более транспортных средств, СППЗ по выбросам по одной и той же
причине, то выборку считают неудачной. 4.3.5.2 Если в выборке, размер которой является
максимальным, выявлено не более одного транспортного средства, СППЗ по
выбросам, причем чрезмерный объем выбросов обусловлен одной и той же причиной,
то выборку считают соответствующей требованиям 4.3
настоящего дополнения 4.3.6 Если размер выборки увеличен в соответствии с
требованиями 4.3.5, в отношении этой
выборки применяют статистический метод 4.4. 4.4 Метод, используемый без отдельной оценки
присутствующих в выборке транспортных средств, СППЗ по выбросам 4.4.1 При минимальной выборке 3 шт. метод отбора
устанавливают таким образом, чтобы при доле дефектных транспортных средств 40 %
вероятность принятия партии была 0,95 (риск изготовителя - 5 %), а при доле
дефектных транспортных средств 75 % - 0,15 (риск потребителя - 15 %). 4.4.2 Для каждого из вредных веществ, указанных в
таблице 2 настоящего стандарта,
используют процедуру, представленную на рисунке 4.2. 4.4.3 Расчеты проводят с учетом того, что
результаты испытаний позволяют судить о числе транспортных средств, не
соответствующих установленным требованиям: хi > L, где L - предельное значение загрязняющего
вещества; xi - значение, измеренное для i-го транспортного средства в данной
выборке. Если
данные, полученные в результате испытания, не превышают размера выборки,
предусмотренного в таблице 4.1
для принятия решения о приемлемости, то по этому вредному веществу испытание
считают пройденным. Если
данные, полученные в результате испытания, превышают размер выборки,
предусмотренный в таблице 4.1 для
принятия решения о неприемлемости, то по этому вредному веществу испытание
считают не пройденным. В
этом случае испытанию подвергают еще одно транспортное средство, при этом
данный метод применяют к выборке, размер которой увеличен на 1 шт. В
таблице 4.1 приведены значения,
предусмотренные для принятия решения о приемлемости или неприемлемости, которые
рассчитаны в соответствии с [3]. 4.5 Выборка прошла испытания, если она
соответствует требованиям 4.3 и 4.4 настоящего дополнения. Таблица 4.1 - Показатели для принятия или отклонения
плана выборки
Рисунок
4.1 - Процедура проверки соответствия в эксплуатации (аудит
в эксплуатации)
Рисунок
4.2 - Процедура испытаний соответствия в эксплуатации (выбор
и испытания транспортных средств) Приложение А
| |||||||||||||||||||||||||||||||||||||||||||||||||||||||||||||||||||||||||||||||||||||||||||||||||||||||||||||||||||||||||||||||||||||||||||||||||||||||||||||||||||||||||||||||||||||||||||||||||||||||||||||||||||||||||||||||||||||||||||||||||||||||||||||||||||||||||||||||||||||||||||||||||||||||||||||||||||||||||||||||||||||||||||||||||||||||||||||||||||||||||||||||||||||||||||||||||||||||||||||||||||||||||||||||||||||||||||||||||||||||||||||||||||||||||||||||||||||||||||||||||||||||||||||||||||||||||||||||||||||||||||||||||||||||||||||||||||||||||||||||||||||||||||||||||||||||||||||||||||||||||||||||||||||||||||||||||||||||||||||||||||||||||||||||||||||||||||||||||||||||||||||||||||||||||||||||||||||||||||||||||||||||||||||||||||||||||||||||||||||||||||||||||||||||||||||||||||||||||||||||||||||||||||||||||||||||||||||||||||||||||||||||||||||||||||||||||||||||||||||||||||||||||||||||||||||||||||||||||||||||||||||||||||||||||||||||||||||||||||||||||||||||||||||||||||||||||||||||||||||||
|
А.1
Общие положения А.1.1
Марка (наименование изготовителя) ___________________________________ А.1.2
Тип и коммерческое название _________________________________________ указать
все варианты А.1.3
Средства идентификации типа, если они присутствуют в маркировке на
транспортном средстве ______________________________________________________ А.1.3.1
Расположение соответствующей маркировки ___________________________ А.1.4
Категория транспортного средства _____________________________________ А.1.5
Наименование и адрес изготовителя ____________________________________ А.1.6
Наименование и адрес уполномоченного представителя изготовителя
___________________________________________________________________________ А.2
Общие характеристики конструкции транспортного средства А.2.1
Фотографии и/или чертежи транспортного средства, представляющего данный тип
_______________________________________________________________________ А.2.2
Ведущие оси ________________________________________________________ число,
местоположение, взаимосвязь А.3
Массы, кг А.3.1
Масса транспортного средства с кузовом в снаряженном состоянии или масса
шасси с кабиной, если изготовителем не установлен кузов
___________________________________________________________________________ включая
охлаждающие жидкости, масла, топливо, инструменты, запасное колесо и массу
водителя А.3.2
Технически допустимая максимальная масса в нагруженном состоянии, указанная
изготовителем _____________________________________________________ А.4
Описание двигателя А.4.1
Изготовитель двигателя _______________________________________________ А.4.1.1
Код двигателя, присвоенный изготовителем
___________________________________________________________________________ проставленный
на двигателе или указанный каким-либо иным образом А.4.2
Двигатель внутреннего сгорания А.4.2.1
Характеристики двигателя: А.4.2.1.1
Принцип работы: принудительное зажигание/воспламенение от сжатия,
четырехтактный/двухтактный1): А.4.2.1.2
Число и расположение цилиндров, порядок зажигания
___________________________________________________________________________ А.4.2.1.2.1
Диаметр цилиндра2), мм __________________________________________ А.4.2.1.2.2
Ход поршня2), мм ________________________________________________ А.4.2.1.2.3
Рабочий объем3), см3
_____________________________________________ А.4.2.1.2.4
Степень сжатия4) ________________________________________________ А.4.2.1.2.5
Чертежи камеры сгорания и головки поршня ________________________ А.4.2.1.2.6
Частота вращения двигателя в режиме холостого хода4), мин-1
__________ А.4.2.1.2.7 Повышенная частота вращения двигателя
в режиме холостого хода4), мин-1 __________________________________________________________________________ А.4.2.1.2.8
Объемная доля оксида углерода в отработавших газах в режиме холостого хода, %
(согласно предписаниям изготовителя)4)
___________________________________________________________________________ А.4.2.1.2.9
Максимальная полезная мощность4), кВт ______ при частоте вращения
двигателя, мин-1
_____________________________________________________________ А.4.2.2
Топливо: бензин/дизельное /СНГ/ПГ1)
_________________________________ А.4.2.3
Октановое число бензина по исследовательскому методу (RON) ___________________________________________________________________________ А.4.2.4
Подача топлива ____________________________________________________ А.4.2.4.1
С помощью карбюратора (карбюраторов): да/нет1)
___________________________________________________________________________ А.4.2.4.1.1
Марка (марки) __________________________________________________ А.4.2.4.1.2
Тип (типы) _____________________________________________________ А.4.2.4.1.3
Количество _____________________________________________________ А.4.2.4.1.4
Регулировки2) ___________________________________________________ А.4.2.4.1.4.1
Жиклеры _____________________________________________________ А.4.2.4.1.4.2
Диффузоры ___________________________________________________ А.4.2.4.1.4.3
Уровень в поплавковой камере ___________________________________ А.4.2.4.1.4.4
Масса поплавка ________________________________________________ А.4.2.4.1.4.5
Игла _________________________________________________________ А.4.2.4.1.5
Система запуска холодного двигателя: ручной/автоматический1)
___________________________________________________________________________ А.4.2.4.1.5.1
Принцип функционирования ____________________________________ А.4.2.4.1.5.2
Пределы функционирования/регулировки1), 2)
______________________ А.4.2.4.2
Путем впрыскивания (только для двигателей с воспламенением от сжатия) да/нет1):
____________________________________________________________________ А.4.2.4.2.1
Описание системы _______________________________________________ А.4.2.4.2.2
Принцип функционирования (прямое впрыскивание/впрыскивание в
форкамеру/впрыскивание в вихревую камеру)1)
__________________________________ А.4.2.4.2.3
Насос высокого давления _________________________________________ А.4.2.4.2.3.1
Марка (марки) _________________________________________________ А.4.2.4.2.3.2
Тип (типы) ____________________________________________________ 1 Ненужное
зачеркнуть. 2 Значение округляют до первого десятичного знака. 3 Значение рассчитывают при π = 3,1416 и округляют до целого значения объема, см3. 4 Указать допустимое отклонение. А.4.2.4.2.3.3 Максимальная производительность, мм3
_____________ за один ход или цикл работы насоса при частоте вращения1),
2), мин-1 ______________ или соответствующая диаграмма
__________________________________________________ А.4.2.4.2.3.4
Установочный угол опережения впрыскивания2) ____________________ А.4.2.4.2.3.5
Кривая опережения впрыскивания2) _______________________________ А.4.2.4.2.3.6
Метод тарирования: на стенде/на двигателе1)
_______________________ А.4.2.4.2.4
Регулятор ______________________________________________________ А.4.2.4.2.4.1
Тип __________________________________________________________ А.4.2.4.2.4.2
Отсечка подачи топлива: ________________________________________ А.4.2.4.2.4.2.1
Момент отсечки подачи топлива при работе под нагрузкой, мин-1
___________________________________________________________________________ А.4.2.4.2.4.2.2
Момент отсечки подачи топлива при работе без нагрузки, мин-1
___________________________________________________________________________ А.4.2.4.2.4.3
Частота вращения в режиме холостого хода ________________________ А.4.2.4.2.5
Инжектор (инжекторы) ___________________________________________ А.4.2.4.2.5.1
Марка (марки) _________________________________________________ А.4.2.4.2.5.2
Тип (типы) ____________________________________________________ А.4.2.4.2.5.3
Давление в момент открытия2), кПа ____________________ или
соответствующая диаграмма __________________________________________________ А.4.2.4.2.6
Система запуска холодного двигателя ______________________________ А.4.2.4.2.6.1
Марка (марки) _________________________________________________ А.4.2.4.2.6.2
Тип (типы) ____________________________________________________ А.4.2.4.2.6.3
Описание _____________________________________________________ А.4.2.4.2.7
Вспомогательные устройства запуска двигателя ______________________ А.4.2.4.2.7.1
Марка (марки) _________________________________________________ А.4.2.4.2.7.2
Тип (типы) ____________________________________________________ А.4.2.4.2.7.3
Описание _____________________________________________________ А.4.2.4.3
Путем впрыскивания (только для двигателей с принудительным зажиганием):
да/нет1) ________________________________________________________ А.4.2.4.3.1
Описание системы _______________________________________________ А.4.2.4.3.2 Принцип функционирования: впрыскивание во
впускной коллектор (центральный впрыск/многоточечный)/непосредственный/прочее
(уточнить)
1) Ненужное
зачеркнуть. 2) Указать допустимое отклонение. Меры для электромагнитной помехозащищенности. Описание и/или
чертеж1) А.4.2.4.3.3
Марка (марки) __________________________________________________ А.4.2.4.3.4
Тип (типы) _____________________________________________________ А.4.2.4.3.5
Форсунки: давление открытия2), кПа ___________________, или
соответствующая диаграмма1)
_________________________________________________ А.4.2.4.3.6
Фазы впрыскивания ______________________________________________ А.4.2.4.3.7
Система запуска холодного двигателя ______________________________ А.4.2.4.3.7.1
Принцип (принципы) функционирования __________________________ А.4.2.4.3.7.2
Предельные значения параметров функционирования/регулировки1), 2) ___________________________________________________________________________ А.4.2.4.4
Топливный насос А.4.2.4.4.1
Давление 2), кПа ________, или соответствующая диаграмма1)
___________________________________________________________________________ А.4.2.5
Зажигание А.4.2.5.1
Марка (марки) ____________________________________________________ А.4.2.5.2
Тип(ы) __________________________________________________________ А.4.2.5.3
Принцип функционирования _______________________________________ А.4.2.5.4
Диаграмма опережения зажигания2) _________________________________ А.4.2.5.5
Установочный угол опережения зажигания2),...°
_____________ до ВМТ
___________________________________________________________________________ А.4.2.5.6
Зазор в контактах прерывателя-распределителя2) _______________________ А.4.2.5.7
Угол замкнутого состояния контактов прерывателя-распределителя2)
___________________________________________________________________________ А.4.2.5.8
Свечи зажигания А.4.2.5.8.1
Марка _________________________________________________________ А.4.2.5.8.2
Тип ___________________________________________________________ А.4.2.5.8.3
Зазор между электродами, мм _____________________________________ А.4.2.5.9
Катушка зажигания А.4.2.5.9.1
Марка _________________________________________________________ А.4.2.5.9.2
Тип ___________________________________________________________ А.4.2.5.10
Конденсатор А.4.2.5.10.1
Марка ________________________________________________________ А.4.2.5.10.2
Тип __________________________________________________________ А.4.2.6
Система охлаждения (жидкостная/воздушная)1) А.4.2.7
Система впуска ____________________________________________________ А.4.2.7.1
Наддув: да/нет1) А.4.2.7.1.1
Марка (марки) А.4.2.7.1.2
Тип (типы) _____________________________________________________ А.4.2.7.1.3
Описание системы (максимальное давление наддува, кПа ____________,
перепускной клапан) ________________________________________________________ А.4.2.7.2
Промежуточное охлаждение: да/нет1) А.4.2.7.3
Описание и чертежи воздухозаборников и вспомогательного оборудования
(распределительная камера, подогреватель, дополнительные воздухозаборники и
т.д.)
___________________________________________________________________________ 1) Ненужное
зачеркнуть. 2) Указать допустимое отклонение. А.4.2.7.3.1 Описание впускного коллектора (включая чертежи
и/или фотографии) ___________________________________________________________________________ А.4.2.7.3.2
Воздушный фильтр, чертежи __________________________________ или: А.4.2.7.3.2.1
Марка (марки) _________________________________________________ А.4.2.7.3.2.2
Тип (типы) ____________________________________________________ А.4.2.7.3.3
Глушитель шума впуска, чертежи ______________________________ или: А.4.2.7.3.3.1
Марка (марки) _________________________________________________ А.4.2.7.3.3.2
Тип (типы) ____________________________________________________ А.4.2.8
Система выпуска ___________________________________________________ А.4.2.8.1
Описание и чертежи выпускной системы _____________________________ А.4.2.9
Фазы газораспределения или эквивалентные данные: А.4.2.9.1
Максимальный подъем клапанов, углы открытия и закрытия или характеристики
других возможных систем газораспределения по отношению к мертвым точкам
____________________________________________________________ А.4.2.9.2
Исходные и/или регулировочные зазоры1), 2)
___________________________ А.4.2.10
Используемая смазка: А.4.2.10.1
Марка __________________________________________________________ А.4.2.10.2
Тип ____________________________________________________________ А.4.2.11
Меры, принимаемые в целях предотвращения загрязнения воздуха А.4.2.11.1
Система вентиляции картерных газов _______________________________ (описание и чертежи) А.4.2.11.2
Дополнительные устройства для предотвращения загрязнения (если они имеются и
если они не упомянуты в других пунктах) А.4.2.11.2.1
Каталитический нейтрализатор: да/нет1)
___________________________ А.4.2.11.2.1.1
Число каталитических нейтрализаторов и элементов _______________ А.4.2.11.2.1.2
Размеры и форма каталитического (каталитических) нейтрализатора
(нейтрализаторов) (объем и т.д.) _______________________________________________ А.4.2.11.2.1.3
Тип каталитического действия __________________________________ А.4.2.11.2.1.4
Общее содержание драгоценных металлов ________________________ А.4.2.11.2.1.5
Соотношения драгоценных металлов ____________________________ А.4.2.11.2.1.6
Носитель катализатора (структура и материал) ____________________ А.4.2.11.2.1.7
Плотность ячеек ______________________________________________ А.4.2.11.2.1.8
Тип корпуса каталитического (каталитических) нейтрализатора (нейтрализаторов)
___________________________________________________________ А.4.2.11.2.1.9
Расположение каталитического (каталитических) нейтрализатора
(нейтрализаторов) (расположение в системе выпуска и базовые расстояния)
___________________________________________________________________________ А.4.2.11.2.1.10
Системы/метод регенерации устройства очистки отработавших газов
___________________________________________________________________________ описание А.4.2.11.2.1.10.1
Количество испытательных циклов типа I либо эквивалентных испытательных циклов
двигателя на моторном стенде между двумя циклами, в которых происходит
процесс регенерации в условиях, эквивалентных испытанию типа I (расстояние D на рисунке П.1 приложения П)
___________________________________ 1) Ненужное
зачеркнуть. 2) Указать допустимое отклонение. А.4.2.11.2.1.10.2 Описание метода, используемого для
определения количества испытательных циклов между двумя циклами, в которых
осуществляется регенерация
___________________________________________________________________________ А.4.2.11.2.1.10.3
Параметры, определяющие уровень «загрузки», при которой начинается
регенерация ______________________________________________________ то
есть температура, давление и т.д. А.4.2.11.2.1.10.4
Описание метода, используемого для «загрузки» системы (предотвращения
загрязнения) в ходе процедуры испытания в соответствии с П.3.1
приложения П
______________________________________________________________ А.4.2.11.2.1.11
Кислородный датчик: тип _____________________________________ А.4.2.11.2.1.11.1
Расположение кислородного датчика __________________________ А.4.2.11.2.1.11.2
Диапазон работы кислородного датчика2) ______________________ А.4.2.11.2.2
Подача дополнительного воздуха: да/нет1) А.4.2.11.2.2.1
Тип (пульсация, воздушный насос и т.д.) _________________________ А.4.2.11.2.3
Рециркуляция отработавших газов (РОГ): да/нет1) А.4.2.11.2.3.1
Характеристики (объемный расход и т.д.) ________________________ А.4.2.11.2.4
Системы ограничения выбросов в результате испарения. Полное подробное
описание устройств и их регулировок: ________________________________ Чертеж
системы ограничения выбросов в результате испарения __________________ Чертеж
емкости с активированным углем ____________________________________ Чертеж
топливного бака с указанием объема и материала _______________________ А.4.2.11.2.5
Фильтр для улавливания вредных частиц: да/нет1) А.4.2.11.2.5.1
Размеры и форма фильтра для улавливания вредных частиц (объем)
___________________________________________________________________________ А.4.2.11.2.5.2
Тип и конструкция фильтра для улавливания вредных частиц
___________________________________________________________________________ А.4.2.11.2.5.3
Расположение фильтра для улавливания вредных частиц (базовые расстояния в
системе выпуска) ________________________________________________ А.4.2.11.2.5.4
Система/метод регенерации. Описание и чертеж
__________________________________________________________________________ А.4.2.11.2.5.4.1
Количество испытательных циклов типа I либо эквивалентных испытательных циклов
двигателя на моторном стенде между двумя циклами, в которых происходит
процесс регенерации в условиях, эквивалентных испытанию типа I (расстояние D на рисунке П.1 приложения П) ___________________________________ А.4.2.11.2.5.4.2
Описание метода, используемого для определения количества испытательных
циклов между двумя циклами, в которых осуществляется регенерация
__________________________________________________________________________ А.4.2.11.2.5.4.3
Параметры, определяющие уровень «загрузки», при которой начинается
регенерация _____________________________________________________ то
есть температура, давление и т.д. А.4.2.11.2.5.4.4
Описание метода, используемого для «загрузки» системы (предотвращения
загрязнения) в ходе процедуры испытания в соответствии с П.3.1
приложения П
______________________________________________________________ А.4.2.11.2.6
Другие системы (описание и принцип работы) ______________________ А.4.2.11.2.7
Бортовая диагностическая система (БДС) А.4.2.11.2.7.1
Описание и/или чертежи индикатора неисправностей (ИН) __________ А.4.2.11.2.7.2
Перечень и назначение всех элементов, контролируемых БДС
___________________________________________________________________________ А.4.2.11.2.7.3
Описание (общие принципы работы) _____________________________ А.4.2.11.2.7.3.1
Двигатели с принудительным зажиганием ______________________ 1) Ненужное
зачеркнуть. 2) Указать
допустимое отклонение. А.4.2.11.2.7.3.1.1
Контроль нейтрализатора ___________________________________ А.4.2.11.2.7.3.1.2
Выявление пропусков сгорания ______________________________ А.4.2.11.2.7.3.1.3
Контроль кислородного датчика _____________________________ А.4.2.11.2.7.3.1.4
Другие элементы, контролируемые БДС _______________________ А.4.2.11.2.7.3.2
Двигатели с воспламенением от сжатия: А.4.2.11.2.7.3.2.1
Контроль нейтрализатора ___________________________________ А.4.2.11.2.7.3.2.2
Контроль фильтра для улавливания вредных частиц
___________________________________________________________________________ А.4.2.11.2.7.3.2.3
Контроль электронной системы дозирования топлива
___________________________________________________________________________ А.4.2.11.2.7.3.2.4
Другие элементы, контролируемые БДС _______________________ А.4.2.11.2.7.4
Критерии активации ИН (фиксированное число ездовых циклов или статистический
метод) _______________________________________________________ А.4.2.11.2.7.5
Перечень используемых выводных программ, кодов и форматов БДС (с разъяснением
каждого из них) _______________________________________________ А.4.2.11.2.7.6
Следующая дополнительная информация должна быть представлена изготовителем
транспортного средства для осуществления возможности производства совместимых с БДС сменных частей, сервисного и
диагностического оборудования, если такая информация не подпадает под
действие законов об интеллектуальной собственности или не является специальным
«ноу-хау» изготовителя транспортного средства или поставщика(ов)
оригинального оборудования А.4.2.11.2.7.6.1
Циклы предварительной подготовки, выполненные в процессе первичной сертификации
транспортного средства __________________________________________________________________________ описание
типа и количество А.4.2.11.2.7.6.2
Демонстрационный цикл БДС, использованный в процессе первичной сертификации транспортного средства в отношении
компонентов, охватываемых мониторингом БДС _____________________________________________ описание
типа А.4.2.11.2.7.6.3 Всеобъемлющий документ, описывающий все
компоненты, находящиеся под мониторингом БДС, с изложением стратегии
выявления неисправностей и активации ИН (установленное число ездовых циклов
или статистический метод), включая перечень соответствующих вторичных
параметров, для каждого компонента, находящегося под мониторингом БДС.
Перечень всех выходных кодов БДС и используемый формат (с объяснением того и
другого), связанные с индивидуальными влияющими на выбросы компонентами
силового привода и индивидуальными, не влияющими на выбросы компонентами, в
тех случаях, когда мониторинг компонентов используют для определения
активации ИН. В частности, должно быть предусмотрено исчерпывающее
разъяснение данных, приведенных в «сервисе $06 Test ID $21 - FF», и данных, приведенных в «сервисе
$06». Для транспортного средства, использующего коммуникационный канал в
соответствии с [10], должно быть предусмотрено исчерпывающее
разъяснение данных, приведенных в «сервисе $06 Test ID $21 - FF» для каждого элемента БДС
___________________________________________________________________________ А.4.2.11.2.7.6.4 Информация, требуемая А.4.2.11.2.7.6 - А.4.2.11.2.7.6.3, может
быть представлена в виде таблицы А.1,
которая должна быть добавлена к настоящему приложению. |
Таблица
А.1
|
Компонент |
Код
неисправности |
Стратегия
мониторинга |
Критерий
определения отказа |
Критерий
активации ИН |
Вторичные
параметры |
Предварительная
подготовка |
Демонстрационное
испытание |
|
Каталитический нейтрализатор |
РО420 |
Сигналы 1 и 2; датчики кислорода |
Различие между сигналами 1 и 2 датчиков
кислорода |
Третий ездовой цикл |
Частота вращения двигателя, нагрузка,
состав смеси, температура нейтрализатора |
Два цикла испытания типа I |
Испытание типа I |
|
А.4.2.12 Система подачи топлива - СНГ: да/нет1) А.4.2.12.1
Номер сертификата соответствия ________________________________ А.4.2.12.2
Электронный блок управления работой двигателя для системы питания на СНГ
_______________________________________________________________________ А.4.2.12.2.1
Марка (марки) _________________________________________________ А.4.2.12.2.2
Тип __________________________________________________________ А.4.2.12.2.3
Возможности регулирования для снижения уровня вредных выбросов
___________________________________________________________________________ А.4.2.12.3
Дополнительная документация ____________________________________ А.4.2.12.3.1
Описание системы защиты каталитического нейтрализатора при переходе с бензина
на СНГ и обратно __________________________________________ А.4.2.12.3.2
Схема системы (электрические соединения, пневматические соединения,
компенсационные шланги и т.д.) __________________________________ А.4.2.12.3.3
Условное обозначение __________________________________________ А.4.2.13
Система питания на компримированном природном газе(КПГ): да/нет1) А.4.2.13.1
Номер сертификата соответствия ________________________________ А.4.2.13.2
Электронный блок управления работой двигателя для системы питания на КПГ
______________________________________________________________________ А.4.2.13.2.1
Марка (марки) _________________________________________________ А.4.2.13.2.2
Тип __________________________________________________________ А.4.2.13.2.3
Возможности регулирования для снижения уровня выбросов
__________________________________________________________________________ А.4.2.13.3
Дополнительная документация ____________________________________ А.4.2.13.3.1
Описание системы защиты каталитического нейтрализатора при переходе с бензина
на КПГ и обратно __________________________________________ А.4.2.13.3.2
Схема системы (электрические соединения, пневматические соединения,
компенсационные шланги и т.д.) __________________________________ А.4.2.13.3.3
Условное обозначение __________________________________________ А.4.3
Гибридное электрическое транспортное средство (ГЭТС): А.4.3.1
Категория ГЭТС: с внешней зарядкой/с внутренней зарядкой1) А.4.3.2
Переключатель рабочего режима: с ним/без него1) А.4.3.2.1
Выбираемые способы: А.4.3.2.1.1
Только электрический ___________________________________________ да/нет;
если да, краткое описание А.4.3.2.1.2
Только потребление топлива ______________________________________ да/нет;
если да, краткое описание А.4.3.2.1.3
Гибридный способ _______________________________________________ да/нет;
если да, краткое описание А.4.3.3
Описание устройства сохранения энергии ______________________________ аккумулятор,
конденсатор, маховое колесо/генератор 1) Ненужное зачеркнуть. А.4.3.3.1
Изготовитель _____________________________________________________ марка А.4.3.3.2
Тип _____________________________________________________________ А.4.3.3.3
Идентификационный номер ________________________________________ А.4.3.3.4
Вид электрохимической пары _______________________________________ А.4.3.3.5
Энергия (для аккумулятора: напряжение, В, и емкость, А·ч за 2 ч; для
конденсатора, Дж) __________________________________________________________ А.4.3.3.6
Зарядное устройство: бортовой/внешний/ без1) А.4.3.4
Электрические машины, механизмы ___________________________________ описание
каждого типа электрической машины, механизма, отдельно ___________________________________________________________________________ А.4.3.4.1
Изготовитель _____________________________________________________ А.4.3.4.2
Тип _____________________________________________________________ А.4.3.4.3
Первичное использование: двигатель/генератор1) ______________________ А.4.3.4.4
Максимальная мощность, кВт _______________________________________ А.4.3.4.5
Принцип работы __________________________________________________ А.4.3.4.5.1
постоянный ток/переменный ток/число фаз1) ________________________ А.4.3.4.5.2
независимое возбуждение/ряд/согласование1)
________________________ А.4.3.4.5.3
синхронный/асинхронный1) _______________________________________ А.4.3.5
Блок управления ___________________________________________________ А.4.3.5.1
Изготовитель _____________________________________________________ А.4.3.5.2
Тип _____________________________________________________________ А.4.3.5.3
Идентификационный номер ________________________________________ А.4.3.6
Регулятор мощности ________________________________________________ А.4.3.6.1
Изготовитель _____________________________________________________ А.4.3.6.2
Тип _____________________________________________________________ А.4.3.6.3
Идентификационный номер ________________________________________ А.4.3.7
Пробег ГЭТС в соответствии с приложением Ж _________________________ А.4.3.8
Рекомендации изготовителя по стабилизации режима работы агрегатов и узлов
перед проведением испытания ___________________________________________ А.5
Трансмиссия А.5.1
Сцепление (тип) _____________________________________________________ А.5.1.1
Максимальный передаваемый крутящий момент ________________________ А.5.2
Коробка передач _____________________________________________________ А.5.2.1
Тип ______________________________________________________________ А.5.2.2
Расположение по отношению к двигателю _____________________________ А.5.2.3
Метод управления __________________________________________________ А.5.3
Передаточное число (указывают в таблице А.2) А.5.4
Гибридное электрическое транспортное средство _________________________ описание А.5.4.1
Способ образования ГЭТС ___________________________________________ расположение
системы: двигатель/комбинация передачи А.5.4.2
Рабочий принцип __________________________________________________ описание общего гибрида |
Таблица
А.2
|
Обозначение
передачи |
Передаточное
число коробки передач |
Передаточное
число конечной передачи |
Общее
передаточное число |
|
Максимум для БКП1) |
|
|
|
|
1 |
|
|
|
|
2 |
|
|
|
|
3 |
|
|
|
|
4, 5 и др. |
|
|
|
|
Минимум для БКП1) |
|
|
|
|
Задний ход |
|
|
|
|
1) БКП - бесступенчатая коробка передач. |
|||
|
А.6
Подвеска А.6.1
Шины и колеса А.6.1.1
Комбинация (и) шин/колес (для шин указать обозначение размерности, индекс
несущей способности, индекс категории скорости; для колес указать размер(ы)
обода и значение(я) вылета
___________________________________________________ А.6.1.1.1
Оси А.6.1.1.1.1
Ось 1 __________________________________________________________ А.6.1.1.1.2
Ось 2 __________________________________________________________ А.6.1.1.1.3
Ось 3 __________________________________________________________ А.6.1.1.1.4
Ось 4 _____________________________________________________ и т.д. А.6.1.2
Верхние и нижние предельные значения длины окружности при качении _________________________________________________________________________ А.6.1.2.1
Оси А.6.1.2.1.1
Ось 1 __________________________________________________________ А.6.1.2.1.2
Ось 2 __________________________________________________________ А.6.1.2.1.3
Ось 3 __________________________________________________________ А.6.1.2.1.4
Ось 4 _____________________________________________________ и т.д. А.6.1.3
Рекомендованное(ые) изготовителем значение(я) давления в шине _________________________________________________________________________ А.7
Кузов А.7.1
Число сидений ______________________________________________________ |
Форма приложения к сертификату
соответствия типа транспортного средства в отношении выброса вредных веществ
Бланк
сертификата соответствия № ___________ Всего
стр. _________ РОСС
____________________ ПРИЛОЖЕНИЕ
|
||||||||||||||||||||||||||||||||
|
1 Категория
типа транспортного средства 1.1 Гибридное
электрическое транспортное средство1): 1.1.1
Категория ГЭТС: с внешней зарядкой/с внутренней зарядкой1) 1.1.2
Переключатель режима функционирования1) 2 Тип
транспортного средства |
|
|||||||||||||||||||||||||||||||
|
3 Масса
транспортного средства в снаряженном состоянии |
|
|||||||||||||||||||||||||||||||
|
4 Контрольная
масса транспортного средства |
|
|||||||||||||||||||||||||||||||
|
5
Максимальная масса транспортного средства |
|
|||||||||||||||||||||||||||||||
|
6 Число
сидячих мест (включая водителя) |
|
|||||||||||||||||||||||||||||||
|
7 Тип
двигателя |
|
|||||||||||||||||||||||||||||||
|
8 Топливо, на
котором работает двигатель |
Бензин/дизельное топливо/природный
газ/СНГ/КПГ1) |
|||||||||||||||||||||||||||||||
|
9 Трансмиссия |
|
|||||||||||||||||||||||||||||||
|
9.1 Коробка
передач |
Механическая, автоматическая или
бесступенчатая1), 2) |
|||||||||||||||||||||||||||||||
|
9.2 Число
передач в коробке передач |
|
|||||||||||||||||||||||||||||||
|
9.3
Передаточные числа коробки передач2) |
Первая передача N/V _____________________ |
|||||||||||||||||||||||||||||||
|
Вторая передача N/V _____________________ |
||||||||||||||||||||||||||||||||
|
Третья передача N/V ______________________ |
||||||||||||||||||||||||||||||||
|
Четвертая передача N/V ___________________ |
||||||||||||||||||||||||||||||||
|
Пятая передача N/V ______________________ |
||||||||||||||||||||||||||||||||
|
Передаточное число конечной передачи |
||||||||||||||||||||||||||||||||
|
10 Шины |
Окружность динамического качения шин,
использованных при испытании, мм |
|||||||||||||||||||||||||||||||
|
11 Ведущие
колеса |
передние, задние, 4´42) |
|||||||||||||||||||||||||||||||
|
12 Результаты
испытаний 12.1
Испытание типа I |
|
|||||||||||||||||||||||||||||||
|
Таблица Б.1
|
||||||||||||||||||||||||||||||||
|
12.1.2 Для гибридного электрического транспортного средства с внешней
зарядкой: |
||||||||||||||||||||||||||||||||
|
12.1.2.1
повторить таблицу Б.1
для обоих условий испытаний, как описано в Р.3.1 или Р.3.2
приложения Р; |
||||||||||||||||||||||||||||||||
|
12.1.2.2
повторить таблицу для вредных частиц, как описано в Р.3.4 или Р.3.2.4
приложения Р. |
||||||||||||||||||||||||||||||||
|
13 Для
транспортных средств, работающих на СНГ или КПГ |
|
|||||||||||||||||||||||||||||||
|
13.1 Привести
таблицу Б.1 для всех видов эталонного
газообразного
топлива СНГ или КПГ с указанием, были ли данные
результаты получены посредством измерений или расчетов. |
||||||||||||||||||||||||||||||||
|
Для транспортных средств,
предназначенных для работы на бензине или СНГ, на бензине или КПГ привести
таблицу Б.1 для бензина и
всех видов эталонного газообразного топлива - СНГ или КПГ. |
||||||||||||||||||||||||||||||||
|
13.2 Номер сертификата
соответствия базового транспортного средства, если оно относится к
данному семейству |
|
|||||||||||||||||||||||||||||||
|
13.3
Коэффициенты r объемов выбросов для семейства транспортных
средств для газообразного топлива по каждому вредному веществу |
|
|||||||||||||||||||||||||||||||
|
14 Испытание
типа II |
СО ___________ % в режиме
холостого хода при частоте вращения мин-1 |
|||||||||||||||||||||||||||||||
|
(измерено в
выпускной трубе) |
||||||||||||||||||||||||||||||||
|
15 Испытание
типа III |
|
|||||||||||||||||||||||||||||||
|
16 Испытание
типа IV, г/испытание |
|
|||||||||||||||||||||||||||||||
|
17 Испытание
типа V, ресурсное |
|
|||||||||||||||||||||||||||||||
|
17.1 Тип
ресурсного испытания |
80000 км
пробега/не применяют1) |
|||||||||||||||||||||||||||||||
|
17.2
Коэффициенты ухудшения (КУ) |
Рассчитаны/установлены1) |
|||||||||||||||||||||||||||||||
|
|
Указать
значения |
|||||||||||||||||||||||||||||||
|
18 Испытание
типа VI |
||||||||||||||||||||||||||||||||
|
Таблица Б.2
|
||||||||||||||||||||||||||||||||
|
20 БДС-испытание |
||||||||||||||||||||||||||||||||
|
20.1 Описание
и/или чертеж индикатора неисправностей (ИН) |
|
|||||||||||||||||||||||||||||||
|
20.2 Перечень
и функции всех элементов, контролируемых БДС |
|
|||||||||||||||||||||||||||||||
|
20.3 Описание
(общие принципы работы) |
|
|||||||||||||||||||||||||||||||
|
20.3.1
Выявление пропусков сгорания |
|
|||||||||||||||||||||||||||||||
|
20.3.2
Контроль каталитического нейтрализатора |
|
|||||||||||||||||||||||||||||||
|
20.3.3
Контроль кислородного датчика |
|
|||||||||||||||||||||||||||||||
|
20.3.4
Контроль фильтра для улавливания вредных частиц |
|
|||||||||||||||||||||||||||||||
|
20.3.5
Контроль исполнительного механизма системы электронного дозирования топлива |
|
|||||||||||||||||||||||||||||||
|
20.3.6 Другие
элементы, контролируемые БДС |
|
|||||||||||||||||||||||||||||||
|
20.4 Критерии
активации ИН |
Фиксированное число ездовых циклов или
статистический метод |
|||||||||||||||||||||||||||||||
|
20.5 Перечень
всех используемых БДС выводных, кодов и форматов |
Разъяснение каждого из них |
|||||||||||||||||||||||||||||||
|
21 Данные о
выбросах для проведения испытаний в эксплуатации |
||||||||||||||||||||||||||||||||
|
Таблица Б.3
|
||||||||||||||||||||||||||||||||
|
22 Марка и тип каталитического нейтрализатора(ов), в соответствии с А.4.2.11.2.1 приложения А. |
||||||||||||||||||||||||||||||||
|
1) Ненужное
зачеркнуть. 2) Если
транспортное средство оснащено автоматической коробкой передач, следует привести
все необходимые данные. |
||||||||||||||||||||||||||||||||
|
||||||||||||||||||||||||||||||||
1 В соответствии с А.4.2.11.2.7.6 приложения А
информация, требуемая настоящим дополнением, должна быть представлена
изготовителем транспортного средства для осуществления возможности производства
совместимых с БДС сменных частей, сервисного и диагностического оборудования,
если такая информация подпадает/не подпадает под действие законов об
интеллектуальной собственности или не является специальным «ноу-хау»
изготовителя транспортного средства или поставщика(ов) оригинального
оборудования. По запросу информация дополнения должна быть доступна любому
заинтересованному изготовителю сменных компонентов, сервисного и
диагностического оборудования на не дискриминационной основе.
1.1 Описание типа и количество циклов
предварительной подготовки, выполненных в процессе первичной сертификации
транспортного средства.
1.2 Описание типа демонстрационного цикла БДС,
использованных в процессе первичной сертификации транспортного средства в
отношении компонентов, охватываемых мониторингом БДС.
1.3 Всеобъемлющий документ, описывающий все
компоненты, находящиеся под мониторингом БДС, с изложением стратегии выявления
неисправностей и активации ИН (установленное число ездовых циклов или
статистический метод), включая перечень соответствующих вторичных параметров,
для каждого компонента, находящегося под мониторингом БДС. Перечень всех
выходных кодов БДС и используемый формат (с объяснением того и другого),
связанные с индивидуальными влияющими на выбросы компонентами силового привода
и индивидуальными, не влияющими на выбросы компонентами, в тех случаях, когда
мониторинг компонентов используют для определения активации ИН. В частности,
должно быть предусмотрено исчерпывающее разъяснение данных, приведенных в
«сервисе $06 Test ID $21 - FF», и данных, приведенных в «сервисе $06». Для транспортного средства,
использующего коммуникационный канал в соответствии с [10], должно быть
предусмотрено исчерпывающее разъяснение данных, приведенных в «сервисе $06 Test ID $21 - FF», для каждого
элемента БДС.
Информация,
требуемая настоящим дополнением, может быть представлена в виде таблицы 1.1.
Таблица 1.1
|
Код
неисправности |
Стратегия
мониторинга |
Критерий
определения отказа |
Критерий
активации ИН |
Вторичные
параметры |
Предварительная
подготовка |
Демонстрационное
испытание |
|
|
Каталитический нейтрализатор |
РО420 |
Сигналы 1 и 2; датчики кислорода |
Различие между сигналами 1 и 2 датчиков
кислорода |
Третий ездовой цикл |
Частота вращения двигателя, нагрузка,
состав смеси, температура нейтрализатора |
Два цикла испытания типа I |
Испытание типа I |
В.1
Маркировка включает в себя знак соответствия по ГОСТ
Р 50460 с обозначением стандарта, на соответствие которому предоставлен
сертификат соответствия. Схемы маркировки приведены на рисунках В.1
и В.2.

Рисунок
В.1

Рисунок В.2
В.2 Маркировка, изображенная на рисунке В.1, указывает, что данное автотранспортное средство/двигатель с
проставленными на нем знаком соответствия и обозначением стандарта сертифицировано
в отношении выбросов вредных веществ на соответствие требованиям ГОСТ Р
41.83 (Правила ЕЭК ООН № 83). К моменту сертификации стандарт включал в
себя поправки серии 05.
В.3 Маркировка, изображенная на рисунке В.2, указывает, что данное автотранспортное средство/двигатель с
проставленными на нем знаком соответствия и обозначением стандарта сертифицировано
в отношении выбросов вредных веществ на соответствие требованиям ГОСТ Р
41.83 (Правила ЕЭК ООН № 83) и в отношении установки устройств освещения и
световой сигнализации - на соответствие требованиям ГОСТ Р 41.481)
1) Ссылка на ГОСТ
Р 41.48 приведена в качестве примера.
В
момент предоставления сертификата соответствия настоящий стандарт
включал поправки серии 05, а ГОСТ
Р 41.48 включал поправки серии 02.
В.4 Буква означает вид сертификации:
В2)
- ограничения в отношении выбросов отработавших газов, выбросов в результате
испарения, выбросов картерных газов и долговечности устройств для
предотвращения загрязнения, выбросов вредных веществ при запуске холодного
двигателя и БДС транспортных средств, работающих на неэтилированном бензине или
которые могут работать на неэтилированном бензине с переходом на СНГ или КПГ;
2) Сертификация А отменена. Поправками серии 05
применение этилированного бензина запрещено.
С
- ограничения в отношении выбросов вредных веществ и вредных частиц, выбросов
картерных газов и долговечности устройств контроля выбросов вредных веществ и
БДС транспортных средств, работающих на дизельном топливе;
D - ограничения в отношении выбросов вредных
веществ, выбросов картерных газов, долговечности устройств контроля выбросов
вредных веществ при запуске холодного двигателя и БДС транспортных средств,
работающих на СНГ или КПГ.
В.5 Римские цифры I и II соответствуют разделам А и В таблицы 2
настоящего стандарта.
Г.1
Введение
В
настоящем приложении приведена методика проведения испытания типа I, определенного в 5.3.1 настоящего стандарта.
Если
в качестве эталонного топлива используют СНГ или КПГ, то применяют также
требования в соответствии с приложением Н.
Если
транспортное средство оснащено системой периодической регенерации по 2.20, то
применяют требования в соответствии с приложением П.
Г.2
Испытательный цикл на динамометрическом стенде
Испытательный
цикл на динамометрическом стенде приведен в дополнении 1.
Г.2.2
Общие условия выполнения цикла
Для
определения оптимального способа управления педалями акселератора и тормоза
проводят, в случае необходимости, несколько предварительных испытательных
циклов, чтобы фактически реализуемый цикл соответствовал теоретическому в
предписанных пределах.
Г.2.3
Применение коробки передач
Г.2.3.1
Если максимальная скорость на первой передаче составляет менее 15 км/ч, то
применяют вторую, третью и четвертую передачи для городского цикла (первая
часть), а вторую, третью, четвертую и пятую передачи - для внегородского цикла
(вторая часть). Можно также использовать вторую, третью и четвертую передачи
для городского цикла (первая часть) и вторую, третью, четвертую и пятую
передачи - для внегородского цикла (вторая часть), если в инструкции по
эксплуатации рекомендуется трогание с места на горизонтальном участке дороги на
второй передаче или согласно этой инструкции первую передачу следует
использовать исключительно для движения по труднопроходимой местности, для
буксировки и движения с особо низкой скоростью, обусловленной условиями
эксплуатации.
Если
транспортные средства не обеспечивают требуемых в испытательном цикле ускорения
и максимальной скорости, следует держать педаль акселератора нажатой до упора
до тех пор, пока скорость транспортного средства вновь не достигнет значения,
заданного графиком выполнения цикла.
Отклонения
от заданных значений для испытательного цикла должны быть занесены в протокол
испытания.
Г.2.3.2
Транспортные средства, оснащенные полуавтоматической коробкой передач,
испытывают с применением передач, обычно используемых для вождения, а
переключение передач осуществляют в соответствии с инструкциями изготовителя.
Г.2.3.3 Транспортные средства, оснащенные
автоматической коробкой передач, испытывают при включении самой высокой
передачи - ведущей. Акселератор приводят в действие таким образом, чтобы
получить по возможности постоянное ускорение, обеспечивающее переключение
передач в обычной последовательности. Кроме того, указанные в дополнении 1
точки переключения передач не применяют, и ускорение должно происходить по
прямой, соединяющей конец каждого периода холостого хода с началом периода
постоянной скорости. При этом должны быть соблюдены допуски, указанные в Г.2.4.
Г.2.3.4
При испытании транспортных средств, имеющих ускоряющую передачу, которую может
включать водитель, городской цикл выполняют с выключенной ускоряющей передачей,
внегородской - с включенной.
Г.2.3.5
По запросу изготовителя для транспортного средства, у которого частота вращения
коленчатого вала на холостом ходу больше частоты вращения в фазах 5, 12 и 24
простого городского цикла (первая часть), сцепление может быть выключено во
время предыдущих фаз.
Г.2.4.1
Допускается отклонение ± 2 км/ч между показываемой и теоретической скоростями,
при постоянной скорости и при замедлении (если для замедления используют тормоз
транспортного средства). Если замедление транспортного средства без применения
тормозов происходит быстрее, чем это предписано графиком ездового цикла, то
следует придерживаться только Г.6.5.3.
При переходе с одного режима движения на другой допускается превышение
указанных выше отклонений скорости при условии, что продолжительность
отклонений не будет превышать в каждом отдельном случае 0,5 с.
Г.2.4.2
Временные допуски составляют ± 1,0 с. Указанные выше допуски применяют также в
начале и в конце каждого периода1) переключения передачи для
городского цикла (первая часть) и режимов № 3, 5 и 7 внегородского цикла
(вторая часть).
1) Следует отметить, что допустимое время 2 с включает
время для изменения передачи и, при необходимости, определенный диапазон, чтобы
совпасть с циклом.
Г.2.4.3
Допуски на скорость и на время объединяют в соответствии с дополнением 1 к
настоящему приложению.
Г.3 Транспортное средство и топливо
Г.3.1
Испытуемое транспортное средство
Г.3.1.1 Транспортное средство должно быть в
исправном состоянии, оно должно быть обкатанным и до начала испытания пройти не
менее 3000 км.
Г.3.1.2
Выпускная система не должна давать утечки, которая может уменьшить объем
отбираемых газов; этот объем должен точно соответствовать объему газов,
выделяемых двигателем.
Г.3.1.3
Чтобы убедиться в отсутствии случайного впуска воздуха, который может повлиять
на процесс смесеобразования, допускается проверка герметичности системы впуска.
Г.3.1.4
Двигатель и приборы управления транспортного средства должны быть
отрегулированы в соответствии с инструкциями изготовителя. Это требование
относят также к регулировке холостого хода (частота вращения и содержание СО в
отработавших газах), к устройству для запуска холодного двигателя и системам
очистки отработавших газов.
Г.3.1.5
Испытуемое транспортное средство или эквивалентное ему должно быть при
необходимости оборудовано устройством для измерения параметров, необходимых для
регулировки динамометрического стенда в соответствии с Г.4.1.1.
Г.3.1.6
Испытательная лаборатория, уполномоченная проводить испытания, может проверить,
соответствует ли транспортное средство техническим данным, указанным
изготовителем, приспособлено ли оно к нормальным условиям вождения и, в
частности, возможен ли запуск холодного и прогретого двигателя.
Г.3.2
Топливо
При
испытаниях транспортного средства на соответствие предельным значениям выбросов
уровня А таблицы 2 настоящего стандарта
соответствующее эталонное топливо должно соответствовать характеристикам,
приведенным в Л.1
приложения Л,
или, в случае газообразного топлива, характеристикам, приведенным в Л.4 либо
Л.5 приложения Л.
При
испытаниях транспортного средства на соответствие предельным значениям выбросов
уровня В таблицы 2 настоящего стандарта,
соответствующее эталонное топливо должно соответствовать характеристикам,
приведенным в Л.2
приложения Л,
или, в случае газообразного топлива, характеристикам, приведенным в Л.4 либо
Л.5 приложения Л.
Г.3.2.1
Транспортные средства, работающие на бензине с переходом на СНГ или КПГ,
подвергают испытаниям в соответствии с приложением Н с использованием
соответствующего(их) эталонного(ых) топлива(ив) (приложение Л).
Г.4
Испытательное оборудование2)
2) Для ГЭТС и до тех пор, пока технические требования не будут
установлены, изготовитель принимает во внимание мнение испытательной
лаборатории относительно статуса транспортного средства при проведении
испытаний в соответствии с дополнением 1 к приложению Р.
Г.4.1 Динамометрический стенд
Г.4.1.1 Динамометрический стенд в соответствии с
дополнением 2
должен позволять имитировать дорожную нагрузку и относиться к одному из
следующих типов:
- с фиксированной кривой (характеристикой) нагружения,
т.е. стенд, технические характеристики которого обеспечивают воспроизведение
фиксированной кривой нагружения;
- с изменяемой (регулируемой) кривой нагружения,
т.е. стенд, имеющий, по крайней мере два параметра дорожной нагрузки, которые
можно изменять для воспроизведения кривой нагружения.
Г.4.1.2
Регулировка стенда должна оставаться постоянной во времени. Стенд не должен
создавать заметной вибрации транспортного средства, которая могла бы нарушить
его нормальное функционирование.
Г.4.1.3
Стенд должен быть оснащен системами, имитирующими силу инерции и дорожную
нагрузку. Если стенд оборудован двумя беговыми барабанами, эти системы должны
быть соединены с передним беговым барабаном.
Г.4.1.4
Точность
Г.4.1.4.1
Тормозное усилие стенда следует измерять с точностью ± 5 %.
Г.4.1.4.2
Точность установки нагрузки при 80 км/ч при использовании
динамометрического стенда с постоянной кривой нагружения должна быть равна ± 5
%. Точность воспроизведения дорожной нагрузки на стенде с регулируемой кривой
нагружения должна быть ± 5 % при скорости 100, 80 и 60 км/ч и ± 10 % - при
скорости 20 км/ч. При скорости менее 20 км/ч поглощаемая стендом энергия должна
быть положительной.
Г.4.1.4.3
Суммарная инерция вращающихся частей (включая, в соответствующих случаях,
имитируемую инерцию) должна быть известна и быть в пределах ± 20 кг от
установленного для испытания класса инерции.
Г.4.1.4.4 Скорость транспортного
средства определяют по скорости вращения барабана (переднего барабана в случае,
если стенд имеет два барабана) с точностью до ± 1 км/ч для скоростей свыше 10
км/ч.
Г.4.1.4.5
Расстояние, пройденное (условно) транспортным средством при испытаниях,
измеряют по движению вращающегося барабана (переднего барабана в случае, если
стенд с двумя барабанами).
Г.4.1.5 Регулирование нагрузки и инерции
Г.4.1.5.1
Стенд с постоянной кривой нагрузки: имитатор нагрузки должен быть отрегулирован
таким образом, чтобы поглощать мощность, передаваемую на ведущие колеса, при
постоянной скорости 80 км/ч, а мощность, поглощаемая при скорости 50 км/ч,
должна быть зарегистрирована. Методы установки и регулирования этой нагрузки
приведены в дополнении 3 к настоящему приложению.
Г.4.1.5.2
Стенд с изменяемой кривой нагрузки - имитатор нагрузки должен быть
отрегулирован таким образом, чтобы поглощать мощность, передаваемую на ведущие
колеса, при постоянных скоростях 120, 100, 80, 60, 40 и 20 км/ч. Методы
установки и регулировки этой нагрузки приведены в дополнении 3.
Г.4.1.5.3
Инерция
При
использовании стендов с электрическими имитаторами инерции должна быть
продемонстрирована их эквивалентность стендам с механическими системами
инерции. Средства, с помощью которых определяют эквивалентность, приведены в дополнении
4
к настоящему приложению.
Г.4.2 Система отбора проб отработавших газов
Г.4.2.1
Система отбора проб отработавших газов должна обеспечивать измерение
фактической массы вредных веществ, выбрасываемых с отработавшими газами
транспортного средства. С этой целью должна быть использована система (CVS) отбора проб постоянного объема.
Необходимо, чтобы отработавшие газы транспортного средства постоянно
разбавлялись окружающим воздухом в контролируемых условиях. Система отбора проб
постоянного объема для измерения массы выбросов должна удовлетворять двум
условиям: должен быть измерен общий объем смеси отработавших газов и
разбавляющего воздуха и осуществлен непрерывный пропорциональный отбор части
(смеси отработавших газов и воздуха) для анализа. Массу выбросов определяют по
концентрациям вредных веществ в отобранном объеме, скорректированных с учетом
концентрации соответствующих газов в окружающем воздухе, и суммарному расходу
смеси отработавших газов и воздуха за весь период испытания.
Уровень
выбросов вредных частиц определяют путем их сбора на соответствующие фильтры из
пропорционального частичного потока на протяжении всего испытания и
последующего гравиметрического определения их массы в соответствии с Г.4.3.1.1.
Г.4.2.2
Проходящий через систему поток должен быть достаточным для предотвращения
конденсации воды при любых условиях, которые могут сложиться во время
испытания, как определено в дополнении 5.
Г.4.2.3
В дополнении 5
приведены примеры трех видов систем отбора проб постоянного объема, которые
соответствуют требованиям настоящего приложения.
Г.4.2.4
Смесь газа и воздуха должна быть однородной в точке S2 отбора пробы.
Г.4.2.5
Пробоотборник должен обеспечивать отбор представительной пробы разбавленных
отработавших газов.
Г.4.2.6
Система не должна давать утечки газа. Конструкция и материалы не должны влиять
на концентрацию вредных веществ, содержащихся в разбавленных отработавших
газах. Если какой-либо компонент (теплообменник, нагнетатель и т.д.) изменяет
концентрацию вредного вещества в разбавленных газах и устранить этот недостаток
невозможно, то отбор пробы для этого вредного вещества осуществляют на участке,
расположенном перед этим компонентом.
Г.4.2.7
Если испытуемое транспортное средство имеет выпускную трубу, состоящую из
нескольких ответвлений, соединительные патрубки должны быть подсоединены как
можно ближе к транспортному средству таким образом, чтобы не оказывать вредного
воздействия на его работу.
Г.4.2.8
При выполнении ездового цикла колебания статического давления на выходе из
выпускной трубы (труб) транспортного средства должны быть в пределах ± 1,25 кПа
по сравнению с колебаниями статического давления без подсоединения к
транспортному средству системы пробоотбора. Систему отбора проб, способную
сохранять статическое давление в пределах ± 0,25 кПа, применяют в том случае,
если изготовитель в письменном заявлении к органу по сертификации обоснует
необходимость более жесткого допуска. Противодавление измеряют в выпускной
трубе как можно ближе к ее срезу или в удлинителе того же диаметра.
Г.4.2.9
Различные клапаны, используемые для управления отработавшими газами, должны
легко поддаваться быстрому регулированию и быстро срабатывать.
Г.4.2.10
Пробы газов собирают в емкости для проб достаточной вместимости. Эти емкости
должны быть изготовлены из таких материалов, чтобы после 20 мин хранения
концентрация вредного вещества изменялась не более чем на ± 2 %.
Г.4.3
Газоаналитическое оборудование
Г.4.3.1.1 Для анализа вредных веществ используют
следующие приборы:
- газоанализатор не дисперсионного типа с
поглощением в инфракрасных лучах (NDIR) - оксид углерода (СО) и диоксид углерода (СО2);
- газоанализатор пламенно-ионизационного типа (FID), калиброванный с помощью пропана, концентрация
которого выражается как концентрация условного газа С1Нn с эквивалентным числом атомов углерода (С1)
- углеводороды (СН) в двигателях с принудительным зажиганием;
- газоанализатор пламенно-ионизационного типа с
детектором, клапанами, трубопроводами и т.д., нагреваемыми до 463 К (190 °С) ± 10 К (HFID) - углеводороды (СН) в двигателях с воспламенением от сжатия.
Прибор
должен быть калиброван с помощью пропана, концентрация которого выражается как
концентрация условного газа С1Нn
с эквивалентным числом атомов углерода (С1);
- газоанализатор хемилюминесцентного типа (CLA) с конвертором NOx/NО либо газоанализатор не дисперсионного типа с поглощением в
ультрафиолетовых лучах (NDUVR) с конвертором NOx/NО - оксиды азота (NOx).
Вредные
частицы определяют гравиметрическим методом.
Вредные
частицы улавливают при помощи двух последовательно расположенных фильтров, установленных
на линии частичного отбора проб. Масса вредных частиц М, г/км, собранных
на каждой паре фильтров, должна соответствовать следующим условиям
,
где Vmix - расход газа через туннель, л/с (дм3/с);
Vер
- расход газа через фильтры, л/с (дм3/с);
т
- масса вредных частиц, собранных на фильтрах, г;
d - фактическое расстояние, пройденное за испытательный цикл, км.
Коэффициент
отбора проб вредных частиц (Vep/Vmix) корректируют таким
образом, чтобы для М = Мlimit (предельное значение -
нормируемое значение массы вредных частиц, г/км) - 1 < т < 5 мг
(при использовании фильтров диаметром 47 мм).
Поверхность
фильтров должна быть изготовлена из гидрофобного материала, химически инертного
по отношению к компонентам отработавших газов (стекловолокно с покрытием
фторуглеродом или аналогичный материал).
Г.4.3.1.2
Точность
Газоанализаторы
должны иметь диапазон измерений, обеспечивающий точность, требуемую для
измерений концентраций вредных веществ в пробах отработавших газов.
Погрешность
измерения не должна превышать ± 2 % (инструментальная погрешность
газоанализатора) независимо от реального значения калибровочных газов.
Для
концентрации менее 100 млн-1 погрешность измерения не должна
превышать ± 2 млн-1.
Пробы
окружающего воздуха измеряют на том же анализаторе, который используют для
измерения проб разбавленных отработавших газов с использованием
соответствующего диапазона.
Точность
(стандартное отклонение) весов, используемых для определения массы фильтров,
должна составлять 5 мкг, а дискретность - 1 мкг.
Г.4.3.1.3
Ледяная ловушка
Перед
анализаторами не допускается помещать какие-либо приспособления для удаления
влаги из газа, если не доказано, что они не оказывают влияния на содержание
вредных веществ в газовом потоке.
Г.4.3.2 Особые требования в отношении двигателей
с воспламенением от сжатия
Следует
использовать подогретую линию отбора проб для непрерывного анализа СН с помощью
детектора, основанного на принципе ионизации в пламени (HFID) с записывающим устройством (R). Среднюю
концентрацию измеряемых углеводородов определяют интегрированием. В ходе
испытания температура линии должна быть на уровне 463 К (190 °С) ± 10 К. В
подогреваемой пробоотборной линии должен быть установлен подогреваемый фильтр (Fн)
эффективностью 99 % для частиц размером ³
3 мкм для извлечения частиц из непрерывного потока газа, требуемого для
анализа.
Время
отклика системы для отбора проб (движение проб газа от пробоотборника до
входного отверстия анализатора) должно быть не более 4 с.
Для
обеспечения репрезентативного отбора проб отбор пробы для газоанализатора (HFID) следует осуществлять из системы, в
которой поддерживается постоянный (стабилизированный) расход газа (с помощью
теплообменника), если не предусмотрена компенсация колебаний расхода в системах
CFV
или CFO.
Устройство
отбора проб вредных частиц состоит из разбавительного туннеля, пробоотборника,
блока фильтров, насоса частичного потока, регуляторов расхода и расходомеров.
Частичный поток, используемый для отбора проб частиц, проходит через два
последовательно расположенных фильтра. Отборник проб потока газа, с помощью
которого происходит отбор проб частиц, должен быть установлен в разбавительном
туннеле таким образом, чтобы репрезентативные пробы потока газов отбирались из
гомогенной смеси воздух/отработавшие газы, а температура смеси не превышала 325
К (52 °С) непосредственно перед фильтром частиц. Отклонения температуры газов
перед расходомером не должны превышать ± 3 К, а отклонения массового расхода
газов ± 5 %. Если происходит недопустимое изменение расхода газов в связи с
чрезмерной нагрузкой на фильтр, испытание должно быть прервано. При
возобновлении испытания следует уменьшить расход газов (пропускаемых через
фильтр) и/или использовать более крупный фильтр. Фильтры следует извлекать из
камеры, в которой происходило их предварительное кондиционирование, не менее
чем за 1 ч до начала испытания.
Перед
испытанием фильтры, необходимые для отбора частиц, следует кондиционировать (в
отношении температуры и влажности) в открытой посуде, защищенной от
проникновения пыли, в кондиционируемой камере не менее 8 и не более 56 ч. После
кондиционирования чистые фильтры взвешивают и консервируют до момента их
использования.
Если
фильтры не используют в течение 1 ч с момента их извлечения из камеры
взвешивания, их взвешивают повторно.
Предельное
значение 1 ч может быть заменено значением 8 ч, если соблюдено, по крайней
мере, одно из двух следующих условий:
стабилизированный
фильтр помещают в герметизированный фильтродержатель с опломбированными
отверстиями и содержат в нем либо
стабилизированный
фильтр помещают в герметизированный фильтродержатель, который немедленно
устанавливают на линию отбора проб, по которой не проходит поток.
Г.4.3.3 Калибровка
Каждый
анализатор калибруют по мере необходимости, но в любом случае за 1 мес. до
испытания для целей сертификации и не реже одного раза в 6 мес. - для
проверки производства.
Метод
калибровки анализаторов, приведенных в Г.4.3.1, изложен в
дополнении 6
к настоящему приложению.
Г.4.4.1 Точность метода измерения общего объема
разбавленных отработавших газов, получаемых в системе отбора проб постоянного
объема, должна быть ± 2 %.
Г.4.4.2 Калибровка системы отбора проб
постоянного объема
Калибровку
измерительного прибора проводят методом, обеспечивающим соблюдение предписанной
точности с частотой, необходимой для поддержания такой точности.
Пример
процедуры калибровки, обеспечивающей необходимую точность, приведен в дополнении
6
к настоящему приложению. Используемое при этом
методе устройство динамичного измерения расхода с диапазоном измерения,
соответствующим высоким значениям расхода, характерным для системы отбора проб
постоянного объема. Точность устройства должна соответствовать утвержденным
национальным или международным стандартам.
Для
калибровки испытания применяют следующие газы:
- чистый азот (чистота ± 1 млн-1 С; ± 1
млн-1 СО; ± 400 млн-1 СО2; ± 0,1 млн-1
NO);
- чистый синтетический воздух (чистота ± 1 млн-1
С; ± 1 млн-1 СО; ± 400 млн-1 СО2; ± 0,1 млн-1
NO; объемная доля
кислорода от 18 % до 21 %);
- чистый кислород (чистота > 99,5 % О2
по объему);
- чистый водород (и смесь, содержащая гелий)
(чистота ± 1 млн-1 С; ± 400 млн-1 СО2);
- оксид углерода (минимальная чистота 99,5 %);
- пропан (минимальная чистота 99,5 %).
Необходимо
использовать газы следующего состава:
С8Н8
и чистый синтетический воздух (Г.4.5.1);
СО
и чистый азот;
СО2
и чистый азот;
NО и чистый азот - количество NO2 не должно превышать 5 % NO.
Фактическая
концентрация калибровочного газа должна соответствовать номинальному значению с
отклонением ± 2 %.
Концентрации,
указанные в дополнении 6, могут быть также получены с помощью
смесителя-дозатора газа разбавлением чистым азотом или чистым синтетическим
воздухом. Смешивающее устройство должно обеспечивать определение концентрации
разбавленных калибровочных газов с точностью ± 2 %.
Г.4.6 Вспомогательное оборудование
Г.4.6.1
Температура
Температуры,
указанные в дополнении 8 к настоящему приложению, измеряют с точностью
± 1,5 К.
Г.4.6.2
Давление
Атмосферное
давление измеряют с точностью ± 0,1 кПа.
Г.4.6.3
Абсолютная влажность
Абсолютную
влажность (Н) измеряют с точностью ± 5 %.
Г.4.7 Общую проверку системы отбора проб постоянного объема
осуществляют с помощью метода, описанного в разделе 3 дополнения 7 к настоящему приложению.
Максимально допустимое отклонение количества введенного газа от количества
измеренного газа должно быть ± 5 %.
Г.5
Подготовка к испытанию
Г.5.1 Регулировка системы имитации инерции в
соответствии с инерцией поступательного движения транспортного средства
Систему имитации инерции регулируют таким образом, чтобы
получить общую инерцию вращающихся масс, соответствующую контрольной массе (КМ)
транспортного средства в следующих пределах:
|
КМ
транспортного средства, кг |
Эквивалентная
инерция I, кг |
|
КМ £ 480 |
455 |
|
480 < КМ £ 540 |
510 |
|
540 < КМ £ 595 |
570 |
|
595 < КМ £ 650 |
625 |
|
650 < КМ £ 710 |
680 |
|
710 < КМ £ 765 |
740 |
|
765 < КМ £ 850 |
800 |
|
850 < КМ £ 965 |
910 |
|
965 < КМ £ 1080 |
1020 |
|
1080 < КМ £ 1190 |
1130 |
|
1190 < КМ £ 1305 |
1250 |
|
1305 < КМ £ 1420 |
1360 |
|
1420 < КМ £ 1530 |
1470 |
|
1530< КМ £ 1640 |
1590 |
|
1640 < КМ £ 1760 |
1700 |
|
1760 < КМ £ 1870 |
1810 |
|
1870 < КМ £ 1980 |
1930 |
|
1980 < КМ £ 2100 |
2040 |
|
2100 < КМ £ 2210 |
2150 |
|
2210 < КМ £ 2380 |
2270 |
|
2380 < КМ £ 2610 |
2270 |
|
2610 < КМ |
2270 |
Если
соответствующая эквивалентная инерция не обеспечена динамометрическим стендом,
то используют большее из значений, которое ближе всего к КМ транспортного
средства.
Г.5.2 Регулировка динамометрического стенда
Нагрузку
регулируют в соответствии с методом, описанным в Г.4.1.5.
Используемый
метод и полученные значения (эквивалентная инерция, характеристический параметр
регулирования нагрузки) указывают в протоколе испытания.
Г.5.3 Предварительная подготовка транспортного
средства
Г.5.3.1 Для транспортных средств, оснащенных
двигателями с воспламенением от сжатия, в целях измерения объема выбросов
вредных частиц не менее чем за 6 ч до испытания и не более чем за 36 ч должна
быть выполнена вторая часть испытательного цикла (внегородской цикл) в
соответствии с дополнением 1
к настоящему приложению. Должно быть пройдено три цикла подряд. Процедура
подготовки динамометрического стенда приведена в Г.5.1
и Г.5.2.
После
указанной выше предварительной подготовки транспортных средств, оснащенных
двигателями с воспламенением от сжатия, и перед испытанием транспортные
средства, оснащенные двигателями с воспламенением от сжатия или двигателями с
принудительным зажиганием, выдерживают в помещении при относительно постоянной
температуре 293 - 303 К (20 °С - 30 °С) не менее 6 ч до тех пор, пока
температура моторного масла и охлаждающей жидкости, если такая имеется, не
достигнет температуры помещения ± 2 К.
Г.5.3.1.1
По запросу изготовителя испытание проводят не позднее чем через 30 ч после
работы транспортного средства в условиях нормальной для него
температуры.
Г.5.3.1.2
Транспортные средства, оснащенные двигателями с принудительным зажиганием,
работающими на СНГ или КПГ, либо оборудованные таким образом, что они могут
работать на бензине в сочетании с СНГ или КПГ, должны между испытаниями с
использованием первого газообразного эталонного топлива и второго газообразного
эталонного топлива пройти предварительную подготовку до проведения испытания с
использованием второго эталонного топлива. Подготовку проводят с использованием
второго эталонного топлива проведением предварительного ездового цикла,
состоящего из одной первой части (городская часть) и дважды проводимой второй
части (внегородская часть) цикла испытания в соответствии с дополнением 1 к
настоящему приложению.
По
запросу изготовителя и с согласия испытательной лаборатории продолжительность
этого предварительного цикла может быть увеличена. Установка динамометрического
стенда - в соответствии с Г.5.1 и Г.5.2.
Г.5.3.2
Давление воздуха в шинах должно соответствовать давлению,
указанному изготовителем для проведения предварительного дорожного испытания с
целью регулирования тормоза стенда. При испытании на динамометрическом стенде с
двумя беговыми барабанами давление в шинах может быть увеличено на 50 % по
сравнению с рекомендациями изготовителя. Фактическое давление указывают в протоколе
испытания.
Г.6
Метод проведения стендовых испытаний
Г.6.1
Особые условия проведения цикла
Г.6.1.1
В ходе испытания температура в помещении, где проводят испытание, должна быть
от 293 до 303 К (от 20 °С до 30 °С).
Абсолютная
влажность (Н) воздуха в испытательном помещении или воздуха,
поступающего в двигатель, должна соответствовать формуле
5,5 £ H £ 12,2 (г Н2О/кг сухого воздуха).
Г.6.1.2
Во время испытания транспортное средство должно быть примерно в горизонтальном
положении, чтобы избежать любых аномалий в распределении топлива.
Г.6.1.3
На транспортное средство направляют с переменной скоростью поток воздуха.
Скорость
подачи воздуха должна быть такой, чтобы в рабочих пределах 10 - 50 км/ч
линейная скорость воздуха на выходе из вентилятора была равна окружной скорости
соответствующего барабана ± 5 км/ч. Выходная секция вентилятора должна иметь
следующие характеристики:
- площадь - не менее 0,2 м2;
- расстояние от пола до нижнего края - около 20 см;
- расстояние от передней части транспортного
средства - около 30 см.
В
качестве альтернативного варианта скорость подачи воздуха вентилятором
устанавливают фиксированной - не менее 6 м/с (21,6 км/ч).
Для
специальных видов транспортных средств (например фургон или внедорожное
транспортное средство) допускается устанавливать вентилятор на иной высоте.
Г.6.1.4
Для оценки правильности выполнения циклов в ходе испытания регистрируют
скорость транспортного средства во времени либо собирают эту информацию с
помощью системы сбора и обработки данных.
Г.6.2.1
Двигатель запускают с использованием устройств запуска согласно инструкциям
изготовителя, содержащимся в руководстве для водителей, прилагаемом к серийным
транспортным средствам.
Г.6.2.2 Первый испытательный цикл начинают с
запуска двигателя.
Г.6.2.3
В случае использования в качестве топлива СНГ или КПГ допускается запуск
двигателя с использованием бензина и его переключение на СНГ или КПГ после
заранее установленного периода времени, который не может быть изменен
водителем.
Г.6.3
Холостой ход
Г.6.3.1
Коробка передач с ручным или полуавтоматическим управлением по таблицам Г.1.2 и
Г.1.3.
Г.6.3.2
Коробка передач с автоматическим управлением
После
первоначального включения селектор не используют в течение всего испытания, за
исключением случая, указанного в Г.6.4.3, или когда селектор позволяет включить
повышающую передачу при наличии таковой.
Г.6.4
Ускорение
Г.6.4.1
Ускорение должно быть выполнено таким образом, чтобы его значение было по
возможности постоянным на всем протяжении данной фазы.
Г.6.4.2
Если ускорение невозможно выполнить в установленное время, то необходимое
дополнительное время используют, по возможности, за счет времени, отведенного
на переключение передачи и, во всяком случае, из следующего периода постоянной
скорости.
Г.6.4.3 Коробка передач с автоматическим
управлением
Если
ускорение невозможно выполнить в установленное время, то селектор передач
следует использовать в соответствии с требованиями к коробке передач с ручным
управлением.
Г.6.5
Замедление
Г.6.5.1
Любое замедление в рамках простого городского цикла (первая часть) выполняют
снятием ноги с акселератора, причем сцепление остается включенным. Сцепление
следует выключать, не используя рычаг переключения передач на более высокой из
скоростей: 10 км/ч или скорость, соответствующая частоте вращения двигателя в
режиме холостого хода.
Любое
замедление в рамках внегородского цикла (вторая часть) выполняют снятием ноги с
акселератора, причем сцепление остается включенным. Для последнего замедления
сцепление следует выключать, не используя рычаг переключения передач, на
скорости 50 км/ч.
Г.6.5.2
Если период замедления превышает время, предусмотренное для соответствующей
фазы, следует использовать тормоза транспортного средства, чтобы не нарушить
хронометраж цикла.
Г.6.5.3 Если период замедления меньше
предусмотренного для соответствующей фазы, то хронометраж теоретического цикла
должен быть восстановлен за счет периода постоянной скорости или холостого хода
в последующей фазе.
Г.6.5.4
В конце периода замедления (остановка транспортного средства на беговых
барабанах) в рамках простого городского цикла (первая часть) рычаг коробки
передач переводят в нейтральное положение и включают сцепление.
Г.6.6.1
Следует избегать «пульсации» или закрытия дроссельной заслонки при переходе от
ускорения к постоянной скорости.
Г.6.6.2
Режим постоянной скорости достигается удержанием акселератора в неизменном
положении.
Г.7
Методика отбора проб и анализа газов
Г.7.1
Отбор проб
Начало
отбора проб (BS)
проводят до или с момента начала запуска двигателя и завершают по окончании
последнего периода холостого хода в рамках внегородского цикла [вторая часть,
завершение отбора проб (ES)]
(см. рисунок Г.1) или в случае
испытания типа VI
- по окончании последнего периода холостого хода последнего простого городского
цикла (первая часть).
Г.7.2.1
Анализ отработавших газов, содержащихся в каждой камере, проводят по
возможности незамедлительно, но не позднее чем через 20 мин. после окончания
испытательного цикла. Использованные фильтры частиц должны быть помещены в
кондиционирующую камеру не позднее чем через 1 ч после завершения испытания и
выдержаны в ней от 2 до 36 ч. Затем их взвешивают.
Г.7.2.3 Затем анализаторы тарируют по
калибровочной кривой с помощью калибровочного газа с номинальной концентрацией
от 70 % до 100 % диапазона измерения.
Г.7.2.4
Вновь проверяют нулевые показатели анализаторов. Если показания отличаются
больше чем на 2 % от значения диапазона, указанного в Г.7.2.2, то процедуру
повторяют.
Г.7.2.5
Затем проводят анализ проб.
Г.7.2.6
После анализа вновь проверяют установку на нуль и точек номинальной
концентрации с помощью тех же газов. Если в результате проверки отклонение не
превышает ± 2 % требований Г.7.2.3,
результаты анализов считают правильными.
Г.7.2.7
Во всех точках, указанных в настоящем разделе, значения расходов и давлений
различных газов должны быть такими же, какие были использованы при тарировании
анализаторов.
Г.7.2.8
Значения измеряемых концентраций газообразных вредных веществ регистрируют
после стабилизации измерительного прибора. Массу углеводородов, выбрасываемую
дизельным двигателем, вычисляют по результатам интегрирования показаний
детектора HFID,
с коррекцией, в случае необходимости, в соответствии с дополнением 5 к
настоящему приложению.
Г.8 Определение количества выделенных вредных
выбросов и частиц
Г.8.1
Рассматриваемый объем
Рассматриваемый
объем следует привести к следующим условиям: давление - 110,33 кПа и
температура - 273,2 К.
Г.8.2
Общая масса выделенных газообразных вредных веществ и вредных частиц
Массу
М каждого вредного вещества, выделенного транспортным средством во время
испытания, определяют исходя из объемной концентрации и объема данного газа с
учетом следующих значений плотности при вышеуказанных стандартных условиях:
Для оксида углерода (СО).............................. d = 1,25
г/л (г/дм3)
Для углеводородов:
бензина (CH1,85).............................................. d = 0,619
г/л (г/дм3)
дизельного топлива (CH1,86).......................... d = 0,619
г/л (г/дм3)
СНГ (СН2,525)................................................... d = 0,649
г/л (г/дм3)
КПГ (СН4)........................................................ d = 0,714
г/л (г/дм3)
Для оксидов азота (NOx)................................ d =
2,05 г/л (г/дм3)
Массу
т вредных частиц, выделенных транспортным средством во время испытания,
определяют взвешиванием массы частиц, осевших на двух фильтрах: m1,
- на первом фильтре и m2
- на втором фильтре:
-
если 0,95 (m1
+ m2)
< т1, т = т1,
-
если 0,95 (m1
+ m2)
> т1, т = m1
+ т2,
- если m2 > m1, то результаты испытаний аннулируют.
В
дополнении 8
к настоящему приложению приведены расчеты, касающиеся различных методов
определения количества газообразных вредных веществ и вредных частиц, которые
сопровождаются примерами.
1 Рабочий цикл
Испытательный
цикл, состоящий из первой части (городской цикл) и второй части (внегородской
цикл), показан на рисунке Г.1.

BS - начало
отбора проб, запуск двигателя;
ES - окончание отбора проб
Рисунок Г.1 - Рабочий цикл для
испытания типа I

Рисунок Г.2
2 Простой городской цикл (первая часть)
Простой
городской цикл приведен на рисунке Г.2
и в таблице Г.1.
Таблица
Г.1 - Простой городской испытательный цикл на динамометрическом стенде (первая
часть)
|
Номер
операции |
Операция |
Фаза |
Ускорение,
м/с2 |
Скорость,
км/ч |
Продолжительность,
с |
Общая
продолжительность (нарастающий итог), с |
Используемая
передача при наличии механической коробки передач |
|
|
операции |
фазы |
|||||||
|
1 |
Холостой ход |
1 |
- |
- |
11 |
11 |
11 |
6 с РМ + 5 с К1 |
|
2 |
Ускорение |
2 |
1,04 |
0 - 15 |
4 |
4 |
15 |
1 |
|
3 |
Постоянная скорость |
3 |
- |
15 |
9 |
8 |
23 |
1 |
|
4 |
Замедление |
4 |
-0,69 |
15 - 10 |
2 |
5 |
25 |
1 |
|
5 |
Замедление с выключенным сцеплением |
4 |
-0,92 |
10 - 0 |
3 |
|
28 |
К1 |
|
6 |
Холостой ход |
5 |
- |
- |
21 |
21 |
49 |
16 с РМ + 5 с К1 |
|
7 |
Ускорение |
6 |
0,83 |
0 - 15 |
5 |
12 |
54 |
1 |
|
8 |
Переключение передачи |
6 |
- |
- |
2 |
|
56 |
- |
|
9 |
Ускорение |
6 |
0,94 |
15 - 32 |
5 |
|
61 |
2 |
|
10 |
Постоянная скорость |
7 |
- |
32 |
24 |
24 |
85 |
2 |
|
11 |
Замедление |
8 |
-0,75 |
35 - 10 |
8 |
11 |
93 |
2 |
|
12 |
Замедление с включенным сцеплением |
8 |
-0,92 |
10 - 0 |
3 |
|
96 |
К2 |
|
13 |
Холостой ход |
9 |
0 - 15 |
0 - 15 |
21 |
- |
117 |
16 с РМ + 5 с К1 |
|
14 |
Ускорение |
10 |
- |
- |
5 |
26 |
122 |
1 |
|
15 |
Переключение передачи |
10 |
- |
- |
2 |
|
124 |
|
|
16 |
Ускорение |
10 |
0,62 |
15 - 35 |
9 |
|
133 |
2 |
|
17 |
Переключение передачи |
10 |
- |
- |
2 |
|
135 |
|
|
18 |
Ускорение |
10 |
0,52 |
35 - 50 |
8 |
|
143 |
3 |
|
19 |
Постоянная скорость |
11 |
- |
50 |
12 |
12 |
155 |
3 |
|
20 |
Замедление |
12 |
-0,52 |
50 - 35 |
8 |
8 |
163 |
3 |
|
21 |
Постоянная скорость |
13 |
- |
35 |
13 |
13 |
176 |
3 |
|
22 |
Переключение передачи |
14 |
- |
- |
2 |
12 |
178 |
|
|
23 |
Замедление |
14 |
-0,86 |
32 - 10 |
7 |
|
185 |
2 |
|
24 |
Замедление с выключенным сцеплением |
14 |
-0,92 |
10 - 0 |
3 |
|
188 |
К2 |
|
25 |
Холостой ход |
15 |
- |
- |
7 |
7 |
195 |
7 с РМ |
|
Примечание - РМ -
коробка передач в нейтральном положении при включенном сцеплении; К1,
К2 - коробка передач при включенной первой или второй
передаче с выключенным сцеплением. |
||||||||
2.1 Разбивка по фазам
|
Фаза |
Время, с |
Время, % |
|
|
Холостой ход |
60 |
30,8 |
35,4 |
|
Движение транспортного средства на
холостом ходу с выключенным (на одной из комбинаций) сцеплением |
9 |
4,6 |
|
|
Переключение передач |
8 |
4,1 |
|
|
Ускорение |
36 |
18,5 |
|
|
Периоды постоянной скорости |
57 |
29,2 |
|
|
Замедление |
25 |
12,8 |
|
|
Сумма |
195 |
100,0 |
|
2.2 Разбивка по использованию коробки передач
|
Фаза |
Время, с |
Время, % |
|
|
Холостой ход |
60 |
30,8 |
35,4 |
|
Движение транспортного средства на
холостом ходу с выключенным (на одной из комбинаций) сцеплением |
9 |
4,6 |
|
|
Переключение передач |
8 |
4,1 |
|
|
Первая передача |
24 |
12,3 |
|
|
Вторая передача |
53 |
27,2 |
|
|
Третья передача |
41 |
21,0 |
|
|
Сумма |
195 |
100,0 |
|
2.3 Общая информация
Средняя
скорость во время испытания - 19,0 км/ч.
Фактическое
время движения - 195 с.
Теоретическое
расстояние, пройденное за цикл - 1,013 км.
Теоретическое
расстояние, пройденное за четыре цикла - 4,052 км.
3 Внегородской цикл (вторая часть)
Внегородской
цикл приведен на рисунке Г.3 и в
таблице Г.2.

Рисунок
Г.3 - Внегородской цикл (вторая часть) испытания типа I
Таблица
Г.2 - Внегородской цикл (вторая часть) испытания типа I
|
Номер
операции |
Операция |
Фаза |
Ускорение,
м/с2 |
Скорость,
км/ч |
Продолжительность,
с |
Общая
продолжительность (нарастающий итог), с |
Используемая
передача при наличии механической коробки передач |
|
|
операции |
фазы |
|||||||
|
1 |
Холостой ход |
1 |
- |
- |
20 |
20 |
20 |
К11) |
|
2 |
Ускорение: |
|
0,83 |
0 - 15 |
5 |
|
25 |
1 |
|
3 |
Переключение передачи |
|
- |
- |
2 |
|
27 |
- |
|
4 |
Ускорение |
|
0,62 |
15 - 35 |
9 |
|
36 |
2 |
|
5 |
Переключение передачи |
2 |
- |
- |
2 |
41 |
38 |
- |
|
6 |
Ускорение |
|
0,52 |
35 - 50 |
8 |
|
46 |
3 |
|
7 |
Переключение передачи |
|
- |
- |
2 |
|
48 |
- |
|
8 |
Ускорение |
|
0,43 |
50 - 70 |
13 |
|
61 |
4 |
|
9 |
Постоянная скорость |
3 |
- |
70 |
50 |
50 |
111 |
5 |
|
10 |
Замедление |
4 |
-0,69 |
70 - 50 |
8 |
8 |
119 |
4 с 5 + 4 с 4 |
|
11 |
Постоянная скорость |
5 |
- |
50 |
69 |
69 |
188 |
4 |
|
12 |
Ускорение |
6 |
0,43 |
50 - 70 |
13 |
13 |
201 |
4 |
|
13 |
Постоянная скорость |
7 |
- |
70 |
50 |
50 |
251 |
5 |
|
14 |
Ускорение |
8 |
0,24 |
70 - 100 |
35 |
35 |
286 |
5 |
|
15 |
Постоянная скорость2) |
9 |
- |
100 |
30 |
30 |
316 |
5 |
|
16 |
Ускорение2) |
10 |
0,28 |
100 - 120 |
20 |
20 |
336 |
5 |
|
17 |
Постоянная скорость |
11 |
- |
120 |
10 |
10 |
346 |
5 |
|
18 |
Замедление2) |
|
-0,69 |
120 - 80 |
16 |
|
362 |
5 |
|
19 |
Замедление2) |
12 |
-1,04 |
80 - 50 |
8 |
34 |
370 |
5 |
|
20 |
Замедление с выключенным сцеплением |
|
1,39 |
50 - 0 |
10 |
|
380 |
К51) |
|
21 |
Холостой ход |
13 |
- |
- |
20 |
20 |
400 |
РМ1) |
|
1) РМ -
коробка передач в нейтральном положении при включенном сцеплении; К1, K5 - коробка передач при включенной первой или пятой передаче с выключенным
сцеплением. 2) Если
транспортное средство оснащено коробкой передач, имеющей более пяти передач,
дополнительные передачи могут быть использованы в соответствии с
рекомендациями изготовителя. |
||||||||
3.1 Разбивка по фазам
|
Фаза |
Время, с |
Время, % |
|
Холостой ход |
20 |
5,0 |
|
Движение транспортного средства на
холостом ходу с выключенным (на одной из комбинаций) сцеплением |
20 |
5,0 |
|
Переключение передач |
6 |
1,5 |
|
Ускорение |
103 |
25,8 |
|
Периоды постоянной скорости |
209 |
52,2 |
|
Замедление |
42 |
10,5 |
|
Сумма |
400 |
100,0 |
3.2 Разбивка по использованию коробки передач
|
Фаза |
Время, с |
Время, % |
|
Холостой ход |
20 |
5,0 |
|
Движение транспортного средства на
холостом ходу с выключенным (на одной из комбинаций) сцеплением |
20 |
5,0 |
|
Переключение передач |
6 |
1,5 |
|
Первая передача |
5 |
1,3 |
|
Вторая передача |
9 |
2,2 |
|
Третья передача |
8 |
2,0 |
|
Четвертая передача |
99 |
24,8 |
|
Пятая передача |
233 |
58,2 |
|
Сумма |
400 |
100,0 |
3.3 Общая информация
Средняя
скорость во время испытания - 62,6 км/ч.
Фактическое
время движения - 400 с.
Теоретическое
расстояние, пройденное за цикл, - 6,955 км.
Максимальная
скорость - 120 км/ч.
Максимальное
ускорение - 0,833 м/с2.
Максимальное
замедление - минус 1,389 м/с2.
1 Определение динамометрического стенда с
постоянной кривой нагрузки
1.1 Введение
Если
на динамометрическом стенде нельзя воспроизвести общее сопротивление
поступательному движению по дороге между скоростями 10 и 120 км/ч, то следует
использовать динамометрический стенд с приведенными ниже характеристиками.
1.2 Определение
1.2.1 На динамометрическом стенде могут быть один
или два барабана.
Передний
барабан должен прямо или косвенно приводить в движение инерционные массы и
энергопоглощающее устройство.
1.2.2 Усилие, поглощенное тормозом стенда, а также
за счет внутреннего трения динамометрического стенда F, Н, при скорости транспортного средства от 0 до 120 км/ч, рассчитывают по
формуле
F = (а + bv2) ± 0,1 F80 (без отрицательных
значений),
где а - значение, эквивалентное сопротивлению качения, Н;
b - значение, эквивалентное коэффициенту аэродинамического сопротивления,
Н/(км/ч)2;
v -скорость, км/ч;
F80 - нагрузка при 80 км/ч, Н.
2 Метод калибровки динамометрического стенда
2.1 Введение
Приведенный
метод используют для измерения нагрузки, поглощаемой динамометрическим стендом.
Поглощенная нагрузка включает нагрузку, которая теряется в результате трения, и
нагрузку, которая поглощается энергопоглощающим устройством.
Барабан
динамометра раскручивают до скорости, выходящей за пределы диапазона
испытательных скоростей. Затем устройство, используемое для раскручивания
динамометра, отключают, и скорость вращения ведущего барабана уменьшается.
Кинетическая
энергия барабанов поглощается тормозом стенда и внутренними потерями на трение.
В этом методе не учтено влияние внутреннего трения в зависимости от того,
установлено транспортное средство на стенд или нет. Если задний барабан
свободен, то связанное с ним влияние внутреннего трения не учитывают.
2.2 Калибровка индикатора
нагрузки в зависимости от поглощенной нагрузки при скорости 80 км/ч.
2.2.1 Измеряют скорость вращения барабана, если это
еще не сделано. Для этого можно использовать пятое колесо, счетчик оборотов или
какой-либо другой метод.
2.2.2 Устанавливают транспортное средство на
динамометрический стенд или используют какой-либо другой метод разгона
динамометра.
2.2.4 Разгоняют
динамометр до скорости 80 км/ч.
2.2.5 Отмечают указываемую мощность Fi, Н.
2.2.6 Разгоняют динамометр до скорости 90 км/ч.
2.2.7 Отключают устройство, используемое для
разгона динамометра.
2.2.8 Отмечают время, в течение которого вращение
динамометра замедляется от скорости 85 км/ч до скорости 75 км/ч.
2.2.9 Устанавливают
энергопоглощающее устройство на другой уровень.
График
нагрузок, поглощенных динамометрическим стендом, приведен на рисунке Г.4.
2.2.10 Повторяют операции, указанные в 2.2.4 -
2.2.9,
столько раз, сколько это необходимо, чтобы охватить весь диапазон используемых
нагрузок.

■ = F = a + bv2 ●= (а + b ∙ v2) - 0,l F80 ▲ = (а + bv2) + 0,1 F80
Рисунок
Г.4 - График нагрузок, поглощенных динамометрическим стендом
2.2.11 Поглощенную нагрузку F, Н, вычисляют по формуле
,
где Мi - эквивалентная
инерция, кг (исключая инерцию заднего свободного барабана); Δv - отклонение скорости, м/с (10 км/ч =
2,775 м/с);
t -
время, за которое вращение барабана замедляется с 85 до 75 км/ч.
2.2.12 На рисунке Г.5 показан график
зависимости индицируемой нагрузки от фактически поглощаемой нагрузки при
скорости 80 км/ч.

Рисунок Г.5 - График
зависимости индицируемой нагрузки от фактически поглощаемой нагрузки при
скорости 80 км/ч
2.2.13 Процедуры, указанные в 2.2.3 -
2.2.12,
повторяют для всех используемых классов инерции.
2.3 Калибровка индикатора нагрузки в зависимости от поглощенной нагрузки
при других скоростях
Процедуры,
указанные в 2.2,
повторяют столько раз, сколько это необходимо для других выбранных скоростей.
2.4 Проверка кривой поглощения нагрузки динамометрического стенда при
исходной регулировке на скорости 80 км/ч
2.4.1 Устанавливают транспортное средство на
динамометрический стенд или используют какой-либо другой метод разгона
динамометра.
2.4.2 Регулируют динамометр на поглощаемую нагрузку
F при скорости 80
км/ч.
2.4.3 Отмечают поглощаемую нагрузку при скоростях
120,100, 80, 60, 40 и 20 км/ч.
2.4.4 Строят кривую F(v) и проверяют ее
соответствие требованиям Г.2.1.2.2.
2.4.5 Повторяют процедуру, указанную в Г.2.2.4.1 - Г.2.2.4.4,
для других нагрузок F при скорости 80 км/ч
и для других значений инерции.
2.5 Аналогичную методику используют для калибровки
усилия или крутящего момента.
3 Регулирование динамометрического стенда
3.1 Метод регулирования в зависимости от разрежения
3.1.1 Введение
Настоящий
метод регулирования используют только на стендах с постоянной кривой нагрузок
для определения поглощаемой нагрузки при 80 км/ч и не используют для
транспортных средств, оснащенных двигателем с воспламенением от сжатия.
3.1.2
Контрольно-измерительные приборы
Разрежение
(или абсолютное давление) во впускном коллекторе транспортного средства
измеряют с точностью ± 0,25 кПа. Необходимо обеспечить возможность постоянной
записи этих показаний или записи с интервалами не более 1 с. Показания скорости
записывают постоянно с точностью ± 0,4 км/ч.
3.1.3 Дорожное испытание
3.1.3.1 Необходимо обеспечить соблюдение требований
раздела 4 дополнения 3.
3.1.3.2 Ведут
транспортное средство с постоянной скоростью 80 км/ч, осуществляя запись
показаний скорости и разрежения (абсолютного давления) в соответствии с
требованиями 3.1.2.
3.1.3.3 Повторяют
процедуру, изложенную в 3.1.3.2, три раза в каждом направлении. Все шесть заездов
транспортного средства должны быть выполнены в течение 4 ч.
3.1.4 Сокращение объема данных и критерии
допустимости
3.1.4.1 Изучают результаты, полученные в
соответствии с 3.1.3.2 и 3.1.3.3 (продолжительность
движения со скоростью менее 79,5 км/ч или более 80,5 км/ч не должна превышать 1
с). Для каждого заезда фиксируют уровень разрежения с интервалами в 1 с, а
также рассчитывают средний уровень разрежений (v) и стандартное отклонение (s), при этом необходимо использовать не меньше 10
показаний разрежения.
3.1.4.2 Стандартное отклонение не должно превышать
10 % среднего значения (v) для каждого заезда.
3.1.4.3 Рассчитывают среднее значение (v) для шести пробегов (три пробега в каждом
направлении).
3.1.5 Регулирование стенда
3.1.5.1 Подготовка
Проводят
операции, указанные в 5.1.2.2.1 - 5.1.2.2.4 дополнения 3.
3.1.5.2 Регулирование нагрузки
После
прогрева ведут транспортное средство с постоянной скоростью 80 км/ч, при этом
регулируют нагрузку динамометра для воспроизведения показания разрежения (v), полученного в соответствии с Г.2.3.1.4.3. Отклонение от этого показания не должно
превышать ± 0,25 кПа. Для проведения этой операции следует использовать те же
контрольно-измерительные приборы, которые использовали во время дорожного
испытания.
3.2 Альтернативный метод регулирования
Альтернативный
метод применяют с согласия изготовителя:
3.2.1 Тормоз стенда регулируют таким образом, чтобы
поглощать нагрузку, передаваемую на ведущие колеса при постоянной скорости 80
км/ч, в соответствии с приведенной таблицей Г.3.
Таблица
Г.3
|
КМ транспортного
средства, кг |
Эквивалентная
инерция, кг |
Мощность и
нагрузка, поглощаемые динамометрическим стендом при скорости 80 км/ч |
Коэффициенты |
||
|
а |
b |
||||
|
Mi, кВт |
F, H |
Н |
Н/(км/ч)2 |
||
|
КМ < 480 |
455 |
3,8 |
171 |
3,8 |
0,0261 |
|
480 < КМ £ 540 |
510 |
4,1 |
185 |
4,2 |
0,0282 |
|
540 < КМ £ 595 |
570 |
4,3 |
194 |
4,4 |
0,0296 |
|
595 < КМ £ 650 |
625 |
4,5 |
203 |
4,6 |
0,0309 |
|
650 < КМ £ 710 |
680 |
4,7 |
212 |
4,8 |
0,0323 |
|
710 < КМ £ 765 |
740 |
4,9 |
221 |
5,0 |
0,0337 |
|
765 < КМ £ 850 |
800 |
5,1 |
230 |
5,2 |
0,0351 |
|
850 < КМ £ 965 |
910 |
5,6 |
252 |
5,7 |
0,0385 |
|
965 < КМ £ 1080 |
1020 |
6,0 |
270 |
6,1 |
0,0412 |
|
1080 < КМ £ 1190 |
1130 |
6,3 |
284 |
6,4 |
0,0433 |
|
1190 < КМ £ 1305 |
1250 |
6,7 |
302 |
6,8 |
0,0460 |
|
1305 < КМ £ 1420 |
1360 |
7,0 |
315 |
7,1 |
0,0481 |
|
1420 < КМ £ 1530 |
1470 |
7,3 |
329 |
7,4 |
0,0502 |
|
1530 < КМ £ 1640 |
1590 |
7,5 |
338 |
7,6 |
0,0515 |
|
1640 < КМ £ 1760 |
1700 |
7,8 |
351 |
7,9 |
0,0536 |
|
1760 < КМ £ 1870 |
1810 |
8,1 |
365 |
8,2 |
0,0557 |
|
1870 < КМ £ 1980 |
1930 |
8,4 |
378 |
8,5 |
0,0577 |
|
1980 < КМ £ 2100 |
2040 |
8,6 |
387 |
8,7 |
0,0591 |
|
2100 < КМ £ 2210 |
2150 |
8,8 |
396 |
8,9 |
0,0605 |
|
2210 < КМ £ 2380 |
2270 |
9,0 |
405 |
9,1 |
0,0619 |
|
2380 < КМ £ 2610 |
2270 |
9,4 |
423 |
9,5 |
0,0646 |
|
2610 < КМ |
2270 |
9,8 |
441 |
9,9 |
0,0674 |
3.2.2 Для транспортных средств, иных чем легковые
автомобили, транспортных средств контрольной массой более 1700 кг или
транспортных средств со всеми постоянно включенными ведущими колесами значения
мощности, приведенные в таблице пункта 3.3.1, умножают на коэффициент
1,3.
1 Цель
Цель
приведенных методов - измерение сопротивления поступательному движению
транспортного средства по дороге при постоянной скорости и имитации этого
сопротивления на динамометрическом стенде в соответствии с условиями 4.1.5.
2 Описание дороги
Дорога
должна быть ровной и достаточно длинной для проведения указанных ниже
измерений. Уклон должен быть в пределах ± 0,1 % и не превышать 1,5 %.
3 Атмосферные условия
3.1 Ветер
Средняя
скорость ветра при испытании не должна превышать 3 м/с, а средняя скорость его
порывов не должна превышать 5 м/с. Перпендикулярная к дороге векторная
составляющая скорости ветра не должна превышать 2 м/с. Скорость ветра измеряют
на высоте 0,7 м от поверхности дороги.
3.2 Влажность
Дорога
должна быть сухой.
3.3 Давление и температура
Плотность
воздуха во время испытаний не должна отклоняться более чем на ± 7,5 % от
контрольных условий Р = 100 кПа и T = 293,2 К.
4 Подготовка транспортного средства
4.1 Выбор транспортного средства
Если
измерения проводят не на всех вариантах типа транспортного средства, то при
выборе транспортного средства применяют критерии, приведенные в 4.1.1 -
4.1.4.
Испытания
проводят на кузове с наибольшим аэродинамическим сопротивлением. Изготовитель
представляет информацию, необходимую для отбора кузова.
4.1.2 Шины
Для
испытаний используют наиболее широкие шины. Если имеются шины более трех
размеров, выбирают размер, который непосредственно предшествует наиболее
широкому размеру.
4.1.3 Масса, используемая для испытания
Масса,
используемая для испытания, должна соответствовать КМ транспортного средства с
наиболее высоким диапазоном инерции.
Испытуемое
транспортное средство оснащают самым(и) большим(и) теплообменником(ами).
Испытанию
подвергают трансмиссию каждого из следующих типов:
- с передним ведущим мостом;
- с задним ведущим мостом;
- 4´4 с постоянным приводом;
- 4´4 с непостоянным приводом;
- с автоматической коробкой передач;
- с механической коробкой передач.
4.2 Обкатка
Транспортное
средство должно быть в нормальном рабочем состоянии, отрегулированным с
пробегом после обкатки не менее 3000 км. Шины должны быть обкатаны одновременно
с транспортным средством или иметь глубину протектора в пределах 90 % - 50 %
первоначальной глубины.
4.3 Проверка
В
соответствии с инструкциями изготовителя должны быть проверены следующие
элементы: колеса, ободья колес, шины (марка, тип, давление), геометрическая
схема переднего моста, регулировка тормозов (устранение вредного
сопротивления), смазка передней и задней осей, регулировка подвески и
горизонтальность транспортного средства и т.д.
4.4 Подготовка к испытанию
4.4.1 Транспортное средство должно быть загружено
до контрольной массы. Горизонтальный уровень транспортного средства должен
соответствовать уровню, получаемому при расположении центра тяжести груза
посередине между точками R передних боковых мест и на прямой линии, проходящей через эти точки.
4.4.2 При дорожных испытаниях окна транспортного
средства должны быть закрыты. Все крышки системы кондиционирования воздуха, фар
и т.д. должны быть в нерабочем положении.
4.4.3 Транспортное средство должно быть чистым.
4.4.4 Непосредственно перед началом испытания
транспортное средство должно быть разогрето соответствующим образом до
нормальной рабочей температуры.
5 Методы
5.1 Метод
определения изменений энергии при движении накатом
5.1.1 На дороге
5.1.1.1 Испытательное оборудование и допустимая
погрешность
Время
измеряют с погрешностью не более ± 0,1 с, скорость - с погрешностью не более ±
2 %.
5.1.1.2.1 Разгоняют транспортное средство до
скорости, превышающей на 10 км/ч выбранную скорость испытания v.
5.1.1.2.2 Устанавливают коробку передач в
нейтральное положение.
5.1.1.2.3 Измеряют время t, необходимое транспортному средству для замедления со скорости v2 = v + Δv км/ч до v1 = v - Δv км/ч при Δv £ 5 км/ч.
5.1.1.2.4 Проводят
аналогичное испытание в противоположном направлении t2.
5.1.1.2.5 Определяют
среднеарифметическое значение Т из значений t1 - t2.
5.1.1.2.6 Повторяют эти испытания несколько раз,
пока статистическая точность (р) среднего
будет
составлять ± 2 % или менее (р £ 2 %).
Статистическую точность р вычисляют по
формуле
,
где t - коэффициент, указанный в таблице;
s - стандартное отклонение,
;
п - число испытаний.
|
п |
4 |
5 |
6 |
7 |
8 |
9 |
10 |
11 |
12 |
13 |
14 |
15 |
|
t |
3,2 |
2,8 |
2,6 |
2,5 |
2,4 |
2,3 |
2,3 |
2,2 |
2,2 |
2,2 |
2,2 |
2,2 |
|
|
1,6 |
1,25 |
1,06 |
0,94 |
0,85 |
0,77 |
0,73 |
0,66 |
0,64 |
0,61 |
0,59 |
0,57 |
5.1.1.2.7 Мощность Р,
кВт, вычисляют по формуле
,
где КМ - контрольная
масса, кг;
v - скорость во время испытания, м/с;
Δv - отклонение скорости от скорости v, м/с;
Т - время, с.
,
где
,
где RR - сопротивление
качению при скорости v;
КR
- коэффициент корреляции температуры сопротивления качению,
который считают равным 3,6·10-3 °С;
t - температура воздуха на дороге,
выбранной для проведения испытания, °С;
t0
- исходная температура окружающей среды = 20 °С;
Raero - аэродинамическое сопротивление при
скорости v;
ρ0
- плотность воздуха в исходных условиях (20 °С, 100 кПа);
RT
- общее сопротивление движению = Rr + Raero;
ρ
- плотность воздуха в условиях испытания.
Соотношения
RR/RT
и RAERO/RT указывает изготовитель
транспортного средства с учетом данных, которыми, как правило, располагает.
Если
эти данные отсутствуют, то с согласия изготовителя и испытательной лаборатории
можно использовать значения, полученные по формуле
RR/RT
= a · M + b,
где М - масса транспортного средства, кг.
Для каждой скорости коэффициенты а и b указаны в таблице
|
v, км/ч |
а |
b |
|
20 |
7,24·10-5 |
0,82 |
|
30 |
1,25·10-4 |
0,67 |
|
40 |
1,59·10-4 |
0,54 |
|
50 |
1,86·10-4 |
0,42 |
|
60 |
1,96·10-4 |
0,33 |
|
80 |
1,85·10-4 |
0,23 |
|
90 |
1,71·10-4 |
0,21 |
|
100 |
1,63·10-4 |
0,18 |
|
120 |
1,57·10-4 |
0,14 |
5.1.2 На динамометрическом стенде
5.1.2.1 Измерительное оборудование и точность
измерения Оборудование должно быть идентичным использованному на дороге.
5.1.2.2 Методика испытания
5.1.2.2.1
Устанавливают транспортное средство на динамометрическом стенде.
5.1.2.2.2 Регулируют давление шин (холодных)
ведущих колес в соответствии с требованиями динамометрического стенда.
5.1.2.2.3 Регулируют эквивалентную инерцию стенда.
5.1.2.2.4 Разогревают
соответствующим образом транспортное средство и стенд до рабочей температуры.
5.1.2.2.5 Выполняют операции, указанные в 5.1.1.2
(исключая 5.1.1.2.4
и 5.1.1.2.5),
заменив при этом М на I в формуле пункта 5.1.1.2.7.
5.1.2.2.6 Регулируют тормозное устройство таким
образом, чтобы можно было воспроизвести скорректированную мощность
(Г.3.5.1.1.2.8) с учетом разности масс транспортного средства М на треке
и используемой массы, эквивалентной инерции испытания I. Для этого рассчитывают среднее скорректированное
время Ткорр движения накатом со скоростью v2 - v1 на дороге по приведенной формуле и воспроизводят это время на
динамометрическом стенде
,
где K определяют по формуле, указанной в 5.1.1.2.8.
5.2 Метод измерения крутящего момента при постоянной скорости
5.2.1 На дороге
5.2.1.1 Измерительное оборудование и допустимая
погрешность
Крутящий
момент измеряют с помощью соответствующего измерительного прибора, имеющего
точность в пределах 2 %.
Точность
измерения скорости должна быть в пределах 2 %.
5.2.1.2 Методика испытания
5.2.1.2.1 Разгоняют
транспортное средство до выбранной постоянной скорости v.
5.2.1.2.2 Измеряют крутящий момент С1
и скорость в течение 20 с. Точность системы регистрации данных должна быть
не менее ± 1 Н·м для крутящего момента и ±0,2 км/ч - для скорости.
5.2.1.2.3 Изменения в крутящем моменте Сt и скорости в зависимости от времени не должны превышать 5 % в течение
каждой секунды периода измерения.
5.2.1.2.4 Крутящий
момент Сt1 представляет собой средний крутящий момент,
полученный по формуле
.
5.2.1.2.5 Испытание проводят три раза в каждом
направлении. Определяют средний крутящий момент по этим шести измерениям для
исходной скорости. Если средняя скорость отличается более чем на 1 км/ч от
исходной скорости, то для расчета среднего крутящего момента используют
линейную регрессию.
5.2.1.2.6 Определяют среднеарифметическое этих двух
крутящих моментов Ct1 и Сt 2, т.е. Сt.
,
где K определяют
по формуле, указанной в 5.1.1.2.8.
5.2.2
На динамометрическом стенде
5.2.2.1 Измерительное оборудование и допустимая
погрешность
Оборудование должно быть идентичным тому, которое
использовали на дороге.
5.2.2.2 Методика испытания
5.2.2.2.1 Выполняют операции, указанные в 5.1.2.2.1
- 5.1.2.2.4.
5.2.2.2.2 Выполняют операции, указанные в 5.2.1.2.1
- 5.2.1.2.4.
5.2.2.2.3 Регулируют поглощающий мощность блок
таким образом, чтобы был воспроизведен общий скорректированный крутящий момент,
полученный на треке и указанный в 5.2.1.2.7.
5.2.2.2.4 С этой же целью проводят операции,
описанные в 5.1.2.2.7.
1 Цель
Метод
позволяет проверить удовлетворительность сохранения имитированной общей инерции
стенда во время различных фаз испытательного цикла. Изготовитель
динамометрического стенда указывает метод проверки соблюдения требований
раздела 3 настоящего дополнения.
2 Принцип
2.1 Составление рабочих уравнений
Поскольку
на динамометрическом стенде отражаются изменения скорости вращения бегового
барабана (беговых барабанов), силу F, Н, на поверхности
бегового барабана (беговых барабанов) вычисляют по формуле
F = I g = IM g + F1,
где I - общая инерция стенда (эквивалентная
инерции транспортного средства по таблице пункта 5.1 настоящего приложения), кг;
Im - инерция механической массы стенда, кг;
g - ускорение,
касательное к поверхности бегового барабана, м/с2;
F1 - сила инерции, Н.
Примечание - В дополнении
приведено объяснение этой формулы, касающейся стендов для механической имитации
инерции.
Таким
образом, общую инерцию I
можно выразить формулой
,
где Iм - рассчитывают или
измеряют обычными методами;
F1 - измеряют на стенде;
g
- рассчитывают по окружной скорости бегущих барабанов.
Общую
инерцию I
определяют во время испытания на ускорение или замедление с показателями,
которые выше или равны показателям, полученным в ходе испытательного цикла.
2.2 Допустимая погрешность для расчета общей
инерции
Относительная
погрешность (ΔI/I) расчета общей инерции I не должна превышать ± 2 %.
3.1 Масса общей имитированной инерции I должна быть равна теоретической эквивалентной
инерции в соответствии с Г.5.1 приложения Г в следующих пределах:
3.1.1 ± 5 %
теоретического значения - для каждого мгновенного значения величины;
3.1.2 ± 2 % теоретического значения - для каждой
средней величины, рассчитанной для каждого последовательного этапа цикла.
3.2 Допускается изменение предела, приведенного в 3.1.1,
до ± 50 % в течение 1 с при запуске двигателя и в течение 2 с во время
переключения скоростей транспортного средства, оборудованного коробкой передач
с ручным управлением.
4 Порядок проверки
4.1 Проверку проводят в ходе каждого испытания в
течение всего цикла в соответствии с Г.2.1 настоящего приложения.
4.2 Однако если требования, приведенные в Г.3,
соблюдаются с мгновенными ускорениями, которые, по крайней мере, в три раза
больше или меньше значений, полученных на последовательных этапах
теоретического цикла, то необходимость проведения описанной выше проверки
отпадает.
1 Введение
1.1 Существуют несколько типов устройств для отбора
проб, которые могут соответствовать требованиям Г.4.2. Устройства, описанные в 3.1 - 3.3, считаются
приемлемыми, если они отвечают основным критериям, применяемым к принципу
переменного разбавления.
1.2 При проведении испытания лаборатория должна
указывать в своем сообщении тип системы отбора проб.
2 Критерии, применяемые к системе переменного
разбавления для измерения вредных выбросов с отработавшими газами
2.1 Область применения
Определение
характеристик функционирования системы отбора проб, предназначенной для
измерения фактической массы выбросов вредных веществ с отработавшими газами
транспортного средства в соответствии с требованиями настоящего стандарта.
Принцип
отбора газов переменного разбавления для измерения массы выбросов вредного
вещества требует соблюдения условий 2.1.1
- 2.1.3.
2.1.1 Отработавшие газы транспортного средства
должны постоянно разбавляться окружающим воздухом в контролируемых условиях.
2.1.2 Должен быть точно измерен общий объем
отработавших газов и разбавляющего воздуха.
2.1.3 Для анализа отбирают пробы разбавленных
отработавших газов и разбавляющего воздуха в постоянной пропорции.
Массу
выбросов газообразных вредных веществ определяют по концентрациям компонентов в
отобранной пропорциональной пробе и общему объему смеси отработавших газов и
разбавляющего воздуха, измеряемого в процессе испытания. Концентрации проб
корректируют с учетом содержания вредных веществ в окружающем воздухе.
Кроме
того, для транспортных средств, оснащенных двигателем с воспламенением от
сжатия, определяют выбросы вредных частиц.
2.2 Краткое техническое описание
На
рисунке Г.6 приведена схема системы
отбора проб газов.
2.2.1 Отработавшие газы транспортного средства
должны разбавляться достаточным количеством окружающего воздуха, чтобы не
допустить конденсации воды в пробоотборной и измерительной системах.
2.2.2 В системе отбора проб отработавших газов
должна быть обеспечена возможность измерения средних объемных концентраций
компонентов СО2, СО, СН и NОx, а также, в случае
транспортных средств, оснащенных двигателем с воспламенением от сжатия,
выбросов вредных частиц, содержащихся в отработавших газах, выделяемых
транспортным средством в ходе цикла испытания.
2.2.3 Смесь воздуха и отработавших газов в точке
пробоотбора должна быть гомогенной (см. 2.3.1.2).
2.2.4 Пробоотборник должен обеспечивать отбор
представительных проб разбавленных отработавших газов.
2.2.5 Система должна предусматривать возможность
измерения общего объема разбавленных отработавших газов.
2.2.6 Система пробоотбора должна быть герметичной.
Система для отбора проб газов переменного разбавления и материалы, из которых
она изготовлена, не должны влиять на концентрацию вредных веществ, содержащихся
в разбавленных отработавших газах. Если какой-либо элемент системы
(теплообменник, центробежный сепаратор, насос и т.д.) изменяет концентрацию
вредных веществ в разбавленных отработавших газах и устранить этот недостаток
невозможно, то отбор проб для этого вредного вещества должен производиться на
участке, расположенном перед этим элементом.
2.2.7 Если испытуемое транспортное средство
оснащено системой отвода отработавших газов с несколькими выпускными трубами,
то они должны быть соединены патрубками при помощи коллектора, устанавливаемого
как можно ближе к транспортному средству.
2.2.8 Пробы газа отбирают в емкости для проб
достаточной вместимости, обеспечивающие беспрепятственный поток газа во время
пробоотбора. Эти емкости должны быть изготовлены из материалов, не влияющих на
концентрацию газообразных вредных веществ (см. 3.4.4).
2.2.9 Система переменного разбавления должна быть
сконструирована таким образом, чтобы обеспечить возможность отбора отработавших
газов без существенного изменения противодавления на выходе из выпускной трубы
(см. 2.3.1.1).

1 - воздушный фильтр (факультативно); 2 - емкость
для отбора окружающего воздуха (отбор проводится во время испытания); 3
- расходомер; 4 - камера для отбора разбавленных отработавших газов
(отбор проводится во время испытания); 5 - насос; 6 - регулятор
расхода; 7 - фильтр; 8 - всасывающее устройство/устройство для
измерения объема; 9 - смесительная камера
Рисунок
Г.6 - Схема системы переменного разбавления для измерения
выбросов вредных веществ с отработавшими газами
2.3 Специальные требования
2.3.1 Система отбора и разбавления отработавших
газов
- изменять статическое давление на срезе выпускных
труб транспортного средства более чем на ± 0,75 кПа при 50 км/ч или более чем
на ± 1,25 кПа - на протяжении всего испытания по отношению к значению
статического давления, когда нет никаких подсоединений к выпускным трубам
транспортного средства. Давление измеряют в выпускной трубе или в насадке
аналогичного диаметра как можно ближе к срезу трубы;
- изменять состав отработавших газов.
Однородность
смеси в любом поперечном срезе в месте пробоотбора не должна отличаться более
чем на ± 2 % среднего значения, полученного, по меньшей мере, в
пяти точках, расположенных на равном расстоянии по диаметру потока газа.
Давление внутри смесительной камеры не должно отличаться более чем на ± 0,25
кПа от атмосферного давления, чтобы свести к минимуму влияние на условия на
выходе выпускной трубы, а также ограничить падение давления в системе
кондиционирования разбавляющего воздуха, если таковую используют.
2.3.2 Всасывающее
устройство/устройство для измерения объема.
Для этого устройства может быть предусмотрено
несколько фиксированных скоростей, позволяющих обеспечить
расход, достаточный для предотвращения конденсации воды. Этого, как правило,
можно добиться поддержанием в емкости для проб разбавленных отработавших газов
объемной концентрации СО2 менее 3 %.
При
необходимости для защиты устройства для измерения объема можно использовать
центробежный сепаратор.
2.3.3.2 Непосредственно перед устройством для
измерения объема устанавливают температурный датчик. Точность этого
температурного датчика должна составлять ± 1 К, а время реагирования - 0,1 с
при отклонении 62 % от заданной температуры (при измерении в силиконовом
масле).
2.3.3.3 В ходе испытания точность измерений
давления должна быть не менее ± 0,4 кПа.
2.3.3.4 Перепад давления в системе по сравнению с
атмосферным давлением измеряют перед и, при необходимости, за устройством для
измерения объема.
2.3.4 Отбор проб газа
2.3.4.1 Разбавленные отработавшие газы
2.3.4.1.1 Отбор проб разбавленных отработавших
газов осуществляют перед всасывающим устройством, но за устройством
кондиционирования (если такое используют).
2.3.4.1.2 Расход не должен отклоняться от среднего
значения более чем на ± 2 %.
2.3.4.1.3 Расход проб газа должен быть не менее 5
л/мин (дм3/мин) и не должен превышать ± 0,2 % расхода разбавленных
отработавших газов.
2.3.4.2 Разбавляющий воздух
2.3.4.2.1 Расход пробы разбавляющего воздуха должен
быть постоянным и отбираться поблизости от места впуска окружающего воздуха (за
фильтром, если в устройстве имеется такой фильтр).
2.3.4.2.2 Этот воздух не должен подвергаться
загрязнению отработавшими газами, поступающими из зоны, где происходит
смешивание.
2.3.4.2.3 Расход пробы разбавленного воздуха должен
быть сопоставим с расходом пробы разбавленных отработавших газов.
2.3.4.3 Отбор проб
2.3.4.3.1 Для отбора проб используют материалы, не
изменяющие концентрацию вредных веществ.
2.3.4.3.2 Для отбора вредных частиц из пробы можно
использовать фильтры.
2.3.4.3.3 Для нагнетания проб в пробоотборную
емкость(и) используют насосы.
2.3.4.3.4 Для создания расходов, требуемых для
отбора проб, используют регуляторы расхода и расходомеры.
2.3.4.3.5 Можно использовать герметичные быстро
запирающиеся соединительные элементы, расположенные между трехходовыми
клапанами и емкостями для сбора проб газа; эти соединения должны автоматически
герметизироваться со стороны емкости для сбора газа. Для доставки проб в
газоанализатор можно также использовать другие системы (например трехходовые
запорные краны).
2.3.4.3.6 Клапаны, используемые для направления
потока проб газов, должны быть регулируемыми и быстродействующими.
2.3.4.4 Хранение проб
Для
сбора проб газа используют емкости для проб достаточной вместимости, чтобы не
уменьшать расход газа. Материал, из которого изготовлены емкости, не должен
изменять более чем на ± 2 % концентрацию вредных газов в течение 20 мин.
2.4 Дополнительное оборудование для отбора проб для
испытания транспортных средств, оснащенных двигателем с воспламенением от
сжатия
2.4.1 В отличие от метода отбора проб газа в случае
транспортных средств, оснащенных двигателем с принудительным зажиганием, точки
отбора проб углеводородов и вредных частиц расположены в разбавляющем туннеле.
2.4.2 Для сокращения тепловых потерь в отработавших
газах в промежутке от выпускной трубы транспортного средства до входа в разбавляющий
туннель длина соединительной трубы, используемой для этой цели, должна быть не
более 3,6 м или 6,1 м, если она термоизолирована. Ее внутренний диаметр должен
быть не более 105 мм.
2.4.3 В разбавляющем туннеле, который должен
содержать прямой участок трубы, изготовленной из электропроводящего материала,
должен быть создан турбулентный поток (число Рейнольдса не должно быть меньше
4000), чтобы обеспечить однородность разбавленных отработавших газов в точках
отбора проб, а также отбора представительных проб газа и частиц. Диаметр
разбавляющего туннеля разбавления должен быть не менее 200 мм. Система должна
быть заземлена.
2.4.4 Система отбора проб вредных частиц состоит из
пробоотборника, расположенного в разбавляющем туннеле, и двух последовательно расположенных
фильтров. Быстродействующие клапаны располагают за и перед фильтрами, а также в
направлении потока.
Схема
пробоотборника приведена на рисунке Г.7.

Рисунок Г.7 - Схема
пробоотборника вредных частиц
2.4.5 Пробоотборник вредных частиц должен
соответствовать следующим требованиям:
- он должен быть установлен примерно на оси туннеля
на расстоянии, составляющем приблизительно 10 диаметров туннеля от входа
отработавших газов, и должен иметь внутренний диаметр не менее 12 мм;
- расстояние между конусом пробоотборника и
фильтродержателем должно быть не менее пяти диаметров пробоотборника, но не
более 1020 мм.
2.4.6 Устройство для измерения расхода пробы
состоит из насосов, регуляторов расхода и расходомеров.
2.4.7 Система отбора проб углеводородов состоит из
подогреваемых пробоотборника, пробоотборной линии, фильтра и насоса.
Пробоотборник должен быть установлен на таком же расстоянии от входа
отработавших газов, как и пробоотборник частиц, и таким образом, чтобы
пробоотборники не влияли друг на друга. Его внутренний диаметр должен быть не
менее 4 мм.
2.4.8 Температура всех подогреваемых элементов
должна поддерживаться посредством нагревательной системы на уровне 463 К (190
°С) ± 10 К.
2.4.9 Если компенсация изменений расхода
невозможна, должен быть предусмотрен теплообменник и устройство для
регулирования температуры, обладающие характеристиками, указанными в 2.3.3.1,
для обеспечения постоянного потока в системе и, следовательно,
пропорциональности расхода пробы.
3 Описание систем
3.1 Система
переменного разбавления с объемным насосом (PDP-CVS) (рисунок Г.8)
3.1.1 Объемный насос - пробоотборник для проб
постоянного объема (PDP-CVS) обеспечивает соответствие требованиям настоящего
приложения за счет измерения расхода, проходящего через насос, при постоянных
температуре и давлении. Общий объем измеряют подсчетом оборотов калиброванного
объемного насоса. Пропорциональность пробоотбора обеспечивается за счет отбора
пробы с постоянным расходом при помощи насосов, расходомера и регулировочного
клапана.
3.1.2 На рисунке Г.8 приведена схема системы отбора проб постоянного объема.
Поскольку точность результатов может быть обеспечена системой любой
конфигурации, точное воспроизведение схемы не является обязательным.
Дополнительные составные части (контрольно-измерительные приборы, клапаны,
соленоиды, переключатели и т.п.) могут быть использованы для получения
дополнительной информации и координации функционирования сложной системы.
3.1.3 Оборудование
для отбора газа включает в себя следующие компоненты:
3.1.3.1 фильтр (D) для разбавляющего воздуха, который, в случае
необходимости, можно предварительно подогревать. Фильтр состоит из
активированного древесного угля между двумя слоями бумаги и предназначен для
уменьшения и стабилизации фоновой концентрации углеводородов в разбавляющем
воздухе, поступающем извне;
3.1.3.2 смесительная камера (М) для отработавших
газов и воздуха;
3.1.3.3 теплообменник (Н) мощностью, достаточной
для поддержания в течение испытания температуры смеси отработавших газов и
воздуха, измеренной в точке непосредственно перед объемным насосом, в пределах
± 6 К от расчетной рабочей температуры. Это устройство не должно влиять на
концентрацию вредных веществ в разбавленных газах, отобранных для анализа;

Рисунок Г.8
- Схема системы отбора проб постоянного объема с нагнетательным насосом (PDP-CVS)
3.1.3.4 система регулирования температуры (ТС),
используемая для предварительного нагрева теплообменника перед испытанием и для
контроля за его температурой в течение испытания, чтобы отклонения от
предусмотренной температуры не превышали ±6 К;
3.1.3.5 объемный
насос (PDP), создающий
поток смеси воздуха и отработавших газов с постоянным объемным расходом;
производительность насоса должна быть достаточной для того, чтобы исключить
конденсацию воды в системе при всех рабочих условиях, которые могут возникнуть
в ходе испытания. Обычно для этого используют объемный насос с
производительностью:
3.1.3.5.1 вдвое больше максимального расхода
отработавших газов, выделяемых в течение фаз ускорения испытательного цикла,
или
3.1.3.5.2 достаточной для обеспечения того, чтобы
объемная концентрация СО2 в емкости с разбавленной пробой была менее
3 % для бензина и дизельного топлива, менее 2,2 % - для СНГ и менее 1,5 % - для
КПГ;
3.1.3.6 температурный датчик (Т1)
(точность ± 1 К) устанавливают непосредственно перед объемным насосом. Датчик предназначен
для постоянного контроля за температурой разбавленных отработавших газов в ходе
испытания;
3.1.3.7 манометр (G1) (точность ± 0,4 кПа), установленный непосредственно перед насосом и
используемый для регистрации градиента давления между смесью газов и окружающим
воздухом;
3.1.3.8 второй манометр (G2) (точность ± 0,4 кПа), устанавливаемый таким образом, чтобы можно было
определять перепад давления между входом и выходом насоса;
3.1.3.9 два пробоотборника (S1 и S2), предназначенные для непрерывного отбора проб
разбавляющего воздуха и смеси отработавших газов и воздуха;
3.1.3.10 фильтр (F) для экстрагирования вредных частиц из потока
газов, отбираемых для анализа;
3.1.3.11 насосы (Р) для забора постоянного потока
разбавляющего воздуха, а также смеси отработавших газов и воздуха в ходе
испытания;
3.1.3.12 регуляторы расхода (N), предназначенные для обеспечения постоянного
равномерного потока проб газов, забираемых в течение испытания с помощью
пробоотборников Si и S2; расход газа должен быть таким, чтобы в конце каждого испытания
количество пробы было достаточным для анализа (приблизительно 10 л/мин);
3.1.3.13 расходомеры (FL), предназначенные для регулирования и контроля
постоянного расхода проб газов в ходе испытания;
3.1.3.14 быстродействующие клапаны (V) для направления постоянного потока проб газа в
емкости для сбора проб или в атмосферу;
3.1.3.15 герметичные, быстро закрывающиеся
соединительные элементы (Q) между быстродействующими клапанами и емкостями для проб; соединение
должно автоматически закрываться со стороны емкости для проб. В качестве
альтернативного варианта могут применяться другие способы доставки проб для
анализа (например трехходовые запорные краны);
3.1.3.16 емкости (ВА) для сбора проб
разбавленных отработавших газов и разбавляющего воздуха в ходе испытания
достаточного объема, чтобы не препятствовать потоку пробы; материал, из
которого изготовлены емкости, не должен воздействовать ни на сами измерения, ни
на химический состав проб газа (например полиэтилен/полиамидные пленки или фтористые
полиуглеводородные пленки);
3.1.3.17 цифровой счетчик (С) для регистрации числа
оборотов объемного насоса в ходе испытания.
3.1.4 Дополнительное оборудование, необходимое для
испытания транспортных средств, оснащенных двигателем с воспламенением от сжатия.
В
соответствии с требованиями Г.4.3.1.1 и Г.4.3.2 при испытании транспортных средств,
оснащенных двигателем с воспламенением от сжатия, используют дополнительное
оборудование, обозначенное на рисунке Г.8
пунктирной линией:
Fh - подогреваемый фильтр;
S3 - пробоотборник
углеводородов в разбавительном туннеле;
Vh - подогреваемый многоходовой клапан;
Q - быстродействующий разъем для обеспечения подачи
пробы атмосферного воздуха из емкости Bа для анализа на HFID;
HFID - подогреваемый анализатор, основанный на принципе
ионизации пламени;
R и I - устройства интегрирования и записи мгновенных концентраций углеводородов;
Lh - подогреваемая линия отбора проб.
Температура
всех подогреваемых элементов должна быть 463 К (190 °С) ± 10 К.
Система
отбора проб вредных частиц:
S4 - пробоотборник частиц
в разбавительном туннеле;
Fp - блок фильтров, состоящий из двух последовательно
расположенных фильтров, соединительное устройство для других параллельно
подсоединяемых пар фильтров;
- линия отбора проб, насосы, регуляторы расхода,
расходомеры.
3.2 Система разбавления на основе критической
трубки Вентури (CFV-CVS) (рисунок Г.9)
3.2.1 Использование критической трубки Вентури
совместно с процедурой отбора проб CVS основано на принципах механики потока для критического расхода.
Изменяемую скорость потока смеси разбавляющего воздуха и отработавших газов
поддерживают на уровне скорости звука, которая прямо пропорциональна
квадратному корню из значения температуры газа. В ходе испытания за потоком
ведут постоянный контроль, его параметры фиксируют и обобщают с помощью
компьютера.
Использование
дополнительной трубки критического расхода Вентури в линии отбора проб
обеспечивает пропорциональность отбираемых проб газов. Если давление и
температура на входе обеих трубок равны, объемный расход газа, направляемого
для отбора проб, пропорционален общему объемному расходу смеси разбавленных
отработавших газов и, таким образом, требования настоящего приложения
выполнены.
3.2.2 На рисунке Г.9 приведена схема такой системы отбора проб.
Поскольку
точность результатов может быть обеспечена системой любой конфигурации, точное
воспроизведение схемы не является обязательным. Дополнительные составные части,
такие как контрольно-измерительные приборы, клапаны, соленоиды и переключатели,
могут быть использованы для получения дополнительной информации и координации
функционирования сложной системы.
3.2.3 Оборудование для сбора проб включает в себя
следующие компоненты:
3.2.3.1 фильтр (D) для разбавляющего воздуха, который, при
необходимости, можно предварительно подогревать. Фильтр состоит из
активированного древесного угля, проложенного двумя слоями бумаги, и
предназначен для уменьшения и стабилизации фоновой концентрации углеводородов в
разбавляющем воздухе, поступающем извне;
3.2.3.2 смесительная камера (М), в которой
создается однородная смесь отработавших газов и воздуха;

Рисунок Г.9 - Схема системы
отбора проб постоянного объема с использованием диффузора Вентури (система CFV-CVS)
3.2.3.3 циклонный сепаратор (CS) для извлечения вредных частиц;
3.2.3.4 два пробоотборника (S1 и S2) для отбора проб разбавляющего воздуха и
разбавленных отработавших газов;
3.2.3.5 критическая трубка Вентури (SV) для отбора пропорциональных проб разбавленных
отработавших газов в пробоотборнике S2;
3.2.3.6 фильтр (F) для экстрагирования вредных частиц из потока
газов, направляемых для анализа;
3.2.3.7 насосы (Р) для забора части потока воздуха
и разбавленных отработавших газов в пробоотборные емкости в ходе испытания;
3.2.3.8 регулятор потока (N) для создания постоянного потока проб газов,
отбираемых в ходе испытания из пробоотборника S1. Расход газа должен быть таковым, чтобы в конце каждого испытания
количество пробы было достаточным для анализа (приблизительно 10 л/мин);
3.2.3.9 демпфирующее устройство (PS), установленное в пробоотборной линии;
3.2.3.10 расходомеры (FL) для регулирования и контроля потока проб газов в
ходе испытания;
3.2.3.11 быстродействующие соленоидные клапаны (V) для направления постоянного потока проб газов в
емкости для сбора проб или в атмосферу;
3.2.3.12 герметические быстрозакрывающиеся
соединительные элементы (Q) между трехходовыми клапанами и емкостями для проб; соединительные
элементы должны автоматически закрываться со стороны емкости для сбора проб; в
качестве альтернативного варианта могут применяться другие способы доставки
проб газов для анализа (например трехходовые запорные краны);
3.2.3.13 емкости (ВА) для сбора проб
разбавленных отработавших газов и разбавляющего воздуха в ходе испытания; они
должны иметь достаточный объем, чтобы не препятствовать потоку пробы; емкости
должны быть изготовлены из такого материала, который не
воздействовал бы отрицательно ни на сами измерения, ни на химический состав
проб газов (например ламинированные полиэтилен/полиамидные или фтористые
полиуглеводородные пленки);
3.2.3.14 манометр (G) с точностью ± 0,4 кПа;
3.2.3.15 температурный датчик (Т) (точность ± 1 К)
с временем срабатывания 0,1 с при изменении температуры на 62 % (при измерении
в силиконовом масле);
3.2.3.16 измерительная критическая трубка Вентури (MV) для измерения объемного расхода разбавленных
отработавших газов;
3.2.3.17 насос (BL), обладающий достаточной производительностью для
создания необходимого суммарного объемного расхода разбавленных отработавших
газов.
3.2.3.18 Пропускная способность системы CFV-CVS должна быть такой,
чтобы при любых рабочих условиях, которые могут возникнуть в ходе испытания, не
происходило конденсации воды. Это обеспечивается за счет использования насоса (BL), производительность которого:
- в два раза превышает максимальный расход отработавших
газов, выделяемых в течение фаз ускорения ездового цикла, либо
- достаточна для обеспечения того, чтобы объемная
концентрация СО2 в емкости для разбавленной пробы отработавших газов
была менее 3 %.
3.2.4 Дополнительное оборудование, необходимое для
испытания транспортных средств, оснащенных двигателем с воспламенением от
сжатия
В
соответствии с требованиями Г.4.3.1.1 и Г.4.3.2 приложения Г при испытании транспортных
средств, оснащенных двигателем с воспламенением от сжатия, следует использовать
дополнительное оборудование, обведенное на рисунке Г.9
пунктирной линией:
Fh - подогреваемый фильтр;
S3 - пробоотборник углеводородов в разбавительном туннеле;
Vh - подогреваемый многоходовой клапан;
Q - быстродействующий соединитель для подачи пробы
атмосферного воздуха из емкости ВА для анализа на НFID;
HFID - подогреваемый анализатор, основанный на принципе
ионизации в пламени;
R и I - устройство интегрирования и записи мгновенных концентраций
углеводородов;
Lh - подогреваемая линия отбора проб.
Температура
всех нагреваемых элементов должна быть 463 К (190 °С) ± 10 К.
Если
компенсацию колебаний расхода осуществить невозможно, для обеспечения
постоянного потока через трубку Вентури (MV) и, следовательно, пропорционального
отбора пробы необходимо использовать теплообменник (Н) и систему регулирования
температуры (ТС), которые описаны в 3.1.3 настоящего дополнения.
Система
отбора проб вредных частиц:
S4 - пробоотборник в разбавительном туннеле;
F - блок фильтров, состоящий из двух последовательно
расположенных фильтров; соединительное устройство для других, параллельно
подсоединяемых пар фильтров;
- линия отбора проб, насосы, регуляторы расхода,
расходомер.
1 Построение калибровочной кривой
1.1 Каждый обычно используемый рабочий диапазон
измерений калибруют в соответствии с требованиями Г.4.3.3 приложения Г, как указано в 1.2 - 1.5.
1.3 Калибровочную кривую рассчитывают методом
«наименьших квадратов». Если полученная полиномиальная степень более 3,
количество калибровочных точек должно быть, по крайней мере, равно этой
полиномиальной степени плюс 2.
1.4 Для каждого калибровочного газа кривая не
должна отклоняться от номинального значения более чем на 2 %.
1.5 Линия калибровочной кривой
Линия
калибровочной кривой и калибровочные точки позволяют проверить правильность
проведения калибровки. Следует указывать различные характеристические параметры
анализатора:
- шкалу;
- чувствительность;
- точку нуля;
- дату проведения калибровки.
1.6 Если испытательной лаборатории будет
продемонстрировано, что другие приборы (компьютер, переключатель диапазонов с
электронной регулировкой и т.д.) могут обеспечивать эквивалентную точность, эти
приборы могут быть использованы.
1.7 Проверка калибровки
1.7.1 Каждый используемый рабочий диапазон
измерений необходимо проверять перед каждым анализом в соответствии с 1.7.2 -
1.7.4.
1.7.3 Если для двух рассматриваемых точек
полученное значение не отличается от теоретического более чем на ± 5 % полной
шкалы, то можно провести регулировку анализаторов. В противном случае строят
новую калибровочную кривую в соответствии с разделом 1 настоящего дополнения.
2 Проверка чувствительности анализатора FID к углеводородам
2.1 Оптимизация чувствительности детектора
Детектор
должен быть отрегулирован в соответствии с инструкциями изготовителя. В целях
оптимизации чувствительности в наиболее часто используемом диапазоне измерений
используют смесь пропан - воздух.
2.2 Калибровка анализатора углеводородов
Анализатор
калибруют с помощью смеси пропан - воздух и очищенного синтетического воздуха в
соответствии с Г.4.5.2 приложения Г (калибровка и калибровочные
газы).
Калибровочную
кривую определяют в соответствии с 1.1 - 1.5 настоящего дополнения.
2.3 Коэффициенты чувствительности для различных углеводородов и
рекомендуемые пределы
Коэффициент
чувствительности Rf
для определенного углеводорода выражают в виде соотношения между значением С1,
полученным с помощью анализатора FID,
и фактическим значением концентрации испытуемого газа, выраженной как С1,
млн-1.
Концентрация
испытуемого газа должна быть достаточной для получения отклика, соответствующего
приблизительно 80 % выбранного диапазона. Концентрация должна быть известна с
точностью до ± 2 % (по объему) по отношению к концентрации, измеренной
гравиметрическим методом. Кроме того, баллон с газом выдерживают в течение 24 ч
при температуре 293 - 303 К (20 °С - 30 °С) перед началом проверки.
Коэффициенты
чувствительности определяют при пуске анализатора в эксплуатацию и при
выполнении основных операций по обслуживанию. Используемые испытуемые газы и
рекомендуемые коэффициенты чувствительности приведены ниже:
- метан и очищенный воздух - 1,00 < Rf < 1,15 или 1,00 < Rf < 1,05
- для транспортных средств, работающих на КПГ;
- пропилен и очищенный воздух - 0,90 < Rf < 1,00;
- толуол и очищенный воздух - 0,90 < Rf < 1,00.
Коэффициент
чувствительности Rf, равный 1,00, соответствует смеси пропан
- очищенный воздух.
2.4 Проверка кислородной интерференции и
рекомендуемые пределы
Коэффициент
чувствительности следует определять в соответствии с 2.3. Используемые испытуемые газы и рекомендуемые
коэффициенты чувствительности приведены ниже:
- пропан и азот - 0,95 < Rf < 1,05.
3 Проверка эффективности работы преобразователя NОx.
Проверяют
эффективность работы преобразователя, используемого для преобразования NO2
в NO.
Проверку
можно провести с помощью озонатора, используя испытательную схему, показанную
на рисунке Г.10, и соответствующую
процедуру.
3.1 Анализатор
калибруют в наиболее часто применяемом диапазоне измерения в соответствии с
инструкциями изготовителя с использованием нулевого и эталонного газов
(концентрация NO в газе должна
быть приблизительно 80 % рабочего диапазона, а концентрация NO2 в смеси газов - менее 5 %
концентрации NO).

Клапан, регулирующий поток
Расходомер
1 - соленоидный клапан - регулятор потока; 2
- озонатор; 3 - соединительное устройство на входе в анализатор; 4
- трансформатор с переменным коэффициентом трансформации; 5 - вариатор
Рисунок
Г.10
Анализатор
NОx. должен быть
установлен на режим NO
так, чтобы эталонный газ не проходил через преобразователь. Отмечают показанную
концентрацию.
3.2 Через Т-образный
штуцер кислород или синтетический воздух непрерывно добавляется к потоку
эталонного газа до тех пор, пока показываемая концентрация будет приблизительно
на 10 % меньше отмеченной калибровочной концентрации, указанной в 3.1. Отмечают
показанную концентрацию (с), В течение этой операции озонатор должен
быть отключен.
3.3 Далее включают озонатор для производства такого
количества озона, которое необходимо для понижения концентрации NO до 20 % (минимум 10 %) концентрации эталонного
газа, указанной в 3.1.
Отмечают
показанную концентрацию (d).
3.4 Затем анализатор NОx переключают на режим NOx, при котором смесь газов (состоящая из NO, NO2, O2 и N2) проходит через преобразователь.
Отмечают
показанную концентрацию (а).
3.5 Озонатор отключают. Смесь газов, указанная в 3.2,
проходит через преобразователь в детектор.
Отмечают показанную концентрацию (b).
3.6 При отключенном озонаторе перекрывают поток
кислорода или синтетического воздуха. В этом случае значение NO2, показываемое анализатором, должно не более чем на 5 % превышать
значение, предусмотренное в 3.1.
3.7 Эффективность работы преобразователя NOx, %, рассчитывают по формуле
Эффективность
=
.
3.8 Коэффициент полезного действия преобразователя
должен быть не менее 95 %.
3.9 Коэффициент полезного действия преобразователя
следует контролировать не менее одного раза в неделю.
4 Калибровка системы CVS
4.1 Систему CVS следует калибровать с помощью точного газового
расходомера и ограничивающего устройства. Поток, проходящий через систему,
должен быть измерен при разных показаниях давления и измеряемых контрольных
параметрах системы, относящихся к потоку.
4.1.1 Можно использовать газовые расходомеры
различных типов, например калиброванную трубку Вентури, ламинарный расходомер,
калиброванный расходомер турбинного типа при условии, что они являются
системами динамичного измерения и соответствуют требованиям Г.4.4.1 и Г.4.4.2
приложения Г.
4.1.2 В 4.2 и 4.3 указаны методы калибровки систем PDP и CFV с использованием ламинарного расходомера, который обеспечивает
достаточную точность, а также статистической проверки правильности калибровки.
4.2 Калибровка объемного насоса PDP
4.2.1 В процедуре калибровки приведены общее
описание оборудования, последовательность испытания и различные параметры,
которые измеряют для определения расхода потока в насосе системы CVS. Все параметры, относящиеся к насосу, измеряют
одновременно с параметрами, относящимися к расходомеру, который подключен к
насосу последовательно. Рассчитываемый расход (выраженный в м3/мин)
при параметрах на входе насоса, абсолютное давление и температура могут быть
определены графически по отношению к функции корреляции, которая является
показателем конкретного сочетания специфических параметров насоса. Затем
определяют линейное уравнение, устанавливающее связь между расходом и
корреляционной функцией. В том случае, если CVS имеет многоскоростной привод, необходимо провести
калибровку для каждой используемой скорости.
4.2.2 Процедура калибровки основана на измерении
абсолютных значений параметров насоса и расходомера, которые соответствуют
скорости потока в каждой точке. Для обеспечения точности и непрерывности кривой
калибровки необходимо соблюдать условия 4.2.2.1
- 4.2.2.3.
4.2.2.1 Давление,
создаваемое насосом, следует измерять непосредственно на насосе, а не во
внешних трубопроводах, подсоединенных к входу и выходу насоса. Отборники
давления, установленные по центру на входе и выходе насоса, измеряют истинное
давление и поэтому отражают абсолютные перепады давления.
4.2.2.2 В процессе калибровки необходимо
поддерживать стабильный уровень температуры. Ламинарный расходомер чувствителен
к колебаниям температуры на входе, которые являются причиной разброса снимаемых
данных. Постепенное изменение температуры на ± 1 К допустимо, если оно
происходит в течение нескольких минут.
4.2.2.3 Все
соединения между расходомером и насосом CVS не должны допускать утечки газов.
4.2.3 Измерение этих же параметров насоса во время
испытания по определению выбросов вредных веществ дает возможность пользователю
рассчитывать расход потока по уравнению калибровки.
4.2.3.1 На рисунке Г.11 настоящего дополнения приведен один из возможных
вариантов испытательного стенда. Внесение в него изменений возможно при
условии, что они одобрены органом по сертификации, предоставляющим
сертификат соответствия. Если применяют испытательный стенд,
схематически изображенный на рисунке Г.8,
то данные приводят со следующей точностью:
барометрическое давление (приведенное) (Pb)..................... ± 0,03 кПа
температура окружающей среды (7)....................................... ±
0,2 К
температура воздуха на входе LFE (ETI)................................ ±
0,15 К
разрежение перед LFE (EPI).................................................... ±
0,01 кПа
перепад давления на матрице LFE (EDP )............................. ±
0,0015 кПа
температура воздуха на входе (PTI) насоса CVS................... ±
0,2 К
температура воздуха на выходе (РТО) насоса CVS............... ±
0,2 К
разрежение на входе (PPI) насоса CVS.................................. ±
0,22 кПа
давление на выходе (РРО) насоса CVS.................................. ±
0,22 кПа
частота вращения насоса за период испытания (п).............. ± 1 мин-1
длительность периода калибровки (не менее 250 с)
(t)........ ± 0,1 с.
4.2.3.2 После соединения элементов системы, как
показано на рисунке Г.11
настоящего дополнения, устанавливают варьируемый ограничитель в крайнее
положение открытия и за 20 мин до начала калибровки включают насос CVS.
4.2.3.3 Начиная с положения ограничителя,
соответствующего наименьшему расходу, его устанавливают в различные положения с
шагом, соответствующим изменению разрежения на входе около 1 кПа, что позволит
получить минимум шесть показаний для общего диапазона калибровки. Затем дают
системе стабилизироваться в течение 3 мин и повторяют сбор данных.

1 - фильтр; 2 - клапан-ограничитель
расхода; 3 - клапан регулирования колебаний (амортизатор); 4 - манометр;
5 - индикатор температуры
Рисунок
Г.11 - Порядок соединения приборов для калибровки PDP-CVS
4.2.4 Анализ данных
4.2.4.1 Расход (Qs) в каждой точке испытания (м3/мин)
рассчитывают для стандартных условий по данным расходомера с применением
метода, указанного изготовителем расходомера воздуха.
4.2.4.2 Полученные значения расхода воздуха
конвертируют в значения расхода, приходящиеся на один оборот насоса CVS (V0), м3,
при абсолютных значениях температуры Тр и давления Рр
на входе насоса
,
где Qs
- расход воздуха при 101,33 кПа и 273,2 К, м3/мин;
Тр - температура (К) на
входе насоса;
Рр - абсолютное давление
(кПа) на входе насоса;
п - частота вращения насоса, мин-1.
Для
компенсации взаимодействия изменений давления в насосе, в зависимости от
скорости его работы и степени проскальзывания насоса, рассчитывают
корреляционную функцию (x0),
связывающую частоту вращения насоса (n), перепад давления на насосе и абсолютное
давление на выходе насоса по формуле
,
где ΔРр
- перепад давления на насосе, кПа;
Ре
- абсолютное давление на выходе насоса (РРО + Рb), кПа.
Выравнивание
методом наименьших квадратов проводят для того, чтобы получить калибровочные
уравнения следующего вида:
V0
= D0
- M(x0),
n
= A - B (ΔРр),
где D0,
М, А и В - постоянные линейного уравнения.
4.2.4.3 Систему CVS с многоскоростным приводом калибруют по каждой
используемой скорости. Калибровочные кривые, определенные для диапазонов
скоростей, должны быть приблизительно параллельными, а значения параметра D0 увеличиваться по мере снижения расхода.
При
тщательно проведенной калибровке рассчитанные по уравнению значения должны быть
в пределах ± 0,5 % измеренной величины V0.
Значения М у различных насосов разные. Калибровку
необходимо проводить перед началом эксплуатации насоса и после основных
обслуживаний.
4.3 Калибровка
критической трубки Вентури (CFV)
4.3.1 Калибровка CFV основана на уравнении расхода для критической трубки
Вентури:
,
где Qs - расход;
Kv - коэффициент калибровки;
Р
- абсолютное давление, кПа;
Т
- абсолютная температура, К.
Расход
газа является функцией температуры и давления на входе.
Процедура
калибровки по 4.3.3
- 4.3.7
определяет коэффициент калибровки по измеренным значениям давления, температуры
и расхода воздуха.
4.3.2 При калибровке электронных узлов системы CFV необходимо соблюдать процедуру, рекомендованную
изготовителем.
4.3.3 Для калибровки критической трубки Вентури
необходимо провести измерения с указанной ниже точностью:
барометрическое давление (уточненное) (Рb).................... ± 0,03 кПа
температура воздуха в LFE (ETI)......................................... ±
0,15 К
разрежение перед (LFE) (EPI).............................................. ±
0,01 кПа
перепад давления на матрице (EDP) LFE........................... ±
0,0015 кПа
расход воздуха (Qs)................................................................ ±
0,5 %
разрежение (PPI) на входе CFV........................................... ±
0,02 кПа
температура на входе трубки Вентури (Tv)......................... ± 0,2 °С.
4.3.4 Оборудование должно быть установлено так, как
показано на рисунке Г.12
настоящего дополнения, и проверено на герметичность. Любая утечка на участке
между расходомером и трубкой Вентури будет значительно влиять на точность
калибровки.
4.3.5 Переменный ограничитель расхода устанавливают
в положение «Открыто», включают насос и дают системе стабилизироваться. Снимают
показания со всех приборов.
4.3.6 С помощью ограничителя регулируют расход и
снимают не менее восьми показаний расхода в пределах диапазона трубки Вентури.
4.3.7 Данные,
собранные в ходе калибровки, используют в нижеследующих расчетах. Расход
воздуха Qs в каждой точке испытания рассчитывают по данным
расходомера с использованием метода, предписанного изготовителем.
Для
каждой точки испытания рассчитывают коэффициент калибровки Kv
,
где Qs - расход,
м3/мин при 273,2 К и 101,33 кПа;
Tv
- температура на входе трубки Вентури, К;
Pv
- абсолютное давление на выходе трубки Вентури, кПа.
Строят
Kv
как функцию давления на входе трубки Вентури.
Для
звукового расхода показатель Kv
будет иметь сравнительно постоянное значение. По мере
снижения давления (увеличение вакуума) трубка Вентури становится «незапертой» и
показатель Kv
снижается. Такого рода изменения Kv
недопустимы.

1 - фильтр; 2 - переменный ограничитель потока; 3
- клапан регулирования колебаний; 4 - манометр; 5 - вакуумный
манометр; 6 - термометр
Рисунок
Г.12 - Порядок подсоединения приборов для калибровки CFV-CVS
Средний
показатель Kv
и стандартное отклонение рассчитывают не менее чем для
восьми точек в зоне критического расхода трубки Вентури.
Если
стандартное отклонение превышает 0,3 % среднего значения Kv, то необходимо
произвести корректировку.
1
Общая поверка системы
1 Для проверки соответствия требованиям 4.7 приложения Г общую точность системы
отбора проб CVS и аналитической
системы определяют введением известной массы газообразного вредного вещества в
систему, которая работает в режиме имитации обычного испытания с последующим
проведением анализа и расчета массы вредного вещества по формулам, которые
приведены в дополнении 8 к приложению Г, за исключением того, что в
расчетах используют плотность пропана 1,967 г/дм3 (г/л) при
нормальных условиях.
Следующие
два метода поверки обеспечивают достаточную степень точности.
2 Измерение постоянного расхода чистого газа (СО или С3Н8)
путем использования устройства с критическим расходом
2.1 Известное количество чистого газа (СО или С3Н8)
подают в систему CVS через калиброванное
критическое сопло. Если давление на входе достаточно высокое, то расход q, который устанавливают с помощью критического сопла, не зависит от
давления на выходе критического сопла (критический расход). Если при этом
отклонение превысит 5 %, необходимо установить причину неправильной работы
системы. Система CVS работает в режиме
имитации испытания по определению выбросов вредных веществ в течение 5 - 10
мин. Газ, собираемый в пробоотборную емкость, анализируют с помощью обычного
оборудования, результаты анализов сравнивают с расчетным значением концентрации
газа.
3 Измерение ограниченного количества чистого газа (СО или С3Н8)
с помощью гравиметрического метода
3.1 Для поверки системы CVS может быть использована гравиметрическая
процедура. Вес небольшого цилиндра, наполненного оксидом углерода либо пропаном,
определяют с точностью ± 0,01 г. Система CVS работает в режиме имитации обычного испытания на
выброс отработавших газов 5 - 10 мин., в течение которых в систему подается СО
или пропан. Количество использованного чистого газа определяют по разности
показаний взвешивания. Затем газ, собранный в пробоотборной емкости,
анализируют с помощью оборудования, обычно используемого для анализа
отработавших газов. После этого полученные результаты сравнивают с расчетным
значением концентрации.
1.1.1 Массу газообразных вредных веществ Mi, г/км, рассчитывают по формуле
,
где Vmix
- объем разбавленных отработавших газов, дм3 (л)/испытание,
приведенный к стандартным условиям (273,2 К и 101,33 кПа);
Qi - плотность газообразного вредного вещества i, г/дм3 (л), приведенная к стандартным
условиям (273,2 К и 101,33 кПа);
kh - коэффициент поправки на влажность, используемый
для расчета массы выделяемых оксидов азота. Поправку на влажность не применяют
для СН и СО;
Сi - концентрация газообразного вредного
вещества i
в разбавленных отработавших газах, млн-1, скорректированная на
количество газообразного вредного вещества i, содержащегося в разбавляющем воздухе;
d -
расстояние, пройденное во время испытания, км.
1.2 Определение объема
1.2.1 Расчет объема при использовании устройства
переменного разрежения с постоянным контролем расхода с помощью сопла или
трубки Вентури.
Постоянно
регистрируют параметры объемного расхода и рассчитывают общий объем для всего
времени испытания.
1.2.2 Расчет объема при использовании объемного
насоса.
Объем
разбавленных отработавших газов V, дм3 (л)/испытание, измеренный
в системах, включающих объемный насос, вычисляют по формуле
V
= V0 N,
где V0
- объем газа, приходящийся на один оборот объемного насоса при испытательных
условиях, литр на один оборот;
N
- число оборотов насоса за одно испытание.
1.2.3 Приведение объема разбавленных отработавших
газов к стандартным условиям.
Объем разбавленных отработавших газов Vmix на обычные условия корректируют по формуле
,
в
которой
,
где Рв
- барометрическое давление в испытательном помещении, кПа;
Р1 - разрежение на входе
объемного насоса, кПа, по отношению к окружающему барометрическому давлению;
Тр - средняя температура
разреженных отработавших газов на входе объемного насоса за время испытания, К.
1.3 Расчет скорректированной концентрации газообразных вредных веществ в
пробоотборной емкости
Концентрацию
Сi,
млн-1, газообразного вредного вещества i в разбавленном отработавшем газе
вычисляют по формуле
,
где Се -
измеренная концентрация газообразного вредного вещества i в разбавленных отработавших газах, млн-1;
Cd - концентрация газообразного вредного вещества i в используемом для разбавления воздуха, млн-1;
DF - коэффициент разбавления.
Коэффициент
разбавления рассчитывают следующим образом:
- для бензина и дизельного топлива:
;
- для СНГ:
;
- для КПГ:
,
где
- концентрация CO2
в разбавленных отработавших газах, содержащихся в
пробоотборной емкости, % (по объему);
ССH - концентрация СН в разбавленных отработавших
газах, содержащихся в пробоотборной емкости, млн-1 углеродного
эквивалента;
ССО - концентрация СО в
разбавленных отработавших газах, содержащихся в пробоотборной емкости, млн-1.
1.4 Определение коэффициента поправки на влажность
для NO
Для
корректировки воздействия влажности на результаты, полученные для оксидов
азота, применяют формулу
,
в
которой
,
где Н -
абсолютная влажность, 1 г воды на 1 кг сухого воздуха;
Ra
- относительная влажность окружающего воздуха, %;
Pd - упругость насыщенного водяного пара при температуре
окружающего воздуха, кПа;
Pв - атмосферное давление в помещении, кПа.
1.5 Пример
1.5.1 Данные
1.5.1.1 Окружающие условия:
температура
окружающего воздуха 23 °С (297,2 К);
барометрическое
давление Рв - 101,33 кПа;
относительная
влажность Ra
- 60 %;
упругость
насыщенного водяного пара при 23 °С: Pd
- 2,81 кПа.
1.5.1.2 Измеренный и приведенный к стандартным
условиям объем (см. раздел 1)
V - 51,961
м3.
1.5.1.3 Показания анализатора
|
Измеряемый
параметр |
Проба
разбавленных отработавших газов, содержащихся в пробоотборной емкости |
Проба
разбавляющего воздуха |
|
CH1) |
92 млн-1 |
3,0 млн-1 |
|
СО |
470 млн-1 |
0 |
|
NОx |
70 млн-1 |
0 |
|
СO2 |
1,6 % (по объему) |
0,03 % (по объему) |
|
1) В млн-1 углеродного эквивалента. |
||
1.5.2 Расчет
1.5.2.1 Коэффициент поправки на влажность kh:
,
,
H = 10,5092;
,
,
kh = 0,9934.
1.5.2.2 Коэффициент разбавления DF:
,
,
DF = 8,091.
1.5.2.3 Расчет скорректированной концентрации
газообразных вредных веществ в пробоотборной емкости:
СН, масса выбросов
,
,
Сi = 89,371,
,
,
QCH
= 0,619 для бензина или дизельного топлива,
QCH = 0,649 для СНГ,
QCH = 0,714 для ПГ,
,
![]()
СО,
масса выбросов
,
QCO = 1,25
,
.
NOx, масса выбросов
,
= 2,05
,
.
2 Специальные положения для транспортных средств,
оснащенных двигателями с воспламенением от сжатия
2.1 При расчете выделенной массы СН для двигателей
с воспламенением от сжатия среднюю концентрацию СН определяют по формуле
,
где
- интеграл
показаний нагретого анализатора FID
в ходе испытания (t2
- t1);
Се
- измеренная концентрация СН в разбавленных газах, млн-1
Сi,
непосредственно заменяет CCH во всех
соответствующих уравнениях.
2.2 Определение вредных частиц
Выбросы
вредных частиц Мр, г/км, рассчитывают по формуле
,
если пробы газов
выводят за пределы туннеля, или
,
если пробы газов
возвращаются в туннель,
где Vmix - объем разбавленных
отработавших газов (см. 1.1),
приведенный к стандартным условиям, л (дм3);
Vер
- объем разбавленных отработавших газов, прошедший через фильтры улавливания
вредных частиц, приведенный к стандартным условиям, л (дм3);
Ре
- масса вредных частиц, задержанных фильтром, г;
d -
расстояние, соответствующее испытательному циклу, км;
Мр
- выброс вредных частиц, г/км.
Д.1
Введение
В
настоящем приложении приведен метод испытания типа II, определенного в 5.3.2 настоящего стандарта.
Д.2
Условия проведения измерений
Д.2.1
В качестве топлива используют эталонное топливо, характеристики которого
приведены в приложении Л.
Д.2.2
В ходе испытания температура окружающей среды должна быть 293 - 303 К (20 - 30
°С). Двигатель прогревают до тех пор, пока температура охлаждающей жидкости и
масла, а также давление в системе смазки не будут стабилизированы.
Д.2.2.1
Транспортные средства, работающие на бензине, СНГ или ПГ, подвергают испытаниям
с использованием эталонного(ых) топлива(топлив), установленного(ых) для
испытаний типа I.
Д.2.3
При испытаниях транспортных средств, оборудованных коробкой передач с ручным
или полуавтоматическим переключением скоростей, рычаг переключения
устанавливают в нейтральное положение при включенном сцеплении.
Д.2.4
При испытаниях транспортных средств, оборудованных автоматической коробкой
передач, селектор устанавливают в нейтральное положение или положение
«парковка».
Д.2.5
Элементы для регулирования частоты вращения двигателя на холостом ходу
Д.2.5.1
Определение
элементы
для регулирования частоты вращения двигателя на холостом ходу: Приспособления
для изменения режима холостого хода двигателя, которыми легко можно
манипулировать, пользуясь лишь инструментами, указанными в Д.2.5.1.1.
В частности, регулировочными элементами не считают дозирующие устройства
расхода топлива и воздуха, если их регулирование требует снятия пломб или
ограничителей упоров, что, как правило, невозможно без вмешательства
профессионального механика.
Д.2.5.2
Определение точек измерения
Д.2.5.2.1
Вначале проводят измерения при регулировке, соответствующей требованиям
изготовителя.
Д.2.5.2.3 Содержание оксида углерода в
отработавших газах измеряют при всех возможных положениях регулировочных
элементов, однако для элементов с непрерывным регулированием следует принимать
во внимание лишь положения, указанные в Д.2.5.2.2.
Д.2.5.2.4
Результаты испытания типа II
считают удовлетворительными, если выполнены оба или одно из двух следующих
условий:
Д.2.5.2.4.1
ни одно из значений, полученных в соответствии с Д.2.5.2.3, не превышает
предельного значения;
Д.2.5.2.4.2
максимальное содержание, полученное при непрерывном регулировании одного из
регулировочных элементов и стабильном положении других элементов, не превышает
предельного значения, причем это условие должно выполняться при различных
комбинациях регулировочных элементов, кроме элемента, который регулировался
непрерывно.
Д.2.5.2.5
Возможные положения регулировочных элементов ограничивают:
Д.2.5.2.5.1
с одной стороны, большим из двух следующих значений: самой низкой
частоты вращения, которая может быть достигнута при работе двигателя на
холостом ходу, и частоты вращения, рекомендованной изготовителем, минус 100 мин-1.
Д.2.5.2.5.2
с другой стороны, наименьшим из трех следующих значений:
- наиболее высокой частоты вращения, которая может
быть достигнута регулировкой элементов холостого хода;
- частоты вращения, рекомендованной изготовителем,
плюс 250 мин-1;
- скоростью включения автоматического сцепления.
Д.2.5.2.6
Положения регулировочных элементов, несовместимые с правильной работой
двигателя, не следует принимать в качестве точек измерения. В частности, если
двигатель оснащен несколькими карбюраторами, все карбюраторы должны быть
одинаково отрегулированы.
Д.3
Отбор проб газов
Д.3.1
Пробоотборный зонд вводят в трубу, соединяющую выпускную трубу транспортного
средства с системой пробоотбора, на глубину не менее 300 мм как можно ближе к
выпускной трубе транспортного средства.
Д.3.2 Концентрации СО(СCO) и СО2(
) определяют по показаниям измерительного прибора с
использованием соответствующей калибровочной кривой.
,
Д.3.4
Концентрация СCO
(см. Д.3.2),
вычисленная по формуле, содержащейся в Д.3.3, не нуждается в
корректировании, если суммарное значение измеренных концентраций (СCO +
) равно, по крайней мере:
- для бензина - 15 %;
- для СНГ - 13,5 %;
- для ПГ - 11,5 %.
(Схема испытания представлена на рисунке Е.1)
Е.1
Введение
В
настоящем приложении приведена методика проведения испытания типа III, определенного в 5.3.3 настоящего стандарта.
Е.2
Общие требования
Е.2.1
Испытанию типа III
подвергают транспортные средства, оснащенные двигателями с принудительным
зажиганием, которые были подвергнуты испытаниям типа I и типа II.
Е.2.2
Испытанию подвергают двигатели с надежным уплотнением, за исключением
двигателей, в которых даже при наличии незначительной утечки газов возникают
недопустимые отклонения, влияющие на их работу (например двигатели с двумя
горизонтально расположенными противолежащими цилиндрами).
Е.3
Условия проведения испытаний
Е.3.1
Холостой ход регулируют в соответствии с рекомендациями изготовителя.
Е.3.2 Измерения проводят при следующих
режимах работы двигателя:
|
Номер режима |
Скорость
транспортного средства, км/ч |
|
1 |
Холостой ход |
|
2, 3 |
50 ± 2 на третьей скорости или в режиме D (автоматический
режим коробки переключения передач) |
|
Номер режима |
Мощность, поглощаемая тормозом |
|
1 |
Не поглощается |
|
2 |
Мощность, соответствующая регулировке
для испытаний типа I при 50 км/ч |
|
3 |
Мощность, соответствующая режиму 2,
умноженная на коэффициент 1,7 |
1 - регулирующий клапан; 2 - вентиляционное
отверстие; а - прямая рециркуляция при слабом разрежении; b - непрямая рециркуляция при слабом разрежении; с -
прямая двухканальная рециркуляция; d - вентиляция картера с применением регулирующего клапана (камера должна
быть присоединена к вентиляционному отверстию); i - соединение отводной трубки и камеры
Рисунок Е.1 -
Схема испытания типа III
Е.4
Метод испытания
Е.4.1
Для указанных в Е.3.2 режимов проверяют надежную работу
вентиляционной системы картера.
Е.5
Метод проверки вентиляционной системы картера
Е.5.1
Отверстия двигателя должны оставаться в исходном положении.
Е.5.2
Давление внутри картера измеряют через отверстие щупа уровня масла при помощи
манометра с наклонной трубкой.
Е.5.3
Транспортное средство считают соответствующим требованиям, если при каждом из
режимов, определенных в Е.3.2, давление, измеренное в картере, не
превышает атмосферного в момент измерения.
Е.5.4
При испытании, проводимом в соответствии с описанным выше методом, давление во
впускном коллекторе измеряют с точностью ± 1 кПа.
Е.5.5
Скорость транспортного средства, указываемую динамометрическим стендом,
измеряют с точностью ± 2 км/ч.
Е.5.6
Давление в картере измеряют с точностью ± 0,01 кПа.
Е.5.7
Если при каком-либо из режимов, упомянутых в Е.3.2, измеренное в картере
давление превышает атмосферное, то при наличии соответствующего запроса
изготовителя проводят дополнительное испытание, определение которого дается в
разделе Е.6.
Е.6 Метод дополнительного испытания
Е.6.1 Отверстия двигателя должны оставаться в
исходном положении.
Е.6.2
К отверстию щупа уровня масла подсоединяют непроницаемую для картерных газов
эластичную емкость вместимостью около 5 дм3 (л). Перед каждым
измерением эта камера должна быть порожней.
Е.6.3
Перед каждым измерением камеру перекрывают. Ее открывают в сторону картера на 5
мин для каждого режима измерения, упомянутого в Е.3.2.
Е.6.4 Транспортное средство считают выдержавшим
испытание, если при каждом из упомянутых в 3.2
режимов измерений не наблюдается видимого надувания емкости.
Е.6.5
Примечания
Е.6.5.1
Если конструкция двигателя такова, что нет возможности провести испытание в
соответствии с методами, указанными в Е.6.1 - Е.6.4,
то измерения проводят в соответствии с настоящей методикой с изменениями Е.6.5.2, Е.6.5.3.
Е.6.5.2 До испытания все отверстия, за
исключением отверстий, необходимых для отбора газов, перекрывают;
Е.6.5.3 Емкость располагают на соответствующем
отводе, который не вызывает дополнительных потерь давления, и подсоединяют к контуру
рециркуляции непосредственно у отверстия для отсасывания газов из картера.
Ж.1
Введение
Метод
проведения испытания типа IV
в соответствии с 5.3.4 настоящего стандарта.
Эта
процедура касается метода определения утечки углеводородов в результате
испарения в топливных системах на транспортных средствах, оснащенных
двигателями с принудительным зажиганием.
Ж.2
Описание испытания
Ж.2.1
Испытание на выбросы в результате испарения (рисунок Ж.1) предназначено для определения объема выбросов углеводородов
в результате испарения под воздействием суточных колебаний температуры, утечки
в процессе стоянки транспортного средства, выбросов из прогретого (после
движения) в результате горячего насыщения в процессе стоянки транспортного
средства и вождения его в городских условиях. Испытание включает следующие
этапы:
- подготовку к испытанию, в том числе выполнение
городского (первая часть) и внегородского (вторая часть) ездовых циклов;
- определение утечки в результате горячего
насыщения;
- определение суточных испарений.
Ж.2.2
Для получения общего результата испытания необходимо сложить массы утечки
углеводородов в результате горячего насыщения и суточных испарений.
Ж.3
Транспортное средство и топливо
Ж.3.1
Транспортное средство
Ж.3.1.1
Транспортное средство должно быть в исправном состоянии; оно должно быть
обкатанным с пробегом не менее 3000 км до начала испытания. В течение этого
периода система контроля за выбросами в результате испарения должна быть
подсоединена и исправно функционировать, угольный(ые) адсорбер(ы)
должен(должны) функционировать в нормальном режиме, не подвергаясь ни
чрезмерной продувке, ни чрезмерной загрузке.
Примечание - Выбросы
вредных веществ с отработавшими газами могут быть определены при выполнении
ездового цикла испытания типа I, однако эти
измерения не могут быть использованы для целей сертификации. Для целей
сертификации проводят отдельные испытания.
Рисунок
Ж.1 - Определение выбросов в результате испарения

Ж.3.2
Топливо
Ж.3.2.1
При испытании используют соответствующее эталонное топливо, указанное в
приложении Л.
Ж.4
Оборудование для испытания на выбросы в результате испарения
Ж.4.1
Динамометрический стенд
Требования
к динамометрическому стенду приведены в приложении Г.
Ж.4.2
Камера для измерения выбросов в результате испарения
Камера
для измерения выбросов в результате испарения представляет собой
газонепроницаемый корпус прямоугольной формы, способный вместить испытуемое транспортное
средство, при этом к транспортному средству должен быть доступ с любой стороны.
Когда камера герметично закрыта, она должна быть газонепроницаемой в
соответствии с дополнением 1 к настоящему приложению. Внутренняя облицовка
камеры должна быть непроницаемой и не взаимодействующей с углеводородами.
Система контроля температуры должна обеспечивать поддержание внутренней
температуры воздуха в камере в соответствии с заданным графиком на протяжении всего
испытания со средним допуском ± 1 К.
Систему
контроля настраивают для поддержания плавной кривой изменения температуры
воздуха в камере с минимальными перепадами, колебаниями и изменениями на
протяжении требуемого длительного режима работы. Температура внутренней
поверхности камеры должна быть не менее 278 К (5 °С) и не более 328 К (55 °С) в
любой момент суточного испытания на испарения.
Стенки
должны быть сконструированы так, чтобы способствовать хорошему отводу тепла.
При испытаниях по определению выбросов в результате горячего насыщения
температура внутренней поверхности камеры должна быть не менее 293 К (20 °С) и
не более 325 К (52 °С).
Для
компенсации изменений объема, вызванных изменением температуры в камере, можно
использовать камеру с изменяющимся объемом или камеру с неизменным объемом.
Ж.4.2.1
Камера с изменяющимся объемом
Камера
с изменяющимся объемом расширяется и сжимается в зависимости от изменения
температуры воздушной массы в камере. Двумя возможными средствами компенсации
изменения внутреннего объема служит подвижная(ые) панель(и) либо система с
мешком(ами), в которой расширяется(ются) и сжимается(ются) непроницаемый(е)
мешок(ки) в зависимости от изменения внутреннего давления за счет воздухообмена
(мешков) с наружным воздухом. Любая конструкция, предназначенная для
компенсации изменения объема, должна обеспечивать целостность камеры, как это
указано в дополнении 1 к настоящему приложению, в установленном
температурном диапазоне.
При
любом методе компенсации объема разность между внутренним давлением в камере и
барометрическим давлением не должна превышать плюс 5 кПа.
Конструкция
камеры должна предусматривать возможность приведения к фиксированному объему.
Камера с изменяющимся объемом должна обеспечивать изменения объема порядка плюс
7 % по отношению к ее номинальному объему (см. 2.1.1 дополнения 1 к настоящему приложению) с
учетом изменения температур и атмосферного давления в ходе испытания.
Ж.4.2.2
Камера с неизменным объемом
Камера
с неизменным объемом должна быть изготовлена из жестких панелей, сохраняющих
установленный объем камеры, и соответствовать требованиям Ж.4.2.2.1 - Ж.4.2.2.2.
Ж.4.2.2.1 Камера должна быть оборудована
приспособлением, которое медленно и постоянно отводит поток воздуха из камеры в
течение всего испытания. Приспособление, предназначенное для ввода потока
воздуха в камеру, может нагнетать кондиционированный воздух для компенсации
выходящего из камеры потока при помощи внешнего воздуха. Нагнетаемый воздух
фильтруется активированным углеродом для обеспечения относительно постоянного
уровня углеводородов. Любой метод компенсации объема должен способствовать
сохранению разности внутреннего давления в камере и барометрического давления в
диапазоне между 0 и минус 5 кПа.
Ж.4.2.2.2 Применяемое оборудование должно
обеспечивать возможность измерения массы углеводородов в нагнетаемом и
выходящем из камеры потоках воздуха с разрешающей способностью 0,01 г. Для
отбора пропорциональной пробы воздуха, выходящего из камеры и поступающего в
нее, может быть использована система отбора в емкость. В качестве альтернативы
нагнетаемый и выходящий потоки воздуха могут постоянно анализироваться с
использованием анализатора типа FID,
работающего в непрерывном режиме, одновременно с измерением расходов, чтобы
обеспечить непрерывную регистрацию массы удаляемых из камеры углеводородов.
Ж.4.3
Система анализа
Ж.4.3.1
Анализатор углеводородов
Ж.4.3.1.1
Воздух внутри камеры контролируют с помощью анализатора углеводородов
пламенно-ионизационного типа (FID).
Пробу газов отбирают в центре боковой стенки или крыши камеры, а всякий
байпасный поток вновь направляют в камеру, предпочтительно в точку,
расположенную непосредственно под смешивающим вентилятором.
Ж.4.3.1.2
Отклик анализатора - время достижения 90 % измеряемой величины должно быть
менее 1,5 с. Стабильность показаний анализатора должна быть более ± 2 %
максимального значения в области нулевой точки, а также точки, соответствующей
значению (80 ± 20) % максимального значения диапазона в течение 15 мин для всех
рабочих диапазонов.
Ж.4.3.1.3
Воспроизводимость показаний анализатора, выражаемая в виде одного стандартного
отклонения, не должна превышать ± 1 % максимального значения в области нулевой
точки, а также точки, соответствующей значению (80 ± 20) % максимального
диапазона всех используемых диапазонов.
Ж.4.3.1.4
Рабочие диапазоны анализатора выбирают таким образом, чтобы получить наилучшее
разрешение с учетом процедур измерений, калибровки и контроля утечек.
Ж.4.3.2
Система регистрации данных анализатора углеводородов.
Ж.4.3.2.1
Анализатор углеводородов должен быть оборудован устройством регистрации
выходных электрических сигналов с частотой не менее одного раза в минуту с
помощью ленточного самописца или другой системы обработки данных. Рабочие
характеристики регистрирующего устройства должны быть эквивалентны
регистрируемым сигналам при непрерывной регистрации результатов. Такая
регистрация должна ясно показывать точки начала и окончания испытания на
горячее насыщение или суточного испытания на выбросы (включая моменты начала и
окончания отбора проб на анализ, а также период времени от начала до завершения
каждого испытания).
Ж.4.4 Подогрев топливного бака (только при использовании фильтра,
предназначенного для улавливания паров бензина)
Ж.4.4.1
Топливо в баке (баках) должно подогреваться с использованием одного источника
тепла с регулируемой мощностью; для этой цели используют, например,
электроодеяло мощностью 2000 Вт. Система подогрева должна равномерно передавать
тепло стенкам бака ниже уровня топлива, не вызывая при этом перегрева топлива в
каком-либо месте. Тепло не должно передаваться парам, содержащимся в баке над
уровнем топлива.
Ж.4.4.2
Устройство подогрева топливного бака должно обеспечивать однородное нагревание
содержащегося в баке топлива таким образом, чтобы его температура, начиная с
289 К (16 °С), повышалась на 14 К за 60 мин, при этом температурный датчик
должен быть расположен так, как указано в Ж.5.1.1. Система подогрева
должна обеспечивать поддержание температуры топлива в пределах ± 1,5 К по
сравнению с заданной температурой в течение периода подогрева топливного бака.
Ж.4.5
Регистрация температур
Ж.4.5.1
Температуру в камере измеряют в двух точках с помощью температурных датчиков,
подсоединенных таким образом, чтобы показывать среднее значение. Точки
измерения находятся внутри камеры на расстоянии приблизительно 0,1 м от ее
стенок на вертикальной оси симметрии каждой боковой стенки и на высоте (0,9 +
0,2) м.
Ж.4.5.2
Температуру в топливном(ых) баке(ах) регистрируют с помощью датчика(ов), установленного(ых)
в топливном(ых) баке(ах) в соответствии с требованиями Ж.5.1.1 при использовании
опции загрузки адсорбера по Ж.5.1.5.
Ж.4.5.3
Для всех измерений выбросов в результате испарения регистрация температуры или
ввод ее значений в систему обработки данных должен быть с частотой не менее
одного раза в минуту.
Ж.4.5.4
Система регистрации температур должна функционировать с точностью ± 1,0 К и
разрешающей способностью 0,4 К.
Ж.4.5.5
Регистрация, осуществляемая системой обработки данных, должна позволять
определять время с точностью ± 15 с.
Ж.4.6
Регистрация давлений
Ж.4.6.1
В процессе проведения измерений объема выбросов в результате испарения следует
регистрировать или вводить в систему обработки данных с периодичностью не менее
одного раза в минуту разность Δр барометрического давления в
помещении для проведения испытаний и внутреннего давления в камере.
Ж.4.6.2
Система регистрации давления должна функционировать с точностью ± 2 кПа и
разрешающей способностью ± 0,2 кПа.
Ж.4.6.3
Система регистрации или обработки данных должна позволять определять время с
точностью до ±15 с.
Ж.4.7.1
Один или несколько вентиляторов или насосов должны обеспечивать возможность
снижения концентрации углеводородов внутри камеры до уровня концентрации в
окружающем воздухе при открытых дверях камеры.
Ж.4.7.2
Камера должна быть оборудована одним или несколькими вентиляторами или насосами
производительностью 0,1 - 0,5 м3/мин для обеспечения должного уровня
перемешивания воздуха в камере. Во время измерений должно быть обеспечено
равномерное распределение температур и концентраций углеводородов в камере.
Транспортное средство, помещенное в камеру, не должно подвергаться прямому
воздействию потока воздуха, нагнетаемого вентиляторами или насосами.
Ж.4.8
Газы
Ж.4.8.1
Для функционирования и калибровки оборудования должны быть использованы
следующие чистые газы:
- очищенный синтетический воздух (чистота < 1
млн-1 эквивалента С1, £ 1 млн-1 СО, £ 400 млн-1
СО2, £ 1 млн-1 NО; объемная доля кислорода 18
% - 21 %);
- топливный газ для анализатора углеводородов (40 ±
2) % водорода; остальная часть - гелий с предельной
концентрацией 1 млн-1 углеводородов в эквиваленте С1 и
предельной концентрацией 400 млн-1 СО2;
- пропан (С3Н8) минимальной
чистотой 99,5 %;
- бутан (С4Н10) минимальной
чистотой 98 %;
- азот (N2) минимальной
чистотой 98 %.
Ж.4.8.2
Газы для калибровки и измерения должны состоять из смеси пропана (С3Н8)
и очищенного синтетического воздуха. Истинная концентрация калибровочного газа
должна соответствовать номинальному значению с точностью ± 2 %. Точность
концентрации разбавленных газов, полученных с помощью газового делителя, должна
быть в пределах ± 2 % истинного значения. Значения концентрации, указанные в
дополнении 1,
могут быть также получены с помощью газового делителя с использованием
синтетического воздуха в качестве разбавляющего газа.
Ж.4.9
Дополнительное оборудование
Ж.4.9.1
Абсолютную влажность в зоне проведения испытания измеряют с точностью ±5 %.
Ж.5.1
Подготовка испытания
Ж.5.1.1 Транспортное средство подготавливают к
испытанию следующим образом:
- выпускная система транспортного средства не
должна допускать утечки;
- перед испытанием может быть произведена паровая
очистка транспортного средства;
-при использовании опции загрузки адсорбера (Ж.5.1.5) топливный бак транспортного средства должен быть
оснащен температурным датчиком, позволяющим измерять температуру в точке,
находящейся в центре объема топлива, содержащегося в баке(ах), когда он (они)
наполнен(ы) на 40 % своей вместимости;
- могут быть установлены дополнительные
соединительные элементы и переходные устройства, позволяющие осуществить полное
опорожнение топливного бака. Для этого не обязательно изменять оболочку
топливного бака;
- изготовитель может предложить соответствующий
метод проведения испытания для определения испарений углеводородов только из
топливной системы транспортного средства.
Ж.5.1.2
Транспортное средство устанавливают в испытательное помещение, в котором
температура окружающего воздуха поддерживается в пределах 293 - 303 К (20 °С -
30 °С).
Ж.5.1.3
Должна быть подтверждена наработка адсорбера(ов) на старение. Это можно
подтвердить, выполнив пробег автомобиля (с адсорбером) в объеме не менее 3000
км. Если таких подтверждений не представлено, то используют процедуру,
приведенную в Ж.5.1.3.1 - Ж.5.1.3.11. Если речь
идет о системе, состоящей из нескольких адсорберов, то эту процедуру применяют
к каждому из адсорберов отдельно.
Ж.5.1.3.2
Проверяют вес адсорбера.
Ж.5.1.3.4 Температура топлива в топливном баке
должна быть 183 - 287 К (10 °С - 14 °С).
Ж.5.1.3.5
Топливный бак (внешний) нагревают с 288 до 318 К (с 15 °С до 45°С) (температуру
повышают на 1 °С каждые 9 мин).
Ж.5.1.3.6
Если проскок через адсорбер происходит до того, как температура достигнет 318 К
(45 °С), то источник тепла отключают. Затем адсорбер взвешивают. Если в
процессе нагревания до 318 К (45 °С) проскока
через адсорбер не происходит, то повторяют процедуру по Ж.5.1.3.3 до тех
пор, пока проскок не произойдет.
Ж.5.1.3.7
Проскок может быть установлен таким образом, как это указано в Ж.5.1.5
и Ж.5.1.6,
или при помощи других методов отбора проб и анализа, позволяющих обнаружить
выброс углеводородов из адсорбера при проскоке через него.
Ж.5.1.3.8
Производят продувку адсорбера воздухом с расходом (25 ± 5) дм3
(л)/мин до тех пор, пока воздухообмен не достигнет 300 объемов адсорбера.
Ж.5.1.3.9 Проверка веса адсорбера.
Ж.5.1.3.10
Процедуру, описанную в Ж.5.1.3.4 - Ж.5.1.3.9, повторяют
девять раз. Данное испытание может быть завершено раньше - после проведения не
менее трех циклов обработки, если вес адсорбера после окончания последних
циклов стабилизируется.
Ж.5.1.4
Один из методов, указанных в Ж.5.1.5 и Ж.5.1.6, используют с целью
предварительной подготовки адсорбера. Для транспортных средств, имеющих
несколько адсорберов, каждый из них подготавливают отдельно.
Ж.5.1.4.1
Проводят измерение выбросов из адсорбера для выявления проскока.
Под
проскоком в данном случае имеют в виду момент, когда общий вес выбрасываемых
углеводородов достигает 2 г.
Ж.5.1.4.2 Проскок может быть
выявлен с использованием камеры для измерения выбросов в результате испарения,
описанной в Ж.5.1.5
и Ж.5.1.6.
В качестве альтернативного варианта проскок может быть определен с
использованием вспомогательного адсорбера, установленного последовательно после
штатного адсорбера транспортного средства. Перед загрузкой вспомогательный
адсорбер продувают сухим воздухом.
Ж.5.1.4.3
Измерительную камеру продувают в течение нескольких минут непосредственно перед
испытанием до тех пор, пока не стабилизируется фон. В это время должен (должны)
быть включен(ы) вентилятор(ы), перемешивающий(ие) воздух.
Углеводородный
анализатор должен быть установлен на нулевое значение и калиброван
непосредственно перед испытанием.
Ж.5.1.5
Загрузка адсорбера при помощи повторяющихся циклов нагрева до проскока
Ж.5.1.5.1
Топливный(ые) бак(и) опорожняют при помощи сливного(ых) отверстия(ий), предусмотренного(ых)
для этой цели. Необходимо следить за тем, чтобы не допустить излишней продувки
и излишнего нагружения устройств контроля за испарениями, установленных на
транспортном средстве. Для этой цели, как правило, достаточно снять пробку(ки)
топливного(ых) бака(ов).
Ж.5.1.5.2
Топливный(ые) бак(и) вновь наполняют топливом, предусмотренным для испытания,
при температуре 283 - 287 К (10 °С - 14 °С) на 40+2 % номинальной
емкости бака(ов). Пробка(ки) бака(ов) должна(ы) быть в данный момент
закрыта(ы).
Ж.5.1.5.3
В течение 1 ч после повторной заливки топливом транспортное средство с
выключенным двигателем помещают в камеру для измерения испарений. Датчик,
используемый для измерения температуры топлива в баке, подсоединяют к системе
регистрации температуры. Источник тепла устанавливают надлежащим образом по
отношению к топливному(ым) баку(ам) и подсоединяют к устройству контроля
температуры. Источник тепла описан в Ж.4.4. Для транспортных
средств, оснащенных двумя или более топливными баками, все топливные баки
нагревают указанным далее способом. Температура топлива в топливных баках
должна быть одинаковой с допуском ± 1,5 К.
Ж.5.1.5.4
Топливо может быть подогрето искусственным образом до начальной дневной температуры
293 К (20 °С) ± 1 К.
Ж.5.1.5.5
Когда температура топлива достигает 292 К (19 °С) ± 1 К, немедленно
предпринимают следующие шаги: отключают продувочный вентилятор, закрывают и
герметизируют двери камеры, начинают измерение уровня углеводородов в камере.
Ж.5.1.5.6
Как только температура топлива в баке достигнет 293 К (20 °С) ± 1 К, начинается
этап линейного увеличения температуры на 15 К (15 °С). Нагрев топлива должен
осуществляться по закону, описываемому приведенной ниже функцией с точностью ±
1,5 К. Проводят регистрацию увеличения температуры и времени
Тr = Т0 +
0,233 t,
где Тr
- требующееся значение температуры, К ;
Т0 - первоначальная температура, К;
t - время, прошедшее с начала увеличения температуры
в баке, мин.
Ж.5.1.5.7
Сразу же после возникновения проскока или после того, как температура топлива
достигнет 308 К (35 °С), - в зависимости от того, какое из этих условий будет
выполнено первым, - источник тепла отключают, двери камеры разгерметизируют и
открывают, а крышку(и) топливного(ых) бака(ов) снимают. Если проскок не
наступает к тому времени, когда температура достигает 308 К (35 °С), то
источник тепла снимают с транспортного средства и всю процедуру согласно Ж.5.1.7
повторяют до тех пор, пока не наступит проскок.
Ж.5.1.6 Загрузка бутаном до проскока
Ж.5.1.6.1
Если для выявления проскока используют камеру, то транспортное средство с
выключенным двигателем (Ж.5.1.4.2)
помещают в камеру, используемую для определения объема выбросов в результате
испарения.
Ж.5.1.6.2
Адсорбер подготавливают к операции по загрузке. Адсорбер не извлекают из
транспортного средства, если доступ к нему в его нормальном положении не
ограничен до такой степени, что загрузка может быть надлежащим образом
произведена только посредством его извлечения из транспортного средства. Особое
внимание на данном этапе должно быть уделено недопущению повреждения элементов
топливной системы и нарушения ее целостности.
Ж.5.1.6.3
Адсорбер заполняют смесью, состоящей по объему на 50 % из бутана и 50 % из
азота с расходом 40 г бутана в час.
Ж.5.1.6.4
Как только через адсорбер происходит проскок, источник углеводородов
перекрывают.
Ж.5.1.6.5
Затем восстанавливают исходные подсоединения адсорбера и транспортное средство
приводят в рабочее состояние.
Ж.5.1.7 Слив топлива и повторная заправка
Ж.5.1.7.1
Топливный(ые) бак(и) опорожняют при помощи сливного(ых) отверстия(ий),
предусмотренного(ых) для этой цели. Следует, однако, следить за тем, чтобы не
допустить излишней продувки или излишнего нагружения устройств контроля за
испарением, установленных на транспортном средстве. Для этой цели, как правило,
достаточно снять пробку(ки) топливного(ых) бака(ов).
Ж.5.1.7.2
Топливный(ые) бак(и) вновь наполняют топливом, предусмотренным для испытания,
при температуре 291 ± 8 К (18 ± 8) °С на 40+2 % номинальной емкости
бака(ов). Пробка(ки) бака(ов) должна(ы) быть после этого закрыта(ы).
Ж.5.2
Подготовительный заезд
Ж.5.2.1
В течение 1 ч с момента загрузки адсорбера в соответствии с Ж.5.1.5
или Ж.5.1.6 транспортное средство
устанавливают на динамометрический стенд и производят один ездовой цикл первой
части и два ездовых цикла второй части испытания типа I, предусмотренного в приложении Г. В
ходе этой операции пробы выбросов вредных веществ не отбирают.
Ж.5.3
Кондиционирование
Ж.5.3.1
В течение 5 мин. после завершения предварительного заезда в соответствии с
Ж.5.2.1 полностью закрывают капот двигателя; транспортное средство убирают с
динамометрического стенда и помещают в зону кондиционирования (выдержки), где
его выдерживают не менее 12 и не более 36 ч. По истечении этого периода
температура моторного масла и охлаждающей жидкости должна быть равна
температуре окружающей среды в зоне кондиционирования ± 3 К от этой
температуры.
Ж.5.4
Испытание на динамометрическом стенде
Ж.5.4.1 После завершения периода
кондиционирования проводят полное ездовое испытание типа I, описанное в приложении Г
(испытание в рамках городского и внегородского циклов с запуском холодного
двигателя), затем двигатель отключают. В ходе этой процедуры может быть
произведен отбор проб отработавших газов, но его результаты не используют для
целей сертификации в отношении выбросов вредных веществ с отработавшими газами.
Ж.5.4.2
В течение 2 мин. после завершения ездового испытания типа I (Ж.5.4.1)
проводят еще один предварительный ездовой цикл, состоящий из одного городского
цикла испытания (с запуском разогретого двигателя) типа I. Затем двигатель вновь отключают. В ходе
этой процедуры нет необходимости в отборе проб выбросов отработавших газов
Ж.5.5
Испытание по определению испарений при горячем насыщении
Ж.5.5.1
До завершения ездового цикла измерительную камеру необходимо продуть в течение
нескольких минут, пока не будет получена устойчивая фоновая концентрация
углеводородов. Вентилятор(ы)-смеситель(и) в камере должен(ы) также быть
включен(ы).
Ж.5.5.2
Анализатор углеводородов тарируют непосредственно перед испытанием.
Ж.5.5.3
При завершении ездового цикла капот двигателя закрывают и разъединяют все
соединения между транспортным средством и испытательным стендом. Транспортное
средство при работающем двигателе подгоняют к измерительной камере, в
минимальной степени используя педаль акселератора. Двигатель отключают до
помещения транспортного средства в измерительную камеру. Время остановки
двигателя отмечается системой регистрации камеры, и начинается регистрация
температуры. В этот момент открывают, если они еще не открыты, окна и багажник
транспортного средства.
Ж.5.5.4
Транспортное средство с остановленным двигателем вталкивают или перемещают
каким-либо иным способом в измерительную камеру.
Ж.5.5.5
Двери камеры герметично закрывают через 2 мин. после остановки двигателя и не
позднее чем через 7 мин. после завершения ездового цикла.
Ж.5.5.6
Отсчет времени горячего насыщения, равного (60 ± 0,5) мин., начинается с
момента герметизации камеры. Затем измеряют концентрацию углеводородов,
температуру и барометрическое давление для получения начальных значений
, Pi
и Ti
для испытания на горячее насыщение. Эти значения используют для расчета выбросов
в результате испарения (раздел Ж.6). В ходе испытания на горячее насыщение
температура окружающей среды в камере не должна опускаться ниже 296 К (23 °С) и
подниматься выше 304 К (31 °С) в течение 60 мин.
Ж.5.5.7
Непосредственно перед истечением времени испытания тарируют анализатор
углеводородов.
Ж.5.5.8
По завершении периода испытаний, равного 60+0,5 мин., измеряют
концентрацию углеводородов в камере, а также температуру и барометрическое
давление. Таким образом получают соответствующие окончательные значения
, Pf
и Tf
для испытания на горячее насыщение, которые затем используют в расчетах,
указанных в разделе Ж.6.
Ж.5.6
Кондиционирование
Ж.5.6.1
Испытуемое транспортное средство вталкивают или иным способом перемещают в зону
кондиционирования без использования двигателя и выдерживают в этой зоне не
менее 6 и не более 36 ч в период между окончанием испытания на горячее
насыщение и началом испытания на суточные испарения. Не менее 6 ч в течение
этого периода транспортное средство выдерживают при температуре (293 ± 2) К (20
± 2) °С.
Ж.5.7
Испытание на суточные испарения
Ж.5.7.1 Испытуемое транспортное средство
подвергают одному циклу изменения окружающей температуры в соответствии с
графиком, указанным в дополнении 2
к настоящему приложению, чтобы максимальное отклонение от заданной графиком
составляло в любое время ± 2 К. Среднее отклонение температуры, рассчитанное с
использованием абсолютного значения каждого измеренного отклонения, не должно
быть более ± 1 К. Температуру окружающей среды измеряют не реже одного раза в
минуту.
Термоциклирование
начинается, когда время Тstart = 0, как указано в Ж.5.7.6.
Ж.5.7.2
Непосредственно перед проведением испытания измерительную камеру продувают в
течение нескольких минут до тех пор, пока не стабилизируется фоновая
концентрация углеводородов. В это время также должен(ы) быть включен(ы)
установленный(ые) в камере смешивающий(ие) вентилятор(ы).
Ж.5.7.3
Испытуемое транспортное средство с выключенным двигателем и открытыми окнами и
багажником перемещают в измерительную камеру. Смешивающий(ие) вентилятор(ы)
регулируют таким образом, чтобы он(и) мог(ли) поддерживать минимальную скорость
циркуляции воздуха 8 км/ч под топливным баком испытуемого транспортного
средства.
Ж.5.7.4
Анализатор углеводородов тарируют (по нулевой точке и диапазону)
непосредственно перед проведением испытания.
Ж.5.7.5
Двери камеры закрывают и герметизируют.
Ж.5.7.6
В течение 10 мин. после закрытия и герметизации дверей измеряют концентрацию
углеводородов, температуру и барометрическое давление для получения
первоначальных значений
, Pi и Ti для испытания на суточные испарения. В данный момент время Тstart = 0.
Ж.5.7.7
Анализатор углеводородов тарируют непосредственно перед окончанием испытания.
Ж.5.7.8
Период отбора проб выбросов завершается через 24 ч ± 6 мин. после начала
первоначального отбора проб в соответствии с Ж.5.7.6. Затраченное на это время регистрируют.
Измеряют концентрацию углеводородов, температуру и барометрическое давление для
получения окончательных значений
, Pf
и Tf
испытания на суточные испарения, которые используют для расчетов, указанных в
разделе Ж.6.
На этом испытания на выбросы в результате испарения заканчиваются.
Ж.6.1
Испытания по определению испарения, описанные в разделе Ж.5, позволяют
рассчитать выбросы углеводородов на стадии суточных испарений и стадии горячего
насыщения. Потери в результате испарения для каждой из этих стадий рассчитывают
по начальным и окончательным значениям концентрации углеводородов, температуры
и давления, а также по объему камеры.
Массу
углеводородов, выделенных за время испытания, MCH, г, вычисляют по формуле
,
где k = 1,2
(12 + H/С),
при этом
i - показатель первоначального значения;
f - показатель окончательного значения;
Н/С - соотношение водород/углерод;
Н/С
- принимают равным 2,33 для расчета выбросов на стадии суточного испарения;
Н/С
- принимают равным 2,20 для расчета выбросов на стадии при горячем насыщении;
и
- измеренные значения
концентрации углеводородов в камере (млн-1 объема в эквиваленте C1);
Pi и Pf - абсолютное давление
в испытательной камере, кПа;
Tf
и Ti
- температура окружающей среды в камере, К;
MCHout - масса углеводородов, покидающих камеру с
неизменным объемом при проведении суточных испытаний, г;
-
масса углеводородов, поступающих в камеру с неизменным объемом, при проведении
суточных испытаний, г;
V - чистый объем камеры за вычетом объема
транспортного средства с открытыми окнами и багажником. Если объем
транспортного средства не определен, то за объем транспортного средства
(вычитаемый объем) принимают 1,42 м3.
Ж.6.2 Общий результат испытания
Общее
значение выбросов углеводородов (по массе) из транспортного средства Mtotal, г, вычисляют по формуле
Mtotal = MDI
+ MHS,
где MDI - выбросы углеводородов (по массе) при суточном
испытании, г;
MHS - выбросы углеводородов (по массе) при горячем
насыщении.
Ж.7 Проверка соответствия производства
Ж.7.1
Для целей стандартного выходного контроля обладатель сертификата
соответствия может продемонстрировать соответствие производства путем
отбора транспортных средств, удовлетворяющих требованиям Ж.7.2 - Ж.7.4.
Ж.7.2
Испытания на герметичность
Ж.7.2.1
Отверстия системы контроля выбросов (с испарениями), сообщающиеся с атмосферой,
должны быть закрыты.
Ж.7.2.2
Давление в топливной системе следует поддерживать на уровне (3,630 ± 0,1) кПа
[(370 ± 10) мм вод.
ст.].
Ж.7.2.3
После стабилизации давления в топливной системе отсоединяют источник давления
от топливной системы.
Ж.7.2.4
После отсоединения источника давления давление в системе питания не должно
опускаться ниже 0,490 кПа (50 мм вод. ст.) в течение 5 мин.
Ж.7.3
Испытание на вентилирование
Ж.7.3.1
Отверстия системы контроля выбросов, сообщающиеся с атмосферой, должны быть
закрыты.
Ж.7.3.2
Подают давление (3,630 ± 0,1) кПа в топливную систему.
Ж.7.3.3
После стабилизации давления в топливной системе отсоединяют источник давления
от топливной системы.
Ж.7.3.4
Отверстия системы контроля выбросов (с испарениями), сообщающиеся с атмосферой,
приводят в исходное положение.
Ж.7.3.5
Давление в топливной системе должно упасть ниже 0,980 кПа (100 мм вод. ст.) за
время, составляющее не менее 30 с, но не более 2 мин.
Ж.7.3.6
По просьбе изготовителя эффективность вентиляции может быть подтверждена с
использованием эквивалентной альтернативной процедуры. Специальные процедуры
должны быть продемонстрированы испытательной лаборатории во время проведения сертификации.
Ж.7.4.2
Изготовитель может использовать расходомер по своему выбору при условии
согласования с испытательной лабораторией.
Ж.7.4.4
Во время работы двигателя, функционирующего в пределах, указанных в Ж.7.4.3,
расход воздуха определяют, как указано в Ж.7.4.4.1 - Ж.7.4.4.3:
Ж.7.4.4.1 после подключения устройства,
указанного в Ж.7.4.1,
должно быть падение давления от атмосферного до уровня, указывающего, что в
систему контроля выбросов в результате испарения в течение 1 мин. проник 1 дм3
(л) воздуха или:
Ж.7.4.4.2
если используют альтернативное устройство для измерения расхода воздуха,
необходимо предусмотреть возможность регистрации расхода, равного 1 дм3 (л)/мин.
Ж.7.5
Орган по сертификации, выдавший сертификат соответствия, может в
любой момент проконтролировать методы проверки соответствия производства,
применяемые к каждому производственному участку.
Ж.7.5.1
Инспектор должен отбирать достаточное число образцов.
Ж.7.5.2
Инспектор может испытывать транспортные средства в соответствии с 8.2.5 настоящего стандарта.
Ж.7.6
Если требования Ж.7.5 не выполнены, то орган
по сертификации должен удостовериться, что приняты все необходимые меры для
скорейшего восстановления соответствия производства.
1 Частота и методы калибровки
1.1 Вся аппаратура должна быть калибрована перед ее
первоначальным использованием, затем калибровку проводят настолько часто,
насколько это необходимо, но в любом случае за месяц до сертификационных испытаний.
Используемые методы калибровки изложены в настоящем дополнении.
1.2 Как правило, используют значения температур,
указанные первыми (см. 2.3.9 настоящего дополнения). В качестве
альтернативы могут быть использованы температурные ряды, заключенные в
квадратные скобки.
2 Калибровка камеры
2.1 Первоначальное определение внутреннего объема
камеры
2.1.1 Перед первоначальным использованием
определяют внутренний объем камеры. Тщательно измеряют внутренние размеры
камеры с учетом каждой неровности, например подкосов. По сделанным измерениям
определяют внутренний объем камеры.
Объем
камер с изменяющимся объемом устанавливают в фиксированное состояние,
соответствующее температуре окружающей среды 303 К (30 °С) - 302 К (29 °С). Это
номинальное значение объема должно воспроизводиться с точностью ± 0,5 %
заявленного значения.
2.1.2 Значение чистого внутреннего объема получают
вычитанием 1,42 м3 из внутреннего объема камеры. Вместо 1,42 м3
можно также вычесть объем испытуемого транспортного средства с открытыми окнами
и багажником.
2.1.3 Герметичность камеры проверяют с
использованием процедуры, приведенной в 2.3. Если измеренная масса
пропана не соответствует впрыснутой массе с точностью ±
2 %, необходимы корректирующие воздействия.
2.2 Определение фоновых выбросов в камере
Эта
операция позволяет убедиться, что в камере не содержится каких-либо материалов,
выделяющих значительное количество углеводородов. Такую проверку проводят перед
вводом камеры в эксплуатацию, а также после любых произведенных в камере
операций, которые могут повлиять на остаточные выбросы, с периодичностью не
менее одного раза в год.
2.2.1 Камеры с изменяющимся объемом могут
функционировать в режиме фиксированного
или нефиксированного объема, как указано в 2.1.1, причем температура
внутри камеры должна быть (308 - 309) ± 2 К [(35 - 36) ± 2 °С] в течение всего
4-часового периода.
2.2.2 Для камер с неизменным объемом их отверстия
для входящих и выходящих потоков должны быть закрыты. В течение всего
4-часового периода, указанного далее, температура внутри камеры должна быть
(308 - 309) ± 2 К [(35 - 36) ± 2 °С].
2.2.3 До начала 4-часового периода отбора проб
остаточных выбросов камера может находиться в герметично закрытом состоянии при
работающем смешивающем вентиляторе не более 12 ч.
2.2.4 Анализатор должен быть откалиброван (в случае
необходимости), затем оттарирован (по нулевой точке и диапазону).
2.2.5 Продувку камеры проводят до тех пор, пока не
будет получена стабильная концентрация углеводородов. Затем включают
смешивающий(ие) вентилятор(ы), если это еще не сделано.
2.2.6 Камеру герметично закрывают и измеряют
фоновую концентрацию углеводородов, а также температуру и барометрическое
давление. Таким образом получают начальные значения
, Pi и Ti, которые используют для расчета фона в камере.
2.2.7 В таком состоянии камера должна находиться 4
ч с включенным(и) смешивающим(ми) вентилятором(ами).
2.2.8 По истечении 4 ч в камере измеряют
концентрацию углеводородов с помощью использовавшегося ранее анализатора, а
также температуру и барометрическое давление. Таким образом получают конечные
значения
, Pf и Tf.
2.2.9 Затем рассчитывают изменение массы
углеводородов в камере за время испытания, как указано в 2.4,
которое не должно превышать 0,05 г.
2.3 Калибровка
и испытание на удержание углеводородов в камере
Калибровка
и испытание на удержание углеводородов в камере позволяют проверить
рассчитанное значение объема (2.1) и
помогают также измерить степень возможной утечки. Степень утечки из камеры
определяют при введении камеры в эксплуатацию после проведения в ней любых
операций, которые могут повлиять на ее целостность, и не реже чем ежемесячно
после этого. Если после шести успешных последовательно проведенных проверок на
задержку углеводородов не требуется принятия никаких корректирующих мер, то
степень утечки можно определять ежеквартально до тех пор, пока не потребуется
принятия каких-либо корректирующих мер.
2.3.1 Камеру продувают до тех пор, пока не будет
обеспечена стабильная концентрация углеводородов. Затем включают
смешивающий(ие) вентилятор(ы), если это еще не сделано ранее. Анализатор должен
быть откалиброван (в случае необходимости), затем оттарирован (по нулевой точке
и диапазону).
2.3.2 Для камер с изменяющимся объемом объем камеры
фиксируют на номинальном значении. В случае камер с неизменным объемом
отверстия для входящих и выходящих потоков закрывают.
2.3.3 Затем включают систему контроля температуры в
камере (если она еще не включена) и регулируют ее на начальную температуру (308
- 309) ± 2 К [(35 - 36) ± 2 °С].
2.3.4 После стабилизации температурного режима в
камере на уровне 2.2.1 камеру
герметично закрывают и измеряют фоновую концентрацию, температуру и
барометрическое давление. Таким образом получают первоначальные значения
, Pi и Ti, использующиеся для калибровки камеры.
2.3.5 В камеру впрыскивают около 4 г пропана. Массу
пропана определяют с точностью ± 2 % измеряемого значения.
2.3.6 Через 5 мин., в течение которых происходит
перемешивание газовой среды в камере, измеряют концентрацию углеводородов,
температуру и барометрическое давление. Полученные значения
, Pf и Tf
используют для калибровки камеры (по объему), а
также одновременно они являются первоначальными значениями
, Pi и Ti для проверки на удержание углеводородов.
2.3.7 На основе значений, полученных в соответствии
с 2.3.2, 2.3.4 и формулы, приведенной в 2.4, рассчитывают массу
содержащегося в камере пропана. Это значение должно быть в пределах ± 2 % массы пропана, измеренной в соответствии с 2.3.5.
2.3.8 В случае камер с изменяющимся объемом
номинальное значение объема не фиксируют. В случае камер с неизменным объемом
отверстия для входящих и выходящих потоков открывают.
2.3.9 Затем в течение
15 мин. после герметизации камеры начинают процесс циклического изменения
температуры в камере с 308 К (35 °С) до 293 К (20 °С) и вновь до 308 К (35 °С)
[с 308,6 К (35,6 °С) до 295,2 К (22,2 °С) и вновь до 308,6 К (35,6 °С)] в
течение 24 ч в соответствии с графиком (альтернативным графиком), указанным в
дополнении 2 к настоящему приложению. Допуски
указаны в Ж.5.7.1 приложения Ж.
2.3.10 После
завершения 24-часового цикла измеряют и регистрируют концентрацию
углеводородов, температуру и барометрическое давление в камере. Таким образом
получают конечные значения
, Pf и Tf
для проверки на удержание углеводородов.
2.3.11 По формуле, указанной в 2.4, на
основании значений, полученных в соответствии с 2.3.6 и 2.3.10,
рассчитывают массу углеводородов, которая не должна отличаться более чем на 3 %
от массы углеводородов, полученной в соответствии с требованиями 2.3.7.
Расчет
чистой величины изменения массы углеводородов, содержащихся в камере, позволяет
определить фоновое содержание углеводородов в камере и степень утечки.
Начальные
и окончательные значения концентрации углеводородов, температуры и
барометрического давления используют в формуле для расчета изменения массы
углеводородов MCH, г:
,
где k - 17,6;
V - объем камеры, м3;
i - первоначальное значение;
f - окончательное значение;
CCH - измеренные значения концентрации углеводородов в
камере, млн-1 С;
Р - барометрическое давление, кПа;
Т - температура окружающей среды в камере, К;
MCHout - масса углеводородов, покидающих камеру, в случае использования камеры
с неизменным объемом для проведения суточных испытаний, г;
-
масса углеводородов, поступающих в камеру, в случае использования камеры с
неизменным объемом для проведения суточных испытаний, г.
Примечание - млн-1 С = млн-1 пропана 3.
3 Проверка FID анализатора углеводородов
3.1 Оптимизация чувствительности детектора
Регулирование
FID
проводят в соответствии с инструкциями изготовителя. Для оптимизации
чувствительности в наиболее часто используемом диапазоне измерений используют
пропан в воздухе.
3.2 Калибровка
анализатора углеводородов
Анализатор
калибруют с использованием пропана в воздухе и чистого синтетического воздуха,
как указано в Г.4.5.2 приложения Г (калибровочные и тарировочные
газы).
Калибровочную
кривую строят в соответствии с требованиями Ж.1.4.1 - Ж.1.4.5 настоящего
дополнения.
3.3 Проверка кислородной интерференции и
рекомендуемые пределы
Коэффициент
чувствительности (Rf)
для конкретного вида углеводородов представляет собой отношение
концентрации С1, которую показывает анализатор FID, к концентрации газа в баллоне,
выраженной в углеродном эквиваленте, млн-1 С1.
Концентрация
испытуемого газа должна быть достаточной для получения чувствительности,
соответствующей приблизительно 80 % рабочего диапазона. Объемная концентрация
должна быть известна с точностью ± 2 % по отношению к гравиметрическому
стандарту. Кроме того, газовый баллон должен быть выдержан в течение 24 ч при
температуре 293 - 303 К (20 °С - 30 °С).
Коэффициенты
чувствительности определяют при пуске анализатора в эксплуатацию и затем во
время основных операций по обслуживанию.
В
качестве эталонного газа следует использовать смесь пропана с чистым воздухом,
коэффициент чувствительности которого равен 1,00.
Испытательный
газ, используемый для кислородной интерференции, и рекомендуемые пределы
коэффициента чувствительности являются следующими:
пропан
и азот 0,95 < Rf
< 1,05.
4 Калибровка анализатора углеводородов
Каждый
рабочий диапазон калибруют в следующем порядке.
4.1 Калибровочную кривую анализатора строят с
помощью не менее пяти калибровочных точек, расположенных как можно более
равномерно в рабочем диапазоне. Номинальная концентрация калибровочного газа
наибольшей концентрации должна быть не менее 80 % полной шкалы.
4.2 Калибровочную
кривую рассчитывают с помощью метода наименьших квадратов. Если полученная в
результате полиномиальная степень больше 3, число калибровочных точек должно
быть, по крайней мере, равным этой полиномиальной степени плюс 2.
4.3 Калибровочная кривая не должна отклоняться от
номинального значения для каждого калибровочного газа более чем на 2 %.
4.4 Используя коэффициенты полинома в соответствии
с 4.2, составляют таблицу индицируемых
значений концентрации по отношению к истинным значениям, с интервалами не более
1 % полной шкалы. Такая таблица должна быть составлена для каждого
калиброванного диапазона анализатора. В этой таблице должны быть также другие
данные, в частности:
- дата калибровки;
- значения, показанные потенциометром при
регулировании на нуль и диапазон (когда это применимо);
- номинальная шкала;
- значения каждого используемого калибровочного
газа;
- истинное значение и индицируемое значение для
каждого используемого калибровочного газа, а также разница в процентах;
- топливо анализатора FID и его тип;
- давление воздуха в анализаторе FID.
4.5 Можно применять альтернативные методы (например
использование компьютера, электронное переключение диапазонов и т.д.), если
испытательной лаборатории будет продемонстрировано, что эти методы обеспечивают
эквивалентную точность.
|
График
изменения суточной температуры в камере для калибровки камеры и испытания на
суточные испарения |
Альтернативный
график изменения суточной температуры для калибровки камеры в соответствии с
Ж.1.1.2 и Ж.1.2.3.9 |
|||
|
Время, ч |
Температура, °С |
|||
|
Калибровка |
Испытание |
Время, ч |
Температура,
°С |
|
|
13 |
0/24 |
20,0 |
0 |
35,6 |
|
14 |
1 |
20,2 |
1 |
35,3 |
|
15 |
2 |
20,5 |
2 |
34,5 |
|
16 |
3 |
21,2 |
3 |
33,2 |
|
17 |
4 |
23,1 |
4 |
31,4 |
|
18 |
5 |
25,1 |
5 |
29,7 |
|
19 |
6 |
27,2 |
6 |
28,2 |
|
20 |
7 |
29,8 |
7 |
27,2 |
|
21 |
8 |
31,8 |
8 |
26,1 |
|
22 |
9 |
33,3 |
9 |
25,1 |
|
23 |
10 |
34,4 |
10 |
24,3 |
|
24/0 |
11 |
35,0 |
11 |
23,7 |
|
1 |
12 |
34,7 |
12 |
23,3 |
|
2 |
13 |
33,8 |
13 |
22,9 |
|
3 |
14 |
32,0 |
14 |
22,6 |
|
4 |
15 |
30,0 |
15 |
22,2 |
|
5 |
16 |
28,4 |
16 |
22,5 |
|
6 |
17 |
26,9 |
17 |
24,2 |
|
7 |
18 |
25,2 |
18 |
26,8 |
|
8 |
19 |
24,0 |
19 |
29,6 |
|
9 |
20 |
23,0 |
20 |
31,9 |
|
10 |
21 |
22,0 |
21 |
33,9 |
|
11 |
22 |
20,8 |
22 |
35,1 |
|
12 |
23 |
20,2 |
23 |
35,4 |
|
- |
- |
- |
24 |
35,6 |
И.1
Введение
Испытание
позволяет проверить долговечность устройств контроля выбросов, установленных на
транспортных средствах, оснащенных двигателями с принудительным зажиганием и
двигателями с воспламенением от сжатия, в ходе испытания на старение,
рассчитанного на 80000 км пробега.
И.2
Испытуемое транспортное средство
И.2.1
Транспортное средство должно быть в исправном состоянии, а его двигатель и
устройства контроля выбросов - новыми. Транспортное средство может быть тем же,
которое использовалось для испытания типа I; указанное испытание типа 1 проводят не
менее чем через 3000 км пробега в рамках цикла старения, указанного в И.5.1.
И.3
Топливо
Ресурсные
испытания проводят с использованием подходящего топлива, имеющегося в продаже.
И.4
Техническое обслуживание и регулирование транспортных средств
Техническое
обслуживание и регулирование транспортных средств, а также использование их
органов управления осуществляют в соответствии с рекомендациями изготовителя.
И.5
Функционирование транспортного средства на треке, дороге или динамометрическом
стенде
На
треке, дороге или динамометрическом стенде пробег следует осуществлять по
схеме, приведенной на рисунке И.1.
И.5.1.1
Программа испытания на старение состоит из 11 циклов по 6 км каждый.
И.5.1.2
В течение первых девяти циклов транспортное средство останавливают четыре раза
по ходу выполнения цикла, причем каждый раз двигатель работает на холостом ходу
в течение 15 с.
И.5.1.3
Обычное ускорение и замедление.
И.5.1.4
Пять замедлений по ходу выполнения каждого цикла с переходом от максимальной
скорости цикла к скорости 32 км/ч и новое постепенное ускорение до достижения
максимальной скорости цикла.
И.5.1.5
Десятый цикл выполняют на постоянной скорости 89 км/ч.
И.5.1.6
Одиннадцатый цикл начинают максимальным ускорением из положения «Стоп» до
скорости 113 км/ч. На полпути производят обычное торможение до полной
остановки, после чего в течение 15 с двигатель работает на холостом ходу, а
затем делают второе максимальное ускорение.
Затем
эту программу повторяют с самого начала. Максимальная скорость каждого цикла
указана в таблице И.1
Таблица
И.1 - Максимальная скорость цикла
|
Цикл |
Скорость
цикла, км/ч |
Цикл |
Скорость
цикла, км/ч |
|
1 |
64 |
7 |
56 |
|
2 |
48 |
8 |
72 |
|
3 |
64 |
9 |
56 |
|
4 |
64 |
10 |
89 |
|
5 |
56 |
11 |
113 |
|
6 |
48 |
|
|
И.5.2
По запросу изготовителя может быть использован альтернативный график дорожного
испытания. Такие альтернативные графики испытаний следует предварительно
согласовывать с испытательной лабораторией и в них должны быть использованы, в
основном, те же средние скорости, распределение скоростей, число остановок на 1
км, а также число ускорений на 1 км, что и в графике вождения на треке или
динамометрическом стенде, как указано в И.5.1 и на рисунке И.1.

Рисунок И.1 - Программа
вождения
И.5.3
Ресурсное испытание или измененное по запросу изготовителя ресурсное испытание
следует проводить до тех пор, пока пробег транспортного средства составит не
менее 80000 км.
И.5.4
Испытательное оборудование
И.5.4.1
Динамометрический стенд
И.5.4.1.1
Если ресурсное испытание проводят на динамометрическом стенде, то этот стенд
должен обеспечивать возможность выполнения цикла, описанного в И.5.1.
Стенд должен быть оснащен системами, имитирующими силу инерции и дорожную
нагрузку.
И.5.4.1.2
Тормоза стенда должны быть отрегулированы таким образом, чтобы поглощать
мощность, передаваемую на ведущие колеса при постоянной скорости 80 км/ч.
Используемые методы определения этой мощности и регулирования тормоза стенда
идентичны описанным в дополнении 3 к приложению Г.
И.5.4.1.3
Система для охлаждения транспортного средства должна обеспечивать возможность
его функционирования при температурах, аналогичных температурам, достигаемым
при движении по дороге (масла, воды, выпускной системы и т.д.).
И.5.4.1.4
При необходимости другие виды регулировки и характеристики испытательного
стенда также cчитают
идентичными тем, которые описаны в приложении Г к настоящему стандарту
(например, имитаторы инерции могут быть механическими или электронными).
И.5.4.1.5
В ходе испытания допускается, при необходимости, перемещать транспортное
средство на другой стенд для проведения испытаний по измерению выбросов вредных
веществ.
И.5.4.2
Испытание на испытательной трассе или дороге
Если
испытание проводят на треке или на дороге, то контрольная масса транспортного
средства должна быть равной массе, используемой при испытаниях на
динамометрическом стенде.
И.6
Измерение выбросов вредных веществ
В
начале испытания (0 км) и через каждые (10000 ± 400) км или чаще, с
равномерными интервалами до достижения 80000 км, измеряют выбросы вредных
веществ с отработавшими газами в соответствии с испытанием типа I, упомянутым в 5.3.1 настоящего стандарта.
При этих испытаниях должно быть соблюдено соответствие предельным значениям,
указанным в 5.3.1.4
настоящего стандарта.
Если
транспортное средство оснащено системами периодической регенерации,
определенными в 2.20 настоящего стандарта, необходимо проверить,
что данное транспортное средство не достигло периода регенерации (к моменту
очередного испытания по определению выбросов вредных веществ). В таком случае
это транспортное средство следует подвергнуть пробеговому испытанию до конца
периода регенерации. Если регенерация началась во время испытаний по
определению выбросов вредных веществ с отработавшими газами, то должно быть
проведено новое испытание (включая предварительную подготовку), при этом первый
результат не учитывают.
Все
результаты, касающиеся выбросов вредных веществ с отработавшими газами, должны
быть выстроены в виде функции от пройденного расстояния, их наносят на
диаграмму в зависимости от пробега, округленного до 1 км. По этим точкам с
помощью метода наименьших квадратов должна быть построена прямая регрессии. При
этих расчетах не учитывают результаты на отметке 0 км.
Полученные
данные используют для расчета коэффициента ухудшения лишь в том случае, если в
точках интерполяции - 6400 и 80000 км на этой прямой не превышены предельные
значения выбросов вредных веществ, указанные выше.
Данные
остаются действительными, если прямая регрессии пересекает предельное значение
с отрицательным уклоном (точка интерполяции 6400 км выше точки интерполяции
80000 км), однако фактически точка 80000 км остается ниже предельных значений.
Множительный
коэффициент ухудшения DEF
для выбросов вредных веществ с отработавшими газами
рассчитывают по каждому вредному веществу по формуле
,
где
- масса выбросов
вредного вещества i,
г/км, при интерполяции 6400 км;
-
масса выбросов вредного вещества i, г/км, при интерполяции 80000 км.
Эти
интерполированные значения следует принимать с точностью до четвертого
десятичного знака, а затем производить деление для получения коэффициента
ухудшения. Результат округляют до третьего десятичного знака.
Если
поправочный коэффициент меньше 1, то его принимают равным 1.
К.1
Введение
Испытание
типа VI,
определенное в 5.3.5 настоящего стандарта, для определения
уровня выбросов оксида углерода и углеводородов с отработавшими газами после
запуска холодного двигателя при низкой температуре окружающей среды проводят
только на транспортных средствах, оборудованных двигателями с принудительным
зажиганием.
Рассмотрены
следующие вопросы:
- требования к оборудованию;
- условия проведения испытаний;
- требования к методам проведения испытаний и к
данным.
К.2
Оборудование для испытания
К.2.1
Необходимое оборудование и технические требования идентичны требованиям,
предусмотренным для испытания типа I в приложении Г, за исключением специальных
требований для испытания типа VI.
В К.2.2 - К.2.6 указаны специальные требования для испытания типа
VI.
К.2.2.1
Требования к стенду изложены в Г.4.1 приложения Г. Динамометр должен быть
отрегулирован для имитации функционирования транспортного средства на дороге
при 266 К (минус 7 °С). Такая регулировка может быть основана на определении
силы дорожного сопротивления при 266 К (минус 7 °С). В качестве альтернативного
варианта можно использовать данные для определения дорожного сопротивления,
полученные в соответствии с дополнением 3 к приложению Г,
уменьшив время выбега на 10 %. Испытательная лаборатория может одобрить
применение других методов определения дорожного сопротивления.
К.2.2.2
Для калибровки динамометра применяют требования дополнения 2 к
приложению Г.
К.2.3
Система отбора проб
К.2.3.1
Требования к системе отбора проб приведены в Г.4.2 приложения Г и
дополнении 5
к приложению Г,
при этом пункт 2.3.2 дополнения 5 к приложению Г изменен
следующим образом:
«Конфигурацию
трубопроводов CVS,
расход газа через CVS,
а также температуру и удельную влажность разбавляющего воздуха (которые могут
отличаться от соответствующих параметров воздуха, потребляемого двигателем
автомобиля) следует контролировать таким образом, чтобы исключить конденсацию в
системе (расход от 0,142 до 0,165 м3/с является достаточным для
большинства транспортных средств)».
К.2.4
Оборудование для анализа
К.2.4.1
Требования к оборудованию приведены в ГАЗ
приложения Г,
но только в отношении измерения оксида углерода, диоксида углерода и
углеводородов.
К.2.4.2
При калибровке аналитического оборудования применяют требования дополнения 6 к
приложению Г.
К.2.5
Газы
К.2.5.1
Применяют газы, указанные в Г.4.5 приложения Г.
К.2.6
Дополнительное оборудование
К.2.6.1
Оборудование, используемое для измерения объема, температуры, давления и
влажности, должно соответствовать требованиям, указанным в Г.4.4 и
Г.4.6
приложения Г.
К.3
Последовательность проведения испытания и используемое топливо
К.3.1
Общие требования
К.3.1.1
Обозначенная на рисунке К.1 последовательность
проведения испытания дает представление об этапах прохождения испытуемым
транспортным средством процедур, предусмотренных для испытания типа VI. Номинальная температура окружающей среды
при испытании транспортного средства должна быть 266 К (минус 7 °С) ± 3 К, но
не менее 260 К (минус 13 °С) и не более 272 К (минус 1 °С).
Температура
не должна опускаться до значений менее 263 К (минус 10 °С) и более 269 К (минус
4 °С) в течение 3 мин. подряд.
Рисунок К.1 - Процедура
испытаний при низкой температуре окружающей среды
К.3.1.2
Температура в испытательной камере, контролируемая в ходе испытания, должна
быть измерена на выходе охлаждающего вентилятора (К.5.2.1). Температура окружающей среды, указанная в
протоколе испытаний, должна быть равна среднеарифметическому значению
температур в испытательной камере, измеряемых в ходе испытания с постоянными
интервалами не более 1 мин.
К.3.2
Метод испытаний
В
соответствии с рисунком Г.1.1, приведенным в дополнении 1 к приложению Г,
городской ездовой цикл, предусмотренный в первой части, состоит из четырех
простых городских циклов, которые вместе образуют полный цикл первой части.
К.3.2.1
Процедуры запуска двигателя, начала отбора проб и осуществления первого цикла
приведены в таблице Г.1.2 и на рисунке Г.1.1 приложения Г.
К.3.3
Подготовка к испытанию
К.3.3.1
Для испытуемого транспортного средства применяют требования Г.3.1 приложения Г. Для установки
эквивалентной инерционной массы на динамометре применяют требования Г.5.1 приложения Г.
К.3.4
Используемое в процессе испытания топливо
К.3.4.1
Используемое в процессе испытания топливо должно соответствовать техническим
характеристикам, приведенным в Л.3 приложения Л.
К.4
Предварительная подготовка транспортного средства
К.4.1
Для обеспечения воспроизводимости результатов испытаний на выбросы вредных
веществ испытуемые транспортные средства должны быть предварительно
подготовлены в одинаковых условиях. Предварительная подготовка заключается в
прогоне транспортного средства на динамометрическом стенде (подготовительный
заезд), а затем кондиционировании (выдержке при определенной температуре) в
соответствии с К.4.3.
К.4.2
Подготовительный заезд
К.4.2.1
Топливный(е) бак(и) наполняют предписанным топливом, используемым при
испытании. Если топливо, находящееся в топливном(ых) баке(ах), не соответствует
требованиям К.3.4.1, его сливают
перед наполнением бака(ов) надлежащим топливом. Температура топлива,
используемого при испытании, должна быть не более 289 К (16 °С).
К.4.2.2
Транспортное средство перемещают в помещение для испытаний и устанавливают на
динамометрический стенд.
К.4.2.3
Подготовительный заезд заключается в проведении ездового цикла в соответствии с
рисунком Г.1.1 в дополнении 1 к приложению Г (первая и вторая части). По
запросу изготовителя подготовительный заезд транспортных средств, оснащенных
двигателями с принудительным зажиганием, может быть осуществлен при помощи
одного ездового цикла первой части и двух ездовых циклов второй части.
К.4.2.4
В процессе подготовительного заезда транспортного средства температура в
испытательном помещении должна оставаться относительно постоянной и не
превышать 303 К (30 °С).
К.4.2.5
Давление в шинах ведущих колес устанавливают в соответствии с требованиями Г.5.3.2 приложения Г.
К.4.2.6
В течение 10 мин. после завершения подготовительного заезда двигатель
отключают.
К.4.2.7
При поступлении соответствующего запроса изготовителя и при условии его
одобрения испытательной лабораторией в исключительных случаях может быть
разрешено проведение дополнительного подготовительного заезда. Испытательная
лаборатория может также принять решение о проведении дополнительного
подготовительного заезда.
Дополнительный
подготовительный заезд заключается в проведении одного или нескольких ездовых
циклов первой части, как указано в дополнении 1 к приложению Г.
Соответствующую запись об объеме дополнительного подготовительного заезда
заносят в протокол испытания.
К.4.3.1
Для стабилизации транспортного средства перед проведением испытания на выбросы
по выбору изготовителя следует использовать один из двух методов.
К.4.3.2
Стандартный метод
До
проведения испытания на выбросы отработавших газов при низкой температуре
окружающей среды транспортное средство выдерживают не менее 12 ч, но не более
36 ч, при температуре окружающей среды (по сухому термометру), составляющей в
среднем 266 К (минус 7 °С), в течение каждого часа этого периода, при этом она
не должна быть менее 260 К (минус 13 °С) и более 272 К (минус 1 °С). Кроме
того, в течение более чем 3 мин. подряд температура не может быть менее 263 К
(минус 10 °С) и более 269 К (минус 4 °С).
К.4.3.3
Форсированный метод
К.4.3.3.1
До проведения испытания на выбросы отработавших газов при низкой температуре
окружающей среды транспортное средство должно находиться в покое в течение не
более 36 ч при температуре окружающей среды не более 303 К (30 °С).
К.4.3.3.2
Транспортное средство охлаждают до предусмотренной для испытания температуры
форсированным способом. Если охлаждение усиливается с помощью вентиляторов, то
вентиляторы помещают в вертикальное положение таким образом, чтобы можно было
обеспечить максимальное охлаждение трансмиссии и двигателя, а не одного
картера. Вентиляторы не следует помещать под транспортным средством.
К.4.3.3.3
Тщательный контроль температуры окружающей среды необходимо осуществлять только
после того, как транспортное средство будет охлаждено до 266 К (минус 7 °С) ± 2
К; это значение определяют по среднемассовой температуре масла.
Среднемассовая
температура масла представляет собой температуру масла, измеренную в центре
масляного картера, а не на его поверхности и не на его дне. В случае измерения
температуры масла не менее чем в двух различных местах температура в этих местах
должна соответствовать установленным требованиям.
К.4.3.3.4
После охлаждения транспортного средства до температуры 266 К (минус 7 °С) ± 2 К
оно должно быть выдержано при этой температуре не менее 1 ч до проведения
испытания на выбросы отработавших газов при низкой температуре окружающей
среды. Температура окружающей среды (определяемая по сухому термометру) в
течение этого периода должна составлять в среднем 266 К (минус 7 °С) ± 3 К, но
не менее 260 К (минус 13 °С) и не более 272 К (минус 1 °С). Кроме того, в
течение 3 мин. подряд температура не может быть менее 263 К (минус 10 °С) и
более 269 К (минус 4 °С).
К.4.3.4
В случае стабилизации транспортного средства при 266 К (минус 7 °С) в отдельной
зоне и перемещении через теплую зону в испытательную камеру транспортное
средство должно быть снова стабилизировано в испытательной камере в течение
периода, который не менее чем в шесть раз превышает период нахождения
транспортного средства при более высоких температурах.
Температура
окружающей среды (определяемая по сухому термометру) в течение этого периода
должна составлять в среднем 266 К (минус 7 °С) ± 3 К, при этом она не должна
быть менее 260 К (минус 13 °С) и более 272 К (минус 1 °С).
Кроме
того, в течение более чем 3 мин подряд температура не может быть менее 263 К
(минус 10 °С) и более 269 К (минус 4 °С).
К.5
Процедура испытания на динамометрическом стенде
К.5.1
Пробы из выбросов отбирают в процессе испытания в рамках цикла первой части
(рисунок Г.1.1 дополнения 1 к приложению Г). Полная процедура
испытания при низкой температуре окружающей среды, которая длится в общей
сложности 780 с, включает запуск двигателя, немедленный отбор проб, работу
транспортного средства при выполнении первой части цикла и выключение
двигателя. Отработавшие газы разбавляют окружающим воздухом и непрерывно
отбирают постоянную пропорциональную пробу для анализа. Отработавшие газы,
отобранные в емкость, анализируют на содержание оксида углерода, диоксида
углерода и углеводородов. Параллельно аналогичным образом анализируют пробу
воздуха, используемого для разбавления газа, на содержание в нем оксида
углерода, диоксида углерода и углеводородов.
К.5.2
Функционирование динамометрического стенда
К.5.2.1
Охлаждающий вентилятор
К.5.2.1.1
Охлаждающий вентилятор устанавливают таким образом, чтобы поток используемого
для охлаждения воздуха был надлежащим образом направлен на радиатор (водяное
охлаждение) или воздухозаборник (воздушное охлаждение), а также на транспортное
средство.
К.5.2.1.2
Для транспортных средств с передним расположением двигателя вентилятор
устанавливают перед транспортным средством на расстоянии не более 300 мм. Для
транспортных средств с задним расположением двигателя или, если нельзя соблюсти
указанную схему установки, охлаждающий вентилятор устанавливают таким образом,
чтобы поток нагнетаемого воздуха был достаточно сильным для охлаждения
транспортного средства.
К.5.2.1.3
Скорость вращения вентилятора должна быть такой, чтобы в рабочем диапазоне от
10 до 50 км/ч линейная скорость воздушного потока на выходе вентилятора
составляла ± 5 км/ч от окружной скорости соответствующего бегового барабана.
Выходная
секция вентилятора должна иметь следующие характеристики:
- площадь не менее 0,2 м2;
- высота верхнего края над поверхностью грунта
примерно 20 см.
В
качестве альтернативы допускается использовать вентилятор с постоянной
скоростью потока не менее 6 м/с (21,6 км/ч). По запросу изготовителя высота
охлаждающего вентилятора может изменяться при испытании нестандартных
транспортных средств (например фургонов, внедорожников).
К.5.2.1.4
Скорость транспортного средства измеряют по скорости вращения бегового(ых)
барабана(ов) динамометрического стенда (Г.4.1.4.4 приложения Г).
К.5.2.3
При необходимости можно проводить предварительные испытательные циклы для
определения наилучшего способа управления акселератором и тормозами, чтобы
обеспечить цикл как можно ближе к теоретическому в установленных пределах или
обеспечить возможность регулирования системы пробоотбора. Такой заезд следует
проводить до этапа «Начало» на рисунке К.1.
К.5.2.4
Чтобы на беговом(ых) барабане(ах) динамометрического стенда не образовывался
конденсат, влажность воздуха должна быть достаточно низкой.
К.5.2.5
Динамометрический стенд должен тщательно прогреваться в соответствии с
рекомендациями изготовителя стенда, а также при помощи процедур и методов
контроля, обеспечивающих стабильность остаточной силы трения.
К.5.2.6
Промежуток времени с момента прогрева динамометрического стенда до момента
начала испытания должен составлять не более 10 мин., если подшипники стенда не
подогреваются отдельно. Если же они подогреваются отдельно, то испытание на
выбросы начинают не позднее чем через 20 мин. после прогрева стенда.
К.5.2.7
Если поглощаемую мощность динамометрического стенда регулируют вручную, то она
должна быть установлена в течение 1 ч до начала этапа испытаний на выбросы.
Испытуемое транспортное средство не может быть использовано для проведения
этого регулирования. Динамометрический стенд с автоматическим контролем
характеристики по поглощаемой мощности может быть отрегулирован в любой момент
до начала испытания на выбросы.
К.5.2.8
До начала выполнения ездового цикла температура в камере должна составлять 266
К (минус 7 °С) ± К; она должна быть измерена в потоке воздуха, нагнетаемого
охлаждающим вентилятором, на расстоянии не более 1,5 м от транспортного
средства.
К.5.2.9
При работе транспортного средства обогревательные и антиобледенительные
устройства должны быть отключены.
К.5.2.10
Регистрируют общую длину пробега или число оборотов беговых барабанов.
К.5.2.11
Транспортные средства с приводом на четыре колеса испытывают в режиме
двухколесного привода. Определение общей дорожной нагрузки для регулирования
динамометрического стенда осуществляют в процессе функционирования
транспортного средства в первоначально предусмотренном ездовом режиме.
К.5.3
Порядок проведения испытания
К.5.3.1
Для запуска двигателя, проведения испытания и отбора проб применяют положения Г.6.2 -
Г.6.6
(за исключением Г.6.2.2) приложения Г. Отбор проб начинают до
начала процедуры запуска двигателя или в момент ее начала и прекращают по
окончании завершающей фазы холостого хода последнего элементарного цикла первой
части (городской ездовой цикл) через 780 с.
Первый
ездовой цикл начинают с 11-секундного периода работы двигателя на холостом ходу
после его запуска.
К.5.3.2
Для анализа отобранных проб отработавших газов применяют положения Г.7.2
приложения Г.
При проведении анализа проб выбросов испытательная лаборатория должна
предпринять соответствующие меры для предотвращения конденсации воды в емкостях
для отбора проб.
К.5.3.3
Массу вредных выбросов рассчитывают по Г.8 приложения Г.
К.6
Прочие требования
К.6.1
Иррациональная стратегия контроля за выбросами
К.6.1.1
Любая иррациональная стратегия контроля за выбросами, применение которой
приводит к снижению эффективности системы контроля выбросов в нормальных
условиях работы при движении транспортного средства при низкой температуре,
если это не предусмотрено стандартизованной процедурой испытаний, может
рассматриваться как блокирующее устройство.
Л.1 Технические характеристики эталонного
топлива для испытаний транспортных средств на соответствие предельным значениям
выбросов вредных веществ уровня А в таблице 2 настоящего стандарта - испытание типа I
Л.1.1
Показатели эталонного топлива для испытаний транспортных средств, оснащенных
двигателем с принудительным зажиганием
Бензин
неэтилированный
|
Наименование
параметра |
Единица
измерения |
Значение1) |
Метод
испытания |
|
|
не менее |
не более |
|||
|
Октановое число по исследовательскому
методу (RON) |
- |
95,0 |
- |
EN 25164 |
|
Октановое число по моторному методу (MON) |
- |
85,0 |
- |
EN 25163 |
|
Плотность при 15 °С |
кг/м3 |
748 |
762 |
ISO 3675 |
|
Давление насыщенных паров по Рейду |
кПа |
56,0 |
64,0 |
EN 12 |
|
Перегонка: |
|
|
|
|
|
- начальная точка кипения |
°С |
24 |
40 |
EN-ISO 3205 |
|
- испарение при 100 °С |
% (по объему) |
49,0 |
57,0 |
EN-ISO 3205 |
|
- испарение при 150 °С |
% (по объему) |
81,0 |
87,0 |
EN-ISO 3205 |
|
- конечная точка кипения |
°С |
190 |
215 |
EN-ISO 3205 |
|
Остаток в колбе |
% |
- |
2 |
EN-ISO 3205 |
|
Состав углеводородов: |
|
|
|
|
|
- олефины |
% (по объему) |
- |
10 |
ASTM D 1319 |
|
- ароматические |
% (по объему) |
28 |
40 |
ASTM D 1319 |
|
- бензол |
% (по объему) |
- |
1,0 |
EN/DIS 12177 |
|
- предельные углеводороды |
% (по объему) |
- |
Остаток |
ASTM D 1319 |
|
Соотношение углерода и водорода |
- |
Указывают по
факту |
Указывают по
факту |
- |
|
Период индукции2) |
мин |
480 |
- |
EN-ISO 7536 |
|
Содержание кислорода |
% (по массе) |
- |
2,3 |
EN 1601 |
|
Концентрация фактических смол |
мг/мл |
- |
0,04 |
EN-ISO 6246 |
|
Содержание серы3) |
мг/кг |
- |
100 |
EN-ISO/DIS 14596 |
|
Коррозия медной пластинки при 50 °С |
- |
- |
Класс 1 |
EN-ISO 2160 |
|
Содержание свинца |
г/л |
- |
0,005 |
EN 237 |
|
Содержание фосфора |
г/л |
- |
0,0013 |
ASTM D 3231 |
|
1) Значения,
указанные в спецификации, являются «истинными значениями». При определении
предельных значений были использованы условия [2], а при установлении
минимального значения принималась во внимание минимальная разность 2R выше нулевого
значения; при установлении максимального и минимального значений минимальная
разность этих значений составляет 4R (R - воспроизводимость). Несмотря на эту систему измерения, которая необходима по техническим
причинам, производитель топлива должен стремиться к нулевому значению, если
указанное максимальное значение равно 2R, и к
среднему значению, если установлены максимальный и минимальный пределы. Если необходимо проверить, соблюдены ли технические характеристики,
следует применять условия [2]. 2) Топливо может содержать ингибиторы окисления и
дезактиваторы металлов, обычно используемые для стабилизации
перерабатываемого бензина, но не должно содержать никаких детергентов,
дисперсных добавок, растворителей и моющих веществ. 3) Фактическое
содержание серы в топливе, используемом для проведения испытания типа I, должно быть указано в отчете об испытаниях. |
||||
Л.1.2
Показатели эталонного топлива для испытаний транспортных средств, оснащенных
двигателем с принудительным зажиганием
Дизельное
топливо
|
Наименование
параметра |
Единица
измерения |
Значение1) |
Метод
испытания |
|
|
не менее |
не более |
|||
|
Цетановое число2) |
- |
52,0 |
54,0 |
EN-ISO 5165 |
|
Плотность при 15 °С |
кг/м3 |
833 |
837 |
EN-ISO 3675 |
|
Перегонка: |
|
|
|
EN-ISO 3405 |
|
50 % |
°С |
245 |
- |
EN-ISO 3405 |
|
95 % |
°С |
345 |
350 |
EN-ISO 3405 |
|
конечная точка кипения |
°С |
- |
370 |
EN-ISO 3405 |
|
Точка воспламенения |
°С |
55 |
- |
EN 22719 |
|
Точка закупорки холодного фильтра (ТЗХФ) |
°С |
- |
-5 |
EN 116 |
|
Вязкость при 40 °С |
мм2/с |
2,5 |
3,5 |
EN-ISO 3104 |
|
Полициклические ароматические
углеводороды (ПАУ) |
% (по массе) |
3 |
6,0 |
IP 391 |
|
Содержание серы3) |
мг/кг |
- |
100 |
EN-ISO/DIS 14596 |
|
Коррозия медной пластины |
- |
- |
1 |
EN-ISO 2160 |
|
Углеродистый остаток по Конрадсону (10 %) |
% (по массе) |
- |
0,2 |
EN-ISO 10307 |
|
Содержание золы |
% (по массе) |
- |
0,01 |
EN-ISO 6245 |
|
Содержание воды |
% (по массе) |
- |
0,05 |
EN-ISO 12937 |
|
Индекс нейтрализации (концентрированная
кислота) |
мг КОН/г |
- |
0,02 |
ASTM D 974-95 |
|
Устойчивость к окислению4) |
мг/мл |
- |
0,025 |
EN-ISO 12205 |
|
Разрабатываемый улучшенный метод
определения ПАУ |
% (по массе) |
- |
- |
EN 12916 |
|
1) Значения,
указанные в спецификации, являются «истинными значениями». При определении
предельных значений были использованы условия [2], а при установлении
минимального значения принималась во внимание минимальная разность 2R выше нулевого
значения; при установлении максимального и минимального значений минимальная
разность этих значений составляет 4R (R - воспроизводимость). Несмотря на
эту систему измерения, которая необходима по техническим причинам,
изготовитель топлива должен стремиться к нулевому значению, если указанное
максимальное значение равно 2R, и к среднему
значению, если установлены максимальный и минимальный пределы. Если
необходимо проверить, соблюдены ли технические характеристики, следует
применять условия [2]. 2) Диапазон значений, указанный для цетанового
числа, не согласуется с требованием о минимальном интервале 4R. Однако при возникновении спора между поставщиком и потребителем
топлива можно применять условия [2] для урегулирования таких
споров при условии проведения достаточного числа измерений с целью получения
результата необходимой точности, так как подобная процедура является более
надежной, чем однократное измерение. 3) Фактическое содержание серы в топливе,
используемом для проведения испытания типа I, должно быть
указано в отчете об испытаниях. 4) Даже если устойчивость
к окислению контролируется, вполне вероятно, что срок годности продукта будет
ограничен. По вопросам условий хранения и срока годности следует получить
рекомендации поставщика топлива. |
||||
Л.2 Технические характеристики эталонного
топлива для испытаний транспортных средств на соответствие предельным значениям
выбросов вредных веществ уровня В таблицы 2 настоящего стандарта - испытание типа I
Л.2.1
Показатели эталонного топлива для испытаний транспортных средств, оснащенных
двигателями с принудительным зажиганием
Бензин
неэтилированный
|
Наименование
параметра |
Единица
измерения |
Значение1) |
Метод
испытания |
|
|
не менее |
не более |
|||
|
Октановое число по исследовательскому
методу (RON) |
- |
95,0 |
- |
EN 25164 |
|
Октановое число по моторному методу (MON) |
- |
85,0 |
- |
EN 25163 |
|
Плотность при 15 °С |
кг/м3 |
740 |
754 |
ISO 3675 |
|
Давление насыщенных паров по Рейду |
кПа |
56,0 |
60,0 |
EN 12 |
|
Перегонка: |
|
|
|
|
|
- начальная
точка кипения |
°С |
24 |
40 |
EN-ISO 3405 |
|
- испарение
при 100 °С |
% (по объему) |
50,0 |
58,0 |
EN-ISO 3405 |
|
- испарение
при 150 °С |
% (по объему) |
83,0 |
89,0 |
EN-ISO 3405 |
|
- конечная
точка кипения |
°С |
190 |
210 |
EN-ISO 3405 |
|
Остаток в колбе |
% |
- |
2 |
EN-ISO 3405 |
|
Состав углеводородов: |
|
|
|
|
|
- олефины |
% (по объему) |
- |
10 |
ASTM D 1319 |
|
-
ароматические |
% (по объему) |
29 |
35 |
ASTM D 1319 |
|
- насыщенные |
% (по объему) |
Отчет |
Отчет |
ASTM D 1319 |
|
- бензол |
% (по объему) |
- |
1,0 |
EN/DIS 12177 |
|
Соотношение углерода и водорода |
- |
Указывают по
факту |
Указывают по
факту |
- |
|
Период индукции2) |
мин |
480 |
- |
EN-ISO 7536 |
|
Содержание кислорода |
% (по массе) |
- |
1,0 |
EN 1601 |
|
Концентрация фактических смол |
мг/мл |
- |
0,04 |
EN-ISO 5453 |
|
Содержание серы3) |
мг/кг |
- |
10 |
ASTM D 1319 |
|
Коррозия медной пластинки при 50 °С |
- |
- |
Класс 1 |
EN-ISO 2160 |
|
Содержание свинца |
мг/л |
- |
5 |
EN 237 |
|
Содержание фосфора |
мг/л |
- |
1,3 |
ASTM D 3231 |
|
1) Значения,
указанные в спецификации, являются «истинными значениями». При определении
предельных значений были использованы условия [2], а при установлении
минимального значения принималась во внимание минимальная разность 2R выше нулевого
значения; при установлении максимального и минимального значений минимальная
разность этих значений составляет 4R (R -
воспроизводимость). Несмотря на
эту систему измерения, которая необходима по техническим причинам,
изготовитель топлива должен стремиться к нулевому значению, если указанное
максимальное значение равно 2R, и к среднему
значению, если установлены максимальный и минимальный пределы. Если
необходимо проверить, соблюдены ли технические характеристики, следует
применять условия [2]. 2) Топливо может содержать ингибиторы окисления и
дезактиваторы металлов, обычно используемые для стабилизации в процессе
перегонки, но не должно содержать никаких детергентов, дисперсных добавок,
растворителей и моющих веществ. 3) Фактическое
содержание серы в топливе, используемом для проведения испытания типа I, должно быть указано в отчете об испытаниях. |
||||
Л.2.2
Показатели эталонного топлива для испытаний транспортных средств, оснащенных
двигателями с воспламенением от сжатия
Дизельное
топливо
|
Наименование
параметра |
Единица
измерения |
Значение1) |
Метод
испытания |
|
|
не менее |
не более |
|||
|
Цетановое число2) |
- |
52,0 |
54,0 |
EN-ISO 5165 |
|
Плотность при 15 °С |
кг/м3 |
833 |
837 |
EN-ISO 3675 |
|
Давление насыщенных паров по Рейду |
кПа |
56,0 |
64,0 |
EN 12 |
|
Перегонка: |
|
|
|
EN-ISO 3405 |
|
50 % |
°С |
245 |
- |
EN-ISO 3405 |
|
95 % |
°С |
345 |
350 |
EN-ISO 3405 |
|
конечная
точка кипения |
°С |
- |
370 |
EN-ISO 3405 |
|
Точка воспламенения |
°С |
55 |
- |
EN 22719 |
|
Точка закупорки холодного фильтра (ТЗХФ) |
°С |
- |
-5 |
EN 116 |
|
Вязкость при 40 °С |
мм2/С |
2,3 |
3,3 |
EN-ISO 3104 |
|
Полициклические ароматические
углеводороды |
% (по массе) |
3 |
6,0 |
IP 391 |
|
Содержание серы3) |
мг/кг |
- |
10 |
EN-ISO/DIS 14596 |
|
Коррозия медной пластины |
класс |
- |
1 |
EN-ISO 2160 |
|
Углеродистый остаток по Конрадсону (10 %) |
% (по массе) |
- |
0,2 |
EN-ISO 10307 |
|
Зольность |
% (по массе) |
- |
0,01 |
EN-ISO 6245 |
|
Содержание воды |
% (по массе) |
- |
0,02 |
EN-ISO 12937 |
|
Число нейтрализации |
мг КОН/г |
- |
0,02 |
ASTM D 974-95 |
|
Устойчивость к окислению4) |
мг/мл |
- |
0,025 |
EN-ISO 12205 |
|
Смазывающая способность |
μ м |
- |
400 |
CEC F-06-A-96 |
|
1) Значения,
указанные в технических характеристиках, являются «истинными значениями». При
определении предельных значений были использованы условия [2],
а при установлении минимального значения принималась во внимание минимальная
разность 2R выше нулевого значения; при установлении максимального и минимального
значений минимальная разность этих значений составляет 4R (R - воспроизводимость). Несмотря на
эту систему измерения, которая необходима по статистическим причинам,
изготовитель топлива должен стремиться к нулевому значению, если указанное
максимальное значение равно 2R, и к среднему
значению, если существуют максимальный и минимальный пределы. Если
необходимо проверить, соблюдены ли технические характеристики, следует
применять условия [2]. 2) Интервал, указанный для цетанового числа, не
соответствует требованиям минимального диапазона 4R. В случае разногласий между поставщиком и потребителем топлива можно
применять условия [2] для урегулирования таких споров при
условии проведения достаточного числа измерений с целью получения результата
необходимой точности, так как подобная процедура является более надежной, чем
однократное измерение. 3) Фактическое содержание серы в топливе,
используемом для проведения испытания типа 1, должно быть указано в отчете об
испытаниях. 4) Хотя
устойчивость к окислению контролируется, вполне вероятно, что срок годности
продукта будет ограничен. По вопросам условий хранения и срока годности
следует консультироваться с поставщиком топлива. |
||||
Бензин высшего
качества неэтилированный
|
Наименование
параметра |
Единица
измерения |
Значение1) |
Метод
испытания |
|
|
не менее |
не более |
|||
|
Октановое число по исследовательскому
методу (RON) |
- |
95,0 |
- |
EN 25164 |
|
Октановое число по моторному методу (MON) |
- |
85,0 |
- |
EN 25163 |
|
Плотность при 15 °С |
кг/м3 |
740 |
754 |
ISO 3675 |
|
Давление насыщенных паров по Рейду |
кПа |
56,0 |
95,0 |
EN 12 |
|
Перегонка: |
|
|
|
|
|
- начальная
точка кипения |
°С |
24 |
40 |
EN-ISO 3205 |
|
- испарение
при 100 °С |
% (по объему) |
50,0 |
58,0 |
EN-ISO 3205 |
|
- испарение
при 150 °С |
% (по объему) |
83,0 |
89,0 |
EN-ISO 3205 |
|
- конечная
точка кипения |
°С |
190 |
210 |
EN-ISO 3205 |
|
Остаток в колбе |
% |
- |
2 |
EN-ISO 3205 |
|
Состав углеводородов: |
|
|
|
|
|
- олефины |
% (по объему) |
- |
10 |
ASTM D 1319 |
|
-
ароматические |
% (по объему) |
28 |
35 |
ASTM D 1319 |
|
- бензол |
% (по объему) |
- |
1,0 |
EN/DIS 12177 |
|
- насыщенные
углеводороды |
% (по объему) |
Указывают по
факту |
Указывают по
факту |
ASTM D 1319 |
|
Соотношение углерода и водорода |
- |
Указывают по
факту |
Указывают по
факту |
- |
|
Период индукции2) |
мин |
480 |
- |
EN-ISO 7536 |
|
Содержание кислорода |
% (по массе) |
- |
1,0 |
EN 1601 |
|
Концентрация фактических смол |
мг/мл |
- |
0,04 |
EN-ISO 6246 |
|
Содержание серы3) |
мг/кг |
- |
10 |
EN-ISO 14596 |
|
Коррозия медной пластинки при 50 °С |
класс |
- |
1 |
EN-ISO 2160 |
|
Содержание свинца |
мг/л |
- |
5 |
EN 237 |
|
Содержание фосфора |
мг/л |
- |
1,3 |
ASTM D 3231 |
|
1) Значения,
указанные в технических характеристиках, являются «истинными значениями». При
определении предельных значений были использованы условия [2],
а при установлении минимального значения принималась во внимание минимальная
разность 2R выше нулевого значения; при установлении максимального и минимального
значений минимальная разность этих значений составляет 4R (R - воспроизводимость). Несмотря на
эту систему измерения, которая необходима по статистическим причинам,
изготовитель топлива должен стремиться к нулевому значению, если указанное
максимальное значение равно 2R, и к среднему
значению, если существуют максимальное и минимальное значения. Если
необходимо проверить, соблюдены ли технические характеристики, следует
применять условия [2]. 2) Топливо может содержать ингибиторы окисления и
дезактиваторы металлов, обычно используемые для стабилизации в процессе
перегонки, но не должно содержать никаких детергентов, дисперсных добавок,
растворителей и моющих веществ. 3)
Действительное содержание серы в топливе, используемом для испытаний типа VI, должно быть указано в отчете об испытаниях. |
||||
Л.4 Технические характеристики эталонного
газообразного топлива
Л.4.1 Показатели эталонного СНГ для испытаний транспортных
средств на соответствие предельным значениям выбросов вредных веществ уровня А
таблицы 2 настоящего стандарта - испытание типа I
|
Наименование
параметра |
Единица
измерения |
Топливо А |
Топливо В |
Метод
испытания |
|
Состав: |
- |
- |
- |
ISO 7941 |
|
С3 |
% (по объему) |
30 ± 2 |
85 ± 2 |
- " - |
|
С4 |
% (по объему) |
Остаток |
Остаток |
- " - |
|
< С3,
> С4, не более |
% (по объему) |
2 |
2 |
- " - |
|
Олефины, не более |
% (по объему) |
12 |
15 |
- " - |
|
Остаток, образовавшийся в результате
испарения, не более |
мг/кг |
50 |
50 |
ISO 13757 |
|
Содержание воды |
- |
Отсутствие |
Отсутствие |
Визуальная
проверка |
|
Содержание серы, не более |
мг/кг |
50 |
50 |
EN 24260 |
|
Сероводород |
- |
Отсутствие |
Отсутствие |
- |
|
Коррозия медной пластинки |
- |
Класс 1 |
Класс 1 |
ISO 625 11) |
|
Запах |
- |
Характерный |
Характерный |
- |
|
Октановое число по моторному методу (MON), не менее |
- |
89 |
89 |
EN 589 Приложение 9 |
|
1) Этот метод может не дать точного определения
наличия коррозийных материалов, если в отобранной пробе содержатся ингибиторы
коррозии или другие химические вещества, которые уменьшают коррозийную
активность пробы по отношению к меди. Поэтому добавление таких соединений
только для того, чтобы обойти требования данного метода испытания,
запрещается. |
||||
Л.4.2 Показатели
эталонного СНГ для испытаний транспортных средств на соответствие предельным
значениям выбросов вредных веществ уровня В таблицы 2
настоящего стандарта - испытание типа I
|
Наименование
параметра |
Единица
измерения |
Топливо А |
Топливо В |
Метод
испытания |
|
Состав: |
- |
- |
- |
ISO 7941 |
|
С3 |
% (по объему) |
30 ± 2 |
85 ± 2 |
- " - |
|
С4 |
% (по объему) |
Остаток |
Остаток |
- " - |
|
< С3,
> С4, не более |
% (по объему) |
2 |
2 |
- " - |
|
Олефины, не более |
% (по объему) |
12 |
15 |
- " - |
|
Остаток, образовавшийся в результате
испарения, не более |
мг/кг |
50 |
50 |
ISO 13757 |
|
Содержание воды |
- |
Отсутствие |
Отсутствие |
Визуальная проверка |
|
Содержание серы, не более |
мг/кг |
50 |
50 |
EN 24260 |
|
Сероводород |
- |
Отсутствие |
Отсутствие |
- |
|
Коррозия медной пластинки |
- |
Класс 1 |
Класс 1 |
ISO 625 11) |
|
Запах |
- |
Характерный |
Характерный |
- |
|
Октановое число по моторному методу (MON), не менее |
- |
89 |
89 |
EN 589 Приложение 9 |
|
1) Этот метод может не дать точного определения наличия коррозийных
материалов, если в отобранной пробе содержатся ингибиторы коррозии или другие
химические вещества, которые уменьшают коррозийную активность пробы по
отношению к меди. Поэтому добавление таких соединений только для того, чтобы
обойти требования данного метода испытания, запрещается. |
||||
Л.4.3
Показатели эталонного КПГ для испытаний транспортных средств на соответствие
предельным значениям выбросов вредных веществ таблицы 2
настоящего стандарта
Эталонное
топливо G20
|
Наименование
параметра |
Единица
измерения |
Основа |
Значение |
Метод
испытания |
|
|
не менее |
не более |
||||
|
Состав: |
- |
- |
- |
- |
- |
|
Метан |
% моля |
100 |
99 |
100 |
- |
|
Остаток1) |
% моля |
- |
- |
1 |
ISO 6974 |
|
N2 |
% моля |
- |
- |
- |
- |
|
Содержание серы2) |
мг/м3 |
- |
- |
10 |
ISO 6326-5 |
|
Индекс Воббе (нетто)3) |
МДж/м3 |
48,2 |
47,2 |
49,2 |
- |
Эталонное
топливо G25
|
Наименование
параметра |
Единица
измерения |
Основа |
Значение |
Метод
испытания |
|
|
не менее |
не более |
||||
|
Состав: |
- |
- |
- |
- |
- |
|
Метан |
% моля |
86 |
84 |
88 |
- |
|
Остаток1) |
% моля |
- |
- |
1 |
ISO 6974 |
|
N2 |
% моля |
14 |
12 |
16 |
- |
|
Содержание серы2) |
мг/м3 |
- |
- |
50 |
ISO 6326-5 |
|
Индекс Воббе (нетто)3) |
МДж/м3 |
39,4 |
38,2 |
40,6 |
- |
|
1) Инертные
газы (иные, чем N2) + С2 + С2+. 2) Значение, определяемое в стандартных условиях
[293,2 К (20 °С) и 101,3 кПа]. 3) Значение,
определяемое в стандартных условиях [273,2 К (20 °С) и 101,3 кПа]. |
|||||
Индекс
Воббе представляет собой соотношение теплотворной способности газа на единицу
объема и квадратного корня его относительной плотности в одних и тех же
стандартных условиях:
,
где Hgas - теплотворная способность топлива, МДж/м3
при 0 °С;
ρair - плотность воздуха при 0 °С;
ρgas - плотность топлива при 0 °С.
Индекс
Воббе считают высшим или низшим в зависимости от того, используют высшую или
низшую теплотворную способность.
М.1
Введение
В
настоящем приложении приведены функциональные аспекты бортовой диагностической
системы БДС-контроля за выбросами автотранспортных средств.
М.2
Определения
В
настоящем приложении применяют следующие термины с соответствующими
определениями:
М.2.1
БДС: Бортовая диагностическая система контроля за выбросами, способная
выявлять возможную зону неисправности при помощи кодов неисправностей,
введенных в память компьютера.
М.2.2
тип транспортного средства: Категория механических транспортных средств, не
имеющих существенных различий в отношении характеристик двигателя и БДС.
М.2.3
семейство транспортных средств: Группа транспортных средств,
объединенных изготовителем, которые предположительно имеют аналогичные
характеристики с точки зрения выбросов отработавших газов и функционирования
БДС. Каждое транспортное средство этого семейства должно соответствовать требованиям
настоящего стандарта, установленным в дополнении 2 к настоящему приложению.
М.2.4
система контроля выбросов: Блок электронного управления двигателя и
любой элемент, имеющий отношение к выбросам отработавших газов или испарений,
который выдает входной сигнал для блока управления или получает от него
выходной сигнал.
М.2.5
индикатор неисправностей (ИН): Визуальный или звуковой индикатор, который
четко информирует водителя транспортного средства о неисправности любого
имеющего отношение к выбросам элемента, связанного с БДС, или самой БДС.
М.2.6
неисправность: Отказ компонента или системы, влияющих на выбросы вредных
веществ, и являющийся причиной превышения предельных значений выбросов,
указанных в М.3.3.2,
или неспособности БДС выполнять основные требования мониторинга, изложенные в
настоящем приложении.
М.2.7
вторичный воздух: Воздух, подаваемый в систему выпуска при помощи
насоса, аспирационного клапана или других средств, предназначенный для
содействия окислению СН и СО, содержащихся в отработавших газах.
М.2.8
пропуск сгорания двигателя: Нарушение процесса сгорания топлива в
цилиндре двигателя с принудительным зажиганием из-за отсутствия искрового
разряда, неудовлетворительного дозирования топлива, недостаточно эффективного
сжатия или по другой причине. С точки зрения БДС-контроля речь идет о той доле
пропусков сгорания в общем числе попыток зажигания, указанном изготовителем,
которая повлечет за собой выбросы, объем которых превысит предельные значения,
указанные в М.3.3.2
настоящего приложения, или о той их доле, которая может привести к перегреву
нейтрализатора(ов) выбросов, приводящему к необратимым повреждениям.
М.2.9
испытание типа I:
Ездовой цикл (первая и вторая части), используемый для
сертификации в отношении выбросов и подробно описанный в дополнении 1 к
приложению Г.
М.2.10
ездовой цикл: Цикл, состоящий из запуска двигателя, ездового режима, при
котором может быть обнаружена неисправность, если она существует, и выключения
двигателя.
М.2.11
цикл прогрева: Функционирование транспортного средства, достаточное для
того, чтобы температура охлаждающей жидкости повысилась не менее чем на 22 К за
время, прошедшее после запуска двигателя, и достигла не менее 343 К (70 °С).
М.2.12
топливная настройка: Регулирование обратной связи по отношению к базовой
топливной характеристике:
краткосрочная
топливная настройка: Динамичное или мгновенное регулирование;
долгосрочная
топливная настройка: Долговременное регулирование является
значительно более плавным регулированием топливной калибровочной
характеристики, чем при краткосрочном регулировании. Долговременное
регулирование позволяет компенсировать различия между транспортными средствами
и постепенные изменения, происходящие с течением времени.
М.2.13
расчетное значение нагрузки: Показатель, получаемый в результате деления
текущего расхода воздуха на максимальный расход воздуха, где максимальное
значение скорректировано по высоте, если данный показатель известен. Это
определение позволяет получить безразмерное число, которое не служит
характеристикой двигателя, но позволяет специалисту получить представление о
том, какая доля располагаемой мощности реализована (за 100 % принимают
полностью открытый дроссель):
![]()
М.2.14
режим работы по умолчанию в отношении выбросов вредных веществ: Режим,
при котором блок управления двигателем постоянно переключается на режим, не
требующий ввода данных из неисправных элементов или систем, если такие
неисправные элементы или системы будут способствовать повышению выбросов из
транспортных средств в такой степени, что будут превышены предельные значения,
указанные в М.3.3.2
настоящего приложения.
М.2.15
блок отбора мощности: Внешнее устройство отбора мощности двигателя для
энергообеспечения вспомогательного оборудования, установленного на транспортном
средстве.
М.2.16
доступ: Доступность всех БДС-данных, касающихся выбросов, включая все
коды неисправностей, необходимые для инспектирования, диагностики, обслуживания
и ремонта деталей транспортного средства, имеющих отношение к выбросам, через
последовательный интерфейс для стандартного диагностического разъема в
соответствии с 6.5.3.5 дополнения 1 к
настоящему приложению.
М.2.17
неограниченный доступ: Доступ, не зависящий от кода доступа, сообщаемого
только изготовителем, либо от аналогичного средства, или
М.2.17.1
доступ, позволяющий оценить поступающие данные без необходимости использования
какой-либо специальной декодирующей информации, за исключением случаев, когда
эта информация не стандартизована.
М.2.18
стандартизованная информация: Весь поток информации, включая все коды
неисправностей, поступающий только в соответствии с промышленными стандартами,
которые - в силу четкого определения их формата и допустимых дополнительных
возможностей - обеспечивают максимальный уровень согласованности в
автомобильной промышленности и применение которых четко санкционировано в
настоящем стандарте.
М.2.19
ремонтная информация: Вся информация, требующаяся для диагностики,
обслуживания, осмотра, периодической проверки или ремонта транспортного
средства и представляемая изготовителем своим официальным дилерам/ремонтным
мастерским. При необходимости такая информация должна включать руководства по
техническому обслуживанию, технические руководства, диагностические данные
(например минимальные и максимальные теоретические значения, используемые для
измерений), электрические схемы, идентификационный номер программного
обеспечения калибровки для данного типа транспортного средства, инструкции для
индивидуальных и особых случаев, информацию об инструментах и оборудовании,
информацию в отношении регистрации данных, а также двусторонние данные в
отношении мониторинга и испытаний. Изготовитель не обязан представлять
информацию, на которую распространяются положения закона о защите
интеллектуальной собственности или которая относится к категории
специализированного «ноу-хау» изготовителя и/или поставщика комплектующих,
однако требующаяся техническая информация не должна быть необоснованно утаена.
М.2.20
недостаток БДС: До двух контролируемых отдельных элементов или систем,
обладающих такими временными или постоянными эксплуатационными
характеристиками, которые препятствуют эффективному БДС-контролю этих элементов
или систем или не соответствуют всем другим подробно сформулированным
требованиям в отношении БДС. Транспортные средства с такими недостатками могут
быть сертифицированы, зарегистрированы и реализованы в соответствии с М.4
настоящего приложения.
М.3 Технические требования и методы испытаний
М.3.1
Все транспортные средства должны быть оснащены БДС, сконструированной,
изготовленной и установленной на транспортном средстве таким образом, чтобы в
течение срока эксплуатации этого транспортного средства можно было выявить типы
неисправностей или сбоев в его работе. Для достижения этой цели орган по
сертификации должен согласиться с тем, что транспортные средства, пробег
которых превышает предусмотренный для испытания типа V, указанного в М.3.3.1, могут быть
охарактеризованы некоторым ухудшением функционирования БДС в такой степени, что
предельные выбросы, указанные в М.3.3.2, могут быть превышены, и при этом БДС
не будет предупреждать водителя о неисправности транспортного средства.
М.3.1.1
Доступ к БДС для осмотра, диагностики, обслуживания или ремонта транспортного
средства должен быть неограниченным и стандартизованным. Все коды
неисправностей, имеющие отношение к выбросам, должны соответствовать 6.5.3.4
дополнения 1
к настоящему приложению.
М.3.1.2
Не позднее чем через 3 мес. после передачи изготовителем ремонтной информации
любому уполномоченному дилеру или ремонтной мастерской изготовитель открывает
доступ к этой информации (включая все последующие поправки и дополнения) за
разумную плату на не дискриминационной основе и соответствующим образом
уведомляет об этом орган по сертификации.
В
случае невыполнения этих требований орган по сертификации принимает меры
для обеспечения доступности ремонтной информации в соответствии с
предусмотренными процедурами, касающимися сертификации типа и
эксплуатационных обследований.
М.3.2
БДС должна быть сконструирована, изготовлена и установлена на транспортном
средстве таким образом, чтобы она отвечала требованиям настоящего приложения в
процессе ее обычной эксплуатации.
М.3.2.1
Временная блокировка БДС
М.3.2.1.1
Изготовитель может предусматривать блокировку БДС, если на ее возможности в
плане осуществления контроля оказывает воздействие низкий уровень топлива.
Блокировка не должна проводиться, если уровень топлива в топливном баке
составляет более 20 % его номинальной емкости.
М.3.2.1.2
Изготовитель может предусматривать блокировку БДС, когда запуск двигателя
производят при температуре окружающей среды ниже 266 К (минус 7 °С) или на
высотах более 2500 м над уровнем моря, при условии, что изготовитель представит
данные и/или результаты инженерной оценки, которые надлежащим образом
подтвердят, что в таких условиях контроль с помощью БДС не будет надежным.
Изготовитель может также требовать блокировку БДС, если запуск двигателя
производят при другой температуре окружающей среды и органу по сертификации будут
представлены данные и/или результаты инженерной оценки, подтверждающие, что в
таких условиях будут происходить сбои в работе БДС.
Нет
необходимости активировать индикатор неисправности, если предельные значения
выбросов вредных веществ в процессе регенерации превышены, но это не связано с
проявлением дефекта.
М.3.2.1.3
Для транспортных средств, конструкция которых предусматривает установку блоков
отбора мощности, блокировку затрагиваемых систем контроля допускают при
условии, что она происходит только во время работы блока отбора мощности.
М.3.2.2
Пропуски сгорания в транспортных средствах, оснащенных двигателем с
принудительным зажиганием
М.3.2.2.1
Изготовитель может руководствоваться критериями более высокой доли пропусков сгорания
на отдельных частотах вращения двигателя и нагрузках по сравнению с
показателями, доведенными до сведения органа по сертификации, если этому
органу по сертификации будет доказано, что выявление менее высокой доли
пропусков невозможно.
М.3.2.2.2
Если изготовитель в состоянии доказать органу по сертификации, что
выявление более высокой доли пропусков сгорания остается ненадежным или что
пропуски сгорания нельзя отличить от других факторов (например неровная дорога,
переключение передач и т.д.), то система контроля за пропусками сгорания может
быть отключена при возникновении таких условий.
М.3.3
Методы испытаний
М.3.3.1 Испытания проводят на транспортных
средствах, используемых для ресурсных испытаний типа V, описанных в приложении И,
с применением метода, изложенного в дополнении 1
к настоящему приложению. Испытание проводят после завершения ресурсного
испытания типа V.
Если
ресурсное испытание типа V
не проводят или от изготовителя поступила соответствующая заявка, то для
проведения этого испытания с целью БДС-демонстрации можно использовать
репрезентативное транспортное средство с приемлемым сроком эксплуатации.
М.3.3.2
БДС должна индицировать неисправность любых элементов или систем, имеющих
отношение к выбросам, если такая неисправность влечет за собой превышение
предельных значений выбросов, указанных в таблице М.1.
Таблица
М.1
|
Характеристика
транспортного средства |
Контрольная
масса (КМ), кг |
Масса оксида
углерода (СО) L1, г/км |
Масса
углеводородов (СН) L2, г/км |
Масса оксидов
азота (NОx)
L3, г/км |
Масса вредных
частиц1) (РМ) L4, г/км |
||||
|
Применяемое
топливо |
|||||||||
|
Категория |
Класс |
Бензин |
Дизельное |
Бензин |
Дизельное |
Бензин |
Дизельное |
Дизельное |
|
|
М2) |
- |
Все |
3,20 |
3,20 |
0,40 |
0,40 |
0,60 |
1,20 |
0,18 |
|
|
I |
КМ £ 1305 |
3,20 |
3,20 |
0,40 |
0,40 |
0,60 |
1,20 |
0,18 |
|
II |
1305 < КМ £ 1760 |
5,80 |
4,00 |
0,50 |
0,50 |
0,70 |
1,60 |
0,23 |
|
|
III |
1760 < КМ |
7,30 |
4,80 |
0,60 |
0,60 |
0,80 |
1,90 |
0,28 |
|
|
1) Для
двигателей с воспламенением от сжатия. 2) Кроме транспортных средств максимальной массой
более 2500 кг. 3) А также
транспортные средства категории М, не указанные в сноске2) |
|||||||||
Чтобы
БДС отвечала требованиям М.3.3.2, она
должна, по меньшей мере, обеспечивать контроль за:
М.3.3.3.1 снижением эффективности
каталитического нейтрализатора в отношении выбросов СН. Изготовитель может
осуществлять контроль лишь одного переднего нейтрализатора или этого
нейтрализатора в сочетании со следующим(и) нейтрализатором(ами). Каждый
контролируемый нейтрализатор или сочетание нейтрализаторов следует считать
неисправным, если выбросы СН выше предельных значений, указанных в таблице М.1;
a) максимальная частота вращения двигателя 4500 мин-1
или на 1000 мин-1 выше наибольшей частоты вращения при испытании
типа I в зависимости от
того, какая из этих частот ниже;
b) кривая положительного крутящего момента (т.е.
нагрузка на двигатель при нейтральном положении коробки передач);
c) кривая, соединяющая следующие точки:
кривая
положительного крутящего момента при частоте вращения 3000 мин-1 и
точка, соответствующая максимальной частоте вращения двигателя, указанной в
перечислении а), когда давление во впускном коллекторе двигателя на 13,33 кПа
ниже данного показателя на кривой положительного крутящего момента;
М.3.3.3.3 ухудшением работы кислородного
датчика;
М.3.3.3.4
действием (при работе на соответствующем топливе) других компонентов системы
контроля выбросов или систем, оказывающих влияние на выбросы, или систем
силового привода, связанных с компьютером, отказ которых может привести к
превышению значений выбросов вредных веществ с отработавшими газами по
отношению к предельным значениям, указанным в таблице М.1;
М.3.3.3.6
устройством электронного контроля продувки топливных испарений, которое следует
контролировать, как минимум, на целостность цепи.
Чтобы
БДС отвечала требованиям М.3.3.2, она
должна обеспечивать контроль за:
М.3.3.4.1 снижением эффективности
каталитического нейтрализатора, если он установлен;
М.3.3.4.2
функциональными возможностями и исправностью уловителя частиц, если он
установлен;
М.3.3.4.4
другими элементами системы или системами контроля выбросов или элементами либо
системами двигателя-трансмиссии, которые связаны с компьютером и отказ которых
может привести к превышению предельных выбросов вредных веществ с отработавшими
газами, указанных в таблице М.1. В
качестве примера можно привести системы или элементы, используемые для контроля
и регулирования массового расхода воздуха, объемного расхода и температуры
воздуха, давления наддува и во впускном коллекторе, а также соответствующих
датчиков, позволяющих реализовать эти функции;
М.3.3.5
Изготовитель может представить органу по сертификации доказательства, что
определенные элементы или системы не нуждаются в контроле, если при их полном
выходе из строя или изъятии выбросы вредных веществ не будут превышать
предельные значения, указанные в таблице М.1.
М.3.4
Последовательность диагностических проверок начинают при каждом запуске
двигателя и завершают после обеспечения соответствия надлежащим условиям
испытаний. Эти условия выбирают с учетом требований, чтобы все они возникали
при обычной езде, предусмотренной испытанием типа I.
М.3.5 Активация индикатора неисправностей (ИН)
М.3.5.1
БДС должна включать ИН, которым мог бы без труда пользоваться водитель
транспортного средства. ИН не должен быть использован для других целей, кроме
указания водителю на аварийный запуск или аварийный режим движения (limp-home). ИН должен быть виден при всех разумных
условиях освещения. При его включении должно загораться обозначение,
соответствующее ИСО 2575. Транспортное средство не должно оснащаться более чем
одним ИН общего назначения, предназначенным для выявления проблем, имеющих
отношение к выбросам. Допускается установка отдельных сигнальных устройств
конкретного назначения (например тормозные системы ремни безопасности, давление
масла и т.д.). Использование красного цвета для ИН запрещено.
М.3.5.2
Если требуется проведение более двух циклов предварительной подготовки для
активации ИН, то изготовитель представляет данные и/или результаты инженерной
оценки, подтверждающие, что система контроля позволяет столь же эффективно и
своевременно выявлять ухудшения в работе различных элементов. Применение
технических решений, предусматривающих проведение в среднем более 10 ездовых
циклов для активации ИН, не допускается. ИН должен активироваться каждый раз,
когда система управления двигателя входит в постоянный режим работы по
умолчанию в отношении выбросов вредных веществ, если превышены предельные
значения выбросов, указанных в таблице М.1,
или если БДС не способна выполнять основные требования по мониторингу,
приведенные в М.3.3.3 или М.3.3.4. ИН должен
функционировать в четко выраженном режиме предупреждения, например при помощи
мигающего светового сигнала, в любой период, в течение которого происходят
пропуски сгорания в двигателе в такой степени, что это может привести к
повреждению нейтрализатора, в соответствии с предписаниями изготовителя. ИН
должен также активироваться при повороте ключа в замке зажигания транспортного
средства перед запуском двигателя или его прокручиванием и отключаться после
запуска двигателя, если не было выявлено никаких неисправностей.
М.3.6 Сохранение кодов неисправностей
БДС
должна регистрировать код(ы), индицирующий(ие) состояние системы контроля за
выбросами. Для правильной идентификации функционирования системы контроля
выбросов вредных веществ и тех систем контроля выбросов, которые требуют
дальнейшей работы транспортного средства для их всесторонней оценки, следует
использовать отдельные коды состояния. Если ИН активирован в связи с ухудшением
или неисправностью либо переходом в режим по умолчанию, должен быть сохранен
код неисправности, идентифицирующий тип неисправности. Код неисправности должен
быть также сохранен в случаях, указанных в М.3.3.3.5 и М.3.3.4.5.
М.3.6.1
Расстояние, пройденное транспортным средством при включенном ИН, должно быть
доступно для считывания в любой момент при помощи последовательного порта на
стандартном разъеме1).
1) Данное требование применяют с 01.01.2003 к новым
типам транспортных средств с электронным вводом сигнала скорости в систему
управления двигателем. Оно должно быть применено ко всем транспортным
средствам, введенным в эксплуатацию с 01.01.2005.
М.3.6.2
Для транспортных средств, оснащенных двигателями с принудительным зажиганием,
не требуется идентификация именно тех цилиндров, в которых происходят пропуски
сгорания, если сохраняется код пропусков сгорания по отдельным или нескольким
цилиндрам.
М.3.7 Выключение ИН
М.3.7.1
Если пропусков сгорания на уровнях, которые могут привести к повреждениям
нейтрализатора, указанным изготовителем, больше не происходит или если
двигатель переходит на другие скоростные и нагрузочные режимы, когда уровень
пропусков сгорания не приводит к повреждению нейтрализатора, ИН может быть
переключен на предыдущий режим работы в течение первого испытательного цикла, в
котором был зафиксирован уровень пропусков сгорания, и может быть переключен на
нормальный режим работы в течение последующих испытательных циклов. Если ИН
вновь переключают на предыдущий режим работы, то соответствующие коды
неисправностей и сохраненные параметры могут быть стерты.
М.3.7.2
При всех других неисправностях ИН может выключаться после осуществления трех
последующих ездовых циклов подряд, в течение которых система контроля,
приводящая в действие ИН, не выявляет неисправностей, при условии, что не было
обнаружено никаких других неисправностей, в результате которых произошло бы
независимое включение ИН.
М.3.8 Стирание кодов неисправностей
М.3.8.1
БДС может стереть коды неисправностей, информацию о пройденном расстоянии и
информацию о состоянии системы, если та же неисправность не регистрируется
вновь в течение не менее 40 циклов прогрева.
М.3.9
Двухтопливные транспортные средства, использующие газовое топливо
М.3.9.1
Для двухтопливных транспортных средств, использующих газовое топливо,
процедуры:
- активация ИН (см. М.3.5);
- сохранение кодов ошибок (см. М.3.6);
- выключения предупреждающего сигнала ИН (см. М.3.7);
- стирания кода ошибки (см. М.3.8)
должны
выполняться независимо друг от друга, когда транспортное средство работает на
бензине. Результат любой из описанных процедур не должен измениться при
переходе на газ. Когда транспортное средство работает на газе, результат любой
из описанных процедур не должен измениться при переходе на бензин.
Несмотря
на эти требования, код статуса (описанный в М.3.6) должен характеризовать
полностью проверенные системы контроля для обоих видов топлива (бензин и газ),
когда системы контроля полностью проверены для одного из двух видов топлива.
М.4
Требования в отношении сертификации БДС
М.4.1
Изготовитель может обратиться в орган по сертификации с заявкой о
принятии БДС на сертификацию, даже если данная БДС характеризуется одним или
более недостатками, выраженными в неполном соответствии конкретным требованиям
настоящего приложения.
М.4.2
При рассмотрении заявки орган по сертификации выясняет, можно ли
выполнить требования настоящего приложения и являются ли они разумными.
Орган
по сертификации принимает во внимание информацию
изготовителя (но не ограничиваясь ею), в которой детализированы такие аспекты,
как техническая осуществимость, период освоения и производственные циклы, в том
числе данные о введении или выведении из эксплуатации транспортных средств или
двигателя и программной модернизации компьютеров, степень, в которой новая БДС
будет эффективна, которая будет создана в части соответствия требованиям
настоящего стандарта, а также о том, что изготовитель продемонстрировал должный
уровень усилий по обеспечению соответствия требованиям настоящего стандарта.
М.4.2.1
Орган по сертификации отклоняет любой запрос о сертификации с
недостатками при полном отсутствии требующегося диагностического контроля.
М.4.2.2
Орган по сертификации отклоняет любой запрос о сертификации с недостатками
при несоблюдении требований по значениям предельных выбросов, указанных в
таблице М.1.
М.4.3
При определении порядка недостатков в первую очередь идентифицируют недостатки,
имеющие отношение к положениям М.3.3.3.1 - М.3.3.3.3 настоящего
приложения, если речь идет о двигателях с принудительным зажиганием, и к
положениям М.3.3.4.1 - М.3.3.4.3 - в случае
двигателей с воспламенением от сжатия.
М.4.4
До сертификации или в процессе сертификации не допускаются
никакие недостатки, выражающиеся в несоблюдении требований 6.5, кроме 6.5.3.4 дополнения 1 к настоящему приложению.
Данное требование не относится к двухтопливным транспортным средствам.
М.4.5
Двухтопливные транспортные средства
М.4.5.1
Несмотря на требования М.3.9.1 и в
случае запроса изготовителя орган по сертификации может допустить
следующие недостатки в требованиях настоящего приложения для целей сертификации
двухтопливных транспортных средств:
- стирание кодов ошибок, пройденного расстояния и
информации о мгновенном состоянии после 40 циклов прогрева двигателя,
независимо от вида использованного при этом топлива;
- активация ИН на обоих видах топлива (бензин и
газ) после выявления неисправности при работе на одном из двух видов топлива;
- деактивация ИН после трех последующих, идущих
один за другим ездовых циклов, если нет неисправностей, независимо от вида
использованного при этом топлива;
- использование двух кодов статуса, одного для
каждого вида топлива.
Иные
опции могут быть запрошены изготовителем и допущены по усмотрению органа по
сертификации.
М.4.5.2
Несмотря на требования 6.6 дополнения 1 к
настоящему приложению и в случае запроса изготовителя сертификат
соответствия может быть выдан при следующих недостатках в требованиях
настоящего приложения в отношении оценки и передачи диагностических сигналов:
- передача диагностического сигнала о топливе,
используемом в данный момент, по единственному исходному адресу;
- оценка одной серии диагностических сигналов для
обоих видов топлива (соответствующая оценке сигналов о монотопливном
транспортном средстве и не зависящая от топлива, используемого в данный
момент);
- селекция одной серии диагностических сигналов
(ассоциирующейся с одним из применяемых топлив) по положению переключателя с
одного вида топлива на другой;
- обработка и передача одной серии диагностических
сигналов для обоих видов топлива в компьютере системы управления подачей
бензина независимо от вида топлива, используемого в данный момент. Компьютер
системы управления подачей газа должен оценивать и передавать диагностические
сигналы, относящиеся к системе газовой топливоподачи, и сохранять историю
статусов состояния.
Иные
опции могут быть запрошены изготовителем и допущены по усмотрению органа по
сертификации.
М.4.6
Продолжительность существования недостатков
М.4.6.1
Любой недостаток может сохраняться в течение двух лет после даты сертификации
транспортного средства, если не будет доказано, что для исправления данного
недостатка потребуется существенное изменение оборудования транспортного
средства и дополнительный период освоения, превышающий два года. В таком случае
период сохранения недостатка может составлять не более трех лет.
М.4.6.1.1
Для двухтопливного транспортного средства право на сохранение недостатка,
предоставляемое в соответствии с М.4.5,
может быть распространено на период до трех лет после даты выдачи сертификата
соответствия транспортного средства, если не будет продемонстрировано, что
из-за необходимости существенного изменения конструкции транспортного средства
(а не программного обеспечения) и периода внедрения, превышающего три года,
необходимо продлить срок существования недостатка. В таком случае период
сохранения недостатка может составлять не более четырех лет.
М.4.6.2
Изготовитель может обратиться с заявкой, чтобы орган по сертификации, который
первоначально предоставил сертификат соответствия по типу конструкции,
дал разрешение на сохранение недостатка ретроспективно, если такой недостаток
обнаружен после первоначальной сертификации. В таком случае недостаток
может сохраняться в течение двух лет после даты уведомления органа по
сертификации, предоставившего сертификат соответствия, если не будет
доказано, что для исправления данного недостатка потребуется существенное
изменение оборудования транспортного средства и дополнительный период освоения,
превышающий два года. В таком случае период сохранения недостатка может
составлять не более трех лет.
М.5
Доступ к информации БДС
М.5.1
Заявки на получение сертификата соответствия и на распространение его
действия должны сопровождаться соответствующей информацией по БДС транспортного
средства. Информация такого рода должна позволять изготовителю сменных и
модифицированных компонентов изготовлять продукцию, совместимую с БДС
транспортного средства, с целью недопущения неправильного функционирования.
Такая информация позволит изготовителю диагностического и испытательного
оборудования изготовлять инструменты и оборудование, обеспечивающие эффективную
и точную диагностику системы снижения выбросов вредных веществ транспортного
средства.
М.5.2
По запросу орган по сертификации должен обеспечить доступность
информации, содержащейся в дополнении 1 к приложению Б,
содержащем соответствующую информацию по БДС, любого заинтересованного
изготовителя сменных компонентов, сервисного и диагностического оборудования на
не дискриминационной основе.
М.5.2.1
Если орган по сертификации получит запрос от любого заинтересованного
изготовителя сменных компонентов, сервисного и диагностического оборудования на
получение информации по БДС транспортного средства, которое было сертифицировано
на основании предыдущих версий настоящего стандарта:
- орган по сертификации в течение 30 дней
просит изготовителя этого транспортного средства обеспечить доступность
информации, указанной в А.4.2.11.2.7.6
приложения А.
Требования А.4.2.11.2.7.6.2
не применяют;
- изготовитель должен предоставить эту информацию органу
по сертификации в течение двух месяцев с момента запроса;
- орган по сертификации должен внести
полученную информацию в приложение А информационного пакета к сертификату
соответствия данного транспортного средства.
Данное
требование не делает недействительными какие бы то ни было ранее
предоставленные сертификаты соответствия и не препятствует
распространению действия таких сертификатов, исходя из требований тех
версий данного стандарта, по которым был предоставлен сертификат
соответствия.
М.5.2.2
Информация может быть запрошена только в отношении сменных частей или сервисных
компонентов, подлежащих сертификации в соответствии с настоящим
стандартом или иными стандартами на основе Правил ЕЭК ООН.
М.5.2.3
Запрос на информацию должен точно идентифицировать модель транспортного
средства, информация на которое запрашивается. Запрос должен содержать
подтверждение, что информация запрашивается для разработки сменных или
модифицированных частей или компонентов, или диагностического, или
испытательного оборудования.
1 Введение
В
настоящем дополнении описан метод проверки функционирования БДС, установленной
на транспортном средстве, посредством имитации неисправностей соответствующих
систем управления двигателем или системы контроля за выбросами и процедуры
определения надежности БДС.
Изготовитель
предоставляет неисправные элементы и/или электрические устройства, которые
будут использованы для имитации неисправностей. При проведении измерений в
рамках цикла испытания типа I
такие неисправные элементы или устройства не должны вызывать превышение
предельных значений выбросов транспортных средств, указанных в таблице М.1, более чем на 20 %.
При
испытании транспортного средства, оснащенного неисправным элементом или
устройством, БДС сертифицируют, если функционирует ИН. БДС также сертифицируют,
если ИН функционирует таким образом, что предельные значения вредных
выбросов, установленные для БДС, не превышаются.
2 Описание испытания
2.1 Испытание БДС
состоит из этапов, указанных в 2.1.1 - 2.1.4.
2.1.1 Имитация
неисправности элемента системы управления двигателем или контроля за выбросами.
2.1.2 Предварительная подготовка транспортного
средства с имитируемой неисправностью в соответствии с 6.2.1 или 6.2.2.
2.1.3 Выполнение ездового цикла испытания типа I с имитируемой неисправностью и измерение выбросов
вредных веществ.
2.2 По запросу изготовителя в качестве
альтернативного варианта неисправность одного или более элементов может быть
имитирована электронным образом в соответствии с разделом 6 настоящего дополнения.
2.3 Изготовитель
может потребовать, чтобы контроль был осуществлен вне режимов цикла испытания
типа I, если органу по сертификации будет доказано, что контроль в условиях,
возникающих в процессе выполнения цикла испытания типа I, будет сопряжен с ограничениями контроля
в реальной эксплуатации транспортного средства.
3 Испытуемое транспортное средство и топливо для испытания
3.1 Транспортное средство
Испытуемое
транспортное средство должно соответствовать требованиям Г.3.1 приложения Г.
3.2 Топливо
Для
испытаний должно быть использовано соответствующее эталонное топливо, указанное
в приложении Л,
которое касается бензина, дизельного топлива СНГ и КПГ. Вид топлива для
испытаний на каждом режиме имитации неисправности по 6.3 настоящего дополнения может
быть выбран органом по сертификации из эталонных топлив, описанных в Л.4, в
случае испытания многотопливного газового транспортного средства, и из
эталонных топлив, описанных в Л.1, Л.2 и Л.4, в случае испытания
двухтопливного транспортного средства. Выбранный вид топлива не следует
заменять другим ни на какой из фаз испытательного цикла по 2.1 - 2.3
настоящего дополнения. В случае использования в качестве топлива СНГ или КПГ
допускается проводить запуск двигателя на бензине с переходом на СНГ или КПГ
после установленного периода времени, который отслеживается автоматически,
независимо от водителя.
4 Температура и давление в ходе испытаний
4.1 Температура и давление в ходе испытания должны
соответствовать требованиям к испытанию типа I, изложенным в приложении Г.
5.1 Динамометрический стенд
Динамометрический
стенд должен соответствовать требованиям приложения Г.
6 БДС - испытательная процедура
6.1 Ездовой цикл, выполняемый на динамометрическом
стенде, должен соответствовать требованиям приложения Г.
6.2 Предварительная подготовка транспортного
средства
6.2.1 В зависимости от типа двигателя и после введения
одной из неисправностей, указанных в 6.3, транспортное средство
должно пройти предварительную подготовку посредством выполнения не менее двух
последовательных ездовых циклов испытаний типа I (включающих первую и вторую части). Для
транспортных средств, оснащенных двигателями с воспламенением от сжатия,
допускается проведение дополнительной предварительной подготовки в объеме двух
циклов второй части.
6.2.2 По запросу изготовителя могут быть
использованы альтернативные методы предварительной подготовки.
6.3 Режимы
имитации неисправностей, на которых следует проводить испытание
6.3.1 Для транспортных средств, оснащенных
двигателями с принудительным зажиганием:
6.3.1.1 замена каталитического нейтрализатора
поврежденным каталитическим нейтрализатором или нейтрализатором со сниженной
эффективностью, или электронная имитация такой неисправности;
6.3.1.2 создание условий, характеризующихся
пропусками сгорания, приведенными в М.3.3.3.2 приложения М;
6.3.1.3 замена кислородного датчика поврежденным
или кислородным датчиком со сниженной эффективностью, либо электронная имитация
такой неисправности;
6.3.1.5 разъединение электрического соединения с
электронным устройством продувки адсорбера топливных испарений (при его наличии
и при условии, что оно функционирует при работе на данном виде топлива). Для
данного конкретного вида имитации неисправности испытание типа I не проводят.
6.3.2 Для транспортных средств, оснащенных двигателями
с воспламенением от сжатия:
6.3.2.1 замена каталитического нейтрализатора
поврежденным каталитическим нейтрализатором или нейтрализатором со сниженной
эффективностью, или электронная имитация такой неисправности;
6.3.2.3 разъединение
электрической цепи любого электронного исполнительного механизма топливной
системы, регулирующего количество подаваемого топлива и время (момент) его
подачи;
6.3.2.4 разъединение
электрической цепи любого другого имеющего отношение к выбросам элемента,
связанного с компьютером, осуществляющим управление двигателем-трансмиссией;
6.3.2.5 при
выполнении требований 6.3.2.3 и 6.3.2.4 изготовитель должен по согласованию с органом
по сертификации предпринять надлежащие шаги для доказательства того, что
БДС будет указывать на неисправность при разъединении электрической цепи.
6.4 Испытание БДС
6.4.1 Для транспортных средств, оснащенных
двигателями с принудительным зажиганием:
6.4.1.1 после предварительной подготовки
транспортного средства в соответствии с 6.2 транспортное средство
подвергается испытанию типа I (первая и вторая части).
ИН
должен активироваться до окончания этого испытания при любых условиях,
указанных в 6.4.1.2
- 6.4.4 и 6.4.6.
Испытательная лаборатория может заменить эти условия другими в соответствии с 6.4.1.6. Однако для целей сертификации
общее число имитируемых неисправностей не должно быть более 4;
6.4.1.2 замена
исправного каталитического нейтрализатора поврежденным каталитическим
нейтрализатором или нейтрализатором со сниженной эффективностью, или
электронная имитация такой неисправности, что приводит к превышению выбросов
углеводородов СН выше предельных значений, указанных в таблице М.1;
6.4.1.3 искусственное создание условий,
характеризующихся пропусками сгорания, в соответствии с условиями контроля за
пропусками сгорания, изложенными в М.3.3.3.2 приложения М, что
приводит к превышению выбросов углеводородов СН выше предельных значений,
указанных в таблице М.1;
6.4.1.4 замена кислородного датчика поврежденным
или кислородным датчиком со сниженной эффективностью, либо электронная имитация
такой неисправности или неисправности кислородного датчика, которые приводят к
превышению любых предельных значений, указанных в таблице М.1;
6.4.1.5 разъединение электрического соединения с
электронным устройством продувки адсорбера топливных испарений (при его наличии
и при условии, что оно функционирует при работе на данном виде топлива);
6.4.1.6 разъединение
электрического соединения с любым компонентом, влияющим на выбросы вредных
веществ, и связанным с компьютером управления двигателем-трансмиссией,
приводящее к превышению любых предельных значений, указанных в таблице М.1, если он задействован на данном виде
топлива.
6.4.2 Для транспортных средств, оснащенных
двигателями с воспламенением от сжатия:
6.4.2.1 после предварительной подготовки
транспортного средства в соответствии с 6.2 транспортное средство подвергают
испытанию типа I (первая и вторая
части).
ИН
должен активироваться до окончания этого испытания при любых условиях,
указанных в 6.4.2.2
- 6.4.2.5.
Испытательная лаборатория может заменить эти условия другими в соответствии с 6.4.1.6. Однако для целей сертификации
общее число имитируемых неисправностей не должно быть более 4;
6.4.2.2 замена
исправного каталитического нейтрализатора поврежденным каталитическим
нейтрализатором или нейтрализатором со сниженной эффективностю, или электронная
имитация такой неисправности, что приводит к превышению любых предельных
значений, указанных в таблице М.1;
6.4.2.3 полное изъятие уловителя вредных частиц,
если он установлен, или замена уловителя неисправным уловителем с учетом
условий, изложенных в 6.3.2.2, что приводит к превышению предельных
значений выбросов, указанных в таблице М.1;
6.4.2.4 с учетом положений 6.3.2.5 разъединяют
электрическую цепь любого электронного исполнительного механизма топливной
системы, регулирующего количество подаваемого топлива и время (момент) его
подачи, что приводит к превышению предельных значений выбросов, указанных в
таблице М.1;
6.4.2.5 с учетом
положений 6.3.2.5 разъединяют электрическую цепь любого другого
имеющего отношение к выбросам элемента двигателя-трансмиссии, связанного с
компьютером, что приводит к превышению любого из предельных значений выбросов,
указанных в таблице М.1.
6.5.1 При выявлении
первой неисправности любого элемента или системы в память компьютера должны
быть занесены все параметры двигателя в режиме «Стоп-кадр», зарегистрированные
в данный момент. Если впоследствии произойдет неисправность топливной системы либо
пропуски сгорания, то любые условия в режиме «Стоп-кадр», занесенные в память
компьютера ранее, заменяют новыми параметрами, характеризующими состояние в
отношении топливной системы или пропусков сгорания (в зависимости от того, что
произойдет ранее). Заносимые в память компьютера параметры двигателя включают,
в частности, рассчитанное значение нагрузки, частоту вращения двигателя,
значение(я) топливной регулировки (если она осуществлялась), давление топлива
(если оно известно), скорость движения транспортного средства (если она
известна), температуру охлаждающей жидкости, давление во впускном коллекторе
(если оно известно), указание, по замкнутому (с обратной связью по кислороду)
или разомкнутому (без обратной связи) циклу осуществлялось регулирование (если
такая информация имеется), и код неисправности, явившейся причиной сохранения
данных. Изготовитель выбирает наиболее приемлемый набор условий, способствующих
осуществлению эффективных ремонтных операций, для введения в память компьютера
параметров в режиме «Стоп-кадр». Требуется только один блок данных.
Изготовитель может вводить дополнительные блоки данных при условии, что требующийся блок можно
считывать при помощи типовых средств сканирования, соответствующих техническим
требованиям 6.5.3.2
и 6.5.3.3. Если код неисправности, вызвавшей ввод в
память компьютера соответствующих параметров, стерт согласно требованиям М.3.7,
то могут быть стерты также введенные в память компьютера параметры двигателя.
6.5.1.2 Помимо требующейся информации в режиме
«Стоп-кадр», следующая информация должна быть доступна по запросу через
последовательный порт на стандартизованном разъеме, если эта информация имеется
в бортовом компьютере или может быть получена при помощи данных, имеющихся в
бортовом компьютере:
- диагностические коды неисправностей;
- температура охлаждающей жидкости двигателя;
- состояние системы контроля топлива (замкнутого и
разомкнутого цикла управления и т.д.);
- топливная регулировка;
- опережение зажигания;
- температура воздуха на впуске;
- давление воздуха во впускном коллекторе;
- расход воздуха;
- частота вращения двигателя;
- выходной сигнал датчика положения дроссельной
заслонки;
- состояние вторичного воздуха (выходящего,
входящего или атмосферного);
- рассчитанное значение нагрузки;
- скорость транспортного средства;
- давление в топливной системе.
Сигналы
указывают в стандартных единицах согласно требованиям 6.5.3.
Текущие сигналы должны быть четко идентифицированы отдельно от сигналов,
указывающих на стандартные значения, или от слабых первоначальных сигналов.
6.5.1.3 Для всех систем контроля за выбросами,
применительно к которым проводят конкретные бортовые оценочные испытания
(каталитического нейтрализатора, кислородного датчика и т.д.), за исключением
выявления пропусков сгорания, мониторинга топливной системы и всеобъемлющего
контроля всех элементов, результаты самого последнего испытания, пройденного
транспортным средством, и предельные значения, на соответствие которым проводят
сопоставление этой системы, должны быть доступны через последовательный порт на
стандартизованном разъеме передачи данных в соответствии с требованиями 6.5.3. Для контролируемых элементов и
систем, которые упомянуты в перечне исключений, через разъем передачи данных
указывают соответствие/несоответствие последних результатов испытаний.
6.5.1.4 Требования к БДС, на соответствие которым сертифицируют
транспортное средство (т.е. предписания приложения М или альтернативные
требования раздела 5 настоящего дополнения),
и основные системы контроля за выбросами, контролируемые БДС в соответствии 6.5.3.3,
должны быть доступны через последовательный порт на стандартизованном разъеме
передачи данных в соответствии с техническими требованиями 6.5.3 настоящего дополнения.
6.5.1.5 С 01.01.2003 для новых типов и с 01.01.2005
- для всех типов транспортных средств, вводящихся в эксплуатацию,
идентификационный номер программного обеспечения калибровки должен быть
доступен через последовательный порт на стандартизованном разъеме передачи
данных. Идентификационный номер программного обеспечения калибровки указывают в
стандартном формате.
6.5.2 От диагностической системы контроля за выбросами
не требуется оценка элементов, когда они неисправны, если такая оценка может
повлиять на безопасность или выход из строя элемента.
6.5.3 Диагностическая система контроля выбросов вредных веществ должна
предусматривать стандартизованный и неограниченный доступ, а также
соответствовать международным стандартам ISO и спецификациям SAE. Некоторые из международных стандартов разработаны
на основе стандартов Общества автомобильных инженеров США (SAE) и рекомендованной практики. В таких случаях
соответствующие ссылки на SAE приводят в скобках.
6.5.3.1 Один из следующих стандартов может быть
использован для связи бортового и наружного устройств: [4] с поправками
1996 г. Сообщения, относящиеся к системе контроля выбросов вредных веществ,
должны использовать циклическую проверку избыточности и трехбайтовый заголовок
и не использовать межбайтовую сепарацию и контрольные данные), [5] и [10] с указанными ограничениями.
6.5.3.2 Испытательное оборудование и средства
диагностики, предназначенные для обмена информацией с БДС, должны
соответствовать или перекрывать требования [7].
6.5.3.3 Базовые диагностические данные (6.5.1) и контрольная
информация, передаваемая в обоих направлениях, должны быть представлены с
использованием формата и единиц измерения, указанных в [8]; они должны
быть обеспечены при помощи диагностического оборудования, соответствующего
требованиям [7].
Изготовитель
транспортного средства должен представить в орган по сертификации подробности
любых данных по диагностике систем контроля выбросов вредных веществ, например
данные, контролируемые БДС, относящиеся к испытаниям, не описанные в [7], но установленные настоящим
стандартом.
6.5.3.4 При
регистрации неисправности изготовитель должен ее идентифицировать при помощи
наиболее подходящего
для этого кода неисправности, соответствующего требованиям 6.3 [9],
касающегося «Кодов диагностики сбоев в системе двигатель-трансмиссия» (коды
неисправностей РО). Если такая идентификация невозможна, то изготовитель может
использовать коды диагностики неисправностей, указанных в 5.3 и 5.6 [9]
(коды неисправностей Р1).
Всесторонний
доступ к кодам неисправностей должен быть обеспечен при помощи стандартного
диагностического оборудования, соответствующего 6.5.3.2.
Примечания,
приведенные в 6.3 [9] непосредственно перед перечнем кодов
неисправностей в тексте этого же пункта, не применяют.
6.5.3.5 Интерфейс связи между транспортным средством и
диагностическим тестером должен быть стандартизован и соответствовать всем
требованиям [6].
Место установки определяют по договоренности с органом по сертификации, исходя
из возможности легкого доступа со стороны обслуживающего персонала сервисной
станции и необходимости защиты от несанкционированного вмешательства
неквалифицированного персонала.
6.5.3.5.1 Изготовитель предоставляет также, в
соответствующих случаях на платной основе, техническую информацию, необходимую
для ремонта или технического обслуживания транспортных средств, если на эту
информацию не распространяются положения закона о защите интеллектуальной
собственности или она не представляет собой крайне важный и не подлежащий
разглашению элемент «ноу-хау», что надлежащим образом должно быть указано. В
таком случае необходимая техническая информация не должна быть скрыта без
соответствующих оснований.
Право
на получение такой информации имеет любое лицо, принимающее участие в
коммерческом обслуживании или ремонте, проведении спасательных работ на дороге,
осмотре или испытании транспортных средств либо в производстве или сбыте
запасных или модернизированных деталей, диагностических средств и
испытательного оборудования.
6.6 Специальные требования в отношении передачи
диагностических сигналов от двухтопливных транспортных средств
6.6.1 Для двухтопливных транспортных средств, в
которых диагностические сигналы от раздельных систем управления топливоподачей
каждого из топлив хранятся в одном компьютере, диагностические сигналы при
работе на бензине и диагностические сигналы при работе на газовом топливе
должны обрабатываться и передаваться независимо друг от друга.
6.6.2 Для двухтопливных транспортных средств, в
которых диагностические сигналы от раздельных систем управления топливоподачей
каждого из топлив хранятся в одном компьютере, диагностические сигналы при
работе на бензине и диагностические сигналы при работе на газовом топливе
должны обрабатываться и передаваться от компьютера, относящегося к
соответствующему виду топлива.
6.6.3 По запросу от диагностического устройства
диагностический сигнал от транспортного средства, работающего на бензине,
должен быть передан по одному исходному адресу, а диагностический сигнал от
транспортного средства, работающего на газовом топливе, должен быть передан по
другому исходному адресу. Использование исходных адресов установлено в [8].
1 Параметры, определяющие БДС-семейство
БДС-семейство
может быть определено основными конструктивными параметрами, которые являются
общими для транспортных средств, относящихся к данному семейству. В некоторых
случаях эти параметры могут взаимодействовать. Эти обстоятельства также должны
быть приняты во внимание, чтобы к соответствующему БДС-семейству могли быть
отнесены только транспортные средства с аналогичными характеристиками выбросов
отработавших газов.
2 С учетом этого считают, что к одной и той же комбинации
«двигатель/система контроля за выбросами/система бортовой диагностики» относят
те типы транспортных средств, параметры которых, изложенные далее, идентичны.
Двигатель:
a) процесс сгорания топлива (т.е. принудительное
зажигание, воспламенение от сжатия, двухтактный, четырехтактный);
b) метод подачи топлива в двигатель (т.е.
карбюратор или впрыск топлива).
Система
контроля выбросов:
a) тип каталитического нейтрализатора (т.е.
окисление, трехкомпонентный, подогреваемый нейтрализатор, другой);
b) тип уловителя частиц;
c) нагнетание вторичного воздуха (т.е. с ним или
без него);
d) рециркуляция отработавших газов (т.е. с ней или
без нее).
БДС-элементы и их функционирование
Методы
функционального мониторинга, осуществляемые БДС, выявление неисправностей и
указание на неисправности водителю транспортного средства.
Н.1
Введение
При
сертификации транспортного средства, работающего на СНГ или КПГ, либо
транспортного средства, которое может работать на неэтилированном бензине в
сочетании с СНГ или КПГ, предъявляют особые требования к испытаниям и
использованию СНГ или КПГ.
Предлагаемые
на рынке СНГ и КПГ существенно отличаются по своему составу, что требует
регулирования топливной системы для ее адаптации к этим составам. Для
демонстрации этой способности транспортное средство подвергают испытанию типа I с использованием двух разных составов
эталонного топлива, в ходе которого должны быть подтверждены возможности
саморегулирования топливной системы. Если саморегулирование топливной системы
было продемонстрировано на соответствующем транспортном средстве, то такое
транспортное средство можно рассматривать в качестве базового транспортного
средства данного семейства. Транспортные средства, которые соответствуют
требованиям, предъявляемым к транспортным средствам данного семейства, если они
оборудованы одной и той же топливной системой, должны проходить испытание с
использованием только одного вида топлива.
Н.2
Определения
В
настоящем приложении применяют следующие термины с соответствующими
определениями:
Н.2.1
базовое транспортное средство: Транспортное средство, отобранное для
использования в качестве транспортного средства, на котором предполагается
продемонстрировать возможности саморегулирования топливной системы, и к
которому относятся транспортные средства семейства.
Допускается
наличие более одного базового транспортного средства в семействе.
a) оно изготовлено одним и тем же изготовителем;
b) на него распространяются одинаковые предельные
нормы выбросов;
c) если топливная система, работающая на газе,
имеет центральное дозирование для всего двигателя, его максимальная заявленная
мощность должна быть от 0,7 до 1,15 мощности двигателя базового транспортного
средства;
если
топливная система, работающая на газе, оборудована индивидуальным дозирующим
устройством для каждого цилиндра, его максимальная мощность, приходящаяся на
один цилиндр, должна быть от 0,7 до 1,15 соответствующей мощности базового
транспортного средства;
d) если транспортное средство оснащено каталитическим
нейтрализатором, то это должен быть каталитический нейтрализатор одного типа,
т.е. трехкомпонентный, окислительный, селективный для оксидов азота;
e) оно имеет топливную систему, работающую на газе
(включая редуктор), изготовленную одним и тем же изготовителем топливной
системы и относящуюся к одному и тому же типу: эжекция, впрыск паровой фазы
(одноточечный, многоточечный), впрыск жидкой фазы (одноточечный,
многоточечный);
f) функционирование топливной системы, работающей на
газе, контролируют с помощью электронного блока управления одного и того же
типа с одинаковыми техническими характеристиками, имеющего программное
обеспечение одного типа и одну и ту же стратегию управления.
Н.2.2.1
Требования перечисления с): в том случае, если можно продемонстрировать, что
два транспортных средства, работающих на газе, могут относиться к одному и тому
же семейству транспортных средств, за исключением их максимальной мощности P1
и P2
(Р1 < P2),
и если оба эти транспортные средства проходят испытания как базовые, то принадлежность
их к этому семейству считается доказанной для любого транспортного средства,
максимальная мощность которого находится в пределах 0,7 Р1 -
1,15 P2.
Н.3
Предоставление сертификата соответствия типа
Сертификат
соответствия по типу конструкции предоставляют при соблюдении
требований Н.3.1 - Н.3.1.3.
Н.3.1
Сертификация базового транспортного средства в отношении выбросов
отработавших газов
На
базовом транспортном средстве необходимо продемонстрировать, что оно способно
адаптироваться к топливу любого состава, которое продают на рынке. При
использовании СНГ его состав изменяется по показателю С3/С4.
В случае использования КПГ, как правило, рассматривают два типа топлива: с
высокой теплотворной способностью (Н-gas) и низкой теплотворной способностью (L-gas), однако в пределах этих двух видов топлива
имеются весьма существенные отличия; в частности, они существенно отличаются по
индексу Воббе. Эти отличия отражены в эталонных видах топлива.
Н.3.1.1
Базовое транспортное средство (базовые транспортные средства) проходит(ят)
испытание типа I
с использованием двух эталонных видов топлива, указанных в приложении Л.
Н.3.1.1.1
Если переход с одного вида топлива на другой на практике осуществляют с помощью
переключателя, то этот переключатель не должен быть использован в ходе
испытаний для целей сертификации. По запросу изготовителя и с согласия
испытательной лаборатории продолжительность цикла предварительной подготовки (Г.5.3.1 приложения
Г)
может быть увеличена.
Н.3.1.2
Считается, что транспортное средство (транспортные средства) соответствует(ют)
требованиям, если при использовании обоих видов эталонного топлива транспортное
средство соответствует требованиям в отношении предельных значений выбросов.
Н.3.1.3 Коэффициент результирующего
выброса r
определяют по каждому вредному веществу следующим образом:
|
Тип(ы)
топлива |
Эталонное
топливо |
Расчет r |
|
СНГ и бензин (сертификация В) |
А |
|
|
Только СНГ (сертификация D) |
В |
|
|
ПГ и бензин (сертификация В) |
G 20 |
|
|
Только ПГ (сертификация D) |
G 25 |
Н.3.2
Сертификация транспортного средства данного семейства в отношении
выбросов вредных веществ с отработавшими газами
Транспортное
средство данного семейства должно проходить испытание типа I с использованием одного эталонного
топлива. В качестве эталонного топлива может быть использовано любое эталонное
топливо. Считается, что транспортное средство соответствует требованиям, если
выполнены следующие условия:
Н.3.2.1
транспортное средство соответствует определению транспортного средства данного
семейства, которое приведено в Н.2.2;
Н.3.2.2
топливом для испытания является эталонное топливо А для СНГ или G 20 для КПГ, результаты испытания для
каждого вредного вещества умножают на соответствующий коэффициент r; если
r
больше 1,0 или меньше 1,0, то его принимают равным 1;
если
топливом для испытания является эталонное топливо В для СНГ или G 25 для КПГ, результаты испытания для
каждого вредного вещества делят на соответствующий коэффициент r, если
r
меньше 1,0; если r больше
1,0, то его принимают равным 1.
Н.3.2.3
транспортное средство должно соответствовать требованиям в отношении выбросов
вредных веществ для соответствующей категории как для измеренных, так и для
рассчитанных значений выбросов;
Н.3.2.4
если один и тот же двигатель подвергают повторным испытаниям, то вначале
усредняют результаты по эталонному топливу G 20 или А и по эталонному топливу G 25 или В, затем на основе усредненных
результатов рассчитывают коэффициент r.
Н.4
Общие условия
Н.4.1
Испытания на соответствие производства могут быть проведены с использованием
имеющегося в продаже топлива, у которого показатель С3/С4
находится в пределах показателей эталонных видов топлива в случае использования
СНГ или у которого индекс Воббе находится в пределах значений этого
коэффициента для двух разных эталонных видов топлива в случае использования
КПГ. В этом случае необходимо представить результаты анализа топлива.
П.1
Введение
При
сертификации по типу конструкции транспортного средства, оснащенного
системой периодической регенерации по 3.20
настоящего стандарта, определены специальные условия.
П.2
Область применения и распространение сертификата соответствия по типу
конструкции
П.2.1
Группы семейства транспортных средств, оснащенных системами периодической
регенерации
К
транспортным средствам, оснащенным системами периодической регенерации,
определенной в 2.201 настоящего стандарта,
применяют специальную процедуру. Для целей настоящего приложения можно
устанавливать группы семейств транспортных средств. Такие типы транспортных
средств, оснащенных системами периодической регенерации, описанные ниже
параметры которых идентичны или соответствуют установленным допускам, считают
принадлежащими к одному и тому же семейству в отношении измерений, касающихся
соответствующих систем периодической регенерации.
П.2.1.1
Идентичные параметры
Двигатель:
а)
процесс сгорания.
Система
периодической регенерации (т.е. каталитический нейтрализатор, сажевый
уловитель):
a) конструкция (например тип корпуса, вид
драгоценного металла, тип подложки, плотность ячеек);
b) тип и принцип работы;
c) дозирование и система присадок;
d) объем ± 10 %;
e) расположение (температура ± 50 °С при 120 км/ч
либо 5 % расхождения с максимальной температурой/давлением).
П.2.2
Типы транспортных средств, имеющих разную контрольную массу
Коэффициенты
Ki,
рассчитанные в соответствии с процедурами, изложенными в настоящем
приложении в отношении сертификации транспортного средства, оснащенного
системой периодической регенерации, определенной в 2.20 настоящего стандарта,
могут быть распространены на другие транспортные средства в данном семействе,
имеющие контрольную массу в пределах следующих двух более высоких классов
инерции или любых более низких классов инерции.
П.3
Процедура испытания
Транспортное
средство может быть оснащено переключателем, способным предотвращать или
допускать процесс регенерации при условии, что данная операция не оказывает
влияния на первоначальную калибровку двигателя. Использование такого
переключателя допускается только для целей предупреждения регенерации в
процессе загрузки системы регенерации и в ходе циклов предварительной подготовки.
Переключатель не должен быть использован во время измерения уровня выбросов на
стадии регенерации; предпочтительным является проведение испытаний с блоком
управления изготовителя оригинального оборудования.
Средние
уровни выбросов между циклами регенерации и при загрузке устройства регенерации
определяют на основе среднеарифметического значения нескольких приблизительно
равноотстоящих (если больше 2) циклов испытания типа I или эквивалентных типов испытания
двигателя на стенде. В качестве альтернативы изготовитель может предоставить
данные для подтверждения того, что уровень выбросов остается постоянным (± 15
%) между циклами регенерации. В таком случае могут быть использованы данные о
выбросах, измеренных в ходе обычного испытания типа I. В любом другом случае необходимо
провести измерения уровня выбросов, по крайней мере, в ходе двух циклов типа I или эквивалентных циклов испытания
двигателя на стенде: одно - сразу после регенерации (до новой загрузки) и
другое - как можно ближе перед началом цикла регенерации. Все измерения
выбросов вредных веществ и расчеты проводят в соответствии с Г.5 - Г.8 приложения
Г.
П.3.1.2
Процесс загрузки и определение коэффициента Ki
осуществляют при выполнении цикла испытания типа I на динамометрическом стенде с беговыми
барабанами или на моторном стенде с использованием эквивалентного цикла
испытания. Эти циклы можно осуществлять непрерывно (например без выключения
двигателя между циклами). После определенного количества завершенных циклов
транспортное средство может быть снято с динамометрического стенда и испытание
может быть продолжено через некоторое время.
П.3.1.3
Число циклов (D)
между двумя циклами регенерации, число циклов, в которых проводилось
измерение выбросов вредных веществ (п), и результаты измерения
выбросов по каждому компоненту (Мsij) в соответствующих
случаях указывают в А.4.2.11.2.1.10.1
- А.4.2.11.2.1.10.4 или А.4.2.11.2.5.4.1 - А.4.2.11.2.5.4.4 приложения А.
П.3.2
Измерение выбросов вредных веществ в процессе регенерации
П.3.2.1
Подготовку транспортного средства, при необходимости, к испытанию в отношении
выбросов в процессе регенерации можно осуществлять с использованием циклов
подготовки, указанных в Г.5.3 приложения Г, или эквивалентных циклов
испытания двигателя на стенде в зависимости от процедуры загрузки, выбранной в
соответствии с Н.3.1.2.
П.3.2.2
До проведения первого (зачетного) испытания по определению выбросов должны быть
выполнены условия в отношении испытаний и состояния транспортного средства в
ходе испытания типа I,
описание которого приведено в приложении Г.
П.3.2.3
В ходе подготовки транспортного средства регенерацию не проводят.
Это
может быть достигнуто одним из следующих методов:
П.3.2.3.1
при выполнении циклов предварительной подготовки может быть использована
макетная или отдельная система регенерации;
П.3.2.3.2
любой другой метод, согласованный с изготовителем и органом по сертификации,
проводящим сертификацию.
П.3.2.4
Проводят испытание по определению выбросов вредных веществ при пуске двигателя
в холодном состоянии, включая процесс регенерации, по циклу испытания типа I или эквивалентному циклу на моторном
стенде. Если испытания по определению выбросов в период между двумя циклами
регенерации проводят на моторном стенде, то испытания по определению выбросов,
включая стадию регенерации, тоже проводят на моторном стенде.
П.3.2.5
Если процесс регенерации требует более одного цикла, последующий(ие) цикл(ы)
испытания проводят незамедлительно без отключения двигателя до полного
завершения регенерации (должен быть завершен каждый цикл). Время, необходимое
для подготовки нового испытания, должно быть как можно короче (например замена
фильтра для отбора частиц). Для этого двигатель должен быть отключен.
П.3.2.6
Значения выбросов в процессе регенерации (Mri) рассчитывают в
соответствии с Г.8 приложения Г.
Число циклов (d),
измеренное в процессе полной регенерации, регистрируют.
П.3.3
Расчет комбинированных выбросов вредных веществ с отработавшими газами
; 
,
где для каждого
вредного вещества i:
Мsij
- выбросы вредного вещества i по массе при выполнении одного цикла
испытания типа I
(или эквивалентного цикла испытания двигателя на стенде) без регенерации, г/км;
Mrij - выбросы вредного
вещества i по массе при выполнении
одного цикла испытания типа I (или эквивалентного цикла испытания двигателя на стенде) в ходе
регенерации, г/км, (если п > 1, то первое испытание типа I проводят при холодном запуске, а последующие - при
разогретом двигателе);
Msi - среднее значение массы
выбросов вредного вещества i без регенерации, г/км;
Mri - среднее значение
массы выбросов вредного вещества i в процессе регенерации, г/км;
Mpi - средняя
масса выбросов вредного вещества i, г/км;
п - число измерений выбросов в процессе испытания
(циклы испытания типа I или эквивалентные циклы испытания двигателя на
стенде), выполненных между двумя циклами регенерации, ³
2;
d -
число циклов, требующееся для регенерации;
D -
число циклов между двумя циклами регенерации.
Параметры
измерения приведены на рисунке П.1.
П.3.4
Коэффициент регенерации К для каждого вредного i Ki
вычисляют по формуле
.
Результаты
расчета Msi,
Mpi
и Ki
регистрируют в протоколе испытания, составляемом
испытательной лабораторией.
Значение
Ki
можно определять после каждого отдельного цикла.

Рисунок П.1 - Параметры
выбросов в процессе регенерации и между циклами регенерации (выбросы в процессе
D
могут увеличиваться или сокращаться)
Р.1
Введение
Р.1.1
Данное приложение устанавливает специальные требования в отношении сертификации
гибридных электрических транспортных средств (ГЭТС) в соответствии с
определением по 2.21.2.
Р.1.2
Испытания типов I
- VI
и БДС проводят в соответствии с требованиями приложений соответственно Г - К и
М, если настоящим приложением не внесены изменения.
Р.1.3
Только для испытаний типа I
транспортные средства ГЭТС, в соответствии с определением категорий в разделе
2, испытывают в соответствии с условиями А и В. Результаты испытаний как при
условии А, так и при условии В и взвешенные значения должны быть указаны в приложении
к сертификату.
Р.1.4
Результаты измерения выбросов вредных веществ должны быть не более предельных
значений при всех установленных данным стандартом условиях испытаний.
Р.2
Категории гибридных электрических транспортных средств
Категории
ГЭТС устанавливают в соответствии с таблицей Р.1.
Таблица
Р.1
|
Зарядка
транспортного средства |
Внешняя |
Внутренняя |
||
|
Переключатель режима функционирования |
отсутствует |
есть |
отсутствует |
есть |
Р.3
Методы проведения испытаний типа I
Р.3.1 ГЭТС с внешней зарядкой без переключателя
режимов функционирования
Р.3.1.1
Должны быть проведены два испытания при следующих условиях:
условие
А - испытания должны быть проведены при полностью заряженном накопительном
устройстве механической энергии/аккумуляторе электрической энергии;
условие
В - испытания должны быть проведены при минимальной степени заряженности
(максимальной разрядке) накопительного устройства механической
энергии/аккумулятора электрической энергии.
Р.3.1.2
Условия А
Р.3.1.2.1
Испытания начинают с разрядки накопительного устройства механической
энергии/аккумулятора электрической энергии транспортного средства в процессе
движения (на испытательной трассе, динамометрическом стенде и др.):
на
постоянной скорости 50 км/ч до момента включения двигателя внутреннего сгорания
(ДВС) транспортного средства ГЭТС, или
если
транспортное средство не может достичь постоянной скорости 50 км/ч без
включения ДВС, скорость должна быть уменьшена настолько, чтобы при транспортном
средстве, двигающемся с постоянной скоростью, меньшей чем 50 км/ч, на
протяжении определенного промежутка времени/пробега (установленного совместно
испытательной лабораторией и изготовителем), не включался бы двигатель,
потребляющий топливо, или
по
рекомендациям изготовителя.
Двигатель,
потребляющий топливо, должен быть отключен в течение 10 с после его
автоматического запуска.
Р.3.1.2.2 Кондиционирование
транспортного средства
Р.3.1.2.2.1
Для транспортных средств, оснащенных двигателями с воспламенением от сжатия,
должна быть использована вторая часть цикла, описанного в дополнении 1
приложения Г.
Должны быть проведены три последовательных ездовых цикла в соответствии с 3.1.2.5.3 настоящего приложения.
Р.3.1.2.2.2
Транспортные средства, оснащенные двигателями с принудительным зажиганием,
должны быть предварительно кондиционированы при помощи одного ездового цикла
(первая часть) и двух ездовых циклов (вторая часть) в соответствии с 3.1.2.5.3 настоящего приложения.
Р.3.1.2.3 После этого
предварительного кондиционирования перед испытаниями транспортное средство
должно быть выдержано в помещении, температура в котором остается относительно
постоянной в пределах 293 - 303 К (20 °С - 30 °С). Кондиционирование должно
длиться не менее 6 ч и продолжаться до тех пор, пока температура масла в ДВС и
охлаждающей жидкости, при ее наличии, не будет отличаться от температуры
помещения не более чем на ± 2 К, при этом накопительное устройство
механической/электрической энергии должно быть полностью заряженным в
соответствии с 3.1.2.4 настоящего
приложения.
Р.3.1.2.4 Во время кондиционирования
накопительное устройство механической энергии/аккумулятор электрической энергии
должно быть заряжено:
а)
с помощью бортового зарядного устройства при его наличии, или
б)
с помощью внешнего зарядного устройства, рекомендованного изготовителем с
использованием обычной процедуры ночной зарядки.
Процедура
не использует никакие типы специальной зарядки, которые могут инициироваться
автоматически или вручную, например выравнивающие зарядки или сервисные
зарядки.
Изготовитель
должен декларировать, что во время испытаний не имели место специальные
процедуры зарядки.
Р.3.1.2.5 Процедура испытаний
Р.3.1.2.5.1
Транспортное средство должно быть запущено обычным способом, рекомендуемым
водителю. Первый цикл начинается с момента запуска транспортного средства.
Р.3.1.2.5.2
Начало отбора проб (BS)
происходит непосредственно до или во время процедуры запуска и завершается с
окончанием последней фазы холостого хода в загородном цикле (часть вторая,
окончание пробоотбора - ES).
Р.3.1.2.5.3 Управление транспортным средством должно
осуществляться в соответствии с приложением Г или, в случае специальной
стратегии переключения передач, в соответствии с инструкцией изготовителя,
входящей в справочник для водителя, прикладываемый к каждому серийному
транспортному средству, и указанной на органе управления переключением передач
(для информации водителя). Для таких транспортных средств точки переключения
передач, предписываемые дополнением 1 к приложению Г не
применяются. Для описания характера графика цикла в этом случае применяют
положения 2.3.3
приложения Г.
Р.3.1.2.5.4
Отработавшие газы должны быть подвергнуты анализу в соответствии с приложением Г.
Р.3.1.2.6 Результаты испытаний должны быть сопоставлены с
предельными значениями, приведенными в 5.3.1.4. настоящего
стандарта; должны быть вычислены средние уровни выбросов каждого вредного
вещества при испытаниях в условиях А (М1i).
Р.3.1.3.1 Кондиционирование
транспортного средства
Р.3.1.3.1.1
Для транспортных средств, оснащенных двигателем с воспламенением от сжатия,
используется вторая часть цикла, описанного в дополнении 1 к
приложению Г.
Три последовательных ездовых цикла должны быть проведены в соответствии с 3.1.3.4.3 настоящего
приложения.
Р.3.1.3.1.2
Транспортные средства, оснащенные двигателями с принудительным зажиганием,
должны быть предварительно кондиционированы при помощи одного ездового цикла
(часть первая) и двух ездовых циклов (часть вторая) согласно 3.1.3.4.3
настоящего приложения.
Р.3.1.3.2 Накопительное устройство
механической/электрической энергии транспортного средства должно быть разряжено
в процессе движения (на испытательной трассе, на динамометрическом стенде и
др.):
на
постоянной скорости 50 км/ч до момента включения ДВС транспортного средства
ГЭТС или
если
транспортное средство не может достичь постоянной скорости 50 км/ч без
включения ДВС, скорость должна быть уменьшена настолько, чтобы при транспортном
средстве, двигающемся с постоянной скоростью, меньшей чем 50 км/ч, на
протяжении определенного промежутка времени/пробега (установленного совместно
испытательной лабораторией и изготовителем) не включался бы ДВС, или
по
рекомендациям изготовителя.
ДВС
должен быть отключен в течение 10 с после его автоматического запуска.
Р.3.1.3.3 После этого предварительного
кондиционирования перед испытаниями транспортное средство должно быть выдержано
в помещении, температура в котором остается относительно постоянной в пределах
293 - 303 К (20 °С - 30 °С). Кондиционирование должно длиться не менее 6 ч и
продолжаться до тех пор, пока температура масла в двигателе и охлаждающей
жидкости при ее наличии не будет отличаться от температуры помещения не более
чем на ± 2 К.
Р.3.1.3.4
Процедура испытаний
Р.3.1.3.4.1
Транспортное средство должно быть запущено обычным способом, рекомендуемым
водителю. Первый цикл начинается с момента запуска транспортного средства.
Р.3.1.3.4.2
Начало отбора проб (BS)
происходит непосредственно до или во время процедуры запуска и завершается с
окончанием последней фазы холостого хода в загородном цикле (часть вторая,
окончание пробоотбора - ES).
Р.3.1.3.4.3 Управление транспортным средством должно
осуществляться в соответствии с приложением Г, или, в случае специальной
стратегии переключения передач, в соответствии с инструкцией производителя,
входящей в справочник для водителя, прикладываемый к каждому серийному
транспортному средству, и указанной на органе управления переключением передач
(для информации водителя). Для таких транспортных средств переключение передач,
предписываемое дополнением 1 к приложению Г, не применяют. Для описания
характера графика цикла в этом случае применяют положения 2.3.3
приложения Г.
Р.3.1.3.4.4
Отработавшие газы должны быть подвергнуты анализу в соответствии с приложением Г.
Р.3.1.3.5
Результаты испытаний должны быть сопоставлены с предельными значениями,
приведенными в 5.3.1.4 настоящего стандарта; должны быть
вычислены средние уровни выбросов каждого вредного вещества при испытаниях в
условиях В (М 2i).
Р.3.1.4
Результаты испытаний
Р.3.1.4.1
Для указания в сертификате взвешенные значения должны быть рассчитаны следующим
образом:
Mi = (De M 1i +
Dav M 2i) / (De + Dav),
где Mi
- масса выбросов i-го вредного вещества, г/км;
M 1i - усредненная масса выбросов i-го вредного вещества, г/км, при полностью
заряженном накопительном устройстве механической/электрической
энергии, вычисляемая согласно 3.1.2.6;
M 2j - усредненная масса выбросов i-го вредного вещества, г/км, в накопительном
устройстве механической/электрической энергии с минимальной степенью
заряженности (максимальная разрядка), вычисляемая согласно 3.1.3.5;
De - запас хода
транспортного средства на электротяге в соответствии с процедурой, описанной в
приложении 7 ГОСТ
Р 41.101 (Правила ЕЭК ООН № 101), по которой изготовитель должен
предоставить средства для проведения измерений при движении транспортного
средства только на электротяге;
Dav - 25 км (средний пробег между двумя зарядками
батареи).
Р.3.2 Транспортные средства с внешней зарядкой с
переключателем режимов функционирования
Р.3.2.1
Два испытания должны быть проведены при следующих условиях:
Р.3.2.1.1
условия А - испытания должны быть проведены при полностью заряженном
накопительном устройстве механической/электрической энергии.
Р.3.2.1.2
условия В - испытания должны быть проведены при накопительном устройстве
механической/электрической энергии с минимальной степенью заряженности
(максимальная разрядка).
P.3.2.1.3
Переключатель режимов функционирования должен находиться в положениях в
соответствии с нижеприведенной таблицей:
|
Степень
зарядки батареи |
Положение
переключателя для режима |
|||
|
Чисто
электрический либо гибридный |
Чисто ДВС
либо гибридный |
Чисто
электрический либо чисто ДВС, либо гибридный |
Гибридный m1) либо гибридный n1) |
|
|
Условие А |
Гибридный |
Гибридный |
Гибридный |
Гибридный режим с наибольшим
электропотреблением2) |
|
Полная зарядка |
|
|
|
|
|
Условие В |
Гибридный |
ДВС |
ДВС |
Гибридный режим с наибольшим
потреблением топлива ДВС3) |
|
Минимальная зарядка |
|
|
|
|
|
1) Например,
спортивный, экономичный, городской, загородный и др. положения. 2) Гибридный режим с наибольшим
электропотреблением: гибридный
режим, в отношении которого имеется подтверждение о наиболее высоком
потреблении электрической энергии среди всех гибридных режимов, которые можно
выбрать при испытаниях при условии А, раздел 4 приложения 10 ГОСТ
Р 41.101 (Правила ЕЭК ООН № 101), устанавливаемое изготовителем по
согласованию с испытательной лабораторией. 3) Гибридный режим с наибольшим потреблением
топлива ДВС: гибридный режим, в отношении которого имеется подтверждение о наиболее
высоком потреблении топлива ДВС среди всех гибридных режимов, которые можно
выбрать при испытаниях при условии В, раздел 4 приложения 10 ГОСТ
Р 41.101 (Правила ЕЭК ООН №101), устанавливаемое изготовителем по
согласованию с испытательной лабораторией. |
||||
Р.3.2.2
Условия А
Р.3.2.2.1
Если запас хода транспортного средства на электротяге больше, чем дистанция
одного полного цикла, по просьбе изготовителя испытания типа 1 могут быть
проведены в режиме чистой электротяги. В этом случае кондиционирование
двигателя, описываемое в Р.3.2.2.3.1 или Р.3.2.2.3.2, можно не
проводить.
Р.3.2.2.2 Процедура должна
начаться с разрядки устройства накопления механической/электрической энергии
транспортного средства в процессе движения (на испытательной трассе, на
динамометрическом стенде и др.) с переключателем режимов, установленным в
положение чистой электротяги на постоянной скорости, составляющей (70 ± 5) %
максимальной получасовой скорости транспортного средства, определяемой в
соответствии с ГОСТ
Р 41.101 (Правила ЕЭК ООН №101).
Прекращение
процесса разрядки может произойти в следующих случаях:
когда
транспортное средство не в состоянии поддерживать постоянную скорость,
составляющую 65 % максимальной тридцатиминутной скорости, или
когда
предупреждение о необходимости остановить транспортное средство выдается
водителю посредством стандартного бортового прибора оповещения, или
после
прохождения дистанции 100 км.
Если
транспортное средство не имеет режима чистой электротяги, разрядка устройства
накопления механической/электрической энергии может быть достигнута в процессе
движения (на испытательной трассе, на динамометрическом стенде и др.):
на
постоянной скорости 50 км/ч до момента включения ДВС транспортного средства
ГЭТС или
если
транспортное средство не может достичь постоянной скорости 50 км/ч без
включения ДВС, скорость должна быть уменьшена настолько, чтобы при транспортном
средстве, двигающемся с постоянной, меньшей чем 50 км/ч, скоростью на
протяжении определенного промежутка времени/пробега (установленного совместно
испытательной лабораторией и изготовителем) не включался бы ДВС,
или
по рекомендациям производителя.
ДВС
должен быть отключен в течение 10 с после его автоматического запуска.
Р.3.2.2.3 Кондиционирование транспортного
средства
Р.3.2.2.3.1 Для транспортных средств, оснащенных
двигателями с воспламенением от сжатия, используют вторую часть цикла,
описанного в дополнении 1
к приложению Г.
Три последовательных ездовых цикла должны быть проведены в соответствии с
Р.3.2.2.6.3.
Р.3.2.2.3.2 Транспортные средства, оснащенные
двигателями с принудительным зажиганием, должны быть предварительно
кондиционированы при помощи одного ездового цикла (часть первая) и двух ездовых
циклов (часть вторая) согласно Р.3.2.2.6.3
Р.3.2.2.4 После предварительного
кондиционирования перед испытаниями транспортное средство должно быть выдержано
в помещении, температура в котором остается относительно постоянной в пределах
от 293 - 303 К (20 °С - 30 °С). Это кондиционирование должно длиться не менее 6
ч и продолжаться до тех пор, пока температура масла в ДВС и охлаждающей
жидкости, при ее наличии, не будет отличаться от температуры помещения более
чем на ± 2 К, при этом накопительное устройство механической/электрической
энергии должно быть полностью заряженным в соответствии с Р.3.2.2.5.
Р.3.2.2.5 Во время кондиционирования
накопительное устройство механической/электрической энергии должно быть
заряжено:
а)
с помощью бортового зарядного устройства, при его наличии или
б)
с помощью внешнего зарядного устройства, рекомендованного изготовителем с использованием
обычной процедуры ночной зарядки.
Процедура
не использует никакие типы специальной зарядки, которые могут инициироваться
автоматически или вручную, например, выравнивающие зарядки или сервисные
зарядки.
Изготовитель
должен декларировать, что во время испытаний не имели место специальные
процедуры зарядки.
Р.3.2.2.6
Процедура испытаний
Р.3.2.2.6.1
Транспортное средство должно быть запущено обычным способом, рекомендуемым
водителю. Первый цикл начинается с момента запуска транспортного средства.
Р.3.2.2.6.2
Начало отбора проб (ВS)
происходит непосредственно до или во время процедуры запуска и завершается с
окончанием последней фазы холостого хода в загородном цикле (часть вторая,
окончание пробоотбора - ES).
Р.3.2.2.6.3 Управление транспортным средством
должно осуществляться в соответствии с приложением Г
или, в случае специальной стратегии переключения передач, в соответствии с
инструкцией изготовителя, входящей в справочник для водителя, прикладываемый к
каждому серийному транспортному средству, и указанной на органе управления
переключением передач (для информации водителя). Для таких транспортных средств
переключение передач, предписываемое дополнением 1
к приложению Г,
не применяют. Для описания характера графика цикла в этом случае применяются
положения Г.2.3.3
приложения Г.
Р.3.2.2.6.4
Отработавшие газы должны быть подвергнуты анализу в соответствии с приложением Г.
Р.3.2.2.7
Результаты испытаний должны быть сопоставлены с предельными значениями, приведенными
в 5.3.1.4
настоящего стандарта; должны быть вычислены средние уровни выбросов каждого
вредного вещества при испытаниях в условиях А (М2i).
Р.3.2.3.1 Кондиционирование
транспортного средства
Р.3.2.3.1.1
Для транспортных средств, оснащенных двигателем с воспламенением от сжатия,
используют вторую часть цикла, описанного в дополнении 1 к приложению Г. Три
последовательных ездовых цикла должны быть проведены в соответствии с
Р.3.2.3.4.3.
Р.3.2.3.1.2
Транспортные средства, оснащенные двигателями с принудительным зажиганием,
должны быть предварительно кондиционированы при помощи одного ездового цикла
(часть первая) и двух ездовых циклов (часть вторая) согласно Р.3.2.3.4.3.
Р.3.2.3.2
Накопительное устройство механической/электрической энергии транспортного
средства должно быть разряжено в процессе движения (на испытательной трассе, на
динамометрическом стенде и др.):
на
постоянной скорости 50 км/ч до момента включения ДВС транспортного средства
ГЭТС или
если
транспортное средство не может достичь постоянной скорости 50 км/ч без включения
ДВС, скорость должна быть уменьшена настолько, чтобы при транспортном средстве,
двигающемся с постоянной, меньшей чем 50 км/ч, скоростью на протяжении
определенного промежутка времени/пробега (установленного совместно
испытательной лабораторией и изготовителем) не включался бы ДВС, или
по
рекомендациям изготовителя.
ДВС
должен быть отключен в течение 10 с после его автоматического запуска.
Р.3.2.3.3 После предварительного
кондиционирования перед испытаниями транспортное средство должно быть выдержано
в помещении, температура в котором остается относительно постоянной в пределах
от 293 - 303 К (20 °С - 30 °С). Это кондиционирование должно длиться не менее 6
ч и продолжаться до тех пор, пока температура масла в двигателе и охлаждающей
жидкости, при ее наличии, не будет отличаться от температуры помещения более
чем на ± 2 К.
Р.3.2.3.4
Процедура испытаний
Р.3.2.3.4.1
Транспортное средство должно быть запущено обычным способом, рекомендуемым
водителю. Первый цикл начинается с момента запуска транспортного средства.
P.3.2.3.4.2 Начало отбора проб (BS) происходит непосредственно до или во время
процедуры запуска и завершается с окончанием последней фазы холостого хода в
загородном цикле (часть вторая, окончание пробоотбора - ES).
Р.3.2.3.4.3. Управление транспортным средством
должно осуществляться в соответствии с приложением Г,
или, в случае специальной стратегии переключения передач, в соответствии с
инструкцией изготовителя, входящей в справочник для водителя, прикладываемый к
каждому серийному транспортному средству, и указанной на органе управления
переключением передач (для информации водителя). Для таких транспортных средств
переключение передач, предписываемое дополнением 1
к приложению Г,
не применяют. Для описания характера графика цикла в этом случае применяются
положения Г.2.3.3
приложения Г.
Р.3.2.3.4.4
Отработавшие газы должны быть подвергнуты анализу в соответствии с приложением Г.
Р.3.2.3.5
Результаты испытаний должны быть сопоставлены с предельными значениями,
приведенными в 5.3.1.4 настоящего стандарта; должны быть
вычислены средние уровни выбросов каждого вредного вещества при испытаниях в
условиях В (М2i).
Р.3.2.4.1
Для указания в сертификате взвешенные значения должны быть рассчитаны следующим
образом:
Mi = (De M 1i +
Dav M 2i) / (De + Dav),
где Mi
- масса выбросов i-го вредного вещества, г/км;
M 1i - усредненная масса выбросов i-го вредного вещества, г/км, при полностью заряженном
накопительном устройстве механической/электрической энергии,
вычисляемая согласно 3.1.2.7;
M 2j - усредненная масса выбросов i-го вредного вещества, г/км, в накопительном
устройстве механической/электрической энергии с минимальной степенью заряженности
(максимальная разрядка), вычисляемая согласно 3.1.3.5;
De - запас хода
транспортного средства на электротяге в соответствии с процедурой, описанной в
приложении 7 к ГОСТ
Р 41.101 (Правила ЕЭК ООН № 101), по которой производитель должен
предоставить средства для проведения измерений при движении транспортного
средства только на электротяге;
Dav - 25 км (средний пробег между двумя зарядками
батареи).
Р.3.3
Транспортные средства с внутренней зарядкой без переключателя режимов
функционирования
Р.3.3.1
Эти транспортные средства должны быть испытаны в соответствии с приложением Г.
Р.3.3.2
Для кондиционирования необходимо провести последовательно, по крайней мере, два
полных ездовых цикла (состоящих из одной первой и одной второй частей) без
кондиционирования.
Р.3.3.3
Управление транспортным средством должно осуществляться в соответствии с
приложением Г,
или, в случае специальной стратегии переключения передач, в соответствии с
инструкцией изготовителя, входящей в справочник для водителя, прикладываемый к
каждому серийному транспортному средству, и указанной на органе управления
переключением передач (для информации водителя). Для таких транспортных средств
переключение передач, предписываемое дополнением 1 к приложению Г, не
применяют. Для описания характера графика цикла в этом случае применяются
положения Р.2.3.3 приложения 4.
Р.3.4 Транспортные средства с внутренней
зарядкой с переключателем режимов функционирования
Р.3.4.1
Эти транспортные средства должны быть испытаны в гибридном режиме в
соответствии с приложением Г. Если конструкцией предусмотрено несколько
гибридных режимов, испытания должны быть проведены на режиме, который
устанавливается автоматически после поворота ключа зажигания (обычный режим).
На основе информации, представленной изготовителем, испытательная лаборатория
должна убедиться в том, что предельные значения соблюдаются на любом гибридном
режиме.
Р.3.4.2
Для кондиционирования необходимо провести последовательно, по крайней мере, два
полных ездовых цикла (состоящих из одной первой и одной второй частей) без
кондиционирования.
Р.3.4.3
Управление транспортным средством должно осуществляться в соответствии с
приложением Г
или, в случае специальной стратегии переключения передач, в соответствии с
инструкцией изготовителя, входящей в справочник для водителя, прикладываемый к
каждому серийному транспортному средству, и указанной на органе управления
переключением передач (для информации водителя). Для таких транспортных средств
переключение передач, предписываемое дополнением 1 к приложению Г, не
применяют. Для описания характера графика цикла в этом случае применяют
положения Г.2.3.3
приложения Г.
Р.4
Методы проведения испытания типа II
Р.4.1
Транспортные средства должны быть испытаны в соответствии с приложением Д в
режиме работы ДВС. Изготовитель должен предусмотреть «сервисный режим» для
обеспечения проведения данных испытаний.
В
случае необходимости должна быть использована специальная процедура, предусмотренная
5.1.6
настоящего стандарта.
Р.5
Методы проведения испытания типа III
Р.5.1
Транспортные средства должны быть испытаны в соответствии с приложением Е в
режиме работы ДВС. Изготовитель должен предусмотреть «сервисный режим» для
обеспечения проведения данных испытаний.
P.5.2 Испытания должны быть проведены только для
условий 1 и 2 в соответствии с Е.3.2. приложения Е. Если по какой-либо причине
невозможно проведение испытаний в условиях 2, испытания должны быть проведены
на другой альтернативной постоянной скорости (при ДВС, работающем с нагрузкой).
Р.6
Методы проведения испытания типа IV
Р.6.1
Транспортное средство должно быть испытано в соответствии с приложением Ж.
Р.6.2
Перед началом процедуры испытаний в соответствии с Ж.5.1 приложения Ж транспортные средства
должны быть кондиционированы следующим образом:
Р.6.2.1
Для транспортных средств с внешней зарядкой:
Р.6.2.1.1
транспортные средства с внешней зарядкой без переключателя режимов
функционирования: процедура должна начаться с разрядки накопительного
устройства механической/электрической энергии транспортного средства в процессе
движения (на испытательной трассе, на динамометрическом стенде и др.):
на
постоянной скорости 50 км/ч до момента включения ДВС транспортного средства или
если
транспортное средство не может достичь постоянной скорости 50 км/ч без
включения ДВС, скорость должна быть уменьшена настолько, чтобы при транспортном
средстве, двигающемся с постоянной, меньшей чем 50 км/ч, скоростью на протяжении
определенного промежутка времени/пробега (установленного совместно
испытательной лабораторией и изготовителем) не включался бы ДВС, или
по
рекомендациям изготовителя.
ДВС
должен быть отключен в течение 10 с после его автоматического запуска.
Р.6.2.1.2
транспортные средства с внешней зарядкой с переключателем режимов
функционирования: процедура должна начаться с разрядки накопительного
устройства механической/электрической энергии транспортного средства в процессе
движения (на испытательной трассе, на динамометрическом стенде и др.) при
положении переключателя в режиме чистой электротяги на постоянной скорости,
составляющей (70 ± 5) % максимальной получасовой скорости транспортного
средства.
Прекращение
процесса разрядки может произойти в следующих случаях:
когда
транспортное средство не в состоянии поддерживать постоянную скорость,
составляющую 65 % максимальной 30-минутной скорости, или
когда
предупреждение о необходимости остановить транспортное средство выдается
водителю посредством стандартного бортового прибора оповещения, или
после
прохождения дистанции 100 км.
Если
транспортное средство не имеет режима чистой электротяги, разрядка устройства
накопления механической/электрической энергии может быть достигнута в процессе
движения (на испытательной трассе, на динамометрическом стенде и др.):
на
постоянной скорости 50 км/ч до момента включения ДВС транспортного средства,
или
если
транспортное средство не может достичь постоянной скорости 50 км/ч без
включения ДВС, скорость должна быть уменьшена настолько, чтобы при транспортном
средстве, двигающемся с постоянной, меньшей чем 50 км/ч, скоростью на
протяжении определенного промежутка времени/пробега (установленного совместно
испытательной лабораторией и изготовителем) не включался бы ДВС, или
по
рекомендациям изготовителя.
ДВС
должен быть отключен в течение 10 с после его автоматического запуска.
Р.6.2.2
Для транспортных средств с внутренней зарядкой
Р.6.2.2.1
Транспортные средства с внутренней зарядкой без переключателя режимов
функционирования:
процедура
должна начаться с проведения последовательно, по крайней мере, двух полных
ездовых циклов (состоящих из одной первой и одной второй частей) без
кондиционирования.
Р.6.2.2.2
Транспортные средства с внутренней зарядкой с переключателем режимов
функционирования:
процедура
должна начаться с проведения последовательно, по крайней мере, двух полных
ездовых циклов (состоящих из одной первой и одной второй частей) без
кондиционирования, проводимых при гибридном режиме функционирования. Если
конструкцией предусмотрено несколько гибридных режимов, испытания должны быть
проведены на режиме, который устанавливается автоматически после поворота ключа
зажигания (обычный режим).
Р.6.3
Движение в режиме кондиционирования и испытания на динамометрическом стенде
должны быть проведены в соответствии с Ж.5.2
и Ж.5.4 приложения Ж.
Р.6.3.1
Для транспортных средств с внешней зарядкой: при тех же условиях, которые
соответствуют условию В при испытаниях типа I согласно Р.3.1.3 и Р.3.2.3.
Р.6.3.2
Для транспортных средств с внутренней зарядкой: при тех же условиях, которые
соответствуют условиям при испытаниях типа I.
Р.7
Методы проведения испытания типа IV
Р.7.1
Транспортные средства должны быть испытаны в соответствии с приложением К.
Р.7.2
Для транспортных средств с внешней зарядкой:
Допускается
заряжать накопительное устройство механической/электрической энергии
транспортного средства дважды в сутки в период накопления пробега.
Для
транспортных средств с внешней зарядкой с переключателем режимов функционирования
накопление пробега должно проводиться в режиме, который устанавливается
автоматически после поворота ключа зажигания (обычный режим).
В
процессе накопления пробега переход на другой гибридный режим допускается при
необходимости после согласования с испытательной лабораторией, с тем чтобы
продолжить накопление пробега.
Измерения
выбросов вредных веществ должны проводиться при тех же условиях,
соответствующих условию В при испытаниях типа I согласно Р.3.1.3 и Р.3.2.3.
Р.7.3
Для транспортных средств с внутренней зарядкой:
Для
транспортных средств с внутренней зарядкой с переключателем режимов
функционирования накопление пробега должно проводиться в режиме, который
устанавливается автоматически после поворота ключа зажигания (обычный режим).
Измерения
выбросов вредных веществ должны проводиться при тех же условиях, как и при
испытаниях типа I.
Р.8
Методы проведения испытания типа VI
Р.8.1
Транспортные средства должны быть испытаны в соответствии с приложением И.
Р.8.2
Для транспортных средств с внешней зарядкой измерения выбросов вредных веществ
должны проводиться при тех же условиях, которые соответствуют условию В при
испытаниях типа I
согласно Р.3.1.3
и Р.3.2.3.
Р.8.3
Для транспортных средств с внутренней зарядкой измерения выбросов вредных
веществ должны проводиться при тех же условиях, которые соответствуют условиям
при испытаниях типа I.
Р.9
Методы проведения испытания БДС
Р.9.1
Транспортные средства должны быть испытаны в соответствии с приложением М.
Р.9.2
Для транспортных средств с внешней зарядкой измерения выбросов вредных веществ
должны проводиться при тех же условиях, которые соответствуют условию В при
испытаниях типа I
согласно Р.3.1.3
и Р.3.2.3.
Р.9.3
Для транспортных средств с внутренней зарядкой измерения выбросов вредных
веществ должны проводиться при тех же условиях, которые соответствуют условиям
при испытаниях типа I.
Профиль
состояния (степень заряженности) устройства накопления
механической/электрической энергии при испытаниях типа I гибридного электрического транспортного
средства с внешней зарядкой
Условие
А при испытаниях типа I

Условие
А:
(1) - исходная степень заряженности устройства
накопления механической/электрической энергии;
(2) - разрядка батареи в соответствии с Р.3.1.2.2
или Р.3.2.2.2;
(3) - кондиционирование транспортного средства в
соответствии с Р.3.1.2.2 или Р.3.2.2.2;
(4) - зарядка в процессе кондиционирования в
соответствии с Р.3.1.2.3 и Р.3.1.2.4 или Р.3.2.2.3 и Р.3.2.2.4;
(5) - испытания в соответствии с Р.3.1.2.5 или Р.3.2.2.5.
Условия
В при испытаниях типа I

Условие
В:
(1) - исходная степень заряженности;
(2) - кондиционирование транспортного средства в
соответствии с Р.3.1.3.1 или Р.3.2.3.1;
(3) - разрядка батареи в соответствии с Р.3.1.3.2 или Р.3.2.3.3;
(4) - кондиционирование в соответствии с Р.3.1.3.3 или Р.3.2.3.3;
(5) - испытания в соответствии с Р.3.1.2.5 или Р.3.2.2.5.
Сравнение
международных стандартов, на которые даны ссылки в настоящем стандарте, с
соответствующими им национальными стандартами приведены в таблице С.1.
Таблица
С.1
|
Обозначение
ссылочного международного стандарта |
Обозначение и
наименование соответствующего национального стандарта |
|
Правила ЕЭК ООН № 48 |
ГОСТ
Р 41.48-2004 Единообразные предписания, касающиеся сертификации
транспортных средств в отношении установки устройств освещения и световой
сигнализации |
|
Правила ЕЭК ООН № 49 |
ГОСТ
Р 41.49-2003 Единообразные предписания, касающиеся сертификации
двигателей с воспламенением от сжатия и двигателей, работающих на природном
газе, а также двигателей с принудительным зажиганием, работающих на сжиженном
нефтяном газе, и транспортных средств, оснащенных двигателями с
воспламенением от сжатия, двигателями, работающими на природном газе и
двигателями с принудительным зажиганием, работающими на сжиженном нефтяном
газе, в отношении выбросов вредных веществ |
|
Сводная резолюция о конструкции
транспортных средств (СР.3) (документ TRANS/SC. 1/WP.29/78/Amend.3) |
ГОСТ
Р 52051-2003 Механические транспортные средства и прицепы.
Классификация и определения |
|
Правила ЕЭК ООН № 101 |
ГОСТ
Р 41.101-99 Единообразные предписания, касающиеся официального
утверждения легковых автомобилей, оборудованных двигателями внутреннего
сгорания, в отношении измерения объема выбросов двуокиси углерода и расхода
топлива, а также транспортных средств категорий M1 и N1, оборудованных
электроприводом в отношении измерения расхода электроэнергии и запаса хода |
Библиография
[1] ISO 2575:2000 Road vehicles. Symbols for controls, indicators and
tell-tales
[3] ISO 8422:1991 Sequential sampling plans for
inspection by attributes
[4] ISO 9141-2:1994 Road vehicles; diagnostic
systems; part 2: CARB requirements for interchange of digital information
[5] ISO 14230-4:2000 Road vehicles. Diagnostic
systems; Keyword protocol 2000. Part 4: Requirements for emission-related
systems
[6] ISO 15031-3:2001 (SAE J 1962) Road vehicles.
Communication between vehicle and external equipment for emissions-related
diagnostics. Part 3: Diagnostic connector and related electrical circuits,
specification and use
[7] ISO 15031-4:2001 (SAE J 1978) Road vehicles.
Communication between vehicle and external equipment for emissions-related
diagnostics. Part 4: External test equipment
[8] ISO 15031-5:2001 (SAE J 1979) Road vehicles.
Communication between vehicle and external equipment for emissions-related
diagnostics. Part 5: Emissions-related diagnostic services
[9] ISO 15031-6:2001 (SAE J 2012) Road vehicles.
Communication between vehicle and external equipment for emissions-related
diagnostics. Part 6: Diagnostic trouble code definitions
[10] ISO 15765-4:2000 Road vehicles. Diagnostics
on Controller Area Networks (CAN). Part 4: Requirements for emissions-related
systems
Ключевые слова:
транспортные средства, охрана природы, двигатели с принудительным зажиганием,
двигатели с воспламенением от сжатия, эталонное топливо, выбросы вредных
веществ, отработавшие газы, испытания, регенерация, гибридные транспортные средства
|