Бесплатная библиотека стандартов и нормативов www.docload.ru

Все документы, размещенные на этом сайте, не являются их официальным изданием и предназначены исключительно для ознакомительных целей.
Электронные копии этих документов могут распространяться без всяких ограничений. Вы можете размещать информацию с этого сайта на любом другом сайте.
Это некоммерческий сайт и здесь не продаются документы. Вы можете скачать их абсолютно бесплатно!
Содержимое сайта не нарушает чьих-либо авторских прав! Человек имеет право на информацию!

 

МИНИСТЕРСТВО АВТОМОБИЛЬНЫХ ДОРОГ РСФСР

Утверждено
Минавтодором РСФСР

10 февраля 1984 г.

РУКОВОДСТВО
ПО СТРОИТЕЛЬСТВУ
СБОРНЫХ ЖЕЛЕЗОБЕТОННЫХ
МАЛЫХ И СРЕДНИХ МОСТОВ

 

МОСКВА "ТРАНСПОРТ" 1985

СОДЕРЖАНИЕ

1. Общие указания. 1

2. Подготовительные работы.. 3

3. Геодезические и разбивочные работы.. 3

4. Сооружение фундаментов опор. 4

Фундаменты в котлованах. 4

Фундаменты на свайных основаниях. 8

Фундаменты и противопучинные мероприятия. 10

5. Монтаж опор. 12

6. Монтаж пролетных строений. 14

7. Устройство проезжей части мостов. 17

8. Укрепительные и отделочные работы при строительстве мостов. 19

9. Строительство мостов в зимних условиях. 20

10. Контроль качества производства работ и приема сооружений в эксплуатацию.. 22

11. Техника безопасности при строительстве мостов. 23

Приложение 1 Директивные нормы продолжительности строительства автодорожных и городских мостов. 25

Приложение 2 Допускаемые отклонения в возведенных конструкциях мостов и их элементах. 25

 

Содержит основные данные по технологии производства и контролю качества работ при строительстве сборных железобетонных малых и средних мостов, а также указания по сдаче законченных сооружений в эксплуатацию. Указания Руководства не распространяются на производство работ по строительству мостов в районах с вечномерзлыми грунтами и повышенной сейсмичностью.

Руководство разработано Отраслевой дорожной исследовательской лабораторией Московского автомобильно-дорожного института взамен "Указаний по постройке малых сборных железобетонных мостов и прямоугольных труб" (ВСН 47-68). Согласовано с Управлением капитального строительства, объединением "Росдорцентр", объединением "Автомост" и Главдортехом Минавтодора РСФСР.

Предназначено для инженеров и техников строителей мостов.

Ил. 10, табл. 17.

Составители: кандидаты техн. наук С. В. Коновалов и Л. С. Малицкий, инж. А. Б. Казаринов.

1. ОБЩИЕ УКАЗАНИЯ

1.1. Малые и средние мосты (полной длиной до 60 м) предназначены в основном для пропуска постоянных или периодически действующих водопотоков и являются наиболее распространенным видом искусственных сооружений на автомобильных дорогах.

1.2. Рабочие чертежи конструкций мостов и чертежи по организации их строительства, разработанные проектной организацией, должны иметь печать и подписи главного инженера организации-заказчика, утверждающего проект к производству работ, и главного инженера строительной организации, согласующего проект к производству работ.

1.3. Внесение каких-либо изменений в выданные заказчиком рабочие чертежи допускается по согласованию с заказчиком и проектной организацией.

1.4. Рабочие чертежи проекта производства работ, разработанные силами строительной организации, должны иметь подпись главного инженера этой организации, который согласует и изменения в проекте производства работ.

1.5. Проектная документация должна выдаваться комплектно, в сроки, обеспечивающие своевременное ее изучение производителями работ, мастерами, бригадирами.

1.6. Железобетонные мосты должны строиться индустриальными методами по типовым проектам производства работ и типовым технологическим схемам местных условий.

1.7. Сборные конструкции мостов должны изготавливаться на промышленных предприятиях по типовым проектам. В случае, когда получение сборных конструкций с промышленных предприятий экономически нецелесообразно или по каким-либо причинам невозможно, проектом организации строительства должно быть предусмотрено создание специального полигона.

1.8. Цементобетон для сборных и монолитных бетонных и железобетонных конструкций должен иметь заданную, в проекте прочность, морозостойкость и коррозионную стойкость. Состав бетона проектирует построечная лаборатория.

Для повышения качества цементобетона рекомендуется применение пластифицирующих и воздухововлекающих химических добавок: СДБ - сульфитно-дрожжевая бражка; ВРП - водорастворимый полимер; СНВ - смола нейтрализованная воздухововлекающая; СПД - синтетическая поверхностно-активная добавка; ПАЩ - пластификатор адипиновый; другие добавки.

1.9. Малые и средние мосты следует строить силами специализированных колонн (отрядов), включенных в комплексный поток строительства дороги. Сроки строительства мостов должны соответствовать нормативным (приложение 1).

1.10. В состав работ по строительству малых и средних сборных железобетонных мостов входят: а) подготовительные работы; б) геодезические и разбивочные работы; в) транспортировка сборных элементов к месту строительства; г) сооружение фундаментов опор; д) монтаж опор; е) монтаж пролетных строений; ж) устройство проезжей части; з) укрепительные и отделочные работы.

1.11. Поступающие на строительную площадку сборные конструкции мостов не должны иметь отклонений от проектных размеров больше приведенных в приложении 2.

1.12. В состав работ по монтажу сборных элементов мостов входят: а) разгрузка элементов, прибывающих на строительную площадку; б) подготовка элементов к монтажу; в) подготовка фундаментов к установке элементов; г) подача элементов к монтажному крану; д) установка, выверка и временное закрепление элементов; е) окончательное закрепление элементов и омоноличивание монтируемой конструкции.

1.13. Необходимые параметры кранов выбирают путем детального анализа технологических схем, включающих схемы установки кранов, последовательность подачи элементов и их подъема, порядок передвижения крана в процессе монтажа сооружения.

1.14. При монтаже сборных железобетонных мостов необходимо учитывать следующие особенности: а) краны, монтирующие железобетонные элементы, передают на основания большие сосредоточенные нагрузки; б) железобетонные конструкции в силу характерного расположения арматуры, особенно напрягаемой, имеют неодинаковую прочность при разном способе их подъема и опирания; в) точность установки монтируемых конструкций должна быть в пределах, указанных в приложении 2, так как швы в местах стыков сборных железобетонных конструкций имеют небольшие размеры, и несоблюдение требований приложения 2 может вызвать осложнения при дальнейших работах; г) слабое сопротивление бетона скалыванию требует производства работ без ударных воздействий на монтируемые элементы.

1.15. В процессе монтажа необходимо обеспечивать постоянный геодезический контроль за соответствием проектному положению устанавливаемых элементов, принимая немедленные меры к устранению каких-либо отклонений.

Высотное положение элементов выверяют относительно реперов; в плане - относительно осей и рисок, нанесенных заранее на основание или окончательно закрепленный предыдущий элемент конструкции. Сразу же после выверки нужно закреплять элементы в проектном положении.

1.16. По мере окончания отдельных видов работ или конструктивных элементов производится приемка (или освидетельствование) скрытых работ, а также промежуточная приемка наиболее ответственных конструкций. Акты на скрытые работы, промежуточную приемку оформляют в соответствии с "Правилами приемки работ при строительстве, капитальном и среднем ремонте автомобильных дорог (ВСН 19-81)". Акты рабочих и государственных приемочных комиссий оформляют в соответствии с "Правилами приемки в эксплуатацию законченных строительством автомобильных дорог", Минтрансстрой, 1982 г.

2. ПОДГОТОВИТЕЛЬНЫЕ РАБОТЫ

2.1. До начала строительства моста, в подготовительный период, создают опорную геодезическую сеть, расчищают отведенный под строительство участок и планируют его.

2.2. При наличии коммуникаций, мешающих проведению строительных работ, следует по согласованию с организациями, в ведении которых находятся эти коммуникации, перенести их на другое место.

2.3. В подготовительный период устраняют внутрипостроечные транспортные пути, сети производственного энергоснабжения, обустраивают строительную площадку.

2.4. Склады материалов и элементов конструкций размещают в увязке с внутрипостроечным транспортом и технологической последовательностью строительно-монтажных работ.

2.5. Русло действующего водотока при необходимости должно быть в соответствии с проектом производства работ отведено в понижение места рельефа местности, или в сторону ближайшего водоема.

2.6. Во избежание затопления строительной площадки ливневыми водами необходимо обеспечить отвод поверхности вод путем устройства водоотводных канав или обвалованием участка, в пределах которого устраивают котлованы.

3. ГЕОДЕЗИЧЕСКИЕ И РАЗБИВОЧНЫЕ РАБОТЫ

3.1. Геодезические и разбивочные работы должны обеспечивать точное расположение мостов на местности в соответствии с проектной документацией.

3.2. Исходные материалы, подготавливаемые проектной организацией: а) топографический план мостового перехода с нанесенными осями сооружения (масштаб плана 1:600, расстояние между горизонтами 0,5 м); б) натуральные знаки геодезической основы, закрепляющие продольную ось сооружения и трассу подходов к нему, высотные реперы или стенные марки. .

3.3. Знаки геодезической основы устанавливают так, чтобы была обеспечена их сохранность и неизменяемость в течение всего времени строительства сооружения. Знаки делают их деревянных столбов, рельсов, стальных труб, заложенных ниже глубины промерзания грунта на 0,5 м с возвышением над поверхностью земли на 30 см (рис. 3.1).

Все осевые линии опор закрепляют гвоздями, забитыми в деревянные столбы, установленные вне пределов рабочей площадки опоры. Каждую осевую линию закрепляют четырьмя столбами - по 2 в каждую сторону от опоры (см. рис. 3.1.).

3.4. Положение точек пересечения поперечных осей фундаментов опор с осью трассы устанавливают двухкратным непосредственным промером от ближайшего пикетного столба. Промеры для всех опор производят от одного и того же исходного пикета. Из точек пересечения осей при помощи угломерного инструмента (теодолит) разбивают поперечные оси опор (см. рис. 3.1).

Рис. 3.1. Схема разбивки опор моста:

1 - контуры фундаментов опор; 2 - точки закрепления продольной оси моста; 3 - точки закрепления осей опор; 4 - оси опор; 5 - продольная ось моста

3.5. От продольной и поперечной осей фундаментов каждой из опор разбивают очертание фундаментов с закреплением характерных точек с помощью кольев или на обноске (рис. 3.2). Перенос на дно котлована соответствующих контурных линий с закреплением их кольями производится с помощью отвеса, передвигаемого по проволоке, закрепленной на обноске (кольях). Точность разбивки фундаментов ±50 мм.

Для определения и контроля высотных отметок конструкций закрепляют репер, абсолютную отметку которого устанавливают двойной нивелировкой.

Рис. 3.2. Схема расположения обносок:

1 - створные столбы; 2 - оси свай; 3 - центры опор; 4 - ось свайной опоры; 5 - гвозди или зарубки на обноске; 6 - контуры фундамента; 7 - ось опоры на естественном основании; 8 - ось моста

3.6. Установка и контрольная проверка положения вертикальных сборных элементов должна производиться, как правило, с помощью теодолитов при примерно перпендикулярном положении осей визирования. В случае невозможности применения теодолитов вертикальность положения устанавливаемых элементов проверяются с помощью отвесов в двух взаимно перпендикулярных плоскостях.

3.7. Детальные геодезические работы и контрольные проверки по высоте отдельных частей и элементов сооружения производят с соблюдением следующих правил:

а) расстояние от нивелира до репера не должно превышать 50 м; б) отметки на любых уровнях опор определяются от закрепленных точек, нанесенных по нивелиру, -одним из пяти способов: 1) непосредственным нивелированием с высокого берега или ранее возведенной опоры; 2) с использованием рисок и данных о расстоянии между ними; 3) с помощью мерной рейки; 4) с помощью рулетки (в безветренную погоду); б) отметки дна котлованов определяются непосредственным нивелированием при глубине до 3 м; с перестановкой инструмента при глубине котлована 3 м, разработанного с откосами, или же с переносом отметок с помощью рулетки (ошибка нивелирования не должна превышать ±10 мм).

3.8. При сдаче сооружения в эксплуатацию строительно-монтажная организация должна сдать заказчику по акту все установленные реперы.

К акту прилагаются следующие материалы: а) копия генерального разбивочного плана с выпиской координат пунктов геодезической основы и точек, определяющих положение осей опор моста; б) схема расположения реперов; в) копии ведомостей с данными наблюдений за состоянием смонтированных опор (осадка, деформации) за время строительства до сдачи в эксплуатацию.

4. СООРУЖЕНИЕ ФУНДАМЕНТОВ ОПОР

Фундаменты в котлованах

4.1. Работы по устройству фундаментов на естественном основании под опоры мостов подразделяются на два этапа: а) отрывка котлована; б) монтаж сборного или бетонирование монолитного фундамента.

Разработка грунта в котлованах, устройство фундаментов опор и обратная засыпка пазух грунтом должны быть объединены в единый технологический цикл, выполняемый в предельно сжатые сроки и без нарушения несущей способности грунта основания.

4.2. На естественном основании фундаменты сооружают в открытых котлованах с водоотливом и без водоотлива. Способ производства работ определяется гидрогеологическими условиями, условиями строительства и наличием строительных средств.

4.3. Котлованы под фундаменты опор нужно разрабатывать в полном соответствии с рабочими чертежами, определяющими как его основные размеры, так и объемы работ в зависимости от типа фундамента.

4.4. Котлованы необходимо разрабатывать непосредственно перед устройством фундамента с таким расчетом, чтобы по мере готовности во избежание обрушения стенок и заполнения котлована дождевыми водами он был освидетельствован и начато устройство фундамента.

Таблица 4.1

Применение схемы механизации работ по разработке котлованов

Тип котлована

Характеристика грунтов

Способ разработки и транспортировки грунта

С откосами

Грунты средней плотности, сухие и нормальной влажности

Бульдозером или скрепером в отвал

То же

Грунты средней плотности, сухие и мокрые, за исключением ила и сильно размягченной глины.

Драглайном; автомобилем-самосвалом или в отвал на бровку котлована с перемещением бульдозером

"

Грунты плотные и средней плотности, сухие и сильно увлажненные

Обратной лопатой с незначительным водоотливом; автомобилем-самосвалом или в отвал на бровку котлована с перемещением бульдозером

В шпунтовом ограждении

Грунты средней плотности, слабосвязные

Грейфером; автомобилем-самосвалом или в отвал на бровку

4.5. Грунт в котлованах следует разрабатывать механическим способом. Методы разработки котлованов зависят от грунтовых и гидрогеологических условий и наличия землеройно-транспортной техники (табл. 4.1).

4.6. Котлованы разрабатывают машинами до проектной отметки в связных грунтах и выше проектной отметки на 0,1-0,16 м в несвязных устойчивых грунтах.

Разработку грунта вручную следует ограничивать зачисткой дна котлована на глубину 0,1-0,16 м перед устройством фундамента.

4.7. При разработке котлована глубиной до 3 м в грунтах естественной влажности крутизну откосов следует принимать по табл. 4.2.

Крутизну откосов в переувлажненных глинистых грунтах следует уменьшать до естественного откоса.

Таблица 4.2

Крутизна откосов котлованов в грунтах естественной влажности

Грунт

Отношение высоты откоса к заложению при глубине котлована, м

ДО 1,5

1,5-3,0

Насыпной, плотно слежавшийся

1:0,25

1:1,00

Песчаный и гравийный

1:0,60

1:1,00

Глинистый:

 

 

супесь

1:0,26

1:0,67

суглинок

1:0,00

1:0,60

глина

1:0,00

1:0,26

Лёссовидный, сухой

1:0,00

1:0,60

4.8. Грунт из котлована следует удалять в отвал на такое расстояние, чтобы на всех этапах производства работ не возникало опасности обрушения стенок котлована и не возникало препятствий для движения строительных машин.

4.9. В случае увлажнения грунта после полной или частичной разработки котлована перед началом каждой смены производитель работ или мастер должны осмотреть котлован. При опасности обрушения стенок котлована работы должны быть временно прекращены до его осушения. В случае необходимости уменьшают крутизну откосов.

4.10. В законченном котловане, если позволяет рельеф местности, должны быть сделаны водоотводные канавы для выпуска воды из него. При неблагоприятном рельефе и случайном затоплении котлована должны быть приняты меры по искусственному водоотливу. При этом воду следует откачивать из водосборных приямков, дно которых располагать ниже уровня подошвы котлована. Стенки приямков целесообразно укрепить дощатыми щитами.

4.11. При строительстве фундаментов в стесненных условиях, а также на переувлажненных песчаных, лёссовых и насыпных грунтах, котлованы следует разрабатывать в закладных креплениях (рис. 4.1) с удалением грунта грейфером.

4.12. Закладные крепления устанавливают по мере разработки грунта. В грунтах естественной влажности, кроме сыпучих грунтов, при глубине котлована до 3 м горизонтальные доски можно ставить с просветом, равным ширине доски. Закладное крепление разбирают, начиная снизу, по мере засыпки пазух грунтом. В сыпучих грунтах или при возможности повреждения сооружений, в пределах призмы обрушения, разбирать крепление нельзя.

4.13. При устройстве фундаментов на открытых водотоках, в неустойчивых и водоносных грунтах, не допускающих разработки котлована в закладных креплениях, можно применять шпунтовые ограждения или грунтовые перемычки.

4.14. Ограждения из металлического шпунта применяют при глубине погружения более 6 м, а также при глубине воды более 3 м и при грунтах, не допускающих забивку деревянного шпунта. Глубина погружения шпунта от дна котлована должна быть не менее 1,6 м в связанных и не менее 2 м в песчаных и плывунных грунтах.

Рис. 4.1. Закладное крепление простого типа:

1 - доски крепления; 2 - поддерживающие бобышки; 3 - распорки

4.15. Котлован в скальных грунтах разрабатывается посредством разрушения соответствующей части монолита механическим или взрывным способом. Подошва фундамента освидетельствуется остукиванием с Целью выявления монолитности. Каменная мелочь удаляется и поверхность промывается водой или продувается сжатым воздухом (в холодное время года).

4.16. Подготовленный котлован должен быть освидетельствован и принят комиссией с участием представителя заказчика. Приемка оформляется специальным актом, в котором должны быть отражены: а) соответствие расположения, размеров и отметок котлована проекту; б) фактическое напластование грунтов и их соответствие геологическим размерам и буровым колонкам, приведенным в проекте; в) возможность заложения фундамента на проектной или измененной отметке.

4.17. На основании данных освидетельствования комиссия дает разрешение (в виде записи в акте) приступить к сооружению фундамента.

При неблагоприятных результатах освидетельствования котлована, или если выявлена необходимость пересмотра проекта, решение о проведении дальнейших работ должно быть принято при участии заказчика и представителя проектной организации.

4.18. Устройство сборных фундаментов включает: а) выравнивание дна котлована и устройство подушки из материала со стабильными свойствами (щебень) под отметку низа плиты фундамента. Размеры подушки фундамента в плане должны быть больше размеров плиты на 0,26 м в каждую сторону; б) устройство выравнивающего слоя из песка или цементного раствора непосредственно перед установкой плиты фундамента; в) укладка плиты фундамента; г) установка подколенника на плиту по слою Цементного теста и объединение (омоноличивание) элементов; д) гидроизоляция поверхностей подколенника, соприкасающихся с грунтом; е) обратная засыпка пазух котлована грунтом.

4.19. Дно котлована выравнивают вручную. Отметку дна котлована следует принимать равной отметке подошвы фундамента в несвязных устойчивых грунтах (гравий, песок) или же на 16 см ниже подошвы фундамента в связных грунтах с устройством подушки из прочного материала.

4.20. В слабых песчаных и влажных глинистых грунтах перед устройством подушки в дно котлована следует втрамбовывать слой щебня толщиной не менее 10 см.

Дно котлована и подушку уплотняют трамбовками.

4.21. Укладка фундаментной плиты должна предшествовать проверке правильности разметки дна котлована или подушки в плане и по высоте, и розлив поверх подушки цементопесчаного раствора.

Таблица 4.3

Допустимые расстояния от основания откосов котлована до опор крана, м

Глубина котлована, м

Грунт в естественном состоянии

Песчаный и гравелистый

Супесчаный

Суглинистый

Глинистый

Лессовидный

1

1,6

1,26

1

1

1

2

3

2.4

2

1,6

2

3

4

3,6

3,26

1,76

2,6

4.22. Все монтируемые элементы фундамента должны находиться в зоне действия крана. Расстояние от крана до основания откоса котлована следует принимать по табл.4.3.

4.23. При укладке плиты фундамента, составленной из отдельных плит, их стыки омоноличивают бетонной смесью. Затопление водой уложенного бетона до схватывания цемента запрещается.

4.24. Подколенник монтируется не ранее, чем через сутки после окончания омоноличивания. Подколенник устанавливается на слой цементного раствора, распределяемого по поверхности плиты. Повторное опускание подколенника на фундаментную плиту запрещается до очистки поверхностей от цементного раствора и розлива новой порции.

На фундаментной плите подколенники закрепляют омоноличиванием бетонной смесью окон, в которых входят анкерные штыри.

4.25. Монолитные фундаменты изготавливаются из бетона марки не ниже 200 или бутобетона марки не ниже 150. Количество бута не должно превышать 20 % общего объема бетона. Бут должен обладать прочностью в 1,5 раза выше прочности бетона.

4.26. При устройстве монолитных фундаментов на глинистых грунтах устраивается подушка толщиной 10 см путем втрамбовывания щебня в верхний слой дна котлована. Верх подушки должен быть не выше проектной отметки заложения фундамента.

Для фундаментов из бутовой кладки щебеночный слой можно не укладывать.

4.27. Монолитные фундаменты (рис. 4.2) бетонируют в опалубке, которая собирается из заранее заготовленных щитов. Опалубка должна обладать требуемой жесткостью и не менять форму в процессе, укладки и уплотнения бетонной смеси.

Арматура железобетонных фундаментов устанавливается в проектное положение с обеспечением защитного слоя бетона.

4.28. Бетонная смесь подается в котлован в бадьях краном или по лоткам и трубам. Уплотняется смесь глубинными вибраторами; допускается ручное уплотнение при незначительных объемах работ.

Бетонная смесь укладывается слоями, толщина которых определяется мощностью уплотняющих средств. Каждый следующий слой бетонной смеси должен быть уложен до начала схватывания предыдущего. В зависимости от температуры -воздуха при укладке смеси начало схватывания изменяется от 1 до 3 ч, где меньшее значение соответствует температуре 25-30 °С

4.29. В случае вынужденного перерыва в бетонировании необходимо принять меры, обеспечивающие монолитность конструкции. При прекращении подачи бетонной смеси поверхность свежеуложенного бетона подвергается неглубокому (не более 3-4 см) рифлению и укрывается влажной тканью. При продолжении бетонирования производится интенсивное уплотнение смеси в зоне ее разновременной укладки.

4.30. Уход за свежеуложенным бетоном включает в первые 30-60 мин укрытие поверхности бетона влажной мешковиной, а затем обработку открытых поверхностей конструкции в два слоя пленкообразующими веществами (помаролью ПМ-86 или ПМ-100 или битумной эмульсией).

Недопустимо оставлять поверхности свежеуложенного бетона, не обработанными пленкообразующими материалами или не покрытыми увлажненными тканями, под действием солнечной радиации и ветра.

Рис. 4.2. Схема бетонирования фундамента в котловане:

1 - трансформатор; 2 - арматура; 3 - бадья с бетонной смесью; 4 - стакан; 5 - опалубка; 6 - подушка фундамента; 7 - насос; 3с - защитный слой бетона 4-5 см; 1: m - крутизна откосов принимается по табл. 4.2; L - расстояние (проекция) от колеса крана до основания откоса котлована

4.31. Распалубливают не ранее, чем на 2-й день после окончания бетонирования. Допускается распалубка на следующий день при среднесуточной температуре воздуха выше +15 °С и прочности бетона не менее 2,6 МПа.

4.32. Обратная засыпка пазух котлована производится послойно с толщиной слоя грунта не более 16 см. Каждый слой обратной засыпки котлована утрамбовывается.

Котлованы речных опор засыпаются песчано-гравелистым грунтом без уплотнения.

Фундаменты на свайных основаниях

4.33. При устройстве свайных фундаментов применяют железобетонные сваи (табл. 4.4).

Таблица 4.4

Железобетонные сваи сплошного сечения

Сечение, см2

Ненапряженные железобетонные

Предварительнонапряженные

Стержнями (СН)

Проволокой (СНПпр)

Прядями (СНП)

Длина, м

Масса, т

Длина, м

Масса, т

Длина, м

Масса, т

Длина, м

Масса, т

30´30

5-12

1,2-2,74

9-20

1,7-3,4

3-16

1,0-3,0

11-16

2,6-3,4

35´35

8-15

2,5-5,0

10-20

2,8-6,1

8-20

2,5-6,1

11-20

3,7-4,6

40´40

13-15

5,3-6,43

16-20

6,4-8,0

16-20

6,6-8,0

16-20

6,4-8,0

4.34. При транспортировании сваи нужно укладывать на подкладки, размещенные строго под петлями.

При складировании сваи нужно укладывать в штабеля по маркам в горизонтальное положение правильными рядами не более четырех рядов по высоте, головами к копру. Высота подкладок должна быть не менее чем на 2 см больше высоты петли.

4.35. В грунт сваи погружаются при помощи сваебойных молотов или вибропогружателей.

Для забивки сваи можно применять молоты любого типа, если их энергия удара удовлетворяет условиям

пр                                                                                                               (4.1)

(Q + q),                                                               (4.2)

где W - энергия удара молота, Дж; Рпр - несущая способность сваи по грунту, кН, вычисляется умножением расчетной нагрузки на сваю на переходной коэффициент К (табл. 4.6); Q - масса молота, Н; q - масса сваи (с наголовником и подбабком), Н; К2 - коэффициент применимости молота (табл. 4.6).

4.36. Перед началом забивки все механизмы копра, а также молот должны быть тщательно проверены. До начала забивки свай проверяется техническая документация на подлежащие забивке сваи, правильность маркировки и разметка по длине свай через 0,6-1,0 м.

4.37. Копер передвигается на рельсовом ходу по предварительно уложенным и отрихтованным рельсовым путям. Безрельсовый копер движется по спланированному и утрамбованному грунту. Несамоходный копер перемещается при помощи копровой лебедки, канат от которой закрепляется за анкер. При передвижении копра молот должен быть опущен в нижнее положение.

4.38. Свая к копру подтягивается через отводный блок, расположенный на нижней раме копра. Подтягивание сваи разрешается с расстояния не более 5 м и только перпендикулярно оси движения копра.

4.39. Поднимается свая за специально предназначенные для этого скобы и штыри только при вертикальном положении грузоподъемного полиспаста. Запрещается кантовать сваи, перемещать волоком и сбрасывать с высоты.

Таблица 4.5

Значения переходного коэффициента

Тип свайного ростверка

Значения К при числе свай в фундаменте

1-5

6-10

11-20

Высокий

1,8

1,7

1,6

Низкий

1,7

1,6

1,4

Таблица 4.6

Коэффициент К2 применимости молота

Тип молота

Железобетонные сваи

Деревянные сваи

Двойного действия и трубчатые дизельные

6,0

6,0

Одиночного действия и штанговые дизельные

6,0

3,6

Подвесные

3,0

2,0

Поднимают и устанавливают сваю в стрелах копра в такой последовательности: а) молот поднимают в крайнее верхнее положение и барабан лебедки ставят на тормоз; б) поднимают сваю вторым барабаном лебедки и после того, как она займет вертикальное положение, наводят острие на точку забивки сваи. С целью совпадения головы сваи с наголовником ее разворачивают вручную, если отсутствует механизм наведения головы сваи с наголовником; в) устанавливают молот копра на сваю.

4.40. Последовательность забивки свай должна быть такой, чтобы свести к минимуму непроизводительные затраты времени на перемещение копра и крана. Во избежание сильного уплотнения грунта при забивке свай их следует забивать, начиная от середины фундамента и вести к краям, или от одного края к другому.

4.41. При погружении сваи необходимо следить за тем, чтобы: а) не происходило смещения оси сваи от проектного положения; б) молот наносил удары по центру сваи; в), голова сваи не разрушалась (при разрушении головы сваи забивка должна быть прекращена до выяснения причины - низкая марка бетона сваи, несоответствие молота - и принятия решения о возможности продолжения погружения); г) наголовник был исправлен, а амортизирующие прокладки в нем своевременно заменялись; д) молот, копер и вспомогательное оборудование работали исправно; е) трос подвески молота был в ослабленном состоянии.

4.42. Первые удары по свае производят при небольшой высоте подъема молота (для подвесного молота и молота одиночного действия высота не должна превышать 0,5 м). При заглублении сваи в грунт на 1,0-1,5 м переходят на максимальную для данного молота высоту подъема ударной части.

4.43. Сваи погружают до получения расчетного отказа.

Отказ определяется средним арифметическим значением осадки сваи (с точностью до 1 мм) для одного удара в залоге.

Залог принимается для молотов подвесных и одиночного действия - десять ударов, а для молотов двойного действия и дизельных - погружение за 1 мин.

Погружение сваи от одного залога должно быть не менее 2 см. При меньшем погружении необходимо применять более мощный молот.

4.44. Сваям, не погруженным более чем на 1 м до проектной отметки, но давшим расчетный отказ не менее чем в трех залогах, необходимо дать "отдых" до 3 сут, после чего повторить нагружение. Если и после "отдыха" сваи дают расчетный отказ без дополнительного погружения, забивку следует прекратить. При обеспечении устойчивости сваи и надежного заанкерирования в грунте свая оставляется.

4.45. Сваи, погруженные на проектную отметку, но не давшие расчетный отказ, должны быть подвергнуты статическому или динамическому испытанию. В случае необходимости погружается дополнительная свая.

4.46. При погружении свай производят измерения по пп. 4.43-4.45. Кроме отказа, необходимо измерять в начале забивки: для молотов одиночного действия - число ударов на каждый метр погружения, а для молотов двойного действия - время работы, расходуемое на каждый метр погружения.

При забивке свай обязательно ведение журнала забивки каждой сваи и сводной ведомости погружения свай.

4.47. Вибропогружение свай целесообразно при устройстве фундаментов в водонасыщенных песках малой плотности (плывунах), залегающих на значительную глубину. Тонкостенные сваи-оболочки погружают преимущественно вибропогружателями. Погружение остального шпунта, балок, стальных труб и т.п. вибропогружателями всегда более эффективно, чем забивка молотами.

4.48. Ориентировочная область применения вибропогружателей в зависимости от размеров погружаемого элемента, его массы, глубины погружения и грунтовых условий приведена в табл. 4.7.

Обязательное условие вибропогружения свай - жесткое крепление вибропогружателя к свае.

При погружении свай ведется журнал вибропогружения.

Таблица 4.7

Область применения вибропогружателей

Сечение погружаемых элементов, см

Наибольшая длина, м

Наибольшая масса, т

Глубина погружения, м

Грунт

Рекомендуемые марки машин

Железобетонные сваи:

16

5

12

Легкий и средний

ВП-1

ВП-3

30´30

 

 

 

Тяжелый

ВП-3М

ВП-80

35´35

 

 

 

Железобетонные сваи:

25

12

24,0

Легкий и средний

ВП-3М

ВП-80

40´40

 

 

 

Тяжелый

ВП-ЗМ

50´50

 

 

 

4.49. Документация, предъявляемая для приемки фундаментов, должна включать: а) акты геодезической разбивки фундаментов; б) геологические материалы по участку; в) данные об агрессивности грунтовой воды в водоеме (в необходимых случаях); г) акты на скрытые работы; д) исполнительные планы расположения свай; е) журналы погружения свай; ж) документы по испытаниям свай (если они испытывались).

4.50. К устройству плиты фундамента приступают после погружения, приемки всех свай и обрубки голов свай под отметку. Устройство плиты фундамента при отсутствии и незначительном притоке грунтовых и поверхностных вод ведут без ограждения.

При наличии поверхностных или грунтовых вод плиту устраивают под защитой грунтовых ограждений, шпунта или с помощью бездонных ящиков.

4.51. При незначительном фильтрационном притоке воды плиту фундамента бетонируют непосредственно на дне котлована. При значительном притоке (отсутствуют возможность полного водоотлива) укладывают тампомажный слой бетона из литой бетонной смеси с целью заглушить приток воды. Устанавливают арматуру и бетонируют согласно проекту производства работ.

Фундаменты и противопучинные мероприятия

4.52. Противопучинные мероприятия предусматриваются для опор гибкого типа на свайном основании при грунтах, склонных к пучению в зоне промерзания.

4.53. Противопучинные мероприятия заключаются в: заанкерировании свай в грунте (рис. 4.3); улучшении грунтов деятельного слоя (рис. 4.4); устройстве теплоизоляционных слоев в зоне опор и в создании тиксотропной рубашки на стволах свай (рис. 4.6). Каждое мероприятие применяется на основе анализа гидрогеологических условий, наличия средств, района строительства.

4.54. Сваю с уширенной пятой погружают в однородные грунты без включений каменных материалов.

4.55. При замене грунтов, склонных к пучению, в зоне свайной опоры сваи погружают до отказа на проектную глубину. Удаление заменяемого грунта целесообразно после забивки свай и до монтажа насадок.

4.56. При небольшой толщине (до 1,5 м) грунтов, склонных к пучению, необходимо полное удаление слоя. При грунтах, склонных к пучению залегающих на глубину более 2 м, грунт удаляется и (до 1,5 м) заменяется. Удаляется грунт экскаватором в отвал.

4.57. Грунты обратной засыпки должны быть без включений глинистых и пылевых частиц. Обратная засыпка котлована осуществляется послойно с тщательным уплотнением слоев.

4.58. При обеспечении противопучинного мероприятия созданием тиксотропной рубашки (см. рис. 4.6) свая погружается до отказа с учетом уменьшения ее несущей способности при отсутствии бокового трения на высоте тиксотропной рубашки.

4.59. Тиксотропную рубашку устраивают после погружения сваи и вскрытия котлована. Водоотлив производится насосом. Работы в такой последовательности: ствол сваи очищается от грязи, наносится на поверхность сваи слой солидола 1-2 мм с последующей оберткой гидроизоляционным материалом (полиэтилен), обертка покрывается вторым слоем солидола и еще одним слоем полиэтилена. Допускается в качестве смазки использовать другие водостойкие материалы, например битум, что требует высушивания поверхности ствола сваи. Обратная засыпка производится местным грунтом слоями по 20 см с тщательным послойным уплотнением.

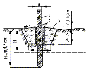
Рис. 4.3. Свая с уширенной пятой:

Н - глубина промерзания; Нmin = 3,5 м

Рис. 4.4. Зона свайной опоры:

1 - свая; 2 обратная засыпка грунтом, не склонным к пучению

Рис. 4.5. Тиксотропная рубашка:

I - свая; 2 - тиксотропная рубашка; 3 - обратная засыпка местным грунтом

5. МОНТАЖ ОПОР

5.1. Опоры малых и средних мостов различают свайные гибкого типа, стоечные и сплошные из блоков.

В состав работ по монтажу сборных опор входят: а) забивка свай; б) монтаж стоек или сплошных блоков; в) монтаж насадок; г) установка заборных стен на береговых опорах.

Схемы монтажа береговой и промежуточной опор приведены на рис. 5.1 и 5.2.

5.2. Сваи погружают согласно п.п. 4.33 - 4.50 настоящих указаний.

До установки насадок на свайные опоры необходимо: а) выровнять сваи, имеющие отклонения от проектного положения; б) срубить пневматическими отбойными молотками или бетоноломами бетон свай на 6-10 см выше уровня низа насадок (рис. 5.3); в) срезать автогеном обнаженную арматуру, удерживая удаляемую часть сваи краном.

5.3. Монтаж насадки начинают с устройства рабочих подмостей, если они не устроены ранее при обрубке голов свай. Такие подмости одновременно могут служить обстройкой при монтаже (рис. 5.4) с условием обеспечения их прочности и устойчивости к восприятию монтажных нагрузок - массы насадок, инструмента и людей.

Фиксаторы (см. рис. 5.3) и обстройка для монтажа (см. рис. 5.4) устанавливаются на высоту низа насадок.

5.4. При монтаже насадок, состоящих из нескольких блоков, в месте стыков устанавливают опалубку. Окончательно закрепляется насадка приваркой накладок к закладным деталям (если они предусмотрены в проекте) и бетонированием стыков и гнезд. Как правило, опалубка стыков собирается из щитов и плотно притягивается окрутками из проволоки.

5.5. Арматура объединяется согласно пп. 6.5 - 6.9. Стыки и гнезда омоноличиваются согласно пп. 5.11 - 5.16. Омоноличивание стыков допускается только после приемки сварочных работ.

5.6. Монтаж опор стоечного типа начинается с установки подколенника (рис. 5.5) на фундамент с подливкой цементного теста, а в зимнее время - с подсыпкой сухого цемента.

Внутренняя полость подколонника - стакан - должен быть очищен.

Рис. 5.1. Схема к монтажу элементов промежуточной опоры:

1 - подмости и рабочий мостик; 2 - насадка; 3 - гнездо в насадке; 4 - выпуски арматуры сваи; 5 - кондуктор-фиксатор; 6 - свая

Рис. 5.2. Береговая опора:

1 - насадка; 2 - открылок; 3 - обмазочная гидроизоляция; 4 - плиты заборной стенки; 5 - основание заборной стенки; 6 - временная стяжка; 7 - свая; H1 - высота балки пролетного строения

Рис. 5.3. Фиксатор временного закрепления насадки в проектное положение:

1 - насадка; 2 - выпуски арматуры сваи; 3 - брус-сжим стальной из швеллеров № 12, 14 или 16; 4 - голова сваи; 5 - стяжной болт

Рис. 5.4. Обстройка для монтажа насадок:

1 - контур насадки; 2 - стяжные болты; 3 - нижний брус-сжим из швеллера № 14; 4 - верхний брус-сжим; 5 - настил из досок

5.7. Стойки монтируются с промежуточной их выгрузкой у опоры. Непосредственно перед установкой стоек закладные детали и выпуски арматуры должны быть направлены и очищены от ржавчины.

На стойке и подколоннике нужно нанести краской положение продольных и поперечных осей. Положение опорной поверхности стойки проверяется по нивелиру; при необходимости подливается цементное тесто (см. рис. 5.5).

5.8. Насадки монтируют после набора бетоном омоноличивания прочности не менее 70 % от проектной. Устанавливают насадки согласно пп. 5.3-5.5 настоящих указаний.

5.9. Опоры из сплошных железобетонных блоков монтируются непрерывно, без технологических разрывов. Основное требование к монтажу опор из сплошных блоков - плотная посадка блока по всей постели на слой раствора, толщина которого фиксируется с стальными подкладками. Дополнительно подливать раствор под блок запрещается. Вертикальные стыки заливаются раствором.

5.10. После укладки трех-четырех блоков выверяют их высоту; обнаруженные отступления от проектных размеров исправляют уменьшением или увеличением толщины очередного шва. При монтаже опор из сплошных блоков обеспечивается перевязка блока на половину длины.

По окончании монтажа опоры из блоков сплошного сечения зачеканиваются швы раствором.

5.11. Омоноличивание стыков и швов при монтаже опор должно выполняться тщательно и обеспечивать прочность и морозостойкость бетона (раствора) в стыках, жесткость конструкции, влагонепроницаемость стыка и стойкость в агрессивной среде. Бетонные смеси и растворы для заделки стыков и швов должны приготовляться на портладцементах не ниже М-400. Применение химических ускорителей твердения, влияющих на устойчивость арматуры против коррозии, запрещается.

Рис. 5.5. Схема к монтажу стойки:

1 - стойка; 2 - клинья; 3 - подколенник; 4 - анкерное гнездо; 5 - фундаментная плита; 6 - цементное тесто (цемент); 7 - стакан подколонника

5.12. Стыкуемые поверхности элементов (омоноличиваемые в опалубке) перед установкой опалубки должны быть очищены от пыли и грязи стальными щетками, а перед заполнением швов стыкуемые поверхности смочены водой.

Опалубка должна плотно, без зазоров, прилегать к сопрягаемым элементам, исключать возможность вытекания цементного раствора.

5.13. Тонкие швы конструкций (до 10 мм) следует заполнять цементным тестом. В целях экономии цемента разрешается вводить в состав теста мелкий или молотый кварцевый песок в количестве 30-40 % от массы цемента.

Допускается цементный раствор состава 1:3 на среднезернистом песке, изготовленный в турбулентном смесителе. Приготовление смесей в турбулентном (высокооборотном) смесителе позволяет достичь высокой однородности и повышения прочности бетона вследствие активации поверхностей минерального заполнителя и мокрого домола цемента.

5.14. Подвижность смесей должна быть минимальной, но достаточной для того, чтобы заполнить швы.

Уход за свежеуложенным бетоном (раствором) швов осуществляется пленкообразующими материалами, укрытием периодически увлажняемыми матами или полиэтиленовой пленкой.

5.15. Прочность на сжатие бетона или раствора стыков ко времени снятия кондукторов (фиксаторов) должна составлять не менее 15 МПа, а перед загруженном монтажной или эксплуатационной нагрузкой - соответствовать прочности, указанной в проекте для данной стадии работ.

Время твердения бетона (см. ниже табл. 9.3) может быть сокращено путем прогрева бетона при температуре 60-65° С. Приготовление бетонных смесей на высокомарочных цементах или на цементе М-400 в турбулентных смесителях, для которых прирост прочности составляет в первые сутки 40 % от проектной, также сократит технологические разрывы в работах по монтажу железобетонных конструкций.

5.16. Для проверки прочности бетона (раствора) в каждую смену изготавливают одну серию (3 штуки) кубиков, 15´15´15 см для бетона и 7´7´7 см для раствора.

6. МОНТАЖ ПРОЛЕТНЫХ СТРОЕНИЙ

6.1. Балки пролетных строений допускается устанавливать на опоры только после окончания монтажа опор, омоноличивания стыков и набора бетоном проектной прочности.

Перед монтажом пролетных строений необходимы инструментальная проверка положения опорных частей относительно проектных осей и отметок и проверка размеров балок пролетных строений, подготовленных к монтажу (приложение 2).

На насадках опор, торцах и нижних поясах балок и плит нужно наносить положение продольных осей.

6.2. При монтаже балок должна быть обеспечена прочность, устойчивость и трещиностойкость на всех стадиях производства работ (пп. 1.12- 1.14).

Устанавливаться балки на опоры должны в последовательности, указанной в проекте производства работ, и только тем монтажным оборудованием, которое для этого предусмотрено. При изменении монтажного оборудования должен быть пересмотрен и порядок монтажа.

Рекомендуемые краны для монтажа балочных пролетных строений приведены в табл. 6.1, рис. 6.2.

6.3. Балки пролетного строения опираются на насадки через резиновые опорные части (ребристые балки с длиной более 9 м) и на выравнивающие (рубероид) прокладки в остальных случаях.

Опирание балок и плит на насадки без прокладок запрещается.

До снятия стропов установленный элемент или собранная часть конструкции должны быть раскреплены согласно проекту (для ребристых балок).

Таблица 6.1

Рекомендуемые краны для монтажа пролетных строений

Местные условия

Положение крана при монтаже

Предельная длина пролетного строения, м

Масса монтажного элемента т

Высота установки монтажного элемента, м

Рекомендуемый кран

Ровная, сухая пойма. Возможно перемещение крана по грунту

Кран устанавливает пролетное строение сбоку (рис. 6.1)

6

3

8

КС-4362;

КС-3575;

КС-3571;

КС-2561

9

6

8-10

КС-5363;

КС-4571;

КС-3575

12

10

10

КС-5363;

КС-4571

 

14

10

КС-6363

 

17

10

КС-5363

15

12

10

КС-5363

 

17

10

КС-5363

 

21

10

КС-6362

Заиленная пойма, водоток. Перемещение крана по грунту невозможно. Устройство подмостей невозможно или нецелесообразно

Кран устанавливает пролетное строение перед собой (рис. 6.2)

6

3

10

КС-4362;

КС-3571

9

6

10

КС-5363

12

10

10

КС-5363;

КС-6362

 

14

10

КС-7361

 

17

10

КС-7361

15

12

10

КС-7361

 

17

10-15

КС-7361;

СКГ-63А

 

21

10-15

КС-8161;

СКГ-100

6.4. При установке в пролет плитных строений необходимо обеспечивать равномерное опирание их на насадку по всей зоне опирания подсыпкой цемента на высоту микрорельефа поверхности бетона насадки. Плиты опирают согласно п. 6.3.

6.5. При монтаже сборных пролетных строений малых и средних мостов объединяемых в неразрезную систему, необходимо тщательно зачищать анкерные отверстия в насадках, балках и плитах пролетного строения. Перед монтажом пролетного строения необходимо промерить расположения анкерных отверстий и гнезд и при необходимости их расширить. Элементы пролетных строений объединяются одновременно в продольном и поперечном направлениях.

Рис. 6.1. Схема к монтажу пролетного строения краном сбоку:

1 - монтируемая балка; 2 - установленная и раскрепленная балка; 3 - опора; 4 - стойки временного закрепления балок; 5 - кран; 6 - склад подготовленных к монтажу балок; L - зона действия крана

6.6. Сварка арматурных стыков и закладка частей сборных конструкций допускается после проверки соответствия их положения проекту.

Выпуски арматуры и закладные части следует тщательно очищать от краски, ржавчины, снега, льда и грязи непосредственно перед наложением швов. Свариваемые поверхности должны быть сухими и чистыми.

6.7. При установке в стыках поперечной арматуры запрещается применять прихватку и сварку плавлением мест пересечения ее с продольной арматурой. Объединение производится вязальной проволокой.

6.8. Погнутые или наклонные к проектной оси арматурные выпуски можно править в холодном или горячем состоянии в зависимости от характера и степени погнутости выпуска. Холодная правка применима для исправления общего наклона выпуска к проектной оси при длине выпуска более 20 диаметров. В других случаях применяется горячая правка. Обрезка концов стержней электрической дугой не допускается.

6.9. Качество сварных швов следует проверять наружным осмотром, устанавливающим соответствие размеров шва проекту, а также отсутствие видимых дефектов - подрезов, непроваров, шлаковых включений, пор, трещин и незаваренных кратеров. Наплавленный металл должен быть плотным и не иметь трещин.

Рис. 6.2. Схема монтажу плитного пролетного строения краном перед собой:

1 - монтируемая плита; 2 - кран; 3 - опора; 4 - продольно-поперечный настил под кран; 5 - панелевоз с плитами

6.10. Омоноличивание продольных стыков сборных балок при объединении их в пролетное строение разрешается выполнять только после установки балок на постоянные опорные части и выверки их положения. Бетон омоноличивания по прочности должен быть не ниже прочности бетона балок. Уход за свежеуложенным бетоном обязателен (п. 5.14).

6.11. Объединение плит пролетных строений со шпоночным швом выполняется в два этапа; 1) заливка цементным раствором стыков между плитами от низа до шпоночного паза; 2) укладка проволочной спирали в паз и его заполнение песчаным бетоном с тщательным уплотнением.

Для омоноличивания продольных швов между плитами устанавливают опалубку из тонких досок, подвешиваемых на проволочных скрутках. Укрытие бетона шва полиэтиленовой пленкой или влажной мешковиной в течение семи дней предотвращает появление усадочных трещин.

6.12. Пропуск кранов по пролетному строению разрешается только после омоноличивания всех швов и достижения бетоном омоноличивания прочности не менее 20 МПа. В других случаях пропуск разрешается только по настилу, распределяющему нагрузку между несколькими плитами; швы омоноличиваются впоследствии.

6.13. Монтаж тротуарных блоков должен выполняться после окончания монтажа и омоноличивания главных балок. Тротуарные блоки должны устанавливаться по шаблону, обеспечивающему строгое совпадение наружных граней тротуарных блоков в плане и по верхней кромке.

6.14. Перед установкой тротуарных блоков зачищаются закладные детали и производится гидроизоляция поверхности пролетного строения под тротуаром.

Тротуарные блоки и перила объединяются электросваркой закладных деталей (см. пп. 6.6 - 6.9).

7. УСТРОЙСТВО ПРОЕЗЖЕЙ ЧАСТИ МОСТОВ

7.1. Проезжую часть моста, в том числе выравнивающий, гидроизолирующий, защитный слои и покрытие, разрешается устраивать после того, как бетон в омоноличиваемых стыках балок и плит пролетного строения наберет проектную прочность и не ранее 7 сут с момента омоноличивания стыков.

Более раннее начало работ по устройству проезжей части должно быть обосновано в проекте производства работ.

7.2. Для устройства проезжей части моста поверхность плиты должна быть очищена и промыта или же продута сжатым воздухом.

На увлажненную поверхность плиты укладывается выравнивающий слой из бетонной смеси; применение же для выравнивающего слоя цементного раствора следует ограничивать. Бетонная смесь для выравнивающего слоя готовится на мелких чистых заполнителях с введением воздухововлекающих и пластифицирующих добавок с целью повышения ее морозостойкости и водонепроницаемости. Марка бетона должна быть не ниже марки бетона изолируемой конструкции.

7.3. Поперечный уклон проезжей части обеспечивается, как правило, выравнивающим слоем. Этот слой должен быть ровным, гладким, без уступов и раковин, с шероховатой поверхностью. Затирка поверхности не допускается.

При наложении на поверхность выравнивающего слоя трехметровой рейки зазор между рейкой и бетоном не должен превышать 3 мм. У водоотводных устройств выравнивающий слой укладывают вровень с торцом водоотводных трубок.

На период твердения бетона организуется уход с целью предотвращения испарения воды затворения (пп. 4.30, 5.14).

7.4. Гидроизоляция проезжей части должна быть водонепроницаемой по всей изолируемой поверхности и в местах сопряжения изоляции с водоотводными трубками, бордюрными камнями, деформационными швами.

7.5. Гидроизоляционные работы следует выполнять в сухую погоду при температуре воздуха не ниже +5 С. При более низких температурах, а также для защиты от дождя и солнечных лучей необходимо принимать меры, обеспечивающие высокое качество гидроизоляционных работ.

7.6. Гидроизоляция может быть обмазочная или оклеечная и обязательно должно быть: а) водонепроницаемой по всей изолируемой поверхности; б) прочной и эластичной; в) теплостойкой и морозостойкой при возможных максимальных колебаниях температуры воздуха.

7.7. Изолируемые поверхности перед нанесением гидроизоляции должны быть прогрунтованы битумным лаком, состоящим из одной части битума и двух-четырех частей растворителя. Лак должен иметь вязкость 10-15 с по стандартному вискозиметру.

Битумный лак наносят на изолируемую поверхность слоем до 1 мм не менее чем на 4 ч и не более чем за 16 ч до устройства гидроизоляции.

7.8. Оклеечная гидроизоляция состоит из двух-трех слоев горячей битумной мастики, армируемой различными антнсептированными тканями (гидроизолом и др.). Составы битумных мастик в зависимости от климатической зоны их применения приведены в табл. 7.1.

7.9. При приготовлении горячей битумной мастики битум следует разогревать и плавить преимущественно в горизонтальных битумоварочных раздатчиках с внутренними жаровыми трубками, обогреваемыми форсунками на дизельном топливе. Разогретый битум разжижают соляровым маслом при интенсивном перемешивании.

7.10. Битумную мастику, разогретую до 150 - 160 °С, наносят на прогрунтованную поверхность слоем толщиной 2-3 мм. Нанесение битумной мастики не должно опережать покрытия полотном рулонного материала более чем на 0,5 м.

Таблица 7.1

Составы горячих битумных мастик

Мастики

Климатическая зона

Состав для климатических мастики зон, % по массе

1

Битум нефтяной гидроизоляционный "Пластбит" марки I

I

100

2

Битум нефтяной строительный БН-IV

 

95

 

Соляровое масло

 

5

3

Битум нефтяной гидроизоляционный "Пластбит" марки П

II

90

 

Соляровое масло

 

10

4

Битум нефтяной строительный БН-Ш

 

85

 

Соляровое масло

 

15

5

Битум нефтяной гидроизоляционный "Пластбит" марки Ш

III

85

 

Соляровое масло

 

15

6

Битум нефтяной дорожный БНД 60/90

 

95

 

Соляровое масло

 

5

7.11. Полотно рулонного материала укладывают на слой горячей мастики, вдоль моста, начиная от бортового камня. Рулонный материал перекрывает смежную ленту не менее чем на 10 см. Не допускается стыковать полотна рулонного материала над деформационными швами. В случае многослойной гидроизоляции стыки последующих слоев смещают по отношению к предыдущему на половину ширины полотна, но не менее 30 см.

7.12. Каждый слой уложенного рулонного материала покрывают сплошным ровным слоем битумной мастики с полным заполнением ячеек сетки (для стеклоткани и мешковины). Верхний слой мастики присыпают цементом во избежание прилипания уплотняющих средств.

7.13. Полотна рулонного материала должны без перерывов перекрывать скользящие деформационные швы (рис. 7.1). Гидроизоляция у скользящих деформационных швов усиливается на длине 1 м по всей ширине проезжей части дополнительным слоем рулонного материала и слоем мастики.

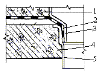
Рис. 7.1. Гидроизоляция скользящего деформационного шва при L<9 м:

1 - компенсатор; 2 - защитный слой; 3 - битумная мастика; 4 - асфальтобетон; 5 - гидроизоляция; 6 - выравнивающий слой; 7 - изолируемая поверхность; 8 - микроасбест

7.14. При устройстве гидроизоляции в местах расположения закрытых деформационных швов устанавливают компенсаторы. Концы рулонного материала должны быть отогнуты и заведены в штрабы, устроенные в подготовительном слое. Штрабы заполняют цементным раствором вровень с выравнивающим слоем. Закреплять компенсаторы гвоздями или шурупами в деревянных пробках, втопленных в бетон, не разрешается. Гидроизоляционное полотно приклеивается к компенсатору. В изогнутой части компенсатора приклейка гидроизоляционного полотна запрещается. Углубление компенсатора в нижней части заполняется микроасбестом или пенькой, а верхней части - мастикой.

Над деформационным швом закрытого типа защитный слой должен прерываться.

7.15. Полотна гидроизоляции у водоотводной трубки должны быть разрезаны от центра трубки секторообразно и секторные лепестки заведены в раструб трубы и подклеены битумной мастикой. Гидроизоляция у водоотводной трубки должна быть плотно обжата металлическим стаканом, обмазанным битумной мастикой или битумным лаком (рис. 7.2).

Рис. 7.2. Гидроизоляция водоотводных трубок:

1 - защитный слой; 2 - гидроизоляция; 3 - обжимной стакан; 4 - изолируемая конструкция; 5 - водоотводная трубка;

7.16. В местах примыкания гидроизоляции к тротуарным блокам рулонный материал заводится на высоту 10 - 12 см и приклеивается к блоку битумной мастикой на всю длину пролетного строения.

7.17. Обмазочная гидроизоляция состоит из двух-трех слоев горячей асбестобитумной мастики, составы которой приведены в табл. 7.2.

Таблица 7.2

Составы асбестобитумных мастик

Климатическая зона

Температурный диапазон применения мастики, °С

Марка мастики

Битум

Машинное масло, % по массе

Асбест, % по массе

Марка

Содержание по массе, %

I

-20

Ю-1

BH-IV

75

-

25

+ 45

 

 

 

 

 

II

-35

Ю-П

БН-IV

83

2

15

+ 40

 

БН-IV

 

 

 

III

-40

С-Ш

БН-Ш

70

5

25

+ 40

 

 

 

 

 

7.18. Асбестобитумную мастику приготавливают в соответствии с пп. 7.9, 7.10 и вносят на прогрунтованную поверхность шпателем слоями толщиной 1,5 - 3 мм. Каждый последующий слой наносят только после отвердения и высыхания ранее уложенного.

7.19. Защитный слой бетона укладывается по окончанию работ по нанесению гидроизоляции. Толщина защитного слоя 3-4 см. Бетонная смесь (цементообразный раствор) укладывается сразу на всю толщину с соблюдением заданных уклонов. Над деформационными швами устраиваются перерывы закладкой досок.

7.20. У водоотводных трубок на поверхности защитного слоя должен быть сделан уступ не менее 2 см, препятствующий смещению колпака водосточной трубки. В период ухода за бетоном рекомендуется по нему разливать в холодном виде битумную эмульсию 0,5-1,0 л/м после схватывания защитного слоя.

7.21. При устройстве проезжей части без гидроизоляции на тщательно очищенную и промытую поверхность плит укладывают армированный выравнивающий слой бетона толщиной 10 - 12 см. Для выравнивающего слоя применяют мелкозернистый бетон на заполнителе крупностью не более 25 см.

Выравнивают и уплотняют бетон поверхностными вибраторами и виброрейками.

7.22. Асфальтобетонное покрытие следует укладывать не ранее чем через 7 сут после бетонирования защитного или выравнивающего (при отсутствии гидроизоляции) слоев проезжей части.

8. УКРЕПИТЕЛЬНЫЕ И ОТДЕЛОЧНЫЕ РАБОТЫ ПРИ СТРОИТЕЛЬСТВЕ МОСТОВ

8.1. Конуса и откосы насыпей у мостов укрепляют от размыва специальными конструкциями, предусмотренными в проекте: 1) одиночным или двойным мощением; 2) сборными бетонными плитами; 3) монолитным бетоном и др. Замена одних укрепительных конструкций другими возможна только по согласованию с проектной организацией.

8.2. Укрепительные работы начинают с устройства на грунтовом основании подстилающего слоя, как правило, из щебня размером до 40 мм (если в рабочих чертежах не предусмотрен другой вид подготовки), который после выравнивания уплотняют механическими или электрическими трамбовками.

8.3. Одиночное или двойное мощение начинают с устройства упора в подошве откоса насыпи. Для этой цели используют крупные камни, которые заглубляют в естественный грунт основания.

После устройства упора начинают мощение откосов горизонтальными рядами от упора снизу вверх, а затем мостят лоток.

8.4. Укладывают камни с подбором их по размерам, с тщательной расщебенкой и уплотнением. Камень для мощения нужно изготавливать из слабовыветривающихся горных пород. Размеры камней указываются в рабочих чертежах.

8.5. При укреплении сборными бетонными плитами прежде всего устанавливают в проектное положение бетонные блоки упоров. Затем от упоров начинают укладывать плиты по откосу насыпи. Монтируют плиты с помощью автомобильного крана по раскладочным схемам.

8.6. По мере укладки плит заполняют бетонной смесью монтажные узлы, а также участки откоса насыпи, не покрытые плитами.

8.7. При укреплении монолитным бетоном поверхность укрепляемого участка с помощью досок (поставленных на ребро) разбивают на отдельные плиты (карты). Доски закрепляют металлическими штырями и покрывают горячим битумом.

8.8. Вначале бетонируют упоры, затем укрепляемый участок откоса. Укладку по откосу насыпи ведут снизу вверх. Бетон укладывают с помощью автомобильного крана и бадьи, подвешенной к его стреле.

Уложенный бетон выравнивают и уплотняют поверхностными вибраторами.

9. СТРОИТЕЛЬСТВО МОСТОВ В ЗИМНИХ УСЛОВИЯХ

9.1. Все виды строительно-монтажных работ по возведению мостов рекомендуется проводить в тёплое время года при положительных температурах. Если же по производственным соображениям выполнить это невозможно, то в зимнее время следует в основном проводить монтажные работы, а также строительство тех объектов, которые сооружаются в условиях дренирующих, несвязных и малосвязных грунтов.

9.2. На объектах, монтируемых в зимнее время, разрабатывать котлованы рекомендуется только после наступления устойчивых морозов во избежание скопления в котлованах дождевых вод.

Должны быть приняты меры против промерзания грунта: а) вспашка и боронование площади будущего котлована; б) укрытие площади будущего котлована слоем соломы толщиной 0,6 - 1 м; в) розлив вспенивающихся теплоизолирующихся смол; г) снегозадержание на площади будущего котлована и др. Эти мероприятия выполняются на площади, превышающей контуры котлована примерно на 1 м в каждую сторону.

9.3. Разработку котлованов при температуре ниже -15 °С рекомендуется вести секциями с последовательным посекционным возведением грунтовых подушек или фундаментов.

9.4. Открытые котлованы должны быть во всех случаях защищены от промерзания, для чего их заполняют слоем соломы толщиной 0,5-1,0 м (или другими теплоизоляционными материалами). Солому убирают посекционно непосредственно перед устройством фундамента.

9.5. В неустойчивых водонасыщенных грунтах допускается разработка котлованов методом естественного промораживания грунтов без устройств креплений и организации водослива.

9.6. Обратную засыпку котлованов следует производить талым, как правило, несвязным грунтом. Глинистые грунты и пылеватые пески допускается применять при влажности их не выше оптимальной.

9.7. Фундаментные плиты устанавливаются "насухо" на щебеночную подготовку. Подколенники и блоки тела сборных опор монтируют "насухо" по слою цемента.

Использование цементного раствора и бетона допускается при соблюдении правил зимнего бетонирования по п.п. 9.9 - 9.17.

9.8. Монтажную сварку арматуры и закладных деталей допускается производить при температуре окружающего воздуха не ниже -30° С.

Сварочный ток при отрицательной температуре должен повышаться. Повышение тока должно составлять 5 % при температуре до -15° С и 10 % при температуре до -30° С.

9.9. Бетонные работы в зимних условиях (при среднесуточной температуре наружного воздуха менее +5 °С) ведут методами: термоса, обогрева бетона или же холодного бетона с применением химических противоморозных добавок.

Метод термоса применяют при среднесуточной температуре наружного воздуха до -5° С; метод холодного бетона - в зависимости от вида противоморозных добавок, но не ниже -30° С, а метод обогрева бетона - при любой температуре наружного воздуха.

9.10. При использовании методов термоса и обогрева необходимо обеспечить прочность бетона в конструкциях до его замерзания не ниже 70 % от марочной, а стыках сборных конструкций 100 %

9.11. Достижение бетоном до замерзания требуемой прочности по п. 9.10 обеспечивает следующие мероприятия:

по методу термоса: а) подогрев инертных материалов и воды с расчетом получения бетонной смеси с температурой не выше +36 °С; б) использование автосамосвалов с обогреваемыми кузовами; в) подогрев соприкасающихся с зоной бетонирования участков конструкций до температуры +10 °С; г) утепление уложенного бетона теплоизоляторами;

по методу обогрева: а) подогрев бетонной смеси в процессе изготовления и транспортировки; б) подогрев соприкасающихся с зоной бетонирования конструкций (см. выше) и укладкой бетонной смеси в тепляках, обогреваемых электричеством, паром, горячим воздухом.

9.12. Наиболее экономичный метод зимнего бетонирования - метод холодного бетона с применением противоморозных комплексных химических добавок, включающих: а) нитрит натрия (натрий азотнокислый) - НН; б) хлорид кальция (кальций хлористый) - ХК; в) нитрит кальция (кальциевая селитра) - НК; г) мочевина (карбамид) - М.

Например: НКМ - комплексное соединение нитрита кальция и мочевины с соотношением по массе 1:1,5; ННХК - хлорид кальция, ингибированный нитрит-нитратом кальция.

Таблица 9.1

Рекомендуемое количество добавок НКМ и ННКМ и соотношения входящих в них компонентов в зависимости от расчетной температуры твердения бетона

Расчетная температура твердения бетона, °С

Общее количество добавок, % от массы воды затворения

Соотношение по массе между НК (или ННК) и мочевиной (в расчете на сухое вещество)

НКМ

ННКМ

От 0 до -6

9

-

1:1 (4,6% + 4,6%)

-

9

3:1 (6,76 % + 2,26 %)

От -6 до 10

16

-

1:1 (8% + 8%)

-

16

3:1 (12% + 4%)

От -11 до - 16

20

20

3:1 (15% + 5%)

От -16 до -20

26

26

3:1 (19,6% +6,5%)

9.13. Бетоны и растворы с комплексными противоморозными добавками не разрешается применять в следующих случаях; а) в железобетонных конструкциях с арматурой из сталей классов A-IV; A-V; А-IIВ; А-IIIВ; Aт-IV; Ат-V Aт-VI; б) в бетонах с заполнителями, имеющими включения опала, халцедона, обсидиана и других минералов, реагирующих с нитритом натрия.

9.14. Для приготовления бетонов с противоморозными добавками не допускается применять портландцементы с содержанием трехкальциевого алюмината более 8 %, глиноземистые и напрягающие цементы.

Таблица 9.2

Рекомендуемое количество добавок ННК, ННХК, ННХКМ и соотношения входящих в них компонентов в зависимости от расчетной температуры твердения бетона

Расчетная температура твердения бетона, °C

Общее количество добавок, % от массы воды затворения

Соотношение по массе между ННК, хлоридом кальция и мочевиной (в расчете на сухое вещество)

От 0 до -6

ННК, 10

-

ННХК, 8

3:1 (6% + 2%)

ННХКМ, 8

3:1:1,3 (4% + 1,6% + 2%)

От -6 до -10

ННК, 16

-

ННХК, 16

3:1 (12% + 4%)

ННХКМ, 16

3:1:1,3 (9% + 3% + 4%)

От -11 до -15

ННК

 

ННХК, 20

3:1 (16% + 6%)

ННХКМ, 20

3:1:1,3 (11,26% + 3,76% + 5%)

От- 16 до -30

ННК

 

ННХК, 26

1:1 (13% +13%)

ННХКМ, 26

1 :1 :0,7 (9,76 % + 9,76 % + 6,6 %)

9.15. При выборе вида и оптимального количества, а также соотношения между компонентами комплексных добавок следует руководствоваться данными табл. 9.1 и 9.2.

9.16. Бетон, твердеющий на морозе, допускается применять в тех случаях, когда его температура до приобретения прочности на сжатие не менее 5 МПа не опустится ниже -30 °С для бетона с добавками ННХК и ННХКМ, ниже -20 °С с добавками ННКМ и НКМ и ниже -10° С с добавками ННК.

Если при расчетной (минимальной ожидаемой) температуре воздуха нельзя получить указанную прочность, бетон необходимо утеплять.

9.17. При проектировании марки бетона и установления сроков распалубливания и нагружения конструкций следует пользоваться ориентировочными данными по скорости нарастания прочности бетона при различных температурах твердения (табл. 9.3).

9.18. Гидроизоляцию в зимних условиях устраивать не рекомендуется.

В случае производственной необходимости устройства гидроизоляции в зимних условиях изолируемые поверхности должны быть тщательно очищены и прогреты до +10 °С. Следует максимально сокращать фронт работ с тем, чтобы обеспечить требуемый температурный режим и качество производства работ.

Таблица 9.3

Прочность бетона при различных температурах твердения

Срок твердения бетона, сут

Прочность бетона, % от марочной, при добавках

-

ИНК

нкм, ннкм

ннхк, ннхкм

Средняя температура твердения бетона, °С

30

20

10

5

1

-5

-10

-5

-10

-15

-20

-5

-10

-15

-20

-25

-30

3

58

46

30

21

14

28

15

28

20

15

8

37

25

17

13

7

4

7

77

64

47

37

27

40

25

40

30

25

15

50

35

25

20

12

7

28

100

95

91

80

70

70

50

70

60

45

35

100

60

50

45

30

20

90

-

-

-

-

-

95

80

95

80

70

60

110

95

85

75

45

35

9.19. Проезжую часть мостов по согласованию с проектной организацией можно устраивать в зимних условиях без гидроизоляции по пп. 7.21, 7.22.

10. КОНТРОЛЬ КАЧЕСТВА ПРОИЗВОДСТВА РАБОТ И ПРИЕМА СООРУЖЕНИЙ В ЭКСПЛУАТАЦИЮ

10.1. В процессе производства работ по строительству мостов постоянный контроль за качественным выполнением работ, а также за своевременным и правильным ведением исполнительной документации осуществляется инженерно-техническим персоналом строительства, представителями заказчика, а в случаях, предусмотренных положением об авторском надзоре, также представителями проектной организации.

10.2. Несоответствие производства работ утвержденному проекту и требованиям СНиПа - основание для приостановки работ.

10.3. Текущий контроль качества выполненных работ отражается в специальном журнале производителем работ или мастером.

10.4. Законченные части сооружения и скрытые работы должны быть освидетельствованы и приняты при участии представителя заказчика или технического надзора с составлением промежуточного акта приемки работ установленной формы.

10.5. Проверка качества материалов, поступающих на строительство, а также систематический контроль качества бетонных, гидроизоляционных, земельных работ проводится построечной лабораторией.

В необходимых случаях испытания материалов могут быть выполнены в других лабораториях, располагающих нужным оборудованием.

10.6. Качество поступающих на строительство сборных железобетонных элементов, а также соответствие их утвержденному проекту и требованиям СНиПа определяют органы технического контроля на предприятии-изготовителе. Сведения должны быть отражены в сопроводительных документах, прилагаемых к этим конструкциям. На объекте проводят приемочный контроль поступающих конструкций.

10.7. При производстве работ в зимнее время в акте дополнительно указываются следующие данные: а) толщина промерзшего грунта, вынутого при разработке котлована; б) применяемые химические добавки, понижающие температуру замерзания растворов и мастик; в) температура раствора, бетона, мастики, битумного лака; г) подвижность раствора и бетона на месте укладки; д) температура наружного воздуха (не реже трех раз в сутки); е) сведения о снегопаде и сильном ветре.

10.8. Приемка в эксплуатацию рабочими и государственными приемочными комиссиями законченных строительством мостов осуществляется в порядке, установленном главой СНиП III-3-76 с учетом дополнений, вытекающих из СНиП III-43-75 и СНиП III-3-81.

10.9. При сдаче в эксплуатацию мостов строительная организация (генподрядчик) должна представить рабочей комиссии следующую документацию: а) рабочие чертежи с внесением в них изменений, если последние имели место в процессе строительства; б) документы об оформлении и согласовании допущенных в процессе строительства отступлений от утвержденного проекта; в) ведомости заданных и фактически выполненных объемов работ и стоимости отдельных сооружений; г) данные о гидрологии и геологии с исполнительными разрезами; д) акты геодезической разбивки сооружений; е) общие журналы производства работ; ж) акты на скрытые и промежуточные работы; з) документы, характеризующие качество применяемых материалов; и) данные об особенностях производства работ в зимнее время, если таковые имели место.

10.10. В случае сомнений в правильности представленного акта на скрытые работы или при его отсутствии рабочая приемочная комиссия имеет право потребовать вскрытия конструкций и частей сооружения.

10.11. При неудовлетворительном качестве выполненных работ, а также несоответствии примененных материалов или конструкций требованиям проекта, ГОСТа или СНиП III-43-75 возможность приемки мостов в эксплуатацию должна устанавливаться рабочей приемочной комиссией на основе освидетельствования сооружения в натуре с производством в необходимых случаях контрольных испытаний материалов и конструкций в сооружении.

10.12. Результаты приемки мостов в эксплуатацию рабочей приемочной комиссией оформляются актами.

10.13. Датой ввода сооружения во временную эксплуатацию, если она допускается согласно указаниям СНиП III-43-76, считается дата подписания актов рабочей приемочной комиссией. Датой ввода в постоянную эксплуатацию считается дата решения государственной приемочной комиссии, что оформляется соответствующим актом.

10.14. Дефекты и отступления в зависимости от их значимости должны быть подробно описаны и иллюстрированы (эскизами, чертежами, фотографиями) в акте или в приложениях со ссылкой на них в тексте акта.

10.15. При приемке мостов в эксплуатацию при однотипном их состоянии допускается составление сводных актов с приведением всех данных в табличной форме.

10.16. Допустимые отклонения от проектных величин в положении и размерах возведенных конструкций не должны превышать указанных в приложении 2.

11. ТЕХНИКА БЕЗОПАСНОСТИ ПРИ СТРОИТЕЛЬСТВЕ МОСТОВ

11.1. Все виды строительно-монтажных, погрузочно-разгрузочных и транспортных работ должны производиться под руководством лиц, ответственных за обеспечение условий проведения этих работ в соответствии с действующими правилами техники безопасности.

11.2. Монтажные краны должны быть установлены в строго определенных и размеченных местах, исключающих перенапряжение в элементе монтируемой конструкции и работу с недопустимым для данного груза вылетом стрелы.

11.3. При подъеме элементов грузовой крюк крана должен занимать вертикальное положение. Запрещается подтаскивать (волочить) элементы косым натяжением канатов или поворотом стрелы.

11.4. Не допускается подъем монтажного элемента, масса которого неизвестна.

Поднимать элемент, масса которого близка к максимальной грузоподъемности крана при данном вылете стрелы, необходимо в два приема: сначала на высоту 20-30 см с проверкой подвески, устойчивости крана и надежности действия тормозов, затем на полную высоту.

11.5. Во избежание перегрузки кранов запрещается поднимать элементы, засыпанные землей или снегом, а также примерзшие к земле. В этих условиях необходимо расчистить элемент и обеспечить возможность свободного подъема его краном, для проверки чего следует приподнять элемент рычагом или домкратом, но не краном.

11.6. Перед подъемом любого элемента к нему должны быть прикреплены две оттяжки из пенькового каната диаметром не менее 12 мм и длиной 6 - 10 м.

11.7. Поднимать и опускать конструкции нужно плавно.

При горизонтальном перемещении элемент должен быть поднят не менее чем на 60 см выше встречающихся на пути препятствий. Поворачивать поднятый элемент, удерживать его от вращения и раскачивания следует только при помощи оттяжек.

11.8. При опускании элемента запрещается направлять и поворачивать его руками. Поворачивать поднятый элемент следует только при помощи оттяжек. Горизонтальное перемещение элементов при помощи оттяжек запрещается.

11.9. Во время подъема элемента запрещается находиться под стрелой крана и в зоне ее поворота. Подходить к элементу для его установки на место разрешается только после того, как зазор между нижней поверхностью элемента и местом установки не будет превышать 6-10 см.

11.10. Точная центровка элемента перед его установкой на место должна производиться с помощью ломиков при положении элемента на весу. Свободный конец ломика не должен при этом находиться против рабочего.

11.11. Места строповки элементов должны быть намечены заранее. Длинномерные элементы, поднимаемые в горизонтальном положении, следует строповать не менее чем двумя стропами или специальными траверсами.

При строповке конструкций с острыми ребрами необходимо между ребрами элемента и канатом установить прокладки, предохраняющие канат от перетирания. Прокладки должны быть прикреплены к конструкции или канату.

Перед освобождением стропов от элементов необходимо проверять точность установки и устойчивость элемента.

11.12. При разработке котлованов запрещается движение строительных машин, транспортных средств и расположение других нагрузок в пределах призмы обрушения грунта. Устанавливать монтажные краны с частичным выходом их на призму обрушения допускается только при обосновании соответствующим расчетом и при принятии специальных мер, гарантирующих устойчивость крана с грузом.

11.13. При перевозке элементов конструкций транспортными средствами необходимо обеспечить достаточно равномерную передачу груза на рессоры. С этой целью элементы следует укладывать симметрично относительно продольных и поперечных осей кузова. При погрузке несимметричных элементов его более тяжелая сторона должна быть обращена в сторону кабины. Во избежание смещения при перевозке элементы должны быть надежно закреплены.

11.14. При транспортировке элементов конструкций тракторами в зимнее время по дороге, имеющей уклон в грузовом направлении более 80 %, необходимо иметь задний тормозной трактор.

11.15. Рабочие места, расположенные над землей на высоте 1 м и выше, ограждают перилами. Перила должны выдерживать сосредоточенную нагрузку 0,7 кН. При невозможности или нецелесообразности устройства ограждений, работающих на высоте более 1,5 м, снабжают предохранительными поясами. Места закрепления карабина предохранительного пояса должны быть заранее указаны рабочим.

11.16. Проезды, проходы, подкрановые пути, погрузочно-разгрузочные площадки и рабочие места необходимо регулярно очищать от строительного мусора, в зимнее время очищать от снега и льда, посыпать песком, а в теплое время поливать водой.

11.17. Рабочие места, проезды и склады на строительной площадке должны быть освещены. Работа в неосвещенных местах запрещается.

11.18. Перед пуском бетоносмесительной установки, при приготовлении бетона на строительной площадке необходимо подать сигнал и выключить на 1-2 с электродвигатель (предупредительный пуск). После предупредительного пуска и паузы в 10-15 с включаются электродвигатели для работы под нагрузкой.

11.19. Во время работы бетономешалки запрещается ускорять выгрузку бетонной смеси введением внутрь вращающегося барабана лопаты или другого инструмента.

Таблица 11.1

Условия прекращения работ на открытом воздухе

Виды строительно-монтажных работ на открытом воздухе

Условия, при которых прекращаются работы

Работы на подмостях; монтаж и демонтаж подмостей

Во время грозы и ветра со скоростью более 12 м/с

Монтажные и верхолазные работы

При ветре со скоростью более 12 м/с, гололедице, сильном снегопаде и дожде

Электронагрев бетонных конструкций

В сырую погоду и во время оттепелей

Все строительно-монтажные работы на открытом воздухе

Во время сильных морозов, метелей, буранов и т.п. на основании постановлений областных, краевых и республиканских организаций

11.20. Очищать барабан бетономешалки от остатков материала разрешается только после его остановки, предварительно убедившись в том, что бетономешалка не может быть пущена. Для этого следует, включив рубильник, запереть его ящик, а при двигателе внутреннего сгорания, выключив двигатель, снять приводной ремень.

11.21. Мастику для гидроизоляционных работ приготавливают в огнестойком помещении или в полевых условиях под огнестойким навесом. Склады битума, гидроизоляционных материалов и дров должны быть удалены от битумоварки на 60 м, а около битумоварочной установки на случай борьбы с воспламенением битума необходимо иметь запас сухого песка, огнетушитель, железные лопаты и т.п.

11.22. Готовую мастику к месту работ доставляют только в закрытых с уширением книзу конических обогревательных бачках (или термосах), заполняемых мастикой не более чем на 3/4 объема.

11.23. При строительстве мостов необходимо соблюдать ограничения работы на открытом воздухе по метеорологическим условиям (табл. 11.1).

ПРИЛОЖЕНИЕ 1

Директивные нормы продолжительности строительства автодорожных и городских мостов

(по СН 440-79)

Характеристика мостов

Норма продолжительности строительства, мес

общая

том числе подготовительный период

Длиной 50 м

 

 

с шириной проезжей части, м:

 

 

6,5

5

1

8

5

1

10

6

1

11,5

6

1

Длиной 100 м

 

 

с шириной проезжей части, м:

 

 

6,5

9

2

8

9

2

10

10

2

11.5

10

2

Примечание. Время постройки предусмотрено для типовых искусственных сооружений. При строительстве в особых условиях или в больших объемах на производство работ составляется индивидуальный график.

ПРИЛОЖЕНИЕ 2

Допускаемые отклонения в возведенных конструкциях мостов и их элементах

Таблица 1

Допускаемые отклонения в положении возведенных конструкций мостов

№ п/п

Отклонения

Допускаемое отклонение, мм

1

Смещение в плане относительно разбивочных осей:

 

 

а) осей фундаментов в открытых котлованах

25

 

б) осей опор в уровне обреза фундамента

10

 

в) то же, подферменников

0,004 высоты опоры, но не более 50

 

г) осей стоек, колонн и стенок в нижнем сечении

5

 

д) продольных осей пролетных строений

0,0005 пролета, но не более 50

2

Размеров конструкций в плане:

 

 

а) фундаментов в открытых котлованах

±50

 

б) опор выше обреза фундамента

±20

3

От вертикали или от проектного наклона боковых поверхностей конструкции:

 

 

а) фундаментов

20

 

б) опор выше обреза фундамента

0,002 высоты, но не более 25

 

в) балочных пролетных строений в любом поперечном сечении

10

 

г) стоек, колонн

0,002 высоты, но не более 20

4

В расстоянии от шкафной стенки устоя до оси опорных узлов

±0; -30

5

Отметок поверхностей:

 

 

а) обреза фундаментов

±50

 

б) верха подферменной площадки

±15

6

Разность отметок подформенных площадок в пределах одной опоры

5

7

То же, опорных частей поперек оси моста (перекос)

0,001 расстояния между осями балок

8

Отклонение размера зазора между секциями фундаментов

-5; +10

Таблица 2

Допускаемые отклонения от проектных размеров в элементах сборных железобетонных конструкций

№ п/п

Конструкция

Допускаемое отклонение, мм

1

Блоки фундаментов и опор:

 

 

а) по высоте

±5

 

б) " остальным измерениям

±10

2

Балки пролетных строений (не составные):

 

 

а) по длине

±30; -10

 

б) " высоте в любом сечении

±15; - 0

 

в) " наибольшей ширине

±20: -10

 

г) " остальным измерениям

±5

 

д) искривление продольной оси

30

3

Линейные элементы (кроме свай):

 

 

а) по длине

±15; -10

 

б) " поперечным размерам

+20; -5

 

в) искривление

20

4

Плиты:

 

 

а) по толщине (более 12 см)

±10; -5

 

б) " длине и ширине

±10

 

в) искривление поверхности

0,001 наибольшего размера

 




Rambler's Top100 Яндекс цитирования
  Copyright © 2008-2026, www.docload.ru