Бесплатная библиотека стандартов и нормативов www.docload.ru

Все документы, размещенные на этом сайте, не являются их официальным изданием и предназначены исключительно для ознакомительных целей.
Электронные копии этих документов могут распространяться без всяких ограничений. Вы можете размещать информацию с этого сайта на любом другом сайте.
Это некоммерческий сайт и здесь не продаются документы. Вы можете скачать их абсолютно бесплатно!
Содержимое сайта не нарушает чьих-либо авторских прав! Человек имеет право на информацию!

 

ГОСУДАРСТВЕННЫЙ СТАНДАРТ СОЮЗА ССР

ГАЙКИ ВЫСОКОПРОЧНЫЕ КЛАССА ТОЧНОСТИ В

Конструкция и размеры

ГОСТ 22354-77

 

ГОСУДАРСТВЕННЫЙ КОМИТЕТ СССР ПО СТАНДАРТАМ Москва

 

ГОСУДАРСТВЕННЫЙ СТАНДАРТ СОЮЗА ССР

 ГАЙКИ ВЫСОКОПРОЧНЫЕ                                          ГОСТ

КЛАССА ТОЧНОСТИ В                                            22354-77*

Конструкция и размеры

Hight strength nuts of product grade B.

Construction and dimensions

Постановлением Государственного комитета стандартов Совета Министров СССР от 7 февраля 1977 г. № 309 срок введения установлен

с 01.01.79

Несоблюдение стандарта преследуется по закону

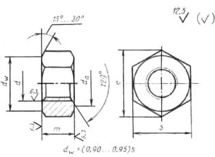
1. Стандарт распространяется на шестигранные гайки класса точности В к высокопрочным болтам по ГОСТ 22353-77.

2. Конструкция и размеры гаек должны соответствовать указанным на чертеже и в таблице.

мм

Номинальный диаметр резьбы d

16

(18)

20

(22)

24

(27)

30

36

42

48

Шаг резьбы

2

2,5

3

3,5

4

4,5

5

Высота m

15

16

18

19

22

24

29

34

38

Размер «под ключ» S

27

30

32

36

41

46

55

65

75

Диаметр описанной окружности е, не менее

29,9

33,3

35,0

39,6

45,2

50,9

60,8

72,1

83,4

da

не менее

16

18

20

22

24

27

30

36

42

48

 

не более

17,3

19,4

21,6

23,8

25,9

29,2

32,4

38,9

45,4

51,8

Примечание. Размеры, заключенные в скобки, применять не рекомендуется.

Пример условного обозначения гайки диаметром резьбы d = 20 мм, полем допуска 6Н, для болта с наименьшим временным сопротивлением = 1100 МПа (110 кгс/мм2), климатического исполнения У, категории размещения 1:

Гайка М20-6Н.110 ГОСТ 22354-77

То же, климатического исполнения ХЛ, категории размещения 1:

Гайка М20-6Н.110.ХЛ1 ГОСТ 22354-77

3. Резьба - по ГОСТ 24705-81.

1 - 3. (Измененная редакция, Изм. № 1).

3а. Допуски, не указанные на чертеже и в таблице, а также методы контроля размеров и отклонений формы и расположения поверхностей - по ГОСТ 1759.1-82.

3б. Дефекты поверхности и методы контроля - по ГОСТ 1759.3-83.

3а, 3б. (Введены дополнительно, Изм. № 1).

4. Технические требования - по ГОСТ 22356-77.

5. Теоретическая масса гаек приведена в справочном приложении.

 

ПРИЛОЖЕНИЕ

Справочное

Теоретическая масса гаек

Номинальный диаметр резьбы d, мм

Теоретическая масса 1000 шт. гаек, кг»

Номинальный диаметр резьбы d, мм

Теоретическая масса 1000 шт. гаек, кг»

16

50

(27)

224

(18)

66

30

213

20

80

36

368

(22)

108

42

611

24

171

48

921

 

 




Rambler's Top100 Яндекс цитирования
  Copyright © 2008-2025, www.docload.ru