Бесплатная библиотека стандартов и нормативов www.docload.ru

Все документы, размещенные на этом сайте, не являются их официальным изданием и предназначены исключительно для ознакомительных целей.
Электронные копии этих документов могут распространяться без всяких ограничений. Вы можете размещать информацию с этого сайта на любом другом сайте.
Это некоммерческий сайт и здесь не продаются документы. Вы можете скачать их абсолютно бесплатно!
Содержимое сайта не нарушает чьих-либо авторских прав! Человек имеет право на информацию!

 

НАУЧНО-ИССЛЕДОВАТЕЛЬСКИЙ ИНСТИТУТ
СТРОИТЕЛЬНОЙ ФИЗИКИ (НИИСФ)
ГОССТРОЯ СССР

ПОСОБИЕ
ПО РАСЧЕТУ И ПРОЕКТИРОВАНИЮ
ЕСТЕСТВЕННОГО, ИСКУССТВЕННОГО
И СОВМЕЩЕННОГО ОСВЕЩЕНИЯ
(к СНиП
II-4-79)

Утверждено приказом НИИСФ Госстроя

СССР от 20 ноября 1984г. № 93-й

Москва Стройиздат 1985

Рекомендовано к изданию решением секции строительной светотехники Научно-технического совета НИИСФ Госстроя СССР.

Пособие по расчету и проектированию естественного, искусственного и совмещенного освещения (к СНиП II-4-79)/НИИСФ.-М.: Стройиздат, 1985.

Содержит основные методические положения по выбору (определению) нормируемых значений показателей естественного, искусственного и совмещенного освещения, методы их расчета при проектировании производственных, общественных и жилых зданий, а также установок наружного освещения.

Для инженерно-технических работников проектных и строительных организаций, а также работников службы эксплуатации осветительных установок.

 

Разработано НИИСФ Госстроя СССР (кандидаты техн. наук М.И. Краснов - разд. 2, 6, 9, Н.Н. Kupeee - разд. 1-4, Г.А. Тищенко - разд. 5, 6, 7, 9, М.Н. Mapycoea - разд. 9, Н.М. Беляева - разд. 5, В.А. Земцов - разд. 2, 4; инженеры В.М. Сорокин - разд. 2, Л.А. Обросова - разд. 3, Т.А. Кузина, А.Н. Паршин - разд. 4, Н.И. Котлярова - разд. 6, И.А. Шмаров - разд. 7, Л.Н. Фадеев - разд. 5, В.М. Карачёв - разд. 10) совместно с ВНИСИ Минэлектротехпрома (кандидаты техн. наук Ц.И. Кроль, Е.И. Мясоедова - разд. 5, М.А. Фаермарк - разд. 5, 7); ЦНИИПромзданий Госстроя СССР (кандидаты техн. наук Ю.П. Александров, Т.И. Смирнова - разд. 2, 3); ЦНИИЭП инженерного оборудования Госгражданстроя (канд. техн. наук Г.В. Каменская, инженеры В.П. Зобов, Л.А. Подгорных, Л.И. Петрова - разд. 10); АКХ им. К.Д. Памфилова МКХ РСФСР (канд. техн. наук О.Г. Корягин, инж. Г.А. Добрякова - разд. 10); ВЦНИИОТ ВЦСПС (канд. техн. наук Е.А. Никитина - разд. 8); Харьковским филиалом Гипронииавиапрома (инж. А.В. Шаповал - прил. 1) под общей редакцией заслуженного деятеля науки и техники РСФСР, д-ра техн. наук, проф. В.А. Дроздова.

ОСНОВНЫЕ СОКРАЩЕНИЯ

ОУ - осветительная установка;

МО - местное освещение;

УНО - установки наружного освещения;

УРП - условная рабочая поверхность;

ГЛВД - газоразрядные лампы высокого давления;

ДРЛ - ртутные лампы высокого давления;

МГЛ - металлогалоидные лампы;

НЛВД - натриевые лампы высокого давления;

ЛЛ - люминесцентные лампы;

ЛН - лампы накаливания;

КСС - кривые силы света.

ОСНОВНЫЕ ОБОЗНАЧЕНИЯ, ПРИНЯТЫЕ В ПОСОБИИ

А            - площадь, м2;

Ап           - площадь пола помещения, м2;

Aо           - площадь светового проема окна, м2;

Ас.о         - суммарная площадь световых проемов окон, м2;

Аф          - площадь светового проема фонаря, м2;

Ас.ф        - суммарная площадь световых проемов фонарей, м2;

а            - длина, м;

ап           - длина помещения, м;

аф          - длина светового проема, м;

b            - ширина, м;

bп           - ширина помещения, м;

bо           - ширина окна, м;

bc         - суммарная ширина окон, м;

by           - ширина проезжей части улицы, м;

h            - высота, м;

ho           - высота окна, м;

hп           - высота помещения, м;

hp           - расчетная высота от условной рабочей поверхности до выходного отверстия светильника (фонаря), м;

hсв          - высота установки светильников над поверхностью дороги, улицы, м;

d            - глубина, м;

dп           - глубина помещения, м;

dф          - шаг установки фонарей, м;

Е            - освещенность, лк;

Ев           - освещенность в вертикальной плоскости, лк;

ег           - освещенность в горизонтальной плоскости, лк;

Ер.п              - освещенность рабочей поверхности, лк;

Ек           - уровень нормируемой освещенности при системе комбинированного освещения, лк;

Емакс      - максимальное значение освещенности, лк;

Емин       - минимальное значение освещенности, лк;

Ем.о             - освещенность, создаваемая светильниками местного освещения, лк;

Ен          - нормируемые значения освещенности, лк;

Eо          - освещенность от общего освещения, лк;

е            - коэффициент естественной освещенности (КЕО), %;

ен           - нормируемое значение коэффициента естественной освещенности, %;

ен.с               - нормируемое значение коэффициента естественной освещенности при совмещенном освещении, %;

еср          - среднее значение коэффициента естественной освещенности, %;

I             - сила света;

iп            - индекс помещения;

iф           - индекс светового проема фонаря;

К1          - коэффициент, зависящий от типа заполнения светопроема;

K2          - поправочный коэффициент, зависящий от размеров помещения;

Кс          - коэффициент светопередачи;

Кз           - коэффициент запаса;

Кп          - коэффициент пульсации освещенности;

Кп.и              - коэффициент пульсации светового потока источника света;

L            - яркость, кд/м2;

Lн           - нормируемое значение яркости, кд/м2;

l             - расстояние, м;

lсв           - расстояние между светильниками, м;

lx            - расстояние между светильниками в ряду, м;

ly            - расстояние между рядами светильников, м;

т           - коэффициент светового климата;

Nсв         - количество светильников;

Nф          - количество фонарей;

Р            - показатель ослепленности;

С            - коэффициент солнечности климата;

Ф           - световой поток, лм;

Фл          - световой поток источника света;

Uо·у             - коэффициент использования светового потока осветительной установки;

uсв          - коэффициент использования светового потока светильника;

uи.с         - коэффициент использования светового потока источника света;

uE           - коэффициент использования светового потока источника света по освещенности (дорожного покрытия);

иL           - коэффициент использования светового потока источника света по яркости (дорожного покрытия);

r            - коэффициент отражения;

rcp         - средневзвешенный коэффициент отражения внутренних поверхностей помещения;

t0           - общий коэффициент светопропускания;

b            - коэффициент яркости;

r(a, b)   - коэффициент яркости дорожных покрытий;

Цт          - стоимость единицы тепловой энергии, руб/ГДж;

Цэ                 - стоимость единицы электрической энергии, руб/(кВт·ч);

hЕ          - коэффициент оценки неравномерности распределения освещенности по рабочей поверхности;

hL          - коэффициент оценки неравномерности распределения яркости по рабочей поверхности.

1. ОБЩИЕ ПОЛОЖЕНИЯ

ОСНОВНЫЕ РЕКОМЕНДАЦИИ ПО ПРОЕКТИРОВАНИЮ ОСВЕЩЕНИЯ

1.1. При проектировании освещения объектов различного назначения, мест производства работ вне зданий, улиц, дорог и площадей населенных пунктов и городов следует руководствоваться нормативными требованиями к освещению СНиП II-4-79 «Естественное и искусственное освещение», Правилами устройства электроустановок, Правилами технической эксплуатации электроустановок потребителей, инструкциями и отраслевыми нормами по проектированию освещения, утвержденными в установленном порядке, а также рекомендациями настоящего Пособия.

При разработке проектов освещения следует предпочитать варианты, которые позволяют обеспечивать нормативные требования с наименьшими энергетическими и материальными затратами.

1.2. Спроектированная осветительная установка (ОУ) здания должна обеспечивать:

нормированные значения КЕО и освещенности на рабочих местах и в проходах между оборудованием при рабочем и аварийном режимах;

регламентируемые значения качественных показателей ОУ - показателей ослепленности Р и дискомфорта М, коэффициента пульсации освещенности - Кп, а также требования к равномерности распределения КЕО и освещенности в рабочих зонах помещения;

нормированное значение коэффициента запаса.

1.3. В проектах освещения должны быть предусмотрены меры, обеспечивающие возможность рационального монтажа и эксплуатации ОУ, а именно:

по согласованию с заказчиком учтены в смете передвижные средства доступа к световым проемам и светильникам или выданы задания на их изготовление силами заказчика;

выданы задания строителям (в случае необходимости) на устройство рациональных средств для обслуживания световых проемов и светильников;

выданы задания строителям на устройство мастерских для ремонта и чистки светильников;

сделан расчет потребного эксплуатационного персонала - ИТР и электромонтеров;

для экономии электроэнергии разработаны схемы управления освещением, обеспечивающие возможность полного или частичного включения ОУ, а также максимальное время использования естественного света и выключения ОУ во время обеденного перерыва;

разработаны меры по ограничению перенапряжений в ОУ;

выданы задания строителям на различные проемы, закладные устройства и детали для прокладки осветительных сетей, крепления электрооборудования и светильников, а также на конструктивные чертежи для установки светильников и другого оборудования.

1.4. При разработке проектов внутреннего и наружного освещения рекомендуется производить повариантные расчеты проектных решений для выбора наиболее эффективного и экономичного варианта, удовлетворяющего требованиям нормативных документов, указанных в п. 1.1.

2. ЕСТЕСТВЕННОЕ ОСВЕЩЕНИЕ

ВЫБОР ЗНАЧЕНИЙ КЕО

2.1. Согласно СНиП II-4-79 территория страны зонирована на пять поясов светового климата СССР; перечень административных районов, входящих в пояса светового климата, приведен в табл. 1.

Таблица 1

Пояс светового климата

Административные районы

I

Мурманская обл. Карельской АССР, Архангельская обл. (севернее 64° с. ш.), Ненецкий авт. округ (севернее 66° с. ш.), Ямало-Ненецкий авт. округ (севернее 68° с. ш.), Таймырский авт. округ (севернее 73° с. ш.), Чукотский авт. округ (севернее 67° с. ш.)

II

Литовская ССР, Латвийская ССР, Эстонская ССР, Псковская, Новгородская, Калининская, Ленинградская, Костромская, Вологодская, Архангельская области (южнее 64° с. ш.)

III

Белорусская ССР, Смоленская, Брянская, Калужская, Московская, Орловская, Тульская, Курская, Липецкая, Воронежская, Рязанская, Владимирская, Ивановская, Горьковская области, Мордовская, Чувашская, Татарская, Марийская, Башкирская, Удмуртская АССР, Пензенская, Тамбовская, Кировская; Ульяновская, Куйбышевская, Саратовская, Пермская, Свердловская, Челябинская, Оренбургская, Тюменская, Курганская, Омская, Новосибирская, Кемеровская области, Томская обл., Красноярский край (южнее 63° с. ш,), Иркутская обл., Якутская АССР (южнее 63° с. ш.). Хабаровский край (севернее 55° с. ш.), Камчатская обл.

IV

Украинская ССР, Молдавская ССР, Белгородская обл., Ростовская, Волгоградская области, Калмыцкая АССР, Астраханская область, Казахская ССР, Алтайский край, Тувинская АССР, Бурятская АССГ, Читинская, Амурская области, Хабаровский край (южнее 55° с. ш.). Приморский край, Сахалинская обл.

V

Крымская обл., Краснодарский, Ставропольский края и все южнее на Кавказе; Туркменская ССР, Узбекская ССР, Таджикская ССР, Киргизская ССР

Таблица 2

Пояс светового климата

КЕО, %, при разряде зрительной работы

I

II

III

IV

V

VI

VII

VIIIa

VIIIб

VIIIв

I

12

8,4

6,0

4,8

3,6

2,4

3,6

1,2

0,8

0,6

II

11

7,7

5,5

4,4

3,3

2,2

3,3

1,1

0,8

0,6

III

10

7,0

5,0

4,0

3,0

2,0

3,0

1,0

0,7

0,5

IV

 

 

 

 

 

 

 

 

 

 

а) севернее 50° с. ш.

8,1

5,7

4,1

3,2

2,5

1,6

2,5

0,8

0,6

0,4

б) 50° с. ш. и южнее

7,7

5,4

3,9

3,1

2,3

1,5

2,3

0,8

0,5

0,4

V

 

 

 

 

 

 

 

 

 

 

а) севернее 40° с. ш.

6,4

4,5

3,2

2,6

1,9

1,3

1,9

0,64

0,5

0,3

б) 40° с. ш. и южнее

6,0

4,2

3,0

2,4

1,8

1,2

1,8

0,6

0,4

0,3

Таблица 3

Пояс светового климата

КЕО, %, при разряде зрительной работы

I

II

III

IV

V

VI

VII

VIIIa

VIIIб

VIIIв

I

12,0

8,4

6,0

4,8

3,6

2,4

3,6

1,2

0,8

0,6

II

11,0

7,7

5,5

4,4

3,3

2,2

3,3

1,1

0,8

0,6

III

10,0

7,0

5,0

4,0

3,0

2,0

3,0

1,0

0,7

0,5

IV

 

 

 

 

 

 

 

 

 

 

а) севернее 50° с. ш.

8,1

5,7

4,0

3,2

2,4

1,6

2,4

0,8

0,6

0,4

б) 50° с. ш. и южнее

7,6

5,3

3,8

3,0

2,3

1,5

2,3

0,8

0,5

0,4

V

 

 

 

 

 

 

 

 

 

 

а) севернее 40° с. ш.

6,0

4,2

3,0

2,4

1,8

1,2

1,8

0,6

0,4

0,3

б) 40° с. ш. и южнее

5,2

3,6

2,6

2,1

1,6

1,0

1,6

0,5

0,4

0,3

Таблица 4

Пояс светового климата

Ориентация световых проемов по сторонам горизонта, град

КЕО, %, при разряде зрительной работы

I

II

III

IV

V

VI

VII

VIIIa

VIIIб

VIIIв

I

 

 

 

 

 

 

 

 

 

 

 

а) в зоне с устойчивым снежным покровом

136-225

3,0

2,2

1,7

1,3

0,9

0,4

0,9

0,2

0,2

0,1

226-315

3,2

2,3

1,8

1,4

0,9

0,5

0,9

0,2

0,2

0,1

 

и 46-135

316-45

3,4

2,4

1,9

1,4

1,0

0,5

1,0

0,2

0,2

0,1

б) на остальной территории пояса

136-225

3,8

2,7

2,2

1,6

1,1

0,5

1,1

0,3

0,2

0,1

226-315

4,0

2,8

2,3

1,7

1,1

0,6

1,7

0,3

0,2

0,1

 

и 47-135

316-45

4,2

3,0

2,4

1,8

1,2

0,6

1,2

0,4

0,2

0,1

II

 

 

 

 

 

 

 

 

 

 

 

а) в зоне с устойчивым снежным покровом

136-225

2,6

1,9

1,5

1,1

0,8

0,4

0,8

0,2

0,2

0,1

226-315

2,8

2,0

1,6

1,2

0,8

0,4

0,8

0,2

0,2

0,1

 

и 46-135

316-45

3,1

2,2

1,8

1,3

0,9

0,4

0,9

0,2

0,2

0,1

б) на остальной территории пояса

136-225

3,3

2,4

1,9

1,4

0,9

0,5

0,9

0,3

0,2

0,1

226-315

3,5

2,5

2,0

1,5

1,0

0,5

1

0,3

0,2

0,1

 

и 46-135

316-45

3,8

2,8

2,2

1,6

1,1

0,6

1,1

0,3

0,2

0,1

III

 

 

 

 

 

 

 

 

 

 

 

а) в зоне с устойчивым снежным покровом

136-225

2,8

2,0

1,6

1,2

0,8

0,4

0,8

0,2

0,2

0,1

226-315

2,8

2,0

1,6

1,2

0,8

0,4

0,8

0,2

0,2

0,1

 

и 46-135

316-45

2,8

2,0

1,6

1,2

0,8

0,4

0,8

0,2

0,2

0,1

б) на остальной территории пояса

136-225

3,5

2,5

2

1,5

1

0,5

1

0,3

0,2

0,1

226-315

3,5

2,5

2

1,5

1

0,5

1

0,3

0,2

0,1

 

и 46-135

316-45

3,5

2,5

2

1,5

1

0,5

1

0,3

0,2

0,1

IV

 

 

 

 

 

 

 

 

 

 

 

а) севернее 50° с. ш.

136-225

2,4

1,7

1,4

1,0

0,7

0,3

0,7

0,2

0,1

0,1

226-315

2,5

1,8

1,4

1,1

0,7

0,4

0,7

0,2

0,1

0,1

и 46-135

316-45

3,2

2,2

1,8

1,4

0,9

0,4

0,9

0,3

0,2

0,1

б) 50° с. ш. и южнее

136-225

2,2

1,6

1,3

0,9

0,6

0,3

0,6

0,2

0,2

0,1

226-315

2,4

1,7

1,4

1,0

0,7

0,3

0,7

0,2

0,1

0,1

 

и 46-135

316-45

3,0

2,2

1,7

1,3

0,9

0,4

0,9

0,3

0,2

0,1

V

 

 

 

 

 

 

 

 

 

 

 

а) севернее 40° с. ш.

136-225

1,8

1,3

1,0

0,8

0,5

0,3

0,5

0,2

0,1

0,1

 

225-315

2,0

1,4

1,1

0,8

0,6

0,3

0,6

0,2

0,1

0,1

 

и 46-135

316-45

2,5

1,8

1,4

1,1

0,7

0,4

0,7

0,2

0,1

0,1

б) 40° с. ш. и южнее

136-225

1,7

1,2

1,0

0,7

0,5

0,2

0,5

0,1

0,1

0,1

 

226-315

1,8

1,3

1,0

0,8

0,5

0,3

0,5

0,2

0,1

0,1

 

и 46-135

136-45

2,4

1,7

1,4

1,0

0,7

0,3

0,7

0,2

0,1

0,1

Таблица 5

Пояс светового климата

Ориентация световых проемов по сторонам горизонта, град

КЕО, %

В рабочих кабинетах зданий управления

В школьных классах

В жилых помещениях

В выставочных залах

В читальных залах

В проектных залах, чертежно-конструкторских бюро

I

 

 

 

 

 

 

 

а) в зоне с устойчивым снежным покровом

136-225

0,9

1,3

0,4

1,3

0,9

1,7

226-315

0,9

1,4

0,5

1,4

0,9

1,8

 

и 46-135

316-45

1,0

1,4

0,5

1,4

1,0

1,9

б) на остальной территории пояса

136-225

1,1

1,6

0,5

1,6

1,1

2,2

226-315

1,1

1,7

0,6

1,7

1,1

2,3

 

и 47-135

316-45

1,2

1,8

0,6

1,8

1,2

2,4

II

 

 

 

 

 

 

 

а) в зоне с устойчивым снежным покровом

136-225

0,8

1,1

0,4

1,1

0,8

1,5

226-315

0,8

1,2

0,4

1,1

0,8

1,6

 

и 46-135

316-45

0,9

1,3

0,4

1,3

0,9

1,8

б) на остальной территории пояса

136-225

0,9

1,4

0,5

1,4

0,9

1,9

226-315

1,0

1,5

0,5

1,5

1,0

2

 

и 46-135

316-45

1,1

1,6

0,6

1,6

1,1

2,2

III

 

 

 

 

 

 

 

а) в зоне с устойчивым снежным покровом

136-225

0,8

1,2

0,4

1,2

0,8

1,6

226-315

0,8

1,2

0,4

1,2

0,8

1,6

 

и 46-135

316-45

0,8

1,2

0,4

1,2

0,8

1,6

б) на остальной территории пояса

136-225

1,0

1,5

0,5

i,5

1,0

2,0

226-315

1,0

1,5

0,5

1,5

1,0

2,0

 

и 46-135

316-45

1,0

1,5

0,5

1,0

1,0

2,0

IV

 

 

 

 

 

 

 

а) севернее 50° с. ш.

136-225

0,7

1,0

0,5

1,0

0,7

1,4

 

226-315

0,7

1,1

0,4

1,1

0,7

1,4

 

и 46-135

316-45

0,9

1,4

0,4

1,4

0,9

1,8

б) 50° с. ш. и южнее

136-225

0,6

0,9

0,3

0,9

0,6

1,3

 

226-315

0,7

1,0

0,3

1,0

0,7

1,4

 

и 46-135

316-45

0,9

1,3

0,4

1,3

0,9

1,7

V

 

 

 

 

 

 

 

а) севернее 40° с. ш.

136-225

0,5

0,8

0,3

0,8

0,5

1,0

 

225-315

0,6

0,8

0,3

0,8

0,6

1,1

 

и 46-135

316-45

0,7

1,1

0,4

1,1

0,7

1,4

б) 40° с. ш. и южнее

136-225

0,5

0,7

0,2

0,7

0,5

1,0

 

226-315

0,5

0,8

0,3

0,8

0,5

1,0

 

и 46-135

136-45

0,7

1,0

0,3

1,0

0,7

1,4

2.2. Нормированные значения КЕО, при естественном освещении в производственных зданиях, расположенных в разных поясах светового климата СССР, принимаются при верхнем освещении с прямоугольными светоаэрационными фонарями по табл. 2, с зенитными фонарями - по табл. 3, при боковом освещении - по табл. 4 и в некоторых помещениях жилых и общественных зданий - по табл. 5. Нормированные значения КЕО в остальных помещениях общественных и жилых зданий, а также в производственных зданиях с фонарями шед следует принимать в соответствии с СНиП II-4-79.

2.3. Нормированные значения КЕО увязываются с нормируемыми значениями освещенности ЕН от искусственного освещения при различных зрительных работах через критические наружные освещенности по формуле

ЕН=0,01eЕкр,                                                         (1)

где е - коэффициент естественной освещенности; Екр - критическая наружная освещенность.

ПРОЕКТИРОВАНИЕ ЕСТЕСТВЕННОГО ОСВЕЩЕНИЯ

2.4. Проектирование естественного освещения зданий должно базироваться на детальном изучении технологических или иных трудовых процессов, выполняемых в помещениях, а также на светоклиматических особенностях места строительства зданий. При этом должны быть определены следующие характеристики:

характеристика зрительной работы, наименьший размер объекта различения, разряд зрительной работы, контраст объекта различения с фоном, характеристика фона;

местонахождение здания на карте светового климата;

нормированное значение КЕО еН с учетом характера зрительной работы и светоклиматических особенностей места расположения зданий;

требуемая равномерность естественного освещения;

габаритные размеры и расположение оборудования, возможное затенение им рабочих поверхностей;

желательное направление падения светового потока на рабочую поверхность;

продолжительность использования естественного освещения в течение суток для разных месяцев года с учетом назначения помещения, режима работы и светового климата местности;

необходимость защиты помещения от слепящего действия прямого солнечного света;

дополнительные требования к освещению, вытекающие из специфики технологического процесса и архитектурных требований к интерьеру (требования к спектральному составу искусственного света, постоянство освещенности во времени, насыщенность помещения светом, распределение яркости в поле зрения, соотношение освещенности на вертикальной и горизонтальной поверхностях).

2.5. Проектирование естественного освещения зданий целесообразно осуществлять в следующей последовательности:

1-й этап - определение требований к естественному освещению помещений; определение нормированного значения КЕО по разряду преобладающих в помещении зрительных работ;

выбор систем освещения;

выбор типов светового проема и светопропускающего материала;

выбор средств для ограничения слепящего действия прямого солнечного света;

учет ориентации зданий и световых проемов по сторонам горизонта;

2-й этап - выполнение предварительного расчета естественного освещения помещений (определение необходимой площади световых проемов);

уточнение параметров световых проемов и помещений;

3-й этап - выполнение проверочного расчета естественного освещения помещений;

определение помещений, зон и участков, имеющих недостаточное по нормам естественное освещение;

определение требований к дополнительному искусственному освещению помещений, зонам и участкам с недостаточным естественным освещением;

определение требований к эксплуатации световых проемов (необходимость устройства подходов к остеклению);

4-й этап - внесение необходимых коррективов в проект естественного освещения и повторный проверочный расчет (при необходимости).

2.6. Систему естественного освещения зданий (боковое, верхнее или комбинированное) рекомендуется выбирать с учетом следующих факторов:

назначения и принятого архитектурно-планировочного, объемно-пространственного и конструктивного решения зданий;

требований к естественному освещению помещений, учитывающих особенности технологии и характера зрительной работы;

климатических и светоклиматических особенностей места строительства;

экономичности естественного освещения (по приведенным затратам).

2.7. Верхнее и комбинированное естественное освещение следует применять преимущественно в производственных одноэтажных многопролетных зданиях промышленных и сельскохозяйственных предприятий, в одноэтажных общественных зданиях большой площади (крытые рынки, стадионы, выставочные павильоны и т.п.), а также в зданиях с крупногабаритными технологическими объемами, в частности, производственных транспортных предприятий, предназначенных для ввода подвижного состава.

2.8. Боковое естественное освещение следует применять в многоэтажных производственных, общественных и жилых зданиях, одноэтажных жилых зданиях, а также в одноэтажных общественных и производственных зданиях, в которых отношение глубины помещений к высоте окон над условной рабочей поверхностью не превышает 8.

Глубокие производственные помещения, в которых невозможно обеспечить требуемые условия освещения на всей площади, допускается делить по глубине на три зоны: зону с достаточным естественным освещением, зону с совмещенным освещением и зону без естественного освещения. Границы зон определяются на основе расчета значений КЕО в точках характерного разреза помещения и сопоставления их с наименьшим нормированным КЕО соответственно для естественного и совмещенного освещения. Без естественного освещения считается зона, в пределах которой КЕО в точках характерного разреза помещения составляет менее 30% нормированного КЕО для естественного освещения. При этом размеры световых проемов и их заполнение выбираются, исходя из требований технологии условий климата места строительства и технико-экономических требований.

2.9. При выборе окон, фонарей и светопропускающих материалов следует учитывать:

требования к естественному освещению помещений;

назначение, объемно-пространственное и конструктивное решение здания;

ориентацию здания по сторонам горизонта;

климатические и светоклиматические особенности места строительства;

необходимость защиты помещений от инсоляции;

степень загрязнения воздуха;

необходимость обеспечения наименьших приведенных и энергетических затрат.

2.10. Для устройства верхнего естественного освещения помещений производственных зданий следует применять, как правило, светоаэрационные или зенитные фонари, номенклатура которых приведена в табл. 6. При проектировании целесообразно использовать типовые конструкции фонарей.

В случае необходимости применения для верхнего естественного освещения конструкций фонарей, не входящих в номенклатуру, следует использовать рекомендации табл. 7.

При выборе светопропускающих материалов для световых проемов следует руководствоваться табл. 8.

2.11. Прямоугольные светоаэрационные фонари шириной 6 или 12 м с одним или двумя ярусами остекления следует применять, как правило, в производственных зданиях со значительными (свыше 23 Вт/м3) избытками явного тепла. В зданиях с избытками явного тепла до 23 Вт/м3 прямоугольные светоаэрационные фонари допускается применять при соответствующем технико-экономическом обосновании.

2.12. Для обеспечения требуемого воздухообмена рекомендуется применять следующие светоаэрационные фонари:

а) в помещениях с пролетами шириной 18 м и избытками явного тепла до 50 Вт/м3 - одноярусные прямоугольные шириной 6 м;

б) в помещениях с пролетами шириной 24, 30 и 36 м и избытками явного тепла до 50 Вт/м3 - одноярусные прямоугольные шириной 12 м.

Примечания: 1. Применение двухъярусных светоаэрационных фонарей для обеспечения требуемого воздухообмена в помещениях допускается при соответствующем технико-экономическом обосновании.

2. В производствах, характеризующихся избытками явного тепла свыше 50 Вт/м3, следует применять аэрационные шахты или аэрационные фонари.

Таблица 6

Профиль фонаря

Размер светового проема, мм

Вид заполнения светового проема фонаря

Тип покрытия

Номер типовой серии

материал

переплет

а) Фонари прямоугольные светоаэрационные

П-образный одноярусный

6´84 (макс.)

12´84 (макс.)

Листовое стекло, одинарное

Открывающийся

ЖБ и ПН

1.464-11

П-образный двухъярусный

12´84 (макс.)

То же

То же

ЖБ и ПН

1.464-13

б) Фонари зенитные

Криволинейный

1,2´1,4 1,4´6,0

Двухслойный элемент из органического стекла

Глухой

ЖБ и ПН

1.464-1

Криволинейный

1,1´1,1

1,5´1,7

2,6´2,6

1,5´6,0

То же

Глухой открывающийся

ЖБ и ПН

1.464-15

Односкатный

Двухскатный

Односкатный

1,0´1,5

3,0´3,0

1,5´1,5

1,5´3,0

1,5´6,0

Стеклопакет двухслойный

Профильное стекло швеллерное, двухслойное

Открывающийся

Глухой

То же

ПН

1.464-10

Односкатный

1,5´1,7

Стеклопакет двухслойный

Открывающийся

ЖБ и ПН

1.464.2-14, вып. 1

Двухскатный

2,7´2,7

Стеклопакет двухслойный

Глухой

ЖБ

1.464.2-17, вып. 1

Двухскатный

2,9´5,9

То же

То же

ЖБ и ПН

1.464.2-18, вып. 1

Односкатный

1,5´1,7

Стеклопакет трехслойный

»

ЖБ и ПН

1.464.2-21

Примечание. ЖБ - железобетонное покрытие; ПН - профилированный настил.


Таблица 7

Фонари

Область преимущественного использования по условиям

зрительной работы

климатического района места строительства

внутреннего режима производства

Прямоугольные светоаэрационные

Для IV-VII разр.

Для II-IV строительно-климатических районов (при расположении зданий южнее 55° с. ш. остекление фонарей следует ориентировать на С и Ю)

Характеризуемых избытками явного тепла от 23 до 50 Вт/м3

Трапециевидные светоаэрационные

Для II, III и IV разр.

Для I (южнее 60° с. ш. и строительно-климатического района (остекление фонарей следует ориентировать на С и Ю)

То же

Зенитные «точечные» и панельные

Для I-VII разрядов зрительной работы; для крупнопролетных зданий (при равномерном размещении световых проемов по покрытию)

Для I, II, III и IV строительно-климатических районов (при расположении зданий южнее 55° с. ш. заполнение фонарей необходимо выполнять из светорассеивающих или теплозащитных стекол)

С суммарными избытками явного тепла не свыше 23 Вт/м3 и с незначительными выделениями пыли и копоти

Зенитные со светопроводными шахтами

Для II-VI разрядов зрительной работы; для производственных и общественных зданий с техническими этажами и подвесными потолками

Для всех строительно-климатических районов (при расположении зданий южнее 55° с. ш. и неглубоких шахтах заполнение фонарей следует выполнять из светорассеивающих или теплозащитных стекол)

С нормальной средой и кондиционированным режимом

Таблица 8

Светопропускающий материал

Область использования по условиям

Область, где использование не допускается или ограничивается

конструкции и расположения светового проема

климата места строительства

внутренней среды помещения

Стекло листовое

Для остекления окон, балконных дверей, фонарей и перегородок

Во всех климатических зонах

В производственных и вспомогательных зданиях промышленных и сельскохозяйственных предприятий

В помещениях с агрессивной средой, вызывающей коррозию стекла, и с повышенной влажностью воздуха

Стеклопакеты

Для остекления окон и зенитных фонарей

То же

То же

То же

Стекло листовое армированное

Для остекления окон и дверей с целью обеспечения механической прочности заполнения

Во всех климатических зонах

В производственных и вспомогательных зданиях промышленных и сельскохозяйственных предприятий, а также общественных зданий

В помещениях с агрессивной средой, вызывающей коррозию стекла, и с повышенной влажностью воздуха

Стекло теплозащитное

Для остекления окон и фонарей

В III и IV строительно-климатических районах

В производственных и общественных зданиях с кондиционированным режимом или повышенными требованиями постоянства температурно-влажностного режима, с постоянным пребыванием людей

То же

Профильное стекло

Для заполнения глухих участков световых проемов в стенах и покрытиях

Во всех климатических районах

В производственных и вспомогательных зданиях промышленных и сельскохозяйственных предприятий, предприятий транспорта и связи, складов, общественных зданий

В производственных зданиях с кранами тяжелого и весьма тяжелого режимов работы, а также во взрывоопасных помещениях и перегородках, ограждающих пути эвакуации

Стекло узорчатое

Для остекления окон, перегородок дверей

Во всех климатических районах

В помещениях с уменьшенным слепящим действием прямого солнечного света

В производственных помещениях с умеренным и значительным выделениями пыли и копоти

Органическое стекло

Для заполнения проемов зенитных фонарей

Во всех климатических районах (в III и IV строительно-климатических районах должны быть предусмотрены солнцезащитные устройства)

В производственных зданиях со средой, вызывающей коррозию силикатного стекла; в производственных зданиях с кранами тяжелого и весьма тяжелого режимов работы

В производственных помещениях с умеренным и значительным загрязнением стекла пылью и копотью. В производственных помещениях с повышенной пожароопасностью

Пустотелые стеклянные блоки

Для заполнения световых проемов в стенах, а также для устройства внутренних перегородок зданий

В зданиях, расположенных в I и II строительно-климатических районах, а также в южных районах

В производственных помещениях с сухим и нормальным режимом внутреннего воздуха; в производственных помещениях с повышенными требованиями к защите от слепящего действия прямого солнечного света; в производственных помещениях и общественных зданиях с повышенными гигиеническими требованиями (например, спортивных сооружениях); в помещениях с повышенными требованиями по пожарной безопасности (например, складах горючих материалов и т.п.)

Во взрывоопасных производственных помещениях

Стекло матовое

Для заполнения световых проемов при верхнем освещении

В зданиях, расположенных в III и IV строительно-климатических районах

В производственных помещениях с постоянным пребыванием людей, в которых предъявляются повышенные требования к защите от слепящего действия прямого солнечного света

В тех частях световых проемов, которые должны обеспечивать зрительную связь с наружным пространством

Примечание. В наклонных и горизонтальных световых проемах для верхнего освещения под стеклами необходимо устраивать металлические сетки.


2.13 При размещении прямоугольных светоаэрационных фонарей в покрытиях зданий расстояние между торцами фонарей и между торцом фонаря и наружной стеной должно быть равным или кратным шагу строительных конструкций. Длина фонаря не должна превышать 84 м.

2.14. Зенитные фонари следует применять, как правило, в производственных зданиях с сухим или нормальным влажностным режимом и незначительными до 23 Вт/м3 избытками явного тепла.

2.15. Зенитные фонари со светопропускающим заполнением из полимерных материалов (органического стекла, полиэфирных стеклопластиков и др.) допускается применять в зданиях не ниже 11-й степени огнестойкости с производствами, относимыми по пожарной опасности к категориям Г и Д при условии применения в покрытии несгораемых или трудносгораемых утеплителей и устройстве по всей кровле защитного слоя из мелкого гравия толщиной 10-15 мм.

2.16. При размещении в покрытиях зданий зенитных фонарей со светопропускающим заполнением из полимерных материалов следует соблюдать следующие правила пожарной безопасности:

а) общая площадь проемов фонарей должна быть не менее 15% площади покрытия здания, при этом площадь светопропускающего заполнения одного фонаря не должна превышать 10 м2;

б) расстояние (в свету) между фонарями следует принимать не менее 3 м при площади светового проема фонаря до 5 м2 и не менее 4,5 м - при площади более 5 м2; при этом, применяя фонари с площадью светового проема от 5 до 10 м2, можно допускать уменьшение расстояния между фонарями в поперечном направлении до 3 м, если расстояние между фонарями в продольном направлении составляет 6 м и более. Такое уменьшение расстояний между фонарями допускается при устройстве в поперечном направлении разрывов шириной (в свету) не менее 6 м через каждые четыре фонаря;

в) фонари разрешается совмещать в группы с общей площадью, не превышающей 10 м2, принимая их за один фонарь и размещая согласно п. 2.16 б настоящего Пособия;

г) между фонарями через каждые 54 м следует устраивать противопожарные разрывы шириной не менее 6 м;

д) расстояние фонарей от противопожарных стен должно составлять не менее 5 м;

е) для обеспечения удаления дыма из помещения в случае пожара следует часть фонарей с общей площадью световых проемов не менее 0,2% площади помещения оборудовать устройством ручного и автоматического открывания и размещать равномерно по площади покрытия.

Таблица 9

Площадь светового проема фонаря, м2

Пояс светового климата

I-III

IV, V

Высота помещений до низа несущих конструкций, м

6 и менее

от 6 до 10,8

свыше 10,8

6 и менее

от 6 до 10,8

свыше 10,8

2,2-3,0

+

-

-

+

-

-

8,0-9,0

+

+

+

-

+

+

16,0-18,0

-

+

+

-

+

+

свыше 18,0

-

-

+

-

-

+

Примечание. Знаки «+» и «-» - соответственно рекомендуемые и не рекомендуемые области применения фонарей.

2.17. При проектировании естественного или совмещенного освещения выбор зенитных фонарей следует производить с учетом площади светового проема, руководствуясь данными табл. 9.

2.18. При устройстве естественного освещения с помощью зенитных фонарей в помещениях производственных зданий с незначительными избытками явного тепла при разности расчетных температур внутреннего воздуха и средней температуры наиболее холодной пятидневки до 25°С следует применять однослойное, от 25 до 49°С - двухслойное, а свыше 49°С - трехслойное остекление.

2.19. При проектировании бокового естественного освещения следует применять, как правило, типовые конструкции окон, разработанные на основе единой для всех видов строительства номенклатуры окон из дерева, стали и алюминиевых сплавов, приведенные в табл. 10.

В производственных зданиях промышленных предприятий следует использовать типовые конструкции окон со стальными переплетами следующих серий:

1.436.2-15 - Окна с переплетами из спаренных прямоугольных стальных труб и механизмы открывания.

1.436.3-16 - Окна с переплетами из гнутых профилей, изготовленных из тонколистовой стали и механизмы открывания.

1.436-2-17 - Окна с переплетами из одинарных прямоугольных стальных труб и механизмы открывания.

Таблица 10

Номер типовой серии или ГОСТ

Координационный размер окна (высота/ /ширина), м

1.436.2-15

0,6/1,8; 2,4; 3

1,8/1,8; 2; 2,4; 3; 4,8; 6

1,2/1,8; 2; 2,4; 3; 4,8; 6

2,4/1,8; 2; 2,4; 3; 4,8; 6

1.436.3-16

1,2/1,8; 2; 2,4; 3

2,4/1,8; 2; 2,4; 3

1,8/1,8; 2; 2,4; 3

1.436.2-17

0,6/1,8; 2,4; 3

1,8/1,8; 2; 2,4; 3; 4,8; 6

1,2/1,8; 2; 2,4; 3; 4,8; 6

2,4/1,8; 2; 2,4; 3; 4,8; 6

ГОСТ 12506-81

1,2/1,8; 2,4; 3

1,8/1,8; 2,4; 3

Примечание. Над чертой - высота окна, под чертой - его ширина.

В производственных и вспомогательных зданиях промышленных и сельскохозяйственных предприятий могут применяться окна с деревянными переплетами в соответствии с ГОСТ 12506-81 и табл. 11.

Конструкции окон с одно- и двухслойным остеклением следует выбирать в зависимости от разности температур внутреннего и наружного воздуха в соответствии со СНиП II-3-79. При многоярусной установке окон в соответствии с сериями: 17436.2-15, 1.436.2-17 и ГОСТ 12506-81 общая высота остекления не должна превышать 7,2 м; серия 1.436.3-16 - 6 м.

2.20. При проектировании бокового естественного освещения в производственных зданиях высоту окон следует принимать в зависимости от глубины помещения и точности выполняемых зрительных работ. При этом в помещениях с высотой 7,2 м и менее целесообразно окна размещать в один ярус, а в помещениях с высотой свыше 7,2 м - в два яруса, соответственно в нижней и в верхней зонах стены, в соответствии с расчетом.

2.21. При проектировании бокового естественного освещения следует учитывать затенение, создаваемое противостоящими зданиями (при разрывах между зданиями меньше нормативных). Учет затенения производится в соответствии с требованиями СНиП II-4-79 и настоящего Пособия.

2.22. Количество слоев остекления в окнах и фонарях зданий принимается: в соответствии с требованиями СНиП II-3-79;


Таблица 11

Продолжение табл. 11

Продолжение табл. 11

Продолжение табл. 11

Условные обозначения к табл. 11

1    -  рамы и коробки оконных переплетов;

2    -  створки, фрамуги и форточки открывающихся оконных переплетов:

3    -  жалюзийная решетка;

4    -  окна, применяемые в жилых зданиях;

5    -  окна, применяемые в общественных и вспомогательных зданиях промышленных и сельскохозяйственных предприятиях различных отраслей народного хозяйства;

6    -  окна, применяемые в производственных зданиях промышленных и сельскохозяйственных предприятий;

7    -  окна, применяемые в сельских жилых и общественных зданиях;

8    -  окна, применяемые в животноводческих, птицеводческих и других сельскохозяйственных зданиях;

9    -  окна с переплетами из дерева;

10 -  окна с переплетами из стали;

11 -  окна с переплетами из алюминиевых сплавов;

12 -  окна с деревоалюминиевыми переплетами.


2.23. С целью уменьшения теплопоступлений в помещения от солнечной радиации плоскость остекления фонарей следует ориентировать:

в зданиях с прямоугольными и трапециевидными фонарями, расположенными в III и IV поясах светового климата, - на С и Ю;

в зданиях с фонарями типа шед, располагаемыми в IV и V поясах светового климата, - на северную четверть горизонта (ССЗ-ССВ).

2.24. При боковом освещении помещений производственных и общественных зданий с повышенными требованиями к постоянству естественного освещения и защите от инсоляции (например, сборочные цехи часовых заводов и прецизионной аппаратуры, помещения сортировки материалов по оттенкам цвета, картинные галереи и т.п.) остекление световых проемов следует ориентировать на северную четверть горизонта (ССЗ-ССВ).

2.25. Выбор устройств для защиты от слепящего действия прямого солнечного света в промышленных зданиях следует производить согласно «Руководству по проектированию и применению солнцезащитных средств в промышленных зданиях» (Москва, 1980).

Солнцезащитные устройства в общественных и жилых зданиях следует предусматривать в соответствии с СНиП по проектированию этих зданий.

2.26. При односменном рабочем (учебном) процессе и при эксплуатации помещений в основном в первой половине дня (например, лекционные аудитории), когда помещения ориентированы на западную четверть горизонта, применение солнцезащитных средств необязательно.

РАСЧЕТ ЕСТЕСТВЕННОГО ОСВЕЩЕНИЯ

2.27. Достаточность размеров и расположение световых проемов в помещении, а также соблюдение требований норм естественного освещения помещений определяются предварительным и проверочным расчетами.

2.28. Для предварительного расчета площадей световых проемов при верхнем освещении следует применять графики для следующих фонарей: зенитных - рис. 1, с вертикальным двухсторонним остеклением (прямоугольных) - рис. 2, с наклонным двухсторонним остеклением (трапециевидным) - рис. 3, с вертикальным односторонним остеклением (шед) - рис. 4, с наклонным односторонним остеклением (шед) - рис. 5.

Площадь световых проемов фонарей Аф, % от площади пола помещения Ап определяется по рис. 1-5 в такой последовательности:

а) в зависимости от разряда зрительной работы или назначения помещения и пояса светового климата по табл. 1-5 определяется нормированное значение КЕО для рассматриваемого помещения;

б) на ординате графика определяют точку, соответствующую нормированному значению КЕО, через найденную точку проводят горизонталь до пересечения с соответствующей кривой (рис. 1), по абсциссе точки пересечения определяют значение Аф/Ап;

в) разделив значение Аф/Ап на 100 и умножив на площадь пола, находят площадь световых проемов в м2.

2.29. Для предварительного расчета размеров световых проемов при боковом освещении следует применять графики: для жилых помещений рис. 6, для помещений общественных и производственных зданий - рис. 7 и школьных классов - рис. 8.

2.30. В случаях когда размеры и расположение световых проемов в проекте зданий были выбраны по архитектурно-строительным соображениям, предварительный расчет значений КЕО в помещениях с верхним освещением следует производить по рис. 1-5, с боковым освещением - по рис. 6-8.

Значения КЕО определяются по рис. 1-5 в такой последовательности:

а) по строительным чертежам находят суммарную площадь световых проемов в свету (фонарей) Аф, освещаемую площадь пола помещений Ап и определяют значение Аф/Ап;

б) с учетом типа светового проема и количества пролетов в помещении выбирают соответствующие рисунок и прямую на нем;

в) по значениям Аф/Ап на выбранной прямой находят точку еср. Значения КЕО определяются по рис. 6-8 в такой последовательности:

а) по строительным чертежам находят суммарную площадь световых проемов (в свету) Ао и освещаемую площадь пола помещения Ап и определяют значение Ао/Ап;

б) определяют глубину помещения dп и высоту верхней грани световых проемов над уровнем условной рабочей поверхности h01 и по ним значение dп/h01;

в) с учетом типа помещений выбирают соответствующий рисунок (рис. 6-8);

г) по значениям Ао/Ап и dп/h01 находят точку с соответствующим значением е.

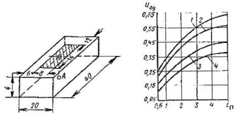
Рис. 1. График для определения среднего значения КЕО в производственных помещениях с зенитными фонарями с глубиной проема до 0,7 м и размерами в плане, м

1 - 2,9´5,9; 2 - 2,7´2,7; 2,9´2,9; 1,5´5,9; 3 - 1,5´1,7

Рис. 2. График для определения среднего значения КЕО в производственных помещениях с прямоугольными фонарями

1 - три пролета и более; 2 - два пролета; 3 - один пролет

Рис. 3. График для определения среднего значения КЕО в производственных помещениях с трапециевидными фонарями

1 - три пролета и более; 2 - два пролета; 3 - один пролет

Рис. 4. График для определения среднего значения КЕО в производственных помещениях с фонарями шед, имеющими вертикальное остекление

1 - три пролета и более; 2 - два пролета; 3 - один пролет

Рис. 5. График для определения среднего значения КЕО в производственных помещениях с фонарями шед, имеющими наклонное остекление

1 - три пролета и более; 2 - два пролета; 3 - один пролет

Рис. 6. График для определения относительной площади световых проемов (Ао/Ап) при боковом освещении в жилых помещениях

Рис. 7. График для определения КЕО при боковом освещении помещений общественных и производственных зданий

Рис. 8. График для определения площади световых проемов (Ао/Ап) при боковом освещении в рабочих кабинетах

Графики (рис. 1-5) разработаны применительно к наиболее часто встречающимся в практике проектирования габаритным схемам производственных зданий и типовому решению светопрозрачных конструкций: зенитных фонарей (рис. 1) - стеклопакетами в металлических одинарных глухих переплетах; прямоугольных, трапециевидных и фонарей шед (рис. 2-5) - одним слоем оконного стекла в металлических одинарных открывающихся переплетах; окон - двумя слоями листового оконного стекла в спаренных металлических (рис. 7) и деревянных (рис. 6-8) открывающихся переплетах.

Таблица 12

Тип заполнения

Значения коэффициентов K1 для рисунков №

1

2-5

6

7-8

Один слой оконного стекла в стальных одинарных глухих переплетах

1,10

1,20

-

1,26

То же, в открывающихся переплетах

0,94

1,00

-

1,05

Один слой оконного стекла в деревянных одинарных открывающихся переплетах

-

-

1,13

1,05

Три слоя оконного стекла в раздельно-спаренных металлических открывающихся переплетах

0,73

-

-

0,82

То же, в деревянных переплетах

-

-

0,63

0,59

Два слоя оконного стекла в стальных двойных открывающихся переплетах

0,67

0,72

-

0,75

То же, в глухих переплетах

1

1,05

-

-

Стеклопакеты (два слоя остекления) в стальных одинарных открывающихся переплетах

0,83

0,88

-

1,00

То же, в глухих переплетах

1,00

1,06

-

1,15

Стеклопакеты (три слоя остекления) в стальных глухих спаренных переплетах

0,89

-

-

1,00

Пустотелые стеклянные блоки

-

-

-

0,70

Если в проекте здания приняты другие типы заполнений световых проемов то найденные по рис. 1-8 значения относительной площади световых проемов следует делить, а значение КЕО умножать на значение коэффициента K1 согласно табл. 12.

В случаях когда при верхнем освещении длина помещения меньше 72 м или высота свыше 10 м, найденное по рис. 1-5 значение относительной площади световых проемов следует делить, а значение КЕО умножать на значение коэффициента К2: при устройстве фонарей прямоугольных, трапециевидных и шед согласно табл. 13 и зенитных - согласно табл. 14.

2.31. Проверочный расчет КЕО в помещениях следует производить согласно указаниям СНиП II-4-79 и прил. 1 настоящего Пособия.

Таблица 13

Высота, м, до низа остекления фонаря

Значение К2, при длине помещения ап, м

72 и более

60

48

36

24

10

1,00

0,95

0,90

0,80

0,70

15

0,85

0,83

0,80

0,70

0,55

25

0,65

0,60

0,55

0,45

0,32

35

0,55

0,48

0,45

0,32

0,18

45

0,50

0,43

0,45

0,23

0,12

55

0,47

0,40

0,32

0,20

0,10

Таблица 14

Высота, м, от расчетной плоскости до низа остекления

15

20

25

30

35

40

45

50

55

Значение К2

0,95

0,91

0,87

0,84

0,77

0,73

0,68

0,64

0,60

2.32. Проверочный расчет КЕО в точках характерного разреза помещения еj от зенитных фонарей следует выполнять в соответствии с методикой, приведенной в [16], по формуле

;                                                              (2)

e'=110Aфtor2dm/pphp2Kз;                                                       (3)

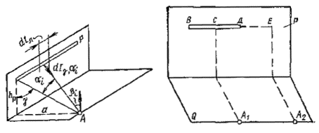
где d - коэффициент, учитывающий возрастание светопередачи светового проема зенитного фонаря за счет распределения яркости облачного неба МКО, определяемый по рис. 9; m - коэффициент, корректирующий погрешность расчета КЕО при замене реального проема точечным источником света, определяемый по рис. 10; е' - значение КЕО от одного зенитного фонаря под центром светового проема; Nф - количество зенитных фонарей в ряду; dji - световая компонента ряда зенитных фонарей, определяемая по рис. 11-14 соответственно для точек характерного разреза под световыми проемами и между ними; j и i - соответственно номера расчетной точки характерного разреза и ряда зенитных фонарей.

Рис. 9. График зависимости коэффициента d, учитывающего возрастание светопередачи светового проема зенитного фонаря за счет распределения яркости облачного неба МКО, от индекса светового проема iф

аф; bф и hф - соответственно длина, ширина и высота фонаря

Рис. 10. График для определения коэффициента m, учитывающего погрешность расчета КЕО при замене реального проема точечным. источником света в зависимости от hр/ак

1 - аф/bф=1; 2 - аф/bф=2; 3 - аф/bф=4

Пример расчета. Требуется определить значения и неравномерность распределения КЕО по характерному разрезу четырехпролетного цеха с зенитными фонарями при совмещенном освещении.

Работы, выполняемые в цехе, относятся к IV разряду зрительных работ. Нормированный КЕО=2,4%. Исходные данные: ширина пролета bп1=30 м; ширина помещения bп=120 м; длина ап=144 м; высота помещения от условной рабочей поверхности до низа светового проема hр=12 м. Зенитный фонарь принят с размерами светового проема bфХаф=2,9´5,9 м, Аф=17,1 м2, высотой светового проема hф=0,86 м. Остекление - двухслойные стеклопакеты; переплеты - стальные; коэффициенты отражения: граней световых проемов r1=0,7; потолка, ферм r2=0,6; стен и колонн r3=0,4; пола r4=0,15; покрытие и несущие конструкции - из сборных железобетонных элементов; расположение зенитных фонарей: в поперечном направлении с шагом d'ф=15 м, в продольном - с шагом d'ф=12 м.

Рис. 11. Зависимость световой компоненты dij ряда зенитных фонарей со световыми проемами размерами, м: 2,7´2,7; 2,9´2,9 и 2,9´5,9 в точках характерного разреза по осям зенитных фонарей от dj/hp

1 - d'ф/hp=0,5; 2 - d'ф/hp=1,0; 3 - d'ф/hp=1,5; 4 - d'ф/hp=2,0; 5 - d'ф/hp=2,5; 6 - d'ф/hp=3,0

Рис. 12. Зависимость световой компоненты dij ряда зенитных фонарей со световыми проемами размерами, м: 2,7´2,7; 2,9´2,9 и 2,9´5,9 в точках характерного разреза между зенитными фонарями от dj/hp

1 - d'ф/hp=0,5; 2 - d'ф/hp=1,0; 3 - d'ф/hp=1,5; 4 - d'ф/hp=2,0; 5 - d'ф/hp=2,5; 6 - d'ф/hp=3,0

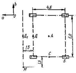
Расположение зенитных фонарей и расчетные точки характерного разреза приведены на рис. 15.

Решение. 1. По формулам СНиП II-4-79 находим общий коэффициент светопропускания зенитного фонаря tо=0,45 и коэффициент запаса Кз=1,4.

2. Определяем средневзвешенный коэффициент отражения rср поверхностей помещения (потолка, стен, пола):

rср=(0,6·15950+0,4·6336+0,15·17280)/39566=0,37.

3. По rср и hp/bп1=12/30=0,4 в табл. 33 СНиП II-4-79 находим коэффициент, учитывающий увеличение КЕО за счет света, отраженного от поверхностей помещения, r2=1,1.

4. По индексу светового проема iф=2,3 с помощью графика рис. 9 определяем коэффициент, учитывающий возрастание светопередачи светового проема зенитного фонаря за счет распределения яркости облачного неба МКО d=1,06.

5. По соотношению hp/ак=12/4,14=2,9 (ак - сторона квадрата, равновеликого световому проему) с помощью графика рис. 10 определяем коэффициент m=0,95.

6. По графику рис. 11 в зависимости от отношения dj/hp и d'ф/hp= 1 (где dj, расстояние в плане от расчетной точки до оси ряда зенитных фонарей, d'ф - шаг фонарей в ряду) для расчетных точек находим значения световой компоненты dji от рядов зенитных фонарей.

При dj/hp>3,2 значение dji принимаем равным нулю. Значения световой компоненты от разных рядов зенитных фонарей для расчетных точек характерного разреза помещения записываем в табл. 15.

Таблица 15

Номер расчетных точек

Относительное расстояние до ряда фонарей

Значения световой компоненты от ряда зенитных фонарей

Номера рядов фонарей i

световая компонента

1

2

3

4

5

6

1

dj/hp

d1i

3,75

2,5

1,25

0

1,25

2,5

2,08

0

0,045

0,27

1,45

0,27

0,045

2

dj/hp

d2i

4,375

3,125

1,875

0,625

0,625

1,875

1,57

0

0,020

0,085

0,68

0,68

0,085

3

dj/hp

d3i

5,0

3,75

2,5

1,35

0

1,25

2,04

0

0

0,045

0,27

1,45

0,27

4

dj/hp

d4i

5,625

4,375

3,125

1,825

0,625

0,625

1,47

0

0

0,020

0,085

0,68

0,68

5

dj/hp

d5i

6,25

5,0

3,75

2,5

1,25

0

1,77

0

0

0

0,045

0,27

1,45

6

dj/hp

d6i

6,875

5,625

4,375

3,125

1,875

0,625

0,79

0

0

0

0,020

0,085

0,68

7

dj/hp

d7i

7,5

6,25

5,0

3,75

2,5

1,25

0,32

0

0

0

0

0,045

0,27

Рис. 13. Зависимость световой компоненты dij ряда зенитных фонарей со световыми проемами размерами, м: 1,5´1,7; 1,5´2,9; 1,5´3,9; 1,5´5,9 в точках характерного разреза по осям зенитных фонарей от dj/hp

1 - d'ф/hp=0,5; 2 - d'ф/hp=1,0; 3 - d'ф/hp=1,5; 4 - d'ф/hp=2,0; 5 - d'ф/hp=2,5; 6 - d'ф/hp=3,0

Рис. 14. Зависимость световой компоненты dij ряда зенитных фонарей со световыми проемами размерами, м: 1,5´1,7; 1,5´2,9; 1,5´3,9; 1,5´5,9 в точках характерного разреза между зенитными фонарями от dj/hp

1 - d'ф/hp=0,5; 2 - d'ф/hp=1,0; 3 - d'ф/hp=1,5; 4 - d'ф/hp=2,0; 5 - d'ф/hp=2,5; 6 - d'ф/hp=3,0

Рис. 15. Расположение зенитных фонарей и расчетных точек в покрытии здания

i - номера рядов зенитных фонарей; j - номера расчетных точек характерного разреза

7. По формуле (3) определяем значение КЕО от одного зенитного фонаря е' под центром светового проема

е=(110·17,1·0,45·1,1·1,06·0,95)/(3,14·122·1,4)=1,48.

8. По формуле (2) определяем значение КЕО, %, в расчетных точках:

е1=1,48·2,08=3,08;   е2=1,48·1,57=2,32;

е3=1,48·2,04=3,02;   е4=1,48·1,47=2,18;

е5=1,48·1,777=2,61; е6=1,48·0,79=1,17;

e7=1,48·0,32=0,47.

На рис. 15 по I-I изображена кривая КЕО, построенная по найденным значениям еj, в расчетных точках.

9. Находим среднее значение КЕО еср помещения:

,

где Nj - количество расчетных точек, в которых определяется КЕО.

еcр=2(0,47/2+1,17+2,61+2,18+3,02+2,32+3,08)/13=2,25%<2,4%.

10. Определяем значение неравномерности естественного освещения в точке 7

ecp/емин=2,25/0,47=4,8>3.

Из-за затемненных зон, образовавшихся в крайних пролетах, среднее значение КЕО по характерному разрезу помещения оказалось несколько ниже нормируемой величины, а значения неравномерности естественного освещения в точке 7 значительно превышают допустимые.

Для обеспечения требуемого среднего значения КЕО и равномерности освещения в крайних пролетах помещения необходимо устроить дополнительные ряды зенитных фонарей.

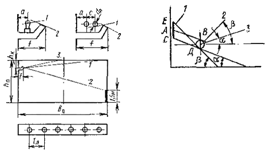
2.33. Расчет значений КЕО в точках характерного разреза помещения при верхнем освещении еj, от шахтных фонарей следует выполнять по формуле

,                    (4)

где Аф.в - площадь верхнего основания светопроводной шахты фонаря; Nф - количество шахтных фонарей; q(a) - коэффициент, учитывающий неравномерную яркость облачного неба МКО и определяемый по рис. 16; a - угол между прямой, соединяющей расчетную точку с центром нижнего основания светопроводной шахты и нормалью к этому основанию; Кс - коэффициент светопередачи светопроводной шахты фонаря, определяемый для фонарей с диффузным отражением стенок шахты по рис. 17, для фонарей с направленным отражением стенок шахты - по рис. 18; eср - среднее значение условного геометрического КЕО.

Коэффициенты tо, Кэ, r2 определяются согласно СНиП II-4-79.

Рис. 16. График для определения коэффициента q(a) в зависимости от угла a

1 - в зоне с устойчивым снежным покровом; 2 - на остальной территории СССР

Рис. 17. График для определения коэффициента светопередачи Кс фонарей с диффузным отражением стенок шахты

1 - rд=0,9; 2 - rд=0,8; 3 - rд=0,7; 4 - rд=0,6; 5 - rд=0,5; iф - индекс шахтного фонаря

Рис. 18. График для определения коэффициента светопередачи Кс фонарей с направленным отражением стенок шахты

1 - rд=0,9; 2 - rд=0,8; 3 - rд=0,7; 4 - rд=0,6; 5 - rд=0,5; iф - индекс шахтного фонаря

Расчет КЕО по формуле (4) следует выполнять в такой последовательности:

а) вычисляют значение условного геометрического КЕО в первой точке характерного разреза помещения по формуле

,                                   (5)

б) повторяют вычисления в соответствии с подпунктом «а» для всех точек характерного разреза помещения до Nj включительно (где Nj - количество точек, в которых производится расчет КЕО);

в) определяют eср по формуле

ecp=(e1+e2+e3+…+eNj)/Nj;                                                     (6)

г) последовательно для всех точек вычисляют прямую, составляющую КЕО sпр, по формуле

sпр=ejto/Кз;                                                                   (7)

д) отраженную составляющую КЕО sотр, значение которой одинаково для всех точек, определяют по формуле

sотр=eср(r2-1)to/Кз;                                                       (8)

е) определяют расчетное значение КЕО в каждой точке характерного разреза еj с учетом отраженного от поверхностей помещения света по формуле

ej=sпр+sотр;                                                                 (9)

д) расчет среднего значения КЕО еср в плоскости характерного разреза помещения с шахтными фонарями выполняют по формуле

еср=(е1+е2+е3+…+еN-j+eNj/2)/(Nj-1).                                               (10)

3. СОВМЕЩЕННОЕ ОСВЕЩЕНИЕ

3.1. Совмещенное освещение помещений производственных и общественных зданий рекомендуется применять в следующих случаях:

а) при технико-экономических преимуществах по сравнению с естественным освещением;

б) в помещениях, в которых выполняются зрительные работы I и II разрядов точности;

в) когда выбранные по условиям технологии и организации производства объемно-планировочные решения зданий не позволяют обеспечить достаточной по нормам естественное освещение помещений;

г) при строительстве зданий в районах СССР с суровыми климатическими условиями (северные строительно-климатические районы), в которых с целью снижения теплопотерь, целесообразно сокращать до минимума площадь световых проемов;

д) в цехах с крупногабаритным оборудованием, затеняющим естественный свет;

е) при повышенных требованиях к интенсивности, качеству и постоянству освещения на рабочих местах, которые трудно или невозможно удовлетворить при одном естественном освещении;

ж) когда по условиям выбора рациональных объемно-планировочных решений общественных зданий и вспомогательных помещений промышленных предприятий предусматриваются помещения большой глубины с боковым освещением.

ВЫБОР ЗНАЧЕНИЙ КЕО И ОСВЕЩЕННОСТИ

3.2. Нормированные значения КЕО при совмещенном освещении в производственных помещениях, расположенных в разных поясах светового климата СССР при верхнем освещении с использованием зенитных и светоаэрационных фонарей, следует принимать по табл. 16, 17, при боковом освещении - по табл. 18 и в некоторых помещениях общественных зданий - по табл. 19.

Таблица 16

Пояс светового климата

Значение КЕО, %, при разряде зрительной работы

I

II

III

IV

V

VI

VII

VIIIa

VIIIб

viIiв

I

7,2

5,0

3,6

2,9

2,2

1,4

2,2

0,8

0,6

0,4

II

6,6

4.6

3,3

2,6

2,0

1,3

2

0,8

0,6

0,3

III

6

4,2

3

2,4

1.8

1,2

1,8

0,7

0,7

0,3

IV

 

 

 

 

 

 

 

 

 

 

а) севернее 50° с. ш.

4,9

3,4

2,4

1,9

1,5

1,0

1,5

0,6

0,4

0,2

б) 50° с. ш. и южнее

4,6

3,2

2,3

1,8

1,4

0,9

1,4

0,5

0,4

0,2

а) севернее 40° с.ш.

3,6

2,5

1,8

1,4

1,1

0,7

1,1

0,4

0,3

0,2

б) 40° с.ш. и южнее

3,1

2,2

1,6

1,2

0,9

0,6

0,9

0,4

0,3

0,2

3.3. При совмещенном освещении производственных помещений с целью уменьшения приведенных и суммарных энергетических затрат на системы освещения допускается снижать расчетные КЕО до значений, указанных в табл. 20. Проектирование совмещенного освещения со значениями КЕО, ниже указанных в табл. 20, не допускается.

3.4. При снижении расчетных значений КЕО согласно п. 3.3. освещенность от системы общего искусственного освещения следует повышать в соответствии с требованиями СНиП II-4-79.

Таблица 17

Пояс светового климата

КЕО, %, при разряде зрительной работы

I

II

III

IV

V

VI

VII

VIIIa

VIIIб

viIiв

I

7,2

5,0

3,6

2,9

2,2

1,4

2,2

0,8

0,6

0,4

II

6,6

4,6

3,3

2,6

2,0

1,3

2

0,8

0,6

0,3

III

6

4,2

3

2,4

1,8

1,2

1,8

0,7

0,7

0,3

IV

 

 

 

 

 

 

 

 

 

 

а) севернее 50° с. ш.

4,9

3,4

2,5

1,9

1,5

1,0

1,5

0,6

0,4

0,3

б) 50° с. ш. и южнее

4,6

3,2

2,3

1,8

1,4

0.9

1,4

0,5

0,4

0,2

V

 

 

 

 

 

 

 

 

 

 

а) севернее 40° с.ш.

3,8

2,7

1,9

1,5

1,2

0,8

1,2

0,6

0,3

0,2

б) 40° с. ш. и южнее

3,6

2,5

1,8

1,4

1,1

0,7

1,1

0,4

0,3

0,2

Таблица 18

Пояс светового климата

Ориентация световых проемов по сторонам горизонта, град

КЕО, %, при разряде зрительной работы

I

II

III

IV

V

VI

VII

VIIIa

VIIIб

VIIIв

I

 

 

 

 

 

 

 

 

 

 

 

а) в зоне с устойчивым снежным покровом

136-225

1,8

1,3

1,1

0,8

0,5

0,3

0,5

0,2

0,2

0,1

226-315 и 46-135

1,9

1,4

1,1

0,8

0,6

0,3

0,6

0,2

0,2

0,1

316-45

2

1,4

1,2

0,8

0,6

0,4

0,6

0,2

0,2

0,1

б) на остальной территории

136-225

2,2

1,6

1,3

1,0

0,6

0,3

0,6

0,2

0,2

0,1

226-315 и 47-135

2,3

1,7

1,4

1,0

0,7

0,3

0,7

0,2

0,2

0,1

316-45

2,4

1,8

1,4

1,1

0,7

0,4

0,7

0,2

0,2

0,1

II

 

 

 

 

 

 

 

 

 

 

 

а) в зове с устойчивым снежным покровом

136-225

1,6

1,1

0,9

0,7

0,5

0,3

0,5

0,2

0,2

0,1

226-315 и 46-135

1,7

1,2

1,0

0,7

0,5

0,3

0,5

0,2

0,2

0,1

316-45

1,9

1,3

1,1

0,8

0,6

0,3

0,6

0,2

0,2

0,1

б) на остальной территории пояса

136-225

1,9

1,4

1,3

0,8

0,6

0,3

0,6

0,2

0,2

0,1

226-315 и 46-135

2,0

1,5

1,2

0,9

0,6

0,3

0,6

0,2

0,2

0,1

 

316-45

2,2

1,6

1,3

1,0

0,7

0,3

0,7

0,2

0,2

0,1

III

 

 

 

 

 

 

 

 

 

 

 

а) в зоне с устойчивым снежным покровом

136-225

1,7

1,2

1,0

0,7

0,5

0,3

0,5

0,2

0,2

0,1

226-315 и 46-135

1,7

1,2

1,0

0,7

0,5

0,3

0,5

0,2

0,2

0,1

316-45

1,7

1,2

1,0

0,7

0,5

0,3

0,5

0,2

0,2

0,1

б) на остальной территории пояса

136-225

2,0

1,5

1,2

0,9

0,6

0,3

0,6

0,2

0,2

0,1

226-315 и 46-135

2,0

1,5

1,2

0,9

0,6

0,3

0,6

0,2

0,2

0,1

 

316-45

2,0

1,5

1,2

0,9

0,6

0,3

0,6

0,2

0,2

0,1

IV

 

 

 

 

 

 

 

 

 

 

 

а) севернее 50° с. ш.

136-225

1,4

1,0

0,8

0,6

0,4

0,2

0,4

0,1

0,1

0,1

226-315 и 46-135

1,4

1,1

0,9

0,6

0,4

0,2

0,4

0,1

0,1

0,1

 

316-45

1,8

1,4

1,1

0,8

0,5

0,3

0,5

0,2

0,2

0,1

б) 50° с. ш. и южнее

136-225

1,3

0,9

0,8

0,6

0,4

0,2

0,4

0,1

0,1

0,1

226-315 и 46-135

1,4

1,0

0,8

0,6

0,4

0,2

0,4

0,1

0,1

0,1

 

316-45

1,7

1,3

1,0

0,8

0,5

0,3

0,5

0,2

0,2

0,1

V

 

 

 

 

 

 

 

 

 

 

 

а) севернее 40° с. ш.

136-225

1,0

0,8

0,6

0,5

0,3

0,2

0,3

0,1

0,1

0,1

226-315 и 46-135

1,1

0,8

0,7

0,5

0,3

0,2

0,3

0,1

0,1

0,1

 

316-45

1,4

1,1

0,9

0,4

0,4

0,2

0,4

0,1

0,1

0,1

б) 40° с. ш. и южнее

136-225

1,0

0,7

0,6

0,4

0,3

0,2

0,3

0,1

0,1

0,1

 

226-315 и 46-135

1,0

0,8

0,6

0,5

0,3

0,2

0,3

0,1

0,1

0,1

 

316-45

1,4

1,0

0,8

0,6

0,4

0,2

0,4

0,1

0,1

0,1

Таблица 19

Пояс светового климата

Ориентация световых проемов по сторонам горизонта, град

КЕО, %, для

торговых залов магазинов

рабочих кабинетов

выставочных залов

читательных залов

проектных залов, конструкторских и чертежных бюро

I

 

 

 

 

 

 

а) в зоне с устойчивым снежным покровом

136-225

0,3

0,5

0,8

0,5

1,1

226-315 и 46-135

0,3

0,5

0,8

0,5

1,1

316-45

0,4

0,6

0,8

0,6

1,2

б) на остальной территории пояса

136-225

0,3

0,6

1,0

0,6

1,3

226-315 и 47-135

0,3

0,7

1,0

0,7

1,4

316-45

0,4

0,7

1,1

0,7

1,4

II

 

 

 

 

 

 

а) в зоне с устойчивым снежным покровом

136-225

0,3

0,5

0,7

0,5

0,4

226-315 и 46-135

0,3

0,5

0,7

0,5

1,0

316-45

0,3

0,6

0,8

0,6

1,1

б) на остальной территории пояса

136-225

0,3

0,6

0,8

0,6

1,3

226-315 и 46-135

0,3

0,6

0,9

0,6

1,2

 

316-45

0,3

0,7

1,0

0,7

1,3

III

 

 

 

 

 

 

а) в зоне с устойчивым снежным покровом

136-225

0,3

0,5

0,7

0,5

1,0

226-315 и 46-135

0,3

0,5

0,7

0,5

1,0

316-45

0,3

0,5

0,7

0,5

1,0

б) на остальной территории пояса

136-225

0,3

0,6

0,9

0,6

1,2

226-315 и 46-135

0,3

0,6

0,9

0,6

1,2

 

316-45

0,3

0,6

0,9

0,6

1,2

IV

 

 

 

 

 

 

а) севернее 50° с. ш.

136-225

0,2

0,4

0,6

0,4

0,8

 

226-315 и 46-135

0,2

0,4

0,6

0,4

0,9

 

316-45

0,3

0,5

0,8

0,5

1,1

б) 50° с. ш. и южнее

136-225

0,2

0,4

0,6

0,4

0,8

 

226-315 и 46-135

0,2

0,4

0,6

0,4

0,8

 

316-45

0,3

0,5

0,8

0,5

1,0

V

 

 

 

 

 

 

а) севернее 40° с. ш.

136-225

0,2

0,3

0,5

0,3

0,6

 

226-315 и 46-135

0,2

0,3

0,5

0,3

0,7

 

316-45

0,2

0,4

0,4

0,4

0,9

б) 40° с. ш. и южнее

136-225

0,2

0,3

0,4

0,3

0,6

 

226-315 и 46-135

0,2

0,3

0,5

0,3

0,6

 

316-45

0,2

0,4

0,6

0,4

0,8

Таблица 20

Пояс светового климата

КЕО, %, при разряде зрительной работы

I

II

III

IV

V

VI

VII

VIIIa

VIIIб

viIiв

I

 

 

 

 

 

 

 

 

 

 

а) в зоне с устойчивым снежным покровом

3,6

1,1

3

0,9

2,4

0,7

1,8

0,4

1,2

0,2

0,8

0,2

1,2

0,2

0,4

0,1

0,3

0,1

0,2

0,1

б) на остальной территории пояса

3,6

1,3

3

1,1

2,4

0,8

1,8

0,6

1,2

0,3

0,8

0,2

1,2

0,3

0,4

0,1

0,3

0,1

0,2

0,1

II

 

 

 

 

 

 

 

 

 

 

а) в зоне с устойчивым снежным покровом

3,3

0,9

2,7

0,7

2,2

0,6

1,6

0,4

1,1

0,2

0,8

0,2

1,1

0,2

0,4

0,1

0,3

0,1

0,2

0,1

б) на остальной территории пояса

3,3

1,1

2,7

0,9

2,2

0,7

1,6

0,5

1,1

0,5

0,8

0,2

1,1

0,3

0,3

0,1

0,2

0,1

0,2

0,1

III

 

 

 

 

 

 

 

 

 

 

а) в зоне с устойчивым снежным покровом

3

1,0

2,5

0,8

2,0

0,6

1,5

0,4

1,0

0,2

0,7

0,2

1,0

0,2

0,3

0,1

0,2

0,1

0,2

0,1

б) на остальной территории пояса

3

1,2

2,5

1,0

2,0

0,7

1,5

0,5

1,0

0,5

0,7

0,2

1,0

0,3

0,3

0,1

0,2

0,1

0,2

0,1

IV

 

 

 

 

 

 

 

 

 

 

а) севернее 50° с. ш.

2,4

0,8

2

0,7

1,6

0,5

1,2

0,3

0,8

0,3

0,6

0,2

0,8

0,3

0,2

0,1

0,2

0,1

0,2

0,1

б) 50° с. ш. и южнее

2,3

0,7

1,9

0,6

1,5

0,4

1,1

0,3

0,7

0,2

0,5

0,2

0,7

0,2

0,2

0,1

0,2

0,1

0,2

0,1

V

 

 

 

 

 

 

 

 

 

 

а) севернее 40° с. ш.

1,8

0,6

1,5

0,5

1,2

0,4

0,9

0,3

0,6

0,2

0,4

0,7

0,6

0,2

0,2

0,1

0,2

0,1

0,2

0,1

б) 40° с. ш. и южнее

1,6

0,6

1,3

0,5

1

0,3

0,8

0,2

0,5

0,2

0,4

0,1

0,5

0,2

0,2

0,1

0,2

0,1

0,2

0,1

Примечание. Над чертой указаны допустимые средние значения КЕО при верхнем и комбинированном освещении, под чертой - минимальные значения при боковом освещении.

ПРОЕКТИРОВАНИЕ СОВМЕЩЕННОГО ОСВЕЩЕНИЯ

3.5. Проектирование совмещенного освещения основывается на предварительном изучении объемно-планировочного решения здания, технологических или функциональных процессов, протекающих в помещениях, расположения крупногабаритного оборудования, светоклиматических и климатических особенностей места строительства.

3.6. Проектирование совмещенного освещения целесообразно выполнять в такой последовательности:

а) в соответствии с исходными данными и требованиями СНиП II-4-79 определяется разряд преобладающих в помещении зрительных работ, по разряду зрительной работы устанавливаются нормированные значения КЕО и освещенности от искусственного освещения;

б) определяются характеристики системы естественного освещения и ограждений здания: тип, размеры, заполнение и расположение световых проемов, стоимостные, светотехнические и теплотехнические параметры заполнения световых проемов; стоимостные и теплотехнические параметры глухих ограждений здания;

в) определяются характеристики системы общего искусственного освещения: тип, количество и световой поток источников света; тип и количество светильников, их стоимостные и светотехнические характеристики, время использования искусственного освещения;

г) определяется место расположения здания на карте строительно-климатического районирования территории и устанавливаются основные климатические параметры: средняя температура наиболее холодной пятидневки, средняя температура наружного воздуха за отопительный период; продолжительность отопительного периода; продолжительность вентиляционного периода; среднесуточные значения суммарной солнечной радиации на различно ориентированные поверхности;

д) выполняется расчет приведенных энергетических затрат для следующих трех вариантов расчетных значений КЕО;

первый - расчетное значение КЕО, равное нормированному при естественном освещении (табл. 3);

второй - расчетное значение КЕО, равное нормированному при совмещенном освещении (табл. 16);

третий - расчетное значение КЕО, равное минимальному допустимому значению КЕО (табл. 20);

е) выбирается вариант, обеспечивающий минимум приведенных затрат и удовлетворяющий требованиям СНиП II-4-79. Равноэкономичные (различающиеся не более чем на 5%) по приведенным затратам варианты освещения следует сравнить по суммарным энергозатратам и выбрать наименее энергоемкий.

РАСЧЕТ ПРИВЕДЕННЫХ ЗАТРАТ НА ОСВЕЩЕНИЕ

3.7. Годовые приведенные затраты на освещение 1 м2 площади производственного помещения Посв, следует определять по формуле

Посвстротвиск,                                               (11)

где Пстр - приведенные затраты (разностные) на сооружение и эксплуатацию светопрозрачных ограждающих конструкций, руб/(м2·год); Пот - приведенные затраты (разностные) на отопление, обусловленные влиянием теплопотерь через фонари и окна на микроклимат помещения, руб/(м2·год); Пв - приведенные затраты (разностные) на вентиляцию, обусловленные влиянием теплопоступлений через фонари и окна на микроклимат помещения, руб/(м2·год); Писк - приведенные затраты на искусственное освещение помещения, руб/(м2·год).

3.8. Приведенные затраты на изготовление и эксплуатацию фонарей и окон, руб/(м2·год), следует рассчитывать по формуле [2]

Пстр=[g(Сс.к-С)+0,01(ас.кСс.к-аС)+bМоч]Ас.кNс.к/Ап,                                (12)

где g - нормативный коэффициент эффективности капитальных вложений, принимаемый равным 0,12 (для районов Крайнего Севера g=0,08) в соответствии с «Инструкцией по определению экономической эффективности капитальных вложений в строительстве» (СН 423-71); Сс.к - сметная стоимость 1 м2 светопрозрачной конструкции (соответственно фонаря или окна), руб/м2, принимаемая данным проекта; С - сметная стоимость 1 м2 ограждающей конструкции (соответственно покрытия или стены), руб/м2, заменяемая светопрозрачной конструкцией и принимаемая по данным проекта; ас.к, а, ас.т - годовые отчисления на амортизацию и текущий ремонт, %, соответственно, светопрозрачных конструкций, покрытия я стен, сантехнических систем (систем отопления и вентиляции), принимаемые по табл. 21; Моч - годовые расходы на очистку остекления светопроемов, руб/(м2·год), принимаемые по табл. 22; Ас.к - площадь светопрозрачной конструкции в покрытии или стене, м2; b - отношение площади светового проема к площади светопрозрачной конструкции в покрытии или стене, отн. ед.; Nс.к - количество светопрозрачных конструкций, шт.

3.9. Приведенные затраты на отопление Пот, руб/(м2·год), компенсирующее разность теплопотерь через фонари и окна по сравнению с такой же площадью покрытия и стен соответственно, следует определять по формуле [2]

Пот=(g+0,01аст)Сот+Мот.                                                    (13)

Таблица 21

Тип конструкций

Отчисления на амортизацию и текущий ремонт, % сметной стоимости, при производственной среде

Нормальной

Слабоагрессивной

Среднеагрессивной

Сильноагрессивной

Стены

 

 

 

 

Кирпичные:

 

 

 

 

неоштукатуренные

1,8

3,0

3,9

4,6

оштукатуренные и мелкоблочные

1,6

2,8

3,7

4,4

Панельные:

 

 

 

 

однослойные

1,5

2,7

3,6

4,3

многослойные

1,5

2,8

3,6

4,3

из листовых материалов (алюминия, асбестоцемента и т.п.) с эффективным утеплителем

1,5

7,7

13,8

20,2

Фонари и окна

 

 

 

 

В металлических переплетах с остеклением:

 

 

 

 

одинарным

9,5

15,0

20,6

26,3

двойным

9,4

14,9

20,5

26,2

тройным или стеклопакетами

9,3

14,8

20,4

26,1

В деревянных переплетах с остеклением:

 

 

 

 

одинарным

12,5

13,7

14,6

15,3

двойным

12,4

13,6

14,5

15,2

тройным или стеклопакетами

12,3

13,5

14,4

15,1

Покрытия

 

 

 

 

С рулонной 3-5-слойной кровлей по железобетонному основанию или стяжке

 

6,0

 

 

Шиферные

 

7,0

 

 

Системы отопления и вентиляция

12,0

13,0

16,0

20,0

Таблица 22-23

Содержание пыли, дыма, копоти в воздушной среде помещения, мг/м3

Высота расположения светопроемов, м

Годовые расходы Моч, руб/(м2·год), на очистку остекления

одинарного

двойного

Менее 1

6

0,09

0,17

10

0,11

0,21

16 и выше

0,12

0,23

В покрытии

0,31

0,62

От 1 до 5

6

0,13

0,25

10

0,16

0,32

16 и выше

0,18

0,35

В покрытии

0,46

0,92

Св. 5

6

0,17

0,33

10

0,21

0,42

16 и выше

0,23

0,47

В покрытии

0,62

1,24

Примечания: 1. Показатели даны для работы в условиях Московской области. Для других районов вводятся коэффициенты, принимаемые по прил. 8 СНиП IV-5-82 «Указания по применению единых районных единичных расценок на строительные конструкции и работы (ЕРЕР-84)» 2. Показатели предусматривают двухсменный режим работы в помещении. При односменной работе применяется коэффициент 0,7, при трехсменной 1,3.

Капитальные затраты на систему отопления Сот, руб/м2, следует определять по формуле

Сот=1,1·3,6Ст(1,3+h)(1/Rc-1/Rэк)(t-tз.5)bАс.кNс.к/Ап.                    (14)

Стоимость тепловой и электрической энергии, расходуемой на отопление, Мот, руб/(м2·год), следует определять по формуле

Мот=wт.от(КтЦт+gэЦэ).                                                 (15)

Расход тепловой энергии на отопление wт.от, ГДж(м2·год), при использовании дежурного отопления в нерабочее время следует определять по формуле

wт.от=10-6·1,1·3,6(1,3+h)(1/Rc-1/Rэк)[(t-tз.ср)Т+(tд-tз.ср)(8760-T)]zотbAс.кNс.к/365Aп.   (16)

В формулах (13)-(16) приняты следующие обозначения: 1,1 - коэффициент, учитывающий бесполезные теплопотери в системах отопления, отн. ед.; 3,6 - коэффициент пересчета единиц, кДж/(Вт·ч); 1,3 - коэффициент, учитывающий потери тепла на нагревание наружного воздуха, поступающего через светопроемы путем инфильтрации, отн. ед.; h - коэффициент, учитывающий добавочные потери тепла светопрозрачными конструкциями, отн. ед., и принимаемый по табл. 2, прил. 5*, СНиП II-33-75*; Ст - удельная стоимость устройства системы отопления, руб·ч/кДж, принимаемая по табл. 24; Rc - сопротивление теплопередаче светопрозрачной конструкции, м2·°С/Вт, принимаемое по табл. 25; Rэк - экономически целесообразное сопротивление теплопередаче глухой части покрытия (при расчете теплопотерь через фонари) или стены (при расчете теплопотерь через окна), м2·°С/Вт, определяемое по СНиП II-3-79; tз.5 - средняя температура наиболее холодной пятидневки, °С; tз.ср - средняя температура наружного воздуха за отопительный период, °С; t - расчетная зимняя температура воздуха внутри помещения в рабочее время, °С, определяемая по п. 3.10 настоящего Пособия; tд - температура воздуха внутри помещения в нерабочее время, °С, определяемая по п. 3.10 настоящего Пособия; Кт - коэффициент, учитывающий изменение стоимости тепловой энергии на перспективу и принимаемый равным 1,2 для производственных зданий; Т - продолжительность рабочего времени за год, принимаемая равной 2150 ч - при работе в одну смену; 4300 ч - при работе в две смены; 6500 ч - при работе в три смены; zот - продолжительность отопительного периода, сут, определяемая по п. 3.11; gэ - удельный расход электроэнергии в системе отопления, (принимаемый равным 7,1 кВт·ч/ГДж в системах воздушного отопления и равным нулю в других системах отопления) [4].

Таблица 24

Вид отопления

Удельная стоимость системы отопления Ст, руб·ч/кДж

Водяное с радиаторами или бетонными отопительными приборами

0,0040

То же, с конвекторами

0,0031

Воздушное с отопительными агрегатами

0,0020

То же, совмещенное с приточной вентиляцией

0,0012

Таблица 25

Заполнение светового проема

Сопротивление теплопередаче Rс.к м2·°С/Вт

Интегральный коэффициент пропускания tе, отн. ед.

Одинарное остекление в деревянных переплетах

0,17

0,83

То же, в металлических

0,15

0,83

Двойное остекление в деревянных спаренных переплетах

0,34

0,69

То же, в металлических

0,31

0,69

То же, в деревянных раздельных

0,38

0,69

То же, в металлических

0,34

0,69

Тройное остекление в деревянных переплетах (спаренный и одинарный)

0,52

0,57

То же, в металлических

0,48

0,57

Блоки стеклянные пустотелые размером 194´194´98 мм с шириной швов 6 мм

0,31

0,64

То же, размером 244´244´98 мм

0,33

0,64

Профильное стекло швеллерного сечения

0,16

0,78

То же, коробчатого

0,34

0,61

Органическое стекло одинарное

0,19

0,87

То же, двойное

0,36

0,76

То же, тройное

0,52

0,66

Двухслойные стеклопакеты в деревянных переплетах

0,34

0,69

То же, в металлических

0,31

0,69

Двухслойные стеклопакеты и одинарное остекление в раздельных деревянных переплетах

0,52

0,57

То же, в металлических

0,48

0,57

3.10. За расчетную температуру воздуха внутри здания или помещения t, °С, при определении потерь тепла через ограждающие конструкции следует принимать [3]:

1) для помещений высотой до 4 м

t=tp;                                                                      (17)

2) для помещений высотой свыше 4 м с учетом изменения температуры по высоте при использовании для обогрева:

нагревательных приборов

t=tp+Dt(H-2);                                                              (18)

систем воздушного отопления:

а) для вертикальных ограждающих конструкций, расположенных высоте до 4 м от пола, в соответствии с формулой (17);

б) для покрытий и фонарей

t=tр+3;                                                                     (19)

в) для вертикальных ограждающих конструкций, расположенных выше 4 м от пола

t=tр+1,5.                                                                  (20)

В формулах (17)-(20);

tр - температура воздуха в рабочей зоне помещения, °С; Dt=0,2-1 °С/м - градиент температуры по высоте в зависимости от теплонапряженности помещения; Н - высота от пола до расчетной точки, м.

Температура воздуха внутри помещения в нерабочее время tд при дежурном отоплении принимается равной 5°С по всему объему, а при работе основной системы отопления - равной температуре воздуха t в рабочее время.

3.11. Продолжительность отопительного периода zот, сут, следует принимать равной [2], [4]:

для помещений с производственными тепловыделениями:

qтехн£23 Вт/м3;                                                             (21)

zот=zотн;                                                                   (22)

для помещений с производственными тепловыделениями:

23<qтехн£73 Вт/м3;                                                       (23)

zот=(-0,02qтехн+1,46)zотн;                                                  (24)

для помещений с производственными тепловыделениями;

qтехн>73 Вт/м3;                                                             (25)

zот=0,                                                                    (26)

где zотн - нормированная продолжительность отопительного периода, сут.

3.12. Годовые приведенные затраты на вентиляцию Пв, руб/(м2·год), в летний период, предназначенную для удаления из помещения избыточных теплопоступлений от проходящей через светопроемы солнечной радиации, следует рассчитывать по формуле [2]:

Пв=(g+0,01ас.т)Св+Мв.                                                 (27)

Удельные капитальные затраты на систему вентиляции и адиабатического охлаждения приточного воздуха Св, руб/м2 площади пола, следует рассчитывать по формуле

Св=Lо(Сп.в+Св.в+Са).                                                    (28)

Производительность системы вентиляции Lo, м3/ч на 1 м2 площади пола, с учетом средней теплоинерционности помещения, следует рассчитывать по формуле

.                                                   (29)

Удельная стоимость электроэнергии на вентиляцию и охлаждение приточного воздуха Mв, руб/(м2·год), следует определять по формуле

Мв=(wэ.в+wэ.хэ.                                                        (30)

Удельное количество электроэнергии на вентиляцию wэ.в, кВт·ч/м2, и охлаждение wэ.х, кВт·ч/м2, приточного воздуха следует определять по формулам:

wэ.в=0,72Lo(Nп.в+Nв.в)S(хрк-хрн)zBi;                                      (31)

wэ.х=0,72LoNаS(ххк-ххн)zхi.                                          (32)

В формулах (27)-(32) приняты следующие обозначения:

0,72 - доля рабочих дней за месяц, отн. ед.; Сп.в, Св.в - удельная стоимость систем приточной и вытяжной вентиляции, руб.·ч/м2, принимаемая по табл. 26 [2]: Са - удельная стоимость системы адиабатического охлаждения воздуха, руб·ч/м3, принимаемая по табл. 26; с=1 кДж/кг·°С - удельная теплоемкость воздуха; r=l,2 кг/м3 - плотность воздуха; Nп.в=0,2·10-3 кВт·ч/м3 - удельный расход электроэнергии на приточную вентиляцию; Nв.в=0,1´10-3 кВт·ч/м3 - удельный расход электроэнергии на вытяжную вентиляцию; Nа=0,75·10-4 кВт·ч/м3 - удельный расход электроэнергии на подачу воды в приточные камеры при адиабатическом охлаждении воздуха; tр.А - расчетная летняя температура воздуха в рабочей зоне помещения, °С, определяемая в соответствии с п. 3.13 настоящего Пособия; tпр.А - температура приточного воздуха, °С, определяемая в соответствии с п. 3.13 настоящего Пособия; zBi;- количество дней в месяце со среднесуточной температурой наружного воздуха выше 20°С, сут; zхi - количество дней в месяце с максимальной температурой наружного воздуха выше 28°С, сут; хрн, хрк - время начала и конца работы, ч; ххн, ххк - время начала и конца работы системы охлаждения приточного воздуха, определяемое в соответствии с п. 3.16 настоящего Пособия; qрадмакс - наибольшее значение теплопоступлений в рабочую зону, Вт/м2, от солнечной радиации, прошедшей через светопроемы, определяемое в соответствии с п. 3.14 настоящего Пособия.

Таблица 26

Производительность системы, м3

Удельная стоимость, руб·ч/м3, системы

приточной вентиляции Сп.в

вытяжной вентиляции Св.в

адиабатического охлаждения Са

10-20

0,095

0,055

0,026

25-70

0,070

0,045

0,020

75-150

0,040

0,020

0,014

3.13. При расчетной летней температуре воздуха tA не более 27°С (параметры А) для удаления радиационных теплоизбытков предусматривается общеобменная вентиляция с механическим побуждением. При определении производительности системы общеобменной вентиляции по формуле (29) расчетная разность температур (tр.A-tпр.А) принимается равной 3 или 5°С в зависимости от теплонапряженности помещения [3].

При расчетной летней температуре воздуха tА свыше 27°С для удаления теплоизбытков и обеспечения допустимых норм температуры в рабочей зоне предусматривается система вентиляции с испарительным (адиабатическим) охлаждением приточного воздуха. Температура воздуха в рабочей зоне помещения tр.А принимается равной 28°С, а температура приточного воздуха tпр.А определяется с помощью i-d-диаграммы по исходным параметрам А наружного воздуха [3], обработанного до относительной влажности j=90%.

3.14. Наибольшее значение радиационных теплопоступлений в рабочую зону qрадмакс Вт/м2 площади помещения, определяется максимальным значением суммарной солнечной радиации, падающей на плоскость светопроема в течение суток, и в зависимости от вида светопрозрачной конструкции рассчитывается по формулам:

для зенитных фонарей

;                         (33)

для прямоугольных фонарей

;                        (34)

для окон

;                          (35)

где ,  - наибольшее значение прямой солнечной радиации в июле при безоблачном небе соответственно на горизонтальную и вертикальную поверхности разной ориентации, Вт/м2, определяемое по СНиП 2.01.1-82; ,  - наибольшее значение рассеянной солнечной радиации в июле при безоблачном небе соответственно на горизонтальную и вертикальные поверхности разной ориентации, Вт/м2, определяемое по СНиП 2.01.01-82; tе - коэффициент пропускания солнечной радиации светопрозрачным заполнением светопроемов, отн. ед., принимаемый по табл. 25; t2 - коэффициент, учитывающий потери света в переплетах светопроема, отн. ед., определяемый по табл. 28 СНиП II-4-79; t3 - коэффициент, учитывающий снижение теплопоступлений за счет загрязнения стекла, отн. ед., принимаемый по табл. 5 Приложения 12* СНиП II-33-75*; bс.з - коэффициент теплопропускания солнцезащитных устройств, отн. ед (п. 8, СНиП II-3-79); x - коэффициент, определяющий долю теплоизбытков помещения, влияющих на температуру воздуха в рабочей зоне, и принимаемый по рис. 19 [4].

Рис. 19. Коэффициент x, учитывающий долю теплоизбытков, влияющую на температуру рабочей зоны помещения, в зависимости от его высоты

3.15. Продолжительность периода работы системы вентиляции zв и системы охлаждения приточного воздуха zх для каждого месяца определяется по кривой среднесуточных температур, построенной по данным среднемесячных температур наружного воздуха, с учетом значений средней суточной амплитуды температуры наружного воздуха, приведенных в СНиП 2.01.01-82.

3.16. Для каждого месяца время начала ххн конца ххк работы системы охлаждения приточного воздуха при постоянном воздухообмене Lo определяется моментами времени, когда температура воздуха внутри помещения достигает 25°С, которая под действием теплопоступлений от солнечной радиации описывается следующими зависимостями:

для зенитных фонарей

;          (36)

для прямоугольных фонарей

;     (37)

для окон

,  (38)

где Dхрад - продолжительность поступления прямой солнечной радиации, принимаемая равной 8 ч для В и З ориентации светопроемов, 10 ч - для ЮВ, ЮЗ и Ю ориентации, 16 ч - для зенитных фонарей; Qcp, Qcp - среднее количество тепла, Вт/м2, поступающее от суммарной солнечной радиации, соответственно, на горизонтальную и вертикальную поверхности разной ориентации (табл. 27); fг, fв - доля прямой солнечной радиации в суммарной на горизонтальную и вертикальные поверхности при действительных условиях облачности, отн. ед., принимаемые по табл. 27; Dх - время до момента наступления максимума прямой солнечной радиации, ч, отсчитываемое относительно полудня и определяемое в соответствии с табл. 28.

Таблица 27

Город

Ориентация светопроема

Среднесуточное количество тепла от суммарной солнечной радиации Qсp, Вт/м2, и доля прямой радиации в суммарной f, отн. ед., по месяцам

май

июнь

июль

август

сентябрь

Qсp

f

Qсp

f

Qсp

f

Qсp

f

Qсp

f

Астрахань

гориз.

255

0,63

291

0,67

255

0,66

236

0,70

179

0,68

В, З

71

0,50

85

0,52

75

0,52

79

0,57

63

0,57

ЮВ, ЮЗ

77

0,52

78

0,50

71

0,51

89

0,60

94

0,66

Ю

45

0,39

55

0,41

54

0,44

82

0,58

106

0,69

Волгоград

гориз.

255

0,63

274

0,65

264

0,63

230

0,65

167

0,61

В, З

77

0,51

81

0,52

74

0,50

74

0,54

58

0,54

ЮВ, ЮЗ

81

0,53

77

0,51

75

0,50

88

0,58

86

0,64

Ю

68

0,49

57

0,43

59

0,44

82

0,56

95

0,66

Махачкала

гориз.

256

0,58

282

0,64

264

0,65

232

0,62

170

0,60

В, З

76

0,49

73

0,49

71

0,53

75

0,45

75

0,46

ЮВ, ЮЗ

65

0,45

66

0,46

65

0,47

72

0,52

76

0,60

Ю

49

0,38

42

0,35

45

0,38

64

0,49

81

0,61

Куйбышев

гориз.

238

0,61

262

0,64

244

0,61

202

0,60

133

0,56

В, З

70

0,50

74

0,50

73

0,50

68

0,53

41

0,37

ЮВ, ЮЗ

81

0,54

74

0,50

79

0,52

87

0,59

67

0,61

Ю

68

0,50

58

0,43

63

0,47

80

0,57

76

0,64

Саратов

гориз.

244

0,58

267

0,59

249

0,58

210

0,56

150

0,57

В, З

73

0,49

76

0,49

78

0,50

63

0,48

51

0,52

ЮВ, ЮЗ

76

0,50

76

0,48

73

0,48

74

0,52

79

0,63

Ю

66

0,47

57

0,42

52

0,40

73

0,52

91

0,66

Донецк

гориз.

226

0,53

254

0,59

256

0,61

223

0,63

163

0,62

В, З

130

0,42

143

0,46

144

0,48

132

0,51

102

0,53

ЮВ, ЮЗ

135

0,44

141

0,45

145

0,48

145

0,56

129

0,63

Ю

123

0,39

122

0,37

128

0,42

138

0,55

140

0,67

Кировоград

гориз.

215

0,53

246

0,58

249

0,59

204

0,61

154

0,60

В, З

128

0,39

140

0,44

147

0,45

122

0,48

99

0,56

ЮВ, ЮЗ

131

0,41

137

0,43

143

0,44

133

0,54

124

0,65

Ю

121

0,36

120

0,36

132

0,38

132

0,52

125

0,68

Одесса

гориз.

252

0,61

279

0,65

283

0,68

240

0,68

182

0,65

В, З

134

0,45

145

0,46

152

0,53

136

0,54

105

0,54

ЮВ, ЮЗ

141

0,48

145

0,46

156

0,54

155

0,59

141

0,65

Ю

128

0,43

125

0,38

134

0,46

147

0,57

152

0,68

Херсон

гориз.

244

0,57

271

0,61

274

0,65

240

0,64

176

0,62

В, З

141

0,44

152

0,46

152

0,49

138

0,52

108

0,52

ЮВ, ЮЗ

143

0,46

148

0,45

151

0,48

152

0,56

137

0,61

Ю

132

0,40

144

0,44

129

0,39

148

0,54

147

0,64

Ташкент

гориз.

269

0,71

308

0,78

314

0,81

283

0,81

226

0,78

В, З

146

0,56

166

0,62

169

0,63

162

0,63

133

0,65

ЮВ, ЮЗ

148

0,56

154

0,58

160

0,62

169

0,68

174

0,72

Ю

121

0,46

114

0,47

121

0,50

148

0,64

183

0,74

Алма-Ата

гориз.

238

0,61

263

0,66

274

0,71

241

0,69

197

0,69

В, З

138

0,50

145

0,51

155

0,57

133

0,56

119

0,60

ЮВ, ЮЗ

141

0,51

1Ь7

0,48

150

0,56

147

0,60

157

0,70

Ю

121

0,43

113

0,47

121

0,46

136

0,57

163

0,71

Форт-Шевченко

гориз.

272

0,66

279

0,69

268

0,68

246

0,71

189

0,68

В, З

164

0,46

168

0,49

158

0,48

150

0,52

125

0,53

ЮВ, ЮЗ

169

0,48

158

0,46

155

0,47

163

0,55

157

0,63

Ю

150

0,41

134

0,36

134

0,39

155

0,53

162

0,64

Джезказган

гориз.

273

0,65

290

0,68

275

0,67

247

0,70

197

0,70

В, З

152

0,51

157

0,53

155

0,53

145

0,57

125

0,60

ЮВ, ЮЗ

162

0,54

155

0,50

154

0,53

158

0,61

160

0,70

Ю

143

0,48

132

0,42

133

0,45

152

0,60

175

0,71

Кзыл-Орда

гориз.

300

0,73

321

0,76

286

0,71

268

0,75

205

0,73

В, З

165

0,58

183

0,62

151

0,55

155

0,59

125

0,63

ЮВ, ЮЗ

171

0,60

165

0,58

152

0,56

169

0,64

163

0,71

Ю

148

0,53

136

0,49

107

0,37

160

0,62

175

0,73

Тбилиси

гориз.

228

0,60

265

0,66

260

0,65

238

0,67

178

0,65

В, З

122

0,45

134

0,50

129

0,45

115

0,46

94

0,47

ЮВ, ЮЗ

125

0,47

132

0,48

132

0,45

132

0,52

123

0,59

Ю

114

0,41

109

0,39

115

0,38

129

0,52

137

0,64

Кировабад

гориз.

239

0,55

263

0,63

258

0,62

241

0,62

174

0,58

В, З

127

0,40

144

0,47

141

0,47

129

0,47

100

0,46

ЮВ, ЮЗ

130

0,40

175

0,57

173

0,58

138

0,50

123

0,57

Ю

119

0,33

105

0,31

109

0,33

129

0,46

125

0,57

Нахичевань

гориз.

286

0,66

330

0,73

323

0,75

291

0,76

240

0,77

В, З

152

0,49

173

0,56

169

0,57

151

0,58

136

0,62

ЮВ, ЮЗ

150

0,49

159

0,52

155

0,53

156

0,60

177

0,51

Ю

129

0,40

121

0,36

126

0,42

143

0,55

177

0,71

Кишинев

гориз.

235

0,55

269

0,57

274

0,62

233

0,61

171

0,60

В, З

131

0,42

157

0,45

152

0,47

136

0,50

110

0,53

ЮВ, ЮЗ

136

0,44

154

0,44

156

0,48

152

0,55

142

0,64

Ю

121

0,36

129

0,34

136

0,40

\4Ъ

0,53

149

0,65

Душанбе

гориз.

275

0,65

326

0,70

330

0,70

295

0,71

244

0,70

В, З

147

0,49

173

0,53

175

0,52

156

0,53

140

0,56

ЮВ, ЮЗ

143

0,48

157

0,48

172

0,51

162

0,55

176

0,65

Ю

123

0,40

119

0,32

131

0,36

146

0,51

178

0,65

Ереван

гориз.

290

0,67

328

0,72

297

0,75

291

0,75

234

0,74

В, З

152

0,50

175

0,56

167

0,57

152

0,57

134

0,58

ЮВ, ЮЗ

150

0,50

15G

0,51

150

0,53

163

0,61

173

0,68

Ю

128

0,41

121

0,38

119

0,39

148

0,56

175

0,68

Ашхабад

гориз.

280

0,66

312

0,70

309

0,71

290

0,74

240

0,71

В, З

150

0,50

165

0,54

162

0,54

151

0,56

136

0,57

ЮВ, ЮЗ

145

0,49

150

0,48

148

0,48

156

0,57

171

0,65

Ю

122

0,39

112

0,31

120

0,36

138

0,52

171

0,65

Чарджоу

гориз.

217

0,70

350

0,76

336

0,79

311

0,82

253

0,76

В, З

166

0,53

169

0,54

176

0,58

162

0,61

144

0,61

ЮВ, ЮЗ

165

0,52

170

0,55

163

0,55

170

0,63

186

0,70

Ю

141

0,44

125

0,39

128

0,42

151

0,58

186

0,71

Таблица 28

Месяц

Ориентация светопроема

Значения Dх, ч, для географической широты, град

40

45

50

55

Июнь

В, З

3,7

3,8

4,0

4,2

ЮВ, ЮЗ

3,1

3,1

3,1

3,2

Ю

0

0

0

0

Май, июль

В, З

3,6

3,7

3,9

4,0

ЮВ, ЮЗ

3,0

3,0

3,0

3,0

Ю

0

0

0

0

Апрель, август

В, З

3,3

3,4

3,5

3,6

ЮВ, ЮЗ

2,5

2,4

2,4

2,4

Ю

0

0

0

0

Март, сентябрь

В, З

3,0

3,0

3,0

3,0

ЮВ, ЮЗ

1,9

1,8

1,8

1,7

Ю

0

0

0

0

Примечание. При восточной и юго-восточной ориентации поверхности время до наступления максимума принимается со знаком «минус», при западной и юго-западной - со знаком «плюс».

3.17. Приведенные затраты для установок внутреннего искусственного освещения Писк, руб/(м2·год), определяются отдельно для светильников каждого типа или мощности ламп по формуле (39), 1 затем суммируются:

Писк=0,12Сиск+Миск.                                                    (39)

Удельные капитальные затраты Сиск, руб/м2, для светильников каждого типа рассчитываются по формуле

Сиск=(Слпл+Cap+См+w+10-3aРлСм.спл)Ncв/Aп.                                (40)

Удельные эксплуатационные расходы Миск, руб/(м2·год), для светильников каждого типа рассчитываются по формуле

Миск=[плТи(Сл+Сз)/Тл+10-3a(1+b)РлплТиЦэ+0,1(Cap+Cм+w)+10-4aрлплCм.c+пчСч]N/Ап.     (41)

Количество светильников Nсв, шт., одного типа в установке общего освещения рассчитывается на основе метода коэффициента использования [1] по формуле

Nсв=ЕКз.иАпz/плФлисв.                                                   (42)

В формулах (39)-(42) приняты следующие обозначения:

Кз.и - коэффициент запаса при искусственном освещении; z - коэффициент, учитывающий неравномерность освещенности и принимаемый равным 1,15 для светильников с лампами накаливания, ДРЛ и ДРИ и 1,1 - для светильников с люминесцентными лампами [1]; Фл - световой поток лампы, принимаемый по табл. 29; пл - количество ламп в одном светильнике, шт.; Pл - мощность лампы, Вт, принимаемая по табл. 29; исв - коэффициент использования светового потока светильника [1]; a - коэффициент, учитывающий потери энергии в пускорегулирующих аппаратах газоразрядных ламп, принимаемый по табл. 30; b - коэффициент, учитывающий потери в сетях, принимаемый по табл. 30; w - составляющая стоимости статических конденсаторов, устанавливаемых для повышения коэффициента мощности, руб., принимаемая по табл. 30 [11]; Сл - стоимость одной лампы, руб.; Cap - стоимость арматуры одного осветительного прибора, руб.; См - стоимость монтажа одного светильника, руб.; См.с - стоимость монтажа электрической части осветительной установки на 1 кВт установленной мощности ламп и потерь в ПРА, руб/кВт, ориентировочно принимаемая 100 руб/кВт; Сч, Сз - стоимость соответственно одной чистки светильника и индивидуальной замены лампы, руб., принимается по табл. 31 [11]; пч - количество чисток светильников в год; Тл - срок службы лампы, ч, принимаемый по табл. 29; Ти - продолжительность работы установки общего искусственного освещения за год, ч, принимаемая по табл. 32-34; Е - уровень освещенности, лк, определяемый по п. 3.18.

3.18. Освещенность от светильников общего искусственного освещения в зависимости от системы освещения и расчетного значения КЕО в помещении следует принимать по табл. 35.

3.19. Суммарные энергозатраты, переведенные в условное топливо, wусл, кг/м2 площади помещения, характеризуют работу систем естественного wуслест и искусственного wуслиск освещения помещения в целом и определяются по формуле

wусл=wуслест+wуслиск.                                                  (43)

Таблица 29

Тип лампы

Номинальная мощность Рл, Вт

Номинальный световой поток* Фл,

лм

Средняя продолжительность горения Тл, ч

Номер ГОСТа

ЛДЦ 40

40

2100

12000

ГОСТ 6825-74

(СТ СЭВ 3181-81)

ЛД 40

2340

ЛХБ 40

2780

ЛТБ 40

2780

ЛБ

3000

ЛДЦ 65

65

3050

12000

ГОСТ 6825-74

(СТ СЭВ 3181-81)

ЛД 65

3570

ЛХБ 65

4100

ЛТБ 65

4200

ЛБ 65

4550

ЛДЦ 80

80

3560

12000

ГОСТ 6825-74

(СТ СЭВ 3181-81)

ЛД 80

4070

ЛХБ 80

4600

ЛТБ 80

4720

ЛБ 80

5220

ДРЛ 125 (6)

125

5400

8000

ГОСТ 16354-77

(СТ СЭВ 1122-78)

ДРЛ 126 (10)

125

6000

8000

ДРЛ 250 (6)

250

12000

8000

ДРЛ 250 (10)

250

13000

8000

ДРЛ 400 (6)

400

23000

12000

ДРЛ 400 (10)

400

23000

12000

ДРЛ 700 (6)

700

38000

12000

ДРЛ 700(10)

700

39000

12000

ДРЛ 1000 (6)

1000

55000

12000

ДРЛ 1000 (10)

1000

55000

12000

ДРИ 250

250

19000

10000

ГОСТ 24424-80

ДРИ 400

400

34000

10000

ДРИ 700

700

60000

9000

ДРИ 1000

1000

90000

9000

ДРИ 2000

2000

190000

2000

ДНаТ250

250

25000**

10000

ГОСТ 24169-80

ДНаТ400

400

47000**

15000

ДНаТ700

700

84000**

10000

ДНаТ1000

1000

125000**

10000

* Значения светового потока приведены для ламп I категории.

** Номинальный световой поток после 100 ч горения.

Таблица 30

Коэффициент

Лампы

накаливания

люминесцентные

ДРЛ и ДРЛ

без конденсаторов

с конденсаторами на групповых линиях

a

1

1,2

1,1

1,1

b

0,03

0,037

0,12

0,078

w

0

0

0

2,6 (ДРЛ)

 

 

 

 

4,0(ДРИ)

Таблица 31

Средства доступа к светильникам для обслуживания

Стоимость, руб.

одной чистки Сч светильника с лампами

индивидуальной замены Сз ламп

накаливания

ДРЛ и ДРИ

люминесцентными

накаливания, ДРЛ, ДРИ

люминесцентных

Лестницы, стремянки

0,4

0,5

0,6

0,3

0,5

Напольные передвижные подъемные устройства (вышки) несамоходные

0,5

0,6

0,75

-

-

То же, самоходные

0,6

0,8

1,0

-

-

Мостовые технологические краны и технологические краны-балки с прицепным мостиком при их технологической загрузке, %, до:

 

 

 

 

 

25

0,75

1,0

1,25

0,24

0,35

40

0,9

1,2

1,5

-

-

60

1,2

1,6

2,0

-

-

Мостовые ремонтные краны, ремонтные краны-балки с прицепным мостиком

0,7

0,9

1,1

-

-

Стационарные мостики, галереи, площадки

0,3

0,4

0,5

0,12

0,17

Таблица 32

Пояс светового климата

Нормированная освещенность, ЕН, лк

Продолжительность работы установки Ти, ч, при односменной работе и значениях КЕО, %

1,5

2,0

2,5

3,0

3,5

4

5

7

I

150

1150

960

850

770

720

680

620

560

200

1480

1210

1050

940

870

810

730

640

300

2150

1730

1470

1300

1170

1080

950

800

400

2150

2150

1890

1650

1480

1350

1170

960

500

2150

2150

2150

2000

1780

1620

1390

1130

II

150

980

790

690

620

570

530

480

420

200

1300

1030

870

770

700

640

570

490

300

1940

1510

1250

1080

970

880

760

630

400

2150

1990

1630

1400

1230

1110

950

760

500

2150

2150

2010

1710

1500

1350

1140

900

III

150

820

640

530

470

420

390

340

300

200

1110

850

700

600

540

490

420

350

300

1740

1300

1050

890

770

690

580

470

400

2150

1740

1390

1180

1010

900

750

580

500

2150

2150

1740

1450

1250

1100

910

700

IV

150

550

480

380

320

280

250

220

170

200

940

680

540

450

390

340

280

220

300

1530

1090

850

700

590

520

420

320

400

2120

1500

1160

950

800

700

560

420

500

2150

1920

1480

1200

1010

880

700

510

V

150

380

210

140

90

70

50

40

20

200

600

340

220

160

120

90

60

40

300

1050

600

400

290

220

170

120

80

400

1490

860

570

410

310

250

180

120

500

1940

1120

740

540

410

330

240

160

Таблица 33

Пояс светового климата

Нормированная освещенность, ЕН, лк

Продолжительность работы установки Ти, ч, при двухсменной работе и значениях КЕО, %

1,5

2,0

2,5

3,0

3,5

4

5

7

I

150

3100

2820

2630

2490

2380

2300

2180

2020

200

3480

3130

2910

2740

2620

2520

2370

2180

300

4220

3770

3470

3250

3080

2950

2750

2500

400

4300

4300

4030

3750

3550

3380

3130

2820

500

4300

4300

4300

4260

4010

3820

3520

3140

II

150

2940

2640

2440

2300

2190

2110

1990

1840

200

3300

2930

2700

2530

2400

2300

2150

1970

300

4010

3520

3200

2980

2810

2680

2480

2240

400

4300

4100

3710

3430

3220

3060

2810

2510

500

4300

4300

4230

3890

3640

3440

3140

2780

III

150

2820

2470

2270

2130

2020

1950

1830

1690

200

3130

2750

2500

2340

2210

2110

1970

1810

300

3810

3290

2970

2740

2570

2440

2260

2030

400

4300

3840

3430

3150

2940

2780

2540

2260

500

4300

4300

3900

3560

3310

3110

2830

2480

IV

150

2580

2240

2030

1900

1800

1720

1620

1500

200

2900

2480

2230

2060

1940

1860

1730

1590

300

3520

2960

2620

2400

2240

2120

1950

1750

400

4150

3440

3010

2730

2530

2380

2160

1920

500

4300

3930

3410

3070

2820

2640

2380

2090

V

150

2400

2040

1840

1710

1620

1560

1470

1370

200

2680

2250

2000

1840

1740

1660

1550

1430

300

3260

2670

2340

2120

1970

1860

1720

1560

400

3840

3100

2670

2400

2210

2070

1880

1680

500

4300

3520

3000

2670

2440

2280

2050

1810

Таблица 34

Пояс светового климата

Нормированная освещенность, ЕН, лк

Продолжительность работы установки Ти, ч, при трехсменной работе и значениях КЕО, %

1,5

2,0

2,5

3,0

3,5

4

5

7

I

150

5210

4900

4690

4540

4420

4320

4170

3980

200

5550

5200

4960

4790

4650

4580

4370

4150

300

6240

5810

5510

5290

5120

4980

4770

4490

400

6500

6410

6060

5790

5580

5420

5170

4830

500

6500

6500

6500

6290

6050

5860

5570

5180

II

150

5040

4700

4480

4320

4190

4100

3950

3760

200

5370

4980

4730

4540

4400

4290

4120

3900

300

6040

5550

5230

5000

4820

4680

4460

4190

400

6500

6120

5730

5450

5240

5020

4810

4480

500

6500

6500

6240

5900

5650

5450

5160

4770

III

150

4890

4520

4290

4120

4000

3900

3760

3590

200

5200

4790

4520

4330

4190

4080

3910

3710

300

5840

5320

4980

4740

4560

4420

4210

3950

400

6480

5850

5440

5150

4930

4760

4510

4200

500

6500

6380

5900

5560

5310

5110

4780

4440

IV

150

4730

4360

4120

3960

3840

3740

3610

3450

200

5040

4610

4330

4140

4000

3900

3740

3510

300

5660

5100

4760

4520

4340

4200

4000

3760

400

6270

5600

5180

4890

4670

4500

4260

3970

500

6500

6100

5610

5260

5010

4810

4520

4180

V

150

4520

4120

3880

3720

3600

3520

3400

3260

200

4810

4340

4060

3870

3740

3640

3500

3340

300

5380

4780

4420

4180

4010

3880

3700

3490

400

5950

5220

4780

4490

4280

4120

3900

3650

500

6500

5660

5140

4790

4550

4360

4100

3800

Таблица 35

Разряд зрительной работы

Нормируемые уровни общей освещенности Е, лк, производственных помещении в зависимости от системы освещения и расчетного значения КЕО

ен.с£е£ен

емин£е<ен.с

комбинированное

общее

комбинированное

общее

Iа

500

1500

600

1500

Iб

400

1250

500

1250

Iв

300

750

400

750

Iг

150

400

200

500

IIа

400

1250

500

1250

IIб

300

750

400

750

IIв

200

500

300

600

IIг

150

300

200

400

IIIа

200

500

300

600

IIIб

150

300

200

400

IIIв

150

300

200

400

IIIг

150

200

200

300

IVa

150

300

200

400

IVб

150

200

200

300

IVв

150

200

200

300

IVг

150

150

200

200

Va

150

200

200

300

150

150

200

200

3.20. Суммарные затраты тепловой и электрической энергии, характеризующие систему естественного освещения и переведенные в условное топливо wуслест, кг/м2, слагаются из энергозатрат на отопление, вентиляцию и холодоснабжение, компенсирующих повышенные теплопотери помещения в холодный период года и избыточные теплопоступления от солнечной радиации в теплый период года через светопрозрачные конструкции, и определяются по формуле

wуслест=А1wт.от+А2(wэ.от+wэ.в+wэ.х),                                       (44)

где A1=41,2 кг/ГДж и А2=0,33 кг/(кВт·ч) - удельный расход условного топлива на электростанциях общего использования на 1 ГДж тепловой энергии и на 1 кВт·ч электроэнергии [18]; wт.от - удельный годовой расход тепловой энергии, обусловленный теплопотерями через фонари и окна, ГДж/(м2·год), и определяемый по формуле (16); wэ.от - удельный годовой расход электроэнергии на отопление, кВт·ч/(м2·год), принимаемый равным [4]:

wэ.от=7,1wт.от                                                      (45)

для систем воздушного отопления и равным нулю для других систем отопления; wэ.в - удельный годовой расход электроэнергии в системе вентиляции, обусловленный избыточными теплопоступлениями солнечной радиации через фонари и окна, кВт·ч/(м2·год), и определяемый по формуле (31); wэ.х - удельный годовой расход электроэнергии в системе охлаждения приточного воздуха, кВт·ч/(м2·год), определяемый по формуле (32).

3.21. Энергозатраты на искусственное освещение, переведенные в условное топливо, wуслиск, кг/м2, рекомендуется определять по формуле

wуслиск=А2wэ.и,                                                    (46)

где wэ.и - удельный годовой расход электроэнергии на искусственное освещение, кВт·ч/(м2·год), определяемый по формуле

wэ.и=10-3ЕКз.иzaРл(1+b)Ти/Флисв.                                   (47)

В формуле (47) обозначения те же, что и в формулах (39)-(42).

4. ПРОЕКТИРОВАНИЕ ЕСТЕСТВЕННОГО И СОВМЕЩЕННОГО ОСВЕЩЕНИЯ НЕКОТОРЫХ ТИПОВЫХ ПОМЕЩЕНИЙ

ОСНОВНЫЕ ПОМЕЩЕНИЯ ПРЕДПРИЯТИЙ МАШИНОСТРОЕНИЯ

4.1. Проектирование естественного и совмещенного освещения предприятий машиностроения должно осуществляться с учетом особенностей технологии. Краткая характеристика технологического процесса, зрительных работ и требования к освещению даны в табл. 36.

4.2. При выборе конструктивного решения и количества слоев остекления в зависимости от климата месторасположения зданий и характера внутренней среды производственных помещений рекомендуется руководствоваться табл. 37.

4.3. Для верхнего естественного освещения помещений с нормальным температурно-влажностным режимом (табл. 37) следует применять зенитные фонари.

Выбор типоразмеров унифицированных зенитных фонарей рекомендуется производить в зависимости от разряда зрительной работы и высоты производственных помещений согласно табл. 38.

4.4. При проектировании зданий, располагаемых в III и IV строительно-климатических районах (со среднемесячной температурой наружного воздуха за июль месяц выше +21°С) в зенитных фонарях следует предусматривать солнцезащиту.

4.5. Выбор площади и расположения зенитных фонарей в покрытии здания производится по преобладающему в помещении разряду зрительной работы с учетом:

а) результатов технико-экономического расчета освещения согласно п. 3.7;

б) возможности сохранения равноценных условий освещения при изменении расположения технологического оборудования, перепланировке помещения и т.п.

4.6. В целях сокращения теплопотерь через боковые светопрозрачные ограждения в производственных помещениях с зенитными фонарями площадь окон в крайних пролетах (если технологический процесс и оборудование не предъявляют специальных требований к боковому освещению) рекомендуется выбирать, как правило, минимальной, исходя из требований зрительной связи с наружным пространством, которая обеспечивается окнами высотой не более 1,8 м и шириной до 4,8 м, располагаемыми в ряд.

Таблица 36

Цех

Технологическое оборудование

Перечень основных работ

Преобладающие разряды зрительной работы

Требования к освещению

Заготовительный

Металлорежущие, металлодавящие станки и машины, автоматические машины для плазменной резки, гибочные машины, механические ножницы

Резка, штамповка, раскрой металла

V

Условия работы требуют равномерного естественного освещения по всей рабочей площади и общего искусственного освещения с локализованным размещением светильников Ряды светильников общего освещения рекомендуется располагать над линиями станков; на механических ножницах требуется установка светильников местного освещения для освещения режущей кромки ножниц и измерительных линеек

Кузнечно-прессовый

На заготовительных участках то же, что и в заготовительных цехах; на участках прессовки - прессы, штампы, кузнечный молот

Резка, штамповка и раскрой, прессовка и ковка металла

V

То же

Сварочный

Сварочные: машины, автоматы и полуавтоматы, клещи и т.п.

Сварка узлов и деталей

IV, V и VII

Условия освещения выбираются так, чтобы снизить слепящее действие дуги при сварке; естественное освещение - равномерное, верхнее; искусственное - комбинированное; светильники местного освещения встраиваются в оборудование

Механический: крупномеханический

Крупные машины с дистанционным, автоматическим и программным управлением

Механическая обработка крупных деталей и узлов

III

Равномерное естественное освещение и комбинированное искусственное освещение

Мелкомеханический

Расточные, строгальные, шлифовальные станки

То же, отдельных узлов и деталей

I и II

Для освещения пультов управления станков используются ряды светильников общего освещения, светильник целесообразно располагать не над суппортом станка, а сдвигать на 0,5-1 м в сторону от станка

Сборочный и сборочно-сварочный

Сборочные конвейеры, верстаки

Сборка узлов и изделий из плоскостных и объемных элементов

II, III и VII

Равномерное верхнее естественное освещение и комбинированное искусственное освещение; при сборке плоских элементов требуется обеспечить горизонтальное освещение; при сборке объемных элементов и крупных изделий на подвесных конвейерах требуется обеспечить вертикальную освещенность, с этой целью рекомендуется предусматривать установку дополнительных светильников на стойках, колоннах или светильников типа «кососвет»

Окрасочный

Подвесные конвейеры, окрасочные камеры

Окраска деталей, узлов и изделии

IV

Равномерное естественное и общее искусственное освещение; основное требование к освещению - обеспечение правильной цветопередачи

Металлопокрытий

Гальванические ванны

Металлопокрытие деталей, узлов и изделий

IV

Равномерное естественное и общее искусственное освещение с локализованным размещением светильников над ваннами

Литейный

Формовочные, литейные машины

Формовка, литье

V-VII

Равномерное естественное и общее искусственное освещение с равномерным размещением светильников

Термический

Печи, ванны

Термообработка, пропитка

V-VII

Равномерное естественное и общее искусственное освещение с локализованным размещением светильников

Таблица 37

Категория помещения по внутренней среде

Характеристика внутренней среды

Примерный перечень помещений

(tвtз.5)*, °С

Количество слоев остекления

С нормальным температурно-влажностным режимом

Избыток тепловыделений - не более 23,2 Вт/м3 [20 ккал/(м3·ч)], температура в рабочей зоне 16-18°С, относительная влажность 50-60%, скорость движения воздуха в рабочей зоне 0,3 м/с

Цехи: механические и инструментальные; сварных конструкций (заготовительные, механические и сборочно-сварные отделения); ремонтно-строительные (станочно-заготовительные, сборочные и заточные отделения); металлопокрытий (полировочное и машинное отделения); окрасочные

До 35

1

От 35 до 49

2

Св. 49

3

С повышенным температурно-влажностным режимом:

 

 

 

 

с горячей сухой средой

Избыток тепловыделении свыше 23,2 Вт/м3, температура в рабочей зоне 20-25°С, относительная влажность менее 50%, скорость движения воздуха 0,5 м/с

Чугунолитейные и сталелитейные (комплексно-механизированные участки литейного производства); кузнечные; термические; плавильные; склады горячих заготовок

Любая

1**

с горячей влажной средой

Избыток тепловыделений свыше 23,2 Вт/м3, температура в рабочей зоне 18-20°С, относительная влажность 60-75%, скорость движения воздуха 0,5 м/с

Травильные; гальванические; электролиза меди и никеля; сушильные

До 49

1**

Св. 49

2**

с влажной средой и незначительными тепловыделениями

Избыток тепловыделений менее 23,2 Вт/м3, температура в рабочей зоне 16-18°С, относительная влажность 60-75%, скорость движения воздуха в рабочей зоне 0,3 м/с

Никелировочные

До 35

2

Св. 35

3

(при обеспечении мер защиты от выпадения конденсата)

Со строго заданными параметрами микроклимата (постоянные температура, влажность и чистота воздуха)

Избыток тепловыделений менее 23,2 Вт/м3; остальные параметры среды определяются технологическими требованиями

Точного машиностроения, приборостроения, сборки радиоэлектронной аппаратуры, оптико-механических и электроизмерительных приборов

До 49

2

Св. 49

3

 

(при влажности свыше 60% необходимы меры защиты от выпадения конденсата)

С внутренней средой, зависящей от условий внешней среды

Ограничения по температуре и влажности устанавливаются в зависимости от технологических требований и физических свойств материалов и изделий

Склады сырья, полуфабрикатов, готовой продукции, гаражи и производственные помещения без постоянного пребывания в них людей; цехи металлических конструкций и металлозаготовительные

Любая

1

* Разность температуры внутреннего воздуха и средней температуры наиболее холодной пятидневки, °С.

** Целесообразно применять светоаэрационные фонари.

Таблица 38

Высота здания (до низа ферм), м

Разряд зрительной работы

Размеры фонарей в плане, м

До 6

i-iii

1,5´5,9

2,7´2,7

2,9´2,9

IV-VIII

1,5´1,7

1,5´2,9

1,5´3,9

6-12,6

I-III

2,7´2,7

2,9´2,9

2,9´3,9

2,9´5,9

IV-VIII

1,5´3,9

1,5´5,9

Св. 12,6

I-V

2,9´5,9

VI-VIII

1,5´5,9

2,7´2,7

2,9´2,9

2,9´3,9

4.7. В том случае, если значения КЕО в помещениях меньше значений, указанных в табл. 16, 17, 18, нормированное значение освещенности от искусственного освещения повышается на одну ступень по шкале освещенностей согласно СНиП II-4-79.

Для экономии электроэнергии освещенность от искусственного освещения целесообразно повышать на одну ступень только в зоне расположения технологического оборудования и рабочих мест, исключая проходы и проезды.

4.8. Выбор источников света и светильников при проектировании совмещенного освещения рекомендуется производить в зависимости от разряда зрительной работы, особенностей технологии и высоты производственных помещений согласно табл. 39. Ряды светильников рекомендуется располагать параллельно световым проемам в наружных стенах или параллельно расположению технологического оборудования.

Таблица 39

Разряд зрительной работы

Высота помещений, м

Источники света н светильники

I-IV

До 6

Люминесцентные лампы типов ЛД, ЛХБ, ЛБ в светильниках типов ОД, ЛСП01, ЛСП02, ЛСП06 т.п. в помещениях с повышенными требованиями к микроклимату и при наличии подвесного потолка - светильники типов ВЛК, ВЛН и ЛВП

От 6 до 11

Люминесцентные лампы типов ЛД, ЛХБ, ЛБ в светильниках типов ПУ-23, ПУ-25, ЛСП-13 и т.п. Металлогалогенные лампы типа ДРИ в светильниках ГСП

Св. 11

Металлогалогенные лампы типа ДРИ в светильниках ГСП

V-VIII

До 6

Люминесцентные лампы типа ЛБ в светильниках типов ОД, ЛСП01, ЛСП02, ЛСП06 и т.п.

Лампы типа ДРЛ в светильниках РСП

От 6 до 11

Лампы типа ДРЛ в светильниках РСП

Св. 11

Лампы типа ДРИ или ДРЛ в светильниках РСП или ГСП

4.9. Отделку потолков, стен, перегородок и других поверхностей помещений, а также технологического оборудования следует осуществлять, как правило, материалами с высокими коэффициентами отражения, обеспечивающими повышение освещенности рабочих мест за счет отраженного света. Основным поверхностям интерьера следует придавать матовую фактуру, а коэффициент отражения поверхностей принимать в следующих пределах:

0,6-0,8   -  для верхней зоны интерьера - потолков, открытых ферм, балок, ригелей, участков стен и перегородок в межферменном пространстве, подъемно-транспортных средств, мостовых кранов и т.п.;

0,4-0,7   -  для средней зоны интерьеров - стен, перегородок, колонн, антресолей, этажерок, ворот, дверей и т.п.;

0,3-0,5   -  для производственного оборудования - станков, машин, аппаратов, приборов, средств внутрицехового транспорта и т.п.;

0,2-0,45 -  для нижней зоны интерьера - полов, цокольных участков стен и перегородок, фундаментов машин и аппаратов.

Пример проектирования совмещенного освещения производственного здания. Требуется определить наиболее экономичную систему совмещенного освещения здания машиностроительного предприятия с естественным освещением через зенитные фонари, расположенного в Смоленской области.

Исходные данные

1. Климатические условия района строительства:

строительно-климатический район ..........…………………………………….. IIв

территориальный район ………………………………………………………... I

географическая широта …………………………………………………… -54,5° с. ш.

географическая долгота .…………………………………………………... -32,5° в. д.

снеговой район ....………………………………………………………………. -III

пояс светового климата ..………………………………………………………. -III

температура наиболее холодной пятидневки ......…………………………. tз.5=-26°С

продолжительность периода со средней суточной температурой

воздуха менее 10°С .……………………………………………………... zотн=210 сут

средняя температура наружного воздуха за отопительный период …. tз.ср=-2,7°С

продолжительность вентиляционного периода …………………………........ zвн=0

2. Характеристика здания и конструкций:

длина …………………………………………………………………………..… -1071

ширина .....………………………………………………………………………... -336

площадь пола Ап=1071´336=360000 м2

сетка колонн .....………………………………………………………………. -12´24 м

высота до покрытия .………………………………………………………….. -11,2 м

высота до низа ферм .…………………………………………………………... -8,4 м

тип зенитного фонаря - 3ФГ - М 3´6 с 2-слойным остеклением

конструкции «Главспецлегконструкция»

площадь фонаря в покрытии ……………………………………………… Аф=18 м2

сметная стоимость 1 м2 глухой части покрытия .………………….... -С=11,5 руб/м2

сметная стоимость 1 м2 проекции фонаря ....……………………….... -Сск=29 руб/м2

3. Условия внутренней среды:

по агрессивности ……………………………………………………....... - нормальная;

по пылевыделениям ………………………………………………..... - от 1 до 5 мг/м3

4. Характеристика системы общего искусственного освещения:

светильники общего освещения ……………………………………… - ЛСП01-2´80

стоимость светильника .………………………………………………. - Cap=29 руб.

стоимость монтажа светильника ………………………………………. - См=4 руб.

тип ламп ………………………………………………………………....... - ЛБ-80;

стоимость лампы ……………………………………………………...... - Сл=0,9 руб.

5. Тарифы на энергию:

стоимость 1 ГДж тепловой энергии ........……………………... - Цт=2,9 руб/ГДж

стоимость 1 кВт·ч электрической энергии ………….……. - Цэ=0,015 руб/(кВт·ч)

коэффициент, учитывающий изменение стоимости

тепловой энергии на перспективу .……………………………………….. Кт=1,2

6. Работа выполняется в две смены.

7. В здании размещаются 13 технологических цехов и отделений, схема размещения которых на плане здания показана на рис. 20.

Решение

1. На основании изучения технологического процесса, задания технологов и отраслевых норм искусственного освещения проводим классификацию технологических операций по разрядам точности зрительных работ:

разряд I               -  в отделении координатно-расточных станков (9);

IIв            -  в цехах алюминиевых (10), чугунных (11) и мелких (12) деталей;

IIIб           -  цехах коленчатых валов (3), автоматном (4) и на участке приспособлений и вспомогательного оборудования (5); механизмов управления (6), пресс-форм (7), сборки двигателей (8);

разряды Va, Vб  -  в термокузнечном цехе (1) и заготовительном отделении (2);

разряд VIII          -  на складе внешней кооперации (13).

Относительное распределение площади здания по работам pas-личной точности, %: с разрядом Iв - 4; IIв - 33; Шб - 57; Va и Vб - 3; VIII - 3.

Рис. 20. Схема размещения технологических цехов и участков

1 - термокузнечный цех; 2 - заготовительное отделение; 3 - цех коленчатых валов; 4 - автоматный цех; 5 - участок приспособлений и вспомогательного оборудования; 6 - цех механизмов управления; 7 - цех пресс-форм; 8 - цех сборки двигателей; 9 - отделение координатно-расточных станков; 10 - цех алюминиевых деталей; 11 - цех чугунных деталей; 12 - цех мелких деталей; 13 - склад внешней кооперации

2. Естественное освещение всего здания принимается по преобладающему IIIб разряду работы с нормированным значением КЕО 5%.

В соответствии с п. 3.6 расчет освещения производится для трех вариантов:

1-й вариант - естественное освещение при нормируемом значении КЕО, ен=5%;

2-й - совмещенное освещение при нормируемом значении КЕО, ен=3%;

3-й - совмещенное освещение при минимально-допустимом значении КЕО для II разряда работ ен=2,5%.

3. Расчет естественного освещения проводим в соответствии со СНиП II-4-79.

По исходным данным определяем отношение выходного отверстия фонаря (Аф2=2,75´5,75=15,8 м2) к сумме площадей боковой поверхности (Афб=2,75´5,75´0,8=13,6 м2) и входного отверстия фонаря (Аф1=Аф2). Аф2/(Аф1+Афб)=15,8/(15,8+13,6)=0,54.

4. Определяем индекс помещения iп.е=1071·336/10,4(1071+336)=0,54.

5. По найденным значениям Аф2/(Аф1+Афб) и индексу помещения находим значение световой характеристики зенитных фонарей hф=1,42.

6. Определяем отношение высоты помещения до покрытия к ширине пролета hпbп1=10,4/24=0,42, где bп1=bп-0,8.

7. Определяем средневзвешенное значение коэффициента отражения поверхностей rср=(rптАпт+rстАст+rпАп)/(Апт+Аст+Ап)=0,4

8. По найденным значениям hп/bп1 и rср в СНиП II-4-79 находим значение коэффициента r2, учитывающего повышение КЕО за счет света, отраженного от поверхностей помещения, r2=1,1.

9. Определяем общий коэффициент пропускания зенитных фонарей tо=t1t2t3t4t5=0,8·0,9·0,9·1·0,9=0,58.

10. По СНиП II-4-79 определяем, что для горизонтально расположенных светопропускающих элементов в помещениях с выделением пыли от 1 до 5 мг/м3 коэффициент запаса Кз.е=1,8.

11. Значение коэффициента фонаря Кф для штучных световых проемов в плоскости покрытия принимаем по СНиП II-4-79, Кф=1,1.

12. Определяем суммарную площадь фонарей Ас.ф и их количество Nф, для всего здания: Ас.ф=(енКзhфАп)/(100tоr2Кф); Nф=Ас.ф/Аф.

Суммарная площадь фонарей и их количество для трех вариантов составляет:

1-й вариант - Ас.ф1=(5·1,8·1,42·360000)/(100·0,58·1,1·1,1)=65520 м2.

Nф1=65520/15,8=4148 шт.

2-й - Ас.ф2=(3·1,8·1,42·360000)/(100,0,58·1,1·1,1)=39340 м2.

Nф2=39340/15,8=2484 шт.

3-й - Асф3=(2,5·1,8·1,42·360000)/(100·0,58·1,1·1,1)=32863 м2.

Nф3=32863/15,8=2071 шт.

13. После размещения фонарей на плане кровли с учетом строительного решения здания и симметричного заполнения всех рядов имеем количество фонарей в покрытии:

1-й вариант - Nф1=4220 шт.,       КЕО=5,1%;

2-й               - Nф2=2580 шт.,        КЕО=3,1%;

3-й               - Nф3= 2060 шт.,       КЕО=2,5% .

14. Проводим технико-экономическое сопоставление вариантов освещения в соответствии с пп. 3.7-3.17.

15. Приведенные затраты, руб/(м2·год), связанные с устройством естественного освещения Пстр, рассчитываются по формуле (12), значения коэффициентов принимаем аск=9,4%, а=6% (табл. 21) и Моч=0,92 руб/(м2·год) (табл. 22).

Значения Пстр по вариантам составляют:

1-й вариант    - Пстр1=1,06;

2-й                   - Пстр2=0,65;

3-й                   - Пстр3=0,52.

16. Приведенные затраты, руб/(м2·год), на систему воздушного отопления Пот, рассчитываются по формуле (13). Предварительно определяются капитальные затраты на систему воздушного отопления по формуле (14) и стоимость энергии, расходуемой на отопление по формулам (15) и (16). В расчетах принимаются следующие значения коэффициентов: Ст=0,0012 руб·ч/кДж (табл. 24); аст=12%; h=0 (табл. 21); Rск=0,31 м2·°С/Вт (табл. 25); Rэк=0,77´1,5=1,15 м2·°С/Вт; t=18+3=21°С; tд=5°С; zот=zотн.

Приведенные затраты на воздушное отопление Пот, руб/м2·год, по вариантам составляют:

1-й вариант     - Пот1=(0,12+0,12)0,13+0,74=0,77;

2-й                  - Пот2=(0,12+0,12)0,08+0,45=0,47;

3-й                  - Пот3=(0,12+0,12)0,06+0,36=0,38.

Затраты на вентиляцию связанную с естественным освещением помещения, не учитываются, так как средняя суточная температура (в данном районе) не поднимается выше 20°С.

17. Необходимое количество светильников ЛСП01-2´80 с лампами типа ЛБ80 рассчитывается для общего освещения по формуле (42), для каждого помещения в отдельности, принимая значения освещенности Е по табл. 35, а затем суммируется.

Коэффициент использования светового потока светильника ЛСП01-2´80 при средневзвешенном коэффициенте отражения поверхностей rср=0,4 и индексе помещения iп.и=3,7 равен; исв=0,74.

Время использования общего освещения при двухсменной работе и расчетных значениях КЕО в зависимости от нормированной освещенности определяется по табл. 33.

18. Приведенные затраты на общее искусственное освещение Писк определяются в соответствии с п. 3.17, принимая Кз.и=1,5; Z=1,1; пл=2; a=1,2; b=0,037; w=0 (табл. 30); Фл=4960 лм; Рл=80 Вт; Тл=12000 ч (табл. 29), Сз=0,35 руб. Сч=1,1 руб. (табл. 31), пч=4, причем удельная стоимость системы общего освещения Сиск и затраты на амортизацию Ма рассчитываются для суммарного по каждому варианту количества светильников N, а затраты на обслуживание Мо и электроэнергию Мэ, определяются с учетом разного времени использования общего освещения Ти и на участках выполнения работ разной точности.

Приведенные затраты на искусственное освещение, руб/(м2·год), по вариантам составляют:

Писк.1=0,12·2,02+0,25+0,18+0,21=0,89;

Писк.2=0,12·2,43+0,30+0,22+0,30=1,12;

Писк.3=0,12·2,77+0,35+0,26+0,36=1,30.

19. Суммарные приведенные затраты на освещение, руб/м2´год), соответственно составляют:

Посв.1=1,06+0,77+0,89=2,72;

Посв.2=0,65+0,47+1,12=2,24;

Посв.3=0,52+0,38+1,30==2,20.

Разница приведенных затрат 2-го и 3-го вариантов меньше 5%, что позволяет считать их равноэкономичными.

Для окончательного выбора варианта освещения проводится энергетическая оценка вариантов.

20. Расчет годовых энергозатрат выполняем согласно п. 3.19. Расход тепла, ГДж/(м2·год), рассчитанный по формуле (16), составляет:

wт.от.1=0,207;

wт.от.2=0,127;

wт.от.3=0,101.

Расход электроэнергии на воздушное отопление, кВт·ч/(м2·год), в соответствии с формулой (45) составляет:

wэ.от.1=1,47;

wэ.от.2=0,90;

wэ.от.3=0,72.

Расход электроэнергии на общее искусственное освещение кВт·ч/(м2·год) с учетом относительного распределения площади корпуса по разрядам зрительной работы и разного времени использования искусственного освещения в соответствии с формулой (47) составляет:

wэ.и.1=14,2;

wэ.и.2=19,9;

wэ.и.3=24,4.

Суммарные энергозатраты на освещение, кг/(м2·год), в соответствии с формулами (43), (44) и (46) составляют:

wусл.1=41,2·0,207+0,33(1,47+14,2)=13,70;

wусл.2=41,2·0,127+0,33(0,90+19,9)=12,09;

wусл.3=41,2·0,101+0,33(0,72+24,4)=12,45.

Таблица 40

Наименование показателей

Варианты освещения

I

II

41

Расчетное значение КЕО, %

5,1

3,1

2,5

Количество фонарей, шт.

4220

2580

2060

Относительная площадь светопроемов, %

18,6

11,4

9,1

Приведенные затраты на естественное освещение - Пстр, руб/(м2·год)

1,06

0,65

0,52

Приведенные затраты на отопление Пот, руб/(м2·год)

0,77

0,47

0,38

Приведенные затраты на искусственное освещение - Писк, руб/(м2·год)

0,89

1,12

1,3

Суммарные приведенные затраты - П, руб/(м2·год)

2,72

2,24

2,20

Расход тепла - w, ГДж/(м2·год)

0,207

0,127

0,101

Расход эл. энергии на отопление - w, кВт·ч/(м2·год)

1,47

0,90

0,72

Расход эл. энергии на искусственное освещение - w, кВт·ч/(м2·год)

14,2

19,9

24,4

Расход условного топлива w, кг/(м2·год)

13,7

12,09

12,45

15. Результаты технико-экономических расчетов приведены в табл. 40. Анализ данных табл. 40 показывает, что наилучшим является 2-й вариант освещения: по сравнению с 1-м вариантом он на 18% экономичнее по приведенным затратам и на 12% экономичнее по суммарным энергозатратам. Экономия приведенных затрат, руб/(м2·год), составляет:

Посв.1-Посв.2=2,72-2,24=0,48.

Рис. 21. Схема размещения зенитных фонарей размером 3´6 м в ячейке размером 48´72 м (КЕО=3,1%)

Экономия условного топлива, кг/(м2·год):

wусл.1-wусл.2=13,70-12,09=1,61.

16. Количество фонарей и размещение их в покрытии принимаем по 2-му варианту согласно схеме (рис. 21).

ПОМЕЩЕНИЯ С ШАХТНЫМИ ФОНАРЯМИ

4.10. К помещениям с шахтными фонарями рекомендуется относить производственные помещения с межферменным этажом или подвесными потолками, а также читальные, лекционные, выставочные, торговые и обеденные залы с подвесными потолками.

Размещать шахтные фонари следует с учетом конструктивных элементов покрытия, инженерных коммуникаций и инженерного оборудования, размещаемых в межферменном этаже или пространстве подвесного потолка, а также в увязке с расположением светильников и с учетом требований равномерности освещения:

а) в плане квадратные и круглые фонари рекомендуется размещать по углам квадрата, а прямоугольные - по углам прямоугольника с соотношением сторон в поперечном и продольном направлениях, соответствующим соотношению сторон основания светопроводной шахты;

б) в целях обеспечения равномерности освещения размеры выходных отверстий фонарей должны быть не более 0,25-0,5 высоты помещения, а расстояние между крайним рядом фонарей и стеной для светопроема не должно превышать 0,5 расстояния между средними рядами;

в) фонари рекомендуется размещать между фермами покрытия на площади, свободной от инженерных коммуникаций и оборудования.

4.11. Шахтные фонари рекомендуется устраивать на базе типовых решений зенитных фонарей. Верхнее основание светопроводной шахты стыкуется с нижним основанием зенитного фонаря, выходное отверстие светопроводной шахты должно быть на уровне потолка основного помещения.

4.12. Отделку внутренних полостей шахтных фонарей диффузного света выполняют белыми красками по тщательно подготовленной, выровненной грунтовкой поверхности.

4.13. Светопроводные шахты направленного света конструктивно выполняются следующим образом:

а) стенки шахты из листовой стали с антикоррозионным покрытием облицовываются алюминиевой технической фольгой толщиной не менее 0,2 мм и крепятся по контуру алюминиевыми накладками и самонарезающими винтами;

б) стенки шахты из асбоцементных листов обклеиваются алюминиевой фольгой толщиной 0,05-0,08 мм. Для наклеивания фольги целесообразно использовать каучуковые клеи типов 88-Н, 88-НП и 78-БУС. Асбоцементные листы с наклеенной фольгой крепятся к каркасу шахты с помощью алюминиевых фасонных профилей и самонарезающих винтов;

в) каркас шахты из алюминиевого профиля облицовывается листами алюминиевой технической фольги толщиной 0,5 мм, которые крепятся болтами после предварительного натяжения.

4.14. Выбор шахтных фонарей в зависимости от назначения зданий, высоты помещения и разряда зрительной работы рекомендуется производить согласно табл. 41.

4.15. В производственных зданиях с кондиционированным режимом выходное основание светопроводной шахты рекомендуется заполнять армированным стеклом.

4.16. При расположении зданий в III и IV климатических районах в шахтных фонарях, у которых iф³0,5 необходимо применять солнцезащитные устройства.

4.17. Суммарная площадь шахтных фонарей в зданиях не должна превышать, как правило, 20% освещаемой площади пола.

Пример расчета естественного освещения помещения с шахтными фонарями. Определить значения КЕО в точках характерного разреза в производственном цехе с шахтными фонарями.

1. Исходные данные. Цех размером в плане 18´18 м; высота цеха от условной рабочей поверхности до подвесного потолка 10 м; шахтные фонари направленного света размером в плане l,5´15 м и высотой hф=3,8 м.

2. Средневзвешенный коэффициент диффузного отражения потолка, стен и пола rср=0,4; коэффициент направленного отражения стенок фонаря rн=0,7; световой проем фонаря заполнен двойным листовым стеклом по металлическим переплетам.

Таблица 41

Тип здания

Высота помещения до подвесного потолка или технического этажа, м

Характеристика шахтного фонаря

Вид отражения светопроводных шахт

Форма светопроводных шахт

Размеры в плане, м

Производственное с техническим этажом

До 8,4

Направленное

Прямоугольный параллелепипед

1,5´1,7; 2,7´2,7; 2,9´2,9

То же

Св. 8,4

То же

То же

2,9´3,9; 2,9´5,9; 2,7´5,0

Инженерно-административное с подвесными потолками .

Независимо от высоты

Диффузное

Усеченная пирамида

1,5´1,7; 2,7´2,7

Общественное с техническим этажом

То же

Направленное

Прямоугольный параллелепипед

1,5´1,7; 2,7´2,7

Цилиндр

Диаметр 1,2; 1,5

Общественное с подвесными потолками

»

Диффузное

Усеченная пирамида

1,5´1,7; 2,7´2,7

Усеченный конус

Диаметр 1,2´1,5

Рис. 22. Схема размещения шахтных фонарей

3. Загрязнение остекления незначительное - воздушная среда в цехе содержит менее 1 мг/м3 пыли, дыма и копоти.

Решение.

1. На плане размещения фонарей в цехе нумеруем расчетные точки и фонари (рис. 22).

2. По плану с учетом масштаба рис. 22 определяем расстояние lф от каждой из расчетных точек до центров шахтных фонарей и заносим в табл. 42.

3. По заданной высоте помещения hp и расстояниям lф вычисляем tga и заносим их в табл. 42.

4. По tg a определяем значение угла a.

5. Определяем по рис. 16 значения q(a) для всех расчетных точек и фонарей и заносим их в табл. 42.

6. Определяем индекс шахтного фонаря iф по формуле

.

7. Определяем коэффициент светопередачи шахтного фонаря по рис. 18. Для шахтного фонаря с индексом iф=0,22 и коэффициентом направленного отражения rн=0,7

Кс=0,38.

8. Определяем показатель степени косинуса т по формуле m=2+2/Кc=2+2/0,38=7,25.

9. Вычисляем cosma для всех расчетных точек и фонарей и заносим их в гр. 8 табл. 42.

10. Вычисляем произведение q(a)cosma для всех расчетных точек и фонарей и заносим в гр. 9 табл. 42.

11. Вычисляем для каждой расчетной точки сумму  и заносим ее в гр. 10 табл. 42.

12. Вычисляем ej по формуле (5) и заносим в гр. 11 табл. 42.

13. По заданным параметрам остекления по главе СНиП II-4-79 находим, что коэффициент светопропускания двух слоев стекла t1=0,8 коэффициент, учитывающий потери света в металлических двойных глухих переплетах t2=0,8; коэффициент, учитывающий потери света в защитной сетке t5=0,9; коэффициент запаса Кз=1,5.


Таблица 42

№ расчетной точки

№ фонаря

Высота помещения hp от условной рабочей поверхности до низа фонаря, м

Расстояние lф в плане от расчетной точки до центра фонаря, м

tg a

a, град. сек

q(a)

cosma

q(a)coswa

ej, %

aпр, %

sотр, %

ej, %

A

1, 7

10

6,3

0,63

32°12'

1,16

0,32

0,350

2,5

1,8

0,73

0,33

1,06

 

2, 8

10

10,0

1,00

45°

1,07

0,08

0,085

-

-

-

-

-

 

3, 9

10

15,1

1,51

56°30'

0,91

0,03

0,027

-

-

-

-

-

 

4

10

2,0

0,20

11°18'

1,28

0,88

1,130

-

-

-

-

-

 

5

10

6,0

0,60

31°

1,16

0,34

0,390

-

-

-

-

-

 

6

10

12,0

1,20

50°12'

0,98

0,04

0,039

-

-

-

-

-

Б

1, 5, 7

10

6,0

0,60

31°

1,16

0,34

0,390

2,89

2,0

0,76

0,33

1,09

 

2, 8

10

8,5

0,35

40°24'

1,08

0,13

0,122

-

-

-

-

-

 

3, 9

10

13,5

1,33

53°30'

0,95

0,06

0,257

-

-

-

-

-

 

4

10

0

0

0

1,29

1,00

1,290

-

-

-

-

-

 

6

10

12,0

1,20

50°12'

0,98

0,04

0,039

-

-

-

-

-

В

1, 7

10

6,3

0,63

32°12'

1,16

0,32

0,350

2,70

1,9

0,75

0,33

1,08

 

2, 8

10

2,3

0,73

35°6'

1,12

0,21

0,235

-

-

-

-

-

 

3, 9

10

11,7

1,17

49°30'

0,99

0,04

0,040

-

-

-

-

-

 

4

10

2,0

0,02

11°18'

1,23

0,83

1,130

-

-

-

-

-

 

5

10

4,0

0,40

21°48'

1,21

0,59

0,215

-

-

-

-

-

 

6

10

10,0

1,00

45°

1,07

0,08

0,085

-

-

-

-

-

Г

1, 7

10

7,3

0,73

36°6'

1,12

0,21

0,235

2,89

2,1

0,81

0,33

1,14

 

2, 8

10

6,3

0,63

32°12'

1,16

0,32

0,350

-

-

-

-

-

 

3, 9

10

10,0

1,00

45°

1,07

0,08

0,085

-

-

-

-

-

 

4

10

4,0

1,21

21°48'

0,59

0,215

0,127

-

-

-

-

-

 

5

10

2,0

0,20

11°18'

1,28

0,88

1,130

-

-

-

-

-

 

6

10

8,0

0,80

33°33'

1,09

0,17

0,185

-

-

-

-

-

д

1, 3, 7, 9

10

8,5

0,85

40°24'

1,08

0,13

0,122

3,34

2,4

0,02

0,33

1,25

 

2, 4, 6, 8

10

6,0

0,60

31°

1,16

0,34

0,390

-

-

-

-

-

 

5

10

0

0

0

1,29

1,00

1,290

-

-

-

-

-

Примечание. Значения величин ej, sпр, sотр ej для точек Е, Ж, З, И (рис. 22) аналогичны значениям, рассчитанным соответственно для точек Г, В, Б, А.


14. Определяем общий коэффициент светопропускания фонаря tо/Кз=0,8·0,8·0,9/1,5=0,39.

15. Рассчитываем прямую составляющую КЕО в точках характерного разреза по формуле (7) и записываем результаты расчета в гр. 12 табл. 42.

16. Находим отношение hр/bп=0,56.

17. По заданному rср и hp/bп по СНиП II-4-79 находим, что коэффициент, учитывающий увеличение КЕО за счет света, отраженного от поверхностей помещения, r2=1,3.

18. Определяем среднее значение геометрического КЕО по формуле (6) eср=(2,5+2,8+2,7+2,89+3,34+2,89+2,7+2,8+2,5)/9=2,8%.

19. Определяем отраженную составляющую КЕО в точках характерного разреза по формуле (8) sостр=2,8·0,39(1,3-1,0)=0,33% и записываем результат расчета в гр. 13 табл. 42.

20. Суммированием прямой sпр и отраженной sотр составляющих определяем результирующие значения КЕО в точках характерного разреза помещения и записываем результаты в гр. 14 табл. 42.

РАБОЧИЕ КАБИНЕТЫ ЗДАНИЙ УПРАВЛЕНИЯ

4.18. Освещение рабочих кабинетов должно проектироваться на основе следующих требований:

а) создания необходимых условий освещения на рабочих столах, расположенных в глубине помещения при выполнении разнообразных зрительных работ (чтение типографского и машинописного текстов, светокопий и рукописных материалов, различение деталей графических материалов и дефектов типографского текста);

б) обеспечения зрительной связи с наружным пространством;

в) защита помещений от слепящего и теплового действия инсоляции;

г) благоприятное распределение яркостей в поле зрения.

4.19. Боковое естественное освещение рабочих кабинетов должно осуществляться отдельными световыми проемами (одно окно на каждый кабинет). С целью снижения необходимой площади световых проемов высота подоконника над уровнем пола должна приниматься не менее 1 м.

4.20. При расположении здания в I-III поясах светового климата нормированное значение КЕО принимается:

при глубине рабочих кабинетов свыше 5м - по табл. 19, менее 5м - табл. 5.

4.21. Для обеспечения зрительного контакта с наружным пространством заполнение световых проемов должно, как правило, выполняться светопрозрачным оконным стеклом.

4.22. Для ограничения слепящего действия солнечной радиации в рабочих кабинетах необходимо предусматривать шторы и легкие регулируемые жалюзи. При проектировании зданий управления для II и IV строительно-климатических районов следует предусматривать оборудование световых проемов, ориентированных на сектор горизонта в пределах 200-290°, солнцезащитными устройствами.

4.23. В помещениях коэффициенты отражения поверхностей должны быть не менее:

потолка и верхних частей стен ........  0,8

нижних частей стен ........…………..  0,5

пола .................……………………...  0,25

мебели ................……………………  0,3

Пример расчета естественного освещения рабочего кабинета. Требуется определить необходимую площадь окна в рабочих кабинетах здания управления, располагаемого в Москве.

Исходные данные. Глубина помещений 5,9 м, высота 3 м, длина 3 м, площадь 17,7 м2. Заполнение световых проемов двойным остеклением по спаренным алюминиевым переплетам; толщина наружных стен 0,35 м. Коэффициенты отражения потолка r1=0,7; стен r2=0,4; пола r3=0,25. Затенение противостоящими зданиями отсутствует.

Решение

1. Поскольку глубина помещения dп свыше 5 м, по табл. 19 находим, что нормированное значение КЕО равно 0,6%.

2. Производим предварительный расчет естественного освещения: по исходной глубине помещения dп=5,9 м и высоте верхней грани светового проема над условной рабочей поверхностью h01=1,9 м определяем, что dп/h01=3,1.

3. На рис. 7 на соответствующей кривой находим точку с ординатой 0,6, по абсциссе этой точки определяем, что необходимая относительная площадь светового проема Aо/Ап=21,5%.

4. Площадь светового проема Aо определяем по формуле 0,215´Ап=3,81 м2. Следовательно, ширина светового проема bс.п при его высоте 1,8 м составляет bс.п=3,81/1,8=2,12 м.

Принимаем оконный блок размером 1,8´2,1 м.

5. Производим проверочный расчет КЕО в точке М (рис. 23) в соответствии со СНиП II-4-79 по формуле

ер=eбqr1tо/Кз.

Поскольку противостоящих зданий нет, e39/R=0.

6. Накладываем график I для расчета коэффициента естественной освещенности методом А.М. Данилюка на поперечный разрез помещения (рис. 23), совмещая полюс графика I - 0 с точкой М, а нижнюю линию с условной рабочей поверхностью; подсчитываем количество лучей по графику I, проходящих через поперечный разрез светового проема, п1=2,96.

Рис. 23. План и разрез рабочего кабинета

7. Отмечаем, что через точку С на разрезе помещения (рис. 23) проходит концентрическая полуокружность 26 графика I.

8. Накладываем график II для расчета методом А.М. Данилюка на план помещения (рис. 23) таким образом, чтобы его вертикальная ось и горизонталь 26 проходили через точку С; подсчитываем по графику II количество лучей, проходящих от неба через световой проем, n2=24.

9. Определяем значение геометрического КЕО по формуле eб=0,01п1п2=0,01·2,96·24=0,71.

10. На поперечном разрезе помещения (М 1:50) (рис. 24) определяем, что середина участка неба, видимого из расчетной точки М через световой проем, находится под углом q=11°; по значению угла q по СНиП II-4-79 линейной интерполяцией находим коэффициент, учитывающий неравномерную яркость облачного неба МКО, q=0,59.

11. По размерам помещения и светового проема находим, что dп/h01=3,1; lп/dп=0,51.

12. Находим площади поверхностей потолка Апт, стен Аст и пола Ап и определяем средневзвешенный коэффициент отражения rср по формуле rср=(r1Апт+r2Аст+r3Ап)/(Апт+Аст+Ап)=0,41.

13. По найденным значениям dп/h01; lj/dп; lп/dп в СНиП II-4-79 линейной интерполяцией находим, что r1=2,55.

14. Для спаренного алюминиевого переплета с двойным остеклением находим общий коэффициент светопропускания tо по формуле to=t1´t2=0,68.

15. По СНиП II-4-79 находим, что коэффициент запаса для окон общественных зданий Кз=1,2.

16. Определяем КЕО в точке М, подставляя значения коэффициентов eo, q, r1, tо и Кз в формулу еб=0,71·0,59·2,55·0,68/1,2=0,6%.

Следовательно, выбранные размеры светового проема обеспечивают требования норм по совмещенному освещению рабочего кабинета.

ЖИЛЫЕ ПОМЕЩЕНИЯ

4.24. Для обеспечения естественного освещения жилых помещений, отвечающего требованиям СНиП II-4-79, отношение глубины помещения dп к высоте верхней грани светового проема над полом h01 (рис. 24), не должно, как правило, превышать 2,5. При этом прямой свет от неба должен проникать не менее чем на половину глубины помещения, считая по характерному разрезу помещения, на уровне пола.

4.25. Нормированные значения КЕО в жилых зданиях, располагаемых в разных поясах светового климата, следует принимать по табл. 5.

При разработке типовых проектов жилых зданий, предназначенных для расположения в I, II, IV и V поясах светового климата, ориентация которых по сторонам горизонта неизвестна, нормированное значение КЕО следует определять по СНиП II-4-79, при этом коэффициент солнечности климата С следует принимать по табл. 43.

Рис. 24. План и разрез жилой комнаты

Таблица 43

Пояс светового климата

I

II

IV

V

севернее 50° с. ш.

50° с. ш. и южнее

севернее 40° с. ш.

40° с. ш. и южнее

Значение коэффициента С

0,95

0,90

0,85

0,80

0,75

0,70

4.26. При разработке типовых проектов жилых зданий, когда неизвестно расположение противостоящих зданий, значение относительной площади окна Aо/Ап, полученное по формуле СНиП II-4-79, необходимо делить, а значение КЕО - умножать на коэффициент Kзд, учитывающий среднестатистическое затенение световых проемов в жилых помещениях первого или второго (в случае расположения на первом этаже магазинов, библиотек, ателье и т.п.) этажа противостоящими зданиями согласно табл. 44.

Таблица 44

Глубина помещения, м

от 2 до 3

от 3 до 4

от 4 до 5

от 5 до 6

Значение коэффициента Кзд

1,00

0,75

0,60

0,50

4.27. Значение требуемой площади световых проемов на предварительной стадии проектирования здания следует определять по графику рис. 6, а; проверочный расчет КЕО - согласно СНиП II-4-79.

4.28. Для увеличения коэффициента использования естественного освещения следует применять, как правило, светлую отделку фасадов зданий и поверхностей жилых помещений, располагаемых на нижних этажах зданий.

4.29. В жилых зданиях высотой в 3 этажа и более, располагаемых в III и IV климатических районах, световые проемы, а в IV районе также проемы лоджий и веранд, обращенные на сектор горизонта 200-290°, должны быть оборудованы наружными регулируемыми солнцезащитными устройствами.

Пример расчета естественного освещения жилой комнаты. Требуется определить площадь светового проема в наиболее глубоких жилых комнатах.

Исходные данные. Глубина помещения dп=5,5 м. ширина помещения bп=3,1 м, площадь помещения 17 м2, толщина наружной стены 0,35 м, высота подоконника 0,8 м, высота окна 1,5 м; переплеты спаренные деревянные с двумя слоями остекления, средневзвешенный коэффициент отражения поверхностей помещение rср=0,4, коэффициент запаса Кз=1,2; здание располагается в III поясе светового климата (в европейской части).

Решение

1. По табл. 4 находим, что нормированное значение КЕО равно 0,5%.

2. Выполняем предварительный расчет естественного освещения: по глубине помещения dп=5,5 м и высоте верхней грани окна над условной рабочей поверхностью h01=1,5 м определяем, что dп/h01=3,7.

3. На рис. 6 на соответствующей кривой находим точку с абсциссой 3,7; по ординате этой точки определяем, что необходимая относительная площадь светового проема Aо/Aп составляет 22,5%.

4. Площадь светового проема определяем по формуле Aо=0,225´Ап=0,225´17=3,82 м2. Следовательно, ширина светового проема при высоте 1,5 м должна составлять bcп=3,82/1,5=2,55 м.

Принимаем оконный блок размером 1,5´2,4 м.

5. Производим проверочный расчет по формуле п2=100eнKз/п1´qr1К39tо.

6. По СНиП II-4-79 находим Кз=1,2.

7. Накладываем график I для расчета коэффициента естественной освещенности методом А.М. Данилюка на поперечный разрез помещения (рис. 24), совмещая полюс графика О с точкой А, а нижнюю линию графика совмещаем с полом; подсчитываем количество лучей по графику I, проходящих через поперечный разрез светового проема, п2=4,2.

8. Отмечаем, что через точку С на разрезе помещения проходит концентрическая полуокружность 25 графика I.

9. На поперечном разрезе помещения (рис. 24) определяем, что угол q, под которым видна середина светового проема из расчет-вой точки А, равен 19°30' по СНиП II-4-79 линейной интерполяцией находим, что для этого угла коэффициент q=0,71.

10. По размерам помещения находим, что dj/dп=0,82; bп/dп=0,57.

11. По значениям dп/h01; dj/dп; bп/dп; rсp в СНиП II-4-79 линейной интерполяцией находим r1=2,9.

12. Учитывая, что глубина помещения dп=5,5 м, по табл. 44 находим Кзд=0,5.

13. Для спаренного деревянного переплета с двойным остеклением определяем общий коэффициент светопропускания tо=0,8´0,75=0,6.

14. Подставляя значения коэффициентов ен; Кз; п1; Кзд и tо в формулу, определяем значение п2=100·0,5·1,2/4,1·0,71-2,85-0,5´0,6=24.

15. Накладываем график II для расчета методом А.М. Данилюка на план помещения (рис. 24) таким образом, чтобы ось графика и горизонталь 25 проходили через точку С; на внешней поверхности наружной стены отмечаем точки пересечения 12-го луча выше (точка М) и ниже оси графика (точка Д с линией х-х; измеряем расстояние между точками М и Д, т.е. d'=1,3 см.

16. Учитывая, что жилая комната изображена на рис. 24 в масштабе M 1:155, определяем требуемую ширину окна bсп=155d'=155·1,3@2 м.

Окончательно принимаем стандартный оконный блок размером 1,5´2,1 м.

ШКОЛЬНЫЕ КЛАССЫ

4.30. При проектировании естественного освещения учебных помещений в общеобразовательных школах должны обеспечиваться Нормированные значения КЕО; благоприятная свето-цветовая среда; направление светового потока с левой стороны; зрительная связь с наружным пространством; минимизация слепящего и теплового действия прямой солнечной радиации; оптимальная цветовая отделка помещений с учетом ориентации и климатических условий, снижение теплопотерь через световые проемы.

4.31. В школьных классах следует применять левостороннее боковое освещение, при котором окна в наружных стенах располагаются с левой стороны от учащихся.

Во всех остальных помещениях (включая рекреационные) следует устраивать, как правило, боковое освещение через световые проемы в наружных стенах, которые должны обеспечивать зрительную связь с наружным пространством. Кабинеты для черчения и рисования, а также кабинеты, оборудованные техническими средствами обучения, расположенные на верхних этажах зданий, допускается проектировать с одним верхним освещением через световые проемы в покрытии.

4.32. Нормированные значения КЕО в классах следует принимать согласно табл. 5.

При разработке типовых проектов школ, ориентация которых по сторонам горизонта при строительстве может быть разной, нормированное значение КЕО следует определять по СНиП II-4-79, а коэффициент солнечности климата С - по табл. 43.

4.33. Нормированное значение КЕО в классах обеспечивается выбором размеров и расположения световых проемов, площадь которых Ас.о определяется по формуле

Ас.о=Кс.пbпhозmC,                                                         (54)

где Кс.п=bс.о/bп - относительная ширина световых проемов;

hоз - высота оконных блоков, м.

При высоте оконных блоков hоз=1,8 м, применяемых при заполнении световых проемов, относительная ширина Кс.п вычисляется по формуле

Кс.п=0,6+0,21(bп/dп)+1,44rср+1,25(tо/Кз)-0,67rсрх(bп/dп)-4rср(tо/Кз).   (55)

При высоте оконных блоков hоз=2,1 м

Кс.п=0,96-0,25[(bп/dп)(1+2,76rcp)]+1,25[(tо/Кз)х(1-3,7rcp)]+1,5rcp+0,15(bп/dп)2.    (56)

4.34. В учебных помещениях коэффициенты отражения поверхностей не должны быть менее:

потолков ...........……………    0,7

верхних частей стен .............   0,6

панелей стен ..............……..    0,5

мебели ........………………..     0,35

полов ..........………………..     0,25

4.35. Для цветовой отделки поверхностей интерьера рекомендуются зеленый, желтый, сине-зеленый и белый цвета. При южной ориентации световых проемов рекомендуются холодные тона, при северной - более теплые. В лабораториях, кабинетах черчения и рисования, где важно правильное различение цвета, пол, стены и мебель должны быть окрашены в ахроматические цвета.

4.36. В школах, проектируемых для строительства во II, III и IV климатических районах, должны предусматриваться солнцезащитные устройства для устранения слепящего действия прямой и отраженной блескости и перегрева от инсоляции.

Пример расчета естественного освещения школьного класса. Требуется определить размеры световых проемов класса.

Исходные данные. Район расположения школы - II пояс светового климата СССР (Ленинградская область); глубина классов dп=7,74 м; ширина bп=7,04 м; высота hп=3 м; высота световых проемов hоз=2,1 м (высота подоконника h02=0,9 м), остекление двойное в спаренных деревянных переплетах; коэффициенты отражения: потолка r1=0,7; стен r2=0,45; пола r3=0,2.

Решение. Предварительный расчет относительной ширины световых проемов производится по графикам рис. 25-28.

1. Определяем площади потолка Апт=54,5 м2; стен Аст=88,7 м2; пола Ап=54,5 м2 и вычисляем значение средневзвешенного коэффициента отражения внутренних поверхностей помещения по формуле rср=r1Aпт+r2Aст+r3Aп/Aпт+Aст+Aп=(38,15+39,9+10,9)/197,7=0,45.

2. Находим отношение ширины помещения bп к глубине dп - bп/dп=7,04/7,74=0,91.

3. Определяем для спаренных переплетов tо/Кз=0,6/1,2=0,5.

4. По графику рис. 27 для блоков hоз=2,1 м и tо/Кз=0,5 на соответствующей кривой bп/dп=0,9 находим точку с абсциссой 0,45, по ординате этой точки определяем Ксп=0,85.

5. Вычисляем площадь световых проемов по формуле (54) Асо=0,85·7,04·2,1·1,1·0,9=12,44 м2 при суммарной ширине bсо=Ас.о/hоз=12,44/2,1=5,92 м.

6. По ГОСТ 11214-78 принимаем два блока размером 2,1´1,8 м один блок размером 2,1´2,4 м.

4.37. Проверочный расчет выполняется по формуле (54).

1. Аналитическим путем находим относительную ширину световых проемов по формуле (56)

Кс.п=0,96-[0,25·0,9(1+2,76·0,45)]+[1,25·0,5(1-3,7·0,45)]+1,5·0,45+0,15·0,92=0,834.

2. Определяем площадь световых проемов

Ас.о=0,834·7,04·2,1·1,1·0,9=12,2 м2.

Рис. 25. График для определения относительной ширины световых проемов (Кс.п) в учебных помещениях при одностороннем боковом освещении и спаренных переплетах (hоз=1,8 м; tо/Кз=0,5)

Рис. 26. Графики для определения относительной ширины световых проемов (Кс.п) в учебных помещениях при одностороннем боковом освещении (hоз=1,8 м)

а - раздельные переплеты (tо/Кз=0,4); б - переплеты с тройным остеклением (tо/Kз=0,3)

Рис. 27. График для определения относительной ширины световых проемов (Кс.п) в учебных помещениях при одностороннем боковом освещении и спаренных переплетах (hоз=2,1 м; tо/Кз=0,5)

Рис. 29. План и разрез школьного класса

Рис. 28. Графики для определения относительной ширины световых проемов (Кс.п) в учебных помещениях при одностороннем боковом освещении (hоз=2,1 м)

а - раздельные переплеты (tо/Кз=0,4); б - переплеты с тройным остеклением (tо/Кз=0,3)

3. Суммарная ширина световых проемов bco=Aсo/h=12,2/2,1=5,8 м.

4. По ГОСТ 11214-78 принимаем два блока размером 2,1´1,8 и один блок размером 2,1´2,4 м.

Окончательно принимаем два блока размером 2,1´1,8 м в один блок размером 2,1´2,4 м. План и разрез школьного класса представлены на рис. 29.

ВЫСТАВОЧНЫЕ ПОМЕЩЕНИЯ

4.38. Одной из главных задач освещения выставочных помещений является обеспечение благоприятных условий восприятия экспонатов, определяемых как освещением самих экспонатов, так и освещением окружающего пространства.

Освещение экспонатов характеризуется средним значением КЕО в выставочной зоне помещения, равномерностью освещенности в выставочной зоне и направлением падения светового потока на плоскость выставочной зоны.

При освещении окружающего пространства должны обеспечиваться требуемое распределение освещенности в помещении; ограничение слепящего действия световых проемов; устранение инсоляции помещения; требуемое распределение яркости в помещении.

4.39. Среднее значение КЕО и предельно допустимое значение неравномерности освещенности в выставочной зоне в зависимости от вида экспозиции устанавливаются в соответствии с табл. 45.

Таблица 45

Экспозиционные помещения

Средние значения КЕО, %

Отношение максимального значения КЕО к минимальному, не более

Выставок монументальной и станковой живописи, гравюр, плакатов, ковров, тканей и т.п.

1,5

1,3

Выставок скульптуры, архитектуры, мебели

1,5

2,0

Политических, антропологических, археологических, этнографических выставок

1,0

2,0

Исторических и военно-исторических выставок

1,0

3,0

Машин, агрегатов, установок и т.п.

3,0

3,0

4.40. Направление падения светового потока на выставочную зону зависит от расположения световых проемов относительно выставочной зоны и характеризуется углом j (рис. 30). Угол падения прямого света на плоские экспонаты (картины, плакаты, гравюры, ткани и т.п.) при расположении их на стенах помещения или вертикальных стендах выбирается в пределах от 45 до 75° (по отношению к горизонтали). При углах, больших 75°, на экспонатах создаются тени (от рамок и фактуры), искажающие облик экспонатов, при углах менее 45° отблески от экспонатов с блестящей фактурой будут попадать в глаза посетителей.

Угол падения прямого света на объемные экспонаты выбирается в пределах от 30 до 50°; такое направление падения света в наилучшей степени выявляет форму и детали объемных экспонатов.

4.41. В выставочных помещениях световые проемы по возможности не должны попадать в поле зрения посетителей при обзоре экспонатов; для ограничения слепящего действия световых проемов необходимо применять жалюзи и экраны.

При нормальном удалении посетителя от экспонатов (равном 1,5 высоты экспозиционной зоны) и ориентации глаз на середину выставочной зоны угол, под которым виден нижний край светопроема должен быть не менее 30°. При обычном расположении окон (т.е. при высоте подоконников не более 1,2 м от пола) наружная стена (простенок) не должна использоваться для экспозиции.

Рис. 30. Поперечный разрез выставочного помещения

b - защитный угол; j - угол падения прямого света на середину выставочной зоны

4.42. В помещениях, предназначенных для экспозиции живописи, графики, тканей, ковров, гобеленов и т.п., прямой солнечный свет должен быть исключен вследствие его разрушающего действия на красители, ткани и бумагу.

Для устранения инсоляции в этих помещениях целесообразно выбирать ориентацию световых проемов на С-В, С, С-З. При другой ориентации световых проемов в этих помещениях необходимо применять регулируемые междурамные или наружные жалюзи.

В экспозиционных помещениях с объемными экспонатами скульптурами, архитектурой, машинами и т.п.) инсоляция желательна, так как прямой солнечный свет в наилучшей степени выявляет форму и детали экспонатов. Для этих помещений ориентацию световых проемов следует выбирать на Ю-В, Ю, Ю-З.

4.43. Дополнительное искусственное освещение целесообразно использовать в следующих случаях:

а) при недостаточном естественном освещении;

б) при необходимости интенсивного местного освещения экспонатов (машины, агрегаты, витрины и стеклянные шкафы с мелкими экспонатами);

в) при необходимости выделить световыми акцентами отдельные экспонаты или их группы из общего объема интерьера (скульптуры, панно, картины и т.п.);

г) при неблагоприятном распределении естественной освещенности в помещении (например, когда часть экспозиционной площади находится в тени).

Искусственное освещение необходимо осуществлять преимущественно источниками света, излучение которых по спектру приближается к дневному. Для подсвета должна применяться специальная осветительная арматура, которая размещается, как правило, скрыто от посетителей (за подвесными потолками, встраивается в мебель экспозиционное оборудование). При этом необходимо тщательно выбирать направление световых потоков, чтобы исключить, с одной стороны, возможность попадания в поле зрения посетителей незащищенных источников света, а с другой - возможность появления ярких бликов на экспонатах с полированными поверхностями.

При подсвете неравномерность распределения яркостей в поле зрения не должна превышать 40:1.

4.44. Отделка внутренних поверхностей экспозиционных помещений должна отвечать следующим требованиям:

а) соответствовать назначению помещения, содержанию и характеру экспозиции (спокойная - в картинных галереях, эмоциональная - в промышленных, строительных и выставках);

б) быть увязанной с выбранной системой освещения, причем поверхности, находящиеся в тени, должны иметь более светлую отделку по сравнению с интенсивно освещенными;

в) создавать необходимый контрастирующий фон для экспонатов (резкие контрасты нежелательны). В оформлении помещения не должно быть пестроты.

Коэффициенты отражения поверхностей выставочных помещений следует принимать согласно табл. 46.

Таблица 46

Выставочное помещение

Коэффициенты отражения

потолка

стен

пола

Картинные галереи и выставки

0,8

0,20-0,35

0,1-0,3

Скульптурные залы

0,8

0,25-0,5

0,25-0,4

Политехнические и научные музеи

0,75

0,2-0,65

0,15-0,5

Промышленные и сельскохозяйственные выставки

0,7

0,8-0,7

0,15-0,5

5. ИСКУССТВЕННОЕ ОСВЕЩЕНИЕ ПОМЕЩЕНИЙ ПРОИЗВОДСТВЕННЫХ ЗДАНИЙ

5.1. Разработке светотехнической части проекта освещения промышленного предприятия должно предшествовать тщательное изучение:

зрительных работ, проводимых в основных цехах;

технологического процесса, размещения производственного оборудования, конструктивных особенностей его применительно к устройству освещения: плоскости расположения рабочих мест, возможности их затенения и т.п.;

условий воздушной среды освещаемых помещений;

строительных решений зданий (помещений).

При проектировании освещения новых технологических производств их изучение может проводиться путем обследования аналогичных процессов на действующих предприятиях, а также по литературным источникам.

5.2. В проекте ОУ должно быть предусмотрено рабочее, аварийное и эвакуационное освещение.

5.3. В больших производственных помещениях, требующих периодического осмотра пожарной или военизированной охраной во внерабочее время, следует устраивать дежурное освещение, обеспечивающее условия для общего осмотра помещения. Для устройства дежурного освещения может быть использовано минимальное количество светильников любого вида освещения, преимущественно эвакуационного или аварийного; в отдельных случаях используются дополнительно установленные маломощные светильники. В помещениях с непрерывной или круглосуточной работой дежурное освещение не устраивается.

5.4. Разработка проекта искусственного ультрафиолетового облучения рабочих (при необходимости его устройства в соответствии с санитарными нормами проектирования промышленных предприятий должна производиться совместно с проектированием ОУ (cм. разд. 8).

СИСТЕМЫ ОСВЕЩЕНИЯ

5.5. Систему комбинированного освещения следует, как правило, применять для освещения точных и особо точных работ:

в помещениях, где производятся зрительные работы, относящиеся к разрядам I, IIа и II6;

в помещениях, где производятся зрительные работы, относящиеся к разрядам IIв, IIг, III и IV и связанные:

а) с различением объемных объектов наблюдения для создания на них благоприятного микрораспределения яркости, например, при сборке приборов и аппаратов высокой и средней точности, в наборных и других цехах типографий, на браковочных операциях в ОТК и т.п. работах;

б) с работами на блестящих поверхностях металлов, стекла и других материалов, когда устройство местного освещения позволяет снизить или исключить отраженную блескость.

Система комбинированного освещения является, как правило, более эффективной для точных зрительных работ по энергетическим и материальным затратам, однако с увеличением плотности расположения рабочих мест снижается экономическая целесообразность использования системы комбинированного освещения [5].

При технической невозможности или нецелесообразности устройства местного освещения допускается использование системы общего освещения. Например, при протяженных рабочих местах (прядильные и крутильные цехи в текстильной промышленности, прокатные цехи в металлургии), а также во взрывоопасных помещениях.

5.6. Общее освещение в системе комбинированного должно обеспечивать повышение равномерности распределения яркости по помещению в целом, а также освещение рабочих зон, включающих, например, управление станком, машиной и т.п. При этом регламентируемые для него уровни освещенности могут быть повышены, т.е. составлять свыше 10% уровня нормируемой освещенности для системы комбинированного освещения, что должно предусматриваться отраслевыми указаниями, утвержденными в установленном порядке (например, для механических цехов 300 лк вместо 200).

5.7. Общее освещение в системе комбинированного выполняется, как правило, равномерным размещением светильников. В ряде случаев применяется также их локализованное размещение, например:

при наличии дополнительных рабочих поверхностей (зона управления станком, машиной и т.п.), не освещаемых светильниками местного освещения или затененных конструктивными элементами технологического оборудования (прессы, прецизионные станки, типографские печатные машины и т.п.);

при наличии работ с блестящими поверхностями, когда для снижения отраженной блескости рекомендуется размещать ряды светильников в проходах между оборудованием, расположенных вдоль линии зрения работающих (сборка электронных приборов в скафандрах, наборные цехи машинного и ручного набора в типографиях и т.п.);

при загруженности верхних перекрытий или потолка коммуникациями технических устройств (вентиляция, отопление, сжатый воздух, верхний транспорт, подвесные склады и т.д.), если равномерное размещение светильников технически невыполнимо.

5.8. Система общего освещения должна использоваться, как правило, для освещения помещений, в которых выполняется зрительная работа, относящаяся к V-VIII разрядам; при выполнении работ других разрядов система общего освещения используется в случаях, не предусмотренных п. 5.5.

5.9. Система общего освещения может выполняться равномерно или локализованно размещенными светильниками общего освещения.

Локализованное размещение светильников используется, как правило:

для освещения вертикально расположенных рабочих поверхностей, например, каландров и т.п. машин;

при наличии оборудования, организованного в линии с рядами однотипно расположенных рабочих мест, с протяженными рабочими поверхностями - конвейеров, конвейерных или поточных сборок узлов и механизмов, пошива швейных и обувных изделий и т.п.;

при необходимости создания определенного направления светового потока для повышения видимости объектов различения, например, в прядильных, ткацких и других цехах текстильной промышленности, где линии люминесцентных светильников размещаются вдоль линии зрения работающих, в намоточных цехах кабельного производства и т.п.;

в случаях, указанных в п. 5.7.

5.10. Во вспомогательных помещениях применяют обычно систему общего освещения с равномерным размещением светильников.

ВЫБОР УРОВНЯ ОСВЕЩЕННОСТИ

5.11. Норма освещенности при проектировании устанавливается по отраслевым нормативным документам (при их наличии), утвержденным в установленном порядке, а также по табл. 47 настоящего Пособия, включающей основные распространенные технологические операции наиболее массовых отраслей промышленности.

При отсутствии указанных документов уровень нормируемой освещенности устанавливается в соответствии со СНиП II-4-79 «Естественное и искусственное освещение».

5.12. Для определения разряда зрительной работы по СНиП II-4-79 необходимо определить минимальный размер объектов различения для технологических операций, наиболее характерных в данном помещении.

По наименьшему размеру объекта различения определяется разряд зрительной работы.

Глаз различает объекты по их угловым, а не линейным размерам. Линейный размер в 0,1 мм соответствует примерно 1' при расстоянии объекта различения от глаза, равном 0,35 м. При увеличении этого расстояния сверх 0,5 м разряд зрительной работы в соответствии со СНиП II-4-79 необходимо определять по отношению аo6/l, где aоб - минимальный размер объекта различения, а l - расстояние до глаза работающего.

Подразряд работ определяется по отражающим свойствам объекта различения и фона, на котором он рассматривается.

5.13. Уровень нормируемой освещенности для производственных и вспомогательных помещений следует устанавливать по СНиП II-4-79 с учетом:

выбранного источника света;

используемой системы освещения;

отсутствия или наличия естественного света, а также требований совмещенному освещению, если оно используется;

требований норм к освещению помещений с полностью автоматизированным технологическим процессом;

особых случаев, требующих изменения освещенности на 1 ступень (напряженная зрительная работа в течение всего рабочего дня, отсутствие естественного освещения и т.п.).

Таблица 47

Наименование цеха, участка, производственной операции, оборудования

Разряд зрительной работы по СНиП II-4-79

Освещенность, лк, при системе

комбинированного освещения

одного общего освещения

ОБЩЕПРОМЫШЛЕННЫЕ ПРОИЗВОДСТВА

Обработка и приготовление материалов

 

 

 

1. Обработка сырья и материалов, приготовление электролита, клеив, лаков и т.д. (элеваторы, сушилки, мельницы, смесители, вальцы, сита, бегуны и т.д.):

 

 

 

а) для работы

VIIIa

-

75

б) для наладки и ремонта оборудования

IV6

-

200

Литейные цехи

 

 

 

2. Подготовка шихты, смесеприготовительное, смесеподготовительное отделения

VI

-

150

3. Изготовление форм и стержней:

 

 

 

а) I класса точности

II6

3000

750

б) II и III классов точности

IIIб

1000

300

4. Сушка стержней

IV6

-

200

5. Сборка опок, вторичная обрубка и очистка литья

IIIб

1000

300

6. Плавильно-заливочное отделение

VII

-

200

7. Первичная обрубка и очистка литья

Va

-

200

Кузнечные цехи

 

 

 

8. Механические гильотинные ножницы, дисковые пилы

V6

-

200**

9. Ковочное отделение

VII

-

200

холодно-штамповочные цехи

 

 

 

10. Прессы холодной штамповки, гибочные машины

Va

-

200

Термические цехи

 

 

 

11. Общий уровень освещенности по цеху

-

-

200

12. Печи для разогрева деталей

VII

-

200

13. Закалка током высокой частоты

VI

-

150

14. ОТК

IIв

2000

-

Цехи металлопокрытий

 

 

 

15. Автоматические линии металлопокрытия, ванны (травление, мойка, металлопокрытие)

IVб

-

300***

16. Контроль качества покрытия

IIв

2000

-

17. Полировальные станки

IIв

1500*4

200

Механические и инструментальные цехи

 

 

 

18. Общий уровень освещенности

-

-

300

19. Металлорежущие станки:

 

 

 

а) токарные, фрезерные, зубо- и резьбошлифовальные, заточные, прецизионные и т.п.

IIв

2000

-

б) отрезные, долбежные, станки-автоматы, автоматические линии, станки с роботами при постоянном пребывании людей

IIв

750*4

-

в) станки с роботами при периодическом пребывании людей

IIв

500*4

-

20. Разметочные плиты, слесарные, лекальные и граверные работы, ОТК, измерительные лаборатории

IIв

2000

-

Сварка, пайка

 

 

 

21. Сварка электродуговая и газовая, грубая пайка

Шв

750

300

22. Точечная конденсаторная сварка, точная пайка

IIв

2000

500

Сборочные цехи

 

 

 

23. Очень точная сборка (монтаж микросхем, микроэлементов, сборка женских наручных часов и т.п.)

4000

-

24. Точная сборка (мужских наручных часов, малых электрических машин и т.п.)

IIб

3000

750

25. Сборка средней точности (станков, светильников, больших электродвигателей и т.п.)

IIIб

1000

300

26. Сборка малой точности (крупных изделий из блоков, тележек вагонов, мебели и т.п.).

IVб

500

200

Окраска изделий при требованиях к качеству окраски

 

 

 

27. Пониженных (модели, станки и т.п.)

IVб

500

200

28. Средних (бытовые машины и т.п.)

IIIб

1000

300

29. Высоких (автомобили и т.п.)

IIIa

2000

500

Деревообработка (столярное производство, изготовление мебели, моделей и т.п.)

 

 

 

30. Общее освещение лесопильного отделения, столярного, окончательной обработки древесных плит

-

-

200

31. Станки круглопильные, стружечные, слесарные установки, прессование и обрезка древесных плит

IVб

-

200

32. Общее освещение отделений сушки шпона, сортировки пиломатериалов, изготовления стружки

-

-

150

33. Общее освещение модельных цехов, отделений раскроя, ребросклеивания, механических, обойки и монтажа мебели, окрашивания, лакировки, облагораживания и т.п.

-

-

300

34. Станки кромкофуговальные, ребросклеивающие, деревообрабатывающие, верстаки, раскрой и пошив тканей, окончательная обработка и отделка древесных плит

IIIв

750

300

35. Станки шлифовальные, ленточные, кромкошлифовальные, полировальные

IIIб

1000

-

36. Линия шлифовки, полировки пластей

IIIa

-

500

37. Ремонт, ретушировка и контроль пластей

IIIa

2000

-

38. Производство моделей

IIв

2000

500

39. Изготовление деревянной тары

IVв

400

200

Производство резиновых технических изделий

 

 

 

40. Разогрев и листование резиновой смеси на вальцах

Va

300

200

41. Вулканизация резиновых изделий

Va

200

150

42. Работа на каландрах

IVб

500

200

43. Раскрой кордной ткани на станках

Ivв

400

300*

Механическая обрезка рукавов

 

 

 

44. Раскрой резины на полосы, сборка рукавов, стыковка полос, изготовление браслетов, сборка шин, комплектация покрышек камерами

Va

300

200

45. Сплетение и навивка нитей. Наложение на рукава свинцовой оболочки

Ivв

400

200

46. Изготовление ремней и транспортерных лент

IVб

500

200

47. Участок обработки гуммированных изделий (обточка, шлифовка и контроль качества поверхности)

IVa

750

300

48. Экструзия и коагуляция нитей из латекса, вулканизация нитей, разбраковка и упаковка готовой продукции

IVб

500

200

49. Производство губчатых изделий и гобеленовых ковров, изготовление камерных рукавов, механическая стыковка камер

-

150

50. Настил, разметка и раскрой ткани и деталей при производстве резиновой обуви

IIIa

-

500

51. Раскрой деталей резиновой обуви, вставка фурнитуры, лакирование

IVб

500

200

52. Контроль обрезиненного корда, раскрой корда

IIIa

2000

500

Производство пластмасс

 

 

 

53. Изготовление и обработка пластмасс:

 

 

 

а) темных

IVa

750

300

б) светлых

IVa

400

200

Ремонтно-механические цехи

 

 

 

54. Общий уровень освещенности по цеху

-

-

400

55. Кузнечный участок (нагревательные печи, горны, ковочные молоты, наковальни)

См. п. 9 табл. 47

56. Заготовительно-разрезной участок (гильотины, механические пилы)

См. п. 8. табл. 47

57. Металлообрабатывающие станки и станки электроискровой обработки металла

См. п. 19 табл. 47

58. Сборка оборудования

IIIб

-

300

Электроремонтные цехи

 

 

 

59. Общий уровень освещенности по цеху

-

 

300

60. Разборка и сборка моторов, сборка щитов и панелей управления, монтажные верстаки

IIIб

1000

300

Светотехнические мастерские (ремонт и чистка светильников)

 

 

 

61. Общий уровень освещенности по мастерской

-

-

300

62. Станочное оборудование и монтажные столы

IIIв

750

300

63. Помещение мойки светильников

IVб

-

200

Легкая промышленность

Трикотажное производство

 

 

 

64. Машины мотальные и бобинажно-перемоточные

IIа

-

750*4

65. Машины резиноокруточные, сновальные, основовязальные (класса 20 и выше), катонные для чулок и круглочулочные автоматы (класса 18 и выше)

-

750

66. Машины однофонтурные и двухфонтурные (класса 6 и выше), краеобметочные, круглочулочные автоматы (до 18-го класса), плоскофанговые автоматы и полуавтоматы для штучных изделий верхнего трикотажа, перчаток, беретов (класса 6 и выше)

IIв

-

500

67. Двухфонтурные машины (до 6-го класса), плоскофанговые автоматы и полуавтоматы для штучных изделий верхнего трикотажа, перчаток, беретов (до 6-го класса)

IIIв

-

400*

68. Аппараты для крашения трикотажного полотна, чулочных изделий и пряжи в бобинах

VI

-

200*4

69. Браковочно-накатная машина

IIIа

2000

-

70. Машины для отделки трикотажного полотна, декантовочная, для разрезания и расправки полотна, сушильная для сушки пряжи, чулочно-носочная формировочная, аппарат для крашения пряжи в мотках

Va

-

300*4

71. Машины ворсовальная и стригальная

IVa

-

300

72. Рабочее место браковки изделий

IIIa

2000

500

Производство искусственного меха

 

 

 

73. Машины чесальные, отделочные для укладки ворса щетками, стригальные

IVa

-

400*

74. Линия отделки меха, браковочные столы

IIIa

-

600*

75. художественные мастерские и мастерские для нанесения рисунка на шаблоны

IIв

-

500

76. Тумблерная машина для отделки меха

Va

-

200

Производство искусственных кож и пленочных материалов

 

 

 

77. Общее освещение подготовительных участков

-

-

150

78. Краскотерки, вальцы разогревательные, питательные и др.

-

200**

79. Мешалки планетные и бегуны

Va

-

200

80. Швейные и обметочные машины

IIIб

1000

-

81. Участки нанесения покрытий:

 

 

 

а) общее освещение по участкам

-

-

150

б) пастонаносные устройства

200

-

в) крашение

Va

300

-

82. Общее освещение участка нанесения каучукового покрытия на искусственную кожу и технические ткани

-

-

200

83. Нанесение покрытий и тиснильный узел

Va

300

-

84. Общее освещение участка нанесения поливинилхлоридного покрытия на искусственную кожу и технические ткани на тканевой и трикотажной основах

-

-

300

85. Тиснильные и отделочные узлы агрегатов покрытия

IVa

1000*

-

86. Общее освещение участков производства синтетической кожи с полиуретановым покрытием:

 

 

 

а) подготовка основы и сортировка готовой продукции

-

-

150

б) нанесения покрытий

-

-

300

87. Иглопробивная машина и устройство для наметки и резки материала

-

-

200

88. Нанесение лицевого покрытия

IVa

750

300

89. Машины ленточная и шлифовальная

IIIг

500*

300*

90. Сортировочные столы

IVa

1000*

-

91. Общее освещение экструзионно-тиснильного участка производства пленочных поливинилхлоридных материалов

-

-

300

92. Отделочные узлы машин для нанесения лицевого слоя и многоцветных гравировальных печатных машин

I

500

-

93. Общее освещение участков подготовки тканей, нанесения покрытий производства плащевых тканей

-

-

200

94. Агрегат «Доуса»

200

-

95. Общее освещение участков производства искусственного каракуля и смушки:

 

 

 

а) изготовления синели

-

-

300

б) изготовления каракуля и смушки, обработки смушки

-

-

200

в) контроля и сортировки

-

-

150

96. Зона шпрендирования и самоконтроля на шпрединг-машинах

Va

300

-

97. Зона укладки укладочной машины, сортировка каракуля и смушки

IVa

1000*

-

98. Зона ножевого вала, выхода ткани и самоконтроля

IVб

500

-

99. Ручная обработка каракуля

IVб

600*

-

100. Общее освещение участков производства подошвенной резины:

 

 

 

а) вулканизации

-

-

150

б) обработки сырья, контроля

-

-

200

в) обрезки заусениц, изготовления низа обуви

-

-

300

101. Зона вырубки деталей на штампах-полуавтоматах

-

400

-

102. Вулканизационные прессы (поверхность матриц), двоильные машины, сортировка и контроль подошвенной резины

-

750

-

103. Машины для выравнивания деталей низа обуви

IVa

1000*

-

104. Общее освещение участков производства обувного картона и деталей из него:

 

 

 

а) подготовительного

-

-

200

б) мокрого размола

-

-

150

105. Общее освещение участков производства многослойного картона:

 

 

 

а) отлива

-

-

300

б) сушки и пролежки

-

-

100

в) каландрироваиия, контроля и сортировки

-

-

200

106. Общее освещение участков производства однослойного картона

-

-

150

107. Разрез полотна на листы

-

200**

108. Формовка задников:

 

 

 

а) рабочая зона автомата

200

-

б) зона матриц полуавтомата

-

200**

109. Зона выгрузки и контроль продукции на прессах отлива картона типа «Пашке»

Va

-

200

110. Вырубка заготовок на прессах

IVa

500*

-

111. Шерфовка заготовок

IVб

-

300*

112. Сортировка деталей

IVa

750

300

113. Общее освещение участков производства пласткожи:

 

 

 

а) подготовки и обработки сырья

-

-

150

б) вальцовочного и сушильного

-

-

200

114. Сортировка сырья

Va

-

200

115. Сортировка пласткож и изделий вырубки

IVa

1000*

-

116. Общее освещение участков производственного регенерата:

 

 

 

а) сырья, вальцовки, контроля и сортировки

-

-

150

б) девулканизации

-

-

200

117. Сортировка и очистка сырья, вальцы дробильные

Va

-

200

118. Вальцы листовальные

IVa

750

-

119. Брекер-вальцы и рафинировочные, сортировка, маркировка и опудривание регенерата

IVa

1000*

-

Швейные фабрики

 

 

 

120. Приготовление лекал

IIIв

-

500***

121. Столы настила и раскроя ткани, стегальные машины, ручная утюжка

IIIa

-

600*

122. Работы на швейных машинах (прямострочных, челночных, специального назначения). Контроль и приемка готовой продукции

IIa

2000*4

750*4

123. Работа на швейных машинах (многониточных, краеобметочных, обметывания петель и пришивания пуговиц, двухигольных для вышивки)

IIб

2000*4

750

124. Машины (полуавтоматы) для обработки деталей одежды, вышивальные автоматы

IIв

-

750*4

125. Машины и автоматы для заполнения товарных ярлыков, склады сырья и готовых изделий

ivb

500*4

-

126. Прессы, отпарочные аппараты, гладильные машины, паровоздушные манекены, стол для формования шляп, сушильные шкафы (аппараты)

Va

-

200

Производство обуви

 

 

 

127. Общее освещение на складах

-

-

200

128. Подбор производственных партий кож:

 

 

 

а) для верха обуви

IVa

750

300

б) » низа »

IVб

-

200

129. Общее освещение участков раскроя и обработки деталей низа обуви

-

-

150

130. Вырубка, сортировка и обработка деталей низа обуви, контроль качества обработанных деталей

IVб

600*

-

131. Общее освещение участков раскроя верха обуви и сборки заготовок обуви

-

-

300

132. Вырубка деталей верха обуви

IIIa

2000

-

133. Контроль и сортировка деталей верха обуви и сборка заготовок

IIIa

2500*

-

134. Общее освещение участков сборки обуви и приготовления красок

-

-

300

135. Обработка деталей

IVa

1000*

-

136. Приклеивание, крепление подошв и каблуков гвоздями или винтами, отделка верха и низа обуви

IVa

750

-

137. Участки ремонта электрооборудования и механических узлов обувных машин

IVa

750

300

138. Пришивание рантов и подошв, приготовление красок

IIIa

2000

-

139. Крепление резинового низа вулканизацией

IVa

-

300

140. Заделка дефектов и контроль качества готовой продукции

IIIa

2500*

-

Меховое производство

 

 

 

141. Общее освещение по цеху подготовки сырья

-

-

300

142. Приемка сырья и подбор производственных партий

IIIa

2500*

-

143. Общее освещение сырейно-красильных цехов

-

-

200

144. Сырая разбивка на скобах

IVб

-

300*

145. Мездрение:

 

 

 

а) машинное

IIIб

-

300

б) ручное

IIIб

-

400*

146. Участок верхового крашения

Va

-

300*

147. Общее освещение по участку кожевенной ткани

-

-

100

148. Разбивка машинная и ручная

IVa

-

300

149. Общее освещение участка отделки волосяного покрова

-

-

300

150. Межоперационный контроль

IIIa

2500*

-

151. Глажение волосяного покрова

IVa

750

-

152. Общее освещение участка изготовления меха на тканевой основе

-

-

150

153. Двоение

IVa

-

300

154. Сортировка и расценка меха

IIIa

2500*

-

155. Общее освещение участка меховых скроев одежды, головных уборов, воротников

-

-

300

156. Приемка полуфабрикатов

IIIa

2000

-

157. Сортировка, межоперационный контроль и контроль качества сырья

IIIa

2500*

-

158. Вырубка и раскрой меха, кожи, подкладки, сшивание, комплектация партий

IVa

1000*

400*

159. Общее освещение сборочно-пошивочного отделения

-

-

300

160. Комплектация производственных партий, шитье на швейных и скорняжных машинах, ручные швейные операции

IVa

1000*

400*

161. Контроль качества изделий

IIIa

2500*

-

162. Приготовление и разварка красителей, солей, экстрактов, кислот и щелочей

-

150

163. Скорняжные лаборатории

IIIa

-

600*

Кожевенное производство

 

 

 

164. Общее освещение отмочно-зольных цехов

-

-

150

165. Сгонка шерсти, мездрение и кантовка голья, чистка лица

Va

-

300

166. Раскрой голья

-

200

167. Сортировка голья

IVa

750

-

168. Общее освещение по дубильно-красильным цехам

-

-

200

169. Строгание кож на машине

IVб

-

300

170. Сортировка кож перед крашением

II

1250

-

171. Общее освещение сушильно-отделочных цехов

-

-

300

172. Аппретирование, крашение, лощение и прессование кожи, нарезка мерии

IVa

750

300

173. Сортировка и маркировка кож

IIIa

2500*

-

174. Общее освещение в помещениях клееварочного производства и отделений по обработке шерсти

-

-

100

175. Отжим влаги на вальцах и центрифугах и сушка шерсти

VI

-

150

176. Сортировка шерсти и щетины

Va

-

200

Валяльно-войлочное производство

 

 

 

177. Приемка шерсти по качеству

IVa

750

300

178. Приготовление красителей, щелочей, кислот, эмульсий и других растворов

Va

300

200

Производство валяной обуви

 

 

 

179. Трепальные, расчесывающие и кисловочные машины, сушка валяной обуви, запарка перед насадкой на колодки, отжим влаги на роликовой машине и крашение

VI

-

150

180. Уплотнение на катальных или плитных машинах и расправка основы, насадка обуви на колодки и оправка, контроль полуфабриката

Va

300

200

181. Сортировка, приемка готовой обуви и ручное клеймение

IVa

1000*

-

Производство войлоков

 

 

 

182. Дублирование войлоков, универсальные свойлачивающие машины, плотнение войлоков на прессах, обрезка войлока, сортировка войлока по толщине, изготовление деталей на прессах и штампах; резальные, раскройные, спальные и скосорезальные машины, настильно закатная машина и стол настила войлока

Va

300

200

183. Молотовые и леноговаличные машины, закатка и распрямление войлока, хромирование войлока. Сушка

VI

-

150

184. ОТК

Va

400*

300*

Производство фетровых головных уборов

 

 

 

185. Резка шкурок на дисковом ноже, щеточно-расчищальные и стригальные машины, уплотнение, оправка и выравнивание колпаков на машине

IVб

500

200

186. Расчистка волоса, прессование шкурок на гидропрессе, кардочесание, обсадка и крашение колпаков, замочка, разрыхление и замасливание шерсти

200

150

187. Сортировка шкурок по цвету, разбраковка колпаков, чистильно-шлифовальные и бимсовочные станки, разборка шерсти

IVб

600*

300*

188. Обрезка полей шляп, туровочные и виброшлифовальные станки, раскрой текстильных и других материалов, фасонное тиснение канта и гофрирование скосов

IVa

750

300

189. Контроль, браковка и маркировка

IIIб

1250*

400*

ПРОИЗВОДСТВО ФУРНИТУРЫ

Производство металлической фурнитуры

 

 

 

190. Приемка металла (ОТК), автоматы для изготовления и сборки пуговиц, пряжек, навивки пружин и т.п.

IIIб

1000

300

191. Резка и гальваническая обработка металла

IVб

-

200

192. Рихтовка ленты и проволоки, прессы кривошипные, эксцентриковые с усилием до 25 т с автоматической подачей, травление, промывка, известкование и сушка проволоки, автоматы проволочно-гвоздильные и гибочные, изготовление ручного текста из ленты

IVб

500

-

193. Металлообрабатывающие станки

IIв

См. п. 19 табл. 47

194. Точечная сварка, лакокрасочные покрытия пульверизатором

IIIб

1000

-

195. Волочильные станки, обрубочные, сварочные и остригальные аппараты

 

 

 

а) грубое волочение

IVб

-

200

б) среднее волочение

ПIб

-

300

в) тонкое волочение

IIб

3000

-

г) тончайшее волочение

4000

-

196. Термические цехи, обезжиривание, травление, анодирование, деканирование, полирование, лакокрасочные покрытия, изготовление коробок и маркировка этикеток

IVб

-

200

197. Сборка отдельных изделий на винтовых и других прессах с ручной и ножной подачей, машины винтонакатанные

IIIб

1250*

-

198. Сборка изделий

IVб

500

200

Производство пластмассовой фурнитуры

 

 

 

199. Подготовка сырья к переработке, таблетирование, экструдирование с гранулированием

Va

-

200

200. Размол, дробление облоя, вальцевание, просеивание, галтовка в барабанах, промывка

-

150

201. Распиловка, вырезка пуговиц (заготовок), зачистка заусенцев, заточка поверхности заготовок, фрезерование, сверление, прокол, прессование

IVa

750

-

202. Шлифование и полирование

IIIб

1250*

-

203. Литье под давлением, нанесение грунтовочного лакопокрытия и защитного лака, металлизация в вакууме

IVa

-

300

204. Разбраковка отливок, отпрессовок, вырезок, выборочный контроль

IIIa

2500*

-

Производство стеклянных пуговиц

 

 

 

205. Общее освещение по площади цехов

-

-

200

206. Приготовление шихты (просеивание, смешивание), печи подогрева стекломассы, отжига пуговиц и выжигания

-

150

207. Граверные работы (вырезание знаков и рисунков на металлических поверхностях)

IIIa

2500*

-

208. Изготовление пуговиц на полуавтоматах (прессование)

-

200**

209. Разрисовка вручную (участок живописи), контроль качества декорированных изделий (по оттенкам), рабочее место для контроля и приемки готовой продукции, сортировка

IIб

1250*

-

Цех по изготовлению зонтов

 

 

 

210. Общее освещение по цеху

-

-

200

211. Автоматы для навивки пружин, обработки торцов пружины

IVa

750

-

212. Разметка и раскрой ткани, сборка зонтов

IIIa

2000

500

213. Контроль качества кроя и готовых изделий, швейные машины

IIIa

2500*

-

Производство кожгалантереи

 

 

 

214. Сортировка материалов на складе

IVa

1000*

-

215. Общее освещение раскройных цехов

-

-

300

216. Разметка материалов, ручной раскрой кожи и деталей из делюжек

IVa

1000*

400*

217. Механизированный раскрой кожи, раскрой настила на делюжки, комплектование производственных партий

IVa

750

300

218. Контроль качества кроя

IIIб

1250*

-

219. Общее освещение в подготовительных и заготовительных цехах

-

-

300

220. Глажение, нанесение рисунка искусственной мереи, раскрашивание, перфорация, шкурение, отделка деталей, изделий

IVa

750

300

221. Разрисовка деталей вручную, контроль качества шкурения и устранение дефектов, отделка краев изделий оплеткой

IVa

1000*

400*

222. Загибка краев деталей

 

 

 

а) ручная

IIIб

1250*

-

б) механизированная

IIIб

1000

-

223. Общее освещение в сборочно-пошивочном цехе

-

-

300

224. Сшивные операции на швейных машинах, ручная художественная отделка перчаток и других изделий

IIIa

2000

-

225. Пошив перчаток, выстрочка и машинная отделка рисунка на них, контроль качества готовых изделий

IIIa

2500*

-

226. Покрытие готовых изделий нитролаком

IVa

600*6

-

227. Общее освещение фурнитурных цехов

-

-

200

228. Шлифовка деталей фурнитуры

IIв

2000

-

229. Рихтовка, сборка и точечная к сварка деталей фурнитуры

IVa

-

300

230. Приготовление красок

IIIa

2000

-

231. Контроль готовых изделий

Шв

-

400*

ФАРФОРО-ФАЯНСОВОЕ ПРОИЗВОДСТВО

232. Глинорезки, мешалки, шпатомойки, фильтропрессы, шаровые краскотерки, глиномялки, варочные котлы

VIIIa

-

75

233. Дробилки, бегуны, смесители, массомяльные машины, пласторезки, резательные аппараты, туннельные печи 1-го и 2-го обжига

VIIIa

-

100*

234. Шаровые мельницы, стиральная машина, пропиточные ванны, печатные линии для изготовления гипсовых форм, индивидуальные рабочие столы для отливки форм

VI

-

150

235. Формовочные станки и полуавтоматы, гидравлические и фрикционные прессы

vb

-

200*

236. Зачистные станки, столы для чистки, оправки и приставки деталей к изделиям

IIIб

1000

-

237. Столы первичной сортировки изделий, раскраски (ручной, штампами и методами шелкографии и деколькомании)

IIв

-

500

238. Столы граверов

IIIв

2000

-

239. Столы и конвейеры для сортировки и контроля готовых изделий

IIв

-

750*

240. Станки периодического и непрерывного действия для приготовления печатных рисунков

Шв

750

-

241. Участок обжига раскрашенных изделий (муфельный)

Ivв

-

300*

ПИЩЕВАЯ ПРОМЫШЛЕННОСТЬ

Булочно-кондитерское производство

 

 

 

242. Замес, передняя часть полок (вертикальная плоскость)

IVa

-

300***

243. Внутри емкости

Шв

-

400***

244. Помещение для брожения, изготовления хлеба

Ivb

-

300***

245. Изготовление сладкой дрожжевой продукции

IIIB

-

400***

246. Выпечка

Ivв

-

300***

247. Украшение изделий

Шв

750

400***

248. Изготовление шоколада и конфет

Шв

-

400***

249. Изготовление коробок

IVб

500

200

Предприятия молочной промышленности

 

 

 

250. Производство мороженого, молочных консервов, сухого молока и ЗЦМ, молочного сахара, сухой и сгущенной сыворотки, плавленого сыра, приемо-моечный цех

-

150

251. Отделение восстановления сухого молока, выпечки вафель, цех расфасовки сгущенного молока, выработки масла

-

200***

252. Платформа для приема и выдачи готовой продукции и тары, подготовительное отделение мороженого и обсушки сыра, камеры созревания и хранения сыра

VI

-

150

253. Творожный и сыродельный цеха

IVг

-

200***

254. Заквасочное отделение

IVг

-

150

255. Лаборатории (бактериологическая, средоварочная, аналитическая), моечная

Шв

-

300

256. Термостат, хладостат, закалочная камера

VIIIa

-

30*6

Мясоптицеперерабатывающее производство

 

 

 

257. Камеры охлаждения, замораживания и хранения мяса, жира, тушек, субпродуктов и мясных изделий

VIIIa

-

75

258. Загоны для скота, предубойная бухта

VIIIa

-

30

259. Дефростация мяса, осадочная камера, замораживание пельменей, сушильная кишок и колбасных изделий

VIIIa

-

50***

260. Альбуминный цех, варочная непищевых продуктов, производство желатина, технических жиров, замораживание продуктов, каныга и дробление костей, размол и просеивание кормовой муки, обработка шкур и технического сырья, перообработка, прием и сортировка живой птицы, топочная коптильных и обжарочных камер, прием и сортировка яиц, ледогенераторная, упаковка технической продукции

VI

-

150

261. Аммиачная холодильная станция, дымогенераторная, изоляторы для скота и птицы

VI

-

100*5

262. Прием битой птицы, приготовление рассола, обработка рогов и копыт, обжарка и копчение (термическое отделение), экспедиция мясных продуктов, посолочная мясных продуктов, подготовка и сушка пищевой тары, упаковка мясных продуктов

VI

-

200***

263. Обработка волоса и щетины, техническая обработка крови, сортировка непищевых продуктов

200

150

264. Приготовление блочного мяса, вытопка жира из кости, производство пищевых жиров, сортировка мяса и мясных продуктов, кишечный цех, обработка пищевой крови, птицы, субпродуктов, формовка и расфасовка пельменей, потрошение тушек птицы и их сортировка и расфасовка, сан-бойня, приготовление специй, студня, убой скота и птицы

300

200***

265. Приготовление котлет и кулинарии, расфасовка мяса, исполнительное отделение консервного цеха, обработка сырья птицеперерабатывающего цеха, приготовление продукции из яиц

IVб

600***

300***

266. Цеховая лаборатория, ветеринарный и санитарный контроль

IIIб

1000

300

Винодельческое и коньячное производство

 

 

 

267. Переработка винограда и мезги, бродильно-нейтрализационное отделение, приготовление ликеров, дрожжевой цех, шампанизация, хранение виноматериалов

-

150

268. Обработка виноматериалов теплом и холодом, аппаратное и сливное отделения при переработке отходов, хранение коньячных спиртов, выдержка ликеров, приготовление спирто-вочных вод, сахарного сиропа и колора, розлив коньяка в бочки

vв

-

100*6

269. Обработка пробок, варка клея, посудный цех, приемно-отпускное отделение розлива виноматериалов и вин

vв

-

150

270. Контроль стеклотары

IIIб

-

1000

271. Моечно-разливочный цех, коллекционное отделение

IVб

500

200

272. Дегустационное отделение

IIIб

-

300

Производство пива, безалкогольных напитков и солода

 

 

 

273. Приготовление соков, экстрактов, кваса, сиропа, сухих напитков, бродильно-лагерный цех, бондарно-осмолочная мастерская, посудный цех

-

150

274. Приготовление спиртованных настоев, производство солода

vв

-

100*6

275. Моечно-разливочный цех

IVб

500

200

276. Контроль стеклотары

См. п. 270 табл. 47

277. Машинное отделение варницы, углекислотная станция

VI

-

150

278. Помещение приема бочек, силосные корпуса, элеватор, помещения топок, сушилок

VIIIa

-

30*6

Производство папирос, сигарет, табака

 

 

 

279. Сортировка табака

Шв

-

300

280. Фермокамера, отделение старения, отлежки

VIIIa

-

30*6

281. Помещение сбора пыли

-

-

20*6

282. Помещение фильтров

vв

-

75*6

283. Переработка отходов, товарная мастерская, ферментизация и обработка табака

-

150

ПОЛИГРАФИЧЕСКОЕ ПРОИЗВОДСТВО

284. Общее освещение отделений машинного и ручного набора

-

-

300

285. Верстаки на линотипах, отливка текста на монотипах, наборная касса, верстка и правка набора

IIб

3000

-

286. Оригиналы при ручном и машинном наборе и клавиатуры наборных машин, корректурные станки и столы корректоров

IIг

1000

-

287. Отливка шрифта на монотипах, шрифто-литейных и крупнокегельных машинах, отливка линеек и пробельного материала, вязка набора

IIIб

1000

-

288. Общее освещение отделения матрицирования

-

-

200

289. Проверка стереотипов по росту, матрицирование

IIв

2000

-

290. Общее освещение гартоплавильного отделения и отделения отливки стереотипов

-

-

300

291. Отделка стереотипов вручную и на станках

IIв

2000

500

292. Ретушерское отделение

IIIб

1000

-

293. Формные цехи - отделения нанесения светочувствительного слоя, темные лаборатории, копировальные рамы и машины

-

75*6

294. Общее освещение отделений подготовки форм печати:

 

 

 

а) офсетной

-

-

300

б) глубокой

-

-

200

295. Травильные ванны для форм офсетной печати, пластин в цинкографии, пробопечатные станки офсетной печати

IIIб

1000

-

296. Участок хромирования и меднения, полировки, шлифовки, станки травления форм для глубокой печати, столы травильщиков и столы для выкрывания в цинкографии

IIв

2000

-

297. Граверные работы

IIб

3000

-

298. Общее освещение печатных цехов

-

-

300

299. Приправочные столы в цехах высокой печати

IIв

2000

-

300. Тигельные машины

IIв

-

500

301. Талер плоскопечатных машин, формные цилиндры ротационных, офсетных машин и машин глубокой печати

IIIб

1000

-

302. Приемные столы машин всех видов печати

IIIб

1250*

-

303. Контроль качества продукции (столы печатников всех видов машин)

IIб

3000

-

304. Общее освещение брошюровочно-переплетных цехов

-

-

300

305. Резальные, листоподборочные, ниткошвейные, фальцевальные и т.п. машины

IIIв

750

-

306. Проволокошвейные машины, позолотные прессы, столы для ручных работ

IIIб

1000

-

307. Контроль готовой продукции

IIIа

2000

-

ПРЕДПРИЯТИЯ ПРОМЫШЛЕННОСТИ СТРОИТЕЛЬНЫХ МАТЕРИАЛОВ

Цементное производство

 

 

 

308. Общее освещение цехов и отделений

-

-

75

309. Обжиговая печь (площадка машинистов)

VIIIб

-

50

310. Расфасовка и упаковка цемента

-

150

Асбестоцементное производство

 

 

 

311. Бегуны, голендер-гидропушитель, участок твердения плоских листов и труб, площадка гидравлического испытания труб

VIIIa

-

75

312. Листоформовочная и трубоформовочная машины, участок прессования листов

-

150

313. Место контроля и маркировки изделий всех видов

300*

200*

314. Обточные и сверлильные станки

IVб

500

200

Производство кровельных и гидроизоляционных материалов

 

 

 

315. Приемные столы сырья, роллы, массные бассейны, пропиточные ванны, агрегаты склейки картона, смесители, каландры, термические печи

VIIIa

-

75

316. Картоноделательная и вальцовочная машины, сушильные цилиндры, перемоточные станки

-

150

317. Место контроля и упаковки

200

150

Производство сборных железобетонных и бетонных конструкций и деталей

 

 

 

318. Правильно-отрезной станок, станок для гнутья сеток и петель, вальцовочный станок

VI

-

150

319. Место сборки объемных каркасов

Va

-

200

320. Сварочные аппараты, контактные машины, одноточечные автоматы

VII

-

200

321. Ручная доводка изделий при помощи шлифовальной машины, распалубка и устранение мелких дефектов, формовочное отделение, ОТК

IVб

-

200

Производство строительных материалов и изделий из полимерного сырья

 

 

 

322. Краскотерка, смеситель, эмультазатор, дозатор, экструдер, сушильные камеры и емкости

VIIIa

-

75

323. Грунтовальная, вальцово-каландровая машина, вулканизацнонный пресс, швейная, кашировальная машина, стол для обрезки и отбраковки выпрессовок плитки

IIIB

750

300

324. Сварка ковров и очистка основы

IVб

-

200

325. Экструдерная машина, прессы

IVв

400

200

326. Отрезное устройство для резки линолеума, браковка и сортировка пенопласта, литьевых и прессовых изделий

IVб

600*

300*

327. Форма для пенопласта, литьевая машина, машина для изготовления пленки, сборка пленки, ковровая машина

-

150

328. Участок изготовления синтетического ворсового ковра

-

-

200

Производство строительной керамики

 

 

 

329. Печи-дезинтеграторы, смесители, сетки для провеса шамота

VIIIa

-

75

330. Сушильно-глазуровочный конвейер, конвейерная линия изготовления плиток, матрица шнекового пресса

IVa

400

150

331. Места сортировки и столы для браковки и набора плиток в ковры

IVб

600**

-

332. Брикетные вальцы и очистительные машины, полуавтоматы для приготовления валюшки

VI

-

150

333. Шлифовальные и сверлильные станки, место контроля и упаковки изделий

IIIв

750

300

Производство теплоизоляционных материалов

 

 

 

334. Прессы, сушильные печи и камеры, зоны обслуживания емкостей для эмульсии, электродвигателей и насосов, печи варки стекла

VIIIa

-

75

335, Конвейеры полимеризации и цепной

VI

-

150

336. Прошивочная машина, шлифовальный и сверлильный станки, станок для снятия фаски

-

150

337. Формовочная и прессовочная машины

Va

-

200

Производство строительного стекла

 

 

 

338. Общее освещение цехов

-

-

200

339. Печи варки стекла

VIIIa

-

75

340. Место слива, формования и прокатки стекла

VII

-

200

341. Механический отломщик

IVa

400

200

342. Стеклорез

IIIB

750

-

343. Стол контроля, резка стекла по копиру и шаблону

IVб

500

-

Производство технического фаянса и фарфора

 

 

 

344. Общее освещение помещений

-

-

200

345. Места сборки, заливки и разъема форм

IVв

-

200

346. Печь обжига

VIIIa

-

75

347. Контроль

IIIa

750

-

ПРОИЗВОДСТВО СТРОИТЕЛЬНЫХ РАБОТ

348. Автомобильные дороги на строительной площадке при интенсивности движения в обоих направлениях, ед./ч:

 

 

 

а) более 400

-

-

3

б) от 200 до 400

-

-

1

в) менее 200

-

-

0,5

349. Подходы к рабочим местам (лестницы, леса и т.д.), земляные работы, проводимые землеройными механизмами

-

-

5

350. Строительная площадка в районе производства строительных и монтажных работ, места немеханизированной разгрузки и погрузки конструкций, деталей и материалов, склады нерудных материалов

-

-

2

351. Погрузка, установка, подъем, разгрузка оборудования, строительных конструкций, деталей и материалов грузоподъемными кранами, устройство траншей для фундаментов, коммуникаций и т.д., разработка грунта бульдозерами, скреперами, катками и др., кладка из крупных бетонных блоков, кирпичная кладка, монтаж сборных фундаментов

-

-

10

352. Монтаж конструкций стальных железобетонных и деревянных (каркасы зданий, мосты, эстакады, колонны, фермы, балки и т.п.), сборка арматуры (стыковка, сварка, вязка каркасов и т.п.), установка опалубки, лесов и ограждений, бетонирование колонн, покрытий и перекрытий и т.п., работы по устройству полов, песчаных, щебеночных, гравийных, глинобетонных, бетонных и асфальтобетонных подстилающих слоев, устройство земляных, щебеночных, гравийных, глинобитных и булыжных покрытий из брусчатки, кровельные работы, штукатурные работы под открытым небом

-

-

30

353. Стационарные сварочные аппараты, механические ножницы, гибочные станки для заготовки арматуры, сборка и пригонка готовых столярных изделий (оконных переплетов, дверных полотен и т.п.), работы по устройству полов, асфальтобетонных, кирпичных, дощатых, бетонных, мозаичных и др., настила паркета и линолеума, штукатурные работы в помещениях, монтаж и сборка энергетического оборудования

-

-

50

354. Стекольные работы

-

-

75

355. Малярные работы (шпатлевка, грунтовка, окраска, накатка рисунков валиками и т.п.), облицовочные работы и оклейка стен обоями, разделка электрических кабелей, монтаж высоковольтного оборудования и схем вторичной коммутации

-

-

100

ПРЕДПРИЯТИЯ СВЯЗИ

Почтовые предприятия

 

 

 

356. Залы операционные, обработка газетно-журнальной корреспонденции и посылок

-

500*

300*

357. Сортировка писем и бандеролей

IIIв

1000*

400*

358. Штемпелевание

IVг

300

150

359. Сортировка мешков

I

400

200

360. Помещения номенклатурно-адресовальных машин

-

-

300

Телеграфные предприятия

 

 

 

361. Прием, передача и сортировка телеграмм

IIIг

500*

300*

362. Стол посетителей

Шг

400

200

363. Аппаратный цех

Шв

1000*

400*

Телефонные и радиостанции

 

 

 

364. Коммутаторный и автоматный залы

IVб

500

200

365. Передающие и приемные радиостанции, передающие радиотелевизионные станции, радиорелейные станции, земные станции спутниковой связи

IIIг

400

200

366. Ремонт и регулировка аппаратуры

Шб

1000

300

МЕСТНАЯ ПРОМЫШЛЕННОСТЬ

Производство сувениров

 

 

 

367. Механическая обработка кости, дерева и т.п.

IIIв

750

300

368. Грунтовка, лакировка, комплектование изделий

I

400

200

369. Ручная роспись средней точности (значки и т.п.)

IVб

500

-

370. Ручная роспись мелкая и точная (финифть, чеканка, резьба по кости и дереву и т.п.)

IIIб

1000

-

Производство музыкальных инструментов

 

 

 

371. Пайка голосовых машинок, предварительная и окончательная сборка деревянных и духовых музыкальных инструментов, склейка корпусов

IIIб

1000

300

372. Меховой участок

IVб

500

200

373. Окончательная настройка

IIIб

1250*

400

374. Комната прослушивания

-

-

200

375. Пошив чехлов

IIб

2000*4

750

Производство игрушек

 

 

 

376. Промер и браковка тканей, прессы, механические ножницы, вальцы

Va

-

200

377. Раскрой ткани и пошив деталей игрушек на машине кл. 22

IIIa

2000

500

378. Машинный раскрой ткани, контроль готовой продукции

IVa

750

300

379. Сборка деталей игрушек

IIIб

-

300

380. Механическая и ручная роспись игрушек из пенолатекса

IVв

400

-

381. Мешалки, мельницы, сушильные камеры

IVв

-

150

382. Вулканизационные котлы, формование и термостатирование деталей

IVг

-

150

383. Механизированная и ручная роспись игрушек из ПВХ

IIIв

750

-

384. Контроль готовой продукции

IVб

-

300*

Бытовая химия

 

 

 

Производство моющих, чистящих средств, химикалиев, олифы, красок

 

 

 

385. Контроль сырья

200

150

386. Составление рецепта (рецептура, загрузочная рецептура)

IVг

300

150

387. Основное производство (шаровые мельницы, смесители, вальцы, реакторы, печи, оксидаторы, краскотерочные машины и т.п.)

VI

-

150

388. Расфасовка, упаковка, маркировка

200

150

389. Мойка бутылок

VI

-

150

390. Контроль чистоты бутылок

IVг

300

150

391. Производство полиэтиленовой и поливинилхлоридной пленки, сварка пакетов

IVв

400

200

Производство фотохимикалиев

 

 

 

392. Подготовка сырья

IVв

400

200

393. Составление рецепта

IVг

400**

200***

394. Основное производство (смешение, сушка, гранулирование, таблетирование, упаковка на автомате)

IVв

400

200

395. Упаковка в коробки

VI

-

150

ПРОИЗВОДСТВО ШКОЛЬНО-ПИСЬМЕННЫХ ПРИНАДЛЕЖНОСТЕЙ

Производство карандашей

 

 

 

396. Контроль карандашной дощечки

IIIб

1000

-

397. Сушка дощечки

VI

-

150

398. Производство белого карандаша, грунтовка, окраска, покрытие лаком, накатка рисунка

IIIВ

750

300

399. Упаковка в наборы

IVв

-

200

400. Упаковка в коробки

VI

-

150

Стержневое отделение

 

 

 

401. Приготовление стержневой массы, пропитка, сушка стержня

VI

-

150

402. Изготовление стержня

Va

300

-

Производство авторучек

 

 

 

403. Изготовление корпуса, механическая обработка корпуса

IVa

750

300

404. Изготовление металлических деталей

IIв

2000

-

405. Сборка авторучек ручная, контроль

IIIб

1250

-

406. Сборка авторучек на полуавтоматах

IIIб

-

300

Изготовление угольников и линеек

 

 

 

407. Изготовление пластмассовых угольников и линеек

IVб

500

200

408. Нанесение делений, окраска делений

IIIб

1000

300

409. Изготовление деревянных угольников, нанесение делений

IIIВ

750

300

Изготовление картонных коробок

 

 

 

410. Раскрой картона

-

200**

411. Сшивка коробок машинная

200

150

412. Склейка коробок

VI

-

150

*      Освещенность повышена согласно п. 4.5а СНиП II-4-79.

**    Освещенность повышена согласно п. 4.5б СНиП II-4-79.

***  Освещенность повышена согласно п. 4.5в СНиП II-4-79.

*4      Освещенность снижена с целью ограничения отраженной блескости или установлена экспериментально.

*5       Освещенность снижена согласно п. 4.6 СНиП II-4-79.

*6       Освещенность приведена для ламп накаливания (рекомендуемый источник света).

5.14. Уровень освещенности, нормируемый для системы комбинированного освещения, слагается из значений освещенности, создаваемой светильниками общего и местного освещения.

5.15. В цехах с полностью автоматизированным технологическим процессом следует предусматривать раздельное управление ОУ, предназначенными для выполнения ремонтно-наладочных работ и функционирующими при нормальном режиме. Уровень освещенности, создаваемой этой частью установки, должен составлять не более 100 лк.

5.16. Для компенсации спада освещенности в процессе эксплуатации ОУ следует при ее расчете вводить коэффициент запаса, значение которого принимается по отраслевым нормам, составленным на основе СНиП II-4-79 и утвержденным в установленном порядке, а при их отсутствии - по указаниям СНиП II-4-79 в зависимости от условий среды в освещаемом помещении и типа используемого источника света. Коэффициент запаса предусматривается только для общего освещения независимо от выбранной системы освещения.

5.17. При применении в помещениях с тяжелыми условиями среды светильников, имеющих высокие эксплуатационные характеристики [I], следует снижать расчетное значение коэффициента запаса. Эксплуатационная группа светильника может быть взята из [I] либо определена с помощью приложения 4 к СНиП II-4-79, если известны конструктивно-светотехническая схема и вид материала (или покрытия) отражателя и рассеивателя светильника.

КАЧЕСТВО ОСВЕЩЕНИЯ

РАВНОМЕРНОСТЬ РАСПРЕДЕЛЕНИЯ ОСВЕЩЕННОСТИ

5.18. При проектировании общего освещения производственного интерьера (независимо от системы освещения) должна быть обеспечена равномерность распределения освещенности, регламентируемая нормами, в той части помещения, где расположены рабочие места; при этом не учитывается освещенность в проходах. Увеличение неравномерности распределения освещенности приводит, как правило, к повышению установленной мощности.

5.19. Неравномерность распределения освещенности по помещению зависит от светораспределения светильников, их размещения в пространстве, определяемого относительными расстояниями между светильниками ly/h и lx/h. Чем концентрированнее светораспределение при одинаковом размещении светильников, тем больше неравномерность распределения освещенности. Как правило, чрезмерное увеличение и уменьшение относительных расстояний между светильниками приводит к увеличению неравномерности распределения освещенности.

5.20. Неравномерность распределения освещенности определяется на начальной стадии проектирования по распределению относительной освещенности в, которая определяется точечным методом расчета освещенности в рассматриваемых вариантах ОУ.

Неравномерность распределения освещенности определяется в одном из средних модулей помещения, поскольку неизбежное снижение освещенности в торцевых модулях должно компенсироваться установкой дополнительных светильников, если в этих зонах помещения расположены рабочие места. В ОУ с ЛЛ неравномерность распределения освещенности зависит в основном от значения отношения ly/h.

На рис. 31 (схемы 12-16), 32 (схемы 3-5), 33 (схема 4) показаны неравномерные размещения светильников, обеспечивающие во многих случаях снижение неравномерности распределения освещенности.

Рис. 31. Схемы размещения светильников с газоразрядными лампами высокого давления (МГЛ, ДРЛ и ДНаТ)

1-6 - двухрядное расположение светильников; 7-16 - трехрядное расположение светильников; "+" - колонна; О - светильник; А, В, С - фазы питающей сети

Рис. 32. Схемы четырехрядного размещения светильников с газоразрядными лампами высокого давления (МГЛ, ДРЛ и ДНаТ)

О - светильник; А, В, С - фазы питающей сети

Рис. 33. Схемы размещения линий светильников с ЛЛ

1-3 - равномерное размещение линий по помещению; 4 - линии сдвинуты к стенам

ПОКАЗАТЕЛЬ ОСЛЕПЛЕННОСТИ

5.21. При проектировании освещения производственного помещения следует обеспечивать требования норм по ограничению ослепленности. Регламентируемый нормами показатель ослепленности Р является функцией параметров ОУ (высоты подвеса светильников над рабочей поверхностью hсв и относительного расстояния между светильниками ly/h и Ix/h, характеристик светильников (их свето-распределения по ГОСТ 17677-82, яркости, защитного угла и цветности излучения); габаритных размеров освещаемого помещения длины, ширины и высоты), коэффициента отражения рабочей поверхности.

Показатель ослепленности определяется в точке между первым и вторым светильниками среднего ряда (при двухрядном расположении светильников - под одним из рядов в той же точке).

5.22. Показатель ослепленности возрастает с увеличением относительного расстояния между рядами светильников ly/h и с увеличением длины помещения. Он зависит также от кривой силы света светильников - чем концентрированнее светораспределение, тем меньше Р при одинаковом размещении светильников; изменение высоты подвеса светильников hсв оказывает меньшее влияние на знание Р, чем значение относительного расстояния между светильниками lсв/hсв.

5.23. При проектировании освещения следует, как правило, пользоваться инженерным методом определения слепящего действия ОУ, разработанным ВНИСИ, с учетом [1] и п. 7.17 настоящего Пособия. Этот метод позволяет по параметрам запроектированной ОУ определить ее соответствие требованиям норм по ограничению ослепленности.

5.24. Инженерный метод определения Р (см. п. 5.23) составлен для квадратных полей размещения светильников. При другом их расположении, в частности, при использовании схем, приведенных на рис. 31-33, lсв определяется следующим образом:

при прямоугольном или шахматном размещении независимо от числа светильников, установленных в одной точке ;

при уменьшении числа круглосимметричных светильников в среднем ряду по сравнению с крайними рядами 1у принимается равным расстоянию между крайними рядами, a lx - расстоянию между светильниками в этих рядах;

в ОУ, выполненных светильниками с ЛЛ, расстояние lсв принимается равным ly - расстоянию между рядами этих светильников при условии, что расстояние между светильниками в ряду не превышает 0,5 от высоты их подвеса над уровнем рабочей поверхности hсв;

при трехрядном размещении светильников с разрывом между светильниками в среднем ряду свыше 0,5hсв lcв принимается равным расстоянию между крайними рядами светильников.

5.25. Если проектируемая ОУ отвечает всем требованиям норм по остальным показателям, но не обеспечивает регламентированные значения Р, определенного инженерным методом, следует произвести непосредственный расчет значения Р по формуле, приведенной в [1] и в п. 7.16 настоящего Пособия. Этот расчет целесообразен, если параметры ОУ не соответствуют значениям, принятым при составлении инженерного метода по проверке ослепленности, а именно:

коэффициент отражения рабочей поверхности больше 0,1 для подразряда «а» разрядов работ I-V, VIII, а также разряда VII;

коэффициент отражения рабочей поверхности больше 0,2 для подразряда работ «б, в», разрядов работ I-V;

светильники с ЛЛ размещены в линии с разрывом, большим 0,5 высоты подвеса над рабочей поверхностью в помещениях, где работа относится к III-VIII разрядам зрительной работы по СНиП II-4-79.

5.26. При проектировании ОУ для помещений высотой 2,5 м и менее, где производятся грубые работы, нормируемые значения Р обеспечиваются в соответствии со СНиП II-4-79 путем ограничения мощности светильников.

КОЭФФИЦИЕНТ ПУЛЬСАЦИИ ОСВЕЩЕННОСТИ

5.27. При проектировании ОУ общего и местного освещения с газоразрядными источниками света следует ограничить пульсацию освещенности, оцениваемую коэффициентом пульсации освещенности Кп [I], [26].

Коэффициент пульсации освещенности Кп в ОУ зависит от коэффициента пульсации светового потока источника света Кп.и, светораспределения светильников и их размещения в пространстве освещаемого помещения, а также от схемы их включения в сеть трехфазного электрического тока. Повышение концентрации светового потока светильника и увеличение относительного расстояния между светильниками I/h приводит при прочих равных условиях к увеличению Кп. Присоединение рядом установленных светильников к разным фазам сети переменного тока снижает Кп.

5.28. В приведенных на рис. 31 и 32 схемах размещения светильников с лампами ГЛВД указаны целесообразные способы расфазировки светильников. При этом следует проверять, удовлетворяет ли заданная ОУ требованиям норм при конкретных параметрах установки (светораспределение светильников, их размещение, коэффициент пульсации источника света).

5.29. Инженерный метод расчета Кп изложен в [1, 26] и п. 7.15 настоящего Пособия. Осветительная установка всегда соответствует требованиям норм по ограничению пульсации освещенности:

если она выполнена двухламповыми светильниками с ЛЛ типа ЛБ, снабженными ПРА с IУБИ+IУБЕ;

при установке в одной световой точке трех светильников с любыми источниками и присоединенных к трем фазам сети переменного тока;

при питании газоразрядных ламп переменным током с частотой 400 Гц и выше.

ВЫБОР ИСТОЧНИКОВ СВЕТА

5.30. Для создания эффективных ОУ следует, как правило, предусматривать в проектах этих установок газоразрядные источники света ГЛ, высокого [20] и низкого давления, используя их с учетом экономически и энергетически выгодной области применения. Основные цветовые и энергетические характеристики ГЛ и ЛН приведены в табл. 48.

5.31. Для общего освещения промышленных зданий, независимо от принятой системы освещения, следует применять, как правило, следующие типы ЛЛ:

белого света в нормальном исполнении ЛБ, амальгамные ЛБА и рефлекторные ЛБР;

холодно-белого света в нормальном исполнении ЛХБ, рефлекторные ЛХБР;

дневного света с исправленной цветностью ЛДЦ, амальгамные ЛДЦА и рефлекторные ЛДЦР.

Таблица 48

Тип источника света

Средняя* световая отдача, лм/Вт

Цветовая температура, Тцв, К

Индекс цветопередачи Ra не менее

Люминесцентные лампы

ЛБ, ЛБР, ЛБА

70,0**

3500

57

ЛХБ, ЛХБР

65,0*

4300

62

ЛДЦ, ЛДЦР, ЛДЦА

50**

6000

92

ЛБЦТ***

75

4000

83

ЛДЦТ***

87

6000

83

Газоразрядные лампы высокого давления

МГЛ

83

3000-5000

55

ДРЛ

50

3800

40

НЛВД

100

2100

25

Лампы накаливания

Общего назначения

15,3

2800

100

Галогенные (КГ)

22

3200

100

*    Усреднено для данного типа источников света разной мощности.

**  Для ламп ЛБР, ЛХБР, ЛДЦР световая отдача на 15% ниже указанной.

***     Лампы с узкополосным спектром.

Для обеспечения освещения производственных помещений следует использовать энергоэкономичные лампы мощностью 36 и 58 В, обладающие повышенной световой отдачей, либо лампы мощностью 40 и 65 Вт*. В закрытых светильника, когда лампы находятся в условиях повышенной температуры, предпочтение следует отдавать амальгамным лампам типа ЛБА. В светильниках без отражателей с целью концентрации светового потока в нижнюю полусферу следует использовать ЛЛ с рефлекторным слоем типа ЛБР.

______________

* Люминесцентные лампы мощностью 80 Вт, вследствие их малой экономичности, будут выпускаться промышленностью только для замены в действующих ОУ.

5.32. Для общего освещения производственных помещений средней и большой высоты следует применять различные ГЛВД: ДРЛ, МГЛ, НЛВД. Наибольшее распространение имеют лампы типа ДРЛ, мощностью от 50 до 2000 Вт с красным отношением 6%, имеющие индекс цветопередачи 40.

Лампы МГЛ выпускаются мощностью 125-2000 Вт. На основе ламп МГЛ (ДРИ) выпускаются лампы-светильники типа ДРИЗ с внутренним зеркально отражающим покрытием. Лампы ДРИЗ 700-1 предназначены для применения в осветительных устройствах со щелевыми световодами (КОУ), а лампы типа ДРИЗ мощностью 700, 400 или 250 Вт с индексами 2 или 3 - для использования в предназначенной для них арматуре (например, типа ССП-02) при освещении помещений с тяжелыми условиями среды.

Для освещения производственных помещений, где выполняются грубые зрительные работы, а также работы малой и средней точности (разряды IV и ниже по СНиП II-4-79) рекомендуется применять НЛВД [22], имеющие высокую световую отдачу. Ввиду специфичности спектра излучения НЛВД и низкого индекса цветопередачи при освещении помещений, где выполняются зрительные работы высокой точности, целесообразно использовать НЛВД совместно с МГЛ либо с ДРЛ.

5.33. Выбор типа источников света должен производиться в зависимости от технических требований и ограничений, имеющих место для конкретного технологического процесса, совместно с используемым осветительным прибором на основе технико-экономических и энергетических сопоставлений светотехнически равноценных вариантов освещения. Предпочтение следует отдавать тем источникам, которые обеспечивают в заданных условиях наименьшие приведенные годовые затраты на освещение и (или) минимум расхода электроэнергии.

При выборе типа источника света для помещений разной высоты необходимо учитывать, что:

в низких помещениях (не выше 6-8 м) наиболее экономичны ОУ с ЛЛ;

в помещениях средней высоты (от 6 до 8-15 м) и очень высоких (от 20 м) наиболее выгодны ОУ с ДРИ;

в высоких помещениях (от 8-10 до 20 м) наименьшие затраты имеют место для ОУ с ДРЛ, хотя энергетически они менее выгодны, так как установленная мощность в ОУ с ДРЛ, больше, чем в ОУ с ДРИ;

ОУ с НЛВД (250 и 400 Вт) ввиду высокой пульсации освещенности могут применяться (при использовании двух-, трех- и четырехрядных схем размещения [5]) только в помещениях высотой не менее 6-8 м (при условии выполнения там зрительных работ не выше IV разряда по СНиП II-4-79) [22];

ОУ с НЛВД в сочетании с ДРЛ или ДРИ также энергоэкономичны и могут применяться в помещениях высотой от 5-7 м (при условии выполнения там зрительных работ не выше разряда IIIб,в,г по СНиП II-4-79);

применение ЛН ограничено и возможно при условии технической или технико-экономической целесообразности их использования.

Таблица 49а

характеристика зрительной работы по требованиям к цветоразличению

Освещенность, лк

Минимальный индекс цветопередачи источников света, Ra

Диапазон цветовой температуры источников света Тцв, К

Примерные типы источников света

Требования к цветоразличению отсутствуют (механическая обработка металлов, пластмасс, сборка машин, инструментов и т.п.)

500 и более

50

3500-6000

ЛВ(ЛХБ),МГЛ

300, 400

40

3500-5000

ЛБ(ЛХБ), МГЛ(ДРЛ), НЛВД+МГЛ

150, 200

29

2600-4500

ЛБ(ЛХБ), МГЛ(ДРЛ), НЛВД+МГЛ, НЛВД+ +ДРЛ

Менее 150

25

2400-3500

ЛБ, ДРЛ, НЛВД(ЛН, КГ)

Различение цветных объектов при невысоких требованиях к цветоразличению (сборка радиоаппаратуры, прядение, наметка проводов и т.п.)

500 и более

50

3500-6000

ЛБ(ЛХБ),МГЛ

300, 400

50

3500-5500

ЛБ(ЛХБ), МГЛ, НЛВД+МГЛ

150, 200

45

3000-4500

ЛБ(ЛХБ), НЛВД+МГЛ

Менее 150

40

2700-3500

ЛБ ДРЛ, НЛВД+МГЛ (ЛН, КГ)

Сопоставление цветов с высокими требованиями к цветоразличению (ткачество, швейное производство, цветная печать и т.п.)

300 и более

85

3500-6000

ЛБЦТ, ЛДЦ, ЛДЦ УФ

Контроль цвета с очень высокими требованиями к цветоразличению (контроль готовой продукции на швейных фабриках, тканей на текстильных фабриках, сортировка кожи, подбор красок для цветной печати и т.п.)

300 и более

90

5000-6000

ЛДЦ, ЛДЦ УФ (ЛХЕ)

Таблица 49б

характеристика зрительной работы по требованиям к цветоразличению

Общее освещение при системе комбинированного, лк

Минимальный индекс цветопередачи источников света Rа для освещения

Диапазон цветовой температуры источников света Тцв, К, для освещения

Примерные типы источников света для освещения

общего

местного

общего

местного

общего

местного

Требования к цветоразличению отсутствуют (механическая обработка металлов, пластмасс, сборка машин и инструментов и т.п.)

500

50

50

3500-6000

2800-5500

ЛБ (ЛХБ), МГЛ, НЛВД+МГЛ

Л Б ЛХБ, (ЛН)

300, 400

35

50

3200-5000

2800-5000

ЛБ (ЛХБ), МГЛ, ДРЛ, НЛВД+МГЛ

ЛБ ЛХБ, (ЛН)

150, 200

25

50

2400-4500

2800-4500

ЛБ (ЛХБ), НЛВД МГЛ, ДРЛ, НЛВД+ +МГЛ, НЛВД+ +ДРЛ

ЛБ ЛХБ, -(ЛН).

Различение цветных объектов при невысоких требованиях к цветоразличению (сборка радиоаппаратуры, прядение, намотка проводов и т.п.)

500

50

50

3500-5500

3500-5500

ЛБ(ЛХБ), МГЛ, НЛВД+МГЛ

ЛБ ЛХБ, (ЛН)

300, 400

40

50

3200-5000

2800-5000

ЛВ(ЛХБ), МГЛ, НЛВД+МГЛ, ДРЛ

ЛБЛХБ, (ЛН)

150, 200

35

50

3000-4500

2800-5000

ЛБ(ЛХБ), МГЛ, НЛВД+МГЛ, ДРЛ

ЛБЛХБ, (ЛДЦ)

Сопоставление цветов с высокими требованиями к цветоразличению (ткачество, швейное производство, цветная печать и т.п.)

150 и более

50

85

3500-5000

3500-6000

ЛБ(ЛХБ), МГЛ

ЛБЦТ

Контроль цвета с очень высокими требованиями к цветоразличению (контроль готовой продукции на швейных фабриках, тканей на текстильных фабриках, сортировка кожи, подбор красок для цветной печати и т.п.)

150 и более

85

90

5000-6000

5000-6000

ЛБЦТ(ЛДЦ)

ЛДЦ, ЛДЦ УФ (ЛХЕ)

Примечания: к табл. 49 а, б: 1. Совокупное применение разноспектральных источников света в одном помещении допускается для работ разрядов IIIб-г, IV-VIIIa (см. табл. 49в).

2. Применение ламп НЛВД допускается для работ разрядов IVa,б,в,г; Va,б,в; VI, VII, VIIIa.

3. Для помещений без естественного света при работе с невысокими требованиями к цветоразличению указанный в табл. 49а,б диапазон цветовых температур следует ограничить пределами 3500-5000 К при уровнях Е³300 лк.

4. При расположении здания в I-II поясах (по карте светового климата СССР) из диапазонов цветовых температур следует отдавать предпочтение значениям, близким к нижней, а в V поясе - к верхней границе диапазона.

5. Люминесцентные лампы ЛДЦ УФ имеют в ультрафиолетовой области спектра состав излучения, близкий к естественному, что важно при контроле тканей и бумаги, изготовленных с оптическим отбеливателем.

6. В скобках указаны энергетически менее эффективные источники света.

Таблица 49в

Характеристика зрительной работы по требованиям к цветоразличению

Освещенность, лк

Разряд работ по нормам при системе освещения

Рекомендуемые сочетания источников света по мощности, %

Примеры выполнения рекомендаций, мощность, Вт

общего

комбинированного

МГЛ

нлвд

ДРЛ

МГЛ

НЛВД

ДРЛ

Требования к цветоразличению отсутствуют (механическая обработка металлов, пластмасс, сборка машин, инструментов и т.п.)

300

IIIб, в; IVa

-

 

 

 

1000

400

-

60-70

40-30

-

700

400

-

-

 

 

400

250

-

-

10-20

90-80

-

250

1000

 

 

 

-

250

700+700

150, 200

IIIг, IVб, в, г;

Va, б, в; VI, VII

-

 

 

 

700

400+400

-

40-50

60-50

-

400

400

-

 

 

 

400

250+250

 

-

25-35

75-65

-

400

1000

 

 

 

-

400

400+400

 

 

 

 

 

 

150, 200

-

III, IV,

Va, б

-

100

100

-

Любая

Любая

Менее 150

Vг, VIIIa

-

-

100

100

-

Любая

Любая

Различение цветных объектов при невысоких требованиях к цветоразличению (сборка радиоаппаратуры, прядение, намотка проводов и т.п.)

300

IIIб, в, IVa

-

70-80

30-20

-

1000

400

-

-

700

250

-

150, 200

IIIг, IVб, в, г; Va, б, в, VI, VII

-

60-70

40-30

-

700

400

-

-

400

250

-

150, 200

-

III, IV, Va, б

40-50

60-50

-

700

400+400

-

 

 

 

400

400

-

 

 

 

400

250+250

-

-

25-35

75-65

-

400

1000

 

 

 

 

400

400+400

Менее 150

Vг, VIIIa

-

 

 

 

700

400+400

-

40-50

60-50

-

400

400

-

 

 

 

400

250+250

-

 

25-35

75-65

-

400

1000

 

 

 

 

400

400+400

Таблица 50

Тип источника света в светильнике

Минимальная степень защиты светильников по ГОСТ 1767782 и ГОСТ 14254-80, необходимая в ОУ различного назначения при пожароопасных зонах классов

Исполнения светильников по ПУЭ-76 и минимальная степень защиты светильников по ГОСТ 17677-82 и ГОСТ 14254-80 необходимые (независимо от типа источника света) в помещениях со взрывоопасными зонами классов

производственные и складские

производственные

складские

наружные

 

П-I

П-II

П-IIа, П-II (при наличии общеобменной вентиляции и местного нижнего отсоса отходов)

П-IIа

П-IIа (с ценными сгораемыми материалами в сгораемой упаковке)

П-III

B-I

В-Iа, В-Iг

В-Iб

B-II

В-IIа

Лампы накаливания

IР

IР

2'X1

2'X1

2'Х1

2'31

Взрывобезопасное IР

Повышенной надежности против взрыва IР

Без средств взрывозащиты IР

Повышенной надежности против взрыва5 IР

Без средств взрывозащиты5 IР

Лампы ДРЛ, МГЛ, НЛВД

IР

IР

IР2

IР2

IР2

IР232

Люминесцентные лампы

5'Х

5'Х

IР3

IР3

IР3,4

IР233

 

 

 

 

 

1 При наличии сплошного защитного стекла или рассеивателя из силикатного стекла.

2 При наличии металлической сетки или приспособления, препятствующего выпадению ламп.

3 При выполнении ввода в светильник проводом с негорючей оболочкой или в стальной трубе

4 Применение светильников, имеющих рассеиватели или отражатели из горючих материалов запрещается.

5 Во взрывоопасных зонах классов B-II и В-IIа рекомендуется применять электрооборудование, предназначенное для взрывоопасных зон со смесями горючих пылей или волокон с воздухом. При отсутствии такого электрооборудования допускается во взрывоопасных зонах класса B-II применять взрывозащищенное электрооборудование, предназначенное для работы в средах с взрывоопасными смесями газов и паров с воздухом, а в зонах класса В-IIа - электрооборудование общего назначения (без взрывозащиты), но имеющее соответствующую защиту оболочки от проникновения пыли; при условии, если температура поверхности электрооборудования, на которую могут осесть горючие пыли или волокна (при работе электрооборудования с номинальной нагрузкой и без наслоения пыли), будет не меньше, чем на 50° ниже температуры тления (для тлеющих пылей) или не более двух третей температуры самовоспламенения (для нетлеющих пылей).

Примечание. В обозначении степени защиты буква «X» может иметь значения от 1 до 8 в зависимости от степени защиты светильников от попадания воды.

5.34. Выбор источников света по цветовым характеристикам производится с учетом требований технологического процесса к цветопередаче и цветоразличению, а также - необходимости обеспечения комфортности световой среды. Требуемый уровень цветоразличения или цветопередачи обеспечивается путем выбора источника света с обусловленным сочетанием цветовой температуры и индекса цветопередачи. Комфортность световой среды зависит от соответствия цветовой температуры источника света уровню нормируемой освещенности и особенностям светового климата района расположения освещаемого объекта [6].

Рекомендации по выбору источников света с целью обеспечения изложенных требований приведены для системы общего освещения в табл. 49а, для системы комбинированного освещения - в табл. 49б. Рекомендуемые соотношения мощностей разноспектральных источников света при смешанном общем освещении, обеспечивающие комфортность световой среды не меньшую, чем в ОУ с ДРЛ, приведены в табл. 49в.

Окончательный выбор источника света для общего освещения производственного помещения с учетом энергетических и материальных затрат производится одновременно с выбором типа светильника, составной частью которого он является.

ВЫБОР СВЕТИЛЬНИКОВ ОБЩЕГО ОСВЕЩЕНИЯ

5.35. При выборе типа светильника в первую очередь следует установить условия среды в помещении, для которого проектируется ОУ. Определение условий среды в помещении (пыльная, влажная, химически агрессивная и т.п., а также пожаро- или взрывоопасная) должно производиться в соответствии с ПУЭ технологами совместно с электриками проектирующей и эксплуатирующей организации.

Возможность использования какого-либо конструктивного исполнения светильника в помещении с заданными условиями среды определяется по степени его защиты, обозначаемой двумя цифрами. Рекомендации по выбору исполнения светильников для помещений с тяжелыми условиями среды приведены в табл. 50, 51 и в [7, 21].

5.36. Выбор типа светильника из числа пригодных для заданных условий среды производится с учетом энергетической и экономической эффективности ОУ. При этом эффективность общего освещения независимо от принятой системы освещения должна определяться с учетом:

уровня нормируемой освещенности;

требований норм к качественным показателям освещения, в том числе ограничения отраженной блескости;

плоскости размещения основных рабочих поверхностей (горизонтальная, вертикальная, наклонная);

требований к цветопередаче или цветоразличению;

требований к равномерности распределения освещенности по рабочей зоне освещаемого помещения;

строительных решений освещаемого помещения (размер модуля, высота);

эксплуатационных характеристик светильников.

Таблица 51

Степень защиты светильников по ГОСТ 17677-82

Тип источника света

характеристика помещений

н

в

с

ос1

х1,4

п7

ж

IP2,0

лл

+

х

-

-

X8

X8

+10

 

глвд, лн

+

х

X2

-

-

X8

+

IP23

лл, глвд, лн

(-)

+

X3

X3

X3,12

X8

х

2'0

лл

+

х

(-)

-

-

-

X10

 

глвд, лн

+

х

(-)

-

-

-

X11

5'0

глвд, лн

(-)

(-)

X2

-

х

+9,13

+

5'3

глвд, лн

(-)

(-)

X3

X3

X3

X9,13

х

5'4

лл

(-)

(-)

+

+

+

+

+10

IP51

лн

(-)

(-)

+6

+6

X6

+

х11

IP53

глвд, лн

(-)

(-)

+3

+3

+3

+

X11

 

лл

(-)

(-)

+

+

+

+

X10

IP54

глвд

(-)

(-)

+

+

+

+

х

 

лн

(-)

(-)

+

+

+5

+

X11

IP60

лл, глвд, лн

(-)

(-)

+

+

+

+

X10,11

IP64

лл, глвд, лн

(-)

(-)

+

+

+

+

X10,11

1 Предпочтительны светильники с корпусами и отражателями из влагостойкой пластмассы, фарфора, покрытые силикатной эмалью.

2 Допускаются при отсутствии капель воды, падающих на светильник, и при наличии фарфорового патрона.

3 При наличии брызг воды (раствора), падающих на светильник под углом свыше 60° к вертикали, установка светильников с ГЛВД и ЛН со степенями защиты IР23 и 5'3 запрещается.

4 Рекомендуются светильники, специально предназначенные для химически активной среды.

5 В условиях частых заливов (водой, растворами) рекомендуются светильники с боковым вводом проводов.

6 При наличии брызг воды (и растворов), падающих на светильник под углом свыше 15° к вертикали, светильники со степенью защиты IР51 (с нетермостойким стеклом) допускаются при условии установки в них ламп меньшей мощности, чем номинальная для данного светильника.

7 В пыльных помещениях рекомендуется применение в светильниках ламп с внутренним отражающим слоем и не рекомендуется применение светильников с экранирующими решетками, сетками и подобными элементами, способствующими запылению.

8 Светильники со степенями защиты IP20, IР23 допускаются при ограниченном количестве пыли в зоне установки светильников.

9 Светильники со степенью защиты 5'X предпочтительнее светильников со степенью защиты IР5X, в частности, когда: количество пыли мало, пыль светлая, светильники располагаются в местах, неудобных для обслуживания, помещение жаркое. При гидроудалении пыли степень защиты должна быть, как правило, не ниже IР55 или 5'5 (временно допускаются светильники с исполнителями IР54 и 5'4).

10 Рекомендуется применение амальгамных ЛЛ.

11 Рекомендуется установка в светильниках со степенями защиты IР5X, IP6X и 2'х ламп меньшей мощности, чем номинальная для данного светильника.

12 Только при условии выполнения деталей светильников, контактов патронов и цоколей ламп из материала, неподверженного воздействию данной химически активной среды.

13 Преимущественно с лампами-светильниками или рефлекторными ЛЛ.

Примечание. В таблице приняты следующие условные обозначения; а) условий среды в помещениях: Н - нормальная среда, В - влажная, С - сырая, ОС - особо сырая, X - химически активная, П - пыльная; Ж - жаркая; б) целесообразности использования светильников: + - рекомендуются, X - допускаются, - - запрещаются; (-) - применение возможно, но нецелесообразно.

5.37. Одной из основных характеристик светильника является его светораспределение. В первую очередь следует определить для заданных условий наиболее эффективную кривую силы света. ГОСТ 17677-82 устанавливает следующие основные типы кривых силы света (в любой полусфере): К - концентрированная, Г - глубокая, Д - косинусная, Л - полуширокая, М - равномерная, Ш - широкая, С - синусная. Для освещения производственных помещений используются в основном кривые типа К, Г, Д, Л.

Классификация выпускаемых промышленных светильников по светораспределению приведена в [8], [9].

5.38. При выборе типа светильников по светораспределению рекомендуется учитывать, что:

а) с увеличением высоты подвеса светильников следует, как правило, использовать светильники с более концентрированным светораспределением;

б) значения качественных показателей ОУ зависят от светораспределения светильников и схем их размещения. При одинаковом размещении светильников в пространстве освещаемого помещения чем концентрированнее их светораспределение, тем больше значения коэффициента пульсации освещенности и показателя неравномерности и тем меньше уровень слепящего действия ОУ. При любом светораспределении значения качественных показателей ОУ зависят от схем размещения световых приборов и, в частности, от относительного расстояния между ними - Ix/h и ly/h. С увеличением отношений Ix/h и ly/h значения показателя ослепленности и коэффициента пульсации освещенности возрастают, а равномерность распределения освещенности может изменяться неоднозначно. Поэтому выбор светораспределения светильников связан со строительными решениями помещений и должен учитывать технически возможное расположение светильников в пространстве освещаемого помещения;

в) при наличии в помещении требований к цветопередаче выбор типа светильника определяется рекомендуемым источником света по требованиям к цветопередаче. Как видно из табл. 49, при очень высоких требованиях к цветопередаче желательно использовать в ОУ только ЛЛ;

г) при работах с блестящими изделиями (обработанные металлические поверхности, некоторые сорта пластмасс и стекла, шелковые нити или искусственные волокна и изделия из них и т.д.) уменьшить слепящее действие отраженной блескости можно как снижением яркости выходных отверстий светильников, так и их расположением, обеспечивающим направленность отраженных бликов вне поля зрения работающих. В отдельных случаях следует совмещать оба оказанных способа.

Изменения яркости выходного отверстия светильника связано, как правило, с применением рассеивателей, снижающих КПД светильников, что приводит к повышению расхода электроэнергии. При равномерном размещении рядов рабочих мест по помещению, что однозначно определяет направление линии зрения работающих, более эффективным способом снижения отраженной блескости является установка рядов светильников над проходами между оборудованием вдоль основной линии зрения работающих.

При освещении вертикальных или наклонных поверхностей целесообразно использовать светильники с более широким светораспределением (типа Л или Д). Однако при этом следует учитывать, что в высоких помещениях светильники с такими кривыми силы света мало эффективны.

При выборе типа светильника по исполнению следует учитывать его эксплуатационные качества. При наличии нескольких типов светильников, допустимых по исполнению следует выбирать тот, который при прочих равных условиях, имеет наивысшую эксплуатационную группу [10].

5.39. Окончательный выбор типа светильника общего освещения ЛЛ, ДРЛ или МГЛ, удовлетворяющего всем требованиям норм к оу, необходимо производить по наименьшим приведенным затратам и (или) расходу электроэнергии. Для этого следует либо пользоваться типовыми решениями, либо проводить многовариантные светотехнические расчеты проектируемой ОУ с последующей технико-экономической и энергетической оценкой светотехнически равноценных вариантов. Для сокращения объема перебора можно пользоваться обобщенными рекомендациями [5], разработанными для помещений с нормальными условиями среды (Кз=1,5) при условии размещения светильников по фермам. При ином расположении светильников (троссы, короба, мостики) эти рекомендации могут быть использованы, если расстояния между светильниками равны принятым в рекомендациях (например, для модуля 12´24 м при размещении светильников в ряду через 6 м можно использовать рекомендации для модуля 6´24 м).

Выбор технико-экономически и энергетически эффективного светораспределения светильников с ГЛВД зависит от нормируемой освещенности и строительных параметров освещаемого помещения. Для ОУ с нормируемыми освещенностями от 150 до 500 лк можно воспользоваться следующими обобщенными рекомендациями [5]:

светильники с ДРЛ мощностью от 250 до 2000 Вт, имеющие КСС Д, целесообразно применять в помещениях высотой до 6-7 м при строительном модуле 6´6 м и до 9-12 м при строительных модулях 6´12, 6´18 и 6´24 м;

светильники с ДРЛ от 250 до 2000 Вт, имеющие КСС Г, целесообразно использовать в соответственно более высоких помещениях: при строительном модуле 6´6 м - до высот 10-11 м, при модуле 6´12 м - до 12-13 м, при модулях 6´18, 12´18 и 6´24 м - до 18-20 м;

при необходимости освещения еще более высоких помещений надо использовать светильники с КСС К;

светильники с лампами ДРИ (мощностью от 250 до 2000 Вт), имеющие КСС Д, целесообразно применять в помещениях высотой 6-7 м при строительных модулях 6´6, 6´12, 6´18, 6´24 м и высотой до 9 м при строительном модуле 12´18 м;

светильники с лампами ДРИ (от 250 до 2000 Вт), имеющие КСС Г, целесообразно использовать в соответственно более высоких помещениях: при строительном модуле 6´6 м - до высоты 11 м, при строительном модуле 6´12 м - до высоты 14,5 м, при модулях 6´18, 12´18 и 6´24 м - до высот 16-20 м;

при необходимости освещения еще более высоких помещений надо использовать светильники с ДРИ, имеющие КСС К.

Более детальные рекомендации по выбору технико-экономически и энергетически эффективных светораспределений при использовании в ОУ светильников с ДРЛ или ДРИ приведены в [5].

5.40 Светильники с НЛВД (250, 400 Вт), вследствие высокой пульсации их светового потока и специфического спектра излучения ври использовании двух-, трех- и четырехрядных схем размещения [5] могут быть рекомендованы для освещения помещений высотой свыше 6-8 м при условии выполнения в них зрительных работ средней, малой и очень малой точности (разряды IV-VI, VIII, а по СНиП II-4-79). Для освещения зрительных работ, относящихся к разрядам IIIб, в, г и IV НЛВД рекомендуется применять также в сочетании с МГЛ или с ДРЛ (в соответствии с рекомендациями табл. 49в). Разноспектральные источники света могут применяться в одной ОУ как в отдельных светильниках, так и в специальных двух-ламповых светильниках с разноспектральными ГЛВД.

5.41. Светильники с лампами накаливания общего освещения применяются:

для освещения помещений с тяжелыми условиями среды и взрывоопасных, если отсутствуют средства освещения с ГЛ;

в помещениях, где выполняются работы VI и VIII разрядов в случае технико-экономической целесообразности;

в помещениях (независимо от выполняемых в них работ), где обходимо исключение радиопомех;

для эвакуационного и аварийного освещения, когда рабочее освещение выполнено лампами ГЛВД; при этом, если единичная мощность светильника составляет 1000 Вт и более рекомендуется использовать светильники с галогенными лампами накаливания типа КГ;

при освещении тоннелей, галерей, площадок, помещений с временным пребыванием людей, если ОУ с ЛН технико-экономически выгодны.

5.42. Во взрыво- и пожароопасных помещениях, а также в помещениях, где доступ к светильникам для их обслуживания затруднен, рекомендуется применять осветительные устройства со щелевыми светильниками-световодами (ЩСС), в которых вводное устройство с источниками света может быть расположено вне освещаемого помещения. Это существенно упрощает эксплуатацию. Краткое описание ЩСС и целесообразные области их использования проведены в [11-14].

РАЗМЕЩЕНИЕ СВЕТИЛЬНИКОВ ОБЩЕГО ОСВЕЩНИЯ

5.43. Окончательный экономически и энергетически целесообразный выбор типов светильников при проведении повариантных расчетов должен производиться с учетом их размещения в освещаемом помещении.

5.44. Размещение светильников общего освещения (независимо от принятой системы освещения) может быть равномерным или локализованным. Общие рекомендации по применению локализованного размещения светильников изложены в п. 5.9 настоящего Пособия. Рекомендации по принципам локализации светильников должны приводиться в отраслевых документах.

5.45. Под равномерным размещением светильников понимается повторяющееся в каждом строительном модуле одно и то же расположение световых точек или светящих линий для протяженных светильников; расстояние между соседними светильниками в модуле может быть неодинаковым по длине и ширине помещения.

Равномерность распределения освещенности по освещаемой горизонтальной поверхности зависит от схемы расположения светильников и размещения их по длине и ширине помещения. Равномерность распределения освещенности зависит от принятого в проекте расстояния крайних рядов светильников от стен или ряда колонн - а в продольном сечении - от расстояния между светильниками в ряду lx по длине помещения. Расстояние между круглосимметричными светильниками в рядах определяется, как правило, шагом колонн.

5.46. При равномерном размещении светильников число рядов круглосимметричных светильников или линий светильников с ЛЛ в освещаемом помещении определяется уровнем нормируемой освещенности, требованиями к качественным показателям ОУ, строительными параметрами помещения и светораспределением светового прибора.

При этом желательно учитывать, что:

увеличение числа рядов круглосимметричных светильников с ГЛВД и ЛН приводит к снижению единичной мощности световых приборов, а следовательно, как правило, к увеличению числа светильников и повышению капитальных затрат на ОУ и увеличению расходов на сети и монтажные работы, при этом снижается эффективность источников света, так как световая отдача для этих типов ламп возрастает с увеличением мощности;

при больших уровнях освещенности и высоких требованиях к качеству освещения, следует устанавливать в одной световой точке два или три светильника, а не увеличивать число их рядов;

расстояние крайних рядов светильников от стен (колонн) А следует, как правило, принимать равным 0,3-0,5 от расстояния между рядами светильников, независимо от принятой системы освещения;

расстояние А выбирается тем меньше, чем ближе к стенам размещено технологическое оборудование: при наличии проходов у стен расстояние А следует увеличивать, так как в проходах освещенность может быть снижена по сравнению с нормируемым уровнем освещенности для рабочих зон;

сокращение числа рядов светильников с ЛЛ достигается сдваиванием светящих линий; увеличение числа маломощных светильников в ряду приводит к увеличению материальных затрат, однако расход электроэнергии при этом снижается, так как световая отдача ДЛ возрастает с уменьшением их мощности.

5.47. Рекомендуется применять двух-, трех-, четырехрядное расположение люминесцентных и круглосимметричных светильников в помещении (рис. 31-33); при необходимости светильники в световой точке могут быть сдвоены или даже утроены. Расположение круглосимметричных светильников на фермах (в строительных модулях) повторяется. Обычно принято располагать светильники в вершинах прямоугольников - равномерное размещение (схемы 1-3, 7, 8 рис. 31 и 1, 2 рис. 32) или параллелограммов - шахматное размещение (схемы 4-6, 9-11 рис. 31). При шахматном размещении светильников увеличиваются значения коэффициента пульсации освещенности и показателя неравномерности. Высокая единичная мощность светильников с ГЛВД и дискретные значения световых стоков в типоразмерном ряду ламп (250, 400, 700, 1000, 2000 Вт) приводят к тому, что для ОУ с наиболее часто встречающимися на практике уровнями освещенности (150, 200 и 300 лк) число светильников, необходимых для обеспечения нормативных требований, уменьшается. При этом значимость каждого светильника в установке возрастает. Поэтому использование только равномерных или шахматных размещений светильников ограничивает возможности повышения эффективности ОУ.

Освещенность в каждой точке рабочей поверхности для помещений высотой 6 м и более определяется суммарным действием светильников, расположенных на пяти-семи соседних фермах. В этой ситуации соблюдение требований равномерности распределения освещенности приводит к необходимости применять неравномерное размещение светильников по фермам, что позволяет получить дополнительные энергетически выгодные схемы их размещения. Неравномерное размещение создается либо за счет различного числа светильников в одной световой точке, либо разного расстояния между светильниками в рядах (см. схемы 12-16 рис. 31 и 3-5 рис. 32). Такие схемы условно называются неравномерными. Повышение энергетической эффективности осветительных установок за счет неравномерных схем имеет место в тех случаях, когда использование равномерного размещения приводит к значительному отклонению расчетной освещенности от нормированной. В этом же направлении действует в некоторых случаях и снижение неравномерности распределения освещенности, которое при использовании неравномерных схем получить значительно легче.

При необходимости снижения освещенности в центральной части пролета, где часто бывает расположен проход, прибегают к раздвижению рядов светильников в сторону колонн, что при использовании равномерных схем размещения дает ограниченный эффект, особенно малый при нечетном числе их рядов, когда центральный ряд сместить нельзя. В этом случае могут оказаться полезными неравномерные схемы размещения, менее загруженные в центре (схемы 12-16 рис. 31, 3-5 рис. 32). Как видно, разгрузка получается либо за счет пропуска части светильников в среднем ряду (расположение их через ферму), либо за счет размещения в этом ряду по одному светильнику в точке вместо двух, как это имеет место в крайних рядах. При необходимости снижения освещенности по оси помещения в широких пролетах могут быть полезны четырехрядные схемы размещения (см. рис. 32, схемы 3-5), так как их средние ряды загружены меньше крайних.

5.48. Разработку проектов общего освещения (независимо от принятой системы освещения) в ОУ основных крупных цехов предприятия, обеспечивающих выполнение требований норм по количественным и качественным показателям, необходимо производить на основе рекомендаций [5, 7] с использованием типовых проектных решений (или соответствующих указаний в отраслевых документах по освещению). При отсутствии таких материалов разработку проекта рекомендуется производить в следующей последовательности:

определить строительные характеристики освещаемого помещения и размещение технологического оборудования;

определить точность зрительных работ (разряд устанавливается по СНиП II-4-79), уровень нормируемой освещенности и регламентируемые значения неравномерности пе коэффициента пульсации Кп и показателя ослепленности Р;

выявить специфические требования к освещению, связанные с особенностями технологии производственного процесса или оборудования, а также спецификой зрительных задач (например, в процессе работы требуется различение цветов или объемных объектов, имеется возможность затенения рабочих мест элементами оборудования и т.д.);

выбрать тип источника света;

выбрать тип светильника по исполнению и светораспределению с учетом условий среды и возможной высоты его подвеса;

выбрать наиболее пригодные для рассматриваемого объекта схемы размещения светильников, пользуясь рис. 31-33;

выбрать местоположение контрольных точек для расчета освещенности, разместив их в одном из средних модулей помещения;

рассчитать в каждой контрольной точке условную горизонтальную освещенность e и ее слагаемые eА, eВ, eС. При условии включения светильников в разные фазы трехфазного тока;

рассчитать e можно на ЭВМ (при наличии соответствующей программы) или любым точечным методом, из числа изложенных в разд. 7; при расчете условной горизонтальной освещенности в каждой контрольной точке следует учитывать действие всех тех светильников, условная освещенность от которых в данной расчетной точке составляет не менее 3-5% ее суммарной величины;

рассчитать пe как отношение максимального значения emax к ее минимальному значению emin из расчетных значений e в контрольных точках;

определить Кп в каждой контрольной точке с учетом рассчитанных для нее значений eА, eВ и eС, пользуясь методом, изложенным в разд. 7, и проверить, удовлетворяют ли полученные расчетные значения Кп нормативным требованиям по ограничению пульсации освещенности (кроме ОУ с ЛЛ типа ЛБ);

определить мощность светильников, при которой выполняются требования норм по обеспечению необходимой освещенности и коэффициента запаса;

проверить для круглосимметричных светильников по инженерному методу расчета соответствие Р требованиям норм; в случае, если по всем параметрам, кроме Р, расчетный вариант ОУ соответствует требованиям норм и имеются предпосылки, изложенные в п. 5.25, поверочный расчет коэффициента ослепленности следует произвести по формуле (94) после определения мощности светильников в ОУ; определение Р для установок с ЛЛ по инженерному методу расчета следует производить после установления мощности светильников и типа ЛЛ по спектру;

окончательный выбор варианта ОУ из нескольких светотехнически равноценных производится на последней стадии проектирования по приведенным затратам и (или) по минимальному расходу электроэнергии.

УСТРОЙСТВО МЕСТНОГО ОСВЕЩЕНИЯ (МО)

5.49. Уровень освещенности, создаваемый светильниками местного освещения ЕМО в системе комбинированного, зависит от значения освещенности, регламентируемого для общего освещения ЕО так как EМО=EКО, где EК - уровень нормируемой освещенности при системе комбинированного освещения. Поскольку нормами ограничивается нижний предел ЕО в системе комбинированного, то относительные значения ЕМО изменяются, но не должны превышать 90% ЕК при выполнении общего освещения светильниками с газоразрядными источниками света.

5.50. Коэффициент запаса для МО при проектировании не предусматривается, так как эти установки легко очищаются, а лампы в них, в случае необходимости, могут быть быстро заменены.

5.51. В установках местного освещения должны предусматриваться меры по ограничению слепящего действия, вызываемого прямой или отраженной блескостью. Прямая блескость ограничивается регламентируемым защитным углом светильника. Требования к этому параметру светильника могут быть снижены, если светильник расположен ниже уровня глаз наблюдателя.

При работе с блестящими изделиями необходимо принимать меры по ограничению ослепленности, возникающей за счет наличия отраженной блескости. С целью устранения или снижения действия отраженной блескости необходимо:

располагать светильник МО таким образом, чтобы отраженный блестящей поверхностью блик не попадал в глаза работающего;

применять светильники, имеющие меньшую яркость выходного отверстия (например, светильник с люминесцентными лампами, перекрытий светорассеивающим стеклом).

5.52. В светильниках МО, выпускаемых отечественной промышленностью, используются ЛЛ либо ЛН [15]. Светильники серий ЛНП01 (с ЛЛ типа ЛБ мощностью 2´15, 2´20 либо 2´30УВт) и МЛ 2´40 рекомендуется применять для освещения работ различной точности, выполняемых на конвейерах, верстаках и отдельных рабочих местах, расположенных в помещениях с нормальными условиями среды.

Светильники серий ЛКСО1 с маломощными ЛЛ (2´4, 2´6 либо 2´8 Вт) предназначены, в основном, для освещения рабочих мест на универсальных шлифовальных станках. Для освещения рабочей зоны токарных, фрезерных и других станков, расположенных в помещениях с нормальными условиями среды, рекомендуется использовать светильники серии СГС-1 или НКСО1 с ЛН. При возможности значительного загрязнения отражателя (работа с эмульсиями) следует использовать в них ЛН с внутренним отражающим слоем типа МОД или МОЗ. Деревообрабатывающие станки могут быть освещены светильниками НКПО1, пригодными для работы в пожароопасных помещениях, а рабочие зоны прессов - светильниками типа НВПО1 и НКПО1.

Для высвечивания рабочей поверхности в зоне иглы швейной машины предусмотрены светильники типа НКПО2-25. Пульты управления различных агрегатов и машин могут быть освещены с помощью светильника С-2ХБ (С-2ХБМ).

Ручные переносные светильники типов ПЛ-64; СПЛ-2 с линзой, СПЛ-2М могут быть использованы для освещения рабочих зон на машинах и агрегатах, типов ПЛТ-50, ПЛТ-67А, ПЛТМ - при ремонте и осмотре оборудования; ПР-60В, РВО42, БП-62-ВМ, ВРН-60 - при временных работах во взрывоопасных помещениях.

При выборе типа светильника МО для освещения конкретных рабочих мест необходимо одновременно учитывать конструктивные возможности крепления светильника в рабочей зоне, конструкцию кронштейна и шарниров, а также выбирать его оптимальное размещение в рабочей зоне.

5.53. Местное освещение в зависимости от технологии производства и характера организации рабочих мест может быть реализовано двумя способами: индивидуальным и групповым. При первом способе на каждое рабочее место устанавливается индивидуальный светильник МО. Второй способ пригоден для освещения группы или нескольких однотипных рабочих мест, компактно расположенных в помещении: конвейеров, поточных линий сборки, цепочек или групп столов и стендов, либо сдвоенных или многоместных столов и верстаков. В этих случаях первый способ освещения также может применяться, но приводит к менее эффективным установкам МО. Более выгодным с энергетической и экономической точки зрения является освещение группы компактно расположенных рабочих мест с помощью линии светильников МО (или группы светильников), рассчитанной на освещение всех рабочих мест комплекса совместно [23, 25].

При выборе расположения светильника или группы светильников МО в каждом конкретном случае надо учитывать не только нормативные требования к МО, но и специфические требования и ограничения, которые могут быть связаны с:

малым размером рабочей зоны;

невозможностью значительного приближения светильников МО к рабочей поверхности (различаемому объекту) ввиду больших габаритов изготовляемых изделий или особенностей технологического процесса (установка деталей на рабочее место с помощью крана и т.п.);

необходимостью обеспечения заданного направления падения светового потока;

необходимостью устранения отраженных бликов;

целесообразностью размещения светильника справа от работающего и т.п.

При массовом проектировании МО рекомендуется пользоваться «Альбомом типовых решений установок местного освещения (материалы для проектирования)» и [24, 25]. Примеры решений МО (для единичных слесарных верстаков, расположенных у стены, с подачей деталей на них с помощью мостового крана, кран-балки и т.п., а также для одиночных столов сборки и контроля, где выполняются зрительные работы высокой точности, взятые из указанного Альбома, приведены на рис. 34-36.

Рис. 34. Местное освещение одиночных слесарных верстаков, расположенных у стены, с подачей на них деталей мостовым краном, кран-балкой и т.п.

1 - светильник ЛД-2´65 с ЛЛ типа ЛБ; 2 - светильник НКС01´100 с ЛН; 3 - уголок К236; 4 - защитный экран

Рис 35. Местное освещение индивидуально расположенных столов сборки и контроля для выполнения работы высокой точности

1 - светильник ЛНП01-2´30 с ЛЛ типа ЛБУ; 2 - блок управления с ПРА; 3 - коробка осветительная У994; 4 - металлорукав РЗ-Ц-Х-22; А - центр рабочей зоны

Рис. 36. Местное освещение индивидуально расположенных столов сборки, где выполняются зрительные работы высокой точности, требующие направленного освещения

1 - светильник НКС01´100/П20-01-У4 с ЛН; 2 - коробка осветительная У994; 3 - металлорукав РЗ-Ц-Х-22; А - центр рабочей зоны

Работы, проводимые на слесарных верстаках, связаны иногда с обработкой крупногабаритных изделий, подающихся на верстак при помощи кран-балки или мостового крана. Светильник с ЛЛ для предохранения МО от возможных повреждений при установке изделия на верстак краном отодвинут к заднему краю стола; светильник с ЛН выбран такой конструкции, которая позволяет при необходимости быстро наклонить его, освободив ручкой фиксатор шарнира в основании. Расположив светильник параллельно горизонтальной поверхности верстака, можно свободно установить обрабатываемое изделие в тиски или рядом - на рабочее место (рис. 34).

Индивидуальные столы сборщиков и контролеров изделий бывают расположены как индивидуально, так и внутри поточной линии или конвейера (рис. 35). Рекомендуемый тип светильника и предложенная схема его размещения позволяют обеспечить нормируемый уровень освещенности в рабочей зоне при возможности изменения в случае необходимости высоты расположения выходного отверстия светильника. Установка дополнительного защитного козырька позволяет избежать ослепления человека, работающего на соседнем рабочем месте.

При некоторых видах сборки и контроля, особенно когда монтаж ведется внутри объема изделия, для освещения удобно использовать светильники направленного света (рис. 36). Концентрированный световой поток позволяет наилучшим образом высветить элементы, расположенные внутри объема, практически в любой плоскости. Для обеспечения нормируемого уровня освещенности из серийно выпускаемых светильников рекомендуется использовать светильник типа НКСО1 с лампой типа МОЗ, что обеспечивает возможность ориентации сконцентрированного светового потока в нужном при работе направлении. Каждый рисунок в Альбоме представлен на двух-трех листах и содержит необходимый для проектирования набор информации о рекомендуемой установке МО, включающий:

краткую светотехническую характеристику зрительных задач и осложняющих обстоятельств, а также основные технические параметры серийно выпускаемого светильника (светильников), рекомендуемого к использованию;

размещение светильника (светильников) на рабочем месте с необходимыми для этого конструктивными элементами;

схему подключения установки МО к электропитанию;

спецификацию изделий, необходимых для комплектации осветительной установки МО.

Наличие такого комплекта сведений для каждой рекомендуемой ОУ МО позволяет не только пользоваться предлагаемым решением в условиях, для которого оно рекомендовано, но и компоновать в некоторых случаях новые решения из отдельных элементов установок МО, представленных в Альбоме, с учетом имеющей место конкретной специфики [23]-[25].

ПРИМЕРЫ ОСВЕТИТЕЛЬНЫХ УСТАНОВОК

5.54. Приведенные примеры ОУ производственных помещений характерны для многих отраслей промышленности. Выбор ОУ для заданного производственного помещения производится по минимуму энергетических или материальных затрат. Более полные рекомендации по освещению производственных помещений в разных отраслях промышленности приведены в [1].

ОСВЕЩЕНИЕ МЕХАНИЧЕСКИХ ЦЕХОВ

5.55. Для механических цехов используется, как правило, система комбинированного освещения. Для цехов серийного выпуска деталей уровень нормируемой освещенности составляет 2000 лк (разряд IIв). При этом общее освещение должно создавать на уровне 0,8 м от пола 300 лк с коэффициентом запаса Кз=1,5. Для этого разряда работ качественные показатели ОУ не должны превышать следующих значений: коэффициент неравномерности при освещении, выполненном ЛЛ - 1,5; при ГЛВД - 2; показатель ослепленности - 20; коэффициент пульсации - 20% для общего освещения в системе комбинированного освещения и 10% для местного освещения.

В качестве источников света рекомендуются ЛЛ типа ЛБ в светильниках с косинусным светораспределением при высоте подвеса не более 5-7 м над уровнем рабочей поверхности. При больших высотах подвеса должны использоваться зеркальные светильники с ЛЛ, либо диффузные светильники с ДРЛ или МГЛ.

Рис. 37. Размещение светильников в помещении механического цеха со строительным модулем 6´18 м, высотой 10 м

а - светильники с лампами типа ДРИ, размещенные по схеме 7 рис. 31; б - светильники с лампами типа ДРЛ, размещенные по схеме 15 рис. 31

Пример 1. Необходимо осветить механический цех с нормальными условиями среды, расположенный в помещении с достаточным по нормам естественным светом; сетка колонн размером 6´18 м, высота помещения 10 м (см. рис. 37). Оборудование цеха расположено в четыре ряда.

Для лучшего освещения механизмов управления станками рекомендуется линии светильников устанавливать не над суппортами станков, а сдвигать их в сторону механизмов управления на 0,5-1 м, т.е. устанавливать их над проходами.

Рассмотрим несколько возможных вариантов устройства освещения для этого цеха, представленных в табл. 52 и показанных на рис. 37. Все они обеспечивают заданные требования норм по количественным и качественным показателям освещения.

Анализ табл. 52 показывает, что наиболее эффективным по энергетическим и материальным затратам является вариант 3 с лампами МГЛ; при невозможности использовать этот вариант следует применять вариант 1 с лампами ДРЛ.

Пример 2. Механический цех расположен в помещении со строительным модулем 6´12 м, высотой 6 м. Рассмотрим также 3 возможных варианта ОУ с разными источниками света, представленных в табл. 53 и на рис. 38.

Анализ вариантов, приведенных в табл. 53, показывает преимущество 1-ого и 3-его из них (с МГЛ). По спектральным характеристикам эти лампы вполне могут конкурировать с ЛЛ типа ЛБ. Поэтому при наличии соответствующих светильников им следует отдать предпочтение. Сравнивая между собой первые два варианта, можно отметить, что по капитальным затратам 1 вариант дороже 2 на 15%, по приведенным расходам он дешевле, чем второй на 10%, а по расходу электроэнергии (с учетом потерь в ПРА) на 33% экономичнее, чем второй. Поэтому при выборе между первым и вторым вариантами следует отдать предпочтение установке с ЛЛ, обеспечивающей лучший спектральный состав излучения, возможность снижения затенений и экономию электроэнергии более чем на 30%.

Рис. 38. Размещение светильников в помещении механического цеха со строительным модулем 6´12 м

а - с лампами типа ДРЛ по схеме 13 рис. 31; б - то же, с лампами типа ДРИ по схеме 12 рис. 31; в - то же, с ЛЛ по схеме 1 рис. 33

Станочное оборудование в механических цехах поставляется, как правило, укомплектованным светильниками местного освещения. Кроме станков в механических цехах имеются слесарные верстаки, разметочные плиты и другое оборудование, на рабочих местах которого в проектной документации на искусственное освещение должно предусматриваться местное освещение. Рекомендации по этому вопросу имеются в настоящем Пособии.

Таблица 52

№ варианта ОУ

Тип источника света

Светильник

Номер схемы (по рис. 31)

Число светильников на модуль, шт.

Удельная установленная мощность, Вт/м2

Затраты на 1 модуль, руб.

тип

светораспределение

мощность, Вт

капитальные

эксплуатационные

приведенные годовые

1

ДРЛ

РСПО5

г

700

12

2,5

16,0

303

104

150

2

»

РСПО5

к

400

15

4,5

16,7

356

117

170

3

ДРИ

ГСП18

г

400

7

3,0

11,1

356

96

149

Примечания: 1. Варианты 1 и 3 являются более экономичными по сравнению с вариантом 2.

2. При расчете приведенных затрат здесь и в табл. 54-58 коэффициент окупаемости принимался равным 0,15.

3. Число светильников на модуль равно полусумме светильников, установленных на двух соседних фермах.

Таблица 53

№ варианта ОУ

Тип источника света

Светильник

Номер схемы (по рис. 31, 33)

Число светильников на модуль, шт.

Удельная установленная мощность, Вт/м2

Затраты на 1 модуль, руб.

тип

светораспределение

мощность, Вт

капитальные

эксплуатационные

приведенные годовые

1

лл типа ЛБ

ЛСПО2 (открытый)

д

2´65

1

7,2

13

294

75

119

2

ДРЛ

РСПО5; УПДДРЛ

д

400

13

3,5

19

256

91

132

3

мгл

ГСП18

д

400

12

2,5

13,9

296

80

124

ОСВЕЩЕНИЕ СБОРОЧНЫх ЦЕхОВ

5.56. Сборочные цехи имеются во многих отраслях промышленности (станкостроение, машиностроение, приборостроение, электромашиностроение и другие подотрасли электротехнической промышленности, деревообрабатывающая промышленность и т.д.). В зависимости от размеров собираемых объектов сборочные цехи могут располагаться в многоэтажных зданиях, высота помещений 3,5-5 м, (например, сборка приборов, инструмента, часов и т.п.) и в одноэтажных зданиях различной высоты (вплоть до 20 м и более).

В сборочных цехах может использоваться система комбинированного освещения (например, сборка часов, приборов и т.п. и узловая сборка в машиностроении) или система общего освещения (общая сборка станков, машин разного назначения и т.п.).

По точности и сложности выполняемых работ и по характеру зрительных задач помещения сборки могут относиться к II-IV разрядам работ по нормам. Соответственно изменяются и требования к количественным и качественным нормируемым показателям ОУ.

В сборочных цехах могут быть применены в зависимости от нормативных требований и строительных решений все типы газоразрядных ламп (ЛЛ и ГЛВД), а также световые приборы с различным светораспределением. Рассмотрим примеры освещения сборочных цехов различного назначения.

Пример 3. Цех узловой сборки машиностроительного завода расположен в помещении со строительным модулем 6´18 м, высотой 8 м. По роду выполняемых работ в этом цехе требований к цветопередаче не имеется и отраженная блескость отсутствует. Рабочие столы расположены по цеху любым образом (неорганизованно). Рассмотрим ОУ, выполненную системой комбинированного освещения. Зрительная работа в цехе относится к разряду IIIб; нормируемая освещенность 1000 лк. Освещенность от общего освещения по цеху на уровне 0,8 м от пола в горизонтальной плоскости 300 лк (с учетом необходимости подсвечивания разноориентированных плоскостей в зоне работ). Качественные показатели для этого цеха не должны превышать: неравномерность для установок с ЛЛ - 1,5, с ГЛВД - 2; показатель ослепленности - 40, коэффициент пульсации - 15%.

Размещение светильников принимается равномерным по помещению. Возможные варианты ОУ, обеспечивающие выполнение всех нормативных требований с учетом коэффициента запаса 1,5 представлены в табл. 54 и на рис. 39.

Анализ вариантов, приведенных в табл. 54, показывает, что наиболее эффективным является вариант 3. При невозможности использования ламп МГЛ из первых двух вариантов следует отдать предпочтение первому, так как он по качественным показателям (затенение рабочих поверхностей, спектр излучения) лучше, а по расходу электроэнергии они равноценны (с учетом потерь в ПРА). По физиолого-гигиеническим соображениям для освещения точных зрительных работ не рекомендуется применять лампы ДРЛ в невысоких помещениях.

Рис. 39. Размещение светильников на участке узловой сборки, расположенном в помещении со строительным модулем 6´18 м высотой 8 м: условные обозначения см. на рис. 37 и 38

а - с ЛЛ по схеме 2 рис. 33; б - с лампами типа ДРЛ по схеме 2 рис. 31; в - с лампами типа ДРИ по схеме 13 рис. 31

Рис. 40. Размещение светильников в сборочном цехе со строительным модулем 6´24 м, высотой 18 м

а - с лампами ДРЛ по схеме 16 рис. 31; б - то же, с лампами типа ДРИ по схеме 13 рис. 31

Таблица 54

№ варианта ОУ

Тип источника света

Светильник

Номер схемы (по рис. 31, 33)

Число светильников на модуль, шт.

Удельная установленная мощность, Вт/м2

Затраты на 1 модуль, руб.

тип

светораспределение

мощность, Вт

капитальные

эксплуатационные

приведенные годовые

1

лл

ЛСП22 (открытый)

Д

2´65

2

11,5

13,9

471

119

190

2

ДРЛ

УПДДРЛ РСПО5

Д

400

2

4,0

15,0

306

104

150

3

мгл

ГСП18, ГСПО5

Д

400

13

3,5

13,0

415

112

174

Местное освещение для этого помещения выбирается в соответствии с рекомендациями настоящего пособия и в зависимости от протяженности рабочих столов и их устройства.

Пример 4. Цех сборки крупных станков размещен в одноэтажном здании высотой 18 м со строительным модулем 6´24, с достаточным по нормам естественным светом и нормальными условиями среды. Рекомендуется использовать систему общего освещения с равномерным размещением светильников. Зрительная работа в цехе относится к разряду IIIб. Общий уровень освещенности по цеху должен составлять 300 лк с коэффициентом запаса 1,5. Для ОУ в помещениях, где производятся работы этого разряда, при использовании ламп ГЛВД регламентируются: неравномерность - не более 2; показатель ослепленности - не более 40; коэффициент пульсации освещенности - не более 15%.

В этом помещении в качестве источника света можно использовать лампы ДРЛ и МГЛ. Из вариантов ОУ в качестве оптимальных для этих источников света выбраны приведенные в табл. 55 и на рис. 40 варианты, удовлетворяющие нормативным требованиям по всем показателям освещения.

Анализ указанных в табл. 55 вариантов показывает, что по капитальным затратам вариант 2 превышает первый на 5%, а по эксплуатационным - экономичнее примерно на 15%; по приведенным годовым затратам они практически равны. Расход электроэнергии в варианте 2 меньше, чем в первом примерно на 45%. Таким образом, предпочтение следует отдать ОУ с лампами МГЛ. Приведенный технико-экономический анализ надлежит при использовании (вариантов уточнять с учетом цен на изделия, действующих в данный период времени.

Таблица 55

№ варианта ОУ

Тип источника света

Светильник

Номер схемы (по рис. 31)

Число светильников на модуль, шт.

Удельная установленная мощность, Вт/м2

Затраты на 1 модуль, руб.

тип

светораспределение

мощность, Вт

капитальные

эксплуатационные

приведенные годовые

1

ДРЛ

РСПО5

К

400

16

5,0

14,0

395

130

189

2

МГЛ

ГСП18

К

400

13

3,5

9,7

414,7

111,7

173,9

ГАЛЬВАНИЧЕСКИЕ ЦЕХИ, УЧАСТКИ МЕТАЛЛОПОКРЫТИЙ

5.57. Для нанесения металлопокрытий изделия последовательно погружаются в специальные ванны с различными растворами, расположенные, как правило, рядами. Наиболее современным технологическим оборудованием являются автоматизированные линии, включающие в себя весь цикл металлизации. При этом ванны располагаются выше уровня пола и обслуживаются со специальных помостов. Контроль качества покрытия осуществляется на выходе изделий из ванн. Операции контроля изделий производятся на отдельных рабочих местах, а иногда выносятся за пределы помещения с ваннами.

На участке металлопокрытий следует, как правило, использовать систему общего освещения с установкой, в случае необходимости, светильников местного освещения на рабочих местах контроля изделий, если они находятся в том же помещении. При выборе исполнения светильников следует учитывать химически активную среду этих цехов.

Рис. 41. Размещение светильников с ЛЛ на участке металлопокрытий, расположенном в помещении со строительным модулем 6´9 м, высотой 4 м: условные обозначения см. на рис. 38 (размещение сдвоенных линий светильников типа ПВЛП-2´40 либо светильников типа ПВЛМ-2´80 с ЛБР или ПВЛМ-ДО-2´65 по схеме 1 рис. 33)

Пример 5. Участок металлопокрытий станкостроительного завода расположен в помещении высотой 4 м со строительным модулем 6´9 м. Для этого помещения, относящегося по зрительным работам к разряду IVб+1, нормируется освещенность 300 лк при системе общего освещения с коэффициентом запаса 1,8. В указанном помещении следует использовать из газоразрядных ламп только ЛЛ, так как на этой высоте подвеса лампы ДРЛ и МГЛ применять нецелесообразно.

Таблица 56

№ варианта ОУ

Тип источника света

Светильник

Номер схемы (по рис. 33)

Число светильников на модуль, шт.

Удельная установленная мощность, Вт/м2

Затраты на 1 модуль, руб.

тип и коэффициент запаса Кз

светораспределение

мощность, Вт

капитальные

эксплуатационные

приведенные годовые

1

ЛБ

пвлп или ЛСП-14 (Кз=1,6)

д

2´40

1

17

25,2

808,0

151,8

272

2

ЛБР

пвлм (Кз=1,6)

д

2´80

1

10

29,6

447,8

120

187

3

ЛБ

пвлм-до (Кз=1,8)

д

2´65

1

10,2

24,6

448

109

176,

Примечание. Во всех вариантах все светящие линии сдвоенные и располагаются на расстоянии 2 м от стен.

Рис. 42. Размещение светильников с ЛЛ на участке металлопокрытий, расположенном в помещении со строительным модулем 6´9 м высотой 8 м (размещение сдвоенных линий светильников типа ПВЛМ-2´80 с лампами ЛБР или светильников ПВЛМ-ДО с лампами ЛБ либо утроенных линий светильников типа ПВЛП-2´40 по схеме 1 рис. 33)

Использование светильников 5-7 эксплуатационных групп позволяет снизить коэффициент запаса на 0,2, и его значение в этом случае будет равно 1,6. В табл. 56 и на рис. 41 представлены различные варианты освещения светильниками для ЛЛ, имеющими защиту от внешней среды не менее 5'0.

Анализ вариантов освещения участка металлопокрытий, приведенных в табл. 56, показывает, что использование открытых светильников ПВЛМ-ДО (это возможно при отсутствии опасности возникновения отраженной блескости) с относительно высоким КПД более эффективно, несмотря на более высокое значение Kз.

Вариант 2 по материальным затратам более экономичен, чем первый, но приводит к перерасходу электроэнергии на 17%. При наличии отраженной блескости его применять не следует.

Таблица 57

№ варианта ОУ

Тип источника света

Светильник

Номер схемы (по рис. 33)

Число светильников на модуль, шт.

Удельная установленная мощность, Вт/м2

Затраты на 1 модуль, руб.

тип и коэффициент запаса Кз

светораспределение

мощность, Вт

капитальные

эксплуатационные

приведенные годовые

1

ЛБР

пвлМ (Кз=1,6)

д

2´80

1

13,8

40,8

618,0

165,6

258

2

ЛБ

пвлм-до (Кз=1,8)

д

2´65

1

13

31,2

571,0

139

224,9

3

ЛБ

пвлп или ЛСП-14 (Кз=1,6)

Д

2´40

1

21,2

31,4

1001,0

189,3

339,2

Примечания: 1. Вариант 3 приведен для автоматизированных участков и рассчитан для высоты установки светильников над полом 6 м (поскольку ванны подняты на помост).

2. Все светящие линии в вариантах 1 и 2 сдвоенные, а в варианте 3 - утроенные.

3. Расстояние линий от стен составляет 2 м.

Пример 6. Участок металлопокрытий расположен, как и в примере 5, в помещении со строительным модулем 6´9 м, но высотой 8 и. Возможные варианты освещения представлены в табл. 57 и на рис. 42.

Анализ табл. 57 показывает, что практически равноценными по годовым затратам являются варианты 1 и 2. Однако применение обоих вариантов ограничено при наличии отраженной блескости. В этом случае следует использовать вариант 3 со светильниками ПВЛП или ЛСП-14 мощностью 2´40 Вт, расположенными в два ряда (схема 1 рис. 33).

ПРИМЕРЫ ВЫБОРА СИСТЕМ ОСВЕЩЕНИЯ ПО ТЕХНИКО-ЭКОНОМИЧЕСКИМ ПОКАЗАТЕЛЯМ

5.58. В производственном помещении проводится зрительная работа, относящаяся к разряду IIIб, для которой нормированная освещенность при системе общего освещения составляет 300 лк, а при системе комбинированного - 1000 лк (при этом от общего в системе комбинированного нормируется 150 лк). Зрительная работа не требует определенного направления света и не создает отраженной блескости.

Вариант 1. Участок обдирки заусенцев в литейном цехе станкостроительного завода расположен в пыльном помещении высотой 8 м со строительным модулем 6´18 м. Для указанной работы отраслевыми нормами рекомендованы обе системы освещения. В зависимости от особенностей технологического процесса в цехе может располагаться 30 или 20 рабочих мест на каждые 100 м2 освещаемой площади*. Общее освещение выполнено светильниками УПДДРЛ-700. При системе общего освещения для создания освещенности 300 лк требуется 3,85 светильника на модуль. При системе комбинированного освещения общее освещение создает 150 лк, для чего требуется 3,2 светильника УПДДРЛ-400 на модуль. Местное освещение выполнено светильниками с люминесцентными лампами типа ЛКСО1-2´8.

_______________

* Весь последующий расчет производился для освещаемой площади 100 м2.

Вариант 2. Зрительная работа в аналогичном помещении относится к разряду IIIб, условия среды в цехе нормальные. Для общего освещения использованы светильники ЛД-2´80. Для системы общего освещения при освещенности 300 лк на 100 м2 требуется 13,5 светильников. При системе комбинированного освещения освещенность 150 лк обеспечивается на этой же площади 6,75 светильниками. Местное освещение выполнено светильниками НКСО1 с лампой мощностью 60 Вт.

В табл. 58 представлены полные годовые затраты на ОУ при различной плотности расположения станков на 100 м2 рассматриваемого помещения и разных светильниках общего и местного освещения, используемых в вариантах 1 и 2 соответственно.

Таблица 58

№ варианта ОУ

Система общего освещения

Система комбинированного освещения

 

общее освещение

общее + местное

 

Q, руб.

Сэ, руб.

30 светильников местного освещения

20 светильников местного освещения

Q, руб.

Сэ, руб.

Q, руб.

Сэ, руб.

Q, руб.

Сэ, руб.

 

1

214

100

110

48,9

221

69,3

184

62,5

 

2

264

90

132

45,1

354

107,8

280

67,2

 

Примечание. В таблице принято: Q - полные годовые затраты, Сэ - стоимость электроэнергии.

 

Анализ табл. 58 показывает:

при малой мощности светильников местного освещения (16 Вт) и их невысокой стоимости (вариант 1) при обеих плотностях расположения рабочих мест по помещению можно считать, что система комбинированного освещения выгоднее, особенно по расходу электроэнергии;

с увеличением мощности светильника местного освещения использование системы общего освещения становится целесообразным по всем видам затрат при большой плотности рабочих мест; с уменьшением числа рабочих мест полные годовые затраты практически че меняются (разница составляет 6%), а расход электроэнергии снижается на 35%.

6. ИСКУССТВЕННОЕ ОСВЕЩЕНИЕ ПОМЕЩЕНИЙ ОБЩЕСТВЕННЫх ЗДАНИЙ

6.1. Основные требования к ОУ помещений общественных зданий должны определяться исходя из нормированных показателей освещения и функционального назначения помещения.

Конкретные приемы освещения помещений должны выбираться совместно светотехником и архитектором.

6.2. Совместная работа архитектора и светотехника должна осуществляться в следующей последовательности:

в соответствии с общим архитектурным замыслом выбираются система освещения и тип источников света, ориентировочно определяется мощность ламп и рассматривается ряд возможных для использования типов светильников и вариантов их размещения (применение нестандартных специальных светильников возможно только в исключительных случаях для уникальных объектов или при отсутствии подходящих стандартных светильников);

производится окончательный выбор типа светильников и их размещение.

6.3. Технико-экономические сопоставления проводятся при необходимости выбора одного из вариантов ОУ и могут служить основанием для принятия решения только при равных осветительных условиях, обеспечивающих одинаковую работоспособность в основных рабочих помещениях и равных условиях восприятия интерьеров в помещениях с повышенными требованиями к архитектурно-художественному оформлению интерьера. Методика проведения технико-экономического расчета приведена в разд. 3.

6.4. Для освещения помещений общественных зданий предусматривается рабочее, аварийное, эвакуационное и дежурное освещение.

6.5. Аварийное освещение следует предусматривать в помещениях диспетчерских, операторских, киноаппаратных, узлов связи, электрощитовых, здравпунктов, аккумуляторных, дежурных пожарных постов, на постах постоянной охраны, в гардеробах с числом мест хранения 300 и более, а также в главных кассах, в детских комнатах и дебаркадерах крупных магазинов, в помещениях торговых залов магазинов самообслуживания, в вестибюлях гостиниц, залах ресторанов и помещениях спасательного фонда гостиниц.

В помещениях насосных, тепловых пунктов и бойлерных аварийное освещение предусматривается только при постоянном пребывании дежурного персонала или если токоприемники данных помещений относятся к нагрузкам I категории надежности электроснабжения.

6.6. Эвакуационное освещение предусматривается в проходах и на лестницах, служащих для эвакуации людей из зданий, где пребывает одновременно свыше 50 чел., а также из здравпунктов, книго- и архивохранилищ, независимо от числа лиц, пребывающих там; в плавательных бассейнах, спортивных и актовых залах, рекреациях, гардеробных, проходных помещениях, коридорах и на лестницах общеобразовательных школ, профтехучилищ и средних специальных учебных заведений; в групповых, игральных - столовых, приемных, раздевальных, коридорах и на лестничных клетках, а также в кухнях и стирально-разборочных помещениях детских дошкольных учреждений; в ожидальных, раздевальных, мыльных, душевых помещениях бассейнов и парильных бань; в помещениях, где одновременно могут находиться свыше 100 чел. (большие аудитории, обеденные залы, актовые залы и т.п.); в торговых залах и на путях выхода из них, в магазинах с торговыми залами общей площадью 90 м2 и более, в транспортных туннелях торговых предприятий; в помещениях с постоянно работающими в них людьми, если вследствие отключения рабочего освещения и продолжения при этом работы производственного оборудования может возникнуть опасность травматизма (производственные помещения предприятий общественного питания, бытового обслуживания населения и т.п.).

6.7. Световые указатели «Выход» должны быть установлены у выходов из помещений обеденных и актовых залов, больших аудиторий, конференц-залов и других помещений, рассчитанных на одновременное пребывание свыше 100 чел., а также коридоров, к которым примыкают помещения, где могут одновременно находиться свыше 50 чел., у выходов из торговых залов обшей площадью 180 м2 и более, во всех магазинах и из торговых залов общей площадью 110 м2 и более, в магазинах самообслуживания, у выходов с эстрад, конференц- и актовых залов.

6.8. В помещениях общественных зданий I, II, III и IV групп, как правило, следует применять систему общего освещения.

В производственных помещениях общественных зданий (ремонт одежды, часов, телевизоров, радиоаппаратуры и т.д.) следует применять систему комбинированного освещения (общее+местное).

6.9. Для освещения основных помещений общественных зданий рекомендуется использовать ЛЛ типа ЛБ. Для помещений с повышенными требованиями к цветоразличению рекомендуется применять лампы типов ЛДЦ, ЛЕЦ, ЛХЕЦ, ЛДЦУФ.

6.10. В помещениях с повышенными требованиями к оформлению интерьера (II и III группа) могут быть использованы одновременно ЛЛ и ЛН в различных приемах освещения. Например, потолочные светильники с ЛЛ могут сочетаться с подвесными светильниками сЛН.

6.11. Лампы накаливания могут быть использованы в отдельных помещениях лечебных и детских учреждений, в установках архитектурного освещения, а также в помещениях технического назначения без постоянного пребывания людей.

6.12. Выбор светильников проводится с учетом их светотехнических параметров, конструктивного исполнения, внешнего вида и экономических соображений.

6.13. В рабочих помещениях общественных зданий распространенными и достаточно экономичными являются светильники прямого, преимущественно прямого и рассеянного света.

6.14. Для уменьшения контрастов яркости в поле зрения коэффициенты отражения ограждающих поверхностей и мебели должны иметь следующие значения: потолка 0,7-0,75; стен 0,4-0,5; пола 0,3; мебели 0,4.

6.15. Светильники отраженного света по условиям ограничения слепящего действия являются наилучшими, так как полностью исключают блескость и не создают теней. Эксплуатация установок отраженного освещения значительно дороже и сложнее, чем установок прямого и рассеянного света. Потребляемая мощность при отраженном освещении возрастает в два-три раза по сравнению с мощностью прямого освещения. Монотонность отраженного освещения может быть устранена с помощью дополнительных светильников иного светораспределения или специальных декоративных светильников.

6.16. Размещение светильников общего освещения, как правило, равномерное.

Локализованное размещение светильников применяется в торговых залах магазинов, книгохранилищах, архивах, выставочных помещениях с постоянно фиксированными плоскостями экспозиции и т.п.

6.17. Для основных помещений общественных зданий размещение светильников прежде всего определяется отношением расстояния между светильниками к высоте подвеса l=lсв/hсв. Уменьшение этой величины удорожает устройство и обслуживание освещения и часто приводит к применению ламп с пониженной световой отдачей, а чрезмерное увеличение ведет к резкой неравномерности освещенности и возрастанию расхода электроэнергии.

В табл. 59 приведены рекомендуемые значения l для светильников с типовыми кривыми силы света (КСС).

Таблица 59

Наименование типа КСС

lс

lэ

Косинусная

1,4

1,6

Полуширокая

1,6

1,8

Равномерная

2,0

2,6

Если увеличение расстояния между светильниками не сопровождается повышением единичной мощности и световой отдачи ламп, следует руководствоваться значениями lс (светотехнически наивыгоднейшее расположение), а в остальных случаях - lэ (энергетически наивыгоднейшее расположение).

При размещении светильников общего освещения для сохранения равномерности распределения освещенности по помещению расстояние от крайнего ряда светильников до стен не должно превышать 0,25-0,3 расстояния между рядами светильников.

6.18. В помещениях с повышенными требованиями к оформлению интерьера размещение светильников должно быть увязано с архитектурным ритмом, который определяется оконными проемами, простенками между ними, колоннами, кессонами и т.п. Размещение осветительных приборов должно подчеркивать атот ритм, т.е. они должны размещаться, например, между колоннами, простенками и т.д.

6.19. Архитектурно-художественпое освещение помещений II и III групп может быть выполнено:

светильниками (встраиваемыми, потолочными, подвесными, настенными и напольными);

светящими потолками и панелями (рис. 43).

6.20. При освещении архитектурных элементов интерьера следует учитывать, что в зависимости от способа освещения архитектурная форма воспринимается совершенно различно. Например, плоская поверхность (потолок, пол) только тогда воспринимается плоской, когда она освещается равномерно. Уменьшение яркости в центре потолка создает впечатление его провисания, а потолок, имеющий повышенную яркость в центре, воспринимается в виде свода. Усилением яркости в центре можно придать куполу кажущуюся большую кривизну, создать иллюзию повышения высоты помещения. Увеличение яркости по периметру, наоборот, вызовет ощущение понижения купола (обычно результат неправильного устройства световых карнизов).

Рис. 43. Основные светотехнические схемы светящих потолков

1 - отражающая поверхность; 2 - рассеивающая светопропускающая поверхность; а - рассеивающие светящие потолки; б - отражающие светящие потолки

Вертикально вогнутые членения (каннелюры, ниши и др.) также не должны освещаться равномерно. Односторонние мягкие тени способствуют правильному восприятию их формы. Так при системе отраженного освещения пилястры почти незаметны и дорогостоящая отделочная работа оказывается бесполезной. При использовании в том же помещении редко расположенных подвесных светильников создаются односторонние тени, блики, что хорошо выявляет раскреповку пилястр, и способствует восприятию их формы и фактуры. Освещение системы крупных кессонов решается удовлетворительно, когда число светильников принимается равным числу кессонов. Размещение светильников через два-три кессона (в случае мелких кессонов) приводит к образованию в промежуточных кессонах неприятных теней. В этом случае наилучший результат может быть достигнут при освещении кессонированного потолка напольными светильниками, установленными в соответствии с модулем кессонов. Для освещения настенного декора (фризов, лепки) рекомендуется создавать неравномерное распределение яркости, снижающееся сверху вниз, поэтому при наличии декоративных поясов в верхней части стен светильники следует располагать непосредственно у потолков или применять систему отраженного освещения. Однако необходимо учитывать, что при мелком рельефе лепной отделки отраженное освещение ухудшает восприятие лепки. Особые требования предъявляются к помещениям, в которых располагается скульптура: для правильного выявления формы и фактуры скульптурных произведений освещение должно создавать мягкие односторонние тени, направленные под некоторым углом сверху вниз.

6.21. При использовании светильников художественный эффект может быть достигнут соответсвующим их расположением в композиционные схемы и применением в одном помещении различных осветительных приборов.

6.22. Используемые в практике освещения светящие поверхности равномерной яркости могут быть выполнены в виде установок отраженного света (рис. 44) или светящих панелей. Основные требования, предъявляемые к ним, заключаются в обеспечении заданной освещенности в расчетной плоскости, равномерном распределении яркости по светящей поверхности и в поле зрения. Соблюдение этих требований определяется размещением светящих поверхностей в поле зрения, а также расположением источников света или светильников относительно отражающей поверхности в установках отраженного света или относительно рассеивателя в светящих панелях.

6.23. В ОУ отраженного света со световыми карнизами основными отражающими поверхностями являются потолок и часть стен, расположенная выше карниза. Основное требование к таким установкам заключается в обеспечении равномерного распределения яркости вдоль светящего карниза, значительно меньшие требования предъявляются к распределению яркости в плоскости, перпендикулярной к светящему карнизу. Источники света и отражатели светильников, расположенные в карнизе, должны быть полностью экранированы от поля зрения наблюдателя, находящегося в освещаемом помещении. Установки отраженного света могут быть выполнены не только в виде светящего потолка, но и в виде отдельных светящих ниш, располженных в плоскости потолка или стен. В первом случае световые карнизы с осветительными средствами размещаются вдоль всех четырех стен помещения или вдоль двух продольных стен на определенном расстоянии от потолка.

Значение КПД ОУ отраженного света зависит от значений коэффициентов отражения карниза, потолка и стен помещения, расположенных выше карниза, а также формы карниза (карниз должен быть достаточно широким и по возможности неглубоким). При этом лампы и другое оборудование карниза следует располагать ниже визирной линии (рис. 45), проведенной через верхний край козырька карниза и глаза человека, расположенного на наибольшем удалении от карниза. Кроме того, козырек карниза не должен экранировать прямых лучей, падающих на потолок от лампы или светильника, т.е. не должен быть выше створной линии, соединяющей нижнюю точку светящего элемента лампы или светильника (трубки люминесцентной лампы, нити лампы накаливания) с противоположным краем потолка или при наличии двухсторонних карнизов - с продольной осевой линией потолка.

Рис. 44. Способы устройства отраженного освещенияъ

а - напольные светильники отраженного света; б - «парящий» потолок; в - накладной и вырезанный потолки; г - ступенчатый потолок; д - падуги

Рис. 45. Световой карниз

1 - створная линия; 2 - визирная линия; 3 - дополнительный створ

Рис. 46. Расположение зеркальной вставки

1 - зеркало; 2 - направление к четверти ширины потолка; 3 - направление на удаленный край или центр потолка

Равномерность распределения яркости по отражающей поверхности зависит от типа источника света (светильника) и их размещения в световом карнизе, ширины помещения bп, высоты размещения потолка над световыми карнизами (над световым центром лампы) hк, от типа светового карниза (одно- двухсторонний, замкнутый); расстояния центра ближайшей лампы до стены а; расстояния между световыми центрами соседних ламп lл; расстояния между рядами люминесцентных ламп (между осями ламп) с; максимального расстояния карниза от стены f; расстояния между люминесцентными лампами lл.л (рис. 45, 47). Люминесцентные лампы обычно монтируются на панелях, на которых размещаются ПРА, патроны и стартеродержатели. Отражателями являются панель, поверхность карниза, стена и потолок. Требуемая равномерность распределения яркости обеспечивается при bп/hк£5 при двухстороннем и bп/hк£2 - при одностороннем карнизе. Эти условия трудно осуществимы, поэтому для увеличения соотношений используют плоские зеркальные вставки, которые позволяют увеличить значение bп/hк соответственно до 7 и 3. Расположение и размер зеркальной вставки определяются согласно рис. 46. Створная линия составляет угол a с горизонталью, проведенной через центр лампы. Края зеркальной вставки определяются построением, указанным на рис. 46, на котором углы a и b образуются пересечением касательной к лампе с основанием карниза. При этом минимальная ширина зеркала определяется параллельными прямыми АВ и CD, максимальная СЕ - углом b. Увеличение размера зеркальной вставки до СЕ означает, что сила света будет усилена в пределах большего угла. При этом зеркальная вставка не должна быть видна из любых точек наблюдения в помещении. Так, лучшие результаты достигаются при использовании криволинейных зеркал или зеркальных ламп. Значительно проще создать требуемое распределение яркости при наличии сферических или цилиндрических сводов. При таких условиях удовлетворительное распределение яркости наблюдается при любых значениях hк. Достаточная равномерность распределения яркости при этом обеспечивается при hк/а£3,5. Даже при увеличении этого соотношения распределение яркости может считаться допустимым, однако увеличение соотношения приводит к резкому снижению коэффициента использования. Практика показала, что значения расстояния от лампы до стены (а) при однорядном расположении ламп должно находиться в пределах 120-150 мм, при многорядном - составлять не менее 75 мм. Чтобы избежать при многорядном расположении ламп возможного снижения яркости стены напротив разрыва между лампами используется сдвиг рядов ламп на 80-100 мм по длине карниза (рис.47).

Зеркальные лампы концентрированного светораспределения нашли применение при карнизном освещении. Они позволяют создавать равномерное распределение яркости по поверхности потолка освещаемого помещения ближе к его центру, что особенно важно для широких помещений. Недостатком применения таких ламп является наличие ярких пятен, создаваемых на потолке вблизи карниза, для исключения которых необходимо располагать карниз возможно дальше от потолка (hк³1,5 м). Для сокращения ширины карниза f лампы следует устанавливать возможно ближе к стене. Ось лампы должна быть направлена на противоположный край потолка как при одностороннем, так и при двухстороннем расположении карнизов (рис. 48); соотношение bп/hк при зеркальных лампах и двухстороннем расположении карниза увеличивается до 7,5. Зеркальные лампы устанавливаются со значительными разрывами, достигающими 2 м, поэтому чаще всего при их использовании применяется одиночная установка патронов на скобах, обеспечивающих регулирование угла наклона лампы.

Рис. 47. Двухрядное размещение люминесцентных ламп в карнизе

Рис. 48. Использование зеркальных ламп в световых карнизах

Лампы накаливания общего назначения также используются в карнизах. Требования по применению ЛЛ справедливы и для ЛН. Расстояние от стены а желательно по возможности увеличивать, минимальное значение а=150 мм. Применение ЛН в матированной колбе незначительно повышает равномерность распределения яркости. Максимальное отношение l/hк не должно превышать 1,5. При горизонтальном расположении ламп в карнизе l/hк допускается увеличивать до 2 при лампах в прозрачной колбе. Минимальная мощность ламп, применяемых в карнизе 40-60 Вт.

Коэффициент использования ОУ карнизного освещения Ко.у.к при расчете освещенности на полу или на любой горизонтальной поверхности определяется по формуле

Ко.у.к=hкКп.р,                                                            (57)

где Ко.у.к - коэффициент использования установки карнизного освещения; Кп.р - коэффициент использования светового потока карниза; hк - КПД карниза.

КПД карниза с ЛН или с ЛЛ определяется с учетом формы свода по формуле

hк=1-x(1-r)/[1-r(1-Асв/Аотр)],                                              (58)

где x - доля светового потока источников, падающая на отражающую поверхность карниза, равная отношению двухгранного угла, в пределах которого поток падает на эту поверхность к 360°; r - коэффициент отражения поверхности карниза; Асв - площадь выходного отверния карниза; Аотр - площадь отражающей поверхности карниза.

Практика расчета и эксплуатации карнизов показала, что КПД карнизов имеет значение, близкое к 60%. Значение r рекомендуется принимать равным 0,5, учитывая в карнизах наличие проводов и плохо отражающих конструктивных частей. При карнизном освещении коэффициент z; характеризующий неравномерность освещения, не учитывается, так как этот вид освещения создает достаточно высокую равномерность и рассчитывается по средней освещенности.

6.24. В настоящее время нашли применение световые потолки рассеянного света, через которые в светлое время суток осуществляется естественное освещение помещения, а в вечернее и ночное - искусственное от светильников, расположенных в полости фонарей. Частo встречаются световые потолки только искусственного света, наполненные светильниками с люминесцентными лампами или только одними лампами, расположенными за плоскостью светового потолка.

6.25. Световые потолки могут выполняться в виде сплошной поверхности или световых полос. Для светящих потолков используются источники света, установленные в коробе, перекрытом рассеивателем (молочным органическим стеклом), или светильники, расположенные в технической полости над рассеивателем такого же типа.

При ширине светящей панели, превышающей 2 м, и достаточной высоте над рассеивателем целесообразно использовать светильники, так как это увеличивает КПД светового устройства. Основное требование к светящим потолкам заключается в равномерном распределении яркости по светящей поверхности. Предельно допустимым значением яркости для светящего потолка следует считать 2000 кд/м2 в высоких и 1000 кд/м2 - в низких помещениях (при высоте менее 6 м). Чем равномернее распределение яркости по светящему потолку, тем благоприятнее он воспринимается глазом.

При наличии над световым потолком высокой технической полости применяются светильники прямого света с ЛЛ, реже с ЛН, подвешиваемые над светящей поверхностью. Расположение светильников или рядов светильников должно быть таким, чтобы обеспечивалось равномерное распределение яркости по светящему потолку. Для выполнения этого условия наибольшее относительное расстояние между соседними излучателями или их сплошными рядами не должно превышать значений, указанных в табл. 60.

При подвесных потолках лампы обычно устанавливаются без арматуры, роль отражателя играет побеленная поверхность несущего перекрытия. Такое устройство удобно применять с ЛЛ. Для светящего потолка или светящих полос следует использовать светильники-блоки прямого света с открытыми ЛЛ, например, серии ЛП009. Светильники с ЛЛ следует устанавливать сплошными рядами над рассеивающим стеклом панели. На чердаке светильники могут крепиться непосредственно к кровле, подвешиваться на тросах или устанавливаться на металлических стойках, используемых для натяжки проводов электрической сети.

Таблица 60

Излучатель

Тип кривой силы света излучателя

Значения отношения свсв

рекомендуемое

допустимое

Точечный

Глубокая

0,7

0,9

Точечный

Косинусная

1,0

1,5

Точечный

Равномерная

1,2

1,8

Линейный

Косинусная

1,2

1,8

Линейный

Равномерная

1,4

2,4

6.26. Для обслуживания ОУ на чердаках над остеклением устраиваются переходные мостики, по которым можно подойти к светильнику. Мостики, расположенные близко к остеклению, могут создавать затенения под ними, а расположенные на достаточной высоте над остеклением, мало удобны для обслуживания светильников, поэтому для обслуживания светильников используются передвижные мостики или укладываются доски на время обслуживания светильников. При обслуживании со стороны помещения стекло рассеивателя, имеющее малую массу, легко сдвигается в сторону. Кроме молочного органического стекла находят широкое применение рифленые рассеиватели.

При большой мощности ламп, размещенных в световом потолке, выделяется значительное количество тепла, для устранения которого необходимо устройство вентиляции чердака или полости, где размещены лампы.

6.27. Световые устройства, встроенные в стены (окна, ниши и т.п.), выполняются на тех же основаниях, которые выше рассмотрены для световых потолков.

С помощью световых окон с ЛЛ легко имитировать дневное освещение в помещениях без естественного света. Глубина световых окон обычно ограничена строительными решениями, а слепящее действие их сказывается значительно больше, чем при устройстве светового потолка той же яркости, поэтому яркость световых окон не должна превышать 250-500 кд/м2 и лишь в отдельных наиболее благоприятных случаях (светлый окружающий фон) - 1000 кд/м2. Наиболее благоприятное равномерное распределение яркости по светящему окну достигается при соблюдении требований п. 6.25. хороший результат получается при использовании ниш отраженного света.

6.28. Наряду с рассеивающим органическим стеклом в световых потолках применяются экранирующие решетки, использование которых приводит к значительному снижению температуры воздуха в зоне расположения ламп. Решетки изготавливаются литьем из пластмасс или собираются из различных элементов. Для литья используется прозрачный или замутненный полистирол, литьевое оргстекло или другие материалы. Решетку отливают в виде отдельных секций. Экономичность осветительного устройства мало зависит от материала решетки и соотношения его коэффициентов пропускания и отражения. Значение имеет только коэффициент поглощения.

Определяющим при расчете размеров элементов решетки является заданный защитный угол. Для помещений общественных зданий защитный угол принимается равным 30° и 45°. Решетки с защитным углом 45° лучше экранируют лампы и другие монтажные элементы, поэтому имеют более декоративный вид, хотя несколько снижают КПД установки. Так как защитный угол в основном определяется отношением высоты и ширины элемента решетки, то при изменении этих элементов в равном отношении значение защитного угла остается постоянным, КПД светового потолка также не изменяется. Это позволяет выбирать размеры решеток по архитектурным и конструктивным показателям. Отметим, что мелкие ячейки создают концентрированное светораспределение, более крупные и высокие - широкое.

Основным требованием к взаимному расположению ламп и решеток, является равномерное распределение яркости по поверхности решетки, для этого необходимо, чтобы каждая планка решетки была освещена с двух сторон. При соблюдении этого требования и защитных углов решетка может иметь любой произвольный рисунок, что предоставляет широкие возможности архитекторам для создания разнообразных решеток.

6.29. Расчет светового потолка начинается с определения коэффициента использования светового потока источников света h, установленных над световым потолком, по формуле

h=hоhтsthр или h=h=hоhтsthс,                                         (59)

где hо - коэффициент полезного действия светильников, расположенных над рассеивателем светового потолка; hт - коэффициент использования светового потока светильников относительно отражающих поверхностей, ограничивающих пространство расположения светильников; s - отношение светопрозрачной части потолка к его общей площади, включая непрозрачные части переплетов; t - коэффициент пропускания светопрозрачного материала; hр - коэффициент использования светового потока, прошедшего через световой потолок относительно горизонтальной расчетной поверхности; hс - относительно стен.

Рис. 49. График зависимости коэффициента первичного использования

Для определения hр и hс пользуются графиком зависимости коэффициента первичного использования h'р от индекса помещения i (рис. 49), построенные для различных показателей m, характеризующих светораспределение элементов потолка. Кривая m=1 предназначена для потолков из рассеивающих стекол, m=2 - при решетках с защитным углом 30° и т=4 - при решетках с защитным углом 45°. Коэффициент первичного использования светового потока относительно стен h'с определяется по формуле

h'с=1-h'р.                                                            (60)

Для определения значений hp и hс пользуются следующими формулами:

hр=h'рКр.р+(1+h'р)Кс.р;                                           (61)

hс=(1-h'р)Кс.с+h'рКр.с,                                             (62)

где h'р - коэффициент первичного использования светового потока относительно расчетной поверхности; Кр.р - коэффициент использования светового потока, падающего на расчетную поверхность, относительно расчетной поверхности; Кс.р - коэффициент использования светового потока, падающего на стены, относительно расчетной поверхности; Кс.с - коэффициент использования светового потока, падающего на стены, относительно стен; Кр.с - коэффициент использования светового потока, падающего на расчетную поверхность относительно стен.

Однако значения hр и hс могут быть получены и более простым путем

hр=Кп.р/rп и hс=Кп.с/rп

Так как коэффициенты использования потока, падающего на потолок относительно расчетной поверхности, Кп.р или стен - Кп.с могут рассматриваться как произведения коэффициента отражении потолка на коэффициент использования отраженного потока в расчетной поверхности или стен (Кп.р или Кп.с). Оба эти метода равноценные, rп - даются только для диффузных поверхностей, при потолках из экранирующих решеток следует пользоваться формулами (61) и (62).

В формуле (59) первые четыре множителя определяются конструкцией светового потолка; hо·hт - коэффициент использования излучателей, установленных над световым потолком, относительно потолка. Расчет этого произведения для нетиповых светильников не вызывает затруднения, а для типовых может быть определен по таблицам, на основании индекса помещения, в котором используются светильники. Если i>5, то при светильниках прямого света произведение hо·hт можно принимать равным КПД светильника. При высоте помещения, во много раз меньшей длины или ширины помещения, и коэффициенте отражения 0,6 и более значение hо·hт можно считать равным 0,8. Значение коэффициента s рассчитывается по конструктивным чертежам потолка. Если между отдельными секциями со светопрозрачными элементами отсутствуют непрозрачные промежутки, то s=0,9. Значение коэффициента t определяется свойствами светопрозрачного материала или защитным углом решетки. Его значения составят:

для молочного органического стекла - 0,63;

для экранирующей решетки с защитным углом 30° - 0,6;

то же, с защитным углом 45° - 0,45.

ПОМЕЩЕНИЯ ЗДАНИЙ УПРАВЛЕНИЯ И ПРОЕКТНЫХ ОРГАНИЗАЦИЙ

6.30. В конструкторских, чертежных, машинописных и машиносчетных бюро, проектных залах и кабинетах, читальных залах и рабочих комнатах и других помещениях I группы следует предусмотреть сеть штепсельных розеток для осветительных приборов местного освещения.

6.31. Для устранения отраженной блескости, возникающей на полированной поверхности столешницы, кальке или глянцевой бумаге при конторской или чертежной работе, расположение светильников общего освещения следует выбирать в зависимости от расположения рабочих мест. Поэтому в помещениях таких зданий следует предусматривать локализованное относительно рабочих мест размещение светильников.

Светильники размещают таким образом, чтобы отраженная блескость не попадала в поле зрения работающих. Рекомендуемое расположение светильников в помещениях конторского типа показано на рис. 50 (светильники располагаются параллельными рядами). При таком расположении светящих линий обеспечивается необходимый защитный угол.

Рис. 50. Размещение светильников в помещениях конторского типа

1 - линии светильников с ЛЛ; 2 - рабочее место

Продольное размещение светильников параллельно стене с окнами предпочтительно выбирать при значительной глубине заложения помещения, что позволяет включением наиболее удаленного от окна ряда светильников обеспечивать необходимую для работы освещенность для зон помещений с недостаточным естественным светом.

При произвольном расположении рабочих мест, когда линии зрения работающих направлены в разные стороны помещения, следует применять светильники отраженного света (как исключение допускается применять световые потолки).

В случаях когда опасность отраженной блескости особенно велика (работы на кальке), оптимальной можно считать схему освещения, показанную на рис. 51. Светильники одностороннего светораспределения располагаются поперечными рядами по всей ширине помещения и излучают свет в сторону направления линии зрения работающих.

Для общего освещения помещений проектных и административных зданий следует использовать ЛЛ (в основном типа ЛБ).

Рис. 51. Освещение столов для работы на кальке

1 - линии светильников с ЛЛ; 2 - рабочее место

6.32. В кабинетах и рабочих помещениях, где устранение бликов не вызывает особых затруднений, рекомендуется использовать светильники массового производства: при высоте помещения до 3 м потолочные светильники с рассеивателями, при большей высоте - подвесные светильники рассеянного света.

При выборе потолочных светильников предпочтение необходимо отдавать тем, у которых не менее 10-15% светового потока направляется в верхнюю полусферу.

6.33. В машинописных бюро устранение блескости от клавиатуры машинки и дискомфорта, вызванного частой переадаптацией, может быть достигнуто выбором взаимного расположения машинки, светильников, текста и линии зрения работающего.

ПОМЕЩЕНИЯ УЧЕБНЫХ ЗАВЕДЕНИЙ И ДЕТСКИХ ДОШКОЛЬНЫХ УЧРЕЖДЕНИЙ

6.34. Осветительная установка помещений учебных зданий и детских дошкольных учреждений предназначается не только для обеспечения утилитарных требований: требуемых освещенности и качественных показателей, нормируемых СНиП II-4-79, но и для создания благоприятных условий формирования организма учащихся.

6.35. Значения коэффициентов отражения парт, потолка, стен и пола должны быть не менее 0,4; 0,7; 0,5; 0,3.

6.36. Классная доска, деки парт и игровые столы для дошкольников не должны быть темными. Соотношения яркостей между отдельными поверхностями, находящимися в поле зрения учащихся, не должны превышать следующих соотношений: между книгой, тетрадью и декой парты 3:1, между тетрадью, книгой и дальним фоном (стеной, полом) - 10:1, между светильником и его фоном - 20:1.

6.37. Для обеспечения комфортных условий в помещении из поля зрения учащихся следует исключать зеркально отражающие поверхности.

6.38. В помещениях учебных заведений и детских дошкольных учреждений, как правило, следует применять систему общего освещения.

В кабинетах и комнатах преподавателей, в комнатах кружков, читальных залах для МО следует предусматривать штепсельные розетки.

6.39. Для дежурного освещения вестибюлей и коридоров следует, как правило, выделять часть светильников рабочего освещения с питанием от самостоятельной групповой линии или использовать светильники аварийного освещения. Для дежурного (ночного) освещения спальных помещений, помещений для заболевших детей и в палатах изоляторов детских садов-яслей и школ-интернатов следует применять специальные светильники со стеклом синего цвета и экранирующей решеткой, присоединенные к сети аварийного освещения. При установке этих светильников (вблизи от выходов) на высоте, доступной для детей, должно применяться напряжение не более 42 В.

6.40. Для освещения помещений учебных заведений и детских дошкольных учреждений следует применять ЛЛ типа ЛБ.

Для освещения выставочных помещений, кабинетов изобразительного искусства (рисования, лепки и т.д.), где существенна цветопередача, рекомендуется применять лампы типов ЛДЦ и ЛХЕЦ.

Для освещения обеденных и актовых залов необходимо применять ЛЛ типов ЛБ и ЛТБЦ.

Освещение помещений пионерских лагерей, используемых только в летнее время, следует, как правило, выполнять ЛН.

6.41. Для освещения учебных помещений школ, профессионально-технических училищ и средних специальных учебных заведений, групповых, игральных-столовых, комнат для музыкальных и гимнастических занятий детских яслей-садов следует применять светильники рассеянного света с ЛЛ, а также светильники, направляющие в верхнюю полусферу не менее 15% излучаемого ими светового потока. К таким светильникам можно отнести, например, светильники серий ЛСО02, ЛПО01, ЛПО028. На рис. 52-58 показано типовое расположение светильников в помещениях различного назначения. Высота всех помещений, за исключением актового зала, 3 м, высота актового зала - 6м.

6.42. Для освещения классной доски устанавливаются специальные светильники типов ЛПО12 1´40 (на кронштейнах над доской) или светильники типа ЛПО13 2´40 на потолке, обеспечивающие требуемую освещенность в вертикальной плоскости доски.

6.43. В спортивных залах школ, профессионально-технических училищ и средних специальных учебных заведений следует предусматривать меры, исключающие возможность повреждения светильников от ударов мяча, например, защитные решетки.

Потолочные светильники с ЛЛ, применяемые для освоения спортзалов, должны направлять в верхнюю полусферу не менее 10% светового потока.

6.44. В учебных помещениях, спортивных залах общеобразовательных школ, детских яслях-садах и детских домах, расположенных в Заполярье, следует предусматривать устройство эритемных облучательных установок в соответствии с «Указаниями к проектированию и эксплуатации установок искусственного ультрафиолетового облучения на промышленных предприятиях» Министерства здравоохранения СССР.

Рис. 52. Схема размещения светильников в классе

300 лк - нормированная освещенность;  - 2 светильника типа ЛП002 с одной лампой мощностью 40 Вт, установленных на высоте 2,2 м от пола (в случае прочерка светильник устанавливается на перекрытии)

Рис. 53. Схема размещения светильников в кабинете черчения и рисования

Рис. 55. Схема размещения светильников в столярной мастерской

Рис. 54. Схема размещения светильников в актовом зале

6.45. Освещение эстрад актовых залов учебных заведений следует выполнять потолочными светильниками. Горизонтальная освещенность на планшете эстрады в этом случае принимается на две ступени выше освещенности зала (400 лк при ЛЛ). Для дополнительного освещения эстрады в случаях торжественных заседаний и театрализованных представлений следует, как правило, предусматривать осветительные приборы, устанавливаемые на боковых стенах актового зала или на потолке и создающие совместно с потолочными светильниками вертикальную освещенность не менее 300 лк на высоте 1,75 м от планшета.

Рис. 56. Схема размещения светильников в спальне-веранде

Рис. 58. Схема размещения светильников в групповой малышей

Рис. 57. Схема размещения светильников в комнате для музыкальных занятий

Рис. 59. Схема распределения света в палате лечебного учреждения

На эстраде следует устанавливать штепсельные разъемы для подключения переносной осветительной аппаратуры.

ПОМЕЩЕНИЯ ЛЕЧЕБНО-ПРОФИЛАКТИЧЕСКИХ УЧРЕЖДЕНИЙ

6.46. Освещение лечебно-профилактических учреждений следует проектировать в соответствии с требованиями СНиП по проектированию лечебно-профилактических учреждений.

6.47. Световая среда лечебных учреждений помимо обеспечения условий работы медицинского персонала должна удовлетворять требованиям психофизиологического климата, способствующего выздоровлению больных. Одним из этих требований является обеспечение комфортности освещения палат: пятна повышенной яркости (источники света и блеские части светильников) не должны попадать в поле зрения больных, находящихся в горизонтальном положении. Это обеспечивается использованием схемы распределения света светильниками, показанной на рис. 59. Выполнение схемы осуществляется применением системы комбинированного освещения, практически рекомендуемой для всех помещений палат, за исключением послеоперационных, детских и психиатрических отделений. Световой поток направляется на потолок и вниз в центр комнаты, а зона изголовий кровати остается затененной. Дополнительно над кроватями на стенах устанавливаются светильники с отражателями (рис. 60). Каждый светильник состоит из двух отражателей, свет от одного из которых направляется на потолок для общего отраженного освещения, а другого используется для МО изголовий. Удобны светильники, прикрепляемые непосредственно к кровати. Такие светильники могут быть использованы и как переносные при осмотре больных. Светильники, изображенные на рис. 60 обеспечивают больным возможность читать в лежачем положении.

6.48. Для обеспечения нормированной освещенности в помещениях больничного комплекса применяется система общего освещения, при которой светильники общего освещения могут размещаться па потолке и на стенах равномерно или локализованно. Система общего освещения с равномерным расположением светильников применяется в кабинетах врачей, процедурных, регистратуре и др. Система общего локализованного освещения используется в помещениях, где требуется повышенная освещенность отдельных участков.

Светильники МО предназначаются только для освещения рабочих мест и могут быть стационарными и переносными. Стационарные светильники устанавливаются в процедурных, смотровых, операционных, кабинетах физиотерапии и т.п.

6.49. Специальные требования предъявляются к освещению операционных: создание высокой освещенности и одновременно исключение теней от рук и головы хирурга и не допущение теплового нагрева оперируемого и головы хирурга.

Рис. 60. Схема светильников    Рис. 61. Светильник   Рис. 62. Освещение кабинета

для больничных палат                      типа «Свет 15»                   врача

Рис. 63. Освещение кабинета массажа  Рис. 64. Освещение кабинета флюорографии

Для освещения операционных широкое распространение получили светильники типа «Свет-15» (рис. 61), в которых каждый источник света перекрыт теплопоглощающим фильтром. Такие светильники обеспечивают на операционном поле освещенность 10000-50000 лк. Освещенность может регулироваться изменением расстояния от светильника до оперируемого больного. Высокая освещенность обеспечивает возможность получить качественные изображения на телеэкране. При применении бестеневых светильников типов СРСА-6, СМ-36 и СМТ-34 пульт управления устанавливается в аппаратной.

Кроме специального освещения стола операционная должна иметь общее освещение. Оно может создаваться потолочными светильниками как с ЛН (например, НПО16), так и с ЛЛ (типа ЛПО25). Кроме общего освещения для подключения специальных передвижных осветительных приборов предусматривается установка двухполюсной розетки на высоте 1,6 м.

Для продолжения операции при аварийном отключении рабочего освещения следует предусматривать аварийное освещение включением части ламп светильника «Свет-15» в сеть аварийного освещения. Питание аварийного освещения осуществляется от независимого источника энергии, обычно от аккумуляторных батарей, на которые автоматически переключается сеть аварийного освещения, при аварии с основным источником электроснабжения.

6.50. Кроме операционной аварийное освещение следует предусматривать в реанимационных, родовых, перевязочных, манипуляционных, приемных отделениях, лабораториях для срочных анализов и на постах дежурных медицинских сестер. Аварийное освещение осуществляется стационарными светильниками с ЛН или ЛЛ. Для ночного дежурного освещения палат, кроме палат психиатрических отделений, следует предусматривать светильники (например, типа ДС-19), расположенные в специальных нишах на высоте 0,3 м от пола.

6.51. Для освещения помещений, предназначенных для осмотра больных (инфекционных, дерматологических, дерматовенерологических, операционных, хирургических, терапевтических, педиатрических и т.д.) следует использовать ЛЛ типов ЛДЦ и ЛХБЦ.

6.52. Для освещения помещений, предназначенных для приготовления пищи, административных, коридоров, вестибюлей и других помещений следует применять ЛЛ типа ЛБ.

6.53. В кабинетах хирургов, травматологов, педиатров, дерматовенерологов, инфекционистов, аллергологов, стоматологов, врачей-лаборантов рекомендуется применять потолочные полностью закрытые (например, ЛПО02, НПО18) светильники. В кабинетах врачей специалистов функциональной диагностики рекомендуются светильники преимущественно с ЛН, например, НПО18. Для местного освещения используются настольные или настенные светильники (например НБО06).

Освещение помещений, предназначенных для осмотра больных, административных помещений, коридоров, вестибюлей, лестничных клеток и т.п. обеспечивается потолочными или встраиваемыми светильниками с ЛЛ, монтируемыми отдельно или полосами. Для выполнения гигиенических и светотехнических требований светильники должны быть перекрыты сплошными рассеивателями во избежание запыления и для обеспечения стерильных условий (например, типов ЛПО31, ЛПО02, ЛПО01 и др.).

6.54. Общее освещение рентгенодиагностического кабинета, кабинетов рентгенобронхоскопии, лапароскопии, ангиографии выполняется светильниками с ЛН (например НПО18), кроме того кабинеты оборудуются настенными светильниками (НБО06). Кабинет рентгенодиагностического отделения оборудуются световой сигнализацией (светильник арт. 135).

6.55. Для обеззараживания воздуха в операционных, перевязочных, инфекционных отделениях больниц, в приемных родильных домов следует устанавливать бактерицидные облучатели (например, типа ОБП-300).

Для массовых помещений лечебных учреждений на рис. 62-64 показано рекомендуемое расположение светильников и нормируемая освещенность. Высота всех помещений 3 м.

МАГАЗИНЫ

6.56. Основными освещаемыми объектами в магазинах являются прилавки, витрины закрытые и со свободным доступом покупателей к ним, а также кассы. Во всех случаях основное внимание должно уделяться их освещению и светильники желательно располагать ближе к витринам, прилавкам и кассам.

6.57. Для освещения прилавков, стендов, шкафов следует применять зеркальные светильники с шарнирным креплением, позволяющие изменять направление осевой силы света и создавать на прилавках и стендах высокую освещенность на требуемых поверхностях.

6.58. В торговых залах следует, как правило, применять систему общего освещения (локализованного или равномерного) с использованием светильников с ЛЛ.

В торговых залах магазинов самообслуживания светильники следует располагать по центрам проходов между рядами торгового оборудования.

6.59. Над кассовыми аппаратами должна устанавливаться самостоятельная линия светильников с ЛЛ.

6.60. Для витрин готового верхнего платья, расположенного в вертикальной плоскости, следует обеспечить требуемую освещенность в этой плоскости.

6.61. Освещение примерочных кабин в магазинах готового платья следует осуществлять светильниками, установленными на потолке или на стенах выше зеркала. Светильники на потолке устанавливаются таким образом, чтобы свет падал на покупателя спереди под углом 30-40° на уровне груди.

Наилучший способ освещения кабины - применение светового потолка с яркостью 3000-4000 кд/м2.

6.62. Требование к источникам света для освещения торговых залов магазинов основывается на обеспечении хорошей цветопередачи. На цветность источников света следует обращать особое внимание при освещении продуктовых магазинов (продажа мяса, фруктов, кондитерских изделий), а также магазинов готового платья (продажа тканей, мехов и т.п. товаров).

Эти требования могут быть удовлетворены при использовании ЛЛ типов ЛДЦ, ЛХБ, ЛДЦУФ и ЛЕЦ.

6.63. В ювелирных магазинах, магазинах по продаже хрусталя и художественного стекла более пригодны ЛН, так как они вызывают «игру» света в бриллиантах, драгоценных камнях, в полированном драгоценном металле, что способствует лучшему показу товаров.

6.64. В булочных, магазинах по продаже хозяйственных товаров и т.п. цветность излучения не является основным требованием и поэтому выбор источников света может быть основан на определении минимума приведенных затрат.

6.65. При общей площади торговых залов 180 м2 и более, а также магазинах самообслуживания при площади 110 м2 и более все выходы должны быть отмечены световыми указателями.

6.66. Аварийное освещение следует устраивать над кассовыми аппаратами.

ТЕАТРЫ, КИНОТЕАТРЫ, КЛУБЫ

6.67. Освещение зрительной части зрелищных сооружений (зрительный зал, фойе, вестибюли, гардеробы, буфеты, кулуары) осуществляется в соответствии с творческими установками архитектора - автора здания и представляет собой одну из разновидностей архитектурного освещения интерьеров.

6.68. Освещение артистических и гримерных должно выполняться светильниками с ЛН.

6.69. Для освещения кинопроекционной и перемоточной следует использовать светильники с защитным стеклом.

6.70. В зрительных залах кинотеатров предусматривается автоматическое включение светильников, создающих 15-20% нормируемой освещенности в случае аварийного прекращения кинопроекции; для проведения работ дежурного персонала должно быть обеспечено включение 15-20% светильников общего освещения.

6.71. Аварийное освещение в зрелищных сооружениях осуществляется в помещениях касс, администратора, гардероба, постов охраны и пожарного, регуляторной, кинопроекционной и звукоаппаратной, трансформаторной подстанции, телефонной станции.

6.72. В зрительном зале, фойе, буфете и распределительных кулуарах должно быть предусмотрено дежурное освещение из расчета до 30% общего освещения этих помещений с управлением освещения зрительного зала - из зала и аппаратной, в остальных помещениях - из этих помещений.

ПРЕДПРИЯТИЯ ОБЩЕСТВЕННОГО ПИТАНИЯ

6.73. Освещение залов ресторанов, кафе, баров, чайных, закусочных, буфетов, столовых и т.д., вестибюлей и других помещений с повышенными требованиями к архитектурно-художественному оформлению интерьера может быть общим равномерным или локализованным и выполняться как ЛЛ (типов ЛБ, ЛХБ, ЛДЦ и др.), ЛН так и их различными комбинациями в зависимости от архитектурного решения.

6.74. Освещение производственных помещений (горячие, холодные, заготовочные, доготовочные, кондитерские и другие цехи) должно быть общим равномерным или локализованным в зависимости от расположения технологического оборудования. В качестве источников света рекомендуется применять ЛЛ (типа ЛБ).

6.75. В складских помещениях следует использовать светильники с ЛЛ типа ЛБ или с ЛН. В кладовых сгораемой тары лампы накаливания в светильниках должны быть перекрыты силикатным стеклом. Запрещается применять светильники с отражателями или рассеивателями из горючих материалов.

6.76. Конструкция светильников, используемых в помещениях для приготовления и раздачи пищи, должна исключать возможность выпадения из них ламп.

6.77. В качестве дежурного освещения обеденных залов, вестибюлей и коридоров могут быть использованы светильники эвакуационного освещения или часть светильников рабочего освещения (минимальное число, необходимое для осмотра помещения) с питанием их от отдельной групповой сети.

ПРЕДПРИЯТИЯ БЫТОВОГО ОБСЛУЖИВАНИЯ

6.78. В помещениях для посетителей, в производственных помещениях для изготовления и ремонта одежды, меховых и трикотажных изделий, головных уборов, в производственных помещениях химической чистки, в парикмахерских залах следует применять ЛЛ типов ЛДЦ и ЛХБ. В моечных, душевых, парильных в банях следует применять ЛН. Для остальных помещений рекомендуется использовать ЛЛ типа ЛБ.

6.79. Светильники в мокрых и влажных помещениях должны быть герметическими и брызгозащищенными.

6.80. Над гладильными установками и рабочими столами для сортировки и раскладки грязного и чистого белья следует предусматривать локализованное размещение светильников на высоте 2-2,5 м от рабочих поверхностей. Локализованное размещение светильников следует предусматривать также в пошивочных и ремонтных мастерских.

6.81. В помещениях граверных работ, ремонта часов, телевизоров, радиоаппаратуры, обуви, металлоизделий, в химчистке на столе приемщицы следует применять систему комбинированного освещения.

6.82. В производственных цехах прачечных, в вестибюлях, коридорах, ожидальных, раздевальных, мыльных, душевых, парильных, помещениях бассейнов и на лестничных клетках необходимо предусматривать эвакуационное освещение.

6.83. Для охранного освещения следует использовать светильники эвакуационного освещения.

ГОСТИНИЦЫ

6.84. Освещение основных помещений гостиниц следует, как правило, выполнять ЛЛ. При специальном архитектурном решении помещения допускается применение ЛН.

6.85. В номерах гостиниц следует предусматривать дополнительное местное освещение (бра, настольная лампа, торшер и т.д.). Использование для общего освещения номеров гостиниц и других помещений напольных светильников (торшеров) допускается как исключение.

6.86. В ванной комнате рекомендуется устанавливать светильники-плафоны с ЛН или ЛЛ типа ЛТБЦ над зеркалом, в уборной с ЛН над дверью. У умывальников должны устанавливаться штепсельные розетки для электробритв.

6.87. В ванных комнатах и уборных светильники должны иметь корпус из изолирующих влагостойких материалов.

ЖИЛЫЕ ЗДАНИЯ

6.88. Для освещения жилой комнаты рекомендуется применять систему комбинированного освещения. Для светильника общего освещения должна быть предусмотрена возможность установки его на потолке посредине комнаты. Освещение зоны отдыха может быть выполнено настенными или напольными светильниками (торшером, бра), рабочей зоны - различными настольными лампами, для которых следует предусмотреть штепсельные розетки из расчета не менее одной на каждые полные и неполные 6 м2 площади комнаты.

6.89. Штепсельные розетки для светильников местного освещения, предназначенных для чтения, должны быть установлены в спальных комнатах. Следует предусматривать не менее одной штепсельной розетки на полные и неполные 10 м2 коридора и не менее четырех розеток для бытового электрооборудования и местного освещения в кухне.

6.90. Освещение ванных комнат и уборных выполняется согласно пп. 6.86 и 6.87.

7. РАСЧЕТ ИСКУССТВЕННОГО ОСВЕЩЕНИЯ

7.1. Расчет искусственного освещения заключается в определении числа и мощности источников света, обеспечивающих нормированную (с учетом коэффициентов запаса) освещенность, либо в определении по заданному размещению светильников и мощности источников света, используемых в них, создаваемой ими освещенности на указанных в нормах рабочих поверхностях.

7.2. Освещенность Ер.п на рабочей поверхности создается световым потоком, поступающим непосредственно от светильнике» (прямая составляющая освещенности Еп.с и отраженным, падающим на расчетную поверхность в результате многократных отражений от стен, потолка, пола, оборудования (отраженная составляющая освещенность Ео.с):

Ер.п=Еп.с+Ео.с.

7.3. Прямая составляющая освещенности рассчитывается на основе кривой силы света светильника и расположения светильников относительно выбранной точки на рабочей поверхности и поэтому ее значения на отдельных участках рабочей поверхности могут быть различными.

7.4. Отраженная составляющая освещенности определяется световым потоком, падающим на отражающие поверхности непосредственно от светильников, т.е. определяется светораспределением светильников, отражающими свойствами ограждающих поверхностей, а также соотношением размеров освещаемого помещения.

7.5. Метод расчета прямой составляющей освещенности выбирается в зависимости от применяемых светящих элементов проектируемой ОУ. В зависимости от соотношения размеров светящих элементов и расстояний их до освещаемой поверхности все разновидности светящих элементов можно разделить на три группы: точечные, линейные и светящие поверхности.

Точечность светящего элемента определяется его относительными размерами по отношению к расстоянию до освещаемой точки пространства. Практически принято считать светящее тело точечным, если его размеры не превышают 0,2 расстояния до освещаемой точки.

В практике расчета точечный светильник принимается за светящую точку с условно выбранным световым центром, характеризуемым силой света по всем направлениям (рис. 65).

К точечным светящим элементам относятся: прожекторы, светильники с ЛН и газоразрядными лампами типов ДРЛ, ДРИ, НЛВД, НЛНД и т.п.

Рис. 65. Координаты, определяющие положение точечного светящего элемента относительно расчетной точки

Рис. 66. Координаты, определяющие положение линейного светящего элемента относительно расчетной точки

К линейным светящим элементам относятся светящие элементы, имеющие несоизмеримо малые размеры по одной из осей по сравнению с размерами по другой оси.

В практике расчета к светящим линиям относятся излучатели, длина которых превышает половину расчетной высоты hp. К светящим линиям относятся люминесцентные светильники, расположенные непрерывными линиями или линиями с разрывами, а также протяженные светящие панели, длина которых соизмерима с расстоянием до освещаемой поверхности. Основной характеристикой линейных источников является удельная сила света, под которой понимают силу света, излучаемую единицей длины источника (1 м) в плоскости, перпендикулярной его оси, и кривые силы света в продольной и поперечной плоскостях. Положение светящей линии относительно точки расчета определяется: hp - высотой расположения светящей линии относительно расчетной точки и двумя углами; g в поперечной плоскости, перпендикулярной оси лампы и проходящей через точку расчета, и углом j, под которым видна светящая линия из точки расчета (рис. 66).

К светящим поверхностям, для которых нельзя применить закон квадратов расстояний из-за значительной погрешности, возникающей в расчете, относятся установки отраженного света в виде световых потолков или ниш; панели, перекрытые рассеивателями или экранирующими решетками. Размеры этих светящих элементов соизмеримы с расстоянием до расчетной точки. Светящие элементы этой группы характеризуются следующими показателями: формой и размером светящей поверхности, распределением яркости по различным направлениям пространства и по самой светящей поверхности. Световые потолки в установках отраженного света, а также световые потолки и панели, перекрытые рассеивателями, обладают практически одинаковой яркостью по всем направлениям пространства. Исключение составляют светящие поверхности, перекрытые экранирующими решетками, защитный угол которых может существенно влиять на распределение яркости в пространстве. При расчете ОУ этого типа можно принимать яркость светящей поверхности, равной ее среднему значению.

Наибольшее применение при проектировании получили светящие элементы первой и второй групп.

Использование светящих поверхностей, требующих значительной установленной мощности, может быть оправданным в установках архитектурного освещения, когда кроме утилитарных требований, предъявляются также дополнительные архитектурно-художественные требования.

Необходимо иметь в виду, что в зависимости от условий применения светящий элемент может быть отнесен к различным группам. Так, линейный светящий элемент может рассматриваться как точечный, если его длина в два раза меньше расстояния до точки, в которой определяется создаваемая им освещенность, при этом погрешность при расчете не превышает 5%. Аналогичное допущение может быть принято для светящего равнояркого круга, если расстояние, на котором определяется освещенность, в 2,5 раза превышает диаметр круга.

Подход к расчету отраженной составляющей является общим для всех трех групп светящих элементов, он заключается в определении первоначально попавшего от светильников светового потока на отражающие поверхности ограждающих помещение конструкций.

ОБЩИЕ ПОЛОЖЕНИЯ ДЛЯ РАСЧЕТА ОСВЕЩЕННОСТИ ОТ ТОЧЕЧНОГО СВЕТЯЩЕГО ЭЛЕМЕНТА

7.6. Положение симметричного светильника относительно расчетной точки в общем случае определяется: hp - высотой расположения светильника относительно расчетной плоскости; a и j - углами, определяющими направление силы света в расчетную точку (рис. 65).

Если светильник находится на расстоянии от расчетной поверхности, соизмеримом с его размером, его нельзя рассматривать как точечный. Светораспределение такого светильника определяется не кривой силы света, а кривыми равной освещенности в расчетной плоскости. Поэтому расположение светильника МО относительно расчетной точки будет определяться hp и d, где d - расстояние от проекции оси светильника на освещаемую поверхность до расчетной точки.

Рис. 67. К расчету освещенности от тoчечнoгo светящего элемента с симметричным светораспределением

Рис. 68. Номограмма для определения f(lo/hp)

Рис. 69. К расчету освещенности в горизонтальной плоскости

Рис. 70. К расчету освещенности в вертикальной плоскости

Рис. 71. Расположение светильников общего освещения (к примеру 1)

Прямая составляющая освещенности ЕА от точечного излучателя с симметричным светораспределением в точке А (рис. 67) определяется по формуле

ЕА=Iacos3a(cosq±sinq/hр)/hp2,                                    (63)

где q - угол наклона расчетной плоскости по отношению к плоскости, перпендикулярной оси симметрии светильника (горизонтальная плоскость); a - угол между направлением силы света к расчетной точке и осью симметрии светильника ОО'; lо - кратчайшее расстояние от проекции оси симметрии светильника на горизонтальную плоскость, проходящую через точку расчета до следа пересечения последней с расчетной плоскостью (рис. 67).

Для упрощения расчетных операций обычно пользуются графиком зависимости

cosq±losinq/hp2=f(lo/hp)

для постоянных значений q (рис. 68). Определяя значения lо, hp и q, находим из графиков cosq+losinq/hр (сплошные линии) или cosq-losinq/hp (пунктирные линии).

Обычно ось симметрии светильников перпендикулярна расчетной горизонтальной плоскости (рис. 69), в этом случае освещенность горизонтальной плоскости в точке А-Ег равна:

Ег=Iacos3a/hp2.                                                            (64)

При оси симметрии светильника, параллельной расчетной плоскости (рис. 70) q=p/2, освещенность в вертикальной плоскости Ев, равна;

Ев=Ialocos3a/hp3=Егlo/hp.                                            (65)

РАСЧЕТ ПРЯМОЙ СОСТАВЛЯЮЩЕЙ ОСВЕЩЕННОСТИ ОТ ТОЧЕЧНЫХ СВЕТЯЩИХ ЭЛЕМЕНТОВ С СИММЕТРИЧНЫМ СВЕТОРАСПРЕДЕЛЕНИЕМ

7.7. При расчете освещенности от симметричных светильников необходимо соблюдать следующую последовательность:

1. По отношению d/hp определяется tga, а следовательно, и угол a и cos3a, где d - расстояние от расчетной точки до проекции оси симметрии светильника на плоскость, ей перпендикулярную и проходящую через расчетную точку.

2. По кривой силы света для выбранного типа светильника и углу a определяется Ia.

3. По (63)-(65) рассчитываются освещенности в горизонтальной, вертикальной или наклонной плоскостях.

Пример 1. Помещение площадью 100 м2 высотой 5 м освещается четырьмя светильниками типа УПД ДРЛ с лампами типа ДРЛ мощностью 400 Вт (Фл=19000 лм), имеющими кривую силы света при условной лампе со световым потоком Фл=1000 лм, дискретные значения которой даны в табл. 61.

Таблица 61

a, град

Сила света Ia, кд

a, град

Сила света Ia, кд

0

284

90

2

5

280

95

4

15

277

105

4

25

258

115

4

35

228

125

5

45

181

135

5

55

106

145

5

65

56

155

4

75

26

165

4

85

6

175

3

 

 

180

3

Светильники располагаются по углам квадрата со стороной 5 м. Высота подвеса светильников hр=4,5 м. Определить освещенность горизонтальной, вертикальной и наклонной (под углом q=60°) плоскостей, расположенных на пересечении диагоналей поля светильников (рис. 71). Расчет освещенности производим в указанной выше последовательности:

1. Определяем tga (рис. 69):

.

2. Определяем а и cos3a:

a=37°, cos3a=0,49.

3. Определяем Ia.

По табл. 61 находим силу света при a=38° для светильника с условной лампой (Ia)1000=214 кд (интерполируем между значениями силы света для угла a=35° и 45°); сила света при Фл=19000 лм

Ia=214·19000/1000=4066 кд.

4. Рассчитываем освещенность в горизонтальной плоскости. Принимая коэффициент запаса Кз=1,5 для одного светильника, имеем:

Iacos3a/(hp2Кз)=4066·0,49/(4,52-1,5)»65,6 лк.

Так как каждый из четырех светильников создает в расчетной точке одинаковую освещенность, то суммарная освещенность равна:

SЕp=4Ег=4·65,6=262,4 лк.

5. Рассчитываем освещенность в вертикальной плоскости. Так как расчетная точка, лежащая в вертикальной плоскости, освещается только двумя светильниками, то освещенность вертикальной плоскости будет равна:

Ев=2Егlo/hp=2·65,6·2,5/4,5»73 лк.

6. Рассчитываем освещенность в наклонной плоскости:

ЕA=2Ег(cosq+lоsinq/hр)=2·65,6(cos60°+2,5sin60°/4,5)»129 лк.

Использование элементарных кривых освещенности E=f(d) значительно сокращает и упрощает расчет ОУ с большим числом одинаковых светильников общего освещения, расположенных на одной и той же высоте. Такие кривые приведены для заданного типа светильника на рис. 72. Для разных высот установки светильников (hp=const) дана зависимость освещенности Е, лк, от расстояния проекции оси симметрии светильника до расчетной точки d, м Кривые, как правило, строятся для условной лампы, имеющей световой поток 1000 лм.

Для расчета ОУ часто используют пространственные изолюксы горизонтальной освещенности. Построение таких кривых осуществляется для каждого типа светильника, при этом световой поток ламп (при многоламповых светильниках - суммарный поток лампы) принимается равным 1000 лм. Создаваемая в этом случае освещенность называется относительной и обозначается e. Значение e зависит от светораспределения светильника и значений d и hр (рис. 67). Для определения e служат пространственные изолюксы условной горизонтальной освещенности (для светильников типов У, УПМ-15, УП-24, Астра-1,11 и 12 (они показаны на рис. 73), на которых находится точка с заданными d и hр (значение d, как правило, определяется обмером по масштабному плану) и e находится путем интерполирования между значениями, указанными у ближайших изолюкс. Аналогичные графики, но построенные по данным измерений, могут применяться для расчета МО.

Рис. 72. Элементарные кривые освещенности

Рис. 73. Пространственные изолюксы условной горизонтальной освещенности. Светильники У, УПМ-15, УП-24, Астра 1,11, 12

При отсутствии изолюкс для светильника используется график для излучателя, имеющего по всем направлениям силу света, равную 100 кд (рис. 74), значение условной освещенности определяется так же, как указано выше. По кривой силы света светильника в данном направлении и значении e100 несложно вычислить e:

e=e100Ia/100.                                                            (66)

Если суммарное действие «ближайших» светильников создает в расчетной точке относительную освещенность Se, то действие более удаленных светильников и отраженную составляющую учитывают с помощью коэффициента m. Тогда для получения в расчетной точке нормированной освещенности Ен при коэффициенте запаса Кз световой поток лампы в каждом светильнике должен быть равен:

Ф=1000ЕнКз/(mSe).                                                    (67)

По значению Ф выбирается ближайшая стандартная лампа, поток которой Фл должен находиться в пределах 0,9Ф<Фл£1,2Ф. Если эти пределы при выборе лампы не выполняются, то корректируется расположение светильников.

Рис. 74. Пространственные изолюксы горизонтальной освещенности (сила света светильника по всем направлениям 100 кд)

Рис. 75. характерные расчетные точки для общего равномерного освещения

По формуле (67) может быть определена освещенность при известном световом потоке. Характерные расчетные точки расчета для общего равномерного освещения показаны на рис. 75.

При часто встречающемся расположении светильников, как, например, рядами вдоль светотехнических мостиков, расчетная точка выбирается между рядами на расстоянии, примерно равном расчетной высоте от торцевой стены. Не следует отыскивать точку минимальной освещенности у стен или в углах, если в этих точках имеются рабочие места, то доведение в них освещенности до требуемого значения может быть осуществлено увеличением мощности ближайших светильников или установкой дополнительных светильников. Часто в процессе расчетов возникают затруднения в определении числа светильников, которые необходимо учитывать при определении Se. Обычно в расчет принимаются светильники, расположенные на трех наименьших расстояниях d. На рис. 75 расчетные точки соединены линиями с теми светильниками, от которых обычно определяются значения e. В общем случае, чем меньше значение d/hр и чем шире светораспределение светильника, тем большую роль играют удаленные светильники и тем тщательнее следует их учитывать. При определении Se не должны учитываться светильники, реально не создающие освещенности в контрольной точке из-за затенений оборудованием или корпусом работающего.

Пример 2. В помещении, часть которого показана на рис. 75,а, необходимо обеспечить освещенность 100 лк при коэффициенте запаса Кз=1,5, используя светильники типа УПМ-15, установленные на высоте 3 м. Расстояние между светильниками в ряду 4 м, расстояние между рядами светильников 6 м. Определить мощность лампы.

Расстояние d от светильника до расчетной точки определяется обмером по масштабному плану. Значение e находим по графику рис. 73. Расчеты сводим в табл. 62.

Наихудшей является точка Б, по освещенности в которой определяем необходимый поток, принимая m=1,1:

Ф=1000ЕнКз/(mSe)=1000,100·1,5/1,1·19,1=7136 лм;

Таблица 62

Точка

Номера светильников

Расстояние, м

Условная освещенность, лк

от одного светильника

от всех светильников

А

1, 2, 3, 4

3,6

4,5

18

5, 6

6,7

0,9

1,8

7, 8

9,2

0,3

0,6

Б

 

 

Se=20,4

1, 3

3

7

14

2, 4

5

2

4

5, 6

8,5

0,4

0,8

7

9

31

0,31

 

 

 

Se=19,1

по ГОСТ 2239-79 (с изм.) выбираем лампу накаливания 500 Вт на напряжение 220 В со световым потоком 8300 лм.

РАСЧЕТ ПРЯМОЙ СОСТАВЛЯЮЩЕЙ ОСВЕЩЕННОСТИ ОТ ТОЧЕЧНЫХ СВЕТЯЩИХ ЭЛЕМЕНТОВ С НЕСИММЕТРИЧНЫМ СВЕТОРАСПРЕДЕЛЕНИЕМ

7.8. В отличие от расчета освещенности от светильников с симметричным светораспределением расположение точки расчета А при освещении несимметричным светильником О характеризуется тремя параметрами: расстоянием hр и углами a и j, отсчитываемыми от плоскости симметрии светильника ОВС (рис. 76). Согласно рис. 76 значения a и j могут быть определены из формул:

a=arctg(d/hp);            j=arctg(b/a).                              (68)

С учетом a и j по кривой силы света определяем силу света Iaj по направлению к расчетной точке, а следовательно, и освещенность Ег в этой точке

Ег=Iajcos3a/(hp2Кз).                                                    (69)

Расчет освещенности от большого числа светильников с несимметричным светораспределением удобно производить по кривым равных значений относительной освещенности e=Iajcos3a, построенным в полярной системе координат j и ctga или tga (рис. 77).

Построение таких кривых для данного типа светильника осуществляется по кривым относительной освещенности для различных продольных плоскостей j=const. По значению e=Iajcos3a определяется значение tga, соответствующее выбранным значениям j, которые определяют положение точек e=const на соответствующих прямых j=const полярной системы координат. Соединение между собой точек позволяет получить кривую равной относительной освещенности с источником света, световой поток которого Фл=1000 лм при hp=1 м.

Рис. 76. К расчету освещенности от точечного светящего элемента с несимметричным светораспределением

Рис. 77. Пространственные кривые равной относительной освещенности для светильника с несимметричным светораспределением

Расчет освещенности при использовании указанных кривых следует производить в следующем порядке:

1. По положению светильника относительно расчетной точки определяются:

j=arctg(b/a) и tga=d/hp или ctga=hp/d.

2. По кривым равной относительной освещенности и значениям j и tga определяется e=Iajcos3a (рис. 77).

3. По значению e рассчитывается освещенность Ег:

Ег=eФл/(1000hрКз).

Пример 3. Определить освещенность в расчетной точке на горизонтальной плоскости от светильника «Кососвет», расположенного на высоте hр=3 м над расчетной плоскостью. В светильнике установлена лампа накаливания 150 Вт, 220 В (Фл=2000 лм). Коэффициент запаса Кз=1,3.

1. Определяем углы j и ctga (рис. 76)

j=arctg(b/а)=arctg 1; j=45°;

ctga=hp/d=3/»0,7.

2. Определяем относительную освещенность по графику (рис. 77):

e=32 лк для ctga=0,7 и j=45°.

3. Определяем освещенность в расчетной точке

Ег=eФф/(1000hp2Kз)=32·2000/(32·1000·1,3)=5,5 лк.

РАСЧЕТ ПРОЖЕКТОРНОГО ОСВЕЩЕНИЯ

7.9. Расчет прожекторного освещения имеет свою специфику, как правило, прожекторы устанавливаются наклонно, под некоторым углом к горизонту, определяемом расположением освещаемой зоны, высотой установки прожекторов и нормируемой освещенностью. Прожекторы дальнего действия имеют малые углы рассеяния (3-5°), и поэтому малейшие неточности в определении углов максимального значения силы света могут привести к значительным ошибкам.

Прожектор заливающего света, установленный на высоте hp от плоскости расположения расчетной точки А (рис. 78), имеет осевую силу света Iо и силу света Ibгbв в направлении точки А.

Направление Ibгbв определяется углами bг и bв в двух взаимно-перпендикулярных плоскостях. Согласно рис. 78 значения этих углов могут быть определены из следующих уравнений:

bг=arctg(bcosa1/hp)=arctg(bsina1/а); bв=±(arctg(a/hр)-arctg(aо/hр)). (70)

Зная bг и bв, по кривым силы света определяем силу света по направлению к расчетной точке А Ibгbв и затем освещенность Ег:

Eг=Ibгbвcos3a/hp2,                                                         (71)

где a - угол между направлением силы света в расчетную точку и нормалью к освещаемой поверхности.

При расчете освещенности от большего числа прожекторов обычно пользуются вспомогательными графиками и таблицами.

Рис. 78. К расчету освещенности от прожектора заливающего света

Рис. 79. Кривые равной относительной освещенности. Прожектор ПЗР-400 с лампой ДРЛ-400

Рис. 80. К расчету освещенности от прожектора заливающего света методом кривых равной относительной освещенности

Широкое распространение в практике проектирования получил метод кривых равных значений относительной освещенности. Кривые равных значений относительной освещенности построены на плоскости, перпендикулярной оптической оси прожектора и удаленной от его светового центра на расстояние 1 м. Эти кривые строятся в прямоугольной системе координат x и h (рис. 79).

Для прожекторов, обладающих двумя плоскостями симметрии (горизонтальной и вертикальной), достаточно иметь такие кривые, расположенные только в одной четверти прямоугольных координатной системы.

Для определения освещенности в точке А горизонтальной плоскости строится вспомогательная плоскость Q, проходящая через расчетную точку А и перпендикулярная оптической оси прожектора (рис. 80). Освещенность в точке А плоскости Q-EQ определится по формуле

EQ=e/r2,                                                              (72)

где e - относительная освещенность, определенная по кривым равных значений относительной освещенности для заданных координат x и h; r - расстояние от прожектора до плоскости, перпендикулярной оптической оси прожектора.

Освещенность определится по формуле

EQ/Eг=r/hр; Eг=EQhp/r.

Подставляя EQ из формулы (72), получим:

Eг=ehp/r3.                                                            (73)

Соответственно, освещенность в вертикальной плоскости, проходящей через точку А, будет иметь значение

Eв=Eгa/hр=eа/r3,                                                          (74)

где а - расстояние от проекции светового центра прожектора на расчетную плоскость до следа пересечения вертикальной плоскости с плоскостью Q.

Согласно уравнениям (73) и (74) для определения Ег и Ев необходимо иметь значение относительной освещенности e, которое определяется на графике по координатам x и h.

Согласно рис. 80 из треугольника ОВК и LMK получим:

r=ОМ=hpsinq+acosq.

Из треугольника AОМ

x=tgbв=/OM=(a-а0)sinq/r.                                              (75)

Так как в общем случае расчетная точка может быть смещена в горизонтальной плоскости на некоторое расстояние b от плоскости симметрии прожектора 05, то ее положение будет определяться и второй координатой h:

h=tgbг=b/r.                                                                  (76)

Полученные соотношения можно привести к виду, удобному для расчетов. Для этой цели обе части формул (75) и (76) разделим на hp и обозначим соотношение r/hр через X

Тогда получим

x=(asinq/hp-cosq)/X;       X=sinq+acosq/hр;         h=b/(X3hp2).                (77)

Соответственно, освещенность в горизонтальной и вертикальной плоскостях будет равна:

Ег=e/(Х3hр2);                 Ев=eа/(Х3hр2).                                  (78)

Приведенные соотношения позволяют определить освещенность в любой точке расчетной плоскости, если задана высота расположения прожектора hp и угол наклона его оптической оси q.

Пример 4. Прожектор типа ПЗР-400 с лампой ДРЛ-400 установлен на высоте 15 м над освещаемой территорией. Определить освещенность горизонтальной плоскости в точке А (рис. 81), если угол наклона оптической оси прожектора q=10°, коэффициент запаса Кз=1,5. Расчет следует вести методом кривых равных значений относительной освещенности.

Рис. 81. Расположение прожектора относительно расчетной точки (к примеру 4)

Рис. 82. К расчету освещенности от линейного светящего элемента

Рис. 83. Варианты расположения расчетной точки относительно линейного светящего элемента

Определяем значения Х, x и h:

X=sinq+acosq/hp=0,174+150·0,985/15»10;

x=(asinq/hp-cosq)/X=(150·0,174/15-0,985)/10=0,075;

h=b/(Xhp)=15/(10·15)=0,1.

По кривым равной относительной освещенности (рис. 79) находим e=18,65·103,

Освещенность в горизонтальной плоскости Ег равна:

Ег=e(Х3hp2Кз)=18,65·103/(103·1521,5)=0,05 лк.

Рассматриваемый метод позволяет решить и обратную задачу - определить координаты точек а и b по заданной освещенности и выбранной высоте установки прожектора, т.е. получить необходимые данные для построения кривых равных значений освещенности, необходимых для расчета прожекторного освещения.

Для облегчения построения таких кривых рассчитаны таблицы значений* x, Х, и Х3 в зависимости от q и отношения а/hр. Порядок расчета кривых равных значений освещенности сводится к следующему:

________________

* Справочная книга для проектирования электрического освещения. Под ред. Г.М. Кнорринга. - Л.: Энергия, 1976-384 с.

1. Задаваясь значением а, определяют a/hр.

2. По таблице находят x, Х и X3 для данного отношения а/hр и заданного q.

3. Задаваясь значениями Ег и Eв, по формуле (78) определяют относительную освещенность.

4. По найденным значениям e и x пользуясь графиком относительной освещенности, определяют h.

5. По найденному значению h и известным Х и hр находят вторую координату точки кривой равной освещенности.

Найденные координаты а и b определяют положение пары точек кривой для выбранной освещенности Е, симметричных относительно следа оптической оси прожектора. Проводя аналогичные расчеты, находят для различных значений а/hр положения точек, соединяя которые между собой, получают кривую заданной освещенности Ег.

РАСЧЕТ ОСВЕЩЕННОСТИ ОТ ЛИНЕЙНЫХ СВЕТЯЩИХ ЭЛЕМЕНТОВ

7.10. Прямая составляющая освещенности ЕА от линейных светящих элементов, расположенных параллельно расчетной плоскости (рис. 82), определяется по формуле

ЕА=Ivcos2g(a+0,5 sin2a)/(2hp);                                       (79)

где Iv - среднее значение силы света с единицы длины светящей части светильника под углом g, лежащим в плоскости, перпендикулярной оси лампы; a - угол, под которым видна светящая линия из точки расчета; hр - высота расположения светящей линии над освещаемой поверхностью.

Уравнение (79) применимо, когда расчетная точка совпадает с проекцией конца светящей линии на расчетную плоскость. В более общем случае освещенность в расчетных точках ЕА1 и ЕА2 (рис. 83) будет равна:

ЕА1=ЕВС+ECD;

ЕА2=ЕВE+EDE,

где ЕВС ECD, ЕВE+EDE - значения освещенности от участков светящей линии.

В упрощенных методах расчета значение a+0,5sin2a определяется графически (рис. 84) в зависимости от lл/l, где lл - длина светящей линии; l - расстояние от светящей линии до расчетной точки. Когда расстояние, на котором определяется освещенность, в три раза меньше длины светящей линии, линия может рассматриваться как бесконечно протяженная.

Пример 5. Люминесцентная лампа типа ЛБ мощностью 80 Вт, напряжением 220 В, имеющая световой поток 5220 лм, расположена на высоте hр=3,5 м параллельно расчетной плоскости. Определить освещенность в точке A расчетной плоскости, отстоящей на 2 м от проекции конца линии на расчетную плоскость. Принимая лампу за светящую линию (lл=1,5 м), определим силу света с единицы длины в плоскости, перпендикулярной оси лампы:

Iv=Фл/(p2lл=5220/(3,142·1,5)=353 кд.

Находим a sin2a и cos g:

a=arctg(lл/l)=arctg(l,5/);   a=20°; sin2a=0,65;  cosg=hp/l=3,5/»0,87.

По формуле (79) находим освещенность в расчетной точке

ЕА=Ivcos2g(a+0,5sin2a)/(2hp)=353·0,76(0,36+0,5·0,65)/(2·3,5)=26,3 лк.

Светильники с люминесцентными лампами, как правило, располагаются параллельно рядами вдоль наружной стены со светопроемами. Каждый ряд светильников представляет собой непрерывную (светильники вплотную примыкают один к другому) или прерывистую линию, когда светильники располагаются с некоторыми интервалами вдоль ряда (рис. 85). Если в прерывистой линии отношение расстояния между торцами светильников к высоте их подвеса над расчетной поверхностью l/hр не превышает 0,5, распределение освещенности по расчетной плоскости вдоль ряда светильников можно практически считать равномерным. Снижение освещенности на краях ряда можно компенсировать уплотнением светильников на конце прерывистого ряда или установкой дополнительных светильников на конце ряда при сплошных светящих линиях.

Рис. 84. График функции a+0,5sin2a для расчета освещенности от светящей линии

Рис. 85. К расчету освещенности от светящей линии с разрывами

Наибольшее распространение при расчете освещенности от светящей линии нашел метод кривых равной относительной освещенности. Сущность этого метода заключается в следующем. Уравнение (79) при использовании светящей прерывистой линии может быть записано в виде

ЕА=Ivcos2g(acp+0,5sin2acp)lл/(2hp(lл+l)),

где aсp=arctg(Ncв(lл+l)/l), Nсв - число светильников в линии.

Из рис. 85 имеем

sin2acp=2sinacpcosacp=2(lNсвlв)/(l2+Nсв2lв2),

где lв=lл+l.

Введем понятие условной силы света линейного светящего элемента с источником света, световой поток которого равен 1000 лм,

(Ig)1000=1000Iglл/Фл,                                                     (80)

где Фл - световой поток лампы в светильнике.

Подставляя выражение aср и Ig из уравнения (80), получим:

Е=Фл(Ig)1000cos2g[(lNсвlв)/(l2+Nсв2lв2)+arctg(Nсвlв/l)](2hplв·1000).           (81)

Полученное выражение можно представить в виде

Е=eФл/(1000hplв),                                                        (82)

где e=0,5(Ig)1000cos2g[(lNсвlв)/(l2+Nсв2lв2)+arctg(Nсвlв/l)].

(e - относительная освещенность от светящей линии).

Рис. 86. Вспомогательный график для построения кривых равных значений относительной освещенности

Заменяя в уравнении углы линейными размерами, а также уменьшая число переменных для получения удобных графиков, приняв hр=1 м и заменив координаты а и lв относительными координатами d'=a/hp и l'=Nlв/hp, можно построить кривые равных значений относительной освещенности.

Для построения кривых равных значений относительной освещенности строят предварительно кривые относительной освещенности e=f(d') для l'=const. Задаваясь определенными значениями e, по относительной освещенности определяют d', соответствующее каждому значению l', и наносят их на сетку в прямоугольной системе координат.

Рис. 87. Кривые равных значений относительной освещенности для светильников серии ЛСО02

Значительно облегчает построение кривых относительной освещенности использование вспомогательного графика, приведенного на рис. 86. По оси абсцисс на нем отложена относительная длина светящей линии l', а по оси ординат - функция f(d', l'), определяемая согласно уравнению (81) размером и положением светящей линии относительно расчетной точки

f(d'l')=0,5[(lNсвlв)/(l2+Nсв2lв2)+arctg(Nсвlв/l)]cos2g.

Задаваясь значением l' из графика находим значение f(d, l') и углы g, соответствующие разным значениям d'. Относительная освещенность для заданных d' и l' определяется как произведение f(d, l') и значения силы света светильника (Ia)1000, найденное по его продольной кривой силы света для соответствующего угла g. На рис. 87 приведены кривые равных значений относительной освещенности для подвесных светильников серии ЛСО02 с люминесцентными лампами. По оси ординат отложены относительные размеры светящей линии l'=Nlв/hp, а по оси абсцисс - относительные расстояния от проекции оси линии d'=a/hр.

Пример 6. Светильники серии ЛСО02 с двумя люминесцентными лампами типа ЛБ 40 мощностью по 40 Вт расположены в один ряд параллельно расчетной плоскости на высоте hp=4 м. Полная длина ряда 18 м, длина светильника lл=1,2 м, интервалы между смежными рядами светильников 1 м. Определить освещенность в точке А (рис. 88), приняв коэффициент запаса Кз=1,5.

Рис. 88. Расположение светильника относительно расчетной точки (к примеру 6)

Рис. 89. Номограмма для расчета освещенности от равнояркого светящего прямоугольника, параллельного расчетной плоскости

Определим относительные параметры

d'=a/hp=2,4=0,5;  l'1=Nсвlв/hр=4,4=1;    l'2=14/4=3,5.

На рис. 87 по относительным параметрам находим e1=60 лк; e2=75 лк.

Определим фактическую освещенность

ЕА=ФлSe/(1000/hрlв·1,5)=2·3000(60+75)/[4(1,2+1)х1000·1,5]=41 лк.

РАСЧЕТ ОСВЕЩЕННОСТИ ОТ СВЕТЯЩИХ ПОВЕРХНОСТЕЙ РАВНОМЕРНОЙ ЯРКОСТИ

7.11. Освещенность Е в точке А расчетной плоскости, создаваемая светящей поверхностью размером ахb (рис. 89) определяется из уравнения

Е=lоf(a/hр, b/hр),                                                        (83)

где Lo - яркость по нормали к светящей поверхности.

При равномерной и одинаковой во всех направлениях Lo и телесном угле в стерадианах значение светимости М определяется по формуле

М=pLo;  Lo=M/p.

Следовательно, если f(a/hр, и b/hр) обозначить через q, то уравнение (83) примет вид

E=Mq.                                                                (84)

На основании уравнения (84) построены номограммы для определения освещенности на плоскости, параллельной и перпендикулярной светящей поверхности. По осям абсцисс и ординат номограммы отложены относительные размеры светящего прямоугольника (а'=a/hр и b'=b/hp) и построены кривые равных значений q.

Номограмма рис. 89 позволяет определить коэффициент освещенности от светящего прямоугольника, параллельного расчетной плоскости. Номограмма рис. 90 предназначена для определения коэффициента освещенности от светящих прямоугольников, перпендикулярных расчетной плоскости.

Расчет освещенности с помощью приведенных номограмм допустим лишь в частном случае, когда проекция вершины светящего прямоугольника совпадает с расчетной точкой. Однако к этому частному случаю можно свести любой случай, встречающийся на практике. Светящий прямоугольник может быть разбит на отдельные прямоугольники, вершина которых совпадает с точкой расчета А (рис. 91). В этом случае q при светящем прямоугольнике, расположенном, как показано на рис. 91,а, будет иметь значение

q1234=q2579-q1578-q4679+q3678;

для ситуации, показанной на рис. 91,б,

q1234=q1579+q5298+q7936+q9864.

Рис. 90. Номограмма для расчета освещенности от равнояркого светящего прямоугольника, перпендикулярного расчетной плоскости

Рис. 91. Варианты размещения светящих прямоугольников

Рис. 92. Измерительная номограмма для расчета освещенности от светящих поверхностей при светораспределении светящего элемента I=Iocos3a

Для определения q могут применяться также измерительные номограммы. На рис. 92 приводится одна из таких номограмм, рассчитанная для светораспределения Ia=Ioсos3a, которая предназначена для определения q при расчете освещенности от потолков и панелей, перекрытых экранирующими решетками с защитным углом около 45°. Рис. 92 представляет собой один из четырех квадрантов номограммы, которая в полном объеме содержит 500 элементов (четырехугольных, у вершины - треугольных). Элементы, ограниченные с одной стороны штриховой дугой, считаются за 0,5. На горизонтальной освещаемой плоскости произвольно выбирается направление осей координат х, у с началом в расчетной точке. Контуры излучателя наносятся на сетке номограммы по координатам их вершин

x=х/hp;                   h=y/hp.

Если в пределах этих контуров вмещается z элементов графика, то q=z/500. Измерительная номограмма пригодна для определения освещенности от поверхностей любой формы.

Пример 7. Прямоугольное помещение площадью 20´40 м2 и высотой 4 м освещается светящей панелью, расположенной в плоскости потолка помещения (рис. 93). Размеры панели 8´16 м2. Светимость панели 200 лм/м2. Определить освещенность в центре помещения на уровне пола, принимая коэффициент запаса Кз=1,5.

Разбиваем светящий прямоугольник на четыре части так, чтобы проекция одной из вершин каждой из них совпала с расчетной точкой. Стороны полученных прямоугольников находим на рис. 93: а=4 м, b=8 м.

Соответственно относительные размеры сторон

а'=а/hр=4/4=1,0;  b'=b/hp=8/4=2,0.

По номограмме рис. 89 находим значение q для одного такого прямоугольника: q=16,5%.

Так как размеры всех четырех прямоугольников одинаковы, то освещенность в расчетной точке А равна:

Е=4qM/Кз=4·0,165·200/1,5»88 лк.

РАСЧЕТ ОСВЕЩЕННОСТИ С УЧЕТОМ МНОГОКРАТНЫХ ОТРАЖЕНИЙ

7.12. Освещаемый объем помещения ограничивается ограждающими поверхностями, отражающими значительную часть светового потока, попадающего на них от источников света. В установках внутреннего освещения отражающими поверхностями являются пол, потолок, стены и оборудование, установленное в помещении. В тех случаях, когда поверхности, ограничивающие пространство, имеют высокие значения коэффициентов отражения, отраженная составляющая освещенности может иметь также большое значение и ее учет необходим, поскольку отраженные потоки могут быть сравнимы с прямыми и их недооценка может привести к значительным погрешностям в расчетах.

Расчет ОУ с учетом прямой и отраженной составляющей освещенности наиболее прост, если распределение светового потока по расчетной плоскости близко к равномерному. Это условие практически обеспечивается в случаях, когда размещение светильников близко к оптимальному. В этом случае можно ориентироваться на среднюю освещенность расчётной плоскости и ввести понятие Uоу - коэффициента использования ОУ, под которым принято понимать отношение светового потока, падающего на расчетную плоскость, к световому потоку источников света

Uоу=Фр/(nФл),                                                         (85)

где Фр - световой поток, падающий на расчетную плоскость; n - число источников света.

Рис. 93. Расположение светящей панели в помещении (к примеру 7)

Рис. 94. График зависимости коэффициента использования ОУ от индекса помещения

1 - rп=0,7; rс=0,5; rр=0,3; 2 - rп=0,7; rс=0,5; rр=0,1; 3 - rп=0,5; rс=0,3; rр=0,1; 4 - rп=0,3; rс=0,1; rр=0,1

Коэффициент использования ОУ, характеризующий эффективность использования светового потока источников света, определяется, с одной стороны, светораспределением и размещением светильников, а с другой - соотношением размеров освещаемого помещения и отражающими свойствами его поверхностей.

На рис. 94 приведены кривые зависимости коэффициента использования ОУ для светильника рассеянного света от индекса помещения iп, определяемого соотношением размеров освещаемого помещения:

iп=апbп/(hр(ап+bп)).                                                 (86)

Значение iп обычно определяют по таблицам. В зависимости от относительных размеров помещения и расчетной высоты находится значение индекса помещения.

Согласно рис. 94 при увеличении iп наблюдается рост Uоу, что объясняется увеличением светового потока, непосредственно падающего от светильника на расчетную плоскость, с уменьшением высоты подвеса при неизменной площади помещения. С увеличением значений коэффициентов отражения, поверхностей, ограничивающих помещение, растет коэффициент использования ОУ, так как при этом уменьшаются потери светового потока при многократных отражениях.

При известном значении Uoy среднюю освещенность Еср можно определить из следующего уравнения:

Еср=Фр/(АрКз)=nФлUоу/(АрКз),                                             (87)

где Ар - площадь расчетной поверхности.

Уравнение (87) используется также для решения обратной задачи - определения светового потока источников света, необходимого для создания заданной средней освещенности:

Фл=ЕсрАрКз/(nUоу).                                                      (88)

В связи с тем, что нормирование искусственного освещения осуществляется по минимальному, а не по среднему значению освещенности, а также учитывая, что в практических условиях неизбежно неравномерное распределение освещенности на расчетной поверхности, в уравнения (87) и (88) вводится коэффициент z, значение которого равно: z=Ecp/Емин.

Значение z является функцией многих переменных и в наибольшей степени зависит от отношения расстояния между светильниками к расчетной высоте. При отношении l/hp, не превышающем рекомендуемых значений, можно принимать z=1,15 для ламп накаливания и типа ДРЛ и 1,1 - для ЛЛ при расположении светильников в виде светящих линий. Для отраженного освещения z=1,0.

С учетом z световой поток источников света Ф, необходимый для создания нормированной освещенности, определится по формуле:

Ф=ЕнАрКзz/(nUоу).                                                      (89)

По рассчитанному значению светового потока и напряжению сети выбирается ближайшая стандартная лампа, световой поток которой не должен отличаться от расчетного значения больше чем на (-10 ¾ +20%). При невозможности обеспечения этого условия корректируется число светильников N=n.

При расчете люминесцентного освещения первоначально вместо числа светильников используется число рядов светильников N, которое подставляется в уравнение (89) вместо п. Тогда число светильников в ряду определится как Nсв=Ф/Ф1, где Ф1 - поток ламп в каждом светильнике.

При расчетах возможны различные случаи, когда:

суммарная длина светильников превышает длину помещения, при этом необходимо использовать более мощные лампы, увеличивать число рядов, компоновать ряды из сдвоенных, строенных и т.п. светильников;

суммарная длина светильников равна длине помещения, в этом случае рекомендуется устройство непрерывного ряда светильников;

суммарная длина светильников меньше длины помещения, при этом принимается ряд светильников с равномерно распределенными между светильниками разрывами l. На основе технико-экономических сопоставлений выбирается лучший вариант. Рекомендуется, чтобы значение l не превышало 0,5 расчетной высоты (кроме случая использования многоламповых светильников в помещениях общественных и административных зданий).

При расчете ОУ со стандартными светильниками Uoy определяется из справочных таблиц* с учетом коэффициентов отражения стен, потолка, пола и индекса помещения.

7.13. Для расчета ОУ при равномерном размещении светильников общего освещения широкое распространение получил метод удельной мощности. Удельная мощность освещения определяется отношением суммарной мощности ламп к освещаемой площади и является одним из важнейших энергетических показателей ОУ.

Преобразуем формулу (89), введя в нее следующие величины:

р - мощность одной лампы, Вт; w - удельную мощность; Вт/м2; h - световую отдачу, лм/Вт, тогда

Ф=ЕнАрКзz/(nUоу)=hр;    w=pn/Ap=ЕнКзz/(hUоу).                 (90)

На основании формулы (90) можно заключить, что w зависит от освещенности, световой отдачи применяемых источников света и других факторов, т.е. от тех же показателей, которые оказывают влияние и на коэффициент использования ОУ.

На всех стадиях проектирования допускается вместо полного светотехнического расчета определять мощность и число ламп по таблицам удельной мощности* в пределах данных, для которых они составлены.

________________

* Справочная книга для проектирования электрического освещения. Под ред. Г.М. Кнорринга. - Л.: Энергия, 1976-384 с.

При этом к учитываемым параметрам относятся: тип светильника, освещенность, коэффициент запаса (при его значениях, отличающихся от указанных в таблицах, допускается пропорциональный пересчет значений удельной мощности), коэффициенты отражения ограждающих поверхностей помещения (для светильников прямого света таблицы рассчитаны для rп=50%, rс=30%, rр=10% и для них допускается при более светлых поверхностях уменьшать, а при более темных увеличивать значение удельной мощности на 10%), значения расчетной высоты, площадь помещения, коэффициент z, напряжение ламп накаливания. Так, табличные значения удельной мощности для ЛН соответствуют напряжению 220 В, при напряжении 127 В значения w, взятые из таблиц, должны быть умножены на коэффициент 0,86.

Рис. 95. График для определения числа светильников ЛСО02/Р=0,1; 0,2; 0,3 с лампами ЛБ-40

hр=1,5-2 м; rп=0,7; rс=0,5; rр=0,1

Рис. 96. График для определения числа светильников УСП 3, 5, 11, 18, 31, 35 с лампами ЛБ-40

hр=2-3 м; rп=0,7; rс=0,5; rр=0,1

Для светильников с ЛЛ, кроме указанного, имеются следующие отличия: таблицы приводятся для освещенности 100 лк, в них указываются тип и мощность ламп с учетом их световой отдачи.

Таблицы удельной мощности для светильников с лампами типа ДРЛ составляются также для освещенности 100 лк (с пропорциональным пересчетом при других освещенностях), так как световая отдача ламп различной мощности практически одинакова.

При составлении таблиц значений w не учитывается форма помещения. Индекс помещения iп определяется по формуле

,                                                        (91)

имеющей достаточную точность при aп: bп£2,5.

При пользовании таблицами для удлиненных помещений следует определять значения w для условной площади, равной 2b2 и распространить его на всю площадь помещения.

Порядок пользования таблицами при ЛН и лампах типа ДРЛ следующий:

1. Выбираются параметры ОУ, включая число светильников.

2. По соответствующей таблице находится удельная мощность ОУ.

3. Определяется единичная мощность лампы по формуле р=wAп/n. Выбирается ближайшая к этому значению лампа.

При ЛЛ выбираются все решения по осветительным установкам, включая число рядов светильников N и тип лампы.

1. По соответствующей таблице находят значения w для ламп данной мощности.

2. Определяют необходимое число светильников п в ряде делением произведения wAп на мощность одного светильника

Графики Гурова и Прохорова*, предназначенные для определения числа светильников с ЛЛ в функции площади помещения при условии соблюдения всех других параметров установки, обеспечивают получение более точных результатов, чем по таблицам удельной мощности. На рис. 95, 96 даны графики для наиболее распространенных светильников.

________________

* Справочная книга для проектирования электрического освещения. Под ред. Г.М. Кнорринга. - Л.: Энергия, 1976-384 с.

ВЫБОР МЕТОДА РАСЧЕТА

7.14. Все применяемые методы расчета освещения можно свести к двум основным: точечному и методу светового потока, называемому методом коэффициента использования.

В принципе, оба метода равноправны, области их применения в значительной степени пересекаются, но между ними есть существенные различия.

Точечным методом можно определить среднюю освещенность но в основном он предназначен для нахождения освещенности а точках, и, следовательно, наиболее пригоден для расчета минимальной освещенности, регламентируемой нормами для большинства ос вещаемых объектов. Этот метод позволяет приближенно определить дополнительную освещенность, создаваемую отраженным светом.

Метод коэффициента использования предназначен для определения средней освещенности и при расчете этим методом минимальная освещенность оценивается лишь приближенно, без выявления точек, в которых она имеет место. Средняя освещенность может быть рассчитана на как угодно расположенной поверхности, но наиболее употребительные формы этого метода предназначены для расчета только горизонтальной освещенности.

Точечный метод может быть рекомендован для использования в следующих случаях:

1. При отсутствии необходимости в учете отражений составляющей освещенности.

2. Когда не предъявляются требования к равномерности распределения освещенности по помещению.

3. При определении освещенности наклонных поверхностей.

4. При необходимости учитывать возможные затенения.

Метод коэффициента использования целесообразен во всех случаях, когда расчет ведется по средней освещенности и, в частности, для расчета общего равномерного освещения административно-конторских и вспомогательных бытовых помещений для расчета общего равномерного освещения производственных помещений светильниками, не относящимися к классу прямого света.

Применение точечного метода целесообразно для расчета ОУ с повышенной неравномерностью распределения освещенности (локализованное освещение светильниками прямого света, наружное освещение, рассчитываемое на минимальную освещенность, аварийное освещение и т.п.), а также для расчета освещения наклонных поверхностей, создаваемого светильниками прямого света.

Общее равномерное освещение производственных помещений светильниками прямого света может быть рассчитано любым методом. Однако в ответственных случаях предпочтение следует отдавать точечному методу, так как он позволяет проанализировать распределение освещенности по площади помещения. При использовании концентрированного светораспределения необходимо применять только точечный метод.

Имеются случаи, в которых ни один из указанных методов расчета в отдельности не дает точных результатов. К таковым относится расчет локализованного освещения или освещения наклонных поверхностей в помещениях, освещаемых светильниками, не относящимися к классу прямого света. В этих случаях прямую составляющую освещенности определяют точечным методом, а дополнительную отраженную - методом коэффициента использования.

Необходимо отметить, что упрощенные формы метода коэффициента использования (таблицы удельной мощности, графики Гурова и Прохорова) нашли широкое применение в практике проектирования, когда не требуется обеспечивать высокую точность расчета ОУ.

ИНЖЕНЕРНЫЕ МЕТОДЫ РАСЧЕТА КАЧЕСТВЕННЫХ ПОКАЗАТЕЛЕЙ ОСВЕТИТЕЛЬНЫХ УСТАНОВОК

КОЭФФИЦИЕНТ ПУЛЬСАЦИИ

7.15. Коэффициент пульсации светового потока источников света определяется по формуле

Кп.и=(Фmax-Фmin)/2Фср,                                                (92а)

где Фmax и Фmin - соответственно максимальное и минимальное значения светового потока за период колебания; Фср - среднее значение светового потока за тот же период.

Значения Кп.и для наиболее распространенных источников света приведены в табл. 63 и 64.

Таблица 63

Тип лл

Значение Кп.и, % от

одной лампы

установленных в одной световой точке

двух ламп при схеме питания отстающим и опережающим током

двух ламп, питаемых от разных фаз

трех ламп, питаемых от разных фаз

ЛБ, ЛТБ

25

10,5

10

2,2

ЛХБ

35

15

15

3,1

ЛДЦ

40

17

17

3,5

ЛД

55

23

23

5,0

Таблица 64

Тип ГлВД

Значение Кп.и, % от

одной лампы

установленных в одной световой точке

двух ламп, питаемых от разных фаз

трех ламп, питаемых от разных фаз

ДРЛ

65

32

5,2

ДРИ (двухкомпонентные)

45

23

3,5

ДНаТ

80

39,5

6,3

ДКсТ

130

65

5,0

Как видно из табл. 63, 64, ограничение значений Кп.и может быть достигнуто применением специальных схем включения источников света в светильнике или расфазированием светильников в ОУ.

Этими же средствами обеспечивается ограничение коэффициента пульсации освещенности Кп на рабочих местах, определяемого по формуле

Кп=(Еmax-Еmin)/2Еcp,                                                    (92б)

где Еmax и Еmin - соответственно, максимальное и минимальное значения освещенности за период колебания; Еcp - среднее значение освещенности за тот же период.

Таблица 65*

Расположение светильников с ЛЛ и схема включения ламп

Нормированное значение Кп, %, не более

10

15

20

30

При любом расположении светильников: число ламп в светильнике, кратное трем, с равномерным распределением между фазами сети

+

+

+

+

Число ламп в светильнике, кратное двум, с включением половины ламп по схеме опережающего и половины - по схеме отстающего тока:

 

 

 

 

лампы ЛБ и ЛТБ

+

+

+

+

лампы ЛХБ

-

+

+

+

лампы ЛДЦ

-

 

+

+

лампы ЛД

-

-

+

+

Любое число ламп в светильнике и любая схема включения: лампы ЛБ и ЛТБ

-

-

-

+

При сплошных линиях светильников и высоте подвеса hр³2 м трехфазные линии с поочередным включением светильников на разные фазы сети

 

 

 

 

любые лампы и схемы

+

+

+

+

то же, но двухфазные линии:

 

 

 

 

лампы ЛБ и ЛТБ

+

+

+

+

лампы ЛХБ

-

+

+

4-

лампы ЛДЦ и ЛД

-

 

+

+

Двухфазные линии с поочередным включением светильников на разные фазы сети, число ламп в светильнике, кратное двум, с включением половины ламп по схеме опережающего и половины - по схеме отстающего тока, лампы всех типов

+

+

+

+

* Условия, при которых соблюдаются нормированные значения коэффициента пульсации, отмечены знаком «+».

Ограничение Кп достигается:

в двух- и четырехламповых светильниках с ЛЛ применением компенсированных пускорегулирующих аппаратов, когда питание одной половины ламп в светильнике осуществляется отстающим током, а другой половины - опережающим;

поочередным присоединением соседних светильников в ряду или соседних рядов к разным фазам сети;

установкой в одной световой точке двух или трех светильников с ГЛВД типов ДРЛ, ДРИ, ДНаТ, присоединенных к разным фазам сети;

питанием различных ламп в многоламповых светильниках с ЛЛ от разных фаз сети.

В табл. 65 приведены условия, при которых нормированные значения Кп соблюдаются и проверка их выполнения в ОУ с ЛЛ не требуется.

Для наиболее распространенных светильников с ГЛВД типа ДРЛ в табл. 66 и 67 указаны различные случаи расположения и расфазировки светильников и предельные значения отношения расстояния между светильниками lсв к расчетной высоте hр, при которых соблюдаются нормированные значения Кп (через b в таблице обозначено расстояние между рядами светильников; если численное значение величины l/hp приведено в виде дроби, то числитель относится к полям прямоугольной формы, а знаменатель - к шахматному расположению светильников).

Таблица 66

Тип ГЛВД

Количество светильников в световой точке, подключенных к разным фазам

Нормированное значение Кп, %, не более

10

15

20

30

ДРЛ

2

-

-

-

+

3

+

+

+

+

ДРИ (двухкомпонентная)

2

-

-

-

+

3

+

+

+

+

ДНаТ

2

-

-

-

-

3

+

+

+

+

Примечание. То же, что к табл. 65.

Таблица 67

Число рядов

Расположение и расфазировка светильников*

b/hр

Наибольшие значения lсв/hp, при которых обеспечивается Кп, %, не более

10

15

20

30

Светильники с типовой кривой Д (СД2, УПД и т.д.)

1

Одиночные светильники

 

 

 

 

 

 

A-B-C-A-B-C

-

0,45

0,6

0,7

0,9

 

Сдвоенные светильники

 

 

 

 

 

 

AB-CA-BC-AB-CA-BC

-

0,8

1,1

1,3

1,8

2 и более

Одиночные светильники:

 

0,7/0,9

1,0/1,1

1,2/1,4

1,8

первый ряд

0,6

0,6

0,9

1,1

1,6

 

A-B-C-A-B-C

0,9

0,35/0,5

0,7

0,95

1,2/1,3

 

второй ряд

1,2

0,3/0,5

0,65

0,8

1,1

 

B-C-A-B-C-A

1,8

0,2/0,45

0,6

0,75

1,0

 

Сдвоенные светильники:

0,3

0,8/0,4

1,2/1,4

1,8

1,8

 

первый ряд

0,6

0,8/0,4

1,2

1,8

1,8

 

AB-CA-BC-AB-CA-BC

0,9

0,8/0,4

1,15

1,7/1,8

1,8

 

второй ряд

1,2

0,8/0,4

1,1

1,6/1,7

1,8

 

BC-AB-CA-BC-AB-CА

1,8

0,8/0,4

1,1

1,4/1,6

1,8

Светильники с типовой кривой Г (ГсР, С34 и т.д.)

1

Одиночные светильники

-

0,45

0,5

0,6

0,7

 

A-B-C-A-B-C

 

 

 

 

 

 

Сдвоенные светильники

 

 

 

 

 

 

AB-CA-BC-AB-CA-BC

-

0,55

0,75

0,95

1,2

2 и более

Одиночные светильники:

0,3

0,55/0,75

0,7/0,9

0,9/1,0

1,2

первый ряд

0,45

0,5/0,65

0,65/0,75

0,8/0,9

1,2

 

A-B-C-A-B-C

0,6

0,5

0,65

0,75

1,1

 

второй ряд

0,75

0,45

0,6

0,7

0,85

 

B-C-A-B-C-A

0,9

0,4

0,5

0,65

0,8

 

и т.д.

1,2

0,4

0,45

0,6

0,7

 

Сдвоенные светильники:

0,3

0,6/0,5

0,9/0,7

1,2/1,0

1,2

 

первый ряд

0,45

0,6/0,5

0,85/0,7

1,2/1,0

1,2

 

AB-CA-BC-AB-CA-BC

0,6

0,6/0,5

0,85/0,7

1,2/1,0

1,2

 

второй ряд

0,9

0,6/0,5

0,8/0,7

1,1/1,0

1,2

 

BC-AB-CA-BC-AB-CА

1,2

0,6/0,5

0,7

1,0

1,2

* А, В, С - фазы питающего напряжения.

В случаях, не указанных в табл. 65-67, производится вычисление значения Ки в той точке расположения рабочих мест, где Кп имеет максимальное значение. Для этого в указанной точке отдельно определяются относительные освещенности, создаваемые светильниками, питаемыми от каждой из трех фаз. Наибольшее из значений принимается за 100%, а остальные два выражаются в долях от него. Соответственно полученным долям по табл. 68 для ОУ с ЛЛ и по табл. 69 для ОУ с ГЛВД определяется Кп.табл., которое представляет собой пульсацию освещенности в ОУ, если лампы имеют условный Кп.и=100%. Коэффициент пульсации в ОУ с источником света, имеющим реальную пульсацию светового потока Кп.и¹100%, определяется по соотношению:

Кп=Кп.иКп.табл./100%.                                                   (93)

Таблица 68

Освещенность от ламп третьей фазы, %

Значение Кп.табл. в ОУ с ЛЛ при освещенности от ламп второй фазы, %

100

90

80

70

60

50

40

30

20

10

0

0

42,3

45,0

48,0

51,2

54,5

59,9

64,9

71,5

79,3

88,5

100

10

37,4

39,4

41,8

44,9

47,8

52,3

56,9

62,6

69,0

77,4

-

20

32,3

34,4

36,8

39,4

41,5

45,2

49,5

54,8

68,8

-

-

30

27,8

30,0

32,3

34,8

36,9

40,2

44,2

48,9

-

-

-

40

23,4

25,9

27,9

30,2

32,6

35,4

39,2

-

-

-

-

50

19,8

22,2

24,2

26,3

28,5

31,4

-

-

-

-

-

60

17,2

19,2

21,2

23,4

25,7

-

-

-

-

-

-

70

14,8

16,6

18,4

20,9

-

-

-

-

-

-

-

80

12,4

14,2

163

-

-

-

-

-

-

-

-

90

10,4

12,3

-

-

-

-

-

-

-

-

-

100

8,9

-

-

-

-

-

-

-

-

-

-

Таблица 69

Освещенность от ламп третьей фазы, %

Значение Кп.табл. в ОУ с ЛЛ при освещенности от ламп второй фазы, %

100

90

80

70

60

50

40

30

20

10

0

0

49,9

50,3

50,9

52,4

53,9

56,5

61,0

67,1

74,2

85,5

100

10

40,0

40,5

41,0

41,5

43,0

46,0

51,0

56,0

62,5

69,9

-

20

33,0

33,5

34,0

35,3

37,1

39,5

43,1

48,4

55,5

-

-

30

28,1

28,3

28,6

29,2

30,4

31,9

35,4

41,6

-

-

-

40

22,8

23,0

23,5

24,5

28,0

28,1

31,0

-

-

-

-

50

18,0

18,4

19,4

20,5

22,4

24,5

-

-

-

-

-

60

15,0

15,2

15,5

16,5

19,6

-

-

-

-

-

-

70

11,6

12,0

12,6

13,7

-

-

-

-

-

-

-

80

9,3

9,7

10,6

-

-

-

-

-

-

-

-

90

8,8

9,0

-

-

-

-

-

-

-

-

-

100

7,9

-

-

-

-

-

-

-

-

-

-

Пример 8. Помещение освещается одноламповыми светильниками с ЛЛ типа ЛБ, включенными поочередно в три фазы (Кп.и=25%). Определить Кп в расчетной точке ОУ, если лампы, включенные в разные фазы питающей сети, создают в этой точке соответственно относительные освещенности 300, 120 и 60 лк.

Выражая освещенности в процентах от наибольшего значения (300), получаем: 100, 40 и 20%. По табл. 68 находим для источника света с Кп.и=100% значение Кп.табл.=49,6%. Коэффициент пульсации освещенности в ОУ с ЛЛ типа ЛБ находим по соотношению (93): Кп=25%х49,6%/100%=12,4%.

ПОКАЗАТЕЛЬ ОСЛЕПЛЕННОСТИ

7.16. Показатель ослепленности промышленных осветительных установок Р определяется по формуле

,                        (94)

где а - коэффициент, учитывающий спектр излучения источника света - для ЛН, принимаемый равным 1, для МГЛ - 1,1, для ДРЛ - 1,6, для ЛЛ ЛБ, ЛХБ, ЛТБ и ЛЕ - 1,4, для ламп ЛД и ЛДЦ - 1,7; k - коэффициент, учитывающий максимальную яркость светильника, принимаемую равной максимальной яркости источника света; для ламп накаливания и ДРИ k=9,46, для ламп ДР и ЛЛ k=31gLл - 8,54 (Lл - максимальная яркость лампы); для ДРЛ k можно принимать независимо от мощности равным 6,46 (ошибка не превышает 7%); для ЛЛ k может быть рассчитан исходя из следующих соображений - для лампы ЛБ-40 Lл=8220 кд/м2, для остальных ламп 40 Вт яркость изменяется прямо пропорционально их световым потокам относительно лампы ЛБ-40, так же как и для любых ламп 65 и 80 Вт - прямо пропорционально их световым потокам относительно лампы ЛБ-80, для которой Lл=10970 кд/м2; Lрп - яркость равномерно диффузно отражающей рабочей поверхности, определяемая по формуле

Lр.п=rЕ/p,                                                                (95)

где Е - освещенность, создаваемая светильниками общего освещения в расчетной точке на уровне 0,8 м от пола, без учета отраженных световых потоков, кд/м2; r - коэффициент отражения рабочей поверхности; Iji - сила света i-го светильника по направлению к глазу наблюдателя; qi - угол действия i-го блеского источника, град; li - расстояние i-го блеского источника от глаза наблюдателя, м. При определения Р по формуле (94) выражение в скобках (пропорциональное яркости вуалирующей пелены) рассчитывается от каждого светильника, находящегося в поле зрения в пределах угла q=0-50°, а затем суммируется в соответствии с формулой (94).

Таблица 70

Номер группы

Тип кривой силы света (по ГОСТ 17677-82)

Защитный угол, град, не менее, в плоскости

Светильники

поперечной

продольной

А. Светильники с люминесцентными лампами

1

К, Г-2

30

-

ПУ-25, ЛСП13 (005-008)

2

Д-1

15

-

лд, лдо, од, одо, ПВЛМ-Д, ЛСП02 (01-09), ЛСП06 (05; 013)

3

Д-1

15

15

ЛДР, ЛДОР, ОДР, ОДОР, ПВЛМ-ДОР, ПВЛМ-ДР, ЛСП02 (10-18), ЛСП06 (06; 15)

4

Д

30 (условный)

30

ШОД, ЛПР, ЛСО02

5

Д-1, Д-2

90 (условный)

90 (условный)

влв, вло, пвл, пвлп, УСП35, ЛВП (30-33), ЛПО02

6

Д-1

15 (условный)

15

ПВЛМ с лампами токов ЛБР и ЛХБР

7

Д-1

15 (условный)

15

ПВЛМ-Р с лампами типов ЛБР и ЛХБР

8

Л

30

30

ЛСП13 (001-002), ПУ-23

Б. Светильники с лампами накаливания, ДРЛ и ДРИ

11

К

30

30

ГК, ГСП10/К

12

К

15

15

С35ДРЛ, РСП05/К, РСП13-003, РСП18-003

13

Г-1

30

30

ГС, ГСУ, ГСП10/Г, НСП17

14

Г-1

15

15

С34ДРЛ, РСП05/Г, РСП08/Г, РСП13-002, РСП18-002

15

Г-2

30

30

ППД2, УПД

16

Д-2, Г-1

15

15

«Астра-1, 11, 12», СД2ДРЛ, РСП08/Д, РСП05/Д, РСП13-001, РСП18-001

17

Л

30

30

С, СУ

18

Л

15

15

РСП08/Л

19

М (с молочным рассеивателем)

90 (условный)

90 (условный)

ПО-02, ПО-21, НСО-02

В. Лампы-светильники

21

К.

15

15

ДРИЗ

22

К

-

-

ЭК

23

Г

-

-

ЗС

24

Д

-

-

ДРЛР

Таблица 71

номер группы (по табл. 70)

hр, м

Максимальное допустимое значение lсв/hр

Р=20

P=40

Р=60

Разряд зрительной работы по СНиП II-4-79

Ia; IIа

Iб,в,г;

IIб,в,г

IIIa; IVa; Va

IIIб,в,г; IVб,в,г;

Vб,в,г

VI; VIIIa

Мощность лампы, Вт

40

65,80

150

40

65,80

150

40

65,80

150

40

65,80

150

40

65,80

150

1

1,7

-

-

-

0,9

0,8

-

0,8

-

-

+

1,2

1,1

1,1

1,0

0,8

2,4

-

-

-

+

1,1

1,0

1,1

-

-

+

+

+

+

+

1,2

2,8

-

-

-

+

+

1,2

1,2

0,8

-

+

+

+

+

+

+

3,4

-

-

-

+

+

+

+

1,2

-

+

+

+

+

+

+

4,0

-

-

-

+

+

+

+

+

-

+

+

+

+

+

+

4,8

0,9

-

-

+

+

+

+

+

1,0

+

+

+

+

+

+

5,2

+

-

-

+

+

J

+

+

+

+

+

+

+

+

+

5,8

+

-

-

+

+

+

+

+

+

+

+

+

+

+

+

6,4

+

-

-

+

+

+

+

+

+

+

+

+

+

+

+

7,6

+

0,9

-

+

+

+

+

+

+

+

+

+

+

+

+

8,8

+

1,2

-

+

+

+

+

+

+

+

+

+

+

+

+

10,0

+

+

-

+

+

+

+

+

+

+

+

+

+

+

+

12,0

+

+

1,1

+

+

+

+

+

+

+

+

+

+

+

+

2

2,4

-

-

-

1,1

0,8

-

-

-

-

+

+

1,3

1,6

1,4

-

2,8

-

-

-

1,8

1,3

-

-

-

-

+

+

1,5

+

1,7

0,9

3,4

-

-

-

+

1,8

-

-

-

-

+

+

+

+

+

0,9

4,0

-

-

-

+

+

-

-

-

-

+

+

+

+

+

0,9

4,8

-

-

-

+

+

0,7

0,7

-

-

+

+

+

+

+

0,9

5,2

 

-

-

+

+

+

0,8

-

-

+

+

+

+

+

1,1

5,8

-

-

-

+

+

+

1,0

-

-

+

+

+

+

+

1,3

6,4

-

-

-

+

+

+

1,2

0,7

-

+

+

+

+

+

+

7,6

-

-

-

+

+

+

+

0,8

-

+

+

+

+

+

+

8,8

-

-

-

+

+

+

+

1,1

-

+

+

+

+

+

+

10,0

-

-

-

+

+

+

+

1,3

-

+

+

+

+

+

+

12,0

-

-

-

+

+

+

+

+

-

+

+

+

+-

+

+

3

1,7

-

-

-

1,0

0,8

-

-

-

-

+

+

+

1,4

1,2

-

2,4

-

-

-

1,4

1,3

-

1,0

0,7

-

+

+

+

1,7

1,4

1,1

2,8

-

-

-

1,7

1,6

-

1,3

0,9

-

+

+

+

+

1,7

1,3

3,4

-

-

-

+

+

+

1,5

1,1

-

+

+

+

+

+

1-,5

4,0

-

-

-

+

+

+

+

1,4

-

+

+

+

+

+

1,6

4,8

-

-

-

+

+

+

+

+

-

+

+

+

+

+

+

4

1,7

-

-

-

-

-

-

-

-

-

1,3

0,9

-

0,7

-

-

2,4

-

-

-

1,0

0,8

-

-

-

-

1,7

1,5

1,3

1,3

1,1

0,7

2,8

-

-

-

1,6

1,4

0,7

1,0

0,7

-

+

+

+

+

1,6

1,1

3,4

-

-

-

+

1,6

1,1

1,3

1,0

0,7

+

+

+

+

+

+

4,0

0,7

-

-

+

+

+

+

1,3

0,9

+

+

+

+

+

+

4,8

1,2

1,0

-

+

+

+

+

+

+

+

+

+

+

+

+

5,2

+

+

-

+

+

+

+

+

+

+

+

+

+

+

+

5

1,7

-

-

-

1,0

-

-

-

-

-

1,4

1,2

0,7

0,9

-

-

2,4

-

-

-

1,4

0,9

-

0,7

-

-

+

+

1,3

1,4

1,3

1,0

2,8

-

-

-

1,6

1,2

1,1

1,3

1,0

0,7

+

+

+

+

+

1,3

3,4

-

-

-

+

1,3

1,3

1,5

1,2

1,0

+

+

+

+

+

1,7

4,0

0,7

-

-

+

1,5

+

+

+

1,2

+

+

+

+

+

+

4,8

0,8

0,6

-

+

+

+

+

+

+

+

+

+

+

+

+

5,2

1,0

0,7

-

+

+

+

+

+

+

+

+

+

+

+

+

5,8

1,2

0,9

-

+

+

+

+

+

+

+

+

+

+

+

+

6,4

1,5

1,1

0,7

+

+

+

+

+

+

+

+

+

+

+

+

7,6

+

1,3

1,0

+

+

+

+

+

+

+

+

+

+

+

+

8,8

+

+

1,3

+

+

+

+

+

+

+

+

+

+

+

+

6

2,8

-

-

-

-

-

-

-

-

-

1,1

0,7

-

-

-

-

3,4

-

-

-

-

-

-

-

-

-

1,4

1,1

-

0,7

-

-

4,0

-

-

-

1,0

0,7

-

-

-

-

1,7

1,5

-

1,2

0,9

-

4,8

-

-

-

+

1,5

-

-

-

-

+

+

+

+

+

-

5,2

-

-

-

+

+

0,7

-

-

-

+

+

+

+

+

-

6,4

-

-

-

+

+

1,0

-

-

-

+

+

+

+

+

-

7,6

-

-

-

+

+

1,3

-

-

-

+

+

+

+

+

0,7

8,8

-

-

-

+

+

+

-

-

-

+

+

+

+

+

+

7

2,4

-

-

-

1,0

0,7

-

-

-

-

1,7

1,4

1,1

1,3

0,9

-

2,8

-

-

-

1,1

0,8

-

-

-

-

+

1,7

1,4

1,7

1,1

-

3,4

-

-

-

1,3

0,9

-

-

-

-

+

+

1,6

+

1,5

-

4,0

-

-

-

+

1,2

-

-

-

-

+

+

1,7

+

1,7

-

4,8

-

-

-

+

+

-

-

-

-

+

+

+

+

+

-

5,2

-

 

-

+

+

0,7

-

-

 

+

+

+

+

+

0,9

5,8

-

-

-

+

+

1,0

-

-

-

+

+

+

+

+

1,0

6,4

-

-

-

+

+

1,2

-

-

-

+

+

+

+

+

1,1

7,6

-

-

-

+

+

1,6

-

-

-

+

+

+

+

+

1,2

8,8

-

-

-

+

+

+

-

-

-

+

+

+

+

+

1,6

8

1,7

-

-

-

-

-

-

-

-

 

1,1

1,0

-

-

-

-

2,4

-

-

-

1,1

1,1

-

1,0

-

-

1,5

1,4

1,2

1,3

1,1

1,0

2,8

-

-

-

1,3

1,1

1,0

1,1

1,0

-

1,6

1,5

1,3

1,4

1,3

1,2

3,4

-

-

-

1,4

1,3

1,2

1,2

1,1

1,0

+

1,7

1,5

1,5

1,4

1,3

4,8

1,1

1,0

-

1,7

1,5

1,4

1,4

1,3

1,2

+

+

1,7

1,7

1,6

1,5

5,8

1,2

1,1

1,0

+

1,6

1,5

1,5

1,3

1,2

+

+

+

+

1,7

1,6

6,4

1,3

1,1

1,0

+

1,7

1,6

1,5

1,4

1,3

+

+

+

+

+

1,6

7,6

1,4

1,2

1,1

+

+

1,7

1,6

1,5

1,3

+

+

+

+

+

1,7

8,8

1,5

1,3

1,2

+

+

+

1,6

1,5

1,4

+

+

+

+

+

+

Примечание. Знак «-» означает, что применение светильников данной группы не допускается, а знак «+», что применение светильников данной группы допускается при любых значениях lcв/hp.

Таблица 72

номер группы (по табл. 70)

hр, м

Максимальное допустимое значение lсв/hр

Р=20

P=40

Разряд зрительной работы по СНиП II-4-79

Мощность лампы, Вт

40

65,80

40

65,80

40

65,80

40

65,80

1

1,7

-

-

0,8

-

-

-

1,2

2,0

2,4

-

-

1,1

-

-

-

+

+

2,8

-

-

+

0,9

0,8

-

+

+

3,4

-

-

+

+

1,2

-

+

+

4,8

-

-

+

+

+

-

+

+

5,8

-

-

+

+

+

1,0

+

+

6,4

-

-

+

+

+

+

+

+

7,6

0,9

-

+

+

+

+

+

+

8,8

1,2

-

+

+

+

+

+

+

10,0

+

-

+

+

+

+

+

+

12,0

+

0,8

+

+

+

+

+

+

2

2,4

-

-

-

-

-

-

1,7

1,2

2,8

-

-

-

-

-

-

+

-

3,4

-

-

1,0

-

-

-

+

+

4,0

-

-

1,1

-

-

-

+

+

4,8

-

-

1,2

-

-

-

+

+

5,2

-

-

1,5

0,7

-

-

+

+

5,8

-

-

1,7

0,8

-

-

+

+

6,4

-

-

+

1,1

-

-

+

+

7,6

-

-

+

+

-

-

+

+

3

1,7

-

-

-

-

-

-

1,4

1,3

2,4

-

-

0,9

0,7

-

-

1,7

1,5

2,8

-

-

1,3

1,0

-

-

+

+

3,4

-

-

1,4

1,3

-

-

+

+

4,0

-

-

+

+

-

-

+

+

4,8

-

-

+

+

-

-

+

+

4

1,7

-

-

-

-

-

-

0,7

-

2,4

-

-

-

-

-

-

1,4

1,1

2,8

-

-

1,0

0,7

-

-

+

1,7

3,4

-

-

1,3

1,1

0,7

-

+

+

4,0

-

-

1,7

1,5

1,0

0,7

+

+

4,8

-

-

+

+

1,2

1,1

+

+

5,2

-

-

+

+

1,5

1,3

+

+

5,8

-

-

+

+

+

1,5

+

+

6,4

-

-

+

+

+

+

+

+

5

1,7

-

-

0,8

-

0,8

-

1,6

1,2

2,4

-

-

1,3

1,1

1,3

1,0

+

1,6

2,8

-

-

1,6

1,4

1,3

1,1

+

+

3,4

-

-

+

1,6

1,4

1,2

+

+

4,0

-

-

+

+

1,4

1,3

+

+

4,8

-

-

+

+

1,5

1,4

+

+

5,8

-

-

+

+

1,5

1,4

+

+

6,4

0,7

0,7

+

+

1,6

1,5

+

+

7,6

0,9

0,8

+

+

+

1,5

+

+

8,8

1,1

1,0

+

+

+

1,6

+

+

10,0

1,3

1,2

+

+

+

+

+

+

6

2,8

-

-

-

-

-

-

-

-

3,4

-

-

-

-

-

-

0,7

-

4,0

-

-

0,6

-

-

-

1,4

0,9

4,8

-

-

1,1

0,7

-

-

+

1,6

5,2

-

-

1,6

1,1

-

-

+

+

5,8

-

-

+

1,7

0,7

-

+

+

6,4

-

-

+

+

0,9

0,7

+

+

7,6

0,7

-

+

+

1,1

0,9

+

+

8,8

0,9

0,7

+

+

1,3

1,1

+

+

10,0

1,1

0,9

+

+

1,5

1,2

+

+

7

2,4

-

-

-

-

-

-

+

1,3

2,8

-

-

-

-

-

-

+

1,5

3,4

-

-

-

-

-

-

+

1,6

4,0

-

-

0,7

-

0,7

-

+

+

4,8

-

-

0,8

-

1,2

0,7

+

+

5,2

-

-

1,0

-

1,3

0,9

+

+

5,8

-

-

1,2

0,7

1,4

1,1

+

+

6,4

0,7

-

1,6

1,0

1,6

1,5

+

+

7,6

0,9

0,7

+

1,3

+

+

+

+

8,8

1,0

0,8

+

+

+

+

+

+

10,0

1,2

1,0

+

+

+

+

+

+

8

1,7

-

-

-

-

-

-

-

-

2,4

-

-

1,0

-

-

-

1,3

1,2

2,8

-

-

1,1

1,0

-

-

1,4

1,3

3,4

-

-

1,2

1,1

1,0

-

1,5

1,4

4,8

-

-

1,5

1,3

1,2

1,1

1,7

1,6

5,8

-

-

1,6

1,4

1,3

1,1

+

1,7

6,4

-

-

1,6

1,5

1,3

1,2

+

+

7,6

-

-

1,7

1,6

1,4

1,3

+

+

8,8

-

-

+

+

1,4

1,3

+

+

Примечание. Знак «-» означает, что применение светильников данной группы не допускается, а знак «+», что применение светильников данной группы допускается при любых значениях l/hp.

Таблица 73

номер группы (по табл. 70)

hр, м

Максимальное допустимое значение lсв/hр

Р=20

P=40

Р=60

Разряд зрительной работы по СНиП II-4-79

Ia; IIа

Iб,в,г;

IIб,в,г

IIIa; IVa; Va

IIIб,в,г; IVб,в,г;

Vб,в,г

VI; VIIIa

12

1,7

0,7

+

+

+

+

2,4

0,8

+

+

+

+

3,4-10

1,0

+

+

+

+

12,0

+

+

+

+

+

14

1,7

0,6

1,1

1,1

+

+

2,4

0,7

1,2

1,2

+

+

3,4

0,9

1,3

1,3

+

+

4,8-10

1,0

+

+

+

+

12,0

+

+

+

+

+

16

1,7

-

1,0

1,0

+

1,4

2,4

-

1,1

1,0

+

1,5

3,4

0,7

1,3

1,3

+

+

4,8

0,7

1,3

1,3

+

+

6,4

0,8

1,4

1,4

+

+

7,6

1,0

+

+

+

+

8,8

1,2

+

+

+

+

10,0

+

+

+

+

+

18

1,7

-

-

-

1,5

1,2

2,4

-

0,9

0,9

1,7

1,4

3,4

-

1,1

1,1

1,9

1,6

4,0

-

1,1

1,1

+

1,6

4,8

-

1,2

1,2

+

1,6

5,8

-

1,2

1,2

+

1,7

Примечание. Знак «-» означает, что применение светильников данной группы не допускается, а знак «+», что применение светильников данной группы допускается при любых значениях l/hp.

Таблица 74

номер группы (по табл. 70)

hр, м

Максимальное допустимое значение lсв/hр

Р=20

P=40

Р=60

Разряд зрительной работы по СНиП II-4-79

Ia; IIа

Iб,в,г;

IIб,в,г

IIIa; IVa; Va

IIIб,в,г; IVб,в,г;

Vб,в,г

VI; VIIIa

11

1,7

+

+

+

+

+

12

1,7

0,6

+

+

+

+

2,4

0,7

+

+

+

+

3,4

0,8

+

+

+

+

4,0

0,8

+

+

+

+

4,8

0,8

+

+

+

+

5,2

0,9

+

+

+

+

7,6

0,9

+

+

+

+

8,8

0,9

+

+

+

+

10,0

+

+

+

+

+

13

1,7

0,8

1,2

1,2

+

+

2,4

0,9

1,3

1,3

+

+

3,4

1,0

1,3

1,3

+

+

4,8

1,0

1,4

1,4

+

+

7,4

1,0

1,4

1,4

+

+

7,6

1,0

1,5

1,5

+

+

8,8

1,1

+

+

+

+

10,0

+

+

+

+

+

14

1,7

0,5

1,1

1,1

+

1,4

2,4

0,6

1,2

1,2

+

1,5

3,4

0,7

1,3

1,3

+

+

4,8

0,8

1,3

1,3

+

+

6,4

0,8

1,3

1,3

+

+

7,6

0,9

1,4

1,4

+

+

8,8

0,9

1,4

1,4

+

+

10,0

+

+

+

+

+

15

1,7

-

1,0

1,0

+

+

2,4

-

1,2

1,2

+

+

2,8

-

1,2

1,2

+

+

3,4

-

1,2

1,2

+

+

5,2

-

1,3

1,3

+

+

6,4

-

1,3

1,3

+

+

7,6

-

1,3

1,3

+

+

8,8

-

1,4

1,4

+

+

10,0

-

1,4

1,4

+

+

16

1,7

-

-

-

+

1,1

2,4

-

-

-

+

1,2

3,4

-

0,8

0,8

+

1,2

5,2

-

0,9

0,9

+

1,3

6,4

-

0,9

0,9

+

1,4

7,6

-

0,9

0,9

+

1,4

8,8

-

1,0

1,0

+

1,4

17

1,7

-

1,0

1,0

+

+

2,4

-

1,2

1,2

+

+

2,8

-

1,2

1,2

+

+

3,4

-

1,2

1,2

+

+

4,8

-

1,3

1,3

+

+

5,8

-

1,3

1,3

+

+

6,4

-

1,3

1,3

+

+

19*

1,7

-

1,5

1,5

+

+

2,4

0,7

1,6

1,6

+

+

2,8

0,9

1,8

1,8

+

+

3,4

1,1

2,0

2,0

+

+

4,0

1,2

+

+

+

+

4,8

1,3

+

+

+

+

19**

1,7

-

1,0

1,0

+

1,6

2,4

-

1,1

1,1

+

1,7

3,4

0,7

1,2

1,2

+

2,0

4,8

0,9

1,5

1,5

+

2,4

5,8

1,0

1,8

1,8

+

2,6

6,4

1,1

+

+

+

+

21

1,7

0,5

0,9

0,9

+

+

2,4

0,6

1,0

1,0

+

+

2,8

0,6

1,1

1,1

+

+

3,4

0,6

1,1

1,1

+

+

4,0

0,6

1,1

1,1

+

+

4,8-12,0

0,7

1,2

1,2

+

+

22

1,7

+

+

+

+

+

23

1,7

0,9

+

+

+

+

2,4

1,0

+

+

+

+

2,8

1,1

+

+

+

+

3,4

1,1

+

+

+

+

4,0

1,1

+

+

+

+

4,8

1,2

+

+

+

+

* Лампы накаливания мощностью 60-100 Вт.

** Лампы накаливания мощностью 200 Вт.

Примечание. Знак «-» означает, что применение светильников данной группы не допускается, а знак «+», что применение светильников данной группы допускается при любых значениях l/hp.

7.17. Для определения соответствия ОУ производственного помещения требованиям норм по ограничению ослепленности можно применить инженерный метод [1], пользование которым сводится к следующему. На основе классификации светильников по совокупности их светотехнических параметров по табл. 70 определяется номер, присвоенный каждой группе светильников. Для каждой группа светильников по присвоенному ей номеру в табл. 71-74 определяются максимально допустимые значения lсв/hр в зависимости от показателя ослепленности Р, разряду и подразряду работ по СНиП «Естественное и искусственное освещение. Нормы проектирования» и высоты подвеса светильников над рабочей поверхностью hр. Для светильников с ЛЛ значение lсв/hр зависит также от мощности ламп.

Метод может быть использован для расчета наиболее массовых ОУ, в которых линия зрения работающих в рабочем положении направлена горизонтально или ниже горизонта.

В приведенном методе контроля слепящего действия промышленных ОУ приняты следующие допущения: метод составлен для типовых КСС по ГОСТ 17677-82; значение lсв/hр указывается для такого направления линии зрения, при котором Р наибольший; при расчете яркости рабочей поверхности не учитывался отраженный световой поток; для подразрядов зрительных работ по СНиП «б»-«г» принят коэффициент отражения рабочей поверхности r=0,2; не учтено соотношение сторон освещаемого помещения; для осветительных установок с светильниками с ЛЛ, при рабочих разрядов I и II предполагалось, что для создания нормируемой освещенности необходимы сплошные линии светильников, а при работах разрядов III и VIII - линии с разрывами (в расчетах принята длина разрывов, равная половине высоты подвеса светильников над рабочей поверхностью); значения lсв/hр в табл. 69 и 70 приведены для квадратных полей расположения световых точек; при их расположении прямоугольными и ромбическими полями , где lх и ly - расстояние между светильниками соответственно по длине и ширине помещения.

Порядок пользования методом:

1. По табл. 70 определяется номер группы светильника по типовой кривой силы света и значению защитного угла (в таблице, как пример, приведены типы выпускаемых светильников, относящихся к каждой группе).

2. По табл. 71-74 для данной группы светильников определяются максимальные допустимые по слепящему действию значения lсв/hр с учетом разряда и подразряда зрительной работы (по главе СНиП II-4-79) и высоты установки светильников над рабочей поверхностью. При этом необходимо учитывать следующее:

а) величины lсв/hр приведены для квадратных полей расположения световых точек, при прямоугольных или ромбических полях , где lх и ly - расстояния между светильниками соответственно по ширине и длине помещения;

б) значения lсв/hр в табл. 71-74 указаны для нормируемых показателей ослепленности Р, равных 20, 40 и 60. При Р=80 все светильники при любых lсв/hр удовлетворяют требованиям норм по ограничению ослепленности, если hр³2,5 м;

в) светильники с люминесцентными лампами групп 4 и 8 при расположении вдоль линии зрения удовлетворяют требованиям норм по ограничению ослепленности при любых значениях Р, hр и lсв/hр;

г) при необходимости установки светильников на высоте, не указанной в табл. 71-74, допустимое значение lсв/hр может быть найдено линейной интерполяцией.

ПОКАЗАТЕЛЬ ДИСКОМФОРТА

7.18. Проверка ОУ общественных зданий на соответствие регламентируемым значениям показателя дискомфорта М производится согласно табл. 75 и 76 в зависимости от светораспределения светильника (рис. 97) и распределения светового потока светильника в верхнюю и нижнюю полусферы, а также его геометрических размеров.

Определение соответствия ОУ требованиям норм по М осуществляется в следующей последовательности.

По светораспределению светильника устанавливается группа светильника. По табл. 75 по доле светового потока, падающего в нижнюю полусферу, определяется подгруппа светильника. При этом коэффициент Км определяется по формуле

,

где ФÈ - световой поток светильника в нижнюю полусферу, тыс.л; s - площадь выходного отверстия светильника, м2 (подсчитывается по фактическим размерам светильника).

Таблица 75

ФÈ/Фсв

Км

Подгруппа

Группа светильников и светораспределение

I

II

III

IV

Ia=Iocosa

Ia=Iocos1,43a

Ia=Iocos2a

Ia=Ioxcos3a

0,76-1,00

1,1

а

-

-

Л201Б420-01

-

1,2

б

Л201Б420-03, Л201Б420-18, Л201Б420-24

Л201Г220-22, Л201Б420-22, ЛПO13-2´40/П-01, ЛВO13-2´40/П-01, ЛПO02-4´20/П-01, УСП-35-2´20

-

-

1,3

в

Л201Б420-04, Л201Б420-05, Л201Б440-22, Л201Г220-24, ЛПО13-4+40/П-01, ЛВО13-4´40/П-01

Л201Б420-02

Л201Б440-01, УСП-35-4´20

-

0,76-1,00

1,4

г

Л201Б640-18, Л201Г220-23, Л201Г240-04М, Л201Г240-15М, УСП-11-4´20, ЛПО28-2´40, ЛВО01-2´40 Л201Г240-03М, Л201Б465-03М, Л201Б440-04М, Л201Г265-16М, ЛПО13-2´65/П-01, ЛПО13-4´65/П-01, ЛПО02-2´20/П-01, ЛПО28-2´65, ЛВО13-2´65/П-01, ЛВО13-4´65/П-01, УСП-4-6´20, УСП-9-2´20, УСП-11-2´20, УСП-11-6´20

Л201Б440-02, УСП-4-2´20, УСП-4-4´20 УСП-5-4´20, УСП-9-4´20, УСП-18-4´20 Л201Г240-02М, УСП-5-6´20, УСП-18-2´20, УСП-18-4´20

ЛВО01-4´40 УСП-35-6´20 УСП-35-6´20

-

 

1,2

е

Л201Б440-03М, Л201Г265-15М, Л201Б440-15М, Л201Б640-15М, ЛВО01-1´40, ЛВО03-2´40-001, ЛВО03-2´40-002, ЛВО03-2´65-002

Л201Г265-01М, Л201Г265-02М

Л201Б640-01, Л201Б440-01М, УСП-5-2´40, ЛВО31-2´80Б/П-03, ЛВО03-4´40-001, ЛВО03-4´40-002

-

0,76-1,00

1,71,8

ж

Л201Б440-03, Л201Б640-04, Л201Б440-04М, Л201Б440-05, Л201Г265-03М, Л201Б465-04М, Л201Б240-21, Л201Б440-21, Л201Б465-19М, Л201Б465-15М, Л201Г240-22, Л201Б420-23, УСП-11-2´40, УСП-18-2´40, УСП-18-4´40, УСП-18-6´40, ЛПО02-2´40/П-01

Л201Б465-16М, Л201Б440-02М, Л201Б640-02М, УСП-4-2´40 УСП-4-4´40, УСП-4-6´40 УСП-5-4´40, УСП-5-6´40

Л201Б640-01М, Л201Б465-01М, ЛПО02-4´40/П-01 ЛПО02-4´40/П-02, УСП-9-2´40, УСП-9-4´40, УСП-9-6´40, УСП-11-4´40, УСП-11-6´40, УСП-35-2´40, УСП-35-4´40, УСП-35-6´40, ЛВО03-4´65-002

-

-

-

 

1,9

3

Л201Б465-03М, ЛПО02-2´40/П-02

Л201Б465-02М

-

-

 

2,4

и

-

-

-

СВП 1´200

 

2,9

к

-

-

-

HB-1´100

 

3,3

л

-

-

-

СВП 1´100

 

3,6

м

-

-

-

СВП 1´500

0,51-0,75

1,2

н

-

-

ШОД-2´40 ШОД-2´80 ЛСО02-2´40/Р-01 ЛСО02-2´40/Р-02 ЛСО02-2´65/Р-01

-

0,51-0,75

 

 

ЛС002-2´65/Р-02

-

ЛСО02-2´65/Р-02 ЛСО02-4´40/Р-02 ЛСО02-2´40-003 ЛСО04-2´40-004 ЛСО04-2´65-003 ЛСО04-2´ 65-004 ЛСО04-4´40-003 ЛСО04-4´40-004

-

 

1,3

о

-

-

ЛСО02-2´40/Р-03 ЛСО04-2´40-002 ЛСО04-2´40-055

-

 

1,4

п

-

-

ЛСО02-2´65/Р-03 ЛСО04-2´ 65-002 ЛСО04-2´65-005

-

0,5 и менее

0,91,1

р

ПКР-300, СК-300

-

-

-

Рис. 97. Типовые кривые силы света светильников Ia

1 - Iocosa; 2 - Iocos1,43a; 3 - Iocos2a; 4 - Iocos3a

Рис. 98. Зависимость индекса помещения от его площади при различной расчетной высоте hр, м

1 - 1,8; 2 - 2,1; 3 - 2,7; 4 - 3,6; 5 - 4,5;

Согласно рис. 98 по площади и высоте помещения определяется индекс помещения iп.

На табл. 76 согласно группе и подгруппе светильников, коэффициентам отражения стен rс и пола rп определяется значение индекса помещения iт при котором обеспечивается регламентируемое максимальное допустимое значение показателя дискомфорта М.

Оценка соответствия ОУ требованиям по ограничению слепящего действия по дискомфорту производится сравнением значений iт и iп. При iп<iт ОУ соответствует требованиям по дискомфорту; при iп>iт - не соответствует.

Табл. 76 составлена для помещений с коэффициентом отражения потолка 0,5 и 0,7. Нормируемое значение показателя дискомфорта М=90 обеспечивается при условиях, для которых составлена таблица. Нормируемое значение М, равное 60, обеспечивается при всех сочетаниях rс и rп, кроме rс=0,3 и rп=0,1. Нормируемое значение М=15 не обеспечивается при сочетаниях rс и rп, равных 0,3 и 0,1 (кроме подгруппы светильников 1м, для которых iт=1,1)

Таблица 76

Группа и подгруппа светильников

Значение индекса помещения iт

Максимально допустимое значение М

15

25

40

60

rс

0,5

0,5

0,5

0,5

0,3

0,3

0,5

0,5

0,3

0,3

0,3

rп

0,3

0,1

0,3

0,1

0,3

0,1

0,3

0,1

0,3

0,1

0,1

-

-

2,2

1,5

1,1

1,0

+

+

4,2

2,4

+

-

-

1,5

1,3

1,0

-

+

+

2,6

2,1

+

-

-

1,3

1,2

-

-

+

4,2

2,2

1,4

+

-

-

1,2

1,1

-

-

+

3,1

1,4

1,3

+

Ie

-

-

1,2

1,2

-

-

4,2

2,5

1,3

1,2

3,8

Iж

-

-

1,1

1,0

-

-

2,6

2,2

1,2

1,1

2,5

Iз

-

-

1,1

1,0

-

-

1,9

1,5

1,2

1,1

2,2

Iм

1,6

1,4

+

+

+

+

+

+

+

+

+

Iр

1,4

1,1

+

+

+

+

+

+

+

+

+

IIб

1,0

-

+

2,4

1,2

1,1

+

+

+

+

+

IIв

-

-

2,7

2,0

1,1

1,0

+

+

+

+

+

IIг

-

-

2,1

1,4

1,0

-

+

+

+

2,4

+

IIд

-

-

1,4

1,2

-

-

+

+

+

1,5

+

IIе

-

-

1,2

1,0

-

-

+

+

2,1

1,3

+

IIж

-

-

1,1

1,0

-

-

+

0,0

1,4

1,2

+

IIз

-

-

1,1

1,0

-

-

+

2,3

1,2

1,1

4,0

IIIa

-

-

+

+

+

+

+

+

+

+

+

IIIв

-

-

+

+

+

1,1

+

+

+

+

-

IIIг

-

-

+

+

1,1

-

+

+

+

+

-

IIIe

-

-

1,2

1,1

-

-

+

+

2,3

1,4

+

IIIж

-

-

+

1,1

-

-

+

+

+

+

-

IIIн

4,5

1,2

+

+

+

+

+

+

+

+

+

III

1,2

1,0

4,0

2,4

1,0

1,1

+

+

+

3,9

+

IIIп

1,0

-

2,4

,6

1,2

1,1

+

+

+

2,4

+

IVи

-

-

+

-

-

-

+

+

+

-

+

Ivк

-

-

-

-

-

-

2,0

1,1

-

-

1,3

IVл

-

-

-

-

-

-

+

+

+

-

+

IVм

-

-

-

-

-

-

+

-

-

-

-

Примечание. Знак «+» означает, что М не превышает регламентируемого значения при любых iп; знак «-» - М превышает регламентируемое значение при любых iп.

Пример 9. Для освещения конструкторского бюро площадью 6´18 м2, высотой 3 м коэффициенты отражения стен, потолка и пола которого, соответственно равны 0,5; 0,7 и 0,1, выбраны люминесцентные светильники типов Л201Б465-03М и ЛСО02-2´65/Р-01. Требуется оценить возможность использования указанных светильников для данной ОУ, исходя из требований к ограничению слепящего действия по дискомфорту. Регламентируемое значение М=40.

По табл. 75 определяем группу и подгруппу светильников, соответственно, Iз и IIIн.

По табл. 76 определяем максимально допустимые значения индекса помещения: iт=1,5 для светильников типа Л201Б465-03М, а для ЛСO02-2´65/Р-01 значение М не превышает регламентируемого значения при любых размерах помещения.

По рис. 98 определяем iп=2,05. Так как iп>iт, то светильники типа Л201Б465-03М не обеспечивают регламентируемого значения М в данной ОУ.

ЦИЛИНДРИЧЕСКАЯ ОСВЕЩЕННОСТЬ

7.19. Цилиндрическая освещенность Ец есть средняя освещенность боковой поверхности вертикального цилиндра, размеры которого стремятся к нулю.

Цилиндрическая освещенность от отдельных светильников легко определяется делением вертикальной освещенности Ев в плоскости, перпендикулярной проекции луча на p.

В инженерном методе расчета для определения значения Ец принимаются следующие допущения.

1. Ограждающие поверхности помещения (пол, потолок, стены) принимаются диффузными, равнояркими по всей поверхности.

2. Светильники заменяются равнояркой поверхностью, каждый элемент которой имеет светораспределение, соответствующее светораспределению светильника.

3. Светораспределение светильника равно:

Ia=Iocosma,

где Iо - сила света в направлении вертикали; Ia - сила света под углом a с вертикалью.

Значение т определяется по формуле

т=2pIо/ФÈ-1,

где ФÈ - световой поток светильника в нижнюю полусферу, равный для светильников прямого света 1000·к.п.д. светильника.

Для расчетов предложены графики значений m, равных 1; 1,4; 2; 3, в которых приводятся отношения Ег/Ец в зависимости от общепринятого индекса помещения и коэффициентов отражения стен rс и расчетной поверхности rр (рис. 99).

Рис. 99. Графики для расчета цилиндрической освещенности

a - m=1; б - m=1,4; в - m=2; г - m=3

На всех графиках рис. 99 кривая 1 соответствует rст=0,3, rр=0,1; кривая 2 - rс=0,3, rр=0,3; кривая 3 - rс=0,5; rр=0,1; кривая 4 - rс=0,5; rр=0,3.

Инженерный метод расчета справедлив при световых потоках в верхнюю полусферу менее 15%, в других случаях применение этого метода может привести к значительным погрешностям.

Пример 10. В помещении фойе кинотеатра размером 32´20 м2, высотой 3,8 м на потолке установлены люминесцентные светильники прямого света, имеющие к.п.д. 70% и силу света Iо=270 кд. Коэффициенты отражения ограждающих поверхностей стен и потолка соответственно равны 0,5 и 0,3.

Требуется определить, на какую горизонтальную освещенность должно быть рассчитано освещение помещения, чтобы получить цилиндрическую освещенность 150 лк. Для данного светильника

т=2pIо/ФÈ-1=6,28·270/700-1»1,4.

Индекс помещения iп=640/(3,8(32+20))=3,2. На рис. 99 находим Ег/Ец=2,18, откуда Ег=2,18·150=327 лк. Коэффициент запаса учтен при составлении графиков.

8.УСТАНОВКИ ИСКУССТВЕННОГО УЛЬТРАФИОЛЕТОВОГО ОБЛУЧЕНИЯ

8.1. Установки искусственного ультрафиолетового (УФ) облучения следует предусматривать в детских учреждениях (яслях, детских садах, классных комнатах и учебных кабинетах общеобразовательных школ, школ-интернатов), а также в помещениях производственных и административных зданий с постоянным пребыванием людей, расположенных: севернее Северного полярного круга независимо от наличия в них достаточного по нормам естественного освещения; южнее Северного полярного круга и севернее 45° с. ш., если коэффициент естественной освещенности (КЕО) в указанных помещениях (или зонах помещений) менее 0,1% при боковом освещении или 0,3% при верхнем или верхнем и боковом освещении.

8.2. Применение источников УФ облучения, содержащих излучение с длиной волны короче 280 нм, не допускается, поэтому установки УФ облучения в настоящее время оборудуются люминесцентными эритемными лампами.

8.3. УФ облучательные установки используются в осенне-зимний и ранний весенний периоды года. В районах севернее 60° с. ш. установки должны работать с 1 ноября по 1 апреля, в средней полосе (50-60° с. ш.) - с 1 ноября по 1 марта, в южных районах (50-45° с. ш.) - с 1 декабря по 1 марта.

8.4. УФ облучение осуществляется двумя системами:

установками длительного действия, когда облучатели устанавливаются непосредственно в помещении и находящиеся там люди облучаются в течение всего рабочего дня УФ потоком небольшой интенсивности;

установками кратковременного действия, когда облучение осуществляется в специально выделенных помещениях (фотариях) в течение нескольких минут при высокой эритемной облученности.

В отношении оздоравливающего и профилактического эффекта облучательные установки длительного действия считаются более эффективными, чем фотарии. Установки длительного действия не рекомендуется применять в цехах с интенсивным пылевыделением, а также в производственных помещениях с химически активной средой и материалами.

ОБЛУЧАТЕЛЬНЫЕ УСТАНОВКИ ДЛИТЕЛЬНОГО ДЕЙСТВИЯ

8.5. Облучательные установки длительного действия должны создавать в горизонтальной плоскости на уровне 1 м от пола эритемную облученность и дозу (количество облучения), соответствующие данным, приведенным в табл. 77. Для установок длительного действия нормируются минимально и максимально допустимые уровни облученности во избежании недооблучения и переоблучения.

Таблица 77

Длительность облучения, ч

Облученность, мэр/м2

Доза облучения за 1 сут, мэр/м2

минимальное

максимальное

рекомендуемое

минимальное

максимальное

рекомендуемое

8

1,5

7,5

5,0

12

60

40

Рис. 100. К расчету эритемной облученности

8.6. Защитный угол облучателя в поперечной и продольной плоскостях должен составлять не менее 25°. Применение открытых ламп не допускается.

8.7. Облучательные установки длительного действия следует оборудовать облучателями: прямого излучения. Выходное отверстие облучателя нельзя перекрывать рассеивателями, так как они могут значительно поглощать УФ излучение, особенно эритемное.

8.8. Расчет эритемной облученности производится аналогично расчету освещенности в ОУ.

При расчете облученности в установках длительного действия следует применять точечный метод, т.е. определять облученность по силе излучения или по относительной облученности. Это обусловлено необходимостью получения максимального и минимального значения облученности, а также низкими коэффициентами отражения потолков и стен в эритемных излучениях.

Значения относительной эритемной облученности e, создаваемые люминесцентной эритемной лампой ЛЭ, приведены в табл. 78, а типа ЛЭР40 с отражающим слоем - в табл. 79.

Значения e приведены в зависимости от отношений а/hр и b/hр, где а и b - координаты контрольной точки относительно проекции облучателя на расчетную плоскость.

Расчет эритемной облученности (рис. 100), создаваемой лампами типа ЛЭ, производится по формуле

Е=IoSe/100hp2,                                                            (96)

где Iо - сила излучения эритемной лампы в плоскости, перпендикулярной ее оси, мэр/ср; e - относительная облученность, мэр/м2, определяемая по табл. 76.

Расчет эритемной облученности, создаваемой лампами типа ЛЭР40, производится по формуле

Е=Se/hp2.                                                                     (97)

Значения e в табл. 87 приведены для ламп типа ЛЭР40 с силой эритемного излучения Iо=15б мэр/ср. При другом значении силы излучения лампы значения e, приведенные в табл. 77, следует пересчитать пропорционально значению Iо.

Таблица 78

b/hр

Значения e, мэр/м2, при а/hp, равном

0

0,1

0,2

0,3

0,4

0,5

0,6

0,7

0,8

0,9

1,0

1,1

1,2

0

100

98,0

92,4

84,2

74,3

64,0

54,1

45,0

37,2

30,5

25,0

20,5

16,8

0,1

98,5

96,6

91,0

83,0

73,0

63,4

53,6

44,7

36,8

30,3

24,9

20,4

16,8

0,2

94,2

92,3

87,6

80,1

70,8

61,2

52,0

43,6

36,2

29,8

24,5

20,2

16,6

0,3

87,9

86,2

81,7

75,1

66,8

57,2

49,7

41,8

34,9

28,9

23,9

19,7

16,3

0,4

79,9

78,5

74,9

68,9

61,7

54,1

46,5

39,5

33,2

27,7

23,0

19,2

15,9

0,5

71,6

70,5

67,1

62,1

56,3

49,7

43,1

37,0

31,3

26,3

22,1

18,5

15,4

0,6

63,2

62,2

59,4

55,6

50,4

44,9

39,5

34,0

29,1

24,8

20,8

17,7

14,9

0,7

54,9

54,1

52,0

48,7

44,7

40,3

36,7

31,2

26,8

23,0

19,7

16,8

14,2

0,8

47,6

47,0

45,4

42,8

39,4

35,8

32,0

28,2

24,6

21,4

18,4

15,8

13,5

0,9

41,1

40,6

39,4

38,2

34,6

31,7

28,6

25,3

22,4

19,6

17,0

14,7

12,8

1,0

35,4

34,9

34,0

32,4

30,2

28,0

25,4

22,8

20,8

18,0

15,6

13,7

11,9

1,1

30,4

30,2

29,4

28,1

26,5

24,5

22,5

20,4

18,3

16,3

14,4

12,7

11,2

1,2

26,2

26,0

25,4

24,5

23,1

21,6

20,0

18,1

16,5

14,8

13,2

11,7

10,4

1,3

22,7

22,5

22,0

21,7

20,2

18,9

17,6

16,2

14,8

13,4

12,0

10,8

9,6

1,4

19,7

19,5

19,1

18,5

17,6

16,7

15,7

14,4

13,2

12,1

10,9

9,9

8,9

1,5

17,1

17,0

16,7

16,2

15,5

14,7

13,8

12,6

11,9

10,9

10,0

9,1

8,2

1,6

14,9

14,8

14,5

14,2

13,6

13,0

12,3

11,5

10,7

9,9

9,1

8,3

7,5

1,7

13,0

13,0

12,8

12,4

12,0

11,5

10,9

10,3

9,6

8,9

8,2

7,6

6,9

1,8

11,5

11,4

11,2

11,0

10,6

10,2

9,7

9,2

8,7

8,1

7,7

6,9

6,4

1,9

10,1

10,1

9,9

9,7

9,4

9,1

8,7

8,2

7,8

7,3

6,8

6,3

5,9

2,0

8,9

8,9

8,8

8,5

8,4

8,0

7,8

7,4

7,1

6,6

6,2

5,8

5,4

2,1

7,9

7,9

7,8

7,7

7,5

7,3

7,0

6,7

6,4

6,0

5,7

5,3

5,0

2,2

7,1

7,1

7,0

6,9

6,7

6,5

6,3

6,0

5,8

5,5

5,2

4,9

4,6

2,3

6,3

6,3

6,3

6,2

6,0

5,9

5,7

5,5

5,2

5,0

4,7

4,5

4,2

2,4

5,7

5,7

5,6

5,5

5,4

5,3

5,1

4,9

4,7

4,5

4,2

4,1

3,9

2,5

5,1

5,1

5,1

5,0

4,9

4,8

4,6

4,5

4,3

4,1

4,0

3,8

3,6

2,6

4,6

4,6

4,6

4,5

4,4

4,3

4,2

4,1

3,9

3,8

3,6

3,5

3,3

2,7

4,2

4,2

4,1

4,1

4,0

3,9

3,8

3,7

3,6

3,5

3,3

3,2

3,0

2,8

3,8

3,8

3,8

3,7

3,7

3,6

3,5

3,4

3,3

3,2

3,1

2,9

2,8

2,9

3,5

3,5

3,4

3,4

3,4

3,3

3,2

3,1

3,0

2,9

2,8

2,7

2,6

3,0

3,2

3,2

3,1

3,1

3,1

3,0

2,9

2,9

2,8

2,7

2,6

2,5

2,4

3,1

2,9

2,9

2,9

2,8

2,8

2,8

2,7

2,6

2,6

2,5

2,4

2,3

2,2

3,2

2,7

2,6

2,6

2,6

2,6

2,5

2,5

2,4

2,4

2,3

2,2

2,2

2,1

3,3

2,4

2,4

2,4

2,4

2,4

2,3

2,3

2,2

2,2

2,1

2,1

2,0

2,0

Продолжение табл. 78

b/hр

Значения e, мэр/м2, при а/hp, равном

1,3

1,4

1,5

1,6

1,7

1,8

1,9

2,0

2,1

2,2

2,3

2,4

2,5

2,6

0

13,8

11,4

9,5

7,9

6,6

5,6

4,7

4,0

3,4

2,9

2,5

2,2

1,9

1,7

0,1

13,8

11,4

9,5

7,9

6,6

5,6

4,7

4,0

3,4

2,9

2,5

2,2

1,9

1,7

0,2

13,7

11,3

9,4

7,9

6,6

5,6

4,7

4,0

3,4

2,9

2,5

2,2

1,9

1,7

0,3

13,5

11,2

9,4

7,9

6,6

5,6

4,7

4,0

3,4

2,9

2,5

2,2

1,9

1,7

0,4

13,3

11,0

9,3

7,8

6,6

5,5

4,7

4,0

3,4

2,9

2,5

2,2

1,9

1,7

0,5

12,9

10,9

9,1

7,7

6,5

5,5

4,7

4,0

5,4

2,9

2,5

2,2

1,9

1,7

0,6

12,5

10,6

8,9

7,6

6,5

5,5

4,7

4,0

3,4

2,9

2,5

2,2

1,9

1,7

0,7

12,1

10,2

8,7

7,5

6,4

5,5

4,7

4,0

3,4

2,9

2,5

2,2

1,9

1,7

0,8

11,6

9,9

8,5

7,3

6,2

5,4

4,6

4,0

3,4

2,9

2,5

2,2

1,9

1,7

0,9

11,0

9,5

8,2

7,0

6,1

5,3

4,6

4,0

3,4

2,9

2,5

2,2

1,9

1,7

1,0

10,4

9,1

7,8

6,8

5,9

5,1

4,5

3,9

3,4

2,9

2,5

2,2

1,9

1,7

1,1

9,8

8,6

7,5

6,5

5,7

5,0

4,4

3,8

3,4

2,9

2,5

2,2

1,9

1,7

1,2

9,2

8,2

7,1

6,2

5,5

4,8

4,3

3,8

3,3

2,9

2,5

2,2

1,9

1,7

1,3

8,5

7,6

6,7

5,9

5,3

4,6

4,2

3,7

3,3

2,9

2,5

2,2

1,9

1,7

1,4

8,0

7,1

6,3

5,6

5,0

4,4

4,0

3,5

3,2

2,8

2,5

2,2

1,9

1,7

1,5

7,4

6,6

6,0

5,3

4,8

4,3

3,8

3,4

3,1

2,8

2,5

2,2

1,9

1,7

1,6

6,8

6,2

5,6

5,0

4,5

4,1

3,7

3,3

3,0

2,7

2,4

2,2

1,9

1,7

1,7

6,3

5,8

5,2

4,7

4,3

3,9

3,5

3,2

2,9

2,6

2,3

2,1

1,9

1,7

1,8

5,9

5,4

4,9

4,5

4,0

3,7

3,3

3,0

2,7

2,5

2,3

2,1

1,9

1,7

1,9

5,4

5,0

4,6

4,2

3,8

3,5

3,2

2,9

2,6

2,4

2,2

2,0

1,8

1,7

2,0

5,0

4,6

4,2

3,9

3,6

3,3

3,0

2,8

2,5

2,3

2,1

1,9

1,8

1,6

2,1

4,7

4,3

4,0

3,7

3,4

3,1

2,8

2,6

2,4

2,2

2,0

1,9

1,7

-

2,2

4,3

4,0

3,7

3,4

3,2

2,9

2,7

2,5

2,3

2,1

1,9

1,7

1,6

-

2,3

3,9

3,7

3,4

3,2

3,0

2,8

2,6

2,4

2,2

2,0

1,9

1,7

1,6

-

2,4

3,6

3,4

3,2

3,0

2,8

2,6

2,4

2,2

2,1

1,9

1,8

1,7

-

-

2,5

3,4

3,2

3,0

2,8

2,6

2,4

2,3

2,1

2,0

-

-

-

-

-

2,6

3,1

2,9

2,8

2,6

2,5

2,3

2,2

2,0

-

-

-

-

-

-

2,7

2,9

2,7

2,6

2,4

2,3

2,2

2,0

-

-

-

-

-

-

-

2,8

2,7

2,6

2,4

2,3

2,2

2,0

-

-

-

-

-

-

-

-

2,9

2,5

2,4

2,3

2,1

2,0

-

-

-

-

-

-

-

-

-

3,0

2,3-

2,2

2,1

2,0

-

-

-

-

-

-

-

-

-

-

3,1

2,2

2,1

2,0

-

-

-

-

-

-

-

-

-

-

-

3,2

2,0

1,9

-

-

-

-

-

-

-

-

-

-

-

-

3,3

-

-

-

-

-

-

-

-

-

-

-

-

-

-

Таблица 79

b/hр

Значения e, мэр/м2, при а/hp, равном

0

0,1

0,2

0,3

0,4

0,5

0,6

0,7

0,8

0,9

1,0

1,1

1,2

0

153,6

150,8

143,3

131,4

117,6

103,3

89,6

75,3

63,8

55,6

45,1

37,9

32,0

0,1

150,8

148,2

140,4

129,4

116,5

102,5

88,3

74,6

63,0

53,4

44,6

37,8

31,6

0,2

143,3

140,4

134,2

123,0

110,7

97,9

84,8

71,6

61,1

51,5

43,6

36,7

31,0

0,3

131,4

129,4

123,0

115,3

102,4

91,6

79,3

67,9

58,0

49,1

41,7

35,3

29,8

0,4

117,6

116,5

110,7

102,4

95,4

83,6

73,1

63,2

54,0

45,9

39,4

33,4

28,5

0,5

103,3

102,5

97,9

91,6

83,6

74,7

65,8

57,5

49,6

42,8

35,9

31,4

26,6

0,6

89,6

88,3

84,8

79,3

73,1

65,8

58,7

51,5

45,1

39,1

33,8

29,1

25,0

0,7

75,3

74,6

71,6

67,9

63,2

57,5

51,5

45,3

40,4

35,4

30,7

26,7

23,0

0,8

63,8

63,0

61,1

58,0

54,0

49,6

45,1

40,4

35,3

31,6

27,7

24,1

21,3

0,9

53,6

53,4

51,5

49,1

45,9

42,8

39,1

35,4

31,6

28,1

24,8

21,9

19,3

1,0

45,1

44,6

43,6

41,7

39,4

35,9

33,8

30,7

27,7

24,8

22,4

19,7

17,6

1,1

37,9

37,8

36,7

35,3

33,4

31,4

29,1

26,7

24,1

21,9

19,7

17,4

15,8

1,2

32,0

31,6

31,0

29,8

28,5

26,6

25,0

23,0

21,3

19,3

17,6

15,8

14,4

1,3

26,7

26,5

26,0

25,2

24,3

23,0

21,6

20,1

18,5

16,9

15,7

14,1

12,8

1,4

22,8

22,6

22,1

21,6

20,7

19,7

18,6

17,5

16,2

14,9

13,7

12,6

11,4

1,5

19,4

19,2

18,9

18,4

17,8

17,0

16,1

15,1

14,2

13,1

12,2

11,2

10,3

1,6

16,5

16,4

16,2

15,4

15,3

14,6

14,0

13,2

12,4

11,6

10,8

10,0

9,2

1,7

14,2

14,1

13,9

13,6

13,2

12,7

12,1

11,5

10,9

10,2

9,5

8,9

8,2

1,8

12,2

12,1

12,0

11,8

11,4

10,9

10,6

10,1

9,6

9,0

8,5

7,9

7,4

1,9

10,6

10,4

10,3

10,2

10,0

9,9

9,4

8,9

8,5

8,0

7,8

7,1

6,6

2,0

9,2

9,1

9,0

8,9

8,7

8,5

8,2

7,9

7,5

7,1

6,8

6,4

6,0

2,1

8,0

8,0

7,9

7,8

7,6

7,4

7,2

6,9

6,6

6,2

6,3

5,7

5,4

2,2

7,0

7,0

7,0

6,9

6,7

6,6

6,4

6,2

5,9

5,7

5,4

5,2

4,9

2,3

6,2

6,2

6,2

6,2

5,9

5,8

5,7

5,5

5,3

5,1

4,9

4,6

4,4

2,4

5,5

5,5

5,5

5,4

5,3

5,2

5,1

4,9

4,7

4,6

4,4

4,2

3,9

2,5

4,9

4,9

4,9

4,8

4,7

4,6

4,5

4,4

4,3

4,1

4,0

3,9

3,6

Продолжение табл. 79

b/hр

Значения e, мэр/м2, при а/hp, равном

1,3

1,4

1,5

1,6

1,7

1,8

1,9

2,0

2,1

2,2

2,3

2,4

2,5

0

26,7

22,8

19,4

16,5

14,2

12,2

10,6

9,2

8,0

7,0

6,2

5,5

4,9

0,1

26,5

22,6

19,2

16,4

14,1

12,1

10,4

9,1

8,0

7,0

6,2

5,5

4,9

0,2

26,0

22,1

18,9

16,2

13,9

12,0

10,3

9,0

7,9

7,0

6,2

5,5

4,9

0,3

25,2

21,6

18,4

15,4

13,6

11,8

10,2

8,9

7,8

6,9

6,2

5,4

4,8

0,4

24,3

20,7

17,8

15,3

13,2

11,4

10,0

8,7

7,6

6,7

5,9

5,3

4,7

0,5

23,0

19,7

17,0

14,6

12,7

10,9

9,9

8,5

7,4

6,6

5,8

5,2

4,6

0,6

21,6

18,6

16,1

14,0

12,1

10,6

9,4

8,2

7,2

6,4

5,7

5,1

4,5

0,7

20,1

17,5

15,1

13,2

11,5

10,1

8,9

7,9

6,9

6,2

5,5

4,9

4,4

0,8

18,5

16,2

14,2

12,4

10,9

9,6

8,5

7,5

6,6

5,9

5,3

4,7

4,3

0,9

16,9

14,9

13,1

11,6

10,2

9,0

8,0

7,1

6,3

5,7

5,1

4,6

4,1

1,0

15,7

13,7

12,2

10,8

9,5

8,5

7,8

6,8

6,2

5,4

4,9

4,4

4,0

1,1

14,1

12,6

11,2

10,0

8,9

7,9

7,1

6,4

5,7

5,2

4,6

4,2

3,9

1,2

12,8

11,4

10,3

9,2

8,2

7,4

6,6

6,0

5,4

4,9

4,4

3,9

3,6

1,3

10,8

10,4

9,4

8,5

7,6

6,9

6,2

5,6

5,1

4,6

4,2

3,8

3,5

1,4

10,4

9,3

8,6

7,8

7,0

6,4

5,8

5,3

4,8

4,3

4,0

3,6

3,3

1,5

9,4

8,6

7,6

7,1

6,5

5,9

5,4

4,9

4,5

4,1

3,8

о,4

3,2

1,6

8,5

7,8

7,1

6,4

6,0

5,5

5,0

4,6

4,2

3,9

3,6

3,2

3,0

1,7

7,6

7,0

6,5

6,0

5,6

5,1

4,6

4,3

3,9

3,6

3,3

3,1

2,8

1,8

6,9

6,4

5,9

5,5

5,1

4,8

4,3

4,0

3,7

3,4

3,1

2,9

2,7

1,9

6,2

5,8

5,4

5,0

4,6

4,3

4,2

3,7

3,4

3,2

2,9

2,7

2,6

2,0

5,6

5,3

4,9

4,6

4,3

4,0

3,7

3,6

3,2

3,0

2,8

2,6

2,4

2,1

5,1

4,8

4,5

4,2

3,9

3,7

3,4

3,2

3,0

2,8

2,6

2,4

2,2

2,2

4,6

4,3

4,1

3,9

3,6

3,4

3,2

3,0

2,8

2,6

2,4

2,3

2,1

2,3

4,2

4,0

3,8

3,6

3,3

3,1

3,0

2,8

2,6

2,4

2,3

2,1

2,0

2,4

3,8

3,6

3,4

3,2

3,1

2,9

2,7

2,6

2,4

2,3

2,1

2,0

1,9

2,5

3,5

3,3

3,2

3,0

2,8

2,7

2,5

2,4

2,2

2,1

2,0

1,9

1,8

Коэффициент запаса, учитывающий снижение эритемной облученности в процессе эксплуатации облучательной установки, вводится только при расчете минимально допустимого уровня облученности, равного 1,5 мэр/м2, и принимается равным 1,5.

При проектировании установки длительного действия облученность должна приниматься не более 7,5 и не менее 2,25 мэр/м2 (произведение минимальной нормы облученности 1,5 мэр/м2 на коэффициент запаса, равный 1,5).

При проектировании облучательной установки рекомендуется предварительно проверить правильность выбора типа эритемной лампы и облучателя на соответствие облученности максимальной норме 7,5 мэр/м2. Для этого определяют облученность под облучателем Ео

Ео=Io/hp2.                                                                      (98)

Если окажется, что значение Еo меньше 7,5 мэр/м2, выбор типа лампы сделан правильно.

характеристики эритемных люминесцентных ламп приведены в табл. 80.

Таблица 80

Наименование лампы

Тип

Мощность, Вт

Напряжение сети, В

Срок службы, ч

Сила эритемного излучения в вертикальной плоскости под углом 0°, мэр/ср

Эритемный поток, мэр

Люминесцентная эритемная

ЛЭ30-1; ЛЭ30

30;

30

220;

220

5000

75;

45

750

Люминесцентная эритемная с отражающим слоем (рефлекторная)

ЛЭР30; ЛЭР40

30;

40

220;

220

3000;

1500

130;

156

1000;

1600

При установке облучателей на небольшой высоте (3-5 м) рекомендуется использовать облучатели с эмалированными отражателями, так как эмаль почти не отражает эритемного потока. В этом случае могут также использоваться светильники с эмалированными отражателями, предназначенные для обыкновенных люминесцентных ламп. Расчет облученности в этом случае производится, как для эритемной лампы, по формуле (96) с использованием данных табл. 78.

Пример 1. Облучательная установка выполняется лампами типа ЛЭ, мощностью 30 Вт, установленными в эмалированных облучателях (светильниках). Расположение облучателей показано на рис. 101. Высота подвеса облучателей над полом составляет 4 м, т.е. hр=3 м. Коэффициент запаса равен 1,5. Определить значения эритемной облученности в контрольных точках.

Рис. 101. Взаимное расположение расчетных точек и облучателей (к примеру 1)

Рис. 102. К примеру 2

Для выбора типа лампы на соответствие максимально допустимой эритемной облученности определяем облученность под облучателем по формуле (98) для ламп типов ЛЭ30-1 и ЛЭ30. Значение Iо лампы типа ЛЭ30-1 составляет 75 мэр/ср. Следовательно, под облучателем облученность только от одной лампы будет равна 75:32=8,3 мэр/м2. Лампа этого типа не может быть использована.

Облученность под облучателем с лампой типа ЛЭ30 равна 45:32=5 мэр/м2. Следовательно, можно принять эритемные лампы типа ЛЭ30.

Определяем на плане помещения координаты контрольных точек относительно облучателей (рис. 100) и находим отношения a/hp и b/hp. По этим отношениям определяем значения относительной облученности по данным табл. 76, после чего находим значения облученности по формуле (96). Подробный порядок расчета приведен в табл. 81.

В контрольных точках эритемная облученность соответствует нормам. С учетом коэффициента запаса облученность выше минимальной нормы, но не достигает максимально допустимой 7,5 мэр/м2.

При проектировании облучательных установок нет необходимости определять уровни облученности в таком количестве точек, как это сделано в данном примере, достаточно определить эритемную облученность в двух-трех точках.

8.9. В высоких помещениях следует применять облучатели с отражателями из объярченного алюминия, так как алюминий хорошо отражает эритемный поток, могут быть также использованы люминесцентные эритемные лампы с отражающим слоем типа ЛЭР, которые можно устанавливать в светильниках.

Таблица 81

Контрольная точка

Облучатели

Число облучателей n, шт.

a, м

b, м

a/hp

b/hр

e, мэр/м2

ne, мэр/м2

Sne, мэр/м2

Е, мэр/м2

A

1

2

3

4

4

2,4

3,0

0,8

1,0

20,3

81,2

81,2

4,1

В

1

4

4,8

6,0

1,6

2,0

3,9

3,9

120,7

6,0

2

 

0

6,0

0

2,0

8,9

8,9

 

 

3

 

4,8

0

1,6

0

7,9

7,9

 

 

4

 

0

0

0

0

100,0

100,0

 

 

С

3

4

2,4

0

0,8

0

37,2

74,4

88,6

4,4

4

 

 

 

 

 

 

 

 

 

1

 

2,4

6,0

0,8

2,0

7,1

14,2

 

 

2

 

 

 

 

 

 

 

 

 

Д

1

4

0

3,0

0

1,0

35,7

70,2

83,8

4,2

3

 

 

 

 

 

 

 

 

 

2

 

4,8

3,0

1,6

1,0

6,8

13,6

 

 

4

 

 

 

 

 

 

 

 

 

Д1

1

4

1,5

3,0

0,5

1,0

28,0

56,0

62,8

3,1

2

 

 

 

 

 

 

 

 

 

3

 

6,3

3,0

2,1

1,0

3,4

6,8

 

 

4

 

 

 

 

 

 

 

 

 

М

1

4

1,5

7,5

0,5

2,5

4,8

4,8

59,9

3,0

2

 

6,3

7,5

2,1

2,5

2,0

2,0

 

 

3

 

1,5

1,5

0,5

0,5

49,7

49,7

 

 

4

 

6,3

1,5

2,1

0,5

3,4

3,4

 

 

Пример 2. Облучательная установка снабжена лампами типа ЛЭР40. Расположение ламп показано на схеме рис. 102. Высота установки ламп над расчетной плоскостью составляет 9 м. Коэффициент запаса равен 1,5. Определить эритемную облученность в контрольных точках.

Таблица 82

Контрольная точка

Облучатели

Число облучателей n, шт.

a, м

b, м

a/hp

b/hр

e, мэр/м2

ne, мэр/м2

Sne, мэр/м2

Облученность Е, мэр/м2, при количестве ламп в облучателе

одной

двух

А

1

6

6,0

6,0

0,67

0,67

51,8

207,2

223,4

2,8

5,6

2

 

 

 

 

 

 

 

 

 

 

3

 

 

 

 

 

 

 

 

 

 

4

 

 

 

 

 

 

 

 

 

 

5

 

6,0

18,0

0,67

2,0

8,1

16,2

 

 

 

6

 

 

 

 

 

 

 

 

 

 

В

1

б

0

12,0

0

1,33

24,8

49,6

197,2

2,4

4,8

5

 

 

 

 

 

 

 

 

 

 

3

 

0

0

0

0

100,0

100,0

 

 

 

4

 

12,0

0

1,33

0

24,8

24,8

 

 

 

2

 

12,0

12,0

1,35

1,33

11,4

22,8

 

 

 

6

 

 

 

 

 

 

 

 

 

 

С

1

6

6,0

0

0,67

0

82,4

164,8

211,6

2,6

5,2

2

 

 

 

 

 

 

 

 

 

 

3

 

6,0

12,0

0,67

1,33

19,4

38,8

 

 

 

4

 

 

 

 

 

 

 

 

 

 

5

 

6,0

24,0

0,67

2,67

4,0

8,0

 

 

 

6

 

 

 

 

 

 

 

 

 

 

Д

3

6

6,0

0

0,67

0

&2,4

164,8

242,4

3,0

6,0

4

 

 

 

 

 

 

 

 

 

 

1

 

6,0

12,0

0,67

1,33

19,4

77,6

 

 

 

2

 

 

 

 

 

 

 

 

 

 

5

 

 

 

 

 

 

 

 

 

 

6

 

 

 

 

 

 

 

 

 

 

Так как Еo=156/92»2 мэр/м2, принятый тип ламп обеспечивает облученность, не превышающую максимально допустимую 7,5 мэр/м2.

Порядок расчета приведен в табл. 82.

Нормы эритемной облученности при принятом расположении облучателей обеспечиваются как при установке в облучателе одной, так и двух ламп. Однако из санитарно-гигиенических соображений предпочтительнее в облучателях устанавливать по две лампы, так как при этом значение облученности ближе к рекомендуемому значению 5 мэр/м2.

ОБЛУЧАТЕЛЬНЫЕ УСТАНОВКИ КРАТКОВРЕМЕННОГО ДЕЙСТВИЯ (ФОТАРИИ)

8.10. Установки УФ облучения кратковременного действия (фотарии) следует предусматривать в случаях, когда установки длительного действия устраивать недопустимо или нецелесообразно по производственным, технико-экономическим и гигиеническим показателям.

8.11. Фотарии должны выполняться отдельными для мужчин и для женщин. Фотарии следует размещать в отдельных помещениях, смежных с гардеробами домашней одежды или с общим гардеробом (при совместном хранении всех видов одежды).

8.12. При фотарии должны быть предусмотрены помещения для медицинского персонала из расчета 3,6 м2 на 100 облучающихся в максимальную смену, но не менее 8 м2. Фотарии, обслуживающие рабочих промышленных предприятий, находятся в ведении здравпунктов.

8.13. В фотариях необходимо предусматривать механическую приточно-вытяжную вентиляцию. Температура воздуха в фотарии должна находиться в пределах 23-25°С. В помещении фотария следует предусматривать искусственное освещение, создающее освещенность на полу не менее 50 лк.

8.14. В фотариях используются вертикально установленные люминесцентные эритемные лампы, нижний край которых располагают на высоте 0,5 м от пола.

Эритемная облученность в фотариях нормируется в вертикальной плоскости на уровне 1 м от пола. Нормируемые значения вертикальной облученности и дозы следует принимать в соответствии с данными табл. 83.

8.15. Количество рабочих и служащих, подлежащих облучению в фотариях, определяют из выражений

N=MK1 и N=МК2,                                                       (99)

где М - списочное количество работающих в максимальную смену (мужчины и женщины отдельно); К1 - коэффициент, учитывающий противопоказания к УФ облучению в фотариях у мужчин, равный 0,8; K2 - то же, но у женщин, равный 0,7.

Таблица 83

Облученность, мэр/м2

Доза облучения за 1 сут, мэр/м2

Длительность облучения, мин

минимальная

максимальная

рекомендуемая

минимальная

максимальная

рекомендуемая

120

600

400

6

30

20

2,5-3

8.16. Фотарии устраиваются кабинного и проходного типа. Фотарии кабинного типа для индивидуального облучения могут состоять из одной, двух, четырех и более смежных одноместных кабин, стенками которых служат вертикально расположенные лампы типа ЛЭ30. Расстояние между лампами обычно составляет 160 мм.

8.17. Облучение в кабине осуществляется с трех сторон. Количество мужских и женских кабин при проектировании фотарием кабинного типа определяется из выражения:

п=N/mh,                                                                      (100)

где N - количество рабочих и служащих; m - пропускная способность кабины, составляющая 20-22 чел/ч; h - коэффициент, учитывающий продолжительность работы фотария после смены (30 мин), равный 0,5.

8.18. Фотарий проходного типа предназначен для облучения потока людей, движущегося в специально огражденном проходе (прямолинейном или с поворотами) общей длиной 30 м. Ширина прохода в фотарии равна 1,2-1,5 м. Лампы ЛЭ30 крепятся вертикально на стенах и внутренних перегородках. Расстояние между лампами обычно составляет 250 мм. Лампы, установленные на стенках, снабжаются алюминиевыми отражателями (могут быть использованы также лампы типа ЛЭР30); для облучения двух проходов на перегородках лампы устанавливаются без отражателей. Облучение в проходе осуществляется с двух сторон.

Пропускная способность фотария проходного типа определяется из выражения

m=60l/dt,                                                            (101)

где l - длина пути в фотарии, м; d - расстояние между облучаемыми, м; t - продолжительность облучения, мин.

Например, если l=30 м, d=0,3 м, t=2,5 мин, то m=900 чел/ч.

Рис. 103. Пример зонирования строительной площадки по разрядам зрительной работы и освещенности

1 - склад ж/б конструкций (XIII разр. 5 лк); 2 - объект строительства (IX разр. 50 лк); 3 - сборка арматуры (X разр. 30 лк); 4 - растворный узел (XII разр. 10 лк)

В качестве фотария проходного типа может быть рекомендован фотарий-лабиринт, состоящий из четырех проходов. Размеры фотария 7,5 м. Общая длина проходов 30 м.

9. ОСВЕЩЕНИЕ МЕСТ ПРОИЗВОДСТВА РАБОТ ВНЕ ЗДАНИЙ И ТЕРРИТОРИЙ ПРОМЫШЛЕННЫХ ПРЕДПРИЯТИЙ

9.1. При проектировании освещения строительных площадок и открытых карьеров по добыче полезных ископаемых следует соблюдать требования «Инструкции по проектированию электрического освещения строительных площадок» (СН 81-80) и «Инструкции по проектированию электрического освещения предприятий нерудных строительных материалов» (СН 466-74).

9.2. Дополнительно к требованиям по выбору источников света и светильников, указанным в СН 81-80 и СН 466-74, для площадок шириной до 200 м наиболее экономичными будут светильники с натриевыми лампами высокого давления.

9.3. Искусственное освещение необходимо начинать проектировать при разработке проектов организации строительства и проекта производства работ. Ориентировочно выявляются разряды зрительных работ и их распределение по территории строительства. Составляется карта дислокации строительных участков (зонирование) по разрядам зрительной работы, а следовательно, и освещенности (рис. 103).

9.4. Для прожекторного освещения применяются мачты высотой от 10 до 50 м. Они выполняются из дерева, металла, железобетона и из сплавов алюминия. По способу установки мачты делятся на стационарные и передвижные.

Рис. 104. Металлическая прожекторная мачта

Рис. 105. Деревянная прожекторная мачта

Рекомендуемая высота установки металлических мачт по чертежам институтов ВНИПИ «Тяжпромэлектропроект» (Ленинград) - 48 м; Мосгипротранса (Москва) - 45, 35, 28, 21 м; Гипроруда (Ленинград) - 25, 20, 15 и 10 м; Союзспортпроекта (Москва) - 33 и 20 м для установки большого числа прожекторов.

Металлические мачты (рис. 104) (разработка института Мосгипротранс) высотой 28 и 21 м собираются соответственно из четырех и из трех секций длиной 6,8 м. Секции обеих мачт одинаковые и представляют собой решетчатую пространственную ферму (квадрат в плане). Секции соединяются наружными накладками из уголков сваркой. Верхняя площадка, предназначенная для установки прожекторов, запроектирована в двух вариантах - для установки 16 и 27 прожекторов.

Рис. 106. Варианты размещения прожекторных мачт

а - однорядное; б - двухрядное прямоугольное; в - двухрядное шахматное; г - комбинированное

Рис. 107. Кривая распределения освещенности в зависимости от расстояния от прожекторной мачты (для каждого прожектора или группы прожекторов зависимость строится отдельно)

Фундаменты выполняются сборными железобетонными из отдельных блоков массой в зависимости от грунта и высоты мачты от 5 до 15 т каждый.

Питание к прожекторным мачтам может подводиться кабелем или воздушной линией. Внизу на металлоконструкциях мачт устанавливаются кабельные ящики типа Я3124-26 с трехполюсными автоматами. При подводе питания к мачтам кабелем дополнительно устанавливаются кабельные ящики типа А1220, в которых выполняется сухая разделка кабелей. Мачты заземляются присоединением нулевого провода, металлических частей мачты и устанавливаемой аппаратуры, нормально не находящихся под напряжением, к самостоятельному заземляющему контуру с сопротивлением заземления не более 10 Ом.

Передвижные мачты монтируются на санях и передвигаются на буксире или автомашиной. Они рассчитаны на 8 прожекторов типа ПЗС-35 с лампами мощностью 500 Вт. Масса мачт из дерева 1800 кг, из металла - 1200 кг.

Деревянные мачты (рис. 105) применяются для установки небольшого числа прожекторов и, как правило, являются временными сооружениями. Деревянная мачта высотой 15 м рассчитана на установку 6 прожекторов и выполняется из трех бревен (два длиной по 8,5 м, одно 11 м). Для обслуживания прожекторов предусматривается лестница.

В отдельных случаях рекомендуется применять подвеску светильников на тросовых перекидках, натянутых над освещаемой территорией на высоте 100-150 м.

9.5. Расстояние между мачтами, предназначенными для установки прожекторов, должно быть в пределах 5-8-кратной высоты мачт. Увеличение расстояния между ними допускается, если освещение обеспечивает только необходимые условия для передвижения транспорта и пешеходов, т.е. допускается значительная неравномерность распределения освещенности.

9.6. Расстояние между мачтами может сокращаться в случае неровного рельефа строительной площадки или карьера, а также наличия затеняющих объектов (зданий или рельефа).

Однорядное линейное размещение прожекторных мачт (рис. 106, а) применяется при освещении узких участков территории строительной площадки шириной до 100-150 м, двухрядное (рис. 106, б, в) - создает лучшие осветительные условия, исключая резкие тени на вертикальных поперечных плоскостях. При двух- трехрядной установке (рис. 106, г) мачт следует выбирать шахматное расположение, которое является более рациональным, так как увеличивает равномерность распределения освещенности.

Расстояние между мачтами одного и того же ряда определяется на основе конкретных исходных данных технико-экономического и светотехнического расчетов.

9.7. При прямоугольном расположении мачт точка минимальной освещенности Емин находится в горизонтальной плоскости в центре прямоугольника, на пересечении его диагоналей. Освещенность в ней создается от прожекторов, расположенных на четырех мачтах, т.е. Е=4e, где е - освещенность, лк, в расчетной точке от прожекторов, находящихся на каждой из мачт. Поэтому для обеспечения нормируемой освещенности Ен необходимо, чтобы прожекторы каждой мачты на расстоянии, равном половине диагонали прямоугольника, по вершинам которого установлены мачты, создавали освещенность e=0,25КзЕн.

Расстояние между мачтами b одного и того же ряда определяется из соотношения

,

где l - расстояние между мачтами, при котором обеспечивается освещенность e=0,25КзЕн, определяемое по графикам (например, рис. 107), м; a - расстояние между рядами мачт, м.

9.8. Угол наклона прожектора, при котором площадь, ограниченная кривой, равной освещенности, имеет максимальное значение, определяемое по формуле

,                                    (102)

где Н - высота установки прожектора над освещаемой поверхностью, м; т, п - постоянные, зависящие от углов рассеяния прожектора в горизонтальной и вертикальной плоскостях (табл. 84).

Таблица 84

Тип прожектора

Мощность, Вт и напряжение, В на лампе

Значение коэффициента

т

п

ПЗС-35

500-220

365

16,9

 

500-127

193

14,8

ПЗС-45

1000-220

467

10,9

 

1000-127

303

9,2

Продолжение

Тип прожектора

Значение eН2

при угле наклона прожекторов, град

8

10

12

18

24

ПЗС-35

75-120

120-190

190-300

400-680

900-1400

 

90-150

150-230

230-320

500-900

1100-1700

ПЗС-45

150-200

200-280

280-430

600-1000

1800-3000

 

150-230

230-280

280-450

750-1400

1800-3000

9.9. Число прожекторов, необходимое для освещения заданной территории, и общую установленную мощность установки прожекторного освещения предварительно можно определить упрощенным методом светового потока или удельной мощности.

9.10. Методом светового потока число прожекторов определяется по формуле

n=ЕнКзАос/Флhuz;                                                        (103)

где Aос - освещаемая площадь, м2; h - КПД прожектора, отн. ед.; u - коэффициент использования светового потока прожектора; z - коэффициент неравномерности распределения освещенности, равный Емин/Еср.

9.11. Удельная мощность прожекторного освещения Р равна:

Р=Ро/Аос,                                                                 (104)

где Ро - суммарная мощность ламп прожекторов, Вт.

Принимая число прожекторов п=1 и

Аос=пФлhuz/(ЕнКз),

из формулы (103),

Р=РлЕнКз/(Флhuz),                                                      (105)

где Рл - мощность лампы, Вт.

Если принять 1/h и zу=m, где у - световая отдача лампы, лм/Вт, и ЕнКзр, то

Р=тЕр.                                                                    (106)

Значение коэффициента т приведено в табл. 84.

Выбор типов источника света и прожектора однозначно определяют световую отдачу g и h независимо от параметров и назначения освещаемой площади.

Рассчитав удельную мощность Р, находят общее число прожекторов, необходимых для создания заданной освещенности на расчетной площади:

п=РАс/Рл.                                                                (107)

9.12. Расчет прожекторного освещения методом компоновки изолюкс производится в следующей последовательности.

Намечаются на освещаемой территории возможные места размещения прожекторных мачт, выясняется возможность установки прожекторов на высотных сооружениях или естественных возвышенностях.

Для выбранных типов прожекторов изготавливается набор шаблонов, имеющих форму изолюкс, для нескольких высот установки прожектора и углов наклона q в масштабе плана освещаемой территории. Применяя шаблоны, определяется наиболее выгодное размещение прожекторов на плане строительных участков. При этом необходимо добиваться полного покрытия шаблонами всей освещаемой площади и избегать излишнего перекрытия одного светового пятна другим (рис. 108).

При выборе изолюкс для изготовления шаблона следует иметь в виду, что освещенность, соответствующая этой кривой, должна быть равна ЕКз/2, где Е - требуемая освещенность. На первом этапе расчета составляются кривые относительных изолюкс (кривые, соединяющие точки равной расчетной освещенности в плоскости, перпендикулярной оптической оси прожектора). Координатами каждой точки этих кривых являются значения x и h, численно равные тангенсам углов, при этом ось x соответствует оси х в системе прямоугольных координат, а h - оси у.

Расчеты производятся по формулам

y=hrhp;                                                                   (108)

h=у/rhp;                                                                  (109)

e=Ehp2r3;                                                                 (110)

E=e/hp2r3,                                                               (111)

где e - относительная освещенность; Е - освещенность в расчетной точке, лк; r - вспомогательный коэффициент.

Рис. 108. Способ построения изолюкс от группы прожекторов по шаблону

9.13. Расчет освещенности от группы прожекторов, установленных на одной и той же мачте, на одинаковой высоте от уровня освещаемой поверхности и имеющие одинаковый угол наклона q в вертикальной плоскости, производится на основе следующих исходных данных.

Если оптические оси группы рядом расположенных прожекторов смещены на угол t (рис. 108), то количество прожекторов в группе определяют из соотношения

n=w/t,                                                                (112)

где w - необходимый угол действия прожекторов группы.

Таблица 85

Тип источника света

Тип прожектора или светильника

Ширина освещаемой площадки, м

Значение коэффициента m при расчетной освещенности, лк

0,5-1,5

2,0-3,0

Лампы накаливания

ПЗС, ПСМ

175-150

0,90

0,30

175-300

0,50

0,25

Лампы накаливания с йодным циклом

ПКН, ИСУ

75-125

0,35

0,20

150-350

0,20

0,15

Лампы типа ПЗС, ДРЛ

пзм

75-250

0,25

0,13

250-350

0,30

0,15

Лампы типа ПЗС, ДРИ

ПСМ

75-150

0,30

0,10

175-350

0,16

0,06

Ксеноновая лампа типа ДКсТ-20000

ОУКсН

(Н=50 м)

200-275

0,50

0,35

300-400

0,40

0,20

ОУКсН

(Н=30 м)

150-175

0,75

0,50

200-350

0,50

0,40

«Аревик»

175-225

0,70

0,50

(Н=50 м)

250-400

0,55

0,40

«Аревик»

150-175

0,90

0,70

(Н=30 м)

200-250

0,70

0,50

Ксеноновая лампа типа ДКсТ-1000

СКсН

100-150

0,55

0,45

(Н=20-30 м)

175-250

0,40

0,35

Кривые равной освещенности от группы прожекторов строятся по изолюксам от каждого прожектора методом наложения соответственно углу t (рис. 108).

9.14. На строительных площадках следует исключать ослепленность работающих. Не рекомендуется использовать лампы без арматуры. При проектировании освещения строительных площадок необходимо придерживаться метода светотехнического зонирования по точности выполняемых зрительных работ, что позволяет применять световые приборы с лампами малой мощности. Прожекторы локализованного освещения следует устанавливать так, чтобы направление осевой силы света находилось под углом 5-15° к предполагаемой линии зрения работающих. При выполнении этого условия допускается уменьшать согласно СН 81-80 высоту установки прожектора с 65-50 м на 25-15 м и с 45-30 м на 10-5 м.

Кроме того, для уменьшения слепящего действия источников света и световых приборов рекомендуется применять жалюзийные насадки с небольшими углами рассеяния (до 3°).

При направлении осевой силы света на рабочие места (по направлению линии зрения работающих), когда технически невозможно создать требуемые условия по ограничению чрезмерной блескости, допускается увеличивать нормируемую освещенность на этих рабочих местах на 25%.

9.15. Для освещения складов, в которых материалы размещаются штабелями (например, склад лесоматериалов), прожекторные мачты рекомендуется устанавливать с обеих сторон линии штабеля в шахматном порядке. Для освещения штабелей высотой до 10 м выбираются мачты высотой 15-20 м при расстоянии между ними 50-60 м. При большем расстоянии высота мачт должна быть увеличена.

Склады, размещаемые вблизи производственных зданий, следует освещать прожекторами, размещаемыми непосредственно на этих зданиях.

9.16. Освещение карьеров создается системами общего и локализованного прожекторного освещения.

Общее освещение осуществляется прожекторами или светильниками прожекторного типа, которые устанавливаются на опорах вдоль периметра карьера за пределами призмы обрушения породы.

В зоне производства работ освещенность должна быть 2 лк, в остальной части карьера, где в основном происходит передвижение транспорта, - 0,5 лк.

Машины и механизмы должны быть снабжены светильниками или прожекторами для создания локализованного и местного освещения.

Рис. 109. Принципиальная электрическая схема автомата типа АОН-79

В карьерах шириной до 150 м рекомендуется применять прожекторы типа ИСУ с лампами типа КГ мощностью 2000-5000 Вт, а также прожекторы с лампами ДРЛ.

Карьеры шириной 150-300 м рационально освещать прожекторами с лампами типов ДРИ и КГ; для широких карьеров (свыше 300 м) - светильниками с мощными лампами типа КГ и ксеноновыми лампами типа ДКсТ мощностью 20 кВт, прожекторами ПГП-М с лампами ДРИ 2; 3,5 кВт.

9.17. При размещении световых приборов в карьерах следует учитывать возможность проведения взрывных работ, безопасное расстояние ОУ в отношении действия взрывной волны определяется по формуле

,                                                               (113)

где l - безопасное расстояние; т - масса взрывчатого вещества, кг; К - коэффициент, учитывающий расположение заряда (К=10).

9.18. При эксплуатации ОУ рекомендуется использовать автоматическое управление, для которого рекомендуются, например, автоматы типа АОН-79 (рис. 109).

9.19. Прожекторные мачты высотой 50 м и более должны иметь световое ограждение. Для обеспечения безопасности полетов самолетов и вертолетов минимальная высота мачты, подлежащая светоограждению, устанавливается территориальными управлениями авиации.

На верхней площадке прожекторных мачт следует устанавливать не менее двух одновременно работающих светильников с колпаками красного цвета (цветовые характеристики стекла: длина волны 610 нм, насыщенность 95%). Мощность лампы в светильнике не менее 100 Вт. Светильники - в водонепроницаемом исполнении типов РН-100 или 30Л-2М.

Светильники светового ограждения надлежит питать самостоятельно от вводного щита. Они должны включаться в темное время суток, а также при плохих условиях видимости (тумане, снеге и т.д.). Светильники ограждения снабжаются также включающими фотоавтоматами.

9.20. На территориях промышленных предприятий объектами освещения являются: автодороги, пешеходные дорожки, подъезды к зданиям, предзаводские участки не относящиеся к территории города, дворы, открытые рабочие площадки, отдельные железнодорожные пути, линия границы территории (охранная зона). Освещение, как правило, устраивается общим и должно обеспечивать свободное перемещение людей и транспорта. Освещенность следует принимать согласно табл. 17 СНиП II-4-79.

9.21. Нормы освещенности для наружного освещения установлены без учета типа источников света, что обусловливает в первую очередь применение газоразрядных источников света, как более экономичных. Люминесцентные лампы в основном следует применять в южных районах страны и только в светильниках. Лампы ДРЛ могут применяться как в светильниках, так и в прожекторах (ПЗР-400). Рекомендуется применять также прожекторы с лампами накаливания типа КГ (прожекторы типа ПКН-1000, ПКН-1500).

9.22. Для освещения автодорог, пешеходных дорожек, отдельных железнодорожных путей на территориях промышленных предприятий целесообразно применять светильники, предназначенные для освещения улиц и дорог (см. разд. 10).

Необходимость устройства освещения проходов определяется их назначением и протяженностью. Примеры схем освещения проходов и проездов даны в разд. 10.

Освещение внутренних, служебно-хозяйственных и пожарных проездов, хозяйственных площадок, автостоянок, как правило, выполняется светильниками прямого и преимущественно прямого света.

9.23. Прожекторное освещение следует применять при освещении открытых площадок на территории предприятий, когда на них выполняются технологические процессы производства или проводятся строительные работы (складирование материалов или изделий; работы по ремонту зданий; погрузка-разгрузка оборудования или стройматериалов; прокладка коммуникаций и пр.), а также на тех участках, где по местным условиям невозможно или сложно установить светильники.

9.24. Для ограничения слепящего действия наружного освещения территорий предприятий высота установки светильников над уровнем земли должна быть:

а) для светильников с защитным углом менее 15° - не менее указанной в табл. 18 СНиП II-4-79;

б) для светильников с защитным углом 15° и более - не менее 3,5 м при любых источниках света.

Для прожекторов типа ПЗС или ПСМ в целях ограничения слепящего действия угол поворота от вертикальной оси вверх должен быть не более 20-25°.

Высоту подвеса светильников можно не ограничивать на площадках для прохода людей, а также при установке у входа в здание, при защитном угле светильников не менее 15°.

При выборе мест расположения осветительной установки следует учитывать геометрию территории предприятия и габариты оборудования, вынесенного за пределы здания.

9.25. Светильники и прожекторы следует устанавливать на зданиях и различных высотных конструкциях технологического оборудования. При невозможности использования таких мест для установки осветительных приборов или при освещении отдаленных от зданий участков территории, осветительные приборы устанавливаются на специально возводимых мачтах или железобетонных опорах. В проектах должны применяться типы опор, изготавливаемые на местных заводах железобетонных изделий. Кроме того, при небольших расстояниях между зданиями (30-40 м) светильники подвешиваются на тросах на высоте 6-10 м (рис. 110). Тросы для подвеса светильников и электросети разрешается крепить к ограждающим конструкциям зданий с обязательным применением амортизаторов и проведением проверочных расчетов на прочность этих конструкций.

9.26. Для территорий промышленных предприятий предусматривается в основном рабочее освещение. Аварийное освещение необходимо на открытых пространствах, если прекращение работы из-за отключения рабочего освещения может вызвать взрыв, пожар и т.п.

Эвакуационное освещение должно устраиваться в местах проведения работ на открытых пространствах, где эвакуация связана с опасностью травматизма.

9.27. Охранное освещение должно устраиваться при наличии ограды и постоянных постов охраны. Для него нормируется горизонтальная освещенность 0,5 лк или такая же освещенность с одной стороны вертикальной плоскости ограды. Охранное освещение выполняется светильниками с лампами накаливания. Опоры со светильниками целесообразно совмещать со стойками ограждений.

9.28. В случае ведения строительных работ на территории промышленных предприятий следует пользоваться рекомендациями для освещения строительных площадок.

10. НАРУЖНОЕ ОСВЕЩЕНИЕ ГОРОДОВ, ПОСЕЛКОВ И СЕЛЬСКИХ НАСЕЛЕННЫХ ПУНКТОВ

ВЫБОР НОРМИРУЕМЫХ ЗНАЧЕНИЙ ПОКАЗАТЕЛЕЙ УСТАНОВОК НАРУЖНОГО ОСВЕЩЕНИЯ (УНО)

10.1. Нормы, регламентирующие количественные и качественные показатели наружного освещения, должны приниматься одинаковыми при любых типах источников света в соответствии с указаниями СНиП II-4-79 и обеспечиваться при любых типах дорожного покрытия.

10.2. Для улучшения параметров наружных ОУ магистральных улиц и скоростных дорог их проектирование рекомендуется по возможности выполнять комплексно с проектированием дорожного покрытия, предусматривая на этих объектах:

укладку шероховатого или осветленного шероховатого покрытия с дорсилом в населенных пунктах с повышенным количеством жидких атмосферных осадков (см. п. 10.9);

укладку осветленного шероховатого покрытия с дорсилом в транспортных тоннелях, на улицах, дорогах и площадях категории А с нормированной средней яркостью покрытия 1,2-1,6 кд/м2.

Примечание. В качестве осветляющих добавок помимо дорсила могут использоваться естественные каменные материалы - природный кварц, высокопрочный известняк и т.п.

Рис. 110. Схемы размещения светильников на улицах и дорогах

а - однорядная односторонняя; б - двухрядная шахматная; в - двухрядная прямоугольная; г - двухрядная прямоугольная по оси улицы или дороги; д - двухрядная прямоугольная по осям движения; е - осевая

10.3. На улицах с разделительной полосой и тремя полосами движения в одном направлении рекомендуется укладывать осветленное шероховатое дорожное покрытие в следующем процентном соотношении: ближайшая полоса к линии расположения светильников должна содержать дорсила 33%; вторая полоса - 38%, третья - 43%, что дает возможность снизить установленную мощность до 25% и повысить равномерность распределения яркости на 40% по сравнению с шероховатым асфальтобетоном.

10.4. Для расчета средней яркости шероховатого осветленного покрытия с дорсилом рекомендуется применять коэффициенты использования светильников при шероховатом покрытии увеличенные: в 1,2 раза - при содержании дорсила в смеси 33%; в 1,4 раза - при 38%; в 1,6 раза - при 43%.

10.5. Светильники на улицах и дорогах рекомендуется, как правило, располагать в соответствии со схемами, приведенными на рис. 110. При этом по условиям обеспечения нормируемой равномерности распределения яркости или освещенности дорожного покрытия рекомендуется применять следующие схемы:

одностороннюю а при ширине проезжей части до 12 м;

двухрядную шахматную б - при ширине проезжей части до 18 м;

двухрядную прямоугольную в - при ширине проезжей части до 32 м;

двухрядную по оси улицы или дороги г - при ширине проезжей части до 12 м в одном направлении;

двухрядную прямоугольную по осям движения д - при ширине проезжей части до 36 м;

осевую е - при ширине проезжей части до 18 м.

Приведенные максимальные значения ширины проезжей части, допустимые для различных схем расположения светильников, являются ориентировочными и не исключают необходимости проверочного расчета равномерности распределения яркости или освещенности.

Отношение шага светильников к высоте их подвеса на улицах и дорогах всех категорий должно быть не более 5:1 при односторонней (а), осевой (е) или прямоугольной (б) схемах размещения светильников и не более 7:1 - при шахматной (б) схеме.

10.6. На закруглениях улиц и дорог с радиусом в плане по оси проезжей части от 60 до 250 м светильники при одностороннем их расположении должны, как правило, размещаться по внешней стороне дороги в соответствии с рис. 111, а. При невозможности размещения светильников по внешней стороне закругления допускается расположение опор по внутренней стороне с дополнительным уменьшением шага светильников согласно рис. 111, б.

При наличии на улицах и дорогах категорий А и Б продольных уклонов свыше 40% рекомендуется на длине уклона уменьшать принятый для ОУ шаг светильников на 10-15%.

Рис. 111. Схемы размещения светильников на закруглениях улиц и дорог

а - по внешней стороне дороги; б - то же, по внутренней

Рис. 112. Схемы размещения светильников

Ш - автоматический шлагбаум а и б - на железнодорожных переездах; в - на пешеходном переходе

Рис. 113. Схемы размещения светильников на пересечениях в одном уровне

1, 2 - дополнительные светильники а, б, д - на четырехсторонних пересечениях; в, г - на примыканиях

10.7. Освещение железнодорожных переездов и пешеходных переходов в одном уровне, как правило, должно обеспечиваться светильниками, размещаемыми по схеме рис. 112.

При числе пересекаемых железнодорожных путей свыше четырех, ОУ переезда в пределах путей должна быть дополнена светильниками или прожекторами ОУ железной дороги.

10.8. Пересечения улиц и дорог в одном уровне, следует освещать в соответствии со схемами, приведенными на рис. 113. При одностороннем расположении светильников на обеих пересекающихся улицах в зоне перекрестка (рис. 113, а) необходимо устанавливать не менее двух дополнительных светильников.

На примыканиях улиц (рис. 113, в и 113, г) один из светильников основной улицы или дороги независимо от схемы расположения светильников на ней должен размещаться на противоположной стороне перекрестка по линии зрения подъезжающего водителя.

10.9. В проектах освещения улиц и дорог категорий А и Б с интенсивностью движения свыше 1000 ед/ч, городов и поселков со средним количеством жидких атмосферных осадков свыше 600 мм в год (прил. 2) целесообразно учитывать особенности отражения света влажными дорожными покрытиями, предусматривая:

применение светильников, имеющих полуширокую или широкую с направлением максимальной силы света не более 60° кривую силы света в вертикальной плоскости и боковой тип кривой в горизонтальной плоскости, если отношение ширины проезжей части к высоте установки светильников bу/hсв>0,5 при одностороннем и bу/hсв³1,5 - при двухстороннем их расположении;

установку светильников под углом не более 15° к горизонту;

применение, как правило, шахматной или прямоугольной двухрядных схем расположения при bу/hсв>1,0;

окрашивание цокольной части опор белой краской.

На указанных улицах и дорогах не допускается использовать венчающие светильники с синусной кривой силы света в вертикальной плоскости.

Если количество жидких осадков превышает 700 мм в год, а интенсивность движения на указанных категориях улиц и дорог превышает 2000 ед/ч, в дополнение к указанным мерам следует, как правило, предусматривать установку двухламповых светильников или двух светильников на опоре с целью работы одного светильника на каждой опоре при снижении освещенности в ночное время. Во всех установках с прямоугольным или двухрядным прямоугольным по оси движения размещением светильников не допускается отключение в ночное время двух светильников, расположенных на одной линии вдоль или поперек оси дороги.

10.10. Яркость водяных струй, являющихся главным архитектурным элементом фонтана, в наиболее ярком месте следует принимать не менее 300 кд/м2. При этом отношение суммарной мощности погруженных в воду осветителей к суммарной мощности насосов фонтана должно приниматься не менее: при высоте струи до 3 м - 0,7; от 3 до 5 м - 1,0; свыше 5 м - 2,0.

10.11. Среднюю яркость транспарантной светящейся панели следует принимать не менее 300 кд/м2, при этом отношение максимальной яркости к минимальной должно быть не свыше 3:1.

10.12. Среднюю освещенность поверхности освещаемой афиши, плаката или стенда следует принимать в пределах 400-1000 и 250-400 лк при коэффициентах отражения полотна соответственно 0,5-0,2 и 0,8-0,5. Отношение максимальной освещенности полотна к минимальной должно быть не свыше 5:1.

10.13. Максимальная яркость рекламного знака в наиболее ярком месте не должна превышать значений, приведенных в табл. 86.

Таблица 86

Площадь рекламного знака, м2

Значение максимальной яркости знака, кд/м2, на улицах и площадях категорий

А и Б

В

Менее 1

2600

1000

От 1 до 5

1800

600

Свыше 5

1200

400

10.14. Все части газосветных установок, расположенные вне витрин, должны находиться на высоте не менее 3 м над уровнем дороги и не менее 0,5 м - над поверхностями крыш и других строительных конструкций.

Наименьшая высота расположения источников света в установках световой рекламы должна соответствовать данным, приведенным в табл. 87.

ПРОЕКТИРОВАНИЕ УСТАНОВОК НАРУЖНОГО ОСВЕЩЕНИЯ (УНО)

10.15. При проектировании и устройстве наружного освещения должны обеспечиваться надежность работы ОУ, удобство обслуживания и управления ими, безопасность обслуживающего персонала и населения.

Таблица 87

Источник света

Наименьшая высота расположения источников света над уровнем дороги, м

Лампы накаливания

 

Мощностью менее 100 Вт, закрытые густой рассеивающей оболочкой (коэффициент пропускания 0,3-0,55) или без рассеивающей оболочки, включенные на напряжение, не превышающее 60% номинального

Не ограничивается

Мощностью менее 100 Вт, закрытые матовой рассеивающей оболочкой (коэффициент пропускания 0,7-0,85) или лампы 100 Вт и более, закрытые густой рассеивающей оболочкой (коэффициент пропускания 0,3-0,55)

4

Мощностью менее 100 Вт без рассеивающей оболочки или лампы 100 Вт и более, закрытые матовой рассеивающей оболочкой (коэффициент пропускания 0,7-0,85)

6

Мощностью 100 Вт и более без рассеивающей оболочки

10

Газосветные трубки

 

Тлеющие неоновые трубки

Не ограничивается

Яркостью менее 2000 кд/м2 всех цветов, за исключением близких к насыщенным синему, красному и зеленому

3

Яркостью свыше 2000 кд/м2 всех цветов, за исключением близких к насыщенным синему, красному и зеленому

4

Цветов, близких к насыщенным синему, красному и зеленому

8

Используемые в ОУ оборудование и материалы должны соответствовать требованиям стандартов и техническим условиям, утвержденным в установленном порядке, номинальному напряжению сети и условиям окружающей среды.

10.16. Проектирование наружного освещения селитебной территории города предусматривает комплексное решение следующих вопросов:

обеспечение нормируемых количественных и качественных показателей освещения наиболее рациональными методами;

достижение выразительного архитектурно-художественного облика населенного пункта или его отдельных зон путем сочетания наружного освещения улиц, дорог и площадей с архитектурным освещением ансамблей, зданий, сооружений, зеленых насаждений и фонтанов, а также устройством рекламного освещения;

увязку установок архитектурного освещения и световой рекламы с архитектурой и масштабами зданий и сооружений с учетом восприятия зданий и их окружения в дневное и вечернее время;

обеспечение централизованного управления всеми установками, в том числе архитектурным освещением.

10.17. Установки наружного освещения следует выполнять стационарными, рассчитанными на систематическое включение. Режим работы архитектурного освещения объектов и световой рекламы допускается осуществлять по различным программам.

ОСВЕЩЕНИЕ УЛИЦ, ДОРОГ И ПЛОЩАДЕЙ

10.18. Выбор значений нормируемых светотехнических характеристик установок утилитарного наружного освещения производится в зависимости от категории улиц, дорог и площадей, в пределах населенного пункта, а также планируемой интенсивности движения механизированного транспорта по ним (с перспективой на 10 лет).

10.19. Проектирование освещения улиц, дорог и площадей при нормировании средней яркости дорожного покрытия должно выполняться на основе учета характеристик светоотражения покрытий, по которым асфальтобетонные покрытия разделяются на гладкие и шероховатые; коэффициенты яркости указанных типов покрытий приведены в табл. 88, 89. При шероховатых покрытиях (по сравнению с гладкими) требуется определенное увеличение мощности ОУ.

10.20. При разработке технического задания на проектирование или при планировании объектов работ по наружному освещению на перспективу для предварительных укрупненных расчетов капитальных затрат на строительство наружных ОУ улиц и дорог рекомендуется использовать приведенные по данным ГПИ Гипрокоммунэнерго графики зависимости капитальных затрат на сооружение 1 км установки от шага опор в пределах 30-50 м при одностороннем их размещении для воздушной и кабельной распределительной сети. Усредненные кривые общей стоимости сооружения ОУ, распределительных сетей и устройств управления построены для светильников с лампами типа ДНаТ на железобетонных опорах или с лампами типа ДРЛ различной мощности - на железобетонных или деревянных опорах с металлическими кронштейнами. Предусмотрены варианты установок с кабельной и воздушной сетью и с монтажом светильников на специально устанавливаемых опорах наружного освещения или на существующих опорах, предназначенных для других целей. Графики построены в относительных единицах. За единицу принята стоимость строительства наружной ОУ наиболее распространенного типа с воздушной распределительной сетью и светильниками с лампами типа ДРЛ мощностью 250-400 Вт, расположенными на железобетонных опорах с шагом 30 м. Общая стоимость строительства 1 км такой установки в средней полосе страны ориентировочно составляет 10 тыс. руб., поэтому при заданном варианте установки (и шаге светильников) капитальные затраты на ее строительство К. определяются по формуле

К=10Кудlо.у,                                                        (114)

где К - общая стоимость строительства заданного типа установки, тыс. руб.; Куд - удельные капитальные затраты на заданную установку, определенные по соответствующей кривой рис. 114, отн. ед.; lо.y - длина осветительной установки, км.

Если схема расположения светильников двухрядная, полученное значение К удваивается.

Примечание. Капитальные затраты на ОУ, в которых используются светильники с лампами типа ДРИ, определяются как среднее арифметическое между значениями К, найденными при данном шаге светильников для вариантов со светильниками с лампами типов ДНаТ и ДРЛ большой мощности и аналогичных по виду сетей и типу опор.

Таблица 88

Отношение ширины расчетной полосы к высоте установки светильников b'1/hсв, b''2/hсв, b'2/hсв

Значение коэффициента яркости мелкозернистого асфальтобетонного (гладкого) покрытия при угле падения a, град

85

84

83

82

80

78

76

74

72

70

0

22,40

20,40

18,20

16,40

13,00

8,40

5,00

3,30

2,19

1,77

0,25

18,80

16,60

13,60

12,00

9,00

5,17

3,16

2,11

1,75

1,46

0,5

14,60

11,60

9,50

7,00

4,50

2,98

1,98

1,47

1,25

1,04

0,75

11,00

8,00

5,30

4,00

2,55

1,80

1,25

0,98

0,83

0,68

1,0

6,90

4,50

3,60

2,56

1,62

1,20

0,88

0,77

0,60

0,46

1,25

4,56

3,40

2,60

1,50

1,13

0,85

0,70

0,56

0,46

0,36

1,5

3,50

2,55

1,90

1,34

0,93

0,75

0,55

0,45

0,36

0,31

1,75

2,80

1,95

1,45

1,10

0,80

0,62

0,45

0,36

0,31

0,26

2,0

2,25

1,53

1,15

0,92

0,68

0,53

0,40

0,32

0,26

0,22

2,25

1,80

1,25

0,97

0,80

0,62

0,45

0,35

0,26

0,22

0,19

2,5

1,50

1,05

0,90

0,72

0,57

0,40

0,32

0,24

0,19

0,16

2,75

1,25

0,95

0,80

0,65

0,50

0,37

0,28

0,20

-

-

3,0

1,10

0,90

0,75

0,62

0,44

0,32

0,24

0,18

-

-

4,0

0,80

0,00

0,45

0,37

0,30

0,22

-

-

-

-

5,0

0,60

0,50

0,35

0,32

0,23

0,16

-

-

-

-

Продолжение табл. 88

Отношение ширины расчетной полосы к высоте установки светильников b'1/hсв, b''2/hсв, b'2/hсв

Значение коэффициента яркости мелкозернистого асфальтобетонного (гладкого) покрытия при угле падения a, град

65

60

55

50

45

40

30

20

10

0

0

1,20

0,83

0,57

0,38

0,26

0,22

0,18

0,14

0,10

0,10

0,25

0,96

0,64

0,44

0,29

0,21

0,18

0,13

0,11

0,11

-

0,5

0,64

0,40

0,27

0,20

0,16

0,14

0,11

-

-

-

0,75

0,42

0,27

0,19

0,15

0,12

0,11

-

-

-

-

1,0

0,29

0,2

0,15

0,12

-

-

-

-

-

-

1,25

0,23

0,16

0,12

-

-

-

-

-

-

-

1,5

0,19

0,14

-

-

-

-

-

-

-

-

1,75

0,16

-

-

-

-

-

-

-

-

-

2,0

0,13

-

-

-

-

-

-

-

-

-

2,25

-

-

-

-

-

-

-

-

-

-

2,5

-

-

-

-

-

-

-

-

-

-

2,75

-

-

-

-

-

-

-

-

-

-

3,0

-

-

-

-

-

-

-

-

-

-

4,0

-

-

-

-

-

-

-

-

-

-

5,0

-

-

-

-

-

-

-

-

-

-

Таблица 89

Отношение ширины расчетной полосы к высоте установки светильников b'1/hсв, b''2/hсв, b'2/hсв

Значения коэффициента яркости шероховатого асфальтобетонного покрытия при угле падания a, град

85

84

83

82

80

78

76

74

72

70

0

7,00

6,40

5,70

4,90

3,60

2,34

1,80

1,52

1,34

1,18

0,25

6,20

5,04

4,10

3,40

1,94

1,50

1,22

1,02

0,85

0,73

0,5

4,60

3,60

2,70

1,90

1,40

1,10

0,90

0,74

0,60

0,51

0,75

3,50

2,20

1,70

1,48

1,12

0,87

0,67

0,54

0,44

0,38

1,0

2,20

1,64

1,48

1,21

0,90

0,65

0,50

0,40

0,33

0,28

1,25

1,70

1,42

1,19

0,99

0,72

0,50

0,39

0,32

0,28

0,25

1,5

1,51

1,20

1,00

0,84

0,59

0,41

0,35

0,27

0,24

0,23

2,0

1,12

0,80

0,73

0,58

0,39

0,31

0,25

0,24

0,23

0,22

2,5

0,96

0,72

0,53

0,42

0,31

0,29

0,24

0,22

0,20

0,17

3,0

0,78

0,54

0,39

0,32

0,27

0,24

0,22

0,19

0,17

-

4,0

0,48

0,34

0,29

0,27

0,24

0,20

-

-

-

-

5,0

0,36

0,28

0,27

0,24

0,19

0,17

-

-

-

-

Продолжение табл. 89

Отношение ширины расчетной полосы к высоте установки светильников b'1/hсв, b''2/hсв, b'2/hсв

Значения коэффициента яркости шероховатого асфальтобетонного покрытия при угле падания a, град

65

60

55

50

45

40

30

20

10

0

0

0,90

0,71

0,56

0,44

0,36

0,32

0,24

0,18

0,14

0,10

0,25

0,51

0,39

0,32

0,27

0,21

0,20

0,17

0,13

-

-

0,5

0,38

0,28

0,24

0,23

0,20

0,19

0,13

-

-

-

0,75

0,28

0,23

0,22

0,20

0,18

0,14

-

-

-

-

1,0

0,23

0,22

0,20

0,17

-

-

-

-

-

-

1,25

0,20

0,19

0,16

-

-

-

-

-

-

-

1,5

0,20

0,17

-

-

-

-

-

-

-

-

2,0

0,16

-

-

-

-

-

-

-

-

-

2,5

-

-

-

-

-

-

-

-

-

-

3,0

-

-

-

-

-

-

-

-

-

-

4,0

-

-

-

-

-

-

-

-

-

-

5,0

-

-

-

-

-

-

-

-

-

-

10.21. В установках наружного освещения рекомендуется преимущественно применять высокоэкономичные газоразрядные источники света высокого давления:

натриевые лампы высокого давления (НЛВД) - на улицах и дорогах при норме средней яркости 0,4-1,6 кд/м2 или средней освещенности 4 лк и выше, а также в транспортных тоннелях;

лампы ДРИ - на улицах и площадях всех категорий со значительным пешеходным движением при норме средней яркости 0,6 кд/м2 и выше или средней освещенности 10 лк и выше;

лампы ДРЛ различной мощности - на улицах и дорогах всех категорий, а также в транспортных и пешеходных тоннелях.

10.22. Освещение улиц и дорог категорий А и Б с интенсивностью движения свыше 2000 ед/ч, а также улиц и дорог в зонах высокой запыленности (свыше 0,4 мг/м3) должно, как правило, выполняться светильниками в исполнении IР53*.

В тоннелях должны применяться только закрытые светильники, причем в транспортных, как правило, в исполнении 65*.

_____________

* Обозначение степени защиты светильников согласно ГОСТ 14254-80 и ГОСТ 17677-82.

10.23. Освещение улиц и дорог с нормированной средней яркостью 0,4 кд/м2 и выше или средней освещенностью 4 лк и выше должно выполняться светильниками с оптическими системами, обеспечивающими широкое или полуширокое светораспределение.

Рис. 114. Зависимость удельных капитальных затрат на сооружение установки от шага светильников для вариантов

- опоры железобетонные и воздушная распределительная сеть (ВРС), светильники с лампами типа ДРЛ мощностью 250-400 Вт; 16 - то же, с лампами типа ДНаТ; - опоры железобетонные и кабельная распределительная сеть (КРС); 2б - то же, с лампами ДНаТ; 3а - опоры деревянные и ВРС, светильники с лампами типа ДРЛ 125 Вт и менее; - то же, с лампами типа ДРЛ 250-400 Вт; 4а - опоры железобетонные других организаций и ВРС, светильники с лампами ДНаТ; 4б - то же, с лампами типа ДРЛ 250 -400 Вт; 5а - опоры железобетонные других организаций и КРС, светильники с лампами типа ДРЛ 250-400 Вт; - то же, с лампами ДНаТ; - опоры деревянные других организаций и ВРС, светильники с лампами типа ДРЛ 125 Вт и менее; 6б - то же, с лампами типа ДРЛ 250 - 400 Вт

Рис. 115. Допустимые схемы расположения опор

а - за кюветом; б - со смещением от проезжей части; hсв - допустимая высота установки светильника на границе проезжей части по условиям ограничения слепящего действия; в - смещение светильника от границы проезжей части; h'св - допустимая высота смещенного светильника; Dbу - расстояние от опоры до границы проезжей части

10.24. Освещение аллей, пешеходных и прогулочных дорожек, а также центральных входов в парки, сады, стадионы, выставки, больницы, госпитали, санатории, пансионаты и дома отдыха следует, как правило, выполнять светильниками рассеянного света или преимущественно прямого света.

Освещение внутренних, служебно-хозяйственных и пожарных проездов, автостоянок, хозяйственных площадок и площадок при мусоросборниках в микрорайонах следует, как правило, выполнять светильниками прямого или преимущественно прямого света.

Освещение площадок массовых игр, площадок перед эстрадами и аттракционами следует осуществлять светильниками широкого светораспределения.

10.25. Опора наружного освещения не должна устанавливаться между пожарным гидрантом и проезжей частью улицы или дороги.

10.26. При выборе конструкций опор следует руководствоваться требованиями «Технических правил по экономному расходованию основных строительных материалов» (ТП 101-81).

В городах, поселках и сельских населенных пунктах, расположенных в многолесных районах страны, рекомендуется использовать деревянные опоры для установок наружного освещения. Железобетонные опоры в этих районах допускается применять в виде исключения в городах союзного и республиканского значения (включая автономные республики), краевых и областных центрах. В остальных районах страны для осветительных установок используются железобетонные опоры.

Примечание. К многолесным районам относятся в Северо-Западном регионе - Архангельская, Вологодская, Мурманская области, Карельская АССР, Коми АССР; в Центральном регионе Европейской части страны - Костромская область; в Поволжском - Башкирская АССР, в Уральском - Пермская и Свердловская области; в Западно-Сибирском - Алтайский край, Томская и Тюменская области, в Восточно-Сибирском - Красноярский край, Иркутская и Читинская области, Бурятская АССР, Тувинская АССР, в Дальневосточном - Приморский и хабаровский края, Амурская, Камчатская, Магаданская и Сахалинская области, Якутская АССР.

10.27. Рекомендуется применять конструкции деревянных опор, разработанные ВГПИ и НИИ Сельэнергопроект и представленные в типовой серии 3.407-125 «Деревянные опоры ВЛ 0,38 кВ для уличного освещения сельских населенных пунктов».

В качестве конструкций железобетонных опор рекомендуется применять центрифугированные стойки, отвечающие требованиям ГОСТ 21052-75, и вибрированных стоек, разработанных ВГПИ и НИИ Сельэнергопроект и представленных в типовой серии 3.407-122 «Опоры ВЛ 0,4 кВ на базе железобетонных вибрированных стоек».

Конструкции кронштейнов рекомендуется принимать в соответствии с типовым проектом серии 3.320-1 «Опоры наружного освещения и контактных сетей городского транспорта», разработанным СКТБ Главпромстройматериалов, а также с указанными типовыми проектами Сельэнергопроекта.

10.28. С целью уменьшения числа опор, устанавливаемых на улицах и дорогах с трамвайным и троллейбусным движением, светильники наружного освещения следует, как правило, размещать на опорах контактной сети, а при наличии воздушной электрической сети общего пользования 0,4 кВ - на опорах этой сети. Шаг опор в этих случаях при новом строительстве должен определяться с учетом требований наружных ОУ.

Светильники во всех случаях следует размещать на кронштейнах, устанавливаемых, как правило, выше проводов электрической сети общего пользования или по другую сторону опоры на уровне проводов, при этом расстояние в плане от края светильника до ближайшего провода должно быть не менее 0,6 м.

10.29. Консольные светильники для освещения проезжей части улиц, дорог и площадей следует, как правило, устанавливать под углом 15° к горизонту. При размещении светильников согласно схемам «б» и «в» рис. 110 на улицах и дорогах с шириной проезжей части свыше 21 м допускается увеличивать угол их наклона до 30°.

10.30. Опоры установок наружного освещения улиц, дорог и площадей должны располагаться на расстоянии не менее 0,6 м от лицевой грани бортового камня до внешней поверхности цоколя опоры. Это расстояние на улицах в жилых кварталах допускается уменьшать до 0,3 м при условии отсутствия автобусного или троллейбусного движения, а также движения грузовых машин.

Опоры светильников для освещения улиц и дорог допускается устанавливать на центральной разделительной полосе при ее ширине 5 м и более, а также на разделительной полосе шириной 4 м при наличии стационарного ограждения и размещения опор в створе этого ограждения.

На улицах и дорогах, оборудованных кюветами, разрешается устанавливать опоры на берме за кюветом, если расстояние от опоры до ближайшей границы проезжей части не превышает 4 м.

10.31. Опоры на пересечениях и примыканиях улиц и дорог, как правило, должны устанавливаться не ближе 1,5 м до начала закругления тротуаров, не нарушая единого строя линии установки опор.

Опоры на инженерных сооружениях (мостах, путепроводах, эстакадах и т.п.) следует устанавливать в створе ограждений в стальных станинах или на фланцах, прикрепляемых к несущим элементам инженерного сооружения.

10.32. Расстояние между опорами и подземными коммуникациями и способы защиты опор от наезда должны приниматься согласно требованиям СНиП по проектированию планировки и застройки городов, поселков и сельских населенных пунктов; СНиП по канализации, наружным сетям и сооружениям; СНиП по газоснабжению, внутренним и наружным устройствам, а также СНиП по организации, производству и приемке работ по электротехническим устройствам и ПУЭ.

10.33. При смещении линии установки опор наружного освещения от ближайшей границы проезжей части на расстояние, превышающее длину кронштейна светильника (например, по требованиям механизированной снегоуборки в районах с высоким объемом снегопереноса или из-за наличия кювета), расстояние от проекции светильника на дорогу до ближайшей границы освещаемой полосы Dbу не должно быть больше половины высоты установки светильников (рис. 115, б).

В этом случае минимальную высоту установки светильников h'св допускается уменьшать (но не ниже чем до 6,5 м) в соответствии с условием

,                                          (115)

где hсв - допустимая высота установки светильников согласно требованиям СНиП II-4-79.

10.34. Опоры на аллеях и пешеходных дорогах должны располагаться вне пешеходной части.

Опоры с венчающими светильниками или световыми комплексами из них рекомендуется размещать по односторонней схеме при ширине пешеходной части до 10 м, а при большей ширине - по двухрядной прямоугольной или шахматной схеме. Допускается неравномерное размещение опор, а также изменение высоты крепления светильников на опорах в зависимости от принятого архитектурного решения, если обеспечивается нормируемая освещенность в среднем для установки и отношение максимальной освещенности к средней увеличивается не более чем в два раза.

10.35. Освещение улиц, дорог и площадей территорий микрорайонов следует, как правило, выполнять светильниками, располагаемыми на опорах или тросах.

Освещение тротуаров-подъездов на территории микрорайонов (допускается выполнять светильниками, располагаемыми на стенах или над козырьками подъездов зданий, если приведенные годовые затраты при этом не выше, чем при установке аналогичных светильников на опорах. При этом должны обеспечиваться: возможность обслуживания светильников автоподъемниками, централизованное управление включением и отключением светильников, исключение засветки окон жилых помещений и повреждения светильников при падении с крыш снега и льда.

Примечание. Светильники, устанавливаемые под козырьками подъездов зданий, не следует учитывать при расчете освещения тротуаров-подъездов и проездов микрорайона.

10.36. Тросы для подвеса светильников и электрической сети разрешается крепить к ограждающим конструкциям зданий, с обязательным применением амортизаторов и проведением поверочных расчетов на прочность этих конструкций.

10.37. В ОУ транспортных развязок и городских площадей допускается использовать специальные высокие опоры (20 м и выше) при обеспечении удобства обслуживания светильников и соответствующем технико-экономическом обосновании.

Размещать светильники в парапетах и ограждениях мостов и эстакадах на высоте 0,9-1,3 м над проезжей частью допускается только в том случае, если другие, более экономичные решения, исключаются.

10.38. При необходимости максимального сохранения сложившейся системы озеленения, включающей деревья и высокие кустарники, и при невозможности соблюдения расстояния от опор наружного освещения до деревьев в соответствии с нормами, предусмотренными СНиП по проектированию «Планировки и застройки городов, поселков и сельских населенных пунктов», рекомендуется:

использовать тросовый подвес светильников или удлиненные кронштейны, позволяющие вынести светильники за пределы крон деревьев;

снижать шаг светильников не менее, чем в 1,2 раза или соответственно увеличивать световой поток светильников заменой источника света на более мощный или устанавливать дополнительный светильник на опоре.

Выбор варианта должен производиться на основе технико-экономического сопоставления по приведенным годовым затратам.

10.39. Светильники в транспортных тоннелях устанавливаются, как правило, на стенах и в углах перекрытия. На въезде допускается увеличивать число рядов светильников. Светильники на въезде рекомендуется стыковать в светящие линии. Высота расположения светильников должна быть не менее 4 м.

Рекомендуется предусматривать автоматические способы регулирования освещения на въезде в тоннели в зависимости от характеристик естественного освещения.

В пешеходных тоннелях светильники рекомендуется устанавливать по оси перекрытия при ребристом потолке или на стенах в углах перекрытия при гладком потолке.

10.40. В транспортных тоннелях для улучшения условий зрительной работы водителей помимо обеспечения нормируемой освещенности рекомендуется предусматривать дополнительные мероприятия, относящиеся к строительному светотехническому обустройству:

а) для снижения яркости адаптации водителя в предпортальной зоне:

устройство защитных экранов (люверс), снижающих естественную освещенность;

зрительное увеличение высоты портала (за счет установки транспарантов и т.п.);

окраску стен рампы и порталов в черный цвет;

б) для повышения уровней яркости поверхностей в закрытой части тоннелей:

облицовку стен белой плиткой;

устройство осветленного дорожного покрытия.

10.41. Освещение служебных помещений при тоннелях следует выполнять в соответствии с требованиями СНиП II-4-79.

В пешеходных тоннелях длиной свыше 80 м или имеющих ответвления рекомендуется устанавливать световые указатели направления движения. Указатели необходимо размещать на стенах или колоннах на высоте не менее 1,8 м от пола.

АРХИТЕКТУРНОЕ ОСВЕЩЕНИЕ И СВЕТОВАЯ РЕКЛАМА

10.42. Проектирование архитектурного освещения зданий и сооружений и световой рекламы должно выполняться в соответствии с архитектурой этих объектов, их значимостью, местоположением, зоной обзора и наиболее вероятными направлениями линии зрения водителей и пешеходов.

При этом могут применяться следующие способы освещения зданий и сооружений:

равномерное всего фасада здания или сооружения; части фасада или отдельных элементов архитектуры здания;

комбинированное (равномерное освещение фасада и усиленное его отдельных элементов);

создание определенного светового рисунка на фасаде здания включением по заданной программе внутреннего освещения помещений, просматриваемых через остекленные световые проемы;

создание светового орнамента декоративными настенными уличными светильниками.

10.43. Решения по архитектурному освещению зданий, сооружений и световой рекламе, располагаемой на них, должны, как правило, предусматриваться в проектах этих зданий и сооружений.

Таблица 90

Материал

Коэффициент отражения

Белая фасадная краска, белая керамическая плитка, белый мрамор, матовый алюминий, нержавеющая сталь

0,7

Светло-серый бетон, белый силикатный кирпич, очень светлые фасадные краски и керамические плитки

0,6

Серый бетон, известняк, травертин, желтый песчаник, голубая, светло-зеленая, бежевая, светлосерая фасадные краски и керамические плитки, светлые породы мрамора

0,5

Серый офактуренный бетон, серач фасадная краска и керамическая плитка, светлое дерево

0,4

Розовый и зеленый силикатный кирпич, темно-голубая, темно-бежевая, светло-коричневая фасадные краски и керамические плитки, потемневшее дерево

0,3

Темно-серый мрамор, гранит, габбро, темно-коричневая, синяя, темно-зеленая, красная фасадные краски и керамические плитки, глиняный кирпич

0,2

Черный гранит, мрамор и керамическая плитка

0,1

В строительной части проектов зданий и сооружений следует предусматривать закладные детали, ниши и другие устройства, необходимые для установки световых приборов, электроконструкцип и прокладки осветительной сети.

10.44. При проектировании ОУ архитектурного освещения коэффициенты отражения строительных и облицовочных материалов рекомендуется принимать по табл. 90.

10.45. При освещении фасадов зданий и сооружений рекомендуется учитывать характер отражения света облицовочными и строительными материалами в соответствии с табл. 91.

10.46. Материалы с направленно-рассеянным отражением могут быть приняты за диффузные в подавляющем большинстве случаев, а именно:

для углов падения света менее 45° при любых условиях наблюдения;

при выполнении рекомендаций п. 10.69;

при освещении объектов с облицовкой из материалов I группы осветительными приборами, световые потоки которых направлены снизу на освещаемую поверхность (например, когда прожекторы установлены на земле). Угол падения света не ограничивается;

при освещении объектов с облицовкой из материалов II группы осветительными приборами, световой поток которых направлен сверху на освещаемую поверхность (приборы расположены на близлежащих зданиях и высоких опорах). Угол падения света не ограничивается.

Таблица 91

Отражение света

Материалы

Характер распределения яркости при углах падения света более 45°

Диффузное

С гладкой поверхностью, покрытой фасадными полимерными красками

Одинаковая яркость по всем направлениям

Направленно-рассеянное

I группа

 

С гладкой матовой поверхностью: шлифованные мрамор, гранит, травертин; лицевой силикатный и керамический кирпич; фасадная неглазурованная плитка; гладкий бетон

Наибольшая яркость в направлении, соответствующем зеркальному отражению

II группа

 

С шероховатой или офактуренной матовой поверхностью: бетон с нерегулярной фактурой и ячеистый, штукатурка «набрызг» с поверхностью, облицованной полимерцементным составом с мелкозернистым наполнителем (песок, каменная крошка и т.п.)

Наибольшая яркость в направлении к источнику света

III группа

 

С шероховатой блестящей поверхностью: облицованные блестящей крошкой (кварцевый песок, стекло и т.п.); тесаный гранит и подобные ему камни с обнаженной кристаллической структурой и т.п.

Наибольшая яркость как в направлении к источнику, так и в направлении, соответствующем зеркальному отражению

Смешанное

С гладкой блестящей поверхностью: полированный гранит, мрамор и подобные полированные камни, глазурованная фасадная плитка и эмалированное стекло (стемалит)

Значительная яркость (блик) в направлении зеркального отражения

10.47. Материалы с направленно-рассеянным отражением не могут считаться диффузными для углов наблюдения объекта Q более 45° и углов между плоскостями падения и наблюдения (3 менее 30-45° в следующих случаях (рис. 116):

при освещении объектов с облицовкой из материалов I и III групп осветительными приборами, световые потоки которых направлены сверху на освещаемую поверхность под большими углами (a>45°);

при освещении объектов с облицовкой из материалов II группы осветительными приборами, световые потоки которых направлены снизу на освещаемую поверхность под большими углями (a>45°).

Перечисленные случаи встречаются в практике архитектурного освещения редко и их, по возможности, следует избегать, чтобы не получать большой неравномерности распределения яркости на освещаемом объекте.

Рис. 116. Определение углов падения света a, наблюдения q и угла b между плоскостями падения и наблюдения в условиях архитектурного освещения

1 - плоскость освещаемого фасада; 2 - плоскость наблюдения; 3 - плоскость падения света

10.48. В установках архитектурного освещения могут применяться газоразрядные лампы типов ДРЛ, ДРИ, ДНаТ, ДРШ, а также лампы накаливания различных типов, включая галогенные; в установках световой рекламы - газосветные, лампы типа ДРЛ и лампы накаливания.

При выборе источника света следует учитывать его экономичность, надежность, цветопередающие свойства и срок службы.

При равных условиях преимущество следует отдавать газоразрядным лампам.

10.49. Для цветового освещения рекомендуется использовать источники света различного спектрального состава с учетом цвета облицовочных материалов, ведущего тона окраски растений и т.п.

Цветные светофильтры в светильниках и прожекторах целесообразно применять только при декоративном и праздничном освещении. Например, в осенний период рекомендуется применять желтые светофильтры при акцентированном освещении деревьев (кроме ели и сосны).

10.50. При выборе источника света следует принимать во внимание изменения цвета облицовочного материала. Наибольшее изменение цвета отделочных материалов наблюдается при освещении лампами накаливания и НЛВД типа ДНаТ, наименьшее - при лампах типов ДРЛ и ДРИ. Рекомендуется освещать: серо-бежевые и темно-зеленые материалы лампами накаливания, темно-зеленые - лампами типов ДРИ и ДРЛ; серо-бежевые - типа ДНаТ.

10.51. Для того чтобы цвет материала при искусственном освещении мало отличался от цвета при дневном освещении, рекомендуется освещать: светло-голубые, темно-голубые и темно-зеленые материалы лампами накаливания и типов ДРЛ, ДРИ; темно-синие - типа ДРИ; серо-бежевые - типов ДРЛ, ДРИ, ДНаТ; светло-зеленые - типа ДРЛ, ДРИ.

10.52. Заколонные пространства, ниши, порталы, лоджии и т.п. допускается освещать источниками света, отличающимися по цветности от источников для освещения фасада, например, лампами накаливания при освещении фасада лампами типа ДРЛ.

10.53. Для архитектурного освещения зданий и сооружений необходимо применять, как правило, осветительные приборы прожекторного типа.

10.54. Для освещения относительно удаленных объектов и высоких сооружений, а также при «скользящей» подсветке высоких сооружений (например, торцевых стен высотных зданий, башен и т.п.) рекомендуются прожекторы с большой осевой силой света и небольшими углами рассеяния (типов ПФС-45-1 и ПСМ-50-А2 с прожекторными лампами; типа ПФР-45-1 с ртутными лампами типа ДРШ 500).

10.55. Для освещения шпилей, флагов на башнях и других удаленных объектов, имеющих сравнительно небольшие размеры, рекомендуется применять прожекторы типа ПФР-45-1 с лампами типа ДРШ 500.

10.56. Равномерное освещение фасадов зданий следует осуществлять прожекторами с большими углами рассеяния света типа ПСМ с лампами накаливания и ДРЛ, типа ПЗР с лампами типа ДРЛ, типа ПЗС с лампами накаливания, типа ПКН с галогенными лампами накаливания и типа ПФС с прожекторными лампами. При выборе типа прожектора необходимо учитывать геометрию фасада. Так, для равномерного освещения фасада здания, длина которого значительно превышает высоту, необходимо применять прожекторы с большим углом рассеяния в горизонтальной плоскости (типа ПКН), а для фасада, высота которого больше длины, прожекторы с большим углом рассеяния в вертикальной плоскости (типа ПФС).

10.57. Для дополнительного освещения отдельных элементов фасада здания рекомендуется применять прожекторы с небольшими углами рассеяния типа ПСМ с прожекторными лампами накаливания, типа ПФС-45-1 с прожекторными лампами.

10.58. Освещение фасадов зданий с близкого расстояния, а также заколонного пространства, ниш, лоджий и т.п. элементов зданий может осуществляться светильниками типа СЗЛ с зеркальными лампами накаливания.

10.59. Проходы под зданиями на колоннах рекомендуется освещать светильниками для улиц и пешеходных дорог (например, венчающими), располагаемыми в линию на расстоянии 1,5-2 м от ряда колонн со стороны движения пешеходов. При этом обеспечивается повышенная вертикальная освещенность опорных конструкций, что создает эффект приподнятости здания, если горизонтальная освещенность прохода не менее 10 лк.

10.60. Осветительные приборы рекомендуется размещать скрыто. Они могут располагаться:

на уровне земли (на невысоких бетонных основаниях или металлических рамах);

ниже уровня земли в специальных нишах;

непосредственно на освещаемом сооружении;

на крышах соседних зданий;

на опорах уличного освещения или специальных мачтах.

10.61. При освещении зданий, перед фасадами которых имеются деревья и ограды, осветительные приборы рекомендуется размещать между зелеными насаждениями и зданиями вблизи деревьев. При этом световые приборы должны быть скрыты от наблюдателей.

10.62. При освещении зданий, расположенных на берегу водоема, для достижения художественного эффекта, световые приборы рекомендуется располагать на уровне земли или ниже, с тем чтобы их световые лучи не отражались в воде, а отражалось только само здание.

10.63. При освещении высоких круглых башен, обозреваемых с разных сторон, прожекторы с узким светораспределением необходимо располагать, как правило, на земле, либо в двух диаметрально противоположных точках, либо в трех точках, одинаково удаленных от оснований башен и друг от друга (рис. 117).

10.64. При освещении фасадов зданий с вертикальными выступами (пилястры, несущие конструкции и т.д.) световые приборы рекомендуется располагать справа и слева от главного направления наблюдения. Для смягчения теней могут быть использованы световые приборы с широким пучком света, параллельным главному направлению наблюдения.

10.65. При освещении фасадов зданий с небольшими горизонтальными выступающими деталями (декоративные пояса, балки и т.п.) для исключения образования широкой полосы тени над выступами, световые приборы, устанавливаемые на земле, не рекомендуется располагать близко к зданию.

10.66. При освещении фасадов зданий с сильно выступающими горизонтальными конструкциями (балконы, парапеты и т.п.), а также нишами или углублениями типа лоджий, световые приборы рекомендуется размещать на значительном расстоянии, чтобы избежать больших затенений частей фасада (рис. 118).

Рис. 117. Варианты освещения высоких круглых башен

1 - башня; 2 - прожекторы

Рис. 118. Освещение зданий

а - с выступающими горизонтальными конструкциями; б - с углублениями типа лоджий; 1 - освещаемое здание; 2 - прожекторы архитектурного освещения; 3 - дополнительные осветительные приборы

10.67. В заколонном пространстве световые приборы (встроенные или пристроенные) должны быть установлены за колоннами. Рекомендуется освещать стену таким образом, чтобы ее яркость была больше яркости фасада. Снаружи колонны можно освещать отдельными дополнительнымивыносными световыми приборами малой мощности.

10.68. Для башен типа колоколен помимо прожекторов общего освещения рекомендуется использовать дополнительные световые приборы с целью освещения внутреннего пространства, в том числе с источниками света, отличающимися по цвету от установленных в прожекторах общего освещения.

10.69. При освещении объектов, облицованных материалами с направленно-рассеянным отражением, световые приборы предпочтительно размещать таким образом, чтобы углы между плоскостями падения и преимущественного наблюдения составляли 45-60°.

Рис. 119. Освещение фасадов зданий со значительным остеклением или облицованных гладкими блестящими материалами

а - неправильное расположение прожектора (возможно ослепление); б - то же, правильное; 1 - освещаемое здание; 2 - прожектор; (2' - зеркальное изображение прожектора); 3 - остекление

10.70. При освещении объектов, облицованных материалами с направленно-рассеянным отражением III группы световые приборы рекомендуется располагать так, чтобы световые потоки были направлены снизу на освещаемый объект и угол падения света не превышал 45°.

10.71. При освещении зданий и сооружений, облицованных гладкими блестящими материалами (полированный мрамор, гранит, глазурованная плитка и т.п.), а также зданий со значительным остеклением нижних этажей, световые приборы, как правило, рекомендуется устанавливать на земле для исключения попадания зеркального блика в поле зрения наблюдателя (рис. 119).

10.72. В фонтане следует, как правило, освещать водяные струи, поверхность воды, скульптуру и отдельные архитектурные элементы фонтана. Подсвет вертикальных или наклонных струй необходимо, как правило, осуществлять световыми приборами с концентрированной кривой силы света, расположенными под водой непосредственно у насадки. Освещение наклонных струй, падающих вниз, следует осуществлять световыми приборами с косинусной или полуширокои кривой силы света, расположенными в зоне падения струй. Световые приборы должны, как правило, располагаться скрыто.

10.73. Освещение фонтана может быть одноцветным или многоцветным. Система освещения фонтана может быть статической или динамической, изменяющейся во времени по интенсивности, объему или цвету. Выбор приема освещения фонтана определяется его художественным содержанием, композицией, гидродинамическими данными, а также характером окружающего ансамбля.

10.74. Допускается использовать поверхность воды с волнами, создаваемыми падением водяных струй, в качестве рассеивателей света осветительных приборов, размещаемых под водой.

10.75. При освещении зеленых насаждений следует применять прием интенсивного подсвета отдельных деревьев, кустарников и цветников, создавая достаточный контраст между освещенными объектами и фоном. Отдельные деревья, кулисно расположенные опушки, высокие кустарники рекомендуется освещать прожекторами заливающего света с лампами типа ДРЛ и лампами накаливания. Лиственные деревья и кустарники целесообразно освещать снизу, вдоль стволов, ели - со стороны аллей и открытых пространств. Для освещения клумб, цветников и газонов рекомендуется использовать специальные низкорасполагаемые (не выше 1,3 м) декоративные светильники с лампами типа ДРЛ и лампами накаливания, которые должны быть удалены не менее чем на 10 м от светильников, освещающих аллеи, площадки и т.п. Применение для этой цели светильников уличного освещения не допускается.

10.76. В световых приборах подсвета зелени для ограничения ослепленности следует применять защитные решетки и экраны или размещать световые приборы так, чтобы их световые пучки не были направлены в стороны наблюдателей.

Низкорасположенные световые приборы для подсвета газонов, цветников и клумб должны иметь защитный угол не менее 10° и суммарный световой поток источников света не более 6000 лм.

10.77. Проектирование установок световой рекламы должно осуществляться в соответствии с принятым принципом светового решения, по которому они разделяются на следующие группы:

установки с надписью или художественным изображением, набранные из открытых источников света - газосветовых трубок или ламп накаливания;

транспарантные установки с лицевой поверхностью из светорассеивающего материала, подсвечиваемого изнутри газосветными трубками, люминесцентными лампами или лампами накаливания, с надписями и изображениями, видимыми силуэтно;

установки типа афиши, плаката, стенда, освещаемые извне осветительной аппаратурой.

10.78. Рекламные установки на улицах, дорогах и площадях, совпадающие по своей форме и цвету с формой и цветом сигналов светофоров, не допускается размещать на уровне ниже 8 м от поверхности дорог.

10.79. Световые приборы, освещающие афишу, плакат или стенд, необходимо размещать таким образом, чтобы зеркальная составляющая светового потока, отраженная от освещаемой поверхности, не попадала в поле зрения смотрящего на афишу, плакат или стенд. При этом для исключения попадания прямого света световых приборов в поле зрения смотрящего на афишу, плакат или стенд, а также пешеходов и водителей транспорта, следует предусматривать необходимый защитный угол осветительных приборов или оборудовать их соответствующими экранирующими решетками.

10.80. Установки световой рекламы, периодически включаемые, а также динамические должны удовлетворять следующим требованиям:

длительность одного цикла работы должна быть не менее 10 с;

в витринах должно периодически включаться не более 50% (по световому потоку) источников света;

в установках, расположенных на фасадах и над крышами зданий, допускается плавное изменение яркости источников света либо одновременное включение их частями не более чем по 200 Вт при высоте установки до 10 м и не более чем по 800 Вт при большей высоте над уровнем дороги.

Эти требования необязательны для установок, выполненных тлеющими неоновыми лампами или лампами накаливания, включёнными на напряжение, не превышающее 60% номинального.

10.81. Решения по наружному освещению архитектурных объектов следует, как правило, апробировать на макетах (моделях) или с помощью опытно-экспериментальных установок непосредственно на освещаемых объектах.

При создании уникальных ОУ выполнение этого требования является обязательным.

10.82. При разработке макета (модели) должна быть предусмотрена возможность создания нескольких вариантов освещения с последующим выбором оптимального.

Рекомендуется использовать для моделирования метод полипроекции с применением установки ЦНИИЭП инженерного оборудования, обеспечивающей точность воспроизведения объекта и его окружения, широкий диапазон яркостей, большое разнообразие светлотно-цветовых композиций и позволяет выбрать оптимальный вариант с относительно небольшими затратами труда и времени.

МЕТОДЫ РАСЧЕТА СВЕТОТЕХНИЧЕСКИХ ПОКАЗАТЕЛЕЙ И ТЕХНИКО-ЭКОНОМИЧЕСКОЙ ОЦЕНКИ УСТАНОВОК НАРУЖНОГО ОСВЕЩЕНИЯ

Рис. 120. Схема отсчета углов при расположении светильника

а - над освещаемой полосой; б - вне освещаемой полосы

10.83. Среднюю горизонтальную освещенность  и среднюю яркость  дорожного покрытия рекомендуется рассчитывать с применением коэффициентов использования светового потока источников света по освещенности или яркости дорожного покрытия по следующим формулам:

;                                      (116)

,                                       (117)

где dф - шаг светильников, м; bу - ширина проезжей части улицы или дороги, м; Кз - коэффициент запаса, равный 1,5 для газоразрядных источников света, 1,3 - для ламп накаливания; М - число рядов светильников вдоль освещаемой полосы (каждый ряд должен состоять из однотипных светильников); Флi - световой поток ламп светильника i-го ряда; mi - число светильников на одной опоре, относящихся к i-му ряду; uEi и uLi - коэффициенты использования светового потока источников света в светильниках i-ого ряда соответственно по освещенности и яркости; uE и uL для данного ряда светильников определяются в зависимости от взаиморасположения этого ряда и освещаемой полосы по формулам:

при расположении ряда светильников над освещаемой полосой (рис. 120, а)

для освещенности:

uE=u'E1+u''E2;                                                          (118)

для яркости:

uL=u'L1+u''L2;                                                            (119)

Таблица 93

Тип светильника

Угол наклона светильника j, град

Угол b, град

Коэффициент использования светильников по освещенности при отношении ширины расчетной освещаемой полосы к высоте установки светильников

0,5

1,0

1,5

2,0

2,5

3,0

4,0

СПО-200

0

0; 180

0,116

0,194

0,226

0,253

0,268

0,274

0,284

НКУ01-200/Д23-01

15

0

0,145

0,228

0,282

0,316

0,335

0,342

0,355

180

0,120

0,185

0,215

0,230

0,240

0,240

0,240

РТУ01-125/С53-02

0

0; 180

0,081

0,137

0,163

0,184

0,197

0,203

0,214

СПОР-250

0

0; 180

0,106

0,182

0,217

0,243

0,257

0,264

0,274

РТУ02-250-08

0

0; 180

0,041

0,075

0,094

0,110

0,120

0,126

0,135

СЗПР-250М(б)

0

0

0,094

0,159

0,198

0,218

0,247

0,256

0,270

180

0,083

0,19

0,186

0,217

0,234

0,244

0,256

СЗПР-250М(ц)

0

0; 180

0,093

0,157

0,194

0,224

0,242

0,250

0,262

РКУ01-125-008

15

0

0,154

0,259

0,308

0,343

0,365

0,376

0,393

180

0,140

0,223

0,250

0,261

0,265

0,266

0,267

РКУО 1-250-011

0

0; 180

0,208

0,303

0,333

0,351

0,359

0,362

0,367

15

0

0,228

0,362

0,411

0,441

0,456

0,462

0,472

 

180

0,165

0,225

0,241

0,248

0,250

0,250

0,250

30

0

0,201

0,365

0,434

0,479

0,503

0,515

0,533

 

180

0,110

0,142

0,146

0,147

0,148

0,149

0,152

РКУ01-400-012

0

0; 180

0,192

0,289

0,323

0,343

0,354

0,358

0,365

15

0

0,201

0,327

0,377

0,408

0,425

0,434

0,446

 

180

0,160

0,226

0,247

0,257

0,261

0,263

0,264

30

0

0,186

0,329

0,393

0,434

0,463

0,477

0,495

 

180

0,117

0,158

0,166

0,169

0,172

0,175

0,180

РКУ01-400-010

0

0; 180

0,185

0,289

0,330

0,354

0,363

0,367

0,371

15

0

0,195

0,319

0,372

0,408

0,430

0,440

0,454

 

180

0,161

0,241

0,260

0,265

0,267

0,267

0,267

30

0

0,181

0,320

0,384

0,428

0,454

0,469

0,490

 

180

0,132

0,169

0,170

0,171

0,172

0,173

0,175

ГКУ02-250-004

0

0; 180

0,216

0,304

0,334

0,351

0,360

0,364

0,369

15

0

0,236

0,371

0,418

0,444

0,457

0,465

0,476

 

180

0,161

0,216

0,233

0,240

0,242

0,242

0,242

30

0

0,205

0,370

0,444

0,486

0,508

0,521

0,536

 

180

0,102

0,134

0,137

0,138

0,139

0,141

0,142

ГКУ02-250-003

0

0; 180

0,178

0,256

0,283

0,299

0,307

0,311

0,316

15

0

0,204

0,317

0,358

0,382

0,395

0,401

0,411

 

180

0,138

0,189

0,205

0,213

0,215

0,216

0,216

30

0

0,175

0,318

0,376

0,414

0,433

0,444

0,458

 

180

0,091

0,122

0,127

0,128

0,129

0,130

0,132

ГКУ02-400-001

0

0; 180

0,173

0,254

0,283

0,300

0,309

0,314

0,320

15

0

0,187

0,298

0,340

0,366

0,380

0,387

0,398

 

180

0,137

0,192

0,210

0,219

0,222

0,222

0,222

30

0

0,168

0,299

0,357

0,394

0,415

0,426

0,440

 

180

0,097

0,131

0,137

0,138

0,139

0,140

0,142

ЖКУ02-250-004

0

0; 180

0,208

0,298

0,331

0,350

0,360

0,366

0,372

15

0

0,230

0,359

0,408

0,434

0,450

0,458

0,470

 

180

0,157

0,218

0,239

0,248

0,250

0,250

0,250

30

0

0,200

0,361

0,429

0,470

0,493

0,505

0,522

 

180

0,107

0,145

0,150

0,151

0,152

0,153

0,155

ЖКУ02-250-003

0

0; 180

0,177

0,255

0,284

0,300

0,309

0,314

0,319

15

0

0,193

0,305

0,346

0,370

0,384

0,391

0,401

 

180

0,136

0,189

0,207

0,216

0,218

0,219

0,219

30

0

0,171

0,307

0,365

0,402

0,421

0,432

0,446

 

180

0,093

0,126

0,131

0,132

0,133

0,134

0,136

ЖКУ02-400-002

0

0; 180

0,203

0,293

0,326

0,344

0,353

0,357

0,363

15

0

0,224

0,350

0,398

0,426

0,442

0,450

0,460

 

180

0,155

0,215

0,233

0,242

0,245

0,245

0,245

30

0

0,195

0,352

0,418

0,459

0,483

0,495

0,512

 

180

0,108

0,141

0,146

0,147

0,148

0,149

0,151

ЖКУ02-400-001

0

0; 180

0,173

0,252

0,282

0,299

0,308

0,313

0,318

15

0

0,191

0,299

0,340

0,566

0,380

0,387

0,397

 

180

0,134

0,189

0,208

0,217

0,220

0,221

0,227

30

0

0,166

0,300

0,357

0,393

0,413

0,424

0,437

 

180

0,095

0,130

0,136

0,137

0,138

0,140

0,142

ГКУ02-400-002

0

0; 180

0,206

0,298

0,332

0,351

0,361

0,365

0,370

15

0

0,226

0,354

0,404

0,433

0,449

0,458

0,468

 

180

0,158

0,221

0,241

0,249

0,252

0,252

0,252

30

0

0,197

0,356

0,424

0,465

0,480

0,503

0,520

 

180

0,111

0,148

0,152

0,153

0,154

0,155

0,158

Примечания: 1. b - угол, определяющий направление меридиональной плоскости.

2. Коэффициенты использования светового потока источников света по освещенности для консольных светильников приведены при их установке под углом к горизонту j, равным 0; 15 и 30°, а для подвесных светильников под углом наклона j=0°.

Таблица 94

Тип свегильника

Покрытие

Угол наклона j, град

Угол b, град

Коэффициент использования светильников по яркости при отношении ширины расчетной полосы к высоте установки светильников

0,5

1,0

1,5

2,0

2,5

3,0

4,0

СПО-200

Гладкое

0

0; 180

0,026

0,041

0,047

0,050

0,053

0,054

0,055

Шероховатое

0

0; 180

0,023

0,035

0,040

0,044

0,046

0,048

0,049

НКУ01-200/Д23-01

Гладкое

15

0

0,034

0,049

0,056

0,061

0,065

0,066

0,067

РТУ01-125/С53-02

Гладкое

0

0; 180

0,023

0,038

0,043

0,045

0,048

0,049

0,050

Шероховатое

0

0; 180

0,018

0,028

0,032

0,035

0,037

0,039

0,040

СПОР-250

Гладкое

0

0; 180

0,026

0,043

0,049

0,052

0,055

0,056

0,057

Шероховатое

0

0; 180

0,022

0,035

0,040

0,044

0,046

0,047

0,049

РТУ02-250-08

Гладкое

0

0; 180

0,017

0,029

0,033

0,034

0,036

0,037

0,039

Шероховатое

0

0; 180

0,012

0,018

0,022

0,024

0,026

0,027

0,028

СЗПР-250М(б)

Гладкое

0

0

0,032

0,052

0,060

0,065

0,068

0,070

0,072

180

0,030

0,048

0,055

0,060

0,064

0,065

0,066

Шероховатое

0

0

0,024

0,036

0,043

0,048

0,051

0,052

0,055

 

180

0,022

0,033

0,040

0,045

0,047

0,049

0,051

СЗПР-250Н(ц)

Гладкое

0

0; 180

0,033

0,053

0,060

0,064

0,067

0,068

0,070

Шероховатое

0

0; 180

0,024

0,036

0,043

0,047

0,050

0,051

0,053

РКУ01-125-008

Гладкое

15

0

0,041

0,063

0,075

0,082

0,085

0,086

0,088

 

180

0,036

0,055

0,057

0,059

0,059

0,059

0,059

РКУ01-250-011

Гладкое

0

0; 180

0,042

0,059

0,064

0,067

0,068

0,069

0,070

15

0

0,046

0,070

0,078

0,083

0,086

0,087

0,089

 

180

0,033

0,043

0,0-!7

0,047

0,047

0,047

0,047

30

0

0,041

0,070

0,081

0,090

0,094

0,096

0,099

 

180

0,022

0,027

0,027

0,027

0,027

0,028

0,028

Шероховатое

0

0; 180

0,041

0,055

0,060

0,062

0,064

0,064

0,065

15

0

0,044

0,065

0,073

0,077

0,080

0,081

0,082

 

180

0,032

0,041

0,043

0,044

0,045

0,045

0,045

30

0

0,039

0,064

0,076

0,082

0,087

0,089

0,091

 

180

0,021

0,025

0,026

0,026

0,026

0,027

0,027

РКУ01-400-012

Гладкое

0

0; 180

0,044

0,064

0,070

0,073

0,074

0,075

0,076

15

0

0,046

0,072

0,081

0,086

0,089

0,091

0,093

 

180

0,035

0,049

0,053

0,054

0,055

0,055

0,055

30

0

0,042

0,072

0,084

0,092

0,097

0,099

0,103

0

180

0,026

0,034

0,035

0,035

0,036

0,036

0,037

Шероховатое

0

0; 180

0,040

0,055

0,060

0,063

0,065

0,066

0,067

15

0

0,041

0,062

0,070

0,075

0,078

0,079

0,081

 

180

0,033

0,043

0,046

0,048

0,048

0,049

0,049

30

0

0,038

0,061

0,072

0,079

0,084

0,086

0,089

 

180

0,024

0,030

0,031

0,032

0,032

0,032

0,033

РКУ01-400-010

Гладкое

0

0; 180

0,042

0,062

0,068

0,071

0,073

0,073

0,074

15

0

0,045

0,070

0,079

0,085

0,089

0,091

0,093

 

180

0,035

0,048

0,050

0,051

0,051

0,051

0,051

30

0

0,041

0,070

0,082

0,090

0,095

0,098

0,102

 

180

0,026

0,031

0,031

0,031

0,031

0,031

0,032

Шероховатое

0

0; 180

0,098

0,054

0,061

0,064

0,065

0,066

0,067

15

0

0,040

0,061

0,069

0,075

0,078

0,080

0,082

 

180

0,032

0,044

0,047

0,047

0,048

0,048

0,048

30

0

0,037

0,060

0,071

0,078

0,082

0,085

0,088

 

180

0,025

0,030

0,030

0,030

0,030

0,031

0,031

ГКУ02-250-004

Гладкое

0

0; 180

0,060

0,082

0,088

0,090

0,092

0,093

0,093

15

0

0,065

0,099

0,109

0,115

0,117

0,119

0,121

 

180

0,046

0,057

0,060

0,061

0,061

0,061

0,061

30

0

0,058

0,098

0,115

0,125

0,130

0,133

0,136

 

180

0,027

0,032

0,032

0,032

0,032

0,033

0,033

Шероховатое

0

0; 180

0,050

0,066

0,070

0,073

0,075

0,075

0,076

15

0

0,054

0,079

0,087

0,092

0,094

0,095

0,097

 

180

0,039

0,047

0,050

0,051

0,051

0,051

0,051

30

0

0,048

0,078

0,091

0,099

0,103

0,106

0,109

 

180

0,023

0,028

0,028

0,028

0,028

0,029

0,029

ГКУ02-250-003

Гладкое

0

0; 180

0,050

0,071

0,076

0,078

0,080

0,081

0,081

15

0

0,055

0,084

0,093

0,098

0,100

0,102

0 104

 

180

0,040

0,053

0,055

0,056

0,056

0,056

0,056

30

0

0,049

0,084

0,097

0,104

0,109

0,112

0,115

 

180

0,026

0,033

0,034

0,034

0,034

0,034

0,034

Шероховатое

0

0; 180

0,041

0,055

0,060

0,062

0,063

0,064

0,065

15

0

0,046

0,066

0,074

0,078

0,080

0,081

0,083

 

180

0,033

0,041

0,044

0,045

0,045

0,045

0,045

30

i,

0,040

0,066

0,077

0,083

0,087

0,089

0,091

 

180

0,021

0,026

0,027

0,027

0,027

0,028

0,028

ГКУ02-400-002

Гладкое

0

0; 180

0,056

0,081

0,088

0,092

0,094

0,095

0,096

15

0

0,060

0,093

0,105

0,111

0,115

0,117

0,119

 

180

0,047

0,062

0,066

0,067

0,068

0,067

0,067

30

0

0,055

0,093

0,109

0,118

0,124

0,128

0,131

 

180

0,032

0,039

0,040

0,040

0,040

0,041

0,041

Шероховатое

0

0; 180

0,047

0,064

0,070

0,073

0,075

0,076

0,076

15

0

0,051

0,074

0,083

0,088

0,091

0,093

0,095

 

180

0,038

0,049

0,052

0,053

0,054

0,054

0,054

30

0

0,045

0,074

0,086

0,094

0,098

0,10!

0,104

 

180

0,026

0,032

0,033

0,033

0,033

0,033

0,034

ГКУ02-400-001

Гладкое

0

0; 180

0,049

0,071

0,077

0,080

0,082

0,083

0,084

15

0

0,051

0,081

0,091

0,096

0,099

0,101

0,102

 

180

0,041

0,056

0,059

0,060

0,060

0,060

0,060

30

0

0,048

0,081

0,095

0,102

0,107

0,110

0,113

 

180

0,029

0,037

0,038

0,038

0,038

0,038

0,039

Шероховатое

0

0; 180

0,040

0,055

0,060

0,063

0,064

0,065

0,066

15

0

0,042

0,062

0,071

0,075

0,077

0,079

0,081

 

180

0,033

0,043

0,046

0,047

0,047

0,048

0,048

30

0

0,039

0,063

0,073

0,080

0,084

0,086

0,089

 

180

0,023

0,029

0,030

0,030

0,030

0,030

0,031

ЖКУ02-250-004

Гладкое

0

0; 180

0,058

0,081

0,088

0,091

0,093

0,094

0,095

15

0

0,064

0,098

0,109

0,114

0,118

0,120

0,122

 

180

0,045

0,058

0,062

0,063

0,063

0,063

0,063

30

0

0,056

0,097

0,112

0,122

0,128

0,131

0,134

 

180

0,028

0,036

0,036

0,036

0,036

0,037

0,038

Шероховатое

0

0; 180

0,048

0,064

0,069

0,073

0,074

0,075

0,076

15

0

0,053

0,076

0,085

0,090

0,092

0,094

0,096

 

180

0,037

0,047

0,050

0,052

0,052

0,052

0,052

30

0

0,056

0,075

0,088

0,095

0,100

0,102

0,105

 

180

0,025

0,030

0,031

0,031

0,031

0,031

0,032

ЖКУ02-250-003

Гладкое

0

0; 180

0,051

0,072

0,078

0,081

0,083

0,084

0,085

15

0

0,055

0,086

0,095

0,100

0,103

0,105

0,106

 

180

0,041

0,054

0,057

0,058

0,059

0,059

0,059

30

0

0 049

0,085

0,099

0,107

0,111

0,114

0,117

 

180

0028

0,035

0,036

0,036

0,036

0,036

0,036

Шероховатое

0

0; 180

0,041

0,055

0,060

0,063

0,064

0,065

0,066

15

0

0,045

0,065

0,073

0,077

0,079

0,081

0,083

 

180

0,033

0,042

0,045

0,046

0,046

0,046

0,046

30

0

0,040

0,065

0,076

0,082

0,086

0,088

0,091

 

180

0,022

0,027

0,028

0,028

0,029

0,029

0,030

ЖКУ02-400-002

Гладкое

0

0; 180

0,052

0,073

0,079

0,083

0,084

0,085

0,086

15

0

0,056

0,086

0,096

0,102

0,105

0,107

0,109

 

180

0,041

0,054

0,057

0,058

0,059

0,059

0,059

30

0

0,050

0,085

0,098

0,107

0,113

0,116

0,119

 

180

0,028

0,033

0,034

0,034

0,034

0,035

0,035

Шероховатое

0

0; 180

0,044

0,060

0,066

0,068

0,070

0,071

0,071

15

0

0,045

0,070

0,079

0,084

0,086

0,088

0,090

 

180

0,035

0,045

0,048

0,049

0,049

0,049

0,049

30

0

0,043

0,070

0,081

0,087

0,093

0,095

0,098

 

180

0,024

0,029

0,030

0,030

0,030

0,030

0,031

ЖКУ02-400-001

Гладкое

0

0; 180

0,049

0,071

0,077

0,080

0,082

0,083

0,084

15

0

0,053

0,082

0,092

0,097

0,100

0,102

0,104

 

180

0,040

0,055

0,058

0,059

0,059

0,059

0,059

30

0

0,047

0,082

0,096

0,103

0,108

0,110

0,114

 

180

0,028

0,036

0,037

0,037

0,037

0,037

0,038

Шероховатое

0

0; 180

0,040

0,054

0,060

0,062

0,063

0,065

0,066

15

0

0,043

0,063

0,071

0,075

0,078

0,079

0,081

 

180

0,032

0,042

0,045

0,046

0,047

0,047

0,047

30

0

0,039

0,063

0,073

0,080

0,083

0,086

0,088

 

180

0,023

0,028

0,029

0,030

0,030

0,030

0,031

при расположении ряда светильников вне освещаемой полосы (рис. 120, б)

для освещенности:

uE=u'E1+u'E2;                                                       (120)

для яркости:

uL=u'L1+u'L2,                                                       (121)

где u'E1 - значение коэффициента использования по освещенности для данного типа светильников в направлении b=0° при отношении ширины освещаемой части улицы или дороги к высоте установки светильников, равном b1y/hсв; u'E2 - то же, в направлении b=0° при отношении b2y/hсв; u''E2 - то же, в направлении b=180° при отношении b2y/hсв; u'L1 - значения коэффициента использования светового потока источников света по яркости для данного типа светильников в направлении b=0° при отношении ширины освещаемой части улицы к высоте установки светильников, равном b1y/hсв; u'L2 - то же, в направлении b=0° при отношении b2y/hсв; u''L2 - то же, в направлении b=180° при отношении b2y/hсв.

Значения uE и ul для типовых светильников, производство которых освоено отечественной промышленностью, представлены в табл. 93 и 94 соответственно.

В случае применения светильника, не включенного в табл. 93 или 94, uE* и ul определяются следующим образом:

___________

* Значения ue при j=0° для новых отечественных светильников даются заводами-изготовителями при проведении аттестации светильников.

;                                     (122)

,                           (123)

где Iaibj - сила света светильника в направлении aiср, bj,

aiср=(ai-1+ai)/2,   bj=90°-[Db(j-1)+Db/2]

(меридиональная плоскость b=0° направлена в сторону проезжей части перпендикулярно оси дороги); Dwij - телесный угол, опирающийся на площадку j-ого элемента i-й зоны для Db=10° Dwij=wi/36, где телесный угол i-й зоны wi=2p(cosai-1-cosai); rij - коэффициент яркости дорожного покрытия средней точки j-ого элемента i-й зоны, характеризуемой параметрами aiср и (bу/hсв)ij; rij определяется по кривым r=f(a, bу/hсв) табл. 88, 89 соответственно для гладкого и шероховатого асфальтобетона;

(by/hсв)ij=ctgaicpcosbj.                                                 (124)

Следует иметь в виду, что при наклоне светильников изменяется доля светового потока, падающего на дорогу. Поэтому при расчете коэффициентов использования светильников, расположенных наклонно под углом j к горизонту, необходимо учитывать наклон под углом j всего фотометрического тела, образованного векторами сил света светильника.

Так, при наклоне светильника под углом j в рассматриваемую точку будут падать лучи, характеризуемые углами aj и bj, которые связаны с углами a и j следующими соотношениями:

aj=arccos(sina cosb sinj+cosa cosj);                               (125)

bj=arcsin(sina sinb/sinaj).                                     (126)

По углам aj и bj определяются силы света светильника в направлении к рассматриваемой точке.

Коэффициенты яркости выбираются с учетом угла a, а не aj.

10.84. Равномерность распределения горизонтальной освещенности и ярких дорожных покрытий определяются отношениями:

                                                         (127)

или

Lмакс/Lмин,                                                           (128)

где Ег.макс - максимальное значение горизонтальной освещенности на участке дороги db;  - средняя горизонтальная освещенность на участке дороги dфbу;

Значения Eг.макс, Lмакс и Lмин определяются точечным методом из совокупности значений распределений освещенности и яркости дорожного покрытия на участке дороги dфbу (рис. 121).

Распределение освещенности и яркости дорожного покрытия на участке dфbу определяется путем расчета Ег и L в отдельных равномерно расположенных точках покрытия (с шагом не свыше 5 м) рекомендуется производить такие расчеты с использованием ЭВМ*.

_____________

* Для расчета распределения яркости дорожного покрытия в ЦНИИЭП инженерного оборудования разработана программа «Ряд» для ЭВМ ЕС 1033 на языке «PLI» в ДОС (адрес: 117279, Москва, Профсоюзная ул., 93а).

В ЭВМ в виде массивов чисел (таблиц) вводятся данные по светораспределению светильников и отражательным характеристикам дорожного покрытия, а также следующие параметры, м: ширина проезжей части дороги (улицы) bу, шаг установки светильников dф и высота их подвеса hсв.

Рис. 121. К расчету параметров ОУ улицы точечным методом

K1-K4 - номера светильников; Db - ширина элементарного участка; Dd - то же, длина; DA - элементарный участок

Горизонтальная освещенность Егi лк, и яркость Li, кд/м2, в i-й точке дорожного покрытия, характеризуемой координатами хi и yi, равны:

;                                                          (129)

,                                                              (130)

где К - число светильников, учитываемых в расчете относительно i-й точки; DЕгij - горизонтальная освещенность в i-й точке, создаваемая j-м светильником, лк; DLij - яркость в i-й точке, создаваемая j-м светильником, кд/м2;

DEгj=(Iijcos3aij)/hсв2;                                                     (131)

DLij=(Iijrijcos3aij)/(phсв2);                                                 (132)

Iij - сила света j-го светильника в направлении i-й точки, кд; aij - угол падения лучей в i-ю точку от j-го светильника, град; rij - коэффициент яркости дорожного покрытия в направлении наблюдателя при действии j-го светильника в i-ю точку.

Светораспределение светильника I=f(a, b) представляется при расчетах в виде двухмерного массива чисел с определенным шагом по a и b, а круглосимметричное светораспределение I=f(a) - в виде одномерного массива чисел.

Отражательные характеристики покрытий представляются в виде двухмерного массива r=f(a, b) или как r=f(a, bу/hсв) с соответствующими шагами по a и b или (bу/h).

Угловые координаты a, b, i-й точки относительно j-го светильника определяются следующим образом:

;                              (133)

bij=/arctg[((j-1)dф/hсв-xi)/yi]/.                                      (134)

Значения силы света Iij светильников, действующих в направлении наблюдателя, и коэффициенты яркости rij для соответствующих углов aij, bij; определяют линейной интерполяцией. Значения силы света светильников, действующих в направлении, противоположном наблюдателю, учитываются с коэффициентом яркости r=0,1.

Коэффициенты яркости гладких асфальтобетонных покрытий приведены в табл. 88, а шероховатых - в табл. 89.

Результаты расчета сводятся в таблицы значений освещенности и яркости в отдельных равномерно расположенных точках участка дороги площадью dфby. Значения средней горизонтальной освещенности  и средней яркости  этого участка определяются как среднее арифметическое Ег и L в отдельных точках.

Расчеты горизонтальной освещенности и яркости дорожных покрытий от наклонно расположенных (консольных) светильников должны проводиться с учетом угла их наклона к горизонту в соответствии с п. 10.83 настоящего Пособия.

10.85. Методика расчета показателя ослепленности. Показатель ослепленности Р определяется по формуле

P=ClCL570bS/KзLн,                                                    (135)

где Сl - коэффициент неэквивалентности, равный для ламп накаливания - 1,0; для люминесцентных ламп и типа ДРЛ - 1,3; для ламп типа ДРИ - 1,1; для натриевых ламп высокого давления - 0,9; CL - коэффициент, зависящий от яркости фона, определяемый по графику рис. 122; bS - суммарная яркость вуалирующей пелены, кд/м2;

;                                                        (136)

М - число рядов светильников; bi - яркость вуалирующей пелены, создаваемая i-м рядом светильников.

Яркость вуалирующей пелены от каждого ряда светильников определяется для наблюдателя, находящегося на продольной линии посредине проезжей части данного направления движения, и рассчитывается по формуле

bij=m[0,88 (I75°)i+0,82 (I80°)i+2,1(I85°)i+l,55(I90°)i]/3300[(hсв-h')2+Dbi2],  (137)

где h' - высота глаз наблюдателя над уровнем проезжей части, принимаемая равной 1,5 м; Dbi - расстояние между линией i-го ряда светильников и средней продольной линией проезжей части данного направления движения, м; I75° I80° I85° I90° - сила света светильников i-го ряда в плоскости b=90° соответственно под углами a, равными 75°, 80°, 85° и 90°, кд; т - число светильников опоры, относящихся к i-му ряду.

Рис. 122. График зависимости коэффициента СL от средней яркости дорожного покрытия для расчета показателя ослепленности

10.86. Необходимое число опор nоп, располагаемых равномерно по периметру больших площадей, рассчитывается по формуле

nоп=ЕнАосКз/uЕмаксФлm,                                           (138)

где uЕмакс - максимальный коэффициент использования по освещенности для данного типа светильников в направлении b=0°, принимаемый в расчетах для b'1/hсв=4,0; Аос - освещаемая площадь, м2; b'1 - ширина освещаемой площади, м.

Среднее расстояние (шаг) между опорами определяется как отношение длины периметра к числу опор.

При расчете шага опор или отдельных светильников следует проверять соответствие требованию по обеспечению отношения максимальной освещенности к средней.

Средняя освещенность  рассчитывается по формуле

,                                    (139)

где dпp - принятый шаг опор или отдельных светильников, м.

Максимальную освещенность Емакс необходимо рассчитывать точечным методом по формуле

,                             (140)

где Ia1000 - сила света светильника в направлении к точке максимальной освещенности для условной лампы со световым потоком 1000 лм; ni - число светильников, действующих в точку максимальной освещенности.

Для консольных и подвесных светильников максимальная освещенность обычно создается в направлении a=0°, а для венчающих - в направлении a=40° по линии размещения светильников.

Значения отношений, полученных по формулам (127) и (128), не должны превышать регламентируемых [1]. В противном случае необходимо изменить параметры установки, размещение светильников и произвести повторный расчет ОУ.

10.87. В качестве основы при проектировании наружных ОУ рекомендуется использовать типовые решения освещения улиц и дорог (см. пп. 10.91-10.92 и прил. 3), рассчитанные в наиболее рациональных вариантах для типовых профилей дорог и методикам, приведенным в пп. 10.83-10.85.

Вариант освещения дороги, имеющей типовой профиль (или отличающийся от типового в пределах, допустимых согласно п. 10.92), выбирается из числа типовых решений (или с изменением согласно п. 10.92), исходя из полных приведенных годовых затрат на ОУ.

Для дорог и улиц с нетиповым профилем расчет производится в следующем порядке:

по установленной норме освещения ( или ) и заданному поперечному профилю улицы, пользуясь типовыми решениями для дорог с наиболее близкими к заданному профилями, подбираются тип светильника и ориентировочная высота его установки;

для выбранного светильника с учетом ширины проезжей части, расположения тротуаров и т.д. уточняются угол наклона и расстояние от края проезжей части (длина кронштейна);

исходя из формулы (116) или (117), рассчитывается шаг светильников, который не должен превышать 50 м при высоте их установки до 14 м;

для выбранного варианта ОУ проверяются качественные показатели освещения-равномерность распределения яркости (освещенности) и показатель ослепленности (последний-для улиц, дорог и площадей категорий А и Б с нормируемой яркостью).

Если по результатам проверочного расчета какой-либо из качественных показателей не удовлетворяет норме, расчет повторяется при соответственно измененной высоте установки светильников.

10.88. Расчет ОУ архитектурного освещения зданий по заданной яркости для объектов, облицованных материалами с диффузным и направленно-рассеянным отражением, удовлетворяющих требованиям п. 10.46, необходимо произвести в следующей последовательности:

определяется значение освещенности Е, создаваемой на объекте

E=pLн/r,                                                                 (141)

выбираются тип светильника и место его установки;

далее расчет освещения больших поверхностей (фасады зданий и сооружений) следует производить методом компоновки изолюкс, а высоких и узких конструкций (башни, трубы, колокольни и т.д.) и отдельных элементов зданий - точечным методом по силе света светильника.

10.89. По условиям различимости размеры букв светорекламного текста определяются из следующих соотношений:

ширина букв должна быть не менее 2/3 высоты;

высота букв из открыто установленных газосветных трубок или набранных из одного ряда ламп накаливания должна быть равна:

h³fмакс/250,                                                        (142)

где h - высота буквы, м; fмакс - максимальное расстояние наблюдения, м.

Высота букв светорекламного текста, набранного из нескольких рядов ламп накаливания, должна быть равна:

h³fмакс/250+6s,                                                 (143)

где s - толщина буквы (расстояние между осями крайних рядов ламп, образующих толщину буквы), м.

При наблюдении световой рекламы с расстояний, больших 75 м, размер между осями соседних рядов ламп накаливания в рядах ламп, образующих толщину буквы, должен отвечать соотношению

dр.л£fмин/1500,                                                         (144)

где dp.л - расстояние между осями соседних рядов ламп, м; fмин - минимальное расстояние наблюдения светорекламы, м.

В случае обзора рекламы с расстояний менее 75 м, размер между осями соседних рядов ламп накаливания должен быть возможно наименьшим, допускаемым конструкцией ламп, а также условиями их эксплуатации.

Высота букв в транспарантах на фоне светящей панели определяется по формуле

h³fмакс/500.                                                        (145)

Буквы рекомендуется выбирать толщиной не менее 1/7 их высоты.

10.90. Сравнительная технико-экономическая оценка вариантов наружных осветительных установок производится по следующей методике.

1. Оценка различных вариантов наружных ОУ производится по полным приведенным годовым затратам Со и удельной установленной мощности на 1 м2 проезжей части улиц, дорог и площадей.

Наиболее экономичный вариант выявляется по минимуму приведенных годовых затрат на ОУ.

Удельная установленная мощность Ро на 1 м2 проезжей части определяется по формуле

Ро=(Рл+DРпра)mM/dфbу,                                              (146)

где Рл+DРпра - мощность лампы в светильнике и потери в ПРА, Вт.

2. При определении приведенных годовых затрат учитываются приведенные годовые эксплуатационные расходы и соответствующие капитальные затраты, включающие стоимость оборудования и его монтажа.

Допускается в случае одинаковых капитальных затрат на сети, опоры, кронштейны или другое оборудование исключать эти составляющие из сравнительных расчетов.

Рекомендуется производить раздельный расчет приведенных эксплуатационных расходов и приведенных капитальных затрат.

3. Полные приведенные годовые затраты рекомендуется сопоставлять для равноценных по светотехническому эффекту установок, когда их средние значения яркости или освещенности отличаются не более чем на 10%, а качественные показатели установок (равномерность распределения освещенности или яркости, коэффициент ослепленности) не превышают допустимые нормируемые значения.

4. Приведенные годовые затраты Q для наружных ОУ складываются из приведенной суммы эксплуатационных расходов на содержание установок Э и 15% стоимости приведенных капитальных затрат на приобретение оборудования и его монтаж К.

Q=Э+15K/100.                                                   (147)

5. Капитальные затраты складываются из стоимости светильников K, ламп Кл, опор Коп, кронштейнов Ккр, монтажа светильников Кмонт 1 и опор кронштейнов Кмонт 2

К=[т(Ксв+Кмонт1+Кл)+(Коппр+Кмонт2)]М/dфbу.                          (148)

Стоимость электрической сети в сопоставительных расчетах для равноценных по исполнению и пропускной способности сетей, как правило, может не учитываться.

6. Приведенные годовые эксплуатационные расходы Э на содержание ОУ определяются по формуле

Э=Сэ+Сл+C+Сам,                                                      (149)

где Сэ; Сл; Соб; Сам - приведенная стоимость соответственно электроэнергии, заменяемых ламп и обслуживания за год, руб/м2; Сам - приведенные амортизационные отчисления, руб/м2.

Сэ; Сл; Соб; и Сам определяются по формулам:

Сэ=xРоТКэ;                                                         (150)

Сл=(КлТтМ)/Тлdфbу;                                               (151)

Соб=(тМСч)/dфbу;                                                  (152)

Сам=[mv1(Ксв+Кл+Кмонт1)+v2(Коп+Ккр+Кмонт2)]М/dфbу,                (153)

где x - коэффициент, учитывающий потери мощности в сети, принимаемый равным 1,03; Т - число часов горения светильников в год, ч; Кэ - стоимость 1 кВтч электроэнергии, руб.; Тл - срок службы ламп, ч; Сч - стоимость обслуживания одного светильника в год, включая стоимость чисток и замены ламп (принимается по данным эксплуатационной организации, при отсутствии таких данных допускается пользоваться данными, приведенными в табл. 95); v1 - доля отчислений на амортизацию от стоимости светильников; v2 - доля отчислений на амортизацию суммарной стоимости опор с кронштейнами, принимаемая для опор: металлических и железобетонных - 3,6%; деревянных из пропитанной древесины и на железобетонных пасынках - 5,7%; деревянных из непропитанной древесины - 8%.

Таблица 95

Лампы

Стоимость обслуживания светильника, руб/год

открытого при степени запыленности среды

закрытого при степени запыленности среды

сильной

средней

слабой

сильной

средней

слабой

Газоразрядные высокого давления

4,5

3,0

1,6

1,9

1,2

0,7

Накаливания

2,6

2,3

1,8

-

-

-

ТИПОВЫЕ РЕШЕНИЯ ОСВЕЩЕНИЯ УЛИЦ И ДОРОГ

10.91. Для сокращения затрат труда и времени на проектирование наружных ОУ и повышения качества проектирования их светотехнической части рекомендуется использовать типовые решения освещения улиц и дорог, приведенные в прил. 3.

Типовые решения позволяют определять основные параметры ОУ улиц и дорог населенных пунктов в зависимости от средней освещенности или яркости дорожного покрытия без проведения трудоемких расчетов средней яркости (освещенности), распределения яркости (освещенности) по покрытию и показателя ослепленности, а также оценивать и сравнивать различные установки по энергетическим затратам. В зависимости от нормируемых показателей и ширины проезжей части в типовых решениях приведены схемы расположения светильников, определены возможные типы светильников и источников света, для которых указаны высота размещения и шаг, установленная мощность на 1 км улицы или дороги (кВт/км) и установленная мощность на 1 м2 покрытия (Вт/м2). Установленная мощность приведена с учетом потерь в пускорегулирующих аппаратах светильников.

Типовые решения рассчитаны на применение наиболее распространенной системы освещения, при которой светильники устанавливаются на опорах или подвешиваются на тросе на высоте 6,5-13,5 м в соответствии с рекомендуемыми схемами размещения (п. 10.5).

Типовые решения основываются на типовых профилях и покрытиях улиц и дорог, серийно выпускаемых светильниках и источниках света, а также типовых стойках и кронштейнах.

За расчетные световые потоки ламп приняты их номинальные потоки с коэффициентом 0,95, характеризующим средний световой поток группы ламп, согласно ГОСТ 16354-77 - для ламп типа ДРЛ, ГОСТ 24169-80 - для ламп типа ДРИ, ТУ 16-545.350-81 - для ламп типа ДНаТ и ГОСТ 2239-79 - для ламп накаливания.

10.92. В прил. 3 приведены решения ОУ при нормировании средней яркости дорожного покрытия из гладкого и шероховатого асфальтобетона, а также при нормировании средней освещенности. В прил. 3 даны примеры выполнения ОУ улиц и дорог с наиболее характерными сложными поперечными профилями, которые базируются на указанных решениях.

При необходимости решения освещения для профилей, отличающихся от типовых, (приведенных в прил. 3, допускается), не учитывая изменения коэффициентов использования светильников, применять следующие формулы:

=d2b2/d1b1, и d2b2/d1b1                                     (154)

где , , d1, b1 - соответственно средняя яркость, освещенность, шаг светильников и ширина проезжей части в типовых решениях; , , d2, b2 - то же, при данном нетиповом профиле.

Указанные формулы могут быть применены, если значения d1 и d2 и b1 и b2 отличаются между собой не более чем на 10%. При этом при проведении уточняющих расчетов необходимо базироваться на типовом варианте с шириной проезжей части большей, чем в решаемом варианте, с тем, чтобы гарантированно выдерживались требования по равномерности распределения яркости или освещенности.

При использовании в светильниках газоразрядных ламп со световыми потоками меньшими, чем в указанных в п. 10.91 нормативных документах, пересчет шага d2 может быть произведен по формуле

d2=d1Ф2/Ф1.                                                        (155)

где d1 - шаг светильников, приведенный в типовых решениях при световом потоке источника Ф1; d2 - шаг светильников, соответствующий пониженному световому потоку источника света Ф2.

ПРИЛОЖЕНИЕ 1

Типовая программа «Свет-1» для расчета КЕО в помещениях производственных, общественных, и жилых зданий на ЭВМ СМ-3 (язык Фортран-IV)

Описание программы

Программой определяется КЕО в производственных и жилых помещениях от бокового и верхнего освещения (через зенитные и светоаэрационные фонари).

Предусмотрена возможность расчета при совместном использовании бокового и верхнего освещения.

Минимальные размеры помещения 2´2 м. Максимальные - не ограничены.

Определение КЕО производится для любой точки помещения с шагом, кратным глубине и длине помещения. Число точек по глубине и длине помещения задается пользователем программы таким образом, чтобы можно было получить распределение КЕО в интересующем сечении или целом ряде сечений по длине и глубине помещения.

Максимальное число точек по глубине помещения - 50, по длине - 10. Укрупненная блок-схема программы показана на рисунке.

Программу «Свет-1» на перфоленте можно получить по адресу: 127238, Москва, Локомотивный проезд, д. 21, НИИСФ или 310023, харьков, Харьковский филиал ГипроНИИАвиапрома.

Рис. прил. 1. Укрупненная блок-схема программы

ПРИЛОЖЕНИЕ 2

Перечень городов со средним количеством жидких атмосферных осадков свыше 600 мм в год

Республика, город

Среднегодовое количество жидких осадков, мм

РСФСР

 

Владивосток, Выборг, Калининград, Корсаков, Краснодар, Курильск, Майкоп, Находка, Новороссийск, Орджоникидзе, Поронайск, Сочи, Советская Гавань, Туапсе, Усть-Лабинск, Южно-Сахалинск

700 и выше

Армавир, Аян, Березники, Вологда, Волоколамск, Вязьма, Гагарин, Гдов, Горно-Алтайск, Иваново, Калинин, Калуга, Кизел, Курск, Липецк, Можайск, Опочка, Пермь, Петропавловск-Камчатский, Ржев, Смоленск, Углич, холмск, Череповец, Ярославль

От 600 до 700

УССР

 

Дерегово, Львов, Мукачево, Ужгород

700 и выше

Ивано-Франковск, Тернополь

От 600 до 700

БССР

 

Барановичи, Минск

700 и выше

Бобруйск, Борисов, Брест, Вилейка-Витебск, Гомель, Лида, Могилев, Молодечно, Пинск, Слуцк

От 600 до 700

Грузинская ССР

 

Батуми, Гагра, Зугдиди, Кутаиси, Поти, Самтредиа, Сухуми, Чиатура

700 и выше

Рустави

От 600 до 700

АзССР

 

Ленкорань

700 и выше

Литовская ССР

 

Клайпеда

700 и выше

Каунас

От 600 до 700

Латвийская ССР

 

Вентспилс, Даугавпилс

От 600 до 700

Таджикская ССР

 

Душанбе

От 600 до 700

Армянская ССР

 

Горис

От 600 до 700

ЭССР

 

Валга, Вильянди, Кохтла-Ярве, Нарва, Пярну

От 600 до 700

ПРИЛОЖЕНИЕ 3

Типовые решения освещения улиц и дорог

Таблица 1

Светильники, используемые в типовых решениях освещения улиц и дорог

Тип светильника

Тип источника света

Светораспределение светильника в плоскости

Степень защиты

вертикальной

горизонтальной

ЖКУ-400-001

ДНаТ400

ш*

Б

IP53

ЖКУ02-400-002

ДНаТ400

ш

Б

IP23

ЖКУ02-400-003

ДНаТ250

ш

Б

IP53

ЖКУ02-400-004

ДНаТ250

ш

Б

IP23

ГКУ02-400-001

ДРИ400

ш

Б

IP53

ГКУ02-400-002

ДРИ400

ш

Б

IP23

ГКУ02-250-003

ДРИ250

ш

Б

IP53

ГКУ02-250-004

ДРИ250

ш

Б

IP23

РКУ01-400-010

ДРЛ400, ДРЛ250

ш

Б

IP23

РКУ01-400-012

ДРЛ400

ш

Б

IP23

РКУ01-400-011

ДРЛ250

ш

Б

IP23

РКУ01-125-008

ДРЛ125, ДРЛ80

ш

Б

IP23

СЗПР-250(б)-М

ДРЛ250

ш

Б

IP53

СЗПР-250(ц)-М

ДРЛ250

ш

Б

IP53

СПОР-250

ДРЛ250

д

КС

IP53

РТУ01´125

ДРЛ125, ДРЛ80

с

КС

IP53

РТУ02-250-08

ДРЛ250

с

КС

IP53

НКУ01-200/Д23-01

ЛН, 200 Вт

д

Б

IP23

СПО-200-1

ЛН, 200 Вт

д

КС

IP23

* Условные обозначения:

Ш - широкое; Б - боковое; Д - косинусное; С - синусное.

Таблица 2

Параметры осветительных установок при норме средней яркости шероховатого асфальтобетонного дорожного покрытия 1,6 кд/м2

Ширина проезжей части, м

Схема расположения светильников

Тип светильника

Тип источника

Число светильников на опоре, шт.

Угол наклона светильника, град

Высота светового центра светильников, м

Шаг светильника, м

Удельная мощность установки

кВт/км

Вт/м2

15

Прямоугольная

РКУ01-400-010

ДРЛ400

1

15

10

31

27,5

1,83

РКУ01-400-012

ДРЛ400

1

15

10

32

26,5

1,76

ГКУ02-250-004

ДРИ250

1

15

8,5

34

15,9

1,06

ГКУ02-250-003

ДРИ250

1

15

8,5

30

18,0

1,20

Шахматная

ГКУ02-400-002

ДРИ400

1

15

10

55

15,4

1,03

Прямоугольная

ГКУ02-400-001

ДРИ400

1

15

10

49

17,4

1,16

ЖКУ02-250-004

ДНаТ250

1

15

10

43

12,8

0,85

ЖКУ02-250-003

ДНаТ250

1

15

10

39

14,1

0,94

22,5

Прямоугольная

РКУ01-400-010

ДРЛ400

2

15

12

43

39,4

1,75

РКУ01-400-012

ДРЛ400

2

15

12

44

36,8

1,64

ГКУ02-400-002

ДРИ400

1

15

10

38

22,4

1,00

ГКУ02-400-001

ДРИ400

1

15

10

33

25,8

1,14

ЖКУ02-400-002

ДНаТ400

1

15

12

50

17,3

0,77

ЖКУ02-400-001

ДНаТ400

1

15

12

46

18,9

0,84

11,25´2

Двухрядная по оси*

ГКУ02-400-002

ДРИ400

2

30

12

30

28,4

1,26

ЖКУ02-400-002

ДНаТ400

2

30

13,5

38

22,8

1,02

ЖКУ02-400-001

ДНаТ400

2

30

13,5

35

24,8

1,10

Прямоугольная*

РКУ01-400-010

ДРЛ400

2

30

12

40

42,8

1,89

РКУ01-400-012

ДРЛ400

2

30

12

41

39,5

1,76

ГКУ02-400-002

ДРИ400

1

30

10

37

23,0

1,02

ГКУ02-400-001

ДРИ400

1

30

10

33

25,7

1,14

ЖКУ02-400-002

ДНаТ400

1

30

12

45

19,1

0,85

ЖКУ02-400-001

ДНаТ400

1

30

12

43

20,1

0,89

15´2

Прямоугольная*

РКУ01-400-010

ДРЛ400

2

30

12

32

26,6

0,89

РКУ01-400-012

ДРЛ400

2

30

12

33

25,8

0,86

ЖКУ02-400-002

ДНаТ400

1

30

12

38

22,8

0,76

ЖКУ02-400-001

ДНаТ400

1

30

12

34

25,5

0,85

Таблица 3

Параметры осветительных установок при норме средней яркости шероховатого асфальтобетонного дорожного покрытия 1,2 кд/м2

Ширина проезжей части, м

Схема расположения светильников

Тип светильника

Тип источника

Число светильников на опоре, шт.

Угол наклона светильника, град

Высота светового центра светильников, м

Шаг светильника, м

Удельная мощность установки

кВт/км

Вт/м2

15

Прямоугольная

РКУ01-400-010

ДРЛ400

1

15

10

41

20,7

1,38

РКУ01-400-012

ДРЛ400

1

15

10

43

19,7

1,32

РКУ01-400-010

ДРЛ250

2

15

11

44

24,6

1,64

РКУ01-400-011

ДРЛ250

2

15

11

46

23,6

1,57

ГКУ02-250-002

ДРИ250

1

15

10

41

13,2

0,88

ГКУ02-250-001

ДРИ250

1

15

10

36

15,0

1,00

Шахматная

ЖКУ02-250-004

ДНаТ250

1

15

10

57

9,7

0,65

ЖКУ02-250-003

ДНаТ250

1

15

10

51

10,8

0,72

22,5

Прямоугольная

РКУ01-400-010

ДРЛ400

1

15

10

31

27,5

1,22

РКУ01-400-012

ДРЛ400

1

15

10

32

26,5

1,18

РКУ01-400-010

ДРЛ250

2

15

11

33

32,7

1,45

РКУ01-400-012

ДРЛ250

2

15

11

34

31,9

1,42

ГКУ02-250-004

ДРИ250

1

15

10

31

17,5

0,78

ГКУ02-250-003

ДРИ250

1

15

10

28

18,7

0,83

Шахматная

ГКУ02-400-002

ДРИ400

1

15

10

53

16,1

0,72

Прямоугольная

ГКУ02-400-001

ДРИ400

1

15

10

47

18,0

0,80

ЖКУ02-250-004

ДНаТ250

1

15

10

41

13,4

0,60

ЖКУ02-250-003

ДНаТ250

1

15

10

37

14,8

0,66

11,25´2

Двухрядная по оси*

ГКУ02-400-002

ДРИ400

2

30

12

40

21,2

0,94

ГКУ02-400-002

ДРИ400

2

50

12

36

23,6

1,05

ЖКУ02-250-004

ДНаТ250

2

30

12

31

17,8

0,79

ЖКУ02-250-003

ДНаТ250

2

30

12

28

19,1

0,85

Прямоугольная*

РКУ01-400-010

ДРЛ400

1

15

10

29

29,4

1,30

РКУ10-400-012

ДРЛ400

1

15

10

29

29,4

1,30

ГКУ02-250-004

ДРИ250

1

15

10

29

18,7

0,83

ГКУ02-400-002

ДРИ400

1

15

12

47

18,0

0,80

ГКУ02-400-001

ДРИ400

1

15

12

42

20,2

0,90

ЖКУ02-250-004

ДНаТ250

1

15

10

39

14,1

0,62

ЖКУ02-250-003

ДНаТ250

1

15

10

35

15,7

0,70

Шахматная *

ЖКУ02-400-002

ДНаТ400

1

15

12

61

14,2

0,63

ЖКУ02-400-001

ДНаТ400

1

15

12

55

15,8

0,70

15´2

Прямоугольная*

РКУ01-400-010

ДРЛ400

2

15

12

45

37,8

1,25

РКУ01-400-012

ДРЛ400

2

15

12

45

37,8

1,26

ГКУ02-400-002

ДРИ400

1

30

12

37

23,0

0,77

ГКУ02-400-001

ДРИ400

1

30

12

33

25,8

0,86

ЖКУ02-250-004

ДНаТ250

1

30

12

31

17,8

0,60

ЖКУ02-400-002

ДНаТ400

1

30

12

50

17,3

0,58

ЖКУ02-400-001

ДНаТ400

1

30

12

46

18,9

0,63

Таблица 4

Параметры осветительных установок при норме средней яркости шероховатого асфальтобетонного дорожного покрытия 1,0 кд/м2

Ширина проезжей части, м

Схема расположения светильников

Тип светильника

Тип источника

Число светильников на опоре, шт.

Угол наклона светильника, град

Высота светового центра светильников, м

Шаг светильника, м

Удельная мощность установки

кВт/км

Вт/м2

15

Прямоугольная

РКУ01-400-010

ДРЛ250

1

15

8,5

30

18,0

1,20

РКУ01-250-011

ДРЛ250

1

15

8,5

31

17,5

1,17

Шахматная

РКУ01-400-010

ДРЛ400

1

15

10

50

17,0

1,13

РКУ01-400-012

ДРЛ400

1

15

10

52

16,4

1,09

ГКУ02-250-004

ДРИ250

1

15

10

50

10,8

0,72

Прямоугольная

ГКУ02-250-003

ДРИ250

1

15

10

45

12,0

0,80

Шахматная

ЖКУ02-250-003

ДНаТ250

1

15

10

60

9,2

0,61

22,5

Прямоугольная

РКУ01-400-010

ДРЛ400

1

30

10

38

22,4

1,00

РКУ01-400-012

ДРЛ400

1

30

10

39

21,7

0,97

РКУ01-400-010

ДРЛ250

2

30

10

42

25,7

1,14

РКУ01-250-011

ДРЛ250

2

30

10

44

24,6

1,09

ГКУ02-250-004

ДРИ250

1

30

10

37

14,6

0,65

ГКУ02-250-003

ДРИ250

1

30

10

33

16,3

0,73

Шахматная

ГКУ02-400-002

ДРИ400

1

30

10

66

12,9

0,57

ГКУ02-400-001

ДРИ400

1

30

10

58

14,7

0,65

Прямоугольная

ЖКУ02-250-004

ДНаТ250

1

30

10

50

11,0

0,73

ЖКУ02-250-003

ДНаТ250

1

30

10

45

12,2

0,54

7,5´2

Двухрядная по оси*

РКУ01-400-010

ДРЛ400

2

30

10

34

25,0

1,67

РКУ01-400-012

ДРЛ400

2

30

10

36

23,6

1,58

ГКУ02-250-004

ДРИ250

2

30

10

37

14,6

0,98

ГКУ02-250-003

ДРИ250

2

30

10

32

16,8

1,12

Прямоугольная*

РКУ01-250-011

ДРЛ250

2

15

10

49

22,0

1,47

РКУ01-400-010

ДРЛ250

2

15

10

48

22,4

1,50

РКУ01-400-010

ДРЛ400

1

15

10

43

19,7

1,31

РКУ01-400-012

ДРЛ400

1

15

10

44

19,4

1,29

ГКУ02-250-004

ДРИ250

1

15

10

42

12,8

0,86

ГКУ02-250-003

ДРИ250

1

15

10

38

13,8

0,92

Шахматное*

ЖКУ02-250-004

ДНаТ250

1

15

10

59

9,3

0,62

ЖКУ02-250-003

ДНаТ250

1

15

10

54

10,2

0,68

11,25´2

Двухрядная по оси*

РКУ01-400-010

ДРЛ400

2

30

10

29

29,4

1,31

РКУ02-400-012

ДРЛ400

2

30

10

30

28,4

1,26

ГКУ02-250-004

ДРИ250

2

30

10

31

17,5

0,78

ГКУ02-400-002

ДРИ400

2

30

12

48

17,7

0,79

ГКУ02-400-001

ДРИ400

2

30

12

44

19,4

0,86

ЖКУ02-250-004

ДНаТ250

2

30

12

37

14,9

0,66

ЖКУ02-250-003

ДНаТ250

2

30

12

32

17,1

0,76

Прямоугольная*

РКУ01-400-010

ДРЛ400

1

15

10

34

25,0

1,11

РКУ01-400-012

ДРЛ400

1

15

10

35

24,3

1,08

ГКУ02-250-004

ДРИ250

1

15

10

33

16,3

0,73

ГКУ02-250-003

ДРИ250

1

15

10

29

18,7

0,83

Шахматная*

ГКУ02-400-002

ДРИ400

1

15

10

60

14,2

0,63

ГКУ02-400-001

ДРИ400

1

15

10

54

15,7

0,70

Прямоугольная*

ЖКУ02-250-004

ДНаТ250

1

15

10

46

12,0

0,53

ЖКУ02-250-003

ДНаТ250

1

15

10

42

13,1

0,58

Таблица 5

Параметры осветительных установок при норме средней яркости гладкого асфальтобетонного дорожного покрытия 1,6 кд/м2

Ширина проезжей части, м

Схема расположения светильников

Тип светильника

Тип источника

Число светильников на опоре, шт.

Угол наклона светильника, град

Высота светового центра светильников, м

Шаг светильника, м

Удельная мощность установки

кВт/км

Вт/м2

7,5

Односторонняя

РКУ01-400-010

ДРЛ400

1

15

10

42

16,6

2,20

РКУ01-400-010

ДРЛ250

1

15

 

 

 

 

РКУ01-400-012

ДРЛ400

1

15

10

42

16,6

2,20

РКУ01-250-011

ДРЛ250

1

15

 

 

 

 

РКУ01-250-011

ДРЛ250

2

15

11

30

18,0

2,40

ГКУ02-250-004

ДРИ250

1

15

10

31

8,8

1,16

ГКУ02-250-003

ДРИ250

2

15

11

51

10,6

1,42

ГКУ02-400-002

ДРИ400

1

15

10

45

9,5

1,26

ГКУ02-400-001

ДРИ400

1

15

10

41

10,4

1,37

ЖКУ02-250-004

ДНаТ250

1

15

10

40

6,9

0,92

ЖКУ02-250-003

ДНаТ250

1

15

10

37

7,4

0,99

11,25

Односторонняя

РКУ01-400-010

ДРЛ400

2

15

13,5

38

22,5

2,00

РКУ01-400-012

ДРЛ400

2

15

13,5

39

21,8

1,94

ГКУ02-250-004

ДРИ250

2

15

12

46

11,8

1,05

ГКУ02-250-003

ДРИ250

2

15

12

39

13,9

1,23

ЖКУ02-250-003

ДНаТ250

2

15

13,5

48

11,4

1,01

ЖКУ02-250-004

ДНаТ250

2

15

13,5

51

10,8

0,96

ЖКУ02-400-002

ДНаТ400

1

15

13,5

45

9,6

0,85

ЖКУ02-400-001

ДНаТ400

1

15

13,5

43

10,0

0,89

Прямоугольная

РКУ01-400-010

ДРЛ400

1

15

10

42

20,2

1,80

РКУ01-400-012

ДРЛ400

1

25

10

42

20,2

1,80

ГКУ02-250-004

ДРИ250

1

15

10

48

11,3

1,00

ГКУ02-250-003

ДРИ250

1

15

10

41

13,2

1,17

Шахматная

ЖКУ02-250-004

ДНаТ250

1

15

10

69

8,0

0,71

ЖКУ02-250-003

ДНаТ250

1

15

10

61

9,0

0,80

15

Прямоугольная

РКУ01-400-010

ДРЛ400

1

15

10

36

23,7

1,58

РКУ01-400-012

ДРЛ400

1

15

10

36

23,7

1,58

ГКУ02-250-004

ДРИ250

1

15

10

38

14,2

0,96

ГКУ02-250-003

ДРИ250

1

15

10

34

16,0

1,07

Шахматная

ГКУ02-400-002

ДРИ400

1

15

10

68

12,5

0,83

ГКУ02-400-001

ДРИ400

1

15

10

62

13,7

0,91

Прямоугольная

ЖКУ02-250-004

ДНаТ250

1

15

10

52

10,6

0,71

ЖКУ02-250-003

ДНаТ250

1

15

10

46

12,1

0,80

22,5

Прямоугольная

РКУ01-400-010

ДРЛ400

2

15

12

50

34,0

1,51

РКУ01-400-012

ДРЛ400

2

15

12

51

33,4

1,49

ГКУ02-250-004

ДРИ250

2

15

10

51

21,2

0,94

ГКУ02-250-003

ДРИ250

2

15

10

48

22,4

1,00

ГКУ02-400-002

ДРИ400

1

30

10

50

17,0

0,76

ГКУ02-400-001

ДРИ400

1

30

10

44

19,4

0,86

ЖКУ02-250-004

ДНаТ250

1

30

10

40

13,7

0,61

ЖКУ02-250-003

ДНаТ250

1

30

10

35

15,7

0,70

Шахматная

ЖКУ02-400-002

ДНаТ400

1

15

12

61

14,2

0,69

ЖКУ02-400-001

ДНаТ400

1

15

12

59

14,7

0,66

7,5´2

Двухрядная по оси*

ГКУ02-400-002

ДРИ400

2

15

11,5

55

15,5

1,03

ГКУ02-400-001

ДРИ400

2

15

11,5

49

17,3

1,15

ЖКУ02-250-004

ДНаТ250

2

15

11,5

45

12,5

0,81

ЖКУ02-250-003

ДНаТ250

2

15

11,5

40

13,8

0,92

Прямоугольная*

РКУ01-400-010

ДРЛ400

1

15

10

30

28,4

1,99

РКУ01-400-012

ДРЛ400

1

15

10

30

28,4

1,89

ГКУ02-250-004

ДРИ250

1

15

10

32

16,9

1,12

ГКУ02-250-003

ДРИ250

1

15

10

28

19,3

1,28

ГКУ02-400-002

ДРИ400

1

15

10

35

15,5

1,03

ГКУ02-400-001

ДРИ400

1

15

10

48

17,7

1,18

ЖКУ02-250-004

ДНаТ250

1

15

10

45

12,2

0,81

ЖКУ02-250-003

ДНаТ250

1

15

10

41

13,4

0,89

Шахматная*

ЖКУ02-400-002

ДНаТ400

1

15

12,0

63

13,7

0,91

ЖКУ02-400-001

ДНаТ400

1

15

12,0

62

13,9

0,93

11,25´2

Двухрядная по оси*

ГКУ02-400-002

ДРИ400

2

30

13,5

36

23,6

1,05

ЖКУ02-400-002

ДНаТ400

2

15

13,5

52

16,7

0,74

ЖКУ02-400-001

ДНаТ400

2

15

13,5

49

17,7

0,79

Прямоугольная*

РКУ01-400-012

ДРЛ400

2

15

12

47

36,2

1,60

РКУ01-400-010

ДРЛ400

2

15

12

46

37,0

1,65

ГКУ02-400-002

ДРИ400

1

30

12

41

20,8

0,92

ГКУ02-400-001

ДРИ400

1

30

12

38

22,5

1,00

ЖКУ02-400-002

ДНаТ400

1

30

12

52

15,7

0,74

ЖКУ02-400-001

ДНаТ400

1

30

12

50

17,3

0,77

15´2

Прямоугольная*

РКУ01-400-010

ДРЛ400

2

30

12

38

44,8

1,49

РКУ01-400-012

ДРЛ400

2

30

12

37

46,0

1,53

ГКУ02-400-002

ДРИ400

1

30

12

37

23,0

0,76

ГКУ02-400-001

ДРИ400

1

30

12

35

24,3

0,81

ЖКУ02-400-002

ДНаТ400

1

30

12

45

19,2

0,64

ЖКУ02-400-001

ДНаТ400

1

30

12

43

20,1

0,67

Таблица 6

Параметры осветительных установок при норме средней яркости гладкого асфальтобетонного дорожного покрытия 1,2 кд/м2

Ширина проезжей части, м

Схема расположения светильников

Тип светильника

Тип источника

Число светильников на опоре, шт.

Угол наклона светильника, град

Высота светового центра светильников, м

Шаг светильника, м

Удельная мощность установки

кВт/км

Вт/м2

7,5

Односторонняя

РКУ01-400-010

ДРЛ-400

1

15

10

34

12,5

1,66

РКУ01-400-012

ДРЛ-400

1

15

10

35

12,2

1,63

РКУ01-250-011

ДРЛ250

2

15

11

40

13,5

1,80

ГКУ02-250-004

ДРИ250

1

15

10

41

6,6

0,88

ГКУ02-250-003

ДРИ250

1

15

10

36

7,5

1,00

ЖКУ02-250-004

ДНаТ250

1

15

10

54

5,1

0,68

ЖКУ02-250-003

ДНаТ250

1

15

10

49

5,6

0,75

11,25

Односторонняя

РКУ01-250-ОИ

ДРЛ250

2

15

12

30

18,0

1,60

ГКУ02-400-002

ДРИ400

1

30

12

45

9,4

0,84

ГКУ02-400-001

ДРИ400

1

30

12

43

9,8

0,88

ЖКУ02-250-004

ДНаТ250

1

30

12

37

7,4

0,66

ЖКУ02-250-003

ДНаТ250

1

30

12

35

7,9

0,70

Прямоугольная

РКУ01-400-010

ДРЛ250

1

15

10

33

16,4

1,46

РКУ01-250-011

ДРЛ250

1

15

10

34

15,9

1,41

Шахматная

ГКУ02-250-003

ДРИ250

1

15

10

56

9,7

0,86

ГКУ02-250-004

ДРИ250

1

15

10

62

8,7

0,77

15

Прямоугольная

РКУ01-400-010

ДРЛ400

1

15

10

48

17,7

1,18

РКУ01-400-012

ДРЛ400

1

15

10

49

17,4

1,16

ГКУ02-250-004

ДРИ250

1

15

10

53

10,2

0,68

ГКУ02-250-003

ДРИ250

1

15

10

48

11,2

0,75

РКУ01-250-011

ДРЛ250

2

15

11

50

21,6

1,44

22,5

Прямоугольная

РКУ01-400-010

ДРЛ400

1

15

10

37

23,0

1,02

РКУ01-400-012

ДРЛ400

1

15

10

38

22,5

1,00

ГКУ02-250-004

ДРИ250

1

15

10

38

14,3

0,95

ГКУ02.250-003

ДРИ250

1

15

10

33

16,4

1,09

Шахматная

ГКУ02-400-002

ДРИ400

1

15

12

63

13,9

0,60

ГКУ02-400-001

ДРИ400

1

15

12

56

15,2

0,67

Прямоугольная

ЖКУ02-250-004

ДНаТ250

1

15

10

51

10,8

0,48

ЖКУ02-250-003

ДНаТ250

1

15

10

46

12,0

0,53

7,5´2

Двухрядная по оси*

РКУ01-400-010

ДРЛ400

2

15

11

37

23,0

1,53

РКУ01-400-012

ДРЛ400

2

15

11

38

22,5

1,50

ГКУ02-250-004

ДРИ250

2

15

11

39

13,8

0,92

ГКУ02-250-003

ДРИ250

2

15

11

36

15,0

1,00

Прямоугольная*

РКУ01-400-010

ДРЛ400

1

15

10

40

21,3

1,42

РКУ01-400-012

ДРЛ400

1

15

10

41

20,8

1,38

ГКУ02-250-004

ДРИ250

1

15

10

42

12,9

0,86

ГКУ02-250-003

ДРИ250

1

15

10

38

14,3

0,95

11,25´2

Двухрядная по оси*

ГКУ02-250-004

ДРИ250

2

30

12

30

18,0

0,80

ЖКУ02-250-004

ДНаТ250

2

30

12

40

13,8

0,61

ЖКУ02-250-003

ДНаТ250

2

30

12

36

15,3

0,68

Прямоугольная*

РКУ01-400-010

ДРЛ400

1

15

10

32

26,5

1,18

РКУ01-400-012

ДРЛ400

1

15

10

33

25,8

1,14

ГКУ02-250-004

ДРИ250

1

15

10

34

16,0

0,71

ГКУ02-250-003

ДРИ250

1

15

10

30

18,0

0,80

ГКУ02-400-002

ДРИ400

1

15

12

56

15,2

0,68

ГКУ02-400-001

ДРИ400

1

15

12

50

17,0

0,78

ЖКУ02-250-004

ДНаТ250

1

15

12

48

11,4

0,51

ЖКУ02-250-003

ДНаТ250

1

15

12

44

12,6

0,56

15´2

Прямоугольная*

РКУ01-400-012

ДРЛ400

2

15

12

52

3218

1,09

РКУ01-400-010

ДРЛ400

2

15

12

50

34,0

1,13

ГКУ02-400-002

ДРИ400

1

30

12

49

19,4

0,65

ГКУ02-400-001

ДРИ400

1

30

12

43

19,7

0,66

ЖКУ02-250-004

ДНаТ250

1

15

12

37

14,9

0,50

ЖКУ02-250-003

ДНаТ250

1

15

12

33

16,7

0,56

Шахматная*

ЖКУ02-400-002

ДНаТ400

1

15

12

55

15,7

0,52

ЖКУ02-400-001

ДНаТ400

1

15

12

52

18,6

0,62

ЖКУ02-400-002

ДНаТ400

1

30

12

60

14,5

0,48

ЖКУ02-400-00!

ДНаТ400

1

30

12

57

15,2

0,51

Таблица 7

Параметры осветительных установок при норме средней яркости гладкого асфальтобетонного дорожного покрытия 1,0 кд/м2

Ширина проезжей части, м

Схема расположения светильников

Тип светильника

Тип источника

Число светильников на опоре, шт.

Угол наклона светильника, град

Высота светового центра светильников, м

Шаг светильника, м

Удельная мощность установки

кВт/км

Вт/м2

7,5

Односторонняя

РКУ01-400-010

ДРЛ400

1

15

10

41

10,2

1,36

РКУ01-400-012

ДРЛ400

1

15

10

42

10,1

1,35

РКУ01-250-011

ДРЛ250

2

15

11

45

12,0

1,60

ГКУ02-250-004

ДРИ250

1

15

10

50

5,4

0,72

ГКУ02-250-003

ДРИ250

1

15

10

41

6,6

0,88

11,25

Односторонняя

РКУ01-250-011

ДРЛ250

2

15

12

36

15,0

1,33

ЖКУ02-250-004

ДНаТ250

1

30

12

47

5,8

0,52

ЖКУ02-250-004

ДНаТ250

1

30

12

41

6,7

0,60

ЖКУ02-250-004

ДНаТ250

1

15

13,5

45

6,1

0,54

ЖКУ02-250-003

ДНаТ250

1

15

13,5

42

6,5

0,58

Прямоугольная

РКУ01-250-011

ДРЛ250

1

15

10

40

13,5

1,20

РКУ01-400-010

ДРЛ250

1

15

10

39

13,9

1,23

15

Прямоугольная

РКУ01-400-010

ДРЛ400

1

15

10

57

15,0

1,00

РКУ01-400-012

ДРЛ400

1

15

10

58

14,7

0,98

РКУ01-400-010

ДРЛ250

1

15

10

30

18,0

1,20

РКУ01-250-011

ДРЛ250

1

15

10

31

17,4

1,16

ГКУ02-250-003

ДРИ250

1

15

10

53

10,2

0,68

Шахматная

ГКУ02-250-004

ДРИ250

1

15

10

62

8,7

0,58

22,5

Прямоугольная

РКУ01-400-010

ДРЛ400

1

15

10

43

19,8

0,88

РКУ01-400-012

ДРЛ400

1

15

10

44

19,3

0,86

РКУ01-250-011

ДРЛ250

2

15

11

48

22,4

1,00

ГКУ02-250-004

ДРИ250

1

15

10

43

12,6

0,56

ГКУ02-250-003

ДРИ250

1

15

10

39

13,8

0,61

Шахматная

ЖКУ02-250-003

ДНаТ250

1

15

10

55

10,0

0,44

7,5´2

Двухрядная по оси*

РКУ01-400-010

ДРЛ400

2

30

11

36

23,6

1,57

РКУ01-400-012

ДРЛ400

2

30

11

39

21,8

1,45

ГКУ02-250-004

ДРИ250

2

30

10

43

12,5

0,83

ГКУ02-250-003

ДРИ250

2

30

10

37

14,6

0,97

Прямоугольная*

РКУ01-400-010

ДРЛ400

1

15

10

48

17,7

1,18

РКУ01-250-011

ДРЛ250

1

15

10

29

18,7

1,24

РКУ01-400-012

ДРЛ400

1

15

10

49

17,4

1,16

ГКУ02-250-003

ДРИ250

1

15

10

44

12,3

0,82

ГКУ02-250-004

ДРИ250

1

15

10

50

10,8

0,72

11,25´2

Двухрядная по оси*

РКУ01-400-010

ДРЛ400

2

30

10

31

27,6

1,22

РКУ01-400-012

ДРЛ400

2

30

10

34

25,0

1,11

ГКУ02-250-004

ДРИ250 1

2

30

12

35

15,5

0,69

ГКУ02-250-003

ДРИ250

2

30

12

30

18,0

0,80

ЖКУ02-250-004

ДНаТ250

2

30

13,5

44

12,6

0,56

ЖКУ02-250-003

ДНаТ250

2

30

13,5

42

13,1

0,58

Прямоугольная*

РКУ01-400-010

ДРЛ400

1

15

10

38

22,4

1,00

РКУ01-400-012

ДРЛ400

1

15

10

39

21,8

0,97

ГКУ02-250-003

ДРИ250

1

15

10

35

15,5

0,69

ГКУ02-250-004

ДРИ250

1

15

10

41

13,2

0,59

ЖКУ02-250-003

ДНаТ250

1

15

12

51

10,8

0,48

15´2

Прямоугольная*

РКУ01-400-010

ДРЛ400

1

30

10

35

24,2

0,81

РКУ01-400-012

ДРЛ400

1

15

10

36

23,6

0,79

ГКУ02-400-002

ДРИ400

1

15

12

56

15,2

0,51

ГКУ02-400-001

ДРИ400

1

15

12

48

17,7

0,59

ЖКУ02-250-004

ДНаТ250

1

15

12

44

12,5

0,42

ЖКУ02-250-003

ДНаТ250

1

15

12

40

13,8

0,46

Таблица 8

Параметры осветительных установок при норме средней яркости гладкого асфальтобетонного дорожного покрытия 0,8 кд/м2

Ширина проезжей части, м

Схема расположения светильников

Тип светильника

Тип источника

Число светильников на опоре, шт.

Угол наклона светильника, град

Высота светового центра светильников, м

Шаг светильника, м

Удельная мощность установки

кВт/км

Вт/м2

7,5

Односторонняя

РКУ-400-010

ДРЛ250

1

15

8,5

32

8,4

1,12

РКУ01-250-011

ДРЛ250

1

15

8,5

34

8,0

1,06

ГКУ02-250-003

ДРИ250

1

15

10

50

5,4

0,72

11,25

Шахматная

РКУ01-250-011

ДРЛ250

1

15

8,5

53

10,2

0,91

РКУ01-400-010

ДРЛ250

1

15

8,5

52

10,4

0,93

Прямоугольная

СПОР250

ДРЛ250

1

0

8,5

32

16,8

1,50

СЗПР250М(б)

ДРЛ250

1

0

8,5

38

14,2

1,26

15

Прямоугольная

РКУ01-400-010

ДРЛ250

1

15

8,5

44

12,3

0,83

РКУ01-250-011

ДРЛ250

1

15

8,5

45

12,0

0,80

СЗПР250М(б)

ДРЛ250

1

0

8,5

32

16,8

1,12

СПОР250

ДРЛ250

1

0

8,5

27

20,5

1,36

22,5

Прямоугольная

РКУ01-250-011

ДРЛ250

1

30

8,5

32

16,8

0,75

РКУ01-400-010

ДРЛ250

1

30

8,5

32

16,8

0,75

РКУ01-400-010

ДРЛ400

1

30

10

54

15,7

0,70

РКУ01-400-012

ДРЛ400

1

30

10

54

15,7

0,70

Шахматная*

ГКУ02-250-004

ДРИ250

1

30

8,5

55

9,9

0,44

ГКУ02-250-003

ДРИ250

1

30

8,5

53

10,2

0,45

7,5´2

Прямоугольная*

РКУ01-400-010

ДРЛ250

1

15

8,5

37

14,6

0,97

РКУ01-250-011

ДРЛ250

1

15

8,5

37

14,6

0,97

Шахматная*

РКУ01-400-010

ДРЛ400

1

15

10

60

14,2

0,95

РКУ01-400-012

ДРЛ400

1

15

10

62

13,7

0,91

ГКУ02-250-004

ДРИ250

1

15

10

63

8,6

0,57

ГКУ02-250-003

ДРИ250

1

15

10

61

8,9

0,59

Двухрядная по оси*

РКУ01-400-010

ДРЛ250

2

30

10

28

19,2

1,28

РКУ01-250-ОП

ЦРЛ250

2

30

10

29

18,6

1,24

11,25´2

Прямоугольная*

РКУ01-400-010

ДРЛ400

1

15

10

49

17,3

0,77

РКУ01-400-012

ДРЛ400

1

15

10

51

16,6

0,74

ГКУ02-250-004

ДРИ250

1

15

10

52

9,9

0,44

ГКУ02-250-003

ДРИ250

1

15

10

50

10,8

0,48

15´2

Прямоугольная

РКУ01-400-010

ДРЛ400

1

30

10

40

21,2

0,71

РКУ01-400-012

ДРЛ400

1

30

10

41

20,8

0,69

ГКУ02-250-004

ДРИ250

1

50

10

40

13,5

0,45

ГКУ02-250-003

ДРИ250

1

30

10

37

14,6

0,49

Шахматная*

ЖКУ02-250-004

ДНаТ250

1

30

10

58

9,5

0,32

ЖКУ02-250-003

ДНаТ250

1

30

10

54

10,0

0,33

Таблица 9

Параметры осветительных установок при норме средней яркости гладкого асфальтобетонного дорожного покрытия 0,6 кд/м2

Ширина проезжей части, м

Схема расположения светильников

Тип светильника

Тип источника

Число светильников на опоре, шт.

Угол наклона светильника, град

Высота светового центра светильников, м

Шаг светильника, м

Удельная мощность установки

кВт/км

Вт/м2

7,5

Односторонняя

РКУ01-250-011

ДРЛ250

1

15

10

40

6,8

0,90

РКУ01-400-010

ДРЛ250

1

15

10

38

7,1

0,95

СПОР250

ДРЛ250

1

0

8,5

26

10,4

1,39

СЗПР250М(б)

ДРЛ250

1

0

8,5

32

8,4

1,12

11,25

Прямоугольная

РКУ01-125-008

ДРЛ125

1

15

8,5

30

9,2

0,82

СПОР250

ДРЛ250

1

0

8,5

43

12,5

1,11

Шахматная

СЗПР250М(б)

ДРЛ250

1

0

8,5

52

10,4

0,92

15

Прямоугольная

СПОР250

ДРЛ250

1

0

8,5

36

15,0

1,00

СЗПР250М(б)

ДРЛ250

1

0

8,5

43

12,5

0,83

Шахматная

РКУ01-400-010

ДРЛ250

1

15

8,5

56

9,7

0,64

РКУ01-250-011

ДРЛ250

1

15

8,5

57

9,5

0,63

22,5

Прямоугольная

СЗПР250М(б)

ДРЛ250

1

0

8,5

31

17,5

0,78

РКУ01-250-011

ДРЛ250

1

15

8,5

41

13,2

0,78

РКУ01-400-010

ДРЛ250

1

15

8,5

40

13,5

0,60

7,5´2

Двухрядная по оси*

РКУ01-400-010

ДРЛ250

2

15

10

42

12,9

0,86

РКУ01-250-011

ДРЛ250

2

15

10

43

12,5

0,83

Прямоугольная*

РКУ01-400-010

ДРЛ250

1

15

8,5

48

11,2

0,75

РКУ01-250-011

ДРЛ250

1

15

8,5

50

10,8

0,72

СЗПР250М(б)

ДРЛ250

1

0

8,5

36

15,0

1,0

СПОР250

ДРЛ250

1

0

8,5

27

20,0

1,33

11,25´2

Прямоугольная*

РКУ01-400-010

ДРЛ250

1

15

8,5

38

14,3

0,63

РКУ01-250-011

ДРЛ250

1

15

8,5

39

13,8

0,61

СЗПР250М(б)

ДРЛ250

1

0

8,5

28

19,3

0,86

15´2

Прямоугольная*

РКУ01-400-010

ДРЛ400

1

15

10

52

16,4

0,55

РКУ01-400-012

ДРЛ400

1

15

10

53

16,1

0,54

РКУ01-400-010

ДРЛ250

1

15

8,5

30

18,0

0,60

РКУ01-250-011

ДРЛ250

1

15

8,5

31

17,5

0,58

ГКУ02-250-004

ДРИ250

1

15

10

53

10,2

0,34

ГКУ02-250-003

ДРИ250

1

15

10

48

11,2

0,37

Таблица 10

Параметры осветительных установок при норме средней яркости гладкого асфальтобетонного дорожного покрытия 0,4 кд/м2

Ширина проезжей части, м

Схема расположения светильников

Тип светильника

Тип источника

Число светильников на опоре, шт.

Угол наклона светильника, град

Высота светового центра светильников, м

Шаг светильника, м

Удельная мощность установки

кВт/км

Вт/м2

6

Односторонняя

РКУ01-125-008

ДРЛ125

1

15

8,5

33

4,2

0,69

7,5

Односторонняя

РКУ01-125-008

ДРЛ125

1

15

8,5

27

5,2

0,69

11,25

Однорядная

РКУ01-125-008

ДРЛ125

1

15

8,5

23

5,6

0,50

Прямоугольная

РКУ01-125-008

ДРЛ125

1

15

8,5

46

3,95

0,53

Осевая

СЗПР250М(ц)

ДРЛ250

-

0

8,5

48

5.6

0,50

СПОР250

ДРЛ250

-

0

8,5

37

7,3

0,65

15

Прямоугольная

РКУ01-125-008

ДРЛ125

1

15

8,5

38

7,3

0,49

СЗПР250М(ц)

ДРЛ250

-

0

8,5

43

6,3

0,42

22,5

Прямоугольная

РКУ01-125-008

ДРЛ125

1

15

8,5

27

10,3

0,46

СПОР250

ДРЛ250

1

0

8,5

38

14,2

0,63

СЗПР250(б)

ДРЛ250

1

0

8,5

47

11,4

0,51

Шахматная

РКУ01-250-011

ДРЛ250

1

15

10

59

9,2

0,41

Таблица 11

Параметры осветительных установок при норме средней яркости гладкого асфальтобетонного дорожного покрытия 0,2 кд/м2

Ширина проезжей части, м

Схема расположения светильников

Тип светильника

Тип источника

Число светильников на опоре, шт.

Угол наклона светильника, град

Высота светового центра светильников, м

Шаг светильника, м

Удельная мощность установки

кВт/км

Вт/м2

3,5

Односторонняя

РКУ01-125-008

ДРЛ80

1

15

8,5

35

2,6

0,74

НКУ200

ЛН, 200 Вт

1

15

8,5

26

7,7

2,20

6

Односторонняя

НКУ200

ЛН, 200 Вт

1

15

7,5

30

6,7

1,11

РКУ01-125-008

ДРЛ80

1

15

8,5

37

2,4

0,42

7,5

Односторонняя

РКУ01-125-008

ДРЛ80

1

15

8,5

32

2,8

0,37

9

Односторонняя

РКУ01-125-008

ДРЛ80

1

15

8,5

28

3,2

0,36

РКУ01-125-008

ДРЛ125

1

15

8,5

50

2,7

0,31

11,25

Односторонняя

РКУ01-125-008

ДРЛ125

1

15

8,5

46

3,0

0,27

15

Прямоугольная

РКУ01-125-008

ДРЛ125

1

15

8,5

42

3,3

0,22

РКУ01-125-008

ДРЛ80

1

15

8,5

43

3,7

0,25

НКУ200

ЛН, 200 Вт

1

15

7,5

35

11,4

0,76

Таблица 12

Параметры осветительных установок для средней освещенности дорожного покрытия 20 лк

Ширина проезжей части, м

Схема расположения светильников

Тип светильника

Тип источника

Число светильников на опоре, шт.

Угол наклона светильника, град

Высота светового центра светильников, м

Шаг светильника, м

Удельная мощность установки

кВт/км

Вт/м2

11,25

Односторонняя

РКУ01-400-012

ДРЛ400ХЛ

2

15

11

39

21,8

1,93

ГКУ02-250-003

ДРИ250

2

15

12

36

15,0

1,33

ЖКУ02-400-001

ДНаТ400

1

15

12

40

10,8

0,96

ГКУ 02-400-001

ДРИ400

1

15

10

32

13,3

1,18

Прямоугольная

РКУ01-400-012

ДРЛ400ХЛ

1

15

10

39

21,8

1,93

РКУ01-400-010

ДРЛ400ХЛ

1

15

10

39

21,8

1,93

ГКУ02-250-003

ДРИ250

1

15

10

40

13,5

1,20

Шахматная

ЖКУ02-250-003

ДНаТ250

1

15

10

54

10,2

0,91

15

Прямоугольная

РКУ01-400-010

ДРЛ400ХЛ

1

15

10

33

25,8

1,72

РКУ01-400-012

ДРЛ400ХЛ

1

15

10

33

25,8

1,72

ГКУ02-250-003

ДРИ250

1

15

10

32

16,8

1,12

ЖКУ02-250-003

ДНаТ250

1

15

10

44

12,5

0,84

22,5

Прямоугольная

ГКУ02-250-003

ДРИ250

2

15

19

49

22,0

0,98

ЖКУ02-250-003

ДНаТ250

1

30

10

34

16,2

0,72

ГКУ02-400-001

ДРИ400

1

30

10

42

20,2

0,90

Шахматная

ЖКУ02-400-001

ДНаТ400

1

15

12

54

16,0

0,71

11,25´2

Двухрядная по оси*

ГКУ02-400-001

ДРИ400

2

30

11

35

24,3

1,08

ЖКУ02-400-001

ДНаТ400

2

15

12

44

19,8

0,88

Прямоугольная*

ГКУ02-400-001

ДРИ400

1

30

11

36

23,6

1,05

ЖКУ02-400-001

ДНаТ400

1

30

12

48

18,0

0,80

15´2

Прямоугольная*

ГКУ02-400-001

ДРИ400

1

30

11

35

24,4

0,81

ЖКУ02-400-001

ДНаТ400

1

30

12

41

21,1

0,70

Таблица 13

Параметры осветительных установок при норме средней освещенности дорожного покрытия 15 лк

Ширина проезжей части, м

Схема расположения светильников

Тип светильника

Тип источника

Число светильников на опоре, шт.

Угол наклона светильника, град

Высота светового центра светильников, м

Шаг светильника, м

Удельная мощность установки

кВт/км

Вт/м2

7,5

Односторонняя

РКУ01-400-010

ДРЛ400ХЛ

1

15

10

30

14,2

1,90

РКУ01-400-012

ДРЛ400ХЛ

1

15

10

31

13,8

1,84

ГКУ02-250-003

ДРИ250

1

15

10

33

8,2

1,09

ЖКУ02-250-003

ДНаТ250

1

15

10

45

6,1

0,82

11,25

Прямоугольная

ГКУ02-400-001

ДРИ400

1

30

12

40

10,6

0,94

РКУ01-250-011

ДРЛ250ХЛ

1

15

10

36

15,0

1,33

Шахматная

ГКУ02-250-003

ДРИ250

1

15

10

48

11,2

1,00

15

Прямоугольная

РКУ01-400-010

ДРЛ400ХЛ

1

15

10

44

19,4

1,29

РКУ01-400-012

ДРЛ400ХЛ

1

15

10

46

18,8

1,26

ГКУ02-250-003

ДРИ250

1

15

10

44

12,3

0,82

22,5

Прямоугольная

ГКУ02-250-003

ДРИ250

1

30 15

10

32

16,8

0,75

ЖКУ02-250-003

ДНаТ400

1

 

10

44

12,5

0,56

Шахматная

ГКУ02-400-001

ДРИ400

1

15

12

52

16,4

0,73

7,5´2

Двухрядная по оси*

РКУ01-400-010

ДРЛ400ХЛ

2

15

11

36

23,6

1,57

РКУ01-400-012

ДРЛ400ХЛ

9

15

11

36

23,6

1,57

ГКУ02-250-003

ДРИ250

2

15

11

39

13,8

0,92

Прямоугольная*

РКУ01-400-010

ДРЛ400ХЛ

1

15

10

38

22,4

1,49

РКУ01-400-012

ДРЛ400ХЛ

1

15

10

39

21,8

1,45

ГКУ02-250-003

ДРИ250

1

15

10

об

15,0

1,00

11,25´2

Двухрядная по оси*

ЖКУ02-250-003

ДНаТ250

2

30

11

40

13,7

0,61

ГКУ02-400-001

ДРИ400

1

15

11

48

17,7

0,79

Прямоугольная*

ЖКУ02-250-003

ДНаТ250

1

15

11

42

13,1

0,58

15´2

Прямоугольная*

РКУ01-400-010

ДРЛ400ХЛ

1

15

12

37

37,8

1,26

РКУ01-250-009

ДРЛ250ХЛ

ГКУ02-400-001

ДРИ400

1

30

11

40

21,2

0,71

ЖКУ02-250-003

ДНаТ250

1

15

11

34

16,2

0,54

Шахматная*

ЖКУ02-400-001

ДНаТ400

1

15

12

50

17,3

0,58

Таблица 14

Параметры осветительных установок при норме средней освещенности дорожного покрытия 10 лк

Ширина проезжей части, м

Схема расположения светильников

Тип светильника

Тип источника

Число светильников на опоре, шт.

Угол наклона светильника, град

Высота светового центра светильников, м

Шаг светильника, м

Удельная мощность установки

кВт/км

Вт/м2

7,5

Односторонняя

РКУ01-250-011

ДРЛ250

1

15

10

41

6,6

0,88

РКУ01-250-011

ДРЛ250ХЛ

1

15

10

35

9,5

1,26

11,25

Односторонняя

РКУ01-260-011

ДРЛ250

1

15

10

33

8,7

0,73

РКУ01-400-012

ДРЛ400ХЛ

1

15

10

39

10,8

0,97

ГКУ02-250-004

ДРИ260

1

15

10

38

7,2

0,64

ГКУ02-250-003

ДРИ250

1

15

10

36

7,4

0,66

15

Прямоугольная

РКУ01-250-011

ДРЛ250

1

15

10

38

14,3

0,94

РКУ01-250-011

ДРЛ250ХЛ

1

15

10

34

15,7

1,04

Односторонняя

ГКУ02-250-004

ДРИ250

1

15

10

33

8,2

0,55

ГКУ02-250-003

ДРИ250

1

15

10

32

8,4

0,56

22,5

Прямоугольная

РКУ01-250-011

ДРЛ250

1

15

10

38

14,3

0,64

РКУ01-400-012

ДРЛ100ХЛ

1

15

11

50

17,0

0,76

22,5

Прямоугольная

ГКУ02-250.004

ДРИ250

1

15

11

49

11,0

0,49

ГКУ02-250 003

ДРИ250

1

15

11

48

11,2

0,50

7,5´2

Двухрядная по оси*

РКУ01-250-011

ДРЛ250

2

15

11

39

13,8

0,92

РКУ01-250-011

ДРЛ250ХЛ

2

15

10

34

15,9

1,06

11,25´2

Двухрядная по оси

РКУ01-250-011

ДРЛ250

2

15

10

34

15,9

0,71

РКУ01-250-011

ДРЛ250ХЛ

2

15

10

30

18,0

0,80

15´2

Двухрядная по оси*

ГКУ02-50-004

ДРИ250

2

15

10

38

14,3

0,48

ГКУ02-250-003

ДРИ250

2

15

10

34

15,9

0,53

Прямоугольная*

РКУ01-250-011

ДРЛ250

1

30

10

33

16,4

0,55

ГКУ02-250-004

ДРИ250

1

15

10

46

11,8

0,39

ГКУ02-250-003

ДРИ250

1

15

10

44

12,3

0,41

Таблица 15

Параметры осветительных установок при норме средней освещенности дорожного покрытия 6 лк

Ширина проезжей части, м

Схема расположения светильников

Тип светильника

Тип источника

Число светильников на опоре, шт.

Угол наклона светильника, град

Высота светового центра светильников, м

Шаг светильника, м

Удельная мощность установки

кВт/км

Вт/м2

6

Односторонняя

РКУ01-250-011

ДРЛ250

1

15

10

45

6,0

1,0

7,5

Односторонняя

СПОР 250

ДРЛ250

1

0

8,0

33

8,16

1,09

РКУ01-250-011

ДРЛ250ХЛ

1

!5

10

45

6,0

0,8

СЗПР 250М(б)

ДРЛ250

1

0

8,0

30

8,9

1,19

11,25

Прямоугольная

РКУ01-125-008

ДРЛ125

1

15

8,5

34

8,0

0,71

СПОР 250

ДРЛ250

1

0

8,0

52

10,4

0,93

СЗПР 250М(б)

ДРЛ250

1

0

8,0

48

11,2

1,0

Односторонняя

РКУ01-250-011

ДРЛ250ХЛ

1

15

10

44

6,2

0,55

15

Односторонняя

РКУ01-250-011

ДРЛ250

1

15

10

44

6,2

0,41

Прямоугольная

РКУ01-125-008

ДРЛ125

1

15

8

30

9,1

0,6

СЗПР 250М(б)

ДРЛ250

1

0

8

38

14,2

0,95

СПОР 250

ДРЛ250ХЛ

1

0

8

39

14,6

0,97

15

Осевая

СПОР 250

ДРЛ250ХЛ

1

0

8

27

10,0

0,70

22,5

Прямоугольная

РКУ01-250-011

ДРЛ250ХЛ

1

15

11

50

10,8

0,49

Шахматная

РКУ01-250-011

ДРЛ250

1

15

11

58

9,3

0,42

Таблица 16

Параметры осветительных установок транспортно-пешеходной сети улиц и дорог при нормировании средней освещенности дорожного покрытия

Нормированное значение средней освещенности, лк

Ширина проезжей части, м

Схема расположения светильников

Тип светильника

Тип источника света

Высота светового центра светильников, м

Шаг светильника, м

Удельная мощность установки

кВт/км

Вт/м2

4

3,5

Односторонняя

НКУ01-200

ЛН, 200 Вт

7

26

7,7

2,21

РКУ01-125-008

ДРЛ125

8

38

3,6

1,00

РКУ01-125-008

ДРЛ125ХЛ

8

35

3,9

1,18

РТУ01-125

ДРЛ125

4,5

30

4,5

1,29

РТУ04-125

ДРЛ125

4,5

28

4,9

1,39

5

РКУ01-125-008

ДРЛ125

8

37

3,7

0,70

РТУ01-125

ДРЛ125

4,5

26

5,3

1,06

РТУ04-125

ДРЛ125

4,5

24

5,7

1,14

РТУ02-250

ДРЛ250

4,5

35

7,7

1,54

7,5

Односторонняя

СЗПР 250М(б)

ДРЛ250ХЛ

8

40

6,7

0,90

РКУ01-125-008

ДРЛ125

8,5

35

3,9

0,52

11,25

СЗПР 250М(б)

ДРЛ250ХЛ

8

32

8,4

0,76

РКУ01-250-011

ДРЛ250ХЛ

10

40

6,8

0,60

2

1,5-3

Односторонняя

РТУ01-125

ДРЛ125

4,5

40

3,4

2,00

РТУ04-125

ДРЛ80

4,5

36

2,5

1,50

3,5

НКУ01-200

ЛН, 200 Вт

8

36

5,5

1,58

РКУ01-125-008

ДРЛ80

8

48

1,9

0,54

СПО-200

ЛН, 200 Вт

6,5

30

6,6

1,89

4,5

РТУ01-125

ДРЛ125

4,5

40

3,9

0,86

РТУ04-125

ДРЛ80

4,5

30

3,0

0,66

5

НКУ01-200

ЛН, 200 Вт

7,5

32

6,3

1,25

РКУ01-125-008

ДРЛ80

8

50

1,8

0,36

СПО-200

ЛН, 200 Вт

6,5

28

7,1

1,42

7,5

НКУ01-200

ЛН, 200 Вт

7,5

32

6,2

0,83

РКУ01-125-008

ДРЛ80

8,5

31

2,9

0,38

1

3,5

Односторонняя

НКУ01-200

ЛН, 200 Вт

7,5

40

5,0

1,43

СПО-200

ЛН, 200 Вт

6,5

35

5,8

1,83

РТУ01-125

ДРЛ80

4,5

30

3,0

0,85

1

6

Односторонняя

РКУ01-125-008

ДРЛ80

8,5

50

1,8

0,30

НКУ01-200

ЛН, 150 Вт

7,5

38

4,0

0,66

СПО-200

ЛН, 150 Вт

6,5

46

3,3

0,55

Примечания: 1. Схемы расположения светильников даны в соответствии с рис. 110.

2. Знак * обозначает поперечный профиль улицы с разделительной полосой, шириной 6 м.

ПРИЛОЖЕНИЕ 4

Примеры освещения улиц

Тип светотехнического оборудования, параметры его размещения, показатели

Проезжая часть при яркости, кд/м2

Тротуар, освещенность 4 лк

основной магистрали

местных проездов

шероховатое покрытие

гладкое покрытие

1,6

1,0

1,6

1,0

0,8

0,6

Светильники

ЖКУ02-400-002

ЖКУ02-250-004

ЖКУ02-400-002

ЖКУ02-250-004

РКУ01-250-012

РКУ01-250-012

Норма обеспечивается во всех вариантах

Источники света

ДНаТ400

ДНаТ250

ДНаТ400

ДНаТ250

ДРЛ250

ДРЛ250

Наклон светильников, град

30

30

30

30

30

30

Высота светильников, м

13,5

12,0

13,5

13,5

8,5

8,5

Шаг светильников, м

38

38

52

44

33

38

Удельная мощность установки:

 

 

 

 

 

 

кВт/км

11,4

7,2

8,3

6,2

8,2

7,1

Вт/м2

1,01

0,64

0,74

0,56

1,09

1,95

Продолжение прил. 4

Тип светотехнического оборудования, параметры его размещения, показатели

Проезжая часть при яркости, кд/м2

Тротуар, освещенность 4 лк

основной магистрали

местных проездов

шероховатое покрытие

гладкое покрытие

1,6

1,0

1,6

1,2

0,8

0,6

Светильники

ЖКУ02-400-002

ЖКУ02-250-004

ЖКУ02-400-002

ЖКУ02-250-004

РКУ01-400-010

РКУ01-400-010

Норма обеспечивается во всех вариантах

Источники света

ДНаТ400

ДНаТ250

ДНаТ400

ДНаТ250

ДРЛ250

ДРЛ250

Наклон светильников, град

30

30

30

30

15

10

Высота светильников, м

12

12

12

12

8,5

8,5

Шаг светильников, м

38

31

45

37

32

40

Удельная мощность установки:

 

 

 

 

 

 

кВт/км

11,4

8,9

9,6

7,4

8,4

6,8

Вт/м2

0,76

0,59

0,64

0,50

1,13

0,90

Продолжение прил. 4

Тип светотехнического оборудования, параметры его размещения, показатели

Проезжая часть при яркости, кд/м2

Тротуар, освещенность 4 лк

основной магистрали

местных проездов

1,2

1,0

0,8

0,6

Светильники

РКУ01-400-010

РКУ01-400-010

РКУ01-400-010

РКУ01-400-010

Норма обеспечивается во всех вариантах

Источники света

ДРЛ400

ДРЛ400

ДРЛ250

ДРЛ250

Наклон светильников, град

15

15

15

15

Высота светильников, м

10

10

8,5

8,5

Шаг светильников, м

37

43

32

40

Удельная мощность установки:

 

 

 

 

кВт/км

11,5

9,9

8,4

6,8

Вт/м2

0,98

0,86

1,13

0,90

Продолжение прил. 4

Тип светотехнического оборудования, параметры его размещения. показатели

Проезжая часть при яркости, кд/м2

Трамвайное полотно, освещенность 4 лк

Тротуар, освещенность 4 лк

основной магистрали

местных проездов

левый

правый

1,0

0,4

Светильники

РКУ01-400-010

РКУ01-125-008

РКУ01-400-010

Норма обеспечивается во всех вариантах

РТУ02-250

Источники света

ДРЛ400

ДРЛ125

ДРЛ250

ДРЛ250

Наклон светильников, град

15

15

15

4,5

Высота светильников, м

10

8,5

10

-

Шаг светильников, м

43

27

43

 

32

Удельная мощность установки:

 

 

 

 

 

кВт/км

9,9

5,1

6,3

 

8,45

Вт/м2

0,88

0,68

0,72

 

1,41

Продолжение прил. 4

Тип светотехнического оборудования, параметры его размещения, показатели

Проезжая часть при яркости, кд/м2

Трамвайное полотно. освещенность 4 лк

Тротуар, освещенность 2 лк

основной магистрали

местных проездов

левый

правый

Светильники

РКУ01-250-011

РКУ01-125-008

РКУ01-125-008

Норма обеспечивается во всех вариантах

РТУ02-250

Источники света

ДРЛ250

ДРЛ125

ДРЛ125

ДРЛ250

Наклон светильников, град

15

15

15

 

Высота светильников, м

8,5

8,5

8,5

4,5

Шаг светильников, м

32

27

32

32

Удельная мощность установки:

 

 

 

 

кВт/км

8,4

5,1

4,3

 

8,4

Вт/м2

0,75

0,68

0,49

 

1,41

Продолжение прил. 4

Tim ;вз,тотхш1ческого оборудования, параметры его размещения, показатели

Проезжая часть при яркости, кд/м2

Трамвайное полотно, освещенность

Тротуар освещенность 4 лк

основной магистрали

местных проездов

левый

правый

1,2

0,6

Светильники

РКУ01-400-012

СЗПР-250М(б)

Норма обеспечивается во всех вариантах

РТУ04-125

Норма обеспечивается во всех вариантах

Источники света

ДРЛ400

ДРЛ250

ДРЛ125

Наклон светильников, град

30

0

-

Высота светильников, м

10

8,5

4,5

Шаг светильников, м

32

32

24

Удельная мощность установки:

 

 

 

кВт/км

13,3

8,4

 

5,7

 

Вт/м2

1,19

1,13

 

1,27

 

Продолжение прил. 4

Тип светотехнического оборудования, параметры его размещения, показатели

Проезжая часть при яркости, кд/м2

Трамвайное полотно, освещенность

Тротуар, освещенность 2 лк

основной магистрали

местных проездов

левый

правый

0,8

0.4

Светильники

РКУ01-400-012

РКУ01-125-008

Норма обеспечивается во всех вариантах

РТУ04-125

Норма обеспечивается во всех вариантах

Источники света

ДРЛ400

ДРЛ125

ДРЛ125

Наклон светильников, град

30

15

-

Высота светильников, м

10

8,5

4,5

Шаг светильников, м

52

26

24

Удельная мощность установки:

 

 

 

кВт/км

8,2

5,3

5,7

Вт/м2

0,73

0,7

1,27

Продолжение прил. 4

Тип светотехнического оборудования, параметры его размещения, показатели

Проезжая часть магистрали при яркости 1,0 кд/м2

Трамвайное полотно, освещенность 4 лк

Тротуар, освещенность 4 лк

левый

правый

Светильники

РКУ01-250-011

РКУ01-125-008

РТУ 04-125

РКУ01-125-008

Источники света

ДРЛ250

ДРЛ125

ДРЛ125

ДРЛ125

Наклон светильников, град

15

15

-

15

Высота светильников, м

8,5

8,5

4,5

8,5

Шаг светильников, м

35

35

25

35

Удельная мощность установки:

 

 

 

 

кВт/км

7,7

3,9

5,5

3,9

Вт/м2

1,03

0,45

1,22

0,65

Продолжение прил. 4

Тип светотехнического оборудования, параметры его размещения, показатели

Проезжая часть магистрали при яркости, кд/м2

Тротуар, освещенность 4 лк

1,2

0,8

Светильники

ЖКУ02-250-004

РКУ01-400-010

Норма обеспечивается во всех вариантах

Источники света

ДНаТ250

ДРЛ400

Наклон светильников, град

15

15

Высота светильников, м

10

10

Шаг светильников, м

39

40

Удельная мощность установки:

 

 

кВт/км

7,1

10,6

Вт/м2

0,47

0,71

Продолжение прил. 4

Тип светотехнического оборудования, параметры его размещения, показатели

Проезжая часть магистрали при яркости, кд/м2

Тротуар освещенность 2 лк

0,6

0,4

Левый

Правый

Светильники

РКУ01-250-011

РКУ01-125-008

Норма обеспечивается во всех вариантах

РТУ01-125

Источники света

ДРЛ250

ДРЛ125

ДРЛ80

Наклон светильников, град

15

15

-

Высота светильников, м

10

8,5

4,5

Шаг светильников, м

34

24

24

Удельная мощность установки:

 

 

 

кВт/км

8,0

5,7

3,8

Вт/м2

0,71

0,51

 

1,25

Продолжение прил. 4

Тип светотехнического оборудования, параметры его размещения. показатели

Проезжая часть при яркости, кд/м2

Тротуар. освещенность 4 лк

основной магистрали

местных проездов

1,0

08

0,6

0,6

Светильники

РКУ01-400-010

РКУ01-400-010

РКУ01-400-010

СЭПР-250М(б)

Норма обеспечивается во всех вариантах

Источники света

ДРЛ400

ДРЛ400

ДРЛ250

ДРЛ250

Наклон светильников, град

15

15

15

0

Высота светильников, м

10

10

10

8,5

Шаг светильников, м

39

49

39

32

Удельная мощность установки:

 

 

 

 

кВт/км

10,9

8,7

6,9

8,4

Вт/м2

0,97

0,78

0,92

1,13

ПРИЛОЖЕНИЕ 5

Термины и определения, использованные в Пособии

1. Блескость, отраженная - характеристика отражения светового потока от рабочей поверхности в направлении глаз работающего, определяющая снижение видимости вследствие чрезмерного увеличения яркости рабочей поверхности и вуалирующего действия, снижающего контраст между объектом и фоном.

2. Дорсил - отечественный светлый искусственный стеклокристаллический материал, полученный на основе утилизации мартеновских шлаков и используемый в качестве щебня в дорожных шероховатых асфальтобетонных покрытиях с целью улучшения показателей ОУ и состояния воздушной среды в летнее время.

3. Климат световой - совокупность условий естественного освещения в той или иной местности (освещенность и количество освещения на горизонтальной и различно ориентированных по сторонам горизонта вертикальных плоскостях, создаваемых рассеянным светом неба и прямым светом солнца, продолжительность солнечного сияния и альбедо подстилающей поверхности за период более десяти лет.

4. Комплекс световой - группа светильников (два и более) одинакового назначения, установленных на одной опоре.

5. Контраст объекта различения с фоном К определяется отношением абсолютной величины разности между яркостью объекта и фона к яркости фона.

Контраст объекта различения с фоном считается: большим - при значении К свыше 0,5 (объект и фон резко отличаются по яркости) ; средним - при значениях К от 0,2 до 0,5 (объект и фон заметно отличаются по яркости); малым - при значениях К менее 0,2 (объект и фон мало отличаются по яркости).

6. Коэффициент запаса Кз - расчетный коэффициент, учитывающий снижение КЕО и освещенности или яркости в процессе эксплуатации вследствие загрязнения и старения светопрозрачных заполнений в световых проемах, источников света (ламп) и светильников, а также снижение отражающих свойств поверхностей помещения.

7. Коэффициент естественной освещенности - (КЕО) - отношение естественной освещенности, создаваемой в некоторой точке заданной плоскости внутри помещения светом неба (непосредственным или после отражений), к одновременному значению наружной горизонтальной освещенности, создаваемой светом полностью открытого небосвода; выражается в процентах.

8. Коэффициент естественной освещенности геометрический - отношение естественной освещенности, создаваемой в рассматриваемой точке заданной плоскости внутри помещения светом, прошедшим через незаполненный проем световой, и исходящим непосредственно от равномерно яркого неба к одновременному значению наружной освещенности горизонтальной под открытым полностью небосводом, при этом участие прямого солнечного света в создании той и другой освещенности исключается; выражается в процентах.

9. Коэффициент естественной освещенности условный геометрический - прямая составляющая естественной освещенности в расчетной точке от неба с учетом многократных отражений от стенок светопроводных шахт.

10. Коэффициент пульсации освещенности - критерии оценки относительной глубины колебаний освещенности в результате изменения во времени светового потока газоразрядных ламп при питании их переменным током; выражается в процентах.

11. Коэффициент светового климата - коэффициент, учитывающий особенности светового климата.

12. Коэффициент солнечного климата - коэффициент, учитывающий дополнительный световой поток, проникающий через проемы в помещение за счет прямого и отраженного от подстилающей поверхности солнечного света в течение года.

13. Небо облачное МКО (по определению Международной комиссии по освещению - МКО) - небо, полностью закрытое облаками и удовлетворяющее условию, при котором отношение его яркости на высоте q° над горизонтом к яркости в зените равно (1+2 sinq)/3.

14. Неравномерность естественного освещения - отношение среднего значения к наименьшему значению КЕО в пределах характерного разреза помещения.

15. Объект различения - рассматриваемый предмет, отдельная его часть или дефект, которые требуется различать в процессе работы.

16. Освещение аварийное - освещение для продолжения работы при аварийном отключении рабочего освещения.

17. Освещение дежурное - освещение в нерабочее время.

18. Освещение естественное - освещение помещений светом неба (прямым или отраженным), проникающим через световые проемы в наружных ограждающих конструкциях.

19. Освещение естественное боковое - естественное освещение помещения через световые проемы в наружных стенах.

20. Освещение естественное верхнее - естественное освещение помещения через фонари, световые проемы в покрытии, а также через проемы в стенах в местах перепада высот здания.

21. Освещение естественное комбинированное - сочетание верхнего и бокового естественного освещения.

22. Освещение комбинированное - освещение, при котором к общему искусственному освещению добавляется местное.

23. Освещение местное - освещение, дополнительное к общему, создаваемое светильниками, концентрирующими световой поток непосредственно на рабочих местах.

24. Освещение общее - освещение, при котором светильники размещаются в верхней зоне помещения равномерно (общее равномерное освещение) или применительно к расположению оборудования (общее локализованное освещение).

25. Освещение совмещенное - освещение, при котором недостаточное по нормам естественное освещение дополняется искусственным.

26. Освещение эвакуационное (аварийное освещение для эвакуации) - освещение для эвакуации людей из помещения при аварийном отключении рабочего освещения.

27. Освещенность средняя, улиц, дорог и площадей - освещенность средневзвешенная по площади.

28. Освещенность наружная критическая - естественная освещенность на горизонтальной площадке под открытым небосводом, при которой естественная освещенность внутри помещения становится равной нормированному значению освещенности от искусственного освещения.

29. Поверхность рабочая - поверхность, на которой производится работа и на которой нормируется или измеряется регламентируемый фотометрический показатель осветительной установки.

30. Поверхность рабочая условная - условно принятая горизонтальная поверхность, расположенная на высоте 0,8 м от пола.

31. Покрытия гладкие асфальтобетонные - покрытия с пониженным содержанием щебня (или без щебня), имеющие среднюю высоту выступающих частей менее 1,5 мм и коэффициент сцепления менее 0,5.

32. Покрытия шероховатые асфальтобетонные - покрытия с повышенным содержанием щебня, имеющие среднюю высоту выступающих частей более 1,5 мм и коэффициент сцепления более 0,5.

33. Разрез помещения характерный - поперечный разрез посредине помещения, плоскость которого перпендикулярна плоскости остекления световых проемов (при боковом освещении) или к продольной оси пролетов помещения. В характерный разрез помещения должны попадать участки с наибольшим числом рабочих мест, а также точки рабочей зоны, наиболее удаленные от световых проемов.

34. Фон - поверхность, прилегающая непосредственно к объекту различения, на которой он рассматривается.

Фон считается светлым - при коэффициенте отражения поверхности свыше 0,4; средним - при коэффициенте отражения поверхности от 0,2 до 0,4; темным - при коэффициенте отражения поверхности менее 0,2.

35. Шаг светильников - расстояние между светильниками или их комплексами в одном ряду по линии их расположения вдоль улицы.

36. Яркость дорожной поверхности средняя - средневзвешенная по площади яркость сухих дорожных покрытий в направлении глаз наблюдателя, находящегося на оси движения транспорта.

ЛИТЕРАТУРА

1. Справочная книга по светотехнике/Под ред. Ю.Б. Айзенберга.-М.: Энергоиздат, 1983-472 с.

2. Рекомендации по технико-экономической оценке освещения производственных зданий /НИИСФ Госстроя СССР.-М.: Стройиздат, 1983-40 с.

3. Справочник проектировщика. Внутренние санитарно-технические устройства. В 2-х ч. Под ред. И.Г. Староверова. Изд. 3-е. Ч. 2. Вентиляция и кондиционирование воздуха. - М.: Стройиздат, 1978-509с

4. Руководство по применению прямоугольных светоаэрационных и зенитных фонарей в производственных зданиях/ЦНИИПромзданий Госстроя СССР.-М.: Стройиздат, 1981-31 с.

5. Инструкция по рациональному использованию электроэнергии и снижению затрат в промышленных осветительных установках (внутреннее освещение.) - Светотехника, 1981, № 5, с. 4-13.

6. Руководство по выбору цветности и цветопередачи источников света при проектировании искусственного освещения. - М.: Стройиздат, 1980-41 с,

7. Кунгс Я.Л., Фаермарк М.А. Экономия электрической энергии в осветительных установках. Энергоатомиздат, М., 1984, 160 с.

8. Семенова Н.Н. Номенклатура и характеристики светильников с люминесцентными лампами для производственных помещений. - «Светотехника», 1981, № 4, с. 3-4 обложки.

9. Семенова Н.В. Номенклатура и характеристики светильников с газоразрядными лампами высокого давления для производственных помещений. - Светотехника, 1981, № 5, с. 3-4 обложки.

10. Фаермарк М.А. О возможностях экономии электроэнергии за счет выбора светильников с учетом их эксплуатационных групп - Светотехника, 1983, № 2, с. 16-18.

11. Кнорринг Г.М. Осветительные установки. - Л.: Энергоиздат, Л. О., 1981,-288с.

12. Айзенберг Ю.Б., Бухман Г.Б. и др. Состояние и задачи развития работ по щелевым световодам. - Светотехника, 1981, № 11, с. 3-5.

13. Айзенберг Ю.Б., Бухман Г.Б. и др. Комплектные осветительные устройства типа КОУ со щелевыми световодами - Светотехника, 1981, № 11, с. 20-23.

14. Никитонкин В.Н. О целесообразности применения осветительных устройств со щелевыми световодами в текстильной промышленности. Светотехника, 1981, № 11, с. 18-20.

15. Семенова Н.В. Номенклатура и основные характеристики светильников местного освещения и переносных светильников Светотехника, 1981, № 2, с. 23.

16. Киреев Н.Н., Сорокин В.М. Новый метод расчета КЕО в производственных зданиях с зенитными фонарями. - Промышленное строительство, 1983, № 10, с. 40-42.

17. Годин А.М. Естественное освещение транспортных зданий, предназначенных для ввоза подвижного состава. - Транспортное строительство, 1982, № 8, с. 54-56.

18. Народное хозяйство СССР. 1922-1982. Юбилейный статистический ежегодник/ЦСУ СССР. - М., Финансы и статистика 1982 с. 624.

19. Тищенко Г.А. Осветительные установки. - Высшая школа, 1984

20. Ефимкина В.Ф., Софронов Н.Н. Светильники с газоразрядными лампами высокого давления. - М.: Энергоатомиздат 1984 с. 104.

21. Азалиев В.В., Варсанофьева Г.Д., Кроль Ц.И. Эксплуатация осветительных установок промышленных предприятий. - М.: Энергоатомиздат, 1984, с. 160.

22. Гусева Л.С., Мясоедова Е.И., Фаермарк М.А. О расширении области применения ламп типа ДНаТ в промышленном освещении. Светотехника, 1984, № 9, с. 14-16.

23. Фаермарк М.А. Экономия электроэнергии при расширении области применения местного освещения. Светотехника 1982 № 4 с. 6-10.

24. Смирнов Г.К., Фаермарк М.А. Местное освещение слесарных верстаков. Светотехника, 1983, № 5, с. 13-16.

25. Смирнов Г.К., Фаермарк М.А. Местное и локализованное освещение сборочных работ. Светотехника, 1983, № 6, с. 14-17

26. Гусева Л.С., Смирнов Г.К., Фаермарк М.А. Пульсация освещенности в установках с лампами типов ДРИ и ДНаТ Светотехника, 1984, № 10, с. 1-3

СОДЕРЖАНИЕ

Основные сокращения. 1

Основные обозначения, принятые в пособии. 1

1. Общие положения. 3

Основные рекомендации по проектированию освещения. 3

2. Естественное освещение. 4

Выбор значений кео.. 4

Проектирование естественного освещения. 6

Расчет естественного освещения. 16

3. Совмещенное освещение. 24

Выбор значений кео и освещенности. 24

Проектирование совмещенного освещения. 27

Расчет приведенных затрат на освещение. 27

4. Проектирование естественного и совмещенного освещения некоторых типовых помещений. 39

Основные помещения предприятий машиностроения. 39

Помещения с шахтными фонарями. 47

Рабочие кабинеты зданий управления. 51

Жилые помещения. 53

Школьные классы.. 54

Выставочные помещения. 57

5. Искусственное освещение помещении производственных зданий. 59

Системы освещения. 59

Выбор уровня освещенности. 60

Качество освещения. 74

Равномерность распределения освещенности. 74

Показатель ослепленности. 76

Коэффициент пульсации освещенности. 77

Выбор источников света. 77

Выбор светильников общего освещения. 82

Размещение светильников общего освещния. 84

Устройство местного освещения (мо) 87

Примеры осветительных установок. 90

Освещение механических цехов. 90

Освещение сборочных цехов. 92

Гальванические цехи, участки металлопокрытий. 94

Примеры выбора систем освещения по технико-экономическим показателям.. 96

6. Искусственное освещение помещений общественных зданий. 96

Помещения зданий управления и проектных организаций. 104

Помещения учебных заведений и детских дошкольных учреждений. 106

Помещения лечебно-профилактических учреждений. 108

Магазины.. 110

Театры, кинотеатры, клубы.. 111

Предприятия общественного питания. 111

Предприятия бытового обслуживания. 112

Гостиницы.. 112

Жилые здания. 112

7. Расчет искусственного освещения. 112

Общие положения для расчета освещенности от точечного светящего элемента. 114

Расчет прямой составляющей освещенности от точечных светящих элементов с симметричным светораспределением.. 115

Расчет прямой составляющей освещенности от точечных светящих элементов с несимметричным светораспределением.. 119

Расчет прожекторного освещения. 120

Расчет освещенности от линейных светящих элементов. 123

Расчет освещенности от светящих поверхностей равномерной яркости. 127

Расчет освещенности с учетом многократных отражений. 128

Выбор метода расчета. 132

Инженерные методы расчета качественных показателей осветительных установок. 133

Коэффициент пульсации. 133

Показатель ослепленности. 136

Показатель дискомфорта. 141

Цилиндрическая освещенность. 145

8.установки искусственного ультрафиолетового облучения. 146

Облучательные установки длительного действия. 146

Облучательные установки кратковременного действия (фотарии) 152

9. Освещение мест производства работ вне зданий и территорий промышленных предприятий. 153

10. Наружное освещение городов, поселков и сельских населенных пунктов. 160

Выбор нормируемых значений показателей установок наружного освещения (уно) 160

Проектирование установок наружного освещения (уно) 163

Освещение улиц, дорог и площадей. 164

Архитектурное освещение и световая реклама. 169

Методы расчета светотехнических показателей и технико-экономической оценки установок наружного освещения. 175

Типовые решения освещения улиц и дорог. 185

Приложение 1 Типовая программа «Свет-1» для расчета КЕО в помещениях производственных, общественных, и жилых зданий на ЭВМ СМ-3 (язык Фортран-IV) 186

Приложение 2 Перечень городов со средним количеством жидких атмосферных осадков свыше 600 мм в год. 187

Приложение 3 Типовые решения освещения улиц и дорог. 187

Приложение 4 Примеры освещения улиц. 197

Приложение 5 Термины и определения, использованные в Пособии. 201

Литература. 203

 




Rambler's Top100 Яндекс цитирования
  Copyright © 2008-2026, www.docload.ru