Бесплатная библиотека стандартов и нормативов www.docload.ru

Все документы, размещенные на этом сайте, не являются их официальным изданием и предназначены исключительно для ознакомительных целей.
Электронные копии этих документов могут распространяться без всяких ограничений. Вы можете размещать информацию с этого сайта на любом другом сайте.
Это некоммерческий сайт и здесь не продаются документы. Вы можете скачать их абсолютно бесплатно!
Содержимое сайта не нарушает чьих-либо авторских прав! Человек имеет право на информацию!

 

ГОСУДАРСТВЕННЫЙ СТАНДАРТ СОЮЗА ССР

БОЛТЫ С УВЕЛИЧЕННОЙ ПОЛУКРУГЛОЙ
ГОЛОВКОЙ И УСОМ
КЛАССА ТОЧНОСТИ С

ГОСТ 7801-81

ГОСУДАРСТВЕННЫЙ КОМИТЕТ СССР ПО СТАНДАРТАМ

Москва

ГОСУДАРСТВЕННЫЙ СТАНДАРТ СОЮЗА ССР

БОЛТЫ С УВЕЛИЧЕННОЙ ПОЛУКРУГЛОЙ
ГОЛОВКОЙ И УСОМ
КЛАССА ТОЧНОСТИ С

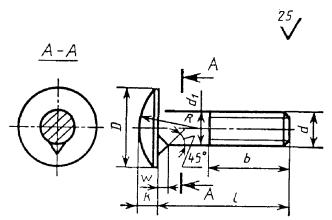
Конструкция и размеры

Increased cup nibbed head bolts, product grade C.
Construction and dimensions

ГОСТ
7801-81*

Взамен
ГОСТ 7801-72

Постановлением Государственного комитета СССР по стандартам от 15 января 1981 г. № 3 срок введения установлен

с 01.01.82

Проверен в 1986 г. Постановлением Госстандарта СССР от 23.06.86 № 1643 срок действия продлен

до 01.01.97

Несоблюдение стандарта преследуется по закону

1. Настоящий стандарт распространяется на болты с увеличенной полукруглой головкой и усом класса точности С с номинальным диаметром резьбы от 6 до 20 мм.

(Измененная редакция, Изм. № 1).

2. Конструкция и размеры болтов должны соответствовать указанным на чертеже и в табл. 1 и 2.

Таблица 1

мм

Номинальный диаметр резьбы d

6

8

10

12

16

20

Диаметр головки D

14

18

23

28

35

44

Высота головки k

3

4

5

6

8

10

Радиус сферы R »

11

14

18

22

26

32

Высота уса W, не менее

3

3,5

5

6

8

9

Длина резьбы b

Для l £ 120

18

22

26

30

38

46

Для l > 120

-

-

32

36

44

52

Пример условного обозначения болта с диаметром резьбы d = 12 мм, с крупным шагом резьбы с полем допуска 8g, длиной l = 60 мм, класса прочности 3.6, с цинковым покрытием толщиной 6 мкм, нанесенным способом катодного восстановления, хроматированным:

Болт M12´60.36.016 ГОСТ 7801-81

Таблица 2

мм

Длина болта l

Номинальный диаметр резьбы d

6

8

10

12

16

20

25

 

-

-

-

-

-

30

 

 

-

-

-

-

35

 

 

 

-

-

-

40

 

 

 

 

 

-

45

 

 

 

 

 

-

50

 

 

 

 

 

-

55

 

 

 

 

 

 

60

 

 

 

 

 

 

65

 

 

 

 

 

 

70

 

 

 

 

 

 

75

 

 

 

 

 

 

80

 

 

 

 

 

 

90

 

 

 

 

 

 

100

 

 

 

 

 

 

110

-

 

 

 

 

 

120

-

 

 

 

 

 

130

-

 

 

 

 

 

140

-

 

 

 

 

 

150

-

 

 

 

 

 

160

-

-

 

 

 

 

170

-

-

 

 

 

 

180

-

-

 

 

 

 

190

-

-

 

 

 

 

200

-

-

 

 

 

 

Примечания:

1. Болты изготовляют с длинами, заключенными между жирными линиями.

2. Болты в области от верхней жирной линии до пунктирной линии изготовляют с резьбой до уса.

1, 2. (Измененная редакция, Изм. № 1).

3. Резьба - по ГОСТ 24705-81, шаг резьбы - крупный. Сбег и недорез резьбы - по ГОСТ 27148-86. Концы болтов - по ГОСТ 12414-66.

(Измененная редакция, Изм. № 1, 2).

3а. Радиус под головкой - по ГОСТ 24670-81.

3б. Допуски и методы контроля размеров и отклонений формы и расположения поверхностей - по ГОСТ 1759.1-82.

По согласованию между изготовителем и потребителем допускается изготовлять болты с полем допуска резьбы 6е.

3в. Дефекты поверхности и методы контроля - по ГОСТ 1759.2-82.

3а - 3в. (Введены дополнительно, Изм. № 1).

4. Диаметр гладкой части стержня d1 примерно равен среднему диаметру резьбы или равен номинальному диаметру резьбы.

5. Технические требования - по ГОСТ 1759.0-87. Механические свойства болтов должны соответствовать классам прочности 3.6, 4.6, 4.8, 5.6 и 5.8.

(Измененная редакция, Изм. № 1).

6. Теоретическая масса болтов указана в справочном приложении.

ПРИЛОЖЕНИЕ

Справочное

Длина болта l, мм

Теоретическая масса 1000 шт. болтов, кг, при номинальном диаметре резьбы d, мм

6

8

10

12

16

20

25

6,501

-

-

-

-

-

30

7,346

14,34

-

-

-

-

35

8,191

15,88

27,16

-

-

-

40

9,035

17,42

29,87

46,53

90,15

-

45

9,880

18,95

32,32

50,08

96,67

-

50

10,725

20,48

34,76

53,62

103,20

-

55

11,570

22,03

37,20

57,16

109,73

188,2

60

12,415

23,57

39,64

60,70

116,25

198,5

65

13,260

25,11

42,08

64,24

122,78

208,7

70

14,105

26,65

44,53

67,78

129,31

219,0

75

14,950

28,19

46,97

71,32

135,83

229,2

80

15,795

29,73

49,41

74,86

142,36

239,5

90

17,484

32,80

54,30

81,94

155,42

259,9

100

19,174

35,89

59,19

89,01

168,47

280,4

110

-

38,97

64,06

96,09

181,52

300,9

120

-

42,04

68,95

103,17

194,58

321,3

130

-

45,12

73,83

110,25

207,63

341,8

140

-

48,20

78,72

117,33

220,69

362,3

150

-

51,28

83,60

124,41

233,74

382,7

160

-

-

88,49

131,49

246,79

403,2

170

-

-

93,37

138,57

259,85

422,9

180

-

-

98,25

145,65

272,90

443,4

190

-

-

103,14

152,73

285,95

463,8

200

-

-

108,02

159,81

299,01

484,3

 




Rambler's Top100 Яндекс цитирования
  Copyright © 2008-2026, www.docload.ru