Бесплатная библиотека стандартов и нормативов www.docload.ru

Все документы, размещенные на этом сайте, не являются их официальным изданием и предназначены исключительно для ознакомительных целей.
Электронные копии этих документов могут распространяться без всяких ограничений. Вы можете размещать информацию с этого сайта на любом другом сайте.
Это некоммерческий сайт и здесь не продаются документы. Вы можете скачать их абсолютно бесплатно!
Содержимое сайта не нарушает чьих-либо авторских прав! Человек имеет право на информацию!

 

ёСистема нормативных документов в строительстве

ТЕРРИТОРИАЛЬНЫЕ СТРОИТЕЛЬНЫЕ НОРМЫ ПЕРМСКОЙ ОБЛАСТИ

ЗДАНИЯ НА ПОДРАБАТЫВАЕМЫХ ТЕРРИТОРИЯХ

ВЕРХНЕКАМСКОГО МЕСТОРОЖДЕНИЯ

КАЛИЙНЫХ СОЛЕЙ.

НАЗНАЧЕНИЕ СТРОИТЕЛЬНЫХ МЕР ЗАЩИТЫ

ТСН 22-301-98

ПЕРМСКОЙ ОБЛАСТИ

Администрация Пермской области

Пермь 1998

СОДЕРЖАНИЕ

ВВЕДЕНИЕ. 1

1 ОБЛАСТЬ ПРИМЕНЕНИЯ.. 2

2 НОРМАТИВНЫЕ ССЫЛКИ.. 2

3 ОПРЕДЕЛЕНИЯ.. 2

4 ОБЩИЕ ПОЛОЖЕНИЯ.. 2

5. ИСХОДНЫЕ ДАННЫЕ ДЛЯ ПРОЕКТИРОВАНИЯ ЗДАНИЙ.. 3

Особенности инженерно-геологических изысканий подрабатываемых территорий. 5

6 ПЛАНИРОВКА И ЗАСТРОЙКА ПОДРАБАТЫВАЕМЫХ ТЕРРИТОРИЙ.. 5

7 ПРИНЦИПЫ ПРОЕКТИРОВАНИЯ.. 6

Основные расчетные требования. 6

Основные конструктивные требования. 7

8 БЕСКАРКАСНЫЕ ЗДАНИЯ.. 9

Конструктивные решения. 9

Определение нагрузок на ленточные фундаменты от горизонтальных деформаций грунта основания. 10

Пример расчета бескаркасного здания на ленточных фундаментах. 17

Расчет свайных фундаментов с учетом влияния подработки. 25

Пример расчета бескаркасного здания на свайных фундаментах. 32

9 КАРКАСНЫЕ ЗДАНИЯ.. 38

Конструктивные решения. 38

Критерии расчета каркасных зданий на воздействие подработки. 42

Расчет связей-распорок между отдельно стоящими фундаментами на естественном основании. 43

Пример расчета каркасного здания на столбчатых фундаментах. 44

Расчет свайных фундаментов каркасных зданий. 49

Приложение 1. 50

Определение коэффициента релаксации касательных напряжений в грунте. 50

Приложение 2. 50

Определение коэффициента релаксации напряжений сжатия в грунте. 50

ПРЕДИСЛОВИЕ

1. Разработаны:  ОАО "Всероссийский научно-исследовательский и проектный институт Галургии" (г. С.-Петербург).

2. Внесены:  управлением Государственного архитектурно-строительного надзора администрации Пермской области.

3. Приняты и введены в действие: приказом Главного управления архитектуры и градостроительства администрации Пермской области от 31.08.98 № 23.

ВВЕДЕНИЕ

Настоящий нормативный документ разработан с целью учета при проектировании зданий особенности процесса сдвижения земной поверхности на подрабатываемых территориях Верхнекамского месторождения калийных солей, который протекает длительное время.

Учет скорости деформации земной поверхности и релаксации напряжений в грунте на контакте с фундаментами, предусмотренный данным нормативным документом, позволяет снизить затраты на конструктивные меры защиты зданий от вредного влияния горных разработок.

ТЕРРИТОРИАЛЬНЫЕ СТРОИТЕЛЬНЫЕ НОРМЫ ПЕРМСКОЙ ОБЛАСТИ

ЗДАНИЯ НА ПОДРАБАТЫВАЕМЫХ ТЕРРИТОРИЯХ ВЕРХНЕКАМСКОГО МЕСТОРОЖДЕНИЯ КАЛИЙНЫХ СОЛЕЙ.

НАЗНАЧЕНИЕ СТРОИТЕЛЬНЫХ МЕР ЗАЩИТЫ.

Дата введения 1998-09-01

1 ОБЛАСТЬ ПРИМЕНЕНИЯ

1.1 Настоящие нормы распространяются на проектирование зданий, предназначенных для строительства на подрабатываемых территориях Верхнекамского месторождения калийных солей, где проводились, проводятся или намечаются к проведению горные разработки, при которых исключается возможность появления деформаций земной поверхности провального характера.

1.2 Положения настоящего документа являются обязательными.

2 НОРМАТИВНЫЕ ССЫЛКИ

В настоящих нормах использованы ссылки на следующие документы:

ГОСТ 12248-96 «Грунты. Методы лабораторного определения характеристик грунта и деформируемости».

ГОСТ 5180-84 «Грунты. Методы лабораторного определения физических характеристик».

СНиП 2.01.09-91 «Здания и сооружения на подрабатываемых территориях и посадочных грунтах».

СНиП 2.02.01-83* «Основания зданий и сооружений».

СНиП 2.02.03-85 «Свайные фундаменты».

СНиП 2.03.01-84* «Бетонные и железобетонные конструкции».

«Положение о порядке выдачи разрешений на застройку площадей залегания полезных ископаемых», Руководящий документ Госгортехнадзора России РД 07-105-96.

«Руководство по проектированию зданий и сооружений на подрабатываемых территориях. Часть II. Промышленные и гражданские здания», М., Стройиздат, 1986.

«Руководство по проектированию конструкций панельных жилых зданий для особых грунтовых условий», М., Стройиздат, 1982.

«Инструкция по защите рудников от затопления и охране объектов на земной поверхности от вредного влияния подземных горных разработок в условиях Верхнекамского месторождения калийных солей», С.-Петербург, 1994.

3 ОПРЕДЕЛЕНИЯ

В настоящих территориальных строительных нормах применены следующие термины и их определения:

Мульда сдвижения земной поверхности - участок земной поверхности, подвергшийся сдвижению под влиянием подземных разработок.

Главные оси мульды сдвижения - вертикальные сечения мульды по простиранию и вкрест простирания (по падению) пласта, проходящие через точки земной поверхности с максимальным оседанием.

Оседание - вертикальная составляющая вектора сдвижения точки земной поверхности.

Горизонтальное сдвижение - горизонтальная составляющая вектора сдвижения точки земной поверхности.

Наклон интервалов в мульде сдвижения - вертикальная деформация земной поверхности, определяемая как отношение разности оседания двух соседних точек мульды к расстоянию между ними.

Кривизна мульды сдвижения - вертикальная деформация земной поверхности, определяемая как отношение наклонов двух соседних интервалов мульды к полусумме длин этих интервалов.

Радиус кривизны мульды сдвижения - величина, обратная кривизне мульды сдвижения.

Относительные горизонтальные деформации растяжения или сжатия - отношение изменения длины интервала в горизонтальной плоскости к его первоначальной длине.

Скорость деформации земной поверхности - изменение деформации земной поверхности в единицу времени.

Подработка объекта - выемка полезного ископаемого, оказывающая влияние на объект.

Подрабатываемая территория - территория, подвергающаяся влиянию подземных горных разработок.

Предохранительный целик - часть залежи полезного ископаемого, оставленная в недрах в целях предотвращения опасности влияния горных разработок на объекты.

Провал - участок земной поверхности, подвергшийся обрушению под влиянием подземных горных выработок.

4 ОБЩИЕ ПОЛОЖЕНИЯ

4.1 Проектирование зданий для строительства в зоне вредного влияния горных разработок должно производится в соответствии с настоящими нормами, действующими главами СНиП и с учетом требований «Положения о порядке выдачи разрешений на застройку площадей залегания полезных ископаемых».

4.2 Застройка территории залегания калийных солей допускается только на основе горно-геологического обоснования.

4.3 Прогноз ожидаемых (вероятных) деформаций земной поверхности с указанием возможности возникновения провалов и воронок на застраиваемой территории производится научной частью ОАО Всероссийский научно-исследовательский и проектный институт галургии или АО Галургия и отражается в горно-геологическом обосновании строительства.

4.4 Необходимые меры защиты зданий, возводимых на подрабатываемых территориях, назначаются специалистами по защите зданий и сооружений от влияния подземных горных разработок научной части ОАО Всероссийский научно-исследовательский и проектный институт галургии на стадии разработки горно-геологического обоснования строительства.

4.5 Строительство зданий в зоне влияния горных разработок, где возникают деформации земной поверхности, допускается, если предусмотренные горнотехнические и строительные мероприятия обеспечивают нормальную эксплуатацию зданий, как во время подработки, так и после нее.

4.6 Прочность, устойчивость и эксплуатационная пригодность зданий, возводимых на подрабатываемой территории, должна быть обеспечена:

рациональным расположением зданий относительно мульды сдвижения;

уменьшением деформаций земной поверхности с помощью горнотехнических мероприятий;

применением в зданиях специальных строительных мер защиты.

Применение указанных мер защиты не исключает появления в несущих и ограждающих конструкциях зданий деформаций и трещин, допускаемых по условиям эксплуатации и устраняемых ремонтом.

4.7 Проекты зданий, разработанные для обычных условий строительства, не допускается применять для строительства на подрабатываемых территориях без проверки расчетом и переработки их в соответствии с требованиями настоящих норм.

4.8 Проектами зданий в случаях, устанавливаемых проектной организацией, на период активной стадии процесса сдвижения следует предусматривать выполнение работ, связанных с инструментальными наблюдениями за деформациями земной поверхности и зданий.

4.9 К проекту здания следует прилагать специальный паспорт, в котором необходимо указать:

краткое описание конструктивной схемы здания;

данные о физико-механических характеристиках грунтов основания;

данные о величинах деформаций земной поверхности;

указания об инструментальных наблюдениях за деформациями земной поверхности и здания (п. 4.8);

данные о результатах инструментальных наблюдений при сдаче здания в эксплуатацию;

данные о предусматриваемых мерах защиты, осуществляемых в период строительства и эксплуатации;

указания о способах выравнивания здания.

Паспорт должен постоянно находиться в эксплуатирующей и проектной организациях.

4.10 В состав проектной документации необходимо включать раздел «Техническая эксплуатация здания» (ТЭ), предусматривающий предотвращение нарушения эксплуатационной пригодности здания в период срока службы, а также обеспечение бесперебойной работы инженерного оборудования.

Раздел ТЭ должен содержать указания: о приемке в эксплуатацию законченного строительством здания; о проведении систематических осмотров несущих и ограждающих конструкций; о систематическом контроле за состоянием водо-несущих внутренних и наружных сетей и водосодержащих сооружений; о наблюдениях за влажностью грунтов основания в помещениях с мокрым технологическим процессом и в местах ввода и выпусков коммуникаций; о выполнении, в случае необходимости, работ по выравниванию здания и его ремонту.

5. ИСХОДНЫЕ ДАННЫЕ ДЛЯ ПРОЕКТИРОВАНИЯ ЗДАНИЙ

5.1 В качестве исходных данных при проектировании зданий на подрабатываемых территориях следует принимать максимальные ожидаемые (при имеющихся календарных планах развития горных работ) или вероятные (при отсутствии календарных планов горных работ) величины сдвижений и деформаций земной поверхности в направлениях падения и простирания пласта.

5.2 Ожидаемые (вероятные) сдвижения и деформации земной поверхности подразделяются на следующие виды:

а) оседание h, мм;

б) относительная горизонтальная деформация растяжения или сжатия e, мм/м;

в) наклон j, мм/м;

г) кривизна (выпуклости, вогнутости) К, 1/км, или радиус кривизны R = 1/К, км;

д) горизонтальное сдвижение x, мм;

е) скорость изменения относительной горизонтальной деформации растяжения (сжатия) , 1/мес.;

ж) скорость изменения кривизны земной поверхности , 1/м×мес.;

з) скорость изменения наклона земной поверхности , 1/мес.

5.3 Расчет ожидаемых (вероятных) деформаций земной поверхности производится горными инженерами-маркшейдерами по методике, изложенной в «Инструкции по защите рудников от затопления и охране объектов земной поверхности от вредного влияния подземных горных разработок в условиях Верхнекамского месторождения калийных солей», С.-П., 1994 г.

5.4 В зависимости от максимальных величин деформаций земной поверхности подрабатываемые территории разделяются на четыре группы (табл. 1).

Таблица 1.

Группа территории

Деформации земной поверхности

Относительная горизонтальная деформация растяжения или сжатия

Кривизна

Наклон

e, мм/м

×10-3, 1/мес.

К, 1/км (R, км)

×10-6, 1/м.мес

j, мм/м

×10-3, 1/мес

I

12 ³ e > 8

0,3 £  < 1

1(1) £ К(R)< 0,33(3)

10 £  < 30

20 ³ j > 10

0,5 £  < 1,5

II

8 ³ e > 5

0,1 £  < 0,3

0,33(3) £ К(R)< 0,14(7)

3 £  < 10

10 ³ j > 7

0,1 £  < 0,5

III

5 ³ e > 3

0,01 £  < 0,1

0,14(7) £ К(R)< 0,08(12)

1 £  < 3

7 ³ j > 5

0,01 £  < 0,1

IV

3 ³ e > 0

 < 0,01

0,08(12) £ К(R)< 0,05(20)

 £ 1

5 ³ j > 0

 £ 0,01

5.5 Расчетные значения деформаций земной поверхности, учитываемые при расчете зданий как факторы нагрузки, определяются умножением ожидаемых (вероятных) значений деформаций на соответствующие коэффициенты п, принимаемые по табл. 2.

Таблица 2

Вид деформации земной поверхности

коэффициенты

обозначение

величина

Оседание h

nh

1,1 (0,9)

Горизонтальное сдвижение x

nx

1,1 (0,9)

Относительная горизонтальная деформация растяжения или сжатия e

ne

1,2 (0,8)

Скорость относительной горизонтальной деформации растяжения или сжатия

1,2 (0,8)

Наклон i

nj

1,2 (0,8)

Кривизна К

nk

1,4 (0,6)

Примечание. Коэффициенты n меньше единицы следует учитывать при расчете зданий на одновременное действие деформаций земной поверхности двух и более видов, когда уменьшение значения деформаций какого-либо вида может ухудшить условия работы конструкций.

5.6 При расчете конструкций здания на воздействие деформаций земной поверхности следует вводить коэффициенты условий работы т, учитывающие осреднение деформаций по длине (ширине) здания. Коэффициенты условий работы определяются по табл. 3.

Таблица 3

Вид деформации земной поверхности

Коэффициенты условий работы т

Обозначение

По длине здания l, м

менее 15

15-30

более 30

Относительная горизонтальная деформация растяжения или сжатия

me

1,0

0,85

0,70

Скорость относительной горизонтальной деформации растяжения или сжатия

1,0

0,85

0,70

Наклон

mj

1,0

0,85

0,70

Кривизна К

mk

1,0

0,70

0,55

Примечание: 1. Для круглого в плане здания за l принимается его внешний диаметр.

2. Для здания (сооружения) башенного типа при l < 15 м следует принимать mj = 1,5.

3. Для подкрановых путей мостовых кранов, имеющих длину 60 м, следует принимать mj = 0,5.

где х - расстояние от рассматриваемой точки основания до центральной оси здания или его отсека.

Примечание: При расчете по формуле (2) в продольной раме каркасного здания или его отсека положение центральной оси следует принимать в середине блока жесткости независимо от расположения блока жесткости относительно оси симметрии.

5.7 Расчетное перемещение любой точки основания относительно соответствующей центральной оси здания или его отсека (рис. 1) следует определять от формулам:

от кривизны земной поверхности

                                                                                                 (1)

от горизонтальных деформаций (растяжения, сжатия)

                                                                                             (2)

Расчетный угол наклона в любой точке основания jk, вызванный деформациями земной поверхности, следует определять по формуле

                                                                                               (3)

Рис. 1. Схемы к расчету перемещений точек земной поверхности при подработке, вызванных кривизной земной поверхности (а) и под воздействием горизонтальных деформаций (б)

Особенности инженерно-геологических изысканий подрабатываемых территорий

5.8 Полевым инженерно-геологическим изысканиям площадки строительства должны предшествовать сбор и тщательное изучение материалов об инженерно- и горно-геологических условиях района строительства на основании архивных данных и материалов натурного обследования.

5.9 При оценке грунтов основания следует учитывать, что с точки зрения воздействия подработки на здание неблагоприятными являются площадки строительства со скальными, крупнообломочными, плотными глинистыми грунтами с высокими или повышенными жесткостными свойствами. Предпочтение следует отдавать площадкам строительства с более слабыми грунтами в основании зданий, если они обладают достаточной несущей способностью.

5.10 Гидрогеологические условия площадки строительства с высоким уровнем грунтовых вод, наличием рек, водоемов должны оцениваться с учетом оседания земной поверхности вследствие чего существующий относительно нее уровень вод может повыситься, что может привести к затоплению зданий, подземных сооружений, траншей, санитарно-технических коммуникаций, к заболачиванию подработанного участка или активизации оползневых явлений.

5.11 При оценке гидрологических условий площадки строительства необходимо учитывать возможное изменение режима и направления стока поверхностных и ливневых вод от оседаний земной поверхности, вызванных подработкой.

5.12 Материалы инженерных изысканий должны дополнительно содержать:

- оценку возможных изменений физико-механических свойств грунтов вследствие изменения гидрогеологических условий;

- сведения о старых горных выработках (место расположения, контуры пустот, вмещающие породы);

- результаты испытаний грунтов основания по методикам, изложенным в приложениях 1 и 2.

6 ПЛАНИРОВКА И ЗАСТРОЙКА ПОДРАБАТЫВАЕМЫХ ТЕРРИТОРИЙ

6.1 Застроив территории залегания калийных солей допускается после получения в органах Госгортехнадзора России и территориальных подразделений Роскомнедр разрешения на застройку площадей залегания полезных ископаемых.

6.2 Выбор площадок должен производиться с учетом ожидаемых (вероятных) деформаций земной поверхности, должен быть обоснован технико-экономическим анализом затрат на защитные мероприятия и на вынос строительства на территории, под которыми:

а) нет залежи калийных солей;

б) залегают непромышленные запасы;

в) залежь выработана, процесс деформаций земной поверхности закончился и после стабилизации деформаций возможность возникновения воронок и провалов исключается;

г) подработка ожидается после окончания срока амортизации проектируемых объектов.

6.3 Непригодным к застройке считаются участки, на которых:

а) по прогнозу деформации земной поверхности превышают величины для I группы территорий;

б) возможно образование провалов, затопление грунтовыми водами, образование оползней, выходы тектонических нарушений;

в) деформации земной поверхности не поддаются прогнозированию;

г) расположены подземные хранилища-могильники нерадиоактивных токсичных или радиоактивных отходов.

6.4 Картографический материал, необходимый для разработки проектов застройки подрабатываемых территорий, должен содержать:

а) контуры площадей залегания балансовых и забалансовых запасов полезного ископаемого;

б) план сети разведочных скважин;

в) план площади застройки с изолиниями развития деформаций во времени;

г) контуры площадей территорий различных групп по величинам деформаций земной поверхности;

д) контуры предохранительных целиков;

ж) контуры площадей, где процесс деформаций земной поверхности закончился;

з) зоны образовавшихся и возможных провалов;

и) зоны возможных затоплений грунтовыми и паводковыми водами.

6.5 При планировке и застройке жилых районов на подрабатываемых территориях должны учитываться сочетания горно-геологических и градостроительных условий.

6.6 Размещение функциональных зон и элементов жилого района по группам подрабатываемых территорий приведено в табл. 4.

Участки, не пригодные для строительства, следует отводить под полосы озеленения, скверы, парки и зоны отдыха.

Таблица 4

Функциональные зоны и элементы жилого района

Целесообразное размещение по группам подрабатываемых территорий

1. Участки школ и детских учреждений

IV, III

2. Участки учреждений и предприятий обслуживания культурно-бытового назначения микрорайона и жилого района

IV, III

3. Участки коммунально-хозяйственного назначения микрорайона и жилого района

IV, III, II

4. Общественные здания (независимо от этажности)

IV, III

5. Спортивные сооружения

IV

6. Участки под жилыми зданиями с этажностью: 5

IV, III, II, I

9

IV, III, II, I

7. Магистральные улицы общегородского и районного значения

IV, III

8. Жилые улицы и проезды

IV, III, II, I

6.7 Типовые проекты зданий одной серии должны разрабатываться с таким расчетом, чтобы в них содержались варианты зданий с разными по количеству и протяженности отсеками, обеспечивающими застройку в различных горно-геологических условиях и на возможно большем диапазоне групп территорий.

6.8 При разработке проектов планировки и застройки городов и поселков, оси здания, а также сетку улиц следует ориентировать параллельно главным осям мульды сдвижения, располагая продольные стороны зданий в направлении действия минимальных деформаций земной поверхности.

7 ПРИНЦИПЫ ПРОЕКТИРОВАНИЯ

Основные расчетные требования

7.1 Конструкции зданий, проектируемых для строительства на подрабатываемых территориях, рассчитываются по первой и второй группам предельных состояний.

Первая группа предельных состояний характеризуется потерей несущей способности или полной непригодностью здания к эксплуатации.

Вторая группа предельных состояний отражает состояние здания, при котором нарушается его нормальная эксплуатация.

7.2 При величинах ожидаемых деформаций земной поверхности e £ 1 мм/м, R > 20 км, i £ 3 мм/м меры защиты зданий, как правило, не требуются.

7.3 Расчет конструкций на особые сочетания нагрузок, состоящие из постоянных, длительных, возможных кратковременных нагрузок и воздействий от подработки, следует производить на наиболее неблагоприятные сочетания воздействий.

7.4 Возможными сочетаниями воздействий от подработки являются:

а) относительная горизонтальная деформация растяжения +e, кривизна выпуклости +К, наклон земной поверхности i;

б) относительная горизонтальная деформация сжатия -e, кривизна вогнутости -К, наклон земной поверхности i.

7.5 Отдельные виды деформаций земной поверхности допускается не учитывать при расчете конструкций, если установлено, что усилия от таких деформаций достаточно малы по сравнению с усилиями от других видов нагрузок и воздействий.

7.6 Расчет конструкций на воздействия от подработки должен производиться из условия совместной работы основания и сооружения.

7.7 Взаимодействие здания с основанием определяется с учетом реологических свойств грунта, проявляющихся в виде его ползучести и релаксации в нем напряжений:

- усилия в конструкциях здания от вертикальных деформаций земной поверхности определяется с учетом ползучести грунтов основания с использованием коэффициента жесткости сжатия длительно деформируемого основания;

- усилия в элементах фундаментной части здания от горизонтальных деформаций земной поверхности определяются в зависимости от скоростей горизонтального перемещения грунта и его характеристик (угла внутреннего трения, удельного сцепления, параметров релаксации) с учетом следующих воздействий:

- сдвигающих сил по боковым поверхностям фундаментов;

- сдвигающих сил по подошве фундаментов или сил трения по шву скольжения;

- нормального давления сдвигающего грунта на лобовые поверхности фундаментов.

7.8 Выбор расчетной схемы здания должен производиться с учетом особенностей конструктивно-планировочного решения здания, характера и величин расчетных деформаций основания, степени точности исходных данных, требуемой точности расчета.

Расчетные схемы и область их применения приведены в «Руководстве по проектированию конструкций панельных жилых зданий для особых грунтовых условий» (М., Стройиздат, 1982).

7.9 Для оценки влияния деформации основания на работу здания допускается пользоваться критериями предельных величин деформаций конструкций и оснований, представленных в таблицах 6 и 14.

Надежность, конструкции или здания в целом обеспечивается при условии

                                                                                                           (4)

где St и S - расчетная и предельная деформация конструкции или основания здания.

Основные конструктивные требования

7.10 Основной конструктивной мерой защиты зданий от неравномерных осадок и горизонтальных смещений основания является разрезка его на отсеки поперечными деформационными швами. При этом деформационные швы должны располагаться на границах планировочных секций.

7.11 В зависимости от назначения и условий работы здания могут проектироваться по жесткой, податливой или комбинированной конструктивным схемам.

При проектировании по жесткой конструктивной схеме помимо разрезки на отсеки предусматривается исключение возможности взаимного перемещения отдельных элементов несущих конструкций при деформациях основания путем: усиления несущих конструкций и объединения их в пространственно жесткие блоки, устройства фундаментных и поэтажных железобетонных поясов, фундаментных связей-распорок, фундаментов в виде сплошных железобетонных плит, перекрестных балок, балок-стенок и т.п.

При проектировании зданий по податливой конструктивной схеме предусматривается приспособление конструкций к неравномерным деформациям основания. С этой целью производится: разделение зданий на отсеки с устройством между ними деформационных швов, устройство швов скольжения в фундаментных конструкциях; шарнирных и шарнирно-подвижных сопряжений; снижение жесткости колонн и несущих стен и т.п.

Проектирование зданий по комбинированной конструктивной схеме содержит мероприятия по жесткой и податливой конструктивных схем.

7.12 Если подработка зданий ожидается после 25 лет их эксплуатации, при проектировании этих объектов может быть применен сокращенный комплекс строительных мер защиты (разделение зданий на отсеки деформационными швами, защита фундаментно-подвальной части от воздействия горизонтальных деформаций, устройство ниш для установки домкратов).

При этом проектом должны быть предусмотрены дополнительные меры защиты, выполняемые за 5-10 лет до развития максимальных расчетных деформаций земной поверхности, эти меры должны быть простыми в осуществлении и устанавливаться с учетом фактических деформаций земной поверхности и здания.

7.13 При разделении зданий на отсеки необходимо учитывать их конфигурацию в плане, отдавая предпочтение простой форме. Высоту здания в пределах отсека рекомендуется принимать одинаковой. Длина отсека принимается по расчету в зависимости от расчетных величин деформаций земной поверхности и принятой конструктивной схемы здания.

7.14 Деформационные швы должны разделять смежные отсеки здания по всей высоте, включая кровлю и фундаменты.

Фундаменты под несущие стены в зоне деформационных швов устраиваются сплошными. С целью уменьшения ширины деформационного шва допускается применение прерывистых фундаментов типа «клавиш».

Ширина зазора деформационного шва должна удовлетворять условиям:

на уровне подошвы фундамента ан

                                                                                                (5)

на уровне карниза ав

,                                                                                   (6)

где Lo - расстояние между центрами смежных отсеков бескаркасных зданий и каркасных зданий с фундаментами, соединенными связями-распорками или расстояние между центрами блоков жесткости каркасных зданий с несвязанными фундаментами (рис. 2);

Н - высота здания от подошвы фундамента (для свайных фундаментов с низким ростверком от подошвы ростверка) до карниза;

q - расчетный крен здания (отсека) от подработки, определяемый по формуле:

                                                                                                  (7)

Рис. 2. Схемы для определения размеров деформационного шва между отсеками

Заделка деформационного шва по наружным стенам не должна препятствовать свободным горизонтальным перемещениям и наклонам соседних отсеков здания.

7.15 При проектировании зданий следует предусмотреть меры, направленные на уменьшение дополнительных нагрузок на заглубленную в грунт часть здания. Дополнительные нагрузки следует уменьшать следующим образом: минимально допустимой глубиной заложения фундаментов; устройством швов скольжения; устройством грунтовых подушек на основаниях, сложенных практически несжимаемыми грунтами (скальные, крупноблочные и др.); рациональной планировкой подвалов, которые следует предусматривать под всей площадью отсека на одном уровне, отделяя местные заглубления конструкций фундаментов швами скольжения.

Коэффициенты трения по шву скольжения следует принимать в соответствии с табл. 5.

Таблица 5

Материалы заполнения шва скольжения

Расход материала, кг/м2

Коэффициент трения

Два слоя пергамина с прослойкой:

 

 

молотого графита

0,5

0,2

щипаной слюды

1,0

0,3

инертной пыли

1,0

0,4

Два слоя полиэтиленовой пленки с прослойкой графита

0,4

0,15

Примечание: Бетонная поверхность под швом скольжения должна быть тщательно выровнена и зажелезнена. Отклонения по вертикали допускаются не более 5 мм на 1 м длины шва.

7.16 Конструкции фундаментов, расположенные над швом скольжения, должны быть связаны между собой железобетонными фундаментными поясами, фундаментными плитами или связями-распорками: в свайных фундаментах роль пояса должен выполнять ленточный ростверк, а для кустов свай - связи-распорки между плитами ростверка. Связи-распорки могут соединять фундаменты в продольном и поперечном направлениях.

7.17 Шахты лифтов должны проектироваться с учетом наклонов, вызываемых деформациями земной поверхности.

В случаях, когда расчетные отклонения стен шахт от вертикальной плоскости превышают допустимые, установленные государственными стандартами, проектами следует предусматривать возможность регулирования положения лифтовой шахты.

7.18 В зданиях, проектируемых с учетом возможности их выравнивания, следует предусматривать ниши или проемы, необходимые для размещения выравнивающих устройств.

8 БЕСКАРКАСНЫЕ ЗДАНИЯ

Конструктивные решения

8.1 Бескаркасные здания на подрабатываемых территориях следует проектировать по жестким или комбинированным конструктивным схемам:

с поперечными и продольными несущими стенами и с перекрытиями, опирающимися на несущие стены по контуру или трем сторонам;

с продольными несущими стенами и с перекрытиями, опирающимися на несущие стены по двум сторонам;

с поперечными несущими стенами и с перекрытиями, опирающимися на несущие стены по двум сторонам.

Надземная часть бескаркасных зданий, как правило, проектируется по жесткой конструктивной схеме.

8.2 Несущие стены зданий следует располагать, как правило, симметрично относительно продольной и поперечной осей здания и обеспечивать, по возможности, равномерное распределение жесткостей по длине и ширине здания.

Поперечные стены следует проектировать сквозными на всю ширину здания. В случае, если по планировочным требованиям нарушается сквозное расположение поперечных стен, необходимо предусмотреть устройство их связи с внутренней продольной стеной, которое должно обеспечивать совместную работу продольных и поперечных стен как единой перекрестной системы. При этом смещения поперечных стен допускается на величину (в осях) не более 0,6 м.

Величина смещения продольных стен допускается не более 1,8 м, при этом место излома продольных стен должно быть связано с поперечными несущими стенами.

8.3 Основной конструктивной мерой защиты бескаркасных зданий является разрезка их на отсеки деформационными швами, и усиление фундаментной части здания.

8.4 Деформационные швы в бескаркасных зданиях должны проектироваться в виде парных поперечных стен. Толщина стен должна отвечать теплотехническим требованиям, предъявляемым к зданиям в зависимости от расчетной температуры наружного воздуха.

8.5 Усиление фундаментной части здания осуществляется устройством замкнутых фундаментного и цокольного поясов по всем наружным и внутренним стенам.

В панельных зданиях допускается совмещение фундаментного и цокольного поясов с конструкциями цокольных железобетонных панелей.

8.6 При больших усилиях в фундаментной части здания под цокольным и фундаментным железобетонными поясами устраивается шов скольжения. Необходимость устройства шва скольжения определяется расчетом.

8.7 Надземная часть бескаркасных зданий при необходимости усиливается следующими конструктивными мерами:

устройство поэтажных замкнутых железобетонных и армокаменных поясов, располагаемых в уровне перемычек или перекрытий в крупноблочных и кирпичных зданиях;

соединением всех элементов крупнопанельных зданий в пространственную системы и их усилением.

8.8 При устройстве в над фундаментной части здания с лоджиями поэтажных поясов допускается смещать участки продольных стен на расстояние не более 1,5 м с закладкой стенового и фундаментного поясов в плоскости стены, а также по контуру лоджии. В качестве прямолинейных стеновых поясов допускается использовать конструкции перекрытий над лоджиями с соответствующим их усилением. Одна из стен лоджий должна быть, как правило, продолжением поперечной стены здания.

Балконы и эркеры следуют устраивать на консольном выносе перекрытий.

8.9 Опорные части балок, прогонов, лестничных площадок и плит перекрытий должны быть заанкерены в стены. Связь перекрытий со стенами должна осуществляться сварными сетками (каркасами), укладываемыми в продольных швах, или применением анкерных связей по монтажным петлям. Глубина опирания панелей перекрытий и покрытий на несущие стены панельных зданий должна быть не менее 12 см.

Панели перекрытий соединяются между собой и с несущими стенами с заливкой шва между панелями цементным раствором марки 100.

8.10 В каменных зданиях углы и пересечения стен следует армировать сетками с ячейками размером 7´7 см из арматуры диаметром 4-6 мм, укладываемых в горизонтальных швах по высоте через 1 м и заделываемыми в каждую сторону от пересечения осей стен на 1,2-1,5 м.

8.11 Конструкции, ослабленные дымовыми и вентиляционными каналами, штрабами и нишами, должны быть усилены дополнительным армированием в соответствии с расчетом или конструктивными требованиями.

8.12 Для выравнивания зданий домкратами в их подземной части предусматриваются:

ниши для домкратов в углах и пересечениях стен и под осями простенков, временно заложенные кирпичной кладкой на глиняном растворе;

распределительный железобетонный пояс по верху ниш, железобетонные плиты или распределительный пояс по низу ниш для восприятия сосредоточенных нагрузок от домкратов;

горизонтальный шов скольжения под верхним распределительным поясом для обеспечения возможности отрыва конструкций здания от фундаментов при выравнивании.

8.13 Проектом должны предусматриваться мероприятия, обеспечивающие нормальную эксплуатацию трубопроводов, в том числе и при выравнивании здания (применение компенсационных устройств для стояков, крепление разводящих трубопроводов к элементам здания, расположенным над швом скольжения).

8.14 Фундаменты здания или отсека должны, как правило, закладываться на одном уровне. При заложении фундаментов отсека на разных отметках фундаментный пояс следует выполнять на отметке менее заглубленного фундамента, часть фундамента, расположенная ниже пояса, отделяется швом скольжения.

Расчет бескаркасных зданий на воздействие вертикальных деформаций грунта основания

8.15 В соответствии с п. 7.9 конструктивные меры защиты здания от вертикальных деформаций грунта основания не требуется при условии

                                                                                                 (8)

где fП - наибольшая относительная разность осадок основания фундаментов, вызванная подработкой.

                                                                                        (9)

nk и mk - коэффициенты, принимаемые по табл. 2 и 3;

L - длина здания;

R - радиус кривизны земной поверхности;

fпp - предельное значение относительной разности осадок, принимается по приложению 4 СНиП 2.02.01-83, представленное в табл. 6.

Таблица 6

Здания

Относительная разность осадок, fпр

1. Одноэтажные и многоэтажные гражданские здания с полным каркасом

 

железобетонным

0,002

стальным

0,004

2. Многоэтажные бескаркасные здания с несущими стенами из:

 

крупных панелей

0,0016

крупных блоков или кирпичной кладки без армирования

0,002

то же, с армированием, в том числе с устройством железобетонных поясов

0,0024

8.16 При fП > fПР. необходимо уменьшение длины здания или разделение его деформационными швам на отсеки такой длины, при которой условие п. 8.15 удовлетворяется.

8.17 В том случае, если уменьшить длину здания или разделить его на отсеки не представляется возможным, необходимо рассчитать здание на воздействие кривизны земной поверхности по методике, изложенной в «Руководстве по проектированию зданий и сооружений на подрабатываемых территориях. Часть II. Промышленные и гражданские здания» (Стройиздат, М., 1986), с учетом ползучести грунта основания.

При этом длительный коэффициент жесткости грунта основания Сt (определяется по рекомендациям приложения II СНиП 2.01.09-91 по формуле

,                                                                                                  (10)

где С - коэффициент жесткости линейно-деформируемого основания, определяемый с учетом распределительных свойств грунта основания;

- функция, характеризующая длительность деформирования основания.

Определение нагрузок на ленточные фундаменты от горизонтальных деформаций грунта основания

8.18 Конструктивные меры защиты ленточных фундаментов от горизонтальных перемещений грунта не требуются при условии, когда относительные деформации грунта основания e £ 1 мм/м.

8.19 Суммарные нагрузки на ленточный фундамент жесткой конструкции, вызванные горизонтальными деформациями грунта основания (рис. 3), определяются по формуле

                                                                           (11)

где   - нагрузка от сил трения сдвигающегося грунта в продольном направлении по подошве рассчитываемого фундамента;

  - нагрузка от сил трения по подошве фундаментов, примыкающих к расчетному;

Nб  - нагрузка, вызываемая силами трения грунта по боковым поверхностям контакта рассчитываемого фундамента с грунтом;

  - нагрузка, вызванная нормальным давлением сдвигающегося грунта на фундаменты, примыкающие к расчетному.

8.20 Нагрузка  по подошве ленточных фундаментов в направлении их продольной оси определяется в зависимости от эпюры распределения касательных напряжений по подошве (рис. 3 в, г) по формулам:

при   >  l на участке l ³  x ³ 0

;                                                                                 (12)

при  = l на участке l ³  x ³ 0

                                                                           (13)

при  < l на участке l ³  x ³

                                                                                    (14)

на участке  ³ x ³ 0

Рис. 3. Нагрузки на заглубленную часть жесткого фундамента от воздействия деформаций в зоне растяжения

а) план фундаментов с эпюрами нагрузок: l - полудлина отсека здания, L - полуширина отсека,

б) разрез; в), г) эпюры tm, tmn, tб; д), е), ж) эпюры нагрузок Nт, Nб, Nmn (Ng)

                                                     (15)

В формулах (12) - (15):

l - половина длины здания (отсека);

b - ширина подошвы фундамента;

х - расстояние от оси здания (отсека) до сечения, в котором определяется усилие;

tпр - предельное сопротивление грунта сдвигу

                                                                                                                           (16)

Р - среднее нормативное удельное давление под подошвой рассчитываемого фундамента;

j  и С - угол внутреннего трения и удельное сцепление грунта;

хпр - расстояние от середины здания (отсека) до точки под подошвой фундамента, в которой касательные напряжения достигают предельного сопротивления грунта сдвигу,

;                                                                                                  (17)

tд tx - касательные напряжения под подошвой фундамента соответственно в крайней по длине здания точке и расположенной на расстоянии х от его оси.

,                                                                           (18)

,                                                                        (19)

0,8 - коэффициент, учитывающий собственные деформации конструкций фундамента, пои деформациях сжатия земной поверхности принимается равным единице;

ne и me - коэффициенты перегрузки и условия работы, принимаемые по таблицам 2 и 3;

Кn - коэффициент жесткости основания при сдвиге грунта под подошвой фундамента

                                                                           (20)

*,  - коэффициенты формы фундамента, принимаемые по таблице 7 в зависимости от соотношения сторон подошвы фундамента а/в, где а - сторона фундамента в направлений сдвижения грунта;

Таблица 7

а/в

5

3

2

1,5

1

0,66

0,5

0,33

0,2

wz

1,22

1,13

1,09

1,07

1,06

1,07

1,09

1,13

1,22

wх

0,53

0,53

0,53

0,53

0,5

0,45

0,42

0,37

0,29

Еo - модуль деформации грунта;

F - площадь подошвы фундамента, в расчет принимается для ленточных фундаментов значение F £ 10 м2, для плитных фундаментов значение F £ 100 м2;

m - коэффициент Пуассона грунта, который допускается принимать по таблице 8.

Таблица 8

Наименование грунта

Консистенция грунта

Величина коэффициента Пуассона,

Глины и суглинки

Твердые и полутвердые

Тугопластичные

0,1-0,15

0,2-0,25

Глины и суглинки

Мягкопластичные и текучепластичные

Текучие

0,3-0,4

0,45-0,5

Супеси

Твердые и полутвердые

Тугопластичные

0,15-0,2

0,25-0,3

Пески

 

0,2-0,25

 - максимальная скорость относительной горизонтальной деформации грунта основания, 1/сутки;

b - коэффициент релаксации касательных напряжений в грунте основания, определяется из испытаний грунта по методике, изложенной в приложении 1; для песчаных и глинистых грунтов допускается принимать значения b = 0,01, 1/сутки;

е - основание натурального логарифма;

t - время от начала подработки, сутки.

8.21 Нагрузка от сил трения по подошве фундаментов, примыкающих к расчетному, определяется по формуле

                                                                                           (21)

где п - количество фундаментов, примыкающих к расчетному, на участке от l до х;

- нагрузка от фундамента j-й примыкающей стены

                                                                                   (22)

×- площадь подошвы j-го фундамента, примыкающего к расчетному;

-касательное напряжение под подошвой j-го фундамента примыкающей стены; определяется По формуле (19), в которой за х принимается расстояние от середины здания (отсека) до продольной оси примыкающего фундамента,

;                                                                                                 (23)

tп.пр - предельное сопротивление грунта сдвигу под подошвой фундамента примыкающей стены, определяется по формуле (16).

8.22 Нагрузка от трения грунта по боковой поверхности рассчитываемого фундамента определяется по формулам:

при  на участке

;                                                                            (24)

при  на участке

;                                                                       (25)

при  на участке

                                                                                (26)

то же, на участке

,                                        (27)

где h - величина заглубления фундамента; если фундамент заглублен в грунт с двух сторон на одинаковую величину h то формулы (24) – (27) имеют множитель 2; если величины заглубления разные, то значения Nб вычисляются для каждой боковой поверхности и затем суммируются;

- расстояние от середины здания (отсека) до точки на боковой' поверхности фундамента, в которой касательные напряжения достигают предельного сопротивления грунта сдвигу,

                                                                           (28)

- предельное сопротивление сдвигу грунта засыпки по боковой поверхности фундамента

                                                       (29)

- удельный вес грунта засыпки;

и - угол внутреннего трения и удельное сцепление грунта засыпки, принимаются по табл. 9;

Таблица 9

Плотность грунта, кг/м

 

Влажность, %

 

tgjз

 

Удельное сцепление грунта обратной засыпки кПа, при продолжительности эксплуатации здания до подработки, лет

1

2

3

4

6

8

10

>10

1650

10

0,938

33

35

36

36

37

38

38

41

20

0,548

13

13

13

14

14

14

14

15

30

0,238

9

9

9

9

9

9

9

10

1750

10-

0,918

47

50

52

52

53

54

54

60

20

0,528

19

20

20

21

21

21

21

21

30

0,338

13

13

13

14

14

14

14

15

1850

10

0,848

68

72

74

75

78

79

79

87

20

0,508

29

30

31

32

32

33

33

36

30

0,218

16

16

17

17

17

17

18

19

1950

10

0,798

90

96

100

102

104

105

106

106

20

0,448

45

47

49

50

51

52

52

57

30

0,198

24

25

26

26

27

27

27

30

Примечание. 5 Промежуточные значения по вертикали и горизонтали определяются путем линейной интерполяции.

Кб - коэффициент жесткости грунта засыпки при сдвиге по боковой поверхности фундамента

,                                                                      (30)

Ез- модуль боковой деформации грунта обратной засыпки

                                                                                                     (31)

т - коэффициент, учитывающий влияние изменяющихся по глубине деформативных свойств грунтового массива, ограниченного сверху горизонтальной незагруженной дневной поверхностью; определяется по графику рис. 4, где hg - расстояние от верха фундамента до равнодействующей бокового давления сдвигающего грунта;

Рис. 4. Зависимость изменения коэффициента m от глубины грунтового массива hg

 - модуль вертикальной деформации грунта обратной засыпки, принимаемый по табл. 10;

Fб - площадь контакта грунта засыпки с боковой поверхностью фундамента, в расчет принимается значение Fg £ 10 м2;

Таблица 10

Плотность грунта, кг/м3

Влажность, %

Модуль вертикальной деформации грунта обратной засыпки, , МПа, при продолжительности эксплуатации здания до подработки, лет

1

2

3

4

6

8

10

>10

 

10

6,3

7,6

8

8,4

8,8

9,1

9,1

9,1

1650

20

3,6

4,3

4,6

4,8

5

5,2

5,2

5,2

 

30

1,4

1,7

1,8

1,9

2

2

2

2

 

10

0,8

9,6

10,2

10,6

11,2

11,5

11,5

11,5

1750

20

5,6

6,7

7,1

7,4

7,8

8,1

8,1

8,1

 

30

1,7

2

2

2,2

2,4

2,4

2,4

2,4

 

10

13,2

15,8

16,8

17,6

18,5

19,0

19,0

19,0

1850

20

7

8,4

8,9

9,3

9,8

10,0

10,0

10,0

 

30

2,5

3,0

3,2

3,3

3,5

3,6

3,6

3,6

 

10

22,8

27,4

29,0

30,3

31,9

32,8

32,8

32,8

1950

20

9,8

11,8

12,4

13,0

13,7

14,1

14,1

14,1

 

30

3,6

4,3

4,6

4,8

5

5,2

5,2

5,2

Примечание. Промежуточные значения по вертикали и горизонтали допускается определять путем линейной интерполяции.

wzб и wхб - коэффициенты, определяемые по табл. 7, в зависимости от соотношения сторон боковой поверхности фундамента а/в, где а - длина стороны боковой поверхности фундамента в направлении сдвижения грунта, в = h;

tб.l и tбx - касательные напряжения по боковой поверхности фундамента соответственно в крайней по длине фундамента точке и в точке, расположенной на расстоянии х от его середины

,                                                                      (32)

,                                                                       (33)

Остальные обозначения те же, что и в п. 8.20

8.23 Нагрузка, вызванная нормальным давлением сдвигающегося грунта на фундаменты, примыкающие к расчетному

,                                                                                                 (34)

где п - количество фундаментов, примыкающих к расчетному, на участке между рассматриваемым сечением продольного фундамента и его концом;

Ngj - нагрузка от бокового давления грунта на фундамент j примыкающей стены

                                                                                            (35)

Fgj - площадь контакта с грунтом боковой поверхности j-го фундамента, примыкающему к расчетному, со стороны надвигающегося грунта;

sgj - нормальное давление грунта на боковую поверхность j-го фундамента, примыкающего к расчетному

,                                                         (36)

Сб i - коэффициент жесткости сжатия грунта j-го фундамента, примыкающего к расчетному,

;                                                                                                    (37)

EГ - приведенный модуль боковой деформации грунта

;                                                                              (38)

Еб - модуль боковой деформации грунта ненарушенного сложения

                                                                                                (39)

п - коэффициент, учитывающий анизотропность механических свойств грунта при боковом и вертикальном давлении за счет особенностей природного сложения, принимается равным 0,75;

m и Ез - то же, что в формуле (31);

dз - средняя ширина пазухи между фундаментом и стенкой котлована, при отсутствии данных о ширине пазухи допускается принимать dз = 0,4 м для наружных и dз = 0,2 м для внутренних фундаментов;

 - условная длина зоны бокового обжатая грунта

                                                                                     (40)

 - заглубление фундамента со стороны надвигающегося грунта;

xj - расстояние от середины здания (отсека) до боковой поверхности j-го фундамента, примыкающего к расчетному;

a - коэффициент релаксации напряжений при сжатии грунта; определяется испытанием грунта по методике, изложенной в приложении 2, для песчаных и глинистых грунтов допускается принимать a = 0,02, 1/сутки,

е-at - функция основания натурального логарифма;

sпр - предельное напряжение сжатия на боковой поверхности фундамента от пассивного давления грунта

,                                           (41)

xj - понижающий коэффициент, равный отношению расстояния в свету между фундаментами Lj со стороны подвигающегося грунта к длине призмы выпирания,

;                                                                                (42)

при xj > 1 принимается xj = 1.

Остальные обозначения те же, что и в п. 8.20.

8.24 Шов скольжения в фундаментно-подвальной части здания устраивается при условии

;                                                                                                       (43)

где N - наибольшая нагрузка, действующая на фундаменты, определяемая по формуле (11);

 - суммарная продольная нагрузка от сил трения по шву скольжения фундамента с наибольшим значением N

,                                                                                        (44)

 - нагрузка от сил трения по шву скольжения при сдвиге фундаментов вдоль пояса рассчитываемой стены;

 - нагрузка от сил трения при сдвиге фундаментов по шву скольжения под примыкающими стенами и передающаяся на железобетонный пояс под рассчитываемой стеной.

Нагрузка  в любом сечении х железобетонного пояса, расположенного над швом скольжения рассчитываемой стены, определяется по формуле

                                                                                   (45)

m1 - коэффициент условий работы, учитывающий неполной развитие силы трения по шву скольжения, принимается по графику рис. 5 в зависимости от длины отсека;

Рис. 5 График коэффициента условий работы m1, учитывающего неполное развитие сил трения по шву скольжения

Ро - вертикальная нормативная нагрузка в уровне шва скольжения продольного фундамента;

f - коэффициент трения по шву скольжения, принимаемый по табл. 5

Нагрузка  в любом сечении х рассматриваемого пояса от сдвига фундаментов под примыкающими стенами, определяется по формуле

,                                                                                (46)

где  - коэффициент условий работы, учитывающий неполное развитие силы трения по шву скольжения, принимается по таблице 11;

Таблица 11

Количество фундаментов на участке от 0,5L до х

Коэффициент условий работы, m11

Количество фундаментов на участке от 0,5L до х

Коэффициент условий работы, m11

1

1

4

0,6

2

0,85

5

0,5

3

0,70

6

0,4

lп -длина стены, примыкающей к рассчитываемой;

 - максимальная сила трения по шву скольжения под j-й примыкающей стеной, приложенная перпендикулярно поясу и определяемая по формуле

                                                                                               (47)

п - число примыкающих стен на участке (l-x); Ро - вертикальная нормативная нагрузка в уровне шва скольжения под j-ой примыкающей стеной; f - коэффициент трения по шву скольжения, принимаемый по табл. 5.

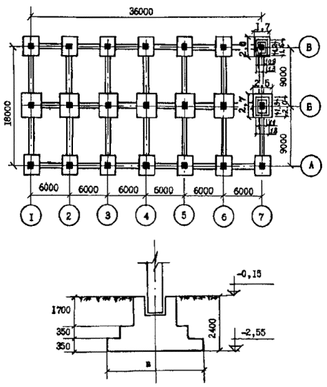
Пример расчета бескаркасного здания на ленточных фундаментах

Исходные данные

Здание пятиэтажное прямоугольной формы, кирпичное, длиной L = 72 м, шириной В = 18м, высотой Н = 15 м с подвалом; фундаменты ленточные из сборных железобетонных блоков с шириной подошвы по осям 1¸7 в = 1,0 м, по осям А¸В b = 0,8 м; погонная нагрузка по подошве фундаментов составляет по осям А, Б, В - 200 кН; 1,7 - 230кН; 2¸6 - 260 кН (рис. 6).

Рис. 6. План и сечение ленточных фундаментов бескаркасного здания

Грунты в основании - суглинки, характеризующиеся следующими физико-механическими свойствами:

плотность грунта - = 95 т/м3;

удельное сцепление грунта - С = 39 кПа;

угол внутреннего трения - j = 24°;

модуль деформации грунта - Ео = 25 МПа;

коэффициент Пуассона m = 0,35;

коэффициент релаксации касательных напряжений в грунте b = 0,01, 1/сутки;

коэффициент релаксации напряжений сжатия грунта a = 0,02, 1/сутки.

Ожидаемые величины деформаций земной поверхности:

наклон земной поверхности - j = 7,9×10-3;

радиус кривизны выпуклости земной поверхности - R = 4,5 км;

относительные горизонтальные деформации растяжения земной поверхности - e = 2,6×10-3 мм/м;

скорость изменения относительной горизонтальной деформации земной поверхности -  = 0,0033×10-3, 1/сутки;

время от начала до конца подработки здания t = 10 лет (3600 суток);

направление сдвижения земной поверхности - вдоль здания.

Определение длины отсека здания

В соответствии с п. 8.15 по формуле (8) проверяем условие, при котором применение конструктивных мер зашиты бескаркасного здания от вертикальных деформаций грунта основания не требуется

Относительная разность осадок основания фундаментов, вызванная подработкой, определяется по формуле (9)

Предельное значение относительной разности осадок фундаментов бескаркасного кирпичного здания принимаем по табл. 6,

Условие (8) не выполняется, поэтому требуются конструктивные меры защиты здания от воздействия вертикальных деформаций грунта основания.

В качестве конструктивной меры принимаем разрезку здания деформационными швами на два отсека кратных длине секции 36 метров.

Повторно проверяем условие (8) при длине деформационного отсека

условие (8) выполнено.

Определяет ширину зазоров деформационного шва между отсеками здания:

на уровне подошвы фундамента по формуле (5)

;

на уровне карниза по формулам (6) и (7)

;

,

расстояние от подошвы фундамента до карниза здания

м,

мм.

Для принятой длины отсека здания определяем необходимость применения конструктивных мер защиты фундаментно-подвальной части здания от воздействия горизонтальных деформаций грунта основания. Ожидаемые горизонтальные деформации грунта основания e = 2,6×10-3 > 1×10-3, поэтому в соответствии с п. 8.18 требуется расчет ленточных фундаментов на воздействие горизонтальных перемещений грунта основания.

Определение нагрузок на ленточные фундаменты

Вначале выполняем расчет нагрузок на ленточный фундамент по оси А.

Определяем нагрузку от трения грунта в продольном направления по подошве фундамента.

По формуле (16) определяем значение предельного сопротивления грунта сдвигу по подошве фундамента

Вычисляем значение коэффициента жесткости основания при сдвиге грунта под подошвой фундамента по формуле (20)

площадь подошвы фундамента под продольной стеной по оси А F = а ´ b = (36 + 1) /2 × 0,8 = 14,8 м2, т.к. значение F > 10 м2, принимаем в расчет F = 10 м2.

Из таблицы 7 при а/в = 18,5/0,8 = 23 > 5 находим   по таблице 8 принимаем m = 0,35.

По формуле (17) определяем значение

,

при t = 10 лет (3600 суток) и b = 0,01 1/сутки  = 0;

В соответствии с п. 8.20 при  нагрузку от сил трения по подошве фундамента определяем по формуле (12)

касательные напряжения по подошве фундамента на расстоянии х и l от середины отсека здания определяем по формулам (19) и (18)

,

Определяем нагрузку в сечениях ленточного фундамента от трения грунта в продольном направлении подошвы фундамента А:

для сечения 1-1 при х = 12 м

;

для сечения 2-2 при х = 6 м

для сечения 3-3 при х = 0

Определяем нагрузку на ленточный фундамент по оси А от трения грунта по подошве примыкающих фундаментов.

По формуле (19) рассчитываем касательные напряжения под подошвами фундаментов примыкающих стен

для фундаментов, примыкающих по осям 1 и 7 при х = 18 м

для фундаментов, примыкающих по осям 2 и 6 при х = 12 м

для фундаментов, примыкающих по осям 3 и 5 при х = 6 м

Определяем предельное сопротивление сдвигу грунта под подошвой фундаментов примыкающих стен по формуле (16):

для фундаментов, расположенных по осям 1, 7

для фундаментов, расположенных по осям 2-6

 

Сравнение касательных напряжений с их предельными значениями показывает, что условие (23) удовлетворяется

Вычисляем площадь подошвы фундаментов примыкающих стен

Определяем нагрузку от фундамента j-й примыкающий стены по формуле (22):

для фундаментов, примыкающих по осям 1 и 7

                                     

для фундаментов, примыкающих по осям 2 и 6

для фундаментов, примыкающих по осям 3 и 5.

Определяем, нагрузку от трения грунта по подошве фундаментов примыкающих стен в сечениях ленточного фундамента по формуле (21)

в сечения 1-1

в сечении 2-2

в сечении 3-3

Определяем нагрузку от трения грунта по боковым поверхностям ленточного фундамента.

Заглубление фундамента в грунт с наружной стороны знания h1 = 2,4 м, со стороны подвала h2 = 0,55 м.

В соответствии с п. 8.22 расчет производим для каждой из сторон фундамента с последующим суммированием усилий.

Грунт обратной засыпки при плотности 1850 кг/м3, влажности 20 %, времени эксплуатации до подработки 10 лет характеризуется следующими данными (табл. 9): tg jз = 0,508; jз = 27°; Сз = 36 кПа. Для мягкопластичного суглинка засыпки по табл. 8 принимаем m = 0,3.

Предельное сопротивление сдвигу грунта засыпки по боковой поверхности фундамента определяем по формуле (29):

при h1 = 2,4 м

 

при h2 = 0,55 м

Коэффициент жесткости грунта засыпки при сдвиге по боковой поверхности фундамента определяем по формуле (30)

.

Модуль боковой деформации грунта обратной засыпки определяем по формуле (31)

значения коэффициента т определяем по граф. рис. 4 для hg1 = 2/3 × h1 = 2/3 × 2,4 = 1,6 м и hg2 = 2/3 × h2 = 2/3 × 0,55 = 0,37 м, соответственно m1 = 1,0, т2 = 0,25; модуль вертикальной деформации грунта обратной засыпки принимаем по табл. 10 для грунта плотностью 1,85 т/м3 с влажностью 20 % и продолжительности эксплуатации здания до подработки 10 лет, Евз = 10 МПа:

при h1 = 2,4 м                                

при h2 = 0,55 м                              

площадь контакта грунта засыпки с боковой поверхностью фундамента

при h1 = 2,4 м                                

в расчет принимаем F1 = 10 м2;

при h2 = 0,55 м                              

в расчет принимаем F2 = 8,25 м2;

значения коэффициентов wzб и wxб определяем по табл. 7 по соотношению длины фундамента а к заглублению h,

при h1 = 2,4 м

              wzб = 1,22,          wxб = 0,53

при h2 = 0,55 м

     w = 1,22,          w = 0,53

при h1 = 2,4 м

;

при h2 = 0,55 м

По формуле (28) определяем

,

при t = 10 лет  = 0;

при h1 = 2,4 м

при h2 = 0,55 м

Значение хб.пр больше половины длины отсека здания l = 0,5 × 37 = 18,5 м, поэтому в соответствии с п. 8.22 расчет усилий от трения по боковой поверхности фундамента производим по формуле (24)

Касательные напряжения по боковой поверхности фундамента, расположенной на расстоянии х от середины отсека здания и в крайней по длине фундамента точке, определяем по формулам (33) и (32):

при h1 = 2,4 м

;

при t = 10 лет  = 0,

                                

при h2 = 0,55 м

х = l,                                 

Нагрузка от трения грунта по боковой поверхности фундамента по оси А:

в сечении 1-1 при х = 12 м

,                                      

;

,                                       

;

в сечении 2-2 при х = 6 м

h1=2,4 м,                                         

h2 = 0,55 м,                                    

;

в сечении 3-3 при х = 0

h1=2,4 м,                                        

h2 = 0,55 м,                                    

Определяем нагрузку от давления сдвигающегося фунта на фундаменты, примыкающие к расчетному.

Находим площадь контакта с грунтом боковой поверхности фундамента при деформациях растяжения земной поверхности

По формуле (39) определяем модуль боковой деформации грунта

коэффициент п = 0,75; значение коэффициента m определяем по граф. рис. 4 при h = 2/3×0,55 = 0,37 м, т = 0,25.

Модуль боковой деформации обратной засыпки определялся по формуле (31) для h = 0,55 м при определении сил трения по боковой поверхности фундамента

Определяем условную длину зоны бокового обжатия грунта по формуле (40)

Средняя ширина пазухи между фундаментом и стенкой котлована dз = 0,2 м.

Приведенный модуль боковой деформации грунта определяем по формуле (38)

Коэффициент жесткости сжатия грунта определяем по формуле (37)

Нормальное давление грунта на боковую поверхность j-го фундамента, примыкающего к расчетному, определяем по формуле (36)

;

при t = 10 лет  = 0,

Давление на фундаменты, примыкающие по осям 1-7:

при х = 17,5 м

при х = 11,5 м

при х = 5,5 м

Предельное напряжение сжатия на боковой поверхности фундамента от пассивного давления грунта определяем по формуле (41)

значение коэффициента xj определяем по формуле (42)

принимаем xj = 1;

Сравнение напряжений грунта на боковой поверхности примыкающих фундаментов с их предельным значением показывает, что условие (36) удовлетворяется

Нагрузка от бокового давления грунта на j-й примыкающий фундамент по осям 1-7 определяем по формуле (35)

Нагрузку от давления грунта на примыкающие фундаменты в сечениях ленточного фундамента по оси А, определяем по формуле (34)

в сечении 1-1

в сечении 2-2

в сечении 3-3

Суммарную нагрузку, действующую на рассчитываемый фундамент, определяем по формуле (11)

в сечении 1-1

в сечении 2-2

в сечении 3-3

Аналогично рассчитываются и другие ленточные фундаменты в пределах деформационного отсека. Значения растягивающих нагрузок по сечениям ленточных фундаментов сведены в таблицу.

Сечение

фундаментов

Значения растягивающих нагрузок, кН

Nт

Nт.п

Nб

Ng

N

1-1

155

145

185

20

505

2-2

239

241

293

33

806

3-3

267

289

329

40

925

4-4

155

290

17

40

502

5-5

239

480

27

66

812

6-6

267

578

31

80

956

Определяем возможность снижения растягивающих нагрузок в фундаментах устройством шва скольжения.

Находим из сводной таблицы фундамент с наибольшим значением нагрузки.

Из таблицы видно, что наибольшая нагрузка N = 956 кН действует в фундаменте по оси Б. В соответствии с п. 8.24 для этого фундамента определяем наибольшую нагрузку, возникающую в нем при устройстве шва скольжения.

Шов скольжения устраиваем под цокольным железобетонным поясом из двух слоев пергамина с прослойкой щипаной слюды. Вертикальная нормативная нагрузка Ро на уровне шва скольжения составляет для фундаментов по оси Б - 190, по осям 1,7 - 220, по осям 2¸6 - 250 кН/п.м.

Нагрузку от сил трения по шву скольжения по длине фундаментов определяем по формуле (45)

,

коэффициент условий работы т1 определяем по графику рис. 5, для длины отсека L = 36 м т1 = 0,65; коэффициент трения принимаем по табл. 5 f = 0,3;

Силу трения под j-й примыкающей стеной определяем по формуле (47)

для фундаментов, расположенных по осям 1.7,

для фундаментов по осям 2¸6

Максимальную нагрузку от сдвига фундаментов под примыкающими стенами определяем по формуле (46)

;

коэффициент условий работы  принимаем по табл. 11, для количества стен на участке (l-х) равной; длина стены, примыкающей к расчетной, расположенной по оси Б,

Суммарную продольную нагрузку растяжения в среднем сечении фундамента от сил трения по шву скольжения определяем по формуле (44)

Проверяем условие (43)

Условие (43) не удовлетворяется, следовательно, устройство шва скольжения не снимает действующую на фундамент нагрузку.

Горизонтальная нагрузка в ленточных фундаментах воспринимается замкнутыми по периметру здания цокольным и фундаментным железобетонными поясами.

Расчет свайных фундаментов с учетом влияния подработки

8.25 Свайные фундаменты при сдвижение грунта основания рассчитываются:

по несущей способности грунта;

по прочности материала свай;

по прочности материала ростверка.

8.26 Несущая способность свай по грунту рассчитывается на сочетания, при которых в них возникают максимальные сжимающие нагрузки с учетом дополнительных нагрузок сжатия от искривления основания, наклона и ветровой нагрузки. Расчет производится по формуле

                                                      (48)

где Nз - расчетная вертикальная нагрузка от веса отсека здания, кН;

п - общее число свай;

DN - дополнительная вертикальная нагрузка на сваю от искривления основания (рис. 7), кН

                                                                              (49)

Ax - общая длина подошвы условного фундамента в направлении оси х, определяемая по формуле

                                                              (50)

L - расстояние между осями крайних свай отсека, м;

d - размер поперечного сечения свай, м;

l - глубина погружения свай в грунт, считая от подошвы ростверка, м;

- осредненное расчетное значение угла внутреннего трения грунта, град;

аус - размер условного фундамента, м;

Су - коэффициент жесткости основания для условного фундамента, определяемый по формуле, кН/м3

,                                                                                            (51)

Сtj - коэффициент жесткости сжатия грунта основания под отдельным условным фундаментом или условной фундаментной лентой, определяемый по формуле (10),

Jy1 - момент инерции площади подошвы условного фундамента, расположенной по одну сторону от главной оси УУ относительно оси у1y1, м4;

xо - расстояние от главной, оси уу до центра тяжести рассматриваемой половины фундамента (определяется отношением статического момента к площади фундамента), м;

Рис. 7. Схема замены свайного фундамента условным на естественном основании и эпюра перераспределения нагрузок на сваи при кривизне выпуклости

а - здание на искривленном основании; б - план свайного поля, ростверка и условного фундамента, в - эпюра перераспределения нагрузок на сваи; 1 - ростверк; 2 - сваи; 3 - условный фундамент на естественном основании; abecd - эпюра нагрузок на сваи до искривления основания; ab1е1c1d - эпюра нагрузок на сваи при искривлении основания; уу - главная ось; у1у1 - ось, проходящая через центр тяжести половины условного фундамента

х - расстояние от главной оси уу до оси сваи, для которой вычисляется DN, м;

хj - то же, до оси каждой сваи, находящейся на рассматриваемой половине площади условного фундамента, м;

Rж - условный радиус кривизны основания от влияния горных выработок, учитывающий конечную жесткость здания; при кривизне выпуклости принимается со знаком плюс, при кривизне вогнутости - со знаком минус, м

,                                                                                            (52)

nк и mк - коэффициенты, принимаемые по таблицам 2 и 3;

mж - коэффициент (меньше или равный единице), учитывающий конечную жесткость здания, определяемый по формуле

,                                                       (53)

b - приведенная ширина подошвы условного фундамента, м;

EJ и GF - соответственно, изгибная, МПа×м4, и сдвиговая МПа×м2, жесткости стен здания.

Для коротких отсеков жестких зданий, имеющих отношение L/H £ 1, (где L - длина отсека, Н - высота здания от подошвы ростверка до карниза), допускается принимать mж = 1, а Rж равным расчетному радиусу кривизны основания.

Nв и Nн - дополнительные вертикальные нагрузки на сваи от ветровой нагрузки и наклона земной поверхности от влияния подработки, определяются по формулам, кН

,                                                                                             (54)

,                                                                                             (55)

где  и  - расчетные моменты относительно главных осей х и у от действия ветровой нагрузки или наклона земной поверхности, кН×м;

х и у - расстояния от главных осей отсека оси сваи, для которой вычисляется расчетная нагрузка, м;

хj и уj - расстояния от главных осей до оси каждой сваи, м.

Фподр. - несущая способность свай по грунту основания при подработке территории, кН

,                                                                                              (56)

где gсг - коэффициент условий работы, учитывающий изменение физико-механических свойств грунтов и перераспределение вертикальных нагрузок при подработке территорий: для свай-стоек в фундаментах любых зданий gсг = 1; для висячих свай в фундаментах податливых зданий (например, одноэтажных каркасных с шарнирными опорами) gсг = 0,9; для висячих свай в фундаментах жестких зданий (например, бескаркасных многоэтажных зданий с жесткими узлами) gсг = 1,1;

Fd - несущая способность сваи, кН, определенная расчетом или по результатам полевых исследований (динамических, статистических испытаний свай, зондирования грунта) в соответствии с требованиями СНиП 2.02.03-85;

gк - коэффициент надежности, принимается в соответствии с указаниями п. 3.10 СНиП 2.02.03-85.

8.27 Несущая способность свай по материалу с учетом подработки обеспечивается при условии

                                                                                                      (57)

                                                                                                    (58)

где и - расчетные максимальные значения поперечной силы и изгибающего момента в свае от воздействия горизонтальных перемещений, наклона и ветровой нагрузки, а также от внецентренного действия вертикальной нагрузи определяемые по формулах:

                                                                                (59)

                                                                  (60)

и - максимальные значения поперечной силы, кН, и изгибающего момента, кН×м, в свае от воздействия горизонтальных перемещений.

Ординаты эпюр поперечных сил и изгибающих моментов, представленных на рис. 8 и 9, для характерных сечений свай при шарнирной или жесткой заделке голов в высокий или низкий ростверк под воздействием горизонтальных перемещений определяются по формулам

,                                                                                                   (61)

,                                                                                                (62)

                                                                                                  (63)

                                                                                                (64)

Рис. 8. Схема взаимодействия упругой оси сваи, имеющей шарнирное сопряжение с ростверком, и грунта при действии горизонтальной нагрузки или перемещения

а - деформация оси сваи (1) и эпюра обжатия грунта (2); б - эпюра давления грунта на сваю; в, г - эпюра поперечных сил и изгибающих моментов в свае; 3 - касательная к эпюрам давления в точке В

Рис. 9. Схема взаимодействия упругой оси сваи с жесткой заделкой головы в ростверк с грунтом при действии горизонтальной нагрузки или перемещения

а - деформация оси сваи (1) и эпюра обжатия грунта (2); б - эпюра давления грунта на сваю; в, г - эпюры поперечных сил и изгибающих моментов в свае; 3 - касательная к эпюрам давления в точке В

где qj, mj - коэффициенты, определяемые по графикам рис. 10 и 11 соответственно для жесткой заделки и шарнирного сопряжения голов свай с ростверками в зависимости от коэффициента  (где Н - свободная высота сваи, м;

l - длина ее погружения в грунт, м);

для определения Qг и Mг при шарнирном соединении головы сваи с ростверком принимаются коэффициенты qA и mпр, при жесткой заделке qA и mA.

Р1 - максимальная ордината эпюры бокового давления грунта, кН/м; на участке "в", определяемая по формуле

,                                                                       (65)

Сг - коэффициент жесткости бокового обжатия грунта сваей, кН/м2

,                                                                                         (66)

Ег - модуль горизонтальной деформации грунта, МПа

                                                                                                (67)

т - коэффициент, принимаемый для глинистых грунтов равным 0,5, для песчаных - 0,65;

Ео - модуль вертикальной деформации грунта, МПа, определяемый ориентировочно на уровне середины участка "в" (для грунтов с относительно высокой несущей способностью на глубине (4-5)d и для грунтов с низкой несущей способностью (6-7)d от поверхности грунта для свайных фундаментов с высоким ростверком или от подошвы ростверка для свайных фундаментов с низким ростверком);

w - коэффициент, принимаемый по таблице 12 в зависимости от коэффициента п (отношение глубины погружения сваи l к ее размеру поперечного сечения d в направлении, перпендикулярном плоскости действия перемещения);

Таблица 12

h

10

20

30

40

50

w

2,25

2,64

2,88

3,07

3,22

Рис. 10 - График зависимости коэффициентов a, q, q, m, c и  (левая шкала) и b (правая шкала) от коэффициента  при жесткой заделке голов свай в ростверк

Рис. 11. График зависимости коэффициентов и  илевая шкала) и b (правая шкала) от коэффициента  при шарнирном сопряжении голов свай с ростверком

m - коэффициент Пуассона грунта основания, принимается по табл. 8;

qЕ - коэффициент обжатия грунта посередине участка "в", определяемый по графикам рис. 10 или 11;

х - расстояние от центральной оси здания до оси рассматриваемой сваи, м; для определения qг и Мг, принимается х = L/2, где L - расстояние между осями крайних свай отсека.

Остальные обозначения в формуле (65) те же, что и в п. 8.23.

b - длина верхнего участка эпюры бокового давления грунта, м, определяется по формуле

,                                                                                 (68)

b - коэффициент, определяемый по графикам рис. 10 или 11;

EJ -жесткость сваи, МПа × м4;

qн, Мн и qв, Мв - соответственно максимальные значения поперечной силы, кН, изгибающего момента, кН×м, в свае от воздействия наклона и ветровой нагрузки, определяемые по формулам

,                                                                                                     (69)

,                                                                                             (70)

Тн.в - горизонтальная нагрузка, действующая на отсек здания, соответственно от наклона и ветровой нагрузки;

п - число свай в фундаменте отсека;

и - определяются по формулам (61) и (62) при значении

                                                                                                 (71)

где = 1 см.

МN - дополнительный изгибающий момент в свае от внецентренного действия вертикальной нагрузки на изогнутую ось сваи, определяемый по формулам:

а) для шарнирного сопряжения свай с ростверком

                                                                                   (72)

б) для жесткой заделки свай в ростверк

                                                                                (73)

N - расчетная вертикальная нагрузка на сваю с учетом подработки, кН, определяется по формуле (48);

- расчетное горизонтальное перемещение головы сваи, м

;                                                                                               (74)

qE, - коэффициенты, определяемые по графикам рис. 10 и 11;

0,8 - коэффициент, учитывающий сочетание нагрузок;

Qпp - прочность сваи на воздействие поперечной силы, определяется в соответствии с требованиями СНиП 2.03.01-84*;

Мпр - максимальное значение изгибающего момента, при котором обеспечивается прочность сваи на внецентренное сжатие; определяется по графикам зависимости предельных значений М и N при внецентренном сжатии свай (приведенным, например, в каталоге типовых строительных изделий «Серия 1.011.1-10, сваи забивные; выпуск 1 часть 1»).

Для коротких свай-стоек с низким ростверком, глубина погружения которых удовлетворяет условию

                                                                                           (75)

(b - длина верхнего участка сваи, определяемая по формуле (68) при )

значения Qг и Mг в выражениях (59) и (60) определяются по формулам:

а) при условно-шарнирном сопряжении свай с ростверком

                                                                                                 (76)

                                                                                            (77)

где p - максимальная ордината эпюры давления грунта на сваю, кН/м, определяемая по формуле (65) при значении коэффициента жесткости обжатия грунта сваей

;                                                                                    (78)

l -глубина погружения сваи, м, удовлетворяющая условию (75);

Ег, w, m - обозначение то же, что в формуле (66);

б) при жесткой заделке голов свай в ростверк

                                                                                           (79)

                                                                                      (80)

где p - то же, что и в формулах (76) и (77) с заменой в выражении (78) коэффициента 0,33 на 0,395;

N - сосредоточенная сила, кН, приложенная в уровне острия сваи, имеющая направление, противоположное направлению "р", и определяемая по формуле (65), в которой вместо "р" принимается значение N, а коэффициент жесткости обжатия грунта сваей определяется по формуле

                                                           (81)

8.28 Продольные элементы ростверка, ориентированные в направлении горизонтальных деформаций земной поверхности, рассчитываются на внецентренное растяжение или сжатие, а элементы ростверка, расположенные в поперечном направлении, - на изгиб в горизонтальной плоскости и кручение, вызванные боковым давлением на сваи деформируемого при подработке грунта основания.

Дополнительные усилия растяжения (сжатия) в сечении продольного элемента ростверка, расположенного на расстоянии х от середины здания (отсека) для шарнирного и жесткого сопряжения головы сваи с ростверком определяются по формуле

;                                                                                (82)

где  - горизонтальная опорная реакция в голове j-и сваи, расположенной на расстоянии х от середины здания (отсека) в расчетном продольном элементе ростверка определяется по формуле (61);

 - тоже, для свай, расположенных под ростверками стен, примыкающих к расчетному;

k - число свай в продольном элементе ростверка на участке от 0,5L до х;

п - то же, под ростверками стен, примыкающих к расчетному.

Усилия (Q, М) в горизонтальной плоскости примыкающих элементов ростверка определяются как в балке с жестко заделанными концами, находящейся под воздействием сосредоточенных сил, равных .

Сосредоточенные крутящие моменты от каждой j-и сваи примыкающего элемента ростверка определяются по формуле

,                                                                                    (83)

где  и  - изгибающий момент и поперечная сила в голове j-и сваи, расположенной под примыкающим элементом ростверка;

hр - высота ростверка.

В местах пересечения элементов ростверка крутящие моменты от примыкающих ростверков передаются на продольные, которые действуют в вертикальной плоскости как сосредоточенные опорные изгибающие моменты, определяемые по формуле

,                                                                                 (84)

где Мj - сосредоточенный изгибающий момент от j-и сваи продольного элемента ростверка, расположенного на пересечении осей продольного и примыкающего элементов ростверка;

n' - число свай под примыкающим элементом ростверка.

При жестком соединении свай с ростверком в формулах (83) и (84) значения М¢j и Mj определяются по формуле (60), при шарнирном соединении М¢j и Mj = 0.

В случае неравномерного шага расположения свай по длине примыкающих ростверков вторые члены в формулах (82) и (84) определяются как опорная реакция, передающаяся на продольный элемент ростверка по схеме простой балки.

8.29 Свайные фундаменты зданий следует проектировать исходя из условия передачи от них на ростверк минимальных усилий. Этим условиям удовлетворяет:

а) разрезка здания на отсеки для уменьшения влияния искривления основания и относительных горизонтальных перемещений грунта;

б) преимущественное применение висячих свай для зданий с жесткой конструктивной схемой;

в) применение свай возможно меньшей жесткости;

г) податливое (шарнирное или в виде шва скольжения) сопряжение свай с ростверком.

В зависимости от величины горизонтальных перемещений грунта  рекомендуются следующие типы сопряжения свай с ростверком:

а) при Dг < 2 см - жесткая заделка;

б) при 2 см < Dг £ 5 см - шарнирное сопряжение;

в) при 5 см < Dг £ 8 см - сопряжении через шов скольжения.

Величина заглубления свай в грунт должна составлять не менее 4 м, за исключением случаев опирания свай на скальные грунты.

Область применения свайных фундаментов на территориях, подрабатываемых калийными рудниками:

а) с висячими сваями - на территориях I-IV групп;

б) со сваями-стойками - на территориях III и IV групп для зданий, проектируемых с податливой конструктивной схемой, а для IV группы также и для зданий с жесткой конструктивной схемой.

Пример расчета бескаркасного здания на свайных фундаментах

Исходные данные

Жилое здание прямоугольной формы, кирпичное, пятиэтажное? длина L = 24 м, ширина В = 16 м, высота Н = 15 м, фундаменты свайные, сваи висячие марки С80.35-6, расстояние между сваями 2 м, вес здания Nз = 24700 кН; сопряжение свай с ростверком шарнирное, несущая способность свай по грунту по результатам статических испытаний, выполненных до начала подработки, составляет Fd = 560 кН; план свайного поля представлен на рис. 12.

Грунты в основании - суглинки, характеризующиеся следующими свойствами:

удельное сцепление грунта - С = 22 кПа;

угол внутреннего трения j = 24°;

модуль деформации грунта Е = 21 МПа;

коэффициент Пуассона m = 0,35;

коэффициент релаксации напряжений сжатия грунта b = 0,02, 1/сутки.

Ожидаемые величины деформаций земной поверхности:

наклон земной поверхности j = 5´10-3;

радиус кривизны выпуклости земной поверхности R = 9 км;

относительная горизонтальная деформация растяжения земной поверхности e  = 2´10-3;

скорость относительной горизонтальной деформации земной поверхности e  = 0,008´10-3, 1/сутки;

время от начала до конца подработки здания t = 10 лет;

направление сдвижения земной поверхности - вдоль здания.

Определение длины отсека здания

Для защиты здания от вертикальных деформации земной поверхности определяем необходимость разрезки его на отсеки по условию формулы (8)

Относительную разность осадок основания фундаментов от подработки определяем по формуле (9)

Значение предельной относительной разности осадок основания принимаем по табл. 6, fПР = 0,002.

Условие формулы (8) удовлетворяется, разрезка здания деформационными швами на отсеки не требуется.

Расчет несущей способности свай по грунту

Определяем размеры условного фундамента в продольном и поперечном направлениях здания по формуле (50)

ширина ленты условного фундамента

план условного фундамента представлен на рис. 12.

Коэффициент жесткости сжатия грунта основания для каждой ленты условного фундамента определяем по формуле (10)

,

Дополнительное вертикальное давление на основание условных фундаментов Ро = Р-Рб = 95 кН/м2. Значение осадки S каждой ленты условного фундамента определяем с использованием расчетной схемы в виде линейно-деформируемого полупространства методом послойного суммирования

Определяем коэффициент жесткости основания, соответствующей осадке S,

Рис. 12. План свайного поля и условных фундаментов

По приложению II СНиП 2.01.09-91 для малосжимаемого грунта при длительности приложения нагрузки 10 лет определяем функцию, характеризующую длительность деформирования основания, nt = 1,0.

Для рассматриваемых условий коэффициент жесткости сжатия грунта под подошвой условного фундамента имеет значение

;

Суммарная площадь условных фундаментов под подошвой отсека (заштрихована на рис. 12)

 

Статический момент площади условных фундаментов относительно главной оси, проходящей через середину длины отсека здания

расстояние от главной оси до центра тяжести рассматриваемой половины фундамента

Момент инерции половины площади условного фундамента относительно оси, проходящей через ее центр тяжести при

Условный радиус кривизны определяем по формуле (52), по таблицам 2 и 3 принимаем значения коэффициентов nк = 1,4 и mк = 0,7; здание имеет жесткую конструктивную схему, принимаем значение коэффициентов mж = 1.

Определяем сумму квадратов расстояний от оси, проходящей через центр тяжести до каждой сваи рассматриваемой половины фундамента

Наибольшую вертикальную дополнительную нагрузку на сваю от искривления основания определяем по формуле (49)

При х = 0

При х = 12 м

Ветровая нагрузка на отсек здания в продольном направлении здания, в поперечном -; опрокидывающие моменты от ветровой нагрузки, действующие вдоль и поперек отсека здания

       

определяем сумму квадратов расстояний от свай до главных осей здания

по формулам (54) и (55) определяем наибольшие дополнительные вертикальные нагрузки на сваи от ветровой нагрузки при х = 12 м и у = 8 м:

Горизонтальную нагрузку от наклона здания определяем с учетом коэффициентов пj = 1,2 и условий работы тj = 0,8, принимаем по таблицам 2, 3 и веса здания G = 24700 кН

опрокидывающий момент от наклона здания

Наклон здания от подработки происходит в продольном направлении. Поэтому наибольшую нагрузку на сваи от наклона здания определяем по формуле (55) при х = 12 м

Несущую способность свай по грунту с учетом подработки определяем по формуле (56), в которой для рассматриваемого здания с жесткой конструктивной схемой на висячих сваях коэффициент условий работы gсг = 1,1, а коэффициент надежности gк = 1,2

Несущую способность свай по грунту проверяем по формуле (48)

Несущая способность свай по грунту с учетом подработки удовлетворяется.

Расчет несущей способности свай по материалу

Модуль горизонтальной деформации грунта определяем по формуле (67)

По табл. 12 для n = 1/d = 80/0,35=23 принимаем значение коэффициента w = 2,71; для шарнирной заделки свай с ростверком по графику рис. 11 при  находим значение коэффициента обжатия грунта qE = 0,28; определяем коэффициент бокового обжатия грунта сваей по формуле (66)

Максимальную ординату эпюры бокового давления грунта определяем по формуле (65) для

;

для t = 10 лет

По графику рис. 11 для  определяем значение коэффициента bш = 50, жесткость сваи марки С80.35-6 EJ = 30 МПа×м4; определяем длину верхнего участка бокового давления грунта на сваю по формуле (68)

Находим значения коэффициентов qA и mпр при  по графику рис. 11: q'A = 0,62; mпр = 0,47; по формулам (61) и (62) определяем максимальные значения поперечной силы и изгибающего момента в свае от воздействия горизонтальных перемещений грунта основания

Значения поперечных сил в свае от наклона земной поверхности и от ветровой нагрузки, действующих в направлении сдвижения земной поверхности вдоль здания, определяем по формуле (69)

По формуле (71) определяем значение P1 при DГ1=1 см

Определяем значения Q1 и М1 по формулам (61) и (62) при Р1 = 12,3 кН/м:

Максимальные значения изгибающих моментов в свае от наклона земной поверхности и ветровой нагрузки определяем по формуле (70)

По графику рис. 11 при находим значение коэффициента c = 0,16; максимальное горизонтальное перемещение головы сваи при P1 = 4 кН/м определяем по формуле (74)

Дополнительный изгибающий момент в свае от внецентренного действия вертикальной нагрузки на изогнутую ось сваи, расположенную на расстоянии х = 12 м от середины отсека здания, определяем по формуле (72) при N = Nmin = 246 кН

Расчетные максимальные значения перерезывающей силы и изгибающего момента в свае определяем по формулам (59) и (60)

Прочность поперечного сечения сваи марки С80.35-6 на воздействие перерезывающей силы

В случае применения свай серии 1.01.1-10 максимальное значение изгибающего момента при внецентренном. сжатии сваи определяем по графику на листе № 29 типовых строительных изделий серии 1.011.1-10 «Сваи забивные, выпуск 1. Часть 1» для сваи марки С80.35-6 (сечение 35´35 см, бетон марки В20, армирование 4Æ12АШ): при Nmin = 246 кН  Мпр = 40 кН×м.

Несущую способность свай с учетом подработки проверяем по формулам (57) и (58)

Прочность свай по материалу при подработке обеспечивается.

Определение дополнительных усилий в ростверке

Горизонтальную опорную реакцию в голове j-и сваи, расположенной на расстоянии х от середины отсека здания, определяем по формуле (61)

Дополнительные усилия растяжения в продольных элементах ростверка, расположенных в направлении сдвижения земной поверхности, определяем по формуле (82). Результаты расчетов сведены в таблицу.

Элементы продольных ростверков в осях

х, м

Qjг = 0,67x, кН

Число свай в ряду, n'

Qjг × n', кН

× n', кН

 

12

8,1

2,5

20,3

20,3

 

10

6,7

1

6,7

27

А, В

8

5,4

1

5,4

32,4

 

6

4,0

2,5

10

42,4

 

4

2,7

1

2,7

45

 

2

1,4

1

1,4

46,5

 

12

8,1

4

32,4

32,4

 

10

6,7

1

6,7

39,1

Б

8

5,4

1

5,4

44,5

 

6

4.0

4

16

60,5

 

4

2,7

1

2,7

63,2

 

2

1,4

1

1,4

64,6

Усилия в примыкающих элементах ростверка от бокового смещения грунта определяем, как в балке с жестко заделанными опорами, находящейся под воздействием сосредоточенных сил.

Элементы ростверка, примыкающие по осям 1-5, имеют пролет 8 м с тремя сосредоточенными нагрузками Q¢jг, c. шагом 2 м. В элементах ростверка по осям 1 и 5 при х = 12 м Q¢jг = 8,1 кН, значения усилий в горизонтальной плоскости Q = 12,1 кН, Моп = -20,3 кН×м, Мпр = 12,2 кН. В элементах ростверка по осям 2 и 4 при х = 6 м Q¢jг=4 кН, Q = 6 кН, Моп= -7,5 кН×м, Мпр=4,5 кН×м.

Сосредоточенные опорные изгибающие моменты в продольных элементах ростверка от примыкающих к ним элементов ростверка определяем по формулам (83) и (84) для шарнирного сопряжения свай с ростверком

.

При высоте ростверка hр = 0,4 м в продольных элементах ростверка возникнут опорные моменты, значения которых сведены в таблицу.

Элементы продольных ростверков в осях

Расстояние от середины отсека до примыкающего элемента ростверка х, м

, кН

М, кН×м

А, В

12

20,3

4,1

_»_

6

10

2,0

Б

12

32,4

6,5

_»_

6

16

3,2

С учетом полученных расчетных усилий производится армирование ростверка в соответствии с нормами проектирования железобетонных конструкций.

9 КАРКАСНЫЕ ЗДАНИЯ

Конструктивные решения

9.1 Каркасные здания проектируются по податливым или комбинированным конструктивным схемам с применением каркасов из сборного, сборно-монолитного, монолитного железобетона и металла. Металлические каркасы зданий рекомендуется использовать на подрабатываемых территориях I группы, на подрабатываемых территориях II, III и IV групп - каркасы из сборного железобетона или из комбинации сборного и монолитного железобетона.

9.2 Конструктивная схема каркаса выбирается из условия достижения минимума воздействия неравномерности деформирования земной поверхности на подрабатываемое здание. Рекомендуемые конструктивные схемы поперечных и продольных рам одноэтажных зданий представлены на рис. 13 и 14, а область их применения в табл. 13.

Таблица 13

Группа

территорий

Рис.

 

Характер соединения

Дополнительные меро­приятия по обеспечению устойчивости здания,

учитываемые в расчетной схеме

колонн и ригелей

колонн и фундаментов

 

 

А. Поперечные рамы

 

IV, III

13а

Шарнирно-неподвижное

Жесткое

-

II, I

13б

То же

Для колонн средних рядов – жесткое,

крайних –

шарнирно-неподвижное

-

II, I

13в

Для группы колонн – шарнирно-неподвижное, для группы колонн – шарнирно-подвижное

Жесткое

-

I

13г

Шарнирно-неподвижное

Для колонн средних рядов – жесткое,

крайних –

шарнирно-неподвижное

Установка связей распорок в одном уровне

II, I

13д

Шарнирно-неподвижное

Шарнирно-неподвижное

Установка в средней части здания вертикальных связей между колоннами и связей-распорок между фундаментами

 

 

Б. Продольные рамы

 

IV, III

14а

Шарнирно-неподвижное

Жесткое

То же

II, I

14б

»

»

»

I

14в

»

»

Установка в средней части здания вертикальных связей с применением линейно-подвижных соединений, а между фундаментами – связей распорок

9.3 Устойчивость одноэтажных каркасных зданий (отсеков) в поперечном направлении необходимо обеспечивать путем защемления колонн в фундаментах или устройством в средней части здания вертикальных связей между колоннами и связей-распорок между фундаментами (рис. 13). В продольном направлении помимо защемления колонн в фундаментах по каждому ряду колонн в его средней части необходимо устраивать блок жесткости путем установки вертикальных связей между колоннами и пролетными конструкциями. Между фундаментами колонн в пределах блока жесткости устанавливаются связи-распорки (рис. 14).

9.4 Многоэтажные каркасные здания могут проектироваться в виде связевых, рамно-связевых и рамных систем. Выбор конструктивной системы принимается на основе соответствующих обоснований, при прочих равных условиях следует применять связевые системы.

При проектировании каркасных зданий в виде рамно-связевых систем жесткие рамы следует ориентировать по направлению меньших размеров здания (отсека) и минимальных деформаций земной поверхности. В качестве связей в продольном направлении используются плиты-распорки, узлы сопряжения которых при необходимости усиливаются постановкой в продольные швы арматурных каркасов с последующим замоноличиванием.

9.5 Устойчивость многоэтажных каркасных зданий в поперечном и продольном направлениях обеспечивается защемлением колонн в фундаментах, постановкой между колоннами вертикальных связей, устройством жестких узлов соединения ригелей с колоннами; в качестве ядер жесткости могут использоваться выполненные в монолитном железобетоне лестничные клетки и шахты лифтов.

9.6 Вертикальные связи, обеспечивающие пространственную устойчивость здания или отдельных его отсеков, следует группировать в пространственные блоки в средней части здания, рассчитываемые на восприятия усилий от горизонтальных нагрузок и деформации земной поверхности. Перекрытия при этом должны иметь достаточную жесткость в горизонтальной плоскости для обеспечения совместной работы каркаса и пространственных блоков. Жесткость диска перекрытия достигается приваркой плит перекрытия к несущим конструкциям и замоноличиванием всех швов между плитами.

9.7 Сборные железобетонные конструкции для подрабатываемых каркасных зданий назначаются в соответствии с действующими типовыми сериями индустриальных изделий. В некоторых случаях они могут быть усилены дополнительной арматурой или отличаться закладными деталями.

Рис. 13. Схемы поперечных рам одноэтажных каркасных зданий

а-д - типы соединений элементов каркаса

9.8 Фундаменты каркасных зданий необходимо проектировать сборными, сборно-монолитными и монолитными. При этом за основной тип фундаментов принимаются отдельно стоящие фундаменты. Ленточные фундаменты целесообразно применять при слабых, неоднородных грунтах. Применение фундаментов в виде балок стенок и сплошных железобетонных плит рекомендуется при актировании на подрабатываемых территориях I группы и для зданий повышенной этажности.

Рис 14. Схемы продольных рам одноэтажных каркасных зданий (бескрановых и с мостовыми кранами)

а-е - типы соединений элементов каркаса

9.9 Основным конструктивным мероприятием по защите каркасных зданий от влияния горных разработок является разделение их деформационными швами на отсеки.

9.10 Деформационные швы между отсеками устраиваются постановкой парных рам, смещенных относительно разбивочной оси (рис. 15) или посредством шарнирно-подвижного опирания пролетных конструкций.

Рис. 15. Конструкция деформационных швов.

а - постановка парных рам при наличии связей-распорок между фундаментами; б - то же, при отсутствии связей-распорок; в - с применением подвижных опираний балок; 1 -колонна; 2 - фундамент; 3 - связь-распорка; 4 - балка (ригель); 5 - деталь крепления с овальным вырезом; 6 - шов скольжения

9.11 Выполнение деформационных швов производится с учетом следующих требований:

деформационный шов выполняется постановкой двух парных поперечных стен по аналогии с бескаркасными зданиями, если разделяемые деформационным швом отсеки не связаны между собой функционально (рис. 16а);

при необходимости сообщений между отсеками могут рекомендоваться короткие переходы в виде однопролетных галерей с устройством шва скольжения на одной из опор (рис. 16б);

при устройстве деформационного шва в пределах функционально неразделимого помещения рекомендуется проектировать зазоры в ограждающих конструкциях, заполняемые упругим теплоизоляционным материалом и перекрываемые с наружной и внутренней сторон нащельниками, а также доборные плиты-вставки с одной неподвижной и противоположной скользящей опорами (рис. 16в).

Рис. 16. Заполнение деформационных швов

а - устройство парных стен; б - устройство переходных галерей; в - заполнение упругим теплоизоляционным материалом (доборные плиты-вставки); 1 - колонна; 2 - парные стены; 3 - переходные галереи; 4 - отсек здания; 5 - стеновые панели; 6 - нащельник; 7 - упругий теплоизоляционный материал; 8 - шов скольжения; 9 - детали крепления с овальные вырезом и фиксирующим стержнем; 10 - ригель; 11 - плита перекрытия

9.12 Деформационные зазоры в кровлях покрытий в продольном и поперечном направлениях каркасного здания рекомендуется перекрывать гибкими листовыми элементами: нижними в виде накладок фигурного профиля, например, V-образного; верхними в виде цилиндрических лотковых приставок.

К плитам покрытий гибкие элементы рекомендуется закреплять неподвижно. С наружной стороны цилиндрических лотковых приставок рекомендуется размещать соответствующие пароизоляционного теплоизоляционные и гидроизоляционные слои.

Толщина и высота гибких элементов определяется расчетом их на прочность и компенсационную способность, при этом из конструктивных соображений высота гибких элементов принимается не нее 0,6 ширины деформационного зазора и не менее 100 мм.

В местах устройства деформационных швов рекомендуется его укладывать дополнительный гидроизоляционный слой с запуском за грани деформационных швов не менее 500 мм:

9.13 Если несущая способность колонн каркасных зданий недостаточна для восприятия усилий от деформаций земной поверхности, а усиление колонн или уменьшение длины отсеков нецелесообразно, между фундаментами колонн следует предусмотреть связи-распорки. Для уменьшения усилий в связях-распорках между подошвой фундамента и бетонной подготовкой основания устраивается шов скольжения.

При невозможности обеспечить несущую способность конструкций указанными мероприятиями фундаменты следует проектировать по жесткой конструктивной схеме с применением перекрестных балочных систем, сплошных железобетонных плит и т.п.

9.14 Армирование железобетонных колонн каркасных зданий и связей-распорок следует предусматривать симметричным. Минимальное поперечное сечение связей-распорок принимается из условия расположения арматуры, но не менее 20´20 см; увеличение сечения связей распорок осуществляется, как правило, за счет их ширины; высота сечения связей назначается в пределах 1/50 ¸ 1/20 их расчетного пролета; соединение связей-распорок с фундаментами колонн выполняется шарнирным.

9.15 В качестве ограждающих конструкций в каркасных зданиях следует предусматривать облегченные навесные панели с заделкой швов между ними упругими материалами (пороизол, поролон, макропористая резина и т.п.).

Стеновые панели ограждения следует проектировать по податливым схемам, допускающим взаимные, линейные и угловые подвижки панелей без нарушения прочности крепления панелей к колоннам и без разгерметизации вертикальных и горизонтальных швов между панелями.

Крепление панелей рекомендуется осуществлять по четырем углам шарнирным соединением: в двух углах шарнирно неподвижно, в двух других шарнирно-подвижно. Применение, например, стержневых накладных элементов с укороченными стержням обеспечивает первый вид крепления, а с удлиненными стержнями – второй.

Допускается предусматривать в проектах самонесущие стены (кирпичные, из бетонных блоков), которые в соответствии с рекомендациями п.п. 8.7 и 8.10 должны быть усилены железобетонными или армокаменными поясами по периметру и горизонтальными арматурными сетками в местах примыкания и пересечения стен. Самонесущие стены должны крепиться по высоте к колоннам здания связями, не препятствующими их относительному смещению в плоскости стен. Самонесущие стены могут разделяться дополнительными швами в пределах отсека.

Внутренние стены и перегородки следует соединять с наружными стенами или колоннами податливыми связями.

9.16 Для ограничения вертикальных перемещений допускается в качестве мер защиты каркасных зданий предусматривать выравнивание каркаса с помощью домкратов или других выравнивающих устройств.

9.17 Жесткие полы по грунту (бетонные, ксилолитовые и др.) необходимо проектировать с разрезкой на карты, длина сторон которых должна быть не более 6 м. Между картами устраивается деформационный шов, который заполняется эластичным заполнителем (пороизоловый жгут, битумная мастика); ширина шва рассчитывается в соответствии с указаниями п. 7.14.

9.18 Размеры проемов под оборудование следует назначать с учетом их возможных перемещений, вызванных сдвижением земной поверхности, и рихтовки оборудования.

9.19 Встроенные и примыкающие к зданиям эстакады, этажерки, тоннели, галереи, емкости и т.п. следует отделять от зданий деформационными швами, руководствуясь указаниями п. 7.14.

9.20 В производственных каркасных зданиях в качестве подъемно-транспортных средств допускается использовать мостовые, подвесные и козловые краны. Предпочтение следует отдавать подвесному и напольному подъемно-транспортному оборудованию. Для обеспечения нормальной работы кранов следует предусматривать возможность рихтовки подкрановых конструкций, путей, регулировки подвесок в процессе подработки или после завершения процесса сдвижения земной поверхности. Наклон подкранового пути мостовых кранов, вызванный деформациями земной поверхности, не должен превышать следующие предельные значения:

в поперечном направлении j=4×10-3;

в продольном направлении j= 6×10-3.

9.21 В производственных каркасных зданиях с мостовыми кранами следует применять разрезные металлические и железобетонные подкрановые балки. У деформационных швов необходимо предусматривать консольное опирание подкрановых балок или устройство специальных металлических балок-компенсаторов с необходимой деформационной способностью, которая определяется расчетом.

9.22 Габариты приближения кранового оборудования к конструкциям здания должны назначаться с учетом возможных рихтовок крановых путей и соответствовать габаритам, предусмотренным Правилами устройства и безопасной эксплуатации грузоподъемных кранов.

Критерии расчета каркасных зданий на воздействие подработки

9.23 Допускается не учитывать перемещения оснований фундаментов каркасных зданий:

вертикальные, если разность осадок оснований фундаментов смежных колонн при расчете на особое сочетание нагрузок не превышает значений, приведенных в СНиП 2.02.01-83 «Основания зданий и сооружений» и представленных в табл. 6;

горизонтальные, если их значения не превышают значений предельных горизонтальных перемещений, приведенных в табл. 14.

Таблица 14

Тип конструкции каркаса

Предельные горизонтальные перемещения оснований фундаментов колонн, Dпр

в плоскости рамы

в направлении связей

Железобетонные колонны площадью сечения более 0,15 кв. м

0,002 h

0,004 h

То же, площадью сечения от 0,1 до 0,15 кв. м включительно

0,004 h

0,008 h

Стальные

0,01 h

0,02 h

Примечание. За величину h принимается высота колонн первого яруса рамы.

9.24 Конструктивные меры защиты каркасного здания от влияния горных разработок не требуются, если удовлетворяется условие

                                                                                                       (85)

                                                                                                      (86)

где - наибольшее горизонтальное перемещение грунта под основанием фундамента

                                                                                         (87)

- коэффициенты, принимаемые по табл. 2 и 3;

- предельное горизонтальное перемещение оснований фундаментов колонн, определяется по табл. 14/

Остальные обозначения те же, что и в п.8.15.

9.25 Если условие п. 9.24 не выполняется, необходимо уменьшить длину здания или деформационными швами разделить его на отсеки такой длины, при которой это условие удовлетворяется.

9.26 В том случае, когда условие, определяемое выражением (86), не удовлетворяется, а уменьшение длины здания (отсека) не представляется возможным или экономически нецелесообразно, необходимо устройство между фундаментами колонн связей-распорок или усиление колонн. Усиление колонн производится по расчету, изложенному в «Руководстве по проектированию зданий и сооружений на подрабатываемых территориях», Часть II. Промышленные и гражданские здания. Стройиздат, М., 1986.

Расчет связей-распорок между отдельно стоящими фундаментами на естественном основании

9.27 Усилия сжатия или растяжения в связях-распорках определяются по формуле:

,                                                                                                  (88)

где - равнодействующая сил, приложенных к j-му отдельно стоящему фундаменту, от воздействия горизонтальных деформаций земной поверхности

                                                                                   (89)

- величины сил трения грунта, действующие соответственно по подошве, боковым поверхностям и давление на лобовую поверхность j -го фундамента;

т - количество отдельно стоящих фундаментов на участке от 0,5L до х.

9.28. Величина силы трения грунта, действующая по подошве фундамента при воздействии горизонтальных деформаций растяжения-сжатия земной поверхности Nтj, определяется по формуле

                                                                                                  (90)

                                                                                                        (91)

где - касательные напряжения под подошвой j-го фундамента, расположенного на расстоянии х от середины здания (отсека), определяется по формуле (19);

* - предельное сопротивление грунта сдвигу, определяется по формуле (16);

 - площадь подошвы j-го фундамента.

9.29 Величина силы трения от сдвигающегося грунта по боковой поверхности фундамента Nбj определяется по формуле

                                                                                             (92)

                                                                                                 (93)

где - касательные напряжения по боковой поверхности j-го фундамента, расположенного на расстоянии х от середины здания, определяется по формуле (36);

- предельное сопротивление грунта засыпки сдвигу по боковой поверхности фундамента, определяется по формуле (29);

- площадь боковой поверхности j-го фундамента.

9.30 Величина силы лобового давления грунта, действующей на боковую поверхность j-го фундамента от воздействия горизонтальных деформаций земной поверхности, определяется по формуле

                                                                                                (94)

                                                                                                   (95)

где - нормальное давление грунта на боковую поверхность j-го отдельно строящего фундамента, расположенного на расстоянии х от оси здания (отсека) , определяется по формуле (36);

*- предельное напряжение сжатия на боковую поверхность фундамента от пассивного давления грунта, определяется по формуле (41);

- площадь боковой поверхности j-го фундамента, воспринимающей нормальное давление грунта.

9.31 Шов скольжения под отдельно стоящими фундаментами устраивается при условии

                                                                                                    (96)

где - наибольшая сила, действующая в фундаментной связи-распорке при х = 0, определяется по формуле (88);

*- усилие, действующее в фундаментной связи-распорке при устройстве шва скольжения, в сечении х = 0, определяется по формуле

                                                                                                 (97)

где m - количество фундаментов на участке от середины отсека здания до конца ряда отдельно стоящих фундаментов;

 - равнодействующая сил, действующих на j-ый фундамент при устройстве шва скольжения

,                                                                                 (98)

где  - величина сил трения по шву скольжения j-го фундамента, определяется по формуле

                                                                                               (99)

 - обозначение то же, что в формуле (46);

- коэффициент трения по шву скольжения, принимается по табл. 5;

- нагрузка на фундамент;

 - величина силы трения от сдвигающегося грунта по боковой поверхности j-го фундамента, определяется по формуле (92), в которой значение Fбj принимается до отметки шва скольжения;

 - величина силы бокового давления от сдвигающегося грунта на j-ый фундамент, определяется по формуле (94), в которой значение принимается до отметки шва скольжения.

При удовлетворении условия (96) с целью снижения нагрузок необходимо устройство шва скольжения; расчет связей-распорок в этом случае производится по формуле (97) при т, соответствующем формуле (88).

Пример расчета каркасного здания на столбчатых фундаментах

Исходные данные

Здание прямоугольной формы в плане, каркасно-панельное, девятиэтажное, длиной L = 72 м, шириной В = 18 м, высотой 27 м. Колонны железобетонные прямоугольной формы сечением 0,12 м2, высота колонн первого этажа h = 3,3 м. Фундаменты монолитные железобетонные стаканного типа. План и размеры фундаментов приведены на рис. 17. Нагрузка по подошве фундаментов, расположенных по осям А и В - 680 кН, по оси Б - 1350 кН.

Грунтовые условия и ожидаемые деформации земной поверхности те же, что в примере расчета бескаркасного здания на ленточных фундаментах.

Рис. 17. План и сечение отдельно стоящий фундаментов каркасного здания

Определение длины отсека здания

В соответствии с п. 9.24 вертикальные деформации основания каркасного здания от влияния подработки можно не учитывать, если удовлетворяетcя условие, определяемое по формуле (85)

Относительную разность осадок основания фундаментов, вызванную подработкой, определяем по формуле (9)

Предельное значение относительной разности осадок основания фундаментов каркасно-панельного здания определяем по табл. 6

Условие формулы (85) не удовлетворяется. В качестве меры защиты здания от вертикальных деформаций основания, вызванных подработкой, принимаем разрезку его на два самостоятельных отсека кратных секции здания длиной L = 36 м.

Повторно проверяем условие, определяемое формулой (85).

,

условие выполнено.

Определяем ширину деформационного шва, устраиваемого между отсеками здания:

на уровне подошвы фундамента по формуле (5)

на уровне карниза по формулам (6, 7)

высота здания Н=27 + 2,4 = 29,4 м,

Для принятой длины отсеков здания определяем необходимость установки связей-распорок между отдельно стоящими фундаментами каркасного здания по условию (86)

Сдвижение земной поверхности происходит в направлении вдоль здания, для этих условий

Горизонтальное перемещение основания фундаментов превосходит предельное значение, Поэтому необходима установка связей-распорок между фундаментами в продольном направлении отсека здания.

Определение усилий в фундаментных связях-распорках

Для расчетов используется план и сечения фундаментов, представленные на рис. 17. Вначале определяем растягивающие усилия в связях-распорках, действующие в продольном направлении отсека по оси Б.

Находим значение коэффициента жесткости грунта при сдвиге по подошве фундамента по формуле (20)

,

в которой площадь подошвы фундамента F = 2,5 × 2,7 = 6,75 м2, значение коэффициентов wz и wх определяем по табл. 7 в зависимости от соотношения сторон а/в = 2,5/2,7 = 0,92; ;

 кН/м3.

Касательные напряжения, действующие по подошве фундаментов, расположенных по оси Б на расстоянии х от середины отсека здания, определяем по формуле (19)

,

при t =10 лет значение

.

Находим давление по подошве фундаментов, расположенных по оси Б

 кН/м2.

Предельное сопротивление сдвигу грунта по подошве фундамента рассчитываем по формуле (16)

При наибольшем значении х = 18 м проверяем условие (91)

При    

Поэтому условие   удовлетворяется для всех фундаментов, расположенных по оси Б.

Силу трения, действующую по подошвам фундаментов, расположенных по оси Б на расстоянии х от середины отсека здания, определяем по формуле (90)

.

Коэффициент жесткости грунта засыпки при сдвиге по боковой поверхности фундамента определяем по формуле (30)

,

в которой площадь контакта грунта засыпки с боковой поверхностью фундамента Fб = 1,1 × 1,7 + 1,8 × 0,35 + 2,5 × 0,35 = 3,38 м2; при глубине засыпки h = 2,4 м средняя длина фундамента в направлении деформаций земной поверхности а = 3,38/2,4 = 1,41 м; коэффициенты wzб и wхб определяем по табл. 7 в зависимости от соотношения сторон а/b при b = h, a/h = 1,41/2,4 = 0,59, wzб = 1,08, wхб = 0,44; модуль боковой деформации грунта обратной засыпки определяем по формуле (31) Ез = т ; коэффициент т находим по графику рис. 4 для h = 2/3 × 2,4 = 1,6 м, m = 1,0; модуль вертикальной деформации грунта обратной засыпки  принимаем по табл. 10 для грунта с плотностью 1850 кг/м3 и влажностью 20 % при продолжительности эксплуатации здания до начала подработки более 10 лет,  = 10 МПа; Ез = 1 × 10 = 10 МПа.

По табл. 9 принимаем характеристики грунта засыпки tg jз = 0,508 (jз = 27°), удельное сцепление Сз = 36 кПа; другие характеристики грунта засыпки - удельный вес gз = 18,5 кН/м3, m = 0,3.

Касательные напряжения по боковой поверхности j-го фундамента, расположенного по оси Б на расстоянии х от середины отсека здания, определяем по формуле (33)

.

Предельное сопротивление сдвигу грунта по боковой поверхности фундамента определяем по формуле (29)

.

Для хmax = 18м.  Следовательно, условие, определяемое формулой (93), удовлетворяется для всех фундаментов, расположенных по оси Б.

Величину силы трения сдвигающегося грунта по боковым поверхностям фундаментов, расположенных по оси Б на расстоянии х от середины отсека здания, определяем по формуле (92)

Модуль боковой деформации грунта определяем по формуле (39)

Принимаем условную длину зоны бокового обжатия грунта по формуле (40)

среднюю ширину пазухи между фундаментом и стенкой котлована d = 0,4 м.

Приведенный модуль боковой деформации грунта, учитывающий работу как грунта засыпки, так и грунта ненарушенного сложения, определяем по формуле (38)

Коэффициент жесткости бокового сжатия грунта рассчитываем по формуле (37)

Напряжения сжатия на боковой поверхности j-го отдельно стоящего фундамента, расположенного по оси Б на расстоянии х от оси отсека здания, определяем по формуле (36)

.

По формуле (42) определяем значение понижающего коэффициента

.

Значение  = 1,24 > 1, поэтому в расчет принимаем  = 1,0.

Предельное напряжение сжатия на боковом поверхности фундамента от бокового пассивного давления грунта вычисляем по формуле (41)

Для наибольшего значения х = 18 м и проверяем условие (95)

При хmах = 18 м

Условие (95) удовлетворяется для всех фундаментов, расположенных по оси Б.

Величину сил бокового давления грунта на поверхность фундаментов, расположенных по оси Б на расстоянии х от середины отсека здания, определяем по формуле (94)

Равнодействующую усилий, действующих на каждый фундамент, расположенный по оси Б, определяем по формуле (89)

Усилия в связях распорках, расположенных между фундаментами по оси Б, определяем по формуле (88)

Аналогично определяем усилия в связях-распорках устанавливаемых между фундаментами по осям А, В. Результат расчетов приведены в таблицах.

Фундаменты в осях

Составляющие усилий, действующих на фундамент, кН

Равнодействующая

усилий, N, кН

NТ

Nб

NД

А, В/1,7

178

124

23

326

А, В/2,6

119

83

15

216

А, В/3,5

59

42

7

108

А.В/4

0

0

0

0

 

Фундаменты в осях

Усилия в фундаментных связях-распорках, N, кН

в осях

1-2

2-3

3-4

4-5

5-Р

6-7

А

326

542

650

650

54?

326

Б

422

703

842

842

70:3

422

В

326

542

650

650

54?

326

Определяем возможность снижения усилий в фундаментных связях-распорках при помощи устройства шва скольжения.

Выполненные расчеты показывают, что максимум усилий действует в связях-распорках, установленных по оси Б между фундаментами 3-4 и 4-5. Поэтому в выражении (96) принимаем

Шов скольжения устраиваем на уровне подошвы фундаментов из двух слоев пергамина с прослойкой щипаной слюды по бетонной подготовке. Для этих условий коэффициент трения по шву скольжения, принимаемый по табл. 5, f = 0,3. Количество фундаментов на участке от 0,5L до х равно 3, по табл. 11 определяем значение коэффициента условий работы . Нагрузка по подошве фундаментов, расположенных по оси Б N = 1350 кН. Силу трения по шву скольжения определяем по формуле (99)

Так как шов скольжения устраивается по подошве фундаментов, то входящие в формулу (99) величины

; .

Составляем таблицу усилий, действующих на фундаменты, расположенные по оси Б, при устройстве шва скольжения.

Фундаменты по оси Б

Значение усилий, кН

Равнодействующая усилий,

, кН

1,7

284

142

33

459

2,6

284

95

22

401

3,5

284

49

10

341

4

0

0

0

0

Усилие, действующее в связи-распорке в сечении х = 0 при устройстве шва скольжения, определяем по формуле (97)

Определяем выполнение условия (96)

Условие (96) не выполняется, следовательно, устройство шва скольжения не уменьшает действующих усилий.

Связи-распорки устраиваются в уровне подошвы фундаментов с заведением арматуры в фундаменты колонн.

Расчет свайных фундаментов каркасных зданий

9.32 Несущая способность свай по грунту и по материалу в каркасных зданиях рассчитывается по формулам (48, 57, 58), в которых допускается принимать значение DN = 0.

9.33 При устройстве между отдельно стоящими свайными фундаментами связей-распорок усилия растяжения (сжатия) в сечении ростверка, расположенного на расстоянии х от середины здания, определяются по формуле

,                                                                                                  (100)

где Qjг - горизонтальная опорная реакция в голове j-й сваи, расположенной на расстоянии х от середины здания (отсека), определяется по формуле (61);

К - количество свай, расположенных на участке от 0,5L до х.

9.34 Целесообразность устройства шва скольжения, обеспечивающего снижение усилий в связях-распорках между отдельно стоящими свайными фундаментами, определяется условием

                                                                                                     (101)

где  - наибольшее усилие в среднем сечении связи-распорки, определяется по формуле (10) при х = 0;

 - наибольшее усилие в среднем сечении связи-распорки, при устройстве шва скольжения между ростверками и фундаментами определяется по формуле (102) при х = 0

                                                                                               (102)

                                                                              (103)

т - число отдельно стоящих свайных фундаментов на участке от 0,5L до х;

 - сила трения по шву скольжения j-го фундамента

                                                                                          (104)

 - коэффициент, учитывающий неодновременность сдвига ростверков по шву скольжения; принимается по табл. 11 в зависимости от числа фундаментов на участке от 0,5L до х;

f - коэффициент трения по шву скольжения, принимается по табл. 5;

Р - вертикальная нагрузка на ростверк j-го фундамента;

 и  - то же, что в формуле (98).

При устройстве шва скольжения усилия в любом сечении связи-распорки, расположенном на расстоянии х от середины здания (отсека), определяются по формуле (102).

В этом случае опорная реакция (поперечная сила) Qг и изгибающий момент М в свае от горизонтального сдвижения земной поверхности, вызванного подработкой определяются по формулам

;                                                                                                    (105)

.                                                                                               (106)

В формулах (105) и (106):

п - число свай в ростверке под фундаментным башмаком;

*и  - обозначения те же, что в формуле (70).

Приложение 1

Определение коэффициента релаксации касательных напряжений в грунте

1. Для определения коэффициента релаксации касательных напряжений применяется сдвиговой прибор ВСВ-25 конструкции «Гидропроект», в котором установкой вкладышей между подвижной нижней и неподвижной верхней каретками создается зона свободного скашивания .образца грунта высотой 50 мм. Кроме этого, система передачи сжимающей нагрузки на образец грунта в приборе переоборудуется на рычажную с соотношением плеч 1:10. Редуктор прибора при проведении испытаний работает в режиме минимального перемещения пиноли (штока) за 1 оборот рукоятки.

2. Пробобрателем из монолита грунта вырезается образец грунта высотой 90 мм, диаметром 71 мм, который для предохранения от выветривания обворачивается двумя слоями резиновой пленки. С целью сохранения формы и подвижности образца при скашивании на расстоянии 5 мм друг от друга на него одеваются кольца толщиной 1,5 мм.

3. Установочным винтом прибора совмещается нижнее кольцо подвижной каретки с верхним кольцом неподвижной каретки.

4. В совмещенные кольца прибора устанавливается образец грунта. Установка образца грунта производится вначале в нижнее кольцо при снятой верхней каретке. Образование зазора между грунтом и рабочим кольцом не допускается. Торцы образца покрываются фильтром.

5. На образец грунта устанавливается штамп, на который через шарик посредством рычажной системы передается нормальное сжимающее напряжение s, равное давлению под подошвой фундамента проектируемого здания. Допускается принимать s = R, где R - расчетное сопротивление грунта основания.

Приложение сжимающей нагрузки на образец производится по методике п.п. 5.1.4.1 и 5.1.4.2 ГОСТ 12248-96.

6. После достижения образцом грунта условной стабилизации вертикальных деформаций упорным винтом снимается фиксация подвижной нижней каретки. Затем нижнему торцу образца при помощи подвижной нижней каретки прибора через динамометр ДОСМ-3-02 редуктором задается горизонтальное перемещение D = 1 мм, которое уменьшением сдвигающей нагрузки на образец поддерживается постоянным в течении всего времени испытания грунта.

7. Контроль за постоянством во времени заданного перемещения D = 1 мм производится индикатором часового типа с ценой деления 0,01 мм, устанавливаемого на нижней подвижной каретке. Уменьшение сдвигающей нагрузка, действующей на образец грунта, производится редуктором.

8. По показаниям динамометра определяются значения касательных напряжений сдвига t за время t: 0,5, 10, 15, 30 секунд; 1, 5, 10, 20, 30 минут; 1, 2, 3, 4, 5, 6, 7, 8 часов и далее через сутки. Составляется таблица значений t, t, In t.

9. Испытания грунта продолжаются до получения не менее пяти точек, начиная с первых суток, которые в координатах In t -t располагаются по прямой линии.

10. Коэффициент релаксации касательных напряжений в грунте определяется, как тангенс угла наклона прямой, построенной в координатах In t - t

                                                                                           (1)

где DIn t - разность значений натуральных логарифмов касательных напряжений за период с первых до последних суток испытания грунта;

Dt - отрезок времени за период с первых до последних суток испытания, сутки.

Значение b можно определять также по способу наименьших квадратов.

Приложение 2

Определение коэффициента релаксации напряжений сжатия в грунте

1. Коэффициент релаксации при сжатии грунта определяется на компрессионном приборе КПР-1РЭ, переоборудованном для передачи сжимающих напряжений на образец грунта при помощи редуктора от прибора ВСВ-25 и динамометра ДОСМ-3-02. Редуктор прибора при проведении испытаний работает в режиме минимального перемещения пиноли (штока) за 1 оборот рукоятки.

2. Образец грунта для испытаний вырезается рабочим кольцом в соответствии с требованием ГОСТ 5180-84. Размер образца: диаметр 87, высота 25 мм. Образование зазоров между грунтом и рабочим кольцом не допускается.

3. Образец "грунта в рабочем кольце покрывается по торцам влажным фильтром и помещается в одометр компрессионного прибора.

4. На образец грунта устанавливается штамп, на который через шарик и динамометр при помощи редуктора передается сжимающее напряжение, соответствующие предварительному обжатию грунта боковым давлением

                                                                                             (1)

где x - коэффициент бокового давления грунта, принимаемый для песка - 0,40, супеси - 0,45, суглинка - 0,60, глины - 0,80;

g - удельный вес грунта;

h - глубина заложения фундамента.

5. Предварительное обжатие грунта в соответствии с п.п. 5.4.4.5 и 5.4.4.6 ГОСТ 12248-96 производится до достижения образцом грунта условной стабилизации, за которую принимается деформация не более 0,01 мм:

для глинистых грунтов за 16 ч.;

для пылеватых и мелких песков за 4 ч.

6. После предварительного обжатия образца грунта на него передается сжимающее напряжение

,                                                                                                  (2)

где  - пассивное давление грунта на боковую поверхность фундамента

                                                                               (3)

                                                                                             (4)

j  и С - угол внутреннего трения и удельное сцепление грунта.

Остальные обозначения те же, что и в формуле 1.

7. Фиксируется деформация образца грунта D, соответствующая напряжению s, которая сохраняется постоянной в течение всего времени испытаний.

Деформация образца грунта измеряется при помощи индикатора часового типа с ценой деления 0,001 мм. Постоянство деформации образца грунта D достигается уменьшением с течением времени при помощи редуктора напряжений сжатия образца.

8. По показаниям динамометра определяются значения напряжений сжатия s за время t: 0, 5, 10, 15, 30 секунд; 1, 5, 10, 30 минут; 1, 2, 3, 4, 5, 6, 7, 8 часов и далее через сутки. Начало отсчета t = 0 соответствует моменту достижения деформацией образца грунта значения D. Составляется таблица значений t, s, In s.

9. Испытания грунта продолжаются до получения не менее пяти точек, начиная с первых суток, которые в координатах In s - t располагаются по прямой линии.

10. Коэффициент релаксации напряжений сжатия грунте а определяется как тангенс угла наклона прямой, построенной в координатах In s - t

                                                                                          (5)

где  - разность значений натуральных логарифмов напряжений сжатия за период с первых до последних суток испытания грунта;

Dt - отрезок времени за период с первых до последних суток испытания, сутки.

Значение a - можно определять также по способу наименьших квадратов.

КЛЮЧЕВЫЕ СЛОВА: подрабатываемые территории, мульда сдвижения, деформации земной поверхности, скорость деформации земной поверхности, планировка и застройка территорий, бескаркасные и каркасные здания, отсек здания, деформационный шов, фундаменты ленточные и свайные, дополнительные усилия от подработки, релаксация напряжений на контакте фундаментов с подрабатываемым основанием.




Rambler's Top100 Яндекс цитирования
  Copyright © 2008-2026, www.docload.ru