|
|
МИНИСТЕРСТВО ВНУТРЕННИХ ДЕЛ РОССИЙСКОЙ
ФЕДЕРАЦИИ ГЛАВНОЕ УПРАВЛЕНИЕ ВНЕВЕДОМСТВЕННОЙ ОХРАНЫ ПРОЕКТИРОВАНИЕ И МОНТАЖ Рекомендации Р 78.36.008-99 Москва 1999 Рекомендации разработаны сотрудниками НИЦ "Охрана" ГУВО МВД России Ю.П. Арлащенковым, М.С. Ковалевым под руководством В.Г. Синилова и утверждены ГУВО МВД России 27 июня 1998 года. Проектирование и монтаж систем охранного телевидения и домофонов: Рекомендации (Р 78.36.008 - 99). - М.: НИЦ "Охрана", 1999. Рассмотрены вопросы проектирования систем охранного телевидения (СОТ), выбора и размещения компонентов СОТ, особенности их монтажа, варианты оборудования объектов, принципы выбора и применения домофонов. Представлены технические характеристики систем охранного телевидения, определения, применяемые в СОТ. Рекомендации содержат краткий англо-русский словарь основных терминов, применяемых в области охранного телевидения, и наиболее часто встречающихся сокращений. Рекомендации предназначены для инженерно-технических работников проектно-монтажных групп и технических центров вневедомственной охраны, а также специалистов служб безопасности организаций, занимающихся вопросами поставки, проектирования и монтажа СОТ и домофонов на объектах различных форм собственности. Ил. 19, табл. 8. ВВЕДЕНИЕ
Целесообразность применения систем охранного телевидения (СОТ) для усиления охраны объектов очевидна. Уникальность информации о ситуации на охраняемом объекте либо о поведении и индивидуальных особенностях нарушителя, которую может дать только телевизионное изображение, и специфика задач, решаемых с помощью СОТ, делают их в некоторых случаях незаменимыми. Так, демонстративно установленные в торговом зале телевизионные камеры и мониторы могут отпугивать потенциальных преступников; скрытое наблюдение дает возможность руководителю объекта контролировать работу подчиненных ему сотрудников или охранников; видеозапись позволяет получать документальный материал о происходящих событиях для последующего анализа или в качестве вещественного доказательства (идентифицировать личность преступника, определять номер автомобиля и т.п.). Очевидно, что СОТ могут выполнять некоторые функции систем охранно-пожарной сигнализации (например, обнаруживать факт проникновения на охраняемый объект). Однако несомненно и то, что использование СОТ в таком качестве очень неэффективно как с экономической, так и с технической точек зрения. Исключение может составлять охрана больших территорий и внешних периметров, оборудование которых системами охранно-пожарной сигнализации (ОПС) либо слишком дорого, либо технически неосуществимо. В последнее время издано значительное количество книг, статей, каталогов, других информационных материалов, в которых подробно приводятся характеристики компонентов СОТ, уделяется внимание вопросам их выбора и применения. Однако материалы об особенностях проектирования и монтажа СОТ или отсутствуют полностью, или подаются весьма разрозненно. Цель настоящих Рекомендаций - систематизация этих материалов, которые могут быть полезными для работников проектно-монтажных групп и технических центров вневедомственной охраны, занимающихся вопросами поставки, проектирования, монтажа и размещения оборудования СОТ на охраняемых объектах. 1
ОПРЕДЕЛЕНИЯ И СОКРАЩЕНИЯ
В Рекомендациях применяются следующие определения и сокращения. 1.1
ОБЩИЕ ОПРЕДЕЛЕНИЯ
1.1.1 Охраняемый объект - объект, охраняемый подразделениями охраны и оборудованный действующими средствами охранно-пожарной сигнализации (по РД 25.985-90). 1.1.2 Категория охраняемого объекта - комплексная оценка состояния объекта, учитывающая его экономическую или иную (например культурную или общественную) значимость в зависимости от характера и концентрации сосредоточенных ценностей, последствий от возможных преступных посягательств на них, сложности требуемой надежности охраны (по ГОСТ Р 50776-95). 1.1.3 Охраняемая зона - часть здания и/или территории объекта, в которой может (должна) быть обнаружена опасность с помощью системы тревожной (в том числе, охранной или охранно-пожарной) сигнализации (по ГОСТ Р 50775-95). 1.1.4 Нарушитель - лицо, пытающееся проникнуть или проникшее в помещение (на территорию), защищенное системой охранной или охранно-пожарной сигнализации без разрешения ответственного лица, пользователя (по ГОСТ Р 50775-95). 1.1.5 Видеоконтроль - получение, обработка, передача, регистрация и хранение телевизионных изображений из охраняемой зоны, анализ информации и принятие соответствующего решения оператором. Примечание - Вместе с телевизионным изображением
может быть выведена дополнительная служебная информация, например, текущие дата
и время, номер телекамеры, имя и/или план охраняемой зоны, инструкции
оператору, и т.п. 1.1.6 Объект контроля - человек, имущество (событие, явление), на определение состояния (развития) которого направлен видеоконтроль. 1.1.7 Целевая задача видеоконтроля (целевая задача) - обнаружение, различение и/или идентификация объекта контроля. 1.1.8 Обнаружение - выделение объекта контроля из фона либо раздельное восприятие двух объектов контроля, расположенных на расстоянии друг от друга, соизмеримом с их размерами. 1.1.9 Различение - раздельное восприятие двух объектов контроля, расположенных рядом, либо выделение деталей объекта контроля. 1.1.10 Идентификация - выделение и классификация существенных признаков объекта контроля либо установление соответствия изображения объекта контроля, хранящемуся в базе данных. 1.1.11 Система охранного телевидения - совокупность совместно действующих технических средств, включающая телевизионные камеры с объективами, видеомониторы и вспомогательное оборудование, требуемое для организации видеоконтроля. 1.1.12 Охранное телевидение - область промышленного (не вещательного) телевидения, связанная с охраной объектов. 1.1.13 Техническое средство видеоконтроля (компонент СОТ) - конструктивно законченное, выполняющее самостоятельные функции (аппаратно-программное) устройство, входящее в состав СОТ. 1.1.14 Контролируемая зона (зона видеоконтроля) - часть охраняемой зоны, в которой выполняется поставленная целевая задача. 1.1.15 "Мертвая" зона - часть охраняемой зоны, которая не просматривается СОТ. 1.1.16 Освещенность сцены - средний уровень освещения в зоне видеоконтроля, измеряемый люксметром, имеющим спектральную характеристику, соответствующую спектральной характеристике человеческого зрения (т.е. с применением специального фильтра ИК-отсечки). 1.1.17 Чувствительность СОТ - минимальная освещенность сцены, при которой система выполняет целевую задачу. 1.1.18 Разрешающая способность (разрешение) СОТ максимальная степень индивидуализации или детализации объекта контроля, которую может обеспечить система. 1.1.19 Устойчивость СОТ к несанкционированным воздействиям - способность системы сохранять работоспособность при несанкционированных воздействиях на ее аппаратную часть либо программное обеспечение и выдавать оператору информацию о наличии таких воздействий. 1.2
КОМПОНЕНТЫ СИСТЕМ ОХРАННОГО ТЕЛЕВИДЕНИЯ
1.2.1 Телевизионная камера (камера) - модуль, содержащий датчик изображения, производящий видеосигнал. 1.2.2 Датчик изображения - твердотельное устройство, выполненное на приборах с зарядовой связью (ПЗС-матрица), преобразующее оптическое изображение в электрический сигнал. 1.2.3 Видеосигнал - электрический сигнал, передающий все элементы изображения. 1.2.4 Объектив - оптическое устройство для проектирования требуемой сцены на датчик изображения. 1.2.5 Фокусное расстояние - расстояние между оптическим центром объектива и его главным фокусом. 1.2.6 Контроль фокуса - средство для корректировки объектива, которое позволяет объектам, находящимся на различных расстояниях от объектива, быть резко определенными. 1.2.7 Объектив с фиксированным фокусным расстоянием - объектив с определенным фокусным расстоянием, обычно имеющий устройство контроля фокуса и некоторые функции управления диафрагмой. 1.2.8 Вариообъектив - объектив, в котором фокусное расстояние может изменяться вручную в определенном диапазоне. Объектив имеет устройство контроля фокуса и некоторые функции управления диафрагмой. 1.2.9 Объектив с трансфокатором - объектив, в котором фокусное расстояние может изменяться дистанционно сигналами телеуправления в определенном диапазоне. Объектив имеет устройство контроля фокуса и некоторые функции управления диафрагмой. 1.2.10 Объектив "Pin-hole" ("игольное ушко") - объектив с фиксированным фокусным расстоянием, имеющий очень маленькое отверстие и предназначенный для скрытого наблюдения. Объектив обычно не имеет никакого управления фокусом, но предполагает некоторые функции управления диафрагмой. 1.2.11 Диафрагма - средство для контроля размера апертуры объектива и, следовательно, количества света, проходящего через него. 1.2.12 Диафрагма ручная - диафрагма, в которой изменения размера апертуры объектива проводятся ручным методом. 1.2.13 Автодиафрагма - диафрагма, автоматически изменяющая размер апертуры объектива в ответ на изменения освещенности сцены. 1.2.14 Дистанционное управление - передача и прием команд для дистанционного управления такими свойствами, как поворот и наклон камеры, а также функции объектива (фокусное расстояние, диафрагма, и т.п.). 1.2.15 Устройство поворота (поворотное устройство) - автоматическое устройство, позволяющее позиционировать камеру в горизонтальной плоскости. 1.2.16 Устройство поворота и наклона (наклонно-поворотное устройство) - автоматическое устройство, позволяющее позиционировать камеру в вертикальной и горизонтальной плоскостях. 1.2.17 Погодный кожух - специальный контейнер, оснащенный вспомогательными устройствами типа нагревателей, смывателей стекла и дворников, для защиты телевизионной камеры от определенных климатических воздействий. 1.2.18 Видеомонитор - устройство для преобразования видеосигнала в изображение. 1.2.19 Делитель экрана - оборудование, которое одновременно отображает более чем одно изображение на одном мониторе. 1.2.20 Видеокоммутатор - устройство для подключения более одной камеры к одному или большему количеству мониторов вручную, автоматически или после получения условного сигнала (например по сигналу тревоги). 1.2.21 Видеомагнитофон - устройство, позволяющее записывать видеосигналы на магнитную ленту и воспроизводить их в виде изображения на экране монитора. 1.2.22 Видеопринтер - устройство, преобразующее видеосигнал и распечатывающее изображение на специальной бумаге. 1.2.23 Видеозапись "Time-lapse" - прерывистая запись видеосигналов через определенные интервалы времени, увеличивающая время записи записывающего устройства. 1.2.24 Видеозапись мультиплексированная - сжатая запись более чем одного видеосигнала. 1.2.25 Видеопамять - устройство для сохранения с помощью электроники одного или большего количества изображений для устойчивого наблюдения их на видеомониторе. 1.2.26 Видеогенератор алфавитно-цифровой - устройство для обеспечения дополнительной информации, обычно накладываемой на изображение (устройство может обеспечивать вывод от одного-двух символов до полноэкранного алфавитно-цифрового текста). 1.2.27 Видеодетектор движения - устройство обнаружения, генерирующее тревожный сигнал в ответ на изменения в сигнале одной или нескольких телевизионных камер. 1.2.28 Видеоусилитель-распределитель - устройство, которое обеспечивает несколько выходов одного видеосигнала таким образом, что воздействие на один выход не будет отражаться на других. 1.2.29 Видеоусилитель - устройство, обеспечивающее увеличение уровня видеосигнала. 1.2.30 Видеокорректор - устройство, корректирующее неэквивалентные потери по частотному диапазону* и/или фазовые ошибки при передаче видеосигнала. * В устройствах различные частотные составляющие видеосигнала
могут проходить с различным коэффициентом усиления. Следовательно, появляются
искажения видеосигнала. 1.2.31 Внешняя синхронизация - средства обеспечения привязки синхронизации всего оборудования к одному источнику. 1.2.32 Видеовход/выход - устройство для подключения линии, по которой проводится передача видеосигнала. 1.2.33 Аудиовход/выход - устройство для подключения линии передачи аудиосигнала. 1.2.34 Вход/выход тревоги - устройство для подключения линии передачи сигнала тревоги от средств ОПС. Примечание - При выборе оборудования для СОТ следует
обратить внимание на то, что большинство отечественных и зарубежных средств ОПС
выдает тревогу размыканием контактов. Это особенно важно, если телевизионные
камеры и другая аппаратура должны включаться или изменять режим работы по
тревоге. 1.3 СОКРАЩЕНИЯ
АРУ - автоматическая регулировка усиления ИСО - интегрированная система охраны КЗС - компенсация заднего света МРД - минимальная различимая деталь (изображения) ПЗС - прибор с зарядовой связью ТК - телевизионная камера ТВЛ - телевизионная линия. 2
КЛАССИФИКАЦИЯ СИСТЕМ ОХРАННОГО ТЕЛЕВИДЕНИЯ
В соответствии с [4] СОТ можно классифицировать следующим образом: · Класс I - системы, работающие при дневном освещении, т.е. в диапазоне освещенностей от полного солнца (105 лк) до заката (50 лк); · Класс II - системы, работающие при низком освещении, т.е. в диапазоне освещенностей от полного солнца (105 лк) до сумерек (приблизительно 4 лк); · Класс III - системы, работающие при лунном свете, т.е. в диапазоне освещенностей от полного солнца (105 лк) до четверти лунного света безоблачной ночью (0,1...0,4 лк); · Класс IV - системы, работающие при свете звезд, т.е. в диапазоне освещенностей от полного солнца (105 лк) до света звезд безоблачной ночью (0,0007...0,002 лк); · Класс V - инфракрасные системы, т.е. системы, в которых используются инфракрасные источники в дополнение к существующему уровню освещенности (например для работы в полной темноте). Диапазон уровней освещения, соответствующий данной классификации, приведен на рисунке 1. Рисунок 1 - Суточные и погодные изменения уровней освещения Примеры
типичных уровней освещения Хорошо освещенная автомагистраль: 10 лк; Лестница или коридор: 60 лк; Офис или магазин: 2 50... 500 лк. Примечание - Не все ТК могут работать при
инфракрасном свете. Характеристики цветных камер отвечают характеристикам
человеческого зрения, а большинство черно-белых камер используют часть красной
и инфракрасную область. Поэтому при выборе ТК для конкретных целей необходимо
учитывать тип источника света и спектральную характеристику устройства
отображения ТК в совокупности с объективом и отражением сцены. 3 ВОПРОСЫ ПРОЕКТИРОВАНИЯ СИСТЕМ ОХРАННОГО ТЕЛЕВИДЕНИЯ
3.1 ОБЩИЕ ПОЛОЖЕНИЯ
Проектирование СОТ должно осуществляться на основании технического задания, составляемого в соответствии с требованиями действующей нормативной документации. Техническое задание утверждают в установленном порядке. Проектируемая система должна соответствовать положениям СНиП 1.02.01-85 "Инструкция о составе, порядке разработки, согласования и утверждения проектно-сметной документации на строительство предприятий, зданий и сооружений" и СНиП 1.06.05-85 "Положение об авторском надзоре проектных организаций за строительством предприятий, зданий и сооружений". Проектная организация и ее должностные лица несут ответственность за качественное исполнение проектной документации и ее экономическое обоснование, соответствие проектных решений действующим стандартам, руководящим документам, инструкциям, нормам и требованиям органов государственного надзора и заинтересованных сторон. При проектировании следует учитывать требования госстандартов, а также руководящих и других нормативно-технических документов, в том числе относящихся к системам тревожной и охранно-пожарной сигнализации (приложение А). Допускается применять в качестве нормативных документов указания, положения, правила, нормы, типовые материалы, технологические карты, и т.п., не противоречащие действующим стандартам и утвержденные в установленном порядке. Системы охранного телевидения, работающие в составе ИСО, должны обладать эксплуатационной, информационной, аппаратной и программной совместимостью с другими системами и средствами, входящими в интегрированную систему охраны. Формирование СОТ должно проводиться по модульному принципу. При этом конфигурация, состав, основные и дополнительные функции СОТ должны быть технически и экономически обоснованы. В случае необходимости допускается разделение всей системы в целом на функционально самостоятельные составные части (подсистемы). При этом построение системы должно обеспечивать возможность ее наращивания и модификации (расширения или изменения функций), а также устойчивую работоспособность (отказ составной части СОТ не должен приводить к отказу всей системы). Информация о допустимых для СОТ воздействиях помех должна быть отражена в сопроводительной документации (техническое описание, паспорт, инструкция по эксплуатации, и т.п.). В системе должны быть предусмотрены аппаратные или программные средства обнаружения и регистрации как явных, так и скрытых отказов, а также защита от ошибок пользователя. Контроль работоспособности отдельных составных частей СОТ должен проводиться без нарушения выполнения системой основных функций. Система охранного телевидения в целом, а также входящие в ее состав компоненты, электротехнические и другие изделия должны иметь сертификаты соответствия. Технический надзор за выполнением проектных работ должен осуществляться в соответствии с требованиями РД 78.146-93. 3.2
ОРГАНИЗАЦИЯ ПРОЕКТИРОВАНИЯ
3.2.1 Уточнение и постановка задач
Структура СОТ, цели и задачи видеоконтроля отображаются на различных этапах проектирования по-разному. Поэтому очень важно правильно сформулировать и распределить функции, а также обеспечить четкое взаимодействие между главными заинтересованными сторонами, которыми являются заказчик (служба безопасности или собственник объекта) и подрядчик (проектировщик, поставщик оборудования и монтажная организация). Логично было бы предположить, что наиболее рациональное решение можно получить в случае, когда постановку задачи осуществляет заказчик, а проект разрабатывает проектная организация. Очевидно, что никто, кроме заказчика, не может правильно определить перечень и степень вероятных угроз объекту, выбрать наиболее опасные из них, предусмотреть направления развития системы. Сначала отрабатывают общие вопросы, касающиеся стратегии охраны, реакции на возможные нарушения, процедуры принятия решений и ответственности за них. В этом случае руководитель объекта должен быть главным идеологом, так как ответственность за безопасность объекта лежит именно на нем, а не на сотрудниках. Иногда руководитель объекта имеет в своем подчинении многочисленный технический отдел службы безопасности, который может самостоятельно спроектировать систему и представить ее полную спецификацию. Однако такие случаи пока еще редки. Поэтому общепринятой стала практика, когда именно проектировщику (в его роли в настоящее время выступает поставщик оборудования) приходится составлять техническое задание, а затем разрабатывать несколько альтернативных проектов, дающих заказчику возможность выбора. Выполнение этой задачи осуществляется на основе анализа рынка, которым поставщик занимается в силу объективно существующей конкуренции. И хотя их экономические интересы, как правило, не совпадают, солидные фирмы, во избежание потери потенциальных клиентов, придерживаются такого правила: спроектированная система прежде всего должна полностью удовлетворять требованиям заказчика. Только после этого должны быть рассмотрены вопросы о выборе монтажной организации, стоимости оборудования и проводимых работ. К сожалению, нередки случаи, когда заказчик, поверхностно знакомый с проблемами организации видеоконтроля, активно вмешивается в процесс проектирования системы (желая сэкономить средства или из-за чрезмерного самомнения). Такой заказчик сам берется за разработку технического задания и даже проекта, строго требуя при этом, где и какое оборудование следует устанавливать. И если проектировщик пойдет у него на поводу, последствия будут печальны: средства, затраченные на закупку и установку оборудования, окажутся выброшенными на ветер, а заказчик вскоре заявит претензию о плохой работе системы. Поэтому, на наш взгляд, одним из самых главных моментов является выявление действительных целей и потребностей заказчика уже на подготовительном этапе. Обычно это требует от проектировщика проведения некоторой просветительской работы, в частности разъяснения заказчику разницы между общим видеонаблюдением и строгой идентификацией. Нередко незнакомые с работой видеотехники люди полагают, что вместо человека-наблюдателя можно поставить телевизионную камеру, которая сможет его заменить. Однако, несомненно, это должна быть скоростная поворотная камера с очень высокими разрешением и чувствительностью, с сверхширокоугольным объективом, интеллектуальным детектором движения и системой распознавания целей. В то же время камеры видеонаблюдения - значительно меньших размеров и дешевле, поэтому при их выборе и размещении должен быть использован совсем иной подход. Так что главное - правильно сформулировать цель, поставленную при установке системы. Обычно (даже в одной охраняемой зоне) система должна решать различные задачи. Это зависит от расстояния до объекта контроля, от времени суток (изменение освещенности), режимов охраны объекта, способов включения камер, и т.п. Например, в кассовом зале банка система должна обеспечивать общее наблюдение или контролировать поведение клиентов, а при подходе любого человека к рабочему месту кассира - осуществлять видеозапись, которая может идентифицировать этого человека. После того как согласованы основные вопросы, сформулированы цели и задачи, разрабатывают техническое задание на проектирование системы. Разработку, согласование и утверждение технического задания проводят в установленном порядке. 3.2.2
Этапы проектирования
I Техническое задание - в общем случае содержит следующие разделы: 1) описание объекта, которое составляют на основании его обследования; 2) общие технические требования к системе; 3) требования безопасности; 4) требования охраны окружающей среды; 5) правила приемки, в том числе методы контроля; 6) указания по эксплуатации; 7) содержание и сроки выполнения работ; 8) гарантии изготовителя. Раздел "Общие технические требования к системе" в общем случае содержит следующие подразделы: а) характеристики (свойства); б) требования к сырью, материалам, покупным изделиям; в) комплектность, маркировка, упаковка. В подразделе "Характеристики (свойства)" приводят, как правило, только те требования, которые являются обязательными и подлежат проверке. Если отдельные требования не могут быть выражены определенными показателями, а могут быть достигнуты при условии соблюдения каких-либо других требований, то их также приводят в этом подразделе. В общем случае указанный подраздел содержит следующие пункты, которые устанавливают требования: - назначения; - надежности; - радиоэлектронной защиты; - стойкости к внешним воздействиям; - эргономики; - технологичности; - конструктивные. II Коммерческое предложение - разрабатывается проектировщиком бесплатно для заказчика на основании технического задания и представляется, как правило, в нескольких вариантах. В общем случае коммерческое предложение содержит (для каждого варианта системы): - схему размещения оборудования на объекте; - пояснительную записку с подробным описанием характеристик системы и ее компонентов; - спецификацию оборудования с оценкой его стоимости; - технические предложения по адаптации системы к конкретным условиям эксплуатации. III Проект - включает в себя всю необходимую документацию (электрические и монтажные схемы, инструкции пользователю, и т.п.). Проект разрабатывают в рамках договора. В зависимости от сложности и объема работ (можно использовать типовые варианты или нужно разработать оригинальную систему) сроки выполнения коммерческого предложения и проекта могут составлять от нескольких дней до месяцев. 3.2.3
Планирование работ
Из сказанного можно заключить, что непременным условием разработки системы, полностью удовлетворяющей заказчика как по тактико-техническим характеристикам и функциональным возможностям, так и по стоимости, является полное взаимопонимание между заказчиком и разработчиком проекта, а также правильное планирование работ, которое состоит в: - привлечении заказчиком одной или нескольких проектных организаций для разработки проектно-сметной документации. (Если привлечено несколько организаций, одна из них должна быть генеральным проектировщиком, организующим выполнение всего комплекса работ, а другие - субподрядными. Генеральный проектировщик может поручить субподрядчикам разработку нескольких альтернативных проектов в целях проведения их дальнейшей экспертизы); - выдаче заказчиком проектной организации задания на проектирование (технического задания). К разработке технического задания может быть привлечен проектировщик; - оформлении заказчиком через банк финансирования проектных работ; - заключении между заказчиком и генеральным проектировщиком, а также между генпроектировщиком и субподрядчиком договоров на проектные работы с одновременным оформлением смет и графиков их выполнения; - назначении проектной организацией главного инженера или главного специалиста проекта, осуществляющего организацию и техническое руководство проектными работами и несущего всю ответственность за качество проекта, а также за технико-экономические показатели проектируемой системы; - согласовании проектной документации с заинтересованными организациями, Государственной противопожарной службой и вневедомственной охраной; - сдаче проектной организацией заказчику выполненной проектной документации; - поэтапном или ежемесячном оформлении заказчиком актов готовности с последующим расчетом по ним через финансирующий банк; - осуществлении заказчиком экспертизы принятого от проектной организации проекта до его утверждения; - утверждении заказчиком проекта в установленном порядке; - авторском надзоре проектной организацией за качеством монтажно-строительных работ. 3.2.4
Обследование охраняемого объекта
Обследование проводят в целях изучения на месте (в том числе с использованием плана-схемы и строительных чертежей объекта) характеристик объекта, определяющих его устойчивость на данный момент к преступным посягательствам. Обычно на охраняемом или подлежащем охране объекте ранее было проведено обследование и имеется рабочая документация, в которую входят: - акт междуведомственной комиссии по обследованию объекта (или акт технического состояния объекта); - техническое задание на проектирование средств сигнализации (видеоконтроля и/или управления доступом) либо акт обследования на монтаж средств сигнализации (видеоконтроля и/или управления доступом). Поэтому проектировщику прежде всего необходимо ознакомиться с этими документами. Если техническое задание на проектирование системы видеоконтроля имеется и удовлетворяет требованиям проектировщика и заказчика, обследование объекта можно не проводить. Если же в техническом задании вопросы организации видеоконтроля отражены неполно (либо на объекте произошли какие-то изменения), то следует провести дополнительное обследование объекта для получения необходимых данных. При этом должны быть учтены результаты ранее проведенного обследования. При обследовании охраняемого объекта на предмет оборудования СОТ необходимо принимать во внимание его характеристики, которые определяют цели видеоконтроля, влияют на конфигурацию и режимы работы системы и ее компонентов, на предполагаемые технические решения, взаимодействие с системами ОПС, контроля и управления доступом. По результатам обследования должен быть составлен акт обследования объекта. Примечание - Для небольших объектов, таких как
квартиры, подъезды жилых домов, офисы, и т.п., где, как правило, контролируются
только входная дверь и подходы к ней (например с помощью аудио- или
видеодомофонов), могут быть составлены справка или акт обследования объекта
поупрощенней форме. 3.3
ПЕРЕЧЕНЬ ОСНОВНЫХ ВОПРОСОВ, УТОЧНЯЕМЫХ ПРИ ПРОЕКТИРОВАНИИ
Приведем перечень основных вопросов, которые могут быть рассмотрены и уточнены на разных этапах проектирования. Данный перечень не является обязательным и ставит своей целью оказать помощь заказчикам, проектировщикам и пользователям в установлении требований и объективной оценке эффективности системы. 3.3.1 Виды
работ (с указанием сроков выполнения):
1) разработка и согласование технического задания с заказчиком; 2) разработка альтернативных вариантов СОТ и передача их на рассмотрение заказчику (коммерческое предложение); 3) разработка технического проекта и согласование его с заказчиком; 4) разработка и адаптация программного обеспечения; 5) закупка и поставка оборудования; 6) монтаж, пуск и наладка СОТ; 7) гарантийное обслуживание и ремонт СОТ; 8) послегарантийное обслуживание и ремонт СОТ; 9) обучение персонала объекта (пользователя) приемам и навыкам работы с СОТ; 10) другие работы (указать); 11) сдача работы заказчику. Примечание - Методы тестирования для оценки
эффективности системы, по которым проводится сдача работы заказчику, должны
быть заранее разработаны и согласованы с заказчиком. 3.3.2
Заказчик и исполнитель:
1) наименование организации; 2) юридический адрес (почтовый индекс, республика, край, область, город, улица, номер строения); 3) финансовые реквизиты; 4) номера телефона, факса, телетайпа; 5) фамилия, имя, отчество ответственного лица. 3.3.3
Основание для проведения работ (договор):
1) номер договора и дата его утверждения; 2) виды работ (по п. 3.3.1) и сроки их выполнения; 3) права и обязанности сторон. 3.3.4
Описание объекта
I Категория охраняемого объекта: 1) наименование, адрес, ведомственная принадлежность объекта; 2) производственное назначение объекта в целом и его отдельных зон (здания, помещения, открытые площадки, и т.п.); 3) характер предметов преступных посягательств (денежные средства, материальные и культурные ценности, оружие и боеприпасы, наркотические и ядовитые вещества, и т.п.); 4) оценка степени тяжести возможных финансовых, политических либо социальных последствий несанкционированного проникновения или разбойного нападения на объект. II Пространственное положение, архитектурно-планировочные и строительные решения объекта, его отдельных зон: 1) местонахождение и ориентация на местности; 2) конфигурация границ (периметра); 3) количество отдельно стоящих зданий, их этажность; 4) количество открытых площадок; 5) количество отапливаемых и неотапливаемых помещений; 6) геометрические размеры помещений (площадь, линейные размеры, высота потолков, и т.п.), открытых площадок, территорий, сторон периметра (с указанием мест складирования и размещения ценностей); 7) вероятный диапазон освещенностей сцены в каждой охраняемой зоне. III Внешние факторы: 1) воздействия климатических факторов (температура и влажность); 2) механические воздействия (вибрация, ударные нагрузки, и т.п.); 3) наличие и характеристики источников электромагнитных и радиопомех (мощность, диапазон излучений); 4) возможность прямых засветок ТК и задних засветок объекта контроля солнечным светом либо светом от искусственных источников (фары транспортных средств, лампы, фонари, и т.п.). IV Тактика охраны: 1) вид и режим работы охраны; 2) соответствие дислокации постов охраны местам хранения ценностей; 3) состояние и количество контрольно-проходных и контрольно-проездных пунктов (КПП); 4) техническая оснащенность КПП: наличие автоматизированных устройств контроля прохода, систем и средств управления доступом, средств связи, и т.п.; 5) наличие и достаточность охранного (дежурного) освещения; 6) количество и состояние запасных автотранспортных и железнодорожных ворот; 7) режим работы объекта, его отдельных зон; 8) работа СОТ в автономном режиме или в составе ИСО; 9) необходимость передачи информации на удаленные посты охраны; 10) параметры систем сигнализации и управления доступом, установленных или предполагаемых к установке на объекте. 3.3.5
Общие требования к системам охранного телевидения
I Условия эксплуатации: 1) в закрытых отапливаемых помещениях; 2) в закрытых неотапливаемых помещениях; 3) на улице под навесом; 4) на открытом воздухе; 5) в особых условиях (повышенная влажность, запыленность, вибрация, и т.п.). II Безопасность: 1) пожарная безопасность; 2) электробезопасность; 3) заземление; 4) отсутствие вредного влияния на здоровье пользователей и лиц, находящихся на объекте. III Надежность: 1) средняя наработка на отказ .... часов; 2) среднее время восстановления работоспособности .... часов; 3) средний срок службы ..... лет; 4) гарантия исполнителя .... месяцев. Примечание - При установлении показателей надежности
должны быть указаны критерии отказа. IV Продолжительность работы: 1) непрерывная круглосуточная работа; 2) работа в дневное время в течение .... часов; 3) работа в ночное время в течение .... часов; 4) периодическое включение на .... часов с перерывами на .... часов. V Электропитание: 1) номинальные значения и допустимые отклонения напряжения и частоты в сети переменного тока; 2) категория энергоснабжения объекта или его отдельных зон; 3) способы резервирования питания; 4) переход на резервное питание и обратно - автоматический/ручной; 5) продолжительность работы от источника резервного питания в дежурном и тревожном режимах .... часов; 6) сетевые фильтры. ВНИМАНИЕ! Все оборудование многих систем, питающихся
от сети переменного тока, должно быть запитано от одной фазы. VI Техническое обслуживание и ремонт: 1) организация, проводящая техническое обслуживание и ремонт; 2) виды, состав и периодичность выполнения работ; 3) наличие и состав "холодного" резерва; 4) переход на резерв - автоматический или путем замены блоков, модулей. VII Возможности расширения системы охранного телевидения: 1) свободные входы для ТК; 2) свободные выходы для видеомониторов/видеомагнитофонов; 3) интеграция с системами сигнализации, контроля и управления доступом; 4) интеграция с телеметрической системой ТК; 5) без нарушения работоспособности смонтированной СОТ; 6) с выключением смонтированной СОТ. VIII Состав документации: 1) спецификация оборудования с указанием его стоимости; 2) структурные (скелетные) схемы; 3) схемы (планы) размещения компонентов СОТ с указаниями по их монтажу; 4) схемы (планы) размещения источников охранного (дежурного) освещения с указанием мощности и типа (лампы накаливания, люминесцентные лампы, инфракрасные прожекторы, и т.п.); 5) схемы электрических соединений; 6) схемы прокладки линий связи и электропроводок; 7) схемы электрические принципиальные подключения оборудования; 8) техническое описание и инструкция по эксплуатации СОТ; 9) документация, поставляемая фирмой-изготовителем в комплекте с оборудованием, на русском языке. 3.3.6
Требования назначения
I Целевые задачи видеоконтроля: 1)обнаружение: - общее наблюдение за обстановкой; - верификация тревоги от системы охранной сигнализации; - обнаружение всех перемещающихся в определенном направлении; 2)различение: - контроль наличия посторонних; - наблюдение за работой сотрудников; - контроль за подходом посторонних лиц к запретной зоне или чужому имуществу; 3) идентификация: - получение четкого изображения лица любого человека, который подходит к зоне (или находится в ней), позволяющего впоследствии узнать ранее незнакомого человека; - идентификация записанного изображения с хранящимся в базе данных; - определение номера автомобиля. Примечание - Примерные характеристики и особенности
некоторых объектов контроля, которые должна (может) распознавать система для
выполнения определенной целевой задачи, приведены в приложении В. II Вид наблюдения: 1) открытое демонстративное: ТК привлекают внимание, хорошо видны места их расположения, ориентация, направление и скорость сканирования. Используют, как правило, для отпугивания потенциальных преступников. С этой целью часто устанавливают дополнительные видеомониторы непосредственно в охраняемой зоне; 2) открытое малозаметное: ТК устанавливают в декоративных кожухах, которые не нарушают интерьер и отвечают требованиям эстетики. Используют, как правило, для того чтобы не отвлекать внимание сотрудников и посетителей, а также не привлекать внимание нарушителя; 3) скрытое: ТК не видны, для чего обычно применяют миниатюрные телевизионные камеры и объективы "pin-hole". Используют, как правило, для получения конфиденциальной информации или защиты от несанкционированных воздействий. III Устойчивость к несанкционированным воздействиям: 1) силовые воздействия; 2) электромагнитные воздействия; 3) управляющие воздействия с применением специальных устройств; 4) воздействия на программное обеспечение; 5) воздействия на архивы. Примечание - Основные методы защиты СОТ от
несанкционированных воздействий приведены в приложении Г. IV Изображение: 1) черно-белое; 2) цветное. V Освещение сцены: 1) достаточное для СОТ .... класса; 2) достаточное в дневное время для СОТ .... класса; 3) необходимость организации дежурного освещения (круглосуточного или только в ночное время) для возможности использования СОТ .... класса (т.е. менее чувствительной системы). VI Телевизионная камера: 1) формат ПЗС-матрицы; 2) чувствительность; 3) разрешающая способность; 4) отношение сигнал/шум; 5) компенсация заднего света; 6) автоматический контроль освещенности (автоматическая регулировка усиления); 7) электронная диафрагма; 8) электронный затвор; 9) инверсия белого. VII Объектив: 1) тип крепления; 2) соответствие формату ПЗС-матрицы; 3) с фиксированным фокусным расстоянием; 4) вариообъектив; 5) контроль фокуса; 6) диафрагма - автоматическая/ручная; 7) "pin-hole" объектив. VIII Кожух телевизионной
камеры: 1) вандалостойкий; 2) с сигнализацией при вскрытии; 3) декоративный; 4) всепогодный. Примечание - Обозначения защитных свойств кожухов
согласно международной классификации приведены в приложении Д. IX Крепление телевизионной
камеры: 1) на вандалостойком кронштейне; 2) на обычном кронштейне; 3) на стене, в углу, на потолке, столбе, мачте; 4) на поворотном устройстве (позиционирование ТК только в горизонтальной или вертикальной плоскости); 5) на поворотно-наклонном устройстве (позиционирование ТК в горизонтальной и вертикальной плоскостях). X Передача видеосигнала и
телеметрия: 1) расстояние между управляющим и управляемым устройствами; 2) коаксиальный кабель; 3) параллельные провода; 4) витая пара; 5) волоконно-оптический кабель; 6) радиоканал; 7) оптический (инфракрасный или лазерный канал); 8) медленное сканирование (передача "замороженных" изображений). XI Видеомониторы: 1) количество; 2) размер экрана по диагонали; 3) разрешающая способность (в полноэкранном режиме). XII Видеомагнитофоны: 1) формат записи (VHS, S-VHS, Video-8, Hi-8 и др.); 2) запись в реальном масштабе времени; 3) запись с пропуском кадров ("lime-lapse"); 4) уплотненная запись; 5) разрешающая способность; 6) время записи на стандартную 180-минутную видеокассету (в том числе с акустическим сопровождением); 7) автоматическая регистрация несанкционированных изменений в контролируемой зоне синхронно с тревожным сигналом от средств ОПС или видеодетектора движения; 8) вывод текстовой и цифровой информации (номер ТК, дата и время, оперативная и служебная информация) на русском языке; 9) количество видеомагнитофонов для записи текущих событий; 10) количество видеомагнитофонов для записи тревожных событий; 11) возможность воспроизведения во время записи; 12) наличие высокоскоростной обратной перемотки ленты (если кассета к концу записи не извлечена) и ведение новой записи поверх старой. ХIII Коммутатор: 1) последовательного действия; 2) матричный; 3) количество входов/выходов; 4) возможность программирования. XIV Видеоканал: 1) частотный диапазон; 2) перекрестные искажения; 3) отношение сигнал/шум. XV Вспомогательное оборудование: 1) видеодетекторы движения; 2) видеобуферы, корректирующие усилители; 3) видеоусилители-распределители; 4) устройства контроля сигнала; 5) видеопринтеры; 6) устройства телеметрии. XVI Видеоархив: 1) устройства хранения информации (магнитная лента, жесткие магнитные диски, и т.п.); 2) сроки хранения информации; 3) порядок просмотра архивных данных в целях уничтожения устаревшей информации (и носителей); 4) защита от несанкционированного доступа к архиву. XVII Контроль и управление работой: 1) временной режим работы; 2) виды управления (ручное, автоматическое программируемое); 3) возможность перехода с одного вида управления на другой; 4) постоянный или циклический контроль отдельных зон либо по заданной программе; 5) возможность разделения управления между руководством объекта и охраной; 6) автоматический вывод видеоинформации при поступлении тревожного сигнала от средств ОПС или ТК; 7) звуковое и световое оповещения о тревожной ситуации в контролируемой зоне; 8) контроль целостности кабельных линий и состояния ТК. XVIII Монтаж оборудования: 1) нормативные документы; 2) нарушения интерьера помещения и благоустройства территории при проведении монтажных работ; 3) способ защиты СОТ от несанкционированного воздействия; 4) информационная защищенность локальной компьютерной сети службы безопасности. 3.3.7
Требования к рабочему месту оператора:
1) достаточность рабочего пространства для выполнения оператором(ами) своих функций; 2) размещение рабочих мест; 3) значения факторов рабочей среды (освещенность, шум, вибрации, и т.п.); 4) средства защиты от вредных факторов; 5) меры, предупреждающие или снижающие преждевременное утомление оператора; 6) количество видеомониторов на одного оператора; 7) установка видеомониторов (на столе, кронштейне, в стойке); 8) расположение видеомониторов для минимизации отражений от экрана или использование фильтров. 3.3.8
Приемка работы:
1) состав комиссии; 2) комплектность представляемой документации; 3) действующая (отвечающая требованиям технического задания) СОТ; 4) акт сдачи-приемки. 4
ВЫБОР И РАЗМЕЩЕНИЕ ОБОРУДОВАНИЯ
4.1 ТЕЛЕВИЗИОННЫЕ КАМЕРЫ И ОБЪЕКТИВЫ
4.1.1 Количество телевизионных камер
При определении количества ТК необходимо иметь ввиду следующее: 1) недостаточное количество ТК приводит к наличию на охраняемом объекте не просматриваемых зон, в которых может перемещаться нарушитель, оставаясь незамеченным, либо могут находиться материальные ценности; 2) чрезмерное количество ТК приводит к: - возможности многократного повторения большого количества ракурсов из одной зоны видеоконтроля, что может помешать оператору правильно оценить ситуацию; - неоправданному росту стоимости оборудования (камеры, объективы, кожухи, кабели, разъемы и др.); - усложнению коммутационной аппаратуры; - уменьшению времени наблюдения каждой камеры или уменьшению размеров изображения на экране монитора (при отображении мультикартины). В итоге, вместо ожидаемого увеличения информативности, происходит ее уменьшение. 4.1.2
Поле зрения объектива
Выбор каждой конкретной ТК начинают с расчета необходимого поля зрения объектива по горизонтали (V) и вертикали (Н), а также расстояния до объекта контроля (D). По этим данным углы зрения необходимого объектива по горизонтали (aг) и вертикали (aв) определяют по формулам:
где V, H - поле зрения объектива по горизонтали и вертикали, м; D - расстояние до объекта контроля, м. Затем определяют фокусное расстояние объектива (f):
где V и Н - размер ПЗС-матрицы по горизонтали и вертикали, мм (см. таблицу 1); f1, f2 - фокусные расстояния объектива, мм. Из значений f1 и f2 выбирают меньшее для охвата всего необходимого поля зрения. Затем выбирают стандартный объектив с ближайшим меньшим фокусным расстоянием, который обеспечивает несколько большее поле зрения. Таблица 1 - Значения ширины и высоты матрицы для разных форматов
Далее определяют минимальную деталь объекта контроля, которая может различаться с помощью выбранных камеры и объектива:
где R - разрешение ТК, ТВЛ; D - расстояние до объекта контроля, м; SН, SV - размеры МРД по горизонтали и вертикали, мм. После этого рассчитанное значение размера МРД по горизонтали сравнивают с показателями, приведенными в таблице 2. Таблица 2 - Размер МРД в зависимости от целевой задачи видеоконтроля
Примечание - Размер МРД по вертикали определяется
стандартом строчной развертки (625 строк) и практически всегда меньше размера
МРД по горизонтали. Для выбранной ТК с объективом определяют целевую задачу видеоконтроля и сравнивают с задачей, определенной для данной СОТ. Если для выполнения поставленной целевой задачи видеоконтроля требуется лучшее распознавание объекта контроля, чем могут обеспечить выбранный объектив и камера, то: - выбирают объектив с большим фокусным расстоянием. При этом уменьшается поле зрения ТК и, чтобы не оставить без внимания всю зону видеоконтроля, ставят несколько ТК; - выбирают ТК большого расширения; - выбирают вариообъектив, у которого наименьшее фокусное расстояние определяется необходимым полем зрения ТК, а наибольшее - необходимостью выполнения целевой задачи. Для решения задачи обнаружения рекомендуется использовать камеры обычного, а для решения задачи идентификации - высокого разрешения. В любом случае отношение сигнал/шум ТК не должно быть менее 40 дБ, а коэффициент модуляции выходного видеосигнала при максимальном разрешении - не менее 15 процентов. 4.1.3
Чувствительность телевизионной камеры
При определении необходимой чувствительности ТК во внимание должно приниматься следующее: - тип источника освещения (спектральная характеристика); - освещенность сцены; - коэффициент отражения объекта контроля; - коэффициент пропускания объектива. Последовательность определения чувствительности следующая: 1) с помощью люксметра, который имеет спектральную характеристику, соответствующую характеристике зрения человека, измеряют освещенность сцены; 2) определяют значение коэффициента отражения реального объекта контроля (по таблице 3). Таблица 3 - Коэффициент отражения объекта контроля
3) по технической документации определяют светосилу объектива для определения необходимого коэффициента прохождения (таблица 4). 4) рассчитывают минимальную освещенность на датчике изображения (Esensor), которая может быть получена в зоне контроля камеры по формуле Esensor=Escene×R×T/(4×F2), (4) где Esensor - освещенность на датчике изображения, лк; Escene - освещенность сцены, лк; R - коэффициент отражения объекта контроля; F - светосила объектива; Т - коэффициент передачи объектива. Полученный результат Еsensor должен быть выше чувствительности, указанной в паспорте на ТК для данного типа источника освещения. Таблица 4 - Светосила объектива и коэффициент прохождения
4.1.4
Синхронизация по сети питания
Синхронность работы всех ТК обеспечивает четкое (без срывов синхронизации видеомонитора) переключение камер. Это особенно важно при проведении записи на видеомагнитофон, так как время захвата синхронизации у него достаточно велико. Наиболее простым и удобным способом синхронизации ТК является синхронизация по сети питания. Этот способ предпочтителен еще и по другой причине. При освещении помещения лампами дневного света, освещенность в помещении колеблется с частотой 100 Гц, а информация с ПЗС-матрицы снимается с частотой 50 Гц. Но частота сети питания (ламп дневного света) может отличаться от 50 (± 1) Гц. В результате соседние полукадры снимаются в моменты разной освещенности помещения и, следовательно, яркость изображения на экране монитора будет "плавать". Для устранения данного эффекта следует снимать информацию с ПЗС-матрицы гарантированно в один и тот же момент времени. Это можно сделать только путем синхронизации ТК с частотой питающей сети. На предприятиях-изготовителях ТК настраивают на синхронизацию по переходу питающего напряжения через ноль. Однако при питании ТК от разных фаз трехфазной сети требуется проводить регулировку фазы синхронизации. Поэтому при выборе ТК необходимо соблюдать условие, чтобы в ней была предусмотрена возможность плавной (или ступенчатой) подстройки задержки фазы синхронизации. Наиболее простой способ настройки синхронизации ТК состоит в следующем: 1) одну из камер принимают за образцовую, а вторую - за регулируемую; 2) обе камеры подключают на один монитор - на два видеовхода или на один видеовход с помощью Т-соединителя; 3) с помощью регулировки монитора "Стабильность по горизонтали" добиваются однородного изображения; 4) с помощью регулировки монитора "Стабильность по вертикали" выводят на экран две черные полосы (импульсы вертикальной синхронизации); 5) регулировкой фазы синхронизации ТК совмещают указанные две полосы. В моделях ТК, которые питаются постоянным напряжением, стандартной является внутренняя синхронизация по кварцевому генератору. 4.1.5
Установка телевизионной камеры
При установке ТК следует руководствоваться следующими принципами: - камеру следует располагать на местности так, чтобы избежать возможных прямых засветок объектива яркими источниками света (солнце, фары машин и др.); - размешать ТК так, чтобы размеры "мертвой" зоны были минимальными (рисунок 2). Рисунок 2 - "Мертвая" зона ТК (вид сбоку) Размер "мертвой" зоны определяют по формуле
где L1 - расстояние от стены до объектива ТК, м; Н - высота установки ТК, м; aV - угол зрения объектива ТК по вертикали; b - угол между вертикальной осью и осью ТК (угол наклона ТК). Указанные расчеты проводят для каждой выбранной зоны видеоконтроля и затем рассчитывают общее число камер в СОТ. 4.2
СРЕДСТВА ОСНАЩЕНИЯ ТЕЛЕВИЗИОННЫХ КАМЕР
4.2.1 Кожух
Кожухи для видеокамер бывают следующих типов: I Внутренний кожух Предназначен: - для защиты видеокамер и объективов от пыли; - для улучшения эстетических свойств ТК (декоративный кожух); - для маскировки ТК - кожух, который маскирует ТК под предметы обстановки комнаты (лампа и др.) и затемненный кожух (не видно куда направлена камера); - антивандальный кожух - применяют в помещениях, где возможно физическое уничтожение или повреждение ТК (тюрьма, школа, и т.п.). Такой кожух изготавливают из твердых сплавов, имеет ударопрочное бронестекло, а следовательно, способен продержаться до прибытия работников охраны. II Погодный (уличный) кожух Применяют для защиты камер от: - осадков; - температурных перепадов; - вандализма. Основные технические характеристики кожуха, на которые следует обращать внимание при его выборе, следующие: - размеры кожуха - определяют максимальный размер ТК с объективом, которая может быть помещена в данный кожух. При выборе кожуха (особенно по прайс-листам) необходимо выяснить: какие размеры кожуха приведены - внутренние или наружные; - защитные свойства кожуха - классифицируют согласно мировым стандартам двухразрядными номерами: IP <первая цифра> <вторая цифра>. Первая цифра - степень защиты от проникновения посторонних предметов, вторая - степень защиты от проникновения влаги. Классификация защитных свойств кожухов приведена в приложении Д; - мощность нагревателя - выбирают из условия: при низких температурах окружающей среды (для России нижний предел составляет минус 40 °С) внутри кожуха должна поддерживаться температура, при которой может работать ТК. Если мощности встроенного в кожух нагревателя не хватает, рекомендуется ставить дополнительный нагревающий элемент; - масса кожуха (с ТК и объективом) - должна быть учтена при выборе кронштейна; - напряжение питания кожуха (обычно 12, 24, 220 В) - при выборе напряжения питания рекомендуется следить за тем, чтобы номенклатура напряжений питания была минимальной. Например, если ТК имеет встроенный источник питания и питается от сети напряжением 220 В, то рекомендуется выбирать кожух с напряжением питания 220 В. 4.2.2
Кронштейн
Кронштейн предназначен для крепления ТК (допускается в кожухе, на поворотном устройстве и с ИК-прожектором) на различные несущие конструкции (стена, потолок, столб, угол здания и др.), а также для крепления оборудования аппаратуры поста наблюдения (монитор, видеомагнитофон и др.). Основные технические характеристики, которые следует учитывать при выборе кронштейна, следующие: - нагрузочная способность кронштейна - масса, которую может выдержать кронштейн без механических повреждений (перелом, искривление и др.). Масса оборудования, устанавливаемого на кронштейн (с учетом ветровых нагрузок), не должна превышать нагрузочной способности кронштейна. Кронштейн для применения на улице, как правило, делают из металла с антикоррозионным покрытием; - длина кронштейна - выбирают так, чтобы камера, установленная на кронштейне (возможно на поворотном устройстве), не задевала за несущие конструкции; - тип крепления кронштейна - показывает: для какой конструкции предназначен данный кронштейн (стена, потолок, пол, столб, угол здания и др.). Тип крепления кронштейна рекомендуется выбирать после окончательного выбора места установки ТК. 4.2.3 Поворотное устройство Поворотное устройство предназначено для дистанционного поворота ТК в целях обзора большой площади или направления ее на интересующий объект контроля. Обычно поворотное устройство применяют вместе с вариообъективом. В дежурном режиме ТК имеет широкий угол обзора и осуществляет сканирование в автоматическом режиме. При необходимости (например при обнаружении движения в зоне контроля) оператор уменьшает угол обзора, дистанционно увеличивая фокусное расстояние вариообъектива для детального рассмотрения обстановки, и одновременно поворачивает ТК в интересующем направлении. Поворотное устройство может быть внутренним и наружным. Наружное поворотное устройство имеет, как правило, большую максимальную нагрузку, класс защиты IP 66 и соответствующий температурный диапазон (от минус 40 до плюс 60°С). Основные характеристики поворотных устройств следующие: - максимальный угол поворота - определяется размерами зоны контроля и может составлять до 360° как в горизонтальной, так и в вертикальной плоскостях; - скорость поворота - показывает на сколько градусов в секунду может быть повернуто поворотное устройство. Для большинства широко применяемых поворотных устройств скорость не превышает 5...7 °/с. Существует особый класс оборудованных ТК (так называемый AutoDome). Устройство AutoDome включает в себя камеру, оснащенную вариообъективом с автоматической настройкой на фокус, и высокоскоростное поворотное устройство (скорость до 360 °/с). Имеются приспособления управления поворотными устройствами, позволяющие заранее программировать позиции, в которые поворотное устройство будет поочередно поворачиваться при ведении наблюдения; - точность установки - т.е. точность, с которой поворотное устройство поддерживает ТК в установленном положении. У большинства поворотных устройств этот параметр не превышает 3°, а у AutoDome - 0,5°. 4.3
МОНИТОРЫ
Успешное выполнение целевой задачи видеоконтроля во многом определяется не только параметрами монитора (черно-белый или цветной, размер экрана, и т.п.), но и физиологическими характеристиками человека-оператора (особенности зрительной функции, время реакции на оценку ситуации и принятие решения, и т.п.), от которых зависят количество мониторов, приходящихся на одного оператора, и правила их расположения. 4.3.1
Расстояние наблюдения
Выбор расстояния наблюдения (от оператора до монитора) проводится следующим образом: · Минимальное расстояние наблюдения выбирают из соображений безопасности оператора (уменьшение влияния излучения от монитора). Оно составляет примерно пять диагоналей экрана монитора. · Максимальное расстояние наблюдения должно быть таким, чтобы характеристики зрения человека (острота зрения, пороговый контраст и др.) не влияли на общее разрешение СОТ. Максимальное расстояние наблюдения рассчитывают по формуле
где D - максимальное расстояние наблюдения, см; d - размер видеомонитора по диагонали, см; R - разрешающая способность СОТ по горизонтали, ТВЛ; a - острота зрения человека. Расчеты проведены для следующих данных: - острота зрения человека - 1’ (одна угловая минута); - освещенность - 100...700 лк; - разрешающая способность системы - 400 ТВЛ. В таблице 5 приведены результаты расчетов для наиболее часто используемых размеров видеомониторов (минимальное и максимальное расстояния наблюдения). Таблица 5
4.3.2
Настройка монитора
Благодаря наличию регулировок, монитор можно настраивать с учетом внешних условий и при правильной настройке - продлить срок службы электронно-лучевой трубки, избежать ее преждевременный выход из строя. Настройку монитора осуществляют в следующей последовательности: 1) устанавливают уровень освещения в помещении, соответствующим реальным условиям работы оператора (например, согласно требованиям санитарно-гигиенических норм); 2) устанавливают яркость и контрастность на минимум; 3) увеличивают яркость до появления слабо заметного свечения по всему монитору; 4) через несколько секунд (когда привыкнут глаза) снова уменьшают яркость до исчезновения свечения монитора; 5) снова увеличивают яркость до появления слабого свечения монитора; 6) увеличивают контрастность до появления четко наблюдаемого изображения. Примечание - Чрезмерная контрастность приводит к
уменьшению четкости (расплыванию) изображения. 4.3.3
Количество и расположение мониторов
В информационном поле рабочего места оператора различают три зоны: · Зона 1 - с углами обзора ±15° по горизонтали и вертикали. В этой зоне располагают очень часто используемые мониторы, требующие быстрого и точного анализа информации (например идентификации). На них рекомендуется выводить ТК, установленные в особо важных (или опасных) зонах объекта. В зоне 1 обычно умещается (в зависимости от расстояния наблюдения) от четырех до девяти мониторов (по два или три монитора в вертикальном и горизонтальном полях); - Зона 2 - с углами обзора ± 30° по горизонтали и вертикали. В этой зоне располагают часто используемые мониторы, требующие менее точного и быстрого анализа информации (например различения). В зоне 2 может быть размещено от 12 до 27 мониторов; - Зона 3 - с углами обзора ± 60° по горизонтали и вертикали. В этой зоне располагают редко используемые мониторы (например, включаемые по тревоге или вручную оператором). Мониторы должны находиться на одинаковом расстоянии от оператора, т.е. располагаться по сферической поверхности (рисунок 3). Следует особо отметить, что анализировать изображения, поступающие с нескольких мониторов одновременно, оператор практически не в состоянии - очень высока вероятность ошибки. Поэтому устанавливать для одного оператора более четырех мониторов не рекомендуется. Да и в этом случае целесообразно, чтобы оператор внимательно наблюдал один монитор, а на другие - переключал внимание при возникновении нештатных ситуаций. При размещении мониторов на рабочем месте оператора необходимо также учитывать следующие требования: - при потолочном освещении помещения, в котором расположены видеомониторы, рекомендуется устанавливать на экраны козырьки (чтобы оператор не увеличивал яркость и контраст изображения на мониторе); - при необходимости местного освещения светильники должны иметь непрозрачные плафоны и быть расположены так, чтобы свет от них не попадал на экран монитора; - использовать на мониторах специальные антибликовые экраны; - не допускать попадания на экран монитора прямого или отраженного света от ярких источников. Нельзя располагать мониторы напротив окна или источников яркого искусственного освещения. Стол оператора Рисунок 3 - Схема рабочего места оператора 4.4
КОНТРОЛЬНОЕ ОБОРУДОВАНИЕ
Контрольное оборудование включает в себя все устройства обработки и совмещения видеосигналов (переключатели, квадраторы, мультиплексоры, видеоматрицы и др.), устройства управления ТК, компьютеры. При выборе контрольного оборудования необходимо принимать во внимание следующее: - количество видеовходов должно соответствовать (или превышать для будущего расширения СОТ) общему количеству ТК; - количество видеовыходов должно соответствовать (или превышать для будущего расширения СОТ) общему количеству видеомониторов, видеомагнитофонов и других приемников сигнала; - количество тревожных входов должно соответствовать количеству ТК; - оборудование должно иметь по крайней мере один тревожный выход; - должна программироваться работа оборудования как в обычном, так и в тревожном режимах. Контрольное оборудование должно обеспечить: - совмещение всех ТК системы на один или группу мониторов; - обработку видеосигналов со всех или некоторых ТК (обнаружение движения в зоне видеоконтроля, наложение на видеосигнал служебной информации и др.); - управление всеми ТК, расположенными на поворотных устройствах или имеющими объективы с трансфокаторами; - синхронную работу всех компонентов СОТ. Все контрольное оборудование должно соответствовать одному стандарту видеосигнала и сигналов телеметрии. Контрольное оборудование, по возможности, не должно ухудшать разрешающую способность, отношение сигнал/шум и другие характеристики СОТ в целом. Все контрольное оборудование (за исключением органов управления пользователя) размещают в специальных металлических шкафах или видеосейфах, предназначенных для защиты оборудования от несанкционированного воздействия. Видеосейф, запираемый ключом и кодом, может иметь программируемую задержку на открывание (вскрытие персоналом под принуждением требует длительного ожидания). 4.5
ОБОРУДОВАНИЕ ДЛЯ ЗАПИСИ И АРХИВИРОВАНИЯ
Оборудование для записи и архивирования включает в себя видеомагнитофоны, видеопринтеры, накопители на жестких дисках компьютера и другое оборудование. Оборудование должно обеспечить запись и последующее воспроизведение видеоизображений от всех или только указанных ТК в заданном режиме (более трех часов на 180-минутную видеокассету) непрерывно или по заданной программе (время записи, продолжительность, режим, запись по тревоге и др.). Оборудование для записи и архивирования должно быть совместимо с ТК, контрольным оборудованием и видеомонитором(ами) по формату видеосигнала, типу подключения и др. Видеомагнитофон(ы) в СОТ должны быть запрограммированы для работы в обычном и тревожном режимах. Следует обратить особое внимание на выбор видеокассет, так как они должны отвечать довольно высоким требованиям, которые определяются жесткими условиями эксплуатации. Прежде всего это относится к магнитной ленте, которая в условиях повышенного и неравномерного натяжения должна обеспечивать многократную перезапись без потери качества видеосигнала. Соответственно, высокие механические параметры должна иметь основа (прочность, устойчивость к растяжению и другой деформации, точная геометрия). Необходимо, чтобы рабочий слой был стойким к истиранию и имел невысокую абразивность во избежание преждевременного износа головки спецвидеомагнитофона. Рекомендуется применять видеокассеты ведущих мировых производителей, исполненные в стандарте VHS или S-VHS длиной Е-180 или Т-120 (у более длинных лент, например Е-240, она имеет меньшую толщину, а соответственно и прочность). Желательно, чтобы эти видеокассеты имели индексы PRO, HGX или PHG. Оборудование для записи и архивирования должно быть размещено в видеосейфах. Архивы на видеокассетах помещают в сейфы, опечатывают и хранят определенное количество времени. Более подробно с техническими характеристиками и принципами выбора оборудования для СОТ можно ознакомиться в [1, 2]. 4.6
УСТРОЙСТВА ПЕРЕДАЧИ ВИДЕОСИГНАЛА
Для передачи телевизионного сигнала в СОТ могут быть использованы как проводные каналы связи (коаксиальные кабели, линии передачи "витая пара", телефонные линии, волоконно-оптические линии и др.), так и беспроводные - радиоканал, лазерный или ИК-канал. 4.6.1
Проводные каналы связи
Коаксиальный кабель - наиболее распространенный способ передачи изображения в реальных СОТ. Основными характеристиками кабеля являются его волновое сопротивление, диаметр и погонное затухание. Как правило, входные и выходные сопротивления основных компонентов СОТ имеют значение 75 Ом, т.е. рассчитаны на применение кабелей с волновым сопротивлением 75 Ом. Поэтому применять для передачи видеосигнала кабели с волновым сопротивлением, отличным от 75 Ом, не рекомендуется. Максимальное расстояние передачи видеосигнала по коаксиальному кабелю зависит от целевой задачи видеоконтроля и определяется исходя из допустимого затухания видеосигнала в кабеле (для идентификации - 3 дБ, для обнаружения - 6 дБ). Затухание в коаксиальном кабеле зависит, в основном, от его диаметра и составляет 2,6 дБ на 100 м (для кабеля диаметром 6 мм) и 1,4 дБ на 100 м (для кабеля диаметром 9 мм). Исходя из приведенных выше цифр, можно рассчитать максимальное расстояние передачи видеосигнала по коаксиальному кабелю. При необходимости передачи сигнала на большие расстояния применяют видеоусилители. При их использовании максимальное расстояние передачи видеосигнала может быть определено по формуле
где Кус - коэффициент компенсации усилителя, дБ; Кзат - затухание в кабеле на 100 м, дБ. Особенности выбора и монтажа коаксиального кабеля, применяемого в СОТ, следующие: - выбирать коаксиальный кабель с двойной экранировкой, обеспечивающий степень подавления помех не менее 60 дБ; - применять методы, которые уменьшают влияние помех, возникающих на объекте (предотвращение или уменьшение искрообразования, использование в аппаратуре специальных фильтров для уменьшения паразитного высокочастотного излучения, устранение помех электрической сети (50 Гц), экранирование аппаратуры и др.); - прокладывать кабели в помещениях в декоративных коробах, трубах, а в опасных (с точки зрения вандализма) помещениях - в металлических трубах и металлорукавах. Возможна также прокладка кабеля по существующим кабельным каналам; - прокладывать кабели вне помещений в земле или по стенам здания. Для этого должны применяться специальные кабели в броневой оплетке, выдерживающие большие колебания температур (от минус 40 до плюс 70 °С), высокую влажность (100%), воздействие солнечного света, соли и грызунов. Допускается применение обычных кабелей, прокладываемых в герметичных металлических трубах и металлорукавах. ВНИМАНИЕ! Не допускается прокладывать коаксиальные кабели и высоковольтные кабели сети питания вместе в одном коробе или трубе. Для передачи сигнала на большие расстояния (до 1,5 км) возможно применение линии передачи "витая пара" с соответствующим оборудованием (передатчиком и приемником) для преобразования видеосигнала в симметричный, поскольку на выходе камеры сигнал несимметричен. В настоящее время используются три системы передачи изображений по цифровым и обычным телефонным линиям: - системы с компрессией изображений по принципу "условного обновления" (CR), предназначенные для передачи только информации об изменении изображения от кадра к кадру; - системы с MPEG-компрессией, в которых используют специальные алгоритмы компрессии изображений движущихся объектов; - системы с GPEG-компрессией, которые обеспечивают независимое сжатие кадра изображения. В специальных СОТ, когда требуются повышенная помехозащищенность, конфиденциальность информации и высокая разрешающая способность, применяют волоконно-оптические линии связи. Дальность действия таких СОТ (как и при передаче по телефонным линиям) практически не ограничена. Относительная дороговизна данных систем обусловлена тем, что ТК не имеют выхода для подключения оптоволоконного кабеля, поэтому требуется вводить в СОТ преобразователи электрического сигнала в оптический и обратно. Кроме того, прокладка, сращивание и подключение оптоволокна достаточно сложны. Однако при увеличении дальности передачи видеосигнала стоимость СОТ с волоконно-оптическим кабелем меньше стоимости системы передачи с помощью коаксиального кабеля (из-за большого количества усилителей, корректоров и другого оборудования и материалов). Например, видеосигнал от десяти ТК можно передавать по одному оптоволокну, а в случае использования коаксиального кабеля приходится использовать 10 отрезков такого кабеля необходимой длины и такое же количество усилителей, корректоров и др. 4.6.2
Беспроводные каналы связи
При создании мобильных и переносных систем, а также при невозможности или нецелесообразности прокладки кабельных линий используют радиоканалы связи. Дальность передачи при этом составляет от сотен метров до нескольких километров. В простейшем случае ТК подключают к радиопередатчику дециметрового диапазона, а сигнал принимается на обычный телевизор. Однако такие системы имеют существенные недостатки: могут создавать помехи бытовому теле- и радиовещанию, а сигнал в зоне действия передатчика может принимать преступник. Этих недостатков лишены радиосистемы, работающие в сантиметровом диапазоне, а также инфракрасные и лазерные системы. Инфракрасные системы работают следующим образом: передатчик ИК-диапазона преобразует сигнал от одной или нескольких ТК в модулированное излучение ближнего инфракрасного диапазона (780...850 нм) и выдает в виде узкого луча. Приемник, находящийся на расстоянии до 2000 м, осуществляет обратное преобразование. Такие системы не требуют разрешения на их применение от Государственной комиссии по радиочастотам при Государственном комитете Российской Федерации по связи и информации. В то же время эти системы достаточно дорогостоящие, а их дальность действия в значительной мере зависит от оптической плотности среды (снег, дождь, туман, пыль, и т.п.). Большинство беспроводных систем передачи видеосигнала имеет достаточно узкие диаграммы направленности. Поэтому такие системы критичны к выравниванию и установке передающих и приемных антенн. При проектировании указанных систем и их монтаже упор должен быть сделан на методы выравнивания и жесткости крепления антенн. Естественные движения высоких сооружений, на которых закреплены антенны, могут серьезно воздействовать на эффективность системы передачи. 4.7
ОСОБЕННОСТИ МОНТАЖА СИСТЕМ ОХРАННОГО ТЕЛЕВИДЕНИЯ
4.7.1 Методы фиксации кабеля камеры во внешнем кожухе на
поворотном устройстве
Вследствие постоянного изгиба кабеля, подведенного к ТК на поворотном устройстве, необходимо принимать предохранительные меры против преждевременного повреждения кабеля. В частности, нужно фиксировать кабель в точке входа в кожух. В случае применения защитных направляющих, которые обеспечивают жесткость кабеля на выходе из кожуха, дополнительная фиксация может быть достигнута посредством заполнения этих направляющих силиконовым герметиком. Также важно обеспечить стабильное положение кабеля, которое гарантирует минимальные нагрузки на него в течение всего срока службы (например с помощью хомутиков, прикрепляющих кабель к кожуху ТК). 4.7.2
Земляная петля
Земляная петля - ситуация, когда коаксиальный кабель, по которому передается видеосигнал, соединяет корпуса двух приборов, объединенных общей системой питания. В этом случае по экрану коаксиального кабеля также начинает протекать некоторая доля тока питания, который потребляет находящееся рядом оборудование (подъемный кран, сварочный аппарат и др.). Таким образом, на внешнем экранирующем проводнике коаксиального кабеля образуется перепад напряжения (может достигать от нескольких единиц до десятков вольт) с частотой питающей сети (50 Гц). Поскольку напряжение видеосигнала измеряется относительно экрана, то этот перепад попадает в видеосигнал. В результате (при передаче на удаленный пункт наблюдения видеосигнала, в котором заземление находится при другом потенциале) на видеомониторе появляются искажения, что делает видеоизображение неприемлемым. Основными методами борьбы с земляной петлей являются: - применение ТК с двойной изоляцией, тщательно изолирующей телекамеру от кожуха и кронштейна крепления; - применение изолирующего трансформатора для развязки сигнальной линии и разрыва земляной петли. Его корпус следует заземлить (монитор также должен быть заземлен), поэтому трансформатор необходимо располагать в непосредственной близости от монитора. 5
ВАРИАНТЫ ОБОРУДОВАНИЯ ОБЪЕКТОВ
Многообразие помещений и территорий, существующих на различных объектах, не позволяет дать однозначные рекомендации по размещению ТК на объекте. В данном разделе рассмотрены некоторые стандартные помещения (комната, коридор, лестница) и территории (периметр, стоянка автомобилей), которые могут быть на большинстве объектов, и даны рекомендации по размещению ТК в этих помещениях (на территориях). В любом случае варианты оборудования объектов должны выбираться индивидуально для каждого объекта на стадии его обследования и согласовываться с заказчиком. Для рисунков 4 - 8, представленных в этом разделе, введены следующие обозначения: А, В - длина и ширина зоны видеоконтроля, м; V - поле зрения ТК по горизонтали, м; Н - поле зрения ТК по вертикали, м; h - высота установки ТК, м; aг, aв - углы зрения ТК по горизонтали и вертикали. Расчеты МРД проведены для ТК обычного разрешения (380 ТВЛ). 5.1
ПОМЕЩЕНИЯ
При охране помещений с помощью СОТ (рисунок 4) возможно выполнение следующих задач: - общее наблюдение за текущей обстановкой в помещении; - контроль за входной дверью; - наблюдение за всеми проемами (двери, окна) помещения. Рисунок 4 - Схема охраны помещения Для решения примера возьмем конкретные размеры помещения А = 3 м, В = 4 м. Первую задачу решает ТК1, обладающая широким углом зрения (до 100°), а следовательно, охватывающая всю площадь помещения. Минимальная различимая деталь (изображения) на дальней границе зоны видеоконтроля при этом Sн = 31 мм. С помощью ТК1 возможно выполнение только целевой задачи - обнаружения. Для контроля всех входящих в помещение используется ТК2, которая имеет малый угол зрения. Выбирают камеру с углом зрения по вертикали, исходя из высоты двери или роста человека (т.е. поле зрения по вертикали Н равно примерно 1,8 м). Минимальная различимая деталь (изображения) при этом Sн = 4 мм. С помощью этой ТК возможно выполнение целевой задачи различения объекта контроля. Для идентификации объекта контроля применяют ТК высокого разрешения (R = 600 ТВЛ). Для наблюдения за всеми проемами помещения используется расположенная на потолке на поворотном устройстве ТКЗ, оборудованная объективом с трансфокатором и имеющая предустановки на окна и двери. 5.2
КОРИДОРЫ
Для охраны коридора, как и для охраны комнаты, возможно решение следующих задач: - наблюдение за всеми лицами, выходящими в коридор из кабинетов; - контроль всех лиц, входящих в коридор через входную дверь (например с лестничной клетки). Решение этих задач можно выполнить (рисунок 5) с помощью одной ТК, оборудованной объективом с трансфокатором, или двух ТК с большим и малым углами зрения (aГ1 и aГ2). Рисунок 5 - Схемы охраны коридора При длине коридора 10 м, ширине 2,5 м и расположении первой двери на расстоянии 3 м от ТК имеем на дальней границе зоны контроля S(aГ1) = 21 мм; S(aГ2) = 6 мм. To есть с помощью таких ТК можно выполнять целевую задачу обнаружения и различения соответственно. Если применяют объектив с трансфокатором, его увеличение должно быть равно 3 при минимальном угле обзора aГ2 = 15°. Для выполнения задачи по идентификации входящих в торцевую дверь лиц используют ТК высокого разрешения. 5.3
ЛЕСТНИЦЫ И ВХОДНЫЕ ДВЕРИ
Наблюдение лестничных пролетов первого и второго этажа (рисунок 6) рекомендуется вести с промежуточных площадок между этажами (выше второго этажа устанавливать ТК нецелесообразно). На указанных площадках рекомендуется устанавливать по две камеры, направленные, соответственно, вверх и вниз по лестнице, и располагать их под потолком. При длине лестничного пролета 10 м и ширине 2,5 м расчет ТК совпадает с подразделом 5.2. 5.4
ПЕРИМЕТР
При охране периметра территории объекта вдоль забора выделяют зону отторжения (не менее 2 м), в которой не должны находиться посторонние предметы, деревья, кустарники, высокая трава и другие преграды. Весь периметр разбивают на прямолинейные участки и устанавливают размеры контролируемых зон. Телевизионную камеру, контролирующую участок периметра, располагают на поворотном/наклонном устройстве и оборудуют объективом с трансфокатором. Минимальное фокусное расстояние выбирают, исходя из условия уменьшения "мертвой" зоны под ТК, а максимальное - чтобы обеспечить поле обзора ТК, равное ширине зоны отторжения (V) на дальней границе зоны контроля. При длине контролируемого периметра D = 100 м, ширине зоны отторжения V = 2 м и выборе объектива (с трансфокатором) с увеличением не менее 6 и максимальным углом зрения 45° имеем на дальней границе зоны контроля: - при максимальном угле зрения S = 218 мм; - при минимальном угле зрения S = 32 мм. То есть на дальней границе зоны контроля ТК с указанными параметрами возможно выполнение целевой задачи обнаружения. Для большей детализации объекта контроля необходимо применять ТК более высокого разрешения и объектив с большим увеличением.
Рисунок 6 - Схемы охраны лестничных пролетов
Рисунок 7 - Схемы охраны периметра 5.5
ОТКРЫТЫЕ ПЛОЩАДКИ
Для охраны открытых площадок (например стоянок автомобилей) применяют ТК на поворотном/наклонном устройстве и объектив с трансфокатором (рисунок 8). При минимальном фокусном расстоянии объектива проводится обзор всей площади стоянки. При максимальном фокусном расстоянии возможно определение номера автомобиля, въезжающего/выезжающего на/со стоянку(и). Телевизионная камера может быть подключена к системе распознавания номеров автомашин. Выбор объектива (с трансфокатором) с увеличением 10 и максимальным углом зрения 45° при длине и ширине открытой площадки, равной 100 м, дает результат S(amin) = 13 мм, т.е. при минимальном угле зрения объектива возможно различение номера автомобиля на экране монитора. Применение ТК высокого разрешения дает результат S(amin) = 9 мм, т.е. камеры высокого разрешения позволяют определить номер автомобиля на большем расстоянии. Рисунок 8 - Схема охраны стоянки автомобилей При организации видеоконтроля на стоянках автотранспорта следует учитывать то, что в темное время суток въезд автомобиля на стоянку происходит с включенными фарами, на фоне которых номер автомобиля может стать неразличимым. Из этого положения есть два выхода: - на въезде на стоянку автотранспорта применять дежурное освещение, компенсирующее свет фар; - использовать ТК с функцией "Инверсия белого". 6
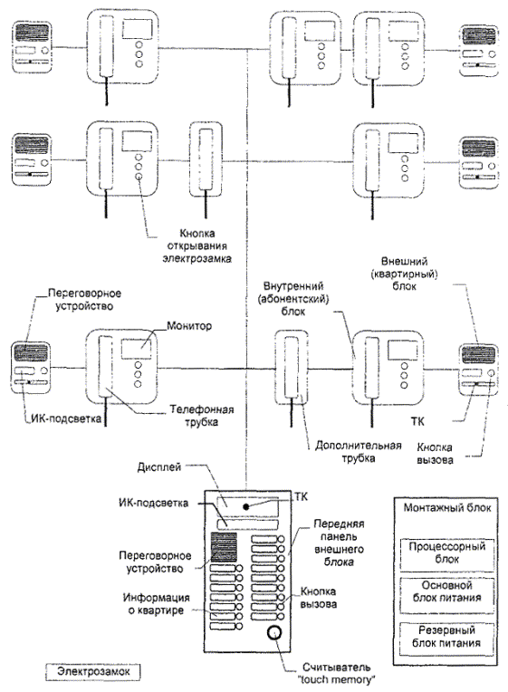
ДОМОФОНЫ
Домофоны стоят несколько обособленно от других средств и систем охраны, так как сочетают в себе функции аудио- и/или видеоконтроля и управления доступом на объект. Домофоны позволяют абоненту, не подходя к входной двери, идентифицировать посетителя по изображению и/или голосу и дистанционно управлять входной дверью. Как показывает практика, в большинстве случаев мошенничества, грабежей, разбоев и прочих противоправных действий, связанных с завладением имуществом граждан, а также при посягательстве на здоровье и жизнь человека сам объект посягательства (или его близкие) добровольно открывают дверь. Домофон позволяет, соблюдая безопасную дистанцию между посетителем и хозяевами квартиры, выяснить все необходимое о посетителе и принять взвешенное решение о его допуске в дом или квартиру. Примечание - Абонентом считается лицо, обладающее
правом пользования домофоном и имеющее персональный идентификатор (код, номер,
ключ, кнопку) для вызова и доступа на объект. Аудио- и видеодомофоны в настоящее время представлены очень широко на российском рынке. Итальянские, корейские, польские домофоны, находящиеся в продаже, имеют приятный глазу дизайн. Однако у них есть одна особенность: они сделаны для порядочных итальянцев и честных корейцев, которым и в голову не приходит мысль испытывать домофоны на прочность всеми подручными средствами. Красивый и легкий пластик, выведенные на внешние панели крепежные винты, шурупы и т.п. - все до мелочей продумали зарубежные изготовители, чтобы домофон соответствовал эстетическим и прочим запросам потребителей этих стран. К большому сожалению, нашего потребителя это устроить не может. В большинстве своем предлагаемые изделия не учитывают ни российский климат, ни наши национальные особенности. Развороченные входные двери подъездов домов, сломанные перила, исцарапанные (со следами "пыток" тяжелыми предметами) лестничные клетки, сожженные почтовые ящики и кнопки лифтов, искореженные переговорные устройства в них - все это для нас является чуть ли не частью национальной культуры. Подобные действия породили специальный термин для них - вандализм. Поэтому при выборе домофона необходимо обращать особое внимание на его климатическое исполнение, антивандальные свойства, надежность и, учитывая экономическое положение большинства населения страны, конечную стоимость. При этом должен быть соблюден разумный баланс. Ведь очень дешево, как и очень дорого - совсем не значит хорошо. Тщательно отбирая оборудование, фирму-изготовителя или поставщика, продумывая вопросы многолетней эксплуатации и технического обслуживания устанавливаемого оборудования, вы страхуете себя от напрасной траты денег, ненужности приобретенного, от его ненадежности и невозможности отремонтировать или заменить. Печальных примеров несерьезного подхода к решению этих вопросов, увы! очень много. Вспомним кампанию в городе Москве по установке кодовых замков на дверях домов. Ее результат нам хорошо известен. В настоящее время Правительством Москвы брошен клич по организации новой кампании - закрыть свободный доступ посторонних лиц во все подъезды жилых зданий. Дело, безусловно, хорошее и важное. Призыв подхвачен: многие подъезды домов оборудованы домофонами. Это положительный факт. Но уже видны и отрицательные моменты этой кампании. Разнообразие предлагаемого оборудования, многочисленность фирм-поставщиков, нехватка специалистов в службах по эксплуатации жилых зданий, отсутствие четкой единой технической политики даже в одном микрорайоне (не говоря уже о городе) приводит к тому, что в эксплуатации находятся десятки типов домофонов разных товаропроизводителей, монтаж и обслуживание которых осуществляет еще большее количество фирм. Ясно, что часть домофонов, также как и фирм, еще не прошедших серьезных испытаний нашей действительностью, доставят (и уже доставляют) немало хлопот пользователям. Доходит до того, что в соседних подъездах одного и того же дома устанавливают домофоны разных фирм-производителей. Все это может привести к неоправданным эксплуатационным затратам (разные комплектующие, ЗИП и т.д.) и будет дискредитировать хорошее начинание властей города. Далее приведены рекомендации, изложены принципы и мнения, которыми следует руководствоваться при выборе, применении и эксплуатации домофонов. 6.1
КЛАССИФИКАЦИЯ ДОМОФОНОВ
6.1.1 По виду (способу идентификации посетителей) домофоны подразделяются на аудиодомофоны и видеодомофоны. Аудиодомофоны обеспечивают двухстороннюю аудиосвязь абонента с посетителем и позволяют идентифицировать посетителя по его голосу. Видеодомофоны обеспечивают видеоконтроль наружного околодверного пространства, двухстороннюю аудиосвязь абонента с посетителем и позволяют идентифицировать посетителя по его изображению и голосу. Особое место в видеодомофонных системах занимают так называемые видеоглазки, которые позволяют вести скрытое наблюдение посетителя. Видеоглазок представляет собой миниатюрную ТК, оснащенную специальным объективом, и снаружи выглядит, как обычный дверной глазок. Видеоглазки с объективами типа "pin-hole" маскируют так, чтобы их можно было обнаружить только с помощью специальных средств. 6.1.2 По структуре (количеству обслуживаемых абонентов) различают индивидуальные, групповые и подъездные домофоны. Индивидуальные (одноабонентские) домофоны позволяют обслуживать только одного абонента и применяют для защиты отдельных квартир, небольших офисов, загородных домов, а также могут быть установлены на постах охраны. Групповые (малоабонентские) домофоны позволяют обслуживать небольшое число абонентов (как правило, от двух до шести) и применяют для защиты закрытых (т.е. имеющих один общий вход) приквартирных холлов, нескольких рядом расположенных офисов, коттеджей на несколько семей, и т.п. Индивидуальные и групповые домофоны не имеют принципиальных различий и, как правило, отличаются только количеством однотипных блоков. Подъездные (многоабонентские) домофоны позволяют обслуживать большое число абонентов (от десятков до нескольких сотен) и применяют для защиты подъездов многоквартирных жилых домов, административных зданий, и т.п. В последнее время появились интегрированные многоабонентские (многоподъездные) домофонные системы, предназначенные для охраны комплексов жилых и административных зданий. Они позволяют обслуживать несколько тысяч абонентов и закрывать несколько десятков подъездов. Несмотря на то, что такие системы имеют ряд специфических функций и тактических возможностей, основные вопросы организации, требования и принципы выбора оборудования для подъездных домофонов в равной мере относятся и к этим системам. 6.1.3 В общем виде в состав домофона входят: - внешний блок (или блок вызова); - абонентский (внутренний) блок; - процессорный блок; - контрольное оборудование; - основной блок питания; - резервный блок питания; - коммуникационные линии; - дистанционно управляемый электрозамок; - доводчик двери. Примечание - Далее (для лучшего восприятия материала,
если это не будем оговорено особо) в качестве защищаемых объектов будут
указываться для: - индивидуальных домофонов - квартиры; - групповых домофонов - закрытые холлы; - подъездных домофонов - подъезды (подъезды
домов); - многоподъездных домофонов - жилые здания
(комплексы жилых зданий). 6.2
ВОПРОСЫ ПРОЕКТИРОВАНИЯ ДОМОФОННЫХ СИСТЕМ
6.2.1 Выбор вида домофона
На выбор вида домофона (аудио- или видео-) влияют, в основном, два фактора: требуемый абоненту уровень безопасности и стоимость оборудования с установкой. Очевидно, что видеодомофон обеспечивает более высокий уровень безопасности абонента, чем аудиодомофон, так как (помимо двухсторонней аудиосвязи) позволяет получить телевизионное изображение посетителя. Современный видеодомофон может запоминать изображения нескольких последних посетителей (как правило, до шестнадцати) и/или иметь выход на видеомагнитофон для записи каких-то событий. Некоторые видеодомофоны позволяют использовать телефон и телевизор в качестве переговорного устройства и видеомонитора: при поступлении вызова телефон и телевизор переходят в режим домофона, а после окончания переговоров автоматически или вручную переводят в обычный режим работы. Использование видеоглазка позволяет абоненту осуществлять скрытый видеоконтроль пространства перед входной дверью, а использование объективов типа "pin-hole" - скрытый видеоконтроль лестницы или пространства сбоку от входной двери, которые не просматриваются ТК, установленной на входной двери. Видеоглазки с объективами "pin-hole" также могут быть использованы для ведения скрытой видеозаписи поведения посетителя внутри квартиры или офиса. Видеодомофон (как достаточно дорогостоящее устройство) следует применять только в тех случаях, когда абоненту требуется решать специфические задачи, например, перечисленные выше. Аудиодомофон является более дешевым и доступным для широких слоев абонентов устройством. Хотя он и позволяет организовать только аудиосвязь абонента с посетителем, в большинстве случаев этого бывает достаточно. Поэтому при отсутствии у абонента повышенных требований к обеспечению собственной безопасности рекомендуется применять аудиодомофон. 6.2.2
Выбор структуры домофона
Выбор структуры домофона - индивидуального, группового или подъездного - зависит от задач, которые хотят решить абоненты, и от их материального достатка. Индивидуальный и групповой домофоны обеспечивают безопасность только отдельной квартиры или закрытых холлов и не ограничивают проход нежелательных посетителей в подъезд дома. В этом плане подъездный домофон предпочтительнее других, так как позволяет ограничить проникновение в подъезд дома посторонних лиц и тем самым улучшить санитарные условия содержания подъезда, предотвратить порчу общественного имущества (лифтов, перил, дверей, стен, окон, и т.п.). Для установки подъездного домофона требуется согласие всех (или почти всех) проживающих в подъезде дома абонентов. Однако достичь согласия не всегда удается из-за различия материального положения жильцов. С этой точки зрения индивидуальный и групповой домофоны имеют преимущество, так как выбор вида домофона зависит только от желания и финансовых возможностей одного или небольшого количества абонентов и не требует согласования с другими жильцами подъезда. При выборе домофона (в основном это касается, подъездного) следует обращать особое внимание на следующие аспекты: - фирма-поставщик оборудования должна иметь не менее чем трехлетний практический опыт работы в данной области. Еще более жесткие требования в этом плане должны быть предъявлены к фирме-изготовителю домофона; - предлагаемую номенклатуру оборудования и наличие адаптации его к требованиям российского рынка, а именно: 1) климатическая устойчивость: прежде всего - диапазон рабочих температур, который должен быть для некоторых блоков (например блока вызова, электрозамка, доводчика двери) не менее минус 40... плюс 40 °С; 2) устойчивость к вандализму; 3) устойчивость к нестабильному питанию; 4) наличие сертификата соответствия; 5) желательно наличие технических условий, по которым производится предлагаемая продукция; 6) обязательное наличие полной эксплуатационной документации с принципиальными и монтажными схемами на русском языке; 7) наличие стабильного гарантийного и послегарантийного обслуживания предлагаемого оборудования и возможность закупки ремонтных ЗИП и отдельных модулей для эксплуатационного запаса. Это весьма важно, так как домофон является изделием длительного, постоянного и очень интенсивного пользования. Срок его эксплуатации составляет от пяти до восьми лет (в зависимости от количества пользователей). Указанное время установленное оборудование необходимо поддерживать в работоспособном состоянии, в сжатые сроки устранять возникшие неполадки и отказы. Все это невозможно без постоянного технического обслуживания и соответствующего сопровождения предприятием-изготовителем своих изделий. Это подтверждает и практика эксплуатации домофонов, особенно подъездных. 6.2.3
Определение конфигурации домофона
Поставка домофонов потребителю осуществляется, как правило, в виде отдельных блоков, из которых можно строить домофонные системы различных конфигураций, а применение микропроцессорной техники и современных технологий наделяет домофоны широкими функциональными возможностями. Разобраться во всем этом многообразии и предложить приемлемый вариант заказчику (в большинстве случаев не знакомому с указанной техникой) весьма непросто. Выбор конфигурации домофона рекомендуется начинать с уточнения следующего: - максимальное количество абонентов, которое может обслуживать домофон (оно должно быть больше или равно реальному количеству обслуживаемых абонентов); - необходимое количество абонентских блоков (по желанию абонента у него может быть установлено несколько блоков); - тип (а следовательно, и стоимость) устройства идентификации хозяина квартиры (код, обычный ключ, оптическая или магнитная карточка, электронный ключ "Touch memory", и т.п.); - максимальное количество кодов (оно должно превышать максимальное количество обслуживаемых абонентов). В качестве примеров приведем некоторые наиболее часто встречающиеся конфигурации индивидуальных и подъездных домофонов. Самая простая двухпроводная схема индивидуального видеодомофона приведена на рисунке 9. Домофон содержит внешний и внутренний блоки. Для удобства абонента может быть установлена дополнительная аудиотрубка (например в другой комнате), с помощью которой можно беседовать с посетителем, не подходя к монитору. В многокомнатных квартирах и небольших офисах удобно применять расширенные индивидуальные видеодомофоны, которые построены на основе четырехпроводных модулей. На рисунке 10 приведена схема домофона с одним внешним блоком (одной камерой), двумя внутренними блоками (мониторами) и дополнительной аудиотрубкой. Внутренние блоки и аудиотрубку устанавливают в разных комнатах. Управление электрозамком может быть осуществлено с каждого из этих устройств. Рисунок 9 - Схема видеодомофона из одной камеры и одного монитора Рисунок 10 - Схема домофона из одной камеры и двух мониторов На рисунке 11 приведена схема расширенного индивидуального домофона с двумя внешними и одним внутренним блоками. Домофон также построен на основе четырехпроводных модулей и рекомендуется для квартир и офисов, имеющих два входа. На каждый вход устанавливают один внешний блок. При этом внутренний блок, включаясь по вызову с любой из дверей, может управлять обоими электрозамками. Рисунок 11 - Схема домофона из двух камер и одного монитора При оборудовании объектов домофонными системами часто используют принцип двухуровневой защиты (в основном это относится к видеодомофонам). Первый уровень образует подъездный домофон, ограничивающий вход в подъезд, второй уровень - индивидуальные и/или групповые домофоны, устанавливаемые на дверях квартир или закрытых холлов. На рисунке 12 приведена типовая конфигурация одноуровневого подъездного аудиодомофона, а на рисунке 13 - типовая конфигурация двухуровневого подъездного видеодомофона. По аналогии можно организовывать двухуровневые домофоны других конфигураций. Например, первый уровень образует подъездный аудиодомофон, а второй (для некоторых абонентов) - индивидуальные или групповые аудиодомофоны (или видеодомофоны). Рисунок 12 - Типовая конфигурация одноуровневого подъездного аудиодомофона Рисунок 13 - Типовая конфигурация двухуровневого подъездного видеодомофона 6.2.4
Выбор телевизионной камеры и объектива
Одним из важных требований, предъявляемых к видеодомофону, является возможность работы в полной темноте (например при авариях в электроосветительной сети), так как большинство объектов, на которых эксплуатируются видеодомофоны, не имеют резервного дежурного освещения. Для этого внешний блок видеодомофона оснащают ИК-подсветкой. В технической документации на видеодомофоны отказывают не чувствительность камеры, а максимальное расстояние, на котором она может видеть посетителя в условиях полной (0 лк) темноты. Обычно это расстояние (0,3... 1,0 м) зависит от мощности ИК-источника и считается вполне достаточным. Примечание - К видеодомофонам, устанавливаемым на
объектах с резервным дежурным освещением, требование работать в полной темноте
обычно не предъявляется. Чувствительность ТК выбирают исходя из минимальной
освещенности, которую обеспечивает система дежурного освещения. Из-за ограниченных размеров внешнего блока в видеодомофонах используют черно-белые моноплатные ТК обычного (380 ТВЛ) разрешения на ПЗС-матрицах формата 1/3”, оснащенные малогабаритными объективами. Примечание - цветные камеры имеют низкую
чувствительность (2...5 лк), поэтому они находят ограниченное применение. Угол обзора выбирают исходя из целевой задачи. Для идентификации изображение лица посетителя, стоящего на расстоянии 0,5...1,0 м от двери, должно занимать 60...80% экрана видеомонитора, а это обеспечивается при углах обзора 70...75° по горизонтали и 50...55° по вертикали (рисунок 14). Задача идентификации посетителя на большем расстоянии (если это требуется абоненту) может быть решена двумя способами: 1) применением ТК повышенного разрешения (500...600 ТВЛ); 2) применением объектива с большим фокусным расстоянием. Основная трудность в реализации первого способа - найти подходящую ТК. Второй способ имеет существенньш недостаток: небольшой угол обзора применяемого объектива значительно ограничивает контролируемое околодверное пространство. Решить указанные проблемы возможно, если установить дополнительную ТК обычного разрешения и вывести ее на тот же видеомонитор, что и основную камеру (большинство современных видеодомофонов позволяет это сделать), либо на дополнительный монитор, если такая возможность имеется. Для обнаружения посетителя применяют объективы с большими углами обзора (120...180°). Это обеспечивает контроль большей части околодверного пространства, однако изображение на экране монитора получается очень искаженным, что не позволяет идентифицировать посетителя. Рисунок 14 - Углы обзора камеры видеодомофона по вертикали (aв) и горизонтали (aг) При необходимости вести скрытое наблюдение за посетителем применяют видеоглазок. Он представляет собой комплект из миниатюрной камеры и специального объектива, который снаружи выглядит как обычный дверной глазок. Для работы в условиях полной темноты или слабой освещенности используют специальные ИК-прожекторы типа "болт", замаскированные под шляпку гвоздя на обивке двери или дверной коробке. Изображение с видеоглазка может быть выведено на монитор с большим экраном, что позволяет получить достаточно качественное изображение. Для осуществления двухсторонней связи с посетителем видеоглазок применяют совместно с аудиодомофоном. При выборе характеристик видеоглазка (чувствительности, разрешения и угла обзора) можно пользоваться правилами, изложенными ранее. Видеоглазки с объективами "pin-hole", которые имеют выходное отверстие 0,8...2,0 мм, используют, как правило, в качестве дополнительных камер для контроля пространства, не просматриваемого основной камерой видеодомофона (например, сбоку от входной двери, за углом на лестнице, и т.п.), а также при установке в квартире - для наблюдения за поведением посетителя внутри нее. Такие ТК могут быть вмонтированы, например, в дверной косяк или в стену под обои (рисунки 15, 16). Рисунок 15 - Вариант установки видеоглазка в дверном косяке Рисунок 16 - Вариант установки видеоглазка в стене под обоями Представим некоторые варианты размещения видеоглазков для различного расположения квартир. На рисунке 17а представлена обычная установка видеоглазка (ТК1) в дверь (деревянную, металлическую) вместо обычного дверного глазка. Недостатком такого способа является наличие "мертвой" зоны справа и слева от двери. Его можно устранить путем: - увеличения угла зрения ТК1 (до 200°); - установки дополнительной скрытой камеры ТК2 в стене рядом с дверью охраняемой квартиры. Рисунок 17 - Обзор пространства с помощью дополнительной ТК: а - сбоку от входной двери; б -
лестничного пролета Ранее уже отмечался недостаток широкоугольных объективов (большие искажения изображения). Поэтому вариант с дополнительной ТК является более предпочтительным. Преступник(и) может(гут) находиться за углом на лестнице, поэтому проживающему лицу при выходе из квартиры необходимо видеть указанную часть лестничной площадки. Для этого рекомендуется (вместе с обычно установленной ТК1) применять установленную скрыто в стене ТК2, направленную на лестницу (см. рисунок 17б). Это дает возможность лицу, выходящему из квартиры, посмотреть на лестничную площадку, оценить обстановку и принять необходимые меры (например вызвать службу безопасности). Примечание - Скрытая ТК2 может быть использована
одна, без ТК1. 6.2.5 Выбор электрозамка и доводчика двери
Электрозамок применяют в домофоне для дистанционного открывания двери путем подачи электрического сигнала. Электрозамок бывает двух типов: электромеханический и электромагнитный. К электрозамку, входящему в комплект домофона, предъявляют особые требования, в частности напряжение питания электрозамка не должно превышать 24 В. Это связано с обеспечением безопасности пользователей, так как очень часто замок домофона устанавливают на металлическую дверь (прежде всего на входную подъездную), которая эксплуатируется и в дождь, и в снег, может иметь влажную поверхность (при этом пользователь может быть в отсырелой одежде, с мокрыми руками), что при неисправностях или повреждениях в замке (его проводке) приведет к тяжелым последствиям. И такие случаи известны. По этим же причинам электрические цепи замка должны быть изолированы от его корпуса. Электрозамок для домофона (особенно подъездного) должен иметь большую наработку на отказ. В качестве примера приведем небольшой расчет. В подъезде дома 50 квартир. По статистическим данным среднее количество жильцов в одной квартире составляет 2,7 человека. Каждый жилец в среднем пользуется входной дверью подъезда 3,3 раза в день. Исходя из этих данных средняя наработка электрозамка за год составит 50 ´ 2,7 ´ 3,5´х 365 = 172463 цикла. Учитывая работу службы по эксплуатации здания (сантехники, электрики и др.), наличие сторонних посетителей (гости и т.п.), которые также пользуются входной дверью, можно принять наработку замка домофона не менее 200 000 циклов в год. Таким образом, за время до первого среднего ремонта (а этот срок должен составлять 2,5...3,0 года в зависимости от емкости подъезда) электрозамку необходимо наработать 600000 циклов. Если емкость подъезда будет более 50 квартир, то соответственно наработка электрозамка за тот же период времени будет приближаться к 1000000 циклов. Эта цифра и должна служить ориентиром при выборе электрозамка и домофона в целом. Кстати, такую же наработку должен иметь внешний блок домофона и, прежде всего, его клавиатура. В связи с этим механические и электромеханические замки рекомендуется устанавливать на входных дверях подъездов с максимальным количеством квартир в них 25...30. Для подъездов домов с большим количеством квартир необходимы запирающие устройства со значительной наработкой на отказ. В первую очередь к ним можно отнести электромагнитные замки. Кроме того, применение механических ключей в подъезде дома с количеством более 20 квартир приводит к полному изнашиванию секретного механизма замка (через несколько месяцев эксплуатации) и его легко можно открыть обычной канцелярской скрепкой. Поэтому в подъездных домофонах желательно применять электронные ключи со считывателем, имеющим большую износостойкость. В этом плане хорошо зарекомендовали себя электронные ключи на основе "Touch memory". При выборе запирающего устройства для подъезда необходимо учитывать, что при возникновении в доме различных аварийных ситуаций (пожар, отключение электроэнергии, и т.п.) входная дверь должна легко разблокироваться изнутри. Электромеханический замок имеет механический ригель, который при подаче сигнала на открывание двери втягивается соленоидом. Одной из разновидностей электромеханического замка является электрозащелка, которая используется совместно с обычным механическим замком. К достоинствам электромеханического замка можно отнести его относительно низкую стоимость (прежде всего электрозащелки) и возможность работы (при пропадании питания) как обычный механический замок. В то же время электромеханический замок имеет недостаток, который заключается в наличии механических подвижных частей. При эксплуатации замка в квартирах и закрытых холлах, т.е. в достаточно благоприятных условиях (довольно "мягкие" климатические воздействия, сравнительно небольшое количество циклов "открывание-закрывание") этот недостаток практически не проявляется. Однако он становится существенным препятствием для применения этого электрозамка на двери подъезда: воздействия повышенной влажности и низких температур воздуха могут привести к замерзанию и застопориванию подвижных частей, а частые открывания и закрывания (очевидно, что подъездный замок эксплуатируется более интенсивно, чем квартирный) - к их преждевременному износу. Кроме того, электромеханический замок имеет личинку для обычного ключа, которая может быть повреждена. Поэтому этот замок можно рекомендовать только абонентам индивидуальных и групповых домофонов (т.е. в квартирах или закрытых холлах). В этом плане неплохо зарекомендовали себя при эксплуатации в российских условиях южнокорейские электромеханические замки типов EL-301 и DL-3. Электромагнитный замок состоит из блока электромагнита и ответной стальной пластины. Пластину крепят на дверном полотне, а блок электромагнита - на дверном косяке. Электромагнитный замок сравнительно дорогой. Он может быть применен там, где предъявляются жесткие требования к исполнительному механизму. Отсутствие подвижных механических частей, высокая надежность, износоустойчивость, антивандальное исполнение делают замок единственно приемлемым для блокировки двери подъезда дома. Рекомендуется выбирать электромагнитный замок, который обеспечивает: - усилие удержания в штатном режиме не менее 300 кг; - подавление остаточной намагниченности при подаче сигнала на открывание двери; - сохранение небольшой остаточной намагниченности (30 кг) при аварии электропитания; - световую и звуковую сигнализации открывания двери; - регулировку времени открывания (обычно 1...15 с); - управление "сухими" контактами на замыкание или размыкание. Хорошие результаты при эксплуатации в российских условиях показали электромагнитные замки типов ML-194 и PML-101. Доводчик двери служит для принудительного закрывания двери подъезда и обеспечивает надежную работу электрозамка, что уменьшает вероятность попадания в подъезд дома нежелательных посетителей. Доводчик двери является необходимым оборудованием для возврата ее в закрытое состояние, а также для предотвращения механических ударных нагрузок на замок и внешний блок домофона. Для обеспечения плавности хода двери в доводчике, как правило, применяют гидравлическое демпфирование. Рекомендуется выбирать доводчик, который обеспечивает: - регулировку скорости закрывания двери; - установку функции "прихлопа" при монтаже; - установку различных усилий открывания двери; - фиксацию двери в открытом состоянии; - автоматическое ограничение резкого распахивания двери. Доводчики иногда устанавливают на дверях закрытых холлов, однако в квартирах их обычно не применяют. ВНИМАНИЕ! Для каждого доводчика существует максимальный вес двери, при котором он гарантированно выполняет свои функции. Поэтому установка доводчика на более тяжелую дверь недопустима. Отечественная промышленность не выпускает бытовых доводчиков, способных работать длительное время на входных дверях (особенно металлических) подъездов зданий. Следует учитывать, что импортные доводчики далеко не все могут применяться в определенных климатических зонах страны. Поэтому доводчики желательно приобретать у фирм, которые имеют длительный опыт работы с ними (особенно в зимних условиях) и занимаются домофонами. Необходимо помнить, что одни и те же импортные доводчики по своему назначению делятся на модели для домашнего ("home use") и индустриального использования. Модели для домашнего использования дешевле и поэтому очень широко представлены на отечественном рынке. Но именно они менее всего подходят для длительной эксплуатации в российских условиях. Модель доводчика должна быть выбрана по усилию (весу двери). Только соблюдение этого условия может обеспечить достаточно длительный срок безотказной эксплуатации доводчика двери. Кроме того, при эксплуатации и техническом обслуживании подъездного домофона необходимо иметь в виду, что дверной доводчик требует проведения сезонной регулировки. Очень хорошо зарекомендовали себя эксплуатируемые в наших климатических условиях южнокорейские доводчики "KING" моделей D-730 и D-750. 6.2.6
Правила пользования домофоном
Домофон рассчитан на пользователя, не имеющего специальных знаний или навыков, поэтому правила обращения с ним должны быть максимально простыми и легко запоминающимися. Обязательно наличие на внешнем блоке (или рядом с ним) краткой инструкции по пользованию домофоном. Порядок пользования подъездным домофоном следующий: - если приходит абонент, то он может открыть электрозамок ключом либо путем набора кода на панели внешнего блока домофона; - если приходит посетитель, то он набирает номер нужного ему абонента (квартиры, офиса, и т.п.) либо нажимает присвоенную данному абоненту кнопку вызова. При получении звукового сигнала вызова абонент идентифицирует личность посетителя (по голосу или голосу и изображению) и выясняет цель визита, после чего может, при необходимости, впустить посетителя, нажав предварительно кнопку открывания электрозамка. Порядок пользования индивидуальным домофоном аналогичен. Однако для извещения абонента о визите посетителя используют кнопку вызова (вместо кодонабирателя) на передней панели внешнего блока домофона. 6.3
ОБЩИЕ ТРЕБОВАНИЯ
6.3.1 Требования к функциям
В общем виде домофон должен обеспечивать выполнение следующих функций: - простоту пользования; - световую индикацию работы; - вызов абонента; - акустический контроль нажатия кнопки вызова; - акустический контроль и кнопку сброса неправильно набранного кода (или номера квартиры); - местное отпирание входной двери личным ключом (или кодом); - дистанционное отпирание входной двери; - акустический контроль открывания входной двери; - возможность увеличения индивидуальных кодов; - простоту программирования и перепрограммирования. 6.3.2
Требования по условиям эксплуатации
Все блоки домофона должны иметь соответствующее климатическое исполнение: - внутренние (абонентские) блоки - для условий эксплуатации внутри отапливаемого помещения; - внешние блоки, размещаемые внутри подъезда (в тамбурах) здания - для условий эксплуатации в неотапливаемом помещении; - внешние блоки, размещаемые снаружи здания (на внешней стене или входной двери) - для эксплуатации на открытом воздухе (диапазон рабочих температур от минус 40 до плюс 50 °С). Во избежание попадания осадков или прямых солнечных лучей на внешний блок домофона его передняя панель должна быть защищена специальным козырьком или иным способом. Кроме того, при выборе подъездного домофона необходимо обращать внимание на следующие особенности его эксплуатации. У входных дверей подъезда дома всегда существует сильная воздушная тяга. При закрытых дверях тяга усиливается через все щели и неплотности внешнего блока и электрозамка. Разность температур между холодным наружным и теплым подъездным воздухом создает на поверхности, а также внутри внешнего блока и электрозамка конденсат. Поэтому внешний блок и электрозамок подъездного домофона должны быть защищены от пыли и влаги (платы защищены лаком, металл -антикоррозийными покрытиями). Кроме того, они должны сохранять работоспособность при внутренних накоплениях пыли. По этим же причинам во внешнем блоке домофона не должны применяться (из-за низкой климатической устойчивости) динамические микрофоны и громкоговорители с бумажным диффузором. Здесь предпочтение следует отдавать электретным микрофонам и громкоговорителям с резиновым или латексным диффузором. Клавиатура внешнего блока домофона должна быть эргономичной и удовлетворять требованиям пользователей всех возрастных групп. Кнопки клавиатуры должны быть достаточного размера для возможности пользования ими в варежках или перчатках. Усилие нажатия кнопки клавиатуры не должно превышать 250 г. Конструкция клавиатуры (если она механическая) не должна допускать возможности непосредственного приложения большой силы на исполнительный переключатель. Нажатие кнопки должно дублироваться звуковым или световым сигналом. Важным параметром клавиатуры для домофона является ее наработка на отказ в тяжелых климатических условиях. Клавиатура (по тем же соображениям, что и замок) должна иметь наработку на отказ не менее 1000000 циклов. Домофон должен обеспечивать стабильную работу разговорного тракта на длинных линиях. Практика показывает, что в технические параметры домофона должна входить его работоспособность на линиях сопротивлением не менее 20 Ом. При выборе домофона необходимо обращать внимание на громкость, которую обеспечивает громкоговоритель внешнего блока при передаче сигнала с абонентского блока. Громкость должна быть достаточной для слоговой разборчивости (не ниже 70 процентов) на шумной улице. Многие разработчики, изготовители и потребители домофонов совершают ошибку, уделяя недостаточное внимание громкости сигнала вызова в квартире. Практика показывает, что абонентский блок должен развивать сигнал вызова громкостью не менее 70 дБ. 6.3.3
Требования безопасности
Устанавливаемое оборудование и сети (при эксплуатации) должны быть безопасны для лиц, соблюдающих правила обращения с ними, и отвечать требованиям стандартов и нормативных документов по электро- и пожарной безопасности, действующих на территории Российской Федерации. Обеспечению безопасности домофона следует уделять особое внимание, так как его пользователями являются (главным образом) лица, не имеющие соответствующих знаний по обращению с электрооборудованием. В первую очередь, как указывалось ранее, это относится к внешнему блоку и электрозамку. К ним не должно быть подведено напряжение питания выше 24 В. 6.3.4
Требования к монтажу
Абонентский блок домофона должен быть установлен внутри квартиры в таком месте, которое может обезопасить абонента от возможных преступных действий посетителя (например выстрела через закрытую дверь), либо обеспечить максимальное удобство пользования. Место установки данного блока определяет абонент. Внешний блок домофона должен быть установлен путем врезки в дверное полотно, дверную коробку или стену вблизи двери. Шлицы шурупов или винтов, крепящих переднюю панель к несущей конструкции, после монтажа должны быть рассверлены. Высота установки внешнего блока должна быть удобной для посетителя при ведении переговоров, при этом его лицо должно находиться напротив ТК. (Оптимальной считается высота 1,5... 1,7 м от пола.) Оборудование домофонов, устанавливаемое в подъезде дома, следует объединять в специальные монтажные блоки, которые должны быть размещены в металлических шкафах и расположены в труднодоступных местах (например, на стене под потолком). Для создания более "мягких" климатических условий эксплуатации не рекомендуется устанавливать монтажный блок в непосредственной близости от входной двери подъезда. Наиболее приемлемой можно считать установку монтажного блока в закрытом холле первого этажа. Примеры установки блоков домофона приведены на рисунке 18. Рисунок 18 - Варианты монтажа блоков подъездного домофона: а - с установкой
внешнего блока на стене здания; б - с установкой внешнего блока на
металлической двери В подъездных видеодомофонах в качестве линии связи ТК (внешний блок) и монитора (абонентский блок), если ее длина не превышает 50 м, может быть использован любой провод. При большей длине следует применять коаксиальный кабель. В аудиодомофонах в качестве линий связи используют, как правило, обычный телефонный провод типа ТРВ. Все линии в подъезде должны быть проложены в металлорукавах, металлических коробах или трубах (либо по существующим кабельным каналам) и отвечать требованиям РД 78.145-93. Прокладывать линии внутри квартиры следует с наименьшими нарушениями интерьера. Для ввода линий в корпуса блоков домофона, размещенных вне квартир и закрытых холлов, должны быть использованы специальные металлические муфты, обеспечивающие герметичность места ввода. Для исключения возможности выдергивания кабеля из блока металлорукав должен быть жестко закреплен на корпусе блока с помощью хомута. Гибкие переходы с двери на стену внутри квартиры и закрытых холлов рекомендуется делать с помощью специальных устройств соединительных типа УС 2-2 или УС 2-4 нужной длины (200, 300, 400 мм). 6.3.5
Требования по защищенности от силовых воздействий
Внешний блок домофона, размещаемый снаружи квартиры или подъезда, должен иметь антивандальное исполнение и удовлетворять следующим требованиям: - блок должен иметь металлическую врезную конструкцию и быть поставлен с необходимыми крепежными элементами; - внешняя панель должна быть выполнена из металлов высокого механического сопротивления, покрытых антикоррозийным составом, и быть устойчивой к прямым и боковым ударам тяжелыми предметами (молоток, кирпич); - перфорация микрофона и громкоговорителя не должна позволять вывести их из строя тонкими предметами (нож, шило, отвертка, спица и др.); - телевизионная камера и дисплей должны быть защищены ударопрочным стеклом; - инфракрасная подсветка должна быть закамуфлирована (например под шильдик); - клавиатура должна обеспечивать надежность и легкость набора номера квартиры или личного кода. В этом плане следует отдавать предпочтение оптомеханическим клавиатурам и кнопкам без механических переключателей; - считыватель идентификатора (индивидуального ключа) абонента не должен иметь открытых отверстий. В этом плане следует отдавать предпочтение считывателям электронных ключей типа "touch memory" или радиокарточек. Металлический шкаф, в котором размещен монтажный блок, должен быть изготовлен из стали, иметь жесткую конструкцию и запираться на замок. Электромагнитный замок должен иметь антивандальное исполнение и удовлетворять следующим требованиям: - металлическая пластина и электромагнит должны быть прочно закреплены на дверном полотне и косяке; - при закрытой двери пластина и электромагнит должны плотно (без зазора) прилегать друг к другу всей поверхностью, в противном случае усилие удержания может значительно уменьшиться; - конструкция электромагнита должна исключать возможность повреждения обмотки. Примечание - Абонентские блоки находятся в личном
пользовании абонента, поэтому требования по защищенности от силовых воздействий
к ним не предъявляют. 6.3.6
Требования к электропитанию
Электропитание домофона следует осуществлять через штатный источник питания от обычной сети переменного тока. Вопрос о применении в подъездном домофоне резервируемого источника питания требует специального изучения. Это связано с тем, что при различных аварийных или чрезвычайных ситуациях (например, пожар) в доме входная дверь подъезда не должна служить препятствием для эвакуации людей и проведения аварийно-спасательных работ. Резервируемые источники питания могут быть применены в индивидуальных и групповых домофонах. При этом необходимо обращать внимание на то, чтобы переход с основного питания на резервное, а также подзарядка аккумулятора в таком источнике производились автоматически. Резервный источник питания должен обеспечивать бесперебойную работу домофона в течение времени, необходимого для устранения аварийной ситуации в электросети или при других чрезвычайных обстоятельствах (обычно не менее 2 ч). 6.4
РЕКОМЕНДАЦИИ ПО ВЫБОРУ ДОМОФОНОВ
Известно, что российский рынок домофонов представлен самыми разнообразными изделиями как зарубежного, так и отечественного производства. Разобраться в этом многообразии весьма непросто. Кроме того, при выборе домофона нельзя забывать и о том: что хорошо и подходит для крупных городов (например Москвы и Санкт-Петербурга), может совершенно не подходить для других населенных пунктов России, где и жизнь спокойнее, и денежных средств у населения значительно меньше, да и запросы к такой технике пониженные. Из видеодомофонов широкое распространение в нашей стране получили хорошо зарекомендовавшие себя изделия южнокорейской фирмы "Commax". Однако недостаточный (отрицательный) диапазон рабочих температур внешних блоков и их низкие антивандальные качества очень сужают круг применения. Аналогичные недостатки имеют и другие видеодомофоны зарубежного производства. Правда, некоторые российские поставщики зарубежных видеодомофонов наладили выпуск внешних блоков для них отечественного производства в антивандальном исполнении, что является положительным моментом и расширяет возможности их практического применения. Из аудиодомофонов наиболее распространены в России изделия польского производства типа "Raikman", отечественные "Элтис" и "Визит", которые уже несколько лет эксплуатируются в разных регионах нашей страны и неплохо зарекомендовали себя. Несовершенством изделия "Raikman" является недостаточная вандалостойкость клавиатуры внешнего блока из-за применения оптоэлектронных элементов, находящихся на лицевой панели этого блока. Недостаток домофона типа "Элтис" заключается в чрезмерно малых размерах кнопок клавиатуры и неудобном их расположении, а также в недостаточной громкости сигнала вызова в квартире. На изделии типа "Визит" российской научно-производственной фирмы "Модус-Н" следует остановиться особо. Главное ее отличие от других фирм состоит в том, что она в кооперации с отечественными предприятиями производит оборудование для домофонов и адаптирует зарубежные изделия к нашим климатическим, социальным и другим условиям. Научный потенциал указанной фирмы и десятилетний опыт работы ее специалистов в области разработки домофонов позволяет сочетать современные технологии зарубежных развитых стран с отечественной производственной базой. Изделия типа "Визит" имеют антивандальное исполнение, диапазон рабочих температур от минус 40 до плюс 45 °С и несколько типов моделей, рассчитанных на широкий круг потребителей. Фирма выпускает как аудио-, так и видеодомофоны, постоянно совершенствует свою продукцию, сохраняя преемственность между старым и новым, что дает потребителю возможность осуществлять постепенную модернизацию устаревшего оборудования без больших затрат. Все изделия, выпускаемые фирмой, проходят механические и климатические испытания. Фирма "Модус-Н" обеспечивает качественное гарантийное и послегарантийное обслуживание, поставку ЗИП, необходимых блоков, комплектующих и технической документации для монтажа, эксплуатации и ремонта, осуществляя техническую поддержку своих изделий в течение всего срока эксплуатации. ПРИЛОЖЕНИЕ A
(обязательное) ПЕРЕЧЕНЬ
ГОСУДАРСТВЕННЫХ СТАНДАРТОВ, РУКОВОДЯЩИХ И НОРМАТИВНЫХ ДОКУМЕНТОВ
1 ГОСТ 12.1.004-91 ССБТ. Пожарная безопасность. Общие требования 2 ГОСТ 12.1.019-79 ССБТ. Электробезопасность. Общие требования и номенклатура видов защиты 3 ГОСТ 12.1.030-81 ССБТ. Электробезопасность. Защитное заземление, зануление 4 ГОСТ 12.2.006-87. Безопасность аппаратуры электронной сетевой и сходных с ней устройств, предназначенных для бытового и аналогичного применения. Общие требования и методы испытаний 5 ГОСТ 12.2.007.0-75 ССБТ. Изделия электротехнические. Общие требования безопасности 6 ГОСТ 12.2.032-78 ССБТ. Рабочее место при выполнении работ сидя. Общие эргономические требования 7 ГОСТ 23000-78 Система "человек-машина". Пульты управления. Общие эргономические требования 8 ГОСТ 12997-84 Изделия ГСП. Общие технические условия 9 ГОСТ 13109-97 Нормы качества электрической энергии в системах электроснабжения общего назначения 10 ГОСТ 15150-69 Машины, приборы и другие технические изделия. Исполнения для различных климатических районов. Категории, условия эксплуатации, хранения и транспортирования в части воздействия климатических факторов внешней среды 11 ГОСТ 15543-70 Изделия электротехнические. Исполнения для различных климатических районов. Общие технические требования в части воздействия климатических факторов внешней среды 12 ГОСТ 15543.1-89 Е Изделия электротехнические. Общие требования в части стойкости к климатическим внешним воздействующим факторам 13 ГОСТ 16962-71 Изделия электронной техники и электротехники. Механические и климатические воздействия. Требования и методы испытаний 14 ГОСТ 22006-76 Установки телевизионные прикладного назначения. Основные параметры и общие технические условия 15 ГОСТ 22505-97 Радиопомехи индустриальные от радиовещательных приемников, телевизоров и другой бытовой радиоэлектронной аппаратуры 16 ГОСТ 23456-79 Установки телевизионные прикладного назначения. Методы измерений и испытаний 17 ГОСТ 24686-81 Е Оборудование для производства изделий электронной техники и электротехники. Общие технические требования. Маркировка, упаковка, транспортирование и хранение 18 ГОСТ 25874-83 Аппаратура радиоэлектронная, электронная и электротехническая. Условные функциональные обозначения 19 ГОСТ 26828-86 Е Изделия машиностроения и приборостроения. Маркировка 20 ГОСТ 28195-89 Оценка качества программных средств. Общие положения 21 ГОСТ 29191-91 (МЭК 801-2-91) Совместимость технических средств электромагнитная. Устойчивость к электростатическим разрядам. Технические требования и методы испытаний 22 ГОСТ 7845-92 Система вещательного телевидения. Основные параметры. Методы измерений 23 ГОСТ Р 50009-92 Совместимость технических средств охранной, пожарной и охранно-пожарной сигнализации электромагнитная. Требования, нормы и методы испытаний на помехоустойчивость и индустриальные радиопомехи 24 ГОСТ Р 50739-95 Защита от несанкционированного доступа к информации. Общие технические требования 25 ГОСТ Р 50776-95 Системы тревожной сигнализации. Часть 1. Общие требования. Раздел 4. Руководство по проектированию, монтажу и техническому обслуживанию 26 Постановление Правительства Российской Федерации от 14.08.92 № 589 "Об утверждении Положения о вневедомственной охране при органах внутренних дел Российской Федерации" 27 Приказ МВД России от 31.01.94 №35 "Об утверждении нормативных актов по технической эксплуатации средств охранно-пожарной сигнализации подразделениями вневедомственной охраны при органах внутренних дел Российской Федерации" 28 РД 78.143-92 Системы и комплексы охранной сигнализации. Элементы технической укрепленности объектов. Нормы проектирования 29 РД 78.145-93 Системы и комплексы охранной, пожарной и охранно-пожарной сигнализации. Правила производства и приемки работ 31 РД 78.146-93 Инструкция о техническом надзоре за выполнением проектных и монтажных работ по оборудованию объектов средствами охранной сигнализации 32 РД 78.147-93 Единые требования по технической укрепленности и оборудованию сигнализацией охраняемых объектов 33 РД 78.148-94 Защитное остекление. Классификация, методы испытаний, применение 34 СНиП 2.04.09-84 Пожарная автоматика зданий и сооружений 35 Рекомендации по комплексному оборудованию банков, пунктов обмена валюты, оружейных и ювелирных магазинов, коммерческих и других фирм и организаций техническими средствами охраны, видеоконтроля и инженерной защиты. Типовые варианты 36 Выбор и применение телевизионных систем видеоконтроля: Рекомендации 37 Рекомендации по выбору и применению современных технических средств охранно-пожарной сигнализации (ТС ОПС) на объектах народного хозяйства 38 Справочник инженерно-технических работников и электромонтеров технических средств охранно-пожарной сигнализации 39 РД 25.952-90 Системы автоматического пожаротушения, охранной, пожарной и охранно-пожарной сигнализации. Порядок разработки задания на проектирование 40 РД 25.953-90 Системы автоматического пожаротушения, пожарной, охранной и охранно-пожарной сигнализации. Обозначения условные графические элементов системы 41 РД 25.985-90 Комплексы, системы пожаротушения, технические средства охранной, пожарной и охранно-пожарной сигнализации. Термины и определения 42 ВСН 116-93 Инструкция по проектированию линейно-кабельных сооружений связи 43 Временное положение о приемке законченных строительных объектов на территории Российской Федерации (взамен СНиП 3.01.04-87), одобренное коллегией Минстроя России (Протокол от 10.06.92 № 10). ПРИЛОЖЕНИЕ Б
(обязательное) БИБЛИОГРАФИЯ
1 Выбор и применение телевизионных систем видеоконтроля: Рекомендации. - М.: НИЦ "Охрана", 1996. 2 Никулин О.Ю., Петрушин А.Н. Системы телевизионного наблюдения. - М.: Оберег-РБ, 1997. 3 Омельянчук A.M. Применение видеотехники в охране (Краткий справочник). - М.: Безопасность, 1995. 4 Шакиров Ф.А. Система телевизионного наблюдения. - М.: НОУ "Такир", 1998. 5 National Approval Council for Security
Systems "Code of Practice for Planning, Installation and Maintenance of
Closed-Circuit Television Systems". 6 EUROPEAN STANDARD EN 50132-2-1 "Alarm systems
- CCTV surveillance systems for use in security applications. Part 2-1: Black
and white cameras". ПРИЛОЖЕНИЕ В
(рекомендуемое) РАСПОЗНАВАЕМОСТЬ
ОБЪЕКТА КОНТРОЛЯ В ЗАВИСИМОСТИ ОТ ЦЕЛЕВОЙ ЗАДАЧИ ВИДЕОКОНТРОЛЯ
Таблица 6
ПРИЛОЖЕНИЕ Г
(рекомендуемое) МЕТОДЫ
ЗАЩИТЫ СИСТЕМ ОХРАННОГО ТЕЛЕВИДЕНИЯ ОТ НЕСАНКЦИОНИРОВАННЫХ ВОЗДЕЙСТВИЙ
Таблица 7
Примечание - Под зоной восприимчивости системы
понимают часть пространства, окружающего компоненты, цепи и участки компонентов,
через которые возможно внедрение в систему посторонних управляющих воздействий. ПРИЛОЖЕНИЕ Д
(справочное) ЗАЩИТНЫЕ
СВОЙСТВА КОЖУХОВ
Защитное исполнение кожухов обозначается следующим образом: IP <первая цифра> <вторая цифра>, Первая цифра показывает степень защиты от проникновения посторонних предметов, а вторая - от проникновения влаги. Таблица 8
ПРИЛОЖЕНИЕ Е
(справочное) АНГЛО-РУССКИЙ
СЛОВАРЬ
AI (auto iris) - автодиафрагма; AGC (automatic gain control) - АРУ (автоматическая регулировка усиления); Alarm - тревога (обычно - тревожные входы/выходы); ALC (automatic level control) peak-average - автоматическая регулировка уровня сигнала по максимальной (peak) или средней (average) яркости; Angle of view - угол зрения ТК с объективом; BLC (back light compensation) - КЗС (компенсация заднего света); BNC - широко распространенный тип разъемов для коаксиального кабеля; B/W (black/white) - черно-белый; С (crominance) - сигнал цветности; CCD-camera (charge coupled device) - ПЗС-камера; CCIR (Comite Consultatif International des
Radiocommunication) -
MKKP (Международный Консультативный Комитет по радиосвязи) стандарт на
видеоизображение 625 строк/50 полей/25 кадров; CCTV (closed circuit television) - замкнутая телевизионная система (имеется ввиду отсутствие связи с общедоступной широковещательной передачей сигнала); промышленное телевидение; C-mount - стандарт на соединение ТК и объектива; CS-mount - новый стандарт на соединение ТК и объектива; CS to C-mount adapter - адаптер для присоединения CS объектива к С камере; Composite - полный видеосигнал (видеосигнал с синхроимпульсами); DD (direct drive) - прямое управление автодиафрагмой объектива; Depth of field - глубина резкости; dB (decibel) - децибел; Distribution amplifier - видеоусилитель-распределитель; Duplex multiplexer - дуплексный мультиплексор; Dwell - время удержания изображения одной ТК на экране видеомонитора при использовании последовательного переключателя; EI (electronic iris) - электронная диафрагма; EIA (Electronic Industry Association) - стандарт на видеоизображение 525 строк/60 полей/30 кадров; Ext., ext. sync. - внешняя синхронизация (обычно вход); Field - поле (полукадр, состоящий из четных или нечетных строк); Focal length - фокусное расстояние; Format - обычно, формат ПЗС-матрицы или объектива; Frame - кадр; Gamma correction, g - гамма-коррекция; Gen. lock - синхронизация одного устройства по синхроимпульсам другого (обычно вход); GND - нулевой потенциал (земля); Ident - титры; Illumination - освещенность; Image sensor format - формат ПЗС-матрицы; In - вход, video in - видеовход, alarm in - вход для подключения охранной сигнализации с нормально замкнутыми (Hi) или нормально разомкнутыми (Low) контактами; Internal sync. - внутренняя синхронизация; IR-lamp (infra red lamp) - инфракрасный прожектор; Iris - диафрагма; Flange back - точная регулировка заднего отрезка объектива; HI-Z - высокоомный вход; Lens - объектив; Level - (на объективах с автодиафрагмой) уровень контроля автодиафрагмы; Line amplifier - усилитель; Line fed camera - TK с питанием по сигнальному кабелю; Line lock - синхронизация по питающей сети; Looping - транзитный вход; Lux - люкс; Luminance (Y) - сигнал яркости; Matrix switcher - матричный переключатель; NC (non connected) - не используется (для клемм, переключателей, проводов и др.); NTSC (National Television Standarts Committee) - система кодирования цветового сигнала, принятая в США; ND (neutral density) - нейтральный фильтр; Out - выход, video out - видеовыход, alarm out - тревожный выход; PAL (Phase Alternate Line) - система кодирования цветового сигнала, принятая в Европе; Pan/tilt - поворотное и наклонное устройство; Peak white inverter - схема инверсии белого; Pin-hole lens - объектив с микрозрачком; Р-Р (peak to peak) - полный размах видеосигнала; Photocell - фотоэлемент (обычно для включения ИК-прожектора или дежурного освещения); Presets, prepositions - предустановки; Quad splitter - квадратор; Real-time VCR - спецвидеомагнитофон длительного времени записи в реальном времени (без потери видеоинформации между записываемыми кадрами видеоизображения в отличие от "time-lapse" VCR); Resolution horisontal - разрешение по горизонтали; RS-232 - широко распространенный тип последовательного интерфейса; SECAM (System Electronique Couler Avec Memoire) - система кодирования цветового сигнала, принятая в России; Sensitivity (scene, sensor) - чувствительность (на сцене, на ПЗС-матрице); Shutter - затвор; Simplex multiplexer - симплексный мультиплексор; S/N ratio - отношение сигнал/шум; Spot filter - фильтр-пятно; S-VHS - формат видеосигнала повышенного разрешения (разделены сигналы яркости и цветности); Sync. - синхронизация; Terminated, 75 Ohm terminated - согласованная нагрузка, 75 Ом; Telemetry - сигналы управления исполнительными устройствами; Time-lapse VCR - спецвидеомагнитофон длительного времени записи; TVL (television lines) - ТВЛ (телевизионная линия); Twister pair - витая пара; Unterminated - несогласованная нагрузка; VBS (video, burst, sync.) - полный цветной видеосигнал; VCR - спецвидеомагнитофон; VCR in/out - вход/выход для подключения видеомагнитофона; VHS - формат видеозаписи; VMD (video motion detection) - видеодетектор движения; VS (video, sync.) - композитный черно-белый видеосигнал (сигнал яркости и синхроимпульсы); Y - яркостями видеосигнал; Zoom - 1 Объектив с переменным фокусным расстоянием, 2 Увеличение (при обозначении кнопки или пункта меню); Zoom ratio - увеличение объектива (отношение максимального фокусного расстояния к минимальному). ПРИЛОЖЕНИЕ Ж
(рекомендуемое) СИМВОЛЫ
И УСЛОВНЫЕ ОБОЗНАЧЕНИЯ ДЛЯ ЧЕРТЕЖЕЙ СИСТЕМ ОХРАННОГО ТЕЛЕВИДЕНИЯ
Рисунок 19 СОДЕРЖАНИЕ | ||||||||||||||||||||||||||||||||||||||||||||||||||||||||||||||||||||||||||||||||||||||||||||||||||||||||||||||||||||||||||||||||||||||||||||||||||||||||||||||||||||||||||||||||||||||||||||||||||||||||||||||||||||||||||||||||||||||||||||||||||||||||||||||||||||||||||||||||||||||||||||||||||||||
|
|
|
|