Бесплатная библиотека стандартов и нормативов www.docload.ru

Все документы, размещенные на этом сайте, не являются их официальным изданием и предназначены исключительно для ознакомительных целей.
Электронные копии этих документов могут распространяться без всяких ограничений. Вы можете размещать информацию с этого сайта на любом другом сайте.
Это некоммерческий сайт и здесь не продаются документы. Вы можете скачать их абсолютно бесплатно!
Содержимое сайта не нарушает чьих-либо авторских прав! Человек имеет право на информацию!

 

МИНИСТЕРСТВО ЭНЕРГЕТИКИ РОССИЙСКОЙ ФЕДЕРАЦИИ

Утверждаю

Первый заместитель Министра
топлива и энергетики
Российской Федерации
В.Н. Костюнин
12 сентября 1995г.

Согласовано

Заместитель председателя

Комитета Российской Федерации

По стандартизации, метрологии и  сертификации Л.К. Исаев 31 августа 1995 г.

Согласовано"

Главный Государственный инспектор Начальник Главгосэнергонадзора
Российской Федерации
Б.П. Варнавский
31 августа 1995г.

ПРАВИЛА

УЧЕТА ТЕПЛОВОЙ ЭНЕРГИИ

И ТЕПЛОНОСИТЕЛЯ

МОСКВА

«Издательство НЦ ЭНАС»

2003

Настоящие правила определяют требования к организации учета отпус­ка и потребления тепловой энергии и теплоносителей (сетевой воды и водя­ного пара), контроля их параметров (массы (объема), температуры и давления), а также общие технические требования к узлам учета тепловой энергии и теплоносителя.

Правила обязательны для исполнения органами Государственного энергетического надзора, юридическими и физическими лицами независимо от их ведомственной принадлежности и форм собственности и действуют на территории Российской Федерации.

Правила зарегистрированы Министерством юстиции Российской Федерации 25 сентября 1995 г., регистрационный № 954.

С выпуском настоящих правил теряют силу правила учета отпуска тепловой энергии ПР 34-70-010-85 (Союзтехэнерго, 1986).

Замечания и предложения по Правилам следует направлять по дресу: 103074. Москва. К-74. Китайский пр., 7, Госэнергонадзор Минэнерго России.

ПРЕДИСЛОВИЕ

Настоящие Правила учета тепловой энергии и теплоносителя (далее Правила) разработаны по заданию Главгосэнергонадзора Российской Федерации специалистами Госэнергонадзора России, энергонадзоров, ТОО «Интех», НИИ Теплоприбор, при участии филиала «Тепловые сети» ОАО «Мосэнерго», ВНИИМС, РАО «ЕЭС России», РАО «Роскоммунэнерго», ВНИИЦ СНВ.

Правила определяют требования к организации учета отпуска и потребления тепловой энергии и теплоносителей (сетевой воды и водяного пара), контроля их параметров: массы (объема), тем­пературы и давления, а также общие технические требования к узлам учета тепловой энергии и теплоносителя (в дальнейшем узлы учета).

Правила действуют на территории Российской Федерации и обязательны для исполнения органами Государственного энергетичес­кого надзора, юридическими и физическими лицами независимо от их ведомственной принадлежности и форм собственности.

С выпуском настоящих Правил теряют силу Правила учета отпуска тепловой энергии ПР 34-70-010-85 (Союзтехэнерго, 1986).

Взаиморасчеты энергоснабжающей организации с потребителями, у которых временно отсутствуют узлы учета, осуществляются на ос­новании нормативных документов Главгосэнергонадзора.

Предложения и дополнения, направленные на совершенствование данной редакции Правил учета, принимаются Главгосэнергонадзором к рассмотрению и могут быть учтены в следующих изданиях Правил.

ТЕРМИНЫ И ОПРЕДЕЛЕНИЯ

Виды тепловых нагрузок

Отопительная, вентиляционная, технологическая, кондиционирование воздуха, горячее водоснабжение

Водосчетчик

Измерительный прибор, предназначенный для измерения массы (объема) воды (жидкости), протекающей в трубопроводе через сечение, перпендикулярное направлению скорости потока

Время работы приборов узла учета

Интервал времени, за который на основе показаний приборов ведется учет тепловой энергии и массы (объема) теплоносителя, а также контроль его температуры и давления.

Граница балансовой принадлежности тепловых сетей

Линия раздела элементов тепловых сетей между владельцами по признаку собственности, аренды или полного хозяйственного ведения.

Допуск в эксплуатацию узла учета

Процедура, определяющая готовность узла учета тепловой энергии к эксплуатации и завершающаяся подписанием Акта установленного образца.

Зависимая схема подключения системы теплопотребления

Схема присоединения системы теплопотребления к тепловой сети, при которой теплоноситель (вода) из тепловой сети поступает непосредственно в систему теплопотребления.

Закрытая водяная система теплоснабжения

Система теплоснабжения, в которой вода, циркулирующая в тепловой сети, из сети не отбирается

Источник теплоты (тепловой энергии)

Энергоустановка, производящая тепло (тепловую энергию).

Независимая схема подключения системы теплопотребления

Схема присоединения системы тепло - - потребления к тепловой сети, при которой теплоноситель, поступающий из тепловой сети, проходит через теплообменник, установленный на тепловом пункте потребителя, где нагревает вторичный теплоноситель, используемый в дальнейшем в системе теплопотребления.

Открытая водяная система теплоснабжения

Водяная система теплоснабжения, в которой вода частично или полностью отбирается из системы потребителями тепловой энергии.

Приборы учета

Приборы, которые выполняют одну или несколько функций: измерение, накопление, хранение, отображение информации о количестве тепловой энергии, массе (объеме), температуре, давлении теплоносителя и времени работы приборов.

Потребитель тепловой энергии

Юридическое или физическое лицо, которому принадлежат теплопотребляющие установки, присоединенные к системе теплоснабжения энергоснабжающей организации

Расход теплоносителя

Масса (объем) теплоносителя, прошедшего через поперечное сечение трубопровода за единицу времени.

Регистрация величины

Отображение измеряемой величины в цифровой или графической форме на твердом носителе - бумаге.

Система теплоснабжения

Совокупность взаимосвязанных источника теплоты, тепловых сетей и систем теплопотребления.

Система теплопотребления

Комплекс теплопотребляющих установок с соединительными трубопроводами или тепловыми сетями.

Счетчик пара

Измерительный прибор, предназначенный для измерения массы пара, протекающего в трубопроводе через сечение, перпендикулярное направлению скорости потока.

Тепловая сеть

Совокупность трубопроводов и устройств, предназначенных для передачи тепловой энергии.

Тепловой пункт (ТП)

Комплекс устройств для присоединения систем теплопотребления к тепловой сети и распределения теплоносителя по видам теплового потребления.

Теплопотребляющая установка

Комплекс устройств, использующих теплоту для отопления, вентиляции, горячего водоснабжения, кондиционирования воздуха и технологических нужд.

Теплоснабжение

Обеспечение потребителей тепловой энергией.

Теплосчетчик

Прибор или комплект приборов (средство измерения), предназначенный для определения количества теплоты и измерения массы и параметров теплоносителя.

Тепловычислитель

Устройство, обеспечивающее расчет количества теплоты на основе входной информации о массе, температуре и давлении теплоносителя.

Узел учета

Комплект приборов и устройств, обеспечивающий учет тепловой энергии, массы (объема) теплоносителя, а также контроль и регистрацию его параметров.

Примечание. Некоторые из предлагаемых терминов и определений приняты только для настоящих Правил учета тепловой энергии л теплоносителя.

УСЛОВНЫЕ ОБОЗНАЧЕНИЯ

Параметры

t         - температура;

р        - давление;

h        - энтальпия;

G       - масса воды;

D       - масса пара;

Q       - тепловая энергия;

Т       - время.

Индексы

1        - подающий трубопровод;

2        - обратный трубопровод;

п       - подпитка;

к        - конденсат;

хв      - холодная вода;

гв      - горячее водоснабжение.

Точки измерения

     - температуры;

    - давления;

  - расхода теплоносителя.

Технологические требования

    - учитываемый параметр;

    - регистрируемый параметр;

   - узел учета.

Оборудование

- насос;                                                                                             - трубопровод;

- теплообменник;                                                                            - задвижка;

- элеватор;                                                                                        - отопительный прибор;

1. ОБЩИЕ ПОЛОЖЕНИЯ

1.1. Требования Правил распространяются на энергоснабжающие организации и потребителей тепловой энергии при взаимных расчетах за поставку и потребление тепловой энергии независимо от установленной мощности источника теплоты и присоединенной тепловой нагрузки потребителя.

1.2. Учет и регистрация отпуска и потребления тепловой энергии организуются с целью:

осуществления взаимных финансовых расчетов между энергоснабжающими организациями и потребителями тепловой энергии;

контроля за тепловыми и гидравлическими режимами работы систем теплоснабжения и теплопотребления;

контроля за рациональным использованием тепловой энергии и теплоносителя;

документирования параметров теплоносителя: массы (объема), температуры и давления.

1.3. Расчеты потребителей тепловой энергии с энергоснабжающими организациями за полученное ими тепло осуществляются на основании показаний приборов учета и контроля параметров теплоносителя, установленных у потребителя и допущенных в эксплуатацию в качестве коммерческих в соответствии с требованиями настоящих Правил.

В случае, когда к магистрали, отходящей от источника теплоты, подключен единственный потребитель и эта магистраль находится на его балансе, по взаимному согласию сторон допускается ведение учета потребляемой тепловой энергии по приборам учета, установленным на узле учета источника теплоты.

1.4. Взаимные обязательства энергоснабжающей организации и потребителя по расчетам за тепловую энергию и теплоноситель, а также по соблюдению режимов отпуска и потребления тепловой, энергии и теплоносителя определяются "Договором на отпуск и потребление тепловой энергии" (в дальнейшем Договор).

1.5. При оборудовании и эксплуатации узлов учета тепловой энергии и теплоносителя необходимо руководствоваться следующей действующей нормативной и технической документацией:

настоящими Правилами;

Правилами пользования электрической и тепловой энергией. Утверждены приказом Министерства энергетики и электрификации СССР от 6 декабря 1981 г. № 310.

СНиП 2.04.07-86 "Тепловые сети";

Правилами эксплуатации теплопотребляющих установок и тепловых сетей потребителей. Утверждены Главгосэнергонадзором Российской Федерации 7 мая 1992 г.

Правилами техники безопасности при эксплуатации теплопотребляющих установок и тепловых сетей потребителей. Утверждены Главгосэнергонадзором Российской Федерации 7 мая 1992 г.

Правилами измерения расхода газов и жидкостей стандартными сужающими устройствами РД 50-213-80;

методическими материалами по применению Правил РД 50-213-80;

методическими указаниями "Расход жидкостей и газов. Методика выполнения измерений с помощью специальных сужающих устройств РД 50-411-83";

Законом Российской Федерации от 27 апреля 1993г. № 4871-1 "Об обеспечении единства средств измерений";

ПР 50.2.002-94 "ГСИ. Порядок осуществления Государственного метрологического надзора за выпуском, состоянием и применением средств измерений, аттестованными методиками выполнения измерений, эталонами и соблюдением метрологических правил и норм";

ПР 50.2.006-94 "ГСИ. Поверка средств измерений";

МИ 2273-93 "ГСИ. Области использования средств измерений, подлежащих поверке";

МИ 2164-91 "ГСИ. Теплосчетчики. Требования к испытаниям, метрологической аттестации, поверке";

ГСССД 98-86. Вода. Удельный объем и энтальпия при температурах О...800 °С и давлениях 0,001...1000 МПа. М.: Изд-во Стандартов, 1986;

ГСССД 6-89. Вода. Коэффициент динамической вязкости при температурах О...800 °С и давлениях от соответствующих разряженному газу до 300 МПа. М.: Изд-во Стандартов, 1989;

ГСССД. Плотность, энтальпия и вязкость воды. М.: Изд-во ВНИИЦ СИВ, 1993;

инструкциями заводов - изготовителей на комплекты приборов и отдельные приборы учета и контроля тепловой энергии и теплоносителя.

1.6. Настоящие Правила устанавливают уровень оснащенности узлов учета источников теплоты и минимально необходимую степень оснащенности узлов учета потребителей средствами измерений в зависимости от схемы теплоснабжения и тепловой нагрузки, зафиксированной в Договоре.

Энергоснабжающая организация не вправе дополнительно требовать от потребителя установки на узле учета приборов, не предусмотренных требованиями настоящих Правил.

Потребитель по согласованию с энергоснабжающей организацией имеет право для своих технологических целей дополнительно устанавливать на узле учета приборы для определения количества тепловой энергии и теплоносителя, а также для контроля параметров теплоносителя, не нарушая при этом технологию коммерческого учета и не влияя на точность и качество измерений.

Показания дополнительно установленных приборов не используются при взаимных расчетах между потребителем и энергоснабжающей организацией.

1.7. При определении размерностей физических величин в соответствии с ГОСТ 8.417-81 используется Международная система единиц (СИ). Однако в практике учета тепловой энергии широко используются приборы, имеющие градуировку, соответствующую системе единиц МКГСС, поэтому в настоящих Правилах применяются обе системы.

В формулах и тексте настоящих Правил приняты следующие единицы измерений:

давления - кгс/см

температуры - °С;

энтальпии - кДж/кг (ккал/кг);

массы - т;

плотности - кг/м3;

объема - м3;

тепловой энергии - ГДж (Гкал);

времени - ч.

Соотношения между единицами измерения в системах СИ и МКГСС приведены в Приложении 1.

При определении энтальпии теплоносителя используются нормативно-технические материалы, указанные в п. 1.5 настоящих Правил.

1.8. При возникновении разногласий по техническим вопросам организации и ведения учета тепловой энергии и теплоносителя их урегулирование передается в Госэнергонадзор или осуществляется в судебном порядке,

1.9. Все работы по оборудованию узла учета должны выполняться только организациями, имеющими лицензию (разрешение) Главгосэнергонадзора Российской Федерации.

2. УЧЕТ ТЕПЛОВОЙ ЭНЕРГИИ И ТЕПЛОНОСИТЕЛЯ НА ИСТОЧНИКЕ ТЕПЛОТЫ

2.1. Организация учета тепловой энергии и теплоносителя,

отпущенных в водяные системы теплоснабжения

2.1.1. Узлы учета тепловой энергии воды на источниках теплоты: теплоэлектроцентралях (ТЭЦ), районных тепловых станциях (РТС), котельных и т.п. оборудуются на каждом из выводов.

Узлы учета тепловой энергии оборудуются у границы раздела балансовой принадлежности трубопроводов в местах, максимально приближенных к головным задвижкам источника.

Не допускается организация отборов теплоносителя на собственные нужды источника после узла учета тепловой энергии, отпускаемой в системы теплоснабжения потребителей.

2.1.2. На каждом узле учета тепловой энергии источника теплоты с помощью приборов должны определяться:

время работы приборов узла учета;

отпущенная тепловая энергия;

масса (объем) теплоносителя, отпущенного и полученного источником теплоты соответственно по подающему и обратному трубопроводам;

масса (объем) теплоносителя, расходуемого на подпитку системы теплоснабжения;

тепловая энергия, отпущенная за каждый час;

масса (объем) теплоносителя, отпущенного источником теплоты по подающему трубопроводу и полученного по обратному трубопроводу за каждый час;

масса (объем) теплоносителя, расходуемого на подпитку систем теплоснабжения за каждый час;

среднечасовая и среднесуточная температура теплоносителя в подающем, обратном трубопроводах и трубопроводе холодной воды, используемой для подпитки;

среднечасовое давление теплоносителя в подающем, обратном трубопроводах и трубопроводе холодной воды, используемой для подпитки.

Среднечасовые и среднесуточные значения параметров теплоносителя определяются на основании показаний приборов, регистрирующих параметры теплоносителя.

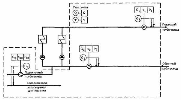
2.1.3. Приборы учета, устанавливаемые на обратных трубопроводах магистралей, должны размещаться до места присоединения подпиточного трубопровода.

Принципиальная схема размещения точек измерения массы (объема) теплоносителя, состав измеряемых и регистрируемых параметров приведены на рис. 1.

Рис. 1. Принципиальная схема размещения точек измерения массы (объема) теплоносителя и его регистрируемых параметров на источнике теплоты для водяных систем теплоснабжения

2.2. Определение количества тепловой энергии и теплоносителя, отпущенных в водяные системы теплоснабжения

2.2.1. Количество тепловой энергии, отпущенной источником теплоты, определяется как сумма количеств тепловой энергии, отпущенной по его выводам.

Количество тепловой энергии, отпущенной источником теплоты по каждому отдельному выводу, определяется как алгебраическая сумма произведений массы теплоносителя по каждому трубопроводу (подающему, обратному и подпиточному) на соответствующую энтальпию. Масса сетевой воды в обратном и подпиточном трубопроводах берется с отрицательным знаком.

Для определения количества тепловой энергии Q, отпущенной источником теплоты, используется формула:

                            (2.1)

где а - количество узлов учета на подающих трубопроводах;

b - количество узлов учета на обратных трубопроводах;

m - количество узлов учета на подпиточных трубопроводах;

G1i - масса теплоносителя, отпущенного источником теплоты по каждому подающему трубопроводу;

G2j - масса теплоносителя, возвращенного источнику теплоты по каждому обратному трубопроводу;

Gпk - масса теплоносителя, израсходованного на подпитку каждой системы теплоснабжения потребителей тепловой энергии;

h1i - энтальпия сетевой воды в соответствующем подающем трубопроводе;

h2i - энтальпия сетевой воды в соответствующем обратном трубопроводе;

hxвk - энтальпия холодной воды, используемой для подпитки соответствующей системы теплоснабжения потребителей тепловой энергии.

Средние значения энтальпий за соответствующий интервал времени определяются на основании измерений среднечасовых температур и давлений.

2.3. Организация учета тепловой энергии и теплоносителя, отпущенных в паровые системы теплоснабжения

2.3.1. Узлы учета тепловой энергии пара на источнике теплоты (ТЭЦ, РТС, котельной и т.п.) оборудуются на каждом из его выводов.

Узлы учета тепловой энергии оборудуются у границы раздела балансовой принадлежности трубопроводов в местах, максимально приближенных к головным задвижкам источника.

Не допускается организация отборов теплоносителя на собственные нужды источника после узла учета тепловой энергии, отпускаемой в системы теплоснабжения потребителей.

2.3.2. На каждом узле учета тепловой энергии источника теплоты с помощью приборов должны определяться:

время работы приборов узла учета;

отпущенная тепловая энергия;

масса (объем) отпущенного пара и возвращенного источнику теплоты конденсата;

тепловая энергия, отпущенная за каждый час;

масса (объем) отпущенного пара и возвращенного источнику теплоты конденсата за каждый час;

среднечасовые значения температуры пара, конденсата и холодной воды, используемой для подпитки;

Среднечасовые значения давления пара, конденсата и холодной воды, используемой для подпитки.

Среднечасовые значения параметров теплоносителя, а также их средние величины за какой-либо другой промежуток времени определяются на основании показаний приборов, регистрирующих параметры теплоносителя.

Принципиальная схема размещения точек измерения массы (объема) теплоносителя, состав измеряемых и регистрируемых параметров приведены на рис. 2.

Рис. 2. Принципиальная схема размещения точек измерения массы (объема) теплоносителя и его регистрируемых параметров на источнике теплоты для паровых систем теплоснабжения

2.4. Определение количества тепловой энергии и теплоносителя, отпущенных в паровые системы теплоснабжения

2.4.1. Количество тепловой энергии, отпущенной источником теплоты, определяется как сумма количеств тепловой энергии, отпущенной по его выводам.

Количество тепловой энергии, отпущенной источником теплоты по каждому отдельному выводу, определяется как алгебраическая сумма произведений массы теплоносителя по каждому трубопроводу (паропроводу и конденсатопроводу) на соответствующие энтальпии. Масса теплоносителя в конденсатопроводе берется с отрицательным знаком.

Для определения количества тепловой энергии Q, отпущенной источником теплоты, используется формула:

                                 (2.2)

где k - количество узлов учета на паропроводах;

т - количество узлов учета на конденсатопроводах;

Di - масса пара, отпущенного источником теплоты по каждому паропроводу;

Gкj - масса конденсата, полученного источником по каждому конденсатопроводу;

hi - энтальпия пара в соответствующем паропроводе;

hкj - энтальпия конденсата в соответствующем конденсатопроводе;

hхв - энтальпия холодной воды, используемой для подпитки.

Средние значения энтальпии за соответствующий интервал времени определяются на основании измерений среднечасовых температур и давлений.

3. УЧЕТ ТЕПЛОВОЙ ЭНЕРГИИ И ТЕПЛОНОСИТЕЛЯ У ПОТРЕБИТЕЛЯ В ВОДЯНЫХ СИСТЕМАХ ТЕПЛОПОТРЕБЛЕНИЯ

3.1. Организация учета тепловой энергии и теплоносителя, полученных водяными системами теплопотребления

3.1.1. В открытых и закрытых системах теплопотребления на узле учета тепловой энергии и теплоносителя с помощью прибора (приборов) должны определяться:

время работы приборов узла учета;

полученная тепловая энергия;

масса (объем) теплоносителя, полученного по подающему трубопроводу и возвращенного по обратному трубопроводу;

масса (объем) теплоносителя, полученного по подающему трубопроводу и возвращенного по обратному трубопроводу за каждый час;

среднечасовая и среднесуточная температура теплоносителя в подающем и обратном трубопроводах узла учета.

В системах теплопотребления, подключенных по независимой схеме, дополнительно должна определяться масса (объем) теплоносителя, расходуемого на подпитку.

В открытых системах теплопотребления дополнительно должны определяться:

масса (объем) теплоносителя, израсходованного на водоразбор в системах горячего водоснабжения;

среднечасовое давление теплоносителя в подающем и обратном трубопроводах узла учета.

Среднечасовые и среднесуточные значения параметров теплоносителя определяются на основании показаний приборов, регистрирующих параметры теплоносителя.

Принципиальная схема размещения точек измерения массы (объема) теплоносителя, его температуры и давления, состав измеряемых и регистрируемых параметров теплоносителя в открытых системах теплопотребления приведены на рис. 3, в закрытых системах теплопотребления - на рис. 4.

Рис. 3 Принципиальная схема размещения точек измерения количества тепловой энергии и массы (объема) теплоносителя, а также его регистрируемых параметров в открытых системах теплопотребления

3.1.2. В открытых и закрытых системах теплопотребления, где суммарная тепловая нагрузка не превышает 0,5 Гкал/ч, масса (объем) полученного и возвращенного теплоносителя за каждый час и среднечасовые значения параметров теплоносителей могут не определяться.

Принципиальная схема размещения точек измерения массы (объема) теплоносителя и его параметров в открытых системах теплопотребления приведена на рис. 5, в закрытых системах теплопотребления - на рис. 6.

3.1.3. У потребителей в открытых и закрытых системах теплопотребления, суммарная тепловая нагрузка которых не превышает 0,1 Гкал/ч, на узле учета с помощью приборов можно определять только время работы приборов узла учета, массу (объем) полученного и возвращенного теплоносителя, а также массу (объем) теплоносителя, расходуемого на подпитку.

В открытых системах теплопотребления дополнительно должна определяться масса теплоносителя, израсходованного на водоразбор в системе горячего водоснабжения.

Принципиальная схема размещения точек измерения массы теплоносителя в открытых системах теплопотребления приведена на рис. 7, в закрытых системах теплопотребления - на рис. 8.

3.1.4. По согласованию с энергоснабжающей организацией количество полученной тепловой энергии в закрытых системах теплопотребления может определяться на основании измерений параметров теплоносителя в соответствии с принципиальными схемами, приведенными на рис. 9 или 10.

3.1.5. Узел учета тепловой энергии, массы (объема) и параметров теплоносителя оборудуется на тепловом пункте, принадлежащем потребителю, в месте, максимально приближенном к его головным задвижкам.

Рис. 4. Принципиальная схема размещения точек измерения количества тепловой энергии и массы (объема) теплоносителя, а также его регистрируемых параметров в закрытых системах теплопотребления

Рис. 5. Принципиальная схема размещения точек измерения количества тепловой энергии и массы (объема) теплоносителя в открытых системах теплопотребления с суммарной тепловой нагрузкой, не превышающей 0,5 Гкал/ч

Рис. 6. Принципиальная схема размещения точек измерения количества тепловой энергии и массы (объема) теплоносителя в закрытых системах теплопотребления с суммарной тепловой нагрузкой, не превышающей 0,5 Гкал/ч

Рис. 7. Принципиальная схема размещения точек измерения количества тепловой энергии и массы (объема) теплоносителя в открытых системах теплопотребления с суммарной тепловой нагрузкой, не превышающей 0,1 Гкал/ч

Рис. 8. Принципиальная схема размещения точек измерения количества тепловой энергии и массы (объема) теплоносителя в закрытых системах теплопотребления с суммарной тепловой нагрузкой, не превышающей 0,1 Гкал/ч

Рис. 9. Принципиальная схема размещения точек измерения количества тепловой энергии и массы (объема) теплоносителя только в подающем трубопроводе тепловой сети, а также его регистрируемых параметров в закрытых системах теплопотребления по согласованию с энергоснабжающей организацией

Рис. 10. Принципиальная схема размещения точек измерения количества тепловой энергии и массы (объема) теплоносителя только в обратном трубопроводе тепловой сети, а также его регистрируемых параметров в закрытых системах теплопотребления по согласованию с энергоснабжающей организацией

Для систем теплопотребления, у которых отдельные виды тепловых нагрузок подключены к внешним тепловым сетям самостоятельными трубопроводами, учет тепловой энергии, массы (объема) и параметров теплоносителя ведется для каждой самостоятельно подключенной нагрузки с учетом требований п. 3.1.1-3.1.4.

3.2. Определение количества тепловой энергии и теплоносителя, полученных водяными системами теплопотребления

3.2.1. Количество тепловой энергии и масса (объем) теплоносителя, полученные потребителем, определяются энергоснабжающей организацией на основании показаний приборов узла учета потребителя за период, определенный Договором, по формуле:

,                                    (3.1)

где Qи - тепловая энергия, израсходованная потребителем, по показаниям теплосчетчика;

Qп - тепловые потери на участке от границы балансовой принадлежности системы теплоснабжения потребителя до его узла учета. Эта величина указывается в Договоре и учитывается, если узел учета оборудован не на границе балансовой принадлежности;

Gп - масса сетевой воды, израсходованной потребителем на подпитку систем отопления, определенная по показаниям водосчетчика (учитывается для систем, подключенных к тепловым сетям по независимой схеме);

Gгв - масса сетевой воды, израсходованной потребителем на водоразбор, определенная по показаниям водосчетчика (учитывается для открытых систем теплопотребления);

Gу - масса утечки сетевой воды в системах теплопотребления. Ее величина определяется как разность между массой сетевой воды G1 по показанию водосчетчика, установленного на подающем трубопроводе, и суммарной массой сетевой воды (G2+Gгв) по показаниям водосчетчиков, установленных соответственно на обратном трубопроводе и трубопроводе горячего водоснабжения, Gy = [G1 - (G2 + Gгв)].

h2 - энтальпия сетевой воды на выводе обратного трубопровода источника теплоты;

hхв - энтальпия холодной воды, используемой для подпитки систем теплоснабжения на источнике теплоты.

Величины h2 и hхв определяются по измеренным на узле учета источника теплоты средним за рассматриваемый период значениям температур и давлений.

В системах теплопотребления, где приборами учета определяется только масса (объем) теплоносителя, количество израсходованной тепловой энергии Qи находится по формуле:

,                                                        (3.2)

где G1 - масса сетевой воды в подающем трубопроводе, полученная потребителем и определенная по его приборам учета;

h1 - энтальпия сетевой воды на выводе подающего трубопровода источника теплоты;

h2 - энтальпия сетевой воды на выводе обратного трубопровода источника теплоты;

Величины h1, h2 определяются по соответствующим измеренным на узле учета источника теплоты средним за рассматриваемый период значениям температур и давлений.

3.2.2. Показания теплосчетчика (теплосчетчиков), водосчетчика (водосчетчиков), а также регистрирующих приборов узла учета используются энергоснабжающей организацией для определения значений отклонений полученной тепловой энергии, массы и температуры теплоносителя от величин, нормируемых Договором.

3.2.3. Значения отклонений полученной тепловой энергии, массы и температуры теплоносителя от величин, нормируемых Договором, определяются энергоснабжающей организацией на основании показаний теплосчетчика (теплосчетчиков), водосчетчика (водосчетчиков), а также приборов, регистрирующих параметры теплоносителя.

Если на узле учета потребителя не используются приборы, регистрирующие параметры теплоносителя, порядок определения их значений нормируется Договором.

4. УЧЕТ ТЕПЛОВОЙ ЭНЕРГИИ И ТЕПЛОНОСИТЕЛЯ У ПОТРЕБИТЕЛЯ В ПАРОВЫХ СИСТЕМАХ ТЕПЛОПОТРЕБЛЕНИЯ

4.1. Организация учета тепловой энергии и теплоносителя, полученных паровыми системами теплопотребления

4.1.1. В паровых системах теплопотребления на узле учета тепловой энергии и теплоносителя с помощью приборов должны определяться:

время работы приборов узла учета;

полученная тепловая энергия;

масса (объем) полученного пара;

масса (объем) возвращенного конденсата;

масса (объем) получаемого пара за каждый час;

среднечасовые значения температуры и давления пара;

среднечасовая температура возвращаемого конденсата.

Среднечасовые значения параметров теплоносителя определяются на основании показаний приборов, регистрирующих эти параметры.

В системах теплопотребления, подключенных к тепловым сетям по независимой схеме, должна определяться масса (объем) конденсата, расходуемого на подпитку.

Принципиальная схема размещения точек измерения массы (объема) теплоносителя, его температуры и давления, состав измеряемых и регистрируемых параметров теплоносителя в паровых системах теплопотребления приведены на рис. 11.

Рис. 11. Принципиальная схема размещения точек измерения количества тепловой энергии и массы (объема) теплоносителя, а также его регистрируемых параметров в паровых системах теплопотребления

4.1.2. Узел учета тепловой энергии, массы (объема) и параметров теплоносителя оборудуется на вводе теплового пункта, принадлежащем потребителю, в местах, максимально приближенных к его головным задвижкам.

Для систем теплопотребления, у которых отдельные виды тепловых нагрузок подключены к внешним тепловым сетям самостоятельными трубопроводами, учет тепловой энергии, массы (объема) и параметров теплоносителя ведется для каждой самостоятельно подключенной нагрузки.

4.2. Определение количества тепловой энергии и теплоносителя, полученных паровыми системами теплопотребления

4.2.1. Количество тепловой энергии и масса (объем) теплоносителя, полученные потребителем, определяются энергоснабжающей организацией на основании показаний приборов его узла учета за определенный Договором период по формуле:

,                                       (4.1)

где Qи - тепловая энергия, израсходованная потребителем по показаниям теплосчетчика;

Qп - тепловые потери на участке от границы балансовой принадлежности системы теплоснабжения потребителя до его узла учета. Эта величина указывается в Договоре и учитывается, если узел учета оборудован не на границе балансовой принадлежности;

D - масса пара, полученная потребителем и определенная по его приборам учета;

Gк - масса возвращенного потребителем конденсата, определенная по его приборам учета;

hк - энтальпия конденсата в конденсатопроводе на источнике теплоты;

hхв - энтальпия холодной воды, используемой для подпитки систем теплоснабжения на источнике теплоты.

Величины hк и hхв определяются по соответствующим измеренным на узле учета источника теплоты средним за рассматриваемый период времени значениям температур и давлений.

4.2.2. Показания теплосчетчика (теплосчетчиков), счетчиков пара и конденсата, а также регистрирующих приборов узла учета используются энергоснабжающей организацией для определения отклонений от нормируемых Договором количества тепловой энергии, массы и температуры теплоносителя.

4.2.3. Значения отклонений тепловой энергии, массы и температуры теплоносителя от величин, нормируемых Договором, определяются энергоснабжающей организацией на основании показаний теплосчетчика (теплосчетчиков), счетчиков пара и конденсата, а также показаний приборов, регистрирующих параметры теплоносителя.

5. ОСНОВНЫЕ ТРЕБОВАНИЯ К ПРИБОРАМ УЧЕТА ТЕПЛОВОЙ ЭНЕРГИИ

5.1. Общие требования

5.1.1. Узел учета тепловой энергии оборудуется средствами измерения (теплосчетчиками, водосчетчиками, тепловычислителями, счетчиками пара, приборами, регистрирующими параметры теплоносителя и др.), зарегистрированными в Государственном реестре средств измерений и имеющими сертификат Главгосэнергонадзора Российской Федерации.

При использовании для учета тепловой энергии теплосчетчиков, тепловычислителей и счетчиков массы (объема), реализующих принцип измерения расхода теплоносителя методом переменного перепада давления (где в качестве сужающего устройства используется диафрагма, сопло или другое устройство, выполненное в соответствии с требованиями РД 50-411-83), узел учета должен быть аттестован в индивидуальном порядке Госстандартом и согласован с Госэнергонадзором.

5.1.2. Каждый прибор учета должен проходить поверку с периодичностью, предусмотренной для него Госстандартом. Приборы учета, у которых истек срок действия поверки и (или) сертификации, а также исключенные из реестра средств измерений, к эксплуатации не допускаются.

5.1.3. Выбор приборов для использования на узле учета источника теплоты осуществляет энергоснабжающая организация по согласованию с Госэнергонадзором.

5.1.4. Выбор приборов для использования на узле учета потребителя осуществляет потребитель по согласованию с энергоснабжающей организацией.

В случае разногласий между потребителем и энергоснабжающей организацией по типам приборов учета окончательное решение принимается Госэнергонадзором.

5.1.5. Приборы узла учета должны быть защищены от несанкционированного вмешательства в их работу, нарушающего достоверный учет тепловой энергии, массы (объема) и регистрацию параметров теплоносителя.

5.2. Требования к метрологическим характеристикам приборов учета

5.2.1. Настоящие Правила устанавливают требования к метрологическим характеристикам приборов учета, измеряющих тепловую энергию, массу (объем) воды, пара и конденсата и регистрирующих параметры теплоносителя для условий эксплуатации, определенных Договором.

5.2.2. Теплосчетчики должны обеспечивать измерение тепловой энергии горячей воды с относительной погрешностью не более:

± 5 %, при разности температур в подающем и обратном трубопроводах от 10 до 20 °С;

± 4 %, при разности температур в подающем и обратном трубопроводах более 20 °С.

5.2.3. Теплосчетчики должны обеспечивать измерение тепловой энергии пара с относительной погрешностью не более:

± 5% в диапазоне расхода пара от 10 до 30 %;

± 4% в диапазоне расхода пара от 30 до 100 %.

5.2.4. Водосчетчики должны обеспечивать измерение массы (объема) теплоносителя с относительной погрешностью не более ± 2 % в диапазоне расхода воды и конденсата от 4 до 100 %.

Счетчики пара должны обеспечивать измерение массы теплоносителя с относительной погрешностью не более ± 3% в диапазоне расхода пара от 10 до 100%.

5.2.5. Для прибора учета, регистрирующего температуру теплоносителя, абсолютная погрешность измерения температуры Dt, °C не должна превышать значений, определяемых по формуле:

                                                        (5.1)

где t - температура теплоносителя.

5.2.6. Приборы учета, регистрирующие давление теплоносителя, должны обеспечивать измерение давления с относительной погрешностью не более ± 2 %.

5.2.7. Приборы учета, регистрирующие время, должны обеспечивать измерение текущего времени с относительной погрешностью не более ± 0,1%.

6. ДОПУСК В ЭКСПЛУАТАЦИЮ УЗЛА УЧЕТА ТЕПЛОВОЙ ЭНЕРГИИ НА ИСТОЧНИКЕ ТЕПЛОТЫ

6.1. Допуск в эксплуатацию узла учета источника теплоты осуществляется представителем Госэнергонадзора в присутствии представителей источника теплоты и тепловых сетей, о чем составляется соответствующий Акт (Прил.  2). Акт составляется в 3-х экземплярах, один из которых получает представитель источника теплоты, второй - представитель Госэнергонадзора, а третий - представитель тепловых сетей. Акт допуска в эксплуатацию узла учета тепловой энергии на источнике теплоты должен быть утвержден руководителем подразделения Госэнергонадзора.

Для допуска узла учета тепловой энергии в эксплуатацию представитель источника теплоты должен предъявить:

принципиальные схемы подключения выводов источника;

проект на узел учета, согласованный с Госэнергонадзором;

паспорта на приборы узла учета;

документы о поверке приборов узла учета с действующим клеймом госповерителя;

схемы узла учета, согласованные с Госстандартом (это требование относится только к приборам, измеряющим массу или объем теплоносителя методом переменного перепада давления);

Акт о соответствии монтажа требованиям Правил измерения расхода газов и жидкостей стандартными сужающими устройствами РД 50-213-80 (это требование относится только к приборам, измеряющим расход теплоносителя методом переменного перепада давления);

смонтированный и проверенный на работоспособность узел учета тепловой энергии и теплоносителя, включая приборы, регистрирующие параметры теплоносителя.

6.2. При допуске узла учета в эксплуатацию должны быть проверены:

соответствие заводских номеров на приборы учета указанным в их паспортах;

соответствие диапазонов измерений устанавливаемых приборов учета диапазонам измеряемых параметров;

качество монтажа средств измерений и линий связи, а также соответствие монтажа требованиям паспорта и проектной документации;

наличие пломб.

6.3. В случае выявления несоответствия требованиям настоящих Правил узел учета в эксплуатацию не допускается и в Акте приводится полный перечень выявленных недостатков с указанием пунктов Правил, положения которых нарушены.

6.4. При допуске в эксплуатацию узла учета источника теплоты после получения Акта (Прил. 2) представитель Госэнергонадзора пломбирует приборы узла учета тепловой энергии и теплоносителя.

6.5. Узел учета источника теплоты считается пригодным для ведения учета отпуска тепловой энергии и теплоносителя с момента подписания Акта представителем источника теплоты, представителем подразделения Госэнергонадзора и представителем тепловых сетей.

6.6. Вызов представителей Госэнергонадзора и тепловых сетей для оформления допуска узла учета источника теплоты осуществляется не менее, чем за 10 дней до предполагаемого дня оформления узла учета; допуск в эксплуатацию должен быть произведен не позднее, чем через 15 дней с момента подачи заявки.

6.7. Перед каждым отопительным сезоном осуществляется проверка готовности узлов учета тепловой энергии к эксплуатации, о чем составляется соответствующий Акт (Прил. 3).

7. ДОПУСК В ЭКСПЛУАТАЦИЮ УЗЛА УЧЕТА ТЕПЛОВОЙ ЭНЕРГИИ У ПОТРЕБИТЕЛЯ

7.1. Допуск в эксплуатацию узлов учета потребителя осуще­ствляется представителем энергоснабжающей организации в присутствии представителя потребителя, о чем составляется соответствующий акт (прил. 4). Акт составляется в двух экземплярах, один из которых получает представитель потребителя, а другой - представитель энергоснабжающей организации. Акт допуска в эксплуатацию узла учета тепловой энергии у потребителя должен быть утвержден руководителем энергоснабжающей организации.

Для допуска узла учета тепловой энергии в эксплуатацию пред­ставитель потребителя должен предъявить:

принципиальную схему теплового пункта;

проект на узел учета, согласованный с энергоснабжающей организацией;

паспорта на приборы узла учета;

документы о поверке приборов узла учета с действующим клеймом госповерителя;

технологические схемы узла учета, согласованные с Госстандартом (это требование относится только к приборам, измеряющим массу или объем теплоносителя методом переменного перепада давления);

акт о соответствии монтажа требованиям Правил измерения расхода газов и жидкостей стандартными сужающими устройствами РД 50-213-80 (это требование относится только к приборам, измеря­ющим расход теплоносителя методом переменного перепада давления);

смонтированный и проверенный на работоспособность узел учета тепловой энергии и теплоносителя, включая приборы, регистрирующие параметры теплоносителя.

7.2. При допуске узла учета в эксплуатацию должны быть проверены:

соответствие заводских номеров на приборы учета указанным в их паспортах;

соответствие диапазонов измерений устанавливаемых приборов учета диапазонам измеряемых параметров;

качество монтажа средств измерений и линий связи, а также со­ответствие монтажа требованиям паспортов и проектной документации;

наличие пломб.

7.3. В случае выявления несоответствия требованиям настоящих Правил узел учета в эксплуатацию не допускается и в акте приво­дится полный перечень выявленных недостатков с указанием пунктов Правил, положения которых нарушены.

7.4. При допуске в эксплуатацию узла учета потребителя (после получения акта (прил. 4) представитель энергоснабжающей организации пломбирует приборы узла учета тепловой энергии и теплоносителя.

7.5.  Узел учета потребителя считается допущенным к ведению учета полученной тепловой энергии и теплоносителя после подпи­сания акта представителем энергоснабжающей организации и пред­ставителем потребителя.

Учет тепловой энергии и теплоносителя на основе показаний приборов узла учета потребителя осуществляется с момента подпи­сания акта о его приемке в эксплуатацию.

7.6.  Вызов потребителем представителя энергоснабжающей организации для оформления допуска узла учета осуществляется не менее, чем за 5 дней до предполагаемого дня оформления узла учета, а решение о допуске в эксплуатацию должно быть принято не позднее, чем через 10 дней с момента подачи заявки потреби­телем.

7.7. Перед каждым отопительным сезоном осуществляется про­верка готовности узлов учета тепловой энергии к эксплуатации, о чем составляется соответствующий акт (прил. 5).

8. ЭКСПЛУАТАЦИЯ УЗЛА УЧЕТА ТЕПЛОВОЙ ЭНЕРГИИ НА ИСТОЧНИКЕ ТЕПЛОТЫ

8.1. Узел учета тепловой энергии на источнике теплоты должен эксплуатироваться в соответствии с технической документацией, указанной в п.6.1 настоящих Правил.

8.2. За техническое состояние приборов узла учета источника теплоты несет ответственность указанное в Акте допуска узла учета в эксплуатацию должностное лицо организации, на балансе которой находится узел учета.

8.3. Узел учета источника теплоты эксплуатируется персоналом источника теплоты.

8.4. Руководитель источника теплоты должен по первому требованию обеспечить представителям Госэнергонадзора и тепловых сетей беспрепятственный доступ на узел учета тепловой энергии и предоставить им для ознакомления документацию, относящуюся к узлу учета.

Беспрепятственный доступ обеспечивается также представителю потребителя, если учет получаемой потребителем тепловой энергии производится по приборам учета, установленным на узле учета источника теплоты.

8.5. Нарушение требований эксплуатации, определенных технической документацией, указанной в п. 6.1 настоящих Правил, приравнивается к выходу из строя узла учета тепловой энергии источника.

Время выхода из строя узла учета тепловой энергии источника теплоты фиксируется соответствующей записью в журнале с немедленным (не более чем в течение суток) уведомлением об этом Госэнергонадзора и тепловых сетей.

8.6. Узел учета тепловой энергии считается вышедшим из строя в случаях:

несанкционированного вмешательства в его работу;

нарушения пломб на оборудовании узла учета, линий электрических связей;

механического повреждения приборов и элементов узла учета;

работы любого из них за пределами норм точности, установленных в разделе 5;

врезок в трубопроводы, не предусмотренных проектом узла учета.

Представитель источника теплоты обязан также сообщить в Госэнергонадзор и тепловые сети данные о показаниях приборов узла учета на момент их выхода из строя.

Порядок ведения учета тепловой энергии и теплоносителя, а также его параметров после выхода из строя приборов узла учета принимается совместным решением представителями источника теплоты и тепловых сетей и оформляется Протоколом.

Представитель источника теплоты обязан сообщить представителю потребителя о выходе из строя прибора (приборов) узла учета, если учет получаемой тепловой энергии осуществляется по приборам учета, установленным на узле учета источника теплоты, и передать потребителю данные показаний приборов на момент их выхода из строя.

Взаимоотношения между энергоснабжающей организацией и потребителем в этих случаях регламентируются Договором.

8.7. Показания приборов данного узла учета источника теплоты ежесуточно, в одно и то же время, фиксируются в журналах. Рекомендуемая форма их дана в Прил. 6. Время начала записей показаний приборов узла учета в журнале фиксируется в Акте допуска узла учета в эксплуатацию. К журналам должны быть приложены записи показаний приборов, регистрирующих параметры теплоносителя.

8.8. Периодическую проверку узлов учета источника теплоты осуществляют представитель Госэнергонадзора и тепловых сетей в присутствии представителя источника теплоты, а также представителя потребителя, если учет потребляемой тепловой энергии производится по приборам учета, установленным на узле учета источника теплоты.

9. ЭКСПЛУАТАЦИЯ УЗЛА УЧЕТА ТЕПЛОВОЙ ЭНЕРГИИ У ПОТРЕБИТЕЛЯ

9.1. Узел учета тепловой энергии у потребителя должен эксплуатироваться в соответствии с технической документацией, указанной в п. 7.1 настоящих Правил.

9.2. Ответственность за эксплуатацию и текущее обслуживание узла учета потребителя несет должностное лицо, назначенное руководителем организации, в чьем ведении находится данный узел учета.

9.3. Работы по обслуживанию узла учета, связанные с демонтажом, поверкой, монтажом и ремонтом оборудования, должны выполняться персоналом специализированных организаций, имеющих лицензию Главгосэнергонадзора на право выполнения таких работ.

9.4. Руководитель организации, в ведении которой находится узел учета тепловой энергии потребителя, должен по первому требованию представителей энергоснабжающей организации и Госэнергонадзора обеспечить им беспрепятственный доступ на узел учета тепловой энергии.

9.5. Показания приборов узла учета потребителя ежесуточно, в одно и то же время, фиксируются в журналах. Рекомендуемые формы этих документов даны в прил.  7 и 8. Время начала записей показаний приборов узла учета в журнале фиксируется Актом допуска узла учета в эксплуатацию. К журналу прилагаются записи показаний приборов, регистрирующих параметры теплоносителя.

9.6. В срок, определенный договором, потребитель обязан представить в энергоснабжающую организацию копию журналов учета тепловой энергии и теплоносителя, а также записи показаний приборов, регистрирующих параметры теплоносителя.

В случае отказа в приеме копии журнала учета и записей показаний приборов, используемых для расчета с потребителем за полученные тепловую энергию и теплоноситель, энергоснабжающая организация должна в 3-х дневный срок уведомить потребителя в письменной форме о причинах отказа со ссылкой на соответствующие пункты настоящих Правил и договора.

9.7. Нарушение требований эксплуатации, изложенных в технической документации, перечисленной в п. 7.1 настоящих Правил, приравнивается к выходу из строя узла учета тепловой энергии потребителя. Время выхода из строя узла учета фиксируется соответствующей записью в журнале с немедленным (не более чем в течение суток) уведомлением об этом энергоснабжающей организации и оформляется протоколом.

Представитель потребителя обязан сообщить в энергоснабжающую организацию данные о показаниях приборов узла учета на момент их выхода из строя.

9.8. При выходе из строя приборов учета, с помощью которых определяются количество тепловой энергии и масса (объем) теплоносителя, а также приборов, регистрирующих параметры теплоносителя, ведение учета тепловой энергии и массы (объема) теплоносителя и регистрация его параметров (на период в общей сложности не более 15 суток в течение года с момента приемки узла учета на коммерческий расчет) осуществляются на основании показаний этих приборов, взятых за предшествующие выходу из строя 3 суток с корректировкой по фактической температуре наружного воздуха на период пересчета.

9.9. При несвоевременном сообщении потребителем о нарушении режима и условий работы узла учета и о выходе его из строя узел учета считается вышедшим из строя с момента его последней проверки энергоснабжающей организацией. В этом случае количество тепловой энергии, масса (объем) теплоносителя и значения его параметров определяются энергоснабжающей организацией на основании расчетных тепловых нагрузок, указанных в Договоре, и показаний приборов узла учета источника теплоты.

9.10. Узел учета тепловой энергии считается вышедшим из строя в случаях:

несанкционированного вмешательства в его работу;

нарушения пломб на оборудовании узла учета, линий электрических связей;

механического повреждения приборов и элементов узла учета;

работы любого из них за пределами норм точности, установленными в разделе 5;

врезок в трубопроводы, не предусмотренных проектом узла учета.

При этом положения п. 9.8 на этих потребителей не распространяются, а расчеты с такими потребителями осуществляются энергоснабжающей организацией на основании расчетных тепловых нагрузок, указанных в Договоре, и показаний приборов узла учета источника теплоты с момента последней проверки энергоснабжающей организацией узла учета потребителя.

9.11. После истечения срока действия Государственной поверки хотя бы одного из приборов узла учета тепловой энергии и теплоносителя показания приборов этого узла учета не учитываются при взаимных расчетах между энергоснабжающей организацией и потребителем. Узел учета считается вышедшим из строя по п. 9.9.

9.12. После восстановления работоспособности узла учета тепловой энергии и теплоносителя потребителя допуск его в эксплуатацию осуществляется в соответствии с положениями раздела 7 настоящих Правил, о чем составляется Акт по Прил. 5.

9.13. Периодическую проверку узлов учета потребителя осуществляют представители эпергоснабжающей организации и (или) Госэнергонадзора в присутствии представителя потребителя.

9.14. Потребитель имеет право потребовать, а энергоснабжающая организация обязана предоставить ему результаты расчетов количества тепловой энергии, массы (объема) и параметров теплоносителя, выполненных в соответствии с требованиями п. 3.2, 4.2.

ПРИЛОЖЕНИЕ 1

СООТНОШЕНИЕ МЕЖДУ ЕДИНИЦАМИ ИЗМЕРЕНИЙ В МЕЖДУНАРОДНОЙ СИСТЕМЕ ЕДИНИЦ (СИ) И СИСТЕМЕ МКГСС

Величина

Размерность

Коэффициент

перевода приме­няемой единицы измерения в еди­ницу системы СИ

Рекомендованные

десятичные, крат­ные и дольные единицы от единиц СИ

Единицы,

допускаемые к применению наравне с единицами СИ

Единицы

измерения, обязатель­ные для применения в энергетике

Общий вид

В системе МКГСС

В системе СИ

Линейные

L

м

м

10-2 м

км; см; мм; мкм

-

км; м; см; мм;

 

 

см

 

 

 

 

мкм

Масса

М

т

кг

103 кг

г; мг, мкг

т

т; кг; г;

 

 

кг

 

-

 

 

мг; мкг

 

 

мг

 

10-6 кг

 

 

 

 

 

мкг

 

10-9 кг

 

 

 

Время

Т

с, мин,

c

60с;

кс; мс; мкс

мин; ч; сут; мес

с; мин; ч; сут

 

 

ч. сут

 

3600 с; 86 400 с

 

 

 

Температура

Q

°С

К

tC]+273,15 К

 -

К; °С

Давление

L-1

кгс/см2

Па

98066,5 Па

МПа; кПа; ГПа

МПа; кПа;

 

МТ-2

мм в ст.

 

9,80665 Па

 

 

ГПа;

 

 

мм рт. ст.

 

133,32 Па

 

 

Па

 

 

бар

 

105 Па

 

 

 

Расход

МТ-1

кг/ч

кг/с

2,7778´10-4 кг/с

кг/ч; т/ч; кг/с

массовый

 

т/ч

 

0,27778 кг/с

 

 

 

Энергия,

L2MT-2

кал

Дж

4,1868 Дж

ГДж;МДж;

ГДж; МДж;

количество

 

ккал

 

4186,8 Дж

кДж; мДж

 

кДж; Дж;

теплоты

 

Мкал

 

4,1868´106 Дж

 

 

Гкал; Мкал;

 

 

Гкал

 

4,1868´109 Дж

 

 

ккал; кал

Энтальпия,

Л2T-2

ккал/кг

Дж/кг

4186,8 Дж/кг

кДж/кг;

кДж/кг;

удельное

 

кал/г

 

4,1868 Дж/кг

МДж/кг

 

ккал/кг;

количество

 

 

 

 

 

 

 

теплоты

 

 

 

 

 

 

 

Тепловой

L2MT-3

кал/с

Вт

4,1868 Вт

 -

кал/с;

поток,

 

 

 

 

 

 

ккал/ч;

мощность

 

ккал/ч

(ватт)

1,1630 Вт

 

 

Гкал/ч;

 

 

 

 

 

 

 

МВт;

 

 

Гкал/ч

 

1,1630´106 Вт

 

 

кВт; Вт

Удельная

L2T-2

кал/(г´К)

Дж/

4,1868´103

Дж/(кг´К)

кДж/(кг´К)

теплоем­кость

Q-1

 

/(кг´К)

Дж/(кг´К)

 

 

ккал/(кг´К)

Примечание. При измерении расхода теплоносителя в единицах объема масса теплоносителя определяется по формуле

G = 0,001 Gop,

где Go - расход теплоносителя в единицах объема;

р - плотность теплоносителя, определяемая по средним значениям температуры теплоносителя и его абсолютного давления за рассматриваемый период времени.

Плотность теплоносителя определяется по нормативно-техническим материалам, указанным в п. 1.5 настоящих Правил.

ПРИЛОЖЕНИЕ 2

УТВЕРЖДАЮ                          

Руководитель подразделения Госэнергонадзора

"_____"_______________________200___г.

АКТ

допуска в эксплуатацию узла учета тепловой энергии на источнике теплоты

Произведен технический осмотр приборов узла учета тепловой энергии источника_________________________________________________________________

по адресу__________________________________________________________________

__________________________________________________________________________

и проверена комплектность необходимой технической документации, в результате чего установлено:_______________________________________________________________

__________________________________________________________________________

(указать соответствие или несоответствие пунктам настоящих Правил)

На основании изложенного Госэнергонадзор допускает (не допускает) в эксплуатацию узел учета тепловой энергии на источнике теплоты

с "_____"________ 200___ г. по "_____"_________200___ г. в следующем составе оборудования и пломбирует:

Тип прибора

Заводской номер

Показания прибора на момент допуска

Место установки и наличие пломбы

1

2

3

4

 

 

 

 

 

 

 

 

 

 

 

 

 

 

 

 

Представитель подразделения Госэнергонадзора ________________________________

__________________________________________________________________________

(должность, фамилия, номер телефона)

подпись ______________

Представитель источника теплоты ____________________________________________

__________________________________________________________________________

(должность, фамилия, номер телефона)

подпись_______________

Представитель тепловых сетей или потребителя_________________________________

__________________________________________________________________________

(должность, фамилия, номер телефона)

подпись____________

 

ПРИЛОЖЕНИЕ 3

УТВЕРЖДАЮ                          

Руководитель подразделения Госэнергонадзора

"______"_____________________200___г.

АКТ

повторного допуска в эксплуатацию узла учета тепловой энергии на источнике теплоты

Произведен технический осмотр приборов узла учета тепловой энергии источника__________________________________________________________________

по адресу___________________________________________________________________

___________________________________________________________________________

и проверена комплектность необходимой технической документации, в результате чего установлено:________________________________________________________________

(указать соответствие или несоответствие пунктам настоящих Правил)

На основании изложенного Госэнергонадзор допускает (не допускает) в эксплуатацию узел учета тепловой энергии на источнике теплоты

с "_____"_____________200 г. по "_____"_______________200 г. в следующем составе оборудования и пломбирует:

Тип прибора

Заводской номер

Показания прибора на момент допуска

Место установки и наличие пломбы

1

2

3

4

 

 

 

 

 

 

 

 

 

 

 

 

 

 

 

 

 

 

 

 

 

 

 

 

 

 

 

 

 

 

 

 

 

 

 

 

 

 

 

 

Представитель подразделения Госэнергонадзора ________________________________

__________________________________________________________________________

(должность, фамилия, номер телефона)

подпись____________

Представитель источника теплоты ____________________________________________

__________________________________________________________________________

(должность, фамилия, номер телефона)

подпись____________

Представитель тепловых сетей или потребителя_________________________________

__________________________________________________________________________

(должность, фамилия, номер телефона)

подпись____________

 

 

ПРИЛОЖЕНИЕ 4

УТВЕРЖДАЮ                          

Руководитель энергоснабжающей организации

__________________________________

"_____"_________________200___г.

АКТ

допуска в эксплуатацию узла учета тепловой энергии у потребителя

Произведен технический осмотр приборов узла учета тепловой энергии потребителя________________________________________________________________

(наименование потребителя и его абонентский номер)

по адресу___________________________________________________________________

___________________________________________________________________________

и проверена комплектность необходимой технической документации, в результате чего установлено:________________________________________________________________

(указать соответствие или несоответствие пунктам настоящих Правил)

На основании изложенного узел учета тепловой энергии допускается (не допускается) в эксплуатацию

с "___"___________200 г. по "___"___________200 г. в следующем составе оборудования и пломбируется:

Тип прибора

Заводской номер

Показания прибора на момент допуска

Место установки и наличие пломбы

1

2

3

4

 

 

 

 

 

 

 

 

 

 

 

 

 

 

 

 

 

 

 

 

 

 

 

 

 

 

 

 

 

 

 

 

Представитель энергоснабжающей организации________________________________

__________________________________________________________________________

(должность, фамилия, номер телефона)

подпись______________

Ответственный представитель потребителя_____________________________________

___________________________________________________________________________

(должность, фамилия, номер телефона)

подпись_______________

 

 

ПРИЛОЖЕНИЕ 5

УТВЕРЖДАЮ                               

Руководитель энергоснабжающей организации

"_____"______________________199___г.

АКТ

повторного допуска в эксплуатацию узла учета тепловой энергии у потребителя

Произведен технический осмотр приборов узла учета тепловой энергии потребителя_______________________________________________________________

(наименование потребителя и его абонентский номер)

по адресу__________________________________________________________________

__________________________________________________________________________

и проверена комплектность необходимой технической документации, в результате чего установлено:________________________________________________________________

(указать соответствие или несоответствие пунктам настоящих Правил)

На основании изложенного узел учета тепловой энергии допускается (не допускается) в эксплуатацию

с "___"___________200 г. по "___"___________200 г. в следующем составе оборудования и пломбируется:

Тип прибора

Заводской номер.

Показания прибора на момент допуска

Место установки и наличие пломбы

1

2

3

4

 

 

 

 

 

 

 

 

 

 

 

 

 

 

 

 

 

 

 

 

 

 

 

 

 

 

 

 

 

 

 

 

Представитель энергоснабжающей организации_________________________________

__________________________________________________________________________

(должность, фамилия, номер телефона)

подпись______________

Ответственный представитель потребителя_____________________________________

__________________________________________________________________________

(должность, фамилия, номер телефона)

подпись______________

 

 

ПРИЛОЖЕНИЕ 6

РЕКОМЕНДУЕМЫЕ ФОРМЫ ЖУРНАЛОВ УЧЕТА ТЕПЛОВОЙ ЭНЕРГИИ НА ИСТОЧНИКЕ ТЕПЛОТЫ

Форма П6.1

Ведомость учета суточного отпуска теплоносителя и тепловой энергии источником теплоты

 

Номер (наименование) магистрали

Итого отпущено

Показатель отпуска тепловой энергии

паровой

водяной

В паре

В сетевой воде

Всего по источнику теплоты

Количество отпущенного пара, сетевой воды, т:

 

 

 

 

 

За сутки

 

 

 

 

 

С начала месяца

 

 

 

 

 

Температура пара или воды в подающем трубопроводе, °С

 

 

 

 

 

Давление пара, МПа (кгс/см2)

 

 

 

 

 

Количество возвращенного конденсата или обратной сетевой воды, т:

 

 

 

 

 

За сутки

 

 

 

 

 

С начала месяца

 

 

 

 

 

Температура конденсата или обратной сетевой воды, °С

 

 

 

 

 

Расход воды на подпитку. водяной тепловой сети, т

 

 

 

 

 

За сутки

 

 

 

 

 

С начала месяца

 

 

 

 

 

Количество тепловой энергии в конденсате, ГДж (Гкал)

 

 

 

 

 

Количество тепловой энергии в подпиточной воде, ГДж (Гкал)

 

 

 

 

 

Температура воды в холодном источнике водоснабжения, °С

 

 

 

 

 

Отпущено тепловой энергии с паром или сетевой водой, ГДж (Гкал)

 

 

 

 

 

За сутки

 

 

 

 

 

С начала месяца

 

 

 

 

 

Расход тепловой энергии с паром, сетевой водой, ГДж (Гкал)

 

 

 

 

 

Расход тепловой энергии на хозяйственные нужды источника теплоты, ГДж (Гкал)

 

 

 

 

 

Всего выработано тепловой энергии (отпуск и хозяйственные нужды), ГДж (Гкал)

 

 

 

 

 

За сутки

 

 

 

 

 

С начала месяца

 

 

 

 

 

Начальник производственного отдела ______________________________________

подпись, фамилия, инициалы

Дежурный инженер источника теплоты ______________________________________          

подпись, фамилия, инициалы

Форма П6.2

ВЕДОМОСТЬ УЧЕТА СУТОЧНОГО ОТПУСКА ТЕПЛОНОСИТЕЛЯ И ТЕПЛОВОЙ ЭНЕРГИИ ИСТОЧНИКОМ ТЕПЛОТЫ______________ ЗА _________МЕСЯЦ 200__ Г.

 

ВОДЯНЫЕ ТЕПЛОВЫЕ СЕТИ

ПАРОВЫЕ СЕТИ

Температура, °С

Количество сетевой воды, т

Количество от­пущенной теп­ловой энергии, ГДж (Гкал)

Величина подпитки, т

Температура, °С

Давле­ние пара,

МПа

Попра­вочный

коэф­фици-

ент на факти­ческие

пара­метры пара

Количество, т

Количество отпущенной тепловой

энергии, ГДж (Гкал)

Темпе­ратура воды в

системе холод­ного

водо­снабже­ния, °С

Дата

наруж­ного воздуха

 

в подаю­щем

трубо­про­воде

в обрат­ном

трубо­про­воде

за сутки

 

с начала месяца

 

за сутки

 

с начала месяца

 

за сутки

 

с начала месяца

 

пара

 

кон­денсата

 

пара

конденсата

 

за сутки

сначала месяца

за сутки

сначала месяца

за сутки

сначала месяца

1

2

3

4

5

6

7

8

9

10

11

12

13

14

15

16

17

18

19

20

21

 

 

 

 

 

 

 

 

 

 

 

 

 

 

 

 

 

 

 

 

 

Форма П 6.3

АКТ №______

От "____" ____________ 199____ г.

о месячном отпуске тепловой энергии от источника теплоты энергосистемы

______________ за ______ 200____ г.

Комиссия в составе представителя источника теплоты_________________________

___________________________________________________________________________

должность, ФИО

и представителя_____________________________________________________________

тепловых сетей или потребителя

___________________________________________________________________________

должность, ФИО

составила настоящий Акт о том, что

I. За отчетный период выявлены неисправности в техническом состоянии следующих приборов учета:

Номер магистрали

Наименование и номер прибора

Обнаруженные неисправности

Решение комиссии о порядке учета теплоты за истекший месяц и о мерах по устранению неисправностей прибора

 

 

 

 

II. Отпуск тепловой энергии от источника теплоты за отчетный период с «_____»___________200__ г. по «____».__________200___ г. на основании данных журнала учета и решения по п. I настоящего Акта состояния

 

 

А. ПО ПАРОВЫМ МАГИСТРАЛЯМ

1. Отпуск пара

Источник пара

Номер

паропровода

Р, МПа

(кгс/см2)

t, °С

h, кДж/кг (ккал/кг)

Отпущено за отчетный период

т

ГДж (Гкал)

 

 

 

 

 

 

 

Итого

 

 

2. Возврат конденсата

Номер

Температура,

Возвращено за отчетный период

конденсатопровода

°С

т

ГДж (Гкал)

 

 

 

 

 

 

 

 

Итого

 

 

3. Полезный отпуск тепловой энергии (нетто) по паровым магистралям,

исходя из средней температуры холодной воды tхв

Номер магистрали 

Отпущено за отчетный период

т

ГДж (Гкал)

 

 

 

 

 

 

Итого

 

 

Б. ПО ВОДЯНЫМ МАГИСТРАЛЯМ

1. Отпуск тепловой энергии в сеть

Номер или

Среднемесячная температура воды, °С

Отпущено за отчетный период

наименование тепломагистрали

в подающем трубопроводе

в обратном трубопроводе

т

ГДж (Гкал)

 

 

 

 

 

 

 

 

 

 

Итого

 

 

2. Тепловая энергия с подпиткой

Номер тепломагистрали

Отпущено за отчетный период

 

т

ГДж (Гкал)

 

 

 

 

 

 

Итого

 

 

В. СУММАРНЫЙ ПОЛЕЗНЫЙ ОТПУСК ТЕПЛОНОСИТЕЛЯ

И ТЕПЛОВОЙ ЭНЕРГИИ ЗА МЕСЯЦ (с паром и водой)
_______т, _____ГДж (Гкал)

Г. НА ХОЗЯЙСТВЕННЫЕ НУЖДЫ ИСТОЧНИКА ТЕПЛОТЫ

Вид теплоносителя

Израсходованы за отчетный период

 

т

ГДж (Гкал)

Свежий пар

 

 

Отборный пар

 

 

Сетевая вода

 

 

Итого

 

 

Д. СУММАРНЫЙ ОТПУСК ТЕПЛОНОСИТЕЛЯ

И ТЕПЛОВОЙ ЭНЕРГИИ ОТ ИСТОЧНИКА ТЕПЛОТЫ (включая хозяйственные нужды)

Вид теплоносителя 

Израсходованы за отчетный период

т

ГДж (Гкал)

Пар

 

 

Горячая вода

 

 

Итого

 

 

Е. ОТПУСК ТЕПЛОНОСИТЕЛЯ И ТЕПЛОВОЙ ЭНЕРГИИ ОТДЕЛЬНЫМ ПОТРЕБИТЕЛЯМ НЕПОСРЕДСТВЕННО С КОЛЛЕКТОРА ИСТОЧНИКА ТЕПЛОТЫ

1. По паровым магистралям

Наименование потребителя и магистрали 

Отпуск пара (брутто)

Возврат конденсата

Полезный отпуск тепловой энергии

т 

ГДж (Гкал) 

т 

ГДж (Гкал) 

Всего ГДж (Гкал) 

В том числе сверх максимально разрешенной тепловой нагрузки

т

ГДж (Гкал)

 

 

 

 

 

 

 

 

Итого

 

 

 

 

 

 

 

2. По водяным магистралям

 

Среднемесячная температура, °С

Месячный расход воды, т

Полезный отпуск тепловой

Наименование потребителя

в подающем трубопроводе

в обратном трубопроводе

сетевой

подпиточной

энергии, ГДж (Гкал)

 

 

 

 

 

 

Итого

 

 

 

Ж. ПОТРЕБЛЕНИЕ ЭЛЕКТРОЭНЕРГИИ ПРИВОДОМ СЕТЕВЫХ НАСОСОВ

Номер сетевого насоса 

Номер или наименование магистрали,

питаемой дан­ным сетевым насосом

Показания счетчиков на последнее число периода

Разница показаний за отчетный

период

Расход электроэнер­гии за

отчетный период, кВт×ч

Продолжительность работы насоса за отчетный период, ч 

предыду­щего

отчетного

 

 

 

 

 

 

 

Итого по источнику теплоты

 

 

 

Представитель источника теплоты                            ______________________________

(должность, ФИО, подпись)

Представитель тепловых сетей или потребителя     ______________________________

(должность, ФИО, подпись)

ПРИЛОЖЕНИЕ 7

РЕКОМЕНДУЕМАЯ ФОРМА ЖУРНАЛА УЧЕТА ТЕПЛОВОЙ ЭНЕРГИИ И ТЕПЛОНОСИТЕЛЯ У ПОТРЕБИТЕЛЯ В ВОДЯНЫХ СИСТЕМАХ ТЕПЛОПОТРЕБЛЕНИЯ

Название потребителя______________________________________________________

Абонент № _____________Адрес____________________________________________

Ответственное лицо за учет _________________________________________________

Телефон _________________________________________________________________

Коэффициенты пересчета для приборов_______________________________________

 

Дата

Время

Показания приборов

Масса (объем) воды, т (м3)

Величина

тепловой энергии, Гкал (ГДж)

 

Время работы, ч

подающий трубопровод

обратный трубопровод

на водоразбор

на подпитку

1

2

3

4

5

6

7

8

 

 

 

 

 

 

 

 

ПРИЛОЖЕНИЕ 8

РЕКОМЕНДУЕМАЯ ФОРМА ЖУРНАЛА УЧЕТА ТЕПЛОВОЙ ЭНЕРГИИ И ТЕПЛОНОСИТЕЛЯ У ПОТРЕБИТЕЛЯ В ПАРОВЫХ СИСТЕМАХ ТЕПЛОПОТРЕБЛЕНИЯ

Название потребителя______________________________________________________

Абонент № ___________Адрес______________________________________________

Ответственное лицо за учет _________________________________________________

Телефон _________________________________________________________________

Коэффициенты пересчета для приборов_______________________________________

Дата

Время

Показания приборов

Масса (объем) теплоносителя, т (м3)

Величина

тепловой энергии, ГДж (Гкал)

Время работы, ч

паропровод

конденсатопровод

на подпитку

1

2

3

4

5

6

7

 

 

 

 

 

 

 

 

 

 

 

 

 

 

СОДЕРЖАНИЕ

ПРЕДИСЛОВИЕ. 1

ТЕРМИНЫ И ОПРЕДЕЛЕНИЯ.. 1

УСЛОВНЫЕ ОБОЗНАЧЕНИЯ.. 2

1. ОБЩИЕ ПОЛОЖЕНИЯ.. 3

2. УЧЕТ ТЕПЛОВОЙ ЭНЕРГИИ И ТЕПЛОНОСИТЕЛЯ НА ИСТОЧНИКЕ ТЕПЛОТЫ... 4

2.1. Организация учета тепловой энергии и теплоносителя, 4

отпущенных в водяные системы теплоснабжения. 4

2.2. Определение количества тепловой энергии и теплоносителя, отпущенных в водяные системы теплоснабжения. 5

2.3. Организация учета тепловой энергии и теплоносителя, отпущенных в паровые системы теплоснабжения. 6

2.4. Определение количества тепловой энергии и теплоносителя, отпущенных в паровые системы теплоснабжения. 6

3. УЧЕТ ТЕПЛОВОЙ ЭНЕРГИИ И ТЕПЛОНОСИТЕЛЯ У ПОТРЕБИТЕЛЯ В ВОДЯНЫХ СИСТЕМАХ ТЕПЛОПОТРЕБЛЕНИЯ.. 7

3.1. Организация учета тепловой энергии и теплоносителя, полученных водяными системами теплопотребления. 7

3.2. Определение количества тепловой энергии и теплоносителя, полученных водяными системами теплопотребления. 10

4. УЧЕТ ТЕПЛОВОЙ ЭНЕРГИИ И ТЕПЛОНОСИТЕЛЯ У ПОТРЕБИТЕЛЯ В ПАРОВЫХ СИСТЕМАХ ТЕПЛОПОТРЕБЛЕНИЯ.. 11

4.1. Организация учета тепловой энергии и теплоносителя, полученных паровыми системами теплопотребления. 11

4.2. Определение количества тепловой энергии и теплоносителя, полученных паровыми системами теплопотребления. 11

5. ОСНОВНЫЕ ТРЕБОВАНИЯ К ПРИБОРАМ УЧЕТА ТЕПЛОВОЙ ЭНЕРГИИ.. 12

5.1. Общие требования. 12

5.2. Требования к метрологическим характеристикам приборов учета. 12

6. ДОПУСК В ЭКСПЛУАТАЦИЮ УЗЛА УЧЕТА ТЕПЛОВОЙ ЭНЕРГИИ НА ИСТОЧНИКЕ ТЕПЛОТЫ... 13

7. ДОПУСК В ЭКСПЛУАТАЦИЮ УЗЛА УЧЕТА ТЕПЛОВОЙ ЭНЕРГИИ У ПОТРЕБИТЕЛЯ.. 13

8. ЭКСПЛУАТАЦИЯ УЗЛА УЧЕТА ТЕПЛОВОЙ ЭНЕРГИИ НА ИСТОЧНИКЕ ТЕПЛОТЫ... 14

9. ЭКСПЛУАТАЦИЯ УЗЛА УЧЕТА ТЕПЛОВОЙ ЭНЕРГИИ У ПОТРЕБИТЕЛЯ.. 15

ПРИЛОЖЕНИЕ 1. 16

ПРИЛОЖЕНИЕ 2. 16

ПРИЛОЖЕНИЕ 3. 17

ПРИЛОЖЕНИЕ 4. 17

ПРИЛОЖЕНИЕ 5. 18

ПРИЛОЖЕНИЕ 6. 18

ПРИЛОЖЕНИЕ 7. 22

ПРИЛОЖЕНИЕ 8. 22

 




Rambler's Top100 Яндекс цитирования
  Copyright © 2008-2026, www.docload.ru