ГОСУДАРСТВЕННЫЕ СТАНДАРТЫ
Единая система конструкторской документации
ОБОЗНАЧЕНИЯ УСЛОВНЫЕ ГРАФИЧЕСКИЕ В СХЕМАХ
ЭЛЕМЕНТЫ АНАЛОГОВОЙ ТЕХНИКИ
ГОСТ 2.759-82
(CT СЭВ 3336-81)
ИПК ИЗДАТЕЛЬСТВО СТАНДАРТОВ
Москва 1998
ГОСУДАРСТВЕННЫЙ
СТАНДАРТ СОЮЗА ССР
|
Единая система конструкторской документации
ОБОЗНАЧЕНИЯ УСЛОВНЫЕ ГРАФИЧЕСКИЕ В СХЕМАХ.
ЭЛЕМЕНТЫ АНАЛОГОВОЙ ТЕХНИКИ
Unified system for design documentation.
Graphic designations in diagrams.
Elements of analogue technique
|
ГОСТ
2.759-82
(CT СЭВ 3336-81)
|
Дата
введения 01.07.83
Настоящий
стандарт устанавливает общие принципы построения условных графических
обозначений элементов аналоговой техники в схемах, выполняемых вручную или
автоматизированным способом, во всех отраслях промышленности.
1.1. Условные графические обозначения (УГО) аналоговых элементов
должны соответствовать требованиям ГОСТ 2.743 и настоящего стандарта.
1.2. Условное
графическое обозначение аналогового элемента должно иметь форму прямоугольника.
УГО содержит основное поле и может содержать одно или два дополнительных поля,
которые располагают на противоположных сторонах основного поля.
1.3. Размеры УГО
определяются:
количеством
входных и выходных линий;
количеством
строк информации в основном и дополнительном полях;
количеством
знаков, помещаемых в одной строке;
наличием
дополнительных полей;
размером шрифта.
1.4. В основном поле
УГО на первой строке помещают обозначение функции, выполняемой аналоговым
элементом, состоящее из букв латинского алфавита, цифр и специальных знаков,
записанных без пробела.
1.5. Для
обозначения сложной функции элемента допускается построение обозначения,
составленного из более простых обозначений функций. Например, обозначение
функции интегрирующего усилителя состоит из символов интегрирования и усиления:

1.6.
Дополнительные данные по ГОСТ 2.708-81 помещают в основном поле УГО под
обозначением функции со следующей строки в последовательности, установленной
указанным стандартом.
1.7. Обозначение аналоговых и цифровых сигналов приведено в табл. 1.
Таблица 1
(Измененная редакция, Изм. № 1).
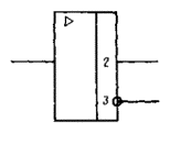
1.8. Входы
аналогового элемента изображают с левой стороны, выходы - с правой стороны прямоугольника.
Допускается другая ориентация УГО, при которой входы располагают сверху, а
выходы - снизу.
1.9. Выводы
элементов могут быть обозначены указателями и метками.
Указатели
изображают на линии контура или около линии контура УГО на линии связи.
Метки образуют
из прописных букв латинского алфавита, арабских цифр и специальных знаков и
помещают в дополнительных полях.
1.9.1. Применяют
следующие обозначения указателей выводов:
1) прямой 
2) инверсный 
3) не несущий логической информации 
1.9.2. Обозначения
основных меток выводов приведены в табл. 2.
Таблица 2
|
Наименование
|
Обозначение
|
|
1. Начальное значение интегрирования
|
I
|
|
2. Установка начального значения
|
S
|
|
3. Установка в состояние «0»
|
R
|
|
4. Установка в исходное состояние (сброс)
|
SR
|
|
5. Поддержание текущей величины сигнала
|
Н
|
|
6. Строб, такт
|
С
|
|
7. Пуск
|
ST
|
|
8. Балансировка (коррекция «0»)
|
NC
|
|
9. Коррекция частотная
|
FC
|
|
10. Питание от источника напряжения
|
U
|
|
Допускается:
|
|
|
перед буквой U
проставлять номинал напряжения, при этом вместо буквы U использовать букву V,
после буквы U проставлять
поясняющую информацию, например:
|
|
|
указатель питания цифровой части элемента
|
U #
|
|
указатель питания аналоговой части элемента
|
U Ç или UÙ
|
|
признак информационного питания
|
UD
|
|
11. Общий вывод (общее обозначение):
|
OV
|
|
для аналоговой части элемента
|
OV Ç или OVÙ
|
|
для цифровой части элемента
|
0 V #
|
1.10. На линиях
связи или в их разрыве допускается указывать обозначение и характеристику
сигнала.
1.11.
Обозначения, приведенные в табл. 1,
могут быть применены для указания аналогового и цифрового элемента или сигнала.
Для указания
элементов приведенные обозначения помещают после символа функции в той же самой
строке.
Для указания
сигналов приведенные обозначения помещают после обозначения или характеристики
сигнала, например:
обозначение # проставляют после числа двоичных
разрядов;
обозначение Ç или Ù проставляют
после характеристики сигнала: синусоиды, пилы.
2.1. Обозначение
основных функций, выполняемых аналоговыми элементами, приведено в табл. 3.
Таблица 3
|
Наименование
|
Обозначение
|
|
1. Общее обозначение функции
|
F(X1, X2 ... XN) или f (x1, x2 ... xn)
|
|
2. Выбор максимальной переменной
|
МАХ или max
|
|
3. Выбор минимальной переменной
|
MIN или min
|
|
4. Генерирование
|
G
|
|
5. Детектирование
|
DK
|
|
6. Деление
|
X:Y или х:у
|
|
7. Деление частоты
|
: FR или :fr
|
|
8. Дифференцирование
|
D/DT или d/dt
|
|
9. Зона нечувствительности
|

|
|
10. Извлечение корня
|
Х 0,5 или ХÙ 0,5 или Öх
|
|
11. Интегрирование
|
INT или ò
|
|
12. Насыщение
|

|
|
13. Логарифмирование
|
LOG или log
|
|
14. Образование модуля
|
ôXô или ôxô
|
|
15. Переключение, коммутирование (ключ, коммутатор):
|
SW
|
|
замыкание
|
SWM или 
|
|
размыкание
|
SWB или 
|
|
переключение
|
SWT или 
|
|
16. Показательная функция
|
X Y или ХÙY или xy
|
|
17. Пороговый элемент
|
TH или или 
|
|
18. Преобразование
|
X/У или х/у
|
|
Примечание.
Буквы Х и У могут быть заменены обозначениями представляемой информации,
например, напряжением, частотой, длительностью импульса и т. д.
|
|
|
19. Сравнение (компаратор, схемы сравнения)
|
= =
|
|
20. Суммирование
|
SM или å
|
|
21. Тригонометрические функции, например, синус
|
SIN или sin
|
|
22. Умножение
|
XT или ху
|
|
23. Умножение - деление
|
XY : Z или ху : z
|
|
24. Экспонента
|
ЕХР или ехр
|
|
25. Блок постоянного запаздывания
|
DL или 
|
|
26. Блок переменного запаздывания
|
DLV или 
|
|
27. Воспроизведение коэффициентов
|
К
|
|
28. Многофункциональное преобразование
|
MF
|
|
29. Фильтрация
|
FF
|
|
30. Формирование
|
F
|
|
31. Усиление
|
> или 
|
|
32. Преобразование цифро-аналоговое
|
# /Ù
|
|
33. Преобразование аналого-цифровое
|
Ù / #
|
|
34. Запоминание аналоговой величины (Элемент слежения и
хранения)
|
М Ç или M Ù
|
2.2. Для
обозначения функций аналоговых элементов могут быть использованы обозначения
функций элементов по ГОСТ
2.743. Например, наборы нелогических элементов обозначают:
резисторов *R
конденсаторов *С и др.
3.1. УГО
аналоговых элементов приведены в табл. 4.
Таблица 4
|
Наименование
|
Обозначение
|
|
1. Усилитель
Общее обозначение
W1 до Wn -
весовые коэффициенты
m1 до mk -
коэффициенты усиления.
|

|
|
Коэффициент усиления записывают в УГО устройства напротив
линии каждого выхода, за исключением цифрового. При наличии одного
коэффициента для всего устройства знак m
может быть заменен абсолютной величиной. Если m = 1, то цифра 1 может быть опущена ui = mm1× f(W1 × a1, W2 × а2, ..., Wn × an),
где i = 1,2, ..., к;
mWi -
коэффициент передачи по i входу.
С коэффициентом усиления 10000 и двумя выходами.
|

|
|
1.1. Усилитель операционный
|

|
|
Примечание. Если коэффициент усиления достаточно высок, а
знание его точной величины не имеет значения, то допускается его не
проставлять, либо проставить знак ¥ или букву М, например, >М
|

|
|
1.2. Усилитель инвертирующий (инвертор) с коэффициентом
усиления 1
u = -1a
|

|
|
1.3. Усилитель с двумя выходами, верхний -
неинвертирующий с усилением 2,
нижний - инвертирующий с усилением 3
|

|
|
1.4. Усилитель суммирующий
u = -10 (0,1а + 0,1b + 0,2с + 0,5d + 1,0е) =
= - (а + b + 2с + 5d + 10e)
|

|
|
1.5. Усилитель интегрирующий (интегратор)
Если f =1, g = 0, h = 0, то

Примечание. Идентификаторы сигналов (Ù и #) могут быть опущены, если это не приведет к
непониманию
|

|
|
1.6. Усилитель дифференцирующий

|

|
|
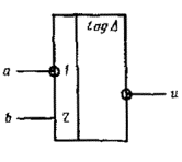
1.7. Усилитель логарифмирующий
u = -log(-а + 2b)
|

|
|
2. Функциональный преобразователь
|
|
|
x1, ..., xn
являются аргументами функции, каждый из них может быть заменен
соответствующей меткой, если такая замена не приведет к неясности
f(x1, ..., xn)
заменяют соответствующим обозначением функции, выполняемой преобразователем
|

|
|
2.1. Перемножитель с коэффициентом передачи К
u = -Kab
|

|
|
2.2. Делитель 
Примечание. Символ «/» не должен использоваться для
указания деления
|

|
|
2.3. Преобразователь для моделирования функции синуса
u = sin x
|

|
|
3. Преобразователь координат
Общее обозначение
|

|
|
3.1. Преобразователь координат полярных в прямоугольные
u1 = а × cos b
u2 = а × sin b
|

|
|
4. Преобразователь сигналов
Общее обозначение
|

|
|
4.1. Преобразователь аналого-цифровой
|

|
|
4.2. Преобразователь цифро-аналоговый
|

|
|
5. Электронные ключи, коммутаторы
Общее обозначение
|

|
|
5.1. Замыкающий SWM:
Аналоговый сигнал может проходить в любом направлении
между с и d, пока цифровой вход е
находится в состоянии «1»
|

|
|
5.2. Размыкающий ключ SWB:
Аналоговый сигнал может проходить в любом направлении
между с и d, пока цифровой вход е
находится в состоянии «0»
|

|
|
5.3. Двунаправленный коммутатор, управляемый логическим
элементом И с двумя цифровыми входами
|

|
|
6. Блоки коэффициентов
|
|
|
6.1. Блок постоянного коэффициента: с одним входом
|

|
|
с двумя входами
Примечание.
К - коэффициент передачи
|

|
|
6.2. Блок переменного коэффициента. Допускается рядом с
обозначением коэффициента проставлять его значение
|

|
ИНФОРМАЦИОННЫЕ
ДАННЫЕ
1. РАЗРАБОТАН И ВНЕСЕН Государственным
комитетом СССР по стандартам
РАЗРАБОТЧИКИ
С.С. Борушек, Т.Н. Гуськова, С.П.
Корнеева, А.Н. Наголкин, Ф.Р. Кушнеров, Ю.М. Кацовский, Н.А. Кононова, А.М.
Михайлов, Л.С. Огненко, А.А. Волков, Л.З. Канищева
2. УТВЕРЖДЕН И ВВЕДЕН В ДЕЙСТВИЕ Постановлением
Государственного комитета СССР по стандартам от 22.04.82 № 1619
3.
Стандарт полностью соответствует СТ СЭВ 3336-81
4. ВВЕДЕН ВПЕРВЫЕ
5.
ССЫЛОЧНЫЕ НОРМАТИВНО-ТЕХНИЧЕСКИЕ ДОКУМЕНТЫ
6.
ПЕРЕИЗДАНИЕ (октябрь 1997 г.) с Изменением № 1, утвержденным в апреле 1987 г.
(ИУС 7-87)
СОДЕРЖАНИЕ