Бесплатная библиотека стандартов и нормативов www.docload.ru

Все документы, размещенные на этом сайте, не являются их официальным изданием и предназначены исключительно для ознакомительных целей.
Электронные копии этих документов могут распространяться без всяких ограничений. Вы можете размещать информацию с этого сайта на любом другом сайте.
Это некоммерческий сайт и здесь не продаются документы. Вы можете скачать их абсолютно бесплатно!
Содержимое сайта не нарушает чьих-либо авторских прав! Человек имеет право на информацию!

 

ГОСУДАРСТВЕННЫЙ СТАНДАРТ СОЮЗА ССР

КАБЕЛИ, ПРОВОДА И ШНУРЫ

МЕТОДЫ ИСПЫТАНИЯ НАПРЯЖЕНИЕМ

ГОСТ 2990-78

(СТ СЭВ 2779-80)

ИПК ИЗДАТЕЛЬСТВО СТАНДАРТОВ

Москва

ГОСУДАРСТВЕННЫЙ СТАНДАРТ СОЮЗА ССР

КАБЕЛИ, ПРОВОДА И ШНУРЫ

Методы испытания напряжением

Cables, wires and cords.
Methods of voltage test

ГОСТ
2990-78*

(CT СЭВ 2779-80)

Взамен
ГОСТ 2990-72,
ГОСТ 17397-72

Постановлением Государственного комитета СССР по стандартам от 20 декабря 1978 г. № 3384 дата введения установлена

01.01.80

в части п. 2.1.7 01.01.81

Ограничение срока действия снято по протоколу № 4-93 Межгосударственного комитета по стандартизации, метрологии и сертификации (ИУС 4-94)

Настоящий стандарт распространяется на кабели, провода и шнуры (далее - кабельные изделия) и устанавливает методы испытания переменным электрическим напряжением номинальной частоты 50 Гц (далее - переменным напряжением), постоянным и импульсным напряжением, а также метод испытания переменным электрическим напряжением частоты 50 - 106 Гц и импульсным напряжением резиновой или пластмассовой изоляции, оболочки или защитного шланга кабельных изделий на проход (далее - испытание напряжением на проход).

Стандарт не распространяется на эмалированные провода и обмоточные провода с бумажной и волокнистой изоляцией.

Стандарт полностью соответствует CT СЭВ 2779-80 и Публикации МЭК 540, 1982 г.

(Измененная редакция, Изм. № 3).

1. ОБЗОР ОБРАЗЦОВ

1.1. Испытание переменным, постоянным и импульсным напряжением

1.1.1. Испытанию должны быть подвергнуты кабельные изделия, не имеющие видимых наружных повреждений и хранившиеся в условиях, указанных в нормативно-технической документации на них.

1.1.2. При проведении испытаний на образцах число и длина образцов должны соответствовать требованиям нормативно-технической документации на кабельные изделия.

1.2. Испытание напряжением на проход

1.2.1. Испытанию напряжением на проход должны быть подвергнуты изолированные жилы и провода в процессе наложения изоляции, скрутки жил, или в процессе их перемотки, а также оболочки или защитные шланги в процессе их наложения или перемотки.

2. АППАРАТУРА

2.1. Испытание переменным и постоянным напряжением

2.1.1. Испытание должно быть проведено на установке, содержащей источник напряжения, измерительные приборы, отключающие и защитные устройства, приспособления.

2.1.2. Источник напряжения должен обеспечивать получение испытательного напряжения с плавным регулированием.

2.1.3. Источник переменного напряжения должен обеспечивать на испытуемом кабельном изделии синусоидальную форму кривой напряжения с коэффициентом амплитуды .

2.1.4. Источник постоянного напряжения должен обеспечивать на испытуемом кабельном изделии напряжение, пульсация которого не должна быть более ± 5 %.

2.1.5. Инструментальная погрешность измерения испытательного напряжения не должна быть более 3 %.

2.1.6. Тип специального электрода и требования к нему должны быть указаны в нормативно-технической документации на кабельные изделия.

2.1.7. Установку рекомендуется оснастить автоматическим отключающим устройством, которое в случае перекрытия или пробоя испытуемого кабельного изделия должно автоматически отключить источник напряжения от перекрытого или пробитого испытуемого кабельного изделия за время не более 0,2 с.

При одновременном испытании нескольких кабельных изделий рекомендуется подключать их через автоматические отключающие устройства, обеспечивающие в случае пробоя отключение отдельных испытуемых кабельных изделий, на которых произошел пробой, без отключения всей испытательной установки.

Между источником высокого напряжения испытательного трансформатора и испытуемым изделием рекомендуется включение резистора, обеспечивающего эффективное гашение собственных колебаний, возникающих в испытательной установке.

(Измененная редакция, Изм. № 2).

2.2. Испытание импульсным напряжением

2.2.1. Испытание должно быть проведено на установке, содержащей источник напряжения, измерительные приборы, приспособления.

2.2.2. Тип специального электрода и требования к нему должны быть указаны в нормативно-технической документации на кабельные изделия.

2.2.3. Источник напряжения должен обеспечивать получение испытательного напряжения по амплитуде и форме импульса.

В источнике напряжения применяют одноступенчатые или многоступенчатые генераторы импульсных напряжений. Источник для зарядки рабочей емкости генератора должен обладать достаточной мощностью и возможностью регулировки, обеспечивающей возможность зарядки ступеней генератора до номинального напряжения с частотой не менее одного раза в 60 с. Схема зарядки должна обеспечивать равномерную зарядку отдельных ступеней во времени, равном промежуткам между очередными импульсами.

2.2.4. Инструментальная погрешность измерения испытательного напряжения не должна быть более 3 %.

2.2.5. Испытание следует проводить полным импульсом, если в нормативно-технической документации на кабельные изделия не установлены другие требования.

Полный импульс должен иметь следующие параметры:

длительность фронта                    (1,2 ± 0,36) мкс

длительность спада                       (50 ± 10) мкс

допуск на амплитуду импульса   ± 3 %

обозначение импульса                  1,2/50

Амплитуда высокочастотных колебаний, возникающих во фронтовой части импульса вблизи амплитуды, не должна превышать 5 % амплитуды импульса.

При испытании больших строительных длин кабельных изделий допускается длительность фронта до 5 мкс.

1 - токопроводящая жила или металлический покров кабельного изделия; 2 - изоляция, оболочка или защитный шланг; 3 - электрод; 4 - высоковольтный вывод, 5 - установка; 6 - изолятор

Амплитуды отдельных импульсов серии не должны отличаться более чем на 3 % от среднего арифметического значения амплитуд отдельных импульсов.

2.3. Испытание напряжением на проход

2.3.1. Испытание должно быть проведено при помощи установки и электрода согласно схеме, приведенной на чертеже.

Установка и электрод должны соответствовать нормативно-технической документации, утвержденной в установленном порядке.

2.3.2. Электрод должен обеспечивать надежный контакт-касание по всей длине электрода и периметру испытуемой изоляции, оболочки или защитного шланга и не должен вызывать механических повреждений в виде царапин, задиров испытуемой изоляции, оболочки или защитного шланга.

2.3.3. Установка должна обеспечивать на электроде значение испытательного напряжения, предусмотренное нормативно-технической документацией на кабельные изделия.

2.3.4. Установка должна обеспечивать получение испытательного напряжения с плавным или ступенчатым регулированием.

2.3.5. Инструментальная погрешность измерения пикового значения испытательного напряжения не должна быть более 5 %.

2.3.6. Установка должна обеспечивать сигнализацию пробоев, имеющих длительность 5 мс и более, и возможность одновременного отключения механизма, приводящего в движение испытуемую жилу или кабельное изделие, а также отключение испытательного напряжения.

3. ПОДГОТОВКА К ИСПЫТАНИЯМ

3.1. Испытание переменным и постоянным напряжением

3.1.1. Окружающая среда (воздух, вода), значение давления масла или газа (для маслонаполненных или газонаполненных кабелей), циклы нагрева и другие специальные требования, предъявляемые к образцу перед испытанием, должны быть указаны в нормативно-технической документации на кабельные изделия.

При испытании в воде время выдержки образца в воде до испытания напряжением должно быть не менее 30 мин, если в нормативно-технической документации на кабельные изделия не установлены другие требования.

3.1.2. Испытания проводят при температуре окружающей среды от 5 до 35 °С и относительной влажности не более 80 %, если в нормативно-технической документации на кабельные изделия не указаны другие условия.

Время пребывания испытуемого кабельного изделия в вышеуказанных условиях до начала испытания должно быть не менее 1 ч, если в нормативно-технической документации на кабельные изделия не установлены другие требования.

3.1.3. Инструментальная погрешность измерения температуры окружающей среды не должна быть более ± 1 °С.

3.1.2, 3.1.3. (Измененная редакция, Изм. № 2).

3.1.4. Испытуемые кабельные изделия должны быть на концах разделаны или снабжены концевыми муфтами (заделками) для исключения перекрытия по поверхности концов в процессе испытания.

3.1.5. Концы испытуемых кабельных изделий, находящиеся при испытании под напряжением относительно друг друга, должны быть разделены между собой промежутком, исключающим возможность его пробоя под действием испытательного напряжения.

При испытании в воде концы испытуемых кабельных изделий, покрытые изоляцией, должны выступать над поверхностью воды не менее чем на 200 мм, а остальная часть должна быть полностью погружена в воду.

3.1.6. При испытании на металлическом стержне отрезок испытуемого кабельного изделия должен быть намотан в один слой плотно прилегающими друг к другу и стержню витками с натяжением от 5 до 25 Н на 1 мм2 номинального сечения жилы так, чтобы отдельные витки взаимно не перекрещивались.

Диаметр стержня и число витков устанавливают в нормативно-технической документации на отдельные виды кабельных изделий.

В кабельных изделиях с жилами номинальным сечением 50 мм2 и выше допускается уменьшение силы натяжения до значения, при котором обеспечивается плотная намотка изделия на стержень и при этом не происходит механического повреждения изоляции.

При испытании в металлической дроби диаметр дроби должен составлять от 1,5 до 3,5 мм.

(Измененная редакция, Изм. № 3).

3.2. Испытание импульсным напряжением

3.2.1. Перед приложением напряжения должна быть произведена градуировка генератора импульсов. Градуировка производится при напряжении до 60 - 80 % от испытательного.

3.2.2. При испытании полным импульсом при приложении напряжения рекомендуется параллельно испытуемому объекту присоединять шаровой разрядник, установленный на 105 % испытательного напряжения. При испытании на шаровом разряднике не должны возникать искровые разряды.

(Измененная редакция, Изм. № 2).

3.2.3. Специальные требования, предъявляемые к подготовке образца к испытаниям, должны быть указаны в нормативно-технической документации на кабельные изделия.

3.2.4. Испытания проводят при температуре окружающей среды от 5 до 35 °С и относительной влажности воздуха не более 80 %, если в нормативно-технической документации на кабельные изделия не указаны другие условия.

Время пребывания испытуемого кабельного изделия в вышеуказанных условиях до начала испытания должно быть не менее 1 ч, если в нормативно-технической документации на кабельные изделия не установлены другие требования.

3.2.5. Инструментальная погрешность измерения температуры окружающей среды не должна быть более ± 1 °С.

3.2.4, 3.2.5. (Измененная редакция, Изм. № 2).

3.3. Испытание напряжением на проход

3.3.1. Установка и электрод должны быть установлены на технологическом оборудовании и подключены в соответствии с нормативно-технической документацией, утвержденной в установленном порядке.

4. ПРОВЕДЕНИЕ ИСПЫТАНИЙ

4.1. Испытание переменным и постоянным напряжением

4.1.1. Схемы испытания однофазным напряжением кабельных изделий без отдельно экранированных жил должны соответствовать указанным в табл. 1.

Однофазное испытательное напряжение следует подключать к испытуемому кабельному изделию согласно схемам табл. 1, а трехфазное - согласно схемам табл. , если в нормативно-технической документации на отдельные виды кабельных изделий не установлены другие требования.

Допускается проводить испытания трехфазной испытательной установкой по схемам, указанным в табл. 1, используя отдельные фазы установки.

4.1.2. При испытании однофазным напряжением изоляции кабельных изделий одна жила (одножильных или многожильных кабельных изделий) или группа электрически соединенных жил (многожильных кабельных изделий) должна быть соединена с выводом высокого напряжения испытательной установки. Другая жила или группа жил, а также общая металлическая оболочка, экран, броня или специальный электрод должны быть соединены электрически между собой и с заземленным выводом установки.

При наличии в кабеле одной или нескольких специальных заземляющих или нулевых жил последние должны быть соединены с заземленным выводом установки, если в нормативно-технической документации на кабельные изделия не указано, что эти жилы должны быть испытаны тем же напряжением, что и основные. При наличии такого указания кабельные изделия должны испытываться как четырехжильные или многожильные кабели по схемам 5 и 6 табл. 1.

4.1.3. Испытание кабельных изделий с общей металлической оболочкой (экраном), броней, специальным электродом или без них, имеющих одну или более отдельно экранированных жил, должно соответствовать схеме 1 табл. 2.

4.1.4. Испытание симметричных четверок коаксиальных магистральных кабелей должно соответствовать схеме 6 табл. 1, а коаксиальных пар - схеме 2 табл. 2.

4.1.5. Испытание защитных покровов кабельных изделий должно соответствовать схеме 1 табл. 3.

4.1.6. Значение испытательного напряжения, а также продолжительность выдержки кабельного изделия под напряжением должны быть указаны в нормативно-технической документации на кабельные изделия.

4.1.7. Пояснения к схемам испытания электрической изоляции кабельных изделий, а также пояснения к выбору значения испытательного напряжения даны в приложении.

4.1.8. При испытании первоначально приложенное значение напряжения не должно составлять более 40 % значения испытательного напряжения. При подъеме от 40 до 100 % значения испытательного напряжения скорость подъема не должна быть более 1 кВ/с для значений испытательного напряжения до 60 кВ включительно и более 2 кВ/с для значений испытательного напряжения свыше 60 кВ.

Допускается для значений испытательного напряжения свыше 200 кВ, чтобы первоначально приложенное значение напряжения не составляло более 75 % значения испытательного напряжения, а скорость подъема не составляла более 2 % значения испытательного напряжения в 1 с.

4.1.9. Значение испытательного напряжения следует поддерживать с допустимым отклонением ± 5 % в течение испытания.

4.1.10. При определении кратковременного пробивного напряжения изоляции кабельных изделий напряжение должно плавно повышаться до пробоя за время от 5 до 60 с.

4.1.11. Снятие напряжения до 40 % значения испытательного напряжения должно производиться плавно при любой скорости, после чего установка может быть отключена.

4.1.12. При испытании постоянным напряжением заземляют отрицательный полюс установки, если в нормативно-технической документации на кабельные изделия нет других требований.

4.2. Испытание импульсным напряжением

4.2.1. Испытуемое кабельное изделие (если в нормативно-технической документации на кабельные изделия нет других требований) следует подвергнуть действию нормальных полных 10 импульсов положительной полярности и 10 импульсов отрицательной полярности, а затем испытанию переменным напряжением. Промежуток времени между импульсами одинаковой полярности не должен превышать 120 с.

4.2.2. Амплитуду импульса и значение испытательного напряжения, а также условия проведения испытания устанавливают в нормативно-технической документации на кабельные изделия.

4.3. Испытание напряжением на проход

4.3.1. Пиковое значение испытательного напряжения должно соответствовать установленному в нормативно-технической документации на кабельные изделия.

4.3.2. Пиковое значение испытательного напряжения следует поддерживать с допускаемым отклонением ± 5 % в течение всего испытания.


Таблица 1

Схемы испытания однофазным напряжением электрической изоляции кабельных изделий без экранированных жил

Номер схемы испытания

Число жил кабельного изделия

Конструктивная схема кабельного изделия

Схема приложения испытательного напряжения

Способ подключения кабельного изделия

без общей металлической оболочки, экрана, брони и не снабженного специальным электродом

с общей металлической оболочкой, экраном, броней или снабженного специальным электродом

1

1

-

1 против 0

2

2

1 против 2

а) 1 против 2 + 0

б) 2 против 1 + 0

3

3

а) 1 против 2 + 3

б) 2 против 1 + 3

а) 1 против 2 + 3 + 0

б) 2 против 1 + 3 + 0

в) 3 против 1 + 2 + 0

или

а) 1 + 2 против 3 + 0

б) 1 + 3 против 2 + 0

5

4

а) 1 против 2 + 3 + 4

б) 2 против 1 + 3 + 4

в) 3 против 1 + 2 + 4

или

а) 1 + 2 против 3 + 4

б) 1 + 4 против 2 + 3

или для симметричных кабелей связи:

а) 1 + 3 против 2 + 4

а) 1 против 2 + 3 + 4 + 0

б) 2 против 1 + 3 + 4 + 0

в) 3 против 1+2+4+0

г) 4 против 1 + 2 + 3 + 0

или

а) 1 + 2 против 3 + 4 + 0

б) 1 + 4 против 2 + 3 + 0

в) 1 + 2 + 3 + 4 против 0

или для симметричных кабелей связи:

а) 1 + 3 против 2 + 4 + 0

б) 1 +2 + 3 + 4 против 0

6

5и более

Каждая жила против всех остальных жил, соединенных вместе

или

а) все жилы всех нечетных повивов против всех жил всех четных повивов, при этом внутренняя жила (или жилы) принимается за первый повив;

б) все нечетные жилы всех повивов против всех четных жил всех повивов;

в) в случае нечетного числа жил в повивах дополнительно первая жила против последней в каждом повиве

Каждая жила против всех остальных жил, соединенных вместе с общей металлической оболочкой, экраном, броней или специальным электродом или внешними проводниками

или

а) все жилы всех нечетных повивов против всех жил всех четных повивов, при этом внутренняя жила (или жилы) принимается за первый повив, общая металлическая оболочка, экран, броня или специальный электрод - за последний повив;

б) все нечетные жилы всех повивов против всех четных жил всех повивов, соединенных с общей металлической оболочкой, экраном, броней или специальным электродом;

в) в случае нечетного количества жил в повивах дополнительно первая жила против последней в каждом повиве, соединенной с общей металлической оболочкой, экраном, броней или специальным электродом

7

3 и более (плоский кабель или провод)

 

Все нечетные жилы против всех четных жил

а) все нечетные жилы против всех четных жил, соединенных с общей металлической оболочкой, экраном, броней или специальным электродом;

б) все четные жилы против всех нечетных жил, соединенных с общей металлической оболочкой, экраном, броней или специальным электродом

8

Многожильный парной скрутки

Все жилы 1, соединенные вместе против всех жил 2, соединенных вместе

Все жилы 1, соединенные вместе, против всех жил 2, соединенных вместе и с внешним заземленным электродом

9

Многожильный троечной скрутки

Жилы каждой группы, соединенные вместе, против остальных групп, соединенных вместе. Группу жил составляют все жилы 1, соединенные вместе, все жилы 2, соединенные вместе, и все жилы 3, соединенные вместе

I - схема испытания первой группы жил против второй и третьей групп, соединенных вместе;

II - аналогично, вторая группа жил против первой и третьей;

III - третья группа жил против первой и второй

Жилы каждой группы, соединенные вместе, против жил остальных групп, соединенных вместе и с внешним заземленным электродом

10

Многожильный четверочной скрутки

Все жилы 1 и 2, соединенные вместе, против всех жил 3 и 4, соединенных вместе

Все жилы 1 и 2, соединенные вместе, против всех жил 3 и 4, соединенных вместе, и с внешним заземленным электродом

Таблица 1а

Схемы испытания трехфазным напряжением электрической изоляции кабельных изделий без экранированных жил

Номер схемы испытания

Число жил кабельного изделия

Конструктивная схема кабельного изделия

Способ приложения испытательного напряжения

Способ подключения кабельного изделия

1

1

Каждая жила присоединена к отдельным фазам испытательной установки, а внешний электрод к нулевому зажиму

2

2

Жилы присоединены к двум фазам испытательной установки, а внешний электрод к нулевому зажиму

3

3

Жилы присоединены к фазам испытательной установки, а внешний электрод к нулевому зажиму

4

4

Произвольная нечетная жила, соединенная поочередно с каждой четной жилой, подсоединена к одной фазе испытательной установки, а остальные жилы, соединенные вместе, подсоединены к другой фазе испытательной установки, а внешний электрод к нулевому зажиму

5

Многожильный (свыше 4 жил) с одинарными жилами

Все жилы, разделенные поочередно на три группы, присоединены к отдельным фазам испытательной установки, а внешний электрод к нулевому зажиму. В случае многоповивных кабельных изделий все, соединенные вместе жилы 1 повива, затем жилы смежных повивов присоединены последовательно к фазам испытательной установки, а внешний электрод к нулевому зажиму.

Если число жил в повиве составляет 3п+1, то последнюю жилу повива присоединяют к фазе, к которой присоединена жила 3п-1

6

Многожильный парной скрутки

Все жилы 1, соединенные вместе, все жилы 2, соединенные вместе присоединены к фазам испытательной установки, а внешний электрод к нулевому зажиму

7

Многожильный троечной скрутки

Все жилы 1, соединенные вместе, все жилы 2, соединенные вместе, и все жилы 3, соединенные вместе, присоединены к фазам испытательной установки, а внешний электрод к нулевому зажиму

8

Многожильный четверочной скрутки

Все соединенные вместе жилы 1 и 2 и все соединенные вместе жилы 3 и 4 присоединены к фазам испытательной установки, а внешний электрод к нулевому зажиму


Таблица 2

Схема испытания электрической изоляции кабельных изделий с общей металлической оболочкой, экраном, броней, специальным электродом или без них, имеющих одну или более отдельно экранированных жил

Номер схемы испытания

Число жил кабельного изделия

Конструктивная схема кабельного изделия

Способ подключения кабельного изделия

1

2 и более

Э - экранированная жила;

О - общая металлическая оболочка, экран, броня или специальный электрод, соединенные с заземленным источником напряжения;

НЭ - неэкранированная жила; 1, 2, 3, 4, 5, 6, 7 - жилы кабельного изделия

а) Все экранированные жилы против всех экранов

б) Все неэкранированные жилы всех нечетных повивов против всех неэкранированных жил всех четных повивов, при этом внутренняя жила (или жилы) принимается за первый повив, общая металлическая оболочка, экран, броня или специальный электрод - за последний повив

в) Все неэкранированные жилы против всех экранированных, соединенных со всеми экранами

г) Все неэкранированные нечетные жилы всех повивов против всех неэкранированных четных жил всех повивов, соединенных с общей металлической оболочкой, экраном, броней или специальным электродом, при этом экранированные жилы в нумерации не участвуют и испытанию по данной схеме не подвергаются. Если в повивах одиночные неэкранированные жилы находятся между двумя экранированными жилами, то такие жилы в нумерации не участвуют и испытанию не подвергаются.

д) При нечетном числе нумерованных неэкранированных жил в повиве испытывается дополнительно первая жила против последней в каждом повиве, соединенной с общей металлической оболочкой, экраном, броней или специальным электродом. Это испытание проводится только в случае, если между первой и последней неэкранированными жилами не расположена по крайней мере одна экранированная жила

или

вместо испытания по подпунктам г, д неэкранированные жилы в повивах могут быть испытаны согласно схеме 7 табл. 1 по группам, содержащим более одной жилы и разделенными между собой отдельно экранированными жилами

2

2 проводника

а)

1 против 2

а) Между внутренним и внешним проводниками коаксиальных пар

б) Между экранами коаксиальных пар при наличии изоляции поверх экрана

 

4 и более проводников

б)

2 против 4

 

Примечание. Испытания проводятся по каждому из способов а, б, в, г, д.

4.3.3. Длина электрода l в миллиметрах должна обеспечивать время приложения напряжения к испытуемой изоляции, оболочке или защитному шлангу не менее 0,06 с; l вычисляют по формуле

l = 60 × n,

где n - максимальная линейная скорость прохождения через электрод изолированной жилы, оболочки или защитного шланга, м/с.

Для экструзионных линий с линейной скоростью свыше 10 м/с допускается использовать электрод, обеспечивающий время приложения испытательного напряжения к испытуемой изоляции не менее 0,002 с при использовании установки, обеспечивающей за это время не менее трех периодов испытательного напряжения, а также сигнализацию и регистрацию пробоев, имеющих длительность 2×10-4 и более.

Таблица 3

Схема испытания защитных покровов кабельных изделий

Номер схемы испытания

Число жил кабельного изделия

Конструктивная схема кабельного изделия

Способ подключения кабельного изделия

 

1 и более

1 - все жилы кабельного изделия; 2 - общая металлическая оболочка (экран); 3 - внутренние защитные покровы; 4 - броня; 5 - наружные защитные покровы

а) При испытании напряжением защитных покровов или их частей, расположенных между металлической оболочкой (экраном) и броней, все жилы кабельного изделия должны быть соединены с оболочкой (экраном) и выводом высокого напряжения испытательной установки, а броня должна быть соединена с заземленным выводом испытательной установки - 1 + 2 против 4 + 0

б) При испытании напряжением защитных покровов или их частей, расположенных поверх металлической оболочки (при отсутствии брони), все жилы кабельного изделия должны быть соединены с обшей металлической оболочкой (экраном) и выводом высокого напряжения испытательной установки, а специальный электрод должен быть соединен с заземленным выводом испытательной установки - 1 + 2 против специального электрода

в) При испытании напряжением защитных покровов или их частей, расположенных поверх брони, все жилы кабельного изделия должны быть соединены с общей металлической оболочкой (экраном), броней и выводом высокого напряжения испытательной установки, а специальный электрод должен быть соединен с заземленным выводом испытательной установки - 1 + 2 + 4 против специального электрода

4.4. Обработка результатов

4.4.1. Кабельные изделия считают выдержавшими испытание по пп. 4.1 и 4.2, если при испытании не произошло пробоя изоляции, оболочки или защитного шланга. При возникновении пробоя на разделанном конце кабеля или в концевой муфте (заделке) испытуемое кабельное изделие должно быть вновь разделано или снабжено концевой муфтой (заделкой) и испытание должно быть проведено повторно в соответствии с требованиями настоящего стандарта.

4.4.2. Изоляцию, оболочку или защитный шланг считают выдержавшими испытание по п. 4.3, если после испытания в изоляции, оболочке или защитном шланге отсутствуют места пробоев.

5. ТРЕБОВАНИЯ БЕЗОПАСНОСТИ

5.1. Электрические испытания кабельных изделий должны производиться в соответствии с действующими правилами технической эксплуатации электроустановок потребителей и правилами техники безопасности при эксплуатации электроустановок потребителей.

5.2. Испытательные установки должны быть выполнены в соответствии с ГОСТ 12.2.003-91, ГОСТ 12.2.007.0-75 и действующими правилами устройств электроустановок.

(Измененная редакция, Изм. № 2).

5.3. Испытание напряжением на проход

5.3.1. Испытуемая изолированная жила должна быть заправлена в электрод и заземлена на отдающем и приемном устройствах в соответствии с требованиями нормативно-технической документации, утвержденной в установленном порядке.

5.3.2. Корпус испытательной установки должен быть заземлен. У отличных от звукочастотных дверцы высоковольтного блока должны иметь блокировку и запираться.

5.3.3. Испытательные установки должны быть оборудованы звуковой или световой сигнализацией, указывающей на пробой изоляции испытуемого изделия.

5.3.1 - 5.3.3. (Измененная редакция, Изм. № 2).

5.3.4. Ванночки для пайки токопроводящих жил должны быть надежно закреплены, заземлены и оборудованы местной вытяжной вентиляцией.

5.3.5. На рабочих местах у испытательных установок, отличных от звукочастотных, должны быть уложены диэлектрические коврики; работающие должны быть обеспечены средствами индивидуальной защиты и специальными изоляционными калибрами.

5.3.6. Не допускается появление влаги у испытательной установки на диэлектрическом коврике, а также на испытуемом изделии.

5.3.7. Испытательные установки, отличные от звукочастотных, должны иметь электроблокировку, которая отключает высоковольтный трансформатор, если токопроводящая жила не заземлена или оборвана.

5.3.8. К работе на испытательных установках, отличных от звукочастотных, допускаются лица, имеющие III квалификационную группу.

5.3.5 - 5.3.8. (Измененная редакция, Изм. № 2).

ПРИЛОЖЕНИЕ

Обязательное

ПОЯСНЕНИЯ К СХЕМАМ ИСПЫТАНИЯ ЭЛЕКТРИЧЕСКОЙ ИЗОЛЯЦИИ КАБЕЛЬНЫХ ИЗДЕЛИЙ

Схема 6 табл. 1 настоящего стандарта

а, б, в - способы подключения, по которым изоляция жил подвергается испытаниям.

Черт. 1

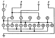
1. Конструктивная схема многожильного кабельного изделия, состоящего из неэкранированных жил, указана на черт. 1.

2. По способу подключения а испытанию подвергают изоляцию каждой жилы только в направлениях соседних жил в прилегающих друг к другу повивах.

3. По способу подключения б испытанию подвергают изоляцию каждой жилы только в направлениях соседних жил в пределах каждого повива.

4. При нечетном числе жил в повивах первая и последняя жилы в каждом повиве получают при нумерации нечетные номера и по способу подключения б оказываются не испытанными по отношению к друг к другу, поэтому требуется дополнительное испытание по способу подключения в.

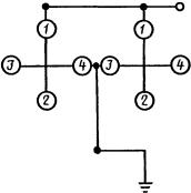
Схема 1 табл. 2 настоящего стандарта

НЭ - неэкранированная жила; Э - отдельно экранированная жила; а, б, в, г - способы подключения, по которым изоляция жил подвергается испытаниям.

Черт. 2

5. Общая конструктивная схема многожильного кабельного изделия, содержащего неэкранированные и отдельно экранированные жилы, указана на черт. 2.

6. По способу подключения а испытанию подвергают только изоляцию каждой экранированной жилы.

7. По способу подключения б испытанию подвергают изоляцию каждой неэкранированной жилы только в направлениях соседних неэкранированных жил в прилегающих друг к другу повивах.

8. По способу подключения в испытанию подвергают изоляцию каждой неэкранированной жилы только в направлениях экранов отдельно экранированных жил и общего экрана.

9. По способу подключения г испытанию подвергают изоляцию каждой неэкранированной жилы только в направлениях соседних неэкранированных жил в пределах каждого повива.

Отдельно экранированные жилы при этом из нумерации исключаются, поскольку их изоляция испытана по способу подключения а.

Одинаковые неэкранированные жилы, находящиеся между двумя отдельно экранированными жилами, из нумерации исключаются, поскольку их изоляция в соответствующих направлениях испытана по способу подключения в.

10. При нечетном числе нумерованных неэкранированных жил в повивах первая и последняя жилы в каждом повиве получают при нумерации нечетные номера и по способу подключения г могут оказаться не испытанными по отношению друг к другу, поэтому может потребоваться дополнительное испытание с подключением по способу д. Если нумерацию начать с неэкранированной жилы, прилегающей к отдельно экранированной жиле, то дополнительное испытание по способу подключения д не требуется, поскольку первая и последняя жилы испытаны в соответствующих направлениях по способу подключения в.

11. Группы неэкранированных жил, расположенные между отдельно экранированными жилами, подобны плоским кабельным изделиям, поэтому изоляция неэкранированных жил в направлениях соседних жил в пределах каждого повива может быть испытана не по способам подключения г и д, а по схеме 7 табл. 1, относящейся к плоским кабельным изделиям.

12. В нормативно технической документации на кабельные изделия значения испытательных напряжений должны устанавливаться с учетом того обстоятельства, что при испытаниях по способам подключения а и в воздействию испытательного напряжения подвергают изоляцию жил одинарной толщины, а по способам подключения б, г и д - изоляцию жил двойной толщины.

13. Если общий экран кабельного изделия наложен непосредственно (без слоя поясной или другой промежуточной изоляции) поверх скрученных жил, то при испытании и по способу подключения г, а также по схеме 6 табл. 1 (способ подключения б) изоляция жил одинарной толщины внешнего повива может подвергаться воздействию испытательного напряжения, рассчитанного на изоляцию двойной толщины.

В этом случае испытание по способу подключения г или по схеме 6 (способ подключения б) должно быть проведено раздельно в два приема:

испытание всех жил внешнего повива против общего экрана;

испытание всех жил по способу подключения г или по схеме 6 (способ подключения б) с присоединением внешнего повива к общему экрану.

14. При испытаниях по способам подключения б, г и д экраны отдельно экранированных жил не должны быть соединены с общей металлической оболочкой, экраном, броней или специальным электродом, чтобы испытательное напряжение, прикладываемое к двойной толщине изоляции неэкранированных жил, не оказалось приложенным одновременно к одинарной толщине изоляции некоторых из этих жил, прилегающих к отдельно экранированным жилам.

СОДЕРЖАНИЕ

 




Rambler's Top100 Яндекс цитирования
  Copyright © 2008-2026, www.docload.ru