Бесплатная библиотека стандартов и нормативов www.docload.ru

Все документы, размещенные на этом сайте, не являются их официальным изданием и предназначены исключительно для ознакомительных целей.
Электронные копии этих документов могут распространяться без всяких ограничений. Вы можете размещать информацию с этого сайта на любом другом сайте.
Это некоммерческий сайт и здесь не продаются документы. Вы можете скачать их абсолютно бесплатно!
Содержимое сайта не нарушает чьих-либо авторских прав! Человек имеет право на информацию!

 

ГОССТРОЙ РОССИИ

ГОСУДАРСТВЕННОЕ УНИТАРНОЕ ПРЕДПРИЯТИЕ

НАУЧНО-ИССЛЕДОВАТЕЛЬСКИЙ, ПРОЕКТНО-КОНСТРУКТОРСКИЙ И ТЕХНОЛОГИЧЕСКИЙ ИНСТИТУТ БЕТОНА И ЖЕЛЕЗОБЕТОНА

ГУП «НИИЖБ»

МЕТОДИЧЕСКИЕ РЕКОМЕНДАЦИИ
ПО РАСЧЕТУ ОГНЕСТОЙКОСТИ
И ОГНЕСОХРАННОСТИ
ЖЕЛЕЗОБЕТОННЫХ КОНСТРУКЦИЙ

МДС 21-2.2000

Второе издание с Дополнением

Москва 2000 г.

РАЗРАБОТАНЫ Государственным унитарным предприятием «Научно-исследовательский, проектно-конструкторский и технологический институт бетона и железобетона» ГУП «НИИЖБ» (доктор техн. наук, проф. Милованов А.Ф., канд. техн. наук Соломонов В.В. и Кузнецова И.С., вед. инж. Малкина Т.Н.)

ОДОБРЕНЫ конструкторской секцией Научно-технического совета ГУП «НИИЖБ» (от 27 апреля 2000 г., протокол № 4/2000)

ИЗДАНЫ в ГУП «НИИЖБ»

ЗАРЕГИСТРИРОВАНЫ в ГУП «Центр проектной продукции в строительстве» 09.06.2000.

МДС 21-2.2000

Методические Рекомендации по расчету огнестойкости и огнесохранности железобетонных конструкций

Fire Resistance and Fire Safety of Reinforced Concrete Constructions.

ВВЕДЕНИЕ

Настоящие «Методические рекомендации по расчету огнестойкости и огнесохранности железобетонных конструкций» разработаны в соответствии с требованиями СНиП 10-01-94 и СНиП 21-01-97, норм международных организаций по стандартизации и нормированию и являются нормативным документом комплекса 21 «Пожарная безопасность» системы нормативных документов в строительстве.

Основными отличиями этих «Методических рекомендаций...» от ранее разработанных рекомендаций, инструкции и пособий являются:

приоритетность требований СНиП 21-01-97 «Пожарная безопасность зданий и сооружений» по сравнению с другими нормативными требованиями;

применимость противопожарных требований к объектам на стадии проектирования, строительства и эксплуатации, включая реконструкцию и ремонт;

главные требования к бетону и арматуре, к диаграммам деформирования бетона на сжатие и арматуры на сжатие и растяжение от огневого воздействия в диапазоне температур от 20 до 1100 °С, как в нагретом состоянии во время пожара, так и в охлажденном состоянии после пожара;

конструктивные требования, повышающие пределы огнестойкости и обеспечивающие огнесохранность конструкций;

основные требования к расчету огнесохранности конструкций, поврежденных пожаром, с целью установления возможности их дальнейшей эксплуатации.

Приведенные методы расчета пределов огнестойкости конструкций позволяют устанавливать их уже при проектировании в соответствии с классификацией, принятой в СНиП 21-01-97.

1. ОБЛАСТЬ ПРИМЕНЕНИЯ

1.1. Настоящие Методические рекомендации действуют на территории Российской федерации как дополнение и уточнение СНиП 21-01-97 и распространяются на проектирование, строительство, техническое обследование и реконструкцию после пожара зданий и сооружений из железобетона.

1.2. Методические рекомендации содержат основные положения по расчету огнестойкости и огнесохранности железобетонных конструкций. Они дают возможность на стадии проектирования оценить пределы огнестойкости конструкций, проверить их соответствие требованиям СНиП 21-01-97 и установить огнесохранность конструкций после пожара. В основу Методических рекомендаций положены экспериментальные и теоретические исследования, проведенные в НИИЖБ, ВНИИПО, МГСУ, СГСУ, а также материалы международных организаций: Европейского комитета бетона (ЕКБ), Международного совета по строительству (МСС), Международной организации по стандартизации (ИСО), Международного совета лабораторий по испытанию строительных материалов и конструкций (РИЛЕМ).

2. НОРМАТИВНЫЕ ССЫЛКИ

В настоящих Методических рекомендациях использованы ссылки на следующие нормативные документы.

СНиП 10-01-94 Система нормативных документов в строительстве. Общие положения.

СНиП 2.01.07-85 Нагрузки и воздействия.

СНиП 2.03.01-84* Бетонные и железобетонные конструкции.

СНиП 21-01-97 Пожарная безопасность зданий и сооружений.

СНиП 2.03.04-84 и Пособие к нему. Бетонные и железобетонные конструкции, предназначенные для работы в условиях воздействия повышенных и высоких температур.

Пособие по определению пределов огнестойкости конструкций, пределов распространения огня и групп возгораемости материалов. Стройиздат, Москва, 1985.

Инструкция по расчету фактических пределов огнестойкости железобетонных конструкций на основе новых требований СНиП. ВНИИПО МВД СССР, Москва, 1982.

ГОСТ 12.1.033-81 ССБТ Пожарная безопасность. Термины и определения.

ГОСТ 30247.0-94 Конструкции строительные. Методы испытания на огнестойкость. Общие требования.

ГОСТ 30247.1-94 Конструкции строительные. Методы испытания на огнестойкость. Несущие ограждающие конструкции.

ГОСТ 30403-96 Конструкции строительные. Методы определения пожарной опасности.

СТ СЭВ 383-87 Пожарная безопасность в строительстве. Термины и определения.

НПБ 233-96 Здания и фрагменты зданий. Методы натурных огневых испытаний. Общие требования.

МГСН 4.04-94 Московские городские строительные нормы. Многофункциональные здания и комплексы.

Eurocode 2: Design of Concrete Structures. - Part 10: Structural Fire Design.- Draft April, 1990.

3. ТЕРМИНЫ И ОПРЕДЕЛЕНИЯ

В настоящих Методических рекомендациях, за исключением специально оговоренных случаев (См. п. 4.10), приняты термины и определения, приведенные в СТ СЭВ 383-87 и ГОСТ 12.1.033-81.

4. ОБЩИЕ ТРЕБОВАНИЯ

4.1. Согласно СНиП 21-01-97 строительные конструкции характеризуются огнестойкостью. Показателем огнестойкости является предел огнестойкости.

Предел огнестойкости строительных конструкций устанавливают по времени (в минутах) наступления одного или последовательно нескольких, нормируемых для данной конструкции признаков предельных состояний:

потери несущей способности (R);

потери теплоизолирующей способности (I);

потери целостности (Е).

Пределы огнестойкости строительных конструкций и их условные обозначения устанавливают по ГОСТ 30247.

4.2. Здания и сооружения, а также их части, выделенные противопожарными стенами (пожарные отсеки) подразделяются по степеням огнестойкости согласно Табл. 1.

Таблица 1.

Степень огнестойкости здания

Пределы огнестойкости железобетонных конструкций в минутах не менее

несущие элементы здания

наружные стены

перекрытия междуэтажные (в т.ч. чердачные и над подвалом)

элементы бесчердачных перекрытий

лестничные клетки

настилы, в т.ч. с утеплителем

фермы, балки, прогоны

внутренние стены

марши и площадки

I

R 120 (R 180)

Е 30

REI 60 (R 180)

RE 30

R 30

REI 120 (R 180)

R 60

II

R 90

Е 15

REI 45

RE 15

R 15

REI 90

R 60

III

R 45

Е 15

REI 45

RE 15

R 15

REI 60

R 45

Примечание: В скобках даны пределы огнестойкости для многофункциональных зданий и комплексов согласно МГСН 4.04-94.

К несущим элементам здания или сооружения относятся конструкции, обеспечивающие его общую устойчивость, геометрическую неизменяемость при пожаре: несущие стены, колонны, балки перекрытий, ригели, фермы, рамы, арки, связи, диафрагмы жесткости и т.п. Для несущих элементов здания, выполняющих одновременно функции ограждающих конструкций, например, к несущим стенам, помимо предела огнестойкости по несущей способности (R) должны предъявляться дополнительные требования по потере изолирующей способности (I) и потере целостности (Е).

Классификация зданий по степени огнестойкости осуществляется в соответствии с существующими отраслевыми нормами и правилами и зависит от назначения зданий, их площади, этажности, взрывной, взрывопожарной и пожарной опасности производств, а также функциональных процессов.

4.3. За предал огнестойкости железобетонных конструкций принимается время (в минутах) от начала стандартного огневого воздействия до возникновения одного из предельных состояний по огнестойкости:

- по потере несущей способности (R) конструкций и узлов (обрушение или прогиб в зависимости от типа конструкции);

- по теплоизолирующей способности (I) - повышение температуры на необогреваемой поверхности конструкции в среднем более чем на 160 °С, или в любой точке этой поверхности более чем на 190 °С по сравнению с температурой конструкции до нагрева, или прогрев конструкции более чем на 220 °С независимо от температуры конструкции до огневого воздействия;

- по целостности (Е) - образование в конструкции сквозных трещин или сквозных отверстий, через которые проникают продукты горения или пламя.

Для несущих конструкций (балки, прогоны, ригели, колонны) предельным состоянием по огнестойкости является только потеря несущей способности конструкции (R).

Конструкции, которые имеют хрупкое разрушение по сжатому бетону (колонны с малым эксцентриситетом, изгибаемые переармированные элементы), за потерю несущей способности принимается полное разрушение во время пожара.

Для изгибаемых, внецентренно сжатых и растянутых с большим эксцентриситетом элементов, которые характеризуются развитием больших необратимых деформаций арматуры и бетона, за потерю несущей способности принимается развитие необратимых прогибов еще до того, как наступит полное разрушение конструкции.

4.4. Расчет предела огнестойкости конструкции по потере несущей способности (R) состоит из двух частей: теплотехнической и статической.

Теплотехнический расчет должен обеспечить время наступления предела огнестойкости, по истечении которого арматура нагревается до критической температуры, или сечение бетона конструкции сокращается до предельного значения при воздействии на нее стандартного температурного режима.

Статический расчет должен обеспечить недопущение разрушения и потери устойчивости конструкции при совместном воздействии нормативной нагрузки и стандартного температурного режима.

Расчет огнестойкости конструкций производится по нормативным сопротивлениям бетона и арматуры.

4.5. Предел огнестойкости по теплоизолирующей способности (I), т.е. по нагреву необогреваемой поверхности более допускаемых температур (См. п. 4.3.) должен быть обеспечен теплотехническим расчетом. Расчет сводится к определению времени, по истечении которого температура на необогреваемой поверхности достигнет предельно допустимого значения.

4.6. Предел огнестойкости по целостности (Е) - по образованию сквозных отверстий или трещин, возникает в конструкциях из тяжелого бетона с влажностью более 3,5 % и из легкого бетона с влажностью более 5,0 % и плотностью более 1200 кг/м3. Потеря целостности при хрупком разрушении бетона резко уменьшает предел огнестойкости, поэтому целесообразно применять бетоны с ограничением расхода цемента, низким В/Ц и с более низким коэффициентом температурного расширения заполнителя.

4.7. Испытаниями установлено, что разрушение железобетонных конструкций при огневом высокотемпературном нагреве происходит по тем же схемам, что и в условиях нормальных температур. Поэтому для расчета предела огнестойкости по потере несущей способности используются те же уравнения равновесия и деформаций, из которых выводятся формулы для статического расчета.

Статический расчет предела огнестойкости по потере несущей способности базируется на общих требованиях расчета железобетонных конструкций по предельным состояниям первой группы в соответствии со СНиП 2.03.01-84* и дополнительными указаниями, изложенными в настоящих Методических рекомендациях.

4.8. За нормативную нагрузку принимают наиболее неблагоприятные сочетания нормативных постоянных и временных длительных статических нагрузок согласно СНиП 2.01.07-85 и п. 1.12 СНиП 2.03.01-84*, существенно влияющих на напряженное состояние железобетонной конструкции при пожаре. В тех случаях, когда нельзя установить значение нормативной нагрузки, разрешается принимать ее равной 0,7 от расчетной нагрузки. Расчетная схема приложения нормативной нагрузки должна соответствовать проекту.

4.9. Несущая способность конструкций при огневом воздействии зависит от изменения свойств бетона и арматуры с ростом температуры. Во многих случаях уравнения предельного равновесия невозможно записать без результатов теплотехнического расчета. Решение теплотехнической задачи выполнимо лишь для конкретных промежутков времени с начала нагрева.

Нахождение условий предельного состояния строится на принципе последовательных приближений для заранее известных промежутков времени. В итоге предел огнестойкости определяется либо графически, либо аналитически в результате решения уравнений предельного состояния.

В простых случаях решение статической задачи по оценке огнестойкости сводится к определению значения критической температуры нагрева растянутой арматуры, поскольку она не зависит от результатов теплотехнической задачи, или вычисляют усилие, которое может воспринять сечение элемента при требуемом минимальном пределе огнестойкости. Если это усилие равно или больше нормативного, то требуемый предел огнестойкости обеспечен.

Вычисленные пределы огнестойкости должны быть не менее требуемых значений СНиП 21-01-97 (См. Табл. 1).

4.10. Для уникальных и особо ответственных сооружений и комплексов, относящихся к I-му повышенному уровню ответственности, отказы которых после пожара могут привести к тяжелым экономическим и экологическим последствиям (ГОСТ 27751, Изменение № 1), а также для конструкций, восстановление которых потребует больших сложностей и затрат, необходимо обеспечивать их огнесохранность после пожара.

За огнесохранность конструкции принимается такое ее состояние, при котором остаточная прочность или необратимые деформации позволяют обеспечить надежную работу после пожара. Расчет огнесохранности после пожара ведется при расчетных нагрузках и расчетных сопротивлениях бетона и арматуры после огневого воздействия.

4.11. При расчете огнестойкости и огнесохранности конструкции целесообразно рассматривать приведенные сечения. При этом расчетная площадь приведенного сечения бетона ограничивается изотермой критических температур нагрева бетона tb,cr. Критическая температура для тяжелого бетона на гранитном заполнителе 500 °С, на известняковом заполнителе и для конструкционного керамзитобетона 600 °С. При этом принимают tb > tb,cr gbt = 0 и при tb £ tb,cr gbt = 1.

4.12. Критическая температура нагрева арматуры ts,cr характеризует стадию образования пластического шарнира в растянутой зоне при огневом воздействии.

5. СВОЙСТВА БЕТОНА И АРМАТУРЫ ПРИ ОГНЕВОМ ВОЗДЕЙСТВИИ И ПОСЛЕ НЕГО

БЕТОН

5.1. Нормативные Rb,n и расчетные Rb сопротивления бетона осевому сжатию (призменная прочность), начальный модуль упругости бетона при сжатии Eb следует принимать по СНиП 2.03.01-84*.

При пожаре в нагруженном состоянии конструкции подвергаются высокотемпературному огневому воздействию, которое изменяет свойства бетона. Изменение прочности бетона на осевое сжатие с увеличением температуры учитывают коэффициентом условий работы бетона gbt, представляющим собой отношение прочности бетона при нагреве к прочности бетона при нормальной температуре.

Изменение модуля упругости бетона с увеличением температуры учитывают коэффициентом bb, представляющим собой отношение модуля упругости бетона при нагреве к модулю упругости бетона при нормальной температуре.

При нагреве увеличиваются пластические деформации бетона. Упругопластические свойства бетона учитывают коэффициентом , представляющим собой отношение упругих деформаций к полным.

Значения коэффициентов условий работы gbt, bb,  для различных видов бетона приведены в Приложении 1.

5.2. При нагревании бетона естественной влажности полная температурная деформация бетона состоит из двух видов деформаций: обратимой - температурное расширение ebt и необратимой - температурная усадка ecs. Значения коэффициентов температурного расширения abt и температурной усадки a cs для различных видов бетона в диапазоне температур от 20 до 1000 °С приведены в Табл. 2 и 3.

Таблица 2.

Вид бетона

Коэффициент температурной деформации бетона abt×10-6×°С-1 при температуре бетона, °С

20¸50

100

300

500

700¸1000

Тяжелый на гранитном заполнителе

9

9

8

11

14,5

Тяжелый на известняковом заполнителе

10

10

9

12

15,5

Конструкционный керамзитобетон

8,5

8,5

7

5,5

4,5

Таблица 3.

Вид бетона

Коэффициент температурной усадки бетона acs×10-6×°С-1 при температуре нагрева бетона, °С

20¸50

100

300

500

700¸1000

Тяжелый на гранитном заполнителе

0,5

1,0

1,0

-1,8

-6,8

Тяжелый на известняковом заполнителе

0,5

1,5

1,1

1,3

1,5

Конструкционный керамзитобетон

2,0

2,0

1,5

1,5

1,5

5.3. Коэффициент теплопроводности тяжелого бетона на гранитном щебне:

 Вт/м×°С;                                        (1)

на известняковом щебне:

 Вт/м×°С;                                      (2)

конструкционного керамзитобетона:

 Вт/м×°С;                                     (3)

Коэффициент теплоемкости тяжелого бетона на гранитном и известняковом щебне:

 кДж/°С;                                     (4)

конструкционного керамзитобетона:

 кДж/°С;                                     (5)

Приведенный коэффициент температуропроводности бетона вычисляют по формуле:

 м2/ч,                                         (6)

где: l и С - расчетные средние коэффициенты теплопроводности и теплоемкости бетона, вычисляют для температуры 450 °С;

W - весовая эксплуатационная влажность бетона, в кг/кг;

r - плотность сухого бетона, кг/м3.

Увеличение коэффициента теплоемкости на 50W связано с учетом расхода тепла на испарение свободной воды в порах бетона.

5.4. Диаграмма деформирования бетона состоит из трех линейных участков, соединяющих характерные базовые точки (Рис. 1). Первый участок диаграммы 0-1 характеризует упругую работу бетона до условного предела пропорциональности. На втором участке 1-О установлена связь между напряжениями и деформациями бетона от условного предела пропорциональности до предельного значения напряжения при однородном напряженном состоянии - при центральном сжатии (прямоугольная эпюра напряжений). Третий участок О-2 при постоянном значении напряжений, равном сопротивлению бетона сжатию Rb×gbt, характеризует изменение предельного значения деформаций бетона от однородного напряженного состояния до наибольшего значения при неоднородном напряженном состоянии (при треугольной эпюре деформаций) бетона.

Рис. 1. Расчетная диаграмма деформирования бетона на сжатие при нагреве.

Напряжения в основной базовой точке «О» диаграммы принимаются равными значению сопротивления бетона при центральном сжатии Rbgbt и соответствующей предельной деформации ebo. Предельную деформацию при центральном сжатии ebo в основной базовой точке «О» диаграммы деформирования бетона принимают по Табл. 4.

При огневом воздействии сжатые элементы подвергаются неравномерному нагреву. Разрушение этих элементов происходит по более прочному, менее нагретому бетону, обладающему меньшей предельной деформацией. Поэтому предельная деформация сжатия бетона, приведенная в Табл. 4, должна приниматься по наименьшей температуре нагрева бетона в поперечном сечении элемента.

Таблица 4.

Температура (°С) менее нагретого бетона в сечении

Предельная деформация eb0 (%) при центральном сжатии

тяжелого бетона на заполнителе

конструкционного керамзитобетона

гранитном

известняковом

20

0,20

0,25

0,20

100

0,25

0,30

0,25

200

0,35

0,40

0,30

300

0,55

0,60

0,45

400

0,65

0,75

0,60

500

0,90

0,95

0,95

600

1,20

1,25

1,20

700

1,30

1,40

1,35

800

1,50

1,60

1,85

Значение напряжения при сжатии для первой дополнительной точки диаграммы деформирования бетона принимается:

,                                                (7)

где: gbt1 = 0,6 gbt.

Деформацию бетона, соответствующую напряжению sb1, определяют по формуле:

                                     (8)

Значение напряжения sb2 для второй дополнительной точки диаграммы деформирования бетона принимают максимальными, равными Rbgbt. Деформация бетона, отвечающая этому напряжению, является наибольшей предельной деформацией при неоднородном напряженном состоянии (при треугольной эпюре деформаций) и принимается:

,                                                       (9)

Предельную деформацию сжатия εb2 при неоднородном напряженном состоянии принимают по Табл. 5 в зависимости от средней температуры бетона сжатой зоны, которую принимают по Рис. 7.

Таблица 5.

Средняя температура бетона сжатой зоны, °С

Предельная деформация крайнего волокна бетона сжатой зоны eb2, (%)

тяжелого бетона на заполнителе

конструкционного керамзитобетона

гранитном

известняковом

20

0,34

0,42

0,34

50

0,38

0,46

0,38

100

0,42

0,51

0,42

150

0,50

0,60

0,46

200

0,59

0,68

0,51

250

0,76

0,85

0,63

300

0,93

1,02

0,76

350

1,00

1,14

0,89

400

1,10

1,27

1,02

5.5. При расчете огнестойкости используют диаграммы деформирования бетона на сжатие от кратковременного огневого воздействия, построенные с учетом изменения свойств бетона в нагретом состоянии при пожаре и в зависимости от изменения относительного нормативного сопротивления бетона сжатию, приведенные в Приложении 2.

При расчете огнесохранности конструкции после пожара используют диаграммы деформирования бетона при сжатии после кратковременного огневого воздействия, т.е. в охлажденном состоянии. Диаграммы деформирования бетона на сжатие построены в зависимости от изменения относительного расчетного сопротивления бетона сжатию. Деформации и температуры для промежуточных значений определяются интерполяцией.

АРМАТУРА

5.6. Нормативные Rsn и расчетные Rs сопротивления арматуры и модуль упругости арматуры Еs следует принимать по СНиП 2.03.01-84*.

При пожаре от огневого воздействия арматура подвергается высокотемпературному нагреву, который изменяет свойства арматуры.

Изменение сопротивления арматуры растяжению и сжатию с повышением температуры учитывают коэффициентом условий работы gst = g¢st, который представляет собой отношение сопротивления арматуры при нагреве к сопротивлению арматуры при нормальной температуре.

Изменение модуля упругости арматуры с повышением температуры учитывают коэффициентом bs, который представляет собой отношение модуля упругости арматуры при нагреве к модулю упругости арматуры при нормальной температуре.

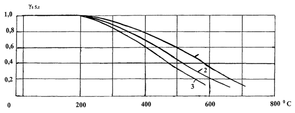
При огневом воздействии длина зоны передачи напряжений для арматуры без анкеров уменьшается, и это уменьшение учитывается коэффициентом условий работы арматуры gs5t.

При кратковременном высокотемпературном нагреве в арматуре развиваются пластические деформации. Упругопластические свойства арматуры учитываются коэффициентом vs, представляющим собой отношение упругих деформаций к полным. Значения коэффициентов gst, bs, vs и gs5t приведены в Приложении 1.

5.7. С повышением температуры арматурная сталь расширяется. Температурное расширение арматуры зависит от класса арматуры и марки стали. Коэффициент температурного расширения арматуры ast с повышением температуры возрастает, и он больше коэффициента температурной деформации бетона (Табл. 6).

Таблица 6.

Класс арматуры

Коэффициент температурного расширения арматуры ast×10-6×°C-1 при температуре, °С

20-50

100

200

300

400

500

600

700

1000

А240, А300 В400, В1500, Вр1500

11,5

11,7

12,0

12,5

13,0

13,5

14,0

14,5

16,0

А400, А600, А800, Ат800 А1000, Ат1000

11,5

12,0

13,0

13,5

14,0

14,5

15,0

15,5

17,0

5.8. В элементах с жесткой арматурой, у которых наблюдается перепад температур по длине полок и высоте стенок жесткой арматуры, необходимо учитывать теплопроводность стали.

Коэффициент теплопроводности стали:

 Вт/м×°С.                                            (10)

Коэффициент теплоемкости стали:

 кДж/°С.                                          (11)

5.9. Диаграмма деформирования при растяжении и сжатии арматуры, имеющей физический предел текучести, состоит из двух прямолинейных участков, соединяющихся в основной базовой точке «О» (Рис. 2).

Рис. 2. Расчетные диаграммы деформирования арматуры при нагреве:

а) с физическим пределом текучести;

б) с условным пределом текучести.

Диаграмма деформирования арматуры с условным пределом текучести состоит из трех прямоугольных участков. Первый участок 0-1 диаграммы характеризует упругую работу арматуры до напряжения, принятого за предел пропорциональности. Второй участок 1-О описывает связь между напряжениями и деформациями до условного предела текучести Rsgst. Третий участок О-2 устанавливает связь между напряжениями и деформациями от условного предела текучести до временного сопротивления. Напряжение в основной базовой точке «О» диаграммы принимают равным значению сопротивления арматуры растяжению Rsgst при соответствующей деформации es0. Значение деформации в основной базовой точке диаграммы деформирования арматуры с физическим пределом текучести принимают равным:

                                                     (12)

и с условным пределом текучести:

                                            (13)

Для арматуры с физическим пределом текучести напряжения ss2 во второй дополнительной базовой точке диаграммы принимают равным Rs, а деформации увеличивают по отношению к значению деформации основной базовой точки.

Для арматуры классов:

А240 εs2 = 100εs0

А300 εs2 = 70εs0

А400 εs2 = 40εs0

Для арматуры с условным пределом текучести значения напряжения в первой дополнительной точке

,                                               (14)

где: gst1 = 0,8 gst,

и во второй дополнительной точке для классов арматуры:

А600 ss2 = 1,3Rsgst

А800 ss2 = 1,25Rsgst                                                    (15)

А1000 ss2 = 1,20Rsgst

В1500, Вр1500 ss2 = 1,15Rsgst.

При этих напряжениях предельные деформации равны для арматуры классов:

А600 εs2 = 18es0

А800 εs2 = 12es0                                                         (16)

А1000 εs2 = 8es0

В1500, Bp1500 εs2 = 5es0.

5.10. При расчете огнестойкости используют диаграммы деформирования арматуры при растяжении и сжатии от кратковременного огневого воздействия в нагретом состоянии при пожаре (Приложение 2). Диаграммы деформирования арматуры построены в зависимости от изменения относительного нормативного сопротивления арматуры растяжению или сжатию. У арматуры классов А240, А300, А400, имеющих физический предел текучести, при нагреве выше 100 °С физический предел текучести пропадает, и арматура деформируется с условным пределом текучести. В арматуре всех классов при кратковременном нагреве свыше 400 °С развиваются пластические деформации быстро натекающей ползучести.

При расчете огнесохранности после пожара используют диаграммы деформирования арматуры после кратковременного огневого воздействия в охлажденном состоянии. Диаграммы деформирования арматуры построены в зависимости от изменения относительного расчетного сопротивления арматуры растяжению или сжатию. Для промежуточных температур значения деформаций устанавливают линейной интерполяцией.

В практических расчетах предельные деформации арматуры при кратковременном высокотемпературном нагреве ограничивают при растяжении до 2 % и при сжатии до 0,5 %.

5.11. При расчете прогибов, деформаций и на трещинообразование по имеющимся исходным данным для каждой стали строят 1-й и 2-й участки диаграммы деформирования арматуры.

6. ТЕПЛОТЕХНИЧЕСКИЙ РАСЧЕТ

ОСНОВНЫЕ ПОЛОЖЕНИЯ РАСЧЕТА

6.1. Изменение температуры в твердых телах рассчитывают путем решения дифференциального уравнения теплопроводности Фурье.

Поскольку у железобетонных конструкций, как правило, один размер значительно больше двух других, то решение уравнения Фурье при расчете огнестойкости достаточно проводить для одномерных и двухмерных температурных полей. Наиболее точно прогрев железобетонных конструкций определяют конечно - разностным или конечно - элементным расчетом с использованием ЭВМ.

При решении уравнения теплопроводности учитывают изменение теплофизических свойств бетона.

6.2. Расчет температур в бетоне от стандартного температурного режима производят при начальном условии, что температура бетона и внешней среды te = 20°C.

6.3. Согласно стандартам ИСО 834 и СЭВ 1000-78 температура нагреваемой среды изменяется в зависимости от времени согласно Табл. 7.

Таблица 7.

Время, мин

t, °C

Время, мин

t, °C

Время, мин

t, °C

5

576

50

915

120

1049

10

679

60

945

150

1082

15

738

70

970

180

1110

20

781

80

990

210

1133

25

810

90

1000

240

1153

30

841

100

1025

270

1170

40

885

110

1035

300

1186

6.4. Для обогреваемых поверхностей конструкций при пожаре принимают одинаковые условия теплообмена с нагреваемой средой.

При расчете температур учитывают конвективный Qc и лучистый Qr теплообмен между обогреваемой средой и поверхностью конструкции. Полный тепловой поток от нагреваемой среды к единице поверхности конструкции в (кВт/м2) или (ккал/ч×м2) равен:

Q = Qc + Qr.                                                            (17)

Конвективный тепловой поток к единице поверхности определяют по формуле:

                                                         (18)

Коэффициент теплообмена для обогреваемой поверхности:

aс = 29 кВт/м2×°С или 25 ккал/ч×м2°С

для необогреваемой поверхности:

                                                       (19)

Лучистый тепловой поток к единице поверхности равен:

                       (20)

где ered - приведенная степень черноты.

Для системы «обогреваемая среда - бетонная поверхность» ered = 0,56 и для системы «воздух - необогреваемая бетонная поверхность» ered = 0,63.

6.5. Коэффициенты теплопроводности l и удельной теплоемкости С следует определять по формулам:

, Вт/м×°С                                                        (21)

C = C+ Дt, кДж/кг×°С                                                      (22)

Значения коэффициентов А, В, С, Д приведены в Табл. 8.

Таблица 8.

Вид бетона и арматурная сталь

Плотность бетона, кг/м3

Значения коэффициентов

Влажность бетона, %

аred, м2

А, Вт/м×°С

В, Вт/м×°С

С, кДж/кг×°С

Д, кДж/кг×°С

Тяжелый на гранитном заполнителе

2350

1,20

-0,00035

0,71

0,00083

2,5

0,00133

Тяжелый на известняковом заполнителе

2350

1,14

-0,00055

0,71

0,00083

3,0

0,00116

Конструкционный керамзитобетон

1400 - 1600

0,36

-0,00012

0,83

0,00042

5,0

0,00734

Арматурная сталь

7850

58

-0,048

0,48

0,00063

-

-

6.6. Теплотехнический расчет применим для плоских конструкций, а также конструкций прямоугольного и круглого сечений. Температура арматуры, расположенной у обогреваемой поверхности, в плоских конструкциях (плитах, стенах) практически не зависит от изменения условий теплоотдачи на необогреваемой поверхности. Расчет температур в общем случае проводится по условной толщине рассматриваемого слоя бетона xi от обогреваемой поверхности.

Для определения температуры в бетоне вычисляют

                                                         (23)

и в арматуре

,                                                  (24)

затем определяют относительные расстояния:

                                                           (25)

                                                         (26)

где: l - толщина прогрева слоя бетона в метрах;

xi - расстояние в метрах от рассматриваемой точки бетона в сечении до i-ой обогреваемой поверхности;

j1, j2 - коэффициенты, зависящие от плотности бетона, принимаются по Табл. 9;

уi - расстояние в метрах от i-й обогреваемой поверхности до оси арматуры;

ds - диаметр арматуры в метрах;

t - длительность стандартного пожара, в мин.

Время достижения предела огнестойкости в часах определяют по формуле:

.                                             (27)

ОДНОСТОРОННИЙ НАГРЕВ

6.7. Для плит, стен пренебрегают теплообменом на торцах и считают, что температура изменяется только по толщине, и решают одномерную задачу теплопроводности (Рис. 3).

Рис. 3. Определение температуры бетона и арматуры, расположенных у обогреваемых поверхностей:

а) одной, б) двух параллельных, с) двух перпендикулярных, d) трех, е) четырех.

Температуру бетона и арматуры (°С) в плите при одной обогреваемой поверхности определяют по формуле:

                                                    (28)

Формула (28) применима при хi£0,7h. В этой формуле r1 равно отношению условной толщины рассматриваемого слоя бетона хi* от обогреваемой поверхности к толщине прогреваемого слоя бетона l.

.                                                (29)

Толщину слоя бетона, прогреваемого до критической температуры tb,cr (в °С), определяют по формуле:

                                                         (30)

при tb,cr: х1 = at.

В формулах (23 - 26, 30) приведенный коэффициент температуропроводности аred2/ч) вычисляют по формуле (6) или принимают по Табл. 8.

6.8. Толщину защитного слоя бетона от обогреваемой поверхности до оси арматуры определяют в зависимости от относительных расстояний r1 и y1.

Значение r1 вычисляют по формуле (29).

Значение y1 определяется по формуле:

,                                                  (31)

где l - находят по формуле (26). При критической температуре арматуры ts,cr y1 = а.

ДВУХСТОРОННИЙ НАГРЕВ

6.9. При двух параллельных обогреваемых поверхностях температуру бетона и арматуры следует определять:

                                           (32)

Относительное расстояние r1 определяют по формуле (29) и x1 £ 0,5h (См. Рис. 3) по формуле (30).

Относительное расстояние r2 определяют также по формуле (29), принимая вместо x1 значение x2.

Затем по формуле (32) определяют температуру бетона, отстоящего от обогреваемой поверхности на расстоянии x1 и x2 = h-x1. При температуре бетона, равной tb,cr, x1 = at.

Таблица 9.

Плотность сухого бетона, r, (кг/м3)

500

800

1100

1400

1700

2000

2400

j1, ч1/2

0,46

0,52

0,56

0,57

0,59

0,61

0,63

j2

1,0

0,9

0,8

0,7

0,6

0,5

0,5

Если t > tbr, то рассчитывают температуру t¢ в точке x1¢ > x1 и x2¢ = h-x1¢. Толщину слоя бетона, прогретого до критической температуры, принимают:

                                            (33)

Толщину защитного слоя бетона от обогреваемой поверхности до оси арматуры вычисляют по формуле (32), предварительно определив значение r1 по формуле (29) и y1 - по формуле (31). Зная y1, находят y2 = h-y1-ds.

При температуре арматуры ts,cr y1 = a.

Если t > tsr, то рассчитывают температуру t¢ арматуры с y1¢ > y1 и y2 = h-y1¢-ds и принимают:

                                             (34)

6.10. При двух взаимно перпендикулярных поверхностях температуру бетона и арматуры следует определять:

                               (35)

Значения r = r1 = r2 принимают как для одной обогреваемой поверхности внутри угла, образованного этими поверхностями.

                                        (36)

Для арматуры, расположенной по биссектрисе прямого угла, значение у = y1 = у2 определяют по формуле (31). При t = ts,cr у = а.

Если для рассматриваемой точки бетона x2 ³ l, то r2 = 1 и в формуле (35) выражение во вторых квадратных скобках преобразуется так: [1-(1-r2)2] = 1.

ТРЕХСТОРОННИЙ НАГРЕВ

6.11. Температура бетона и арматуры в балке при трехстороннем огневом воздействии, когда первая и вторая обогреваемые поверхности параллельны, а третья им перпендикулярна, определяют по формуле:

                   (37)

Когда в прямоугольном сечении расстояние между первой и второй обогреваемыми поверхностями равно «b», толщина слоя прогретого бетона у третьей обогреваемой поверхности определяется:

                                   (38)

                                                      (39)

                                                (40)

Толщину слоя бетона, прогретого до tb,cr у третьей обогреваемой поверхности определяют:

                                                         (41)

Если для рассматриваемой точки бетона х3 ³ l, то в формуле (37) r3 = 1 и выражение в одной из скобок преобразуется: [1-(1-r3)2] = 1.

Толщину прогретого бетона у первой и второй обогреваемых поверхностей принимают как для параллельных обогреваемых поверхностей и находят по формулам (29, 30, 32).

ЧЕТЫРЕХСТОРОННИЙ НАГРЕВ

6.12. Температуру бетона и арматуры в прямоугольной колонне при четырехстороннем огневом воздействии, когда взаимно параллельные первая и вторая, третья и четвертая поверхности обогреваются, определяют по формуле:

          (42)

Если для рассматриваемой точки х2,4 ³ l, то r2,4 = 1 и 1 - (1 - r2,4)2 = 1. Это значит, что 2-ая и 4-ая обогреваемые поверхности не оказывают влияния на температуру в рассматриваемой точке. При четырехстороннем обогреве толщину прогретого слоя у третьей и четвертой взаимно параллельных обогреваемых поверхностей принимают равной толщине слоя х3 у третьей обогреваемой поверхности при трехстороннем обогреве (первой, второй и третьей поверхностей) и определяют по формуле (38). Соответственно, толщину прогретого слоя у первой и второй взаимно параллельных поверхностей принимают равной толщине слоя x1 у первой обогреваемой поверхности при трехстороннем обогреве.

При четырехстороннем обогреве прямоугольного сечения толщину прогретого слоя в углах определяют по формуле (36).

6.13. Для квадратного сечения, обогреваемого с 4-х сторон, допускается определять площадь, ограниченную изотермой tb,cr, по формуле:

                                                   (43)

где:

; ;                                             (44)

 

                                (45)

где: аt - толщина слоя бетона, прогретого до tb,cr у середины боковой поверхности, которую вычисляют по формулам (38, 41);

at1 - толщина слоя прогретого бетона до tb,cr в углу сечения, которую вычисляют по формулам (36, 41).

6.14. Для колонн круглого сечения, обогреваемых по всему периметру, температуру бетона и арматуры определяют по формуле:

                                (46)

где: d - диаметр колонны в метрах,

x1 = 0,35×d.

Для определения температуры прогретого слоя бетона находят r1 по формуле (29) и x1 по формуле (30). Затем по формуле (46) определяют температуру t для точки бетона, находящейся на расстоянии x1 от обогреваемой поверхности и температуру t для точки x1¢ = 1,2x.

Толщину прогретого бетона до критической температуры tb,cr вычисляют по формуле (33).

6.15. Температуры бетона в плитах и стенах в зависимости от длительности стандартного пожара приведены в Приложении 3, температуры нагрева арматуры в балках - в Приложении 4, температуры бетона в колоннах, балках и ребристых перекрытиях - в Приложении 5.

7. ПРЕДЕЛ ОГНЕСТОЙКОСТИ ПЛИТ И СТЕН ПО ПОТЕРЕ ТЕПЛОИЗОЛИРУЮЩЕЙ СПОСОБНОСТИ

7.1. Температура необогреваемой поверхности конструкции при одностороннем огневом воздействии зависит от условий теплообмена на этой поверхности, который характеризуется коэффициентом теплоотдачи:

                                                             (47)

где: aс - коэффициент передачи тепла конвекцией на необогреваемой поверхности;

ar - коэффициент передачи тепла излучением на необогреваемой поверхности.

В расчет вводится среднее арифметическое из начального и конечного значений коэффициента теплоотдачи a. Начальное значение находят при повышении температуры на 1 °С необогреваемой поверхности.

Конечное значение определяют при повышении температуры необогреваемой поверхности на 160 °С, т.е. при наступлении предела огнестойкости по потере теплоизолирующей способности. Затем теплотехническим расчетом находят время достижения предела огнестойкости по потере теплоизолирующей способности.

7.2. Предел огнестойкости по потере теплоизолирующей способности при одностороннем нагреве плит (стен) из тяжелого бетона на гранитном и известняковом заполнителях и конструкционного керамзитобетона при стандартном огневом воздействии приведен на Рис. 4.

Рис. 4. Предел огнестойкости по теплоизолирующей способности плит (стен) при одностороннем нагреве из бетона:

1 - тяжелого на гранитном заполнителе; 2 - то же, на известняковом заполнителе; 3 - конструкционного керамзитобетона.

8. РАСЧЕТ ПРЕДЕЛА ОГНЕСТОЙКОСТИ ПО ПОТЕРЕ НЕСУЩЕЙ СПОСОБНОСТИ

БАЛОЧНЫЕ ПЛИТЫ

8.1. Плиты считаются балочными, если

.

Для обеспечения требуемого предела огнестойкости плит они должны иметь высоту h и расстояние от нагреваемой поверхности до оси арматуры «а» не менее значений, указанных в Табл. 10.

Таблица 10.

Вид бетона

Вид плиты и опирания

Минимальная толщина плиты h и расстояние до оси арматуры а, мм, при пределе огнестойкости, мин

30

60

90

120

180

240

Толщина плиты, мм

60

80

100

120

150

175

Тяжелый с гранитным заполнителем

Балочная плита. Опирание по двум сторонам.

10

25

35

45

60

70

Опирание по контуру при 1y/1х £ 1,5

10

10

15

20

30

40

Опирание по контуру при 1y/1х > 2,0

10

25

35

45

60

70

Толщина плиты, мм

60

65

80

95

120

140

Конструкционный керамзитобетон D 1400-1600

Балочная плита. Опирание по двум сторонам.

10

20

30

40

50

55

Опирание по контуру при 1y/1х £ 1,5

10

10

10

15

25

30

Опирание по контуру при 1y/1х > 2,0

10

20

30

40

50

55

8.2. Балочные статически определимые плиты, опертые по двум противоположным сторонам, при одностороннем нагреве разрушаются в результате образования пластического шарнира в середине пролета из-за снижения нормативного сопротивления арматуры растяжению до критического значения, т.е. до напряжения от нормативной нагрузки (Рис. 5).

Рис. 5. Схема усилий и эпюра напряжений в сечении, нормальном к продольной оси:

а) балочной плиты в пролете; в) консольной плиты на опоре, обогреваемых с нижней стороны.

При расчете можно пренебречь прогревом сжатой зоны бетона и сжатой арматуры, так как они нагреваются незначительно.

8.3. Критическое значение коэффициента условий работы растянутой арматуры вычисляют по формулам:

при одиночном армировании, когда х < xR:

                                             (48)

при двойном армировании:

                          (49)

где:

                                               (50)

Зная критическое значение коэффициента условий работы арматуры gst,cr в зависимости от класса арматуры по Рис. 22 - 24 определяют критическую температуру нагрева арматуры ts,cr, при которой наступает предел огнестойкости по потере несущей способности.

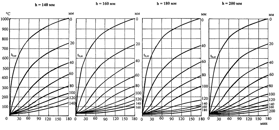
Время наступления предела огнестойкости по потере несущей способности находят по кривым прогрева бетона плит, принимая критическую температуру нагрева арматуры равной температуре бетона на уровне ее центра тяжести (Рис. 32 - 37).

8.4. У сильно армированных плит, когда разрушение может начаться со сжатой зоны, до начала резкого увеличения пластических деформаций температурной ползучести растянутой арматуры, критическую деформацию арматуры es,cr следует определять по зависимости, связывающей полные деформации арматуры с относительной высотой сжатой зоны x нагретого элемента в предельном состоянии:

                                          (51)

Характеристика сжатой зоны:

                                                    (52)

где: a - принимают для тяжелого бетона 0,85 и для конструкционного керамзитобетона 0,80;

Rbn - нормативное сопротивление бетона сжатию, МПа.

Относительная высота сжатой зоны:

                                        (53)

Деформации предельной сжимаемости бетона eb2 в изгибаемых плитах принимают по Табл. 5 в зависимости от вида бетона и средней температуры нагрева сжатой зоны.

Зная критическую деформацию es,cr и коэффициент условий работы растянутой арматуры gst,cr, по кривым деформирования арматуры (Рис. 28 - 31) находят критическую температуру нагрева арматуры ts,cr. По кривым прогрева бетона (Рис. 32 - 37) находят время наступления предела огнестойкости плиты по потере несущей способности, принимая температуру арматуры по температуре бетона на уровне ее центра тяжести.

МНОГОПУСТОТНЫЕ ПЛИТЫ

8.5. В многопустотных плитах предел огнестойкости может наступить при действии изгибающего момента M1 от нормативной равномерно распределенной нагрузки в опасном наклонном сечении от поперечной силы и проскальзывания арматуры на опоре при нагреве контактного слоя бетона и арматуры до критической температуры.

Расчет огнестойкости при действии изгибающего момента в опасном наклонном сечении производится из условия:

                                                      (54)

При огневом воздействии момент, воспринимаемый продольной арматурой, пересекающей растянутую зону наклонного сечения, определяется:

                                         (55)

Момент, воспринимаемый хомутами в пределах растянутой зоны наклонного сечения, определяется:

                                                  (56)

где: gs5 - коэффициент условий работы арматуры в зоне передачи напряжений для арматуры без хомутов, определяют по п. 2.29 СНиП 2.03.01-84*;

gs5t - коэффициент условий работы арматуры в зоне передачи напряжений при огневом воздействии, принимают по Рис. 24 в зависимости от класса и температуры арматуры в зоне передачи напряжений;

с - длина проекции наиболее опасного наклонного сечения;

s - расстояние между хомутами;

gst - коэффициент условий работы арматуры, принимают по Рис. 22 - 24 в зависимости от наибольшей температуры нагрева хомутов, пересекаемых наклонной трещиной.

Высоту сжатой зоны вычисляют по формуле:

                                                     (57)

8.6. За предел огнестойкости принимается минимальное значение из пределов огнестойкости: при образовании пластического шарнира в середине пролета от момента М и у края наклонной трещины от момента M1.

Предел огнестойкости при образовании пластического шарнира в середине пролета определяют с использованием формул (48) и (51), в которых вместо «b» - ширины ребра подставляют «bf¢» - ширину сжатой полки.

Зная gst,cr, по Рис. 22 - 24 находят критическую температуру нагрева арматуры ts,cr. По значению ts,cr в Табл. 11 для требуемого предела огнестойкости определяют толщину защитного слоя бетона. Если принятая толщина защитного слоя бетона больше указанной, то требуемая огнестойкость обеспечена. Время наступления предела огнестойкости находят по Рис. 32 - 37 в зависимости от критической температуры арматуры.

Таблица 11.

Вид бетона

Длительность огневого воздействия, мин

Температура нагрева арматуры ts, °C, при толщине защитного слоя до центра тяжести арматуры

350

400

450

500

550

600

650

Тяжелый бетон на гранитном заполнителе

45

30

26

22

18

15

-

-

60

38

33

29

25

21

17

-

90

53

46

40

35

30

26

22

Тяжелый бетон на известняковом заполнителе

45

28

24

20

17

14

-

-

60

36

31

27

23

19

16

-

90

46

43

38

33

28

24

20

Конструкционный керамзитобетон D 1400¸1600

45

22

18

15

-

-

-

-

60

28

23

20

17

15

-

-

90

38

33

29

25

21

18

15

8.7. Предел огнестойкости при образовании пластического шарнира у низа наклонной трещины определяют по моменту М1. Если этот момент неизвестен, то его рекомендуется определять по формуле:

                                 (58)

Коэффициент условий работы арматуры в зоне передачи напряжений определяют по формуле:

                                           (59)

где: lx - длина опоры плиты;

l - расчетный пролет плиты;

Rbp - передаточная прочность бетона, определяемая по п. 2.6. СНиП 2.03.01-84*;

ds - диаметр арматуры.

Приняв с = 2h0, s = 0,5h0 и h0 - 0,5x = h0, прочность опасного наклонного сечения для плиты с однорядным армированием из арматуры одного класса допускается определять по формуле:

                                     (60)

Критическую температуру арматуры в зоне анкеровки при опирании плиты на железобетонный ригель или стену принимают равной 0,8ts,cr. По критической температуре в зоне анкеровки определяют время наступления предела огнестойкости плиты в этой зоне по условиям (54) и (60). Если эти условия не соблюдаются, то повысить предел огнестойкости в зоне анкеровки можно путем увеличения толщины защитного слоя бетона или усиления анкеровки арматуры на опоре специальными мерами: приваркой закладных деталей, установкой обжатых шайб, косвенным армированием и т.д.

КОНСОЛЬНЫЕ ПЛИТЫ

8.8. Консольные плиты имеют заделку на опоре. При одностороннем огневом воздействии снизу прочность опорного сечения снижается, в основном, за счет нагрева до высоких температур сжатого бетона и, вследствие этого, уменьшения расчетной высоты сечения (См. Рис. 5). Расчетная высота сечения уменьшается на толщину слоя бетона, прогретого до критической температуры.

Прочность опорного сечения, при нормативной нагрузке и при огневом воздействии снизу, следует определять по формулам:

при

                                (61)

                                          (62)

Для плит из бетона класса В30 с ненапрягаемой арматурой класса А240, А300, А400 и А1000, если полученное из расчета по формуле (62) значение х>xRh0t, допускается производить расчет по формулам (61) и (62), принимая высоту сжатой зоны х = xRh0t.

8.9. Для проверки расчетом предела огнестойкости консольной плиты с заделкой на опоре следует установить минимальный предел огнестойкости по Табл. 1. Для заданного интервала времени по кривым прогрева бетона (Рис. 32 - 37) найти толщину слоя бетона at, прогретого до критической температуры. Затем определить рабочую высоту сечения при огневом воздействии h0t = h0 - at и проверить условие (61). Если оно выполняется, то требуемый предел огнестойкости плиты обеспечен.

ПЛИТЫ С АРМАТУРОЙ РАЗНЫХ КЛАССОВ

8.10. В плитах, армированных разными классами сталей, расположенных в разных уровнях, арматура нагревается неодинаково. В этом случае следует вычислять среднюю критическую деформацию растянутой арматуры es,cr,m по формуле (51), подставляя в эту формулу значение x, которое определяется по формуле (53). В этой формуле вместо «h02» вводится средняя полезная высота сечения «h0m2», которую определяют из выражения:

                            (63)

где: h01, Аs1, Rsn1h0n, Asn, Rsn,n - рабочая высота сечения, площадь и нормативное сопротивление арматуры для каждого класса и ряда.

Затем вычисляют средний коэффициент условий работы для всей арматуры по формуле:

                                  (64)

По значениям es,cr,m и gst,m и диаграммам деформирования арматуры (Рис. 28 - 31) находят критические температуры для каждого класса арматуры ts,cr1, ts,cr2... ts,cr,n. Затем вычисляют среднюю критическую температуру для арматуры разных классов:

                                   (65)

Предел огнестойкости находят с помощью графиков (Рис. 32 - 37) по средней рабочей высоте h0m и средней критической температуре арматуры ts,cr, m.

БАЛКИ, РИГЕЛИ, ПРОГОНЫ

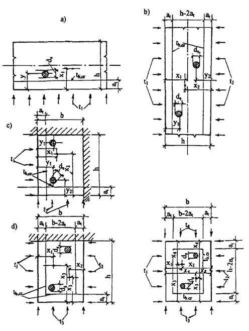
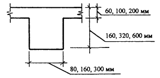
8.11. Балки, ригели и прогоны в большинстве случаев во время пожара подвергаются трехстороннему нагреву. Огневому воздействию подвергаются нижняя горизонтальная поверхность и две боковые вертикальные поверхности. Происходит нагрев не только растянутой арматуры, но и бетона сжатой зоны и сжатой арматуры (Рис. 6).

Рис. 6. Схема усилий и эпюра напряжений в сечении, нормальном к продольной оси изгибаемого железобетонного элемента при пожаре, обогреваемого с трех сторон, при расчете на огнестойкость:

а) прямоугольного сечения; b) таврового, со сжатой зоной в полке; с) таврового, со сжатой зоной в полке и ребре.

Для обеспечения требуемого предела огнестойкости статически определимых, свободно опертых балок из тяжелого бетона с гранитным заполнителем, нагреваемых с трех сторон, минимальная ширина сечения балок «b» и минимальная толщина защитного слоя до оси арматуры «а» должны быть не менее значений, указанных в Табл. 12.

Таблица 12.

Предел огнестойкости, мин

Минимальная ширина «b» балки из тяжелого бетона (над чертой) и расстояние до оси арматуры «а» (под чертой), мм

Минимальная ширина ребра, мм

30

80

25 (15)

120

20 (15)

160

15 (15)

200

15 (15)

80

60

120

40 (25)

160

35 (20)

200

30 (15)

300

25 (15)

100

90

150

55 (35)

200

45 (30)

250

40 (25)

400

35 (25)

100

120

200

65 (45)

240

55 (40)

300

50 (35)

500

46 (35)

120

180

240

80 (50)

300

70 (50)

400

65 (50)

600

60 (50)

140

240

280

90 (60)

350

80 (60)

500

75 (60)

700

70 (60)

160

Примечание:

1. Для балок из конструкционного керамзитобетона минимальная ширина принимается такой же, как для балок из тяжелого бетона. Толщина защитного слоя для балок из конструкционного керамзитобетона указана в скобках.

2. Указанная ширина балки для ребристых плит соответствует ширине двух ребер.

8.12. Проверку расчетом предела огнестойкости балки производят в следующем порядке. Зная требуемый предел огнестойкости балки, по графикам (Рис. 32 - 37) находят температуру сжатой арматуры, принимая ее равной прогреву бетона на расстоянии от оси стержня до боковой грани сечения, приравнивая прогрев бетона боковой грани балки при h ³ 2b прогреву бетона в плите от нагреваемой поверхности. При этом высота плиты принимается равной 0,5b или меньше.

По температуре сжатой арматуры находят коэффициент условий работы gst¢ по графикам на Рис. 22 - 24. По Рис. 32 - 37 находят глубину прогрева бетона at сжатой зоны до критической температуры tb,cr от боковой грани балки.

Определяют приведенную ширину балки:

bt = b - 2at                                                          (66)

При воздействии изгибающего момента от нормативной нагрузки по приведенной ширине балки bt и коэффициенте условий работы сжатой арматуры gst¢ находят относительную высоту сжатой зоны:

                          (67)

Затем вычисляют коэффициент условий работы растянутой арматуры:

                    (68)

Без больших погрешностей можно принять, что плечо внутренней пары сил в сечении при нагреве равно плечу внутренней пары сил до нагрева, тогда приближенный коэффициент условий работы растянутой арматуры можно определять по формуле:

                        (69)

где: М и Мр - нормативный и разрушающий моменты до нагрева.

8.13. При определении относительной высоты сжатой зоны x тавровых сечений с полкой в сжатой зоне необходимо учитывать положение границы сжатой зоны (См. Рис. 6). Если граница сжатой зоны проходит в полке, то расчет следует выполнять как для прямоугольного сечения шириной bft¢ = bf¢ - 2at. В формулы (67, 68) вместо bt подставляют bft¢. Толщину слоя бетона аt, прогретого до критической температуры, определяют по Рис. 32 - 37.

Если граница сжатой зоны проходит в ребре и x £ xR, тогда относительная высота сжатой зоны определяется по формуле:

                                  (70)

Зная x, находят значение коэффициента условий работы арматуры:

                                    (71)

8.14. Для принятого времени огневого воздействия по Рис. 7 находят среднюю температуру нагрева сжатой зоны бетона, находящейся у ненагреваемой стороны. В зависимости от этой температуры по Табл. 5 устанавливают предельную деформацию крайнего сжатого волокна бетона eb2, затем по формуле (51) вычисляют критическую деформацию растянутой арматуры es,cr.

Зная значения gst и es,cr по Рис. 28 - 31 определяют критическую температуру растянутой арматуры ts,cr. По Рис. 38 находят фактическую температуру нагрева арматуры для заданного времени огневого воздействия. Если эта температура арматуры равна или меньше критической температуры нагрева арматуры, то требуемый предел огнестойкости обеспечен.

Рис. 7. Средняя температура бетона сжатой зоны (у ненагреваемой стороны) в балке, обогреваемой с трех сторон:

30 - 240 - длительность огневого воздействия по ИСО 834, мин.

Время наступления предела огнестойкости балки по потере несущей способности находят по кривым нагрева арматуры (Рис. 38) до критической температуры. Если принятая конструкция балки значительно отличается от конструкций на Рис. 38, то температуру нагрева арматуры определяют теплотехническим расчетом или по Приложению 5.

8.15. При воздействии поперечных сил прочность по наиболее опасному наклонному сечению в условиях огневого воздействия должна обеспечиваться условием:

Q £ Qb + Qsw + Qs,inc                                                                              (72)

где: Q - поперечная сила от нормативной нагрузки.

Поперечное усилие Qb, воспринимаемое бетоном, определяют по формуле:

                                             (73)

Значение Qb, вычисленное по формуле (73), принимают не менее:  и не более: .

Коэффициент jn, учитывающий влияние продольных сил N и усилия предварительного обжатия Р определяют.

                                              (74)

Длина проекции наиболее опасного наклонного сечения на продольную ось элемента:

                              (74a)

Поперечное усилие в хомутах:

                       (75)

Значение поперечной силы, воспринимаемой бетоном и хомутами в наклонном сечении с длиной проекции «с», определяют по формуле:

                                    (76)

Проверку прочности по поперечной силе наклонных сечений, начинающихся у опоры и у начала отгиба, проводят из условия:

                                         (77)

где As,inc - площадь сечения отогнутых стержней в ближайшей за началом рассматриваемого сечения плоскости отгиба;

a - угол наклона отогнутых стержней к оси элемента.

Коэффициенты условий работы арматуры gst в формулах (75, 77) принимают по наибольшей температуре хомутов и отогнутых стержней, которая равна температуре продольной арматуры.

Значения коэффициентов jb2, jb3 и jb4 принимают по Табл. 13.

Таблица 13.

Вид бетона

Средняя температура бетона сжатой зоны, °С

Значение коэффициента

jb2,

jb3

jb4

Тяжелый

£ 200

2,0

0,6

1,5

> 200

2,5

0,8

2,0

Конструкционный керамзитобетон

£ 200

1,75

0,4

1,0

> 200

2,25

0,5

1,4

8.16. Расчет элементов без поперечной арматуры на действие поперечной силы при огневом воздействии по наклонной трещине должен производиться по наиболее опасному сечению из условия:

,                              (78)

но не менее: .

Значения коэффициента gtt принимают по средней температуре бетона сжатой зоны: 50 °С - 0,9; 100 °С - 0,75; 150 °С - 0,60; 200 °С - 0,65; 300 °С - 0,50.

В опорных сечениях многопролетных балок, когда сжатая зона бетона находится у нагреваемой грани сечения, в формулы (73 - 78) вместо h0 вводится h0t (См. п. 6.9).

8.17. Проверку расчетом предела огнестойкости балки при действии поперечной силы, зная требуемый предел огнестойкости, производят в том же порядке, как и при действии момента.

Если для требуемого предела огнестойкости условие (72) соблюдается, то принятая конструкция соответствует требованиям пожарной безопасности.

КОЛОННЫ

8.18. Колонны, находящиеся в стенах, могут подвергаться огневому воздействию с одной, двух и трех сторон. Отдельно стоящие колонны, как правило, подвергаются огневому воздействию с четырех сторон.

Требования к минимальным размерам железобетонных колонн и толщине защитного слоя бетона до оси арматуры приведены в Табл. 14.

Таблица 14.

Вид бетона

Огневое воздействие при пожаре

Ширина колонны b в мм (над чертой) и расстояние до оси арматуры а в мм (под чертой) с пределами огнестойкости, в мин

30

60

90

120

180

240

Тяжелый с гранитным заполнителем

со всех сторон

150

25

200

35

240

50

300

50

400

50

450

55

с одной стороны

100

20

120

25

140

40

160

40

200

40

240

45

Конструкционный керамзитобетон Д1400-1600

со всех сторон

150

25

160

35

190

50

240

50

320

50

360

55

с одной стороны

100

20

110

25

130

40

150

40

180

40

200

45

Примечание:

1. Колонна должна иметь гибкость l/b £25 и армирование не более 3 %.

2. Колонна, подвергаемая огневому воздействию с одной стороны, находится в стене, и нагреваемые поверхности колонны и стены расположены на одном уровне.

8.19. Огневое воздействие вызывает неравномерное распределение температур в бетоне по поперечному сечению колонны. Периферийные слои бетона прогреваются значительно больше, чем внутренние, что приводит к снижению прочности и сильному развитию деформаций бетона у краев сечения колонны. Менее нагретый бетон центральной части сечения обладает большей прочностью и меньшей деформативностью. Разрушение колонн происходит по менее нагретому, более прочному бетону, при деформации сжатия, близкой к предельной.

В арматуре, расположенной у краев сечения колонны, при высоких температурах нагрева развиваются большие пластические деформации, и она перестает воспринимать усилия от внешней нагрузки, которые передаются на менее нагретый бетон в центральной части сечения колонны.

8.20. Расчет огнестойкости по потере несущей способности колонны должен производиться по предельному состоянию с учетом изменения механических свойств арматуры, прогрева бетона до критической температуры и гибкости колонны при огневом воздействии.

Несущую способность сжатого элемента при нормативной продольной силе со случайным эксцентриситетом еa £ b/30 £ l/600 £ 1 см и l0 £ 20h определяют из условия:

                                             (79)

Несущую способность сжатых колонн со случайным эксцентриситетом, обогреваемых с одной, двух смежных и трех сторон, рассчитывают как внецентренно сжатые с малым эксцентриситетом.

8.21. Несущая способность внецентренно сжатого элемента прямоугольного сечения (Рис. 8) при x = x/h0 £ xR определяется из условия:

                          (80)

При этом высоту сжатой зоны определяют из условия:

                                   (81)

Рис. 8. Схема усилий и эпюра напряжений в сечении, нормальном к продольной оси, внецентренно сжатого железобетонного элемента:

а) - при трехстороннем, b) - при четырехстороннем обогреве при пожаре при расчете на огнестойкость.

При x = x/h0 > xR несущую способность определяют из условия (80). При этом высоту сжатой зоны определяют по формуле:

                                      (82)

где:

                                      (83)

При четырехстороннем обогреве в первом слагаемом формулы (80) и в формуле (83) вместо h0 принимают h0t (См. п. 8.9).

8.22. Расстояние от сжимающей продольной силы до равнодействующей усилий в арматуре с учетом продольного изгиба определяют по формуле:

                              (84)

где: e01 = M/N;

еа - случайный эксцентриситет (См. п. 8.20);

ес = (0,5h - а) - расстояние от центра тяжести бетонного сечения до центра тяжести продольной арматуры S¢;

ft - дополнительный выгиб, вызванный неравномерным нагревом по высоте сечения элемента при одно-, двух- и трехстороннем огневом воздействии, вычисляют по формуле:

                                                (85)

Если температурный выгиб уменьшает расчетный эксцентриситет продольной силы е, то он в дальнейших расчетах не учитывается.

Коэффициенты abt и ast принимают по Табл. 2 и 6 в зависимости от температуры бетона сжатой грани и температуры менее нагретой арматуры.

Коэффициент h, учитывающий влияние продольного изгиба, следует определять по формуле:

h = l/(1 - N/Ncr)                                                      (86)

Ncr - условная критическая сила, которую определяют согласно Пособию к СНиП 2.03.04-84.

Расчетную длину колонн l0 допускается принимать: для сборных конструкций l0 = Н, для монолитных конструкций l0 = 0,7Н;

где Н - высота этажа - расстояние между центрами узлов соединения.

8.23. Коэффициент продольного изгиба j для нагретых колонн следует принимать в зависимости от отношения расчетной длины l0 к наименьшему размеру стороны приведенного прямоугольного сечения bt, а для круглых колонн - к приведенному диаметру dt, по Табл. 15.

Таблица 15.

l0/bt

£ 8

10

12

14

16

18

20

22

24

28

32

36

40

l0/dt

£ 7

8,5

10,5

12

14

15,5

17

19

21

24

28

31

35

j

Тяжелый бетон

1

0,98

0,96

0,93

0,89

0,85

0,81

0,77

0,73

0,64

0,54

0,44

0,35

Легкий керамзитобетон

1

0,96

0,90

0,84

0,78

0,73

0,67

0,61

0,55

0,46

0,36

0,28

0,21

Площадь приведенного прямоугольного сечения равна:

;                                         (87)

площадь приведенного круглого сечения:

                                        (88)

8.24. Для принятого по Табл. 1 времени огневого воздействия глубину прогрева бетона at до критической температуры tb,cr в прямоугольных колоннах принимают по Рис. 9 в зависимости от ширины и высоты колонны. Глубину прогрева бетона аt для колонны круглого сечения находят по Рис. 9, принимая d = 0,9b, и найденное значение аt умножают на коэффициент 1,11.

Для колонн шириной 200, 300 и 400 мм температуру арматуры можно принимать по Приложению 5.

Для колонн шириной 600 и более мм температуру арматуры допускается определять как для плит высотой 200 мм (Приложение 3), принимая температуру бетона на глубине прогрева равной толщине защитного слоя до оси арматуры для требуемого времени огневого воздействия.

Рис. 9. Глубина прогрева аt до критической температуры тяжелого бетона на:

1 - гранитном, 2 - известняковом заполнителях в зависимости от ширины b квадратной колонны. 30 - 240 - длительность огневого воздействия по ИСО 834, мин.

8.25. Зная приведенную ширину колонны bt и температуру арматуры, по Рис. 22 - 24 находят значение коэффициента условий работы арматуры gst, и по формулам (79, 80) вычисляют усилие N, которое воспринимает сечение колонны при требуемом пределе огнестойкости. Если это усилие больше расчетного от нормативной нагрузки, то требуемый предел огнестойкости обеспечен.

8.26. Пределы огнестойкости колонн сечением 200´200, 300´300 и 400´400 мм из тяжелого бетона на гранитном и известняковом заполнителях, при проценте армирования сечений 1, 1,5 и 3 % с толщиной защитного слоя бетона до оси арматуры 3,5 см, при действии сжимающей силы со случайным эксцентриситетом и четырехстороннем огневом воздействии приведены в Приложении 6.

8.27. Косвенное армирование сетками или спиралями повышает предел огнестойкости в среднем на 20 %.

Расчет огнестойкости колонн при косвенном армировании следует выполнять по формулам (80 - 82), подставляя в формулы вместо Rbn приведенную призменную прочность бетона Rb,red, определенную согласно СНиП 2.03.01-84* с учетом влияния нагрева от огневого воздействия на арматурную сталь сетки или спирали.

НЕСУЩИЕ СТЕНЫ

8.28. Несущие стены сплошного сечения с гибкостью l £ 83 (l0/ht £ 24) при одностороннем огневом воздействии и при платформенном опирании на жесткое основание (l0 » 0,7Н), когда продольная сжимающая сила приложена с начальным или случайным эксцентриситетом со стороны обогреваемой поверхности, работают на внецентренное сжатие. Предел огнестойкости по потере несущей способности наступает при прогибе стены, направленном в необогреваемую сторону.

Прогиб от неравномерного нагрева стены по высоте сечения в расчете не учитывают, так как он направлен в обогреваемую сторону и уменьшает эксцентриситет приложения продольной сжимающей силы.

8.29. Минимальные размеры толщины стены «h» и толщины защитного слоя бетона до оси арматуры «а» даны в Табл. 16.

Таблица 16.

Вид бетона

Толщина стены h, мм, (над чертой) и расстояние до оси арматуры а, мм, (под чертой) при пределе огнестойкости, мин

30

60

90

120

180

240

Тяжелый на гранитном заполнителе

120

15

140

25

170

35

220

45

300

65

400

85

Конструкционный керамзитобетон Д 1400-1600

120

10

130

20

150

30

190

40

260

50

300

70

 H £ 20h

8.30. При одностороннем огневом воздействии и платформенном опирании стен на жесткое основание несущую способность внецентренно сжатых плоских элементов при приложении продольной силы с большим эксцентриситетом, когда x = x/h0t £ xR, определяют по формулам (80, 81). При действии продольной силы с малым эксцентриситетом, когда x = x/h0t > xR, несущую способность определяют по формулам (80 и 82) (Рис. 10).

В формулах (80 - 82) значение bt = b = 100 см.

Рис. 10. Стены с платформенным опиранием:

а) основные расчетные размеры; в) схема разрушения при одностороннем огневом воздействии; с) схема сечения.

8.31. Для принятого предела огнестойкости по кривым прогрева бетона на Рис. 32 - 37 находят значение аt - глубину прогрева бетона до критической температуры и температуру нагрева арматуры по глубине прогрева бетона, равного глубине защитного слоя бетона до оси арматуры. Зная температуру нагрева сжатой арматуры, определяют коэффициент gst¢ по Рис. 22 - 24. По формуле (80) вычисляют усилие N, принимая эксцентриситет «е» по формуле (84) без ft. Если условие (80) соблюдено, то предел огнестойкости обеспечен.

8.32. Расчетный предел огнестойкости стен, вычисленный по формуле (27) при контактном опирании на упруго-податливое основание, при растворных швах проектной толщиной 20 мм умножается на коэффициент упругой податливости 0,75; при швах толщиной 5 мм, заполненных цементно-песчаной пастой - на коэффициент 0,85.

8.33. Пределы огнестойкости по потере несущей способности стен толщиной 100, 140 и 180 мм из тяжелого бетона классов В15, В25 и В35 даны в Приложении 6.

8.34. В условиях пожара строго симметричный двусторонний обогрев железобетонной стены не всегда возможен. Однако при нагревании железобетонной стены одновременно с двух сторон не возникает температурного прогиба, и стена продолжает работать на центральное сжатие, и поэтому ее предел огнестойкости возможно будет выше, чем при одностороннем нагреве.

РАСТЯНУТЫЕ ЭЛЕМЕНТЫ

8.35. В несущих конструкциях ферм и арок имеются элементы, работающие на растяжение со случайным эксцентриситетом, а также с малым и большим эксцентриситетами продольного усилия. Как правило, эти элементы во время пожара обогреваются со всех сторон.

Для растянутых элементов минимальная ширина поперечного сечения b и расстояние до оси арматуры а приведены в Табл. 17. Эти данные относятся к растянутым элементам ферм и арок с ненапрягаемой и с преднапряженной арматурой, обогреваемым со всех сторон. Полная площадь поперечного сечения бетона элемента должна быть не менее 2b2.

Таблица 17.

Вид бетона

Минимальная ширина поперечного сечения «b», мм, (над чертой) и расстояние до оси арматуры «а», мм, (под чертой) для растянутых элементов при пределе огнестойкости, мин

30

60

90

120

180

240

Тяжелый на гранитном заполнителе

80

35

120

50

150

65

200

75

240

90

280

100

Конструкционный керамзитобетон Д 1400¸1600

80

28

100

50

120

60

160

75

190

90

225

100

8.36. Несущую способность прямоугольных элементов при огневом воздействии со всех сторон следует вычислять по формулам:

при растяжении и е £ eа (Рис. 11):

;                                                     (89)

при продольной силе, приложенной между усилиями в арматуре S и S¢:

                                                (90)

;                                                 (91)

при продольной силе, приложенной за пределами расстояния между усилиями в арматуре S и S¢:

                             (92)

Рис. 11. Схема усилий и эпюра напряжений в сечении, нормальном к продольной оси внецентренно растянутого элемента, обогреваемого с четырех сторон. Продольная сила приложена:

а) между усилиями в арматуре Аs и Аs¢; в) за пределами расстояния между усилиями в арматуре Аs и Аs¢.

Относительную высоту сжатой зоны определяют по формуле:

                                   (93)

Если x > xR, то в условие (92) подставляют x = xR.

Расстояние от растягивающей продольной силы до равнодействующей усилий в арматуре определяют по формуле (84) без коэффициента h, так как нет дополнительного продольного прогиба от растягивающей силы, и без ft, так как при всестороннем огневом воздействии нет дополнительного выгиба от неравномерного нагрева

8.37. Для принятого времени огневого воздействия глубину прогрева бетона at до критической температуры определяют по Рис. 9 или 14, затем находят h0t (См. п. 8.9).

Температуру нагрева арматуры находят по Рис. 38 или теплотехническим расчетом.

Зная температуру нагрева арматуры, по Рис. 22 - 24 находят коэффициент условий работы арматуры gst и по формулам (89 - 91) вычисляют усилие N, которое воспринимает сечение при всестороннем огневом воздействии. Если это усилие больше расчетного от нормативной нагрузки, то требуемый предел огнестойкости обеспечен.

Время наступления предела огнестойкости по потере несущей способности находят по кривым нагрева арматуры (Рис. 38) до критической температуры или теплотехническим расчетом.

СТАТИЧЕСКИ НЕОПРЕДЕЛИМЫЕ КОНСТРУКЦИИ

8.38. В статически неопределимых конструкциях: плитах, балках, ригелях и колоннах, огнестойкость больше, чем в сборном железобетоне. В многопролетных и многоэтажных зданиях и сооружениях при локальном пожаре в одном пролете или на одном этаже взаимодействие отдельных монолитно сопряженных элементов приводит к возникновению дополнительных усилий в других пролетах, в которых нет пожара.

8.39. Усилия в статически неопределимых конструкциях от нагрузки и огневого воздействия определяют по формулам строительной механики с учетом действительной жесткости сечений. Методика определения неизвестных, составление канонических уравнений перемещений, получение окончательных эпюр аналогична расчету статически неопределимых конструкций на воздействие внешних нагрузок. Перемещения в основной системе, вызванные воздействием температуры в i-ом направлении, равны:

                                  (94)

где: Mi и Ni - изгибающий момент и продольная сила в сечении x-элемента основной системы от действия в i-ом направлении соответствующей единичной силы;

(1/r)tx, etx - температурные кривизна и удлинение х-элемента, вызванные огневым воздействием.

Изгибающий момент от неравномерного нагрева по высоте сечения элемента, заделанного на опорах, а также в замкнутых рамах кольцевого, квадратного и прямоугольного очертаний, имеющих одинаковое сечение, определяют по формуле:

                                                        (95)

где: (1/r)t - температурная кривизна;

В - жесткость сечения, которую принимают по СНиП 2.03.04-84 или по Пособию к нему.

8.40. В статически неопределимом элементе, заделанном на опорах, уже через 10 - 15 минут одностороннего огневого воздействия возникает температурный момент, который приводит к образованию пластических шарниров на опорах, где моменты от нагрузки и температурного перепада по высоте сечения суммируются (Рис. 12). Температурные усилия влияют на образование первых пластических шарниров, но значение их снижается на 50 % из-за развития пластических деформаций бетона и арматуры, нагретых до высоких температур. Усилия при образовании первых пластических шарниров будут равны:

Мош = Mo + 0,5Mt                                                                                     (96)

где Мош, Mo и Mt - моменты при образовании первых пластических шарниров на опорах от нормативной нагрузки и огневого воздействия.

Рис. 12. Моменты в статически неопределимой конструкции:

1 - момент от равномерно распределенной нагрузки; 2 - температурный момент от огневого воздействия; 3 - суммарный момент до образования первых пластических шарниров на опорах; 4 - суммарный момент при образовании последнего пластического шарнира в пролете.

В пролете момент от нормативной нагрузки снижается из-за образования температурного момента другого знака. После образования опорных пластических шарниров железобетонный элемент превращается в статически определимую конструкцию. Температурный момент в пролете пропадает, и остается только момент от нагрузки. Полное разрушение элемента происходит при образовании пластического шарнира в середине пролета, когда в нагретой до высоких температур арматуре резко увеличиваются пластические деформации.

8.41. Снижение прочности сечений на опорах происходит по причине прогрева сжатого бетона и сжатой арматуры до высоких температур.

Теплотехническим расчетом определяют температуры арматуры и бетона в пролетных и опорных сечениях. Решение статической задачи сводится к отысканию условий, при которых прочность сечений в критическое время огневого воздействия, до предельного состояния, будет равна максимальному усилию от нормативной нагрузки и кратковременного температурного воздействия.

8.42. При трехстороннем обогреве опорного сечения статически неопределимого элемента бетон сжатой зоны нижней и боковых граней сечения, нагретый до температуры выше критической, выключается из работы. Прочность опорных сечений снижается, в основном, за счет нагрева бетона сжатой зоны до критической температуры и, вследствие этого, уменьшения размеров сечения (Рис. 13).

Рис. 13. Схема усилий и эпюра напряжений в опорном сечении, нормальном к продольной оси изгибаемого статически неопределимого элемента, при обогреве сжатой зоны с трех сторон.

Глубина прогрева бетона до критической температуры у нижней грани сечения будет больше, чем у боковых граней, и она находится по Рис. 14. У боковых граней при h ³ 2b по Рис. 32 - 37 определяют tb,cr, принимая высоту плиты не менее 0,5b. Затем определяют h0t (См. п. 8.9) и bt по формуле (66).

Рис. 14. Глубина прогрева аt бетона сжатой зоны до критической температуры tb,cr в балке от нижней нагреваемой грани сечения:

1 - tb,cr = 500 °C - тяжелый бетон на граните; 2 - tb,cr = 600 °C - тяжелый бетон на известняке; 30 - 240 - время прогрева, в минутах.

Прочность опорных сечений находят по формуле:

             (97)

Относительная высота сжатой зоны:

                                        (98)

У плит, обогреваемых с нижней стороны, ширина bt = b (Рис. 5в), и прочность опорных сечений определяют по формуле (61).

8.43. Прочность пролетных сечений снижается из-за нагрева арматуры до критической температуры.

Разрушение сечений происходит от снижения нормативного сопротивления нагретой арматуры до рабочих напряжений. Преждевременного разрушения сжатой зоны пролетных сечений до начала увеличения пластических деформаций арматуры не происходит, так как она находится под действием меньших усилий, чем до начала огневого воздействия. Прочность пролетных сечений статически неопределимых элементов при одностороннем огневом воздействии снизу, т.е. со стороны растянутой зоны (См. Рис. 6), вычисляют по формуле:

                                 (99)

8.44. Для принятого по Табл. 1 предела огнестойкости по Рис. 38 находят температуру арматуры в опорном и пролетном сечениях. По графикам на Рис. 22 - 24 определяют значения коэффициентов gst и gst¢. Зная значения bt и h0t, по формулам (97, 99) вычисляют прочность опорного и пролетного сечений при огневом воздействии.

8.45. Стадия предельного равновесия в статически неопределимых системах основана на перераспределении усилий в условиях огневого воздействия вследствие образования пластических шарниров в опорных и пролетных сечениях. Условие предельного равновесия между внешними и внутренними усилиями будет определяться равенством:

Мо + Мп = Мmax,                                                      (100)

где Mo и Мп - опорный и пролетный моменты.

Эта схема возникновения стадии предельного равновесия защемленного на опорах изгибаемого элемента предполагает образование трех пластических шарниров, как необходимого и достаточного условия для оценки несущей способности элемента при огневом воздействии, что характеризуется соблюдением условия x £ xR. В случае x > xR пластический шарнир на опоре не может возникнуть из-за разрушения сильно нагретой сжатой зоны. В этой связи несущая способность такого элемента в целом будет определяться предельным состоянием наиболее опасного опорного сечения.

8.46. Несущая способность изгибаемого элемента, заделанного на опоре, равна:

для равномерно распределенной нагрузки (Рис. 15):

                                     (101)

для сосредоточенной нагрузки:

                                       (102)

где Мп, Mo1, Мо2 - пролетный и опорные моменты.

Рис. 15. Расчетные эпюры изгибающих моментов статически неопределимых конструкций:

a) при равномерно распределенной нагрузке; b) сосредоточенной силе.

Если вычисленные по формулам (101, 102) моменты при огневом воздействии равны или больше моментов от нормативной нагрузки при нормальной температуре, то принятый предел огнестойкости обеспечен.

ПЛИТЫ, ОПЕРТЫЕ ПО КОНТУРУ

8.47. Минимальные высота плиты «h» и толщина защитного слоя бетона «а» указаны в Табл. 10.

Плиты, опертые по контуру, деформируются в двух направлениях. Средняя часть плиты в пролете растянута на всю высоту. Сжатая зона образуется на опоре, ближе к контуру. Плита сильно прогибается. Такая пространственная работа плит вызывает упрочнение за счет увеличения плеча внутренней пары сил, так как центр тяжести растянутой арматуры, расположенной по дуге провисания, опускается вниз по отношению к сжатому контуру (Рис. 16). При огневом воздействии это увеличивает критическую температуру нагрева растянутой арматуры, которую определяют по формуле:

                           (103)

где: Аsx и Asy - площадь сечения арматуры в коротком 1x и длинном 1y пролетах плиты.

Эта формула справедлива при Asx/Asy ³ 1,3. При меньших значениях, т.е. при Asx/Asy < 1,3 критическую температуру нагрева растянутой арматуры принимают равной 800 °С. При большей температуре нагрева растянутой арматуры в пролете плиты образуются сквозные трещины, и плита утрачивает огнепреграждающую способность, т.е. наступает предел огнестойкости плиты по нарушению ее целостности.

Рис. 16. Схема работы плиты, свободно опертой по контуру, при огневом воздействии снизу:

h0 - рабочая высота сечения до огневого воздействия; h0t - рабочая высота сечения при огневом воздействии; ц. т. - центр тяжести арматуры; 1 - нейтральная ось; 2 - сжатая зона бетона.

8.48. Для определения предела огнестойкости плит строят кривую изменения средней температуры арматуры, используя формулу:

                                    (104)

Температуры tsx и tsy нагрева арматуры Аsx и Asy находят из графиков на Рис. 32 - 37 в зависимости от времени нагрева плиты и толщины защитного слоя бетона.

Найденное время, при котором средняя температура арматуры tsm будет равна ts,cr принимается за предел огнестойкости плиты.

8.49. Рабочую высоту плиты, опертой по контуру, определяют по формуле:

                                                    (105)

где: s - при равномерной нагрузке - 0,1, при сосредоточенной силе - 0,08;

1/r - кривизна от нормативной нагрузки;

1/rt - кривизна от неравномерного нагрева по высоте сечения.

Кривизны от нагрузки и температуры определяют по СНиП 2.03.04-84 или по Пособию к нему.

ПРОВЕРКА ПРОЧНОСТИ СЕЧЕНИИ ПРИ ПОЖАРЕ

8.50. Когда необходимо выяснить, обеспечивает ли железобетонный элемент требуемый предел огнестойкости, то тогда не определяют этот предел огнестойкости, а проверяют прочность сечений для требуемой длительности стандартного пожара.

Проверку прочности производят для многопустотных плит по формулам (54 - 60), консольных плит - по формуле (61), наклонных сечений - по формулам (71 - 78), сжатых элементов - по формуле (79), внецентренно сжатых - по формуле (80), растянутых - по формулам (89 - 92) и балок - по формулам (136 - 138). Расчет производят с учетом снижения нормативных сопротивлений бетона и арматуры в зависимости от температуры их нагрева при требуемой длительности стандартного пожара.

Если в условиях высокотемпературного нагрева сечение выдерживает усилия, равные или больше усилий от нормативной нагрузки, то требуемый предел огнестойкости обеспечен.

8.51. При использовании диаграммного метода расчета бетон по высоте сечения разбивают на элементарные участки с одинаково деформируемыми стержнями арматуры, используя диаграммы деформирования бетона и арматуры при пожаре, построенные по нормативным сопротивлениям бетона и арматуры.

Диаграмму деформирования бетона на сжатие строят для средней температуры бетона сжатой зоны, которую допускается принимать по Рис. 7.

Диаграмму деформирования арматуры строят для температуры ее нагрева (Рис. 28 - 31). Распределение температур по высоте сечения определяют для требуемой длительности стандартного пожара по Рис. 45 - 57. Значения коэффициентов условий работы бетона и арматуры принимают по Рис. 21 - 24 при пожаре.

До момента разрушения соблюдается условие равновесия внешних и внутренних сил с учетом плоского деформирования сечения. Моментную ось удобно выбирать на сжатой грани сечения. При расчете необходимо соблюдать следующее «правило знаков»:

- внешние сжимающие усилия принимают со знаком «плюс»,

- расстояния от выбранной оси по направлению к сжатой зоне сечения имеют знак «плюс», а по направлению к растянутой грани «минус»,

- сжимающие напряжения и деформации укорочения принимают со знаком «минус», а растягивающие напряжения и деформации удлинения - со знаком «плюс».

Критерием исчерпания прочности нормального сечения является достижение краевой деформацией сжатого бетона ее предельного значения eb2, которую принимают по Табл. 5.

Затем задают значение кривизны (например: 1/r = 0,9eb2/h) и находят деформации бетона для каждого участка и деформации арматуры с учетом линейного распределения по высоте сечения.

Если деформация удлинения бетона на участке ebi > 0, то для этого участка принимают ebi = 0, так как работу растянутого бетона при расчете прочности не учитывают. По вычисленным деформациям бетона и арматуры по диаграммам деформирования определяют соответствующие напряжения в бетоне и арматуре. По найденным значениям напряжений составляют условие равновесия. Если равенство соблюдается, то разрушающий момент определяется из решения уравнения равновесия. Если уравнение равновесия не соблюдается, то задаются новым значением кривизны и вновь производят определение деформации бетона и арматуры в расчетном сечении. Расчет ведут методом последовательных приближений. Вычисленная прочность сечения должна быть не менее прочности сечения от нормативной нагрузки. Если это соблюдается, то требуемый предел огнестойкости обеспечен.

8.52. Проверку прочности сжатых колонн со случайным эксцентриситетом при четырехстороннем огневом воздействии диаграммным методом производят в следующей последовательности.

Определяют распределение температур по сечению колонны для требуемой длительности стандартного пожара. Сечение разбивают на полые прямоугольники с одинаковой температурой нагрева, для которых принимают равномерное распределение напряжений. Строят диаграммы деформирования бетона для температуры нагрева середины толщины каждого участка бетона и диаграммы деформирования арматуры для температуры ее нагрева.

За предельное значение деформаций укорочения, с однозначной эпюрой напряжений и деформаций, принимают предельную деформацию наименее нагретого бетона в сечении при однородном напряженном состоянии eb0 (Табл. 4) при нулевой кривизне в сечении.

По диаграммам деформирования для каждого участка определяют напряжения в бетоне и в арматуре, соответствующие предельной деформации бетона наименее нагретого участка.

Прочность сечения проверяется из уравнения равновесия. Если она оказалась не менее прочности сечения от нормативной нагрузки, то требуемый предел огнестойкости обеспечен.

9. РАСЧЕТ ПРЕДЕЛА ОГНЕСТОЙКОСТИ ПО ЦЕЛОСТНОСТИ

9.1. В конструкциях из тяжелого бетона с гранитным заполнителем и влажностью более 3,5 %, с известняковым заполнителем и влажностью более 4 % и из легкого конструкционного керамзитобетона с влажностью более 5 % и плотностью более 1200 кг/м3 возможно хрупкое разрушение бетона при пожаре с нарушением целостности бетона.

Предел огнестойкости по целостности - по образованию сквозных отверстий или сквозных трещин в бетоне наступает через 5 - 20 минут после начала пожара и сопровождается отколами бетона от нагреваемой поверхности.

В тонкостенных железобетонных конструкциях толщиной 40 - 200 мм это приводит к образованию сквозных отверстий и трещин. В конструкциях толщиной более 200 мм это приводит к отколам кусков бетона толщиной до 50 - 100 мм, что уменьшает поперечное сечение элемента.

Причиной хрупкого разрушения бетона при пожаре является образование трещин в структуре бетона и их переход в неравновесное спонтанное развитие под воздействием сжимающих напряжении от внешней нагрузки и неравномерного нагрева по толщине сечения элемента и растягивающих напряжений от фильтрации пара.

Напряжения сжатия в бетоне не должны превышать значений, указанных на Рис. 17, независимо от вида бетона.

Рис. 17. Зависимость хрупкого разрушения бетона от напряжений сжатия в бетоне и толщины элемента.

9.2. Возможность хрупкого разрушения бетона при пожаре (предложение В.В. Жукова) оценивается значением критерия хрупкого разрушения F. Если F £ 4, то хрупкого разрушения бетона не будет. Если F > 4, то бетон будет хрупко разрушаться. Критерий хрупкого разрушения бетона следует определять по формуле:

                                                 (106)

где: а - коэффициент пропорциональности, равный 1,16×10-2 Вт×м3/2;

abt - коэффициент температурной деформации бетона 1/°С, принимают по Табл. 2 для температуры бетона 250 °С;

Eb - модуль упругости бетона, МН/м2 (1 МН/м2 = МПа = 10 кг/см2), принимают по СНиП 2.03.01-84*;

bb - коэффициент, учитывающий снижение модуля упругости бетона при нагреве до 250 °С, принимают по Рис. 21;

r - плотность бетона в сухом состоянии, в кг/м3, принимают равной плотности бетона естественной влажности за вычетом испаряющейся воды в количестве 150 кг/м3;

K11 - коэффициент псевдоинтенсивности напряжений бетона в МН×м3/2, принимают по Табл. 18 в зависимости от вида и количества крупного заполнителя.

Таблица 18.

Вид заполнителей

Значения К11 (МН×м3/2) в зависимости от содержания крупного заполнителя в бетоне, %

35

50

Природный песок и гранитный щебень

0,47

0,53

Природный песок и известняковый щебень

0,39

0,44

Природный песок и керамзитовый гравий

0,31

0,32

Примечания: 1. При крупности заполнителя более 10 мм значения К11 умножают на 1,14.

2. Для бетона тепловлажностной обработки значения К11 делят на 1,4.

3. Значения К11 для расхода крупного заполнителя <50 и >35 % принимаются по линейной интерполяции.

Общую пористость бетона «n» с плотными заполнителями определяют по формуле:

для бетона с В/Ц ³ 0,4

n = Ц (В/Ц - 0,2) 10-3                                                                                    (107)

для бетона с В/Ц < 0,4

n = Ц (0,8 - В/Ц) 10-3                                                  (108)

Общая пористость бетона с пористым заполнителем n1 увеличивается на пористость заполнителя n3, умноженную на относительное объемное содержание крупного пористого заполнителя в бетоне V3:

n1 = n + V3n3                                                            (109)

Коэффициент теплопроводности бетона l (Вт×м×°С) определяют для температуры бетона 250 °С по формулам (1 - 3).

Объемная эксплуатационная влажность бетона Wэ33) равна:

Wэ = Wв×r×10-3                                                                                             (110)

Wв - равновесная влажность бетона по массе, кг/кг.

9.4. Максимальная равновесная влажность бетона в железобетонных конструкциях может сохраняться в первый месяц влажного твердения бетона или при эксплуатации во влажных условиях, когда все поры и капилляры заполнены водой. В этом случае максимальную равновесную влажность бетона определяют по формуле:

Wв,max = nrw/r1                                                        (111)

где: n - пористость бетона;

rw - плотность воды, равная 1000 кг/м3;

r1 - плотность бетона естественной влажности.

Равновесную влажность бетона в зависимости от относительной расчетной влажности воздуха, при которой будет эксплуатироваться конструкция и от расхода цемента, принимают по Табл. 19.

Таблица 19.

Расход цемента, кг, на 1 м3 бетона

Весовая влажность бетона Wв×102 (кг/кг) в зависимости от относительной расчетной влажности воздуха, %

25

50

75

200

0,6

0,9

1,2

300

1,0

1,3

2,5

400

1,5

2,1

3,0

500

2,0

2,7

3,8

700

3,0

3,9

5,4

Примечание: Промежуточные значения Wв принимаются по линейной интерполяции.

При применении пористого крупного заполнителя равновесную влажность бетона, имеющего плотность более 1200 кг/м3 следует увеличить на объемную эксплуатационную влажность крупного заполнителя Wэз33):

Wэз = Vз - Wвз×p×10-3                                                                                       (112)

где: Vз - относительный объем пористого крупного заполнителя в бетоне;

Wвз - равновесная влажность крупного пористого заполнителя по массе (кг/кг).

Для керамзита среднюю равновесную влажность Wвз по массе можно принимать в зависимости от относительной расчетной влажности воздуха, где будет эксплуатироваться конструкция, по Табл. 20.

Таблица 20.

Расчетная относительная влажность воздуха, %

Wвз×102 (кг/кг)

25

0,75

50

1,20

75

1,50

100

2,80

9.5. Как видно из формулы (106), значение критерия хрупкого разрушения бетона F зависит от физических свойств бетона, которые незначительно отличаются для разных составов, и от объемной эксплуатационной влажности бетона, которая существенно влияет на значение этого критерия. Чем больше влажность бетона, тем больше значение критерия хрупкого разрушения, и тем больше опасность возможности хрупкого разрушения бетона во время пожара.

Наибольшую влажность бетон имеет непосредственно после изготовления железобетонной конструкции, затем он высыхает. Поэтому необходимо рассматривать возможность хрупкого разрушения бетона при пожаре как во время строительства, так и в период пуска объекта в эксплуатацию и при эксплуатации сооружения в зависимости от относительной расчетной влажности воздуха.

9.6. Бетон, имеющий значение критерия хрупкого разрушения F > 4 необходимо защитить от хрупкого разрушения во время пожара следующими мероприятиями:

1) повышением противопожарной безопасности, чтобы в случае пожара его можно было локализовать на начальной стадии;

2) снижением расчетной относительной влажности воздуха в помещении;

3) дополнительным конструктивным армированием поверхностного слоя бетона со стороны нагрева арматурной сеткой с ячейками 25 ¸ 70 мм и диаметром арматуры 0,5 - 1,0 мм;

4) нанесением огнезащитного покрытия толщиной 2 - 4 см на нагреваемую поверхность бетона;

5) устройством металлической облицовки со стороны нагреваемой поверхности;

6) применением бетонов с ограниченным расходом цемента, уменьшенным В/Ц, крупным заполнителей с более низким коэффициентом температурного расширения.

10. РАСЧЕТ ОГНЕСТОЙКОСТИ С ПОМОЩЬЮ ЭВМ

10.1. Расчет огнестойкости конструкций сложной конфигурации поперечного сечения (таврового, двутаврового, пустотелого), элементов с большими технологическими отверстиями или изготовленных из разнородных по своим теплофизическим свойствам материалов, а также элементов с жесткой арматурой следует выполнять с использованием машинного расчета. Машинный расчет температурных полей дает возможность определить внешнюю и внутреннюю нелинейность теплопередачи в любых конструкциях и при любых граничных условиях.

Машинный расчет основан на использовании в качестве алгоритма разностных методов решения уравнений Фурье. Наиболее удобным для понимания физической сущности теплопередачи разностных методов является метод элементарных тепловых балансов В.П. Ваничева. Применительно к теплотехнической задаче огнестойкости железобетонных конструкций этот метод был усовершенствован путем учета в расчетных уравнениях влияния начальной влажности бетона, теплоты парообразования, дегидратации, фильтрации и проницаемости бетона, сложной зависимости температуры от реального пожара, а также влияния размеров и массы арматуры и стальных элементов на температурное поле в сечении.

Алгоритм расчета представляет собой систему формул для определения температуры в каждом узле накладываемой на сечение координатной сетки. Формулы для расчета температур в узлах сетки получают решением краевой задачи теплопроводности методом элементарных балансов.

10.2. Статический машинный расчет предела огнестойкости по потере несущей способности выполняют, принимая фактические нормальные сечения конструкции в зоне действия максимальных моментов, продольных усилий и перемещений от нормативной нагрузки и температуры. Координационная сетка накладывается так, чтобы ее узлы располагались не только в толщине сечения, но и по его периметру, а также в центре стержней для конструкций с гибкой арматурой, и по длине полок и стенки в середине их толщины для конструкций с жесткой арматурой. Шаг сетки рекомендуется задавать в пределах 0,01 ¸ 0,03 м, но обязательно больше максимального диаметра рабочей арматуры.

10.3. Прочность расчетного нормального сечения определяют суммой прочностей отдельных конечных элементов (бетонных и арматурных), на которые разбивается сечение. Оценка прочности каждого конечного элемента (бетонного и арматурного) основана на предварительном выявлении степени изменения прочностных и деформативных свойств бетона и арматуры в объеме рассматриваемого элемента при заданной длительности температурного воздействия в условиях «стандартного пожара». При этом прочность и деформативность бетона и арматуры в каждом конечном элементе устанавливают по температуре в центре элемента, который одновременно является узлом координатной сетки, накладываемой на поперечное сечение конструкции при определении температурного поля.

10.4. Степень изменения прочности и деформаций бетона с ростом температуры в каждом конечном элементе следует определять по следующей методике.

Нормативное сопротивление бетона сжатию (призменная прочность):

Rbnt = gbtRbn                                                           (113)

Модуль упругости бетона:

Еbt = bbЕb                                                            (114)

Модуль деформации бетона:

                                                           (115)

Значения коэффициентов gbt, bb,  принимают по Рис. 21.

Приведенная площадь i-го конечного элемента:

                                                (116)

Значение коэффициента jbi, учитывающего влияние кратковременной ползучести бетона принимают 0,85 для тяжелого бетона и 0,70 для конструкционного керамзитобетона.

Относительные деформации предельной сжимаемости бетона принимают по Табл. 4 и 5.

Приближенное значение деформаций при центральном сжатии бетона допускается вычислять по формуле:

                                        (117)

Относительные деформации температурного расширения бетона:

ebt = abttb                                                                                                   (118)

Относительные деформации температурной усадки бетона:

ecst = acstb                                                                                                 (119)

Значения коэффициентов abt и acs принимают по Табл. 2 и 3.

Нормативное сопротивление арматуры растяжению:

Rsnt = gstRsn                                                           (120)

Сопротивление арматуры сжатию:

Rsct = gst¢Rsc                                                           (121)

Коэффициент gst¢ = gst при одинаковых температурах нагрева.

Модуль упругости арматуры:

Еst = bstЕs                                                            (122)

Модуль деформации арматуры:

                                                           (122a)

Приведенная площадь арматуры:

                                             (123)

Значения коэффициентов gst, bs и vs принимают по Рис. 22 - 24.

Относительная температурная деформация арматуры:

est = astts                                                                                                    (124)

Значения коэффициента ast принимают по Табл. 6.

Относительную максимальную деформацию растянутой арматуры, характеризующую граничный случай разрушения конструкции в стадии образования пластического шарнира принимают равной 2 %.

10.5. В расчет включают только те конечные бетонные элементы, которые располагаются в сжатой зоне. Конечные арматурные элементы учитываются полностью независимо от расположения в сжатой или растянутой зонах сечения.

Высота сжатой зоны сечения в первом приближении задается произвольно и в дальнейшем корректируется на основе удовлетворения необходимого условия предельного равновесия конструкции в рассматриваемом промежутке времени огневого воздействия.

Затем составляют алгоритм расчета несущей способности элемента при его нагреве. Расчет несущей способности железобетонной конструкции производят до тех пор, пока не будут удовлетворяться условия:

M(tu) = Mн или N(tu) = Nн                                             (125)

где: M(tu), N(tu) - несущая способность конструкции при расчетной длительности пожара tu;

Mн и Nн - усилия от нормативной нагрузки при нормальной температуре.

Промежуток времени, соответствующий этой стадии, будет характеризовать предел огнестойкости конструкции.

11. КОНСТРУКТИВНЫЕ ТРЕБОВАНИЯ, ПОВЫШАЮЩИЕ ПРЕДЕЛ ОГНЕСТОЙКОСТИ

11.1. Предел огнестойкости железобетонной конструкции зависит от теплопроводности бетона.

Приведенные в Табл. 10, 12, 14, 16 и 17 минимальные размеры элементов для тяжелого бетона с гранитным заполнителем следует уменьшить на 10 % применительно для тяжелого бетона с известняковым заполнителем.

11.2. Во время пожара защитный слой бетона предохраняет арматуру от быстрого нагрева ее до критической температуры. Предел огнестойкости увеличивается, если применить огнезащитное покрытие. Известково-цементная штукатурка толщиной 15 мм, гипсовая толщиной 10 мм, вермикулитовая толщиной 5 мм или теплоизоляция из минерального волокна толщиной 5 мм эквивалентны увеличению на 10 мм толщины защитного слоя тяжелого бетона.

11.3. Чем больше защитный слой бетона, тем выше предел огнестойкости конструкции.

Если толщина защитного слоя бетона больше 50 мм для тяжелого бетона и 60 мм из легкого бетона, защитный слой бетона должен иметь армирование со стороны огневого воздействия в виде сетки из стержней Æ2 - 3 мм с ячейками не более 100´100 мм. Огнезащитные покрытия толщиной более 30 мм также должны иметь армирование из сетки Æ2 - 3 мм с ячейками 50´50 мм.

11.4. Для повышения предела огнестойкости балок, армированных арматурой разного диаметра с ее расположением в разных уровнях, следует располагать арматуру большего диаметра дальше от обогреваемой поверхности при пожаре.

Балки и колонны с жесткой арматурой, расположенной в середине сечения, имеют значительно больший предел огнестойкости по сравнению с балками и колоннами, армированными стержневой арматурой, расположенной около обогреваемой поверхности.

11.5. Все арматурные стали снижают сопротивление растяжению и сжатию при огневом воздействии. Степень уменьшения сопротивления больше, для упрочненной высокопрочной арматурной проволочной стали, чем для стержневой арматуры из малоуглеродистой стали.

11.6. Предел огнестойкости статически неопределимой конструкции больше предела огнестойкости статически определимой конструкции на 75 %, если арматура на опоре, где действует отрицательный момент, больше, чем в пролете в 1,25 раза; на 100 %, если - в 1,5 раза; на 125 %, если - в 1,75 раза и на 150 %, если - в 2 раза.

Влияние арматуры на опорах учитывают, если 20 % арматуры расположено над серединой пролета и 80 % доводится не менее чем на 0,4×l у крайней опоры, и не менее 0,15l на промежуточных опорах.

11.7. Предел огнестойкости колонн с косвенным армированием в виде арматурных сварных поперечных сеток, установленных с шагом не более 250 мм, или со спиральной арматурой увеличивается в 1,5 раза.

11.8. В колоннах с продольной арматурой в количестве более четырех стержней в сечении нецелесообразно устанавливать всю арматуру около обогреваемой поверхности. Для повышения предела огнестойкости колонн часть продольных стержней должна устанавливаться около ядра сечения колонны, если это позволяют усилия.

11.9. При применении в стеновых панелях или перекрытиях сгораемого утеплителя следует предусматривать защиту этого утеплителя по периметру несгораемыми материалами.

11.10. Засыпки и пол из негорючих материалов включаются в общую толщину плиты и повышают ее предел огнестойкости. Сгораемые изоляционные слои, уложенные на цементную подготовку, не снижают предел огнестойкости плит. Дополнительные слои штукатурки могут быть отнесены к толщине плиты.

11.11. При проектировании сечений балок для повышения их предела огнестойкости предпочтительно применять широкие балки, а не узкие и высокие. В качестве рабочей арматуры рекомендуется использовать более двух стержней, а при большем количестве стержней арматуры предпочтительнее часть стержней разместить во втором уровне, наиболее удаленном от внешней поверхности балки.

11.12. Колонны большого поперечного сечения с меньшим процентом армирования лучше сопротивляются огневому воздействию, чем колонны меньшего поперечного сечения и большим процентом армирования.

11.13. Для того, чтобы конструкция температурного шва могла выдерживать воздействие огня и иметь достаточные теплоизоляционные свойства, необходимо заполнить его невоспламеняющимися волокнистыми материалами. Ширина температурного шва должна быть не менее 0,0015l, где l - расстояние между температурными швами.

11.14. На опорах между соседними балками и между балкой и стеной должен быть зазор, который позволит балке свободно удлиняться в процессе огневого воздействия. Ширина зазора должна быть не менее 0,05l, где l - пролет балки.

11.15. Элементы с предварительно напряженной арматурой во время пожара теряют предварительное напряжение, если арматура нагревалась до 210 - 330 °С (См. п. 12.9). После пожара предварительное напряжение не восстанавливается.

11.16. Пределы огнестойкости железобетонных конструкций из других разновидностей тяжелого и легкого бетонов, для которых номограммы отсутствуют, допускается определять по соответствующим номограммам, составленным для аналогичных конструкций из тяжелого и легкого бетона идентичного вида.

12. ОГНЕСОХРАННОСТЬ ЖЕЛЕЗОБЕТОННЫХ КОНСТРУКЦИЙ ПОСЛЕ ПОЖАРА

12.1. При проектировании железобетонных конструкций, указанных в п. 4.10., должна быть обеспечена их огнесохранность после возможного пожара, соответствующего принятой длительности стандартного пожара, т.е. пределу огнестойкости. При этом необходимо учитывать последствия разрушающего воздействия огня на наружные слои бетона и арматуру.

12.2. При экспертной оценке состояния железобетонных конструкций после пожара необходимо привести фактическую длительность реального пожара к эквивалентной длительности стандартного пожара и произвести поверочный расчет прочности и деформаций обследуемых конструкций.

КОНСТРУКТИВНЫЕ ТРЕБОВАНИЯ, ОБЕСПЕЧИВАЮЩИЕ ОГНЕСОХРАННОСТЬ ЖЕЛЕЗОБЕТОННЫХ КОНСТРУКЦИЙ

12.3. При кратковременном высокотемпературном огневом воздействии во время пожара в бетоне происходят физико-химические процессы, изменяющие его механические свойства. В начале пожара при температурах до 200 °С прочность бетона на сжатие практически не изменяется. Происходит дополнительная гидратация клинкерных минералов и повышение прочности заполнителей, что упрочняет структуру бетона. Если влажность бетона выше 3,5 %, то при огневом воздействии и температуре 250 °С возможно хрупкое взрывообразное разрушение бетона. С повышением температуры бетона до 350 °С вследствие высыхания бетона начинают образовываться трещины от температурной усадки бетона (Рис. 18).

Рис. 18. Нарушение структуры бетона после высокотемпературного огневого воздействия.

1 - до 250 °С - взрывообразное хрупкое разрушение наружного слоя бетона с влажностью более 3,5 %; 2 - от 250 до 350 °С - в бетоне образуются, в основном, трещины от температурной усадки бетона; 3 - до 450 °С - в бетоне образуются трещины, преимущественно, от разности температурных деформаций цементного камня и заполнителей; - свыше 450 °С - нарушение структуры бетона из-за дегидратации Ca(OH)2, когда свободная известь в цементном камне гасится влагой воздуха с увеличением объема; 4 - свыше 573 °С - нарушение структуры бетона из-за модификационного превращения a-кварца в b-кварц в граните, сопровождающегося увеличением объема заполнителя; 5 - выше 750 °С - структура бетона полностью разрушена.

Образуются и развиваются микротрещины в кристаллизационной решетке цементного камня и на границе контакта цементного камня с заполнителем. Внутренние напряжения и микротрещины, которые образуются при нагревании из-за различия температурных деформаций составляющих в бетоне, снижают прочность и повышают деформативность бетона. После нагрева бетона до температур выше 450 °С в охлажденном состоянии свободная окись кальция (известь) цементного камня гасится влагой воздуха, при этом происходит значительное увеличение объема минерала с нарушением структуры бетона. Температурная усадка цементного камня при одновременном расширении заполнителей нарушает связи между ними и разрывает цементный камень на отдельные части. Модификационные превращения кристаллического a-кварца в b-кварц в граните при температуре 573 °С сопровождаются значительным увеличением объема минерала и снижением прочности заполнителя. Охлаждение бетона водой после пожара вызывает дополнительное нарушение структуры в наружных слоях бетона. При температурах свыше 750 °С из цементного камня удаляется химически связанная вода, и продолжает нарушаться структура бетона из-за разности температурных деформаций вяжущего и заполнителей.

В арматуре классов А240, А300, А400 и А500 после нагрева до 600 °С, классов Ат500, Ат600, Ат800 и Aт1000 - до 500 °С и классов В400, В1500 и Bp1500 - до 400 °С прочностные свойства восстанавливаются.

12.3. Для обеспечения огнесохранности и ремонтопригодности железобетонной конструкции после пожара необходимо, чтобы разрушающийся слой бетона, нагретый до 450 °С после пожара не оказывал влияние на дальнейшую эксплуатацию конструкции. Это можно обеспечить толщиной защитного слоя бетона.

12.4. При стандартном пожаре длительностью 90 минут толщина защитного слоя бетона должна быть не менее 35 мм, при 120 мин - 45 мм, при 150 мин - 55 мм, при 180 мин - 60 мм.

12.5. Во избежание выпучивания продольной арматуры при ее нагреве во время пожара необходимо предусмотреть конструктивное армирование хомутами и поперечными стержнями.

12.6. Конструирование элементов должно обеспечить нагрев ненапрягаемой арматуры во время пожара не более 500 °С, предварительно напряженной арматуры - не более 100 °С.

ПРИВЕДЕНИЕ ФАКТИЧЕСКОГО ПОЖАРА К ЭКВИВАЛЕНТНОМУ СТАНДАРТНОМУ

12.7. Для оценки последствий пожара на железобетонные конструкции нужно знать не только длительность пожара, но и изменение его температуры во времени по зонам интенсивности огневого воздействия. Рост температуры во время пожара является функцией времени и интенсивности тепловыделения. Тепловой поток изменяется, в основном, в зависимости от воздухообмена и температуры. Для характеристики пожара используют зависимость «температура-время». В реальных пожарах зависимость «температура-время» отличается от стандартного пожара, поэтому необходимо фактический пожар привести к эквивалентному стандартному пожару.

12.8. Для приведения температурного режима фактического пожара к эквивалентному стандартному здание разбивают на зоны в зависимости от удельной пожарной нагрузки и максимальной температуры огневого воздействия.

Для каждой зоны устанавливают:

- площадь пола помещения Fп в м2;

- площадь внутренней поверхности ограждающих конструкций Fк в м2;

- площадь проемов Fо в м2;

- удельную горючую нагрузку r0 в кг/м2;

- максимальную температуру в °С.

Определяют значения следующих коэффициентов:

fк = Fп/Fк                                                                                                    (126)

                                                     (127)

ft = fк/fo                                                              (128)

где: h - высота проемов.

Приведение температурного режима фактического пожара к эквивалентному стандартному производят по номограмме на Рис. 19. Зная значение fк по верхнему левому графику проводят прямую до пересечения с наклонной линией, имеющей значение fo. На левом нижнем графике находят точку для установленного значения r0. На нижнем правом графике находят длительность фактического пожара uф, и на верхнем правом графике устанавливают длительность стандартного пожара uc. Если известны значения длительности пожара uф, максимальной температуры tф фактического пожара по зонам здания, то сравнивают температуру нагрева железобетонной конструкции с температурой эквивалентного стандартного пожара. Находят разность температур фактического и стандартного пожара по зонам здания:

±Dt = tф - tc                                                                                                       (129)

Если отклонения температур ±Dt £ ±25 °С, то температурный режим реального пожара считают равным стандартному пожару.

Длительность эквивалентного стандартного пожара определяют по формуле:

uc = (0,8 ± 0,001Dt)uф                                                       (130)

Определив длительность эквивалентного стандартного пожара, находят температуры нагрева бетона и арматуры по Приложениям 3 - 5 или теплотехническим расчетом.

Рис. 19. Номограмма приведения температурного режима реального пожара к эквивалентному стандартному.

ДОПОЛНИТЕЛЬНЫЕ ПОТЕРИ ПРЕДВАРИТЕЛЬНОГО НАПРЯЖЕНИЯ В АРМАТУРЕ

12.9. При огневом воздействии во время пожара происходят дополнительные потери предварительного напряжения в арматуре.

Учет дополнительных потерь предварительного напряжения в арматуре необходим при расчете деформации и при решении вопроса о возможности дальнейшего использования элементов после пожара. Продолжительность пожара во многих случаях находится в пределах 1 - 3 часов. За это время при пожаре возникают дополнительные потери предварительного напряжения в арматуре, вызванные температурной усадкой и ползучестью бетона, релаксацией напряжений в арматуре при нагреве и разностью температурных деформаций бетона и арматуры.

При огневом воздействии бетон на уровне продольной арматуры интенсивно прогревается, и происходит температурная усадка бетона. Деформации температурной усадки тяжелого бетона даже при кратковременном нагреве больше, чем при нормальной температуре. Значение потерь предварительного напряжения от температурной усадки следует принимать равным 40 МПа.

Потери предварительного напряжения арматуры от релаксации напряжений в арматуре за счет развития пластических деформаций арматуры при нагреве зависят от значения напряжений в арматуре и температуры ее нагрева.

Потери предварительного напряжения в арматуре от релаксации напряжений за 1 ¸ 3 часа нагрева следует принимать равными 0,001Dts¢ssp. Предварительное напряжение в арматуре ssp определяют с учетом всех потерь при нормальной температуре. Dts¢ - разность между температурой нагрева арматуры при пожаре и температурой при ее натяжении.

Потери предварительного напряжения арматуры, вызванные быстро натекающей ползучестью бетона при нагреве, зависят от напряжений в бетоне на уровне продольной арматуры, и их следует принимать равными 10sbp, где sbp - сжимающие напряжения в бетоне на уровне продольной арматуры.

В элементах из бетона классов В30 и выше, имеющих преднапряжение ssp = 0,4 - 0,6Rs после огневого воздействия остаток предварительного напряжения в арматуре определяют:

для стержневой класса А600:

ssp = 84 - 0,4ts;

класса А800:

ssp = 87 - 0,39ts;                                                   (131)

класса А1000:

ssp = 92 - 0,26ts;

проволочной класса Вр1000:

ssp = 89 - 0,27ts;                                                   (132)

где: ssp ³ 0 - остаток предварительного напряжения в арматуре в % от исходного значения при изготовлении;

ts > 20 - температура арматуры при пожаре, °С.

Из формул (131 и 132) следует, что во время пожара от огневого воздействия происходит полная потеря предварительного напряжения в стержневой арматуре класса А600 при ее нагреве свыше 210 °С, класса А800 - свыше 220 °С, класса А1000 - свыше 350 °С и в проволочной класса Вр1000 - свыше 330 °С.

ПРОЧНОСТЬ ПОСЛЕ ПОЖАРА

12.10. Прочность элементов рассчитывают для нормальных и наклонных сечений, где наблюдалось наибольшее огневое воздействие при пожаре. Предельные усилия определяют, исходя из следующих предпосылок:

- сопротивление бетона сжатию, нагретого выше критической температуры, не учитывается;

- сопротивление бетона сжатию принимают равномерно распределенным по сжатой зоне;

- при температурах нагрева бетона ниже критической температуры расчетные сопротивления сжатию принимают Rb;

- расчетные сопротивления арматуры растяжению после огневого воздействия принимают равными Rsgst и сжатию - Rsgst¢.

Расчетные сопротивления бетона сжатию следует определять в зависимости от условного класса бетона по прочности на сжатие существующих конструкций согласно п.п. 2.11 - 2.13 и 6.13, 6.14 СНиП 2.03.01-84*. Расчетные сопротивления арматуры растяжению следует определять согласно п.п. 2.25 - 2.27 и 6.17 - 6.21 СНиП 2.03.01-84*.

12.11. Критерием прочности нормальных сечений является достижение краевыми деформациями бетона сжатой зоны предельных значений eb2, соответствующих третьему участку диаграммы деформирования бетона при сжатии (Рис. 25 - 27). Расчет производят по диаграммам деформирования бетона и арматуры, построенным по расчетным сопротивлениям, с учетом коэффициентов условий работы в охлажденном состоянии после пожара согласно п. 8.51.

Условием совместности деформирования сечения является линейное распределение деформаций по высоте сечения. По краевой предельной деформации укорочения бетона сжатой зоны eb2 находим деформацию растяжения арматуры, соответствующую третьему участку диаграммы состояния арматуры:

es2 = eb2(x - h0)/х                                                          (133)

Высоту сжатой зоны х определяют из уравнения равновесия всех сил на продольную ось элемента. При известной температуре арматуры, действовавшей при пожаре, по диаграммам деформирования арматуры после пожара в охлажденном состоянии в зависимости от установленной деформации находят значение напряжения в арматуре.

Из решения уравнений равновесия устанавливают предельный момент, который может воспринять сечение железобетонного элемента.

12.12. Значения коэффициентов условий работы арматуры gst = gst¢ в охлажденном состоянии после пожара принимают по Рис. 22 - 24 в зависимости от температуры нагрева арматуры во время пожара Прогрев бетона до критической температуры во время пожара устанавливают по Рис. 32 - 37 или теплотехническим расчетом.

Глубина прогрева бетона аt в колоннах и балках устанавливается по Рис. 9 и 14. Расчет прочности следует вести по приведенному сечению (См. п. 8.23). Если в сечении имеются выколы и повреждения бетона глубиной ап > аt, то приведение сечения производится по ап.

12.13. Температуру нагрева арматуры принимают по Рис. 32 - 37 в зависимости от температуры бетона на расстоянии от нагреваемой поверхности до центра сечения арматуры и по Рис. 38 в зависимости от длительности эквивалентного стандартного пожара или теплотехническим расчетом.

12.14. Сечения, нормальные к продольной оси элемента, рассчитывают в зависимости от соотношения между x и xR. Относительную высоту сжатой зоны сечения, поврежденную огнем x = x/h0t, определяют из соответствующих условий равновесия. Граничное значение относительной высоты сжатой зоны бетона находят по формуле:

                                 (134)

где w определяют по формуле (52);

для арматуры классов А240, А300, А400:

;                                                    (135)

для арматуры классов А600 и выше, а также для классов В400, В1500 и Вр1500:

.                                      (135a)

Напряжения в арматуре ssp определяют с учетом дополнительных потерь предварительного напряжения от огневого воздействия.

ПРОЧНОСТЬ ИЗГИБАЕМЫХ ЭЛЕМЕНТОВ

12.15. При расчете прочности изгибаемых элементов следует учитывать, что элементы, рассчитанные на работу в нормальных условиях по I-ому случаю x £ xh0, после пожара могут работать по 2-му случаю x > xh0t из-за уменьшения сжатой зоны бетона после прогрева наружных слоев бетона выше критической температуры. Глубина прогрева бетона до его критической температуры находится по Рис. 32 - 37.

Прочность прямоугольных сечений с двойной арматурой (Рис. 6) определяют в зависимости от высоты сжатой зоны:

                                          (136)

по I-ому случаю при x £ xR из условия:

                                 (137)

по 2-му случаю при x > xR:

                (138)

и при х < 2а¢:

                                              (139)

Для прямоугольных сечений с одиночной арматурой в формулах (136 - 139) Аs¢ = 0.

12.16. Прочность изгибаемых элементов, имеющих полку в сжатой зоне, рассчитывают в зависимости от положения границы сжатой зоны.

Если граница сжатой зоны проходит в полке (Рис. 6), то соблюдается условие:

                           (140)

и расчет выполняют как для прямоугольного сечения шириной bf¢ с использованием формул (137 - 139).

Если граница сжатой зоны проходит в ребре, условие (139) не соблюдается и x £ xR, расчет прочности производят по формуле:

   (141)

При x > xh0 можно принять х = xRh0 и остаточную прочность найти из условия:

  (142)

ПРОЧНОСТЬ ВНЕЦЕНТРЕННО СЖАТЫХ ЭЛЕМЕНТОВ

12.17. При расчете прочности внецентренно сжатых элементов прямоугольного сечения, поврежденных огнем, учитывают влияние прогибов от внешней нагрузки и температуры, с учетом прогрева сечения, а также перераспределения усилий с бетона на арматуру из-за развития деформаций температурной усадки бетона и быстро натекающей ползучести.

Расчетный эксцентриситет от внешней нагрузки и неравномерного нагрева по высоте сечения до менее сжатой или растянутой арматуры элемента находят по формуле (84).

Прочность элемента, работающего по 1-ому случаю, при x £ xR вычисляют из условия:

                 (143)

Высота сжатой зоны равна:

                       (144)

При x > xR прочность элемента также определяют из условия (143).

При этом высоту сжатой зоны для элементов из бетона класса В35 и ниже с ненапрягаемой арматурой классов А240, А300 и А400 находят из совместного решения уравнений:

                           (145)

                               (146)

Если значение e01 » ea, а расчетная длина элемента прямоугольного сечения l0 £ 20 ht, то прочность сжатого элемента рассчитывают из условия:

                                     (147)

где j принимают по Табл. 15 с учетом уменьшения размеров сечения от огневого воздействия.

12.18. Дополнительные напряжения в сжатой арматуре от перераспределения напряжений, вызванных температурной усадкой и кратковременной ползучестью бетона после пожара определяют:

                                     (148)

Если напряжения в арматуре от развития деформаций усадки и ползучести бетона будут превышать Rscgst¢, то превышение этих напряжений составит:

                                                (149)

и при совместном деформировании с бетоном будут передаваться на бетон. Напряжения сжатия в бетоне возрастут на величину:

                                            (150)

В этом случае в формулы (143 - 147) вместо Rb вводится разность (Rb - sb,csc).

Деформации температурной усадки бетона после огневого воздействия:

                                                        (151)

Значение acs принимают по Табл. 3 в зависимости от средней температуры сжатого бетона tb.

Деформации кратковременной ползучести бетона после огневого воздействия:

                                                     (152)

Удельную меру кратковременной ползучести бетона после огневого воздействия для практических расчетов принимают по Табл. 20 в зависимости от длительности эквивалентного стандартного пожара.

Таблица 20.

Длительность эквивалентного стандартного пожара uc в минутах

Удельная мера кратковременной ползучести С(t,t)×10-6 МПа-1

15

17

30

25

60

40

90

54

120

67

180

78

Примечание: Для промежуточных значений удельную меру ползучести принимают по интерполяции.

При диаграммном методе расчета (См. п. 8.52) после пожара учитывают дополнительные напряжения сжатия, возникающие в арматуре от развития деформаций усадки в бетоне. Для этого к предельной деформации сжатия бетона eb0 следует прибавить деформацию укорочения от температурной усадки бетона менее нагретой части сечения ecs, которую определяют по формуле (151). Напряжения сжатия в арматуре от ползучести бетона при остывании не учитывают, так как пластические свойства бетона и арматуры учтены при построении их диаграмм деформирования.

12.19. После пожара прочность наклонных сечений изгибаемых железобетонных элементов следует определять по формулам (71 - 78), прочность нормальных сечений растянутых железобетонных элементов - по формулам (89 - 93), в которых нормативные сопротивления бетона и арматуры заменяются на расчетные сопротивления.

ПРОЧНОСТЬ КОНСОЛЕЙ

12.20. Консоли представляют собой выступ, массивность которого меньше самой колонны. При пожаре консоль омывается пламенем с боковых поверхностей и снизу, а иногда и сверху. Прогрев углов консоли происходит интенсивнее, и после пожара прочность консоли снижается больше, чем прочность колонны. Возрастает опасность среза консоли вследствие увеличения расстояния от точки приложения внешней силы до опорного сечения l1t > l1 (Рис. 20).

Рис. 20. Схема для расчета короткой консоли после пожара.

Расчет прочности короткой консоли, для которой l < 0,9h0, на действие поперечной силы для обеспечения прочности наклонной сжатой полосы между грузом и опорой производят из условия:

                                  (153)

и не менее правой части условия (78).

                                         (154)

где: Аsw - площадь сечения хомутов в одной плоскости;

sw - расстояние между хомутами, измеренное по нормали к ним;

bt = b - at, at - принимают по Рис. 9;

                                                           (155)

bs - определяют по Рис. 22 - 24 в зависимости от температуры арматуры. Температуру арматуры находят по Рис. 39 - 44 или теплотехническим расчетом.

                                                           (156)

РАСЧЕТ ДЕФОРМАЦИЙ

12.21. При эксплуатационной нагрузке во время пожара от огневого воздействия в изгибаемых, внецентренно сжатых и внецентренно растянутых элементах происходит развитие дополнительного прогиба из-за значительного нагрева растянутой арматуры и перепада температур по высоте сечения.

При температурах нагрева арматуры до 350 °С прогиб элемента развивается, в основном, за счет температурного расширения арматуры и бетона у более нагреваемой поверхности. При более высоких температурах огневого воздействия прогиб развивается, в основном, из-за высокотемпературной ползучести арматуры.

При пожаре прогиб состоит из прогиба от воздействия нагрузки и прогиба от воздействия температуры.

После пожара прогиб от неравномерного нагрева по высоте сечения элемента пропадает и остается прогиб от нагрузки, который значительно больше прогиба от нагрузки до пожара вследствие снижения модулей упругости арматуры и бетона и развития в них пластических деформаций при нагреве. При остывании после пожара прочностные и упругопластические свойства бетона практически не восстанавливаются, а у арматуры происходит некоторое их восстановление.

12.22. Полный прогиб элемента после пожара определяют по формуле:

                                         (157)

где: (1/r)m - кривизна от внешней нагрузки;

(1/r)cs - кривизна при остывании от температурной усадки бетона, неравномерно нагретого по высоте сечения элемента во время пожара;

(1/r)4 - кривизна, обусловленная выгибом элемента вследствие усадки и ползучести бетона от усилия предварительного обжатия.

Коэффициент s принимают равным для свободно опертой балки:

0,1 - при равномерно распределенной нагрузке,

0,08 - при сосредоточенной силе в середине пролета,

a2/48l2 - при двух сосредоточенных силах, приложенных на расстоянии «а» от каждой опоры;

для консоли:

0,25 - при равномерно распределенной нагрузке,

0,33 - при сосредоточенной силе на конце консоли,

0,17а/(3-а/l) - при сосредоточенной силе на расстоянии «а» от опоры.

12.23. После пожара даже предварительно напряженные элементы работают с трещинами в бетоне растянутой зоны. Кривизну изгибаемых, внецентренно сжатых и внецентренно растянутых при e ³ 0,8h0 элементов прямоугольного, таврового и двутаврового сечений определяют по формуле:

    (158)

где: Ntot - равнодействующая продольной силы N и усилия предварительного обжатия Р.

Коэффициент bs принимают по температуре растянутой арматуры, которая была во время пожара, по Рис. 22 - 24, в охлажденном состоянии.

Коэффициент v, характеризующий упругопластическое состояние бетона сжатой зоны, принимают равным 0,45.

Коэффициент ys, учитывающий работу растянутого бетона на участке с трещинами, допускается принимать равным 1.

Коэффициент yb, учитывающий неравномерное распределение деформации крайней грани сжатой зоны по длине участка с трещинами, принимают равным 0,9.

Значения bt вычисляют по формуле (66).

Коэффициент jf определяют по формуле:

                                      (159)

                                                       (160)

Для изгибаемых элементов последнее слагаемое правой части формулы (158) принимают равным нулю.

Относительную высоту сжатой зоны бетона определяют по формуле:

              (161)

                                                   (162)

                                                 (163)

Для второго слагаемого правой части формулы (161) верхние знаки принимаются при сжимающем, а нижние - при растягивающем усилии N.

В формулах (158 и 162) для изгибаемых элементов Мs = М, для внецентренно сжатых и внецентренно растянутых элементов Ms = Nes,

                                                          (164)

Плечо внутренней пары сил - расстояние от центра площади сечения арматуры S до равнодействующей усилий в сжатой зоне бетона над трещиной:

                                   (165)

Для внецентренно сжатых элементов значение «z» должно приниматься не более 0,97еs.

Для элементов прямоугольного сечения и таврового с полкой в растянутой зоне в формулы (159, 163 и 165) вместо hf¢ подставляется значение 2а¢ или hf = 0 соответственно при наличии или отсутствии арматуры S¢.

Расчет сечений, имеющих полку в сжатой зоне, при x < hf¢/h0 производится как для прямоугольных шириной bf¢.

Коэффициент a в формулах (159, 161) определяют по формуле (160), принимая коэффициент bs в зависимости от температуры сжатой арматуры в формуле (159) и растянутой арматуры в формуле (161).

12.24. В формуле (157) кривизну (1/r)cs от температурной усадки при остывании неравномерно нагретого бетона по высоте сечения учитывают только в элементах без преднапряжения. Кривизну (1/r)4, обусловленную выгибом элемента вследствие усадки и ползучести бетона от усилий предварительного обжатия, следует учитывать в предварительно напряженных конструкциях при условии сохранения предварительного обжатия бетона после пожара.

12.25. После пожара потери предварительного напряжения в арматуре определяют по п. 12.9. Если потери преднапряжения в арматуре после пожара меньше, чем значение предварительного напряжения в арматуре от усилия обжатия до пожара, то предварительное напряжение в арматуре частично сохранилось.

12.26. Кривизну элемента при остывании от температурной усадки неравномерно нагретого бетона во время пожара определяют по формуле:

                                       (166)

где: acs и acs1 - коэффициенты температурной усадки бетона, принимаемые по Табл. 3 в зависимости от температуры бетона менее и более нагретой грани сечения, которая была при пожаре;

scs - коэффициент, учитывающий криволинейное распределение температуры в бетоне по высоте сечения, который принимают в зависимости от температуры нагреваемой поверхности сечения во время пожара: 0,8 - при 300 °С, 0,7 - при 500 °С, 0,6 - при 800 °С, 0,5 - при 1000 °С.

12.27. Кривизну, обусловленную выгибом элемента вследствие усадки и ползучести бетона от усилия предварительного обжатия, определяют по формуле:

                                                  (167)

где: eb и eb¢ - относительные деформации бетона, вызванные его усадкой и ползучестью от усилия предварительного обжатия, определяемые соответственно на уровне центра тяжести растянутой продольной арматуры и крайнего сжатого волокна бетона:

;                                          (168)

Значения sb принимают численно равными сумме потерь предварительного напряжения от усадки и ползучести бетона как до пожара, так и от огневого воздействия во время пожара, для арматуры растянутой зоны; a sb¢ - то же для напрягаемой арматуры, если бы она имелась на уровне крайнего сжатого волокна бетона.

bs - принимают по температуре растянутой арматуры (Рис. 22 - 24).

12.28. После пожара прогиб элемента является одним из критериев возможности дальнейшей эксплуатации конструкции. При действии постоянных, длительных и кратковременных нагрузок прогиб балок или плит не должен превышать 1/150 пролета и 1/75 вылета консоли.

12.29. При температурах нагрева свыше 350 °С в арматуре класса А1000 марки 22Х2Г2АЮ развиваются пластические деформации, которые, в основном, зависят от температуры и напряжения.

                                       (169)

                                          (170)

                                        (171)

где: ts - температура арматуры, °С;

ss - напряжения в арматуре, МПа.

13. ПОЯСНЕНИЯ К ПРИЛОЖЕНИЯМ

Приложение 1. Коэффициенты условий работы бетона и арматуры при огневом воздействии.

Критическую температуру нагрева арматуры tst,cr (Рис. 22 - 24) устанавливают по точке пересечения горизонтальной прямой на уровне значения критического коэффициента условий работы арматуры gs,cr до пересечения с кривой gst.

Приложение 2. Диаграммы деформирования бетона и арматуры при огневом воздействии.

Критическую температуру нагрева арматуры tst,cr (Рис. 28 - 31) устанавливают по точке пересечения горизонтальной прямой на уровне значения критического коэффициента условий работы арматуры gst,cr до пересечения с вертикальной прямой на уровне значения критической деформации арматуры es,cr.

Приложение 3. Температуры прогрева бетона в плитах и стенах при одностороннем огневом воздействии по ИСО 834.

Теплотехническим расчетом определены температуры в плитах и стенах из тяжелого бетона плотностью 2350 кг/м3, влажностью до 2,5 - 3,0 %, на гранитном и известняковом заполнителях, а также из конструкционного керамзитобетона плотностью 1400 - 1600 кг/м3 с влажностью до 5 %.

Температуру оси арматуры ts (Рис. 32 - 37) принимают по температуре бетона на расстоянии от нагреваемой поверхности, равной толщине защитного слоя бетона до оси арматуры.

Предел огнестойкости по потере несущей способности устанавливают по точке пересечения горизонтальной прямой на уровне критической температуры бетона tb,cr, с кривой прогрева защитного слоя бетона толщиной «а» от обогреваемой поверхности до оси растянутой арматуры.

Предел огнестойкости многопустотных и ребристых плит с ребрами вверх следует определять как для сплошных плит с коэффициентом 0,9.

Приложение 4. Температуры нагрева арматуры в балках.

Температура арматуры определена теплотехническим расчетом при трехстороннем огневом воздействии стандартного пожара по ИСО 834 в балках из тяжелого бетона на известняковом заполнителе плотностью 2350 кг/м3 и влажностью до 3 %.

Предел огнестойкости (Рис. 38) устанавливают по точке пересечения горизонтальной прямой на уровне критической температуры арматуры ts,cr с кривой прогрева растянутых стержней.

Пределы огнестойкости изгибаемых элементов из тяжелого бетона на гранитном заполнителе следует принимать как для конструкций из бетона на известняковом заполнителе с коэффициентом 0,9.

Предел огнестойкости сборных плит с продольными несущими ребрами вниз следует определять как для балок в зависимости от ширины ребра. При наличии в плитах двух крайних несущих продольных ребер за расчетную ширину принимают общую ширину сечения двух примыкающих друг к другу продольных смежных ребер.

Приложение 5. Температуры прогрева бетона в колоннах, балках и ребристых конструкциях.

Теплотехническим расчетом определены температуры в тяжелом бетоне с гранитным заполнителем плотностью 2000 - 2400 кг/м3 и влажностью 2 - 3 % при стандартном пожаре по ИСО 834. Температуры в тяжелом бетоне с известняковым заполнителем следует определять с коэффициентом 0,9 и в конструкционном керамзитобетоне - с коэффициентом 0,85 по значению температуры, приведенной в номограммах:

- для колонн сечением 200´200 мм (Рис. 39, 40),

                                        300´300 мм (Рис. 41),

                                        400´400 мм (Рис. 42 - 44);

- для балок сечением 80´160 мм (Рис. 45),

                                     160´320 мм (Рис. 46),

                                     300´600 мм (Рис. 47, 48);

- для монолитного ребристого перекрытия с балкой сечением 80´160 мм и плитой толщиной 60 мм (Рис. 49),

~ 160´320 мм ~ 100 мм (Рис. 50, 51)

~ 300´600 мм ~ 200 мм (Рис. 52 - 57);

- для двутавровых балок с шириной полки 240 мм и стенки 80 мм (Рис. 58),

~ 300 мм ~ 120 мм (Рис. 59, 60),

~ 400 мм ~ 120 мм (Рис. 61 - 63).

Приложение 6. Пределы огнестойкости железобетонных колонн и стен из тяжелого бетона.

Даны пределы огнестойкости колонн из тяжелого бетона сечением 200´200 мм, 300´300 мм и 400´400 мм из бетона класса В15, В25 и В35 - на Рис. 64, 65, и стен из тяжелого бетона толщиной 100, 140 и 180 мм из бетона класса В15, В25 и В35 - на Рис. 66 - 68 при жестком платформенном опирании и при платформенном опирании по цементному раствору.

ПРИЛОЖЕНИЕ 1

КОЭФФИЦИЕНТЫ УСЛОВИЙ РАБОТЫ БЕТОНА И АРМАТУРЫ ПРИ ОГНЕВОМ ВОЗДЕЙСТВИИ

Рис. 21. Значения коэффициентов gbt, bb и  для тяжелого бетона на гранитном (а) и известняковом (b) заполнителях и конструкционного керамзитобетона (с):

1 - при пожаре, 2 - после пожара.

Рис. 22. Значения коэффициентов gst, bs и vs для арматуры

1 - при пожаре; 2 - после пожара.

Рис. 23 Значения коэффициентов gst, bs и vs для арматуры классов В500, В 1500, Bp1500

1 - при пожаре; 2 - после пожара.

Рис. 24 Значения коэффициента gs5,t для арматуры классов:

1 - А240, А300; 2 - А400, А500; 3 - А600, Ат600, А800, Ат800, А1000, Ат1000.

ПРИЛОЖЕНИЕ 2

ДИАГРАММЫ ДЕФОРМИРОВАНИЯ БЕТОНА И АРМАТУРЫ ПРИ ОГНЕВОМ ВОЗДЕЙСТВИИ

Рис. 25. Диаграммы деформирования бетона на сжатие с гранитным заполнителем:

1 - при пожаре; 2 - после пожара.

Рис. 26. Диаграммы деформирования тяжелого бетона на сжатие с известняковым заполнителем:

1 - при пожаре, 2 - после пожара.

Рис. 27. Диаграммы деформирования конструкционного керамзитобетона на сжатие:

1 - при пожаре, 2 - после пожара.

Рис. 28. Диаграммы деформирования арматуры классов А240, А300 и А400:

1 - при пожаре, 2 - после пожара.

Рис. 29. Диаграммы деформирования арматуры классов А600, А800 и А1000:

1 - при пожаре, 2 - после пожара.

Рис. 30. Диаграммы деформирования арматуры классов Ат600, Ат800 и Ат1000:

1 - при пожаре, 2 - после пожара.

Рис. 31. Диаграммы деформирования арматуры классов В400, В1500 и Bp1500:

1 - при пожаре, 2 - после пожара.


ПРИЛОЖЕНИЕ 3

ТЕМПЕРАТУРЫ ПРОГРЕВА БЕТОНА В ПЛИТАХ И СТЕНАХ ПРИ ОДНОСТОРОННЕМ ОГНЕВОМ ВОЗДЕЙСТВИИ СТАНДАРТНОГО ПОЖАРА ПО ИСО 834

Рис. 32. Температура прогрева тяжелого бетона на гранитном заполнителе в плитах и стенах высотой сечения 40, 60, 80, 100 и 120 мм при одностороннем огневом воздействии.

0 - 120 - глубина прогрева бетона от нагреваемой поверхности, в мм.

Рис. 33. Температура прогрева тяжелого бетона на гранитном заполнителе в плитах и стенах высотой сечения 140, 160, 180 и 200 мм при одностороннем огневом воздействии.

0 - 200 - глубина прогрева бетона от нагреваемой поверхности, в мм.

Рис. 34. Температура прогрева тяжелого бетона на известняковом заполнителе в плитах и стенах высотой сечения 40, 60, 80, 100 и 120 мм при одностороннем огневом воздействии.

0 - 120 - глубина прогрева бетона от нагреваемой поверхности, в мм.

Рис. 35. Температура прогрева тяжелого бетона на известняковом заполнителе в плитах и стенах высотой сечения 140, 160, 180 и 200 мм при одностороннем огневом воздействии.

0 - 200 - глубина прогрева бетона от нагреваемой поверхности, в мм.

Рис. 36. Температура прогрева конструкционного керамзитобетона в плитах и стенах высотой сечения 40, 60, 80, 100 и 120 мм при одностороннем огневом воздействии.

0 - 120 - глубина прогрева бетона от нагреваемой поверхности, в мм.

Рис. 37. Температура прогрева конструкционного керамзитобетона в плитах и стенах высотой сечения 140, 160, 180 и 200 мм при одностороннем огневом воздействии.

0-200 - глубина прогрева бетона от нагреваемой поверхности, мм.


ПРИЛОЖЕНИЕ 4

ТЕМПЕРАТУРЫ НАГРЕВА АРМАТУРЫ В БАЛКАХ

Рис. 38. Температура нагрева арматуры в балках шириной 65, 100, 160 и 200 мм из тяжелого бетона на известняковом заполнителе при толщине защитного слоя бетона «а» от 20 до 100 мм.

tsm - средняя температура арматуры, °С.

ПРИЛОЖЕНИЕ 5

ТЕМПЕРАТУРЫ ПРОГРЕВА БЕТОНА В КОЛОННАХ, БАЛКАХ И РЕБРИСТЫХ КОНСТРУКЦИЯХ

Рис. 39. Температуры прогрева бетона в колонне сечением 200´200 мм при четырехстороннем воздействии пожара длительностью 30 и 60 минут.

Рис. 40. Температуры прогрева бетона в колонне сечением 200´200 мм при четырехстороннем воздействии пожара длительностью 90 и 120 минут.

Рис. 41. Изотермы в бетоне колонны сечением 300´300 мм при четырехстороннем огневом воздействии стандартного пожара длительностью 30, 60, 90, 120, 180 и 240 минут.

Рис. 42. Температуры прогрева бетона в колонне сечением 400´400 мм при четырехстороннем воздействии пожара длительностью 30 и 60 минут.

Рис. 43. Температуры прогрева бетона в колонне сечением 400´400 мм при четырехстороннем огневом воздействии стандартного пожара длительностью 90 и 120 минут.

Рис. 44. Температуры прогрева бетона в колонне сечением 400´400 мм при четырехстороннем огневом воздействии стандартного пожара длительностью 180 и 240 минут.


Рис. 45. Температуры прогрева бетона в балке сечением 80´160 мм при трехстороннем воздействии пожара длительностью 30, 60, 90 и 120 минут.

Рис. 46. Температуры прогрева бетона в балке сечением 160´320 мм при трехстороннем воздействии пожара длительностью 30, 60, 90 и 120 минут.


Рис. 47. Изотермы в бетоне балки сечением 300´600 мм при трехстороннем огневом воздействии стандартного пожара длительностью 30, 60 и 90 минут.

Рис. 48. Изотермы в бетоне балки сечением 300´600 мм при трехстороннем огневом воздействии стандартного пожара длительностью 120, 180 и 240 минут.


Рис. 49. Температуры прогрева бетона в монолитном ребристом перекрытии с балкой сечением 80´160 мм и плитой толщиной 60 мм при пожаре длительностью 30 и 60 минут.

Рис. 50. Температуры прогрева бетона в монолитном ребристом перекрытии с балкой сечением 160´320 мм и плитой толщиной 100 мм при пожаре длительностью 30 и 60 минут.

Рис. 51. Температуры прогрева бетона в монолитном ребристом перекрытии с балкой сечением 160´320 мм и плитой толщиной 100 мм при пожаре длительностью 90 и 120 минут.


Рис. 52. Температуры прогрева бетона в монолитном ребристом перекрытии с балкой сечением 300´600 мм и плитой толщиной 200 мм при пожаре длительностью 30 минут.

Рис. 53. Температуры прогрева бетона в монолитном ребристом перекрытии с балкой сечением 300´600 мм и плитой толщиной 200 мм при пожаре длительностью 60 минут.

Рис. 54. Температуры прогрева бетона в монолитном ребристом перекрытии с балкой сечением 300´600 мм и плитой толщиной 200 мм при пожаре длительностью 90 минут.

Рис. 55. Температуры прогрева бетона в монолитном ребристом перекрытии с балкой сечением 300´600 мм и плитой толщиной 200 мм при пожаре длительностью 120 минут.

Рис. 56. Температуры прогрева бетона в монолитном ребристом перекрытии с балкой сечением 300´600 мм и плитой толщиной 200 мм при пожаре длительностью 180 минут.

Рис. 57. Температуры прогрева бетона в монолитном ребристом перекрытии с балкой сечением 300´600 мм и плитой толщиной 200 мм при пожаре длительностью 240 минут.


Рис. 58. Температуры прогрева бетона в двутавровой балке со стенкой толщиной 80 мм и полкой шириной 240 мм при пожаре длительностью 30 и 60 минут.

Рис. 59. Температуры прогрева бетона в двутавровой балке со стенкой толщиной 120 мм и полкой шириной 300 мм при пожаре длительностью 30 и 60 минут.

Рис. 60. Температуры прогрева бетона в двутавровой балке со стенкой толщиной 120 мм и полкой шириной 300 мм при пожаре длительностью 90 и 120 минут.

Рис. 61. Температуры прогрева бетона в двутавровой балке со стенкой толщиной 120 мм и полкой шириной 400 мм при пожаре длительностью 30 и 60 минут.

Рис. 62. Температуры прогрева бетона в двутавровой балке со стенкой толщиной 120 мм и полкой шириной 400 мм при пожаре длительностью 90 и 120 минут.

Рис. 63. Температуры прогрева бетона в двутавровой балке со стенкой толщиной 120 мм и полкой шириной 400 мм при пожаре длительностью 180 и 240 минут.


ПРИЛОЖЕНИЕ 6

ПРЕДЕЛЫ ОГНЕСТОЙКОСТИ ЖЕЛЕЗОБЕТОННЫХ КОЛОНН И СТЕН ИЗ ТЯЖЕЛОГО БЕТОНА

Рис. 64. Пределы огнестойкости железобетонных колонн сечением 200´200, 300´300 и 400´400 мм из тяжелого бетона на гранитном заполнителе, с защитным слоем 35 мм, с армированием 1,0, 1,5 и 3,0 % при действии нормативной сжимающей силы со случайным эксцентриситетом, при четырехстороннем огневом воздействии стандартного пожара.

Рис. 65. Пределы огнестойкости железобетонных колонн сечением 200´200, 300´300 и 400´400 мм из тяжелого бетона на известняковом заполнителе, с защитным слоем 35 мм, с армированием 1, 1,5 и 3 %, при действии нормативной сжимающей силы со случайным эксцентриситетом, при четырехстороннем огневом воздействии стандартного пожара.

Рис. 66. Пределы огнестойкости железобетонных стен высотой сечения 100, 140 и 180 мм, с армированием 0,1, 0,5 и 1 %, из тяжелого бетона класса В15 с заполнителями:

1 - из известняка; 2 - из гранита, при одностороннем огневом воздействии стандартного пожара.

Рис. 67. Пределы огнестойкости железобетонных стен высотой сечения 100, 140 и 180 мм, с армированием 0,1, 0,5 и 1 %, из тяжелого бетона класса В25 с заполнителями:

1 - из известняка; 2 - из гранита, при одностороннем огневом воздействии стандартного пожара.

Рис. 68. Пределы огнестойкости железобетонных стен толщиной 100, 140 и 180 мм, с армированием 0,1, 0,5 и 1 %, из тяжелого бетона класса В35 с заполнителями:

1 - из известняка; 2 - из гранита, при одностороннем огневом воздействии стандартного пожара.

ОСНОВНЫЕ БУКВЕННЫЕ ОБОЗНАЧЕНИЯ

Усилия от нагрузки и температуры в поперечном сечении элемента при огневом воздействии

Мn, М, Mt - изгибающий момент от нормативной и расчетной нагрузок и от температуры;

Nn, N, Nt - продольная сила от нормативной и расчетной нагрузок и от температуры;

Qn, Q, Qt - поперечная сила от нормативной и расчетной нагрузок и от температуры;

uc, uф - длительность стандартного и фактического пожаров.

Характеристики материалов при огневом воздействии

Rbn,t = Rbn×gbt

Rbt = Rb×gbt

- нормативное и расчетное сопротивления бетона сжатию;

Rbtnt = Rbtn×gtt

Rbtt = Rbt×gtt

- нормативное и расчетное сопротивления бетона растяжению;

Rsnt = Rsn×gst

Rst = Rs×gst

- нормативное и расчетное сопротивления арматуры растяжению;

Rsсt = Rsс×gst - расчетное сопротивление арматуры сжатию;

Rswt = Rsw×gst - расчетное сопротивление поперечной арматуры растяжению;

Еbt = Еb×bb - модуль упругости бетона;

Еst = Еs×bs - модуль упругости арматуры;

gbt, gtt - коэффициенты условий работы бетона при сжатии и растяжении;

gst = gst¢ - коэффициент условий работы арматуры при растяжении и сжатии;

gst,cr - критическое значение коэффициента условий работы растянутой арматуры;

bb, bs - коэффициенты, учитывающие изменения модулей упругости бетона и арматуры;

, v, vs - коэффициенты упругости сжатого бетона, сжатой зоны бетона и арматуры, учитывающие развитие пластических деформаций и представляющие собой отношение упругих деформаций к полным;

abt, acs, ast - коэффициенты температурных и усадочных деформаций бетона и температурных деформаций арматуры;

et, esc, eсс - температурная деформация и деформации усадки и ползучести;

l, С, аred - коэффициенты теплопроводности, теплоемкости бетона и арматуры и приведенный коэффициент температуропроводности бетона;

eb0, eb2 - предельные деформации бетона при центральном сжатии и крайнего волокна бетона сжатой зоны;

es0, es2 - деформации арматуры в основной и второй дополнительной базовых точках диаграммы деформирования арматуры.

Геометрические характеристики

а, а¢ - расстояние от равнодействующей усилий в арматуре S и S¢ до ближайшей грани сечения;

at - глубина прогрева бетона до критической температуры tb,cr;

h0 = h - a - рабочая высота сечения при нагреве бетона сжатой зоны до критической температуры бетона tb £ tb,cr;

h0t = h - a - at - рабочая высота сечения при нагреве бетона сжатой зоны выше критической температуры бетона tb > tb,cr;

s - расстояние между хомутами, измеренное по длине элемента;

tb, ts - температуры бетона и арматуры;

tbm, tsm - средняя температура бетона и арматуры;

b, bt = b - 2at - ширина прямоугольного сечения, ширина ребра таврового и двутаврового сечений при нагреве бетона до критической и выше критической температуры бетона;

bf¢, bf¢= bf¢ - 2at - ширина полки таврового и двутаврового сечений в сжатой зоне при нагреве бетона до критической температуры и выше критической температуры бетона.

СОДЕРЖАНИЕ

Введение. 1

1. Область применения. 2

2. Нормативные ссылки. 2

3. Термины и определения. 2

4. Общие требования. 2

5. Свойства бетона и арматуры при огневом воздействии и после него. 5

Бетон. 5

Арматура. 7

6. Теплотехнический расчет. 10

Основные положения расчета. 10

Односторонний нагрев. 11

Двухсторонний нагрев. 12

Трехсторонний нагрев. 13

Четырехсторонний нагрев. 13

7. Предел огнестойкости плит и стен по потере теплоизолирующей способности. 15

8. Расчет предела огнестойкости по потере несущей способности. 16

Балочные плиты.. 16

Многопустотные плиты.. 17

Консольные плиты.. 19

Плиты с арматурой разных классов. 19

Балки, ригели, прогоны.. 20

Колонны.. 23

Несущие стены.. 27

Растянутые элементы.. 28

Статически неопределимые конструкции. 29

Плиты, опертые по контуру. 33

Проверка прочности сечении при пожаре. 34

9. Расчет предела огнестойкости по целостности. 35

10. Расчет огнестойкости с помощью ЭВМ.. 37

11. Конструктивные требования, повышающие предел огнестойкости. 39

12. Огнесохранность железобетонных конструкций после пожара. 41

Конструктивные требования, обеспечивающие огнесохранность железобетонных конструкций. 41

Приведение фактического пожара к эквивалентному стандартному. 42

Дополнительные потери предварительного напряжения в арматуре. 43

Прочность после пожара. 44

Прочность изгибаемых элементов. 45

Прочность внецентренно сжатых элементов. 46

Прочность консолей. 47

Расчет деформаций. 48

13. Пояснения к приложениям.. 50

Приложение 1 Коэффициенты условий работы бетона и арматуры при огневом воздействии. 52

Приложение 2 Диаграммы деформирования бетона и арматуры при огневом воздействии. 53

Приложение 3 Температуры прогрева бетона в плитах и стенах при одностороннем огневом воздействии стандартного пожара по ИСО 834. 58

Приложение 4 Температуры нагрева арматуры в балках. 61

Приложение 5 Температуры прогрева бетона в колоннах, балках и ребристых конструкциях. 61

Приложение 6 Пределы огнестойкости железобетонных колонн и стен из тяжелого бетона. 78

Основные буквенные обозначения. 80

 




Rambler's Top100 Яндекс цитирования
  Copyright © 2008-2026, www.docload.ru