ГОСТ
2.796-95
МЕЖГОСУДАРСТВЕННЫЙ
СТАНДАРТ
Единая система конструкторской документации
ОБОЗНАЧЕНИЯ УСЛОВНЫЕ ГРАФИЧЕСКИЕ В СХЕМАХ.
ЭЛЕМЕНТЫ ВАКУУМНЫХ СИСТЕМ
МЕЖГОСУДАРСТВЕННЫЙ
СОВЕТ
ПО СТАНДАРТИЗАЦИИ, МЕТРОЛОГИИ И СЕРТИФИКАЦИИ
Минск
Предисловие
1. РАЗРАБОТАН Всероссийским научно-исследовательским
институтом стандартизации и сертификации в машиностроении (ВНИИНМАШ)
Госстандарта России
ВНЕСЕН Госстандартом России
2. ПРИНЯТ Межгосударственным Советом по стандартизации, метрологии и
сертификации (протокол № 8-95 от 12 октября 1995 г.)
За принятие проголосовали:
|
Наименование государства
|
Наименование
национального органа по стандартизации
|
|
Азербайджанская Республика
|
Азгосстандарт
|
|
Республика Белоруссия
|
Белстандарт
|
|
Грузия
|
Грузстандарт
|
|
Республика Казахстан
|
Госстандарт Республики
Казахстан
|
|
Киргизская Республика
|
Киргизстандарт
|
|
Республика Молдова
|
Молдовастандарт
|
|
Российская Федерация
|
Госстандарт России
|
|
Республика Таджикистан
|
Таджикский государственный
центр по стандартизации, метрологии и сертификации
|
|
Туркменистан
|
Главная государственная
инспекция Туркменистана
|
|
Украина
|
Госстандарт Украины
|
3. Постановлением Государственного комитета Российской Федерации по стандартизации,
метрологии и сертификации от 26 июня 1996 г. № 424 межгосударственный стандарт
ГОСТ 2.796-95 введен в действие непосредственно в качестве государственного
стандарта Российской Федерации с 1 января 1997 г.
4. ВЗАМЕН ГОСТ
2.796-81.
5. ПЕРЕИЗДАНИЕ. Январь 1998 г.
ГОСТ 2.796-95
МЕЖГОСУДАРСТВЕННЫЙ СТАНДАРТ
|
Единая система
конструкторской документации
ОБОЗНАЧЕНИЯ
УСЛОВНЫЕ ГРАФИЧЕСКИЕ В СХЕМАХ.
ЭЛЕМЕНТЫ ВАКУУМНЫХ СИСТЕМ
Unified system for design documentation. Graphic designations in
schemes.
Element of vacuum systems.
|
Дата введения
1997-01-01
Настоящий стандарт устанавливает условные графические
обозначения элементов вакуумных систем всех отраслей промышленности.
В настоящем стандарте использованы ссылки на следующие
стандарты:
ГОСТ
2.721-74 ЕСКД. Обозначения условные графические в схемах. Обозначения
общего применения.
ГОСТ
2.784-96 ЕСКД. Обозначения условные графические. Элементы трубопроводов.
ГОСТ
2.785-70 ЕСКД. Обозначения условные графические. Арматура трубопроводная.
ГОСТ 2.788-74
ЕСКД. Обозначения условные графические. Аппараты выпарные.
3.1 Условные графические обозначения элементов вакуумных
систем приведены в таблице 1.
3.2 Размеры основных условных графических обозначений
приведены в таблице А.1 приложения А.
3.3 Условные графические обозначения элементов вакуумного
трубопровода, арматуры и камер приведены в таблице Б.1 приложения Б.
Таблица
1
|
Наименование
элементов вакуумных систем
|
Обозначение элементов вакуумных систем
|
|
1. ОБОЗНАЧЕНИЯ ВАКУУМНЫХ НАСОСОВ
|
|
1.1. Насос вакуумный. Общее обозначение
|

|
|
1.2. Насос вакуумный механический. Общее обозначение
|

|
|
1.2.1. Вращательный объемный (пластинчато-роторный,
пластинчато-статорный, плунжерный):
|
|
|
а)
одноступенчатый
|

|
|
б)
двухступенчатый
|

|
|
в)
газобалластный
|

|
|
1.2.2. Турбомолекулярный
|

|
|
1.2.3. Двухроторный (насос Рутса)
|

|
|
1.2.4. Водокольцевой
|

|
|
1.3. Насосы вакуумные струйные. Общее обозначение
|

|
|
1.3.1. Эжекторный.
Примечание - Вместо знака «Х»
указывают химическую формулу рабочей жидкости (вода, масло, ртуть)
|

|
|
1.3.2. Диффузионный.
Примечание - Вместо знака «Х»
указывают химическую формулу рабочей жидкости (масло, ртуть)
|

|
|
1.4. Насосы вакуумные сорбционные. Общее обозначение
|

|
|
1.4.1. Адсорбционные
|

|
|
1.4.2. Сублимационный (испарительно-геттерный)
|

|
|
1.4.3. Криосорбционный.
Примечание 1.4.1 - 1.4.3 - Вместо
знака «Х» указывают химическую формулу сорбента
|

|
|
1.4.4. Криогенный
|

|
|
1.4.5. Испарительно-ионный
|

|
|
1.4.6. Магнитный элекгроразрядный
|

|
|
1.4.7. Комбинированный
|

|
|
2. ОБОЗНАЧЕНИЯ ВАКУУМНЫХ ЛОВУШЕК
|
|
2.1. Ловушка. Общее обозначение.
Примечание - Вместо знака «Х»
указывают вид хладагента (температура)
|

|
|
2.2. Ловушка, охлаждаемая жидкостью, заливаемой в резервуар
|

|
|
2.3. Ловушка термоэлектрическая.
Примечание - Вместо знака «Х» указывают
температуру охлаждаемой поверхности
|

|
|
2.4. Ловушка адсорбционная
|

|
|
2.5. Ловушка ионная.
Примечание к 2.3 - 2.4 - Вместо
знака «Х» указывают температуру охлаждаемой поверхности
|

|
|
3. ОБОЗНАЧЕНИЯ ОТРАЖАТЕЛЕЙ ДИФФУЗИОННЫХ НАСОСОВ
|
|
3.1. Отражатель. Общее обозначение.
Примечание - Вместо знака «Х»
указывают температуру отражателя
|

|
|
3.2. Отражатель, охлаждаемый воздухом
|

|
|
3.3. Отражатель, охлаждаемый циркуляцией жидкости
|

|
|
3.4. Отражатель, охлаждаемый жидкостью, заливаемой в резервуар
|

|
|
3.5. Отражатель, охлаждаемый термоэлектрическим устройством
|

|
|
4. УСТРОЙСТВА ПОДАЧИ ХЛАДАГЕНТА К ОХЛАЖДАЕМЫМ
ПОВЕРХНОСТЯМ ЛОВУШЕК И ОТРАЖАТЕЛЕЙ
|
|
4.1. Питатель сжиженного газа
|

|
|
4.2. Сосуд криогенный для сжиженного газа:
|
|
|
а)
открытый
|

|
|
б)
закрытый
|

|
|
в) с
питательным устройством
|

|
|
5. ПРИБОРЫ ИЗМЕРЯЮЩИЕ, КОНТРОЛИРУЮЩИЕ,
РЕГИСТРИРУЮЩИЕ ДАВЛЕНИЕ И ДР.
|
|
5.1. Вакуумметры (манометры)
|
|
|
5.1.1. Вакуумметр. Общее обозначение
|

|
|
5.1.2. Вакуумметр парциального давления
|

|
|
5.1.3. Вакуумметр ионизационный с горячим катодом
|

|
|
5.1.4. Вакуумметр магнитный электроразрядный с холодным катодом
(вакуумметр Пеннинга)
|

|
|
5.1.5. Вакуумметр теплоэлектрический (термопарный, сопротивления)
|

|
|
5.1.6. Вакуумметр U-образный, поршневой
|

|
|
5.1.7. Вакуумметр компрессионный (Мак-Леода)
|

|
|
5.1.8. Вакуумметр мембранный (деформационный)
|

|
|
5.2. Течеискатель. Общее обозначение
|

|
|
5.3. Масс-спектрометр
|

|
(обязательное)
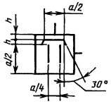
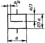
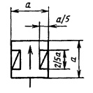
Таблица А.1
|
Наименование основных элементов
вакуумных систем
|
Размеры основных
элементов вакуумных систем
|
|
1. Насос вращательный
объемный (пластинчато-роторный, пластинчато-статорный, плунжерный)
двухступенчатый, газобалластный
|

|
|
2. Насос двухроторный
(насос Рутса)
|

|
|
3. Насос турбомолекулярный
|

|
|
4. Насос эжекторный
|

|
|
5. Насос диффузионный
|

|
|
6. Насос адсорбционный
|

|
|
7. Насос криогенный
|

|
|
8. Насос
испарительно-ионный
|

|
|
9. Насос комбинированный
|

|
|
10. Ловушка
|

|
|
11. Отражатель
|

|
|
12. Отражатель,
охлаждаемый термоэлектрическим устройством
|

|
|
13. Питатель сжиженного
газа
|

|
|
14. Сосуд криогенный,
закрытый
|

|
|
15. Вакуумметр. Общее
обозначение
|

|
|
16. Вакуумметр
парционального давления
|

|
|
17. Вакуумметр ионизационный
с горячим катодом
|

|
|
18. Вакуумметр магнитный
электроразрядный с холодным катодом (вакуумметр Пеннинга)
|

|
|
19. Вакуумметр
теплоэлектрический (термопарный, сопротивления)
|

|
|
20. Вакуумметр U-образный,
поршневой
|

|
|
21. Вакуумметр
компрессионный (Мак-Леода)
|

|
|
22. Течеискатель. Общее
обозначение
|

|
|
23. Масс-спектрометр
|

|
|
24. Компенсатор
(сильфонный)
|

|
|
25. Переходник фланцевый
|

|
|
26. Переходник
штуцерно-фланцевый
|

|
|
27. Вакуумное соединение фланцевое
|

|
|
28. Вакуумное соединение
штуцерное
|

|
|
29. Вакуумное соединение
быстроразъемное
|

|
|
30. Клапан проходной
|

|
|
31. Задвижка
|

|
|
32. Затвор
|

|
|
33. Клапан
предохранительный (на закрытие)
|

|
|
34. Блок клапанов
(двухклапанный)
|

|
|
35. Ручной привод
|

|
|
36. Пневмопривод или
гидропривод
|

|
|
37. Электропривод
|

|
|
38. Камера вакуумная
|

|
|
39. Колпак технологический
вакуумный
|

|
|
Примечание - Размер а выбирают из
ряда 14, 20, 28, 40, 56 мм. Размер h
должен быть не менее 1,5 мм.
|
(справочное)
Таблица Б.1
|
Наименование
|
Обозначение
|
Примечание
|
|
1. ЭЛЕМЕНТЫ ВАКУУМНОГО
ТРУБОПРОВОДА
|
|
1.1. Вакуумпровод
|

|
ГОСТ
2.784, пункт 1 а
|
|
1.2. Вакуумпровод с
указанием направления потока газа
|

|
|
|
1.3. Соединение вакуумпровода
|

|
|
|
1.4. Пересечение
вакуумпровода (без соединения)
|

|
ГОСТ
2.784, пункт 3
|
|
1.5. Вакуумпровод гибкий,
шланг
|

|
ГОСТ
2.784, пункт 5
|
|
1.6. Тройник
|

|
ГОСТ
2.784, пункт 12 а
|
|
1.7. Крестовина
|

|
ГОСТ
2.784, пункт 12 б
|
|
1.8. Колено
|

|
ГОСТ
2.784, пункт 12 в
|
|
1.9. Коллектор, гребенка
|

|
ГОСТ
2.784, пункт 12 г
|
|
1.10. Компенсатор
|

|
ГОСТ
2.784, пункт 17 ж
|
|
1.11. Вакуумное
соединение. Общее обозначение:
|

|
ГОСТ
2.784, пункт 9 а
|
|
а) фланцевое
|

|
ГОСТ
2.784, пункт 9 б
|
|
б) штуцерное
|

|
ГОСТ
2.784, пункт 9 в
|
|
в) быстроразъемное
|

|
ГОСТ
2.784, пункт 15 б
|
|
1.12. Конец вакуумпровода
с заглушкой:
|
|
|
|
а) с фланцевым соединением
|

|
ГОСТ
2.784, пункт 11 б
|
|
б) со штуцерным соединением
|

|
ГОСТ
2.784, пункт 11 в
|
|
в) с быстроразъемным соединением
|

|
|
|
1.13. Переходник:
|
|
|
|
а) фланцевый
|

|
ГОСТ
2.784, пункт 14 б
|
|
б) штуцерно-фланцевый
|

|
|
|
2. АРМАТУРА
ВАКУУМНАЯ
|
|
2.1. Клапан:
|
|
|
|
а) проходный
|

|
ГОСТ
2.785, пункт 1 а
|
|
б) угловой
|

|
ГОСТ
2.785, пункт 1 б
|
|
2.2. Задвижка
|

|
ГОСТ
2.785, пункт 9
|
|
2.3. Затвор поворотный
|

|
ГОСТ
2.785, пункт 10
|
|
2.4. Кран проходной
|

|
ГОСТ
2.785, пункт 11
|
|
2.5. Клапан регулирующий,
дозирующий
|

|
|
|
2.6. Клапан
предохранительный (на закрытие)
|

|
ГОСТ
2.785, пункт 20 а
|
|
2.7. Блок клапанов
|

|
ГОСТ
2.785, пункт 28 а
|
|
2.8. Тип привода арматуры
|
|
|
|
2.8.1. Ручной
|

|
ГОСТ
2.721, таблица 6, пункт 13 а
|
|
2.8.2. Пневмопривод или
гидропривод
|

|
ГОСТ
2.721, таблица 6, пункт 15 в
|
|
2.8.3. Электропривод
|

|
ГОСТ
2.721, таблица 6, пункт 15 г
|
|
2.8.4. Электромагнитный
привод
|

|
ГОСТ
2.721, таблица 6, пункт 15 б
|
|
3. ВАКУУМНЫЕ
КАМЕРЫ (ОБЪЕМНЫЕ)
|
|
3.1. Камера вакуумная
|

|
ГОСТ 2.788,
таблица 2, пункт 1 в
|
|
3.2. Колпак
технологический вакуумный
|

|
|
|
|
|
|
Ключевые
слова: обозначения условные, элементы вакуумных систем
СОДЕРЖАНИЕ
|