Бесплатная библиотека стандартов и нормативов www.docload.ru

Все документы, размещенные на этом сайте, не являются их официальным изданием и предназначены исключительно для ознакомительных целей.
Электронные копии этих документов могут распространяться без всяких ограничений. Вы можете размещать информацию с этого сайта на любом другом сайте.
Это некоммерческий сайт и здесь не продаются документы. Вы можете скачать их абсолютно бесплатно!
Содержимое сайта не нарушает чьих-либо авторских прав! Человек имеет право на информацию!

 

ГОСУДАРСТВЕННЫЙ СТАНДАРТ СОЮЗА ССР

ПЛАНКИ ПРЯМОУГОЛЬНЫЕ ВЫСОТОЙ 45 мм С УСТАНОВОЧНЫМ ОТВЕРСТИЕМ ДИАМЕТРОМ 45 и 50 мм УНИВЕРСАЛЬНО-СБОРНЫХ ПРЯМОУГОЛЬНЫХ НАКЛАДНЫХ КОНДУКТОРОВ С ПАЗАМИ 12 мм

Конструкция и размеры.

ГОСТ 20210-74

ГОСУДАРСТВЕННЫЙ СТАНДАРТ СОЮЗА ССР

ПЛАНКИ ПРЯМОУГОЛЬНЫЕ ВЫСОТОЙ 45 мм С УСТАНОВОЧНЫМ ОТВЕРСТИЕМ ДИАМЕТРОМ 45 и 50 мм УНИВЕРСАЛЬНО-СБОРНЫХ ПРЯМОУГОЛЬНЫХ НАКЛАДНЫХ КОНДУКТОРОВ С ПАЗАМИ 12 мм

Конструкция и размеры.

45 mm high rectangular straps with 45 and 50 mm dia. adjusting hole of universal rectangular assembly drilling jigs with 12 mm slots.
Design and dimensions

ГОСТ
20210-74

Постановлением Государственного комитета стандартов Совета Министров СССР от 12 сентября 1974г. № 2138 срок действия установлен

с 01.01.76

до 01.01.81

Несоблюдение стандарта преследуется по закону

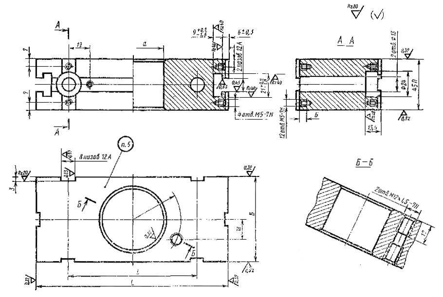
1. Конструкция и размеры планок должны соответствовать указанным на чертеже и в таблице.



Размеры в мм

Обозначение планок

Применяемость

В

L

l

(пред. откл. +0,03)

r

d

(пред. откл. по A1)

Масса, кг

Прел. откл. по П

7033-1251

 

60

120

60

35

45

1,62

7033-1252

 

90

180

120

43

50

4,15

Пример условного обозначения прямоугольной плавки размером L=120 мм:

Планка 7033-1251 ГОСТ 20210-74

2. Материал - сталь марки 12ХН3А по ГОСТ 4543-71.

3. Цементировать на глубину 0,8... 1,2 мм, кроме резьбовых отверстий; твердость - HRC 58...62.

4. Остальные технические требования - по ГОСТ 14607-70.

5. Маркировать: обозначение планки, обозначение стандарта, товарный знак предприятия-изготовителя и год изготовления.




Rambler's Top100 Яндекс цитирования
  Copyright © 2008-2026, www.docload.ru