Бесплатная библиотека стандартов и нормативов www.docload.ru

Все документы, размещенные на этом сайте, не являются их официальным изданием и предназначены исключительно для ознакомительных целей.
Электронные копии этих документов могут распространяться без всяких ограничений. Вы можете размещать информацию с этого сайта на любом другом сайте.
Это некоммерческий сайт и здесь не продаются документы. Вы можете скачать их абсолютно бесплатно!
Содержимое сайта не нарушает чьих-либо авторских прав! Человек имеет право на информацию!

 

ГОСУДАРСТВЕННЫЙ СТАНДАРТ СОЮЗА ССР

НАСОСЫ ПИТАТЕЛЬНЫЕ
ЭНЕРГЕТИЧЕСКИХ БЛОКОВ АЭС

ОБЩИЕ ТЕХНИЧЕСКИЕ УСЛОВИЯ

ГОСТ 24464-80

ГОСУДАРСТВЕННЫЙ КОМИТЕТ СССР ПО СТАНДАРТАМ

Москва

РАЗРАБОТАН Министерством химического и нефтяного машиностроения

ИСПОЛНИТЕЛИ

А. Я. Ильченко (руководитель темы), Б. И. Остапенко, В. П. Недоспасов, В. Л. Лысенко, М. Н. Иванов

ВНЕСЕН Министерством химического и нефтяного машиностроения

Член Коллегии А. М. Васильев

УТВЕРЖДЕН И ВВЕДЕН В ДЕЙСТВИЕ Постановлением Государственного комитета СССР по стандартам от 19 декабря 1980 г. № 5893

ГОСУДАРСТВЕННЫЙ СТАНДАРТ СОЮЗА ССР

НАСОСЫ ПИТАТЕЛЬНЫЕ
ЭНЕРГЕТИЧЕСКИХ БЛОКОВ АЭС

Общие технические условия

Feed pumps for nuclear power plant.
General technical requirements

ГОСТ
24464-80

Постановлением Государственного комитета СССР по стандартам от 19 декабря 1980 г. № 5893 срок действия установлен

с 01.01.1982 г.

до 01.01.1987 г.

Настоящий стандарт распространяется на основные, аварийные и предвключенные центробежные питательные насосы с приводом от электродвигателя (ПЭА) и с приводом от паровой турбины (ПТА), предназначенные для подачи питательной воды в энергетических блоках атомных электростанций (АЭС), а также атомных теплоэлектроцентралей (АТЭЦ).

(Измененная редакция, Изм. № 2).

Питательная вода должна иметь водородный показатель рН 6,8 - 9,2, радиоактивность не более 3,7·106 Бк·м-3 и не должна содержать твердых частиц размером более 0,1 мм и концентрацией более 5 мг/л.

1. ОСНОВНОЕ ПАРАМЕТРЫ И РАЗМЕРЫ

1.1. Основные параметры насосов для номинального режима должны соответствовать указанным в табл. 1.

Рекомендуемые рабочие части характеристик насосов должны соответствовать указанным на чертеже 1.

(Измененная редакция, Изм. № 2).


Таблица 1

Обозначение насоса

Подача Q

Напор Н, м (пред. откл. ± 3 %)

Давление насоса

Допускаемый кавитационный запас, м

Давление на входе в насос, не более

Мощность, кВт

КПД, %, не менее

Частота вращения (синхронная)

Температура питательной воды на входе в насос, не более

Габаритные размеры, мм, не более

Масса, кг, не более

м3

м3

МПа

кгс/см2

МПа

кгс/см2

с-1

об/мин

К

°С

Ширина

Длина

Высота

Основные питательные насосы

ПЭА 850-65

0,236

850

714

6,34

64,6

9,0

0,88

9

1870

80

50

3000

438

165

1680

2470

1410

5350

ПЭА 1650-75

0,458

1650

830

7,33

74,7

15,0

4100

82

443

170

1760

2780

1980

10230

ПЭА 1650-80

910

7,85

80,0

1,47

15

4340

83

463

190

1850

3000

2000

11600

ПТА 3750-75

1,042

3750

810

7,19

73,3

135,0

2,65

27

9130

82

58,3

3500

438

165

2160

3460

2165

20200

ПТА 3600-65

1,000

3600

750

6,46

65,9

135

3,92

40

7890

82

91,7

5500

463

190

2140

2310

2025

15000

ПТА 2800-65

0,778

2800

95

6140

Аварийные питательные насосы

ПЭА 65-50

0,018

65

580

5,14

52,4

6,0

2,35

24

144

65

50

3000

438

165

980

1860

1010

1560

ПЭА 150-85

0,042

150

910

8,07

82,3

7,5

0,98

10

490

69

1120

2110

1212

3500

ПЭА 250-75

0,069

250

830

7,33

74,7

9,0

0,88

9

680

75

443

170

1140

1960

1180

2815

ПЭА 250-80

880

7,58

77,3

1,47

15

725

73

463

190

1300

2320

1340

4650

Предвключенные питательные насосы

ПТА 3800-20

1,056

3800

215

1,90

19,4

17,0

0,98

10

2450

82

30

1800

438

165

1875

2380

1880

7150

ПТА 3600-16

1,000

3600

180

1,55

15,8

15

1,47

15,0

1890

82

31,7

1900

463

190

1780

2325

1895

6000

0,778

2800

200

1,72

17,5

1630

(Измененная редакция, Изм. № 2).

Примечания:

1. Исключен, Изм. № 2..

2. В условном обозначения насосов значения давления в кгс/см2 округлены.


Рабочие части характеристик Q - H

Черт. 1.

1.2. Насосы должны иметь постоянно падающую напорную характеристику в интервале подач от 25 до 110 % номинальной. При этом максимальный напор не должен превышать значение номинального напора более чем на 30 % для насосов с подачей 0,236 м3/с (850 м3/ч) и выше более чем на 18 % для остальных насосов.

Пример условного обозначения питательного насоса для АЭС с приводом от электродвигателя, подачей 0,236 м3/с (850 м3/ч) и давлением 6,34 МПа (64,6 кгс/см2):

Насос ПЭА 850-65 ГОСТ 24464-80

То же, с приводом от паровой турбины, подачей 1,056 м3/с (3800 м3/ч) и давлением 1,90 МПа (19,4 кгс/см2)

Насос ПТА 3800-20 ГОСТ 24464-80

При модернизации насосов (или совершенствовании конструкции без изменения подачи и напора) в обозначение типоразмера через тире следует вводить цифры, указывающие порядковый номер модернизации по системе нумерации предприятия-изготовителя.

2. ТЕХНИЧЕСКИЕ ТРЕБОВАНИЯ

2.1. Насосы должны изготовляться в соответствии с требованиями настоящего стандарта и технических условий на насосы конкретных типоразмеров по рабочим чертежам, утвержденным в установленном порядке.

2.2. Корпуса насосов должны соответствовать требованиям «Правил устройства и безопасной эксплуатации оборудования атомных электростанций, опытных и исследовательских ядерных реакторов и установок», утвержденных Госгортехнадзором СССР и Госкомитетом по использованию атомной энергии СССР.

2.3. Насосы должны изготовляться в климатическом исполнении УХЛ категории размещения 4 по ГОСТ 15150-69.

2.4. Группа надежности насосов - I по ГОСТ 6134-71.

2.5. В насосах или на их плитах (рамах) должны быть предусмотрены регулирующие устройства для выверки их положения на фундаменте и места для установки уровня.

Места для установки уровня должны быть указаны на монтажном чертеже.

2.6. Суммарные внешние утечки жидкости через концевые уплотнения ротора насоса не должны превышать 0,1 м3/ч. Отвод утечек должен быть организованным.

2.7. Наработка на отказ основных и предвключенных насосов - не менее 6300 ч.

Установленный ресурс до капитального ремонта основных и предвключенных насосов - не менее 25000 ч.

Назначенный срок службы аварийных насосов до капитального ремонта - не менее 5 лет.

Вероятность безотказной работы аварийных насосов за 1000 ч - не менее 0,95.

Установленный срок службы насосов до списания - 30 лет.

Наработка на отказ насосов ПЭА 850-65 и ПЭА 1650-80 - не менее 8000 ч.

Критерии отказов и предельных состояний насосов должны быть указаны в технических условиях на конкретную продукцию.

(Измененная редакция, Изм. № 2).

2.8, 2.9. (Исключены, Изм. № 2).

2.10. Необходимое снижение напора насосов при эксплуатации достигается обточкой рабочих колес по наружному диаметру до 5 % его первоначального значения в соответствии с эксплуатационной документацией.

2.11. Конструкция насосов должна быть рассчитана для установки их на АЭС в сейсмических районах.

2.12. Показатели ремонтопригодности насосов должны быть указаны в технических условиях на насос конкретного типоразмера,

2.13. Среднее квадратическое значение виброскорости, измеренное на корпусах подшипников, не должно быть более 7 мм/с.

2.14. Наружные поверхности насоса должны иметь стойкие лакокрасочные покрытия. Класс покрытия насоса не ниже - VI, условия эксплуатации покрытия - 8 по ГОСТ 9.032-74.

(Измененная редакция, Изм. № 1).

2.15. Колеса и роторы в сборе должны быть отбалансированы. Класс точности балансировки роторов - 3 по ГОСТ 22061-76.

(Измененная редакция, Изм. № 2).

3. ТРЕБОВАНИЯ БЕЗОПАСНОСТИ

3.1. Общие требования безопасности насосов - по ГОСТ 12.2.003-74.

3.2. Муфта, соединяющая валы насоса и привода, должна быть ограждена.

Конструкция ограждения должна исключать возможность его снятия без применения инструмента.

3.3. На каждом насосе и крупногабаритных деталях должны быть предусмотрены места для строповки при выполнении погрузочно-разгрузочных, монтажных и ремонтных работ. Места и схема строповки должны быть указаны на монтажном чертеже.

3.4. Направление вращения ротора насоса должно быть обозначено стрелкой, на корпусе насоса, окрашенной в красный цвет.

3.5. В насосах должны быть предусмотрены:

устройства для визуального наблюдения за наличием масла в подшипниках;

гнезда для установки датчиков дистанционного контроля температуры подшипников насоса.

3.6. Техническое обслуживание насоса, связанное с его частичной разборкой, подтяжкой резьбовых соединений, заменой масла и т. д. должно производиться после его останова и остывания.

3.7. Конструкция насосов и объем защиты должны обеспечивать нормальную их работу без обслуживающего персонала и автоматический останов агрегата при снижении давления ниже допустимого в напорном патрубке насоса и в масляной магистрали (для насосов с принудительной системой смазки).

Контроль технического состояния насоса должен проводиться с применением индивидуальных средств защиты органов слуха в течение 15 мин в смену.

Эксплуатация насосов без средств защиты и контрольно-измерительных приборов не допускается.

3.8. Октавные уровни звуковой мощности LР и корректированные уровни звуковой мощности LPA насосных агрегатов при комплектовании их электродвигателями 1-го класса по ГОСТ 16372-84 не должны превышать значений, указанных в табл. 2, и должны указываться в паспорте.

При применении электродвигателей 2 и 3-го классов по ГОСТ 16372-77 уровни звуковой мощности насосных агрегатов должны быть ниже указанных в табл. 2 на 5 и 10 дБ·А, соответственно.

(Измененная редакция, Изм. № 2).

Таблица 2

Обозначение насоса

Октавные уровни звуковой мощности LP, дБ для среднегеометрических частот октавных полос, Гц

Корректированные уровни звуковой мощности LPА, дБ·А

63

125

250

500

1000

2000

4000

8000

ПЭА 850-65; ПЭА 1650-75; ПЭА 1650-80

130

123

117

114

111

109

107

105

116

ПЭА 65-50

126

119

113

110

107

105

103

101

112

ПЭА 150-85; ПЭА 250-75; ПЭА 250-80

132

125

119

116

113

111

103

107

118

(Измененная редакция, Изм. № 2).

3.9. Уровень звука в контрольных точках LA и уровень звукового давления Li в октавных полосах частот для насосов с приводом от паровой турбины не должны превышать значений, приведенных в табл. 3.

Таблица 3

Обозначение насоса

Номера контрольных точек

Уровни звукового давления Li, дБ в октавных полосах частот со среднегеометрическими частотами, Гц

Уровень звука LA, дБ·А

63

125

250

500

1000

2000

4000

8000

ПТА 3750-75

1

98

96

84

83

83

88

72

64

94,5

2

90

90

84

85

83

86

72

67

90

3

96

94

84

82

82

85

72

65

88

4

91

93

84

82

82

85

72

65

87,5

5

89

90

82

83

83

83

73

63

92

ПТА 3600-65

1

-

-

-

-

-

-

-

-

-

2

-

-

-

-

-

-

-

-

-

3

-

-

-

-

-

-

-

-

-

4

-

-

-

-

-

-

-

-

-

5

-

-

-

-

-

-

-

-

-

ПТА 3800-20

1

88

95

83

84

84

88

74

65

88

2

89

85

83

84

84

84

74

68

90

3

88

84

85

86

87

82

72,5

69

88

4

89

90,5

85,5

88

87

82

73

65

90

5

91

89

84

84

83

85

73

67

89

ПТА 3600-16

1

-

-

-

-

-

-

-

-

-

2

-

-

-

-

-

-

-

-

-

3

-

-

-

-

-

-

-

-

-

4

-

-

-

-

-

-

-

-

-

5

-

-

-

-

-

-

-

-

-

Примечания:

1. Значения уровней звукового давления и уровней звука в контрольных точках, не указанных в табл. 3, будут внесены в таблицу после освоения насосов соответствующих типоразмеров.

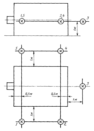
2. Координаты контрольных измерительных точек приведены на черт. 2.

(Введено дополнительно, Изм. № 2).

Координаты контрольных точек для измерения уровней звука и звукового давления насосов с приводом от паровой турбины

Черт. 2.

4. КОМПЛЕКТНОСТЬ

4.1. Насосы должны быть укомплектованы:

электродвигателем (для насосов с приводом от электродвигателя);

соединительной муфтой;

запасными частями, специальным инструментом и приспособлениями в соответствии с ведомостью ЗИП;

устройствами автоматики и КИП;

вспомогательным оборудованием в соответствии с техническими условиями на насосы конкретных типоразмеров.

4.2. К насосам должна быть приложена эксплуатационная документация по ГОСТ 2.601-68 в соответствии с техническими условиями на насосы конкретных типоразмеров.

5. ПРАВИЛА ПРИЕМКИ

5.1. Правила приемки - по ГОСТ 23104-78.

6. МЕТОДЫ ИСПЫТАНИЙ

6.1. Методы испытаний - по ГОСТ 23104-78.

6.2. Измерение параметров вибрации - по ГОСТ 13731-68, воздушного шума - по ГОСТ 23941 и ГОСТ 12.1.028-80 или ГОСТ 12.1.026-80.

(Введен дополнительно, Изм. № 2).

7. МАРКИРОВКА, УПАКОВКА, ТРАНСПОРТИРОВАНИЕ И ХРАНЕНИЕ

7.1. Маркировка, упаковка, транспортирование и хранение - по ГОСТ 23104-78.

8. ГАРАНТИИ ИЗГОТОВИТЕЛЯ

8.1. Изготовитель должен гарантировать соответствие насосов требованиям настоящего стандарта при соблюдении правил транспортирования, хранения, монтажа и эксплуатации установленных настоящим стандартом и эксплуатационной документацией.

8.2. Гарантийный срок эксплуатации насосов с учетом использования запасных деталей - 24 мес со дня ввода насосов в эксплуатацию.

СОДЕРЖАНИЕ

 




Rambler's Top100 Яндекс цитирования
  Copyright © 2008-2026, www.docload.ru