Бесплатная библиотека стандартов и нормативов www.docload.ru

Все документы, размещенные на этом сайте, не являются их официальным изданием и предназначены исключительно для ознакомительных целей.
Электронные копии этих документов могут распространяться без всяких ограничений. Вы можете размещать информацию с этого сайта на любом другом сайте.
Это некоммерческий сайт и здесь не продаются документы. Вы можете скачать их абсолютно бесплатно!
Содержимое сайта не нарушает чьих-либо авторских прав! Человек имеет право на информацию!

 

КОМПЛЕКС ПЕРСПЕКТИВНОГО РАЗВИТИЯ
Г. МОСКВЫ

УПРАВЛЕНИЕ РАЗВИТИЯ ГЕНПЛАНА
Г. МОСКВЫ

МОССТРОЙЛИЦЕНЗИЯ

ВЕДОМСТВЕННЫЕ СТРОИТЕЛЬНЫЕ НОРМЫ

ПО ПРОЕКТИРОВАНИЮ И МОНТАЖУ ВНУТРЕННИХ СИСТЕМ ВОДОСНАБЖЕНИЯ ИЗ ПОЛИПРОПИЛЕНОВЫХ ТРУБ «РАНДОМ СОПОЛИМЕР» (PPRC)

ВСН 47-96

Москва - 1996

Настоящие строительные нормы разработаны НИИМосстроем и МНИИТЭП по заказу научно-технического управления Департамента строительства Правительства г. Москвы (договор № 2-16/96 от 22 января 1996 г. по теме «Разработка ВСН по проектированию и монтажу внутренних систем водоснабжения из полипропиленовых труб «Рандом Сополимер» (PPRC).

Разработке настоящих ВСН предшествовали: комплексные испытания труб из PPRC импортного производства, пробной партии труб, изготовленных на специальной экструзионной линии Московского опытно-экспериментального трубозаготовительного комбината (МОЭТЗК), опытный монтаж систем холодного и горячего водоснабжения (поквартирных разводок) из труб и соединительных деталей PPRC, проведенный НПО «Стройполимер», НИИСантехники и НИИМосстроем на экспериментальном 4-5-этажном жилом доме АО «Мосстройпрогресс» (Люблинские поля, мкр. 1а, к. 26).

При подготовке ВСН были использованы: Рекомендации НИИМосстроя по проектированию опытной системы внутреннего холодного и горячего водопровода из труб полипропилена «Рандом Сополимер» в малоэтажном доме (М. 1994 г.), инструкция НПО «Стройполимер» по проектированию и монтажу трубопроводов из полипропилена «Рандом Сополимер» (М. 1996 г.), свод правил СП-40-101 по проектированию и монтажу трубопроводов из полипропилена «Рандом Сополимер» (Минстрой РФ, М. 1996), результаты анализа технической информации инофирм по полипропилену «Рандом Сополимер» и монтажу трубопроводов из PPRC (фирм «Сольвей» - Бельгия, «Бореалис» - Норвегия, «Арили» - Турция, «Акатерм» - Германия, «Георг Фишер» - Швейцария и др.).

При подготовке норм также использована зарубежная нормативно-техническая документация на трубы из PPRC, в частности ДИН 7077А1 и 7078А1.

Настоящие ВСН согласованы с Техническим Управлением «МХК Главмосстрой», АО «Моспроект», МОЭТЗК, НПО «Стройполимер».

В разработке ВСН участвовали: от НИИМосстроя - к.т.н. Сладков А.В., инженеры Митрофанова Н.В., Симакова О.П., Гамаева Л.И., от МНИИТЭП - инженер Прижижецкий С.И.

Ведомственные строительные нормы разработаны при участии Мосстройлицензии (Столяров Ю.И., к.т.н. Фельдман В.Д.).

Комплекс
перспективного развития
г. Москвы

Ведомственные строительные нормы по проектированию и монтажу внутренних систем водоснабжения из полипропиленовых труб «Рандом сополимер» (PPRC)

ВСН 47-96
КПР
Вводятся впервые

Управление развития генплана г. Москвы

1. ОБЩИЕ ПОЛОЖЕНИЯ

1.1. Настоящие ВСН распространяются на опытное строительство внутренних систем холодного и горячего водоснабжения (температура до 75 °С) жилых и гражданских зданий в г. Москве из напорных полипропиленовых труб «Рандом сополимер» (PPRC).

1.2. В соответствии с СНиП 2.04.01-85 (изменение № 2) трубы из PPRC следует применять для всех систем водоснабжения зданий (кроме раздельной сети противопожарного водоснабжения) при условии скрытой прокладки в плинтусах, штрабах, шахтах и каналах (кроме подводок к санитарным техническим приборам).

Примечание. Допускается открытая прокладка водопроводов из труб PPRC в производственных и складских помещениях, а также в технических этажах, чердаках и подвалах, в местах, где исключается их механическое повреждение.

1.3. Для систем водоснабжения зданий следует применять трубы из PPRC длиной по 4 и 6 м, выпуск которых осваивается на Московском опытно-экспериментальном трубозаготовительном комбинате (МОЭТЗК) по ТУ 400-...-96. Сортамент и типоразмеры труб приведены в табл. 1.

Примечание. Допускается применение для внутренних водопроводов зданий труб из PPRC инофирм (тип 3 по DIN8077A1), не уступающих по показателям требованиям ТУ 400-...-96 и настоящих ВСН и имеющих гигиенический сертификат Госсанэпиднадзора РФ или Мосгорсанэпиднадзора и сертификат соответствия или технического свидетельства ФЦС Минстроя РФ или ОС «Мосстройсертификация», или других аккредитованных органов сертификации.

Внесены
НИИМосстроем

Утверждены
Управлением развития генплана
г. Москвы
«20» июня 1996 г.

Дата
введения в действие
«1» августа 1996 г.

Таблица 1

Сортамент и масса труб из полипропилена «Рандом Сополимер» (PPRC)

Наружный диаметр, мм, с допуском

Номинальное давление, PN МПа (бар)

1,6 (16)

2,0 (20)

2,5 (25)

толщина стенки с допуском, мм

масса 1 м, кг

толщина стенки с допуском, мм

масса 1 м, кг

толщина стенки с допуском, мм

масса 1 м, кг

12

1,8 + 0,5

0,057

2,0 + 0,5

0,062

2,4 + 0,5

0,071

16 + 0,3

2,3 + 0,5

0,098

2,7 + 0,5

0,11

2,2 + 0,6

0,125

20 + 0,3

2,8 + 0,5

0,148

3,4 + 0,6

0,172

4,0 + 0,6

0,193

25 + 0,3

3,5 + 0,6

0,230

4,2 + 0,8

0,266

5,0 + 0,7

0,301

32 + 0,3

4,5 + 0,7

0,376

5,4 + 0,8

0,434

6,4 + 0,9

0,493

40 + 0,4

5,6 + 0,8

0,583

6,7 + 0,9

0,671

8,09 + 1,1

0,765

50 + 0,5

6,9 + 0,9

0,896

8,4 + 1,1

1,05

10,0 + 1,3

1,19

63 + 0,6

8,7 + 1,1

1,42

10,5 + 1,3

1,65

12,6 + 1,5

1,89

75 + 0,7

10,4 + 1,3

2,02

12,5 + 1,5

2,34

15,0 + 1,7

2,68

90 + 0,9

12,5 + 1,5

2,11

15 + 1,7

3,36

18,0 + 2

3,86

110 + 1,0

15,2 + 1,8

4,32

18,4 + 2,1

5,04

22,0 + 2,4

5,76

1.4. Основные физико-механические свойства труб из PPRC приведены в табл. 2.

1.5. В комплекте с трубами из PPRC должны поставляться соединительные детали из PPRC под контактную сварку враструб, комбинированные соединительные детали с закладными резьбовыми вкладышами из латуни с гальванопокрытием и резьбовые детали из латуни.

Указанные соединительные детали должны быть рассчитаны на номинальное давление 2,5 МПа.

Перечень возможных соединительных деталей и элементов приведен в приложении 1.

Таблица 2

Основные физико-механические показатели свойств труб из PPRC

№ пп

Показатели свойств

Единица измерения

Нормируемое значение показателя

Примечания
справочные показатели

1

Плотность

г/см3

0,895

коэффициент теплопроводности

2.

Предел текучести при растяжении, не менее

МПа

19,2

при: 20 °С 0,24 В/м °С

3.

Относительное удлинение при разрыве, не менее

%

350,0

Коэффициент линейного температурного удлинения l = 1,5×10-4 1/°С

4.

Сопротивление удару при двухопорном изгибе при температуре 0 °С (доля разрушенных образцов), не более

%

10

Модуль упругости при:

20 °С - 370 Н/мм2

60°С - 140 Н/мм2

5.

Стойкость при постоянном внутреннем давлении (в сборе с фитингами на сварке), контрольное время испытаний (без разрушения) не менее при:

температуре 20 °С, начальном напряжении в стенке трубы = 16 Н/мм2

температуре 95 °С, начальном напряжении в стенке трубы:

ч

1,0

Коэффициент эквивалентной равномернозернистой шероховатости - 0,0106 мм

 

=3,6 Н/мм2

ч

1000

Температура плавления не менее 140 °С

 

= 4,5 Н/мм2

ч

1

6.

Показатель текучести

г/10 мин

0,17

 

Примечание. До освоения отечественного производства соединительных деталей из PPRC допускается применение аналогичных деталей из PPRC инофирм, имеющих гигиенический сертификат Госсанэпиднадзора или Мосгорсанэпиднадзора и сертификат соответствия, техническое свидетельство ФЦС Минстроя РФ или ОС «Мосстройсертификация», или других аккредитованных органов сертификации.

2. ПРОЕКТИРОВАНИЕ ВНУТРЕННЕГО ВОДОПРОВОДА ЗДАНИЙ ИЗ ТРУБ PPRC

2.1. При проектировании внутренних водопроводов холодной и горячей воды из труб PPRC следует руководствоваться требованиями настоящих норм СНиП 2.04.01-85 (с изменениями № 1 и № 2), СН 478-80 (с изменениями № 1) и СП-40-101.

2.2. При проектировании внутренних водопроводов из труб PPRC и соединительных деталей следует к существующим расценкам на проектирование дополнительно применять коэффициент К = 1,5 на сложность и увеличение объемов проектных работ.

2.3. При проектировании холодного водопровода в многоэтажных зданиях в г. Москве следует применять, как правило, трубы из PPRC, рассчитанные на номинальное рабочее давление 2,0 МПа.

Примечание. При техническом обосновании проектного решения системы холодного водопровода и этажности зданий допускается применение труб из PPRC, рассчитанных на номинальное рабочее давление 1,6 МПа.

2.4. При проектировании водопровода горячей воды в многоэтажных зданиях в г. Москве следует применять, как правило, трубы из PPRC, рассчитанные на номинальное рабочее давление 2,5 МПа.

Применение. При техническом обосновании проектного решения системы горячего водоснабжения допускается применение труб из PPRC, рассчитанных на номинальное рабочее давление 2,0 МПа. При этом рабочее давление в системе горячего водоснабжения не должно превышать 0,8 МПа.

2.5. При проектировании разводящих трубопроводов холодного и горячего водопровода из труб PPRC в квартирах их присоединения к стоякам следует выполнять через счетчики воды, согласно ВСН 8-94, и регуляторы давления.

2.6. Гидравлический расчет внутреннего водопровода из труб PPRC следует производить по методике СН 478-80 с определением потерь напора по длине труб из PPRC по формуле Дарси-Вейбаха:

,

где: l - коэффициент сопротивления по длине;

v - скорость течения воды, м/с;

g - ускорение свободного падения, м/с2;

d - расчетный диаметр трубы, м.

2.7. Коэффициент сопротивления по длине следует определять по формуле Добромыслова А.Д.

,

где: Rеф - фактическое число Рейнольдса, определяемое по формуле:

,

где: at - коэффициент кинематической вязкости воды, м2/с; следует принимать при расчете:

холодного водопровода - 1,31×106

горячего водопровода - 0,47×106

Расчетный (внутренний) диаметр труб из PPRC следует определять по формуле: dр = 0,5 (2dн + Ddн - 4S - 2DS), где

dн -  наружный диаметр трубы;

Ddн -  допуск на наружный диаметр трубы;

S -  толщина стенки трубы;

DS -   допуск на толщину стенки трубы;

Reкв -  число Рейнольдса, соответствующее началу квадратичной области гидравлических сопротивлений при турбулентном течении воды, определяется по формуле:

,

где: Кэ -  коэффициент эквивалентной равномернозернистой шероховатости, м; принимается 1,06×105 м;

b -   число подобия режимов течения воды, определяется по формуле:

.

2.8. Для определения удельных потерь напора по длине труб из PPRC и скорости течения воды в зависимости от расхода следует производить по таблице приложения 2 (холодного водопровода для труб PN 1,6 - табл. 2.1 и PN 2,0 - табл. 2.2, горячего водопровода: для труб PN 2,0 - табл. 2.3 и PN 2,5 - табл. 2.4).

Для приближенного гидравлического расчета водопроводов из труб PPRC следует пользоваться номограммами рис. 1-4.

2.9. Потери напора в местных сопротивлениях следует определять по формуле:

,

где: x - коэффициент местного сопротивления;

V - средняя скорость в сечении трубопровода, расположенного ниже по течению за данным сопротивлением (м/с).

Коэффициенты местного сопротивления следует принимать по таблице 3.

2.10. При применении автоматизированных систем проектирования на ЭВМ допускается использование для гидравлических расчетов внутренних водопроводных сетей соответствующего программного обеспечения.

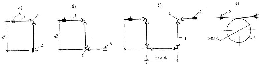
2.11. При проектировании внутреннего водопровода из труб PPRC следует предусматривать компенсацию линейных температурных деформаций трубопроводов с L-Z- и П-образных компенсаторов или специальных петлеобразных компенсаторов в сочетании с расстановкой скользящих и неподвижных опор (рис. 5).


Рис. 1 Номограмма для приближенного гидравлического расчета холодной воды водопровода из труб PPRC PN 1,6

Рис. 2. Номограмма для приближенного гидравлического расчета водопровода холодной воды из труб PPRC PN 20

Рис. 3. Номограмма для приближенного гидравлического расчета водопровода горячей воды из PPRС PN 20

Рис. 4. Номограмма для приближенного гидравлического расчета водопровода горячей воды из труб PPRC PN 2,5

Рис. 5. Схемы компенсаторов на водопроводах из труб PPRC:

a) L-образный; б) Z-образный; в) П-образный; г) петлеобразный
1 - труба из PPRC; 2 - угольник из PPRC; 3 - скользящая опора; 4 - петлеобразный компенсатор, изготовленный из трубы PPRC


Таблица 3

Коэффициенты местного сопротивления соединительных деталей для водопроводов из труб PPRC

Вид деталей

Схематическое изображение деталей*

Значение

муфта под сварку

0,25

переход под сварку

0,55

- на один диаметр

 

- на два диаметра

0,85

угольник 90° под сварку

2,0

тройник равнопроходный под сварку

1,5

тройник разнопроходный под сварку (на один диаметр)

4,2

угольник 90° с переходом на резьбу

2,2

тройник с переходом на резьбу

0,8

муфта с переходом на резьбу

0,4

Примечание. Петлеобразные компенсаторы следует предусматривать, как правило, на подающих трубопроводах горячей воды.

2.12. Расчет линейных температурных деформаций Dl (мм) трубопроводов из PPRC следует проводить по формуле:

Dl = 0,15×l×Dt,

где l - длина трубопровода между неподвижными опорами, м;

Dt - разность температур воды в трубопроводе при эксплуатации и температуры воздуха при монтаже трубопровода, °С.

Зависимость линейного расширения труб из PPRC от разности температур приведена на рис. 6.

2.13. Вылет компенсатора lк следует определять по формулам:

,

где к - коэффициент, следует принимать 25.

2.14. Расстояния между скользящими опорами на горизонтальном трубопроводе из PPRC следует принимать по табл. 4.

Таблица 4

Расстояния между скользящими опорами на горизонтальном трубопроводе из PPRC (размеры в мм)

Наружный диаметр трубопровода

Трубопровод холодной воды

Трубопровод горячей воды

16

500

500

20

600

550

25

750

650

32

900

750

40

1050

850

50

1200

1000

63

1400

1150

75

1500

1250

90

1600

1400

110

1700

1500

2.15. Расстояния между скользящими опорами на вертикальных участках водопроводов следует принимать на 10 % больше значений таблицы 4.

2.16. Запорную и водоразборную арматуру следует независимо жестко закреплять к строительным конструкциям.

2.17. Проход трубопроводов из PPRC через строительные конструкции следует выполнять с использованием гильз из металла или пластмасс.

При пересечении стояков водопровода перекрытий следует предусматривать гильзу из стальной трубы, выступающей над перекрытием на высоту не менее 50 мм.

2.18. Трубопроводы холодной и горячей воды из PPRC должны быть теплоизолированы. Тип и толщина теплоизоляции устанавливаются проектом.

Рис. 6. Диаграмма линейного расширения труб из PPRC от температурного перепада

3. ТРАНСПОРТИРОВКА И ХРАНЕНИЕ ТРУБ И ДЕТАЛЕЙ ИЗ PPRC

3.1. Трубы и соединительные детали из PPRC следует хранить в закрытых помещениях или под навесом для защиты от солнечных лучей.

3.2. Трубы из PPRC должны храниться в штабелях высотой до 1,5 м, исключая возможность их изгиба по всей длине. При этом соединительные детали должны складироваться в таре.

Примечания: 1. Складирование труб и соединительных деталей из PPRC на расстоянии ближе 1 м от нагревательных приборов с температурой их поверхности 140 °С и более не допускается.

2. В непосредственной близости от труб и деталей из PPRC запрещается проводить электро- и газосварочные работы.

3.3. Транспортировку труб и деталей из PPRC, погрузочно-разгрузочные работы следует выполнять до температуры не ниже минус 10 °С.

При этом запрещается сбрасывать трубы и детали из PPRC с транспортных средств, их следует предохранять от ударов и механических повреждений.

Примечание. Допускается осуществлять транспортировку труб из PPRC при температуре ниже -10 °С при условии их упаковки в пакеты или контейнеры.

3.4. Пакеты с трубами из PPRC перед распаковкой следует выдерживать в помещении с положительной температурой не менее 3 ч.

4. МОНТАЖ ВОДОПРОВОДОВ ИЗ PPRC

4.1. Монтаж водопроводов из труб и деталей из PPRC следует производить с учетом общих требований СНиП 2.0501-85 (с изм.) СН 478-80 (с изм.) и СП-40-101.

4.2. Монтаж водопроводов из труб PPRC следует производить по проекту производства работ и технологическим картам, разрабатываемым в установленном порядке монтажной организацией.

4.3. Перед монтажом и сваркой труб и соединительных деталей из PPRC монтажной организацией для каждой партии труб и деталей следует выполнять входной контроль качества, предусматривающий контроль наличия сопроводительной документации, включая гигиенический сертификат и сертификат соответствия (техническое свидетельство), осмотр труб и деталей для установления маркировки, а также трещин, сколов, рисок и других механических повреждений, выборочный контроль наружного диаметра и толщин стенок труб и внутренний диаметр муфтовой части соединительных деталей, выборочные испытания на одноосное растяжение для определения предела текучести и относительного удлинения при разрыве.

4.4. Монтаж трубопроводов из PPRC следует проводить при положительной температуре.

4.5. Неразъемное соединение труб из PPRC при монтаже водопроводов следует выполнять преимущественно с помощью деталей из PPRC контактной тепловой сваркой враструб.

Технология проведения сварочных работ включает подготовительные и собственно сварочные работы.

4.6. Подготовительные работы включают:

- разметку и ровную отрезку труб под прямым утлом к оси трубы;

- снятие на конце трубы фаски под углом 30 град глубиной 1 мм;

- обезжиривание ацетоном наружной поверхности конца трубы длиной, равной диаметру трубы и внутренней поверхности муфтовой части соединительной детали;

- нанесение метки (карандашом) на конец трубы на следующих расстояниях от торца для диаметров:

16 мм - 13 мм; 20 - 14,5 мм; 25 - 16 мм; 32 - 18 мм; 40 - 20,5 мм; 50 - 23,5 мм; 63 - 27,5 мм; 75 - 32 мм; 90 - 40 мм; 110 - 50 мм;

- обезжиривание рабочих поверхностей нагревательных элементов сварочного устройства.

4.7. Для разрезки труб из PPRC следует использовать специальные ножницы или режущие приспособления, обеспечивающие ровную отрезку труб под прямым утлом (с отклонением не более 0,5 мм), специальный инструмент следует использовать и для снятия фасок на концах труб PPRC.

Примечание. Допускается использование ножовок и шаблонов для отрезки труб, а для снятия фасок рашпилей.

4.8. При контактной тепловой сварке враструб труб из PPRC требуется соблюдать следующий технологический режим:

- температура рабочих поверхностей нагревательных элементов при сварке не должна превышать 260 (± 5°) °C;

- время оплавления, технологическая пауза, время охлаждения сварочного соединения должно приниматься по табл. 5

Таблица 5

Временные технологические параметры контактной тепловой сварки труб из PPRC (при температуре наружного воздуха более +5 °С)

Номинальный наружный диаметр, мм

Время, сек

оплавления1)

технологической паузы2) не более

охлаждения3) не менее

16

5

4

120

20

5

4

120

25

7

4

120

32

8

6

240

40

12

6

240

50

18

6

240

63

24

8

360

75

30

8

360

90

40

8

360

110

50

10

480

Примечания: 1) Время оплавления - время, отсчитываемое с момента полного вдвигания деталей в рабочие элементы электронагревательного инструмента.

2) Технологическая пауза - время после снятия оплавленных деталей со сварочного устройства до момента стыковки оплавленных деталей.

3) Время охлаждения - период после стыковки оплавленных деталей до приложения монтажных усилий.

При температуре наружного воздуха ниже +5 °С время оплавления следует увеличить на 50 %.

4.9. При выполнении операции оплавление не следует допускать несоосности труб и рабочих элементов нагревательного устройства и перегиба более 3 град.

4.10. При сопряжении оплавленных частей труб и соединительных деталей из PPRC запрещается их вращение относительно оси.

4.11. Для сварки труб и соединительных деталей из PPRC следует использовать электронагревательный инструмент, обеспечивающий поддержание температуры сварки с точностью не менее +5 °С, с напряжением электротока 36 В.

Примечание. Допускается применение электронагревательного инструмента с электропитанием напряжением 220 В, оборудованным автоматическим защитно-отключающим устройством (ЗОУ).

4.12. Контактную тепловую сварку враструб труб из PPRC диаметром до 40 мм включительно допускается производить вручную.

При сварке труб большего диаметра следует использовать для стыковки труб специальные центрирующие приспособления.

После сварки труб из PPRC должен осуществляться контроль качества сварных соединений, включающий проверку:

- прямолинейности в месте стыка (отклонение не должно превышать 5 град);

- равномерности по окружности валика сварного шва у торцов деталей из PPRC;

- отсутствия трещин, складок и других дефектов в детали из PPRC, вызванных перегревом.

4.13. Контактную сварку враструб труб из PPRC следует выполнять при температуре наружного воздуха не ниже 0 °С.

Примечание. При необходимости выполнения сварочно-монтажных работ при температуре наружного воздуха ниже 0 °С сварку труб следует производить в обогреваемых помещениях.

4.14. Неразъемные соединения труб из PPRC, особенно выполнение монтажных стыков труб в малоудобных стесненных условиях, следует производить преимущественно электроимпульсной сваркой с помощью муфт с электрозакладными спиралями.

4.15. При электроимпульсной сварке свариваемые поверхности трубы и муфты следует обезжирить ацетоном, вставить концы труб в муфту до упора и зафиксировать соединение для исключения изгиба труб в муфте или выхода концов труб из муфты.

4.16. Электроимпульсную сварку труб из PPRC следует производить при температуре наружного воздуха не ниже минус 5 °С.

4.17. Для электроимпульсной сварки труб из PPRC следует применять специальный сварочный аппарат, автоматически отключающий электроимпульс после окончания сварки, руководствуясь специальной инструкцией, прилагаемой к сварочному аппарату.

4.18. К сварке труб и деталей из PPRC должен допускаться рабочий персонал, имеющий удостоверения на право производства сварочно-монтажных работ с трубами из термопластов.

4.19. Разъемные соединения на резьбе комбинированных деталей из PPRC со стальными трубами или арматурой следует выполнять преимущественно вручную или с использованием трубных ключей с регулируемым моментом.

4.20. Уплотнение резьбовых соединений следует выполнять лентой ФУМ.

4.21. При закреплении стояков водопровода из труб PPRC следует применять хомутовые металлические опоры с резиновыми прокладками на хомутах.

При закреплении разводок водопровода санитарно-технических узлов следует применять скользящие опоры из полипропилена.

4.22. Устройство неподвижных опор следует выполнять на трубах из PPRC согласно СП-40-101 с помощью приварки 2-х соединительных муфт из PPRC и хомутовой металлической скользящей опоры, жестко прикрепляемой к строительным конструкциям.

4.23. При скрытой прокладке водопроводов из труб PPRC с замоноличиванием бетоном или цементно-песчаным раствором трубы должны быть в теплоизоляции из эластичного пенопласта.

4.24. Водопроводы из труб PPRC после монтажа должны быть испытаны в соответствии со СНиП 3.02.01-85 и СН 478-80.

Гидравлические испытания водопроводов из труб PPRC следует производить не раньше чем через 16 ч после сварки последнего соединения.

4.25. Величину гидравлического пробного испытательного давления следует принимать равным 1,5 максимально возможного избыточного рабочего давления в водопроводе.

Испытательное давление должно поддерживаться в течение 30 мин, после чего в течение 10 мин наблюдают за потерей давления.

Трубопровод из PPRC считается выдержавшим испытания, если после 10 мин нахождения под пробным испытательным давлением величина падения давления не превысила 0,05 МПа и при этом не будет обнаружена капель в сварных швах, трубах, резьбовых соединениях, арматуре и утечки воды через смывные устройства.

4.26. По окончании гидравлических испытаний должна быть произведена промывка водопровода из PPRC труб проточной водой в течении 3 ч.

5. ТРЕБОВАНИЯ БЕЗОПАСНОСТИ

5.1. При производстве работ по монтажу водопровода из труб PPRC необходимо соблюдать общие требования СНиП III-4-80 «Техника безопасности в строительстве».

5.2. К работам по монтажу и сварке водопроводов из труб PPRC допускаются лица, достигшие 18 лет, прошедшие медицинское освидетельствование, специальное обучение, вводный инструктаж и инструктаж на рабочем месте по технике безопасности.

5.3. Трубы из PPRC при комнатной температуре не выделяют в окружающую среду токсичных веществ и не оказывают вредного влияния на организм человека при непосредственном контакте. Работа с ними не требует особых мер предосторожности.

5.4. При сварке труб и фитингов из PPRC в воздух выделяются летучие продукты термоокислительной деструкции, содержащие:

формальдегид (ПДК - 0,5 мг/м3, класс опасности 2); пары ацетальдегида (ПДК - 5,0 мг/м3, класс 3); пары уксусной кислоты (ПДК - 5,0 мг/м3, класс 3); окись углерода (ПДК -20,0 мг/м3, класс - 4); аэрозоль полипропилена и сополимера полипропилена (ПДК -10,0 мг/м3, класс - 3). Сварку труб из PPRC следует производить в проветриваемом помещении.

5.5. Трубы из PPRC при контакте с открытым огнем горят коптящим пламенем с образованием расплава и выделением углекислого газа, паров воды, непредельных углеводородов и газообразных продуктов, указанных в п. 5.4 настоящих ВСН.

Температура воспламенения PPRC ~325 °С.

Для тушения горящих труб из PPRC необходимо применять воду, песок или огнетушители любого типа. Для защиты от токсичных продуктов, образующихся при горении труб и фитингов из PPRC, следует применять изолирующие противогазы любого вида или фильтрующие противогазы марки БКФ.

5.6. При работе с нагревательным сварочным инструментом с напряжением электропитания 220 В следует соблюдать общие правила электробезопасности по ГОСТ 12.2.007-75 и использовать диэлектрические коврики и перчатки.

Приложение 1

Перечень соединительных деталей из PPRC (под контактную сварку враструб), комбинированных деталей (под сварку и резьбу) и латунных деталей (под резьбу) к трубам из PPRC

Наименование деталей

Схематическое изображение

Размеры, мм

номинальный диаметр

габаритные размеры

1

2

3

4

Соединительные детали из PPRC под контактную сварку враструб

Муфта

16х)

29

20

34 (длина)

25

37

32

41

40

46

50

52

63

60

75

65

90х)

-

110х)

-

Угольник 90°

16

-

20

42,5

25

49

32

57,5

40

70

50

84,5

63

102

75

119

90х)

-

110х)

-

Тройник равнопроходной

16

-

20

56´42,5

25

64´49

32

72´57,5

40

88´70,5

50

104´84,5

63

124´102

75

140´119

90х)

-

110х)

-

Тройник разнопроходной

20´16´16х)

-

20´16´20х)

-

20´20´16х)

-

20´25´20х)

-

25´16´16х)

-

25´16´20х)

-

25´16´25х)

-

25´20´16х)

-

25´20´20

64´34

25´20´25

64´44

32´16´32х)

-

32´20´20

72´59,5

32´20´32

72´59,5

32´25´20

72´59,5

32´25´32

72´59,5

40´20´20

72´55,5

40´20´40

72´55,5

40´25´25

80´60,5

40´25´40

80´79,5

40´32´32

80´69,5

40´32´40

80´59,5

50´20´50х)

-

50´25´50х)

-

50´32´50х)

-

50´40´50х)

-

63´20´63х)

-

63´25´63х)

-

63´32´63х)

-

63´40´63х)

-

63´50´63х)

-

Крестовина равнопроходная

20

56´56

25´25´25

64´64

32

72´72

40х)

88´88

Переход

20´16х)

-

25´16х)

-

25´20

39 (длина)

32´20

42

32´25

43

40´20х)

-

40´25

50

40´32

50

50´20х)

-

50´25х)

-

50´32

55

50´40х)

-

63´20х)

-

63´25х)

-

63´32х)

-

63´40

65

63´50

75

75´20х)

-

75´32х)

-

75´40х)

-

75´50

72

75´63

72

90´50х)

-

90´63х)

-

90´75х)

-

Заглушка

]

16х)

-

20

25

25

30

32

32

40

32

50

32

63

51

75

57

90х)

-

110х)

-

Комбинированные (PPRC и металл) соединительные детали (под раструбную сварку и резьбу)

Угольник крепежный для водоразборной арматуры

20´1/2х)

50,5

Муфта с переходом на внутреннюю резьбу

16´1/2х)

-

20´1/2х)

42

20´3/4"

42

25´1/2"

42

25´3/4"

42

32´3/4"

42

32´1"

54

Муфта с переходом на наружную резьбу

20´1/2"

57

20´3/4"

60

25´1/2"

60

25´3/4"

60

32´3/4"х)

-

32´1"

70

Муфта с переходом на внутреннюю резьбу под гаечный ключ

16´1/2"х)

-

20´1/2"х)

-

под гаечный ключ

 

20´3/4"х)

-

25´3/4"х)

-

32´1"

-

40´1"х)

-

40´1 1/4""

-

50´1 1/4"

-

50´1 1/2"

-

63´1 1/2"х)

-

63´2"

-

75´2"х)

-

75´2 1/2"

-

Муфта с переходом на наружную резьбу под гаечный ключ

16´1/2"х)

-

20´1/2"х)

-

20´3/4"х)

-

25´1/2"х)

-

25´3/4"х)

-

32´1"

-

32´1 1/4"х)

-

40´1"х)

-

40´1 1/4"

-

50´1 1/4"х)

-

50´1 1/2"

-

63´1 1/2"х)

-

63´2"

-

75´2"х)

-

75´2 1/2"

-

Угольник с переходом на внутреннюю резьбу

16´1/2"х)

-

20´3/4

52´50,5

20´1/2"

52´50,5

25´´3/4"

54´53

25´1/2"

60´53

32´3/4"

62´57,5

32´1"

76´58,5

Угольник с переходом на наружную резьбу

20´1/2"

 

20´3/4"

 

25´1/2"

 

25´3/4"

 

32´3/4"

 

32´1"

 

Тройник с переходом на внутреннюю резьбу

16´1/3"´16х)

-

20´1/2"´20

54´50,5

20´3/4"´20

54´50,5

25´1/2"´25

74´53

25´3/4"´25

74´53

32´3/4"´32х)

-

32´1"´32

84´53,5

Тройник с переходом на наружную резьбу

20´1/2"´20

54´62,5

20´3/4"´20

54´62,5

25´1/2"´25

72´70,5

25´3/4"´25

72´70,5

 

 

Специальные детали из PPRC

Скоба

16х)

-

20

365

25

375

32

376

Патрубок с буртом под накидную гайку из латуни

16х)

-

25

-

20

-

32

-

40х)

-

50х)

-

Компенсатор петлеобразный

25х)

525 (диаметр) ´ 600 (длина)

32х)

700´750

40х)

840´900

50х)

1050´1100

Муфта с закладной электроспиралью (для сварки)

16х)

30 длина

20х)

34

25х)

37

32х)

41

40х)

46

50

52

63

60

75

65

90

70

110

100

Опоры крепежные скользящие

16х)

-

20

-

25

-

32

-

Специальные детали из латуни

Накидная гайка

1/2"

38

3/4"

48

1"

52

Ниппель резьбовой

1/2"´ 1/2"

 

3/4" ´ 3/4

 

1" ´ 1"

 

Резьбовой переходной патрубок с внутренней и наружной резьбой

1/2" ´ 1/2"

 

3/4 ´ 3/4"

 

1" ´ 1"

 

Крепежные хомуты-опоры металлические

20

-

25

-

32

-

40

-

50

-

63

-

75

-

90

-

110

-

Монтажные крепежные детали

 

 

 

 

Резиновые уплотнительные прокладки плоские

 

16

-

20

-

25

-

32

-

40

-

50

-

Дюбеля крепежные

 

 

Вентили запорные комбинированные

16х)

 

20

 

25

 

32х)

 

40х)

 


Приложение 2

Таблицы для гидравлических расчетов водопровода

Таблица 2.1 для гидравлических расчетов водопровода холодной воды из труб PPRC PN 1,6 (скорость V - м/с)

Наружный диаметр

16

20

25

32

40

50

63

75

90

110

Расход Q, л/с

V

1000.i

V

1000.i

V

1000.i

V

1000.i

V

1000.i

V

1000.i

V

1000.i

V

1000.i

V

1000.i

V

1000.i

0,02

0,21

6,2

0,13

1,9

0,08

0,6

0,05

0,2

0,032

0,06

0,02

0,02

0,013

0,00

0,009

0,00

0,006

0,00

0,004

0,00

0,04

0,42

22,8

0,26

6,9

0,165

2,3

0,1

0,7

0,064

0,2

0,04

0,07

0,025

0,01

0,018

0,01

0,012

0,00

0,008

0,00

0,06

0,63

49,1

0,39

14,6

0,25

4,9

0,15

1,4

0,096

0,5

0,06

0,14

0,038

0,04

0,027

0,02

0,019

0,01

0,012

0,00

0,08

0,83

82,7

0,52

25,0

0,33

8,2

0,2

2,4

0,128

0,8

0,08

0,25

0,051

0,08

0,036

0,03

0,025

0,01

0,016

0,00

0,1

1,04

126,6

0,645

38,0

0,413

12,6

0,25

3,5

0,16

1,2

0,10

0,37

0,063

0,1

0,045

0,05

0,031

0,02

0,021

0,01

0,14

1,46

238,1

0,9

71,5

0,58

23,5

0,35

6,8

0,224

2,2

0,14

0,69

0,089

0,2

0,063

0,1

0,044

0,04

0,029

0,01

0,18

1,88

390,9

1,16

115,6

0,74

37,5

0,45

10,8

0,228

3,5

0,18

1,1

0,114

0,3

0,081

0,15

0,056

0,06

0,037

0,02

0,3

3,13

1018,0

1,94

306,0

1,24

100,6

0,76

29,1

0,48

9,1

0,3

2,8

0,19

0,9

0,13

0,37

0,093

0,16

0,062

0,06

0,5

5,22

2724,3

3,23

812,5

2,07

267

1,26

75,7

0,8

23,8

0,5

7,5

0,32

2,4

0,22

1,0

0,16

0,43

0,104

0,2

 

 

 

4,52

1535,2

2,9

502,5

1,77

145,2

1,12

45,3

0,71

14,3

0,44

4,5

0,31

1,9

0,22

0,78

0,15

0,3

 

 

 

5,81

2562,5

3,72

823,0

2,27

233,3

1,44

73,0

0,91

22,9

0,57

7,0

0,4

3,0

0,28

1,23

0,19

0,5

 

 

 

 

 

4,96

1434,0

3,03

406,2

1,92

126,3

1,21

40,0

0,76

12,4

0,54

5,3

0,37

2,78

0,25

0,8

 

 

 

 

 

6,62

2423,0

4,04

667,0

2,56

219,1

1,61

68,9

1,02

21,8

0,72

9,1

0,5

3,7

0,33

1,3

 

 

 

 

 

 

 

5,06

1046,0

3,2

335,2

2,02

106,0

1,27

32,9

0,9

14,0

0,62

5,5

0,42

2,0

 

 

 

 

 

 

 

 

 

3,84

447,8

2,42

150,7

1,52

46,4

1,08

19,5

0,75

7,9

0,5

2,9

 

 

 

 

 

 

 

 

 

4,49

645,0

2,82

203,6

1,78

62,8

1,26

26,2

0,87

10,6

0,58

3,8

 

 

 

 

 

 

 

 

 

5,13

838,5

3,23

263,9

2,03

81,3

1,44

33,7

1,0

13,7

0,66

4,9

 

 

 

 

 

 

 

 

 

 

 

3,63

330,0

2,28

102,4

1,62

42,3

1,12

17,8

0,75

6,2

 

 

 

 

 

 

 

 

 

 

 

4,93

401,8

2,54

125,8

1,8

52,3

1,25

20,9

0,83

7,5

 

 

 

 

 

 

 

 

 

 

 

4,44

479,5

2,79

150,9

1,98

62,7

1,37

25,1

0,91

8,9

 

 

 

 

 

 

 

 

 

 

 

4,84

566,1

3,05

179,0

2,16

74,4

1,5

29,7

1,0

10,6

 

 

 

 

 

 

 

 

 

 

 

5,24

662,6

3,3

206,1

2,34

86,8

1,62

34,2

1,08

12,3

Таблица 2.2 для гидравлических расчетов водопровода холодной поды из труб PPRC PN 2,0 (скорость V - м/с)

Наружный диаметр

16

20

25

32

40

50

63

75

90

110

Расход Q, л/с

V

1000.i

V

1000.i

V

1000.i

V

1000.i

V

1000.i

V

1000.i

V

1000.i

V

1000.i

V

1000.i

V

1000.i

0,02

0,24

8,6

0,16

3,06

0,1

0,97

0,06

0,28

0,088

0,09

0,024

0,03

0,015

0,00

0,011

0,00

0,007

0,00

0,005

0,00

0,04

0,49

32,5

0,31

10,5

0,2

3,5

0,12

1,0

0,076

0, 32

0,049

0,11

0,03

0,021

0,021

0,01

0,015

0,00

0,01

0,00

0,06

0,73

69,0

0,47

22,89

0,3

7,46

0,18

2,1

0,113

0,66

0,073

0,23

0,046

0,07

0,032

0,03

0,022

0,00

0,014

0,01

0,08

0,97

118,0

0,43

39,79

0,4

12,81

0,24

3,5

0,151

1,1

0,097

0,38

0,061

0,12

0,042

0,05

0,03

0,02

0,02

0,01

0,1

1,21

124,4

0,78

59,57

0,5

19,49

0, 3

5,5

0,19

1,76

0,12

0,56

0,076

0,18

0,053

0,07

0,037

0,03

0,025

0,01

0,14

1,7

344,1

1,09

112,5

0,7

36,8

0,42

10,26

0,26

3,2

0,17

1,08

0,106

0,34

0,075

0,15

0,052

0,06

0,035

0,02

0,18

2,18

544,1

1,41

183,99

0,9

59,27

0,54

15,95

0,34

5,2

0,22

1,7

0,136

0,53

0,096

0,22

0,066

0,09

0,045

0,03

0,3

3,64

1483,9

2,34

484,23

1,5

158,34

0,9

42,2

0,57

13,7

0,37

4,6

0,227

2,61

0,16

0,58

0,11

0,23

0,075

0,09

0,5

6,06

4021,5

3,91

1300,97

2,5

416,43

1,51

188,9

0,95

36,1

0,61

12,0

0,379

3,67

0,27

1,58

0,18

0,58

0,12

0,21

 

 

 

5,47

2489,5

3,51

801,73

2,11

220,76

1,32

68,5

0,85

21,6

0,53

6,8

0,37

2,7

0,26

1,15

0,17

0,41

 

 

 

 

 

4,51

1300,44

2,71

346,2

1,7

109,8

1,1

36,5

0,68

9,7

0,48

4,6

0,33

1,81

0,22

0,66

 

 

 

 

 

6,01

2266,8

3,62

623,4

2,27

182,36

1,46

63,9

0,96

19,1

0,53

5,5

0,44

3,11

0,3

1,2

 

 

 

 

 

 

 

4,83

1042,6

3,03

333,03

1,95

107,9

1,21

32,9

0,85

13,6

0,59

5,42

0,4

2,04

 

 

 

 

 

 

 

6,03

1624,9

3,78

505,7

2,43

166,7

1,51

51,1

1,07

21,0

0,74

8,34

0,5

3,21

 

 

 

 

 

 

 

 

 

4,54

726,6

2,92

228,6

1,82

71,77

1,28

29,1

0,88

11,43

0,6

4,41

 

 

 

 

 

 

 

 

 

5,3

994,1

3,41

331,0

2,12

95,1

1,49

39,4

1,03

15,65

0,7

5,41

 

 

 

 

 

 

 

 

 

 

 

3,9

415,0

2,42

124,1

1,79

51,6

1,18

20,55

0,8

7,62

 

 

 

 

 

 

 

 

 

 

 

4,38

514,4

2,73

157,7

1,92

65,4

1,33

26,11

0,9

9,81

 

 

 

 

 

 

 

 

 

 

 

4,87

635,9

3,03

191,2

2,14

81,3

1,48

31,3

1,0

11,66

 

 

 

 

 

 

 

 

 

 

 

5,35

763,6

3,33

220,8

2,35

95,0

1,62

36,45

1,09

13,54

 

 

 

 

 

 

 

 

 

 

 

 

 

3,64

263,8

2,56

109,0

1,77

43,52

1,19

16,26

 

 

 

 

 

 

 

 

 

 

 

 

 

3,94

317,3

2,78

129,1

1,92

51,57

1,29

18,97

Таблица 2.3 для гидравлических расчетов водопровода горячей воды из труб PPRC РN 20 (скорость V - м/с)

Наружный диаметр

16

20

25

32

40

50

63

75

90

110

Расход Q, л/с

V

1000.i

V

1000.i

V

1000.i

V

1000.i

V

1000.i

V

1000.i

V

1000.i

V

1000.i

V

1000.i

V

1000.i

0,02

0,24

7,9

0,16

2,75

0,1

0,88

0,06

0,24

0,04

0,08

0,02

0,03

0,02

0,0

0,01

0,0

0,007

0,0

0,005

0,0

0,04

0,49

29,3

0,31

9,6

0,2

3,17

0,12

0,89

0,08

0,3

0,05

0,1

0,03

0,03

0,02

0,01

0,015

0,0

0,01

0,0

0,66

0,73

63,8

0,47

21,0

0,3

6,81

0,18

1,9

0,11

0,6

0,07

0,2

0,05

0,06

0,03

0,03

0,01

0,015

0,015

0,0

0,08

0,97

110,4

0,63

36,9

0,4

11,8

0,24

3,3

0,15

1,0

0,1

0,3

0,06

0,11

0,04

0,05

0,03

0,02

0,02

0,0

0,1

1,21

169,0

0,78

55,2

0,5

17,9

0,3

5,0

0,19

1,6

0,12

0,5

0,08

0,16

0,05

0,07

0,04

0,03

0,03

0,01

0,14

1,7

322,0

1,09

105,6

0,7

32,2

0,42

9,5

0,26

2,9

0,17

1,0

0,11

0,3

0,07

0,1

0,05

0,05

0,04

0,02

0,18

2,18

527,9

1,41

172,7

0,9

55,3

0,54

15,2

0,34

4,8

0,22

1,6

0,14

0,5

0,1

0,2

0,07

0,08

0,05

0,03

0,3

3,64

1416,4

2,34

457,5

1,5

147,90

0,493

44,37

0,57

12,7

0,37

4,2

0,23

1,28

0,16

0,5

0,11

0,21

0,08

0,08

0,5

6,06

3818,2

3,91

1236,2

2,5

393,6

1,51

108,8

0,95

33,6

0,61

11,0

0,38

3,3

0,27

1,4

0,19

0,55

0,12

0,2

 

 

 

5,47

2370,1

3,51

763,4

2,11

207,8

1,32

63,5

0,85

21,0

0,53

6,4

0,37

2,6

0,26

1,05

0,17

0,4

 

 

 

 

 

4,51

1238,9

2,71

337,0

1,7

103,2

1,1

34,0

0,68

10,2

0,48

4,3

0,33

1,7

0,22

0,6

 

 

 

 

 

6,01

2168,6

3,62

591,1

2,27

179,6

1,46

59,0

0,91

17,8

7,5

0,44

0,64

2,9

0,3

1,1

 

 

 

 

 

 

 

4,89

1036,0

3,03

315,7

1,95

103,0

1,21

30,9

0,85

12,8

0,59

5,0

0,4

1,9

 

 

 

 

 

 

 

6,03

1593,0

3,78

488,5

2,43

158,0

1,52

47,8

1,07

19,7

0,74

7,8

0,5

2,9

 

 

 

 

 

 

 

 

 

4,54

691,8

2,92

229,0

1,82

67,3

1,28

27,7

0,89

11,0

0,6

4,1

 

 

 

 

 

 

 

 

 

5,3

935,5

3,41

193,0

2,12

90,7

1,5

37,4

1,03

14,8

0,7

5,4

 

 

 

 

 

 

 

 

 

 

 

3,89

392,0

2,43

117,4

1,71

48,3

1,18

19,1

0,8

7,0

 

 

 

 

 

 

 

 

 

 

 

4,38

502,0

2,73

147,3

1,92

60,9

1,33

23,9

0,9

8,8

 

 

 

 

 

 

 

 

 

 

 

4,87

608,0

3,03

181,6

2,14

74,8

1,48

29,3

0,99

10,8

 

 

 

 

 

 

 

 

 

 

 

5,36

733,0

3,33

218,0

2,35

89,7

1,62

35,1

1,09

13,0

 

 

 

 

 

 

 

 

 

 

 

 

 

3,64

257,4

2,56

106,8

1,77

41,7

1,19

15,3

 

 

 

 

 

 

 

 

 

 

 

 

 

3,94

301,7

2,78

123,9

1,92

48,6

1,29

17,8

Таблица 2.4 для гидравлических расчетов водопровода горячей воды из труб PPRC PN 2,5 (скорость V - м/с)

Наружный диаметр

16

20

25

32

40

50

63

75

90

110

Расход Q, л/с

V

1000.i

V

1000.i

V

1000.i

V

1000.i

V

1000.i

V

1000.i

V

1000.i

V

1000.i

V

1000.i

V

1000.i

0,02

0,37

20,4

0,19

4,3

0,12

1,4

0,075

0,47

0,047

0,17

0,03

0,04

0,019

0,00

0,013

0,00

0,009

0,00

0,006

0,00

0,04

0,61

52,7

0,39

16,8

0,24

5,1

0,15

1,5

0,095

0,48

0,06

0,16

0,038

0,05

0,027

0,00

0,018

0,00

0,012

0,00

0,06

0,91

114,0

0,58

35,4

0,37

11,4

0,22

3,0

0,14

1,02

0,09

0,35

0,057

0,1

0,04

0,00

0,028

0,00

0,019

0,00

0,08

1,22

197,0

0,78

81,5

0,49

19,5

0,3

5,5

0,19

1,88

0,12

0,56

0,076

0,2

0,05

0,07

0,037

0,00

0,025

0,01

0,1

1,52

299,4

0,98

96,3

0,61

29,4

0,37

8,1

0,24

2,8

0,15

0,87

0,095

0,3

0,07

0,1

0,046

0,05

0,031

0,02

0,14

2,13

578,0

1,36

181,7

0,85

55,7

0,52

15,4

0,33

5,1

0,21

1,65

0,13

0,5

0,09

0,27

0,065

0,1

0,043

0,03

0,18

2,78

967,7

1,75

295,7

1,1

91,3

0,67

25,3

0,43

8,5

0,27

2,65

0,17

0,8

0,12

0,36

0,083

0,2

0,056

0,06

0,3

4,56

2548,0

2,92

793,7

1,83

242,2

1,12

67,9

0,71

22,0

0,45

7,1

0,28

2,2

0,2

0,93

0,14

0,4

0,073

0,09

0,5

7,61

6858,0

4,86

2134,3

3,05

662,2

1,87

182,3

1,18

58,1

0,75

18,7

0,47

5,8

0,33

2,4

0,23

0,9

0,155

0,37

 

 

 

6,8

4139,9

4,27

1256,8

2,62

351,5

1,66

112,4

1,06

35,9

0,66

11,1

0,47

4,7

0,32

1,8

0,217

0,7

 

 

 

 

 

5,49

2048,5

3,37

572,7

2,13

181,7

1,36

58,8

0,85

17,9

0,6

7,5

0,42

3,0

0,279

1,06

 

 

 

 

 

 

 

4,49

1001,6

2,84

317,1

1,81

102,1

1,13

22,2

0,8

12,9

0,56

5,2

0,37

1,85

 

 

 

 

 

 

 

 

 

3,79

556,2

2,42

179,2

1,51

53,9

1,07

22,6

0,74

9,0

0,5

3,3

 

 

 

 

 

 

 

 

 

4,73

852,4

3,02

274,7

1,89

82,9

1,34

34,7

0,93

14,2

0,62

5,0

 

 

 

 

 

 

 

 

 

5,68

1220,9

3,62

387,1

2,27

119,6

1,6

48,8

1,11

20,3

0,74

7,1

 

 

 

 

 

 

 

 

 

 

 

4,23

529,3

2,65

162,7

1,87

66,3

1,3

27,1

0,87

9,6

 

 

 

 

 

 

 

 

 

 

 

4,83

678,5

3,03

208,0

2,14

85,7

1,48

34,8

0,99

12,2

 

 

 

 

 

 

 

 

 

 

 

5,43

856,2

3,4

258,4

2,41

107,9

1,67

43,8

1,12

15,45

 

 

 

 

 

 

 

 

 

 

 

 

 

3,78

319,8

2,67

132,6

1,85

52,7

1,24

18,8

 

 

 

 

 

 

 

 

 

 

 

 

 

4,16

386,9

2,94

160,4

2,04

63,7

1,36

22,5

 

 

 

 

 

 

 

 

 

 

 

 

 

4,54

461,3

3,21

189,3

2,22

75,8

1,49

27,0

 

 

 

 

 

 

 

 

 

 

 

 

 

4,92

542,0

3,48

220,6

2,41

89,4

1,69

31,5


Приложение 3

Перечень специальных инструментов для монтажа водопроводов из труб PPRCх)

___________

х) Поставщик ЗАО «НПО Стройполимер» (Москва, ул. Талалихина, 26).

1. Устройство для контактной тепловой сварки враструб (вручную) труб из термопластов с комплектом рабочих элементов на диаметр труб и деталей 16, 20, 25, 32, 40, 50 и 63 мм (импортного производства).

2. То же - на диаметр труб 63, 75, 90 и 110 мм (импортного производства).

3. Центрирующее зажимное устройство для сварки труб и деталей на диаметр 63, 75, 90 и 110 мм (импортного производства).

4. Ножницы для отрезки труб из термопластов диаметром 16-40 мм (импортного производства)

5. Приспособление для отрезки труб из термопластов диаметром от 50 до 125 мм (импортного производства).

6. Ключи с регулируемым моментом (отечественного производства).

7. Аппарат для электроимпульсной сварки труб и муфт из PPRC с закладными электроспиралями (импортного производства).

СОДЕРЖАНИЕ

1. Общие положения. 2

2. Проектирование внутреннего водопровода зданий из труб PPRC.. 3

3. Транспортировка и хранение труб и деталей из PPRC.. 10

4. Монтаж водопроводов из PPRC.. 10

5. Требования безопасности. 13

Приложение 1. Перечень соединительных деталей из PPRC (под контактную сварку враструб), комбинированных деталей (под сварку и резьбу) и латунных деталей (под резьбу) к трубам из PPRC.. 13

Приложение 2. Таблицы для гидравлических расчетов водопровода. 19

Приложение 3. Перечень специальных инструментов для монтажа водопроводов из труб PPRCх) 21

 




Rambler's Top100 Яндекс цитирования
  Copyright © 2008-2026, www.docload.ru