Бесплатная библиотека стандартов и нормативов www.docload.ru

Все документы, размещенные на этом сайте, не являются их официальным изданием и предназначены исключительно для ознакомительных целей.
Электронные копии этих документов могут распространяться без всяких ограничений. Вы можете размещать информацию с этого сайта на любом другом сайте.
Это некоммерческий сайт и здесь не продаются документы. Вы можете скачать их абсолютно бесплатно!
Содержимое сайта не нарушает чьих-либо авторских прав! Человек имеет право на информацию!

 

КОМПЛЕКС ПЕРСПЕКТИВНОГО РАЗВИТИЯ ГОРОДА
УПРАВЛЕНИЕ РАЗВИТИЯ ГЕНПЛАНА
МОССТРОЙЛИЦЕНЗИЯ

ВЕДОМСТВЕННЫЕ СТРОИТЕЛЬНЫЕ НОРМЫ

ИНСТРУКЦИЯ
по проектированию и монтажу систем отопления зданий из металлополимерных труб

ВСН 69-97

МОСКВА - 1998

Настоящие ведомственные строительные нормы разработаны НИИМосстроем по заказу Управления внебюджетного планирования развития города Москвы и Управления развития Генплана г. Москвы (договор № 16-1/97) по теме "Разработка ведомственных строительных норм по проектированию и монтажу систем отопления зданий из металлополимерных труб" при участии Мосстройлицензии (Ю.П.Емельянов и к.т.н. В.Д.Фельдман).

При разработке ВСН использованы результаты сертификационных испытаний и зарубежный опыт монтажа.

При подготовке ВСН использованы также техническая информация АО "НИКИМТ", ЗАО "Каучук-пласт" и зарубежных фирм (Акватерм, Овентроп, Henco, Vponor, Unicor, Geberit, Arili, Metzerplas).

ВСН согласованы НИИсанитарной техники, АОХК "Главмосстрой", ЗАО "Каучук-пласт", МНИИТЭПом.

В разработке ВСН принимали участие: к.т.н. Сладков А.В., инж. Шехтер Р.Б. (НИИМосстрой), Прижижецкий С.И. (МНИИТЭП), к.т.н. Сасин В.И. (НИИсантехники), инж. Домарацкая Л.П. (НИКИМТ), инж. Садовская Т.И. (Сантехпроект), Гонтуар А.Г. (АО "Каучук").

Комплекс перспективного развития города

Ведомственные строительные нормы по проектированию и монтажу систем отопления зданий из металлополимерных труб

ВСН 69-97

 

Комплекс перспективного развития

Вводятся впервые

Управление развития Генплана

Мосстройлицензия

1. ОБЩИЕ ПОЛОЖЕНИЯ

1.1. Настоящие ВСН распространяются на опытный монтаж из металлополимерных труб (МПТ) систем центрального, местного отопления жилых, общественных, административных, бытовых зданий, вновь возводимых и реконструируемых в г. Москве.

При проектировании и монтаже систем отопления зданий из металлополимерных труб следует руководствоваться основными положениями и требованиями СНиП 2-04.05-91* (изменение № 2) и СП-40-100-98.

1.2. Термостойкие металлополимерные трубы могут применяться для систем отопления, расчетная температура которых не превышает 90°С при рабочем давлении в системах не более 0,8 МПа. При этом срок службы трубопроводов систем отопления должен быть 25 и более лет.

1.3. Металлополимерные трубы, применяемые для монтажа систем отопления, должны быть сертифицированы и иметь сертификат соответствия Центрального органа по сертификации в строительстве Госстроя РФ или органа по сертификации "Мосстройсертификация", ГУП НИИМосстрой или других органов, аккредитованных Госстроем РФ.

1.4. Не допускается прокладывать МПТ в помещениях по пожарной опасности категории "Г", а также в помещениях с источниками тепловых излучений с температурой поверхности более 150°С.

Металлополимерные трубы не могут быть использованы в помещениях, где возможна электродуговая или газовая сварка при аварийных ремонтных работах.

1.5. Система отопления может быть выполнена полностью из металлополимерных труб или в комбинации с трубами из других материалов (сталь, медь и т.д.) в зависимости от существующей номенклатуры МПТ.

Внесены НИИМосстроем

Утверждены Управлением развития Генплана

"19" декабря 1997 г

Срок введения в действие

"1 "января 1998 г

1.6. Прокладка металлополимерных труб систем отопления должна предусматриваться скрытой в плинтусах, за экранами, в штробах, шахтах и каналах.

Допускается открытая прокладка в местах, где исключается их механическое и термическое повреждение и прямое воздействие ультрафиолетового излучения. Способ прокладки трубопроводов должен обеспечивать возможность замены при ремонте.

При скрытой прокладке трубопроводов следует предусматривать люки в местах расположения разборных соединений и арматуры.

1.7. Типы, размеры и технические характеристики металлополимерных труб отечественного производства представлены в табл. 1 и 2.

Примечание. Допускается применение для монтажа систем отопления металлополимерных труб инофирм, не уступающим по показателям требованиям ТУ 2248-004-07629379-97 и ТУ 2248-001-29325994-97 и настоящих ВСН и имеющих сертификат соответствия или техническое свидетельство ЦОС Госстроя РФ или аккредитованных ими органов сертификации.

1.8. В комплекте с металлополимерными трубами должны поставляться латунные соединительные детали.

а) по ТУ 4951-001-44414010-97 для металлополимерных труб по ТУ-2248-001 -29325094-97.

б) по чертежам МП03100 и МП 03000 НИКИМТа для металлополимерных труб по ТУ-2248-004-07629379-97.

Примечание. Допускается применение для вышеуказанных металлополимерных труб соединительных деталей импортного производства, имеющих сертификат соответствия.

2. ПРОЕКТИРОВАНИЕ СИСТЕМ ОТОПЛЕНИЯ С ИСПОЛЬЗОВАНИЕМ МЕТАЛЛОПОЛИМЕРНЫХ ТРУБ

2.1. Настоящие ВСН являются дополнением к действующим нормативным документам и рекомендациям по проектированию систем местного и центрального отопления (СНиП 2.04.05-91*, Изменение № 2), МГСН 3.01-96, МГСН 2.01-94 и др.

2.2. Проектирование систем отопления с использованием металлополимерных труб включает в себя выбор труб и соответствующих им соединительных деталей и арматуры, выбор параметров теплоносителя, выполнение гидравлического и теплотехнического расчетов, выбор способа прокладки и условий, обеспечивающих компенсацию тепловых изменений длины трубы без перенапряжения материала и соединений трубопровода.

Таблица 1

Сортамент, масса металлополимерных труб

№ пп

Нормативно-техническая документация Изготовитель (поставщик)

Обозначение труб внутр.Æ -наружн. Æ

Номинальные Æ, мм

Толщина стенки, мм, с допуском

Теоретическая масса 1 м, кг

внутренний с допуском, мм

наружный с допуском, мм

1.

ТУ 2248-W4-07629379-97

12-16

16+0,3

0,095

 

НИКИМТ (Металлополимер)

20-25

25+0,3

0,2

2.

ТУ 2248-001-29325094-97

10-14

100,2

14-0,15

0,092

 

ОАО "Каучук-пласт" (ЗАО Тента")

12-16

12-0,2

16+0,15

0,105

 

 

14-18

14-0,2

18+0,15

0,128

 

 

15,5-20

20+0,16

0,150

 

 

20-25

25+0,20

0,204

Таблица 2

Основные физико-механические показатели свойств металлополимерных труб (по ТУ 2248-004-07629379-97 и ТУ 2248-001-29325094-97)

№№ п/п

Показатели свойств

Единицы измерения

Значения

1.

Коэффициент теплопроводности

В/м×°С

0,45

2.

Коэффициент линейного расширения

1/°С

2,5-10-5

3.

Коэффициент эквивалентной равномерно-зернистой шероховатости

мм

0,01

4.

Прочность кольцевых образцов при разрыве в поперечном направлении, не менее для труб размерами, мм

Н

 

 

10-14

 

2100

 

12-16

 

2400

 

14-18

 

2400

 

16-20

 

2400

 

20-25

 

2400

5.

Изменение длины после прогрева при температуре (120-3)°С в течение (60+1) мин

% не более

1

6.

Стойкость при постоянном внутреннем давлении (без разрушений) при температуре,°С

 

 

 

20 в течение 1 часа

МПа

4,5

 

95       -"-            1 часа

-"-

1,8

 

95       -"-        100 часов

-"-

1,6

 

95       -"-        1000 часов

-"-

1,4

Выбор труб проводится с учетом условий работы трубопровода, давления и температуры (исходя из минимального срока службы 25 лет), места прокладки труб, назначения помещения.

2.3. МПТ должны применяться в низкотемпературных преимущественно закрытых системах водяного отопления, как правило, с искусственной циркуляцией теплоносителя.


Рис. 1. Система отопления с горизонтальными двухтрубными ветками для группы паралелльно-последовательно соединенных отопительных приборов

Рис. 1а. Узлы подсоединения отопительных приборов в двухтрубной системе отопления

Рис. 2. Система отопления с горизонтальными однотрубными ветками для группы последовательно соединенных отопительных приборов

Рис. 2а. Узлы подсоединения отопительных приборов в однотрубной системе отопления:

1 - встроенный терморегулятор; 2 - уровень чистого пола; 3 - соединительная арматура; 4 - трубопровод, проложенный в конструкции плинтуса; 5 - трубопровод, проложенный в конструкции пола


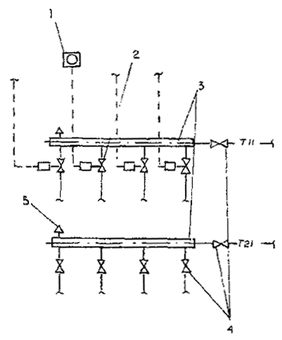
Рис. 3. Распределительный коллектор систем отопления:

1 - термостатический элемент, устанавливаемый в обслуживаемом помещении; 2 - регулирующий клапан на подающем трубопроводе; 3 - распределительные коллекторы; 4 - запорная арматура; 5 - автоматический воздухоотводчик

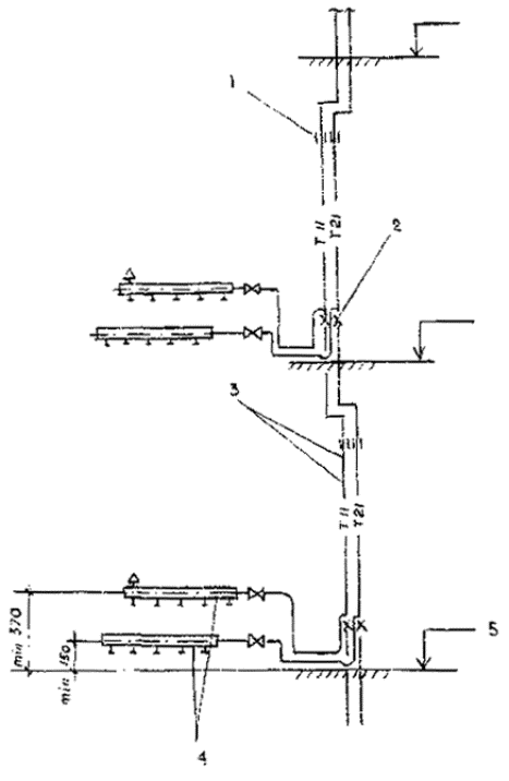
Рис. 4. Вариант подсоединения распределительных коллекторов к стоякам из металлополимерных труб:

1 - скользящая опора; 2 - неподвижная опора; 3 - стояки отопления из пластмассовых труб; 4 - распределительные коллекторы; 5 - уровень чистого пола этажа

Рис. 5. Вариант подсоединения распределительных коллекторов к стоякам из стальных труб:

1 - стояки отопления из стальных труб; 2 - распределительные коллекторы; 3 - уровень чистого пола этажа

2.4. Источником тепла для систем центрального отопления с использованием металлополимерных труб могут быть:

- местная котельная;

- вода от ТЭЦ, приготовленная по независимой схеме. В системе теплоснабжения следует предусматривать приборы автоматического регулирования параметров теплоносителя (температура, давление) с целью защиты МПТ от превышения допустимых величин параметров теплоносителя. Не допускается применение металлополимерных труб в системах с элеваторными узлами.

2.5. Трубопроводы из МПТ следует проектировать после отсекающих задвижек, клапанов на распределительных коллекторах,

Не допускается применять МПТ для защищающих трубопроводов (расширительная, предохранительная, переливная, сигнальная).

2.6. Система центрального отопления, полностью или частично выполненная из МПТ, может быть с нижней и верхней разводкой, однотрубная или двухтрубная.

2.7. В высотных зданиях необходимо зонировать систему центрального отопления, если применены трубы, выдерживающие рабочее давление 0,6 МПа.

В зависимости от размера здания необходимо разделять установку на независимо регулируемые ветки, обслуживающие части здания, согласно сторонам света.

2.8. Применение МПТ наиболее эффективно в системах:

- с горизонтальными двухтрубными ветками для группы

параллельно-последовательно подсоединенных отопительных приборов (рис. 1, );

- с горизонтальными однотрубными ветками для группы последовательно подсоединенных отопительных приборов (рис. 2, );

- с распределительными коллекторами (рис. 3, 4, 5).

2.9. В системах с распределительными коллекторами присоединение отопительных приборов может быть осуществлено путем проложения металлополимерных труб в форме "петель" в полу или вдоль стен под плинтусами.

К одному коллектору может присоединяться от 2-х до 8-ми "петель", к каждой из которых могут присоединяться один или два отопительных прибора.

2.10. В системах отопления с использованием металлополимерных труб следует, как правило, предусматривать автоматические или ручные воздухоотводчики на отопительных приборах и на распределительных коллекторах.

2.11. Расчет систем отопления из МПТ может выполняться вручную по математическим зависимостям или номограммам или с помощью компьютерных программ, в том числе изготовителей МПТ.

2.12. Рекомендуемые скорости теплоносителя в металлополимерных трубопроводах допускается принимать на 20% более указанных для стальных труб.

2.13. Гидравлические характеристики металлополимерных труб. При гидравлическом расчете падение давления в системе отопления складывается из потерь давления на трение по длине трубопровода и потерь давления на преодоление местных сопротивлений.

2.13.1. Гидравлические характеристики металлополимерных труб при t=80°C представлены в приложении. Потери напора по длине определялись по формуле Дарси-Вейсбаха:

где: l - коэффициент сопротивления по длине;

v - скорость течения воды, м/с;

g - ускорение свободного падения, м/с2;

d - расчетный диаметр трубы, м.

Коэффициент сопротивления по длине

где: Rеф - фактическое число Рейнольдса

где L1 - коэффициент кинематической вязкости, м2/с, принимаемый для температур:

90°С - L=0,32-10-6

80°С - L=0,36-10-6

70°С - L= 0,41-10-6

55°С - L=0,53-10-6

dp - расчетный диаметр (внутренний) трубы:

Dd=0,5×(2dн+Dd2-4S-2DS),

где: dн - наружный диаметр трубы, м;

Ddн - допуск на наружный диаметр трубы, м;

S - толщина стенки трубы, м;

DS - допуск на толщину стенки трубы, м;

Rекв - число Рейнольдса, соответствующее началу квадратичной области гидравлических сопротивлений при турбулентном течении воды, определяется по формуле:

где Кэ - коэффициент эквивалентной равномерно зернистой шероховатости, м, принимается равным 1×10-5 м;

b - число подобия режимов течения воды:

.

2.13.2. При средней температуре воды, отличной от 80°С, следует учесть согласно табл. 3 поправочный коэффициент "а" на значение R, приведенные в прил. 1 (при t=80°C)

Rt=R×a Па/м, где

Rt - удельный перепад давления при средней температуре теплоносителя в пределах 40-90°С и расходе Q, Па/м

R - табличное значение удельного перепада давления при t=80°C и при том же значении Q, Па/м

Таблица 3

2.13.3. Падение давления при преодолении местных сопротивлений Z, Па может быть определено из зависимости:

где Sx - сумма коэффициентов местных сопротивлений на рассчитываемом участке сети;

V - скорость теплоносителя в трубопроводе, м/с;

r - плотность жидкости, кг/м3

Ориентировочные значения коэффициентов местных сопротивлений соединительных деталей элементов системы отопления приведены в табл. 4.

Гидравлические характеристики отопительных приборов, вентилей, клапанов, включая термостатические, представлены в "Рекомендациях" по их применению, разработанных ТОО "Витатерм" и НИИсантехники, и в справочных изданиях изготовителей.

2.14. Компенсация температурных удлинений.

2.14.1. Компенсация температурных удлинений может быть осуществлена за счет самокомпенсации участков трубопроводов, установкой компенсаторов и правильной установкой неподвижных и скользящих опор.

В качестве компенсаторов используются повороты и отступы на трубопроводе. На прямых участках трубопровода необходимо предусматривать V-образные, петлевые, Z-, Г-образные компенсаторы.

В качестве неподвижных опор могут быть использованы держатели для труб, закрепленные на строительных конструкциях, или укрепленные в них кронштейны.

Таблица 4

№№ пп

Вид деталей

Схематическое изображение деталей

Значение x

1

Отвод

dw=10,2

0,5

dw=12,2

0,5

dw=15,5

0,3

r/d>5

dw=20,5

0,3

2

Тройники:

на проход

0,5

 

на слияние потоков

0,5

 

на ответвления

1,5

 

на слияние или разделение потока

3,0

3

Крестовина:

на проход

2,0

 

на ответвление

3,0

4

Отступ

0,5

5

Обход

1,0

6

Внезапное расширение

1,0

 

сужение

0,5

7

Соединение с обжимной накидной гайкой

 

1,5

2.14.2. Расчет удлинения отрезка трубопровода при изменении температуры теплоносителя и окружающей среды (рис. 6):

где Dl - увеличение длины трубы, мм;

l - длина участка трубопровода при температуре монтажа, м;

Dt - перепад температур между температурой монтажа и эксплуатации, °С;

0,025 - коэффициент линейного расширения трубы, мм/м.

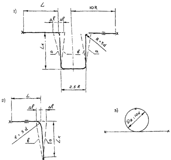
2.14.3. Расчет компенсирующей способности П-образных компенсаторов и Г-образных элементов трубопровода (вылет компенсатора) производится по эмпирической формуле (рис. 7):

где: Lк - вылет компенсатора;

d - наружный диаметр трубы, мм;

Dl - изменение длины участка трубопровода при изменении температурных параметров монтажа и эксплуатации;

30 - коэффициент эластичности для труб из МПТ.

На рис. 8 показан пример традиционного решения компенсации удлинений стояков для установок центрального отопления при применении металлополимерных труб.

2.15. Тепловые характеристики металлополимерных труб.

Рис. 6. Диаграмма уплотнения МПТ

Рис. 7. Устройство компенсаторов

1 - П-образный, 2 - Г-образный, 3 - петлеобразный:

а - положение металлополимерного трубопровода при максимальной температуре;

b - положение металлополимерного трубопровода при минимальной температуре;

Lk - вылет компенсатора

X - неподвижная опора

= - скользящая опора

Рис. 8. Подсоединение отопительных приборов к стоякам отопления из металлополимерных труб:

1 - неподвижная опора; 2 - скользящая опора

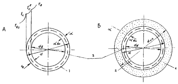
Рис. 9. Схема металлополимерной трубы для расчета теплопередачи через цилиндрическую стенку:

А - без теплоизоляции; Б - с изоляцией;

1,2 - полиэтилен "РЕХ"; 3 - алюминиевая труба-оболочка; 4 - теплоизоляция

2.15.1. По данным рекомендаций ТОО "Витатерм" и НИИсантехники - тепловой поток металлополимерных труб длиной l (м) следует определять по следующей зависимости (рис. 9):

где: tcв - температура на внутренней поверхности трубопровода, °С;

tс - температура на наружной поверхности трубопровода, °С;

Q - тепловой поток (Вт);

l - длина трубы, м;

tв - температура теплоносителя, °С;

tв.3 - температура воздушной среды, °С;

aн - коэффициент наружной теплоотдачи, Вт/м2×°К;

dн - наружный диаметр трубы, мм;

l - коэффициент теплопроводности, Вт/м×°К;

dв - внутренний диаметр трубы, мм;

aвн - коэффициент внутренней теплоотдачи, Вт/м2×°К.

При оценке возможности выпадения конденсата на поверхности трубы необходимо определить температуру наружной стенки трубы и сопоставить ее с температурой точки росы (tр)

Выпадение конденсата - при условии tс> tр

При использовании теплоизоляции тепловой поток теплоизолированной трубы приближенно может быть определен по следующей зависимости:

где: dиз - наружный диаметр изоляции, м;

lиз - коэффициент теплопроводности изоляции, Вт/м×°К.

Это соотношение справедливо при условии идеального контакта наружной поверхности трубы с изоляцией. При накладной изоляции обычно условие не соблюдается и воздушная прослойка играет роль дополнительного слоя.

2.15.2. В таблицах 5 и 6 представлены данные лаборатории отопительных приборов НИИСТ по зависимости линейной плотности теплового потока q, Вт/м МПТ от температурного напора Q°С при горизонтальном расположении открыто проложенных труб на высоте 100 мм от пола и вертикальном расположении МПТ.

В среднем тепловой поток q, Вт/ м зависит от фактического температурного напора Q°С, по формуле:

Вт/м,

где: С- коэффициент, принимаемый для различных диаметров труб по столбцу "0" в табл. 5 и 6 при Q=70°С, Вт/м;

Q - фактическая разность среднеарифметической температуры теплоносителя в трубе и расчетной температуры воздуха в помещении, °С;

70 - нормативная разность температур (температурный напор), °С.

2.15.3. Полезный тепловой поток открыто проложенных металлополимерных труб учитывается в пределах 90-100% от приведенного в табл. 5 и 6 (в зависимости от места прокладки).

2.15.4. При прокладке горизонтальных труб под потолком следует учитывать 70-80% их расчетного теплового потока.

2.15.5. Общий тепловой поток вертикальных труб снижается в среднем:

- при экранировании открытого стояка из полимерных труб металлическим экраном - на 25%;

- при скрытой прокладке в глухой борозде - на 50%;

- при скрытой прокладке в вентилируемой борозде на высоте помещения - на 10%.

2.15.6. Общий тепловой поток одиночных труб, замоноличенных в междуэтажных перекрытиях отапливаемых помещений и во внутренних перегородках из тяжелого бетона (lбет³1,8 Вт/м2×°К, rбет³2000 кг/м3) увеличивается в среднем в 2 раза (при оклейке стен обоями - в 1,8 раза).

2.15.7. Общий тепловой поток от одиночных труб в наружных ограждениях из тяжелого бетона (lбет³1,8 Вт/м2×°К, rбет³2000 кг/м3) увеличивается в среднем в 1,6 раза (при оклейке стен обоями - в 1,4 раза), причем полезный тепловой поток при наличии эффективной теплоизоляции между трубой, и наружной поверхностью стены составляет в среднем 90% от общего.


Таблица 5

Тепловой поток 1 м открыто проложенных горизонтальных металлополимерных труб

Код трубы

d, мм

Q, °С

Тепловой поток 1 м трубы, Вт/м, при Q, °C, через 1°C

0

1

2

3

4

5

6

7

8

9

12-16

16

 

20,5

21,4

22,2

23,0

23,9

24,7

25,6

26,4

27,3

28,2

16-20

20

30

24,8

25,8

26,8

27,8

28,8

29,9

30,9

31,9

33,0

34,0

20-25

25

 

29,4

30,6

31,8

33,0

34,2

35,4

36,6

37,8

39,1

40,3

12-16

16

 

29,0

29,9

30,8

31,6

32,5

33,4

34,3

35,2

36,1

37,0

16-20

20

40

35,0

36,1

37,2

38,2

39,3

40,4

41,4

42,5

43,6

44,7

20-25

25

 

41,5

42,8

44,0

45,3

46,6

47,8

49,1

50,4

51,7

53,0

12-16

16

 

37,9

38,8

39,8

40,7

41,6

42,5

43,4

44,4

45,3

46,3

16-20

20

50

45,8

46,9

48,0

49,1

50,2

51,4

52,5

53,6

54,7

55,9

20-25

25

 

54,3

55,6

56,9

58,2

59,5

60,9

62,2

63,5

64,9

66,2

12-16

16

 

47,2

48,2

49,1

50,0

51,0

52,0

52,9

53,9

54,9

55,8

16-20

20

60

57,0

58,2

59,3

60,4

61,6

62,8

63,9

65,1

66,2

67,4

20-25

25

 

67,6

68,9

70,3

71,6

73,0

74,4

75,8

77,1

78,5

79,9

12-16

16

 

56,8

57,8

58,8

59,7

60,7

61,7

62,7

63,7

64,7

65,7

16-20

20

70

68,6

69,8

71,0

72,1

73,3

74,5

75,7

76,9

78,1

79,3

20-25

25

 

81,3

82,7

84,1

85,5

86,9

88,3

89,7

91,2

92,6

94,0

12-16

16

 

66,7

67,7

68,7

69,7

70,7

71,7

72,7

73,7

74,8

75,8

16-20

20

80

80,5

81,7

82,9

84,2

85,4

86,6

87,8

89,0

90,3

91,5

20-25

25

 

95,4

96,9

98,3

99,7

101,2

102,6

104,1

105,5

107,0

108,4

12-16

16

 

76,8

77,8

78,8

79,9

80,9

81,9

83,0

84,0

85,1

86,1

16-20

20

90

92,7

94,0

95,2

96,5

97,7

99,0

100,2

101,5

102,7

104,0

20-25

25

 

109,9

111,4

112,8

114,3

115,8

117,3

118,8

120,2

121,7

123,2

Таблица 6

Тепловой поток 1 м открыто проложенных вертикальных металлополимерных труб

Код трубы

d, мм

Q, °С

Тепловой поток 1 м трубы, Вт/м, при Q, °C, через 1°C

0

1

2

3

4

5

6

7

8

9

12-16

16

 

18,5

19,2

20,0

20,7

21,5

22,2

23,0

23,8

24,6

25,3

16-20

20

30

21,8

22,7

23,6

24,5

25,4

26,3

27,2

28,1

29,0

29,9

20-25

25

 

25,3

26,3

27,3

28,4

29,4

30,4

31,5

32,5

33,6

34,6

12-16

16

 

26,1

26,9

27,7

28,5

29,3

30,1

30,9

31,7

32,5

33,3

16-20

20

40

30,8

31,8

32,7

33,6

34,6

35,5

36,5

37,4

38,4

39,3

20-25

95

 

35,7

36,8

37,8

390

40,0

41,1

42,2

43,3

44,4

45,6

12-16

16

 

34,1

35,0

35,8

36,6

37,4

38,3

39,1

40,0

40,8

41,6

16-20

20

50

40,3

41,3

42,2

43,2

44,2

45,2

46,2

47,2

48,2

49,2

20-25

25

 

46,7

47,8

48,9

50,1

51,2

52,3

53,5

54,6

55,8

56,9

12-16

16

 

42,5

43,3

44,2

45,0

45,9

46,8

47,6

48,5

49,4

50,2

16-20

20

60

50,2

51,2

52,2

53,2

54,2

55,2

56,2

57,3

58,3

59,3

20-25

25

 

58,1

59,3

60,4

61,6

62,8

64,0

65,2

66,3

67,5

68,7

12-16

16

 

51,1

52,0

52,9

53,8

54,6

55,5

56,4

57,3

58,2

59,1

16-20

20

70

60,4

61,4

62,4

63,5

64,5

65,6

66,6

67,7

68,7

69,8

20-25

25

 

69,9

71,1

72,3,

73,5

74,7

76,0

77,2

78,4

79,6

80,8

12-16

16

 

60,0

60,9

61,8

62,7

63,6

64,5

65,4

66,4

67,3

68,2

16-20

20

80

70,8

71,9

73,0

74,1

75,1

76,2

77,3

78,4

79,4

80,5

20-25

25

 

82,1

83,3

84,5

858

87,0

88,3

89

90,8

92,0

93,3

12-16

16

 

69,1

70,0

71,0

71,9

72,8

73,7

74,7

75,6

76,6

77,5

16-20

20

90

81,6

82,7

83,8

84,9

86,0

87,1

88,2

89,3

90,4

91,5

20-25

25

 

94,5

95,8

97,0

98,3

99,6

100,9

102,1

103,4

104,7

106,0


2.15.8. При скрытой прокладке одиночных труб, замоноличенных в легком бетоне с пластификатором следует принимать поправочные коэффициенты на расчетный тепловой поток 1,1-1,15.

2.15.9. При скрытой прокладке труб в стандартных штробах, полностью заполненных самотвердеющейся пенистой изоляцией, тепловой поток труб увеличивается в случае размещения в наружных стенах на 15-20%, во внутренних перегородках - на 5-10%.

3. ТРАНСПОРТИРОВКА И ХРАНЕНИЕ МЕТАЛЛОПОЛИМЕРНЫХ ТРУБ

3.1. Транспортировка, погрузка и разгрузка металлополимерных труб должны осуществляться при температуре наружного воздуха не ниже -20°С.

3.2. Транспортировка металлополимерных труб может быть осуществлена любым видом транспорта в отрезках или бухтах.

3.3. При погрузочно-разгрузочных работах, транспортировке и хранении металлополимерные трубы необходимо оберегать от механических повреждений.

Запрещается сбрасывать трубы с транспортных средств или волочить по полу.

Во время подготовки к погрузке не допускается применение стальных строп.

3.4. Хранить металлополимерные трубы необходимо в закрытом помещении на ровном полу, настиле, щитах, а в условиях строительной площадки - в закрытом помещении или под навесом, оберегая от прямых солнечных лучей.

Высота штабеля не должна превышать 2,0 м.

При хранении труб в складских помещениях температура окружающего воздуха не должна превышать +30°С, а расстояние от нагревательных приборов не должно быть меньше 1,0 м.

4. МОНТАЖ СИСТЕМ ОТОПЛЕНИЯ ИЗ МЕТАЛЛОПОЛИМЕРНЫХ ТРУБ

4.1. Общие указания

4.1.1. Монтаж металлополимерных труб должен осуществляться по монтажному проекту при температуре окружающей среды выше 10°С.

4.1.2. Перед прокладкой металлополимерных труб в помещении необходимо закончить все электро-газосварочные работы, установить элементы крепления, а при открытой прокладке закончить отделочные работы.

4.1.3. При скрытой прокладке отопления из МПТ следует предусматривать в местах расположения разборных соединений и арматуры люки или съемные щиты, не имеющие острых выступов.

Стояки целесообразно размещать в каналах, нишах, бороздах, за декоративными панелями или замоноличивать их в стенах и перегородках.

Горизонтальные трубопроводы и подводки к отопительным приборам допускается размещать по перекрытиям и за плинтусами. Открытые участки можно закрывать декоративными элементами.

4.1.4. Бухты металлополимерных труб, хранившиеся или транспортировавшиеся на монтаж (заготовительный участок) при температуре ниже 0°С, должны быть перед раскаткой выдержаны в течение 24 час при температуре не ниже +10°С.

В процессе размотки бухты и монтажа трубопровода необходимо следить, чтобы труба не перекручивалась.

Прокладку трубы следует вести без натяга, свободные концы закрывать липкой лентой или заглушками во избежание попадания грязи и мусора в трубу.

4.1.5. Не допускаются сплющивания и переломы трубопровода во время монтажа.

4.1.6. Радиус изгиба должен быть не менее пяти наружных диаметров трубы. При меньшем радиусе изгиба следует пользоваться спиральной пружиной, вставляемой внутрь МПТ. Трубы гнутся плавно в холодном состоянии.

4.1.7. При бетонировании необходимо избегать смещения, вертикального изгиба, сдавливания или повреждения труб. Минимальная высота заливки над поверхностью трубы должна быть не менее 3 см. Цементно-песчаная смесь должна быть не ниже марки 400 с пластификатором.

4.1.8. Для прохода труб через строительные конструкции необходимо предусматривать гильзы. Внутренний диаметр гильзы должен быть на 5-10 мм больше наружного диаметра прокладываемой трубы (рис. 10). Зазор между трубой и гильзой необходимо заделать мягким несгораемым материалом, допускающим перемещение трубы вдоль продольной оси.

4.1.9. Расстояние в свету между строительной конструкцией и металлополимерным трубопроводом, проходящим вдоль нее, должно быть не менее 20 мм.

4.1.10. Металлополимерные трубы для трубопроводов отопления следует прокладывать на расстоянии не менее 50 мм ниже других трубопроводов.

4.1.11. Соединение металлополимерных труб со стальными трубопроводами, запорно-регулирующей арматурой и отопительными приборами выполняется на резьбе с помощью специальных соединительных деталей из латуни.

4.2. Входной контроль труб и комплектующих изделий

4.2.1. До проведения монтажных работ металлополимерные трубы, соединительные детали, арматура и средства крепления должны быть подвергнуты входному контролю, в том числе по размерным характеристикам и прочности кольцевых образцов на разрыв.

Трубы, соединительные детали, а также средства крепления должны иметь сопроводительный документ, подтверждающий соответствие их нормативным требованиям.

4.2.2. Трубы должны иметь маркировку, указывающую диаметр трубы, рабочие величины температуры и давления. На поверхности труб не должно быть механических повреждений и изломов. Трубы не должны быть скручены или сплющены.

Рис. 10. Установка гильзы для прокладки труб в стенах и перекрытиях:

1 - гильза; 2 - набивка; 3 - труба

4.2.3. На штуцерах и накидных гайках соединительных деталей резьба должна быть нарезана в соответствии с ГОСТ 6357-81, класс прочности В. Сопрягаемые детали не должны иметь выбоин, заусенцев, царапин. Резиновые прокладки должны иметь правильную геометрическую форму.

4.2.4. Средства крепления металлополимерных труб должны иметь поверхность, исключающую возможность механического повреждения труб. Крепления не должны иметь острых кромок и заусенцев.

Размеры хомутов, фиксаторов, скоб должны строго соответствовать диаметрам труб. Металлические крепления должны иметь мягкие прокладки и антикоррозионные покрытия.

4.3. Технология подготовительных работ

4.3.1. До начала монтажа трубопроводов необходимо выполнять следующие подготовительные операции:

-отобрать трубы и соединительные детали, прошедшие входной контроль;

- разметить трубу в соответствии с проектом или по месту с учетом припуска на последующую обработку при максимальном использовании материала труб. Разметка труб может быть осуществлена стандартными мерительными инструментами - измерительной линейкой, складным метром, рулеткой, а также специально изготовленным шаблоном и разметочным приспособлением. Риски для отрезки на трубе наносятся карандашом или маркером. Недопустимо нанесение царапин или надрезов на поверхности труб.

4.3.2. Разрезка труб производится согласно разметке специальными ножницами или ножовкой по металлу, не допуская смятия трубы и образования заусенцев. Отклонение плоскости реза от оси трубы не должно превышать 5° от прямого угла.

4.3.3. Для устранения погрешностей торцов труб необходимо осуществлять калибровку концов труб. Овальность торцов должна быть не более 1%.

4.4. Соединение труб и подсоединение к арматуре

4.4.1. Для соединения металлополимерных труб между собой, с резьбовыми деталями и присоединение к арматуре следует применять соединения типа:

- с обжимной накидной гайкой (рис 11 а, б);

- с обжимной втулкой (рис. 11 в).

Примечание. Допускается использование других типов соединений, имеющих сертификат соответствия.

4.4.2. Соединения труб следует выполнять по технологии, приведенной в специальной инструкции поставщика.

4.4.3. Уплотнение резьбовых соединений со стальными трубопроводами и арматурой может быть осуществлено льняной прядью, лентой ФУМ или любым другим уплотнительным материалом.

4.5. Крепление трубопроводов

4.5.1. Расстановка креплений металлополимерных трубопроводов осуществляется таким образом, чтобы в случае необходимости направлять линейные температурные удлинения трубопровода в сторону компенсации.

4.5.2. Расстояние между креплениями следует принимать согласно табл. 7.

Таблица 7

Наружный диаметр трубы, мм

Расстояние между креплениями, мм

при горизонтальной раскладке

при вертикальной раскладке

14

500

1000

16

500

1000

20

500

1000

25

750

120

4.5.3. Необходимо предусмотреть соответствующее расположение креплений на поворотах и ответвлениях трубопровода.

4.5.4. Распределительные коллекторы и запорно-регулирующую арматуру следует закреплять с помощью самостоятельных неподвижных.

Рис. 11а. Соединение с накидной обжимной гайкой:

1 - металлополимерная труба; 2 - обжимная гайка; 3 - уплотнители; 4 - соединительная вставка

Рис. 11б. Соединение с накидной гайкой и разрезным кольцом:

1 - металлополимерная труба; 2 - обжимная гайка; 3 - разрезное обжимное упругое кольцо; 4 - соединительная вставка с наружной резьбой

Рис. 11 в. Соединение с обжимной втулкой:

1 - металлополимерная труба; 2 - обжимная втулка; 3 - уплотнители; 4 - соединительная вставка креплений для устранения передачи усилий на трубопровод в процессе эксплуатации.

4.5.5. Минимальные расстояния от осей отводов и тройников до креплений следует принимать с учетом температурного изменения длины трубы.

4.5.6. Для закрепления труб следует применять изделия согласно каталогам фирм-изготовителей труб или иные опоры, применяемые для металлополимерных труб. Возможные способы крепления представлены на рис. 12 и 13.

4.6. Испытание систем отопления

4.6.1. После проведения монтажных работ следует провести испытание системы на герметичность при давлении, превышающем рабочее в 1,5 раза, но не менее 0,6 МПа.

4.6.2. При подготовительных работах перед опрессовкой системы необходимо:

- отключить (временно снять) предохранительные клапаны безопасности, регулировочные клапаны, датчики и др., если допустимое давление указанной арматуры меньше величины пробного давления по п. 4.6.1;

- отключенные элементы заменить заглушками или отключающими запорными клапанами, допустимое давление для которых больше величины пробного давления;

- подключить к системе манометр с точностью 0,01 МПа.

4.6.3. Систему следует заполнить водой медленно при открытых воздухоспускных устройствах во избежание образования воздушных пробок.

4.6.4. Гидравлические испытания необходимо проводить при постоянной температуре в два этапа:

1 этап - в течение 30 минут дважды поднимать давление до расчетной величины через каждые 10 минут. В последующие 30 минут падение давления в системе не должно превышать 0,06 МПа;

2 этап - в последующие 2 часа падение давления (от давления, достигнутого на 1-м этапе) не должно быть больше чем на 0,02 МПа.

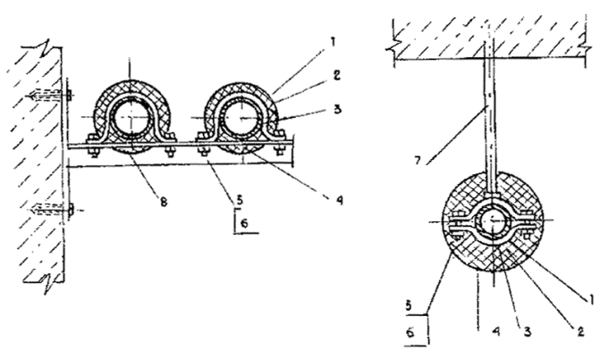
Рис. 12. Крепление труб к стенам и перегородкам:

1 - труба; 2 - фиксатор; 3 - хомут; 4 - шуруп

Рис. 13. Крепление магистральных трубопроводов:

1 - хомут; 2 - труба; 3 - резиновая прокладка; 4 - теплоизоляция; 5 - болт; 6 - гайка; 7 - подвеска; 8 - кронштейн

4.7. Ремонтные работы

4.7.1. Слесари-сантехники, производящие ремонт, должны быть ознакомлены со свойствами металлополимерных труб и технологией их обработки.

4.7.2. При замене труб во время ремонта не допускается ставить трубы меньшего диаметра.

4.7.3. В случае повреждения участка трубопровода целесообразно вырезать поврежденный участок. Замена производится с помощью отрезка трубы нужной длины, соединяемого с трубопроводом со специальными соединительными деталями. Поврежденный участок трубы соединяется при помощи 2-х соединений с накидной обжимной гайкой через ниппель с уплотнением резьбовой части или 2-стороннее соединение с обжимной гайкой и разрезным кольцом без уплотнения резьбовой части.

4.7.4. При проведении сварочных или иных огневых работ в местах возможного термического или механического повреждения труб необходимо ставить ограждения.

4.7.5. Для очистки наружной поверхности труб следует применять материал, исключающий механические повреждения.

4.7.6. При замерзании системы наличие пробок в трубе можно определять по местному увеличению диаметра (расширению) трубы или по слою инея и льда на поверхности. Прогревать трубу следует теплым воздухом или горячей водой с температурой до 90°С. Категорически запрещается использовать открытое пламя и обстукивать трубы молотком. При первой возможности заменить поврежденный отрезок трубы.

5. ТЕХНИКА БЕЗОПАСНОСТИ

5.1. На монтаж систем отопления из металлополимерных труб распространяются общие правила СНиП III-4-80 "Техника безопасности в строительстве".

5.2. В условиях заготовительного производства и монтажа запрещается производить электросварочные работы вблизи металлополимерных труб.

Металлополимерные трубы относятся к категории горючих, материалов. Средства пожаротушения - распыленная вода, пена, песок, кошма.

5.3. Металлополимерные трубы в процессе монтажа и эксплуатации не выделяют в окружающую среду токсичных веществ и не оказывают вредного влияния на организм человека при непосредственном контакте.

5.4. Монтаж металлополимерных труб должны проводить слесари-сантехники, прошедшие специальное обучение и ознакомленные со спецификой обработки таких труб.

Работы по монтажу внутренних систем отопления из МПТ разрешается производить только исправным инструментом, при соблюдении условий его эксплуатации.

5.5. Гидравлическое испытание систем следует производить в присутствии мастера или производителя работ. Слесари, проводящие испытания, должны находиться в безопасных местах на случай выбивания заглушек.


ПРИЛОЖЕНИЕ

ОАО КАУЧУК-ПЛАСТ-НИКИМТ

Гидравлические характеристики металлополимерных труб при К шероховатости=0,01 мм

Таблица

Температура теплоносителя 80°С

Потери давления на трение на 1 м, Па/м

Потери напора 1000 i

Диаметр трубопровода dв/dн мм

"10/14"

"12/16"

"14/18"

"16/20"

"20/25"

скорость движения теплоносителя V м/сек

Расход теплоносителя Q л/час

скорость движения теплоносителя V м/сек

Расход теплоносителя Q л/час

скорость движения теплоносителя V м/сек

Расход теплоносителя Q л/час

скорость движения теплоносителя V м/сек

Расход теплоносителя Q л/час

скорость движения теплоносителя V м/сек

Расход теплоносителя Q л/час

1

2

3

4

5

6

7

8

9

10

11

12

0,49

0,050

 

 

 

 

0,01

5,40

0,010

6,64

0,010

11,25

0,98

0,100

0,010

2,65

0,010

3,95

0,01

5,40

0,020

13,27

0,020

22,50

1,96

0,200

0,020

5,29

0,020

7,90

0,02

10,79

0,030

19,91

0,030

33,74

3,92

0,400

0,030

7,94

0,030

11,84

0,04

21,59

0,040

26,55

0,050

56,24

5,88

0,600

0,040

10,58

0,040

15,79

0,05

26,99

0,060

39,82

0,070

78,73

7,84

0,800

0,040

10,58

0,050

19,74

0,06

32,38

0,070

46,46

0,080

89,98

9,81

1,000

0,050

13,23

0,060

23,69

0,07

37,78

0,080

53,10

0,100

112,48

19,62

2,000

0,080

21,16

0,100

39,48

0,11

59,37

0,120

79,64

0,150

168,71

39,23

4,000

0,130

34,39

0,150

59,22

0,17

91,76

0,180

119,47

0,220

247,45

58,84

6,000

0,160

42,32

0,190

75,02

0,21

113,35

0,230

152,65

0,280

314,93

78,45

8,000

0,190

50,26

0,220

86,86

0,25

134,94

0,270

179,20

0,330

371,17

98,06

10,000

0,220

58,20

0,250

98,71

0,28

151,13

0,310

205,75

0,370

416,16

117,68

12,000

0,240

63,49

0,280

110,55

0,31

167,32

0,340

225,66

0,410

461,15

137,29

14,000

0,260

68,78

0,310

122,40

0,34

183,51

0,370

245,57

0,450

506,14

156,90

16,000

0,280

74,07

0,330

130,29

0,37

199,71

0,400

265,48

0,480

539,88

176,52

18,000

0,300

79,36

0,350

138,19

0,40

215,90

0,430

285,39

0,520

584,87

196,13

20,000

0,320

84,65

0,380

150,03

0,42

226,69

0,450

298,67

0,550

618,62

215,74

22,000

0,340

89,4

0,400

157,93

0,44

237,49

0,480

318,58

0,580

674,85

235,36

24,000

0,360

95,23

0,420

165,83

0,47

253,68

0,500

331,85

0,600

708,60

254,97

26,000

0,380

100,52

0,440

173,72

0,49

264,47

0,520

345,13

0,630

742,34

274,58

28,000

0,390

103,17

0,450

177,67

0,51

275,27

0,550

365,04

0,660

764,83

294,20

30,000

0,410

108,46

0,470

185,57

0,53

286,06

0,570

378,31

0,680

764,83

313,81

32,000

0,420

111,10

0,490

193,47

0,55

296,86

0,590

391,58

0,710

798,58

333,42

34,000

0,440

116,39

0,510

201,36

0,57

307,65

0,610

404,86

0,730

821,07

353,04

36,000

0,450

119,04

0,520

205,31

0,58

313,05

0,630

418,13

0,760

854,81

372,65

38,000

0,470

124,33

0,540

213,21

0,60

323,85

0,650

431,41

0,780

877,31

392,26

40,000

0,480

126,97

0,560

221,10

0,62

334,64

0,670

444,68

0,800

899,80

411,88

42,000

0,490

129,62

0,570

225,05

0,64

345,44

0,690

457,95

0,820

922,30

431,49

44,000

0,510

134,91

0,590

232,95

0,65

350,83

0,700

464,59

0,840

944,79

451,10

46,000

0,520

137,56

0,600

236,90

0,67

361,63

0,720

477,87

0,870

978,54

470,72

48,000

0,530

140,20

0,610

240,84

0,69

372,42

0,740

491,14

0,890

1001,03

490,33

50,000

0,540

142,85

0,630

248,74

0,70

377,82

0,750

497,78

0,910

1023,53

509,94

52,000

0,560

148,14

0,640

252,69

0,72

388,62

0,770

511,05

0,930

1046,02

529,56

54,000

0,570

150,78

0,660

260,59

0,73

394,01

0,790

524,32

0,940

1057,27

549,17

56,000

0,580

153,43

0,670

264,53

0,75

404,81

0,800

530,96

0,960

1079,76

568,78

58,000

0,590

156,07

0,680

268,48

0,76

410,21

0,820

544,24

0,980

1102,26

588,40

60,000

0,600

158,72

0,700

276,38

0,78

421,00

0,830

550,87

1,000

1124,76

608,01

62,000

0,610

161,36

0,710

280,33

0,79

426,40

0,850

564,15

1,020

1147,25

627,62

64,000

0,630

166,65

0,720

284,28

0,80

431,80

0,860

570,78

1,040

1169,75

647,24

66,000

0,640

169,30

0,730

288,22

0,82

442,59

0,880

584,06

1,050

1180,99

666,85

68,000

0,650

171,94

0,750

296,12

0,83

447,99

0,890

590,69

1,070

1203,49

686,47

70,000

0,660

174,59

0,760

300,07

0,85

458,78

0,910

603,97

1,090

1225,98

706,08

72,000

0,670

177,23

0,770

304,02

0,86

464,18

0,920

610,61

1,110

1248,48

725,69

74,000

0,680

179,88

0,780

307,97

0,87

469,58

0,940

623,88

1,120

1259,73

745,31

76,000

0,690

182,53

0,790

311,91

0,88

474,98

0,950

630,52

1,140

1293,47

764,92

78,000

0,700

185,17

0,800

315,86

0,90

485,77

0,960

637,15

1,150

1293,47

784,54

80,000

0,710

187,82

0,820

323,76

0,91

491,17

0,980

650,43

1,170

1315,96

804,15

82,000

0,720

190,46

0,830

327,71

0,92

496,56

0,990

657,06

1,190

1338,46

823,76

84,000

0,730

193,11

0,840

331,65

0,93

501,96

1,000

663,70

1,200

1349,71

843,38

86,000

0,740

195,75

0,850

335,60

0,95

512,76

1,020

676,98

1,220

1372,20

862,99

88,000

0,750

198,40

0,860

339,55

0,96

518,15

1,030

683,61

1,230

1383,45

882,60

90,000

0,760

201,04

0,870

343,50

0,97

523,55

1,040

690,25

1,250

1405,94

902,22

92,000

0,770

203,69

0,880

347,45

0,98

528,95

1,060

703,52

1,260

1417,19

921,83

94,000

0,770

203,69

0,890

351,40

0,99

534,35

1,070

710,16

1,280

1439,69

941,44

96,000

0,780

206,33

0,900

355,34

1,01

545,14

1,080

716,80

1,290

1450,93

961,06

98,000

0,790

208,98

0,910

359,29

1,02

550,54

1,090

723,44

1,310

1417,19

980,67

100,000

0,800

211,62

0,920

363,24

1,03

555,94

1,100

730,07

1,320

1484,00

1019,90

104,000

0,820

216,91

0,940

371,14

1,05

566,73

1,130

749,98

1,350

1518,42

1059,12

108,000

0,840

222,20

0,960

379,03

1,07

577,53

1,150

763,26

1,380

1552,16

1098,35

112,000

0,850

224,85

0,980

386,93

1,09

588,32

1,170

776,53

1,410

1585,90

1137,58

116,000

0,870

230,14

1,000

394,83

1,12

604,51

1,200

796,44

1,430

1608,40

1176,80

120,000

0,890

235,43

1,020

402,72

1,14

615,31

1,220

809,72

1,460

1642,14

1216,03

124,000

0,900

238,08

1,040

410,62

1,16

626,10

1,240

822,99

1,480

1664,64

1255,26

128,000

0,920

243,37

1,060

418,52

1,18

636,90

1,260

836,26

1,510

1698,38

1294,48

132,000

0,930

246,01

1,080

426,41

1,20

647,69

1,280

849,54

1,540

1732,12

1333,71

136,000

0,950

251,30

1,090

430,36

1,22

658,49

1,310

869,45

1,560

1754,62

1372,94

140,000

0,970

256,59

1,110

438,26

1,24

669,28

1,330

882,72

1,590

1788,36

1412,16

144,000

0,980

259,24

1,130

446,15

1,26

680,08

1,350

896,00

1,610

1810,86

1451,39

148,000

1,000

264,53

1,140

450,10

1,27

685,48

1,370

909,27

1,630

1833,35

1490,62

152,000

1,010

267,17

1,160

458,00

1,29

696,27

1,390

922,55

1,660

1867,09

1529,84

156,000

1,030

272,47

1,180

465,90

1,31

707,07

1,410

935,82

1,680

1889,59

1569,07

160,000

1,040

275,11

1,190

469,84

1,33

717,86

1,430

949,09

1,700

1912,08

1600,30

164,000

1,050

277,76

1,210

477,74

1,35

728,66

1,450

962,37

1,730

1945,83

1647,52

168,000

1,070

283,05

1,230

485,64

1,37

739,45

1,460

969,00

1,750

1968,32

1686,75

172,000

1,080

285,69

1,240

489,59

1,38

744,85

1,480

982,28

1,770

1990,82

1725,98

176,000

1,100

290,98

1,260

497,48

1,40

755,64

1,500

995,55

1,790

2013,31

1765,21

180,000

1,110

293,63

1,270

501,43

1,42

766,64

1,520

1008,83

1,820

2047,05

1804,43

184,000

1,120

296,27

1,290

509,33

1,43

771,83

1,540

1022,10

1,840

2069,55

1843,66

188,000

1,140

301,56

1,300

513,28

1,45

782,63

1,560

1035,38

1,860

2092,04

1882,89

192,000

1,150

304,21

1,320

521,17

1,47

793,42

1,570

1042,01

1,880

2114,54

1922,11

196,000

1,160

306,85

1,330

525,12

1,48

798,82

1,590

1055,29

1,900

2137,03

1961,34

200,000

1,170

309,50

1,350

533,02

1,50

809,62

1,610

1068,56

1,920

2159,53

2010,37

205,000

1,190

314,79

1,370

540,91

1,52

820,41

1,630

1081,83

1,950

2193,27

2059,41

210,000

1,210

320,08

1,390

548,81

1,54

831,21

1,650

1095,11

1,970

2215,77

2108,44

215,000

1,220

322,73

1,400

552,76

1,56

842,00

1,670

1108,38

2,000

2249,51

2157,47

220,000

1,240

328,02

1,420

560,65

1,58

852,80

1,700

1128,29

2,020

2272,01

2206,51

225,000

1,250

330,66

1,440

568,55

1,60

863,59

1,720

1141,57

2,050

2305,75

2255,54

230,000

1,270

335,95

1,460

576,45

1,62

874,39

1,740

1154,84

2,070

2328,24

2304,57

235,000

1,280

338,60

1,470

580,40

1,64

885,18

1,760

1168,12

2,100

2361,99

2353,61

240,000

1,300

343,89

1,490

588,29

1,66

895,98

1,780

1181,39

2,120

2384,48

2402,64

245,000

1,310

346,53

1,510

596,19

1,68

906,77

1,800

1194,66

2,140

2406,98

2451,67

250,000

1,330

351,82

1,520

600,14

1,69

912,17

1,820

1207,94

2,170

2440,72

2500,71

255,000

1,340

354,47

1,540

608,03

1,71

922,96

1,840

1221,21

2,190

2463,21

2549,74

260,000

1,360

359,76

1,560

615,93

1,73

933,76

1,860

1234,49

2,210

2485,71

2598,77

265,000

1,370

362,41

1,570

619,88

1,75

944,55

1,870

1241,12

2,240

2519,45

2647,81

270,000

1,380

365,05

1,590

627,78

1,77

955,35

1,890

1254,40

2,260

2541,95

2696,84

275,000

1,400

370,34

1,600

631,72

1,78

960,75

1,910

1267,67

2,280

2564,44

2745,88

280,000

1,410

372,99

1,620

639,62

1,80

971,54

1,930

1280,94

2,300

2586,94

2794,91

285,000

1,430

378,28

1,640

647,52

1,82

982,34

1,950

1294,22

2,320

2609,43

2843,94

290,000

1,440

380,92

1,650

651,46

1,84

993,13

1,970

1307,49

2,350

2643,17

2892,98

295,000

1,450

383,57

1,670

659,36

1,85

998,53

1,990

1320,77

2,370

2665,67

2942,01

300,000

1,470

388,86

1,680

663,31

1,87

1009,32

2,000

1327,40

2,390

2688,16

2991,04

305,000

1,480

391,50

1,700

671,21

1,89

1020,12

2,020

1340,68

2,410

2710,66

3040,08

310,000

1,490

394,15

1,710

675,15

1,90

1025,51

2,040

1353,95

2,430

2733,15

3089,11

315,000

1,510

399,44

1,730

683,05

1,92

1036,31

2,060

1367,23

2,450

2755,65

3138,14

320,000

1,520

402,08

1,740

587,00

1,94

1047,10

2,070

1373,86

2,470

2778,15

3187,18

325,000

1,530

404,73

1,760

694,90

1,95

1052,50

2,090

1387,14

2,490

2800,64

3236,21

330,000

1,540

407,38

1,770

698,84

1,97

1063,30

2,110

1400,41

2,510

2823,14

3285,24

335,000

1,560

412,67

1,790

706,74

1,98

1068,69

2,130

1413,69

2,530

2845,63

3334,27

340,000

1,570

415,31

1,800

710,69

2,00

1079,49

2,140

1420,32

2,550

2868,13

3383,31

345,000

1,580

417,96

1,810

714,64

2,02

1090,28

2,160

1433,60

2,570

2890,62

3432,34

350,000

1,590

420,60

1,830

722,53

2,03

1095,68

2,180

1446,87

2,590

2913,12

3481,37

355,000

1,610

425,89

1,840

726,48

2,05

1106,48

2,190

1453,51

2,610

2935,61

3530,41

360,000

1,620

428,54

1,860

734,38

2,06

1111,87

2,210

1466,78

2,630

2958,11

3579,44

365,000

1,630

431,18

1,870

738,33

2,08

1122,67

2,230

1480,06

2,650

2980,60

3628,48

370,000

1,640

433,83

1,880

742,28

2,09

1128,07

2,240

1486,69

2,670

3003,10

3677,51

375,000

1,660

439,12

1,900

750,17

2,11

1138,86

2,260

1499,97

2,690

3025,59

3726,55

380,000

1,670

441,76

1,910

754,12

2,12

1144,26

2,280

1513,24

2,710

3048,09

3775,58

385,000

1,680

444,41

1,920

758,07

2,14

1155,05

2,290

1519,88

2,730

3070,58

3824,61

390,000

1,690

447,05

1,940

765,96

2,15

1160,45

2,310

1533,15

2,750

3093,08

3873,65

395,000

1,700

449,70

1,950

769,91

2,17

1171,25

2,320

1539,79

2,770

3115,57

3922,68

400,000

1,710

452,35

1,960

773,86

2,18

1176,64

2,340

1553,06

2,790

3138,07

4020,75

410,000

1,740

460,28

1,990

785,71

2,21

1192,84

2,370

1572,97

2,820

3171,81

4118,81

420,000

1,760

465,57

2,020

797,55

2,24

1209,03

2,400

1592,88

2,860

3216,80

4216,88

430,000

1,780

470,86

2,040

805,45

2,27

1225,22

2,430

1612,80

2,900

3261,79

4314,95

440,000

,810

478,80

2,070

817,29

2,30

1241,41

2,460

1632,71

2,930

3295,53

4413,01

450,000

,830

484,09

2,090

825,19

2,33

1257,60

2,490

1652,62

2,970

3340,52

4511,08

460,000

,850

489,38

2,120

837,03

2,35

1268,40

2,520

1672,53

3,000

3374,27

4609,15

470,000

,870

494,67

2,140

844,93

2,38

1284,59

2,550

1692,44

 

 

4707,22

480,000

,890

499,96

2,170

856,78

2,41

1300,78

2,580

1712,35

 

 

4805,28

490,000

,910

505,25

2,190

864,67

2,43

1311,58

2,610

1732,26

 

 

4903,35

500,000

,930

510,54

2,220

876,52

2,46

1327,77

2,640

1752,17

 

 

5001,42

510,000

,960

518,48

2,240

884,41

2,49

1343,96

2,660

1765,45

 

 

5099,48

520,000

,980

523,77

2,260

892,31

2,51

1354,76

2,690

1785,36

 

 

5197,55

530,000

2,000

529,06

2,290

904,15

2,54

1370,95

2,720

1805,27

 

 

5295,62

540,000

2,020

534,35

2,310

912,05

2,56

1381,75

2,750

1825,18

 

 

5393,68

550,000

2,040

539,64

2,330

919,95

2,59

1397,94

2,770

1838,45

 

 

5491,75

560,000

2,060

544,93

2,360

931,79

2,62

1414,13

2,800

1858,37

 

 

5589,82

570,000

2,080

550,22

2,380

939,69

2,64

1424,93

2,830

1878,28

 

 

5687,89

580,000

2,100

555,51

2,400

947,59

2,66

1435,72

2,850

1891,55

 

 

5785,95

590,000

2,120

560,80

2,420

955,48

2,69

1451,91

2,880

1911,46

 

 

5884,02

600,000

2,130

563,45

2,440

963,38

2,71

1462,71

2,910

1931,37

 

 

5982,09

610,000

2,150

568,74

2,470

975,22

2,74

1478,90

2,930

1944,65

 

 

6080,15

620,000

2,170

574,03

2,490

983,12

2,76

1489,69

2,960

1964,56

 

 

6178,22

630,000

2,190

579,32

2,510

991,02

2,79

1505,89

2,980

1977,83

 

 

6276,29

640,000

2,210

584,61

2,530

998,91

2,81

1516,68

3,000

1991,11

 

 

6374,35

650,000

2,230

589,90

2,550

1006,81

2,83

1527,48

 

 

 

 

6472,42

660,000

2,250

595,19

2,570

1014,71

2,86

1543,67

 

 

 

 

6570,49

670,000

2,270

600,48

2,590

1022,60

2,88

1554,46

 

 

 

 

6668,56

680,000

2,280

603,13

2,610

1030,50

2,90

1565,26

 

 

 

 

6766,62

690,000

2,300

608,42

2,630

1038,40

2,92

1576,05

 

 

 

 

6864,69

700,000

2,320

613,71

2,650

1046,29

2,95

1592,25

 

 

 

 

6962,76

710,000

2,340

619,00

2,680

1058,14

2,97

1603,04

 

 

 

 

7060,82

720,000

2,360

624,29

2,700

1066,03

2,99

1613,84

 

 

 

 

7158,90

730,000

2,370

626,93

2,720

1073,93

3,00

1619,23

 

 

 

 

7256,96

740,000

2,390

632,23

2,740

1081,83

 

 

 

 

 

 

7355,02

750,000

2,410

637,52

2,750

1085,77

 

 

 

 

 

 

7453,09

760,000

2,420

640,16

2,770

1093,67

 

 

 

 

 

 

7551,16

770,000

2,440

645,45

2,790

1101,57

 

 

 

 

 

 

7649,23

780,000

2,460

650,74

2,810

1109,46

 

 

 

 

 

 

7747,29

790,000

2,480

656,03

2,830

1117,36

 

 

 

 

 

 

7845,36

800,000

2,490

658,68

2,850

1125,26

 

 

 

 

 

 





Rambler's Top100 Яндекс цитирования
  Copyright © 2008-2026, www.docload.ru