Бесплатная библиотека стандартов и нормативов www.docload.ru

Все документы, размещенные на этом сайте, не являются их официальным изданием и предназначены исключительно для ознакомительных целей.
Электронные копии этих документов могут распространяться без всяких ограничений. Вы можете размещать информацию с этого сайта на любом другом сайте.
Это некоммерческий сайт и здесь не продаются документы. Вы можете скачать их абсолютно бесплатно!
Содержимое сайта не нарушает чьих-либо авторских прав! Человек имеет право на информацию!

 

МКС 77.140.70

Группа В22

Поправка

к ГОСТ 8240-97 Швеллеры стальные горячекатаные. Сортамент

В каком месте

Напечатано

Должно быть

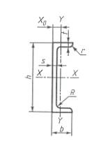
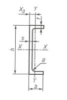
Пункт 2.2. Рисунок 1

рисунок 2

Пункт 2.3. Таблица 1. Графа SX. Для номера швеллера 8У

23,30

13,30

таблица 2. Графа WУ. Для номера швеллера 8П

3,31

5,31

таблица 5. Графа IУ. Для номера швеллера 26С

1115,60

115,60

Пункт 2.4

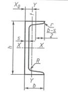
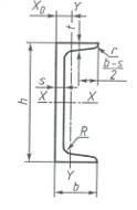
на рисунке 3

на рисунках 1-3

рисунок 3. Обозначение прогиба

t

¦

Пункт 2.7

при длине от 2 до 8 м включ. – до +40 мм;
»  » св. 8 м – до +
[40+5 (l-8)] мм, но не более 100 мм

+ 40 мм – при длине от 2 до 8 м включ.;
+
[40+5(l-8)] мм, но не более 100 мм – при длине св.8 м,

 

(ИУС № 12 2004 г.)




Rambler's Top100 Яндекс цитирования
  Copyright © 2008-2026, www.docload.ru