|
|
ГОСТ Р 51330.10-99 ГОСУДАРСТВЕННЫЙ СТАНДАРТ РОССИЙСКОЙ ФЕДЕРАЦИИ ЭЛЕКТРООБОРУДОВАНИЕ Часть
11 Искробезопасная
электрическая цепь i ГОССТАНДАРТ РОССИИ Москва Предисловие 1 РАЗРАБОТАН Некоммерческой
автономной научно-исследовательской организацией «Центр по сертификации
взрывозащищенного и рудничного электрооборудования ИГД» (НАНИО «ЦС ВЭ ИГД») ВНЕСЕН Техническим комитетом по стандартизации ТК 403 «Взрывозащищенное и рудничное электрооборудование» 2 ПРИНЯТ И ВВЕДЕН В ДЕЙСТВИЕ Постановлением Госстандарта России от 9
декабря 1999 г. № 500-ст 3 Настоящий стандарт представляет собой аутентичный текст
международного стандарта МЭК 60079-11-99 «Электрооборудование взрывозащищенное.
Часть 11. Искробезопасная электрическая цепь i» с дополнительными
требованиями, отражающими потребности экономики страны 4 ВВЕДЕН ВПЕРВЫЕ СОДЕРЖАНИЕ Введение Настоящий стандарт входит в
комплекс государственных стандартов на взрывозащищенное электрооборудование,
разрабатываемых Техническим комитетом по стандартизации ТК 403
«Взрывозащищенное и рудничное электрооборудование» на основе применения
международных стандартов МЭК на взрывозащищенное электрооборудование. В стандарт, дополнительно к
требованиям международного стандарта МЭК 60079-11-99, включены положения,
конкретизирующие или дополняющие отдельные пункты МЭК 60079-11-99 с учетом
сложившейся российской практики, норм и требований государственных стандартов.
Дополнительные требования, отражающие потребности экономики страны, выделены в
тексте курсивом. В целях удобства обращения к
конкретным техническим требованиям в настоящем стандарте сохранена нумерация
разделов, подразделов, пунктов и т.п., данная в стандарте МЭК 60079-11-99. Основные отличия настоящего
стандарта от стандарта МЭК 60079-11-99 состоят в следующем. 1) Сохранен использующийся в
российской практике вероятностный подход к оценке искробезопасности
электрической цепи, который, по нашему мнению, позволяет обеспечивать более
объективную оценку взрывозащищенности электрического оборудования. 2) Сохранена возможность
использования управляемых полупроводниковых элементов в качестве ограничителей
тока для особовзрывобезопасного уровня взрывозащиты электрооборудования. Такое
решение принято на основании имеющегося опыта оценки искробезопасности электрических
цепей с устройствами такого типа, опыта конструирования и практического
использования электрооборудования с указанными средствами взрывозащиты. При
этом введены дополнительные требования, повышающие надежность обеспечения его
искробезопасности. 3) Сохранен коэффициент
искробезопасности 1,5 для искробезопасных электрических цепей уровня ia
вне зависимости от числа учитываемых повреждений. 4) Сохранены искробезопасные
цепи уровня iс, поскольку они имеют достаточно широкую область
применения. ГОСУДАРСТВЕННЫЙ СТАНДАРТ РОССИЙСКОЙ ФЕДЕРАЦИИ ЭЛЕКТРООБОРУДОВАНИЕ
ВЗРЫВОЗАЩИЩЕННОЕ Часть 11 Искробезопасная
электрическая цепь i Electrical
apparatus for explosive atmospheres. Part 11. Intrinsic safety i Дата введения 2001-01-01 1 Область применения1.1 Настоящий стандарт
распространяется на взрывозащищенное электрооборудование (электротехнические
устройства) групп I и II с взрывозащитой вида «искробезопасная электрическая
цепь», на электрооборудование с взрывозащитой других видов, имеющее
искробезопасные и связанные с ними искроопасные электрические цепи, а также на
электрические цепи невзрывозащищенного электрооборудования, которые
электрически связаны с искробезопасными цепями взрывозащищенного
электрооборудования и могут оказать влияние на их искробезопасность. Стандарт устанавливает
требования к конструкции, методам испытаний и маркировке
искробезопасного электрооборудования, искробезопасных цепей связанного
электрооборудования, а также электрооборудования, предназначенного для
подключения к искробезопасным цепям. 1.2
Стандарт дополняет требования ГОСТ Р 51330.0 к взрывозащищенному электрооборудованию с взрывозащитой вида
«искробезопасная электрическая цепь». Если электрически связанное
электрооборудование имеет взрывозащиту одного из видов, перечисленных в ГОСТ Р
51330.0, то оно должно удовлетворять требованиям стандарта на взрывозащиту
конкретного вида и требованиям ГОСТ Р
51330.0 одновременно. Требования ГОСТ Р
51330.0 к искробезопасному и связанному электрооборудованию следует
применять в соответствии с приведенной ниже таблицей и учетом того, что для
связанного электрооборудования, предназначенного для использования во
взрывоопасной зоне, применение или не применение перечисленных в таблице
пунктов устанавливается исходя из требований к взрывозащите используемого вида.
11.4 Требования настоящего стандарта являются обязательными. 2 Нормативные ссылкиВ настоящем стандарте
использованы ссылки на следующие стандарты: ГОСТ Р 50537-93 (МЭК
127-1-88) Миниатюрные плавкие предохранители. Терминология для миниатюрных
плавких предохранителей и общие требования к миниатюрным плавким вставкам ГОСТ Р 50538-93 (МЭК
127-2-89) Миниатюрные плавкие предохранители. Трубчатые плавкие вставки ГОСТ Р 50539-93 (МЭК
127-3-88) Миниатюрные плавкие предохранители. Субминиатюрные плавкие вставки ГОСТ Р
51330.0-99 (МЭК 60079-0-98) Электрооборудование взрывозащищенное. Часть 0.
Общие требования ГОСТ Р 51330.8-99
Электрооборудование взрывозащищенное. Часть 7. Защита вида е ГОСТ 14254-96
(МЭК 529-89) Степени защиты, обеспечиваемые оболочками (Код IP) ГОСТ 18311-80 Изделия
электротехнические. Термины и определения основных понятий ГОСТ
27473-87 (МЭК 112-79) Материалы электроизоляционные твердые. Метод
определения сравнительного и контрольного индексов трекингостойкости во влажной
среде 3 ОпределенияВ стандарте наряду с
определениями по ГОСТ Р
51330.0 используют следующие: 3.1 искробезопасная
электрическая цепь: Электрическая цепь, в которой для предписанных настоящим стандартом
условий испытаний любые искрения не вызывают воспламенение с вероятностью
большей 10-3, а любое тепловое воздействие не способно воспламенить взрывоопасную
смесь. Примечание - Электрическую цепь, не удовлетворяющую требованиям 3.1, считают искроопасной. 3.2 электрооборудование:
По ГОСТ 18311. 3.3 искробезопасное
электрооборудование: Электрооборудование, в котором все электрические цепи
искробезопасны. 3.4 связанное
электрооборудование: Электрооборудование, которое содержит как
искробезопасные, так и искроопасные цепи, при этом конструкция
электрооборудования выполнена так, что искроопасные цепи не могут оказать
отрицательного влияния на искробезопасные цепи. Примечание - Связанное электрооборудование может: а) иметь взрывозащиту другого вида, отвечающую требованиям применения во взрывоопасной зоне; б) не иметь взрывозащиты, например, регистрирующий прибор, расположенный вне взрывоопасной зоны, с входной искробезопасной цепью термопары, установленной во взрывоопасной зоне 3.5 нормальный режим
работы: По ГОСТ 18311. Вероятность того, что такие
повреждения произойдут в процессе эксплуатации или хранения, считают настолько
низкой, что она не должна приниматься в расчет. Вероятность того, что такие
повреждения произойдут в процессе эксплуатации или хранения, считают настолько
низкой, что она не должна приниматься в расчет. 3.11 простое
электрооборудование: Электрический элемент или комбинация элементов,
имеющих простую конструкцию с точно определенными электрическими параметрами,
совместимыми с допустимыми параметрами для искробезопасной цепи, к которой они
подключаются. 3.12 внутренняя проводка:
Электрические соединения и провода электромонтажа, выполненные изготовителем
внутри электрооборудования. 3.13 минимальный
воспламеняющий ток (МВТ): Ток в омической или индуктивной цепях, вызывающий
воспламенение взрывоопасной смеси с вероятностью 10-3 при
испытаниях с использованием искрообразующего механизма согласно приложения Б
или аналогичного по чувствительности искрообразующего механизма. 3.14 минимальное
воспламеняющее напряжение: Напряжение в емкостных цепях, вызывающее
воспламенение взрывоопасной смеси с вероятностью 10-3 при
испытаниях с использованием искрообразующего механизма согласно приложения Б
или аналогичного по чувствительности искрообразующего механизма. 3.15 максимальное
выходное напряжение постоянного тока или эффективное значение переменного (Um):
Максимальное напряжение, которое может быть приложено
к соединительным устройствам искроопасных цепей связанного электрооборудования
без нарушения искробезопасности. Примечание - Значение Um может быть различным для соединительных устройств разных типов, а также для напряжений переменного и постоянного тока. 3.16 максимальное входное
напряжение (U1): Максимальное напряжение
(постоянного или амплитудное значение переменного тока), которое может быть
приложено к соединительным устройствам искробезопасных цепей
электрооборудования без нарушения его искробезопасности. 3.17 максимальное
выходное напряжение (U0): Максимальное выходное
напряжение (постоянного или амплитудное значение переменного тока), которое
может появиться на соединительных устройствах искробезопасных цепей
электрооборудования в случае приложения максимального напряжения, включая Um и Ui. Примечание - Если в электрооборудовании имеется более одного напряжения, то максимальное напряжение на выхоhbcде - это напряжение, соответствующее наиболее опасной комбинации приложенных напряжений. 3.18 максимальный входной
ток (Ii): Максимальный ток
(постоянный или амплитудное значение переменного), который может протекать в
соединительных устройствах искробезопасных цепей электрооборудования без
нарушения его искробезопасности. 3.19 максимальный
выходной ток (I0): Максимальный выходной ток
(постоянный или амплитудное значение переменного), который может протекать в
соединительных устройствах искробезопасных цепей электрооборудования в
случае приложения максимального напряжения, включая Um и Ui. 3.20 максимальная входная
мощность (Pi): Максимальная входная
мощность искробезопасной цепи, которая может рассеиваться в электрооборудовании
без нарушения его искробезопасности. 3.21 максимальная
выходная мощность (P0): Максимальная электрическая
мощность на выходе искробезопасной цепи электрооборудования. 3.22 максимальная внешняя
емкость (C0): Максимальное значение
емкости искробезопасной цепи, которое может быть подключено к соединительным
устройствам электрооборудования без нарушения его искробезопасности. 3.23 максимальная
внутренняя емкость (Ci): Суммарная эквивалентная
внутренняя емкость, которая может оказаться на соединительных устройствах
электрооборудования. 3.24 максимальная внешняя
индуктивность (L0): Максимальное значение
индуктивности искробезопасной цепи, которое может подключаться к соединительным
устройствам электрооборудования без нарушения его искробезопасности. 3.25 максимальная
внутренняя индуктивность (Li): Суммарная эквивалентная
внутренняя индуктивность, которая может присутствовать на соединительных
устройствах электрооборудования. 3.26 максимальное
отношение внешних индуктивности и сопротивления (L0/R0): Отношение индуктивности (L0) к сопротивлению (R0) внешней электрической
цепи, которое может иметь место на соединительном устройстве
электрооборудования без нарушения его искробезопасности. 3.27 максимальное отношение
внутренних индуктивности и сопротивления (Li/Ri): Отношение индуктивности
(Li) к внутреннему сопротивлению
(Ri), которое может иметь место на
соединительных устройствах электрооборудования. 3.28 электрический зазор:
Кратчайшее расстояние в окружающей среде между токоведущими частями разного
потенциала или между токоведущей и заземленной частями электрооборудования. Примечание - Это расстояние регламентируется только для частей, подверженных воздействию атмосферы, и не распространяется на изолированные или покрытые изоляционным компаундом части. 3.29 электрический зазор
через заливку компаундом: Кратчайшее расстояние между токоведущими частями
разного потенциала или между токоведущей и заземленной частями
электрооборудования для залитых изоляционным компаундом токоведущих частей. 3.30 электрический зазор
через твердые электроизоляционные материалы: Кратчайшее расстояние между
токоведущими частями разного потенциала или между токоведущей и заземленной
частями электрооборудования через твердые электроизоляционные материалы. 3.31 пути утечки по
поверхности электроизоляционных материалов: Кратчайшее расстояние между
токоведущими частями разного потенциала или между токоведущей и заземленной
частями электрооборудования по поверхности электроизоляционного материала. 3.32 пути утечки для
поверхностей покрытых электроизоляционным материалом: Кратчайшее расстояние
между токоведущими частями разного потенциала или между токоведущей и
заземленной частями электрооборудования по поверхности электроизоляционного
материала, на которую нанесено изолирующее покрытие. 3.33 номинальный ток
предохранителя (In): Номинальный ток
срабатывания предохранителя, указанный изготовителем. 3.34 герметичный элемент
или батарея: Элемент или батарея, выполненные в герметичной оболочке, через
которую не выделяется газ или жидкость в условиях эксплуатации, определенных
изготовителем. Примечание - Такие элементы и батареи могут быть снабжены устройством безопасности, предохраняющим от опасного высокого внутреннего давления при нарушении условий эксплуатации, не требуют добавления электролита и предназначены для работы в течение всего срока службы, указанного изготовителем. 3.35 герметичный элемент
или батарея с регулирующим клапаном: Элемент или батарея, выполненные в
герметичной оболочке, не выделяющие газ в нормальном режиме работы, но имеющие
предохранительный клапан, позволяющий сбрасывать избыточное давление газа, если
внутреннее давление превышает заданную величину. Эти элементы или батареи не
требуют добавления электролита. 3.36 диодный барьер
безопасности: Блок, состоящий из шунтирующих диодов (в том числе
стабилитронов), защищенных резисторами или резисторами и предохранителями, и
изготовленный в виде отдельного электрооборудования или его части. 3.37 искрообразующий
механизм: Контактное устройство, предназначенное для проведения испытаний
на искробезопасность. 3.38 учитываемое
размыкание или замыкание: Размыкание или замыкание контактов
искрообразующего механизма, реализующее наиболее опасные условия испытания
электрической цепи на искробезопасность. 3.39 минимальная
воспламеняющая энергия (мощность) электрического разряда: Энергия
(мощность) электрического разряда, вызывающая воспламенение взрывоопасной смеси
с вероятностью 10-3 при испытаниях с использованием искрообразующего
механизма согласно приложения Б или аналогичного по
чувствительности искрообразующего механизма. 3.40 искробезопасный ток
(напряжение, мощность или энергия): Наибольший ток (напряжение, мощность
или энергия) в электрической цепи (электрическом разряде), который не вызывает
воспламенение взрывоопасной смеси в предписанных настоящим стандартом условиях
испытаний с вероятностью большей 10-3. 3.41 коэффициент
искробезопасности: Отношение минимальных воспламеняющих параметров к
соответствующим искробезопасным. 3.42 представительная
взрывоопасная смесь: Взрывоопасная смесь одной из групп (подгрупп)
взрывозащищенного электрооборудования. 3.43 активизированная
взрывоопасная смесь: Взрывоопасная смесь, обеспечивающая при испытаниях
электрической цепи без изменения ее параметров коэффициент искробезопасности. 4 Группы и температурные классы искробезопасного и связанного электрооборудованияИскробезопасное и связанное
электрооборудование должно подразделяться на группы и классифицироваться по
температурным классам в соответствии с разделами 4 и 5 ГОСТ Р
51330.0. 5 Уровень искробезопасных электрических цепей5.1 Общие требования 5.1.1 Искробезопасные цепи
искробезспасного и связанного электрооборудования должны быть отнесены к одному
из уровней ia, ib или ic. К искробезопасным цепям
перечисленных уровней должны применяться требования настоящего стандарта, за
исключением случаев, когда указывается иное. Примечание - Искробезопасные цепи с параметрами, соответствующими уровню ia, могут одновременно относиться к уровням ib и ic или иметь различные параметры для каждого из указанных уровней. 5.1.2 При определении
уровней искробезопасных цепей повреждения элементов, разделений и соединений
следует учитывать исходя из требований 7.6. 5.2
Искробезопасная цепь уровня ia 5.2.1 При приложении
напряжений Um и Ui искробезопасные цепи уровня
ia не должны вызывать воспламенение взрывоопасной смеси в
предписанных настоящим стандартом условиях испытаний от теплового воздействия,
а от искрений - с вероятностью большей 10-3 в каждом из следующих
случаев: а) при нормальной работе и
введении всех неучитываемых повреждений, создающих наиболее опасные условия; б) при нормальной работе,
введении одного учитываемого и всех неучитываемых повреждений, создающих
наиболее опасные условия; в) при нормальной работе,
введении двух учитываемых и всех неучитываемых повреждений, создающих наиболее
опасные условия. Примечание - В каждом из вышеуказанных случаев неучитываемые повреждения могут быть различными. 5.2.2 В испытуемых или
оцениваемых на искробезопасность цепях по отношению к напряжению, току или их
комбинации необходимо применять коэффициент искробезопасности 1,5 для
искрообразующего механизма I типа и 2 для искрообразующих механизмов II и III
типов в соответствии с 10.4.2. 5.2.3 Во всех случаях при
оценке температуры поверхности коэффициент искробезопасности по напряжению или
току должен быть равен 1,0. Примечание - Условия взрывобезопасности малых элементов изложены в 10.7. 5.2.4 Если может возникнуть
только одно учитываемое повреждение, то для присвоения искробезопасной цепи
уровня ia принимают во внимание требования подпункта б), при условии
выполнения требований настоящего стандарта к искробезопасной цепи уровня ia.
Если учитываемые повреждения не могут возникнуть, то для присвоения
искробезопасной цепи уровня ia принимают во внимание требования
подпункта а), при условии выполнения требований настоящего стандарта к
искробезопасной цепи уровня ia. 5.3
Искробезопасная цепь уровня ib 5.3.1 При приложении
напряжения Um и Ui искробезопасные цепи уровня
ib не должны вызывать воспламенение взрывоопасной смеси в
предписанных настоящим стандартом условиях испытаний от теплового воздействия,
а от искрений - с вероятностью большей 10-3 в каждом из следующих
случаев: а) при нормальной работе и
введении всех неучитываемых повреждений, создающих наиболее опасные условия; б) при нормальной работе,
введении одного учитываемого и всех неучитываемых повреждений, создающих
наиболее опасные условия. Примечание - В каждом из вышеуказанных случаев неучитываемые повреждения могут быть различными. 5.3.2 Искробезопасные цепи
уровня ib должны иметь коэффициент искробезопасности 1,5 или 2 (в
зависимости от используемого искрообразующего механизма) по отношению к
напряжению, току или их комбинации в соответствии с 10.4.2. 5.3.3 Во всех случаях при
оценке температуры поверхности коэффициент искробезопасности по напряжению или
току должен быть равен 1,0. Примечание - Условия взрывобезопасности малых элементов изложены в 10.7. 5.3.4 Если учитываемые
повреждения не могут возникнуть, то для присвоения искробезопасной цепи уровня ib
принимают во внимание требования подпункта а), при условии выполнения
требований настоящего стандарта к искробезопасной цепи уровня ib. 5.3.5 Искробезопасная
цепь уровня ic 5.3.5.1 При приложении
напряжений Um и Ui искробезопасные цепи уровня
ic не должны вызывать воспламенение взрывоопасной смеси в предписанных
настоящим стандартом условиях испытаний от теплового воздействия, а от искрений
- с вероятностью большей 10-3 при нормальной работе и введении всех
неучитываемых повреждений, создающих наиболее опасные условия. 5.3.5.2 Искробезопасные цепи
уровня ic должны иметь коэффициент искробезопасности 1,5 или 2 (в зависимости
от используемого искрообразующего механизма) по отношению к напряжению, току
или их комбинации в соответствии с 10.4.2. 5.3.5.3 Во всех случаях при
оценке температуры поверхности коэффициент искробезопасности по току или
напряжению должен быть равен 1,0. Примечание - Условия взрывобезопасности малых элементов изложены в 10.7. 5.4 Простое
электрооборудование 5.4.1 К простому электрооборудованию
относят: а) пассивные элементы,
например выключатели, соединительные коробки, потенциометры и резисторы; б) устройства, накапливающие
энергию, имеющие точно известные параметры, например конденсаторы или катушки
индуктивности; в) источники энергии,
например термопары и фотоэлементы, в которых любая из генерируемых ими величин
не превышает 1,5 В, 100 мА и 25 мВт. 5.4.2 Простое
электрооборудование должно соответствовать всем требованиям настоящего
стандарта. 6 Требования к электрооборудованиюПримечание - Требования этого раздела, если это не отражено в соответствующих подпунктах, относятся только к конструктивным особенностям искробезопасного и связанного электрооборудования, которые влияют на вид взрывозащиты и являются дополнением к общим требованиям ГОСТ Р 51330.0 (за исключением указанных в 1.2 настоящего стандарта). Например, требования по
герметизации заливочным компаундом применяют только в случае, если герметизация
необходима для обеспечения требований 6.4.4 и 6.7. Примечание - Определение оболочки - по ГОСТ Р 51330.0. 6.1.1 Оболочки должны
обеспечивать защиту внутренних элементов искробезопасного и связанного
электрооборудования, устанавливаемого во взрывоопасной зоне, со степенью защиты
по ГОСТ
14254 в соответствии с условиями эксплуатации. 6.1.2 Для защиты от
прикосновения с токоведущими частями, находящимся под напряжением, и внешних
воздействий окружающей среды могут использоваться оболочки с различной степенью
защиты. Степень защиты от внешних воздействий оболочек искробезопасного и
связанного электрооборудования должна быть подтверждена соответствующими
испытаниями на предприятии-изготовителе или в испытательной организации. 6.1.3 Крышки оболочек
должны, иметь запорные устройства по ГОСТ Р
51330.0 или опломбироватъся. 6.2
Температура проводников и малых элементов Примечание - Малые элементы - элементы, поверхность которых не превышает 10 см2. 6.2.1 Слой пыли на
электрооборудовании группы I Для электрооборудования
группы I, относящегося к температурным классам Т1 - Т4, не допускается
формирование слоя пыли на оболочках электрооборудования или на элементах
внутреннего монтажа. 6.2.2 Провода
внутреннего монтажа 6.2.2.1 Максимально
допустимый ток I, А, соответствующий максимальной температуре
самонагрева металлического провода, вычисляют по формуле
где а - температурный коэффициент сопротивления
материала проводника (для меди а =0,004265 1/К);
Для медных проводников значения
температуры приведены в таблице 1. Таблица 1 - Температурная классификация медной проводки (при
максимальной температуре окружающей среды 40 °С)
6.2.2.2 Максимальный ток в
изолированных проводниках не должен превышать номинального значения, указанного
изготовителем провода. 6.2.3.1 Печатные одно- или
двухсторонние платы толщиной не менее 0,5 мм, с печатными проводниками толщиной
не менее 35 мкм относят к температурным классам Т1 - Т4 и допускают для
применения в электрооборудовании группы I, если они имеют минимальную ширину
печатного проводника 0,3 мм, а длительно протекающий по ним ток не превышает
0,518 А. Аналогично печатные проводники минимальной ширины 0,5, 1,0 и 2,0 мм
относят к температурному классу Т4 при максимальных токах 0,814, 1,388 и 2,222
А, соответственно. Температурную классификацию печатных проводников длиной 10
мм или менее не проводят. 6.2.3.2 В остальных случаях
температурный класс медных проводников печатных плат должен определяться в
соответствии с таблицей
2. Таблица 2 - Температурная классификация проводников печатных плат (при
максимальной температуре окружающей среды 40 °С)
6.2.3.3 Допустимые
отклонения при изготовлении печатных плат не должны уменьшать минимальную
ширину печатного проводника более чем на 10 % или 1 мм, в зависимости от того,
какое из значений меньше. 6.2.3.4 При максимальной
входной мощности Р1 не более 1,3 Вт печатные проводники могут
быть отнесены к температурному классу Т4, и допускаются для применения в
электрооборудовании группы I. 6.2.4.1 Максимальная
температура элементов с площадью поверхности менее 10 см2, например,
транзисторов или резисторов, может превышать допустимую температуру по
температурному классу, если выполняется одно из следующих условий: а) при испытаниях согласно 10.7
малые элементы не должны поджигать взрывоопасную смесь, а любое их разрушение
или деформация за счет высокой температуры не должны нарушать вид взрывозащиты; б) для группы I и
температурного класса Т4 размеры малых элементов должны соответствовать таблице 3; в) для температурного класса
Т5 температура поверхности (за исключением проволочных выводов) малых элементов
не должна превышать 150 °С. Таблица 3 - Допустимые параметры для температурного класса Т4, с учетом
размеров элемента и температуры окружающей среды
6.2.4.2 Для потенциометров
площадь поверхности выбирают исходя из поверхности резистивного элемента, а не
внешней поверхности потенциометра. В процессе испытаний следует принимать во
внимание условия монтажа, теплоотвод и охлаждающий эффект конструкции
потенциометра в целом. Температуру измеряют на дорожке потенциометра при
максимальном значении тока, который может протекать в нормальном или аварийном
режиме работы для заданного уровня искробезопасной цепи. Если измеренные
значения сопротивления потенциометра меньше 10 % сопротивления печатного
проводника, то при оценке следует учитывать сопротивление последнего. 6.3 Соединительные
устройства для подключения внешних цепей 6.3.1.1 Зажимы для
присоединения искробезопасных цепей должны удовлетворять требованиям таблицы 4,
и отделяться от зажимов искроопасных цепей одним из следующих способов: а) зажимы для присоединения
искробезопасных и искроопасных цепей должны быть расположены в разных вводных
отделениях; б) электрический зазор между
зажимами для присоединения искробезопасных и искроопасных цепей должен
составлять не менее 50 мм, при этом расположение зажимов и способ прокладки
проводов должны исключать замыкания между искробезопасными и искроопасными
цепями при обрыве или смещении проводника; в) применение между зажимами
для присоединения искробезопасных и искроопасных цепей, расположенных в одном
отделении, изоляционной или заземленной металлической перегородки. Эти способы разделения
должны применяться, когда искробезопасность электрической цепи может быть
нарушена соединительными проводами, которые при обрыве соединения с зажимом
могут замкнуться на другие проводники или элементы внутреннего монтажа. Конструктивные решения б) и
в) могут применяться, если напряжение искроопасной (силовой) цепи не превышает
1200 В для электрооборудования группы I и 1000 В для электрооборудования группы
II. Примечание - Зажимы для подсоединения внешних цепей к искробезопасному и связанному электрооборудованию должны быть выполнены таким образом, чтобы они не повреждались при соединениях. 6.3.1.2 Изоляционные или
заземленные металлические перегородки должны отвечать следующим требованиям: 1) края перегородок должны
отступать от стенок не более чем на 1,5 мм, или должно обеспечиваться
минимальное расстояние 50 мм между зажимами в любом направлении вокруг
перегородки; 2) металлические перегородки
должны заземляться и иметь достаточную прочность и жесткость, чтобы не
разрушаться при монтаже и эксплуатации. Толщина таких перегородок должна быть
не менее 0,45 мм. При меньшей толщине перегородки должны соответствовать
требованиям 10.10.2.
Заземленные металлические перегородки должны пропускать максимальный ток,
возможный в аварийных режимах, без прогорания перегородки или повреждения цепи
заземления; 3) неметаллические
изоляционные перегородки должны иметь толщину не менее 0,9 мм и крепиться таким
образом, что быть достаточно устойчивыми к деформациям. При меньшей толщине
перегородки должны удовлетворять требованиям 10.10.2. Неметаллические
перегородки должны иметь соответствующий индекс трекингостойкости.
Электрические зазоры, пути утечки и другие расстояния разделения должны
измеряться вокруг перегородки. Электрическая прочность изоляции перегородки
должна удовлетворять требованиям 6.4.12. 6.3.1.3 Значения
электрических зазоров между неизолированными токоведущими частями зажимов
различных искробезопасных цепей, между зажимами незаземленных
искробезопасных цепей и заземленными частями вводного отделения
должны быть не менее приведенных в таблице 4. Расстояния между
зажимами искробезопасных цепей должны обеспечивать электрические зазоры не
менее 6 мм между неизолированными частями внешних проводников в соответствии с рисунком 1.
При этом необходимо учитывать возможное перемещение жестко не закрепленных
металлических частей. 6.3.1.4 Если при анализе
безопасности не были учтены возможные межсоединения, то минимальный
электрический зазор между неизолированными токоведущими частями внешних
проводников, подключаемых к зажимам искробезопасных цепей, и заземленными
металлическими или другими проводящими частями электрооборудования должен
составлять не менее 3 мм. 6.3.1.5 Винтовые (болтовые)
зажимы должны быть предохранены от самоотвинчивания, а кабели и провода,
соединенные с зажимами - от выдергивания. 6.3.1.6 Зажимы для
присоединения внешних искробезопасных цепей должны закрываться крышкой,
запираемой специальным инструментом, или опломбироваться. Это требование не
относится к электрооборудованию, устанавливаемому в оболочках или шкафах,
снабженных запорными устройствами по ГОСТ Р
51330.0 или опломбированных. 6.3.2 Электрические разъемы 6.3.2.1 Конструкция
разъемов, предназначенных для подключения внешних искробезопасных цепей, должна
отличаться от конструкции других разъемов и не должна быть взаимозаменяемой.
Конструкция разъема должна исключать возможность неправильного соединения,
например, с помощью направляющих штифтов или гнезд. 6.3.2.2 Для подключения
искробезопасных цепей допускается применение однотипных разъемов, если приняты
меры, исключающие возможность их неправильного соединения, например, при помощи
ключа, или разъемы должны идентифицироваться маркировкой или цветовым кодом. Таблица 4 - Зазоры, пути утечки и сравнительные индексы
трекингостойкости
I - токопроводящий слой; Т - зазоры и длина пути утечки в
соответствии с таблицей
4; d
- зазоры и длина пути утечки
в соответствии с 6.3.1 Примечание
- Указанные размеры Т и d - это зазоры по воздуху и длина пути
утечки вокруг изоляции в миллиметрах, как указано выше, а не толщина изоляции. Рисунок 1. Требования к зазорам и длине пути утечки для зажимов, к
которым подключены раздельные искробезопасные цепи 6.3.2.3 В разъемах,
предназначенных для подключения внешних искробезопасных, не связанных между
собой цепей, пути утечки и электрические зазоры между токоведущими частями, к
которым подключены разные цепи, должны удовлетворять требованиям таблицы 4. 6.3.2.4 Присоединение
проводов к разъемам должно выполняться в соответствии с 6.3.1. При
использовании специального инструмента, исключающего возможность отсоединения
жилы проводника, разъемы должны отвечать только требованиям таблицы 4. 6.3.2.5 Разъем, содержащий
цепи заземления, повреждение которых может оказать влияние на искробезопасность
электрической цепи, должен быть выполнен в соответствии с 6.6. 6.3.2.6 Для подключения
внешних искробезопасных и искроопасных цепей, в том числе и сетевых должны
применяться разъемы, в которых пути утечки и электрические зазоры между
токоведущими частями (штифтами или гнездами) удовлетворяют требованиям таблицы 4,
а разделения между зажимами для присоединения кабелей или проводов указанных
цепей, между неизолированными участками присоединительных проводов, а также
между зажимами и заземленными частями должны выполняться в соответствии с
требованиями 6.3.1. 6.3.3 Определение отношения
максимальной индуктивности к сопротивлению (L0/R0) для источника питания с внутренним сопротивлением Ri. Отношение максимальной
внешней индуктивности к сопротивлению (L0/R0), Гн/Ом, которые могут подключаться к источнику питания с
внутренним сопротивлением Ri должно быть рассчитано по
следующей формуле где е - минимальная воспламеняющая энергия,
Дж; Ri -
минимальное внутреннее сопротивление источника питания, Ом; U0 -
максимальное напряжение холостого хода, В; Li -
максимальная индуктивность, подключенная к источнику питания, Гн. Значение е, Дж,
составляет для электрооборудования: группы I ... 525 10-6 подгруппы IIА ... 320 10-6 IIВ...
160 10-6 IIС ...
40 10-6. При Li =
0 Формулы (2) и (3)
учитывают коэффициент безопасности 1,5 по току, и не должны использоваться,
когда Сi на выходных зажимах
электрооборудования превышает 1 % от С0. Примечания 1 При коэффициенте искробезопасности, равном 1, значение L0/R0 должно быть увеличено в 2,25 раза. 2 Обычно отношение L0/R0 применяется для оценки влияния распределенных параметров кабеля, а его применение для сосредоточенных значений индуктивности и сопротивления требует особого рассмотрения. 6.3.4 Постоянно подсоединенные
кабели Электрооборудование,
сконструированное с постоянно подсоединенным кабелем, должно быть испытано в
соответствии с 10.13. 6.3.5 Требования к
электрическим цепям 6.3.5.1 Искробезопасные и
гальванически связанные с ними искроопасные цепи должны иметь гальваническое
разделение от силовой, сигнальной или осветительной сетей переменного тока. Допускается гальваническое
соединение искробезопасных и связанных с ними электрических цепей через
искрозащитные элементы с цепями автономных источников питания постоянного тока
(аккумуляторной батареи, генератора постоянного тока, преобразователя). 6.3.5.2 Искробезопасная цепь
не должна заземляться, если этого не требуют условия работы
электрооборудования. 6.3.5.3 При заземлении
искробезопасных цепей соединение с землей должно выполняться в одной точке. В случае заземления цепи в
двух точках необходимо учитывать возможность наведения опасного напряжения в
этой цепи, и должны быть предусмотрены дополнительные меры по обеспечению ее
взрывозащищенности. 6.3.5.4 Внешние
искробезопасные и искроопасные цепи должны прокладываться раздельными кабелями
или проводами. 6.3.5.5 Допускается совмещение
в одном внешнем кабеле разных искробезопасных цепей, гальванически не связанных
между собой. 6.3.5.6 Во внешней
искробезопасной цепи должны учитываться емкость, индуктивность и сопротивление
соединительных кабелей и проводов. 6.4 Пути утечки и электрические
зазоры 6.4.1 Пути утечки и
электрические зазоры между токопроводящими частями 6.4.1.1 При оценке путей
утечки и электрических зазоров между искробезопасной и неискробезопасной цепью,
различными искробезопасными цепями, искробезопасными цепями и заземленными или
изолированными металлическими частями электрооборудования необходимо учитывать
следующие условия: 1) электрические зазоры
следует измерять с учетом возможного обрыва проводников или смещения
токопроводящих частей. Технологические допуски при изготовлении не должны
уменьшать зазоры более чем на 1 мм или 10% (берут меньшее из двух значений); 2) электрические зазоры,
удовлетворяющие требованиям таблицы 4, должны рассматриваться как
неповреждаемые; 3) электрические зазоры, не
удовлетворяющие требованиям таблицы 4, но составляющие не менее 1/3 значений,
указанных в таблице
4, должны рассматриваться как подверженные учитываемым повреждениям
на замыкание; 4) электрические зазоры,
составляющие менее 1/3 от значений, указанных в таблице 4, должны
рассматриваться как подверженные неучитываемым повреждениям на замыкание. 6.4.1.2 Электрические зазоры
для токоведущих частей, разделенных заземленными печатным проводником или
перегородкой, выполненными в соответствии с требованиями 6.4.1, 6.4.10
и 6.6,
настоящим стандартом не регламентируются. 6.4.1.3 Пути утечки и
электрические зазоры между искробезопасными цепями и заземленными печатным
проводником или перегородкой должны удовлетворять требованиям таблицы 4. 6.4.1.4 Заземленная
металлическая перегородка должна прочно крепиться к основной конструкции, иметь
достаточную толщину и токопроводящую способность, чтобы исключить перегорание
перегородки или повреждения цепи заземления в аварийных условиях эксплуатации.
Перегородка либо должна иметь толщину не менее 0,45 мм и должна быть прочно
закреплена с металлической заземленной частью оболочки электрооборудования,
либо при меньшей толщине должна быть испытана в соответствии с 10.10.2. 6.4.1.5 Если неметаллическая
изолирующая перегородка с соответствующим индексом трекингостойкости СИТ
установлена между токопроводящими частями, электрические зазоры и пути утечки
должны быть измерены вокруг перегородки, при условии, что ее толщина составляет
не менее 0,9 мм, а при меньшей толщине механическая прочность перегородки
должна быть испытана в соответствии с 10.10.2. Примечание - Методы оценки приведены в приложении В. 6.4.2 Напряжение между
токопроводящими частями 6.4.2.1 Напряжение,
приведенное в таблице
4, - это напряжение между любыми двумя токопроводящими частями
электрических цепей, например между искробезопасной цепью и искроопасной частью
этой же цепи, искробезопасной цепью и искроопасными цепями, между
искробезопасными цепями, электрически не связанными между собой. 6.4.2.2 При оценке
электрических зазоров и путей утечки по таблице 4 должны приниматься
следующие значения напряжения. а) Для электрических цепей,
гальванически не связанных между собой, в качестве значения напряжения должна
приниматься наибольшая из сумм амплитудных значений напряжений этих цепей,
которая является производной от: - номинальных напряжений; - максимальных напряжений,
указанных изготовителем, которые могут безопасно применяться в цепи; - любых напряжений,
генерируемых внутри этого электрооборудования. Если одно из напряжений
составляет менее 20 % от другого, то в качестве исходного принимают большее
напряжение. Сетевое напряжение должно
рассматриваться с учетом стандартного отклонения от номинального значения. Для синусоидальных
напряжений амплитудное значение определяется как произведение эффективного
значения номинального напряжения на Ö2; б) Для электрических цепей,
гальванически связанных между собой, максимальное значение напряжения, которое
может возникнуть в любой части этой цепи. Это также может быть сумма напряжений
различных источников питания, подключенных к электрической цепи. Если одно из
напряжений составляет менее 20 % от другого, то в качестве исходного принимают
большее напряжение. 6.4.2.3 Во всех случаях
следует принимать максимальные значения напряжения, которые можно получить в
аварийных режимах работы в соответствии с разделом 5. Внешнее напряжение
необходимо принимать равным Um и Ui. Напряжения переходных процессов, которые могут возникать при
размыкании цепи устройством защиты, например плавким предохранителем, не
учитывают при оценке путей утечки, но должны приниматься во внимание при оценке
электрических зазоров. 6.4.3.1 При измерении
электрических зазоров между токопроводящими частями, изоляционные перегородки
толщиной менее 0,9 мм или не соответствующие требованиям 10.10.2
не учитывают. Другие изоляционные части должны удовлетворять требованиям пункта
4 таблицы 4. 6.4.3.2 При амплитудных
значениях напряжения св. 1575 В необходимо использовать разделительную
изолирующую или заземленную металлическую перегородку, которая должна
удовлетворять требованиям 6.4.1. 6.4.4 Электрический зазор
через заливку компаундом и требования к компаунду 6.4.4.1 Компаунд должен
отвечать следующим требованиям: а) иметь рабочую температуру,
определенную изготовителем компаунда или оборудования, которая должна быть не
менее максимальной температуры любого элемента в условиях герметизации. При температуре элемента
выше рабочей температуры компаунда необходимо показать, что указанный элемент
не приведет к повреждению компаунда, которое могло бы отрицательно повлиять на
вид взрывозащиты; б) материал компаунда должен
иметь по меньшей мере то значение СИТ, которое указано в таблице 4,
если какие-либо неизолированные токопроводящие детали выступают из компаунда.
Только твердый материал, например эпоксидная смола, может иметь открытую и
незащищенную свободную поверхность, образующую часть оболочки (см. рисунок Г.1).
Он должен отвечать требованиям 10.10.1; в) иметь хорошие адгезионные
свойства ко всем токопроводящим деталям, элементам внутреннего монтажа, за
исключением случаев, когда они размещены в оболочке и полностью залиты
компаундом; г) быть классифицирован
изготовителем компаунда с указанием наименования и состава; д) компаунд не должен иметь
трещин, пузырьков, расслоений, высыпаться, растрескиваться с течением времени и
терять своих свойств во время эксплуатации. 6.4.4.2 Для искробезопасного
электрооборудования все цепи, подсоединенные к залитым токопроводящим деталям
и(или) элементам и(или) неизолированным токопроводящими деталям, выступающим из
компаунда, должны быть искробезопасными. Повреждения внутри компаунда должны
учитываться, но возможность воспламенения взрывоопасной смеси внутри компаунда
не рассматривается. 6.4.4.3 Если электрические
цепи, подсоединенные к залитым токопроводящим частям и(или) элементам и(или)
неизолированным токопроводящим деталям, выступающим из компаунда, не являются
искробезопасными, они должны иметь взрывозащиту других видов в соответствии с ГОСТ Р
51330.0. 6.4.4.4 Минимальная толщина
слоя компаунда над выступающими токоведущими частями электрооборудования должна
составлять 1/2 расстояния, приведенного в пункте 3 таблицы 4, но не менее 1 мм.
Указанная толщина заливки не требуется, если элементы внутреннего монтажа
помещены в оболочку из изоляционного материала, соответствующего пункту 4 таблицы 4,
а компаунд находится в непосредственном контакте со стенками оболочки (см. рисунок Г.1). 6.4.4.5 Электрическая
прочность изоляции герметизированной компаундом электрической цепи должна
соответствовать требованиям 6.4.12. 6.4.4.6 Повреждение залитого
или герметично закрытого элемента, например полупроводника, который выполнен в
соответствии с 7.1,
однако для которого не известны внутренние зазоры и расстояния через заливку,
должны рассматриваться как единичное учитываемое повреждение. Дополнительные требования
приведены в приложении Г. 6.4.5 Электрический зазор
через твердый электроизоляционный материал Твердый электроизоляционный
материал (твердая изоляция) изготавливают методом штамповки или отливки в
форме, но не заливкой. Электрическая прочность твердой изоляции должна
соответствовать 6.4.12, если электрический зазор удовлетворяет
требованиям таблицы
4. Примечания 1 Если изоляция изготовлена из двух или более частей электроизоляционного материала, которые надежно соединены между собой, то такую композитную изоляцию можно рассматривать как твердую. 2 В настоящем стандарте твердая изоляция - это изоляция заводского изготовления, например пластина, изготовленная из пластических масс или слоистых пластиков, изоляционные трубки или изоляция на проводах. 3 Лак и подобные покрытия не считают твердой изоляцией. 6.4.6.1 При комбинированных
электрических зазорах, например по воздуху и через изоляцию, их суммарное
значение должно быть определено на основе всех соответствующих разделений в
одной графе таблицы
4 согласно В.4.1.3. Например, при 60 В: - зазор (пункт 2) = 6 х
разделение через твердую изоляцию (пункт 4); - зазор (пункт 2) = 3 х
разделение через компаунд (пункт 3); - эквивалентный зазор =
фактический зазор + (3 х любое дополнительное разделение через компаунд) + (6 х
любое дополнительное разделение через твердую изоляцию). 6.4.6.2 Электрический зазор
считают не повреждаемым, если он не ниже указанного в таблице 4. 6.4.6.3 Любой электрический
зазор, составляющий менее 1/3 от данных таблицы 4, при расчете
эквивалентного зазора не учитывают. 6.4.7 Пути утечки по
поверхности электроизоляционного материала 6.4.7.1 Путь утечки по
поверхности электроизоляционного материала определяют исходя из значений,
приведенных в пункте 5 таблицы 4. СИТ электроизоляционного материала
должен соответствовать значениям, указанным в пункте 7 таблицы 4. Метод измерения или
оценки пути утечки по поверхности электроизоляционного материала должен
соответствовать приведенному на рисунке 4. 6.4.7.2 Электроизоляционные
детали, соединенные посредством клея, должны иметь изолирующие свойства,
эквивалентные свойствам смежного материала. 6.4.7.3 Путь утечки может
образовываться из сложения более коротких расстояний, например, когда пути
утечки прерываются токопроводящими деталями. При этом расстояния, составляющие
менее 1/3 от соответствующих значений, указанных в пункте 5 таблицы 4,
не учитывают при повреждениях. Для напряжений св. 1575 В (амплитудное значение)
необходимо использовать изоляционную или заземленную металлическую перегородку,
удовлетворяющую требованиям 6.4.1. 6.4.8 Пути утечки по
поверхности, покрытой электроизоляционным материалом 6.4.8.1 Для герметизации
промежутков между проводниками и самих проводников, с целью защиты их от влаги
и пыли, должны использоваться адгезионные и влагостойкие электроизоляционные
составы покрытий. Покрытие должно быть достаточно прочным и иметь хорошие
адгезионные свойства к токопроводящим деталям и изоляционным материалам.
Покрытие, наносимое распылением, должно иметь два слоя. Трафаретную маску не
считают таким покрытием, но могут рассматривать как один из слоев покрытия,
если другой слой наносят распылением, а маска не повреждается в процессе пайки.
При использовании других методов можно наносить только один слой покрытия,
например погружением, вакуумной пропиткой. 6.4.8.2 Метод,
использованный для нанесения покрытия на плату, должен быть указан в
сертификационной документации. Если неизолированные токопроводящие детали,
например соединения и выводы элементов внутреннего монтажа, не выступают из
покрытия, то длину пути утечки выбирают исходя из значений, приведенных в
пункте 6 таблицы
4. Это должно быть указано в документации и подтверждено при
проверке. 6.4.8.3 Если неизолированные
проводники или токопроводящие детали выступают из покрытия, СИТ, указанный в
пункте 7 таблицы
4, распространяют на изоляцию и покрытие. Примечание - Понятие пути утечки под покрытием было разработано для плоских поверхностей, например жестких печатных плат. Существенные отклонения от первоначальной структуры требуют специального рассмотрения. 6.4.9 Требования к монтажу
печатных плат 6.4.9.1 Крепления элементов
внутреннего монтажа на печатной плате должны выполняться способами,
исключающими возможность уменьшения электрических зазоров или замыканий между
элементами и обеспечивающими долговечность в условиях эксплуатации, например
пайкой или сваркой. 6.4.9.2 Печатная плата с
искробезопасными цепями должны отвечать следующим требованиям (см. рисунок 5): а) если на печатную плату
нанесено покрытие в соответствии с 6.4.8, требования 6.4.3 и
6.4.7
должны применяться только к неизолированным токопроводящим частям, которые
выступают из покрытия, включая, например, - печатные проводники; - свободную поверхность
печатной платы, которая покрыта только с одной стороны; - неизолированные части
элементов; б) требования 6.4.8
должны распространяться на электрические цепи или части цепей, а также на
элементы внутреннего монтажа, если покрытие закрывает токопроводящие выводы
элементов, места пайки и проводящие части любых элементов. 6.4.9.3 Печатные проводники
искробезопасных и электрически связанных с ними искроопасных цепей должны быть
отделены от печатных проводников силовых внешних цепей печатным экраном шириной
не менее 1,5 мм. Экран должен соединяться либо с общим проводом электрической
системы, либо заземляться. 6.4.9.4 Пути утечки и
электрические зазоры между искробезопасными, связанными с ними искроопасными
цепями и экраном должны удовлетворять требованиям таблицы 4, а между экраном и
силовыми внешними цепями - требованиям нормативной документации на печатные
платы. Электрическая прочность изоляции между экраном и силовой цепью должна
удовлетворять требованиям 6.4.12. 6.4.10 Разделение заземленными
экранами При использовании заземленного
металлического экрана между искробезопасными и искроопасными электрическими
цепями экран и любое соединение с ним должны быть рассчитаны на максимальный
длительный ток, который может протекать в соответствии с разделом 5. Соединение,
выполненное с помощью разъема или зажима, должно удовлетворять требованиям 6.6. 6.4.11 Внутренняя проводка и монтаж 6.4.11.1 Изоляция, за
исключением лака и подобных покрытий для проводников внутренней проводки,
должна рассматриваться как твердая изоляция (см. 6.4.5). 6.4.11.2 Разделение между
проводниками должно определяться суммой радиальной толщины твердой изоляции на
проводах, проложенных в виде отдельных проводов или сформированных в группу
проводов (жгуты) или в кабеле. 6.4.11.3 Расстояния между
проводами искробезопасной и искроопасной цепей должно соответствовать
значениям, указанным в пункте 4 таблицы 4, с учетом требований 6.4.6,
за исключением следующих случаев: - провода искробезопасной
или искроопасной цепи заключены в заземленный экран; - изоляция жил искробезопасных
цепей уровней ia, ib, ic
способна выдержать испытательное напряжение (эффективное) 2000 В переменного
тока. Примечание - Одним из методов обеспечения изоляции, способной выдержать такое испытательное напряжение, является использование дополнительной изоляционной трубки. 6.4.11.4 Для навесного
монтажа внутри электрооборудования с искробезопасными цепями должны применяться
изолированные медные одножильные провода сечением не менее 0,03 мм2.
Применение многожильных проводов допустимо, если протекающий по проводнику ток
не превышает номинального значения, указанного изготовителем провода. Это
требование не распространяется на монтажные провода искробезопасных цепей,
расположенных внутри электрооборудования, снабженного взрывозащитой других
видов по ГОСТ Р
51330.0, или электрооборудования, установленного вне взрывоопасной зоны. 6.4.11.5 Соединения
элементов искробезопасной цепи внутри электрооборудования должны выполняться
способами, обеспечивающими долговечность в условиях эксплуатации, например
пайкой или сваркой. Крепление элементов должно исключать возможность уменьшения
электрических зазоров или замыкания между ними. 6.4.11.6 Резьбовые
соединения элементов электрооборудования должны быть предохранены от
самоотвинчивания. 6.4.11.7 Места сварки и
пайки внутри электрооборудования должны покрываться изоляционным лаком. 6.4.12 Испытания на
электрическую прочность 6.4.12.1 Изоляция между
искробезопасной цепью и корпусом или заземленными частями электрооборудования
должна выдерживать испытательное напряжение (эффективное) переменного тока,
равное удвоенному номинальному напряжению искробезопасной цепи, но не менее 500
В. 6.4.12.2 Ток во время
испытания не должен превышать значения 5 мА (эффективное). 6.4.12.3 Изоляция между: а) искробезопасной и
искроопасной цепью, б) искробезопасной и силовой
внешней цепью с номинальным напряжением до 250 В, в) искроопасной цепью,
гальванически связанной с искробезопасной, и силовой внешней цепью с
номинальным напряжением до 250 В, должна выдерживать
испытательное напряжение (эффективное) переменного тока, равное (2U+ 1000) В, но не менее 1500
В, где U - сумма действующих значений напряжений
соответствующих электрических цепей. 6.4.12.4 Искробезопасные
цепи, электрически не связанные между собой, должны выдерживать испытательное
напряжение (эффективное) переменного тока, равное (2U+1000), но не менее 500 В,
где U - сумма действующих значений напряжений искробезопасных цепей. 6.4.12.5 Изоляция между: а) искробезопасной и силовой
внешней цепью с номинальным напряжением св. 250 В, б) искроопасной,
гальванически связанной с искробезопасной, и силовой внешней цепью с
номинальным. напряжением св. 250 В, должна выдерживать испытательное напряжение
(эффективное) переменного тока, равное (2U + 1000) В, но не менее 2000
В, где U - действующее значение напряжения силовой цепи. 6.4.12.6 Методика испытаний
должна соответствовать 10.6. 6.4.13.1 Контакты реле,
предназначенные для коммутации в искробезопасных и искроопасных цепях, должны
быть разделены изолирующей или заземленной металлической перегородкой,
выполненной в соответствии с 6.4.1, в дополнение к таблице 4. 6.4.13.2 В нормальном режиме
номинальные значения тока и напряжения на контактах реле, обмотка которой
включена в искробезопасную цепь, не должны превышать указанных изготовителем, а
контакты реле не должны коммутировать на отключение более 5 А эффективного тока
или 250 В эффективного напряжения, или 100 В А мощности. Если значения,
коммутируемые контактами, не превышают 10 А или 500 В×А, расстояния путей утечки и
электрических зазоров из таблицы 4 должны быть удвоены. 6.4.13.3 При более высоких
значениях тока и напряжения искробезопасные и искроопасные цепи могут быть
подключены к одному реле, контакты которого разделены заземленной металлической
или изоляционной перегородкой в соответствии с 6.4.1. Размеры перегородки
должны учитывать ионизацию при работе реле; в таких случаях длина пути утечки и
электрические зазоры должны быть больше приведенных в таблице 4. 6.4.13.4 Требования к
путям утечки и электрическим зазорам внутри оболочки герметизируемых реле не
регламентируются. 6.5 Защита от перемены
полярности В искробезопасном
электрооборудовании должна быть обеспечена защита от изменения полярности. Для
этой цели допускается использование одного диода. 6.6
Заземляющие проводники, разъемы и зажимы 6.6.1 В случаях, когда
заземление необходимо для обеспечения вида взрывозащиты, например оболочек,
проводов, металлических экранов, проводников печатных плат, контактов
штепсельных соединителей и барьеров безопасности на диодах, площадь поперечного
сечения проводов, соединительных устройств и зажимов, используемых для этой
цели, должна быть рассчитана на длительное воздействие максимально возможного
тока по условиям, указанным в разделе 5. Элементы должны также отвечать
требованиям раздела
7. 6.6.2 Если разъем содержит
заземленные цепи и вид взрывозащиты зависит от заземления цепи, разъем должен
включать не менее трех независимых заземляющих проводников для искробезопасных
цепей уровня ia и не менее двух заземляющих проводников для
искробезопасных цепей уровней ib и ic
(см. рисунок 2).
Заземляющие проводники должны быть соединены параллельно. Если разъем может
быть отсоединен под углом, должны быть предусмотрены меры, исключающие разрыв
цепи заземления ранее отключения остальных цепей. 6.6.3 Зажимы должны быть
защищены от самоотвинчивания, и их конструкция должна исключать смещение
подключаемых проводников. Надлежащий контакт должен быть обеспечен без
разрушения проводников, в том числе и для многожильного провода. Контакт в
зажимах не должен нарушаться при изменениях температуры в нормальных условиях
работы. Зажимы, предназначенные для подсоединения многожильных проводников,
должны содержать упругий промежуточный элемент, исключающий повреждения
проводников. Зажимы для проводников сечением менее 4 мм2 должны быть
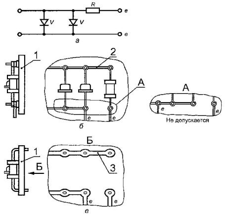
рассчитаны на подключение проводников с меньшей площадью сечения. Рисунок 2. Примеры автономных
и неавтономных соединительных элементов 6.6.4 Недопустимо следующее: а) использовать зажимы с
острыми кромками, которые могут повредить проводники; б) использовать зажимы,
которые при нормальном затягивании могут вращаться, скручиваться или
деформироваться; в) использовать изоляционные
материалы, передающие контактное давление. 6.7
Герметизация, используемая для предотвращения доступа взрывоопасной смеси 6.7.1 Компаунд, применяемый
для предотвращения доступа взрывоопасной смеси к элементам искробезопасных
цепей, например к предохранителям, пьезоэлектрическим устройствам с их
ограничительными элементами и накопительным устройствам с их ограничительными
элементами, должен отвечать требованиям 6.4.4. 6.7.2 Если покрытие
компаундом используют для уменьшения воспламеняющей способности нагретых
элементов, например диодов и резисторов, объем и толщина слоя заливочного
компаунда должны выбираться из условия, чтобы максимальная температура на
поверхности компаунда с учетом температуры окружающей среды не превышала
температурного класса электрооборудования.
1 - шасси; 2 - нагрузка; 3 - искроопасная цепь, заданная Um; 4 - часть искробезопасной цепи, не являющаяся искробезопасной; 5 - искробезопасная цепь; * - расстояния разделения, в отношении которых применяется таблица 4 Рисунок 3. Разделение электропроводящих
деталей f - длина пути утечки; М- металл; I- изоляционный материал; 1 - приклеенная перегородка; 2 - центральная металлическая часть, не подключена к источнику напряжения; 3 - не приклеенная перегородка; высота разделительного углубления больше D Рисунок 4. Определение пути
утечки (в воздухе)
а) Плата с частичным покрытием
Выводы резистора не
герметизированы в пределах покрытия, поэтому для всех размеров, отмеченных
знаком *, применимы требования 6.4.3 и 6.4.7 б) Плата с пайкой выступающих выводов резисторов с) Плата с пайкой обрезанных или подогнутых выводов резисторов Рисунок 5. Длина пути утечки
и зазоры на печатных платах Примечание - Толщина покрытия дана не в масштабе. 7 Требования к элементам, от которых зависит искробезопасность7.1
Нагрузка искрозащитных элементов 7.1.1 Как в нормальных, так
и в аварийных режимах работы, указанных в разделе 5, любые элементы, от
которых зависит вид взрывозащиты, кроме таких устройств, как трансформаторы,
предохранители, термопредохранители, реле и выключатели, должны быть нагружены
не более чем на 2/3 от номинальных значений тока, напряжения и мощности,
с учетом условия монтажа и рабочего диапазона температур. Эти номинальные
значения должны быть указаны изготовителем элементов. Примечание - Трансформаторы, предохранители, термопредохранители, реле и выключатели должны работать при номинальной нагрузке, обеспечивающей их нормальное функционирование. 7.1.2 Оценку параметров
элементов необходимо проводить с учетом их допустимых отклонений от номинальных
значений, указанных изготовителем. Например, стабилитрон, для которого
изготовитель указал параметры 10 В + 10% при 40 °С, должен
рассматриваться как устройство на напряжение 11В при температуре не более 40 °С. 7.1.3 При оценке параметров
элементов необходимо учитывать влияние условий монтажа и колебаний температуры
окружающей среды, указанных изготовителем электрооборудования, а также
возможные при этом отклонения параметров элементов. Например, для
полупроводника рассеиваемая мощность не должна превышать 2/3 значения мощности,
которая определяет максимально допустимую температуру перехода в данных
условиях монтажа. 7.2 Внутренние
соединительные устройства, разъемы плат и элементов 7.2.1 Соединители должны
быть сконструированы таким образом, чтобы исключалась возможность их
неправильного соединения или взаимозаменяемости с другими соединителями,
установленными в электрооборудовании, либо идентифицированы таким образом,
чтобы неправильное соединение стало очевидным. Если вид взрывозащиты зависит от
соединения, то высокое переходное сопротивление или обрыв цепи в соединителе в
соответствии с требованиями раздела 5 должны считаться учитываемым
повреждением. 7.2.2 Соединитель, через
который проходит цепь заземления, должен быть сконструирован в соответствии с 6.6, если
вид взрывозащиты зависит от сопротивления цепи заземления. 7.2.3 В соединителях, не
содержащих силовых цепей, допускается предусматривать заземленные штифты и
гнезда для разделения токоведущих частей, к которым подключены искробезопасные
и искроопасные цепи, а также искробезопасные цепи, не связанные между собой.
Пути утечки и электрические зазоры между заземленными и токоведущими частями
разъема, к которым подключены искроопасные цепи, в этом случае не
регламентируются, между остальными цепями они должны удовлетворять требованиям таблицы 4. 7.3.1 Для защиты элементов
от перегрузок могут использоваться предохранители и предохранительные
устройства, при этом следует исходить из того, что значение длительно
протекающего через предохранитель тока составляет 1,7In. 7.3.2 Время-токовые
характеристики предохранителей и предохранительных устройств должны
гарантировать, что мощность, рассеиваемая на неповреждаемых элементах, не
превышает 2/3 максимально допустимых значений для заданной температуры
окружающей среды в нормальном и аварийном режимах работы электрооборудования. Примечание - Если изготовителем не указаны время-токовые характеристики предохранителя, необходимо провести типовые испытания в соответствии с 10.12 не менее чем на 10 образцах. Это испытание показывает способность защищаемого элемента выдержать 1,5-кратную нагрузку любого переходного процесса, который может иметь место, если Um приложено через предохранитель. 7.3.3 Предохранители,
размещаемые во взрывоопасных зонах, должны быть защищены в соответствии с 6.7. 7.3.4 При герметизации
предохранителя заливочный компаунд не должен проникать внутрь предохранителя,
что должно быть проверено испытаниями на образцах, или изготовитель должен
гарантировать возможность его заливки. В противном случае, предохранитель
должен герметизироваться до герметизации электрооборудования. 7.3.5 Предохранители,
используемые для защиты элементов, могут заменяться только после открывания
оболочки электрооборудования. На предохранителе или вблизи него должны быть
нанесены его тип и номинальный ток, а также другие характеристики, имеющие
значение для обеспечения искробезопасности. 7.3.6 Предохранители должны
иметь номинальное напряжение не менее Um (или Ui в искробезопасном электрооборудовании и цепях), при этом требования таблицы 4
на них не распространяются. Конструирование предохранителей и их держателей
может осуществляться по общепромышленным стандартам, а способ их монтажа не
должен уменьшать зазоры, пути утечки и разделения, образуемые предохранителем и
его держателем. Примечание - Допускается использование микропредохранителей, соответствующих ГОСТ Р 50537, ГОСТ Р 50538, ГОСТ Р 50539. 7.3.7 Предохранители должны
разрывать цепь при протекании по ней максимально возможного тока. Для систем
электроснабжения с напряжением до 250 В переменного тока максимальный возможный
ток принимают равным 1500 А. Прерывающую способность предохранителя определяют
в соответствии с ГОСТ Р 50537, ГОСТ Р 50538, ГОСТ Р 50539 или аналогичным
стандартом. Примечание - В некоторых установках могут возникать более высокие токи, например при более высоких напряжениях. 7.3.8 Для ограничения
максимального тока до значения, соответствующего номинальной разрывной
способности предохранителя, может использоваться токоограничительное
устройство, которое должно быть не повреждаемым в соответствии с 7, а его
номинальные значения должны быть равны: - номинальный ток: 1,5×1,7×In; - номинальное напряжение: Um или Ui; - номинальная мощность: 1,5×(1,7×In)2 х
сопротивление ограничительного устройства. Примечание - Допускается использовать предохранители, отвечающие требованиям ГОСТ Р 50537, ГОСТ Р 50538, ГОСТ Р 50539. При этом номинальные значения токоограничительного резистора должны быть не менее: ток - 1,5×1,7×In, напряжение - Um или Ui, мощность - 1,5×(1,7×In)2×Rр ,где Rр - сопротивление резистора. В случае, если время-токовая характеристика не соответствует ГОСТ Р 50537, ГОСТ Р 50538, ГОСТ Р 50539, то по приведенной в технических условиях на предохранитель характеристике выбирают 7-10 значений тока, при которых вычисляют мощность рассеяния на ограничительном резисторе по формуле N=1,5×F×Rр×t, если время срабатывания предохранителя t<1 с, или по формуле N=1,5×F×Rр, если t³1 с. Токоограничительный резистор в блоке искрозащиты, включенный последовательно с предохранителем, должен иметь наибольшую из полученных значений мощность рассеяния. 7.4
Одноразовые и перезаряжаемые элементы и батареи 7.4.1 Общие требования Элементы и батареи не должны
взрываться при закорачивании или зарядке обратной полярностью (с учетом
требований 5.2
и 5.3),
что должно подтверждаться их изготовителем. В технической документации должны
быть отражены меры безопасности при эксплуатации или замене таких элементов и
батарей, а маркировка взрывозащиты электрооборудования должна содержать знак X,
указывающий на особые условия эксплуатации. Примечания 1 Элементы и батареи некоторых типов, например, литиевые, могут взрываться при коротком замыкании или переполюсовке при зарядке. 2 Следует обратить внимание на меры предосторожности, указываемые изготовителями элементов и батарей для обеспечения безопасности персонала. 7.4.2 Утечка электролита 7.4.2.1 В элементах и
батареях должна исключаться утечка электролита, или они должны быть закрыты
таким образом, чтобы предотвращалась возможность повреждения электролитом
элементов, от которых зависит искробезопасность. Этому требованию удовлетворяют
элементы и батареи, признанные их изготовителем герметичными
(газонепроницаемыми) или герметизированными (с регулирующим клапаном) (см. 7.4.8).
Остальные элементы и батареи должны испытываться в соответствии с 10.9.2,
или их изготовитель должен в документации указать, что его продукция отвечает
требованиям 10.9.2.
Элементы и батареи, пропускающие электролит и залитые в соответствии с 6.7,
после заливки должны быть испытаны в соответствии с 10.9.2. 7.4.2.2 Оболочка (отсек),
содержащая элементы или батареи, подлежащие перезарядке внутри оболочки, должна
иметь внешнюю вентиляцию. 7.4.3 Напряжение элементов и
батарей При оценке и испытаниях на
искробезопасность принимают максимальное значение напряжения холостого хода,
достигаемое либо на новом одноразовом элементе (батарее), либо на
свежезаряженном перезаряжаемом элементе (батарее), как указано в таблице 5.
Для элементов и батарей, не указанных в таблице 5, определение
максимального напряжения холостого хода проводится согласно 10.8, а
номинальным напряжением считают значение, указанное изготовителем элемента или батареи. Таблица 5 - Напряжение
элементов в вольтах
7.4.4 Внутреннее сопротивление
батареи и элемента Внутреннее
сопротивление батареи или элемента должно определяться в соответствии с 10.9.3. 7.4.5 Токоограничительные
устройства для батарей в связанном электрооборудовании 7.4.5.1 Оболочка (отсек)
батареи связанного электрооборудования, в котором для обеспечения
искробезопасности требуется наличие токоограничительного устройства, должна
быть сконструирована таким образом, чтобы батарею можно было устанавливать и
заменять, не нарушая искробезопасности электрооборудования. Примечание - Если для обеспечения безопасности элемента или батареи необходимо токоограничительное устройство, не обязательно, чтобы это устройство было неотъемлемой частью батареи. 7.4.6 Токоограничительные
устройства для батарей, используемых и заменяемых во взрывоопасных зонах Блок из элементов или
батарей вместе с токоограничительными устройствами, необходимыми для
обеспечения их искробезопасности, должен представлять неразборную конструкцию,
например, залит компаундом или размещен в герметичной оболочке, если этот блок
предназначен для использования и замены во взрывоопасной зоне. Конструкция
блока должна быть выполнена таким образом, чтобы доступными являлись только
выходные искробезопасные клеммы и соответствующим образом защищенные
соединительные устройства для зарядки (если они имеются). 7.4.7 Токоограничительные
устройства для батарей, предназначенных для использования, но не заменяемые во
взрывоопасной зоне Блок из элементов или
батарей вместе с токоограничительными устройствами должен быть либо защищен в
соответствии с 7.4.6, либо помещен в отдельной оболочке, крышка
которой должна закрываться с помощью специального инструмента или
пломбироваться, или иметь специальные замки, например такие, как указано в ГОСТ Р
51330.0, если элементы и батареи блока не предназначены для замены во
взрывоопасной зоне. Блок из элементов или батарей вместе с токоограничительными
устройствами должен также отвечать следующим требованиям: а) конструкция корпуса
блока, способы крепления элемента или батареи внутри корпуса должны быть
такими, чтобы элементы или батареи можно было устанавливать и заменять, не
нарушая искробезопасности электрооборудования; б) переносное
электрооборудование, например радиоприемники и передатчики, должно пройти
испытания: - на стойкость к удару по
23.4.3.1 ГОСТ Р
51330.0; - сбрасыванием по 23.4.3.2 ГОСТ Р
51330.0, за исключением электрооборудования, для которого первичное
испытание ударом не предусмотрено. Конструкция (устройство)
переносного электрооборудования должна предотвращать выпадение или отделение
элемента или батареи от аппарата, приводящие к нарушению искробезопасности при
проведении испытания сбрасыванием по 23.4.3.2 ГОСТ Р... 0, за исключением
оборудования, для которого первичное испытание ударом не предусмотрено: в) электрооборудование
должно иметь табличку с предупредительной надписью, запрещающей замену батареи
во взрывоопасной зоне, которая должна быть нанесена на корпусе блока
аккумулятора, например: «Во взрывоопасных помещениях (зонах) открывать
запрещается». 7.4.8 Внешние контакты для
заряда батарей 7.4.8.1 Элементы или батареи
с внешними зарядными контактами должны быть снабжены средствами для
предупреждения короткого замыкания контактов или передачи на них энергии,
способной вызвать воспламенение при коротком замыкании контактов. Это может
достигаться одним из следующих способов: а) в цепи заряда должны быть
установлены блокирующие диоды или неповреждаемые последовательно включенные
резисторы. Для искробезопасной цепи уровня ia требуется три диода, уровня
ib - два диода, уровня ic - один диод. Зарядное устройство должно
быть либо присоединенным электрооборудованием, либо диоды или резисторы должны
защищаться предохранителем соответствующего номинала. Предохранитель должен
быть залит или не проводить ток, когда он расположен во взрывоопасной зоне, а
конструкция элементов зарядной цепи должна удовлетворять требованиям настоящего
стандарта. б) для
электрооборудования группы II степень защиты оболочки должна выбираться в
соответствии с 6.1,
для цепей заряда - не ниже IP20, а около разъема
(зажимов) зарядной цепи должна быть установлена предупредительная табличка,
запрещающая заряд батареи во взрывоопасной зоне. 7.4.8.2 Максимальное входное
напряжение Um, которое может быть приложено к
соединительным зажимам без нарушения искробезопасности электрооборудования,
должно быть указано на электрооборудовании и в его технической документации. 7.4.9 Конструкция оболочки
(отсека) для батареи Искробезопасность элементов
и батарей, а также температура их поверхностей должны быть испытаны и оценены в
соответствии с 10.9.3.
Конструкция элемента или батареи должна относиться к одному из следующих типов: а) герметичные
(газонепроницаемые) элементы или батареи; б) герметизированные (с
регулируемым клапаном) элементы или батареи; в) элементы или батареи,
предусматривающие, кроме устройств сброса давления, герметизацию, аналогичную
подпунктам а) и б). Они не должны требовать доливки электролита в течение срока
службы и должны иметь металлическую или пластмассовую оболочку, удовлетворяющую
следующим требованиям: 1) цельнотянутую
(бесшовную), штампованную или литую, соединенную плавлением, сваркой или
склейкой с эластомерами, или пластмассовые герметизирующие устройства,
фиксируемые конструкцией оболочки и обеспечивающие постоянное уплотнение, такие
как прокладки (шайбы), кольца круглого сечения и т.п.; 2) не считаются герметичными
штампованные, развальцованные, гофрированные и т.п. оболочки, не
удовлетворяющие перечисленным выше требованиям. Материалы, проницаемые для
газа, например на бумажной основе, не считают уплотняющими; 3) уплотнение вокруг выводов
должно быть сконструировано, как описано выше, или достигаться заливкой
термоусаживающимся или термопластичным компаундом; г) производитель заливочного
компаунда должен гарантировать возможность его использования при
контактировании с электролитом и его соответствие 6.7. Соответствие подпунктам а) и
б) гарантируется производителем элемента или батареи. Соответствие подпунктам
в) и г) оценивают проверкой элемента или батареи и, где необходимо, их
конструкторских чертежей. 7.5 Полупроводниковые
элементы 7.5.1 Влияние переходных процессов 7.5.1.1 В связанном
электрооборудовании полупроводниковые элементы должны выдерживать импульсный
ток, возникающий в переходном режиме. Значение тока определяется делением
амплитудного значения напряжения переменного тока или максимального значения напряжения
постоянного тока на значение сопротивления последовательно включенного
неповреждаемого резистора. 7.5.1.2 В искробезопасном
электрооборудовании влиянием переходных процессов внутри электрооборудования, а
также связанных с источниками его питания можно пренебречь. 7.5.2 Шунты, ограничивающие
напряжение 7.5.2.1 Полупроводниковые
элементы могут использоваться в качестве шунтирующих устройств для ограничения
напряжения, при условии, что с учетом переходных процессов они удовлетворяют
указанным ниже требованиям. Полупроводниковый элемент
должен быть рассчитан на ток, равный 1,5-кратному току короткого замыкания,
который может протекать в электрической цепи при замыкании полупроводникового
элемента. Данными изготовителя полупроводниковых элементов должно быть
подтверждено следующее: а) диоды (управляемые и
неуправляемые), стабилитроны, транзисторы, включенные по схеме диода, и
аналогичные полупроводниковые устройства должны быть рассчитаны на номинальный
рабочий ток, в 1,5 раза превышающий максимально возможный ток короткого
замыкания; б) стабилитроны должны иметь
в режиме стабилизации 1,5-кратный запас по мощности, которая может рассеиваться
на них, а в прямом направлении - 1,5-кратный запас по току, который протекает в
месте их установки при повреждении на замыкание; в) диоды должны иметь в
обратном направлении 1,5-кратный запас по напряжению, которое может быть
приложено к диоду; г) транзисторы должны иметь
1,5-кратные запасы по мощности, напряжению между коллектором и эмиттером и
обратному напряжению между эмиттером и базой, токам коллектора и базы. 7.5.2.2 Для искробезопасной
цепи уровня ia применение управляемых полупроводниковых элементов
или сборки элементов в качестве шунтирующих ограничителей напряжения, например
транзисторов, тиристоров, стабилизаторов напряжения и тока, и т.д.,
разрешается, если входная и выходная цепи являются искробезопасными или будет
доказано, что они не подвержены влиянию переходных процессов со стороны
питающей сети. В электрических цепях, выполненных в соответствии с вышеуказанными
требованиями, устройства с дублированием считают неповреждаемым блоком. В
связанном электрооборудовании для искробезопасной цепи уровня ia могут
использоваться три управляемых полупроводниковых элемента: для уровня ib
- два, для уровня ic - один, при условии
соблюдения требований 7.5.1. Такие электрические цепи должны быть дополнительно
испытаны в соответствии с 10.4.3.3. 7.5.3 Последовательные токоограничительные
устройства 7.5.3.1 Для искробезопасного
и связанного электрооборудования допускается применение полупроводниковых
токоограничительных устройств при условии, что они подключаются к автономному
источнику питания постоянного тока или к цепи с сетевым трансформатором,
выполненным в соответствии с требованиями 8.1, а их параметры выбраны с
учетом переходных режимов по 7.5.1. Для искробезопасной цепи уровня ia
последовательные полупроводниковые токоограничительные устройства должны
утраиваться и удовлетворять требованиям 7.1, для уровня ib -
дублироваться и удовлетворять требованиям 7.1, а для уровня ic
- удовлетворять требованиям 7.1. Примечание - В искробезопасных цепях уровня ia допускается использование, кроме блокирующих диодов, других полупроводниковых и управляемых полупроводниковых устройств в качестве последовательных токоограничителей только при условии установки на выходе шунтирующих, ограничивающих напряжение, устройств (ключей на транзисторах или тиристорах, а также стабилизаторов напряжения), удовлетворяющих требованиям 7.7. 7.5.3.2 Параметры
транзисторов, применяемых в качестве последовательных токоограничительных
элементов, должны иметь 1,5-кратные запасы по мощности, напряжению между
коллектором и эмиттером и обратному напряжению между эмиттером и базой, токам
коллектора и базы. В транзисторах эмиттер и база должны быть соединены через
шунтирующий резистор. Значение сопротивления шунтирующего резистора выбирают по
тепловому току при отключенной базе транзистора. 7.6
Повреждаемые элементы и соединения 7.6.1 Применение требований 5.2 и 5.3
должно учитывать следующее: а) если нагрузка на элемент
не соответствует 7.1, его повреждение должно рассматриваться как
неучитываемое. Если нагрузка на элемент соответствует 7.1, его повреждение должно
считаться учитываемым; б) если повреждение одного
элемента или соединения может привести к повреждению других элементов или
соединений, то первичное и последующие повреждения должны рассматриваться как
одно повреждение; в) резисторы должны
рассматриваться как повреждаемые на замыкание, размыкание и принимающими любое
значение сопротивления (но см. 8.4); г) полупроводниковые
устройства считают повреждаемыми на замыкание и переход в режимы, к которым они
могут быть приведены в результате повреждения других элементов. Для оценки температуры
поверхности должно рассматриваться повреждение любого полупроводникового
устройства в условиях, когда оно рассеивает максимальную мощность. Интегральные схемы могут
повреждаться таким образом, что между их внешними выводами может иметь место
любая комбинация замыканий (размыканий). Однако если повреждение выбрано, оно
не может изменяться, например, путем приложения второго повреждения. В случае введения указанных
выше повреждений емкость и индуктивность, подключенные к устройству, должны
рассматриваться в их наиболее опасном соединении; д) соединения должны
рассматриваться как повреждаемые на размыкание. Если соединения свободно
двигаются, то они рассматриваются также как повреждаемые на замыкание с любой
частью электрической цепи в пределах их перемещения. При этом считают, что
первоначальный разрыв - это одно учитываемое повреждение, а повторное
соединение - это второе учитываемое повреждение (см. 8.7); е) электрические зазоры и
пути утечки должны рассматриваться как повреждаемые на замыкание в соответствии
с 6.4; ж) конденсаторы должны
рассматриваться как повреждаемые на замыкание, размыкание и принимающими любое
значение емкости от нуля до минимальной емкости конденсатора, полученной из
спецификации изготовителя (см. 8.5); з) дроссели должны
рассматриваться как, повреждаемые на замыкание, размыкание и принимающими любое
значение индуктивности от нуля до максимальной индуктивности дросселя с учетом
реализующегося при этом активного сопротивления его обмотки (см. 8.3); и) провода и печатные
проводники, включая их соединения, должны рассматриваться как повреждаемые на
размыкание и приниматься как одно учитываемое повреждение. 7.6.2 Включение
искрообразующего механизма в испытуемое электрооборудование для моделирования
разрыва, короткого замыкания или замыкания на землю не рассматривают как учитываемое
повреждение, а считают испытанием в нормальном режиме. 7.6.3 Неповреждаемые
соединения и разделения в соответствии с разделом 8 не подвергают испытаниям на
искрообразующем механизме. Однако если неповреждаемые соединения и разделения
не герметизированы или не имеют покрытия в соответствии с разделом 6, или не обеспечена
степень защиты оболочки в соответствии с требованиями 6.1, их считают повреждаемыми, и
искрообразующий механизм должен подключаться последовательно с такими
соединениями или параллельно таким разделениям. 7.7
Пьезоэлектрические устройства Пьезоэлектрические
устройства должны быть испытаны в соответствии с 10.11. 8 Неповреждаемые элементы, блоки элементов и соединения8.1.1 Повреждения обмоток В неповреждаемых сетевых
трансформаторах замыкание обмоток, питающих искробезопасные цепи, с любыми
другими обмотками не рассматривают, однако могут иметь место короткие замыкания
и размыкания обмоток трансформатора. Повреждения обмоток трансформатора,
которые могут привести к увеличению выходного напряжения, не должны
учитываться. 8.1.2.1 Первичная обмотка
сетевого трансформатора, предназначенного для питания искробезопасных цепей,
должна быть снабжена токовой защитой, например, плавким предохранителем
(плавкими предохранителями), удовлетворяющим требованиям 7.3, либо
автоматическим выключателем с соответствующими параметрами. 8.1.2.2 В системах
энергоснабжения с изолируемой нейтралью предохранители должны устанавливаться:
в трехфазных трансформаторах - в две фазы, в однофазных трансформаторах - в
одну фазу. В системах энергоснабжения с заземленной нейтралью предохранители
должны устанавливаться в каждый провод сетевой обмотки трансформатора, если в
однофазных трансформаторах не приняты меры, исключающие возможность соединения
фазного провода с выводом обмотки трансформатора, не содержащей предохранителя. 8.1.2.3 Для температурной
защиты трансформатора в дополнении к токовой защите может использоваться
залитый термопредохранитель или другое тепловое устройство, причем для
однофазного трансформатора достаточна установка одного устройства. 8.1.2.4 Предохранители,
держатели предохранителей, прерыватели и термические устройства должны отвечать
требованиям соответствующего стандарта. Соответствие стандарту не должно
проверяться испытательной организацией. 8.1.3 Конструкция
трансформатора 8.1.3.1 Трансформаторы по
способу расположения обмоток могут разделяться на два типа. Для конструкции первого типа
обмотка, питающая искробезопасные и связанные с ней искроопасные цепи,
намотанная на отдельной катушке, должна располагаться: - на одном стержне
сердечника с остальными обмотками; - на разных стержнях
сердечника. Пути утечки и электрические
зазоры между обмотками для питания искробезопасных и искроопасных цепей должны
удовлетворять требованиям таблицы 4. Для конструкции второго типа
обмотка, питающая искробезопасные и связанные с ней искроопасные цепи, должна
располагаться на одной катушке с остальными обмотками, при этом: - либо указанная обмотка
трансформатора отделена от остальных обмоток твердой изоляцией в соответствии с
таблицей 4, - либо указанная обмотка
трансформатора отделена от сетевой обмотки заземленным экраном (из медной
фольги) или эквивалентной проволочной обмоткой (проволочный экран). Толщина
медной фольги или проволочного экрана должна быть выбрана в соответствии с таблицей 6. Примечание - Эта мера позволяет гарантировать, что в случае короткого замыкания между обмотками и экраном, экран выдержит без пробоя ток, который по нему проходит до срабатывания токовой защиты. Таблица 6
- Минимальная толщина фольги или минимальный диаметр проволоки экрана в
зависимости от номинального тока предохранителя
Допуски изготовителя не
должны снижать значения, приведенные в таблице 6, более чем на 10 % или
0,1 мм, в зависимости от того, какое из значений меньше. 8.1.3.2 Экран из фольги
должен иметь два независимых проводника заземления, каждый из которых должен
быть рассчитан на максимальный длительный ток, который может протекать до
срабатываний токовой защиты, например 1,7In для предохранителя. 8.1.3.3 Проволочный экран
должен состоять по меньшей мере из двух электрически независимых слоев
проволоки, каждый из которых должен быть рассчитан на максимальный длительный
ток, который может протекать до срабатываний токовой защиты, например 1,7In для предохранителя. Изоляция между слоями должна выдержать
испытательное напряжение 500 В в соответствии с 10.6. 8.1.3.4 Сердечники всех
сетевых трансформаторов должны быть заземлены, за исключением случаев, когда
используются трансформаторы с изолированными сердечниками. 8.1.3.5 Обмотки
трансформатора независимо от конструктивного исполнения должны пропитываться
изоляционным лаком или заливаться компаундом. 8.1.3.6 Выводы сетевой и
вторичных обмоток для трансформаторов конструкции второго типа должны
располагаться на разных сторонах каркаса катушки. Пути утечки и электрические
зазоры между выводами обмоток, а также индекс трекингостойкости СИТ каркаса
катушки должны удовлетворять требованиям таблицы 4. Для уменьшения
расстояния выводы могут быть разделены изоляционной или заземленной
перегородкой, удовлетворяющей требованиям 6.4.1. 8.1.4 Испытания
трансформаторов 8.1.4.1 Трансформаторы
должны быть стойкими при коротком замыкании вторичной обмотки. 8.1.4.2 Соответствие
стойкого к короткому замыканию трансформатора температурным требованиям для
класса используемой изоляции проверяют следующим образом. Вторичные обмотки
трансформатора поочередно закорачивают, при этом все остальные обмотки
нагружают номинальным током. Токовую защиту при испытаниях отключают, но ее параметры
учитывают.
Если в трансформаторе используют токоограничительный резистор, залитый вместе с
его обмотками, испытания трансформатора на устойчивость к коротким замыканиям
следует проводить с учетом этого резистора. При этом токоограничительный
резистор должен быть установлен так, чтобы обеспечивались длина пути утечки и
зазоры в соответствии с таблицей 4, и между обмоткой трансформатора и
резистором отсутствовали неизолированные токопроводящие части. При испытаниях ток первичной
обмотки трансформатора должен быть установлен равным 1,7In или максимальному значению тока прерывателя с допустимыми отклонениями
от этих значений во время испытаний не более ±10 %. Значение тока устанавливают
изменением напряжения первичной обмотки трансформатора от нуля до номинального
напряжения (с учетом допустимых по документации на электрооборудование
повышений напряжения). В случае невозможности обеспечить вышеуказанные
значения тока за счет увеличения напряжения, испытания проводят при
максимальном сетевом напряжении. Продолжительность испытаний
должна составлять не менее 6 ч или до срабатывания несамовосстанавливающегося
теплового устройства. При использовании теплового устройства
самовосстанавливающегося типа испытания следует проводить в течение 12 ч. При
этом температура обмотки не должна превышать допустимого значения для класса
используемой изоляции. Температура обмотки должна измеряться в соответствии с 10.5. В процессе испытаний
трансформатор не должен воспламеняться, но допускается замыкание первичной или
вторичной обмоток с сердечником. 8.1.4.3 После испытаний
трансформаторов на устойчивость к коротким замыканиям изоляция между
искробезопасными и искроопасными обмотками должна выдерживать испытательное
напряжение (см. 10.6), равное (2 Un + 1000) В, но не менее 1500
В, где Un - максимальное напряжение любой испытуемой
обмотки. Испытательное напряжение между любыми обмотками и сердечником или
экраном должно быть 2 Un, но не менее 1000 В. 8.1.5 Контрольные проверки и
испытания сетевых трансформаторов, выполняемые изготовителем Каждый сетевой трансформатор
должен быть испытан в соответствии с 11.2. 8.2 Разделительные
трансформаторы 8.2.1 Конструкция и
возможные повреждения разделительных трансформаторов должны соответствовать
требованиям 8.1. Примечание - Это могут быть трансформаторы, которые используются в сигнальных цепях, или трансформаторы для других целей, например для преобразователей питания. 8.2.2 Испытания
разделительных трансформаторов должны быть выполнены в соответствии с
требованиями 8.1.4,
за исключением того, что такие трансформаторы должны быть испытаны при
максимальной токовой нагрузке. Если трансформатор невозможно испытать в этих
условиях, каждая обмотка при типовых испытаниях должна нагружаться постоянным
током, равным 1,7In в соответствии с 8.1.4. 8.2.3 При контрольных
испытаниях изоляция между первичной и вторичными обмотками должна выдерживать
испытательное напряжение, равное (2 Un + 1000) В, но не менее 1500
В. 8.2.4 Разделительные
трансформаторы, подключенные к искроопасным цепям с внешней силовой цепью,
должны учитывать возможность попадания на них максимального напряжения питания,
например сетевого напряжения. В таких разделительных трансформаторах должны
быть приняты меры, исключающие перегрузку трансформатора вследствие попадания
сетевого напряжения, например применение защитных средств в соответствии с 8.1.2.
Для обеспечения неповреждаемости зазоров и путей утечки трансформатора при
возможных перенапряжениях в цепь питания, в соответствии с требованиями 8.8,
включают предохранитель и стабилитрон. Номинальное входное напряжение по 8.1.4
должно быть равным напряжению стабилитрона. 8.3
Короткозамкнутые обмотки и дроссели 8.3.1 Демпферные обмотки,
выполненные в виде короткозамкнутых витков для снижения влияния индуктивности,
должны рассматриваться как повреждаемые только на размыкание, если они имеют
надежную механическую конструкцию, выполненную, например, в виде бесшовной
металлической трубки и обмоток из неизолированного провода, соединенных
замкнутой сваркой, пайкой или другими равноценными способами. 8.3.2 Дроссели, применяемые
в искробезопасных цепях, должны рассматриваться как повреждаемые только
размыкание, если их намотка выполнена рядовой, виток к витку, с изолирующими
прокладками между слоями, с пропиткой обмоток изоляционным лаком и компаундом. Между витковая изоляция обмоточного
провода должна быть рассчитана на напряжение, равное утроенному падению
напряжения на дросселе в нормальном и аварийном режимах. 8.4
Токоограничительные резисторы 8.4.1 Токоограничительные
резисторы должны быть одного из следующих типов: а) пленочного; б) проволочного с защитой
против разматывания проволоки в случае ее обрыва; в) непечатного,
используемого в гибридных и подобных цепях, с покрытием, соответствующим 6.4.8,
или герметизированные согласно 6.4.4. 8.4.2 He
повреждаемый токоограничительный резистор должен считаться повреждаемым только
на размыкание цепи, что рассматривают как одно учитываемое повреждение. 8.4.3 Токоограничительный
резистор должен быть нагружен в соответствии с требованиями 7.1 и
выдерживать по меньшей мере 1,5-кратные максимальные значения напряжения и
мощности в нормальных и аварийных режимах работы, определенных в разделе 5.
Не повреждаются на замыкание между витками правильно нагруженные проволочные
резисторы, имеющие залитые обмотки. Для заливки обмотки следует использовать
изоляционный материал со значением индекса трекингостойкости в соответствии с таблицей 4,
при номинальном напряжении, указанном изготовителем. 8.5
Разделительные конденсаторы 8.5.1 В неповреждаемом узле
необходимо использовать блок из двух последовательно подключенных
конденсаторов, один из которых рассматривают как повреждаемый на замыкание или
размыкание цепи. Для оценки искробезопасности следует выбирать конденсатор с
максимальной емкостью, а коэффициент искробезопасности 1,5 должен
использоваться применительно к блоку. 8.5.2 Разделительные
конденсаторы должны изготовляться с использованием твердого диэлектрика и иметь
высокую надежность. Применение электролитических или танталовых конденсаторов
не допустимо. Внешние соединения блока конденсаторов должны соответствовать 6.4. 8.5.3 Изоляция каждого
конденсатора должна выдерживать испытания на электрическую прочность согласно 6.4.12.
Если разделительные конденсаторы используют между искробезопасными и
искроопасными цепями, должны учитываться все возможные переходные процессы. 8.5.4 Блок из разделительных
конденсаторов, выполненный в соответствии с 8.8, должен рассматриваться как неповреждаемое
гальваническое разделение для постоянного тока. Конденсаторы, подключенные
между корпусом электрооборудования и искробезопасной цепью, должны
соответствовать 6.4.12. В случае, если их отказ приводит к
нарушению искробезопасности (например, возникновению путей обхода элементов, от
которых зависит искробезопасность), они должны соответствовать перечисленным
выше требованиям к разделительным конденсаторам. Примечание - Назначение этих конденсаторов - фильтрация высоких частот. 8.6 Блоки искрозащиты на
полупроводниковых элементах 8.6.1.1 Группа элементов
может рассматриваться как блок искрозащиты, если он гарантирует
искробезопасность цепи. 8.6.1.2 Соединение
шунтирующих элементов в блоке должно быть выполнено в соответствии с 8.7 или
сконструировано таким образом, чтобы отключение одного из шунтирующих элементов
вызывало отключение электрической цепи и защищаемых элементов. В неповреждаемом блоке
искрозащиты шунтирующие элементы (диоды или стабилитроны) должны дублироваться.
Допускается не дублировать шунтирующий элемент, если он подключен таким
образом, что при обрыве любой из его цепей, кроме непроволочных соединительных
выводов самого шунта, происходит отключение шунтируемого элемента. Диоды и
стабилитроны должны быть рассчитаны на продолжительный ток, который может
протекать в месте их установки при повреждении на замыкание. Примечания 1 Для предотвращения воспламенения взрывоопасной смеси при испытаниях на искрообразующем механизме в случае обрыва соединения может потребоваться герметизация блока в соответствии с 6.4.4. 2 Шунтирующие элементы, используемые в блоках, могут проводить ток в нормальном режиме работы. 8.6.1.3 Элементы блока
искрозащиты должны быть нагружены в соответствии с 7.1, включая случаи воздействия
напряжения переменного тока со значением Um. При защите от перегрузки с
помощью предохранителя шунтирующие элементы блока должны быть рассчитаны на
длительное протекание тока 1,7In. Конструкция предохранителя
должна удовлетворять требованиям 7.3. Способность элементов блока выдерживать
переходные режимы должна быть проверена в соответствии с 10.12
или определяться сравнением токовременных характеристик срабатывания
предохранителя с импульсными рабочими характеристиками элементов. Для
безопасных блоков искрозащиты, изготовленных как отдельное электрооборудование,
конструкция должна соответствовать 9.2. 8.6.1.4 При применении блока
искрозащиты с шунтирующими элементами в качестве неповреждаемого узла
необходимо учитывать следующее: а) каждый из двух
шунтирующих элементов рассматривают повреждаемым на размыкание цепи; б) выходным напряжением
блока искрозащиты считают наибольшее напряжение шунтирующего элемента; в) повреждение каждого шунтирующего
элемента на замыкание рассматривают как одно учитываемое повреждение; г) коэффициент
искробезопасности 1,5 должен применяться ко всем повреждениям, перечисленным в 5.2 и 5.3; д) блоки искрозащиты с
шунтирующими тиристорами должны испытываться в соответствии с 10.3.3. 8.6.2 Блоки искрозащиты с шунтирующими элементами 8.6.2.1 Блок искрозащиты с
шунтирующими элементами должен гарантировать, что электрические параметры
отдельного элемента или группы элементов в переходных режимах являются
контролируемыми величинами, которые не нарушают искробезопасности цепи. 8.6.2.2 Если блок
искрозащиты с шунтирующими элементами подключают к источнику питания,
характеризующемуся только значением Um, он должен анализироваться
на устойчивость к переходным режимам в соответствии с 8.6.1, за исключением случаев,
когда блок используют: а) для ограничения энергии
разряда, выделяющейся, например, из индуктивностей или пьезоэлектрических
устройств; б) для ограничения
напряжения устройств, например конденсаторов. 8.6.2.3 Диоды выпрямительных
устройств соответствующего номинала, собранные по мостовой схеме, должны
рассматриваться как неповреждаемый шунтирующий блок. 8.6.3 Блоки искрозащиты с
ограничителями напряжения или тока 8.6.3.1 Блок искрозащиты с
ограничителями напряжения или тока должен гарантировать, что к искробезопасной
цепи прикладывают напряжение или ток заданного уровня. 8.6.3.2 Блок искрозащиты с
ограничителями напряжения должен быть объектом анализа в переходных режимах,
когда он может подключаться к источнику питания, для которого определена только
величина Um в соответствии с 8.6.1, за исключением случаев,
когда питание блока осуществляют от: а) неповреждаемого
трансформатора, выполненного в соответствии с 8.1; б) блока искрозащиты на
диодах (стабилитронах), выполненного в соответствии с разделом 9; в) батареи, выполненной в
соответствии с 7.4; г) неповреждаемого
шунтирующего блока безопасности в соответствии с 8.6. 8.6.3.3 Блок искрозащиты с
ограничителями тока должен быть объектом анализа в переходных режимах в
соответствии с требованиями 7.5.1, а его питание должно осуществляться только
от: а) неповреждаемого
трансформатора, выполненного согласно 8.1; в) батареи, выполненной
согласно 7.4. Провода, включая их
подсоединения, должны рассматриваться как неповреждаемые на размыкание в
следующих случаях. а) Для проводов: 1) если два проводника
включены параллельно; 2) если одножильный провод
имеет диаметр не менее 0,5 мм и свободную длину менее 50 мм или надежно
закреплен в точке соединения; 3) если одиночный
многожильный или гибкий провод ленточного типа имеет сечение не менее 0,125 мм2
(диаметр 0,4 мм), не перегибается при работе и имеет длину менее 50 мм или
надежно закреплен в точке соединения. б) Для проводников печатных плат: 1) если два проводника
шириной не менее 1 мм включены параллельно; 2) если один проводник имеет
ширину не менее 2 мм или 1% от своей длины, в зависимости от того, какое
значение больше; 3) если каждый проводник
выполнен из меди номинальной толщиной не менее 35 мкм. в) Для соединений (исключая штепсели, розетки и клеммы): 1) если два соединения
параллельны; 2) если имеется одиночное
паяное соединение, в котором провод проходит через плату (включая отверстия
через нее) и он изогнут перед пайкой, а если не изогнут, то запаян посредством
использования автомата, или имеет соединение скруткой, запаян твердым припоем
или приварен; 3) если имеется одиночное
болтовое соединение, которое соответствует 6.6. 8.8.1 Разделительные
элементы, удовлетворяющие требованиям данного пункта, следует рассматривать как
обеспечивающие неповреждаемое разделение. 8.8.2 Разделительные
элементы, кроме трансформаторов и реле, например оптроны, должны
рассматриваться как обеспечивающие неповреждаемые разделения между отдельными
искробезопасными цепями, если выполняются следующие условия: а) нагрузка элемента
соответствует требованиям 7.1; б) элемент выдерживает
испытание на электрическую прочность согласно 6.4.12. При проведении
испытаний значение испытательного напряжения должно выбираться в соответствии с
требованиями 6.4.12
и быть не меньше номинального значения напряжения изоляции разделительного
элемента. 8.8.3 При применении
разделительных элементов между искробезопасными и искроопасными цепями пути
утечки и электрические зазоры должны удовлетворять требованиям таблицы 4,
за исключением внутренней части разделительных элементов, если они имеют
герметичную неразборную конструкцию, например оптронов, для которых значения,
указанные в пунктах 5-7 таблицы 4, не применяют. Нагрузка на
разделительные элементы должна удовлетворять требованиям 7.1.
Чтобы исключить возможность перегрузки разделительных элементов, выводы
искроопасной цепи следует снабжать защитой, за исключением случаев, когда может
быть показано, что цепи, подключенные к этим выводам, не могут привести к
повреждению разделительного элемента. Защита от перегрузки разделительных
элементов со стороны искроопасной цепи, например, может достигаться включением
стабилитрона, защищенного предохранителем с соответствующими параметрами,
способного прерывать амплитудное значение тока источника питания. При этом
требования таблицы
4 к предохранителю и стабилитрону не применяют. Номинальная мощность
стабилитрона должна быть не менее значения, получаемого в результате умножения
1,7In на максимальное напряжение стабилизации.
Конструкция предохранителя и метод монтажа, например в держателе, должны
удовлетворять требованиям и нормам на электрооборудование общего назначения. 8.8.4 К путям утечки и
электрическим зазорам внутри оптрона, который соответствует разделам 5-7
данного стандарта, требований не предъявляют, при условии, что внутренние
элементы оптрона в нормальном режиме работы и в случае неисправностей в
искробезопасных и искроопасных цепях нагружены не более чем на 2/3 от
максимально допустимой мощности, указанной изготовителем. 8.8.5 Разделительные реле
должны отвечать требованиям 6.4.13, а обмотка реле должна обеспечивать
рассеяние максимальной подключенной электрической мощности. Примечание - Требования 7.1 на обмотки реле не распространяются. 9 Барьеры безопасности на диодах9.1 Общие положения 9.1.1 Барьер безопасности
на диодах (стабилитронах) представляет собой узел законченной конструкции,
удовлетворяющий требованиям настоящего стандарта, который может изготавливаться
в виде отдельного электрооборудования или части искробезопасного и связанного
электрооборудования. Барьеры безопасности служат в качестве разделительных
элементов между искробезопасными и искроопасными цепями и состоят из
шунтирующих диодов (стабилитронов) и последовательно включенных резисторов или
резисторов и предохранителей. В соответствии с требованиями настоящего
стандарта барьеры безопасности должны пройти контрольные испытания по 11.1. Примечание - Способность барьера безопасности выдерживать повреждения, вызванные переходными режимами, должна быть испытана в соответствии с 10.12. 9.1.2 Барьеры безопасности,
состоящие только из двух диодов или диодных цепочек и применяемые для
искробезопасных цепей уровня ia, рассматривают в качестве
неповреждаемых блоков в соответствии с 8.6, при условии, что диоды
прошли контрольные испытания по 11.1.2. 9.1.3 Для двухдиодных
барьеров, используемых для искробезопасных цепей уровня ia, при
применении раздела
5 в расчет принимают повреждение только одного диода. 9.2 Конструкция 9.2.1 Монтаж Конструкция должна исключать
возможность неправильного монтажа, когда группу барьеров устанавливают вместе,
например, с помощью асимметричности формы крепления элемента барьера или (и)
цветовой маркировки. 9.2.2 Устройства для
заземления Дополнительно к любым
средствам соединения внутренней электрической цепи с землей барьер должен иметь
по крайней мере еще одно соединительное устройство или снабжаться изолированным
проводом с площадью поперечного сечения не менее 4 мм2 для
заземления. 9.2.3 Защита компонентов Все элементы барьера
безопасности должны представлять собой единый неразборный блок, залитый
компаундом в соответствии с 6.4.4 или выполненный в неразборной оболочке,
исключающей возможность ремонта или замены элементов его внутреннего монтажа. 10 Проверки и испытания10.1 Испытания на
искробезопасность 10.1.1 Общие положения 10.1.1.1 Испытания
электрических цепей на искрообразующем механизме должны проводится с целью
подтверждения, что они не способны вызвать воспламенения взрывоопасной смеси в
условиях, указанных в разделе 5 для соответствующих уровней
искробезопасных цепей. 10.1.1.2 Электрические цепи
должны испытываться в нормальных и аварийных режимах работы, с учетом
коэффициента искробезопасности, как описано в приложении А. Искрообразующий механизм должен
включаться в каждую точку испытуемой цепи, для которой возможен обрыв, короткое
замыкание или замыкание на землю. Искрообразующий механизм должен быть помещен
во взрывную камеру, заполненную наиболее легковоспламеняемой испытательной
взрывоопасной смесью при концентрациях, указанных в 10.2, и калиброваться в
соответствии с 10.3. 10.1.1.3 Электрическую цепь
можно не подвергать типовому испытанию с применением искрообразующего
механизма, если ее структура и электрические параметры достаточно хорошо
определены, а искробезопасность можно оценить по характеристикам
искробезопасности на рисунках A.1 - А.22 или по таблицам A.1
и А.2
методами, описанными в приложении
А. 10.1.1.4 Изготовителем
электрооборудования должны быть указаны допуски изменения напряжения и тока в
цепях, от которых зависит искробезопасность. Примечание - Цепь, оценка которой проведена с использованием характеристик искробезопасности и таблиц, может вызвать воспламенение при испытании с применением искрообразующего устройства. Чувствительность искрообразующего устройства меняется, а характеристики искробезопасности и таблицы составлены на основании большого числа таких испытаний. Оценка с применением характеристик искробезопасности и таблиц более логична и имеет преимущество по сравнению с разовыми экспериментальными результатами, полученными с помощью искрообразующего механизма. 10.1.2 Искрообразующий механизм 10.1.2.1 Искрообразующий
механизм должен соответствовать описанному в приложении Б, за исключением случаев, когда в приложении Б или в заключении
испытательной организации указано на его непригодность. В этих случаях
следует использовать другой искрообразующий механизм, обеспечивающий одинаковую
со стандартным механизмом чувствительность для цепей (цепи), допускаемых к
испытаниям на стандартном механизме. При этом обоснование причины
использования нестандартного механизма и возможности получения на нем
корректных результатов испытаний должны включаться в пояснительную
документацию. В качестве стандартных, согласно приложению Б, используют искрообразующие механизмы I-III
типов. 10.1.2.2 Использование
искрообразующего механизма для создания коротких замыканий, обрывов и замыканий
на землю считается нормальным режимом работы и является неучитываемым
повреждением: - на средствах соединения; - на внутренних соединениях
или через внутренние пути утечки, электрические зазоры, через заливку
компаундом и через твердые электроизоляционные материалы, не отвечающих
требованиям таблицы
4. 10.1.2.3 Искрообразующий
механизм не применяют для испытаний: - через неповреждаемые
разделения или последовательно с неповреждаемыми соединениями; - через пути утечки,
электрические зазоры, через заливку компаундом, твердые электроизоляционные
материалы, соответствующие требованиям таблицы 4; - внутри связанного
электрооборудования, за исключением выводов искробезопасной цепи; - между выводами разделенных
цепей, отвечающих требованиям 6.3.1, кроме случаев, описанных в 7.6). 10.2
Испытательные взрывоопасные смеси 10.2.1 В зависимости от
группы (подгруппы) испытуемого электрооборудования должны использоваться
следующие представительные (контрольные) взрывоопасные испытательные
смеси: группа I ... 8,0-8,6 % метана в воздухе подгруппа IIА ... 5,0-5,5 % пропана в воздухе подгруппа подгруппа IIВ ... 7,3-8,3 % этилена в воздухе подгруппа IIC подгруппа IIС ... 19-23 % водорода в воздухе 10.2.2 В специальных
случаях, когда электрооборудование испытывают и маркируют для применения в
среде индивидуального газа или пара, оно должно испытываться в наиболее легко
воспламеняемой концентрации этого газа или пара в воздухе (кислороде). Примечание - В среде водорода с кислородом наиболее легковоспламеняемый состав смеси имеет место при содержании 34 % водорода. 10.2.3 Для обеспечения
коэффициента искробезопасности могут использоваться активизированные
испытательные смеси. Их состав и давление должны соответствовать 10.4.2
или таблице
А1.3.1. Примечание - Следует применять газы чистотой не менее 95 %. Влияние изменений нормальных условий (значений температуры, давления и влажности воздуха во взрывоопасной смеси) считают незначительным. Любые значительные влияния изменений этих параметров становятся очевидными при калибровке искрообразующего механизма. 10.3 Калибровка
искрообразующего механизма 10.3.1 Чувствительность
искрообразующего механизма следует проверять до начала каждой серии испытаний,
проводимых в соответствии с требованием 10.4. Для этого стандартный
искрообразующий механизм должен включаться в контрольную цепь - цепь
постоянного тока с напряжением 24 В, содержащую катушку с воздушным сердечником
и индуктивностью 0,09 - 0,1 Гн. Ток в этой цепи для искрообразующих механизмов
должен соответствовать значениям, указанным в таблице 7 для соответствующей
группы (подгруппы) электрооборудования. При использовании активизированной
испытательной взрывоопасной смеси указанные в таблице 7 значения токов делят
на коэффициент искробезопасности. Таблица 7. - Ток в
контрольной цепи
Примечания 1 Ток контрольной цепи для наиболее легковоспламеняемого состава водородно-кислородной смеси равен 17-17,4 мА. 2 Указаны установившиеся значения токов в контрольной цепи. 10.3.2 Искрообразующий
механизм I типа должен сделать не менее 400 и не более 440 оборотов держателя
проволочек при его положительной полярности, и при этом должно быть не менее
одного воспламенения взрывоопасной смеси. Примечания 1 Калибровка искрообразующих механизмов II и III типов проводится в соответствии с приложением Б. 2 В специальных случаях, когда электрооборудование испытывают и маркируют для применения в среде индивидуального газа или пара, для выбора тока контрольной цепи необходимо знать один из классификационных параметров этой взрывоопасной смеси (БЭМЗ или соотношение МТБ) для наиболее легковоспламеняемого ее состава. Если для данной взрывоопасной смеси известен БЭМЗ, то соотношение МТВ определяют как отношение БЭМЗ/БЭМЗ0, где БЭМЗ0 - максимальный безопасный экспериментальный зазор для метановоздушной смеси, равный 1,14 мм. По известному или рассчитанному по БЭМЗ значению соотношения МТВ определяют ток контрольной цепи как произведение тока контрольной цепи для метановоздушной смеси и МТБ индивидуального газа или пары. 10.4
Испытания с использованием искрообразующего механизма 10.4.1 Испытание цепи 10.4.1.1 Для испытуемой
электрической цепи выбирают параметры, которые с наибольшей вероятностью
способны вызвать воспламенение взрывоопасной смеси, с учетом допусков в
соответствии с разделом
7 и 10% колебания сетевого напряжения. 10.4.1.2 Искрообразующий
механизм должен включаться в каждую точку испытуемой цепи, в которых считают
возможным появление обрыва или замыкания. Испытания цепи должны проводиться в
нормальном режиме работы, а также с учитываемыми и неучитываемыми повреждениями
в зависимости от уровня искробезопасной цепи в соответствии с разделом 5,
и с максимальными значениями подсоединяемой емкости (С0) или индуктивности (L0),
или отношения индуктивности к сопротивлению (L0/R0),
на которые рассчитано электрооборудование. 10.4.1.3 В каждом
испытательном режиме проводят не менее 16000 учитываемых замыканий и размыканий
цепи, которые являются наиболее опасными для испытуемой цепи и могут быть
реализованы данным искрообразующим механизмом. Цепь считают искробезопасной,
если после 16000 замыканий и размыканий и заданном коэффициенте
искробезопасности вероятность воспламенения не превышает 10-3. При
испытаниях цепей постоянного (выпрямленного) тока полярность источника питания
на контактах искрообразующего механизма должна изменяться через каждые 8000
размыканий и замыканий цепи. Примечание - Для электрических цепей некоторых типов количество учитываемых размыканий и замыканий может быть снижено испытательной организацией после соответствующего обоснования. 10.4.1.4 При проведении
испытаний следует принимать меры, чтобы ток в индуктивных цепях во время
замкнутого состояния контактов принимал установившееся значение, а конденсатор
имел достаточно времени для повторной зарядки. Соответствующие рекомендации для
стандартных искрообразующих механизмов приведены в приложении Б. 10.4.1.5 Во время
проведения испытаний и после их завершения необходимо проверять правильность
работы искрообразующего механизма путем его калибровки. Для искрообразующего
механизма I типа калибровку выполняют через каждые 1000 оборотов держателя
проволочек и после завершения испытаний. Проверка правильности работы
искрообразующих механизмов II и III типов должна осуществляться в соответствии
с указаниями приложения Б. Если калибровка не соответствует требованиям 10.3,
испытания цепи на искробезопасность должны быть признаны недействительными. 10.4.1.6 Количество
учитываемых размыканий и замыканий на один оборот держателя проволочек для
искрообразующих механизмов I и II
типов или один обрыв проволоки для искрообразующего механизма III типа в
зависимости от типа испытуемой электрической цепи приведено в таблице 7А. Таблица 7А. - Количество
учитываемых размыканий и замыканий для стандартных искрообразующих механизмов
10.4.2 Коэффициент
искробезопасности Примечание - Цель применения коэффициента искробезопасности - гарантировать, что испытание или оценку искробезопасности проводят для цепи, которая с большей вероятностью вызовет воспламенение, чем первичная цель, или что первичная цепь испытывается в более легковоспламеняющейся взрывоопасной смеси. В основном нельзя добиться точной адекватности между разными методами получения определенного коэффициента искробезопасности, но указанные ниже методы дают приемлемый выбор. 10.4.2.1 При увеличении
напряжения сети до 110 % (с учетом колебания сети) от номинального значения или
установкой в соответствии с разделом 7 напряжения батарей источников питания и
устройств, ограничивающих напряжение, на максимальном уровне, коэффициент
искробезопасности должен быть обеспечен одним из следующих способов: 1) для индуктивных и
омических цепей уменьшают сопротивление ограничительного резистора для
увеличения тока испытуемой цепи в число раз, кратное коэффициенту
искробезопасности. Если коэффициент искробезопасности не может быть достигнут
таким способом, то увеличивают напряжение; 2) для емкостных цепей
напряжение испытуемой цепи увеличивают в число раз, кратное коэффициенту
искробезопасности. При использовании для оценки
искробезопасности электрических цепей характеристик искробезопасности или
таблиц приложения А применяют
этот же метод обеспечения коэффициента искробезопасности. Примечание - Для искрообразующего механизма I типа коэффициент искробезопасности равен 1,5, для искрообразующих механизмов II и III типов коэффициент искробезопасности равен 2. 10.4.2.2 Коэффициент
искробезопасности может быть обеспечен за счет использования активизированных
взрывоопасных испытательных смесей в соответствии с таблицами 8 и 8А.
Отклонение содержания компонентов активизированных испытательных взрывоопасных
смесей от указанных в таблицах 8 и 8А не должно превышать 0,005
объемных долей (0,5 %). Таблица 8 - Составы
активизированных испытательных взрывоопасных смесей, обеспечивающих коэффициент
искробезопасности не менее 1,5 для искрообразующего механизма I типа
В специальных случаях, когда
электрооборудование испытывается и маркируется для применения в среде
индивидуального газа или пара, выбор состава активизированной
водородно-кислородной смеси при использовании искрообразующего механизма I типа
осуществляют по формуле
где СО2 -
содержание кислорода в водородно-кислородной смеси, %; МТВ - соотношение
минимальных воспламеняющих токов для индивидуального газа или пара, уменьшенное
в 1,5 раза (коэффициент искробезопасности для искрообразующего механизма I
типа). Таблица 8А - Составы
активизированных испытательных взрывоопасных смесей, обеспечивающих коэффициент
искробезопасности не менее 2 для искрообразующих механизмов II и III типов
Примечание - Для получения активизированной испытательной смеси, обеспечивающей коэффициент искробезопасности 2 для наиболее легковоспламеняемого состава водородно-кислородной смеси, следует увеличить давление во взрывной камере наиболее легковоспламеняемого состава водородно-кислородной смеси до 0,3 МПа. Ток контрольной электрической цепи выбирают в соответствии с 10.3. Для искрообразующих
механизмов II и III типов состав активизированной испытательной
активизированной водородно-кислородной смеси определяют по формуле
где МТВ - соотношение
минимальных воспламеняющих токов для индивидуального газа или пара, уменьшенное
в два раза (коэффициент искробезопасности для искрообразующих механизмов II и
III типов). 10.4.3 Испытания 10.4.3.1 Общие требования Испытания с использованием
искрообразующего механизма должны проводиться в режимах, представляющих
наибольшую опасность для воспламенения. Так, например, для простых цепей,
которым соответствуют приведенные на рисунках А.1-А.19
характеристики искробезопасности, наиболее опасными являются испытания в режиме
короткого замыкания. Для более сложных цепей условия могут измениться, и
испытания в режиме короткого замыкания могут оказаться менее опасными.
Например, для источников питания стабилизированным напряжением и с ограничением
тока наиболее опасные условия обычно имеют место, когда последовательно с
выходом источника питания включен резистор, ограничивающий ток до максимального
значения, которое не вызывает снижения напряжения. 10.4.3.2 Цепи с
индуктивностью и емкостью Если цепь содержит емкость и
индуктивность, то при ее оценке по кривым рисунков А.1-А.19 могут
возникнуть трудности, т.к. указанные кривые в неполной мере соответствуют
прямому решению поставленной задачи. Испытания цепи должны проводиться с
учетом влияния емкости и индуктивности. При заданном коэффициенте
искробезопасности, например 1,5, для таких цепей вначале в 1,5 раза увеличивают
действующий в цепи ток. Определяют индуктивность, при которой установленный в
цепи ток становится минимальным воспламеняющим (вызывает воспламенение
взрывоопасной смеси с вероятностью 10-3). Затем в 1,5 раза
увеличивают действующее в цепи напряжение, а ток в цепи устанавливают равным
искробезопасному значению для найденной индуктивности и увеличенного
напряжения. После этого проводят испытание цепи на искробезопасность. 10.4.3.3
Защита, шунтирующая цепь на короткое замыкание 10.4.3.3.1 При испытаниях
таких цепей необходимо удостовериться, что электрические разряды, возникающие
во время переходного процесса в электрической цепи при срабатывании шунтирующей
защиты, не способны вызвать воспламенение взрывоопасной смеси. В общем случае
следует исходить из того, что при заданном повреждении и наиболее опасных
условиях коммутации электрической цепи с учетом коэффициента искробезопасности
значение энергии, выделившейся в электрическом разряде, должно быть меньше, чем
необходимо для воспламенения взрывоопасной смеси. Стандартные искрообразующие
механизмы в общем случае не приспособлены для проведения испытаний
искробезопасности электрических цепей с защитой, шунтирующей цепь на короткое
замыкание. Как правило, требуется использование дополнительных устройств,
учитывающих специфику происходящих процессов. В случаях, когда искрообразующий
механизм не может быть использован для проведения испытаний, например по
причине его чрезвычайной сложности или другим причинам, оценка
искробезопасности электрической цепи может быть проведена на основе определения
выделившейся в электрическом разряде энергии с учетом наиболее опасных условий.
Определение выделившейся в разряде энергии может осуществляться измерительными,
например осциллографическими, или расчетными методами. Во всех случаях
требуется обоснование обеспечения искробезопасности электрической цепи при
проведении таких испытаний. 10.4.3.3.2 Если для
испытания такой цепи используют искрообразующий механизм, то необходимо: а) обеспечить реализацию и
учет наиболее опасных электрических разрядов, возникающих при коммутации
испытуемой электрической цепи; б) обеспечить коэффициент
искробезопасности электрической цепи не менее, чем в случае использования
стандартного искрообразующего механизма при испытаниях простых электрических
цепей. 10.4.3.3.3 Если испытания
такой цепи проводят на основе определения выделившейся в разряде энергии, то
необходимо: а) определить энергию
электрического разряда, выделившуюся при наиболее опасных условиях коммутации; б) сравнить значение
выделившейся в разряде энергии со значением энергии, обеспечивающим необходимый
коэффициент искробезопасности; в) при расчетной и
электроизмерительной оценке искробезопасности электрической цепи в качестве
искробезопасных значений энергии могут быть использованы, например, значения
энергий, приведенные на рисунках А.20-А.22, уменьшенные в число раз,
необходимое для обеспечения требуемого коэффициента искробезопасности. При
использовании характеристик искробезопасности на рисунках А.20-А.22
выделившуюся в разряде энергию необходимо определять за вычетом потерь энергии
в области катодного падения напряжения разряда. В частности, уровень
воспламеняющих энергий, приведенный на рисунках А.20-А.22,
соответствует уровню воспламеняющей энергии для искрообразующего механизма I
типа при воспламенении с вероятностью 10-3 взрывоопасной смеси
электрическими разрядами, возникающими при коммутации простых омических и
индуктивных цепей. 10.4.4 Результаты испытаний При любом испытательном
режиме с коэффициентом искробезопасности не менее 1,5 (2) вероятность
воспламенения взрывоопасной смеси должна быть не более 10-3. 10.5.1 Все данные по
температурам должны базироваться на эталонной температуре окружающей среды,
равной 40 °С, или на максимальной
температуре окружающей среды, обозначенной в маркировке электрооборудования.
Испытания, базирующиеся на эталонной температуре, можно проводить при любой
температуре окружающей среды от 20 °С до эталонной температуры.
Разность между температурой окружающей среды, при которой проводят испытания, и
эталонной температурой необходимо прибавить к измеренной температуре, если
только элемент не имеет нелинейные температурные характеристики, например
батареи. Если превышение температуры измеряют при эталонной температуре
окружающей среды, то при определении температурного класса следует использовать
полученное значение. 10.5.2 Температуру можно
измерять любым способом. Измерительный элемент не должен значительно снижать
измеряемую температуру. Допустимым является следующий метод измерения
превышения температуры обмоток: - измеряют сопротивление
обмотки и регистрируют температуру окружающей среды; -
прикладывают испытательный ток или токи, измеряют максимальное сопротивление
обмотки и регистрируют температуру окружающей среды при измерениях; - рассчитывают превышение
температуры по следующей формуле
где Т - превышение
температуры, К; r
-
сопротивление обмотки при температуре окружающей среды t1, Ом; R -
максимальное сопротивление обмотки после приложения испытательного тока в конце
испытаний, Ом; t1 - температура окружающей
среды при измерениях r, °С; t2 - температура окружающей
среды при измерениях R, °С; k
- величина,
обратная температурному коэффициенту сопротивления обмотки при 0°С, которая,
например, для меди равна 234,5 К. 10.6
Испытание электрической прочности изоляции Испытания должны проводиться
переменным напряжением синусоидальной формы частотой от 48 до 62 Гц или
напряжением постоянного тока, имеющим пульсацию не выше 3% и значение, равное
1,4 указанного значения напряжения переменного тока. Источник питания должен
иметь мощность, достаточную для поддержания испытательного напряжения с учетом
любого возникающего тока утечки. Напряжение должно
увеличиваться постепенно до указанного значения за время не менее 10 с, а затем
поддерживаться неизменным в течение не менее 60 с. Приложенное напряжение
должно оставаться постоянным в течение испытаний, а ток не должен превышать
эффективного значения 5 мА. 10.7
Испытание малых элементов на воспламенение взрывоопасных смесей 10.7.1 Испытания малых
элементов, выполненные по приведенному ниже методу, должны подтвердить, что
малые элементы не могут явиться причиной воспламенения взрывоопасной смеси в
соответствии с 6.2.4. Появление «холодного пламени»
рассматривают как воспламенение. Оно может фиксироваться визуально или
измерением температуры, например, термопарой. 10.7.2 Малые элементы должны
быть испытаны в нормальном режиме и условиях повреждений в соответствии с разделом 5,
при которых возникает максимальная температура на поверхности, что
соответствует выделению максимальной мощности на испытуемом малом элементе.
Испытания необходимо продолжать до тех пор, пока не будет достигнуто тепловое
равновесие между испытуемым малым элементом и окружающими частями или пока
температура испытуемого малого элемента не начнет снижаться. Если повреждение
малого элемента вызывает снижение температуры, испытания должны быть повторены
пять раз с использованием пяти дополнительных образцов. Если в нормальном или
аварийном режимах работы в соответствии с разделом 5 температура более чем
одного малого элемента превышает температурный класс электрооборудования,
испытания должны быть проведены со всеми такими малыми элементами при максимальных
значениях температуры или выделяемой на них мощности. 10.7.3 Испытуемый малый
элемент может монтироваться в оборудовании, как это предусмотрено, при этом
следует принять меры, чтобы испытательная взрывоопасная смесь была в контакте с
малым элементом. Допускается проведение испытаний на модели, которая
гарантирует объективные результаты. Моделирование должно учитывать влияния
других частей оборудования, находящихся вблизи испытуемого малого элемента,
которые оказывают воздействие на температуру смеси и скорость ее потока около
малого элемента в результате вентиляции и тепловых эффектов. 10.7.4 Коэффициент
искробезопасности, требуемый ГОСТ Р
51330.0, может обеспечиваться: - повышением температуры
окружающей среды, при которой проводят испытания, до значений, определяемых
размерами малого элемента; - повышением температуры (выделяемой
мощности) испытуемого малого элемента и других смежных поверхностей на требуемое
значение, если это возможно; - использованием
активизированной испытательной смеси, состав которой зависит от размеров
испытуемого малого элемента. 10.7.5 Выбор подходящих
испытательных взрывоопасных смесей проводят по усмотрению испытательной организации. 10.7.6 Если во время
испытаний не происходит воспламенения, наличие взрывоопасной смеси
контролируют, поджиганием от других источников. 10.8
Определение параметров произвольных элементов питания Параметры элементов
(батарей) определяют на десяти новых, полностью заряженных образцах.
Определение параметров должно проводиться при указанной максимальной
температуре окружающей среды или должно быть отнесено к этой температуре,
например 40 °С. При необходимости, параметры чувствительных к температуре элементов
и батарей, например никель-кадмиевых, должны определяться при более низких
температурах, чтобы условия испытаний были наиболее неблагоприятные. В качестве
представительных для элемента принимают наиболее неблагоприятные значения
параметров, полученные при испытаниях десяти образцов. 10.9 Испытания элементов и
батарей 10.9.1 Общие требования 10.9.1.1 До проведения любых
испытаний перезаряжаемые элементы или батареи нужно не менее двух раз полностью
зарядить и разрядить. При второй и, если это потребуется, последующих разрядках
необходимо убедиться, что емкость элемента или батареи находится в пределах
характеристик, указанных изготовителем, что гарантирует проведение испытаний на
полностью заряженном элементе или батарее. 10.9.1.2 Если при испытаниях
необходимо осуществлять короткое замыкание элемента или батареи, то собственное
сопротивление перемычки (закорачивающего элемента) должно быть не более 3 мОм,
или падение напряжения на зажимах подключенной перемычки должно быть не более
200 мВ, либо не более 15% от ЭДС элемента или батареи. Короткое замыкание
необходимо осуществлять максимально близко от зажимов элемента или батареи. 10.9.2 Испытания элементов и
батарей на утечку электролита 10.9.2.1 Испытуемые образцы
должны быть помещены на кусок промокательной бумаги таким образом, чтобы
соединения корпуса были ориентированы наиболее опасным, с точки зрения утечки
электролита, образом или установлены в соответствии с указаниями изготовителя
устройства. Десять образцов должны быть
подвергнуты следующим, наиболее жестким испытаниям: а) короткому замыканию до
полной разрядки элемента или батареи; б) пропусканию входного или
зарядного токов в пределах, рекомендованных изготовителем; в) заряду батареи в
соответствии с инструкцией изготовителя с одним полностью разряженным или
поврежденным переполюсовкой элементом. Приведенные выше режимы
испытаний включают любую переполюсовку при зарядке, имеющую место в случаях,
оговоренных в 5.2
и 5.3.
Они исключают использование внешнего зарядного устройства с зарядными
характеристиками, превышающими рекомендованные изготовителем элемента или
батареи. 10.9.2.2 По окончании
испытаний на промокательной бумаге или внешних поверхностях испытуемых образцов
после их охлаждения не должно быть видимых следов электролита. Если
испытывались залитые компаундом элементы или батареи, то их проверка по
окончании испытаний не должна выявить повреждения, которые могли бы нарушить
соответствие требованиям 7.4.9. 10.9.3 Воспламенение вследствие
искры и превышения температуры поверхности элементов и батарей 10.9.3.1 Если батарея
состоит из нескольких отдельных элементов или батарей меньшего размера,
объединенных в законченную конструкцию с соблюдением требований к разделению и
других требований данного стандарта, то при проведении испытаний каждый элемент
батареи должен рассматриваться как отдельный элемент. Исключение составляют
специально сконструированные батареи, где может быть показана невозможность
короткого замыкания между элементами, а повреждение любого элемента должно
рассматриваться как одно повреждение. В не полностью изолированной батарее
считают возможным повреждение на короткое замыкание между ее внешними выводами. 10.9.3.2 Элементы и батареи,
отвечающие требованиям 7.4.9, должны испытываться и оцениваться
следующим образом. а) Оценку или испытания на
воспламенение искрой следует проводить на внешних выводах элемента или батареи.
Если последовательно с элементом или батареей включено токоограничительное
устройство и их соединение отвечает требованиям 6.7, испытания или оценка должны
проводится с учетом этого устройства. Если внутреннее
сопротивление элемента или батареи должно быть включено в оценку
искробезопасности, минимальное значение этого сопротивления должно быть
сообщено испытательной организации. Если изготовитель не может подтвердить
минимальное значение внутреннего сопротивления, испытательная организация
должна использовать для определения внутреннего сопротивления наиболее
неблагоприятное значение тока короткого замыкания из результатов испытаний 10
образцов элементов или батарей, приняв для определения внутреннего
сопротивления максимальное значение напряжения холостого хода в соответствии с 7.4.3. б) Максимальная температура
поверхности должна определяться следующим образом. Все внешние по отношению к
элементу или батарее токоограничительные устройства следует замкнуть. Любой
внешний кожух (бумажный, металлический или т.п.), не составляющий часть самой
оболочки элемента, при испытаниях должен быть удален. В качестве значения
температуры принимают максимальное значение, измеренное на внешней оболочке
каждого элемента или батареи. Испытание проводят как с внутренними
токоограничительными устройствами, так и при их закорачивании, на 10 элементах
или батареях в каждом случае. От изготовителя элемента или батареи должны быть
получены 10 образцов с закороченными внутренними токоограничительными
устройствами вместе со специальными инструкциями или предостережениями,
необходимыми для их безопасного использования и испытания. Примечание - При определении температуры поверхности батареи не принимают во внимание влияние встроенных защитных устройств, например предохранителей или РТС-сопротивлений, так как оценивается возможность внутреннего повреждения, например нарушение разделения. 10.10. Механические испытания 10.10.1.1 Перпендикулярно
поверхности компаунда с помощью металлического стержня диаметром 6 мм с гладким
плоским концом в течение 10 с должна быть приложена сила 30 Н. В результате
испытания не должны наблюдаться повреждения, остаточная деформация или
перемещения компаунда более чем на 1 мм. 10.10.1.2 Если компаунд
имеет свободную поверхность, то необходимо гарантировать, что он является
прочным, но не хрупким. Поверхность компаунда должна подвергаться одному из
следующих испытаний, проводимому при температуре (20±10) °С с использованием испытательного
оборудования, описанного в приложении D ГОСТ Р
51330.0: а) для группы I там, где литой
компаунд образует часть внешней оболочки и используется для исключения доступа
взрывоопасной среды, должна использоваться энергия удара 20 Дж; б) во всех остальных случаях
должна использоваться энергия удара 2 Дж. Компаунд не должен иметь
повреждений и остаточных деформаций. Допускаются незначительные трещины. Перегородки должны
выдерживать усилие 30 Н, приложенное испытательным стержнем диаметром 6 мм.
Усилие должно прикладываться примерно по центру перегородки в течение не менее 10
с. Не должно быть деформации перегородки, которая могла бы нарушить ее
целостность и пригодность для последующего использования. 10.11
Испытания электрооборудования, содержащего пьезоэлектрические устройства 10.11.1 Измеряют емкость
устройства и напряжение, возникающее в нем, когда доступную при эксплуатации
часть оборудования испытывают ударом в соответствии с параметрами, приведенными
в графе «Высокая» таблицы 4 ГОСТ Р
51330.0 при (20±10) °С с использованием
испытательного оборудования по приложению D ГОСТ Р
51330.0. Принимается более высокое значение напряжения из двух испытаний на
одном образце. 10.11.2 Если
электрооборудование, содержащее пьезоэлектрическое устройство, предохранено от
прямого физического воздействия, испытательный удар должен прикладываться к
предохранительному устройству при расположении электрооборудования и
предохранительного устройства в положении, предусмотренном изготовителем.
Энергия, накопленная емкостью кристалла при максимальном измеренном напряжении,
не должна превышать, мкДж, для электрооборудования: - группы I ... 1500 - подгруппы IIА ...
950 - подгруппы IIB ...
250 - подгруппы IIС ...
50 Примечание - Бескамерная электроизмерительная оценка искробезопасности пьезоэлектрических устройств принята ввиду сложности совмещения механического воздействия на пьезокристалл с испытаниями на искрообразующем механизме во взрывной камере. Если эта техническая задача решена, то пьезоэлектрические устройства могут быть испытаны во взрывной камере аналогично емкостным цепям с применением активизированной взрывоопасной смеси. 10.11.3 Защитные устройства,
предохраняющие пьезоэлектрические устройства от прямого физического
воздействия, а также ограничивающие выделение запасенной пьезоэлектрическим
устройством энергии, не должны разрушаться при ударе и тем самым нарушать вид
взрывозащиты. 10.11.4 Если энергия удара,
которому может быть подвергнуто электрооборудование, меньше значений,
приведенных в графе «Низкая» таблицы 4 ГОСТ Р
51330.0, электрооборудование необходимо маркировать знаком Х и в
сопроводительной документации оговорить специальные условия его применения. 10.12
Испытания диодных барьеров и шунтов безопасности 10.12.1 Барьеры безопасности
или шунты должны выдерживать воздействие переходных процессов, что подтверждается
испытаниями их элементов. 10.12.2 Резисторы,
считающиеся неповреждаемыми, должны рассматриваться как выдерживающие любые
переходные процессы, возможные для указанного источника питания. 10.12.3 Диоды при
температуре 20 °С должны выдерживать ток, значение
которого определяется делением амплитудного значения напряжения Um на суммарное значение сопротивлений предохранителя и неповреждаемого
резистора, если он включен последовательно с предохранителем. Проверку
выполнения указанного требования осуществляют либо по спецификации
изготовителя, либо по результатам описанных ниже испытаний. 10.12.4 К диоду каждого типа
в прямом направлении (для стабилитронов - в обратном направлении) необходимо
приложить пять прямоугольных импульсов тока, длительностью 50 мкс каждый,
повторяемых с интервалом 20 мс. Амплитуда импульса должна равняться
амплитудному значению напряжения Um, деленному на «холодное»
значение сопротивления предохранителя при 20 °С (плюс сопротивление
последовательно включенного резистора при наличии его в цепи). Если данные
изготовителя показывают, что предразрывное время предохранителя при этом токе
больше 50 мкс, ширину импульса следует изменить, чтобы реализовать
действительное предразрывное время. Если предразрывное время не может быть
получено из данных изготовителя, следует испытать 10 предохранителей при
расчетном значении тока для измерения соответствующего ему предразрывного
времени. Полученное значение следует использовать в случае, если оно превышает
50 мкс. 10.12.5 Напряжение на диоде
должно измеряться до и после этих испытаний при испытательном токе, указанном
изготовителем элемента. Измеренные значения напряжения не должны отличаться
более чем на 5 % (значение 5 % включает погрешности испытательного
оборудования). Наибольшее значение напряжения, отмеченное во время испытаний,
должно использоваться как амплитудное при проведении серии импульсов,
прикладываемых, как указано выше, к любому полупроводниковому устройству
ограничения тока. После испытаний эти устройства следует снова проверить на
соответствие спецификации изготовителя. Чтобы показать пригодность
всего ряда изделий, производимых конкретным изготовителем, необходимо испытать
при данном напряжении только представленный образец. 10.13
Испытания кабеля на растяжение 10.13.1 Электрооборудование,
в котором кабель для внешних соединений является его неотъемлемой частью,
должно подвергаться испытанию на растяжение кабеля в случае, если обрыв жил
кабеля от мест присоединения внутри электрооборудования может привести к
нарушению искробезопасности, например, если в кабеле имеется более одной
искробезопасной цепи и обрыв может привести к опасным пересоединениям.
Испытания следует проводить следующим образом: - к кабелю необходимо
приложить растягивающее усилие 30 Н в направлении оси кабельного ввода
электрооборудования в течение не менее 1 ч; - допускается смещение
оболочки кабеля, но не должно наблюдаться видимого смещения выводов; - данное испытание не должно
применяться к отдельным проводникам, которые подключены постоянно и не являются
частью кабеля. 11 Контрольные проверки, выполняемые изготовителем11.1
Контрольные испытания диодных барьеров безопасности 11.1.1 Барьеры безопасности
законченной конструкции Контрольное испытание должно
проводиться на каждом барьере безопасности законченной конструкции для проверки
правильной работы всех элементов барьера и сопротивления всех предохранителей.
Разрешено использование съемных вставок для проведения данного испытания, если
искробезопасность сохраняется при снятых вставках. 11.1.2 Диоды для двухдиодных
барьеров уровня ia Напряжение на зажимах диодов
должно быть измерено, как указано их изготовителем, при температуре окружающей
среды до и после следующих испытаний каждого диода: а) воздействием температуры
150 °С в течение 2 ч; б) импульсами тока в
соответствии с 10.12. 11.2
Контрольные испытания сетевых трансформаторов При контрольных испытаниях
напряжение, прикладываемое к сетевым трансформаторам, должно соответствовать
значениям, приведенным в таблице 9, где - наибольшее номинальное напряжение
любой испытуемой обмотки. Во время этих испытаний не
должно происходить пробоя изоляции между обмотками или между любой обмоткой и
сердечником или экраном. Таблица 9 - Контрольные
испытания электрической прочности изоляции сетевых трансформаторов
12 Маркировка12.1 Общие требования 12.1.1 Объем сведений,
указываемых в маркировке искробезопасного и связанного электрооборудования,
должен быть не менее, чем требуется по ГОСТ Р
51330.0. Примечание - Серийный номер может наноситься отдельно от другой маркировки. 12.1.2 Для присоединенного
оборудования символы Ex ia или Ex ib
(либо ia или ib, если символ Ех уже нанесен) должны быть заключены
в квадратные скобки. 12.1.3 Место маркировки всех
относящихся к искробезопасности параметров, например Um, Li, Ci, L0, C0 и т.п., выбирают из
практических соображений. Примечание - Стандартные символы для использования в маркировке и документации приведены в разделе 13. 12.1.4 По практическим
соображениям может быть ограничено или исключено использование курсива или
подстрочных знаков, и может быть использовано упрощенное написание символов,
например U0 вместо U0. 12.2 Маркировка средств
соединения 12.2.1 Соединительные
средства, например клеммные коробки, соединения посредством электрических
разъемов искробезопасного и подключенного электрооборудования должны быть четко
промаркированы и легко идентифицироваться. Если для этой цели используют цвет,
то это должен быть голубой цвет. 12.2.2 Если части
электрооборудования или различные аппараты соединены между собой с помощью
разъемов, последние должны быть идентифицированы как содержащие только
искробезопасные цепи. Там, где для этой цепи используют цвет, он должен быть
голубым. 12.2.3 Дополнительно должна
быть обеспечена достаточная и понятная маркировка с целью гарантии правильного
соединения для всей искробезопасной цепи в целом. Примечание - Для достижения этого может возникнуть необходимость в использовании дополнительных табличек на соединительных средствах или около них. Если электрооборудование не подвержено загрязнению, для этой цели могут применяться этикетки. Ниже приведены примеры маркировки.
где АСВ - название или знак
испытательной организации. 13 Документация13.1 Техническая
документация, представляемая вместе с электрооборудованием, в дополнение к ГОСТ Р
51330.0 должна содержать: а) в стандартах и
технических условиях на электрооборудование - требования к искрозащитным
элементам и средствам, а также указания о маркировке согласно настоящему
стандарту; б) в эксплуатационных
документах- разделы с описанием искрозащитных элементов и средств и указаниями
о сохранении искробезопасных параметров электрических цепей при монтаже,
эксплуатации и ремонте электрооборудования. 13.2 В электрических принципиальных
схемах электрооборудования, а также в инструкции по монтажу и эксплуатации
элементы, используемые в качестве искрозащитных, должны маркироваться в
соответствии с ГОСТ 2.710. При этом после буквы F должен ставиться знак
уровня искробезопасной цепи ia, ib
и ic. Если в качестве
искрозащитных используют группу элементов, допускается каждый элемент не
маркировать, а их все вместе обвести штриховой линией и около нее поставить
один знак Fia, Fib, или Fiс. 13.3 Пояснительная
документация в соответствии с требованиями ГОСТ Р
51330.0 должна, кроме того, включать следующую информацию: а) электрические параметры
оборудования: 1) для источников питания -
выходные данные, например, U0, I0, P0 и, если нужно, С0, L0 и/или
допустимое соотношение L0/R0; 2) для приемников энергии -
входные данные, например Ui, Li, Рi, Сi, Li и соотношение Li/Ri; б) любые специальные
требования по установке и использованию; в) максимальное значение Um, которое может быть приложено к зажимам искроопасных цепей или
связанного электрооборудования; г) любые специальные
условия, которые приняты при определении типа защиты, например, что напряжение
должно поступать от защитного трансформатора или через диодный барьер
безопасности; д) соответствие или
несоответствие требованиям 6.4.12; е) обозначение поверхности
оболочки в случае, если от этого зависит искробезопасность. ПРИЛОЖЕНИЕ А
(обязательное) Оценка искробезопасности электрических цепейА.1 Основные критерии Искробезопасная цепь должна
удовлетворять трем основным критериям: а) соответствующим образом
отделяться от искроопасных цепей; б) не вызывать воспламенения
от теплового воздействия. Температурный класс искробезопасного оборудования
должен быть определен в соответствии с 6.2 и разделом 5 ГОСТ Р
51330.0. Температурная классификация не должна применяться к связанному
электрооборудованию. в) вероятность воспламенения
взрывоопасной смеси в процессе испытаний цепи с использованием искрообразующего
механизма или по оценке в соответствии с требованиями раздела 10 для конкретного
уровня искробезопасной цепи (см. раздел 5) и группы (см. раздел 4) не должна превышать 10-3. Примечания 1 Критерий а) может быть удовлетворен путем обеспечения соответствующих путей утечки и электрических зазоров, а также применением элементов, например, трансформаторов, токоограничительных резисторов, удовлетворяющих требованиям неповреждаемых элементов по разделу 8. 2 Критерий б) может быть удовлетворен путем оценки максимальных температур поверхности элементов по их тепловому режиму или максимальной мощности, которая может быть к ним подведена в соответствующих условиях повреждения. 3 Критерий в) может быть удовлетворен выполнением оценки. Для этого требуются точные сведения о напряжении, токе и таких параметрах цепи, как емкость и индуктивность на границе воспламенения. В таких условиях цепь может быть оценена как искробезопасная с точки зрения искрового воспламенения. А.2 Оценка с использованием характеристик
искробезопасности и таблиц А.2.1 Если цепь, оцениваемая
на искробезопасность, приближается к простой цепи, для которой имеется
эталонная зависимость, то при проведении оценки нужно использовать
характеристики искробезопасности по рисункам A.1-А.19 или таблицам А.1,
А.2. Примечания 1 Характеристики искробезопасности, представленные на рисунках A.1-A.19, и данные таблиц A.1, А.2 позволяют непосредственно оценивать искробезопасность только простых цепей применительно к представительным и активизированным взрывоопасным смесям. Во многих случаях их может быть трудно применить для оценки искробезопасности цепей, встречающихся на практике. Например, многие источники питания имеют нелинейные характеристики и не могут быть оценены по характеристикам искробезопасности, так как рисунок A.1 может быть использован только в случае, когда цепь представлена элементом или батареей с последовательно подключенным токоограничительным резистором. По этой причине нелинейные цепи, например цепи постоянного тока, вызовут воспламенение при более низких значениях тока, чем те, которые можно прогнозировать по рисунку А.1 на основе напряжения холостого хода и тока короткого замыкания. В некоторых типах нелинейных цепей максимальный допустимый ток может составлять только 1/5 от тока, прогнозируемого по характеристикам искробезопасности. Необходимо тщательно убедиться в том, что оценки выполнены только для случаев, когда рассматриваемая цепь может быть представлена одной из простых цепей, для которых имеется информация. Имеющаяся в наличии информация ограничена и не может охватить все проблемы, которые возникают при конструировании искробезопасных цепей. 2 В ряде случаев сложные электрические цепи в отношении своих искробезопасных свойств могут быть, с учетом некоторых допущений, не снижающих их искробезопасность, сведены к простым электрическим цепям, допускающим проведение оценки искробезопасности по характеристикам искробезопасности, например, приведенным на рисунках А.1-А. 19. 3 Характеристики искробезопасности, представленные на рисунках А.20-А.22, позволяют оценивать искробезопасность простых и сложных электрических цепей по опасности разрядов размыкания с учетом влияния скорости расхождения контактов. А.2.2 При использовании
указанных характеристик искробезопасности и данных таблиц должны учитываться
возможные повреждения в соответствии с разделом 5 и коэффициент
искробезопасности в соответствии с 10.4.2. А.2.3 При оценке
искробезопасности простых электрических цепей обычно должна применяться
следующая процедура: - определяют самую
неблагоприятную практическую ситуацию с учетом допусков для элементов,
колебаний напряжения питания, повреждений изоляции и элемента; - затем, исходя из требуемого
коэффициента искробезопасности, получают измененную цепь, которую можно
оценивать; - проверяют приемлемость
параметров полученной цепи сравнением с характеристиками искробезопасности на рисунках A.1-A.19
или в таблицах
А.1 и А.2. А.3 Примеры простых цепей а) Простая индуктивная цепь Чтобы более подробно
проиллюстрировать процедуру оценки искробезопасности, рассмотрим цепь,
состоящую из источника питания в виде элемента или батареи напряжением 20 В и
последовательно установленного неповреждаемого токоограничительного резистора
сопротивлением 300 Ом, к которой подключен индуктивный элемент сопротивлением
1100 Ом и индуктивностью 100 мГн, как показано на рисунке А.23. Рассмотрение
проведем для подгруппы IIС и коэффициента
искробезопасности 1,5. Значения 300 и 1100 Ом -
минимальные, а 100 мГн - максимальное значение. Нужно провести две раздельных
оценки: одну, чтобы убедиться, что сам источник питания искробезопасный, вторую
- чтобы учесть влияние подключенной нагрузки. Оценку проводят следующим
образом: 1 Источник питания Последовательность оценки. 1) Значение
токоограничительного резистора устанавливают равным 300 Ом, что соответствует
наиболее неблагоприятному случаю. Если этот резистор не отвечает требованиям в
отношении неповреждаемости (см. 8.4), применение одного повреждения (см. раздел 5)
вызовет изменение цепи, при этом резистор будет считаться короткозамкнутым. При
таком повреждении питание более не будет искробезопасным. Необходимо также определить
максимальное значение напряжения батареи в соответствии с 7.4.3.
Нужно принять максимальное напряжение батареи равным 22 В. 2) Максимальный ток короткого
замыкания равен 22/300 = 73,3 мА. Поскольку при этом условии
цепь становится омической, применение требований раздела 5 и 10.4.2
дает измененную цепь, в которой ток короткого замыкания увеличен до 1,5×73,3 = 110 мА. 3) Из таблицы А.1 можно
видеть, что для подгруппы IIC минимальный ток
воспламенения для омической цепи с напряжением источника питания 22 В равен 337
мА. Источник питания в этом случае может быть оценен как искробезопасный с
точки зрения искрового воспламенения. 2 Подключение нагрузки Последовательность оценки. 1) Максимальное напряжение
элемента или батареи равно 22 В. Поскольку 300 и 1100 Ом - минимальные
значения, максимально возможный ток в нагрузке равен 22/(300 + 1100) = 15,7 мА.
Никакие повреждения не рассматривают, поскольку резистор 300 Ом является
неповреждаемым, а повреждение индуктивного элемента в результате короткого
замыкания ведет к формированию рассмотренной выше цепи. 2) Для применения требований раздела 5
и 10.4.2
необходимо, чтобы при коэффициенте искробезопасности 1,5 ток цепи был увеличен
до 1,5×15,7 = 23,6 мА. 3) Зависимости на рисунке А.4
для подгруппы IIC показывают, что при индуктивности 100 мГн минимальный
воспламеняющий ток для источника напряжением 24 В равен 28 мА. Поэтому цепь
может быть оценена как искробезопасная с точки зрения искрового воспламенения
применительно к подгруппе IIC. Примечания 1 Для напряжений холостого хода значительно ниже 24 В следует применять рисунок А.6. 2 Приведенные выше оценки относятся к индуктивному элементу с воздушным сердечником. Если индуктивный элемент имеет железный сердечник, такие оценки можно рассматривать только как приблизительные, и потребуется испытывать цепь с применением искрообразующего механизма (приложение Б), чтобы установить, является или не является цепь искробезопасной. На практике, если оценка основана на измеренном значении индуктивности, минимальный ток воспламенения обычно, но не всегда, больше, чем величина, полученная в результате оценки. б) Простая емкостная цепь Рассмотрим цепь, показанную
на рисунке
А.24, которая предназначена для группы I. Она состоит из
последовательно соединенных батареи напряжением 30 В, неповреждаемого токоограничительного
резистора сопротивлением 10 кОм и конденсатора емкостью 10 мкФ. В предлагаемом
примере значения 30 В и 10 мкФ - максимальные, а 10 кОм - минимальное значение.
Проводят две отдельные оценки: одну - чтобы убедиться, что сам источник питания
искробезопасный, и вторую - чтобы учесть присутствие конденсатора. Оценку
проведем для коэффициента искробезопасности 1,5. 1 Источник питания Процедура оценки аналогична
процедуре оценки источника питания для простой индуктивной цепи. Источник
питания может рассматриваться как искробезопасный с точки зрения искрового
воспламенения с коэффициентом искробезопасности св. 100. 2 Конденсатор Последовательность оценки. 1) Максимальное напряжение
элемента или батареи равно 30 В, а максимальная емкость равна 10 мкФ. Никакие
повреждения не рассматривают, так как резистор сопротивлением 10 кОм является
неповреждаемым, а неисправность емкости вследствие короткого замыкания или
обрыва ведет к формированию цепи, рассмотренной в б) 1. 2) Применение требований раздела 5
и 10.4.2
требует, чтобы при коэффициенте искробезопасности 1,5 напряжение было увеличено
до 1,5×30 = 45 В. 3) Характеристики
искробезопасности на рисунке А.2 для группы I показывают, что при
напряжении 45 В минимальная величина воспламеняющей емкости составляет только 3
мкФ, а при напряжении 30 В - только 8 мкФ, поэтому цепь не может быть оценена
как искробезопасная. Примечания 3 Можно изменить цепь так, чтобы она стала искробезопасной. Для этого есть много возможностей. Значения напряжения цепи или емкости могут быть снижены, или неповреждаемый резистор может быть установлен последовательно с конденсатором 10 мкФ. Рисунок А.2 показывает, что для конденсатора емкостью 10 мкФ минимальное напряжение воспламенения равно 26 В. Поэтому, если значение емкости 10 мкФ нужно сохранить, напряжение батареи должно быть снижено до 26/1,5 = 17,3 В. С другой стороны, значение емкости можно снизить до 8 мкФ, или установить неповреждаемый резистор с минимальным сопротивлением 5,6 Ом последовательно с конденсатором (т.к. 10 мкФ при сопротивлении резистора 5,6 Ом дает минимальное напряжение воспламенения равное 48 В), что также приведет к созданию цепи, которая может быть оценена как искробезопасная в отношении искрового воспламенения для группы I. 4 Следует иметь в виду, что значения минимального напряжения воспламенения для емкостных цепей на рисунках А.2 и А.3 применяют к нагруженному конденсатору, который не соединен непосредственно с источником питания. На практике, при условии, что сам источник питания имеет высокий коэффициент искробезопасности, как в приведенном выше примере, могут быть применены характеристики искробезопасности, представленные на рисунках А.2 и А.3. В этом случае источник питания за время существования электрического разряда добавляет в него энергию, значение которой составляет незначительную часть от энергии, выделяющейся из емкости. Однако если источник питания имеет невысокий коэффициент искробезопасности, он добавляет достаточно большое количество энергии, и его подключение к конденсатору может привести к ситуации, когда цепь будет искроопасной несмотря на то, что оценка по характеристикам искробезопасности рисунков А.2 и А.3 показывает искробезопасность цепи. В случаях, когда влиянием источника питания пренебречь нельзя, оценку искробезопасности емкостных цепей следует вести с использованием характеристик искробезопасности подобных, представленным на рисунках А. 12-А. 19, по сходной рассмотренной выше методике. При отсутствии необходимых характеристик искробезопасности оценку искробезопасности таких цепей необходимо вести с применением искрообразующего механизма (приложение Б). А.4
Использование характеристик искробезопасности рисунков А.20-А.22 для оценки
искробезопасности электрических цепей по разрядам размыкания А.4.1 Общие положения Для многих электрических
цепей наиболее опасными, с точки зрения обеспечения искробезопасности, являются
разряды размыкания. В свою очередь, опасность разрядов размыкания в каждой из
таких цепей очень сильно зависит от того, каким образом происходит размыкание
цепи и, в частности, с какой скоростью расходятся размыкаемые контакты. Для
каждого конкретного типа цепи имеется определенная скорость ее размыкания (или
диапазон скоростей), при которой возникающие разряды представляют наибольшую
опасность. Диапазон скоростей, в котором в различных электрических цепях
реализуются наиболее опасные разряды размыкания, весьма широк. Нижняя граница
этого диапазона относится к омическим цепям и составляет в зависимости от вида
взрывоопасной смеси vmin £ (0,05-0,2) м/с. При уменьшении скорости размыкания относительно
указанных значений, минимальный воспламеняющий ток в омических цепях сначала
остается неизменным, а затем начинает возрастать. В настоящее время не
представляется возможным с определенностью указать конкретный тип цепи, который
можно было бы отнести к верхней границе скоростей размыкания, но можно сказать,
что имеется много типов цепей, для которых большие скорости размыкания более
опасны, например индуктивные цепи, цепи со стабилизированными по току
источниками питания. Промежуточное положение между омическими и, например,
индуктивными цепями могут занимать индуктивные цепи с диодными шунтами, для
которых значение наиболее опасной скорости размыкания меняется в зависимости от
их параметров в достаточно широком диапазоне. На практике большие скорости
размыкания реализуются при обрыве проводников. Для медных проводников эти
скорости составляют 5-6,5 м/с. А.4.2 Возможности
искрообразующих механизмов Стандартные искрообразующие
механизмы не могут реализовать всех необходимых скоростей, которые могут
понадобиться на практике. Так, искрообразующий механизм I типа позволяет
получать медленные скорости размыкания, необходимые для испытаний омических
цепей. Это происходит при движении вольфрамовой проволочки вдоль паза
кадмиевого диска. При этом количество таких медленных размыканий невелико и
составляет приблизительно 0,7 на один оборот держателя проволочек. Большие
скорости размыкания на этом механизме реализуются при соскальзывании
вольфрамовых проволочек с краев кадмиевого диска. Не потерявшие упругость
проволочки, обеспечивают достаточно большие скорости размыкания, приемлемые для
испытания индуктивных цепей. По мере потери упругости максимальные скорости
размыкания снижаются, но это практически не контролируемый процесс. Выход из этой ситуации или в
создании специальных искрообразующих механизмов, которые, как правило, во много
раз сложнее существующих, да и не для всех случаев в настоящее время могут быть
созданы, или в переходе на бескамерный метод оценки искробезопасности
электрических цепей. А.4.3 Определение параметров
электрического разряда Для обеспечения
искробезопасности электрической цепи достаточно снизить мощность разряда или
выделяющуюся в нем энергию до безопасного значения. Отсюда следует, что,
контролируя параметры электрического разряда и зная предельно допустимые для
него значения, можно осуществлять бескамерную оценку искробезопасности электрических
цепей. Параметры разряда можно
определять непосредственными измерениями, а также расчетами или измерениями на
основе использования его модели. Примечание - Непосредственные измерения параметров разряда, как правило, проводить нецелесообразно, поскольку для этого требуется искрообразующий механизм, реализующий наиболее опасные условия разрядообразования, и более оправданным в этом случае является его использование для проведения прямых испытаний искробезопасности цепи. Следует отметить, что при наличии
действующего макета цепи параметры разряда значительно проще определять,
используя специальное электронное устройство, которое подключают к размыкаемым
контактам рассматриваемой цепи и осуществляют физическое моделирование
математической модели разряда, как показано на рисунке А.26. Для решения многих задач в
области обеспечения и оценки искробезопасности электрических цепей
математическая модель разряда может быть создана на базе его статических вольт-амперных
характеристик. Эта модель может быть представлена уравнением: где Up - напряжение разряда; Uk - катодное падение напряжения; а и b - коэффициенты, характеризующие условия получения характеристик; Ip - ток разряда; v - скорость размыкания контактов; f - время. Для катода, изготовленного из
кадмия, Uk = 8 В, а = 40 В/мм и b
=7,6 В×А/мм. С целью повышения
точности определения напряжения разряда Up, коэффициенты а и b можно
определять для ограниченных диапазонов изменения тока разряда. Так, например,
для двух диапазонов изменения тока разряда 0,024 - 0,1 А и 0,05 - 2 А значения
коэффициентов a u b соответственно составляют а
= 82,81 В/мм, b = 2,42 В×А/мм и а = 43,89 В/мм, b=
5,18В×А/мм. При использовании формулы (А.1)
необходимо знать ток обрыва дугового разряда. Он зависит от материала контактов
и параметров разрядной цепи. В некоторых случаях ток обрыва может быть
определен при анализе переходного процесса в размыкаемой цепи. Если фактическое
значение тока обрыва неизвестно, то может быть использовано значение
минимального тока дугового разряда, определяющее физическую возможность
существования разряда. В этом случае оценка искробезопасности цепи становится
несколько более жесткой. Для контактной пары из кадмия и вольфрама минимальный
ток дуги приблизительно равен 0,02 А. А.4.4 Воспламеняющая энергия
разряда размыкания Для того, чтобы электрический
разряд вызвал воспламенение горючей смеси, необходимо выполнение двух условий: 1) мощность разряда должна
превышать некоторое пороговое значение, при котором поступление тепла в зону
горения превышает потери тепла из ядра пламени, что обеспечивает его развитие; 2) в разряде должно
выделиться количество энергии, достаточное для достижения ядром пламени условий
самораспространения. Экспериментальные
исследования показали: а) в воспламенении не
участвует часть энергии, выделяющаяся в области катодного падения напряжения
разряда; б) значение воспламеняющей
энергии разряда в значительной степени зависит от мощности разряда при
определенном ее снижении. Кроме того, эта величина также сильно зависит от
скорости размыкания контактов цепи, поскольку этим во многом определяется их
пламегасящее действие. На рисунках А.20-А.22 приведены
зависимости минимальной воспламеняющей энергии разряда Wmin=f(T,vi), за вычетом потерь энергии в области катодного падения напряжения, от
длительности разряда Т (что характеризует его среднюю мощность) для различных
скоростей vi размыкания контактов цепи
при вероятности воспламенения 10-3. Зависимости, относящиеся к
наименьшим скоростям размыкания контактов, соответствуют условиям реализации
минимального воспламеняющего тока в омических цепях. Результаты получены на
искрообразующем механизме с регулируемой скоростью размыкания контактов, в
котором для сохранения уровня искробезопасности близкому к тому, который
обеспечивается искрообразующим механизмом I типа, контакты были изготовлены из
кадмиевой пластинки и вольфрамовой проволочки диаметром 0,2 мм. Значения минимальных
воспламеняющих энергий Wmin для каждой скорости
размыкания удобнее получать не из графиков, а используя формулу где Wmin - минимальная
воспламеняющая энергия при скорости размыкания vi; Wг - минимальная воспламеняющая энергия при скорости размыкания vi, соответствующая
горизонтальным участкам графиков; W// - минимальная воспламеняющая
энергия при скорости размыкания vi, соответствующая наклонным
участкам графиков; Тp - длительность разряда, мс; В и К - коэффициенты для скорости
размыкания vi. Значения Wmin, коэффициентов В и К для 8,5%-ной метановоздушной смеси, 5,1%-ной
пропановоздушной и 7,1 %-ной этиленовоздушной смесей приведены соответственно в таблицах
А.4.4.1-А.4.4.3. Таблица А.4.4.1 - Оценка
значений Wmin и коэффициентов В и К для
8,5 %-ной метановоздушной смеси
Таблица А.4.4.2 - Оценка
значений Wmin и коэффициентов В и К для
5,1 %-ной пропановоздушной смеси
Таблица А.4.4.3 - Оценка
значений Wmin и коэффициентов В и К для
7,1 %-ной этиленовоздушной смеси
А.4.5 Метод оценки Метод оценки
искробезопасности электрической цепи сводится к следующему. При параметрах
цепи, обеспечивающих требуемый коэффициент искробезопасности К, определяют
энергию разряда за вычетом катодных потерь и его длительность при заданной
скорости размыкания контактов цепи vi из
диапазона vmin£vi£vmax. Полученное значение энергии сравнивают со значением минимальной
воспламеняющей энергии (Р=10-3) при такой же длительности разряда и скорости
размыкания контактов цепи. Цепь считают искробезопасной, если при всех
скоростях размыкания vi энергии
разрядов не превышают минимальных воспламеняющих значений. Если значения
энергии и длительности разряда определяют при номинальных параметрах цепи, то
для сравнения используют значения воспламеняющих энергий, уменьшенные с учетом
коэффициента искробезопасности в К раз. А.4.6 Пример оценки
искробезопасности цепи Для иллюстрации процедуры
оценки искробезопасности рассмотрим цепь, состоящую из источника питания в виде
элемента или батареи напряжением U В и последовательно
установленного неповреждаемого токоограничительного резистора сопротивлением R
Ом, как показано на рисунке А.25. Рассмотрение проведем для группы
I. Величина R Ом - минимальная, U В - максимальная. Оценку проведем для U == 24 В и трех различных
сопротивлений резистора: R1 = 33 Ом, R2
== 30,25 Ом и R3 = 75,5 Ом.
Соответственно токи I0 в цепях будут приблизительно равны: I01 = 0,73 А, I02=0,79 А и I03 = 1,55 А. Последовательность оценки. 1) Определяют параметры цепи
с учетом коэффициента искробезопасности, например 1,5. Измененная цепь будет
иметь параметры: ток в цепи Iu = 1,5× (U/R), напряжение U
= 24 В. Для рассматриваемых цепей (сопротивления цепей R1, R2 и R3) токи в измененных цепях будут: Iu1»1,10 А, Iu2»1,19 А и Iu3»2,32 А. 2) Определяют энергию разряда
и его длительность при размыкании контактов цепи с различными скоростями.
Применительно к рассматриваемой цепи можно получить аналитические выражения для
определения искомых параметров разряда. Для более сложных цепей расчеты, как
правило, ведут с использованием численных методов решения. С учетом выражения (A.1)
имеем следующие расчетные формулы: - ток обрыва разряда - энергия разряда
- длительность разряда
где
v
- скорость размыкания цепи; R - сопротивление цепи; а и b
- коэффициенты. Определенный по формуле (А.3)
ток обрыва дугового разряда больше 0,05 А, поэтому при расчетах энергии и
длительности разряда можно использовать коэффициенты а == 43,89 В/мм, b = 5,18 В×А/мм. Расчеты выполняют для
различных скоростей размыкания контактов от vmin=0,046м/с до vmax=6,5 м/с - максимальной скорости размыкания концов медного проводника
при его обрыве. Полученные расчетные значения Wг и Т приведены в таблицей
A.4.6.1. 3) По формуле (А.2) для
каждой скорости размыкания контактов и полученных значений длительности разряда
определяют значения минимальных воспламеняющих энергий Wmin. Полученные значения Wmin приведены в таблице
А.4.6.1. 4) Для каждой скорости
размыкания контактов при одинаковой длительности разряда проводят сравнение
значений энергий Wp и Wmin. Если Wp£ Wmin, то цепь при данной скорости
размыкания контактов считают искробезопасной. Таблица А.4.6.1 - Расчетные
параметры электрического разряда и коэффициентов искробезопасности
Из таблицы видно, что цепи с R1 = 33 Ом и R2 = 30,25 Ом искробезопасны во
всем диапазоне изменения скоростей их размыкания. Цепь с R3 = 15,5 Ом нельзя признать искробезопасной, так как она удовлетворяет
требованиям обеспечения искробезопасности только при скоростях размыкания,
превышающих 0,3 м/с. В таблице А.4.6.1 приведены
значения коэффициентов искробезопасности по энергии Кw = Wmin / Wp (при токе цепи I0) и току Кi = Imin / I0 которые показывают их взаимосвязь при различных
скоростях размыкания омической цепи. Рисунок А.1. Омические цепи Примечание - Кривые соответствуют указанным значениям токоограничительного резистора Рисунок А.2. Емкостные цепи
группы I Рисунок А.3. Емкостные цепи
группы II Примечания 1 Испытательное напряжение цепи 24 В. 2 Указанные уровни энергии относятся к постоянному значению накопленной в индуктивности энергии. Рисунок А.4. Индуктивные цепи
группы II
Примечания 1 Кривые соответствуют значениям напряжения цепи U0, как указано. 2 Уровень энергии 525 мкДж соответствует постоянному значению накопленной в индуктивности энергии. Рисунок А.5. Индуктивные цепи
группы I Примечания 1 Кривые соответствуют значениям напряжения цепи U0, как указано. 2 Уровень энергии 40 мкДж соответствует постоянному значению накопленной в индуктивности энергии. Рисунок А.6. Индуктивные цепи
подгруппы IIС Рисунок А.7. Индуктивные цепи группы I
Рисунок А.8. Индуктивные цепи
подгруппы IIА
Рисунок А.9. Индуктивные цепи
подгруппы IIB
Рисунок А.10. Индуктивные
цепи подгруппы IIС
Рисунок А.11. Минимальный
воспламеняющий ток в активизированных взрывоопасных водородно-кислородных
смесях для омических цепей Рисунок А.12. Минимальное
воспламеняющее напряжение в активизированной взрывоопасной водородно-кислородной
смеси (81 % Н2 + 19 % 02) для емкостных цепей подгруппы
НА при R1 = 0 Ом
Рисунок А.13. Минимальное
воспламеняющее напряжение в активизированной взрывоопасной
водородно-кислородной смеси (81 % Н2 + 19 % 02) для
емкостных цепей подгруппы IIА при R1 = 10 Ом
Рисунок А.14. Минимальное
воспламеняющее напряжение в активизированной взрывоопасной
водородно-кислородной смеси (81 % Н2 + 19 % 02) для
емкостных цепей подгруппы IIА при R1 = 100 Ом
Рисунок А.15. Минимальное
воспламеняющее напряжение в активизированной взрывоопасной
водородно-кислородной смеси (81 % Н2 + 19 % О2) для емкостных цепей
подгруппы IIА при R1 = 1000 Ом
Рисунок А.16. Минимальное
воспламеняющее напряжение в активизированной взрывоопасной
водородно-кислородной смеси (75 % Н2 + 25 % 02)
для емкостных цепей подгруппы IIB при R1 = 0 Ом
Рисунок А.17. Минимальное
воспламеняющее напряжение в активизированной взрывоопасной
водородно-кислородной смеси (75 % Н2 + 25 % 02) для
емкостных цепей подгруппы IIB при R1
= 10 Ом
Рисунок А.18. Минимальное
воспламеняющее напряжение в активизированной взрывоопасной
водородно-кислородной смеси (75 % Н2 + 25 % О2) для
емкостных цепей подгруппы IIB при R1 = 100 Ом
Рисунок А.19. Минимальное
воспламеняющее напряжение в активизированной взрывоопасной
водородно-кислородной смеси (75 % Н2 + 25 % О2) для
емкостных цепей подгруппы IIB при R1 = 1000 Ом Рисунок А.20. Минимальная
воспламеняющая энергия мета-новоздушной смеси (8,3 % СН4 + 91,7 % воздух) в
зависимости от длительности разряда и скорости размыкания контактов цепи для
группы I
Рисунок А.21. Минимальная
воспламеняющая энергия пропановоздушной смеси (5,3 % С3Н8+
94,7 % воздух) в зависимости от длительности разряда и скорости размыкания
контактов цепи для подгруппы IIА
Рисунок А.22. Минимальная
воспламеняющая энергия этиленовоздушной смеси (7,3 % C2H4
+ 92,7 % воздух) в зависимости от длительности разряда и скорости размыкания
контактов цепи для подгруппы IIB Рисунок А.23. Простая
индуктивная цепь Рисунок А.24. Простая
емкостная цепь Рисунок А.25. Простая
омическая цепь Рисунок А.26. Блок схема
установки для электроизмерительной оценки параметров разряда Таблица A.1 -
Допустимый ток короткого замыкания в зависимости от напряжения и подгруппы
электрооборудования
Таблица А.2. - Допустимая
емкость в зависимости от напряжения и подгруппы электрооборудования
ПРИЛОЖЕНИЕ А.1(справочное) Дополнительные сведения по конструированию и оценке искробезопасности электрооборудованияА1.1 Блок искрозащиты на стабилитронах А1.1.1 Блок искрозащиты на
стабилитронах (БИС) представляет собой узел законченной конструкции,
удовлетворяющей требованиям настоящего стандарта. Он служит в качестве
разделительного элемента между искробезопасными и искроопасными цепями. БИС
состоит из шунтирующих стабилитронов и последовательно включенных резисторов
или резисторов и предохранителей (рисунок А1.1). Все элементы БИС должны представлять
собой единый неразборный блок, залитый компаундом, устойчивым в условиях
эксплуатации. А1.1.2 На переменном токе
применяют схему БИС со встречновключенными стабилитронами (рисунок А1.1б). А1.1.3 В частном случае в БИС
может отсутствовать балластный резистор R2 (рисунок А1.1в). A1.1.4
Мощность, рассеиваемую резистором R1, определяют исходя из
режима с захороненными стабилитронами. Мощность, рассеиваемую резистором R2,
определяют по формуле
где U - напряжение на стабилитроне
VI, В. A1.1.5 Цепь БИС, не
содержащая предохранителя или резистора, должна заземляться. А1.1.6 Допускается не
заземлять цепь блока искрозащиты при условии, что пути утечки и электрические
зазоры между связанными с ним искроопасными цепями и землей не ниже значений,
указанных в таблице
4 настоящего стандарта. A1.1.7
Искробезопасность электрических цепей с взрывозащитой уровней ib и ic обеспечивается БИС (рисунки A1.1a, A1.1б, A1.1в), имеющими
гальваническую связь точек 1,2 с сетевыми трансформаторами общего назначения,
удовлетворяющими условиям эксплуатации. А1.1.8
Искробезопасность электрических цепей с уровнем взрывозащиты ia обеспечивается БИС (рисунки A1.1г, A1.1д), устанавливаемыми
вне взрывоопасных помещений, имеющими связь точек 1,2 с сетевыми трансформаторами
общего назначения, конструкция и электрические параметры которых удовлетворяют
условиям эксплуатации. А1.1.9 Устройство для
присоединения БИС (по А1.1.8) к заземлению должно дублироваться и,
совместно с заземляющим проводом, рассчитываться на 10-кратный номинальный ток
предохранителей, установленных в БИС. Они должны выдерживать механические
нагрузки, возможные в условиях эксплуатации. A1.1.10 В БИС (рисунок А1.1д)
напряжение срабатывания стабилитронов V1, V2 должно быть выше, чем
стабилитронов V3, V4,
а мощность, рассеиваемую резисторами R1, R2,
рассчитывают по формуле
где DU2 - разность напряжений срабатывания стабилитронов V1, V2
u V3, V4, В; R
- сопротивление резисторов R1, R3,
Ом. а - схема блока с балластным резистором, б - схема блока с балластным резистором для переменного тока, в - схема блока без балластного резистора, г - схема блока переменного тока с балластными резисторами и заземленной средней точкой стабилитронов; д - схема блока для переменного тока с балластными резисторами, с дублированием стабилитронов и заземленной их средней точкой; 1-2 - к искроопасной цепи; 3-4 - к искробезопасной цепи, V1, V2, V3, V4 - шунтирующие стабилитроны; F1, F2 - предохранители; R1, R3 - токоограничительные резисторы; R2, R4 - балластные резисторы Рисунок А1.1. Принципиальные
электрические схемы блоков искрозащиты на стабилитронах A1.1.11 БИС по A1.1.7
и А1.1.8
должны быть рассчитаны на попадание в точки 1, 2 напряжения сети. Расчетная
оценка искробезопасности выходных цепей БИС приведена в А1.2. А1.2 Расчетная оценка
искробезопасности выходных цепей блоков искрозащиты на стабилитронах (БИС) Приведенная оценка
искробезопасности применима для безреактивных и индуктивных цепей с блоками
БИС. А1.2.1 Условные обозначения,
применяемые при расчетной оценке искробезопасности: R1 - сопротивление ограничительного резистора, установленного до
стабилитрона, Ом; R2 - сопротивление балластного резистора, установленного после
стабилитрона, Ом; К = Е/Uст - кратность напряжений - отношение максимально возможной при аварийном
состоянии электрооборудования ЭДС (Е), попадающей на вход блока защиты, к
порогу его срабатывания (Uст). Для цепей выпрямленного
тока Е равно амплитудному значению ЭДС источника тока; В = R2/(R1 + R2) - кратность сопротивлений -
отношение сопротивления балластного резистора к сумме сопротивлений
ограничительного и балластного резистора; L
- индуктивность элементов искроопасной цепи, устанавливаемых до БИС, Гн; Lэкв - индуктивность цепи без защиты - эквивалентной по воспламеняющей
способности цепи БИС, Гн; b
= Lэкв/L - кратность индуктивностей -
отношение индуктивностей эквивалентной и испытуемой цепей; I - воспламеняющий ток для
рассчитываемой цепи БИС, А; I0, I0* - воспламеняющие токи безреактивной и
индуктивной цепи без БИС с ЭДС источника, равной напряжению на разрядном
промежутке цепи, зашунтированной стабилитроном (эквивалентная цепь), А; К1 = I0/I - кратность токов - отношение воспламеняющего тока эквивалентной цепи
(безреактивной цепи, ЭДС источника Е = Uст) к воспламеняющему току цепи
с блоком защиты. Применение БИС наиболее эффективно при К³2. Для определения
воспламеняющих токов на выходе БИС необходимо знать: - значение максимально
возможной ЭДС, попадающей на блок защиты; - значение напряжения
стабилизации (порога срабатывания) блока защиты; - значения воспламеняющих
токов эквивалентных цепей согласно характеристикам искробезопасности (приложение А); - для схемы БИС (приведенной
на рисунке
А1.1a (с резисторами R1 и R2), дополнительно необходимо определить кратность
сопротивлений; - для индуктивных цепей -
значение индуктивности элементов, установленных до БИС. А1.2.2 Для блока искрозащиты
без балластного резистора R2=0 (рисунок А1.1в) при
безреактивном характере цепи расчет сопротивления R1 проводят следующим образом: - определяют Е на входе БИС; - выбирают напряжение
срабатывания стабилитрона Uст; - определяют кратность
напряжений К; - задают значение
безразмерного коэффициента а = 1, вычисляют значение Ка; - по рисунку А1.2 определяют
кратность токов I0/I; - по характеристикам
искробезопасности, приведенным в приложении А (рисунок А.1), для напряжения,
равного порогу стабилизации Uст, определяют значение тока L0; Рисунок А1.2. Зависимость кратности
токов от К и К×а - сопротивление резистора R
определяют по формуле
где К1 -
коэффициент искробезопасности. Полученное значение R1
проверяют по допустимой нагрузке стабилитрона
где А1.2.2.1 Для определения
воспламеняющего тока безреактивных цепей находят кратность напряжений К,
соответствующую ей кратность токов по рисунку А1.2. Затем по
характеристикам искробезопасности для безреактивных цепей (приложение А, рисунок A.1)
при напряжении, равном порогу стабилизации, определяют значение тока I0. Зная последнее и кратность токов, рассчитывают искомый воспламеняющий
ток для цепи с защитой. Поделив значение воспламеняющего тока на Кi,
определяют искробезопасный ток. А1.2.3 Расчет сопротивления
резистора R1, при включении индуктивности в искроопасную цепь и R2 = 0 проводят в следующем порядке: - определяют значения Е, Uст, К; - задают три произвольных
значения безразмерного коэффициента а; - при помощи зависимостей
кратностей индуктивностей и токов от значения коэффициента а (рисунок А1.3)
для данного значения К находят соответствующую кратность эквивалентной и
действительной индуктивности В, а по кривой I0/I0* = а на рисунке А1.3 для выбранных значений а
определяют кратность токов K0 = I0/I0*, (A 1.5) - no
характеристике искробезопасности для безреактивной цепи (приложение А, рисунок А.1)
для значения Е
= Uст находят значение тока I0; - зная I0 и кратность токов, находят значение I0 для каждого из выбранных
значений а по формуле I0* = I0/ K2, (A 1.6) - определяют значение эквивалентной
индуктивности для каждого из выбранных значений а по формуле Lэкв = BL, (A 1.7) - используя характеристики
искробезопасности для индуктивной цепи (приложение А, рисунки А.7-А.10), строят
графики I0* = f(L); точка пересечения графика с
зависимостью I =f(L)
при Е = Uст равна току I0*; - по кривой I0/I0* = а на рисунке А1.3 для найденных значений I0 и I0* определяют окончательное значение величины а. Рисунок А1.3. Зависимость кратностей индуктивностей и токов от значения
коэффициента а Находят произведение К а и по
рисунку
А1.2 определяют кратность токов К1=I0/I, (А1.8) а следовательно и искомый
воспламеняющий ток; - сопротивление
ограничительного резистора R, Ом, определяют по формуле
где R,- активное сопротивление индуктивного элемента,
Ом; полученное значение R, Ом,
проверяют по допустимой нагрузке стабилитрона
А1.2.4 Расчет сопротивлений R1
и R2 независимо от значения индуктивности, включенной в искроопасной
цепи, проводят в следующем порядке (при условии В ³ 1/К): - определяют Е, Uст, К; - по характеристикам
искробезопасности определяют искробезопасный ток I0
при Е = Uст; - определяется сопротивление R2, Ом, по формуле
Максимум выделяемой на
нагрузке мощности обеспечивается при
А1.2.4.1 При включении
индуктивных элементов после БИС, рассчитанного приведенным выше способом,
значения воспламеняющих токов определяют по характеристикам искробезопасности
для соответствующих напряжения и индуктивности. А1.2.5 Искробезопасный ток
безреактивной цепи при заданных (выбранных) значениях R1 и R2 при выполнении условия В £ 1/К рассчитывают в следующем порядке: - определяют значения В и К; - определяют значение
вспомогательного параметра Х=(К-1)/К(1-В); (А1.13) - по значению Х (рисунок А1.4
определяют кратности токов I0/I
(зависимость 1) и напряжений Up/Е (зависимость 2); - по значению Е и кратности
напряжений определяют Up; - по характеристикам искробезопасности
(приложение А, рисунок А.1)
определяют ток эквивалентной цепи I0 при Е == Up; - по кратности токов и
значению I0 определяют воспламеняющий ток I в цепи БИС, деление
которого на коэффициент искробезопасности К дает искробезопасный ток. А1.2.5.1 Для цепи,
рассчитанной таким образом, при включении индуктивных элементов в искроопасную
цепь, искробезопасный ток уменьшается на 30% от рассчитанного независимо от
величины индуктивности. А1.3 Активизация
испытательных взрывоопасных смесей повышением давления В качестве испытательных
могут использоваться водородно-кислородные смеси, состав которых
устанавливается в соответствии с таблицей А1.3.1. При этом в случае
использования искрообразующего механизма I типа давление смеси во взрывной
камере устанавливают 0,22 МПа, а для искрообразующих механизмов II и III типов
- 0,3 МПа. Параметры контрольных цепей выбирают в соответствии с 10.3 и приложением Б. Рисунок А1.4. Зависимости
кратности токов (1) и напряжений (2) от параметра Х=(К-1)/К(1-В) Таблица А1.3.1
А1.4 Методика определения
минимального воспламеняющего тока (напряжения, энергии, мощности) А1.4.1
Определение минимального воспламеняющего тока (напряжения, энергии, мощности)
проводят с помощью установок для проведения контрольных испытаний электрических
цепей на искробезопасность, указанных в приложении Б по подобным методикам. Ниже,
в качестве примера, приведены методики определения минимального воспламеняющего
тока и минимального воспламеняющего напряжения. 1 Определение минимального
воспламеняющего тока 1.1
В исследуемой цепи постоянного или переменного тока при заданном постоянном напряжении (для
омической цепи) или постоянном напряжении и индуктивности (для индуктивной
цепи) определяют ток, вызывающий воспламенение смеси с вероятностью (2¸5)×10-1 (1-я точка);
10-2¸10-1 (2-я точка) и
10-3¸10-2 (3-я точка). 1.2
По полученным трем экспериментальным точкам в прямоугольной системе координат с равным
логарифмическим масштабом по оси абсцисс и ординат строят зависимость Р = f(I).
По оси ординат откладывают полученную вероятность воспламенения, а по оси
абсцисс - соответствующий ей ток. В случае, когда по трем точкам построение
прямой линии затруднено, в промежутке между имеющимися находят еще несколько
точек (одну, две) тем же способом. 1.3 Прямую линию зависимости
Р = f(I) продолжают до пересечений с
осью абсцисс при вероятности 10-3. Ток, соответствующий точке
пересечения, принимают в качестве минимального воспламеняющего. 1.4 Для расчета вероятности
воспламенения в каждой экспериментальной точке должно быть получено не менее 16-20 воспламенений смеси. Вероятность
воспламенения определяют по формуле Р = т/п, (А1.14) где т - количество воспламенений смеси; п - общее количество
произведенных искрений. 2 Определение минимального
воспламеняющего напряжения 2.1 В исследуемой цепи
постоянного или переменного тока при заданном постоянном значении емкости и
постоянном сопротивлении разрядного резистора устанавливают такие напряжения,
которые вызывают воспламенение смеси с вероятностями (2¸5)×10-1; 10-2¸10-3 и 10-3¸10-2, аналогично
тому, как это указано в 1.1-1.3 настоящего приложения. 2.2 По полученным данным
строят зависимость Р = f(V)
аналогично 1.2 настоящего приложения. Но при этом по
оси абсцисс откладывают напряжения. 2.3 Точку пересечения
полученной прямой линии с осью абсцисс при вероятности 10-3
принимают за минимальное воспламеняющее напряжение. Расчет вероятностей
проводят аналогично 1.4 настоящего приложения. 2.4 При определении
воспламеняющих напряжений без отключения емкости от источника заряда, ток в
зарядной цепи должен быть не более 2 мА. При определении минимального
воспламеняющего напряжения с отключением емкости от источника заряда необходимо
следить за тем, чтобы, подключение заряженной емкости происходило в момент
разомкнутого состояния контактов искрообразующего механизма. 2.5 Графики получаемых
зависимостей Р = f(I)
или Р = f(U), а также электрические
схемы, используемые для их получения, показаны на рисунке А1.5. Угол наклона прямой Р = f(I)
или Р = f(U) к оси абсцисс вычисляют по
формуле
где Р2, Р1 - полученные вероятности
воспламенения; I2, I1 - соответствующие им воспламеняющие токи
(напряжения, энергии, мощности), А. 1 - омическая цепь; 2 - индуктивная цепь; 3 - емкостная цепь без отключения емкости; 4 - емкостная цепь с отключением емкости; R - резистор для регулировки тока в цепи; R - резистор для заряда емкости; R - разрядный резистор; ИМ - искрообразующий механизм; I - воспламеняющий ток; U - воспламеняющее напряжение Рисунок А1.5. Зависимости
вероятности воспламенения от значения воспламеняющего тока или напряжения.
Электрические схемы контрольных цепей А1.5 Построение характеристик
искробезопасности А1.5.1 Характеристики
искробезопасности строят, как правило, в прямоугольной системе координат с
логарифмическим масштабом. Методики построения характеристик искробезопасности
для различных воспламеняющих параметров (тока, напряжения, мощности и энергии)
Электрических цепей и электрических разрядов подобны. Экспериментальные точки
(воспламеняющие параметры) определяют, например, для цепей с индуктивностью: 1,
10, 100 мкГ; 1, 10, 100 мГн; 1, 10 Гн и т.д. или с емкостью 100, 1000, 10000,
100000 пФ; 1, 10, 100 мкФ и т.д.; с разрядными резисторами: 1, 10, 100, 1000 Ом
и т.д. Однако при необходимости экспериментальные точки выбирают в соответствии
с требованиями решаемой задачи. Значения напряжения принимают исходя из удобств
их дальнейшего использования. Обычно это 7,5; 15; 24; 30; 45; 70; 120 В. А1.5.2 На рисунках А.7-А.10,
А.20-А.22
и А1.6-A1.15
приведены зависимости минимальных воспламеняющих токов и напряжений для всех
представительных взрывоопасных смесей оптимального состава, полученные с
помощью унифицированного искрообразующего механизма (см. приложение Б). Характеристики приведены к
вероятности воспламенения Р = 10-3. Для определения по
характеристикам искробезопасного значения тока (или другого воспламеняющего
параметра) необходимо для заданных электрических параметров цепи определить
минимальный воспламеняющий ток (воспламеняющий параметр) для заданной
взрывоопасной смеси и затем разделить его на коэффициент искробезопасности,
например 1,5. При расчете цепей переменного
тока необходимо принимать амплитудные значения тока и напряжения. А1.6 Методика определения
оптимального состава смеси, наиболее легко воспламеняемой электрическими
разрядами (С0) А1.6.1 Для определения
используют указанную в приложении Б установку для проведения контрольных
испытаний электрических цепей на искробезопасностъ. Порядок определения С0 следующий. Предварительно по реакции
полного сгорания исследуемого вещества определяют стехиометрический состав
смеси. Концентрацию газа или пара в воздухе, соответствующую стехнометрической
(Сст), % объемные, вычисляют по формуле Сст = 100 А / (А + 4,76
Б), (А
1.16) где А, Б - стехиометрические коэффициенты реакции
горения: А - число молекул горючего; Б - число молекул кислорода,
необходимого для полного сгорания горючего в воздухе. A1.6.3 Концентрация смеси
изменяется в большую или меньшую сторону от Сст (шаг измерения 1-5 %
объемных). При каждом новом значении концентрации определяют ток, вызывающий
воспламенение с вероятностью (3¸5)×10-2. По
полученным значениям строят зависимость IВ = f(C2), где - ток, вызывающий
воспламенение с вероятностью (3¸5)×10-2; С2
- концентрация горючего в смеси. Количество точек (исследуемых концентраций)
принимают таким, чтобы указанная зависимость имела явно выраженный минимум. Концентрацию,
соответствующую наименьшему значению IВ, принимают в качестве оптимальной С0. А1.6.4 Полученное значение
оптимального состава смеси уточняют с помощью аналогичной А1.6.2
цепи с индуктивностью 0,01 Гн. Для нее находят ток, вызывающий воспламенение с
вероятностью (3¸5)×10-2 смеси оптимального состава (С0), определенной
по А1.6.3.
Затем концентрацию смеси изменяют в большую или меньшую сторону от С0
и для каждого значения концентраций находят воспламеняющий ток при вероятности
(3¸5)×10-2. Число точек должно быть не менее пяти. Дальнейшую
обработку результатов проводят аналогично А1.4.1, подпункт 1.4.
Шаг концентраций в области С0 должен быть, по возможности,
минимальным. А1.6.5 Значение С0
может дополнительно уточняться с помощью контрольной емкостной цепи. Для С0
находят напряжение (при емкости цепи С0 = 0,3-0,5 мкФ),
вызывающее воспламенение с вероятностью (3¸5)×10-2. Дальнейший порядок исследования аналогичен А1.4.1,
подпункт 1.4.
По полученным значениям строят зависимость IВ = f(C). А1.6.6 Вероятность
воспламенения для каждой экспериментальной точки определяют как указано в А1.4.1,
подпункт 1.4. Число воспламенений для
каждой экспериментальной точки должно быть не менее 16. Оптимальные
концентрации некоторых газов или паров в газопаровоздушных смесях приведены в таблице А1.3.2. A1.7 Выбор искробезопасных
параметров и методика испытаний цепей переменного тока с частотой 10-150 кГц
электрооборудования группы I А1.7.1 Допустимые
искробезопасные токи выбирают по графику зависимости воспламеняющего тока от
частоты (рисунок
А1.15). А1.7.2 Для систем, в которых
имеет место последовательный резонанс, или такой резонанс может возникнуть за
счет емкости присоединяемых устройств, проводов или кабелей, допустимые
искробезопасные токи при резонансе и емкости, большей резонансной, выбирают по
графику (рисунок
A1.15), а при емкости, меньшей резонансной - с учетом графика
снижения воспламеняющего тока относительно воспламеняющего тока при резонансе
от емкости (рисунок
A1.16). Зависимости снижения воспламеняющего тока строят для
постоянных индуктивностей и частот параллельно приведенной на графике
зависимости. A1.7.3 Испытания на
искробезопасностъ ведут только в метановоздушной смеси с повышением тока в 1,5
раза. Испытания с применением более
легковоспламеняемой испытательной смеси допускаются при условии, если для
данной частоты и параметров цепи известен коэффициент перехода к такой смеси. А1.7.4 Испытания ведут на искрообразующем
механизме III типа. A1.7.5 Системы, в которых
может иметь место повышение тока за счет резонанса, испытывают при резонансе и
снижении емкости ниже резонансной. Таблица А1.3.2
А1.8 Характеристики искробезопасности Рисунок А1.6. Емкостные цепи
для группы I и подгрупп IIА, IIB,
IIС
группа I - метановоздушная смесь; подгруппа IIА - пентановоздушная смесь; подгруппа IIB - этиленовоздушная смесь; подгруппа IIС - водородно-воздушная смесь Рисунок А1.7 Зависимость
минимального воспламеняющего напряжения от емкости цепи
R - сопротивление ограничительного резистора, кОм Рисунок А1.8. Зависимость
минимального воспламеняющего напряжения от емкости цепи и сопротивления
ограничительного резистора для пентановоздушной смеси
R - сопротивление ограничительного резистора, кОм Рисунок А1.9. Зависимость
минимального воспламеняющего напряжения от емкости цепи и сопротивления
ограничительного резистора для этиленовоздушной смеси
R - сопротивление ограничительного резистора, кОм Рисунок А1.10. Зависимость минимального
воспламеняющего напряжения от емкости цепи и сопротивления ограничительного
резистора для водородно-воздушной смеси
L - индуктивность цепи, Гн, 1 - меньше 10-5; 2 - 10-4; 3 - 10-3; 4 - 10-2; 5 - 10-1 Рисунок А1.11. Зависимость
минимального воспламеняющего тока от длительности электрического разряда и
индуктивности, установленной до устройства сокращения длительности
электрических разрядов (УСДР) для водородно-воздушной смеси
Рисунок А1.12. Зависимость
минимального воспламеняющего тока (Е = 140 В) от длительности электрического разряда и
индуктивности, установленной до УСДР для водородно-воздушной смеси
1-3 - индуктивность 10-4 Гн, ЭДС источника 30, 45, 72 В соответственно; 4-6- индуктивность 10-3 Гн, ЭДС источника 45, 72, 140 В соответственно, 7 - индуктивность 10-2 Гн, ЭДС источника 72 В Рисунок А1.13. Зависимость
минимального воспламеняющего тока от длительности электрического разряда и
индуктивности, установленной после УСДР для водородно-воздушной смеси
Рисунок А1.14. Зависимость
индуктивности, установленной после УСДР и соответствующей границе области их
рационального использования, от ЭДС источника питания Рисунок А1.15. Зависимость
воспламеняющего тока от частоты, индуктивности и напряжения источника для
метановоздушной смеси 1 - значение емкости, соответствующей резонансу Рисунок А1.16. Зависимость
снижения воспламеняющего тока (I) относительно воспламеняющего тока при
резонансе (Iрез) от емкости при постоянных индуктивностях и частотах ПРИЛОЖЕНИЕ Б
(справочное) Искрообразующие механизмы для испытания электрических цепей на искробезопасность** В настоящем приложении приведены требования к искрообразующим механизмам для испытания электрических цепей на искробезопасность в соответствии с ГОСТ Р 51330.4 Б.1 Методы испытаний на искровое воспламенение Б.1.1 Принцип проведения испытаний Б.1.1.1 Электрическую цепь
подключают к контактам искрообразующего механизма, которые находятся во
взрывной камере, заполненной испытательной взрывоопасной смесью согласно 10.2. Б.1.1.2 При использовании не
активизированной испытательной взрывоопасной смеси, для обеспечения требуемого
коэффициента искробезопасности по разделу 5, изменяют параметры электрической цепи и
проводят испытание с целью определения количества воспламенений
испытательной взрывоопасной смеси при заданном количестве учитываемых искрений
контактов искрообразующего механизма. Примечание - Необходимо учитывать возможное влияние индуктивности и емкости искрообразующего механизма, измеренных на его выходных зажимах, а также присоединительных проводов испытуемой электрической цепи на результаты испытаний. Энергия, накапливаемая в указанных индуктивностях и емкостях, в процессе испытания суммируется с энергией, выделяющейся непосредственно из испытуемой цепи в электрический разряд. При больших размыкаемых токах или напряжениях источников питания в указанных выше индуктивностях или емкостях соответственно может накапливаться энергия, сопоставимая с энергией, необходимой для воспламенения взрывоопасной смеси, что искажает результаты испытаний. Б.1.1.3 Энергия,
накапливаемая искрообразующим механизмом и присоединительными проводами
испытуемых электрических цепей, не должна превышать 20% воспламеняющей энергии
контрольной электрической цепи для индуктивных цепей и 20% минимальной
воспламеняющей энергии представительной взрывоопасной смеси для емкостных
цепей. Б.1.2 Искрообразующий механизм I типа Б.1.2.1 Конструкция Б.1.2.1.1 Искрообразующий
механизм I типа состоит из контактного устройства, расположенного в сосуде
взрывной камеры объемом не менее 250 см3, и предназначен для
создания электрических разрядов при замыкании и размыкании электрической цепи в
среде испытательной взрывоопасной смеси. Конструкция искрообразующего механизма
и взрывной камеры приведена на рисунке Б.4. Кинематическая схема и отдельные
детали искрообразующего механизма приведены на рисунках Б.1 - Б.3. Примечание - Если не указано иное, допуски для механических размеров составляют ±0,5%, а для напряжения и тока ±1 %. Б.1.2.1.2 Один из контактных
электродов представляет собой вращающийся кадмиевый диск с двумя пазами (рисунок Б.2).
Другой контактный электрод состоит из четырех вольфрамовых проволочек диаметром
0,2 мм, закрепленных по окружности диаметром 50 мм на держателе из латуни или
другого подходящего материала (рисунок Б.3). Примечания 1 Для отливки кадмиевых контактных дисков можно использовать кадмий, применяемый для электропокрытия. 2 В местах крепления вольфрамовых проволочек желательно несколько закруглять углы держателя, чтобы предохранить проволочки от острых кромок. Б.1.2.1.3 Кинематическая
схема искрообразующего механизма приведена на рисунке Б.1. Держатель вращают
таким образом, чтобы проволочки скользили по шероховатой поверхности кадмиевого
диска. Расстояние между держателем проволочек и диском составляет 10 мм.
Свободная длина проволочек - 11 мм. Проволочки распрямляют и устанавливают
перпендикулярно поверхности диска, когда они не контактируют с ним. Подготовка
проволочек для проведения испытаний приведена в Б.1.2.3.1. Б.1.2.1.4 Оси валов,
вращающих диск и держатель проволочек, расположены на расстоянии 31 мм друг от
друга и электрически изолированы между собой и от цоколя основания механизма.
Электрический ток подводят и снимают скользящими контактами на валах, которые
приводят в движение с помощью токонепроводящих шестерен с соотношением зубьев
50:12. Б.1.2.1.5 Держатель
проволочек вращают с частотой 80 об/мин электрическим двигателем, который в
случае необходимости может иметь редуктор. Диск вращают медленнее в
противоположном направлении с частотой 19,2 об/мин. Б.1.2.1.6 Если не используют
систему свободной циркуляции испытательной взрывоопасной смеси, то необходимо
использовать газонепроницаемые подшипники в опорной плите. Б.1.2.1.7 Для регистрации
числа оборотов вала держателя проволочек используют счетчик или измеритель
времени для определения продолжительности испытаний, соответствующей заданному
числу оборотов вала держателя. Примечание - После воспламенения взрывоопасной смеси желательно автоматически остановить двигатель или по меньшей мере счетчик. Для регистрации воспламенения взрывоопасной смеси может, например, использоваться фотоэлемент или датчик давления (см. рисунки Б.5 и Б.6). Б.1.2.1.8 Сосуд взрывной
камеры должен выдерживать взрыв давлением не менее 1500 кПа (15 бар), если не
предусмотрен сброс давления. Б.1.2.1.9 Емкость на зажимах
контактного устройства искрообразующего механизма не должна превышать 30 пФ при
разомкнутых контактах, сопротивление не должно превышать 0,15 Ом при постоянном
токе 1 А и собственная индуктивность не должна превышать 3 мкГн при замкнутых
контактах. Б.1.2.2 Калибровка
искрообразующего механизма Б.1.2.2.1
Чувствительность искрообразующего механизма необходимо проверять до, во время и
после каждой серии испытаний по 10.3 и 10.4. Б.1.2.2.2 Если
чувствительность искрообразующего механизма не соответствует указанной в Б.1.2.2.1,
для ее восстановления необходимо выполнить следующие действия: а) проверить параметры
контрольной электрической цепи; б) проверить состав
испытательной взрывоопасной смеси; в) очистить вольфрамовые
проволочки согласно Б.1.2.3; г) заменить вольфрамовые
проволочки согласно Б.1.2.3; д) подключить выходные зажимы
искрообразующего механизма к цепи с параметрами L = 95 мГн, U
= 24 В, I
= 100 мА постоянного тока (как указано в 10.3) и сделать не менее 20000
оборотов держателя вольфрамовых проволочек в атмосфере воздуха; е) заменить кадмиевый диск и
откалибровать искрообразующий механизм согласно 10.3. Б.1.2.3 Подготовка и очистка
вольфрамовых проволочек Рекомендуется один из
следующих способов подготовки вольфрамовых электродов к испытаниям: а) оплавить концы проволочки
с помощью устройства, показанного на рисунках Б.7 и Б.8, при
этом на каждой проволочке образуется шарик, который можно легко удалить
щипчиками. После такой подготовки, в
среднем одну из четырех контактных проволочек нужно заменять только после 50000
искрений; б) нарезать проволоку,
например с помощью высококачественных ножниц. Затем проволочки установить в
держатель и вручную очистить всю поверхность проволочек, включая концы,
наждачной бумагой класса 0 или эквивалентным абразивным материалом. Примечания 1 При очистке проволочек необходимо убирать из искрообразующего механизма держатель электродов. 2 Требования к размеру зерен наждачной бумаги класса 0 или эквивалентного абразивного материала, определенные при помощи сита, приведены в таблице Б.1. Таблица Б.1
Б.1.2.3.2 Для стабилизации
чувствительности искрообразующего механизма во время испытаний желательно
очистить и выпрямить проволочки на равном расстоянии. Периодичность очистки
зависит от скорости, с которой на проволочке образуются отложения. Эта скорость
зависит от испытуемой цепи. Проволочка должна быть заменена, если ее конец
расщеплен или проволочку невозможно распрямить. Б.1.2.4 Установка нового
кадмиевого диска Чтобы стабилизировать
чувствительность искрообразующего механизма, рекомендуется следующая процедура
установка нового кадмиевого диска: а) установить диск на
искрообразующем механизме; б) подключить выходные зажимы
искрообразующего механизма к цепи со значениями индуктивности - 95 мГн,
напряжения - 24 В, постоянного тока - 100 мА (как указано в 10.3) и
произвести не менее 20000 оборотов держателя проволочек в атмосфере воздуха; в) установить новые
проволочки, подготовленные и очищенные в соответствии с Б.1.4, и подключить
выходные зажимы искрообразующего механизма к неэлектролитическому конденсатору
емкостью 2 мкФ, заряжаемому через резистор сопротивлением 2 кОм; г) заполнить сосуд взрывной
камеры представительной взрывоопасной смесью для подгруппы IIА (или
группы I). В соответствии с 10.2 подать напряжение 70 В постоянного тока (для
группы I - 95 В) на емкостную цепь и вращать искрообразующий механизм, пока не
воспламенится взрывоопасная смесь или не произойдет 400 оборотов держателя
проволочек. Если воспламенение контрольной взрывоопасной смеси произошло, то
последовательно снижать напряжение на 5% и повторять описанную процедуру до тех
пор, пока за 400 оборотов не будет воспламенения смеси; д) повторить действия по
подпункту г) при напряжении 60 В постоянного тока (для группы 1-80 В); если
воспламенения не происходит, повторить действия по подпункту г); е) повторить действия по
подпункту д) при напряжении 50 В постоянного тока (для группы 1-70 В); если воспламенения
не происходит, повторить действия по подпункту г); Процедуру повторять до тех
пор, пока не произойдет воспламенение представительной взрывоопасной смеси по
подпункту е). Б.1.2.5 Область применения
искрообразующего механизма а) испытательный ток - не
более 3А; б) рабочее напряжение
испытуемых электрических цепей - не более 1000 В; в) для индуктивных цепей -
индуктивность не более 1 Гн; г) частота тока в
электрических цепях - не более 1,5 МГц. Примечание - При проведении испытаний следует принимать меры, чтобы ток в индуктивных цепях во время замкнутого состояния контактов принимал установившееся значение, а конденсатор в период разомкнутого состояния контактов полностью заряжался. Б.1.2.5.2 Если искрообразующий
механизм I типа применяют для испытаний цепей с параметрами,
выходящими за указанные в Б.1.2.5.1 пределы, необходимо контролировать
сохранение его чувствительности и, при необходимости, принимать специальные
меры для ее восстановления или учета ее изменения в результатах испытаний. Примечания 1 Если испытательный ток превышает 3А, нагрев вольфрамовых проволочек может стать дополнительной причиной воспламенения и повлиять на результаты испытаний. 2 Емкостные и индуктивные цепи со значительными постоянными времени можно испытывать, например, уменьшая частоту вращения искрообразующего механизма. Емкостные цепи можно испытывать, сняв две или три проволочки. При этом необходимо учитывать, что снижение частоты вращения искрообразующего механизма может изменить его чувствительность. Б.1.3 Искрообразующий механизм II типа Б.1.3.1 Конструкция Б.1.3.1.1 Искрообразующий
механизм II типа (рисунок Б.9) состоит из вращающегося
металлического диска, на окружности которого расположены 10 оцинкованных
стальных проволочек диаметром 0,4 мм. В качестве неподвижного электрода служит
стальная пилочка толщиной 0,25-0,3 мм с высотой зуба 0,4-0,5 мм. Свободная
длина проволочки составляет ~25 мм. Пилочка жестко закреплена в двух точках на
специальной скобе. Расстояние между точками закрепления составляет ~70 мм,
радиус закругления пилочки ~100 мм. Б.1.3.1.2 При подсчете числа
искрений каждое контактирование с пилочкой учитывают как одно искрение. Частота
вращения подвижных контактов около 40-60 об/мун. Б.1.3.2 Калибровка
искрообразующего механизма Б.1.3.2.1 Чувствительность
искрообразующего механизма необходимо проверять до, во время и после каждой
серии испытаний по 10.3 и 10.4. Б.1.3.2.2 Настройку и
проверку правильности работы искрообразующего механизма II типа осуществляют
посредством включения его в контрольную электрическую цепь постоянного тока
через каждые 4000 замыканий и размыканий испытуемой цепи. Искрообразующий
механизм считают настроенным правильно, если происходит воспламенение
представительной (соответствующей активизированной испытательной взрывоопасной
смеси) взрывоопасной смеси с вероятностью не менее 0,05. Б.1.3.2.3 Параметры
контрольной цепи для искрообразующего механизма II типа аналогичны параметрам
контрольной цепи для искрообразующего механизма I типа, указанным в 10.3. Б.1.3.3 Область применения
искрообразующего механизма а) испытательный ток - не
более 10 А; б) рабочее напряжение - не
более 1000 В; в) индуктивность цепи - не
более 1 Гн; г) частота тока - не более
1,5 МГц. Примечания 1 Искрообразующий механизм II типа не имеет малых скоростей разведения контактов и не может быть использован для испытаний на искробезопасность омических цепей. 2 При проведении испытаний следует принимать меры, чтобы ток в индуктивных цепях во время замкнутого состояния контактов принимал установившееся значение, а конденсатор в период разомкнутого состояния контактов полностью заряжался. Б.1.3.3.2 Если
искрообразующий механизм II типа применяют для испытаний цепей с параметрами,
выходящими за указанные в Б.1.3.3.1 пределы, необходимо контролировать
сохранение его чувствительности и при необходимости принимать специальные меры
для ее восстановления или учета ее изменения в результатах испытаний. Примечания 1 Если испытательный ток превышает 5А, нагрев контактов может стать дополнительной причиной воспламенения, делая недостоверными результаты испытаний. 2 Емкостные и индуктивные цепи с большими постоянными времени можно испытывать методом уменьшения частоты вращения искрообразующего механизма. В случае использования искрообразующего механизма II типа для испытаний емкостных цепей должно быть исключено постоянное соприкосновение нескольких проволочек с диском пилы. Например, допускается устанавливать определенное число проволочек, чтобы происходила полная зарядка емкости в интервалах между отдельными сериями искр. При оценке емкостных цепей каждое соприкосновение проволоки с диском пилы регистрируют как одно искрение. При этом необходимо учитывать, что снижение частоты вращения искрообразующего механизма может изменить его чувствительность. Б.1.4
Искрообразующий механизм III типа Б.1.4.1 Конструкция Б.1.4.1.1 Искрообразующий
механизм III типа (рисунок Б.10) состоит из двух пар роликов.
Ролики каждой пары прижимаются друг к другу. Частота вращения верхней пары
роликов в четыре раза меньше частоты вращения нижней пары. Б.1.4.1.2 Медную луженую
проволоку диаметром 0,26 мм с барабана и верхней пары роликов подают на нижнюю
пару роликов через стеклянную колбочку, промываемую взрывоопасной смесью.
Проволока после выхода из колбочки захватывается нижней парой роликов и,
вследствие разности скоростей вращения верхних и нижних роликов, рвется в
колбочке. Б.1.4.1.3 Исследуемую цепь
подключают к нижней и верхней паре роликов. Замыкание цепи происходит вне
колбочки в момент соприкосновения с нижней парой роликов. Размыкание цепи
происходит во взрывчатой смеси в момент разрыва проволоки в колбочке. Скорость
размыкания контактов - от 0,2 до 3,0 м/с. Частота искрений - от 1 до 30 раз в
секунду. При скорости размыканий контактов 0,6 м/с время замкнутого состояния
цепи около 10 мс, время разомкнутого состояния цепи - около 114 мс. Б.1.4.1.4 Сопротивление двух
пар роликов и зажатой между ними проволоки перед ее разрывом - не более 0,03
Ом. Расход взрывоопасной смеси регулируют от 2 до 5 см3/с. Б.1.4.2 Калибровка
искрообразующего механизма Б.1.4.2.1 Чувствительность
искрообразующего механизма необходимо проверять до, во время и после каждой
серии испытаний по 10.3 и 10.4. Б.1.4.2.2 Настройку и
проверку правильности работы искрообразующего механизма III типа осуществляют посредством
включения его в контрольную электрическую цепь постоянного тока через каждые
4000 замыканий и размыканий испытуемой цепи. Механизм считают настроенным
правильно, если происходит воспламенение представительной (соответствующей
активизированной испытательной взрывоопасной смеси) взрывоопасной смеси с
вероятностью не менее 0,05. Б.1.4.2.3 Параметры
контрольной цепи для искрообразующего механизма III типа аналогичны параметрам
контрольной цепи для искрообразующего механизма I типа и приведены в 10.3. Б.1.4.3 Область применения
искрообразующего механизма а) коммутируемый ток
испытуемой электрической цепи не должен превышать значений, при которых
индуктивность искрообразующего механизма и присоединительных проводов начинает
оказывать влияние на результаты испытаний, б)рабочее напряжение - не
более 1000 В, в) индуктивность - не более 1
Гн; г) частота тока - не более
1,5 МГц. Примечания 1 Искрообразующий механизм III типа не имеет малых скоростей разведения контактов и не может быть использован для испытаний на искробезопасность омических цепей. 2 При проведении испытаний следует принимать меры, чтобы ток в индуктивных цепях во время замкнутого состояния контактов принимал установившееся значение. Б.1.4.3.2 Если
искрообразующий механизм III типа применяют для испытаний цепей с параметрами,
выходящими за указанные в Б.1.4.3.1 пределы, необходимо контролировать
сохранение его чувствительности и при необходимости принимать специальные меры
для ее восстановления или учета ее изменения в результатах испытаний. Примечание - При больших токах в испытуемой цепи нагрев контактов может стать дополнительной причиной воспламенения, делая недостоверными результаты испытаний. Рисунок Б.1. Кинематическая
схема искрообразующего механизма I типа Рисунок Б.2. Кадмиевый
контактный диск Рисунок Б.3. Держатель
проволочек 1 - изолирующая пластина; 2 - подвод тока; 3 - изолированный болт; 4 - изолированный подшипник; 5 - выходное отверстие для газа; 6 - цоколь основания; 7 - вольфрамовая проволочка; 8 - держатель проволочек; 9 - зажимной винт; 10 - нажимная пластина; 11 - зажим; 12 - камера; 13 - кадмиевый контактный диск; 14 - резиновое уплотнение; 15 - входное отверстие для газа; 16 - шестерня 50:12; 17 - изолированная муфта; 18 - приводной двигатель с редуктором Рисунок Б.4. Схема взрывной
камеры для испытаний на искробезопасность 1 - металлический поршень; 2 - резиновая диафрагма; 3 - пружинный контакт Рисунок Б.5. Пример датчика
давления взрыва S - выключатель; F - предохранитель; Тр - трансформатор; D - диодный выпрямительный мост; R - резистор; М- приводной двигатель; 1 - сигнальная лампа; 2 - датчик давления; 3 - удерживающий контакт; 4 - реле; 5 - кнопка сброса Рисунок Б.6. Электрическая
схема автоматической остановки работы взрывной камеры с помощью датчика
давления 1 - подвод питания; 2 - медный брусок; 3 - вольфрамовая проволочка; 4
- изолирующая пластина Рисунок Б.7. Устройство для подготовки вольфрамовых
проволочек методом оплавления Примечание - Оплавленные шарики снять щипчиками. Тр - трансформатор с площадью поперечного сечения сердечника 19 см2; 1 - вольфрамовая проволочка; 2 - медные бруски Рисунок Б.8. Принципиальная
электрическая схема устройства подготовки вольфрамовых проволочек методом
оплавления 1 - подвижный контакт; 2 - неподвижный контакт; 3 - диск подвижного контакта; 4 - пластина неподвижного контакта; 5 - крепежный болт подвижного контакта; 6 - вращающийся вал подвижного контакта; 7 - крепежная стойка неподвижного контакта Рисунок Б.9. Кинематическая
схема искрообразующего механизма II типа 1 - барабан с проволокой; 2 - подающие ролики; 3 - датчик взрыва; 4 - взрывная камера; 5 - принимающие ролики; 6 - приемник для использованных проволочек Рисунок Б.10. Кинематическая
схема искрообразующего механизма III типа ПРИЛОЖЕНИЕ В
(справочное) Примеры монтажа
элементов электрооборудования.
| |||||||||||||||||||||||||||||||||||||||||||||||||||||||||||||||||||||||||||||||||||||||||||||||||||||||||||||||||||||||||||||||||||||||||||||||||||||||||||||||||||||||||||||||||||||||||||||||||||||||||||||||||||||||||||||||||||||||||||||||||||||||||||||||||||||||||||||||||||||||||||||||||||||||||||||||||||||||||||||||||||||||||||||||||||||||||||||||||||||||||||||||||||||||||||||||||||||||||||||||||||||||||||||||||||||||||||||||||||||||||||||||||||||||||||||||||||||||||||||||||||||||||||||||||||||||||||||||||||||||||||||||||||||||||||||||||||||||||||||||||||||||||||||||||||||||||||||||||||||||||||||||||||||||||||||||||||||||||||||||||||||||||||||||||||||||||||||||||||||||||||||||||||||||||||||||||||||||||||||||||||||||||||||||||||||||||||||||||||||||||||||||||||||||||||||||||||||||||||||||||||||||||||||||||||||||||||||||||||||||||||||||||||||||||||||||||||||||||||||||||||||||||||||||||||||||||||||||||||||||||||||||||||||||||||||||||||||||||||||||||||||||||||||||||||||||||||||||||||||||
|
Значение напряжения |
и < 10 В |
10 В £ U < 30 В |
U ³ 30 В |
|
|
Пути утечки, мм |
А |
1 |
1 |
1 |
|
В |
3 |
3 |
3 |
|
|
С |
3 |
4 |
6 |
|
Чтобы использовать строку 3 (расстояние
разделения через заливочный компаунд) из таблицы 4, необходимо умножить
измеренные значения на следующие коэффициенты и результаты сложить:
|
Разность напряжения |
и < 10 В |
10 В £ U < 30 В |
U ³ 30 В |
|
|
Пути утечки, мм |
А |
0,33 |
0,33 |
0,33 |
|
В |
1 |
1 |
1 |
|
|
С |
1,00 |
1,33 |
2,00 |
|
Чтобы использовать строку 4 (расстояние
разделения через твердую изоляцию) из таблицы 4, необходимо умножить
измеренные значения на следующие коэффициенты и результаты сложить:
|
Разность напряжения |
и < 10 В |
10 В £ U < 30 В |
U ³ 30 В |
|
|
Пути утечки, мм |
А |
0,33 |
0,33 |
0,33 |
|
В |
1,00 |
0,75 |
0,55 |
|
|
С |
1 |
1 |
1 |
|
В.5 Пути утечки
В.5.1 Напряжение для
проведения оценки должно быть определено в соответствии с 6.4.2.
В.5.2 Длина пути утечки
должна быть измерена вдоль поверхности изоляции, как показано на рисунке В.6.
В.5.3 Если на поверхности
изоляции имеются выемки или барьеры (перегородки), показанные на рисунке В.6,
то:
а) длину пути утечки измеряют
вокруг любой выемки на поверхности, если ширина выемки не менее 3 мм;
б) если изоляционная
перегородка или барьер установлены, но не вклеены, длину пути утечки измеряют
либо над, либо под перегородкой, в зависимости от того, какая величина меньше;
в) если перегородка,
описанная в подпункте б), вклеена, длину пути утечки всегда измеряют над
перегородкой.
1 - подложка; 2 - бороздка; 3 - барьер; 4 - клей
Рисунок В.6. Измерение длины
пути утечки
1 - лак; 2 - проводник; 3 - подложка
Рисунок В.7. Измерение сложных расстояний
В.5.4 Если для сокращения
длины пути утечки используют лак, и лаком покрыта только часть пути утечки, как
показано на рисунке
В.7, общую эквивалентную длину пути утечки сравнивают с пунктом 5
или 6 таблицы
4 с использованием следующего расчета: для сравнения с пунктом 5
следует умножить В на 1, а А - на 3, для сравнения с пунктом 6
следует умножить В на 0,33 и А на 1. Результаты сложить.
Примечание - Лак может покрывать или не покрывать проводник.
(справочное)
Примечание - Рисунки Г.1 показывают некоторые варианты применения герметизации компаундом. Рисунок Г.2 показывает другие случаи применения герметика, когда не используют оболочку.
Г.1 Сцепление
Примечание - Все выступающие из слоя герметика части электрической цепи должны быть закрыты компаундом. Компаунд должен иметь сцепление с этими поверхностями раздела.
Г.1.1 Исключение требований к
путям утечки для элементов, залитых компаундом, основано на отсутствии
возможности загрязнения. Величина СИТ (сравнительного индекса
трекингостойкости) в сущности является оценкой степени загрязнения,
необходимого для того, чтобы вызвать пробой разделения между токопроводящими
деталями. На основании этого можно сделать следующие допущения:
- если все электрические
части и подложка полностью закрыты оболочками и ни одна часть не выходит за
пределы заливки компаундом, тогда нет риска загрязнения и поэтому пробой от
загрязнения невозможен;
- если любая часть цепи,
например оголенный или изолированный проводник, элемент или подложка печатной
платы, выходят за пределы компаунда или он не плотно прилегает к границе
раздела, то там может образоваться загрязнение и возникнуть пробой.
Г.2 Температура
Г.2.1 Температура заливочного
компаунда должна соответствовать 6.4.4.
Примечания
1 Все компаунды имеют максимальную температуру при превышении которой они могут терять или изменять свои свойства. Такие изменения могут вызвать образование трещин или нарушение структуры компаунда и повлечь за собой доступ взрывоопасной смеси к более нагретым, чем наружная, поверхностям компаунда.
2 Герметизированные компоненты могут быть
более горячими или более холодными, чем они были бы на открытом воздухе, в
зависимости от теплопроводности компаунда.
а) Без оболочки

б) Полная оболочка

в) Открытая оболочка
г) Оболочка с крышкой

1 - свободная поверхность; 2 - герметизация; половина значения из пункта 3 таблицы 4 при минимальном значении 1 мм; 3 - компонент, герметизирующий материал не должен проникать; 4 - герметизирующий материал, толщина не задана; 5 - металлическая или изоляционная оболочка; для металлической оболочки толщину не указывают, (см. 6.4), для изоляционной оболочки толщина изоляции должна соответствовать значению пункта 4 таблицы 4
Рисунок Г.1. Примеры герметизированных узлов,
соответствующих 6.4.4 и 6.7
а) Механическая защита
Минимальная толщина до
свободной поверхности - 1 мм

б) Термическая защита
Толщину определяют по
температуре внешней поверхности

в) Разделение цепей
Применяют требования,
соответствующие пункту 3 таблицы 4. Минимальная толщина до свободной
поверхности - 1 мм.

г) Защита предохранителей в
искробезопасной цепи
Минимальная толщина до
свободной поверхности - 1 мм
д) Исключение проникновения взрывоопасной
смеси
Минимальная толщина до
свободной поверхности - 1 мм

Рисунок Г.2. Применение
герметизации без оболочки
Ключевые слова: электрооборудование взрывозащищенное, искробезопасная электрическая
цепь, искробезопасное электрооборудование, связанное электрооборудование,
простое электрооборудование, электрический зазор, путь утечки по поверхности
электроизоляционного материала, искрообразующий механизм, искробезопасный ток,
коэффициент искробезопасности
|
|
|
|