Министерство газовой промышленности
Утверждено Мингазпромом
решение № 27-1 от 25 июня 1984 г.
Согласовано с Согласовано
с
Госстроем
СССР Главгосгазнадзором
30.05.83
г. № ДП-2897-1 3.07.81
г. № 24-2-2/404
Согласовано с Согласовано
с
ВНИИГАЗом
ВНИИСТом
29.07.81
г. № 38-4/2986 29.07.81
г. № 2969/ОПНК-9
«ТРОЙНИКИ И ТРОЙНИКОВЫЕ СОЕДИНЕНИЯ СВАРНЫЕ
ИЗ СТАЛЬНЫХ ТРУБ
на Pу 5,5 и
7,5 МПа (55 и 75 кгс/см2)»

Москва 1984 г.
Директор
института ВНИПИТРАНСГАЗ Н.А.
Ишутин
Руководитель темы, главный механик
технологического отдела И.И.
Тимофеев
Исполнители:
Руководитель
группы Н.В.
Сидоренко
Старшие
инженеры: Л.М.
Иванов
Т.Н.
Кравчук
Инженер Н.К.
Базилевская
|

|
|
|
МИНИСТЕРСТВО
ГАЗОВОЙ
ПРОМЫШЛЕННОСТИ
(Мингазпром)
Управление проектно-
|
Руководителям проектных
организаций
|
|
изыскательских работ
|
|
117939, ГСН, Москва, В-311, ул.
Строителей, 8
телефон: 133-13-00
«6»07
1984 г. № 27-3-83/888
на
№ _____ от ____________ 198 __ г.
|
Об утверждении ВCH
«Тройники и тройниковые
соединения...»
Примите к сведению и руководству, что
решением № 27-1 от 25 июня 1984 г. Мингазпром утвердил разработанные институтом
«ВНИПИтрансгаз» «Тройники и
тройниковые соединения сварные из стальных труб на Ру и 7,5 МПа (55
и 75 кгс/см2). Указанные ВСН согласованы Госстроем СССР.
Распространение нормативного документа поручено институту «ВНИПИтрансгаз».
Главный инженер Г.П. Писчасов
исп.
Лебедев Э.В.
тел.
133-12-40
СССР
Министерство
газовой промышленности
«УТВЕРЖДАЮ»:
Первый заместитель Министра
газовой промышленности СССР
______________ В.В. Шеремет
3 декабря 1988 г.
РЕШЕНИЕ
№ 03-4
Министерство газовой промышленности
о
продлении срока действия BCH 1-84/Мингазпром
«Тройники и тройниковые соединения сварные»
Продлить срок действия ВСН 1-84/Мингазпром
«Тройники и тройниковые соединения сварные» до 31 декабря 1990 года
(согласовано Госстроем СССР письмом от 29.11.88г. 8-1653).
Начальник Главного управления
проектирования
и
капитального строительства
М.В. Головцов
|
Министерство
газовой промышленности
|
Ведомственные
строительные нормы
|

|
|
Тройники
и тройниковые соединения сварные
|
|
1.1.
Настоящие ведомственные строительные нормы распространяются на тройники и
тройниковые соединения стальные сварные, изготавливаемые из труб в стационарных
условиях и условиях строительно-монтажных площадок.
1.2.
Тройники и тройниковые соединения предназначены для магистральных газопроводов
и компрессорных станций (коэффициент условий работы при расчёте на прочность «m» равен - 0,75; 0,6; 0,5) на рабочее
давление 5,5 МПа (55 кгс/см2) и 7,5 МПа 75 (кгс/см2) и
температуры эксплуатации от 253 °К (минус 20 °С), до 373
°К (плюс 100 °С).
1.3.
Под названием «тройниковые соединения» следует понимать врезки, выполняемые в
условиях монтажных площадок.
1.4.
Коэффициент условий работы в размере «0,5» допускается применять для
газопроводов, испытывающих вибрирующие нагрузки.
1.5.
Допускаемая температура эксплуатации тройника и тройникового соединения в
каждом конкретном случае определяется в установленном порядке по материалу труб
из которого они изготавливаются.
1.6
Рекомендации по применению тройников и тройниковых соединений представлены в табл. 1.
1.7.
Строительные размеры и размеры для построения развёрток представлены в табл. 2.
1.8.
Краткая характеристика основной трубы и трубы ответвления (патрубок) тройников
и тройниковых соединений, масса и пределы применения представлены в табл. 3.
1.9. Тройники и тройниковые соединения,
помеченные знаком *, применять не рекомендуется.
|
ВНИПИТРАНСГАЗ
|
УТВЕРЖДЕНЫ:
МИНГАЗПРОМОМ
от «25» июня 1984 г.
№ 27-1
|
СРОК ВВЕДЕНИЯ
В ДЕЙСТВИЕ
«25» ИЮНЯ 1984 г.
СРОК ДЕЙСТВИЯ
1987 г.
|
ТАБЛИЦА 1
ТАБЛИЦА
ТРОЙНИКОВ (Т) И ТРОЙНИКОВЫХ СОЕДИНЕНИЙ (ТС)
|
Рабочее
давление 55 кгс/см2
|
¯Дн¯
|
|
1420
|
1220
|
1020
|
720
|
530
|
426
|
325
|
273
|
219
|
159
|
108
|
89
|
57
|

|
Рабочее
давление 75 кгс/см2
|
|
57
|
Т
|
|
|
|
|
|
|
ТС
|
ТС
|
ТС
|
ТС
|
ТС
|
ТС
|
ТС
|
ТС
|
1420
|
|
89
|
Т
|
Т
|
|
|
|
|
|
Т
|
ТС
|
ТС
|
ТС
|
ТС
|
ТС
|
ТС
|
ТС
|
1220
|
|
108
|
ТС
|
Т
|
Т
|
|
|
|
|
Т
|
ТС
|
ТС
|
ТС
|
ТС
|
ТС
|
ТС
|
ТС
|
1020
|
|
159
|
ТС
|
Т
|
Т
|
Т
|
|
|
|
Т
|
Т
|
Т
|
ТС
|
ТС
|
ТС
|
ТС
|
ТС
|
720
|
|
219
|
ТС
|
ТС
|
ТС
|
Т
|
Т
|
|
|
Т
|
Т
|
Т
|
Т
|
ТС
|
ТС
|
ТС
|
ТС
|
530
|
|
273
|
ТС
|
ТС
|
ТС
|
Т
|
Т
|
Т
|
|
Т
|
Т
|
Т
|
Т
|
ТС
|
ТС
|
ТС
|
ТС
|
426
|
|
325
|
ТС
|
ТС
|
ТС
|
ТС
|
Т
|
Т
|
Т
|
|
Т
|
Т
|
Т
|
ТС
|
ТС
|
ТС
|
ТС
|
325
|
|
426
|
ТС
|
ТС
|
ТС
|
ТС
|
Т
|
Т
|
Т
|
Т
|
|
Т
|
Т
|
Т
|
ТС
|
ТС
|
ТС
|
273
|
|
530
|
ТС
|
ТС
|
ТС
|
ТС
|
Т
|
Т
|
Т
|
Т
|
|
|
Т
|
Т
|
ТС
|
ТС
|
ТС
|
219
|
|
720
|
ТС
|
ТС
|
ТС
|
ТС
|
ТС
|
Т
|
Т
|
Т
|
|
|
|
Т
|
Т
|
Т
|
ТС
|
159
|
|
1020
|
ТС
|
ТС
|
ТС
|
ТС
|
ТС
|
ТС
|
ТС
|
Т
|
|
|
|
|
Т
|
Т
|
ТС
|
108
|
|
1220
|
ТС
|
ТС
|
ТС
|
ТС
|
ТС
|
ТС
|
ТС
|
Т
|
|
|
|
|
|
Т
|
Т
|
89
|
|
1420
|
ТС
|
ТС
|
ТС
|
ТС
|
ТС
|
ТС
|
ТС
|
ТС
|
|
|
|
|
|
|
Т
|
57
|
|

|
57
|
89
|
108
|
159
|
219
|
273
|
325
|
426
|
530
|
720
|
1020
|
1220
|
1420
|
|
Дн
|
Тройники заводского изготовления.
Примечание: Т - тройник
ТС -
тройниковое соединение
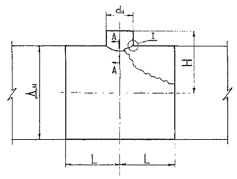
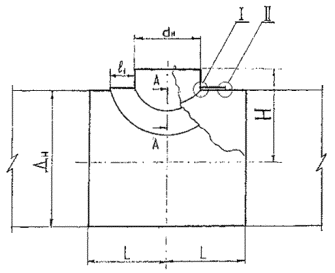
2.1.
Типы тройников и тройниковых соединений представлены на рис.
1, 2, 3.
2.2.
Формы разделки кромок для приварки патрубка представлены на рис.
4, 5.
2.3.
Строительные размеры и размеры для построения разверток шаблонов представлены в
таблице 2.
2.4.
Развертка шаблона патрубка представлена на рис. 6.
2.5.
Развёртка шаблона усиливающей накладки основной трубы представлена на рис. 7.
2.6.
Развёртка шаблона усиливающей накладки патрубка представлена на рис. 8.
2.7.
Форма разделки кромок присоединительных концов представлены на рис. 9.
УСЛОВНЫЕ
ОБОЗНАЧЕНИЯ

ТИП I

РИС. 1
ТИП II

РИС. 2
ТИП III

РИС. 3
Формы разделки кромок под
сварку
Форма
А (У6 ГОСТ 16037-70) для: Тройниковых соединений при dH £ 426
мм.
Тройников « при Дн £ 530
мм.

S1 = 4¸6 мм;
мм; C = 0,5+0,5 мм.
S1 = 7¸8 мм;
мм; C = 0,5+0,5
мм.
S1 = 9¸11 мм;
мм; C = 1,0+0,5 мм.
Q = (S - S1) + (2¸4) мм.
Рис. 4
Формы разделки кромок под
сварку
Форма Б - для тройников Дн > 530 мм.

Рис. 5
Таблица
2
СТРОИТЕЛЬНЫЕ РАЗМЕРЫ И РАЗМЕРЫ ДЛЯ
ПОСТРОЕНИЯ РАЗВЕРТОК ШАБЛОНОВ
|
Ду
|
ТИП - Духdу
|
Тройник (рис.
1-3)
|
Патрубок (рис.
6)
|
Накладка 1 (рис.
7)
|
Накладка 11 (рис.
8)
|
|
|
L
|
H
|
l1
|
l2
|
A
|
y1 = y9
|
y2 = y8
|
y3 = y7
|
y4 = y6
|
y5
|
B
|
x1
|
x2
|
x3
|
y1
|
y2
|
y3
|
y4
|
C
|
y1 = y7
|
y2 = y6
|
y3 = y5
|
y4
|
|
|
50
|
I-50-50
|
136
|
136
|
-
|
-
|
179
|
105
|
107
|
111
|
116
|
119
|
-
|
-
|
-
|
-
|
-
|
-
|
-
|
-
|
-
|
-
|
-
|
-
|
-
|
|
|
|
|
|
|
|
|
|
|
|
|
|
|
|
|
|
|
|
|
|
|
|
|
|
|
|
|
80
|
I-80-50
|
150
|
150
|
-
|
-
|
179
|
105
|
107:
|
109
|
112
|
113
|
-
|
-
|
-
|
-
|
-
|
-
|
-
|
-
|
-
|
-
|
-
|
-
|
-
|
|
|
I-80-80
|
185
|
150
|
-
|
-
|
280
|
105
|
108
|
116
|
126
|
130
|
-
|
-
|
-
|
-
|
-
|
-
|
-
|
-
|
-
|
-
|
-
|
-
|
-
|
|
|
II-80-80
|
«
|
«
|
40
|
-
|
«
|
«
|
«
|
«
|
«
|
«
|
190
|
43
|
35
|
21
|
20
|
35
|
50
|
55
|
-
|
-
|
-
|
-
|
-
|
|
|
III-80-80
|
«
|
175
|
«
|
53
|
«
|
130
|
132
|
140
|
150
|
155
|
«
|
«
|
«
|
«
|
«
|
«
|
«
|
«
|
105
|
31
|
38
|
48
|
53
|
|
|
|
|
|
|
|
|
|
|
|
|
|
|
|
|
|
|
|
|
|
|
|
|
|
|
|
|
100
|
I-100-50
|
160
|
160
|
-
|
-
|
179
|
105
|
106
|
109
|
110
|
111
|
-
|
-
|
-
|
-
|
-
|
-
|
-
|
-
|
-
|
-
|
-
|
-
|
-
|
|
|
II-100-50
|
«
|
«
|
30
|
-
|
«
|
«
|
«
|
«
|
«
|
«
|
126
|
28
|
22
|
12
|
13
|
23
|
31
|
33
|
-
|
-
|
-
|
-
|
-
|
|
|
I-100-80
|
185
|
160
|
-
|
-
|
280
|
106
|
109
|
114
|
121
|
124
|
-
|
-
|
-
|
-
|
-
|
-
|
-
|
-
|
-
|
-
|
-
|
-
|
-
|
|
|
II-100-80
|
«
|
«
|
40
|
-
|
«
|
«
|
«
|
«
|
«
|
«
|
186
|
43
|
35
|
21
|
20
|
35
|
49
|
53
|
-
|
-
|
-
|
-
|
-
|
|
|
III-100-80
|
«
|
185
|
«
|
47
|
«
|
131
|
134
|
139
|
146
|
149
|
«
|
«
|
«
|
«
|
«
|
«
|
«
|
«
|
105
|
32
|
37
|
44
|
47
|
|
|
I-100-100
|
200
|
160
|
-
|
-
|
339
|
106
|
110
|
119
|
132
|
138
|
-
|
-
|
-
|
-
|
-
|
-
|
-
|
-
|
-
|
-
|
-
|
-
|
-
|
|
|
II-100-100
|
«
|
«
|
45
|
-
|
«
|
«
|
«
|
«
|
«
|
«
|
235
|
53
|
42
|
24
|
25
|
45
|
63
|
72
|
-
|
-
|
-
|
-
|
-
|
|
|
III-100-100
|
«
|
185
|
«
|
60
|
«
|
131
|
135
|
144
|
157
|
163
|
«
|
«
|
«
|
«
|
«
|
«
|
«
|
«
|
132
|
33
|
44
|
55
|
60
|
|
|
|
|
|
|
|
|
|
|
|
|
|
|
|
|
|
|
|
|
|
|
|
|
|
|
|
|
150
|
I-150-50
|
185
|
180
|
-
|
-
|
179
|
105
|
106
|
107
|
109
|
110
|
-
|
-
|
-
|
-
|
-
|
-
|
-
|
-
|
-
|
-
|
-
|
-
|
-
|
|
|
II-150-50
|
«
|
«
|
30
|
-
|
«
|
«
|
«
|
«
|
«
|
«
|
124
|
28
|
22
|
12
|
13
|
23
|
29
|
32
|
-
|
-
|
-
|
|
-
|
|
|
I-150-80
|
185
|
185
|
-
|
-
|
280
|
105
|
107
|
110
|
115
|
117
|
-
|
-
|
-
|
-
|
-
|
-
|
-
|
-
|
-
|
-
|
-
|
-
|
-
|
|
|
II-150-80
|
«
|
«
|
40
|
-
|
«
|
«
|
«
|
«
|
«
|
«
|
180
|
43
|
35
|
21
|
20:
|
32
|
45
|
50
|
-
|
-
|
-
|
-
|
-
|
|
|
I-150-100
|
200
|
185
|
-
|
-
|
339
|
106
|
107
|
113
|
120
|
123
|
-
|
-
|
-
|
-
|
-
|
-
|
-
|
-
|
-
|
-
|
-
|
-
|
-
|
|
|
II-150-100
|
«
|
«
|
45
|
-
|
«
|
«
|
«
|
«
|
«
|
«
|
212
|
52
|
41
|
23
|
23
|
42
|
55
|
61
|
-
|
-
|
-
|
-
|
-
|
|
|
III-150-150
|
«
|
210
|
«
|
45
|
«
|
130
|
132
|
138
|
145
|
148
|
«
|
«
|
«
|
«
|
«
|
«
|
«
|
«
|
132
|
30
|
36
|
43
|
45
|
|
|
I-150-150
|
250
|
185
|
-
|
-
|
500
|
105
|
111
|
124
|
143
|
153
|
-
|
-
|
-
|
-
|
-
|
-
|
-
|
-
|
-
|
-
|
-
|
-
|
-
|
|
|
II-150-150
|
«
|
«
|
65
|
-
|
«
|
«
|
«
|
«
|
«
|
«
|
336
|
76
|
59
|
33
|
32
|
52
|
88
|
103
|
-
|
-
|
-
|
-
|
-
|
|
|
III-150-150
|
«
|
210
|
«
|
77
|
«
|
130
|
136
|
149
|
168
|
178
|
«
|
«
|
«
|
«
|
«
|
«
|
«
|
«
|
187
|
34
|
47
|
65
|
77
|
|
|
|
|
|
|
|
|
|
|
|
|
|
|
|
|
|
|
|
|
|
|
|
|
|
|
|
|
200
|
I-200-50
|
200
|
220
|
-
|
-
|
179
|
110
|
111
|
112
|
113
|
114
|
-
|
-
|
-
|
-
|
-
|
-
|
-
|
-
|
-
|
-
|
-
|
-
|
-
|
|
|
II-200-50
|
«
|
«
|
30
|
-
|
«
|
«
|
«
|
«
|
«
|
«
|
124
|
28
|
22
|
12
|
13
|
23
|
29
|
32
|
-
|
-
|
-
|
-
|
-
|
|
|
I-200-80
|
200
|
220
|
-
|
-
|
280
|
110
|
112
|
114
|
117
|
118
|
-
|
-
|
-
|
-
|
-
|
-
|
-
|
-
|
-
|
-
|
-
|
-
|
-
|
|
|
II-200-80
|
«
|
«
|
40-
|
-
|
«
|
«
|
«
|
«
|
«
|
«
|
180
|
43
|
35
|
21
|
20
|
32
|
45
|
50
|
-
|
-
|
-
|
-
|
-
|
|
|
I-200-100
|
200
|
220
|
-
|
-
|
339
|
110
|
112
|
117
|
121
|
123
|
-
|
-
|
-
|
-
|
-
|
-
|
-
|
-
|
-
|
-
|
-
|
-
|
-
|
|
|
II-200-100
|
«
|
«
|
45
|
-
|
«
|
«
|
«
|
«
|
«
|
«
|
210
|
52
|
41
|
23
|
23
|
41
|
54
|
60
|
-
|
-
|
-
|
-
|
-
|
|
|
III-200-100
|
«
|
240
|
«
|
41
|
«
|
140
|
142
|
147
|
151
|
153
|
«
|
«
|
«
|
«
|
«
|
«
|
«
|
«
|
132
|
30
|
35
|
38
|
41
|
|
|
I-200-150
|
250
|
210
|
-
|
-
|
500
|
110
|
114
|
124
|
134
|
140
|
-
|
-
|
-
|
-
|
-
|
-
|
-
|
-
|
-
|
-
|
-
|
-
|
-
|
|
|
II-200-150:
|
«
|
«
|
65
|
-
|
«
|
«
|
«
|
«
|
«
|
«
|
308
|
76
|
59
|
33
|
32
|
60
|
81
|
89
|
-
|
-
|
-
|
-
|
-
|
|
|
III-200-150
|
250
|
240
|
65
|
58
|
«
|
140
|
144
|
154
|
164
|
170
|
«
|
«
|
«
|
«
|
«
|
«
|
«
|
«
|
187
|
32
|
42
|
52
|
58
|
|
|
I-200-200
|
300
|
220
|
-
|
-
|
688
|
110
|
117
|
138
|
164
|
170
|
-
|
-
|
-
|
-
|
-
|
-
|
-
|
-
|
-
|
-
|
-
|
-
|
-
|
|
|
II-200-200
|
«
|
«
|
90
|
-
|
-
|
-
|
-
|
-
|
«
|
«
|
464
|
103
|
80
|
45
|
44
|
85
|
122
|
142
|
-
|
-
|
-
|
-
|
-
|
|
|
III-200-200
|
«
|
240
|
«
|
98
|
«
|
140
|
147
|
168
|
194
|
200
|
«
|
«
|
«
|
«
|
«
|
«
|
«
|
«
|
265
|
35
|
56
|
82
|
98
|
|
|
|
|
|
|
|
|
|
|
|
|
|
|
|
|
|
|
|
|
|
|
|
|
|
|
|
|
250
|
I-250-50
|
200
|
250
|
-
|
-
|
179
|
113
|
114
|
114
|
115
|
116
|
-
|
-
|
-
|
-
|
-
|
-
|
-
|
-
|
-
|
-
|
-
|
-
|
-
|
|
|
II-250-50
|
«
|
«
|
30
|
-
|
«
|
«
|
«
|
«
|
«
|
«
|
124
|
28
|
22
|
12
|
13
|
23
|
29
|
32
|
-
|
-
|
-
|
-
|
-
|
|
|
I-250-80
|
200
|
250
|
-
|
-
|
280
|
113
|
114
|
116
|
118
|
119
|
-
|
-
|
-
|
-
|
-
|
-
|
-
|
-
|
-
|
-
|
-
|
-
|
-
|
|
|
II-250-80
|
«
|
«
|
40
|
-
|
«
|
«
|
«
|
«
|
«
|
«
|
176
|
43
|
35
|
21
|
19
|
34
|
44
|
48
|
-
|
-
|
-
|
-
|
-
|
|
|
I-250-100
|
200
|
250
|
-
|
-
|
339
|
113
|
114
|
118
|
121
|
122
|
-
|
-
|
-
|
-
|
-
|
-
|
-
|
-
|
-
|
-
|
-
|
-
|
-
|
|
|
II-250-100
|
«
|
«
|
45
|
-
|
«
|
«
|
«
|
«
|
«
|
«
|
206
|
53
|
42
|
24
|
23
|
40
|
53
|
58
|
-
|
-
|
-
|
-
|
-
|
|
|
III-250-100
|
«
|
270
|
«
|
40
|
«
|
133
|
134
|
138
|
141
|
143
|
«
|
«
|
«
|
«
|
«
|
«
|
«
|
«
|
132
|
32
|
36
|
39
|
40
|
|
|
I-250-150
|
250
|
250
|
-
|
-
|
500
|
113
|
116
|
123
|
131
|
134
|
-
|
-
|
-
|
-
|
-
|
-
|
-
|
-
|
-
|
-
|
-
|
-
|
-
|
|
|
II-250-150
|
«
|
«
|
65
|
-
|
«
|
«
|
«
|
«
|
«
|
«
|
302
|
76
|
59
|
33
|
32
|
60
|
78
|
86
|
-
|
-
|
-
|
-
|
-
|
|
|
III-250-150
|
«
|
270
|
«
|
51
|
«
|
133
|
136
|
143
|
151
|
154
|
«
|
«
|
«
|
«
|
«
|
«
|
«
|
«
|
187
|
32
|
41
|
49
|
51
|
|
|
I-250-200
|
300
|
250
|
-
|
-
|
688
|
113
|
119
|
134
|
151
|
159
|
-
|
-
|
-
|
-
|
-
|
-
|
-
|
-
|
-
|
-
|
-
|
-
|
-
|
|
|
II-250-200
|
«
|
«
|
.90
|
-
|
«
|
«
|
«
|
«
|
«
|
«
|
430
|
103
|
80
|
45
|
44
|
72
|
113
|
125
|
-
|
-
|
-
|
-
|
-
|
|
|
III-250-200
|
«
|
270
|
«
|
77
|
«
|
134
|
139
|
154
|
171
|
179
|
«
|
«
|
«
|
«
|
«
|
«
|
«
|
«
|
265
|
37
|
52
|
69
|
77
|
|
|
I-250-250
|
350
|
280
|
-
|
-
|
858
|
153
|
162
|
187
|
222
|
242
|
-
|
-
|
-
|
-
|
-
|
-
|
-
|
-
|
-
|
-
|
-
|
-
|
-
|
|
|
II-250-250
|
«
|
«
|
110
|
-
|
«
|
«
|
«
|
«
|
«
|
«
|
582
|
130
|
100
|
55
|
54
|
108
|
156
|
181
|
-
|
-
|
-
|
-
|
-
|
|
|
III-250-250
|
«
|
280
|
«
|
125
|
«
|
188
|
197
|
222
|
257
|
277
|
«
|
«
|
«
|
«
|
«
|
«
|
«
|
«
|
333
|
45
|
70
|
105
|
125
|
|
|
|
|
|
|
|
|
|
|
|
|
|
|
|
|
|
|
|
|
|
|
|
|
|
|
|
|
300
|
I-300-50
|
200
|
275
|
-
|
-
|
179
|
112
|
112
|
113
|
114
|
114
|
-
|
-
|
-
|
-
|
-
|
-
|
-
|
-
|
-
|
-
|
-
|
-
|
-
|
|
|
II-300-50
|
«
|
«
|
30
|
-
|
«
|
«
|
«
|
«
|
«
|
«
|
Д1
|
=
|
120
|
|
|
d1
|
=
|
60
|
-
|
-
|
-
|
-
|
-
|
|
|
I-300-80
|
200
|
275
|
-
|
-
|
280
|
112
|
113
|
114
|
117
|
118
|
-
|
-
|
-
|
-
|
-
|
-
|
-
|
-
|
-
|
-
|
-
|
-
|
-
|
|
|
II-300-80
|
«
|
«
|
40
|
-
|
«
|
«
|
«
|
«
|
«
|
«
|
176
|
43
|
35
|
21
|
19
|
34
|
44
|
48
|
-
|
-
|
-
|
-
|
-
|
|
|
I-300-100
|
200
|
275
|
-
|
-
|
339
|
112
|
113
|
115
|
119
|
120
|
-
|
-
|
-
|
-
|
-
|
-
|
-
|
-
|
-
|
-
|
-
|
-
|
-
|
|
|
|
II-300-100
|
«
|
«
|
45
|
-
|
«
|
«
|
«
|
«
|
«
|
«
|
206
|
53
|
42
|
24
|
22
|
40
|
51
|
58
|
-
|
-
|
-
|
-
|
-
|
|
|
I-300-150
|
250
|
275
|
-
|
-
|
500
|
112
|
115
|
121
|
127
|
129
|
-
|
-
|
-
|
-
|
-
|
-
|
-
|
-
|
-
|
-
|
-
|
-
|
-
|
|
|
II-300-150
|
«
|
«
|
65
|
-
|
«
|
«
|
«
|
«
|
«
|
«
|
300
|
76
|
59
|
33
|
30
|
58
|
80
|
85
|
-
|
-
|
-
|
-
|
-
|
|
|
III-300-150
|
«
|
295
|
«
|
47
|
«
|
147
|
150
|
156
|
162
|
164
|
«
|
«
|
«
|
«
|
«
|
«
|
«
|
«
|
187
|
33
|
39
|
45
|
47
|
|
|
I-300-200
|
300
|
275
|
-
|
-
|
688
|
112
|
117
|
129
|
142
|
148
|
-
|
-
|
-
|
-
|
-
|
-
|
-
|
-
|
-
|
-
|
-
|
-
|
-
|
|
|
II-300-200
|
«
|
«
|
90
|
-
|
«
|
«
|
«
|
«
|
«
|
«
|
420
|
103
|
80
|
45
|
44
|
82
|
109
|
120
|
-
|
-
|
-
|
-
|
-
|
|
|
III-300-200
|
«
|
295
|
«
|
66
|
«
|
145
|
152
|
154
|
177
|
183
|
«
|
«
|
«
|
«
|
«
|
«
|
«
|
«
|
165
|
35
|
47
|
60
|
66
|
|
|
I-300-250
|
350
|
300
|
-
|
-
|
858
|
137
|
144
|
164
|
187
|
198
|
-
|
-
|
-
|
-
|
-
|
-
|
-
|
-
|
-
|
-
|
-
|
-
|
-
|
|
|
II-300-250
|
«
|
«
|
110
|
-
|
«
|
«
|
«
|
«
|
«
|
«
|
532
|
130
|
100
|
55
|
54
|
104
|
142
|
156
|
-
|
-
|
-
|
-
|
-
|
|
|
III-300-250
|
350
|
300
|
110
|
95
|
858
|
137
|
144
|
164
|
187
|
198
|
532
|
130
|
100
|
55
|
54
|
104
|
142
|
156
|
333
|
37
|
57
|
80
|
90
|
|
|
I-300-300
|
400
|
325
|
-
|
-
|
1021
|
162
|
172
|
202
|
243
|
264
|
-
|
-
|
-
|
-
|
-
|
-
|
-
|
-
|
-
|
-
|
-
|
-
|
-
|
|
|
II-300-300
|
«
|
«
|
130
|
-
|
«
|
«
|
«
|
«
|
«
|
«
|
680
|
152
|
117
|
65
|
64
|
125
|
180
|
210
|
-
|
-
|
-
|
-
|
-
|
|
|
III-300-300
|
«
|
«
|
«
|
-
|
«
|
«
|
«
|
«
|
«
|
«
|
«
|
«
|
«
|
«
|
«
|
«
|
«
|
«
|
394
|
40
|
70
|
110
|
130
|
|
|
|
|
|
|
|
|
|
|
|
|
|
|
|
|
|
|
|
|
|
|
|
|
|
|
|
|
400
|
I-400-50
|
200
|
325
|
-
|
-
|
179
|
112
|
112
|
112
|
112
|
112
|
-
|
-
|
-
|
-
|
-
|
-
|
-
|
-
|
-
|
-
|
-
|
-
|
-
|
|
|
I-400-80
|
«
|
«
|
-
|
-
|
280
|
112
|
113
|
114
|
115
|
116
|
-
|
-
|
-
|
-
|
-
|
-
|
-
|
-
|
-
|
-
|
-
|
-
|
-
|
|
|
I-400-100
|
«
|
«
|
-
|
-
|
339
|
112
|
113
|
115
|
117
|
118
|
-
|
-
|
-
|
-
|
-
|
-
|
-
|
-
|
-
|
-
|
-
|
-
|
-
|
|
|
I-400-150
|
250
|
325
|
-
|
-
|
500
|
112
|
114
|
118
|
123
|
125
|
-
|
-
|
-
|
-
|
-
|
-
|
-
|
-
|
-
|
-
|
-
|
-
|
-
|
|
|
II-400-150
|
«
|
«
|
65
|
-
|
«
|
«
|
«
|
«
|
«
|
«
|
294
|
76
|
59
|
33
|
32
|
59
|
78
|
82
|
-
|
-
|
-
|
-
|
-
|
|
|
III-400-150
|
«
|
355
|
«
|
52
|
«
|
142
|
144
|
148
|
153
|
155
|
«
|
«
|
«
|
«
|
«
|
«
|
«
|
«
|
187
|
36
|
50
|
55
|
57
|
|
|
I-400-200
|
300
|
325
|
-
|
-
|
688
|
112
|
115
|
125
|
132
|
137
|
-
|
-
|
-
|
-
|
-
|
-
|
-
|
-
|
-
|
-
|
-
|
-
|
-
|
|
|
II-400-200
|
«
|
«
|
90
|
-
|
«
|
«
|
«
|
«
|
«
|
«
|
418
|
103
|
80
|
45
|
43
|
80
|
108
|
119
|
-
|
-
|
-
|
-
|
-
|
|
|
III-400-200
|
«
|
345
|
«
|
55
|
«
|
132
|
135
|
145
|
152
|
157
|
«
|
«
|
«
|
«
|
«
|
«
|
«
|
«
|
265
|
38
|
48
|
55
|
60
|
|
|
I-400-250
|
350
|
350
|
-
|
-
|
858
|
137
|
142
|
157
|
173
|
179
|
-
|
-
|
-
|
-
|
-
|
-
|
-
|
-
|
-
|
-
|
-
|
-
|
-
|
|
|
II-400-250
|
«
|
«
|
110
|
-
|
«
|
«
|
«
|
«
|
«
|
«
|
520
|
130
|
100
|
55
|
54
|
101
|
136
|
150
|
-
|
-
|
-
|
-
|
-
|
|
|
III-400-250
|
«
|
«
|
«
|
76
|
«
|
«
|
«
|
«
|
«
|
«
|
«
|
«
|
«
|
«
|
«
|
«
|
«
|
«
|
333
|
40
|
55
|
70
|
76
|
|
|
I-400-300
|
400
|
375
|
-
|
-
|
1021
|
162
|
170
|
190
|
212
|
224
|
-
|
-
|
-
|
-
|
-
|
-
|
-
|
-
|
-
|
-
|
-
|
-
|
-
|
|
|
II-400-300
|
400
|
375
|
130
|
-
|
1021
|
162
|
170
|
190
|
212
|
224
|
620
|
152
|
117
|
65
|
64
|
120
|
164
|
181
|
-
|
-
|
-
|
-
|
-
|
|
|
III-400-300
|
«
|
«
|
-
|
92
|
«
|
«
|
«
|
«
|
«
|
«
|
«
|
«
|
«
|
«
|
«
|
«
|
«
|
«
|
394
|
38
|
58
|
80
|
92
|
|
|
I-400-400
|
500
|
425
|
-
|
-
|
1338
|
212
|
227
|
266
|
322
|
354
|
-
|
-
|
-
|
-
|
-
|
-
|
-
|
-
|
-
|
-
|
-
|
-
|
-
|
|
|
II-400-400
|
«
|
«
|
175
|
-
|
«
|
«
|
«
|
«
|
«
|
«
|
900
|
200
|
154
|
85
|
85
|
164
|
235
|
274
|
-
|
-
|
-
|
-
|
-
|
|
|
III-400-400
|
«
|
«
|
«
|
182
|
«
|
«
|
«
|
«
|
«
|
«
|
«
|
«
|
«
|
«
|
«
|
«
|
«
|
«
|
518
|
55
|
94
|
150
|
182
|
|
|
500
|
I-500-50
|
250
|
400
|
-
|
-
|
179
|
135
|
135
|
135
|
135
|
135
|
-
|
-
|
-
|
-
|
-
|
-
|
-
|
-
|
-
|
-
|
-
|
-
|
-
|
|
|
I-500-80
|
250
|
400
|
-
|
-
|
280
|
135
|
136
|
137
|
138
|
138
|
-
|
-
|
-
|
-
|
-
|
-
|
-
|
-
|
-
|
-
|
-
|
-
|
-
|
|
|
I-500-100
|
250
|
400
|
-
|
-
|
339
|
135
|
136
|
137
|
139
|
140
|
-
|
-
|
-
|
-
|
-
|
-
|
-
|
-
|
-
|
-
|
-
|
-
|
-
|
|
|
II-500-100
|
«
|
«
|
45
|
-
|
«
|
«
|
«
|
«
|
«
|
«
|
Д1
|
=
|
200
|
|
-
|
d1
|
=
|
110
|
-
|
-
|
-
|
-
|
-
|
|
|
I-500-150
|
250
|
400
|
-
|
-
|
500
|
135
|
137
|
140
|
143
|
145
|
-
|
-
|
-
|
-
|
-
|
-
|
-
|
-
|
-
|
-
|
-
|
-
|
-
|
|
|
II-500-150
|
«
|
«
|
65
|
-
|
«
|
«
|
«
|
«
|
«
|
«
|
Д1
|
=
|
296
|
|
|
d1
|
=
|
166
|
-
|
-
|
-
|
-
|
-
|
|
|
I-500-200
|
300
|
400
|
-
|
-
|
688
|
125
|
128
|
134
|
141
|
144
|
-
|
-
|
-
|
-
|
-
|
-
|
-
|
-
|
-
|
-
|
-
|
-
|
-
|
|
|
II-500-200
|
«
|
«
|
90
|
-
|
«
|
«
|
«
|
«
|
«
|
«
|
410
|
103
|
80
|
45
|
44
|
81
|
106
|
115
|
-
|
-
|
-
|
-
|
-
|
|
|
III-500-200
|
«
|
420
|
«
|
71
|
«
|
145
|
148
|
154
|
161
|
164
|
«
|
«
|
«
|
«
|
«
|
«
|
«
|
«
|
265
|
36
|
41
|
48
|
51
|
|
|
I-500-250
|
350
|
400
|
-
|
-
|
858
|
135
|
140
|
150
|
160
|
165
|
-
|
-
|
-
|
-
|
-
|
-
|
-
|
-
|
-
|
-
|
-
|
-
|
-
|
|
|
II-500-250
|
«
|
«
|
110
|
-
|
«
|
«
|
«
|
«
|
«
|
«
|
510
|
130
|
100
|
55
|
55
|
100
|
133
|
145
|
-
|
-
|
-
|
-
|
-
|
|
|
III-500-250
|
«
|
«
|
«
|
63
|
«
|
«
|
«
|
«
|
«
|
«
|
«
|
«
|
«
|
«
|
«
|
«
|
«
|
«
|
333
|
38
|
48
|
58
|
63
|
|
|
I-500-300
|
400
|
450
|
-
|
-
|
1021
|
195
|
201
|
216
|
233
|
240
|
-
|
-
|
-
|
-
|
-
|
-
|
-
|
-
|
-
|
-
|
-
|
-
|
-
|
|
|
II-500-300
|
400
|
450
|
130
|
-
|
1021
|
195
|
201
|
216
|
233
|
240
|
606
|
152
|
117
|
65
|
65
|
119
|
158
|
173
|
-
|
-
|
-
|
-
|
-
|
|
|
III-500-300
|
«
|
«
|
«
|
78
|
«
|
«
|
«
|
«
|
«
|
«
|
«
|
«
|
«
|
«
|
«
|
«
|
«
|
«
|
394
|
39
|
53
|
71
|
78
|
|
|
I-500-400
|
500
|
500
|
-
|
-
|
1338
|
245
|
255
|
285
|
317
|
333
|
-
|
-
|
-
|
-
|
-
|
-
|
-
|
-
|
-
|
-
|
-
|
-
|
-
|
|
|
II-500-400
|
«
|
«
|
175:
|
-
|
«
|
«
|
«
|
«
|
«
|
«
|
832
|
200
|
154
|
85
|
82
|
158
|
217
|
241
|
-
|
-
|
-
|
-
|
-
|
|
|
III-500-400
|
«
|
«
|
«
|
120
|
«
|
«
|
«
|
«
|
«
|
«
|
«
|
«
|
«
|
«
|
«
|
«
|
«
|
«
|
518
|
43
|
73
|
105
|
120
|
|
|
700
|
I-700-50
|
250
|
475
|
-
|
-
|
179
|
115
|
115
|
115
|
115
|
115
|
-
|
-
|
-
|
-
|
-
|
-
|
-
|
-
|
-
|
-
|
-
|
-
|
-
|
|
|
I-700-80
|
250
|
475
|
-
|
-
|
280
|
115
|
115
|
115
|
115
|
115
|
-
|
-
|
-
|
-
|
-
|
-
|
-
|
-
|
-
|
-
|
-
|
-
|
-
|
|
|
I-700-100
|
250
|
475
|
-
|
-
|
339
|
115
|
116
|
117
|
119
|
119
|
-
|
-
|
-
|
-
|
-
|
-
|
-
|
-
|
-
|
-
|
-
|
-
|
-
|
|
|
I-700-150
|
250
|
475
|
-
|
-
|
500
|
115
|
116
|
118
|
122
|
123
|
-
|
-
|
-
|
-
|
-
|
-
|
-
|
-
|
-
|
-
|
-
|
-
|
-
|
|
|
II-700-150
|
«
|
«
|
65
|
-
|
«
|
«
|
«
|
«
|
«
|
«
|
Д1
|
=
|
296
|
|
|
d1
|
=
|
166
|
-
|
-
|
-
|
-
|
-
|
|
|
I-700-200
|
300
|
475
|
-
|
-
|
688
|
115
|
117
|
122
|
128
|
130
|
-
|
-
|
-
|
-
|
-
|
-
|
-
|
-
|
-
|
-
|
-
|
-
|
-
|
|
|
II-700-200
|
«
|
«
|
90
|
-
|
«
|
«
|
«
|
«
|
«
|
«
|
Д1
|
=
|
410
|
|
|
d1
|
=
|
230
|
-
|
-
|
-
|
-
|
-
|
|
|
I-700-250
|
350
|
500
|
-
|
-
|
858
|
140
|
143
|
150
|
160
|
163
|
-
|
-
|
-
|
-
|
-
|
-
|
-
|
-
|
-
|
-
|
-
|
-
|
-
|
|
|
II-700-250
|
«
|
«
|
110
|
-
|
«
|
«
|
«
|
«
|
«
|
«
|
502
|
130
|
100
|
55
|
53
|
98
|
130
|
141
|
-
|
-
|
-
|
-
|
-
|
|
|
I-700-300
|
400
|
550
|
-
|
-
|
1021
|
90
|
194
|
205
|
220
|
233
|
-
|
-
|
-
|
-
|
-
|
-
|
-
|
-
|
-
|
-
|
-
|
-
|
-
|
|
|
II-700-300
|
«
|
«
|
130
|
-
|
«
|
«
|
«
|
«
|
«
|
«
|
600
|
152
|
117
|
65
|
65
|
120
|
157
|
170
|
-
|
-
|
-
|
-
|
-
|
|
|
III-700-300
|
«
|
«
|
-
|
70
|
«
|
«
|
«
|
«
|
«
|
«
|
«
|
«
|
«
|
«
|
«
|
«
|
«
|
«
|
394
|
42
|
53
|
68
|
70
|
|
|
I-700-400
|
500
|
570
|
-
|
-
|
1338
|
210
|
217
|
238
|
263
|
267
|
-
|
-
|
-
|
-
|
-
|
-
|
-
|
-
|
-
|
-
|
-
|
-
|
-
|
|
|
II-700-400
|
500
|
570
|
175
|
-
|
1338
|
210
|
217
|
238
|
263
|
267
|
814
|
200
|
154
|
85
|
85
|
159
|
213
|
232
|
-
|
-
|
-
|
-
|
-
|
|
|
III-700-400
|
«
|
«
|
«
|
95
|
«
|
«
|
«
|
«
|
«
|
«
|
«
|
«
|
«
|
«
|
«
|
«
|
«
|
«
|
518
|
45
|
66
|
91
|
95
|
|
|
|
|
|
|
|
|
|
|
|
|
|
|
|
|
|
|
|
|
|
|
|
|
|
|
|
|
1000
|
I-1000-56
|
250
|
625
|
-
|
-
|
179
|
115
|
115
|
115
|
115
|
115
|
-
|
-
|
-
|
-
|
-
|
-
|
-
|
-
|
-
|
-
|
-
|
-
|
-
|
|
|
I-1000-80
|
250
|
625
|
-
|
-
|
280
|
115
|
115
|
115
|
115
|
115
|
-
|
-
|
-
|
-
|
-
|
-
|
-
|
-
|
-
|
-
|
-
|
-
|
-
|
|
|
I-1000-100
|
250
|
625
|
-
|
-
|
339
|
115
|
115
|
115
|
115
|
115
|
-
|
-
|
-
|
-
|
-
|
-
|
-
|
-
|
-
|
-
|
-
|
-
|
-
|
|
|
I-1000-150
|
250
|
625
|
-
|
-
|
500
|
115
|
116
|
118
|
120
|
120
|
-
|
-
|
-
|
-
|
-
|
-
|
-
|
-
|
-
|
-
|
-
|
-
|
-
|
|
|
I-1000-200
|
300
|
625
|
-
|
-
|
688
|
115
|
116
|
120
|
123
|
124
|
-
|
-
|
-
|
-
|
-
|
-
|
-
|
-
|
-
|
-
|
-
|
-
|
-
|
|
|
II-1000-200
|
«
|
«
|
90
|
-
|
«
|
«
|
«
|
«
|
«
|
«
|
Д1
|
=
|
405
|
|
|
d1
|
=
|
225
|
-
|
-
|
-
|
-
|
-
|
|
|
I-1000-250
|
350
|
650
|
-
|
-
|
858
|
140
|
142
|
148
|
152
|
154
|
-
|
-
|
-
|
-
|
-
|
-
|
-
|
-
|
-
|
-
|
-
|
-
|
-
|
|
|
II-1000-250
|
«
|
«
|
110
|
-
|
«
|
«
|
«
|
«
|
«
|
«
|
Д1
|
=
|
500
|
|
|
d1
|
=
|
280
|
-
|
-
|
-
|
-
|
-
|
|
|
I-1000-300
|
400
|
775
|
-
|
-
|
1020
|
165
|
169
|
177
|
185
|
187
|
-
|
-
|
-
|
-
|
-
|
-
|
-
|
-
|
-
|
-
|
-
|
-
|
-
|
|
|
II-1000-300
|
«
|
«
|
130
|
-
|
«
|
«
|
«
|
«
|
«
|
«
|
Д1
|
=
|
590
|
|
|
d1
|
=
|
330
|
-
|
-
|
-
|
-
|
-
|
|
|
I-1000-400
|
500
|
825
|
-
|
-
|
1338
|
215
|
221
|
235
|
250
|
255
|
-
|
-
|
-
|
-
|
-
|
-
|
-
|
-
|
-
|
-
|
-
|
-
|
-
|
|
|
II-1000-400
|
«
|
«
|
175
|
-
|
«
|
«
|
«
|
«
|
«
|
«
|
790
|
200
|
154
|
85
|
85
|
155
|
203
|
220
|
-
|
-
|
-
|
-
|
-
|
|
|
|
|
|
|
|
|
|
|
|
|
|
|
|
|
|
|
|
|
|
|
|
|
|
|
|
|
1200
|
I-1200-50
|
250
|
725
|
-
|
-
|
179
|
115
|
115
|
115
|
115
|
115
|
-
|
-
|
-
|
-
|
-
|
-
|
-
|
-
|
-
|
-
|
-
|
-
|
-
|
|
|
I-1200-80
|
250
|
725
|
-
|
-
|
280
|
115
|
115
|
115
|
115
|
115
|
-
|
-
|
-
|
-
|
-
|
-
|
-
|
-
|
-
|
-
|
-
|
-
|
-
|
|
|
I-1200-100
|
250
|
725
|
-
|
-
|
339
|
115
|
115
|
115
|
115
|
115
|
-
|
-
|
-
|
-
|
-
|
-
|
-
|
-
|
-
|
-
|
-
|
-
|
-
|
|
|
I-1200-150
|
250
|
725
|
-
|
-
|
500
|
115
|
115
|
115
|
115
|
115
|
-
|
-
|
-
|
-
|
-
|
-
|
-
|
-
|
-
|
-
|
-
|
-
|
-
|
|
|
I-1200-200.
|
300
|
725
|
-
|
-
|
688
|
115
|
116
|
119
|
122
|
123
|
-
|
-
|
-
|
-
|
-
|
-
|
-
|
-
|
-
|
-
|
-
|
-
|
-
|
|
|
I-1200-250
|
350
|
750
|
-
|
-
|
858
|
140
|
142
|
146
|
151
|
152
|
-
|
-
|
-
|
-
|
-
|
-
|
-
|
-
|
-
|
-
|
-
|
-
|
-
|
|
|
II-1200-250
|
«
|
«
|
110
|
-
|
«
|
«
|
«
|
«
|
«
|
«
|
Д1
|
=
|
500
|
|
|
d1
|
=
|
280
|
-
|
-
|
-
|
-
|
-
|
|
|
I-1200-300
|
400
|
800
|
-
|
-
|
1020
|
190
|
193
|
200
|
206
|
208
|
-
|
-
|
-
|
-
|
-
|
-
|
-
|
-
|
-
|
-
|
-
|
-
|
-
|
|
|
II-1200-300
|
«
|
«
|
130
|
-
|
«
|
«
|
«
|
«
|
«
|
«
|
Д1
|
=
|
590
|
|
|
d1
|
=
|
330
|
-
|
-
|
-
|
-
|
-
|
|
|
I-1200-400
|
500
|
850
|
-
|
-
|
1338
|
240
|
245
|
256
|
268
|
272
|
-
|
-
|
-
|
-
|
-
|
-
|
-
|
-
|
-
|
-
|
-
|
-
|
-
|
|
|
II-1200-400
|
«
|
«
|
175
|
«
|
«
|
«
|
«
|
«
|
«
|
«
|
790
|
200
|
154
|
85
|
85
|
158
|
208
|
225
|
-
|
-
|
-
|
-
|
-
|
|
|
|
|
|
|
|
|
|
|
|
|
|
|
|
|
|
|
|
|
|
|
|
|
|
|
|
|
1400
|
I-1400-50
|
250
|
825
|
-
|
-
|
179
|
115
|
115
|
115
|
115
|
115
|
-
|
-
|
-
|
-
|
-
|
-
|
-
|
-
|
-
|
-
|
-
|
-
|
-
|
|
|
I-1400-80
|
250
|
825
|
-
|
-
|
280
|
115
|
115
|
115
|
115
|
115
|
-
|
-
|
-
|
-
|
-
|
-
|
-
|
-
|
-
|
-
|
-
|
-
|
-
|
|
|
I-1400-100
|
250
|
825
|
-
|
-
|
339
|
115
|
115
|
115
|
115
|
115
|
-
|
-
|
-
|
-
|
-
|
-
|
-
|
-
|
-
|
-
|
-
|
-
|
-
|
|
|
I-1400-150
|
250
|
825
|
-
|
-
|
500
|
115
|
115
|
115
|
115
|
115
|
-
|
-
|
-
|
-
|
-
|
-
|
-
|
-
|
-
|
-
|
-
|
-
|
-
|
|
|
I-1400-200
|
300
|
825
|
-
|
-
|
688
|
115
|
115
|
118
|
120
|
121
|
-
|
-
|
-
|
-
|
-
|
-
|
-
|
-
|
-
|
-
|
-
|
-
|
-
|
|
|
I-1400-250
|
350
|
850
|
-
|
-
|
858
|
140
|
142
|
146
|
150
|
151
|
-
|
-
|
-
|
-
|
-
|
-
|
-
|
-
|
-
|
-
|
-
|
-
|
-
|
|
|
I-1400-300
|
400
|
900
|
-
|
-
|
1020
|
190
|
192
|
197
|
203
|
205
|
-
|
-
|
-
|
-
|
-
|
-
|
-
|
-
|
-
|
-
|
-
|
-
|
-
|
|
|
II-1400-300
|
«
|
«
|
130
|
-
|
«
|
«
|
«
|
«
|
«
|
«
|
Д1
|
=
|
590
|
|
|
d1
|
=
|
330
|
-
|
-
|
-
|
-
|
-
|
|
|
I-1400-400
|
500
|
950
|
-
|
-
|
1338
|
240
|
244
|
254
|
264
|
266
|
-
|
-
|
-
|
-
|
-
|
-
|
-
|
-
|
-
|
-
|
-
|
-
|
-
|
|
|
II-1400-400
|
«
|
«
|
175
|
-
|
«
|
«
|
«
|
«
|
«
|
«
|
Д1
|
=
|
782
|
|
|
d1
|
=
|
432
|
-
|
-
|
-
|
-
|
-
|
|
|
|
|
|
|
|
|
|
|
|
|
|
|
|
|
|
|
|
|
|
|
|
|
|
|
|
|
|
РАЗВЕРТКА ШАБЛОНА ПАТРУБКА

РИС. 6
PAЗВЕРТКА ШАБЛОНА УСИЛИВАЮЩЕЙ НАКЛАДКИ
НАКЛАДКА
- I

Примечание: Усиливающая накладка изготавливается из основной трубы.
РИС. 7
PAЗВЕРТКА ШАБЛОНА УСИЛИВАЮЩЕЙ НАКЛАДКИ
НАКЛАДКА - II

РИС. 8
ФОРМА РАЗДЕЛКИ КРОМОК ПРИСОЕДИНИТЕЛЬНЫХ
КОНЦОВ


Допустимая
разность толщин стенок присоединительных концов, стыкуемых элементов
S £ 12 мм ® а £ 2,5
мм;
S > 12 мм ® а £ 3,0
мм.


РИС.
9.
Таблица 3
ТРОЙНИКИ И ТРОЙНИКОВЫЕ СОЕДИНЕНИЯ
|
Ду, мм
|
dy,
мм
|
КРАТКАЯ
ХАРАКТЕРИСТИКА ОСНОВНОЙ ТРУБЫ (обечайка)
|
КРАТКАЯ
ХАРАКТЕРИСТИКА ТРУБЫ-ОТВЕТВЛЕНИЯ (патрубок)
|
Масса,
кг
|
5,5
МПа (55 кгс/см2)
|
7,5
МПа (75 кгc/см2)
|
|
ГОСТ
ТУ
|
sВ,
МПа, (кгс/мм2)
|
К1
|
Дн
´ S,
мм
|
ГОСТ
ТУ
|
sВ,
МПа, (кгс/мм2)
|
К1
|
dн ´ S
|
m
0,75
|
m
0,6
|
m
0,5
|
m
0,75
|
m
0,6
|
m
0,5
|
|
50
|
50
|
ГОСТ
8732-78
(В20)
|
412
(42)
|
1,55
|
57´4
|
ГОСТ
8732-78
(В20)
|
412
(42)
|
1,55
|
57´4
|
2,0
|
х
|
х
|
х
|
х
|
х
|
I-Iа
|
|
80
|
89´4
|
3,0
|
х
|
х
|
х
|
х
|
х
|
I-Iа
|
|
80
|
89´4
|
5,0
|
х
|
х
|
х
|
х
|
I-Iа
|
III-I*а
|
|
89´5
|
89´5
|
5,0
|
х
|
х
|
х
|
х
|
х
|
I-Ia
|
|
100
|
50
|
108´4
|
57´4
|
4,0
|
х
|
х
|
х
|
х
|
I-Iб
|
II-I*б
|
|
108´5
|
5,0
|
х
|
х
|
х
|
х
|
х
|
I-Iб
|
|
80
|
108´4
|
89´4
|
6,0
|
х
|
х
|
х
|
I-Iа
|
II-Ia
|
III-I*а
|
|
108´5
|
7,0
|
х
|
х
|
х
|
х
|
I-Iа
|
III-I*а
|
|
89´5
|
6,0
|
х
|
х
|
х
|
х
|
х
|
I-Iа
|
|
100
|
108´4
|
108´4
|
7,0
|
х
|
х
|
х
|
х
|
х
|
III-I*а
|
|
108´5
|
108´5
|
7,0
|
х
|
х
|
х
|
х
|
х
|
I-Iа
|
|
150
|
50
|
159´5
|
57´4
|
8,0
|
х
|
х
|
х
|
I-Iб
|
II-I*б
|
|
|
159´6
|
10,0
|
х
|
х
|
х
|
х
|
I-Iб
|
II-I*б
|
|
159´7
|
10,0
|
х
|
х
|
х
|
х
|
х
|
I-Iб
|
|
80
|
ГОСТ
8732-78
(В20)
|
412
(42)
|
1,55
|
159´5
|
ГОСТ
8732-78
(В20)
|
412 (42)
|
1,55
|
89´4
|
9,0
|
х
|
I-Iа
|
II-I*a
|
I-Ia
|
II-I*a
|
|
|
159´6
|
10,0
|
х
|
х
|
x
|
x
|
I-Ia
|
II-I*a
|
|
159´7,5
|
11,0
|
х
|
х
|
x
|
х
|
x
|
I-Ia
|
|
100
|
159´5
|
108´4
|
10,0
|
х
|
I-Iа
|
II-I*a
|
I-Ia
|
III-I*a
|
|
|
108´5
|
10,0
|
х
|
I-Iа
|
II-I*a
|
I-Ia
|
II-I*a
|
|
|
159´6
|
108´4
|
11,0
|
х
|
x
|
x
|
I-Ia
|
x
|
III-I*a
|
|
108´5
|
11,0
|
х
|
x
|
x
|
I-Ia
|
x
|
II-I*a
|
|
150
|
159´5
|
159´5
|
15,0
|
х
|
I-Iа
|
III-I*a
|
I-Ia
|
III-I*a
|
|
|
159´6
|
159´6
|
18,0
|
х
|
x
|
x
|
I-Ia
|
x
|
III-I*a
|
|
159´7,5
|
159´7,5
|
22,0
|
х
|
x
|
x
|
x
|
x
|
I-Ia
|
|
200
|
50
|
219´7
|
57´4
|
16,0
|
х
|
x
|
x
|
x
|
I-Iб
|
|
|
219´8
|
18,0
|
х
|
x
|
x
|
x
|
x
|
I-Iб
|
|
80
|
219´7
|
89´4
|
17,0
|
х
|
x
|
x
|
I-Iб
|
II-Iб
|
|
|
ГОСТ
8732-78
(В20)
|
412
(42)
|
1,55
|
219´8
|
ГОСТ
8732-78
(В20)
|
412
(42)
|
1,55
|
89´4
|
19,0
|
х
|
x
|
x
|
x
|
I-Iб
|
II-I6
|
|
219´9
|
20,0
|
х
|
x
|
х
|
х
|
х
|
I-Iб
|
|
100
|
219´7
|
108´4
|
18,0
|
х
|
I-Iб
|
II-I*б
|
I-Iб
|
II-I*б
|
|
|
108´5
|
16,0
|
х
|
x
|
х
|
х
|
I-Iб
|
|
|
219´8
|
108´4
|
20,0
|
х
|
x
|
х
|
х
|
I-Iб
|
III-I*б
|
|
108´5
|
20,0
|
х
|
x
|
x
|
х
|
I-Iб
|
II-I*6
|
|
219´10
|
22,0
|
х
|
x
|
х
|
х
|
х
|
I-Iб
|
|
150
|
219´7
|
159´5
|
24,0
|
х
|
I-Ia
|
III-I*a
|
I-Ia
|
III-I*a
|
|
|
159´6
|
24,0
|
х
|
I-Ia
|
II-I*а
|
I-Ia
|
III-I*a
|
|
|
159´7,5
|
25,0
|
х
|
I-Ia
|
II-I*а
|
I-Ia
|
II-I*а
|
|
|
219´8
|
159´6
|
27,0
|
х
|
x
|
х
|
I-Ia
|
х
|
III-I*a
|
|
159´7,5
|
28,0
|
х
|
х
|
x
|
I-Ia
|
х
|
II-I*а
|
|
219´9
|
31,0
|
х
|
х
|
х
|
x
|
I-Ia
|
II-I*а
|
|
ГОСТ
8732-78
(В20)
|
412
(42)
|
1,55
|
219´10
|
ГОСТ
8732-78
(В20)
|
412
(42)
|
1,55
|
159´7,5
|
30,0
|
х
|
х
|
х
|
x
|
х
|
I-Ia
|
|
200
|
219´7
|
219´7
|
34,0
|
х
|
I-Ia
|
III-I*a
|
I-Ia
|
III-I*a
|
|
|
219´10
|
219´10
|
38,0
|
х
|
х
|
х
|
x
|
х
|
I-Ia
|
|
250
|
50
|
273´8
|
57´4
|
22,0
|
х
|
х
|
х
|
х
|
I-Iб
|
|
|
273´10
|
27,0
|
х
|
х
|
х
|
x
|
х
|
I-Iб
|
|
80
|
273´8
|
89´4
|
23,0
|
х
|
х
|
х
|
I-Iб
|
II-I*б
|
|
|
273´10
|
27,0
|
х
|
х
|
х
|
x
|
х
|
I-Iб
|
|
100
|
273´8
|
108´4
|
24,0
|
х
|
I-Iб
|
II-I*б
|
I-Iб
|
II-I*б
|
|
|
273´10
|
29,0
|
х
|
х
|
х
|
x
|
I-Iб
|
III-I*б
|
|
108´5
|
30,0
|
х
|
х
|
х
|
x
|
I-Iб
|
II-I*б
|
|
273´11
|
30,0
|
х
|
х
|
х
|
x
|
х
|
I-Iб
|
|
150
|
273´8
|
159´5
|
32,0
|
х
|
I-Ia
|
III-I*a
|
II-Iа
|
III-I*a
|
|
|
159´6
|
32,0
|
х
|
I-Ia
|
х
|
х
|
II-I*а
|
|
|
ГОСТ
8732-78
(В20)
|
412
(42)
|
1,55
|
273´10
|
ГОСТ
8732-78
(В20)
|
412
(42)
|
1,55
|
159´6
|
40,0
|
х
|
х
|
х
|
I-Ia
|
II-I*а
|
III-I*a
|
|
273´11
|
43,0
|
х
|
х
|
х
|
х
|
I-Ia
|
III-I*a
|
|
159´7,5
|
44,0
|
х
|
х
|
х
|
х
|
I-Ia
|
II-I*а
|
|
273х13
|
46,0
|
х
|
х
|
х
|
х
|
х
|
I-Ia
|
|
200
|
273´8
|
219´7
|
43,0
|
х
|
I-I*a
|
III-Ia
|
II-I*а
|
III-I*a
|
|
|
219´8
|
44,0
|
х
|
I-Ia
|
x
|
II-I*а
|
III-I*a
|
|
|
219´9
|
45,0
|
х
|
I-Ia
|
x
|
х
|
II-I*а
|
|
|
273´10
|
219´8
|
53,0
|
х
|
х
|
х
|
I-Ia
|
х
|
III-I*a
|
|
219´9
|
54,0
|
х
|
х
|
х
|
I-Ia
|
II-I*а
|
III-I*a
|
|
219´10
|
54,0
|
х
|
х
|
х
|
I-Ia
|
х
|
II-I*а
|
|
273´х11
|
219´9
|
58,0
|
х
|
х
|
х
|
х
|
I-Ia
|
III-I*a
|
|
219´10
|
59,0
|
х
|
х
|
х
|
х
|
I-Ia
|
II-I*а
|
|
273´13
|
219´10
|
57,0
|
х
|
х
|
х
|
х
|
х
|
I-Ia
|
|
250
|
ГОСТ
8732-78
(В20)
|
412
(42)
|
1,55
|
273´8
|
ГОСТ
8732-78
(В20)
|
412
(42)
|
1,55
|
273´8
|
59,0
|
х
|
I-Ia
|
х
|
х
|
III-I*a
|
|
|
273´10
|
273´10
|
73,0
|
х
|
х
|
х
|
I-Ia
|
х
|
III-I*a
|
|
273´11
|
273´11
|
80,0
|
х
|
х
|
х
|
х
|
I-Ia
|
III-I*a
|
|
273´13
|
273´13
|
73,0
|
х
|
х
|
х
|
х
|
х
|
I-Ia
|
|
300
|
50
|
325´9
|
57´4
|
29,0
|
х
|
х
|
I-Iб
|
|
|
|
|
325´10
|
32,0
|
х
|
х
|
х
|
х
|
I-Iб
|
|
|
325´12
|
38,0
|
х
|
х
|
х
|
х
|
х
|
I-Iб
|
|
80
|
325´9
|
89´4
|
29,0
|
х
|
х
|
I-Iб
|
|
|
|
|
325´10
|
32,0
|
х
|
х
|
х
|
х
|
I-Iб
|
|
|
325´12
|
38,0
|
х
|
х
|
х
|
х
|
х
|
I-Iб
|
|
100
|
325´9
|
108´4
|
31,0
|
х
|
I-Iб
|
II-Iб
|
|
|
|
|
325´10
|
34,0
|
х
|
х
|
х
|
I-Iб
|
II-Iб
|
|
|
325´12
|
39,0
|
х
|
х
|
х
|
х
|
х
|
I-Iб
|
|
150
|
ГОСТ
8732-78
(В20)
|
412
(42)
|
1,55
|
325´9
|
ГОСТ
8732-78
(В20)
|
412 (42)
|
1,55
|
159´5
|
41,0
|
х
|
I-Iб
|
III-I*б
|
|
|
|
|
159´6
|
42,0
|
х
|
I-Iб
|
II-Iб
|
|
|
|
|
325´10
|
159´5
|
45,0
|
х
|
I-Iб
|
III-I*б
|
I-Iб
|
III-I*б
|
|
|
159´6
|
46,0
|
х
|
I-Iб
|
II-Iб
|
I-Iб
|
II-Iб
|
|
|
325´12
|
159´6
|
54,0
|
х
|
х
|
х
|
х
|
I-Iб
|
III-I*б
|
|
159´7,5
|
55,0
|
х
|
х
|
х
|
х
|
I-Iб
|
II-Iб
|
|
325´14
|
57,0
|
х
|
х
|
х
|
х
|
х
|
I-Iб
|
|
200
|
325´9
|
219´7
|
54,0
|
I-Ia
|
II-Iа
|
III-Iа
|
|
|
|
|
219´8
|
55,0
|
I-Ia
|
х
|
х
|
II-Iа
|
III-Iа
|
|
|
219´9
|
55,0
|
I-Ia
|
х
|
х
|
х
|
II-Iа
|
|
|
325´10
|
219´7
|
59,0
|
х
|
I-Ia
|
III-Iа
|
I-Ia
|
III-Iа
|
|
|
219´8
|
60,0
|
х
|
I-Ia
|
II-Iа
|
I-Ia
|
III-Iа
|
|
|
219´9
|
61,0
|
х
|
I-Ia
|
II-Iа
|
I-Ia
|
II-Iа
|
|
|
ГОСТ
8732-78
(В20)
|
412
(42)
|
1,55
|
325´12
|
ГОСТ
8732-78
(В20)
|
412
(42)
|
1,55
|
219´8
|
71,0
|
х
|
х
|
х
|
I-Ia
|
х
|
III-Iа
|
|
219´9
|
71,0
|
х
|
х
|
х
|
I-Ia
|
II-Iа
|
III-Iа
|
|
219´10
|
72,0
|
х
|
х
|
х
|
I-Ia
|
x
|
II-Iа
|
|
325´15
|
76,0
|
х
|
х
|
х
|
x
|
х
|
I-Ia
|
|
250
|
325´9
|
273´8
|
69,0
|
I-Ia
|
II-Iа
|
III-Iа
|
|
|
|
|
273´10
|
71,0
|
I-Ia
|
х
|
II-Iа
|
|
|
|
|
325´10
|
273´8
|
76,0
|
х
|
I-Ia
|
х
|
х
|
III-Iа
|
|
|
273´10
|
78,0
|
х
|
I-Ia
|
х
|
II-Iа
|
III-Iа
|
|
|
273´11
|
79,0
|
х
|
I-Ia
|
х
|
х
|
II-Iа
|
|
|
325´12
|
273´10
|
91,0
|
х
|
х
|
х
|
I-Ia
|
x
|
III-Iа
|
|
273´11
|
92,0
|
х
|
х
|
х
|
I-Ia
|
x
|
II-Iа
|
|
325´15
|
92,0
|
х
|
х
|
x
|
x
|
x
|
I-Ia
|
|
300
|
325´9
|
325´9
|
90,0
|
I-Ia
|
х
|
III-Iа
|
|
|
|
|
ГОСТ
8732-78
(В20)
|
412
(42)
|
1,55
|
325´10
|
ГОСТ
8732-78
(В20)
|
412 (42)
|
1,55
|
325´10
|
99,0
|
х
|
I-Ia
|
х
|
х
|
III-Iа
|
|
|
325´12
|
325´12
|
119,0
|
х
|
х
|
х
|
I-Ia
|
х
|
III-Iа
|
|
325´15
|
325´15
|
121,0
|
х
|
х
|
х
|
х
|
х
|
I-Ia
|
|
400
|
50
|
|
|
|
426´10
|
|
|
|
57´4
|
42,0
|
х
|
I-Iб
|
|
|
|
|
|
426´12
|
50,0
|
х
|
х
|
х
|
I-Iб
|
|
|
|
426´14
|
58,0
|
х
|
х
|
х
|
х
|
I-Iб
|
|
|
426´16
|
66,0
|
х
|
х
|
х
|
х
|
х
|
I-Iб
|
|
80
|
426´10
|
89´4
|
42,0
|
х
|
I-Iб
|
|
|
|
|
|
426´12
|
50,0
|
х
|
х
|
х
|
I-Iб
|
|
|
|
426´14
|
58,0
|
х
|
х
|
х
|
х
|
I-Iб
|
|
|
426´16
|
66,0
|
х
|
х
|
х
|
х
|
х
|
I-Iб
|
|
100
|
426´10
|
108´4
|
43,0
|
х
|
I-Iб
|
|
|
|
|
|
426´12
|
51,0
|
х
|
х
|
х
|
I-Iб
|
|
|
|
ГОСТ
8732-78
(В20)
|
412
(42)
|
1,55
|
426´14
|
ГОСТ
8732-78
(В20)
|
412
(42)
|
1,55
|
108´4
|
58,0
|
х
|
х
|
х
|
х
|
I-Iб
|
|
|
426´16
|
66,0
|
х
|
х
|
х
|
х
|
х
|
I-Iб
|
|
150
|
426´10
|
159´5
|
58,0
|
I-Iб
|
II-Iб
|
|
|
|
|
|
159´6
|
58,0
|
I-Iб
|
II-Iб
|
|
|
|
|
|
426´12
|
159´5
|
68,0
|
х
|
I-Iб
|
II-Iб
|
I-Iб
|
|
|
|
159´6
|
69,0
|
х
|
I-Iб
|
II-Iб
|
I-Iб
|
|
|
|
426´14
|
159´5
|
79,0
|
х
|
х
|
х
|
I-Iб
|
|
|
|
159´6
|
74,0
|
х
|
х
|
х
|
х
|
I-Iб
|
|
|
426´16
|
159´5
|
89,0
|
х
|
х
|
х
|
I-Iб
|
|
|
|
159´6
|
90,0
|
х
|
х
|
х
|
х
|
I-Iб
|
|
|
159´7,5
|
91,0
|
х
|
х
|
х
|
х
|
I-Iб
|
II-Iб
|
|
200
|
426´10
|
219´7
|
79,0
|
I-Iа
|
II-Iа
|
|
|
|
|
|
219´8
|
80,0
|
I-Iа
|
II-Iа
|
|
|
|
|
|
ГОСТ
8732-78
(В20)
|
412
(42)
|
1,55
|
426´12
|
ГОСТ
8732-78
(В20)
|
412 (42)
|
1,55
|
219´7
|
94,0
|
х
|
I-Iа
|
III-Ia
|
II-Iа
|
|
|
|
219´8
|
94,0
|
х
|
I-Iа
|
x
|
II-Iа
|
|
|
|
426´14
|
219´7
|
108,0
|
х
|
I-Iа
|
III-Ia
|
I-Iа
|
III-Ia
|
|
|
219´8
|
109,0
|
х
|
x
|
x.
|
I-Iа
|
II-Iа
|
|
|
426´16
|
219´7
|
122,0
|
х
|
I-Iа
|
III-Ia
|
I-Iа
|
х
|
III-Ia
|
|
219´8
|
123,0
|
х
|
х
|
х
|
х
|
I-Iа
|
III-Ia
|
|
219´10
|
124,0
|
х
|
x
|
х
|
х
|
I-Iа
|
II-Iа
|
|
250
|
426´10
|
273´8
|
92,0
|
I-Iа
|
II-Iа
|
|
|
|
|
|
273´10
|
94,0
|
I-Iа
|
II-Iа
|
|
|
|
|
|
426´12
|
273´8
|
108,0
|
I-Iа
|
II-Iа
|
х
|
III-Ia
|
|
|
|
273´10
|
110,0
|
I-Iа
|
х
|
х
|
II-Iа
|
|
|
|
426´14
|
273´8
|
125,0
|
х
|
I-Iа
|
х
|
х
|
III-Ia
|
|
|
273´10
|
127,0
|
х
|
I-Iа
|
х
|
II-Iа
|
III-Ia
|
|
|
ГОСТ
8732-78
(В20)
|
412
(42)
|
1,55
|
426´14
|
ГОСТ
8732-78
(В20)
|
412
(42)
|
1,55
|
273´11
|
128,0
|
х
|
I-Iа
|
х
|
х
|
II-Iа
|
|
|
426´16
|
273´8
|
141,0
|
х
|
I-Iа
|
х
|
х
|
х
|
III-Ia
|
|
273´10
|
143,0
|
х
|
х
|
х
|
I-Iа
|
х
|
III-Ia
|
|
273´11
|
144,0
|
х
|
х
|
х
|
х
|
I-Iа
|
II-Iа
|
|
300
|
426´10
|
325´9
|
113,0
|
I-Iа
|
III-Ia
|
|
|
|
|
|
325´10
|
114,0
|
I-Iа
|
II-Iа
|
|
|
|
|
|
325´12
|
117,0
|
I-Iа
|
II-Iа
|
|
|
|
|
|
426´12
|
325´9
|
132,0
|
I-Iа
|
х
|
х
|
III-Ia
|
|
|
|
325´10
|
133,0
|
I-Ia
|
II-Iа
|
III-Ia
|
П-Ia
|
|
|
|
325´12
|
136,0
|
I-Iа
|
х
|
х
|
П-Ia
|
|
|
|
426´14
|
325´9
|
151,0
|
I-Iа
|
х
|
х
|
х
|
III-Ia
|
|
|
325´10
|
152,0
|
х
|
I-Iа
|
III-Ia
|
I-Iа
|
III-Ia
|
|
|
325´12
|
155,0
|
х
|
I-Iа
|
II-Iа
|
I-Iа
|
III-Ia
|
|
|
ГОСТ
8732-78
(В20)
|
412
(42)
|
1,55
|
426´14
|
ГОСТ
8732-78
(В20)
|
412 (42)
|
1,55
|
325´15
|
159,0
|
х
|
I-Iа
|
II-Iа
|
I-Iа
|
II-Iа
|
|
|
426´16
|
325´9
|
170,0
|
I-Iа
|
III-Ia
|
|
|
|
|
|
325´10
|
171,0
|
х
|
I-Iа
|
III-Ia
|
I-Iа
|
III-Ia
|
|
|
325´12
|
174,0
|
х
|
х
|
х
|
I-Iа
|
х
|
III-Ia
|
|
325´15
|
178,0
|
х
|
х
|
х
|
I-Iа
|
х
|
II-Iа
|
|
400
|
426´10
|
426´10
|
168,0
|
х
|
III-Ia
|
|
|
|
|
|
426´12
|
426´12
|
201,0
|
I-Iа
|
х
|
х
|
III-Ia
|
|
|
|
426´14
|
426´14
|
233,0
|
х
|
I-Iа
|
III-Ia
|
II-Iа
|
III-Ia
|
|
|
426´16
|
426´6
|
266,0
|
х
|
х
|
х
|
I-Iа
|
х
|
III-Ia
|
|
500
|
50
|
ТУ 236/78
|
490
(50)
|
1,55
|
530´7
|
ГОСТ
8732-78
(В20)
|
412
(42)
|
1,55
|
57´4
|
46,0
|
I-2б
|
х
|
|
|
|
|
|
530´8
|
53,0
|
х
|
I-2б
|
|
|
|
|
|
ТУ 14-3-604-77
ТУ 14-3-605-77
|
1,4
|
530´7
|
46,0
|
I-2б
|
х
|
|
|
|
|
|
530´8
|
53,0
|
х
|
I-2б
|
|
|
|
|
|
530´9
|
59,0
|
х
|
х
|
х
|
I-2б
|
|
|
|
.ГОСТ 20295-74
|
510
(52)
|
530´7,5
|
50,0
|
х
|
I-2б
|
|
|
|
|
|
530´8
|
52,0
|
х
|
I-2б
|
|
I-2б
|
|
|
|
530´9
|
59,0
|
х
|
х
|
х
|
I-2б
|
|
|
|
ТУ 20/28/76
ТУ 20/28/75
|
530´9
|
59,0
|
х
|
х
|
х
|
I-2б
|
|
|
|
ТУ-21/76МВ
|
530
(54)
|
1,55
|
530´22
|
144,0
|
х
|
х
|
х
|
х
|
х
|
I-2в
|
|
ТУ 20/28/40/48-77
|
1,34
|
530´6
|
40,0
|
I-2б
|
|
|
|
|
|
|
530´7
|
46,0
|
х
|
I-2б
|
|
|
|
|
|
530´12
|
77,0
|
х
|
х
|
х
|
х
|
х
|
I-2б
|
|
530´14
|
ГОСТ
8732-78
(В20)
|
412
(42)
|
1,55
|
57´4
|
90,0
|
х
|
х
|
х
|
х
|
х
|
I-2б
|
|
ТУ 20-28-40-48-56-79
|
530´6
|
40,0
|
I-2б
|
|
|
|
|
|
|
530´9
|
59,0
|
х
|
х
|
х
|
I-2б
|
|
|
|
530´12
|
77,0
|
х
|
х
|
х
|
х
|
х
|
I-2б
|
|
530´14,0
|
90,0
|
х
|
х
|
х
|
х
|
х
|
I-2б
|
|
530´16
|
101,0
|
х
|
х
|
х
|
х
|
х
|
I-2б
|
|
80
|
ТУ 236/78
|
490
(50)
|
1,55
|
530´7
|
ГОСТ
8732-78
(В20)
|
412 (42)
|
1,55
|
89´4
|
46,0
|
I-2б
|
|
|
|
|
|
|
530´8
|
53,0
|
I-2б
|
|
|
|
|
|
|
ТУ 14-3-1067-82
|
1,4
|
530´7
|
46,0
|
I-2б
|
|
|
|
|
|
|
530´8
|
53,0
|
х
|
I-2б
|
|
|
|
|
|
530´9
|
59,0
|
х
|
х
|
х
|
I-2б
|
|
|
|
ГОСТ 20295-74
|
510
(52)
|
530´7,5
|
50,0
|
х
|
I-2б
|
|
|
|
|
|
530´8
|
53,0
|
х
|
I-2б
|
|
I-2б
|
|
|
|
530´9
|
59,0
|
х
|
х
|
х
|
I-2б
|
|
|
|
ТУ 20/28/76
ТУ 20/28/75
|
530´9
|
59,0
|
х
|
х
|
х
|
I-2б
|
|
|
|
ТУ-21/76МВ
|
530
(54)
|
1,55
|
530´22
|
145,0
|
х
|
х
|
х
|
х
|
х
|
I-2в
|
|
ТУ 20/28/40/48-77
|
1,34
1,34
|
530´6
|
40,0
|
I-2б
|
|
|
|
|
|
|
530´7
|
46,0
|
х
|
I-2б
|
|
|
|
|
|
530´12
|
78,0
|
х
|
х
|
х
|
х
|
х
|
I-2б
|
|
ТУ 20/28/40/48-77
|
530´14
|
ГОСТ
8732-78
(В20)
|
412
(42)
|
1,55
|
89´4
|
90,0
|
х
|
х
|
х
|
х
|
х
|
I-2б
|
|
ТУ 20-28-40-48-56-79
|
530´6
|
40,0
|
I-2б
|
|
|
|
|
|
|
530´9
|
59,0
|
х
|
х
|
х
|
I-2б
|
|
|
|
100
|
ТУ 236/78
|
490
(50)
|
1,55
|
530´7
|
ГОСТ
8732-78
(В20)
|
412
(42)
|
1,55
|
108´4
|
48,0
|
II-2б
|
|
|
|
|
|
|
530´8
|
53,0
|
I-2б
|
|
|
|
|
|
|
ТУ 14-3-1067-82
|
1,4
|
530´7
|
47,0
|
I-2б
|
|
|
|
|
|
|
530´8
|
55,0
|
I-2б
|
II-2б
|
|
|
|
|
|
530´9
|
61,0
|
х
|
I-2б
|
II-2б
|
I-2б
|
|
|
|
ГОСТ 20295-74
|
510 (52)
|
530´7,5
|
52,0
|
I-2б
|
II-2б
|
|
|
|
|
|
530´8
|
54,0
|
х
|
I-2б
|
|
II-2б
|
|
|
|
530´9
|
61,0
|
х
|
I-2б
|
II-2б
|
I-2б
|
|
ТУ 20/28/76
ТУ 20/28/75
|
530´9
|
61,0
|
х
|
I-2б
|
II-2б
|
I-2б
|
|
|
|
ТУ-21/76МВ
|
530
(54)
|
1,55
|
530´22
|
145,0
|
х
|
х
|
х
|
х
|
х
|
I-2в
|
|
ТУ 20/28/40/48-77
|
1,34
|
530´6
|
40,0
|
I-2б
|
|
|
|
|
|
|
530´7
|
48,0
|
I-2б
|
II-2б
|
|
|
|
|
|
ТУ 20/28/40/48-77
|
530´12
|
ГОСТ
8732-78
(В20)
|
412
(42)
|
1,55
|
108´4
|
80,0
|
х
|
х
|
х
|
х
|
х
|
I-2б
|
|
530´14
|
91,0
|
х
|
х
|
х
|
х
|
х
|
I-2б
|
|
ТУ 20-28-40-48-56-79
|
530´6
|
40,0
|
I-2б
|
х
|
|
|
|
|
|
530´9
|
61,0
|
х
|
x
|
х
|
I-2б
|
|
|
|
530´12
|
80,0
|
x
|
x
|
x
|
x
|
x
|
I-2б
|
|
530´14
|
91,0
|
х
|
х
|
х
|
х
|
х
|
I-2б
|
|
530´16
|
102,0
|
х
|
х
|
х
|
х
|
х
|
I-2б
|
500
|
150
|
ТУ
236/78
|
490 (55)
|
1,55
|
530´7
|
ГОСТ 8732-78
(В20)
|
412 (42)
|
1,55
|
159´5
|
50,0
|
II-2б
|
|
|
|
|
|
|
530´8
|
54,0
|
I-2б
|
|
|
|
|
|
|
ТУ 14-3-1067-82
|
1,4
|
530´7
|
48,0
|
I-2б
|
|
|
|
|
|
|
530´8
|
57,0
|
I-2б
|
II-2б
|
|
|
|
|
|
530´9
|
64,0
|
х
|
I-2б
|
х
|
II-2б
|
|
|
|
ГОСТ
20295-74
|
510 (52)
|
530´7,5
|
55,0
|
I-2б
|
II-2б
|
|
|
|
|
|
530´8
|
57,0
|
I-2б
|
II-2б
|
|
II-2б
|
|
|
|
530´9
|
64,0
|
х
|
I-2б
|
х
|
II-2б
|
|
|
|
ТУ
20/28/76
ТУ
20/28/75
|
530´9
|
64,0
|
х
|
I-2б
|
х
|
II-2б
|
|
|
|
ТУ-21/76МВ
|
530 (54)
|
1,55
|
530´22
|
146,0
|
х
|
х
|
х
|
х
|
I-2в
|
|
|
159´6
|
147,0
|
х
|
х
|
х
|
х
|
х
|
I-2в
|
|
ТУ
20/28/40/48-77
|
1,34
|
530´6
|
159´5
|
44,0
|
II-2б
|
|
|
|
|
|
|
ТУ
20/28/40/48-77
|
530´7
|
ГОСТ 8732-78
(В20)
|
412 (42)
|
1,55
|
159´5
|
50,0
|
I-2б
|
II-2б
|
|
|
|
|
|
530´12
|
79,0
|
х
|
х
|
х
|
х
|
I-2б
|
|
|
159´6
|
85,0
|
х
|
х
|
х
|
х
|
х
|
II-2б
|
|
530´14
|
159´5
|
92,0
|
х
|
х
|
х
|
х
|
I-2б
|
|
|
159´6
|
93,0
|
х
|
х
|
х
|
х
|
х
|
I-2б
|
|
ТУ
20-28-40-48-56-79
|
530´6
|
159´5
|
43,0
|
II-2б
|
|
|
|
|
|
|
530´9
|
64,0
|
х
|
I-2б
|
II-2б
|
I-2б
|
|
|
|
530´12
|
79,0
|
х
|
х
|
х
|
х
|
I-2б
|
|
|
159´6
|
85,0
|
х
|
х
|
х
|
х
|
I-2б
|
II-2б
|
|
530´14
|
159´5
|
92,0
|
х
|
х
|
х
|
х
|
I-2б
|
|
|
159´6
|
93,0
|
х
|
х
|
х
|
х
|
х
|
I-2б
|
|
530´16
|
159´5
|
103,0
|
х
|
х
|
х
|
х
|
I-2б
|
|
|
159´6
|
104,0
|
х
|
х
|
х
|
х
|
х
|
I-2б
|
|
500
|
200
|
ТУ
236/78
|
490 (50)
|
1,55
|
530´7
|
ГОСТ 8732-78
(В20)
|
412 (42)
|
1,55
|
219´7
|
64,0
|
II-2а
|
|
|
|
|
|
|
530´8
|
67,0
|
II-2а
|
|
|
|
|
|
|
ТУ
14-3-1067-82
|
1,4
|
530´7
|
64,0
|
II-2а
|
|
|
|
|
|
|
530´9
|
80,0
|
х
|
х
|
х
|
II-2а
|
|
|
|
ГОСТ
20295-74
|
510 (52)
|
530´7,5
|
69,0
|
I-2а
|
II-2а
|
|
|
|
|
|
530´8
|
72,0
|
I-2а
|
II-2а
|
|
II-2а
|
|
|
|
530´9
|
80,0
|
х
|
х
|
х
|
II-2а
|
|
|
|
ТУ
20/28/76
ТУ
20/28/75
|
530´9
|
80,0
|
х
|
х
|
х
|
II-2а
|
|
|
|
ТУ-21/76МВ
|
530 (54)
|
1,55
|
530´22
|
177,0
|
х
|
х
|
х
|
I-2а
|
|
|
|
219´8
|
178,0
|
х
|
х
|
х
|
х
|
х
|
I-2а
|
|
ТУ
20/28/40/48-77
|
1,34
|
530´6
|
219´7
|
56,0
|
II-2а
|
|
|
|
|
|
|
530´7
|
64,0
|
х
|
II-2а
|
|
|
|
|
|
ТУ
20/28/40/48-77
|
530´12
|
ГОСТ 8732-78
(В20)
|
412 (42)
|
1,55
|
219´7
|
106,0
|
х
|
х
|
х
|
I-2а
|
|
|
|
219´9
|
110,0
|
х
|
х
|
х
|
I-2а
|
х
|
II-2а
|
|
530´14
|
219´7
|
121,0
|
х
|
х
|
х
|
I-2а
|
|
|
|
219´9
|
126,0
|
х
|
х
|
х
|
I-2а
|
х
|
II-2а
|
|
ТУ
20-28-40-48-56-79
|
530´6
|
219´7
|
56,0
|
II-2а
|
|
|
|
|
|
|
530´9
|
80,0
|
I-2а
|
х
|
х
|
II-2а
|
|
|
|
219´9
|
94,0
|
I-2а
|
х
|
х
|
х
|
II-2а
|
|
|
530´12
|
219´7
|
106,0
|
х
|
х
|
х
|
I-2а
|
|
|
|
219´9
|
113,0
|
х
|
х
|
х
|
I-2а
|
х
|
II-2а
|
|
530´14
|
219´7
|
121,0
|
х
|
х
|
х
|
I-2а
|
|
|
|
219´9
|
126,0
|
х
|
х
|
х
|
I-2а
|
х
|
II-2а
|
|
530´16
|
219´7
|
130,0
|
х
|
х
|
х
|
I-2а
|
|
|
|
219´9
|
138,0
|
х
|
х
|
х
|
I-2а
|
х
|
II-2а
|
|
500
|
250
|
ТУ
236/78
|
490 (50)
|
1,55
|
530´7
|
ГОСТ 8732-78
(В20)
|
412 (42)
|
1,55
|
273´8
|
79,0
|
II-2а
|
|
|
|
|
|
|
530´8
|
89,0
|
II-2а
|
|
|
|
|
|
|
ТУ
14-3-1067-82
|
1,4
|
530´7
|
79,0
|
II-2а
|
|
|
|
|
|
|
530´8
|
89,0
|
х
|
II-2а
|
|
|
|
|
|
530´9
|
99,0
|
I-2а
|
II-2а
|
III-2а
|
|
|
|
|
ГОСТ
20295-74
|
510 (52)
|
530´7,5
|
85,0
|
х
|
II-2а
|
|
|
|
|
|
530´8
|
89,0
|
х
|
II-2а
|
|
|
|
|
|
530´9
|
99,0
|
I-2а
|
II-2а
|
III-2а
|
|
|
|
|
ТУ
20/28/76
ТУ
20/28/75
|
530´9
|
99,0
|
I-2а
|
II-2а
|
III-2а
|
|
|
|
|
273´10
|
105,0
|
I-2а
|
х
|
х
|
II-2а
|
|
|
|
ТУ-21/76МВ
|
530 (54)
|
1,55
|
530´22
|
273´8
|
234,0
|
х
|
I-2а
|
III-2а
|
|
|
|
|
273´10
|
239,0
|
х
|
х
|
х
|
I-2а
|
|
|
|
ТУ
20/28/40/48-77
|
1,34
|
530´6
|
273´8
|
69,0
|
II-2а
|
|
|
|
|
|
|
ТУ20/28/40/48-77
|
530´7
|
ГОСТ 8732-78
(В20)
|
412 (42)
|
1,55
|
273´8
|
79,0
|
II-2а
|
|
|
|
|
|
|
530´12
|
129,0
|
х
|
I-2а
|
III-2а
|
|
|
|
|
273´10
|
132,0
|
х
|
х
|
х
|
I-2а
|
|
|
|
273´12
|
139,0
|
х
|
х
|
х
|
I-2а
|
х
|
II-2а
|
|
530´14
|
273´8
|
148,0
|
х
|
I-2а
|
III-2а
|
|
|
|
|
273´10
|
153,0
|
х
|
х
|
х
|
I-2а
|
|
|
|
273´12
|
158,0
|
х
|
х
|
х
|
х
|
I-2а
|
II-2а
|
|
ТУ20-28-40-46-56
|
530´6
|
273´8
|
69,0
|
II-2а
|
|
|
|
|
|
|
530´9
|
99,0
|
I-2а
|
II-2а
|
III-2а
|
|
|
!
|
|
273´10
|
116,0
|
I-2а
|
х
|
х
|
II-2а
|
|
|
|
530´12
|
273´8
|
129,0
|
х
|
I-2а
|
III-2а
|
|
|
|
|
273´10
|
137,0
|
х
|
х
|
х
|
I-2а
|
|
|
|
273´12
|
145,0
|
х
|
х
|
х
|
I-2а
|
х
|
II-2а
|
|
530´14
|
273´8
|
148,0
|
х
|
I-2а
|
III-2а
|
|
|
|
|
273´10
|
152,0
|
х
|
х
|
х
|
I-2а
|
|
|
|
273´12
|
157,0
|
х
|
х
|
х
|
х
|
I-2а
|
II-2а
|
|
530´16
|
273´8
|
156,0
|
х
|
I-2а
|
III-2а
|
|
|
|
|
273´10
|
162,0
|
х
|
х
|
х
|
I-2а
|
|
|
|
273´12
|
168,0
|
х
|
х
|
х
|
х
|
х
|
I-2а
|
|
500
|
300
|
ТУ 236/78
|
490 (50)
|
1,55
|
530´7
|
ГОСТ 8732-78
(В20)
|
412 (42)
|
1,55
|
325´9
|
98,0
|
II-2а
|
|
|
|
|
|
|
530´8
|
110,0
|
II-2а
|
|
|
|
|
|
|
ТУ 14-3-1067-82
|
1,4
|
530´7
|
98,0
|
II-2а
|
|
|
|
|
|
|
530´8
|
110,0
|
II-2а
|
III-2а
|
|
|
|
|
|
530´9
|
122,0
|
II-2а
|
III-2а
|
|
|
|
|
|
325´10
|
123,0
|
х
|
II-2а
|
|
|
|
|
|
ГОСТ20295-74
|
510 (52)
|
530´7,5
|
325´9
|
105,0
|
II-2а
|
|
|
|
|
|
|
530´8
|
110,0
|
II-2а
|
III-2а
|
|
|
|
|
|
530´9
|
122,0
|
I-2а
|
х:
|
III-2а
|
|
|
|
|
ТУ20/28/76
ТУ20/28/75
|
530´9
|
122,0
|
I-2а
|
х
|
III-2а
|
|
|
|
|
ТУ-21/76МВ
|
530 (54)
|
1,55
|
530´22
|
280,0
|
I-2а
|
х
|
III-2а
|
|
|
|
|
325´10
|
296,0
|
х
|
I-2а
|
III-2а
|
I-2а
|
|
|
|
325´12
|
300,0
|
х
|
х
|
х
|
I-2а
|
х
|
III-2а
|
|
ТУ 20/28/40/48-77
|
1,34
|
530´6
|
ГОСТ 8732-78
(В20)
|
412 (42)
|
1,55
|
325´9
|
87,0
|
II-2а
|
|
|
|
|
|
|
530´7
|
98,0
|
II-2а
|
|
|
|
|
|
|
530´12
|
157,0
|
I-2а
|
х
|
III-2а
|
|
|
|
|
325´10
|
158,0
|
х
|
I-2а
|
III-2а
|
|
|
|
|
325´12
|
161,0
|
х
|
х
|
х
|
I-2а
|
х
|
III-2а
|
|
530´14
|
325´9
|
180,0
|
I-2а
|
х
|
III-2а
|
|
|
|
|
325´10
|
181,0
|
х
|
I-2а
|
III-2а
|
|
|
|
|
325´12
|
185,0
|
х
|
х
|
х
|
I-2а
|
х
|
III-2а
|
|
325´14
|
192,0
|
х
|
х
|
х
|
х
|
I-2а
|
III-2а
|
|
ТУ 20-28-40-48-56-79
|
530´6
|
325´9
|
87,0
|
I-2а
|
|
|
|
|
|
|
530´9
|
122,0
|
I-2а
|
х
|
III-2а
|
|
|
|
|
325´10
|
123,0
|
I-2а
|
II-2а
|
III-2а
|
|
|
|
|
325´12
|
127,0
|
I-2а
|
х
|
х
|
II-2а
|
х
|
III-2а
|
|
500
|
300
|
530´12
|
ГОСТ 8732-78
(В20)
|
412 (42)
|
1,55
|
325´9
|
157,0
|
I-2а
|
х
|
III-2а
|
|
|
|
|
325´10
|
158,0
|
х
|
I-2а
|
III-2а
|
|
|
|
|
325´12
|
161,0
|
х
|
х
|
х:
|
I-2а
|
х
|
III-2а
|
|
325´14
|
164,0
|
х
|
х
|
х
|
I-2а
|
II-2а
|
Ш-2а
|
|
530´14
|
325´9
|
180,0
|
I-2а
|
х
|
III-2а
|
|
|
|
|
325´10
|
182,0
|
х
|
I-2а
|
III-2а
|
|
|
|
|
325´12
|
185,0
|
х
|
х
|
х
|
I-2а
|
х
|
Ш-2а
|
|
325´14
|
189,0
|
х
|
х
|
х
|
х
|
I-2а
|
Ш-2а
|
|
530´16
|
325´9
|
197,0
|
I-2а
|
х
|
III-2а
|
|
|
|
|
325´10
|
200,0
|
I-2а
|
III-2а
|
|
|
|
|
|
325´12
|
206,0
|
х
|
х
|
х
|
I-2а
|
х
|
II-2а
|
|
325´14
|
211,0
|
х
|
х
|
х
|
х
|
I-2а
|
Ш-2а
|
|
500
|
400
|
ТУ 236/78
|
490 (50)
|
1,55
|
530´8
|
ГОСТ
8732-78
(В20)
|
412 (42)
|
1,55
|
426´10
|
157,0
|
II-2а
|
|
|
|
|
|
|
ТУ 14-3-1067-82
|
1,4
|
530´7
|
141,0
|
II-2а
|
|
|
|
|
|
|
530´8
|
157,0
|
II-2а
|
|
|
|
|
|
|
530´9
|
173,0
|
II-2а
|
|
|
|
|
|
|
426´12
|
178,0
|
II-2а
|
III-2а
|
|
|
|
|
|
ГОСТ 20295-74
|
510 (52)
|
530´7,5
|
426´10
|
150,0
|
II-2а
|
|
|
|
|
|
|
530´8
|
157,0
|
II-2а
|
|
|
|
|
|
|
530´9
|
173,0
|
I-2а
|
|
|
|
|
|
|
426´12
|
178,0
|
I-2а
|
III-2а
|
|
|
|
|
|
ТУ 20/28/76
ТУ20/28/75
|
530´9
|
426´10
|
173,0
|
I-2а
|
|
|
|
|
|
|
426´12
|
178,0
|
I-2а
|
II-2а
|
|
|
|
|
|
426´14
|
183,0
|
I-2а
|
II-2а
|
|
II-2а
|
|
|
|
ТУ-21/76МВ
|
530 (54)
|
1,55
|
530´22
|
426´10
|
384,0
|
I-2а
|
|
|
|
|
|
|
500
|
400
|
ТУ-21/76МВ
|
ГОСТ
8732-78
(В20)
|
412 (42)
|
1,55
|
426´12
|
390,0
|
I-2а
|
х
|
III-2а
|
|
|
|
|
426´14
|
395,0
|
х
|
I-2а
|
III-2а
|
I-2а
|
|
|
|
426´16
|
400,0
|
х
|
х
|
х
|
I-2а
|
х
|
III-2а
|
|
ТУ 20/28/40/48-77
|
1,34
|
530´6
|
426´10
|
125,0
|
II-2а
|
|
|
|
|
|
|
530´7
|
141,0
|
II-2а
|
|
|
|
|
|
|
530´12
|
219,0
|
I-2а
|
III-2а
|
|
|
|
|
|
426´12
|
225,0
|
I-2а
|
х
|
III-2а
|
|
|
|
|
426´14
|
231,0
|
х
|
I-2а
|
III-2а
|
I-2а
|
|
|
|
426´16
|
236,0
|
х
|
I-2а
|
II-2а
|
I-2а
|
х
|
III-2а
|
|
530´14
|
426´10
|
250,0
|
I-2а
|
|
|
|
|
|
|
426´12
|
256,0
|
I-2а
|
III-2а
|
|
|
|
|
|
426´14
|
262,0
|
х
|
I-2а
|
III-2а
|
I-2а
|
|
|
|
426´16
|
267,0
|
х
|
х
|
х
|
I-2а
|
х
|
III-2а
|
|
500
|
400
|
ТУ 20-28-40-48-79
|
530´6
|
ГОСТ
8732-78
(В20)
|
412 (42)
|
1,55
|
426´10
|
125,0
|
II-2а
|
|
|
|
|
-
|
|
530´9
|
173,0
|
I-2а
|
|
|
|
|
|
|
426´12
|
178,0
|
I-2а
|
х
|
III-2а
|
|
|
|
|
530´12
|
426´10
|
219,0
|
I-2а
|
|
|
|
|
|
|
426´12
|
225,0
|
I-2а
|
х
|
III-2а
|
|
|
|
|
426´14
|
231,0
|
х
|
I-2а
|
III-2а
|
I-2а
|
|
|
|
426´16
|
236,0
|
х
|
I-2а
|
II-2а
|
I-2а
|
х
|
III-2а
|
|
530´14
|
426´10
|
250,0
|
I-2а
|
|
|
|
|
|
|
426´12
|
256,0
|
I-2а
|
х
|
III-2а
|
|
|
|
|
426´14
|
262,0
|
х
|
I-2а
|
III-2а
|
I-2а
|
|
|
|
426´16
|
267,0
|
х
|
х
|
х
|
I-2а
|
х
|
III-2а
|
|
530´16
|
426´10
|
350,0
|
I-2а
|
|
|
|
|
|
|
426´12
|
356,0
|
I-2а
|
х
|
III-2а
|
|
|
|
|
ТУ 20-28-40-48-56-79
|
530´14
|
ГОСТ
8732-78
(В20)
|
412 (42)
|
1,55
|
426´10
|
350,0
|
I-2а
|
|
|
|
|
|
|
426´12
|
356,0
|
I-2а
|
х
|
III-2а
|
|
|
|
|
426´14
|
372,0
|
х
|
I-2а
|
III-2а
|
I-2а
|
|
|
|
426´16
|
380,0
|
х
|
х
|
х
|
I-2а
|
х
|
III-2а
|
|
700
|
50
|
ТУ 132/73
|
490 (50)
|
1,55
|
720´10
|
ГОСТ8732-78 (В20)
|
412 (42)
|
1,55
|
57´4
|
88,0
|
I-2б
|
|
|
|
|
|
|
720´15
|
131,0
|
х
|
х
|
I-2б
|
|
|
|
|
ГОСТ 20295-74
|
1,4
|
720´12
|
105,0
|
х
|
I-2б
|
|
I-2б
|
|
|
|
ТУ 20/28-76
ТУ20/28-75
|
510 (52)
|
720´8,4
|
74,0
|
I-2б
|
|
|
|
|
|
|
ГОСТ 20295-74
|
720´9
|
80,0
|
I-2б
|
|
|
|
|
|
|
720´10
|
88,0
|
х
|
I-2б
|
|
|
|
|
|
ТУ 20/28-76
ТУ 20/98-75
ГОСТ20295-74
|
720´11
|
97,0
|
х
|
I-2б
|
|
I-2б
|
|
|
|
ТУ 28/40/48-72
ТУ 28/40/48-76МВ
ТУ 28/40/48-76
|
530 (54)
|
720´11
|
97,0
|
х
|
I-2б
|
|
|
|
|
|
ТУ 28/40/48-76С
ТУ 28/40/48-72
ТУ 28/40/48-76МВ
ТУ 28/40/48-76
|
720´12
|
105,0
|
х
|
х
|
I-2б
|
|
-
|
|
|
720´16
|
139,0
|
х
|
х
|
х
|
х
|
х
|
I-2б
|
|
ТУ 28/40-77МВ
ТУ 28/40/48-78МВ
|
1,34
|
720´8,4
|
74,0
|
I-2б
|
|
|
|
|
|
|
720´11
|
97,0
|
х
|
х
|
х
|
I-2б
|
|
|
|
ТУ28/40/48-78МВ
ТУ 20-28-40-48-77
|
720´16
|
139,0
|
х
|
х
|
х
|
х
|
х
|
I-2б
|
|
ТУ20-28-40-48-56-79
|
588 (60)
|
720´7,6
|
63,0
|
I-2б
|
|
|
|
|
|
|
720´9,1
|
81,0
|
х
|
I-2б
|
|
I-2б
|
|
|
|
720´11,3
|
101,0
|
х
|
х
|
х
|
х
|
I-2б
|
|
|
700
|
80
|
ТУ 132/73
|
490 (50)
|
1,55
|
720´10
|
ГОСТ8732-78 (В20)
|
412 (42)
|
1,55
|
89´4
|
89,0
|
I-2б
|
|
|
|
|
|
|
720´15
|
131,0
|
х
|
х
|
I-2б
|
|
|
|
|
ГОСТ 20295-74
|
1,4
|
720´12
|
106,0
|
х
|
I-2б
|
|
I-2б
|
|
|
|
ТУ-20/28/76
|
510 (52)
|
720´8,4
|
75,0
|
I-2б
|
|
|
|
|
|
|
ГОСТ 20295-74
|
720´9
|
80,0
|
1-26
|
|
|
|
|
|
|
720´10
|
89,0
|
х
|
I-2б
|
|
|
|
|
|
ТУ 20/28/75
ГOCT2 0295-74
|
720´11
|
97,0
|
х
|
I-2б
|
|
I-2б
|
|
|
|
ТУ 28/40/48/72
|
530 (54)
|
720´11
|
97,0
|
х
|
I-2б
|
|
|
|
|
|
ТУ 28-40-48-76С
ТУ 28/40/48-76МВ
ТУ28/40/48-76
|
720´12
|
106,0
|
х
|
х
|
I-2б
|
|
|
|
|
720´16
|
139,0
|
х
|
х
|
х
|
х
|
х
|
I-2б
|
|
ТУ 28/40/-77МВ
ТУ 28-40-48-78МВ
ТУ 20/28/40/48-77
|
1,34
|
720´8,4
|
75,0
|
I-2б
|
|
|
|
|
|
|
720´11
|
97,0
|
х
|
х
|
х
|
I-2б
|
|
|
|
720´16
|
139,0
|
х
|
х
|
х
|
х
|
х
|
I-2б
|
|
ТУ 20-28-40-48-56-79
|
588 (60)
|
720´7,6
|
68,0
|
I-2б
|
|
|
|
|
|
|
720´9,1
|
81,0
|
х
|
I-2б
|
|
I-2б
|
|
|
|
720´11,3
|
101,0
|
х
|
х
|
х
|
х
|
I-2б
|
|
|
700
|
100
|
ТУ 132/73
|
490 (50)
|
1,55
|
720´10
|
ГОСТ 8732-78 (В20)
|
412 (42)
|
1,55
|
108´4
|
89,0
|
I-2б
|
|
|
|
|
|
|
720´15
|
132,0
|
х
|
х
|
I-2б
|
|
|
|
|
ГОСТ 20295-74
|
1,4
|
720´12
|
106,0
|
х
|
I-2б
|
|
I-2б
|
|
|
|
ТУ 20/28/76
ТУ 20-28/75
|
510 (52)
|
720´8,4
|
75,0
|
I-2б
|
|
|
|
|
|
|
ГОСТ 20295-74
|
720´9
|
80,0
|
I-2б
|
|
|
|
|
|
|
720´10
|
89,0
|
х
|
I-2б
|
|
|
|
|
|
ТУ 20/28/76
ТУ 20/28/75
ГОСТ 20295-74
|
720´11
|
97,0
|
х
|
I-2б
|
|
I-2б
|
|
|
|
ТУ 28/40/48-76МВ
ТУ 28/40/48/72
|
530 (54)
|
720´11
|
97,0
|
х
|
I-2б
|
|
|
|
|
|
ТУ 28-40-48-76С
ТУ 28/40/48/72
ТУ 28/40/48-76МВ
ТУ 28/40/48-76
|
720´2
|
106,0
|
х
|
х
|
I-2б
|
|
|
|
|
720´16
|
140,0
|
х
|
х
|
х
|
х
|
I-2б
|
|
|
108´5
|
141,0
|
х
|
х
|
х
|
х
|
х
|
I-2б
|
|
ТУ 28/40-77МВ
ТУ 28-40-48-78МВ
|
1,34
|
720´8,4
|
108´4
|
75,0
|
I-2б
|
|
|
|
|
|
|
ТУ 28/40-77МВ
ТУ 28-40-48-78МВ
ТУ20/28/40/48-77
|
720´11
|
ГОСТ 8732-78 (В20)
|
412 (42)
|
1,55
|
97,0
|
х
|
I-2б
|
|
I-2б
|
|
|
|
720´16
|
140,0
|
х
|
х
|
x
|
x
|
x
|
I-2б
|
|
ТУ20-28-40-48-56-79
|
588 (60)
|
720´7,6
|
71,0
|
I-2б
|
|
|
|
|
|
|
720´9,1
|
80,0
|
х
|
I-2б
|
|
I-2б
|
|
|
|
720´11,3
|
98,0
|
х
|
x
|
х
|
I-2б
|
|
|
|
108´5
|
99,0
|
х
|
x
|
х
|
x
|
I-2б
|
|
|
700
|
150
|
ТУ 132/73
|
490 (50)
|
1,55
|
720´10
|
ГОСТ 8732-78 (В20)
|
412 (42)
|
1,55
|
159´5
|
94,0
|
II-2б
|
|
|
|
|
|
|
720´15
|
138,0
|
х
|
I-2б
|
II-2б
|
|
|
|
|
ГОСТ 20295-74
|
1,4
|
720´12
|
111,0
|
х
|
I-2б
|
|
II-2б
|
|
|
|
ТУ 20/28/76
ТУ 20/28/75
ГОСТ 20295-74
|
510 (52)
|
720´8,4
|
79,0
|
II-2б
|
|
|
|
|
|
|
720´9
|
81,0
|
I-2б
|
|
|
|
|
|
|
720´10
|
90,0
|
I-2б
|
|
|
|
|
|
|
720´11
|
103,0
|
I-2б
|
II-2б
|
|
II-2б
|
|
|
|
ТУ 28/40/48/72
ТУ 28/40/48-76МВ
ТУ 28/40/48-76
|
530 (54)
|
720´11
|
103,0
|
х
|
I-2б
|
|
|
|
|
|
ТУ 28-40-48-76С
ТУ 28/40/48/72
ТУ 28/40/48-76
ТУ 28/40/48-76МВ
|
720´12
|
111,0
|
х
|
I-2б
|
II-2б
|
|
|
|
|
720´16
|
141,0
|
х
|
х
|
х
|
х
|
I-2б
|
|
|
159´6
|
147,0
|
х
|
х
|
х
|
х
|
I-2б
|
II-2б
|
|
ТУ 28/40-77МВ
ТУ 28-40-48-78МВ
ТУ 20/28/40/48-77
|
1,34
|
720´8,4
|
159´5
|
76,0
|
I-2б
|
|
|
|
|
|
|
720´11
|
103,0
|
х
|
I-2б
|
|
II-2б
|
|
|
|
720´16
|
147,0
|
х
|
х
|
х
|
х
|
I-2б
|
|
|
159´6
|
148,0
|
х
|
х
|
х
|
х
|
I-2б
|
II-2б
|
|
ТУ 20-28-40-48-56-79
|
588 (60)
|
720´9,1
|
159´5
|
82,0
|
I-2б
|
II-2б
|
|
|
|
|
|
720´11,3
|
105,0
|
х
|
х
|
х
|
I-2б
|
|
|
|
700
|
200
|
ТУ 132/73
|
490 (50)
|
1,55
|
720´10
|
ГОСТ
8732-78
(В20)
|
412 (42)
|
1,55
|
219´7
|
117,0
|
II-2б
|
|
|
|
|
|
|
720´15
|
172,0
|
х
|
I-2б
|
II-2б
|
|
|
|
|
ГОСТ 20295-74
|
1,4
|
720´12
|
139,0
|
I-2б
|
II-2б
|
|
II-2б
|
|
|
|
ТУ 20/28/76
ТУ 20/28/75
|
510 (52)
|
720´8,4
|
99,0
|
II-2б
|
|
|
|
|
|
|
ГОСТ 20295-74
|
720´9
|
106,0
|
II-2б
|
|
|
|
|
|
|
720´10
|
110,0
|
I-2б
|
|
|
|
|
|
|
ТУ 20/28/76
ТУ 20/28/75
ГОСТ 20295-74
|
720´11
|
128,0
|
I-2б
|
II-2б
|
|
|
|
|
|
ТУ 28/40/48/72
ТУ 28/40/48-76МВ
ТУ 28/40/48-76
|
530 (54)
|
720´11
|
128,0
|
I-1б
|
II-2б
|
|
|
|
|
|
ТУ 28-40-48-76С
ТУ 28/40/48-76
ТУ 28/40/48/72
|
720´12
|
139,0
|
х
|
I-2б
|
II-2б
|
|
|
|
|
ТУ 28-40-48-76С
ТУ 28/40/48/72
ТУ 28/40/48-76МВ
ТУ 28/40/48-76
|
720´16
|
171,0
|
х
|
х
|
х
|
х
|
I-2в
|
|
|
219´8
|
183,0
|
х
|
х
|
х
|
х
|
I-2в
|
II-2б
|
|
ТУ 28/40-77МВ
ТУ 28-40-48-78МВ
|
1,34
|
720´8,4
|
219´7
|
99,0
|
II-2б
|
|
|
|
|
|
|
720´11
|
128,0
|
I-2б
|
II-2б
|
|
II-2б
|
|
|
|
ТУ 20/28/40/48-77
TУ
28-40-48-78MB
|
720´16
|
171,0
|
х
|
х
|
х
|
х
|
I-2в
|
|
|
219´8
|
183,0
|
х
|
х
|
х
|
х
|
I-2в
|
II-2в
|
|
ТУ 20-28-40-48-56-79
|
588 (60)
|
720´9,1
|
219´7
|
107,0
|
I-2в
|
II-2в
|
|
|
|
|
|
720´11,3
|
129,0
|
х
|
I-2в
|
х
|
II-2в
|
|
|
|
700
|
250
|
ТУ 132/73
|
490 (50)
|
1,55
|
720´10
|
ГОСТ
8732-78
(В20)
|
412 (42)
|
1,55
|
273´8
|
156,0
|
II-2а
|
|
|
|
|
|
|
720´15
|
228,0
|
I-2а
|
II-2а
|
|
|
|
|
|
ГОСТ 20295-74
|
1,4
|
720´12
|
186,0
|
I-2а
|
II-2а
|
|
|
|
|
|
ТУ 20/28/76
ТУ 20/28/75
|
510 (52)
|
720´8,4
|
132,0
|
II-2а
|
|
|
|
|
|
|
ГОСТ 20295-74
|
720´9
|
141,0
|
II-2а
|
|
|
|
|
|
|
720´10
|
156,0
|
II-2а
|
|
|
|
|
|
|
ТУ 20/28/76
ТУ 20/28/75
ТУ 20295-74
|
720´11
|
170,0
|
I-2а
|
II-2а
|
|
|
|
|
|
ТУ 28/40/48/72
ТУ 28/40/48-76МВ
ТУ 28/40/48-76
|
530 (54)
|
720´11
|
170,0
|
I-2а
|
|
|
|
|
|
|
ТУ 28/40/48-76С
ТУ 28/40/48/72
ТУ 28/40/48-76МВ
ТУ 28/40/48-76
|
720´12
|
186,0
|
I-2а
|
|
|
|
|
|
|
ТУ 28-40-48-76С
ТУ 28/40/48/72
ТУ 23/40/48-76МВ
ТУ 28/40/48-76
|
720х16
|
273´8
|
243,0
|
х
|
х
|
I-2а
|
|
|
|
|
273´10
|
245,0
|
х
|
х
|
х
|
I-2а
|
II-2а
|
|
|
ТУ 28/40-77МВ
ТУ 28-40-48-78МВ
|
1,34
|
720´8,4
|
273´8
|
132,0
|
II-2а
|
|
|
|
|
|
|
720´11
|
170,0
|
I-2а
|
II-2а
|
|
|
|
|
|
ТУ 28-40-48-78МВ
ТУ 20/28/40/48-77
|
720´16
|
243,0
|
х
|
I-2а
|
|
|
|
|
|
273´10
|
245,0
|
х
|
х
|
х
|
I-2а
|
II-2а
|
|
|
ТУ 20-28-40-48-56-79
|
588 (60)
|
720´9,1
|
273´8
|
142,0
|
х
|
II-2а
|
|
|
|
|
|
720´11,3
|
171,0
|
I-2а
|
II-2а
|
|
|
|
|
|
273´10
|
177,0
|
I-2а
|
х
|
х
|
II-2а
|
|
|
|
700
|
300
|
ТУ 132/73
|
490 (50)
|
1,55
|
720´10
|
ГОСТ
8732-78
(В20)
|
412 (42)
|
1,55
|
325´9
|
170,0
|
II-2а
|
|
|
|
|
|
|
720´15
|
246,0
|
I-2а
|
II-2а
|
|
|
|
|
|
ГОСТ 20295-74
|
1,4
|
720´12
|
200,0
|
х
|
II-2а
|
|
|
|
|
|
325´10
|
202,0
|
х
|
II-2а
|
|
II-2а
|
|
|
|
ТУ 20/28-76
ТУ 20/28-75
|
510 (52)
|
720´8,4
|
325´9
|
145,0
|
II-2а
|
|
|
|
|
|
|
ГОСТ 20295-74
|
720´9
|
155,0
|
II-2а
|
|
|
|
|
|
|
720´10
|
170,0
|
II-2а
|
|
|
|
|
|
|
ТУ 20/28-76
ТУ 20/28-75
ГОСТ 20295-74
|
720´11
|
185,0
|
х
|
II-2а
|
|
|
|
|
|
ТУ 28/40/48/72
ТУ 28/40/48-76МВ
ТУ 28/40/48-76
|
530 (54)
|
720´11
|
185,0
|
х
|
II-2а
|
|
|
|
|
|
ТУ 28-40-48-76С
ТУ 28/40/48/72
ТУ 28/40/48-76МВ
ТУ 28/40/48-76
|
720´12
|
200,0
|
I-2а
|
|
|
|
|
|
|
ТУ 28-40-48-76С
ТУ 28/40/48/72
ТУ 28/40/48-76МВ
ТУ 28/40/48-76
|
720´16
|
ГОСТ
8732-78
(В20)
|
412 (42)
|
1,55
|
325´9
|
260,0
|
х
|
I-2a
|
|
|
|
|
|
325´10
|
262,0
|
х
|
I-2а
|
|
I-2а
|
|
|
|
325´12
|
269,0
|
х
|
х
|
II-2а
|
I-2а
|
II-2а
|
|
|
ТУ 28/40-77МВ
ТУ 28-40-48-78МВ
|
1,34
|
720´8,4
|
325´9
|
132,0
|
II-2а
|
|
|
|
|
|
|
ТУ 28/40-77МВ
ТУ 28-40-48-78МВ
|
720´11
|
175,0
|
I-2а
|
II-2а
|
|
|
|
|
|
325´10
|
187,0
|
I-2а
|
II-2а
|
|
II-2а
|
|
|
|
ТУ 28-40-48-78МВ
ТУ 20/28/40/48-77
|
720´16
|
325´9
|
260,0
|
х
|
I-2a
|
|
|
|
|
|
325´10
|
262,0
|
х
|
I-2a
|
|
I-2a
|
|
|
|
325´12
|
269,0
|
х
|
х
|
х
|
I-2a
|
II-2а
|
|
|
ТУ 20-28-40-48-56-79
|
588 (60)
|
720´9,1
|
325´9
|
156,0
|
II-2а
|
|
|
|
|
|
|
720´1,3
|
180,0
|
I-2а
|
II-2а
|
|
|
|
|
|
700
|
400
|
ТУ 132/73
|
490 (50)
|
1,55
|
720´10
|
ГОСТ
8732-78
(В20)
|
412 (42)
|
1,55
|
426´10
|
228,0
|
II-2а
|
|
|
|
|
|
|
720´15
|
328,0
|
I-2а
|
|
|
|
|
|
|
426´12
|
333,0
|
I-2а
|
II-2а
|
III-2а
|
|
|
|
|
ГОСТ 20295-74
|
1,4
|
720´12
|
426´10
|
269,0
|
II-2а
|
III-2а
|
|
|
|
|
|
ГOCT 20295-74
|
510 (52)
|
720´9
|
208,0
|
II-2а
|
|
|
|
|
|
|
720´10
|
228,0
|
II-2а
|
|
|
|
|
|
|
ТУ 20/28-76
ТУ 20/28-75
ГОСТ 20295-74
|
720´11
|
249,0
|
II-2а
|
|
|
|
|
|
|
426´12
|
253,0
|
х
|
II-2а
|
|
|
|
|
|
ТУ 28/40/48-72
ТУ 28/40/48-76МВ
ТУ 28/40/48-76
|
530 (54)
|
720´11
|
426´10
|
249,0
|
II-2а
|
|
|
|
|
|
|
ТУ 28/40/48-76С
ТУ 23/40/48-72
ТУ 28/40/48-76МВ
ТУ 26/40/48-76
|
720´12
|
269,0
|
I-2а
|
|
|
|
|
|
|
426´12
|
273,0
|
I-2а
|
II-2а
|
|
|
|
|
|
426´14
|
278,0
|
I-2а
|
II-2а
|
|
II-2а
|
|
|
|
ТУ 28/40/48-7
ТУ 28/40/48-72
ТУ 28/40/48-76МB
ТУ 28/40/48-76
|
720´16
|
ГОСТ
8732-78
(В20)
|
412 (42)
|
1,55
|
426´10
|
348,0
|
I-2a
|
|
|
|
|
|
|
426´12
|
352,0
|
х
|
I-2a
|
х
|
III-2a
|
|
|
|
ТУ 28/40-77МВ
ТУ 28/40/48-78МВ
|
1,34
|
720´8,4
|
426´10
|
196,0
|
II-2а
|
|
|
|
|
|
|
720´11
|
249,0
|
II-2а
|
III-2a
|
|
|
|
|
|
426´12
|
254,0
|
х
|
II-2а
|
|
III-2a
|
|
|
|
ТУ 28/40/48-78МВ
ТУ 20/28/40/48-77
|
720´16
|
426´10
|
348,0
|
I-2a
|
|
|
|
|
.
|
|
426´12
|
352,0
|
х
|
I-2a
|
III-2a
|
|
|
|
|
426´14
|
358,0
|
х
|
I-2a
|
III-2a
|
I-2a
|
|
|
|
426´16
|
363,0
|
x
|
I-2a
|
II-2а
|
I-2a
|
II-2а
|
III-2a
|
|
ТУ 20-28-40-48-56-79
|
588 (60)
|
720´9,1
|
426´10
|
209,0
|
II-2а
|
|
|
|
|
|
|
720´11,3
|
254,0
|
II-2а
|
|
|
|
|
|
|
426´12
|
260,0
|
х
|
II-2а
|
III-2a
|
|
|
|
|
1000
|
50
|
ТУ 14-3-602-77
|
490
(50)
|
1,4
|
1020´12,5
|
ГОСТ
8732-78
(В20)
|
412
(42)
|
1,55
|
57´4
|
156,0
|
I-2б
|
|
|
|
|
|
|
ТУ 14-3-602-77
|
510 (52)
|
1,47
|
1020´12,5
|
156,0
|
I-2б
|
|
|
|
|
|
|
1020´14
|
174,0
|
I-2б
|
|
|
|
|
|
|
ТУ 28/40/48-76С
ТУ 28/40/48-76
ТУ 28/40/48-72
ТУ 28/40/48-76МВ
|
530
(54)
|
1,4
|
1020´16
|
199,0
|
х
|
I-2б
|
|
|
|
|
|
1020´21,5
|
265,0
|
х
|
х
|
х
|
х
|
I-2в
|
|
|
ТУ 28/40/48-78МВ
ТУ 20/28/40/48-77
|
1,34
|
1020´16
|
199,0
|
х
|
х
|
х
|
I-2б
|
|
|
|
1020´21,5
|
265,0
|
х
|
х
|
x
|
х
|
х
|
I-2в
|
|
ТУ 14-3-666-78
|
540 (55)
|
1,47
|
1020´11,5
|
144,0
|
I-2б
|
|
|
|
|
|
|
1020´12
|
150,0
|
I-2б
|
|
|
|
|
|
|
1020´12,5
|
156,0
|
I-2б
|
|
|
|
|
|
|
ТУ 14-3-602-77
|
588 (60)
|
1020´10,5
|
131,0
|
I-2б
|
|
|
|
|
|
|
ТУ 40/48/56-76МВ
|
1,4
|
1020´11,8
|
147,0
|
I-2б
|
|
|
|
|
|
|
1020´14
|
174,0
|
х
|
I-2б
|
|
I-2б
|
|
|
|
ТУ 40/48/56-79
ТУ 20-28-40-48-56-79
|
1,34
|
1020´12,9
|
162,0
|
х
|
I-2в
|
|
|
|
|
|
1020´16
|
199,0
|
х
|
х
|
х
|
х
|
I-2в
|
|
|
1000
|
80
|
ТУ 14-3-602-77
|
490
(50)
|
1,4
|
1020´12,5
|
ГОСТ
8732-78
(В20)
|
412
(42)
|
1,55
|
89,4
|
157,0
|
I-2б
|
|
|
|
|
|
|
ТУ 14-3-602-77
|
510 (50)
|
1,47
|
1020´12,5
|
157,0
|
I-2б
|
|
|
|
|
|
|
1020´14
|
175,0
|
I-2б
|
|
|
|
|
|
|
ТУ 28/40/48-76С
ТУ 28/40/48-72
ТУ 28/40/48-76
ТУ 28/40/48-76МВ
|
530
(54)
|
1,4
|
1020´16
|
199,0
|
х
|
I-2б
|
|
|
|
|
|
1020´21,5
|
266,0
|
х
|
х
|
х
|
х
|
I-2в
|
|
|
ТУ 28/40/48-78МВ
ТУ 20/28/40/48-77
|
1,34
|
1020´16
|
199,0
|
х
|
х
|
х
|
I-2б
|
|
|
|
1020´21,5
|
266,0
|
х
|
х
|
х
|
х
|
х
|
I-2в
|
|
ТУ 14-3-666-78
|
540 (55)
|
1,47
|
1020´12
|
150,0
|
I-2б
|
|
|
|
|
|
|
1020´12,5
|
157,0
|
I-2б
|
|
|
|
|
|
|
ТУ 14-3-602-77
|
588 (60)
|
1020´10,5
|
132,0
|
I-2б
|
|
|
|
|
|
|
ТУ 40/48/56-76МВ
|
1,4
|
1020´11,8
|
148,0
|
I-2б
|
|
|
|
|
|
|
1020´14
|
175,0
|
х
|
I-2б
|
|
I-2б
|
|
|
|
ТУ 40/48/56-79
ТУ 20-28-40-48-56-79
|
1,34
|
1020´12,9
|
161,0
|
х
|
I-2б
|
|
|
|
|
|
1020´16
|
199,0
|
х
|
х
|
х
|
х
|
I-2б
|
|
|
1000
|
100
|
ТУ-14-3-602-77
|
400
(50)
|
1,4
|
1020´12,5
|
ГОСТ
8732-78
(В20)
|
412 (42)
|
1,55
|
108´4
|
157,0
|
I-2б
|
|
|
|
|
|
|
ТУ 14-3-602-77
|
510
(52)
|
1,47
|
1020´12,5
|
157,0
|
I-2б
|
|
|
|
|
|
|
1020х14
|
175,0
|
I-2б
|
|
-
|
|
|
|
|
ТУ
23/40/48-78С
ТУ
28/40/48-76
ТУ
28/40/48-72
ТУ 28/40/48-76МВ
|
530
(54)
|
1,4
|
1020´16
|
199,0
|
х
|
I-2б
|
|
I-2б
|
|
|
|
1020´21,5
|
266,0
|
х
|
х
|
х
|
х
|
I-2в
|
|
|
ТУ
28/40/48-78МВ
ТУ
20/28/40/48-77
|
1,34
|
1020´16
|
199,0
|
х
|
х
|
х
|
I-2б
|
|
|
|
1020´21,5
|
266,0
|
х
|
х
|
х
|
х
|
I-2в
|
|
|
108´5
|
267,0
|
х
|
х
|
х
|
х
|
х
|
I-2в
|
|
ТУ 14-3-666-78
|
540 (55)
|
1,47
|
1020´12
|
108´4
|
150,0
|
I-2б
|
|
|
|
|
|
|
1020´12,5
|
157,0
|
I-2б
|
|
|
|
|
|
|
ТУ 14-3-602-77
|
588 (60)
|
1020´10,5
|
132,0
|
I-2б
|
|
|
|
|
|
|
ТУ40/48/56-76МВ
|
1,4
|
1020´11,8
|
148,0
|
I-2б
|
|
|
|
|
|
|
1020´14
|
175,0
|
х
|
I-2б
|
|
I-2б
|
|
|
|
ТУ 40/48/56-79
ТУ 20-28-40-48-56-79
|
1,34
|
1020´12,9
|
108´5
|
161,0
|
х
|
I-2б
|
|
I-2б
|
|
|
|
1020´16
|
199,0
|
х
|
х
|
х
|
х
|
I-2б
|
|
|
1000
|
150
|
ТУ 14-3-602-77
|
490
(50)
|
1,4
|
1020´12,5
|
ГОСТ 8732-78
(В20)
|
412
(42)
|
1,55
|
159´5
|
158,0
|
I-2б
|
|
|
|
|
|
|
ТУ 14-3-602-77
|
510 (52)
|
1,47
|
1020´14
|
176,0
|
I-2б
|
|
|
|
|
|
|
ТУ 28/40/48-76С
ТУ 28/40/48-76
ТУ 28/40/43-72
ТУ 28/40/48-76МВ
|
530
(54)
|
1,4
|
1020´16
|
200,0
|
х
|
I-2б
|
|
I-2б
|
|
|
|
1020´21,5
|
267,0
|
х
|
х
|
х
|
x
|
I-2в
|
|
|
ТУ 28/40/48-78МВ
ТУ20/28/40/48-77
|
1,34
|
1020´16,0
|
200,0
|
х
|
I-2б
|
|
I-2б
|
|
|
|
159´6
|
201,0
|
х
|
х
|
х
|
I-2б
|
|
|
|
1020´21,5
|
159´5
|
267,0
|
х
|
х
|
х
|
x
|
I-2в
|
|
|
ТУ 14-3-666-78
|
540 (55)
|
1,47
|
1020´12
|
152,0
|
I-2б
|
|
|
|
|
|
|
1020´12,5
|
158,0
|
I-2б
|
|
|
|
|
|
|
ТУ 40/48/56-76МВ
|
588
(60)
|
1,4
|
1020´11,8
|
149,0
|
I-2б
|
|
|
|
|
|
|
1020´14
|
176,0
|
х
|
I-2б
|
|
|
|
|
|
159´6
|
176,0
|
х
|
I-2б
|
|
I-2б
|
|
|
|
ТУ 40/48/56-79
ТУ 20-28-40-48-56-79
|
1,34
|
1020´12,9
|
159´6
|
163,0
|
х
|
I-2б
|
|
|
|
|
|
1020´16
|
200,0
|
х
|
х
|
х
|
I-2б
|
|
|
|
159´10
|
215,0
|
х
|
х
|
х
|
х
|
I-2б
|
|
|
1000
|
200
|
TУ 14-3-602-77
|
490
(50)
|
1,4
|
1020´12,5
|
ГОСТ
8732-78
(В20)
|
412
(42)
|
1,55
|
219´7
|
201,0
|
II-2б
|
|
|
|
|
|
|
ТУ 14-3-602-77
|
510
(52)
|
1,47
|
1020´14
|
215,0
|
I-2б
|
|
|
|
|
|
|
ТУ 28/40/48-76С
ТУ 28/40/48-76
ТУ 28/40/48-72
ТУ 28/40/48-76МВ
|
530
(54)
|
1,4
|
1020´16
|
255,0
|
х
|
I-2б
|
|
II-2б
|
|
|
|
1020´21,5
|
324,0
|
х
|
х
|
х
|
I-2в
|
|
|
|
ТУ 28/40/48-78MB
ТУ 28/28/40/48-77
|
1,34
|
1020´16
|
255,0
|
х
|
I-2б
|
II-2б
|
I-2б
|
|
|
|
1020´21,5
|
339,0
|
х
|
х
|
х
|
х
|
I-2в
|
|
|
ТУ 14-3-666-78
|
540
(55)
|
1,47
|
1020´12
|
194,0
|
II-2б
|
|
|
|
|
|
|
1020´12,5
|
201,0
|
I-2б
|
|
|
|
|
|
|
ТУ 40/48/56-76МВ
|
588 (60)
|
1,4
|
1020´11,8
|
182,0
|
I-2б
|
|
|
|
|
|
|
1020´14
|
215,0
|
х
|
I-2б
|
|
II-2б
|
|
|
|
ТУ 40/48/56-79
ТУ 20-28-40-48-56-79
|
1,34
|
1020´12,9
|
207,0
|
I-2б
|
II-2б
|
|
|
|
|
|
1020´16
|
255,0
|
х
|
х
|
х
|
I-2б
|
|
|
|
1000
|
250
|
ТУ 14-3-602-77
|
490
(50)
|
1,4
|
1020´12,5
|
ГОСТ
8732-78
(В20)
|
412
(42)
|
1,55
|
273´8
|
240,0
|
II-2в
|
|
|
|
|
|
|
ТУ 14-3-602-77
|
510
(52)
|
1,47
|
1020´14
|
253,0
|
I-2в
|
|
|
|
|
|
|
ТУ 28/40/48-76С
ТУ 28/40/48-76
ТУ 28/40/48-72
ТУ 28/40/48-76МВ
|
530
(54)
|
1,4
|
1020х16
|
304,0
|
х
|
I-2в
|
|
|
|
|
|
273´10
|
308,0
|
х
|
I-2в
|
|
II-2в
|
|
|
|
1020´21,5
|
273´8
|
380,0
|
х
|
х
|
I-2в
|
|
|
|
|
273´10
|
385,0
|
х
|
x
|
x
|
x
|
I-2в
|
|
|
ТУ 28/40/48-78МВ
ТУ 20/28/40/48-77
|
1,34
|
1020´16
|
273´8
|
304,0
|
х
|
I-2в
|
II-2в
|
|
|
|
|
273´10
|
308,0
|
х
|
I-2в
|
x
|
II-2в
|
|
|
|
1020´21,5
|
273´8
|
380,0
|
х
|
x
|
I-2в
|
|
|
|
|
273´10
|
385,0
|
х
|
x
|
х
|
х
|
I-2в
|
|
|
ТУ 14-3-66-78
|
540
(55)
|
1,4
|
1020´12
|
273´8
|
231,0
|
II-2в
|
|
|
|
|
|
|
1020´12,5
|
240,0
|
II-2в
|
|
|
|
|
|
|
ТУ 40/48/56-76МВ
|
588
(60)
|
1020´11,8
|
273´8
|
215,0
|
I-2в
|
|
|
|
|
|
|
1020´14
|
267,0
|
I-2в
|
II-2в
|
|
|
|
|
|
273´10
|
273,0
|
I-2в
|
II-2в
|
|
II-2в
|
|
|
|
ТУ 40/48/56-79
ТУ 20-28-40-48-56-79
|
1,34
|
1020´12,9
|
273´8
|
247,0
|
I-2в
|
II-2в
|
|
|
|
|
|
273´10
|
251,0
|
х
|
I-2в
|
II-2в
|
|
|
|
|
1020´16
|
310,0
|
х
|
I-2в
|
II-2в
|
I-2в
|
|
|
|
1000
|
300
|
ТУ 14-3-602-77
|
490
(50)
|
1,4
|
1020´12,5
|
ГОСТ
8732-78
(В20)
|
412
(42)
|
1,55
|
325´9
|
279,0
|
II-2в
|
|
|
|
|
|
|
ТУ 14-3-602-77
|
510
(52)
|
1,47
|
1020´14
|
310,0
|
II-2в
|
|
|
|
|
|
|
ТУ 28/40/48-76С
ТУ 28/40/48-76
ТУ 28/40/48-72
ТУ 28/40/48-76МВ
|
530
(54)
|
1,4
|
1020´16
|
332,0
|
I-2в
|
II-2в
|
|
|
|
|
|
325´12
|
359,0
|
I-2в
|
II-2в
|
|
II-2в
|
|
|
|
1020´21,5
|
325´9
|
436,0
|
х
|
х
|
I-2в
|
|
|
|
|
325´12
|
471,0
|
х
|
х
|
х
|
I-2в
|
П-2в
|
|
|
ТУ 28/40/48-78МВ
ТУ 20/28/40/48-77
|
1,34
|
1020´16
|
325´9
|
332,0
|
I-2в
|
х
|
II-2в
|
|
|
|
|
325´12
|
359,0
|
I-2в
|
х
|
х
|
II-2в
|
|
|
|
1020´21,5
|
325´9
|
436,0
|
х
|
х
|
I-2в
|
|
|
|
|
325´12
|
471,0
|
х
|
х
|
х
|
I-2в
|
II-2в
|
|
|
ТУ 14-3-666-78
|
540
(55)
|
1,47
|
1020´12
|
325´9
|
275,0
|
II-2в
|
|
|
|
|
|
|
1020´2,5
|
279,0
|
II-2в
|
|
|
|
|
|
|
ТУ 40/48/56-76МВ
|
588
(60)
|
1,4
|
1020´11,8
|
325´9
|
264,0
|
II-2в
|
|
|
|
|
|
|
1020´14
|
310,0
|
I-2в
|
II-2в
|
|
|
|
|
|
325´12
|
313,0
|
I-2в
|
II-2в
|
|
II-2в
|
|
|
|
TУ 40/48/56-79
ТУ 20-28-40-48-56-79
|
1,34
|
1020´12,9
|
325´9
|
287,0
|
I-2в
|
II-2в
|
|
|
|
|
|
1020´6
|
332,0
|
х
|
I-2в
|
II-2в
|
|
|
|
|
325´12
|
354,0
|
х
|
I-2в
|
х
|
II-2в
|
|
|
|
1000
|
400
|
ТУ 14-3-602-77
|
490
(50)
|
1,4
|
1020´12,5
|
ГОСТ
8732-78
|
412
(42)
|
1,55
|
426´10
|
368,0
|
II-2а
|
|
|
|
|
|
|
ТУ 14-3-602-77
|
510
(52)
|
1,47
|
1020´14
|
409,0
|
II-2а
|
|
|
|
|
|
|
ТУ 28/40/48-76С
ТУ 28/40/48-76
ТУ 28/40/48-72
ТУ 28/40/48-76МВ
|
530
(54)
|
1,4
|
1020´16
|
463,0
|
I-2а
|
|
|
|
|
|
|
426´12
|
467,0
|
I-2а
|
II-2а
|
|
|
|
|
|
426´14
|
474,0
|
I-2а
|
II-2а
|
|
I-2а
|
|
|
|
1020´21,5
|
426´10
|
554,0
|
I-2а
|
|
|
|
|
|
|
426´12
|
614,0
|
х
|
I-2а
|
II-2а
|
|
|
|
|
426´14
|
619,0
|
х
|
I-2а
|
II-2а
|
I-2а
|
|
|
|
426´16
|
628,0
|
х
|
I-2а
|
II-2а
|
I-2а
|
II-2а
|
|
|
ТУ 28/48/е-78МВ
ТУ 20/28/40/48-77
|
1,34
|
1020´16
|
426´10
|
463,0
|
I-2а
|
|
|
|
|
|
|
426´12
|
467,0
|
I-2а
|
II-2а
|
|
|
|
|
|
426´14
|
474,0
|
I-2а
|
II-2а
|
|
II-2а
|
|
|
|
1020´21,5
|
ГОСТ
8732-78
|
412
(42)
|
1,55
|
426´10
|
554,0
|
I-2а
|
|
|
|
|
|
|
426´12
|
614,0
|
х
|
I-2а
|
|
|
|
|
|
426´14
|
619,0
|
х
|
I-2а
|
II-2а
|
I-2а
|
|
|
|
426´16
|
628,0
|
х
|
I-2а
|
II-2а
|
I-2а
|
II-2а
|
|
|
ТУ 14-3-666-78
|
540
(55)
|
1,47
|
1020´12
|
426´10
|
354,0
|
II-2а
|
|
|
|
|
|
|
1020´12,5
|
368,0
|
II-2а
|
|
|
|
|
|
|
ТУ 40/48/56-76МВ
|
588
(60)
|
1,4
|
1020´11,8
|
350,0
|
II-2а
|
|
|
|
|
|
|
1020´14
|
409,0
|
I-2а
|
|
|
|
|
|
|
426´12
|
414,0
|
I-2а
|
II-2а
|
|
|
|
|
|
426´14
|
421,0
|
I-2а
|
II-2а
|
|
II-2а
|
|
|
|
ТУ 40/48/56-79
|
1,34
|
1020´12,9
|
426´10
|
375,0
|
II-2а
|
|
|
|
|
|
|
426´12
|
382,0
|
х
|
II-2а
|
|
|
|
|
|
ТУ 20-28-40-48-56-79
|
426´10
|
372,0
|
II-2а
|
|
|
|
|
|
|
426´12
|
379,0
|
х
|
II-2а
|
|
|
|
|
|
1020´16
|
426´10
|
463,0
|
I-2а
|
|
|
|
|
|
|
426´12
|
475,0
|
I-2а
|
х
|
II-2а
|
|
|
|
|
426´14
|
484,0
|
I-2а
|
х
|
х
|
II-2а
|
|
|
|
1200
|
50
|
ТУ 14-3-602-77
|
510
(52)
|
1,47
|
1220´14,5
|
ГОСТ 8732-78
(В20)
|
412 (42)
|
1,55
|
57´4
|
216,0
|
I-26
|
|
|
|
|
|
|
1220´15,2
|
226,0
|
I-26
|
|
|
|
|
|
|
ТУ 14-3-602-77
|
1,4
|
1220´14
|
209,0
|
I-26
|
|
|
|
|
|
|
1220´14,5
|
216,0
|
I-26
|
|
|
|
|
|
|
1220´15,2
|
226,0
|
I-26
|
|
|
|
|
|
|
ТУ 28/40/48-72
|
530
(54)
|
1220´21,5
|
318,0
|
х
|
х
|
х
|
I-2в
|
|
|
|
ТУ 28/40/48-76С
ТУ 28/40/48-72
ТУ 28/40/48-76МВ
ТУ 28/40/48-76
|
1220´26
|
387,0
|
х
|
х
|
х
|
х
|
I-2в
|
|
|
ТУ 28/40/48-76МВ
ТУ 20/28/40/48-77
|
1,34
|
1220´20
|
297,0
|
х
|
х
|
х
|
I-2в
|
|
|
|
1220´26
|
387,0
|
х
|
х
|
х
|
х
|
х
|
I-2в
|
|
ТУ 48/56-76МВ
|
588 (60)
|
1,4
|
1220´14,1
|
211,0
|
I-26
|
|
|
|
|
|
|
1220´16,8
|
251,0
|
х
|
I-2в
|
|
I-2в
|
|
|
|
ТУ 48/56-77МВ
|
1,34
|
1220´14,1
|
211,0
|
I-26
|
|
|
|
|
|
|
1220´16,8
|
251,0
|
х
|
I-2в
|
|
I-2в
|
|
|
|
ТУ 40/48/56-79
|
1220´12,9
|
193,0
|
I-2б
|
|
|
|
|
|
|
ТУ 40/48/56-79
ТУ 20/28/40/48-79
ТУ 20-28-40-48-56-79
|
1220´15,4
|
229,0
|
х
|
I-2б
|
|
I-2б
|
|
|
|
1220´19,1
|
289,0
|
х
|
х
|
х
|
х
|
I-2в
|
|
|
1200
|
80
|
ТУ 14-3-602-77
|
510
(52)
|
1,47
|
1220´14,5
|
ГОСТ
8732-78 (В20)
|
412 (42)
|
1,55
|
89´4
|
216,0
|
I-2б
|
|
|
|
|
|
|
120´15,2
|
227,0
|
I-2б
|
|
|
|
|
|
|
ТУ 14-3-602-77
|
1,4
|
1220´14
|
209,0
|
I-2б
|
|
|
|
|
|
|
1220´14,5
|
216,0
|
I-2б
|
|
|
|
|
|
|
1220´15,2
|
227,0
|
I-2б
|
|
|
|
|
|
|
ТУ 28/40/48-72
|
530 (54)
|
1220´21,5
|
319,0
|
I-2б
|
х
|
х
|
I-2в
|
|
|
|
ТУ 28/40/48-76С
ТУ 2 8/40/48-72
ТУ 28/40/48-76МВ
ТУ 28/40/48-76
|
1220´26
|
387,0
|
I-2б
|
х
|
х
|
х
|
I-2в
|
|
|
ТУ 28/40/48-76МВ
ТУ 20/28/40/48-77
|
1,34
|
1220´20
|
298,0
|
х
|
х
|
х
|
I-2в
|
|
|
|
1220´26
|
387,0
|
х
|
х
|
х
|
х
|
х
|
I-2в
|
|
ТУ 40/48/56-76МВ
|
588
(60)
|
1,4
|
1220´14,1
|
211,0
|
I-2б
|
|
|
|
|
|
|
1220´16,8
|
251,0
|
х
|
I-2в
|
|
I-2в
|
|
|
|
ТУ 48/56-77МВ
|
1,34
|
1220´14,1
|
211,0
|
I-2б
|
|
|
|
|
|
|
1220´16,8
|
251,0
|
х
|
I-2в
|
|
I-2в
|
|
|
|
ТУ 40/48/56-79
|
1220´12,9
|
193,0
|
I-2б
|
|
|
|
|
|
|
ТУ 40/48/56-79
ТУ 20/28/40/48-79
ТУ 20-28-40-48-56-79
|
1220´15,4
|
230,0
|
х
|
I-2б
|
|
I-2б
|
|
|
|
1220´19,1
|
289,0
|
х
|
х
|
х
|
х
|
I-2в
|
|
|
1200
|
100
|
ТУ 14-3-602-77
|
510
(52)
|
1,47
|
1220´14,5
|
ГОСТ
8732-78 (В20)
|
412 (42)
|
1,55
|
108´4
|
216,0
|
I-2б
|
|
|
|
|
|
|
1220´15,2
|
227,0
|
I-2б
|
|
|
|
|
|
|
ТУ 14-3-602-77
|
1,4
|
1220´14
|
209,0
|
I-2б
|
|
|
|
|
|
|
1220´14,5
|
216,0
|
I-2б
|
|
|
|
|
|
|
1220´15,2
|
227,0
|
I-2б
|
|
|
|
|
|
|
ТУ 28/40/48-72
|
530
(54)
|
1220´21,5
|
319,0
|
х
|
х
|
х
|
I-2в
|
|
|
|
ТУ 28/40/48-76С
ТУ 28/40/48-72
ТУ 28/40/48-76МВ
ТУ 28/40/48-76
|
1220´26
|
387,0
|
х
|
х
|
х
|
х
|
I-2в
|
|
|
ТУ 28/40/48-78МВ
ТУ 20/28/40/48-77
|
1,34
|
1220´20
|
298,0
|
х
|
х
|
х
|
I-2в
|
|
|
|
1220´26
|
387,0
|
х
|
х
|
х
|
х
|
х
|
I-2в
|
|
ТУ 40/48/56-76МВ
|
588
(60)
|
1,4
|
1220´14,1
|
211,0
|
I-2б
|
|
|
|
|
|
|
1220´16,8
|
251,0
|
х
|
I-2в
|
|
I-2в
|
|
|
|
ТУ 48/56-77МВ
|
1,34
|
1220´14,1
|
211,0
|
I-2б
|
|
|
|
|
|
|
ТУ 48/56-77МВ
|
1220´16,8
|
351,0
|
х
|
I-2в
|
|
I-2в
|
|
|
|
ТУ 40/48/56-79
|
1220´12,9
|
193,0
|
I-2б
|
|
|
|
|
|
|
ТУ 40/48/56-79
ТУ 20/28/40/48-79
ТУ 20-28-40-48-56-79
|
1220´15,4
|
230,0
|
х
|
I-2б
|
|
I-2б
|
|
|
|
1220´19,1
|
289,0
|
х
|
х
|
х
|
I-2в
|
|
|
|
108´5
|
291,0
|
х
|
х
|
х
|
х
|
I-2в
|
|
|
1200
|
150
|
ТУ 14-3-602-77
|
510
(52)
|
1,47
|
1220´14,5
|
ГОСТ 8732-78
(В20)
|
412 (42)
|
1,55
|
159´5
|
217,0
|
I-2б
|
|
|
|
|
|
|
1220´15,2
|
228,0
|
I-2б
|
|
|
|
|
|
|
ТУ 14-3-602-77
|
1,4
|
1220´14
|
210,0
|
I-2б
|
|
|
|
|
|
|
1220´14,5
|
217,0
|
I-2б
|
|
|
|
|
|
|
1220´15,2
|
228,0
|
I-2б
|
|
|
|
|
|
|
ТУ 28/40/48-72
|
530
(54)
|
1220´21,5
|
320,0
|
х
|
х
|
х
|
I-2в
|
|
|
|
ТУ 28/40/48-76С
ТУ 28/40/48-72
ТУ 28/40/48-76МВ
ТУ28/40/43-76
|
1220´26
|
389,0
|
х
|
х
|
х
|
х
|
I-2в
|
|
|
ТУ 28/40/48-78МВ
TУ 20/28/40/48-77
|
1,34
|
1220´20
|
299,0
|
х
|
х
|
х
|
I-2в
|
|
|
|
1220´26
|
389,0
|
х
|
х
|
х
|
х
|
I-2в
|
|
|
159´6
|
390,0
|
х
|
х
|
х
|
х
|
х
|
I-2в
|
|
ТУ 40/48/56-76МВ
|
588
(60)
|
1,4
|
1220´14,1
|
159´5
|
212,0
|
I-2б
|
|
|
|
|
|
|
1220´16,8
|
252,0
|
х
|
I-2в
|
|
I-2в
|
|
|
|
ТУ 48/56-77МБ
|
1,34
|
1220´14,1
|
212,0
|
I-2б
|
|
|
|
|
|
|
1220´16,8
|
252,0
|
х
|
I-2в
|
|
I-2в
|
|
|
|
ТУ 40/48/56-79
|
1220´12,9
|
194,0
|
I-2б
|
|
|
|
|
|
|
ТУ 20/28/40/48-79
ТУ 20-28-40-48-56-79
|
1220´15,4
|
231,0
|
х
|
I-2б
|
|
|
|
|
|
1220´19,1
|
290,0
|
х
|
х
|
x
|
I-2в
|
|
|
|
1200
|
200
|
ТУ 14-3-602-77
|
510
(52)
|
1,47
|
1220´14,5
|
ГОСТ
8732-78 (В20)
|
412 (42)
|
1,55
|
219´7
|
262,0
|
I-2б
|
|
|
|
|
|
|
1220´15,2
|
275,0
|
I-2б
|
|
|
|
|
|
|
ТУ 14-3-602-77
|
1,4
|
1220´14
|
254,0
|
I-2б
|
|
|
|
|
|
|
1220´14,5
|
262,0
|
I-2б
|
|
|
|
|
|
|
1220´15,2
|
275,0
|
I-2б
|
|
|
|
|
|
|
ТУ28/40/48-72
|
530
(54)
|
1220´21,5
|
386,0
|
х
|
х
|
х
|
I-2в
|
|
|
|
ТУ 28/40/48-76С
ТУ 28/40/48-72
ТУ 28/40/48-76МВ
ТУ 28/40/48-76
|
1220´26
|
468,0
|
х
|
х
|
х
|
х
|
I-2в
|
|
|
ТУ 28/40/48-78МВ
ТУ 28/40/48-77
|
1,34
|
1220´20
|
360,0
|
х
|
х
|
х
|
I-2в
|
|
|
|
1220´26
|
468,0
|
х
|
х
|
х
|
х
|
I-2в
|
|
|
219´11
|
470,0
|
х
|
х
|
х
|
х
|
х
|
I-2в
|
|
ТУ 40/48/56-76МВ
|
588
(60)
|
1,4
|
1220´14,1
|
219´7
|
256,0
|
I-2б
|
|
|
|
|
|
|
1220´16,8
|
304,0
|
х
|
I-2в
|
|
|
|
|
|
ТУ 48/56-76МВ
|
1,34
|
1220´14,1
|
256,0
|
I-2б
|
|
|
|
|
|
|
1220´16,8
|
304,0
|
х
|
I-2в
|
|
I-2в
|
|
|
|
ТУ 40/48/56-79
|
1220´12,9
|
235,0
|
I-2б
|
|
|
|
|
|
|
ТУ 20/28/40/48-79
ТУ 20-28-40-48-56-79
|
1220´15,4
|
279,0
|
х
|
I-2б
|
|
|
|
|
|
1220´19,1
|
350,0
|
х
|
х
|
х
|
I-2в
|
|
|
|
1200
|
250
|
ТУ 14-3-602-77
|
510
(52)
|
1,47
|
1220´14,5
|
ГОСТ
8732-78 (В20)
|
412 (42)
|
1,55
|
273´8
|
324,0
|
II-2б
|
|
|
|
|
|
|
1220´15,2
|
339,0
|
II-2б
|
|
|
|
|
|
|
ТУ 14-3-602-77
|
1,4
|
1220´14
|
314,0
|
II-2б
|
|
|
|
|
|
|
1220´14,5
|
324,0
|
II-2б
|
|
|
|
|
|
|
1220´15,2
|
334,0
|
I-2б
|
|
|
|
|
|
|
ТУ 28/40/48-72
|
530
(54)
|
1220´21,5
|
452,0
|
I-2б
|
|
|
|
|
|
|
273´10
|
458,0
|
х
|
х
|
х
|
I-2в
|
|
|
|
ТУ 28/40/48-76С
ТУ 28/40/48-72
ТУ 28/40/48-76МВ
ТУ 28/40/48-76
|
1220´26
|
273´8
|
548,0
|
х
|
х
|
х
|
х
|
I-2в
|
|
|
ТУ 28/40/48-78МВ
ТУ 20/28/40/48-77
|
1,34
|
1220´20
|
444,0
|
х
|
I-2в
|
II-2в
|
|
|
|
|
273´10
|
450,0
|
х
|
I-2в
|
II-2в
|
I-2в
|
|
|
|
1220´26
|
273´8
|
548,0
|
х
|
х
|
I-2в
|
|
|
|
|
273´10
|
577,0
|
х
|
х
|
х
|
х
|
I-2в
|
II-2в
|
|
ТУ 40/48/56-76МВ
|
588
(60)
|
1,4
|
1220´14,1
|
273´8
|
315,0
|
I-2б
|
|
|
|
|
|
|
1220´16,8
|
375,0
|
х
|
I-2в
|
|
|
|
|
|
273´10
|
389,0
|
х
|
I-2в
|
|
II-2в
|
|
|
|
ТУ 48/56-77МВ
|
1,34
|
1220´14,1
|
273´8
|
315,0
|
I-2б
|
|
|
|
|
|
|
1220´16,8
|
375,0
|
х
|
I-2в
|
|
|
|
|
|
273´10
|
389,0
|
х
|
I-2в
|
|
I-2в
|
|
|
|
ТУ 40/48/56-79
|
1220´12,9
|
273´8
|
277,0
|
I-2б
|
|
|
|
|
|
|
ТУ 20/28/40/48-79
|
1220´15,4
|
344,0
|
I-2б
|
II-2б
|
|
|
|
|
|
1220´19,1
|
439,0
|
х
|
х
|
I-2в
|
|
|
|
|
273´10
|
445,0
|
х
|
х
|
х
|
I-2в
|
|
|
|
1200
|
300
|
ТУ 14-3-602-77t
|
510
(52)
|
1,47
|
1220´14,5
|
ГОСТ
8732-78 (В20)
|
412 (42)
|
1,55
|
325´9
|
379,0
|
II-2б
|
|
|
|
|
|
|
1220´15,2
|
397,0
|
II-2б
|
|
|
|
|
|
|
ТУ 14-3-602-77
|
1,4
|
1220´14
|
367,0
|
II-2б
|
|
|
|
|
|
|
1220´14,5
|
379,0
|
II-2б
|
|
|
|
|
|
|
1220´15,2
|
397,0
|
II-2б
|
|
|
|
|
|
|
ТУ 28/40/48-72
|
530
(54)
|
1220´21,5
|
553,0
|
х
|
I-2в
|
II-2в
|
|
|
|
|
325´12
|
530,0
|
х
|
х
|
х
|
I-2в
|
|
|
|
ТУ 28/40/48-76С
ТУ 28/40/48-72
ТУ 28/40/48-76МВ
ТУ 28/40/48-76
|
1220´26
|
325´9
|
632,0
|
х
|
x
|
I-2в
|
|
|
|
|
325´12
|
639,0
|
х
|
x
|
x
|
х
|
I-2в
|
|
|
ТУ 28/40/48-78МВ
ТУ 20/28/40/48-77
|
|
1220´20
|
325´9
|
517,0
|
х
|
I-2в
|
II-2в
|
|
|
|
|
325´12
|
523,0
|
х
|
I-2в
|
II-2в
|
I-2в
|
|
|
|
1220´26
|
325´9
|
632,0
|
х
|
x
|
I-2в
|
|
|
|
|
325´12
|
639,0
|
х
|
х
|
x
|
х
|
I-2в
|
II-2в
|
|
ТУ 40/48/56-76МВ
|
588
(60)
|
1,4
|
1220´14,1
|
325´9
|
350,0
|
I-2б
|
|
|
|
|
|
|
1220´16,8
|
414,0
|
х
|
I-2в
|
|
|
|
|
|
325´12
|
446,0
|
х
|
I-2в
|
|
II-2в
|
|
|
|
ТУ 48/66-77МВ
|
1,34
|
1220´14,1
|
325´9
|
350,0
|
I-2б
|
|
|
|
|
|
|
1220´16,8
|
414,0
|
х
|
I-2в
|
|
|
|
|
|
325´12
|
440,0
|
х
|
I-2в
|
|
II-2в
|
|
|
|
ТУ 40/48/56-79
|
1220´12,9
|
325´9
|
321,0
|
I-2б
|
|
|
|
|
|
|
ТУ 20/28/40/48-79
ТУ 20-28-40-48-56-79
|
1220´15,4
|
402,0
|
I-2б
|
II-2б
|
|
|
|
|
|
1220´19,I
|
500,0
|
х
|
х
|
х
|
I-2в
|
|
|
|
1200
|
400
|
TУ 14-3-602-77
|
510
(52)
|
1,47
|
1230´15,2
|
ГОСТ
8732-78 (В20)
|
412 (42)
|
1,55
|
426´10
|
518,0
|
II-2а
|
|
|
|
|
|
|
TУ 14-3-602-77
|
1,4
|
1220´14
|
480,0
|
II-2а
|
|
|
|
|
|
|
1220´14,5
|
495,0
|
II-2а
|
|
|
|
|
|
|
1220´15,2
|
518,0
|
II-2а
|
|
|
|
|
|
|
ТУ 28/40/48-72
|
530
(54)
|
1220´21,5
|
719,0
|
I-2а
|
|
|
|
|
|
|
426´12
|
724,0
|
х
|
I-2а
|
|
|
|
|
|
426´14
|
730,0
|
х
|
I-2а
|
х
|
II-2а
|
|
|
|
ТУ 28/40/48-76С
ТУ 28/40/48-72
ТУ 28/40/48-76МВ
ТУ 28/40/48-76
|
1220´26
|
426´10
|
798,0
|
I-2а
|
|
|
|
|
|
|
426´12
|
803,0
|
х
|
I-2а
|
|
|
|
|
|
426´14
|
877,0
|
х
|
х
|
х
|
I-2а
|
II-2а
|
|
|
ТУ 28/40/48-78МВ
ТУ 20/28/40/48-77
|
1,34
|
1220´20
|
426´10
|
672,0
|
I-2а
|
|
|
|
|
|
|
426´12
|
677,0
|
I-2а
|
II-2а
|
|
|
|
|
|
ТУ 28/40/48-78МВ
ТУ 20/28/40/48-77
|
530
(54)
|
1,34
|
1220´20
|
426´14
|
682,0
|
I-2а
|
х
|
х
|
II-2а
|
|
|
|
1220´26
|
426´10
|
798,0
|
I-2а
|
|
|
|
|
|
|
426´12
|
803,0
|
х
|
I-2а
|
|
|
|
|
|
426´14
|
809,0
|
х
|
х
|
х
|
I-2а
|
|
|
|
426´16
|
814,0
|
х
|
х
|
х
|
I-2а
|
II-2а
|
|
|
ТУ 40/48/56-76МВ
|
588
(60)
|
1,4
|
1220´14,1
|
426´10
|
483,0
|
II-2а
|
|
|
|
|
|
|
1220´16,8
|
571,0
|
I-2а
|
|
|
|
|
|
|
426´12
|
576,0
|
I-2а
|
II-2а
|
|
|
|
|
|
426´14
|
582,0
|
I-2а
|
II-2а
|
|
II-2а
|
|
|
|
ТУ 48/56-77МВ
|
1,34
|
1220´14,1
|
426´10
|
483,0
|
II-2а
|
|
|
|
|
|
|
1220´16,8
|
571,0
|
I-2а
|
|
|
|
|
|
|
426´12
|
576,0
|
I-2а
|
|
|
|
|
|
|
426´14
|
582,0
|
I-2а
|
II-2а
|
|
|
|
|
|
ТУ 40/48/56-79
|
1220´12,9
|
426´10
|
445,0
|
I-2а
|
|
|
|
|
|
|
ТУ 20/28/40/48-79
ТУ 20-28-0-48-56-79
|
1220´15,4
|
525,0
|
I-2а
|
|
|
|
|
|
|
426´12
|
532,0
|
I-2а
|
II-2а
|
|
|
|
|
|
1220´19,1
|
426´10
|
668,0
|
I-2а
|
|
|
|
|
|
|
426´12
|
674,0
|
х
|
I-2а
|
|
|
|
|
|
426´14
|
680,0
|
х
|
I-2а
|
х
|
II-2а
|
|
|
|
1400
|
50
|
ТУ 40/48/56-76МВ
|
588
(60)
|
1,4
|
1420´16,5
|
ГОСТ
8732-78 (В20)
|
412 (42)
|
1,55
|
57´4
|
286,0
|
I-2в
|
|
|
|
|
|
|
1420´19,5
|
338,0
|
х
|
I-2в
|
|
|
|
|
|
1420´25
|
433,0
|
х
|
х
|
х
|
х
|
I-2в
|
|
|
ТУ 56-76С
ТУ 56-77С
ТУ 56-76НС
ТУ 56-77НС
ТУ 56-76 НКК
ТУ56-77НКК
ТУ56-76КС
ТУ 56-77КС
ТУ 48/56-77МВ
|
1,34
|
1420´16,5
|
286,0
|
I-2в
|
|
|
|
|
|
|
1420´19,5
|
338,0
|
х
|
I-2в
|
|
I-2в
|
|
|
|
1420´25
|
133,0
|
х
|
х
|
х
|
х
|
I-2в
|
|
|
ТУ 40/48/56-79
ТУ 20-28-40-48-56-79
|
1420´15,7
|
273,0
|
I-2б
|
|
|
|
|
|
|
1420´18,7
|
324,0
|
х
|
I-2в
|
|
I-2в
|
|
|
|
1420´23,2
|
401,0
|
х
|
х
|
х
|
х
|
I-2в
|
|
|
1400
|
80
|
ТУ 40/48/56-76МВ
|
588
(60)
|
1,4
|
1420´16,5
|
ГОСТ
8732-78 (В20)
|
412 (42)
|
1,55
|
89´4
|
287,0
|
I-2в
|
|
|
|
|
|
|
1420´19,5
|
339,0
|
х
|
I-2в
|
|
|
|
|
|
1420´25
|
434,0
|
х
|
х
|
х
|
х
|
I-2в
|
|
|
ТУ 56-76С
ТУ 56-77С
ТУ 56-76НС
ТУ 56-77НС
ТУ 56-76 НКК
ТУ56-77НКК
ТУ56-76КС
ТУ 56-77КС
ТУ 48/56-77МВ
|
1,34
|
1420´16,5
|
287,0
|
I-2в
|
|
|
|
|
|
|
1420´19,5
|
339,0
|
х
|
I-2в
|
|
I-2в
|
|
|
|
1420´25
|
434,0
|
х
|
х
|
х
|
х
|
I-2в
|
|
|
ТУ 40/48/56-79
ТУ 20-28-40-48-56-79
|
1420´15,7
|
273,0
|
I-2б
|
|
|
|
|
|
|
1420´18,7
|
324,0
|
х
|
I-2в
|
|
I-2в
|
|
|
|
1420´23,2
|
401,0
|
х
|
х
|
х
|
х
|
I-2в
|
|
|
1400
|
100
|
ТУ 40/48/56-76МВ
|
588
(60)
|
1,4
|
1420´16,5
|
ГОСТ
8732-78 (В20)
|
412 (42)
|
1,55
|
108´4
|
287,0
|
I-2в
|
|
|
|
|
|
|
1420´19,5
|
339,0
|
х
|
I-2в
|
|
|
|
|
|
1420´25
|
434,0
|
х
|
х
|
х
|
х
|
I-2в
|
|
|
ТУ 56-76С
ТУ 56-77С
ТУ 56-76НС
ТУ 56-77НС
ТУ 56-76 НКК
ТУ56-77НКК
ТУ56-76КС
ТУ 56-77КС
ТУ 48/56-77МВ
|
1,34
|
1420´16,5
|
287,0
|
I-2в
|
|
|
|
|
|
|
1420´19,5
|
339,0
|
х
|
I-2в
|
|
I-2в
|
|
|
|
1420´25
|
434,0
|
х
|
х
|
х
|
х
|
I-2в
|
|
|
ТУ 40/48/56-79
ТУ 20-28-40-48-56-79
|
1420´15,7
|
273,0
|
I-2б
|
|
|
|
|
|
|
1420´18,7
|
324,0
|
х
|
I-2в
|
|
I-2в
|
|
|
|
1420´23,2
|
401,0
|
х
|
х
|
х
|
I-2в
|
|
|
|
108´5
|
402,0
|
х
|
х
|
х
|
х
|
I-2в
|
|
|
1400
|
150
|
ТУ 40/48/56-76МВ
|
588
(60)
|
1,4
|
1420´16,5
|
ГОСТ
8732-78 (В20)
|
412 (42)
|
1,55
|
159´5
|
288,0
|
I-2в
|
|
|
|
|
|
|
1420´19,5
|
340,0
|
х
|
I-2в
|
|
|
|
|
|
1420´25
|
435,0
|
х
|
х
|
х
|
х
|
I-2в
|
|
|
ТУ 56-76С
ТУ 56-77С
ТУ 56-76НС
ТУ 56-77НС
ТУ 56-76 НКК
ТУ56-77НКК
ТУ56-76КС
ТУ 56-77КС
ТУ 48/56-77МВ
|
1,34
|
1420´16,5
|
288,0
|
I-2в
|
|
|
|
|
|
|
1420´19,5
|
340,0
|
х
|
I-2в
|
|
I-2в
|
|
|
|
1420´25
|
435,0
|
х
|
х
|
х
|
х
|
I-2в
|
|
|
ТУ 40/48/56-79
ТУ 20-28-40-48-56-79
|
1420´15,7
|
274,0
|
I-2б
|
|
|
|
|
|
|
1420´18,7
|
325,0
|
х
|
I-2в
|
|
|
|
|
|
159´7
|
403,0
|
х
|
х
|
х
|
I-2в
|
|
|
|
1420´23,2
|
159´5
|
402,0
|
х
|
х
|
х
|
I-2в
|
|
|
|
159´7
|
423,0
|
х
|
х
|
х
|
х
|
I-2в
|
|
|
1400
|
200
|
ТУ 40/48/56-76МВ
|
588
(60)
|
1,4
|
1420´16,5
|
ГОСТ
8732-78 (В20)
|
412 (42)
|
1,55
|
219´7
|
350,0
|
I-2в
|
|
|
|
|
|
|
1420´19,5
|
409,0
|
х
|
I-2в
|
|
|
|
|
|
1420´25
|
523,0
|
х
|
х
|
х
|
I-2в
|
|
|
|
219´10
|
525,0
|
х
|
х
|
х
|
х
|
I-2в
|
|
|
ТУ 56-76С
ТУ 56-77С
ТУ 56-76НС
ТУ 56-77НС
ТУ 56-76 НКК
ТУ56-77НКК
ТУ56-76КС
ТУ 56-77КС
ТУ 48/56-77МВ
|
1,34
|
1420´16,5
|
219´7
|
350,0
|
I-2в
|
|
|
|
|
|
|
1420´19,5
|
409,0
|
х
|
I-2в
|
|
I-2в
|
|
|
|
1420´25
|
523,0
|
х
|
х
|
х
|
х
|
I-2в
|
|
|
ТУ 40/48/56-79
ТУ 20-28-40-48-56-79
|
1420´15,7
|
331,0
|
I-2б
|
|
|
|
|
|
|
1420´18,7
|
392,0
|
х
|
I-2в
|
|
|
|
|
|
1420´23,2
|
484,0
|
х
|
х
|
х
|
I-2в
|
|
|
|
1400
|
250
|
ТУ 40/48/56-76МВ
|
588
(60)
|
1,4
|
1420´16,5
|
ГОСТ
8732-78 (В20)
|
412 (42)
|
1,55
|
273´8
|
407,0
|
I-2в
|
|
|
|
|
|
|
1420´19,5
|
480,0
|
х
|
I-2в
|
|
|
|
|
|
1420´25
|
613,0
|
х
|
х
|
I-2в
|
|
|
|
|
273´12
|
617,0
|
х
|
х
|
х
|
I-2в
|
|
|
|
ТУ 56-76С
ТУ 56-77С
ТУ 56-76НС
ТУ 56-77НС
ТУ 56-76 НКК
ТУ56-77НКК
ТУ56-76КС
ТУ 56-77КС
ТУ 48/56-77МВ
|
1,34
|
1420´16,5
|
273´8
|
407,0
|
I-2в
|
|
|
|
|
|
|
1420´19,5
|
480,0
|
х
|
I-2в
|
|
|
|
|
|
273´10
|
617,0
|
х
|
I-2в
|
|
I-2в
|
|
|
|
1420´25
|
273´8
|
613,0
|
х
|
х
|
х
|
I-2в
|
|
|
|
273´10
|
632,0
|
х
|
х
|
х
|
х
|
I-2в
|
|
|
ТУ 40/48/56-79
ТУ 20-28-40-48-56-79
|
1420´15,7
|
388,0
|
I-2б
|
|
|
|
|
|
|
1420´18,7
|
460,0
|
х
|
I-2в
|
|
|
|
|
|
1420´23,2
|
273´8
|
568,0
|
х
|
х
|
I-2в
|
|
|
|
|
273´10
|
572,0
|
х
|
х
|
х
|
I-2в
|
|
|
|
1400
|
300
|
ТУ 40/48/56-76МВ
|
588
(60)
|
1,4
|
1420´16,5
|
ГОСТ
8732-78 (В20)
|
412 (42)
|
1,55
|
325´10
|
472,0
|
I-2в
|
|
|
|
|
|
|
1420´19,5
|
555,0
|
х
|
I-2в
|
|
|
|
|
|
1420´25
|
326´12
|
746,0
|
х
|
х
|
х
|
I-2в
|
II-2в
|
|
|
ТУ 56-76С
ТУ 56-77С
ТУ 56-76НС
ТУ 56-77НС
ТУ 56-76 НКК
ТУ56-77НКК
ТУ56-76КС
ТУ 56-77КС
ТУ 48/56-77МВ
|
1,34
|
1420´16,5
|
325´10
|
472,0
|
I-2в
|
|
|
|
|
|
|
1420´19,5
|
555,0
|
х
|
I-2в
|
|
|
|
|
|
326´12
|
565,0
|
х
|
I-2в
|
|
II-2в
|
|
|
|
1420´25
|
325´10
|
707,0
|
х
|
х
|
I-2в
|
|
|
|
|
326´12
|
746,0
|
х
|
х
|
х
|
I-2в
|
II-2в
|
|
|
ТУ 40/48/56-79
ТУ 20-28-40-48-56-79
|
1420´15,7
|
325´10
|
450,0
|
I-2в
|
|
|
|
|
|
|
1420´18,7
|
532,0
|
х
|
I-2в
|
|
|
|
|
|
1420´23,2
|
655,0
|
х
|
х
|
I-2в
|
|
|
|
|
326´12
|
658,0
|
х
|
х
|
х
|
I-2в
|
|
|
|
1400
|
400
|
ТУ 40/48/56-76МВ
|
588
(60)
|
1,4
|
1420´16,5
|
ГОСТ
8732-78 (В20)
|
412 (42)
|
1,55
|
426´10
|
639,0
|
II-2в
|
|
|
|
|
|
|
1420´19,5
|
751,0
|
I-2в
|
II-2в
|
|
|
|
|
|
1420´25
|
891,0
|
х
|
I-2в
|
|
|
|
|
|
426´12
|
896,0
|
х
|
х
|
I-2в
|
|
|
|
|
426´14
|
965,0
|
х
|
х
|
х
|
I-2в
|
II-2в
|
|
|
ТУ 56-76С
ТУ 56-77С
ТУ 56-76НС
ТУ 56-77НС
ТУ 56-76 НКК
ТУ56-77НКК
ТУ56-76КС
ТУ 56-77КС
ТУ 48/56-77МВ
|
1,34
|
1420´16,5
|
426´10
|
597,0
|
I-2в
|
|
|
|
|
|
|
1420´19,5
|
751,0
|
I-2в
|
II-2в
|
|
|
|
|
|
426´12
|
756,0
|
I-2в
|
II-2в
|
|
|
|
|
|
426´14
|
761,0
|
I-2в
|
II-2в
|
|
II-2в
|
|
|
|
1420´25
|
426´10
|
891,0
|
х
|
I-2в
|
|
|
|
|
|
426´12
|
896,0
|
х
|
х
|
I-2в
|
|
|
|
|
426´14
|
965,0
|
х
|
х
|
х
|
I-2в
|
II-2в
|
|
|
ТУ 40/48/56-79
ТУ 20-28-40-48-56-79
|
1420´15,7
|
426´10
|
570,0
|
II-2в
|
|
|
|
|
|
|
1420´18,7
|
719,0,
|
I-2в
|
II-2в
|
|
|
|
|
|
1420´23,2
|
826,0
|
х
|
I-2в
|
|
|
|
|
|
426´12
|
831,0
|
х
|
I-2в
|
II-2в
|
|
|
|
|
426´14
|
836,0
|
х
|
I-2в
|
II-2в
|
II-2в
|
|
|
|
|
|
|
|
|
|
|
|
|
|
|
|
|
|
|
|
|
|
|
|
|
|
|
на
изготовление сварных тройников и тройниковых соединений трубопроводов на:
5,5 МПa (55 кгс/см2)
75 МПа
(75 кгс/см2)
3. Общие
требования
3.1.
Настоящие технические требования распространяются на тройники и тройниковые
соединения сварные из стальных труб диаметрам 50 ¸ 1400
м, предназначенные для объектов газовой промышленности, на которые
распространяются требования СНиП II-45-75,
СНиП III-42-80.
3.2.
Изготовление тройников и тройниковых соединений может производиться
предприятиями и организациями, располагающими средствами, обеспечивающими
качественное изготовление и контроль в соответствии с настоящими техническими
требованиями.
3.3
Для изготовления тройников и тройниковых соединений должны применяться трубы
отечественной и импортной поставки, имеющие сертификаты и удовлетворять
требованиям СНиП II-45-75.
3.4.1.
Материал основной трубы (обечайка), трубы-ответвления (патрубка) и сварочного
материала должны соответствовать требованиям проекта, настоящих технических
требований и ТУ на трубы, из которых ни изготавливаются.
3.4.2.
Ударная вязкость основного металла (на образцах типа 11 и 12 ГОСТ
9454-78) и металла сварного шва (на образцах типа 9 и 11 ГОСТ
6996-66) при температуре эксплуатации должна быть не менее:
а) при
толщинах до 20 мм включительно - 3 кгс×м/см2;
б) при
толщинах более 20 мм, до 30 мм включительно - 4 кгс×м/см2;
в) при
толщинах более 30 мм, до 45 мм - 5 кгс×м/см2;
требования
к волокну в изломе не регламентируются.
3.5.
Предельные отклонения размеров и форм тройников и тройниковых соединений должны
соответствовать приведенным в таблице 5.
3.6.1.
К сварке допускаются сварщики с квалификацией не ниже 5-го разряда, имеющие
удостоверение на право газоэлектрической сварки и прошедших аттестацию в
соответствии с «Правилами аттестации сварщиков» Госгортехнадзора СССР.
3.6.2.
Разделка кромок должна выполняться по рис. 4, 5. При раскрое деталей и подготовке кромок под сварку,
при помощи газовой резки должна производиться зачистка плоскости реза
абразивными инструментами.
3.6.3.
Выбор электродов должен производиться в зависимости от нормативного временного
сопротивления разрыву основного металла (см. табл. 6).
3.6.4.
Перед сваркой прихваткой электроды должны быть просушены (прокалены) при
следующих параметрах:
Марка электрода Температура,
°С Время, час
1. УОНИ - 13/45 200¸250 1
2. УОНИ - 13/55 250¸300 1
или
«Гарант»
3. ВСФ - 65 300¸350 1
или
«Шварц ЗК»
3.6.5.
Предварительный подогрев кромок выполняется перед прихваткой и ручной дуговой
сваркой корневого шва.
3.6.5.1.
Необходимость подогрева и его параметры определяются в зависимости от
эквивалента углерода стали, толщины стенок стыкуемых элементов, температуры
окружающего воздуха в соответствии с ВСН 2-12-80.
3.6.5.2.
Контроль температуры подогрева осуществляется при помощи контактных термометров,
например - ТП-1, ТП-2 или термокарандашами (термокраской).
3.6.6.
Сварка должна быть многопроходной из расчёта два слоя на каждые 10 мл толщины.
3.6.6.1.
Сварку каждого слоя многослойного шва патрубок-обечайка, необходимо выполнять
участками в последовательности указанной на рис. 10.
3.6.6.2.
Разбавка каждого слоя шва на участки должна производиться так, чтобы «замки»
швов в соседних слоях не совпадали, а были смещены один относительно другого на
расстоянии не менее чем на 20¸25 мм.
3.6.6.3.
Каждый слой сварного шва перед наложением последующего, необходимо очистить
металлической щеткой.
3.6.7.
Сварка должна производиться без перерывов в работе, при вынужденных перерывах,
во время которых стык остывает до температуры 50 °С и ниже, перед
возобновлением сварки должен быть обеспечен подогрев до температуры согласно
таблицы 11 ВСН 2-124-80.
3.6.8.
После сварки основного шва патрубок-обечайка должна быть произведена тщательная
очистка зоны сварного соединения от брызг и других загрязнений, произведен
внешний осмотр и ультразвуковой контроль шва, после чего может производиться
сборка тройника и усиливающей накладки.
Примечание. Перед
установкой усиливающих накладок, удаление следов масла после УЗК на поверхности
тройника и тройникового соединения ОБЯЗАТЕЛЬНО.
3.6.9.
Для тройниковых соединений при диаметре трубы-ответвления (патрубка) и
тройников при диаметре основной трубы (обечайка) 325 мм и более подварка корня
шва ОБЯЗАТЕЛЬНА.
3.6.10.
Порядок наложения сварных швов при приварке усиливающих накладок принимать в
соответствии с рис. 10.
3.6.10.1.
Усиливающую накладку для основной трубы (обечайка) допускается изготавливать из
двух частей; контрольные отверстия М8 выполняются на каждой части полунакладки.
3.7.
Все тройники и тройниковые соединения подвергаются контролю в следующем объеме:
3.7.1.
Наружному осмотру и обмеру на соответствие настоящей нормали:
-
обмер производится с помощью шаблонов, угольников, калибров и другого
контрольно-измерительного инструмента, а также приспособлений;
- на
наружной поверхности готовых изделий не должно быть плен, закатов, расслоений,
грубых рисок, трещин, незначительных забоин, вмятин, мелких рисок, тонкого слоя
окалины и следы зачистки допускаются при условии, что толщина стенки в
указанных местах не выходит за пределы допускаемых отклонений на трубы по ТУ и
стандартам на их изготовление (осмотр производится без применения
увеличительных приборов).
3.7.2.
Контроль качества сварных швов производится:
3.7.2.1.
Систематически пооперационным контролем, осуществляемым в процессе сборки и
сварки (пооперационный контроль должен включать систематический контроль за
соблюдением технологии, режимов сварки, требованиям настоящей нормали и главы СНиП III-42-80).
3.7.2.2.
Внешним осмотром и обмером швов на соответствие настоящей нормали и главы СНиП III-42-80.
3.7.2.3.
Неразрушающими физическими методами контроля УЗК подвергаются 100 % тройников и
тройниковых соединений (контролируется сварной шов патрубок-обечайка), при этом
контроль выполняется в соответствии с Р201-75 и СНиП III-42-80.
3.7.2.4.
В сварных швах не должно быть недопустимых внутренних дефектов согласно СНиП III-42-80.
3.7.3.
Сварные швы с трещинами любой протяженности и глубины исправлению не подлежат
(изделие бракуется).
3.7.4.
Ремонту подлежат сварные швы, у которых суммарная длина дефектных участков не
превышает 1/6 периметра стыка.
3.7.4.1.
Выбор дефектов (газовые поры, шлаковые включения), при ремонте сварных швов,
должен производиться абразивном инструментом.
3.7.4.2.
Сварные швы подвергаются только однократное ремонту сваркой; повторное
исправление уже отремонтированных швов не разрешается.
3.7.4.3.
Все отремонтируемые участки сварного шва должны быть подвергнуты повторному
контролю.
3.7.5.
Каждый тройник и тройниковое соединение должно быть подвергнуто гидравлическому
испытанию.
3.7.5.1.
Величина пробного давления при гидравлическом испытании принимается в
зависимости от категории трубопровода, на котором устанавливается тройник или
тройниковое соединение и принимается по специальным техническим требованиям (табл. 4)
3.7.5.2.
Гидравлическое испытание производится водой с температурой не ниже 5 °С.
3.7.5.3.
Время выдержки под давлением не менее 5 минут.
3.7.5.4.
Сварные швы усиливающей накладки должны быть подвергнуты пневмоиспытанию
давлением 5 кгс/см2; герметичность сварных швов при пневмоиспытании
проверяется мыльной эмульсией.
3.8.
Необходимость термообработки тройника и тройникового соединения определяется
специальными техническими требованиями (табл. 4).
Примечание.
Термообработка тройниковых соединений выполняется при помощи гибких пальцевых
электронагревателей с использованием теплоизоляционных матов .
3.3.
Каждый тройник или тройниковое соединение должны сопровождаться паспортом (форма паспорта приведена).
3.10.
На каждый тройник или тройниковое соединение наносится несмываемой краской знак
предприятия-изготовителя, шифр тройника, его номер, клеймо сварщика, выполнявшего
сварку тройника, а также клеймо, подтверждающее приёмку его ОТК.
4. Специальные технические требования
по испытанию на прочность и термообработке
тройников и тройниковых соединений
4.1.
Тройники и тройниковые соединения из углеродистой стали (сталь 20 ГОСТ
1050-74):
1a
-
тройники изготавливаются в стационарных условиях;
-
тройники должны быть подвергнуты испытанию на прочность пробным давлением: Рпробн.
= 1,5Ру для трубопроводов категории В, Рпробн. = 1,25Ру
для трубопроводов - категории I и II;
-
тройники термообработке не подлежат.
1б
-
тройниковые соединения изготавливаются при монтаже путём врезки;
-
тройниковые соединения должны быть подвергнуты испытанию на прочность совместно
с трубопроводами пробным давлением предусмотренных табл. 17 СНиП III-42-80 соответствующих категорий
их участков.
-
тройниковые соединения термообработке не подлежат.
4.2.
Тройники, тройниковые соединения из углеродистой стали и низколегированной
стали, или стали по специальным ТУ.
2а
-
тройники изготавливаются в стационарных условиях;
-
тройники должны быть подвергнуты испытанию на прочность пробным давлением: Рпробн.
= 1,5Ру для трубопроводов категории В. Рпробн. = 1,25Ру
для трубопроводов категории I и II;
- должен
производиться предварительный подогрев кромок свариваемых деталей тройника (табл. 4);
-
тройники подлежат термообработке.
-
тройниковые соединения изготавливается при монтаже путём врезки;
-
тройниковые соединения должны быть подвергнуты испытанию на прочность совместно
с трубопроводами пробным давлением предусмотренных табл. 17 СНиП III-42-80,соответствующих категорий
их участков;
-
должен производиться предварительный подогрев кромок свариваемых деталей
тройникового соединения (табл. 4);
-
тройниковые соединения термообработке не подлежат.
2в
-
тройниковые соединения изготавливаются при монтаже путем врезки;
-
тройниковые соединения должны быть подвергнуты испытанию на прочность совместно
с трубопроводами пробным давлением предусмотренных табл. 17 СНиП III-42-80,соответствующих категорий
их участков;
-
должен производиться предварительный подогрев кромок свариваемых деталей
тройникового соединения (табл. 4);
-
тройниковые соединения подлежат термообработке.
ВНИМАНИЕ!
Все
тройники и тройниковые соединения, работающие в условиях ВИБРИРУЮЩИХ нагрузок (m = 0,5) подлежат термообработке.
Таблица 4
Специальные технические требования
|
№ п/п
|
Индекс
|
Категория
трубопровода
|
Испытательное
давление, кгс/см2
|
Температура
предварительного подогрева свариваемых кромок
|
Режим
термообработки
|
|
Максимально
допустимая скорость нагрева, °С, час
|
Температура
отпуска, °С
|
Время
выдержки в печи, час
|
Условия охлаждения
|
|
1
|
1a
|
«В»
I и II
|
Рпробн. = 1,5Ру
Рпробн. = 1,25Ру
|
В
соответствии с табл. 11 ВСН 2-124-80
|
Термообработке не
подлежат
|
|
2
|
1б
|
«В» и I
|
В соответствии с табл. 17
|
|
II
|
СНиП III-42-80
|
|
3
|
2a
|
«В»
I и II
|
Рпробн. = 1,5Ру
Рпробн. = 1,25Ру
|
150
|
от 520 до 560
|
2,0
|
Вместе с
печью до 300 °С; до
полного охлаждения на спокойном воздухе
|
|
4
|
2б
|
«В» и I
II
|
В соответствии с табл. 17
СНиП III-42-80
|
Термообработке не
подлежат
|
|
5
|
2в
|
«В» и I
|
В соответствии с табл. 17
|
150
|
от 520 до 560
|
2,0
|
Под слоем
теплоизоляции
|
|
II
|
СНиП III-42-80
|
Таблица 5
Допускаемые отклонения тройников и
тройниковых отклонений
|
№
п/п
|
Наружный диаметр тройников, тройниковых соединений, мм
|
Допускаемые отклонения
|
|
Диаметр, мм
|
Толщина стенки, мм
|
Овальность
|
Перпендикулярность образующих трубы-ответвления (патрубок) к
основной трубе (обечайка)
|
Торцевое биение
|
Строительная длина, мм
|
Несимметричность
патрубка, мм
|
|
1
|
до 426
|
ГОСТ
8732-78
|
£ 1°
|
2,0
|
4,0
|
5,0
|
|
2
|
от 530 до 720
|
ТУ на трубы ГОСТ 20295-74
|
2,5
|
±5,0
|
|
3
|
от 820 до 1020
|
3,5
|
|
|
от 1220 до 1420
|
ТУ на трубы
|
4,5
|
±6,0
|
6,0
|
Таблица 6
Выбор электродов в зависимости от
нормативного временного сопротивления разрыву основного металла
|
Нормативное
временное сопротивление разрыву, кгс/мм2
|
Прихватка и сварка первого слоя шва
|
Сварка заполняющих слоев шва
|
Подварка изнутри
|
|
|
марка электрода (тип и вид покрытия)
|
диаметр мм
|
марка электрода (тип и вид покрытия)
|
диаметр мм
|
марка электрода
(тип и вид покрытия)
|
диаметр мм
|
|
|
42
|
УОНИ-13/45
|
2,5
|
УОНИ-13/45
|
4,0
|
УОНИ-13/45
|
от 3 ¸ до 4
|
|
|
3,0
|
|
|
50
|
УОНИ-13/55
или «Гарант» (Э50А-Б)
|
2,5
|
УОНИ-13/55
или «Гарант» (Э50А-Б)
|
4,0
|
УОНИ-13/55 или «Гарант» (Э50А-Б)
|
от 3 ¸ до 4
|
|
|
3,0
|
|
|
52
|
|
|
54
|
3,25
|
|
|
55
|
То
же
|
3,0
|
ВСФ-65
или Шварц ЗК
|
4,0
|
УОНИ-13/55 или «Гарант»
|
от 3 ¸ до 4
|
|
|
57
|
|
|
60
|
3,25
|
|

Рис.
10
Образец
|
Наименование
предприятия-изготовителя ____________________________________________________
его адрес
___________________________________________________________________
Шифр тройника
тройникового соединения
______________________________________________
Заказ № _______________________
Рабочее давление Рраб.
___________ Па (кгс/см2). Масса ___________ кг
Гарантированное пробное давление Рпробн.
_____ МПа (кгс/см2)
Дата изготовления __________
Назначение
Тройник ________
тройниковое соединение предназначено
технологических обвязок компрессорных станций и линейной части газопроводов
работающих под давлением ________ МПа (кгс/см2) с температурой
эксплуатации от минус ________ °С до плюс 100 °С.
Гарантии
поставщика
Изготовитель
гарантирует соответствие ВСН-I-84, а также величину гидравлического
давления. При обнаружении дефектов, вызванных некачественным изготовлением и утвержденным соответствующим
актом, изготовитель обязуется устранить дефекты.
Таблица
1
|
Схема с указанием №
позиций и швов
|
№ поз.
|
Наименование
|
|
|
1
|
|
|
|
2
|
|
|
|
3
|
|
Таблица
2
|
№ поз.
|
Диаметр и толщина стенки
|
ГОСТ или ТУ
|
|
1
|
|
|
|
2
|
|
|
|
3
|
|
|
|
4
|
|
|
Копия сертификата на
трубу (накладку)
Таблица
3
|
№ поз.
|
№ сертиф.
|
Химический состав
|
Механические свойства
|
|
С
|
Mn
|
Si
|
S
|
Р
|
Ni
|
Cr
|
Сu
|
V
|
T
|
Mo
|
sв
|
sт
|
кси t = -20
|
кси t = -60
|
относит. удлинен.
|
|
1
|
-
|
|
|
|
|
|
|
|
|
|
|
|
|
|
|
|
|
|
2
|
|
|
|
|
|
|
|
|
|
|
|
|
|
|
|
|
|
|
3
|
|
|
|
|
|
|
|
|
|
|
|
|
|
|
|
|
|
|
4
|
|
|
|
|
|
|
|
|
|
|
|
|
|
|
|
|
|
Таблица
4
|
№ сварочного шва
|
Сварочный материал
|
ГОСТ
|
№ сертификата
|
Фамилия сварщика
|
Клеймо
|
|
|
|
|
|
|
|
|
|
|
|
|
|
|
|
|
|
|
|
|
|
|
|
|
|
|
|
|
Метод проверки качества швов
______________________________________________
Номер и дата заключения
___________________________________________________
Данные хранятся у изготовителя
_____________________________________________
Термообработка
__________________________________________________________
Тройник
Тройниковое соединение соответствует ВСН-I-84 и признается годным к эксплуатации.
Начальник ОТК _________________
«____»
___________ 198______ г. Мастер ОТК ____________________
|
СОДЕРЖАНИЕ
|