Бесплатная библиотека стандартов и нормативов www.docload.ru

Все документы, размещенные на этом сайте, не являются их официальным изданием и предназначены исключительно для ознакомительных целей.
Электронные копии этих документов могут распространяться без всяких ограничений. Вы можете размещать информацию с этого сайта на любом другом сайте.
Это некоммерческий сайт и здесь не продаются документы. Вы можете скачать их абсолютно бесплатно!
Содержимое сайта не нарушает чьих-либо авторских прав! Человек имеет право на информацию!

 

ГОСТ Р 51732-2001

ГОСУДАРСТВЕННЫЙ СТАНДАРТ РОССИЙСКОЙ ФЕДЕРАЦИИ

УСТРОЙСТВА
ВВОДНО-РАСПРЕДЕЛИТЕЛЬНЫЕ
ДЛЯ ЖИЛЫХ И ОБЩЕСТВЕННЫХ ЗДАНИЙ

Общие технические условия

ГОССТАНДАРТ РОССИИ

Москва

Предисловие

1 РАЗРАБОТАН АООТ Центральное проектно-конструкторское бюро «Электромонтаж»

ВНЕСЕН Техническим комитетом по стандартизации ТК 331 «Низковольтная коммутационная аппаратура распределения и управления»

2 ПРИНЯТ И ВВЕДЕН В ДЕЙСТВИЕ Постановлением Госстандарта России от 5 апреля 2001 г. № 169-ст

3 ВВЕДЕН ВПЕРВЫЕ

Введение

Настоящий стандарт разработан с целью нормативного обеспечения разработки и освоения в производстве вводно-распределительных устройств, отвечающих современным нормативным требованиям к электроустановкам жилых и общественных зданий различной этажности, а также требованиям стандартов МЭК в отношении электро- и пожаробезопасности.

В стандарте содержатся требования к вводно-распределительным устройствам, применяемым в многоэтажных и малоэтажных жилых и общественных зданиях (см. строительные нормы СНиП 2.08.01-89, СНиП 2.08.02-89, СНиП 2.09.04-87), а также в индивидуальных домах и коттеджах.

В настоящем стандарте в отличие от ГОСТ 19734-80 содержатся требования, касающиеся обеспечения возможности присоединения вводно-распределительных устройств к четырех- и пятипроводным питающим (распределительным) сетям с глухозаземленной нейтралью (тип заземления системы соответственно TN-C и TN-S или TN-C-S по ГОСТ 30331.2-95 / ГОСТ Р 50571.2-94).

В настоящем стандарте учтены требования, установленные ГОСТ Р 51321.3-99 к распределительным устройствам, используемым в местах, к которым возможен доступ неквалифицированного персонала.

В стандарте предусмотрены для вводно-распределительных устройств, устанавливаемых в индивидуальных домах и коттеджах, два способа защиты от поражения электрическим током, определяемые классами I и II по ГОСТ Р МЭК 536-94. Для вводно-распределительных устройств, устанавливаемых в многоэтажных и малоэтажных зданиях (до пяти этажей), установлен класс I.

В приложении В приведена методика определения номинальных токов ВРУ и номинальных рабочих токов встраиваемых в них аппаратов.

СОДЕРЖАНИЕ

1 Область применения. 2

2 Нормативные ссылки. 2

3 Определения. 3

4 Классификация. 6

5 Основные параметры.. 6

6 Общие технические требования. 7

6.1 Общие требования. 7

6.2 Конструкция. 7

6.3 Внутренние цепи. 10

6.4 Контактные зажимы.. 12

6.5 Комплектующая аппаратура. 13

6.6 Степень защиты.. 14

6.7 Защита от поражения электрическим током.. 15

6.8 Электрические характеристики. 16

6.9 Защитные покрытия. 17

6.10 Надежность. 17

6.11 Маркировка. 17

6.12 Основные сведения о ВРУ, приводимые в эксплуатационных документах. 17

6.13 Комплектность. 18

6.14 Консервация и упаковка. 18

7 Требования безопасности. 18

8 Правила приемки. 18

8.2 Приемосдаточные испытания. 18

8.3 Квалификационные испытания. 19

8.4 Периодические испытания. 21

8.5 Типовые испытания. 21

9 Методы испытаний. 21

10 Транспортирование и хранение. 28

11 Указания по эксплуатации. 28

12 Гарантии изготовителя. 28

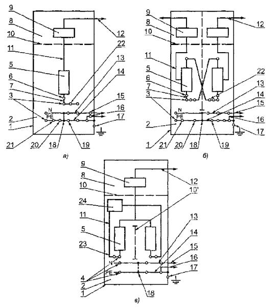
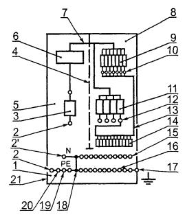
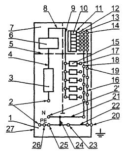
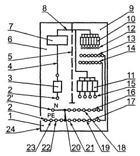
Приложение А Принципиальные схемы вводов во ВРУ.. 28

Приложение Б Примерные схемы расположения аппаратуры во ВРУ.. 29

Приложение В Определение номинальных токов ВРУ и номинальных рабочих токов встроенных в них аппаратов. 32

Приложение Г Обозначения типов ВРУ.. 34

ГОСУДАРСТВЕННЫЙ СТАНДАРТ РОССИЙСКОЙ ФЕДЕРАЦИИ

УСТРОЙСТВА ВВОДНО-РАСПРЕДЕЛИТЕЛЬНЫЕ
ДЛЯ ЖИЛЫХ И ОБЩЕСТВЕННЫХ ЗДАНИЙ

Общие технические условия

Input-distributional boards for dwellings and public buildings.
General specifications

Дата введения 2002-01-01

1 Область применения

1.1 Настоящий стандарт распространяется на вводно-распределительные устройства (далее - ВРУ), предназначенные для приема, учета и распределения электрической энергии в электроустановках жилых и общественных зданий, а также для защиты отходящих от ВРУ распределительных и групповых цепей при перегрузках и коротких замыканиях.

1.2 Стандарт распространяется на ВРУ, присоединяемые к питающим электрическим сетям напряжением 380/220 В переменного тока частотой 50-60 Гц с глухозаземленной нейтралью.

1.3 Стандарт устанавливает требования к ВРУ, применяемым в многоэтажных и малоэтажных жилых и общественных зданиях, а также в индивидуальных жилых домах и коттеджах.

1.4 Климатическое исполнение ВРУ - УХЛ4 по ГОСТ 15150 и ГОСТ 15543.1.

По согласованию между изготовителем и потребителем ВРУ могут изготавливаться иного климатического исполнения. Требования, обусловленные климатическим исполнением для более жестких условий эксплуатации, должны приводиться в технических условиях на ВРУ конкретных типов.

1.5 Стандарт устанавливает требования к ВРУ, изготавливаемым для нужд экономики страны и экспорта.

1.6 Все пункты стандарта, кроме 6.2.11, 6.2.14, 6.2.21, 6.3.12, являются обязательными.

2 Нормативные ссылки

В настоящем стандарте использованы ссылки на следующие стандарты:

ГОСТ 2.601-95 Единая система конструкторской документации. Эксплуатационные документы

ГОСТ 9.032-74 Единая система защиты от коррозии и старения. Покрытия лакокрасочные. Группы, технические требования и обозначения

ГОСТ 9.302-88 Единая система защиты от коррозии и старения. Покрытия металлические и неметаллические неорганические. Методы контроля

ГОСТ 9.303-84 Единая система защиты от коррозии и старения. Покрытия металлические и неметаллические неорганические. Общие требования к выбору

ГОСТ 9.401-91 Единая система защиты от коррозии и старения. Покрытия лакокрасочные. Общие требования и методы ускоренных испытаний на стойкость к воздействию климатических факторов

ГОСТ 9.410-88 Единая система защиты от коррозии и старения. Покрытия порошковые полимерные. Типовые технологические процессы

ГОСТ 12.1.004-91 Система стандартов безопасности труда. Пожарная безопасность. Общие требования

ГОСТ 12.2.007.0-75 Система стандартов безопасности труда. Изделия электротехнические. Общие требования безопасности

ГОСТ 12.4.026-76 Система стандартов безопасности труда. Цвета сигнальные и знаки безопасности

ГОСТ 27.003-90 Надежность в технике. Состав и общие правила задания требований по надежности

ГОСТ 27.410-87 Надежность в технике. Методы контроля показателей надежности и планы контрольных испытаний на надежность

ГОСТ Р МЭК 536-94 Классификация электротехнического и электронного оборудования по способу защиты от поражения электрическим током

ГОСТ 4751-73 Рым-болты. Технические условия

ГОСТ 10434-82 Соединения контактные электрические. Классификация. Общие технические требования

ГОСТ 11516-94 Ручные инструменты для работ под напряжением до 1000 В переменного и 1500 В постоянного тока

ГОСТ 13716-73 Устройства строповые для сосудов и аппаратов. Технические условия

ГОСТ 14192-96 Маркировка грузов

ГОСТ 14254-96 (МЭК 529-89) Степени защиты, обеспечиваемые оболочками (Код IP)

ГОСТ 15140-78 Материалы лакокрасочные. Методы определения адгезии

ГОСТ 15150-69 Машины, приборы и другие технические изделия. Исполнения для различных климатических районов. Категории, условия эксплуатации, хранения и транспортирования в части воздействия климатических факторов внешней среды

ГОСТ 15543.1-89 Изделия электротехнические. Общие требования в части стойкости к климатическим внешним воздействующим факторам

ГОСТ 16962.1-89 (МЭК 68-2-1-74) Изделия электротехнические. Методы испытаний на устойчивость к климатическим внешним воздействующим факторам

ГОСТ 16962.2-90 Изделия электротехнические. Методы испытаний на стойкость к механическим внешним воздействующим факторам

ГОСТ 17516.1-90 Изделия электротехнические. Общие требования в части стойкости к механическим внешним воздействующим факторам

ГОСТ 18690-82 Кабели, провода, шнуры и кабельная арматура. Маркировка, упаковка, транспортирование и хранение

ГОСТ 19734-80 Устройства вводно-распределительные для жилых и общественных зданий. Общие технические условия

ГОСТ 21130-75 Изделия электротехнические. Зажимы заземляющие и знаки заземления. Конструкция и размеры

ГОСТ 21991-89 (МЭК 447-74) Оборудование электротехническое. Аппараты электрические. Направление движения органов управления

ГОСТ 22789-94 (МЭК 439-1-85) Устройства комплектные низковольтные. Общие технические требования и методы испытаний

ГОСТ 23216-78 Изделия электротехнические. Хранение, транспортирование, временная противокоррозийная защита, упаковка. Общие требования и методы испытаний

ГОСТ 27483-87 (МЭК 695-2-1-80) Испытания на пожароопасность. Методы испытаний. Испытания нагретой проволокой

ГОСТ 27924-88 (МЭК 695-2-3-84) Испытания на пожароопасность. Методы испытаний. Испытания на плохой контакт при помощи накальных элементов

ГОСТ 30331.1-95 (МЭК 364-1-72, МЭК 364-2-70) / ГОСТ Р 50571.1-93 (МЭК 364-1-72, МЭК 364-2-70) Электроустановки зданий. Основные положения

ГОСТ 30331.2-95 (МЭК 364-3-93) / ГОСТ Р 50571.2-94 (МЭК 364-3-93) Электроустановки зданий. Часть 3. Основные характеристики

ГОСТ 30331.3-95 (МЭК 364-4-41-92) / ГОСТ 50571.3-94 (МЭК 364-4-41-92) Электроустановки зданий. Часть 4. Требования по обеспечению безопасности. Защита от поражения электрическим током

ГОСТ Р 50030.1-99 (МЭК 947-1-88) Низковольтная аппаратура распределения и управления. Часть 1. Общие требования

ГОСТ Р 50462-92 (МЭК 446-89) Идентификация проводников по цветам или цифровым обозначениям

ГОСТ 50571.10-96 (МЭК 364-5-54-80) Электроустановки зданий. Часть 5. Выбор и монтаж электрооборудования. Глава 54. Заземляющие устройства и защитные проводники

ГОСТ Р 51321.3-99 Устройства комплектные низковольтные распределения и управления. Часть 3. Дополнительные требования к устройствам распределения и управления, предназначенным для эксплуатации в местах, доступных неквалифицированному персоналу, и методы испытаний.

3 Определения

В настоящем стандарте применяют следующие термины с соответствующими определениями:

3.1 Общие термины и определения

3.1.1 ВРУ: Электротехническое устройство низкого напряжения, содержащее аппаратуру, обеспечивающую возможность ввода, распределения и учета электроэнергии, а также управления и защиты отходящих распределительных и групповых электрических цепей в жилых и общественных зданиях, которая размещена в виде соответствующих функциональных блоков в одной или нескольких соединенных между собой (механически и электрически) панелях или в одном шкафу, в зависимости от типа здания по 3.2.

3.1.2 функциональный блок: Часть взаимосвязанных аппаратов ВРУ или панели (многопанельного ВРУ), обеспечивающая выполнение определенной функции по 3.1.1.

Примечание - Аппараты блока могут быть не объединены единой съемной конструктивной основой.

3.1.3 блок ввода: Функциональный блок, через который подается электроэнергия во ВРУ и содержащий коммутационный и защитные аппараты согласно приложению А, а также включающий в себя часть объема ВРУ для размещения, крепления и присоединения к аппарату(ам) проводников питающей сети.

3.1.4 блок автоматического включения резервного питания (АВР): Функциональный блок, содержащий аппаратуру контроля и управления пусковыми коммутационными аппаратами блока ввода, к которым присоединяют взаиморезервируемые питающие сети.

3.1.5 блок учета электроэнергии: Функциональный блок, содержащий счетчик прямого или трансформаторного включения, трансформаторы тока и испытательную переходную коробку.

Примечание - Испытательная переходная коробка - аппарат, содержащий блок зажимов для присоединения контрольного трехфазного счетчика.

3.1.6 блок распределения: Функциональный блок, содержащий защитные аппараты распределительных и групповых цепей и включающий в себя часть объема ВРУ или панели для размещения и присоединения проводников.

3.1.7 блок автоматического управления освещением: Функциональный блок, содержащий защитные аппараты групповых цепей общедомового освещения и элементы для их автоматического включения и выключения в зависимости от степени естественной освещенности и/или от времени суток по заданной программе.

Примечание - ВРУ могут содержать блоки с неавтоматическим управлением общедомовым освещением.

3.2 Термины и определения, относящиеся к конструктивному исполнению ВРУ (видам ВРУ)

3.2.1 многопанельное ВРУ: ВРУ, в котором функциональные блоки размещены в нескольких панелях, количество которых определяется составом и количеством аппаратов, требуемых для конкретной электроустановки многоквартирного жилого дома (с числом этажей более пяти) или общественного здания.

3.2.2 однопанельное ВРУ: ВРУ, выполненное на той же конструктивной основе, что и панели многопанельного ВРУ, и содержащее все необходимые функциональные блоки для электроустановки здания или ее части (с числом этажей не более пяти).

3.2.3 шкафное ВРУ: ВРУ, содержащее все необходимые функциональные блоки для электроустановки индивидуального дома или коттеджа, установленные в оболочку шкафного типа.

3.3 Термины и определения, относящиеся к панелям многопанельного ВРУ

3.3.1 панель: Отделяемая часть многопанельного ВРУ, выполненная на единой конструктивной основе с другими панелями и содержащая соответствующие функциональные блоки.

3.3.2 панель вводная: Панель многопанельного ВРУ, как правило, содержащая аппаратуру блока(ов) ввода и блока(ов) учета.

3.3.3 панель вводная с АВР (панель с АВР): Панель вводная по 3.3.2, содержащая также блок с аппаратурой АВР.

3.3.4 панель распределительная: Панель многопанельного ВРУ, содержащая аппараты блока(ов) распределения и в которой могут также размещаться блоки учета, блоки автоматического или неавтоматического управления освещением и т.п.

3.3.5 панель противопожарных устройств (панель ППУ): Распределительная панель многопанельного ВРУ, присоединяемая к вводной панели с АВР и предназначенная для питания электрооборудования и цепей управления средств пожаротушения, цепей сигнализации противопожарных устройств, эвакуационного освещения и других необходимых для оповещения и ликвидации пожара электроприемников.

3.4 Термины и определения, относящиеся к конструктивным элементам ВРУ

3.4.1 каркас: Несущая часть панели ВРУ, на которой крепятся аппараты функциональных блоков, а также элементы оболочки и внутренние защитные ограждения.

3.4.2 оболочка: Часть ВРУ, обеспечивающая защиту от внешних воздействий и прямого доступа к токоведущим частям со всех сторон, а также выполняющая во ВРУ шкафного исполнения функцию несущей конструкции.

3.4.3 элемент оболочки: Часть внешней оболочки ВРУ (стенки, двери, заглушки, крышки и пр.).

3.4.4 отсек: Часть внутреннего пространства ВРУ, предназначенная для размещения функционального блока(ов), огражденная со всех сторон перегородками и/или стенками и закрываемая отдельной внутренней дверцей или дверью ВРУ.

3.4.5 внутреннее защитное ограждение: Ограждение, расположенное за дверью панели (шкафа), препятствующее непреднамеренному прямому контакту с неизолированными токоведущими частями и обеспечивающее защиту от воздействия дуги при выполнении коммутационных операций.

3.4.6 оперативная панель: Внутреннее защитное ограждение ВРУ, на которое выведены органы управления аппаратов и которая исключает доступ к токоведущим частям при открытой двери ВРУ.

3.4.7 перегородка: Часть панели (шкафа), отделяющая один функциональный блок от другого или разделяющая цепи различного назначения.

3.4.8 сборные шины: Система проводников, соединяемых с блоком ввода и предназначенных для присоединения к ним фазных, нулевых защитных РЕ и нулевых рабочих N проводников нескольких распределительных и групповых электрических цепей.

Примечание - Термин «шина» не определяет ее конструкцию.

3.5 Термины, относящиеся к питающей сети и отходящим от ВРУ цепям

3.5.1 питающая электрическая сеть: Трехфазная распределительная электрическая сеть с глухозаземленной нейтралью, обеспечивающая подвод питания к ВРУ от внешнего источника.

3.5.2 распределительная электрическая цепь: Трехфазная электрическая цепь, отходящая от ВРУ и питающая этажные щитки и/или другие распределительные пункты электроустановки жилого (общественного) здания.

3.5.3 групповая электрическая цепь: Электрическая цепь, отходящая от ВРУ и предназначенная для питания светильников, розеток и других общедомовых электроприемников электроустановки жилого (общественного) здания.

3.5.4 совмещенный нулевой рабочий и защитный проводник (PEN-проводник): По ГОСТ 30331.1 / ГОСТ 50571.1.

3.5.5 нулевой защитный проводник (РЕ): По ГОСТ 30331.1 / ГОСТ 50571.1.

3.5.6 нулевой рабочий проводник (N): По ГОСТ 30331.1 / ГОСТ 50571.1.

3.6 Термины и определения, относящиеся к электрическим параметрам ВРУ

3.6.1 номинальный ток аппарата: По ГОСТ 50030.1.

3.6.2 номинальный рабочий ток встроенного во ВРУ аппарата: Наибольшее значение тока, определяемое (в соответствии с приложением В) по условиям допустимого превышения температуры аппарата и элементов цепи, в которую он включен.

3.6.3 номинальный ток ВРУ: Номинальный рабочий ток вводного аппарата, определяемый по условиям допустимого превышения температуры в соответствии с приложением В.

3.6.4 номинальный ток многопанельного ВРУ: Номинальный ток вводной панели.

Примечание - Если на вводе многопанельного ВРУ предусматривается два вводных аппарата на один и тот же номинальный ток для обеспечения возможности перевода всей присоединенной к ним нагрузки на один из них, то номинальный ток ВРУ соответствует номинальному рабочему току одного аппарата.

3.6.5 номинальный ток распределительной панели: Наибольшее значение тока, определяемое по условиям допустимого превышения температуры (в соответствии с приложением В) для заданной схемы распределения.

3.6.6 номинальный кратковременно выдерживаемый ток цепи: По ГОСТ 22789.

3.6.7 номинальный условный ток короткого замыкания цепи: По ГОСТ 22789.

4 Классификация

ВРУ следует классифицировать по признакам, приведенным в таблице 1.

Таблица 1 - Классификация ВРУ

Признак классификации

Вид ВРУ

Многопанельное

Однопанельное

Шкафное

1 По месту установки:

 

 

 

- в электрощитовых помещениях

+

+

-

- вне электрощитовых помещений

+

+

+

2 По виду установки:

 

 

 

- напольное

+

+

+

- настенное

-

-

+

- встраиваемое в нишу

-

-

+

3 По степени защиты

Согласно 6.6

4 По схемам ввода (номера схем - согласно приложению А)

1, 2, 4, 6, 7

1, 2, 4, 5, 7

1, 2, 3

5 По способу (классу) защиты от поражения электрическим током по ГОСТ Р МЭК 536:

 

 

 

- класс I

+

+

+

- класс II

-

-

+

6 По наличию блока автоматического включения резерва (АВР):

 

 

 

- с блоком

+

+

+2)

- без блока

+

+

+

7 По наличию блока автоматического управления общедомовым освещением:

 

 

 

- с блоком

+

+

+

- без блока (для общественных зданий)

+

+

+

8 По доступу к обслуживанию персонала:

 

 

 

- квалифицированного

+

+

+

- неквалифицированного1)

-

-

+

1) Для неквалифицированного персонала обслуживание шкафного ВРУ ограничивается выполнением коммутационных операций (ГОСТ Р 51321.3).

2) Только по согласованию между изготовителем и потребителем.

5 Основные параметры

5.1 Основные параметры ВРУ должны соответствовать приведенным в таблице 2.

Таблица 2- Основные параметры ВРУ

Наименование параметра

Вид ВРУ

Многопанельное

Однопанельное

Шкафное

1 Номинальное напряжение на вводе ВРУ, В

380/220

380/220

380/220

2 Номинальные токи вводных аппаратов, А

250; 400; 630

160; 250

50; 63; 100; 125; 160

3 Номинальные токи вводных коммутационных аппаратов панели с блоком автоматического включения резерва (АВР), А

100; 160; 250; 400

100; 160; 250

-

4 Номинальные токи ВРУ и панелей многопанельных ВРУ, А

Согласно 5.2

5 Номинальные токи защитных и/или коммутационных защитных аппаратов распределительных цепей, А

25; 32; 40; 63; 100; 160; 250

25; 32; 40; 63; 100; 160

10; 16; 25; 32; 40

6 Номинальные токи защитных аппаратов групповых цепей, А

10; 16; 25

10; 16; 25

10; 16; 25

7 Номинальные рабочие токи встроенных во ВРУ защитных аппаратов, А

Согласно 5.2

8 Номинальные отключающие дифференциальные токи устройств защитного отключения, мА:

 

 

 

- на вводе ВРУ

-

-

300; 500

- распределительной цепи

300; 500

300; 500

30; 100

- групповой цепи

30

30

10; 30

9 Номинальный кратковременно выдерживаемый ток короткого замыкания (действующее значение1)) для блока ввода и сборных шин ВРУ, кА

20

15

Пиковое значение тока короткого замыкания следует принимать равным произведению действующего значения на коэффициент k = 1,5.

5.2 Для однопанельных и шкафных ВРУ, а также для каждой панели многопанельного ВРУ должны определяться их номинальные токи, а для встроенных в них аппаратов - номинальные рабочие токи в соответствии с приложением В.

Полученные значения параметров должны приводиться в технических условиях на ВРУ конкретных типов.

5.3 Основные размеры и массы однопанельных и шкафных ВРУ, а также панелей многопанельных ВРУ должны приводиться в технических условиях на ВРУ конкретных типов.

Габаритные размеры панелей и шкафов ВРУ напольного исполнения, как правило, не должны превышать 2000 х 800(1200) х 500 мм (высота, ширина, глубина), а шкафов ВРУ настенного и встраиваемого в нишу исполнений - 1000 х 800 х 250 мм.

5.4 Обозначение типов однопанельных и шкафных ВРУ и панелей многопанельных ВРУ рекомендуется формировать в соответствии с приложением Г.

6 Общие технические требования

6.1 Общие требования

6.1.1 ВРУ должны соответствовать требованиям настоящего стандарта, технических условий на ВРУ конкретных типов и конструкторской документации, утвержденным в установленном порядке.

6.1.2 ВРУ каждого вида должны иметь функциональные блоки аппаратов, отвечающих требованиям конкретных электроустановок соответствующих зданий по 1.3.

6.1.3 Условия эксплуатации ВРУ и устойчивость к воздействию внешних факторов должны соответствовать 6.1.3.1-6.1.3.6.

6.1.3.1 Температура окружающего воздуха - в соответствии с климатическим исполнением по 1.4.

6.1.3.2 Высота над уровнем моря - не более 2000 м.

6.1.3.3 Тип атмосферы - I по ГОСТ 15150.

6.1.3.4 ВРУ должны быть устойчивы к воздействию нормальных и предельных значений климатических факторов по ГОСТ 15543.1 и ГОСТ 15150, соответствующих климатическому исполнению по 1.4, и к условиям транспортирования и хранения по разделу 10.

6.1.3.5 ВРУ должны быть устойчивы к воздействию механических факторов внешней среды M1 по ГОСТ 17516.1.

6.1.3.6 Конкретные значения внешних воздействующих факторов должны приводиться в технических условиях на ВРУ конкретных типов.

6.1.3.7 По согласованию между потребителем и изготовителем ВРУ может изготавливаться для особых условий эксплуатации (например, для более высоких температур окружающего воздуха, сейсмических условий, условий эксплуатации на высоте более 2000 м над уровнем моря и т.п.).

Дополнительное требование и методы испытаний устанавливают в технических условиях на ВРУ конкретных типов.

6.2 Конструкция

6.2.1 Элементы конструкции ВРУ класса I, относящиеся к каркасам, оболочкам и другим проводящим частям, следует изготавливать преимущественно из стали с защитным покрытием.

6.2.2 Оболочки ВРУ класса II, если они не выполняют функцию опорных элементов для токоведущих частей, должны изготавливаться из изоляционных материалов, обладающих стойкостью к воспламенению при воздействии нагретой до температуры (850±10) °С проволокой, при встраивании ВРУ в трудновоспламеняющиеся стены - до (б50±10) °С (см. ГОСТ Р 51321.3).

6.2.3 Изоляционные элементы ВРУ классов I и II, на которых крепятся токоведущие части, должны изготавливаться из изоляционных материалов, обладающих стойкостью к воспламенению при воздействии нагретой до температуры (960±10) °С проволокой в соответствии с ГОСТ Р 51321.3.

6.2.4 Теплостойкость оболочек ВРУ класса II, а также изоляционных оснований по 6.2.3 должна соответствовать ГОСТ Р 51321.3.

6.2.5 Конструкция ВРУ каждого вида должна обеспечивать одностороннее обслуживание с фасадной стороны, причем органы управления аппаратов должны располагаться за дверями ВРУ.

6.2.6 Одно- и многопанельные ВРУ, предназначенные для установки в электрощитовых помещениях, рекомендуется изготавливать в исполнении, защищающем ВРУ с передней и боковых сторон, а ВРУ, устанавливаемые вне электрощитовых помещений, должны иметь исполнение, защищающее ВРУ со всех сторон, кроме нижнего основания, примыкающего к полу.

Степень защиты одно- и многопанельных, а также шкафных ВРУ - согласно 6.6.

6.2.7 В одно- и многопанельных ВРУ ввод и вывод проводов и кабелей питающей сети должен быть предусмотрен снизу. По согласованию между потребителем и изготовителем ввод и вывод отходящих проводников может быть предусмотрен как вниз, так и вверх.

Во ВРУ шкафного исполнения ввод и вывод проводников должен быть предусмотрен как в нижней, так и в верхней частях шкафа.

6.2.8 В блоках ввода и распределения должно быть предусмотрено достаточное место для размещения и присоединения проводников к аппаратам с соблюдением нормированных радиусов изгиба изолированных проводов и жил кабелей.

6.2.9 В блоках ввода и распределения должны быть элементы для крепления кабелей и проводов питающих сетей и распределительных цепей.

6.2.10 Если в вводной панели предусмотрено два блока ввода, присоединяемых к различным питающим сетям (схема 6, приложение А), то они должны разделяться перегородкой. Перегородку следует предусматривать также между аппаратами блока АВР (схема 7, приложение А).

6.2.11 В однопанельных и шкафных ВРУ блоки ввода и распределения следует разделять перегородками.

6.2.12 Если в одной распределительной панели многопанельного ВРУ размещают два блока распределения, присоединяемых к различным вводам, то между ними должна предусматриваться перегородка.

6.2.13 При применении в блоке ввода многопанельных ВРУ двух вводных аппаратов они должны быть расположены так, чтобы обеспечивались свободный и безопасный доступ к рукояткам приводов и удобство включения и выключения аппаратов.

6.2.14 В блоках ввода ВРУ, если это оговорено в заказе, следует предусматривать установку разрядников для защиты электроустановки от перенапряжений. Разрядники должны присоединяться после защитных аппаратов ввода.

6.2.15 В однопанельных ВРУ и вводных панелях многопанельных ВРУ (по согласованию между потребителем и изготовителем) следует предусматривать отсеки по 3.4.4 с дверцами для размещения блоков коммерческого учета электроэнергии. Дверцы должны запираться на ключ и иметь элементы для их опломбирования. Отсеки могут закрываться дверью ВРУ, или панели - отдельным замком.

6.2.16 Отсеки по 6.2.15 должны быть рассчитаны на размещение одного или двух блоков учета (если ВРУ запитывается от двух питающих сетей), каждый из которых включает счетчик, испытательную коробку и трансформаторы тока (если счетчики трансформаторного включения).

Блоки учета, относящиеся к различным блокам ввода, следует разделять перегородками. В каждом блоке счетчики следует отделять от трансформаторов тока перегородками для исключения случайного прикосновения к их открытым токоведущим частям.

6.2.17 В шкафном ВРУ вводные зажимы для проводников питающей сети и цепи учета следует располагать за оперативной панелью (по 3.4.6), которая должна быть снабжена элементами для опломбирования, при этом блоки учета в отдельные отсеки могут не выделяться.

6.2.18 Во ВРУ шкафного исполнения в качестве защитных аппаратов следует применять автоматические выключатели, органы управления которых должны быть выведены на оперативную панель, отделяющую их от токоведущих частей.

6.2.19 Во ВРУ шкафного исполнения класса I оперативная панель может быть из проводящего или изоляционного материала. Во ВРУ класса II эта панель должна быть только изоляционной.

6.2.20 Во ВРУ шкафного исполнения класса II оболочка и изоляционная оперативная панель по 6.2.19 должны исключать доступ как к токоведущим, так и к проводящим частям, расположенным внутри оболочки.

6.2.21 В распределительных панелях перед отдельными или несколькими защитными аппаратами (если ими являются предохранители) рекомендуется предусматривать аппараты управления.

Аппараты управления могут быть также предусмотрены перед блоками автоматического управления освещением вне зависимости от места их размещения.

6.2.22 Во ВРУ следует предусматривать внутреннее освещение (в многопанельных ВРУ - в каждой панели) для обслуживания и ремонта при отключенном вводном аппарате.

6.2.23 За дверями одно- и многопанельных ВРУ следует предусматривать защитные ограждения, закрывающие полностью или частично наиболее опасные места, для исключения случайного прикосновения к неизолированным токоведущим частям в направлении обычного доступа к аппаратам.

6.2.24 Ограждения коммутационных вводных аппаратов рубящего типа должны исключать выброс дуги, опасный для оператора, и случайное прикосновение к соседним токоведущим частям при выполнении коммутационных операций.

6.2.25 Съемные части оболочек и внутренние ограждения должны сниматься только с применением инструмента.

6.2.26 Органы управления аппаратов в одно- и многопанельных ВРУ должны располагаться на высоте от 600 до 1800 мм от нижнего основания; шкалы счетчиков - на высоте 1000-1800 мм.

Для шкафных ВРУ в установленном положении высота расположения органов управления аппаратов и шкал счетчиков от пола определяется с учетом вышеуказанных значений.

6.2.27 В одно- и многопанельных ВРУ, размещаемых вне электрощитовых помещений, двери должны запираться на ключ, а в одно- и многопанельных ВРУ, рассчитанных для установки в электропомещениях, двери могут закрываться на ключ или без ключа (см. также 6.2.15).

Во ВРУ шкафного исполнения двери могут закрываться на ключ или без ключа. Если двери во ВРУ закрывают без ключа, то они должны быть снабжены устройством, исключающим их самопроизвольное открывание.

Необходимое количество ключей для замков ВРУ должно устанавливаться в технических условиях на ВРУ конкретных типов.

6.2.28 Двери ВРУ и дверцы отсеков, если они предусмотрены, должны открываться на угол, обеспечивающий свободный доступ к аппаратуре, но не менее 95°.

6.2.29 Для снятия показаний счетчиков в дверцах отсеков или в дверях одно- и многопанельных ВРУ должны быть окна, закрытые ударопрочным прозрачным материалом.

Такие окна могут предусматриваться также в дверях ВРУ шкафного исполнения.

Примечание - Допускается не выполнять окна для снятия показаний счетчиков во ВРУ, устанавливаемых в электрощитовых помещениях.

6.2.30 Панель, предназначенная для присоединения противопожарных средств, должна иметь боковые стенки для локализации установленной в ней аппаратуры, а ее фасадная часть должна быть окрашена в красный цвет.

6.2.31 В однопанельных ВРУ, а также в крайних панелях многопанельных ВРУ боковые стенки должны быть съемными для удобства обслуживания.

В панелях, занимающих промежуточное положение в многопанельных ВРУ, боковые стенки могут не устанавливаться, если это не требуется для локализации блоков аппаратов, как это указано, например, в 6.2.30.

6.2.32 Механическая прочность средств крепления съемных деталей и оболочек, перегородок, ограждений должна соответствовать ГОСТ Р 51321.3.

6.2.33 В одно- и многопанельных ВРУ, в которых применены предохранители, должны предусматриваться на внутренних сторонах дверей или в других местах «карманы» для хранения запасных плавких вставок предохранителей и приспособлений для их замены.

6.2.34 Во ВРУ всех видов должны предусматриваться отделения для хранения эксплуатационных документов по 6.12.1.

Кроме того, на внутренних сторонах дверей или в других местах, удобных для обозрения, должны быть закреплены электрические схемы ВРУ.

6.2.35 Установку (крепление) одно- и многопанельных ВРУ следует предусматривать на полу (к полу).

Шкафные ВРУ должны иметь модификации по виду установки: на полу, на стене, встраиваемые в ниши. ВРУ должны иметь элементы крепления, соответствующие виду их установки.

6.2.36 ВРУ в закрепленном положении должны обладать достаточной жесткостью, исключающей деформации, отрицательно влияющие на работу аппаратов и приборов при ударах и толчках, обусловленных включением и выключением сильноточных коммутационных аппаратов, а также при бросках токов и коротких замыканиях.

6.2.37 Оболочки ВРУ должны выдерживать удары не менее 0,7 Дж.

6.2.38 Однопанельные ВРУ и панели многопанельного ВРУ должны иметь строповые устройства для подъема, опускания и удержания их на весу при монтажных и такелажных работах.

Строповые устройства следует предусматривать в каждом из четырех углов на верхней поверхности ВРУ или панели.

6.2.39 Грузоподъемность строповых устройств при направлении строп под углом 45° должна быть для однопанельных ВРУ равной массе ВРУ, деленной на число задействованных строп (не более двух).

Для панелей многопанельных ВРУ, которые могут соединяться по три панели в транспортные блоки, грузоподъемность равна суммарной массе трех панелей, деленной на число задействованных строп (не более четырех).

6.2.40 Если в качестве строповых устройств применяют рым-болты, то они должны соответствовать ГОСТ 4751.

При разработке специальных строповых устройств применительно к ВРУ следует руководствоваться ГОСТ 13716.

Коэффициент запаса прочности строповых устройств в соединенном с ВРУ положении при подъеме без рывков должен быть не менее 1,5.

6.3 Внутренние цепи

6.3.1 Для внутренних цепей ВРУ должны применяться медные изолированные провода, медные или алюминиевые шины (предпочтительно плакированные медью). Нулевые защитные шины РЕ следует выполнять из меди.

Допускается защитные шины РЕ выполнять из стали с металлическим покрытием, причем их эквивалентная проводимость должна соответствовать проводимости медных шин, сечение которых принимают согласно 6.3.3.

Превышения температур защитных шин при длительно допустимом токе, равном 50 % номинального тока ВРУ, не должны быть более установленных в 6.8.1.

Примечание - Требование, относящееся к превышению температуры защитных шин, обусловлено возможностью присоединения к ним PEN-проводников питающих сетей в соответствии с ГОСТ 30331.3 / ГОСТ Р 50571.3.

6.3.2 Сечение сборных фазных шин следует выбирать в зависимости от значений номинальных токов вводных аппаратов, приведенных в таблице 2, с учетом допустимого их нагрева по 6.8.1.

6.3.3 Сечения сборных шин - нулевой защитной РЕ и нулевой рабочей N - следует принимать соответственно по таблицам 3 и 4 в зависимости от сечения сборных фазных шин.

6.3.4 Присоединения к фазным сборным шинам проводников внутренних цепей, относящихся к отдельным защитным аппаратам или группам аппаратов, соединенных между собой соединительными элементами, или к блокам, следует выполнять разборными.

6.3.5 На сборных нулевых рабочих шинах N и нулевых защитных шинах РЕ должна быть предусмотрена возможность разборного присоединения соответствующих проводников как для внутренних, так и внешних цепей.

6.3.6 В многопанельных ВРУ сборные фазные шины, как правило, выполняют в пределах распределительных панелей, а нулевые защитные РЕ и нулевые рабочие N сборные шины - в пределах каждой панели ВРУ - вводной и распределительной.

6.3.7 Соединения сборных шин панелей по 6.3.6 должны быть разборными, причем фазные шины рекомендуется соединять гибкими межпанельными перемычками, а нулевые защитные и нулевые рабочие - непосредственно друг с другом или с использованием шинных перемычек.

6.3.8 Перемычки по 6.3.7 должны выполняться из того же материала, что и соединяемые ими шины, причем их сечение должно быть не менее сечения этих шин.

6.3.9 Если перемычки по 6.3.7 имеют меньшее допустимое превышение температуры против соединяемых шин (например, вследствие изготовления их из изолированных проводов), то их сечение должно быть соответственно увеличено.

6.3.10 Сборные шины должны быть расположены и закреплены так, чтобы при нормальных условиях эксплуатации исключалась возможность внутреннего короткого замыкания.

6.3.11 Сборные шины должны обладать стойкостью к электродинамическому и термическому воздействию тока короткого замыкания согласно 6.8.2.

6.3.12 Нулевую защитную РЕ и нулевую рабочую N сборные шины рекомендуется размещать в непосредственной близости друг от друга в местах, удобных для присоединения внешних проводников. Нулевую защитную шину следует располагать ниже нулевой рабочей шины на высоте от основания ВРУ, достаточной для обеспечения нормированных радиусов изгиба кабелей с наибольшим сечением, которые могут быть присоединены к ВРУ.

6.3.13 Нулевые защитные сборные шины РЕ должны иметь электрическую связь с открытыми проводящими частями ВРУ класса I, а нулевые рабочие шины N - изолированы от них (при снятой перемычке по 6.3.15).

6.3.14 Нулевые защитные шины РЕ во ВРУ шкафного исполнения класса II должны быть изолированы от проводящих частей так же, как и токоведущие части.

6.3.15 В состоянии поставки ВРУ нулевую защитную РЕ и нулевую рабочую N сборные шины следует соединять съемной перемычкой сечением, равным сечению нулевой рабочей шины N, что должно обеспечивать готовность присоединения ВРУ к четырехпроводной питающей сети с совмещенным нулевым защитным и нулевым рабочим проводником - PEN-проводником.

Если ВРУ должно присоединяться к пятипроводной сети с нулевым рабочим N и нулевым защитным РЕ проводниками (система TN-S), то перемычка должна сниматься, что следует оговаривать в эксплуатационном документе изготовителя.

6.3.16 Нулевые защитные РЕ и нулевые рабочие N проводники должны различаться цветом.

Согласно ГОСТ Р 50462 защитные проводники должны иметь зелено-желтый цвет, нулевые рабочие - голубой.

Нулевые защитные и нулевые рабочие шины могут обозначаться соответственно знаками «РЕ» и «N», причем в многопанельных ВРУ эти обозначения должны наноситься на шинах каждой панели.

Другие проводники внутренних цепей должны обозначаться согласно 6.3.27.

6.3.17 Сечения фазных проводников, присоединяющих одиночные защитные аппараты к сборным шинам, должны выбираться по номинальным токам этих аппаратов и быть не менее 1,5 мм2.

6.3.18 Сечения соединительных элементов защитных аппаратов (по 6.3.4) и проводников, соединяющих эти элементы со сборными шинами, следует определять в зависимости от суммарного тока присоединенных к ним аппаратов, умноженного на коэффициент одновременности согласно приложению В.

Если для соединения упомянутых проводников с указанными соединительными элементами не могут быть использованы зажимы выводов защитных аппаратов, входящих в соединяемую группу аппаратов (по несоответствию сечения проводников зажимам аппаратов или по условиям нагрева), то следует предусмотреть либо зажимы на соединительных элементах под эти проводники, либо переходные зажимы для соединения проводников с выводами аппаратов.

6.3.19 Сечения проводников внутренних цепей блоков (например, блока автоматического управления освещением) должны соответствовать значениям, установленным нормативными документами на аппараты, к которым их присоединяют, или, если такие сведения о проводниках отсутствуют, выбираться по номинальным токам аппаратов.

Способ присоединения проводников к аппаратам определяется конструкцией их выводов.

6.3.20 Цепи тока, отходящие от трансформаторов тока к счетчикам, должны выполняться медными изолированными проводами сечением не менее 2,5 мм2, цепи напряжения - медными проводами сечением не менее 1,5 мм2.

6.3.21 Цепи управления следует выполнять проводниками сечением, установленным для соединяемой ими соответствующей аппаратуры.

6.3.22 Провода внутренних цепей не должны иметь промежуточных соединений.

6.3.23 Прокладку изолированных проводов следует выполнять в предусмотренных местах таким образом, чтобы они не касались неизолированных токоведущих частей и острых кромок проводящих частей ВРУ, а радиусы их изгиба были не менее нормированных значений. Провода не должны препятствовать монтажу и демонтажу аппаратов.

Проводник, соединяющий разрядник нулевой с защитной шиной РЕ, следует прокладывать отдельно от других проводников. Проводники цепей управления также должны прокладываться отдельно.

6.3.24 При больших потоках проводов мелких сечений их следует прокладывать в виде пучков или размещать в коробах, при этом количество проводов, объединяемых в пучок или прокладываемых в коробе, определяют по условиям их допустимого превышения температуры при номинальных рабочих токах аппаратов, к которым они присоединены.

6.3.25 В местах прохода проводов через перегородки или стенки отсеков (панелей) должны предусматриваться меры, исключающие повреждения их изоляции (обработка кромок отверстий, применение проходных втулок).

6.3.26 Провода должны иметь изоляцию на напряжение 660 В переменного тока. Это требование относится также к проводнику, соединяющему разрядник (ограничитель перенапряжения) с защитной шиной РЕ.

6.3.27 Провода внутренних цепей должны иметь на концах цифровую маркировку в соответствии с электрическими схемами ВРУ. Маркировка должна составлять резкий контраст с цветом изоляции проводов, быть стойкой к истиранию и легкочитаемой. На концах сборных фазных шин, если иное не указано на схемах, следует наносить знаки L1, L2, L3.

6.4 Контактные зажимы

6.4.1 Во ВРУ должны быть предусмотрены контактные зажимы (далее - зажимы), которые должны обеспечивать надежное присоединение проводников внешних и внутренних цепей и иметь средства для стабилизации контактного давления согласно ГОСТ 10434.

6.4.2 Зажимы на фазных сборных шинах должны обеспечивать присоединение медных проводников внутренних цепей сечением от 1,5 мм2 до значений, определяемых по 6.3.17 и 6.3.18.

6.4.3 На нулевой защитной шине РЕ и нулевой рабочей шине N должны быть предусмотрены зажимы для проводников внутренних цепей и внешних проводников распределительных и групповых цепей, а также для проводников питающей сети.

Сечения проводников, присоединение которых должны обеспечивать зажимы, - согласно 6.4.4.

На нулевой защитной шине РЕ, кроме указанных зажимов, следует предусматривать:

а) зажим для присоединения нулевого защитного проводника, соединяющего защитную шину РЕ ВРУ с главной заземляющей шиной электроустановки, определяемой ГОСТ Р 50571.10.

Сечение проводника, на которое должен быть рассчитан зажим, следует принимать по таблице 3;

б) зажим для присоединения заземляющего проводника сечением согласно таблице 3, но не менее 25 мм2 по меди и 50 мм2 по стали согласно ГОСТ Р 50571.10.

Примечание - Зажим используется, если защитная шина ВРУ применяется в качестве главной заземляющей шины электроустановки;

в) зажим для присоединения проводника уравнивания потенциалов сечением от 6 до 25 мм2 согласно ГОСТ 50571.10;

г) зажим для присоединения проводника сечением 10 мм2, соединяющего разрядник с защитной шиной РЕ.

6.4.4 Зажимы, предусматриваемые на нулевой защитной шине РЕ и нулевой рабочей шине N для присоединения проводников внутренних цепей и внешних проводников распределительных групповых цепей, должны обеспечивать присоединение проводников сечением от 1,5 мм2 до значений, определяемых по таблицам 3 и 4, в зависимости от сечения фазных проводников.

Зажимы для присоединения соответствующих проводников питающей сети должны обеспечивать присоединение проводников сечением на ступень больше, чем определено в таблицах 3 и 4. Количество зажимов на шинах для проводников питающей сети следует определять с учетом схем вводов ВРУ согласно приложению А.

Таблица 3 - Сечения фазных и соответствующих им нулевых защитных проводников РЕ, мм2

Сечение фазного проводника S

Сечение соответствующего защитного проводника

S

16

S/2

200

Примечание - Если материал защитного проводника отличается от фазного, то его сечение должно быть таким, чтобы обеспечивалась проводимость, эквивалентная проводимости соответствующего сечения проводника, приведенного в таблице.

Таблица 4 - Сечения фазных и соответствующих им нулевых рабочих проводников N, мм2

Сечение фазного проводника S

Сечение соответствующего нулевого рабочего проводника

трехфазной питающей сети и трехфазных отходящих линий

однофазной питающей сети и однофазных отходящих линий

S

S

S>16

S/2

S

Минимальные сечения проводников, присоединение которых должны допускать эти зажимы, устанавливают в технических условиях на ВРУ конкретных типов.

6.4.5 К каждому зажиму для РЕ- и N-проводников должен присоединяться, как правило, один проводник.

6.4.6 Зажимы для РЕ- и N-проводников отходящих распределительных и групповых цепей следует маркировать порядковыми номерами.

6.4.7 Зажимы для присоединения защитных РЕ- или PEN-проводников питающих сетей должны иметь маркировку знаком заземления . Размеры знака и способ выполнения - по ГОСТ 21130.

6.4.8 Если присоединение фазных проводников отходящих распределительных и групповых цепей, а также внешних проводников цепей управления непосредственно к выводам аппаратов затруднено, то следует предусматривать промежуточные зажимы, соединяемые с этими выводами проводниками внутренних цепей. Эти зажимы для удобства присоединения внешних проводников следует размещать над нулевой рабочей шиной в непосредственной от нее близости. Они должны обеспечивать присоединение внешних проводников тех же сечений, что и выводы аппаратов, с которыми они соединены. Зажимы следует маркировать порядковыми номерами.

6.4.9 Если зажимы выводов вводных аппаратов одно- и многопанельных ВРУ не могут обеспечить возможность присоединения к ним требуемого количества проводников питающей сети (см. приложение А), то следует предусматривать присоединение к выводам аппаратов промежуточных токоведущих элементов с необходимым количеством зажимов.

Промежуточные элементы должны обладать электродинамической и термической стойкостью к токам короткого замыкания согласно 6.8.2. При необходимости они должны быть дополнительно закреплены.

Минимальное сечение этих элементов следует выбирать по номинальному току вводного аппарата соответствующего ВРУ.

6.5 Комплектующая аппаратура

6.5.1 Комплектующие аппараты и приборы функциональных блоков следует выбирать с учетом параметров ВРУ, приведенных в таблице 2.

6.5.2 Аппараты и приборы, а также контактные зажимы должны удовлетворять требованиям соответствующих государственных стандартов.

6.5.3 В блоках ввода следует применять автоматические выключатели, неавтоматические выключатели и переключатели в сочетании с предохранителями, предохранители-выключатели, в блоках ввода с автоматическим включением резерва питания - контакторы, магнитные пускатели, автоматические выключатели с приводом.

В блоках ввода следует применять разрядники (ограничители перенапряжений). Электрические характеристики разрядников - по согласованию между потребителем и изготовителем.

6.5.4 Коммутационные аппараты, устанавливаемые в блоках ввода, должны иметь категорию применения не менее АС21 по ГОСТ Р 50030.1.

6.5.5 Отключающая способность автоматических выключателей, а также предохранителей, применяемых с неавтоматическими выключателями на вводе одно- и многопанельных ВРУ, должна быть не ниже значений токов короткого замыкания, приведенных в таблице 2.

6.5.6 Аппараты блоков ввода одно- и многопанельных ВРУ, а также их сборные шины должны обладать электродинамической и термической стойкостью к токам короткого замыкания согласно таблице 2.

6.5.7 В блоках распределения для защиты распределительных и групповых цепей следует применять:

а) одно- и трехполюсные автоматические выключатели с комбинированными расцепителями типов В, С и D в соответствии с заказом потребителя. По согласованию между потребителем и изготовителем могут применяться двух- и четырехполюсные выключатели.

Автоматические выключатели на номинальные токи до 63 А рекомендуется применять с единым размерным модулем и с безметизным их креплением на унифицированных рейках;

б) устройства защитного отключения со встроенной защитой от сверхтока (расцепители согласно перечислению а) или без нее, если в защищаемых цепях предусматривают защитные аппараты от сверхтока;

в) плавкие предохранители, предпочтительно с указателем срабатывания (в одно- и многопанельных ВРУ).

6.5.8 Номинальные токи защитных аппаратов по 6.5.7 - согласно таблице 2.

6.5.9 Отключающая способность защитных аппаратов по 6.5.7 должна быть (если иное не оговорено потребителем) не ниже 3 кА на номинальные токи до 25 А, 6 кА - на номинальные токи до 63 А и 10 кА - на номинальные токи до 125 А.

Отключающая способность аппаратов на номинальные токи 160 А и выше должна быть не ниже значений токов короткого замыкания, приведенных в таблице 2.

6.5.10 В блоках учета следует применять трехфазные счетчики активной энергии прямого включения на соответствующие токи или трехфазные счетчики трансформаторного включения при значениях токов, превышающих допустимые для счетчиков прямого включения.

Примечание - По согласованию изготовителя с потребителем счетчики могут не поставляться или поставляться отдельно.

6.5.11 Трансформаторы тока в блоках учета следует применять на номинальные токи, соответствующие номинальным токам защитных аппаратов цепей, если иное не оговорено потребителем.

В распределительных панелях номинальные токи трансформаторов тока должны соответствовать номинальным токам этих панелей и/или номинальному току блока распределения или распределительной цепи.

6.5.12 Класс точности трансформаторов тока должен быть 0,2 или 0,5. Класс точности счетчиков - не ниже 2,0.

6.5.13 Применяемые в блоках учета испытательные коробки должны иметь элементы для их опломбирования.

6.5.14 В блоках автоматического управления общедомовым освещением, если иное не оговорено потребителем, следует предусматривать:

а) фотореле и/или реле времени;

б) коммутационные аппараты цепей управления;

в) автоматические выключатели типов В, С для защиты групповых цепей.

6.5.15 Характеристики аппаратов блока автоматического управления освещением (6.5.14 а, б) следует указывать в технических условиях на ВРУ конкретных типов.

6.5.16 Аппараты и комплектующие элементы ВРУ должны иметь маркировку в соответствии с принципиальной электрической схемой.

Маркировка должна быть стойкой и доступной для чтения и может выполняться на корпусах аппаратов и комплектующих элементах или рядом с ними.

6.5.17 Конкретные значения параметров аппаратов и приборов должны соответствовать заказу потребителя.

6.5.18 Установку комплектующих аппаратов во ВРУ следует выполнять с учетом требований инструкций их изготовителей в отношении положения аппаратов, соблюдения расстояний до проводящих частей, сечений присоединяемых проводников и т.д.

6.6 Степень защиты

Степень защиты ВРУ по ГОСТ 14254 от прикосновения к токоведущим частям и других внешних воздействий в смонтированном положении должна быть не ниже:

а) в одно- и многопанельных ВРУ, устанавливаемых на полу в электрощитовых помещениях:

- при закрытых дверях со стороны обслуживания и с боковых сторон - IP2X;

- сверху, снизу и сзади - IP00;

- при открытых дверях (степень защиты, обеспечиваемая защитными ограждениями по 6.2.23 в направлении обычного доступа к аппаратуре) - IP2X;

- отсека коммерческого учета при закрытой его дверце или двери панели - IP2X;

б) в одно- и многопанельных ВРУ, устанавливаемых в зданиях на полу вне электропомещений:

- при закрытых дверях - IP31, со стороны нижнего основания, примыкаемого к полу, - IP00;

- при открытых дверях (степень защиты, обеспечиваемая защитными ограждениями по 6.2.23 в направлении обычного доступа к аппаратам) - IP2X;

в) во ВРУ шкафного исполнения классов I и II при закрытых дверях:

- устанавливаемых на полу и закрепляемых на стене - IP31;

- встраиваемых в ниши - IP31 (встраиваемая часть - IP20). При открытых дверях при любом виде установки шкафного ВРУ степень защиты, обеспечиваемая оперативной панелью, должна быть не ниже - IP2XC.

6.7 Защита от поражения электрическим током

6.7.1 Для исключения случайного прикосновения к токоведущим частям ВРУ степень защиты, обеспечиваемая оболочкой по ГОСТ 14254, должна соответствовать 6.6, а также должны быть выполнены конструктивные меры по 6.2.

6.7.2 Во ВРУ всех видов класса I открытые проводящие части должны иметь электрические соединения между собой и с нулевой защитной шиной РЕ согласно 6.3.13 и соответствовать требованиям 6.7.5.

В одно- и многопанельных ВРУ эти соединения должны выдерживать токи короткого замыкания согласно 6.8.2.

Если на двери ВРУ установлены электрические приборы, то дверь следует соединять с проводящим каркасом или оболочкой гибкой медной перемычкой сечением по ГОСТ 22789.

6.7.3 Проводящие части, расположенные внутри изоляционной оболочки шкафного ВРУ класса II, не должны иметь электрической связи с нулевой защитной шиной РЕ и соединенными с ней проводниками.

Это относится также и к встроенным комплектующим аппаратам, даже если они имеют зажимы для защитного проводника.

6.7.4 Открытые проводящие части не должны пересекать оболочку ВРУ класса II.

6.7.5 Электрическое сопротивление между зажимом для присоединения нулевого защитного РЕ (PEN)-проводника питающей сети к сборной нулевой защитной шине РЕ и каждой частью ВРУ по 6.7.2 не должно быть более 0,1 Ом.

6.7.6 ВРУ, в которых предусмотрены предохранители, должны снабжаться приспособлениями для установки и извлечения плавких вставок из их контактных оснований.

6.7.7 Органы управления вводных и защитных аппаратов распределительных и групповых цепей должны быть из изоляционного материала или иметь изоляцию на их проводящих частях.

6.7.8 Органы управления аппаратов должны иметь четко фиксированные положения «включено - отключено» в соответствии с имеющимися на аппаратах обозначениями.

Если после установки аппаратов во ВРУ нельзя судить об их коммутационном положении, то у аппаратов должны быть нанесены дублирующие обозначения положений их органов управления.

6.7.9 Направления движения органов управления аппаратов в установленном положении должны соответствовать ГОСТ 21991.

6.7.10 На паспортной табличке ВРУ класса II должен быть нанесен знак ÿ , обозначающий защиту от поражения электрическим током двойной или усиленной изоляцией.

6.7.11 Один из выводов вторичных обмоток трансформаторов тока должен быть соединен со сборной нулевой защитной шиной РЕ.

6.7.12 На внешней стороне дверей, а также на внутренних ограждениях (по 6.2.23, 6.2.24) должен быть нанесен предупреждающий знак «Осторожно! Электрическое напряжение» по ГОСТ 12.4.026.

6.7.13 Конструкция ВРУ должна обеспечивать безопасность выполнения квалифицированным персоналом следующих операций без снятия напряжения:

- визуальную проверку аппаратов, их технических данных, зафиксированных на паспортных табличках;

- замену плавких вставок предохранителей;

- настройку реле времени на соответствующий режим работы;

- поиск повреждений с применением специальных приборов (индикаторов напряжения, вольтметров и др.);

- проверку маркировки проводников.

6.7.14 Предусмотренные во ВРУ ограждения должны устанавливаться и сниматься с применением инструмента без риска соприкосновения с неизолированными токоведущими частями, находящимися под напряжением, или повреждения изоляции токоведущих частей.

6.8 Электрические характеристики

6.8.1 При номинальных токах ВРУ шкафного и однопанельного исполнений, а также при номинальных токах панелей многопанельного ВРУ превышение температуры их частей над температурой окружающего воздуха и допустимая температура нагрева этих частей при температуре окружающего воздуха 35 °С не должны быть более значений, приведенных в таблице 5.

Примечание - Температура нагрева есть сумма верхнего значения рабочей температуры окружающего воздуха и соответствующего значения превышения температуры.

Таблица 5 - Превышение температуры, °С

Часть ВРУ

Допустимое превышение температуры над температурой окружающего воздуха 35 °С1)

Допустимая температура нагрева

1 Контактные соединения выводов аппаратов, контактных зажимов с внутренними и внешними проводниками

55

90

2 Неизолированные проводники (шины)

55

90

3 Проводники с поливинилхлоридной изоляцией

35

702)

4 Органы управления из изоляционного материала

20

55

5 Доступные части оболочки:

 

 

- металлические

20

55

- из изоляционного материала

25

60

1)При верхнем значении температуры окружающего воздуха, отличном от 35 °С, допустимые превышения температуры могут быть изменены в пределах указанных допустимых температур нагрева.

2)Допустимая температура нагрева проводников с изоляцией другого вида устанавливается в технических условиях на ВРУ конкретных типов.

6.8.2 Блоки ввода и сборные фазные шины одно- и многопанельных ВРУ должны выдерживать термическое и электродинамическое воздействие номинальных кратковременно выдерживаемых токов короткого замыкания, значения которых приведены в таблице 2. Нулевые сборные шины N и РЕ этих ВРУ, а также соединения проводящих частей с шинами РЕ должны обладать стойкостью к токам короткого замыкания, равным 60 % значений токов, приведенных в таблице 2.

Время воздействия тока короткого замыкания - 0,2 с.

Примечание - Блоки ввода и сборные фазные шины шкафного ВРУ с номинальным кратковременно выдерживаемым током, не превышающим 10 кА, не подвергают испытаниям на воздействие этого тока согласно ГОСТ 22789.

6.8.3 Воздушные зазоры и длины путей утечки между неизолированными токоведущими частями ВРУ, а также между ними и проводящими частями, кроме расстояния до двери, должны быть не менее 12 мм.

Расстояние по воздуху до двери - не менее 50 мм.

Примечания

1 Указанные расстояния даны с присоединенными проводниками внутренних и внешних цепей. Эти расстояния не относятся к аппаратам, устанавливаемым во ВРУ.

2 Расстояния между сборными шинами устанавливают также исходя из электродинамической стойкости их к токам короткого замыкания.

6.8.4 Изоляция внутренних цепей ВРУ в холодном состоянии при нормальных условиях испытаний по ГОСТ 15150 должна выдерживать в течение 1 мин испытательное напряжение переменного тока 2500 В частотой 50 Гц.

6.8.5 Электрическая прочность изоляционной оболочки ВРУ шкафного исполнения класса II должна быть в 1,5 раза выше приведенной в 6.8.4 (испытательное напряжение 3750 В).

6.8.6 Электрическое сопротивление изоляции внутренних цепей ВРУ в холодном состоянии должно быть не менее 10 МОм.

6.9 Защитные покрытия

6.9.1 Металлические детали ВРУ должны иметь защитные лакокрасочные, порошковые полимерные и/или металлические покрытия.

6.9.2 Лакокрасочные покрытия должны соответствовать ГОСТ 9.401, порошковые - ГОСТ 9.410.

6.9.3 Лакокрасочные и порошковые полимерные покрытия наружных поверхностей ВРУ должны соответствовать IV классу, внутренних поверхностей - VI классу по ГОСТ 9.032.

6.9.4 Металлические покрытия должны соответствовать требованиям ГОСТ 9.303.

6.9.5 Конкретные виды защитных покрытий, их толщина, балл адгезии, а также методы контроля должны приводиться в технических условиях на ВРУ конкретных типов.

6.10 Надежность

6.10.1 Показатели надежности ВРУ и методы их контроля устанавливаются в технических условиях на ВРУ конкретных типов по требованию потребителя с учетом ГОСТ 27.003 и ГОСТ 27.410.

6.10.2 Устанавливаемый срок службы - 25 лет, с возможной заменой отдельных комплектующих частей ВРУ.

6.11 Маркировка

6.11.1 Каждое однопанельное и шкафное ВРУ и каждая панель многопанельного ВРУ должны иметь паспортную табличку со стойкой маркировкой, закрепленную на двери с наружной стороны.

6.11.2 Размеры маркировочных знаков и способ их нанесения устанавливаются в технической документации на ВРУ конкретных типов.

6.11.3 На паспортной табличке должны быть приведены следующие данные:

1) наименование изготовителя или его товарный знак;

2) знак соответствия;

3) обозначение типа;

4) номинальное напряжение;

5) номинальный ток ВРУ (панели ВРУ);

6) степень защиты;

7) знак  для ВРУ класса II;

8) масса ВРУ или панели;

9) обозначение технических условий;

10) год изготовления;

11) другие технические данные по усмотрению изготовителя.

6.12 Основные сведения о ВРУ, приводимые в эксплуатационных документах

6.12.1 Эксплуатационным документом для каждого вида ВРУ следует считать Руководство по эксплуатации, если иное не предусматривается в технических условиях на ВРУ конкретных типов.

6.12.2 Изготовитель должен приводить в эксплуатационных документах следующие основные сведения о ВРУ:

1) наименование изготовителя;

2) данные о сертификации;

3) область применения и условия эксплуатации;

4) климатическое исполнение;

5) тип ВРУ __________________;

обозначение типа

6) номинальное напряжение;

7) номинальная частота;

8) номинальные токи ВРУ и панелей многопанельных ВРУ;

9) номинальные токи аппаратов (вводных и защитных распределительных и групповых цепей);

10) номинальные рабочие токи аппаратов по перечислению 9, исходя из условий допустимого нагрева;

11) предельная коммутационная способность автоматических выключателей и отключающая способность предохранителей (по данным изготовителя);

12) номинальные отключающие дифференциальные токи устройств защитного отключения;

13) номинальный и максимальный токи счетчиков;

14) степень защиты по ГОСТ 14254;

15) класс защиты по ГОСТ Р МЭК 536;

16) сечения и количество проводников питающей сети, присоединяемых к ВРУ;

17) электрическая схема ВРУ;

18) указания по монтажу, включая указания по присоединению ВРУ в электроустановках с различными типами заземления систем;

19) указание мер безопасности при эксплуатации;

20) габаритные и установочные размеры;

21) масса ВРУ и отдельных панелей многопанельного ВРУ.

6.13 Комплектность

Комплектность устанавливается в технических условиях на ВРУ конкретных типов.

Поставляемые ВРУ должны сопровождаться сертификатом соответствия.

6.14 Консервация и упаковка

6.14.1 Консервация и упаковка ВРУ должны соответствовать ГОСТ 23216.

6.14.2 Части ВРУ, подлежащие консервации, и способы ее выполнения устанавливаются в технических условиях на ВРУ конкретных типов.

6.14.3 Упаковка ВРУ должна исключать их повреждение при транспортировании и хранении.

6.14.4 Если ВРУ должны поставляться со счетчиками, то во избежание повреждения последние могут быть отдельно упакованы в соответствии с требованиями стандарта на счетчики.

6.14.5 Если по согласованию между изготовителем и потребителем ВРУ поставляют без счетчиков, то на месте их установки должна быть бирка с указанием типа и характеристик соответствующего счетчика, крепежные элементы, а также подведены проводники по 6.3.20.

6.14.6 Внутренняя упаковка ВРУ по ГОСТ 23216 устанавливается в технических условиях на ВРУ конкретных типов.

6.14.7 Виды транспортной тары и ее размеры устанавливаются в технических условиях на ВРУ конкретных типов.

6.14.8 Эксплуатационная документация должна укладываться в водонепроницаемом пакете в предусмотренное в каждом ВРУ отделение согласно 6.2.34. Остальная документация (упаковочный лист, сертификат и т.п.) должна упаковываться и размещаться в грузовых местах в соответствии с ГОСТ 23216 и техническими условиями на ВРУ конкретных типов.

6.14.9 Транспортная маркировка - по ГОСТ 14192.

6.14.10 Консервация и упаковка ВРУ, поставляемых на экспорт, должны соответствовать также требованиям контракта.

7 Требования безопасности

7.1 ВРУ в отношении защиты от поражения электрическим током должно отвечать требованиям 6.6 и 6.7.

7.2 Пожарная безопасность ВРУ должна обеспечиваться мерами, предусмотренными 6.2.3, 6.2.4, 6.5.4-6.5.9, 6.8.1-6.8.6 настоящего стандарта и ГОСТ 12.2.007.0.

7.3 Вероятность возникновения пожара во (от) ВРУ не должна превышать 10-61/год согласно ГОСТ 12.1.004.

Примечание - Вероятность возникновения пожара не включается в число требований при сертификации.

8 Правила приемки

8.1 ВРУ должны подвергаться изготовителем приемосдаточным, квалификационным, периодическим и типовым испытаниям.

8.2 Приемосдаточные испытания

8.2.1 Приемосдаточным испытаниям должны подвергаться каждое шкафное и однопанельное ВРУ и каждая панель многопанельного ВРУ предъявляемой партии. Программа проверок и испытаний - в соответствии с таблицей 6.

Таблица 6 - Программа приемосдаточных испытаний

Наименование проверок и испытаний

Пункт

технических требований

методов испытаний

1 Проверка функционирования дверец и их запорных устройств

6.2.27, 6.2.28

9.8

2 Проверка наличия перемычки между защитной и нулевой рабочей шинами

6.3.15

9.13

3 Проверка цветовой маркировки нулевых защитных и нулевых рабочих проводников, а также наличие обозначений «РЕ» и «N» соответственно на нулевой защитной и нулевой рабочей шинах

6.3.16

9.14

4 Проверка сечений проводников цепей учета

6.3.20

9.15

5 Проверка соответствия изоляции проводников напряжению 660 В

6.3.26

9.16

6 Проверка наличия цифровой маркировки проводов и обозначений сборных фазных шин

6.3.27

9.17

7 Проверка маркировки зажимов для проводников распределительных и групповых цепей

6.4.6

9.18

8 Проверка маркировки зажимов защитных проводников питающих сетей знаком заземления

6.4.7

9.19

9 Проверка маркировки аппаратов, их параметров и расположения во ВРУ

6.5.16-6.5.18

9.21

10 Проверка электрического сопротивления между зажимом нулевого защитного проводника питающей сети и проводящими частями

6.7.5

9.23

11 Проверка функционирования органов управления аппаратов и правильности направления их движения

6.7.8, 6.7.9

9.24

12 Проверка наличия маркировки ВРУ класса защиты II

6.7.10

9.25

13 Проверка наличия соединения вторичных обмоток трансформаторов тока с нулевой защитной шиной РЕ

6.7.11

9.26

14 Проверка предупреждающего знака напряжения

6.7.12

9.27

15 Измерение сопротивления изоляции

6.8.6

9.32

16 Проверка лакокрасочных и порошковых полимерных покрытий

6.9.2, 6.9.3

9.33

17 Проверка металлических покрытий

6.9.4

9.34

18 Проверка маркировки ВРУ

6.11

9.36

19 Проверка заполнения эксплуатационного документа

6.12.1, 6.12.2

9.37

20 Проверка комплектности

6.7.6, 6.13

9.38

21 Проверка консервации и упаковки

6.14

9.39

Примечание - Последовательность выполнения проверок при приемосдаточных испытаниях устанавливается изготовителем в технологической документации.

Проверку лакокрасочных и порошковых полимерных покрытий по 6.9.2 и 6.9.3, металлических покрытий по 6.9.4 следует проводить выборочно. Объем контроля устанавливается в технических условиях на ВРУ конкретных типов.

Допускается проверку покрытий проводить на образцах (фрагментах оболочек или каркасах), на которых покрытие должно быть выполнено по той же технологии, что и на ВРУ. Образцы должны быть выполнены из того же материала, что и соответствующие части.

8.2.2 Для проверки внешнего вида ВРУ, а также для выполнения других проверочных операций следует использовать образцы ВРУ или их фрагменты, утвержденные в установленном порядке.

8.2.3 По согласованию потребителя с изготовителем объем приемосдаточных испытаний может быть расширен и установлен в технических условиях на ВРУ конкретных типов.

8.2.4 ВРУ, не выдержавшие испытаний и проверок, подвергают повторным испытаниям после устранения недостатков. Допускается повторные испытания проводить по пунктам несоответствия ВРУ. Результаты повторных испытаний являются окончательными.

8.3 Квалификационные испытания

8.3.1 Квалификационным испытаниям подвергают ВРУ из первых промышленных партий, прошедших приемосдаточные испытания.

Объем квалификационных испытаний - в соответствии с таблицей 7.

Таблица 7 - Программа квалификационных и периодических испытаний

Наименование проверок и испытаний

Вид испытаний

Пункт

Квалификационные

Периодические

технических требований

методов испытаний

1 Проверка основных размеров, массы

+

-

5.3

9.1

2 Проверка соответствия требованиям к конструкции ВРУ и его зажимам

+

+

6.2.1, 6.2.5-6.2.26, 6.2.29-6.2.31, 6.2.33-6.2.35, 6.2.38, 6.3.1-6.3.10, 6.3.12-6.3.14, 6.3.17-6.3.19, 6.3.21-6.3.25, 6.4.1, 6.4.5, 6.4.8, 6.4.9, 6.7.1-6.7.4, 6.7.13, 6.7.14

9.2

3 Проверка возможности присоединения к зажимам проводников соответствующих сечений

+

-

6.4.2-6.4.4

9.3

4 Испытания на устойчивость к воздействию климатических факторов

+

-

6.1.3.4

9.4

5 Испытание на воздействие механических факторов

+

-

6.1.3.5

9.5

6 Испытание на пожароопасность

+

-

6.2.2, 6.2.3

9.6

7 Испытание на теплостойкость

+

-

6.2.4

9.7

8 Испытание на механическую прочность резьбовых средств крепления съемных деталей

+

-

6.2.32

9.9

9 Испытание жесткости конструкции ВРУ

+

-

6.2.36

9.10

10 Испытание на стойкость к механическим ударам

+

-

6.2.37

9.11

11 Испытание грузоподъемных строповых устройств

+

-

6.2.38-6.2.40

9.12

12 Проверка характеристик примененных во ВРУ видов комплектующей аппаратуры

+

+

6.5.1-6.5.15, 6.7.7

9.20

13 Проверка степени защиты

+

+

6.6

9.22

14 Испытание на превышение температуры номинальным рабочим током

+

+

6.8.1

9.28

15 Испытание на воздействие тока короткого замыкания

+

+

6.7.2, 6.8.2

9.29

16 Измерение воздушных зазоров и длин путей утечки

+

+

6.8.3

9.30

17 Испытание электрической прочности изоляции

+

+

6.8.4, 6.8.5

9.31

18 Испытание на надежность

+

-

6.10

9.35

19 Расчет вероятности возникновения пожара во (от) ВРУ

+

-

7.3

9.40

8.3.2 Типопредставители ВРУ шкафного исполнения и однопанельных ВРУ, а также типопредставители вводных и распределительных панелей многопанельных ВРУ, которые должны подвергаться квалификационным испытаниям, устанавливаются в технических условиях на ВРУ конкретных типов с учетом результатов испытаний в соответствии с приложением В.

8.3.3 Квалификационным испытаниям (за исключением испытаний на пожароопасность по 6.2.2, 6.2.3, 7.3 и теплостойкость по 6.2.4) должны подвергаться по два образца каждого типопредставителя.

8.3.4 Образцы по 8.3.3 испытывают на соответствие требованиям, приведенным в таблице 7, причем один из них проверяют последовательно по пунктам 1, 2, 3, 12, 9, 10, 11, 8, 4, 5, второй - по 16, 17, 14, 15, 13, 18.

Для проверки жесткости конструкций по пункту 9 таблицы 7 испытаниям подвергают одно- и многопанельные ВРУ с вводными аппаратами на наибольший номинальный ток (см. таблицу 2).

8.3.5 Каждую группу испытаний по 8.3.4 выполняют в приведенной последовательности перечисления пунктов таблицы 7.

8.3.6 Для проведения испытаний на пожароопасность и теплостойкость (пункты 6, 7 таблицы 7) должно быть отобрано для каждого вида испытаний по три образца изоляционных оболочек (ВРУ класса II) и изоляционных оснований, на которые крепятся контактные зажимы во ВРУ классов I и II. Порядок проведения испытаний на пожароопасность - по ГОСТ 27483 или/и ГОСТ 27924, на теплостойкость - по ГОСТ Р 51321.3.

8.3.7 Если испытуемые образцы по 8.3.4, 8.3.6 не соответствуют хотя бы одному пункту технических требований, то должны быть проведены повторные испытания на удвоенном количестве образцов по пунктам несоответствия. Результаты повторных испытаний являются окончательными.

8.3.8 Количество образцов и объем испытаний на надежность, а также испытаний, связанных с определением вероятности возникновения пожара (пункты 18 и 19 таблицы 7), - в соответствии с техническими условиями на ВРУ конкретных типов.

Примечание - Необходимое количество образцов для экспериментально-расчетного определения вероятности возникновения пожара по 9.40 согласуется с институтом пожарной охраны МВД.

8.4 Периодические испытания

8.4.1 Периодическим испытаниям должны подвергаться ВРУ, прошедшие приемосдаточные испытания.

8.4.2 Типопредставители ВРУ (шкафных и/или однопанельных) и панелей многопанелъных ВРУ, которые должны подвергаться периодическим испытаниям, - согласно 8.3.2.

Для проведения периодических испытаний отбирают по три образца каждого типопредставителя ВРУ соответствующего вида или панелей многопанельного ВРУ согласно техническим условиям на ВРУ конкретных типов с учетом требований, приведенных в приложении В.

8.4.3 Испытаниям подвергают сначала один образец в объеме, приведенном в таблице 7. Испытания проводят в следующей последовательности пунктов таблицы 7: 2, 12, 16, 17, 14, 15, 13.

8.4.4 Если при испытании одного образца получены положительные результаты, то два других образца не испытывают.

При неудовлетворительных результатах испытаний проводят повторные испытания на двух других образцах по пунктам несоответствия, причем оба образца должны выдержать все испытания.

8.4.5 Периодические испытания должны проводиться не реже одного раза в три года в объеме, приведенном в таблице 7.

8.4.6 Результаты периодических испытаний могут использоваться для целей сертификации по согласованию с органом сертификации.

8.5 Типовые испытания

8.5.1 Типовые испытания ВРУ проводят для оценки эффективности и целесообразности вносимых изменений в конструкцию или технологический процесс.

8.5.2 Типовые испытания проводят по программе, включающей частичный или полный объем квалификационных испытаний в соответствии с таблицей 7. В зависимости от характера изменений в программу могут быть включены испытания, не входящие в объем квалификационных испытаний.

8.5.3 Выбор типопредставителей ВРУ, их количество и правила проведения испытаний устанавливаются в программе типовых испытаний.

9 Методы испытаний

9.1 Проверку размеров и массы ВРУ по 5.3 следует проводить средствами, которые должны быть предусмотрены в технических условиях на ВРУ конкретных типов.

9.2 Проверку соответствия требованиям к конструкции ВРУ по 6.2.1, 6.2.5-6.2.26, 6.2.29-6.2.31, 6.2.33-6.2.35, 6.2.38, 6.3.1-6.3.10, 6.3.12-6.3.14, 6.3.17-6.3.19. 6.3.21-6.3.25, 6.4.1, 6.4.5, 6.4.8, 6.4.9, 6.7.1-6.7.4, 6.7.13, 6.7.14 проводят сличением с конструкторской документацией.

9.3 Проверку возможности присоединения к зажимам проводников соответствующих сечений по 6.4.2-6.4.4 выполняют пробным монтажом, для чего к зажиму должны быть присоединены проводники наибольшего и наименьшего сечений и проверена степень их закрепления в зажиме. Методика проверки устанавливается в технических условиях на ВРУ конкретных типов в зависимости от конструкции зажимов.

9.4 Испытание на воздействие климатических факторов внешней среды по 6.1.3.4 должно проводиться согласно ГОСТ 16962.1. Методы испытаний устанавливаются в технических условиях на ВРУ конкретных типов.

9.5 Испытания на воздействие механических факторов внешней среды по 6.1.3.5 должны выполняться по ГОСТ 16962.2. Методы испытаний устанавливаются в технических условиях на ВРУ конкретных типов.

9.6 Испытания на пожароопасность изоляционных оболочек шкафных ВРУ по 6.2.2 и изоляционных оснований по 6.1.3, на которых крепятся контактные зажимы, следует проводить нагретой проволокой в соответствии с ГОСТ 27483.

Подготовка образцов к испытаниям - по этому же стандарту.

Температура нагрева образцов - по 6.2.2 и 6.2.3.

Испытания изоляционного основания зажимов должны проводиться во ВРУ или вне его.

При испытании изоляционное основание должно находиться в рабочем положении.

Нагретую проволоку в виде петли приводят в соприкосновение с каждой испытуемой частью один раз в любом месте. Испытания проводят при нормальных климатических условиях по ГОСТ 15150.

Критерии оценки результатов испытаний - по ГОСТ 27483.

Если в состав ВРУ входят контактные зажимы на номинальные токи до 63 А, конструкция которых соответствует ГОСТ 27924, то испытания изоляционных оснований с установленными на них зажимами могут проводиться по этому стандарту при помощи накальных элементов. Подготовка образцов к испытаниям, их проведение, а также критерии оценки результатов испытаний - по ГОСТ 27924.

Примечания

1 Допускается не проводить испытания оболочек шкафных ВРУ класса II и изоляционных оснований зажимов, если они выпускаются по нормативной документации, в которой предусмотрены испытания на пожароопасность.

2 Не подвергаются испытаниям изоляционные основания зажимов, если они изготовлены из негорючих материалов (керамика, фарфор и т.п.).

9.7 Испытание на теплостойкость по 6.2.4 оболочек шкафных ВРУ класса II и изоляционных оснований, на которых крепят зажимы во ВРУ классов I и II, следует проводить согласно ГОСТ Р 51321.3.

9.8 Проверку функционирования дверец и их запорных устройств по 6.2.27 и 6.2.28 проводят трехкратным опробыванием их в работе.

9.9 Проверка механической прочности винтовых средств крепления съемных деталей по 6.2.32 должна проводиться по ГОСТ Р 51321.3.

Результаты испытаний считают удовлетворительными, если при испытании отсутствовали повреждения, приведенные в указанном стандарте.

9.10 Проверку жесткости конструкций ВРУ по 6.2.36 выполняют в закрепленном к полу положении путем пятикратного включения и отключения вводных аппаратов с ручным приводом и пусковых аппаратов в панелях АВР.

Результаты проверки жесткости ВРУ считают положительными, если в процессе включения и отключения аппаратов не произошло остаточной деформации в элементах каркаса, а возможная упругая деформация не повлияла отрицательно на работу блоков автоматического управления общедомовым освещением, т.е. под воздействием сотрясения не произошло срабатывание элементов автоматики, а в блоке учета не произошло повреждения счетчика.

Жесткость конструкций ВРУ считают достаточной, если указанные или иные дефекты не были выявлены также при испытании ВРУ на воздействие тока короткого замыкания по 9.29.

9.11 Испытаниям на стойкость механическим ударам по 6.2.37 подвергают оболочки шкафных ВРУ классов I и II, а также оболочки одно- и многопанельных ВРУ класса I.

Оболочки шкафных ВРУ испытывают как настенной установки (удары наносят со всех сторон, кроме задней), так и оболочки ВРУ, встраиваемые в ниши (удары наносят только по фасадной стороне).

Оболочки одно- и многопанельных ВРУ подвергают воздействию ударов с фасадной и боковых сторон.

При нанесении ударов по фасадной стороне двери ВРУ всех видов должны быть закрыты.

Количество ударов, методика их выполнения и оценка результатов испытаний - по ГОСТ Р 51321.3.

При испытании не должен также разрушаться прозрачный материал, защищающий окна для снятия показаний счетчиков. Допускаются отдельные трещины, не ухудшающие обзор шкал счетчиков.

9.12 Испытания строповых устройств по 6.2.38-6.2.40 проводят подъемом ВРУ с дополнительной нагрузкой, численно составляющей 50 % массы ВРУ, используя при этом минимальное число строповых устройств согласно 6.2.39.

Дополнительная нагрузка может создаваться динамометром согласно рисунку 1, иллюстрирующему подъем однопанельного ВРУ.

Подъем выполняют с помощью тросовых строп, оконцованных крюками и рассчитанных на соответствующую нагрузку. Направление строп должно быть под углом 45° по отношению к вертикальной оси ВРУ (см. рисунок 1).

1 - динамометр 1; 2 - строп; 3 - строповое устройство; 4 - ВРУ; 5 - динамометр 2

Рисунок 1

Выдержка под нагрузкой строповых устройств - 10 мин.

Строповые устройства считают выдержавшими испытания, если не произошел разрыв самих устройств или мест их соединения с каркасом, или в них не появились трещины и надрывы.

Примечания

1 Строповые устройства могут быть испытаны на разрывной машине при использовании соответствующего фрагмента ВРУ, обеспечивающего приложение усилий к ним под заданным углом.

2 Если масса испытуемого образца не является максимальной для данного вида ВРУ, то доведение нагрузки до максимального значения должно достигаться за счет динамометра 2 (см. рисунок 1).

9.13 Проверку наличия перемычки между защитной и нулевой рабочими шинами по 6.3.15 проводят визуально, при этом проверяют надежность соединения ее с шинами соответствующим инструментом (ключом, отверткой).

9.14 Проверку цветовой маркировки нулевых защитных и нулевых рабочих проводников, а также наличие обозначений «РЕ» и «N» соответственно на нулевой защитной и нулевой рабочей шинах по 6.3.16 проводят визуально.

9.15 Проверку сечения медных проводников цепей учета по 6.3.20 проводят визуально.

9.16 Проверку соответствия изоляции проводов напряжению 660 В по 6.3.26 проводят по их маркировке согласно ГОСТ 18690 и/или сертификату.

9.17 Проверку цифровой маркировки проводов внутренних цепей и обозначение сборных фазных шин по 6.3.27 проводят визуально и сличением с электрической схемой.

9.18 Проверку маркировки порядковыми номерами зажимов для нулевых рабочих и нулевых защитных проводников распределительных и групповых цепей по 6.4.6 проводят сличением с конструкторской документацией.

9.19 Проверку маркировки зажимов для защитных проводников питающих сетей знаком заземления по 6.4.7 проводят визуально.

9.20 Проверку соответствия видов примененных во ВРУ аппаратов и их характеристик требованиям 6.5.1-6.5.15, 6.7.7 проводят сопоставлением с конструкторской документацией.

9.21 Проверку маркировки аппаратов по 6.5.16 проводят сличением с электрической схемой, их параметров по 6.5.17 - сверкой с заказами потребителей и расположения аппаратов по 6.5.18 - по конструкторской документации.

9.22 Проверку степени защиты по 6.6 следует проводить по ГОСТ 14254. ВРУ должны проверяться на степень защиты в установленном положении с присоединенными внешними проводниками.

Оценка результатов испытаний - по ГОСТ 14254.

9.23 Проверку электрического сопротивления по 6.7.5 между зажимом для присоединения нулевого защитного проводника питающей сети и проводящими частями ВРУ проводят измерением сопротивления омметром с соответствующим пределом измерения.

9.24 Проверку функционирования органов управления аппаратов по 6.7.8 проводят трехкратным включением и отключением аппаратов, при этом должна обеспечиваться четкая фиксация в положениях «включено» и «отключено». Проверку дублирующих обозначений аппаратов, если они предусмотрены, проводят визуально.

Одновременно проводят проверку правильности направления движения органов управления аппаратов по 6.7.9 путем сопоставления фактического направления движения с заданным в технических условиях на ВРУ конкретных типов и ГОСТ 21991.

9.25 Проверку наличия маркировки ВРУ класса II по 6.7.10 проводят визуально.

9.26 Проверку наличия соединения вторичных обмоток трансформаторов тока с нулевой защитной шиной РЕ проводят визуально, при этом проверяют надежность соединения проводников с выводами трансформаторов тока и с нулевой защитной шиной, используя соответствующий инструмент (отвертку, ключ).

9.27 Проверку наличия предупреждающего знака напряжения на внешней стороне дверей по 6.7.12 проводят визуально.

9.28 Испытание ВРУ на превышение температуры по 6.8.1

9.28.1 Испытание шкафных и однопанельных ВРУ, а также панелей многопанельного ВРУ на превышение температуры проводят их номинальными токами в рабочем положении при нормальных климатических условиях согласно ГОСТ 15150.

9.28.2 Значения номинальных токов ВРУ (номинальных рабочих токов вводных аппаратов), а также значения номинальных рабочих токов защитных аппаратов блоков распределения и их количество, которое должно быть задействовано при испытании, принимают согласно техническим условиям на ВРУ конкретных типов.

Примечание - Значения номинальных токов ВРУ и номинальных рабочих токов защитных аппаратов цепей, а также их количество, используемое при испытании, устанавливают в технических условиях на ВРУ конкретных типов в соответствии с приложением В.

9.28.3 Номинальный ток ВРУ шкафного исполнения или однопанельного ВРУ, а также панели многопанельного ВРУ с блоками распределения должен быть распределен между защитными аппаратами распределительных и групповых цепей таким образом, чтобы через каждый задействованный при испытании защитный аппарат протекал его номинальный рабочий ток.

Примечание - Допускается один трехфазный или три однофазных аппарата из числа задействованных для испытаний загружать током, меньшим номинального рабочего тока аппарата, для достижения равенства суммарного рабочего тока этих аппаратов номинальному току ВРУ или панели.

9.28.4 Испытание на превышение температуры проводят трехфазным и/или однофазным током. Напряжение испытательных цепей не нормируют.

Примечание - Испытание трехфазным током предпочтительней, поскольку при этом все элементы внутренних цепей ВРУ могут одновременно включаться в испытательные цепи.

9.28.5 При испытании трехфазным током шкафных и однопанельных ВРУ защитные аппараты распределительных и групповых цепей, включая групповые цепи блока управления освещением, включаются в трехфазные регулируемые цепи, каждую из которых соединяют в искусственную звезду.

В каждой фазе этих цепей следует установить (и поддерживать в процессе испытаний) испытательный ток, равный номинальному рабочему току защитного аппарата с погрешностью, не превышающей ±5 %, при этом значение испытательного тока в каждой фазе вводного аппарата не должно иметь отклонение более чем на ±2 % от номинального тока ВРУ.

9.28.6 При испытании ВРУ шкафных исполнений и однопанельных ВРУ однофазным током защитные аппараты и связанные с ними элементы внутренних цепей, входящие в состав блока распределения и блока управления освещением, включают последовательно в испытательные цепи на соответствующие номинальные рабочие токи, а полюсы вводного аппарата каждого ВРУ - последовательно в испытательную цепь на номинальный ток ВРУ. В эту же цепь включают предохранители блока ввода и сборные шины.

Примечания

1 Если при испытании однофазным током ВРУ не все зажимы (например, на сборных шинах) могли быть введены в испытательные цепи, то их испытания проводят отдельно.

2 Если конструкция зажимов на нулевых рабочих N и нулевых защитных РЕ шинах идентична испытуемым зажимам на фазных шинах, то они могут не подвергаться испытаниям на превышение температуры.

9.28.7 Испытание на превышение температуры многопанельных ВРУ может быть проведено отдельно каждой панели или ВРУ в составе двух или трех панелей, из которых одна с блоком ввода, а остальные с блоками распределения, причем суммарный рабочий ток защитных аппаратов блоков распределения должен соответствовать номинальному току ВРУ, при этом хотя бы одна панель с блоком распределения должна быть нагружена ее номинальным током.

В первом случае испытания могут проводиться как однофазным, так и трехфазным током; во втором случае предпочтительней испытания проводить трехфазным током.

9.28.8 При испытании вводной панели однофазным током полюсы вводного аппарата соединяют последовательно в испытуемую цепь, включающую в себя также предохранители, участки сборных шин, расположенных в вводной панели, и гибкие межпанельные перемычки, предназначенные для соединения этих участков со сборными шинами панелей с блоками распределения.

Примечания

1 Если при испытании однофазным током не все зажимы (например, на сборных шинах) ВРУ могли быть введены в испытательные цепи, то их испытания проводят отдельно.

2 Если конструкция зажимов на нулевых рабочих N и нулевых защитных РЕ шинах идентична испытуемым зажимам на фазных шинах, то они могут не подвергаться испытаниям на превышение температуры.

9.28.9 Если в вводных панелях (схемы № 5-7, приложение А) содержатся по два вводных аппарата, то их и относящиеся к ним элементы внутренних цепей включают в испытательные цепи поочередно.

9.28.10 Испытание однофазным током панелей многопанельных ВРУ с блоками распределения аналогично изложенному в 9.28.6.

9.28.11 Испытание многопанельных ВРУ трехфазным током попанельно или в сборе следует проводить подобно изложенному в 9.28.5.

9.28.12 Для подвода испытательного тока к ВРУ или к вводным панелям согласно 9.28.8 проводники испытательных цепей выбирают по номинальному току ВРУ.

Проводники для выполнения испытательных цепей, в которые включаются защитные аппараты блоков распределения и блоков автоматического включения общедомового освещения, выбирают по номинальным токам аппаратов.

9.28.13 Испытание на превышение температуры защитной шины РЕ по 6.3.1 следует проводить совместно с нулевой рабочей шиной N при установленной между ними перемычке по 6.3.15, для чего к имеющимся на них зажимам (для соответствующих проводников питающей сети) следует присоединить проводники испытательной цепи и установить в ней ток, равный 50 % номинального тока ВРУ.

9.28.14 Выбор сечений и длин медных проводников испытательных цепей - по ГОСТ 22789, но не менее сечений проводников внутренних цепей.

Концы проводников испытательных цепей должны быть тщательно зачищены и надежно соединены с выводами аппаратов и соответствующими зажимами.

9.28.15 При проведении испытаний измерение температур должно проводиться с применением термопар на элементах ВРУ, указанных в таблице 5.

Места установки термопар согласно техническим условиям на ВРУ конкретных типов. Эти места должны указываться в протоколах испытаний.

Примечание - Измерение температуры изолированных проводников, объединенных в пучки или уложенных в коробах, необходимо выполнять на проводниках с худшими условиями охлаждения. Это относится также к гибким межпанельным перемычкам.

9.28.16 Длительность испытания на превышение температуры - до достижения установившегося теплового режима, при котором изменение температуры не более 1 °С/ч.

9.28.17 Контроль температуры частей ВРУ, а также окружающего воздуха должен проводиться по ГОСТ 22789.

9.28.18 ВРУ считают выдержавшими испытания, если превышения температуры их частей над установленным верхним значением температуры окружающего воздуха не более допустимых значений по 6.8.1.

Сопротивление изоляции токоведущих частей, измеренное в конце испытания, должно быть не менее 6 МОм.

9.29 Испытание ВРУ на воздействие тока короткого замыкания

9.29.1 Испытаниям на электродинамическое и термическое воздействие кратковременно выдерживаемым током короткого замыкания по 6.8.2 подвергают одно- и многопанельные ВРУ.

9.29.2 В испытательную трехфазную цепь переменного тока включают: в однопанельных ВРУ - блок ввода и сборные шины, в многопанельных ВРУ - блок ввода с его ошиновкой, а также сборные шины одной панели с блоком распределения.

Примечание - Если в вводной панели размещены два блока ввода на один и тот же номинальный ток, то испытаниям может подвергаться один из них.

9.29.3 При подготовке испытаний ВРУ на воздействие тока короткого замыкания необходимо:

а) сборные шины надежно соединить на концах, противоположных подводу питания, закорачивающими перемычками сечением, равным или эквивалентным по проводимости сечению сборных шин;

б) защитные аппараты распределительных и групповых цепей отключить;

в) вторичные цепи трансформаторов тока закоротить;

г) защитные аппараты на вводе заблокировать для исключения их срабатывания ранее установленного времени в 6.8.2 при протекании тока короткого замыкания.

Примечание - Автоматические выключатели могут быть зашунтированы перемычками, плавкие вставки заменены токоведущими элементами с небольшим сопротивлением.

9.29.4 Для испытательной цепи должны быть применены изолированные проводники, выбранные по номинальному току ВРУ. Проводники должны быть закреплены так, чтобы они могли выдерживать механическое воздействие протекающего через них тока короткого замыкания.

9.29.5 Перед тем как выполнить присоединение ВРУ к испытательной трехфазной цепи, она должна быть откалибрована по осциллограмме таким образом, чтобы в ней достигался ток короткого замыкания, среднее действующее значение которого в трех фазах должно быть равно или близко к значению согласно таблице 2 для соответствующего ВРУ, при этом хотя бы в одной из фаз достигалось пиковое значение тока (см. таблицу 2) с погрешностью, не превышающей ±5 %.

9.29.6 Проводники испытательной цепи должны присоединять к входным выводам вводного аппарата. Значение тока в испытательной цепи с присоединенным ВРУ должно быть близко или равно значению, полученному при калибровке испытательной цепи. Время протекания тока в испытательной цепи - 0,2 с.

9.29.7 Воздействие тока короткого замыкания на элементы ВРУ, включенные в испытательную цепь, должно быть однократным.

9.29.8 Результаты испытаний считают положительными, если не произошло повреждений или разрушения опорных изоляционных элементов, на которых установлены шины и другие токоведущие части, или не произошло деформации шин и гибких перемычек, снижающих электрическую прочность изоляции вследствие возможного сокращения воздушных зазоров и длин путей утечки.

Вводной аппарат не должен иметь повреждений, препятствующих его дальнейшей исправной работе. Не должны иметь повреждений также аппараты и приборы, входящие в состав испытуемого ВРУ или панели ВРУ, но которые не включались в испытательные цепи.

Температура нагрева шин и других неизолированных токоведущих частей ВРУ, входивших в испытательную цепь, не должна превышать 200 °С с учетом температуры, которую они имели до начала испытания, проводников с поливинилхлоридной изоляцией - не более 160 °С.

9.29.9 Испытания ВРУ на воздействие тока короткого замыкания могут быть проведены условным током короткого замыкания по 3.6.7, равным значению номинального кратковременно выдерживаемого тока согласно таблице 2, при этом калибровка цепи и проведение испытаний должны быть при напряжении, равном 1,05 номинального рабочего напряжения. Время действия тока короткого замыкания - до момента срабатывания вводного защитного аппарата.

Порядок проведения калибровки испытательной цепи и проведение испытания - согласно ГОСТ 22789.

9.29.10 Для проверки стойкости нулевых рабочих шин N одно- и многопанельных ВРУ электродинамическому и термическому воздействию токов короткого замыкания через них следует пропустить один раз соответствующий ток, значение и время воздействия которого на шину указаны в 6.8.2.

9.29.11 Для проведения испытаний по 9.29.10 нулевую рабочую шину N следует закоротить с ближайшей фазной шиной. Закорачивающая перемычка должна иметь сечение, равное сечению нулевой рабочей шины. Проводники однофазной испытательной цепи должны быть присоединены: один - к фазной шине (после защитного аппарата), второй - к нулевой шине N, при помощи зажима для присоединения нулевого рабочего проводника питающей сети.

Сечение проводников испытательной цепи должно быть равно сечению нулевой рабочей шины N или эквивалентно ей по проводимости.

9.29.12 Нулевую рабочую шину N считают выдержавшей испытания по 9.29.10, если она не подверглась деформации с последствиями, изложенными в 9.29.8, и ее температура нагрева не превышала значения, указанного в 9.29.8.

9.29.13 Для проверки надежности электрических соединений между открытыми проводящими частями одно- и многопанельных ВРУ и нулевой защитной шиной РЕ по 6.7.2 эти части и защитную шину следует включить в однофазную испытательную цепь и пропустить один раз ток короткого замыкания, значение и время действия которого указаны в 6.8.2.

9.29.14 До проведения испытаний по 9.29.13 ВРУ или панель должны быть изолированы от пола и сторонних проводящих частей.

Проводники испытательной цепи присоединяют: один - к зажиму для защитного РЕ или PEN-проводника питающей сети, а второй - к оболочке однопанельного ВРУ или панели многопанельного ВРУ в наиболее удаленной точке от упомянутого зажима.

Сечение проводников испытательной цепи должно быть равно или эквивалентно сечению нулевой защитной шины РЕ.

9.29.15 Электрические соединения частей ВРУ между собой и с защитной шиной РЕ считают надежными, если после испытаний на воздействие тока короткого замыкания по 9.29.13 электрическое сопротивление, измеренное между точками присоединения проводников испытательной цепи, не превышает 0,1 Ом.

9.30 Измерение воздушных зазоров и длин путей утечки по 6.8.3 следует проводить мерительными инструментами, устанавливаемыми в технических условиях на ВРУ конкретных типов.

9.31 Испытание электрической прочности изоляции внутренних цепей по 6.8.4 и оболочек из изоляционного материала по 6.8.5 следует проводить по ГОСТ 22789.

Испытания многопанельных ВРУ проводят попанельно. При испытаниях ВРУ всех видов счетчик следует отключить, снять перемычку по 6.3.15. Оценка результатов - по ГОСТ 22789.

9.32 Измерение сопротивления изоляции по 6.8.6 проводят: между токоведущими частями различных фаз, между фазами и нулевым рабочим проводником (при снятой перемычке по 6.3.15), а также между ними и защитной шиной РЕ.

Измерения должны проводиться мегаомметром на напряжение не менее 1000 В. Измерения проводят с отключенными счетчиками.

9.33 Проверку лакокрасочных и порошковых полимерных покрытий по 6.9.2 и 6.9.3 (внешний вид, толщина покрытия) следует проводить согласно ГОСТ 9.032 и ГОСТ 9.410 соответственно. Прочность сцепления покрытий - по ГОСТ 15140.

9.34 Проверку металлических покрытий по 6.9.4 следует проводить согласно ГОСТ 9.302.

9.35 Испытание на надежность по 6.10 проводят в соответствии с техническими условиями на ВРУ конкретных типов.

9.36 Проверку маркировки ВРУ по 6.11 проводят сверкой ее с технической документацией.

9.37 Контроль эксплуатационного документа по 6.12.1 должен проводиться на соответствие ГОСТ 2.601 и на полноту его заполнения по 6.12.2 применительно к ВРУ соответствующего типа.

9.38 Проверку комплектности по 6.13, 6.7.6 проводят на соответствие требованиям технических условий на ВРУ конкретных типов.

9.39 Проверку консервации и упаковки ВРУ по 6.14 проводят визуально.

9.40 Вероятность возникновения пожара во (от) ВРУ определяют в соответствии с методикой, приведенной в ГОСТ 12.1.004 (приложение 5).

10 Транспортирование и хранение

10.1 Условия транспортирования ВРУ в части воздействия климатических факторов внешней среды аналогичны условиям хранения 5 по ГОСТ 15150, в части воздействия механических факторов при транспортировании - группе С по ГОСТ 23216.

10.2 Условия хранения ВРУ в части воздействия климатических факторов внешней среды - 2 по ГОСТ 15150 на допустимый срок сохраняемости до ввода в эксплуатацию не более двух лет.

10.3 Транспортирование и хранение ВРУ, поставляемых на экспорт, должны соответствовать требованиям контракта.

11 Указания по эксплуатации

11.1 Эксплуатация ВРУ должна вестись в соответствии с эксплуатационной документацией изготовителя, а также «Правилами эксплуатации электроустановок потребителей» и «Правилами техники безопасности при эксплуатации электроустановок потребителей», утвержденными Главгосэнергонадзором.

11.2 При эксплуатации ВРУ должен использоваться ручной инструмент по ГОСТ 11516.

12 Гарантии изготовителя

12.1 Изготовитель гарантирует соответствие ВРУ требованиям настоящего стандарта при соблюдении потребителем условий транспортирования, хранения, монтажа и эксплуатации.

12.2 Гарантийный срок эксплуатации - два года со дня ввода ВРУ в эксплуатацию.

ПРИЛОЖЕНИЕ А

(обязательное)

Принципиальные схемы вводов во ВРУ

L - фазные проводники; N - нулевой рабочий проводник; РЕ - нулевой защитный проводник; PEN - совмещенный нулевой рабочий и защитный проводник; П - перемычка по 6.3.15

Примечание - Применение схем для соответствующего вида ВРУ - согласно таблице 1.

ПРИЛОЖЕНИЕ Б

(рекомендуемое)

Примерные схемы расположения аппаратуры во ВРУ

1 - оболочка (корпус панели); 2 - блок ввода; 3 - зажимы для присоединения проводников питающей сети с типом заземления системы TN-C (при установленной перемычке 18 в положении, указанном на рисунках Б.1а и Б.1б); 4 - зажимы для присоединения проводников питающей сети с типом заземления системы TN-S или TN-C-S (перемычка 18 между шинами РЕ и N не установлена, см. рисунок Б.1в); 5 - вводный аппарат; 6 - выводы вводного аппарата; 7 - промежуточные токоведущие элементы по 6.4.6, имеющие дополнительные зажимы для присоединения к вводной панели (рисунок Б.1а или рисунок Б.1б) вводной панели с АВР (рисунок Б.1в) и/или выполнения схемы переключения (рисунок Б.1б), а также для присоединения проводников питающих сетей согласно приложению А (см. схемы 3, 4, 6, 7, 8); 8 - отсек блока учета; 9 - аппараты и приборы блока учета; 10 - стенка отсека блока учета; 10' - перегородка между аппаратами блока АВР; 11 - внутренние цепи (включая сборные шины, относящиеся к блоку ввода); 12 - перемычка (межпанельная) для соединения фазных проводников вводной панели с распределительной; 13, 14 - сборные нулевая рабочая N и нулевая защитная РЕ шины с зажимами присоединения соответствующих проводников распределительных и групповых цепей; 15, 16 - межпанельные перемычки для соединения соответственно сборных нулевых рабочих N и нулевых защитных РЕ шин панелей ВРУ; 17 - зажим для присоединения проводника уравнивания потенциалов; 18 - перемычка; 19 - зажим для присоединения защитного проводника от главной заземляющей шины электроустановки по 6.4.3а; 20 - зажим для присоединения заземляющего проводника по 6.4.3б (при использовании сборной нулевой защитной шины в качестве главной заземляющей шины электроустановки); 21 - зажим для присоединения проводника ограничителя перенапряжений (разрядника) по 6.4.3г; 22 - зажимы, предназначаемые согласно перечислению 7; 23 - зажимы для присоединения аппаратуры блока АВР; 24 - аппаратура блока АВР.

Рисунок Б.1 - Схемы расположения аппаратуры в вводных панелях многопанельных ВРУ: а) с одним вводом; б) с двумя вводами; в) с двумя взаиморезервируемыми вводами с аппаратурой АВР

1 - выводы защитных аппаратов панелей (блока распределения) для присоединения распределительных цепей; 2 - защитный аппарат, 3 - выводы аппаратов; 4- соединительные элементы для соединения выводов защитных аппаратов по 6.3.4; 4- сборные шины (фазные); 5 - аппарат управления; 6 - перемычка для соединения аппарата управления или сборных шин с вводной панелью; 7, 8 - сборные шины - нулевая рабочая N и нулевая защитная РЕ с зажимами для присоединения соответствующих проводников распределительных и групповых цепей; 9, 10 - межпанельные перемычки для соединения соответственно сборных нулевых рабочих N и нулевых защитных РЕ шин панелей ВРУ; 11 - зажим для присоединения проводника уравнения потенциалов по 6.4.3в; 12 - оболочка (корпус) панели; 13 - аппараты блока учета; 14 - перегородки между блоками распределения, запитываемыми от двух вводов; 15 - блок управления освещением; 16 - аппаратура блока управления освещением

Рисунок Б.2 - Схемы расположения аппаратуры в распределительных панелях многопанельных ВРУ:

а) с блоком распределения, запитываемым от одного ввода; б) с блоками распределения и учета, запитываемыми от одного ввода; в) с блоками распределения, запитываемыми от двух вводов; г) с блоками распределения, учета и управления общедомовым освещением, запитываемыми от двух вводов

1 - блок ввода; 2 - зажимы для присоединения проводников питающей сети с типом заземления системы TN-C (при установленной перемычке 24 в положении согласно рисунку Б.3); 2 - зажим для присоединения нулевого рабочего проводника N питающей сети с типом заземления системы TN-S или TN-C-S (при снятой перемычке 24); 3 - вводной аппарат; 4 - проводники внутренней цепи; 5 - перегородка между блоками ввода и распределения; 6 - аппараты блока учета; 7 - отсек блока учета; 8 - соединительная перемычка; 9 - фазные сборные шины; 10 - аппараты блока управления освещением; 11 - блок управления освещением; 12-14 - выводы для присоединения групповой цепи; 15 - защитные аппараты блока распределения; 16 - блок распределения; 17-19 - выводы для присоединения распределительной цепи; 20 - зажим для присоединения проводника уравнивания потенциалов по 6.4.3в; 21 - сборная нулевая рабочая шина N; 22 - сборная нулевая защитная шина РЕ; 23 - зажим для присоединения защитного проводника от главной заземляющей шины электроустановки по 6.4.3а; 24 - перемычка; 25 - зажим для присоединения заземляющего проводника по 6.4.3б (при использовании сборной нулевой защитной шины в качестве главной заземляющей шины электроустановки); 26 - зажим для присоединения ограничителя перенапряжения (разрядника) по 6.4.3г; 27 - оболочка (корпус) ВРУ класса I

Рисунок Б.3 - Схема расположения аппаратуры в однопанельном ВРУ

1 - блок ввода; 2 - зажимы для присоединения проводников питающей сети с типом заземления системы TN-C (с установленной перемычкой 20 в положении согласно рисунку Б.4а); 2' - зажим для присоединения нулевого рабочего проводника N питающей сети с типом заземления системы TN-C-S при снятой перемычке 20; 3 - вводной аппарат; 4, 8 - проводники внутренней цепи; 5 - перегородка между блоками ввода и распределения; 6 - блоки ввода и учета; 7 - аппараты блока учета; 9 - блок распределения; 10 - защитный аппарат однофазной групповой цепи; 11 - защитный аппарат распределительной цепи; 12-14 - выводы для присоединения однофазных групповых цепей; 15-17 - выводы для присоединения распределительных цепей; 18 - сборная нулевая рабочая шина N; 19 - сборная нулевая защитная шина РЕ; 20 - перемычка; 21 - зажим для присоединения проводника уравнивания потенциалов; 22 - зажим для присоединения заземляющего проводника по 6.4.3б (при использовании сборной нулевой защитной шины РЕ в качестве главной заземляющей шины электроустановки); 23 - зажим для присоединения ограничителя перенапряжения (разрядника) по 6.4.3г; 24 - оболочка ВРУ класса II

Рисунок Б.4а - Схема расположения аппаратуры в шкафном ВРУ класса II (с изоляционной оболочкой)

1 - блок ввода; 2 - зажимы для присоединения питающей сети с типом заземления системы TN-C (с установленной перемычкой 18 согласно рисунку Б.4б); 2' - зажим для присоединения нулевого рабочего проводника N питающей сети с типом заземления системы TN-S или TN-C-S при снятой перемычке 18; 3 - вводной аппарат; 4 - перегородка между блоками ввода и распределения; 5 - блок учета; 6 - аппараты блока учета; 7 - проводники внутренней цепи; 8 - блок распределения; 9 - защитный аппарат однофазной групповой цепи; 10 - выводы защитных аппаратов 9; 11 - защитный аппарат распределительной цепи; 12 - выводы защитных аппаратов 10, 13 - проводники внутренних цепей, соединяющие выводы аппаратов 9 и 11 с промежуточными зажимами 14; 14 - промежуточные зажимы по 6.4.5 для присоединения фазных проводников распределительных и групповых цепей; 15, 16 - сборная нулевая N и сборная нулевая защитная РЕ шины с зажимами для присоединения соответствующих проводников распределительных и групповых цепей; 17 - зажим для проводника уравнивания потенциалов; 18 - перемычка; 19 - зажим для присоединения заземляющего проводника по 6.4.3б (при использовании сборной нулевой защитной шины РЕ в качестве главной заземляющей шины электроустановки); 20 - зажим для присоединения ограничителя перенапряжения (разрядника) по 6.4.3г; 21 - оболочка (корпус) ВРУ класса I

Рисунок Б.4б - Схема расположения аппаратуры в шкафном ВРУ класса I (с проводящей оболочкой)

ПРИЛОЖЕНИЕ В

(рекомендуемое)

Определение номинальных токов ВРУ и номинальных рабочих токов встроенных в них аппаратов

B.1 Из-за недостаточно эффективного отвода тепла от аппаратов и токоведущих частей, расположенных в оболочках ВРУ, должны быть установлены расчетно-экспериментальным путем номинальные рабочие токи по 6.3.2 встроенных аппаратов таких значений, при которых исключается возможность срабатывания защитных аппаратов, не связанная с аварийным режимом, а нагрев (превышение температуры) частей ВРУ не превосходит допустимых значений, приведенных в 6.8.1 настоящего стандарта.

В.2 Номинальные рабочие токи вводных аппаратов ВРУ и номинальные рабочие токи защитных аппаратов распределительных и групповых цепей следует определять на стадии разработки ВРУ конкретных типов.

В.3 Номинальный ток ВРУ - есть номинальный рабочий ток его вводного аппарата.

Примечания

1 Если в состав блока ввода входят два вводных аппарата, присоединяемых к взаиморезервируемым линиям (схема № 7 с АВР, приложение А), то номинальный ток ВРУ соответствует номинальному рабочему току одного аппарата.

2 Если в состав блока ввода входят два вводных аппарата на один и тот же номинальный ток, предназначаемые для работы в продолжительном режиме с нагрузкой каждого существенно ниже номинального рабочего тока аппарата (схема 6, приложение А), а в отдельные (также продолжительные) периоды любой из них может нагружаться на номинальный рабочий ток при отключенном втором, то номинальный ток ВРУ соответствует номинальному рабочему току одного аппарата.

3 Для многопанельных ВРУ номинальные токи следует определять как для вводных панелей (номинальные токи ВРУ), так и для панелей, содержащих блоки распределения согласно В.10.

В.4 Определение номинальных рабочих токов вводных аппаратов (номинальных токов ВРУ) и номинальных рабочих токов защитных аппаратов, отходящих от ВРУ цепей, следует выполнять экспериментально по предварительно установленным расчетами (в процессе разработки ВРУ) значениям номинальных токов аппаратов, принимаемым по таблице 2 настоящего стандарта.

В.5 В шкафных и однопанельных ВРУ для экспериментального определения номинальных рабочих токов вводных аппаратов, а также защитных аппаратов отходящих распределительных и групповых цепей следует номинальный ток вводного аппарата (определенный расчетным путем) распределить между минимально возможным количеством этих аппаратов, входящих в блок распределения, таким образом, чтобы через каждый из них протекал ток, равный его номинальному току, умноженному на коэффициент одновременности, выбираемый по таблице B.1 для шкафного ВРУ (преимущественно однофазные нагрузки) и по таблице В.2 для однопанельных ВРУ (преимущественно трехфазные нагрузки), в зависимости от числа задействованных для испытаний аппаратов отходящих цепей.

Если номинальный ток вводного аппарата не может быть достигнут нагрузкой принятого для испытаний количества защитных аппаратов, то один трехфазный или три однофазных аппарата могут нагружаться меньшим током.

При испытании превышения температур выводов вводных аппаратов, аппаратов защиты отходящих цепей, проводников внутренних цепей и частей ВРУ не должны быть более значений, установленных в 6.8.1.

Таблица B.1

Число защитных аппаратов, приходящихся на фазу вводного аппарата

Коэффициент одновременности

2 и 3

0,8

4 и 5

0,7

6 и 9

0,6

10 и более

0,5

Таблица В.2

Число защитных аппаратов в распределительном устройстве

Коэффициент одновременности

2 и 3

0,9

4 и 5

0,8

6 и 9

0,7

10 и более

0,6

В.6 Если принятое в В.5 распределение номинального тока вводного аппарата (шкафного или однопанельного ВРУ) по защитным аппаратам отходящих цепей приводит к более высоким значениям превышения температур защитных аппаратов, а также вводного аппарата и других частей ВРУ против допустимых значений по 6.8.1, то номинальные токи вводного и защитных аппаратов должны быть снижены до значений, при которых превышение температуры указанных элементов ВРУ удовлетворяет требованиям 6.8.1. Эти значения принимают как номинальные рабочие токи аппаратов.

Если же превышение температуры вводного аппарата при его номинальном токе не превзойдет допустимого значения по 6.8.1, а присоединенные к нему защитные аппараты отходящих цепей будут иметь превышения температур выше допустимых значений, то токи защитных аппаратов должны быть снижены за счет перераспределения номинального тока вводного аппарата на большее число защитных аппаратов при условии, что сниженные значения токов не менее требуемых потребителем. Если снижение номинальных рабочих токов невозможно, то необходимо либо выбрать защитные аппараты (а при необходимости и вводной аппарат) на большие номинальные токи, либо изменить условия охлаждения так, чтобы значения превышений температур ввести в установленные нормы.

В.7 Если в состав однопанельного ВРУ наряду с блоком распределения по 3.1.6 входит блок управления общедомовым освещением по 3.1.7, то для каждого блока должен быть отдельно определен номинальный рабочий ток по В.8, при этом номинальный рабочий ток вводного аппарата ВРУ будет равен их сумме.

Примечание - В шкафных ВРУ номинальный рабочий ток блока управления общедомовым освещением (если он предусмотрен) отдельно не определяется из-за ограниченного числа входящих в него защитных аппаратов, которые следует учитывать в блоке распределения при проведении испытаний по В.5, В.6.

В.8 Номинальный рабочий ток каждого блока по В.7 может быть предварительно определен по сумме номинальных токов входящих в него защитных аппаратов, умноженной на коэффициент одновременности, выбираемый по таблице B.1 для блока управления освещением и по таблице В.2 для распределительного блока.

В.9 В многопанельных ВРУ номинальные токи должны определяться отдельно для каждой панели. Номинальные токи панелей с блоками распределения, включая блоки управления освещением, не должны превышать значений номинальных токов соответствующих вводных панелей.

В.10 Определение номинального тока вводной панели с заданным номинальным током вводного аппарата сводится к экспериментальному определению его номинального рабочего тока (см. В.3) из условия допустимого превышения температуры аппарата и других частей панели согласно 6.8.1 настоящего стандарта.

В.11 Номинальные токи распределительных панелей многопанельных ВРУ с двумя блоками распределения или с блоком распределения и блоком управления общедомовым освещением, а также номинальные рабочие токи входящих в их состав защитных аппаратов определяются аналогично В.7 и В.8.

Примечание - Если распределительная панель содержит блоки, запитываемые от различных вводов (см. схему 6 приложения А), то для каждой запитывающей цепи определяют ее номинальный рабочий ток, при этом номинальный ток панели не определяют.

В.12 Если в панели перед блоком распределения и/или перед блоком управления освещением предусматривается аппарат управления, то он должен выбираться по номинальному рабочему току соответствующего блока, определяемому по В.8, с последующей его проверкой на превышение температуры по В.5 при одновременной загрузке обоих блоков.

В.13 Методика проведения испытаний ВРУ на превышение температуры, связанная с определением номинальных токов ВРУ и номинальных рабочих токов защитных аппаратов, - в соответствии с 9.28 настоящего стандарта.

В.14 Полученные значения номинальных токов однопанельных и шкафных ВРУ и панелей многопанельных ВРУ (исходя из допустимого превышения температуры по 6.8.1) должны соотноситься с температурой окружающего воздуха 35 °С, с учетом которой нагрев токоведущих частей ВРУ не должен превосходить значений по 6.8.1.

Примечание - Рекомендуется также определять значения номинальных токов ВРУ применительно к температуре окружающего воздуха 25 °С и приводить их в эксплуатационных документах и информационных материалах.

В.15 По результатам испытаний для однопанельных и шкафных ВРУ, а также для вводных панелей многопанельных ВРУ должны также определяться их типопредставители для последующих периодических испытаний на превышение температуры. Результаты испытаний типопредставителей по установленным критериям могут быть распространены на другие исполнения ВРУ или панели многопанельных ВРУ, входящих в тот же типоразмерный ряд, что и типопредставитель соответствующего вида ВРУ.

Для той же цели должны определяться типопредставители панелей многопанельных ВРУ, содержащие блоки распределения с аппаратами защиты преимущественно одного и того же вида. Например типопредставители панелей с предохранителями и с автоматическими выключателями.

Примечание - Типопредставители ВРУ или панелей ВРУ характеризуются наибольшими значениями температур нагрева их частей, но не превышающими допустимых значений по 6.8.1.

В.16 Типопредставители однопанельных и шкафных ВРУ или панели многопанельных ВРУ должны указываться в технических условиях на ВРУ конкретных типов, причем для каждого типопредставителя должны быть указаны аппараты, нагружаемые их номинальными рабочими токами при испытаниях на превышение температуры по 6.8.1 настоящего стандарта.

ПРИЛОЖЕНИЕ Г

(рекомендуемое)

Обозначения типов ВРУ

Г.1 Обозначения типов ВРУ всех видов (многопанельных, однопанельных и шкафных) рекомендуется формировать согласно структуре, приведенной в Г.4.

Г.2 Первая цифра в структуре типа ВРУ обозначает конструкторскую разработку соответствующего вида ВРУ. Для цифрового обозначения конструкторских разработок многопанельных ВРУ может быть использован ряд чисел от 1 до 10. Для обозначения разработок однопанельных и шкафных ВРУ перед каждой цифрой этого ряда следует проставлять соответственно один и два нуля.

Цифровое обозначение разработки ВРУ может дополняться буквенным обозначением изготовителя ВРУ.

Г.3 Третьей цифрой в структуре типа (после номинального тока) обозначают модификацию ВРУ.

Цифровые обозначения присваивают модификациям ВРУ, различающимся классификационными (таблица 1) и иными признаками, а также параметрами, приведенными в таблице 2.

Для нумерации модификаций вводных и распределительных панелей многопанельных ВРУ могут быть использованы ряды трехзначных цифр соответственно от 100 до 199 и от 200 до 299, а для нумерации модификаций однопанельных и шкафных ВРУ - соответственно ряды цифр от 300 до 399 и от 400 до 499.

Примечания

1 Модификациями ВРУ каждого вида являются их различные исполнения (в многопанельных ВРУ - панели), разработанные на единой конструктивной базовой основе, соответствующей виду ВРУ, которая может характеризоваться габаритными размерами, степенью защиты по ГОСТ 14254, способом защиты от поражения электрическим током (классы I и II по ГОСТ Р МЭК 536), наибольшим возможным значением номинального тока и т.д.

2 Характеристики модификаций ВРУ (панелей многопанельного ВРУ) приводят в технических условиях на ВРУ конкретных типов, а также в эксплуатационных документах и информационных материалах.

Г.4 Структура обозначения типов ВРУ (панелей многопанельных ВРУ).

Примеры обозначений типов панелей многопанельного ВРУ

Панель вводная ВРУ, 4-й разработки, изготовителя Н, на номинальный ток 360 А, цифровое обозначение 102, климатическое исполнение УХЛ4:

ВРУ-4Н-360-102 УХЛ4

Панель распределительная ВРУ, 4-й разработки, изготовителя Н, на номинальный ток 200 А, цифровое обозначение 210, климатическое исполнение УХЛ4:

ВРУ-4Н-200-210 УХЛ4

Примечание - Если распределительная панель запитывается от двух вводов (см. пункт В.11 приложения В), то следует указывать их номинальные токи в виде суммы, например ВРУ-4Н-(120+80) УХЛ4.

Пример обозначения типа однопанельного ВРУ

ВРУ 02-й разработки, изготовителя Н, на номинальный ток 200 А, цифровое обозначение 301, климатическое исполнение УХЛ4:

ВРУ-02Н-200-301 УХЛ4

Пример обозначения типа ВРУ шкафного исполнения

ВРУ 003-й разработки, изготовителя С, на номинальный ток 100 А, цифровое обозначение 405, климатическое исполнение УХЛ4:

ВРУ-003-100-405 УХЛ4

Ключевые слова: устройства вводно-распределительные для жилых и общественных зданий, общие технические условия




Rambler's Top100 Яндекс цитирования
  Copyright © 2008-2026, www.docload.ru