Бесплатная библиотека стандартов и нормативов www.docload.ru

Все документы, размещенные на этом сайте, не являются их официальным изданием и предназначены исключительно для ознакомительных целей.
Электронные копии этих документов могут распространяться без всяких ограничений. Вы можете размещать информацию с этого сайта на любом другом сайте.
Это некоммерческий сайт и здесь не продаются документы. Вы можете скачать их абсолютно бесплатно!
Содержимое сайта не нарушает чьих-либо авторских прав! Человек имеет право на информацию!

 

ГОСУДАРСТВЕННЫЙ СТАНДАРТ СОЮЗА ССР

 

СМАЗКА ГРАФИТНАЯ

ТЕХНИЧЕСКИЕ УСЛОВИЯ

ГОСТ 3333-80

 

 

ГОСУДАРСТВЕННЫЙ КОМИТЕТ СССР
ПО УПРАВЛЕНИЮ КАЧЕСТВОМ ПРОДУКЦИИ И СТАНДАРТАМ

Москва

 

ГОСУДАРСТВЕННЫЙ СТАНДАРТ СОЮЗА ССР

СМАЗКА ГРАФИТНАЯ

Технические условия

Graphite grease.
Specifications

ГОСТ
3333-80

Срок действия с 01.01.81

до 01.01.96

Настоящий стандарт распространяется на графитную смазку (смазку УСсА), предназначенную для смазывания грубых тяжелонагруженных механизмов (открытых шестеренчатых передач, резьбовых соединений, ходовых винтов, домкратов, рессор и др.).

Допускается применять смазку при температуре ниже минус 20°С в рессорах и аналогичных устройствах.

Обозначение смазки по ГОСТ 23258-78 - СКа 2/6-гЗ.

(Измененная редакция, Изм. № 3).

1. ТЕХНИЧЕСКИЕ ТРЕБОВАНИЯ

1.1. Смазка должна изготовляться в соответствии с требованиями настоящего стандарта по технологии, которая применялась при изготовлении образцов смазки, прошедших испытания с положительными результатами и допущенных к применению в установленном порядке.

1.2. (Исключен., Изм. № 3).

1.3. По физико-химическим показателям смазка должна соответствовать требованиям и нормам, указанным в таблице.

Наименование показателя

Норма

Метод испытания

1. Внешний вид

Однородная мазь от темно-коричневого до черного цвета

По п. 4.2

2. Температура каплепадения, °С, не ниже

77

По ГОСТ 6793-74

3. Пенетрация при 25°С с перемешиванием (60 двойных тактов), не менее, мм × 10-1

250

По ГОСТ 5346-78
(Метод В)

4. Испытание на коррозию на пластинках из стали марки 40 или 45, или 50 по ГОСТ 1050-88

Выдерживает

По ГОСТ 9.080-77

5. Коллоидная стабильность, % выделившегося масла, не более

5

По ГОСТ 7142-74

6. Массовая доля воды, %, не более

3

По ГОСТ 2477-65

7. Предел прочности на сдвиг при 50°С, Па (гс/см2), не менее

100 (1,0)

По ГОСТ 7143-73
(Метод Б)

8. Вязкость при 0°С и среднем градиенте скорости деформации 10 с-1, Па ×с (П), не более

100 (1000)

По ГОСТ 7163-84

Примечание. Показатели по пунктам 7 и 8 таблицы определяются изготовителем до введения наполнителя.

(Измененная редакция, Изм. № 1, 2, 3).

2. ТРЕБОВАНИЯ БЕЗОПАСНОСТИ

2.1. По степени воздействия на организм смазка относится к 4-му классу опасности по ГОСТ 12.1.007-76. Предельно допустимая концентрация масляного тумана масляной основы смазки в воздухе рабочей зоны производственных помещений не должна превышать 5 мг/м3.

2.2. При работе со смазкой применяют индивидуальные средства защиты согласно нормам, утвержденным в установленном порядке.

(Измененная редакция, Изм. № 3).

2.3. Смазка взрывобезопасна, температура вспышки выше 210°С.

2.4. При разливе смазку следует собрать в емкость, место разлива вытереть насухо ветошью, которую необходимо убрать в специальный металлический ящик.

2.5. Производственные помещения должны быть оборудованы приточно-вытяжной вентиляцией.

Оборудование должно быть заземлено от статического электричества.

2.6. При возникновении пожара применяют основные средства пожаротушения: тонкораспыленную воду, химическую, воздушно-механическую, высокократную пену и порошковые составы.

3. ПРАВИЛА ПРИЕМКИ

3.1. Смазку принимают партиями. Партией считают любое количество смазки, однородной по своим показателям качества, оформленное одним документом о качестве.

3.2. Объем выборок - по ГОСТ 2517-85.

3.3. При получении неудовлетворительных результатов испытаний хотя бы по одному показателю по нему проводят повторные испытания пробы от той же выборки. Результаты повторных испытаний распространяются на всю партию.

(Измененная редакция, Изм. № 2).

3.4. Показатели "Пенетрация" и "Коллоидная стабильность" определяются только при поставке смазки на экспорт.

4. МЕТОДЫ ИСПЫТАНИЙ

4.1. Отбор проб - по ГОСТ 2517-85. Масса объединенной пробы - 1 кг смазки.

(Измененная редакция, Изм. № 2).

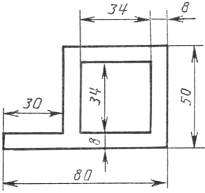
4.2. Для определения внешнего вида смазку наносят на пластинку размерами 50´70´2 мм из стекла по ГОСТ 111-90 или другого бесцветного прозрачного стекла с помощью шаблона из металла, не подвергающегося коррозии, толщиной (2±0,1) мм (см. чертеж). Предельные отклонения размеров шаблона ±1 мм.

Шаблон плотно прикладывают к пластинке, обмазывают с помощью шпателя сначала внутренние края отверстия шаблона, а затем заполняют все отверстия шаблона слоем смазки выше толщины шаблона. Смазку уплотняют шпателем, ребром снимают излишки смазки, осторожно снимают с пластинки шаблон и просматривают ее в отраженном свете невооруженным глазом.

(Измененная редакция, Изм. № 2).

5. УПАКОВКА, МАРКИРОВКА, ТРАНСПОРТИРОВАНИЕ И ХРАНЕНИЕ

5.1. Упаковка, маркировка, транспортирование и хранение - по ГОСТ 1510-84.

(Измененная редакция, Изм. № 2).

6. ГАРАНТИИ ИЗГОТОВИТЕЛЯ

6.1. Изготовитель гарантирует соответствие смазки требованиям настоящего стандарта при соблюдении условий транспортирования и хранения.

6.2. Гарантийный срок хранения смазки - 5 лет со дня изготовления.

(Измененная редакция, Изм. № 2).

 

 

ИНФОРМАЦИОННЫЕ ДАННЫЕ

1. РАЗРАБОТАН И ВНЕСЕН Министерством нефтеперерабатывающей и нефтехимической промышленности СССР

РАЗРАБОТЧИКИ

М.А. Кравцов, Ю.Л. Ищук, д-р техн. наук; И.В. Лендъел, канд. хим. наук; Ковалев А.А. (руководитель темы), М.Б. Наконечная, канд. хим. наук; П.Е. Недбайлюк, канд. техн. наук; А.Р. Кравченко, канд. техн. наук; Л.Л. Дульнева, канд. хим. наук; А.Ф. Турлюн, Н.А. Харченко

2. УТВЕРЖДЕН И ВВЕДЕН В ДЕЙСТВИЕ Постановлением Государственного комитета СССР по стандартам от 14.02.80 г. № 738

3. ВЗАМЕН ГОСТ 3333-55

4. ССЫЛОЧНЫЕ НОРМАТИВНО-ТЕХНИЧЕСКИЕ ДОКУМЕНТЫ

Обозначение НТД, на который дана ссылка

Номер пункта

ГОСТ 9.080-77

1.3

ГОСТ 12.1.007-76

2.1

ГОСТ 111-90

4.2

ГОСТ 1050-88

1.3

ГОСТ 1510-84

5.1

ГОСТ 2477-65

1.3

ГОСТ 2517-85

3.2, 4.1

ГОСТ 5346-78

1.3

ГОСТ 6793-74

1.3

ГОСТ 7142-74

1.3

ГОСТ 7143-73

1.3

ГОСТ 7163-84

1.3

ГОСТ 23258-78

Вводная часть

5. Срок действия продлен до 01.01.96 Постановлением Госстандарта СССР от 25.12.89 № 4101

6. Переиздание (сентябрь 1991 г.) с Изменениями № 1, 2, 3, утвержденными в ноябре 1982 г., октябре 1985 г. и декабре 1989 г. (ИУС 2-83, 1-86, 4-90)

 

 




Rambler's Top100 Яндекс цитирования
  Copyright © 2008-2026, www.docload.ru