Бесплатная библиотека стандартов и нормативов www.docload.ru

Все документы, размещенные на этом сайте, не являются их официальным изданием и предназначены исключительно для ознакомительных целей.
Электронные копии этих документов могут распространяться без всяких ограничений. Вы можете размещать информацию с этого сайта на любом другом сайте.
Это некоммерческий сайт и здесь не продаются документы. Вы можете скачать их абсолютно бесплатно!
Содержимое сайта не нарушает чьих-либо авторских прав! Человек имеет право на информацию!

 

ГОСТ Р 50571.16-99

(МЭК 60364-6-61-86)

ГОСУДАРСТВЕННЫЙ СТАНДАРТ РОССИЙСКОЙ ФЕДЕРАЦИИ

Электроустановки зданий

Часть 6

ИСПЫТАНИЯ

Глава 61

Приемо-сдаточные испытания

ГОССТАНДАРТ РОССИИ

Москва

Предисловие

1 РАЗРАБОТАН ОАО Компания «Электромонтаж» ВНЕСЕН Техническим комитетом по стандартизации ТК 337 «Электроустановки зданий»

2 УТВЕРЖДЕН И ВВЕДЕН В ДЕЙСТВИЕ Постановлением Госстандарта России от 28 апреля 1999 г. № 149

3 Настоящий стандарт содержит полный аутентичный текст международного стандарта МЭК 60364-6-61 (1986) «Электрические установки зданий. Часть 6. Испытания. Глава 61. Приемо-сдаточные испытания» с Изменениями МЭК № 1 (1993) и № 2 (1997)

4 ВВЕДЕН ВПЕРВЫЕ

5 ПЕРЕИЗДАНИЕ. Апрель 2001 г.

СОДЕРЖАНИЕ

1 Область применения. 2

2 Нормативные ссылки. 3

61.1 Общие положения. 3

611 Визуальный осмотр. 3

612 Испытания. 4

612.1 Общие положения. 4

612.2 Непрерывность защитных проводников, включая главные и дополнительные проводники системы уравнивания потенциалов. 4

612.3 Сопротивление изоляции электроустановки. 4

612.4 Защита разделением цепей. 5

612.5 Сопротивление пола и стен. 5

612.6 Проверка защиты, обеспечивающей автоматическое отключение источника питания. 5

612.6.1 Общие положения. 5

612.6.2 Измерение сопротивления заземлителя. 6

612.6.3 Измерение полного сопротивления петли «фаза-нуль». 6

612.7 Проверка полярности. 6

612.8 Испытание электрической прочности. 7

612.8.1 Общие положения. 7

612.9 Проверка работоспособности. 7

Приложение А Метод измерения сопротивления изоляции пола и стен. 7

Приложение B Проверка работы УЗО.. 8

Приложение C Измерение сопротивления заземлителя. 10

Приложение D Измерение полного сопротивления петли «фаза-нуль». 10

Приложение E Руководство по применению настоящего стандарта. 12

Приложение F Периодические осмотры и испытания. 15

Приложение G Требования к протоколу испытаний электроустановки здания. 16

Введение

Настоящий стандарт разработан на основе стандарта МЭК 60364-6-61-86 с дополнениями, учитывающими специфические для условий России требования и положения отечественной нормативной документации (выделены в тексте стандарта курсивом).

Стандарт является составной частью комплекса отечественных стандартов на электроустановки зданий ГОСТ Р 50571, разработанных на основе международного стандарта МЭК 60364 «Электрические установки зданий». Поэтому в нем сохранена принятая в международном стандарте нумерация разделов и пунктов.

Требования настоящего стандарта должны учитываться при разработке и пересмотре стандартов, норм и правил на проектирование, монтаж, устройство, испытания и эксплуатацию электроустановок зданий.

Область применения стандарта - в соответствии с ГОСТ 30331.1/ГОСТ Р 50571.1 (часть 1, раздел 1).

Основными вновь вводимыми в настоящем стандарте отличиями от существующих в отечественной нормативной документации положений являются:

1 Выбор и проверку защитных устройств от поражения электрическим током проводят по величине допустимого напряжения прикосновения - Uпр.доп. Это в большей степени отражает физиологическое воздействие электрического тока на организм человека и обеспечивает более эффективную защиту его от поражения электрическим током.

2 Впервые рекомендуется системный подход к выполнению испытаний как по объему, так и последовательности выполнения.

3 Приведенные в стандарте способы и методы испытаний носят рекомендательный характер и могут быть заменены другими, но при обязательном обеспечении требуемой точности и достоверности получаемых результатов всех испытываемых параметров и устройств.

В настоящем стандарте в отдельных случаях приводятся ссылки на пункты и главы других стандартов комплекса ГОСТ Р 50571 без указания обозначений конкретных стандартов.

Например, в 612.5 настоящего стандарта приведена ссылка на пункт 413.3 другого стандарта комплекса ГОСТ Р 50571. В соответствии с принятой системой нумерации частей, глав, пунктов в комплексе ГОСТ Р 50571 указанный в ссылке пункт 413.3 относится к ГОСТ 30331.3/ГОСТ Р 50571.3.

Данная система ссылок на стандарты комплекса ГОСТ Р 50571 имеет место также в пунктах 611.3, 612.4, 612.5, 612.6.1, 612.6.2, 612.6.3 и таблице 61А.

ГОСТ Р 50571.16-99

(МЭК 60364-6-61-86)

ГОСУДАРСТВЕННЫЙ СТАНДАРТ РОССИЙСКОЙ ФЕДЕРАЦИИ

Электроустановки зданий

Часть 6

ИСПЫТАНИЯ

Глава 61

Приемо-сдаточные испытания

Electrical installations of buildings. Part 6. Verification. Chapter 61. Initial verification

Дата введения 1999-07-01

1 Область применения

Настоящий стандарт устанавливает требования к объему, порядку и методам проведения приемо-сдаточных проверок, измерений и испытаний, соответствие которым обеспечивает требуемую электро- и пожаробезопасность электроустановок зданий, безопасность населения и обслуживающего персонала, а также надежную работу электроустановок при их использовании по назначению.

Область применения - по ГОСТ 30331.1/ГОСТ Р 50571.1 (часть 1, раздел 1).

2 Нормативные ссылки

В настоящем стандарте использованы ссылки на следующие стандарты:

ГОСТ 30331.1-95 (МЭК 364-1-72, МЭК 364-2-70)/ГОСТ Р 50571.1-93 (МЭК 364-1-72, МЭК 364-2-70) Электроустановки зданий. Основные положения

ГОСТ 30331.2-95 (МЭК 364-3-93)/ГОСТ Р 50571.2-94 (МЭК 364-3-93) Электроустановки зданий. Часть 3. Основные характеристики

ГОСТ 30331.3-95 (МЭК 364-4-41-92)/ГОСТ Р 50571.3-94 (МЭК 364-4-41-92) Электроустановки зданий. Часть 4. Требования по обеспечению безопасности. Защита от поражений электрическим током

ГОСТ 30331.4-95 (МЭК 364-4-42-80)/ГОСТ 50571.4-94 (МЭК 364-4-42-80) Электроустановки зданий. Часть 4. Требования по обеспечению безопасности. Защита от тепловых воздействий

ГОСТ 30331.5-95 (МЭК 364-4-43-72)/ГОСТ Р 50571.5-94 (МЭК 364-4-43-77) Электроустановки зданий. Часть 4. Требования по обеспечению безопасности. Защита от сверхтока

ГОСТ 30337.7-95 (МЭК 364-4-46-81)/ГОСТ Р 50571.7-94 (МЭК 364-4-46-81) Электроустановки зданий. Часть 4. Требования по обеспечению безопасности. Отделеление, отключение, управление

ГОСТ Р 50571.10-96 (МЭК 364-5-54-80) Электроустановки зданий. Часть 5. Выбор и монтаж электрооборудования. Глава 54. Заземляющие устройства и защитные проводники

ГОСТ Р 50571.15-97 (МЭК 364-5-52-93) Электроустановки зданий. Часть 5. Выбор и монтаж электрооборудования. Глава 52. Электропроводки

61.1 Общие положения

61.1.1 Каждая электроустановка в ходе монтажа и/или после него, до пуска в эксплуатацию, должна быть осмотрена и испытана, чтобы удостовериться, насколько это возможно, что требования комплекса стандарта ГОСТ Р 50571 выполнены.

61.1.2 Для проведения приемо-сдаточных испытаний должна быть представлена необходимая проектная документация об испытуемой электроустановке и необходимая заводская документация (сертификаты, инструкции и т.д.).

61.1.3 В ходе осмотра и испытания должны быть приняты меры предосторожности, чтобы избежать возникновения опасности для людей, повреждения имущества и установленного оборудования.

61.1.4 При расширении или реконструкции существующей электроустановки необходимо удостовериться, что ее расширение или реконструкция отвечает требованиям комплекса стандартов ГОСТ Р 50571 и не снижает безопасность существующей части электроустановки.

61.1.5 Испытания должны проводиться квалифицированным персоналом.

61.1.6 По завершению испытаний в соответствии с 61.1.1 и 61.1.4 должен быть составлен протокол.

Примечание - Информация о периодических испытаниях дана в приложении F. Информация о содержании протокола приведена в приложении G.

611 Визуальный осмотр

611.1 Визуальный осмотр должен предшествовать испытанию и обычно проводиться при полностью отключенной электроустановке.

611.2 Визуальный осмотр проводят, чтобы удостовериться, что все стационарно установленное и подключенное электрооборудование:

- удовлетворяет требованиям безопасности и соответствующих стандартов на оборудование.

Примечание - Это может быть установлено осмотром маркировки оборудования или проверкой наличия на него сертификатов;

- правильно выбрано и смонтировано в соответствии с требованиями комплекса стандартов ГОСТ Р 50571;

- не имеет видимых повреждений, которые снижают его безопасность.

611.3 Визуальный осмотр должен включать по крайней мере следующие проверки:

- мер защиты от поражения электрическим током, включая измерение расстояний, относящихся, например, к защитным ограждениям или оболочкам, барьерам или размещению токоведущих частей вне зоны достигаемости (см. 412.2-412.4, 413.3, разделы 471, 482, 527, главу 43).

Примечание - Требование 413.3 «Защита путем размещения оборудования в непроводящей зоне» проверяют только в установках, которые включают в себя исключительно стационарно установленное и подключенное оборудование;

- наличия противопожарных уплотнений и других средств, препятствующих распространению огня, а также защиты от тепловых воздействий (см. главу 42);

- выбора проводников по длительно допустимому току и потере напряжения;

- выбора устройств защиты и сигнализации и установок их срабатывания;

- наличия правильно расположенных соответствующих отключающих и отделяющих аппаратов;

- выбора оборудования и защитных мер, соответствующих внешним воздействиям;

- маркировки нулевых рабочих и защитных проводников (см. 514.3);

- наличия схем, предупреждающих надписей или другой подобной информации;

- маркировки цепей, предохранителей, клемм и т.п.;

- правильности соединения проводников;

- доступности для удобной работы, идентификации и обслуживания электроустановки.

612 Испытания

612.1 Общие положения

В зависимости от состава используемых мер защиты должны быть выполнены следующие проверки, измерения и испытания, предпочтительно в приведенной последовательности:

- испытания непрерывности защитных проводников, включая проводники главной и дополнительной систем уравнивания потенциалов (см. 612.2);

- измерение сопротивления изоляции электроустановки (см. 612.3);

- проверка защиты посредством разделения цепей (см. 612.4);

- измерение сопротивления изоляции пола и стен (см. 612.5);

- проверка защиты, обеспечивающей автоматическое отключение источника питания (см. 612.6);

- проверка полярности (см. 612.7);

- испытания на электрическую прочность (см. 612.8);

- проверка работоспособности (см. 612.9);

- проверка на термическое воздействие;

- проверка на потерю напряжения.

В случае, если какое-либо испытание показывает несоответствие настоящему стандарту, то это испытание и каждое предыдущее испытание, на результаты которого может оказать влияние это неудовлетворительное испытание, должны быть повторены после устранения неисправности.

Методы испытаний, приведенные в этой главе, даны для справки. Могут быть применены и другие методы, если они дают не менее достоверные результаты.

В частности, могут быть применены в зависимости от условий выполнения работ методы испытаний с использованием измерителей сопротивления заземления М416, Ф4103, измерителя тока короткого замыкания Ш41160, прибора для контроля сопротивления цепи «фаза-нуль» M417 и им подобных.

612.2 Непрерывность защитных проводников, включая главные и дополнительные проводники системы уравнивания потенциалов

Должно быть выполнено испытание на непрерывность. Рекомендуется, чтобы это испытание выполнялось с использованием источника питания, имеющего напряжение холостого хода от 4 до 24 В постоянного или переменного тока при испытательном токе не менее 0,2 А.

612.3 Сопротивление изоляции электроустановки

Сопротивление изоляции должно быть измерено:

а) между токоведущими проводниками, взятыми по очереди «два к двум» относительно друг друга.

Примечание - На практике эти измерения могут быть выполнены только в процессе монтажа электроустановок до присоединения электроприборов;

b) между каждым токоведущим проводником и «землей».

Примечания

1 В системе TN-C PEN-проводник рассматривают как часть «земли».

2 Во время испытания фазный и нулевой рабочий проводники могут быть соединены вместе.

Таблица 61А - Минимальное значение сопротивления изоляции

Номинальное напряжение цепи, В

Испытательное напряжение постоянного тока, В

Сопротивление изоляции, МОм

Системы БСНН и функционального сверхнизкого напряжения (ФСНН), где сеть питается от безопасного разделяющего трансформатора (411.1.2.1) и также выполнены требования 411.1.3.3

250

³0,25

До 500 включ., за исключением систем БСНН и ФСНН

500

³0,5

Св. 500

1000

³1,0

Сопротивление изоляции, измеренное при испытательном напряжении, указанном в таблице 61А, считают удовлетворительным, если каждая цепь с отсоединенными электроприемниками имеет сопротивление изоляции не менее соответствующего значения, приведенного в таблице 61А.

Измерения должны быть выполнены на постоянном токе.

Если цепь имеет электронные приборы, то должно быть измерено сопротивление изоляции между соединенными вместе фазными и нулевым рабочим проводниками и «землей».

Примечание - Эта мера предосторожности необходима, так как выполнение испытания без соединения токоведущих проводников может вызвать повреждение электронных приборов.

612.4 Защита разделением цепей

Разделение токоведущих частей одной цепи от других цепей и от «земли» в соответствии с 411.1 и 411.5 должно быть проверено измерением сопротивления изоляции. Полученные значения сопротивлений изоляции должны соответствовать приведенным в таблице 61А. При этом электроприборы должны быть, насколько это возможно, присоединенными.

612.5 Сопротивление пола и стен

При необходимости выполнения требований 413.3 для изолирующих (непроводящих) помещений, зон, площадок по крайней мере три измерения должны быть проведены в каждом помещении. Одно из измерений должно быть выполнено примерно в 1 м от сторонних проводящих частей, находящихся в этом помещении. Другие два измерения должны быть проведены на большем удалении.

Вышеуказанная серия измерений должна быть сделана для каждой поверхности помещения.

В приложении А в качестве примера дан метод измерения сопротивления изоляции пола и стен.

612.6 Проверка защиты, обеспечивающей автоматическое отключение источника питания

612.6.1 Общие положения

Проверку эффективности мер защиты от косвенного прикосновения посредством автоматического отключения источника питания осуществляют следующим образом.

а) Для системы TN

Соответствие с требованиями 413.1.3.3 должно быть проверено путем:

1) измерения сопротивления петли «фаза-нуль» (см. 612.6.3).

Примечания

1 Соответствие может быть подтверждено измерением сопротивления защитных проводников в условиях, приведенных в приложении Е.

2 Вышеуказанные измерения не нужны, если имеются расчеты сопротивления петли «фаза-нуль» или сопротивления защитных проводников и когда устройство электроустановки позволяет проверить длину и поперечное сечение проводников. В этом случае проверка непрерывности защитных проводников (см. п. 612.2) является достаточной;

2) проверки характеристик защитного устройства (т.е. проверки токов уставки автоматических выключателей и токов плавких вставок предохранителей, а также испытания УЗО).

Примечание - Примеры методов испытания УЗО приведены в приложении В.

Кроме того, эффективное сопротивление заземления rb, должно быть выбрано, где это необходимо, в соответствии с 413.1.3.7.

b) Для системы ТТ

Соответствие с требованиями 413.1.4.2 должно быть проверено путем:

1) измерения сопротивления заземлителя для открытых проводящих частей электроустановки (см. 612.6.2);

2) проверки характеристик защитного устройства. Эта проверка должна быть проведена:

- для УЗО - осмотром и испытанием.

Примечание - Примеры методов испытания УЗО приведены в приложении В.

- для защитных устройств от сверхтоков - визуальной проверкой (т.е. проверкой токов уставки автоматических выключателей, тока плавкой вставки для предохранителей);

- для защитных проводников - проверкой их непрерывности (см. 612.1).

с) Для системы IT

Соответствие с требованиями 413.1.5.3 должно быть проверено путем расчета или измерения тока первого замыкания на землю.

Примечания

1 Это измерение не требуется, если все открытые проводящие части электроустановки присоединены к системе заземления источника питания (см. 312.2.3) в случае, когда система соединена с «землей» через сопротивление (см. 413.1.5.1).

2 Измерения выполняют только в том случае, если расчет сделать невозможно из-за отсутствия всех параметров. При этом должны быть приняты меры предосторожности при выполнении измерения, чтобы избежать опасности двойного замыкания на «землю».

Там, где имеются условия, подобные условиям ТТ в случае второго замыкания на «землю» (см. 413.1.5.5a), проверку выполняют в соответствии с 612.6.1b.

Там, где имеются условия, подобные условиям системы TN (см. 413.1.5.5b), проверку выполняют в соответствии с 612.6.1a.

Примечание - При измерении сопротивления петли «фаза-нуль» необходимо обеспечить присоединение незначительного сопротивления между нейтральной точкой системы и защитным проводником в месте подключения электроустановки.

612.6.2 Измерение сопротивления заземлителя

Измерение сопротивления заземлителя, где это необходимо (см. 413.1.4.2 для системы ТТ, 413.1.3.2 для системы TN и 413.1.5.3 для системы IT) выполняют соответствующим методом.

Примечания

1 Приложение С дает, как пример, описание метода измерения с использованием двух вспомогательных электродов заземления.

2 Если расположение электроустановок при системе ТТ такое (например, в городе), что невозможно практически обеспечить такие два вспомогательных электрода, измерение полного сопротивления (или активного сопротивления растеканию) даст завышенную величину.

612.6.3 Измерение полного сопротивления петли «фаза-нуль»

Измерение полного сопротивления петли «фаза-нуль» должно выполняться на частоте, равной номинальной частоте сети.

Примечание - Методы измерения полного сопротивления петли «фаза-нуль» даны в качестве примера в приложении D.

Измеренное полное сопротивление петли «фаза-нуль» должно отвечать требованиям 413.1 3.3 для системы TN и 413.1.5.6 для системы IT.

Примечание - Если на величину полного сопротивления петли «фаза-нуль» могут повлиять значительные токи замыкания на землю, результаты измерений, выполненные при таких токах в заводских или лабораторных условиях, с током, удовлетворяющим указанным требованиям, могут быть приняты во внимание. Это особенно относится к комплектным устройствам заводского изготовления, включая шинопроводы, металлические трубы и кабели с металлическими оболочками.

Там, где требования этого подпункта не удовлетворяются или в случае сомнений и где применено в соответствии с 413.1.6 дополнительное уравнивание потенциалов, эффективность этого уравнивания должна быть проверена на соответствие требованиям 413.1.6.2.

612.7 Проверка полярности

Там, где запрещена установка однополюсных выключающих аппаратов в нулевом рабочем проводнике, проверка полярности должна быть выполнена, чтобы удостовериться, что все такие аппараты включены только в фазный проводник.

612.8 Испытание электрической прочности

612.8.1 Общие положения

Испытаниям подвергают только оборудование, которое изготовлено или модернизировано на месте установки.

612.9 Проверка работоспособности

Комплектные устройства, такие, как распределительные устройства и щиты управления, приводы, системы управления и блокировки, должны быть подвергнуты проверке на работоспособность, чтобы убедиться, что они правильно смонтированы, отрегулированы и установлены в соответствии с требованиями комплекса стандартов ГОСТ Р 50571. Аппараты защиты должны быть подвергнуты проверке на работоспособность, если необходимо проверить, что они правильно установлены и отрегулированы.

Примечание - Методы проверки работы УЗО даны в качестве примеров в приложении В.

ПРИЛОЖЕНИЕ А

(рекомендуемое)

Метод измерения сопротивления изоляции пола и стен

В качестве источника постоянного тока используют мегаомметр, обеспечивающий напряжение холостого хода 500 В (или 1000 В, если номинальное напряжение установки превышает 500 В).

Сопротивление измеряют между измерительным электродом и защитным проводником электроустановки.

Измерительные электроды могут быть одного из нижеследующих типов. В случае разногласий рекомендуется использовать электрод 1.

Примечание - Испытания рекомендуется выполнять до нанесения на испытуемые поверхности отделочных покрытий (лак, краски и другие отделочные материалы).

Измерительный электрод 1

Электрод состоит из квадратной металлической пластины со стороной 250 мм и квадратной влажной водопоглощающей бумаги или материи, излишнюю влагу из которой удаляют, со стороной примерно 270 мм, помещаемой между металлической пластиной и измеряемой поверхностью.

Во время измерения пластину прижимают к поверхности пола или стены с усилием приблизительно 750 или 250 Н соответственно.

Измерительный электрод 2

Измерительный электрод представляет собой треножник, ножки которого образуют вершины равностороннего треугольника (рисунок A.1).

1 - алюминиевая пластина; 2 - винт с шайбой и гайкой; 3 - клемма; 4 - контактная ножка из проводящей резины

Рисунок А.1 - Испытательный электрод 2

Каждая ножка имеет эластичное основание, обеспечивающее при нагрузке плотный контакт с измеряемой поверхностью площадью приблизительно 900 мм2 и сопротивление менее 5000 Ом.

Перед измерением поверхность смачивают или покрывают влажной материей. Во время измерений треножник прижимают к поверхности пола или стены с усилием, равным 750 или 250 Н соответственно.

ПРИЛОЖЕНИЕ В

(рекомендуемое)

Проверка работы УЗО

В качестве примеров даны следующие методы

Метод 1

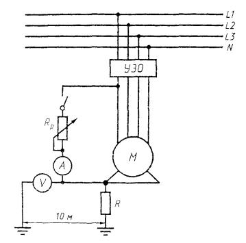
На рисунке B.1 показан принцип метода, при котором регулируемое сопротивление присоединяют между фазным проводником на стороне нагрузки и открытой проводящей частью. Ток увеличивают путем уменьшения сопротивления регулируемого резистора .

Ток , при котором УЗО срабатывает, не должен быть больше номинального тока срабатывания .

Примечание - Этот метод может быть использован для систем TN-S, ТТ и IT. В системе IT может быть соединение точки схемы с землей при проведении испытания, необходимое для срабатывания УЗО.

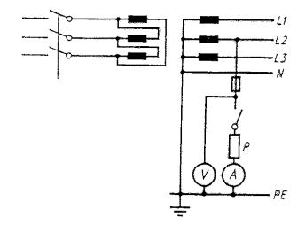
Метод 2

На рисунке В.2 показан принцип метода, при котором регулируемое сопротивление присоединяют между одним проводником (фазным или нулевым рабочим) на стороне питания и другим проводником (нулевым рабочим или фазным) на стороне нагрузки. Ток увеличивают путем уменьшения сопротивления регулируемого резистора .

Ток , при котором УЗО срабатывает, не должен быть больше . Нагрузка во время испытания должна быть отсоединена.

Примечание - Метод 2 может быть использован для систем TN-S, ТТ и IT.

Рисунок В.1 - Схема проверки УЗО по методу 1

Рисунок В.2 - Схема проверки УЗО по методу 2

Метод 3

На рисунке В.3 показан принцип метода, использующего вспомогательный электрод. Ток увеличивают путем уменьшения сопротивления регулируемого резистора .

Затем измеряют напряжение U между открытыми проводящими частями и независимым вспомогательным электродом.

Измеряют также ток , который не должен быть больше , при котором УЗО срабатывает.

Должно быть выполнено следующее условие

,                                                        (B.1)

где  - предельное нормируемое напряжение прикосновения, В.

Примечания

1 Метод 3 может быть использован только в том случае, если расположение электроустановки позволяет использовать вспомогательный электрод.

2 Метод 3 может быть использован для систем TN-S, ТТ и IT. В системе IT может быть необходимым при проведении испытаний соединение точки системы с землей для обеспечения срабатывания УЗО.

Рисунок В.3 - Схема проверки УЗО по методу 3

ПРИЛОЖЕНИЕ С

(рекомендуемое)

Измерение сопротивления заземлителя

Для измерения сопротивления заземлителя в качестве примера может быть принята следующая методика (рисунок C.1).

Переменный ток неизменной величины пропускают между заземлителем T и вспомогательным электродом заземления T1, расположенном на таком расстоянии, чтобы зоны растекания двух заземлителей не перекрывались.

Второй вспомогательный электрод заземления Т2, в качестве которого может использоваться металлический стержень, погруженный в землю, должен быть помещен между Т и T1. Затем измеряют падение напряжения между T и Т2.

Сопротивление заземлителя равно напряжению между T и T2, деленному на ток, протекающий между Т и Т1, при условии, что нет перекрытия зон растекания.

Чтобы проверить, что сопротивление заземлителя определено правильно, проводят два дополнительных измерения, при которых второй вспомогательный электрод T2; переносят соответственно на 6 м дальше и на 6 м ближе к Т. Если эти три результата существенно не отличаются, то их среднее значение принимают за сопротивление заземления T.

Если имеется существенное различие, то испытания повторяют при увеличенном расстоянии между Т и T1.

Если испытание проводят на переменном токе промышленной частоты, внутреннее сопротивление используемого вольтметра должно быть не меньше 200 Ом/В.

Источник тока, используемый для испытания, должен быть отделен от питающей сети (например, путем использования разделительного трансформатора).

Т - заземлитель, подлежащий испытанию, отключенный от всех источников питания; T1 - вспомогательный заземляющий электрод; Т2 - второй вспомогательный заземляющий электрод; X - измененное положение Т2 для проверочного измерения; Y - другое измененное положение Т2 для проверочного измерения.

Рисунок С.1 - Схема измерения заземлителя

ПРИЛОЖЕНИЕ D

(рекомендуемое)

Измерение полного сопротивления петли «фаза-нуль»

В качестве примеров для измерения сопротивления петли «фаза-нуль» для системы TN могут быть приняты следующие методы.

Примечания

1 Предлагаемые методы дают только приближенные величины полного сопротивления петли «фаза-нуль», так как они не учитывают векторную природу напряжения, т.е. условия, существующие во время реального замыкания на «землю». Однако эта степень приближенности приемлема при незначительном измеряемом реактивном сопротивлении цепи.

2 Рекомендуется до выполнения измерения сопротивления петли «фаза-нуль» провести испытание на непрерывность (612.2) между нейтральной точкой и открытыми проводящими частями.

Метод 1

Измерение сопротивления петли «фаза-нуль» способом падения напряжения (см. рисунок D.1)

Примечание - Следует обратить внимание на определенные трудности при применении данного метода.

Рисунок D.1 - Схема измерения по методу 1

Напряжение в испытуемой цепи измеряют с включенным и отключенным сопротивлением нагрузки, и сопротивление петли «фаза-нуль» рассчитывают по формуле

,                                                      (D.1)

где Z- полное сопротивление петли «фаза-нуль», Ом,

U1 - напряжение, измеренное при отключенном сопротивлении нагрузки, В;

U2 - напряжение, измеренное при включенном сопротивлении нагрузки, В;

IR - ток, протекающий через сопротивление нагрузки, А.

Примечание - Разница между U1 и U2 должна быть значительной.

Метод 2

Измерение сопротивления петли «фаза-нуль» при помощи отдельного источника питания

Измерение выполняют при отключенной сети и закороченной первичной обмотке питающего трансформатора. При этом методе используют напряжение от отдельного источника питания (см. рисунок D.2) и сопротивление петли «фаза-нуль» рассчитывают по формуле:

,                                                           (D.2)

где Z - сопротивление петли «фаза-нуль», Ом;

U - измеренное испытательное напряжение, В;

I - измеренный испытательный ток, А.

Рисунок D.2 - Схема измерения по методу 2

ПРИЛОЖЕНИЕ Е

(информационное)

Руководство по применению настоящего стандарта

Нумерация пунктов и подпунктов настоящего приложения соответствует нумерации пунктов настоящего стандарта.

Отсутствие ссылок на пункты и подпункты главы 61 означает, что к этим пунктам нет дополнительных пояснений.

Е.611 Осмотр

Е.611.2 Проверка предназначена также, чтобы убедиться, что оборудование установлено в соответствии с инструкциями изготовителя и его работоспособность при этом не ухудшилась.

Е.611.3

Второй абзац

a) Наличие противопожарных уплотнений (527.2) и других средств, препятствующих распространению огня, а также защиты от тепловых воздействий (527.3 и 527.4)

Установка уплотнений подтверждается соответствием монтажным инструкциям, разработанным на основе типовых испытаний МЭК для соответствующих материалов (на рассмотрении в ИСО)

Никаких других испытаний после этого не требуется.

b) Защита от термических эффектов (главы 42 и 43)

Правила главы 42, касающиеся защиты от термических эффектов, относятся к нормальным условиям работы, т.е. при отсутствии аварий.

Защита от сверхтока электропроводок является предметом главы 43 и разделов 473 и 533.

Работу аппаратов защиты в результате аварии, включая короткое замыкание, или перегрузки, рассматривают как работу в нормальных условиях.

c) Защита от возгорания (482)

Требования раздела 482 для пожароопасных зон подразумевают, что защита от сверхтока выполнена в соответствии с правилами главы 43.

Третий и четвертый абзацы

Выбор проводников по длительно допустимому току и потере напряжения, выбор устройств защиты и сигнализации и уставок их срабатывания.

Выбор проводников, включая их сечения и материал, способ монтажа, монтаж, а также уставки защитных устройств проверяют в соответствии с расчетами проектировщика электроустановок в соответствии с правилами комплекса стандартов ГОСТ Р 50571 и особенно глав 41, 43, 52-54.

Восьмой абзац

Наличие схем, предупреждающих надписей или другой подобной информации

Схема, определенная 514.5, особенно необходима, когда электроустановка имеет несколько распределительных пунктов.

Десятый абзац

Правильность соединения проводников.

Целью этой проверки является проверка правильности выбора соединителей для проводников и правильности их монтажа.

В случае сомнения рекомендуется измерить сопротивление соединений: сопротивление должно быть не более чем сопротивление проводника длиной 1 м и поперечным сечением, равным наименьшему сечению соединяемых проводников.

Одиннадцатый абзац

Доступность для удобной работы, идентификации и обслуживания электроустановки.

Необходимо проверить, чтобы рабочие приборы были легко доступны оператору.

Для приборов безопасности (включая аварийную остановку) см. 537.4.

Для приборов отключения механизмов при их оперативном обслуживании см. 537.3

Е.612 Испытания

Примечание - Информация о требованиях к измерительному оборудованию и оборудованию сигнализации приведена в стандартах серии МЭК 61557.

Е.612.2

Непрерывность защитных проводников, включая проводники главной и дополнительной систем уравнивания потенциалов

Это испытание, необходимое для проверки действия защиты, осуществляемой посредством отключения питания (см. 612.6), считают удовлетворительным, если прибор, используемый для испытания, дает соответствующие показания.

Примечание - Величина тока, используемого для испытания, должна быть мала, чтобы не вызвать опасности возгорания или взрыва.

Е.612.3 Сопротивление изоляции электроустановок

Измерения должны выполняться на отключенной электроустановке.

Обычно измерение сопротивления изоляции выполняют на вводе установки.

Если измеренное значение сопротивления изоляции окажется меньше приведенного в таблице 61А, установка может быть разделена на несколько участков, и должно быть измерено сопротивление изоляции каждого участка. Если для какого-либо участка установки измеренное сопротивление изоляции окажется меньше, чем определено в таблице 61А, необходимо измерить сопротивление изоляции каждой цепи этого участка электроустановки.

Когда несколько цепей или их частей отключаются защитой минимального напряжения (например, контакторами, отключающими все токоведущие проводники), сопротивление изоляции этих цепей или их частей измеряют раздельно.

Если некоторые электроприемники присоединены к цепи стационарно, то измерения разрешается проводить между токоведущими проводниками и «землей».

Если при этом значение сопротивления изоляции окажется меньше приведенного в таблице 61А, эти электроприемники должны быть отсоединены и измерения повторены.

Е.612.4 Защита разделением цепей

Если оборудование имеет как отделенную цепь, так и другие цепи, требуемая изоляция обеспечивается конструкцией оборудования, отвечающей требованиям безопасности соответствующих стандартов.

Если стационарный разделительный источник питания не имеет соответствующей маркировки, необходимо проверить, что его вторичные цепи имеют двойную или усиленную изоляцию относительно его корпуса (для передвижных источников питания см. 413.5.1.1).

Е.612.6 Проверка условий, необходимых для работы устройств защиты, обеспечивающей автоматическое отключение источника питания.

Е.612.6.3 Измерение полного сопротивления петли «фаза-нуль»

В приложении D настоящего стандарта даны, как примеры, методы измерения сопротивления петли «фаза-нуль».

а) Рассмотрение повышения сопротивления проводников, вызванного повышением температуры.

Когда измерения проведены при комнатной температуре и малых токах, чтобы принять в расчет повышение сопротивления проводников в связи с повышением температуры, вызванного током замыкания, и убедиться для системы TN в соответствии измеренной величины сопротивления петли «фаза-нуль» требованиям 413.1.3, может быть применена нижеприведенная методика.

Считают, что требования 413.1.3 выполнимы, если петля «фаза-нуль» удовлетворяет следующему уравнению

,                                                               (E.1)

где Zs(m) - измеренная величина сопротивления петли «фаза-нуль», Ом;

U0 - фазное напряжение, В,

Iа - ток, вызывающий автоматическое срабатывание аппаратов защиты в течение времени, указанного в таблице 41А, или в течение 5 с в соответствии с условиями, приведенными в 413 1.3, А.

Если измеренная величина сопротивления петли «фаза-нуль» превышает 2U0/3Ia, более точную оценку соответствия требованиям 413.1.3 можно сделать путем измерения величины сопротивления петли «фаза-нуль» в следующей последовательности:

- сначала измеряют сопротивление петли «фаза-нуль» источника питания на вводе электроустановки Ze;

- измеряют сопротивление фазного и защитного проводников сети от ввода до распределительного пункта или щита управления;

- измеряют сопротивление фазного и защитного проводников от распределительного пункта или щита управления до электроприемника;

- величины сопротивлений фазного и нулевого защитного проводников увеличивают для учета повышения температуры проводников при протекании по ним тока замыкания. При этом необходимо учитывать величину тока срабатывания аппаратов защиты;

- эти увеличенные значения сопротивления добавляют к величине сопротивления петли «фаза-нуль» источника питания Ze и в результате получают реальную величину Zs в условиях замыкания.

б) Измерение сопротивления защитных проводников.

Измерение сопротивления петли «фаза-нуль» может быть заменено измерением сопротивления R между любой открытой проводящей частью и ближайшей точкой главной системы уравнивания потенциалов при следующих условиях:

- защитный проводник должен составлять единую электропроводку с фазными проводниками и не должен содержать участков из ферромагнитных материалов. В этом случае реактивным сопротивлением можно пренебречь.

Примечание - Защитные проводники включают металлические трубы и другие металлические оболочки проводников на условиях, определенных в 543.2;

- сечение защитных проводников не превышает 95 мм2 по меди.

Рекомендуется, чтобы измерения проводились с источником питания, имеющим напряжение 4-24 В переменного или постоянного тока при токе не менее 0,2 А.

Измеренное сопротивление R должно удовлетворять следующим условиям:

1) Когда сопротивлением источника питания можно пренебречь

 для системы TN,                                                            (Е.2)

 для системы IT, где нейтраль не распределена,        (E.3)

 для системы IT, где нейтраль распределена,             (Е.4)

где U0 - номинальное напряжение между фазой и нейтралью, В;

U - номинальное напряжение между фазами, В;

Iа - ток А, обеспечивающий срабатывание отключающего защитного аппарата за время, определенное в таблице 41А для системы TN или в таблице 41В для системы IT, или при условиях, приведенных в 413.3.5, в течение 5 с.

т - отношение R/Rph

,                                                        (Е.5)

где Rph - сопротивление фазного проводника, находящегося в той же самой электропроводке, что и защитный проводник, Ом;

R - сопротивление защитного проводника между любой открытой проводящей частью и ближайшей точкой главной системы уравнивания потенциалов, Ом.

Примечание - Чтобы измеренное значение R отвечало вышеуказанному условию, например, в случае системы TN, заменяя сопротивление петли Zs на R, получим

,                                        (Е.6)

Чтобы условие для сопротивления петли «фаза-нуль» выполнялось (в соответствии с 413.1.3 3 для системы TN), необходимо

                                                  (E.7)

или

                                                             (E.8)

При т = 1 условие будет выполнено, если

.                                                            (Е.9)

С увеличением т допустимая величина измеренного сопротивления R также увеличивается. Например, при т = 2 условие будет выполнено, если

.                                                           (Е.10)

2) Когда сопротивлением источника питания нельзя пренебречь, например, для системы TN

                                                    (E.11)

Примечание - Коэффициент 0,8 является электрической величиной отношения между сопротивлением защищаемой цепи и сопротивлением петли «фаза-нуль». Как показывает опыт, это значение справедливо в большинстве случаев.

Если известно реальное значение этого коэффициента, то коэффициент 0,8 должен быть заменен на это реальное значение.

ПРИЛОЖЕНИЕ F

(информационное)

Периодические осмотры и испытания

F.1 Общие положения

Периодический осмотр и испытание электроустановок выполняют с целью определения, что состояние установки или ее части не ухудшилось настолько, чтобы представлять опасность при эксплуатации, и соответствует действующим нормативным документам.

Дополнительно необходимо проверить, не изменились ли условия использования помещений от тех, для которых эта установка предназначалась.

Примечание - Информация, данная для приемо-сдаточных испытаний, в принципе пригодна также для периодических осмотров и испытаний.

F.2 Интервал между периодическими осмотрами и испытаниями

После приемо-сдаточных испытаний периодический осмотр и испытание электрических установок должны быть выполнены с минимальным интервалом, определяемым характеристиками установки, условиями ее эксплуатации и окружающей среды.

Максимальный интервал между осмотрами может быть установлен нормативными требованиями.

Примечания

1 Этот интервал может быть определен, например, в три года, за исключением следующих случаев, где может существовать более высокий риск, что требует более короткого периода:

- рабочие места и зоны, где существует опасность снижения качества установки, возгорания или взрыва;

- рабочие места и зоны, где присутствует как низкое, так и высокое напряжение;

- коммунальные установки;

- строительные площадки;

- зоны, где используют переносное оборудование.

Для жилых помещений может быть принят более длительный интервал между осмотрами и испытаниями.

2 Периодический осмотр и испытание могут быть заменены в случае больших электроустановок (например, в тяжелой промышленности) соответствующим безопасным режимом эксплуатации, осуществляемой квалифицированным персоналом, и мониторингом работы оборудования и установки.

F.3 Объем периодического осмотра и испытаний

Периодический осмотр и испытания должны включать по крайней мере:

- осмотр установки, включая защиту от прямого прикосновения и от возгорания;

- испытание сопротивления изоляции;

- испытание непрерывности защитных проводников;

- испытание защиты от косвенного прикосновения;

- проверку работоспособности УЗО (см. приложение В).

F.4 Отчет

После каждого периодического осмотра и испытаний должен составляться отчет, который должен включать в себя, в дополнение ко всей информации об осмотре, проделанных испытаниях и их результатах, информацию о любых изменениях или модернизации и реконструкции установки и выявленных несоответствиях установки или ее частей действующим правилам и нормам.

ПРИЛОЖЕНИЕ G

(информационное)

Требования к протоколу испытаний электроустановки здания

G.1 Протокол испытаний должен содержать достоверные, объективные и точные результаты испытаний, данные об условиях испытаний и погрешности измерений, заключение о соответствии испытуемой электроустановки здания требованиям нормативных документов и проектной документации и показывать точно, четко и недвусмысленно результаты испытаний и другую относящуюся к ним информацию.

G.2 Протокол испытаний должен содержать следующие основные сведения:

- наименование и адрес испытательной лаборатории;

- регистрационный номер, дату выдачи и срок действия аттестата аккредитации, наименование аккредитующей организации, выдавшей аттестат (при наличии) или свидетельство о регистрации в органах государственного энергетического надзора;

- номер и дату регистрации протокола испытаний, нумерацию каждой страницы протокола, а также общее количество страниц;

- полное наименование электроустановки и ее элементный состав;

- код ОКП;

- наименование организации или фамилию, имя, отчество заказчика и его адрес;

- дату получения заявки на испытания;

- наименование и адрес монтажной организации;

- сведения о проектной документации, в соответствии с которой смонтирована электроустановка;

- сведения об актах скрытых работ (организация, номер, дата);

- дату проведения испытаний;

- место проведения испытаний;

- климатические условия проведения испытаний (температура, влажность, давление);

- цель испытаний (приемо-сдаточные, для целей сертификации, сличительные, контрольные);

- программу испытаний (объем испытаний в виде перечисления пунктов (разделов) нормативного документа на требования к электроустановке и ее элементному составу).

Примечание - Программа испытаний может быть приведена в приложении к протоколу испытаний;

- нормативный документ, на соответствие требованиям которого проведены испытания (стандарт, правила, нормы и т.п.);

- перечень применяемого испытательного оборудования и средств измерений с указанием наименования и типа испытательного оборудования и средств измерений, диапазона и точности измерений, данных о номере метрологического аттестата или свидетельства и дате последней и очередной аттестации и поверки;

- значения показателей по нормативным документам и допусков при необходимости;

- фактические значения показателей испытанных электроустановок с указанием погрешности измерений при необходимости;

- вывод о соответствии нормативному документу по каждому показателю;

- информацию о дополнительном протоколе испытаний, выполненных на условиях субподряда (при его наличии);

- заключение о соответствии (или несоответствии) испытанной электроустановки, ее элементов требованиям стандартов или других нормативных документов;

- подписи и должности лиц, ответственных за проведение испытаний и оформление протокола испытаний, включая руководителя испытательной лаборатории;

- печать испытательной лаборатории (или организации);

- указание о недопустимости частичной или полной перепечатки или размножения без разрешения заказчика (или испытательной лаборатории) (на титульном листе).

На титульном листе указывают, что протокол испытаний распространяется только на электроустановку.

G.3 Исправления и дополнения в тексте протокола испытаний после его выпуска не допускаются. При необходимости их оформляют только в виде отдельного документа «Дополнение к протоколу испытаний» (номер, дата) в соответствии с приведенными выше требованиями к протоколу. На конкретные виды испытаний могут оформляться отдельные протоколы, входящие в состав общего протокола испытаний электроустановки здания.

G.4 В протоколе испытаний не допускается помещать рекомендации и советы по устранению недостатков или совершенствованию испытанных электроустановок.

G.5 Копии протоколов испытаний подлежат хранению в испытательной организации не менее шести лет.




Rambler's Top100 Яндекс цитирования
  Copyright © 2008-2026, www.docload.ru