Бесплатная библиотека стандартов и нормативов www.docload.ru

Все документы, размещенные на этом сайте, не являются их официальным изданием и предназначены исключительно для ознакомительных целей.
Электронные копии этих документов могут распространяться без всяких ограничений. Вы можете размещать информацию с этого сайта на любом другом сайте.
Это некоммерческий сайт и здесь не продаются документы. Вы можете скачать их абсолютно бесплатно!
Содержимое сайта не нарушает чьих-либо авторских прав! Человек имеет право на информацию!

 

ГОСТ 26005-83

МЕЖГОСУДАРСТВЕННЫЙ СТАНДАРТ

РЕЛЕ ДАВЛЕНИЯ на РНОМ
до 32 МПа (320 кгс/см2)

ТЕХНИЧЕСКИЕ УСЛОВИЯ

ИПК ИЗДАТЕЛЬСТВО СТАНДАРТОВ

Москва

МЕЖГОСУДАРСТВЕННЫЙ СТАНДАРТ

РЕЛЕ ДАВЛЕНИЯ на РНОМ до 32 МПа (320 кгс/см2)

Технические условия

Pressure switches for Pnom up to 32 MPa (320 kgf/cm2).

Specifications

ГОСТ
26005-83

Дата введения 01.01.86

Настоящий стандарт распространяется на реле давления плунжерного типа, предназначенные для контроля давления рабочей среды в гидравлических системах станков и других машин с давлением до 32 МПа (320 кгс/см2) и изготовляемые для нужд народного хозяйства и экспорта.

Основные параметры, габаритные размеры и технические требования настоящего стандарта распространяются на реле давления с микропереключателем мощностью более 250 В · А.

(Измененная редакция, Изм. № 1).

1. ОСНОВНЫЕ ПАРАМЕТРЫ И РАЗМЕРЫ

1.1. Реле должны изготовляться с условным проходом Dy = 4 мм в следующих исполнениях:

- по контролируемому номинальному давлению, МПа (кгс/см2): 1 - на 6,3 (63); 2 - на 10,0 (100); 3 - на 20,0 (200); 4 - на 32,0 (320);

- по наличию механизма регулировки зоны нечувствительности (дифференциала):

М - с механизмом; без механизма;

- по климатическим условиям - категории размещения 4 по ГОСТ 15150 для зон с умеренным и холодным климатом, для зон с тропическим климатом.

1.2. Основные параметры реле должны соответствовать указанным в табл. 1.

Таблица 1

Вид реле

Норма

Контролируемое давление, МПа (кгс/см2)

Зона нечувствительности, МПа (кгс/см2)

Утечка масла из дренажного отверстия, см3/мин, не более

Масса, кг, не более

номинальное

максимальное

минимальное

с давлением в линии дренажа до 0,02 МПа (0,2 кгс/см2)

без отвода утечек в дренаж

Реле без механизма регулировки зоны нечувствительности

6,3

(63)

7,0

(70)

0,6

(6)

0,4

(4)

0,85

(8,5)

6

2,2;

(0,8*)

10,0

(100)

11,0

(110)

0,8

(8)

0,7

(7)

1,2

(12)

10

20,0

(200)

22,0

(220)

1,0

(10)

1,2

(12)

1,8

(18)

20

32,0

(320)

35,0

(350)

3,0

(30)

1,5

(15)

2,2

(22)

25

Реле с механизмом регулировки зоны нечувствительности

6,3

(63)

7,0

(70)

0,6

(6)

От 0,6 (6)
до 1,1 (11)

От 1,2 (12)
до 1,7 (17)

6

2,2;

(0,8*)

10,0

(100)

11,0

(110)

0,8

(8)

От 1,0 (10)
до 1,8 (18)

От 1,8 (18)
до 2,3 (23)

10

20,0

(200)

22,0

(220)

1,0

(10)

От 1,8 (18)
до 2,8 (28)

От 2,7 (27)
до 3,2 (32)

20

32,0

(320)

35,0

(350)

3,0

(30)

От 2,2 (22)
до 3,5 (35)

От 3,3 (33)
до 3,8 (38)

25

* Норма указана для реле с корпусом из алюминиевого сплава.

(Измененная редакция, Изм. № 1).

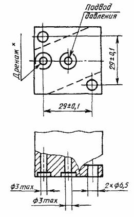
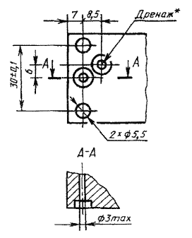
1.2а. Присоединительные размеры реле должны соответствовать указанным в табл. 1а и на черт. 3-5 приложения 2.

Таблица 1а

Вид присоединения

Размеры

Резьбовое

с внутренней резьбой

С 1/4; М 10 ´ 1

с наружной резьбой

М 27 ´ 2

Стыковое

для реле с микропереключателем мощностью до 250 В × А

боковое

По черт. 3

торцевое

По черт. 4

для реле с микропереключателем мощностью св. 250 В × А

боковое

По черт. 5

(Введен дополнительно, Изм. № 1).

1.3. Коды ОКП в зависимости от исполнения реле указаны в табл. 2.

Таблица 2

Исполнение реле

Код ОКП

Исполнение реле

Код ОКП

1

41 4477 0012

3

41 4477 0015

2

41 4477 0014

4

41 4477 0010

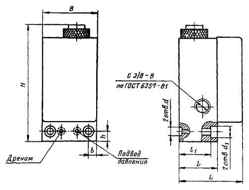
1.4. Габаритные и присоединительные размеры реле должны соответствовать указанным на черт. 1, 5 и в табл. 3

Черт. 1

Примечание. Чертеж не определяет конструкцию реле.

Таблица 3

В миллиметрах, не более

d

d1

В

b

L

l

l1

Н

h

9

15

68

10

75

44

36,5

146

13

Пример условного обозначения реле давления с контролируемым номинальным давлением 6,3 МПа (63 кгс/см2) без механизма регулировки зоны нечувствительности, для зон с умеренным и холодным климатом:

Реле давления 1 ГОСТ 26005-83 УХЛ 4

То же, с контролируемым номинальным давлением 10,0 МПа (100 кгс/см2), без механизма регулировки зоны чувствительности, для зон с тропическим климатом:

Реле давления 2 ГОСТ 26005-83 О4

То же, с контролируемым номинальным давлением 20,0 МПа (200 кгс/см2), с механизмом регулировки зоны нечувствительности, для зон с умеренным и холодным климатом:

Реле давления 3М ГОСТ 26005-83 УХЛ 4

То же, с контролируемым номинальным давлением 32,0 МПа (320 кгс/см2), с механизмом регулировки зоны нечувствительности для зон с тропическим климатом

Реле давления 4М ГОСТ 26005-83 О4

Примечание. Таблица соответствия обозначения реле давления по нормативно-технической документации, действующей до введения настоящего стандарта, и настоящему стандарту приведена в приложении 1.

(Измененная редакция, Изм. № 1).

2. ТЕХНИЧЕСКИЕ ТРЕБОВАНИЯ

2.1. Реле следует изготовлять в соответствии с требованиями ГОСТ 17411 и настоящего стандарта по рабочим чертежам, утвержденным в установленном порядке.

2.2. Реле должно работать на минеральных маслах с кинематической вязкостью от 10 до 220 мм2/с (сСт) при температуре масла от 10 до 70 °С и температуре окружающей среды от 1 до 45 °С.

Класс чистоты рабочей жидкости - не грубее 12-го по ГОСТ 17216 с обеспечением тонкости фильтрации 25 мкм.

2.3. Присоединительная резьба - трубная по ГОСТ 6357.

2.4. Микровыключатель, встроенный в реле, должен соответствовать требованиям ГОСТ 9601*.

Микровыключатель предназначен для работы в продолжительном режиме при силе тока до 2,5 А и напряжении:

* На территории Российской Федерации действует ГОСТ Р 50030.5.1-99.

- до 380 В переменного тока частотой 50 и 60 Гц;

- до 220 В постоянного тока.

2.4а. Наработка на отказ - 1 млн. циклов, установленный ресурс - не менее 5 млн. циклов.

2.5. Предельное состояние характеризуется увеличением зоны нечувствительности на 50 %.

2.6. Рабочее положение реле - произвольное.

3. ТРЕБОВАНИЯ БЕЗОПАСНОСТИ

3.1. Требования безопасности - по ГОСТ 12.2.086 и ГОСТ 12.2.040.

3.2. Степень защиты реле от воздействия окружающей среды и степень защиты персонала от прикосновения к токоведущим частям - IР55 по ГОСТ 14254. (Измененная редакция, Изм. № 1).

4. КОМПЛЕКТНОСТЬ

4.1. В комплект реле, предназначенных для экспорта, должны входить запасные части согласно заказам-нарядам внешнеторговых организаций.

4.2. К реле прилагают эксплуатационную документацию (руководство по эксплуатации) по ГОСТ 2.601.

Для партии реле, предназначенной одному потребителю, по согласованию с потребителем допускается уменьшать количество руководств по эксплуатации.

Для реле, предназначенных на экспорт, товаросопроводительная документация - в соответствии с заказами-нарядами внешнеторговых организаций.

5. ПРАВИЛА ПРИЕМКИ

5.1. Для проверки соответствия реле требованиям настоящего стандарта должны проводиться приемосдаточные, периодические и типовые испытания по ГОСТ 22976.

5.2. Периодическим испытаниям, проводимым не реже одного раза в три года, должны подвергаться не менее двух реле в каждом исполнении, отобранных из разных партий.

5.3. При всех видах испытаний должны быть проверены показатели:

- зона нечувствительности при номинальном, минимальном и 0,5 номинального давлениях;

- утечки при максимальном давлении;

- герметичность при пробном давлении.

При периодических испытаниях дополнительно проверяют массу, наработку на отказ и ресурс, соответствие деталей рабочим чертежам, а также проводят микрометрический обмер основных деталей.

6. МЕТОДЫ ИСПЫТАНИЙ

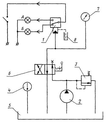
6.1. Срабатывание на всем диапазоне контролируемого давления, значение зоны нечувствительности, герметичность и утечки масла из дренажного отверстия проверяют на стенде по черт. 2.

Схема испытания реле

1 - испытуемое реле; 2 - насос; 3 - предохранительный клапан; 4 - термометр; 5 - бак; 6 - гидрораспределитель; 7 - манометр; 8 - мерный цилиндр

Черт. 2

6.2. Срабатывание на всем диапазоне определяют по включению сигнальной лампы А и отключению сигнальной лампы Б.

Включение лампы Б и отключение лампы А свидетельствуют о возврате микровыключателя в исходное положение.

6.3 Зону нечувствительности определяют, измеряя разность давлений, при которых происходит изменение состояния ламп на противоположное, при одной и той же настройке реле.

При проверке предохранительным клапаном поочередно устанавливают давления: номинальное, минимальное и 0,5 номинального и при каждом из этих давлений проверяют зону нечувствительности.

Затем регулировкой винта реле при ввертывании добиваются включения лампы А и отключения лампы Б.

Далее понижают давление в системе до возврата микровыключателя в исходное положение.

6.1-6.3. (Измененная редакция, Изм. № 1).

6.4. Утечки масла из дренажного отверстия измеряют на 2-й минуте после установления максимального давления в системе. Утечки измеряют с помощью секундомера и мерного цилиндра.

6.5. Герметичность реле проверяют при пробном давлении в течение 30 с. Пробное давление - 1,5 РНОМ.

(Измененная редакция, Изм. № 1).

6.6. Качество материалов, качество сборки, соответствие деталей рабочим чертежам проверяют визуальным осмотром и с помощью измерительных средств.

6.7. Наработку на отказ и ресурс проверяют при циклическом нагружении номинальным давлением (частотой не более 3 Гц).

7. МАРКИРОВКА, УПАКОВКА, ТРАНСПОРТИРОВАНИЕ И ХРАНЕНИЕ

7.1. Маркировка, упаковка, транспортирование и хранение реле - по ГОСТ 15108.

7.1.1. В качестве транспортной тары должны применять дощатые ящики по ГОСТ 15623, деревянные ящики по ГОСТ 18617 или фанерные ящики по ГОСТ 5959.

Масса брутто транспортной тары не должна превышать 50 кг.

7.2. Срок хранения реле - два года.

8. ГАРАНТИИ ИЗГОТОВИТЕЛЯ

8.1. Изготовитель должен гарантировать соответствие реле требованиям настоящего стандарта при соблюдении условий эксплуатации, транспортирования и хранения, установленных настоящим стандартом.

8.2. Гарантийный срок эксплуатации - 18 мес со дня ввода реле в эксплуатацию.

8.3. Гарантийный срок эксплуатации реле, предназначенных для экспорта, - 12 мес со дня ввода в эксплуатацию, но не более 24 мес со дня проследования через государственную границу.

ПРИЛОЖЕНИЕ 1

Справочное

СООТВЕТСТВИЕ ОБОЗНАЧЕНИЯ РЕЛЕ ПО НОРМАТИВНО-ТЕХНИЧЕСКОЙ ДОКУМЕНТАЦИИ, ДЕЙСТВУЮЩЕЙ ДО ВВЕДЕНИЯ НАСТОЯЩЕГО СТАНДАРТА, НАСТОЯЩЕМУ СТАНДАРТУ

Обозначение реле по настоящему стандарту

Обозначение реле по нормативно-технической документации, действующей до введения настоящего стандарта

Исполнение 1

ПГ62-11

Исполнение 2

БПГ62-11

Исполнение 3

ВПГ62-11

Исполнение 4

ГПГ62-11

ПРИЛОЖЕНИЕ 2

Обязательное

ПРИСОЕДИНИТЕЛЬНЫЕ РАЗМЕРЫ РЕЛЕ

Черт. 3

Черт. 4

Черт 5

* Отверстие выполняется при необходимости.

ПРИЛОЖЕНИЕ 2. (Введено дополнительно, Изм. № 1).

ИНФОРМАЦИОННЫЕ ДАННЫЕ

1.   РАЗРАБОТАН И ВНЕСЕН Министерством станкостроительной и инструментальной промышленности СССР

2.   УТВЕРЖДЕН И ВВЕДЕН В ДЕЙСТВИЕ Постановлением Государственного комитета СССР по стандартам от 14.12.83 № 5897

3.   ВВЕДЕН ВПЕРВЫЕ

4.   ССЫЛОЧНЫЕ НОРМАТИВНО-ТЕХНИЧЕСКИЕ ДОКУМЕНТЫ

Обозначение НТД, на который дана ссылка

Номер пункта

ГОСТ 2.601-95

4.2

ГОСТ 12.2.040-79

3.1

ГОСТ 12.2.086-83

3.1

ГОСТ 5959-80

7.1.1

ГОСТ 6357-81

1.4, 2.3

ГОСТ 9601-84

2.4

ГОСТ 14254-96

3.2

ГОСТ 15108-80

7.1

ГОСТ 15150-69

1.1

ГОСТ 15623-84

7.1.1

ГОСТ 17216-71

2.2

ГОСТ 17411-91

2.1

ГОСТ 18617-83

7.1.1

ГОСТ 22976-78

5.1

5. Ограничение срока действия снято по протоколу № 3-93 Межгосударственного Совета по стандартизации, метрологии и сертификации (ИУС 5-6-93)

6. ИЗДАНИЕ (декабрь 2001 г.) с Изменением № 1, утвержденным в апреле 1988 г. (ИУС 7-88)

СОДЕРЖАНИЕ

 




Rambler's Top100 Яндекс цитирования
  Copyright © 2008-2026, www.docload.ru