
ГОСУДАРСТВЕННЫЙ СТАНДАРТ СОЮЗА ССР
ДЕТАЛИ КРЕПЛЕНИЯ ТРУБОПРОВОДОВ
ХОМУТЫ СВАРНЫЕ
Конструкция и размеры
ГОСТ 24138-80
ИЗДАТЕЛЬСТВО СТАНДАРТОВ
Москва
ГОСУДАРСТВЕННЫЙ СТАНДАРТ
СОЮЗА ССР
|
Детали крепления трубопроводов
ХОМУТЫ СВАРНЫЕ
Конструкция и размеры
Pipe-line fastening parts.
Welded clamps.
Design and dimensions
|
ГОСТ
24138-80
|
Постановлением
Государственного комитета СССР по стандартам от 25 апреля 1980 г. № 1891 срок
введения установлен
с 01.01.81
Ограничение срока действия
отменено, ИУС II-12-94
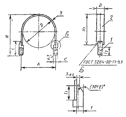
1. Настоящий стандарт
распространяется на сварные хомуты диаметром D от 100 до 540 мм.
2. Конструкция и размеры
сварных хомутов должны соответствовать указанным на чертеже и в таблице.

Размеры мм
|
D
|
A ± 1
|
H
± 3
|
Поз. 1 Шпилька
Кол. 2
|
Поз. 2 Пластина Кол. 1
|
Масса, кг
|
Применяемость
|
|
l
|
l1
|
l2, не менее
|
d
|
t -0,5
|
B ´ s
|
H1 ± 1
|
|
±0,5
|
|
100
|
107
|
135
|
60
|
20
|
35
|
M12
|
7,5
|
30 ´ 2
|
95
|
0,215
|
|
|
105
|
112
|
140
|
100
|
0,221
|
|
110
|
117
|
145
|
65
|
40
|
100
|
0,232
|
|
115
|
122
|
150
|
105
|
0,240
|
|
120
|
127
|
170
|
80
|
50
|
110
|
0,271
|
|
124
|
132
|
175
|
115
|
0,277
|
|
130
|
137
|
180
|
120
|
0,283
|
|
135
|
142
|
185
|
55
|
125
|
0,291
|
|
140
|
147
|
190
|
85
|
25
|
130
|
0,304
|
|
145
|
152
|
195
|
135
|
0,312
|
|
150
|
157
|
200
|
140
|
0,316
|
|
155
|
162
|
205
|
145
|
0,322
|
|
160
|
167
|
210
|
85
|
25
|
150
|
0,328
|
|
165
|
172
|
215
|
155
|
0,334
|
|
170
|
177
|
220
|
85
|
25
|
55
|
M12
|
7,5
|
30 ´ 2
|
160
|
0,340
|
|
|
175
|
182
|
225
|
165
|
0,346
|
|
180
|
187
|
230
|
170
|
0,359
|
|
185
|
192
|
235
|
90
|
30
|
175
|
0,365
|
|
190
|
197
|
240
|
180
|
0,371
|
|
195
|
202
|
245
|
185
|
0,377
|
|
200
|
211
|
250
|
М16
|
10,5
|
36 ´ 3
|
190
|
0,685
|
|
210
|
221
|
270
|
100
|
65
|
200
|
0,737
|
|
225
|
236
|
285
|
215
|
0,770
|
|
245
|
256
|
305
|
110
|
35
|
230
|
0,832
|
|
260
|
271
|
325
|
115
|
245
|
0,884
|
|
275
|
286
|
340
|
120
|
40
|
260
|
0,929
|
|
300
|
311
|
360
|
45
|
40 ´ 3
|
285
|
1,050
|
|
330
|
341
|
390
|
315
|
1,121
|
|
360
|
371
|
425
|
350
|
1,203
|
|
380
|
391
|
440
|
125
|
50
|
365
|
1,256
|
|
430
|
441
|
495
|
130
|
70
|
415
|
1,392
|
|
455
|
466
|
525
|
135
|
440
|
1,469
|
|
490
|
501
|
555
|
140
|
50 ´ 3
|
465
|
1,836
|
|
540
|
551
|
605
|
150
|
55
|
510
|
2,006
|
|
|
|
|
|
|
|
|
|
|
|
|
|
Пример условного
обозначения
хомута D = 150 мм из стали Ст3сп с покрытием Ц9.хр:
Хомут 150-Ст3сп-Ц9.хр ГОСТ 24138-80
3. Отклонение оси поверхности d относительно оси поверхности В
не должно быть более 2 мм.
4. Допуск параллельности и
перекос осей поверхности d не должны быть более 2 мм.
5. Допускается сварка в
среде углекислого газа по ГОСТ
14771-76 и контактная по ГОСТ
15878-79 по соглашению с заказчиком.
6. Сварочные материалы
должно выбирать предприятие-изготовитель в зависимости от свариваемых
материалов.
7. Технические требования -
по ГОСТ
24140-80.
|