Бесплатная библиотека стандартов и нормативов www.docload.ru

Все документы, размещенные на этом сайте, не являются их официальным изданием и предназначены исключительно для ознакомительных целей.
Электронные копии этих документов могут распространяться без всяких ограничений. Вы можете размещать информацию с этого сайта на любом другом сайте.
Это некоммерческий сайт и здесь не продаются документы. Вы можете скачать их абсолютно бесплатно!
Содержимое сайта не нарушает чьих-либо авторских прав! Человек имеет право на информацию!

 

МИНИСТЕРСТВО МОРСКОГО ФЛОТА

РУКОВОДСТВО
ПО ПРОЕКТИРОВАНИЮ МОРСКИХ
ПРИЧАЛЬНЫХ СООРУЖЕНИЙ

РД 31.31.27-81

Москва

В/О «МОРТЕХИНФОРМРЕКЛАМА»

1984

РАЗРАБОТАНО Государственным проектно-изыскательским и научно-исследовательским институтом морского транспорта (Союзморниипроект).

Заместитель главного инженера                                                     Т. И. Чодришвили

Руководители разработки, ответственные исполнители

                                                                                                            В.В. Акимов

                                                                                                            И. М. Зимович

УТВЕРЖДЕНО Государственным проектно-изыскательским и научно-исследовательским институтом морского транспорта (Союзморниипроект).

Главный инженер                                                                             Ю. А. Ильницкий

Руководство по проектированию морских причальных сооружений

РД 31.31.27-81

Вводится впервые

Распоряжением главного инженера Союзморниипроекта от 22 января 1981 г. № 59 срок введения в действие установлен с 1 июля 1982 г.

Руководство составлено в развитие главы СНиП II-51-74 по разделам, относящимся к морским причальным сооружениям, и Инструкции по проектированию морских причальных сооружений .

Приведенные в Руководстве тексты главы СНиП II-51-74 и Инструкции  отмечены на полях сбоку вертикальной чертой. К отдельным пунктам главы СНиП и Инструкции даны соответствующие пояснения по их применению.

Руководство содержит комплексные примеры расчета, охватывающие наиболее типичные случаи в практике проектирования конструкций причальных сооружений и иллюстрирующие порядок применения указаний, приведенных в СНиП и Инструкции.

Нумерация пунктов, формул, таблиц и рисунков в Руководстве, где необходимо, двойная: первый номер - порядковый, второй, в скобках, соответствует номеру, данному в главе СНиП II-51-74 или в Инструкции .

Цифровые обозначения в круглых скобках с индексом «с» [например, 2.1 (2.1с)] приняты по СНиП II-51-74, без буквенных индексов в круглых скобках относятся к  [например, 14.11 (9.9)].

1 (1). ОБЩИЕ ПОЛОЖЕНИЯ

1.1 (1.1с). Требования настоящего Руководства должны соблюдаться при проектировании вновь возводимых и реконструируемых морских причальных сооружений портов и судоремонтных заводов.

(1.1). Руководство содержит общие требования по проектированию стационарных причальных сооружений и специальные требования по проектированию гравитационных сооружений уголкового профиля и из массивовой кладки, причалов типа «больверк» с анкеровкой на одном уровне и эстакад.

Примечания: 1. При проектировании морских причальных сооружений надлежит с учетом указаний Руководства соблюдать требования, предусмотренные главой СНиП и стандартом СЭВ «Основные положения по проектированию и по расчету строительных конструкций и оснований», требования других соответствующих нормативных документов, утвержденных или согласованных Госстроем СССР, а также утвержденных Союзморниипроектом или Минморфлотом (см. прил. 1 к настоящему Руководству).

2. Проектирование причальных сооружений, возводимых в сейсмических районах, в зонах распространения вечномерзлых, просадочных, набухающих, торфяных грунтов, на подрабатываемых и подверженных оползням и карстам территориях и в других особых условиях, должно производиться с учетом дополнительных требований соответствующих нормативных документов, а при отсутствии таковых - на основе специально проводимых исследований.

1.2. Порядок выдачи заданий на проектирование, стадийность, объем, содержание и оформление проектной документации должны соответствовать указаниям СН 202-81 «Инструкция о составе, порядке разработки, согласования и утверждения проектов и смет на строительство предприятий, зданий и сооружений», СН 219-70 «Инструкция по разработке проектов и смет для строительства за границей при техническом содействии СССР».

1.3 (1.3). При разработке проекта причального сооружения необходимо иметь исходные данные, устанавливаемые в соответствии с генеральным планом и технологической частью проекта, естественными условиями участка строительства, а также с условиями производства работ [согласно пп. 1.4 (1.4) - 1.6 (1.6) настоящего Руководства].

1.4 (1.4). Плановое положение причалов определяется генеральным планом проектируемого объекта (порта, судоремонтного завода и т.д.). Плановое положение линии кордона причалов в зависимости от естественных условий следует уточнять при разработке гидротехнической части проекта.

Технологическая часть проекта определяет следующие исходные данные проекта причального сооружения:

длину причалов;

отметку дна у причала;

отметку кордона;

категорию эксплуатационных нагрузок;

типы расчетных судов;

специальные требования к причалу.

1.5 (1.5). В качестве исходных используются следующие данные о естественных условиях и застройке участка строительства:

а) топографические (план участка строительства с горизонталями и привязкой существующих зданий и сооружений);

б) гидрографические (план промеров глубин акватории с построением изобат, сведения о морских свалках грунта);

в) гидрологические и метеорологические (режимные характеристики ветра; волнения и уровней моря, сведения о ледовом режиме, заносимости или размыве в месте расположения проектируемого сооружения, степень агрессивности среды, климатические данные);

г) биологические, характеризующие отсутствие или наличие древоточцев различных видов, степень интенсивности их деятельности, сохранность и гниение древесины на различных уровнях, наличие биологических объектов, подлежащих охране;

д) геологические и гидрогеологические (геологические профили, физико-механические характеристики грунтов основания и засыпки, сведения о грунтовых водах и их агрессивности);

е) данные о сейсмичности (с учетом микрорайонирования), а также карстовых, оползневых и просадочных явлениях на участке строительства.

1.6 (1.6). Данные об условиях производства работ должны включать следующие сведения:

а) производственные возможности строительной организации (производственные базы, их расположение и характеристика, краны и иное строительное оборудование);

б) размещение предприятий, изготовляющих сборные железобетонные элементы, их производственная мощность, степень загрузки, технологические возможности;

в) транспортные связи района строительства с базами, заводами-поставщиками, пунктами заготовки местных строительных материалов;

г) местные строительные материалы (номенклатура, количественная и качественная характеристики, условия разработки и транспортировки).

2 (2с). КЛАССИФИКАЦИЯ ПРИЧАЛЬНЫХ СООРУЖЕНИЙ

2.1 (2.1с). Морские причальные сооружения подразделяются на постоянные и временные.

Постоянные сооружения предназначены для длительной эксплуатации.

К временным относятся сооружения, используемые в период строительства или ремонта постоянных сооружений.

2.2. Причальные сооружения подразделяются в зависимости от:

а) расположения по отношению к берегу - на набережные, пирсы (узкие и широкие), рейдовые (островные и плавучие) и выдвинутые в акваторию и связанные съездами или подвесными дорогами с территорией;

б) возможности перемещения - на стационарные и передвижные;

в) конструктивных особенностей и принципа работы - на гравитационные, тонкие стенки типа «больверк», эстакады, мостового типа, смешанного типа, плавучие причалы;

г) применяемых строительных материалов - на бетонные, железобетонные, металлические, деревянные и смешанные;

д) восприятия бокового давления грунта - на распорные и безраспорные;

е) назначения (специализации) - на причалы:

грузовые (для генеральных тарно-штучных, лесных, навалочных и насыпных грузов, для контейнеров, лихтеров и наливных грузов);

пассажирские;

паромных переправ;

судоремонтные;

портофлота и др.

2.3 (1.7). Классификация портовых сооружений по капитальности производится в соответствии с требованиями главы СНиП II-51-74 «Гидротехнические сооружения морские. Основные положения проектирования» и других нормативных документов, утвержденных и согласованных в установленном порядке.

Классификация причальных сооружений по капитальности производится в зависимости от их народнохозяйственной значимости.

(2.3с). Классы капитальности причальных сооружений в зависимости от их высоты должны быть не ниже указанных в табл. 1 (1с).

Таблица 1 (1 с)

Наименование морских гидротехнических сооружений

Показатель, определяющий класс сооружения

Класс сооружения

Причальные

Высота сооружения*

 

 

более 25 м

I

 

20 - 25 м

II

 

менее 20 м

III

* Высота причального сооружения принимается равной сумме абсолютных значении отметок кордона и дна у причала.

Примечания: 1. Временные сооружения причалов должны относиться к IV классу капитальности.

2. Причальные сооружения, совмещенные с оградительными, относятся ко II классу при высоте сооружения менее 20 м.

2.4. При назначении класса капитальности, кроме требований п. 2.3, должны учитываться дополнительные показатели:

мощность комплексного объекта (морской порт как единый транспортный узел), в составе которого осуществляется строительство данного причала;

перспективная пропускная способность причального фронта;

концентрация грузов и технологического оборудования по расчетному грузообороту, определяющая категорию нагрузок на причале;

фактор моральной амортизации причала;

безопасность людского персонала и др.

2.5. В зависимости от класса причального сооружения устанавливаются:

эксплуатационные требования, обеспечивающие нормальную (без ограничения) работу сооружения в течение всего срока его службы;

требования соответствия срока службы сооружения его моральному износу (необходимой долговечности конструкции), обеспечиваемые применением соответствующих строительных материалов и защитой их в конструкциях от внешних воздействий окружающей среды.

2.6. По совокупности приведенных в пп. 2.3 и 2.4 признаков причальные сооружения каждого вида делятся на четыре класса, причем к I классу относятся сооружения, к которым предъявляются повышенные требования, а к IV классу относятся сооружения, к которым предъявляются минимальные требования.

2.7. Класс причальных сооружений или основной группы их в комплексных объектах строительства назначается с учетом требований пп. 2.3, 2.4 и 2.6 организацией, выдающей задание на проектирование.

2.8. В составе комплексного объекта строительства могут устанавливаться разные классы для отдельных сооружений в зависимости от их значения в общем комплексе. При этом к повышенному классу следует относить сооружения, прекращение работы которых в случае ремонта или аварии существенно нарушает работу комплексного объекта или связанного с ним территориального промышленного предприятия.

2.9. Класс объекта (причального сооружения) должен указываться в проекте (на заглавном листе).

3 (2). ВЫБОР КОНСТРУКЦИИ ПРИЧАЛЬНОГО СООРУЖЕНИЯ

3.1 (2.1). Конструкцию сооружения следует выбирать исходя из технико-экономической целесообразности се применения в конкретных условиях строительства на основе сопоставления вариантов.

3.2 (2.2). Экономическую целесообразность сравниваемых вариантов следует определять на основе сопоставления стоимостей возведения сооружения, а в случаях, когда сроки строительства по вариантам резко различны, учитывать экономический эффект, получаемый в результате более раннего ввода в эксплуатацию проектируемого объекта.

3.3 (2.3). При выборе варианта конструкции следует учитывать:

а) расход основных строительных материалов (металла, цемента, лесоматериалов) в соответствии с требованиями ТП 101-81* «Технические правила по экономному расходованию основных строительных материалов»;

б) наличие местных строительных материалов;

в) трудоемкость производства работ;

г) степень сложности строительства;

д) наличие оборудования и механизмов, необходимых для строительства;

е) требования к долговечности сооружения;

ж) эксплуатационные показатели.

(Измененная редакция).

3.4. При определении набора вариантов конструкций, подлежащих рассмотрению в техническом проекте, следует исходить из условий, указанных в пп. 1.3 (1.3) - 1.6 (1.6) при выполнении требований пп. 3.1 (2.1) - 3.3 (2.3) настоящего Руководства.

Рекомендуется также учитывать следующие условия:

а) при проектировании конструкций из железобетона прежде всего следует рассмотреть в качестве варианта конструкцию из сборного железобетона, за исключением сооружений, для которых нецелесообразность этого решения доказана предшествующим проектированием;

б) вариант набережной стенки из обыкновенной массивовой кладки следует включать в проект при рассмотрении гравитационные конструкций, возводимых на плотных малосжимаемых основаниях и при наличии в районе строительства карьеров камня.

При этом надо учитывать, что суммарный вес сборных элементов, входящих в состав набережной стенки из массивовой кладки, обычно относительно высок, что соответственно увеличивает стоимость перевозки массивов от пункта изготовления к месту строительства и приводит к необходимости использования, как правило, построечных полигонов, а не заводов изготовления массивов;

в) вариант причального сооружения из пустотелых бетонных массивов необходимо включать в проект при рассмотрении гравитационных конструкций.

Следует учитывать весьма высокие технико-экономические показатели по стоимостным показателям и строительным материалам (цемент, камень, щебень, бетон и др.) по сравнению с курсовой кладкой из обыкновенных бетонных массивов, а также возможность возведения кладки из пустотелых бетонных массивов на грунтах средней плотности с выдерживанием необходимых коэффициентов безопасности сооружения;

г) вариант конструкции из массивов-гигантов следует включать в проект глубоководных причалов при наличии объема строительства, экономически оправдывающего устройство специальной базы. При этом необходимо рассматривать возможность транспортирования массивов-гигантов на плаву на значительные расстояния при условии экономической целесообразности сооружения этих конструкций на централизованной базе для нескольких отдельных объектов строительства. В проекте рекомендуется, кроме изготовления массива-гиганта целиком на берегу, рассматривать также (с учетом местных гидрологических и метеорологических условий) возможность сооружения на берегу лишь нижней части конструкции с последующей достройкой ее на плаву до проектной высоты;

д) вариант конструкции причального сооружения из железобетонных тонкостенных цилиндрических оболочек большого диаметра надлежит включать в проект при строительстве глубоководных сооружений с глубиной Н ³ 11,5 м, когда технико-экономические показатели по другим сравниваемый вариантам гравитационных причальных сооружений (уголковых, массивовых и др.) существенно ниже показателей рассматриваемого варианта;

е) при проектировании больверков следует рассматривать вариант с лицевой стенкой из стального шпунта;

ж) вариант стальных опор, а также верхних строений рекомендуется рассматривать в проекте глубоководных эстакад и конструкций мостового типа, если он способствует созданию благоприятных условий производства работ, уменьшению сроков строительства и экономии средств.

Этот вариант следует включать в проект также в случаях, когда естественные условия особо агрессивны по отношению к бетону.

Использование металлических труб в качестве свайного фундамента эстакадных причальных сооружений становится экономически оправданным при значительных глубинах (Н ³ 13,0 м) и больших судовых нагрузках, когда железобетонные свайные фундаменты не обеспечивают трещиностойкость конструкций;

з) вариант конструкций причальных сооружений из дерева (в том числе ряжевые конструкции) рекомендуется включать в проекты для объектов, расположенных в районах, богатых лесом, а также в которых отсутствуют древоточцы. При рассмотрении вариантов причальных сооружений из дерева следует учитывать также сведения о сохранности древесины от гниения в местных климатических и гидрологических условиях.

3.5 (2.4, 1.10). При проектировании морских причальных сооружений необходимо:

при наличии угрозы размыва дна перед причалом в проекте предусматривать укрепление дна или учитывать понижение его уровня в результате размывов. Выбор между указанными вариантами должен решаться на основе сравнения их технико-экономических показателей;

при выборе варианта конструкции причального сооружения и определении мер защиты учитывать все виды важнейших естественных и эксплуатационных неблагоприятных воздействий:

а) многократное попеременное замораживание и оттаивание, а также увлажнение и высыхание, вызывающие интенсивное разрушение бетона в зоне переменного уровня воды;

б) химическое действие морской воды и других агрессивных минерализованных или пресных вод, атмосферы, насыщенных влагой химических грузов и блуждающих токов, вызывающих коррозию бетона и стали;

в) истирание и механические повреждения конструкций в результате воздействий швартующихся судов, волн, движущихся наносов, льда и иных плавающих предметов;

г) разрушение лесоматериалов в результате гниения или действия древоточцев.

4 (3с). ОСНОВНЫЕ ТРЕБОВАНИЯ К ПРОЕКТИРОВАНИЮ ПРИЧАЛЬНЫХ СООРУЖЕНИЙ

4.1 (3.1с). Выбор конструкций морских причальных сооружений должен производиться на основании технико-экономического сравнения вариантов, разрабатываемых с учетом:

удовлетворения требований эксплуатации и перспективы развития объекта;

увязки срока физического и морального износа;

природных условий района и места возведения сооружений (инженерно-геологических, гидрологических, климатических, биологических и других факторов окружающей среды);

условий и методов производства работ;

требований технических правил по экономному расходованию основных строительных материалов;

оптимальной продолжительности строительства;

максимального применения типовых конструкций, деталей и узлов при наиболее высокой степени механизации работ.

Примечание. Для удовлетворения требований нормальной эксплуатации и развития объекта необходимо соблюдать указания по научной компоновке морских портов и судоремонтных заводов.

4.2 (3.2с). Морские причальные сооружения должны обладать стойкостью против воздействия на них воды, знакопеременных температур, увлажнения и высыхания, волн, льда, биологической среды и агрессии складируемых грузов.

Для защиты конструкций от агрессии складируемых грузов необходимо соблюдать требования специальных нормативных документов.

4.3 (3.3с). Выполнение требований п. 4.2 (3.2с) настоящего раздела должно обеспечиваться применением:

элементов конструкций из материалов, устойчивых против воздействия агрессивной среды, знакопеременных температур и механического истирания;

защитных покрытий и соответствующей пропитки и окраски

поверхностей элементов и узлов сооружений;

конструктивных решений, обеспечивающих уменьшение воздействия указанных агрессивных факторов на элементы сооружений;

активных защитных мероприятий (катодная защита и т.п.).

Примечание. Помимо применения катодной защиты, разрешается применять другие виды электрохимической защиты (протекторная и др.).

5 (5с). ОТСЧЕТНЫЕ УРОВНИ И ГЛУБИНЫ ПОРТОВЫХ И ЗАВОДСКИХ АКВАТОРИЙ И ПОДХОДНЫХ КАНАЛОВ

5.1 (5.1с). Отсчетные уровни портовых и заводских акваторий и подходных каналов необходимо назначать относительно нуля глубин, принятого на гидрографической карте данного бассейна, по многолетнему графику обеспеченности ежедневных уровней воды за навигационный период (включая время навигации с ледоколом).

Отсчетный уровень для портовых акваторий (включая устьевые порты) в приливных и неприливных (ливных и безливных) морях (в соответствии с указаниями ) назначается на основе многолетнего графика, как указано выше, в зависимости от разности между уровнем 50 %-ной обеспеченности Н50% и минимальным уровнем Нmin по табл. 2.

Таблица 2 (табл. 10 ВНТП 01-78)

Для морей без приливов (безливные)

Для морей с приливами (ливные)

Обеспеченность, %

Н50% - Нmin, см

Н50% - Нmin, см

До 105

До 180

98,0

125

260

99,0

140 и более

300 и более

99,5

Примечания: 1. Графики обеспеченности ежедневных уровней воды строятся для портов без приливов (безливных) по срочным, для морей с приливами (ливных) по ежечасным наблюдениям на основании соответственно не менее чем 10- и 3-летних наблюдений за колебанием уровня воды. На морях с вековым ходом уровня (Каспийское море) взамен указанных строятся графики обеспеченности вычисленных величин отклонений ежедневных уровней воды от среднего за данный год уровня.

2. За минимальный уровень Нmin принимается минимальный годовой уровень повторяемостью 1 раз в 25 лет (4 %-ной обеспеченности).

3. При недостаточной длине ряда наблюдений над уровнем используются приемы переноса соответствующих уровней из пункта-аналога.

4. При наличии подходного канала отсчетный уровень портовой акватории не должен быть выше отсчетного уровня, определенного для канала по ВСН «Нормы технологического проектирования каналов».

5. Для промежуточных значений (Н50% - Нmin) отсчетный уровень определяется интерполяцией по табл. 2.

5.2. Отсчетные уровни в устьевых портах назначаются с учетом поверхностного уклона реки.

Все отметки в порту отсчитываются от наинизших уровней моря определенной обеспеченности - так называемых отсчетных уровней (для глубин).

Следует иметь в виду, что ошибка в назначении отсчетного уровня ведет либо к простоям судов из-за невозможности их подхода к причалам в связи с недостаточностью глубин на акватории порта в не предусмотренные проектом периоды времени, либо к неоправданному увеличению стоимостных показателей строительства гидротехнических сооружений порта в связи с завышениями глубин акватории. Поэтому при проектировании элементов порта и гидротехнических сооружений установлению отсчетных уровней и согласованию его с реперами государственной нивелировочной сети должно уделяться большое внимание.

Обеспеченность отсчетного уровня должна устанавливаться в зависимости от ряда факторов:

а) судооборота порта;

б) грузоподъемности расчетных судов:

в) стоимости простоя судов расчетных типов;

г) стоимости дноуглубительных работ и др.

В современных условиях при весьма высокой стоимости простоя крупнотоннажных судов экономически оправданная обеспеченность отсчетных уровней становится достаточно высокой, достигающей:

а) для акваторий портов на ливных и безливных морях - (98 - 99,5) %;

б) для подходных каналов - (97 - 99,5) %.

В случаях, когда по ряду соображений не представляется целесообразным применять отсчетный уровень высокой обеспеченности (сравнительно большие приливные колебания, незначительное число заходов крупнотоннажных судов, значительный объем землечерпания и т.п.), в период времени, когда уровень воды опускается ниже его расчетного положения, предусматривают: уменьшение расчетной осадки за счет недогруза, отстой судов на рейде или устройство прорези у причального фронта без создания подходного канала.

5.3 (5.3с). Глубины портовых и заводских акваторий и подходных каналов должны обеспечивать безопасное передвижение и стоянку судов и назначаться в зависимости от осадки расчетного судна и необходимых запасов глубины; при этом должны учитываться требования  «Нормы технологического проектирования морских портов».

На всех проектных материалах, содержащих сведения о глубинах акватории, положение отсчетного уровня указывается относительно принятого в проекте нуля высотной системы, а также относительно нуля глубин, принятого на гидрографических картах данного бассейна.

При составлении проекта портовой акватории определяются:

навигационная глубина, необходимая для безопасного передвижения расчетного судна с заданной скоростью при самых неблагоприятных расчетных условиях, по формуле

                                                  [1]

проектная глубина по формуле

                                                           [2]

где Т - осадка расчетного судна, м;

z1 - минимальный навигационный запас (обеспечивающий безопасность и управляемость судна при движении), м;

z2 - волновой запас (на погружение оконечности судна при волнении), м;

z3 -скоростной запас (на изменение посадки судна на ходу по сравнению с посадкой судна на стоянке при спокойной воде), м;

z0 -запас на крен судна вследствие неправильной его загрузки, перемещения груза, а также при циркуляции судна, м;

z4 -запас на заносимость, м.

В качестве расчетного принимается судно (на прием которого проектируется данный участок акватории), имеющее наибольшую из всех судов осадку по основную летнюю грузовую марку «Л» с поправкой DТ на изменение плотности (солености) воды по табл. 3.

Таблица 3 (табл. 11 ВНТП 01-78)

Плотность воды, тс/м3

Соленость, ‰

DТ, м

1,025

32

0,000 Т

1,020

26

+ 0,004 Т

1,015

20

+ 0,008 Т

1,010

13

+ 0,012 Т

1,006

7

+ 0,016 Т

1,000

0

+ 0,020 Т

Примечание. Для судов, плавающих на внутренних морях СССР, основными грузовыми марками могут быть специальная («СМ»), облегченная («СМО») и региональная облегченная («РА»).

Минимальный навигационный запас z1 определяется по табл. 4.

Таблица 4 (табл. 12 ВНТП 01-78)

Грунт дна в интервале между Нн и Нн + 0,5 м

Величина запаса z1, м

на входе в порт и на входном и внешнем рейдах

на всех прочих участках внутренней акватории

Ил

0,04

0,03

Наносный грунт (песок заиленный, ракуша, гравий)

0,05

0,04

Слежавшийся грунт плотный (песок, глина)

0,06

0,05

Скальный грунт

0,07

0,06

Примечания: 1. Предусмотренные табл. 4 значения навигационного запаса z1 принимаются при толщине слоя указанного грунта ниже навигационной глубины Нн не менее 0,5 м; при меньшей толщине слоя значения z1 должны приниматься в соответствии с подстилающими слой грунтами, если последние более плотные, чем верхние грунты.

2. При наличии в грунте валунов запас z1 принимается по табл. 4 как для скального грунта с учетом точности траления.

3. У причальных сооружений, под основаниями которых постели из камня выступают на 2 м и более от линии кордона, значение z1 принимается как для скальных грунтов.

4. При наличии запаса на отложение наносов z4 не менее 0,5 м и заполнении этого запаса илистыми отложениями при соответствующем обосновании величина навигационного запаса по табл. 4 может быть уменьшена.

Волновой запас z2 определяется по табл. 5 в зависимости от размеров (длины) расчетного судна и высоты волны, повторяемостью 1 раз в 25 лет по графику распределения высот волн 3 %-ной обеспеченности (в системе) для открытого со стороны моря сектора.

Таблица 5 (табл. 13 ВНТП 01-78)

Длина судна, м

Высота волны, м

0,5

1,0

1,5

2,0

2,5

3,0

3,5

4,0

Величина запаса, см

75

10

17

34

58

76

102

130

158

100

5

14

28

46

65

87

112

136

150

0

9

20

34

51

69

87

108

200

0

5

15

26

40

57

72

92

250

0

3

10

21

33

48

63

80

300

0

0

7

16

25

39

56

68

400

0

0

4

11

18

31

51

58

Примечания: 1. График распределения высот волн для акваторий строится с учетом образования проектных глубин, а также рефракции и дифракции волн при построенных сооружениях.

2. Если угол между направлением расчетной волны и курсовым углом движущегося (стоящего на якоре) судна составляет 35°, в значения таблицы вводится коэффициент 1,4, а при угле 90° - 1,7. При углах от 15 до 35° величина коэффициента определяется по интерполяции между 1,0 и 1,4, а при углах от 35 до 90° - по интерполяции между 1,4 и 1,7.

3. Запас для промежуточных значений длины судна принимается по интерполяции.

Скоростной запас z3 определяется по табл. 6.

Таблица 6 (табл. 14 ВНТП 01-78)

Скорость судна

Величина запаса, см

уз

м/с

3

1,6

15

4

2,1

20

5

2,6

25

6

3,1

30

Примечание. Скоростной запас учитывается для участков акватории, на которых суда передвигаются своим ходом.

Запас на крен судна z0 определяется по табл. 7.

Таблица 7 (табл. 15 ВНТП 01-78)

Тип судна

Величина запаса в долях ширины судна, см

Угол крена судна, град

Танкеры

0,017 В

2

Сухогрузные и комбинированные

0,026 B

3

Лесовозы

0,044 В

5

Запас z4 на заносимость и засорение внутренней портовой акватории следует принимать в зависимости от ожидаемой интенсивности отложения наносов в период между ремонтными дноуглубительными работами (с учетом засорения акватории сыпучими грузами), но не менее величины, обеспечивающей производительную работу земснаряда, равную 0,4 м.

Навигационная глубина зависит от множества факторов, и, так как влияние этих факторов на отдельных участках портовой акватории неодинаково, расчетные глубины на ее участках будут неодинаковы. С наибольшими глубинами будут участки на подходах к порту и на акватории, примыкающей к входу в порт.

5.4. Сетку типовых глубин у причальных сооружений следует назначать в соответствии с табл. 8.


Таблица 8 (табл. 24 ВНТП 01-78)

Сообщения

Унифицированные (проектные) глубины причалов, м

Грузовые причалы для

контейнеров

генеральных и лесных грузов

навалочных грузов

сырой нефти

нефтепродуктов и прочих наливных грузов

грузов в судах смешанного и внутреннего плавания

лихтеровозных сообщений (лихтеровозы/лихтеры)

пассажирские причалы

причалы портового флота

Океанские

11,5

9,75

13,0

16,5

9,75

-

9,75/5,0

8,25

-

 

13,0

11,5

15,0

18,0

11,5

-

11,50/5,0

9,75

-

 

15,0

13,0

16,5

20,0

13,0

-

13,0/5,0

11,5

-

 

-

-

18,0

22,0

15,0

-

-

-

-

 

-

-

20,0

24,0

16,5

-

-

-

-

 

-

-

22,0

27,0

-

-

-

-

-

 

-

-

24,0

-

-

-

-

-

-

Внутрибассейновые

8,25

8,25

8,25

13,0

8,25

5,0

8,25/5,0

6,50

-

 

9,75

8,75

9,75

15,0

9,75

6,5

9,75/5,0

8,25

-

 

11,5

1,5

11,5.

-

11,5

-

11,50/5,0

9,75

-

 

-

-

13,0

-

-

-

-

-

-

 

-

-

15,0

-

-

-

-

-

-

Местные

6,5

5,0

5,0

-

5,0

5,0

-/5,0

5,0

5,0

 

-

6,5

6,5

-

6,5

6,5

-

6,5

6,5


6 (7с). ПРИЧАЛЬНЫЕ СООРУЖЕНИЯ, ИХ ДЛИНЫ И РАСПОЛОЖЕНИЕ

6.1 (7.1с). Число причалов в транспортной части порта должно определяться исходя из расчетного грузооборота для груза каждого вида и расчетной пропускной способности причалов. Число причалов судоремонтных заводов должно определяться исходя из программы судоремонта и схемы расстановки судов.

6.2 (7.2с). Длина причала, входящего в состав причальной линии, должна устанавливаться в зависимости от габаритной длины расчетного судна и запаса свободной длины причала между судами, приведенной в табл. 9, схема поз. 1.

Примечание. При назначении длины причала необходимо учитывать требования  «Нормы технологического проектирования морских портов».

Для других (непрямолинейных) схем расстановки судов у причалов запас свободной длины между ними должен устанавливаться по табл. 9, схемы поз. 2.

Примечания: 1. Требования настоящего пункта не распространяются на островные причалы и на причалы, размещаемые на открытых побережьях.

2. В случае ломаного причального фронта (углы излома) запасы свободной длины назначаются в зависимости от условий и удобства перегрузочных операций, эксплуатационной работы судов и конкретных условий проекта.

Таблица 9 (табл. 26 ВНТП 01-78)

Схема постановки судов

Запас свободной длины причалов при наибольшей длине расчетного судна, м

более 300

300-201

200-151

150-100

менее 100

Расстояние d между судами, м

30

25

20

15

10

 

 

 

 

 

2. Расстояние е между судном и концом прямолинейного участка причального фронта в зависимости от расположения причалов, м:

 

 

 

 

 

а)

30

25

20

10

5

б)

45/40*

30

25

20

15

в)

30/25

20

15

15

10

г)

-/60

50

40

30

20

д)

20

15

15

10

10

* Для судов длиной более 300 м в знаменателе указаны нормативы, относящиеся к схемам с берегоукреплением.

6.3 (7.3с). Расположение причальных сооружений должно определяться с учетом:

удобства и безопасности подхода и отхода судов, защищенности от волн и льда;

инженерно-геологических условий:

минимальной заносимости и неразмываемости дна акватории у причала;

необходимого размера портовой территории;

минимальных объемов выемки и насыпи для образования территории и углубления акватории.

При относительно малых площадях оперативной территории портовых комплексов предпочтение следует отдавать причальным сооружениям в виде пирсовых систем. Выбор схемы причального портового комплекса (набережные, узкие и широкие пирсы) в каждом конкретном случае устанавливается вариантным проектированием генеральных планов на основе технико-экономических обоснований.

6.4 (7.4с). Конструкции причальных сооружений и основные условия их применения приведены в табл. 10 (5с).

Таблица 10 (5с)

Конструкции причальных сооружений

Основные условия применения

1. Набережные и пирсы эстакадного типа на железобетонных или металлических сваях-оболочках с верхним строением из сборного, сборно-монолитного или монолитного железобетона

Грунты, допускающие погружение свай и свай-оболочек на требуемую глубину

2. Набережные на свайных опорах, с передним и задним шпунтом, больверки железобетонные или металлические

Грунты, допускающие погружение свай и свай-оболочек на требуемую глубину

3. Набережные и пирсы мостового типа на свайных опорах со сборно-монолитным верхним строением. Палы причальные гибкие или жесткие из металлических или железобетонных свай

Те же грунтовые условия, что и в поз. 1.

4. Набережные из обыкновенных или фасонных массивов

Наличие скальных, плотных и средней плотности грунтов

5. Набережные из массивов-гигантов, оболочек большого диаметра и набережные уголкового типа

Наличие скальных, плотных и средней плотности грунтов или слабых, но специально закрепленных для восприятия эксплуатационных нагрузок

6. Набережные и пирсы мостового типа на опорах из обыкновенных массивов, массивов-гигантов

Те же грунтовые условия, что и в поз. 4

Примечания: 1. Целесообразность применения конструкций причальных сооружений, не указанных в настоящей таблице, должна быть обоснована.

2. Конструкции причальных сооружений, указанные в поз. 4, должны приниматься только II - IV классов, а в поз. 1 - 3, 5 и 6 - I - IV классов.

Таблица 10 (5с), регламентированная СНиП II-51-74, дает привязку ряда конструкций причальных сооружений только в зависимости от грунтов основания. При выборе варианта конструкции, кроме грунтовых, необходимо учитывать другие условия: волновые, ледовые, агрессивность среды, сейсмичность района, наличие местных строительных материалов, возможности строительной организации, транспортные связи района строительства и др.

В примечании 2 к табл. 10 (5с) для конструкций поз. 4 исключен I класс капитальности в связи с тем, что класс в соответствии с требованиями главы СНиП II-51-74 определяется только высотой сооружения, а по этому признаку стенки из кладки бетонных массивов высотой более 25 м, как правило, экономически нецелесообразны.

7 (4). СТРОИТЕЛЬНЫЕ МАТЕРИАЛЫ

7.1 (4.1). Для бетонных и железобетонных конструкций морских причальных сооружений следует применять тяжелый гидротехнический бетон согласно ГОСТ 4795-68 «Бетон гидротехнический. Технические требования».

Требования к бетону, которые должны быть приведены в проекте, в зависимости от конструкции сооружения и условий службы бетона назначаются в соответствии с «Указаниями по обеспечению долговечности бетонных и железобетонных конструкций морских гидротехнических сооружений»  и настоящим Руководством и характеризуются марками по прочности, водонепроницаемости и морозостойкости.

Примечания: 1. Допускается также применение легких керамзитобетонов в соответствии с требованиями «Указаний по применению керамзитобетона для морских гидротехнических сооружений» РД 31.31.10-74.

2. Для покрытий территорий причалов следует применять бетон в соответствии с требованиями норм технологического проектирования морских портов  - по ГОСТ 8424-72 «Бетон дорожный».

Для основных несущих бетонных и железобетонных конструкций морских причальных сооружений, подвергающихся воздействию значительных эксплуатационных нагрузок, работающих, как правило, в условиях агрессивного воздействия внешней среды, рекомендуются тяжелые бетоны повышенной плотности с марочной прочностью, установленной СНиП II-56-77 «Бетонные и железобетонные конструкции гидротехнических сооружений», до марки М600.

При соответствующем обосновании допускается применение легких бетонов, в частности керамзитобетона, обладающего рядом преимуществ перед тяжелым: относительно невысокий объемный вес, повышенная растяжимость и др.

Однако опыта применения легкого керамзитобетона в морском портовом строительстве нет. Неизвестна степень сцепления арматуры с бетоном, а отсюда и его коррозионная стойкость. Поэтому применение легкого керамзитового бетона может быть допущено без оговорок для районов строительства с легкими гидрологическими условиями.

7.2 (4.2). Марка бетона по прочности определяется расчетом, а также требованиями долговечности.

В зависимости от конструктивных особенностей и условий работы в сооружении для бетонных и железобетонных конструкций рекомендуются проектные марки бетона, приведенные в табл. 11 (2).

Таблица 11 (2)

Позиция

Конструкции или элементы

Рекомендуемая марка бетона по прочности при сжатии, кгс/см2

1

Сваи и сваи-оболочки, сборные элементы верхнего строения, плиты уголковых стенок из предварительно-напряженного железобетона

300 - 600

2

То же, из обычного железобетона

200 - 400

3

Бетонные и железобетонные элементы и конструкции, подверженные истиранию (дорожные покрытия, защитные пояса, оболочки, козырьки и т.п.)

300 - 600

4

Массивы бетонные, бетонные и армированные элементы надводных строений (подпорные стенки, оголовки)

150 - 300

5

Бетон для заполнения анкерных стаканов арматурных пучков, железобетонных анкеров, торцевых прокладок, распределительных поясов

400 - 600

6

Бетон омоноличивания рабочих стыков и узлов

Проектная марка на одну ступень выше бетона омоноличиваемых элементов, а для бетона марки 400 и более равна марке бетона омоноличиваемых элементов

Примечания: 1. По требованиям расчета прочности и трещиностойкости, а также водонепроницаемости и морозостойкости по поз. 2 и 4 могут применяться марки бетона выше приведенных в табл. 11 (2).

2. При армировании предварительно напряженных конструкций пучками из арматурной проволоки - гладкой и периодического профиля, диаметром 5 мм и более - проектная марка бетона должна быть не менее 400.

Обеспечение необходимой прочности конструкции может быть достигнуто при различных марках бетона за счет соответствующего изменения размеров сечения элементов.

При этом повышение марки бетона не всегда ведет к повышению экономических показателей конструкции. Поэтому при выборе марки бетона на прочность надлежит выполнять экономические сопоставления стоимости конструкции при различных марках бетона.

Оптимальным соотношением марки бетона и марки цемента является Rб/Rц = M/Mц = (0,5 ÷ 0,75).

При этом соотношении расход вяжущего в бетоне составляет (250 ÷ 320) кг/м3. При соотношении выше 0,75 расход цемента возрастает до (350 ÷ 400) кг/м3 для бетонов с осадкой конуса 4 см и до 450 кг/м3 для более пластичных смесей (например, бетон для густоармированных элементов).

Применение в основных конструкциях бетонов марок М200 - М300 позволяет выполнить их, как показывают расчеты, с экономически целесообразным расходом вяжущего (цемента) - (250 ÷ 300) кг/м3 при водоцементных отношениях В/Ц, равных (0,54 ÷ 0,7). Такой диапазон В/Ц позволяет обеспечить и соответствующие требования, связанные с долговечностью бетона.

Рекомендуемые в табл. 11 (2) марки бетона соответствуют опыту проектирования и строительства морских причальных сооружений.

Для получения высоких марок бетона (М400 и М500) необходимо применять жесткие смеси. Удобоукладываемость таких смесей обеспечивается повышенным расходом цемента и введением пластифицирующих добавок. Повышение морозостойкости и водонепроницаемости достигается введением в бетонную смесь добавок СНВ (воздухововлекающая) или ГКЖ-94 (газовыделяющая).

Марка бетона по прочности 600 на сульфатостойком портландцементе марки 500 по ГОСТ 22266-76, местных материалах - щебне из изверженный пород прочностью в водонасыщенном состоянии 1200 кгс/см2 и песке с модулем крупности более 2,3 при введении в бетонную смесь суперпластификаторов (разжижителей) марки С-3 (НИИЖБ) или 10-03 (ВНИИЖелезобетона) была получена в лаборатории ЦНИИС Минтрансстроя и производственных лабораториях Балтгидростроя, Черноморгидростроя и Ильичевского завода ЖБК. Бетон изготавливался из жестких смесей при низком водоцементном отношении (В/Ц » 0,90) и расходе цемента 600 кг/м3. Морозостойкость обеспечивалась введением добавки СНВ.

(Измененная редакция).

7.3 (4.3). В типовых проектах причальных сооружений, конструкций, деталей и узлов должны быть даны указания о том, что марки бетона по водонепроницаемости и морозостойкости, а также требования по обеспечению долговечности бетона в условиях агрессивного воздействия внешней среды устанавливаются при привязке проекта.

В зависимости от географического положения района строительства причального сооружения требования по долговечности устанавливаются по трем гидрометеорологическим условиям: тяжелым, средним, легким.

Зоны деления климатических условий устанавливаются в соответствии с «Указаниями по обеспечению долговечности бетонных и железобетонных конструкций морских гидротехнических сооружений»  и по ГОСТ 4795-68 «Бетон гидротехнический».

7.4 (4.4). Материалы, применяемые для приготовления гидротехнического бетона (цементы, поверхностно-активные органические добавки, песок, щебень, гравий, вода для затворения бетона и промывки заполнителей), должны отвечать требованиям ГОСТ 10268-80 «Бетон тяжелый. Технические требования к заполнителям», ГОСТ 22266-76 «Цементы сульфатостойкие», ГОСТ 23732-79 «Вода для бетонов и растворов», а также в зависимости от района строительства, агрессивности среды и зоны расположения конструкции - требованиям «Указаний по обеспечению долговечности бетонных и железобетонных конструкций морских гидротехнических сооружений»  и главы СНиП II-28-73* «Защита строительных конструкций от коррозии».

Примечания: 1. Напрягающий цемент при применении должен удовлетворять требованиям ТУ 21-20-18-80 «Технические условия на напрягающий цемент с малой энергией самонапряжения».

2. Для элементов, изготавливаемых с пропариванием, введение водоотталкивающих и пластифицирующих добавок производится при специально отработанном режиме пропаривания, изложенном в «Указаниях по обеспечению долговечности бетонных и железобетонных конструкций морских гидротехнических сооружений» .

(Измененная редакция).

7.5 (4.5). Арматура для железобетонных конструкций в причальных сооружениях должна удовлетворять требованиям глав СНиП II-21-75 «Бетонные и железобетонные конструкции», СНиП II-28-73* «Защита строительных конструкций от коррозии», действующим ГОСТам или требованиям и условиям, утвержденным в установленном порядке, и настоящего Руководства.

Кроме того, необходимо учитывать изменения и дополнения главы СНиП II-21-75 «Бетонные и железобетонные конструкции» (постановление Госстроя СССР № 67 от 11 мая 1981 г.).

Арматурная сталь класса A-III является наиболее массовым видом арматурной стали. Ее доля в общем выпуске арматурных сталей в нашей стране превышает 42 % и составляет в настоящее время около 6 млн. т.

В результате совместной работы НИИЖБ (бюро внедрения) Госстроя СССР и Макеевского металлургического завода им. С. М. Кирова разработана система статистического регулирования качества арматуры в процессе ее производства, дающая возможность гарантировать с определенной доверительной вероятностью предел текучести, временное сопротивление, относительное удлинение и площадь поперечного сечения арматурных стержней.

Эта система позволила без изменения технологии производства получить сталь с более высоким расчетным сопротивлением, что легло в основу стандарта (ГОСТ 5781-82) на арматуру класса A-III.

ГОСТ 5781-82 предусматривает статистическую оценку важнейших показателей качества арматуры: среднего уровня механических свойств, полной и внутриплавочной меры неоднородности, а также точности проката. В 1978 г. экономия металла от применения арматуры класса A-III с государственным Знаком качества в целом по стране составила 145 тыс. т, а в 1980 г. - 230 тыс. т.

(Измененная редакция).

7.6 (4.6). Для ненапрягаемой арматуры железобетонных конструкций:

следует преимущественно применять:

а) горячекатаную арматурную сталь класса A-III;

б) горячекатаную арматурную сталь класса A-II - в тех случаях, когда арматурная сталь класса A-III не может быть использована эффективно по условиям трещинообразования;

допускается также применять:

в) горячекатаную арматурную сталь класса A-I - в основном для поперечной арматуры линейных элементов, для конструктивной и монтажной арматуры;

г) обыкновенную арматурную проволоку B-I и Вр-1 диаметром 5 мм и более - в качестве поперечной арматуры в сварных и вязаных арматурных изделиях;

д) горячекатаную арматурную сталь классов A-IV и A-V - только для продольной рабочей арматуры вязаных каркасов и сеток обычных и преднапряженных конструкций.

Ненапрягаемую арматуру из горячекатаной стали классов A-I, A-II и A-III, как правило, следует применять в виде сварных каркасов и сеток.

7.7. (4.7). В качестве напрягаемой арматуры предварительно-напряженных элементов:

следует преимущественно применять:

а) горячекатаную арматурную сталь класса A-IV:

б) арматурные пучки из проволоки классов B-II и Вр-II диаметром не менее 5 мм;

допускается также применять:

в) горячекатаную арматурную сталь класса A-V;

г) арматурную сталь класса А-IIIв, упрочненную вытяжкой с контролем напряжений и удлинений;

д) новые виды арматурной стали повышенной коррозионной стойкости, осваиваемые промышленностью, классов Атп-V и Атп-VI (по ТУ 14-1-1318-75), применение которых должно быть согласовано в установленном порядке.

Применение ненапрягаемой продольной рабочей арматуры классов A-IV или A-V совместно с напрягаемой арматурой тех же классов производится в случаях:

а) когда в сборно-монолитных неразрезных конструкциях с предварительно-напряженными элементами обычная арматура классов A-I, A-II и A-III не может воспринять значительные изгибающие моменты в опорных сечениях, не имеющих предварительного напряжения;

б) когда необходимо создать наиболее эффективное распределение материала по сечению железобетонного элемента конструкции.

В качестве наиболее эффективной стержневой арматурной стали в предварительно-напряженных конструкциях, эксплуатируемых в агрессивной среде, является арматура класса A-IV марки Ст20ХГ2Ц с минимальным пределом текучести (браковочный минимум) Rн = 6000 кгс/см2 при среднем значении предела текучести Rн = 7000 кгс/см2.

(Измененная редакция).

7.8. При выборе вида и марок арматурной стали, которая устанавливается по расчету, должны учитываться температурные условия эксплуатации конструкций и характер их нагружения.

Примечание. К расчетной арматуре относится арматура, устанавливаемая по расчету на нагрузки, действующие в период эксплуатации, монтажа и транспортирования конструкции.

7.9 (4.8). Для закладных деталей и соединительных накладок применяется, как правило, прокатная углеродистая сталь обыкновенного качества; марка стали устанавливается в зависимости от характера нагрузок на закладную деталь и температурных воздействий согласно главе СНиП II-21-75 «Бетонные и железобетонные конструкции» с использованием прил. 4.

7.10 (4.9). Для монтажных (подъемных) петель элементов сборных железобетонных и бетонных конструкций следует применять только горячекатаную арматурную сталь класса A-II марки 10ГТ и класса A-I марок ВСт3сп2 и ВСт3пс2. В случае, если возможен монтаж конструкций при температуре минус 40 °С и ниже, не допускается применять сталь марки ВСт3пс2.

7.11 (4.10). Сталь, применяемая для металлических конструкций причальных сооружений, должна удовлетворять требованиям главы СНиП II-23-81 «Стальные конструкции», соответствующих ГОСТов и настоящего Руководства.

7.12 (4.11). Для несущих стальных конструкций причальных сооружений следует применять прокатную сталь марок ВСт3сп5, ВСт3Гпс6 и ВСт3пс6 по ГОСТ 380-71 «Сталь углеродистая обыкновенного качества, марки и общие технические требования» и марки 16Д по ГОСТ 6713-75 «Сталь углеродистая и низколегированная конструкционная для мостостроения. Марки и технические требования».

Примечание. В особо тяжелых условиях службы, в районах с температурой от минус 40 до минус 70 °С, следует применять низколегированную сталь по ГОСТ 19281-73 «Сталь низколегированная, сортовая и фасонная» и ГОСТ 19282-73 «Сталь низколегированная толстолистовая и широкополосная универсальная» с ударной вязкостью не менее 3 кгс·см/см2.

7.13 (4.12). Для изготовления анкерных тяг и деталей их соединений следует применять сталь марок ВСт3сп2 и ВСт3Гпс2 для сварных конструкций по ГОСТ 380-71* «Сталь углеродистая обыкновенного качества», марки 09Г2С по ГОСТ 19281-73 «Сталь низколегированная сортовая и фасонная», а также по ГОСТ 2590-71 «Сталь горячекатаная круглая. Сортамент».

Примечания: 1. Допускается для изготовления анкерных тяг применение стали ВСт3пс2 при условии транспортирования и монтажа их при температуре не ниже минус 20 °С, а также сталей других марок с характеристиками на холодный загиб, относительное удлинение и свариваемость не ниже, чем для сталей, указанных в настоящем пункте.

2. Для стального проката толщиной более 40 мм испытание на ударную вязкость не производится, в связи с чем для анкерных тяг принята сталь категории 2.

(Измененная редакция).

7.14 (4.13). Для металлических стенок больверков следует применять шпунт из углеродистой стали марки ВСт3сп4 для сварных конструкций по ГОСТ 380-71 «Сталь углеродистая обыкновенного качества» и низколегированной стали марки 15ХСНД по ГОСТ 19281-73 «Сталь сортовая и фасонная» и марки 16ХГ по ТУ 14-1-33-71 «Сталь горячекатаная фасонного профиля для шпунтовой сваи «Ларсен IV» и «Ларсен V».

Примечание. Допускается применение шпунтов, прокатанных из других видов сталей с обоснованными механическими характеристиками и химическим составом.

Требования, изложенные в этом пункте, вытекают из многолетней практики проектирования и строительства причальных сооружений типа «больверк».

Металлические шпунтовые сваи корытного профиля (типа «Ларсен IV и V»), прокатываемые из низколегированных сталей (НЛ), применяются в случаях обоснования технико-экономическими расчетами, когда требуется обеспечить:

а) сокращение материалоемкости (металлоемкости) конструкции сооружения;

б) удлинение срока эксплуатации и долговечности сооружения, особенно для условий сильно агрессивной среды без применения специальных защитных мероприятий;

в) возможность восприятия значительных усилий, когда это невозможно обеспечить обычным шпунтом из углеродистой стали марки Ст3.

Применение металлического шпунта из бессемеровской кипящей стали нормативными документами запрещено по условиям его работы при погружении на динамические и температурные воздействия (температура воздуха ниже минус 20 °С), а также в связи с пониженными антикоррозионными свойствами.

7.15 (4.14). Для верхних строений конструкций мостового типа следует применять углеродистую сталь марки 16Д и низколегированную - марки 15ХСНД согласно ГОСТ 6713-75 «Сталь углеродистая и низколегированная конструкционная для мостостроения. Марки и технические требования».

Примечание. Допускается для верхних строений конструкций мостового типа применение проката из сталей других марок с механическими характеристиками и химическим составом, соответствующими маркам стали, указанным в настоящем пункте.

7.16 (4.15). Для болтов крепления связных балок и швартовных тумб следует применять сталь марки Ст3сп3 согласно требованиям ГОСТ 1759-70 «Болты, винты, шпильки и гайки. Технические требования».

7.17 (4.16). Для конструктивных элементов, не подлежащих расчету, рекомендуется применять сталь марки ВСт3кп2 по ГОСТ 380-71* «Сталь углеродистая обыкновенного качества».

7.18 (4.17). Отливки для стальных конструкций рекомендуется проектировать из углеродистой стали, удовлетворяющей требованиям ГОСТ 977-75* «Отливки из конструкционной нелегированной и легированной стали», и серого чугуна, удовлетворяющего требованиям ГОСТ 1412-79 «Отливка из серого чугуна с пластинчатым графитом».

7.19 (4.18). Сварные соединения стальных конструкций следует выполнять из сварочных материалов в соответствии с указаниями главы СНиП II-23-81 «Стальные конструкции».

7.20 (4.19). Камень для устройства разгрузочных призм, постелей под причальными сооружениями и образования подпричальных откосов должен удовлетворять требованиям специальных нормативных документов.

Природные материалы каменных пород различного происхождения, применяемые в гидротехническом строительстве и, в частности, в морском для различных составных элементов причальных сооружений (постелей, разгрузочно-противофильтрационных призм, причальных откосов, дренажей, защитных одежд и др.), по техническим требованиям должны назначаться в соответствии с действующими нормативными документами, однако после отмены главы СНиП I-B.8-62 «Материалы и изделия из природного камня», такого (нового) НТД не создано. В связи с этим сделана ссылка на перспективные нормативные документы, в частности на Инструкцию по применению материалов и изделий из природного камня для морского портового строительства (ВСН), которая разрабатывается Черноморниипроектом и согласовывается Госстроем СССР.

01.07.84 г. введены в действие ВСН 5-84/Минморфлот «Применение природного камня в морском гидротехническом строительстве».

(Измененная редакция).

7.21 (4.20). Щебень и гравий для устройства обратных фильтров, укрепления дна перед стенкой и т.п. должны удовлетворять требованиям ГОСТ 8267-82 «Щебень из природного камня для строительных работ», ГОСТ 8268-82 «Гравий для строительных работ» и ГОСТ 10260-82 «Щебень из гравия для строительных работ», а также требованиям специальных нормативных документов и условию неразмокаемости.

(Измененная редакция).

7.22 (4.21). Для обратной засыпки пазух причальных стенок [см. также п. 9.14 (3.9)] следует применять скальный грунт, природный песчаный грунт, содержащий по весу более 90 % фракций крупнее 0,1 мм, в том числе не ниже 50 % фракций крупностью 0,25 мм и более.

Допускается применять другие песчаные грунты, включая пылеватые пески, если объем илистых и глинистых частиц с размером фракций менее 0,1 мм не превышает в них 5 %.

Примечания: 1. Не допускается применять для засыпки грунты, содержащие растворимые в воде сернокислые соли и органические частицы в количестве более 5 % массы, сухой минеральной части грунта. Для использования в качестве обратной засыпки заиленных пылеватых песков следует отмывать мелкую фракцию с помощью средств гидромеханизации.

2. Возможность применения для засыпки глинистых грунтов должна быть обоснована опытом эксплуатации в местных условиях или специальными исследованиями.

7.23 (4.22). Для изготовления деревянных конструкций причальных сооружений (отбойных рам, свай, брусьев, кранцев, палов и др.) применяются пиломатериалы и круглый лес хвойных пород, преимущественно сосновых, отвечающие требованиям ГОСТ 9463-72 «Лесоматериалы круглые хвойных пород», ГОСТ 8486-66 «Пиломатериалы хвойных пород» и СНиП II-25-81 «Деревянные конструкции». Кроме указанных материалов, можно использовать также клееную древесину.

Для несущих конструкций и отбойных устройств следует применять лес первого и второго сортов, для нерасчетных и неответственных элементов - второго и третьего сортов.

7.24 (4.23). В качестве термо- и гидроизоляционных материалов и материалов для защиты от коррозии конструкций рекомендуется применять:

а) для бетонных и железобетонных конструкций - защитные материалы в соответствии с требованиями «Указаний по обеспечению долговечности бетонных и железобетонных конструкций морских гидротехнических сооружений ;

б) для металлических конструкций и их элементов, подверженных агрессивному воздействию среды, - водоустойчивые антикоррозионные покрытия - битумные, наклеечные покрытия и мастики на бумажной и тканевой основе, а также лакокрасочные покрытия по указаниям СНиП II-28-73* и РД 31.35.01-80 (см. прил. 1); для металлических закладных частей железобетонных конструкций - защитные покрытия в соответствии с указаниями ;

в) для деревянных конструкций и элементов, подверженных гниению и разрушению древоточцами, - пропитку водным раствором аммиака меди (по технологии ЦНИИМФа) или креозотирование;

г) для облицовочной деревоплиты - пропитку синтетической, фенолформальдегидной смолой согласно указаниям .

(Измененная редакция).

8. ОБОРУДОВАНИЕ ПРИЧАЛЬНЫХ СООРУЖЕНИЙ

8.1. В состав оборудования причальных сооружений, обеспечивающего нормальную эксплуатацию причального фронта портов и судоремонтных заводов, включаются:

а) технологическое оборудование;

б) швартовные приспособления и отбойные устройства;

в) подкрановые и железнодорожные пути;

г) покрытия прикордонной полосы территории;

д) колесоотбойные конструкции;

е) инженерные сети (ливнесточная система, водопроводные, паровые, электрические и др.).

Примечание. Настоящее Руководство не рассматривает технологическое оборудование причалов, представленное в «Нормах технологического проектирования морских портов» .

8.2 (7.5с). Для причальных сооружений должны предусматриваться отбойные и швартовные устройства. Если нагрузки от судов нецелесообразно передавать на причал, отбойные и швартовные устройства должны размешаться на отдельно стоящих палах.

8.3 (3.4). Расположение вдоль причального фронта швартовных тумб и нагрузки на них следует определять с учетом главы СНиП 2.06.04-82 «Нагрузки и воздействия на гидротехнические сооружения (волновые, ледовые и от судов)» или по Руководству  к СНиП 2.06.04-82.

Швартовные тумбы следует размещать по осям секций причального сооружения, нормальным к линии кордона, или симметрично относительно указанных осей.

По эксплуатационным соображениям в крайних секциях причальных сооружений рекомендуется устанавливать дополнительные швартовные тумбы, по возможности ближе к оконечности причального сооружения.

Примечания: 1. Установку и закрепление швартовных тумб следует осуществлять по проекту «Типовые конструкции, детали и узлы морских портовых и заводских причальных сооружений. Серия 3.504-14/75. Установка швартовных тумб по ГОСТ 17424-72 на морских причальных сооружениях» (Одесса, Черноморниипроект, 1975).

2. Тыловые швартовные устройства, расположенные за пределами причального сооружения и предназначенные, как правило, для швартовки судов с высоким бортом, допускается принимать специальной конструкции, не предусмотренной указанным выше ГОСТ 17424-72.

Расположение швартовных тумб вдоль причала зависит главным образом от удобства швартовных операций. Существующая практика швартовки требует за каждую швартовную тумбу заводить один швартовный трос, а длину троса принимать наиболее короткую в зависимости от размерений швартуемых судов и оптимального (классического) угла направления троса относительно причальной линии, приблизительно равного 30°.

Рассмотренные схемы швартовки грузовых судов показывают, что указанным выше условиям лучше всего отвечают равномерное расположение тумб вдоль причала через 20 м (за исключением специализированных пирсовых систем).

Расположение швартовных тумб на сквозных причальных сооружениях следует принимать ближе к середине секции, симметрично поперечной оси, так как в этом случае уменьшается крутящий момент от швартовной нагрузки, действующий на свайное основание.

Установка дополнительных тыловых (штормовых) швартовных тумб рекомендуется для надежной швартовки судов при штормовом предупреждении, когда эксплуатация крановых механизмов, подвижного состава и другой техники приостановлена.

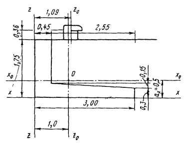
8.4 (3.5). Вынос отбойных устройств относительно лицевой грани верхнего строения должен обеспечивать нормальную стоянку судна у причала при минимальном зазоре 20 см между подводной частью корпуса и выступающими частями сооружения или подпричального откоса. При этом следует учитывать возможность обжатия отбойных устройств и крена судна, допускаемого указаниями «Норм технологического проектирования морских портов»  (см. табл. 7 настоящего Руководства).

8.5 (3.6). Закладные детали для крепления отбойных устройств следует располагать заподлицо с лицевой гранью сооружения.

8.6 (3.28). Основание подкрановых и железнодорожных путей, располагаемых на причальном сооружении, принимается в зависимости от конструкции последнего.

Подкрановые и железнодорожные рельсы при размещении на верхнем строении причальных сооружений эстакадного безбалластного типа следует крепить к верхнему строению ростверка.

Подкрановые пути, размещаемые на засыпке, следует, как правило, устраивать на свайном основании во всех случаях, когда это практически возможно, а железнодорожные - на шпально-балластном основании.

Основания подкрановых путей на железобетонных балках, плитах и т.п. рекомендуется возводить после стабилизации осадок грунта засыпки. На период стабилизации основания допускается устраивать временное шпальное основание.

Удобна в эксплуатации конструкция кранового пути, в которой рельс с закрепленными шпалами (балочного или плитного типа) устанавливается в корыто фундаментных плит на слой щебня мелких фракций из изверженных пород с высокой маркой по прочности. Данная конструкция позволяет производить в короткое время рихтовку пути за счет подсыпки и выравнивания балластного щебня в корыте фундаментной плиты под секцией рельса, поднятой портальным краном данного пути. Подобную конструкцию возможно осуществить, используя в качестве фундамента с корытом балку на свайном основании.

(Измененная редакция).

8.7 (3.29). Возвышение головки рельсов над поверхностью территории в соответствии с указаниями «Норм технологического проектирования морских портов»  следует принимать равным не более 3 см. Для прохода реборд колес кранов или железнодорожных составов у рельсов должны быть предусмотрены канавки, размеры которых принимаются в зависимости от конструкции ходовой части кранов или железнодорожных составов, намечаемых для эксплуатации на данном причале.

Рельсы подкрановых путей следует укладывать в соответствии с требованиями РТМ 31.3009-76 «Правил технической эксплуатации портовых сооружений и акваторий» и Правил технической эксплуатации перегрузочных машин морских портов.

8.8 (3.30). Прикордонная полоса территории должна иметь цементобетонное, асфальтобетонное или железобетонное покрытие. При устройстве покрытия на насыпи рекомендуется до стабилизации осадки грунта засыпки применять временные типы покрытий или сборные железобетонные плиты, которые при соответствующем обосновании могут быть применены в качестве временных.

Примечание. Проектировать покрытия в прикордонной полосе следует аналогичными покрытиям портовых территорий в соответствии с требованиями «Норм технологического проектирования морских портов»  

8.9 (3.31). Причальные сооружения, на которых работают машины внутрипортового колесного транспорта, должны быть оборудованы вдоль кордона бортовыми (охранными) съемными или стационарными колесоотбойными брусьями. Последние необходимо выделять, оклеивая цветной пленкой или окрашивая. При этом необходимо выполнять требования ГОСТ 12.4.026-76 «Цвета сигнальные и знаки безопасности».

По Правилам техники безопасности в морских портах, утвержденным Минморфлотом, причальные сооружения, на которые работают машины внутрипортового колесного транспорта, должны быть оборудованы по кордону прочными бортовыми брусьями (колесоотбоями), защищающими машины от падения в воду.

Для пассажирских причалов устройство таких брусьев не обязательно.

8.10. Стремянки на причальных сооружениях обычно выполняют из стального проката - уголков и стержней круглого сечения. Ширина стремянки принимается не менее 40 см, расстояние между ступенями - 25 - 30 см, расстояние до стенки - не менее 15 см. Стремянки, как правило, устанавливаются в углублениях заподлицо с лицевой поверхностью стенки.

8.11 (7.6с). При проектировании конструкций причальных сооружений необходимо предусматривать, в соответствии с технологическими требованиями, возможность прокладки инженерных сетей (водопроводов, воздуховодов, электрокабелей и т.п.), а также установки раздаточных устройств (водопроводных, электрических и т.п.).

8.12. В зависимости от назначения причального сооружения в состав инженерных сетей входят следующие линии:

а) для портовых грузовых причалов - электроснабжения, хозяйственно-пожарного водопровода, канализации, теплоснабжения, связи, сигнализации и другие, назначаемые по технологическим требованиям;

б) для причалов судоремонтных заводов - электроснабжения судов, сварочных агрегатов и подъемно-транспортных машин, водоснабжения и теплоснабжения судов, канализации, пожарного водопровода, сжатого воздуха, береговой связи судов и другие, назначаемые по технологическим требованиям.

8.13. Раздаточные узлы сетей на портовых причалах для снабжения судов пресной водой, снабжения судов и перегрузочных машин электроэнергией и подключения сети связи следую располагать друг от друга вдоль линии кордона на расстояниях, установленных «Нормами технологического проектирования морских портов» (уточнения и дополнения, выпуск № 1, , разд. 13 и 14).

8.14. Раздаточные узлы инженерных сетей на причалах судоремонтных заводов для снабжения судов пресной водой, подачи на суда пара и сжатого воздуха, снабжения судов, сварочных агрегатов и подъемно-транспортных машин электроэнергией и подключения сети связи следует располагать друг от друга в соответствии с требованиями Норм технологического проектирования судоремонтных заводов.

8.14. (3.32). Установка раздаточных устройств инженерных сетей на расстоянии менее 3 м от швартовных тумб не допускается.

8.15. Габариты колодцев для раздаточных устройств принимаются в зависимости от принятой схемы подключения к сети и конструкции причального сооружения.

8.16. Плановое и высотное расположение и габариты каналов следует принимать по технологической схеме инженерных сетей.

9 (3). ОБЩИЕ КОНСТРУКТИВНЫЕ ТРЕБОВАНИЯ К ПРИЧАЛЬНЫМ СООРУЖЕНИЯМ

9.1 (3.1). Конструкцию причальных сооружений (подводную часть, надстройку или верхнее строение) следует разделять по длине на отдельные секции сквозными вертикальными осадочными и температурными швами в соответствии с требованиями пп. 10.3 (5.3), 11.7 (6.7) и 12.6 (7.5).

(Измененная редакция).

(7.10с). Длина секций причальных сооружений должна приниматься в зависимости от действующих нагрузок и температурных воздействий, свойств грунтов основания и типа конструкции.

При этом, в отдельных обоснованных случаях, длина секции определяется расчетом на температурно-влажностные воздействия в соответствии с главой СНиП II-56-77 «Бетонные и железобетонные конструкции гидротехнических сооружений» и Руководством к СНиП II-56-77.

9.2 (3.2). Связи между сборными элементами для обеспечения их совместной работы в пределах секции следует проектировать, руководствуясь указаниями пп. 10.10 (5.10), 10.22 (5.24), 10.27 (5.28), 11.5 (6.5), 12.8 (7.7) - 12.11 (7.10).

(Измененная редакция).

9.3 (3.3). Узлы соединения сборных элементов следует проектировать с учетом допускаемых нормами отклонений в размерах и положении устанавливаемых элементов.

9.4 (3.4). Расположение, конструкцию, установку швартовных тумб и нагрузки на них следует принимать, руководствуясь п. 8.3 (3.4).

Тумбовые массивы следует бетонировать на месте. Допускается закрепление тумб на сборных элементах верхнего строения.

Для заанкеренных шпунтовых и уголковых стенок следует проектировать тумбовые узлы с усиленной или дополнительной анкеровкой [см. п. 9.8 (6.9)].

9.5 (9.8с). Пролетные строения мостового тина должны проектироваться свободно опертыми с ограничением горизонтальных смещений, надводная часть опор должна проектироваться монолитной или сборно-монолитной с расположением швартовных тумб на опорах.

9.6 (3.5). Причальные сооружения должны быть оборудованы отбойными устройствами, амортизирующими ударные воздействия от судов [см. пп. 8.4 (3.5) и 8.5 (3.6)].

9.7 (5.19, 6.8). Анкерные тяги следует крепить к лицевым панелям или стенкам выше строительного уровня воды для проведения монтажных работ насухо. Отступление от этого правила допускается при условии специального обоснования в каждом конкретном случае.

Примечание. В качестве расчетного строительного уровня воды принимается:

в неприливных (безливных) морях - средний многолетний (за период не менее 10 лет) уровень;

в приливных (ливных) морях - средний многолетний (за период не менее 10 лет) приливный уровень.

9.8 (6.9). Анкерные тяги тумбовых массивов во всех случаям, когда это допустимо по условию прочности или трещиностойкости конструкции лицевой панели или стенки, рекомендуется закреплять на одном уровне с рядовой анкеровкой. При этом диаметр тумбовых тяг следует принимать равным диаметру рядовых тяг, допуская уменьшение шага анкеров в местах расположения тумбовых массивов.

Примечания: 1. Допускается закреплять анкерные тяги в тумбовом массиве выше уровня крепления рядовых тяг.

2. Допускается в местах тумбовых массивов вместо постановки дополнительных тумбовых тяг увеличивать их диаметр по сравнению с диаметром рядовых анкерных тяг.

9.9 (5.21, 6.10). Анкерные тяги [кроме тяг уголковых стенок с внутренней анкеровкой, см. п. 10.20 (5.21)] следует выполнять из стали круглого сечения, составляя их из звеньев.

Звенья между собой следует соединять одним из следующих способов:

а) контактной сваркой в заводских условиях;

б) ванной сваркой;

в) сваркой с накладками цилиндрической формы;

г) муфтами.

Нарезные концы звеньев (шпильки) под гаечное крепление или на муфтах следует выполнять из круглой стали большего диаметра, чем диаметр основных звеньев, и приваривать их к последним одним из указанных в настоящем пункте способов.

Определяя диаметр шпильки, следует исходить из условия, чтобы диаметр по внутренней резьбе шпильки был не менее диаметра основного ствола тяги.

Примечания: 1. Кроме стальных тяг круглого сечения, допускается применять анкерные тяги другого профиля при соответствующем технико-экономическом обосновании.

2. Допускается применять тяги из тросов с диаметром проволоки не менее 5 мм, а также, при специальном обосновании, железобетонные тяги, в том числе предварительно напряженные с применением высокопрочной пучковой и прядевой арматуры.

(Измененная редакция).

9.10 (5.23, 6.12). В конструкциях с тягами, закрепленными за анкерные опоры, следует предусматривать во всех случаях, когда это практически возможно, подмосточные сваи с насадками или привязку насадок к существующим опорам под анкерные тяги для предотвращения их чрезмерного провисания и облегчения монтажных работ.

9.11. При наличии на дне перед сооружением размывающих скоростей от волновых воздействий, течений и движителей судов необходимо предусматривать на полосе вдоль сооружения защиту основания от размыва. Крупность частиц грунта защитной одежды определяется расчетом по указаниям «Руководства по определению нагрузок и воздействий на гидротехнические сооружения (волновых, ледовых и от судов)» , а также п. 13.29.

9.12 (3.7, 7.9с). Конструкция неомоноличенных швов между элементами лицевой стенки причального сооружения должна обеспечивать грунтонепроницаемость и по возможности не должна создавать подпора грунтовых вод.

Примечания: 1. Приведенное требование не учитывается в тех случаях, когда грунтонепроницаемость сооружения обеспечивается призмой из каменной наброски с обратным фильтром, устраиваемым на ее верхних (горизонтальных и наклонных) поверхностях.

2. В тех случаях, когда конструкция сооружения создает препятствие для движения грунтовых вод в сторону акватории, следует устраивать дренажи по всей длине причального фронта, сходящиеся к водопропускным отверстиям в лицевых стенках (см. прил. 2).

9.13 (3.8). Обратные фильтры следует устраивать для разгрузочных каменных призм, грунтопроницаемых швов уплотнения, дренажей, каменных постелей, креплений подпричальных откосов и при отсыпке песчаного грунта поверх засыпки из крупнообломочного материала:

а) из щебня, гравия и песка - многослойные или однослойные из смесей с подбором фракций и толщины слоя на основе лабораторных исследований. При этом необходимо учитывать механический состав грунта засыпки, волновой режим акватории, наличие приливо-отливных колебаний, их амплитуду;

б) из нетканых синтетических материалов (фильтрующих полотнищ).

Примечания: 1. При наличии в основании постели крупнозернистых грунтов обратные фильтры можно не устраивать, за исключением случаев, когда из-за волновых или иных воздействий возможна суффозия грунта из-под постели.

2. Обратные фильтры из нетканых материалов под каменными постелями допускается применять при условии обеспечения заданного расчетом коэффициента трения между полотнищем и грунтом основания.

3. Обратные фильтры из камня, щебня или гравия допускается устраивать в соответствии с рекомендациями прил. 2.

9.14 (3.9). При обратной засыпке пазух причальных сооружений в пределах глубины заложения подземных коммуникаций следует применять песок, песчаный грунт, дресву, гравий, щебень из скального грунта, а также камень (при соответствующем обосновании в проекте).

При наличии в составе конструкции причала анкерных тяг указанные требования к материалам, за исключением камня, распространяются на верхний слой обратной засыпки, начиная с отметки заложения тяг [см. также п. 9.13 (3.8)].

Ниже глубины заложения подземных коммуникаций пли анкерных тяг засыпку пазух следует производить грунтами, отвечающими требованиям п. 7.22 (4.21).

9.15. Форму элементов конструкции следует принимать по возможности простой, обеспечивающей максимальную коррозионную стойкость и простоту производства работ.

9.16 (3.10). Замкнутые полости в конструкциях в зоне возможного льдообразования не допускается устраивать без специального обоснования в проекте. Исключение составляют сваи-оболочки в основаниях эстакад и лицевых стенках больверков. Во всех случаях применения конструкций из стали, бетона или железобетона с замкнутыми полостями в зоне возможного льдообразования эти полости должны заполняться бетоном, водоотталкивающим или другим материалом, эффективность применения которого проверена опытом эксплуатации.

Примечания: 1. Требования настоящего пункта не распространяются на ячеистые конструкции из стального шпунта.

2. При заполнении полостей бетоном рекомендуется применять технологию, разработанную ЦНИИС Минтрансстроя, которая исключает или ограничивает процессы, вызывающие образование трещин в сваях-оболочках от температурных воздействий и деформаций бетона-заполнителя в начальный период твердения, а также расширения его под воздействием внешних температур в период эксплуатации (см.: Методические указания по расчету температурных и усадочных напряжений. - М.: ВНИИ транспортного строительства Минтрансстроя, 1979).

3. В обоснованных случаях следует предусматривать теплогидроизоляционную защиту бетона-заполнителя согласно указаниям .

9.17 (3.11). Толщина железобетонных элементов конструкции сооружения должна определяться расчетом и в целях обеспечения долговечности для основных конструктивных элементов быть не менее величин, указанных в табл. 12 (1).

Таблица 12 (1)

Элементы

Минимальная толщина, см

Железобетонные предварительно напряженные элементы верхнего строения эстакад, лицевые панели уголковых стенок, сваи шпунтовые плоские и тавровые

15

То же, без предварительного напряжения и напряженные в тяжелых условиях службы

20

Сваи-оболочки диаметром 1 м и более из предварительно напряженного железобетона

12

То же, без предварительного напряжения и напряженные в тяжелых условиях

15

9.18 (3.12). Толщину защитного слоя бетона следует принимать по указаниям главы СНиП II-56-77.

Примечание. Для рабочей стержневой арматуры, расположенной у поверхности железобетонных элементов, соприкасающихся с грунтовой засыпкой, а также для рабочей стержневой арматуры центрифугированных железобетонных элементов наименьшая толщина защитного слоя может быть снижена до 40 мм.

9.19 (3.13). Для повышения долговечности бетонных и железобетонных конструкций и их элементов, кроме указанных в пп. 9.17 (3.11) и 9.18 (3.12) конструктивных решений, следует применять:

а) преимущественно предварительно напряженные конструкции;

б) в особо тяжелых условиях эксплуатации - напряженно-армированные конструкции с обжатием бетона, не допускающим возникновения в нем растягивающих напряжений при воздействии постоянных и длительно действующих временных нагрузок;

в) в бетоне бетонных и железобетонных конструкций - ограничение сжимающих напряжений в соответствии с ;

г) конструктивные элементы с наименьшим отношением поверхности, подвергающейся агрессивным воздействиям, к объему;

д) стационарные или съемные защитные пояса или обоймы из материалов повышенной коррозиестойкости или устойчивых против истирания;

е) для эстакадных конструкций - защитные козырьки, для стенок - ледозащитные пояса с увеличенным сечением элементов.

9.20 (3.14). Элементы сборных железобетонных конструкций следует укрупнять, исходя из условий технико-экономической целесообразности, в пределах, допускаемых условиями изготовления, транспортировки и монтажа.

При транспортировке элементов конструкций по железной дороге габаритом 1-Т MПС максимальная ширина элемента не должна превышать 3,25 м; в случае транспортировки по внутрипостроечным железнодорожным путям ширина элемента может быть увеличена до 4,0 - 4,5 м.

При транспортировке элементов автотранспортом максимальная ширина элемента не должна превышать 4 м.

Примечания: 1. В проекте следует рассматривать возможность перевозки сборных железобетонных элементов в вертикальном положении с использованием специальных кассет.

2. В случаях, когда это допускается условиями подъема и транспортировки, следует предусматривать укрупнение элементов, изготовляемых заводским способом, путем предварительной сборки и омоноличивания на припостроечных площадках до установки в сооружение.

3. Если это возможно и экономически целесообразно, рекомендуется выполнять перевозку сборных элементов морским транспортом.

9.21 (3.15). Габаритные размеры и армирование элементов, назначенные из условий эксплуатации, должны, как правило, удовлетворять требованиям транспортировки и монтажа конструкции [см. п. 9.26 (3.20)].

Габаритные размеры сборных элементов следует назначать из условия сокращения их типоразмеров до оптимального количества, определяемого технико-экономическими расчетами и сопоставлениями, с учетом требований унификации как самих элементов, так и оборудования для их изготовления.

Масса и габаритные размеры сборных элементов должны соответствовать технологии их изготовления.

9.22 (3.16). В сборных железобетонных элементах в соответствии с конструктивно-компоновочной и монтажной схемами сооружения следует предусматривать установку закладных деталей или арматурных выпусков, обеспечивающих надежное крепление:

а) стационарного технологического оборудования, подкрановых рельсов и т.п.;

б) элементов между собой при монтаже и эксплуатации;

в) металлических анкерных тяг;

г) отбойных и швартовных устройств, стремянок;

д) конструкций перекрытия стыков, не связанных между собой элементов вертикальной стенки;

е) вибропогружателя;

ж) захватных устройств для подъема элементов при транспортировке и монтаже.

9.23 (3.17). Закладные детали и их расположение в сборных элементах следует, по возможности, унифицировать, не допуская перерасхода стали.

9.24 (3.18). Для образования в железобетонных элементах сквозных отверстий для пропуска болтов, рымов, анкерных тяг и т.п. необходимо предусматривать установку закладных деталей в виде трубок и коробок, остающихся в бетоне и облицовывающих поверхность бетона в отверстии.

9.25 (3.19). Положение закладных деталей при бетонировании должно обеспечивать возможность качественного уплотнения прилегающего к этим деталям бетона.

9.26 (3.20). Для подъема сборных элементов конструкций в них следует предусматривать захватные устройства в виде инвентарных монтажных вывинчивающихся петель в соответствии с указаниями ТП 101-81* или стационарных петель из арматурных стержней [см. п. 7.10 (4.9)], а также отверстий и закладных частей для ключей.

Схему расположения захватных устройств следует назначать с таким расчетом, чтобы усилия в сечениях элементов в процессе транспортировки и монтажа были, как правило, меньше, чем при эксплуатации.

(Измененная редакция).

9.27. При проектировании железобетонных элементов должны быть соблюдены конструктивные требования, изложенные в главах СНиП II-21-75, СНиП II-56-77, Руководстве к ним, а также в настоящем Руководстве.

9.28 (3.21). Стыкование железобетонных элементов сборных конструкций следует выполнять в соответствии с указаниями СНиП II-21-75 и Руководства к СНиП.

9.29 (3.22). Петлевые стыки рекомендуется выполнять из гладких круглых стальных стержней класса А-1 с диаметром петель не менее 5d (d - диаметр стержня). В пределах ядра стыка поперек петлевых стержней следует укладывать не менее шести стержней. В петлевых стыках, работающих на изгиб, в пределах ядра на петле должен быть прямой участок длиной, равной диаметру закругления.

Допускается изготовлять петлевые стыки из арматуры периодического профиля с диаметром перегиба стержней не менее 8d.

9.30 (3.23). Сварные соединения арматуры следует принимать в соответствии с требованиями ГОСТ 14098-68 «Соединения сварные арматуры железобетонных изделий и конструкций. Контактная и ванная сварка», ГОСТ 19292-73 «Соединения сварные элементов закладных деталей сборных железобетонных конструкций. Контактная и автоматическая сварка плавлением», ГОСТ 19293-73 «Соединения сварные арматуры предварительно напряженных железобетонных конструкций. Сварка контактная и плавлением», а также указаниями главы СНиП II-21-75.

В проектах необходимо отмечать, что технология сварки должна соответствовать требованиям СН 393-69, а качество сварных арматурных изделий и соединений - ГОСТ 10922-75 «Арматурные изделия и закладные детали сварные для железобетонных конструкций. Технические требования и методы испытаний».

9.31 (3.24). При изготовлении предварительно напряженных свай-оболочек с применением арматуры класса А-IIIв звенья свай-оболочек следует армировать цельными стержнями с приваренными по концам контактной сваркой наконечниками большего диаметра. В проекте необходимо отмечать, что арматуру следует упрочнять вытяжкой до натяжения после приварки наконечников и что длина и диаметр наконечников, а также режим сварки при креплении в натянутом состоянии арматуры (наконечников) к обечайке свай-оболочек должны исключать перегрев стали, снимающий в теле основного стержня упрочнение вытяжкой.

9.32 (3.25). Элементы, потерявшие на части длины предварительное напряжение в результате производственных операций (например, подрубки голов свай, свай-оболочек и т.п.) и поэтому не удовлетворяющие условиям трещиностойкости или предельной величине раскрытия трещин, следует в соответствующих зонах усиливать с учетом выполнения требований по раскрытию трещин в бетоне или предусматривать защитные мероприятия, обеспечивающие его коррозиестойкость.

9.33 (3.26). Для предотвращения повреждения верхнего торца свай при вибропогружении или забивке следует предусматривать косвенное армирование поперечными сварными арматурными сетками, установленными с шагом не менее 5 см от торца элемента и друг от друга. Число сеток определяется расчетом и должно быть не менее пяти.

Поперечное армирование концевых участков железобетонных свай длиной 1 м следует выполнять в соответствии с требованиями СНиП II-21-75 к элементам с косвенным армированием, работающим на внецентренное сжатие. В средней части свай шаг поперечной арматуры принимать из расчета по прочности или конструктивно, но не более 20 см.

9.34 (3.27). Для защиты от коррозии металлических элементов конструкций рекомендуется нанесение антикоррозионных лакокрасочных покрытий в соответствии с рекомендациями главы СНиП II-28-73* (см. прил. 1).

При интенсивной подводной коррозии металлических несущих конструкций следует предусматривать катодную или протекторную защиту в соответствии с указаниями РД 31.31.07-83 (см. прил. 1).

В случаях интенсивной коррозии в зоне переменного уровня воды стальной шпунт может быть защищен железобетонной надстройкой [см. п. 11.6 (6.6)], а стальные трубчатые сваи - железобетонными обоймами.

(Измененная редакция).

10 (5). ОСНОВНЫЕ КОНСТРУКТИВНЫЕ ТРЕБОВАНИЯ К ПРИЧАЛЬНЫМ СООРУЖЕНИЯМ ГРАВИТАЦИОННОГО ТИПА

10.1 (5.1). Требования, изложенные в настоящем разделе, распространяются на следующие конструкции гравитационных причальных сооружений:

уголковые стенки контрфорсного типа;

уголковые стенки с внешней анкеровкой, имеющие в вертикальной плоскости две опоры: верхнюю - в точке крепления анкера и нижнюю - на низком пороге фундаментной плиты;

уголковые стенки с внутренней анкеровкой;

стенки из массивовой кладки в поперечном сечении без вертикальных швов и с массивами верхнего курса, имеющими разгружающий консольный свес;

стенки из пустотелых бетонных массивов столбовой кладки;

стенки из оболочек большого диаметра.

10.2 (5.2). Причальные сооружения гравитационного типа, особенно из правильной кладки массивов, не следует применять при неблагоприятных геологических условиях, когда можно ожидать значительной и неравномерной осадки основания сооружения.

(9.2с). Возрастание нагрузок на основание в процессе возведения причальных сооружений не должно вызывать неравномерных осадок, раскрытия швов кладки и разрушения конструкции.

Примечание. Под неблагоприятными геологическими условиями следует понимать наличие в основании сооружения:

водонасыщенных глинистых грунтов пластичной и тугопластичной консистенции при степени влажности G ³ 0,85, в интервале расчетных сопротивлений R = (1,5 ÷ 3,0) кгс/см2, модуле деформации E £ 150 кгс/см2.

Дополнительными характеристиками для указанных грунтов являются:

малая плотность (коэффициент пористости ep = e0 = 0,75);

значительная сжимаемость (коэффициент сжимаемости а > 0,05 см2/кгс);

малый и неодинаковый во всех направлениях коэффициент фильтрации [kф = (1·10-6 ÷ 1·10-9) см/с];

относительно малая прочность [показатель сопротивления сдвигу в пределах t = (0,02 ÷ 0,565) кгс/см2 при расчетных сдвиговых показателях по трению и сцеплению j = (2 ÷ 20)° и с = (0,05 ÷ 0,20) кгс/см2];

длительность уплотнения в естественном состоянии, исчисляемая годами, а иногда и десятками лет.

Рекомендуется возведение причальных сооружений гравитационного типа осуществлять на плотных, малосжимаемых грунтах с модулем деформации не менее 200 кгс/см2 с учетом изложенного выше.

10.3 (5.3). Конструкцию набережных гравитационного типа следует разделять по длине на секции сквозными вертикальными температурно-осадочными швами.

Длина секции определяется в зависимости от геологического строения основания, высоты стенки и толщины постели:

для скального основания при толщине выравнивающего слоя из каменной наброски до 1,5 м - не более 45 м;

для нескальных оснований при глубине у причала до 13 м - не более 30 м, при глубине 13 м и более - не более 40 м.

Примечания: 1. Увеличение длины секции допускается при специальном обосновании в проекте.

2. Разбивка стенки на секции должна производиться с учетом обязательного устройства швов в местах возможной резкой разницы в осадках отдельных частей сооружения (в местах изменения грунтовых условий, примыкания нового сооружения к старому, изменения высоты стенки).

10.4 (5.4, 9.1с, 9.3с). Причальные сооружения гравитационного типа, возводимые на нескальных грунтах, должны располагаться на постели из каменной наброски, заглубленной в грунт основания или отсыпанной на поверхность дна [последнее с учетом требований п. 8.4 (3.5)]. При этом на грунты основания следует укладывать обратный фильтр из щебня или гравия толщиной не менее 0,3 м, за исключением случая, когда основание сложено из крупнозернистых грунтов [см. примечания к п. 9.13 (3.8)].

Если основание сооружения сложено из скальных грунтов, каменная постель не устраивается, а в основании сооружения укладывается выравнивающий слой из каменной наброски толщиной не менее 0,5 м.

Примечания: 1 (9.4с). Для уголковых стенок с внешней анкеровкой допускается устраивать постель из гравия или щебня при условии ее устойчивости на размывающие воздействия.

2 (9.5с). При скальных основаниях в обоснованных случаях вместо каменной наброски допускается применение выравнивающей щебеночно-гравийной подушки или выравнивающего слоя бетона в мешках толщиной не менее 0,25 м.

Необходимость устройства обратного фильтра под каменную постель на контакте с нескальным грунтом основания диктуется возможной суффозией грунта в процессе работы движителей судом. размыва донными скоростями течений и воздействия волн.

10.5 (5.5). По верху постели по обе стороны основания стенки, следует устраивать бермы [рис. 1 (1)], ширина которых должны быть с морской стороны не менее 2 м, а со стороны берега - не менее 1 м.

Рис. 1 (1). Поперечный разрез постели из каменной наброски в основании гравитационной стенки:

1 - проектное дно; 2 - берма шириной не менее 2 м; 3 - берма шириной не менее 1 м; 4 - щебень; 5 - каменная наброска.

10.6 (5.6). Толщину постели из каменной наброски, включая обратный фильтр, следует определять расчетом, принимая ее не более 5 м и не менее 1 м.

Примечания: 1. Постели большей толщины допускаются при условии технико-экономического обоснования.

2. Для причальных сооружений уголкового типа допускается принимать минимальную толщину постели равной 0,75 м.

Отечественный и зарубежный опыт строительства подтверждает целесообразность нормирования величин по толщине постели, которая регламентирована и типовыми проектами за 1962 - 1980 гг. Нормирование толщины постели в 5 м диктуется условиями длительного ее уплотнения в процессе эксплуатации. Минимальный размер по толщине постели установлен из условия обеспечения несущей способности основания под передней гранью сооружения, а также для выравнивания основания.

10.7 (5.7). Для отсыпки постелей и разгрузочных призм следует использовать камень массой от 15 до 100 кг.

Требования к качеству материала каменной отсыпки устанавливаются в соответствии с п. 7.20 (4.19).

Примечание. Если причальная стенка подвержена волновым воздействиям, массу камня для отсыпки постели следует определять с учетом этих воздействий.

10.8 (5.8). Обратный фильтр каменных постелей и разгрузочных призм следует выполнять, руководствуясь требованиями п. 9.13 (3.8).

Обратный фильтр каменных постелей на глинистых грунтах основания должен отсыпаться из крупного щебня размером 7 - 10 см.

Требования к качеству материала обратных фильтров устанавливаются в соответствии с указаниями п. 7.21 (4.20).

10.9 (5.9). Отметка верха подводной части причальных сооружений гравитационного типа должна назначаться не менее чем на 0,3 м выше расчетного строительного уровня воды, чтобы обеспечивалась возможность устройства надстроек насухо.

Примечание. Расчетный строительный уровень надлежит устанавливать в соответствии с указаниями примечания п. 9.7 (5.19, 6.8).

10.10 (5.10). Секции сборных уголковых железобетонных стенок следует составлять из контрфорсных блоков [см. п. 10.12 (5.12)] или из лицевых и фундаментных панелей без перевязки и омоноличивания швов.

В пределах секций контрфорсные блоки и лицевые панели следует омоноличивать железобетонной надстройкой.

10.11 (5.11). Ширину лицевых и фундаментных панелей уголковых стенок по направлению вдоль кордона рекомендуется делать наиболее доступной для изготовления на заводах и установки на место.

Ограничение габаритов лицевых и фундаментных панелей вытекает из условия наличия на строительстве подъемно-транспортного оборудования. Наиболее распространены краны грузоподъемностью 50 - 100 тс, и в отдельных случаях строительная организация располагает кранами грузоподъемностью 300 тс.

10.12 (5.12.) Уголковые контрфорсные конструкции допускается выполнять сборными из ненапряженных железобетонных элементов.

Все элементы, составляющие блок этой конструкции, объединяют через выпуски и закладные детали омоноличиванием.

10.13 (5.13). Лицевую панель уголковых стенок с внешней и внутренней анкеровкой как правило, следует изготовлять из предварительно напряженного железобетона.

Марки бетона лицевой панели рекомендуется назначать не ниже М400.

Указанные требования вытекают из экономической целесообразности такого решения, особенно для глубоководных причалов (Н > 11,5 м), когда по технической возможности и экономической целесообразности необходимо принимать предварительное напряжение.

Допускается в уголковых стенках с внешней анкеровкой применять лицевые панели, собранные из металлического шпунта.

(Измененная редакция).

10.14 (5.14). Для обеспечения грунтонепроницаемости вертикальных швов уголковых стенок следует предусматривать грунтонепроницаемые завесы.

Конструкцию завес допускается выполнять по рабочим чертежам «Типовые конструкции деталей и узлов морских портовых и заводских причальных сооружений для глубин до 11,5 м. Серия 3.504-11. Набережные уголковой конструкции с внутренней анкеровкой» [Выпуск 1 (Черноморниипроект)] или нормативным документам, регламентирующим указанные уплотнительные устройства.

Следует также применять навеску фильтрующих полотнищ из нетканых синтетических материалов

10.15 (5.15). В уголковых стенках с внешней и внутренней анкеровкой на пороге фундаментной плиты, как правило, устраиваются выступающие из бетона стальные закладные опоры, а против них, на лицевой панели, - стальные опоры заподлицо с бетонной поверхностью.

Высота порога и отметка расположения шарнирных опор должны обеспечивать надежное опирание при возможной раздельной осадке лицевой и фундаментной плит в результате деформации постели.

10.16 (5.16). В фундаментных плитах уголковых стенок с внешней и внутренней анкеровкой для обеспечения устойчивости лицевых плит во время монтажа конструкции, до засыпки пазухи, следует устраивать местные поддерживающие упоры, предотвращающие опрокидывание вертикальной плиты в сторону берега.

10.17 (5.17). Установка сборного блока или элемента гравитационной стенки причального сооружения должна быть произведена на весьма тщательно выровненную постель.

10.18 (5.18). Лицевую панель уголковых стенок с внешней и внутренней анкеровкой следует крепить двумя тягами, расположенными на одном уровне [см также пп. 9.7 (5.19, 6.8) и 9.8 (6.9)].

10.19 (5.20). В конструкции крепления концов тяг уголковых стенок с внутренней анкеровкой следует предусматривать возможность регулирования рабочей длины этих тяг после установки конструкции до ее засыпки для выравнивания верха лицевой стенки по линии кордона.

10.20 (5.21). Анкерные тяги в уголковых стенках с внутренней анкеровкой рекомендуется выполнять из широкополосной стали, при этом ширина стальной полосы должна находиться в плоскости поперечного сечения сооружения.

Анкерные тяги в уголковых стенках с внешней анкеровкой следует выполнять из стали круглого сечения [см. пп. 9.9 (5.21, 6.10) и 9.10 (5.23, 6 12)].

Примечание. Допускается при условии специального технико-экономического обоснования применение анкерных тяг других сечений и профилей.

Ориентация положения тяги из полосовой стали широкой стороной сечения в вертикальной плоскости рекомендована с целью наибольшего уменьшения дополнительной нагрузки на анкеры от возможного зависания и сводообразования грунта засыпки.

10.21 (5.22). Анкерные опоры для уголковых стенок с внешней анкеровкой следует выполнять в виде анкерных железобетонных плит. Допускается забивать анкерные стенки, обеспечивающие возможность осуществления тылового крепления насухо.

10.22 (5.24, 9.6с). Секции причальных сооружений из правильной кладки обыкновенных массивов следует выполнять горизонтальными курсами с перевязкой швов или столбами без перевязки швов (столбовая кладка). Пycтoтeлыe бетонные массивы применяются только в столбовой кладке.

Монолитность секции в первом случае обеспечивается перевязкой швов и железобетонной надстройкой, во втором - устройством железобетонной надстройки.

Примечания: 1 (9.7с). Под обыкновенными массивами понимаются бетонные монолиты, имеющие форму параллелепипеда, в том числе со скошенными гранями и срезанными ребрами; под пустотелыми массивами - бетонные ящики без днища с толщиной стен не менее 0,5 м.

2. Требования пункта соответствуют СН 288-64 «Указания по проектированию гидротехнических сооружений, подверженных волновым воздействиям», типовым проектам, а также многолетнему опыту проектирования и строительства как в нашей стране, так и за рубежом.

3. Столбовая кладка из бетонных массивов не нашла применения из-за отсутствия необходимого грузоподъемного оборудования. В настоящее время такая возможность открыта в связи с наличием плавкранов грузоподъемностью 300 тс (типа «Богатырь») и других с грузоподъемностью свыше 300 тс.

10.23 (9.7с). Изменение глубины заложения подошвы подводных стен причальных сооружений из правильной кладки бетонных массивов должно предусматриваться ступенями высотой в один курс.

10.24 (5.25). Массу основных массивов рекомендуется принимать максимально возможной с учетом условий транспортировки и укладки.

Массивы меньшей массы следует применять для замыкания курсов при обеспечении правильной перевязки швов.

(Измененная редакция).

10.25 (5.26). В подводной зоне причального сооружения из правильной кладки обыкновенных массивов минимальная марка бетона массивов по прочности должна быть: для сооружений с глубиной у причала до 13 м - 150, с глубиной 13 м и более - 200.

Для массивов верхнего курса, с консольным свесом, устанавливаемых в зоне переменных уровней воды, марка бетона должна удовлетворять требованиям обеспечения прочности и морозостойкости и быть не менее указанных в настоящем пункте.

Требования повышенной марки бетона для глубоководных сооружений диктуются необходимостью обеспечения прочности массивов, так как с ростом глубин у причала возрастают действующие нагрузки на нижележащие курсы массивов. В отдельных случаях, при соответствующем техническом обосновании, при отсутствии на строительной площадке плавкранов грузоподъемностью более 100 тс нижний, первый курс массивов вынужденно выполняется железобетонным.

10.26 (5.27). Число типов обыкновенных массивов должно быть минимальным, обоснованным технико-экономическими данными.

Отношение наибольшего размера массива в плане к его высоте должно быть:

в кладке по курсам с перевязкой швов - не более 3 для глубин у причала до 13 м, не более 2,5 для глубин у причала 13 м и более;

в столбовой кладке без перевязки швов - не более 4 для глубин у причала до 13 м и не более 3 для глубин у причала 13 м и более.

Отношение наименьшего размера массива в плане к его высоте должно быть: в кладке по курсам с перевязкой швов - не менее 1 и для массивов, замыкающих курсы, - не менее 0,75.

Примечание. Требования настоящего пункта не распространяются на массивы верхнего курса, если они используются в качестве разгрузочных консолей стенки. В этом случае возможное применение массивов относительно меньшей высоты компенсируется повышением марки бетона [см. п. 10.25 (5.26)].

10.27 (5.28). Перекрытие швов между массивами при правильной кладке с перевязкой швов должно быть: не менее 0,9 м - в поперечном разрезе кладки стенки; 0,7 м - в продольном разрезе и в плане каждого курса кладки стенки и 0,9 м - в вертикальных сечениях опор причальных сооружений.

Примечание. Перекрытие швов допускается уменьшать до 0,5 м, но количество таких перекрытий швов не должно превышать 10 % их общего числа или в продольном разрезе, или в плане каждого курса.

10.28 (5.29). Ширина вертикальных швов в проектной разрезке в пределах секции между массивами правильной кладки должна приниматься:

а) в кладке с перевязкой швов - 2 см;

б) в столбовой кладке - 4 см.

Ширина вертикальных осадочных швов между секциями в проектной разрезке должна приниматься равной 5 см.

10.29 (5.30). Для обеспечения грунтонепроницаемости через швы массивовой кладки, а также для уменьшения активного давления на сооружение необходимо устраивать за стенкой разгрузочную призму из камня или принимать другие меры, проверенные опытным путем.

10.30 (5.31). Для набережной стенки из массивовой кладки следует выполнять огрузку постели с целью ее обжатия и образования заданного проектом уклона стенки (см. прил. 3 настоящего Руководства).

Устанавливаемые требования к очередности производства работ по возведению сооружения и его огрузке, как показали расчетные данные, при грунтах основания с расчетным сопротивлением R = (1,5 ÷ 3) кгс/см2 обеспечивают проектное положение причального сооружения после огрузки, требуя при этом укладки выравнивающего слоя бетона толщиной 15 см под сборную железобетонную уголковую надстройку.

10.31. К стенкам из оболочек большого диаметра относятся гравитационные конструкции из заполненных грунтом тонкостенных железобетонных элементов цилиндрического или полигонального очертания, устанавливаемых на каменную постель или непосредственно на грунт основания. При этом отношение диаметра оболочки к высоте сооружения должно быть не менее 0,7.

Оболочки могут быть монолитной или сборной конструкции. Сборные оболочки могут быть из вертикальных цилиндрических или плоских панелей, соединенных друг с другом сплошными гибкими или жесткими связями, или из монолитных колец, устанавливаемых друг на друга свободно или с последующим омоноличиванием стыка.

Конструктивные требования к сооружениям из оболочек большого диаметра следует выполнять по указаниям РТМ 31.3013-77 «Руководство по расчету морских гидротехнических сооружений из оболочек большого диаметра».

11 (6). ОСНОВНЫЕ КОНСТРУКТИВНЫЕ ТРЕБОВАНИЯ К ПРИЧАЛЬНЫМ СООРУЖЕНИЯМ ТИПА «БОЛЬВЕРК» С АНКЕРОВКОЙ НА ОДНОМ УРОВНЕ

11.1 (6.1). Лицевые стенки в причальных сооружениях типа «больверк» выполняются из металлического или призматического железобетонного шпунта или из сплошного свайного ряда (железобетонные сваи-оболочки).

11.2 (6.2). Лицевые стенки железобетонных больверков, независимо от конструкции последних, должны обеспечивать грунтонепроницаемость по всей высоте сооружения путем устройства уплотнений швов между сваями [см. п. 9.12 (3.7, 7.9с)]. Необходимость заглубления уплотнений ниже дна определяется требованиями обеспечения грунтонепроницаемости.

11.3 (6.3). Дренаж за лицевой стенкой больверков следует предусматривать в случае возможного образования подпора грунтовых вод, в частности при систематическом колебании уровня акватории.

Примечания: 1. Дренаж рекомендуется выполнять в соответствии с данными, представленными в прил. 2, и примечаниями к п. 9.12 (3.7, 7.9с).

2. При заполнении пазух за стенкой камнем дренаж не устраивается, однако отверстия в лицевой стенке для выпуска грунтовых вод необходимо предусмотреть.

11.4 (6.4). Увеличение несущей способности стенки набережной типа «больверк» может быть достигнуто устройством разгрузочных платформ с экранирующими рядами свай, передней грунтовой пригрузки, переднего экрана, разгрузочных призм, армированием грунтовой пазухи или другими способами, позволяющими снизить архивное и увеличить пассивное давление грунта на лицевую стенку.

11.5 (6.5). Железобетонные и металлические шпунтовые стенки или стенки из сплошного свайного ряда должны быть поверху связаны надстройкой из сборно-монолитного или монолитного железобетона.

Для больверков из стального шпунта в тех случаях, когда это приемлемо по условиям расположения отбойных устройств и защиты металла от коррозии, разрешается устройство небольшого железобетонного или стального оголовка (шапочного бруса).

11.6 (6.6). Отметку низа железобетонных надстроек следует назначать исходя из необходимости защиты шпунта от агрессивного воздействия в зоне переменного уровня. Отметка должна находиться не менее чем на 0,2 м ниже отсчетного уровня.

При строительстве причала в районе пониженных агрессивных воздействий, где обеспечивается длительная сохранность шпунта, отметку низа надстройки принимают из условия создания опорной плоскости для отбойных устройств и возможности производства работ по возведению надстройки насухо.

При строительстве причалов на морях с большой амплитудой приливо-отливных колебаний, где опускание низа надстройки под отсчетный уровень представляет большие затруднения, вопрос о принятии отметки низа надстройки решается с учетом накопленного опыта эксплуатации сооружений в местных и аналогичных условиях.

11.7 (6.7). Температурно-деформационные швы в железобетонной надстройке и оголовках лицевой стенки следует располагать с шагом не более 40 м, а также в местах резкого изменения грунтовых условий, которые могут вызвать разницу в величинах смещений отдельных частей сооружения.

Температурно-деформационные швы в железобетонной надстройке больверков из металлического шпунта рекомендуется выполнять в местах замковых соединений, где могут быть реализованы горизонтальные и вертикальные деформации

(Измененная редакция).

11.8. Анкерные тяги и их установку следует выполнять в соответствии с указаниями пп. 9.7 (5.19, 6 8) - 9.10 (5.23, 6.12).

11.9 (6.11). В больверках с лицевой стенкой из железобетонных элементов кольцевого и крупнопанельного таврового сечения в случаях, когда это возможно по условиям деформаций и напряжений в лицевой стенке, следует предусматривать предварительное натяжение анкеров (до засыпки грунта в пазуху сооружения) для выравнивания в них усилий и обеспечения надежной совместной работы всей системы («лицевая стенка - анкерная тяга - анкерная стенка»).

В процессе предварительного натяжения анкеров следует тщательно контролировать его величину, установленную расчетом [см. п. 20.19 (16.19)].

11.10 (6.13). Разрезку распределительного пояса следует принимать в соответствии с разрезкой надстроек согласно указаниям п. 11.7 (6.7) настоящего Руководства, т.е. не более чем через 40 м. В пределах секции балки соединяются сварными равнопрочными швами или сваркой с накладками.

Допускается устанавливать балки распределительного пояса с открытыми стыковыми швами, принимая расчетные схемы балок в соответствии с их конкретной разрезкой (см. прил. 4).

11.11 (6.14). Анкерные опоры следует применять в виде частокола из железобетонных свай или шпунта, позволяющих выполнять крепление анкерных тяг насухо и осуществлять предварительное натяжение тяг. При соответствующем технико-экономическом обосновании опоры должны выполняться в виде анкерных железобетонных плит или плит из отходов металлического шпунта.

Анкерные стенки из стального шпунта или анкерные козловые опоры, связанные железобетонным шапочным брусом, допускается применять при надлежащем обосновании.

Примечание. В районах строительства с расчетной сейсмичностью 7 баллов и более желательно применение анкерных козловых опор или других малоподатливых систем. Такое требование диктуется необходимостью ограничить деформации и перемещения лицевых стенок больверков.

12 (7). ОСНОВНЫЕ КОНСТРУКТИВНЫЕ ТРЕБОВАНИЯ К ПРИЧАЛЬНЫМ СООРУЖЕНИЯМ ЭСТАКАДНОГО ТИПА

12.1 (7.1). Конструктивные элементы причальных сооружений эстакадного типа следует преимущественно выполнять из железобетона, при этом для опор в виде свай или свай-оболочек применять предварительно напряженный железобетон, а для верхнего строения - железобетон предварительно напряженный и без предварительного напряжения.

Конструктивные элементы тылового сопряжения следует выполнять из бетона и железобетона.

Примечания: 1. Применение стальных элементов для несущих конструкций должно быть специально обосновано в проекте.

2. При проектировании глубоководных пирсовых систем для гибких (упругих) палов воспринимающих судовые нагрузки, должны, как правило, применяться металлические трубы из высокопрочной стали с переменной толщиной стенок с повышенными геометрическими характеристиками [Wнт = (0,01 ÷ 2,5) м3, где Wнт - упругий момент сопротивления сечения трубчатых стальных свай].

3. При погружении свай-оболочек в грунт основания должны выполняться требования РД 31.31.17-74 (см. прил. 1).

12.2 (7.8с). Ширина ростверка набережной эстакадного типа, крутизна подпричального откоса и его конструкция должны определяться на основе технико-экономических расчетов, исходя из условий обеспечения общей устойчивости сооружения и гашения волны. Подпричальный откос должен удовлетворять требованиям местной устойчивости.

12.3 (7.2). Ширина верхнего строения ростверка определяется с учетом:

а) размещения железнодорожных путей, кранового и другого оборудования;

б) конструкции крепления подпричального откоса и его устойчивости;

в) конструкции тылового сопряжения с берегом или существующим сооружением.

Примечание. Увеличение ширины верхнего строения для обеспечения устойчивости подпричального откоса допускается при неблагоприятных грунтовых условиях и требует обоснования целесообразности по сравнению с другими способами (замена или закрепление грунтов основания, уменьшение шага опор, применение анкерующих устройств и т.д.).

Влияние устойчивости откоса отражается на правильном определении минимальной ширины сооружения при полученном расчетном уклоне откоса.

Под неблагоприятными грунтовыми условиями подразумеваются илы, слабые сильно водонасыщенные глины и суглинки с коэффициентом водонасыщения G ³ 0,85, показателем консистенции lL ³ 0,75, модулем деформации E £ 50 кгс/см2 при коэффициенте консолидации сv £ 1·107 см2/год.

12.4 (7.3). Схему свайного основания причального сооружения следует составлять исходя из следующих соображений:

а) опоры в поперечном направлении размещаются с учетом расположения эксплуатационного оборудования (подкрановых путей портальных кранов, железнодорожных путей и т.п.), наиболее выгодной передачи временных нагрузок на опоры, а также ширины сооружения, определяемой в соответствии с указаниями п. 12.3 (7.2);

б) при назначении продольного шага опор (пролета) следует добиваться такого соотношения конструктивных решений по верхнему строению и опорам, при котором стоимость 1 пог. м сооружения минимальна. При этом должны быть обеспечены оптимальное использование несущей способности опор и устойчивость подпричального откоса. Высота несущих элементов конструкций верхнего строения должна удовлетворять требованиям прочности, в отдельных случаях выносливости, трещиностойкости, а также гарантировать допускаемые величины прогибов, не превышающие 1/500l в пределах пролета и 1/250lк - в пределах консоли (l и lк - длина соответственно пролета и консоли). Возвышение низа пролетного строения над расчетным уровнем воды должно назначаться с учетом волновых воздействий на ростверк. Оно должно обеспечивать возможность осмотра и ремонта ростверка снизу и быть не менее 0,8 м над расчетным строительным уровнем воды [см. примечание к п. 9.7 (5.19, 6.8)].

Примечания: 1. Кроме того, для ростверков с подкрановыми и железнодорожными путями величины допускаемых деформаций верхнего строения от эксплуатационных нагрузок устанавливаются при проектировании с таким расчетом, чтобы отклонения в относительном положении рельсов при эксплуатации (отклонения на укладку плюс деформацию) не превосходили величин, указанных в РТМ 31.3009-76 «Правила технической эксплуатации портовых сооружений и акваторий» (см. прил. 1) или в паспортах поставляемого оборудования.

2. Возвышение нижней поверхности ростверка сквозных сооружений пирсов над расчетным статическим уровнем следует определять в соответствии с СН 288-64 «Указания по проектированию гидротехнических сооружений, подверженных волновым воздействиям»;

в) расстояние между осями вертикальных опор, воспринимающих горизонтальные нагрузки, следует принимать равным не менее 6D (где D - большая сторона прямоугольного сечения сваи или наружный диаметр сваи-оболочки).

Расстояние между осями вертикальных и наклонных висячих свай в плоскости их нижних концов должно быть не менее 3D, а свай-стоек - не менее 2,5D.

Примечание. В отдельных случаях, при условии специального обоснования в проекте, допускается в поперечном направлении расстояние между опорами, работающими на горизонтальные нагрузки, принимать равным менее 6D, но не менее 3D.

12.5 (7.4). При проектировании свайного основания целесообразность применения наклонных или козловых свай вместо вертикальных должна определяться в зависимости от следующих факторов:

а) величины горизонтальной нагрузки на сваю;

б) количества дополнительных свай, необходимых для восприятия горизонтальных нагрузок;

в) наличия сваебойного оборудования для погружения наклонных или козловых опор.

В зависимости от направления приложенной горизонтальной нагрузки козловые и наклонные опоры в сооружении могут быть расположены как в плоскости, параллельной линии кордона, так и в плоскости, перпендикулярной ей.

12.6 (7.5). Расстояние между температурно-деформационными швами железобетонных ростверков эстакад следует принимать по результатам статического расчета работы опор на дополнительный изгиб, возникающий от температурных деформаций ростверка, а также с учетом указаний п. 8.3 (3.4).

В соответствии с действующими СНиП для сборно-монолитных конструкций сооружений, аналогичных по конструкции эстакадным, расстояние между температурно-деформационными швами допускается принимать без расчета до 40 м.

Такая же величина принимается для рамных железобетонных мостов. Учитывая, что величины температурных градиентов для причальных сооружений снижаются регулирующим влиянием воды, слоем покрытия и др., длина секции может быть увеличена при соответствующем обосновании и проверке конструкции расчетом. При этом должно быть учтено, что максимальная разность температур может не соответствовать максимальным эксплуатационным нагрузкам на сооружение.

Следует отметить, что целесообразность увеличения длины секции при относительно частом расположении свай вдоль причала может быть вызвана принятой схемой расстановки швартовных тумб в зависимости от длины расчетного судна. Так, например, в типовых проектах железобетонных свайных набережных (Черноморпроект, 1957 г.) длина секции принята равной 50 м и в более поздних типовых проектах - до 60 м.

12.7 (7.6). В температурных швах причальных эстакад для передачи нагрузок от судов на соседние секции следует предусматривать зубья, шпонки или иные упорные устройства.

12.8 (7.7). Верхнее строение ростверков следует жестко соединять с опорами путем заделки в ростверк ствола сваи на глубину не менее 5 см и выпусков арматуры из сваи на длину их анкеровки согласно требованиям главы СНиП II-21-75.

12.9 (7.8). В ростверках из сборных железобетонных элементов для заделки арматурных выпусков голов свай должны быть устроены штрабы, заполняемые при сборке сооружения монолитным бетоном. Штрабы должны иметь наклон боковых поверхностей, обеспечивающий надежную передачу осевых нагрузок на опоры, в предположении ограниченного сцепления по стыкам сборного и монолитного бетона [рис. 2 (2), а].

Примечание. Требования к наклону поверхностей штраб не распространяются на случаи, регламентированные п. 12.10 (7.9) настоящего Руководства.

Рис. 2 (2). Поперечный разрез стыковых соединений ростверков (зоны заполнения бетоном заштрихованы):

1 - плита верхнего строения; 2 - свая; 3 - конструктивный наголовник; 4 - ригель; 5 - обруч из металлической полосы; 6 - бетонная подготовка; 7 - длина анкеровки арматуры; 8 - дополнительная арматура

12.10 (7.9). При устройстве на сваях конструктивных наголовников или наличии сборных элементов ригеля, перекрывающих штрабы в ростверке [рис. 2 (2), б и в], допускается:

а) заделка арматурных выпусков из свай в монолитном бетоне, укладываемом в полости конструктивных наголовников, с постановкой дополнительной арматуры, связывающей наголовник с ростверком [рис. 2 (2), б];

б) стволы свай-оболочек не заделывать в ростверк из предварительно напряженного железобетона, ограничиваясь лишь обеспечением плотного примыкания торцов оболочек [рис. 2 (2), в].

Плотное примыкание может быть обеспечено путем укладки в контакте торца оболочки с ростверком монолитного бетона или раствора с установкой шашек, обеспечивающих проектные отметки ростверка.

Стык опор с ростверком в этом случае следует омоноличивать с помощью дополнительной арматуры, пропущенной через штрабы в ригеле и заделанной нижним концом в монолитный бетон, укладываемый в полость сваи-оболочки, а верхним концом - в бетон заполнения штрабы ростверка.

Стык между опорой и ростверком необходимо защитить от коррозионных воздействий.

12.11 (7.10). Сборные элементы, из которых составляется верхнее строение железобетонных причальных эстакад, следует соединять связями, обеспечивающими единство работы конструкции под воздействием нагрузок.

При определении конструкций связей между сборными железобетонными элементами секций ростверков причальных эстакад следует руководствоваться следующими указаниями:

а) рабочие стыки сборных элементов ростверков, воспринимающие изгибающие моменты и поперечные силы, создаются путем сварки выпусков арматуры и укладки бетона омоноличивания или путем сварки закладных частей [см. п. 9.28 (3.21)];

б) стыки сборных элементов ростверков, воспринимающие поперечные силы, создаются путем устройства в примыкающих поверхностях элементов штраб с последующим заполнением их монолитным бетоном и установкой спиральной арматуры;

в) отдельные стыки между сборными элементами ростверка допускается выполнять без связей, «открытыми», в том случае, когда это приемлемо по условиям работы сооружения, а относительные смещения по линиям примыкания допустимы по условиям эксплуатации.

12.12 (7.11). Ростверки причальных эстакад следует устраивать без грунтового (песчаного, гравийного и щебеночного) балласта. Для выравнивания поверхности, образуемой сборными элементами, ее покрывают слоем цементного или асфальтового бетона с учетом обеспечения необходимых условий прокладки рельсовых путей на эстакаде.

Примечание. Устройство балластного слоя на ростверке допускается при условии специального обоснования в проекте.

12.13 (7.12). В ростверках необходимо предусматривать устройства, обеспечивающие вентиляцию подпричального пространства (см. прил. 5), устройства для удаления атмосферных осадков, а на причалах химических грузов - устройства для предотвращения смыва в море вод с вредными включениями по требованиям охраны окружающей среды.

12.14 (7.13). Для температурной вставки в ростверке с длиной пролета до 8 м включительно разрешается опорные части устраивать из металлических листов.

При длине пролета более 8 м на опорах должны применяться тангенциальные опорные части по типу опорных элементов пролетных строений мостов.

12.15 (7.14). Сваи-оболочки следует применять цельными или составными из звеньев, соединенных между собой металлическим сварным стыком. Прочность стыка должна быть равна прочности основного ствола оболочки.

12.16 (7.15). При наличии интенсивного истирающего воздействия наносов нижнюю часть свайных опор в прибойной зоне следует защищать съемными железобетонными чехлами.

12.17 (7.16). При проектировании подпричального откоса и конструкции сопряжения набережных эстакад с берегом следует:

а) обосновывать конструкцию волногасительной системы сопряжения с берегом и размеры ее элементов результатами лабораторных исследований, а при наличии соответствующих данных - материалами эксплуатации в натуре. При этом следует руководствоваться материалами, представленными в прил. 5;

б) назначать уклон подпричального откоса исходя из его устойчивости, а также устойчивости основания. При этом допускается выход нижней бровки откоса за линию отбойных устройств при соблюдении требований п. 8.4 (3.5) настоящего Руководства;

в) предусматривать берегоукрепление откоса путем отсыпки камня с креплением верхней зоны, подвергающейся интенсивному размыву, выкладкой камня нужного качества и достаточной массы с учетом волнового воздействия или покрытием каменной отсыпки щелевыми железобетонными плитами. Размеры элементов конструкций крепления верхней зоны откоса принимаются по результатам исследований, указанных в п. 12.17 (7.16) а.

Примечание. Компоновочную схему сооружения и конструкцию тылового сопряжения откоса с территорией причала следует выбирать таким образом, чтобы они по возможности практически не ухудшали волнового режима акватории.

Представленные указания обосновываются многолетними исследованиями Черноморниипроекта, проведенными лабораторией гидравлических исследований на базе натурных объектов строительства морских гидротехнических сооружений в портах Новороссийск, Батуми, Пионерский в районе Калининграда на Балтийском море для МРХ СССР и других, а также модельными исследованиями.

12.18 (7.17). Узлы соединения сборных железобетонных элементов конструкций эстакадных причальных сооружении следует проектировать с учетом допускаемых отклонений в размерах и положении монтируемых элементов.

Допускаемые отклонения от проектного положения в плане свай и свай-оболочек следует принимать по указаниям главы СНиП III-45-76 «Сооружения гидротехнические транспортные, энергетические и мелиоративных систем. Правила производства и приемки работ».

13 (8). ОБЩИЕ ПОЛОЖЕНИЯ РАСЧЕТА ПРИЧАЛЬНЫХ СООРУЖЕНИЙ

13.1 (8.1, 4.1с). Расчет морских причальных сооружений, а также их конструктивных элементов и оснований следует выполнять в соответствии с требованиями глав СНиП II-51-74 «Гидротехнические сооружения морские. Основные положения проектирования» и СНиП II-А.10-71 «Строительные конструкции и основания. Основные положения проектирования», а также стандарта СТ СЭВ 384-76 «Строительные конструкции и основания. Основные положения по расчету» по методу предельных состояний.

В соответствии с действующими общесоюзными нормами установлены две группы предельных состояний. Первая группа предельных состояний (по потере несущей способности или полной непригодности к эксплуатации конструкций или оснований) - расчеты прочности, устойчивости и выносливости; вторая группа предельных состояний (затрудняющих нормальную эксплуатацию конструкций или оснований) - расчеты деформаций в результате осадок, прогибов, кренов, горизонтальных перемещений, расчеты по образованию или раскрытию трещин.

Примечания: 1. Под нормальной эксплуатацией подразумевается эксплуатация (без ограничений) в соответствии с предусмотренными в нормах или заданиях на проектирование технологическими или иными условиями.

2. Под предельными состояниями понимаются такие, когда конструкция или основание сооружения перестают удовлетворять заданным эксплуатационным требованиям или требованиям в промежуточных стадиях работы (при изготовлении, транспортировке и монтаже).

13.2 (8.2). Расчетные нормативы, приведенные в настоящем Руководстве, распространяются на основные типы причальных сооружений I - IV классов капитальности [см. пп. 2.3 (1.7, 2.3с) и 2.6].

13.3 (8.3). При проектировании морских причальных сооружений должны быть выполнены следующие расчеты.

По первой группе предельных состояний (по потере несущей способности или непригодности к эксплуатации) рассчитываются:

а) общая устойчивость сооружения в целом, а для причальных сооружений эстакадного типа и подпричального откоса по кругло-цилиндрическим и ломаным (фиксированным) поверхностям скольжения (сдвига), а также по методам, основанным на теории предельного равновесия (способ ВНИИГа им. Б. Е. Веденеева в форме коэффициентов несущей способности основания, метод расчета устойчивости на двухслойном основании), в соответствии с главой СНиП II-16-76 «Основания гидротехнических сооружений», Руководством к СНиП II-16-76 и указаниями настоящего Руководства;

б) устойчивость по схеме плоского сдвига, по швам массивовой кладки, по постели и совместно с ней, а также на сдвиг надстройки, когда последняя не замоноличена с основной конструкцией стенки, и на опрокидывание (поворот) вокруг ребра вращения для причальных сооружений гравитационного типа - в соответствии с указаниями настоящего Руководства.

Примечание. В тех случаях, когда по основанию гравитационной стенки или по швам массивовой кладки обеспечено приложение равнодействующей нагрузок в пределах ядра сечения, расчет на опрокидывание вокруг ребра вращения не производится;

в) устойчивость на поворот лицевой стенки больверков относительно точки крепления анкера при свободном опирании низа стенки или частичном ее защемлении - в соответствии с указаниями настоящего Руководства;

г) устойчивость массива грунта, находящегося перед анкерными стенками или анкерными плитами и обеспечивающего анкерное крепление конструкции типа «больверк», - в соответствии с указаниями и требованиями настоящего Руководства;

д) несущая способность (прочность) конструктивных элементов причальных сооружений и их оснований - в соответствии с указаниями и требованиями настоящего Руководства, а также с главами СНиП II-56-77 «Бетонные и железобетонные конструкции гидротехнических сооружений», СНиП 2.03.01-84 «Бетонные и железобетонные конструкции», СНиП II-23-81 «Стальные конструкции», СНиП II-25-81 «Деревянные конструкции», СНиП II-16-76 «Основания гидротехнических сооружений» и СНиП 2.02.01-83 «Основания зданий и сооружений»;

е) несущая способность свай и свай-оболочек на воздействие вертикальных и горизонтальных нагрузок - в соответствии с указаниями и требованиями настоящего Руководства и главы СНиП II-17-77 «Свайные фундаменты» и Руководства к СНиП;

ж) конструкции на температурные и влажностные воздействия (на влияние внешней среды) - в соответствии с главой СНиП II-56-77 «Бетонные и железобетонные конструкции гидротехнических сооружений» и Руководством к СНиП;

з) устойчивость формы конструкции - в соответствии с главами СНиП II-56-77 «Бетонные и железобетонные конструкции гидротехнических сооружений» и СНиП 2.03.01-84 «Бетонные и железобетонные конструкции»;

и) элементы конструкций на выносливость при многократно-повторных загружениях - в соответствии с главами СНиП 2.03.01-84 «Бетонные и железобетонные конструкции» и СНиП II-56-77 «Бетонные и железобетонные конструкции гидротехнических сооружений».

По второй группе предельных состояний (по долговечности) по непригодности к нормальной эксплуатации (по деформациям и трещиностойкости) рассчитываются:

к) вертикальные осадки, горизонтальные перемещения и углы поворота - в соответствии с главой СНиП II-16-76 и Руководством к СНиП; допускаемые прогибы пролетных строений железобетонных конструкций - в соответствии с главой СНиП II-56-77, а стальных конструкций - по СН 200-62 «Технические условия на проектирование железнодорожных, автодорожных, городских мостов и труб»;

л) железобетонные конструкции по образованию трещин - в соответствии с главой СНиП 2.03.01-84 и Руководством к указанной главе СНиП;

м) железобетонные конструкции по раскрытию и закрытию (зажатию) нормальных и наклонных трещин - в соответствии с главами СНиП II-56-77 и СНиП 2.03.01-84 и Руководствами к указанным СНиП;

н) колебания конструкций - по специальному нормативному документу.

Примечание. Кроме указанных статических и конструктивных расчетов на силовые воздействия, в необходимых случаях должны быть выполнены и другие расчеты (гидравлические, фильтрационные, термические и т.п.), предусмотренные соответствующими нормами проектирования конструкций и сооружений.

Расчеты конструкций морских причальных сооружений и их оснований по второй группе предельных состояний по деформациям (перемещениям) могут не производиться в тех случаях, когда практикой длительной эксплуатации сооружений установлено, что возникающие деформации не являются опасными для условий нормальной эксплуатации сооружений (например, расчет гравитационных причальных сооружений по осадкам может не выполняться, а требуется проверка положения равнодействующей нагрузок относительно ядра сечения основания).

Однако для конструктивных элементов эстакадных сооружений для пролетных и консольных сечений необходимо выполнить расчеты вертикальных и горизонтальных перемещений, прогибов и углов поворота из условия обеспечения нормальной эксплуатации перегрузочного оборудования.

Расчет по закрытию (зажатию) нормальных и наклонных трещин вводится в практику впервые в соответствии с указаниями главы СНиП 2.03.01-84.

(Измененная редакция).

13.4. Расчеты по предельным состояниям имеют целью недопущение наступления предельных состояний в эксплуатационный период в течение всего срока службы конструкций и оснований сооружений, а также в процессе их возведения - на промежуточных стадиях работы (монтаж, транспортирование, погружение и изготовление).

Обеспеченность от наступления указанных в п. 13.3 (8.3) предельных состояний должна соответствовать различной степени их опасности.

Требования норм расчета заключаются в том, чтобы величины напряжений, деформаций, перемещений, раскрытия трещин или наличие других факторов не превышали предельных значений, устанавливаемых нормами проектирования конструкций и оснований сооружений.

13.5. Надежность конструкций и оснований сооружений должна быть обеспечена расчетом при учете возможных неблагоприятных характеристик материалов и невыгодных величин и сочетании нагрузок и воздействий, а также условий эксплуатации и особенностей работы конструкций и оснований.

При этом должны быть соблюдены все требования нормативных документов и государственных стандартов (или технических условий), предъявленные к качеству материалов, изделий и производству работ, а также к эксплуатации сооружении.

13.6. Расчетные схемы и основные предпосылки расчета конструкций и оснований должны учитывать факторы напряженного и деформированного состояния, а также особенности взаимодействия элементов конструкций между собой и основанием сооружения.

В соответствующих случаях должны учитываться пространственная работа, геометрическая и физическая нелинейность, пластические и реологические свойства конструктивных материалов и грунтов.

Расчетные схемы должны отражать с достаточной степенью точности действительные условия работы сооружения и основания и, при соответствующем обосновании, ориентировать на использование ЭВМ.

Примечание. В сложных случаях вопросы расчета сооружении, их конструктивных элементов и оснований рекомендуется решать путем специально поставленных теоретических и экспериментальных исследований. При отсутствии надежных теоретических методов расчета или проверенных ранее аналогичных решений такие исследования обязательны.

13.7 (8.4, 4.8с). При расчете морских причальных сооружений следует принимать нормативные значения действующих эксплуатационных нагрузок. Нагрузки следует принимать в соответствии с указаниями СНиП II-51-74 «Гидротехнические сооружения морские. Основные положения проектирования», СНиП 2.06.04-82 «Нагрузки на гидротехнические сооружения (волновые, ледовые и от судов)» и Руководства к указанному СНиП, СНиП II-6-74 «Нагрузки и воздействия», а также  «Нормы технологического проектирования морских портов».

Предельно допускаемые эксплуатационные нагрузки на существующие гравитационные причальные сооружения допускается устанавливать путем их опытных огрузок в соответствии с РД 31.31.09-73 (см. прил. 1).

Примечание. Перегрузки от эксплуатационных нагрузок для расчета конструкции сооружений и их оснований по первой группе предельных состояний учитываются в соответствии с указаниями пп. 13.16 (8.8), 13.21 (8.13), 13.23 (8.15) и 13.24 (8.16) настоящего Руководства.

13.8 (4.3с). Классификация нагрузок и воздействий на морские гидротехнические сооружения принимается по главе СНиП II-6-74. Нагрузки и воздействия подразделяются на постоянные и временные (длительные, кратковременные и особые).

Примечание. В пп. 13,9 (4.4с) - 13.11 (4.6с) даны нагрузки, не приведенные в СНиП II-6-74, которые необходимо принимать дополнительно при расчете морских гидротехнических сооружений.

13.9 (4.4с). К постоянным нагрузкам относится вес сооружений технологического оборудования (складов, эстакад, вагоноопрокидывателей, места расположения которых на сооружении не изменяются в процессе эксплуатации).

13.10 (4.5с). К временным длительным нагрузкам и воздействиям относятся:

нагрузки от транспортных и перегрузочных машин (контейнерных перегружателей, мостовых, портальных и козловых кранов, погрузочных машин непрерывного действия и др.);

давление воды.

13.11 (4.6с). К кратковременным нагрузкам относятся:

нагрузки от судов (навал, швартовные и ударные);

ледовые нагрузки (торошение, удары ледяных полей и отдельных льдин);

волновые нагрузки.

13.12 (4.7с). При расчете сооружений нагрузки и воздействия должны приниматься в следующих сочетаниях:

основные сочетания, составляемые из постоянных и временных длительных нагрузок и одной из возможных кратковременных нагрузок, которая в сочетании с постоянными и временными длительно действующими нагрузками создает наиболее неблагоприятные условия работы сооружения;

особые сочетания, составляемые из постоянных, временных длительных, возможных кратковременных и одной из особых нагрузок.

Примечания: 1. В тех случаях, когда соответствующими технико-экономическими расчетами подтверждается целесообразность применения искусственных методов разрушения льда у сооружения, ледовые нагрузки допускается не учитывать или относить к особым нагрузкам

2. При расчете конструкций причальных сооружений и их оснований на особое сочетание нагрузок необходимо учитывать требования главы СНиП II-7-81 «Строительство в сейсмических районах», Руководства по учету сейсмических воздействий при проектировании гидротехнических сооружений к разд. 5 главы СНиП II-7-81 и других нормативных документов по сейсмостойкому строительству, утвержденных и согласованных в установленном порядке.

13.13 (8.5). При расчете морских причальных сооружений в соответствии с указаниями главы СНиП на основания гидротехнических сооружений следует принимать расчетные значения характеристик грунтов tg j и с для расчетов сооружений: по первой группе предельных состояний - tg jI и cI; по второй группе предельных состояний - tg jII и cII (j - угол внутреннего трения грунта; с - удельное сцепление). Указанные характеристики назначаются по данным инженерно-геологических изысканий и исследований грунтов, выполненных в соответствии с требованиями главы СНиП II-16-76, а также ГОСТ 20522-75 «Грунты. Метод статистической обработки результатов определений характеристика.

Примечание. В тех случаях, когда в районе проектируемого причального сооружения имеются аналогичные по конструкции и геологическим условиям причальные сооружения, рассчитанные по нормативным сдвиговым характеристикам грунтов основания и засыпки, с положительным и длительным опытом эксплуатации, а также выполнено большое и статистически обоснованное количество лабораторных испытаний проб, допускается принимать расчетные сдвиговые характеристики грунтов, равные нормативным, с коэффициентом безопасности по трению и сцеплению, равным единице.

13.14 (8.6, 4.2с). Расчет несущих конструкций морских причальных сооружений должен производиться на нагрузки, действующие в период строительства, эксплуатации и ремонта сооружений.

Растет на прочность конструкций, работающих в условиях сложного напряженного состояния (сооружения, взаимодействующие с грунтом), для которых еще не разработаны способы определения усилий и напряжений с учетом неупругих деформаций, допускается производить исходя из условий, при которых наибольшие напряжения, определяемые по упругой стадии работы, не превышают соответствующих расчетных сопротивлений:

                                                         [3 (1)]

где SI - расчетное усилие в элементе (конструкции);

Ф - расчетная несущая способность элемента (конструкции).

13.15 (8.7). Расчетная несущая способность элемента (конструкции) определяется в зависимости от материала, характера воздействующего усилия (сжатие, растяжение, изгиб, внецентренное сжатие или растяжение с относительно большим или малым эксцентриситетом) и формы сечения элемента по требованиям соответствующих глав СНиП (см. прил. 1) с применением расчетных характеристик материалов и соответствующих коэффициентов условий работы, регламентируемых и записанных в правой части расчетных формул СНиП.

13.16 (8.8). Расчетное усилие SI [см. п. 13.14 (8.6)], рассматриваемое по одному из показателей (изгибающий момент МI, поперечная сила QI, продольная сила NI) и принимаемое для расчета конструкций сооружений и их элементов по первой группе предельных состояний, определяется по формуле

                                                     [4 (2)]

где kн - коэффициент надежности, учитывающий степень ответственности и класс капитальности сооружения. Для сооружений: I класса - 1,25; II класса - 1,20; III класса - 1,15; IV класса - 1,10;

nc - коэффициент сочетания нагрузок, принимаемый равным: для основного сочетания нагрузок - 1,0; для особого сочетания нагрузок - 0,9; для сочетания нагрузок в период строительства - 0,95;

n - коэффициент перегрузки, принимаемый для морских причальных сооружений равным 1,25;

mд - дополнительный коэффициент условий работы, учитывающий особенности действительной работы элемента конструкции и некоторые условные предпосылки его расчетной схемы, принимаемый по табл. 13 (3), 14 (4) и 15 (5);

S - усилие (М, Q, N), полученное из расчета конструкции, выполненного согласно указаниям настоящего Руководства и других нормативно-технических документов (см. прил. 1) с введением значений эксплуатационных нагрузок и характеристик грунтов в соответствии с требованиями пп. 13.7 (8.4) и 13.13 (8.5).

Таблица 13 (3)

Причина разрушения стальных элементов конструкции

Дополнительный коэффициент условий работы mд

Прокатная сталь

Растяжение, сжатие, изгиб, срез, смятие торцевой поверхности (при наличии пригонки), смятие местное при плотном касании

0,95

То же, отливок из углеродистой стали для марок:

 

15Л и 25Л

0,90

35Л и 45Л

1,00

Болтовые соединения

Растяжение

1,00

Срез

1,00

Смятие

0,85

Примечание. При расчете стальных конструкций на особые сочетания нагрузок коэффициент mд следует умножать на 0,85.

Таблица 14 (4)

Причина разрушения бетонных элементов конструкции

Дополнительный коэффициент условий работы mд

Достижение бетоном расчетного сопротивления при сжатии

0,65

Достижение бетоном расчетного сопротивления при растяжении (изгиб)

0,90

Таблица 15 (5)

Позиция

Причина разрушения железобетонных элементов конструкции

Дополнительный коэффициент условий работы mд

1

Достижение бетоном предела прочности при сжатии и арматурой предела прочности при растяжении

 

 

a) в сжатых элементах

 

 

для стержневой арматуры классов:

 

 

A-I, А-II, A-III

0,90

 

A-IV

0,85

 

A-V

0,80

 

для проволочной арматуры классов:

 

 

B-II, Вр-II

0,95

 

б) в растянутых элементах

 

 

для стержневой арматуры классов:

 

 

A-I, A-II, A-III

1,05

 

A-IV, A-V

0,95

 

для проволочной арматуры классов:

 

 

B-II, Вр-II

1,20

 

в) в остальных элементах

 

 

для стержневой арматуры классов:

 

 

A-I, A-II, A-III

1,00

 

A-IV, A-V

0,90

 

А-IIIв

1,00

 

для проволочной арматуры классов:

 

 

B-II, Вр-II

1,05

2

Достижение бетоном предела прочности при растяжении на действие поперечной силы

 

 

а) соблюдение условия на действие поперечной силы

1,00

 

б) соблюдение условия по конструктивному армированию

1,00

 

в) расчет элементов с поперечной арматурой

1,00

С учетом того, что определение расчетных нагрузок (расчетных усилий) для причальных сооружений, взаимодействующих с грунтом, при дифференцированной системе коэффициентов перегрузки вызывает значительные затруднения, принят наиболее реальный и упрощенный путь введения средневзвешенного коэффициента перегрузки к величинам усилий S (М, Q, N), действующих в элементах конструкций и полученных из расчета нормативных эксплуатационных нагрузок и по соответствующим характеристикам грунтов для первой группы предельных состояний [см. пояснения в п. 13.13 (8.5)]. Анализ расчетов показывает, что, кроме средневзвешенного коэффициента перегрузки n = 1,25, необходимо вводить дополнительный коэффициент условий работы mд, учитывающий условность метода расчета конструкций, взаимодействующих с грунтом.

13.17 (8.9). Расчет сечений стальных элементов конструкций морских причальных сооружений следует выполнять в соответствии с требованиями СНиП II-23-81 «Стальные конструкции». При этом расчеты сечений элементов следует выполнить по формулам СНиП на стальные конструкции с применением расчетных усилий, определяемых по формуле [4 (2)] настоящего Руководства.

13.18 (8.10). Бетонные и железобетонные элементы конструкции причальных сооружений следует рассчитывать в соответствии с требованиями СНиП II-56-77 «Бетонные и железобетонные конструкции гидротехнических сооружений» и СНиП 2.03.01-84 «Бетонные и железобетонные конструкции» согласно данным табл. 16 (6).

Таблица 16 (6)

Бетонные и железобетонные элементы конструкций сооружений и форма сечения

Напряженное состояние элементов конструкции

Нормативный документ, по которому выполняется расчет

Виды выполняемых расчетов

1. Все элементы конструкций без предварительного напряжения, за исключением указанных в поз. 2

Изгиб, внецентренное сжатие или растяжение с относительно большим или малым эксцентриситетом и центральное растяжение

СНиП II-56-77

Расчеты прочности, ширины раскрытия нормальных трещин, деформаций на температурно-влажностные воздействия, на выносливость при числе циклов загружения 2·106 и более

2. Элементы предварительно напряженных конструкций, а также тавровые, двутавровые, ребристые, пустотелые, круглые и кольцевые сечения как предварительно напряженные, так н без предварительного напряжения

Изгиб, внецентренное сжатие или растяжение с относительно большим и малым эксцентриситетом, центральное растяжение, кручение с изгибом (сложное напряженное состояние)

СНиП 2.03.01-84

Расчеты прочности, по образованию трещин, по закрытию (зажатию) нормальных и наклонных трещин, на продавливание, на отрыв закладных деталей коротких консолей

Расчеты сечений элементов бетонных и железобетонных конструкций следует выполнять по формулам СНиП II-56-77 и СНиП 2.03.01-84 с учетом предусмотренных ими коэффициентов условий работы и с заменой левой части формул СНиП величиной расчетного усилия SI, определяемой по формуле [4 (2)].

(Измененная редакция).

13.19 (8.11). Расчеты бетонных и железобетонных элементов конструкций морских причальных сооружений по второй группе предельных состояний [по деформациям, образованию, раскрытию или закрытию (зажатию) нормальных и наклонных трещин] следует выполнять по СНиП II-56-77, СНиП 2.03.01-84 и Руководствам к СНиП на усилия, полученные статическими расчетами, выполненными с учетом требований пп. 13.7 (8.4) и 13.13 (8.5).

(Измененная редакция).

13.20 (8.12). При расчете устойчивости (первая группа предельных состояний) морских причальных сооружений и их элементов (кроме расчетов устойчивости анкерных стенок и плит) должно быть выполнено условие

                                                      [5 (3)]

где NсдвI - расчетное значение суммы сдвигающих конструкцию (элемент) сил или моментов (рис. 3);

RудI - расчетное значение суммы удерживающих конструкцию (элемент) сил или моментов (см. рис. 3).

Рис. 3. Схема к расчету устойчивости сооружения

13.21 (8.13). Расчетные значения сдвигающих сил (моментов) NсдвI определяются по формуле [см. также п. 13.20 (8.12)]

                                                [6 (4)]

где nc и n - то же, что в п. 13.16 (8.8);

mд - дополнительный коэффициент условий работы, назначаемый по табл. 17 (7);

Nсдв - сдвигающие силы или моменты, определяемые по указаниям настоящего Руководства и ведомственных нормативно-технических документов (см. прил. 1) с применением в расчетах значений нагрузок и характеристик грунтов с учетом требований пп. 13.7 (8.4) и 13.13 (8.5).

Таблица 17 (7)

Позиция

Причина потери устойчивости сооружения или основания

Дополнительный коэффициент условии работы mд

1

Потеря устойчивости сооружений при скольжении по плоскости (плоский сдвиг) и оснований причальных сооружений на глубинный сдвиг по ломаным (фиксированным) поверхностям скольжения в условиях плоской задачи

0,95

2

Потеря устойчивости оснований причальных сооружении и подпричальных откосов (на ограниченном участке между опорами) на глубинный сдвиг по круглоцилиндрическим поверхностям скольжения в условиях плоской задачи

0,75

3

Потеря устойчивости оснований причальных сооружении и подпричальных откосов (на ограниченном участке между опорами) на глубинный сдвиг по круглоцилиндрическим поверхностям скольжения в условиях пространственной задачи, а также с учетом влияния сцепления грунта и перерезывания свай в условиях плоской задачи

0,80

4

Потеря устойчивости сооружения от опрокидывания вокруг ребра вращения

1,20

5

Потеря устойчивости неполностью защемленной лицевой стенки больверков при повороте вокруг точки крепления анкера

1,05

6

Потеря устойчивости массива грунта, обеспечивающего анкерное крепление конструкций типа «больверк» (глубинный сдвиг)

1,20

7

Потеря устойчивости анкерной стенки заанкеренных больверков

1,50

8

Потеря устойчивости анкерных плит

1,55

9

Потеря устойчивости гравитационных причальных сооружений по методу глубинного выпора (метод Герсеванова)

0,80

13.22 (8.14). Расчетные значения удерживающих сил (моментов) RудI определяются по формуле [см. также п. 13.20 (8.12)]

                                                      [7 (5)]

где m - коэффициент условий работы, принимаемый, по указаниям главы СНиП II-16-76 для портовых сооружений равным 1,15;

kн - то же, что в п. 13.16 (8.8);

Rуд - удерживающие силы или моменты, определяемые по указаниям настоящего Руководства и ведомственных нормативно-технических документов (см. прил. 1) с применением в расчетах значений нагрузок и характеристик грунтов в соответствии с требованиями пп. 13.7 (8.4) и 13.13 (8.5).

13.23 (8.15). При расчете общей устойчивости сооружений по схеме глубинного сдвига в предположении скольжения по круглоцилиндрическим поверхностям (метод Терцаги) должно быть выполнено условие

                                                 [8(6)]

где nc, n, kн - то же, что в п. 13.16 (8.8);

mд - дополнительный коэффициент условий работы, принимаемый по табл.17 (7), поз. 2;

m - то же, что в п. 13.22 (8.14);

Mсдв и Mуд - соответственно суммы моментов сдвигающих и удерживающих сил относительно критического центра окружности скольжения, определяемые в соответствии с требованиями пп. 13.21 (8.13) и 13.22 (8.14) по формулам (см. также рис. 4).

Рис. 4. Схема к расчету общей устойчивости сооружения в предположении скольжения по круглоцилиндрическим поверхностям

                                          [9]

                             [10]

где R - радиус окружности скольжения;

gi - суммарный вес слоев грунта, элементов конструкции сооружения и временной эксплуатационной нагрузки в пределах i-й полосы;

ai - угол наклона к горизонтали касательной, проведенной к дуге скольжения в точке пересечения ее с линией действия силы gi, а также угол между вертикалью и радиусом R, проходящим через указанную точку под i-й полосой;

                                                      [11]

ri - расстояние по горизонтали от центра вращения О до линии действия силы gi;

jiI и ciI - соответственно угол внутреннего трения и сцепление в основании i-й полосы;

li - длина дуги по основанию полосы;

Wi - дополнительное гидродинамическое давление, величина которого определяется по указаниям п. 13.28 (8.19) настоящего Руководства;

zi - расстояние от уровня точки вращения до силы Wi;

Qсвi - приведенная к 1 пог. м сооружения сила сопротивления сдвигу по поверхности скольжения за счет сопротивления излому свай, забитых ниже поверхности скольжения на глубину tп, рекомендуется значение Qсвi определять по Руководству к СНиП II-16-76; допускается определять Qсвi по формуле

                                                           [12]

Mсв - изгибающий момент в свае ниже поверхности скольжения, значение которого принимается из двух условий: из условия прочности железобетонного сечения, определяемой по формуле СНиП II-56-77, или из условия защемления сваи ниже поверхности скольжения tз = tп/1,25 по формуле

                                                     [13]

в расчет принимается меньшее из полученных значений;

sp - то же, что в п. 13.35 (8.25);

sa - то же, что в п. 13.30 (8.20);

lс - длина участка, в пределах которого на сваю передается активное и пассивное давление грунта. В зависимости от расстояния L между осями свай вдоль линии кордона lc принимается: при L £ 3d lс = L; при L > 3d lc = 3d. Здесь d - диаметр или сторона прямоугольного сечения сваи, при этом d £ 1,0 м;

tз - половина длины изогнутой части сваи между поверхностями защемления (рис. 5); ;

tn - расстояние от поверхности скольжения до торца сваи (см рис. 5).

Примечания: 1. Для набережных-эстакад на сваях-оболочках, имеющих диаметр более 1 м, определяются: устойчивость основания сооружения (кривая скольжения не перерезает опоры), устойчивость подпричального откоса (кривая скольжения проводится через тыловой конец стенки сопряжения или тыловой конец верхнего строения) и дополнительные усилия, которые передаются на опоры при возможном нарушении устойчивости подпричального откоса, определенной из решения плоской задачи и выполнения расчета устойчивости подпричального откоса в условиях пространственной задачи.

При невыполнении условия устойчивости подпричального откоса в условиях плоской задачи производят расчет устойчивости части откоса, расположенной между соседними поперечными рядами опор, в условиях пространственной задачи [см. прим. 2 к п. 13.23 (8.15) и рис. 6, б]. При этом силы трения Т, действующие по торцам рассматриваемой части откоса, не должны превосходить по величине суммарной величины сил Epi пассивного давления, действующих на опоры по их оси от линии откоса до окружности скольжения в пределах ширины опоры, т.е. Т £ S Epi, где Epi = 0,5hispid (d - наружный диаметр опоры; Epi в рассматриваемом случае одновременно является дополнительной нагрузкой на опору).

2. При наличии по длине причального фронта отдельных участков ограниченного протяжения (длина не более ширины массива), для которых в условиях плоской задачи не выполняется требование формулы [8 (6)], расчет допускается производить по схеме пространственного решения задачи. В этом случае соседние протяженные массивы грунта должны быть устойчивыми из условия формулы [8 (6)]. В случае пространственного решения задачи, кроме сил, действующих по поверхности скольжения, учитываются силы трения и сцепления Тi, развивающиеся по торцевым поверхностям рассматриваемого массива грунта (см. рис. 6, б). С некоторым запасом принимают, что силы трения возникают от действия на торцевые поверхности активного давления грунта. Условие устойчивости проверяют по формуле [8 (6)], принимая в ней значение mд по табл. 17 (7), поз. 3 и увеличивая величину Муд на дополнительный удерживающий момент  ( - удерживающий момент от сил, действующих по одной из торцевых поверхностей рассматриваемого массива грунта;  - равнодействующая сил трения и сцепления на участке площади wi торцевой поверхности массива грунта; Еai - сила активного давления на площади wi;  - плечо силы Ti относительно критического центра окружности скольжения; L - длина рассматриваемого массива грунта).

3. Расчеты общей устойчивости причальных сооружений по схеме глубинного сдвига по круглоцилиндрическим поверхностям скольжения следует, как правило, выполнять на ЭВМ.

Рис. 5. Схема работы сваи, перерезаемой поверхностью скольжения, при нарушении общей устойчивости основания сооружения

Рис. 6. Схема нарушения устойчивости откоса между опорами

13.24 (8.16). При наличии в основании сооружения прослоев более слабого грунта по сравнению с основной массой, вдоль которых может произойти скольжение, общую устойчивость рекомендуется рассчитывать по схеме глубинного сдвига в предположении скольжения по ломаным (фиксированным) поверхностям (рис. 7) из условия:

                                                [14 (7)]

где nc, n, kн - то же, что в п. 13.16 (8.8);

mд - дополнительный коэффициент условий работы, принимаемый по табл. 17 (7), поз. 1;

m - то же, что в п. 13.22 (8.14);

Rсдв и Rуд - суммы горизонтальных проекций реакций основания, представляющих соответственно сдвигающие и удерживающие силы, определяемые в соответствии с требованиями пп. 13.21 (8.13) и 13.22 (8.14) по формулам:

а) для блоков, сползающих по поверхности скольжения вниз:

при qi > jiI

 и                                       [15]

                                                         [16]

при qi < jiI

                                [17]

б) для блоков, движущихся по поверхности скольжения вверх:

                               [18]

где Gi - вес i-го блока с однородным основанием с учетом веса грунта, веса материала сооружения и внешних нагрузок;

сiI и jiI - соответственно сцепление и угол внутреннего трения в основании рассматриваемого блока;

bi - ширина рассматриваемого блока;

qi - угол наклона i-й плоскости скольжения к горизонту.

Примечания: 1. Временные нагрузки учитываются на поверхности тех блоков, плоскость скольжения в основании которых наклонена к горизонту под углом q, большим угла внутреннего трения jiI грунта основания.

2. Не допускается плоскость скольжения со стороны активного давления грунта проводить круче, чем плоскость обрушения [см. п. 13.32 (8.22)], а со стороны пассивного давления - круче плоскости выпора.

Рис 7. Схема к расчету устойчивости сооружения в предположении скольжения по ломаным (фиксированным) поверхностям

13.25. Расчет причальных сооружений гравитационного типа на предварительных стадиях проектирования (обосновывающие материалы, проект) на устойчивость в предположении глубинного выпора (метод Герсеванова, рис. 8) допускается выполнять по формуле

                                               [19]

где nc, n, kн - то же, что в п. 13.16 (8.8);

mд - дополнительный коэффициент условий работы, принимаемый по табл. 17 (7);

m - то же, что в п. 13.22 (8.14);

Ea - действующее активное давление на стенку, определяемое в соответствии с требованиями настоящего Руководства и других нормативно-технических документов (см. прил. 1). При этом значения нагрузок и характеристик грунтов определяются с учетом требований пп. 13.7 (8.4) и 13.13 (8.5);

Еmin - сила сопротивления сдвигу призмы грунта в основании сооружения, создаваемая пассивным давлением и горизонтальной составляющей реакции в основании указанной призмы грунта, определяемая по формуле

                                            [20]

                                                        [21]

                                                          [22]

                                              [23]

                                               [24]

                                                            [25]

f = tg jI - расчетный коэффициент трения по грунту основания;

b - ширина основания сооружения;

hn - толщина постели;

g - объемный вес грунта;

 - коэффициент горизонтальной составляющей пассивного давления грунта;

 - по формуле [88 (41)];

 - давление от веса постели;

z = tg q; определяется из решения кубического уравнения подбором

                                                    [26]

q - угол наклона плоскости скольжения призмы грунта в основании постели;

                                                         [27]

                                                           [28]

.                                                        [29]

13.26 (8.17). Для распорных конструкций сосредоточенную крановую нагрузку допускается заменять эквивалентной равномерно распределенной.

При этом рекомендуется учитывать нагрузку только от прикордонной опоры крана, принимая давление от тыловой опоры равным равномерно распределенному от складирования грузов в этой зоне.

Для прикордонного подкранового рельса эквивалентную равномерно распределенную нагрузку допускается определять по формуле

                                                     [30 (8)]

где Рн - суммарная максимальная нагрузка от группы сосредоточенных сил при эксплуатации сближенных или одиночных кранов, возможная по технологическим условиям их работы (), давление от которых передается на длину полосы распределения [рис. 9 (3)];

b - ширина подкрановой плиты, балки или длина шпалы;

l - длина полосы распределения нагрузки вдоль линии кордона причала, определяемая в соответствии с рис. 9 (3).

Рис. 8. Схема к расчету устойчивости в предположении глубинного выпора (метод Герсеванова).

Рис. 9 (3). Схемы (слева приведена схема поперечного разреза, справа - продольного) определения эквивалентной нагрузки:

для одиночной опоры крана (при  м)  м;

для сближенных опор кранов (при  м)  м.

Эквивалентная нормативная крановая нагрузка определяется только для прикордонного кранового рельса, где влияние этой нагрузки имеет решающее значение. Расчетные сопоставления показывают, что нет необходимости определять эквивалентную нагрузку для тылового подкранового рельса, превышающую равномерно распределенную на 10 - 25 %, что не сказывается на итогах расчета.

13.27 (8.18). Нагрузку от волнового воздействия следует учитывать при высоте исходной волны у сооружения более 1,0 м.

Расчетную эпюру волнового давления на сооружение при подходе впадины (при ложбине) волны определяют в соответствии с указаниями СНиП 2.06.04-82 «Нагрузки на гидротехнические сооружения (волновые, ледовые и от судов)», а также по Руководству к указанному СНиП.

Рис. 10 (4). Эпюры фильтрационного давления sф на сооружение:

а - типа «больверк»; б - гравитационного типа.

При этом, учитывая скорость колебания уровня за сооружением, демпфирующее влияние засыпки и лицевой стенки, допускается в расчет вводить эпюру волнового давления (интерферированной, скользящей, косоподходящей волны) с ординатами, вдвое меньшими исходных.

Расчетная эпюра волнового давления на сооружение от гребня волны также определяется в соответствии с требованиями указанного СНиП. В этом случае в расчете учитывается интенсивность давления от полной исходной волны.

13.28 (8.19). Эпюра фильтрационного давления на лицевую стенку при понижении уровня воды перед сооружением принимается по рис. 10 (4). Максимальная ордината на отметке нового уровня воды перед стенкой

                                                       [31 (9)]

где gн - удельная масса воды;

Dh - расчетная разность уровней за стенкой и перед стенкой.

Нулевая ордината фильтрационного давления внизу принимается для шпунтовых стенок на уровне подошвы стенки, для сплошного свайного ряда - на уровне подошвы уплотняющих (омоноличивающих) швы устройств.

Примечание. При проектировании указанных конструкций следует предусматривать дренажные устройства [см. п. 9.12 (3.7)], исключающие образование подпора. В этом случае фильтрационное давление не учитывается, а при значительном и интенсивном понижении уровня воды (ливных колебаниях) в акватории, особенно когда мала проницаемость основания, в расчет вводится объемная масса грунта в зоне колебания уровня в соответствии с указаниями п. 13.31 (8.21).

13.29. При наличии перед причальным сооружением размывающих скоростей от волновых воздействий, донных течений и движителей судов следует крупность (вес) материала защитной одежды дна или каменной постели определять по указаниям главы СНиП 2.06.04-82, Руководству к данной главе СНиП и по СН 288-64 «Указания по проектированию гидротехнических сооружений, подверженных волновым воздействиям».

Максимальная донная скорость v, м/с, перед вертикальной стенкой (в точке на расстоянии , от нее) от действия стоячих волн определяется по формуле

                                                    [32]

где nс - коэффициент, принимаемый в зависимости от пологости волны:

пологость волны

8

10

15

20

30

nc

0,6

0,7

0,75

0,8

1,0

p = 3,14;

h - высота волны соответствующей обеспеченности в системе (как правило 2 %), м;

g = 9,81 м/с2 - ускорение свободного падения;

 - средняя длина волны, м;

Н - глубина воды у причала, м.

Допускаемые значения неразмывающих донных скоростей vдон, м/с, для грунта крупностью фракций d10 £ 100 мм следует принимать по рис. 11, при d50 > 100 мм - определять по формуле

                                           [33]

где kт - коэффициент, учитывающий влияние крутизны откоса на величину скорости трогания зерен грунта; для пологого дна допускается принимать kт = 1;

d50 - крупность зерен грунта, мельче которых в пробе содержится 50 % материала по весу;

gм - удельный вес материала, тс/м3;

gв - удельный вес воды (плотность), принимаемый, как правило, gв = 1,0 тс/м3, а для морской - в пределах gв = (1,0 ÷ 1,03), тс/м3.

Рис. 11. График допускаемых значений неразмывающих донных скоростей

13.30 (8.20). Горизонтальную составляющую активного давления от собственного веса грунта и временной равномерно распределенной нагрузки следует определять по теории предельного равновесия грунта с учетом криволинейного характера поверхности скольжения (сдвига) призмы обрушения (по методу теории предельного равновесия В.В. Соколовского и С.С. Голушкевича). Закон изменения активного давления грунта по глубине в пределах каждого слоя однородного грунта принимается линейным.

Горизонтальную составляющую активного давления допускается также определять по классической теории Кулона для прямолинейных поверхностей скольжения (сдвига) призмы обрушения.

Ординаты эпюры горизонтальной составляющей активного давления в указанных методах определяются по формуле

                                     [34 (10)]

Ординаты эпюры вертикальной составляющей активного давления определяются по формуле

                                             [35 (11)]

В формулах [34 (10)] и [35 (11)]:

 - временная эксплуатационная нагрузка на территории причала [см. п. 13.7 (8.4)], давление от которой передается по плоскости обрушения в сечение, где определяется ордината активного давления;

 - вертикальное давление от собственного веса грунта на глубине определения ординаты активного давления;

 - объемная масса грунта в состоянии естественной влажности, взвешивания или насыщения, определяемая по п. 13.31 (8.21);

hi - высота 1-го слоя грунта с неизменными физико-механическими характеристиками;

с - сцепление грунта [см. п. 13.13 (8.5)], расположенного в сечении, для которого определяется ордината активного давления (при расчете по предельным состояниям первой группы c = cI, второй - с = cII);

la, lac - коэффициенты горизонтальной составляющей активного давления грунта и от сил сцепления, определяемые в соответствии с указаниями п. 13.32 (8.22) настоящего Руководства по характеристикам грунта [см. п. 13.13 (8.5)], расположенного в сечении, для которого определяется ордината активного давления (при расчете по первой группе предельных состояний la = laI и laс = laсI, по второй - la = laII и laс = laсII);

a - угол наклона расчетной плоскости восприятия распорного давления к вертикали (при расчете по первой группе предельных состояний a = aI, по второй - a = aII);

d - угол трения грунта о плоскость восприятия распорного давления (при расчете по первой группе предельных состояний d = dI, по второй - d = dII).

Примечания: 1. В случае, когда значение claс больше sax, последнее на этом участке принимается равным нулю.

2. Допускается для стенок с вертикальной тыловой гранью значения sax их и say определять по классической теории, а для стенок с наклонными тыловыми гранями - по теории предельного равновесия (см. прил. 6).

Допущение метода Кулона и метода В.В. Соколовского и С.С. Голушкевича может быть обосновано в активной зоне незначительными, практически совпадающими, итоговыми цифровыми показателями, несущественно влияющими на конечные результаты расчета [см. также п. 13.35 (8.25)].

(Измененная редакция).

13.31 (8.21). Объемная масса грунта gн в зависимости от зоны его расположения и влажности принимается:

а) выше расчетного уровня воды (рис. 12, а) для состояния естественной влажности - по данным инженерно-геологических изысканий (по отчету);

б) под водой (см. рис. 12, а) в состоянии гидростатического взвешивания - по формуле

                                          [36(12)]

где  - удельная масса твердых частиц грунта;

e0 - объем пустот в 1 см3 грунта.

Примечание. При наличии обоснованных данных допускается вводить частичное взвешивание для глинистых грунтов ограниченной влажности, если в них нет фильтрующих прослоек и линз;

в) при переменных уровнях воды (ливных колебаниях) для несвязных грунтов (рис.12, б):

выше верхней отметки горизонта воды при средней амплитуде

колебаний уровня - равной объемной массе по подпункту «а»;

в пределах между верхней и нижней отметками горизонта воды при средней амплитуде колебаний, как для грунта, у которого все поры заполнены водой, - по формуле

                                            [37(13)]

ниже нижней отметки горизонта воды при средней амплитуде колебаний уровня - равной объемной массе по подпункту «б».

Рис. 12. Расположение зон грунта по влажности:

а - в безливных морях; б - в ливных морях; А - средняя амплитуда ливных колебаний; gн - в состоянии естественной влажности; (g - в состоянии насыщения; gп - в состоянии гидростатического взвешивания:

1 - расчетный уровень воды; 2 - отметка дна; 3 - средний уровень высоких вод; 4 - средний уровень низких вод.

Примечания: 1. Для связных грунтов (глин, суглинков, супесей) граница грунта с порами, полностью заполненными водой, принимается по данным гидрогеологических изысканий (по отчетам).

2. Для связных грунтов основания сооружений с полным и частичным взвешиванием объемные массы должны контролироваться и назначаться на основе инженерно-геологических изысканий и исследований (по отчетным данным).

13.32 (8.22). Коэффициенты горизонтальной составляющей активного давления при расчете по теории предельного равновесия для вертикальных тыловых граней стенок и горизонтальной поверхности грунта следует определять по табл. 18.

Таблица 18

Угол внутреннего трения грунта j, град

Величина коэффициента горизонтальной составляющей активного давления по Соколовскому и Голушкевичу при угле трения d, равном

0

0,5j

la

laс

la

laс

10

0,70

1,68

0,66

1,57

11

0,68

1,65

0,64

1,53

12

0,66

1,62

0,61

1,50

13

0,63

1,59

0,59

1,46

14

0,61

1,56

0,56

1,43

15

0,59

1,53

0,54

1,40

16

0,57

1,50

0,52

1,37

17

0,55

1,47

0,50

1,34

18

0,53

1,45

0,48

1,31

19

0,51

1,42

0,46

1,28

20

0,49

1,40

0,44

1,25

21

0,47

1,37

0,42

1,22

22

0,45

1,34

0,41

1,20

23

0,44

1,32

0,40

1,18

24

0,42

1,29

0,38

1,15

25

0,41

1,27

0,36

1,12

26

0,39

1,25

0,35

1,10

27

0,38

1,22

0,33

1,07

28

0,36

1,20

0,32

1,05

29

0,34

1,18

0,30

1,02

30

0,33

1,16

0,29

1,00

31

0,32

-

0,28

-

32

0,31

-

0,27

-

33

0,30

-

0,26

-

34

0,28

-

0,25

-

35

0,27

-

0,24

-

36

0,26

-

0,23

-

37

0,25

-

0,22

-

38

0,24

-

0,21

-

39

0,23

-

0,20

-

40

0,22

-

0,19

-

Примечание. Таблицей можно пользоваться при расчете по теории Кулона для вертикальных стенок и горизонтальной поверхности грунта.

При расчете по классической теории коэффициент горизонтальной составляющей активного давления грунта следует определять по формуле

                                        [38 (14)]

где a и d - то же, что в п. 13.30 (8.20);

b - угол обрушения (угол между вертикалью и плоскостью обрушения), определяемый по указаниям п. 13.33 (8.23);

j - угол внутреннего трения грунта [см. п. 13.13 (8.5)].

В частном случае, при отсутствии нагрузки на причале или равномерном ее распределении по всей его территории, для условной расчетной тыловой грани стенки, отклоненной от вертикали под углом a = b = 45° - 0,5j, и при трении грунта по этой грани при угле d = j или для случая вертикальной тыловой грани стенки и отсутствия трения по ней, т.е. при d = 0 и a = 0, коэффициент горизонтальной составляющей активного давления определяется по формуле

                                            [39 (15)]

Коэффициент горизонтальной составляющей сопротивления сдвигу призмы обрушения под действием сил сцепления в грунте находят по формуле

                                                     [40 (16)]

13.33 (8.23). Угол обрушения при расчете по классической теории определяется по формуле

               [41(17)]

где

                                                      [42]

j - то же, что в п. 13.32 (8.22);

a и d - то же, что в п. 13.30 (8.20);

Sb - коэффициент, учитывающий расположение временной нагрузки на призме обрушения и определяемый по формуле

                              [43 (18)]

ai и  соответственно ширина полосы приложения (a1, а2, а3, ..., ап) и интенсивность нагрузки () на тех участках, где  [рис. 13 (5)];

 - интенсивность нагрузки в точке выклинивания на поверхности территории причала плоскости обрушения;

Н - полная высота призмы обрушения;

 и hi - объемная масса и высота i-го слоя грунта;

 - объемная масса подстилающего слоя грунта в призме обрушения.

При определении в грунте засыпки угла наклона плоскости восприятия распора a [к вертикали, см. рис. 13 (5)] и соответствующего ему угла наклона плоскости обрушения b исходят из условия получения максимального распорного давления призмы обрушения на стенку.

Расчеты следует производить по формуле [41 (17)] путем подбора в табличной форме (табл. 19) при d = j. Задаваясь значениями угла a, находят соответствующие им значения величины tg b. За расчетные принимают наименьшее значение величины tg b, отвечающее максимальному распорному давлению на стенку, и соответствующее ему значение угла a.

В частном случае, отмеченном в п. 13.32 (8.22), угол обрушения определяется по формуле

                                              [44 (19)]

Рис. 13 (5). Схема расположения временной нагрузки, учитываемой при определении коэффициента Sb.

(Измененная редакция).

13.34 (8.24). При наличии разгрузочной каменной призмы эпюра активного давления, построенная по указаниям пп. 13.30 (8.20) - 13.33 (8.23) в предположении бесконечного простирания слоев грунта, в том числе и камня, дополняется эпюрой от пригрузки грунта, расположенного в призме обрушения на откосе каменной отсыпки. Ординаты Dsi дополнительной эпюры от пригрузки грунта [рис. 14 (6)] в общем виде следует определять:

в пределах каменной призмы на высоте DН - по формуле

                                 [45 (20)]

ниже каменной призмы на высоте Dt - по формуле

                                  [46 (21)]


Таблица 19

a, град

j, d = j, град

V = tg (a + d + j)

ctg j

tg a

ctg j tg a

Sb ctg j

(V + ctg j - tg a + Sb) [3] + [4] - [5] + [6]

V (V + ctg j - tg a + Sb) [3] · [9]

- ctg j tg a + Sb ctg j

- [7] + [8]

tg b = - [3] + [12]

b, град

Значения в порядке нарастания по величине

 

 

 

 

Все значения по рис. 13 (5)

 

 

 

 

 

 

 

 

Искомыми являются углы a и b, находящиеся на одной строке, имеющей в столбце 13 наименьшее значение величины tg b. Выше и ниже указанной строки значения tg b в столбце 13 имеют большую величину.

Примечание. В квадратных скобках указан порядковый номер столбца таблицы.


В формулах [45 (20)] и [46 (21)]:

 - давление от собственного веса грунта и эксплуатационной нагрузки на уровне пересечения откоса каменной призмы плоскостью обрушения, проведенной из точки тыловой плоскости стенки, в которой определяется ордината Dsi;

laг - коэффициент горизонтальной составляющей активного давления грунта, расположенного на откосе каменной призмы;

laк - коэффициент горизонтальной составляющей активного давления каменной отсыпки;

 и S0 - проекции на вертикаль отрезков линии откоса каменной призмы, заключенных между плоскостями обрушения, проходящими соответственно через концы участков DH и Dt расчетной плоскости лицевой стенки [см. рис.14 (6)].

Проекции определяются по формулам:

                                                  [47 (22)]

                                    [48 (23)]

Остальные обозначения даны на рис. 14 (6).

Примечание. Допускается передачу давления на расчетную плоскость в призме обрушения отсыпки камня принимать под углом bк = 26° [см. рис 14 (6)].

Рис. 14 (6). Эпюра активного давления от пригрузки грунта, расположенного на откосе каменной призмы

Формулы подсчета ординат эпюры:

(Измененная редакция).

13.35 (8.25). Пассивное давление грунта следует определять по теории предельного равновесия, учитывающей криволинейный характер поверхностей скольжения в призме отпора.

В пределах каждого слоя однородного грунта закон изменения пассивного давления по глубине принимается линейным.

Ординаты эпюры горизонтальной составляющей пассивного давления на вертикальную стенку при горизонтальной поверхности грунта определяются по формулам:

в прямом отпоре -

                                            [49 (24)]

в обратном отпоре -

                                     [50 (25)]

В формулах [49 (24)] и [50 (25)]:

, с,  - то же, что в п. 13.30 (8.20), только для ординат пассивного давления;

lp - коэффициент горизонтальной составляющей пассивного давления грунта, принимаемый по табл. 20 в зависимости от угла внутреннего трения грунта [см. п. 13.13 (8.5)], расположенного в сечении, для которого определяется ордината эпюры пассивного давления, и угла трения призмы отпора о стенку;

lрс - коэффициент пассивного давления от сил сцепления, определяемый по табл. 20, а также по формуле

                                                    [51 (26)]

Примечания: 1. Допускается пассивное давление грунта определять по классической теории, исходящей из прямолинейных поверхностей скольжения в призме отпора. В этом случае ординаты пассивного давления определяются по формулам [49 (24)] и [50 (25)], в которых значения lp принимаются по табл. 21, а lрс - по формуле

                                                                    [52 (27)]

а также по табл. 21.

2. Для поверхностного слоя, где возможно нарушение структуры связного грунта, принимается с = 0; полное сцепление принимается на глубине 1 м. Изменение сцепления от с = 0 до полного принимается линейным.

Таблица 20

Угол внутреннего трения грунта j, град

Величина коэффициента горизонтальной составляющей пассивного давления грунта по Соколовскому и Голушкевичу при угле трения d, равном

0

0,333 j

j

lp

lpс

lp

lpс

lp

lpс

5

1,14

1,28

1,20

1,56

1,23

2,01

6

1,21

1,34

1,28

1,67

1,31

2,15

7

1,26

1,39

1,34

1,77

1,39

2,25

8

1,31

1,45

1,40

1,87

1,47

2,40

9

1,37

1,51

1,45

1,95

1,55

2,55

10

1,42

1,58

1,51

2,04

1,63

2,65

11

1,47

1,65

1,57

2,14

1,71

2,80

12

1,53

1,72

1,64

2,23

1,80

2,94

13

1,58

1,79

1,72

2,32

1,90

3,09

14

1,63

1,87

1,79

2,42

2,01

3,24

15

1,69

1,94

1,86

2,52

2,12

3,39

16

1,76

2,01

1,96

2,62

2,27

3,58

17

1,82

2,08

2,04

2,73

2,42

3,77

18

1,89

2,15

2,14

2,84

2,56

3,95

19

1,96

2,23

2,25

2,95

2,71

4,14

20

2,04

2,30

2,35

3,06

2,86

4,32

21

2,12

2,36

2,49

3,22

3,01

4,55

22

2,20

2,42

2,63

3,37

3,26

4,78

23

2,28

2,48

2,78

3,53

3,47

5,01

24

2,37

2,54

2,94

3,68

3,70

5,24

25

2,46

2,60

3,10

3,84

3,94

5,46

26

2,56

2,67

3,25

3,97

4,23

5,79

27

2,67

2,73

3,41

4,07

4,55

6,12

28

2,78

2,80

3,58

4,18

4,88

6,45

29

2,80

2,87

3,76

4,30

5,26

6,78

30

3,00

2,94

3,94

4,41

5,67

7,10

31

3,12

-

4,17

-

6,07

-

32

3,25

-

4,39

-

6,48

-

33

3,39

-

4,67

-

6,90

-

34

3,54

-

4,05

-

7,33

-

35

3,69

-

5,29

-

7,76

-

36

3,85

-

5,64

-

8,35

-

37

4,02

-

6,06

-

8,98

-

38

4,20

-

6,50

-

9,70

-

39

4,39

-

7,05

-

10,54

-

40

4,60

-

7,57

-

11,47

-

Таблица 21

Угол внутреннего трения грунта j, град

Величина коэффициента горизонтальной составляющей пассивного давления Кулону при угле трения d, равном

0

0,333 j

0,75 j

lp

lpс

lp

lpс

lp

lpс

10

1,42

2,38

1,52

2,46

1,63

2,55

11

1,47

2,42

1,58

2,51

1,73

2,62

12

1,52

2,46

1,65

2,60

1,82

2,70

13

1,57

2,50

1,73

2,63

1,92

2,77

14

1,64

2,56

1,81

2,69

2,03

2,85

15

1,69

2,60

1,92

2,77

2,15

2,93

16

1,76

2,65

1,98

2,81

2,28

3,03

17

1,82

2,70

2,08

2,88

2,42

3,11

18

1,89

2,75

2,18

2,95

2,58

3,21

19

1,96

2,80

2,28

3,02

2,74

3,31

20

2,04

2,86

2,40

3,10

2,93

3,42

21

2,12

2,91

2,52

3,17

3,13

3,54

22

2,20

2,97

2,65

3,26

3,36

3,66

23

2,28

3,02

2,78

3,33

3,59

3,79

24

2,37

3,08

2,93

3,42

3,86

3,93

25

2,46

3,14

3,09

3,52

4,16

4,08

26

2,56

3,20

3,26

3,61

4,49

4,24

27

2,66

3,26

3,44

3,71

4,82

4,39

28

2,77

3,33

3,64

3,82

5,19

4,56

29

2,88

3,39

3,85

3,92

5,59

4,73

30

3,00

3,46

4,06

4,04

6,00

4,90

31

3,12

-

4,33

-

6,43

-

32

3,25

-

4,60

-

6,93

-

33

3,39

-

4,89

-

7,47

-

34

3,54

-

5,21

-

8,00

-

35

3,69

-

5,56

-

8,60

-

36

3,85

-

5,94

-

9,22

-

37

4,02

-

6,37

-

9,90

-

38

4,20

-

6,83

-

10,57

-

39

4,39

-

7,35

-

11,30

-

40

4,60

-

7,92

-

12,18

-

К пп. 13.30 (8.20), 13.32 (8.22) - 13.35 (8.35). В Руководстве даны два метода для определения давления грунта: первый основан на криволинейном характере плоскостей скольжения (В.В. Соколовского и С.С. Голушкевича), второй - на прямолинейном (Ш. Кулона).

Метод Кулона допущен в связи с тем, что на нем основаны расчеты по нахождению плоскости восприятия активного давления грунта для уголковых стенок и плоскости обрушения для гравитационных стенок.

Для грунтов без сцепления оба метода дают практически одинаковые результаты расчета.

Для грунтов со сцеплением, когда устойчивость сооружения обеспечивается пассивным давлением грунта, метод Кулона дает завышенные запасы несущей способности сооружения за счет меньшей величины отпора, обусловленной меньшими значениями коэффициентов пассивного давления от сил сцепления.

Поэтому для сооружений типа «больверк» не рекомендуется применять метод Кулона, тогда как для гравитационных стенок оба метода определения давления грунта равноценны.

(Измененная редакция).

13.36 (8.26). В случае наклона поверхности грунта перед стенкой (рис. 15) под углом q к горизонту ординаты эпюры пассивного давления грунта при расчете по классической теории Кулона допускается определять по формуле

                                          [53 (28)]

где

                                           [54 (29)]

                                         [55 (30)]

                                                    [56 (31)]

В формулах [53 (28)] - [56 (31)]:

 и с - то же, что в п. 13.35 (8.25);

d - угол трения грунта о стенку;

j - то же, что в п. 13.32 (8.22).

13.37 (8.27). При построении эпюр активного и пассивного давлений рекомендуется определять ординаты на границах слоев грунта с неизменными физико-механическими характеристиками, а также в местах пересечения расчетной плоскости восприятия распорного давления с плоскостями обрушения, проведенными из точек начала или скачкообразного изменения равномерно распределенной нагрузки, располагаемой на территории причала, считая, что передача давления с территории на расчетную плоскость происходит по плоскости обрушения [рис. 16 (7)].

Рис. 15. Схема к расчету пассивного давления грунта при наклонной поверхности дна:

АБВГ - плоскость призмы выпора по Кулону.


Рис. 16 (7). Эпюры активного и пассивного давлений от грунта и временных нагрузок.


Ординаты эпюры активного давления:

Ординаты эпюры пассивного давления:

13.38 (8.28). Расчет элементов надстроек на прочность и трещиностойкость следует выполнять на действие следующих сил:

а) активного давления от собственного веса грунта с учетом эксплуатационных временных нагрузок от технологического оборудования и складирования грузов;

б) нагрузок от воздействия судов (натяжения швартовов, навала пришвартованного судна или навала судна при подходе);

в) нагрузки от собственного веса элементов конструкции надстройки.

13.39 (8.29). При расчете несущей способности оснований, сложенных из медленно уплотняющихся, (сильно сжимаемых) водонасыщенных глинистых и заторфованных грунтов (при степени влажности G ³ 0,85, модуле деформации E0 £ 50 кгс/см2, коэффициенте степени консолидации , коэффициенте консолидации cv £ 1·107 см2/год и показателе консистенции IL ³ 0,75), а также илов, следует учитывать степень их консолидации, принимая прочностные физико-механические свойства и сдвиговые параметры грунтов по трению tg jI и сцеплению cI, соответствующие его нестабилизированному состоянию из-за уменьшения касательных напряжений tI по площадке скольжения в результате образования избыточного давления u в поровой воде. При этом касательные напряжения

                                             [57 (32)]

где р - нормальное напряжение по площадке сдвига, кгс/см2;

                                                         [58]

                                                        [59]

kф - коэффициент фильтрации, см/с; (1 см/с » 3·107 см/год);

t - время от момента приложения нагрузки, год;

а - коэффициент уплотнения, см2/кгс, определяемый по формуле

                                                             [60]

е1 и e2 - коэффициенты пористости грунта соответственно в его естественном состоянии (в природном залегании) и после приложения нагрузки р, принимаемые по инженерно-геологическим отчетам (по компрессионным данным), также

                                                     [61]

gw - удельная масса воды, кгс/см3, принимаемая, как правило, равной 0,001 кгс/см3;

h - расчетная толщина консолидируемого слоя грунта в основании сооружения, принимаемая равной толщине слоя связного грунта h1 (но не более В - ширины сооружения) . Если связный грунт отделен от подошвы сооружения недренирующим слоем толщиной h2, следует принимать h = h1 + h2 (но не более В);

ecp - средний коэффициент пористости грунта, определяемый по формуле

                                                            [62]

n - пористость грунта, определяемая по формуле

                                                             [63]

gy - удельная масса грунта, кгс/см3, определяемая по формуле

                                                                [64]

gс - объемная масса скелета грунта, кгс/см3, определяемая по формуле

                                                              [65]

g - вес твердых частиц грунта, кгс;

V - объем твердых частиц грунта, см3;

g - объемная масса грунта, кгс/см3;

w - весовая влажность, определяемая по формуле

                                                                 [66]

Значения величин kф, а, ecp, n, gy, gс, g, V, g, w следует, как правило, принимать по инженерно-геологическим отчетам.

Избыточное давление и в поровой воде должно определяться с учетом изменения состояния грунта по мере его нагружения в процессе возведения и первоначальной эксплуатации сооружения, а сдвиговые показатели грунтов (по jI и cI) - в их неконсолидированном или частично консолидированном состоянии.

Примечание. Величину избыточного давления и в поровой воде допускается определять методами теории одномерной консолидации грунта.

При уплотнении (консолидации) слоя грунта под действием добавочного внешнего давления р от равномерно распределенной нагрузки, длина распространения которой в 2 раза и более превышает толщину сжимаемого водонасыщенного слоя, давление в грунте выражается зависимостью (рис. 17)

                                                              [67]

где рz - давление, передающееся на твердые частицы грунта (эффективное давление);

и - давление, возникающее в воде (поровое или нейтральное давление).

При этом давление в скелете грунта на глубине z с достаточной для практических целей точностью может быть определено по формуле

                                              [68]

где е - основание натуральных логарифмов;

                                                           [69]

Рис. 17. Распределение давлений в водонасыщенном слое грунта для некоторого времени от начала загружения

1 - водонасыщенный слой; 2 - водопроницаемый слой, 3 - водонепроницаемый слой (скала).

Расчет устойчивости оснований из водонасыщенных сильно сжимаемых глинистых грунтов причальных сооружений распорного типа следует производить с учетом указаний РД 31.31.34-85 «Инструкция по проектированию причальных сооружений распорного типа на слабых грунтах».

Допускается проверять устойчивость оснований по методу «нулевого трения», когда внешнее давление уравновешивается поровым, т.е. р = и, при этом t = сI.

В зависимости от прогноза консолидации грунта и начала или условий эксплуатации сооружения (например, продолжительность возведения сооружения, расчет на перспективное углубление дна у причала и т.п.) сдвиговые показатели могут приниматься для полностью стабилизированного состояния грунта по формуле

                                               [70 (33)]

(Измененная редакция).

13.40. Расчет оснований причальных сооружений и их конструктивных элементов по второй группе предельных состояний (по деформациям - осадкам, кренам и горизонтальным перемещениям) надлежит выполнять в соответствии с требованиями глав СНиП II-16-76, СНиП II-17-77, а при основании из слабых грунтов по РД 31.31.34-85.

Расчет осадок слоя водонасыщенного слабого глинистого грунта во времени, вызванных приложением внешних нагрузок, при равномерном или неравномерном распределении уплотняющих давлений по глубине указанного сжимаемого слоя рекомендуется выполнять по книге Н. А. Цытовича «Механика грунтов».

(Измененная редакция).

14 (9). ОБЩИЕ ПОЛОЖЕНИЯ РАСЧЕТА ПРИЧАЛЬНЫХ СООРУЖЕНИЙ ГРАВИТАЦИОННОГО ТИПА

14.1 (9.1). Расчет причальных сооружений гравитационного типа должен выполняться в соответствии с требованиями п. 13.3 (8.3) а, б, д, л, м настоящего Руководства и с применением расчетных коэффициентов в соответствии с пп. 13.16 (8.8) и 13.22 (8.14).

14.2 (9.2). Причальные сооружения гравитационного типа по условиям допустимой неравномерности осадок (вторая группа предельных состояний) следует проектировать с таким расчетом, чтобы равнодействующая от нагрузок не выходила из ядра сечения основания.

Указанное условие определяется формулой

                                                      [71 (34)]

или

                                                       [72 (35)]

В формулах [71 (34)] и [72 (35)]:

а - расстояние от передней грани сооружения до точки приложения равнодействующей нагрузок, определяемое по формуле

                                                  [73 (36)]

b - ширина основания сооружения;

е - эксцентриситет приложения равнодействующей нагрузок, определяемый по формуле

                                                     [74 (37)]

Муд - суммарный момент от удерживающих сил относительно переднего ребра вращения;

Мо - суммарный момент от опрокидывающих сил относительно переднего ребра вращения;

g - сумма вертикальных сил, действующих на подошву сооружения.

Допускается выход равнодействующей нагрузок за пределы ядра сечения при увеличенном эксцентриситете для сооружений на скальном основании до е £ 0,25 b, на основаниях из твердых и плотных грунтов только в случае расчета на особые сочетания нагрузок и воздействий до е £ 0,2 b.

Примечание. К удерживающим следует относить все вертикальные силы, включая и вертикальную составляющую активного давления грунта с учетом возможных временных нагрузок.

14.3. Расчет нескальных оснований гравитационных причальных сооружений по второй группе предельных состояний (по деформациям - осадкам, горизонтальным смещениям, кренам) производится в соответствии со СНиП II-16-76 из условий:

                                                              [75]

                                                              [76]

                                                              [77]

где S, U, w - соответственно величины конечных осадок, горизонтальных перемещений и кренов (наклонов), определяемые расчетом согласно требованиям главы СНиП II-16-76;

Snp, Unp, wnp - соответственно предельные величины осадок, горизонтальных смещений и кренов, устанавливаемые проектом.

Примечание. Расчет оснований причальных сооружений по второй группе предельных состояний (по деформациям) должен выполняться на основные сочетания действующих нагрузок и воздействий.

14.4. В соответствии с указаниями главы СНиП II-16-76 для причальных сооружений гравитационного типа при эксцентриситете еp £ 0,2 b расчет по деформациям допускается не производить, если соблюдено условие

                                                              [78]

где pcp - среднее давление на грунт основания от действующих нагрузок с учетом веса постели;

Rд - давление на грунт основания, определяемое по формуле

                           [74]

m1 - коэффициент условий работы, принимаемый при строительстве «в воду» для пылеватых песков m1 = 0,7, для других грунтов m1 = 0,9;

A1, A2, D - безразмерные коэффициенты, принимаемые по табл. 7 СНиП II-16-76 или по формулам:

                                                [80]

                                              [81]

                                            [82]

В - ширина подошвы сооружения;

hn - толщина постели;

gгII, gкII - объемная масса соответственно грунтов основания и материала постели;

d - заглубление подошвы сооружения от отметки проектного дна;

сII - сцепление грунта, залегающего под подошвой постели.

Примечание. В расчетах причальных сооружений по деформациям осадка постели не учитывается.

14.5 (9.3). При определении нормальных краевых напряжений под подошвами гравитационных сооружений или каменными постелями в расчете прочности оснований должно выполняться условие

                                                     [83 (38)]

где s - краевое напряжение на контакте каменной постели и подошвы сооружения или на контакте грунта основания и подошвы каменной постели, определяемое в соответствии с п. 14.6 (9.4) и 14.7 (9.5);

R - расчетное сопротивление грунта основания, назначаемое по инженерно-геологическим отчетам.

Примечание. Допускается расчетное давление грунта основания определять по указаниям прил. 3 СНиП 2.02.01-83. В этом случае условные расчетные давления R0 на грунты основания принимаются по табл. 1 - 3 прил. 3 СНиП 2.02.01-83, а величина расчетного давления на грунты основания R определяется по формулам [84] и [85]. При этом принимается, что значения R0 в табл. 1 - 3 прил. 3 СНиП 2.02.01-83 относятся к подошвам сооружения, имеющим ширину b1 = 1 м и глубину заложения h1 =2 м.

При h £ 2 м.

                                                            [84]

при h > 2 м

                                                     [85]

где b и h - соответственно фактические ширина и глубина заложения подошвы сооружения, м;

gII - объемная масса грунта, расположенного выше подошвы сооружения, тс/см3;

k1 - коэффициент, учитывающий влияние ширины подошвы сооружения, принимаемый для оснований, сложенных крупнообломочными и песчаными грунтами, кроме пылеватых песков, k1 = 0,125, пылеватыми песками и глинистыми грунтами - k1 = 0,05;

k2 - коэффициент, учитывающий влияние глубины заложения подошвы сооружения, принимаемый для оснований, сложенных крупнообломочными и песчаными грунтами, k2 = 0,25, супесями и суглинками - k2 = 0,20 и глинами - k2 = 0,15.

(Измененная редакция).

14.6 (9.4). Краевые напряжения по контакту основания сооружения и каменной постели при соблюдении условий [71 (34)] и [72 (35)] [рис. 18 (8), а] определяются по формуле

                                        [86 (39)]

При несоблюдении в пределах указаний п. 14.2 (9.2) условий [71 (34)] и [72 (35)] [рис. 18 (8), б] краевые напряжения определяются по формуле

                                              [87 (40)]

В формулах [86 (39)] и [87 (40)]:

smax и smin - максимальные и минимальные краевые нормальные напряжения в каменной постели на контакте с основанием сооружения;

R - расчетное сопротивление каменной постели, принимаемое в зависимости от марочной прочности камня с учетом его водонасыщенности. При расчете прочности каменной постели допускается пользоваться рекомендациями примечания п. 14.5 (9.3).

Рис. 18 (8). Эпюры краевых напряжений по контакту основания сооружения и каменной постели.

Остальные обозначения принимаются по п. 14.2 (9.2).

Примечание. При отсутствии инженерно-геологических данных допускается принимать расчетное давление постели R:

для основного сочетания силовых воздействий R = (4 ÷ 6) кгс/см2;

для особого сочетания силовых воздействий R =(5,5 ÷ 8,5) кгс/см2.

14.7 (9.5). Краевые напряжения по контакту каменной постели с грунтом основания определяют из условия передачи нагрузок через постель под углом 45° по формуле

                                [88 (41)]

где  - максимальные и минимальные краевые нормальные напряжения в грунте основания на контакте с каменной постелью;

 - то же, что в п. 14.6 (9.4);

 - ширина, по которой передается давление от сооружения на постель. При соблюдении условий [71 (34;)] и [72 (30)]  = b, при несоблюдении указанных условий  = 3 a;

hп -толщина каменной постели, м;

 - объемная масса камня постели [см. п. 13.31 (8.21)];

R - расчетное сопротивление грунта основания, принимаемое по инженерно-геологическим отчетам; при отсутствии инженерно-геологических данных допускается принимать по указаниям и рекомендациям примечания п. 14.5 (9.3).

14.8 (9.6). Толщина каменной постели hп определяется из условия, чтобы краевые напряжения не превышали расчетного сопротивления грунта основания, по формуле

                         [89(42)]

Все обозначения в формуле [89 (42)] принимаются по п. 14.7 (9.5).

Примечание. При отрицательной величине подкоренного выражения формулы [89 (42)] толщину постели следует принимать по конструктивным требованиям [см. п. 10.6 (5.6)].

14.9 (9.7). Расчет устойчивости гравитационных причальных сооружений (первая группа предельных состояний) из условия опрокидывания (поворота) вокруг переднего ребра вращения следует выполнять только в случае выхода равнодействующей от всех нагрузок за пределы ядра сечения, т.е. при несоблюдении условии [71 (34)] и [72 (35)], по формуле

                                            [90 (43)]

где nc, n, kн - то же, что в п. 13.16 (8.8);

Мо, Муд - соответственно моменты от опрокидывающих и удерживающих сил относительно рассматриваемого ребра вращения;

т - то же, что в п. 13.22 (8.14);

тд - дополнительный коэффициент условий работы, принимаемый по табл.17 (7), поз. 4.

Примечание. Для уголковых стенок с внешней анкеровкой устойчивость на опрокидывание не проверяется.

14.10 (9.8). При расчете устойчивости гравитационных причальных сооружений (первая группа предельных состояний) на сдвиг по контакту сооружения с каменной постелью должно выполняться условие

                                                [91 (44)]

где nc, n, kн - то же, что в п. 13.16 (8.8);

Е - сумма горизонтальных сдвигающих сил, действующих на сооружение;

т - то же, что в п. 13.22 (8.14);

g - сумма вертикальных сил, действующих на подошву сооружения;

f - коэффициент трения подошвы сооружения по контакту с каменной постелью; допускается принимать равным 0,5. В обоснованных случаях следует уточнять величину f экспериментальным путем;

mд - принимается по табл. 17 (7), поз. 1.

Примечание. Временные нагрузки, улучшающие условия устойчивости, из расчета исключаются.

14.11 (9.9). Устойчивость гравитационных причальных сооружений (первая группа предельных состояний) на сдвиг вместе с постелью следует определять:

а) для случая постели, заглубленной в грунт основание [рис. 19 (9), а], скольжение по системе плоскостей МК, КЕ и ЕА - из условия

                                [92 (45)]

где nc, n, kн - то же, что в п. 13.16 (8.8);

тд, Е - то же, что в п. 14.10 (9.8);

g1 - часть веса сооружения, передающая давление на грунт в плоскости подошвы постели на участке FK и определяемая по формуле

                                       [93 (46)]

g2 - собственный вес каменной постели в контуре ECDK, определяемый по формуле

                                           [94 (47)]

g3 - собственный вес засыпки в контуре ВСЕ, равный

                                                      [95 (48)]

fгI - коэффициент трения каменной постели по грунту основания, принимаемый равным tg jгI. В обоснованных случаях следует уточнять значение fгI экспериментальным путем;

EpI - удерживающая горизонтальная сила от грунта засыпки, определяемая по одной из формул:

сопротивление грунта засыпки в контуре ABE

                                         [96 (49)]

или пассивного давления грунта

                                                  [97 (50)]

В расчет по формуле [92 (45)] вводится меньшее из полученных значений;

Рис. 19 (9). Эпюры краевых напряжений по контакту каменной постели и основания:

а - при постели, заглубленной в грунт основания; б - при постели, расположенной на поверхности грунта основания.

 и hп - то же, что в п. 14.7 (9.5);

s1 и s2 - краевые нормальные напряжения в грунте основания на контакте с каменной постелью соответственно с передней и тыловой сторон от собственного веса сооружения, включая вес грунта и вертикальную составляющую активного давления грунта и временных нагрузок, определяемые по формуле [88 (41)] при ;

b1 - отрезок ширины постели [см. рис. 19 (9), а];

 и  - объемная масса соответственно каменной наброски и засыпки с учетом взвешивания;

mo - заложение откоса котлована;

lpI - то же, что в п. 13.35 (8.25);

б) для случая постели на поверхности грунта основания [рис. 19 (9), б]:

скольжение по плоскости КЕ - по формуле [92 (45)] при g3 = 0 и Ер = 0;

скольжение по наклонной плоскости ME - по формуле

                                             [98 (51)]

где  - сумма проекции на плоскость сдвига ME сил, действующих выше этой плоскости, определяемая по формуле

                                     [99 (52)]

 - сумма проекций сил, действующих выше плоскости сдвига ME, на нормаль к этой плоскости, определяемая по формуле

                                   [100 (53)]

fк - коэффициент внутреннего трения каменной наброски, который допускается принимать равным tg jк = tg45° = 1,0;

g и Е - то же, что в п. 14.10 (9.8);

g4 - вес части постели в контуре ЕСМ, определяемый по формуле

                                       [101 (54)]

y - угол между подошвой стенки и плоскостью сдвига ME.

14.12 (9.10). При расчете общей устойчивости гравитационных причальных сооружений (первая группа предельных состояний) по схеме глубинного сдвига следует руководствоваться указаниями СНиП II-16-76 «Основания гидротехнических сооружений», Руководства к СНиП II-16-76, а также пп. 13.23 (8.15) и 13.24 (8.16) настоящего Руководства.

Для гравитационных причальных сооружений из кладки обыкновенных массивов в расчете по круглоцилиндрическим поверхностям скольжения следует в пределах ширины основания стенки собственный вес сооружения, вес материала засыпки и временные нагрузки [рис. 20 (10)] над ним приводить к эпюре вертикальных сил по формулам [73 (36)] и [86 (39)], исключив действие горизонтальных нагрузок, т.е. принимая в формуле [73 (36)] значение Мо = 0.

Эксплуатационную нагрузку на территории причала следует располагать в соответствии со схемой на рис. 20 (10).

При расчете общей устойчивости сооружения по схеме смешанного сдвига, представленной в СНиП II-16-76, необходимо трапецеидальную эпюру напряжений по контакту постели с грунтом основания заменить расчетной равномерной эпюрой и учесть влияние пригрузки интенсивностью  над зоной выпирания.

14.13 (15). Расчет причальных сооружений из оболочек большого диаметра (см. п. 10.31) следует выполнять с учетом требований разд. 13 и 14 настоящего Руководства по указаниям РТМ 31.3013-77, а также Рекомендациям по расчету, разработанным Всесоюзным научно-исследовательским институтом транспортного строительства (ЦНИИС) Минтрансстроя.

Статический расчет оболочек большого диаметра должен учитывать условия работы конструкций сооружения в стадии эксплуатации и строительный период.

Рис. 20 (10). Схема расположения эксплуатационных нагрузок

Расчет причальных сооружений из оболочек большого диаметра по первой группе предельных состояний следует выполнять для обеспечения прочности конструкции оболочки (стенок и узлов соединения), элементов верхнего строения, основания сооружения и устойчивости сооружения на сдвиг и опрокидывание.

Расчет по второй группе предельных состоянии производится с целью ограничения деформаций сооружения - осадок, кренов, горизонтальных смещений, а также раскрытия трещин в железобетонных сечениях.

15 (10). ОБЩИЕ ПОЛОЖЕНИЯ РАСЧЕТА ПРИЧАЛЬНЫХ СООРУЖЕНИЙ УГОЛКОВОГО ТИПА

15.1 (10.1). Причальные сооружения уголкового типа с внутренней анкеровкой и контрфорсные рассчитываются по первой и второй группам предельных состояний [см. п. 13.3 (8.3)] при двух случаях загружения территории причала [рис. 21 (11)]:

I случай - временная нагрузка располагается над сооружением до линии кордона или до линии возможного загружения по технологическим условиям. При таком расположении нагрузки рассчитываются устойчивость сооружения на плоский сдвиг по постели и вместе с постелью, толщина постели, контактные напряжения в постели и грунте основания, а также усилия для расчета прочности и трещиностойкости элементов конструкций;

II случай - при таком расположении временной нагрузки рассчитывается общая устойчивость сооружения по схеме глубинного сдвига по круглоцилиндрической поверхности скольжения.

Рис. 21 (11). Расчетные схемы загружения причала для конструкции уголкового типа с внутренней анкеровкой и контрфорсной (римскими цифрами показаны случаи загружения):

1 - отметка кордона; 2 - линия кордона; 3 - колея портала, 4 - плоскость восприятия распора; 5 - плоскость обрушения; 6 - отметка дна.

(Измененная редакция).

15.2 (10.2). Активное давление грунта с учетом временных нагрузок, расположенных на территории причала, определяется в соответствии с указаниями пп. 13.30 (8.20) - 13.34 (8.24).

При этом угол трения d материала засыпки по расчетной тыловой плоскости стенки принимается равным:

0,5j - по железобетонной тыловой поверхности лицевой плиты или тыловой поверхности контрфорса;

j - по условной наклонной тыловой плоскости стенки, в грунте засыпки (по плоскости восприятия распорного давления).

15.3 (10.3). При расчете устойчивости уголковых стенок и прочности их основания углы в засыпке (a - между вертикалью и плоскостью восприятия распора и b - между вертикалью и плоскостью обрушения) следует определять:

а) при нагрузке, расположенной на сооружении, - первый случай [см. пп. 15.1 (10.1) и 16.1 (11.1)] - по указаниям п. 13.32 (8.22) (частный случай) и по формуле [44 (19)];

б) при нагрузке, расположенной за сооружением, - второй случай [см. п. 16.1 (11.1)] - по указаниям п. 13.33 (8.23) и по формуле [41 (17)].

15.4 (10.4). При расчетах уголковых стенок горизонтальную составляющую швартовного усилия Nx следует распределять по длине вдоль линии кордона, равной сумме длин панелей, омоноличенных с тумбовым массивом. Распределение швартовного усилия оголовком на следующие элементы должно быть обосновано расчетом его прочности.

15.5 (10.5). В уголковых стенках при расчете лицевой плиты в горизонтальном направлении расчетной плоскостью восприятия распора является ее тыловая поверхность. При определении распора засыпки на плиту следует учитывать разгружающее влияние боковых поверхностей ребер в результате трения о них призмы обрушения.

При расчете плиты в вертикальном направлении в качестве расчетной принимать условную плоскость восприятия распора, положение которой определяется расстоянием xпл [рис. 22 (12)]. При этом расстояние xпл, ограниченное тыловой поверхностью лицевой плиты, определяется по формуле

                                              [102 (55)]

где jз - средневзвешенный угол внутреннего трения грунта засыпки.

Остальные обозначения принимаются по рис. 22 (12).

Рис. 22 (12). Схема определения расчетной плоскости

15.6 (10.6). Лицевая плита в уголковых стенках с внешней и внутренней анкеровкой рассчитывается в двух направлениях, как балка на двух опорах с консолями, на нагрузку от активного давления собственного веса грунта с учетом временных нагрузок. В вертикальном направлении опорами служат анкер и упор на пороге фундаментной плиты, в горизонтальном - ребра тавров.

При расчете плиты в вертикальном направлении горизонтальную составляющую швартовного усилия, нормальную к линии кордона, следует учитывать при определении усилий в наданкерной консоли и не учитывать при определении изгибающего момента в пролете. При этом значение коэффициента mc снижения изгибающего момента в пролете лицевой панели в результате ее деформации и перемещения допускается принимать по табл. 23 (9). При расчете плиты в горизонтальном направлении рекомендуется по высоте сооружения в соответствии с эпюрой распора выделять характерные расчетные сечения шириной 1 м и принимать для горизонтальных балок равномерную нагрузку, равную средней интенсивности по эпюре распора для выделенного сечения.

16 (11) РАСЧЕТ ПРИЧАЛЬНЫХ СООРУЖЕНИЙ УГОЛКОВОГО ТИПА С ВНЕШНЕЙ АНКЕРОВКОЙ

16.1 (11.1). Причальные сооружения уголкового типа с внешней анкеровкой рассчитываются по первой и второй группам предельных состояний [см. п. 13.3 (8.3)] при четырех случаях загружения территории причала [рис. 23 (13)]

I случай - временная нагрузка располагается над сооружением до линии кордона или линии возможного загружения по технологическим условиям. При таком расположении нагрузки определяются усилия для расчета лицевой плиты и анкерной тяги, положение равнодействующей нагрузок в основании, контактные напряжения в постели и грунте основания, толщина постели;

II случай - временная нагрузка располагается за сооружением. В этом случае проверяется его устойчивость на плоский сдвиг по постели и вместе с постелью;

III случай - временная нагрузка располагается над стенкой в пределах призмы обрушения на лицевую плиту и за плоскостью обрушения, проведенной из верхней точки анкерной опоры. При таком положении нагрузки рассчитываются анкерные устройства;

IV случай - при таком расположении временной нагрузки сооружение рассчитывается на общую устойчивость по круглоцилиндрическим поверхностям скольжения.

Рис. 23 (13). Расчетные схемы загружения причала для конструкции уголкового типа с внешней анкеровкой (римскими цифрами показаны случаи загружения):

1 - отметка кордона; 2 - линия кордона; 3 - колея портала; 4 - плоскость восприятия распора; 5 - плоскость обрушения, 6 - отметка дна.

16.2 (11.2). Устойчивость уголковых стенок с внешней анкеровкой по схеме плоского сдвига, а также контактные нормальные напряжения и толщина каменной постели рассчитываются в соответствии с требованиями пп. 14.2 (9.2), 14.5 (9.3) - 14.8 (9.6), 14.10 (9.8), 14.11 (9.9), 15.2 (10.2) - 15.4 (10.4) с учетом следующих дополнительных указаний:

при определении положения равнодействующей нагрузок по формуле [73 (36)] удерживающий момент определяется по формуле

                                                    [103]

где Mуд - то же, что в п. 14.2 (9.2);

 - удерживающий момент от горизонтальной составляющей усилия в анкере относительно переднего ребра вращения;

при определении устойчивости сооружения на плоский сдвиг формулы [91 (44)], [92 (45)], [99 (52)] и [100 (53)] с учетом действия горизонтальной составляющей анкерного усилия Ra приобретают соответственно вид:

                                              [104]

                                [105]

                                       [106]

                                     [107]

16.3 (11.3) Усилия, действующие в лицевой плите, определяются по указаниям пп. 15.2 (10.2), 15.3 (10.3), 15.5 (10.5) и 15.6 (10.6).

16.4 (11.4). Для определения изгибающего момента в фундаментной плите рекомендуется метод, основанный на использовании эквивалентного массива с кладкой из обыкновенных бетонных массивов.

В качестве эквивалентного принимается массив из бетона марки M150. При этом соотношение наибольшего размера массива в плане к его высоте принимается равным 4:1.

Изгибающий момент, действующий на 1 пог. м сечения фундаментной плиты,

                                               [108 (56)]

где mэ - коэффициент, принимаемый равным 0,45;

 - нормативное значение осевого растяжения бетона, принимаемое по СНиП II-56-77 (для бетона М150  = 9,5 кгс/см2);

g1 = mhg - коэффициент перехода к упругопластическим характеристикам бетона;

mh - поправочный коэффициент, значение которого зависит от высоты сечения:

для высоты сечения h £ 1 м mh = 1;

для высоты сечения h > 1 м определяется по формуле

                                                      [109]

g = 1,75 - коэффициент для прямоугольного сечения (см. прил. 1 СНиП II-56-77);

W0 - упругий момент сопротивления сечения эквивалентного массива шириной 1 м высотой hэ, определяемый по формуле

                                                         [110]

hэ = В/4 - высота эквивалентного массива;

В - длина эквивалентного массива, равная размеру фундаментной плиты в плоскости действия изгибающего момента; при расчете фундаментной плиты в направлении, перпендикулярном линии кордона, равна ширине основания сооружения, в направлении, параллельном линии кордона, - ширине фундаментной плиты.

Примечание. Армирование нижней и верхней зон фундаментной плиты в двух направлениях производится по изгибающим моментам, определенным по формуле [108 (56)] с учетом указаний пп. 13.15 (87), 13.18 (8.10) и 13.19 (8.11).

В связи с отсутствием более обоснованного метода расчета фундаментных плит уголковых стенок с внешней анкеровкой в нашей практике в течение многих лет используется метод «статического» расчета, основанный на переходном эквиваленте между бетонным сечением массива и железобетонной фундаментной плитой, оправдавший себя в практике проектирования и строительства.

Применение более строгой теории расчета балок и плит на упругом основании не достигает практического результата и не уточняет величин усилий, возникающих в элементах фундаментной плиты, так как положенные в расчет предпосылки однородной структуры основания не отвечают реальным условиям работы конструкций в связи с наличием в основании сооружений каменных постелей, остаточные (неупругие) деформации которых начинают реализовываться уже в процессе возведения сооружения и продолжаются во время эксплуатации. Реализация указанных деформаций происходит, как правило, на протяжении длительного периода времени.

16.5 (11.5). Растягивающее усилие в анкерной тяге определяется как опорная реакция из расчета лицевой плиты в вертикальном направлении, при этом нагрузки учитываются в соответствии с указаниями пп. 15.4 (10.4) и 16.1 (11.1) (I случай).

16.6 (11.6). Расчет элементов железобетонных конструкций на прочность и трещиностойкость лицевой и фундаментной панелей выполняется в соответствии с указаниями глав СНиП II-56-77, СНиП 2.03.01-84, Руководств к указанным СНиП и пп. 13.15 (8.7), 13.16 (8.8), 13.18 (8.10) и 13.19 (8.11).

(Измененная редакция).

16.7 (11.7). Расчет анкерных устройств и деталей их крепления на устойчивость следует выполнять в соответствии с указаниями разд. 20 (16) и прил. 4, по прочности - по требованиям глаз СНиП II-23-81, СНиП II-56-77, СНиП 2.03.01-84, Руководств к указанным СНиП и пп. 13.15 (8.7) - 13.19 (8.11).

(Измененная редакция).

16.8. При определении нагрузок и воздействий, а также их сочетаний при расчете причальных сооружений уголкового типа с внешней анкеровкой необходимо учитывать следующее положение:

нагрузки от судов со стороны акватории (динамический навал при подходе судна и статический навал пришвартованного судна) в основную расчетную схему не вводятся, а учитываются в расчете прочности надстройки, ее связей с элементами причального сооружения, отбойной амортизирующей системы и узлов ее крепления.

16.9. Расчет глубоководных причальных сооружений (глубина H ³ 13 м) уголкового типа с повышенным порогом и внешней анкеровкой должен производиться в соответствии с указаниями РД 31.31.04-79 «Руководство по проектированию глубоководных причальных сооружений уголкового типа».

16.10. Расстояние между лицевой стенкой и тыловой анкерной опорой допускается определять по формуле

                           [111]

где Нc - высота стенки сооружения;

t - расстояние от поверхности территории до подошвы анкерной плиты или до точки, отстоящей на 2Dt вверх от подошвы анкерной стенки [Dt - то же, что в п. 20.22 (16.22)];

b - ширина фундаментной плиты.

17 (12). РАСЧЕТ ПРИЧАЛЬНЫХ СООРУЖЕНИЙ УГОЛКОВОГО ТИПА С ВНУТРЕННЕЙ АНКЕРОВКОЙ

17.1 (12.1). Расчеты причальных сооружений уголкового типа с внутренней анкеровкой на устойчивость по схеме плоского сдвига и общую устойчивость, а также определение толщины постели и нормальных контактных напряжений выполняют по указаниям пп. 14.5 (9.3) - 14.12 (9.10) и 15.1 (10.1) - 15.4 (10.4).

17.2 (12.2). Изгибающие моменты и поперечные силы, действующие в лицевой плите уголковой стенки с внутренней анкеровкой, определяют па основе расчетов, выполняемых в соответствии с указаниями пп. 15.1 (10.1), 15.2 (10.2), 15.4 (10.4) - 15.6 (10.6).

17.3 (12.3). Усилия, действующие в фундаментной плите, допускается определять обоснованными методами расчета с учетом воздействия лицевой вертикальной плиты, анкерной тяги, пригрузки от грунта засыпки за стенкой, а также неравномерности планировки постели.

17.4 (12.4). Растягивающее усилие в анкерной тяге определяется как опорная реакция из статического расчета лицевой плиты в вертикальном направлении. Изгибающий момент в анкерной тяге, возникающий под действием давления зависающего грунта, эксплуатационных нагрузок и собственного веса тяги, допускается определять обоснованными методами из расчета простой балочной системы с учетом закрепления концевых сечений анкера по опорным сечениям лицевой и фундаментной плит.

17.5 (12.5). Расчет лицевой и фундаментной плит на прочность и трещиностойкость выполняется по главам СНиП II-56-77, СНиП 2.03.01-84, Руководств к указанным СНиП и пп. 13.15 (8.7), 13.16 (8.8), 13.18 (8.10) и 13.19 (8.11) настоящего Руководства.

При этом лицевая плита в вертикальном направлении рассчитывается на внецентренное сжатие, в горизонтальном - на изгиб.

(Измененная редакция).

17.6 (12.6). Анкерная тяга и ее крепления рассчитываются на прочность в соответствии с указаниями главы СНиП II-23-81, а также п. 13.17 (8.9).

(Измененная редакция).

18 (13). РАСЧЕТ УГОЛКОВЫХ ПРИЧАЛЬНЫХ СООРУЖЕНИЙ КОНТРФОРСНОГО ТИПА

18.1 (13.1). Расчеты уголковых стенок контрфорсного типа на плоский сдвиг и общую устойчивость, а также определение нормальных контактных напряжений и толщины постели выполняются по указаниям пп. 14.5 (9.3) - 14.12 (9.10), 15.1 (10.1) - 15.4 (10.4).

18.2 (13.2). При расчете лицевой плиты контрфорсной стенки в горизонтальном направлении [см. п. 15.5 (10.5)] расчетную эпюру активного давления следует определять как разность эпюры активного давления, построенной по указаниям пп. 13.30 (8.20) - 13.34 (8.24) и 15.2 (10.2), и треугольной эпюры трения с вершиной на территории причала.

При расстоянии между контрфорсами 4 м основание эпюры трения принимается равным 0,2 нижней ординаты эпюры активного давления, при расстоянии между контрфорсами 2 м - 0,3 нижней ординаты эпюры активного давления [рис. 24 (14)].

С целью увеличения точности оценки экранирующего эффекта контрфорсами рекомендуется пользоваться прил. 7.

Расчет лицевой плиты при одном контрфорсе выполняется по схеме консольной балки, при двух контрфорсах - по схеме однопролетной балки с консолями.

По высоте сооружения рекомендуется выделять сечения лицевой плиты шириной 1 м с равномерной нагрузкой, равной средней интенсивности по расчетной эпюре распора для выделенного сечения.

Проведенные сопоставительные расчеты показали, что для наиболее характерных углов внутреннего трения засыпки j = (30 ÷ 40)° величина разгружающего влияния для принятых конструктивных решений стенок составляет порядка 25 - 35 % от исходной эпюры распора, построенной в соответствии с указаниями пп 13.30 (8.20) - 13.33(8.23).

Допускается интенсивность средних давлений на лицевую плиту контрфорсной стенки на основе экспериментальных исследований определять по формуле

                                           [112]

где  - интенсивность давления на стенку без контрфорсов [см. п. 13.30 (8.20)];

 - эмпирический коэффициент уменьшения давления, определяемый по формуле

                                                 [113]

b - ширина контрфорса, принимаемая на уровне пересечения тыловой линии контрфорса с плоскостью обрушения, проведенной из точки на лицевой плите, в которой определяется давление;

d - толщина контрфорса;

lк - расстояние (шаг) между контрфорсами;

hк - глубина, отсчитываемая от верха контрфорса;

Н - высота контрфорса;

- коэффициент, принимаемый

при d/lк

0,0

0,1

0,2

0,3

mк

0,51

0,43

0,35

0,26

Рис. 24 (14). Эпюры давления на лицевую стенку контрфорсной конструкции:

а - активного грунта и нагрузок; б - трения; в - суммарная

18.3 (13.3). Лицевая плита контрфорсной стенки в вертикальном направлении рассчитывается по схеме тавровой консольной балки на нагрузку от горизонтальной составляющей швартовного усилия, перпендикулярной кордону [учитывая указания п. 15.4 (10.4)] на нагрузку от распора [с учетом указаний п. 15.2 (10.2)]. Сбор нагрузок на контрфорс производится с ширины, равной сумме прилегающих полупролетов.

18.4 (13.4). Фундаментная плита рассчитывается с учетом неполноты контакта поверхности плиты с постелью на суммарную нагрузку от реактивного давления постели снизу (нормальные контактные напряжения) и от пригрузки сверху от собственного веса конструкции и грунта засыпки, а также временных нагрузок.

Неполнота контакта компенсируется увеличением реактивных контактных напряжений от постели за счет условного исключения из расчета части площади фундаментной плиты, равной 0,5la1, где а1 - ширина переднего выступа плиты [рис. 25 (15) и рис. 26 (16)]. При этом краевые контактные напряжения определяются по формуле

                                         [114 (57)]

где g - вертикальная составляющая равнодействующей всех нагрузок, действующих, по ширине b [см. также п. 14.2 (9.2)];

F - площадь плиты в контуре ABCDEF [см. рис. 25 (15)], по которой осуществляется контакт с постелью;

Мx и Мy - моменты от вертикальной составляющей равнодействующей всех нагрузок относительно соответствующих осей, проходящих через центр тяжести сечения контакта фундаментной плиты с постелью в контуре ABCDEF [см. рис. 25 (15)], определяемые по формулам:

                                                         [115]

                                                         [116]

Wx и Wy - моменты сопротивления площади подошвы фундаментной плиты в контуре ABCDEF относительно соответствующих осей, определяемые по формулам:

                                                         [117]

                                                        [118]

Ix и Iy - моменты инерции площади подошвы фундаментной плиты в контуре ABCDEF относительно соответствующих осей;

yi и xi - расстояния от точки фундаментной плиты, в которой определяется контактное напряжение, до соответствующих осей.

При проведении статических расчетов фундаментной плиты [см. рис. 26 (16)] передний выступ следует рассчитывать в направлении, перпендикулярном линии кордона, по схеме консольной балки.

Расчет тыловой части фундаментной плиты в направлении, параллельном линии кордона, при одном контрфорсе производится по схеме консольной балки, а при двух контрфорсах - по схеме однопролетной балки с консолями.

При этом рекомендуется выделять сечения плиты шириной 1 м и загружать нагрузкой средней интенсивности по суммарной эпюре давления [см. рис. 26 (16), б и г].

Рис. 25 (15). Схема расчета фундаментной плиты с учетом неполноты контакта с основанием:

О - центр тяжести площади контакта плиты с постелью; О1 - центр тяжести основания фундаментной плиты; О2 - точка приложения силы g [а - см. формулу 73 (36)].

Методика статического расчета фундаментных плит с учетом неполноты контакта нижней поверхности с каменной постелью была применена при проектировании причального сооружения этого типа, осуществленного в Новороссийском порту, и может быть допущена в расчетах в связи с положительным опытом эксплуатации данного сооружения.

Для совершенствования методики расчета фундаментных плит необходимо дальнейшее проведение экспериментальных и натурных исследований.

Рис. 26 (16). Схема расчета фундаментной плиты сборной уголковой контрфорсной стенки:

а - план сборного блока уголковой контрфорсной стенки; б - результирующая эпюра нагрузок на фундаментную плиту; в - схема работы переднего выступа фундаментной плиты; г - схема работы тыловой консоли фундаментной плиты; 1 - передний выступ фундаментной плиты; 2 - лицевая плита; 3 - контрфорс; 4 - тыловая консоль фундаментной плиты.

18.5 (13.5). Расчеты лицевой плиты, контрфорса и фундаментной плиты на прочность и трещиностойкость следует выполнять в соответствии с указаниями глав СНиП II-56-77, СНиП 2.03.01-84, Руководств к указанным СНиП, а также пп. 13.15 (8.7), 13.16 (8.8), 13.18 (8.10) и 13.19 (8.11) настоящего Руководства.

Примечание. Для фундаментной плиты следует принимать двойное армирование, так как она рассчитывается по двузначной эпюре давления [см. рис. 26 (16), б].

(Измененная редакция).

19 (14). РАСЧЕТ ПРИЧАЛЬНЫХ СООРУЖЕНИЙ ИЗ МАССИВОВОЙ КЛАДКИ

19.1. Указания настоящего раздела распространяются на гравитационные причальные сооружения традиционного облегченного профиля из правильной кладки бетонных монолитных массивов с перевязкой швов или столбами без перевязки швов и на причальные сооружения из столбовой кладки пустотелых бетонных массивов.

Рекомендации по применению пустотелых массивов в причальных сооружениях диктуются высокими технико-экономическими показателями по сравнению с кладкой из обычных массивов, обладающих значительными резервами несущей способности в связи с условием положения равнодействующей в пределах ядра сечения, что приводит к обеспечению запаса по контактному сдвигу в пределах двукратной величины против нормированного значения. Кроме этого, существующий опыт и исследования показывают, что без снижения резервов несущей способности и долговечности причальных сооружений из пустотелых бетонных массивов удается получить существенное сокращение материалоемкости и достаточно высокие технико-экономические показатели. Такие причальные сооружения запроектированы и построены в порту Туапсе (причал № 11 на широком молу).

В настоящем разделе Руководства даны указания по расчет причальных сооружении из кладки монолитных бетонных массивов. Сооружения из кладки пустотелых бетонных массивов следует рассчитывать по указаниям РД 31.31.28-81 «Руководство по проектированию причальных сооружений из пустотелых бетонных массивов».

19.2 (14.1). При расчете причальных сооружении, указанных в п. 19.1, по первой и второй группам предельных состояний следует рассматривать пять случаев загружения территории [рис. 27 (17)]:

I случай - временная нагрузка располагается за пределами стенки, начиная от тылового обреза разгрузочной платформы. При таком расположении нагрузки выполняются расчеты на устойчивость по схеме плоского сдвига по контакту стенки с постелью, совместно с постелью и по швам кладки, проверяется положение равнодействующей нагрузок (эксцентриситет), по подошве стенки и в швах кладки, а также в необходимых случаях - устойчивость на опрокидывание (на поворот вокруг переднего ребра);

II случай - временная нагрузка располагается над тыловой частью сооружения и распределяется на 1/3 ширины массива предпоследнего курса кладки. Указанный случай является определяющим при проверке растягивающих нормальных напряжений со стороны акватории в шве основания верхнего курса массивов;

III случай - временная нагрузка располагается над стенкой до линии кордона или линии возможного загружения по технологическим условиям. В указанном расчетном случае определяются максимальные нормальные контактные напряжения в каменной постели на контакте с основанием стенки и в грунте основания на контакте с каменной постелью. Кроме того, определяются толщина постели, а также усилия в лицевой стенке надстройки при расчете ее по прочности и раскрытию трещин;

Рис. 27 (17). Расчетные схемы загружения причала для конструкции из кладки массивов (римскими цифрами показаны случаи загружения):

1 - отметка кордона; 2 - линия кордона; 3 - колея портала; 4 - обратный фильтр; 5 - каменная разгрузочная призма; 6 - каменная постель; 7 - отметка дна; а - величина, которая принимается по нормам технологического проектирования морских портов.

IV случай - временная нагрузка располагается за пределами надстройки над тыловой частью сооружения. Указанный расчетный случай является определяющим для расчета устойчивости надстройки;

V случай - по п. 14.12 (9.10) настоящего Руководства при расчете на общую устойчивость по круглоцилиндрическим поверхностям скольжения (сдвига) [метод К.Терцаги; см. также рис. 20 (10)].

(Измененная редакция).

19.3 (14.2). Распорное давление на стенку из кладки массивов от собственного веса грунта и временных нагрузок определяется в соответствии с указаниями пп. 13.30 (8.20) - 13.34 (8.24) с учетом трения материала засыпки по тыловой плоскости стенки (по плоскости восприятия распора).

При этом следует иметь в виду, что:

а) угол трения d материала засыпки по грунту в пределах высоты надстройки принимается равным углу jз внутреннего трения материала засыпки;

б) угол трения d каменной наброски по тыловой поверхности бетонных массивов в пределах высоты разгрузочной призмы принимается равным 0,5jк (jк - угол внутреннего трения каменной наброски);

в) угол трения d материала засыпки по тыловой поверхности бетонных массивов (из-за ограниченного простирания слоя каменной отсыпки) принимается равным 0,5jз.

19.4 (14.3). В пределах высоты надстройки при расчете ее на устойчивость угол наклона a плоскости восприятия распора в грунте засыпки и соответствующий ему угол обрушения b определяются в соответствии с указаниями п. 13.33 (8.23).

Примечание. При надстройках высотой до 3 м и временной нормативной нагрузке qн £ тс/м2 плоскость восприятия распора вертикальна и угол обрушения b вычисляется при a = 0 и Sb = 0.

19.5 (14.4). В пределах каменной разгрузочной призмы эпюра активного давления строится по указаниям п. 13.34 (8.24).

Ординаты Dsi дополнительного давления от пригрузки грунта из-за неполноты простирания каменной наброски [рис. 28 (18)] рассчитываются по формуле [45 (20)].

В указанном случае ординаты Dsi равны:

в точке

                                 [119 (58)]

в точке

                         [120 (59)]

в точке А

                         [121 (60)]

в точке Б

           [122 (61)]

Здесь

                                         [123(62)]

                             [124 (63)]

lаг и lак - коэффициенты активного давления соответственно грунта засыпки и камня разгрузочной противофильтрационной призмы.

Остальные обозначения принимаются по рис. 28 (18).

Рис. 28 (18). Расчетная схема определения дополнительного давления при наличии каменной разгрузочной призмы:

1 - отметка дна, 2 - отметка расчетного уровня воды, 3 - отметка кордона.

(Измененная редакция).

19.6 (14.5). При расчете сооружения на устойчивость по основанию и швам кладки горизонтальную составляющую швартовного усилия, нормальную к линии кордона, следует переносить в основание надстройки, учитывая возникающий при этом момент от пары сил.

Силу и момент от пары сил следует распределять равномерно по всей длине секции, учитывая, что на 1 пог. м причала действуют:

сила

                                                     [125 (64)]

момент от пары сил

                                                    [126 (65)]

Здесь  - поперечная горизонтальная составляющая швартовного усилия, определяемая по главе СНиП 2.0604-82 и Руководству к СНиП 2.06.04-82;

L - длина секции;

z - плечо пары сил, равное расстоянию, на которое пере носится сила [рис. 29 (19)].

(Измененная редакция).

19.7 (14.6). При расчете устойчивости надстройки на сдвиг (скольжение) равнодействующая горизонтальных составляющие нагрузок определяется по формуле

                                          [127 (66)]

где  - продольная горизонтальная составляющая швартовного усилия, определяемая в соответствии с главой СНиП 2.06.04-82;

 - то же, что в п. 19.6(14.5);

EaL - горизонтальная составляющая активного давления грунта с учетом временных нагрузок на секцию длиной L.

Рис. 29 (19). Поперечный разрез и фасад секции причальной набережной из правильной кладки обыкновенных массивов.

19.8 (14.7). Расчет устойчивости сооружения и отдельных его частей по швам кладки, определение толщины постели и контактных нормальных напряжений в основании и швах следует выполнять в соответствии с указаниями пп. 14.5 (9.3) - 14.11 (9.9) и 19.2 (14.1) - 19.7 (14.6).

Примечания: 1. Коэффициент трения бетона по бетону допускается принимать для надводной части сооружения f = 0,60, для подводной - f = 0,50.

2. Следует выполнять поверочный расчет сооружения по первой группе предельных состояний на устойчивость по схеме плоского сдвига при максимальном уровне воды.

3. При определении нормальных краевых напряжений в шве основания верхнего курса массивов швартовную нагрузку учитывать не следует.

Рис. 30 (20). Схема расчета прочности консольного свеса массива:

1 - отметка кордона, 2 - консольный свес; 3 - расчетный уровень воды

19.9 (14.8). При расчете несущей способности и прочности консольного свеса верхнего курса массивов рекомендуется принимать плечо консоли lк = a +0,33b [b - ширина нижележащего опорного массива, рис. 30 (20)]. Прочность консольного свеса массива должна рассчитываться по ослабленному ключевыми отверстиями сечению с учетом распорного давления от собственного веса грунта. Распорное давление от собственного веса грунта при расчете консольного свеса на изгиб следует учитывать в случаях, когда марочная прочность бетона по расчету превышает 300 кгс/см2. Сила распорного давления принимается приложенной с эксцентриситетом в соответствии с трапецеидальной эпюрой распора. Расчет выполняется на внецентренное сжатие с относительно малым эксцентриситетом в соответствии с указаниями главы СНиП II-56-57 и пп. 13.15 (8.7), 13.16 (8.8), 13.18 (8.10) и 13.19 (8.11) настоящего Руководства.

(Измененная редакция).

19.10 (14.9). Расчет лицевой плиты железобетонной надстройки на прочность и трещиностойкость следует выполнять в соответствии с указаниями главы СНиП II-56-77, Руководства к СНиП 2.03.01-84 и пп. 13.15 (8.7), 13.16 (8.8), 13.18 (8.10) и 13.19 (8.11) настоящего Руководства.

(Измененная редакция).

20 (16). ОБЩИЕ ПОЛОЖЕНИЯ РАСЧЕТА ПРИЧАЛЬНЫХ СООРУЖЕНИЙ ТИПА «БОЛЬВЕРК» С АНКЕРОВКОЙ НА ОДНОМ УРОВНЕ

20.1 (16.1). Настоящие указания распространяются на расчет обычных больверков - гибких и повышенной жесткости.

Специальные виды заанкеренных больверков (с экранирующими элементами, с передней грунтовой пригрузкой, с передним экраном, больверков-оторочек и др.) следует проектировать с учетом основных требований настоящего Руководства по соответствующим ведомственным нормативно-техническим документам на указанные виды причальных сооружений (см. прил. 1).

Примечание. Критерий жесткости и соответствующие ему расчетные схемы устанавливаются в соответствии с пп. 20.8 (16.8) - 20.11 (16.11) настоящего Руководства.

Подробные указания по расчету и конструированию специальных типов больверков приводятся в отдельных нормативно-технических документах (РТМ 31.3016-78, РД 31.31.11-74, РД 31.31.02-79, разработанных Ленморниипроектом, и РТМ 31.3003-75, разработанном Союзморниипроектом; см. прил. 1 к настоящему Руководству).

20.2 (16.2). Расчет причальных сооружений, указанных в п. 20.1 (16.1), должен выполняться в соответствии с требованиями п. 13.3 (8.3) а, в, г, д, з (первая группа предельных состояний); к, л, м (вторая группа предельных состояний).

Расчет основных типов больверков с анкеровкой на одном уровне, применяемых при строительстве причалов в портах ММФ, следует выполнять с учетом перемещений и деформаций элементов, в том числе смещения анкерной системы, по указаниям РТМ 31.3016-78 «Указания по проектированию больверков с учетом перемещений и деформаций элементов».

Расчет обычных больверков допускается производить без учета деформаций и перемещений по указаниям  «Инструкция по проектированию морских причальных сооружений» и настоящего Руководства.

20.3 (16.3). За расчетную плоскость восприятия активного давления лицевой стенкой больверков следует принимать:

для стенок из металлического шпунта корытного и зетового профилей - плоскость, проходящую через нейтральную ось поперечного сечения стенки;

для стенок из металлического шпунта двутаврового профиля и плоского (призматического) железобетонного шпунта - плоскость, проходящую по тыловой полке или грани;

для стенок кольцевых сечений - плоскость, проходящую на расстоянии 0,25D от тыловой грани оболочки в сторону кордона (D - внешний диаметр кольцевого сечения);

для стенок из тавровых сечений - плоскость, проходящую на расстоянии хпл от тыловой поверхности ребер - см. п. 15.5 (10.5) и формулу [102 (55)].

20.4 (16.4). Лицевые и анкерные стенки и плиты больверков рассчитываются на суммарную нагрузку от активного и пассивного давлений, от собственного веса грунта с учетом эксплуатационных нагрузок на территории причала и швартовных воздействий.

Эпюры активного и пассивного давлений строятся в соответствии с указаниями пп. 13.30 (8.20) - 13.37 (8.27). При этом в призма распора угол трения d материала засыпки и грунта основания по расчетной плоскости лицевой стенки больверка, анкерной стенки и анкерной плиты допускается принимать равным 0,5j.

Угол трения грунта по расчетной плоскости в призме выпора следует принимать:

для лицевой стенки больверка, рассчитываемой по методу предельного равновесия сыпучей среды В.В. Соколовского и С.С. Голушкевича [см. п. 13.35 (8.25)], d = j (но не более 30°), при расчете по классической теории d = 0,75j;

для анкерной стенки d ==0,333j;

для анкерной плиты d = 0.

Примечание. Угол трения грунта по анкерной плите в призме выпора допускается принимать d = 0,333j.

(Измененная редакция).

20.5. При наличии в основании шпунтовых стенок слабых медленно уплотняющихся глинистых грунтов и илов [см. п. 13.39 (8.29)] в расчетах необходимо учитывать состояние, в котором они находятся к моменту загружения причала (нестабилизированное, частично консолидированное, стабилизированное). При этом следует рассматривать условия залегания указанных грунтов, методы производства работ и темпы возведения, период времени от засыпки пазухи до начала эксплуатации и загрузки причала.

Следует учитывать, что ускоренные темпы засыпки и загрузки могут вызвать в рассматриваемом грунте проявление полного перового давления (jI = 0, t = cI).

Учитывая опыт проектирования и строительства, допускается при определении активного и пассивного давлений на лицевую стенку по указаниям п. 20.4 (16.4) принимать сдвиговые показатели jI и cI по инженерно-геологическим отчетам для нестабилизированного состояния грунта.

При частичной замене в основании сооружения слабых глинистых грунтов и илов и при отсыпке по их поверхности фильтрующего слоя грунта (наиболее эффективен «ковер» из однородного среднезернистого песка толщиной приблизительно 1 м), а также в случае естественного залегания слабого глинистого грунта в примыкании к фильтрующему слою возможен расчет во времени под нагрузкой частичной консолидации грунта к моменту начала эксплуатации причала. Для таких же условий при проектировании на перспективную глубину у причала возможен расчет на стабилизированное (полностью консолидированное) состояние грунта.

20.6 (16.6). При замене грунта в основании лицевой стенки больверка значение пассивного сопротивления отсыпанной призмы следует определять из двух расчетов: устойчивости на сдвиг призмы замененного грунта перед стенкой по плоскости контакта с грунтом основания (см. прил. 9) и определения отпора грунта по формулам пассивного давления в предположении слоя замененного грунта бесконечной длины [см. п. 13.35 (8.25) настоящего Руководства].

Для расчета больверка принимается наименьшее из полученных значений.

Эпюру пассивного сопротивления рекомендуется принимать в форме треугольника с вершиной на уровне дна причального сооружения. При этом угол трения d материала отсыпки по плоскости восприятия отпора лицевой стенкой рекомендуется принимать в зависимости от материала засыпки и способа производства работ равным нулю или 0,333jз (где jз - угол внутреннего трения грунта засыпки).

(Измененная редакция).

20.7 (16.7). Статический расчет заанкеренных стенок больверков для первой и второй групп предельных состояний [см. пп. 13.7 (8.4) и 13.13 (8.5)] следует выполнять графоаналитическим методом применительно к нагрузкам на 1 пог. м стенки с построением силового и веревочного многоугольников.

Расчетом определяют глубину погружения и усилия, действующие на 1 пог. м лицевой стенки: изгибающий момент М, поперечную силу Q и анкерную реакцию Ra.

20.8 (16.8). Расчетные схемы для заанкеренных стенок из железобетонных элементов следует принимать в зависимости от значения отношения dс/t (где dс - высота приведенного к прямоугольнику железобетонного элемента стенки; t - глубина погружения стенки, рассчитанная в предположении ее полного защемления)

При dс/t £ 0,06 стенку следует рассматривать как гибкую и рассчитывать как полностью защемленную или частично защемленную (рис. 31, а).

При dс/t > 0,06 стенку следует считать повышенной жесткости и рассчитывать как свободно опертую (рис. 31, б).

Примечание. Больверки из металлического шпунта рассчитываются по схемам гибких стенок.

20.9 (16.9). Высота приведенного сечения железобетонных элементов бетона марки М300 определяется по формуле

                                                 [128 (67)]

где J - момент инерции железобетонного элемента стенки;

b - размер элемента стенки в направлении линии кордона (для свай-оболочек b = D, где D - внешний диаметр сваи-оболочки; для тавровых шпунтов b = bn, где bn - ширина полки);

D - проектный зазор между железобетонными элементами лицевой стенки больверка.

Рис. 31. Схемы расчета лицевых стенок заанкеренных больверков:

а - гибких стенок; б - стенок повышенной жесткости; 1 - отметка кордона; 2 - расчетный уровень воды; 3 - отметка дна

Примечания: 1. Для прямоугольного железобетонного шпунта приведенная высота сечения равна действительной, т.е. dс = h.

2. В случае применения железобетонных элементов лицевых стенок из бетона марки выше М300 в числитель формулы [128 (67)] следует ввести множитель nE, равный отношению начального модуля упругости бетона элемента конструкции к модулю упругости бетона марки М300. Тогда

                                                              [129 (68)]

К пп. 20.8 (16.8) и 20.9 (16.9). Критерий жесткости стенки, а также расчетная схема установлены на основе исследований для набережных в порту Вентспилс и др.

20.10 (16.10). При статическом расчете гибких стенок больверков с полным защемлением по первой и второй группам предельных состояний замыкающая веревочного многоугольника в графоаналитическом расчете проводится через точку пересечения линии анкера с первым лучом плана сил из условия равенства изгибающих моментов в пролете и в заделке, т.е. Мп = Мз.

Примечание. Если в основании сооружения грунты имеют физико-механические характеристики, резко отличающиеся от характеристик грунтов засыпки, рекомендуется уточнять усилия, действующие в лицевой стенке, путем построения упругой кривой (линии прогибов). Расчет и построение упругой кривой производится по указаниям прил. 8.

Рекомендации о проведении замыкающей веревочного многоугольника из условия равенства изгибающих моментов в пролете и заделке основаны на отечественной практике проектирования. Однако построение упругой кривой показывает, что защемление стенки во многих случаях обеспечивается выше и определяется условием Mn » (1,1 ÷ 1,2) Мз.

20.11 (16.11). При статическом расчете стенок больверков повышенной жесткости для определения усилий замыкающая веревочного многоугольника в графоаналитическом расчете проводится через точку пересечения линии анкера с первым лучом, как касательная к точке перегиба кривой в грунте основания.

Расчет также может быть выполнен аналитическим методом.

При расчете лицевой стенки больверка из элементов повышенной жесткости по схеме Блюма - Ломейера экспериментальные данные показали, что заделка в грунте основания в значительной мере не реализуется. Переуглубление стенки против свободного опирания приводит к образованию изгибающего момента в грунте основания, не соответствующего схеме расчета при полном защемлении гибких стенок. В связи с этим принята схема расчета со свободным опиранием в грунте основания, дающая минимально необходимую глубину погружения, исходя из условия устойчивости, и меньшее значение изгибающего момента в пролете по сравнению с переуглубленной стенкой.

20.12 (16.12). Расчетную глубину погружения при полном защемлении из условия работы сооружения на устойчивость следует определять по формуле

                                                  [130 (69)]

где t - глубина погружения лицевой стенки из графоаналитического расчета, принимаемая от дна до пересечения замыкающей с веревочным многоугольником в нижней его точке;

Dt - дополнительная глубина погружения лицевой стенки, обеспечивающая ее защемление, определяемая по формуле

                     [131 (70)]

где  - равнодействующая обратного отпора по силовому многоугольнику из графоаналитического расчета;

, , с, la - то же, что в п. 13.30(8.20);

lp и lpc - то же, что в п. 13.35 (8.25).

Примечание. При определении Dt по формуле [131 (70)] значения lp, lpc, la и laс следует принимать в соответствии с методом определения давления грунта, принятым в основном расчете лицевой стенки (метод В.В. Соколовского и С.С. Голушкевича или метод Кулона).

20.13 (16.13). Расчетную глубину погружения tp лицевой стенки при частичном защемлении или свободном опирании следует проверять из условия устойчивости на поворот вокруг точки крепления анкера по формуле

                                         [132 (71)]

где nc, n, kн - то же, что в п. 13.16 (8.8);

mд - принимается по табл. 17 (7);

Мпов - момент активных сил, поворачивающих (сдвигающих) лицевую стенку относительно точки крепления анкера;

т - то же, что в п. 13.22 (8.14);

Муд - момент пассивных сил и наданкерных активных сил, удерживающих стенку от поворота относительно точки крепления анкера.

Рис. 32. Схема расчета устойчивости лицевой стенки больверка на поворот вокруг точки крепления анкера:

1 - наданкерные активные силы; 2 - активные силы, 3 - пассивные силы; 4 - отметка дна, 5 - расчетный уровень воды, 6 - отметка кордона

Примечание. Величины и положения равнодействующих активных и пассивных сил следует определять по раздельным, а не суммарным эпюрам давления (рис. 32).

При несоблюдении условия [132 (71)] дополнительную глубину погружения лицевой стенки больверка в первом приближении допускается определять по формуле

                                            [133 (72)]

где Мдоп - дополнительный удерживающий момент, необходимый для обеспечения устойчивости лицевой стенки от возможного поворота, определяемый по формуле

                                       [134 (73)]

 и  - ординаты соответственно пассивного и активного давлений на глубине , определяемые по формулам [34 (10)] и [49 (24)];

 - плечо, равное расстоянию от точки крепления анкера до сечения на глубине ;

 - глубина погружения лицевой стенки, полученная графоаналитическим расчетом по схеме свободного опирания или частичного защемления, на которой условие [132 (71)] не выполнено.

20.14 (16.14). В тех случаях, когда расчетная глубина погружения лицевой стенки tр из условия [132 (71)] превышает более чем на 30 % глубину погружения t0, полученную графоаналитическим расчетом лицевой стенки больверка по схеме свободного опирания [см. п. 20.11 (16.11)], следует откорректировать значения изгибающего момента М и анкерной реакции Ra в лицевой стенке.

В тех случаях, когда глубина tр £ 2t0, допускается корректировать значения изгибающего момента в лицевой стенке и анкерной реакции Ra умножением их на коэффициенты приведения, назначаемые по табл. 22 (8).

Таблица 22 (8)

Усилия, действующие в лицевой стенке

Значения коэффициентов приведения при tр/t0, равном

менее 1,3

1,4

1,8

2,0

Изгибающий момент

1,00

1,15

1,40

1,45

Анкерная реакция

1,00

1,10

1,20

1,25

20.15 (16.15). Значение изгибающего момента в пролете лицевой стенки, действующего на один элемент,

                                 [135 (74)]

где Мmax - максимальный изгибающий момент в пролете лицевой стенки из графоаналитического расчета, определяемый произведением полюсного расстояния h силового многоугольника в масштабе сил на максимальную ординату xmax веревочного многоугольника в пролете в масштабе длин (Mmах = h xmах, рис. 33) с учетом указаний и требований пп. 13.7 (8.4) и 13.13 (8.5);

mc - коэффициент, учитывающий перераспределение давления грунта на стенку больверка за счет ее деформации и перемещения. Значения коэффициента mc допускается принимать по табл. 23 (9) в зависимости от отношения dс/l и грунта засыпки, где dс - высота приведенного сечения [см. п. 20.9 (16.9)] и l - условный пролет лицевой стенки;

Таблица 23 (9)

Материал засыпки

Коэффициент mc снижения изгибающего момента при

Песок

0,75

0,85

1,00

Камень и скальный грунт с jI > 35°

0,65

0,75

1,00

DМн - дополнительный изгибающий момент в лицевой стенке от ветрового навала пришвартованного судна или навала судна при подходе к сооружению на уровне максимальной ординаты веревочного многоугольника в пролете, вводимый в расчет специальных видов заанкерованных больверков [см. п. 20.1 (16.1)];

b и D - то же, что в п. 20.9 (16.9) (для металлического шпунта b + D = 1);

l - условный пролет, определяемый по формуле

                                               [136 (75)]

где h - высота от уровня крепления анкерной тяги до дна;

t0 - глубина погружения, полученная из графоаналитического расчета, от линии дна до точки касания с веревочной кривой в грунте основания.

Для неоднородных грунтов основания с резко различными значениями j и с слагаемое формулы [136 (75)] 0,667t0 уточняется в соответствии с характером эпюры отпора и заменяется расстоянием от дна до линии приложения равнодействующей пассивного давления (рис. 34).

Примечание. В случае расчета причального сооружения на нагрузки с учетом волнового воздействия при подходе впадины (ложбины) волны к лицевой стенке следует руководствоваться указаниями п. 20.17 (16.17), б.

Для проведения расчетов по подбору сечения лицевой стенки больверка по первой и второй группам предельных состояний расчетное значение изгибающего момента в пролете лицевой стенки, действующее на один элемент определяется:

для первой группы предельных состояний по формуле [4 (2)], т.е.

для второй группы предельных состояний в соответствии с указаниями п. 13.19 (8.11): МII = М.

В обоих случаях М определяется по формуле [135 (74)] с учетом указаний и требований пп. 13.7 (8.4) и 13.13 (8.5).

Рис. 33. Схема графоаналитического расчета лицевой стенки больверка:

а - суммарная эпюра активного и пассивного давлений; б - расчетная схема нагрузок; в - веревочный многоугольник; г - силовой многоугольник; 1 - отметка кордона; 2 - расчетный уровень воды; 3 - отметка дна.

20.16 (16.16). Значения изгибающего момента М и поперечной силы Q в опорном сечении (в точке крепления анкерной тяги) лицевой стенки больверка, действующие на один элемент, определяются по формулам:

                                                [137 (76)]

                                                  [138 (77)]

где Моп - изгибающий момент на уровне крепления анкерных тяг, определяемый из графоаналитического расчета произведением полюсного расстояния силового многоугольника на ординату xоп веревочного многоугольника на уровне крепления анкера (Моп = h xоп; см рис. 33);

Qоп - поперечная сила на уровне крепления анкера определяемая из графоаналитического расчета разностью между значением анкерной реакции Ra и наданкерной частью активного давления  грунта и временной нагрузки

b и D - то же, что в п. 20.9 (16.9).

Расчетные значения усилий MI, QI и МII, QII определяются соответственно по указаниям п. 13.16 (8.8) и формуле [4 (2)] для расчетов по первой группе предельных состояний и по указаниям п. 13.19 (8.11) для расчетов по второй группе предельных состояний.

20.17 (16.17). При определении основного сочетания нагрузок для расчета больверков необходимо учитывать следующее:

а) нагрузки от ветрового статического навала пришвартованного судна и от навала судна при подходе к сооружению используются при расчете местной прочности надстройки, ее связей с лицевой стенкой, отбойных устройств и их креплений;

б) в случае учета волновых воздействий [см. п. 13.27 (8.18)] расчет лицевой стенки следует проводить в два этапа. На первом (основном) этапе расчет лицевой стенки выполняется графоаналитическим методом на нагрузку от давления грунта с учетом временных вертикальных нагрузок, на втором - с дополнительной нагрузкой от волнового воздействия. В процессе расчета на втором этапе первоначально следует замыкающую пересекать с веревочной кривой на глубине, значение которой получено по первому этапу расчета (рис. 35).

В зависимости от результата расчета возможно увеличение глубины забивки или усиление поперечного сечения лицевой стенки на основании сравнения технико-экономических показателей.

Рис. 34. Схема определения условного пролета лицевой стенки:

z - расстояние до центра тяжести сил пассивного давления грунта, действующих в пределах глубины l0

Для подбора сечения лицевой стенки значение изгибающего момента в пролете на первом этапе расчета следует определять по формуле [135 (74)], на втором - по формуле

                           [139 (78)]

где mв = 0,85 - коэффициент условий работы, учитывающий волновое воздействие;

Мmах и Мmax2 - максимальные изгибающие моменты в пролете лицевой стенки, полученные соответственно на первом и втором этапах расчета;

mc, b и D - то же, что в п. 20.15 (16.15).

Расчет анкерной системы (анкерная тяга, плита, анкерная стенка анкерные крепления) выполняется на воздействие анкерного усилия, полученного на втором этапе расчета лицевой стенки больверка.

Примечание. Волновое давление, действующее на лицевые стенки больверков ниже поверхности дна, допускается в расчетах не учитывать.

Расчетные значения изгибающего момента от нагрузок с учетом волнового воздействия следует определять при расчете по первой группе предельных состояний по указаниям п. 13.16 (8.8) и формуле [4 (2)], при расчете по второй группе предельных состояний по указаниям п. 13.19 (8.11).

20.18 (16.18). Значение горизонтальной составляющей усилия в анкерной тяге и элементах ее крепления следует определять по формуле

                                              [140 (79)]

где тв = 0,9 - коэффициент условий работы, учитывающий волновое воздействие;

та - коэффициент, учитывающий перераспределение давления на лицевую стенку, а также неравномерность натяжения анкерных тяг, назначаемый:

для стенок с предварительным натяжением анкерных тяг - 1,30;

для стенок и плит без предварительного натяжения анкерных тяг - 1,50;

для расчета прочности распределительного пояса и деталей его крепления - 1,25;

Rа - то же, что в п. 20.7 (16.7);

la - шаг анкерных тяг вдоль причального фронта.

Расчетные значения анкерного усилия следует определять для расчетов по первому предельному состоянию по указаниям п. 13.16 (8.8) и формуле [4 (2)], а для расчетов по второму предельному состоянию принимать равными определенным по формуле [140 (79)].

Рис. 35. Схема графоаналитического расчета лицевой стенки больверка на нагрузку, включающую волновое воздействие:

а, б, в, ж - построения на первом этапе расчета; а, г, д, е, з - построения на втором этапе расчета; а - суммарная эпюра активного и пассивного давлений грунта с учетом временной нагрузки; б - расчетная схема нагрузок от давления по схеме а; в - веревочный многоугольник от нагрузок по схеме б; г - эпюра волнового давления; д - расчетная схема нагрузок от суммарного давления по схемам а и г; е - веревочный многоугольник от нагрузок по схеме д; ж - многоугольник сил от нагрузок по схеме б; з - многоугольник сил от нагрузок по схеме д; 1 - отметка кордона; 2 - расчетный уровень воды; 3 - отметка дна.

(Измененная редакция).

20.19 (16.19). Величину предварительного натяжения рн анкеров в больверках с лицевой стенкой из железобетонных элементов повышенной жесткости следует назначать по наименьшему значению, полученному из решения формул:

                                       [141 (80)]

                                       [142 (81)]

где h - то же, что в п. 20.15 (16.15);

Ес и Еа - соответственно модули упругости материала лицевой стенки и анкерной тяги;

Ic - момент инерции расчетного сечения лицевой стенки на ширине, равной шагу анкеров;

 - усилие в анкере при полном расчетном загружении сооружения (вторая группа предельных состояний);

La и Fa - длина и площадь сечения анкерной тяги;

MpII - изгибающий момент в лицевой стенке больверка, приведенный к ширине, равной шагу анкеров (вторая группа предельных состояний).

20.20 (16.20). Анкерные опоры в виде гибких стенок следует рассчитывать графоаналитическим методом с учетом указаний пп. 20.4 (16.4) и 20.21 (16.21) - 20.23 (16.23).

Примечание. Временную эксплуатационную нагрузку следует располагать за плоскостью обрушения, проведенной из верхней точки анкерной стенки.

20.21 (16.21). Усилия в анкерных стенках следует определять из графоаналитического расчета на действие нагрузок от суммарной эпюры давления грунта с учетом временных эксплуатационных нагрузок и анкерной реакции Ra [где Ra определяется по п. 20.7 (16.7); рис. 36 (22)].

Примечание. Против тумбового массива анкерное усилие Rа следует суммировать с распределенным на длине Lт тумбового массива усилием Ешв от нормальной составляющей швартовной нагрузки с учетом высоты ее приложения по отношению к уровню крепления анкерной тяги [рис. 37 (21)]. Усилие Ешв определяется по формуле

                                                        [143 (82)]

где  - нормальная составляющая швартовной нагрузки, определяемая по главе СНиП 2.06.04-82 и Руководству к СНиП 2.06.04-82;

z - расстояние от уровня крепления анкерной тяги до линии приложения нормальной составляющей швартовной нагрузки ;

lт - расстояние от уровня крепления анкерной тяги до линии центра приложения равнодействующей сил сопротивления отпора [см. рис. 37 (21) и l в п. 20.15 (16.15)].

Рис. 36 (22). Расчетная схема анкерной стенки:

а - суммарная эпюра давления; б - веревочный многоугольник; в - силовой многоугольник; 1 - отметка кордона; 2 - расчетный уровень воды.

Рис. 37 (21). Схема к расчету усилий в анкерных тягах тумбового массива

(Измененная редакция).

20.22 (16.22). Полная высота анкерной стенки [см. рис. 36 (22)] определяется из условия ее устойчивости на сдвиг по формуле

                                                 [144 (83)]

где t1 - наданкерная высота анкерной стенки;

tc - глубина погружения из графоаналитического расчета от анкера до пересечения замыкающей с веревочным многоугольником при действии па стенку анкерной реакции, определяемой из условия ;

Ra - то же, что в п. 20.7 (16.7);

mд - по табл. 17 (7), поз. 7;

kн, nc, m - то же, что в пп. 13.6 (8.8) и 13.22 (8.14);

mв - то же, что в п. 20.18 (16.18);

Dt - дополнительная глубина на защемление, определяемая по формуле

                  [145 (84)]

где  - по п. 20.12 (16.12) настоящего Руководства;

nt = 0,8 - коэффициент безопасности.

Остальные обозначения приняты в соответствии с пп. 13.30 (8.20) и 13.35 (8.25).

Примечание. О методе расчета давления грунта см примечание к п. 20.12 (16.12).

(Измененная редакция).

20.23 (16.23). Усилия М и Q, действующие на один элемент анкерной стенки, при расчете ее прочности и трещиностойкости определяются по формулам [135 (74)], [137 (76)] и [138 (77)] при коэффициенте mc = 1.

20.24 (16.24). При заглублении гребня анкерной плиты на глубину, равную ее высоте, распор и отпор грунта принимаются в пределах от подошвы плиты до поверхности территории [рис. 38 (23), а].

При больших заглублениях анкерной плиты грунтовые нагрузки, действующие непосредственно на анкерную плиту, учитываются лишь в пределах ее высоты.

В качестве основного варианта расположения анкерной плиты следует принимать заглубление ее гребня на величину, равную высоте плиты, из условия

                                       [146 (85)]

где nc, n, kн - тоже, что в п. 13.16 (8.8);

mд - по табл. 17 (7);

Ra - то же, что в п. 20.7 (16.7);

m - то же, что в п. 13.22 (8.14);

Ер - равнодействующая пассивного давления в пределах отметки территории причала и подошвы анкерной плиты от собственного веса грунта засыпки;

Еa - равнодействующая активного давления в пределах отметки территории и подошвы анкерной плиты or собственного веса грунта засыпки и временных нагрузок, расположенных со стороны призмы обрушений.

Примечания: 1. Временную нормативную эксплуатационную нагрузку в расчете следует располагать на территории причала за плоскостью обрушения, проходящей через верхнюю точку анкерной плиты.

2. При расчете анкерных плит тумбовых массивов анкерная реакция Ra, получаемая графоаналитическим расчетом, суммируется с равномерно распределенным усилием от горизонтальной составляющей швартовной нагрузки с учетом высоты ее приложения по отношению к уровню крепления анкерной тяги [см. примечания к п. 20.21 (16.21)].

Рис. 38 (23). Расчетные схемы анкерных плит:

а - для определения устойчивости; б - для определении усилий в железобетонных ребристых плитах; 1 - отметка кордона; 2 - расчетный уровень воды.

В существовавших ранее методах расчета давление грунта на анкерные плиты принималось только в пределах высоты плиты, но уже Г. Крей указал на то, что при высоко расположенных анкерах давление грунта можно брать до поверхности территории (Крей Г. Теория давления земли и сопротивления грунтов нагрузке. - М.: Госстройиздат, 1932, с. 206 - 207). Допустимость этого метода была обоснована исследованиями Бухгольца (Buchholz W. Erdwiderstand auf Ankerplatten Jahrbuch der Hafenbautechnischen Gesellschaft zwolfter Band, 1930/1931) и Шлейхера (Справочник для инженеров строителей. - Берлин, 1943, с. 799).

В результате исследований Бухгольц рекомендует учитывать давление грунта до поверхности территории при отношении заглубления низа анкерной плиты к ее высоте в пределах до 5,5.

Учитывая замечание Г. Крея, что не следует злоупотреблять чрезмерным уменьшением высоты анкерной, стенки, а также учитывая большинство встречающихся на практике случаев сравнительно небольшой высоты надводной части засыпки грунта, рекомендуется ограничить вышеуказанное соотношение пределом до 2.

20.25 (16.25). Усилия М и Q, действующие в элементах железобетонных ребристых анкерных плит [рис. 38 (23), б], определяются:

а) в плите - как в балке на двух опорах с консолями от равномерно распределенной нагрузки на 1 м2, т.е.

                                                 [147 (86)]

б) в ребре - как в консольной балке, защемленной в уровне крепления анкерной тяги [в середине высоты анкерной плиты при расчете ее по формуле [146 (85)], а при расчете ее на грунтовые нагрузки в пределах высоты плиты - по центру тяжести суммарной эпюры расчетного давления грунта], от равномерно распределенной нагрузки на 1 пог. м консоли, т.е.

                                              [148(87)]

В формулах [147 (86)] и [148 (87)]:

ln - длина анкерной плиты;

D - проектный зазор между анкерными плитами;

Ra - то же, что в п. 20.7 (16.7);

hn - высота анкерной плиты.

20.26. Продольные сжимающие Nc и растягивающие Np усилия, возникающие в сваях козловых анкерных опор от действия вертикальных и горизонтальных нагрузок, могут быть определены графически (рис. 39) или по формулам:

                            [149]

                            [150]

где V - вертикальная нагрузка, принимаемая с длины, равной шагу козловых анкерных опор, от веса шапочной балки, веса грунта над ней, а для сжатой сваи (определение усилия Nc) дополнительно от временной эксплуатационной нагрузки;

Rак - горизонтальная нагрузка, равная анкерной реакции из графоаналитического расчета лицевой стенки больверка, принимаемая с длины, равной шагу свайных козловых опор;

ap и ac - углы наклона к вертикали соответственно растянутой и сжатой свай козловых анкерных опор (см. рис. 39);

Рcвi -вес рассчитываемой сваи в конструкции.

Расчетные значения усилий в сваях для первой группы предельных состояний определяются при расчете несущей способности свай по грунту основания по указаниям п. 21.26 (17.25), при расчете свай на прочность - по п. 13.16 (8.8) и формуле [4 (2)], для второй группы предельных состояний они равны значениям, определенным по формулам [149] и [150], т.е. NcII = Nc и NpII = Np.

Рис. 39. Схема к определению усилий в сваях козловой опоры

(Измененная редакция).

20.27 (16.26). Расстояние между лицевой стенкой и анкерными плитами и стенками [рис.40 (24)] следует принимать из условия пересечения на поверхности территории плоскости обрушения, проведенной от расчетной плоскости лицевой стенки из точки на уровне касания замыкающей к веревочному многоугольнику сил, с плоскостью выпора, проведенной от подошвы анкерной плиты, а для анкерной стенки - из точки, отстоящей вверх от подошвы на 2Dt [Dt - то же, что в п. 20.22 (16.22)].

Расстояние между лицевой стенкой и анкерными опорами следует определять из расчета по первой группе предельных состояний по формуле

               [151 (88)]

где  - сумма расстояний от отметки кордона до точки касания замыкающей к веревочному многоугольнику из графоаналитического расчета лицевой стенки;

 - сумма расстояний от отметки кордона до подошвы анкерной плиты, а в анкерных стенках - выше подошвы на ;

jiI -угол внутреннего трения грунта основания и засыпки, соответствующий i-му слою грунта.

20.28 (16.27). Если по общим компоновочным требованиям (из-за стесненности территории) или технико-экономическим соображениям возможно и целесообразно приблизить анкерные стенки и плиты к лицевой стенке с нарушением условия [151 (88)] или если в поверхностных слоях основания между лицевой стенкой и анкерными устройствами залегают грунты значительно слабее по прочностным свойствам, чем грунты засыпки, следует расчетом по первой группе предельных состояний проверить анкерующую способность массива грунта. Устойчивость массива грунта, обеспечивающего анкерное крепление, определяется из условия

                                         [152 (89)]

где nc, n, kн - то же, что в п. 13.16 (8.8);

mд - дополнительный коэффициент условий работы, принимаемый по табл. 17 (7), поз. 6;

Ra - то же, что в п. 20.7 (16.7);

т - то же, что в п. 13.22 (8.14);

Rмасс - горизонтальная составляющая равнодействующих сил, воздействующих на массив грунта, расположенный между лицевой стенкой и анкерной опорой.

Примечание. Определение положения поверхности скольжения и величины Rмасс приведено в прил. 10.

Рис. 40 (24). Схема для определения расстояния La между лицевой стенкой и анкерными опорами:

1 - отметка кордона; 2 - расчетный уровень воды; 3 - отметка дна.

(Измененная редакция).

20.29 (16.28). При невыполнении условия [152 (89)] для сооружений с анкерными стенками (в зависимости от технико-экономической целесообразности) следует увеличить расстояние между лицевой и анкерной стенками или заглубить подошву анкерной стенки.

20.30 (16.29). В случае сокращения расстояния между анкерными опорами и лицевой стенкой по сравнению с требованиями формулы [151 (88)], уменьшенную величину пассивного давления на анкерные стенки и плиты допускается определять по указаниям прил. 11.

(Измененная редакция).

20.31. Козловые анкерные опоры рекомендуется располагать непосредственно за линией естественного откоса (рис. 41).

В случае нарушения данного указания и большего приближения опор к лицевой стенке несущую способность участков свай, располагаемых выше естественного откоса, следует принимать в размере, не превышающем 50 % от определенного для того же грунта в условиях естественного залегания.

Рис. 41. Схема расположения козловой анкерной опоры:

1 - отметка кордона; 2 - расчетный уровень воды; 3 - отметка дна; j - угол внутреннего трения грунта

(Измененная редакция).

20.32 (16.30). Проверку общей устойчивости причальных сооружений типа заанкеренного больверка на глубинный сдвиг следует выполнять в тех случаях, когда:

в основании причального сооружения непосредственно под подошвой и глубже имеются прослойки слабого грунта, вдоль которого может произойти скольжение (сдвиг) и в результате нарушение устойчивости сооружения;

в тыловой части причального сооружения, включенной в зону, ограниченную возможной поверхностью скольжения (сдвига), имеются эксплуатационные нагрузки, более чем в 3 раза превосходящие нагрузки прикордонной зоны.

20.33 (16.31). Расчет конструктивных элементов больверков (лицевой стенки, анкерных тяг, деталей крепления анкерной системы и анкерных опор) по первой и второй группам предельных состояний следует выполнять в соответствии с указаниями глав СНиП II-23-81 «Стальные конструкции», СНиП II-56-77 «Бетонные и железобетонные конструкции гидротехнических сооружений», СНиП 2.03.01-84 «Бетонные и железобетонные конструкции», Руководств к СНиП «Бетонные и железобетонные конструкции», настоящего раздела и пп. 13.15 (8.7) - 13.19 (8.11) настоящего Руководства.

(Измененная редакция).

21 (17). ОБЩИЕ ПОЛОЖЕНИЯ РАСЧЕТА ПРИЧАЛЬНЫХ СООРУЖЕНИЙ ЭСТАКАДНОГО ТИПА

21.1 (17.1). Проектирование причальных сооружений на сваях и сваях-оболочках из железобетона и металла должно включать следующие этапы:

а) определение нагрузок, действующих на секцию сооружения, и их сочетаний с учетом взаимодействия секций;

б) выбор конструктивной схемы сооружения и предварительных основных размеров его элементов, который должен осуществляться на основании технико-экономического сравнения вариантов конструктивных схем причала в целом;

в) расчет основной пространственной конструкции сооружения и определение усилий в ее элементах [см. пп. 21.2 (17.2) - 21.9 (17.9)];

г) расчет свай, свай-оболочек и свайных ростверков в целом по несущей способности (устойчивости) и по деформациям (перемещениям, углам поворота, прогибам) в соответствии с требованиями главы СНиП II-17-77 «Свайные фундаменты» и п. 21.25 (17.25);

д) конструктивный расчет элементов сооружения (по прочности, трещиностойкости и деформациям) в соответствии с требованиями глав СНиП II-56-77, СНиП 2.03.01-84, Руководств к указанным СНиП, СНиП II-23-81, а также пп. 13.15 (8.7) - 13.19 (8.11) настоящего Руководства;

е) расчет общей устойчивости сооружения и устойчивости подпричального откоса при выбранной конструктивной схеме сооружения и расчетном сочетании нагрузок в соответствии с требованиями главы СНиП II-16-76 «Основания гидротехнических сооружений» с учетом указаний пп. 13.20 (8.12) - 13.24 (8.16) настоящего Руководства. При этом дополнительные коэффициенты условий работы mд, вводимые в расчет, принимаются по табл. 17 (7).

Примечания: 1. Для более точного расчета произвольных статически неопределимых стержневых систем, а также сокращения времени и повышения качества проектирования следует использовать автоматизированный расчет пространственных рамных систем, проводимый на ЭВМ по соответствующим утвержденным программам. В частности, допускается использование программы PAL, разработанной Черноморниипроектом.

2. Статические расчеты рамных систем рекомендуется выполнять в матричной форме с учетом жестких массивов, образуемых элементами, сходящимися в узлах, и упругости грунта в основании сооружений, характеризуемой коэффициентом постели.

3. Верхнее строение для расчета принимается бесконечно жестким в горизонтальной плоскости и упругим в вертикальной.

(Измененная редакция).

21.2 (17.2). Пространственную конструкцию сооружения при отсутствии программ автоматизированных расчетов на ЭВМ допускается расчленять на отдельные плоские системы, выбирая из них основную несущую систему. Способ членения пространственной системы конструкции и выбор основной несущей системы зависят от конструктивной схемы ростверка (продольно-ригельная, поперечно-ригельная, смешанная - кессонная, плитная - безбалочная) и степени омоноличивания узлов и элементов сооружения.

Примечание. В качестве основной несущей системы следует принимать поперечные рамы при поперечно-ригельной схеме ростверка и продольные рамы при продольно-ригельной схеме.

21.3 (17.3). При членении поперечно-ригельной конструкции па поперечные и продольные рамы для продольных рам в расчет вводятся «условные ригели», а для поперечных рам - конструктивные ригели. В «условный ригель» [(А, В, С, рис. 42 (25)], входящий в состав омоноличенного ростверка, включают:

для прикордонной или тыловой рамы - полосу ростверка от конца до середины пролета, примыкающего соответственно к прикордонному или тыловому ряду опор;

для средних продольных рам - полосу ростверка в пределах левого и правого примыкающих полупролетов.

Примечание. Приводимые в п. 21.3 (17.3) и далее указания применительно к поперечно-ригельным системам соответственно могут быть использованы также при расчете продольно-ригельных систем.

21.4 (17.4). При установлении расчетных схем плоских систем в качестве осей элементов следует принимать линии, соединяющие геометрические центры тяжести сечений элементов. Расчетная высота стоек рам определяется в соответствии с указаниями п. 21.16 (17.16).

21.5 (17.5). Вертикальные нагрузки на поперечные рамы (основные несущие системы) определяются по максимальным опорным реакциям продольных систем с учетом собственного веса элементов поперечной рамы.

Примечание. В случае применения продольно-ригельных ростверков сначала рассчитываются поперечные плоские системы, опорные реакции которых принимаются как нагрузки на ригели продольных рам.

21.6 (17.6). Горизонтальные нагрузки на продольные и поперечные рамы определяются как алгебраические суммы соответствующих нагрузок на опоры каждой рамы. Горизонтальные нагрузки, действующие на расчетную секцию, распределяются между опорами рам в предположении абсолютной жесткости верхнего строения ростверка в горизонтальной плоскости. При этом кручение опор вокруг собственной оси не учитывается [см. пп. 21.10 (17.10) - 21.15 (17.15)].

Рис. 42 (25). Поперечно-ригельная конструкция:

А, В, С - «условные ригели» продольных рам, 1 - 5 - сборные плиты ростверка; 6 - ригель поперечной рамы

21.7 (17.7). Исходные усилия (изгибающие моменты М, перерезывающие силы Q и продольные силы N - реакции опор R) при конструктивном расчете элементов определяются суммированием соответствующих усилий, полученных из расчета плоских систем на вертикальные и горизонтальные нагрузки. Усилия, действующие на «условный ригель», распределяются между составляющими его элементами пропорционально их жесткости.

Примечание. Для элементов, у которых в состав расчетных сочетаний входят временные подвижные и равномерно распределенные нагрузки, расчетные суммарные эпюры M, Q и R строятся по линиям влияния.

21.8 (17.8). Значения изгибающих моментов М и перерезывающих сил Q для опорных сечений стоек определяются как геометрические суммы соответствующих значений М и Q, полученных при расчете продольных и поперечных рам. Значение продольной силы N определяется из расчета поперечной рамы.

К пп. 21.2 (17.2) - 21.8 (17.8). Разбивка пространственной рамы сооружения на плоские системы должна учитывать характер работы элементов пространственной рамы и всей системы в целом, зависящей от степени монолитизации элементов между собой.

Излагаемые в пунктах рекомендации относятся к поперечно-ригельным системам, наиболее распространенным в конструкциях сооружений на опорах из свай-оболочек. Однако указанные рекомендации с соответствующими изменениями могут быть применены и в расчете продольно-ригельных конструкций.

За основную несущую систему поперечно-ригельной конструкции принимается поперечная рама, являющаяся основой жесткости конструкции и имеющая монолитно-жесткое соединение ригеля и опор.

Учитывая, что при жесткой системе связи любые нагрузки на любом из элементов верхнего строения должны будут вызывать появление моментов и в опорах, в расчет продольных рам вводятся «условные ригели», составляющие в сумме полную ширину ростверка.

В конструкции продольные элементы верхнего строения могут быть жестко омоноличены друг с другом (по длине) или не имеет связи. Наличие или отсутствие такой связи не влияет на выбор системы членения.

Продольные рамы рассчитываются на вертикальные нагрузки, непосредственно расположенные на «условном ригеле». При этом, если в «условный ригель» входит только часть сборного элемента верхнего строения (например, часть железнодорожной балки), принимается соответствующая часть нагрузки. Расчет рамы ведется, как обычно, на каждый вид нагрузок (постоянная, временная) отдельно, а затем проводится суммирование полученных усилии в соответствии с физической возможностью одновременного их действия.

Вертикальные нагрузки, действующие на ригель поперечных рам, определяются как реакции ригелей продольных рам. Горизонтальные нагрузки на поперечные и продольные рамы являются частью соответствующих горизонтальных нагрузок (вдоль и поперек кордона), действующих на секцию.

Анализ результатов расчетов сооружений на сваях-оболочках диаметром более 1 м с глубиной 9,75; 11,5 м и более для I категории нагрузок показывает, что сжимающее усилие Nc в свае от действия горизонтальной нагрузки при расчете продольной рамы не превышает 5 % от общей величины силы, что находится в пределах точности инженерного расчета. Для упрощения возможно допускать определение Nc только по расчету основной (поперечной) рамы сооружения.

21.9 (17.9). Усилия М, Q, N в элементах рамных конструкций причалов эстакадного типа, вызванные межсезонным перепадом температур и влажностными воздействиями, следует определять с учетом деформации ползучести либо с применением временного длительного модуля деформации в соответствии с главой СНиП II-56-77.

Примечания. 1. Расчет конструкции на температурно-влажностные воздействия допускается не выполнять в стадии эксплуатации для подземных сооружений, а также для тонкостенных элементов сооружении, в которых практически обеспечена свобода перемещения.

2. В конструкциях железобетонных морских причальных сооружении с относительно большой длинной секцией (длина секции L > 40 м) рекомендуется производить учет межсезонного (годового) перепада температуры. Модули деформации для определения усилий от межсезонного температурного перепада должны учитывать ползучесть бетона и приниматься в соответствии с табл. 24, поз 1 (для трещиностойких элементов) и поз. 2 (для элементов при наличии трещин). Момент инерции независимо от трещиностойкости допускается определять без учета арматуры. Межсезонный (годовой) перепад температуры допускается определять по прил. 12 настоящего Руководства.

Для бетона в раннем возрасте значения модулей деформации следует принимать уменьшенными по опытным данным. При отсутствии опытных данных модули деформации определяются по табл. 24 как для бетона марок соответствующей кубиковой прочности раннего возраста (при необходимости применяется интерполяция).

3. Значения тепловлагофизических характеристик бетона, необходимых для расчета конструкций эстакадных причальных сооружений на температурно-влажностные воздействия, и характеристики тепловыделения бетона при его твердении должны приниматься по прил. 3 к СНиП II-56-77.

21.10. (17.10). Реакции одиночных опор от единичного горизонтального смещения относительно осей х и у определяются при заделке опор в ростверке и грунте по формуле

                                          [153 (90)]

где  - погонная жесткость свайных опор;

l - расчетная длина свайных опор, определяемая по указаниям пп. 21.16 (17.16) - 21.20 (17.20);

Е - начальный модуль упругости материала опор, принимаемый для железобетонных свай по главе СНиП II-56-77, для стальных - по главе СНиП II-23-81;

J - момент инерции сечения опоры.

Таблица 24

Позиция

Состояние элементов

Длительные модули деформаций, кгс/см2, при марке бетона

Область применения

M100

M150

М200

М250

М300

М400

М500

М600

1

Для элементов без трещин

1,05·105

1,35·105

1,65·105

1,8·105

1,9·105

2,15·105

2,3·105

2,4·105

Для расчета элементов по деформациям от длительных нагрузок и на межсезонный перепад температур

2

Для элементов с трещинами

0,8·105

0,95·105

1,2·105

1,3·105

1,4·105

1,6·105

1,72·105

1,8·105

- » -

21.11 (17.11). Реакции козловых опор от единичного горизонтального смещения при их расположении в плоскости действии силы определяются по формуле

                                    [154 (91)]

где  и  - реакции свай козловой опоры за счет деформации их материала;

a1 и a2 - углы наклона свай козловых опор к вертикали;

Е - то же, что в п. 21.10 (17.10);

F - площадь сечения свай козловых опор;

l1 и l2 - расчетные длины свай козловых опор [см. пп. 21.16 (17.16) - 21.20 (17.20)].

Примечание. Реакции свай козловых опор от единичного горизонтального смещения при расположении козловых опор перпендикулярно плоскости действия силы определяются по формуле [153 (90)] для одиночных опор.

21.12 (17.12). Горизонтальные нагрузки, действующие на расчетную секцию, допускается распределять между опорами (сваями) секции путем переноса равнодействующей горизонтальных сил А в упругий центр системы [рис. 43 (26)] и приведения их к силе Nу, действующей параллельно линии кордона, силе Nx, действующей перпендикулярно линии кордона, и моменту, вызывающему вращение секции относительно упругого центра,

                [155 (92)]

где М - момент от воздействия судовых швартовных нагрузок, активного давления грунта и временных нагрузок на тыловую грань ростверка;

A - равнодействующая горизонтальных сил;

r -плечо равнодействующей горизонтальных сил относительно упругого центра секции сооружения [см. рис. 43 (26)];

Nyi и Nxi - то же, что в п. 19.7 (14.6);

L - длина секции причала;

XN, YN, XE - расстояния от осей, проходящих через упругий центр секции, до соответствующих сил;

Eai - активное давление от собственного веса грунта и временных нагрузок, действующих на тыловую грань ростверка, на 1 пог. м причального сооружения, определяемое в соответствии с требованиями и указаниями пп. 13.30 (8.20) - 13.33 (8.23);

fi - коэффициент трения грунта засыпки территории причала по тыловой грани ростверка; допускается коэффициент fi принимать при трении грунта по грунту равным tg jз, при трении грунта по бетону равным tg 0,5jз.

Примечание. За упругий центр системы принимается точка, проходя через которую равнодействующая А вызывает только поступательное смещение секции.

(Измененная редакция).

21.13. (17.13). Координаты упругого центра [см. рис. 43 (26)] определяются по формулам:

                                                 [156 (93)]

                                                [157 (94)]

где Hxi и Нуi - реакции опор от единичного горизонтального смещения, определяемые по указаниям пп. 21.10 (17.10) и 21.11 (17.11);

xi и yi - координаты опор относительно осей х и у [см. рис.43 (26)].

Примечание. Для упрощения определения и отсчета координат упругого центра целесообразно за начало координат принимать точку О1 пересечения осей крайних рядов опор [см. рис. 43 (26)].

Рис. 43 (26). Схема к расчету горизонтальных нагрузок на опоры от вращения секции. Контуры верхнего строения ростверка показаны пунктиром

21.14 (17.14). Усилия в элементах свайного основания:

от горизонтальных составляющих судовых нагрузок нормальных Nx и касательных Ny к линии кордона и активного давления грунта на тыловую грань верхнего строения:

                        [158 (95)]

                   [159 (96)]

от момента:

                                  [160 (97)]

                               [161 (98)]

Расчетные суммарные усилия (горизонтальные силы), действующие на опору (сваю), от составляющих Nx и Nу и момента М = Аr [см. рис. 43 (26)] определяются по формулам:

                                                   [162 (99)]

                                                [163 (100)]

В формулах [158 (95)] - [163 (100)]:

 - усилия, действующие на опору (сваю) вдоль оси х;

 - усилия, действующие на опору (сваю) вдоль оси у;

Нxi, Hyi - то же, что в пп. 21.10 (17.10) и 21.11 (17.11);

Хi, Yi - координаты i-й опоры (сваи) относительно осей, проходящих через упругий центр свайного основания;

dx, djx - смещения в направлении оси x соответственно от поступательного движения и от поворота секции;

dy, djy - смещения в направлении оси y соответственно от поступательного движения и от поворота секции;

j0 - угол поворота секции причального сооружения, определяемый по указаниям п. 21.15 (17.15).

Примечание. Знаки в формулах [162 (99)] и [163 (100)] перед значениями  и  определяются с учетом направления момента, вызывающего поворот секции.

21.15 (17.15). Угол поворота секции относительно упругого центра от воздействия внешнего момента М определяется по формуле

                             [164 (101)]

где J - момент инерции свайного основания.

Остальные обозначения определены в пп. 21.12 (17.12) и 21.14 (17.14).

К пп. 21.12 (17.12) - 21.15 (17.15). Излагаемое решение распределения усилий от горизонтальных нагрузок на секцию между опорами является интерпретацией решения, изложенного в книге С. П. Антонова и В. П. Мейерсона «Расчет сооружений с высоким свайным ростверком» (Морской транспорт, 1957), применительно к сооружениям на цилиндрических опорах. Приведенные рекомендации соответствуют практике проектирования подобных сооружений.

Рекомендуемый в Руководстве метод расчета свободных рам является распространением метода последовательных приближении (Харди - Кросса) на расчет свободных рам с податливыми стойками.

21.16 (17.16). Расчетная длина стоек рамы [рис. 44 (27), а] определяется по формуле

                                               [165 (102)]

где Н0 - расстояние от точки пересечения линии дна (откоса) с осью опоры до центра тяжести поперечного сечения ригеля;

hусл - разность отметок точки пересечения откоса с осью опор и условной горизонтальной поверхности, определяемая в соответствии с п. 21.19 (17.19);

hз - расчетная глубина условного защемления [см. п. 21.17 (17.17)], отсчитываемая от поверхности действительного дна при размещении опор на горизонтальном дне или от условной горизонтальной поверхности при размещении опор на откосе.

Примечание. При действии силы Рн в сторону акватории или вдоль кордона условная горизонтальная поверхность располагается ниже точки пересечения оси опоры с откосом и значение hусл принимается в формуле [165 (102)] со знаком «плюс» При действии силы Рн в сторону берега (на откос) значение hусл принимается со знаком «минус».

Рис. 44 (27). Схема определения глубины условного защемления опоры. Условная горизонтальная поверхность показана пунктиром:

а - размещение опоры на «бесконечном» откосе, б - размещение опоры у дна при действии силы в сторону акватории; в - размещение опоры у бровки при действии силы в сторону берега; 1 - линия откоса; 2 - линия дна

21.17 (17.17). Расчетная глубина условного защемления h3 определяется в зависимости от условий закрепления опоры в ростверке:

для случая шарнирного закрепления

                                                [166 (103)]

для случая абсолютно жесткой заделки

                                         [167 (104)]

В формулах [166 (103)] и [167 (104)]:

 - глубина условного защемления, определяемая по формуле

                                   [168 (105)]

 = 0,8 м - дополнительная глубина, учитываемая только в случае отсутствия на дне (откосе) каменной отсыпки и наличия у поверхности разрыхленного или размытого грунта;

kн, nc, n - то же, что в п. 13.16 (8.8);

mд = 1,15 - дополнительный коэффициент условий работы;

Р - горизонтальная сила, действующая на опору, определяемая по формуле [162 (99)] или [163 (100)];

gн - объемная масса грунта;

ml - разность коэффициентов пассивного и активного давления для вертикальных стенок при горизонтальной поверхности грунта, определяемая выражением

                  [169 (106)]

D - внешний диаметр сваи-оболочки или сторона сечения призматической сваи, перпендикулярная направлению действия силы;

тп - коэффициент пространственной работы, определяемый в соответствии с п. 21.18 (17.18);

                                              [170 (107)]

j - угол внутреннего трения грунта основания;

с - удельное сцепление грунта основания.

Рис. 45. Схема определения глубины условного защемления сваи-стойки

Примечания. 1. В случае полузащемленной опоры в верхнем строении ростверка значение hз принимается средним между рассчитанными по формулам [166 (103)] и [167 (104)].

2. Допускается глубину защемления опор  для несвязных грунтов основания определять по формуле

                                             [171 (108)]

где

                                                     [172 (109)]

3. При определении глубины условного защемления hз от воздействия на опору горизонтальной нагрузки следует задаваться первоначальным значением hз, принимая его равным (2 ÷ 3)D. При этом последовательными расчетами следует добиваться согласованности величин, входящих в формулы [166 (103)] и [167 (104)] и полученных при распределении горизонтальных нагрузок между опорами. Сходимость считается достаточной при разнице в значениях hз, равной 10 %

4. Наряду с приведенной методикой определения глубины условного защемления опор в грунте допускается применять другие обоснованные методы расчета, в частности метод К С Завриева и МИСИ им В.В. Куйбышева.

Для сваи-стойки (сваи, опирающейся на практически несжимаемый грунт) условная глубина защемления принимается на линии приложения равнодействующей сил трения грунта о боковую поверхность сваи и лобового сопротивления торца сваи. В соответствии с рис. 45 положение равнодействующей от торца сваи определяется по формуле

                                                [173]

где f1, f2, f3 - силы сопротивления соответственно 1-, 2- и 3-го слоя грунта на боковой поверхности сваи.

Остальные обозначения - по рис. 45.

21.18 (17.18). Коэффициент увеличения сопротивления грунта, вызванного пространственной работой опоры, допускается определять по формуле

                                [174 (110)]

где hз и D - то же, что в п. 21.17 (17.17);

L - расстояние между осями опор в продольном направлении.

Примечание. При  значение mn определяется по формуле

                                                              [175 (111)]

(Измененная редакция).

21.19 (17.19). В зависимости от положения опоры на откосе и направления действия горизонтальной силы Р, приложенной к опоре, следует определять глубину hусл [см. п. 21.16 (17.16)] следующим способом:

а) при размещении опоры на откосе и действии силы Р перпендикулярно кордону в сторону акватории

                                           [176 (112)]

б) при размещении опоры на откосе и действии силы Р вдоль кордона

                                     [177 (113)]

в) при размещении опоры у подошвы откоса и действии силы Р в сторону акватории, когда условная горизонтальная поверхность, определяемая глубиной hусл размещается ниже горизонтального дна [см. рис. 44 (27), б], глубина hз откладывается от уровня горизонтального дна.

В формулах [175 (111)] - [177 (113)]:

hз - то же, что в п. 21.16 (17.16);

тl - то же, что в п. 21.17 (17.17);

тq - разность коэффициентов пассивного и активного давлений для вертикальных стенок и наклонной поверхности грунта, определяемая по формуле

                     [178 (114)]

где

                                           [179 (115)]

                                                    [180 (116)]

q - угол наклона откоса;

г) при размещении опоры на откосе и действии силы Р перпендикулярно кордону в сторону берега

                                           [181 (117)]

д) при размещении опоры на откосе вблизи его бровки и действии силы Р в сторону берега, когда условная горизонтальная поверхность, определяемая глубиной hусл, размещается выше отметки территории [см. рис. 44 (27), б], глубина hз откладывается от отметки территории.

В формуле [181 (117)] все обозначения соответствуют значениям, приведенным в п. 21.19 (17.19) в, за исключением значения z, которое определяется по формуле

                                         [182 (118)]

21.20 (17.20). В случае укрепления поверхности грунта основания слоем каменной отсыпки за линию дна и откоса (см. приложение 13, рис.4 и формулу в тексте примечания) следует принимать условную линию, поднятую над поверхностью грунта основания на величину hд:

для горизонтального дна

                                               [183 (119)]

для откоса

                                               [184 (120)]

где hк - толщина слоя камня;

 и  - объемная масса соответственно камня и грунта основания [см. п. 13.31 (8.21)].

(Измененная редакция).

21.21 (17.21). Глубина h погружения опоры в грунт [см. рис. 44 (27), а], обеспечивающая защемление и устойчивость ее при воздействии горизонтальной нагрузки, определяется для случая жесткого закрепления опоры в ростверке по формуле

                                 [185 (121)]

где  и  - то же, что в п. 21.17 (17.17);

Н - высота, отсчитываемая от условной горизонтальной поверхности до линии приложения силы Р.

Примечания: 1. При наличии откоса глубина погружения отсчитывается от условной горизонтальной поверхности [см. рис. 44 (27)].

2. При разнородных грунтах основания сооружения допускается принимать средневзвешенные расчетные значения угла j внутреннего трения и сцепления с.

(Измененная редакция).

21.22 (17.22). Продольные и поперечные рамы на вертикальные и горизонтальные нагрузки рекомендуется рассчитывать методом деформаций (путем последовательных приближений) с учетом упругой податливости материала опор и грунта основания в соответствии с указаниями п. 21.24 (17.24).

21.23 (17.23). Расчет рам на временные (подвижные и неподвижные) нагрузки следует выполнять по линиям влияния, построенным с учетом податливости опор.

Примечание. Построение линий влияния производится последовательным расчетом рамы методом, указанным в п. 21.22 (17.22), при перемещении нагрузки от единичного груза по ригелю.

21.24 (17.24). Коэффициент k, учитывающий упругую податливость опоры, допускается определять по методу Н. А. Смородинского:

для опор на нескальных грунтах

                                               [186 (122)]

где n - коэффициент упругости части опоры, погруженной в грунт, равный rN, тс/мм [N - продольная сила, определяемая в соответствии с указаниями п. 21.8 (17.8); r = 0,4 1/мм - коэффициент пропорциональности];

Но - свободная длина опоры от заделки в ростверке до поверхности грунта (откоса или линии поверхности дна);

Е - модуль упругости материала опоры;

F - площадь сечения опоры;

для опор на полускальных и скальных основаниях

                                                 [187 (123)]

где h - глубина погружения опоры.

В первом случае конец забитой сваи смещается вместе с окружающим сваю грунтом (висячая свая) и коэффициент упругой податливости зависит от упругой осадки сваи в грунте и от упругой деформации материала свободной части сваи.

Во втором случае конец забитой сваи опирается на практически несжимаемый (скальный) грунт (свая-стойка) и коэффициент упругой податливости зависит только от упругой деформации материала сваи по всей ее длине.

Примечание. Коэффициенты податливости опор в грунте, определенные по формулам [186 (122)] и формулам [187 (123)], следует по возможности уточнять по результатам натурных статических испытаний.

Упругая податливость опоры в грунте по результатам статических испытаний определяется по формуле

                                                          [188]

где N - расчетная нагрузка на опору по результатам нагружения статической нагрузкой;

е - осадка опоры (сваи, сваи-оболочки).

Коэффициент упругой податливости k численно равен осадке головы опоры от действия единичной продольной силы.

Величина, обратная коэффициенту упругой податливости, называется коэффициентом упругого оседания Vп,т; этот коэффициент численно равен силе, от действия которой происходит смещение головы опоры на единицу длины.

Упругая податливость одиночной сваи под действием вертикальной силы характеризуется коэффициентом оседания

                                           [189]

где a - угол наклона сваи к вертикали.

Горизонтальная составляющая упругой податливости наклонной одиночной сваи от действия вертикальной силы характеризуется коэффициентом оседания

                                      [190]

Для вертикальной сваи формула [189] принимает вид

                                                      [191]

При наличии в конструкции козловых и полукозловых опор упругая податливость узла характеризуется суммой упругой податливости свай, входящих в данный узел.

При этом, кроме коэффициентов упругой податливости от действия вертикальной силы (формулы [189] и [190]), учитываются коэффициенты упругой податливости от действия горизонтальной силы по формулам:

вертикальная составляющая коэффициента оседания

                                                 [192]

горизонтальная составляющая коэффициента оседания

                                                  [193]

По условию взаимности перемещений коэффициент горизонтальной податливости  от действия вертикальной силы равен коэффициенту вертикальной податливости  от действия горизонтальной силы, т.е.

(Измененная редакция).

21.25. В последнее время наибольшее распространение получил метод, по которому грунт, окружающий сваю, работающую на горизонтальную и моментную нагрузки, рассматривается как упругая линейно-деформируемая среда, характеризуемая коэффициентом постели.

Этот метод принят в расчете пространственной конструкций эстакад по каркасной схеме (РД 31.31.08-72). Применение этого метода в расчетах плоских рамных систем изложено в прил. 13.

Расчет сваи с учетом упругости грунта коэффициентом постели С от единичного горизонтального смещения (d = 1) головы сваи и единичного поворота (j = 1) ее относительно горизонтальной оси выполняется по схеме балки на упруго оседающих опорах (рис. 46).

Воздействие грунта на сваи (опоры) заменяется эквивалентом работы упругих связей (упругих опор), усилия в которых от единичных смещений определяются по формуле

N = CS,                                                             [194]

где С - коэффициент постели грунта основания на рассматриваемой глубине, тс/м3, определяемый по формуле

C = KZ;                                                             [195]

К - коэффициент пропорциональности, характеризующий рост с глубиной коэффициента постели грунта, тс/м3, принимаемый по табл. 1 приложения к СНиП II-17-77;

Z - глубина, м, рассматриваемого сечения (расположение фиктивной опоры i) относительно поверхности грунта, для которого определяется коэффициент постели;

S - расчетная площадь, м2, примыкающая к фиктивной (упругой) опоре i, определяемая по формуле

                                                           [196]

bp - расчетная ширина сваи, м, принимаемая:

для круглого сечения сваи

                                                       [197]

для прямоугольного -

                                                             [198]

zo - расстояние между серединами смежных пролетов, примыкающих к фиктивной (упругой) опоре i, м;

d - наружный диаметр круглого сечения или сторона прямоугольного сечения сваи, м.

Коэффициент упругой податливости в случае учета работы грунта коэффициентом постели определяется по формуле

                                                     [199]

где  - коэффициент, учитывающий уменьшение осадок оснований с уменьшением площади подошвы опор;

F и Е - то же, что в п. 21.24 (17.24);

l - полная длина сваи от острия до низа верхнего строения;

Сосн - коэффициент постели на глубине z забивки сваи (острия), определяемый по формуле [195].

Соответствующие изменения в этом случае необходимо внести в формулы [189] - [193] определения коэффициента оседания. В частности, формула [191] для вертикальной сваи будет иметь вид

                                                 [200]

Рис. 46. Схема расчета сваи при учете работы грунта как упругой линейно-деформируемой среде, характеризуемой коэффициентом постели

21.26 (17.25). Расчет опор (свай, свай-оболочек) и свайных фундаментов и их оснований по первой и второй группам предельных состояний (по потере несущей способности по материалу опоры и грунту, а также по деформациям и трещиностойкости) надлежит выполнять в соответствии с указаниями глав СНиП II-17-77, СНиП II-56-77 и СНиП 2.03.01-84. При этом несущая способность опор по грунту определяется по формуле

                                             [201 (124)]

где  - расчетная нагрузка на одну сваю, сваю-оболочку или свайный фундамент, тс;

Ф - расчетная несущая способность грунта основания одиночной сваи, определяемая по указаниям главы СНиП II-17-77, тс;

kн - коэффициент надежности, принимаемый по указаниям главы СНиП II-17-77;

Р - расчетная нагрузка, допускаемая на сваю, сваю-оболочку или свайный фундамент, тс;

п и nc - то же, что в п. 13.16 (8.8);

N - нагрузка на сваю, сваю-оболочку или свайный фундамент, определяемая при расчете причального сооружения, тс;

тд - дополнительный коэффициент условий работы; в зависимости от класса капитальности сооружения и сочетания нагрузок и силовых воздействий принимается равным:

Сочетание нагрузок и силовых воздействий

Класс капитальности сооружения

I

II

III

IV

Основные

1,10

1,05

1,00

1,00

Особые

1,15

1,10

1,10

1,05

Строительные

1,10

1,10

1,05

1,00

(Измененная редакция).

21.27 (17.26). Несущую способность свай всех типов и свай-оболочек следует определять как наименьшее из значений, полученных при расчетах:

по условию сопротивления грунта основания сваи - в соответствии с требованиями главы СНиП II-17-77 и п. 21.26 (17.25) настоящего Руководства;

по условию сопротивления материала сваи - в соответствии с главами СНиП II-56-77, СНиП 2.03.01-84, СНиП II-23-81, СНиП II-25-81, Руководствами к СНиП II-56-77 и 2.03.01-84, пп. 13.15 (8.7) - 13.19 (8.11) настоящего Руководства.

Примечание. Несущую способность опор по грунту следует уточнять по результатам испытаний динамической и статической нагрузками в соответствии с требованиями ГОСТ 5686-78 «Сваи. Методы полевых испытаний», глав СНиП II-17-77 «Свайные фундаменты», СНиП 3.02.01-83 «Основания и фундаменты» и Руководства к СНиП 3.02.01-83. Необходимость и количество испытаний устанавливаются проектной организацией.

К пп. 21.24 (17.24) - 21.27 (17.26). При расчете свайных эстакадных и других причальных сооружений несущая способность опор (свай, свай-оболочек) по грунту и упругая податливость материала опоры и грунта основания определяются по СНиП II-17-77, Руководству к СНиП и рекомендациям Н. А. Смородинского, т.е. по указаниям, составленным на ограниченном натурном материале, что приводит в ряде случаев к искажению расчетных усилий и глубины погружения свайных фундаментов по сравнению с данными натурных статических и динамических испытаний. Поэтому рекомендовано для повышения надежности и экономичности принимаемых проектных решений во всех случаях выполнять полевые исследования для причальных сооружений с I по III класс капитальности.

(Измененная редакция).

21.28 (17.27). В конструктивных расчетах прочности, устойчивости, деформаций и трещиностойкости, выполняемых в соответствии с указаниями глав СНиП II-56-77, СНиП 2.03.01-84, Руководств к указанным СНиП, расчетную длину опор lо внецентренно-сжатых элементов допускается определять как произведение коэффициента приведения длины m, назначаемого в соответствии с прил. 14 настоящего Руководства, и геометрической высоты l от условной заделки в грунте основания до низа ростверка.

(Измененная редакция).

ПРИЛОЖЕНИЕ 1

(справочное)

ПЕРЕЧЕНЬ ОСНОВНЫХ ОБЩЕСОЮЗНЫХ И ВЕДОМСТВЕННЫХ НОРМАТИВНО-ТЕХНИЧЕСКИХ ДОКУМЕНТОВ, ИСПОЛЬЗУЕМЫХ ПРИ КОНСТРУИРОВАНИИ И РАСЧЕТАХ МОРСКИХ ПРИЧАЛЬНЫХ СООРУЖЕНИЙ

№ п/п

Шифр нормативных документов

Наименование нормативных документов

1

СНиП II-А.10-71*

Строительные конструкции и основания. Основные положения проектирования

2

Стандарт СЭВ СТ СЭВ 384-76

Строительные конструкции и основания. Основные положения по расчету

3

СНиП II-51-74

Гидротехнические сооружения морские. Основные положения проектирования

4

СНиП II-16-74

Основания гидротехнических сооружений

5

СНиП II-17-77

Свайные фундаменты

6

СНиП 2.02.01-83

Основания зданий и сооружений

7

СНиП 2.06.04-82

Нагрузки и воздействия на гидротехнические сооружения (волновые, ледовые и от судов)

8

СНиП II-6-74

Нагрузки и воздействия

9

СНиП II-28- 7У

Защита строительных конструкций от коррозии

10

СНиП II-56-77

Бетонные и железобетонные конструкции гидротехнических сооружений

11

СНиП 2.03.01-84

Бетонные и железобетонные конструкции

12

СНиП II-23-81

Стальные конструкции

13

СНиП II-25-81

Деревянные конструкции

14

СНиП II-50-74

Гидротехнические сооружения речные. Основные положения проектирования

15

СНиП II-7-81

Строительство в сейсмических районах

16

СНиП III-45-76

Сооружения гидротехнические транспортные, энергетические и мелиоративных систем. Правила производства и приемки работ

17

СНиП 3.02.01-83

Основания и фундаменты. Правила производства и приемки работ

18

К разд. 5 главы СНиП II-7-81

Руководство по учету сейсмических воздействий при проектировании гидротехнических сооружений

19

К главе СНиП II-6-74

Руководство по расчету зданий и сооружений на действие ветра (ЦНИИСК им. В. А. Кучеренко)

20

Руководство по определению нагрузок и воздействий на гидротехнические сооружения (волновых, ледовых и от судов)

21

К главе СНиП 2.03.01-84

Руководство по проектированию бетонных и железобетонных конструкций из тяжелого бетона (без предварительного напряжения) (ЦНИИпромзданий, НИИЖБ)

22

К главе СНиП 2.03.01-84

Руководство по проектированию предварительно напряженных железобетонных конструкций из тяжелого бетона (ЦНИИпромзданий, НИИЖБ)

23

То же

Руководство по проектированию железобетонных сборно-монолитных конструкций (НИИЖБ)

24

- » -

Руководство по проектированию, изготовлению и применению железобетонных центрифугированных конструкций кольцевого сечения (НИИЖБ)

25

- » -

Руководство по конструированию бетонных и железобетонных конструкций из тяжелого бетона (без предварительного напряжения) (Ленинградский промстройпроект, ЦНИИпромзданий, НИИЖБ)

26

К главе СНиП 2.02.01-83

Руководство по проектированию оснований зданий и сооружений (НИИОСП им. Н. М. Герсеванова)

27

К главе СНиП II-17-77

Руководство по проектированию свайных фундаментов (НИИОСП им. Н. М. Герсеванова)

28

К главе СНиП II-56-77

Руководство по проектированию бетонных и железобетонных конструкций гидротехнических сооружений (Гидропроект им. С. Я. Жука, ВНИИГ им. Б, Е. Веденеева, Гипроречтранс)

29

Инструкция по проектированию морских причальных сооружений (Союзморниипроект)

30

Нормы технологического проектирования морских портов (Союзморниипроект совместно с Ленморниипроектом и Черноморниипроектом)

31

Указания по обеспечению долговечности бетонных и железобетонных конструкций морских гидротехнических сооружений (Ленморниипроект совместно с НИИЖБ Госстроя СССР и Минтрансстроем)

32

Отменено

 

33

РД 31.31.34-85

Инструкция по проектированию причальных сооружений распорного типа на слабых грунтах (Ленморниипроект)

34

РД 31.31.10-74 (бывший )

Указания по применению керамзитобетона для морских гидротехнических сооружений (Ленморниипроект, НИИЖБ)

35

РТМ 31.3016-78

Указания по проектированию больверков с учетом перемещений и деформаций элементов (Ленморниипроект)

36

РД 31.31.11-74 (бывший )

Временное техническое руководство по проектированию больверков с передней грунтовой пригрузкой (Ленморниипроект)

37

РТМ 31.3003-75

Руководство по проектированию глубоководных шпунтовых стенок с анкеровкой на разных уровнях (Союзморниипроект)

38, 39

РД 31.31.38-86

Инструкция по усилению и реконструкции причальных сооружений (Черноморниипроект, ОИИМФ, Ленморниипроект)

40

РД 31.31.04-79

Руководство по проектированию глубоководных причальных сооружений уголкового типа (Черноморниипроект)

41

РТМ 31.3013-77

Руководство по расчету морских гидротехнических сооружений из оболочек большого диаметра (Черноморниипроект, ОИИМФ, ЦНИИС)

42

РД 31.31.28-81

Руководство по проектированию причальных сооружений из пустотелых бетонных массивов (Черноморниипроект)

43

РД 31.31.20-81

Указания по конструированию гидротехнических сооружений из кладки массивов равной массы (Союзморниипроект)

44

РД 31.31.05-79

Руководство по проектированию глубоководных причальных сооружений из заанкерованных массивов-гигантов (Черноморниипроект)

45

РД 31.31.08-72 (бывший )

Временные технические указания по расчету эстакадных набережных и пирсов (Союзморниипроект)

46

РТМ 31.3017-78

Методика расчета предварительно напряженных сваи и свай-оболочек на динамические усилия при их погружении (Ленморниипроект, ОИИМФ)

47

РТМ 31.3011-77

Руководство по определению горизонтальных нагрузок на причальные сооружения при швартовке к ним паромов (Каспморниипроект)

48

РТМ 31.3009-76

Правила технической эксплуатации портовых сооружений и акваторий (Ленморниипроект)

49

 

Временные указания по наблюдениям за смещениями портовых гидротехнических сооружений геодезическими методами (Ленморниипроект)

50

РД 31.31.22-81

Руководство по расчету стержневых палов (Ленморниипроект)

51

РД 31.31.23-81

Руководство по проектированию узких засыпных пирсов и палов с учетом арктических условий (Ленморниипроект)

52

РД 31.31.24-81

Рекомендации по проектированию причальных сооружений, возводимых способом «стена в грунте» (Ленморниипроект)

53

РД 31.31.25-85

Инструкция по проектированию причальных сооружений для условий Арктики (Ленморниипроект)

54

РД 31.31.26-в 1

Руководство по учету сейсмических воздействий при проектировании морских гидротехнических сооружений типа «больверк» (Дальморниипроект)

55

РД 31.31.19-74

Руководство по определению горизонтальной сейсмической нагрузки, действующей на свайные пирсы и набережные (для опытного использования) (Дальморниипроект)

56

СН 288-64

Указания по проектированию гидротехнических сооружений, подверженных волновым воздействиям

57

РД 31.35.01-80

Рекомендации по антикоррозионной защите морских портовых сооружений, предназначенных для перегрузки химических грузов (Ленморниипроект)

58

РД 31.31.XX-XX

Рекомендации по проектированию конструкций портовых сооружений из кремнебетона (ОИИМФ, Черноморниипроект)

59

РД 31.31.06-79

Руководство по расчету предпостроечного уплотнения слабых грунтов для портового гидротехнического строительства (Черноморниипроект)

60

РД 31.31.09-73

Временные указания по определению допускаемых нагрузок на существующие гравитационные причальные сооружения путем их опытной огрузки (Ленморниипроект)

61

РД 31 31.17-74 (бывший )

Руководство по обеспечению сохранности свай-оболочек при вибропогружении (Ленморниипроект)

62

РТМ 31.3015-78

Руководство по испытаниям свай-оболочек осевыми вдавливающими нагрузками и оценке их несущей способности (Ленморниипроект)

63

РД 31.35.07-83

Руководство по электрохимической защите от коррозии металлоконструкций морских гидротехнических сооружений в подводной зоне (Ленморниипроект, ВНИИГ, им. Б. Е. Веденеева, Гипроморнефтегаз)

64

РД 31.31.31-83

Руководство по проектированию причальных сооружений для перегрузки крупногабаритных и тяжеловесных грузов (Черноморниипроект)

65

ВСН 5-84/Минморфлот

Применение природного камня в морском гидротехническом строительстве (Черноморниипроект)

66

РД 31.31. -86

Указания по проектированию подпричального откоса и тылового сопряжения набережных-эстакад, подверженных интенсивному волнению (Черноморпроект)

(Измененная редакция).

ПРИЛОЖЕНИЕ 2

(рекомендуемое)

ДРЕНАЖНЫЕ УСТРОЙСТВА

Эффективным устройством для снятия подпора грунтовых вод с конструкции сооружения при засыпке пазух несвязным грунтом является щебеночный (гравийный) дренаж с водоотводами в сторону акватории. Назначение дренажа - хорошо пропускать воду и предотвращать вымывание грунта засыпки. Для этого необходимо так подобрать гранулометрический состав материала дренажа, чтобы размеры частиц самой мелкой его фракции в 3 - 4 раза превышали размеры удерживаемых частиц грунта.

Конструкция дренажной призмы выбирается в зависимости от грунта обратной засыпки. Конструкция, представленная на рисунке, а, рекомендуется при обратной засыпке мелким песком. Та же конструкция с исключением верхнего слоя применима при засыпке среднезернистым песком. При обратной засыпке крупнозернистым песком рекомендуется исключить еще слой гравелистого песка.

При засыпке скальным грунтом гранулометрический состав дренажного фильтра следует подбирать таким образом, чтобы он удерживал самую мелкую фракцию скального грунта.

Боковые и верхние фильтрующие слои дренажной призмы, отсыпаемые из одной фракции, должны иметь толщину не менее 25 см, а слои из смешанного щебня - не менее 50 см.

Дренажная призма устраивается непрерывной вдоль линии кордона, непосредственно за лицевой стенкой. Водоотводные отверстия в лицевой стенке (см рисунок, б) располагаются со следующим шагом:

в безливных морях при ожидаемом подпоре грунтовых вод до 1 м относительно расчетного уровня воды - приблизительно через 10 м, при подпоре более 1 м - приблизительно через 5 м;

в ливных морях с амплитудой колебаний уровня более 2 м - приблизительно через 3 м.

Водоотводные отверстия рекомендуется располагать ниже среднего уровня воды в безливных морях или среднего уровня воды при отливе в ливных морях, но не выше 0,5 м над расчетным уровнем.

К прил. 2. Требования по дренажу приняты на основе исследований Ленморниипроекта и по зарубежным данным (Германские нормы проектирования. Комиссия по береговым укреплениям. Эрих Лакнер и др.).

Схемы дренажных устройств:

1 - мелкозернистый песок; 2 - среднезернистый песок; 3 - гравелистый песок; 4 - щебень из смеси фракций (40 ÷ 70) мм - 30 %, (20 ÷ 10) мм - 30 % (3 ÷ 10) мм - 40 %; 5 - камень 15 - 20 см; 6 - дренажная призма; 7 - стальной шпунт; 8 - железобетонный оголовок; 9 - водовыпуск; 10 - средний уровень воды; 11 - железобетонная свая-оболочка; 12 - уплотнение шва из досок с заполнением бетоном.

ПРИЛОЖЕНИЕ 3

(обязательное)

ОГРУЗКА ПОСТЕЛИ ПРИЧАЛЬНОЙ НАБЕРЕЖНОЙ ИЗ МАССИВОВОЙ КЛАДКИ

Для стенки из массивовой кладки, представленной на рис 1 и 2, при отсыпке и равнении постели следует обеспечивать строительный подъем в размере 5 % от проектной высоты постели.

Поверхность постели следует выравнивать под горизонтальную плоскость, а строительный уклон образовывать в процессе осадки стенки до отсыпки за ней разгрузочной призмы.

Обжатие каменной постели и образование строительного уклона надлежит выполнять, руководствуясь следующими указаниями.

1. Стенка должна выкладываться по проектному профилю и выдерживаться без засыпки до того, как ее уклон в сторону берега будет доведен до 2 %.

2. Если огрузка по п. 1 не доведет уклон стенки до заданных величин, надлежит применить усиленную огрузку (см. рис. 1 и 2).

После доведения строительного уклона до заданной величины (см. п. 1) незамедлительно должна отсыпаться разгрузочная призма.

В тех случаях, когда огрузка, выполненная согласно п. 2, не обеспечит возможности достижения строительного уклона в величине, указанной в п. 1, огрузка по согласованию с проектной организацией может быть прекращена.

Указания по строительным подъемам и уклонам постели даны из условия обжатия каменной постели высотой от 1 до 4 м, имеющей в основании грунты, сжимаемость которых не влияет существенно на деформации сооружения.

По ходу выполнения работ, особенно при выкладке первых секций стенки, необходимо вести тщательные наблюдения за деформациями сооружения и его элементов и в случае необходимости вносить уточнения в указания, изложенные выше.

Приведенные указания распространяются на отсыпку постели без виброуплотнения. В случае применения виброуплотнения постели указания следует устанавливать на основе экспериментов.

При скальном основании с выравнивающим слоем в основании стенки огрузка не производится, а поверхность постели выравнивается с уклоном 1 % в сторону берега.

К прил. 3. Требования по огрузке установлены на основе многолетней практики строительства, проектирования и эксплуатации причальных набережных из массивовой кладки в порту Находка.


Рис. 1. Схема огрузки постели стенки из кладки обыкновенных массивов с отметкой кордона + 2,80 м.

Таблица напряжений на постель, кгс/см2

Расчетная схема

Уклон постели i, %

11,50 - 2,80 - 100

9,75 - 2,80 - 100

8,25 - 2,80 - 100

6,50 - 2,80 - 100

s1

s2

s1

s2

s1

s2

s1

s2

С огрузочным массивом

0

0,50

4,06

0,41

3,70

0,29

3,10

0,58

2,72

2

-0,14

5,06

0,02

4,12

-0,25

3,62

0,22

3,10

Без огрузочного массива

0

0,33

3.08

0,29

2,64

0,22

2,14

0,28

1,95

2

-0,19

3,26

0,10

2,86

0,06

2,52

0,07

2,17

Отрицательные напряжения показаны условно; размеры и отметки указаны в метрах.

Рис. 2. Схема огрузки постели стенки из кладки обыкновенных массивов с отметкой кордона + 2,50 м.

Таблица напряжений на постель, кгс/см2

Расчетная схема

Уклон постели i, %

11,50 - 2,50 - 100

9,75 - 2,50 - 100

8,25 - 2,50 - 100

6,50 - 2,50 - 100

s1

s2

s1

s2

s1

s2

s1

s2

С огрузочным массивом

0

0,51

3,86

0,50

3,50

0,32

2,89

0,62

2,50

2

0,24

4,18

- 0,06

4,12

0,05

3,16

0,33

2,82

Без огрузочного массива

0

0,36

2,88

0,35

2,44

0,24

2,00

0,30

1,74

2

0,44

2,85

0,13

2,69

0,13

2,12

0,18

1,89

Отрицательные напряжения показаны условно; размеры и отметки указаны в метрах.

(Измененная редакция).


ПРИЛОЖЕНИЕ 4

(обязательное)

РАСЧЕТ ОСНОВНЫХ ДЕТАЛЕЙ СОЕДИНЕНИЯ СТАЛЬНЫХ ЭЛЕМЕНТОВ КОНСТРУКЦИИ БОЛЬВЕРКОВ

1. Анкерная тяга

Расчетный диаметр анкерной тяги круглого сечения следует определять по формуле

где  - усилие в анкере, определяемое по формуле [140 (79)] настоящего Руководства;

mд - коэффициент, определяемый по табл. 13 (3) настоящего Руководства;

kн, пс, n - то же, что в п. 13.16 (8.8) настоящего Руководства;

a - угол наклона анкерной тяги к горизонту;

Ry - расчетное сопротивление растяжению материала стали анкерной тяги, принимаемое по главе СНиП II-23-81;

gс - коэффициент условий работы, принимаемый по табл. 6 СНиП II-23-81.

В местах резьбовых соединений расчетное поперечное сечение тяги принимается по внутреннему диаметру резьбы.

2. Распределительный пояс

Балки распределительного пояса рассчитываются по схемам многопролетных балок (см. рисунок). Число пролетов принимается в зависимости от разрезки распределительного пояса. Рекомендуется балки распределительного пояса в пределах секции устраивать непрерывными и составлять их путем соединения сварными равнопрочными швами. В этом случае расчет рекомендуется выполнять по схеме пятипролетной балки.

Нагрузки на балки распределительного пояса допускается определять из условия равномерного распределения усилий между шпунтинами.

Нагрузки на балку могут передаваться болтами крепления в виде равных сосредоточенных сил (см. рисунок, а и б) или всей плоскостью шпунта в виде равномерно распределенной нагрузки (см рисунок, в).

Схемы крепления балок распределительного пояса

Изгибающий момент и поперечную силу для подбора сечения балок распределительного пояса рекомендуется определять по формулам:

для схемы на рисунке, а:

для схемы на рисунке, б:

для схемы на рисунке, в:

где тa - коэффициент условий работы, учитывающий перераспределение давления на стенку и неравномерность натяжения анкерных тяг, принимаемый по п. 20.18 (16.18) настоящего Руководства;

Ra - то же, что в п. 20.7 (16.7) настоящего Руководства;

la - расчетный пролет многопролетной балки, равный шагу анкерных тяг.

Сечение балок распределительного пояса определяется расчетом на прочность при изгибе по указаниям СНиП II-23-81 на воздействие изгибающего момента M1 и поперечной силы Q1.

Примечание. Сечения балок распределительного пояса, рассчитываемого по схеме, на рисунке, а, на крайних опорах следует усиливать приваркой стальных накладок к внешним полкам швеллеров. Сечение накладок подбирается из расчета восприятия консольного момента, величина которого на 25 % больше определенного по формуле для схемы балки на рисунке, а.

3. Болты крепления балок распределительного пояса

Болты крепления балок распределительного пояса к шпунту (см. рисунок, а, б) рассчитываются на растяжение по указаниям главы СНиП II-23-81.

Усилие в болте определяется в предположении равномерного распределения нагрузки между болтами крепления по формуле:

для схемы на рисунке, а:

для схемы на рисунке, б:

где все обозначения принимаются из п. 2.

ПРИЛОЖЕНИЕ 5*

(рекомендуемое)

КОНСТРУКЦИЯ ПОРИСТОГО ТЫЛОВОГО СОПРЯЖЕНИЯ И КРЕПЛЕНИЯ ПОДПРИЧАЛЬНОГО ОТКОСА НАБЕРЕЖНЫХ-ЭСТАКАД

* Взамен настоящего приложения следует пользоваться РД 31.31. -86 «Указания по проектированию подпричального откоса и тылового сопряжения набережных-эстакад, подверженных интенсивному волнению» (Черноморниипроект)», позволяющего осуществлять проектирование указанных конструкций при наличии у причала волн высотой h1% = (1 - 3) м и длиной l = (30 - 100) м.

(Измененная редакция).

1. Схема набережной-эстакады (см. рисунок) включает: тыловое сопряжение с берегом, состоящее из решетчатой стенки с развитой призмой из каменной наброски, покрытие территории специальными плитами и откос под ростверком, укрепленный каменной наброской. Наброска защищена от размыва в зоне интенсивного волнового воздействия плитами, предпочтительно щелевыми.

Грунтовой откос под ростверком укрепляется наброской из камня массой 15 - 100 кг. В нижней части откос каменной наброски выполняется с уклоном 1 : 1,5, в верхней части (зона наибольшего волнового воздействия) от глубины крепления плит Нк до подошвы фундаментной плиты уголковой стенки - с уклоном приблизительно 1 : 2.

У основания откоса каменной наброски устраивается упорная призма из рядового камня. Наименьшие размеры призмы (ширина 3 м, толщина 1,5 м) уточняются при расчете устойчивости откоса под ростверком.

Верхняя часть каменной наброски по откосу (зона наибольшего волнового воздействия) укрепляется щелевыми плитами. Площадь щелей - не менее 10 % поверхности плиты. Ширина щелей должна быть не больше наименьшего размера камней под ней. Под плитами предусматривается тщательное равнение камня.

У подошвы щелевых плит устанавливается фигурный массив (упор) шириной 1,5 - 2 м и высотой 1 - 1,5 м. Поверхность откоса каменной наброски на ширине 2 - 3 м ниже упора должна быть тщательно выровнена.

Глубина заложения подошвы решетчатой железобетонной уголковой стенки (контрфорсного блока) от расчетного горизонта Нст = (1 ÷ 1,5) h1% (h1% - высота расчетной волны). Степень перфорации стенки 25 - 40 %. Под фундаментной плитой блока производится весьма тщательное равнение.

За решетчатой стенкой отсыпается призма из сортированного камня массой 100 - 300 кг. При этом наименьший размер камня должен быть больше ширины щели в стенке. За призмой отсыпается камень массой 15 - 100 кг, а за ним двухслойный щебеночный контрфильтр с толщиной каждого слоя по 0,5 м.

Примечания: 1. Уголковую стенку можно заменить стенкой в виде сплошного свайного ряда, сохранив ту же степень перфорации (не менее 10 %).

2. Двухслойный контрфильтр может быть заменен однослойным при надлежащем обосновании.

Покрытие территории в пределах каменно-щебеночной призмы выполняется из сборных железобетонных плит (см. рисунок). В плите, примыкающей к ростверку (плита 1), необходимо предусматривать сквозные отверстия, площадь которых должна составлять 1 % площади плиты. Отверстия следует располагать не ближе 2 - 3 м от ростверка. Размеры отверстий принимаются по эксплуатационным соображениям.

Коэффициент интерференции волн (kинт = hинт/hисх) перед набережной-эстакадой с пористым тыловым сопряжением может быть принят равным l,20 - 1,35 (hинт и hисх - высоты соответственно интерферированной и исходной волн).

Донные скорости перед сооружением (от действия волн) допускается определять по формуле (12) СНиП II-57-85, заменив в числителе цифру «2» значением коэффициента интерференции kинт.

2. Для частных условий проектирования (см. рисунок) при ширине ростверка эстакады 15 - 17 м и возвышении низа плиты ростверка над расчетным уровнем на 1 - 1,2 м при параметрах расчетных волн h1% = (0,8 ÷ 2,5) м и  = (40 ÷ 105) м (h1% - высота волны 1 %-ной обеспеченности в системе;  - средняя длина волны) могут быть рекомендованы следующие конструктивные решения и эмпирические расчетные формулы: для определения нижней границы плитного крепления, выполненного на откосе из камня массой 15 - 100 кг,

                                                (1)

для определения толщины щелевых плит крепления откоса с учетом коэффициента условий работы mд = 1,2

                                                    (2)

где В - размер плиты в направлении, перпендикулярном урезу воды.

Примечания: 1. Формулы (1) и (2) справедливы при заложении откоса плит mо = (1,8 ÷ 2,0) и B = (2,0 ÷ 3,4) м.

2. Толщина глухих (не щелевых) плит принимается вдвое большей по сравнению с толщиной tщ, определенной по формуле (2).

Общая ширина каменной призмы, отсыпаемой за решетчатой стенкой, включая контрфильтр, на отметке расчетного уровня воды должна быть принята равной 6 - 8 м; ширина призмы из сортированного камня массой 100 - 300 кг на этом же уровне - 3 - 4,5 м.

Степень перфорации решетчатой стенки - 25 %.

При разработке конструкции стыка ростверка и тылового сопряжения необходимо учитывать возникающее в этом месте волновое давление, определяемое по формуле

                                                    (3)

где gн - удельная масса воды, т/м3.

Толщина плит покрытия тылового сопряжения из условия их устойчивости определяется по формулам:

                                               (4)

                                           (5)

где tn-1 и tn-2 - соответственно толщина плит 1 и 2;

mд - коэффициент условий работы, равный 1, 2;

 - объемная масса материала плиты, т/м3;

k - коэффициент, принимаемый в зависимости от размера плиты В:

при значении В, м

1,0

1,5

2,0

2,5

3,0

3,5

коэффициент k

0,92

0,88

0,84

080

0,76

0,73

Схема поперечного разреза набережной-эстакады:

1 - упорная призма; 2 - отметка минимального уровня воды; 3 - отметка расчетного уровня воды; 4 - покрытие территории; 5 - плита 1 (П-1); 6 - плита 2 (П-2); 7 - призма из сортированного камня; 8 - контрфорсный блок (решетчатая стенка); 9 - наброска камня массой 15 - 100 кг; 10 - щебеночный контрфильтр; 11 - щелевые плиты; 12 - фигурный массив (упор).

При размерах ростверка и возвышении низа его над расчетным уровнем, отличных от указанных вше, конструктивные решения волногасительной стенки и крепления откоса следует определять по результатам модельных исследований.

3. Меньшие значения в настоящем приложении рекомендуется принимать при крутых волнах , большие - при пологих волнах .

Рекомендации, изложенные в настоящем приложении, подлежат применению при сопоставительном проектировании, выборе варианта конструкции причала. При наличии надежных аналогов волногасительная система для нового объекта может выполняться на основе этих аналогов на всех стадиях проектирования. При отсутствии надежных аналогов, за пределами начальной стадии проектирования следует волногасительную систему уточнять на основе модельных исследований.

ПРИЛОЖЕНИЕ 6

(обязательное)

ОПРЕДЕЛЕНИЕ АКТИВНОГО И ПАССИВНОГО ДАВЛЕНИЙ НА НАКЛОННУЮ ШЕРОХОВАТУЮ СТЕНКУ С НАКЛОННОЙ ПОВЕРХНОСТЬЮ ГРУНТА ПЕРЕД СТЕНКОЙ

Интенсивность треугольной эпюры sxg горизонтальной составляющей давления от собственного веса грунта на уровне низа стенки (см. рисунок) и интенсивность прямоугольной эпюры sxq от равномерной нагрузки на засыпке (gн - объемная масса грунта; qн - интенсивность нагрузки на засыпке, тс/м2) определяются по формулам:

Коэффициенты горизонтальной составляющей бокового давления lxg и lxq, зависящие от углов j, d, a, r, рассчитывают по формулам:

где

a - угол наклона задней грани стенки к вертикали (при наклоне от грунта он положителен, при наклоне на грунт - отрицателен);

d - угол трения грунта о наклонную грань стенки;

r - угол наклона поверхности засыпки к горизонтали, принимаемый для поднимающихся откосов положительным и для падающих - отрицательным;

Схема к определению горизонтальной составляющей интенсивности давлений на стенку.

В приведенных выражениях верхние знаки соответствуют активному давлению, а нижние - пассивному.

ПРИЛОЖЕНИЕ 7

(рекомендуемое)

ОПРЕДЕЛЕНИЕ РАЗГРУЖАЮЩЕГО ДЕЙСТВИЯ КОНТРФОРСОВ НА АКТИВНОЕ ДАВЛЕНИЕ ЛИЦЕВОЙ ПЛИТЫ

Учет разгружающего влияния контрфорсов за счет трения грунта по их боковым граням на лицевую плиту разработан в Союзморниипроекте с учетом выполненных исследований Черноморниипроекта.

Сопоставительные расчеты, произведенные в Союзморниипроекте, показали, что для наиболее характерных углов внутреннего трения засыпки [jз = (30 ÷ 40)°] величина разгружающего влияния составляет для принятых конструктивных решении стенок порядка 20 - 30 %.

Ниже приводится расчет, выполненный Союзморниипроектом.

Схема расчета

Рассчитывается конструкция, приведенная в типовом проекте «Сборные железобетонные набережные уголкового типа с контрфорсами для глубин 11,5 м и 8,25 м» (Черноморниипроект, 1963).

В проекте приняты: шаг контрфорсов S = 4,0 м, толщина d = 0,2 м. Толщина контрфорсов составляет двадцатую часть шага . При таком соотношении невозможно экранирование давления на лицевую плиту контрфорсами. Поэтому давление на лицевую плиту определялось без учета экранирования контрфорсами, но с учетом потерь от сил трения сползающего клина обрушения по боковым граням контрфорсов.

На лицевую плиту передается давление призмы обрушения АВС (см. рис. 6, а). Сползая под углом обрушения b = 45° - 0,5j, призма часть силы теряет на трение по боковой поверхности контрфорса (в треугольнике ABD, рис, 6, а).

Для определения силы трения принята следующая схема расчета. Проводятся вертикальные сечения, по которым строятся нормальные эпюры распора на боковую грань контрфорса. Затем из точек пересечения вертикальных сечений с верхней линией контрфорса проводят сечения под углом обрушения. По этим сечениям происходит сползание грунта и по ним направлены силы трения. В точках пересечения вертикальных и наклонных сечений определяем ординаты нормальных давлений на контрфорс. По этим ординатам вдоль наклонных линий подсчитаем силы нормальных давлений. Умножая последние на коэффициент трения f = tg 0,5j, получаем силы трения по соответствующим наклонным сечениям. Умножив эти силы на sin b, получим горизонтальные составляющие этих сил, приложенные к лицевой плите.

Разделив горизонтальные составляющие на половину расстояний между контрфорсами в свету, получим интенсивность сил трения на лицевую плиту.

Давление на контрфорс по вертикальным сечениям

Давление от временной нагрузки передается на нижележащие слои под углом внутреннего трения грунта к вертикали.

Давление грунта с учетом временной нагрузки передается на стенку по плоскости, наклоненной к вертикали под углом обрушения b.

Высота выклинивания временной нагрузки на вертикальной плоскости, воспринимающей активное давление, определяется по формуле hi = ai/tg j, где аi - расстояние от вертикальной плоскости до нагрузки.

Сечение 1 - 1 (рис. 1 и 6)

Определяем выклинивание крановой нагрузки на вертикаль 1 - 1:

Активное давление между контрфорсами возрастает до глубины

где b - угол обрушения, равный 45° - 0,5j;

Ниже Ñ - 0,79 м активное давление имеет постоянную величину.

На глубине h1 (Ñ + 0,98 м) давление от крановой нагрузки передается на ширину

Давление от крановой нагрузки на отметке + 0,98 м имеет величину

Рис. 1. Сечение 1 - 1.

Ординаты эпюры распора на контрфорс в сечении 1 - 1 определяются по формуле

Сечение 2 - 2 (рис. 2 и 6)

Наклон грани контрфорса tg a = 1,2/1,7 = 0,706.

Пересечение сечения 2 - 2 с гранью контрфорса на глубине

Выклинивание крановой нагрузки на вертикаль 2 - 2

Выклинивание на вертикаль 2 - 2 равномерно распределенной нагрузки

Ширина распределения давления от крана на отметке + 1,69 м

Рис. 2. Сечение 2 - 2

Давление от крана на отметке + 1,69 м

Ординаты эпюры распора на контрфорс в сечении 2 - 2 определяются по формуле

Сечение 3 - 3, слева (рис. 3 и 6)

Выклинивание на вертикаль 3 - 3 крановой нагрузки определяется по формуле

Выклинивание на вертикаль 3 - 3 равномерно распределенной нагрузки определяется по формуле

Ширина распределения давления от крана на отметке + 0,8 м

Давление от крана на отметке + 0,8 м

Рис. 3. Сечение 3 - 3.

Ординаты эпюры распора на контрфорс в сечении 3 - 3, слева, определяются по формуле

Сечение 3 - 3, справа (рис. 3 и 6)

Выклинивание нагрузок от крана и складирования грузов определено в расчете сечения 3 - 3, слева.

Ширина распределения давления от крана на отметке - 1,5 м

Давление от крана на отметке - 1,5 м

Ординаты эпюры распора на контрфорс в сечение 3 - 3, справа, определяются по формуле

Сечение 4 - 4 (рис. 4 и 6)

Наклон грани контрфорса в сечении 4 - 4 tg a = 6,8/8,6 = 0,7906.

Рис. 4. Сечение 4 - 4.

Отметка пересечения сечения 4 - 4 с гранью контрфорса

Ширина распределения давления от крана на отметке - 2,42 м

Давление от крана на отметке - 2,42 м

Ординаты эпюры распора на контрфорс в сечении 4 - 4 определяются по формуле

Сечение 5 - 5 (рис. 5 и 6)

Сечение 5 - 5 проведено через точку пересечения грани контрфорса с плоскостью обрушения призмы распора лицевой стенки. Наклон грани контрфорса tg a = 6,8/8,6 = 0,7907.

Рис. 5. Сечение 5 - 5.

Продолжение линии наклона грани контрфорса пересекает лицевую стенку на высоте h1 = 1,5/0,7907 = 1,9 м.

Расстояние от дна до точки пересечения контрфорса с сечением 5 - 5 определяется из равенства

h2 = 6,68 м, отметка пересечения - 4,47 м.

Ширина распределения давления от крана на отметке - 4,47 м

Давление от крана на отметке - 4,47 м

Ординаты эпюры распора на контрфорс в сечении 5 - 5:

Эпюры распорного давления на контрфорс по вертикальным сечениям представлены на рис. 6, б.

Соответственно этим эпюрам нанесены ординаты давления на наклонные сечения а - а, б - б, в - в, г - г, д - д, представленные на рис. 6, а.

По эпюрам давления на наклонные сечения определяются силы Р нормального давления на контрфорс.

Силы трения Т, возникающие от сползания грунта по наклонным сечениям, определяются по формуле T = Pf, где коэффициент трения f = tg 0,5j. Для j = 30° f = 0,268.

Горизонтальные составляющие сил трения Тx = Т sin b, где b = 45° - 0,5j. Для j = 30° sin b = 0,5.

Интенсивность сил трения на 1 пог. м лицевой плиты

Определение сил Р и tx дано в таблице.

Эпюра трения по ординатам tx представлена на рис. 6, в.

Ординаты эпюры распора на лицевую плиту без учета разгружающего влияния контрфорсов определяются по формуле

Наклонная плоскость

Силы Р нормального давления на контрфорс, тс/м (см. рис. 6, а)

Ординаты эпюры сил трения tx = 0,0705P, тс/м2

Отметка расположения ординаты эпюры сил трения

a - a

0,5 (2,25 + 2,56) 1,75 = 4,21

0,30

+ 0,17

б - б

0,5 (3,22 + 2,88) 1,75 + 0,5 (2,19 + 3,22) 1,25 = 8,72

0,61

- 1,30

в - в

0,5 (3,60 + 2,88) 1,75 + 0,5 (3,82 + 3,60) 1,25 = 10,31

0,73

- 4,10

г - г

0,5 (3,60 + 2,88) 1,75 + 0,5 (4,49 + 3,60) 1,25 + 0,5 (3,99 + 4,49) 1,45 = 16,87

1,19

- 6,28

д - д

0,5 (3,60 + 2,88) 1,75 + 0,5 (4,77 + 3,60) 1,25 + 0,5 (4,94 + 4,77) 1,45 + 0,5 (4,43 + 4,94) 3,25 = 33,17

2,34

- 11,15


Рис. 6. Определение активного давления на лицевую плиту с учетом трения призмы обрушения о боковые поверхности контрфорсов (размеры и отметка даны в метрах, ординаты эпюр давлении - в тс/м2).


Эпюра распора представлена на рис. 6, в.

По рис. 6, а площадь эпюры трения, равной 13,48 тс, составляет 27 % от площади эпюры распора, равной 50,13 тс. Нижняя ордината эпюры трения (2,34 тс/м2) составляет 41 % от нижней ординаты эпюры распора (5,70 тс/м2).

В Руководстве даны рекомендации по снижению давления грунта на лицевую стенку за счет сопротивления сил трения сползающего клина грунта по боковым поверхностям контрфорсов с некоторой осторожностью в связи с тем, что неизвестна конфигурация контрфорсов, сечение которых может быть уменьшено по сравнению с представленным в примере расчета.

(Измененная редакция).

ПРИЛОЖЕНИЕ 8

(рекомендуемое)

ОПРЕДЕЛЕНИЕ ПРОГИБОВ КОНСТРУКЦИИ ТИПА «БОЛЬВЕРК»

Определение прогибов забивных стенок производится в следующей последовательности (см. рисунок).

1. Строится суммарная эпюра активного и пассивного давлений грунта с учетом временных нагрузок по указаниям пп. 13.30 (8.20), 13.34 (8.24), 13.35 (8.25) и 13.37 (8.27).

2. Распределенная нагрузка суммарной эпюры активного и пассивного давлений заменяется сосредоточенными силами Рi.

3. Строятся силовой и веревочный многоугольники от сил Рi.

4. Эпюра веревочного многоугольника изгибающих моментов заменяется сосредоточенными силами Рфi.

5. Строятся силовой и веревочный многоугольники от сил Рфi. При этом построение веревочного многоугольника рекомендуется производить снизу вверх с проведением первого луча (к нижней силе) вертикально.

Для гибкой стенки больверка веревочная кривая вверху должна пересекать первый луч на уровне крепления анкера. В противном случае необходимо произвести расчет во втором приближении, начиная с изменения положения замыкающей в первом веревочном многоугольнике. (Например, веревочная кривая в эпюре Мф проходит через первый луч выше линии крепления анкера, следовательно, стенка перезаглублена и необходимо в эпюре изгибающих моментов провести замыкающую, увеличив пролетный момент и уменьшив момент защемления в основании, далее вновь определить сосредоточенные силы Рф и построить эпюру Мф).

Для стенки больверка из элементов повышенной жесткости относительный прогиб определяется расстоянием (по горизонтали) между веревочной кривой и прямой, проведенной параллельно первому лучу (луч к нижней силе) через точку пересечения веревочной кривой с линией анкера.

6. Прогиб стенки в i-м сечении определяется по формуле

где  - см. рисунок;

Вк - жесткость элементов; для железобетонных элементов определяется в зависимости от трещиностойкости по указаниям пп. 4.6 и 4.7 главы СНиП II-56-77, для металлических элементов - по формуле Вк = ЕI (Е - модуль упругости стали, I - момент инерции элемента).

ПРИЛОЖЕНИЕ 9

(обязательное)

ОПРЕДЕЛЕНИЕ СОПРОТИВЛЕНИЯ ГРУНТА ПРИ РАСЧЕТЕ УСТОЙЧИВОСТИ НА СДВИГ ПРИЗМЫ ЗАМЕНЕННОГО ГРУНТА ПЕРЕД БОЛЬВЕРКОМ

Отпор от призмы замененного грунта в основании лицевых стенок больверков определяется в соответствии с указаниями п. 20.6 (16.6) настоящего Руководства.

Схемы к определению величины прогиба конструкции типа «больверк»:

а - гибкая стенка больверка; б - стенка из элементов повышенной жесткости; в - гибкая анкерная стенка

Полное сопротивление сдвигу призмы замененного грунта (см. рисунок, а) определяется по формуле

где  и  - силы сопротивления сдвигу соответственно прямоугольного и треугольного элементов призмы замененного грунта, определяемые по формулам:  и

d - то же, что в п. 20.6 (16.6) настоящего Руководства;

joI - угол внутреннего трения грунта основания;

G1 и G2 - веса соответственно прямоугольного и треугольного элементов призмы замененного грунта, определяемые по формулам:  и ;

mo и q - заложение и угол наклона откоса котлована;

 - объемная масса грунта засыпки;

hn и b - высота и ширима прямоугольного элемента призмы замененного грунта;

coI - сцепление грунта основания.

Схема расчета на сдвиг призмы замененного грунта:

а - схема работы призмы; б - эпюра пассивного давления, в - отметка дна; 2 - шпунт

Допускается сцепление грунта учитывать также по наклонной поверхности, начиная с глубины 1 м от поверхности дна.

В качестве пассивного давления для расчета лицевой стенки больверка принимается меньшее из двух значений: значение полного сопротивления сдвигу призмы замененного грунта или значение отпора по формуле , определенное в предположении бесконечной длины слоя отсыпаемого грунта.

Эпюра пассивного давления, равная полному сопротивлению сдвигу призмы замененного грунта, представлена на рисунке, б.

ПРИЛОЖЕНИЕ 10

(обязательное)

ПРОВЕРКА УСТОЙЧИВОСТИ МАССИВА ГРУНТА, ОБЕСПЕЧИВАЮЩЕГО АНКЕРНОЕ КРЕПЛЕНИЕ КОНСТРУКЦИИ ТИПА «БОЛЬВЕРК»

1. Анкерующая способность грунта, расположенного перед анкерными опорами, проверяется в соответствии с указаниями п. 20.28 (16.27) настоящего Руководства.

2. Расчет выполняется из условия устойчивости массива грунта ABCD (см. рисунок), расположенного между лицевой стенкой больверка и анкерной опорой, на плоскости скольжения АВ.

3. Плоскость АВ проводится через нижний конец анкерной опоры (плиты или стенки) и точку на лицевой стенке, определенную графоаналитическим расчетом в предположении свободного опирания низа стенки, т.е. через точку касания замыкающей с веревочной кривой.

4. Со стороны лицевой стенки, по высоте AD, на массив грунта ABCD действует активное давление грунта Еа, со стороны анкерной опоры - активное давление , по плоскости скольжения АВ - реакция грунта Q = G tg (q - jo) под углом jo к нормали и сцепление co.

Активное давление Еа в пределах высоты AD принимается из графоаналитического расчета лицевой стенки больверка, в котором была определена реакция Ra [см. п. 20.28 (16.27)].

(Измененная редакция).

5. При однородном грунте засыпки и основания рассматривается один массив грунта (см. рисунок, а). При разнородных грунтах массив делится на более мелкие элементы с таким расчетом, чтобы основание каждого элемента Gi было однородным (см. рисунок, б).

6. Временные нагрузки учитываются на поверхности тех элементов массива грунта, плоскость скольжения в основании которых наклонена к горизонту под углом q, большим угла внутреннего трения ji грунта основания.

7. Величина горизонтальной составляющей равнодействующей всех сил, действующих на массив грунта ABCD, определяется по формуле

где G1 - вес элемента массива грунта с однородным основанием и временной нагрузкой в соответствии с указаниями п. 6 настоящего приложения;

bi - ширина рассматриваемого элемента массива грунта;

q - угол наклона плоскости скольжения к горизонту;

ji и сi - соответственно угол внутреннего трения и сцепление в основании элемента массива грунта.

Схема проверки устойчивости массива грунта, обеспечивающего анкерное крепление:

а - при однородном грунте; б - при разнородных грунтах.

ПРИЛОЖЕНИЕ 11

(рекомендуемое)

ОПРЕДЕЛЕНИЕ ПАССИВНОГО ДАВЛЕНИЯ ГРУНТА В СЛУЧАЕ ПРИБЛИЖЕНИЯ АНКЕРНЫХ ОПОР К ЛИЦЕВОЙ СТЕНКЕ

1. Отпор грунта перед анкерной стенкой или плитой, приближенной к лицевой, определяется суммированием двух составляющих:

а) сопротивления отпора массива грунта, заключенного между анкерной стенкой и плоскостью обрушения грунта на лицевую стенку (ординаты отпора si);

б) сопротивления отпора, вызванного грунтовой пригрузкой на призме выпирания (ординаты отпора Dsi).

2. Плоскости выпирания проводятся следующим образом (см. рисунок).

плоскость 1 - через точку 1 пересечения плоскости обрушения с поверхностью грунта;

плоскость 2 - через точку 2 пересечения оси анкерной стенки с границей различных грунтов;

плоскость 3 - через точку 3 пересечения плоскости обрушения с расчетным горизонтом воды;

плоскость 4 - произвольно.

3. Ординаты эпюры отпора определяются по формулам:

от массива грунта si (п. 1а настоящего приложения):

на отметке 0                    

- » -             1                    

- » -             2                    

- » -             2                    

- » -             3                    

- » -             4                    

от пригрузки на призме выпирания Dsi (п. 1б настоящего приложения)

на отметке 2                    

- » -             2                    

- » -             3                    

- » -             4                    

4. Окончательная (суммарная) эпюра отпора - ABCDEKL. Эпюра отпора при нормальном удалении стенки - ABMNP [см. рисунок и пп. 13.36 (8.25), 20.4 (16.4) и 20.24 (16.24) настоящего Руководства].

К прил. 11. Настоящее приложение составлено по исследованиям Ленморниипроекта.


Схема определения пассивного давления грунта на анкерную опору, приближенную к лицевой стенке.

(Измененная редакция).


ПРИЛОЖЕНИЕ 12

(рекомендуемое)

МЕЖСЕЗОННЫЙ (ГОДОВОЙ) ПЕРЕПАД ТЕМПЕРАТУР

Для продольных рам секций причалов эстакадного типа значения межсезонного перепада температуры для некоторых морских бассейнов допускается принимать равными:

Район морского бассейна

Наименование района

Расчетные температурные перепады, °С

Охлаждение

Нагрев

Балтийский

Финский и Рижский заливы

- 22

+ 12

 

Юго-восток

- 20

+ 11

Черноморский

Северо-запад

- 20

+ 16

 

Крым

- 18

+ 17

 

Кавказ

- 14

+ 17

Азовский

-

- 22

+ 17

Каспийский

-

- 18

+ 22

ПРИЛОЖЕНИЕ 13

(рекомендуемое)

СХЕМА-РАСЧЕТ ЭСТАКАД РАМНОЙ КОНСТРУКЦИИ НАБЕРЕЖНАЯ-ЭСТАКАДА НА ВЕРТИКАЛЬНЫХ ОПОРАХ

1. Составление расчетной схемы эстакады

Пространственная система набережной-эстакады расчленяется на плоские расчетные системы - поперечные и продольные рамы.

Стойками рам являются поперечные и продольные ряды свай. Ширина расчетного сечения ригеля и подсчета жесткостей принимается следующим образом: для крайних продольных рам (рис. 1) - от конца консоли ростверка до середины примыкающего пролета, для средних продольных рам - в пределах примыкающих полупролетов, для поперечных рам - равной действительной, конструктивной.

Примечание. Все пояснения по расчетам привязаны к одной схеме конструкции свайной набережной-эстакады. Расчеты по другим схемам ведутся аналогично.

Разработку схемы начинают с расстановки свай, сбора нагрузок на них и определения их несущей способности.

Предварительное определение глубины забивки свай дает возможность оценить правильное назначение шага свай в эстакаде. Окончательная глубина забивки свай определяется после уточнения нагрузок на опоры из расчета рамных систем.

Нагрузки на сваи определяются как реакции простых однопролетных балок и балок с консолью, на которые разбивается ригель поперечной рамы.

Опорами однопролетных балок являются сваи. Ширина балок принимается равной шагу поперечных рам. За нагрузки для определения реакций принимаются собственный вес сваи, собственный вес ригеля, эксплуатационная равномерно распределенная нагрузка и крановая нагрузка.

Нагрузка на сваю получается от суммирования реакций соседних однопролетных балок на данную сваю. От действия полученной нагрузки определяется необходимая глубина погружения, обеспечивающая несущую способность сваи. Расчет выполняется по указаниям главы СНиП II-17-77 и п. 21.26 (17.25) настоящего Руководства.

Рис. 1. Составление расчетной схемы:

а - поперечный разрез секции набережной-эстакады; b1, b2, b3 - ширина условных ригелей соответственно 1, 2, 3 продольных рам; б - разбивка ригеля на однопролетные балки для предварительного определения нагрузок на сваи

Размеры сечения свай определяются расчетом на внецентренное сжатие с учетом влияния прогиба элемента на его прочность. При этом расчетные длины l0 следует определять в соответствии с указаниями п. 21.28 (17.27) и прил. 14 к настоящему Руководству.

(Измененная редакция).

Определение расчетных длин стоек рам. Длина стоек рам определяется из расчета условной заделки свай в грунте от действия горизонтальных нагрузок. Величина горизонтальной нагрузки, приходящейся на сваю, определяется по методу упругого центра [см. рис. 2 и п. 21.16 (17.16) настоящего Руководства].

Для определения максимальных горизонтальных нагрузок на сваи рассматривается ряд загружений: удар судна, швартовная нагрузка, навал судна, давление грунта с тыловой стороны.

Под действием этих нагрузок происходят смещение и поворот секции. Внешние нагрузки уравновешиваются реакциями свайного основания [см. п. 21.10 (17.10) настоящего Руководства].

Максимальные горизонтальные нагрузки получают крайние ряды секций.

Реакции в опорах от единичных смещений определяются по табл. 1.

Таблица 1

Сваи продольного ряда

Длина сваи, l, м

Момент инерции сечения сваи I, м4

Модуль упругости Е, тс/м2

Условная жесткость , тс·м2

Условная погонная жесткость , тс·м

Реакция опоры от единичного смещения , тс/м

1

 

 

 

 

 

 

 

 

 

 

 

 

n

 

 

 

 

 

 

Примечание. В результате введения условной жесткости далее в расчетах рамы смещения d получаются в миллиметрах (см. табл. 9 и 32).

(Измененная редакция).

Примечание. В данном примере рассмотрены одиночные вертикальные опоры, имеющие в продольном и поперечном направлениях одинаковые моменты инерции, что позволило написать равенство реакций Hxi = Hyi. При наличии в сооружении козловых опор реакции в продольном и поперечном направления определяются отдельно в соответствии с указаниями п. 21.11 (17.11) настоящего Руководства.

Суммарная жесткость поперечного ряда определяется по формуле

где n - количество свай в поперечном ряду (также количество продольных рядов).

Рис. 2. Схема к определению горизонтальных нагрузок на сваи по методу упругого центра:

О - упругий центр свайного основания

Суммарная жесткость продольных рядов определяется по формуле:

для 1-го ряда

для n-го ряда

где т - количество свай в продольном ряду (также количество поперечных рядов).

Жесткость свайного основания:

в поперечном направлении

в продольном направлении

Положение упругого центра определяется по формулам:

где xi и y0 - расстояния от осей координат до свай. В данном примере ось x принята по краю секции, а ось у - по линии кордона (см. рис. 2).

Как правило, секции набережных симметричны относительно центральной оси, нормальной кордону, т.е. y0 совпадает с центральной осью.

Расстояние от кордона до упругого центра определяется по формуле

где x1, x2, ..., xn - расстояние от линии кордона до соответствующего продольного ряда.

Момент инерции основания относительно упругого центра определяется по формуле

где Yi и Хi - расстояние от упругого центра до соответствующих поперечных и продольных рядов свай.

Внешний момент определяется по формуле

где Nxi и Nyi -составляющие швартовной нагрузки, соответственно нормальная и параллельная кордону, определяемые по СНиП II-57-75;

L - длина секции;

YN и XN - расстояния от упругого центра до соответствующих сил;

fi - коэффициент трения:

грунта по грунту f = tg j,

грунта по бетону f = tg 0,5j;

Ei - активное давление грунта на тыловую грань ростверка, (рис. 3), определяемое по указаниям пп. 13.30 (8.20), 13.32 (8.22) и 13.33 (8.23). При этом в пределах давления на грунтовую грань (на высоте h1) принимаются наклон грани a = 0 и угол трения грунта о стенку d = j, в пределах давления на бетонную грань d = 0,5j.

Ординаты эпюры давления sai определяются по формуле [34 (10)] настоящего Руководства.

Угол поворота ростверка относительно упругого центра определяется по формуле

Линейные горизонтальные смещения ростверка определяются по формулам:

а) перпендикулярно кордону

б) параллельно кордону

Смещения от поворота секции определяются по формулам:

а) перпендикулярно кордону (смещения поперечных рядов)

б) параллельно кордону (смещения продольных рядов)

Суммарные смещения определяются по формулам:

а) перпендикулярно кордону (смещения поперечных рядов)

б) параллельно кордону (смещения продольных рядов)

Горизонтальные нагрузки на сваи поперечного ряда определяются по формуле

Горизонтальные нагрузки на сваи продольного ряда определяются по формуле

Примечание. В схеме с козловыми опорами нагрузка, полученная на козловую опору, распределяется между сваями по указаниям п. 20.26.

Расчетная длина сваи определяется методом последовательных приближений.

Первоначально задаются условной глубиной защемления сваи от поверхности откоса грунта h = 2 ÷ 5 диаметров сваи. Для прикордонных свай принимается наименьшее заглубление, для тыловых - большее.

По полученным из первого расчета нагрузкам на сваи определяют условную глубину их защемления и расчетную длину. Заделка в ростверке принимается ориентировочно на середине высоты ригеля (рис. 4).

Рис. 3. Схема определения активного давления грунта на тыловую грань верхнего строения:

Рис. 4. Схема определения расчетной длины стоек рамы.

Расчетная длина опоры определяется по формуле

Все значения, входящие в формулу, определяются по указаниям пп. 21.16 (17.16) - 21.20 (17.20) настоящего Руководства.

В случае значительного расхождения между полученными в расчете значениями длин стоек и первоначально принятыми необходимо повторить расчет при новых значениях длин в целях большей сходимости с результатом.

После определения расчетных длин стоек приступают к расчету рам (поперечных и продольных).

Расчет рам ведется по методу деформаций.

Рис. 5. Расчетная схема поперечной рамы

Рис. 6. Схемы загружений

2. Расчет поперечной рамы

Составляется расчетная схема (рис. 5) со всеми возможными эксплуатационными нагрузками. Вертикальные нагрузки: собственный вес, эксплуатационная равномерно распределенная нагрузка, железнодорожная нагрузка, крановая нагрузка.

Горизонтальные нагрузки: величина горизонтальной нагрузки, приходящаяся на раму, берется из расчета секции методом упругого центра на действие горизонтальных нагрузок.

Для нахождения наиболее невыгодного сочетания нагрузок, при которых получаются максимальные усилия в элементах конструкции, определяются усилия от каждого вида нагрузок в отдельности.

Получается ряд загружений. Нагрузки загружений принимаются не действительные, а условные, равные 10 или 100 тс или тс/м (рис. 6).

К значениям действительных усилий переходят путем умножения ординат эпюр усилий или линий влияния, полученных от условных загружений, на коэффициент, равный соответственно отношению Рд/10 или Рд/100, где Рд - величина действительной нагрузки.

Расчетная схема с введением фиктивных опор, препятствующих вертикальным и горизонтальным смещениям узлов, приведена на рис. 7.

Рис. 7. Расчетная схема с закреплением узлов фиктивными опорами

Основные исходные данные по конструкции, которые принимаются в расчете рамы, представлены в табл. 2.

Таблица 2

Элементы конструкции

Длина элемента, l, м

Площадь сечения F, м2

Момент инерции сечения I, м4

Условный модуль упругости , тс/м2

Условная жесткость , тс·м2

Условная погонная жесткость , тс·м

Свая 1 - m

 

 

 

 

 

 

Свая 2 - (m - 1)

 

 

 

 

 

 

и т.д.

 

 

 

 

 

 

Ригель 1 - 2

 

 

 

 

 

 

Ригель 2 - 3

 

 

 

 

 

 

и т.д.

 

 

 

 

 

 

Примечание. В результате введения условной жесткости далее в расчетах рамы смещения d получаются в миллиметрах (см. табл. 9 и 32).

(Измененная редакция).

Определение моментов защемления от единичных смещений производится по формуле

Смещение фиктивной опоры 1

Рис. 8.

Смещение фиктивной опоры 2

Рис. 9.

Смещение горизонтальной фиктивной опоры 0

например, для сваи 1 - 6

Рис. 10.

где п - номера узлов;

т - номера нижних опор свай.

Примечание. При наличии в конструкции рамы козловых и полукозловых опор условная погонная жесткость jn-m и моменты защемления  определяются для каждой сваи независимо от ее наклона по приведенным формулам.

Определение моментов защемления и поперечных сил от внешней нагрузки. При определении моментов защемления во всех узлах рамы вводится условная заделка. Каждый пролет ригеля рассчитывается как однопролетная защемленная балка. Поперечные силы на опорах определяются для простых однопролетных балок. Загружения узлов воспринимаются опорами (см рис. 6 загружения 1 и 2).

Формулы для определения моментов защемления и поперечных сил для загружений (см рис. 6):

загружение 3

Рис. 11.

Рис. 11.

загружение 5 (консоль)

Рис. 12.

(Измененная редакция).

загружение 6

Рис. 13.

загружение 8

Рис. 14.

загружение 9

Рис. 15.

Определение коэффициентов распределения и опорных моментов. Опорные моменты в элементах рамной конструкции определяются при помощи распределения моментов защемления от внешних нагрузок и от единичных смещений по методу Кросса. Неуравновешенные моменты на противоположных концах элементов равны половине уравновешенных моментов.

Распределение неуравновешенных моментов производится при помощи коэффициентов распределения, определяемых по формуле

где  - коэффициент распределения для элемента п - mi узла п;

 - погонная жесткость элемента п - mi;

 - сумма погонных жесткостей элементов, сходящихся в узле п.

Сумма коэффициентов распределения всех элементов, сходящихся в узле, равна единице.

Коэффициенты распределения в узлах рамы (см. рис. 7) определяются по формулам:

узел 1:

узел 2:

.

и т.д.

Примечание. При наличии в узле козловой или полукозловой опоры каждая свая является самостоятельным элементом узла, для которого определяется коэффициент распределения.

После определения коэффициентов распределения переходят к определению опорных моментов путем распределения моментов защемления.

При большом количестве загружений рекомендуется составить дополнительную таблицу, в которой распределяются условные неуравновешенные моменты защемления, m = 100 каждого узла рамы. Решение таким способом представлено в табл. 3 и 4. В табл. 3 распределены условные моменты защемления, m = 100 каждого узла. В табл. 4 определяются опорные моменты от единичных смещений фиктивных опор и от загружений умножением условных опорных моментов из табл. 3 на коэффициенты ki, равные отношению суммы значений неуравновешенных моментов в n-м узле  к значению условного момента mn = 100.

При небольшом количестве загружений опорные моменты можно определять непосредственным распределением моментов защемления от смещения фиктивных опор и загружений. Такой способ расчета представлен в табл. 5. В ней дана схема распределения моментов защемления от смещения фиктивных опор 1, 2, 0 и от загружений 5 и 9. Аналогично производится распределение моментов для всех других случаев загружений и смещений опор.

Определение поперечных сил в ригеле и сваях производится по формулам:

а) от внешних нагрузок

б) от единичных смещений фиктивных опор

где  и  - опорные моменты элемента n, n + 1 от внешних нагрузок, принимаемые по табл. 4 или 5;

 и  - опорные моменты элемента n, n + 1 от единичного смещения фиктивной опоры k;

 - поперечная сила от внешней нагрузки в элементе n, n + 1 при шарнирном опирании его концов (т.е. для однопролетной балки, см. рис. 11 - 15);

 - длина элемента n, n + 1;

i - номер загружения.

Определение поперечных сил представлено в табл. 6.

Определение реакций. Реакции фиктивных опор от единичных смещений определяются по формулам:

а) для вертикальных опор n от единичного смещения фиктивной опоры к

б) для горизонтальной опоры н от единичного смещения фиктивной опоры к

где

 и  - поперечные силы в элементе ригеля узла n от единичного смещения фиктивной опоры к;

 - поперечные силы в сваях от единичного смещения фиктивной опоры к;

 - вертикальная реакция сваи в узле n от единичного смещения фиктивной опоры к, определяемая с учетом деформации материала сваи и упругой податливости сваи в грунте по формуле

где Н0 - свободная длина сваи (от заделки в ростверке до поверхности грунта), м;

F - площадь сечения сваи, м2;

n - упругая податливость части сваи, целиком забитой в грунт, равная 0,4N, тс/мм;

N - нагрузка на сваю, полученная в начале данного расчета.


Таблица 3

Распределение условного момента защемления m = 100 тс·м

Узлы

1

2

3

Элементы

Консоль 1 - 0

1 - 6

1 - 2

2 - 1

2 - 5

2 - 3

3 - 2

3 - 4

Коэффициенты распределения

0

k1-6

k1-2

k2-1

k2-5

k2-3

k3-2

k3-4

Момент в узле 1

Цикл 1

 

 [m1 = + 100]

a1 = - m1k1-6

a2 = - m1k1-2

b = 0,5a2

b1 = - bk2-1

b2 = bk2-5

b3 = - bk2-3

c = 0,5b3

c1 = - ck3-2

c2 = - ck3-4

Цикл 2

 

a4 = - a3k1-6

a3 = 0,5b1

a5 = - a3k1-2

b5 = 0,5a5

b6 = - (b4 + b5) k2-1

b7 = - (b4 + b5) k2-5

b4 = 0,5c1

b8 = - (b4 + b5) k2-3

c3 = 0,5b8

c4 = - c3k3-2

c5 = - c3k3-4

Цикл 3

 

a7 = - a6k1-6

a6 = 0,5b6

a8 = - a6k1-2

b10 = 0,5a8

b11 = - (b10 + b9) k2-1

b12 = - (b10 + b9) k2-5

b9 = 0,5c4

b13 = - (b10 + b9) k2-3

c6 = 0,5b13

c7 = - c6k3-2

c8 = - c6k3-4

Цикл 4

 

a10 = - a9k1-6

a9 = 0,5b11

a11 = - a9k1-2

b15 = 0,5a11

b16 = - (b15 + b14) k2-1

b17 = - (b15 + b14) k2-5

b14 = 0,5c7

b18 = - (b15 + b14) k2-3

c9 = - 0,5b18

c10= - c9k3-2

c11 = - c9k3-4

Условные опорные моменты

 

Проверка

Момент в узле 2

Цикл 1

 

a1 = - ak1-6

a = 0,5b1

a2 = - ak1-2

b1 = - m2k2-1

 [m2 = + 100]

b2 = - m2k2-5

b3 = - m2k2-3

c = 0,5b3

c1 = - ck3-2

c2 = - ck3-4

Цикл 2

 

a4 = - a3k1-6

a3 = 0,5b6

a5 = - a3k1-2

b4 = 0,5a2

b6 = - (b4 + b5) k2-1

b7 = - (b4 + b5) k2-5

b5 = 0,5c1

b8 = - (b4 + b5) k2-3

c3 = 0,5b8

c4 = - c3k3-2

c5 = - c3k3-4

Цикл 3

 

a7 = - a6k1-6

a6 = 0,5b11

a8 = - a6k1-2

b9 = 0,5a5

b11 = - (b9 + b10) k2-1

b12 = - (b9 + b10) k2-5

b10 = 0,5c4

b13 = - (b9 + b10) k2-3

c6 = 0,5b13

c7 = - c6k3-2

c8 = - c6k3-4

Цикл 4

 

a10 = - a9k1-6

a9 = 0,5b16

a11 = - a9k1-2

b14 = 0,5a8

b16 = - (b14 + b15) k2-1

b17 = - (b14 + b15) k2-5

b15 = 0,5c7

b18 = - (b14 + b15) k2-3

c9 = 0,5b18

c10= - c9k3-2

c11 = - c9k3-4

Условные опорные моменты

 

Проверка

Примечание. Аналогично распределяются моменты защемления узла 3.

Таблица 4

Определение опорных моментов

Узлы

1

2

3

Элементы

Консоль

1 - 6

1 - 2

2 - 1

2 - 5

2 - 3

3 - 2

3 - 4

Смещение фиктивной опоры 1

 

 

 

 

 

 

 

Опорные моменты в узлах

 

Опорные моменты в грунте

 

 

 

 

 

Смещение фиктивной опоры 2

 

 

 

 

 

 

Опорные моменты в узлах

 

Опорные моменты в грунте

 

 

 

 

 

Смещение фиктивной опоры 3

Опорные моменты от смещения фиктивной опоры 3 определяются аналогично

Смещение фиктивной опоры 0 (горизонтальной)

 

 

 

 

 

 

 

Опорные моменты в узлах

 

Опорные моменты в грунте

 

 

 

 

 

Загружение 3

 

 

 

 

 

 

 

 

Опорные моменты в узлах

 

Опорные моменты в грунте

 

 

 

 

 

Загружение 5

 

 

 

 

 

 

 

 

Опорные моменты в узлах

Опорные моменты в грунте

 

 

 

 

 

(Измененная редакция).

Таблица 5

Распределение неуравновешенных моментов защемления

Узлы

1

2

3

Элементы

Консоль 1 - 0

1 - 6

1 - 2

2 - 1

2 - 5

2 - 3

3 - 2

3 - 4

Коэффициенты распределения

0

k1-6

k1-2

k2-1

k2-5

k2-3

k3-2

k3-4

Смещение фиктивной опоры 1

Цикл 1

 

c = 0,5b3

c1 = - ck3-2

c2 = - ck3-4

Цикл 2

 

a4 = - a3k1-6

a3 = 0,5b1

a5 = - a3k1-2

b5 = 0,5a5

b6 = - (b5 + b4) k2-1

b7 = - (b5 + b4) k2-5

b4 = 0,5c1

b8 = - (b5 + b4) k2-3

c3 = 0,5b8

c4 = - c3k3-2

c5 = - c3k3-4

Цикл 3

 

a7 = - a6k1-6

a6 = 0,5b6

a8 = - a6k1-2

b10 = 0,5a8

b11 = - (b10 + b9) k2-1

b12 = - (b10 + b9) k2-5

b9 = 0,5c4

b13 = - (b10 + b4) k2-3

c6 = 0,5b13

c7 = - c6k3-2

c8 = - c6k3-4

Опорные моменты в узлах

 

Опорные моменты в грунте

 

 

 

 

 

Примечания: 1. Распределение неуравновешенных моментов защемления  начинают с узла, в котором смещается опора k.

2.  - сумма значений i-го столбца в пределах рассматриваемого смещения или загружения.

3. Проверка - сумма опорных моментов в узле равна нулю.

Смещение фиктивной опоры 2

Цикл 1

 

Цикл 2

 

a4 = - a3k1-6

a3 = 0,5b1

a5 = - a3k1-2

b4 = 0,5a2

b6 = - (b4 + b5) k2-1

b7 = - (b4 + b5) k2-5

b5 = 0,5c1

b8 = - (b4 + b5) k2-3

c3 = 0,5b8

c4 = - c3k3-2

c5 = - c3k3-4

Цикл 3

 

a7 = - a6k1-6

a6 = 0,5b6

a8 = - a6k1-2

b9 = 0,5a5

b11 = - (b9 + b10) k2-1

b12 = - (b9 + b10) k2-5

b10 = 0,5c4

b13 = - (b9 + b10) k2-3

c6 = 0,5b13

c7 = - c6k3-2

c8 = - c6k3-4

Опорные моменты в узлах

 

Опорные моменты в грунте

 

 

 

 

 

Смещение фиктивной опоры 0 (горизонтальной)

Цикл 1

 

Цикл 2

 

a4 = - a3k1-6

a3 = 0,5b1

a5 = - a3k1-2

b5 = 0,5a5

b6 = - (b5 + b4) k2-1

b7 = - (b5 + b4) k2-5

b4 = 0,5c1

b8 = - (b5 + b4) k2-3

c3 = 0,5b8

c4 = - c3k3-2

c5 = - c3k3-4

Цикл 3

 

a7 = - a6k1-6

a6 = 0,5b6

a8 = - a6k1-2

b10 = 0,5a8

b11 = - (b10 + b9) k2-1

b12 = - (b10 + b9) k2-5

b9 = 0,5c4

b13 = - (b10 + b9) k2-3

c6 = 0,5b13

c7 = - c6k3-2

c8 = - c6k3-4

Опорные моменты в узлах

 

Опорные моменты в грунте

 

 

 

 

 

Загружение 5

Цикл 1

b2 = - bk2-5

b3 = - bk2-3

c2 = - ck3-4

Цикл 2

 

a4 = - a3k1-6

a3 = 0,5b1

a5 = - a3k1-2

b5 = 0,5a5

b6 = - (b5 + b4) k2-1

b7 = - (b5 + b4) k2-5

b4 = 0,5c1

b8 = - (b5 + b4) k2-3

c3 = 0,5b8

c4 = - c3k3-2

c5 = - c3k3-4

Цикл 3

 

a7 = - a6k1-6

a6 = 0,5b6

a8 = - a6k1-2

b10 = 0,5a8

b11 = - (b10 + b9) k2-1

b12 = - (b10 + b9) k2-5

b9 = 0,5c4

b13 = - (b10 + b9) k2-3

c6 = 0,5b13

c7 = - c6k3-2

c8 = - c6k3-4

Опорные моменты в узлах

Опорные моменты в грунте

 

 

 

 

 

Загружение 9

Цикл 1

 

a1 = - ak1-6

a = 0,5b1

a2 = - ak1-2

Цикл 2

 

a4 = - a3k1-6

a3 = 0,5b6

a5 = - a3k1-2

b4 = 0,5a2

b6 = - (b4 + b5) k2-1

b7 = - (b4 + b5) k2-5

b5 = 0,5c4

b8 = - (b4 + b5) k2-3

c3 = 0,5b3

c4 = - c3k3-2

c5 = - c3k3-4

Цикл 3

 

a7 = - a6k1-6

a6 = 0,5b11

a8 = - a6k1-2

b9 = 0,5a5

b11 = - (b9 + b10) k2-1

b12 = - (b9 + b10) k2-5

b10 = 0,5c7

b13 = - (b9 + b10) k2-3

c6 = 0,5b8

c7 = - c6k3-2

c8 = - c6k3-4

Опорные моменты в узлах

 

Опорные моменты в грунте

 

 

 

 

 

(Измененная редакция).


Таблица 6

Определение поперечных сил

Узлы

1

2

Элементы

Консоль 1 - 0

1 - 6

1 - 2

2 - 1

6 - 1

Длина элементов

 

l1-6

l1-2

Смещение фиктивной опоры 1

M

 

Q

По второй и следующим опорам таблица заполняется аналогично

Загружение 3

M

 

Q

Загружение 5

M

Q

Загружение 9

M

 

Q

По всем остальным загружениям таблица заполняется аналогично

Продолжение табл. 6

Узлы

2

3

Элементы

2 - 5

2 - 3

3 - 2

3 - 4

5 - 2

4 - 3

Длина элементов

l2-5

l2-3

l3-4

Смещение фиктивной опоры 1

M

Q

По второй и следующим опорам таблица заполняется аналогично

Загружение 3

M

Q

Загружение 5

M

Q

Загружение 9

M

Q

По всем остальным загружениям таблица заполняется аналогично

      Примечание. Значения опорных моментов  и  принимаются по табл. 4 или 5.

Реакции от единичного смещения опоры 1:

Реакции от единичного смещения опоры 2:

Для следующих опор реакции от единичных смещений определяются аналогично.

Примечание. При наличии в схеме рамы козловых опор упругая податливость рассматриваемой козловой опоры в вертикальном и горизонтальном направлении учитывается при определении реакций от вертикального смещения узла, в котором расположена данная козловая опора, а также в реакциях от смещения горизонтальной фиктивной опоры.

Например, заменим в расчетной схеме (см. рис. 7) в узле 3 вертикальную сваю 3 - 4 козловой опорой из свай 3 - 4 и 3 - 4¢. Тогда реакции в опорах от единичных смещений опор 1 и 2 определяются, как указано выше. Реакции от смещения фиктивной опоры 3 определяются по формулам:

Реакции от смещения фиктивной опоры 0 - по формулам:

Здесь составляющие упругой податливости определяются по формулам:

Дальнейший расчет, включающий козловые опоры, не отличается от расчета рамы на вертикальных сваях.

Реакции в опорах от внешних нагрузок определяются по формулам:

а) для вертикальных опор п

б) для горизонтальной опоры 0

загружение 1 (узловое, см. рис. 6)

загружение 2 (узловое, см. рис. 6)

загружение 3 (см. рис. 6)

и т.д.;

загружение 10 (горизонтальное, см. рис. 6)

Таблица 7

Сводная таблица реакций

Номер опоры

Реакции rпк от смещений фиктивных опор

Реакции rn от загружений

1

2

3

0

1

2

3

и т.д.

10

1

r11

r12

r13

r10

P1

0

0

2

r21

r22

r23

r20

0

P2

0

3

r31

r32

r33

r30

0

0

0

0

r01

r02

r03

r00

0

0

H

Проверка

Реакции опор, расположенные симметрично относительно диагонали, должны быть равны, т.е. r12 = r21, r13 = r31 и т.д.

Сумма вертикальных реакций для каждого загружения должна быть равна нагрузке данного загружения. Для данного примера суммируются реакции опор 1, 2 и 3 по каждому загружению отдельно

Решение канонических уравнений. Для определения горизонтального смещения ригеля и вертикальных смещений узлов составляются канонические уравнения. Условием этих уравнений является: суммарные реакции в фиктивных опорах при линейных смещениях, вызываемых нагрузкой, должны быть равны нулю. В общем виде канонические уравнения представлены формулой

где n - номер фиктивной опоры;

к - номер смещаемой опоры;

rnк - реакция в фиктивной опоре n от смещения фиктивной опоры к;

dк - смещение фиктивной опоры к;

rn - реакция фиктивной опоры от внешней нагрузки.

Канонические уравнения для четырех опор имеют вид:

Решение канонических уравнений производят по способу Гаусса (табл. 8 и 9).

Реакции фиктивных опор 1-го уравнения вписываются в строку 1 табл. 8, 2-го - в строку 3, 3-го - в строку 5, 4-го - в строку 7.

Реакции  получаются суммированием строк 3 и 4, 5 и 6, 7 и 8. Например:

и т.д.

Полученные реакции , расположенные симметрично относительно диагонали, должны быть взаимно равны:

и т.д.

На этом заканчивается 1-й цикл решения

Далее решения повторяются с уменьшением в каждом цикле количества неизвестных на единицу. В конце решается уравнение с одним неизвестным. Все неизвестные смещения dк определяются обратным ходом по табл. 9.

Решение в табл. 9 производится в следующей последовательности:

1) по строке 20 табл. 8 из уравнения с одним неизвестным (d0) определяется смещение  от соответствующих загружений , …, . Значения  вписываются в строку 1 табл. 9;

2) по строке 16 табл. 8 из уравнения с двумя неизвестными (d0 и d3) определяется смещение  от соответствующих загружений. Значения реакций  при d0 умножается на полученные выше значения , т.е. , …, , и вписываются в строку 2 табл. 9. В строку 3 табл. 9 со строки 16 табл. 8 сносятся значения реакций от загружений Перемещение  определяется как сумма значений строк 2 и 3 соответствующего столбца табл. 9, которые вписываются в строку 4;

3) следуя далее вверх по табл. 8, аналогичным приемом определяют смещение d2 по строке 10 из уравнения с тремя неизвестными и смещение d1 по строке 2.

(Измененная редакция).

Нагрузки на сваи (вертикальные составляющие) определяются по формуле

где n - номера узлов;

т - номера нижних концов свай;

к - номер фиктивной опоры;

i - номер загружения.

Вертикальные нагрузки на сваи вычисляются в табл. 10 (см также рис 6).


Таблица 8

Схема решения канонических уравнений

Номер строки

Реакция опор от единичных смещений при неизвестных

Реакция опор от загружений (см. рис. 6)

Проверка

d1

d2

d3

d0

1

и т.д.

10 (горизонтальное)

1

r11

r12

r13

r10

r1

0

2

- r11/r11

- r12/r11

- r13/r11

- r10/r11

- r1/r11

0

3

r21

r22

r23

r20

r2

0

4

r21 (-r11/r11)

r21 (-r12/r11)

r21 (-r13/r11)

r21 (-r10/r11)

r21 (-r1/r11)

0

5

r31

r32

r33

r30

r3

0

6

r31 (-r11/r11)

r31 (-r12/r11)

r31 (-r13/r11)

r31 (-r10/r11)

r31 (-r1/r11)

0

7

r01

r02

r03

r00

r0

H

8

r01 (-r11/r11)

r01 (-r12/r11)

r01 (-r13/r11)

r01 (-r10/r11)

r01 (-r1/r11)

r01·0

9

 

0

10

 

0

11

 

0

12

 

0

13

 

H

14

 

15

 

 

0

16

 

 

0

17

 

 

H

18

 

 

19

 

 

 

H

20

 

 

 


Таблица 9

Схема решения канонических уравнений (обратный ход)

Номер строки

Смещение фиктивных опор

Величины действительных смещений от загружений

Примечание

1

2

3

0

1

и т.д.

10 (горизонтальное)

1

 

 

 

d0

Строка 20 табл. 8

2

 

 

 

По строке 16 табл. 8

3

 

 

 

 

0

4

 

 

d3

 

S строк 2 и 3

5

 

 

 

По строке 10 табл. 8

6

 

 

 

7

 

 

 

 

0

8

 

d2

 

 

S строк 5 - 7

9

 

- r12/r11

 

 

По строке 2 табл. 8

10

 

 

- r13/r11

 

11

 

 

 

- r10/r11

12

 

 

 

 

- r1/r11

0

13

d1

 

 

 

S строк 9 - 12

Таблица 10

Вертикальные нагрузки на сваи

Загружение

Смещения

, тс/мм

, тс/мм

, тс/мм

Проверка

Реакции

Сумма реакций, SR, тс

Нагрузка загружения, тс

1

 

 

R1

= Р1

2

 

 

R2

= Р2

Далее таблица составляется аналогично

10 (горизонтальное)

 

 

R10

= 0

Таблица 11

Опорные моменты от единичных смещений в элементах рамы

(выписываются из табл. 5 настоящего приложения)

Фиктивные опоры

1

2

3

0 (горизонтальная)

Элементы ригеля

1 - 2

2 - 1

2 - 3

3 - 2

Сваи

1 - 6

6 - 1

2 - 5

5 - 2

3 - 4

4 - 3

Опорные моменты от загружений определяются по формуле

где  - опорный момент элемента n, n + 1 от единичного смещения фиктивной опоры к;

 - опорный момент от внешних нагрузок;

 - смещение фиктивной опоры к.

Определение опорных моментов от загружений 1 и 3 представлено соответственно в табл. 12 и 13. Таблицы опорных моментов от всех остальных загружений (см. рис. 6) составляются аналогично. В табл. 12 и 13 значения  принимаются из табл. 11,  - из табл. 9 и  - из табл. 4 или 5.


Таблица 12

Опорные моменты от загружения 1

Номер строки

Элементы ригеля и сваи

Опорные моменты  от смещения опор (под действием загружения 1)

Опорный момент от внешней нагрузки

Опорные моменты от загружения

1

Консоль 1 - 0

-

-

-

-

-

-

2

1 - 2

-

3

2 - 1

-

4

2 - 3

-

5

3 - 2

-

6

1 - 6

-

7

6 - 1

-

8

2 - 5

-

9

5 - 2

-

10

3 - 4

-

11

4 - 3

-

Таблица 13

Опорные моменты от загружения 3

Номер строки

Элементы ригеля и сваи

Опорные моменты  от смещения опор (под действием загружения 1)

Опорный момент от внешней нагрузки

Опорные моменты от загружения

1

Консоль 1 - 0

-

-

-

-

-

-

2

1 - 2

3

2 - 1

4

2 - 3

5

3 - 2

6

1 - 6

7

6 - 1

8

2 - 5

9

5 - 2

10

3 - 4

11

4 - 3


Строятся эпюры моментов для рамы от каждого загружения. Опорные моменты берутся из табл. 12 и 13.

В пролетах с нагрузкой эпюры моментов складываются с эпюрами моментов от загружения однопролетных простых балок, равных данным пролетам (рис. 16).

Рис. 16. Эпюра изгибающих моментов в поперечной раме от загружения 6 (см. рис.6).

Рис. 17. Эпюра поперечных сил и продольные усилия в стойках поперечной рамы от загружения 6 (см. рис. 6)

Эпюры поперечных, сил. Ординаты эпюр поперечных сил на опорах определяются по формуле

В пролете ординаты получаются вычитанием из ординаты на левой опоре нагрузки, расположенной на участке от левой опоры до данного сечения (рис. 17).

Эпюры продольных сил. Эпюры продольных сил строятся по эпюрам поперечных сил.

Суммируя усилия в сечениях от возможных сочетаний нагрузок, определяют максимальные значения усилий в соответствующих сечениях. Затем по этим значениям строят огибающие эпюры усилий (изгибающих моментов и поперечных сил), на которые рассчитывают сечения элементов конструкций.

3. Расчет продольной рамы

Продольные рамы являются симметричными системами. Их расчет можно вести двумя методами. Во-первых, такую раму можно рассчитывать по методу расчета для несимметричных систем так же, как поперечную раму, рассматривая загружение только одной половины. Во-вторых, можно пользоваться методом расчета симметричных конструкций с групповыми симметричными и кососимметричными нагрузками. В этом случае рама осью симметрии разбивается на две системы: 1-я система для симметричной нагрузки, 2-я - для кососимметричной. Каждая система решается отдельно тем же методом, что несимметричные рамы. В результате суммирования усилий по двум системам получают усилия в заданной системе, т.е. в продольной раме.

Примечание. Как правило, менее трудоемким является расчет по методу несимметричных рам.

(Измененная редакция).

Так как одной из нагрузок продольных рам является нагрузка от подвижного состава (портальные краны, железнодорожная нагрузка), то для определения усилий в элементах строят линии влияния. Для этого раму загружают отдельными сосредоточенными силами, расположенными кратно части пролета (0,5l; 0,25l и т.д., где l - пролет рамы). Нагрузки Р принимают равными 100 тс. В результате решения рамы получают линии влияния усилий: изгибающего момента, поперечной силы и реакций. Эпюры строят по загружениям линий влияния.

Расчет продольной рамы по методу несимметричных рам производят так же, как расчет поперечных рам, изложенный выше. Загружения принимают для одной половины по схемам рис. 18.

Рис. 18. Расчетная схема продольной рамы.

Определение опорных моментов от смещения фиктивных опор и загружений производится путем распределения моментов защемления.

Это распределение также рекомендуется производить с помощью таблицы распределения условного момента защемления m = 100 тс·м.

В этом случае распределяется условный момент одной половины узлов рамы, для другой половины решение будет симметричным. Опорные моменты от единичных смещений фиктивных опор для второй половины рамы вписываются как зеркальное изображение соответствующих симметричных элементов первой половины рамы с заменой знаков на обратные.

В табл. 14 и 15 дан пример определения опорных моментов от смещения фиктивной опоры 1 (левой части рамы) и симметричной ей фиктивной опоры 1¢ (правой части рамы). Значения в табл. 14 получены в результате распределения моментов защемления, в табл. 15 - как зеркальное изображение.

(Измененная редакция).

Составляется таблица поперечных сил для смещения всех опор и всех загружений. Затем определяются реакции, составляются и решаются канонические уравнения.

По таблице вертикальных нагрузок на сваи (см. также табл. 10) строятся линии влияния реакций: для сваи 1 - по столбцу реакции V1-0, для сваи 2 - по столбцу V2-0 и т.д. Значения ординат откладываются в сечениях загружений в размере реакций данной сваи от данного загружения.

Таблица 14

а) для смещения фиктивной опоры 1:

Номер узла

1

2

2¢

1¢

Опорные моменты в узлах

Опорные моменты в грунте

Таблица 15

б) для смещения фиктивной опоры 1¢ (симметричной опоре 1):

Номер узла

1

2

2¢

1¢

Опорные моменты в узлах

Опорные моменты в грунте

Например, линия влияния реакции R1-0 показана на рис. 19.

Линии влияния опорных моментов строятся по таблицам опорных моментов от загружений. Так как наибольшие усилия получаются в 1-м и 2-м пролетах рам, то строят линии влияния опорных моментов M1-2, M2-1, M2-3 и M3-2.

Рис. 19. Линия влияния реакции R1-0.

Линия влияния опорного момента M1-2 дана на рис. 20.

Для построения линии влияния M1-2 табличные значения  всех загружений откладываются последовательно в определенном масштабе в сечениях соответствующих загружений (индекс к - номер загружения). В сечении загружения 1 откладывается величина момента , в сечении 2 - величина момента  и т.д. Так же строятся линии влияния M2-1, M2-3 и т.д.

Рис. 20 Линия влияния опорного момента M1-2.

Линии влияния пролетных моментов строятся также для 1-го и 2-го пролетов. Чаще всего ограничиваются построением линии влияния середины пролета, для которого строится линия влияния (рис. 21); применяется формула

где  и  - опорные моменты элемента конструкции к-го загружения;

 - момент от к-го загружения в середине пролета элемента n, n + 1 при шарнирном опирании его концов.

Рис. 21.

Ординаты линии влияния середины пролета, для которого строится линия влияния.

 

 

 

Загружение в первой четверти пролета

 

 

 

Загружение в середине пролета

 

 

 

Загружение в третьей четверти пролета

 

 

 

 

Во всех остальных пролетах рамы ординаты линии влияния середины пролета определяются по формуле

В случае построения линии влияния для сечения в четверти пролета формулы имеют вид:

а) линии влияния первой четверти пролета:

ординаты в пролете, для которого строится линия влияния, -

 для загружений:

ординаты в остальных пролетах рамы -

б) линия влияния третьей четверти пролета: ординаты в пролете, для которого строится линия влияния, -

 для загружений:

Ординаты линий влияния поперечных сил для опорных сечений и сечений в пролете, для которых строятся линии влияния, определяются по формуле

где  и  - опорные моменты элемента конструкции n, n + 1 к-го загружения из таблицы линий влияния опорных моментов;

 - поперечная сила к-го загружения в сечении, для которого строится линия влияния, элемента n, n + 1 при шарнирном опирании его концов.

Ординаты линии влияния поперечной силы Qn,n+1 на опоре n в сечении K-2 представлены на рис. 22.

Примечание. Ординаты линий влияния в сечениях к - 1, к, к + 1 и к + 2 определяются аналогично. Например, для середины пролета в сечении к:

от загружения Рк-2

от загружения Рк-1

от загружения Рк

от загружения Рк+1

от загружения Рк+2

Ординаты линий влияния поперечных сил во всех овальных пролетах рамы определяются по формуле

Рис. 22. Ординаты линии влияния поперечной силы Qn,n+1 на опоре n в сечении K-2.

Расчет продольной рамы методом расчета симметричных конструкций

Конструкции с нечетным количеством узлов

Рис. 23.

Загружение симметричное.

 

 

 

 

 

 

 

 

Загружение кососимметричное.

 

 

 

 

 

 

 

I. Расчетная схема конструкции от симметричной нагрузки. Возможно только вертикальное смещение опоры п.

Смещение опоры n¢ равно 0.

 

 

 

II. Расчетная схема конструкции от кососимметричной нагрузки. Возможно только горизонтальное смещение опоры п.

Смещение опоры n¢ равно 0.

 

 

Таблица 16

Основные исходные данные по конструкции

Элементы конструкции

Длина элемента, l, м

Площадь сечения F, м2

Момент инерции сечения I, м4

Условный модуль упругости , тс/м2

Условная жесткость , тс·м2

Условная погонная жесткость , тс·м

Сваи от 1 - 0 до [(n - 1) - 0]

 

F = Fсв

I = Iсв

 

 

 

Свая n - 0

 

F = 0,5Fсв

I = 0,5Iсв

 

 

 

Ригели

 

 

 

 

 

 

Примечание. В результате введения условной жесткости далее в расчетах рамы смещения d получаются в миллиметрах (см. табл. 9 и 32).

(Измененная редакция).

Таблица 17

Коэффициенты распределения для схемы I

Номер узла

1

2

n

Номер элемента

1 - 0

1 - 2

2 - 1

2 - 0

2 - 3

n - (n - 1)

n - 0

Коэффициенты распределения

k1-0

k1-2

k2-1

k2-0

k2-3

0

1

Таблица 18

Коэффициенты распределения для схемы II

Номер узла

1

2

n

Номер элемента

1 - 0

1 - 2

2 - 1

2 - 0

2 - 3

n - (n - 1)

n - 0

Коэффициенты распределения

k1-0

k1-2

k2-1

k2-0

k2-3

kn - (n - 1)

kn - 0

Элементы 1 - 0, 2 - 0 и т.д. - сваи.

Коэффициенты распределения определяются по формуле, приведенной выше.

Расчеты по схемам I и II ведутся раздельно тем же методом, что расчет несимметричной рамы.

В схеме I определяются реакции для вертикальных опор. Реакция горизонтальной опоры n¢ равна нулю.

В схеме II определяются реакции для вертикальных и горизонтальной опор, за исключением вертикальной реакции опоры n, которая равна нулю.

При определении реакции от единичного смещения опоры, лежащей на оси симметрии, величина вертикальной реакции от единичного смещения фиктивной опоры n принимается , т.е.:

После определения по двум схемам смещений dк от загружений определяют реакции свай.


Таблица 19

Определение реакций свай

Загружение

Смещение

Левая половина рамы

Правая половина рамы

Сумма реакций SR

Нагрузка загружения Рк

Реакция

V1-0

V(n-1) - 0

Vn-0

V(n-1) - 0

V1-0

1

d

 

 

R

P1

2

d

 

 

R

P2

Для всех остальных загружений таблица составляется аналогично

Примечания: 1. Сумма реакций данного загружения равна нагрузке загружения.

2.  - смещения из расчетной схемы I от симметричной нагрузки;  - смещения из расчетной схемы II от кососимметричной нагрузки; n - номер опоры; к - номер загружения.

Таблица 20

Опорные моменты от загружений

От симметричной нагрузки

Левая половина рамы Mn-m

Номер фиктивной опоры

1

n

Mn-m, I

1

2

3

4

5

6

7

8

Элемент

1

Загружение 1

Консоль

 

 

 

 

1 - 0

M1-0, I + M1-0, II

1 - 2

M1-2, I + M1-2, II

2 - 1

M2-1, I + M2-1, II

2 - 0

M2-0, I + M2-0, II

2 - 3

M2-3, I + M2-3, II

3 - 2

M3-2, I + M3-2, II

Для загружений 2 … (к - 1) таблица составляется аналогично

Элемент \

Загружение к

1 - 0

0

M1-0, I

1 - 2

0

M1-2, I

2 - 1

0

M2-1, I

2 - 0

0

M2-0, I

2 - 3

0

M2-3, I

3 - 2

0

M3-2, I

Элемент \

 

 

 

Загружение к¢ (горизонтальное)

1 - 0

-

-

-

-

-

-

 

0 - 1

-

-

-

-

-

-

 

1 - 2

-

-

-

-

-

-

 

2 - 1

-

-

-

-

-

-

 

2 - 0

-

-

-

-

-

-

 

0 - 2

-

-

-

-

-

-

 

2 - 3

-

-

-

-

-

-

 

3 - 2

-

-

-

-

-

-

 

3 - 0

-

-

-

-

-

-

 

0 - 3

-

-

-

-

-

-

 

3 - 4

-

-

-

-

-

-

 

4 - 3

-

-

-

-

-

-

 

4 - 0

-

-

-

-

-

-

 

0 - 4

-

-

-

-

-

-

 

Продолжение табл. 20

Правая половина рамы Mn-m

От кососимметричной нагрузки

Mn-m, II

n¢

1

Номер фиктивной опоры

9

10

11

12

13

14

15

16

Загружение 1

 \ Элемент

 

 

 

 

Консоль

M1-0, I - M1-0, II

1 - 0

M1-2, I - M1-2, II

1 - 2

M2-1, I - M2-1, II

2 - 1

M2-0, I - M2-0, II

2 - 0

M2-3, I - M2-3, II

2 - 3

M3-2, I - M3-2, II

3 - 2

Для загружений 2 … (к - 1) таблица составляется аналогично

Загружение к

-

-

-

 \ Элемент

-

-

-

-

-

-

-

1 - 0

-

-

-

-

-

-

-

1 - 2

-

-

-

-

-

-

-

2 - 1

-

-

-

-

-

-

-

2 - 0

-

-

-

-

-

-

-

2 - 3

-

-

-

-

-

-

-

3 - 2

Загружение к¢ (горизонтальное)

 \ Элемент

M1-0, II

0

1 - 0

M0-1, II

0

0 - 1

M1-2, II

0

1 - 2

M2-1, II

0

2 - 1

M2-0, II

0

2 - 0

M0-2, II

0

0 - 2

M2-3, II

0

2 - 3

M3-2, II

0

3 - 2

M3-0, II

0

3 - 0

M0-3, II

0

0 - 3

M3-4, II

0

3 - 4

M4-3, II

0

4 - 3

M4-0, II

0

4 - 0

M0-4, II

0

0 - 4

(Измененная редакция).


Линии влияния реакций строятся по табл. 19, линии влияния опорных моментов - по табл. 20. Построение линии влияния пролетных моментов и поперечных сил описано выше.

От загружения линии влияния реакций получают нагрузки на соответствующие поперечные рамы и производят пересчет эпюр усилий поперечных рам, построенных от условных загружений, равных 10 или 100 тс или тс/м. Загружая линии влияния, получают эпюры усилий в продольных рамах. Суммируя усилия в сечениях от возможных сочетаний нагрузок, определяют максимальные значения усилий в соответствующих сечениях, по которым строят огибающие эпюры усилии.

Конструкция с четным количеством узлов

Рис. 24.

 

 

 

 

 

 

 

I. Расчетная схема конструкции от симметричной нагрузки.

Горизонтальное смещение системы равно 0.

 

 

 

 

II. Расчетная схема конструкции от кососимметричной нагрузки.

 

 

 

 

 

 

Таблица 21

Основные исходные данные по конструкции

Элементы конструкции

Длина элемента, l, м

Площадь сечения F, м2

Момент инерции сечения I, м4

Условный модуль упругости , тс/м2

Условная жесткость , тс·м2

Условная погонная жесткость , тс·м

Сваи

 

 

 

 

 

 

Ригели от 1 - 2 до [(n - 1) - n]

l = lрасч

 

 

 

 

 

Ригель n - (n + 1)

l = 0,5lрасч

 

 

 

 

 

Примечание. В результате введения условной жесткости далее в расчетах рамы смещения d получаются в миллиметрах (см. табл. 9 и 32).

(Измененная редакция).

Таблица 22

Коэффициенты распределения для схемы I

Номер узла

1

n

Номер элемента

1 - 0

1 - 2

 

 

 

n - (n - 1)

n - 0

n - (n + 1)

Коэффициенты распределения

k1-0

k1-2

 

 

 

kn (n-1)

kn-0

kn (n+1)

Коэффициенты распределения в узле n определяются по формулам:

где

Таблица 23

Коэффициенты распределения для схемы II

Номер узла

1

n

Номер элемента

1 - 0

1 - 2

 

 

 

n - (n - 1)

n - 0

n - (n + 1)

Коэффициенты распределения

k1-0

k1-2

 

 

 

kn (n-1)

kn-0

kn (n+1)

Коэффициенты распределения в узле n определяются по формулам:

где

Моменты защемления от единичных смещений узлов 1 - (n - 1) определяются так же, как в расчете несимметричной рамы.

 

Моменты защемления от единичного смещения узла n;

Рис. 25.

а) для схемы I (симметричное загружение)

б) для схемы II (кососимметричное загружение)

 

Моменты защемления от загружений в элементах ригеля, кроме элемента n (n + 1), определяются как опорные моменты защемленных балок, а поперечные силы на опорах - однопролетных балок.

Моменты защемления от загружений в элементе n (n + 1):

Рис. 26.

а) для схемы I (рис. 26, а, б)

загружение к-1:

загружение к:

б) для схемы II (рис. 26, в)

загружение к-1:

Распределение моментов защемления от единичных смещений узлов и от загружений производится так же, как в расчете несимметричной рамы методом Кросса. В схеме I коэффициент переноса для элемента ригеля n (n + 1) к = - 1.


Таблица 24

Таблица распределения моментов защемления для схемы I (пример при числе узлов n = 3)

Номер узла

1

2

3

4 - 3

Номер элемента

Консоль

1 - 0

1 - 2

2 - 1

2 - 0

2 - 3

3 - 2

3 - 0

3 - 4

4 - 3

Коэффициенты распределения

-

k1-0

k1-2

k2-1

k2-0

k2-3

k3-2

k3-0

k3-4

-

1

2

3

4

5

6

7

8

9

10

11

12

Условный момент m = 100 тс·м в узле 2

Цикл 1

 

 

a = 0,5b1

 

 [m = + 100]

 

c = 0,5b3

 

 

d = - c3

 

a1 = - ak1-0

a2 = - ak1-2

b1 = - mk2-1

b2 = - mk2-0

b3 = - mk2-3

c1 = - ck3-2

c2 = - ck3-0

c3 = - ck3-4

 

Цикл 2

 

 

a3 = 0,5b6

b4 = 0,5a2

 

b5 = 0,5c1

c4 = 0,5b8

 

 

d1 = - c7

 

a4 = - a3k1-0

a5 = - a3k1-2

b6 = - (b4 + b5) k2-1

b7 = - (b4 + b5) k2-0

b8 = - (b4 + b5) k2-3

c5 = - c4k3-2

c6 = - c4k3-0

c7 = - c4k3-4

 

Последующие циклы выполняются аналогично циклу 2

Опорные моменты

 

m1-0 = Sai гр. 4

m1-2 = Sai гр. 5

m2-1 = Sbi гр. 6

m2-0 = Sbi гр. 7

m2-3 = Sbi гр. 8

m3-2 = Sci гр. 9

m3-0 = Sci гр. 10

m3-4 = Sci гр. 11

m4-3 = Sdi гр. 12

Проверка

m1-0 + m1-2 = 0

m2-1 + m2-0 + m2-3 = - m = - 100

m3-2 + m3-0 + m3-4 = 0

m4-3 = - m3-4

Примечание. Моменты защемления других узлов распределяются аналогично.

Таблица 25

Таблица распределения моментов защемления для схемы II (пример при числе узлов n = 3)

Номер узла

1

2

3

Номер элемента

Консоль

1 - 0

1 - 2

2 - 1

2 - 0

2 - 3

3 - 2

3 - 0

3 - 4

Коэффициенты распределения

-

k1-0

k1-2

k2-1

k2-0

k2-3

k3-2

k3-0

k3-4

1

2

3

4

5

6

7

8

9

10

11

Условный момент m = 100 тс·м в узле 2

Цикл 1

 

 

a = 0,5b1

 

 [m = + 100]

 

c = 0,5b3

 

 

 

a1 = - ak1-0

a2 = - ak1-2

b1 = - mk2-1

b2 = - mk2-0

b3 = - mk2-3

c1 = - ck3-2

c2 = - ck3-0

c3 = - ck3-4

Цикл 2

 

 

a3 = 0,5b6

b4 = 0,5a2

 

b5 = 0,5c1

c4 = 0,5b8

 

 

 

a4 = - a3k1-0

a5 = - a3k1-2

b6 = - (b4 + b5) k2-1

b7 = - (b4 + b5) k2-0

b8 = - (b4 + b5) k2-3

c5 = - c4k3-2

c6 = - c4k3-0

c7 = - c4k3-4

Последующие циклы выполняются аналогично циклу 2

Опорные моменты

 

m1-0 = Sai гр. 4

m1-2 = Sai гр. 5

m2-1 = Sbi гр. 6

m2-0 = Sbi гр. 7

m2-3 = Sbi гр. 8

m3-2 = Sci гр. 9

m3-0 = Sci гр. 10

m3-4 = Sci гр. 11

Проверка

m1-0 + m1-2 = 0

m2-1 + m2-0 + m2-3 = - m = - 100

m3-2 + m3-0 + m3-4 = 0

Примечание. Моменты защемления других узлов распределяются аналогично.


Решение по двум схемам ведется раздельно тем же методом, что и расчет несимметричной рамы.

Для определения реакции в сваях полученные смещения от решения канонических уравнений в схемах I и II суммируются: для левой половины рамы - , для правой - .

Для определения опорных моментов в элементах конструкции суммируются опорные моменты, полученные из решения схем I и II: для левой половины рамы - , для правой - .

Здесь индексы: к - номер загружения; n - номер опоры; I - схема с симметричной нагрузкой, II - с кососимметричной нагрузкой.

По полученным данным строятся линии влияния реакций и опорных моментов. Построение этих линий влияния, а также линии влияния пролетных моментов и поперечных сил описано в решении продольной рамы методом несимметричных рам.

4. Расчет эстакад рамной конструкции, в котором упругая податливость опор в грунте определяется коэффициентом постели

Начинается расчет с составления расчетной схемы эстакады. Расчет выполняется аналогично представленному выше в разд. 1 (см. начало данного приложения). Расчет по определению «расчетных длин стоек» не производят. Этот расчет заменяется расчетом определения усилий в связях головы опоры от единичных смещений d = 1 и поворотов j0 = 1.

Глубина забивки опоры отсчитывается от линии условного дна. Воздействие грунта на опоры заменяется упругими связями. Для этого глубина забивки разбивается на равные части z0 (рис. 27), в каждой из которых вводится упругая связь. Усилия в связях от единичных смещений определяются по формуле

где все обозначения принимаются по п. 21.25 настоящего Руководства.

Усилие в фиктивной опоре 1 (см. рис. 27) , в фиктивной опоре 2  и т.д.

Расчет сваи, как балки на упруго оседающих опорах, производится методом деформаций. Расчетная схема представлена на рис. 27. Расчет выполняется аналогично расчету поперечной рамы, представленному в разд. 2 настоящего приложения.

Таблица 26

Расчетные данные по конструкции

Элементы конструкции

Длина элемента, l, м

Площадь сечения F, м2

Момент инерции сечения I, м4

Условный модуль упругости , тс/м2

Условная жесткость , тс·м2

Условная погонная жесткость , тс·м

0 - 1

h0

F

I

 

 

j0

1 - 2, 2 - 3, 3 - 4

z0

F

I

 

 

jz

Примечание. В результате введения условной жесткости далее в расчетах рамы смещения d получаются в миллиметрах (см. табл. 9 и 32).

(Измененная редакция).

Коэффициенты распределения:

узел 1:

(Измененная редакция).

узел 2:

узел 3:

Моменты защемления от единичных горизонтальных смещений (d = 1) фиктивных опор 1-4.

Рис. 27. Расчетная схема определения момента защемления головы стойки рамы от угла поворота и перемещения, равных единице

Смещение фиктивной опоры 1:

Рис. 28.

 

 

Смещение фиктивной опоры 2:

Смещение фиктивной опоры 3:

Смещение фиктивной опоры 4:

Моменты защемления от единичных смещений опоры 0 (заделка в ростверке):

от горизонтального поступательного смещения d = 1

от угла поворота j = 1:

Рис. 29.

Определение опорных моментов при помощи распределения моментов защемления от единичных смещений фиктивных опор и опоры 0 выполнено в табл. 27 (см также табл. 5 настоящего приложения).


Таблица 27

Определение опорных моментов от единичных смещений фиктивных опор

Узлы

0

1

2

3

Элементы

0 - 1

1 - 0

1 - 2

2 - 1

2 - 3

3 - 2

3 - 4

Коэффициенты распределения

0

k1-0

k1-2

k2-1 = 0,5

k2-3 = 0,5

k3-2 = 0,572

k3-4 = 0,478

1

2

3

4

5

6

7

8

9

Смещение фиктивной опоры 1

Цикл 1

 

 

 

c = 0,5a1

 

 

b = 0,5a2

 

d = 0,5b2

 

 

d1 = - dk3-2

d2 = - dk3-4

Цикл 2

c1 = 0,5a4

 

a3 = 0,5b1

b4 = 0,5a5

b3 = 0,5d1

d3 = 0,5b6

 

 

a4 = - a3k1-0

a5 = - a3k1-2

b5 = - (b3 + b4) k2-1

b6 = - (b3 + b4) k2-3

d4 = - d3k3-2

d5 = - d3k3-4

Цикл 3

c2 = 0,5a7

 

a6 = 0,5b5

b8 = 0,5a8

b7 = 0,5d4

d6 = 0,5b10

 

 

a7 = - a6k1-0

a8 = - a6k1-2

b9 = - (b7 + b8) k2-1

b10 = - (b7 + b8) k2-3

d7 = - d6k3-2

d8 = - d6k3-4

Опорные моменты

 = S гр. 3

 = S гр. 4

 = S гр. 5

 = S гр. 6

 = S гр. 7

 = S гр. 8

 = S гр. 9

Моменты защемления от смещения фиктивной опоры 2 распределяются аналогично

Смещение фиктивной опоры 3

Цикл 1

 

 

 

 

c = 0,5a1

 

a = 0,5b1

 

b = 0,5d1

 

 

 

a1 = - ak1-0

a2 = - ak1-2

Цикл 2

c1 = 0,5a4

 

a3 = 0,5b5

b4 = 0,5a2

b3 = 0,5d4

d3 = 0,5b2

 

 

a4 = - a3k1-0

a5 = - a3k1-2

b5 = - (b3 + b4) k2-1

b6 = - (b3 + b4) k2-3

d4 = - d3k3-2

d5 = - d3k3-4

Цикл 3

c2 = 0,5a7

 

a6 = 0,5b9

b8 = 0,5a5

b7 = 0,5d7

d6 = 0,5b6

 

 

a7 = - a6k1-0

a8 = - a6k1-2

b9 = - (b7 + b8) k2-1

b10 = - (b7 + b8) k2-3

d7 = - d6k3-2

d8 = - d6k3-4

Опорные моменты

 = S гр. 3

 = S гр. 4

 = S гр. 5

 = S гр. 6

 = S гр. 7

 = S гр. 8

 = S гр. 9

Смещение фиктивной опоры 4

Цикл 1

 

 

 

 

 

 

c = 0,5a1

 

a = 0,5b1

 

b = 0,5d1

 

 

 

a1 = - ak1-0

a2 = - ak1-2

b1 = - bk2-1

b2 = - bk2-3

Цикл 2

c1 = 0,5a4

 

a3 = 0,5b5

b4 = 0,5a2

b3 = 0,5d4

d3 = 0,5b2

 

 

a4 = - a3k1-0

a5 = - a3k1-2

b5 = - (b3 + b4) k2-1

b6 = - (b3 + b4) k2-3

d4 = - d3k3-2

d5 = - d3k3-4

Цикл 3

c2 = 0,5a7

 

a6 = 0,5b9

b8 = 0,5a5

b7 = 0,5d7

d6 = 0,5b6

 

 

a7 = - a6k1-0

a8 = - a6k1-2

b9 = - (b7 + b8) k2-1

b10 = - (b7 + b8) k2-3

d7 = - d6k3-2

d8 = - d6k3-4

Опорные моменты

 = S гр. 3

 = S гр. 4

 = S гр. 5

 = S гр. 6

 = S гр. 7

 = S гр. 8

 = S гр. 9

Смещение фиктивной опоры 0

Цикл 1

 

b = 0,5a2

 

 

 

c = 0,5a1

 

 

 

c = 0,5b2

 

 

b1 = - bk2-1

b2 = - bk2-3

c1 = - ck3-2

c2 = - ck3-4

Цикл 2

c1 = 0,5a4

 

a3 = 0,5b1

b3 = 0,5a5

b4 = 0,5c1

c3 = 0,5b6

 

 

a4 = - a3k1-0

a5 = - a3k1-2

b5 = - (b3 + b4) k2-1

b6 = - (b3 + b4) k2-3

c4 = - c3k3-2

c5 = - c3k3-4

Цикл 3

c2 = 0,5a7

 

a6 = 0,5b5

b7 = 0,5a8

b8 = 0,5c4

c6 = 0,5b10

 

 

a7 = - a6k1-0

a8 = - a6k1-2

b9 = - (b7 + b8) k2-1

b10 = - (b7 + b8) k2-3

c7 = - c6k3-2

c8 = - c6k3-4

Опорные моменты

 = S гр. 3

 = S гр. 4

 = S гр. 5

 = S гр. 6

 = S гр. 7

 = S гр. 8

 = S гр. 9

(Измененная редакция).

Распределение моментов защемления от поворота опоры 0  производится аналогично распределению моментов защемления от горизонтального смещения опоры 0.


Таблица 28

Сводная таблица опорных моментов  от единичных смещений опор

Элементы

От смещений фиктивных опор

От смещения

От поворота

1

2

3

4

опоры 0

0 - 1

1 - 0

1 - 2

2 - 1

2 - 3

3 - 2

3 - 4


Таблица 29

Поперечные силы в элементах от единичных смещений опор

Опоры

Элементы

От смещений фиктивных опор

От смещения

От поворота

1

2

3

4

опоры 0

0

0 - 1

1

1 - 0

1 - 2

2

2 - 1

2 - 3

3

3 - 2

3 - 4

4

4 - 3

(Измененная редакция).

Таблица 30

Реактивные усилия rnк в упругих связях (фиктивных опорах)

Фиктивные опоры

От смещения фиктивных опор

От смещения

От поворота

1

2

3

4

опоры 0

1

2

3

4

Примечание. Табл. 30 включает в себя канонические уравнения, решение которых производится по способу Гаусса в табл. 31 и табл. 32. Подробное описание хода решений изложено в разд. 2 настоящего приложения.

Таблица 31

Решение канонических уравнений

Номер строки

Реакции фиктивных опор от единичных смещений при неизвестных

Реакции опоры 0 от единичных смещений

Проверка

d1

d2

d3

d4

d

j

1

r11

r12

r13

r14

r1d

r1j

2

- r11/r11

- r12/r11

- r13/r11

- r14/r11

- r1d/r11

- r1j/r11

3

r21

r22

r23

r24

r2d

r2j

4

r21 (-r11/r11)

r21 (-r12/r11)

r21 (-r13/r11)

r21 (-r14/r11)

r21 (-r1d/r11)

r21 (-r1j/r11)

5

r31

r32

r33

r34

r3d

r3j

6

r31 (-r11/r11)

r31 (-r12/r11)

r31 (-r13/r11)

r31 (-r14/r11)

r31 (-r1d/r11)

r31 (-r1j/r11)

7

r41

r42

r43

r44

r4d

r4j

8

r41 (-r11/r11)

r41 (-r12/r11)

r41 (-r13/r11)

r41 (-r14/r11)

r41 (-r1d/r11)

r41 (-r1j/r11)

9

 

10

 

11

 

12

 

13

 

14

 

15

 

 

16

 

 

17

 

 

18

 

 

19

 

 

 

20

 

 

 


Таблица 32

Схема решения канонических уравнений (обратный ход)

Номер строки

Смещение фиктивных опор

Величины действительных смещений от загружений

Примечание

1

2

3

4

горизонтального смещения опоры О

поворота опоры О

1

 

 

 

d4

Строка 20 табл. 31

2

 

 

 

По строке 16 табл. 31

3

 

 

 

 

4

 

 

d3

 

S 2-й и 3-й строк

5

 

 

 

По строке 10 табл. 31

6

 

 

 

7

 

 

 

 

8

 

d2

 

 

S 5 - 7-йстрок

9

 

- r12/r11

 

 

По строке 2 табл. 31

10

 

 

- r13/r11

 

11

 

 

 

- r14/r11

12

 

 

 

 

- r1d/r11

- r1j/r11

13

d1

 

 

 

S 9 - 12-й строк


Таблица 33

Опорные моменты от смещения головы сваи

Номер строки

Элементы

Опорные моменты от смещения фиктивных опор в связи со смещением опоры 0

Опорные моменты от единичного смещения опоры 0

Опорные моменты

1

0 - 1

2

1 - 0

3

1 - 2

4

2 - 1

5

2 - 3

6

3 - 2

7

3 - 4

Таблица 34

Опорные моменты от поворота сваи

Номер строки

Элементы

Опорные моменты от смещения фиктивных опор в связи с поворотом опоры 0

Опорные моменты от единичного поворота опоры 0

Опорные моменты от поворота

1

0 - 1

2

1 - 0

3

1 - 2

4

2 - 1

5

2 - 3

6

3 - 2

7

3 - 4

Примечание. В табл. 33 и 34 опорные моменты  от единичных смещений опор принимаются по табл. 28, смещения di - по табл. 32.


Моменты защемления свай от единичных смещений по оси ригеля определяются по формулам:

от горизонтального смещения

где  - поперечная сила в элементе 0 - 1;

от поворота

где  - поперечная сила в элементе 0 - 1;

а - расстояние от нижней поверхности ростверка до его оси, на которой определяется момент защемления сваи.

Методика расчета моментов защемления сваи в ригеле от единичных смещений приведена на примере одной сваи. Аналогичные расчеты необходимо повторить для других свай, отличающихся от данной длиной и глубиной погружения в грунт.

После определения моментов защемления свай в ростверке от единичных смещений приступают к расчету рамы. Ход расчета аналогичен изложенному в разд. 2 настоящего приложения.

По рекомендациям разд. 2 составляются расчетная схема и схемы загружений рамы, определяются моменты защемления от единичных вертикальных смещений фиктивных опор в элементах ригеля рамы по формуле

Моменты защемления в сваях от горизонтального смещения фиктивной опоры 0, в отличие от изложенного в разд. 2, принимаются из расчета свай с учетом работы грунта коэффициентом постели, т.е. :

для сваи 1 - 6 (см. рис. 5)                      

для сваи 2 - 5                                           

для сваи 3 - 4                                           

Моменты защемления и поперечные силы от внешней нагрузки определяются по указаниям разд. 2.

Коэффициенты распределения определяются в данном случае не через жесткости элементов, сходящихся в узле, а через соотношение моментов защемления в элементах от поворота узла на угол j = 1.

Момент защемления в ригеле от поворота j = 1 определяется по формуле

где Mn, n+1 - условная погонная жесткость элемента (см табл. 2).

Момент защемления в свае принимается из расчета сваи с учетом работы грунта коэффициентом постели, т.е. :

для сваи 1 - 6 (см. рис. 5)                      

для сваи 2 - 5                                           

для сваи 3 - 4                                           

Коэффициенты распределения определяются по формуле

где kn, n+1 - коэффициент распределения для элемента n, n+1 узла n;

Mn, n+1 - момент защемления в элементе n, n+1 от поворота узла n на угол j = 1;

 - сумма моментов защемления элементов, сходящихся в узле n, от его поворота на угол j = 1.

Сумма коэффициентов распределения всех элементов, сходящихся в узле, равна единице:

узел 1:

узел 2:

и т.д.

Определение опорных моментов путем распределения неуравновешенных моментов защемления  от единичных смещений фиктивных опор и от загружений производится по одному из способов, приведенных в разд. 2 настоящего приложения (см. табл. 3 - 5). При этом из табл. 4 и 5 исключаются строки «опорных моментов в грунте», определяются только «опорные моменты в узлах».

Поперечные силы в элементах ригеля определяются по формулам, приведенным в разд. 2. При этом от горизонтального смещения (смещение опоры 0) опорные моменты предварительно корректируются коэффициентом ki, равным отношению опорного момента в i-й свае, полученного в результате распределения неуравновешенного момента к моменту защемления от единичного смещения из расчета сваи с учетом работы грунта коэффициентом постели, т.е.

Поперечные силы в сваях:

от смещений вертикальных фиктивных опор и от загружений

от смещения горизонтальной фиктивной опоры 0

Здесь  и  - поперечные силы в свае из расчета ее по методу учета упругости грунта коэффициентом постели соответственно от единичного поворота и перемещения;

 и  - моменты защемления из расчета сваи по методу учета упругости грунта коэффициентом постели соответственно от единичного поворота и перемещения;

 и  - опорные моменты в сваях, полученные в результате распределения неуравновешенных методов защемления (см. табл. 3 - 5).

Определение поперечных сил по аналогии с табл. 6 представлено в табл. 35.

Реакции фиктивных опор от единичных смещений и от загружений (внешних нагрузок) определяются по указаниям разд. 2 настоящего приложения.

При этом упругая податливость опор в данном случае определяется деформацией материала сваи и осадкой грунта, характеризуемой коэффициентом постели

где сocн = kоснz - коэффициент постели на уровне забивки сваи;

kосн - коэффициент пропорциональности грунта, расположенного под торцом сваи, принимаемый по табл. 1 приложения к СНиП II-17-77;

z - глубина погружения опоры в грунт.

Остальные обозначения см. в п. 21.25 настоящего Руководства.

Далее расчет до конца выполняется по указаниям разд. 2.

Расчет продольной рамы с учетом упругой податливости опор в грунте, характеризуемой коэффициентом постели, выполняется по аналогии с расчетом поперечной рамы и в соответствии с указаниями разд. 3.

Таблица 35

Определение поперечных сил

Узлы

1

2

Элементы

Консоль

1 - 6

1 - 2

2 - 1

Длина элементов

 

 

l1-2

1

2

3

4

5

6

Смещение фиктивной опоры 1

 

 

 

По всем остальным смещениям вертикальных фиктивных опор таблица заполняется аналогично

Смещение фиктивной опоры 0 (горизонтальной)

 

 

 

 

 

 

 

Загружение 3

 

 

 

По всем остальным загружениям таблица заполняется аналогично

Продолжение табл. 35

Узлы

2

3

Элементы

2 - 5

2 - 3

3 - 2

3 - 4

Длина элементов

 

l2-3

 

1

2

7

8

9

10

Смещение фиктивной опоры 1

 

 

По всем остальным смещениям вертикальных фиктивных опор таблица заполняется аналогично

Смещение фиктивной опоры 0 (горизонтальной)

 

 

 

 

Загружение 3

 

 

По всем остальным загружениям таблица заполняется аналогично

Примечания. 1. Значения опорных моментов  и  для соответствующих смещений фиктивных опор и загружений принимаются по табл. 4 или 5.

2. Значения моментов защемления свай от единичных смещений  и , а также поперечных сил  и  принимаются из расчета свай с учетом работы грунта, характеризуемой коэффициентом постели.

ПРИЛОЖЕНИЕ 14

(рекомендуемое)

КОЭФФИЦИЕНТЫ m ДЛЯ ОПРЕДЕЛЕНИЯ РАСЧЕТНЫХ ДЛИН СТОЕК

Характеристика свайного основания

Схемы закрепления

Сваи прямоугольные с горизонтальным смещением

1,25

1,5

Сваи-оболочки с горизонтальным смещением

1

1,25

Сваи и сваи-оболочки с козловыми опорами в двух направлениях без горизонтального смещения

0,7

1

Примечание. Для определения геометрической длины стоек в грунте основания принимается условное защемление.

ПРИЛОЖЕНИЕ 15

(рекомендуемое)

ПРИМЕРЫ РАСЧЕТОВ ПРИЧАЛЬНЫХ СООРУЖЕНИЙ*

ПРИМЕР 1

РАСЧЕТ ПРИЧАЛЬНОГО СООРУЖЕНИЯ ГРАВИТАЦИОННОГО ТИПА ИЗ ПРАВИЛЬНОЙ КЛАДКИ МАССИВОВ

ИСХОДНЫЕ ДАННЫЕ

За расчетный уровень принят горизонт воды 98 %-ной обеспеченности 0,0 м.

Отметка кордона причальной набережной + 2,50 м.

Отметка дна у причала - 11,50 м.

Эксплуатационные нормативные нагрузки:

равномерно распределенная от складирования грузов в прикордонной зоне

 = 4,0 тс/м2;

то же, в переходной зоне  = 6,0 тс/м2;

то же, в тыловой зоне  = 10,0 тс/м2.

Расчетные параметры сопротивления сдвигу грунтов засыпки и основания:

а) грунт засыпки (песчаный):

угол внутреннего трения jзI = 27°, jзII = 30°;

объемный вес грунта gн =1,8 тс/м3 (в состоянии естественной влажности), gп = 10 тс/м3 (в состоянии гидростатического взвешивания);

б) каменная разгрузочно-противофильтрационная призма и постель:

угол внутреннего трения jкI = 45°, jкII = 45°;

объемный вес gк.н =2,1 тс/м3 (в состоянии естественной влажности), gк.п = 1,1 тс/м3 (в состоянии взвешивания);

в) щебеночная отсыпка над верхним курсом массивов:

угол внутреннего трения jщI = 35°, jщII = 37°;

объемный вес gщ.н = 1,8 тс/м3 (в состоянии естественной влажности);

г) грунты основания (суглинок) с 0,25 £ IL = 0,3 £ 0,5:

угол внутреннего трения j0I = 22°, j0II = 24°;

удельное сцепление сI = 1,95 тс/м2, cII = 3,9 тс/м2;

объемный вес g0п =1,0 тс/м3.

Объемный вес бетонных массивов:

в надводной части gбн = 2,4 тс/м3;

в подводной части gбп = 1,4 тс/м3.

Объемный вес железобетонной сборной надстройки gжб = 2,5 тс/м3.

_________________________

* Необходимо при использовании примеров расчетов настоящего приложения учитывать примечание к нему.

РАСЧЕТ СООРУЖЕНИЯ ИЗ УСЛОВИЯ ОБЕСПЕЧЕНИЯ УСТОЙЧИВОСТИ

(первая группа предельных состояний)

Стенка рассчитывается при выдвинутом массиве верхнего курса (в пределах допустимого отклонения) на 30 см в сторону моря по отношению к проектному положению (см. рис. 1).


Рис. 1. Расчетная схема стенки и эпюра активного давления при эксплуатационной нагрузке за сооружением.


В соответствии с указаниями п. 19.2 (14.1) в настоящем примере стенка рассчитана при четырех случаях загружения территории причала.

I расчетный случай - временная нагрузка qн расположена за пределами стенки.

Активное давление на стенку определяется по пп. 13.31 (8.21) - 13.34 (8.24) настоящего Руководства.

Распор грунта в пределах надстройки от Ñ + 2,5 до Ñ + 0,60

Угол обрушения определяется по формуле

где ,

a = 0 и Sb = 0 - см. примечание к п. 19.4 (14.3) настоящего Руководства;

d = jзI - см. п. 19.3 (14.2) настоящего Руководства;

V = tg (0° + 27° + 27°) = tg 54° = 1,376;

;

b = 37°30¢.

Коэффициент горизонтальной составляющей активного давления грунта

Ординаты эпюры горизонтальной составляющей активного давления:

Ординаты эпюры вертикальной составляющей активного давления:

Вертикальная составляющая бокового трения

 тс/пог. м.

Распор грунта в пределах каменной призмы от Ñ + 0,6 до Ñ - 11,5

Нагрузка на уровне низа консоли на Ñ - 1,20

Ординаты горизонтальной составляющей распора в пределах консоли:

Ординаты вертикальных составляющих распора в пределах консоли:

Вертикальная сила трения в пределах консоли

 тс/пог. м.

Высота выклинивания нагрузки на расчетную грань стенки ниже консоли:

Ординаты горизонтальных составляющих распора ниже консоли:

Ординаты вертикальных составляющих распора ниже консоли:

Вертикальная сила трения ниже консоли

 тс/пог. м.

Определяем распор от пригрузки грунта.

Высота выклинивания на откосе разгрузочной призмы плоскости обрушения, проведенной через конец верхнего курса массивов,

Расстояние вниз от S1 до дна

H1 = 11,5 + 0,6 - 0,27 = 11,83 м;

a = 1,6 - длина консольного свеса верхнего курса массивов;

a1 = 0,5 - берма разгрузочной призмы.

Высота выклинивания плоскости обрушения на откосе разгрузочной призмы вниз от S1

Коэффициент распора для грунтов засыпки

Высота действия пригрузки на стенку

Dh = 11,5 - 3,79 = 7,71 м.

Распорное давление от пригрузки грунта:

Вертикальная сила трения от пригрузки грунта

 тс/пог. м.

Принимаем действие силы трения между отметками - 1,20 м и - 11,50 м по вертикали, проходящей по тыловой грани массивов третьего и четвертого курсов.

Швартовную нагрузку определяем по указаниям главы СНиП II-57-75 из условия, что длина секции L = 24,62 м, швартовная тумба на усилие N = 100 тс (см. рис. 6), тогда на 1 пог. м сооружения имеем:

Определяем удерживающие и сдвигающие усилия в табличной форме.

Расчет по основанию сооружения (Ñ - 11,50 м)

Таблица 1

Горизонтальные силы и опрокидывающие моменты

Обозначение сил (см. рис. 1)

Горизонтальные силы

Плечо

Момент опрокидывания M0i = Eiri, тс·м/м

Подсчет

Значение Ei, тс

Подсчет

Значение ri, м

E1

0,5 · 1,18 · 1,9

1,12

12,1 + 2 · 1,9/3

13,37

14,97

E2

0,5 · 2,18 · 1,9

2,07

12,1 + 1,9/3

12,73

26,36

E3

0,5 · 1,08 · 0,6

0,33

11,5 + 2 · 0,6/3

11,9

3,93

E4

0,5 · 1,24 0,0

0,37

11,5 + 0,6/3

11,7

4,33

E5

0,5 1,24,1,2

0,74

11,5 - 1,2/3

11,1

8,21

E6

0,5 · 1,43,1,2

0,86

11,5 - 2 · 1,2/3

10,7

9,20

E7

0,5 · 0,41 · 2,59

0,53

10,3 - 2 · 2,59/3

8,57

4,54

E8

0,5 · 2,4,0,11

0,13

7,71 - 0,11/3

7,67

1,0

E9

0,5 · 2,43 · 0,11

0,13

7,71 - 2 · 0,11/3

7,64

0,99

E10

0,5 · 2,43 · 2,7

3,28

7,6 - 2,7/3

6,70

21,98

E11

0,5 · 2,91,2,7

3,93

7,6 - 2 · 2,7/3

5,80

22,79

E12

0,5 · 2,91,2,45

3,56

4,9 - 2,45/3

4,08

14,52

E13

05 · 3,37 · 2,45

4,13

4,9 - 2 · 2,45/3

3,27

13,5

E14

0,5 · 3,37 · 2,45

4,13

2 · 2,45/3

1,63

6,73

E15

0,5 · 3,83 · 2,45

4,69

2,45/3

0,82

3,84

Eшв

 

1,56

11,5 + 2,5 + 0,35

14,35

22,39

E = 31,59

М0 = 179,28

(Измененная редакция).

Таблица 2

Вертикальные силы и удерживающие моменты (Ñ - 11,50 м)

Обозначение сил (см. рис. 1)

Вертикальные силы

Плечо

Удерживающий момент Мувi = giri, тс·м/м

Подсчет

Значение gi, тс

Подсчет

Значение ri, м

g1

2,4 · 0,45 · 1,9

2,05

0,5 · 0,45 - 20

0,03

0,06

g2

2,4 · 2,55 · 0,6

3,67

0,5 · 2,55 + 0,25

1,53

5,62

g3

1,8 · 2,55 · 1,3

5,97

0,5 · 2,55 + 0,25

1,53

9,13

g4

1,8 · 3,8 · 1,9

13,00

0,5 · 3,8 + 2,8

4,70

61,10

2,4 · 6,6 · 0,6

9,51

0,5 · 6,6

3,30

31,38

1,4 · 6,6 · 1,2

11,09

0,5 · 6,6

3,30

36,60

g6

1,4 · 3,7 · 2,7

13,99

0,5 · 3,74 + 1,3

3,15

44,07

g7

1,4 · 3,7 · 2,7

13,99

0,5 · 3,7 + 1,3

3,15

44,07

g8

1,4 · 4,5 · 1,8

11,34

0,5 · 4,5 + 1,1

3,35

37,99

g9

1,4 · 5,0 · 0,65

4,55

0,5 · 5,0 + 0,60

3,10

14,11

g10

1,4 · 0,5 · 0,5 · 1,8

0,63

0,5 · 2/3 + 0,60

0,93

0,59

g11

1,4 · 4,5 · 1,8

11,34

0,5 · 4,5 + 0,50

2,75

31,19

g12

1,4 · 5,0 · 0,65

4,55

0,5 · 5,0

2,50

11,38

g13

1,4 · 0,5 · 0,5 · 1,8

0,63

2 · 0,5/3

0,33

0,21

g14

1,1 · 0,5 · 0,6 · 5,4

1,78

0,6/3 + 5,0

5,20

9,26

Eв

 

1,62

 

6,60

10,69

Eв1

 

0,95

 

6,60

6,27

Eв2

 

8,05

 

5,00

40,25

Eв.гр

 

2,10

 

5,00

10,50

Vшв

 

- 2,61

1 · 09 - 0,2

0,89

- 2,32

g = 118,20

Муд = 402,15

(Измененная редакция).

Проверяем устойчивость сооружения на сдвиг по постели из условия

где n = 1,25; nc = 1,0; kн = 1,15 - по п. 13.16 (8.8) настоящего Руководства для основного сочетания нагрузок и III класса капитальности сооружения;

mд = 0,95 - по табл. 17 (7), поз. 1 настоящего Руководства;

Е = 31,59 тс/м - по табл. 1 настоящего расчета;

m = 1,15 - по п. 13.22 (8.14) настоящего Руководства;

g = 118,20 тс/м - по табл. 2 настоящего расчета;

f = 0,5 - по п. 14.10 (9.8) настоящего Руководства;

37,51 тс < 59,10 тс - условие выполнено.

Расстояние равнодействующей от передней грани

Эксцентриситет

е = 0,5В - а = 0,5 · 5,0 - 1,89 = 0,61 м.

Краевые напряжения по контакту основания стенки и каменной постели

Краевые напряжения по контакту каменной постели с грунтом основания при толщине постели hn = 2,0 м:

Устойчивость на сдвиг вместе с постелью следует определять по формуле [см п. 14.11 (9.9) а настоящего Руководства]

где n = 1,25; nc = 1,0; mд = 1,15: kн = 1,15; m = 1,15 - то же, что в расчете на сдвиг по постели;

E = 31,59 тс/м - по табл. 1 настоящего расчета;

Величина Ep определяется как меньшее из двух значений

где mo = 3,0 - заложение откоса котлована,

или

где lp = 3,26.

Принимаем Ep = 5,62 тс/м:

37,51 тс < 46,99 тс - условие выполнено.

Расчет по шву IV - IV (Ñ - 9,05 м)

Ордината вертикальной составляющей распорного давления на Ñ - 9,05 м

Тогда вертикальная сила ниже консоли

Вертикальная сила от распора камня

где 5,26 м - Dh = 9,05 - 3,79.

Таблица 3

Горизонтальные силы и опрокидывающие моменты

Обозначение сил (см. рис. 1)

Горизонтальные силы

Плечо

Момент опрокидывания M0i, тс·м/м

Подсчет

Значение Ei, тс/м

Подсчет

Значение ri, м

E1

См. табл. 1

1,12

См. табл. 1

13,37 - 2,45

10,92

12,23

E2

2,07

12,73 - 2,45

10,28

21,28

E3

0,33

11,9 - 2,45

9,45

3,12

E4

0,37

11,7 - 2,45

9,25

3,42

E5

0,74

11,1 - 2,45

8,65

6,40

E6

0,86

10,7 - 2,45

8,25

7,10

E7

0,53

8,57 - 2,45

6,12

3,24

E8

0,13

7,67 - 2,45

5,22

0,68

E9

0,13

7,64 - 2,45

5,19

0,67

E10

3,28

6,70 - 2,45

4,25

13,94

E11

3,93

5,80 - 2,45

3,35

13,17

E12

3,56

4,08 - 2,45

1,63

5,80

E13

4,13

3,27 - 2,45

0,82

3,39

Eшв

1,56

14,35 - 2,45

11,90

18,56

E = 22,74

М0 = 113,00

Таблица 4

Вертикальные силы и удерживающие моменты

Обозначение сил (см. рис. 1)

Вертикальные силы

Плечо

Удерживающий момент Мудi, тс·м/м

Подсчет

Значение gi, тс/м

Подсчет

Значение ri, м

g1

См. табл. 2

2,05

См. табл. 2

0,03 - 0,6

0,57

- 1,17

g2

3,67

1,53 - 0,6

0,93

3,41

g3

5,97

1,53 - 0,6

0,93

5,55

g4

13,00

4,70 - 0,6

4,10

53,30

9,51

3,30 - 0,6

2,70

25,68

11,09

3,30 - 0,6

2,70

29,94

g6

13,99

3,15 - 0,6

2,55

35,67

g7

13,99

3,15 - 0,6

2,55

35,67

g8

11,34

3,35 - 0,6

2,75

31,19

g9

4,55

3,10 - 0,6

2,50

11,38

g10

0,63

0,93 - 0,6

0,33

0,21

g14

1,78

5,20 - 0,6

4,60

8,19

Eв

1,62

6,60 - 0,6

6,00

9,72

Eв1

0,95

6,60 - 0,6

6,00

5,70

Eв2

5,11

5,00 - 0,6

4,40

22,48

Eв.гр

1,40

5,00 - 0,6

4,45

6,16

Vшв

- 2,61

0,89 - 0,6

0,29

- 0,76

g = 98,04

Муд = 282,32

Проверку устойчивости на сдвиг по шву IV - IV производим по формуле:

где nc = 1,0; m = 1,15; n =1,25; kн = 1,15; mд = 0,95;

f = 0,5 - значения коэффициентов те же, что в расчете по основанию;

E = 22,74 тс/м - по табл. 3;

g = 98,04 тс/м - по табл. 4.

27,00 тс/м < 49,02 тс/м - условие выполнено.

Определяем краевые напряжения на контакте массивов по шву IV-IV:

е = 0,5В - а = 0,5 · 4,40 - 1,73 = 0,47 м < 0,167B = 0,167 · 4,4 = 0,73 м;

Расчет по шву III - III (Ñ - 6,60 м)

Вертикальная составляющая распорного давления на отметке - 6,6 м:

Вертикальная сила трения от пригрузки грунта

где 2,81 м - Dh = 6,6 - 3,79.

Таблица 5

Горизонтальные силы и опрокидывающие моменты

Обозначение сил

Горизонтальные силы

Плечо

Момент опрокидывания, тс·м/м

Подсчет сил

Значение Ei, тс/м

Подсчет

Значение ri, м

E1

См. табл. 1

1,12

См. табл. 3

10,92 - 2,45

8,47

9,49

E2

2,07

10,28 - 2,45

7,83

16,21

E3

0,33

9,45 - 2,45

7,00

2,31

E4

0,37

9,25 - 2,45

6,80

2,52

E5

0,74

8,65 - 2,45

6,20

4,59

E6

0,86

8,25 - 2,45

5,80

4,99

E7

0,53

6,12 - 2,45

3,67

1,95

E8

0,13

5,22 - 2,45

2,77

0,36

E9

0,13

5,19 - 2,45

2,74

0,36

E10

3,28

4,25 - 2,45

1,80

5,90

E11

3,93

3,35 - 2,45

0,90

3,54

Eшв

1,56

11,90 - 2,45

9,45

14,74

E = 15,05

М0 = 66,96

Таблица 6

Вертикальные силы и удерживающие моменты

Обозначение сил

Вертикальные силы

Плечо

Удерживающий момент, тс·м/м

Подсчет

Значение gi, тс

Подсчет

Значение ri, м

g1

См. табл. 2

2,05

См. табл. 4

(- 0,57) - 0,70

- 1,27

- 2,60

g2

3,67

0,93 - 0,70

0,23

0,84

g3

5,97

0,93 - 0,70

0,23

1,37

g4

13,00

4,10 - 0,70

3,40

44,20

9,51

2,70 - 0,70

2,00

19,02

11,09

2,70 - 0,70

2,00

22,18

g6

13,99

2,55 - 0,70

1,85

25,88

g7

13,99

2,55 - 0,70

1,85

25,88

g14

1,78

4,60 - 0,70

3,90

6,94

Eв

1,62

6,00 - 0,70

5,30

8,59

Eв1

0,95

6,00 - 0,70

5,30

5,04

Eв2

2,61

4,40 - 0,70

3,70

9,66

Eв.гр

0,71

4,40 - 0,70

3,70

2,63

Vшв

- 2,61

0,29 - 0,70

-0,41

1,07

g = 78,33

Муд = 170,70

Определяем краевые напряжения на контакте массивов по шву III - III:

е = 0,5 · 3,7 - 1,32 = 0,53 м;

(Измененная редакция).

Проверяем устойчивость на сдвиг:

17,87 < 39,17 - условие выполнено.

Расчет по шву II - II (Ñ - 3,90 м)

Вертикальная составляющая распорного давления:

где 0,11 м - h = 3,90 - 3,79.

Таблица 7

Горизонтальные силы и опрокидывающие моменты

Обозначение сил

Горизонтальные силы

Плечо

Момент опрокидывания Moi, тс·м/м

Подсчет сил

Значение Ei, тс/м

Подсчет

Значение ri, м

E1

См. табл. 1

1,12

См. табл. 5

8,47 - 2,70

5,77

6,46

E2

2,07

7,83 - 2,70

5,13

10,62

E3

0,33

7,00 - 2,70

4,30

1,42

E4

0,37

6,80 - 2,70

4,10

1,52

E5

0,74

6,20 - 2,70

3,50

2,59

E6

0,86

5,80 - 2,70

3,10

2,67

E7

0,53

3,67 - 2,70

0,97

0,51

E8

0,13

2,77 - 2,70

0,07

0,01

E9

0,13

2,74 - 2,70

0,04

0,01

Eшв

1,56

9,45 - 2,70

6,75

10,53

E = 7,84

М0 = 36,34

Таблица 8

Вертикальные силы и удерживающие моменты

Обозначение сил

Вертикальные силы

Плечо

Удерживающий момент, тс·м/м

Подсчет

Значение gi, тс

Подсчет

Значение ri, м

g1

См. табл. 2

2,05

См. табл. 6

- 1,27

- 2,60

g2

3,67

0,23

0,84

g3

5,97

0,23

1,37

g4

13,00

3,40

44,20

9,51

2,00

19,02

11,09

2,00

22,18

g6

13,99

1,85

26,88

g14

0,45

3,90

1,75

Eв

1,62

5,30

8,59

Eв1

0,95

5,30

5,04

0,22

3,70

0,81

0,03

3,70

0,11

Vшв

- 2,61

- 0,41

1,07

g = 59,94

Муд = 128,26

Определяем краевые напряжения на контакте массивов по шву II - II:

е = 0,5 · 3,7 - 1,53 = 0,32 м;

Условие устойчивости на сдвиг:

9,31 < 29,97 - условие выполнено.

II расчетный случай - временная нагрузка  расположена над тыловой частью сооружения и распределяется на 1/3 ширины массива предпоследнего курса кладки. Верхний массив находится в проектном положении (консольный свес тыловой части массива 1,9 м; рис. 2).

Рис. 2. Расчетная схема верхнего курса массивов.

Расчет по шву (Ñ - 1,20 м)

Определяем краевые напряжения на контакте массивов по шву I - I и устойчивость на сдвиг по этому шву.

Ординаты эпюры активного давления в пределах высоты надстройки:

Ниже отметки + 0,60 м давление принимается из расчета по I расчетному случаю.

Таблица 9

Горизонтальные силы и опрокидывающие моменты

Обозначение сил

Горизонтальные силы

Плечо

Момент опрокидывания Moi, тс·м/м

Подсчет сил

Значение Ei, тс/м

Подсчет

Значение ri, м

E1

0,5 · 1,50 · 1,9

1,43

 

1,8 + 2 · 1,9/3

3,07

4,39

E2

0,5 · 2,79 · 1,9

2,65

 

1,8 + 1,9/3

2,43

6,44

E3

См. табл. 1

0,33

См. табл. 7

4,30 - 2,70

1,60

0,53

E4

0,37

4,10 - 2,70

1,40

0,52

E5

0,74

3,50 - 2,70

0,80

0,59

E6

0,86

3,10 - 2,70

0,40

0,34

Eшв

1,56

6,75 - 2,70

4,05

6,32

E = 7,94

М0 = 19,13

(Измененная редакция).

Таблица 10

Вертикальные силы и удерживающие моменты

Обозначение сил

Вертикальные силы

Плечо

Удерживающий момент, тс·м/м

Подсчет

Значение gi, тс

Подсчет

Значение ri, м

g1

См. табл. 2

2,05

См. табл. 8

- 1,27 + 0,30

- 0,97

- 1,99

g2

3,67

0,23 + 0,30

0,53

1,95

g3

5,97

0,23 + 0,30

0,53

3,16

g4

13,00

3,40 + 0,30

3,70

48,10

9,51

2,00 + 0,30

2,30

21,87

11,09

2,00 + 0,30

2,30

25,51

gq

(3,7/3 + 1,90) 4

12,53

3,70 + 1,90 - (3,70/3 + 1,90)/2

4,03

50,50

Eв1

См. табл. 2

0,95

См. табл. 8

5,30 + 0,30

5,60

5,32

Vшв

- 2,61

- 0,41 + 0,30

- 0,11

0,29

g = 56,16

Муд = 154,71

Проверяем устойчивость на сдвиг:

n = 1,25; nс =1,0; mд = 0,95;m = 1,15; kн = 1,15; f = 0,5;

9,43 тс < 28,08 тс - условие выполнено.

Определяем напряжения:

е = 0,5 · 3,7 - 2,41 = - 0,56 м;

smin = l,40 тс/м2 (под передней гранью);

smax = 28,96 тс/м2 (под тыловой гранью).

III расчетный случай - временная нагрузка  расположена над стенкой до линии кордона (рис. 3). Верхний массив сдвинут на 30 см в сторону моря по отношению к проектному положению.

Рис. 3. Расчетная схема стенки при нагрузке на сооружение.

Горизонтальные сдвигающие силы в пределах высоты надстройки равны силам II расчетного случая (см. табл. 9), сдвигающие силы и опрокидывающие моменты ниже отметки + 0,6 м равны силам и моментам I расчетного случая (см. табл. 1), вертикальные силы и удерживающие моменты с добавлением силы и момента от нагрузки на сооружение равны вертикальным силам и удерживающим моментам I расчетного случая.

Таблица 11

Горизонтальные силы и опрокидывающие моменты

Обозначение сил

Горизонтальные силы

Плечо

Момент опрокидывания Moi = Eiri, тс·м/м

Подсчет

Значение Ei, тс/м

Подсчет

Значение ri, м

E1

См. табл. 9

1,43

См. табл. 1

13,37

19,12

E2

То же

2,65

12,73

33,73

 

См. табл. 1

 

 

См. табл. 1

S(Е3 ÷ Е15, Ешв)

31,59 - 1,12 - 2,07

28,4

-

-

179,28 - 14,97 - 26,36

E = 32,48

М0 = 190,80

Таблица 12

Вертикальные силы и удерживающие моменты

Обозначение сил

Вертикальные силы

Плечо

Удерживающий момент, тс·м/м

Подсчет

Значение gi, тс

Подсчет

Значение ri, м

(g1 ÷ g14) +

См. табл. 2

 

 

 

См. табл. 2

+ Ев1 + Ев2 +

 

 

 

+ Ев.гр + Vшв

118,2 - 1,62

116,58

 

 

402,15 - 10,69

gq

4 · 6,8

27,20

0,5 · 6,8 - 0,2

3,2

87,04

g = 143,78

Муд = 478,50

Определяем напряжения под сооружением:

е = 0,5 · 5 - 2,0 = 0,50 м;

напряжения на контакте основания сооружения и постели:

При толщине постели hн = 2,0 м напряжения на грунт равны:

Расчет консоли массива верхнего курса на прочность при изгибе (рис. 4)

Проверка прочности бетонного массива производится по условию СНиП II-56-77:

где kн = 1,15; nc = 1,0; n = 1,25; mд = 0,9 - по п. 13.16 (8.8) и табл. 14 (4) настоящего Руководства для сооружения III класса капитальности и основного сочетания нагрузок;

 - приняты по СНиП II-56-77 для высоты сечения элемента более100 см и бетона М250;

g = l,75 - по прил. 1 СНиП II-56-77;

Рис. 4. Схема для расчета консольного свеса верхнего курса массивов.

Защемление консоли принято на расстоянии 1/3 ширины опорного массива от его тыловой грани.

Расчетная длина консоли при проектном положении верхнего курса массивов

lк = 1,90 + (1/3) 3,70 = 3,13 м.

Расчетная нагрузка

q = 4 + 1,9 · 1,8 + 0,6 · 2,4 + 1,2 · 1,4 = 10,54 тс/м.

Изгибающий момент консоли

M = ql2 · 0,5 = 10,54 · 3,132 · 0,5 = 51,63 тс·м/м.

Условие прочности

1,15 · 1,0 · 1,25 · 0,9 · 51,63 · 105 < 0,956 · 0,9 · 8,8 · 94,5 · 104;

66,8 · 105 < 71,55 · 105 кгс·см/м - условие выполнено.

Расчет по деформациям (вторая группа предельных состояний)

Расчет гравитационных сооружений по деформациям в соответствии с указаниями п. 7.8 СНиП II-16-76 допускается не производить при эксцентриситете e £ B/5, если соблюдается условие pср £ Rд.

 - условие выполнено.

где pсp - среднее давление на грунт основания от действующих нагрузок с учетом веса постели (см. данные расчета стенки по основанию).

(Измененная редакция).

Давление Rд на грунт основания определяется по формуле

где m1 = 0,9 - коэффициент условий работы при строительстве «в воду»;

A1 = 0,72; A2 = 3,87; D = 6,45 - безразмерные коэффициенты для значения j0II = 24° (см. исходные данные);

B = 5,0 м - ширина подошвы сооружения;

hn = 2,0 м - толщина постели;

gII = 1,0 тс/м3;  = 1,1 тс/м3-объемный вес соответственно грунтов основания и каменной постели;

d = 0 - заглубление подошвы сооружения от отметки проектного дна;

cII = 3,9 тс/м2 - удельное сцепление грунта, залегающего под подошвой постели.

Rд =0,9 [0,72 (5 + 2 · 2) 1,0 + 3,87 (0 + 2,0) 1,1 + 6,45 · 3,9] = 36,13 тс/м2;

25,84 < 36,13 тс/м2 - условие выполнено, расчет по деформациям не требуется.

РАСЧЕТ СБОРНОЙ ЖЕЛЕЗОБЕТОННОЙ НАДСТРОЙКИ ПО НЕСУЩЕЙ СПОСОБНОСТИ ИЗ УСЛОВИЯ ОБЕСПЕЧЕНИЯ УСТОЙЧИВОСТИ И ПРОЧНОСТИ

СИЛЫ, ДЕЙСТВУЮЩИЕ НА НАДСТРОЙКУ

1. Активное давление грунта и временных нагрузок (рис. 5)

Угол обрушения b для участков восприятия активного давления условной вертикалью, проходящей в грунте при a = 0, Sb = 0 и d = jщI ==35°.

Коэффициент горизонтальной составляющей активного давления

Для бетонной поверхности восприятия распора lx принимается по табл. 18 настоящего Руководства при d = 0,5jщI. Для jщI = 35° lx = 0,24.

Ординаты эпюры горизонтальной составляющей активного давления определяются по формуле

а) для открылков (рис. 5, а):

б) для тумбового массива (рис. 5, б):

Силы активного давления на 1 пог. м:

а) для открылков

 тс/м.

б) для тумбового массива

 тс/м.

Силы трения от активного давления на 1 пог. м:

а) для открылков

Рис. 5. Эпюры активного давления для расчета надстройки.

б) для тумбового массива

Длина открылков lк = 2 · 10,56 = 21,12 м, тумбового массива lт = 3,5 м.

Общая сила активного давления грунта на надстройку

Общая сила трения от активного давления

2. Швартовная нагрузка при тумбе на усилие 100 тс в соответствии с указаниями СНиП II-57-75 (см. также рис. 6).

3. Нагрузка от навала судна при подходе

Расчет нагрузки производим по СНиП II-57-75 и Руководству к СНиП .

За расчетное принят сухогруз водоизмещением Dc = 30000 т с осадкой в грузу T = 10,0 м.

Кинетическая энергия при подходе судна к причалу

Причал оборудован резиновыми трубчатыми амортизаторами 100×50 см, длиной 150 см. При сжатии 1 пог. м гасится 6,5 тс · м/м энергии. При этом на причал передается нагрузка 45 тс/м.

Амортизатор длиной 1,5 м соответственно гасит 6,5 · 1,5 = 9,75 тс·м энергии и передает причалу нагрузку 45 · 1,5 = 67,5 тс. Считая, что в работу включится часть надстройки за пределами длины амортизатора (условно принимаем с каждой стороны по толщине стенки), распределяем нагрузку на длине l = 1,5 + 2 · 0,45 = 2,4 м.

Расчетная нагрузка на 1 пог. м от удара подходящего судна

4. Вес надстройки

Вес погонного метра открылка

gк = 0,45 · 1,75 · 2,5 + 0,5 (0,45 + 0,30) 2,55 · 2,5 + 0,5 (1,30 + 1,45) 2,55 · 1,8 = 10,67 тс/м.

Рис. 6. Схема распределения усилий швартовной нагрузки.

Вес погонного метра тумбового массива

gт = 1,70 · 1,90 · 2,5 + 1,30 · 0,9 · 2,5 + 1,30 · 1,0 · 1,8 = 13,34 тс/м.

Общий вес надстройки

gн = 10,67 · 21,12 + 13,34 · 3,5 = 272,05 тс.

РАСЧЕТ НАДСТРОЙКИ НА СДВИГ ПО ОСНОВАНИЮ

Условие устойчивости на сдвиг

где nс = 1,0; n = 1,25; mд = 0,95; m = 1,15; kн = 1,15 - приняты по указаниям пп. 13.16 (8.8), 13.22 (8.14), табл. 17 (7), поз. 1 настоящего Руководства для сооружения III класса капитальности и основного сочетания нагрузок;

 - сдвигающая сила;

g = gн - Nz + Eв = 272,05 - 64,3 + 30,67 = 238,42 тс - вертикальная удерживающая сила;

f = 0,6 - коэффициент трения;

133,51 < 143,05 тс - условие устойчивости на плоский сдвиг надстройки выполнено.

ОПРЕДЕЛЕНИЕ УСИЛИЙ В ЖЕЛЕЗОБЕТОННЫХ ЭЛЕМЕНТАХ КОНСТРУКЦИИ НАДСТРОЙКИ И РАСЧЕТЫ ИХ ПРОЧНОСТИ И ТРЕЩИНОСТОЙКОСТИ

Материалы:

Бетон марки М300, Rпр = 135 кгс/см2, Rр = 10 кгс/см2; ms3 = 1,15 - для тумбового массива, ms3 = 1,0 - для открылков.

Арматура класса A-II, Rа = Ra.c = 2850 кгс/см2, Ra.x = 2200 кгс/см2, ma2 = 1,15 - для сечений с количеством стержней рабочей арматуры более 10, Еа = 2100000 кгс/см2.

РАСЧЕТ НАДСТРОЙКИ НА НАГРУЗКУ ОТ АКТИВНОГО ДАВЛЕНИЯ ГРУНТА (рис. 7)

Ординаты эпюры активного давления определяются по формуле

где lа = 0,24 - по табл. 18 настоящего Руководства при d = 0,5jщI;

Рис. 7. Схема для расчета лицевой стенки уголковой надстройки от активного давления грунта.

Равнодействующая активного давления

Еа = 0,5 (0,96 + 1,52) 1,30 = 1,61 тс.

Плечо равнодействующей активного давления относительно сечения 1 - 1

Изгибающий момент в сечении 1 - 1 M = l,61 · 0,60 = 0,97 тс·м.

Поперечная сила в сечении 1 - 1 Q = l,61 тc.

РАСЧЕТ ПРОЧНОСТИ СЕЧЕНИЯ

Определяем необходимое количество арматуры из расчета прочности на действие изгибающего момента.

Характеристика сечения:

b = 100 см; h = 45 см; a = 5 см; h0 = = h - a = 45 - 5 = 40 см.

Высота сжатой зоны сечения

Находим условие прочности:

Подставляя в формулу значения, определяем величину Fa:

x = 0,243 · 1,07 = 0,26 см < 2а¢ = 10 см - условие расчета выбрано правильно.

Процент армирования сечения

0,05% - минимальный процент армирования.

Минимальная площадь сечения арматуры

Принимаем конструктивно Fa = 2,5 Æ 12 = 2,83 см2 (шаг стержней 40 см).

Определяем прочность наклонного сечения на действие поперечной силы.

Проверяем соблюдение условия

2314,38 < 135000 кгс - условие выполнено.

Расчет поперечной арматуры не производится при условии

где

k = 0,5 + 2x;

k = 0,5 + 2 · 0,01 = 0,52;

Qs = 0,52 · 10 · 100 · 40 · 0,80 = 16640 кгс;

1,15 · 1,0 · 1,25 · 1,0 · 1610 < 1,0 · 16640;

2314,38 < 16640 кгс - условие выполнено, поперечная сила воспринимается бетоном.

Рассчитываем фундаментную плиту на внецентренное растяжение силой N = Еa, приложенной за пределами сечения (см. рис. 7).

Определяем необходимую площадь сечения арматуры из условия прочности при :

За расчетное принимаем среднее сечение фундаментной плиты высотой h = 0,5 (45 + + 30) » 38 см.

Находим плечо действия силы N относительно центра тяжести арматуры Fa:

е = 60 + (45 - 38 + 5) = 72 см;

а = 5 см; h0 = h - a = 38 - 5 = 33 см;

x = 0,243 · 2,25 - 0,171 = 0,38 см < 2а¢ = 10 см, следовательно,  - условие расчета выбрано правильно.

Принимаем Fa = 2,5 Æ 12 = 2,83 см2.

РАСЧЕТ НАДСТРОЙКИ НА НАГРУЗКУ ОТ НАВАЛА СУДНА ПРИ ПОДХОДЕ (рис. 8)

1. Лицевая плита (сечение 1 - 1). Изгибающий момент M = 28 · 0,45 - 1,61 · 0,60 = 11,63 тс·м/м; поперечная сила Q = 28 - 1,61 = 26,30 тс/м; b = 100 см; h = 45 см; а = 5 см; h0 = h - а = 45 - 5 = 40 см.

Рис. 8. Схема для расчета лицевой стенки уголковой надстройки от действия удара судна при подходе.

Определяем количество арматуры из расчета прочности сечения:

Принимаем Fa = 5 Æ 20 = 15,7 см2.

x = 0,243 · 13,28 = 3,22 см.

Производим расчет по прочности наклонного к продольной оси сечения на действие поперечной силы.

Проверяем соблюдение условия ;

37935,63 < 135000 кгс - условие выполнено.

Расчет поперечной арматуры не производится при выполнении условия

где

k = 0,5 + 2x;

k = 0,5 + 2 · 0,08 = 0,66;

Qs = 0,66 · 10 · 100 · 40 · 0,95 = 25080 кгс;

1,15 · 1 · 1,25 · 1 · 26390 < 1,0 · 25080;

37935,62 < 25,080 кгс - условие не выполнено, требуется расчет поперечной арматуры.

Определим количество арматуры из условия

Проверяем условие

112,6, > 50,0 - условие не выполнено.

В этом случае количество поперечной арматуры определяется по формуле

Подставляем в формулу значения:

B результате решения Fx = 1,87 см2.

Принимаем Fx = 2 Æ 12 = 2,26 см2.

Проводим расчет по второй группе предельных состояний. Определяем ширину раскрытия трещин:

где k = 1,0-для изгибаемого элемента;

Сд = 1,0 - для кратковременного действия нагрузки;

h = 1,0 - для арматуры периодического профиля;

 - для изгибаемого элемента;

z = h0 - 0,5 x = 40 - 0,5 · 3,12 = 38,44 см - плечо внутренней пары сил из расчета на прочность;

 кгс/см2;

sнач = 0 - для конструкций, подверженных длительному высыханию;.

 - коэффициент армирования сечения;

d = 20 мм - диаметр арматуры.

При определении предельной (допустимой) ширины раскрытия трещин учитываем кратковременность действия нагрузки, зону переменного уровня воды и III класс капитальности сооружения. Для таких условий в соответствии с указаниями табл. 15 СНиП II-56-77 и табл. 7 СНиП II-28-73 предельная ширина раскрытия трещин равна 0,10 · 1,6 = 0,16 мм.

2. Фундаментная плита рассчитывается на внецентренное сжатие с большим эксцентриситетом при относительной высоте сжатой зоны  Граничное значение относительной высоты сжатой зоны xR определено по табл. 14 СНиП II-56-77 для марки бетона М300 и арматуры класса A-II.

Плечо приложения силы удара судна относительно растянутой арматуры Fa

е = 90 - 5 = 85 см.

Высоту сжатой зоны сечения и количество растянутой арматуры определяем в предположении  из условий:

где b = 100 см; h = 38 см; а = 5 см; h0 = 38 - 5 = 33 см.

Принимаем Fa = 5 Æ 25 = 24,54 см2.

x = 2,81 + 0,243 · 22,49 = 8,28 см < 2а¢ =10 см.

x = 8,28/33 = 0,25 < 0,6 - условие расчета выбрано правильно.

Определяем ширину раскрытия трещин, нормальных к продольной оси фундаментной плиты (предельное состояние второй группы):

где k = 1 - внецентренное сжатие;

Сд = 1 - кратковременное действие нагрузки;

h = l - арматура периодического профиля;

z = h0 - 0,5 x = 33 - 0,5 · 8,28 = 28,86 см - из расчета прочности;

sнач = 0 - для конструкций, подверженных длительному высыханию;

d = 25 мм;

=0,097;

(см. расчет раскрытия трещин лицевой плиты).

ПРОВЕРКА ПРОЧНОСТИ ТУМБОВОГО МАССИВА ПО СЕЧЕНИЮ НА ОТМЕТКЕ + 1,5 м (рис. 9) ОТ ДЕЙСТВИЯ СОСТАВЛЯЮЩЕЙ ШВАРТОВНОЙ НАГРУЗКИ, ПЕРПЕНДИКУЛЯРНОЙ КОРДОНУ, И АКТИВНОГО ДАВЛЕНИЯ ГРУНТА

Ординаты эпюры активного давления определяются по формуле

где lа = 0,24;

Рис. 9. Схема для расчета прочности сечения тумбового массива на отметке + 1,5 м.

Находим изгибающий момент в сечении тумбового массива на отметке + 1,5 м от горизонтальных сил на 1 пог. м длины массива;

М = 0,5 · 0,96 · 1,0 · 1 · 2/3 + 0,5 · 1,39 · 1,0 · 1/3 + 38,3 (1 + 0,36)/3,5 = 15,43 тс·м/м.

Определяем площадь сечения арматуры из расчета прочности железобетонного элемента от действие изгибающего момента:

где b = 100 см; h = 170 см; h0 = 170 - 5 = 165 см;

Процент армирования

Исходя из минимального процента армирования железобетонного элемента

Принимаем Fa = 5 Æ 16 = 10,05 см2.

ПРОВЕРКА НАПРЯЖЕНИЙ В ОСНОВАНИИ ТУМБОВОГО МАССИВА ОТ ДЕЙСТВИЯ ШВАРТОВНОЙ НАГРУЗКИ И ДАВЛЕНИЯ ГРУНТА

Определяем моменты относительно центральных осей x и у в плоскости основания тумбового массива (рис. 10 и табл. 13).

Активное давление грунта на тумбовый массив определено в расчете устойчивости надстройки на плоский сдвиг.

Таблица 13

Обозначение сил

Силы

Плечо

Опрокидывающий момент, тс·м

Подсчет

Значение, тc

Подсчет

Значение, м

Момент относительно оси y

E1

0,5 0,82 · 1,0.3,5

1,44

0,9 + 1,0 · 2/3

1,57

2,25

E2

0,5 · 1,19 · 1,0 · 3,5

2,08

0,9 + 1,0 · 1/3

1,23

2,56

E3

0,5 · 1,39 · 0,9 · 3,5

2,19

0,9 · 2/3

0,60

1,31

E4

0,5 · 1,78 · 0,9 · 3,5

2,80

0,9 · 1/3

0,30

0,84

Nx

 

38,3

1,9+0,36

2,20

86,56

Вертикальные силы

Nz

 

- 66,34

1,5 - 1,09

0,41

- 27,20

g1

1,7 · 1,9 · 2,5 · 3,5

28,26

1,5 - 1,7/2

0,65

18,37

g2

1,3 · 0,9 · 2,5 · 3,5

10,24

- (1,5 - 1,3/2)

- 0,85

- 8,70

g3

1,3 · 0,9 · 1,8 · 3,5

7,37

- (1,5 - 1,3/2)

- 0,85

- 6,26

Eвт

1,16 · 3,5

4,06

 

- 1,5

- 6,09

 

 

Вертикальные силы - 16,41

 

SMy = 63,64

Момент относительно оси x

Ny

 

66,34

1,9 + 0,36

2,26

149,93

Площадь основания тумбового массива F = 3 · 3,5 = 10,5 м2.

Моменты сопротивления площади основания тумбового массива соответственно относительно осей у и x: Wy = 3,5 · 32/6 = 5,25 м3; Wx = 3 · 3,52/6 = 6,12 м3.

Напряжения в основании тумбового массива определяются по формуле

Рис. 10. Схема для определения напряжений в основании тумбового массива.

Рис. 11. Схема к определению центра тяжести уголка надстройки.

При укладке бетона на хорошо промытую и подсушенную поверхность массивов обеспечивается сцепление с ней в размере 0,4Rp марки укладываемого бетона. Для марки бетона 300 сцепление равно 0,4 · 10 = 4 кгс/см2.

Расчетное отрывное усилий в точке В с учетом коэффициента динамичности на швартовную нагрузку sв = 1,2 (- 3,8) = - 4,56 кгс/cм2 > 4 кгс/см2. Часть швартовной нагрузки воспринимается открылками надстройки.

РАСЧЕТ ОТКРЫЛКОВ НА ДЕЙСТВИЕ СОСТАВЛЯЮЩЕЙ ШВАРТОВНОЙ НАГРУЗКИ, ПАРАЛЛЕЛЬНОЙ ЛИНИИ КОРДОНА

Расчетный момент определяется относительно оси х0, проходящей через центр тяжести уголка (рис. 11).

Рис. 12. Эпюра изгибающего момента в надстройке вдоль линии кордона.

Статический момент площади сечения относительно оси x

Sx = 0,45 · 1,752/2 + 2,55 · 0,3 · 0,15 + 0,5 · 2,55 · 0,15 · 0,35 = 0,87 м3.

Статический момент относительно оси z

Sz = 1,75 · 0,452/2 + 2,55 · 0,3 (0,45 + 0,5 · 2,55) + 0, 5 · 2,55 · 0,15 (0,45 + 2,55/3) = 1,75 м3.

Площадь сечения

F = 0,45 · 1,75 + 2,55 · 0,3 + 2,55 · 0,15 · 0,5 = 1,744 м2.

Расстояние до осей центра тяжести:

относительно оси x

относительно оси z

Изгибающий момент вдоль оси у в сечении 1 - 1 относительно оси x0, проходящей через центр тяжести сечения (см. рис. 11 и 12),

Изгибающий момент в сечении 2 - 2 примыкания крыла надстройки к тумбовому массиву

Изгибающий момент в сечении 3 - 3

Производим расчет прочности сечения 1 - 1.

Растянуто верхнее волокно.

Расчетные данные: b = 300 см; h = 190 см; а = 8 см; h0 = h - a = 182 см; в сечении более 10 арматурных стержней (тa = 1,15), арматура класса A-II (Ra = 2850 кгс/см2), бетон М300 (Rnp = 135 кгс/см2).

Определяем количество арматуры из условия

Принимаем Fa = 12 Æ 12 = 13,57 см2.

Растянуто нижнее волокно.

Расчетные данные: b = 170 см; h = 190 см; а = 8 см; h0 = 182 см.

Принимаем Fa = 12 Æ 12 = 13,57 см2. Процент армирования

0,05% - минимальный процент армирования.

Принимаем конструктивно Fa = 12 Æ 16 = 24,13 см2. Тогда

Производим расчет прочности сечения 2 - 2 (открылок).

Растянуто верхнее волокно.

Расчетные данные: b = 300 см; h = 175 см; а = 8 см; h0 = 175 - 8 = 167 см.

Принимаем Fa = 4 Æ 20 = 12,56 см2.

Процент армирования

Растянуто нижнее волокно.

Расчетные данные: b = 45 см; h = 175 см; а = 8 см; h0 = 167 см.

Принимаем Fa = 12 Æ 12 = 13,57 см2.

Сечение 3 - 3 рассчитывается на прочность аналогично сечению 2 - 2.

Наибольшее расстояние между рабочими стержнями не должно превышать 40 см. Поэтому по низу фундаментной плиты необходимо располагать не менее (300 - 16)/40 + 1 = 8 продольных стержней, учитывая при этом обеспечение минимального процента армирования m = 0,05 %.

РАСЧЕТ ОТКРЫЛКОВ НА ДЕЙСТВИЕ СОСТАВЛЯЮЩЕЙ ШВАРТОВНОЙ НАГРУЗКИ, ПЕРПЕНДИКУЛЯРНОЙ ЛИНИИ КОРДОНА

Расчет производится в предположении равномерного распределения нагрузки Nx = 38,3 тс по всей длине секции:

Момент в примыкании открылка к тумбовому массиву (рис. 13, сечение 1 - 1, , поперечная сила Q1 = 1,56 · 10,56 = 16,47 тс.

Определяем количество арматуры из условия прочности сечения (см. рис. 11). Расчетные данные: b = 30 см, h = 300 см; а = 8 см; h0 = 300 - 8 = 292 см.

Принимаем Fa = 4 Æ 20 = 12,56 см2.

При этом x = 0,809 · 13,31 = 10,77 < 2 · 8 = 16 см.

Производим расчет на действие поперечной силы. В наклонном сечении должно соблюдаться условие

23675,63 < 295650 тс - условие выполнено.

Рис. 13. Схема к расчету открылков надстройки

Расчет поперечной арматуры не производится при соблюдении условия

где Qs = kRpbh0 tg b/1,2;

k = 0,5 + 2x;

k = 0,5 + 2 · 0,03 = 0,56;

Rp = 10 кгс/см2 - для бетона М300;

b = 30 см; h0 = 292 см;

1,2 - коэффициент уменьшения для элементов с высотой сечения h ³ 60 см.

Qs = 0,56 · 10 · 30 · 292 · 0,712/1,2 = 29107 кгс;

1,15 · 1,0 · 1,25 · 1,0 · 16470 < 1,0 · 29107;

23675,63 < 29107 кгс - условие выполнено, поперечная сила воспринимается бетоном.

Все остальные сечения открылков рассчитываются аналогично.

Расчет открылков на действие вертикальной составляющей швартовной нагрузки не производится, так как вес 1 пог. м надстройки значительно превосходит (полностью поглощает) распределенную по длине секции указанную нагрузку:

10,67 тс/м - вес 1 пог. м открылков (см. расчет выше).

РАСЧЕТ ОТКРЫЛКОВ НА КРУЧЕНИЕ ОТ ДЕЙСТВИЯ СОСТАВЛЯЮЩИХ ШВАРТОВНОЙ НАГРУЗКИ, ВЕРТИКАЛЬНОЙ И НОРМАЛЬНОЙ К КОРДОНУ, И АКТИВНОГО ДАВЛЕНИЯ ГРУНТА

Крутящий момент определяется относительно центральных осей уголка открылка от сил, представленных на рис. 10, действующих на тумбовый массив. Расчет произведен в табл. 14.

Примечание. В табл. 14 моменты вращения, действующие по часовой стрелке, приняты положительными, против часовой стрелки - отрицательными.

Таблица 14

Обозначение сил

Силы

Плечо

Крутящий момент, тс·м

Подсчет

Значение, тc

Подсчет

Значение, м

E1

См. табл. 13

- 1,44

См. табл. 13

1,57 - 0,5

1,07

- 1,54

E2

- 2,08

1,23 - 0,5

0,73

- 1,52

E3

- 2,19

0,60 - 0,5

0,10

- 0,22

E4

- 2,80

0,30 - 0,50

- 0,20

0,56

Nx

- 38,3

2,26 - 0,5

1,76

- 67,41

Nz

66,34

1,09 - 1,0

- 0,09

- 5,97

g1

28,26

1,7/2 - 1,0

- 0,15

- 4,24

g2

10,24

0,7 + 1,3/2

1,35

13,82

g3

8,19

0,7 + 1,3/2

1,35

11,06

Eвт

4,06

 

2,00

8,12

 

Mк = - 47,34

Расчет прочности сечения производим по указаниям Руководства к СНиП II-21-75 «Руководство по проектированию бетонных и железобетонных конструкций из тяжелого бетона (без предварительного напряжения)».

Расчет производим по схеме железобетонного элемента Г-образного сечения, работающего на кручение с изгибом. Мк = 47,34/2 = 23,67 тс·м - крутящий момент от вращения тумбового массива, приходящийся на один открылок; М = 86,98 тс·м и Q = 16,47 тс - изгибающий момент и поперечная сила от действия составляющей швартовной нагрузки, перпендикулярной линии кордона (определены выше в соответствующем расчете).

Рис. 14. Расчетное железобетонное сечение открылка надстройки.

Расчетное сечение с осредненной толщиной нижней полки и арматурой, полученной из предыдущих расчетов, представлено на рис. 14.

Размеры поперечного сечения должны удовлетворять условию

где hi, bi - соответственно больший и меньший размеры каждого из составляющих сечение прямоугольников;

3402562,5 < 9625078,13 - условие выполнено.

Сечение должно удовлетворять условию

23675,63 < 515615,63 кгс - условие выполнено.

В соответствии с указаниями Руководства к СНиП II-21-75 расчет должен производиться для трех возможных схем расположения сжатой зоны пространственного сечения. Для рассчитываемой уголковой стенки эти схемы представлены на рис. 15.

При составлении схем принято, что изгиб стенки происходит от составляющей швартовной нагрузки, перпендикулярной кордону и действующей в горизонтальной плоскости. От изгиба растянута лицевая грань стенки и сжат тыловой участок фундаментной плиты (см. рис. 15, а).

Для любой из схем расчет пространственного сечения производится из условия

1-я схема (рис. 15, а)

Fa = 8 Æ 20 = 25,13 см2;  = 2 Æ 12 = 2,26 см2; h0 = 300 - 9 = 291 см;

fx = 1 Æ 12 = 1,13 см2; u = 40 см - шаг поперечных стержней;

bp = 175 см; b0 = 37,5 см; h0x = 300 - 0,5 · 45 = 277,5 см;

с = 2h + b + 2bp - 2b0 = 2 · 300 + 37,5 + 2 · 175 - 2 · 37,5 + 912,5 см; k = 1;

Проверяем условие прочности:

3402562,5 < 3770151,86 кгс·см - условие выполнено.

2-я схема (сжато нижнее волокно, рис. 15, б)

Fa = 4 Æ 20 + 6 Æ 12 = 12,56 + 6,78 = 19,34 см2;

fx = 1 Æ 12 = 1,13 см2; u = 40 см; h0x = 37,5 - 5 = 32,5 см; bсв = 175 - 37,5 = 137,5 см;

с = 2h + 2bсв + b = 2 · 37,5 + 2 · 137,5 + 300 = 650 см;

bp = b = 300 см;

Рис. 15. Схемы к расчету уголка открылка на кручение

Проверяем условие прочности:

3402562,5 < 3662578,66 кгс·см - условие выполнено.

2-я схема (сжато верхнее волокно, рис. 15, б)

Fa = 12 Æ 12 = 13,57 см2; h0 = 37,5 - 8 = 29,5 см; h0x = 30,5 см;

 fx = 1 Æ 25 = 4,91 см2;

c = 650 см; bp = b = 300 см; u = 20 см; k = 1,13; c = 0

Проверяем условие прочности:

3402562,5 < 5464585,59 кгс·см - условие выполнено.

3-я схема (рис. 15, в)

Fa = 2 Æ 12 = 2,26 см2; h0 = 300 - 7 = 293 см; h0x = 294 см;

 fx = 1 Æ 12 = 1,13 см2;

u = 40 см; bp = b0 = 37,5 см;

c = 2h + b + 2bp - 2b0 = 2 · 300 + 175 = 775 см; c = - 3,67; k = 1,0.

Проверяем условие прочности:

3402562,5 < 7457094,50 кгс·см - условие выполнено.

Представленное на рис. 14 сечение открылка воспринимает крутящий момент.

РАСЧЕТ ОТКРЫЛКА НА ПОДЪЕМ ВО ВРЕМЯ СТРОИТЕЛЬСТВА

Положение вертикальной плоскости, проходящей через центр тяжести сечения, x0 = 1,0 м, определено в расчете сечения на действие швартовной составляющей, параллельной линии кордона.

Располагаем петли симметрично относительно данной плоскости (рис. 16, а).

Определяем консольный момент (см. расчетную схему на рис. 16, б):

Мк = 0,3 · 1,22 · 0,61 · 2,5 + 0,5 · 0,07 · 1,22 · 2,5 · 1,22/3 = 0,60 тс·м/м.

Определяем необходимое количество арматуры из условия прочности

где kд = 1,3 - коэффициент динамичности в соответствии с требованиями главы СНиП II-56-77. При этом коэффициент перегрузки n = 1;

nc = 0,95 - строительный период;

h = 37 см; h0 = 37 - 5 = 32 см.

Рис. 16. Схема к расчету открылка на подъем во время строительства

Подставляя значения в уравнение, определяем Fа:

Поставленная арматура Fa = 2,5 Æ 12 = 2,83 см2 достаточна для восприятия усилий, возникающих во время строительства.

Относительно центральной оси, перпендикулярной линии кордона, конструкция симметрична.

Подъемные петли располагаем на расстоянии 0,207L = 0,207×10,56 » 2,2 м от концов элемента. Вес 1 пог. м конструкции

q = 1,744 · 2,5 = 4,36 тс/м.

Находим изгибающие моменты (см. расчетную схему на рис. 16, в):

на консоли

М =4,36 · 2,22/2 = 10,55 тс·м;

в пролете

M = 4,36 · 6,162/8 - 10,55 = 10,13 тс·м.

Проверяем возможность работы сечения в вертикальной плоскости как бетонного элемента из условия

где  - для сечения высотой более 100 см;

ms = 0,9 - коэффициент для бетонных конструкций.

Момент инерции сжатой зоны бетона, расположенной ниже центральной оси (см. расчет на составляющую швартовной нагрузки, параллельную линии кордона), относительно которой он берется, Is.o = Ix + .

Is.o = 0,45 · 0,53/12 + 0,45 · 0,5 · 0,252 + 2,55 · 33/12 + 2,55 · 0,3 (0,5 - 0,15)2 +

+ 2,55 · 0,153/36 + 0,5 · 2,55 · 0,15 (0,05 + 0,10)2 = 0,123 м4.

Статический момент растянутой зоны бетона относительно центральной оси

Ss.p = 0,45 · 1,252 · 0,5 = 0,351 см3;

 = 0,548 м3;

1,15 · 0,95 · 1 · 0,85 · 1,3 · 1055000 < 0,96 · 0,9 · 10 · 548000;

1273609 < 4734720 тс·м - условие выполнено.

Специальное армирование элемента на случай транспортирования и монтажа не требуется.

ПРИМЕР 2

РАСЧЕТ ПРИЧАЛЬНОГО СООРУЖЕНИЯ УГОЛКОВОГО ТИПА С КОНТРФОРСАМИ

ИСХОДНЫЕ ДАННЫЕ ДЛЯ РАСЧЕТА

Отсчетный уровень воды 98 %-ной обеспеченности принят за расчетный на отметке 0,0 м,

Отметка линии кордона + 2,8 м.

Отметка дна у причала - 15 м.

Расчетные физико-механические характеристики грунтов засыпки и основания:

грунт засыпки - песок:

угол внутреннего трения jI = 25°, jII = 27°;

объемный вес  тс/м3 (над расчетным уровнем)

                      и  тс/м3 (ниже расчетного уровня);

Грунт основания - глина:

угол внутреннего трения joI = 19°, joII = 21°;

объемный вес  тс/м3 (ниже расчетного уровня);

коэффициент пористости е = 0,8;

показатель консистенции IL = 0.

Нагрузки:

равномерно распределенные на территории причала от складируемых грузов:

в прикордонной зоне  тс/м2;

в переходной зоне  тс/м2;

в тыловой зоне  тс/м2;

от судов:

расчетное судно водоизмещением D = 100 тыс. тс;

дедвейт DW = 80 тыс. тс; наибольшая длина Lн.б = 252,0 м;

осадка в грузу Т = 13,5 м; боковая парусность Fx = 5400 м2.

Район строительства - г. Одесса.

Строительные материалы конструкции (контрфорсного блока): бетон гидротехнический сульфатостойкий марки М300, арматура класса A-II марки стали ВСт5пс2.

ВРЕМЕННЫЕ ЭКСПЛУАТАЦИОННЫЕ НАГРУЗКИ

Размещение равномерно распределенных нагрузок принято в соответствии с расчетной схемой для трехпутного портального крана с колеей 15,3 м по нормам технологического проектирования морских портов (рис. 1).

Нагрузки от натяжения швартовов определяются по указаниям главы СНиП II-57-75 и Руководства

Поперечная составляющая швартовного усилия

где Wх = 27 м/с - скорость ветра в районе г. Одессы;

c - коэффициент, зависящий от наибольшего горизонтального размера судна; для судна длиной 250 м c = 0,5;

Fx = 5400 м2 - боковая парусность;

Rx = 7,5 · 10-5 · 5400 · 272 · 0,5 = 147,6 тс.

Сила, воспринимаемая одной тумбой от судна порожнем,

 тс,

где n - число работающих тумб; при длине судна 250 м n = 6;

a и b - углы наклона швартова для тумбы на кордоне.

Принимаем швартовную тумбу ТСС-80.

Расчетная поперечная составляющая, приходящаяся на одну тумбу,

 тс.

ПРЕДВАРИТЕЛЬНЫЕ РАЗМЕРЫ СООРУЖЕНИЯ

Поперечное сечение сооружения определяется его устойчивостью, а также условием положения равнодействующей от нагрузок в пределах ядра сечения при расчете по второй группе предельных состояний.

Задаемся предварительными размерами сооружения. Принимаем ширину сооружения b = 16 м (см. рис. 1).

РАСЧЕТ ПО ПЕРВОЙ ГРУППЕ ПРЕДЕЛЬНЫХ СОСТОЯНИЙ (ПО ПОТЕРЕ НЕСУЩЕЙ СПОСОБНОСТИ ИЛИ НЕПРИГОДНОСТИ К ЭКСПЛУАТАЦИИ)

В этом расчете определяются устойчивость сооружения на плоский сдвиг по постели и вместе с постелью, толщина постели, контактные напряжения в постели и грунте основания, а также усилия для расчета прочности и прочность элементов конструкций.

Расчетными нагрузками на сооружение являются активное давление грунта с учетом временных нагрузок на территории причала и швартовная нагрузка.

Плоскости восприятия активного давления и обрушения в соответствии с пп. 15.1 (10.1) и 15.3 (10.3) а настоящего Руководства проходят через тыловой конец фундаментной плиты под углами a = b = 45° - 0,5jI к вертикали. Для jI = 25° a = b = 32°30¢.

Коэффициент горизонтальной составляющей активного давления при этом определяется по формуле la = tg2 (45° - 0,5jI) или по табл. 18 настоящего Руководства при d = 0. Для jI = 25° la = 0,406.

В соответствии с указаниями п. 13.37 (8.27) настоящего Руководства определяются отметки пересечения расчетной плоскости восприятия распорного давления плоскостями обрушения, проведенными из точек начала скачкообразного изменения равномерно распределенной нагрузки.

Высота от отметки территории причала до искомой отметки точки пересечения плоскости обрушения с плоскостью восприятия распора определяется по формуле (рис. 2)

где a - расстояние от плоскости восприятия распора на территории причала до точки, в которой изменяется величина нагрузки.

Начало нагрузки  = 6 тс/м2 -

 = 12,55 м.

Отметка пересечения плоскости обрушения с расчетной плоскостью

Ñ = 2,8 - 12,55 = - 9,75 м.

Начало нагрузки  = 10 тс/м2 -

 = 17,26 м;

Ñ = 2,8 - 17,26 = - 14,46 м.

Определяем ординаты эпюры активного давления:

Рис. 1. Поперечное сечение конструкции и принятые эксплуатационные нагрузки.

Рис. 2. Расчетная схема конструкции и эпюра активного давления грунта.

Таблица 1

Определение сдвигающих сил и опрокидывающих моментов

Номер силы (см. рис. 2)

Сдвигающая сила

Плечо

Опрокидывающий момент Moi, тс·м

Подсчет

Ei, тc

Подсчет

roi, м

1

0,5 · 1,62 · 2,8

2,27

16,87

38,29

2

0,5 · 3,67 · 2,8

5,14

15,93

81,88

3

0,5 · 3,67 · 9,75

17,89

11,75

210,21

4

0,5 · 7,63 · 9,75

37,20

8,50

316,20

5

0,5 · 8,44 · 4,71

19,88

3,68

73,16

6

0,5 · 10,35 · 4,71

24,37

2,11

51,42

7

0,5 · 11,98 · 0,54

3,23

0,36

1,16

8

0,5 · 12,2 · 0,54

3,29

0,18

0,59

Nx

30,64 : 6

5,11

 

18,10

92,49

E = 118,38

Mo = 865,40

Таблица 2

Определение удерживающих сил и моментов

Номер силы (см. рис. 2)

Удерживающие силы

Плечо

Удерживающий момент Mуд.i = giri, тс·м

Подсчет

gi, тc

Подсчет

ri, м

I

1,2 · 2,8 · 2,5

8,40

 

0,75

6,30

II

0,35 · 14,6 ·1,5

7,67

 

1,175

9,01

III

0,4 · 16 · 1,5

9,60

 

8,00

76,80

IV

0,5 · 14,6 · 14,6 · 0,3× × 0,5 · 0,5

7,99

 

6,22

49,70

V

3,31 · 2,8 · 1,8

16,68

 

3,01

50,21

VI

0,5 · 1,78 · 2,8 · 1,8

4,49

 

5,25

23,57

VII

5,09 · 14,6 · 1,0

74,31

 

3,90

289,81

VIII

0,5 · 9,56 · 14,6 · 1,0

69,79

 

9,63

672,08

IX

3,31 · 4

13,24

 

3,01

39,85

 

 

 

 

 

 

 

 

 

1

2,27 · 1,5697

3,56

16 - 16,87 · 0,637

5,25

18,69

2

5,14 · 1,5697

8,07

16 - 15,93 · 0,637

5,85

47,20

3

17,89 · 1,5697

28,08

16 - 11,75 · 0,637

8,52

239,24

4

37,20 · 1,5697

58,39

16 - 8,50 · 0,637

10,59

618,35

5

19,88 · 1,5697

31,21

16 - 3,68 · 0,637

13,66

426,33

6

24,37 · 1,5697

38,25

16 - 2,11 · 0,637

14,66

560,74

7

3,23 · 1,5697

5,07

16 - 0,36 · 0,637

15,77

79,95

8

3,29 · 1,5697

5,16

16 - 0,18 · 0,637

15,89

81,99

g = 389,96

Муд = 3289,82

Примечание. Значения сил Е и плеч r0 принимаются по табл. 1.

Условие устойчивости стенки на плоский сдвиг по постели

140,58 тс < 194,98 тс - условие выполнено.

Напряжения на контакте основания сооружения с постелью

Расстояние от передней грани, сооружения до точки приложения равнодействующей нагрузок

Эксцентриситет приложения нагрузок

Определяем толщину постели. Величину расчетного давления на грунт основания допускается определять по формулам прил. 4 СНиП II-15-74.

При толщине постели менее 2,0 м расчетное давление определяется по формуле

где R0 - условное расчетное давление, которое для глины с е = 0,8 и IL = 0 равно 3 кгс/см2;

k1 - коэффициент, учитывающий влияние ширины фундамента; для глин k1 = 0,05.

На глубине h = l м от поверхности дна расчетное давление

Так как максимальное давление под подошвой сооружения (smax = 40,70 тс/м2) практически равно расчетному давлению на грунт основания (R = 39,4 тс/см2), толщина постели назначается конструктивно. Предварительно принимаем hn = 1 м.

Краевые напряжения по контакту каменной постели с грунтом основания:

Устойчивость сооружения на плоский сдвиг вместе с постелью определяется из условия

условные краевые напряжения по контакту каменной постели с грунтом основания (без веса каменной постели):

140,58 тс < 137,00 тс - условие устойчивости на плоский сдвиг не выполнено.

При толщине постели 1,8 м:

140,58 тс < 140,94 тс - условие выполнено.

Принимаем толщину постели hn = 1,8 м из условия устойчивости сооружения на сдвиг по плоскости контакта постели с основанием.

ОПРЕДЕЛЕНИЕ УСИЛИЙ В ЛИЦЕВОЙ ПЛИТЕ

При определении усилий в лицевой плите расчетной плоскостью восприятия распора является тыловая поверхность лицевой плиты. При расчете плиты в горизонтальном направлении активное давление определяется с учетом влияния трения сползающего клина грунта по боковой поверхности контрфорсов. Трение учитывается в размере d = 0,5jI. Коэффициент la = 0,36.

Рис. 3. Эпюра активного давления грунта на лицевую стенку конструкции.

Рис. 4. Схема к определению усилий в лицевой плите конструкции.

Ординаты эпюры активного давления:

Отрицательная эпюра давления за счет трения сползающей призмы распора по боковым поверхностям контрфорсов при расстоянии между ними 2 м принимается в виде треугольника с основанием 0,3 от нижней ординаты эпюры распора, т.е. sтр = 8,51 × 0,3 = 2,55 тс/м2.

Расчет плиты производится на давление от суммарной эпюры (рис. 3).

Выделяем сечение лицевой плиты шириной 1 м на высоте 1 м над фундаментной плитой. Блок имеет один контрфорс. Плита рассчитывается по схеме консольной балки.

Равномерная нагрузка для балки - средняя интенсивность для данного участка q = 0,5 (5,14 + 5,75) = 5,45 тс/м (см. рис. 3).

Усилия в сечении примыкания плиты к контрфорсу (рис. 4):

изгибающий момент  = 1,88 тс. м;

поперечная сила Q = qa = 5,45 · 0,83 = 4,52 тс.

В вертикальном направлении лицевая плита рассчитывается по схеме тавровой консольной балки. Сбор нагрузок на контрфорс производится с ширины, равной сумме прилегающих полупролетов.

Таблица 3

Изгибающий момент и поперечная сила на уровне фундаментной плиты

Номер силы (см. рис. 3)

Сдвигающая сила

Плечо

Изгибающий момент M, тс·м

Подсчет

Q, тc

Подсчет

r, м

1

0,5 · 1,44 · 2,8

2,02

16,47

33,27

2

0,5 · 3,25 · 2,8

4,55

15,53

70,66

3

0,5 · 3,25 · 14,6

23,73

9,73

230,89

4

0,5 · 8,51 · 14,6

62,12

4,87

302,52

Nx

 

5,11

14,6 + 2,8 + 0,3

17,7

90,45

На 1 пог. м

 

97,53

 

 

727,79

На блок (2 пог. м)

 

195,06

 

 

1455,58

Определяем усилия в фундаментной плите. Фундаментная плита рассчитывается с учетом неполноты контакта поверхности с постелью на суммарную нагрузку от реактивного давления снизу и от пригрузки веса конструкции, грунта и временных нагрузок сверху.

Неполнота контакта учитывается условным исключением из расчета площади фундаментной плиты, равной 0,5la (рис. 5).

Краевые напряжения при неполноте контакта определяются по формуле

где g = 389,96 тс - равнодействующая вертикальных сил по табл. 2;

F = 16,0 · 2,0 - 1,0 · 1,0 = 31,0 м2 - площадь условного контакта фундаментной плиты с основанием.

Расстояния до центра тяжести площади условного контакта фундаментной плиты от граней AВ и ВС (см. рис. 5):

Моменты инерции в пределах площади условного контакта фундаментной плиты относительно осей x - x и у - у:

Рис. 5. Схема к определению нормальных контактных напряжений в фундаментной плите конструкции

Моменты сопротивления в пределах площади условного контакта фундаментной плиты:

относительно оси у:

 = 75,79 м3 (волокно AF);

 = 80,48 м3 (волокно ВС);

относительно оси x:

 = 10,54 м3 (волокно AВ);

 =10,13 м3 (волокно CD).

Здесь Wсж - момент сопротивления для крайнего сжатого волокна;

Wр - то же, для растянутого.

Моменты от равнодействующей нагрузок относительно осей x и y:

равнодействующая нагрузок на длине 2 пог. м сооружения

g = 2 · 389,96 = 779,92 тс (см. табл. 2);

эксцентриситет равнодействующей нагрузок относительно оси у:

е = x - а = 8,24 - 6,22 = 2,02 м,

где x - см. рис. 5;

а - см. расчет по тексту за табл. 2;

эксцентриситет равнодействующей нагрузок относительно оси x:

е = 0,5l - y =0,5 · 2,0 - 0,98 = 0,02 м.

Моменты от равнодействующей нагрузок относительно осей x и у:

My = 779,92 · 0,02 = 15,60 тс·м;

Мx = 779,92 · 2,02 = 1575,44 тс·м.

Краевые напряжения на контакте основания с каменной постелью (см. рис. 5 и 6, а):

в точке А

в точке В

Давление на подошву сооружения сверху от равномерно распределенной нагрузки, грунта засыпки и собственного веса фундаментной плиты (рис. 6, б)

s = 4 + 1,8 · 2,8 + 1,0 · 14,6 + 1,5 · 0,4 = 24,24 тс/м2.

На переднем выступе плиты s = 1,5 · 0,4 = 0,6 тс/м2.

Суммарная эпюра давления на плиту от нагрузок сверху и снизу показана на рис. 6, в.

ОПРЕДЕЛЕНИЕ РАСЧЕТНЫХ УСИЛИЙ В ФУНДАМЕНТНОЙ ПЛИТЕ

Рассматриваются три зоны (см. рис. 7 и 6, в).

1-я зона - консольный выступ плиты.

Изгибающий момент в опорном сечении на ширине 1,0 м

М = 41,35 · 1,02 · 0,5 + 2,52 · 1,0 · 0,5 · 0,67 · 1,0 = 21,52 тс·м.

Поперечная сила

Q = 0,5 (43,87 + 41,35) 1,0 = 42,61 тc.

2-я зона - консольная плита шириной 1,0 м с растянутым волокном с нижней стороны:

М = 13,92 · 0,82 · 0,5 = 4,45 тс·м;

Q = 13,92 · 0,8 = 11,14 тс.

3-я зона - консольная плита шириной 1,0 м с растянутым верхним волокном:

М = 18,88 · 0,82 · 0,5 = 6,04 тс·м;

Q = 18,88 · 0,8 = 15,10 тс.

Рис. 6. Эпюры давлений на фундаментную плиту

Рис. 7. Схемы расчета сечений трех зон фундаментной плиты

РАСЧЕТ ЭЛЕМЕНТОВ КОНСТРУКЦИИ (лицевой и фундаментной плит)

Расчет железобетонных элементов по прочности и по раскрытию трещин следует производить по СНиП II-56-77 и СНиП II-21-75 с учетом требований Инструкции ВСН 3-80 и настоящего Руководства.

Материалы конструкции: бетон М300, Rпр = 135 кгс/см2, Rр = 10 кгс/см2; арматура класса A-II марки стали ВСт5сп2, Ra = Ra.c = 2700 кгс/см2; Ra.x = 2150 кгс/см2; Ea = 2100000 кгс/см2.

Усилия принимаются из статических расчетов (см. выше).

ЛИЦЕВАЯ ПЛИТА

Производим расчет плиты в горизонтальном направлении.

Значения M = 1,88 тс·м и Q = 4,52 тс подсчитаны выше в расчете определения усилий в лицевой плите.

Расчеты прочности (предельные состояния первой группы).

Необходимое количество продольной арматуры из условия восприятия изгибающего момента производится по формуле

при этом

Принимаем Fa = 4 Æ 10 = 3,14 см2.

x = 0,23 · 2,94 = 0,68 см < 2а¢ = 2 · 5 = 10 см, сжатая арматура отсутствует.

Проверяем условие прочности сечения на действие поперечной силы:

6497,5 < 101250,0 - условие соблюдается.

Проверяем условие по конструктивному армированию:

где k = 0,5 + 2x = 0,5 + 2 · 0,02 = 0,54;

1,15 · 1,0 · 1,25 · 1,0 · 4520 < 1,0 · 0,54 · 10 · 100 · 30 · 0,84;

6497,5 < 13608,0 тс - условие выполнено, поперечная арматура ставится конструктивно.

Расчет по раскрытию трещин (предельные состояния второй группы) производим на усилия, полученные из статического расчета по первой группе предельных состояний, что обеспечивает некоторый запас прочности для выяснения необходимости выполнения статического расчета по второй группе предельных состоянии, т.е. с применением характеристик грунтов jII и cII.

Ширина раскрытия трещин определяется по формуле

где k = 1 - для изгибаемых элементов;

Сд = 1,3 - для постоянных и временных длительных нагрузок;

h= l - для стержневой арматуры периодического профиля;

sнач = 0 - сборный элемент с периодом хранения на берегу;

x = 0,23Fa = 0,23 · 2,94 = 0,68 см - из расчета на прочность;

z = 30 - 0,5 · 0,68 = 29,66 см;

Производим расчет лицевой плиты в вертикальном направлении. По табл. 3 настоящего расчета принимаем изгибающий момент М = 1455,58 тс·м, поперечную силу Q = 195,06 тс.

Количество арматуры определяется из расчета прочности сечения, нормального к продольной оси, на действие изгибающего момента.

Располагаем растянутую продольную арматуру в ребре в два ряда (рис. 8).

Рис. 8. Расчетное сечение лицевом плиты при рассмотрении ее работы в вертикальном направлении.

Расстояние до центра тяжести расчетной растянутой арматуры от ближайшей грани сечения

 = 12 см;

h0 = 1500 - 12 = 1488 см;

Количество арматуры определяем из условия прочности:

Принимаем Fa = 6 Æ 32 = 48,26 см2.

При этом x = 0,115 · 45,37 = 5,22 см < 5 · 2 = 10 см. Сжатой арматуры  нет.

Проверяем условие прочности сечения, наклонного к продольной оси, на действие поперечной силы:

1,15 · 1,0 · 1,25 · 1,0 · 195060 < 0,25 · 1,0 · 135 · 30 · 1488;

280398,75 < 1506600,0 тс - условие выполнено.

Проверяем условие по конструктивному армированию:

где k = 0,5 + 2x = 0,5 + 2 · 0,02 = 0,54;

1,15 · 1,0 · 1,25 · 1,0 · 195060 < 1,0 · 0,54 · 10 · 30 · 1488 · 1,33 ;

где 1,2 - понижающий коэффициент принятый по указаниям главы СНиП II-56-77 для элемента с высотой h ³ 160 см.

280398,75 > 267170,4 тс - условие не выполнено, поперечное армирование определяется расчетом. Расчет производим по указаниям гл. 1 Руководства по проектированию бетонных и железобетонных конструкций гидротехнических сооружении к СНиП II-56-77. Для элементов с наклонной растянутой гранью расчет поперечной арматуры производится по формуле

Наклон растянутой грани контрфорса в соответствии с рис. 2

Рабочая высота расчетного сечения в начале проверяемого наклонного сечения

Длина проекции наклонного сечения

Начало наклонного сечения расположено на отметке 14,60 - 6,4 = - 8,2 м.

Интенсивность активного давления на Ñ - 8,2 м s = (4 + 1,8 · 2,8 + 1,0 · 8,2) 0,36 = 6,20 кгс/см2.

Изгибающий момент и поперечную силу в сечении на Ñ - 8,2 м определяем в табл. 4 и по рис. 3, б.

Таблица 4

Номер силы

Поперечная сила

Плечо

Удерживающий момент M, тс·м

Подсчет

Q, тc

Подсчет

r, м

1

См. табл. 3

2,02

16,47 - 6,4

10,07

20,34

2

То же

4,55

15,53 - 6,4

9,13

41,54

3

0,5 · 3,25 · 8,2

13,33

6,20 · 2/3

4,13

55,03

4

0,5 · 6,20 · 8,2

25,42

6,20 · 1/3

2,07

52,62

На 1 пог. м

 

45,32

 

 

169,53

На блок (2 пог. м)

 

Q1 = 90,64

 

 

М1 = 339,06

Высота сжатой зоны бетона в начале наклонного сечения из расчета прочности на действие изгибающего момента

Плечо внутренней пары z = h0 - x/2 = 850 - 2/2 = 849 см.

Поперечное усилие, воспринимаемое продольной растянутой арматурой,

 = 49920 кгс.

Поперечное усилие, воспринимаемое бетоном, при высоте сечения > 60 см

 = 152618 кгс.

Из уравнения прочности определяем

Taк как величина Fx имеет отрицательное значение, поперечная арматура ставится конструктивно.

ОПРЕДЕЛЕНИЕ ШИРИНЫ РАСКРЫТИЯ ТРЕЩИН

где k = 1,0; Сд = 1,3; h= l; sнач = 0;

ФУНДАМЕНТНАЯ ПЛИТА

Расчеты прочности сечений элементов фундаментной плиты и раскрытия трещин выполняются аналогично соответствующим расчетам элементов лицевой плиты и в настоящем примере не приводятся.

ПРИМЕР 3

РАСЧЕТ ПРИЧАЛЬНОГО СООРУЖЕНИЯ УГОЛКОВОГО ТИПА С ВНЕШНЕЙ АНКЕРОВКОЙ ЗА ЖЕЛЕЗОБЕТОННЫЕ ПЛИТЫ ПРИ ЛИЦЕВОЙ СТЕНКЕ ИЗ МЕТАЛЛИЧЕСКОГО ШПУНТА

ИСХОДНЫЕ ДАННЫЕ ДЛЯ РАСЧЕТА

Расчетный уровень воды + 0,40 м;

Отметка кордона + 5,50 м;

Отметка дна у причала - 7,85 м;

Эксплуатационные нормативные нагрузки:

а) крановая - с максимальным давлением на каток 34,3 тс (10 катков в ноге крана);

б) равномерно распределенная:

прикордонная  = 4 тс/м2;

переходная  = 6 тс/м.;

тыловая  = 10 тс/м2;

в) швартовная тумба Nт = 100 тс.

Нагрузка от волнового воздействия:

исходная высота волны у сооружения h1% = 1,5 м;

длина волны  = 15,0 м.

Расчетные показатели сопротивления сдвигу грунтов:

а) в засыпке - песчаный грунт:

угол внутреннего трения jI = 30°, jII = 32°;

объемный вес gн = 1,8 тс/м3 (над водой, в состоянии естественной влажности), gп = 1,0 тс/м3 (под водой, в состоянии гидростатического взвешивания);

б) в основании - песчаный грунт;

угол внутреннего трения jI = 30°, jII = 32°;

объемный вес g0 = 1,0 тс/м3;

модуль общей деформации E = 280 кгс/cм2 = 28 тс/м2.

Материалы конструкции:

а) лицевые панели выполнены из стального шпунта корытного профиля типа «Ларсен IV» из стали марки ВСт3сп4;

б) фундаментная плита - из обычного железобетона, бетон гидротехнический марки М300, арматура продольная и поперечная ненапрягаемая периодического профиля класса А-III, марки Ст 25Г2С;

в) анкерные тяги - из стали круглого сечения марки ВСт3сп2;

г) анкерные плиты - из обычного железобетона, бетон гидротехнический марки М300, арматура ненапрягаемая периодического профиля класса A-III, марки Ст 25Г2С.

ОПРЕДЕЛЕНИЕ НАГРУЗКИ ОТ ВОЛНОВОГО ВОЗДЕЙСТВИЯ

Расчетная эпюра волнового давления от впадины волны определяется в соответствии с указаниями СНиП II-57-75 (рис. 1).


Рис. 1. Общая схема сооружения.


Понижение свободной волновой поверхности hn определяется по формуле

где  - волновое число;

 - 15 м - средняя длина волны;

 = cth 0,418 · 7,85 = 1;

 = - l - при подходе к сооружению подошвы волны;

hn = - 1,5 ( - 1) - 0,5 · 0,418 · 1,52 · 1 · 1 = 1,03 м.

Ординаты эпюры волнового давления на глубине определяются по формуле

где g = l тc3 - объемный вес воды;

z - ординаты точек, отсчитываемые от расчетного уровня;

h = 1,5 м - высота волны;

cos st = 1;

cos 2st = cos2 st - sin2 st = 1 - 0 = 1;

После подстановки всех значений в формулу она приобретает вид

Для z = 0 p = 0.

Для z = hn =1,03 м:

- kz = - 0,418 · 1,03 = - 0,43, e-kz = e-0,43 = 0,65;

- 3kz = - 3 · 0,418 · 1,03 = - 1,29, e-3kz = e-1,29 = 0,275;

p = - 1,5 · 0,65 - 0,47 + 0,295 · 0,275 = - 1,36 тс/м2.

Для z = 8,25 м:

- kz = - 0,418 · 8,25 = - 3,45, e-kz = e-3,45 = 0,032;

- 3kz = - 3 · 0,418 · 8,25 = - 10,34, e-3kz = e-10,34 ® 0;

p = - 1,5 · 0,032 - 0,47 + 0 = - 0,52 тс/м2.

В расчет вводится эпюра волнового давления с ординатами, которые вдвое меньше исходных (рис. 2).

Рис. 2. Эпюра волнового давления.

ОПРЕДЕЛЕНИЕ РАСЧЕТНОЙ НОРМАТИВНОЙ НАГРУЗКИ ОТ КРАНА

Эквивалентная распределенная нагрузка от действия сосредоточенных сил крана

где

n - число катков в ноге крана;

b = 1,35 м - длина шпалы;

l - длина полосы распределения нагрузки вдоль линии кордона (рис. 3):

а = 2,8 м - расстояние от расчетной плоскости до оси подкранового рельса;

l1 = 9,6 м - расстояние между крайними катками;

Рис. 3. Схема к определению эквивалентной распределенной нагрузки от сосредоточенных сил крана и определения отметок действия на лицевую плиту эксплуатационных нагрузок.

ОПРЕДЕЛЕНИЕ АНКЕРНОЙ РЕАКЦИИ И ИЗГИБАЮЩЕГО МОМЕНТА В ЛИЦЕВОЙ ПЛИТЕ ПРИ НАГРУЗКЕ, НАДВИНУТОЙ НА СООРУЖЕНИЕ

Определяем отметки выклинивания нагрузки на расчетной плоскости лицевой плиты:

 отметка 5,5 - 3,67 = + 1,83 м;

 отметка 5,5 - 6,01 = - 0,51 м;

 отметка 5,5 - 8,31 = - 2,81 м.

Ординаты эпюры горизонтальной составляющей активного давления грунта определяем по формуле

где lах = 0,29 для jI = 30° и d = 0,5jI;

на отметках:

Эпюра активного давления на лицевую стенку представлена на рис. 4, а.

Рис. 4. Эпюра активного давления от грунта и эксплуатационных нагрузок, надвинутых на сооружение.

Определяем опорные реакции от действия активного давления грунта.

Реакция на опоре А из условия :

А · 9,05 - 0,5 · 2,66 · 5,1 (5,1/3 + 7,55) - 0,5 · 2,66 · 7,8 (2 · 7,8/3 - 0,25) -

- 0,5 · 4,92 · 7,8 (7,8/3 - 0,25) = 0;

А · 9,05 = 159,19;

А = 17,59 тс.

Реакция на опоре Б из условия :

Б · 9,05 - 0,5 · 2,66 · 5,1 (5,1/3 - 1,5) - 0,5 · 2,66 · 7,8 (7,8/3 + 1,5) -

- 0,5 · 4,92 · 7,8 (2 · 7,8/3 + 1,5) = 0;

Б · 9,05 = 169,74;

Б = 18,76 тс.

Проверяем решение: А + Б = w - площади эпюры распора:

17,59 + 18,76 = 2,66 · 5,1 · 0,5 + 0,5 (2,66 + 4,92) 7,8;

36,35 = 36,35 тс.

Ординаты эпюры давления от эксплуатационных нагрузок определяем по формуле

от Ñ + 1 83 до Ñ - 0,51 sах = 15,7 · 0,29 = 4,55 тс/м2;

от Ñ - 2,81 и ниже sах = 4,0 · 0,29 = 1,16 тс/м2.

Эпюра давления эксплуатационных нагрузок представлена на рис. 4, б.

Опорные реакции определяем от действия эксплуатационных нагрузок.

Реакция на опоре А из условия :

А · 9,05 - 4,55 · 2,34 (2,34/2 + 6,64) - 1,16 · 4,59 (4,59/2 - 0,25) = 0;

А · 9,05 - 94,04 = 0;

А = 10,39 тс.

Реакция на опоре Б из условия :

Б · 9,05 - 4,55 · 2,34 (2,34/2 + 0,07) - 1,16 · 4,59 (4,59/2 + 4,71) = 0;

Б · 9,05 -50,50 = 0;

Б = 5,58 тс.

Проверяем решение:

10,39 + 5,58 = 4,55 · 2,34 + 1,16 · 4,59;

15,97 = 15,97 тс.

Опорные реакции от действия активного давления грунта с учетом эксплуатационных нагрузок:

А = 17,61 + 10,39 = - 28,00 тс;

Б = 18,76 + 5,58 = 24,34 тс.

Определяем опорные реакции от волнового воздействия (см. рис. 2).

А · 9,05 - 0,5 · 0,68 · 1,03 (1,03/3 + 6,52) - 0,5 · 0,68 · 6,77 (2 · 6,77/3 - 0,25) -

- 0,5 · 0,29 · 6,77 (6,77/3 - 0,25) = 0;

А = 14,18/9,05 = 1,57 тс.

Б · 9,05 - 0,5 · 0,68 · 1,03 (2 · 1,03/3 + 1,5) - 0,5 · 0,68 · 6,77 (6,77/3 + 2,53) -

- 0,5 · 0,29 · 6,77 (2 · 6,77/3 + 2,53) = 0;

Б = 18,70/9,05 = 2,07 тс.

Проверяем решение:

1,52 + 1,91 = 0,5 · 0,68 · 1,03 + 0,5 (0,68 + 0,29) 6,77;

3,64 » 3,63 тс.

Рассчитываем опорные реакции от действия составляющей швартовной нагрузки Nx, перпендикулярной линии кордона, применительно к 1 пог. м длины тумбового массива (рис. 5). Nx находим по формуле

где a = 30°, b = 40° - углы наклона швартова для тумбы, расположенной на кордоне и судне порожнем.

Нагрузка на 1 пог. м длины тумбового массива

где lт = 6,30 м - длина тумбового массива.

Проверяем решение:

6,08 = АN - БN = 8,73 - 2,65 = 6,08 тс.

Определяем максимальный изгибающий момент в пролете лицевой стенки. Расстояние x до сечения с максимальным моментом определяем по расчетной схеме балки со стороны опоры Б (рис. 6).

Для уголковых стенок должны быть рассмотрены варианты:

от давления грунта с учетом эксплуатационных нагрузок Б = 24,34 тс;

от давления грунта с учетом эксплуатационных нагрузок и волны Б = 24,34 + 2,07 = 26,41 тс;

от давления грунта с учетом эксплуатационных и швартовной нагрузок (для района тумбового массива) Б = 24,34 - 2,65 = 21,69 тс.

Кроме пролетного момента, должен определяться консольный момент на опоре А.

Если стенка из металлического шпунта, то рассматриваются только максимальные моменты.

Для данного примера максимальный пролетный момент определяется от давления грунта с учетом эксплуатационных нагрузок и волны, консольный - от давления грунта с учетом эксплуатационной и швартовной нагрузок.

Изгибающий момент в сечении x определяем по суммарной эпюре давления от грунта с учетом эксплуатационных и волновой нагрузок (см. рис. 6):

Максимальный момент в сечении, в котором

Изгибающий момент на опоре А от давления грунта с учетом эксплуатационных и швартовной нагрузок

МА = 0,5 · 1,88 · 3,62/3 + 6,08 · 3,95 = 28,08 тс·м.

Для расчета анкерных тяг определяются реакции на опоре А:

от давления грунта с учетом эксплуатационных и волновых нагрузок: А = 28 + 1,57 = 29,57 тс/м;

от давления грунта с учетом эксплуатационных и швартовной нагрузок: А = 28 + 8,73 = 36,73 тс/м.

Рис. 5. Схема к определению реакций в опорах лицевой плиты от действия швартовной нагрузки

Рис. 6. Суммарная эпюра давления от грунта, эксплуатационных и волновой нагрузок для определения максимального момента в пролете лицевой стенки

РАСЧЕТ УСТОЙЧИВОСТИ СТЕНКИ ПО СХЕМЕ ПЛОСКОГО СДВИГА ПРИ НАГРУЗКЕ ЗА СООРУЖЕНИЕМ (рис. 7)

Эпюра активного давления от грунта та же, что в расчете при нагрузке на сооружении (см. расчет выше и рис. 4, а), анкерная реакция на опоре А = 17,59 тс/м.

Эпюра давления от эксплуатационной нагрузки представлена на рис. 7. Ординаты эпюры от отметки - 2,69 м и ниже sа = 4 · 0,29 = 1,16 тс/м2.

Определяем реакцию от эксплуатационной нагрузки на опоре А из условия .

А · 9,05 - 1,16 · 4,71 (4,71/2 - 0,25) = 0;

А = 1,27 тс/м.

Анкерная реакция от грунта и нагрузки за сооружением Ra = 17,59 + 1,27 = 18,86 тc.

Находим расчетную плоскость восприятия распора (угол наклона a) и плоскость обрушения (угол наклона b) при нагрузке, расположенной за сооружением (рис. 8).

Расчет угла b производится в табличной форме (табл. 1) и принимается по минимальному значению величины tg b.

Рис. 7. Эпюра активного давления от грунта и эксплуатационных нагрузок, расположенных за сооружением.

(Измененная редакция).

Рис. 8. Расчетная схема к определению плоскостей обрушения и восприятия распора при нагрузке за сооружением и эпюра активного давления на конструкцию.


Таблица 1

a

tg a

Sb

a + d + jI

V = tg [4]

ctg jI

 [5] + [6] - [2] + [3]

 [5] · [7]

 [6] · [2]

 [3] · [6]

 [8] - [9] + [10]

 [12] - [5]

1

2

3

4

5

6

7

8

9

10

11

12

13

24°

0,4452

0,1206

84°

9,5144

1,732

10,9218

103,9144

0,7711

0,2089

103,3522

10,1662

0,6518

25°

0,4663

0,1263

85°

11,4301

1,732

12,8221

146,5579

0,8076

0,2188

145,9691

12,0818

0,6517

26°

0,4877

0,1324

86°

14,3007

1,732

15,6774

224,1978

0,8447

0,2293

223,5824

14,9527

0,6520

При a = 24°            

при a = 25°            

при a = 26°            

Расчетные углы: a = 24° и b = 33°05¢; коэффициент активного давления

Примечание. В головке таблицы в квадратных скобках указан порядковый номер столбца таблицы.


где V = tg (a + d + jI); d = jI =30°;

a = H tga; H = 13,35 м.

Расчетная наклонная плоскость восприятия распора пересекает линию территории причала на расстоянии от тылового конца фундаментной плиты а = Н tg 25° = 13,35 · 0,4663 = 6,23 м; расчетную плоскость лицевой стенки - на отметке 5,5 - 1,50/0,4663 = + 2,28 м.

Активное давление от Ñ + 5,5 м до Ñ + 2,28 м воспринимается расчетной плоскостью лицевой стенки (lа = 0,29), ниже Ñ + 2,28 м - наклонной плоскостью восприятия распора (lа = 0,329).

Выклинивание нагрузки на плоскости восприятия распора

Определяем ординаты эпюры активного давления грунта:

Таблица 2

Опрокидывающие моменты и сдвигающие силы

Обозначение сил

Горизонтальные силы

Плечо

Опрокидывающие моменты, тс·м

Подсчет

Значение, тc

Подсчет

Значение, м

E1

0,5 · 1,68 · 3,22

2,70

3,22/3 + 10,13

11,20

30,29

E2

0,5 · 1,91 · 1,88

1,80

1,88 · 2/3 + 8,25

9,50

17,06

E3

0,5 · 3,02 · 1,88

2,84

1,88/3 + 8,25

8,88

25,21

E4

0,5 · 3,02 · 0,47

0,71

0,47 · 2/3 + 7,92

8,23

5,84

E5

0,5 · 3,17 · 0,47

0,74

0,47/3 + 7,92

8,08

6,02

E6

0,5 · 4,49 · 7,78

17,47

7,78 · 273

5,19

90,65

E7

0,5 · 7,05 · 7,78

27,42

7,78/3

2,59

71,03

Nx

 

6,08

 

13,70

83,30

E = 59,76

M0 = 329,40

Таблица 3

Удерживающие силы и моменты

Обозначение сил

Вертикальные силы

Плечо

Удерживающий момент, тс·м

Подсчет

Значение, тc

Подсчет

Значение, м

g1

0,8 · 1,4 · 2,4

2,69

6,4 - 4,73

1,67

4,49

g2

3,7 · 0,238

0,88

 

1,67

1,47

g3

7,8 (0,238 - 0,0303)

1,62

 

1,67

2,70

g4

0,5 · 0,8 · 0,8 · 1,4

0,45

2 · 0,8/3

0,53

0,24

g5

0,6 · 0,8 · 1,4

0,67

0,8 + 0,5 · 0,6

1,10

0,74

g6

0,45 · 6,4 · 1,4

4,03

0,5 · 6,4

3,2

12,90

g7

0,88 · 1,88 · 0,5 · 1,8

1,49

0,88/3 + 1,67

1,96

2,92

g8

0,88 · 7,8 · 1,0

6,36

0,88 · 0,5 + 1,67

2,11

14,48

g9

3,64 · 7,8 · 0,5 · 1,0

14,20

3,64/3 + 1,67 + 0,89

3,76

53,38

 

Ei tg (a + d)

 

b - ri tg a

 

 

 

См. табл. 2

 

См. табл. 2

 

 

Eв1

2,70 · 0,268

0,72

6,4 - 4,73

1,67

1,21

Eв2

1,80 · 1,428

2,57

6,4 - 9,50 · 0,466

2,03

5,22

Eв3

2,84 · 1,428

4,06

6,4 - 8,88 · 0,466

2,26

9,17

Eв4

0,71 · 1,428

1,01

6,4 - 8,23 · 0,466

2,56

2,60

Eв5

0,74 · 1,428

1,06

6,4 - 8,08 · 0,466

2,63

2,78

Eв6

17,47 · 1,428

24,95

6,4 - 5,19 · 0,466

3,98

99,29

Eв7

27,42 · 1,428

39,16

6,4 - 2,59 · 0,466

5,19

203,22

Nz

N sin b/lт = 100 sin 40°/6,3

- 10,21

 

2,20

- 22,46

g = 96,21

Mуд = 394,35

Проверяем устойчивость на сдвиг по постели из условия [(см. п. 14.10 (9.8) настоящего Руководства]

где nc = 1; n = 1,25; m = 1,15; kн = 1,15 - по пп. 13.16 (8.8) и 13.22 (8.14) настоящего Руководства для основного сочетания нагрузок и сооружения III класса капитальности;

Ra = 18,86 тс - см. расчет определения анкерной реакции при нагрузке за сооружением;

АN = 8,73 тс - см. расчет определения реакций от действия швартовной нагрузки;

mд = 0,95 - по табл. 17 (7) настоящего Руководства;

f = 0.

38,20 < 48,11 тс - условие выполнено.

Расстояние от переднего ребра вращения до точки приложения равнодействующей нагрузок

где  = Муд +  = 394,35 + 269,00 = 663,35 тс·м;

момент от усилия в анкере

 = (18,86 + 8,73) 9,75 = 269,00 тс·м.

Эксцентриситет приложения равнодействующей нагрузок

е = 0,5b - a = 0,5 · 6,4 - 3,47 = - 0,27 м.

Краевые напряжения по контакту основания и каменной постели:

Проверяем устойчивость сооружения по схеме плоского сдвига совместно с каменной постелью.

Постель заглублена в грунт основания [см. п. 14.11 (9.9) настоящего Руководства]. Устойчивость по схеме плоского сдвига определяем по формуле

где mд = 0,95 - по табл. 17 (7) поз. 1 настоящего Руководства;

Ep - удерживающая горизонтальная сила от грунта засыпки пазухи постели, определяемая как меньшее значение из двух формул:

где fг = tg jI = tg 30° = 0,577 - определяется по грунту основания;

где lp = 3,94 - по табл. 20 настоящего Руководства для грунта засыпки с jзI = 30° и d = 0,333 jзI.

38,20 < 46,80 тс - условие выполнено.

ОПРЕДЕЛЕНИЕ ДАВЛЕНИЯ НА ОСНОВАНИЕ ПРИ ЭКСПЛУАТАЦИОННЫХ НАГРУЗКАХ, НАДВННУТЫХ НА СООРУЖЕНИЕ

Определяем расчетную плоскость восприятия распора и плоскости обрушения при нагрузке на сооружении (рис. 9).

Определение угла b для случая, когда нагрузка надвинута на сооружение, производим по приведенным выше формулам к табл. 1. Расчет произведен в табл. 4.

Рис. 9. Расчетная схема к определению плоскостей обрушения и восприятия распора при нагрузке, надвинутой на сооружение, и эпюра активного давления на конструкцию

Плоскость восприятия распора пересекает плоскость территории на расстоянии от тылового конца фундаментной плиты а = Н tg a = 13,35 · 0,03839 = 5,13 м, расчетную плоскость лицевой стенки - на отметке 5,5 - (5,13 - 4,73)/0,3839 = + 4,46 м.


Таблица 4

a

tg a

Sb

a + d + jI

V = tg [4]

ctg jI

 [5] + [6] - [2] + [3]

 [5] · [7]

 [6] · [2]

 [3] · [6]

 [8] - [9] + [10]

 [12] - [5]

1

2

3

4

5

6

7

8

9

10

11

12

13

19°

0,3443

- 0,0281

79°

5,1446

1,732

6,5042

33,4615

0,5963

- 0,0487

32,8165

5,7286

0,5840

20°

0,3640

- 0,0228

80°

5,6713

 

7,0165

39,7927

0,6304

- 0,0395

39,1228

6,2548

0,5835

21°

0,3839

- 0,0175

81°

6,3138

 

7,6444

48,2652

0,6649

- 0,0303

47,570

6,8971

0,5833

22°

0,4040

- 0,0120

82°

7,1154

 

8,4314

59,9928

0,6997

- 0,0208

59,2723

7,6989

0,5835

При a = 21°            

при a = 20°            

при a = 19°            

при a = 22°            

Расчетные углы: a = 21° и b = 30°15¢; коэффициент активного давления

Примечание. В квадратных скобках указан порядковый номер столбца таблицы.


Выклинивание нагрузок на плоскости восприятия распора hi = a/(tg a + tg b) (см. рис. 9):

крановой

h1 = 2,52/(0,3839 + 0,5833) = 2,6 м, отметка 5,5 - 2,6 = + 2,9 м;

h2 = (2,52 + 1,35)/(0,3839 + 0,5833) = 4,0 м, отметка 5,5 - 4,0 = + 1,5 м;

равномерно распределенной

h3 = (2,52 + 1,35 + 1,33)/(0,3839 + 0,5833) = 5,38 м, отметка 5,5 - 5,38 = + 0,12 м.

Ординаты эпюры активного давления:

от грунта (в связи с тем что на Ñ + 4,46 м давление грунта незначительно, для упрощения расчета не выделяем верхний участок с вертикальной плоскостью восприятия распора):

от крановой нагрузки

от Ñ + 2,9 до Ñ + 1,5 м sах = 15,7 · 0,324 = 5,09 тс/м2;

от равномерно распределенной нагрузки

от Ñ + 0,12 м и ниже sах =4 · 0,324 = 1,30 тс/м2.

Таблица 5

Опрокидывающие моменты и сдвигающие силы

Обозначение сил

Горизонтальные силы

Плечо

Опрокидывающие моменты, тс·м

Подсчет

Значение, тc

Подсчет

Значение, м

E1

0,5 · 2,97 · 5,1

7,57

8,25 + 5,1/3

9,95

75,35

E2

0,5 · 2,97 · 8,25

12,25

2.8,25/3

5,5

67,38

E3

0,5 · 5,65 · 8,25

23,31

8,25/3

2,75

64,09

E4

5,09 · 1,4

7,13

0,5 · 1,4 + 9,35

10,05

71,62

E5

1,30 · 7,97

10,36

0,5 · 7,97

3,99

41,34

N¢x

 

6,08

 

13,70

83,30

E = 66,70

M0 = 403,08

Таблица 6

Удерживающие силы и моменты

Обозначение сил

Вертикальные силы

Плечо

Удерживающий момент, тс·м

Подсчет

Значение, тc

Подсчет

Значение, м

g1

0,8 · 1,4 · 2,4

2,69

6,4 - 4,73

1,67

4,49

g2

3,7 · 0,238

0,88

 

1,67

1,47

g3

7,8 (0,238 - 0,0303)

1,62

 

1,67

2,70

g4

0,5 · 0,8 · 0,8 · 1,4

0,45

2 · 0,8/3

0,53

0,24

g5

0,6 · 0,8 · 1,4

0,67

0,8 + 0,5 · 0,6

1,10

0,74

g6

0,45 · 6,4 · 1,4

4,03

0,5 · 6,4

3,2

12,9

g7

0,5 · 1,56 · 4,07 · 1,8

5,71

1,56/3 + 1,67

2,19

12,51

g8

1,56 · 7,8 · 1,0

12,17

1,56 · 0,5 + 1,67

2,45

29,81

g9

0,5 · 3,00 · 7,8 · 1,0

11,70

3,00/3 + 1,67 + 1,56

4,23

49,49

 

Ei tg (a + d)

 

b - ri tg a

 

 

 

См. табл. 5

 

См. табл. 5

 

 

Eв1

7,57 · 1,2349

9,35

6,4 - 9,95 · 0,3839

2,58

24,12

Eв2

12,25 · 1,2349

15,13

6,4 - 5,5 · 0,3839

4,29

64,90

Eв3

23,3 · 1,2349

28,77

6,4 - 2,75 · 0,3839

5,34

153,65

Eв4

7,13 · 1,2349

8,80

6,4 - 10,05 · 0,3839

2,54

22,36

Eв5

10,36 · 1,2349

12,79

6,4 - 3,99 · 0,3839

4,87

62,30

N¢x

N sin b/lт = 100 · /6,3

- 10,21

 

2,20

- 22,46

g = 104,55

Mуд = 419,22

Расстояние от переднего ребра до точки приложения равнодействующей нагрузок

где  = Муд +  = 419,22 + 358,12 = 777,34 тс·м;

Момент от усилия в анкере (А = 28,0 + 8,73 = 36,73 тс - сумма реакций в опоре А при нагрузке, надвинутой на сооружение, и действии швартовной нагрузки)

Эксцентриситет приложения равнодействующей

е = 0,5b - a =0,5 · 6,4 - 3,58 = - 0,38 м.

Краевые напряжения на контакте основания стенки и постели:

передняя грань

тыловая грань

Краевые напряжения на контакте каменной постели и грунта основания:

28 тс/м2 - модуль общей деформации (см. исходные данные для расчета).

СТАТИЧЕСКИЙ РАСЧЕТ ФУНДАМЕНТНОЙ ПЛИТЫ

Для определения изгибающего момента в фундаментной плите рекомендуется метод, основанный на использовании эквивалентного массива с кладкой из обыкновенных бетонных массивов. В качестве эквивалентного принимается массив из бетона марки 150. При этом соотношение размера В массива в плане к его высоте h принимается равным 4 : 1.

Расчетный изгибающий момент, действующий на 1 пог. м сечения фундаментной плиты,

где mэ = 0,45;

 (табл. 1 СНиП II-56-77);

 - коэффициент перехода к упругопластическим характеристикам бетона;

g = 1,75 - коэффициент для прямоугольного сечения;

 - упругий момент сопротивления сечения эквивалентного массива;

В - длина эквивалентного массива, равная размеру фундаментной плиты в плоскости действия изгибающего момента.

В плоскости, перпендикулярной линии кордона,

В = 6,4 м; hэ = В/4 = 6,4/4 = 1,6 м;

mh = 0,9 + 0,l/h - для высоты сечения более 1 м, mh = 0,9 + 0,1/1,6 = 0,96;

g1 = 0,96 · 1,75 = 1,68;

W0 =  = 0,427 м3 = 427000 см3;

М = 0,45 · 9,5 · 1,68 · 427000 = 3066700 кгс·см.

В плоскости, параллельной линии кордона,

В = 3,32 м; hэ = 3,32/4 = 0,83 м; mh = 1; g1 = 1 · 1,75 = 1,75;

W0 = 0,832/6 = 0,115 м3 = 115000 см3;

М = 0,45 · 9,5 · 1,75 · 115000 = 860344 кгс·см.

СТАТИЧЕСКИЙ РАСЧЕТ АНКЕРНОЙ ПЛИТЫ, РАСПОЛОЖЕННОЙ ПРОТИВ ТУМБОВОГО МАССИВА

Устойчивость плит, расположенных против тумбового массива, рассчитываем на нагрузку Ra, равную анкерной реакции, полученной от давления на лицевую стенку грунта, эксплуатационных нагрузок, расположенных на сооружении, и швартовной нагрузки: Ra = 28 + 8,73 = 36,73 тс/м.

Устойчивость плиты при заглублении ее гребня на величину, равную высоте плиты, определяется из условия

где nc = l,0; n = 1,25; mд = 1,55; m = 1,15; - коэффициенты для основного сочетания нагрузок, III класса капитальности портового сооружения, принимаемые по пп. 13.16 (8.8), 13.22 (8.14) и табл. 17 (7) настоящего Руководства;

Ер - равнодействующая пассивного давления в пределах отметки территории и подошвы анкерной плиты от веса грунта;

Еa - равнодействующая активного давления в пределах отметки территории и подошвы анкерной плиты от веса грунта и эксплуатационных нагрузок (рис. 10).

Принимаем высоту плиты hпл = 2,5 м, глубину заложения плиты tпл = 2hпл = 5 м.

Находим активное давление на плиту от грунта и нагрузки

где lа = 0,29 для jI = 30° и d = 0,5jI по табл. 18 настоящего Руководства:

Находим пассивное давление на плиту от грунта

где lр = 3,94 для jI = 30° и d = 0,33jI по табл. 20 настоящего Руководства:

71,16 < 74,86 тс - условие соблюдается.

Рис. 10. Схема к расчету устойчивости анкерной плиты

Рис. 11. Схема к определению усилий в панели анкерной плиты

Производим расчет усилий в элементах анкерной плиты. Приняты железобетонные ребристые плиты.

Расчетной нагрузкой для панели анкерной плиты, работающей как балка на двух опорах с консолями (рис. 11), является равномерно распределенная нагрузка

где ln = 3,10 м - длина анкерной плиты;

D = 0,26 м - проектный зазор между анкерными плитами;

hn = 2,50 м - высота плиты;

Ra = 36,73 тс/м - анкерная реакция.

qn = (3,10 + 0,26) 36,73/3,10 · 2,50 = 15,92 тс/м2.

Изгибающий момент на консоли

где ак = 0,51 м.

Изгибающий момент в пролете

Поперечная сила на консоли

Qк = qnaк = 15,92 · 0,51 = 8,12 тс/м.

Расчетная нагрузка для ребра анкерной плиты, работающего как консольная балка (рис. 12),

Изгибающий момент

Поперечная сила

Рис. 12. Схема к определению усилий в ребре анкерной плиты

РАСПОЛОЖЕНИЕ АНКЕРНОЙ ПЛИТЫ

Расстояние между лицевой стенкой и анкерной плитой (рис. 13) определяется по формуле

где Н = 13,35 м - общая высота сооружения;

tпл = 5,0 м - расстояние от отметки кордона до подошвы анкерной плиты;

ltпл = 4,73 м - расстояние от расчетной плоскости лицевой стенки до тыловой грани фундаментной плиты (см. рис. 7).

La = 13,35 tg (45° - 0,5 · 30°) + 5,0 tg (45° + 0,5 · 30°) + 4,73 = 21,09 » 21 м.

Рис. 13. Схема к определению расстояния от лицевой стенки конструкции до анкерной плиты.

РАСЧЕТ ПРОЧНОСТИ И ТРЕЩИНОСТОЙКОСТИ ЭЛЕМЕНТОВ КОНСТРУКЦИИ

Лицевая панель уголковой стенки. Лицевая панель изготавливается из стального шпунта типа «Ларсен IV» из стали марки ВСт3сп4.

За расчетный изгибающий момент принят наибольший полученный в варианте статического расчета на давление от грунта с учетом эксплуатационных и волновой нагрузок, Мх = 52,95 тс·м/м.

(Измененная редакция).

Требуемый момент сопротивления шпунта

где kн = 1,15 - коэффициент для III класса капитальности сооружения (высота причала H = 5,5 + 7,85 = 13,35 м < 20 м);

nc = 1,0 - основное сочетание нагрузок;

n = 1,25 - коэффициент перегрузки;

mд = 0,95 - по табл. 13 (3) настоящего Руководства;

mв = 0,85 - коэффициент, учитывающий волновое воздействие;

mc - коэффициент, принимаемый по табл. 23 (9) настоящего Руководства в зависимости от отношения dс/l (dс - высота приведенного сечения);

I = 39600 см4/м - момент инерции 1 пог. м стенки из шпунта типа «Ларсен IV»;

b + D = 100 см - при расчете на 1 пог. м стенки;

l = 905 см - расстояние между опорами (пролет) лицевой панели в вертикальном направлении;

Ry = 2500/1,05 = 2380 кгс/см2 - в соответствии с указаниями табл. 1 СНиП II-23-81 для стали марки ВСт3пс по ГОСТ 380-71*, при толщине проката до 20 мм;

W = 1,15 · 1,0 · 1,25 · 0,95 · 0,85 · 0,75 · 5295000/2380 = 1950 см3.

(Измененная редакция).

Для шпунта типа «Ларсен IV» W = 2200 см3/м.

Условие удовлетворяется.

Анкерные тяги.

Горизонтальная составляющая усилия в анкерной тяге

где ma = 1,5 - коэффициент для плит без предварительного натяжения анкерных тяг;

Ra = 36,73 тс/м - анкерное усилие, равное опорной реакции при расчете стенки от давления грунта, эксплуатационных и швартовной нагрузок;

la = 1,68 м - шаг анкерных тяг;

Диаметр анкерной тяги

где kн = 1,15; nc = l,0; n = 1,25; mд = 0,95 - коэффициенты, те же, что для шпунта;

gс = 0,9 - коэффициент условий paботы для тяг по табл. 6 СНиП II-23-81;

a = 0 - угол наклона анкерной тяги к горизонту;

Ry = 2300/1,05 = 2190 кгс/см2 - для стали марки ВСт3пс по ГОСТ 380-71* при толщине проката 40 - 100 мм;

Принимаем dа = 90 мм.

Распределительный пояс.

Балки распределительного пояса устанавливаются непрерывными в пределах секции. Они собираются из швеллеров, сваренных равнопрочными швами. Балки рассчитываются по схеме многопролетных с нагрузкой и виде сосредоточенной силы в пролете.

Изгибающий момент на опоре

Необходимый момент сопротивления из условия прочности

где kн, nc, n, mд - см. расчет лицевой панели из шпунта;

Ry = 2500/1,05 = 2380 кгс/см2 - для стали марки ВСт3пс6 по ГОСТ 380-71* при толщине проката до 20 мм.

Принимаем 2 швеллера № 27 с моментом сопротивления

W = 2 · 308 = 616 см3.

Болты крепления распределительного пояса.

Болты рассчитываются на растяжение.

Растягивающее усилие в болте по принятой схеме крепления

Диаметр болта по внутреннему диаметру резьбы из условия прочности

Здесь Ry = 2300/l,05 = 21,90 кгс/см2 - для стали марки Ст3сп5 по ГОСТ 380-71* при толщине проката 40 - 100 мм.

Принимаем болт М64 в соответствии с размерами по ГОСТ 10602-72 с внутренним диаметром резьбы 59,67 мм.

Фундаментная плита.

Производим расчет прочности (первое предельное состояние) по изгибающему моменту из условия

где

kн = 1,15; nc = 1,0; п = 1,25 - коэффициенты для III класса капитальности сооружения и основного сочетания нагрузок;

mд = 1,0 - по табл. 15 (5) настоящего Руководства для арматуры класса A-III и при количестве стержней в сечении более 10;

mб3 = 1,0 - для толщины плиты менее 60 см;

ma2 = 1,5 - при количестве стержней в сечении более 10;

Ra = 3750 кгс/см2 - для арматуры класса A-III;

Rnp = 135 кгс/см2 - для бетона марки М300;

b = 100 см - расчет на 1 пог. м сечения;

h0 = h - а = 45 - 5 = 40 см.

Производим расчет в направлении, перпендикулярном линии кордона, на изгибающий момент М = 3066700 кгс·см/м (см. статический расчет фундаментной плиты):

Принимаем для верхней и нижней арматуры по Fa = 6 Æ 25 = 29,45 см2.

Аналогично рассчитываем арматуру вдоль линии кордона на М = 860344 кгс·см, определенный в статическом расчете фундаментной плиты.

Производим расчет по раскрытию трещин (второе предельное состояние). Ширину раскрытия трещин определяем в соответствии с указаниями главы СНиП II-56-77 по формуле

где k = 1 - для изгибаемых элементов;

Сд = 1,3 - для постоянных и временных длительных нагрузок;

h= l - для арматуры периодического профиля;

sнач = 200 - для конструкции, находящейся в воде;

Ea = 2000000 кгс/см2 - для арматуры класса А-III;

для железобетонной конструкции без предварительного напряжения, находящейся постоянно в подземной зоне морской воды.

РАСЧЕТ ПРОЧНОСТИ И ТРЕЩИНОСТОЙКОСТИ ПАНЕЛИ АНКЕРНОЙ ПЛИТЫ, РАСПОЛОЖЕННОЙ ПРОТИВ ТУМБОВОГО МАССИВА

Расчет прочности (первое предельное состояние) производится по изгибающему моменту Мк = 2,07 тс·м/м (см. статический расчет плиты),

Принимаем Fa = 5 Æ 12 = 5,65 см2.

Производим расчет прочности наклонного сечения на действие поперечной силы Q = 8,12 тс/м (см. статический расчет плиты).

Размеры сечения достаточны при выполнении условия

11672,50 < 50625 кгс - условие выполнено.

Расчет поперечной арматуры не производится при условии

где

k = 0,5 + 2x = 0,5 + 2 · 0,1 = 0,7;

Rp = 10 кгс/см2 - для бетона марки М300;

11672,5 < 7770 кгс - условие не соблюдено.

Расчет поперечной арматуры производится из условия

где k2 = 2 - для тяжелого бетона;

Ra.x = 2900 кгс/см2 - для арматуры класса A-III;

Принимаем u = 25 см.

Fx = 0,57 см3.

Принимаем Fх = 3 Æ 6 = 0,85 см2.

Проверяем условие

113,4 > 500 кгс/см - условие не выполнено.

Количество поперечной арматуры определяем по формуле

Окончательно принимаем Fх = 3 Æ 8 = 1,51 см2.

Длина проекции наклонного сечения, в пределах которого устанавливается определенная арматура Fx с шагом 25 см,

Расчет по раскрытию трещин (второе предельное состояние) производится по формуле

где k = 1 - для изгибаемого элемента;

Сд = 1,3 - при учете постоянных и временных длительных нагрузок;

h= l - для арматуры периодического профиля;

sнач = 0 - конструкция расположена над водой;

Ea = 2000000 кгс/см2 - для арматуры класса А-III;

d = 12 мм;

 - для конструкции, находящейся в грунте при длительном действии нагрузки и сооружений III класса капитальности.

Расчет пролетного сечения анкерной плиты производится аналогично на усилия Мпр = 1,6 тс·м/м и Q = 0.

РАСЧЕТ ПРОЧНОСТИ И ТРЕЩИНОСТОЙКОСТИ РЕБРА AHКЕРНОЙ ПЛИТЫ, РАСПОЛОЖЕННОЙ ПРОТИВ ТУМБОВОГО МАССИВА

Производим расчет прочности (первое предельное состояние) нормального сечения по изгибающему моменту Мр = 19,28 тс·м из условия (рис. 14):

где

b = 40 см; bp = 40 - 14 = 26 см - сечение, ослабленное трубой для пропуска анкерной тяги;

h = 60 см; h0 = h - a = 60 - 5 = 55 см; а¢ = 5 см;

тa = 1,1 - при количестве стержней в сечении менее 10;

mб = l,0 - при толщине элемента менее 60 см;

mд = 0,95 - для изгибаемого элемента, арматуры класса A-III при количестве стержней в сечении менее 10;

Ra = Ra.c = 3750 кгс/см2 - для арматуры класса A-III;

 - принимаем равным 0,2Fa;

Принимаем: Fa =4 Æ 22 = 15,2 см2;

                      = 2 Æ 14 = 3,08 см2.

Производим расчет прочности наклонного сечения по поперечной силе Qp = 30,85 тс.

Размеры сечения достаточны при условии

44346,87 < 48262,5 кгс - условие выполнено.

При определении поперечной арматуры все коэффициенты и расчетные сопротивления остаются те же, что в расчете прочности панели анкерной плиты:

u £ 0,75 · 2 · 1 · 10 · 26 · 552/1,15 · 1,0 · 1,25 · 1,0 · 30850 = 26,6 см.

Рис. 14. Поперечное сечение ребра железобетонной анкерной плиты для расчета прочности.

Принимаем u = 20 см.

Принимаем Fx =2 Æ 12 = 2,26 см2.

Проверяем условие

360,5 > 130 кгс/см - условие выполнено,

следовательно, Fx = 2 Æ 12 = 2,26 см2.

Длина участка балки с наклонной трещиной

Производим расчет ширины раскрытия трещин (второе предельное состояние). Коэффициенты k, Сд, h те же, что в расчете раскрытия трещин панели анкерной плиты.

z = 55 - 0,5 · 12,2 = 48,9 см;

d = 22 мм.

По другим сечениям консоли ребра анкерной плиты статические расчеты и расчеты прочности и раскрытия трещин выполняются аналогично.

ПРИМЕР 4

РАСЧЕТ ПРИЧАЛЬНОГО СООРУЖЕНИЯ ТИПА «БОЛЬВЕРК» ПРИ ЛИЦЕВОЙ СТЕНКЕ ИЗ МЕТАЛЛИЧЕСКОГО ШПУНТА С АНКЕРОВКОЙ ЗА ЖЕЛЕЗОБЕТОННУЮ АНКЕРНУЮ СТЕНКУ

ИСХОДНЫЕ ДАННЫЕ ДЛЯ РАСЧЕТА

Расчетный уровень воды 0,00.

Уровень воды 50 %-ной обеспеченности + 0,4 м.

Отметка линии кордона причала + 2,80 м.

Отметка дна у причала - 15,0 м.

Нормативные эксплуатационные нагрузки:

равномерно распределенная в прикордонной зоне  тс/м2;

в переходной -  тс/м2;

в тыловой -  тс/м2.

Исходная (расчетная) высота волны обеспеченностью в системе р = 1 % при шторме 4 %-ной обеспеченности в режиме 1 раз в 25 лет - для сооружения высотой 2,8 + 15 = 17,8 м < 20 м, III класса капитальности h1% = l,6 м при средней длине волны l1% =  = 105 м. (Учитывается в расчете с учетом половины ординаты интенсивности давления за счет демпфирующего влияния сооружения, скорости колебания уровня за стенкой).

Скорость ветра обеспеченностью 2 % за навигационный период в направлении с берега в акваторию перпендикулярно линии кордона Wx = 36 м/с.

Расчетные показатели сопротивления сдвигу грунтов засыпки и основания сооружения даны на рис. 1 (для расчета по первой и второй группам предельных состояний).

Материалы конструкций сооружения:

лицевая стенка из металлического шпунта японской поставки корытного профиля типа FSP VI-L;

анкерная тяга круглого сечения из углеродистой стали марки ВСт3пс2;

анкерная стенка из железобетонного призматического шпунта, марка бетона 300, с армированием сталью класса A-III.

(Измененная редакция).

РАСЧЕТ УСТОЙЧИВОСТИ И ПРОЧНОСТИ (РАСЧЕТ ПО ПЕРВОЙ ГРУППЕ ПРЕДЕЛЬНЫХ СОСТОЯНИЙ, ПО ПОТЕРЕ НЕСУЩЕЙ СПОСОБНОСТИ ИЛИ НЕПРИГОДНОСТИ К ЭКСПЛУАТАЦИИ)

Расчет лицевой стенки графоаналитическим методом выполнен на рис. 1 - 3.

Отметка крепления анкера (+ 1,0 м) принята на 0,6 м выше строительного уровня 50 %-ной обеспеченности.

В соответствии с указаниями п. 20.17 (16.17) настоящего Руководства при наличии у стенки волны высотой более 1 м [см также п. 13.27 (8.18)] расчет при основном сочетании нагрузок выполняется в два этапа на давление грунта с учетом временных нагрузок и с дополнительной нагрузкой от волнового воздействия.

Ординаты эпюры активного давления (см. суммарную эпюру давления на рис. 1) определяем по формуле

где lа и lас определены по табл. 18 настоящего Руководства для соответствующих углов jI и d = 0,5jI:

Ординаты эпюры пассивного давления (см. суммарную эпюру давления на рис. 1) определяем по формуле

где lp и lpс определены по табл. 18 настоящего Руководства для соответствующих углов jI и d = jI:

Ординаты эпюры волнового давления определяем по СНиП II 57-75 и Руководству . Глубина подошвы волны при подходе к стенке

где h1% = l,6 м,  = 105 м, H = 15 м;

cos st = - 1 - при подходе к стенке подошвы волны;

Значения волнового давления на глубине (табл. 1 СНиП II 57-75):

0 = Ñ 0                               p = 0;

hn = Ñ - 1,49 м                  p = - g hn = - 1,0 · 1,49 = - 1,49 тс/м2;

0,5H = Ñ - 7,5 м                p = - k8 g h = - 0,75 · 1,0 · 1,6 = - 1,20 тс/м2;

H = Ñ - 15,0 м                   p = - k9 g h = - 0,67 · 1,0 · 1,6 = - 1,07 тс/м2,

где значения коэффициентов k8 и k9 приняты по графикам (рис. 5 СНиП II 57-75) в зависимости от отношений  и

Ординаты эпюры волнового давления для сооружений типа «больверк» в соответствии с указаниями п. 13.27 (8.18) настоящего Руководства принимаются уменьшенными в 2 раза (см эпюру волнового давления на рис. 2)

0 = Ñ 0                               p = 0;

Ñ - 1,49 м                          p = - 0,75 тс/м2;

Ñ - 7,5 м                            p = - 0,60 тс/м2;

Ñ - 15,0 м                          p = - 0,54 тс/м2.

В результате статического расчета лицевой стенки на 1-м этапе при погружении до Ñ - 22,7 м получены усилия Мmax = 147,5 тс·м/м и Rа = 29,0 тс/м.

В соответствии с табл. 1 СНиП II 23-81 Ry = Rуп/gт (Rуп - предел текучести стали). Шпунт FSP VI-L японской поставки.

W = 3820 см3 - для 1 пог. м. Шпунт из стали марки SY-40, Rуп = 4000 кгс/cм2 = 40 кгс/мм2.

В соответствии с табл. 2 СНиП II-23-81 для стали с пределом текучести свыше 39 кгс/мм2 gт = 1,1.

Расчетное сопротивление Rу = 4000/1,1 = 3630 кгс/см2.

Условие прочности на действие изгибающего момента

где M = mc Mmax = 0,65 · 147,5 = 95,88 тс·м/м;

mc = 0,65 - по табл. 23 (9) настоящего Руководства для гибкой стенки и засыпки с jI > 35°;

gс = 1 - коэффициент условий работы;

kн = 1,15; nc = 1,0; n = 1,25; mд = 0,95 - в соответствии с указаниями п. 13.16 (8.8) и табл. 13 (3) настоящего Руководства для сооружения III класса капитальности и основного сочетания нагрузок.

1,15 · 1,0 · 1,25 · 0,95 · 9588000/3820 < 363 · 0,1;

3428 < 3630 кгс/см2 - условие выполнено.

На 2-м этапе расчета с учетом волновых воздействий при погружении шпунта до отметки - 22,7 м получены усилия Мmax = 178,75 тс·м/м и Ra = 35 тс/м.

По п. 20.17 (16.17) настоящего Руководства

Условие прочности

1,15 · 1,0 · 1,25 · 0,95 · 10806000/3820 < 3630 · 1

3863,0 < 3630 кгс/см2 - условие не выполнено.

Увеличиваем погружение шпунта до Ñ - 22,9 м. Усилия Мmax = 170,0 тс·м/м и Ra = 34 тс/м.

M = 0,85 [170,0 - 147,5 (1 - 0,65)] = 100,62 тс·м.

1,15 · 1,0 · 1,25 · 0,95 · 10062000/3820 < 3630 · 1;

3597,10 < 3630 кгс/см2 - условие выполнено.

Расчет на особое сочетание нагрузок с учетом сейсмических воздействий выполняется с дополнительными требованиями разд. 5 главы СНиП II 7-81 (см. рис. 3).

Давление группа на стенки определяется по методу Кулона с введением в формулы угла e отклонения от вертикали равнодействующей сейсмической силы и веса объема грунта.


Рис. 1. Графоаналитический расчет лицевой стенки больверка на основное сочетание нагрузок:

а - расчетная схема сооружения; б - суммарная эпюра давления от грунта и временных нагрузок, в - расчетная схема нагрузок, г - веревочный многоугольник, д - силовой многоугольник

Рис. 2. Графоаналитический расчет лицевой стенки больверка на основное сочетание нагрузок с дополнительной нагрузкой от волнового воздействия:

а - основные отметки с расчетной схемы рис. 1; б - эпюра волнового давления, в - суммарная эпюра давления от грунта, временных (см. рис. 1) и волновой нагрузок; г - расчетная схема нагрузок; д - веревочный многоугольник; е - силовой многоугольник

(Измененная редакция).

Рис. 3. Графоаналитический расчет лицевой стенки больверка на особое сочетание нагрузок (с учетом сейсмических воздействий):

а - основные отметки с расчетной схемы рис. 1; б - сейсмическое давление воды; в - суммарная эпюра давления от грунта, временных нагрузок и сейсмического давления воды; г - расчетная схема нагрузок; д - веревочный многоугольник, е - силовой многоугольник.


Ординаты эпюры активного и пассивного давления при горизонтальном направлении сейсмического воздействия для вертикальной стенки и горизонтальной поверхности грунта определяются соответственно по формулам

e = arctg AK1 - для грунта естественной влажности;

 - для водонасыщенного грунта;

Для района сейсмичности 8 баллов А = 02; K1 = 0,25.

Определяем ординаты эпюры активного давления

от Ñ + 2,8 м до Ñ 0,0

jI = 36°; d = 0,5jI = 18°;

e = arctg 0,2 · 0,25 = 2°52¢;

от Ñ 0,0 м до Ñ - 13,0 м:

jI = 36°; d = 0,5jI = 18°;

от Ñ - 13,0 м до Ñ - 17,9 м:

jI = 18°; d = 0,5jI = 9°; cI = 2 тс/м2;

от Ñ - 17,9 м до Ñ - 21,1 м:

jI = 32°; d = 0,5jI = 16°;

ниже Ñ - 21,1 м:

jI = 34°; d = 0,5jI = 17°; e = 5°20¢;

Определяем ординаты эпюры пассивного давления

от Ñ - 15,0 м до Ñ - 17,9 м

jI = 18°; d = 0,75jI = 13°30¢; cI = 2 тс/м2; e = 5°27¢;

от Ñ - 17,9 м до Ñ - 21,1 м

jI = 32°; d = 0,75jI = 24°; e = 5°20¢;

ниже Ñ - 21,1 м:

jI = 34°; d = 0,75jI = 25°30¢; e = 5°20¢;

Ординаты эпюры сейсмического давления воды определяются по формуле

где y = 1 - для отношения l/h > 3 (l - расстояние между сооружением и противоположным ему берегом);

gв = 1 тс/м3 - объемный вес воды;

h = 15,0 м - глубина воды у сооружения;

D = R - по табл. 13 СНиП II-7-81 в зависимости от относительной глубины z/h. На глубине 0,l h = 0,l · 15 = 1,5 м; 0,2 h = 3,0 м и т.д.

p = 0,2 · 0,25 · 1 · 15R · 1 = 0,75R.

(Измененная редакция).

На глубине 1,5 м p = 0,75 · 0,33 = 0,17 тс/м2;

                     3,0 м p = 0,75 · 0,36 = 0,27 тс/м2;

                     4,5 м p = 0,75 · 0,47 = 0,35 тс/м2;

                     6,0 м p = 0,75 · 0,55 = 0,41 тс/м2;

                     7,5 м p = 0,75 · 0,61 = 0,46 тс/м2;

                     9,0 м p = 0,75 · 0,66 = 0,50 тс/м2;

                   10,5 м p = 0,75 · 0,70 = 0,53 тс/м2;

                   12,0 м p = 0,75 · 0,72 = 0,54 тс/м2;

                   13,5 м p = 0,75 · 0,74 = 0,56 тс/м2;

                   15,0 м p = 0,75 · 0,74 = 0,56 тс/м2.

Результаты статического расчета на особое сочетание нагрузок: Мmax = 210 тс·м/м, Ra = 40,5 тс/м при глубине погружения шпунта до Ñ - 23,2 м.

Подставляем в условие прочности значения: kн = l,15; nс = 0,9; n = 1,25; mд = 0,95 · 0,85 = 0,8 [см. табл. 13 (3)].

M = mc Mmax = 0,65 · 210 = 136,5 тс·м/м.

1,15 · 0,9 · 1,25 · 0,80 · 13650000/3820 < 3630 кгс/см2;

3698,3 » 3630 кгс/см2 - условие выполнено.

(Измененная редакция).

Дополнительную глубину погружения шпунта на защемление определяем из расчета с учетом волновых воздействий по формуле (см. рис. 2)

Корректируем значение силы 17, величину которой определяем по эпюре давления (рис. 2, в) между отметками - 22,0 м и - 22,9 м. P17 = 47,92 тс. Снимаем значение  = 124,11 тс/м с силового многоугольника при значении силы P17 = 47,92 тс (рис. 2, е). Вертикальная нагрузка с береговой стороны на Ñ - 22,9 м  = 4 + 1,8 · 2,8 + 1,1 · 17,9 + 1,15 · 5,0 = 34,48 тс/м2; то же со стороны моря:  = 1,1 · 2,9 + 1,15 · 5,0 = 8,94 тс/м2.

Тогда

Принимаем отметку погружения низа шпунта - 23,1 м.

ОПРЕДЕЛЕНИЕ ДИАМЕТРА АНКЕРНЫХ ТЯГ

Шаг принят 2,0 м (шаг шпунтин - 0,5 м).

Тяги расположены горизонтально при креплении за анкерные стенки.

Производим расчет при основном сочетании нагрузок.

Рядовые тяги рассчитываются на усилие Ra = 29,0 тс/м:

где a = 0;

mд = 0,95 - по табл. 13 (3) настоящего Руководства;

Ry = Ryn/gm - по СНиП II-23-81, Ry = 2300/1,05 = 2190 кгс/см2;

gc = 0,9 - по табл. 6 СНиП II-23-81;

Rуп = sт = 2300 кгс/см2 - по ГОСТ 380-71 для стали марки ВСт3сп при толщине проката 40 - 100 мм;

тяги тумбового массива рассчитываются на усилие Ra + Ешв, где

Швартовное усилие определяется по указаниям главы СНиП II-57-75 от расчетного судна водоизмещением D = 76 тыс. тс, наибольшей длиной Lн.б = 242 м, с боковой парусностью порожнем  = 5020 м2.

Поперечная составляющая нагрузки от действия ветра на судно

где Fx =  - Fэ = 5020 - 580 = 4440 м2;

Fэ = hк L = 2,4 · 242 = 580 м2;

hк = 2,8 - 0,4 = 2,4 м (0,4 м - возвышение среднего уровня воды 50 %-ной обеспеченности над нулем);

L = Lн.б = 242 м;

Wx = 36 м/с - см. исходные данные;

c = 0,5 - коэффициент по табл. СНиП II-57-75 для судна длиной более 200 м:

Rx = 7,5 · 10-5 · 4440 · 362 · 0,5 = 215,78 тс.

Сила, воспринимаемая одной тумбой,

где n = 6 - число работающих тумб при длине судна 250 м;

a = 30° и b = 40° - углы наклона швартова при тумбе на кордоне и судне порожнем;

Принимаем тумбу на усилие 100 тс.

Швартовное усилие в горизонтальной плоскости, перпендикулярное линии кордона,  - для тумбы на усилие 100 тс;

z = 1,8 + 0,4 = 2,2 м - расстояние от анкера до швартова;

lт = 1,0 + 15,0 + 0,67 · 7,9 = 21,3 м - расстояние от анкера до равнодействующей пассивного давления;

Lт = 7,0 м - длина тумбового массива;

Основное сочетание с дополнительной нагрузкой от воздействия волн

Особое сочетание нагрузок

(Измененная редакция).

Принимаем в конструкции диаметр анкерных тяг da = 90 мм.

Концевой отрезок анкерной тяги (шпилька) с резьбой под гайку подбирается по внутреннему диаметру резьбы, который не должен быть меньше диаметра da основного стержня тяги. С учетом градации болтов и гаек по ГОСТ 10602-72 принимаем диаметр шпильки dш = 100 мм.

РАСЧЕТ РАСПРЕДЕЛИТЕЛЬНОГО ПОЯСА И ДЕТАЛЕЙ ЕГО КРЕПЛЕНИЯ

Расчет выполняется для основного сочетания нагрузок. Произведем расчет распределительного пояса.

Балки распределительного пояса в пределах секции непрерывны и составлены путем соединения сваркой. Нагрузка на балку передается болтами в виде сосредоточенных сил.

Крепление принято по схеме рис. 1, а прил. 4 к настоящему Руководству.

Расчетный изгибающий момент

Необходимый момент сопротивления

W = MI/Ry,

где Ry = Ryn/gm = 2500/1,05 = 2380 кгс/см2 - для стали марки ВСт3пс6 при толщине проката до 20 мм;

W = 1584000/2380 = 666 см3.

Принимаем 2 швеллера N30 с моментом сопротивления W = 2 · 387 = 774 см3.

Проверяем прочность швеллера N30 на действие поперечной силы из условия

t = QI S/I t = 0,5 · 32670 · 224/5810 · 0,65 = 969 кгс/см2,

где  - расчетная поперечная сила;

S, I, l - соответственно статический момент, момент инерции и толщина стенки швеллера N30 по ГОСТ 8240-72;

RS = 0,58Ry = 0,58 · 2380 = 1380 кгс/см2.

Условие выполнено.

Принимаем распределительный пояс из двух швеллеров N30.

Производим расчет болтов крепления.

Болты крепления по принятой схеме (см. рис. 1, а прил. 4) балки распределительного пояса воспринимают усилия

Диаметр болта из стали марки Ст3сп по внутренней резьбе

Принимаем болт М56 с внутренним диаметром резьбы 51,7 мм.

Выполняем расчет подкладки под гайку анкерной тяги.

В соответствии с ГОСТ 10605-72 для резьбы d = dш = 100 мм размер гайки S = 14,5 см; D = 16,2 см; D1 = 0,95S = 0,95 · 14,5 = 13,78 см; R1 = 0,5D1 = 6,89 см. Диаметр отверстия в подкладке d1 = d + 2 мм = 100 + 2 = 102 мм = 10,2 см; r1 = 0,5d1 = 5,1 см.

Опорная площадь гайки на подкладке

Разбиваем опорную площадь на четыре части, как показано на рис. 4.

Площадь сегмента  a = 2 · 42°15¢ = 84,5°.

Расчетный пролет подкладки (опоры-стенки швеллеров)

l = dш + 2 см + Sш = 10 + 2 + 0,65 = 12,65 см.

Расстояние от центра окружности до центра тяжести сегмента

Силы:

Изгибающий момент в подкладке

Требуемый момент сопротивления

Рис. 4. Схема к расчету подкладки под гайку

(Измененная редакция).

Ширина подкладки b = D + 4 см = 16,2 + 4 » 20 см.

Расчетная ширина подкладки bp = b - d1 = 20 - 10,2 = 9,8 см.

Высота подкладки

Принимаем размеры подкладки 230×200×65 мм.

Размеры подкладки под болты крепления распределительного пояса определяются аналогично.

Производим расчет хомут-подвески.

При осадке территории и прогибе тяги опора последней фиксируется хомут-подвеской. Усилие в хомут-подвеске определяется из условия работы тяги на растяжение с изгибом

где Ryn = 2500 кгс/см2 - повышенное на 10 % значение предела текучести для стали марки ВСт3сп при толщине проката 40 - 100 мм;

 = Rala = 29,0 · 2 = 58,0 тс - растягивающее усилие в анкерной тяге при условии равномерного натяжения тяг (ma = 1);

 - площадь сечения тяги на опоре (хомут-подвеске);

Изгибающий момент погашается парой сил: силой на опоре в хомут-подвеске и силой трения гайки по подкладке (рис. 5).

Плечо пары сил l = Hшв + dщп + hn = 30 + 2,8 + 6,5 = 39,3 см.

Усилие в хомут-подвеске

Диаметр сечения хомут-подвески

где Ry = 2500/1,05 = 2380 кгс/см2 - расчетное сопротивление стали марки ВСт3пс при толщине проката до 20 мм;

a = 26°34¢ - угол между наклонной частью хомут-подвески и вертикалью, принятый конструктивно по наклону 1 : 2;

(Измененная редакция).

Принимаем d = 19 мм.

Рис. 5. Схема к расчету хомут подвески

РАСЧЕТ ТУМБОВОГО МАССИВА

Составляющие швартовного усилия:

перпендикулярная линии кордона Nx = 100 sin 30° cos 40° = 38,3 тс;

параллельная линии кордона Ny = 100 cos 30° cos 40°= 66,34 тс;

вертикальная Nz = 100 sin 40° = 64,3 тс.

Усилия от действия швартовной нагрузки передаются на шпунт через приваренные к нему, в пределах длины тумбового массива, вертикальные арматурные стержни.

Принимаем длину тумбового массива l = 7 м.

Изгибающий момент от действия составляющей швартовной нагрузки, параллельной линии кордона, на отметке верха шпунта (рис. 6, б)

My = Ny ry = 66,34 · 1,3 = 86,24 тс·м.

Этот момент погашается парой сил Pт в пределах тумбового массива (рис. 7). Плечо пары сил r = 2l/3 = 2 · 7/3 = 4,67 м; сила Рт = Му/r = 86,24/4,67 = 18,5 тс.

Средняя ордината концевого участка шириной 1 пог. м эпюры пары сил

Действие вертикальной составляющей швартовной нагрузки частично погашается собственным весом тумбового массива.

Определяем вес тумбового массива (см. рис. 9):

Рс.в = (2,1 · 1,65 · 2 + 1,5 · 1,65 · 5) 2,5 = 48,3 тс.

Вертикальная нагрузка от составляющей Nz и Рс.в, приходящаяся на 1 пог. м тумбового массива,

Рис. 6. Расчетная схема к определению изгибающего момента в тумбовом массиве от действия составляющей швартовной нагрузки, параллельной линии кордона

От действия составляющей швартовной нагрузки, перпендикулярной линии кордона, возникает изгибающий момент в поперечном направлении. На уровне гребня шпунта применительно к 1 пог. м длины тумбового массива изгибающий момент

Рис. 7. Эпюра сил трения, уравновешивающих изгибающий момент, действующий на длине тумбового массива в плоскости, параллельной линии кордона

Необходимое количество приваренных к шпунту арматурных стержней определяется подбором из обеспечения условия

где Р = рт + pz = 9,1 + 2,3 = 11,4 тс/м - растягивающее усилие;

М = 7,1 тс·м/м;

Fa = 6 Æ 22 = 22,81 см2 - площадь сечения принятой арматуры, установленной на 1 пог. м длины тумбового массива (рис. 8);

da = 2,2 см - диаметр арматурного стержня;

Ia = Fa a2 = 22,81 · 21,12 = 10155,24 см4;

Wa = 10155,24/(21,1 + 0,5 · 2,2) = 457,4 см3;

Ry = 2800/1,05 = 2670 кгс/см2 - расчетное сопротивление стали марки ВСт5пс при толщине проката 20 - 40 мм.

1,15 · 1,0 · 1,25 · 0,9 (11400/22,81 + 710000/457,4) = 2655 < 2670 кгс/см2 - условие выполнено.

Рис. 8. Расчетная схема к определению количества арматурных стержней, передающих усилия от тумбового массива на шпунт

(Измененная редакция).

Надстройка рассчитывается на нагрузку Р от возможного навала судна при швартовке и на нагрузку Еа от активного давления грунта (рис. 6, а). Изгибающий момент от данных нагрузок определяется в сечении на отметке гребня шпунта и должен быть воспринят арматурными стержнями, приваренными к шпунту. Площадь сечения арматурных стержней определяется подбором из условия  аналогично расчету, выполненному для тумбового массива.

Количество арматуры, устанавливаемой по контуру тумбового массива, определяется из условия минимального процента армирования железобетонных сечений (m = 0,05 %).

РАСЧЕТ ТУМБОВОГО МАССИВА НА ПРОЧНОСТЬ (рис. 9)

Материалы: бетон гидротехнический марки М300, Rпр = 135 кгс/см2;

арматура класса A-II марки стали ВСт5пс6, Ra = 2850 кгс/см2.

Расчет железобетонного сечения производится по указаниям главы СНиП II-56-77.

Сечение 1 - 1 (см. рис. 9)

Рис. 9. Расчетная схема и поперечные сечения к расчету прочности тумбового массива на действие изгибающего момента от составляющей швартовной нагрузки, параллельной линии кордона

Определяем количество арматуры Fa из условия прочности сечения

где b = 210 см; h = 139 см; h0 = 139 - 4 = 135 см;

ma = 1,15 - при количестве стержней в сечении более 10;

mб = 1,15 - при толщине элемента более 60 см;

kн = 1,15; nc = 1,0; n = l,25; mд = 1 - для сооружения III класса капитальности, основного сочетания нагрузок и изгиба железобетонного элемента, армированного более чем 10 стержнями.

Принимаем верхнюю и нижнюю арматуру по Fa = 5 Æ 20 = 15,7 см2.

Сечение 2 - 2 (см. рис. 9)

Для данного сечения b =150 см; h = 165 см; h0 = 165 - 7 = 158 см;

Принимаем верхнюю и нижнюю арматуру по Fa = 5 Æ 16 = 10,05 см2.

РАСЧЕТ АНКЕРНОЙ СТЕНКИ

Расчет выполняется графоаналитическим методом (рис. 10). Производим расчет на основное сочетание нагрузок.

Ординаты эпюры активного давления определяем по формуле

где lа = 0,23 - по табл. 18 настоящего Руководства для jI = 36° при d = 0,5jI;

Ординаты эпюры пассивного давления определяем по формуле

где lр = 5,64 - по табл. 20 настоящего Руководства для jI = 36° при d = 0,333jI;

(Измененная редакция).

Суммарная эпюра давления, расчетная схема нагрузок, силовой и веревочный многоугольники представлены на рис. 10, а.

Производим расчет на особое сочетание нагрузок (см. также расчет лицевой стенки на особое сочетание нагрузок).

Рис.10. Графоаналитический расчет анкерной стенки.

а - на основное сочетание нагрузок; б - на особое сочетание нагрузок: 1 - суммарная эпюра давления от грунта и временных нагрузок; 2 - веревочный многоугольник; 3 - силовой многоугольник

(Измененная редакция).

Определяем ординаты эпюры активного давления:

от Ñ + 1,5 м до Ñ 0,0:

jI = 36°; d = 0,5jI = 18°; e = 2°52¢; lса = 0,264 - см. расчет лицевой стенки;

от Ñ 0,0 до Ñ - 6,0 м:

jI = 36°; d = 0,5jI = 18°; e = 5°27¢; lса = 0,292 - см. расчет лицевой стенки;

Определяем ординаты эпюры пассивного давления

от Ñ + 1,5 м до Ñ 0,0

jI = 36°; d = 0,333jI = 11°59¢; e = 2°52¢;

от Ñ 0,0 м до Ñ - 6,0 м;

jI = 36°; d = 0,333jI = 11°59¢; e = 5°27¢;

(Измененная редакция).

Графоаналитический расчет выполнен на рис 10, б.

По результатам расчетов глубина погружения стенки определяется из расчета на особое сочетание нагрузок. Дополнительную глубину погружения на защемление находим по п. 20.22 (16.22) настоящего Руководства:

На Ñ - 2,7 м  = 10 + 1,8 · 2,8 + 1,1 · 2,7 = 10 + 8,01 = 18,01 тс/м2.

(Измененная редакция).

Отметка погружения - (2,7 + 0,34) » - 3,0 м.

(Измененная редакция).

Длина анкерной сваи lсв = 3,0+ 1,0 + 0,5 = 4,5 м

Расстояние от лицевой до анкерной стенки определяем по п. 20.27 (16.26) настоящего Руководства.

Плоскость обрушения от лицевой стенки проводится от точки касания замыкающей к веревочной кривой на отметке - 19,5 м (см. рис. 3);

Принимаем La = 23 м.

РАСЧЕТ ЖЕЛЕЗОБЕТОННЫХ СВАЙ АНКЕРНОЙ СТЕНКИ ПО УСЛОВИЮ ПРОЧНОСТИ

Принята свая сечением 40×40 см, в верхней части 40×30 см (срез для пропуска анкерных тяг), шаг сваи - 50 см (зазор D = 10 см).

(Измененная редакция).

Материалы: бетон марки M300, Rnp = 135 кгс/см2, Rp = 10 кгс/см2, mб = 1; арматура класса A-III, Ra = 3750 кгс/см2 и класса А-I, Ra.x = 1800 кгс/см2, тa = 1,1 (число стержней - 8 шт.).

Производим расчет на основное сочетание нагрузок:

изгибающий момент в одной свае

расчетный момент

где kн =1,15; nс = 1,0; n = 1,25; mд = 0,95 - коэффициенты для сооружения III класса капитальности, основного сочетания нагрузок, железобетонного изгибаемого элемента при числе стержней в сечении менее 10;

МI = 1,15 · 1 · 1,25 · 0,95 · 5,0 = 6,83 тс·м;

поперечная сила в одной свае ;

расчетная поперечная сила .

Производим расчет на основное сочетание нагрузок с учетом волновых воздействий:

М = 17,5 (0,4 + 0,1) = 8,75 тс·м;

(Измененная редакция).

Производим расчет на особое сочетание нагрузок:

М = 25 (0,4 + 0,1) = 12,5 тс·м;

Определяющими усилиями для расчета прочности из сравнения расчетных значений являются изгибающий момент и поперечная сила, полученные из расчета на особые сочетания нагрузок.

(Измененная редакция).

РАСЧЕТ ПРОЧНОСТИ НА ДЕЙСТВИЕ ИЗГИБАЮЩЕГО МОМЕНТА (ОСОБОЕ СОЧЕТАНИЕ НАГРУЗОК)

Определяем расстояние до центра тяжести растянутой арматуры:

Принимаем Fa = 5 Æ 22==19 см2.

Выполняем расчет опорного сечения на поперечную силу.

Сечение достаточно при соблюдении условия

20402,44 < 29362,5 кгс - условие выполнено.

Проверку условия на необходимость расчета поперечной арматуры для сечения на шарнирной опоре при М = 0 рекомендуется производить по СНиП II-21-75 с применением коэффициентов, принятых в СНиП II-56-77 и настоящем Руководстве:

где k1 = 0,6 - для тяжелого бетона.

1,15 · 0,9 · 1,25 · 1,0 · 15770 < 0,6 · 1,0 · 1,0 · 30 · 29;

20402,44 < 5220 кгс - условие не выполнено.

Расчет поперечной арматуры выполняется по формуле

где k2 = 2 - для тяжелого бетона;

Ra.x = 1800 кгс/см2 - для арматуры класса А-I;

u = 10 см - по конструктивным требованиям для концевых участков свай.

Принимаем Fx = 2 Æ 8 = 1,01 см2.

Проверяем условие .

1,1 · 1800 · 1,01/10 ³ 1 · 10 · 30/2;

200 > 150 кгс/см - условие выполнено.

Длина проекции наклонного сечения, в пределах которого устанавливается арматура Fx = 1,01 см с шагом 10 см,

РАСЧЕТ ПРОЧНОСТИ СВАИ ВО ВРЕМЯ СТРОИТЕЛЬСТВА

Производим подъем сваи во время монтажа за одну точку.

Расчетная длина консоли lк = 0,294 lсв = 0,294 · 4,5 @ 1,3 м.

Вес 1 пог. м сваи q = 0,4 · 0,4 · 2,5 = 0,4 тс/м.

Изгибающий момент и поперечная сила на консоли (с учетом коэффициента динамичности kд = 1,5 в соответствии с указаниями п. 4.7 СНиП II-17-77);

Свая рассчитана в стадии эксплуатации на усилия, в несколько раз превосходящие усилия монтажа.

ПРИМЕР 5

РАСЧЕТ ПРИЧАЛЬНОГО СООРУЖЕНИЯ ТИПА «БОЛЬВЕРК» С ЛИЦЕВОЙ СТЕНКОЙ ИЗ ЖЕЛЕЗОБЕТОННЫХ ПРЕДВАРИТЕЛЬНО НАПРЯЖЕННЫХ ЭЛЕМЕНТОВ ПОВЫШЕННОЙ ЖЕСТКОСТИ (СВАЙ-ОБОЛОЧЕК ДИАМЕТРОМ 1,6 м) С АНКЕРОВКОЙ ЗА КОЗЛОВУЮ ОПОРУ

ИСХОДНЫЕ ДАННЫЕ ДЛЯ РАСЧЕТА

За расчетный принят уровень воды 98 %-ной обеспеченности с отметкой 0,0;

отметка линии кордона + 2,5 м;

отметка дна - 11,5 м;

Расчетные характеристики грунтов засыпки и основания:

а) засыпка - песчаный грунт:

угол внутреннего трения jI = 33°, jII = 35°;

объемный вес над расчетным уровнем воды в состоянии естественной влажности  = 1,8 тс/м3, ниже расчетного уровня воды в состоянии гидростатического взвешивания  = 1,0 тс/м3;

б) грунт основания - суглинок:

угол внутреннего трения jI = 18°, jII = 20°;

удельное сцепление сI = 1,7 тс/м2, сII = 2,5 тс/м2;

объемный вес под водой в состоянии гидростатического взвешивания  = 1,0 тс/м3;

показатель консистенции IL = 0;

агрессивность среды:

морская вода обладает сульфатной агрессией; в соответствии с табл. 3в СНиП II-28-73* степень агрессивного воздействия - среднеагрессивная;

нормативные эксплуатационные нагрузки:

временная равномерно распределенная нагрузка от складируемых грузов в зоне:

прикордонной        qн = 4,0 тс/м2;

переходной             qн = 6,0 тс/м2;

тыловой                   qн = 10,0 тс/м2.

1. СТАТИЧЕСКИЙ РАСЧЕТ ЛИЦЕВОЙ СТЕНКИ БОЛЬВЕРКА ПО ПЕРВОЙ ГРУППЕ ПРЕДЕЛЬНЫХ СОСТОЯНИЙ

Лицевая стенка больверка рассчитывается на нагрузку от активного давления грунта с учетом временных эксплуатационных нагрузок.

Стенка запроектирована из свай-оболочек диаметром D = 1,6 м с толщиной стенки 12 см. Проектный зазор между оболочками D = 0,1 м. Графоаналитический расчет лицевой стенки выполнен на рис. 1 в следующей последовательности: определение ординат эпюр активного и пассивного давления, построение суммарной эпюры давления, замена распределенной нагрузки эпюры сосредоточенными силами, построение веревочного и силового многоугольников, построение эпюры поперечных сил.

Ординаты эпюры активного давления (см. рис. 1) найдены по формуле

где значения lа и lас определены по табл. 18 настоящего Руководства для jI и cI при d = 0,5jI;

Ординаты эпюры пассивного давления определяем по формуле

где значения lр и lрc определены по табл. 20 настоящего Руководства для jI и cI при d = jI;

Замыкающая веревочного многоугольника проводится в зависимости от жесткости стенки, степень которой определяется отношением dc/t [см. п. 20.8 (16.8) настоящего Руководства].

Высота приведенного сечения

момент инерции поперечного сечения сваи-оболочки;

Начальные модули упругости бетона приняты по СНиП II-56-77 и СНиП II-21-75.

Глубина погружения, рассчитанная в предположении полного защемления стенки, из графоаналитического расчета (см. рис. 1) t равна 8,6 м.

 В этом случае стенка считается повышенной жесткости. Усилия определяются при проведении замыкающей как касательной к кривой.

В результате расчета определены (на 1 пог. м причала): максимальный изгибающий момент Mmax = 105 тс·м/м в пролете стенки, поперечные силы Q, анкерная реакция - Ra = 28,0 тс/м и предварительная глубина погружения t0 = 4,5 м.

Изгибающий момент, действующий на одну сваю-оболочку,

Коэффициент снижения mc пролетного момента подбирается по табл. 23 (9) настоящего Руководства в зависимости от отношения высоты приведенного сечения dc к условному пролету l.

dc определена выше. l = h + 0,667t0 = 0,5 + 11,5 + 0,667 · 4,5 = 15,0 м. Здесь h - высота от точки крепления анкера до дна; t0 = 4,5 м - из графоаналитического расчета стенки (см. рис. 1).

Рис. 1. Графоаналитический расчет лицевой стенки больверка по первой группе предельных состояний

Рис. 1. (продолжение).

По табл. 23 (9) при 0,04 < 0,074 < 0,10 коэффициент mc = 0,85. Тогда M = 105 · 0,85 (l,6 + 0,l) = 151,7 тс·м.

Поперечная сила, действующая на одну сваю-оболочку в опорном сечении (см. рис. 1),

Анкерное усилие в тяге

где ma = 1,3 - для стенок с предварительным натяжением анкеров [см. п. 20.18 (16.18) настоящего Руководства],

(Измененная редакция).

Уточнение глубины погружения шпунта производим из условия устойчивости лицевой стенки на поворот относительно точки крепления анкерной тяги:

где nc = 1,0 - коэффициент для основного сочетания нагрузок;

n = 1,25 - средневзвешенный коэффициент перегрузки;

kн = 1,15 - коэффициент надежности для III класса капитальности сооружения;

mд = 1,10 - по табл. 17 (7), поз. 5 настоящего Руководства;

m = 1,15 - для портовых сооружений в соответствии с указаниями СНиП II-16-76.

Определение моментов от сдвигающих и удерживающих сил производится по раздельным, а не по суммарным эпюрам давления (рис. 2 и табл. 1 и 2).

Таблица 1

Сдвигающие (поворачивающие) силы и моменты

Номер силы (см. рис. 2)

Сдвигающие силы

Плечо

Mпов = Ес r, тс·м/м

Подсчет

Значение Ес, тc

Подсчет

Значение r, м

1

0,5 · 1,98 · 0,5

0,50

0,5/3

0,17

0,09

2

0,5 · 2,21 · 0,5

0,55

2/3 · 0,5

0,33

0,18

3

0,5 · 2,21 · 11,5

12,71

0,5 + 1/3 · 11,5

4,33

55,03

4

0,5 · 5,20 · 11,5

29,90

0,5 + 2/3 · 11,5

8,17

244,28

5

0,5 · 7,37 · 4,5

16,58

0,5 + 11,5 + 1/3 · 4,5

13,5

223,83

6

0,5 · 9,53 · 4,5

21,44

0,5 + 11,5 + 2/3 · 4,5

15,0

321,60

 

845,01

Таблица 2

Удерживающие силы и моменты

Номер силы (см. рис. 2)

Удерживающие силы

Плечо

Mуд = Еу r, тс·м/м

Подсчет

Значение Еу, тc

Подсчет

Значение r, м

7

0,5 · 1,04 · 2,0

1,04

2/3 · 2,0

1,33

1,38

8

0,5 · 1,98 · 2,0

1,98

1/3 · 2,0

0,67

1,33

9

0,5 · 9,28 · 1,0

4,64

0,5 + 11,5 + 2/3 · 1,0

12,67

58,79

10

0,5 · 9,28 · 3,5

16,24

0,5 + 12,5 + 1/3 · 3,5

14,17

230,12

11

0,5 · 18,24 · 3,5

31,92

0,5 + 12,5 + 2/3 · 3,5

15,33

489,33

 

780,95

Проверяем условие устойчивости:

1161,89 < 780,95 тс·м/м - условие не выполнено.

Необходимая дополнительная глубина погружения в соответствии с п. 20.13 (16.13) настоящего Руководства определяется по формуле

где  - необходимый дополнительный удерживающий момент, обеспечивающий устойчивость стенки,

 = 18,24 тс/м2 (см. рис. 2);

 = 9,53 тс/м3 (см. рис. 2);

 = 16,5 м;

Принимаем отметку погружения шпунта - 18,7 м и проверяем условие устойчивости на поворот.

Рис. 2. Эпюра активного давления от грунта и временных нагрузок и пассивного давления от грунта для расчета лицевой стенки на поворот вокруг точки крепления анкера.

Таблица 3

Поворачивающий момент при глубине погружения до Ñ - 18,7 м

Номер силы (см. рис. 2)

Сдвигающие силы

Плечо

Mпов = Ес r, тс·м/м

Подсчет

Значение Ес, тc

Подсчет

Значение r, м

1 - 6

См. табл. 1 настоящего расчета

845,01

12

0,5 · 9,53 · 2,70

12,84

16,5 + 1/3 · 2,7

17,4

223,94

13

0,5 · 10,83 · 2,70

14,62

16,5 + 2/3 · 2,7

18,3

267,55

 

1336,50

Таблица 4

Удерживающий момент при глубине погружения до Ñ - 18,7 м

Номер силы (см. рис. 2)

Удерживающие силы

Плечо

Mуд = Еу r, тс·м/м

Подсчет

Значение Еу, тc

Подсчет

Значение r, м

7 - 11

См. табл. 2 настоящего расчета

 

14

0,5 · 18,24 · 2,7

24,62

16,5 + 1/3 · 2,7

17,4

428,39

15

0,5 · 25,15 · 2,7

33,95

16,5 + 2/3 · 2,7

18,3

621,29

 

1830,63

Условие устойчивости:

1837,69 » 1830,63 тс/м - условие выполнено. Отметка погружения лицевой стенки шпунта - 18,70 м, расчетная глубина погружения tp = 7,2 м.

Так как расчетная глубина погружения превышает полученную в графоаналитическом расчете в 1,6 раза (tp/t0 = 7,2/4,5 = 1,6), изгибающий момент и анкерная реакция должны быть увеличены в соответствии с указаниями п. 20.14 (16.14) и табл. 22 (8) настоящего Руководства.

По интерполяции повышающий коэффициент для изгибающего момента k = 1,27, для анкерной реакции и максимальной поперечной силы k = 1,15.

Расчетные значения усилий в одной свае-оболочке и анкерной тяге:

М = 151,7 · 11,27 = 192,66 тс·м;

Qoп = 42,47 · 1,15 = 48,84 тc;

 = 61,88 · 1,15 = 71,16 тс.

2. ОПРЕДЕЛЕНИЕ ДИАМЕТРА АНКЕРНОЙ ТЯГИ

Материал тяги - сталь марки ВСт3пс2, расчетное сопротивление Ry = 2190 кгс/см2 при толщине проката 40 - 100 мм (см. СНиП II-23-81).

Диаметр анкерной тяги определяем по формуле

где kн = 1,15 - сооружение III класса капитальности в соответствии с главой СНиП II-51-74 при высоте стенки Hст = 11,5 + 2,5 = 14,0 м < 20 м;

nc = 1,0 - для основного сочетания нагрузок;

n = 1,25 - коэффициент перегрузки;

mд = 0,95 - по табл. 13 (3) настоящего Руководства;

cos a = 1 - тяга горизонтальная, a = 0;

Принимаем диаметр ветви анкерной тяги da = 80 мм. В местах расположения тумбовых массивов швартовное усилие добавляется к анкерной реакции на длине 6,8 м (длина тумбового массива).

Причал оборудован тумбами на усилие 80 тс. Составляющая швартовного усилия, нормальная к линии кордона,

где a и b - углы наклона швартова для тумбы на кордоне, принятые по СНиП II-57-75.

Швартовное усилие, передающееся на уровень крепления анкера,

где lт = 15,0 м - то же, что l при определении жесткости стенки в разд. 1 настоящего расчета.

Диаметр анкерных тяг в местах расположения тумбового массива рассчитывается на усилие

Принимаем на участках тумбовых массивов по четыре тяги с диаметром ветви, равным 85 мм.

3. ДАННЫЕ ДЛЯ РАСЧЕТА СВАЙ-ОБОЛОЧЕК ЛИЦЕВОЙ СТЕНКИ БОЛЬВЕРКА ПО ПРОЧНОСТИ

Сваи-оболочки изготавливаются из предварительно напряженного, центрифугированного железобетона.

Бетон гидротехнический марки 500: Rnp = 215 кгс/см2; RnpII = 280 кгс/см2; RpII = 20 кгс/см2; Rp = 13,5 кгс/см2; Eб = 325000 кгс/см2.

Предварительно напряженная арматура класса A-IV марки стали 20ХГ2С: Rн = =5000 кгс/см2; Rнс = 4000 кгс/см2; RнII = 6000 кгс/см2; Ен = 2000000 кгс/см2.

Ненапрягаемая арматура класса A-II марки стали ВСт5сп2: Ra = Rac = 2850 кгс/см2; Ra.x = 2200 кгс/см2; Ea = 2100000 кгс/см2.

Арматурные стержни равномерно распределены по кольцу (рис. 3).

В соответствии с указаниями п. 1.19 СНиП II-56-77 расчет предварительно напряженных конструкций следует выполнять по СНиП II-21-75, учитывая при этом коэффициенты, принятые в СНиП II-56-77.

Предварительно принятое армирование:

площадь сечения продольной напрягаемой арматуры:

Fн.к = 24 Æ 18 = 61,07 см2;

площадь сечения продольной ненапрягаемой арматуры

Fа.к = 12 Æ 10 = 9,42 см2;

Усилия для расчета прочности сечения сваи-оболочки:

изгибающий момент М = 192,66 тс·м;

поперечная сила Q = 48,84 тс.

Продольная сила определяется от веса надстройки (рис. 4), веса верхней части оболочки до линии действия наибольшего изгибающего момента (см. рис. 1) и от сил трения активного давления до того же сечения.

Рис. 3. Расположение продольной арматуры в сечении сваи-оболочки

Вес надстройки определяем как сумму сил (см. рис. 4):

P1 = 0,4 · 2,5 · 2,5 · 1,7 = 4,25 тс;

P2 = 1,6 · 2,0 · 1,8 · 1,7 = 9,79 тс;

Р3 = 1,6 · 0,5 · 2,5 · 1,7 = 3,40 тс;

В подсчете сил Р1, P2 и Р3 значение 1,7 - размер шага свай-оболочек.

Момент относительно оси оболочки от силы Р1

Mp1 = 4,25 · 1,0 = 4,25 тс·м.

Вес части сваи-оболочки от Ñ 0,0 до Ñ - 7,5 м

где  м2 - площадь поперечного сечения;

 = 1,5 тс/м3 - объемный вес железобетона под водой.

Активное давление грунта на лицевую стенку до Ñ - 7,5 м определяем по эпюре давления на рис. 1:

Еа = [0,5 (1,04 + 2,21) 2,5 + 0,5 (2,21 + 4,16) 7,5] 1,7 = 47,53 тс.

Сила трения от активного давления

Та = Еа tg d,

где d = 0,5j = 0,5 · 33° = 16°30¢;

Та = 47,53 · 0,296 = 14,07 тс.

Изгибающий момент от сил трения относительно оси оболочки

Mт = 14,07 · 0,6 = 8,44 тс·м.

Продольная сила в сечении на Ñ - 7,50 м

Изгибающий момент с учетом влияния продольных сил

М = М - Мр1 + Мт = 192,66 - 4,25 + 8,44 = 196,85 тс·м.

Для расчета по внецентренному сжатию эксцентриситет продольной силы

Рис. 4. Схема к определению продольной силы, действующей на элементы лицевой стенки больверка

Расчет сваи-оболочки из предварительно напряженного центрифугированного железобетона выполняется по указаниям Руководства по проектированию, изготовлению и применению железобетонных центрифугированных конструкций кольцевого сечения (НИИЖБ, Стройиздат, 1979).

4. РАСЧЕТ СЕЧЕНИЙ, НОРМАЛЬНЫХ К ПРОДОЛЬНОЙ ОСИ ЭЛЕМЕНТА

При расчете внецентренно сжатых железобетонных элементов учитываются случайный начальный эксцентриситет  по указаниям п. 1.22 главы СНиП II-21-75 и влияние прогиба в соответствии с пп. 1.16 и 3.24 главы СНиП II-21-75.

 принимается не менее одного из значений - 1/600 длины элемента или 1/30 высоты сечения элемента:

 = 0,03 м (19,0 м - длина сваи-оболочки);

 = 0,05 м (1,6 м - диаметр сваи-оболочки).

Случайный начальный эксцентриситет суммируется с полученным из статического расчета:

e0 = e +  = 5,21 + 0,05 = 5,26 м.

Влияние прогиба учитывается умножением эксцентриситета на коэффициент

При этом условная критическая сила определяется по формуле

где l0 = 1900 см - длина сваи-оболочки;

I = 0,154 м4 = 15400000 см4 (см. разд. 1 настоящего расчета);

 - коэффициент, учитывающий влияние длительного действия нагрузки;

MI и  - моменты соответственно от действия полной нагрузки и от действия постоянных и длительных нагрузок; при расчете по схеме загружения причала равномерными нагрузками при первой категории нагрузок допускается принимать отношение

b = 1 - для тяжелого центрифугированного бетона;

kдл = 1 + 1 · 0,7 = 1,7;

, но не менее величины

e0 = 5,26 м - эксцентриситет (см. выше);

d = l,60 м - наружный диаметр сваи-оболочки;

kн - коэффициент, учитывающий влияние предварительного напряжения арматуры на жесткость элемента; при равномерном обжатии сечения

Здесь  принимается не более 0,25;

sб.н - предварительное напряжение в бетоне с учетом всех потерь при mт < 1,

Усилие предварительного обжатия

Предельная величина предварительного напряжения s0 определяется из условия s0 + p £ RнII , где значение p при механическом способе натяжения арматуры равно 0,05s0:

Определяем потери предварительного напряжения арматуры.

Первые потери

1. Релаксация напряжений арматуры (при механическом способе натяжения)

sрел = 0,1s0 - 200 = 0,1 · 5700 - 200 = 370 кгс/см2.

2. Потери от деформации анкеров, расположенных у натяжных устройств, деформации стальной формы и температурного перепада для центрифугированных оболочек вследствие специфики технологии изготовления не учитываются.

3. Потери от быстронатекающей ползучести (для бетона, подвергнутого тепловой обработке)

при  sб.полз = 0,85 · 500sб.н/R0.

Величина предварительного напряжения с учетом потерь

где s0 = 5700 - 370 = 5330 кгс/см2.

Площадь приведенного сечения

где

При достижении 70 %-ной прочности R0 = 0,7 · 500 = 350 кгс/см2.

Получаем

a = 0,6 - для марки бетона выше М300.

Определяем потери от быстронатекающей ползучести:

Вторые потери

4. Усадка бетона М500

sус = 400 кгс/см2.

5. Ползучесть бетона

при

где k = 0,85 - при тепловой обработке бетона;

Полные потери sn = 370 + 67 + 400 + 263 = 1100 > 1000 кгс/см2 (см п. 1.26 СНиП II-21-75).

Напряжение в арматуре с учетом всех потерь

s0 = 5700 - 1100 = 4600 кгс/см2.

Коэффициент точности натяжения арматуры принимается меньше единицы:

где  = 0,1 - при механическом способе натяжения арматуры.

Тогда mт = 1 - 0,1 = 0,9.

Напряжение в ненапрягаемой арматуре

sа = sб.полз + sус + sполз = 67 + 400 + 263 = 730 кгс/см2.

Сила обжатия с учетом всех потерь

N0 = 0,9 · 4600 · 61,07 - 730 · 9,42 = 245953,2 кгс.

Напряжение в бетоне с учетом всех потерь в арматуре

Расчет внецентренно сжатого элемента кольцевого сечения по прочности производится из условия

Относительная площадь сжатой зоны бетона

где коэффициенты: надежности kн = 1,15, сочетания нагрузок nc = 1,0, перегрузки n = 1,25 и дополнительный mд = 0,9 - приняты в соответствии с указаниями главы СНиП II-56-77 и настоящего Руководства для сооружения III класса капитальности;

s0 = mтs0 = 1,1 · 4600 = 5060 кгс/см2 при mт > 1;

F = 5580 см2 - площадь поперечного сечения (см. разд. 3 настоящего расчета);

rср = 0,5 (r + r1) = 0,5 (80 + 68) = 74 см (см. рис. 3);

rн = ra = 74 см (см. рис. 3);

mб = 1 и ma = 1,15 - в соответствии с указаниями главы СНиП II-56-77 для толщины стенки сечения 12 см и числа арматурных стержней в сечении более 10;

mн.к = 1,1 - для арматуры класса А-IV;

Aa = mа.к = 1,0;

mа.к = 1,0 - для арматуры класса А-II;

e0 = 526 см - эксцентриситет (см. начало разд. 4).

Находим условие прочности:

26495073,7 < 27538568,1 кгс/см - условие выполнено (расхождение » 4 %).

Принимаем арматуру Fн = 24 Æ 18; Fа = 12 Æ 10.

5. РАСЧЕТ СЕЧЕНИЙ, НАКЛОННЫХ К ПРОДОЛЬНОЙ ОСИ ЭЛЕМЕНТА

При расчете на действие поперечной силы должно соблюдаться условие

где

Q = 48840 кгс;

kн = 1,15, nc = 1,0, n = 1,25, mд = 1,0, mб.з = 1,0 - приняты в соответствии с указаниями СНиП II-56-77, ВСН 3-80 и настоящего Руководства;

QI = 1,15 · 1,0 · 1,25 · 1,0 · 48840 = 70207,5 кгс;

d = 12 см - толщина стенки кольцевого сечения;

h0 = 0,6d = 0,6 · 160 = 96 см - рабочая высота сечения;

d - наружный диаметр кольца.

70207,5 < 0,7 · 1,0 · 215 · 12 · 96 = 173376 кгс - условие выполнено.

Расчет поперечной арматуры не производится при соблюдении условия

где k1 = 0,6 - коэффициент;

b = 2d = 2 · 12 = 24 см - расчетная ширина элемента;

70207,5 < 0,6 · 1,0 · 13,5 · 24 · 96 = 18662,4 кгс - условие не выполнено, поперечная арматура определяется расчетом.

Расчет элементов со спиральной арматурой производится из условия QI £ Qх.б.

Предельная поперечная сила, воспринимаемая бетоном и спиральной арматурой, определяется по формуле

Усилие в спиральной арматуре на единицу длины элемента в пределах наклонного сечения

где fc - площадь спиральной арматуры;

и - шаг витков спиральной арматуры, принимаемый не более

(Измененная редакция).

Здесь k2 = 2 - для тяжелого бетона.

Принимаем шаг арматуры u = 15 см.

откуда fc = 0,75 см2. Принимаем диаметр стержня 10 мм, fc = 0,785 см2.

Проверяем условия. Диаметр спиральной арматуры должен быть не менее 0,25 диаметра продольной арматуры и не менее 5 мм: 10 мм > 0,25 · 18 = 4,5 мм; для спиральной арматуры, устанавливаемой по расчету, должно соблюдаться условие , 207 > 81 кгс/см - условия выполнены.

6. РАСЧЕТ ПО ВТОРОЙ ГРУППЕ ПРЕДЕЛЬНЫХ СОСТОЯНИЙ

Применение для армирования лицевой стенки арматуры класса A-IV в условиях среды среднеагрессивной степени относит рассчитываемый элемент к 3-й категории трещиностойкости (см. табл. 7 СНиП II-28-73*).

В этом случае расчет по образованию и раскрытию трещин производится на усилия, полученные из статического расчета, выполненного с применением сдвиговых характеристик грунтов, равных jII и cII.

В условиях сильной сульфатной агрессии указанные элементы конструкции должны были бы рассчитываться на усилия, полученные из статического расчета по первой группе предельных состояний, так как они в этом случае попадали бы во 2-ю категорию трещиностойкости (см. табл. 7 СНиП II-28-73* и табл. 15 СНиП II-21-75).

Статический расчет выполнен на рис. 5 по аналогии с расчетом на рис. 1.

Ординаты эпюры активного давления найдены по формуле

где значения lа и lас определены по табл. 18 настоящего Руководства для jII и cII при d = 0,5jII;

Ординаты эпюры пассивного давления определяем по формуле

где значения lp и lpс определены по табл. 20 настоящего Руководства для jII и cII при d = 0,5jII;

Расчетные значения усилий в одной свае-оболочке с учетом перезаглубления стенки по расчету ее устойчивости на поворот вокруг точки крепления анкера определяются с учетом коэффициентов, полученных в расчете по первой группе предельных состояний:

MII = 82,5 · 0,85 (1,6 + 0,1) 1,27 = 151,40 тс·м/м;

QII = 20,72 (1,6 + 0,1) 1,15 = 40,50 тс.

Продольная сила от веса надстройки и веса части сваи принимается из расчета по первому предельному состоянию (см. разд. 3 настоящего расчета). Сила трения от активного давления грунта до Ñ - 7,0 м

Изгибающий момент от сил трения Мт = 12,82 · 0,6 = 7,69 тс·м.

Продольная сила в сечении на Ñ - 7,0 м NII = 17,44 + 6,28 + 12,82 = 36,54 тс.

Изгибающий момент с учетом влияния продольных сил MII = 151,40 - 4,25 + 7,69 = 154,84 тс·м.

Эксцентриситет продольной силы

Расчет по образованию трещин, нормальных к продольной оси элемента, производится из условия

Mв £ Мт,

где Мв = 154,84 тс·м - момент внешних сил относительно оси, проходящей через центр кольцевого сечения;

Мт - момент, воспринимаемый сечением, нормальным к продольной оси элемента, определяемый по формуле

 Знак «+» принимается для сжимающей силы NII;

N0 - равнодействующая усилий предварительного напряжения арматуры, полученная в разд. 4 настоящего расчета с учетом всех потерь;

 - расстояние от центра тяжести приведенного сечения до ядровой точки;

 - упругий момент сопротивления.

Момент инерции приведенного сечения

где Iб = 15400000 см4; n Ia = 1194954 см4; Fn = 6013,07 см2 - см. соответственно разд. 1 и 4 настоящего расчета;

Момент сопротивления приведенного сечения для крайнего растянутого волокна с учетом неупругих деформаций растянутого бетона , где ;

Wт = 1,66 · 207437 = 344345 см3.

Значение коэффициента kт, учитывающего влияние неупругих деформаций бетона сжатой зоны, определяется в зависимости от относительной величины нормальной силы

В случае, если nт < 1,5 или , значение kт определяется по соответствующим формулам. В остальных случаях kт = 1.

Следовательно, в данном расчете kт = 1.

Мт = (282493 · 34,48 + 344345 · 20) = 16627259 кгс·см;

15484000 < 16627259 кгс·см - условие выполнено, трещины в растянутой зоне не раскрываются.

Расчет по образованию трещин, наклонных к продольной оси, при  производится из условия . Коэффициент m1 = 0,375 принят для бетона марки М500 по табл. 34 СНиП II-21-75.

 = 0,375 · 280 = 105 кгс/см2.

Рис. 5. Графоаналитический расчет лицевой стенки больверка по второй группе предельных состояний

Рис. 5 (продолжение)

Главные растягивающие и сжимающие напряжения в бетоне определяются по формуле

где  - нормальное напряжение в бетоне на площадке, перпендикулярной продольной оси элемента, на уровне центра кольцевого сечения от внешней нагрузки и усилия предварительного напряжения N0. При My = 0 для сжимающих напряжений (знак «-»):

sy = 0 - нормальное напряжение в бетоне на площадке, параллельной продольной оси элемента (поперечные усилия отсутствуют);

 - касательные напряжения в бетоне в уровне кольцевого сечения;

 - статический момент полукольца относительно центральной оси сечения;

 - расстояние от центральной оси сечения до центра тяжести полукольца;

In = 16594954 см4 - см. выше;

b = 2d = 2 · 12 = 24 см;

При sг.с = - 23,47 - 27,56 = - 51,03 кгс/см2 < 105 кгс/см2 =  расчет производится из условия

sг.p = 4,09 < 20 кгс/см2 = RpII - условие выполнено, трещиностойкость наклонного сечения обеспечена.

7. ОПРЕДЕЛЕНИЕ ВЕЛИЧИНЫ ПРЕДВАРИТЕЛЬНОГО НАТЯЖЕНИЯ АНКЕРОВ

Величина предварительного натяжения анкеров определяется по наименьшему значению, полученному из двух условий:

или

где h = 12,0 м - расстояние от линии анкера до дна;

Еc = Eб = 3600000 тс/м2 - модуль упругости бетона марки М500;

Ic = 0,154 м4 - момент инерции сечения сваи-оболочки (см. разд. 1 настоящего расчета);

 - усилие в анкере с учетом коэффициента на перезаглубление стенки;

Ra = 23,5 тс/м - по рис. 5;

Еa = 20000000 тс/м2 - модуль упругости стали;

La = 18,0 + 1,0 = 19,0 м - длина анкера (рис. 6);

Fa = 0,0044 м2 - площадь сечения анкера;

Mp = 151,40 тс·м/м - изгибающий момент (значение определено в начале разд. 6 настоящего расчета).

или 1,1Pн · 12,0 = 0,75 · 151,40;

Pн = 8,60 тс.

Принимаем для предварительного натяжения анкеров усилие Pн = 8,16 тс (меньшее из полученных значений).

8. РАСЧЕТ АНКЕРНОЙ ОПОРЫ

Принята козловая опора из призматических железобетонных свай сечением 40×40 см, забитых в грунт с наклоном 3 : 1. Головы свай заделаны в шапочную железобетонную балку. Расстояние опоры от лицевой стенки определено расположением ее за линией откоса, проведенной под углом внутреннего трения грунта засыпки jI от пересечения плоскостей дна и лицевой стенки больверка (см. пунктирную линию на рис. 6).

Рис. 6. Схема к расчету козловой анкерной опоры

Расчет устойчивости и прочности опоры производится по первой группе предельных состояний. Расчетными нагрузками на опору являются анкерное усилие и вес грунта и- временных нагрузок, лежащих на шапочной балке. Козловые опоры поставлены с шагом анкерных тяг. С этой длины собираются нагрузки.

Вес грунта, лежащего на балке,

Нагрузка от равномерно распределенной нагрузки q

Собственный вес балки

Принимаем длину сваи lсв = 20 м. Тогда вес сваи Pсв = 0,4 · 0,4 · 20 · 1,5 = 4,8 тс.

Осевые усилия в козловых сваях определяются по формулам:

в сжатой свае от всех нагрузок

где  = 71,16 тс - см разд. 1 настоящего расчета;

в растянутой свае без учета временной равномерно распределенной нагрузки

(Измененная редакция).

Определение глубины погружения свай. Расчет глубины погружения свай производится по главе СНиП II-17-77. Глубина погружения определяется несущей способностью висячей сваи.

Рис. 7. Расчетная схема для определения не сущей способности сваи, работающей на сжимающую нагрузку.

Для свай, работающих на сжимающую нагрузку, расчет производится по формуле

где nc, n - то же, что в разд. 1 настоящего расчета;

mд = 1,0 - по ВСН 3-80 и настоящему Руководству;

kн = l,4 - по СНиП II-17-77, когда несущая способность свай определена расчетом;

m = 1,0 - по СНиП II-17-77;

mR = mf = 1,0 - по СНиП II-17-77 при погружении свай забивкой;

F = 0,4 · 0,4 = 0,16 м2 - площадь поперечного сечения сваи;

u = 4 · 0,4 = 1,6 м - периметр поперечного сечения сваи.

(Измененная редакция).

Основываясь на предположении, что к моменту эксплуатации закончатся основные осадки насыпного песчаного грунта, а также учитывая, что погружение свай ведется через насыпной грунт, принимаем, что в нем будут реализовываться силы трения по боковой поверхности свай в размере 0,3 от расчетного сопротивления f для данной категории грунта, т.е. для крупнозернистого песчаного грунта.

Расчетные сопротивления суглинка определены в соответствии с его показателем консистенции IL = 0,2. Расчленение пластов грунта на однородные слои приведено на рис. 7. За отсчетный уровень принимается расчетный уровень воды на Ñ 0,0.

Принимаем погружение сваи до Ñ - 18,4 м:

169,2 < 172,66 тс - условие выполнено.

Для свай, работающих на выдергивание, расчет производится по формуле

где m = 0,8 - по СНиП II-17-77 для свай, погруженных на глубину более 4 м.

Расчетная схема для определения несущей способности сваи, работающей на выдергивание, дана на рис. 8.

Рис. 8. Расчетная схема для определения несущей способности сваи, работающей на выдергивание.

Принимаем глубину погружения на Ñ - 22,8 м:

129,76 < 124,96 тс - условие не выполнено.

Увеличиваем глубину погружения на 1 м до Ñ - 23,8 м

 - условие выполнено.

Длина сжатой сваи с учетом заделки ее в шапочную балку и наклона

Длина растянутой сваи

Данные для расчета прочности железобетонных свай. Сваи запроектированы из бетона марки М300: Rnp = 135 кгс/см2. Арматура класса A-III марки стали 25Г2С: Ra = Ra.c = 3400 кгс/см2, и класса A-I марки стали ВСт3сп2: Ra.x = 1700 кгс/см2.

Расчет прочности свай в стадии эксплуатации. Расчет сваи, работающей на растяжение, производится по СНиП II-56-77 с учетом указаний настоящего Руководства из условия

где kн, nc, n - то же, что в разд. 2 настоящего расчета;

mд = 1,0 - растянутый железобетонный элемент, армированный 8-ю стержнями < 10 шт.;

ma = 1,10 - число рабочих стержней в поперечном сечении 8 шт. < 10;

Np = 103810 кгс - из статического расчета козловой опоры.

1,15 · 1,0 · 1,25 · 1,0 · 103810 = 1,10 · 3400Fa;

Fa = 39,90 см2.

Принимаем Fa = 8 Æ 25 = 39,27 см2.

Рис. 9. Сечение железобетонной сваи для расчета на внецентренное сжатие.

Расчет сваи, работающей на сжимающую нагрузку от продольной силы, производится по формулам внецентренного сжатия при наличии случайного эксцентриситета. Эксцентриситет  принимается в соответствии с и. 1.22 СНиП II-21-75 не менее одного из следующих значений: 1/600 всей длины элемента, 1/600×1900 = 3,17 см или 1/30 высоты сечения элемента, 1/30 · 40 = 1,33 см. Принимаем наибольшее из значений  = 3,17 см.

Проверка прочности производится по указаниям п. 3.65 Руководства по проектированию бетонных и железобетонных конструкции из тяжелого бетона (без предварительного напряжения) для прямоугольных сечений с арматурой равномерно распределенной по линиям центров тяжести стержней (рис. 9).

Условие, по которому проверяется прочность сечения, принимается в зависимости от относительной высоты сжатой зоны:

где  - характеристика сжатой зоны бетона;

mд = 1,0 - по ВСН 3-80 для сжатого железобетонного элемента, армированного арматурой класса A-III;

Nс = 135360 кгс - из статического расчета козловой опоры для сваи, работающей на сжатие;

 - площадь сечения арматуры, расположенной у одной из граней, параллельных плоскости изгиба;

fп.н = fa - площадь одного промежуточного стержня;

pн = 1 - число промежуточных стержней у грани;

Граничное значение относительной высоты сжатой зоны бетона

где se = 4000 - при использовании коэффициента условий работы бетона mб1 = 1.

Проверяем прочность сечения из условия при x > xR:

где относительная величина продольной силы при равномерном сжатии всего сечения

относительная величина изгибающего момента при высоте сжатой зоны

относительная величина продольной силы при высоте сжатой зоны

Из условия прочности определяем fa:

Принимаем fa = 1 Æ 12 = 1,13 см2.

 - условие выбрано правильно.

Рис. 10. Схема для расчета сваи на подъем за две точки со стенда.

Расчет прочности сваи во время строительства. Подъем сваи со стенда производим за две точки при достижении бетоном 70 %-ной прочности. Расчетная схема для подъема сваи, работающей на сжимающую нагрузку, представлена на рис, 10. Равномерно распределенная нагрузка от собственного веса сваи qн = 0,4×0,4 · 2,5 = 0,4 тс/м.

Изгибающий момент на консоли и поперечная сила определяются с учетом коэффициента динамичности kд = 1,5 (см. п. 4.7 СНиП II-17-77):

Расчет на прочность выполняем в предположении, что сжатая зона сечения высотой  обеспечена работой бетона, арматура  в формуле принимается равной нулю, так как сжимающие напряжения стали в арматуре не могут реализоваться:

где kн = 1,15; nc = 0,95; mд = 0,95 - по п. 13.16 (8.8) и табл. 15 (5), поз. 1 настоящего Руководства для III класса капитальности, строительный случай, работа на изгиб, в сечении 8 арматурных стержней (меньше 10);

n = l,0 - по п. 4.7 СНиП II-17-77;

 - расстояние от растянутой грани до центра тяжести растянутой арматуры (рис. 11).

1,15 · 0,95 · 1,00 · 0,95 · 480000 = 1,0 · 0,7 · 135 · 40 · 0,989Fa (29 - 0,5 · 0,989Fa);

Принимаем: Fa = 5 Æ 12 = 5,65 см2;

x = 0,989 · 5,03 = 4,97 см < 2a¢ = 10 см, т.е. условие расчета выбрано правильно.

Подъем сваи во время монтажа производим за одну точку при достижении бетоном 100 %-ной прочности.

Расчетная схема представлена на рис. 12. Момент и поперечная сила на консоли при kд = 1,5:

Производим расчет на прочность:

1,15 · 0,95 · 1,00 · 0,95 · 941000 = 1,0 · 135 · 40 · 0,693Fa (29 - 0,5 · 0,693Fa);

Принимаем: Fa = 5 Æ 16 = 10,05 см2 (разница с требуемой площадью сечения арматуры 2, т.е. в допустимых пределах).

x = 0,693 · 10,26 = 7,11 см < 2a¢ = 10 см - условия расчета выбраны правильно: .

Определяющим расчетом для армирования сжатой сваи является расчет на подъем за одну точку. Принимаем продольную арматуру Fa = 8 Æ 16 мм.

Подбор арматуры сваи, работающей на растяжение, выполняется аналогично. При подъеме сваи за одну точку расчетная схема представлена на рис. 13. Момент и поперечная сила на консоли при kд = 1,5:

Производим расчет в предположении  и :

1,15 · 0,95 · 1,00 · 0,95 · 1753000 = 1,0 · 135 · 40 · 0,693Fa (29 - 0,5 · 0,693Fa);

x = 0,693 · 23,19 = 16,07 см < 2a¢ = 10 см - условие не выполнено.

Расчет сечения на прочность производим с учетом арматуры, расположенной в сжатой зоне, когда x > 2a¢. Считаем, что 5 стержней расположено в растянутой зоне и 3 стержня - в сжатой: Fa - 5 стержней растянутой зоны,  - 3 стержня сжатой зоны:

1,15 · 0,95 · 1,00 · 0,95 · 1753000 = 1,0 · 135 · 40 · 0,277Fa (29 - 0,277Fa) + 1,10 · 3400 × 0,6Fa (29 - 5);

Рис. 11. Сечение железобетонной сваи для расчета на изгиб

Рис. 12. Расчетная схема для определения усилий в свае длиной 19 м во время монтажа

Вышеприведенным условием прочности, в котором учитывается арматура, расположенная в сжатой зоне, можно пользоваться, когда zб £ za:

zб = h0 - 0,5x = 29 - 0,5 · 5,68 = 26,16 см;

za = h0 - a¢ = 29 - 5 = 24 см;

26,16 < 0,24 см.

При несоблюдении условия площадь сечения растянутой арматуры определяется по формуле

Рис. 13. Расчетная схема для определения усилий в свае длиной 26 м во время монтажа

В данном случае арматура, принятая в расчете в стации эксплуатации, Fa = 5 Æ 25 = = 24,54 см > 20,27 см2 достаточна и для стадии монтажа.

Производим расчет на действие поперечной силы.

Размеры сечения достаточны при выполнении условия

где mд = 1,0 - по табл. 15 (5), поз. 2 настоящего Руководства.

1,15 · 0,95 · 1,00 · 1,0 · 4580 < 0,25 · 1,0 · 135 · 40 · 29;

5003,65 < 39150 кгс - условие выполнено.

Поперечная арматура ставится конструктивно при выполнении условия

где

5003,65 < 2900 кгс - условие не выполнено, требуется расчет поперечной арматуры.

Расчет производим по формуле

Поперечную арматуру принимаем класса A-I марки стали ВСт3сп2: Ra.x = 1700 кгс/см2.

Шаг u поперечной арматуры по конструктивным требованиям [см. п. 9.33 (3.26) настоящего Руководства] принимаем равным 20 см.

По конструктивным требованиям принимаем Fx = 2 Æ 6 = 0,57 см2.

Проверяем условие :

1,1 · 1700 · 0,57/20 ³ 1 · 10 · 40/2;

48,45 > 200 - условие не выполнено, количество арматуры Fx определяем по формуле

Окончательно принимаем Fx = 2 Æ 6 = 0,57 см2.

Длина проекции наклонного сечения, на которой ставится арматура Fx = 2 Æ 6 с шагом 20 см,

Примечание. При использовании примеров расчетов настоящего приложения необходимо иметь в виду:

1) буквенные обозначения в расчетах швартовных, судовых и волновых нагрузок отличаются от приведенных в СНиП 2.06.04-82 и соответствуют принятым в отмененной главе СНиП II-57-75 «Нагрузки и воздействия на гидротехнические сооружения (волновые, ледовые и от судов)», по при расчете швартовных, судовых и волновых нагрузок следует руководствоваться указаниями главы СНиП 2.06.04-82;

2) коэффициенты условий работы арматуры ma, назначаемые по СНиП II-56-77, и дополнительные mд, назначаемые по табл. 15 (5) настоящего Руководства, в расчетах прочности элементов железобетонных конструкций приняты в зависимости от количества стержней рабочей арматуры в сечении элемента; с вводом в действие постановления Госстроя СССР от 31 декабря 1981 г. № 283 об изменении и дополнении главы СНиП II-56-77 коэффициент ma = l,15 исключается; на основании этого введены изменения в табл. 15 (5) настоящего Руководства, не учтенные в данных примерах расчетов;

3) расчеты элементов железобетонных конструкций по второй группе предельных состояний выполнены только по раскрытию трещин, однако расчеты трещиностойкости необходимо начинать с расчета по образованию трещин, выполняя их по указанию главы СНиП II-21-75, для выяснения необходимости проведения расчетов по раскрытию трещин.

СОДЕРЖАНИЕ

1 (1). Общие положения. 1

2 (2с). Классификация причальных сооружений. 3

3 (2). Выбор конструкции причального сооружения. 4

4 (3с). Основные требования к проектированию причальных сооружений. 5

5 (5с). Отсчетные уровни и глубины портовых и заводских акваторий и подходных каналов. 6

6 (7с). Причальные сооружения, их длины и расположение. 10

7 (4). Строительные материалы.. 11

8. Оборудование причальных сооружений. 17

9 (3). Общие конструктивные требования к причальным сооружениям.. 20

10 (5). Основные конструктивные требования к причальным сооружениям гравитационного типа. 24

11 (6). Основные конструктивные требования к причальным сооружениям типа «больверк» с анкеровкой на одном уровне. 29

12 (7). Основные конструктивные требования к причальным сооружениям эстакадного типа. 30

13 (8). Общие положения расчета причальных сооружений. 34

14 (9). Общие положения расчета причальных сооружений гравитационного типа. 61

15 (10). Общие положения расчета причальных сооружений уголкового типа. 68

16 (11) расчет причальных сооружений уголкового типа с внешней анкеровкой. 70

17 (12). Расчет причальных сооружений уголкового типа с внутренней анкеровкой. 73

18 (13). Расчет уголковых причальных сооружений контрфорсного типа. 73

19 (14). Расчет причальных сооружений из массивовой кладки. 76

20 (16). Общие положения расчета причальных сооружений типа «больверк» с анкеровкой на одном уровне. 80

21 (17). Общие положения расчета причальных сооружений эстакадного типа. 94

Приложение 1 Перечень основных общесоюзных и ведомственных нормативно-технических документов, используемых при конструировании и расчетах морских причальных сооружений. 107

Приложение 2 Дренажные устройства. 109

Приложение 3 Огрузка постели причальной набережной из массивовой кладки. 110

Приложение 4 Расчет основных деталей соединения стальных элементов конструкции больверков. 113

Приложение 5 Конструкция пористого тылового сопряжения и крепления подпричального откоса набережных-эстакад. 114

Приложение 6 Определение активного и пассивного давлений на наклонную шероховатую стенку с наклонной поверхностью грунта перед стенкой. 117

Приложение 7 Определение разгружающего действия контрфорсов на активное давление лицевой плиты.. 118

Приложение 8 Определение прогибов конструкции типа «больверк». 126

Приложение 9 Определение сопротивления грунта при расчете устойчивости на сдвиг призмы замененного грунта перед больверком.. 126

Приложение 10 Проверка устойчивости массива грунта, обеспечивающего анкерное крепление конструкции типа «больверк». 127

Приложение 11 Определение пассивного давления грунта в случае приближения анкерных опор к лицевой стенке. 129

Приложение 12 Межсезонный (годовой) перепад температур. 131

Приложение 13 Схема-расчет эстакад рамной конструкции набережная-эстакада на вертикальных опорах. 131

Приложение 14 Коэффициенты m для определения расчетных длин стоек. 177

Приложение 15 Примеры расчетов причальных сооружений. 177

 




Rambler's Top100 Яндекс цитирования
  Copyright © 2008-2026, www.docload.ru