Бесплатная библиотека стандартов и нормативов www.docload.ru

Все документы, размещенные на этом сайте, не являются их официальным изданием и предназначены исключительно для ознакомительных целей.
Электронные копии этих документов могут распространяться без всяких ограничений. Вы можете размещать информацию с этого сайта на любом другом сайте.
Это некоммерческий сайт и здесь не продаются документы. Вы можете скачать их абсолютно бесплатно!
Содержимое сайта не нарушает чьих-либо авторских прав! Человек имеет право на информацию!

 

ГОСТ Р 51324.1-99

(МЭК 60669-1-98)

 

ГОСУДАРСТВЕННЫЙ СТАНДАРТ РОССИЙСКОЙ ФЕДЕРАЦИИ

 

ВЫКЛЮЧАТЕЛИ ДЛЯ БЫТОВЫХ
И АНАЛОГИЧНЫХ СТАЦИОНАРНЫХ
ЭЛЕКТРИЧЕСКИХ УСТАНОВОК

Часть 1

Общие требования и методы испытаний

 

 

ГОССТАНДАРТ РОССИИ

Москва

 

Предисловие

1 РАЗРАБОТАН И ВНЕСЕН АООТ «НИИЭлектроаппарат»

2 УТВЕРЖДЕН И ВВЕДЕН В ДЕЙСТВИЕ Постановлением Госстандарта России от 29 декабря 1999 г. № 798-ст

3 Настоящий стандарт содержит полный аутентичный текст международного стандарта МЭК 60669-1-98 (третье издание) «Выключатели для бытовых и аналогичных стационарных электрических установок. Часть 1. Общие требования» с дополнительными требованиями, учитывающими потребности экономики страны

4 ВВЕДЕН ВПЕРВЫЕ

 

Содержание

1          Область применения

2          Нормативные ссылки

3          Определения

4          Общие требования

5          Общие требования к испытаниям

6          Номинальные значения

7          Классификация

8          Маркировка

9          Проверка размеров

10        Защита от поражения электрическим током

11        Заземление

12        Контактные зажимы

13        Требования к конструкции

14        Механизм

15        Устойчивость к старению, защита от проникновения воды и влагоустойчивость

16        Сопротивление и электрическая прочность изоляции

17        Превышение температуры

18        Включающая и разрывная мощность

19        Нормальная работа

20        Механическая прочность

21        Нагревостойкость

22        Винты, токоведущие части и соединения

23        Пути утечки тока, воздушные зазоры и расстояния через заливочную массу

24        Стойкость изоляционных материалов к аномальному нагреву, огню и трекингостойкость

25        Коррозиеустойчивость

26        Требования к электромагнитной совместимости

Рисунки

Приложение А Обозначение образцов, необходимых для испытаний

Приложение В Дополнительные требования к выключателям, имеющим средства для вывода и удержания гибких кабелей

Приложение С  Дополнительные требования, учитывающие потребности экономики страны и требования государственных стандартов на электротехнические изделия

Приложение D Требования к протоколу испытаний выключателей

Приложение Е  Библиография

 

 

Введение

Настоящий основополагающий стандарт устанавливает область применения, основные параметры, технические требования и методы испытаний выключателей бытового и аналогичного назначения и разработан для обеспечения нормирования требований, обеспечивающих безопасность и создание нормативной основы для проведения в России сертификации бытовых выключателей на основе прямого применения второго издания международного стандарта МЭК 60669-1-98 с дополнительными требованиями, учитывающими потребности экономики страны.

Стандартизация этих требований будет способствовать повышению безопасности эксплуатации потребителем бытовых выключателей и дальнейшему расширению межгосударственных отношений и взаимных поставок.

Стандарт содержит требования, правила и методы испытаний, которые дополняют, заменяют или исключают соответствующие разделы и/или пункты ГОСТ 7397.0 в том числе:

- введены определения различных типов выключателей (3.1.1 - 3.1.5), зажимного устройства (3.4) , самонарезающих винтов (3.13, 3.14), основания, управляющего элемента (детали) и полюса (3.16, 3.19 и 3,20);

- пункт 5.1 с примечанием изложен в новой редакции;

- пункт 6.2 дополнен абзацем требований к выключателям не более 16 А;

- раздел 7 дополнен пунктом 7.1.8;

- пункт 8.1 дополнен тремя абзацами (до и после примечаний);

- раздел 10 дополнен пунктом 10.7 (требования к шнурковым выключателям);

- раздел 12 дополнен пунктом 12.2.5 (требования к зажимам винтового типа) и пунктом 12.3 (требования к безвинтовым контактным зажимам, подпункты 12.3.1 - 12.3.12);

- пункт 13.3 изложен в новой редакции (требования к крышкам, накладкам и приводным элементам выключателей и методам их испытаний, таблица 11);

- пункт 13.12 дополнен таблицей 12;

- раздел 13 дополнен пунктами 13.13 - 13.15;

- раздел 19 изложен в новой редакции;

- раздел 20 дополнен пунктами 20.4 - 20.9 (требования к испытаниям крышек и накладок);

- стандарт дополнен приложениями А и В.

Анализ вышеизложенного позволяет утверждать, что настоящий стандарт регламентирует современные повышенные требования безопасности выключателей на территории Российской Федерации взамен действующего государственного стандарта ГОСТ 7397.0-89 (МЭК 669-1-87).

Настоящий стандарт не более чем на 25 % изменяет и дополняет предыдущее издание МЭК 60669-1-87.

Дополнительные требования к выключателям конкретных типов приведены в комплексе стандартов ГОСТ Р 51324.

Информацию о нормативной документации по стандартизации и консультации при разработке, изготовлении и эксплуатации указанных выключателей представляет Всероссийский научно-исследовательский институт по стандартизации и сертификации в машиностроении (ВНИИНМАШ). Адрес: 123007, г. Москва, ул. Шеногина, 4

 

ГОСУДАРСТВЕННЫЙ СТАНДАРТ РОССИЙСКОЙ ФЕДЕРАЦИИ

ВЫКЛЮЧАТЕЛИ ДЛЯ БЫТОВЫХ И АНАЛОГИЧНЫХ СТАЦИОНАРНЫХ ЭЛЕКТРИЧЕСКИХ УСТАНОВОК

Часть 1

Общие требования и методы испытаний

Switches for household and similar fixed electrical installations. Part 1.
General specifications and methods of tests

Дата введения 2001-01-01

1 Область применения

Настоящий стандарт распространяется на установочные выключатели (далее - выключатели) общего назначения, приводимые в действие вручную, предназначенные для бытовых и аналогичных стационарных электрических установок переменного и (или) постоянного тока на номинальное напряжение не более 440 В и номинальный ток не более 63 А при внутренней и наружной установках в помещениях.

Для выключателей с безвинтовыми зажимами номинальный ток ограничивается значением 16 А.

Примечание - Вопрос о выключателях на номинальное напряжение св. 440 В - на рассмотрении.

Настоящий стандарт распространяется на монтажные коробки для выключателей, за исключением монтажных коробок для выключателей скрытой установки.

Примечание - В настоящем стандарте приведены частные требования к монтажным коробкам. Требования к монтажным коробкам для обычных (см. 7.1.4) выключателей скрытой установки указаны в ГОСТ 8594.

Настоящий стандарт распространяется также на:

- полупроводниковые выключатели по ГОСТ Р 51324.2.1;

- выключатели с дистанционным управлением (ВДУ) по ГОСТ Р 51324.2.2;

- выключатели с устройством задержки времени (таймеры) по ГОСТ Р 51324.2.3;

- сочетания выключателей с другими приборами (за исключением комбинации выключателей с плавкими предохранителями); - выключатели шнурковые, устанавливаемые на гибких кабелях (приложение В).

Примечание 3 - Минимальную длину гибких кабелей для этих выключателей указывают в национальных стандартах.

Выключатели, удовлетворяющие требованиям настоящего стандарта, могут использоваться при температуре окружающей среды, обычно не превышающей 25 °С, но иногда достигающей 35 °С.

Примечания

1 Вопрос о выключателях на номинальное напряжение св. 440 В - на рассмотрении.

2 Требования к монтажным коробкам для обычных выключателей скрытой установки указаны ГОСТ Р 50827.

3 Минимальная длина гибкого кабеля должна соответствовать стандартам на выключатели.

4 Дополнительные требования для выключателей скрытой установки специального назначения находятся на рассмотрении.

5 Выключатели, удовлетворяющие требованиям настоящего стандарта, могут быть установлены на оборудовании только таким образом и в таком месте, которые бы исключали возможность повышения температуры окружающей среды св. 35 °С.

В местах с особыми условиями, например на средствах водного и сухопутного транспорта, используют выключатели специальной конструкции.

Этот стандарт не содержит требований и методов испытаний выключателей, защищенных против попадания инородных тел.

Требования данного стандарта являются обязательными и распространяются на вновь разрабатываемую продукцию.

Настоящий стандарт не распространяется на автоматические выключатели для бытовых и аналогичных установок, выключатели для электроприборов и выключатели, вмонтированные в электрошнур.

Графический материал стандарта следует использовать при разработке рабочих чертежей калибров или шаблонов для проверки и установок для испытаний выключателей.

В тексте настоящего стандарта методы испытаний выделены курсивом, примечания - петитом.

2 Нормативные ссылки

В настоящем стандарте использованы ссылки на следующие стандарты:

ГОСТ 9.005-72 Единая система защиты от коррозии и старения. Металлы, сплавы, металлические и неметаллические неорганические покрытия. Допустимые и недопустимые контакты с металлами и неметаллами

ГОСТ 9.302-88 Единая система защиты от коррозии и старения. Покрытия металлические и неметаллические неорганические. Методы контроля

ГОСТ 12.2.007.0-75 Система стандартов безопасности труда. Изделия электротехнические. Общие требования безопасности

ГОСТ 15.001-88 Система разработки и постановки продукции на производство. Продукция производственно-технического назначения

ГОСТ 20.57.406-81 Комплексная система контроля качества. Изделия электронной техники, квантовой электроники и электротехнические. Методы испытаний

ГОСТ 1761-92 Полосы и ленты из оловяно-фосфористой и оловяно-цинковой бронзы. Технические условия

ГОСТ 2327-89 (МЭК 408-85) Выключатели, выключатели-разъединители, переключатели и переключатели-разъединители врубные низковольтные. Общие технические условия

ГОСТ 7396.1-89 Соединители электрические штепсельные бытового и аналогичного назначения. Основные размеры

ГОСТ 7397.2-92 Выключатели для бытовых и аналогичных стационарных электрических установок. Частные требования к выключателям для бытовых электрических звонков. Общие технические условия

ГОСТ 7399-97 Провода и шнуры на напряжение до 450/750 В. Технические условия

ГОСТ 8594-80 Коробки для установки выключателей, переключателей и штепсельных розеток при скрытой электропроводке. Общие технические условия

ГОСТ 8724-81 Основные нормы взаимозаменяемости. Резьба метрическая. Диаметры и шаги

ГОСТ 9389-75 Проволока стальная углеродистая пружинная. Технические условия

ГОСТ 10434-82 Соединения контактные электрические. Классификация. Общие технические требования

ГОСТ 13871-78 Изоляторы керамические. Общие технические условия

ГОСТ 14192-96 Маркировка грузов

ГОСТ 14254-96 (МЭК 529-89) Степени зашиты, обеспечиваемые оболочками (Код IР)

ГОСТ 15150-69 Машины, приборы и другие технические изделия. Исполнения для различных климатических районов. Категории, условия эксплуатации, хранения и транспортирования в части воздействия климатических факторов внешней среды

ГОСТ 16504-81 Система государственных испытаний продукции. Испытания и контроль качества продукции. Основные термины и определения

ГОСТ 17516.1-72 Изделия электротехнические. Условия эксплуатации в части воздействия механических факторов внешней среды

ГОСТ 18175-78 Бронзы безоловянные, обрабатываемые давлением. Марки

ГОСТ 18620-86 Изделия электротехнические. Маркировка

ГОСТ 22261-94 Средства измерений электрических и магнитных величин. Общие технические условия

ГОСТ 23216-78 Изделия электротехнические. Общие требования к хранению, транспортированию, временной противокоррозионной защите и упаковке

ГОСТ 24622-91 (ИСО 2039-2-87) Пластмассы. Измерение твердости. Часть 2. Твердость по Роквеллу

ГОСТ 24682-81 Изделия электротехнические. Общие технические требования в части воздействия специальных сред

ГОСТ 25030-81 Зажимы контактные безвинтовые. Технические требования. Методы испытаний

ГОСТ 27473-87 (МЭК 112-79) Материалы электроизоляционные твердые. Метод определения сравнительного и контрольного индексов трекингостойкости во влажной среде

ГОСТ 27483-87 (МЭК 695-2-1-80) Испытания на пожароопасность. Методы испытаний. Испытания нагретой проволокой

ГОСТ 28216-89 (МЭК 68-2-30-87) Основные методы испытаний на воздействие внешних факторов

ГОСТ 28312-89 Аппаратура радиоэлектронная профессиональная. Условные графические обозначения

ГОСТ 30331.7-95 (МЭК 364-4-46-81) / ГОСТ Р 50571.7-94 (МЭК 364-4-46-81) Электрическое оборудование зданий. Часть 4. Требования по обеспечению безопасности. Отделение, отключение, управление

ГОСТ Р МЭК 227-4-94 Кабели с поливинилхлоридной изоляцией на номинальное напряжение до 450/750 В включительно. Кабели в оболочке для неподвижной прокладки

ГОСТ Р МЭК 227-5-94 Кабели с поливинилхлоридной изоляцией на номинальное напряжение до 450/750 В включительно. Гибкие кабели (шнуры)

ГОСТРМЭК245-1-97 Кабели с резиновой изоляцией на номинальное напряжение до 450/750 В включительно. Общие требования

ГОСТ Р МЭК 245-4-97 Кабели с резиновой изоляцией на номинальное напряжение до 450/750 В включительно. Шнуры и гибкие кабели

ГОСТ Р МЭК 998-2-4-96 Соединительные устройства для низковольтных цепей бытового и аналогичного назначения. Частные требования к устройствам для соединения проводников скручиванием

ГОСТ Р 50043.1-92 (МЭК 998-1-90) Соединительные устройства для низковольтных цепей бытового и аналогичного назначения. Общие требования

ГОСТ Р 50043.2-92 (МЭК 998-2-1-90) Соединительные устройства для низковольтных цепей бытового и аналогичного назначения. Частные требования для соединительных устройств с винтовыми зажимами

ГОСТ Р 50827-95 (МЭК 670-89) Корпусы для аппаратов, устанавливаемые в стационарные электрические установки бытового и аналогичного назначения. Общие требования и методы испытаний

ГОСТ Р 51324.2.1-99 (МЭК 60669-2-1-96) Выключатели для бытовых и аналогичных стационарных электрических установок. Часть 2-1. Дополнительные требования к полупроводниковым выключателям и методы испытаний

ГОСТ Р 51324.2.2-99 (МЭК 60669-2-2-96) Выключатели для бытовых и аналогичных стационарных электрических установок. Часть 2-2. Дополнительные требования к выключателям с дистанционным управлением (ВДУ) и методы испытаний

ГОСТ Р 51324.2.3-99 (МЭК 60669-2-3-97) Выключатели для бытовых и аналогичных стационарных электрических установок. Часть 2-3. Дополнительные требования к выключателям с задержкой времени (таймеры) и методы испытаний

ГОСТ Р МЭК 60227-1-99 Кабели с поливинилхлоридной изоляцией на номинальное напряжение до 450/750 В включительно. Общие требования

3 Определения

В настоящем стандарте использованы следующие определения. При отсутствии других указаний под понятиями «напряжение» и «ток» подразумевают действующие значения этих величин.

3.1 выключатель: Устройство для включения и отключения тока в одной или более электрических цепях.

3.1.1 кнопочный выключатель: Выключатель, управляемый с помощью кнопки, имеющей привод, для оперирования усилием, создаваемым частью человеческого тела, обычно ладонью или пальцем руки, и имеющий устройство возврата накопленной энергии, например пружину.

3.1.2 выключатель с самовозвратом: Отключающее устройство, которое после срабатывания возвращается автоматически в исходное положение.

Примечание - Контакты выключателей с самовозвратом применяют в выключателях с выдержкой времени и дистанционным управлением.

3.1.3 кнопочный выключатель с самовозвратом: Кнопочный выключатель, который возвращается в исходное положение автоматически после срабатывания.

3,1.4 шнурковый выключатель: Выключатель, в котором исполнительным механизмом является шнурок, натяжением которого изменяют положение контактов.

3.1.5 выключатель с минимальным зазором: Выключатель, конструктивно выполненный таким образом, что зазор между его контактами меньше 3 мм, но не менее 1,2 мм.

Примечание - Выключатели с минимальным зазором используют для функциональных целей и не предполагают для использования с целью обеспечения безопасности (см. ГОСТ 30331.7/ГОСТ Р 50571.7)

3.2 операция: Перемещение подвижных контактов из одного рабочего положения в другое.

3.3 зажим: Проводящая часть одного полюса, состоящая из одного или более зажимного устройства и изолированная, если необходимо.

3.4 зажимное устройство: Элемент или элементы зажима, необходимые для механической фиксации и электрического соединения проводника (ов).

3.5 зажим винтового типа: Зажим для присоединения путем прижатия внешних жесткого или гибкого проводников.

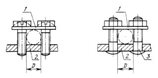
3.6 торцевой зажим: Зажим винтового типа, в котором проводник вставляют в отверстие и прижимают торцом винта (ов). Усилие зажима может осуществляться непосредственно винтом или с помощью промежуточной прижимной детали, к которой прилагается усилие винта.

Примечание - Пример торцевого зажима приведен на рисунке 1.

3.7 зажим с крепежной головкой: Зажим винтового типа, в котором жилу проводника прижимают головкой винта. Усилие прижима может обеспечиваться головкой винта или через промежуточную деталь, например шайбу, прижимную пластину или устройством от самоотвинчивания.

Примечание - Пример винтового зажима приведен на рисунке 2.

3.8 зажим под гайку: Зажим винтового типа, в котором проводник прижимают гайкой. Усилие прижима может обеспечиваться непосредственно фасонной гайкой или через промежуточную деталь, например шайбу, прижимную пластину или устройство от самоотвинчивания.

Примечание - Пример болтового зажима приведен на рисунке 2.

3.9 зажим с прижимной планкой: Зажим, в котором проводник прижимают планкой при помощи двух или более винтов

Примечание - Пример зажима с прижимной планкой приведен на рисунке 3.

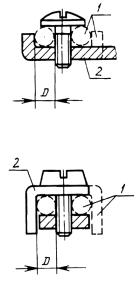
3.10 зажим под наконечник: Зажим под винт или шпильку, в котором присоединительный зажим кабеля, провода или шины прижимается винтом или гайкой.

Примечание - Пример зажима под наконечник приведен на рисунке 4.

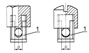
3.11 зажим под колпачок: Зажим винтового типа, в котором проводник прижимают к вырезу в резьбовом болте при помощи гайки. Проводник прижимают к вырезу шайбой особой формы при помощи гайки с центральным штифтом, если гайка является колпачковой, или другим эквивалентным эффективным средством для передачи давления от гайки к проводнику в пределах паза.

Примечание - Пример зажима под колпачок приведен на рисунке 5.

3.12 безвинтовой зажим: Устройство для соединения и последующего разъединения жесткого (сплошного или скрученного) или гибкого проводника или для взаимного соединения двух проводников, которые в дальнейшем можно будет разъединить, причем соединение может быть прямое или непрямое и может быть выполнено при помощи пружин, деталей в виде уголка эксцентричной или конической формы и т. п., без специальной подготовки проводников, за исключением снятия с них изоляции.

3.13 самонарезающий формующий винт: Самонарезающий винт, имеющий непрерывную резьбу который, вращаясь, формирует резьбу вытеснением материала.

Примечание - Пример такого винта приведен на рисунке 6.

3.14 самонарезающий режущий винт: Самонарезающий винт, имеющий непрерывную резьбу, который вращаясь формирует резьбу с удалением материала.

Примечание - Пример такого винта приведен на рисунке 7.

3.15 механическое устройство выдержки времени: Устройство, которое с помощью механического приспособления срабатывает спустя некоторое время после того, как будут созданы необходимые условия для его срабатывания.

3.16 основание: Часть выключателя, на которой крепятся токоведущие части и механизм выключателя.

3.17 номинальное напряжение: Напряжение, установленное для выключателя изготовителем.

3.18 номинальный ток: Ток, установленный для выключателя изготовителем.

3.19 управляющий элемент: Часть шнуркового выключателя, которая соединяет внутренний механизм с натянутым шнуром. Его обычно закрепляют за передаточную деталь выключателя.

3.20 полюс (выключателя): Часть выключателя, связанная одной токопроводящей частью (путем) с его цепью (цепями), имеющая контакты, предназначенные для замыкания и размыкания самой цепи, исключая те части, которые служат для монтажа и оперирования полюсами совместно.

Проводящая часть может быть образована отдельными частями, общими с другими проводящими частями выключателя.

4 Общие требования

Выключатели и их монтажные коробки должны иметь такую конструкцию, которая в нормальных условиях эксплуатации обеспечивала бы их надежную работу и была бы безопасной для потребителя или окружающей среды.

Соответствие всем требованиям проверяют проведением испытаний.

5 Общие требования к испытаниям

5.1 Испытания в соответствии с настоящим стандартом являются типовыми.

5.2 Если нет других указаний, образцы испытывают в нормальных условиях эксплуатации. Выключатели для скрытой установки, которые не подходят под общепринятые стандартные условия, испытывают вместе с соответствующей монтажной коробкой.

5.3 Испытания проводят в порядке следования пунктов стандарты при температуре окружающей среды 15 - 35 °С, если нет других указаний. Если есть сомнения, испытания проводят при температуре окружающей среды (20 ± 5) °С.

5.4 Для испытания выключателей, маркированных одним значением номинального напряжения и одним значением номинального тока, необходимо иметь девять образцов.

Три образца подвергают всем необходимым испытаниям, кроме испытания, указанного в 19.2, для которого используют другой комплект из трех образцов (или два другие комплекта образцов со схемой 2), а для испытания, указанного в разделе 24, используют последние три образца.

Для испытаний по 24.2 могут потребоваться три дополнительных образца.

Для испытания по 12.3.2 необходимы еще три дополнительных образца.

Для испытания по 12.3.11 требуются дополнительные образцы выключателей, имеющих в общем не менее пяти безвинтовых зажимов.

Для испытаний по 12.3.12 необходимы три дополнительных образца выключателей; на каждом образце проверяют одно прижимное устройство.

Для каждого испытания, указанного в 13.15.1 и 13.15.2, требуется три дополнительных образца отдельных сальниковых вводов или выключателей, имеющих сальниковые вводы.

Для шнурковых выключателей три дополнительных образца используют для испытания по 20.9. Для выключателей, маркированных двумя значениями номинального напряжения и соответствующими номинальными токами, необходимы 15 образцов.

Для каждых из двух комбинаций номинального напряжения и номинального тока, маркированных на выключателе, три образца подвергают всем необходимым испытаниям, кроме испытания по 19.2, где используют два (или четыре для образцов со схемой 2) дополнительных комплекта из трех образцов.

Выключатель, имеющий маркировку 250/380 В, испытывают как выключатель на напряжение 380 В.

Выключатели с самовозвратом, предназначенные для оперирования звонками, электромагнитные выключатели с дистанционным управлением (ВДУ) или выключатели с выдержкой времени (таймеры) не представляют на испытания по 18.2 и 19.2.

Примечание - Число образцов, необходимых для испытаний, приведено в приложении А.

5.5 Образцы, представленные на все соответствующие испытания, должны удовлетворять требованиям всех предписанных испытаний.

Если один образец не удовлетворяет испытанию вследствие сборки или дефекта изготовления, это испытание и любое предшествующее, которое могло повлиять на результаты испытания, должны быть проверены в необходимой последовательности на другом полном комплекте образцов, из которых все должны соответствовать требованиям.

Примечание - Вместе с образцами, указанными в 5.4, заказчик может представить дополнительный комплект образцов, которые могут понадобиться в случае, если один образец не выдержит испытания. В этом случае испытательная лаборатория, без специального запроса, испытывает дополнительные образцы и может забраковать их, если следующий образец не выдержит испытания. Если дополнительный комплект образцов не представляется, то повреждение образца повлечет за собой отказ.

6 Номинальные значения

6.1 Выключатели должны предпочтительно иметь номинальные напряжения 130, 230, 250, 277, 380, 400, 415 и 440 В.

Для выключателей с самовозвратом, предназначенных для включения звонков, электромагнитных выключателей с дистанционным управлением (ВДУ) или выключателей с выдержкой времени (таймеры) стандартными номинальными напряжениями являются 130 и 250 В.

При использовании других напряжений их значения должны быть не ниже 120 В.

6.2 Выключатели должны, предпочтительно, иметь номинальные токи 6, 10, 16, 20, 25, 32, 40 и 63 А.

Номинальный ток должен быть не менее 6 А, кроме номинальных токов 1, 2 и 4 А для выключателей с самовозвратом, предназначенных для включения звонков, электромагнитных выключателей с дистанционным управлением или выключателей с выдержкой времени.

Выключатели на номинальный ток не более 16 А, кроме выключателей с номерами схем 3 и 03 и выключателей с самовозвратом, должны иметь номинальный ток для люминесцентных ламп, равный номинальному.

Для выключателей на номинальный ток св. 16 до 25 А включ. проведение испытания с люминесцентными лампами необязательно.

Соответствие требованиям 6.1 и 6.2 проверяют осмотром маркировки.

7 Классификация

7.1 Выключатели классифицируют:

7.1.1 в зависимости от способа соединения (см. рисунок 8):

 

Номер схемы

- однополюсные выключатели

1

- двухполюсные выключатели

2

- трехполюсные выключатели

3

- трехполюсные выключатели плюс коммутируемая нейтраль

03

-переключатели однополюсные на два направления

6

- выключатели однополюсные для двух цепей с общим вводом

5

- переключатели однополюсные на два направления с одним положением «выключено»

4

- переключатели двухполюсные на два направления

6/2

- переключатели реверсивные на два направления (или промежуточные выключатели)

7

Примечания

1 Два или более выключателей, имеющие одинаковые или разные схемы, могут быть установлены на одном общем основании.

2 Номер схемы с положением «выключено» также относится к кнопочным выключателям и выключателям с самовозвратом;

7.1.2 в зависимости от величины зазора между контактами - на выключатели:

- с нормальным зазором,

- с минимальным зазором,

- с микрозазором,

- без контактного зазора (полупроводниковые выключающие устройства).

Примечания

1 Выключатели с минимальным зазором имеют расстояние между контактами в отключенном положении от 3 до 1,2 мм.

2 Выключатели с микрозазором имеют расстояние между контактами в отключенном положении менее 1,2 мм.

3 Выключатели, имеющие полупроводниковое коммутирующее устройство, не имеют зазора.

4 Выключатели, соответствующие настоящему стандарту, имеют функциональное назначение;

7.1.3 в зависимости от степени защиты от электрического удара - на выключатели:

- открытые,

- защищенные.

Примечание - В открытых выключателях защиту от поражения электрическим током осуществляют за счет оболочки, в которой устанавливают выключатель. В защищенных выключателях защиту от поражения электрическим током обеспечивают соблюдением требований раздела 10;

7.1.4 в зависимости от степени защиты от вредного проникновения воды - на выключатели:

- обычные со степенью защиты IРХО,

- брызгозащищенные со степенью защиты IРХ4,

- струезащищенные со степенью защиты IРХ5.

Примечания

1 В настоящем стандарте термин «обычный» касается только степени защиты от проникновения воды.

2 Для объяснения кодов IР см. ГОСТ 14254;

7.1.5 в зависимости от метода действия - на выключатели:

- поворотные,

- перекидные,

- клавишные,

- кнопочные,

- шнурковые;

7.1.6 в зависимости от метода установки - на выключатели:

- открытого типа,

- скрытого типа,

- полускрытого типа,

- панельного типа,

- карнизного типа;

7.1.7 в зависимости от способа установки, обусловленного конструкцией, - на выключатели:

- в которых крышку или накладку можно снять без отсоединения проводников (конструкция А);

- в которых крышку или накладку нельзя снять без отсоединения проводников (конструкция В).

Примечание - Если выключатель имеет основание (главную часть), которое нельзя отделить от крышки или накладки и он нуждается в дополнительной пластине, которую можно снимать в процессе ремонта стены, не отсоединяя проводов, то такой выключатель можно отнести к конструкции А при условии, что промежуточная пластина будет удовлетворять требованиям, установленным для крышек и накладок;

7.1.8 в зависимости от типа зажимов - на выключатели:

- с зажимами винтового типа;

- с безвинтовыми зажимами только для жестких проводников,

- с безвинтовыми зажимами для жестких и гибких проводников.

7.2 Предпочтительные сочетания числа полюсов и номинальных значений приведены в таблице 1.

Таблица 1 - Предпочтительные сочетания числа полюсов и номинальных значений

Номинальный ток, А

Число полюсов

Номинальное напряжение от 120 до250 В включ.

Номинальное напряжение св. 250 В только переменного тока

1, 2 и 4

1

-

6

1

1

2

2

10

1

1

2

2

-

3

-

4

16, 20, 25,
32, 40 и 63

1

1

2

2

3

3

4

4

8 Маркировка

8.1 Выключатели должны иметь следующую маркировку:

- номинальный ток в амперах (А) или номинальная нагрузка люминесцентных ламп в амперах (АХ), или комбинация из этих двух значений, если эти значения различны (см. 6.2 и примеры маркировки в 8.2);

- номинальное напряжение в вольтах;

- символ вида источника питания;

- наименование, товарный или отличительный знак предприятия-изготовителя;

- обозначение типа, которое может быть, например, каталожным номером;

- символ выключателя с минимальным зазором, если применимо;

- символ выключателя с микрозазором, если применимо;

- символ полупроводниковых коммутирующих устройств, если применимо;

- символ степени защиты от проникновения воды, если применимо.

Примечания

1 Рекомендуется указывать номер схемы в соответствии с 7.1.1, если при внешнем осмотре выключателя будут неясны соединения. Указанный номер схемы может быть частью обозначения типа выключателя.

2 Если на одном основании установлено два или более выключателей с самостоятельными приводными устройствами, то рекомендуется указывать номера их схем, например 1+6 или 1+1+1.

В дополнение, выключатели с безвинтовыми зажимами должны иметь маркировку относительно пригодности присоединения только жестких проводников для выключателей, которые имеют на это ограничение. Эту информацию прикладывают к упаковке выключателя или упаковочной единице.

8.2 Должны применяться следующие символы:

- амперы:

 

ток люминесцентных ламп

АХ

другие токи

А

- вольты

V

- переменный ток

~

- нейтраль

N

- линия

L

- заземление

- положение «выключено»

O

- положение «включено»

ç

- конструкция с минимальным зазором

m

- конструкция с микрозазором

m

- полупроводниковые коммутирующие устройства

(на рассмотрении)

- брызгозащищенная конструкция

IPX4

- струезащищенная конструкция

IPX5

Примечания

1 Символ O применяют на выключателях с нормальным зазором.

2 Более подробное описание символов согласно ГОСТ 28312.

3 На выключателях обычного типа не маркируется символ защиты от проникновения воды.

4 В условном обозначении степени защиты буква X, указывающая защиту от попадания твердых тел, может заменяться соответствующей цифрой.

5 Линии, образованные конструкцией инструмента, не рассматривают как часть маркировки.

Для маркировки тока люминесцентных ламп символ АХ может заменяться символом X.

Для маркировки номинального тока и номинального напряжения могут применяться только цифры.

Маркировку вида электрического тока выключателей помещают после маркировки номинального тока и номинального напряжения.

Примечание 6 - Маркировка тока, напряжения и вида тока может, например, иметь следующий вид:

10 АХ 250 V~ или 10Х/250~, или - ~

20 А - 16 АХ 250 V~ или 20-16Х/25~, или ~

10 АХ 400 V~ или 10Х/400~, или ~

25 АХ 400 V~ или 25Х/400~, или ~

25 А 250 V~ или 25/250~, или ~

25 АХ 440 V~ или 25Х/440~, или ~

8.3 Следующая маркировка должна быть расположена на основной части выключателя:

- номинальный ток, номинальное напряжение, вид электрического тока;

- наименование, товарный или отличительный знак изготовителя;

- длина снятой изоляции перед вставлением проводника в безвинтовой зажим, если необходимо;

- обозначение типа.

Примечание 1 - Обозначение типа может быть заменено обозначением серии.

Такие детали, как крышки, необходимые для безопасности и предназначенные для продажи отдельно, должны иметь маркировку с указанием товарного или отличительного знака изготовителя и обозначение типа.

Символ степени защиты выключателя от проникновения воды (если это необходимо) должен наноситься на наружной стороне корпуса так, чтобы он был виден, когда выключатель установлен, как при нормальной эксплуатации.

Маркировка должна быть ясно видна невооруженным глазом и наноситься или на передней стороне выключателя, или на внутренней части его корпуса, или на основной части выключателя так, чтобы ее можно было легко различить при снятых крышках или закрывающих пластинах, когда выключатель устанавливают и соединяют с проводкой, как при нормальной эксплуатации. Эта маркировка не должна наноситься на частях, которые могут сниматься без применения инструмента.

Примечания

2 Обозначение типа может дополнительно маркироваться на основной части: снаружи или внутри корпуса.

3 Термин «основная часть» означает части выключателя, на которых расположены контакты и другие связанные с ними детали; к ним не относятся кнопка, рукоятка и подобные им детали, а также части, предназначенные для продажи отдельно.

8.4 Зажимы, предназначенные для присоединения фазных (питающих) проводников, должны иметь отличительную маркировку, кроме случаев, когда способ соединения не имеет значения, очевиден или указан на электрической схеме. Такая маркировка может быть выполнена в виде буквы L, а в случае более одного зажима - в виде букв и цифр L1, L2, L3 и т. д., рядом с которыми может быть указана стрелка или стрелки в направлении соответствующего зажима или зажимов.

Эти обозначения нельзя наносить на винты или другие легкоснимаемые детали.

Поверхность таких зажимов может быть без покрытия из латуни или меди, а другие зажимы могут быть покрыты металлическим слоем другого цвета.

В выключателях со схемами 2, 3, 03 и 6/2 зажимы, относящиеся к какому-нибудь одному полюсу, должны иметь одинаковое обозначение (там, где это имеет место) в отличие от зажимов, относящихся к другим полюсам, кроме случаев, когда различие между ними очевидно.

Примечания

1 Электрическая схема может находиться в инструкции, поставляемой вместе с выключателем.

2 Легкоснимаемые части - это те части, которые могут быть сняты при нормальной установке выключателя.

8.5 Зажимы, предназначенные исключительно для нейтрального проводника, должны быть обозначены буквой N.

Заземляющие зажимы должны быть обозначены символом .

Эти обозначения нельзя наносить на винты или другие легкоснимаемые детали.

Зажимы, предназначенные для подсоединения проводников, относящихся к основным цепям, должны быть четко обозначены, если их назначение не очевидно, или обозначены на электрической схеме, которая должна быть представлена в комплекте.

Идентификацию контактных зажимов достигают путем их маркировки:

- графическими символами согласно ГОСТ 28312 или расцветкой и/или алфавитно-цифровой системой;

- физической величиной или относительным расположением.

Для этой цели не применяют неоновые указатели или индикаторы.

8.6 Выключатели со схемами 2, 3 и 03 и выключатели на номинальное напряжение св. 250 В или номинальный ток св. 16 А должны иметь такую маркировку, чтобы на них было отчетливо указано направление перемещения приводного элемента выключателя в различные положения или фактическое положение выключателя. На выключателях, имеющих более одного приводного элемента, маркировка должна указывать действие, выполняемое каждым таким элементом.

Эти обозначения должны быть отчетливо видны на лицевой стороне выключателя в сборе с крышкой или накладкой.

Если эти обозначения наносят на крышку, накладку или съемный приводной элемент, то нельзя устанавливать крышку или накладку в такое положение, в котором эти обозначения оказались бы неправильными.

Символы «Вкл.» и «Откл.» не должны использоваться для индикации положения выключателя, если одновременно они четко не указывают направление движения приводного элемента.

Примечание 1 - Для указания положения выключателя могут использоваться другие подходящие средства, например индикаторная лампочка.

Символ ç, обозначающий положение «включено», должен быть радиальным для поворотных выключателей, перпендикулярным оси вращения подвески для перекидных и клавишных выключателей и вертикальным для кнопочных выключателей при вертикальной установке.

Эти требования не относятся к выключателям, приводимым в действие при помощи шнура, и выключателям со схемами 6, 6/2 и 7.

Примечание 2 - Указанные обозначения являются необязательными для кнопочных выключателей.

Соответствие требованиям 8.1 - 8.6 проверяют внешним осмотром.

8.7 Кнопку включения окрашивают в красный цвет, если она служит для размыкания цепи, в которой установлена. Кроме того, она может служить для замыкания вспомогательных контактов цепей управления, контрольных ламп и т.д.

8.8. Если при установке выключателя необходимо соблюдать меры безопасности, то они должны быть указаны в инструкции, поставляемой вместе с выключателем.

Инструкция должна быть составлена на официальном языке страны, в которую поставляются выключатели.

Требования 8.7 и 8.8 проверяют внешним осмотром.

Примечания

1 Специальные меры безопасности могут, например, понадобиться для выключателей открытой установки и выключателей для панельного монтажа.

2 Для этого чтобы после установки выключателя были созданы необходимые условия для соответствия требованиям настоящего стандарта, в инструкции должны быть указаны следующие сведения:

- размеры пространства, необходимого для установки выключателя;

- размеры и место установки опорных и крепежных деталей выключателя в пределах этого пространства;

- минимальные расстояния между различными частями выключателя и соседними устройствами в месте установки;

- минимальные размеры вентиляционных отверстий, если они необходимы, и их правильное расположение.

8.9 Маркировка должна быть долговечной и хорошо читаемой.

Соответствие проверяют внешним осмотром и следующим испытанием.

Испытание проводят путем протирания маркировки в течение 15 с сначала куском ткани, смоченной водой, а затем в течение 15 с куском ткани, смоченной бензином.

Примечания

1 Этому испытанию не подвергают маркировку, выполненную путем оттиска, отливки, штамповки или гравировки.

2 Рекомендуется, чтобы бензин был на базе гексанового растворителя, с максимальным содержанием ароматических соединений 0,1 % по объему, каури-бутаноловым числом 29, с начальной температурой кипения »65 °С, точкой испарения »69 °С и с плотностью »0,68 г/см3.

9 Проверка размеров

Выключатели и их монтажные коробки должны соответствовать стандартам, если таковые имеются.

Соответствие проверяют измерениями.

10 Защита от поражения электрическим током

10.1 Конструкция выключателей, установленных как при нормальной эксплуатации, должна обеспечивать недоступность прикосновения к их токоведущим частям даже после удаления частей, которые могут быть сняты без применения инструмента.

Соответствие проверяют внешним осмотром и, в случае необходимости, следующим испытанием.

Образец монтируют, как при нормальной эксплуатации, и подсоединяют провода с наименьшим сечением, указанным в разделе 12. Затем испытание повторяют с использованием проводов с наибольшим сечением, указанным в разделе 12.

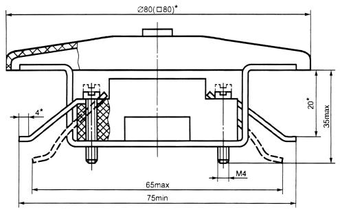
Стандартный испытательный палец, указанный на рисунке 9, прикладывают во всех возможных положениях, а электрический индикатор на напряжение не менее 40 и не более 50 В указывает на наличие контакта с соответствующей частью корпуса.

Выключатели, имеющие крышки, изготовленные из термопласта или эластичных материалов, подлежат дополнительному испытанию, которое проводят при температуре окружающей среды, равной (35 ± 2) °С.

При дополнительном испытании к выключателю прикладывают в течение 1 мин силу, равную 75 Н, прилагаемую к наконечнику прямого неразъемного испытательного пальца, имеющего размеры, идентичные стандартному испытательному пальцу.

Палец с электрическим индикатором прикладывают, как указано выше, ко всем местам выключателя, где ухудшение изоляционного материала может снизить электробезопасность, за исключением тонкостенных пробиваемых диафрагм, к которым прикладывают усилие 10 Н.

Во время испытания выключатели и их монтажные устройства не должны деформироваться настолько, чтобы палец мог коснуться токоведущих частей.

Примечание - Диафрагмы или подобные части испытывают по 13.15.1.

10.2 Рукоятки, рычаги управления, кнопки, балансиры и аналогичные детали должны быть изготовлены из изоляционного материала, за исключением случаев, когда их открытые металлические части отделены от металлических частей механизма двойной или усиленной изоляцией или когда они надежно соединены с землей.

Соответствие проверяют внешним осмотром и испытанием по разделам 16 и 23.

Примечание - Требование не распространяется на подвижные кнопки или промежуточные части, такие как цепочки или штоки.

10.3 Части выключателей обычного исполнения на номинальный ток не более 16 А, доступные для прикосновения, должны быть изготовлены из изоляционного материала, за исключением:

а) винтов и подобных деталей, изолированных от токоведущих частей и используемых для крепления оснований, крышек и накладок;

б) деталей, приводящих выключатели в действие в соответствии с 10.

в) крышек и накладок из металла при соблюдении требований 10.3.1 и 10.3.2.

10.3.1 Крышки и накладки из металла должны быть защищены дополнительной изоляцией, выполненной изолирующими прокладками и перегородками.

Изолирующие прокладки или перегородки должны:

- прикрепляться к крышкам или накладкам, или корпусу выключателя, таким образом, чтобы их нельзя было снять без повреждения;

- иметь такую конструкцию, чтобы:

их нельзя было поставить в неправильное положение,

при их отсутствии выключатель считался бы непригодным к эксплуатации,

- исключать возможность случайного прикосновения между токоведущими частями и металлическими крышками или накладками, например через их крепежные винты, даже в том случае, если проводник выпадает из своего зажима.

Следует принять меры, не допускающие уменьшения путей утечки и воздушных зазоров до значений, менее указанных в разделе 23.

Соответствие проверяют внешним осмотром.

Указанные прокладки и перегородки должны испытываться по разделам 16 и 23.

Примечание - Изоляционное покрытие внутри и снаружи металлических крышек или накладок не относят к изоляционным прокладкам или перегородкам, рассматриваемым в настоящем разделе.

10.3.2 Металлические крышки или накладки во время установки заземляют с помощью провода, имеющего низкое сопротивление.

Примечание - Допускается использование крепежных винтов или других средств крепления.

Соответствие проверяют внешним осмотром и испытанием по 11.4.

10.4 Металлические части механизма, такие как ось или шарнир подвески или балансира, не изолированные от токоведущих частей, не должны выступать из кожуха.

В выключателях, работающих при помощи подвижной кнопки или аналогичной детали, эти металлические части механизма должны быть изолированы от токоведущих частей.

Соответствие проверяют внешним осмотром.

Примечание - Если приводная деталь выключателя вышла из строя, проверку проводят после испытаний по разделу 24.

10.5 Металлические части механизма, например ось или шарнир подвески и т.п., не должны оставаться доступными после установки выключателя в рабочее положение.

Они должны быть изолированы от доступных металлических частей, включая металлические каркасы, удерживающие основания выключателей для скрытой установки, которые должны устанавливаться в металлические коробки, и от винтов, крепящих основание выключателя к опорной поверхности.

Дополнительные требования не применяют, если металлические части механизма отделены от токоведущих частей настолько, что расстояния путей утечек тока и воздушные зазоры превышают не менее чем в два раза значения, указанные в разделе 23, или, например, если они надежно заземлены.

Соответствие проверяют внешним осмотром и, если необходимо, измерениями и испытаниями по разделам 10 и 16.

Примечания

1 При проверке доступности к методическим частям механизма выключателей открытой установки или выключателей для карнизной проводки учитывают защищенность выключателя, обусловленную обычным способом его установки.

2 Для открытых выключателей пакетного типа, у которых металлическая шарнирная ось находится на металлической пластине основания, дополнительное требование означает, что расстояния пути утечки и воздушные зазоры между токоведущими частями и осью, а также между металлическими частями механизма и пластиной основания должны превышать не менее чем в два раза значения, указанные в разделе 23.

10.6 Выключатели, управляемые при помощи подвижной кнопки или промежуточной детали, например шнура, цепочки или штока, должны иметь такую конструкцию, чтобы кнопка или промежуточная деталь касалась только тех частей, которые изолированы от токоведущих частей,

Ключ или промежуточная деталь должны быть изолированы от металлических частей механизма, за исключением случаев, когда расстояния путей утечек тока и воздушные зазоры между токоведущими частями и металлическими частями механизма превышают не менее чем в два раза значения, указанные в разделе 23.

Соответствие проверяют внешним осмотром, испытанием по 16.2 и, если необходимо, измерениями.

Примечание - Лак и эмаль не относят к изоляционным материалам, отвечающим требованиям 10.1 - 10.6.

10.7 Выключатели, приводимые в действие при помощи шнурка, который может быть порван или заменен потребителем, должны быть сконструированы так, чтобы не допускалось прикосновение к токоведущим частям, когда происходит обрыв или замена приводного шнурка.

Соответствие проверяют визуальным осмотром.

11 Заземление

11.1 Доступные прикосновению металлические части выключателя с заземляющим контактным зажимом, которые могут оказаться под напряжением в случае повреждения изоляции, должны быть снабжены или постоянно и надежно соединены с заземляющим контактным зажимом.

Примечания

1 Требование не распространяется на металлические накладки, упомянутые в 10.3.1.

2 При этом небольшие винты и подобные им детали, изолированные от токоведущих частей и предназначенные для крепления основания, крышек или накладок, не считают доступными прикосновению частями, которые могут оказаться под напряжением в случае повреждения изоляции.

11.2 Заземляющие контактные зажимы должны иметь крепление под винт и соответствовать требованиям раздела 12.

Они должны иметь те же размеры, что и соответствующие зажимы для питающих проводников, за исключением некоторых дополнительных внешних заземляющих контактных зажимов, допускающих присоединение проводников сечением 6 мм2.

11.3 Выключатели с корпусом из изоляционного материала, кроме выключателей обычного типа, имеющие более одного кабельного ввода, должны иметь внутренний заземляющий зажим для подключения входящего и выходящего проводов для постоянного соединения с заземляющим контуром.

Соответствие требованиям 11.1 - 11.3 проверяют осмотром и испытанием по разделу 12.

11.4 Соединение между заземляющим контактным зажимом и доступными прикосновению металлическими частями, которые к нему присоединяют, должны иметь малое электрическое сопротивление.

Соответствие проверяют следующим испытанием: ток от источника переменного тока с напряжением холостого хода не более 12 В, равный 1,5-кратному значению номинального тока или 25 А, что является большим значением, пропускают поочередно через заземляющий зажим и каждую доступную для прикосновения металлическую часть.

При этом измеряют падение напряжения между заземляющим контактным зажимом и доступной для прикосновения металлической частью и рассчитывают сопротивление по величинам тока и падения напряжения.

Электрическое сопротивление не должно быть более 0,05 0м.

Примечание - При испытании необходимо принять меры, чтобы переходное сопротивление между наконечником измерительного щупа и металлической частью не повлияло на результаты испытания.

12 Контактные зажимы

12.1 Общие положения

Выключатели должны иметь винтовые или безвинтовые контактные зажимы. Детали для крепления проводников в контактных зажимах не должны использоваться для крепления других частей, хотя они могут служить для закрепления самих контактных зажимов и препятствовать их смещению.

Все испытания зажимов, за исключением 12.3.11, должны проводиться после испытания по 15.1.

12.2 Винтовые зажимы для наружных медных проводов

12.2.1 Выключатели должны иметь контактные зажимы, позволяющие присоединять медные провода сечений, указанных в таблице 2.

Пространство для размещения провода в контактных зажимах должно быть не меньше значений, указанных на рисунках 1 - 5.

Соответствие проверяют внешним осмотром и присоединением проводников наименьших и наибольших из предусмотренных сечений.

12.2.2 Винтовые зажимы должны обеспечивать присоединение проводников без специальной подготовки.

Соответствие проверяют внешним осмотром.

Примечание - Термин «специальная подготовка» означает лужение жилы проводника, изготовление колец и т.д., но не изменение формы проводника перед введением его в контактный зажим или скручивание гибкого проводника для ужесточения его конца.

12.2.3 Винтовые контактные зажимы должны иметь необходимую механическую прочность.

Винты и гайки для зажима проводников должны иметь метрическую резьбу по ГОСТ 8724 или резьбу, адекватную ей по размеру шага и механической прочности.

Винты не следует изготавливать из мягкого или легкоподдающегося деформации металла, например цинка или алюминия.

Соответствие проверяют внешним осмотром и испытаниями по 12.2.6 и 12.2.8.

Примечание - Условно нормальную метрическую резьбу SI, резьбу Британской ассоциации стандартов BA и американскую унифицированную крупную резьбу UN считают совместимыми по размеру шага и механической прочности с метрической резьбой по ГОСТ 8724.

12.2.4 Винтовые зажимы должны быть устойчивы к коррозии.

Контактные зажимы, изготовленные из меди или медных сплавов в соответствии с 22.5, отвечают настоящему требованию.

12.2.5 Конструкция зажимов винтового типа должна быть спроектирована так, чтобы исключить повреждение проводника (ов) при закреплении его (их) в зажиме.

Соответствие проверяют следующим испытанием.

Зажим испытуемого выключателя размещают согласно рисунка 10 и оснащают круглым (одно- или многопроволочным) проводником (ами) согласно таблице 2 вначале с наименьшим, а затем с наибольшим сечением, зажимая винт (ты) или гайку (ки) крутящим моментом по таблице 3.

Таблица 2 - Соотношение между номинальными токами и сечением присоединяемых медных проводников

Номинальный ток, А

Жесткий провод (одно- или многопроволочный)3)

Номинальное сечение, мм2

Наибольший диаметр
проводника, мм

До 4 включ.1)

-

-

Св. 4 до 6 включ.

От 0,75 до 1,50 включ.

1,45

» 6 до 102) »

» 1,00 » 2,50 »

2,13

» 10 до 162) »

» 1,50 » 4,00 »

2,72

» 16 до 25 »

» 2,50 » 6,00 »

3,34

» 25 до 32 »

» 4,00 » 10,00 »

4,34

» 32 до 40 »

» 6,00 » 10,00 »

5,46

» 40 до 63 »

» 10,00 » 25,00 »

6,85

1) Для специальных целей, например для сверхнизких значений напряжения, для которого применяют гибкие провода (сечением от 0,50 до 1,00 мм2 включ.)

2) Каждый питающий зажим выключателей, кроме схем 3, 03 и 7, должен позволять присоединение двух проводов сечением 2,50 мм2. Для выключателей на номинальное напряжение не выше 250 В достаточно круглого отверстия для присоединения двух проводов сечением 2,50 мм2.

3) Допускается использование гибких проводов.

Длина испытательного провода должна быть на 75 мм больше, чем высота Н, указанная в таблице 4.

Конец провода пропускают через соответствующую гильзу в пластине, расположенной на высоте Н ниже выключателя. Гильзу следует вставить в горизонтальную пластину так, чтобы ее центральная линия описывала круг диаметром 75 мм концентрично центру вывода в горизонтальной плоскости; при этом пластину вращают с частотой (10 ± 2) об/мин.

Расстояние между отверстием вывода и верхней поверхностью гильзы должно отличаться от высоты, указанной в таблице 4, в пределах ± 15 мм. Гильза может быть смазана во избежание застревания, скручивания или проворачивания проводника.

К концу провода подвешивают груз массой, указанной в таблице 4. Продолжительность испытания » 15 мин.

Во время испытания провод не должен ни выскальзывать из вывода, ни ломаться близ вывода, ни быть поврежденным до такой степени, что делает его непригодным к дальнейшему использованию.

Испытание должно быть повторено с круглыми однопроволочными проводами, если они имеются в соответствующем стандарте и если первыми были испытаны круглые многопроволочные провода. В случае отсутствия многопроволочных проводников испытания проводят только с круглыми однопроволочными проводниками.

12.2.6 Конструкция винтовых зажимов должна обеспечивать надежный зажим провода между металлическими поверхностями.

Соответствие проверяют внешним осмотром и следующим испытанием.

В зажимы вставляют круглые многопроволочные провода наименьшего и наибольшего сечений из указанных в таблице 2. Винтовые зажимы затягивают крутящим моментом, равным 2/3 момента, указанного в таблице 3.

Таблица 3 - Крутящий момент для проверки механической прочности зажимов винтового типа

Номинальный диаметр резьбы, мм

Крутящий момент, Н × м

1

2

3

4

5

6

7

До 2,8 включ.

0,20

-

0,4

-

0,4

-

Св. 2,8 до 3,0 включ.

0,25

-

0,5

-

0,5

-

» 3,0 » 3,2 »

0,30

-

0,6

-

0,6

-

» 3,2» 3,6 »

0,40

-

0,8

-

0,8

-

» 3,6» 4,1 »

0,70

1,2

1,2

1,2

1,2

-

» 4,1 » 4,7 »

0,80

1,2

1,8

1,8

1,8

-

» 4,7 » 5,3 »

0,80

1,4

2,0

2,0

2,0

-

» 5,3 » 6,0 »

-

1,8

2,5

3,0

3,0

-

» 6,0

-

-

-

-

-

0,8

Примечания

1 Значения графы 2 относят к винтам без головок, если винт в затянутом положении не выступает из отверстия, и к другим винтам, которые не могут быть затянуты с помощью отвертки с лезвием шире, чем диаметр винта.

Значения графы 3 относят к гайкам зажимов под колпачок, которые затягивают при помощи отвертки.

Значения графы 4 относят к винтам других типов, которые затягивают при помощи отвертки.

Значения графы 5 относят к гайкам зажимов под колпачок, которые затягивают при помощи других средств, без отвертки.

Значения графы 6 относят к винтам или гайкам, кроме гаек зажимов под колпачок, которые затягивают с помощью других средств, без отвертки.

Значения графы 7 относят к гайкам, которые крепят с помощью центрального отверстия.

Если винт имеет шестигранную головку со шлицем для затягивания его при помощи отвертки, а значения крутящего момента в графах 4 и 6 неодинаковы, то испытание проводят дважды. Сначала к шестигранной головке прикладывают крутящий момент, указанный в графе 6, а затем крутящий момент, указанный в графе 4. Если значения крутящего момента в графах 4 и 6 одинаковы, то проводят только испытание при помощи отвертки.

2 В зажимах под колпачок номинальный диаметр является диаметром штифта со шлицем.

3 Форма лезвия испытательной отвертки должна соответствовать размеру головки испытуемого винта.

4 Винты и гайки не должны затягиваться рывками.

5 Значения, приведенные в таблице, - временные.

Если винт имеет шестигранную головку со шлицем, то прилагаемый крутящий момент должен быть равен 2/3 крутящего момента, указанного в графе 4 таблицы 3.

Затем каждый проводник подвергают натяжению силой, указанной в таблице 5, прикладываемой без рывков вдоль оси проводника в течение 1 мин.

Если контактный зажим предназначен для присоединения двух проводников, то провода натягивают поочередно, каждый в отдельности.

За время испытаний проводник не должен иметь заметных смещений в зажиме.

Если зажим предназначен для присоединения более двух проводников, рекомендации по испытательным требованиям приведены в соответствующем стандарте комплекса ГОСТ Р 50043.

Испытания повторяют с круглыми однопроволочными проводниками в случае, если они имеются в соответствующем стандарте и если первыми были испытаны круглые многопроволочные проводники. В случае, когда круглые многопроволочные проводники не предусмотрены, испытания проводят только с круглыми однопроволочными проводниками.

Таблица 4 - Параметры испытаний на изгиб и вытягивание для медных проводников

Сечение проводника1), мм2

Диаметр отверстия гильзы2), мм

Высота Н, мм
± 15 мм

Масса для проводника, кг

0,50

6,5

260

0,3

0,75

0,4

1,00; 1,50

6,5

260

0,4

2,50

9,5

280

0,7

4,00

0,9

6,00

9,5

280

1,4

10,00

2,0

16,00

13,0

300

2,9

25,00

4,5

1) Размеры приведены в МЭК 60999[1].

2) Если диаметр отверстия в гильзе недостаточно велик для размещения проводника без перекручмвания, может быть использована гильза с отверстием большего размера.

Таблица 5 - Параметры для испытания на натяжение

Сечение проводников, присоединяемых к зажиму, мм2

От 0,50 до 1,00 включ.

От 0,75 до 1,50 включ.

От 1,50 до 2,50 включ.

От 2,50 до 4,00 включ.

От 4,00 до 6,00 включ.

От 6,00 до 10,00 включ.

От 10,00 до 16,00 включ.

От 16,00 до 25,00 включ.

Сила натяжения,
Н

30

40

50

50

60

80

90

100

12.2.7 Конструкция резьбовых зажимов должна быть спроектирована или скомпонована так, чтобы ни жесткий однопроволочный проводник, ни проволока многопроволочного проводника не могли выскользнуть при затягивании винтов или гаек.

Это требование не относится к зажимам для кабельных наконечников.

Соответствие проверяют следующим испытанием.

К контактным зажимам присоединяют проводники с наибольшим сечением, указанным в таблице 2.

Контактные зажимы проверяют как с жесткими однопроволочными, так и многопроволочными проводниками.

Контактные зажимы, предназначенные для бифилярных проводов двух или трех проводников, проверяют после установки в них допустимого числа проводников.

К контактным зажимам присоединяют провода, имеющие структуру, указанную в таблице 6.

Таблица 6 - Структура и размеры проводов

Номинальное сечение, мм2

Число проволок и их номинальный диаметр, мм

Жесткий однопроволочный провод

Жесткий многопроволочный провод

1,0

1´1,13

7´0,42

1,5

1´1,38

7´0,52

2,5

1´1,78

7´0,67

4,0

1´2,25

7´0,86

6,0

1´2,76

7´1,05

10,0

1´3,57

7´1,35

16,0

-

7´1,70

25,0

-

7´2,14

Перед вводом в зажимное устройство проволоки жестких (одно- и многопроволочных) проводников выпрямляют, жесткие многопроволочные провода могут быть, кроме того, скручены для максимального восстановления их формы.

Проводник вставляют в зажимное устройство вывода ни минимально допустимое расстояние, а если расстояние не указано, до тех пор, пока провод не выйдет из другого конца зажима, и располагают в устройстве зажима таким образом, чтобы он был надежно закреплен. Затем зажимной винт затягивают крутящим моментом, равным 2/3 крутящего момента, указанного в таблице 3.

После испытания ни одна проволочка провода не должна выпадать из контактного зажима так, чтобы уменьшились расстояния утечек и воздушные зазоры до значений менее указанных в разделе 23.

12.2.8 Винтовые контактные зажимы должны быть установлены и размещены в выключателе так, чтобы при затянутых или ослабленных винтах или гайках контактные зажимы не выпадали.

Примечания

1 Эти требования не исключают смещения или поворачивания контактного зажима, однако любое их перемещение должно быть ограничено, чтобы не нарушались требования настоящего стандарта.

2 Для предотвращения выпадания контактного зажима рекомендуется использовать компаунд или смолу при условии, что:

- компаунд или смола не подвергаются действию нагрузки в рабочем положении:

- эффективность действия компаунда или смолы не ослабевает при температурах нагрева контактных зажимов в наиболее неблагоприятных условиях работы, указанных в настоящем стандарте.

Соответствие проверяют внешним осмотром, измерением и следующим испытанием.

В контактный зажим вставляют жесткий однопроволочный медный проводник с наибольшим сечением, указанным в таблице 2.

Винты и гайки затягивают и ослабляют пять раз при помощи специальной отвертки или гаечного ключа, при этом крутящий момент должен удовлетворять большему из двух значений, указанных в соответствующей графе таблицы 3 или в таблицах к рисункам 1 - 4.

Проводник перемещают каждый раз, когда винт или гайка ослабляются.

Во время испытания зажимы не должны расслабляться и не должно быть повреждений, таких как излом винта, повреждение головок, шлицев, резьбы, шайбы или скобы, что делает невозможным дальнейшее использование зажима.

12.2.9 Зажимные винты или гайки заземляющих винтовых контактных зажимов должны быть защищены от случайного ослабления, и не должна быть исключена возможность самопроизвольного ослабления их без помощи инструмента.

Соответствие проверяют вручную.

В основном, конструкции контактных зажимов, указанных на рисунках 1 - 5, обеспечивают достаточную упругость, соответствующую настоящему требованию.

Для других конструкций контактных зажимов могут быть предусмотрены специальные требования, такие как использование специальных упругих частей, которые гарантируют от случайной разборки.

12.2.10 Заземляющие винтовые контактные зажимы не должны подвергаться коррозии при контактировании частей зажима с медным заземляющим проводом или другим металлом, находящимся в контакте с зажимом.

Заземляющий контактный зажим должен быть изготовлен из латуни или другого не менее коррозиестойкого металла, если не является частью металлического корпуса или кожуха, когда винт или гайка должны быть изготовлены из латуни или другого металла не менее коррозиестойкого.

Если заземляющий контактный зажим является частью корпуса или оболочки из сплавов алюминия, то следует принять меры защиты от коррозии при контактировании меди с алюминием или его сплавами.

Соответствие проверяют внешним осмотром.

Примечание - Винты или гайки, изготовленные из стали с покрытием и выдержавшие испытание на коррозиеустойчивость считают изготовленными из металла, не менее устойчивого к коррозии, чем латунь.

12.2.11 В торцевых зажимах расстояние между зажимным винтом и концом проводника, полностью введенного в зажим, должно быть не менее указанного на рисунке 1.

Примечание - Минимальное расстояние между зажимным винтом и концом проводника относится только к торцевым зажимам, в которых проводник не может пройти насквозь.

В зажимах под колпачок расстояние между фиксирующей частью и концом проводника, полностью введенного в зажим, должно быть не менее указанного на рисунке 5.

Соответствие проверяют измерением после того, как жесткий однопроволочный проводник с наибольшим сечением из указанных для подходящего номинального тока в таблице 2, будет полностью введен в зажим и зажат.

12.2.12 Зажимы под наконечник применяют только для выключателей с номинальным током 40 А или более. Если такие зажимы предусмотрены, то они должны иметь пружинные шайбы или аналогичные им стопорные устройства.

Соответствие проверяют внешним осмотром.

12.3 Безвинтовые зажимы для внешних медных проводников

12.3.1 Безрезьбовые зажимы могут быть предназначены только для жестких медных проводников либо для жестких и гибких медных проводников.

Для выводов второго типа испытания проводят сначала с жесткими проводниками, а затем с гибкими.

Примечание - Этот подраздел не применяют к выключателям, оснащенным:

- безвинтовыми выводами, требующими фиксации специальных устройств к проводникам перед закреплением в безрезьбовом зажиме, например плоский втычной соединитель;

- безвинтовыми выводами, требующими скручивания проводников, например со скрученными соединениями;

- безвинтовыми выводами, обеспечивающими контакт с проводниками посредством краев или точек, проникающих в изоляцию.

12.3.2 Безвинтовые выводы должны быть снабжены зажимами, осуществляющими соединение жестких или жестких и гибких проводов с номинальными сечениями, указанными таблице 7.

Таблица 7 - Соотношение между номинальными токами и сечениями присоединяемых медных проводов для безрезьбовых зажимов

Номинальный ток,
А

Проводник

Номинальное
сечение, мм2

Диаметр наибольшего
жесткого провода, мм

Диаметр наибольшего
гибкого провода, мм

4

0,75 до 1,00

1,19

-

6

1,00 до 1,50

1,45

1,73

Св. 10 до 16 включ.1)

1,50 до 2,50

2,13

2,21

1) Каждый питающий вывод выключателей, кроме выключателей со схемами 3,03 и 7, должен позволять присоединение двух проводников сечением 2,5 мм2. В таких случаях должен быть использован вывод с отдельными независимыми зажимными устройствами для каждого проводника.

Соответствие проверяют внешним осмотром и установкой проводов с наименьшими и наибольшими сечениями, указанными выше.

12.3.3 Безрезьбовые зажимы должны позволять присоединение проводника без специальной подготовки.

Соответствие проверяют внешним осмотром.

Примечание - Термин «специальная подготовка» означает пропаивание проволок проводника, использование наконечников и т.п., но не изменение формы проводника перед введением в зажим или скручивание гибкого проводника для уплотнения конца.

12.3.4 Части безвинтовых зажимов, через которые проходит ток, должны быть из материалов, указанных в 22.5.

Соответствие проверяют внешним осмотром и химическим анализом.

Примечание - Пружины, упругие детали, зажимные пластины и аналогичные детали не считают частями, через которые проходит рабочее напряжение.

12.3.5 Безвинтовые контактные зажимы должны иметь такую конструкцию, чтобы зажимать провод с достаточным контактным давлением и без его повреждения.

Проводник должен быть зажат между металлическими поверхностями.

Соответствие проверяют внешним осмотром и испытанием по 12.3.10.

12.3.6 Безвинтовой контактный зажим должен обеспечивать четкое и простое присоединение и отсоединение жил проводов. Отсоединение проводника должно выполняться с помощью обычного инструмента или без него, но не путем вытягивания проводника.

Отверстие для инструмента, предназначенного для присоединения и отсоединения провода, должно четко отличаться от отверстия, предназначенного для самого провода.

Соответствие проверяют внешним осмотром и испытанием по 12.3.10.

12.3.7 Безвинтовые зажимы, предназначенные для совместного соединения двух и более проводников, должны быть сконструированы так, чтобы:

- во время ввода действие зажимных устройств на одном из проводников было независимо от действия на других проводниках;

- при разъединении проводники могли быть отсоединены одновременно либо раздельно;

- каждый проводник вставлялся в отдельное зажимное устройство (не обязательно в отдельные отверстия).

Должно быть возможным надежное крепление любого количества проводников до максимального из предусмотренных в стандарте,

Соответствие проверяют внешним осмотром и испытаниями с подходящими проводниками.

12.3.8 Безвинтовые контактные зажимы должны иметь такую конструкцию, чтобы исключить неправильное введение провода.

Примечание - Для выполнения этого требования соответствующая маркировка, указывающая длину изоляции, снимаемой перед введением проводника в безрезьбовой зажим, может быть нанесена на выключатель или дана в инструкции по эксплуатации, которая прикладывается к выключателю.

Безвинтовые зажимы выключателей должны быть сконструированы так, чтобы чрезмерное введение проводника ограничивалось, если дальнейшее его введение может повлечь за собой уменьшение путей утечки и/или воздушных зазоров, требуемых по таблице 20, или повлиять на механизм выключателя.

Соответствие проверяют внешним осмотром и испытанием по 12.3.10.

12.3.9 Безвинтовые зажимы должны быть надежно закреплены в выключателях.

Они не должны ослабевать, когда проводники присоединяют или отсоединяют во время монтажа.

Соответствие проверяют внешним осмотром и испытанием по 12.3.10.

Заливка изолирующего компаунда, без применения других способов закрепления, недостаточна. Однако для крепления выводов, не подверженных механическим нагрузкам при нормальной эксплуатации, могут использоваться самоотвердевающие смолы.

12.3.10 Безвинтовые зажимы должны выдерживать механические нагрузки, возможные при нормальной эксплуатации.

Соответствие проверяют следующими испытаниями, проводимыми с неизолированными проводами на одном безвинтовом зажиме каждого образца, используя новый образец для каждого испытания.

Испытания проводят с жесткими однопроволочными медными проводами: сначала с проводами, имеющими наибольшее сечение, затем с проводами, имеющими наименьшее сечение, указанные в 12.3.2.

Проводники присоединяют и отсоединяют пять раз, каждый раз используя новые проводники, кроме пятого раза, когда проводники, использованные дм четвертого соединения, крепят на то же место. Для каждого соединения провода либо проталкивают как можно дальше в зажим, либо вводят так, что достаточное соединение очевидно.

После каждого присоединения провод подвергают тянущему усилию 30 Н, прикладываемому без рывков, в течение 1 мин, в направлении продольной оси провода.

Во время приложения усилия проводник не должен выходить из безвинтового зажима.

Испытание затем повторяют с жесткими многопроволочными медными проводами как с наибольшим сечением, так и с наименьшим, указанными в 12.3.2. Однако эти провода должны быть соединены и разъединены только один раз.

Безвинтовые зажимы, предназначенные для жестких и гибких проводов, должны быть испытаны также с гибкими проводниками путем проведения соединений и разъединений.

Каждый проводник безвинтовых зажимов в течение 15 мин вращают с частотой (10 ± 2) об/мин, используя устройство, приведенное на рисунке 10.

Провода подвергают воздействию тянущего усилия, указанного в таблице 4.

Во время испытаний провода не должны заметно перемещаться в зажимном устройстве.

После этих испытаний ни зажимы, ни средства крепления не должны быть ослаблены, и провода не должны иметь ухудшений, препятствующих дальнейшему использованию.

12.3.11 Безвинтовые зажимы должны выдерживать электрические и тепловые нагрузки, возникающие при нормальной эксплуатации.

Соответствие проверяют следующими испытаниями, которые проводят на пяти безвинтовых зажимах, не использованных при других испытаниях.

Оба испытания проводят с новыми медными проводниками.

а) Испытание проводят при нагрузке безвинтовых зажимов в течение 1 ч переменным током, как указано в таблице 8, с присоединением жестких однопроволочных проводов длиной 1 м и сечением, указанным в таблице 8.

Испытание проводят на каждом зажимающем устройстве.

Таблица 8 - Испытательный ток для проверки электрических и тепловых нагрузок при нормальной эксплуатации безвинтовых зажимов

Ток в амперах

Номинальный ток

Испытательный ток

Сечение проводов, мм2

4

9,0

0,75

6

13,5

1,00

10

17,5

1,50

16

22,0

2,50

Примечание - Для выключателей, имеющих другие номинальные токи, чем указанные, испытательный ток определяют интерполяцией между ближайшими меньшим и большим из указанных номинальных токов, а сечение выбирают равными сечению, соответствующему большему номинальному току.

Во время испытания ток не проводят через выключатель, а только через зажимы.

Сразу после этого измеряют падение напряжения на каждом безвинтовом зажиме при номинальном токе.

Падение напряжения не должно быть выше 15 мВ.

Измерения проводят для каждого безвинтового зажима и как можно ближе к месту контакта.

Если обратное соединение вывода недоступно, вторая соединяющая точка, в случае выключателей на два направления, может быть использована для возвращающегося провода. В случае выключателя на одно направление образцы могут быть подготовлены изготовителем, при этом должна быть проявлена осторожность, чтобы не повлиять на поведение вывода.

Необходимо обратить внимание на то, чтобы во время испытания, включая измерения, проводники и средства измерения заметно не передвигались.

б) Безвинтовые зажимы, подвергнутые определению падения напряжения, приведенному в подпункте а), испытывают следующим образом.

Во время испытания пропускают ток, равный значению испытательного тока из таблицы 8.

Все испытательные устройства, включая провода, не должны перемещаться до тех пор, пока измерения падения напряжения не будут завершены.

Зажимы должны быть подвергнуты 192 температурным циклам. Каждый цикл длительностью около 1 ч проводят следующим образом:

- ток пропускают примерно 30 мин;

- следующие примерно 30 мин ток не пропускают.

Падение напряжения в каждом безвинтовом зажиме определяют как при испытании а) после каждых 24 температурных циклов и после завершения 192 циклов.

Падение напряжения не должно превышать 22,5 мВ или двухкратной величины падения напряжения после 24 цикла, что меньше.

После этого испытания при осмотре невооруженным глазом не должно быть выявлено никаких изменений, препятствующих дальнейшему использованию, таких как трещины, деформации и т. п.

Затем повторяется испытание на механическую прочность в соответствии с 12.3.10 и все образцы должны выдержать это испытание.

12.3.12 Безвинтовые зажимы должны быть сконструированы так, чтобы жесткий одножильный провод оставался зажатым, даже когда он отклоняется, во время нормального монтажа, например во время установки в коробку, и отклоняющая нагрузка передается к зажимному устройству.

Соответствие проверяют следующим испытанием, которое проводят на трех образцах выключателей, не использованных для других испытаний.

Испытательная установка, принцип действия которой показан на рисунке 11а, должна быть сконструирована так, чтобы:

- провод правильно введенный в зажим, отклонялся в любом из 12 направлений, отличающихся друг от друга на 30° с допустимым отклонением в каждом направлении ±5°, и

- стартовая точка могла быть смещена на 10 и 20° от первоначальной.

Примечание 1 - Указания отправной точки не требуется.

Отклонение провода от его прямого положения на испытательные позиции должно осуществляться посредством подходящего устройства, действующего с указанной силой на проводник на определенном расстоянии от вывода.

Отклоняющее устройство должно быть сконструировано так, чтобы:

- сила прикладывалась в направлении, перпендикулярном к неотклоненному проводу;

- отклонение достигалось без вращения или перемещения внутри зажимного узла, и

- сила оставалась приложенной, пока производят измерение падения напряжения.

Обеспечение испытания должно быть таким, чтобы падение напряжения на испытуемом зажимном узле могло быть измерено, когда проводник присоединен, как показано на рисунке 11 б.

Образец устанавливают на зафиксированной части испытательного устройства таким образом, чтобы указанный провод, введенный в зажимной узел, при испытании мог быть свободно отклонен.

Во избежание окисления, изоляция проволоки должна быть удалена непосредственно перед началом испытания.

Примечания:

1 При необходимости введенный провод может быть изогнут вокруг препятствий, чтобы они не влияли на результаты испытаний.

2 В некоторых случаях, за исключением направляющего приспособления проводов, рекомендуется снимать те части образцов, которые не позволяют проводу отклоняться в соответствии с приложенным усилием.

Зажимное устройство подготавливают, как для нормального использования жесткого одножильного медного провода с наименьшим сечением, указанным в таблице 8, и подвергают первому испытательному циклу. То же самое зажимное устройство подвергают второму испытательному циклу, используя провод, имеющий наибольшее сечение, если не было отказа в первом испытательном цикле.

Сила для отклонения провода приведена в таблице 10. Расстояние 100 мм измеряют от края зажима, включая направляющее устройство для провода, если оно имеется, до точки приложения силы к проводу.

Испытание проводят в продолжительном режиме (ток не выключают и не включают в течение испытания). Должен быть использован подходящий источник питания, и соответствующее сопротивление должно быть введено в цепь, чтобы колебания тока не превышали ±5 % во время испытания.

Таблица 9 - Сечения жестких медных проводов для испытания на отклонение в безвинтовых выводах

Номинальный ток выключателя, А

Сечение испытательного провода, мм2

Первый испытательный цикл

Второй испытательный цикл

До 6 включ.

1,0*

1,5

Св. 6 до 16 включ.

1,5

2,5

* Только для стран, в которых разрешено использование проводников сечением 1,0 мм2 в стационарных установках.

 

Таблица 10 - Отклоняющие испытательные усилия

Сечение испытательного провода, мм2

Усилие для отклонения испытательного провода*, Н

1,0

0,25

1,5

0,50

2,5

1,00

* Усилия выбраны так, что они нагружают проводники близко к пределу эластичности проводников.

Испытательный ток, равный номинальному току выключателя, пропускают через зажимное устройство. К проводу, введенному в зажимное устройство при испытании в одном из 12 направлений, указанных на рисунке 11а, прикладывают усилие в соответствии с таблицей 10 и измеряют падение напряжения на зажимном устройстве. Затем действие силы прекращают.

После этого силу прикладывают в каждом из 11 оставшихся направлений, указанных на рисунке 11а, следуя такому же методу испытания.

Если в каком-либо из 12 испытательных направлений падение напряжения больше 25 мВ, силу поддерживают в этом направлении до тех пор, пока падение напряжения не уменьшится до значения менее 25 мВ в течение не более 1 мин. После того, как падение напряжения достигнет значения менее 25 мВ, силу поддерживают в том же направлении еще 30 с, в течение которых падение напряжения не должно возрасти.

Два другие образца выключателей из комплекта испытывают по той же методике, смещая 12 направлений силы так, чтобы они отличались приблизительно на 10° для каждого образца. Если один образец не выдержит испытание в одном направлении приложения силы, испытания повторяют на другом комплекте образцов, из которых все должны выдержать повторные испытания.

13 Требования к конструкции

13.1 Изоляционные прокладки, перегородки и т. п. должны иметь соответствующую механическую прочность и быть надежно установлены.

Соответствие проверяют внешним осмотром после испытания по разделу 20.

13.2 Конструкция выключателя должна обеспечивать:

- легкое введение и присоединение провода к контактному зажиму;

- правильное расположение проводов;

- простую установку выключателя на стене или в коробке;

- достаточное пространство между нижней частью основания и поверхностью, на которой монтируют основание, или между боковыми поверхностями основания и кожуха (крышкой или коробкой), чтобы после установки выключателя изоляция проводов не соприкасалась с токоведущими частями различной полярности или с подвижными частями механизма, например с осью поворотного выключателя.

Выключатели наружной установки должны быть спроектированы так, чтобы крепежные устройства не повреждали изоляцию кабелей при установке.

Примечания

1 Настоящее требование не означает, что металлические части зажимов должны быть обязательно защищены изолирующими перегородками и т. п. для исключения соприкосновения с изоляцией провода в результате неправильного монтажа металлических частей контактного зажима.

2 В соответствии с настоящим требованием выключатели для открытой установки, устанавливаемые на монтажном основании, должны иметь отверстие для ввода проводов.

Кроме того, выключатели конструкции А должны обеспечивать простоту установки и снятия крышки или накладки без перемещения проводов.

Соответствие проверяют внешним осмотром и испытанием с установленными проводниками с наибольшим сечением, указанным в таблице 2 для подходящего диапазона номинальных токов.

13.3 Крышки, накладки и приводные элементы или части к ним, которые предназначены для обеспечения защиты от электрического удара, должны надежно крепиться в двух или более точках.

Крышки и накладки обычных выключателей, кроме того, крепятся не менее чем в двух или более точках надежными креплениями, которые можно снять только при помощи инструмента.

Примечания

1 Рекомендуется, чтобы эти фиксирующие устройства крышек, накладок или приводных элементов были предохранены от выпадения.

2 Незаземленные металлические части, отделенные от токоведущих частей таким образом, что пути утечек и воздушные зазоры имеют значения, указанные в таблице 20, не считают доступными, если требования касаются этого подпункта.

Использование уплотнительных прокладок (шайб) из картона или аналогичного материала является одним из способов защиты от самопроизвольного выпадения винтов крепления.

Если крепления крышек, накладок или приводных элементов выключателей типа А служат также для крепления основания, то должны быть приняты меры по удержанию основания в прежнем положении даже после снятия крышек, накладок или приводных элементов.

Соответствие проверяют согласно 13.3.1, 13.3.2 или 13.3.3.

13.3.1 Для крышек, накладок или приводных элементов, имеющих фиксирующие устройства резьбового типа, предусмотрен только внешний осмотр.

13.3.2 Для крышек, накладок или приводных элементов, имеющих невинтовое фиксирующее устройство, удаление которых возможно приложением силы в направлении, примерно перпендикулярном к монтажной опорной поверхности (см. таблицу 11), если при их удалении:

- имеется доступ к токоведущим частям стандартным испытательным пальцем - испытание по 20.4;

- стандартный испытательный палец касается незаземленных металлических частей, отделенных от токоведущих частей таким образом, что пути утечек и воздушные зазоры имеют значения, указанные в таблице 20, - испытание по 20.5;

- стандартный испытательный палец касается только:

1) изолирующих частей, или

2) заземленных металлических частей, или

3) металлических частей, отделенных от токоведущих частей двойными значениями путей утечек и воздушных зазоров, указанных в таблице 20, или

4) токоведущих частей со сверхнизким безопасным напряжением (БСНН) не выше 25 В переменного тока - испытание по 20.6.

Таблица 11 - Усилия, прикладываемые к крышкам, накладкам или приводным элементам, крепящимся без помощи винтов

Доступность испытательным пальцем после удаления крышек, накладок или их частей

Пункт

Прикладываемое усилие, Н

Выключатели, соответствующие 20.7 и 20.8

Выключатели, не соответствующие 20.7 и 20.8

Неудаление

Удаление

Неудаление

Удаление

К токоведущим частям

20.4

40

120

80

120

К незаземленным металлическим частям, отделенным от токоведущих частей расстояниями утечек по таблице 20

20.6

10

120

10

120

К изолирующим частям, заземленным металлическим частям, токоведущим частям с БСНН £ 25 В или металлическим частям отделенным от токоведущих частей двойными значениями расстоянии утечек и воздушных зазоров по таблице 20

13.3.3 Для крышек, накладок или приводных элементов, крепящихся без помощи винтов и удаляющихся с применением инструмента согласно инструкциям изготовителя, приведенным в паспорте или каталоге проверки проводят такими же испытаниями по 13.3.2, за исключением крышек, накладок, приводных элементов или их частей, не нуждающихся в снятии, при приложении усилия не более 120 Н в направлении, перпендикулярном монтажной опорной поверхности.

13.4 Выключатели обычного типа должны иметь такую конструкцию, чтобы, в установленном состоянии и с подключенными как для нормальной эксплуатации проводами, в корпусе не было свободных отверстий.

Соответствие проверяют внешним осмотром и пробным монтажом с проводами наименьшей площадью поперечного сечения, указанной в таблице 2.

Примечание - Небольшими зазорами между корпусом и кабельным вводом или кабелями, или между корпусом и средствами управления следует пренебречь.

13.5 Рукоятки поворотных выключателей должны быть надежно соединены с валом или другой деталью, приводящей механизм в движение.

Соответствие проверяется следующим испытанием.

К рукоятке в течение 1 мин прикладывают осевое усилие 100 Н.

После этого рукоятки выключателей, имеющих только одно направление оперирования, поворачивают, если это возможно, без излишнего усилия 100 раз в обратном направлении.

Во время испытания рукоятка не должна сниматься.

13.6 Винты или другие средства монтажа выключателя на поверхности в монтажной коробке или кожухе должны быть доступными с лицевой стороны. Эти средства не должны служить для крепления с другой целью.

13.7 Блоки выключателей или выключателей и штепсельных розеток с индивидуальными основаниями должны быть спроектированы таким образом, чтобы было предусмотрено однозначное расположение каждого основания. Каждое основание должно иметь независимое крепление к монтажной поверхности.

Соответствие требованиям 13.6 и 13.7 проверяют внешним осмотром.

13.8 Аппараты, комбинируемые с выключателями, должны удовлетворять соответствующим стандартам при отсутствии стандартов на комбинацию.

13.9 Выключатели, отличные от обычных, должны быть полностью закрыты, если оснащены ввинченным кабельным вводом или кабелями с поливинилхлоридной или аналогичной оболочкой.

Выключатели для открытой установки, отличные от обычных, должны иметь открывающиеся дренажные отверстия диаметром не менее 5 мм или площадью 20 мм2 шириной и длиной не менее 3 мм.

Если конструкция выключателя допускает только один вариант установки, то дренажное отверстие должно быть эффективным в этом положении. Дренажные отверстия, кроме того, должны быть эффективными по крайней мере в двух положениях выключателя, когда он монтируется на вертикальной стене: одно - с вводом проводников сверху выключателя, а другое - снизу.

Пружины крышки, если таковые имеются, должны изготавливаться из антикоррозийного материала, например бронзы, или нержавеющей стали.

Соответствие проверяют внешним осмотром, измерениями и испытаниями по 15.2.

Примечание - Дренажное отверстие с обратной стороны оболочки может быть эффективным, если конструкция оболочки обеспечивает зазор от стены не менее 5 мм или предусматривает сточную канавку не менее указанного выше размера.

13.10 Выключатели, устанавливаемые в монтажной коробке, должны иметь такую конструкцию, при которой концы проводов могут быть подготовлены после установки монтажной коробки, но перед монтажом выключателя в коробку.

Основание выключателя должно обладать достаточной устойчивостью при установке его в монтажную коробку.

Соответствие проверяют внешним осмотром и пробным монтажом с проводниками наибольшей площадью поперечного сечения для подходящих номинальных токов по таблице 2.

13.11 Выключатели открытой установки, отличающиеся от обычного типа, со схемами 1, 5 и 6, с корпусом, имеющим более одного входного отверстия, должны иметь для поддержания непрерывности цепи второй токопроводящий заземляющий провод с установленным дополнительным зажимом, соответствующим требованиям раздела 12.

Соответствие проверяют внешним осмотром и испытанием по разделу 12.

13.12 Вводные отверстия должны позволять введение трубопровода или изоляции кабеля так, чтобы обеспечить полную механическую защиту.

Обычные выключатели для открытой установки должны иметь такую конструкцию, чтобы трубопровод или изоляция кабеля входили в оболочку не менее чем на 1 мм.

В выключателях для открытой установки вводные отверстия для трубопровода или по крайней мере два из них, если их более одного, должны обеспечивать ввод трубопровода размерами 16, 20, 25 и 32 или их комбинацию не менее чем из двух этих размеров, за исключением двух одинаковых размеров.

Соответствие проверяют внешним осмотром во время испытания по 13.10 и измерениями.

В выключателях открытой установки вводные отверстия для кабельных вводов должны предпочтительно быть способными к присоединению кабелей, имеющих размеры согласно таблице 12 или указанных изготовителем.

Примечание - Вводные отверстия соответствующего размера могут быть получены путем пробивания тонкостенных диафрагм или введения в них соответствующих деталей.

13.13 Если обычные выключатели открытой установки предназначены для обратного ввода от трубопровода, они должны быть спроектированы так, чтобы иметь возможность для обратного ввода от трубопровода перпендикулярно к монтажной поверхности выключателя.

Соответствие проверяют внешним осмотром.

13.14 Если выключатель снабжен мембранами или подобными деталями для вводных отверстий, они должны быть взаимозаменяемыми.

Соответствие проверяют внешним осмотром.

13.15 Требования к мембранам входных отверстий

13.15.1 Мембраны должны быть надежно закреплены и не должны смещаться при механических и термических воздействиях, имеющих место при нормальной эксплуатации.

Таблица 12 - Пределы внешнего диаметра кабелей для выключателей открытой установки

Номинальный ток, А

Номинальное сечение, мм2

Число проводников

Предел внешнего диаметра кабелей, мм

минимальный

максимальный

6

1,5

2

7,6

11,5

3

12,5

4

13,3

5

15,0

10

От 1,5 до 2,5 включ.

2

7,6

13,5

3

14,3

4

15,5

5

17,0

16

От 1,5 до 4,0 включ.

2

7,6

15,0

3

16,0

4

18,0

5

19,5

20, 25

От 2,5 до 6.0 включ.

2

8,6

18,5

3

20,0

4

22,0

5

24,5

32

От 4,0 до 10,0 включ.

2

9,6

24,0

3

25,5

4

28,0

5

30,5

40

От 6,0 до 16,0 включ.

2

10,5

27,5

3

29,3

4

32,0

5

33,3

63

От 10,0 до 25,0 включ.

2

13,0

31,5

3

34,0

4

37,5

5

41,3

Примечание - Внешние диаметры кабелей базируются на типах 60227 IЕС 10 по ГОСТ Р МЭК 227-4 и 245 IЕС 66 по ГОСТ Р МЭК 245-4 и приводятся для информации.

Соответствие проверяют следующим испытанием.

Мембраны испытывают в собранном выключателе.

Вначале выключатели с установленными мембранами подвергают обработке согласно 15.1

Выключатели помещают на 2 ч в нагретую камеру, как описано в 15.1, температурой (40 ± 2) °С.

Сразу после этого воздействия усилие 30 Н прикладывают в течение 5 с к различным частям мембран концом жесткого неразъемного испытательного пальца с теми же размерами, как у стандартного испытательного пальца, показанного на рисунке 9.

Во время этих испытаний мембраны не должны деформироваться в такой степени, чтобы токоведущие части становились доступными.

К мембранам, где вероятно воздействие осевых усилий в условиях нормальной эксплуатации, прикладывают осевое усилие 30 Н в течение 5 с.

Во время этого испытания мембраны не должны выталкиваться.

Затем испытание повторяют с мембранами, которые не подвергались какому-нибудь воздействию.

13.15.2 Рекомендуется, чтобы мембраны были так спроектированы и изготовлены из такого материала, чтобы введение кабелей в выключатель допускалось при низкой окружающей температуре.

Соответствие проверяют следующим испытанием.

Выключатели оснащают мембранами, которые не подвергались какому-нибудь воздействию старением и не были вскрыты путем пробивания.

Выключатели выдерживают в течение 2 ч в камере холода при температуре минус (15 ± 2) °С.

После этого выключатели извлекают из камеры и сразу же, пока они холодные, вводят через мембраны без приложения усилия кабели самого неблагоприятного типа, указанного изготовителем.

После испытаний по 13.15.1 и 13.15.2 мембраны не должны иметь вредных деформаций, трещин или подобных повреждений, которые привели бы к несоответствию настоящему стандарту.

14 Механизм

14.1 Приводной элемент выключателя после срабатывания должен автоматически занять положение, соответствующее положению подвижных контактов, за исключением шнурковых и однокнопочных выключателей, в которых приводной элемент должен занимать одно и то же положение.

14.2 Выключатели должны иметь такую конструкцию, при которой подвижные контакты должны находиться только в положении «включено» и «отключено», промежуточное положение для этих контактов может быть предусмотрено только в случае, если приводной элемент тоже имеет промежуточное положение и если между подвижными и неподвижными контактами имеется достаточная изоляция.

При необходимости изоляцию между неподвижными и подвижными контактами в промежуточном положении можно проверить на электрическую прочность согласно 16.2, при этом испытательное напряжение прикладывают к соответствующим зажимам без снятия крышки или накладки выключателя.

Соответствие требованиям 14.1 и 14.2 проверяют внешним осмотром и испытанием вручную.

14.3 Выключатели должны иметь такую конструкцию, которая исключала бы появление дуги при медленном оперировании выключателем.

Соответствие проверяют в конце испытания по 19.1, выключая электрическую цепь дополнительно 10 раз, медленно перемещая при этом приводной элемент с интервалом 2 с, а подвижные контакты останавливая, если это возможно, в промежуточном положении и отпуская при этом привод.

Во время испытания не должно быть продолжительной дуги.

14.4 В выключателях со схемами 2, 3, 03 и 6/2 все полюса должны включаться и отключаться практически одновременно, за исключением выключателей со схемой 03, в которых нейтральный полюс не должен включаться позже или выключаться раньше других полюсов.

Соответствие проверяют внешним осмотром и испытанием вручную.

14.5 Действие механизма выключателя, снабженного крышкой или наладкой, которую можно снимать при установке выключателя, не должно зависеть от наличия крышки или накладки.

Примечание - В некоторых конструкциях приводной элемент может служить одновременно крышкой.

Соответствие проверяют последовательным соединением выключателя без установленной крышки или накладки с лампой и нажатием на приводной элемент без излишнего усилия, как при нормальной эксплуатации.

Во время испытания лампа не должна мигать.

14.6 Шнурковые выключатели должны производить изменение из положения «отключено» в положение «включено» и наоборот приложением и постепенным увеличением тянущего усилия не более 45 Н, воздействующего вертикально, и 65 Н, приложенного под углом (45 ± 5)° к вертикали и в плоскости, перпендикулярной к монтажной плоскости, когда выключатель установлен, как при нормальной эксплуатации.

Соответствие проверяют испытанием вручную.

Примечание - Термин «как при нормальной эксплуатации» означает, что выключатель установлен, как указано изготовителем.

15 Устойчивость к старению, защита от проникновения воды и влагоустойчивость

15.1 Устойчивость к старению

Выключатели должны быть устойчивы к старению.

Соответствие проверяют следующим испытанием.

Выключатели и коробки, смонтированные, как при нормальной эксплуатации, подвергают испытанию в термокамере в атмосфере, имеющей состав и давление окружающего воздуха и вентилируемой естественной циркуляцией.

Выключатели, отличные от обычных, испытывают после их монтажа и сборки в соответствии с 15.2.

Температура испытания (70 ± 2) °С.

Образец выдерживают в камере в течение 7 сут (168 ч).

Рекомендуется использовать камеру с электронагревателем.

Естественная циркуляция воздуха может обеспечиваться отверстиями в стенках камеры.

После воздействия образцы извлекают из камеры и выдерживают при комнатной температуре и относительной влажности от 45 до 55 % не менее 4 сут (96 ч).

Образцы не должны иметь трещин, видимых невооруженным глазом, а материал образцов не должен стать вязким или липким. Проверяют это следующим образом.

Указательным пальцем, обернутым куском сухой грубой ткани, надавливают на испытуемый образец силой » 5 Н.

На испытуемом образце не должно остаться следов ткани, а материал образца не должен прилипать к ткани.

После испытания образец не должен иметь повреждений, которые могли бы привести к несоответствию настоящему стандарту.

Примечание - Силу » 5 Н достигают следующим образом.

Образец помещают на одну чашу весов, а другую нагружают грузом, равным массе образца плюс 500 г.

Равновесие чаш весов восстанавливают нажатием на испытуемый образец указательным пальцем, обернутым куском сухой грубой ткани.

15.2 Защита от проникновения воды

Оболочки выключателей, отличных от обычных, должны иметь степень защиты от проникновения воды в соответствии с классификацией выключателей.

Соответствие проверяют следующими испытаниями.

15.2.1 Выключатели для открытой установки монтируют на вертикальной поверхности с открытым дренажным отверстием, расположенным в самом нижнем положении.

Выключатели для скрытой и полускрытой установок вертикально укрепляют в соответствующей монтажной коробке, которую помещают в углубление бруска из древесины твердых пород. Брусок должен находиться в вертикальном положении.

Выключатели для открытой установки испытывают в условиях, приближенных к нормальным условиям эксплуатации, приведенных в инструкциях изготовителя.

Выключатели с ввинчиваемыми уплотнениями или мембранами монтируют и соединяют с кабелем в пределах присоединяемого диапазона, указанного в таблице 2.

Винты, крепящие оболочку, затягивают крутящим моментом, равным 2/3 от соответствующих значений, указанных в таблице 3.

Уплотнительные элементы затягивают крутящим моментом, равным 2/3 крутящего момента, прикладываемого при испытании по 20.3.

Детали, которые могут быть сняты без помощи инструмента, снимают.

Примечание - Уплотнительные элементы не скрепляют компаундом или аналогичным материалом.

15.2.2 Брызгозащищенные выключатели подвергают испытанию, соответствующему степени защиты IРХ4 по ГОСТ 14254.

Непосредственно после испытаний по 15.2.2 и 15.2.3 образцы должны выдержать проверку электрической прочности изоляции по 16.2.

При осмотре не должно быть обнаружено попадания воды в образцы в значительной степени, достигающей любых токоведущих частей.

15.3 Влагоустойчивость

Выключатели должны быть стойкими к воздействию влаги, которая имеет место при нормальной эксплуатации.

Соответствие проверяют воздействием влаги, описанным в настоящем разделе, затем измерением сопротивления изоляции и проверкой электрической прочности изоляции по разделу 16.

Вводные отверстия, если таковые имеются оставляют открытыми. Если предусмотрены пробиваемые диафрагмы, то одна из них должна быть вскрыта.

Удаляемые без применения инструмента детали снимают и подвергают воздействию влаги вместе с основной частью. Пружинящие крышки открывают во время этого воздействия.

Увлажнение проводят во влагокамере при относительной влажности воздуха от 91 до 95 %.

Температуру воздуха, в камере, в которую помещены образцы, поддерживают с погрешностью ±1 °С при любом удобном значении t от 20 до 30 °С.

До помещения во влагокамеру образцы доводят до температуры от t до (t+4) °С.

Образцы выдерживают во влагокамере:

2 сут (48 ч) - для обычных выключателей;

7 сут (168 ч) - для выключателей, отличных от обычных.

Примечания

1 При необходимости образцы могут быть доведены до указанной температуры их выдержкой при этой температуре не менее 4 ч до помещения во влагокамеру.

2 Относительная влажность воздуха во влагокамере 91 - 95 % может быть обеспечена использованием насыщенного раствора сульфата натрия (Nа2SO4) или нитрата калия (КNO3) в воде с достаточно большой поверхностью контакта с воздухом.

3 Для достижения в камере нужных условий необходимо обеспечить постоянную цикуляцию воздуха и использовать камеру с термоизоляцией.

После этого воздействия образцы не должны иметь отклонений от настоящего стандарта.

16 Сопротивление и электрическая прочность изоляции

Сопротивление изоляции и электрическая прочность изоляции выключателей должны соответствовать нормируемым значениям.

Соответствие проверяют следующими испытаниями, проводимыми непосредственно после испытаний по 15.3 во влагокамере или в помещении, в котором образцы доводят до предписанной температуры, после повторной сборки тех деталей, которые можно снять без помощи инструмента и которые были сняты для испытания.

16.1 Сопротивление изоляции измеряют при напряжении постоянного тока »500 В спустя 1 мин после приложения напряжения.

Измерения проводят последовательно в порядке, указанном в таблице 14. Положение выключателя и соединения, необходимые для измерения по пунктам 1 - 3 таблицы 14, -  в соответствии с таблицей 13.

Таблица 13 - Точки приложения испытательного напряжения для проверки сопротивления изоляции

Схема

Диаграмма соединений

Положение

Приложение напряжения*

Между зажимами

Между корпусом (В) вместе с зажимами

1

Откл.

1

В+2

2

В+1

Вкл.

1-2

В

2

Откл.

1+3

В+2+4

2+4

В+1+3

Вкл.

1-2

В+3-4

1-2+3-4

В

3

Откл.

1+3+5

В+2+4+6

2+4+6

В+1+3+5

Вкл.

1-2

В+3-4+5-6

3-4

В+1-2+5-6

5-6

В+1-2+3-4

03

Откл.

1+3+5+7

В+2+4+6+8

2+4+6+8

В+1+3+5+7

Вкл.

1-2+5-6

В+3-4+7-8

1-2+7-8

В+3-4+5-6

4

Откл.

1

В+2+3

Вкл.

1-2

В+3

1-3

В+2

5

Откл.

2+3

В+1

1

В+2+3

Вкл.

1-3

В+2

1-2-3

В

6

 

1-3

В+2

 

1-2

В+3

6/2

 

1-3+2-4

В+5+6

 

1-5+2-6

В+3+4

7

 

1-2

В+3-4

3-4

В+1-2

1-4

В+2-3

2-3

В+1-4

* Знак «-» означает существующее электрическое соединение, знак «+» - электрическое соединение для испытания.

Под термином «корпус» подразумевают металлические части, доступные для прикосновения, металлические опорные рамы, на которых крепят основание выключателей для скрытой установки, приводные ключи, металлическую фольгу, соприкасающуюся с внешней поверхностью доступных наружных частей и клавиш из изоляционного материала, точки крепления шнура, цепочки или штока выключателей, приводимых в действие с помощью этих деталей, крепежные винты оснований или крышек и накладок, винты крепления наружных деталей, заземляющие зажимы и любые металлические части механизма, которые должны быть изолированны от токоведущих частей (см. 10.4).

При выполнении измерений по пунктам 1 и 2 таблицы 14 металлическую фольгу прикладывают таким образом, чтобы была возможность эффективно испытать заливочную массу.

Испытание по пункту 5 таблицы 14 проводят лишь при наличии изоляционной прокладки.

Сопротивление изоляции должно быть не менее значений, указанных в таблице 14.

Таблица 14 - Испытательное напряжение, точки приложения и минимальные значения сопротивления изоляции для проверки диэлектрических свойств

Места измерений

Минимальное значение сопротивления изоляции, МОм

Испытательное напряжение, В, выключателей на номинальное напряжение

до 130 В включ.

св. 130 В

1 Между всеми полюсами, соединенными вместе, и корпусом при положении выключателя «вкл.»

5

1250

2000

2 Между каждым полюсом поочередно и всеми остальными полюсами, соединенными с корпусом, при положении выключателя «вкл.»

2

1250

2000

3 Между зажимами, которые при включенном выключателе электрически соединены, при положении выключателя «откл.»:

 

 

 

- конструкция с нормальным и минимальным зазорами

2

1250

2000

- конструкция с микрозазором

2

500 (см. примеч. 1)

1250 (см. примеч. 2)

- полупроводниковое выключающее устройство

См. примеч. 3

4 Между металлическими частями механизма, изолированными от токоведущих частей, и:

 

 

 

- токоведущими частями

5

1250

2000

- металлической фольгой, соприкасающейся с поверхностью рукоятки или аналогичного приводного элемента

5

1250

2000

- ключом в выключателях, приводимых в действие с помощью ключа, если требуется изоляция (см. 10.6)

5

1250

2000

- точкой крепления шнура, цепочки или штока выключателей, приводимых в действие с помощью этих деталей, если требуется изоляция (см. 10.6)

5

1250

2000

- открытыми металлическими частями основания, включая крепежные винты, если требуется изоляция (см. 10.5)

5

1250

2000

5 Между любой металлической оболочкой и металлической фольгой, соприкасающейся с внутренней поверхностью изоляционных прокладок, если таковые имеются (см. примеч. 4)

5

1250

2000

6 Между токоведущими частями и доступными металлическими частями, если металлические части механизма не изолированы от токоведущих частей

-

1250

3000

7 Между токоведущими частями и металлическими частями механизма:

 

 

 

- если последние не изолированы от доступных металлических частей (см. 10.5)

-

2000

3000

- если последние не изолированы от точки контакта со съемным ключом или приводным шнуром, цепочкой или штоком (см. 10.6)

-

2000

3000

8 Между токоведущими частями и металлическими рукоятками, нажимными кнопками и аналогичными деталями (см. 10.2)

-

2500

4000

Примечания

1 Значение по пункту 3 применяют для испытания электрической прочности изоляции после нормальной работы.

2 Для выключателей на номинальное напряжение до 250 В включ. значение снижают до 750 В после испытания на влагоустойчивость и до 500 В - после нормальной работы.

3 Испытания для проверки в отключенном положении полупроводниковых выключающих устройств в соответствии с пунктом 3 находятся на рассмотрении.

4 Испытание по пункту 5 проводят, если изоляция необходима.

Примечание - При размещении металлической фольги на наружной или на внутренней части изолирующих деталей ее прижимают к отверстиям или углублениям без ощутимого усилия при помощи прямого испытательного пальца, имеющего те же размеры, что стандартный испытательный палец, указанный на рисунке 9.

16.2 Изоляцию проверяют напряжением практически синусоидальной формы частоты 50 или 60 Гц, прикладываемым в течение 1 мин. Значения испытательного напряжения и точки приложения указаны в таблице 14.

Сначала подают не более половины испытательного напряжения, а затем его быстро повышают до полного значения.

Во время испытания не должно быть пробоя или перекрытия.

Примечания

1 Высоковольтный трансформатор, используемый для проведения испытания, должен иметь такую конструкцию, чтобы при короткозамкнутых выходных контактных зажимах и установленном выходном испытательном напряжении требуемого значения выходной ток был не менее 200 мА.

2 Реле тока перегрузки не должно срабатывать при выходном токе менее 100 мА.

3 Необходимо иметь ввиду, что значение испытательного напряжения должно измеряться с точностью ±3 %.

4 Тлеющим разрядом на испытуемом образце без заметного падения напряжения пренебрегают.

17 Превышение температуры

Выключатели должны иметь такую конструкцию, чтобы превышение температуры при нормальной эксплуатации не было чрезмерным.

Материал и форма контактов должны быть такими, чтобы они не вызывали окисления или других неблагоприятных эффектов, которые могли бы отрицательно повлиять на работу выключателя.

Соответствие проверяют следующим испытанием.

Выключатели устанавливают вертикально, как при нормальной эксплуатации, присоединяют круглые жесткие медные провода с поливинилхлоридной изоляцией в соответствии с таблицей 15. Винты и гайки зажимов затягивают крутящим моментом, равным 2/3 значения, указанного в таблице 3.

Для обеспечения нормального охлаждения зажимов провода, присоединяемые к ним, должны иметь длину не менее 1 м.

Примечание 1 - Круглые жесткие провода могут быть одно- или многопроволочными, что применяется.

Выключатели в течение 1 ч нагружают переменным током, значения которого приведены в таблице 15.

Примечание 2 - Испытательные токи для выключателей, предназначенных для других значений номинального тока, определяют путем интерполяции между соседними низшим и высшим значениями.

Для выключателей с схемами 4, 5, 6, 6/2 и 7 нагрузку подают только на одну цепь.

Таблица 15 - Токи и площади поперечных сечений медных проводов при испытании на превышение температуры

Ток в амперах

Номинальный ток

Испытательный ток

Номинальное сечение провода, мм2

1

1,5

0,50

2

3,0

0,75

4

5,0

1,00

6

8,0

1,50

10

13,5

2,50

16

20,0

4,00*

20

25,0

4,00

25

32,0

6,00

32

38,0

10,00

40

46,0

16,00

63

75,0

25,00

* Для выключателей на номинальное напряжение не более 250 В, кроме схем 3 и 03, и если зажим используют на номинальный ток 10 А, при испытании необходимо применять проводники сечением 2,50 мм2.

Выключатели скрытого монтажа устанавливают в монтажную коробку. Коробку помещают в блок, изготовленный из массива сосны, покрывают коробку слоем штукатурки так, чтобы края коробки не выступали наружу и были не более чем на 5 мм ниже фронтальной поверхности блока.

Примечание 3 - Испытательное оборудование должно быть просушено не менее 7 сут до начала испытания.

Размеры блока, который допускается изготовлять не из массива сосны, должен быть таким, чтобы оставался зазор 25 мм от внутренних сторон блока для штукатурки. Штукатурку накладывают толщиной от 10 до 15 мм вокруг максимальных боковых и тыльной сторон коробки.

Примечание 4 - Боковые стороны ниши в блоке могут иметь цилиндрическую форму.

Кабели, присоединенные к выключателю, должны входить через верх коробки, место (а) ввода должно (ны) быть закрыты для предотвращения циркуляции воздуха. Длина каждого провода должна быть (80 ± 10) мм.

Выключатели наружной установки должны устанавливаться на поверхности деревянной плиты с размерами не менее 20 (толщина) ´ 500 (ширина) ´ 500 мм (высота).

Выключатели других типов могут устанавливаться по инструкциям изготовителя или, в отсутствие таких инструкций, в положении нормальной эксплуатации, которое считают наиболее неблагоприятным.

Испытательное оборудование при испытании должно размещаться в условиях отсутствия сквозняков.

Температуру определяют при помощи термопар, которые подбирают и устанавливают так, чтобы они оказывали минимальное влияние на определяемую температуру.

Превышение температуры контактных зажимов не должно быть более 45 °С. Во время испытания на превышение температуры необходимо выполнить измерения для испытания по 21.3.

Примечания

5 Нежелательного окисления контактов можно избежать путем применения контактов скользящего действия или контактов из серебра или покрытых серебром.

6 Для комбинаций выключателей испытание проводят отдельно на каждом выключателе.

18 Включающая и разрывная мощность

Выключатели должны обладать достаточной включающей и разрывной мощностью.

Соответствие проверяют испытанием по 18.1, а выключатели на номинальный ток не более 16 А и номинальное напряжение до 250 В включ., а также выключатели со схемами 3 и 03 и номинальным напряжением св. 250 В - дополнительными испытаниями по 18.2.

Шнурковые выключатели испытывают установленными, как при нормальной эксплуатации, приложением усилия натяжения, достаточного для оперирования, но не более 50 Н, при всех испытаниях, направленным под углом (30 ± 5)° к вертикали в плоскости, перпендикулярной плоскости монтажа.

Испытания проводят при помощи устройств, принцип действия которых приведен на рисунке 12.

Схемы электрических соединений указаны на рисунке 13.

Выключатели монтируют проводами, как при испытании по разделу 17.

18.1 Выключатели испытывают при напряжении 1,1 номинального значения и токе, равном 1,25 номинального значения.

Их подвергают 200 операциям с частотой:

- 30 операций в минуту, если номинальный ток не более 10 А;

- 15 операций в минуту, если номинальный ток св. 10 А, но ниже 25 А;

- 7,5 операций в минуту, если номинальный ток составляет 25 А и более.

Для выключателей поворотного типа, действующих в обоих направлениях, приводной элемент поворачивают в одном направлении, производя до половины общего числа операций, а затем в обратную сторону, производя оставшееся число операций.

Выключатели испытывают переменным током (соs j = 0,3 ± 0,05). Активные и индуктивные сопротивления не включают параллельно, кроме случаев, когда применяют катушку индуктивности с воздушным сердечником, при этом сопротивление, отводящее примерно 1 % тока катушки индуктивности, соединяют с ней параллельно.

Допускается применение катушек индуктивности со стальным сердечником при пропускании тока, имеющего практически синусоидальную форму волны.

Для испытаний, проводимых в цепи трехфазного тока, применяют катушки индуктивности с тремя сердечниками.

Металлическая опора выключателя, если имеется, на которой монтируют выключатель, и доступные металлические части выключателя, если имеются, должны быть заземлены через предохранительный элемент, который не должен перегореть во время испытания. Предохранительный элемент состоит из медной проволоки диаметром 0,1 мм и длиной не менее 50 мм.

Для выключателей со схемами 6, 6/2 и 7 селекторный выключатель 8, приведенный на рисунке 13, переключают после выполнения части операций, указанных в таблице 16.

Выключатели со схемой 5 с одним механизмом подвергают оперированию 200 раз с нагрузками: в одной цепи номинальным током In и 0,25 In - в другой цепи, а затем 200 раз с нагрузкой каждой цепи током 0,625 In.

Выключатели со схемой 5 с двумя самостоятельными механизмами испытывают как два выключателя со схемой 1 последовательно.

При испытании одной части выключателя другая часть должна быть в положении «отключено».

Во время испытания не должно быть устойчивой дуги.

После испытания образцы не должны иметь повреждений, которые сделали бы невозможным их дальнейшее использование.

Таблица 16 - Части общего числа операций

Номер схемы

Тип выключателя

Часть общего числа операций для выключателя S

1, 2, 4 или 5

Поворотный выключатель на два направления. Выключатель других типов

-

3 или 03

Поворотный выключатель на два направления. Выключатель других типов

-

6,6/2 или 7

Поворотный выключатель на два направления. Выключатель других типов

1/4 и 3/4
1/2

Разрыв заменяемого приводного шнурка, не являющегося входящей частью в шнурковый выключатель, не считают отказом при испытании.

Примечания

1 Необходимо обращать внимание на то, чтобы при помощи испытательного устройства приводной элемент выключателя работал плавно и чтобы испытательное устройство не мешало нормальной работе механизма выключателя и свободному перемещению приводного элемента.

2 Во время испытания образцы не смазывают.

18.2 Выключатели обычно испытывают при нормальном напряжении и токе, равном 1, 2 номинального значения.

Испытание проводят с использованием нескольких вольфрамовых ламп накаливания мощностью 200 Вт каждая.

Если в наличии нет ламп накаливания с номинальным напряжением, равным номинальному напряжению выключателя, то необходимо использовать лампы накаливания с ближайшим меньшим значением напряжения.

Примечание 1 - Рекомендуется, чтобы номинальное напряжение ламп накаливания составляло не менее 95 % номинального напряжения выключателя.

Испытательным напряжением должно быть номинальное напряжение ламп. Для испытания берут такое наименьшее число ламп, которое дает испытательный ток, равный не менее 1, 2 - кратного номинального тока выключателя.

Допустимый ток короткого замыкания должен быть неменее 1 500 А. Другие условия испытания аналогичны описанным в 18.1.

Во время испытания не должны возникать ни устойчивая электрическая дуга, ни приваривание контактов.

Примечание 2 - Залипание контактов, которое не препятствует следующей операции, не считают привариванием.

После испытания образцы не должны иметь повреждений, которые препятствуют их дальнейшему использованию.

Примечание 3 - Пример. Необходимо испытать выключатели на ток 10 А и напряжение 250 В.

Наибольшим допустимым напряжением для вольфрамовых ламп накаливания мощностью 200 Вт является 240 В.

Испытательным напряжением будет 240 В, а число ламп:

, т. е. 15 ламп.

19 Нормальная работа

19.1 Выключатели должны выдерживать без чрезмерного износа или других вредных факторов механические, электрические и тепловые нагрузки, которые могут возникать при нормальной эксплуатации.

Соответствие проверяют следующим испытанием.

Выключатели испытывают при номинальном напряжении и номинальном токе с соединениями, указанными в разделе 18.

Отклонение для испытательного напряжения +5 %.

Если нет других указаний, то электрическая цепь и порядок работы выключателя должны быть, как описано в 18.1.

Число операций указано в таблице 17.

Частота выполнения операций указана в 18.1.

Продолжительность включенного положения 25+5 % и отключенного положения 75-5 % от продолжительности всего цикла.

Для выключателей поворотного типа со схемой 5, предназначенных для работы в любом направлении, привод поворачивают сначала в одну сторону до половины общего нормируемого числа операций, а затем в обратную сторону - оставшееся число операций.

Для других выключателей поворотного типа, предназначенных для работы в любом направлении, часть общего числа операций 5 выполняют в направлении по часовой стрелке, а оставшееся число операций - в противоположном направлении.

Таблица 17 - Число операций для испытаний на нормальную работу

Номинальный ток

Число операций

До 16 А включ. для выключателей на номинальное напряжение не более 250 В переменного тока, кроме схем 3 и 03

40 000

До 16 А включ. для выключателей на номинальное напряжение св. 250 В переменного тока и для схем 3 и 03

20 000

Св. 16 до 40 А включ.

10 000

Св. 40 А

5000

Шнурковые выключатели должны испытываться установленными, как при нормальной эксплуатации, с усилием натяжения шнурка, достаточным при оперировании, но не более 50 Н, направленным под углом (30 ± 5)° к вертикали в плоскости, перпендикулярной плоскости монтажа.

Выключатели испытывают на переменном токе (соs j =0,6 ± 0,05).

Выключатели со схемой 2 испытывают вначале на комплекте из трех образцов при последовательном соединении полюсов. Для второго комплекта из трех образцов один полюс испытывают при полной нагрузке, производя до половины числа операций.

Если два полюса неодинаковы, то испытание повторяют на другом полюсе.

Два полюса выключателей со схемами 4 и 5 испытывают как два выключателя со схемой 1. Если полюса одинаковые, испытывают только один полюс.

Для выключателей со схемой 5 с одним механизмом каждая цепь имеет нагрузку, равную 0,5 номинального тока.

Выключатели со схемой 6 испытывают, производя до половины числа операций на одном полюсе, а оставшееся число операций - на другом полюсе.

Выключатели с номером схемы 6/2 испытывают как один выключатель со схемой 6, если две пары полюсов одинаковы. В противном случае - как два выключателя со схемой 6.

Выключатели со схемой 7 испытывают как двойной выключатель со схемой 6. Пока испытывают одну часть, другая часть находится в положении «отключено».

Испытуемые образцы соединяют с испытательной цепью кабелями длиной (0,3 ± 0,015) м так, чтобы измерение превышения температуры можно было произвести без нарушения зажима.

Во время испытания образцы должны нормально функционировать.

После испытания образцы должны быть подвергнуты испытанию на электрическую прочность изоляции в соответствии с разделом 16, при этом испытательное напряжение 4 000 В должно быть снижено на 1 000 В, а другие испытательные напряжения - на 500 В, и испытанию на превышение температуры в соответствии с разделом 17, при этом испытательный ток должен быть равен номинальному току.

После испытания испытуемые образцы не должны иметь:

- износа, препятствующего их дальнейшей эксплуатации;

- несоответствия между положением приводного элемента и подвижных контактов, если положение приводного элемента указано;

- нарушения оболочек, изоляционных прокладок или перегородок до такой степени, что выключатель непригоден к дальнейшей работе или не соблюдаются требования раздела 10;

- просачивания компаундной массы;

- ослабления электрических и механических соединений;

- относительного смещения подвижных контактов выключателей со схемами 2, 3, 03 или 6/2.

Примечания

1 Перед проверкой электрической прочности изоляции по настоящему разделу воздействие влагой по 15.3 не проводят.

2 Во время испытания образцы не смазывают.

После этого проводят испытание по 14.3.

19.2 Выключатели, предназначенные для люминесцентных ламп, должны выдерживать без чрезмерного износа или других негативных эффектов электрические и термические нагрузки, возникающие, когда цепь управления люминесцентной лампы находится при соответствующем коэффициенте мощности и нагрузке, включенной между зажимами испытательной цепи, как показано на рисунке 14, при следующих условиях испытаний.

Ожидаемый ток короткого замыкания источника питания должен быть от 3 до 4 кА при соs j =0,9 ± 0,05 (отстающий). F - плавкий элемент из медной проволоки номинальным диаметром 0,1 мм и длиной не менее 50 мм.

R1 - резистор, ограничивающий ток до 100 А.

Двухжильный кабель должен иметь подходящую длину, чтобы сопротивление RЗ в испытательной цепи нагрузки было равно 0,25 Ом. Он должен иметь сечение 1,5 мм2 если испытывают выключатели на номинальный ток до 10 А включ., и 2,5 мм2, если испытывают выключатели на номинальный ток св. 10 А до 20 А включ.

Нагрузка А должна состоять из:

- конденсатора С1 емкостью 70 мкФ ± 10 % для выключателя на ток 6 А и емкостью 140 мкФ ± 10 % - для других выключателей. Конденсаторы должны быть соединены проводниками сечением 2,5 мм2 возможно более короткой длины;

- катушки индуктивности L1 и резистора R2 для регулировки значений коэффициента мощности до 0,9 ± 0,05 (отстающий) и тока через образец до  %.

Нагрузка В должна состоять из:

- конденсатора С2 емкостью 7,3 мкФ ± 10 %;

- катушки L2 индуктивностью (0,5 ± 0,1) Гн, имеющей сопротивление не более 15 Ом, измеренной при постоянном токе.

Примечание - Токовые параметры выбирают исходя из практического применения нагрузок люминесцентных ламп.

Соответствие проверяют следующим испытанием.

Для испытания используют новые образцы. Выключатели, кроме схем 3 и 03, испытывают при номинальном напряжении, номинальном токе аппаратов и соединениях, указанных в 18.1.

Отклонения: испытательного напряжения ±5 %, испытательного тока +5 %.

Подробности цепи и способ действия селекторного выключателя 8 описаны в 18.1.

Число операций следующее:

- для выключателей с номинальным током люминесцентных ламп от 6 до 10 А включ. - 10 000 операций с частотой 30 операций в минуту;

- для выключателей с номинальным током св. 10 до 20 А включ. - 5 000 операций с частотой 15 операций в минуту.

Для поворотных выключателей со схемой 5 с оперированием в оба направления приводной элемент вращают, производя до половины общего числа операций в одном направлении, а вторую половину операций - в обратном направлении.

Для других поворотных выключателей с оперированием в оба направления 3/4 общего числа операций производят в направлении по часовой стрелке и оставшуюся часть операций - в обратном направлении.

Шнурковые выключатели испытывают установленными, как при нормальной эксплуатации, с усилием натяжения шнурка, достаточным для оперирования, но не более 50 Н, приложенным под углом (30 ± 5)° к вертикали в плоскости, перпендикулярной монтажной поверхности.

Выключатели со схемой 2 испытывают вначале на выборке из трех образцов с последовательным соединением полюсов. Затем выборку испытывают при полной нагрузке только на одном полюсе, производя до половины операций.

Если два полюса неодинаковы, испытание повторяют на другом полюсе.

Двухполюсные выключатели со схемами 4 и 5 испытывают как два выключателя со схемой 1. Если полюса одинаковы, испытывают только один полюс.

Выключатели со схемой 6 испытывают, производя половину операций на одном полюсе, а оставшуюся половину - на другом полюсе.

Выключатели со схемой 6/2 испытывают как один выключатель со схемой 6, если две пары полюсов одинаковы. Если две пары полюсов неодинаковые - как два выключателя со схемой 6.

Выключатели со схемой 7 испытывают как двойной выключатель со схемой 6.

Испытуемые образцы  должны присоединяться к испытательной цепи кабелями длиной (0,3 ± 0,015) м так, чтобы можно было измерить превышение температуры без нарушения зажимов. Нагрузка должна соответствовать указанной на рисунке 14 (нагрузка А).

После установленного числа операций нагрузку А заменяют нагрузкой В и проводят 100 операций в этой цепи при номинальном напряжении.

Металлическое основание, если имеется, на котором выключатель установлен, и доступные части выключателя, если имеются, должны быть заземлены через плавкий предохранительный элемент, который не должен перегореть во время испытания. Предохранительный элемент состоит из медной проволоки диаметром 0,1 мм и длиной не менее 50 мм.

Во время этого испытания выключатель должен действовать так, чтобы испытательное устройство не мешало нормальной работе механизма выключателя и свободному движению приводного элемента.

Не должно быть вынужденного действия. Время включения должно составлять 25+5 % времени цикла, а время отключения - 75-5 %.

Во время испытания образцы должны функционировать правильно. Не должно быть длительной дуги или приваривания контактов. Залипание контактов, которое не препятствует следующей операции выключателя, не считают привариванием.

Залипание контактов допускается, если контакты могут быть разъединены с усилием, приложенным к приводу, не повреждающим выключатель механически.

После испытания, без нарушения соединений образца при испытании, выполняют измерение превышения температуры, как указано в разделе 17, при испытательном токе, равном номинальному. Превышение температуры зажимов не должно быть более 45 °С.

После этих испытаний должно быть возможным включение и отключение выключателя вручную в испытательной цепи и образец не должен иметь:

- износа, препятствующего дальнейшему использованию;

- противоречия между положением приводного элемента и подвижными контактами, если положение приводного элемента указано;

- ухудшения состояния корпуса, изолирующих прокладок или перегородок до такой степени, что выключатель не может дальше действовать или не соблюдаются требования раздела 10;

- ослабления электрических или механических соединений;

- просачивания компаундной массы;

- относительного смещения подвижных контактов выключателей со схемами 2, 3 или 6/2.

Повреждение заменяемого шнурка, не являющегося входящей частью шнуркового выключателя, не считают отказом при испытании.

20 Механическая прочность

Выключатели, монтажные коробки и ввинчиваемые уплотнения выключателей, отличных от обычных, должны иметь достаточную механическую прочность, чтобы выдерживать нагрузки, возникающие в процессе монтажа и эксплуатации.

Соответствие проверяют следующими испытаниями:

- для выключателей - по 20.1 и 20.2;

- для монтажных коробок - по 20.1;

- для ввинчиваемых уплотнений выключателей, отличных от обычных - по 20.3.

Примечание - Блоки выключателей или выключателей с розетками испытывают следующим образом.

- при одной общей крышке - как одно изделие;

- при отдельных крышках - как отдельные изделия.

20.1 Образцы подвергают ударам с помощью испытательной установки, указанной на рисунках 15-18.

Ударный элемент имеет полусферическую поверхность радиусом 10мм и изготовлен из полиамида, имеющего твердость 100 НRС и массу (150 ± 1) г.

Он жестко закреплен в нижней части стальной трубки наружным диаметром 9 мм и толщиной стенок 0,5мм, которая на шарнирах укреплена в верхней части таким образом, что может качаться только в вертикальной плоскости.

Ось вращения расположена на расстоянии (1000 ± 1) мм от оси ударного элемента.

Твердость по Роквеллу полиамидного бойка определяют с помощью шарика диаметром (12,700 ± 0,0025) мм с первоначальной нагрузкой (100 ± 2,0) Н и дополнительной нагрузкой (500 ± 2,5) Н.

Примечание - Дополнительная информация, содержащая определение твердости пластиков по Роквеллу, приведена в ГОСТ 24622.

Конструкция установки должна быть такова, чтобы с усилием от 1,9 до 2,0 Н, приложенным к лицевой поверхности ударного элемента, можно было удержать его в горизонтальном положении.

Испытуемый образец устанавливают на квадратном листе фанеры со стороной размером около 175 мм и толщиной 8 мм, который в верхнем и нижнем углах крепят к жестким кронштейнам, являющимся частями основания монтажного устройства.

Монтажное основание должно иметь массу, равную (10 ± 1) кг, и монтироваться на жесткой раме с помощью шарниров. Раму крепят к прочной стене.

Конструкция установки должна обеспечивать:

- размещение проверяемого образца так, чтобы точка удара лежала в вертикальной плоскости по оси шарнира;

- движение проверяемого образца в горизонтальном направлении и вращение его вокруг оси, перпендикулярной поверхности фанерного листа;

- перемещение фанерной плиты вокруг вертикальной оси на 60° в оба направления.

Выключатели и монтажные коробки устанавливают на фанерном листе, как при нормальной эксплуатации.

Вводные отверстия выключателей, которые не имеют пробиваемых диафрагм, оставляют открытыми. Если имеются пробиваемые диафрагмы, то одну из них пробивают.

Для выключателей скрытой установки образец устанавливают в углубление бруска из граба или аналогичного материала, который крепят к листу фанеры, а не в монтажную коробку. При использовании бруска направление волокон древесины должно быть перпендикулярно направлению удара.

Выключатели для скрытой установки с винтовым креплением следует крепить винтами к кронштейнам, утопленным в бруске. Аналогичные выключатели с креплением с помощью распорных лапок крепят к бруску посредством лапок.

Перед испытанием на удар крепежные винты оснований и крышек затягивают крутящим моментом, равным 2/3 от соответствующего значения, указанного в таблице 3.

Образцы устанавливают так, чтобы точка нанесения удара лежала в вертикальной плоскости, проходящей по оси шарнира.

Ударный элемент должен падать с высоты, указанной в таблице 18.

Части аппаратов, предназначенные исключительно для монтажа в стеновой панели, подвергают ударам, которые наносят ударным элементом с высоты 100 мм только по частям, которые выступают после монтажа аппарата в стеновой панели.

Примечание 2 - На все части образца, за исключением частей А, воздействуют энергией удара, определяемой той частью образца, которая более всего выступает над монтажной поверхностью.

Высота падения - это расстояние между положением контрольной точки в момент опускания маятника и положением этой точки в момент удара. Контрольную точку отмечают на поверхности ударного элемента в том месте, где линия, проходящая через точку пересечения оси стальной трубки маятника и оси ударного элемента перпендикулярна к плоскости, проходящей через обе оси, и пересекает поверхность ударного элемента.

Примечание 3 - Теоретически, центром тяжести ударного элемента должна быть контрольная точка. Однако, поскольку на практике центр тяжести определить трудно, контрольную точку находят указанным выше способом.

Таблица 18 - Высота падения для испытания на удар

Высота падения, мм

Части оболочек, подвергаемых удару

Обычные аппараты

Другие аппараты

100

А и В

-

150

С

А и В

200

D

С

250

-

D

А - части на фронтальной поверхности, включая части, имеющие углубления;

В - части, которые не выступают более чем на 15 мм от монтажной поверхности (расстояние от стены) после монтажа, как при нормальной эксплуатации, за исключением частей А;

С - части, которые выступают более чем на 15 мм, но не более 25 мм от монтажной поверхности (расстояние от стены) после монтажа, как при нормальной эксплуатации, за исключением частей А;

D - части, которые выступают более чем на 25 мм от монтажной поверхности (расстояние от стены) после монтажа, как при нормальной эксплуатации, за исключением частей А.

Испытуемые образцы подвергают девяти ударам, которые наносят равномерно по всему образцу.

Удары не наносят на пробиваемую диафрагму.

Удары наносят следующим образом:

- для частей А - один удар в центре, по одному удару в каждой неблагоприятной точке между центром и краями после того, как образец будет перемещен по горизонтали, и затем после поворота образца на 90° вокруг его оси, перпендикулярной фанерному листу, - по одному удару в подобные точки. - для частей В (насколько приемлемо), С и D - четыре удара:

два удара по каждой из двух сторон образца, по которым удары могут быть нанесены после того, как фанерный лист будет повернут на 60° в каждом из двух противоположных направлений;

два удара по каждой из двух других сторон образца, по которым удары могут быть нанесены после того, как образец будет повернут на 90° вокруг его оси, перпендикулярной фанерному листу, который будет повернут на 60° в каждом из двух противоположных направлений.

Если выключатель имеет вводные отверстия, то образец устанавливают таким образом, чтобы две точки нанесения ударов были как можно ближе равноудалены от этого отверстия.

Накладки и другие крышки многоместных выключателей испытывают как накладки и крышки отдельных выключателей.

Для выключателей, отличных от обычных, испытание проводят с закрытыми крышками и, кроме того, соответствующее число ударов наносят на те части, которые остаются незащищенными при открытой крышке.

После испытания образцы не должны иметь повреждений, нарушающих требования настоящего стандарта. В частности, токоведущие части не должны стать доступными.

После испытания на глазках (окошки для сигнальных лампочек) могут быть трещины и/или они могут быть выбиты, но не должно быть доступа к токоведущим частям:

- стандартным жестким шарнирным испытательным пальцем в условиях, указанных в 10.1;

- стандартным жестким испытательным пальцем в условиях, указанных в 10.1, но с усилием 10 Н. В случае сомнения, проверяют возможность снятия и замены наружных частей, таких как коробки, оболочки крышек и накладки без повреждения этих частей или их изоляционных прокладок.

Если накладка, опирающаяся на внутреннюю крышку, будет повреждена, то повторное испытание проводят на внутренней крышке, которая после испытания должна остаться неповрежденной.

Примечание 4 - Не принимают во внимание повреждение поверхности, небольшие вмятины, которые не влияют на снижение величины путей утечек или воздушных зазоров ниже значений, указанных в 23.1, и мелкие осколки, которые отрицательно не сказываются на защите выключателя от электрического удара.

Не принимают во внимание трещины, не видимые невооруженным глазом, и поверхностные трещины волокнистых отливок и т. п.

Не принимают во внимание трещины или отверстия на наружной поверхности какой-либо части выключателя, если он соответствует требованиям настоящего стандарта даже без этой части. Если декоративная крышка опирается на внутреннюю, то скол декоративной крышки не принимают во внимание, если внутренняя крышка выдержит испытание при снятой декоративной крышке.

20.2 Основания выключателей обычного типа для открытой установки сначала прикрепляют к цилиндру из жесткой листовой стали, имеющему радиус, в 4,5 раза больший, чем расстояние между отверстиями для крепления, но в любом случае не менее 200 мм.

Оси отверстий должны быть расположены в плоскости, перпендикулярной к оси цилиндра, и параллельно радиусу, проходящему через центр расстояния между отверстиями.

Крепежные винты постепенно затягивают максимальным крутящим моментом, равным 0,5 Н × м для винтов с диаметром резьбы до 3 мм включ., и 1,2 Н × м для винтов с большим диаметром резьбы.

Затем основания крепят аналогичным образом к плоскому стальному листу.

После испытаний на основаниях не должны появиться повреждения, препятствующие их дальнейшему использованию.

20.3 Ввинчиваемые сальники собирают с цилиндрическим металлическим стержнем, имеющим диаметр, равный ближайшему меньшему внутреннему диаметру уплотнения (см. таблицу 19).

Таблица 19 - Крутящий момент для проверки механической прочности сальника

Диаметр испытательного стержня, мм

Крутящий момент, Н × м

Металлические сальники

Сальники из литьевого материала

До 14 включ.

6,25

3,75

Св. 14 до 20 включ.

7,50

5,00

» 20

10,00

7,50

После испытания сальники и оболочки образцов не должны иметь повреждений, нарушающих требования настоящего стандарта.

20.4 Если испытательное усилие необходимо приложить к крышкам, накладкам или приводным элементам, выключатели устанавливают, как при нормальной эксплуатации.

Выключатели скрытого типа закрепляют в подходящей монтажной коробке, которую устанавливают, как при нормальной эксплуатации, так, чтобы края коробки были утоплены в стенах, и оборудуют ее крышками, накладками и приводными элементами. Если ее снабжают запирающими устройствами, которые могут устанавливаться без помощи инструмента, эти коробки не запирают.

Соответствие проверяют испытаниями по 20.4.1 и 20.4.2.

20.4.1 Проверка несъемных крышек, накладок или приводных элементов

Усилия постепенно прикладывают в направлении, перпендикулярном монтажным поверхностям, чтобы в результате сила, действующая в центре крышек, накладок, приводных элементов или их частей составляла:

40 Н - для крышек, накладок, приводных элементов или их частей, соответствующих испытаниям 20.7 и 20.8;

80 Н - для других крышек, накладок и приводных элементов.

Усилие прикладывают в течение 1 мин.

Крышки, накладки или приводные элементы не должны приводить к выключению.

Затем испытание повторяют на новых образцах, при этом крышки или накладки устанавливают на стене, подложив вокруг опорной рамы лист твердого материала толщиной (1 ± 0,1) мм, как показано на рисунке 19.

Примечание - Лист твердого материала используют вместо обоев и он может состоять из нескольких кусков.

После испытания образцы не должны иметь повреждений, приводящих к несоответствию настоящему стандарту.

20.4.2 Проверка съемных крышек, накладок или приводных элементов

Усилие, не превышающее 120 Н, прикладывают постепенно в направлении, перпендикулярном монтажной/опорной поверхностям, к крышкам, накладкам, приводным элементам или их частям посредством крючка, прикладывая его к каждому из желобков, отверстий или аналогичных мест, предусмотренных для их снятия.

Крышки, накладки или приводные элементы не должны приводить к выключению.

Испытание проводят по 10 раз на каждой части, не зафиксированной винтами (точки приложения распределяют, насколько реально): движущее усилие прикладывают каждый раз к различным желобкам, отверстиям или подобным местам, предназначенным для снятия отдельных деталей.

Затем испытание повторяют на новых образцах, при этом крышки или накладки устанавливают на стене, подложив вокруг опорной рамы лист твердого материала толщиной (1 ± 0,1) мм, как показано на рисунке 19.

После испытания образцы не должны иметь повреждений, приводящих к несоответствию настоящему стандарту.

20.5 Испытание проводят согласно 20.4, но с приложением для проверок по 20.4.1 следующих усилий:

10 Н - для крышек или накладок, или приводных элементов с испытанием по 20.7 и 20.8;

20 Н - для других крышек или накладок, или приводных элементов.

20.6 Испытание проводят согласно 20.4, но с приложением для проверок по 20.4.1 усилия 10 Н для всех крышек, накладок или приводных элементов.

20.7 Калибром, соответствующим рисунку 20, нажимают на каждую сторону крышки, накладки или приводного элемента, которые устанавливают без винтов на монтажной или опорной поверхности, как показано на рисунке 21.

При испытании калибр прикладывают к прямому углу каждой стороны поверхностью В, опираясь на монтажную/опорную поверхность, а поверхностью А - перпендикулярно к ней.

Если крышка или накладка прикреплена без винтов к другой крышке или накладке, или к монтажной коробке, имеющей одни и те же размеры, поверхность В калибра должна быть размещена на таком же уровне, где находится стык. Контур крышки или накладки не должен выступать за контур опорной поверхности.

Расстояния между поверхностью С калибра и контуром стороны при испытании, измеренные параллельно поверхности В, не должны уменьшаться (за исключением желобков, отверстий или подобных частей, размещенных на расстоянии менее 7 мм от плоскости, содержащей поверхность В, и соответствующих испытанию по 20.8), когда измерения повторяют, начиная от точки х в направлении стрелки у (см. рисунок 22).

20.8 Калибр, соответствующий рисунку 23, приложенный с усилием 1 Н, не должен входить более чем на 1 мм от верхней части любой канавки, отверстия или обратного уклона, или подобной части, когда калибр прикладывают к ним параллельно монтажной/опорной поверхности и к прямым углам частей, подлежащих испытанию, как показано на рисунке 24.

Примечание - Если калибр, соответствующий рисунку 23, проник более чем на 1 мм, проверку проводят относительно поверхности, перпендикулярной поверхности В, включая верхнюю часть контура канавок, отверстий, обратных уклонов или подобных частей.

20.9 Приводной элемент шнуркового выключателя должен иметь достаточную прочность.

Соответствие проверяют на новом образце следующим испытанием.

Выключатели монтируют на опору, как при нормальной эксплуатации.

Усилие 100 Н прикладывают в течение 1 мин к приводному элементу, как при нормальной эксплуатации, после чего усилие 50 Н прикладывают в течение 1 мин в наиболее неблагоприятном направлении по конусообразной поверхности, где центром служит приводной шнурок, а угол не превышает 80 ° к вертикали.

После испытания выключатель не должен иметь повреждений, приводящих к несоответствию настоящему стандарту. Приводной элемент не должен иметь поломок, и шнурковый выключатель остается действующим.

21 Нагревостойкость

Выключатели и монтажные коробки должны быть устойчивы к нагреву.

Соответствие проверяют:

а) для поверхности коробок открытого монтажа, съемных крышек и отдельных накладок - испытанием по 21.3;

б) для выключателей, за исключением частей, если имеются, указанных в подпункте а), - испытаниями по 21.1 - 21.3 (за исключением частей выключателей, изготовленных из натурального или синтетического каучука или, их смеси).

21.1 Образцы выдерживают в течение 1 ч в термокамере при температуре (100 ± 2) °С.

Во время испытания они не должны претерпевать изменений, затрудняющих их дальнейшую эксплуатацию, и не должен плавиться компаунд, если имеется, до такой степени, чтобы токоведущие части стали незащищенными.

После испытания образцы охлаждают приблизительно до комнатной температуры, при этом токоведущие части должны оставаться недоступными для прикосновения, когда образцы смонтированы, как для нормальной эксплуатации, даже если стандартный испытательный палец прикладывают с усилием, не превышающим 5 Н.

Маркировка после испытания должна быть четкой и легкочитаемой.

Изменением цвета, вздутием или небольшим вытеканием компаунда можно пренебречь, если при этом не нарушаются требования настоящего стандарта.

21.2 Части из изоляционного материала, на которых крепят токоведущие части и части заземляющей цепи, подвергают давлением шарика при помощи устройства, приведенного на рисунке 25, за исключением изолирующих частей (на которых закрепляют заземляющие зажимы в коробке), которые испытывают в соответствии с 21.3.

Примечание - Если невозможно провести испытание на выключателе, то испытание проводят на его части толщиной не менее 2 мм, которую вырезают из образца. Если это невозможно, то могут быть использованы до четырех слоев включительно, каждый из которых вырезают из того же образца, при этом общая толщина слоев не должна быть меньше 2,5 мм.

Поверхность испытуемой части образца устанавливают в горизонтальном положении и стальной шарик диаметром 5мм вдавливают в поверхность с силой 20 Н.

Испытательную нагрузку и опорное устройство размещают в термокамере на время, достаточное для того, чтобы они достигли установившейся температуры до начала испытания.

Испытание проводят в термокамере при температуре (125 ± 2) °С.

Через 1 ч шарик убирают с образца, затем образец охлаждают до комнатной температуры в течение 10 с путем погружения в холодную воду.

Диаметр оттиска должен быть не более 2 мм.

21.3 Части изоляционного материала, не предназначенные для крепления токоведущих частей и частей заземляющей цепи, даже если они контактируют с ними, испытывают давлением шарика согласно 21.2, но испытание проводят при температуре (70 ± 2) °С или (40 ± 2) °С плюс наибольшее превышение температуры, измеренное для соответствующих частей во время испытания по разделу 17, в зависимости от того, какое из этих значений будет больше.

22 Винты, токоведущие части и соединения

22.1 Электрические и механические соединения должны выдерживать механические нагрузки, возникающие при нормальной эксплуатации.

Механические соединения, используемые при сборке аппаратов, могут выполняться самонарезающими формующими винтами или самонарезающими режущими винтами, только если винты поставляют вместе с частями, в которые они должны устанавливаться. Кроме того, самонарезающие режущие винты, предназначенные для использования при сборке, должны быть соединены с соответствующей частью аппарата.

Винты или гайки, передающие контактное давление, должны ввинчиваться в металлическую резьбу.

Соответствие проверяют внешним осмотром и для винтов и гаек, предназначенных для подключения внешних проводников и монтажа выключателя при установке, следующим испытанием.

Примечание 1 - Требования для проверки зажимов указаны в разделе 12.

Винты или гайки затягивают и отпускают:

- 10 раз для винтов, ввинчивающихся в резьбу из изолирующего материала;

- 5 раз во всех остальных случаях.

Винты или гайки, ввинчивающиеся в резьбу из изолирующего материала, каждый раз полностью ввинчивают и вывинчивают.

Испытание проводят при помощи соответствующей испытательной отвертки или другого инструмента с приложением крутящего момента, указанного в 12.2.5.

Проводник перемещают каждый раз, когда ослабляют винт или гайку.

Во время испытания не должны возникать повреждения, препятствующие дальнейшему использованию винтовых соединений, таких как излом винтов или повреждение шлицев (делающее невозможным применение соответствующей отвертки), резьбы, шайб или хомутиков.

Примечания

2 К винтам или гайкам, применяемым при монтаже принадлежностей, относят винты для крепления крышек или накладок и т. п., однако не относят соединительные детали для ввинчиваемых кабельных вводов и винты для крепления основания выключателя.

3 Винтовые соединения считают частично проверенными испытаниями по разделам 19 и 20.

22.2 Для винтов, ввинчиваемых в электроизоляционный материал и предназначенных для монтажа выключателя, должно быть гарантировано правильное введение в резьбовое отверстие или гайку.

Соответствие проверяют внешним осмотром.

Примечание - Требования к правильному введению винта может быть соблюдено, например, при наличии направляющего устройства на фиксирующей части, применении утопленной гаечной резьбы или винтов со снятой начальной резьбой.

22.3 Электрические соединения должны иметь такую конструкцию, чтобы контактное давление не передавалось через изолирующий материал, кроме керамики, чистой слюды или других материалов с аналогичными техническими данными, за исключением случаев, когда металлические детали обладают достаточной упругостью и могут при этом компенсировать возможную усадку или сжатие изолирующего материала.

Соответствие проверяют внешним осмотром и испытанием вручную.

Примечание - Пригодность применяемых материалов рассматривают в отношении стабильности размеров.

22.4 Винты и заклепки, служащие в качестве электрических и механических соединений, должны иметь устройство, препятствующее их ослаблению или развинчиванию.

Соответствие проверяют внешним осмотром.

Примечания

1 В качестве устройства от самоотвинчивания может служить пружинная шайба.

2 Для заклепок достаточными являются некруглое тело заклепки или наличие соответствующих канавок.

3 Компаунд, который при нагревании размягчается, может служить удовлетворительным средством от самоотвинчивания только для тех винтовых соединений, которые при нормальной эксплуатации не должны отвинчиваться.

22.5 Токоведущие части, включая зажимы (также зажимы заземления) следует изготавливать из металла, имеющего механическую прочность, электропроводность и коррозиеустойчивость, удовлетворяющие для использования по назначению при условиях, имеющих место в оборудовании.

Соответствие проверяют внешним осмотром и, если необходимо, химическим анализом. Примерами таких материалов, используемых в диапазоне допустимой температуры и при нормальных условиях химического загрязнения, являются:

- медь;

- сплав, содержащий не менее 58 % меди, для частей, изготавливаемых из холоднокатаных листов, или не менее 50 % меди - для других частей;

- нержавеющая сталь, содержащая не менее 13 % хрома и не более 0, 12 % углерода;

- сталь с цинковым гальванопокрытием по ИСО 2081[2] толщиной не менее:

5 мкм - условия эксплуатации № 1 для обычного оборудования, 12 мкм - условия эксплуатации № 2 для капле- и брызгозащищенного оборудования,

25 мкм - условия эксплуатации № 3 для струезащищенного и водонепроницаемого оборудования;

- сталь с никелевым и хромовым гальванопокрытием по ИСО 1456[3] толщиной не менее:

20 мкм - условия эксплуатации № 2 для обычного оборудования,

30 мкм - условия эксплуатации № 3 для капле- и брызгозащищенного оборудования,

40 мкм - условия эксплуатации № 4 для струезащищенного и водонепроницаемого оборудования,

- сталь с оловянным гальванопокрытием по ИСО 2093[4] толщиной не менее:

12 мкм - условия эксплуатации № 2 для обычного оборудования,

20 мкм - условия эксплуатации № 3, для капле- и брызгозащищенного оборудования,

30 мкм - условия эксмуатации № 4 для струезащищенного и водонепроницаемого оборудования.

Токопроводящие части, которые могут подвергаться механическому износу не должны изготовляться из стали с гальванопокрытием.

Металлы, показывающие большую разность электрохимических потенциалов во влажных условиях по отношению друг к другу, не должны использоваться в контакте друг с другом.

Соответствие проверяют испытанием, которое находится на рассмотрении.

Примечание - Настоящее требование не относится к винтам, гайкам, шайбам, зажимным пластинам и аналогичным частям зажимов.

22.6 Контакты, которые при нормальной эксплуатации подвергаются трению, следует изготавливать из коррозиестойкого металла.

Соответствие требованиям 22.5 и 22.6 проверяют внешним осмотром и химическим анализом.

22.7 Самонарезающие формующие винты и самонарезающие режущие винты не должны использоваться для соединения токопроводящих частей. Они могут использоваться для цепи заземления в случае, если при нормальной эксплуатации соединения не будут разъединяться и для каждого соединения используют не менее двух винтов.

Соответствие проверяют внешним осмотром.

Примечание - Использование самонарезающих режущих винтов, которые применяют при монтаже выключателя во время установки, находится на рассмотрении.

23 Пути утечки, воздушные зазоры и расстояния через заливочную массу

23.1 Значения путей утечки тока, воздушных зазоров, расстояний через заливочную массу не должны быть менее значений, указанных в таблице 20.

Соответствие проверяют измерениями.

Измерения проводят на выключателе с присоединенными проводами с наибольшим сечением, указанным в разделе 12, а также без проводов.

Расстояния в пазах и отверстиях наружных частей из изолирующего материала измеряют до металлической фольги, соприкасающейся с доступной поверхностью, фольгу заталкивают в углы и другие аналогичные выемки при помощи неразъемного испытательного пальца, имеющего такие же размеры, как и стандартный испытательный палец, изображенный на рисунке 9, но при этом фольга не должна вдавливаться в отверстия.

Проводник должен быть вставлен в зажим и присоединен так, чтобы изоляция жилы касалась металлических частей зажимного устройства или, если изоляция жилы конструктивно защищена от прикосновения к металлическим частям, находилась снаружи препятствия.

Для обычных выключателей открытого типа, в выключатель на расстояние 7 мм вводят наиболее неблагоприятный кабель или кабельный ввод самого сложного типа согласно 13.12.

Если металлическая рама для крепления основания выключателя скрытого типа подвижна, то ее устанавливают в наиболее неблагоприятное положение.

Таблица 20 - Пути утечки, воздушные зазоры и расстояния через заливочную массу

Место измерения

Расстояние, мм

Пути утечки

 

1 Между токоведущими частями, разделенными, когда контакты разомкнуты

3

2 Между токоведущими частями различной полярности

41)

3 Между токоведущими частями и:

 

- доступными поверхностями частей из изоляционного материала;

 

- доступными металлическими частями, включая заземляющую цепь;

 

- металлическими опорными рамами основания выключателей скрытого типа;

 

- винтами или устройствами для крепления оснований, крышек или накладок;

 

- металлическими частями механизма, если требуется изоляция от токоведущих частей (см. 10.4)

3

4 Между металлическими частями механизма, если требуется изоляция от доступных металлических частей (см. 10.5), и:

 

- винтами или устройствами для крепления оснований, крышек или накладок;

 

- металлическими опорными рамами основания выключателей скрытого типа;

 

- доступными металлическими частями

3

5 Между токоведущими частями и доступными незаземленными металлическими частями, кроме винтов и т. п.

62)

Воздушные зазоры

 

6 Между токоведущими частями, разделенными, когда контакты разомкнуты

33) 4)

7 Между токоведущими частями различной полярности

3

8 Между токоведущими частями и:

 

- доступными поверхностями из изоляционного материала;

 

- заземленными металлическими частями, включая заземляющую цепь, не упомянутыми в пунктах 9 и 11;

 

- металлическими опорными рамами основания выключателей скрытого типа;

 

- винтами или устройствами для крепления оснований, крышек или накладок;

 

- металлическими частями механизма, если требуется изоляция от токоведущих частей (см. 10.4)

3

9 Между токоведущими частями и:

 

- исключительно заземленными металлическими коробками5) с выключателем, установленным в самом неблагоприятном положении;

3

- незаземленными металлическими коробками без изоляционной прокладки с выключателем, установленным в самом неблагоприятном положении

4,5

10 Между металлическими частями механизма, если требуется изоляция от доступных металлических частей (см. 10.5), и:

 

- винтами или устройствами для крепления оснований, крышек или накладок;

 

- металлическими опорными рамами для крепления основания выключателей скрытой установки;

 

- доступными металлическими частями, когда основание закрепляется непосредственно на стене

3

11 Между токоведущими частями и поверхностью, на которой установлено основание выключателя скрытой установки, когда основание закрепляется непосредственно на стене

6

12 Между токоведущими частями и дном паза для внешних проводников, если имеется, для выключателей открытой установки

3

Расстояния через заливочную массу

 

13 Между токоведущими частями, покрытыми компаундом толщиной не менее 2 мм и поверхностью, на которой установлено основание выключателя для открытой установки

41)

14 Между токоведущими частями, покрытыми компаундом толщиной не менее 2 мм, и дном паза для внешних проводников, если имеется, для выключателей открытого типа

2,5

1) Допускается значение 3 мм для выключателей на номинальное напряжение до 250 В включ.

2) Допускается значение 4,5 мм для аппаратов, на номинальное напряжение до 250 В включ.

3) Допускается значение 1,2 мм при разомкнутых контактах для токоведущих частей выключателей с минимальным зазором, которые изменяются при размыкании контактов.

4) Значение не устанавливают, когда контакты разомкнуты, для токоведущих частей выключателей с микрозазором, которые изменяются во время отключения контактов.

5) Исключительно заземленные металлические коробки - это коробки, которые используют в установках, где требуется их заземление.

Примечания

1 Любую металлическую часть, находящуюся в контакте с металлической частью механизма, считают металлической частью механизма.

2 В выключателях с двумя разрывами цепи значения путей утечки, указанные в пункте 1, или значение воздушного зазора, указанное в пункте 5, представляют собой сумму значений путей утечек или воздушного зазора между одним неподвижным контактом и подвижной частью и между подвижной частью и другим неподвижным контактом.

3 Паз шириной менее 1 мм учитывают в расстоянии пути утечки только его шириной.

4 При подсчете полной величины воздушного зазора воздушный промежуток менее 1 мм не учитывают.

5 Поверхность, на которой Монтируют основание выключателя открытой установки, включает в себя любую поверхность, находящуюся в контакте с основанием при установке выключателя. Если на задней стороне основания имеется металлическая пластина, ее не считают монтажной поверхностью.

23.2 Изолирующая заливочная масса не должна выходить за пределы полости, в которую ее помещают.

Соответствие проверяют внешним осмотром.

24 Стойкость изоляционных материалов к аномальному нагреву, огню и трекингостойкость

24.1 Стойкость к аномальному нагреву, огню

Части изоляционного материала, которые могут испытывать термические нагрузки под воздействием электрического тока и нарушение которых может привести к снижению электрической безопасности выключателя, не должны чрезмерно поражаться аномальным нагревом и огнем.

24.1.1 Испытание раскаленной проволокой

Испытание выполняют по ГОСТ 27483 при следующих условиях:

а) для частей из изоляционного материала, на которых закрепляют токоведущие части и части заземляющей цепи, - испытанием при температуре 850 °С, кроме частей из изоляционного материала, на которых установлен зажим заземления в коробке, которая должна испытываться при температуре 650 °С;

б) для частей из изоляционного материала, на которых не закрепляют токоведущие части и части заземляющей цепи, даже если они контактируют с ними, - испытанием при температуре 650 °С.

Если указанные испытания должны проводиться в нескольких местах одного и того же образца, необходимо обращать внимание на то, чтобы любые нарушения образца, вызванные предыдущими испытаниями, не повлияли на результат последующего испытания.

Небольшие детали, у которых каждая поверхность расположена полностью внутри круга диаметром 15мм или у которых какая-нибудь часть поверхности находится за пределами круга диаметром 15мм и невозможно расположить круг диаметром 8мм на любой поверхности, не подвергают испытанию по этому разделу (см. рисунок 26).

Примечание 1 - Если испытуемая поверхность имеет выступы и отверстия, наибольший размер которых не превышает 2 мм, ими пренебрегают.

Испытание не проводят на частях из керамики.

Примечание 2 - Раскаленную испытательную проволоку прикладывают, чтобы гарантировать, что электрически нагретая проволока при определенных условиях не станет причиной зажигания изоляционных частей или что часть из изоляционного материала, которая может воспламениться от раскаленной проволоки при определенных условиях, имеет ограниченное время горения, без перехода огня в пламя или выпадания горящих частиц или капель из испытуемой детали на сосновую доску, покрытую папиросной бумагой.

По возможности, в качестве испытуемого образца следует использовать собранный выключатель.

Примечание 3 - Если испытание нельзя провести на собранном выключателе, то испытывают часть, вырезанную из него.

Испытание проводят на одном образце. В случае сомнения, испытание проводят еще на двух образцах.

Перед испытанием образец выдерживают в течение 24 ч в нормальных климатических условиях окружающей среды в соответствии с ГОСТ 27473. Раскаленную проволоку прикладывают один раз.

Образец располагают во время испытания в самом неблагоприятном положении из его предполагаемого применения (поверхность, подлежащую испытанию, располагают в вертикальном положении). Конец раскаленной проволоки прикладывают к поверхности испытуемого образца в соответствии с условиями предполагаемого применения, при котором нагретый или раскаленный проволочный элемент мог бы войти в контакт с испытуемым образцом.

Во время приложения раскаленной проволоки и спустя 30 с после этого необходимо наблюдать за образцом и расположенным рядом с ними деталями, включая слой под образцом.

Время, когда происходит воспламенение образца и/или огонь затухает во время или после приложения проволоки, измеряют и записывают.

Считают, что образец выдержал испытание раскаленной проволокой если:

- отсутствует видимое пламя и устойчивое свечение;

- пламя и свечение на образце прекратятся в течение 30 с после удаления от него проволоки.

Не должно быть возгорания папиросной бумаги или подпаливания доски.

24.2 Трекингостойкость

В выключателях, отличных от обычных, части из изоляционного материала, удерживающие токоведущие части, должны быть изготовлены из материала, устойчивого к токам утечки.

Соответствие проверяют по ГОСТ 27473.

Для материалов, кроме керамических, соответствие данному требованию устанавливают следующим испытанием.

Плоские поверхности испытуемой детали размером не менее 15 ´ 15 мм располагают в горизонтальном положении на испытательном устройстве.

Материал при испытании должен выдерживать при контрольном индексе трекингостойкости приложение напряжения 775 В при использовании раствора А с интервалом между каплями, (30 ± 5) с.

Не должно возникнуть короткого замыкания или пробоя между электродами до того, как упадет 50 капель.

25 Коррозиеустойчивость

Металлические части, включая крышки и монтажные коробки, должны быть надежно защищены от коррозии.

Соответствие проверяют следующим испытанием.

Смазочные вещества удаляют с испытуемых частей путем погружения их на 10 мин в раствор четыреххлористого углерода, треххлористого этана или аналогичного обезжиривающего вещества.

После этого испытуемые части погружают на 10 мин в 10 %-ный раствор нашатырного спирта с водой при температуре (20 ± 5) °С.

Стряхнув каши, испытуемые части без просушки помещают на 10 мин в камеру, содержащую воздух, насыщенный влагой, при температуре (20 ± 5) °С

После того как испытуемые части будут просушены в термокамере при температуре (100 ± 5) °С в течение 10 мин, на их поверхностях не должно быть следов коррозии.

Примечания

1 Следы коррозии на острых краях и желтоватую пленку, которую удаляют путем протирания, не учитывают.

2 Слой смазки, наносимый на небольшие пружины и аналогичные им детали, а также на закрытые части, подверженные истиранию, может служить надежной защитой от коррозии.

Указанные детали испытывают только в случае, если возникает сомнение относительно эффективности смазочного покрытия, и в этом случае испытание проводят без предварительного удаления с детали смазки.

26 Требования к электромагнитной совместимости

26.1 Стойкость к помехам

Выключатели в пределах требований настоящего стандарта устойчивы к электромагнитным помехам и поэтому испытания не являются необходимыми.

26.2 Создание помех

Электромагнитные помехи создаются выключателем только при коммутационных операциях. Поскольку они непродолжительны, в испытаниях нет необходимости.

 

Зажимы без прижимной пластины

Отверстие зажима размера 2а

Зажимы с прижимной пластиной

 

Сечение проводника в зажиме, мм2

Минимальный диаметр D или минимальные размеры места расположения проводника, мм

Минимальное расстояние g между зажимным винтом и концом проводника, полностью вставленного в зажим, мм

Крутящий момент, Н × м

2*

4*

5*

Один винт

Два винта

Один винт

Два винта

Один винт

Два винта

Один винт

Два винта

1,5

2,5

1,5

1,5

0,20

0,20

0,2

0,4

0,4

0,4

2,5
(цилиндрическое отверстие)

3,0

0,25

0,5

0,5

2,5
(эллиптическое отверстие)

2,5´4,5

4

3,6

1,8

0,40

0,8

0,7

6

4,0

0,25

0,5

0,8

0,5

10

4,5

2,0

0,70

1,2

1,2

16

5,5

2,5

0,80

0,7

2,0

1,2

2,0

1,2

25

7,0

3,0

2,0

1,20

2,5

3,0

* Относится к винтам, указанным в соответствующих графах таблицы 3. Часть зажима, имеющая отверстие с резьбой, и часть зажима, в которой зажимается проводник, могут представлять собой две самостоятельные детали, как, например, в случае зажима, снабженного хомутом.

Форма места расположения проводника может быть иной по сравнению с рисунком 1 при условии, что в нее можно будет вписать окружность диаметром, равным минимальной величине, указанной для D, или минимальные размеры, указанные для зажима 2а.

Рисунок 1 - Торцевые зажимы

Зажимы, не требующие применения прокладки, прижимной пластины или специальной прижимной детали

Зажимы, требующие применения прокладки, прижимной пластины или специальной прижимной детали

Зажимы с крепежной головкой

Зажимы под гайку

1 - возможный вариант; 2 - неподвижная деталь; 3 - прокладка или прижимная пластина; 4 - специальная прижимная деталь; 5 - гайка; D - место расположения проводника

 

Сечение проводника в зажиме, мм2

Минимальный диаметр D места расположения проводника, мм

Крутящий момент, Н × м

4*

5*

Один винт

Два винта

Один винт

Два винта

1,5

1,7

0,5

-

0,5

-

2,5

2,0

0,8

0,8

4,0

2,7

1,2

0,5

1,2

0,5

6,0

3,6

2,0

1,2

2,0

1,2

10,0

4,3

16,0

5,5

25,0

7,0

2,5

2,0

3,0

2,0

* Относится к винтам, указанным в соответствующих графах таблицы 3.

Деталь, удерживающая проводник в определенном положении, может быть изготовлена из изоляционного материала при условии, что давление, необходимое для зажатия проводника, не будет передаваться через изоляционный материал.

Второе возможное место расположения проводника для зажима размера 2 может быть использовано для присоединения второго проводника при необходимости подключения двух проводников сечением 2,5 мм2.

Рисунок 2 - Зажимы с крепежной головкой и зажимы под гайку

1 - прижимная планка; 2 - неподвижная деталь; 3 - шпилька;
D - место расположения проводника

Сечение проводника в зажиме, мм2

Минимальный диаметр D места расположения проводника, мм

Крутящий момент, Н × м

До 4

3,0

0,5

До 6

4,0

0,8

До 10

4,5

1,2

До 16

5,5

До 25

7,0

2,0

Форма места расположения проводника может быть иной по сравнению с изображенной на рисунке при условии, что в нее можно будет вписать окружность диаметром, равным минимальной величине, указанной для D.

Форма верхней и нижней сторон прижимной планки может быть неодинаковой, что обусловлено различными размерами сечения проводника, и поэтому при зажатии проводника ее можно переворачивать.

Рисунок 3 - Зажимы с прижимной планкой

1 - стопорная деталь; 2 - кабельный наконечник или шина;
3 - неподвижная деталь: 4 - шпилька

Сечение проводника в зажиме, мм2

Минимальное расстояние g между краем отверстия и концом прижимной детали, мм

Крутящий момент, Н × м

4*

5*

До 16

7,5

2,0

2,0

До 25

9,0

2,5

3,0

* Относятся к шпилькам, указанным в соответствующих графах таблицы 3.

Для зажимов этого типа должны быть предусмотрены упругая шайба или аналогичная надежная стопорная деталь и ровная поверхность в месте прижима.

Для выключателей некоторых типов возможно применение зажимов под наконечник меньших размеров по сравнению с указанными.

Рисунок 4 - Зажимы под наконечник

1 - неподвижная деталь; D - место расположения проводника*

Сечение проводника в зажиме, мм2

Минимальный диаметр D места расположения проводника**, мм

Минимальное расстояние между неподвижной деталью и концом проводника, полностью вставленного в зажим, мм

1,5

1,7

1,5

2,5

2,0

4,0

2,7

1,8

6,0

3,6

10,0

4,3

2,0

16,0

5,5

2,5

25,0

7,0

3,0

* Нижняя часть листа для помещения проводника должна быть слегка закругленной для обеспечения надежного соединения с проводником.

** Значения прилагаемых крутящих моментов указаны соответственно в графе 3 или 5 таблицы 3.

Рисунок 5 - Зажимы под колпачок

Рисунок 6 - Самонарезающий винт

Рисунок 7 - Самонарезающий формующий винт

Схемы, показывающие клеммы выключателей при испытаниях

Схема

Число полюсов

Возможные соединения

1

1

2

2

3

3

03

4

4

1

5

1

6

1

6/2

2

7

1

Рисунок 8 - Классификация выключателей в зависимости от вида соединения

1 - упор; 2- рукоятка; 3 - ограждение; 4 - изоляционный материал; 5 - соединение

1 - контактный зажим; 2 - плата; 3 - втулка; 4 - груз

Материал - металл, если не указано иное.

Неуказанные допуски:

- на угловые размеры ¼ от 0 до -10

- на линейные размеры:

до 25 мм включ. ¼ от 0 до -0,005 мм

св. 25 мм ¼¼¼¼ ±0,2 мм

Примечание - Следует обратить внимание, что отверстие изготавливают так, чтобы была уверенность, что усилие, прикладываемое к кабелю, является тянущим и что передача любого вращающего момента соединению в зажимных средствах отсутствует.

Оба соединения должны допускать перемещение в одной плоскости и одном направлении на 90° с допуском от 0 до+10°.

Рисунок 9 - Испытательный палец

Рисунок 10 - Устройство для контроля повреждения проводников

 

Направление приложения сил

 

 

А - амперметр; 5 - выключатель; тV - милливольтметр; 1 - образец; 2 - испытуемое
прижимное устройство; 3 - проводник; 4 - прогнутый проводник; 5 - точка приложения
усилия для прогиба проводника; 6 - направление отклоняющей силы

Рисунок 11а - Принцип действия
испытательной установки для
проверки на изгиб безвинтовых
контактных зажимов

Рисунок 11б - Принципиальная схема
для определения падения напряжения
 во время испытаний на изгиб
безвинтовых контактных зажимов

Рисунок 11 - Испытание на изгиб

 

Приводной механизм

Устройство для поворотных выключателей

Устройство для перекидных выключателей

Устройство для выключателей с балансиром и кнопочных выключателей

Устройство для выключателей, приводимых в действие при помощи шнуров

Рисунок 12 - Устройство для проверки включающей и разрывной мощности и нормальной работы выключателя

 

Выключатель по схеме 1

Выключатель по схеме 2

Выключатель по схеме 3

Выключатель по схеме 03

Выключатель по схеме 4

Выключатель по схеме 5

Выключатель по схеме 6

Выключатель по схеме 6/2

Выключатель по схеме 7

Стрелки, указывающие соединение фазных проводников, приведены исключительно в качестве примера.

Если обозначения предприятия-изготовителя указывают другой порядок соединений, то необходимо следовать этим обозначениям.

Рисунок 13 - Электрические схемы для проверки включающей и разрывной мощности и нормальной работы выключателя

 

Рисунок 14 - Принципиальная схема для испытания выключателей для люминесцентных ламп под нагрузкой

 

1 - рама; 2 - образец; 3 - основание
для крепления образца

Рисунок 15 - Устройство для испытания на удар

 

Материал деталей: 1 - полиамид; 2 - 5 - сталь

Рисунок 16 - Устройство маятника для испытания на удар

 

1 - шарнир; 2 - лист фанеры

Рисунок 17 - Основание для крепления образца

 

1 - брусок из граба; 2 - лист фанеры

Рисунок 18 - Основание для крепления выключателей скрытой проводки

 

1 - лист твердого материала; 2 - защитный кожух; 3 - опорная рама; 4 - монтажная коробка; 5 - стена

 

Рисунок 19 - Устройство для испытания крышек и закрывающих пластин

Рисунок 20 - Калибр (толщина около 2 мм) для проверки габаритов крышек или закрывающих пластин

 

1 - монтажная поверхность; 2 - выключатель; 3 - опора; 4 - расположение детали, имеющей ту же толщину, что и опорная часть

Случаи а) и б) - не соответствуют;
случаи с), д), е) и
f) - соответствуют (соответствие должно быть проверено требованиями 20.8, используя калибр, представленный на рисунке 23)

Рисунок 21 - Пример использования калибра на рисунке 20, установленного за выключателем, который смонтирован на монтажной поверхности или опорной поверхности

Рисунок 22 - Примеры применения калибра на рисунке 20 в соответствии с требованиями 20.7

 

Испытательный стержень (металлический)

Рисунок 23 - Калибр для проверки пазов, отверстий и обратных конусов

 

1 - выключатель; 2 - монтажная поверхность

1 - стальной шарик; 2 - испытуемый образец

Рисунок 24 - Схема, показывающая направление приложения калибра согласно рисунка 23

Рисунок 25 - Установка для испытания прочности материалов

 

Испытывают

Испытания не требуются

Рисунок 26 - Схема испытания по 24.1.1

 

ПРИЛОЖЕНИЕ А

(обязательное)

Обозначение образцов, необходимых для испытаний

Число образцов, необходимых для испытаний в соответствии с 5.4

Разделы и пункты

Число образцов

для испытания

дополнительных для двойного номинального тока

6 Номинальные значения

А

-

7 Классификация

А

-

8 Маркировка

А

-

9 Проверка размеров

А, В, С

-

10 Защита от поражения электрическим током

А, В, С

-

11 Обеспечение заземления

А, В, С

-

12 Зажимы1)

А, В, С

J, K, L

13 Требования к конструкции2)

А, В, С

-

14 Механизм

А, В, С

-

15 Устойчивость к старению, защита от проникновения воды и влагоустойчивость

А, В, С

-

16 Сопротивление и электрическая прочность изоляции

А, В, С

-

17 Превышение температуры

А, В, С

J, K, L

18 Включающая и отключающая способность

А, В, С

J, K, L

19 Нормальная работа3)

А, В, С

J, K, L

20 Механическая прочность4)

А, В, С

-

21 Нагревостойкость

А, В, С

-

22 Винты, токоведущие части и соединения

А, В, С

-

23 Пути утечки, воздушные зазоры и расстояния через заливочную массу

А, В, С

-

19.2 Нормальная работа для цепей люминесцентных ламп

D, E, F

M, N, O

24.1 Стойкость к аномальному нагреву и огню

G, H, I

-

24.2 Трекингостойкость5)

G, H, I

25 Коррозиестойкость

G, H, I

Общее число

9

6

1) Пять дополнительных зажимов используют для испытания по 12.3.11 и один дополнительный комплект образцов используют для испытания по 12.3.12.

2)Дополнительный комплект мембран необходим для каждого из испытаний по 13.15.1 и 13.15.2.

3) Для выключателей с номером схемы 2 используют дополнительный комплект образцов.

4) Один дополнительный комплект образцов шнурковых выключателей необходим для испытания по 20.9.

5) Может быть использован один дополнительный комплект образцов.

 

ПРИЛОЖЕНИЕ В

(обязательное)

Дополнительные требования к выключателям, имеющим средства для вывода и удержания гибких кабелей

3 Определения

Раздел дополнить термином:

3.21 выключатель с выводом гибкого кабеля: Выключатель, имеющий средство для вывода гибкого кабеля.

7 Классификация

Раздел дополнить подпунктом:

7.1.9 В зависимости от наличия вывода гибкого кабеля - на выключатели:

- без вывода гибкого кабеля;

- с выводом гибкого кабеля.

10 Защита от поражения электрическим током

Пункт 10.1. Третий абзац дополнить словами:

Для выключателей с выводом гибкого кабеля испытание проводят без установленного гибкого кабеля.

12 Контактные зажимы

Пункт 12.2.5. Третий абзац дополнить словами:

Для выключателей с выводом гибкого кабеля испытание повторяют с гибкими кабелями соответствующего размера (см. 13.15), следуя той же методике.

13 Требования к конструкцииРаздел дополнить пунктом:

13.16 Выключатели с выводом гибкого кабеля должны быть сконструированы так, чтобы соответствующий гибкий кабель по ГОСТ Р МЭК 245-4 (кодовое обозначение 245 IЕС 66), или по ГОСТ Р МЭК 227-5 (кодовое обозначение 60227 IЕС 53), или указанный изготовителем, мог быть введен через соответствующее отверстие, штуцер или сальник. Вход должен быть наибольших допускаемых размеров (внешняя оболочка) соответствующего гибкого кабеля, имеющего проводники площадью поперечного сечения по таблице 12а, согласно номинальному току выключателя, но не менее 1,5 мм2, и вход должен быть такой формы, чтобы предотвратить повреждение гибкого кабеля.

Кабельное анкерное крепление для гибкого кабеля должно предохранять проводники от натяжения или скручивания в месте их присоединения к зажимам или деталям вывода.

Кабельное анкерное крепление должно иметь прижимную планку из изоляционного материала или из металла. В последнем случае оно должно иметь изолирующую прокладку, прикрепленную к металлическим частям.

Кабельные анкерные крепления должны надежно крепить гибкий кабель к выключателю.

Конструкция должна обеспечивать:

- невозможность ослабления кабельного анкерного крепления с внешней стороны;

- крепление кабеля без специального инструмента.

Таблица 12а - Внешние размеры гибких кабелей

Номинальный ток, А

Сечение проводников, мм2

Число проводников

Внешний размер гибких кабелей, мм

минимальный

максимальный

6

От 0,75 до 1,50 включ.

2

3,8´6

5,2´7,6

6,0

11,5

3

12,5

4

13,5

5

15,0

10

От 1,00 до 2,50 включ.

2

7,6

13,5

3

14,5

4

15,5

5

17,0

16

От 1,50 до 4,00 включ.

2

15,0

3

16,0

4

18,0

5

19,5

20 - 25

От 2,50 до 6,00 включ.

2

8,6

18,5

3

20,0

4

22,0

5

24,5

Примечание - Внешние размеры кабелей базируются на типах 60227 IEC 53 по ГОСТ Р МЭК 227-5, 245 IEC 66 по ГОСТ Р МЭК 245-4 и приводятся для сведения.

 

Винты, которые используют для крепления гибких кабелей, не должны служить для крепления других деталей, кроме случая, когда выключатель поставляется очевидно неукомплектованным, когда детали отсутствуют или размещены в неправильном положении, или детали, предназначенные для крепления, не могут быть сняты без использования инструмента.

Соответствие проверяют осмотром и следующим испытанием.

Выключатели оснащают гибким кабелем по ГОСТ Р МЭК 227-5 (кодовое обозначение 60227 IЕС 53, имеющим номинальное сечение 1,5 мм2 и число жил, соответствующих числу полюсов выключателя.

Примечание - Для этого испытания цепь заземления считают полюсом.

Проводники вводят в зажимы и крепежные винты затягивают усилием, достаточным для того, чтобы предотвратить легкое изменение положения проводников.

Кабельный анкерный зажим используют в нормальном положении с затянутыми, если необходимо, крутящим моментом, равным 2/3 от приведенного в таблице 3, винтами.

После этой подготовки должно быть невозможно ввести гибкий кабель внутрь выключателя без нарушения безопасности или ослабления кабельного анкерного крепления.

Гибкий кабель затем подвергают 25 раз натяжению с усилием 30 Н. Натяжения проводят без рывков в наиболее неблагоприятном направлении, длительностью 1 с каждое. Сразу после этого гибкий кабель подвергают в течение 1 мин воздействию крутящего момента, равного 0,15 Н × м, приложенного как можно ближе к кабельному вводу.

Вышеуказанное испытание затем повторяют на выключателе, оснащенном гибким кабелем наибольшего предназначенного диаметра в соответствии с ГОСТ Р МЭК 245-4, (кодовое обозначение 245 IЕС 66). Усилие натяжения увеличивают до 60 Н, а крутящий момент - до 0,35 Н × м.

После испытания гибкий кабель не должен сместиться более чем на 2мм.

Для измерения продольного перемещения делают отметку на гибком кабеле до начала натяжения на расстоянии » 20 мм от кабельного анкерного крепления. После испытания перемещение отметки на гибком кабеле по отношению к кабельному анкерному креплению измеряют, пока гибкий кабель не подвергнется натяжению снова.

Напряжение 2 000 В переменного тока прикладывают в течение 1 мин между проводниками и анкерным креплением.

Во время испытания изоляция гибкого кабеля не должна повреждаться. Пробой или перекрытие считают повреждением гибкого кабеля.

 

ПРИЛОЖЕНИЕ C

(обязательное)

Дополнительные требования, учитывающие потребности экономики страны и требования государственных стандартов на электротехнические изделия

С.1 Раздел 1 дополнить абзацами:

Номинальные значения климатических факторов - по ГОСТ 15150 и ГОСТ 15543.1

Выключатели, предназначенные для работы в специальных средах, должны соответствовать ГОСТ 24682.

С.2 Пункт 5.1 дополнить абзацем:

Выключатели подвергают приемо-сдаточным, периодическим, типовым, квалификационным и сертификационным испытаниям по ГОСТ 16504. Порядок их проведения должен соответствовать ГОСТ 15.001.

С.3 Пункт 6.2 дополнить абзацем (после первого абзаца):

Допускается изготовление выключателей для стационарной установки на номинальный ток 4 А.

С.4 Пункт 7.1.1 дополнить абзацем:

Для поставок внутри страны допускается изготавливать выключатели:

а) со следующими способами соединения (рисунок С. 1):

- однополюсные на две цепи без отключенного положения контактов - схема 04,

- однополюсные на три цепи - схема 05;

б) с короткозамкнутыми неподвижными контактами - схемы 5 и 05.

С. 5 Пункт 8.2 дополнить абзацем:

Для поставок внутри страны допускается использование буквы «В» вместо «V».

С.6 Пункт 8.4 дополнить абзацем (перед примечанием):

Для поставок внутри страны требование распространяется на выключатели со схемой 05.

С.7 Раздел 8 дополнить пунктом:

8.10 маркировка выключателей для поставок внутри страны должна дополнительно соответствовать следующим требованиям:

- при кооперированном изготовлении выключателей предприятие-изготовитель отдельных деталей свой товарный знак не ставит;

- указывают климатическое исполнение по ГОСТ 15150;

- допускается не наносить обозначение климатического исполнения УХЛ4;

- указывают дату изготовления - месяц, год.

Допускается указывать две последние цифры года;

- наносят надпись «Сделано в России» (при изготовлении на экспорт - на языке, указанном в договоре между предприятием-изготовителем и внешнеэкономической организацией);

Для выключателей, на которых невозможно и нецелесообразно наносить маркировку в полном объеме, число маркировочных данных может быть сокращено. Наличие товарного знака, основных технических параметров и даты изготовления является обязательным.

Все виды дополнительной маркировки выключателей или отсутствие некоторых обозначений маркировки, а также способ нанесения маркировки должны быть указаны в технических условиях на выключатели конкретных серий и типов.

С. 8 Раздел 9 дополнить пунктами:

9.1 Основные размеры оснований выключателей степени защиты IР20 по ГОСТ 14254 должны соответствовать указанным на рисунке С.2.

Отверстия или пазы для крепления оснований выключателей должны изготовляться по одному из вариантов, указанных на рисунке С.2. Межосевое расстояние А должно быть равно:

(38 ± 0,6) мм - для отверстий;

() мм - для пазов.

Допускается изготовление выключателей со схемой соединения 05 с размером А:

(48,5 ± 0,6) мм - для отверстий;

() мм - для пазов.

Допускается изготовление оснований выключателей без паза для прохода проводов, при этом конструкция выключателей должна обеспечивать расстояние не менее 7 мм между:

- основанием и боковой внутренней поверхностью крышки в зоне расположения отверстий для крепления основания в выключателях для открытой установки;

- основанием и дном монтажной коробки в выключателях для скрытой установки.

9.2 Установочные размеры выключателей для скрытой установки должны соответствовать указанным на рисунке С.З и обеспечивать возможность их установки в монтажные коробки по ГОСТ 8594 при помощи распорных лапок.

Допускается изготавливать выключатели для скрытой установки с другим способом крепления в монтажные коробки, требования к которому должны быть указаны в технических условиях на выключатели конкретных серий и типов.

9.3 Установочные размеры выключателей степени защиты выше IР20 должны соответствовать указанным на рисунке С.4.

Допускается располагать отверстия или пазы для крепления в наружных приливах с размерами по одному из вариантов, указанных на рисунке С.5

Примечание - Рисунки С.2 - С.5 не определяют конструкцию выключателей, крышек и корпусов выключателей.

9.4 Габаритные размеры выключателей должны соответствовать установленным в технических условиях на выключатели конкретных серий и типов.

Соответствие требованиям 9.101 - 9.104 проверяют измерениями.

С.9 Пункт 12.2.1 дополнить абзацем (после первого абзаца):

Выключатели должны иметь винтовые контактные зажимы с размером винта М4, рассчитанные на присоединение одно- или многопроволочных медных, алюминиевых или алюмомедных проводов сечением, указанным в таблице 2, без специальной подготовки. Зажимы должны соответствовать требованиям ГОСТ 10434.

Таблицу 2 дополнить параметрами для номинального тока до 4 А включ.:

Таблица 2 - Соотношение между номинальными токами и сечениями присоединяемых медных проводов

Номинальный ток, А

Жесткий провод (одно- или многопроволочный)3)

Номинальное сечение, мм2

Наибольший диаметр провода, мм

До 4 включ.1)

0,75-1,50

1,45

Сноску 2) дополнить словами:

Требование распространяется на выключатели схемы 05.

С.10 Пункт 12.2.5 дополнить абзацем:

Провода считают поврежденными, если в многопроволочных проводах прорезаются более 25 % проволок, а в однопроволочных - деформация превышает 50 % диаметра провода.

С.11 Пункт 12.2.8 дополнить абзацем:

Допускается применение алюминиевых или алюмомедных проводов наибольшего сечения из указанных в таблице 2. При этом винтовые контактные зажимы должны иметь компенсирующие элементы (например, тарельчатые пружины), препятствующие изменению контактного нажатия.

С.12 Пункт 12.3.1 дополнить абзацем:

Безвинтовые зажимы должны соответствовать ГОСТ 25030.

С.13 Пункт 13.2 дополнить абзацами:

Крышки выключателей для открытой установки степени защиты IР20 должны иметь два паза, расположенные на линии, перпендикулярной к оси, проходящей через отверстия или пазы для крепления основания, и перекрытые пленкой.

Размеры паза должны соответствовать указанным на рисунке С.6.

Допускаются:

- по согласованию с потребителем формы и размеры паза, отличные от указанных на рисунке С.6; при этом форма и размеры паза должны быть указаны в технических условиях на выключатели конкретных серий и типов;

- выкрашивание пленки одного из пазов, не выходящее за его пределы, или изготовление одного паза открытым при сохранении пленки на втором пазе.

Проверку проводят внешним осмотром и измерениями.

С. 14 Пункт 13.3 дополнить абзацами:

Защиту винтов от самопроизвольного выпадания проверяют следующим испытанием.

Винты ослабляют до момента выхода из соединения с гаечной частью, после чего их затягивают до упора крутящим моментом в соответствии с таблицей 3.

После проведения трех циклов ослабления - затягивания снимают крышку или другую съемную часть выключателя вместе с винтами.

Крышку или другую съемную часть выключателя располагают таким образом, чтобы винты находились в вертикальной плоскости, головкой вниз, и удерживают в таком положении (10 ± 2) с. Результаты проверки считают удовлетворительными, если не произошло выпадания винтов из крышки или другой съемной части выключателя.

С. 15 Пункт 13.12 дополнить абзацем:

Выключатели для открытой установки степени защиты IР21 и выше должны иметь сальниковый ввод с резьбой 1/2² труб, обеспечивающий уплотнение проводов или кабелей наружным диаметром от 6 до 12 мм. По согласованию с заказчиком допускается применение вводов других размеров.

С.16 Пункт 16.1.

Таблицу 13 дополнить схемами 04 и 05:

Таблица 13 - Точки приложения испытательного напряжения для проверки сопротивления изоляции

Схема

Диаграмма соединений

Положение

Приложение напряжения*

Между зажимами

Между корпусом (В) вместе с зажимами

04

Откл.

1+2

В+1

1-3

В+2+3

2-3

 

Вкл.

1+2-3

 

1+3-2

В+1+2+3

2+3-1

 

05

Откл.

2-3

В+1

1-2

В+2+3+4

2-4

 

1-3

 

3-4

 

1-4

 

Вкл.

1-2

В+1

1-3

В+2+3+4

1-4

 

Дополнить абзацем:

Сопротивление изоляции должно быть не менее 20 МОм в холодном обесточенном состоянии при нормальных климатических условиях по ГОСТ 15150.

С. 17 Раздел 17 дополнить абзацем (после четвертого абзаца):

Для поставок внутри страны проверку проводят с алюминиевыми или алюмомедными проводами номинальным сечением в соответствии с таблицей 15.

С.18 Пункт 18.1. Двенадцатый абзац после слов «с нагрузкой каждой цепи током 0,625 In» дополнить словами:

Выключатели схемы 05 испытывают аналогично.

Тринадцатый абзац после слов «со схемой 1 последовательно» дополнить словами:

Выключатели со схемой 05 с тремя самостоятельными механизмами испытывают как три выключателя со схемой 1 последовательно.

С. 19 Раздел 19. Таблица 17. Заменить значение 40000 на 40000*.

Таблицу дополнить сноской:

* Для поставок внутри страны для выключателей, в которых оба контакта коммутирующей пары изготовлены из меди или медных сплавов, число циклов ВО при соsj не менее 0,9 должно быть для всех схем соединений не менее 25 000.

Восемнадцатый абзац после слов «выключатели со схемой 7 испытывают как двойной выключатель со схемой 6» дополнить словами:

Выключатели со схемой 05 с тремя самостоятельными механизмами испытывают как три выключателя со схемой 1, и испытания проводят последовательно.

С. 20 Раздел 20 дополнить пунктом:

20.1.1 Узел крепления выключателей для скрытой установки в монтажной коробке по ГОСТ 8594 должен выдерживать силу, равную (90 ± 5) Н.

Проверку прочности узла крепления   выключателей для скрытой установки проводят при помощи шаблона, указанного на рисунке С. 7. Проверку проводят со снятой крышкой выключателя. Резьбовые соединения узла крепления затягивают динамометрическим инструментом с крутящим моментом, указанным в таблице 3.

Измеряют расстояние между распорными лапками, которое должно соответствовать указанному на рисунке С.3

Затем резьбовые соединения узла крепления ослабляют и выключатель устанавливают в шаблон. Резьбовые соединения узла крепления затягивают крутящим моментом, указанным в таблице 3. К основанию выключателя при помощи специальных захватов (типа скобы или хомута) прикладывают силу, направленную вдоль оси приспособления, плавно увеличивая ее от нуля до (90 ± 5) Н со скоростью, позволяющей проводить визуальный контроль значения прикладываемой силы. После (60 ± 5) с воздействия силы ее плавно уменьшают до нуля. Резьбовые соединения узла крепления ослабляют и выключатель извлекают из шаблона.

Затем резьбовые соединения узла крепления выключателя затягивают крутящим моментом, указанным в таблице 3, и проводят измерение расстояния между распорными лапками.

Метод испытания выключателей, имеющих способ крепления в монтажной коробке, отличный от указанного на рисунке С.3 должен быть указан в технических условиях на выключатели конкретных типов.

Считают, что выключатели выдержали испытание при условии, что:

- после приложения силы выключатель остался в приспособлении;

- расстояние между распорными лапками выключателей до и после приложения силы соответствует указанному на рисунке С.3;

- отсутствуют механические повреждения, препятствующие их дальнейшей эксплуатации.

С.21 Пункт 22.5 дополнить абзацами:

Токоведущие пружинные детали выключателей следует изготовлять из оловянно-фосфористой бронзы по ГОСТ 1761 или бериллиевой бронзы по ГОСТ 18175.

Токоведущие непружинящие детали (кроме винтов контактных зажимов) следует изготовлять из медных сплавов или биметалла томпак-сталь с двусторонней плакировкой толщиной слоя не менее 10 % от общей толщины материала.

Винты контактных зажимов и другие конструкционные металлические детали следует изготовлять из медных сплавов, коррозиеустойчивого металла, биметаллов или стали с коррозиеустойчивым покрытием.

С.22 Пункт 24.2 дополнить абзацем:

При отсутствии на образцах поверхности размером 15´15 мм допускается проводить проверку на круглых дисках диаметром (50 ± 1) мм или треугольных образцах с размером сторон (30 ± 0,5) мм, изготовленных из такого же материала.

С.23 Раздел 25 дополнить абзацем:

Материалы или гальванические покрытия соприкасающихся между собой деталей контактных зажимов и присоединяемых проводов должны соответствовать требованиям ГОСТ 9.005.

Качество гальванических покрытий металлических деталей проверяют по ГОСТ 9.302.

С. 24 Выключатели должны сохранять свои параметры в процессе и после воздействия механических факторов по ГОСТ 17516.1.

Группа условий эксплуатации по ГОСТ 17516.1 должна быть указана в технических условиях нa выключатели конкретных серий и типов.

С.25 Упаковку выключателей выбирают по ГОСТ 23216 и указывают в технических условиях на выключатели конкретных серий и типов.

С.26 Условия транспортирования выключателей в части воздействия механических факторов внешней среды должны соответствовать группе С по ГОСТ 23216.

Условия транспортирования выключателей в части воздействия климатических факторов внешней среды - по группе 4 согласно ГОСТ 15150.

С.27 Условия хранения выключателей - по группе 2 ГОСТ 15150.

С.28 Срок сохраняемости выключателей до ввода в эксплуатацию должен быть указан в технических условиях на выключатели конкретных серий и типов.

С.29 Требования к условным обозначениям

Систему условных обозначений приводят в каталогах, стандартах или технических условиях на выключатели конкретных типов.

С.30 Требования к испытаниям

Выключатели подвергают квалификационным, периодическим, приемо-сдаточным и типовым испытаниям по ГОСТ 16504. Порядок их проведения должен соответствовать ГОСТ 15.001. Периодичность испытаний, программы испытаний и условия их проведения должны устанавливаться в стандартах и технических условиях на выключатели конкретных серий и типов.

Программы приемочных и квалификационных испытаний выключателей должны включать в себя виды испытаний по настоящему стандарту, а также испытания на стойкость к внешним воздействующим факторам по ГОСТ 17516.1.

Правила приемки выключателей должны устанавливаться в технических условиях на выключатели конкретных серий и типов.

С.31 Гарантии изготовителя

Изготовитель гарантирует соответствие выключателей требованиям настоящего стандарта, а также техническим условиям на выключатели конкретных типов при соблюдении условий эксплуатации, транспортирования и хранения, установленных настоящим стандартом.

Гарантийный срок эксплуатации выключателя - два года со дня продажи через розничную торговую сеть, а при внерыночном потреблении - со дня получения и ввода в эксплуатацию.

Для выключателей, предназначенных для экспорта, гарантийный срок эксплуатации - 24 мес со дня ввода в эксплуатацию, но не более 36 мес с момента их проследования через Государственную границу России.

Схема

Число полюсов

Возможные соединения

04

1

05

1

Рисунок С.1 - Дополнение рисунка 8

 

________

* Размеры для справок

Рисунок С.2 - Основные размеры оснований выключателей степени защиты IP20

 

________

* Размеры для справок

Рисунок С.3 - Выключатель для скрытой установки

 

________

* Размеры для справок

________

* Размеры для справок

Рисунок С.4 - Установочные размеры выключателей степени защиты IP20

Рисунок С.5 - Вариант расположения отверстий или пазов для крепления в наружных приливах

 

________

* Размеры для справок

Рисунок С.6 - Размеры паза в крышке выключателя для открытой установки степени защиты IР20 для крепления в наружных приливах

Рисунок С.7 - Шаблон для проверки прочности крепления выключателя для скрытой установки

 

ПРИЛОЖЕНИЕ D

(справочное)

Требования к протоколу испытаний выключателей

D.1 Протокол испытаний должен содержать достоверные, объективные и точные результаты испытаний, данные об условиях испытаний и погрешности измерений, заключение о соответствии испытываемых соединителей требованиям нормативных документов и конструкторской документации и представлять точно, четко и недвусмысленно результаты испытаний и другую относящуюся к ним информацию.

D.2 Протокол испытаний должен содержать следующие основные сведения:

- наименование и адрес испытательной лаборатории;

- регистрационный номер испытательной лаборатории, дату выдачи и срок действия аттестата аккредитации, наименование аккредитующей организации, выдавшей аттестат;

- номер и дату регистрации протокола испытаний, подпись руководителя испытаний, печать испытательной лаборатории на каждой странице протокола испытаний, а также общее количество пронумерованных страниц;

- полное наименование выключателя;

- код ОКП;

- наименование организации или фамилию, имя, отчество заказчика и его адрес;

- дату получения заявки на испытания;

- дату проведения испытаний;

- место проведения испытаний (например, в случае договора подряда);

- климатические условия проведения испытаний (температура, влажность, давление);

- вид испытаний (приемо-сдаточные, контрольные, для целей сертификации и т. д.);

- программу испытаний (объем испытаний в виде перечисления пунктов/разделов нормативного документа).

Примечание - Программа испытаний может быть приведена в приложении к протоколу испытаний

- нормативный документ, на соответствие требованиям которого проведены испытания (стандарт, технические условия);

- перечень применяемого испытательного оборудования и средства измерений с указанием наименования и типа испытательного оборудования и средства измерений, диапазона и точности измерений, данных о номере метрологического аттестата или свидетельства и дате последней и очередной аттестации и государственной поверки;

- значения показателен по нормативным документам и допусков при необходимости;

- фактическое значение показателен испытанных соединителей с указанием погрешности (не более ±10 %) и достоверности измерений (не менее 0,9), при необходимости:

- наименование и тип устройства для калибровки измерительной цепи до и после проведения испытаний, при необходимости;

- вывод о соответствии нормативному документу по каждому показателю;

- информацию о дополнительном протоколе испытаний, выполненных на условиях субподряда (при его наличии);

- заключение о соответствии (или несоответствии) испытанных выключателей требованиям стандартов или других нормативных документов;

- подписи и должности лиц, ответственных за проведение испытаний и оформление протокола испытаний, включая руководителя испытательной лаборатории;

- печать испытательной лаборатории (или организации) на всех листах протокола;

- указание о недопустимости частичной или полной перепечатки или размножении без разрешения заказчика или испытательной лаборатории (на титульном листе);

D.3 Исправления и дополнения в тексте протокола испытаний после его выпуска не допускаются. При необходимости исправления и дополнения оформляют только в виде отдельного документа «Дополнение к протоколу испытаний» с указанием номера и даты в соответствии с приведенными выше требованиями к протоколу.

На конкретные виды испытаний могут оформляться отдельные протоколы, входящие в состав общего протокола испытаний.

D.4 В протоколе испытаний не допускается помещать рекомендации и советы по устранению недостатков или совершенствованию испытанных выключателей.

D.5 Копии протоколов испытаний подлежат хранению в испытательной лаборатории не менее шести лет.

 

ПРИЛОЖЕНИЕ Е

(справочное)

Библиография

[1] МЭК 60999-90 Присоединительные устройства. Требования безопасности к винтовым и безвинтовым зажимам для электрических медных проводников.

[2] ИСО 2081-91 Металлическое покрытие: цинк на сталь электролитическим осаждением.

[3] ИСО 1456-88 Металлическое покрытие: никель-хромовое и медно-никелевое покрытие электролитическим осаждением.

[4] ИСО 2093-86 Металлическое покрытие: залуживание электролитическим осаждением. Спецификация и методы испытаний.

 

 

Ключевые слова: выключатели для бытовых и аналогичных стационарных электрических установок; установочные выключатели; монтажные коробки для выключателей; выключатели с встроенной сигнальной лампочкой; электромагнитные выключатели с дистанционным управлением; выключатели с выдержкой времени; выключатели, устанавливаемые на гибких кабелях

 

 




Rambler's Top100 Яндекс цитирования
  Copyright © 2008-2026, www.docload.ru