Бесплатная библиотека стандартов и нормативов www.docload.ru

Все документы, размещенные на этом сайте, не являются их официальным изданием и предназначены исключительно для ознакомительных целей.
Электронные копии этих документов могут распространяться без всяких ограничений. Вы можете размещать информацию с этого сайта на любом другом сайте.
Это некоммерческий сайт и здесь не продаются документы. Вы можете скачать их абсолютно бесплатно!
Содержимое сайта не нарушает чьих-либо авторских прав! Человек имеет право на информацию!

 

ГОСТ Р 51852-2001

(ИСО 3977-1)

ГОСУДАРСТВЕННЫЙ СТАНДАРТ РОССИЙСКОЙ ФЕДЕРАЦИИ

УСТАНОВКИ ГАЗОТУРБИННЫЕ

Термины и определения

ГОССТАНДАРТ РОССИИ

Москва

Предисловие

1. РАЗРАБОТАН И ВНЕСЕН Техническим комитетом по стандартизации ТК 414 «Газовые турбины».

2. ПРИНЯТ И ВВЕДЕН В ДЕЙСТВИЕ Постановлением Госстандарта России от 25 декабря 2001 г. № 585-ст.

3. Настоящий стандарт представляет собой идентичный текст международного стандарта ИСО 3977-1-97 «Газотурбинные установки. Основные положения и определения» и содержит уточнения и дополнения, отражающие потребности экономики страны.

4. ВВЕДЕН ВПЕРВЫЕ.

СОДЕРЖАНИЕ

Введение

Установленные в стандарте термины расположены в систематизированном порядке, отражающем систему понятий по газотурбинным установкам.

Для каждого понятия установлен один стандартизованный термин.

Заключенная в круглые скобки часть термина может быть опущена при использовании термина в документах по стандартизации.

Наличие квадратных скобок в терминологической статье означает, что в нее включены два (три, четыре и т.п.) термина, имеющие общие терминоэлементы.

В алфавитном указателе данные термины приведены отдельно с указанием номера статьи.

В стандарте приведены иноязычные эквиваленты стандартизованных терминов на английском (en) языке.

Стандартизованные термины набраны полужирным шрифтом, их краткие формы, представленные аббревиатурой, - светлым.

Термины, установленные настоящим стандартом, обязательны для применения во всех видах документации и литературы (по данной научно-технической отрасли), входящих в сферу работ по стандартизации и/или использующих результаты этих работ.

ГОСТ Р 51852-2001

(ИСО 3977-1)

ГОСУДАРСТВЕННЫЙ СТАНДАРТ РОССИЙСКОЙ ФЕДЕРАЦИИ

УСТАНОВКИ ГАЗОТУРБИННЫЕ

Термины и определения

Gas turbine plants. Terms and definitions

Дата введения 2003-01-01

1. Область применения

Настоящий стандарт устанавливает термины и определения понятий в области стационарных газотурбинных установок, применяемые в стандартах по газотурбинным установкам, технической документации всех видов и контрактах на поставляемое энергетическое промышленное оборудование.

Настоящий стандарт не распространяется на газотурбинные установки со свободнопоршневыми генераторами газа, установки специального назначения, а также транспортные газотурбинные установки.

2. Определения

1. газотурбинный двигатель, ГТД: Машина, предназначенная для преобразования тепловой энергии в механическую.

en gas turbine (engine)

Примечание - Машина может состоять из одного или нескольких компрессоров, теплового устройства, в котором повышается температура рабочего тела, одной или нескольких газовых турбин, вала отбора мощности, системы управления и необходимого вспомогательного оборудования. Теплообменники в основном контуре рабочего тела, в которых реализуются процессы, влияющие на термодинамический цикл, являются частью газотурбинного двигателя.

2. газотурбинная установка, ГТУ: Газотурбинный двигатель и все основное оборудование, необходимое для генерирования энергии в полезной форме.

en gas turbine plant

Примечания.

1. Полезной формой энергии может быть - электрическая, механическая и другие.

2. Примеры принципиальных схем газотурбинных установок показаны на рисунках А.1 - А.6.

3. газотурбинный двигатель открытого цикла: Газотурбинный двигатель, в котором воздух поступает из атмосферы, а выхлопные газы отводятся в атмосферу.

en open cycle gas turbine

4. газотурбинный двигатель замкнутого цикла: Газотурбинный двигатель, в котором рабочее тело циркулирует по замкнутому контуру без связи с атмосферой.

en closed cycle gas turbine

5. газотурбинный двигатель полузамкнутого цикла: Газотурбинный двигатель, в котором используется горение в рабочем теле, частично рециркулирующем и частично заменяемым атмосферным воздухом.

en semiclosed cycle gas turbine

6. газотурбинный двигатель простого цикла: Газотурбинный двигатель, термодинамический цикл которого состоит только из следующих друг за другом процессов сжатия, нагрева и расширения рабочего тела.

en simple cycle gas turbine

7. газотурбинный двигатель регенеративного цикла: Газотурбинный двигатель, термодинамический цикл которого отличается наличием регенеративного охлаждения рабочего тела на выходе из газовой турбины и соответственно регенеративного подогрева воздуха за компрессором.

en regenerative cycle gas turbine

Примечание - Теплоту расширившегося в турбине газа используют для подогрева сжатого в компрессоре воздуха.

8. газотурбинный двигатель с циклом промежуточного охлаждения: Газотурбинный двигатель, термодинамический цикл которого включает охлаждение рабочего тела в процессе его сжатия.

en intercooled cycle gas turbine

9. газотурбинный двигатель с циклом промежуточного подогрева: Газотурбинный двигатель, термодинамический цикл которого включает подогрев рабочего тела в процессе его расширения.

en reheat cycle gas turbine

10. установка комбинированного цикла: Установка, термодинамический цикл которой включает комбинацию двух циклов, при которой теплота отработавших в газотурбинном двигателе газов в первом цикле используется для нагрева другого рабочего тела во втором цикле.

en gas turbine combined cycle plant

11. одновальный газотурбинный двигатель: Газотурбинный двигатель, в котором роторы компрессора и газовой турбины соединены и мощность отбирается непосредственно с выходного вала или через редуктор.

en single-shaft gas turbine

12. многовальный газотурбинный двигатель: Газотурбинный двигатель, имеющий, по крайней мере, две газовые турбины, вращающиеся на независимых валах.

en multi-shaft gas turbine

13. газотурбинный двигатель с отбором воздуха [газа]: Газотурбинный двигатель, в котором для внешнего использования предусмотрен отбор сжатого воздуха между ступенями компрессора и/или на выходе из компрессора [горячего газа на входе в турбину и/или между ступенями турбины].

en bleed gas turbine

14. газогенератор: Комплекс компонентов газотурбинного двигателя, которые производят горячий газ под давлением для совершения какого-либо процесса или для привода силовой турбины.

en gas generator

Примечание - Генератор газа состоит из одного или более компрессоров, устройств(а) для повышения температуры рабочего тела, одной или более турбин, приводящих компрессор(ы), системы управления и необходимого вспомогательного оборудования.

15. компрессор: Компонент газотурбинного двигателя, повышающий давление рабочего тела.

en compressor

16. (газовая) турбина: Компонент газотурбинного двигателя, преобразующий потенциальную энергию нагретого рабочего тела под давлением в механическую работу.

en turbine

17. силовая турбина: Турбина на отдельном валу, с которого отбирается выходная мощность.

en power turbine

18. камера сгорания (основного [промежуточного] подогрева): Устройство газотурбинного двигателя для основного [промежуточного] подогрева рабочего тела.

en combustion chamber primary or reheat

19. подогреватель рабочего тела: Устройство для подогрева поступающего в него рабочего тела без смешивания его с продуктами сгорания топлива.

en working fluid heater

20. регенератор/рекуператор: Теплообменный аппарат, предназначенный для передачи теплоты отработавших в турбине газов рабочему телу.

en regenerator/recuperator

Примечание - Передача теплоты рабочему телу или воздуху перед его поступлением в камеру сгорания ГТД.

21. предварительный охладитель: Теплообменный аппарат, предназначенный для охлаждения рабочего тела ГТД перед его первоначальным сжатием.

en precooler

22. промежуточный охладитель: Теплообменный аппарат, предназначенный для охлаждения рабочего тела ГТД в процессе его сжатия.

en intercooler

23. устройство защиты от превышения частоты вращения ротора: Регулирующий или отключающий элемент, который при повышении частоты вращения ротора ГТД сверхустановленного предельно допустимого значения, приводит в действие систему защиты.

en overspeed trip

24. система управления: Система, используемая для управления, защиты, контроля и отображения информации о состоянии промышленной газотурбинной установки [газотурбинного двигателя] на всех режимах работы.

en control system

Примечание - Она включает систему управления пуском, системы управления и регулирования подачи топлива и частоты вращения ротора, датчики, устройства контроля подачи электропитания и другие средства управления, необходимые для правильного пуска, устойчивой работы, останова, ограничения режима работы и/или выключения установки при условиях, отличных от заданных.

25. система регулирования: Элементы и устройства для автоматического регулирования параметров газотурбинной установки.

en governing system

Примечание - К параметрам относятся частота вращения ротора, температура газов, давление, выходная мощность и другие параметры.

26. (топливный) регулирующий клапан: Регулирующий орган для изменения подачи топлива в газотурбинный двигатель.

en fuel governor valve

Примечание - Возможны также устройства другого типа для регулирования подачи топлива в газотурбинный двигатель.

27. (топливный) стопорный клапан: Регулирующий орган для изменения подачи топлива в газотурбинный двигатель.

en fuel stop valve

Примечание - Вместо топливного стопорного клапана может использоваться топливный отсечной клапан, перекрывающий магистраль подачи топлива в ГТД при срабатывании.

28. зона нечувствительности системы управления: Диапазон изменения входного сигнала, не связанный с корректирующим воздействием регулятора расхода топлива.

en dead band

Примечание - Зона нечувствительности (применительно к частоте вращения) - это отношение частоты вращения к номинальной частоте вращения в процентах.

29. статизм регулирования системы управления: Изменение частоты вращения ротора силового вала на установившемся режиме работы газотурбинной установки, вызванное внешним воздействием, от нуля до номинальной, выраженное в процентах от номинальной частоты вращения.

en governor droop

30. датчик предельной температуры рабочего тела: Первичный чувствительный элемент системы управления ГТД, который непосредственно реагирует на изменение температуры и выходной сигнал которого воздействует через соответствующие усилители или преобразователи на систему защиты от предельного превышения температуры.

en overtemperature detector

31. теплота сгорания топлива: Общее количество тепла, выделившегося при сгорании единицы массы топлива, кДж/кг.

en fuel specific energy

32. удельный расход теплоты: Отношение теплоты сожженного в ГТД топлива за единицу времени к произведенной им мощности, кДж/кВт-ч.

en heat rate

Примечание - Удельный расход теплоты рассчитывают по низшей теплоте сгорания топлива при нормальных условиях.

 

33. удельный расход топлива: Отношение массового расхода топлива к выходной мощности ГТУ [ГТД], кг/кВт·ч.

en specific fuel consumption

34. КПД: Отношение выходной мощности к расходу теплоты топлива, подсчитанное по его низшей теплоте сгорания при нормальных условиях.

en thermal efficiency

35. (условная) температура на входе в турбину: Условная средняя температура рабочего тела непосредственно перед сопловыми лопатками первой ступени.

en reference turbine inlet temperature

36. режим [частота вращения] «самоходности»: Режим [минимальная частота вращения выходного вала], при котором газотурбинный двигатель работает без использования мощности пускового устройства при наиболее неблагоприятных внешних условиях.

en self-sustaining speed

37. режим [частота вращения] холостого хода: Установленный изготовителем режим [частота вращения выходного вала], при котором газотурбинный двигатель может работать устойчиво и можно осуществлять нагружение или останов.

en idling speed

38. максимальная продолжительная частота вращения: Максимально допустимое при длительной эксплуатации значение частоты вращения выходного вала газотурбинного двигателя, с которого отбирается мощность.

en maximum continuous speed

39. номинальная частота вращения вала: Частота вращения выходного вала газотурбинного двигателя, при которой определены его расчетные показатели.

en rated speed

40. предельно допустимая частота вращения ротора: Частота вращения ротора ГТД, при которой срабатывает аварийное устройство защиты для отсечки подачи топлива в газотурбинный двигатель и останова двигателя.

en turbine trip speed

41. система впрыска пара [воды]: Система, обеспечивающая впрыск пара [воды] в рабочее тело для увеличения мощности ГТД и/или уменьшения содержания оксидов азота (NOx) в отработавших газах.

en steam and/or water injection system

42. удельная масса: Отношение полной сухой массы газотурбинного двигателя к его мощности, кг/кВт.

en mass-to-power ratio

43. помпаж компрессора: Неустойчивый режим работы компрессора ГТД, характеризующийся сильными низкочастотными колебаниями массового расхода рабочего тела в компрессоре и соединительных каналах.

en compressor surge

Алфавитный указатель терминов на русском языке

газогенератор                                                                                                               14

ГТД                                                                                                                                1

ГТУ                                                                                                                                2

датчик предельной температуры рабочего тела                                                  30

двигатель газотурбинный                                                                                         1

двигатель газотурбинный замкнутого цикла                                                       4

двигатель газотурбинный многовальный                                                            12

двигатель газотурбинный одновальный                                                               11

двигатель газотурбинный открытого цикла                                                        3

двигатель газотурбинный полузамкнутого цикла                                              5

двигатель газотурбинный простого цикла                                                            6

двигатель газотурбинный регенеративного цикла                                             7

двигатель газотурбинный с отбором воздуха                                                        13

двигатель газотурбинный с отбором газа                                                              13

двигатель газотурбинный с циклом промежуточного охлаждения                8

двигатель газотурбинный с циклом промежуточного подогрева                    9

зона нечувствительности системы управления                                                  28

камера сгорания (основного подогрева)                                                                18

камера сгорания промежуточного подогрева                                                       18

клапан регулирующий (топливный)                                                                     26

клапан стопорный (топливный)                                                                             27

компрессор                                                                                                                   15

КПД                                                                                                                               34

масса удельная                                                                                                            42

охладитель предварительный                                                                                  21

охладитель промежуточный                                                                                    22

подогреватель рабочего тела                                                                                    19

помпаж компрессора                                                                                                 43

расход теплоты удельный                                                                                         32

расход топлива удельный                                                                                         33

регенератор                                                                                                                  20

режим «самоходности»                                                                                              36

режим холостого хода                                                                                                37

рекуператор                                                                                                                  20

система впрыска воды                                                                                              41

система впрыска пара                                                                                               41

система регулирования                                                                                             25

система управления                                                                                                   24

статизм регулирования системы управления                                                      29

температура на входе в турбину (условная)                                                         35

теплота сгорания топлива                                                                                        31

турбина (газовая)                                                                                                        16

турбина силовая                                                                                                          17

установка газотурбинная                                                                                          2

установка комбинированного цикла                                                                     10

устройство защиты от превышения частоты вращения ротора                       23

частота вращения вала номинальная                                                                    39

частота вращения максимальная продолжительная                                         38

частота вращения ротора предельно допустимая                                                40

частота вращения самоходности                                                                             36

частота вращения холостого хода                                                                           37

Алфавитный указатель эквивалентов терминов на английском языке

bleed gas turbine                                                                                                             13

closed cycle gas turbine                                                                                                  4

combustion chamber primary or reheat                                                                           18

compressor                                                                                                                      15

compressor surge                                                                                                            43

control system                                                                                                                 24

dead band                                                                                                                        28

fuel governor valve                                                                                                         26

fuel specific energy                                                                                                         31

fuel stop valve                                                                                                                 27

gas generator                                                                                                                   14

gas turbine combined cycle plant                                                                                    10

gas turbine (engine)                                                                                                         1

gas turbine plant                                                                                                              2

governing system                                                                                                             25

governor droop                                                                                                                29

heat rate                                                                                                                           32

idling speed                                                                                                                     37

intercooled cycle gas turbine                                                                                           8

Intercooler                                                                                                                       22

maximum continuous speed                                                                                             38

multi-shaft gas turbine                                                                                                     12

open cycle gas turbine                                                                                                     3

overspeed trip                                                                                                                 23

overtemperature detector                                                                                                 30

power turbine                                                                                                                  17

precooler                                                                                                                         21

rated speed                                                                                                                      39

reference turbine inlet temperature                                                                                  35

regenerative cycle gas turbine                                                                                         7

regenerator/recuperator                                                                                                   20

reheat cycle gas turbine                                                                                                   9

self-sustaining speed                                                                                                       36

semiclosed cycle gas turbine                                                                                           5

simple cycle gas turbine                                                                                                  6

single-shaft gas turbine                                                                                                    11

specific fuel consumption                                                                                                33

steam and/or water injection system                                                                                41

thermal efficiency                                                                                                            34

turbine                                                                                                                             16

turbine trip speed                                                                                                            40

working fluid heater                                                                                                        19

ПРИЛОЖЕНИЕ А

(справочное)

Примеры принципиальных схем газотурбинных установок

Рисунок А.1 - Схема ГТУ с одновальным ГТД простого цикла.

1 - компрессор; 2 - камера сгорания; 3 - турбина; 4 - нагрузка.

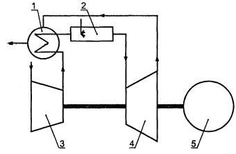
Рисунок А.2 - Схема ГТУ с одновальным ГТД регенеративного цикла.

1 - регенератор или рекуператор; 2- камера сгорания; 3 - компрессор; 4 - турбина; 5- нагрузка.

Рисунок А.3 - Схема ГТУ с многовальным ГТД простого цикла со свободной силовой турбиной.

1 - камера сгорания; 2 - компрессор; 3 - турбина; 4 - силовая турбина; 5 - нагрузка.

Примечание - Пунктиром показана альтернативная двухкаскадная компоновка ГТД.

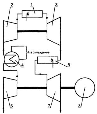
Рисунок А.4 - Схема ГТУ с многовальным ГТД сложного цикла (с промежуточным охлаждением и промежуточным подогревом).

1 - основная камера сгорания; 2 - компрессор высокого давления; 3 - турбина высокого давления; 4 - промежуточный охладитель; 5 - камера сгорания промежуточного подогрева; 6 - компрессор низкого давления; 7 - турбина низкого давления; 8 - нагрузка.

Примечание - Отбор мощности от ГТД осуществляется с вала ротора низкого давления.

Рисунок А.5 - Схема ГТУ с одновальным ГТД с отборами воздуха и горячего газа.

1 - камера сгорания; 2 - компрессор; 3 - турбина; 4 - нагрузка.

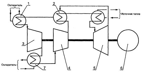
Рисунок А.6 - Схема ГТУ с одновальным ГТД замкнутого цикла.

1 - предварительный охладитель; 2 - подогреватель рабочего тела; 3 - компрессор низкого давления; 4 - компрессор высокого давления; 5 - турбина; 6 - нагрузка; 7 - промежуточный охладитель.

Ключевые слова: газотурбинная установка, газотурбинный двигатель




Rambler's Top100 Яндекс цитирования
  Copyright © 2008-2026, www.docload.ru