Бесплатная библиотека стандартов и нормативов www.docload.ru

Все документы, размещенные на этом сайте, не являются их официальным изданием и предназначены исключительно для ознакомительных целей.
Электронные копии этих документов могут распространяться без всяких ограничений. Вы можете размещать информацию с этого сайта на любом другом сайте.
Это некоммерческий сайт и здесь не продаются документы. Вы можете скачать их абсолютно бесплатно!
Содержимое сайта не нарушает чьих-либо авторских прав! Человек имеет право на информацию!

 

МИНИСТЕРСТВО НЕФТЯНОЙ ПРОМЫШЛЕННОСТИ

Всесоюзный научно-исследовательский институт
по креплению скважин и буровым растворам
(ВНИИКРнефть)

УТВЕРЖДЕНО

Первым зам. министра

нефтяной промышленности

В. И. Игревским

12.05.81 г.

Руководящий документ

МЕТОДИКА
КОНТРОЛЯ ПАРАМЕТРОВ БУРОВЫХ РАСТВОРОВ

РД 39-2-645-81

1981

АННОТАЦИЯ

Методика разработана в соответствии с п. 4.2.3. «Программы метрологического обеспечения предприятий Министерства нефтяной промышленности», утвержденной Постановлением Госстандарта СССР от 18.01.79 г. № 99 и введенной в действие приказом Миннефтепрома № 286 от 29.05.79 г.

В методике изложена организация контроля параметров буровых растворов, разработанная на основе методов статистического управления качеством продукции с использованием контрольных карт, приведены рекомендации по выбору контролируемых параметров, программа выбора плана статистического регулирования и составления плана контроля для конкретных геолого-технических условий бурения, даны основные характеристики и краткие описания технических средств и методов, используемых для контроля параметров буровых растворов.

Методика разработана во Всесоюзном научно-исследовательском институте по креплению скважин и буровым растворам и предназначена для специалистов буровых предприятий, занимающихся контролем и управлением качества буровых растворов.

Проект методики прошел широкое обсуждение в производственных объединениях, научно-исследовательских и проектных институтах отрасли и при составлении настоящей редакции были учтены возникшие при обсуждении замечания и предложения специалистов, которым составители выражают свою признательность и благодарность.

Методика составлена: А. И. Булатовым, В. А. Буровым, В. И. Демиховым, В. И. Рябченко.

В составлении методики принимали участие: А. Г. Аветисов, Ю. Г. Бурова, З. С. Ковалева, А. И. Пеньков, Т. М. Полякова, Ю. М. Проселков, И. Н. Резниченко, А. П. Руденко, Шмаков Е. С.

РУКОВОДЯЩИЙ ДОКУМЕНТ

Методика контроля параметров
буровых растворов

РД 39 -2-645-81

Вводится впервые

Приказом Министерства нефтяной промышленности № 699 от «22» декабря 1981 г. Срок введения установлен с «1» февраля 1962 г. Срок действия до

1. ОБЩИЕ ПОЛОЖЕНИЯ

1.1. Настоящая методика устанавливает правила контроля параметров бурового раствора в процессе бурения нефтяных и газовых скважин и является основным руководящим документом для работников буровых предприятий, занимающихся управлением качества буровых растворов.

1.2. В методике изложена организация контроля параметров бурового раствора на буровой, приведены основные характеристики и краткое описание используемых при этом технических средств и методов измерения, даны рекомендации по выбору контролируемых параметров, алгоритм и программа расчета контрольных карт параметров бурового раствора для конкретных геолого-технических условий бурения.

1.3. Задачей контроля качества бурового раствора в процессе бурения является получение достоверной информации о текущих значениях его параметров с целью своевременного обнаружения их отклонений от проектных значений и принятия эффективных решений по регулированию его свойств.

1.4. Рекомендации по выбору контролируемых параметров и средств для их измерения приведены в приложении 1.

1.5. Организация контроля параметров бурового раствора базируется на методах статистического регулирования качества продукции с использованием контрольных карт средних значений как вспомогательного инструмента контроля.

1.6. Выбор плана статистического регулирования (т.е. расчет данных для подготовки контрольных карт к работе) и составление плана контроля параметров на буровой производятся на стадии проектирования в КИВЦе объединения по программе, приведенной в приложении 2.

Алгоритм выбора плана статистического регулирования, по которому разработана программа, приведен в приложении 3.

1.7. Результаты расчета, включающие данные для подготовки контрольных карт и план контроля параметров (приложение 4, 5), являются составной частью проекта на бурение данной скважины.

1.8. Подготовка контрольных карт к работе производится в соответствии с приложением 6.

1.9. Контроль параметров на буровой производится лаборантом или помещиком бурильщика в соответствии с разделом 2 настоящей методики. Порядок проведения измерений и описание используемых при этом приборов приведены в разделе 3.

1.10. Суть контроля при данной организации заключается в том, что в моменты времени, указанные в плане контроля, из циркулирующего раствора отбирается заданное количество проб и определяются выборочные средние значения необходимых параметров, которые наносятся на контрольные карты. В зависимости от положения этих значений относительно границ регулирования переходят от одного режима контроля к другому, судят о возникновении отклонений параметров от их проектных значений и принимают решения о регулировании свойств бурового раствора.

1.11. Заполненные бланки контрольных карт (приложение 7) отражают процесс изменения качества буровых растворов в процессе бурения, являются отчетным документом и заменяют журналы буровых растворов.

1.12. Все ранее действовавшие инструкции по контролю качества буровых растворов считать утратившими силу.

2. ОРГАНИЗАЦИЯ КОНТРОЛЯ ПАРАМЕТРОВ БУРОВОГО РАСТВОРА НА БУРОВОЙ

2.1. Организация контроля параметров бурового раствора предусматривает выполнение следующих работ на буровой:

отбор проб бурового раствора;

определение параметров бурового раствора;

ведение контрольных карт.

Контрольные карты представляют собой отпечатанный на бумаге бланк, в который заносятся измеренные в течение смены значения параметров бурового раствора (см. приложение 7).

Вертикальные линии на бланке указывают время суток и нанесены с интервалом в 30 минут. Горизонтальные линии в определенном масштабе указывают значения параметров бурового раствора.

Пунктирными линиями на контрольных картах нанесены предупреждающие границы регулирования. Сплошными жирными линиями нанесены внешние границы регулирования.

Слева указаны наименования, единицы измерения и значения контролируемых параметров, а также наименование информации о процессе промывки, которая должна фиксироваться в бланках контрольных карт.

2.2. Отбор проб для измерения содержания газа и температуры бурового раствора производится в начале желобной системы, а измерения производят непосредственно у желоба сразу же после отбора пробы.

Для измерения плотности, условной вязкости, водоотдачи, статического напряжения сдвига и других параметров пробы отбираются на выходе из системы очистки. Измерение параметров производится в специально отведенном для этого помещении.

Для характеристики раствора, поступающего из скважины (если это необходимо), отбор проб проводится в начале желобной система.

Для характеристики раствора, поступающего в скважину, отбор проб и измерения могут повторяться в конце желобной системы.

Когда раствор необходимо отправить для анализа в стационарную лабораторию буровых растворов, находящуюся на значительном расстоянии от буровой, то проба отбирается на выходе системы очистки небольшими порциями (до 0,5 л) через 10-15 минут таким образом, чтобы получить среднюю пробу объемом 3-5 л, характеризующую весь циркулирующий раствор.

Для проведения анализа фильтрата бурового раствора проба раствора отбирается непосредственно у устья скважины, доставляется в лабораторию и фильтруется в тот же день.

Вместе с отобранной пробой бурового раствора в лабораторию должны быть переданы следующие сведения: дата отбора пробы, номер скважины, глубина забоя, температура раствора на выходе из скважины во время отбора проб, а также результаты измерения тех параметров, которые были определены на буровой.

2.3. Измерения параметром бурового раствора производятся техническими средствами и методами, изложенными в разделе 3.

2.4. Работа с контрольными картами заключается в нанесении на них измеренных значений параметров бурового раствора (одиночных или выборочных средних), перехода от одного режима контроля к другому, определении момента и величины отклонений параметров от их проектных значений и принятии решений о необходимости регулирования свойств бурового раствора.

Отклонением параметра от его проектного значения является выход выборочного среднего значения за внешнюю границу регулирования (указанную в геолого-техническом наряде).

2.5. В процессе бурения предусматривается три режима контроля параметров бурового раствора:

контроль в нормальном режиме, т.е. при отсутствии нарушений предупреждающих границ регулирования;

контроль при нарушении предупреждающих границ регулирования;

контроль при возникновении отклонений параметров от их проектных значений, т.е. при нарушении внешних границ регулирования.

2.5.1. Контроль в нормальном режиме ведется путем измерения и нанесения на контрольные карты одиночных значений параметров. Контроль при нарушении предупреждающих и внешних границ регулирования ведется путем определения и нанесения на контрольные карты выборочных средних значений параметров.

2.5.2. Контроль в нормальном режиме проводится следующим образом:

в моменты времени, указанные в плане контроле (см. приложение 5), из циркулирующего бурового раствора отбирается одна проба;

в этой пробе измеряются параметры, указанные в плане контроля;

измеренные одиночные значения в виде точек наносятся на соответствующие контрольные карты (см. приложение 7).

Контроль в этом режиме ведется до нарушения каким-нибудь параметром предупреждающих границ регулирования (попадание точки на границу не считается нарушением границы).

2.5.3. При нарушении каким-нибудь параметром предупреждающих границ регулирования переходят ко второму режиму контроля, который проводится следующим образом:

при попадании одиночного значения (т.е. точки) за предупреждающую границу с периодичностью, указанной в примечании к плану контроля (см. приложение 5), отбираются еще две пробы бурового раствора;

в каждой пробе измеряется значение данного параметра;

по трем полученным значениям определяется среднее арифметическое значение, которое в виде крестика наносится на контрольную карту (см. приложение 7);

допускается перемешивать очередные три пробы одинакового объема и измерять в полученном растворе значение параметра, которое в виде крестика наносится на контрольную карту;

следующие три пробы в этом режиме отбираются в моменты времени, указанные в плане контроля для данного параметра;

остальные параметры контролируются согласно п. 2.5.2.

Контроль в этом режиме ведется до тех пор, пока выборочное среднее значение параметра находится между предупреждающей и внешней границами (попадание крестика на внешнюю границу не считается нарушением границы).

2.5.4. При нарушении каким-нибудь параметром внешней границы регулирования переходят к третьему режиму контроля, который проводится следующим образом:

при попадании одиночного или выборочного среднего значения (т.е. точки или крестика) за внешнюю границу регулирования начинают отбирать пробы бурового раствора с периодичностью, указанной в примечании к плану контроля (см. приложение 5);

в каждой пробе измеряется значение параметра, у которого нарушена внешняя граница регулирования;

по каждым трем полученным значениям определяется среднее арифметическое значение, которое в виде крестика наносится на контрольную карту (см. приложение 7);

допускается перемешивать очередные три пробы одинакового объема и измерять в полученном растворе значение параметра, которое в виде крестика наносится на контрольную карту;

остальные параметры контролируются согласно п. 2.5.2.

Контроль в этом режиме ведется до тех пор, пока выборочное среднее значение параметра находится за внешней границей регулирования.

2.5.5. При возвращении выборочного среднего значения (крестика) внутрь внешних или предупреждающих границ регулирования переходят соответственно ко второму или первому режиму контроля.

2.6. При появлении последовательно трех выборочных средних значений какого-нибудь параметра за предупреждающей границей или одного выборочного среднего значения за внешней границей принимается решение о соответствующей обработке бурового раствора.

2.7. Кроме измеренных значений параметров бурового раствора, на бланках контрольных карт в соответствующих графах записывается следующая информация о процессе промывки скважин (см. приложение 7):

дата заполнения бланка контрольных карт, № смены и фамилия лаборанта;

вид работ, связанных с промывкой скважин (например: бурение без обработки, бурение с обработкой, остановка циркуляции, ремонт бурового насоса и т.п.);

наименования и расход материалов при регулировании свойств бурового раствора;

глубина забоя;

глубина нахождения инструмента.

В графе «Примечание» записываются распоряжения мастера и инженера по буровым растворам, остаток и поступление на буровую материалов для приготовления и регулирования свойств бурового раствора, значения параметров на выходе из скважины или после обработки раствора и другая информация о процессе промывки скважины.

3. ТЕХНИЧЕСКИЕ СРЕДСТВА И МЕТОДЫ ОПРЕДЕЛЕНИЯ ПАРАМЕТРОВ БУРОВОГО РАСТВОРА

3.1. Определение плотности бурового раствора

Плотность бурового раствораr, г/см3 - отношение массы бурового раствора к его объему. Различают кажущуюся и истинную плотности. Первая характеризует раствор, содержащий газообразную фазу, вторая - раствор без газовой фазы.

Для измерения плотности могут быть использованы:

весы рычажные - плотномер;

ареометр;

пикнометр.

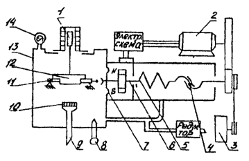
3.1.1. Весы рычажные - плотномер ВРП-1

Принцип работы ВРП-1 (рис. 1) основан на уравновешивании моментов левой и правой сторон подвижной части весов относительно опоры.

Основные характеристики:

диапазон измерения платности бурового раствора:

по верхней шкале, г/см3                 от 0,8 до 1,6;

по нижней шкале, г/см3                 от 1,6 до 2,6;

погрешность измерения, г/см3      ±0,01.

Порядок работы:

залить раствор в мерный стакан 1 до верхней кромки и закрыть крышкой 2;

удалить излишки раствора, вытекшие через специальное отверстие;

установить подвижную часть на правую призму 5 стойки;

передвигая вправо или влево подвижный груз 7, установить рычаг 6 в положение равновесия и прочесть показания плотности раствора по верхней шкале;

если плотность раствора окажется большей, чем предел измерения по верхней шкале, то подвижную часть весов необходимо переставить на левую призму 4 и провести измерение по нижней шкале;

после замера снять крышку, вылить раствор из стакана, промыть мерный стакан и крышку водой, протереть их насухо.

Весы рычажные - плотномер ВРП-1

1 - мерный стакан; 2 - крышка; 3 - подушка; 4, 5 - призмы; 6 - рычаг; 7 - подающий груз

Рис. 1

В начале каждой смени, а также по мере надобности, прибор необходимо калибровать чистой пресной (дистиллированной) водой при температуре (20±5) °С. При этом показания прибора должны быть равны 1 г/см3.

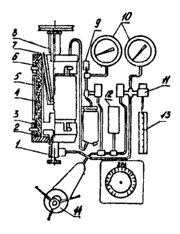
3.1.2. Ареометр АГ-ЗПП

Основные характеристики:

диапазон измерения при надетом калибровочном грузе, г/см3          от 0,9 до 1,7;

диапазон измерения без калибровочного груза, г/см3                         от 1,6 до 2,4;

погрешность измерения, г/см3                                                                ±0,02;

объем пробы раствора, см3                                                                     78,5±1.

Порядок работы:

при измерении плотности бурового раствора с помощью АГ-ЗПП (рис. 2) может быть использована как пресная вода, так и минерализованная;

при использовании пресной воды чистый мерный стакан 2 заполнить буровым раствором, соединить с поплавком 3 поворотом последнего до упора; тщательно обмыть стакан снаружи, погрузить его в ведро с водой 5 и сделать отсчет удельного веса по основной шкале 6 (по делению, до которого ареометр опустился в воду);

при использовании минерализованной воды делается поправка на ее плотность, для чего необходимо заполнить мерный стакан водой и соединить его с поплавком; погрузить прибор в ведро с водой и оставить свободно плавать, деление на поправочной шкале, до которого ареометр погрузится в воду, покажет алгебраическую величину поправки; затем вылить минерализованную воду из стакана, заполнить его буровым раствором, погрузить в ведро и произвести отсчет по основной шкале.

Ареометр АГ-ЗПП

1 - объемный грузик; 2 - мерный стакан; 3 - поплавок; 4 - стержень; 5 - ведерко для воды; 6 - основная шкала; 7 - крышка ведерка

Рис. 2

Плотность бурового раствора в случае применения минерализованной воды вычисляется по формуле

r = rосн + Dr,                                                                (1)

где r - плотность бурового раствора, г/см3;

rосн - отсчет плотности, сделанный по основной шкале, г/см3;

Dr -  алгебраическая величина поправки (отсчет плотности, сделанный по поправочной шкале), г/см3.

3.1.3. Пикнометр

Пикнометр представляет собой стеклянный сосуд известного объема с притертой пробкой и меткой на шейке. Для выхода из пикнометра воздуха или газа, которые могут выделяться из раствора, в пробке прибора предусмотрена сквозная канавка.

Порядок работы:

взвесить сухой чистый пикнометр;

заполнить его буровым раствором до метки, закрыть пробкой, вытереть насухо и взвесить.

Плотность бурового раствора рассчитывается по формуле

,                                                              (2)

где r - плотность бурового раствора, г/см3;

P2 - масса пикнометра, заполненного буровым раствором, г;

P1 - масса пустого пикнометра, г;

Vn - вместимость пикнометра, см3.

Примечание. Если вместимость пикнометра заранее не известна, то она определяется по разности масс пикнометра с дистиллированной водой и пустого.

,                                                            (3)

где Vn - - вместимость пикнометра, см3;

P¢2 - масса пикнометра с дистиллированной водой, г;

P1 - масса пустого пикнометра, г;

rв - плотность дистиллированной воды, г/см3.

Истинная плотность бурового раствора, содержащего газообразные компоненты, рассчитывается по формуле:

,                                                           (4)

где rист - истинная плотность, г/см3;

r - кажущаяся плотность, г/см3;

Vг - объем газов, % (определяется согласно п. 3.12).

3.2. Определение условной вязкости

Условная вязкость УВ, с - величина, определяемая временем истечения из стандартной воронки определенного объема бурового раствора. Условная вязкость косвенно характеризует гидравлическое сопротивление течению, т.е. подвижность бурового раствора.

Для измерения условной вязкости используется вискозиметр ВБР-1, который состоит из мерной кружки и воронки.

Основные характеристики:

постоянная вискозиметра (время истечения 500 см3 воды

при температуре (20 ± 5) °C, с                                                                                      15;

погрешность постоянной вискозиметра, с                                                                                                                                               ±0,5;

вместимость воронки вискозиметра, см3                                                                    700;

вместимость мерной кружки, см3                                                                                 500.

Порядок работы:

промыть водой воронку вискозиметра и мерную кружку (при работе с растворами на водной основе);

закрыть отверстие трубки пальцем и налить в воронку через сетку испытуемый буровой раствор до перелива;

подставить мерную кружку под трубку вискозиметра и, убрав палец, открыть отверстие трубки, одновременно включив секундомер;

в момент заполнения кружки раствором до краев остановить секундомер, закрыть отверстие трубки пальцем и прочесть показания секундомера;

после измерения кружку и воронку вымыть.

В начале каждой смены, а также по мере надобности необходимо производить проверку водного числа вискозиметра. Время истечения 500 см3 чистой пресной (дистиллированной) воды при температуре (20±5) °С должно быть равным 15 с. Если значение будет больше 15 с, то трубку вискозиметра надо прочистить, если меньше - вискозиметр следует заменить.

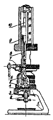
3.3. Определение статического напряжения сдвига при нормальной температуре

Статическое напряжение сдвига (СНС) q, Па - величина, определяемая минимальным касательным напряжением сдвига, при котором начинается разрушение структуры в покоящемся буровом растворе. СНС характеризует прочность тиксотропной структуры и интенсивность упрочнения во времени.

Для измерения СНС могут быть использованы:

прибор СНС-3 (рис. 3);

ротационный вискозиметр ВСН-3 (рис. 4).

Прибор СНС-2

1 - плита-основание; 2 - внешний цилиндр; 3 - кронштейн; 4 - диск со шкалой; 5 -трубка; 6 - упругая нить; 7 - подвеска; 8 - стойка; 9 - подвесной цилиндр; 10 - вращающийся столик; 11 - установочный винт; 12 - электродвигатель

Рис. 3

Принцип работы этих приборов основан на измерении сдвиговых напряжений в контролируемой среде, расположенной между соосными цилиндрами. Мерой сдвиговых напряжений является угол поворота подвесного цилиндра вокруг своей оси.

3.3.1. Прибор СНС-2

Основные характеристики:

пределы измерений, Па (мГ/см2):

при диаметре нити 0,3 мм                                                                        0-4 (0-40);

при диаметре нити 0,4 мм                                                                        0-10 (0-100);

при диаметре нити 0,5 мм                                                                        0-20 (0-200);

основная приведенная погрешность измерения, %                               ±3;

допускаемая продолжительность измерения, с                                     60;

частота вращения внешнего цилиндра, мин-1 (об/мин)                        0,2 (0,2);

питание электродвигателя от сети переменного тока напряжением, В    220.

Порядок работы:

поместить подвесной цилиндр 9 во внешний цилиндр 2 и подвесить нить 6 на пробку;

тщательно перемешать пробу бурового раствора;

залить раствор меркой, прилагаемой к прибору, в установленный на вращающемся столике 10 внешний цилиндр, подвесной цилиндр при этом должен быть погружен в раствор точно до верхнего края;

быстро установить «0» шкалы 4 против риски указателя и пустить секундомер;

через 1 мин остановить секундомер и включить электродвигатель прибора 12;

после остановки подвесного цилиндра произвести отсчет угла закручивания нити;

установить шкалу в нулевое положение, оставить раствор в состоянии покоя на 10 мин, затем снова включить прибор и замерить максимальный угол закручивания нити.

Статическое напряжение рассчитывается по формуле:

q1,10 = А×j1,10,                                                        (5)

где q1,10 - статическое напряжение сдвига через 1 мин и через 10 мин, Па (мГ/см2);

А - коэффициент прибора, на котором проводятся измерения (дается в паспорте прибора);

j1,10 - угол закручивания, измеренный после 1 мин и 10 мин покоя, град.

3.3.2. Ротационный вискозиметр ВСН-3

Основные характеристики:

диапазон измерения статического напряжения сдвига, Па (мГ/см2):

для пружины № 1                                                                      от 0 до 45 (от 0 до 450);

для пружины № 2                                                                      от 0 до 90 (от 0 до 900);

основная приведенная погрешность измерения, %               4;

погрешность отсчета угла поворота измерительного

элемента, град                                                                           ±0,5;

пределы термостатирования, °С                                              от 20 до 60;

напряжение питания, В                                                            220.

Порядок работы:

перед измерением чистый сухой стакан 2 заполнить буровым раствором и поставить на столик 1;

включить тумблер «сеть»;

перемешать исследуемый раствор при частоте вращения 600 мин-1 в течение 1 мин;

выключить тумблер «сеть»;

установить ручку переключателя оборотов в положение «0,2»;

раствор оставить в покое на необходимое время, (1 мин, 10 мин);

включить тумблер «сеть»;

отсчитать по шкале 6 показания угла поворота измерительного элемента в момент его максимального значения, предшествующего разрушению структуры.

Прибор ВСН-3

1 - телескопический столик; 2 - стакан; 3 - наружный цилиндр (ротор); 4 - внутренний цилиндр; 5 - смотровое стекло; 6 - шкала; 7 - пружина; 8 - двигатели (ДСД-2, ДСГ-1); 9 - корпус; 10 - выключатель; 11 - переключатель скоростей

Рис. 4

Определение статического напряжения сдвига производится по формуле

q1,10 = k×j1,10,                                                         (6)

где q1,10 - статическое напряжение сдвига через 1 и 10 мин, Па (мГ/см2);

k   - константа, равная величине статического напряжения сдвига, соответствующего углу закручивания пружины на 1° (указана в паспорте на прибор);

j1,10 - угол поворота измерительного элемента, град.

3.4. Определение статического напряжения сдвига при повышенной температуре

Для измерения используется ротационный вискозиметр BСН-2M (рис. 5).

Принципиальная схема ВСН-2М

1 - змеевик; 2 - внутренний измерительный элемент; 3 - наружный измерительный стакан; 4 - нагревательный элемент; 5 - контейнер; 6 - автоклав; 7 - шпиндель; 8 - шкала; 9 - упругая нить; 10 - манометр; 11 - магнитная муфта; 12 - тахогенератор

Рис. 5

Основные характеристики:

диапазон измерения эффективной вязкости,

Па×с (сП)                                                                          (от 1 до 1000) 10-3 (от 1 до 1000)

основная приведенная погрешность измерения, %    ±5;

избыточное давление на испытуемый буровой

раствор, МПа (кГ/см2)                                                    от 0 до 15 (от 0 до 150);

погрешность измерения давления, не более, %          ±2,5;

температура нагрева, °С                                                от 20 до 200;

погрешность измерения температуры, не более, %   ±2;

частота вращения наружного стакана, мин-1

(об/мин)                                                                      0,2; от 50 до 600 (0,2; от 50 до 600);

максимальный угол поворота измерительного

элемента, град                                                                 300;

цена деления шкалы измерительного элемента,

град                                                                                  2;

напряжение питания, В                                                 220.

Порядок работы:

заполнить контейнер 5 исследуемым раствором в количестве 100 см3 и подсоединить к автоклаву 6;

установить по манометру 10 необходимое давление, но не выше 15 МПа;

включить прибор и перемешать испытуемый раствор с частотой вращения наружного стакана, равной 600 мин-1 в течение 1 мин;

выключить перемешивание;

тумблер «вязкость-сдвиг» переключить в нейтральное положение;

шкалу 8 установить на нулевую отметку;

раствор оставить в состоянии покоя на требуемое время (1 мин, 10 мин) тиксотропного уплотнения, после чего тумблер «вязкость-сдвиг» перевести в положение «сдвиг»;

отсчитать показания шкалы в момент максимальных значений, предшествующих разрушению структуры.

Определение статического напряжения сдвига аналогично приведенному для ВСН-3 (п. 3.3.2).

3.5. Определение динамического напряжения сдвига, эффективной и пластической вязкостей при нормальной температуре

Динамическое напряжение сдвига, tо, Па - величина, косвенно характеризующая прочностное сопротивление бурового раствора течению.

Эффективная вязкость h¢, Па×с - величина, косвенно характеризующая вязкостное сопротивление бурового раствора при определенной скорости сдвига.

Пластическая вязкость h, Па×с - условная величина, показывающая долю эффективной вязкости, которая возникает вследствие структурообразования в потоке бурового раствора.

Для измерений показателей, позволяющих получить величины этих параметров, используется ротационный вискозиметр ВСН-3.

Основные характеристики:

диапазон измерения эффективной вязкости при 200 мин-1 (200 об/мин) гильзы, Па×с (сП):

для пружины № 1                                                         от 0,001 до 0,2 (от 1 до 200);

для пружины № 2                                                         от 0,001 до 0,4 (от 1 до 400);

частота вращения наружного

цилиндра, мин-1 (об/мин)                                            0,2; 200; 300; 400; 600

(0,2; 200; 300; 400; 600);

основная приведенная погрешность измерения

эффективной вязкости, %                                           5.

Остальные характеристики приведены в п. 3.3.2.

Порядок работы:

перемешать буровой раствор при частоте вращения наружного цилиндра 600 мин-1, затем снять устойчивые показания углов закручивания по шкале прибора при 600, 400, 300, 200 мин-1;

по полученным данным построить график зависимости угла поворота шкалы j от частоты вращения наружного цилиндра n; характерная зависимость угла поворота шкалы от скорости вращения цилиндра для вязкопластичных буровых растворов приведена на рис. 6;

на полученном графике выделить прямолинейный участок и продолжить его до пересечения с осью ординат.

По значение двух точек (n1, j1) и (n2, j2), взятых на прямолинейном участке кривой, определяют эффективную и пластическую вязкости и динамическое напряжение сдвига по формулам:

;                                                                   (7)

;                                                             (8)

,                                                   (9)

Кривая зависимости j от n

Рис. 6

где h¢ - эффективная вязкость Па×с (сП);

А, В - константы (приводятся в паспорте на прибор);

h - пластическая вязкость, Па×с (сП);

j2 - угол поворота шкалы, измеренный при большей частоте вращения цилиндра n2, град;

j1 - угол поворота шкалы, измеренный при меньшей частоте вращения цилиндра n1, град;

tо - динамическое напряжение сдвига, Па (мГ/см2);

j - угол поворота шкалы при частоте вращения цилиндра 600 мин-1, град.

Упрощенная методика работы с прибором:

используется лишь две частоты вращения цилиндра 600 и 300 мин-1 или 400 и 200 мин-1 для получения значений j1, n1 и j2, n2;

расчет пластической вязкости nпл и динамического напряжения сдвига tо производится по следующим формулам:

а) для пружины № 1

при использовании частоты вращения 600 и 300 мин-1

h = 0,5(j2 - j1),                                                              (10)

tо = 1,5(j1 - h);                                                              (11)

при использовании частоты вращения 400 и 200 мин-1

h = 0,75(j2 - j1),                                                            (12)

tо = 1,5j1 - 2h;                                                               (13)

б) для пружины № 2

при использовании частоты вращения 600 и 300 мин-1

h = j2 - j1,                                                                     (14)

tо = 3(j1 - h);                                                                 (15)

при использовании частоты вращения 400 и 200 мин-1

h = 1, 5(j2 - j1),                                                             (16)

tо = 3j1 - 2h;                                                                  (17)

Примечание. Определение пластической вязкости h и динамического напряжения сдвига tо, имеет смысл только в том случае, когда течение исследуемых буровых растворов в зазоре вискозиметра описывается моделью Шведова-Бингама. Поэтому при измерении реологических характеристик неизвестных буровых растворов всегда необходимо определять углы закручивания шкалы на частотах вращения цилиндра 600, 400, 300, 200 мин-1, а использовать упрощенные формулы расчета рекомендуется только тогда, когда равновесные моменты лежат на прямолинейной части графика.

3.6. Определение динамического напряжения сдвига, эффективной и пластической вязкости при повышенной температуре

Для определения этих параметров используется ротационный вискозиметр ВСН-2М (см. рис. 5).

Основные характеристики приведены в п. 3.4.

Порядок работы:

перед измерением контейнер 5 заполнить исследуемым буровым раствором в количестве 100 см3 и подсоединить к автоклаву 6;

установить по манометру 10 необходимое давление, но не выше 15 МПа;

включить прибор и установить частоту вращения наружного стакана 3, равной (400-500) мин-1;

нагреть буровой раствор до требуемой температуры и довести частоту вращения наружного стакана до 600 мин-1;

снять устойчивые показания углов поворота шкалы при следующих фиксированных частотах вращения стакана: 600, 500, 400, 300, 200, 100 мин-1;

построить по полученным данным график.

Обработка полученных данных аналогична используемой для ВСН-3 (п. 3.5) при обычной методике измерений.

3.7. Определение показателя фильтрации при нормальной температуре

Показатель фильтрации Ф, см3 - величина, определяемая объемом дисперсионной среды, отфильтрованной за определенное время при пропускании бурового раствора через бумажный фильтр ограниченной площади. Показатель фильтрации косвенно характеризует способность бурового раствора отфильтровываться через стенки ствола скважины.

Для измерения показателя фильтрации могут быть использованы:

фильтр-пресс ФЛР-1 (рис. 7);

прибор ВМ-6 (рис. 8);

прибор ВГ-1М.

Принцип работы этих приборов основам на способности дисперсионной среды отфильтровываться под давлением из бурового раствора.

3.7.1. Фильтр-пресс ФЛР-1

Основные характеристики:

предел измерения объема фильтрата за 30 мин при диаметре

фильтра 75 мм, см3                                                                                     120;

погрешность измерения, см3                                                                     0,5;

давление фильтрации, МПа (кГ/см2)                                                       0,7 (7);

фактический диаметр фильтра, мм                                                          53;

максимальное давление на входе в редуктор, МПа (кГ/см2)                 15 (150).

Порядок работы:

снять стакан 1, вывернуть крышку, сполоснуть их водой и вытереть;

смочить водой фильтровальную бумагу, избыток воды удалить сухой фильтровальной бумагой (при работе с растворами на водной основе);

отвернуть полностью регулировочный винт 3 редуктора 4;

завернуть пропускной клапан 2 до упора;

залить в стакан 1 буровой раствор;

установить уплотняющее кольцо, на него положить фильтровальную бумагу, сетку;

закрыть стакан крышкой;

установить стакан в рабочее положение поворотом его на бобышке на 90 град;

подставить под стакан измерительный цилиндр на 10 или 50 см3 в зависимости от предполагаемого показателя фильтрации;

Фильтр-пресс ФЛР-1

1 - стакан; 2 - пропускной клапан; 3 - регулировочный винт; 4 - редуктор; 5 - баллон с газом

Рис. 7

отвернуть вентиль баллона с газом 5;

поворотом регулировочного винта редуктора по часовой стрелке установить давление на выходе из редуктора 0,7 МПа;

отвернуть винт пропускного клапана на 3,5 оборота и одновременно включить секундомер;

через 30 мин завернуть винт клапана до упора и одновременно выключить секундомер;

замерить количество фильтрата;

закрыть вентиль баллона, снять стакан, вывернуть крышку, убрать уплотнительное кольцо и вылить раствор;

стакан, крышку и кольцо промыть и высушить.

Показатель фильтрации определяется по формуле

Ф = 2Vф,                                                                 (18)

где Ф - показатель фильтрации, см3;

2 - отношение площади стандартного фильтра к площади фильтрации фильтр-пресса;

Vф - количество фильтрата, полученное на фильтр-прессе, см3.

3.7.2. Прибор ВМ-6

Основные характеристики:

предел измерения при диаметре фильтра 75 мм, см3           46;

погрешность измерения, см3                                                    ±0,5;

фактический диаметр фильтра, мм                                         53;

давление фильтрации, МПа (кГ/см2)                                      0,1 (1);

объем пробы бурового раствора, см3                                       120.

Фильтрационный прибор ВМ-6

1 - плита с кронштейном; 2 - винт; 3 - клапан; 4 - поддон; 5 - металлическая решетка; 6 - фильтрационный стакан; 7 - спускная игла; 8 - напорный цилиндр; 9 - плунжер; 10 - втулка

Рис. 8

Порядок работы:

смочить кружок фильтровальной бумаги водой (при работе с растворами на водной основе) и положить его на решетку 5, которую вставить в нижнюю часть фильтрационного стакана 6 бумагой внутрь; на решетку положить клапан 3 с резиновой прокладкой и навернуть поддон 4; собранный стакан вставить в кронштейн, клапан туго завернуть винтом 2;

залить подготовленный буровой раствор в стакан на 3-4 мм ниже края;

навернуть напорный цилиндр 9 с закрытым игольчатым клапаном 7 на стакан, сверху налить машинное масло;

вставить плунжер в цилиндр и, приоткрыв опускную иглу, легким вращением подвести нулевое деление на шкале к отсчетной риске на втулке цилиндра;

закрыть спускной игольчатый клапан, а клапан с резиновой прокладкой открыть, одновременно пустить в ход секундомер;

через 30 мин сделать отсчет по шкале (глаз должен находиться на уровне отсчетной риски); при открытии клапана с резиновой прокладкой может произойти резкое опускание груза на определенную величину, т.н. «скачок», значение «скачка» необходимо вычитать из полученного по шкале значения показателя фильтрации;

после окончания измерения открыть опускную иглу, выпустить масло и опустившийся плунжер вынуть из цилиндра; игольчатый клапан закрыть, цилиндр отвернуть, масло слить в баллон, раствор вылить, отвинтить поддон, вымыть прибор, насухо вытереть его и собрать для следующего замера.

3.7.3. Прибор ВГ-1М

Прибор ВГ-1М разработан на основе прибора ВМ-6, но плунжер его несколько длиннее и он снабжен двумя шкалами: верхняя предназначена для измерения показателя фильтрации, нижняя - содержания газа.

Основные характеристики:

предел измерения при диаметре фильтра 75 мм, см3                   40;

погрешность измерения, см3                                                            ±0,5;

давление фильтрации, МПа (кГ/см2)                                              0,1 (1);

Порядок работы:

смочить водой кружок фильтровальной бумаги (при работе с растворами на водной основе) и положить его на решетку (избыток воды удалить кусочком сухой бумаги);

вставить решетку в нижнюю часть фильтрационного стакана бумагой внутрь так, чтобы паз совпал со штифтом на стенке стакана;

положить на решетку клапан с резиновой прокладкой и навернуть поддон;

собранный стакан вставить в кронштейн, клапан туго затянуть винтом;

залить буровой раствор в стакан на 3-4 мм ниже края, резьбу стакана вытереть;

навинтить напорный цилиндр на стакан, сверху налить масло, уровень которого не должен доходить до верхнего края цилиндра на 1 см;

вставить плунжер в цилиндр; приоткрыть спускную иглу и, вращая рукой плунжер, подвести нулевое деление на верхней шкале к отсчетной риске на втулке цилиндра; спускной игольчатый клапан закрыть, а нижний - открыть, одновременно пустив секундомер; через 30 мин сделать отсчет по шкале;

открыть спускную иглу, масло выпустить, а опустившийся плунжер вынуть из напорного цилиндра; игольчатый клапан закрыть, цилиндр отвинтить от стакана, масло слить в баллон, прибор вымыть и насухо вытереть.

3.8. Определение показателя фильтрации при повышенной температуре

Для измерения попользуется фильтр-пресс ФП-200 (рис. 9), который предназначен для термообработки и измерения статического и динамического показателей фильтрации.

Основные характеристики:

рабочий объем автоклава, см3                                                      400-500;

диапазон рабочих температур, °С                                               от 20 до 200;

диапазон давления на фильтре, МПа (кГ/см2)                           от 0,1 до 5 (от 1 до 50);

максимальное рабочее давление в автоклаве,

МПа (кГ/см2)                                                                                  6 (60);

диапазон скорости вращения мешалки,                                      от 700 до 1000

мин-1 (об/мин)                                                                                (от 700 до 1000);

время нагрева пробы до 200 °С, мин                                           не более 50.

Порядок работы:

снять верхнюю крышку, заполнить раствором автоклав 3;

установить крышку на место, герметично соединить ее с корпусом автоклава;

Фильтр-пресс ФП-200

1 - запорный вентиль; 2 - фильтрующий элемент; 3 - автоклав; 4 - каналы охлаждения; 5 - электронагреватель; 6 - уплотнительное кольцо; 7 - термометр сопротивления; 8 - уплотнитель; 9 - предохранительный клапан; 10 - манометр; 11 - редукционный клапан; 12 - емкость; 13 - измерительный цилиндр; 14 - гидравлический пресс

Рис. 9

подключить систему создания давления и сбора фильтрата;

спрессовать прибор при рабочем давлении для проверки плотности соединений; при этом трубку отвода фильтрата и редукционный клапан 11 заполнить водой;

включить электронагреватель;

при непрерывном перемешивании нагреть раствор до заданной температуры, после чего открыть запорный вентиль 1 и включить секундомер;

ручным гидропрессом повысить давление в автоклаве до величины, обеспечивающей заданный перепад 5 МПа;

одновременно редукционным клапаном установить противодавление под фильтром, превышающее на 0,2-0,5 МПа давление насыпанных паров фильтрата при заданной температуре;

по истечении 30 мин выключить секундомер;

одновременно закрыть запорный вентиль;

замерить полученное количество фильтрата в измерительном цилиндре 13;

oxладить прибор до комнатной температуры с помощью водяного охлаждения;

разобрать и вымыть прибор, подготовить его к следующему замеру.

Для определения показателя фильтрации полученное значение объема фильтрата умножается на коэффициент 2,25, который равен отношению площади поверхности стандартного фильтра (44,15 см2) к площади рабочей поверхности фильтр - пресса (19,6 см2).

3.9. Определение толщины фильтрационной корки

Толщина фильтрационной корки измеряется линейкой.

Порядок работы:

после определения показателя фильтрации вынуть из прибора фильтр с коркой, смыть с нее верхнюю рыхлую часть слабой струёй воды и поместить корку на ровную пластинку;

измерить линейкой толщину фильтрационной корки.

3.10. Определение статического напряжения сдвига в фильтрационной корке при перепадах давления

Статическое напряжение сдвига в фильтрационной корке q, MПа - величина, определяемая минимальным усилием сдвига груза, находящегося в контакте с фильтрационной коркой, косвенно характеризует прихватоопасные свойства бурового раствора.

Для измерения статического напряжения в фильтрационной корке используется установка НК-1 (рис. 10).

Принцип работы установки основан на определении статического напряжения сдвига поверхностных слоев корки по усилию сдвига помещенного на нее груза, Фильтрационная корка, сформированная под давлением, поднимается при помощи подъемного столика и входит в контакт с грузом, после этого определяются толщина корки и усилие сдвига.

Основные характеристики:

диапазон определения статического напряжения

сдвига фильтрационной корки, МПа (кГ/см2)                      от 0 до 1 (от 0 до 10);

перепад давления на фильтрационной корке,

не более, МПа (кГ/см2)                                                            5 (50);

объем пробы бурового раствора, см3                                     600;

основная приведенная погрешность измерения

перепада давления, %                                                              1;

основная приведенная погрешность измерения

статического напряжения сдвига, %                                     3;

температура нагрева испытуемой жидкости

не должна превышать, °С                                                        90;

максимальная толщина фильтрационной корки, мм          20;

электрическое питание установки - переменный ток

напряжением, В                                                                       220;

пневматическое питание установки - сжатый

инертный газ давлением до, МПа (кГ/см2)                           15 (150).

Установка НК-1

1 - отсчетное устройство; 2 - электропривод; 3 - счетчик; 4 - ходовой винт; 5 - измерительная пружина; 6 - вал; 7 - диафрагма; 8 - милливольтметр; 9 - подъемный столик; 10 - фильтрующий элемент; 11 - рамка; 12 - измерительный груз; 13 - корпус; 14 - манометр

Рис. 10

Порядок работы:

поднять столик 9 в крайнее верхнее положение поворотом маховика по часовой стрелке;

собрать фильтрующий элемент, для чего на сетку с гуммированным ободком положить 1-2 листа фильтровальной бумаги, верхнюю сетку, кольцо и накидной гайкой-крышкой соединить с корпусом фильтра;

установить фильтрующий элемент 10 в гнездо подвижного столика, зафиксировать его и закрыть вентиль «промывка»;

установить рамку 11 в корпус 13 на опорные призмы и проверить нулевое положение пружины 5;

заполнить корпус буровым раствором в объеме 550-600 см3;

установить груз в рамку, а узел 1 отсчетного устройства толщины корки в корпус;

установить крышку, закрепить ее болтами и зафиксировать начальное положение фильтра по шкале;

опустить столик до крайнего нижнего положения;

создать требуемый перепад давления, но не более 5 МПа;

под выходной штуцер столика поставить стакан для сбора и измерения объема фильтрата, зафиксировать время начала фильтрации;

по истечении заданного времени фильтрации поднять столик в крайнее верхнее положение и измерить толщину фильтрационной корки, зафиксировать время начала прилипания корки к грузу;

после выдержки необходимого времени прилипания и уплотнения измерить напряжение пружины, для чего включить тумблер «сеть», а переключатель установить в положение «изм.»;

в момент срыва груза с корки загорается сигнальная лампочка и автоматически отключается привод натяжения пружины; величина напряжения пружины фиксируется счетчиком 3;

при проведении измерений при повышенной температуре буровой раствор перед заливкой рекомендуется подогреть до нужной температуры (но не более 90 °С); после заливки раствора в корпус включить термостатирование раствора; все остальные действия аналогичны описанным выше;

по окончании измерений возвратить пружину в исходное положение («нулевое»), отключить установку от электропитания, сбросить давление, вылить испытуемый буровой раствор, произвести разборку установки.

Статическое напряжение сдвига в фильтрационной корке определяется по формуле

qк = k×n,                                                            (19)

где qк - статическое напряжение сдвига фильтрационной корки, МПа (кГ/см2);

k - константа (приведена в паспорте на установку), МПа/дел (кГ/см2×дел);

n - число делений по счетчику, дел.

3.11. Определение концентрации посторонних твердых примесей

Концентрация посторонних твердых примесей Сп, % - величина, определяемая отношением количества всех грубодисперсных частиц независимо от их происхождения к общему количеству бурового раствора. Характеризует степень загрязнения бурового раствора.

Для определения концентрации посторонних твердых примесей используется металлический отстойник ОМ-2 (рис. 11).

Отстойник ОМ-2

1 - уплотнительная крышка; 2 - цилиндрический сосуд; 3 - стеклянная бюретка

Рис. 11

Основные характеристики:

вместимость, см3

отстойника                                                          600;

отстойника до сливного отверстия                  500;

крышки                                                                60;

пробирки                                                             10.

Порядок работы:

определение общей концентрации посторонних твердых примесей;

промыть отстойник;

снять крышку отстойника 1, отмерить ею 50 см3 раствора и влить его в отстойник;

не моя крышку, зачерпнуть ею воду, разбавить оставшийся на внутренних стенках крышки раствор и вылить в отстойник;

держа отстойник вертикально, наполнить его водой до уровня отверстия на боковой поверхности; при появлении из отверстия воды следует подождать, пока не вытечет ее излишек;

плотно закрыть отстойник крышкой и повернуть его в горизонтальное положение сливным отверстием вверх, прижимая крышку и прикрывая отверстие пальцем, интенсивно взболтать содержимое отстойника;

повернуть отстойник в вертикальное положение, выждать одну минуту и снять по шкале бюретки 3 объем твердого осадка.

Общая концентрация посторонних твердых примесей равна удвоенному объему твердого осадка.

Определение концентрации отмытых посторонних твердых примесей:

после определения объема твердого осадка воду с неосевшими глинистыми частицами слить через край отстойника;

разбавить осадок свежими порциями воды и перенести в фарфоровую чашку диаметром 120 мм;

через 1-2 мин слить отстоявшуюся воду и налить новую порцию воды, в которой растереть осадок резиновой пробкой;

сливать мутную воду, повторяя отмыв несколько раз до полного отмучивания глинистых частиц;

после этого разбавить осадок водой, перенести в отстойник и замерить его объем.

Концентрация отмытых посторонних твердых примесей равна удвоенному объему полученного осадка.

3.12. Определение показателей стабильности и седиментации

Показатель стабильности Sо, г/см3 - величина, определяемая разностью плотностей нижней и верхней частей отстоявшегося в течение определенного времени бурового раствора, косвенно характеризует способность раствора сохранять свою плотность.

Показатель седиментации S, % - величина, определяемая количеством дисперсной фазы, отделившейся от определенного объема бурового раствора в результате гравитационного разделения его компонентов за определенное время. Показатель седиментации косвенно характеризует стабильность бурового раствора.

Для определения показателя стабильности используется цилиндр стабильности ЦС-2 (рис. 12).

Для определения показателя седиментации используется стеклянный мерный цилиндр.

3.12.1. Цилиндр стабильности ЦС-2

Основные характеристики:

вместимость цилиндра, см3             720;

масса, кг                                             0,36.

Порядок работы:

влить пробу раствора в цилиндр 1 до края, предварительно тщательно перемешав ее;

установить заполненный цилиндр в спокойном месте, отметить по часам время и оставить его в покое на сутки;

через 24 часа открыть пробку 3, слить верхнюю часть пробы раствора вместе с отстоявшейся водой в кружку;

тщательно перемешать слитый раствор и определить его плотность;

Цилиндр стабильности ЦС-2

1 - цилиндр; 2 - ручка; 3 - резиновая пробка

Рис. 12

закрыть отвод пробкой, тщательно перемешать остающуюся в цилиндре нижнюю половину раствора и определить ее плотность;

при определении плотности ареометром АГ-ЗПП обязательно погружать его при всех измерениях в одну и ту же воду;

вымыть цилиндр и вытереть насухо.

Показатель стабильности бурового раствора определяется по разности плотностей нижней и верхней половин раствора.

3.12.2. Стеклянный мерный цилиндр

Основные характеристики:

вместимость, см3                      100;

цена деления, см3                     1.

Порядок работы:

тщательно перемешанную пробу бурового раствора налить в цилиндр до 100-го деления по шкале;

поставить цилиндр с раствором в спокойное место, отметить время и оставить на 24 часа;

через 24 часа прочесть по шкале цилиндра отсчет положения уровня раздела раствора;

цилиндр вымыть и высушить.

Показатель седиментации бурового раствора находится по формуле

S = 100 - V,                                                             (20)

где S - показатель седиментации, %;

100 - вместимость мерного цилиндра, см3;

V - положение уровня раздела раствора, см3.

3.13. Определение концентрации газа

Концентрация газа, Со, % - величина, определяемая объемом газа в единице объема бурового раствора, характеризует степень разгазирования или вспенивания бурового раствора.

Дм определения концентрации газа могут быть использованы:

прибор ПГР-1 (рис. 13);

прибор ВГ-1М;

метод разбавления.

Принцип работы ПГР-1 и ВГ-1М основан на свойстве газов сжиматься под действием избыточного давления.

3.13.1. Прибор ПГР-1

Основные характеристики:

диапазон измерения, %                                                 от 0 до 10;

абсолютная погрешность измерения, %                      ±0,5;

цена деления шкалы, %                                                 0,5;

температура бурового раствора, °С                              от +5 до +80;

давление в рабочей емкости, МПа (кГ/см2)                до 0,3 (3).

Порядок работы:

заполнить стакан 6 до краев буровым раствором и соединить с корпусом 3 прибора;

вращая маховик 2 против часовой стрелки, следить за показаниями манометра 4 и прекратить вращение при достижении избыточного давления в 0,3 МПа;

прочесть по шкале 1 показания концентрации газа в буровом растворе;

сбросить давление, повернув маховик по часовой стрелке до упора;

отсоединить кран от корпуса, вылить раствор, вымыть стакан и разделитель и высушить их.

Прибор ПГР-1

1 - шкала; 2 - маховик; 3 - корпус; 4 - манометр; 5 - резиновый разделитель; 6 - стакан

Рис. 13

3.13.2. Прибор ВГ-1М

Основные характеристики и порядок подготовки прибора к работе изложены в п. 3.7.3.

Порядок работы:

навинтить цилиндр на горловину стакана, заполнить его маслом и надеть плунжер с грузом-шкалой;

клапан, находящийся под решеткой фильтрационного стакана, при измерении должен быть закрыт;

деление шкалы «газ», остановившееся при опускании плунжера против риски на верхнем крае втулки, укажет концентрацию газа в буровом растворе.

3.13.3. Метод разбавления

Метод основан на уменьшении объема бурового раствора в результате удаления газа из пробы раствора, разбавленного водой.

Для измерения необходимы:

мерный цилиндр вместимостью 250 см3 с притертой пробкой;

мерный цилиндр вместимостью 200 см3 без пробки;

мензурка или цилиндр вместимостью 50 см3.

Порядок работы:

в мерный цилиндр с притертой пробкой налить 50 см3 бурового раствора, отмеренного мензуркой;

отмерить 200 см3 воды и вылить в цилиндр, предварительно обмыв этой водой мензурку, которой отмерялся буровой раствор;

закрыть цилиндр с разбавленным раствором притертой пробкой, энергично взболтать в течение 1 мин и оставить в покое на некоторое время;

после опадения пены отметить объем жидкости в цилиндре.

Концентрацию газа вычисляют по формуле

Со = (250 - Vж)2,                                                             (21)

где Со - концентрация газа, %;

250 - суммарный объем бурового раствора с газом и водой, см3;

Vж - объем бурового раствора и воды после удаления газа, см;

2 - множитель для получения результата в процентах.

3.14. Определение концентрации твердой фазы и нефти в буровом растворе

Концентрация твердой фазы, СТ, % - величина, определяемая отношением количества твердого вещества к общему объему бурового раствора.

Объемная концентрация твердой фазы определяется, исходя из материального баланса компонентов бурового раствора, и рассчитывается по формуле

,                                 (22)

где СТ - объемная концентрация твердой фазы, %;

Сн - объемная концентрация нефти, %;

Сс - объемная концентрация соли, %;

rТ - плотность твердой фазы, г/см3;

rр - плотность раствора, г/см3;

rвф - плотность водной фазы, г/см3;

rн - плотность нефти, г/см3;

rс - плотность соли, г/см3;

rв - плотность воды, г/см3.

При плотности водной фазы, равной плотности воды rвф = rв = 1,0 г/см3, плотности нефти rн = 0,8 г/см3, плотности соли (NaCl), rс = 2,85 г/см3.

,                                           (23)

Перевод объемной концентрации твердой фазы в массовую концентрацию производится по формуле

,                                                                 (24)

где ТТ - массовая концентрация твердой фазы в буровом растворе, %.

Определение величин, входящих в формулы (22, 23), рассмотрено ниже для конкретных видов буровых растворов.

Для растворов, содержащих только воду и глину, формулы (22, 23) значительно упрощаются (rТ ¹ rгл)

.                                                           (25)

Концентрация твердой фазы (глины) в данных растворах зависит только от плотности раствора и определять ее можно по таблице 1, принимая среднее значение плотности глины rгл = 2,6 г/см3.

Таблица 1

Концентрация твердой фазы (глины) в зависимости от плотности раствора. При расчетах принято среднее значение плотности глины - 2,6 г/см3

Плотность р-ра, г/см3

Концентрация глины, %

объемная

масс.

объем.

массовая

1

2

3

4

1,000

0,00

0,00

0,00

1,005

0,31

0,81

0,80

1,010

0,62

1,62

1,60

1,015

0,93

2,43

2,39

1,020

125

3,25

3,18

1,025

1,56

4,07

3,96

1,030

1,88

4,87

4,74

1,035

2,19

5,60

5,50

1,040

2,50

6,50

6,25

1,045

2,87

7,32

7,00

1,050

3,12

8,12

7,73

1,055

3,44

8,94

8,47

1,060

3,75

9,75

9,20

1,065

4,07

10,60

9,91

1,070

4,38

11,39

10,64

1,075

4,69

12,19

11,34

1,080

5,00

13,00

12,04

1,085

5,31

13,81

12,74

1,090

5,63

14,63

13,41

1,095

5,94

15,44

14,10

1,100

6,25

16,25

14,75

1,105

6,56

17,06

15,44

1,110

6,87

17,87

16,11

1,115

7,10

18,66

16,76

1,120

7,50

19,50

17,41

1,125

7,81

20,31

18,06

1,130

8,12

21,12

18,69

1,135

8,43

21,93

19,32

1,140

8,75

22,75

19,96

1,145

9,06

23,56

20,57

1,150

9,37

24,37

21,20

1,155

9,68

25,18

21,80

1,160

10,00

26,00

22,41

1,165

10,31

26,81

23,01

1,170

10,62

27,62

23,61

1,175

10,93

28,43

24,20

1,180

11,25

29,25

24,79

1,185

11,56

30,06

25,36

1,190

11,87

30,87

25,95

1,195

12,18

31,68

26,51

1,200

12,50

32,50

27,10

1,205

12,81

33,31

27,65

1,210

13,12

34,40

28,20

1,215

13,43

34,90

28,75

1,220

13,75

35,75

29,30

1,225

14,06

36,56

29,85

1,230

14,37

37,37

30,39

1,235

14,68

38,18

30,95

1,240

15,00

39,00

31,45

1,245

15,31

39,81

32,00

1,250

15,62

40,62

37,50

1,255

15,93

41,43

33,02

1,260

16,25

42,25

33,53

1,265

16,56

43,06

34,04

1,270

16,87

43,87

34,55

1,275

17,13

44,68

35,03

1,280

17,50

45,50

35,55

1,285

17,61

46,31

36,04

1,290

18,12

47,12

36,53

1,295

16,43

17,93

37,04

1,300

18,75

48,75

37,50

1,305

19,06

49,56

38,00

1,310

19,37

50,37

38,42

1,315

19,68

51,18

38,95

1,320

20,00

52,00

39,39

1,325

20,31

52,81

39,88

1,330

20,62

53,62

40,31

1,335

20,93

54,43

40,75

1,340

21,25

55,25

41,23

1,345

21,66

56,06

41,72

1,350

21,87

56,87

42,13

1,355

22,18

57,68

42,60

1,360

22,50

58,60

43,01

1,365

22,81

69,31

43,49

1,370

23,12

60,12

43,88

1,375

23,43

60,93

44,25

1,380

23,75

61,75

44,75

1,385

24,06

62,56

45,25

1,390

24,37

63,37

45,60

1,395

24,68

64,18

46,00

Более точно концентрация твердой фазы в данных растворах определяется методом выпаривания взвешенной пробы раствора и определения массы высушенной пробы.

Порядок работы:

палить 50 г бурового раствора в предварительно высушенную и взвешенную фарфоровую чашку;

взвесить чашку с раствором, поместить ее в сушильный шкаф и сушить на верхней полочке при температуре приблизительно 100 °С до постоянной массы;

первое взвешивание произвести примерно через 6 часов, повторные - через 1 час, масса считается постоянной, если разность между двумя последовательными взвешиваниями менее 0,01 г; пробы перед каждым взвешиванием выдерживать в эксикаторе с безводным хлористым кальцием до охлаждения.

Массовая концентрация твердой фазы вычисляется по формуле

,                                                        (26)

где ТТ - массовая концентрация твердой фазы, %;

Р - масса высушенной чашки, г;

Р1 - масса чашки с буровым раствором, г;

Р2 - масса чашки с высушенной пробой, г.

Для минерализованных растворов объемная концентрация соли (Сс) определяется по таблице 2, исходя из плотности фильтрата бурового раствора. Плотность раствора и фильтрата определяется на весах-плотномере ВРП-1 или пикнометром.

Пример 1. Раствор имеет плотность 1,095 г/см3. Солей и нефти нет. Необходимо найти концентрацию твердой фазы.

Таблица 2

Концентрация NaCl в растворах различной плотности (при 20 °С)

Плотность, г/см3

Концентрация NaCl

Плотность, г/см3

Концентрация NaCl

массовая

объемная

массовая

объемная

1,005

0,76

0,27

1,105

14,64

6,68

1,010

1,97

0,70

1,110

15,27

5,95

1,015

2,28

0,81

1,115

15,89

6,22

1,020

3,02

1,08

1,120

16,51

6,49

1,025

3,76

1,35

1,125

17,12

6,76

1,030

4,49

1,62

1,130

17,72

7,03

1,035

5,21

1,89

1,135

18,32

7,30

1,040

5,93

2,16

1,140

18,92

7,57

1,045

6,63

2,43

1,145

19,51

7,84

1,050

7,34

2,70

1,150

20,09

8,11

1,055

8,03

2,97

1,155

20,67

8,38

1,060

8,72

3,24

1,160

21,25

8,65

1,065

9,40

3,51

1,165

21,82

8,92

1,070

10,08

3,78

1,170

22,38

9,19

1,075

10,75

4,05

1,175

22,94

9,46

1,080

11,41

4,32

1,180

23,50

9,73

1,085

12,07

4.59

1,185

24,05

10,00

1,090

12,72

4,86

1,190

24,60

10,27

1,095

13,37

5,14

1,195

25,14

10,54

1,100

14,00

5,41

1,200

25,68

10,81

По таблице 1 в соответствующей строке находим, что раствор плотностью 1,095 г/см3 содержит 5,94 % (объемн.) твердой фазы. Или, подставляя значение rр = 1,095 г/см3 в формулу (22) (Cн = 0; Сс = 0), найдем

 %.

Пример 2. Раствор плотностью 1,27 г/см3 содержит 5 % (объемн.) нефти, плотность фильтрата 1,02 г/см3. Необходимо найти объемную концентрацию твердой фазы.

По таблице 2 находим, что раствор плотностью 1,02 г/см3 содержит 1 % (объемн.) соли. Подставляем все данные в формулу, получим содержание твердой фазы

 %.

Для сложных систем буровых растворов, содержащих соль, нефть, глину, утяжелитель, определение концентрации твердой фазы, нефти и других компонентов производится с помощью установки ТФН-1, принцип работы которой основан на выпаривании жидкой фазы из заданного объема бурового раствора, конденсации паров и измерении объема жидкой фазы.

Основные характеристики установки ТФН-1:

объем выпариваемой пробы бурового раствора, см3                                 10;

температура нагрева пробы бурового раствора, °С                                   450 ± 50;

продолжительность анализа, не более, мин                                              60;

основная приведенная погрешность определения

концентрации твердой и жидкой фаз в буровом

растворе, не более, %                                                                                    4;

напряжение питания, В                                                                                220.

Порядок работы:

Определение концентрации твердой фазы в пробе бурового раствора при наличии аналитических весов ВЛР-200-Т или квадрантных весов ВЛКТ-500г/10 производится весовым методом:

определить путем взвешивания на весах массу собранного испарителя без пробы;

отвинтить нижнюю камеру испарителя, наполнить ее буровым раствором, закрыть калибровочной крышкой, свинтить с верхней камерой и снова взвесить;

соединить испаритель с конденсатором, произвести затяжку резьбовых соединений и вставить в гнездо термостата;

установить измерительный цилиндр против сливного отверстия конденсатора;

закрыть крышку кожуха и включить установку в сеть на нагрев, начало нагрева контролировать по загоранию сигнальной лампочки на передней панели;

окончанием анализа служит прекращение выпадения капель конденсата в измерительный цилиндр, после прекращения выпадения капель отключить питание электродвигателя;

открыть крышку кожуха установки, извлечь из термостата испаритель с конденсатором и установить его в подставку для охлаждения, вставить в термостат охладитель, предварительно наполненный водой;

полученные конденсатные объемы воды и нефти считываются с точностью до 0,1 см3 по градуировочной шкале измерительного цилиндра в соответствии с положениями менисков; по окончании измерений измерительный цилиндр освободить от конденсата, высушить и подготовить для проведения следующего анализа;

после охлаждения испаритель с твердым остатком отсоединить от конденсатора и взвесить.

В том случае, если отсутствуют весы ВЛР-200-Т или ВЛКТ-500г/10, применяется объемный метод, для которого необходимо иметь весы-плотномер ВРП-1 (или пикнометр). Определение концентрации твердой и жидкой фазы производится следующим образом:

определить с помощью ВРП-1 или пикнометра плотность бурового раствора, подлежащего анализу;

наполнить нижнюю камеру испарителя буровым раствором, прикрыть калибровочной крышкой, произвести сборку испарителя с конденсатором и вставить их в термостат, включить установку на нагрев;

после окончания выпаривания, компенсации, прокаливания и прекращения отекания капель конденсата установку отключить от электропитания;

испаритель и конденсатор извлечь из термостата и произвести охлаждение;

определить с точностью до 0,1 см3 полученные в измерительном цилиндре конденсатные объемы воды и нефти.

Если использовался весовой метод, то обработка данных производится следующим образом:

плотность бурового раствора рассчитывается по формуле

,                                                               (27)

где rр - плотность раствора, г/см3;

Р1 - масса испарителя без пробы, г;

Р2 - масса испарителя о пробой, г;

10 - вместимость камеры испарителя, см3;

плотность твердой фазы рассчитывается по формуле

,                                                              (28)

где rТ - плотность твердой фазы, г/см3;

Р1 - масса испарителя без пробы, г;

Р3 - масса испарителя с твердым остатком, г;

VT - объем твердой фазы, см3;

объем твердой фазы рассчитывается по формуле

VT = 10 - Vв - Vн - Vс,                                                      (29)

где VT - объем твердой фазы, см3;

10 - вместимость камеры испарителя, см3;

Vв - объем вод в измерительном цилиндре, см3;

Vн - объем нефти в измерительном цилиндре, см3;

Vс - объем соли в навеске раствора, см3;

Объем соли в навеске раствора рассчитывается по формуле

,                                                                   (30)

где Vс - объем соли, см;

10 - вместимость камеры испарителя, см3;

Сс - объемная концентрация соли, % (определяется по таблице 2).

Используя данные, полученные по формуле (22) или (23), определяют концентрацию твердой фазы.

Если использовался объемный метод, то обработка данных производится следующим образом:

плотность твердой фазы рассчитывается по формуле

,                                                              (31)

где rТ - плотность твердой фазы, г/см3;

РТ - масса твердой фазы, г;

VТ - объем твердой фазы, см3;

масса твердой фазы рассчитывается по формуле

РT = 10rр - Vв×1,0 - Vн×0,8 - Vс×2,85,                                  (32)

где РT - масса твердой фазы, см;

10 - вместимость камеры испарителя, см3;

rр - объем вод в измерительном цилиндре, г/см3;

Vн - объем нефти в измерительном цилиндре, см3;

Vс - объем соли в навеске раствора, см3 (определяется как в весовом методе);

0,8 - плотность нефти, г/см3;

0,85 - плотность соли, г/см3;

объем твердой фазы рассчитывается по формуле (29).

Используя полученные по формуле (22) данные, определяют концентрацию твердой фазы.

Объемная концентрация утяжелителя в растворе рассчитывается по формуле

,                                                       (33)

где Су - объемная концентрация утяжелителя в растворе, %;

rу - плотность утяжелителя, г/см3;

rТ - плотность твердой фазы раствора, г/см3;

rгл - плотность глины, г/см3 (если неизвестна, то принимают 2,6 г/см3);

СТ - объемная концентрами твердой фазы, %.

Объемную концентрацию глины в растворе рассчитывают по формуле

Сгл = СТ - Су,                                                                (34)

где Сгл - объемная концентрация глины, %;

Сгл - объемная концентрация твердой фазы, %;

Су - объемная концентрация утяжелителя, %.

Пример 3. Масса навески раствора в испарителе - 17 г, масса навески после высушивания - 9,8 г, плотность фильтрата - 1,03 г/см3, в измерительном цилиндре находилось 1,1 см3 нефти и 6,3 см3 воды. Необходимо найти концентрацию твердой фазы и ее компонентов (барита и глины) в растворе:

определяем плотность раствора

rр = 17 : 10 = 1,7 г/см3;

определяем объем соли в навеске. Но таблице 2 найдем объемную концентрацию соли. При rс =1, г/см3, Сс = 1,62 %,

 см3;

определяем объем твердой фазы

VT = 10 - 1,1 - 6,3 - 0,16 = 2,44 см3;

определяем плотность твердой фазы

 = 4,02 г/см3;

определяем объемную концентрацию твердой фазы

 %;

объемную концентрацию барита в растворе

 %;

определяем объемную концентрацию глины в растворе

Сгл = 17,2 - 15,4 = 1,8 %.

Пример 4. Плотность раствора - 1,95 г/см3; плотность фильтрата - 1,06 г/см3; в измерительном цилиндре находилось 1,7 см3 нефти и 4,4 см3 воды.

Необходимо найти концентрацию твердой фазы и ее компонентов (барита и глины) в растворе:

определяем объем соли (при rс = 1,06 г/см3, Сс = 3,24 %)

 см3;

определяем объем твердой фазы

VT = 10 - 4,4 - 1,7 - 0,324 = 3,576 см3;

определяем массу твердой фазы

РТ = 10×1,95 - 4,4 - 1,7×0,8 - 0,324×2,85 - 12,82 г;

определяем плотность твердой фазы

 г/см3;

определяем объемную концентрацию твердой фазы

 %;

определяем объемную концентрацию барита в растворе

 %;

определяем объемную концентрацию глины в растворе

Сгл = 35,7 - 24,9 = 10,8 %.

3.15. Определение концентрации коллоидных частиц в буровом растворе

Концентрация коллоидных частиц Ск, % - величина, определяемая отношением количества частиц размером менее 2 мкм к общему количеству бурового раствора. Характеризует активную составляющую твердой фазы, наиболее влияющую на свойства бурового раствора.

В основу определения концентрации коллоидных частиц положен экспресс-метод определения бентонита в буровом растворе по величине адсорбции метиленовой сини (МС).

В среднем 1 г коллоидных частиц бентонита (размером менее 2 мкм) адсорбирует 59 см3 МС 0,45 %-ной концентрации. Эта величина принята стандартной при сравнительной оценке активности твердой фазы буровых растворов.

Необходимые реактивы и посуда:

водный раствор МС; растворить 4,5 МС (ЧДА) в 300 мл теплой дистиллированной воды, охладить и разбавить до 1000 мл, хранить в закрытой посуде;

5 н. раствор химически чистой серной кислоты при медленном перемешивании влить 14 мл концентрированной серной кислоты в 50 мл холодной дистиллированной воды и разбавить до 100 мл;

перекись водорода 3 %-ная «аптечная»;

дистиллированная вода;

конические колбы вместимостью 250 мл;

цилиндры мерные на 25 и 50 мл;

шприц аптечный на 2 мл с большим размером отверстия (или пипетка с обрезанным носиком);

стеклянная палочка;

фильтровальная бумага средней плотности (белая лента).

Порядок работы:

отобрать шприцем или пипеткой 2 мл предварительно перемешанного бурового раствора и перенести его в чистую коническую колбу вместимостью 250 мл;

добавить 15 мл 3 %-ного раствора перекиси водорода и 0,5 мл 5 н. раствора Н2SO4, тщательно размещать и кипятить ровно 4 мин в колбе с обратным холодильником (стеклянной воронкой); добавка перекиси водорода позволит исключить влияние на результат определения таких реагентов, как гуматы, КМЦ, акриловые и лигносульфонаты, а добавка серной кислоты позволит четко отбить точку конца титрования;

после охлаждения измерить объем, разбавить дистиллированной водой до 50 мл и титровать МС;

после каждой добавки МС раствор тщательно перемешивать короткое время (встряхиванием), затем стеклянной палочкой из колбы отобрать каплю и нанести ее на фильтровальную бумагу; при полном сорбировании МС глиной данной пробы раствора от капли будет оставаться темный круг с четко очерченной границей и прозрачная вода;

титрование ведется до тех пор, пока от капли на фильтровальной бумаге не появится голубой ореол от избытка свободной МС, после этого через 2 мин легкого встряхивания необходимо отобрать повторную каплю, если ореол не исчезнет, то следует считать, что достигнут предел поглощения и титрование закончено, если же ореол исчезнет, следует продолжать титрование добавкой по 0,5-1 мл МС.

Необходимо иметь ввиду, что с начала титрования необходимо добавлять по 0,5-1,0 мл МC, иначе результат определения может бить искажен.

В некоторых случаях, например, в буровых растворах большой плотности или с малым содержанием твердой фазы, когда концентрация коллоидных частиц мала, добавка МС по 1 мл может быть большой, в этом случае конец титрования можно определить только добавками части миллилитра МС, используя микробюретку.

Объемная концентрация коллоидных частиц в буровом растворе определяется по следующей формуле

Ск = 0,33×V,                                                               (35)

где Ск - объемная концентрация коллоидных частиц в буровом растворе, %;

V - объем МС, пошедшей на титрование 2 мл исследуемого раствора, мл.

Перевод объемной концентрации коллоидных частиц в массовую концентрацию производится по формуле

Тк = Ск × rгл,                                                               (36)

где Тк - массовая концентрация коллоидных частиц в буровом растворе, %;

rгл - плотность глины, равная 2,6 г/см3.

3.16. Определение водородного показателя

Водородный показатель рН характеризует активность или концентрацию ионов водорода в буровом растворе.

Для измерения водородного показателя могут быть использованы:

индикаторная бумага;

лабораторный рН-метр-милливольтметр рН-121.

3.16.1. Индикаторная бумага

Сухость работы с индикаторной бумагой заключается в сравнении цвета индикаторной бумаги, смоченной буровым раствором, с эталоном и определении рН бурового раствора.

3.16.2. Лабораторный рН-метр-милливольтметр рН-121

Работа прибора основана на преобразовании э.д.с. электродной системы в постоянный ток, пропорциональный измеряемой величине.

Основные характеристики:

диапазон измерения величины рН,                                    от 1 до 14,

от 1 до 4,

от 4 до 9,

от 9 до 14;

абсолютная погрешность измерения по диапазонам:

от 1 до 14                                    ±0,4;

от 1 до 4                                      ±0,04;

от 4 до 9                                      ±0,04;

от 9 до 14                                    ±0,04.

Порядок работы:

измерению на рН-121 предшествует ряд операций, связанных с подготовкой, настройкой и проверкой прибора по буферному или контрольному раствору в соответствии с прилагаемой к нему инструкцией;

для измерения рН испытуемый раствор налить в специальный стакан и погрузить в него электроды;

отсчет величины рН произвести по шкале показывающего прибора только после того, как показания примут установившиеся значения.

3.17. Определение смазочной способности

Смазочная способность бурового раствора косвенно определяется коэффициентом трения скольжения и трения качения, временем работы установки до появления заеданий трущихся шариков при заданном контактном напряжении.

Для определения смазочной способности бурового раствора используется установка СР-1, принцип работы которой основан на определении противозадирных свойств, характеризующих смазочную способность бурового раствора.

Основная характеристика:

диапазон измерения осевой нагрузки, дел.                                                от 0 до 62,5;

диапазон измерения цемента трения, град                                                от 0 до 330;

цена деления шкалы (условная) измерителя осевой

нагрузки, Н (кГ)                                                                                            40 (4);

цена деления шкалы (уловная ) измерителя момента

трения, Н×м (Г×см)                                                                                         0,002;

основная приведенная погрешность измерения осевой

нагрузки, %                                                                                                    1;

основная приведенная погрешность измерения момента

трения, %                                                                                                       2,5.

Порядок работы:

произвести пуск установки и после работы в течение 10-20 с постепенно увеличивать осевую нагрузку до величины, при которой момент трения начнет резко повышаться непропорционально осевой нагрузке;

уменьшить осевую нагрузку на (150-200) Н и, поддерживая её постоянной, определить время работы до появления питтинга (зафиксировать время начала и конца эксперимента);

взвесить шарики на аналитических весах до и после эксперимента, определить потери металла, из-за абразивного износа; определить диаметры пятен контакта на шариках с помощью измерителя;

снять отсчет углов закручивания пружины измерителя, отключить электродвигатель, снять механизм трения, промыть и вытереть насухо все детали.

Осевая нагрузка G и момент трения Мтр определяются по градуировочным таблицам, которые приведены в паспорте установки.

Коэффициент трения скольжения рассчитывается по формуле

,                                                                   (37)

где fc - коэффициент трения скольжения;

Мтр - момент трения, Н×м (Г×см);

G - осевая нагрузка, Н (кГ);

l = 0,174 - плечо приложения силы трения в механизме трения, см.

Коэффициент трения качения рассчитывается по формуле

,                                                                   (38)

где       fк - коэффициент трения качения;

D = 1,29 - диаметр втулки, в которую помещаются шарики, см.

Скорость скольжения в шариках рассчитывается по формуле

Vск = 2plVшт,                                                                 (39)

где Vск - скорость скольжения в шариках, см/с;

Vшт - частота вращения штока, с-1 (об/с).

Контактное напряжение в шариках рассчитывается по формуле

,                                                              (40)

где                    s - контактное напряжение в шариках, МПа (кГ/см2);

G - осевая нагрузка, Н (кГ);

r = 3 - радиус шарика, см;

Е = 2×105 (2´106) - модуль упругости для стали, МПа (кГ/см2).

3.18. Определение напряжения электропробоя

Напряжение электропробоя, U, В - величина, определяемая разностью потенциалов в момент разряда тока между расположенными на определенном расстоянии электродами, погруженными в раствор, косвенно характеризующая стабильность буровых растворов на нефтяной основе.

Для измерения напряжения электропробоя используется прибор ИГЭР-1.

Основные характеристики:

диапазон измерения, В                                                                от 0 до 600;

скорость подъема напряжения, В/с                                           22 ± 3;

величина тока в момент пробоя, мА                                         5 ± 0,15;

температура испытуемого раствора, °С 20 ± 5;

электропитание - переменный ток напряжением, В               220.

Порядок работы:

поместить электроды в раствор так, чтобы клеммы были погружены на глубину от 25 до 50 мм;

нажать на кнопку «измерение» и держать её до момента пробоя, о чем свидетельствует вспышка сигнальной лампы «пробой»;

снять показание вольтметра;

включить тумблер «сеть», нажать на кнопку «реверс» и повернуть ручку «сброс» в направлении стрелки до упора;

окончив измерения, отключить питание, отсоединить шнур питателя электродов, извлечь электроды из раствора, промыть в бензине, протереть насухо.

3.19. Определение удельного электрического сопротивления

Удельное электрическое сопротивление - r, Ом×м - величина, определяемая сопротивлением бурового раствора проходящему через него электрическому току, отнесенным к единице поперечного сечения и длины взятого объема бурового раствора.

Для измерения используется резистивиметр ПР-1.

Основные характеристики:

диапазон измерения, Ом×м                                                            от 0,03 до 50;

основная приведенная погрешность измерения, %                    ±5.

Порядок работы:

перевести ручку переключателя диапазонов «Омметры» на диапазон ожидаемого сопротивления раствора или большего;

наполнить измерительный сосуд раствором, закрыть его крышкой и вставить в зажимы;

проверить напряжение питания, установив переключатель «Вид измерения» в позицию «Е», при напряжении, меньшем 7,5 В, батареи необходимо заменить;

установить ручку переключателя «Вид измерения» в позицию «К»; ручкой потенциометра «Калибровка» установить стрелку прибора на 0,7;

установить ручку переключателя «Вид измерения» в позицию «У» и ручкой регулятора тока установить стрелку прибора на 0,7;

установить ручку переключателя «Вид измерения» в позицию «r», снять показания прибора; поправка к полученному значению электропроводности находится по таблице, приведенной в инструкции к прибору;

выключить прибор.

3.20. Анализ фильтрата бурового раствора

3.20.1. Определение показателя минерализации фильтрата

Показатель минерализации М - величина, косвенно характеризующая содержание водорастворимых солей в буровом растворе, условно определяемая эквивалентным содержанием солей хлористого натрия.

Определение показателя минерализации по плотности фильтрата.

Оборудование:

весы технико-химические до 200 г;

пикнометр стеклянный вместимостью 10-15 мл с притертой пробкой, оканчивающийся капилляром, или пикнометр стеклянный вместимостью 10-15 мл с притертой пробкой.

Порядок работы:

чистый, сухой, предварительно взвешенный пикнометр заполнить фильтратом и плотно закрыть пробкой, излишек жидкости сливается через капилляр или отбирают его с помощью пипетки;

пикнометр тщательно вытереть и взвесить с точностью до 0,01 г.

Плотность фильтрата вычисляется по формуле

,                                                              (41)

где r - плотность фильтрата г/см3;

Рф - масса пикнометра с фильтратом, г;

Ро - масса пустого пикнометра, г;

Vп - объем пикнометра, см3.

Зная плотность исследуемого фильтрата, по таблице 2 определить содержание солей в фильтрате (считается на хлористый натрий).

Определение показателя фильтрации по сухому остатку.

Порядок работы:

в предварительно высушенную и взвешенную фарфоровую чашку постепенно влить отмеренное количество фильтрата (10-50 мл), чашку поместить на водяную баню и выпаривать;

после выпаривания всей жидкости дно чашки обтереть фильтровальной бумагой, поставить в сушильный шкаф и выдержать в течение 4-6 часов при температуре 105 °С;

чашку с сухим остатком выдержать в эксикаторе 45 минут и взвесить на аналитических весах, покрыв часовым стеклом.

Содержание сухого остатка рассчитывается по формуле

Рс.о = (Р - Р1) ×1000,                                                     (42)

где Рс.о - содержание сухого остатка, мг/л;

Р - масса фарфоровой чашки с часовым стеклом и сухим остатком, г;

Р1 - масса пустой фарфоровой чашки с часовым стеклом, г;

а - объем исследуемого фильтрата, мл.

Примечание. 1. Результаты анализов выражают в миллиграмм-эквивалентах и в миллиграммах из 1 л фильтрата.

Для вычисления в мг-экв/л при объемных определениях число миллилитров раствора, израсходованного на титрование, умножают на нормальность этого титрованного раствора и на 1000 и делят на объем фильтрата, взятого для данного анализа. Пересчет мг-экв/л в мг/л проводят умножением числа мг-экв/л на эквивалентный вес определенного катиона или аниона.

Ниже дана таблица 3 молекулярных, эквивалентных весов и значений мг-эквивалентов различных ионов, а также множители для пересчета в мг-эквиваленты г-ионов и мг-ионов.

2. Титрованные растворы при наличии фиксаналов готовят из последних. Если фиксаналов нет, то готовят их указанными способами и устанавливают нормальность.

3.20.2. Определение кальция и магния

Для определения концентрации ионов Са++ и Mg++ применяют комплексометрический метод.

Определение кальция

Комплексометрическое определение кальция основано на способности трилона Б извлекать кальций из его растворимого окрашенного комплекса с мурексидом, вследствие чего розовая окраска раствора изменяется на фиолетовую.

Таблица 3

Молекулярные и эквивалентные веса, значения мг-эквивалентов различных ионов

Наименование ионов

Молекулярный вес

Эквивалентный вес

Мг-эквивалент, выраженный в

Множитель для пересчета в мг-экв

г

мг

г-ионов

1000

мг-ионов

1

экв. вес

экв. вес

Сl-

35,453

35,450

0,035

35

28,20

0,0282

60,000

30,000

0,030

30

33,33

0,0333

НСО-3

61,000

61,000

0,061

61

16,39

0,0164

96,060

48,000

0,048

48

20,82

0,0208

Са2+

40,080

20,040

0,020

20

40,90

0,0409

Mg2+

24,310

12,150

0,012

12

82,84

0,0828

Na+

22,980

22,980

0,023

23

43,48

0,0435

К+

39,102

39,100

0,039

39

25,58

0,0256

Cr6+

51,996

17,330

0,017

17

57,71

0,0577

CrO3

152,000

25,330

0,025

25

39,47

0,0394

Na2Cr2O7´2H2O

298,030

49,670

0,049

49

20,13

0,0201

NaCl

58,448

58,448

0,058

58

17,10

0,0171

CaO

56,080

28,040

0,028

28

35,66

0,0356

CaO4

136,15

68,070

0,068

68

14,69

0,0147

Необходимые реактивы:

кали едкое 5 н. раствор;

280 г безводного КОН или 460 г КОН×2О растворить в воде, довести объем до 1 литра и перемешать;

комплексон Ш (трилон Б, двунатриевая соль этилендиамин-тетрауксусной кислоты, хелатон, ЭДТА и др.) 0,01 н раствор;

1,8612 г х/ч реактива растворить в 200-300 мл дистиллированной воды при небольшом нагревании, отфильтровать и после охлаждения разбавить в мерной колбе до 1 л, установить нормальность комплексона по титрованному раствору MgSO4×7H2O;

индикатор мурексид;

смешать 1 массовую часть мурексида и 99 массовых частей KCl, смесь тщательно растереть до тонкого порошка и хранить в сухом виде, можно также использовать индикатор флуорексон (метод приготовления аналогичен мурексиду);

солянокислый гидроксиламин NH2OHCl кристаллический.

Порядок проведения анализа:

1-2 мл фильтрата пипеткой перенести в коническую колбу вместимостью 250 мл, разбавить водой до 100 мл, добавить 5 мл 5 н. раствора КОН, 10 мг кристаллического гидроксиламина и 10-25 мг сухого индикатора мурексида, раствор при этом окрашивается в красный цвет;

титровать трилоном при энергичном перемешивании до появления устойчивой (не исчезающей в течение 3-5 минут) фиолетовой окраски, от прибавления избытка трилона окраска не должна изменяться;

в качестве свидетеля взять перетитрованную пробу;

если в качестве индикатора применяется флоурексон, то титрование вести от окраски желтого цвета с интенсивно зеленой флуоресценцией до оранжево-розового цвета.

Обработка результатов анализа.

Концентрация ионов кальция рассчитывается по формулам:

,                                                     (43)

 =  × Э,                                                        (44)

где () - концентрация ионов кальция, мг-экв/л (мг/л);

V - объем раствора трилона Б, израсходованного на титрование, мл;

Н - нормальность раствора трилона Б;

а - объем исследуемой пробы фильтрата, взятой для определения, мл.

Определение магния.

Необходимые реактивы:

комплексон III (трилон Б), 0,05 и 0,01 н. раствор;

гидроксиламин солянокислый;

буферный раствор, рН = 11;

20 г хлористого аммония Mn4Cl растворить в 500 мл дистиллированной воды, добавить 10 г КОН и 1 г NaOH, затем прилить 400 мл 25 %-ного Mn4OH и дистиллированной водой довести объем до 1 л;

индикатор хромоген черный, сухая смесь с KCl в соотношении 1:99.

Порядок проведения анализа:

1-2 мл фильтрата (такое же количество, как и для определения кальция) разбавить дистиллированной водой до 50-100 мл;

ввести 5 мл буферной жидкости, 10-25 мг индикаторной смеси хромогена черного (щепотку) и гидроксиламина солянокислого - 10-15 мг; титрование провести при энергичном перемешивании раствором комплексона до перехода окраски от вишнево-красной до сине-зеленоватой;

при больших содержаниях магния титрование вести 0,1 или 0,05 н., а при малых - 0,01 н. раствором комплексона; если в качестве индикатора применяется берилон, то окраска изменяется от синей до сиреневой.

Концентрация ионов магния определяется по формулам:

,                                                 (45)

 =  × Э,                                                             (46)

где () - концентрация ионов магния, мг-экв/л (мг/л);

V1 - объем раствора комплексона, израсходованного на титрование Са2+ + Mg2+, мл;

V - объем раствора комплексона, израсходованного на титрование Са2+, мл;

Р - нормальность раствора трилона Б;

а - объем пробы, взятой для анализа, мл.

3.20.3. Определение хлор-иона

Определение хлор-иона производится аргентометрическим и меркуриметрическим методами.

Аргентометрический метод

Метод основан на взаимодействии хлор-ионов с ионами серебра в присутствии хромат-ионов.

Необходимые реактивы:

азотнокислое серебро, 0,1 и 0,01 н. титрованный раствор;

для приготовления 0,1 н. раствора 17 г AgNO3 поместить в мерную колбу вместимостью 1000 мл и довести до метки дистиллированной водой; нормальность и титр раствора установить по хлористому натрию, для чего взять определенные объемы титрованного раствора NaCl и титровать приготовленным раствором AgNO3 с индикатором хромовокислым калием до появления неисчезающей кирпично-красной окраски;

нормальность раствора вычислить по формуле

,                                                  (47)

где  - нормальность раствора AgNO3;

 - нормальность раствора NaCl;

 - объем титрованного раствора AgNO3, мл;

VNaCl - объем титрованного раствора NaCl, мл;

индикатор - хромовокислый натрий 10 %-ной концентрации Н2SO4 - 0,1 н. раствор.

Порядок проведения анализа:

в зависимости от результатов приближенного определения хлор-иона (качественная реакция) отобрать пипеткой (1-10) мл фильтрата бурового раствора;

добавить 50 мл дистиллированной воды;

оттитровать карбонат и гидрокарбонат ионы, как описано выше;

добавить 1 мл 10 %-ного раствора хромовокислого калия;

титровать 0,1 или 0,01 н. раствором AgNO3 при постоянном перемешивании до перехода желтой окраски раствора в красновато-бурую;

для определения иона хлора можно использовать также фильтрат, в котором оттитрована общая щелочность.

Концентрация хлор-иона определяется по формулам:

,                                                    (48)

 =  × Э,                                                          (49)

где () - содержание хлор-иона, мг-экв/л (мг/л);

V - объем раствора AgNO3, израсходованного на титрование, мл;

Н - нормальность раствора AgNO3 ;

а - объемы фильтрата, взятого для анализа, мл;

Э - эквивалент хлор-иона, равный 35,5.

Меркуриметрический метод

Метод основан на том, что ион двухвалентной ртути образует с хлор-ионом растворимый, но малодиссоциирующий хлорид ртути.

Необходимые реактивы:

кислота азотная, 0,05 н. раствор; готовится разведением 3,5 мл концентрированной HNO3 водой до 1 л; нормальность проверяют обычным титрованием;

раствор индикатора; 0,5 г дифенилкарбазона и 0,05 г бром-фенолового синего переносят в мерную колбу вместимостью 100 мл и разбавляют до метки 95 %-ным раствором этилового спирта;

ртуть азотнокислая, 0,1 н. раствор; 16,3 г Hg(NO3)2 растворяют в 100 мл дистиллированной воды, содержащей 1-1,5 мл концентрированной HNO3, и разбавляют раствор водой до 1 л; нормальность раствора азотнокислой ртути устанавливают по 0,1 н. раствору NaCl в таких же условиях, которые описаны для определения хлор-иона.

Порядок проведения анализа:

отмерить в коническую колбу исследуемый фильтрат бурового раствора с таким расчетом, чтобы в нем содержалось 1-2 мг-экв Cl-;

разбавить дистиллированной водой до 50 мл и прибавить 10 капель индикатора, состоящего из смеси бромфенолового синего и дифенилкарбазона;

нейтрализовать полученный раствор 0,05 н., раствором HNO3 до перехода окраски в желтый цвет, после что прибавить еще 0,5 мл 0,05 н. раствора HNO3 и титровать по каплям 0,1 н. раствором Hg(NO3)2 до сине-фиолетового цвета.

Концентрация хлор-иона рассчитывается по формулам:

;                                                        (50)

 =  × Э,                                                          (51)

где () - концентрация хлор-иона, мг-экв/л (мг/л);

V - объем раствора Hg(NO3)2, израсходованного на титрование, мл;

H - нормальность раствора HgNO3;

а - объем фильтрата, взятого для анализа, мл;

Э - эквивалент хлор-иона, равный 35,5.

3.20.4. Определение сульфат-ионов

Определение сульфатов производится весовым и титрометрическим методами.

Весовой метод

Этот метод основан на чрезвычайно малой растворимости сульфата бария в воде. В исследуемом фильтрате сульфат-ион осаждают хлоридом бария, в результате чего в осадок выпадает сульфат бария.

Необходимые реактивы:

раствор HCl (1:1);

5 %-ный раствор BaCl2 × 2H2O;

58,6 г кристаллического хлористого бария растворить в воде и довести объем водой до 1 литра; через сутки раствор профильтровать через плотный фильтр (синяя лента);

0,02 н. раствор AgNO3;

3,4 г. азотнокислого серебра растворить в дистиллированной воде и довести объем водой до 1 литра.

Порядок проведения анализа.

Прежде чем определить концентрацию сульфатов в фильтрате бурового раствора, необходимо провести предварительные качественные исследования:

в пробирке к 1 мл фильтрата добавить 1 каплю раствора соляной кислоты (1:1), 1-2 капли 5 %-ного раствора BaCl2 и содержимое пробирки нагреть; выпадение осадка или образование мути указывает на наличие сульфатов в пробе.

После проведения качественных испытаний приступить к количественному определению сульфат-ионов:

10-20 мл фильтрата перенести пипеткой в химический стакан;

добавить 2-3 капли индикатора метилового оранжевого или метилового красного и по каплям соляную кислоту (1:1) до появления красного окрашивания раствора;

нагреть раствор до кипения и медленно по каплям добавить нагретый до 70-80 °С осадитель - хлористый барий, при постепенном осаждении получается крупнозернистый осадок;

стакан с осадком оставить стоять 2-3 часа для того, чтобы BaSO4 полностью выделился из пересыщенного раствора, после чего произвести проверку на полноту осаждения  следующим образом: в прозрачный отстоявшийся раствор по стенке стакана прилить несколько капель осадителя, при появлении даже незначительной мути необходимо снова нагреть раствор, прилить избыток осадителя и выдерживать осадок для отстаивания в течение 3-4 часов; если осадок незначителен, то время отстаивания увеличивается до 12-24 часов, после чего приступить к фильтрованию;

фильтрование провести через двойной плотный фильтр (синяя лента) диаметром 7-9 см, предварительно смочив его кипящей дистиллированной водой;

осадок на фильтре промыть холодной дистиллированной водой до прекращения реакции на Cl- при прибавлении к пробе нескольких капель 0,02 н. раствора AgNO3;

фильтр c осадком подсушить, поместить во взвешенный фарфоровый тигель, озолить и прокалить при температуре около 800 °С в течение 25-30 минут; повторные прокаливания (15-20 минут) ведут до постоянной массы;

по массе осадка BaSO4 определить концентрацию сульфат-иона.

Концентрация сульфат-иона рассчитывается по формулам:

,                                              (52)

,                                                             (53)

где () - концентрация сульфат-иона, мг/л (мг-экв/л);

Р - масса остатка сульфата бария, г;

а - объем фильтрата, взятого для анализа, мл;

0,4114 - коэффициент для пересчета массы BaSO4 на сульфат-ион;

Э - эквивалентная масса , равная 48,03.

Комплексометрический объемный метод

Сущность метода заключается в осаждении сульфат-ионов определенным количеством титрованного раствора хлорида бария, избыток которого затем оттитровывается в присутствии ионов магния и индикатора хромогена черного раствором трилона Б.

Метод дает точные результаты, если концентрация ионов  в объеме фильтрата, взятого для анализа, не превышает 0,6 мг-экв (качественная проба дает заметный осадок BaSO4). При большом осадке следует разбавлять исследуемый фильтрат, при малом - сгущать выпариванием.

Необходимые реактивы:

барий хлористый 0,05 н. раствор;

6,11 г BaCl2×2H2O растворить в дистиллированной воде и довести объем до 1 литра; нормальность раствора установить по титрованному раствору трилона Б;

магний хлористый 0,05 н. раствор;

5,08 г MgCl2×6H2O растворить в дистиллированной воде и довести объем до 1 литра; нормальность раствора установить по титрованному раствору трилона Б;

трилон Б (комплексон III), 0,05 н. раствор;

9,3 г трилона Б растворить в дистиллированной воде и довести объем до 1 литра; нормальность раствора устанавливают по перекристаллизованному MgSO4×7H2O;

аммиачная буферная смесь: NH4Cl - 20 г, NaOH - 7 г, КОН - 10 г, NH4OH - 400 мл;

растворить хлористый аммоний в дистиллированной воде, добавить необходимое количество NaOH и КОН, затем влить концентрированный аммиак (25 %-ный) и смесь довести до 1 литра дистиллированной водой;

сухая индикаторная смесь хромоген черного с KCl 1:99;

соляная кислота плотностью 1,19 г/см3;

аммиак 10 %-ной концентрации;

гидроксиламин солянокислый или сернокислый.

Порядок проведения анализа:

пробу фильтрата поместить в коническую колбу на 25 мл; разбавить водой до 100 мл;

подкислить соляной кислотой (плотность 1,19 г/см3) до изменения окраски бумажки конго в сине-фиолетовую (рН = 3); кипятить в течение нескольких минут для удаления углекислого газа, сразу же прибавить 5-10 мл 0,05 н. раствора хлористого бария и оставить в покое для охлаждения до комнатной температуры;

нейтрализовать фильтрат аммиаком (до покраснения бумажки конго, рН = 5,2);

прилить равное с BaCl2 количество 0,05 н. раствора хлорида магния и, не отфильтровывая осадка, внести 5-10 мг гидроксиламина, 10-25 мг индикатора хромоген черного;

добавить 5-10 мл аммиачно-буферной смеси и титровать 0,05 н. раствором трилона Б до изменения окраски от винно-красной до сине-голубой, в конце титрования следует ввести индикатор дополнительно;

после этого (или предварительно) оттитровать смесь растворов BaCl2 + MgCl2, взятых в тех же объемах, которые внесены в испытуемый раствор; разбавить смесь дистиллированной водой до 100 мл, внести 5 мл буферной смеси, прибавить хромоген черный и титровать трилоном Б; этим титрованием устанавливают количество ионов бария, внесенного в раствор для осаждения сульфат-ионов.

Сумма щелочно-земельных элементов, как правило, известна, так как анализ на определение Са2+ и Mg2+ проводится заранее.

Обработка полученных данных.

Концентрация сульфат-иона рассчитывается по формулам:

,                                           (54)

 =  × Э,                                                       (55)

где () - концентрация сульфат-иона, мг-экв/л (мг/л);

V1 - объем трилона Б, израсходованного на титрование отдельной пробы смеси BaCl2 + MgCl2, мл;

V2 - объем трилона Б, израсходованного на титрование пробы фильтрата, мл;

V3 - объем трилона Б, израсходованного на титрование суммы Са2+ + Mg2+, мл;

Н - нормальность раствора трилона Б;

Э - эквивалент аниона , равный 48;

а - объем фильтрата, взятого на определение сульфатов, мл.

3.20.5. Определение суммы щелочных металлов

Прямое определение ионов щелочных металлов химическими методами занимает много времени, поэтому практически удобнее определять сумму натрия и калия по разности анионов и катионов. Вычисление проводят следующим образом:

просуммировать мг-эквивалентный состав катионов (Са2+ и Mg2+) в исследуемом фильтрате;

просуммировать мг-эквивалентный состав анионов (, , , Cl-, );

из суммы мг-эквивалентов анионов вычесть сумму мг-эквивалентов катионов; найденная разность равна сумме щелочных металлов (Nа+ + K+) в фильтрате.

3.20.6. Определение калия

Для определения концентрации калия используются:

экспрессный седиментационный кобальтнитритный метод;

метод ускоренного определения калия.

Экспрессный метод.

Экспрессный седиментационный кобальтнитритный метод основан на образовании осадка кобальтгексанитрата калия при осаждении ионов калия кобальтнитритным реактивом. Количество осадка пропорционально содержанию калия, которое определяется по калибровочным кривым.

Необходимые химические реактивы и растворы:

кобальтнитритный реактив; приготавливается двумя способами:

30 г азотнокислого кобальта (ГОСТ 4528-78) растворить в 60 мл дистиллированной воды, одновременно в другом стакане 50 мл нитрита натрия растворяется в 100 мл дистиллированной воды; оба раствора сливают и прибавляют 10 мл ледяной уксусной кислоты, через сутки раствор фильтруется;

50 г хлористого кобальта растворяют при нагревании 50 мл дистиллированной воды и отдельно 150 г нитрита натрия растворяют в 500 мл воды, растворы охлаждают, сливают вместе и к полученной смеси добавляют 50 мл 50 %-ной уксусной кислоты, через сутки раствор фильтруют; кобальтнитритный реактив хранят в темном месте.

Порядок работы:

для получения осадка кобальтнитрита K[NaCo(NO2)6] необходимо в пробирку вместимостью (10-15) мл отмерить пипеткой 5 мл фильтрата, подкислить ледяной уксусной кислотой, добавить 5 мл кобальтнитритного реактива и (1-2) мл дистиллированной воды, должно сразу же наблюдаться выпадение осадка;

пробирку слегка встряхнуть, закрыть резиновой пробкой и поместить в центрифугу;

после 3 минут перемешивания в центрифуге измеряют линейкой высоту осадка.

Для получения калибровочной кривой по серии эталонных растворов, содержащих 5000, 10000, 20000, 30000, 50000 мг/л хлорида калия, что соответствует (0,5-5) %, необходимо:

в мерных колбах на 100 мл разбавить приготовленный раствор, содержащий 10000 мг/л 10 %-ного хлорида калия (лучше из фиксанала);

осаждение калия из эталонных растворов провести описанным выше методом; по концентрации эталонных растворов и соответствующим значениям высоты осадка строят калибровочную кривую, которая пригодна только для данной пробирки (в ней же определяется и концентрация калия в фильтрате бурового раствора).

Для получения осадка одинаковой плотности как в пробах фильтрата, так и в эталонных растворах, центрифугирование должно проводиться при постоянной скорости вращения и неизменном напряжении на клеммах электродвигателя центрифуги.

Измеренное в мм значение высоты осадка нанести на калибровочную кривую и отсчитать по ней концентрацию калия.

Метод ускоренного определения содержания калия.

Метод основан на том, что тетрафенилборат калия относительно плохо растворяется в воде, тогда как тетрафенилборат натрия - хорошо. Осаждающим веществом для калия служит 3-4 %-ный раствор тетрафенилбората натрия, который должен быть совершенно чистым.

Необходимое оборудование и реактивы:

конические колбы вместимостью 250 мл, водно-ледяная ванна, термометр, пористые тигли, вакуумный насос, сушильный шкаф с подогревом до 120 °С и подставка для тигелей;

стандартный калиевый раствор; растворить 1,9068 г КCl в воде и разбавить до 1 л;

гидроокись алюминия - одномольный раствор; растворить 15 г гидроокиси алюминия в воде и разбавить до 100 мл;

хлорид алюминия - 0,2 н. раствор; растворить 0,889 г AlCl3 в воде и разбавить до 100 мл;

тетрафенилборат натрия; растворить в воде 3,4 г тетрафенилбората натрия, добавить 5 мл одномольного раствора Al(OH)3 и разбавить до 100 мл, хорошо перемешать и профильтровать через пористый фильтр-тигель непосредственно перед употреблением;

промывочный раствор; добавить в 3 мл раствора тетрафенилбората натрия 0,5 мл уксусной кислоты и разбавить водой до 100 мл;

соляная кислота, 1 н. раствор.

Все применяемые реагенты должны быть аналитически чистыми и приготавливаться на дистиллированной воде.

Порядок проведения анализа:

25 мл исследуемого фильтрата поместить в коническую колбу вместимостью 250 мл;

довести рН раствора до 4-5 путем добавления 1 н. раствора HCl;

раствор прокипятить, если возможно наличие аммония;

добавить к раствору 3 капли 0,2 н. раствора AlCl3 и поставить колбу на 20 мин в водно-ледяную баню при температуре 0 °С;

добавить 10 мл раствора тетрафенилбората натрия, предварительно охлажденного до 0 °С, перемешать раствор интенсивным встряхиванием и поставить в баню на 5 мин, после чего содержимое колбы перенести в пористый тигель; для удаления из колбы остатков осадка используется холодный промывочный раствор (не более 50 мл);

поставить тигель в сушильный шкаф с температурой 120 °С и высушить до постоянной массы.

Концентрация калия рассчитывается по формуле

,                                                    (56)

где А - концентрация калия, мг/л;

Р - масса осадка, мг;

У - объем фильтрата, взятый для определения, мл;

91,7 - переводной коэффициент от тетрафенилбората калия к калию.

3.20.7. Определение извести

Порядок проведения анализа:

отобрать шприцем 1 мл бурового раствора, перенести в стеклянный стаканчик и добавить 50 мл дистиллированной воды;

потенциометрически титровать смесь 0,02 н. раствором серной или соляной кислот до рН = 8,2, после окончания титрования электроды промыть водой;

в другой стаканчик отобрать 1 мл фильтрата, добавить 50 мл воды и провести титрование тем же титрованным раствором кислоты.

Концентрация извести в буровом растворе определяется по формуле

С = 0,02(Vp - Vж × Р × r) × 37,                                               (57)

где С - концентрация извести в буровом растворе, г/л;

Vж - количество серной кислоты, пошедшей на титрование 1 мл фильтрата, мл;

Vp - количество серной кислоты, пошедшей на титрование 1 мл бурового раствора, мл;

Р - массовая концентрация жидкой фазы в буровом растворе ;

r - плотность бурового раствора, г/см3;

0,02 - нормальность серной кислоты;

37 - эквивалентная масса Са(ОН)2.

4. ТРЕБОВАНИЯ БЕЗОПАСНОСТИ

4.1. При эксплуатации приборов и установок, описанных в настоящей методике, необходимо руководствоваться «Правилами техники безопасности в нефтедобывающей промышленности», утвержденными Госгортехнадзором СССР 31.01.74 г., «Правилами технической эксплуатации электроустановок потребителями» и «Правилами техники безопасности при эксплуатации электроустановок потребителями» (ПТЭ и ПТБ), утвержденными Госгортехнадзором СССР 12.08.69 г., «Правилами устройства и безопасной эксплуатации сосудов, работающих под давлением», утвержденными Госгортехнадзором СССР 25.12.73 г., а также указаниями мер безопасности, приведенными в паспортах на соответствующие приборы и установки.

4.2. К работе с приборами и установками допускаются лица, имеющие соответствующую квалификацию и прошедшие предварительное обучение и инструктаж по общим правилам техники безопасности, по правилам техники безопасности при эксплуатации сосудов, работающих под давлением, и правилам технической эксплуатации и безопасности электроустановок промышленных предприятий с напряжением до 1000 в, а также изучившие инструкции и правила эксплуатации приборов и установок, описанных в настоящей методике.

4.3. Электрооборудование должно быть надежно заземлено. Сопротивление заземляющего устройства не должно превышать 4 Ом. Качество заземления проверяется в присутствии лица, ответственного за технику безопасности.

4.4. При работе с буровыми растворами и химическими реагентами следует руководствоваться действующими правилами и инструкциями по их безопасному применению.

Директор ВНИИКРнефти                                                               А.И. Буланов

Ответственный исполнитель

Зав. лабораторией информационного обеспечения

и информационных систем                                                            В.И. Демихов

Приложение 1

Рекомендации по выбору контролируемых параметров бурового раствора и средств для их измерения

1. Параметры бурового раствора, подлежащие контролю, разделяются на три группы в зависимости от условий бурения:

к первой группе относятся параметры, контроль которых обязателен при бурении скважин в любых геолого-технических условиях:

ко второй группе относятся параметры, контроль которых обязателен на скважинах с особыми геолого-техническими условиями бурения при наличии зон возможных осложнений или при применении специальных буровых растворов (хлоркальциевых, известковых, гипсовых, калиевых, соленасыщенных, эмульсионных и др.);

к третьей группе относятся параметры, контроль которых необходим для получения дополнительной информации о свойствах буровых растворов (например, параметры при повышенных температурах и давлениях и др.).

2. Первая группа параметров включает: плотность, условную вязкость, статическое напряжение сдвига через 1 и 10 минут, показатель фильтрации, толщину фильтрационной корки и водородный показатель.

3. Для контроля указанных параметров целесообразно использовать выпускаемый серийно комплект лаборанта буровых растворов КЛP-1, включающий: рычажные весы ВРП-1, вискозиметр BБP-1 для определения условной вязкости, фильтр-пресс ФЛР-1, отстойник ОМ-2, ротационный вискозиметр ВСН-3, термометр ТБР-1, прибор для определения газосодержания ПГР-1, секундомер, набор индикаторной бумаги, реагентов и посуды для химических анализов.

4. Вторая группа включает параметры первой группы, а также показатель минерализации, концентрацию ионов кальция, магния, калия, щелочных металлов, хлора, сульфата, концентрацию извести, газа, твердой фазы, коллоидных частиц, нефти, напряжения электропробоя.

5. Для контроля параметров первой и второй групп используется самоходная контрольная лаборатория ЛГР-69 или СКЛ-1, включающая комплект лаборанта КЛР-1, прибор ИГЭР-1, установку ТФН-1, фильтр-пресс ФП-200.

6. Третья группа включает параметры первой и второй групп, а также температуру бурового раствора, показатель фильтрации при повышенной температуре, статическое напряжение сдвига при повышенной температуре, динамическое напряжение сдвига, эффективную и пластическую вязкости при нормальной и повышенной температурах, смазочную способность, напряжение сдвига глинистой корки, показатели стабильности и седиментации, удельное электрическое сопротивление.

7. Для контроля параметров бурового раствора первой, второй и третьей групп предназначена стационарная лаборатория «Раствор-1», включающая комплект лаборанта КЛР-1, ротационный вискозиметр ВСН-2, фильтр-пресс ФП-200, рН-метр, установку для определения смазочной способности бурового раствора СР-1, установку для определения напряжения сдвига глинистой корки НК-1, испытатель гидрофобных растворов ИГЭР-1, установку для определения твердой фазы и нефти ТФН-1, отстойник ОМ-2, установку для термообработки бурового раствора УТ-1.

Кроме этого, могут использоваться другие серийно выпускаемые приборы, которые приведены в настоящей методике.

8. Методика не регламентирует конкретный перечень контролируемых параметров.

Включение параметров, относящихся ко 2-й и 3-й группам, в число контролируемых должно предусматриваться проектом скважины (геолого-техническим нарядом) в каждом конкретном случае.

9. На стадии проектирования при выборе технических средств измерения параметров бурового раствора целесообразно определять допустимую погрешность измерения.

Под допустимой погрешностью измерений понимается ее случайная составляющая, так как систематическая составляющая обычно учитывается в результате измерений.

Для определения допустимой погрешности измерений D используется приведенная ниже таблица, составленная для нормальных законов распределений контролируемых величин и погрешностей измерительных средств.

Зависимость допустимых погрешностей измерений от соотношений величин допустимых отклонений и среднеквадратичных отклонений параметров

0,25

0,5

0,75

1

1,25

1,5

1,75

2

D

0,8d

0,42d

0,33d

0,3d

0,3d

0,3d

0,37d

0,5d

Допустимая погрешность измерения D находится следующим образом:

по известным sх и d определяют величину

,                                                                     (1)

где d - допустимое отклонение параметра;

sх - среднее квадратическое отклонение параметра;

по таблице находят значение допустимой погрешности измерений D.

Исходя из величины допустимой погрешности измерений, выбирают соответствующие средства измерений.

Приложение 2

Программа выбора плана статистического регулирования параметров бурового раствора для ЭВМ ЕС-1050 на языке PL/1

Программа предназначена для расчета исходных данных для построения контрольных карт и составления плана контроля параметров бурового раствора.

В программе для каждого контролируемого параметра рассчитываются значения предупреждающих и внешних границ регулирования, рациональная периодичность контроля при отсутствии нарушений границ регулирования (т.е. в нормальном режиме) и рациональная периодичность контроля при нарушении границ регулирования.

Составление плана контроля предусматривает определение моментов времени отбора проб бурового раствора и, соответственно, контролируемых в каждой пробе параметров.

2.1. Подготовка исходных данных

Для расчета по программам «Карта» и «CONTR» необходимо заполнить одну таблицу ИИ КАРТА № 1 и для каждого интервала с постоянными значениями контролируемых параметров таблицу ИИ КАРТА № 2.

В программе предусматриваются следующие контролируемые параметры и их коды:

«1» - плотность бурового раствора, г/см3;

«2» - условная вязкость, с;

«3» - статическое напряжение сдвига за 1 мин., Па;

«4» - статическое напряжение сдвига за 10 мин., Па;

«5» - показатель фильтрации, см3;

«6» - водородный показатель;

«7» - напряжение электропробоя, В;

«8» - концентрация газа, %;

«9» - показатель минерализации фильтрата, мг/л;

«10» - содержание ионов кальция и магния, мг/д.

Таблица ИИ КАРТА № 1

Общая исходная информация по скважине

 

Наименование

Идентификатор

Значение

1

Название объединения (не более 20 символов)

NO

Грознефть

2

Название площади (не более 20 символов)

NP

Ястребиная

3

Номер скважины

NSK

119

4

Число проектных интервалов с постоянными значениями контролируемых параметров (не более 10)

K

1

5

Время начала смены, ч

To

8

6

Продолжительность смены, ч

G

12

Таблица ИИ КАРТА № 2

Исходная информация по интервалам

Интервал 1

Наименование

Идентификатор

Значение

1 Глубина, интервала, м

 

 

Н1 - нижняя граница

Н1

1700

Н2 - верхняя граница

Н2

3200

2 Подача, буровых насосов, л/с

Q

38

3 Объем циркулирующего бурового раствора, м3

V

150

4 Число параметров, контролируемых на данном интервале (не более 10)

NC

5

5 Порядковый номер интервала

PI

1

6 Код контролируемого параметра

a1

1

7 Проектное значение контролируемого параметра

b1

2,01

8 Допустимое отклонение контролируемого параметра от проектного значения

c1

0,003

9 Код контролируемого параметра

a2

2

10 Проектное значение контролируемого параметра

b2

30

11 Допустимое отклонение контролируемого параметра от проектного значения

c2

7

12 Код контролируемого параметра

a3

3

13 Проектное значение контролируемого параметра

b3

0,6

14 Допустимое отклонение контролируемого параметра от проектного значения

С3

0,9

15 Код контролируемого параметра

а4

4

16 Проектное значение контролируемого параметра

b4

1,8

17 Допустимое отклонение контролируемого параметра от проектного значения

С4

1,5

18 Код контролируемого параметра

a5

5

19 Проемное значение контролируемого параметра

b5

2,5

20 Допустимое отклонение контролируемого параметра от проектного значения

С5

1,5

2.2. Подготовка данных для ввода в ЭВМ

Текстовая информация (название объединения и площади) пробивается в апострофах, отделяясь друг от друга запятой. Вся числовая информация вводится бесформатным вводом, т.е. числа набиваются подряд, отделяясь друг от друга запятой.

Пакет входной информации формируется следующим образом:

1) на 1-й перфокарте пробиваются значения NO, NP, (см. табл. 1);

2) на 2-й перфокарте пробивается значение NS (см. табл. 1);

3) на 3-й перфокарте пробиваются значения K, To, G (см. табл. 1);

4) далее задается информация по первому интервалу:

величины Н1, Н2, Q, V, NC, PI пробиваются на одной перфокарте;

величины а1, b1, с1 пробиваются на отдельной перфокарте для какого параметра, контролируемого на этом интервале.

Информация по 1-му интервалу подготовлена.

Затем аналогичным образом задается информация по каждому следующему интервалу.

Приложение 3

Алгоритм выбора плана статистического регулирования параметров бурового раствора

В процессе выбора плана статистического регулирования параметров бурового раствора определяются:

значения предупреждающих границ регулирования;

значения внешних границ регулирования;

рациональная периодичность контроля в нормальном режиме (при отсутствии нарушений границ регулирования);

рациональная периодичность контроля при нарушении границ регулирования.

Значения предупреждающих и внешних границ регулирования определяются по формулам:

,                                                         (1)

,                                                              (2)

где  - значение нижней (верхней) предупреждающей границы регулирования i-го параметра бурового раствора;

 - значение нижней (верхней) внешней границы регулирования;

 - проектное значение i-го параметра бурового раствора;

 - допустимое отклонение i-го параметра бурового раствора;

n - число измерений;

 - величина, зависящая от уровня значимости (для a = 0,0027,  = 3);

si - среднее квадратическое отклонение i-го параметра бурового раствора.

Рациональная периодичность контроля параметров бурового раствора в нормальном режиме определяется на основе статистических данных, полученных в процессе бурения скважин в аналогичных условиях, по формуле

,                            (3)

где               -   периодичность контроля i-го параметра бурового раствора при отсутствии нарушений границ регулирования;

Хпрi - проектное значение i-го параметра бурового раствора;

si - среднее квадратическое отклонение i-го параметра бурового раствора;

 - интегральная функция Лапласа;

 - значение предупреждающей границы;

svi - среднее квадратическое отклонение скорости изменения функции Xi(t) - функции изменения i-го параметра во времени.

Полученные значения периодичности t1i округляются в меньшую сторону до значений, кратных 10 минутам.

Рациональная периодичность контроля при нарушении внешних границ регулирования рассчитывается таким образом, чтобы измерения по трем пробам (среднее арифметическое значение параметра в выборке из трех проб или значение средней пробы) характеризовали бы среднее значение параметра пачки бурового раствора заданного объема

,                                                                   (4)

где  - периодичность контроля при нарушении внешних границ регулирования;

Vзi - объем пачки бурового раствора, для которой определяется среднее значение i-го параметра;

Q - расход бурового раствора.

Объем Vзi выбирают из технологических соображений. Для плотности и условной вязкости Vзi = 30 м3, для остальных параметров этот объем равен всему объему циркулирующего раствора на данном интервале, т.е. Vзi = Vц.р.i.

Приложение 4

Данные для подготовки контрольных карт

Объединение Грознефть          Площадь Ястребиная             № скважин 110

Интервал бурения

Контролируемые параметры

Проектные значения параметров

Значения предупреждающих границ

Значения внешних границ

Периодичность контроля в нормальном режиме, часы-мин

нижняя

верхняя

нижняя

верхняя

1700-3200

r

2,01

1,99

2,03

1,98

2,04

0-10

 

УВ

30

26

34

23

37

0-30

 

снс1

0,6

0,4

0,8

0,0

1,5

5-40

 

СНС10

1,8

0,8

2,8

0,3

3,3

5-40

 

ф

2,5

1,8

3,2

1,0

4,0

3-30

Приложение 5

План контроля параметров на интервале 1700-3200

Приложение 6

Подготовка контрольных карт к работе

Подготовка контрольных карт к работе производится лаборантом цеха промывочных жидкостей (или лаборантом на буровой) на основании рассчитанных данных (см. приложение 4).

Вверху бланка указывается наименование объединения и площади, номер скважины и глубина интервала бурения.

Вдоль вертикальной оси на каждой контрольной карте в произвольном масштабе, выбираемом в зависимости от значений предупреждающих и внешних границ регулирования, наносятся значения контролируемых параметров. Проектные значения наносятся в центре контрольных карт.

Параллельно оси времени напротив соответствующих значений пунктирными линиями проводятся предупреждающие границы, сплошными жирными линиями проводятся внешние границы.

Для удобства ведения контрольных карт рекомендуется для каждого параметра в соответствии с планом контроля (см. приложение 5) нанести на каждую карту отметки времени, в которые будут производиться отборы проб для измерения данного параметра.

Приложение 7

Пример заполненного бланка контрольных карт

СОДЕРЖАНИЕ

1. Общие положения. 1

2. Организация контроля параметров бурового раствора на буровой. 2

3. Технические средства и методы определения параметров бурового раствора. 4

3.1. Определение плотности бурового раствора. 4

3.2. Определение условной вязкости. 6

3.3. Определение статического напряжения сдвига при нормальной температуре. 7

3.4. Определение статического напряжения сдвига при повышенной температуре. 9

3.5. Определение динамического напряжения сдвига, эффективной и пластической вязкостей при нормальной температуре. 10

3.6. Определение динамического напряжения сдвига, эффективной и пластической вязкости при повышенной температуре. 12

3.7. Определение показателя фильтрации при нормальной температуре. 12

3.8. Определение показателя фильтрации при повышенной температуре. 14

3.9. Определение толщины фильтрационной корки. 15

3.10. Определение статического напряжения сдвига в фильтрационной корке при перепадах давления. 16

3.11. Определение концентрации посторонних твердых примесей. 17

3.12. Определение показателей стабильности и седиментации. 18

3.13. Определение концентрации газа. 19

3.14. Определение концентрации твердой фазы и нефти в буровом растворе. 21

3.15. Определение концентрации коллоидных частиц в буровом растворе. 27

3.16. Определение водородного показателя. 28

3.17. Определение смазочной способности. 28

3.18. Определение напряжения электропробоя. 29

3.19. Определение удельного электрического сопротивления. 30

3.20. Анализ фильтрата бурового раствора. 30

4. Требования безопасности. 38

Приложение 1. Рекомендации по выбору контролируемых параметров бурового раствора и средств для их измерения. 39

Приложение 2. Программа выбора плана статистического регулирования параметров бурового раствора для ЭВМ ЕС-1050 на языке PL/1. 40

Приложение 3. Алгоритм выбора плана статистического регулирования параметров бурового раствора. 41

Приложение 4. Данные для подготовки контрольных карт. 42

Приложение 5. План контроля параметров на интервале 1700-3200. 43

Приложение 6. Подготовка контрольных карт к работе. 43

Приложение 7. Пример заполненного бланка контрольных карт. 44

 




Rambler's Top100 Яндекс цитирования
  Copyright © 2008-2026, www.docload.ru