Бесплатная библиотека стандартов и нормативов www.docload.ru

Все документы, размещенные на этом сайте, не являются их официальным изданием и предназначены исключительно для ознакомительных целей.
Электронные копии этих документов могут распространяться без всяких ограничений. Вы можете размещать информацию с этого сайта на любом другом сайте.
Это некоммерческий сайт и здесь не продаются документы. Вы можете скачать их абсолютно бесплатно!
Содержимое сайта не нарушает чьих-либо авторских прав! Человек имеет право на информацию!

 

ПРАВИТЕЛЬСТВО МОСКВЫ

МОСКОМАРХИТЕКТУРА

РЕКОМЕНДАЦИИ
ПО ПРОЕКТИРОВАНИЮ И ПРИМЕНЕНИЮ
ДЛЯ СТРОИТЕЛЬСТВА И РЕКОНСТРУКЦИИ
ЗДАНИЙ В г. МОСКВЕ

ФАСАДНОЙ СИСТЕМЫ
С ВЕНТИЛИРУЕМЫМ
ВОЗДУШНЫМ ЗАЗОРОМ
«ГРАНИТОГРЕС»

2002

Предисловие

1. Разработаны: Центральным научно-исследовательским и проектным институтом жилых и общественных зданий (ЦНИИЭП жилища).

Авторский коллектив:

д.т.н. Николаев С.В. - руководитель работы

д.т.н. Граник Ю.Г. - общее руководство

инж. Ставровский Г.А. - общая редакция

д.т.н. Зырянов B.C. - прочностные расчеты

к.т.н. Беляев B.C. - теплотехнические расчеты

к.т.н. Граник М.Ю. - конструкции, компьютерная графика

Консультанты:

от ООО «Гранитогрес»:

Генеральный директор Ланкин Д.А. - организационно-технические решения и конструкции системы

Руководитель ИСО Михайлов С.А.

Руководитель проектной группы - Песков А.Р.

2. Подготовлены к утверждению и изданию Управлением перспективного проектирования и нормативов Москомархитектуры.

3. Утверждены указанием Москомархитектуры от 21.01.2002 г. № 5.

СОДЕРЖАНИЕ

1. Введение. 1

2. Назначение и область применения системы.. 2

3. Конструктивное решение системы.. 2

4. Техническое решение архитектурных элементов фасада. 11

5. Применяемые материалы и комплектующие детали. 11

6. Исходные данные для проектирования системы.. 12

7. Определение основных параметров системы.. 12

8. Прочностные расчеты.. 13

9. Теплотехнические расчеты.. 18

10. Состав проектно-сметной документации. 37

11. Технико-экономические показатели системы.. 37

12. Основные положения по производству работ и системе контроля качества. 38

13. Правила эксплуатации системы.. 39

14. Перечень нормативных документов и литературы.. 39

1. Введение

1.1. Рекомендации являются методическим и справочным пособием для специалистов, выполняющих разработку проектов систем наружных ограждений с вентилируемым воздушным зазором для фасадной отделки и утепления строящихся и реконструируемых зданий в г. Москве.

1.2. В системе слой наружной облицовки фасада установлен с воздушным зазором относительно расположенного за ним слоя плит утеплителя. Облицовочный слой выполняется из плит «Гранитогрес», фибробетона и других облицовочных материалов, которые крепятся на несущем каркасе из алюминиевых профилей или профилей из нержавеющей стали.

1.3. Разработчиком системы и поставщиком ее основных элементов является ООО «Гранитогрес», которое апробировало свои разработки на ряде зданий в г. Москве и других городах России.

1.4. Рекомендации содержат следующие данные: назначение и область применения системы, конструктивное решение системы, состав исходных данных для проектирования, методики расчетов всех расчетных параметров системы, способы производства работ, правила эксплуатации системы и ее технико-экономические показатели.

2. Назначение и область применения системы

2.1. Система предназначена для теплоизоляции и облицовки различными плитными отделочными материалами фасадов наружных стен зданий и сооружений в соответствии с II этапом СНиП II-3-79* и МГСН 2.01-99.

2.2. Систему допускается применять для строительства и реконструкции зданий в г. Москве с кирпичными, бетонными и стенами из других материалов плотностью более 600 кг/м3.

Ограничения области применения системы приводятся в разделе 3 приложения к Техническому свидетельству Госстроя России на систему.

3. Конструктивное решение системы

3.1. Система является многослойной конструкцией, которая включает минераловатные плиты утеплителя, прикрепленные дюбелями с широкими шляпками к основанию, несущий каркас и, прикрепленные к нему на определенном расстоянии от основания, облицовочные материалы (экран). Расстояние от основания до экрана должно быть таким, чтобы между плитами утеплителя и экраном был воздушный зазор.

3.2. В системе применяются различные облицовочные материалы, в том числе, плиты керамогранита с открытым и скрытым креплением, прессованные фибробетонные плиты с покрытием крошкой натурального камня и окрашенные, а также кассетные панели из оцинкованной листовой стали или алюминиевые с цветным покрытием.

3.3. В зависимости от вида облицовочного материала применяются разные конструкции несущего каркаса. Основной вариант несущего каркаса включает два элемента - кронштейны и прикрепленные к ним вертикальные профили. В случае, когда здание облицовывается плитами керамогранита со скрытым креплением в несущем каркасе дополнительно применяется горизонтальный профиль.

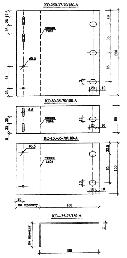
3.4. В системе преимущественно применяются составные кронштейны, состоящие из кронштейна универсального (алюминиевого листа, согнутого углом 90°), который анкерными болтами крепится к основанию и доборного кронштейна, который 2 - 3 болтами прикреплен к универсальному (рис. 3.1). Благодаря такой конструкции и разной длине доборных кронштейнов, можно в достаточном диапазоне изменять расстояние от основания до экрана, что позволяет применять утеплитель различной толщины и компенсировать отклонения от вертикальной плоскости несущих конструкций наружных стен (основания). Применяются 3 вида кронштейнов по ширине. Кронштейны шириной 150 мм воспринимают вертикальную нагрузку от веса элементов системы (кроме утеплителя) и горизонтальную - от ветрового воздействия.

Кронштейны шириной 80 мм воспринимают только горизонтальную нагрузку, поскольку вертикальный профиль крепится к ним с возможностью вертикального перемещения вследствие температурных деформаций. Есть кронштейны шириной 250 мм, которые применяются в отдельных случаях, когда стык смежных вертикальных профилей производится на этом кронштейне. В этом случае верхний вертикальный профиль крепится к этому кронштейну с возможностью вертикального перемещения, а нижний - жестко для возможности передачи на основание и вертикальной нагрузки. Кроме того, применяются и специальные кронштейны - угловые, оконные и т.п. (рис. 3.2 и 3.3). Крепление кронштейнов к основанию производят анкерными дюбелями через паронитовую прокладку. Параметры дюбеля определяются прочностными расчетами, которые выполняют в процессе проектирования.

3.5. Вертикальные профили из прессованного алюминия в основном применяются двух видов: целые «Т» - образного сечения и половинчатые (рис. 3.4). Они крепятся к кронштейнам оцинкованными болтами Æ 5 - 6 мм или алюминиевыми заклепками. При монтаже вертикальных профилей между смежными элементами должен оставаться зазор, учитывающий возможные температурные деформации. Там, где соединение выполняют с возможностью вертикального перемещения вертикального профиля относительно кронштейна, на болты с обеих сторон соединяемых материалов следует установить шайбы.

3.6. Монтаж плит утеплителя производят после крепления на основании кронштейнов. Толщина плит утеплителя определяется теплотехническим расчетом. Крепление утеплителя к основанию производится тарельчатыми пластмассовыми дюбелями. Количество дюбелей определяется расчетами, но не должно быть менее 4 штук на одну плиту. Если применяются плиты утеплителя, не имеющие кашированной поверхности, их следует укрывать влаговетрозащитной паропроницаемой пленкой типа «TYVEK». Пленка закрепляется на поверхности плит утеплителя теми же дюбелями, что и утеплитель. При этом часть дюбелей сначала фиксирует на основании только плиты утеплителя, затем утеплитель покрывается пленкой и вместе с ней закрепляется на основании остальными дюбелями.

3.7. Каркас, о котором говорилось в п.п. 3.4 и 3.5, предназначен для монтажа на нем облицовочных плит из керамогранита и прессованного фибробетона с различными покрытиями.

Плиты керамогранита «Гранитогрес» поставляются из Италии. Их размеры 600 ´ 1200 ´ 12, 900 ´ 900 ´ 12, 600 ´ 600 ´ 10 ÷ 12, 400 ´ 600 ´ 10, 300 ´ 600 ´ 10 и 400 ´ 400 ´ 10 мм. Поверхность плит может быть матовая или полированная. Плиты керамогранита с открытым креплением удерживаются на полках вертикального профиля скобами (кляммерами) из нержавеющей стали, окрашенными под цвет облицовочных плит. Между облицовочными плитами и полками вертикального профиля устанавливают резиновую прокладку (рис. 3.5).

В плитах керамогранита со скрытым креплением с обратной стороны сверлятся четыре несквозных конусных отверстий под самораспорные винты. Для их крепления несущий каркас дополнительно оснащается горизонтальными профилями с кронштейнами, в которых установлены самораспорные винты. Для каждой плиты к вертикальным профилям крепится по два горизонтальных и на каждом горизонтальном профиле установлены 2 кронштейна (рис. 3.6). Плиты из прессованного фибробетона поставляются размерами 1200 ´ 2500 мм. Крепление этих плит к вертикальным профилям производят через резиновую прокладку саморезами в отверстия, заранее просверленные в плите, при этом шляпки саморезов окрашиваются под цвет фасадной поверхности плиты (рис. 3.7).

3.8. Кассетные панели из алюминия или оцинкованной стали с цветным покрытием сгибаются из предварительно раскроенных листов. Для них применяются вертикальные профили «П» - образного сечения, в которых с определенным шагом установлены горизонтальные металлические стержни. На боковых гранях кассетных панелей делаются просечки, посредством которых они навешиваются на стержни вертикального профиля (рис. 3.8).

3.9. Конструкция системы с плитами «Гранитогрес» на кляммерах дополнительно поясняется следующими рисунками:

- вертикальный и горизонтальные разрезы системы - 3,9 ÷ 3,11;

- примыкание системы к оконному проему и парапету - 3,12 ÷ 3,15.

Рис. 3.1. Кронштейны универсальные и доборные.

Рис. 3.2. Кронштейны угловые.

Рис. 3.3. Кронштейны оконные.

Рис. 3.4. Профили вертикальные.

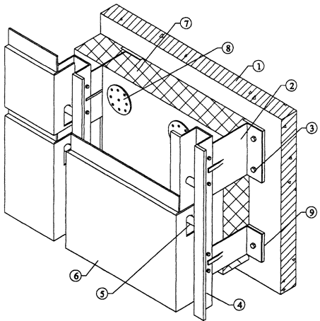
Рис. 3.5. Система с облицовкой плитами «Гранитогрес», прикрепленных к несущему каркасу кляммерами.

1. Основание.

2. Кронштейн (универсальный).

3. Анкерный болт крепления кронштейна.

4. Вертикальный профиль.

5. Резиновая прокладка.

6. Облицовочная плита «Гранитогрес».

7. Скоба (кляммер).

8. Утеплитель.

9. Тарельчатый дюбель крепления утеплителя.

10. Паронитовая прокладка.

Рис. 3.6. Система с облицовкой плитами «Гранитогрес» со скрытыми креплениями.

1. Основание.

2. Кронштейн (универсальный).

3. Анкерный болт крепления кронштейна.

4. Вертикальный профиль.

5. Горизонтальный профиль.

6. Кронштейн для скрытого крепления плит «Гранитогрес».

7. Распорный винт.

8. Облицовочная плита «Гранитогрес».

9. Утеплитель.

10. Тарельчатый дюбель крепления утеплителя.

11. Паронитовая прокладка.

Рис. 3.7. Система с облицовкой прессованными плитами из фибробетона.

1. Основание.

2. Кронштейн (универсальный).

3. Анкерный болт крепления кронштейна.

4. Вертикальный профиль.

5. Резиновая прокладка.

6. Облицовочная плита «Гранитогрес».

7. Саморез крепления облицовочной плиты.

8. Утеплитель.

9. Тарельчатый дюбель крепления утеплителя.

10. Паронитовая прокладка.

Рис. 3.8. Система с облицовкой кассетными панелями.

1. Основание.

2. Кронштейн (универсальный).

3. Дюбель крепления кронштейна.

4. Вертикальный профиль.

5. Горизонтальный стержень в вертикальном профиле для навески кассетной панели.

6. Кассетная панель (металлическая).

7. Утеплитель.

8. Тарельчатый дюбель для крепления утеплителя.

9. Паронитовая прокладка.

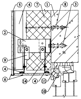
Рис. 3.9. Вертикальный разрез системы.

1. Основание.

2. Кронштейн (составной).

3. Анкерный болт для крепления кронштейна.

4. Вертикальный профиль.

5. Облицовочная плита.

6. Скоба для крепления облицовочной плиты.

7. Утеплитель.

8. Дюбель для крепления утеплителя.

14. Паронитовая прокладка.

Рис. 3.10. Разрез горизонтальный у внешнего угла.

1. Основание.

2. Кронштейн (составной).

3. Анкерный болт для крепления кронштейна.

4. Вертикальный профиль.

5. Облицовочная плита.

6. Скоба для крепления облицовочной плиты.

7. Утеплитель.

8. Дюбель для крепления утеплителя.

14. Паронитовая прокладка.

Рис. 3.11. Разрез горизонтальный у внутреннего угла.

1. Основание.

2. Кронштейн (составной).

3. Анкерный болт для крепления кронштейна.

4. Вертикальный профиль.

5. Облицовочная плита.

6. Скоба для крепления облицовочной плиты.

7. Утеплитель.

8. Дюбель для крепления утеплителя.

14. Паронитовая прокладка.

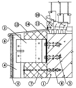
Рис. 3.12. Вертикальный разрез системы у верхнего откоса окна.

1. Основание.

2. Кронштейн (составной).

3. Анкерный болт для крепления кронштейна.

4. Вертикальный профиль.

5. Облицовочная плита.

6. Скоба для крепления облицовочной плиты.

7. Утеплитель.

8. Дюбель для крепления утеплителя.

9. Специальный кронштейн.

10. Оконный блок.

11. Уплотнение.

14. Паронитовая прокладка.

Рис. 3.13. Горизонтальный разрез системы у бокового откоса окна.

1. Основание.

2. Кронштейн (составной).

3. Анкерный болт для крепления кронштейна.

4. Вертикальный профиль.

5. Облицовочная плита.

6. Скоба для крепления облицовочной плиты.

7. Утеплитель.

8. Дюбель для крепления утеплителя.

10. Оконный блок.

11. Уплотнение.

12. Оконный кронштейн.

14. Паронитовая прокладка.

Рис. 3.14. Вертикальный разрез системы у оконного слива.

1. Основание.

2. Кронштейн (составной).

3. Анкерный болт для крепления кронштейна.

4. Вертикальный профиль.

5. Облицовочная плита.

6. Скоба для крепления облицовочной плиты.

7. Утеплитель.

8. Дюбель для крепления утеплителя.

10. Оконный блок.

11. Уплотнение.

13. Слив.

14. Паронитовая прокладка.

Рис. 3.15. Вертикальный разрез системы у парапета здания.

1. Основание.

2. Кронштейн (составной).

3. Анкерный болт для крепления кронштейна.

4. Вертикальный профиль.

5. Облицовочная плита.

6. Скоба для крепления облицовочной плиты.

7. Утеплитель.

8. Дюбель для крепления утеплителя.

13. Слив.

14. Паронитовая прокладка.

4. Техническое решение архитектурных элементов фасада

4.1. Архитектурные элементы фасада карнизы, пояски, обрамление проемов и т.п. разрабатываются в процессе проектирования системы для конкретного здания, при этом могут применяться следующие материалы и способы изготовления архитектурных деталей:

- металлопласт;

- пенополистирол ПСБС 20Ф и 25Ф, покрытый штукатуркой, армированной стеклосеткой;

- материал STUKMORTEL FUNCOSIL фирмы «Remmers» (Германия);

- материал FUNCOSIL RFSTAURIERMORTEL - имитатор натурального камня.

4.2. Металлопласт - это стальные оцинкованные листы, покрытые цветными полимерными составами, которые поставляются московскими предприятиями «Полиметалл 2000» и «Центр кровля». Раскрой, гибка и сборка архитектурных деталей выполняется соответствующим производством ООО «Гранитогрес». Готовые архитектурные детали саморезами крепятся на несущий каркас системы.

4.3. Из пенополистирола изготавливаются архитектурные детали сравнительно простых геометрических форм, в том числе пояски, обрамления проемов, пилястры с простыми капителиями и т.п.

Заготовки архитектурных деталей из пенополистирола могут быть приобретены на Мытищинском комбинате стройпластмасс или изготовлены (вырезаны из плит) в мастерских предприятия, выполняющего монтаж системы. Заготовка детали наклеивается на пластину, вырезанную из фиброцементной плиты типа «Minerit», покрывается армированной штукатуркой и окрашивается. В процессе выполнения этих операций архитектурная деталь оснащается закладными деталями из оцинкованной или нержавеющей стали, с помощью которых она крепится на несущем каркасе системы.

4.4. Материалы Stukmortel Funcosil и Funcosil Restauriermortel поставляются в виде сухой смеси и затворяются водой. Готовый раствор заливается в соответствующие формы или матрицы. Перед заливкой в формы укладывают и фиксируют закладные детали преимущественно из цветных металлов, посредством которых архитектурные детали крепят к несущему каркасу.

Эти материалы пригодны для изготовления архитектурных деталей сложной формы, включая сложные орнаменты и художественные изделия.

5. Применяемые материалы и комплектующие детали

5.1. Слой утеплителя системы следует выполнять из негорючего плитного материала, на который имеется сертификат соответствия или техническое свидетельство Госстроя России. В основном это - минераловатные и стекловолокнистые плиты отечественного производства и импортные. Толщина слоя утеплителя из конкретных плит определяется теплотехническим расчетом.

5.2. Кронштейны несущего каркаса выполняются из алюминиевого листа толщиной 3 мм в соответствии с ГОСТ 24767-81 (производство «Гранитогрес»).

5.3. Вертикальные профили несущего каркаса, прессованные из алюминиевых сплавов в соответствии с ГОСТ 22233-93 (производство - завод «Металлоконструкция» г. Видное).

5.4. Для облицовки фасадов применяются плиты керамогранита «Гранитогрес» (поставляются из Италии). Применяемый облицовочный материал должен соответствовать ГОСТ 27180-86 и ГОСТ 7025-78, а также прессованные фибробетонные плиты окрашенные и покрытые крошкой натурального камня и кассетные панели из оцинкованной листовой стали или алюминиевые.

5.5. Для крепления кронштейнов применяются распорные дюбели фирмы «HILTI».

Для соединения элементов каркаса между собой применяются болты Æ 5-6 мм, заклепки и саморезы из оцинкованной стали.

5.6. В качестве уплотнительной прокладки применяется атмосферостойкая и морозостойкая резина ТУ 381051-868-88, а в качестве термоизоляционной прокладки - паронит по ГОСТ 481-80.

5.7. Все материалы, применяемые в системе, должны соответствовать материалам, приводимым в разделе 2, и требованиям к ним в разделе 5 приложения к Техническому свидетельству Госстроя России на данную систему, действующего на момент разработки проекта.

6. Исходные данные для проектирования системы

6.1. Проектно-сметная документация на систему для конкретного объекта разрабатывается на основе задания на проектирование, подготовленного в соответствии с существующим в г. Москве порядком и утвержденного заказчиком. Задание на проектирование обязательно должно содержать требование о соответствии системы II этапу СНиП II-3-79* и МГСН 2.01-99.

6.2. Задание на проектирование должно включать следующие исходные данные:

- архитектурные чертежи фасадов здания, включающие данные о фактуре и цвете облицовочных материалов, чертежи архитектурных деталей (карнизов, обрамления проемов и т.п.) и другие необходимые данные, если это не входит в состав работ по данному заданию;

- строительные чертежи наружных стен от фундаментов до парапетов, включая узлы, поясняющие решение и размеры всех конструкций;

- данные от разработчиков фундаментов о величине допустимой дополнительной нагрузки на стены здания;

- план участка, где расположено здание.

Для реконструируемых зданий задание на проектирование дополнительно должно содержать акт обследования наружных стен здания, где указывается состояние поверхности фасадов, результаты испытаний на усилия, с которым принятые дюбели можно вырвать из стены, и геодезическую съемку поверхностей фасадов с данными о величине отклонений их отдельных участков от вертикальной плоскости.

6.3. К заданию на проектирование должно быть приложено Приложение к Техническому свидетельству Госстроя России на эту фасадную систему.

7. Определение основных параметров системы

7.1. К основным параметрам системы следует отнести:

- тип и размер облицовочных плит;

- характеристику принятых плит утеплителя: марку, размеры, плотность и теплопроводность и др.;

- величину воздушного зазора;

- схему размещения на фасаде здания кронштейнов и вертикальных профилей со всеми необходимыми размерами;

- типы и марки кронштейнов;

- типы и марки вертикальных профилей;

- марка дюбелей для крепления кронштейнов несущего каркаса к основанию;

- марка дюбелей для крепления плит утеплителя к основанию.

7.2. Тип и размер облицовочных плит, их цвет и фактуру поверхности определяет главный архитектор проекта, если эти данные не приводятся в задании на проектирование системы.

7.3. Выбор плит утеплителя выполняется на основании расчетов, методика которых приводится ниже. Там же (в разделе «Теплотехнические расчеты») имеются рекомендации по определению величины воздушного зазора.

В случае применения плит утеплителя с кашированной поверхностью можно обойтись без гидроветрозащитной мембраны.

7.4. Схема размещения на фасаде здания элементов несущего каркаса разрабатывается, исходя из следующих данных:

- размеров по ширине облицовочных плит, вертикальный шов между которыми должен располагаться в центре вертикального профиля;

- геометрией фасада здания, размещения на фасаде проемов, балконов, карнизов и других отступающих (выступающих) от плоскости фасада элементов для минимизации применения облицовочных плит с нестандартными размерами;

- результатами прочностных расчетов системы, благодаря которым, в том числе, уточняется шаг по вертикали установки кронштейнов.

7.5. Тип и марка кронштейнов определяются, исходя из следующих условий:

- материалом основания;

- схемой размещения несущего каркаса на фасаде здания;

- расстоянием от основания до экрана, принятым на основании теплотехнических расчетов, при этом следует учитывать величину фактических отклонений фасада от проектного положения;

- результатов прочностных расчетов системы.

7.6. Марку дюбелей для крепления кронштейнов и утеплителя выбирают с учетом результатов прочностных расчетов системы, паспортных данных рассматриваемых дюбелей и результатов испытаний принятых дюбелей на вырывание.

8. Прочностные расчеты

8.1. Методические предпосылки

Прочностные расчеты включают проверку прочности и деформаций металлических профилей, анкерных болтов и стержней, несущих нагрузки от их собственной массы, массы облицовочных плит, утеплителя и от давления ветра, стыковых соединений профилей между собой, их креплений к основным несущим конструкциям здания. Нагрузку от собственной массы профилей в случаях, когда она относительно мала, возможно не учитывать.

Физико-механические характеристики материалов профилей, их соединений и крепежных элементов следует принимать по СНиП [3, 4].

Нагрузки от собственной массы облицовочных плит и утеплителя принимаются по техническим условиям или паспортным данным предприятий-изготовителей. Временные нагрузки от ветра принимают по СНиП [2], в данном случае для I ветрового района г. Москвы. Кроме того, учитываются дополнительные коэффициенты к ветровым нагрузкам в соответствии с письмом ЦНИИСКа № 1-945 от 14.11.2001 г.

Усилия: изгибающие моменты, поперечные и продольные силы; прогибы определяют с использованием основных положений сопротивления материалов и строительной механики.

При проверке прочности и деформаций элементов и стыковых соединений коэффициенты надежности по нагрузкам γf, а также единый коэффициент надежности по назначению γп = 0,95 принимаются по СНиП [2].

Подробно методика расчета проиллюстрирована в приводимом ниже примере (п. 8.4). В примере исходные параметры даны для конкретных материалов и конструкций (п. 8.2). В то же время приведенная методика, где все расчетные формулы даются как в буквенном, так и в числовом выражениях со ссылками на нормативные источники, может быть использована и для других вариантов и сочетаний материалов и конструктивных решений.

8.2. Характеристики материалов

Расчетные сопротивления несущих профилей и заклепок, изготовленных из алюминиевых сплавов марок АД31Т1, АМг2М и АМг2Н2, согласно [3] (МПа): по табл. 6 - профилей: на растяжение, сжатие и изгиб R = 120; на сдвиг Rs = 75; на смятие Rlp = 90; по табл. 11, 13 - соединений на заклепках: на срез Rrs = 70; на смятие Rгp = 110; по табл. 2 Приложения 1: модуль упругости Е = 7 · 104; модуль сдвига G = 26500.

Расчетные сопротивления стальных болтов по табл. 58 [4] (МПа): на растяжение Rвt = 170; на срез Rвs = 150; коэффициент условий работы болтов по табл. 35 γв = 0,8. Тип, конструкция и допускаемое усилие на 1 болт с дюбелем подбираются по каталогам фирм с учетом материала и состояния стены.

Прочность на сжатие утеплителя «Венти-Баттс» при 10 % деформации 0,02 МПа.

8.3. Расчетные схемы

Направления координатных осей приняты:

ось х - горизонтальная в плоскости стены;

ось у - горизонтальная по нормали к стене;

ось z - вертикальная в плоскости стены.

Расчетные схемы вертикальных профилей: в направлении оси «у» - двух-пролетная балка, неразрезная на промежуточной и шарнирно закрепленная на верхней и нижней опорах (рис. 8.1), в направлении оси «z» - растянутый стержень. Шаги в направлении оси «х» соответствуют ширине принимаемых облицовочных плит, а пролеты в направлении оси «z» определяются с учетом длины применяемых профилей и в соответствии с расчетом.

К вертикальным профилям прикладывается вертикальная нагрузка от собственного веса и веса облицовочных и горизонтальная ветровая нагрузка.

Расчетная схема несущего кронштейна - консоль с вылетом lк (рис. 8.2), диктуемым толщиной слоя утеплителя. Кронштейны с шагом lx, соответствующим шагу вертикальных профилей, крепятся к стене каждый с помощью двух анкерных болтов с дюбелями. На кронштейны через вертикальные профили передаются вертикальные нагрузки с эксцентриситетом eу и ветровые нагрузки.

Расчетная схема вспомогательного кронштейна - стержень, работающий на растяжение от ветровой нагрузки; крепится к стене одним болтом с дюбелем.

Расчетная схема анкерных болтов для крепления утеплителя - консоль с вылетом lк = δут.

Заклепочные и болтовые соединения между профилями и со стеной, анкеровку в стене рассчитывают на действие усилий среза от вертикальных нагрузок, растяжения и вырыва от совместного действия вертикальной и ветровой нагрузок.

Рис. 8.1. Расчетные схемы вертикального профиля.

а - на вертикальные нагрузки; б - на ветровые нагрузки.

Рис. 8.2. Расчетная схема несущего кронштейна.

а - схема нагрузок; б - момент от вертикальной нагрузки; в - поперечная сила.

8.4. Пример расчета

8.4.1. Исходные данные и нагрузки

В данном примере принят вариант облицовки керамической плиткой «Гранитогрес» плотностью γ = 2500 кг/м3, размеры плит 600 ´ 600 мм, толщина δ = 10 мм. Крепление плит - алюминиевыми профилями; толщина вертикальных профилей - 2 мм, кронштейнов - 3,5 мм. Несущий кронштейн принят высотой 150 мм. Соединение профилей алюминиевыми заклепками Æ 4, 8 мм, анкеровка к стене - стальными болтами Æ 12 мм с дюбелями.

Шаги вертикальных профилей вдоль здания lx = 0,6 м, шаги кронштейнов по вертикали и соответственно пролеты вертикальных профилей lz = 1,0 м.

Утеплитель - минераловатные плиты «Венти Баттс» плотностью γ = 110 кг/м3, толщиной δ = 150 мм, крепится к стене независимо от облицовки, тарельчатыми пластмассовыми дюбелями Æ 5 мм с шляпками Æ 80 мм.

Вертикальные нагрузки (Н/м2) от веса облицовочных плит: нормативная qzn = 2500 · 10 · 10-3 · 101 = 250, расчетная qz = γf · qzn = 1,2 · 250 = 300; от веса утеплителя qутn = 110 · 150 · 10-3 · 101 = 165, qут = 1,3 · 165 = 215; собственным весом алюминиевых профилей ввиду его малости пренебрегается.

Горизонтальные нагрузки от ветрового давления приняты условно для высоты Н = 80 м; нормативное значение ветрового давления для I ветрового района wo = 0,23 кПа, коэффициент «К» для зданий высотой 80 м, тип местности «В» по табл. 6 [2] К = 1,45; аэродинамический коэффициент принимается максимальным для угловых зон здания Сe = -2 [2]; коэффициент γp = 1,3, учитывающий пульсационную составляющую ветровой нагрузки и коэффициент γm = 1,2 увеличения средней величины ветрового давления (γp и γm - по рекомендации ЦНИИСК, как дополнение к СНиП [2]).

Нормативная ветровая нагрузка qzn = wen = 0,23 · 1,45 · |-2| · 1,3 · 1,2 = 1,04 кПа= 1040 Н/м2. Расчетная нагрузка при коэффициенте надежности по нагрузке γf = 1,4 [2]: qy,e = 1040 · 1,4 =1456 Н/м2.

Далее расчет профилей и их креплений производится лишь для участков около углов здания. При этом для средних зон фасада образуется запас прочности подконструкций.

Во избежание перерасхода материалов при необходимости могут быть увеличены шаги кронштейнов в одном или в обоих направлениях с соответствующим перерасчетом прочности и жесткости несущих элементов и их креплений.

Расчет для средних зон фасада отмечается величиной аэродинамического коэффициента Сe = 0,8 и определением коэффициента γp по формуле (8) СНиП [2].

8.4.2. Расчет вертикального профиля

Геометрические характеристики

Для поперечного сечения профиля δ = 2 мм; А = 260 мм2; Аn = 250 мм2; J = 55993 мм4; Jn = 46839 мм4; Wn = 1142 мм3; t = δ = 2 мм; Sn = 1371 мм3; yо = 9 мм.

Нагрузки и усилия на 1 м профиля (Н/м):

- от вертикальной нагрузки - плит: нормативная pzn = qzn lх = 250 · 0,6 = 150; расчетная pz = qz lх = 300 · 0,6 = 180.

- от горизонтальных ветровых нагрузок: нормативная pyn = qyn · lх = 1040 · 0,6 = 624; расчетная py = qy · lх = 1456 · 0,6 = 874.

Изгибающие моменты в плоскости, перпендикулярной стене, с максимальным значением над средней опорой (Нм):

- от нормативной ветровой нагрузки

Мгn = Pуn · lz2/8 = 624 · 1,02/8 = 78;

- от расчетной

Мг = Pу · lz2/8 = 874 · 1,02/8 = 109.

Продольное усилие:

Nz = Pz · 2lz =180 · 2 · 1,0 = 360 Н.

Поперечная сила у средней опоры:

Qy,c = Pу · lz/2 + Mу/lz = 874 · 1/2 + 109/1 = 546 Н;

у крайних опор:

Qy,e= 874 · 1/2 - 109/1 = 328 Н.

Проверка прочности профиля на растяжение с изгибом

По формуле (29) [3], трансформированной к условиям примера:

;

МПа < 120 · 1 = 120 МПа.

Проверка профиля на сдвиг (срез)

По формуле (21) [3] :

МПа < 75 · 1 = 75 МПа,

прочность профиля на сдвиг (срез) обеспечивается.

Проверка прочности крепления вертикального профиля к несущему кронштейну

Крепление производится двумя алюминиевыми заклепками d = 4,8 мм, площадью сечения А = 18,1 мм2, с расчетными сопротивлениями по п. 8.2.

Усилия среза в одной заклепке (Н): от вертикальной нагрузки Qz = Nz/2 = 360/2 = 180; от горизонтальной ветровой нагрузки Qy,1 = Qy/2 = 328/2 = 164.

По формулам (73), (74) [3], трансформированным к условиям примера:

на срез  МПа < Rs = 70 МПа;

на смятие  МПа < Rгр = 110 МПа;

прочность заклепочного соединения на срез и смятие обеспечивается.

Проверка прогиба вертикального профиля

Проверяется прогиб в направлении оси «у», т.е. по нормали к стене, от действия нормативной ветровой нагрузки руn = 624 Н/м, с изгибающим моментом над средней опорой Мгn = 78 Н/м.

По формулам строительной механики

мм;

f/l = 0,77/1000 = 1/1300; что меньше предельно допустимой величины [f/l] = 1/500.

8.4.3. Расчет прочности несущего кронштейна

Геометрические характеристики вертикального сечения: hz = 150 мм; t = δ =3,5 мм; А = hz · δ = 150 · 3 = 450 мм2; Аn= (150 - 2,13) · 3 = 372 мм2 (с учетом отверстий для болтов); J = 3 · 1503/12 = 843750 мм4; Jn = 796787 мм4; W = 3 · 1502/6 = 11250 мм3; Wn = 10624 мм3; S = 3 · 1502/8 = 8438 мм3; Sn = 7970 мм3.

Шаги несущих кронштейнов: lх = 0,6 м; lz = 2 м. Расчетные усилия, передаваемые от вертикального профиля: Nz = 360 Н с плечом eу = lк = 0,17 м; Ny = 2Qy = 656 H.

Изгибающий момент от вертикальной нагрузки: M = Nz · eу = 360 · 0,17 = 61,2 Нм; продольная сила Ny = 656 Н; поперечная сила Qz = Nz = 360 Н.

Проверка прочности несущего кронштейна на растяжение (с изгибом)

По формуле (29) [3] :

 МПа < 120 МПа;

прочность кронштейна на растяжение с изгибом обеспечивается.

Проверка прочности кронштейна на сдвиг (срез)

По формуле (21) [3] :

 МПа < 75 МПа;

прочность на сдвиг (срез) обеспечивается.

8.4.4. Расчет вспомогательного кронштейна

Расчет производится только на действие горизонтальной ветровой нагрузки.

Геометрические характеристики вертикального сечения: hz = 80 мм; t = δ = 3,5 мм; А = hz · δ = 80 · 3 = 240 мм2.

Шаги кронштейнов: lх = 0,6 м; lz = 1,0 м.

Продольная сила, передаваемая от вертикального профиля Ny = 2Qy,e =2 · 546 = 1092 Н.

По формуле (1) [3] на растяжение

;

 МПа < 75 МПа;

прочность кронштейна на растяжение обеспечивается.

8.4.5. Расчет крепления кронштейнов к стене

Крепление производится: несущего двумя, а вспомогательного одним, стальными болтами Æ 12 мм с дюбелями, do = 10,8 мм, расчетной площадью сечения болта An = 91,6 мм2. Расчетные сопротивления болтов по п. 8.2.

Изгибающий момент в несущем кронштейне из плоскости стены М = 61,2 Нм. Продольная сила в несущем кронштейне Ny = 328 Н, во вспомогательном - Ny = 1092 H.

В несущем кронштейне растягивающее усилие в 1 болте (Н): от изгибающего момента NM = M/Z = 61,2 · 103/70 = 874; от продольной силы - NN = Ny/2 = 328/2 = 164; суммарное Ny,1 = NM + NN = 874 +164 = 1038; усилие сдвига при Ns = 2 Nz = 360 H.

Во вспомогательном кронштейне растягивающее усилие в болте Ny,1 = Ny = 1092 H.

По формуле (129) [4]  на растяжение:

в несущем кронштейне

 МПа;

во вспомогательном кронштейне

 МПа;

прочность болтов на растяжение обеспечивается.

По формуле (127) [4]: Nz = Qz ≤ Rвs · γв · An · nsn на срез в несущем кронштейне 360 < 150 · 0,8 · 91,6 · 2/0,95 = 23141 Н; прочность болтов на срез обеспечивается.

Анкеровка болтов с дюбелями в стене должна обеспечиваться подбором по каталогам фирм типа, конструкции и допускаемых усилий на болт с дюбелем с учетом материала и состояния стены.

8.4.6. Расчет крепления утеплителя

На 1 м2 стены принимается 4 распорных стержня, при этом на 1 стержень приходится Ayт.1 = 0,25 м2.

При диаметре шляпки dш = 80 мм утеплитель может воспринять усилие сжатия не более [N] = R · Аш = 0,02 · π · 802/4 =100,5 Н.

Контроль за ограничением этого усилия осуществляется по величине деформации обжатия утеплителя под шляпкой, которая при δут = 150 мм не должна превышать Δ = 0,1 · 150 = 15 мм.

Поперечная сила, приходящаяся на 1 стержень от веса утеплителя, Qz = 1,3 · 110 · 0,15 · 0,25 · 101 = 53,4 Н.

По аналогии с п. 8.4.5 при A1cт = 19,6 мм2; Qz = 53,4 Н < 150 · 0,8 · 19,6/0,95 = 2475 Н; прочность стержней на срез обеспечивается.

8.4.7. Рекомендации по конструированию

В приведенном примере размеры профилей, диаметры и шаги крепежных винтов и болтов приняты, главным образом, для иллюстрации методики расчета. При выявлении в некоторых деталях и узлах крепления излишнего запаса прочности их параметры при разработке реальных проектов рекомендуется уточнять.

9. Теплотехнические расчеты

9.1. Введение

В настоящем разделе анализируются принципы теплотехнического проектирования систем наружных стен «Гранитогрес» с вентилируемыми воздушными прослойками между экраном и теплоизоляционным слоем, приводятся рекомендации по различным техническим параметрам.

Даются основные параметры приточных полостей и воздушной прослойки.

Принципы теплотехнического проектирования включают методы теплотехнических расчетов, расчеты воздухообмена и влагообмена в воздушных прослойках.

Методика теплотехнических расчетов базируется на требованиях СНиП II-3-79* [5] и МГСН 2.01-99 [10].

Основное отличие приведенной в работе методики от теплотехнических норм [5, 10] в комплексной оценке теплового, воздушного и влажностного режима рассматриваемой системы.

9.2. Основные, используемые в тексте, понятия

Прослойка между стеной и экраном, вентилируемая наружным воздухом; швы, зазоры, щели - приточные, воздухозаборные (полости, отверстия), вытяжные, воздуховыводящие. Такими зазорами могут являться как вертикальные, так и горизонтальные стыковые швы панелей экранов, но преимущественно горизонтальные (при уплотнении вертикальных).

Экраны-панели могут быть из различных атмосферостойких, долговечных материалов, в т.ч. утепленных. В последнем случае температура в прослойке будет выше, чем при не утепленных экранах.

Условный коэффициент паропроницаемости - приведенный коэффициент паропроницаемости, учитывающий сопротивление паропроницанию материалов экрана и швов-стыков между облицовочными панелями.

9.3. Основные положения по проектированию систем наружных стен с вентилируемой воздушной прослойкой

При проектировании зданий с вентилируемыми фасадами системы «Гранитогрес» следует учитывать особенности экранируемых стен.

Минимальный размер полости* (щели) для притока воздуха рекомендуется 10 ÷ 15 мм при размерах плит экрана 600 ´ 600 мм и более.

* - то же, что швы-зазоры

Толщина воздушной прослойки должна быть, как правило, 60 мм, минимальная 30 мм (минимально допустимое расстояние от экрана до ближайшей точки на поверхности утеплителя).

Толщина воздушной прослойки при материале экрана с коэффициентом паропроницаемости 0,01 и менее рекомендуется 50 - 60 мм, а толщина экрана не более 10 мм.

Сечение полости (щели) для вытяжки воздуха не должно быть менее сечения полости (щели) для притока.

Отверстия следует выполнять так, чтобы не было их закупорки.

Площадь приточных зазоров (отверстий) не должна быть менее 0,003 м2; 0,005 м2 (30 - 50 см2) на м2 паропроницаемого экрана при его размере менее 600 ´ 600 мм.

При назначении указанных размеров имеется в виду, что в расчетах условного коэффициента паропроницаемости вентилируемых фасадов с учетом стыковых швов учитывается только площадь приточных (либо вытяжных) полостей - швов (отверстий).

9.4. Правила теплотехнического проектирования наружных ограждений с вентилируемым фасадом

Теплотехническое проектирование наружных стен с вентилируемыми фасадами системы «Гранитогрес» включает в себя два этапа. Причем второй этап применяется, если после первого этапа расчетов не выявится надежность рассматриваемой конструкции в теплотехническом отношении.

Первый этап

Назначается конструктивное решение стены, в т.ч. экранов, приточных и выводных щелей с учетом раздела 9.3.

Выполняется теплотехнический расчет наружной стены с экраном, т.е. определяется необходимая толщина теплоизоляции, исходя из требований 2-ого этапа СНиП II-3-79* (98) [5] и с учетом требований МГСН 2.01-99 [10].

Выполняется расчет влажностного режима стены по методике СНиП II-3-79* (98) [5] с учетом коэффициента паропроницаемости по глади экрана в соответствии с табл. Приложения 3 [5].

Проверяется расчетом упругость водяного пара на выходе из прослойки по формуле (9, 18) с учетом параметров стены, данных в разделе 9.7 при расходе воздуха равным нулю.

Если влажностный режим стены удовлетворяет требованиям норм строительной теплотехники, то на этом теплотехническое проектирование заканчивается.

Если влажностной режим экранированных стен не удовлетворяет требованиям СНиП II-3-79* (98) [5], то подбирается такой материал стены и экрана, чтобы с ним конструкция стены удовлетворяла требованиям СНиП [5].

Если расчет влажностного режима наружного ограждения с вентилируемым фасадом показал невыполнение требований СНиП II-3-79* (98) [5], а другой материал стены и экрана подобрать нельзя, то переходят ко второму этапу теплотехнического проектирования.

1) Определяется условный коэффициент паропроницаемости экрана с учетом швов по методике раздела 9.6.6.

2) С учетом этого коэффициента паропроницаемости проводят расчет по методике СНиП II-3-79* (98 г.).

3) Определяется влажностный режим рассматриваемой конструкции в годовом цикле с учетом средних месячных температур по методике данной в разделе (9.6.3).

4) С учетом результатов расчета по п. 2.3 анализируются результаты, при необходимости корректируются материалы и их толщины в конструкции с целью исключения влагонакопления в годовом цикле.

В основном, проведенных расчетов для определения применимости конструкции, бывает достаточно. В других случаях расчет может быть продолжен в такой последовательности.

5) С учетом этажности здания и района строительства определяется скорость движения воздуха в прослойке за экраном и расход воздуха раздел 9.6.4.

Для выполнения п. 5 определяется термическое сопротивление воздушной прослойки по формуле (9.16).

6) Определяется температура на выходе из воздушной прослойки по формуле (9.15).

7) Определяется действительная упругость водяного пара на выходе из прослойки lу по формуле (9.18). Определяется количество влаги на выходе из прослойки и проверяется условие lу < Ен, где Ен - максимальная упругость водяного пара на выходе из прослойки. Анализируются результаты расчетов и корректируется конструкция стены.

9.5. Краткая характеристика объекта и нормативные требования

Рассчитывается семиэтажное кирпичное здание (пятиэтажное реконструируемое с надстройкой в два этажа). Здание расположено в г. Москве. Высота здания 22 м. Фасад здания облицован плитами «Керамогранит».

Облицовочный материал - плитки «Керамогранит» итальянского производства, которые с помощью скоб (кляммер) крепятся к вертикальным несущим элементам.

Размер плиток 600 ´ 600 ´ 10 мм.

Вертикальные элементы заклепками крепятся к кронштейнам, которые дюбелями укреплены на основании (несущие конструкции наружной стены).

Расстояние от основания до облицовочных плит регулируется подбором кронштейнов нужной длины.

Для снижения теплопередаче через кронштейн, между ним и основанием ставится прокладка из паронита.

Требования к теплотехническим характеристикам конструкций содержатся в СНиП II-3-79* [5] и МГСН 2.01-99 [10] и проекте СНиП 22.01.03 «Теплозащита зданий».

Требования к сопротивлению теплопередаче конструкций приведены в [5], исходя из санитарно-гигиенических и комфортных условий и условий энергосбережения. Так как требования из условия энергосбережения являются более жесткими, они и приняты в настоящей работе в качестве критерия оценки системы.

Согласно [5] требования по второму этапу нужно принимать для зданий, строительство которых начинается с 1 января 2000 года.

На основе [5 и 10] составлена таблица 9.1 исходных расчетных данных, где представлены требуемые сопротивления теплопередаче наружных стен жилых домов.

Таблица 9.1.

Значения нормативных требований к наружным ограждениям жилых зданий

N пп.

Название нормативного документа

Требуемое сопротивление теплопередаче наружных стен

ГСОП

1

2

1

2

1.

СНиП 23.01.01-82 [6]

МГСН 2.01-99 [9]

3,159

-

5027

-

2.

СНиП 23.01-99 [5],

СНиП II-3-79* (98 г.),

табл. 1б

-

3,13

-

4943

9.6. Методика теплотехнического расчета наружных стен с вентилируемой воздушной прослойкой

9.6.1. Общие требования

Расчет наружных стен с экраном и вентилируемой воздушной прослойкой основан на расчете теплотехнических характеристик стен и расчета влажностного режима.

Теплотехнический расчет наружных стен с вентилируемой прослойкой в соответствии с настоящим разделом включает в себя: - подбор толщины теплоизоляционного слоя; - определения влажностного режима в годовом цикле и в соответствии действующими теплотехническими нормами; - определение параметров воздухообмена в прослойке; - определение тепловлажностного режима прослойки; - определение условного приведенного коэффициента паропроницаемости экранов с учетом швов-зазоров между панелями-экранами.

Таким образом, для определения области применения стен с вентилируемой воздушной прослойкой производится несколько теплотехнических расчетов: расчет теплового режима стен и прослойки и влажностного режима стены и прослойки.

9.6.2. Определение толщины теплоизоляционного слоя

Методика теплотехнического расчета разработана в соответствии с рядом документов, подготовленных ЦНИИЭП жилища и НИИСФ как авторами СНиП II-3-79* и полностью удовлетворяет нормативным требованиям [5, 10].

В основу конструктивных решений наружных стен при определении приведенных сопротивлений теплопередаче главных фрагментов принимаются толщины утеплителя, рассчитанные предварительно по формуле:

,                                   (9.1)

где:

Roreq - требуемое приведенное сопротивление теплопередаче стен, м2 · °С/Вт;

r - коэффициент теплотехнической однородности по табл. 9.2; 9.3.

Таблица 9.2.

Значения r кирпичных утепленных снаружи стен

Толщина, м

Коэффициент r при λ, Вт/м °С

стены (без дополнительного утепления)

утеплителя

0,04

0,05

0,08

0,38

0,1

0,705

0,726

0,73

0,15

0,693

0,713

0,73

0,2

0,68

0,7

0,715

0,51

0,1

0,694

0,714

0,73

0,15

0,682

0,702

0,72

0,2

0,667

0,687

0,702

0,64

0,1

0,685

0,7

0,715

0,15

0,675

0,69

0,705

0,2

0,665

0,68

0,695

Примечания:

1. В таблице даны r для худшего в теплотехническом отношении участка (с оконным проемом).

2. Для получения значений r с учетом глухих участков приведенные в таблице значения умножаются на 1,05.

Таблица 9.3.

Значения r бетонных (керамзитобетонных) утепленных снаружи стен

Толщина, м

Коэффициент r при λ, Вт/м °С

панели (без дополнительного утепления)

утеплителя

0,04

0,05

0,08

0,3

0,05

0,9

0,92

0,95

0,1

0,84

0,87

0,88

0,15

0,81

0,84

0,85

0,35

0,05

0,87

0,9

0,93

0,1

0,8

0,83

0,86

0,15

0,78

0,81

0,83

0,64

0,05

0,82

0,87

0,9

0,1

0,77

0,8

0,83

0,15

0,75

0,78

0,8

0,2

0,74

0,765

0,785

Для проверки правильности принятых толщин утепляющих слоев определяются приведенные сопротивления теплопередаче наружных стен для основных «фрагментов». Каждый рассчитываемый фрагмент делится на отдельные участки, характеризуемые одним или несколькими видами теплопроводных включений.

Средневзвешенное значение приведенного сопротивления теплопередаче слоистых наружных стен определяется (на секцию) по формуле:

,                                                         (9.2)

*) Ror cp тоже, что Roпрсп

где:

 - сумма площадей фрагментов наружных стен (k - количество фрагментов стен), м2;

Fi, Roiпр - соответственно площадь и приведенное сопротивление теплопередаче i-го фрагмента стен, м2 · °С/Вт;

Если Ror cp > Roreq **) по табл. 1 б СНиП II-3-79* [5], конструкция стены удовлетворяет требованиям теплотехнических норм. Если Ror cp < Roreq пр, то следует либо увеличить толщину утепляющего слоя, либо рассмотреть возможность включения в проект энергосберегающих мероприятий (утепление узлов и т.п.).

**) Roreq = Roтр

Для практических расчетов допускается при определении Roпр и его коэффициента теплотехнической однородности наружных стен с вентилируемой прослойкой применять табл. 9.2, 9.3.

Для расчета средневзвешенного значения многослойных наружных стен при наличии в стенах глухих (без проемов) участков может быть также использована формула:

Ror cp = Ror · n,                                                              (9.3)

где:

n = 1,05 - коэффициент, учитывающий наличие глухих участков в наружных стенах.

9.6.3. Определение влажностного режима наружных стен

Влажностный режим наружных стен определяется двумя методами. По СНиП II-3-79* (98 г.) и исходя из баланса влаги в годовом цикле.

Определение влажностного режима наружных стен в годовом цикле производится в следующей последовательности:

1. Определяются исходные данные для расчета; 2. Определяются сопротивления паропроницанию слоев конструкции наружной стены, параметры внутреннего и наружного воздуха; 3. Определяется приток и отток влаги (пара) к рассматриваемому сечению по формулам:

 и ,                                 (9.4)

где:

eв, eн - упругость водяного пара внутреннего и наружного воздуха;

eτ - то же, в рассматриваемом сечении;

Rо п.вн.сл - сопротивление паропроницанию от внутренней поверхности до границы зоны возможной конденсации (с учетом пограничного слоя);

eτ - определяется по формуле:

,                                                (9.5)

ΣRп сл - сумма сопротивлений паропроницанию слоев до рассматриваемого сечения.

Roп - сопротивлений паропроницанию всей стены.

По указанным формулам определяется упругость водяного пара еi, в характерных сечениях конструкции в годовом цикле.

Если eτ окажется больше максимальной упругости водяного пара Е, то в данном сечении будет конденсат. Если в годовом цикле окажется увеличение накопления влаги в конструкции, то ее надо корректировать, добиваясь исключения влагонакопления в годовом цикле.

9.6.4. Определение параметров воздухообмена в прослойке

Движение воздуха в прослойке осуществляется за счет гравитационного (теплового) и ветрового напора. В случае расположения приточных и вытяжных отверстий на разных стенах скорость движения воздуха в прослойках Vпp может определяться по следующим формулам:

,                                     (9.6)

где:

кн, кз - аэродинамические коэффициенты на разных стенах здания по СНиП 2.01.07-85 [2];

Vн - скорость движения наружного воздуха;

к - коэффициент учета изменения скорости потока по высоте по СНиП 2.01.07-85;

Н - разности высот от входа воздуха в прослойку до ее выхода из нее;

tср, tн - средняя температура воздуха в прослойке и температура наружного воздуха;

Σξ - сумма коэффициентов местных сопротивлений.

Другим вариантом определения Vпp служит формула:

,                                (9.7)

γн, γпр - плотности наружного воздуха и в прослойке.

Другой вариант определения Vпp по разности давлений воздуха на входе и выходе:

ΔРΔ = ΔРвх - ΔРвых,

ΔРвх и ΔРвых = Н (γн - γпр) + 0,5 γн · Vн2 (кн - кз) к,                              (9.8)

по формуле:

.                                                              (9.9)

При расположении воздушной прослойки на одной стороне здания, можно принять кн = кз. В этом случае, если пренебречь изменением скорости ветра по высоте формула (9.6) примет вид:

.                                                    (9.10)

Формула (9.7) примет вид:

.                                                  (9.11)

В формуле (9.9) ΔР = Н (γн - γпр);

γпр - плотность воздуха в прослойке.

Указанные формулы применены в технической системе. При этом γ имеет размерность кг/м3.

В системе СИ в числителе «g» будет отсутствовать, а «γ» имеет размерность Н/м3.

Из полученных по указанным формулам скоростей движения воздуха выбирается наименьшая, корректируется с учетом потерь давления на трение по известным из курса «Вентиляция» методам (см. раздел 9.7).

Расход воздуха в прослойке определяется по формуле:

W = Vпр · 3600 · δпр · γпр,                                            (9.12)

где δпр - толщина воздушной прослойки; м; шириной 1 м, или площадь Fпp, м2.

9.6.5. Определение параметров тепловлажностного режима прослойки

Температура входящего в прослойку воздуха τо определяется по формуле:

,                                           (9.13)

где:

tв, tн - расчетные температуры внутреннего и наружного воздуха;

m - коэффициент, равный 0,26 в системе СИ и 0,3 - в технической.

Остальные обозначения даны в [17].

Допускается определять температуру воздуха, входящего в прослойку по формуле

τо = n · tн,                                                            (9.14)

где n = 0,95.

Температура воздуха по длине прослойки определяется по формуле:

,         (9.15)

где кв = кн - коэффициенты теплопередачи внутреннего и наружного частей стены до середины прослойки;

hy - расстояние от приточных до вытяжных отверстий, м.

При определении термического сопротивления прослойки Rпp следует пользоваться формулами:

,                                                              (9.16)

где:

αпр = 5,5 + 5,7 Vпр + αл,                                                    (9.17)

где αл - коэффициент лучистого теплообмена;

Св - переводной коэффициент: в технической системе равен 1, а в СИ В = 3,6.

Действительная упругость водяного пара на выходе из прослойки определяется по формуле:

,    (9.18)

Полученная по данной формуле величина упругости водяного пара на выходе из прослойки еу должна быть меньше максимальной упругости водяного пара Еу.

Если еу > Еу, то необходимо изменить геометрические параметры прослойки стены здания.

В формуле (9.18) Мв и Мн равны соответственно:

, ,                                               (9.19)

где:

Rвп и Rпн - сумма сопротивлений паропроницанию от внутренней поверхности до воздушной прослойки и от воздушной прослойки до наружной поверхности;

eв и ен - действительная упругость водяного пара с внутренней стороны стены и снаружи;

eo - упругость водяного пара воздуха, входящего в прослойку;

,                                                          (9.20)

n - переводной коэффициент.

9.6.6. Методика определения условного приведенного коэффициента паропроницаемости с учетом швов-зазоров между панелями экранами

Для расчета используются либо коэффициенты паропроницаемости материалов экрана по СНиП II-3-79* (98 г), либо полученные экспериментально.

Расчет приведенного коэффициента паропроницаемости экранов с учетом швов-зазоров производится в следующей последовательности:

1) Определяется условное сопротивление паропроницанию в стыковых швах по формуле:

 м2 · ч · Па/мг (м2 · ч · мм рт. ст.)/г,                    (9.21)

где В - коэффициент перевода из системы СИ в техническую, равен 7,5; в технической в = 1;

пш = 6,5 [мг/м2 · ч · Па(г/м2 · ч · мм рт. ст.)];

Σξш - местные по щели сопротивления проходу воздуха (по таблицам курса «Вентиляция»);

δэ - толщина экрана, м.

2) Определяется сопротивление паропроницанию плит экрана по его глади по формуле:

,                                                           (9.22)

где μэ - коэффициент паропроницаемости экрана по СНиП II-3-79* (98) [5].

3) Определяется приведенное сопротивление паропроницанию экрана с учетом стыковых швов Rппр по формуле:

,                                                     (9.23)

ΣF - суммарная расчетная площадь экрана (как правило принимается 1 м2);

Fгл - площадь экрана без швов, м2;

F' - площадь зазоров, через которые поступает воздух. Как правило площадь выходных щелей - зазоров в верхней части экрана не учитывается;

Rп и Rп' - см. выше;

4) Определяется условный приведенный коэффициент паропроницанию экрана с учетом зазоров по формуле:

.                                                            (9.24)

9.7. Пример теплотехнического расчета наружных стен с вентилируемой воздушной прослойкой

9.7.1. Общие положения

Вышеуказанные методики расчета пригодны для всех типов конструктивных систем вентилируемых фасадов. В качестве примера ниже будет рассмотрена система «Гранитогрес».

Описание конструктивных отличий системы дано в разделе 9.5 и 9.7.2.

Расчет сделан в соответствии с методикой раздела 9.6, а его последовательность в соответствии с разделом 9.4. При этом расчет выполнен во всем объеме, предусмотренном этим разделом.

9.7.2. Исходные данные

Для расчета принимается кирпичная стена толщиной 0,51 м, плотностью 1600 кг/м3 из керамических пустотелых кирпичей с λ = 0,64 Вт/м °С. Снаружи стены утеплены минераловатными плитами «Фасад баттс» с λ = 0,045 Вт/ м °С. За воздушной прослойкой расположены плиты-экраны. Характеристики плит-экранов системы «Гранитогрес» приняты как для гранита.

Условия монтажа системы - реконструкция пятиэтажных жилых домов в г. Москве.

Между экраном и утеплителем расположена воздушная прослойка. Ее толщина δпр может в расчете варьироваться. Назначаем ее первоначальную толщину в соответствии с МГСН 2.01-99 δпр = 60 мм [10]. В дальнейшем также рассчитывается вариант с толщиной прослойки 30 мм.

Прослойка за экраном вентилируется. Прослойка закрывается снаружи плитами-экранами высотой 600 мм. В нижней части конструкции приточная щель, а в верхней - условно-вытяжная. Причем в чистоте, площадь щелей-отверстий, которые считаются приточными, равна 0,028 м2. Высота (ширина) горизонтальной приточной щели 10 мм. Площадь выходных щелей принимается равной площади входных.

В действительности движение воздуха в прослойке может быть различным и зависящим от направления и скорости движения ветра и других факторов. Поэтому принятое расстояние от входных до выходных щелей 0,6 м является в некоторой степени условным.

9.7.3. Расчет толщины теплоизоляции

Толщина теплоизоляции из минваты типа «Фасад-Баттс» равна:

м,

где:

3,13 - требуемое сопротивление теплопередаче стен для г. Москвы;

0,692 - коэффициент теплотехнической однородности, см. табл. 9.2;

0,175 - термическое сопротивление воздушной прослойки по СНиП II-3-79* (98 г.) [5], которое затем уточняется расчетом;

0,51 и 0,0175 - толщины слоев в метрах;

0,93 и 3,49 - коэффициент теплопроводности.

Сопротивление теплопередаче по глади наружной стены при толщине утеплителя из минваты типа «Фасад-Баттс»:

 (4,39) *) м2 · °С/Вт,

где: 0,51; 0,15; 0,02 - толщина кирпичной кладки, утеплителя и экрана.

Приведенное сопротивление теплопередаче наружной кирпичной стены с экраном с учетом коэффициента теплотехнической однородности r = 0,72 с учетом глухих участков:

Roпр = 4,47 · 0,72 = 3,2 м2 · °С/Вт. (3,15) *)

Rо > Rоreq.

*) В скобках - при термическом сопротивлении прослойки 0,092, определенном с учетом движения воздуха, (см. ниже).

9.7.4. Влажностный режим наружных ограждающих конструкций по СНиП II-3-79* (98 г.) [5]

Влажностный режим наружных стен характеризуется процессами влагонакопления, зависящими от ряда внешних и физических характеристик, от сопротивления паропроницанию конструкции. Расчетное сопротивление паропроницанию Rп, м2 · ч · Па/мг (до плоскости возможной конденсации) должно быть не менее большего из требуемых сопротивлений паропроницанию Rп1тр, из условия недопустимости накопления влаги за год эксплуатации и Rп2тр из условия ограничения влага в конструкции за период с отрицательным среднемесячными температурами.

Расчет ведется с учетом того, что зона возможной конденсации располагается на внешней границе утеплителя и наружного слоя.

В период эксплуатации в зимних условиях температура воздуха tв = 20 °С, а относительная влажность φ = 55 %.

На рис. 9.1 дана расчетная схема наружной стены из керамических камней-кирпича, утепленной минватой на основе базальтовых волокон с вентилируемой воздушной прослойкой и экраном.

При этом коэффициент паропроницаемости экрана принят, как для гранита, в связи с отсутствием других данных в СНиП II-3-79* (98 г.) [5].

Расчетное сопротивление паропроницанию наружной стены до зоны возможной конденсации Rп, м2 · ч · Па/мг:

 м2 · ч · Па/мг.

(В технической системе  м2 · ч · мм рт.ст.).

Расчетное сопротивление паропроницанию части ограждающей конструкции, Rпн, м2 · ч · Па/мг, расположенной между наружной поверхностью и плоскостью возможной конденсации равно:

 м2 · ч · Па/мг.

(В технической системе  м2 · ч · мм рт.ст./г).

Требуемое сопротивление паропроницанию Rп1, м2 · ч · Па/мг из условия недопустимости накопления влаги за год эксплуатации, формула (34) [5]:

 м2 · ч · Па/мг.

Требуемое сопротивление паропроницанию из условия ограничения влаги в наружной стеновой панели за период с отрицательными температурами наружного воздуха Rп2, м2 · ч · Па/мг, формула (35) СНиП II-3-79* [5]:

 м2 · ч · Па/мг;

.

Как видно из расчета, Rп > Rп2тр > Rп1тр и влажностный режим конструкции должен быть удовлетворительным.

Однако, при толщине экрана, например 30 мм, Rп1тр = 5,16 > Rп и влажностный режим конструкции будет неудовлетворительным.

В соответствии с разделом 9.4 проводим расчет упругости водяного пара по формуле (9.18), с учетом параметров конструкции, данных в разделе 9.7.7 при учете характеристик экрана по глади при расходе воздуха равно нулю:

,

где ; .

Эта величина значительно превосходит Е = 2 - максимальную упругость водяного пара, что приводит к обильному конденсату. Данный вывод существенно уточняет результаты расчета по СНиП II-3-79* (98) [5].

При учете щелей зазоров:

,

что меньше максимальной упругости водяного пара на высоте из прослойки, что, однако, не исключает образование конденсата по глади (см. расчет выше). Поэтому рекомендуется принять максимальные параметры прослойки в соответствии с разделом 9.3.

Учитывая вышеизложенное, производим расчет влагонакопления в стене в годовом цикле.

9.7.5. Расчет влажностного режима стены по годовому балансу влаги

Расчет для большей наглядности проводится как в технической системе, так и в системе СИ, что не влияет на конечный результат. Расчет выполнен по приведенной выше методике (раздел 9.6.3). Характеристики материалов и конструкций и исходные данные для расчета представлены в табл. 9.4 и на рис. 9.1.

Параметры внутреннего воздуха в отопительный период tв = 20 °C, φ = 55 %, в летний и переходный период (tв > 8 °С) (неотопительный) параметры внутреннего воздуха приняты равными параметрам наружного воздуха.

Параметры наружного воздуха приняты по СНиП 2.01.01-82 и СНиП II-A.6-72 (относительная влажность воздуха). Влагосодержание воздуха принято по приложению 3 книги К.Ф. Фокина «Строительная теплотехника ограждающих частей здания», 1973 г.

Рассчитывается стена с воздушной прослойкой с экраном-панелью из природного камня.

В табл. 9.5 ÷ 9.7 представлены показатели влажностного режима стены по сечениям (см. рис. 9.1), а также показатели влагонакопления в граммах, характеризующие влагозащитные свойства конструкций.

Как видно в табл. 9.5, при наличии сплошного экрана-панели из природного камня с октября по март в прослойке будет конденсат. Это указывает на опасность наличия большой площади глухих экранов без швов-зазоров, и недостаточную объективность расчета по [5].

В табл. 9.6 - 9.7 даны показатели влагонакопления в конструкции при наличии одного слоя пароизоляции.

Как видно в табл. 9.6 и 9.7 наличие пароизоляции более в 30 раз уменьшает влагонакопление.

Задачей вентилируемой прослойки является выявление возможности замены пароизоляции. Поэтому для иллюстрации этого производятся нижеследующие расчеты.

Определяем влажностный режим наружной стены системы «Гранитогрес» с учетом приведенного коэффициента паропроницаемости с учетом стыковых швов (μ = 0,070 МКГС), μ = 0,52 (СИ).

Рис. 9.1. Схема наружной стены для расчета влажностного режима.

1 - раствор;

2 - кирпичная кладка;

3 - минеральная вата;

4 - панель экрана;

5 - воздушная прослойка;

6 - зона возможной конденсации.

Таблица 9.4.

Исходные данные для расчета влажностного режима стены в годовом цикле

Наименование материала

Номер слоя *)

Коэффициенты

Плотность

кг/м3

Толщина слоя

м

Термическое сопротивление слоев

м2 · С/Вт

Сопротивление паропроницанию слоев

м2 · ч · Па/мг

 

Теплопроводности

Вт/м°С

Паропроницаемости в системе

 

СИ

мг/м · ч · Па

технической

г/м · ч · мм рт. ст.

1

2

3

4

5

6

7

8

9

 

 

0

 

 

 

 

 

 

 

 

Внутренний воздух

1

-

-

-

-

-

0,115

 

 

Цементно-песчаный раствор

2

0,93

0,09

0,012

1800

0,015

0,016

0,1667

 

Кирпичная кладка

3

0,64

0,14

0,0186

1600

0,51

0,797

3,64

 

Минвата

4

0,045

0,51

0,068

170

0,15

3,33

0,29

 

Воздушная прослойка

5

 

-

 

 

0,03 ÷ 0,06

0,17

 

 

Панель-экран

6

3,49

0,08 **

0,001

2800

0,01

0,00286

1,25

 

Гранитогрес

 

 

(0,52)

(0,07)

 

 

 

 

 

Наружный воздух

7

 

 

 

 

0,01

0,043

 

 

*) При расположении пароизоляции между кирпичной кладкой и утеплителем нумерация слоев сдвигается в большую сторону.

**) В скобках коэффициент паропроницаемости с учетом щелей зазоров.

Таблица 9.5.

Распределение влажности в кирпичной стене толщиной δ = 0,51 м, с утеплением минватой δ = 0,15 м и защитным экраном, воздушной прослойкой (по глади μ = 0,008 мг/м · ч · Па)

 

 

МЕСЯЦЫ

I

II

III

IV

V

VI

VII

VIII

IX

X

XI

XII

Ro = 4,4805, Rвн.сл = 4,43

tн

-10,2

-9,6

-4,7

4

11,6

15,8

18,1

16,2

10,6

4,2

-2,2

-7,6

tв

20

20

20

20

11,6

15,8

18,1

16,2

10,6

20

20

20

Δt

30,2

29,6

24,7

16

0

0

0

0

0

15,8

22,2

27,6

τп

-9,9

-9,3

-4,4

4,2

 

 

 

 

 

4,4

-2,0

-7,3

Eτ

 

1,96

2,07

3,17

6,19

10,24

13,46

15,58

13,81

9,59

6,27

3,88

2,47

Rn = 6,87289, Rnвн.сл = 4,36

ен

1,604

1,62

2,41

4,026

5,939

7,941

9,615

9,391

7,001

4,828

3,132

2,0485

ев55

9,647

9,647

9,647

9,647

5,939

7,941

9,615

9,391

7,001

9,647

9,647

9,647

Δе

8,043

8,027

7,237

5,671

-

-

-

-

-

4,819

6,545

7,598

eτ

4,54

4,56

5,06

6,06

 

 

 

 

 

6,59

5,53

4,83

Часы

 

744

672

744

720

744

720

744

744

720

744

720

744

Qвн.сл.

 

1311,8

1167,9

1105,4

570,7

-836,4

 

 

 

 

576,3

952,4

1224,8

Qнар.сл.

 

105,4

120,3

225

619,9

1450,8

 

 

 

 

426,9

214,3

124,8

ΔQ

 

1206,5

1047,6

880,4

-49,0

-2287,2

 

 

 

 

149,4

738,2

1100,0

ΣΔQ

 

3194,0

4241,7

5122,9

5073,1

2285,8

 

 

 

 

149,4

887,6

1987,6

 

 

 

 

 

Конденсат

 

 

 

 

 

 

 

Таблица 9.6.

Распределение влажности в кирпичной стене толщиной δ = 0,51 м, с утеплением минватой δ = 0,15 м пароизоляцией из полиэтиленовой пленки и защитным экраном (по глади μ = 0,008 мг/м · ч · Па)

 

 

МЕСЯЦЫ

I

II

III

IV

V

VI

VII

VIII

IX

X

XI

XII

Ro = 4,4805, Rвн.сл = 4,43

tн

-10,2

-9,6

-4,7

4

11,6

15,8

18,1

16,2

10,6

4,2

-2,2

-7,6

tв

20

20

20

20

11,6

15,8

18,1

16,2

10,6

20

20

20

Δt

30,2

29,6

24,7

16

0

0

0

0

о

15,8

22,2

27,6

τп

-9,9

-9,3

-4,4

4,2

 

 

 

 

 

4,4

-2,0

-7,3

Eτ

 

1,96

2,07

3,17

6,19

10,24

13,46

15,58

13,81

9,59

6,27

3,88

2,47

Rn = 14,1729, Rnвн.сл = 11,65

ен

1,604

1,62

2,41

4,026

5,939

7,941

9,615

9,391

7,001

4,828

3,132

2,0485

ев55

9,647

9,647

9,647

9,647

5,939

7,941

9,615

9,391

7,001

9,647

9,647

9,647

Δе

8,043

8,027

7,237

5,671

-

-

-

-

-

4,819

6,545

7,598

eτ

3,03

3,04

3,69

5,02

 

 

 

 

 

5,68

4,29

3,40

Часы

 

744

672

744

720

744

720

744

744

720

744

720

744

Qвн.сл.

 

490,9

436,7

413,3

213,5

-274,4

 

 

 

 

 

356,1

1224,8

Qнар.сл.

 

105,4

120,3

225,0

619,9

1273,3

 

 

 

 

 

214,3

124,8

ΔQ

 

1206,5

1047,6

880,4

-4064

-1547,6

 

 

 

 

 

141,8

332,2

ΣΔQ

 

860,1

1170,5

1364,8

958,4

-589,2

 

 

 

 

 

141,8

475,0

Таблица 9.7.

Распределение влажности в кирпичной стене толщиной δ = 0,51 м, с утеплением минватой δ = 0,15 м и защитным экраном, воздушной прослойкой и пароизоляцией из нескольких слоев полиэтиленовой пленки

 

 

МЕСЯЦЫ

I

II

III

IV

V

VI

VII

VIII

IX

X

XI

XII

 

Ro = 4,4805, Rвн.сл = 4,43

tн

-10,2

-9,6

-4,7

4

11,6

15,8

18,1

16,2

10,6

4,2

-2,2

-7,6

 

tв

20

20

20

20

11,6

15,8

18,1

16,2

10,6

20

20

20

 

Δt

30,2

29,6

24,7

16

0

0

0

0

0

15,8

22,2

27,6

 

τп

-9,9

-9,3

-4,4

4,2

 

 

 

 

 

4,4

-2,0

-7,3

 

Eτ

 

1,96

2,07

3,17

6,19

10,24

13,46

15,58

13,81

9,59

6,27

3,88

2,47

 

Rn = 21,4229, Rnвн.сл = 18,95

ен

1,604

1,62

2,41

4,026

5,939

7,941

9,615

9,391

7,001

4,828

3,132

2,0485

 

ев55

9,647

9,647

9,647

9,647

5,939

7,941

9,615

9,391

7,001

9,647

9,647

9,647

 

Δе

8,043

8,027

7,237

5,671

-

-

-

-

-

4,819

6,545

7,598

 

eτ

2,54

2,56

3,26

4,68

 

 

 

 

 

5,39

3,89

2,94

ПЭ - 2 сл. δ = 0,0032

Rn = 28,7729, 3 слоя - 26,25

eτ

2,31

2,32

3,04

4,52

 

 

 

 

 

5,25

3,70

2,71

ПЭ - 3 сл. δ = 0,0048

Rn = 36,0729, 4 слоя - 33,55

eτ

2,16

2,18

2,91

4,42

 

 

 

 

 

5,16

3,58

2,58

ПЭ - 4 сл. δ = 0,0064

Часы

 

744

672

744

720

744

720

744

744

720

744

720

744

 

ΔQ 2 сл.

 

196,3

148,2

29,2

-488,6

 

 

 

 

 

 

4,7

156,9

ПЭ - 2 сл. вар. 6

ΣΔQ 2 сл.

 

357,8

506,1

535,3

46,6

 

 

 

 

 

 

4,7

161,6

ΔQ 3 сл.

 

112,5

73,6

-41,5

-525,1

 

 

 

 

 

 

 

78,6

ПЭ - 3 сл. вар. 7

ΣΔQ 3 сл.

 

191,0

264,6

223,1

 

 

 

 

 

 

 

 

78,6

ΔQ 4 сл.

 

65,0

31,4

-81,4

-545,8

 

 

 

 

 

 

 

34,3

ПЭ - 4 сл. вар. 8

ΣΔQ 4 сл.

 

99,3

130,7

49,4

 

 

 

 

 

 

 

 

34,3

Сопротивление паропроницанию до зоны возможной конденсации:

.

Сопротивление паропроницанию наружного слоя:

.

Сопротивление паропроницанию из условия недопустимости накопления влаги за год эксплуатации:

,

таким образом, по этому условию накопления влаги не будет.

Сопротивление паропроницаемости из условия ограничения влаги в конструкции за период с отрицательными температурами:

.

Как следует из анализа полученных данных учет швов-зазоров в экране дает существенный запас по паропроницаемости. Увеличение толщины экрана в три раза не приводит к увеличению Rп1 и Rп2 больше Rп. Однако в действительности надо учитывать нижеследующее обстоятельство.

Указанный вывод справедлив для случая, когда один стык работает на приток, а другой вышележащий на вытяжку и в основном в непосредственной близости от приточных щелей. В действительности экран может оказаться в зоне практического отсутствия разности давлений по высоте прослойки в некоторых местах.

Учитывая вышеизложенное и то, что при отсутствии движения воздуха в прослойке влажностный режим в ней может определяться местными сопротивлениями паропроницаемости, в т.ч. по глади экрана, ниже выполняется подробный расчет воздушного и влажностного режима прослойки.

Расчеты для большей надежности выполняются в технической системе и системе СИ.

9.7.6. Определение скорости движения воздуха в прослойке

Определяется скорость движения воздуха в прослойке при температуре наружного воздуха минус 28 °С. Расчет делается по формулам (9.10 ÷ 9.11) при расстоянии от проточных отверстий (входа) до выхода h = 0,6 м. Толщина прослойки 0,06 м и 0,03 м.

Температура входящего в прослойку воздуха по формуле (9.14):

tx = - 28 · 0,95= -26,6 °С.

Скорость движения воздуха в прослойке по формуле (9.10).

м/сек.,

где 0,6 - расстояние от входных до выходных отверстий, м.

Скорость движения воздуха в прослойке по формуле 9.11 и по формуле 9.8 и 9.9 V = 0,115 м/сек.

Расход воздуха при V = 0,115 м/сек. по формуле (9.12)

W = 0,115 ´ 3600 ´ 1,405 ´ 0,06 = 34,9 кг/м · ч.

Эквивалентный диаметр прослойки равен

м.

Потери давления на трение Δρ:

при dэ = 0,11 м и при

ΔРтр = 0,0065 мм вод. ст. = 0,0065 Па,

ΔР при V = 0,115,  мм вод. ст. = 0,051 Па.

Искомая разность давлений за вычетом потерь длине.

ΔР = 0,051 - 0,0065 = 0,0446 Па или 0,00446 мм вод. ст.

Уточненная скорость воздуха в прослойке

 м/сек.

Трение уменьшает скорость движения воздуха на 7 %.

Расход воздуха через прослойку толщиной 0,06 и 0,03 м для обоих вариантов при расстоянии от входных до выходных отверстий h1 = 0,6 м

при δпр = 0,06 м; W1 = 0,107 ´ 3600 ´ 1,405 ´ 0,06 = 32,5 кг/м · ч,

при δпр = 0,03 м; W2 = 0,107 ´ 3600 ´ 1,405 ´ 0,03 = 16,24 кг/м · ч.

Скорость движения воздуха в прослойке при температуре наружного воздуха минус 10,2 °С, определяется аналогично. Расчет делается по формуле (9.10).

При температуре входящего в прослойку воздуха по формуле (9.14):

τв = -9,69 °С и hy = 0,6 м,

 м/сек.,

а с учетом потерь на трение V = 0,061 м/сек.

При указанной условной толщине прослоек 0,06 и 0,03 ширине их 1 м и при расстоянии от входных до выходных отверстий hy = 0,6 м расход воздуха составит через прослойку при tн = -10,2 °С

при δпр = 0,06 м; W1 = 0,061 ´ 3600 ´ 1,32 ´ 0,06 = 17,4 кг/м · ч,

при δпр = 0,03 м; W1 = 0,061 ´ 3600 ´ 1,32 ´ 0,03 = 8,7 кг/м · ч.

Как следует из анализа полученных результатов, при уменьшении расстояния от входных до выходных отверстий в три раза расход воздуха уменьшается в 1,6 - 1,7 раза.

9.7.7 Определение теплового и влажностного режима воздушной прослойки

Поскольку расчет влажностного режима в годовом цикле выполнялся при среднемесячной температуре января, расчет делается при этой температуре.

Определяем упругость водяного пара eу выходящего из прослойки по формуле (9.18). Для этого определяем величины входящих в формулу показателей.

Расчет делается при температуре наружного воздуха -10,2 °С, т.е. наружной температуре средней января.

Температура входящего в прослойку воздуха по формуле (9.14) при tн = -10,2 °С (Е = 1,91), to = 0,95 · (-10,2)= -9,69 °С (Е = 2).

Относительная влажность наружного воздуха принимается равной 85 %.

Расстояние от входных до выходных стыков-щелей 0,6 м. У всех систем суммарное сопротивление паропроницанию внутренних слоев до прослойки одинаково Расчет делается для большой наглядности в технической системе.

Сначала расчет делается с учетом швов между экранами.

Условная толщина прослойки 0,03 м.

Величины входящие в формулу (9.18): .

Условное сопротивление паропроницанию наружного слоя

,

где μ = 0,07 - коэффициент паропроницаемости с учетом швов.

Упругость водяного пара входящего в прослойку воздуха составляет:

еo = 2 ´ 0,85= 1,7;

Температуру выходящего из прослойки воздуха примем равной температуре входящего, т.е. -9,69 °С, а Е = 2 мм рт. ст.

Определяем упругость водяного пара воздуха eу, выходящего из прослойки по формуле (9.18) при расстоянии от входа до выхода воздуха 0,6 м:

;

ев · Мв + ен · Мн = 9,65 · 0,033 + 1,624 · 7 = 11,696;

ен = 1,91 · 0,85 = 1,624; ;

Мв + Мн = 7,033; h = 0,6 м;

.

Если расход воздуха в прослойке принять равным нулю, то в этом случае:

, что меньше максимальной упругости водяного пара на выходе из прослойки Е = 2. Следовательно, даже отсутствие движения воздуха в прослойке не приведет к образованию конденсата, что характерно в местах близких к швам-стыкам.

Для того, чтобы проиллюстрировать, насколько при экранах типа «Гранитогрес» возможно образование конденсата зависит от движения воздуха в прослойке, проведем расчет влагонакопления по глади экрана. В этом случае:

ев · Мв + ен · Мн = 0,328 + 1,624 · 0,15 = 0,57,

где:

,

где:

,

где:

0,0015 - коэффициент паропроницаемости (0,008 в системе СИ) по глади экрана,

Мв + Мн = 0,033+0,15 =0,183.

Упругость водяного пара eу, выходящего из прослойки:

, что меньше Е.

Если принять расход воздуха, равным нулю, как показал расчет в разделе 9.7.4, то:

,

что значительно превосходит Е = 2 максимальную упругость водяного пара на выходе из прослойки, что приведет к обильному конденсату в отличие от предыдущего варианта.

Учитывая такую возможность при наличии экранов типа керамогранит, т.е. с низкой паропроницаемостью следует принять толщину прослойки 60 мм, а высоту зазора стыкового шва 20 мм.

В этом случае даже при Δр = 0,6´0,0025 = 0,0015 мм вод. ст. Скорость движения воздуха в прослойке составит при tн = - 10,2:

, а с учетом трения 0,06 м/сек.

При расходе воздуха W = 3600 ´ 0,06 ´ 0,06 ´ 1,32 = 3,3 кг/ч (2,5 м2/ч), е = 1,7, что меньше максимальной упругости водяного пара на выходе из прослойки.

Рассмотренная выше система характеризует худший вариант с точки зрения накопления влаги по глади экрана, но лучший у стыков-швов за счет их малого сопротивления паропроницания.

Конденсат в рассматриваемой конструкции стены в воздушной прослойке на экране выпадает только при условном приведенном коэффициенте паропроницаемости экрана с учетом стыков-щелей μ = 0,12 мг/м ч Па и менее.

9.8 Заключение по полученным результатам

В сводной таблице 9.8 приведены геометрические характеристики экранируемых фасадов систем «Гранитогрес», а также значения их влажностных характеристик.

Как видно из табл. 9.8, влажностный режим в воздушной прослойке у экрана зависит от сопротивления паропроницания материала экрана.

В случае, если в расчете учитывается экран материала эквивалентного природному камню или граниту по глади без учета щелей-стыков, то влажностный режим не удовлетворяет требованиям теплотехнических норм, а с учетом щелей-стыков (т.е. в районе стыков) удовлетворяет.

При условном приведенном коэффициенте паропроницаемости экрана с учетом щелей, равном μ = 0,19 мг/м ч Па (0,025 г/м ч мм рт. ст.) и более опасности недопустимого влагонакопления у экрана нет (см. табл. 9.9).

Чем длиннее (выше) прослойка, тем больше скорость движения воздуха и его расход, а, следовательно, и эффективность выноса влаги. Так при длине прослойки от 0,6 до 21 м скорость движения воздуха возрастает от 0,107 до 0,606 м/сек., т.е. в 5,6 раза, так же, как и расход воздуха.

С другой стороны, чем длиннее (выше) прослойка, тем меньше условный (с учетом, щелей) коэффициент паропроницаемости и тем больше вероятность недопустимого влагонакопления по глади экрана.

Для того, чтобы выявить количество влаги, конденсирующейся в прослойке у экрана для примера выполнен расчет влажностного режима стен ряда из рассматриваемых систем в годовом цикле.

Результаты расчетов, проведенных по вышеприведенной методике (см. раздел 9.6.3) даны в табл. 9.5.

Как видно из табл. 9.5, данной выше, максимальное количество влаги выпадает на поверхности экрана (без учета швов) из природного камня (с μ = 0,008 мг/м ч Па) 5122,9 г/м2 за 744 часа или 6,9 г/м2 ч. При учете швов (табл. 9.9) количество влаги на экране составляет 45 г/м2 или 0,062 г/м2 ч, т.е. в 11 раз меньше, чем по глади.


Таблица 9.8.

Система

Экран

Высота прослойки, м

Высота шва, м

Площадь шва м2 на м2

Коэффициент паропроницаемости

Сопротивление паропроницанию Rп Rп1тр Rп2тр при μ по глади

Количество конденсата у экрана,

г/м2 · ч

Скорость движения воздуха м/сек. в прослойке за экраном при толщине прослойки, мм

Упругость водяного пара, мм рт. ст. (с учетом швов)

размер, м

материал

толщина, мм

условный с учетом швов (щелей) в системе

по глади в системе

Расход воздуха,

кг/м · ч

Входящего в прослойку

Выходящего из прослойки

при μ с учетом швов

по глади

с учетом швов

20 - 30

50 - 60

СИ

техн.

СИ

техн.

-28

-10,2

-28

-10,2

-28

-10,2

-28

-10,2

1

2

3

4

5

6

7

8

9

10

11

12

13

14

15

16

17

18

19

20

21

22

23

24

Гранитогрес

0,6 ´ 0,6

плитки керамогранита

10

0,6

10

0,028

0,52

0,07

0,008

0,0015

4,4

9

0,03

4,1

0,35

 

 

0,107

16,24

0,061

8,7

0,107

32,5

0,061

17,4

-

1,7

-

1,63


Таблица 9.9.

Распределение влажности в кирпичной стене, утепленной минватой с защитным экраном учетом швов, μ = 0,187 мг/м · ч · Па)

 

 

МЕСЯЦЫ

I

II

III

IV

V

VI

VII

VIII

IX

X

XI

XII

Ro = 4,4805, Rвн.сл = 4,4313

tн

-10,2

-9,6

-4,7

4

11,6

15,8

18,1

16,2

10,6

4,2

-2,2

-7,6

tв

20

20

20

20

11,6

15,8

18,1

16,2

10,6

20

20

20

Δt

30,2

29,6

24,7

16

0

0

0

0

0

15,8

22,2

27,6

τп

-9,9

-9,3

-4,4

4,2

 

 

 

 

 

4,4

-2,0

-7,3

Eτ

 

1,96

2,07

3,17

6,19

10,24

13,46

15,58

13,81

9,59

6,27

3,88

2,47

 

ен

1,604

1,62

2,41

4,026

5,939

7,941

9,615

9,391

7,001

4,828

3,132

2,0485

ев55

9,647

9,647

9,647

9,647

 

 

 

 

 

9,647

9,647

9,647

Δе

8,043

8,027

7,547

5,621

 

 

 

 

 

4,819

6,515

7,599

eτ

1,97

1,99

2,74

4,28

 

 

 

 

 

5,05

3,43

2,40

Часы

 

744

672

744

720

744

720

744

744

720

744

720

744

Qвн.сл.

 

1119,88

1027,41

 

 

 

 

 

 

 

 

 

 

Qнар.сл.

 

1074,55

1264,21

Конденсат на экране будет в январе в количестве 45 г/м2 и высохнет в феврале

ΔQ

 

45,33

-236,80

ΣΔQ

 

45,33

 

9.8. Заключение

(Рекомендации по проектированию)

Теплотехническое проектирование систем наружных стен с вентилируемым фасадом выполняется в следующей последовательности (в дополнение к разделу 9.4):

1. Назначаются проектные размеры щелей-зазоров, воздушной прослойки и экранов облицовки в соответствии с разделом (9.3). При этом следует выполнять следующие требования:

- общая площадь зазоров (отверстий) для притока воздуха не должна быть меньше 30 - 50 см2 на м2 паропроницаемого экрана при его размере менее 600 ´ 600 мм;

- толщина воздушной прослойки между экраном и уплотнителем не должна быть меньше 30 мм;

- площадь воздуховыводящей полости не должна быть меньше площади приточной;

- если экран выполняется из паронепроницаемых или почти паронепроницаемых материалов (металл, стеклопластик, гранит площадь приточных зазоров не должна быть меньше 0,015 ÷ 0,020 м2 на м2 экрана при его размерах 600 ´ 600 мм и более;

- не рекомендуется высота (ширина) стыковых швов (совмещающих функции приточных щелей) менее 15 мм.

2. Определяется толщина утеплителя в соответствии с разделом - 9.6.2.

3. Рассчитывается влажностный режим конструкции в соответствии со СНиП II-3-79* (98) (с учетом коэффициента паропроницаемости по глади экрана).

4. Рассчитывают конструкцию с условным приведенным коэффициентом паропроницаемости со щелями-зазорами (с учетом раздела 9.6.6).

5. Рассчитывается упругость водяного пара по формуле (9.18) при отсутствии расхода воздуха в прослойке.

6. Если в результате расчета по п. 3 ÷ 5 положительны и соблюдены требования п. 1, то конструкция стены считается удовлетворительной, если же нет, то расчет продолжают в следующей последовательности:

- определяется влажностный режим конструкции стены в годовом цикле;

- определяется тепловой (температура), воздушный (скорость движения воздуха) и влажностный (упругость водяного пара) режим конструкции стены, в т.ч. прослойки;

- корректируются элементы конструкции наружной стены для выполнения всех требований теплотехнических норм.

Приложение

Определение приведенного коэффициента паропроницанию экранов с учетом швов-зазоров

Условное сопротивление паропроницанию зазоров в стыковых соединениях экранов (толщина плит 10 мм, высота шва - 10 мм площадь швов 0,028 м2 на м2 экрана):

.

Сопротивление паропроницанию по глади:

.

Приведенное сопротивление паропроницанию:

.

Приведенный коэффициент паропроницания:

г/ч · м · мм рт. ст. (В системе СИ μ = 0,525 мг/м · ч · Па).

10. Состав проектно-сметной документации

10.1 Рабочий проект или рабочая документация системы наружных ограждений фасадов с вентилируемым воздушным зазором включает следующие разделы: общую пояснительную записку, архитектурную часть, конструкторскую часть, конструкторскую часть по решению архитектурных деталей, специальные части (водосток, антенны, рекламу и т.п.) и сметы.

10.2. В общей пояснительной записке приводятся следующие данные:

- архитектурная концепция решения фасадов здания и отдельных архитектурных элементов;

- данные о конструктивном решении системы и ее элементов;

- данные о решении специальных устройств на фасаде, если они имеются;

- данные об эффективности энергосбережения принятых технических решений, результаты теплотехнических расчетов;

- экологическая характеристика системы;

- основные технико-экономические показатели системы.

10.3. Архитектурная часть включает чертежи фасадов здания, отдельных архитектурных элементов и узлов. На чертежах приводится цветовое решение фасада и его отдельных элементов.

10.4. Конструкторская часть включает чертежи всех конструктивных элементов системы, с узлами и деталями, а также полную спецификацию всех применяемых материалов и изделий.

10.5. Специальная часть включает чертежи фасадов с привязкой мест размещения специальных устройств, узлы и детали конструкций крепления этих устройств на фасаде, а также спецификацию оборудования, материалов и изделий, предусмотренных проектом.

10.6. Сметы на устройство системы составляются на основе действующих нормативов, единичных расценок, фактической стоимости оборудования и материалов, а также утвержденных заказчиком калькуляций на отдельные виды работ и элементы конструкций.

11. Технико-экономические показатели системы

Стоимость системы для конкретных зданий зависит от многих факторов, в том числе, от размеров здания, архитектурного решения фасадов, оборудования и оснастки, применяемых для монтажа системы, а также от структуры подрядной организации и ее коммерческой политики. В связи с этим конкретная стоимость системы может колебаться в значительных пределах.

Поэтому считает, что здесь наиболее целесообразно привести прямые затраты, т.е. стоимость отдельных элементов системы и ее монтажа (стоимость монтажа без учета стоимости лесов, люлек и других средств подмащивания) для рядового участка фасада.

Поэлементная стоимость 1 м2 системы для рядового участка фасада составляет:

- стоимость элементов несущего каркаса, включая крепеж                       - 20 $USA;

- стоимость утеплителя толщиной 150 мм включая крепеж                      - 15 $USA;

- стоимость облицовочного материала плиты «Гранитогрес» матовые   - 30 $USA;

- стоимость монтажа                                                                                       - 17 $USA.

Всего на 1 м2 фасада                                                                                       - 82 $USA.

Данные о стоимости элементов системы получены от разработчика системы.

12. Основные положения по производству работ и системе контроля качества

12.1. Для выполнения работ по монтажу системы здание разбивается на захватки и определяется порядок и последовательность перемещения монтажников с одной захватки на другую.

12.2. Величина захваток и их количество в каждом случае определяются с учетом многих факторов, в том числе размеров фасадов здания, величины бригады монтажников, оснащения строительной организации оборудованием и оснасткой, условиями комплектации строительства материалами, изделиями и др. Захваткой может быть вся высота фасада, а можно фасад по высоте разделить на несколько захваток, учитывая наличие промежуточных карнизов, поясков и другие факторы. Также в горизонтальном направлении захваткой может быть весь фасад, только одна секция или может быть принят какой-либо другой способ деления фасада на захватки. Разбивка фасадов здания на захватки и выбор средств для работы монтажников на высоте (подмостки, люльки, подъемные платформы и т.п.) выполняется в проекте организации строительства или в технологических картах.

12.3. При монтаже системы на реконструируемых зданиях работы начинаются с очистки фасада от несвязанных с основанием элементов, таких как отслоившиеся штукатурка, краска и т.п. Кроме того, фасад надо освободить (демонтировать) от специальных устройств: водостоков, различных кронштейнов, антенн, вывесок и др.

12.4. Монтаж системы начинается с разметки фасада установки маяков, по которой будут устанавливаться и крепиться к основанию кронштейны. Разметка выполняется с помощью геодезических приборов, уровня и отвеса. Установка и крепление кронштейнов и вертикальных профилей в пределах захватки может производиться снизу вверх и наоборот в зависимости от решений, принятых в ПОС.

12.5. После разметки фасада в нем сверлятся отверстия под дюбели для крепления кронштейнов к основанию посредством анкерных винтов. Для снижения теплопередачи в месте примыкания кронштейна к основанию между ними на анкерный болт одевается паронитовая прокладка, также паронитовая прокладка устанавливается между шляпкой анкерного болта и кронштейном.

В случаях, когда основанием является кирпичная кладка, нельзя устанавливать дюбели в швы кладки, при этом, расстояние от центра дюбеля до ложкового шва должно быть не менее 35 мм, а от тычкового - 60 мм. Минимальное расстояние от края конструкции до дюбеля оговаривается специальными рекомендациями фирмы-изготовителя.

Категорически запрещается сверлить отверстия для дюбелей в пустотелых кирпичах или блоках с помощью перфоратора.

12.6. После установки кронштейнов производят монтаж плит утеплителя. К началу монтажа плит утеплителя захватка, на которой производятся работы, должна быть укрыта от попадания влаги на стену и плиты утеплителя. Исключением могут быть случаи, когда монтажники не покидают рабочие места до тех пор, пока все смонтированные плиты не закроют, предусмотренной проектом, ветровлагозащитной пленкой.

12.7. Монтаж плит утеплителем начинается с нижнего ряда, который устанавливается на стартовый профиль, цоколь или другую соответствующую конструкцию, и ведется снизу вверх. Если плиты утеплителя устанавливаются в 2 ряда, следует обеспечить перевязку швов. Плиты утеплителя должны устанавливаться плотно друг к другу так, чтобы в швах не было пустот. Если избежать пустот не удается, они должны быть тщательно заделаны тем же материалом. Утеплитель следует разложить также под вертикальными профилями с тем, чтобы вся стена (за исключением проемов) непрерывно по всей поверхности была покрыта утеплителем, установленной проектом толщины. Крепление плит утеплителя к основанию производится пластмассовыми дюбелями тарельчатого типа с распорными стержнями. В случае применения ветровлагозащитной пленки, установленные плиты утеплителя сначала крепятся к основанию только двумя дюбелями каждая плита и только после укрытия нескольких рядов пленкой устанавливаются остальные, предусмотренные проектом, дюбели. Полотнища пленки устанавливаются с перехлестом 100 мм.

12.8. К кронштейнам крепят вертикальные профили, которые являются базой для устройства отделочного слоя фасада в пределах проектных допусков. Поэтому установка каждого профиля, его положение в вертикальной плоскости проверяется соответствующими приборами: теодолитом, отвесом и др. Крепление вертикального профиля к кронштейну производится заклепками или винтами.

12.9. Монтаж облицовки фасада начинается после окончания монтажа вертикальных профилей. Монтаж облицовочных плит начинают с нижнего ряда и ведут снизу вверх. Для открытого крепления применяются скобы (кляммеры), устанавливаемые в пазы вертикального профиля и закрепленные на нем заклепками или саморезами. Между скобами, в месте прилегания облицовочной плиты к вертикальному профилю, устанавливаются специальные резиновые прокладки. Проектный зазор между плитами обеспечивается соответствующей конструкцией скоб. При скрытом креплении монтаж начинается с установки горизонтальных профилей. Во время монтажа отделочных плит следует следить за тем, чтобы воздушный зазор позади отделочных плит был чист и без каких-либо посторонних включений.

12.10. В процессе монтажа элементов системы должен выполняться пооперационный контроль качества работ и составляться акты на скрытые работы. Это должно выполняться в соответствии с действующей в подрядной организации «Системой управления контролем качества продукции», где указано, какие параметры и технологические процессы контролируются и лица, ответственные за выполнение этой работы. В составе комиссии, подписывающей акты на скрытые работы, должны быть лица (представители проектной организации), выполняющие авторский надзор.

12.11. Работы по монтажу системы могут выполнять организации, специалисты которых прошли обучение и имеют лицензию на право выполнения указанных работ от ООО «Гранитогрес».

13. Правила эксплуатации системы

13.1. В процессе строительства и эксплуатации здания не допускается крепить непосредственно к облицовочной плитке любые детали и устройства.

13.2. Не следует допускать возможность попадания воды с крыши здания на облицовочную плитку, для чего надо содержать желоба на крыше и водостоки в рабочем состоянии.

13.3. Уход за облицовкой фасада заключается в ее очистке по мере загрязнения (1 раз в несколько лет) водным щелочным или кислотным раствором (для керамогранита).

13.4. Промывка водой является одним из наиболее эффективных способов очистки облицовки. Для промывки воду подают шлангами под давлением 2-3 атм.

Рекомендуется сочетать промывку с ручной очисткой поверхности щетками или скребками.

13.5. Повреждения облицовочных плит заделывают различными мастиками и составами, в том числе, на основе жидкого стекла, канифоли, цементно-известковой смеси и др.

13.6. Плиты с дефектами, не подлежащими восстановлению, заменяются в соответствии с инструкцией разработчика системы.

14. Перечень нормативных документов и литературы

1.    СНиП 2.08.01-89*

МГСН 3.01-01           Жилые здания.

2.    СНиП 2.01.07-85       Нагрузки и воздействия.

3.    СНиП 2.03.06-85       Алюминиевые конструкции.

4.    СНиП 11-23-81*        Стальные конструкции.

5.    СНиП II-3-79*           Строительная теплотехника (изд. 1998 г.).

6.    СНиП 23-01-99          Строительная климатология.

7.    СНиП 2.01.01-82       Строительная климатология и геофизика.

8.    СНиП 2.03.11-85       Защита строительных конструкций от коррозии.

9.    СНиП 21-01-97          Пожарная безопасность зданий и сооружений.

10.  МГСН 2.01-99           Нормативы по теплозащите и тепловодоэлектроснабжению.

11.  ГОСТ 17177-94         Материалы и изделия строительные теплоизоляционные. Методы испытаний.

12.   ГОСТ 22233-93        Профили прессованные из алюминиевых сплавов для ограждающих конструкций. Общие технические условия.

13.   ГОСТ 26805-86        Заклепка трубчатая для односторонней клепки тонколистовых строительных металлоконструкций. Технические условия.

14.   ГОСТ 27180-86        Керамические плитки. Методы испытаний.

15.   ГОСТ 7025-78          Материалы стеновые и облицовочные. Методы определения водопоглощения и морозостойкости.

16.  ГОСТ 481-80             Паронитовые листы.

17.  Рекомендации по проверке и учету воздухопроницаемости наружных ограждающих конструкций жилых зданий ЦНИИЭП жилища, Москва, 1983.

18.  Рекомендации по проектированию и применению для строительства и реконструкции зданий в г. Москве системы с вентилируемым воздушным зазором «Марморок». Правительство Москвы, Москомархитектура, Москва, 2001 г.

19.  Рекомендации по проектированию и применению для строительства и реконструкции зданий в г. Москве системы с вентилируемым воздушным зазором из алюминиевых профилей производства ЗАО Союз «Метроспецстрой». Правительство Москвы, Москомархитектура, Москва, 2001 г.




Rambler's Top100 Яндекс цитирования
  Copyright © 2008-2025, www.docload.ru