Бесплатная библиотека стандартов и нормативов www.docload.ru

Все документы, размещенные на этом сайте, не являются их официальным изданием и предназначены исключительно для ознакомительных целей.
Электронные копии этих документов могут распространяться без всяких ограничений. Вы можете размещать информацию с этого сайта на любом другом сайте.
Это некоммерческий сайт и здесь не продаются документы. Вы можете скачать их абсолютно бесплатно!
Содержимое сайта не нарушает чьих-либо авторских прав! Человек имеет право на информацию!

 

ГОСТ Р 21.1207-97

ГОСУДАРСТВЕННЫЙ СТАНДАРТ РОССИЙСКОЙ ФЕДЕРАЦИИ

СИСТЕМА ПРОЕКТНОЙ ДОКУМЕНТАЦИИ
ДЛЯ СТРОИТЕЛЬСТВА

УСЛОВНЫЕ ГРАФИЧЕСКИЕ ОБОЗНАЧЕНИЯ
НА ЧЕРТЕЖАХ АВТОМОБИЛЬНЫХ ДОРОГ

ГОССТРОЙ РОССИИ

Москва

Предисловие

1 РАЗРАБОТАН Государственным проектным институтом «Союздорпроект» и Государственным предприятием - Центром методологии нормирования и стандартизации в строительстве (ГП ЦНС)

ВНЕСЕН Минстроем России

2 ПРИНЯТ И ВВЕДЕН В ДЕЙСТВИЕ постановлением Минстроя России от 21 февраля 1997 г. № 18-9

3 ВВЕДЕН впервые

СОДЕРЖАНИЕ

ГОСТ Р 21.1207-97

ГОСУДАРСТВЕННЫЙ СТАНДАРТ РОССИЙСКОЙ ФЕДЕРАЦИИ

Система проектной документации для строительства

УСЛОВНЫЕ ГРАФИЧЕСКИЕ ОБОЗНАЧЕНИЯ
НА ЧЕРТЕЖАХ АВТОМОБИЛЬНЫХ ДОРОГ

System of design documents for construction

GRAPHICAL SIGNS FOR DRAWINGS OF MOTOR-WAYS

Дата введения 1997-06-01

1 Область применения

Настоящий стандарт устанавливает основные условные графические обозначения и упрощенные изображения, применяемые на чертежах автомобильных дорог различного назначения.

2 Нормативные ссылки

ГОСТ 2.303-68 ЕСКД. Линии

ГОСТ 2.306-68 ЕСКД. Обозначения графические материалов и правила их нанесения на чертежах

ГОСТ 21.101-93 СПДС. Основные требования к рабочей документации

ГОСТ 21.204-93 СПДС. Условные графические обозначения и изображения элементов генеральных планов и сооружений транспорта

ГОСТ 21.302-96 СПДС. Условные графические обозначения в документации по инженерно-геологическим изысканиям

ГОСТ Р 21.1701-97 СПДС. Правила выполнения рабочей документации автомобильных дорог

ГОСТ 10807-78 Знаки дорожные. Общие технические условия

ГОСТ 13508-74 Разметка дорожная

3 Общие положения

3.1 Проектируемые автомобильные дороги изображают на чертежах с применением условных графических обозначений и упрощенных изображений (далее - условные обозначения), установленных настоящим стандартом, с учетом требований ГОСТ Р 21.1701, а также с применением условных обозначений, установленных ГОСТ 21.204, ГОСТ 21.302, ГОСТ 2.306 и другими нормативными документами.

3.2 Условные обозначения выполняют в масштабе чертежа, кроме изображений, размеры которых определены в настоящем стандарте и приведены в миллиметрах или условных единицах.

Типы линий, применяемые при выполнении условных обозначений, должны соответствовать ГОСТ 2.303.

3.3 Сокращенные надписи принимают в соответствии с сокращениями, принятыми в дорожном проектировании, в ГОСТ 21.101, а также в «Условных знаках для топографических планов масштабов 1:5000, 1:2000, 1:1000, 1:500» [1].

3.4 Условные обозначения, не регламентированные стандартами, приводят на листе общих данных или соответствующих чертежах.

4 Условные обозначения на планах дорог

4.1 Условные обозначения, применяемые на планах автомобильных дорог, выполняют в соответствии с таблицей 1.

4.2 Ширину автомобильной дороги на плане изображают в масштабе чертежа, но не менее 2 мм. Если величина изображения ширины дороги менее 2 мм, проектируемую дорогу изображают сплошной толстой основной линией.

Таблица 1

Наименование

Обозначение

1 Автомобильная дорога:

 

а) с обозначением дороги или маршрута по перечню автомобильных дорог

б) с обозначением дорожного покрытия

Примечание - Цифрами указывают ширину дороги, буквами - материал покрытия

в) с обозначением технической категории дороги

2 Швы покрытия:

 

а) шов расширения

б) шов сжатия

в) шов ложный

г) шов смещения

д) шов у бордюра

3 Граница участков строительства

Примечание - Римскими цифрами указывают номера участков. Слева от ординаты (выносной линии) указывают пикетажное положение

4 Подкюветная дренажная сеть со смотровыми колодцами

5 Откосные дрены

6 Водосброс с проезжей части

7 Дорожное ограждение

8 Направляющее устройство (сигнальные столбики, тумбы)

9 Галерея

10 Подземный переход

Примечание к пунктам 4 - 10 - На полках линий-выносок указывают порядковый номер сооружения, позиционный номер (марку), тип или диаметр устройства; под полками - обозначение документа на их выполнение

5 Условные обозначения на продольных профилях дорог

Условные обозначения, применяемые при выполнении продольных профилей автомобильных дорог, выполняют в соответствии с таблицей 2.

Таблица 2

Наименование

Обозначение

1 Пересечение автомобильных дорог

2 Съезд или примыкание к автомобильной дороге

3 Развязка автомобильных дорог в разных уровнях:

а - на пересечении

б - на примыкании

4 Пикет и расстояния между точками перелома фактической поверхности земли

5 Неправильный пикет

По ГОСТ 21.204, таблица 4 (14)

6 Элементы продольного профиля (при раздельном выполнении плана и профиля)

 

6.1 Прямолинейный участок

Примечание - Прямолинейные участки дороги показывают наклонной линией, над линией указывают величину уклона, под линией - длину участка с этим уклоном

6.2 Вертикальная кривая

Примечания

1 Вертикальные кривые показывают горизонтальной линией, ограниченной с одной или двух сторон наклонными линиями, с указанием величин: уклона, радиуса, длины кривой и местоположения (стрелкой) точки с нулевым значением кривизны.

2 Величину уклона криволинейного участка не указывают, если смежный участок прямолинейный.

Пример - Сопряжение вертикальной кривой с прямолинейным участком,

где 5 и 16 - величины уклонов; 176 - длина прямолинейного участка; 78 и 90 - привязки к пикетам; R - 10000 - радиус кривой; К = 212 - длина кривой; 28 - привязка к пикету точки с нулевым значением кривизны

6.3 Кривые в плане

 

а) криволинейный участок дороги при наличии переходной кривой

б) то же, без переходных кривых

Примечание - Криволинейные участки дороги в плане показывают горизонтальными линиями, смещенными вверх - при повороте дороги влево или вниз - при повороте дороги вправо.

На кривой указывают величины угла поворота и радиуса закругления

7 Элементы продольного профиля (при совмещенном выполнении плана и профиля)

 

7.1 Прямолинейный участок

Примечание - Над прямолинейными участками указывают величину уклона (со знаком «+» при подъеме дороги и знаком «-» - при спуске) и длину участка с этим уклоном

7.2 Точки сопряжения элементов

Примечание - В точках сопряжения различных участков дороги над проектной линией проводят линии ординат, слева от которых указывают расстояние до ближайшего пикета и уклон с соответствующим знаком, справа - проектную отметку. Величину радиуса указывают с внутренней стороны вертикальной кривой (со знаком «+» для выпуклой кривой и знаком «-» - для вогнутой)

7.3 Точки с нулевым значением кривизны

Примечание - Стрелки показывают направление изменения кривизны. Слева от ординаты указывают расстояние до пикета, справа - проектную отметку

7.4 Фактические и проектные данные

Примечание - Линии ординат проводят, как правило, через 20 м. Слева от линии ординат указывают фактические отметки, справа - проектные

6 Условные обозначения технических средств по организации и регулированию дорожного движения

6.1 Условные обозначения технических средств по организации и регулированию дорожного движения, применяемые на схемах расположения и планах, выполняют в соответствии с таблицей 3 с учетом следующих требований:

- нумерацию дорожной разметки принимают по ГОСТ 13508 и указывают на полках линий-выносок. Для соблюдения размерности при нанесении дорожной разметки принята величина соотношения линии разметки - «а»;

- нумерацию дорожных знаков принимают по ГОСТ 10807. На выносных линиях указывают номера знаков и их пикетажное положение;

- размеры дорожных знаков допускается изменять, однако их величина должна быть достаточной для выполнения обозначения знака с соблюдением соотношения установленных размеров;

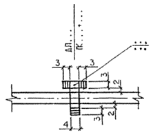
- при выполнении мелкомасштабных схем допускается указывать: номера дорожных разметок - в кружке, номера дорожных знаков - в прямоугольнике, с указанием их пикетажного положения (рисунок 1).

Рисунок 1

Таблица 3

Наименование

Обозначение

1 Дорожная разметка

 

1.1 Разметка для разделения транспортных потоков

1.2 Разметка края проезжей части на автомагистралях

1.3 Разметка для разделения транспортных потоков при четырех полосах движения и более

1.4. Разметка для разделения транспортных потоков при двух или трех полосах движения

1.5 Разметка для ограничения маневрирования

1.6 Разметка приближения к месту ограничения маневрирования

1.7 Разметка границ полос движения в пределах перекрестка

1.8 Разметка границы между полосой разгона (торможения) и основной полосой движения

1.9 Разметка границ полос с реверсивным движением

1.10 Разметка мест, где стоянка транспортных средств запрещена

1.11 Разметка направляющих островков в местах:

 

а) разделения транспортных потоков одного направления

б) разделения транспортных потоков противоположных направлений

в) слияния транспортных потоков

1.12 Разметка разрешенных на перекрестке направлений движения по полосам

1.13 Обозначение номера дороги или маршрута

Примечание к 1.12 и 1.13 - в скобках указана величина «а» для скорости больше 60 км/ч

1.14 Разметка приближения к месту, где уменьшается число полос движения в данном направлении

1.15 Разметка мест остановок транспортных средств общего пользования и стоянок такси

1.16 Разметка места остановки у знака «СТОП», перед светофором или железнодорожным переездом

1.17 Разметка знака «СТОП»

Примечание - Наносят шрифтом русского или латинского алфавита

1.18 Разметка места остановки транспорта у знака «Уступите дорогу»

1.19 Разметка приближения к знаку «Уступите дорогу»

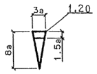
1.20 Разметка пешеходного перехода

1.21 Разметка пересечения велосипедной дорожки с проезжей частью

1.22 Разметка полосы движения транспортных средств общего пользования по установленным маршрутам

2 Дорожные знаки

 

2.1 Опора дорожного знака:

а) на одной стойке

б) на двух стойках

2.2 Знак предупреждающий

2.3 Знаки приоритета

2.4 Знак запрещающий или предписывающий

2.5 Знаки информационно-указательные

2.6 Знаки дополнительной информации (таблицы)

Примечание - Применяют совместно с другими знаками

2.7 Стороны информационного знака:

а - лицевая

б - оборотная

3 Светосигнальные средства регулирования

 

3.1 Светофор для автомобильного транспорта

3.2 Светофор со стрелкой для автомобильного транспорта

3.3 Светофор для пешеходов

3.4 Светофор для велосипедистов

3.5 Светофор для трамвая

3.6 Светофор нерегулируемого перекрестка

3.7 Табло скорости

3.8 Группа светофоров

3.9 Светофор над проезжей частью на выносной опоре

7 Условные обозначения материалов дорожной одежды

Условные графические обозначения материалов дорожной одежды и земляного полотна выполняют в соответствии с таблицей 4.

Таблица 4

Наименование

Обозначение

1 Асфальтобетон

2 Асфальтобетон двухслойный

3 Асфальтобетон трехслойный

4 Бетон

5 Грунт естественный

6 Грунт насыпной

7 Железобетон

8 Железобетон предварительно напряженный

9 Материал гидроизоляционный

10 Материал теплоизоляционный

11 Песок, укрепленный цементом

12 Смесь песчано-гравийная

13 Смесь песчано-гравийная, укрепленная цементом

14 Смесь песчано-щебеночная

15 Смесь песчано-щебеночная, укрепленная цементом

16 Цементобетон

17 Щебень фракционированный, уложенный по способу заклинки

18 То же, обработанный вяжущим материалом по способу пропитки

Примечание - Условные графические обозначения материалов, приведенные в таблице, при необходимости рекомендуется применять на других строительных чертежах

ПРИЛОЖЕНИЕ А

(информационное)

Библиография

[1] Условные знаки для топографических планов масштабов 1:5000, 1:2000, 1:1000, 1:500/ Утверждены Главным управлением геодезии и картографии при Совете Министров СССР. - М., 1986

 

Ключевые слова: обозначения условные графические, автомобильная дорога, сооружения, устройства, разметка, знаки дорожные, средства регулирования, материалы дорожной одежды

 




Rambler's Top100 Яндекс цитирования
  Copyright © 2008-2025, www.docload.ru