|
ГОСТ 12464-67МЕЖГОСУДАРСТВЕННЫЙ СТАНДАРТ ВТУЛКИ РЕЗЬБОВЫЕ КОНСТРУКЦИЯ ИПК ИЗДАТЕЛЬСТВО СТАНДАРТОВ Москва МЕЖГОСУДАРСТВЕННЫЙ СТАНДАРТ
Утвержден Комитетом стандартов, мер и измерительных
приборов при Совете Министров СССР 3 января 1967г. Дата введения установлена01.07.67 Постановлением
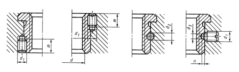
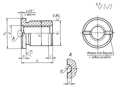
Госстандарта СССР от 17.03.88 № 567 снято ограничение срока действия 1. Конструкция и размеры резьбовых втулок должны
соответствовать чертежу и таблице.
Размеры в мм
* При выборе размера d 1-й ряд следует предпочитать 2-му. Пример
условного обозначения резьбовой втулки
размерами d = М6, Н =
10мм: Втулки 7009-0561 ГОСТ
12464-67 (Измененная редакция, Изм. № 2). 2. Материал - сталь марки 40Х
по ГОСТ
4543-71. Допускается замена на стали других марок с механическими
свойствами не ниже, чем у стали марки 40Х. 3. Твердость - 35,0...39,5 HRCэ. (Измененная редакция, Изм.
№ 1, 2). 4. Неуказанные предельные
отклонения размеров: (Измененная редакция, Изм. № 2). 5. Резьба метрическая - по ГОСТ
24705-81. Поле допуска резьбы - 7Н по ГОСТ
16093-81. Резьба трапецеидальная - по ГОСТ
24737-81. Поле допуска резьбы - 8Н по ГОСТ
9562-81. (Измененная редакция, Изм. № 1, 2). 6. Размеры фасок для резьбы -
по ГОСТ
10549-80. (Измененная редакция, Изм. № 1). 7. Канавки для выхода
шлифовального круга - по ГОСТ 8820-69. 8. (Исключен, Изм.
№ 1). 9. Покрытие - Хим. Окс. прм
(обозначение покрытия - по ГОСТ
9.306-85). 10. Маркировать партию деталей
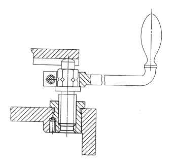
одного типоразмера на таре или упаковке с указанием условного обозначения. 9, 10. (Измененная редакция, Изм. № 2). 11. Пример применения втулок
указан в приложении 2. (Введен дополнительно, Изм.
№
2). ПРИЛОЖЕНИЕ 1
| ||||||||||||||||||||||||||||||||||||||||||||||||||||||||||||||||||||||||||||||||||||||||||||||||||||||||||||||||||||||||||||||||||||||||||||||||||||||||||||||||||||||||||||||||||||||||||||||||||||||||||||||||||||||||||||||||||||||||||||||||||||||||||||||||||||||||||||||||||||||||||||||||||||||||||||||||||||||||||||||||||||||||||||||||||||||||||||||||||||||||||||||||||||||||||||||||||||||||||||||||||||||||||||||||||||||||||||||||||||||||||||||||
|
Резьба d |
d1 |
D2 (поле допуска u8) |
d3 |
m |
n |
||
|
Метрическая |
Трапецеидальная |
||||||
|
М6 |
- |
- |
М6 |
5 |
4,5 |
10 |
3 |
|
М8 |
- |
- |
|||||
|
М10 |
Тr 10 × 2 |
Тr 10 × 2 LH |
|||||
|
М12 |
Тr
12 × 3 |
Тr
12 × 3 LH |
|||||
|
М16 |
Тr
16 × 4 |
Тr
16 × 4 LH |
|||||
|
М20 |
Тr
20 × 4 |
Тr
20 × 4 LH |
М8 |
6 |
6,0 |
16 |
4 |
|
М24 |
Тr
24 × 5 |
Тr 24 × 5 LH |
|||||
|
- |
Тr 26 × 5 |
Тr 26 × 5 LH |
|||||
|
- |
Тr 28 × 5 |
Тr 28 × 5 LH |
|||||
|
М30 |
Тr 30 × 6 |
Тr 30 × 6 LH |
|||||
|
- |
Тr 32 × 6 |
Тr 32 × 6 LH |
|||||
|
М36 |
Тr 36 × 6 |
Тr 36 × 6 LH |
|||||
|
М42 |
Тr 40 × 6 |
Тr 40 × 6 LH |
|||||
(Измененная
редакция, Изм. № 1, 2).

|
|
|
|