Бесплатная библиотека стандартов и нормативов www.docload.ru

Все документы, размещенные на этом сайте, не являются их официальным изданием и предназначены исключительно для ознакомительных целей.
Электронные копии этих документов могут распространяться без всяких ограничений. Вы можете размещать информацию с этого сайта на любом другом сайте.
Это некоммерческий сайт и здесь не продаются документы. Вы можете скачать их абсолютно бесплатно!
Содержимое сайта не нарушает чьих-либо авторских прав! Человек имеет право на информацию!

 

ГОСТ 12472-67

МЕЖГОСУДАРСТВЕННЫЙ СТАНДАРТ

РЫЧАГИ УГЛОВЫЕ С ДВУМЯ ОТВЕРСТИЯМИ

КОНСТРУКЦИЯ

ИПК ИЗДАТЕЛЬСТВО СТАНДАРТОВ

Москва

МЕЖГОСУДАРСТВЕННЫЙ ТАНДАРТ

РЫЧАГИ УГЛОВЫЕ С ДВУМЯ ОТВЕРСТИЯМИ

Конструкция

Levers cranked, with two holes. Design

ГОСТ

12472-67

Дата введения 01.07.67

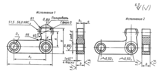
1. Конструкция и размеры угловых рычагов с двумя отверстиями должны соответствовать чертежу и таблице.

*Размеры для справок.

Размеры, мм

Обозначение рычагов

Применяемость

Исполнение

А

A1

d* Н7 или Н11

b d11

b1

Н

D d11

D1

L

a

k

Мизг, Н × м (кгс × м), не более

Масса, кг

7018-0421

 

1

20

40

8

10

8

32

16

16

56

1,0

12

174,56 (17,80)

0,06

7018-0422

 

50

66

0,07

7018-0423

 

2

40

-

-

56

-

0,08

7018-0424

 

50

66

0,09

7018-0425

 

1

25

50

10

12

10

40

20

20

70

1,0

14

355,00 (36,20)

0,14

7018-0426

 

65

85

 

0,16

7018-0427

 

2

50

-

-

70

-

 

0,17

7018-0428

 

65

85

 

0,20

7018-0429

 

1

32

65

12

16

12

50

25

25

90

2,0

18

732,56 (74,70)

0,26

7018-0430

 

80

105

 

0,29

7018-0431

 

2

65

-

-

90

-

 

0,34

7018-0432

 

80

 

105

 

0,37

7018-0433

 

1

40

80

16

20

16

65

28

32

112

2,0

22

1395,00 (141,80)

0,51

7018-0434

 

100

132

 

0,59

7018-0435

 

2

80

-

-

112

-

 

0,62

7018-0436

 

100

132

 

0,72

7018-0437

 

1

50

100

20

25

20

80

36

40

140

2,5

28

2628,18 (268,00)

0,96

7018-0438

 

125

165

1,12

7018-0439

 

2

100

-

-

140

-

1,19

7018-0440

 

125

165

1,38

*В случае применения штифтов типа 1 по ГОСТ 3128 - поле допуска отверстия d-K7. Соответственно в условном обозначении указывать поле допуска К7.

Пример условного обозначения углового рычага с двумя отверстиями исполнения 1, размерами А = 20мм, А1 = 40мм, с полем допуска диаметра d - H7:

Рычаг 7018-0421 Н7 ГОСТ 12472-67

(Измененная редакция, Изм. № 1, 2).

2. Материал - сталь марки 40Х по ГОСТ 4543. Допускается замена на стали других марок с механическими свойствами не ниже, чем у стали марки 40Х.

3. Угловые рычаги с двумя отверстиями исполнения 1 изготавливать методом прецизионного литья.

4. Литейные радиусы - 3мм.

5. Твердость 36,5...41,5 HRCэ, кроме мест, обозначенных особо.

(Измененная редакция, Изм. № 1, 2).

6. Неуказанные предельные отклонения размеров:

(Измененная редакция, Изм. № 2).

7. (Исключен, Изм. № 1).

8. Покрытие Хим. Окс. прм (обозначение покрытия - по ГОСТ 9.306).

9. Маркировать партию деталей одного типоразмера на таре или упаковке с указанием условного обозначения.

8, 9. (Измененная редакция, Изм. 2).

10. Пример применения угловых рычагов указан в приложении.

(Введен дополнительно, Изм. № 2).

ПРИЛОЖЕНИЕ
Справочное
ПРИМЕР ПРИМЕНЕНИЯ УГЛОВЫХ РЫЧАГОВ С ДВУМЯ ОТВЕРСТИЯМИ

ИНФОРМАЦИОННЫЕ ДАННЫЕ

1. РАЗРАБОТАН И ВНЕСЕН Министерством тяжелого, энергетического и транспортного машиностроения СССР, Министерством станкостроительной и инструментальной промышленности СССР

РАЗРАБОТЧИКИ

В.В. Андреев; В.Н. Дзегиленок, канд. техн. наук; В.А. Петрова; К.И. Сокольский; А.З. Старосельский (руководитель темы); А.В. Хренова; Т.А. Шестакова

2. УТВЕРЖДЕН И ВВЕДЕН В ДЕЙСТВИЕ Постановлением Комитета стандартов, мер и измерительных приборов при Совете Министров СССР от 03.01.67 № 48

3. ВЗАМЕН МН 5415-67

4. ССЫЛОЧНЫЕ НОРМАТИВНО-ТЕХНИЧЕСКИЕ ДОКУМЕНТЫ

Обозначение НТД, на который дана ссылка

Номер пункта

ГОСТ 9.306-85

ГОСТ 3128-70

ГОСТ 4543-71

8

1

2

5. Постановлением Госстандарта СССР от 17.03.88 № 568 снято ограничение срока действия

6. ПЕРЕИЗДАНИЕ (ноябрь 1999г.) с Изменениями № 1, 2, утвержденными в июне 1980г., марте 1988г. (ИУС 9-80, 6-88)




Rambler's Top100 Яндекс цитирования
  Copyright © 2008-2026, www.docload.ru