|
|
СТРОПЫ ГРУЗОВЫЕ
ОБЩЕГО НАЗНАЧЕНИЯ. РД-10-33-93 Москва НПО ОБТ 1994 УТВЕРЖДЕНО АВТОРЫ-РАЗРАБОТЧИКИ: от ВНИИПТМАШ - А.С.
Липатов, И.И. Абрамович, Е.П. Березина,
И.А.
Калинина, Н.Н. Рябова от Госгортехнадзора России -
В.С.
Котельников, В.Г. Жуков Руководящий документ
разработан на основе ОСТ 24.090.48-79 и ОСТ 24.090.49-79 в Государственном
Российском научно-исследовательском и проектно-конструкторском институте
подъемно-транспортного машиностроения (ВНИИПТМАШ) совместно с Управлением по
котлонадзору и надзору за подъемными сооружениями Госгортехнадзора России. Срок введения в действие 1 июня 1994 г. Настоящий руководящий
документ (РД) распространяется на стропы из стальных канатов и цепные стропы,
используемые для подвески грузов к крюкам грузоподъемных машин, предназначенные
для применения на промышленных предприятиях, а тaкжe на транспортных и
складских объектах, выпускаемые в виде отдельных единиц или мелких партий климатического
исполнения ТУ и У по ГОСТ
15150. 1. ТИПЫ И ОСНОВНЫЕ ПАРАМЕТРЫ1.1. Стропы должны
изготавливаться: ветвевыми со звеньями
(элементами) для навески на крюк крана и подсоединения груза; кольцевыми в виде замкнутой
петли для непосредственной обвязки груза. Грузовые канатные стропы
изготавливают из отрезков стальных канатов (рис. П.1.21 - П.1.26),
грузовые цепные стропы - из отрезков круглозвенных цепей (рис. П.1.27
- П.1.29). (Измененная редакция, Изм. №
1). 1.2. Грузоподъемность
стропов должна выбираться из следующего ряда: 0,5, 0,63, 1,0*, 1,6, 2,0*, 3,2*,
5,0*, 6,3, 8,0, 10*, 12,5*, 16*, 20*, 25, 32*, 40 и 50 т (звездочкой отмечены
стропы, рекомендуемые для преимущественного применения). 2. ТЕХНИЧЕСКИЕ ТРЕБОВАНИЯ2.1. Общие требованияПроектирование и
изготовление грузовых стропов должно проводится в организациях и на
предприятиях, имеющих лицензию (разрешение) органов Госгортехнадзора России и
располагающих квалифицированными специалистами и техническими средствами,
обеспечивающими их проектирование и изготовление в полном соответствии с
требованиями настоящего нормативного документа. Для получения разрешения
(лицензии) на изготовление стропов предприятие-изготовитель должно представить
в территориальные органы госгортехнадзора документы, указанные в п. 2.1 Положения о порядке выдачи специальных
разрешений (лицензий) на виды деятельности, связанные с повышенной опасностью
промышленных производств (объектов) и работ, а также с обеспечением
безопасности при пользовании недрами, утвержденного постановлением
Госгортехнадзора России от 03.07.93. № 20. К заявлению
предприятия-изготовителя стропов должны быть приложены и другие документы,
подтверждающие возможность и готовность качественного изготовления стропов, в
том числе: -
технические
условия на изготовление, утвержденные в установленном порядке, -
рабочие
чертежи стропов, -
описание
технологического процесса изготовления стропов (технологические карты), -
сертификаты
на канаты и цепи, -
справка
о наличии аттестованных специалистов (при необходимости выполнения сварочных
работ). Разрешение (лицензия) на
изготовление стропов выдается территориальными органами Госгортехнадзора России
на основании результатов проверки предприятия-изготовителя и рассмотрения
представленной им документации. Стропы, изготавливаемые для сторонних
организаций, должны быть снабжены паспортом, форма паспорта приведена в приложении
4. (Измененная редакция, Изм. №
1). 2.1.2. Расчет канатов и
цепей стропов, используемых как для непосредственной обвязки груза, так и для
захвата последнего с помощью концевых звеньев, производят на растяжение. 2.1.3. Определение усилий в
канатах и цепях двух-, трех- и четырехветвевых стропов при отсутствии
дополнительных требований производят исходя из условия, что углы между ветвями
не превышают 90° (рис. 1). 2.1.4. Расчет трех- и
четырехветвевых стропов при отсутствии гарантии равномерности распределения
нагрузок между ветвями производят исходя из условия, что груз удерживается
только двумя ветвями. 2.1.5. При расчете на
действие номинальной нагрузки запас прочности для канатов и цепей по отношению
к разрушающей нагрузке, указанной в их сертификате, должен быть не менее 6,0 и
5,0 соответственно. 2.1.6. При проверке
прочности сечения рабочей части крюка стропа и учете кривизны последнего запас
прочности по отношению к пределу текучести материала принимают не менее 1,2, а
для сечения ветвей головки крюка с проушиной при расчете на растяжение - не
менее 1,5. Рис. 1. Строповка груза двух- (а), трех- (б) и
четырехветвевыми (в) стропами 2.1.7. При расчете петель
всех типов их прямолинейные участки рассчитывают на растяжение; запас прочности
по отношению к пределу прочности материала должен быть не менее 5,0. Для
криволинейных участков при расчете с учетом их кривизны запас прочности для
внутренней стороны сечения должен быть не менее 1,1 по отношению к пределу
текучести материала, а на внешней стороне - не менее 1,3 по отношению к пределу
прочности материала. Грузоподъемность стропов с
ветвями из каната со стальным сердечником при перемещении грузов, имеющих
температуру от 250 до 400 °С, снижают на 25 %; перемещение грузов, имеющих
температуру свыше 400 °С, не допускается. 2.2. Требования к конструкции строповПрименение цепей других
типов допускается по согласованию с ВНИИПТМАШ. 2.2.3.
В канатных стропах должны применяться круглопрядные канаты двойной свивки,
изготавливаемые по техническим условиям ГОСТ 3241. Рекомендуется применять
канат крестовой свивки с сердечником из пеньки, сизаля и хлопчатобумажной
пряжи. Допустимо применение канатов с сердечниками из других материалов с
учетом температурного режима использования стропов. Рекомендуется применять
канаты по ГОСТ
3071, 3079, 2688 и 7668, а для перемещения грузов, имеющих температуру до 400
°С, - по ГОСТ
7669. 2.2.4. Соединение концов
канатов следует выполнять заплеткой или опрессовкой алюминиевыми втулками. Применение соединений других
видов допускается только по согласованию с ВНИИПТМАШ. Соединение, выполненное
путем оковки каната кольцами, не допускается. 2.2.5.
Для подсоединения ветвей канатных стропов к звеньям должны применяться коуши.
Рекомендуется применять коуши по ГОСТ Р 50090. 2.2.7. Рекомендуемые
конструкции стропов и их элементов приведены в приложении 1. 2.3. Требования к материалам2.3.2.
Для подвергающихся сварке элементов стропов климатического исполнения ТУ по ГОСТ 15150 рекомендуется применять стали марок Ст3сп, Ст3пс с гарантией
свариваемости по ГОСТ 380 и сталь 20 по ГОСТ 1050; для стропов климатического исполнения У-стали марок 09Г2 и 09Г2С с
гарантией свариваемости по ГОСТ 19281. 2.3.3.
Применение углеродистых сталей марок Ст3сп, Ст3пс для подвергающихся сварке
элементов стропов климатического исполнения У допускается только при условии
проверки ударной вязкости материала при температуре -40 °С в соответствии с ГОСТ 9454. Минимально допустимое значение ударной вязкости 30 Дж/см2. 2.3.4.
Втулки для соединения канатов опрессовкой следует выполнять из алюминиевых
сплавов марок АД0, АД1, АД31 и АМЦ по ГОСТ 4784. 2.3.5.
Применение материалов, не указанных в пп. 2.3.1 - 2.3.4, допускается только по
согласованию с ВНИИПТМАШ. 2.4. Требования к элементам стропов2.4.1.
Стальные канаты, применяемые для изготовления грузовых стропов, должны отвечать
действующим государственным стандартам и иметь сертификат или копию сертификата
предприятия-изготовителя канатов об их испытании в соответствии с ГОСТ 3241-80 «Канаты стальные. Технические условия». При получении канатов, не
снабженных сертификатом, они должны быть подвергнуты испытанию в соответствии с
указанными стандартами. Круглозвенные сварные и
штампованные цепи, применяемые для грузовых стропов, должны соответствовать ГОСТ
228 «Цепи якорные» или техническим условиям, утвержденным в установленном
порядке. Цепи должны иметь сертификат. (Новая редакция, Изм. № 1). 2.4.3.
Число проколов каната каждой прядью при заплетке должно быть не меньше
указанного в табл. 1. Таблица 1 Зависимость
числа проколов каната каждой прядью от его диаметра
Последний прокол каждой
пядью должен производиться половинным числом ее проволок (половинным сечением
пряди). 2.4.4. При заделке концов
каната заплеткой места сплетения проволок должны обкатываться обжимными
роликами или протягиваться через обжимную втулку. Разрешается при
индивидуальном изготовлении место заплетки стропа уплотнять простукиванием
молотком. При защите места сплетения
оплеткой или оболочкой должно быть обеспечено перекрытие участка с выступающими
концами проволок на 10 -30 мм. 2.4.7.
Требования к выполнению заделки концов канатов опрессовкой алюминиевыми
втулками приведены в приложении 1. При изготовлении кованых и
штампованных крюков сварка не допускается. Крюки, изготовленные из
листовой стали и круглого прутка, после сварки должны подвергаться
нормализации. Крюки должны снабжаться
предохранительными замками. Применение других способов
резки допускается при согласовании технологического процесса резки со
специализированной организацией по кранам. 2.4.10.
При изготовлении элементов, указанных в пп. 2.4.8 и
2.4.9, холодной гибкой
относительные радиусы гибки (по внутренней поверхности) не могут быть меньше
значений, приведенных в табл. 2. Таблица 2 Зависимость
радиуса гибки (r) от толщины элемента
2.4.11.
Качество поковок для кованых и штампованных крюков (захватов) должно
соответствовать группе II по ГОСТ 8479. Заваривать и заделывать
указанные дефекты не разрешается. Допускаются отдельные
вмятины глубиной в пределах допуска на размеры материала, из которого
изготовлены элементы. Для элементов, изготовленных
из низколегированных сталей, твердость после нормализации не должна превышать
НВ 140. 2.5. Требования к выполнению сварных соединений2.5.1. При изготовлении
неразъемных звеньев рекомендуется применять электрическую контактную сварку
оплавлением; допускается применять электрическую дуговую сварку и
кузнечно-горновую сварку. Другие виды сварки могут
быть применены по согласованию со специализированной организацией по кранам. 2.5.2. Конструкция шва,
сварочные материалы, технология выполнения сварного соединения и методы
контроля должны обеспечить прочность соединения не ниже прочности основного
металла. 2.5.3.
При применении контактной сварки увеличение диаметра сечения (d) в месте сварки не должно превышать 0,1d. Образовавшийся в месте стыка грат должен быть зачищен заподлицо с
основным металлом. Смещение свариваемых концов
в месте стыка не должно превышать значений, указанных в табл. 3. Таблица
3 Допускаемое
смещение концов свариваемых элементов в месте стыка
В местах сварки не должно
быть непроваров и подрезов. Глубина местных выжигов и пригаров при контактной
электросварке не должна превышать 0,7 мм. 2.5.4.
При выполнении сварных швов ручной дуговой сваркой по ГОСТ 5264 на концах заготовок из круглого прутка производится разделка кромок
(рис. 2). Рис. 2. Разделка кромок на
концах заготовок из круглого прутка Сварка звеньев всех типов
производится после гибки заготовок. При сварке необходимо выдержать размеры
сварного соединения в соответствии с рис. 3. Рис.
3. Конструктивные элементы шва сварного соединения К сварке должны допускаться
сварщики, выдержавшие испытания в соответствии с Правилами аттестации
сварщиков. 2.6. Требования к покрытиям2.6.1.
Звенья и цепи стропов рекомендуется окрашивать в два слоя эмалью красного цвета
марки ПФ 115 по ГОСТ 6465; для окраски цепей и
захватных элементов стропов, предназначенных для перемещения грузов, имеющих
температуру выше 100 °С рекомендуется применять эмаль красного цвета марки
КО-811 по ГОСТ 23122. 3. КОМПЛЕКТНОСТЬ3.1. В
комплект поставки стропа входят: строп с маркировочной
биркой; паспорт. (Измененная редакция, Изм. №
1). 3.2. (Исключен, Изм. №
1). 4. ПРАВИЛА ПРИЕМКИ4.1. Для проверки
соответствия стропов требованиям настоящего РД предприятие должно проводить
приемосдаточные испытания. 4.2. При испытаниях каждый
строп проверяют на соответствие требованиям пп. 2.1.1, 2.2.6, 2.6.1, 2.6.2 и
3.1. Допускается испытывать
указанные элементы непосредственно в составе стропа соответствующей
грузоподъемности. При индивидуальном
изготовлении подлежат испытанию элементы каждого стропа или каждый строп. 4.5. При статических
испытаниях стропов и их элементов визуально проверяют отсутствие остаточных
деформаций и трещин на внешних поверхностях элементов, повреждений канатных
ветвей, а также смещения канатов в креплениях. 4.6. Каждый цепной строп
должен быть проверен на соответствие требованиям пп. 2.2.1, 2.2.2 и 2.4.1. 4.7. Каждый канатный строп
должен быть проверен на соответствие требованиям пп. 2.2.3 - 2.2.5, 2.4.1, 2.4.5 -
2.4.7. 4.8. Крюки должны
проверяться на соответствие требованиям пп. 2.4.8, 2.4.11 и 2.4.12. На соответствие требованиям
п. 2.4.11
должны проверяться все заготовки крюков, изготовленные свободной ковкой, и
первая и последняя заготовки из партии, изготовленной горячей штамповкой. Партия заготовок должна
состоять из изделий одного типоразмера, изготовленных из металла одной плавки,
на одном штампе и совместно прошедших термообработку. 4.9. При изготовлении крюков
свободной ковкой или штамповкой материалы должны проверяться на соответствие
предела текучести и относительного удлинения нормативным значениям в объеме,
установленном в табл. 4. Таблица 4 Зависимость
числа проверяемых заготовок крюков от размера партии
Образцы для испытаний
крюков, изготовленных свободной ковкой, должны вырезаться из припуска заготовки
крюка, а изготовленных горячей штамповкой - из тела крюка. Временное сопротивление
разрыву и ударную вязкость стали следует проверять по требованию потребителя. 4.10. На соответствие
требованиям п. 2.5.3 должно проверяться не менее 2 % от партии
подвергающихся сварке элементов. 4.11. На соответствие
требованиям пп. 2.4.10 и 2.4.14 следует проверять не
менее 10 % деталей. 4.12. На соответствие
требованиям п. 2.4.12 следует проверять все детали. 4.13. Алюминиевые втулки
проверяют на соответствие требованиям п. 2.3.4. 4.14. Для элементов,
подвергающихся выборочной проверке, при получении неудовлетворительных
результатов по какому-либо из показателей должна производиться повторная
проверка по этому показателю удвоенного числа образцов, взятых из той же партии. При неудовлетворительных
результатах повторной проверки партию бракуют. 5. МЕТОДЫ КОНТРОЛЯ И ИСПЫТАНИЙ5.1. При испытаниях стропов
статической нагрузкой по п. 4.3 их ветви должны быть расположены под углом 90°
друг к другу. Допускаются испытания под
другим углом с соответствующим пересчетом действующих нагрузок. При серийном изготовлении
стропов время их выдержки под нагрузкой составляет 3 мин, при индивидуальном
изготовлении - 10 мин. Испытательную нагрузку
создают с помощью тарировочных грузов или нагрузочных приспособлений с
контролем величины нагрузки посредством измерительных приборов. 5.2. Элементы стропов
(соединительные звенья, крюки) испытывают на соответствие требованиям п. 4.4 с
помощью нагрузочных устройств или стендов, снабженных приборами,
контролирующими величину действующей нагрузки. 5.3. Соответствие материалов
и полуфабрикатов элементов стропов и сварочных материалов требованиям пп. 2.2.1, 2.2.3, 2.3.1 -
2.3.5
проверяют по технической документации на изготовление, утвержденной в
установленном порядке. Качество материалов
проверяют по сертификатам или результатам лабораторного анализа. 5.4. Качество поверхностей
элементов по пп. 2.4.12 и 2.4.14,
правильность расположения сварных швов по п. 2.4.13, качество заделки
концов канатов по пп. 2.4.3 - 2.4.6, цельность канатов
ветвей стропов по п. 2.4.2 проверяют визуально. 5.5. Отклонение длин ветвей
по п. 2.1.10,
размеры алюминиевых втулок по п. 2.4.7, радиус гибки по п. 2.4.10,
глубину вмятин по п. 2.4.12, увеличение диаметра сечения элемента и
относительное смещение концов элемента по п. 2.5.3, размеры сварных швов по
п. 2.5.4
проверяют с помощью универсального мерительного инструмента. 5.6. Качество сварных
соединений, выполненных контактной сваркой, по п. 2.5.3 проверяют путем их
осмотра, обмера и механических испытании звеньев на статическое растяжение по ГОСТ 6996. 5.7.
Твердость металла по п. 2.4.14 определяют по ГОСТ 9012, предел текучести,
временное сопротивление разрыву и относительное удлинение металла - по ГОСТ 1497, ударную вязкость металла - по ГОСТ 9454. 6. МАРКИРОВКА, УПАКОВКА, ТРАНСПОРТИРОВАНИЕ И ХРАНЕНИЕнаименование
предприятия-изготовителя или его товарный знак; порядковый номер стропа по
системе нумерации предприятия-изготовителя; грузоподъемность стропа; дату испытаний (месяц, год). Способ крепления маркировочной
бирки должен обеспечивать ее сохранность до конца эксплуатации стропа. Рекомендуемые размеры
маркировочных бирок и способы их крепления приведены в приложении 2. 6.2. На каждом элементе и
захвате стропа на установленном для маркировки месте методом штамповки или
ударным способом должно быть нанесено: наименование или товарный
знак предприятия-изготовителя; условное обозначение
элемента или захвата по системе предприятия-изготовителя; порядковый номер по системе
нумерации предприятия-изготовителя или номер партии. 6.3. Стропы одного типа,
длины и одинаковой грузоподъемности свертывают кольцом, комплектуют в одну
общую бухту, которую завязывают по периметру не менее чем в трех местах. Канатные стропы диаметром до
11,5 мм и длиной до 3,5 м могут быть связаны в пачки или уложены в контейнеры. Масса пачки не должна
превышать 100 кг. 6.4. Цепные стропы
упаковывают в дощатые ящики по ГОСТ
2991 и ГОСТ
10198. 6.5. Маркировка грузовых
мест - по ГОСТ 14192. 6.6.
Транспортирование стропов - по группе условий хранения 8 (ОЖ3) по ГОСТ 15150 транспортом любого вида. 6.7.
Хранение стропов - по группе условий хранения 5 (ОЖ4) по ГОСТ 15150. 6.8.
Сведения об изготовленных стропах должны заноситься в журнал. В журнале должны быть указаны
наименование стропа, грузоподъемность, номер нормативного документа
(технологической карты), номер сертификата на примененный материал, результаты
испытаний стропа. (Измененная редакция, Изм. №
1). 7. УКАЗАНИЯ ПО ЭКСПЛУАТАЦИИ7.1. Общие требования7.1.1.
В процессе эксплуатации грузовых стропов должен периодически проводиться их
осмотр. Осмотр стропов должен
проводиться в соответствии с требованиями инструкции, разработанной
специализированной организацией, определяющей порядок и методы осмотра,
браковочные показатели, а также методы устранения обнаруженных повреждений. (Новая редакция, Изм. № 1). 7.1.3 (Исключен, Изм. №
1). 7.2. Требования к перемещению грузов с зацепкой их крюками стропов7.2.1. Размеры рым-болтов,
скоб и других элементов, предусмотренных на грузе для подсоединения стропа,
должны соответствовать размерам крюков последнего (приложение 3, п. 2.1). 7.2.2. Запрещается поднимать
груз при канате или цепи, отклоняющихся от плоскости крюка (при крюке,
испытывающем боковой изгиб), а также при крюке, зацепленном за груз только
концом рога. 7.2.3. Рекомендации по
строповке грузов приведены в приложении 3. 7.3. Контроль состояния стропов при эксплуатации7.3.1. В процессе
эксплуатации стропы должны подвергаться периодическому осмотру в установленные
сроки (но не реже чем через 5 и 10 дней) при постоянном использовании на
кранах, эксплуатирующихся в условиях групп классификации режима 7К - 8К и 1К -
6К соответственно. 7.3.2. Применяемые при
ремонте материалы, полуфабрикаты и комплектующие изделия, а также используемые
технологические процессы и методы контроля должны соответствовать требованиям
настоящего РД. После ремонта стропы
подлежат техническому освидетельствованию на предприятии, на котором они
ремонтировались. При техническом
освидетельствовании стропы должны подвергаться внешнему осмотру и испытанию
нагрузкой, в 1,25 раза превышающей их номинальную грузоподъемность, в
соответствии с требованиями настоящего РД. 7.3.3. Стропы, прошедшие
после изготовления приемосдаточные испытания на предприятии-изготовителе, не
подлежат первичному техническому освидетельствованию. 7.3.6.
Браковка колец, петель и крюков производится: при наличии трещин; при износе поверхности элементов
или местных вмятинах, приводящих к уменьшению площади поперечного сечения на 10
%; при наличии остаточных
деформаций, приводящих к изменению первоначального размера элемента более чем
на 5 %. 7.3.7. Выявленные в процессе
осмотра или технического освидетельствования поврежденные стропы изымаются из
работы до проведения ремонта. Результаты осмотра стропов
заносятся в журнал учета и осмотра. (Форма журнала - см. приложение 5). (Измененная редакция, Изм. №
1). 7.3.8. Не допускаются к
эксплуатации стропы: имеющие дефекты, указанные в
пп. 7.3.4
- 7.3.6; при отсутствии или
повреждении маркировочной бирки; с деформированными коушами
или при износе последних с уменьшением первоначальных размеров сечения более
чем на 15 %; с трещинами на опрессовочных
втулках или при изменении размера последних более чем на 10 % от
первоначального; с признаками смещения каната
в заплетке или втулках; с поврежденными или
отсутствующими оплетками или другими защитными элементами при наличии
выступающих концов проволоки у места заплетки; с крюками, не имеющими
предохранительных замков. (Измененная редакция, Изм. №
1). 8. ГАРАНТИИ ИЗГОТОВИТЕЛЯ8.1. Изготовитель должен
гарантировать соответствие стропов требованиям настоящего РД при соблюдении
потребителем условий хранения и эксплуатации. 8.2. Гарантийный срок для
канатных стропов при односменной работе составляет 3 мес со дня ввода в эксплуатацию,
для цепных стропов - 18 мес. приложение 1
| |||||||||||||||||||||||||||||||||||||||||||||||||||||||||||||||||||||||||||||||||||||||||||||||||||||||||||||||||||||||||||||||||||||||||||||||||||||||||||||||||||||||||||||||||||||||||||||||||||||||||||||||||||||||||||||||||||||||||||||||||||||||||||||||||||||||||||||||||||||||||||||||||||||||||||||||||||||||||||||||||||||||||||||||||||||||||||||||||||||||||||||||||||||||||||||||||||||||||||||||||||||||||||||||||||||||||||||||||||||||||||||||||||||||||||||||||||||||||||||||||||||||||||||||||||||||||||||||||||||||||||||||||||||||||||||||||||||||||||||||||||||||||||||||||||||||||||||||||||||||||||||||||||||||||||||||||||||||||||||||||||||||||||||||||||||||||||||||||||||||||||||||||||||||||||||||||||||||||||||||||||||||||||||||||||||||||||||||||||||||||||||||||||||||||||||||||||||||||||||||||||||||||||||||||||||||||||||||||||||||||||||||||||||||||||||||||||||||||||||||||||||||||||||||||||||||||||||||||||||||||||||||||||||||||||||||||||||||||||||||||||||||||||||||||||||||||||||||||||||||
|
Условное обозначение |
Грузоподъемность, т |
№ рисунка |
№ таблицы |
Примечание |
||
|
Канатная ветвь |
ВК |
0,32 - 12,50 |
- |
|||
|
Цепная ветвь |
ВЦ |
0,50 - 12,50 |
- |
|||
|
Разъемное треугольное звено |
Рт1 |
0,63 - 16,00 |
- |
|||
|
Треугольное звено: с одним упором |
Т |
0,40 - 12,50 |
- |
|||
|
с двумя упорами |
16,00 - 32,00 |
- |
||||
|
Овоидное звено |
О |
0,40 - 25,00 |
- |
|||
|
Овальное звено |
Исполнение 1 |
Ов1 |
0,40 - 20,00 |
|
Применяется для стропов, грузоподъемность которых соответствует грузоподъемности крана |
|
|
Исполнение 2 |
Ов2 |
0,40 - 20,00 |
Применяется для стропов с грузоподъемностью меньше грузоподъемности крана, см. табл. П.1.20 |
|||
|
Крюк |
Нормальное исполнение (исполнение 1) |
К1 |
0,32 - 12,50 |
|
Крюк изготовлен из стали 20 ГОСТ 1050 |
|
|
Облегченное исполнение (исполнение 2) |
К2 |
2,50 - 12.50 |
Крюк изготовлен из стали 09Г2С ГОСТ 19281 |
|||
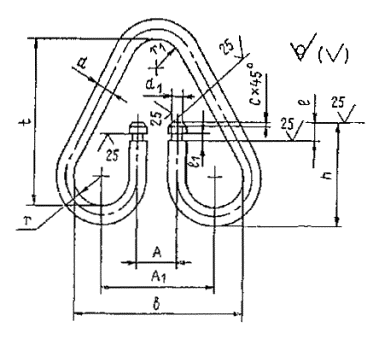
Рис.
П.1.1. Канатная (а) и цепная (б) ветви стропа:
а: 1 - канат, 2 - коуш; б: 1 - цепь, 2 - звено типа О
Таблица П.1.2
Основные
параметры канатных ветвей
|
Грузоподъемность, т |
Допускаемая нагрузка на ветвь, кН |
Расчетное разрывное усилие ветви каната, кН |
Диаметр канатов маркировочной группы 1770 (180), мм |
Диаметр коуша, мм (ГОСТ Р 50090-92) |
|||||
|
ВК-0,32 |
0,32 |
3,14 |
18,8 |
6,2 |
6,3 |
6,5 |
6,3 |
5,9 |
25 |
|
ВК-0,4 |
0,40 |
3,92 |
23,5 |
6,9 |
7,6 |
- |
6,7 |
6,4 |
25; 30 |
|
ВК-0,5 |
0,50 |
4,90 |
29,4 |
7,6 |
8,5 |
- |
- |
7,2 |
30 |
|
ВК-0,63 |
0,63 |
6,18 |
37,0 |
8,3 |
9,0 |
8,5 |
8,1 |
8,6 |
30; 34 |
|
ВК-0,8 |
0,80 |
7,85 |
47,0 |
9,9 |
- |
- |
- |
8,6 |
34 |
|
ВК-1,0 |
1,00 |
9,81 |
59,0 |
11,0 |
11,5 |
11,5 |
- |
10,5 |
40 |
|
ВК-1,25 |
1,25 |
12,26 |
73,8 |
12,0 |
- |
- |
11,5 |
13,0 |
40; 45 |
|
ВК-1,6 |
1,60 |
15,70 |
94,2 |
14,0 |
- |
13,5 |
13,5 |
13,0 |
45 |
|
ВК-2,0 |
2,00 |
19,62 |
118,0 |
15,0 |
- |
15,5 |
- |
14,5 |
45 |
|
ВК-2,5 |
2,50 |
24,52 |
147,0 |
16,5 |
- |
17,0 |
16,5 |
16,0 |
56 |
|
ВК-3,2 |
3,20 |
31,40 |
188,0 |
19,5 |
- |
19,5 |
20 |
17,5 |
56; 63 |
|
ВК-4,0 |
4,00 |
39,24 |
236,0 |
21,0 |
- |
21,5 |
22,0 |
19,5 |
63 |
|
ВК-5,0 |
5,00 |
49,05 |
294,0 |
24,0 |
- |
- |
23,5 |
23,0 |
75 |
|
ВК-6,3 |
6,30 |
61,80 |
370,0 |
27,0 |
- |
27,0 |
27,0 |
25,0; 26,5 |
75; 85 |
|
ВК-8,0 |
8,00 |
78,50 |
470,0 |
30,5 |
- |
30,5 |
31,0 |
30,0 |
95 |
|
ВК-10,0 |
10,00 |
98,10 |
588 |
33,5 |
- |
35,0 |
33,0 |
32,5 |
95; 105 |
|
ВК-12,5 |
12,50 |
122,60 |
735 |
37,0 |
- |
39,0 |
38,0 |
35,5; 36,5 |
105 |
Примечание. Допускается применять канаты других маркировочных групп; при этом расчетное разрывное усилие ветви каната, указанное в настоящей таблице, должно быть меньше разрывного усилия каната в целом, указанного в ГОСТ 3071, ГОСТ 3079 ГОСТ 7668 и ГОСТ 2688.
Конструктивные
элементы цепной ветви
|
Грузоподъемность, т |
Элементы цепной ветви |
||||||
|
вариант 1 |
вариант 2 |
вариант 3 |
|||||
|
цепь по ТУ 12.0173856.015 |
звено О |
цепь по ТУ 12.0173856.009, тип 1 |
звено О |
цепь по ТУ 12.0173856.009, тип 3 |
звено О |
||
|
ВЦ-0,5 |
0,50 |
А2-8´24 |
О-0,4 |
- |
- |
- |
- |
|
ВЦ-0,63 |
0,63 |
А2-9´27 |
О-0,5 |
||||
|
А2-9,5´27 |
О-0,5 |
||||||
|
ВЦ-0,8 |
0,80 |
А2-10´28 |
О-0,63 |
||||
|
А2-11´31 |
О-0,8 |
1-11´33 |
О-0,8 |
||||
|
ВЦ-1,0 |
1,00 |
А2-13´36 |
О-1,25 |
1-12,5´38 |
О-1,0 |
||
|
ВЦ-1,25 |
1,250 |
1-14´42 |
О-1,25 |
||||
|
ВЦ-1,6 |
1,60 |
1-16´48 |
О-1,6 |
||||
|
ВЦ-2,0 |
2,00 |
А2-16´45 |
О-1,6 |
1-17,5´50 |
О-1,6 |
3-16´64 |
О-2,0 |
|
ВЦ-2,5 |
2,50 |
А2-18´50 |
О-2,0 |
1-19´57 |
О-2,0 |
3-17,5´70 |
О-2,5 |
|
- |
- |
- |
- |
3-19´76 |
О-2,5 |
||
|
ВЦ-3,2 |
3,20 |
- |
- |
1-22´66 |
О-3,2 |
3-22´88 |
О-4,0 |
|
ВЦ-4,0 |
4,00 |
1-26´78 |
О-3,2 |
||||
|
ВЦ-5,0 |
5,00 |
1-28´84 |
О-5,0 |
3-26´104 |
О-5,0 |
||
|
ВЦ-6,3 |
6,30 |
1-32´96 |
О-6,3 |
3-28´112 |
О-6,3 |
||
|
ВЦ-8,0 |
8,00 |
- |
- |
1-34´102 |
О-6,3 |
3-32´128 |
О-8,0 |
|
- |
- |
3-34´136 |
О-8,0 |
||||
|
ВЦ-10,0 |
10,00 |
|
|
1-38´114 |
О-8,0 |
3-38´152 |
О-10,0 |
|
ВЦ-12,5 |
12,50 |
|
|
- |
- |
3-40´160 |
О-12,5 |
|
|
3-44´176 |
О-16,0 |
|||||
Примечание. Выбор варианта зависит от возможности комплектации.
Рис. П.1.2. Звено типа Рт1:
1 - скоба, 2 -
ограничитель, 3 - планка, 4 - болт по ГОСТ
7798, 5 - гайка по ГОСТ
5919, 6 - шплинт по ГОСТ 397

Рис. П.1.3. Скоба типа Ст1

* Размер для справок
Рис.
П.1.4. Ограничитель типа Ог
Таблица П.1.4
Конструктивные элементы и
размеры звена типа Рт1
|
Грузоподъемность, т |
Размеры, мм |
Поз. 1 |
Поз. 2 |
Поз. 3 |
Поз. 4 |
Поз. 5 |
Поз. 6 |
Масса, кг |
||||
|
d |
A |
b |
t |
Обозначение элемента |
|
|||||||
|
Рт1-0,63 |
0,63 |
14 |
32 |
126 |
115 |
Ст1-1,0 |
Ог-1,0 |
П-1,0 |
2М8´35,36 |
М8,4 |
2´10-001 |
1,00 |
|
Рт1-0,8 |
0,80 |
1,00 |
||||||||||
|
Рт1-1,0 |
1,00 |
1,00 |
||||||||||
|
Рт1-1,6 |
1,60 |
18 |
38 |
156 |
140 |
Ст1-1,6 |
Ог-1,6 |
П-1,6 |
1,69 |
|||
|
Рт1-2,0 |
2,00 |
20 |
42 |
174 |
160 |
Ст1-2,0 |
Ог-2,0 |
П-2,0 |
2,29 |
|||
|
Рт1-3,2 |
3,20 |
25 |
55 |
200 |
185 |
Ст1-3,2 |
Ог-3,2 |
П-3,2 |
2М10´40,36 |
М10,4 |
2,5´25-001 |
4,12 |
|
Рт1-5,0 |
5,00 |
32 |
68 |
260 |
240 |
Ст1-5,0 |
Ог-5,0 |
П-5,0 |
2М12´45,36 |
М12,4 |
3,2´32-001 |
8,50 |
|
Рт1-6,3 |
6,30 |
35 |
74 |
289 |
265 |
Ст1-6,3 |
Ог-6,3 |
П-6,3 |
2М12´50,36 |
11,00 |
||
|
Рт1-8,0 |
8,00 |
40 |
82 |
322 |
295 |
Ст1-8,0 |
Ог-8,0 |
П-8,0 |
15,48 |
|||
|
Рт1-10,0 |
10,00 |
45 |
90 |
355 |
325 |
Ст1-10,0 |
Ог-10,0 |
П-10,0 |
2М12´55,36 |
22,40 |
||
|
Рт1-12,5 |
12,50 |
50 |
100 |
390 |
360 |
Ст1-12,5 |
Ог-12,5 |
П-12,5 |
2М12´60,36 |
30,00 |
||
|
Рт1-16,0 |
16,00 |
55 |
110 |
425 |
395 |
Ст1-16,0 |
Ог-16,0 |
П-16,0 |
2М12´70,36 |
41,10 |
||
Таблица П.1.5
Скоба типа Ст1
|
Обозначение элемента |
Размеры, мм |
Масса, кг |
|||||||||||||
|
d |
d1 |
A |
A1 |
b |
h |
l |
l1 |
t |
r |
r1 |
С |
длина развертки |
|||
|
номин. |
пред. откл |
||||||||||||||
|
Ст1-0,63 |
14 |
8 |
32 |
±1,0 |
86 |
126 |
72 |
13 |
6 |
115 |
20 |
20 |
1,0 |
495 |
0,6 |
|
Ст1-0,8 |
|||||||||||||||
|
Стl-1,0 |
|||||||||||||||
|
Ст1-1,6 Ст1-2,0 |
18 20 |
12 |
38 42 |
106 118 |
156 174 |
85 90 |
17 |
140 160 |
25 28 |
25 30 |
1,2 |
610 672 |
1,2 1,7 |
||
|
Ст1-3,2 |
25 |
18 |
55 |
±1,5 |
140 |
200 |
100 |
18 |
185 |
30 |
35 |
880 |
3,1 |
||
|
Ст1-5,0 |
32 |
26 |
68 |
180 |
260 |
130 |
25 |
7 |
240 |
40 |
45 |
1,5 |
1016 |
6,4 |
|
|
Ст1-6,3 |
35 |
28 |
74 |
199 |
289 |
140 |
265 |
45 |
50 |
1,5 |
1113 |
8,4 |
|||
|
Ст1-8,0 |
40 |
30 |
82 |
222 |
322 |
150 |
8 |
295 |
50 |
55 |
2,0 |
1232 |
12,0 |
||
|
Ст1-10,0 |
45 |
35 |
90 |
245 |
355 |
175 |
35 |
10 |
325 |
55 |
60 |
3,0 |
1376 |
17,0 |
|
|
Ст1-12,5 |
50 |
40 |
100 |
270 |
390 |
195 |
40 |
360 |
60 |
65 |
4,0 |
1554 |
22,8 |
||
|
Ст1-16,0 |
55 |
45 |
110 |
295 |
425 |
215 |
45 |
12 |
395 |
65 |
75 |
1670 |
31,0 |
||
Таблица П.1.6
Ограничитель типа Ог
|
Обозначение элемента |
Размеры, мм |
Масса, кг |
||||||||||||
|
A |
a |
В |
b |
С |
d |
L |
l |
S |
r |
|||||
|
номин. |
пред. откл. |
номин. |
пред. откл. |
номин. |
пред. откл. |
|||||||||
|
Ог-1,0 |
32 |
±0,5 |
16,0 |
±0,35 |
25 |
9 |
4,5 |
±0,5 |
9 |
90 |
14 |
4 |
4,5 |
0,06 |
|
Ог-1,6 |
38 |
19,0 |
30 |
14 |
110 |
18 |
7,0 |
0,09 |
||||||
|
Ог-2,0 |
42 |
21,0 |
32 |
|
130 |
20 |
0,11 |
|||||||
|
Ог-3,2 |
55 |
±1,0 |
27,5 |
40 |
20 |
10,5 |
11 |
160 |
25 |
10,0 |
0,17 |
|||
|
Ог-5,0 |
68 |
34,0 |
50 |
28 |
15,0 |
14 |
220 |
32 |
5 |
14,0 |
0,36 |
|||
|
Ог-6,3 |
74 |
37,0 |
|
30 |
240 |
35 |
15,0 |
0,41 |
||||||
|
Ог-8,0 |
82 |
41,0 |
60 |
32 |
17,0 |
270 |
40 |
6 |
16,0 |
0,05 |
||||
|
Ог-10,0 |
90 |
45,0 |
65 |
37 |
300 |
45 |
8 |
18,5 |
1,03 |
|||||
|
Ог-12,5 |
100 |
50,0 |
70 |
42 |
320 |
50 |
21,0 |
1,16 |
||||||
|
Ог-16,0 |
110 |
55,0 |
75 |
47 |
360 |
55 |
10 |
26,0 |
1,71 |
|||||
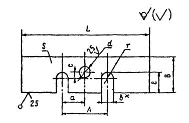
Рис. П.1.5. Планка типа П
Таблица П.1.7
Планка типа П
|
Обозначение элемента |
Размеры, мм |
Масса, кг |
||||||||||
|
А |
a |
b |
С |
d |
d1 |
L |
S |
|||||
|
номин. |
пред. откл. |
номин. |
пред. откл. |
номин. |
пред. откл. |
|||||||
|
П-1,0 |
32 |
±0,5 |
16,0 |
±0,35 |
32 |
4,5 |
±0,5 |
16 |
9 |
64 |
20 |
0,32 |
|
П-1,6 |
38 |
19,0 |
40 |
20 |
78 |
0,38 |
||||||
|
П-2,0 |
42 |
21,0 |
44 |
22 |
86 |
0,46 |
||||||
|
П-3,2 |
55 |
±1,0 |
27,5 |
54 |
10,5 |
27 |
11 |
108 |
22 |
0,80 |
||
|
П-5,0 |
68 |
34,0 |
68 |
15,0 |
34 |
14 |
136 |
28 |
1,67 |
|||
|
П-6,3 |
74 |
37,0 |
74 |
37 |
148 |
30 |
2,10 |
|||||
|
П-8,0 |
82 |
41,0 |
84 |
17,0 |
42 |
166 |
2,75 |
|||||
|
П-10,0 |
90 |
45,0 |
94 |
47 |
184 |
35 |
4,29 |
|||||
|
П-12,5 |
100 |
50,0 |
104 |
52 |
204 |
40 |
6,00 |
|||||
|
П-16,0 |
110 |
55,0 |
114 |
57 |
224 |
45 |
8,29 |
|||||
Рис. П.1.6. Звено типа Т,
исполнение с одним упором:
1 - подвеска, 2 - упор
Таблица П.1.8
Звено
типа Т, исполнение с одним упором
|
Грузоподъемность, т |
Размеры, мм |
Поз. 2 (упор) |
Масса, кг |
|||||||
|
l |
K |
поз. 1 (подвеска) |
||||||||
|
b |
t |
d |
r |
длина развертки |
||||||
|
Т-0,4 |
0,40 |
23 |
5 |
54 |
50 |
9 |
13 |
194 |
У-0,4 |
0,106 |
|
Т-0,5 |
0,50 |
23 |
4 |
60 |
55 |
10 |
14 |
216 |
У-0,5 |
0,142 |
|
Т-0,63 |
0,63 |
23 |
6 |
64 |
60 |
11 |
16 |
231 |
У-0,63 |
0,184 |
|
Т-0,8 |
0,80 |
23 |
7 |
76 |
70 |
12 |
18 |
270 |
У-0,8 |
0,252 |
|
Т-1,0 |
1,00 |
29 |
8 |
86 |
80 |
14 |
20 |
308 |
У-1,0 |
0,396 |
|
Т-1,6 |
1,60 |
41 |
6 |
108 |
100 |
18 |
25 |
388 |
У-1,6 |
0,814 |
|
Т-2,0 |
2,00 |
41 |
11 |
119 |
110 |
20 |
28 |
427 |
У-2,0 |
1,092 |
|
Т-3,2 |
3,20 |
47 |
6 |
130 |
130 |
25 |
35 |
478 |
У-3,2 |
1,901 |
|
Т-5,0 |
5,00 |
56 |
10 |
182 |
170 |
32 |
45 |
659 |
У-5,0 |
4,300 |
|
Т-6,3 |
6,30 |
68 |
9 |
204 |
190 |
36 |
50 |
738 |
У-6,3 |
6,056 |
|
Т-8,0 |
8,00 |
75 |
9 |
225 |
210 |
40 |
55 |
815 |
У-8,0 |
8,230 |
|
Т-10,0 |
10,00 |
82 |
8 |
247 |
230 |
44 |
60 |
901 |
У-10,0 |
11,014 |
|
Т-12,5 |
12,50 |
90 |
8 |
279 |
260 |
50 |
70 |
1013 |
У-12,5 |
15,920 |
Рис. П.1.7. Упор типа У
Таблица П.1.9
Упор типа У
|
Обозначение элемента |
Размеры, мм |
Масса, кг |
||||
|
b |
b1 |
l |
S |
r |
||
|
У-0,4 |
9 |
15 |
13,0 |
2,5 |
2,0 |
0,01 |
|
У-0,5 |
12,5 |
|||||
|
У-0,63 |
11 |
20 |
12,0 |
3,0 |
0,012 |
|
|
У-0,8 |
12 |
11,5 |
3,5 |
|||
|
У-1,0 |
14 |
25 |
15,5 |
4,0 |
3,0 |
0,024 |
|
У-1,6 |
16 |
30 |
21,0 |
4,0 |
0,040 |
|
|
У-2,0 |
20 |
20,0 |
6,0 |
|||
|
У-2,5 |
40 |
19,0 |
0,050 |
|||
|
У-3,2 |
22,5 |
0,060 |
||||
|
У-5,0 |
28 |
60 |
24,0 |
6,0 |
8,0 |
0,140 |
|
У-6,3 |
30 |
32,0 |
9,0 |
0,160 |
||
|
У-8,0 |
65 |
35,0 |
0,190 |
|||
|
У-10,0 |
32 |
70 |
38,0 |
10,0 |
0,260 |
|
|
У-12,5 |
34 |
80 |
40,0 |
11,0 |
0,310 |
|
Рис. П.1.8. Звено типа Т,
исполнение с двумя упорами:
1 - подвеска, 2 - упор
Таблица П.1.10
Звено типа Т, исполнение с
двумя упорами
|
Грузоподъемность, т |
Размеры, мм |
Поз. 2 (упор) |
Масса, кг |
||||||||
|
a |
l |
k |
поз. 1 (подвеска) |
||||||||
|
b |
t |
d |
r |
длина развертки |
|||||||
|
Т-16,0 |
16,0 |
60 |
93 |
7 |
312 |
290 |
56 |
75 |
1133 |
У-16,0 |
22,042 |
|
Т-20,0 |
20,0 |
75 |
102 |
9 |
339 |
320 |
65 |
100 |
1249 |
У-20,0 |
32,770 |
|
Т-25,0 |
25,0 |
80 |
110 |
8 |
370 |
350 |
72 |
110 |
1366 |
У-25,0 |
43,909 |
|
Т-32,0 |
32,0 |
95 |
115 |
7 |
413 |
390 |
80 |
120 |
1519 |
У-32,0 |
60,159 |
Рис. П.1.9. Упор типа У
Таблица
П.1.11
Упор типа У
|
Размеры, мм |
Масса, кг |
|||
|
d |
l |
S |
||
|
У-16,0 |
34 |
37,0 |
6 |
0,130 |
|
У-20,0 |
42 |
37,5 |
8 |
0,234 |
|
У-25,0 |
42 |
39,0 |
8 |
0,250 |
|
У-32,0 |
42 |
35,0 |
8 |
0,220 |
Рис. П.1.10. Звено типа О
Таблица
П.1.12
Звено
типа О
|
Грузоподъемность, т |
Размеры, мм |
Масса, кг |
|||||
|
d |
t |
r |
r1 |
длина развертки |
|||
|
О-0,4 |
0,40 |
9 |
50 |
13 |
7 |
152 |
0,075 |
|
О-0,5 |
0,50 |
10 |
55 |
14 |
8 |
167 |
0,105 |
|
О-0,63 |
0,63 |
11 |
60 |
16 |
9 |
185 |
0,134 |
|
О-0,8 |
0,80 |
12 |
70 |
18 |
10 |
211 |
0,186 |
|
О-1,0 |
1,00 |
14 |
80 |
20 |
12 |
242 |
0,290 |
|
О-1,25 |
1,25 |
16 |
90 |
22 |
13 |
272 |
0,426 |
|
О-1,6 |
1,60 |
18 |
100 |
25 |
14 |
302 |
0,599 |
|
О-2,0 |
2,00 |
20 |
110 |
28 |
16 |
334 |
0,814 |
|
О-2,5 |
2,50 |
22 |
120 |
30 |
19 |
367 |
1,104 |
|
О-3,2 |
3,20 |
25 |
130 |
35 |
20 |
405 |
1,541 |
|
О-4,0 |
4,00 |
28 |
150 |
40 |
22 |
463 |
2,224 |
|
О-5,0 |
5,00 |
32 |
170 |
45 |
25 |
524 |
3,283 |
|
О-6,3 |
6,30 |
36 |
190 |
50 |
27 |
586 |
4,714 |
|
О-8,0 |
8,00 |
40 |
210 |
55 |
28 |
646 |
6,412 |
|
О-10,0 |
10,00 |
44 |
230 |
60 |
36 |
710 |
8,475 |
|
О-12,5 |
12,50 |
50 |
260 |
70 |
40 |
809 |
12,485 |
|
О-16,0 |
16,00 |
56 |
290 |
75 |
42 |
895 |
17,208 |
|
О-20,0 |
20,00 |
65 |
320 |
100 |
47 |
1028 |
26,050 |
|
О-25,0 |
25,00 |
72 |
350 |
110 |
49 |
1128 |
31,960 |
Рис. П.1.11. Звено типа Ов1
Таблица
П.1.13
Звено типа Ов1
|
Грузоподъемность, т |
Размеры, мм |
Масса, кг |
|||||
|
d |
b |
t |
r |
длина развертки |
|||
|
Ов1-0,4 |
0,40 |
10 |
28 |
50 |
14 |
163 |
0,101 |
|
Ов1-0,5 |
0,50 |
11 |
32 |
55 |
16 |
181 |
0,135 |
|
Ов1-0,63 |
0,63 |
14 |
36 |
60 |
18 |
205 |
0,248 |
|
Ов1-0,8 |
0,80 |
14 |
40 |
70 |
20 |
230 |
0,278 |
|
Ов1-1,0 |
1,00 |
16 |
44 |
80 |
22 |
260 |
0,411 |
|
Ов1-1,6 |
1,60 |
20 |
56 |
100 |
28 |
327 |
0,781 |
|
Ов1-2,0 |
2,00 |
22 |
60 |
110 |
30 |
358 |
1,068 |
|
Ов1-3,2 |
3,20 |
28 |
80 |
130 |
40 |
439 |
2,123 |
|
Ов1-5,0 |
5,00 |
36 |
100 |
170 |
50 |
567 |
4,530 |
|
Ов1-6,3 |
6,30 |
40 |
110 |
190 |
55 |
631 |
6,225 |
|
Ов1-8,0 |
8,00 |
45 |
120 |
210 |
60 |
698 |
8,714 |
|
Ов1-10,0 |
10,00 |
50 |
140 |
230 |
70 |
777 |
11,976 |
|
Ов1-12,5 |
12,50 |
56 |
150 |
260 |
75 |
867 |
16,763 |
|
Ов1-16,0 |
16,00 |
65 |
200 |
290 |
100 |
1015 |
26,440 |
|
Ов1-20,0 |
20,00 |
72 |
220 |
320 |
110 |
1117 |
35,380 |
Таблица П.1.14
Звено типа Ов2
|
Грузоподъемность, т |
Размеры, мм |
Масса, кг |
|||||
|
d |
b |
t |
r |
длина развертки |
|||
|
Ов2-0,4 |
0,40 |
14 |
70 |
120 |
35 |
364 |
0,439 |
|
Ов2-0,5 |
0,50 |
||||||
|
Ов2-0,63 |
0,63 |
16 |
370 |
0,584 |
|||
|
Ов2-0,8 |
0,80 |
18 |
90 |
150 |
45 |
459 |
0,916 |
|
Ов2-1,0 |
1,00 |
20 |
465 |
1,146 |
|||
|
Ов2-1,6 |
1,60 |
25 |
120 |
180 |
60 |
575 |
2,226 |
|
Ов2-2,0 |
2,00 |
||||||
|
Ов2-3,2 |
3,20 |
32 |
597 |
3,769 |
|||
|
Ов2-5,0 |
5,00 |
40 |
150 |
230 |
75 |
757 |
7,468 |
|
Ов2-6,3 |
6,30 |
42 |
763 |
8,298 |
|||
|
Ов2-8,0 |
8,00 |
50 |
788 |
12,145 |
|||
|
Ов2-10,0 |
10,00 |
56 |
220 |
350 |
110 |
1127 |
21,796 |
|
Ов2-12,5 |
12,50 |
60 |
1139 |
25,285 |
|||
|
Ов2-16,0 |
16,00 |
65 |
1155 |
30,087 |
|||
|
Ов2-20,0 |
20,00 |
72 |
1177 |
37,617 |
|||
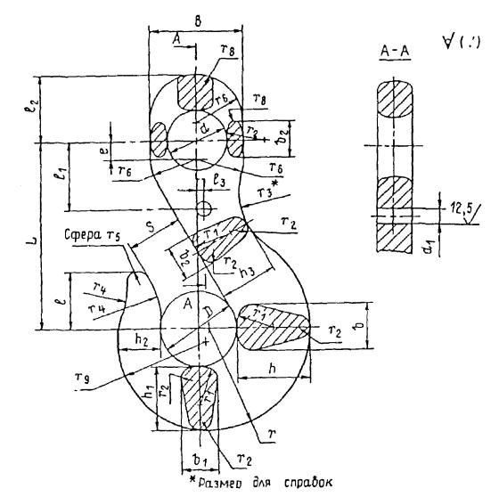
Рис.
П.1.12. Крюк типов К1 и К2:
1 - крюк, 2 - замок, 3 - шайба, 4 - заклепка
Таблица П.1.15
Конструкция крюков типа К1 и
К2
|
Грузоподъемность крюка, т |
Размеры, мм |
Поз. 1 (крюк) |
Поз. 2 (замок) |
Поз. 3 (шайбы ГОСТ 11371) |
Поз. 4 (заклепки ГОСТ 10299) |
|||||
|
D |
d |
с |
S |
b |
||||||
|
К1-0,32 К1-0,4 |
0,32 0,40 |
18 20 |
16 18 |
67,0 74,0 |
15 16 |
9 10 |
Кч1-0,32 Кч1-0,4 |
З1-0,32 З1-0,4 |
5,4 |
5´20 5´22 |
|
К1-0,5 К1-0,63 |
0,50 0,63 |
25 25 |
22 22 |
83,5 88,5 |
22 22 |
11 12 |
Кч1-0,5 Кч1-0,63 |
З1-0,5 З1-0,63 |
5´24 |
|
|
К1-0,8 К1-1,0 К1-1,25 |
0,80 1,00 1,25 |
30 32 36 |
25 26 30 |
102,5 109,0 118,0 |
24 24 28 |
12 15 18 |
Кч1-0,8 Кч1-1,0 Кч1-1,25 |
З1-0,8 З1-1,0 З1-1,25 |
6,4 |
6´26 6´30 6´36 |
|
К1-1,6 К1-2,0 |
1,60 2,00 |
40 45 |
30 35 |
125,0 145,0 |
30 36 |
18 20 |
Кч1-1,6 Кч1-2,0 |
З1-1,6 З1-2,0 |
8,4 |
8´30 8´36 |
|
К1-2,5 К2-2,5 |
2,50 |
50 |
38 |
154,0 |
38 |
26 20 |
Кч1-2,5 Кч2-2,5 |
З1-2,5 З2-2,5 |
8´45 |
|
|
К1-3,2 К2-3,2 |
3,20 |
55 |
42 |
173,5 168,5 |
40 |
30 24 |
Кч1-3,2 Кч2-3,2 |
З1-3,2 З2-3,2 |
8´50 |
|
|
К1-4,0 К2-4,0 |
4,00 |
60 |
44 |
187,0 177,0 |
45 |
32 30 |
Кч1-4,0 Кч2-4,0 |
З1-4,0 З2-4,0 |
||
|
К1-5,0 К2-5,0 |
5,00 |
65 |
48 |
206,5 196,5 |
50 |
36 30 |
Кч1-5,0 Кч2-5,0 |
З1-5,0 З2-5,0 |
10,5 |
10´60 |
|
К1-6,3 К2-6,3 |
6,30 |
75 |
50 |
227,5 217,5 |
58 |
40 36 |
Кч1-6,3 Кч2-6,3 |
З1-6,3 З2-6,3 |
10,5 |
10´60 |
|
К1-8,0 К2-8,0 |
8,00 |
85 |
60 |
262,5 252,5 |
65 |
46 42 |
Кч1-8,0 Кч2-8,0 |
З1-8,0 З2-8,0 |
||
|
К1-10,0 К2-10,0 |
10,00 |
95 |
70 |
297,5 287,5 |
75 |
50 44 |
Кч1-10,0 Кч2-10,0 |
З1-10,0 З2-10,0 |
13,0 |
12´70 |
|
К1-12,5 К2-12,5 |
12,50 |
110 |
80 |
345,0 330,0 |
85 |
54 46 |
Кч1-12,5 Кч2-12,5 |
З1-12,5 З2-12,5 |
||

рис. П.1.13. Чалочный крюк
Таблица П.1.16
Крюк стропа, исполнение 1
(Измененная
редакция, Изм. № 1).
|
Обозначение крюка |
Размеры, мм |
Масса, кг |
|||||||||||||||||||||||||||
|
S |
D |
d |
d1 |
L |
B |
b |
b1 |
b2 |
e |
h |
h1 |
h2 |
h3 |
l |
l1 |
l2 |
l3 |
r |
r1 |
r2 |
r3 |
r4 |
r5 |
r6 |
r7 |
r8 |
r9 |
||
|
Кч1-0,32 |
15 |
18 |
16 |
5,5 |
50 |
24 |
12 |
11 |
9 |
8 |
18 |
16,0 |
10,0 |
14 |
14 |
20 |
15 |
1 |
25 |
11 |
3,0 |
15 |
22 |
3,5 |
12,0 |
12 |
1,5 |
22 |
0,10 |
|
Кч1-0,4 |
16 |
20 |
18 |
5,5 |
53 |
20 |
13 |
11 |
10 |
9 |
21 |
18,0 |
12,0 |
16 |
16 |
23 |
17 |
2 |
28 |
12 |
4,0 |
18 |
25 |
4,0 |
13,0 |
13 |
1,7 |
25 |
0,15 |
|
Кч1-0,5 |
20 |
25 |
22 |
5,5 |
60 |
30 |
16 |
13 |
11 |
5 |
24 |
19,5 |
13,0 |
18 |
18 |
24 |
19 |
3 |
32 |
13 |
4,0 |
20 |
27 |
4,0 |
15,0 |
13 |
2,0 |
29 |
0,25 |
|
Кч1-0,63 |
22 |
25 |
22 |
6,5 |
65 |
32 |
16 |
13 |
12 |
8 |
26 |
21,5 |
14,0 |
20 |
18 |
24 |
19 |
3 |
34 |
13 |
4,0 |
20 |
35 |
4,0 |
16,0 |
15 |
2,0 |
31 |
0,40 |
|
Кч1-0,8 |
24 |
30 |
25 |
6,5 |
75 |
40 |
18 |
14 |
12 |
5 |
30 |
25,0 |
16,0 |
20 |
22 |
28 |
23 |
3 |
40 |
14 |
5,0 |
20 |
30 |
4,5 |
20,0 |
10 |
3,0 |
36 |
0,45 |
|
Кч1-1,0 |
24 |
32 |
26 |
6,5 |
80 |
40 |
20 |
16 |
15 |
8 |
32 |
28,0 |
18,0 |
25 |
24 |
29 |
27 |
3 |
44 |
16 |
5,0 |
29 |
33 |
4,5 |
20,0 |
15 |
2,5 |
38 |
0,70 |
|
Кч1-1,25 |
28 |
36 |
30 |
6,5 |
85 |
44 |
22 |
17 |
18 |
5 |
36 |
31,0 |
20,0 |
26 |
26 |
32 |
29 |
4 |
49 |
18 |
5,5 |
25 |
35 |
5,5 |
22,0 |
20 |
2,5 |
45 |
0,80 |
|
Кч1-1,6 |
30 |
40 |
30 |
8,5 |
90 |
48 |
24 |
19 |
18 |
2 |
40 |
34,0 |
22,0 |
27 |
30 |
32 |
30 |
4 |
54 |
30 |
6,0 |
20 |
42 |
6,0 |
24,0 |
26 |
3,5 |
49 |
1,24 |
|
Кч1-2,0 |
36 |
45 |
35 |
8,5 |
105 |
56 |
28 |
24 |
20 |
4 |
45 |
38,0 |
25,0 |
32 |
34 |
35 |
34 |
5 |
61 |
30 |
6,0 |
30 |
48 |
6,5 |
28,0 |
25 |
4,5 |
55 |
1,50 |
|
Кч1-2,5 |
38 |
50 |
38 |
8,5 |
110 |
58 |
30 |
24 |
26 |
2 |
50 |
41,5 |
27,5 |
34 |
40 |
38 |
39 |
5 |
67 |
36 |
7,0 |
28 |
50 |
7,0 |
29,0 |
26 |
3,0 |
60 |
2,38 |
|
Кч1-3,2 |
40 |
55 |
42 |
8,5 |
125 |
65 |
36 |
29 |
30 |
5 |
55 |
47,0 |
30,0 |
38 |
45 |
45 |
43 |
6 |
75 |
38 |
8,0 |
35 |
50 |
8,0 |
32,5 |
38 |
4,0 |
70 |
3,08 |
|
Кч1-4,0 |
45 |
60 |
44 |
8,5 |
135 |
70 |
38 |
29 |
32 |
5 |
60 |
50,5 |
32,0 |
42 |
45 |
50 |
46 |
7 |
81 |
42 |
9,0 |
40 |
58 |
8,0 |
35,0 |
40 |
4,5 |
72 |
4,00 |
|
Кч1-5,0 |
50 |
65 |
48 |
10,5 |
150 |
75 |
45 |
34 |
40 |
10 |
70 |
59,0 |
39,0 |
50 |
50 |
55 |
51 |
8 |
92 |
45 |
9,0 |
50 |
65 |
9,0 |
37,0 |
36 |
4,5 |
82 |
5,10 |
|
Кч1-6,3 |
58 |
75 |
50 |
10,5 |
165 |
80 |
50 |
40 |
40 |
9 |
75 |
63,0 |
41,0 |
54 |
56 |
60 |
55 |
9 |
101 |
53 |
10,0 |
50 |
73 |
12,0 |
40,0 |
45 |
5,0 |
90 |
7,20 |
|
Кч1-8,0 |
65 |
85 |
60 |
10,5 |
190 |
95 |
55 |
45 |
46 |
10 |
85 |
71,5 |
47,0 |
59 |
65 |
67 |
65 |
10 |
115 |
60 |
12,0 |
52 |
80 |
14,0 |
47,5 |
50 |
5,5 |
102 |
10,20 |
|
Кч1-10,0 |
75 |
95 |
70 |
12,5 |
215 |
110 |
62 |
49 |
50 |
10 |
95 |
78,5 |
52,0 |
65 |
70 |
72 |
73 |
8 |
127 |
68 |
13,0 |
55 |
85 |
14,0 |
55,0 |
55 |
6,0 |
114 |
14,20 |
|
Кч1-12,5 |
85 |
110 |
80 |
12,5 |
250 |
130 |
70 |
58 |
54 |
10 |
110 |
93,0 |
61,0 |
73 |
82 |
80 |
80 |
5 |
149 |
75 |
13,0 |
55 |
90 |
20,0 |
65,0 |
55 |
8,0 |
132 |
20,50 |
Таблица П.1.17
Крюк стропа, исполнение 2
(Измененная
редакция, Изм. № 1).
|
Обозначение крюка |
Размеры, мм |
Масса, кг |
|||||||||||||||||||||||||||
|
S |
D |
d |
d1 |
L |
B |
b |
b1 |
b2 |
e |
h |
h1 |
h2 |
h9 |
1 |
l1 |
12 |
l3 |
r |
r1 |
r2 |
r3 |
r4 |
r5 |
r6 |
r7 |
r8 |
r9 |
||
|
Кч2-2,5 |
38 |
50 |
38 |
8,5 |
110 |
54 |
20 |
16 |
20 |
6 |
50 |
43 |
28 |
34 |
38 |
38 |
34 |
5 |
68 |
36 |
7 |
25 |
48 |
7 |
27 |
28 |
3,0 |
60 |
1,4 |
|
Кч2-3,2 |
40 |
55 |
42 |
8,5 |
120 |
60 |
24 |
18 |
24 |
5 |
55 |
46,5 |
30 |
38 |
40 |
42 |
41 |
6 |
74 |
38 |
6 |
35 |
50 |
30 |
24 |
2,5 |
66 |
1,7 |
|
|
Кч2-4,0 |
45 |
60 |
44 |
8,5 |
125 |
62 |
30 |
20 |
30 |
3 |
60 |
50,5 |
32 |
40 |
45 |
44 |
44 |
8 |
81 |
42 |
8 |
32 |
60 |
8 |
31 |
50 |
71 |
2,4 |
|
|
Кч2-5,0 |
50 |
65 |
48 |
10,5 |
140 |
70 |
30 |
24 |
30 |
5 |
65 |
53 |
35 |
44 |
48 |
47 |
7 |
86 |
45 |
9 |
40 |
9 |
35 |
40 |
3,0 |
80 |
3,5 |
||
|
Кч2-6,3 |
58 |
75 |
50 |
10,5 |
155 |
74 |
36 |
30 |
36 |
6 |
75 |
60 |
40 |
48 |
50 |
50 |
52 |
7 |
98 |
53 |
10 |
65 |
10 |
37 |
61 |
3,5 |
94 |
5,0 |
|
|
Кч2-8,0 |
65 |
85 |
60 |
10,5 |
180 |
85 |
42 |
32 |
42 |
10 |
85 |
71,5 |
46 |
56 |
58 |
55 |
62 |
7 |
114 |
60 |
45 |
73 |
12 |
42 |
78 |
4,0 |
103 |
7,4 |
|
|
Кч2-10,0 |
75 |
95 |
70 |
12,5 |
205 |
100 |
42 |
33 |
44 |
10 |
95 |
79,5 |
52 |
64 |
65 |
70 |
68 |
9 |
128 |
68 |
11 |
50 |
80 |
14 |
50 |
50 |
3,5 |
115 |
10,8 |
|
Кч2-12,5 |
85 |
110 |
80 |
12,5 |
235 |
116 |
46 |
34 |
46 |
9 |
110 |
93 |
60 |
73 |
75 |
75 |
74 |
10 |
149 |
75 |
13 |
55 |
85 |
15 |
58 |
5,0 |
130 |
14,5 |
|
* Размер для справок
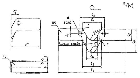
Таблица
П.1.18
Замки для крюков стропов,
исполнение 1
(Измененная
редакция, Изм. № 1).
|
Исполнение крюка |
Размеры, мм |
Масса, кг |
|||||||||||||||
|
d |
l |
l1 |
l2 |
l3 |
l4 |
l5 |
l6 |
l7 |
l8 |
r |
r1 |
r2 |
b |
S |
|||
|
З1-0,32 |
Кч1-0,32 |
5,5 |
45 |
10 |
29 |
20 |
12 |
18 |
36 |
8 |
100 |
7 |
5 |
3 |
12 |
1,6 |
0,020 |
|
З1-0,4 |
Кч1-0,4 |
5,5 |
45 |
11 |
32 |
23 |
13 |
18 |
36 |
8 |
100 |
7 |
5 |
3 |
13 |
1,6 |
0,022 |
|
З1-0,5 |
Кч1-0,5 |
5,5 |
50 |
11 |
35 |
26 |
16 |
20 |
40 |
8 |
113 |
7 |
6 |
3 |
16 |
1,6 |
0,023 |
|
З1-0,63 |
Кч1-0,63 |
5,5 |
50 |
15 |
43 |
30 |
16 |
22 |
44 |
9 |
113 |
8 |
6 |
3 |
16 |
2,0 |
0,038 |
|
З1-0,8 |
Кч1-0,8 |
6,5 |
60 |
15 |
45 |
35 |
18 |
23 |
46 |
9 |
135 |
8 |
6 |
3 |
18 |
2,0 |
0,048 |
|
З1-1,0 |
Кч1-1,0 |
6,5 |
60 |
17 |
53 |
45 |
21 |
24 |
48 |
9 |
139 |
9 |
11 |
3 |
21 |
2,0 |
0,052 |
|
З1-1,25 |
Кч1-1,25 |
6,5 |
70 |
17 |
55 |
45 |
23 |
26 |
52 |
10 |
161 |
9 |
11 |
3 |
23 |
2,0 |
0,065 |
|
З1-1,6 |
Кч1-1,6 |
8,5 |
70 |
18 |
59 |
45 |
26 |
28 |
56 |
11 |
163 |
9 |
11 |
3 |
26 |
2,0 |
0,071 |
|
З1-2,0 |
Кч1-2,0 |
8,5 |
90 |
20 |
65 |
50 |
30 |
32 |
64 |
11 |
205 |
10 |
15 |
3 |
30 |
2,0 |
0,102 |
|
З1-2,5 |
Кч1-2,5 |
8,5 |
90 |
20 |
71 |
58 |
32 |
34 |
68 |
12 |
211 |
10 |
16 |
3 |
32 |
2,0 |
0,111 |
|
З1-3,2 |
Кч1-3,2 |
8,5 |
100 |
22 |
78 |
58 |
38 |
36 |
72 |
14 |
234 |
10 |
16 |
3 |
38 |
2,0 |
0,132 |
|
З1-4,0 |
Кч1-4,0 |
8,5 |
110 |
23 |
82 |
72 |
40 |
44 |
88 |
14 |
256 |
11 |
19 |
3 |
40 |
2,0 |
0,176 |
|
З1-5,0 |
Кч1-5,0 |
10,5 |
120 |
28 |
98 |
78 |
48 |
48 |
96 |
16 |
282 |
15 |
23 |
5 |
48 |
3,0 |
0,314 |
|
З1-6,3 |
Кч1-6,3 |
10,5 |
140 |
28 |
103 |
85 |
53 |
55 |
110 |
16 |
328 |
15 |
25 |
5 |
53 |
3,0 |
0,419 |
|
З1-8,0 |
Кч1-8,0 |
10,5 |
160 |
32 |
116 |
100 |
58 |
58 |
116 |
16 |
372 |
15 |
25 |
5 |
58 |
3,0 |
0,477 |
|
З1-10,0 |
Кч1-10,0 |
13,0 |
170 |
38 |
134 |
112 |
65 |
72 |
144 |
20 |
378 |
18 |
30 |
6 |
65 |
4,0 |
0,891 |
|
З1-12,5 |
Кч1-12,5 |
13,0 |
180 |
42 |
150 |
128 |
73 |
84 |
168 |
20 |
426 |
18 |
34 |
6 |
73 |
4,0 |
1,115 |
Таблица П.1.19
Замки для крюков стропов,
исполнение 2
(Измененная
редакция, Изм. № 1).
|
Исполнение крюка |
Размеры, мм |
Масса, кг |
|||||||||||||||
|
d |
l |
l1 |
l2 |
l3 |
l4 |
l5 |
l6 |
l7 |
l8 |
r |
r1 |
r2 |
b |
s |
|||
|
З2-2,5 |
Кч2-2,5 |
8,5 |
90 |
19 |
61 |
48 |
26 |
36 |
72 |
12 |
203 |
10 |
16 |
3 |
26 |
2 |
0,113 |
|
З2-3,2 |
Кч2-3,2 |
8,5 |
95 |
21 |
69 |
55 |
30 |
41 |
82 |
14 |
217 |
10 |
16 |
3 |
30 |
2 |
0,138 |
|
З2-4,0 |
Кч2-4,0 |
8,5 |
100 |
22 |
77 |
62 |
36 |
41 |
82 |
14 |
233 |
11 |
19 |
3 |
36 |
2 |
0,148 |
|
З2-5,0 |
Кч2-5,0 |
10,5 |
105 |
25 |
80 |
64 |
36 |
47 |
95 |
16 |
240 |
11 |
23 |
5 |
36 |
3 |
0,262 |
|
З2-6,3 |
Кч2-6,3 |
10,5 |
110 |
27 |
90 |
67 |
42 |
52 |
105 |
16 |
256 |
15 |
25 |
5 |
42 |
3 |
0,309 |
|
З2-8,0 |
Кч2-8,0 |
10,5 |
135 |
30 |
102 |
81 |
48 |
60 |
120 |
16 |
312 |
15 |
25 |
5 |
48 |
3 |
0,436 |
|
З2-10,0 |
Кч2-10,0 |
13,0 |
155 |
36 |
115 |
89 |
50 |
67 |
135 |
20 |
353 |
18 |
30 |
6 |
50 |
4 |
0,734 |
|
З2-12,5 |
Кч2-12,5 |
13,0 |
175 |
42 |
129 |
103 |
52 |
78 |
156 |
20 |
395 |
18 |
34 |
6 |
52 |
4 |
0,959 |
Таблица П.1.20
Использование стропов с
овальными звеньями типа Ов2 для крюков грузоподъемностью от 3,2 до 25 т
|
Овальное звено типа Ов2 |
|
|
3,2 |
Ов2-0,5 |
|
Ов2-0,63 |
|
|
6,0 |
Ов2-0,8 |
|
Ов2-1,0 |
|
|
Ов2-1,25 |
|
|
10,0 |
Ов2-1,6 |
|
Ов2-2,0 |
|
|
Ов2-2,5 |
|
|
Ов2-3,2 |
|
|
16,0 |
Ов2-5,0 |
|
Ов2-6,3 |
|
|
Ов2-8,0 |
|
|
25,0 |
Ов2-10,0 |
|
Ов2-12,5 |
|
|
Ов2-16,0 |
Таблица П.1.21
Характеристики канатов (ГОСТ
2688)
|
Маркировочная группа, Н/мм2 (МПа) |
||||||
|
1470 (150) |
1570 (160) |
1670 (170) |
1770 (180) |
I860 (190) |
1960 (200) |
|
|
разрывное усилие в целом, Н, не менее |
||||||
|
6,2 |
- |
19250 |
20400 |
21100 |
22250 |
23450 |
|
6,9 |
- |
24000 |
25500 |
26300 |
27450 |
28700 |
|
7,6 |
- |
28700 |
30500 |
32300 |
32900 |
34200 |
|
8,3 |
- |
34800 |
36950 |
38150 |
39850 |
41600 |
|
9,9 |
- |
48850 |
51850 |
53450 |
55950 |
58350 |
|
11,0 |
- |
62850 |
66750 |
68800 |
72000 |
75100 |
|
12,0 |
- |
71750 |
76200 |
78550 |
81900 |
85750 |
|
14,0 |
92850 |
98950 |
105000 |
108000 |
112500 |
118000 |
|
15,0 |
107000 |
114500 |
122000 |
125500 |
131000 |
137000 |
|
16,5 |
130000 |
139000 |
147500 |
152000 |
159000 |
166000 |
|
19,5 |
178500 |
191000 |
203000 |
209000 |
218500 |
228000 |
|
21,0 |
208000 |
222000 |
236000 |
243500 |
254000 |
265500 |
|
24,0 |
269000 |
287000 |
304500 |
314000 |
328000 |
343000 |
|
27,0 |
342000 |
365000 |
388000 |
399500 |
418000 |
436500 |
|
30,5 |
445500 |
475000 |
504500 |
520000 |
544000 |
567500 |
|
33,5 |
538500 |
574000 |
610500 |
629000 |
658000 |
686000 |
|
37,0 |
640000 |
683000 |
725000 |
748000 |
782500 |
816000 |
|
39,5 |
732500 |
781500 |
828000 |
856000 |
891500 |
938500 |
|
42,0 |
833000 |
890000 |
945000 |
975000 |
101000 |
1060000 |
|
44,5 |
941000 |
1000000 |
1035000 |
1075000 |
- |
- |
|
47,5 |
1070000 |
1145000 |
1185000 |
1230000 |
- |
- |
|
51,0 |
1215000 |
1295000 |
1340000 |
1395000 |
- |
- |
|
56,0 |
1480000 |
1580000 |
1635000 |
1705000 |
- |
- |
Таблица П.1.22
Характеристики канатов (ГОСТ
3071)
|
Маркировочная группа, Н/мм2 (МПа) |
||||||
|
1470 (150) |
1570 (160) |
1670 (170) |
1770 (180) |
I860 (190) |
I960 (200) |
|
|
разрывное усилие в целом, Н, не менее |
||||||
|
6,3 |
- |
- |
- |
19800 |
20950 |
22050 |
|
6,7 |
- |
20200 |
21450 |
22750 |
24000 |
25250 |
|
7,6 |
- |
25950 |
27550 |
29200 |
30800 |
32450 |
|
8,5 |
- |
32400 |
34450 |
36450 |
38500 |
40500 |
|
9,0 |
- |
36120 |
38350 |
40600 |
42850 |
45100 |
|
11,5 |
- |
56350 |
59900 |
63400 |
66900 |
70400 |
|
13,5 |
- |
81050 |
86100 |
91000 |
95900 |
101000 |
|
15,5 |
- |
110000 |
117000 |
124000 |
130500 |
137500 |
Таблица П.1.23
Характеристики канатов (ГОСТ
3079)
|
Маркировочная группа. Н/мм2 (МПа) |
||||||
|
1470 (150) |
1570 (160) |
1670 (170) |
1770 (180) |
I860 (190) |
I960 (200) |
|
|
разрывное усилие в целом, Н, не менее |
||||||
|
6,5 |
- |
- |
- |
22950 |
24000 |
24900 |
|
8,5 |
- |
35950 |
38200 |
39450 |
41150 |
42800 |
|
11,5 |
- |
62600 |
66500 |
68750 |
71700 |
74550 |
|
13,5 |
- |
88650 |
94200 |
97100 |
100500 |
105500 |
|
15,5 |
- |
113500 |
121000 |
124000 |
130000 |
136000 |
|
17,0 |
- |
142000 |
151000 |
155500 |
162500 |
170000 |
|
19,5 |
169000 |
180000 |
191500 |
197000 |
206500 |
215500 |
|
21,5 |
208500 |
222500 |
237000 |
244500 |
255500 |
266500 |
|
23,0 |
241500 |
258000 |
274000 |
283000 |
295000 |
307000 |
|
25,0 |
281000 |
300000 |
318500 |
328500 |
343000 |
358500 |
|
27,0 |
332000 |
354500 |
376500 |
388500 |
406000 |
423500 |
|
29,0 |
378000 |
403500 |
428500 |
441500 |
462000 |
482000 |
|
30,5 |
427000 |
455500 |
484000 |
499000 |
522000 |
544500 |
|
33,0 |
489500 |
522000 |
555000 |
571500 |
597500 |
624000 |
|
35,0 |
556000 |
590000 |
630500 |
650000 |
679500 |
709000 |
|
39,0 |
677000 |
722000 |
767000 |
791000 |
827500 |
863000 |
Таблица П.1.24
Характеристики канатов (ГОСТ
7668)
|
Маркировочная группа, Н/мм2 (МПа) |
||||||
|
1470 (150) |
1570 (160) |
1670 (170) |
1770 (180) |
I860 (190) |
I960 (200) |
|
|
разрывное усилие каната в целом, Н, не менее |
||||||
|
6,3 |
- |
- |
- |
22650 |
23650 |
24400 |
|
6,7 |
- |
- |
- |
25700 |
26800 |
27600 |
|
8,1 |
- |
- |
- |
37050 |
38650 |
39850 |
|
9,0 |
- |
40400 |
42950 |
45450 |
47400 |
48650 |
|
9,7 |
- |
49850 |
53000 |
56100 |
58500 |
60300 |
|
11,5 |
- |
66750 |
70950 |
75100 |
78300 |
80700 |
|
13,5 |
- |
90650 |
96300 |
101500 |
106000 |
109000 |
|
15,0 |
- |
104500 |
111500 |
116500 |
122500 |
128000 |
|
16,5 |
- |
135500 |
144000 |
150000 |
157500 |
165000 |
|
18,0 |
- |
161500 |
171500 |
175500 |
186500 |
190500 |
|
20,0 |
- |
197500 |
210000 |
215000 |
229000 |
233500 |
|
22,0 |
222500 |
237500 |
252500 |
258500 |
275000 |
280500 |
|
23,5 |
259500 |
277000 |
294000 |
304000 |
321000 |
338000 |
|
27,0 |
341500 |
364500 |
387500 |
396500 |
422000 |
430500 |
|
29,0 |
392000 |
417500 |
444000 |
454500 |
484000 |
493500 |
|
31,0 |
445000 |
475000 |
505000 |
517000 |
550500 |
561500 |
|
33,0 |
507000 |
540500 |
574500 |
588000 |
626500 |
638500 |
|
36,5 |
606000 |
646000 |
686500 |
703500 |
748500 |
764000 |
|
38,0 |
672509 |
717500 |
762000 |
777500 |
881000 |
842000 |
|
39,5 |
742000 |
791500 |
841000 |
861000 |
917000 |
935000 |
|
43,0 |
863500 |
919500 |
976000 |
1005000 |
1060000 |
1080000 |
|
44,5 |
948500 |
1005000 |
1065000 |
1095000 |
1165000 |
1185000 |
|
46,5 |
1020000 |
1090000 |
1160000 |
1180000 |
1260000 |
1280000 |
|
50,5 |
1210000 |
1290000 |
1370000 |
1400000 |
1490000 |
1510000 |
|
53,5 |
1355000 |
1455000 |
1540000 |
1570000 |
1680000 |
1705000 |
|
56,0 |
1465000 |
1560000 |
1640000 |
1715000 |
- |
- |
|
58,5 |
1580000 |
1685000 |
1730000 |
1790000 |
- |
- |
|
60,5 |
1735000 |
1855000 |
1915000 |
1970000 |
- |
- |
Таблица П.1.25
Характеристики канатов (ГОСТ
7669)
|
Маркировочная группа, Н/мм2 (МПа) |
||||||
|
1470 (150) |
1570 (160) |
1670 (170) |
1770 (180) |
1860 (190) |
I960 (200) |
|
|
разрывное усилие каната в целом, Н, не менее |
||||||
|
5,9 |
- |
- |
- |
21600 |
22900 |
23350 |
|
6,4 |
- |
- |
- |
27150 |
28950 |
29450 |
|
7,2 |
- |
- |
- |
31550 |
33500 |
34150 |
|
8,6 |
- |
44950 |
47900 |
48850 |
51300 |
52750 |
|
10,5 |
- |
66150 |
70450 |
71800 |
75800 |
77400 |
|
13,0 |
- |
100000 |
106500 |
108500 |
115500 |
118500 |
|
14,5 |
- |
120500 |
128000 |
130000 |
138500 |
141500 |
|
16,0 |
- |
152000 |
162000 |
165000 |
175000 |
178500 |
|
17,5 |
- |
181500 |
193000 |
196000 |
209000 |
213000 |
|
19,5 |
- |
224000 |
238500 |
242500 |
258000 |
263000 |
|
21,0 |
250500 |
267500 |
284000 |
289500 |
307000 |
313500 |
|
23,0 |
294500 |
315000 |
334500 |
341000 |
362000 |
368500 |
|
25,0 |
343000 |
366000 |
389000 |
396000 |
417500 |
429000 |
|
26,5 |
384500 |
410000 |
436000 |
444000 |
472000 |
480500 |
|
30,0 |
501500 |
535000 |
568000 |
579000 |
615000 |
627000 |
|
32,5 |
572500 |
611000 |
649000 |
661500 |
703000 |
716000 |
|
35,5 |
682000 |
727500 |
772500 |
787500 |
835000 |
852500 |
|
36,5 |
759500 |
810000 |
861000 |
877500 |
930000 |
950000 |
|
39,0 |
842000 |
898000 |
954500 |
972500 |
1025000 |
1045000 |
|
41,0 |
936500 |
994500 |
1055000 |
1075000 |
1145000 |
1170000 |
|
42,0 |
989500 |
1050000 |
1115000 |
1140000 |
1215000 |
1235000 |
|
45,5 |
1160000 |
1235000 |
1315000 |
1340000 |
1425000 |
1155000 |
|
49,0 |
1360000 |
1455000 |
1545000 |
1575000 |
1640000 |
1705000 |
|
52,0 |
1525000 |
1625000 |
1730000 |
1765000 |
1840000 |
1905000 |
|
57,0 |
1780000 |
1905000 |
1950000 |
2000000 |
- |
- |
Таблица П.1.26
Рекомендуемые цепи
|
Допускаемая нагрузка на строп кН |
Цепь по ТУ 12.0173856.015 |
Цепь по ТУ 12.0173856.009 |
||||||||
|
Обозначение цепи |
разрушающая нагрузка кН, не менее |
допускаемая нагрузка, кН |
обозначение цепи типа 1 |
разрушающая нагрузка, кН, не менее |
допускаемая нагрузка, кН |
обозначение цепи типа 3 |
разрушающая нагрузка, кН, не менее |
допускаемая нагрузка кН |
||
|
0,50 |
4,90 |
А2-8´24 |
26 |
5,2 |
- |
- |
- |
- |
- |
- |
|
0,63 |
6,18 |
А2-9´27 |
32 |
6,4 |
- |
- |
- |
- |
- |
- |
|
А2-9,5´27 |
34 |
6,8 |
- |
- |
- |
- |
- |
- |
||
|
0,80 |
7,85 |
А2-10´28 |
40 |
8,0 |
1-11´33 |
46 |
9,2 |
- |
- |
- |
|
А2-11´31 |
46 |
9,2 |
- |
- |
- |
- |
- |
- |
||
|
1,00 |
9,81 |
- |
- |
- |
1-12,5´38 |
58 |
11,6 |
- |
- |
- |
|
1,25 |
12,26 |
А2-13´36 |
66 |
13,2 |
1-14´42 |
74 |
14,8 |
- |
- |
- |
|
1,60 |
15,70 |
- |
- |
- |
1-16´48 |
96 |
19,2 |
- |
- |
- |
|
2,0 |
19,62 |
А2-16´45 |
102 |
20,4 |
1-17,5´50 |
116 |
23,2 |
3-16´64 |
107 |
21,4 |
|
2,50 |
24,52 |
А2-18´50 |
126 |
25,2 |
1-19´57 |
136 |
27,2 |
3-17,5´70 3-19´76 |
127 |
25,4 |
|
3,20 |
31,40 |
- |
- |
- |
1-22´66 |
183 |
36,6 |
- |
150 |
30,0 |
|
4,00 |
39,24 |
- |
- |
- |
- |
- |
- |
3-22´28 |
200 |
40,0 |
|
5,00 |
49,05 |
- |
- |
- |
1-26´78 1-28´84 |
255 296 |
51,0 59,2 |
3-26´104 - |
278 |
55,6 |
|
6,30 |
61,80 |
- |
- |
- |
1-32´96 |
386 |
77,2 |
3-28´112 |
321 |
64,2 |
|
8,00 |
78,50 |
- |
- |
- |
1-34´102 |
437 |
87,4 |
3-32´128 3-34´136 |
417 468 |
83,4 93,6 |
|
10,00 |
98,10 |
- |
- |
- |
1-38´114 |
544 |
108,8 |
3-38´152 |
581 |
116,2 |
|
12,50 |
122,60 |
- |
- |
- |
- |
- |
- |
3-40´160 3-44´176 |
640 769 |
128,4 153,8 |
1.5 Способы
заделки концов стропов
Заделка концов каната может
быть выполнена следующими способами:
заплеткой с последующей
обмоткой концов прядей проволокой;
опрессовкой алюминиевой
втулкой.
Элементы заделок концов
канатов приведены в табл. П.1.27.
Таблица
П.1.27
Элементы заделок концов
канатов
|
Диаметр каната, мм |
Обозначение алюминиевой втулки |
Длина участка от стенки коуша до втулки, мм |
Число проколов каждой прядью при заплетке |
Длина участка, обмотанного проволокой, мм |
Длина развертки проволоки, мм |
|
|
ВК-0,32 |
6; 2, 6, 3 |
Вт-9 |
60 |
4 |
60 |
1400 |
|
ВК-0,4 |
6,7; 6,9; 7,6 |
70 |
1600 |
|||
|
ВК-0,5 |
8,1; 8,3; 8,5 |
Вт-11 |
1800 |
|||
|
ВК-0,63 |
8,1; 8,3 |
|||||
|
9,0; 9,1 |
80 |
80 |
2500 |
|||
|
ВК-0,8 |
9,7; 9,9 |
Вт-12 |
2800 |
|||
|
11,5 |
Вт-13 |
95 |
3100 |
|||
|
ВК-1,0 |
11,0; 11,5 |
3400 |
||||
|
ВК-1,25 |
11,5 |
|
||||
|
12,0; 13,0 |
Вт-15 |
105 |
4100 |
|||
|
ВК-1,6 |
13,5; 14,0 |
90 |
|
|||
|
15,5 |
Вт-16 |
5 |
4600 |
|||
|
ВК-2,0 |
15,0; 15,5 |
5200 |
||||
|
ВК-2,5 |
16,5 |
Вт-18 |
130 |
100 |
5500 |
|
|
17,0; 18,0 |
Вт-19 |
130 |
7500 |
|||
|
19,5 |
Вт-20 |
145 |
8400 |
|||
|
ВК-3,2 |
20,0 |
Вт-23 |
8500 |
|||
|
21,0; 21.5 |
13500 |
|||||
|
ВК-4,0 |
22,0; 22,5; 23,0 |
Вт-25 |
190 |
14000 |
||
|
ВК-5,0 |
23,5; 24,0; 24,5 |
Вт-26 |
170 |
15200 |
||
|
25,0; 25,5 |
Вт-28 |
16000 |
||||
|
ВК-6,3 |
27,0 |
Вт-30 |
205 |
16700 |
||
|
29,0 |
Вт-33 |
|
260 |
19000 |
||
|
ВК-8,0 |
30,5 |
230 |
6 |
25600 |
||
|
31,0 |
Вт-36 |
26000 |
||||
|
ВК-10,0 |
33,5 |
Вт-38 |
28000 |
|||
|
32,0 |
Вт-36 |
26800 |
||||
|
35,0 |
Вт-38 |
29000 |
||||
|
36,5; 37,0 |
Вт-40 |
255 |
30500 |
1.5.1 Заделка
концов каната заплеткой
Способ заплетки заключается
в том, что пряди распущенного конца каната вплетают между прядями
нераспущенного каната.
Из бухты отматывают и
отрезают часть каната требуемой длины с припуском на заплетку 0,5 - 3,0 м (в
зависимости от диаметра каната и размера петли). Для предохранения каната от
раскручивания на свободные его концы накладывают обвязки из мягкой тонкой
проволоки.
После обрезки каната от его
свободных концов отмеряют отрезок, необходимый для заплетки (рис. П.1.15),
и в конце его накладывают новую обвязку, до которой концы каната распускают на
пряди (см. рис. П.1.15, а).
Концы прядей обматывают мягкой проволокой или изоляционной лентой (для канатов
диаметром до 17 мм).
Затем (при заплетке каната
без коуша) делают петлю и закрепляют ее в зажиме (см. рис. П.1.15,
б) так, чтобы по одну сторону
располагались распущенные пряди, а по другую - основной канат.
При заплетке с коушем в
петлю на конце каната вставляют коуш. Затем коуш закрепляют в петле каната
мягкой вязальной проволокой (см. рис, П.1.15, в) или в специальном коушедержателе (см.
рис. П.1.15,
г), после чего пряди на конце каната
распускают и обвязывают. Мягкий сердечник каната отрезают в первом случае
непосредственно у зажима, во втором - возле коуша, а жесткий (металлический)
сердечник вплетают в канат с первой прядью. После этого производятся сращивание
(распределение распущенных прядей между прядями основного каната) и собственно
заплетка.
В основу всех
механизированных устройств заложена предварительная раскрутка (см. рис. П.1.15,
д) отрезка основного каната, на
котором производится заплетка, до появления просветов между прядями. В
механизированных устройствах устанавливают два зажима (в один закрепляют петлю,
в другой - основной канат) и одному из зажимов сообщают вращение. Расстояние
между зажимами выбирается от 0,5 до 2,5 м (в зависимости от диаметра каната и
его жесткости).
Рис. П.1.15. Подготовка к
заплетке. Объяснение в тексте
Распределение распущенных
прядей 1 - 6 между прядями основного каната А-Е (вид со стороны
основного каната; рис. П.1.16) производится двумя способами.
При первом способе
сращивания от желоба (углубление между соседними прядями) каната, проходящего
через центральную ось коуша, со стороны распущенных прядей отсчитывают по
направлению свивки три пряди, под которые пропускают шило. В образовавшийся
просвет навстречу шилу между прядями основного каната А-Б и Г-Д пропускают крайнюю левую
распущенную прядь 3 и жесткий сердечник (см. рис. П.1.16,
б). Затем шило пропускают так, чтобы
оно выходило через центральный желоб каната А-Б, но поднимало только две пряди каната А и Е,
под которые из центрального желоба в
желоб Д-Е продевают распущенную прядь 2, и под одну прядь А с выходом в желоб А-Е из центрального желоба
пропускают прядь 1. После этого из желоба А-Б последовательно за
прядью 3 по направлению свивки в желоб В-Г пропускают прядь 4
и в желоб Б-В - прядь 5. Последней пропускают прядь 6, которую вводят в
желоб Б-В и выводят в центральный желоб А-В, огибая прядь Б.
Рис. П.1.16. Схема заплетки
каната. Объяснение в тексте
При втором способе (см. рис.
П.1.16,
г, д) сращиванию подвергаются только четыре пряди, а пряди 5 и 6
остаются свободными до начала заплетки. Все четыре пряди вводят в центральный
желоб А-Б (см. рис, П.1.16, д),
а выводят в следующем порядке: вначале крайнюю левую свободную прядь 1 -
в желоб Б-В, затем прядь 2 - в желоб В-Г, прядь 3 - в желоб
Г-Д
и прядь 4 - в желоб Д-Е. После сращивания все пропущенные
пряди поочередно затягивают специальными захватами или плоскогубцами в
направлении коуша.
В образовавшемся жгуте
каждая свободная прядь должна проходить под соответствующую прядь основного каната,
за исключением пряди 3 при первом способе и пряди 1 при втором
способе, идущих совместно с жестким сердечником. Петля каната должна плотно
огибать коуш.
Процесс заплетки начинается
после сращивания и затяжки концов и заключается в продевании каждой свободной
пряди через одну (против направления свивки) под две (по направлению свивки)
пряди основного каната.
При первом способе
сращивания заплатку (см. рис. П.1.16, в)
начинают с пряди 4, которую вводят в желоб Г-Д под две пряди В и Г
и выводят в желоб Б-В. Далее так же поступают с прядью 3,
которую заводят в желоб Д-Е через одну прядь Д против направления свивки, под две пряди Д и Г по направлению
свивки и выводят в желоб Г-В. Затем в обратной последовательности
таким же образом поступают с распущенными прядями.
При втором способе
сращивания заплетку (см. рис. П.1.16, е)
начинают с прядей 5 и 6, оставшихся свободными при сращивании.
Вначале прядь 5 пропускают в желоб Б-В под две пряди А и Б по направлению
свивки и выводят в желоб А-Е, затем прядь 6 заводят против
направления свивки через одну прядь В
(по отношению к желобу, в который заводили прядь 5) под две пряди Б и В
по направлению свивки и выводят в желоб А-Б. Таким же образом в последовательности
1, 2, 3, 4 поступают с другими распущенными
прядями.
После заплетки каждого ряда
пряди отгибают на коуши и проверяют правильность пропуска их между прядями
основного каната.
Для получения плавного
перехода узла заплетки в основной канат последний ряд заплетки осуществляется
всеми прядями с половинным числом проволок в каждой пряди. После калибровки
заплетенного участка концы свободных прядей обрезают заподлицо с основным
канатом, сращенный участок (рис. П.1.17) обматывают мягкой проволокой или
другим материалом, пригодным для этой цели.
Рис. П.1.17. Изоляция канала
1.5.2. Заделка
концов канатов опрессовкой алюминиевой втулкой
Заделка концов канатов втулочным
соединением представляет собой опрессованную конструкцию алюминиевой втулки с
прядями соединяемых канатов, которые прочно сцеплены между собой металлом
втулки, образуя однородное тело в сечении (рис. П.1.18, а).
Овальную алюминиевую втулку
надевают на ветвь каната, образующую петлю вокруг коуша, таким образом, чтобы
конец вспомогательной ветки каната выходил из втулки после опрессовки не менее
чем на 2 мм.
Собранную заготовку
соединения помещают в матрицу и сдавливают пуансоном до получения круглого
поперечного сечения втулки.
Существует два способа
опрессовки алюминиевой втулки: в открытой (рис. П.1.18, б) и закрытой (рис. П.1.18,
в) матрицах.
Рис. П.1.18. Схема заделки концов канатов втулочным соединением способом опрессовки. Объяснение в тексте
Допускается использовать
данный способ заделки при изготовлении кольцевых стропов.
Усилие опрессовки алюминиевых
втулок должно соответствовать табл. П.1.28.
Таблица
П.1.28
|
Усилие опрессовки, кН |
|
|
6,3 - 7,6 |
200 |
|
8,0 - 9,0 |
200 - 250 |
|
9,7 - 10,0 |
250 - 300 |
|
11,5 |
300 - 450 |
|
12,5 - 13,5 |
400 - 650 |
|
15,0 - 16,5 |
550 - 750 |
|
17,0 - 19,5 |
1100 - 1600 |
|
20,0 - 21,5 |
1600 - 2200 |
|
22,0 - 24,5 |
2100 - 2500 |
|
25,0 - 26,0 |
2300 - 2800 |
|
28,5 - 36,5 |
2500 - 4000 |
Перед опрессовкой канат
необходимо очистить от смазки. Он должен пропариваться в горячей воде (90 °С)
до прекращения выделения смазки. Затем канат просушивают. Втулки должны
изготавливаться из алюминиевых сплавов марок АД0, АД1, АД31, АМЦ по ГОСТ
4784. Поверхность втулок не должна иметь забоин, вмятин и других
механических повреждений.
Конструкция н размеры втулки
приведены в табл. П.1.29 и на рис. П.1.19.
Таблица
П.1.29
Конструкция и размеры втулки
|
Размеры, мм |
Масса, кг |
|||||||
|
dк |
втулки |
заготовки |
||||||
|
b |
B |
l |
L |
труба ГОСТ 18482 |
||||
|
D |
S |
|||||||
|
Вт-9 |
6,2 - 7,6 |
9 |
19 |
20,0 |
50 |
25 |
5,0 |
0,05 |
|
Вт-11 |
8,0 - 9,1 |
11 |
21 |
22,0 |
60 |
28 |
5,0 |
0,06 |
|
Вт-12 |
9,7 - 10,0 |
12 |
24 |
24,5 |
32 |
6,0 |
0,08 |
|
|
Вт-13 |
11,0 - 11,5 |
13 |
27 |
27,0 |
70 |
35 |
7,0 |
0,12 |
|
Вт-15 |
12,0 - 14,0 |
15 |
30 |
31,0 |
40 |
7,5 |
0,15 |
|
|
Вт-16 |
15,0 - 15,5 |
16 |
36 |
34,8 |
80 |
48 |
10,0 |
0,24 |
|
Вт-18 |
15,0 - 16,5 |
18 |
38 |
37,0 |
50 |
10,0 |
0,28 |
|
|
Вт-20 |
17,0 - 19,5 |
21 |
41 |
43,0 |
90 |
55 |
10,0 |
0,36 |
|
Вт-23 |
20,0 - 21,5 |
23 |
43 |
46,5 |
58 |
0,39 |
||
|
Вт-25 |
22,0 - 23,0 |
25 |
45 |
48,5 |
100 |
60 |
0,45 |
|
|
Вт-26 |
22,0 - 24,5 |
26 |
46 |
51,0 |
100 |
65 |
0,49 |
|
|
Вт-28 |
25,0 - 26,0 |
28 |
53 |
55,0 |
110 |
70 |
12,5 |
0,71 |
|
Вт-30 |
27,0 |
30 |
55 |
60,0 |
125 |
75 |
12,5 |
0,87 |
|
Вт-33 |
28,5 - 30,5 |
33 |
63 |
60,0 |
125 |
80 |
15,0 |
1,09 |
|
Вт-36 |
31,0 - 33,0 |
36 |
66 |
66,0 |
140 |
85 |
15,0 |
1,32 |
|
Вт-38 |
33,5 - 35,0 |
38 |
68 |
73,0 |
150 |
90 |
15,0 |
1,52 |
|
Вт-40 |
36,5 - 37,0 |
40 |
70 |
80,0 |
160 |
95 |
15,0 |
1,71 |
* Размеры для справок
Рис. П.1.19. Втулка
1.6 Сращивание
каната
Сращивание каната на прямом
участке производят согласно схеме соединения 6, представленной на рис. П.1.20,
а.
На расстоянии 0,5 - 0,7 м от
конца канат перевязывают. Конец каната распускают на пряди и вырезают сердечник
(рис. П.1.20,
б). Концы распущенных прядей
перевязывают (рис. П.1.20, в).
Перевязки стыкуемых канатов подводят вплотную так, чтобы пряди обоих канатов
располагались в шахматном порядке. Пряди каната I в двух местах
привязывают к канату II.
Кроме того, накладывают дополнительные перевязки. Первоначальные перевязки с
каната срезают. Любую из свободных прядей накладывают на смежную встречную
прядь, и специально заостренный пробойник вставляют под следующие две пряди.
Пробитую прядь обтягивают, две пряди, под которые пробита ходовая прядь,
обколачивают молотком. Таким же способом через одну под две пряди прокалывают
ходовые пряди конца каната. Затем еще раз пробивают те же пряди. Перевязку с
каната II срезают, отвязывают пряди и
дважды пробивают все пряди конца каната II. Это делают через одну смежную прядь под две пряди. Затем вторично по
два раза пробивают все пряди с каждой стороны стыка. В таком же порядке
производят сплетку на всю длину стыка. Заканчивают сплетку, пробивают по одному
разу половины ходовых прядей через одну, т.е. одну прядь пробивают, вторую
оставляют и т.д. В зависимости от длины соединения число проколов может
составлять 4Ѕ, 5Ѕ, 6Ѕ и т.д.
Концы прядей, прилегающие
вплотную к канату, обрубают; концы, выступающие наружу, должны быть изолированы
способом, исключающим повреждение рук стропальщика.
Рис. П.1.20. Сращивание
каната. Объяснение в тексте
2. КАНАТНЫЕ СТРОПЫ
2.1. Типы и основные
параметры
Типы, основные параметры и
номера соответствующих чертежей стропов приведены в табл. П.1.30
- П.1.38
и на рис. П.1.21
- 26.
В принятых обозначениях всех
видов цифровое обозначение соответствует грузоподъемности в тоннах.
Таблица
П.1.30
Указатель основных
параметров, таблиц и рисунков канатных стропов
|
Грузоподъемность, т |
Условное обозначение |
№ рисунка |
№ таблицы |
|
|
Одноветвевой |
0,5 - 20,0 |
1СК |
||
|
Двухветвевой |
0,5 - 20,0 |
2СК |
||
|
Трехветвевой |
0,63 - 20,0 |
3СК |
||
|
Четырехветвевой |
0,63 - 32,0 |
4СК |
||
|
Универсальный: |
|
|
|
|
|
исполнение 1 |
0,5 - 32,0 |
УСК1 |
||
|
исполнение 2 |
0,5 - 32,0 |
УСК2 |
Таблица П.1.31
Конструктивные элементы
одноветвевого канатного стропа
|
Грузоподъемность стропа, т |
Поз. 1 |
Поз. 2 |
Поз. 3 (К1 или К2) |
||
|
Ов1 |
Ов2 |
||||
|
1СК-0,5 |
0,50 |
ВК-0,5 |
Принимается по грузоподъемности стропа |
Принимается по грузоподъемности ветви |
|
|
1СК-0,63 |
0,63 |
ВК-0,63 |
|||
|
1СК-0,8 |
0,80 |
ВК-0,8 |
|||
|
1СК-1,0 |
1,00 |
ВК-1,0 |
|||
|
1СК-1,6 |
1,60 |
ВК-1,6 |
|||
|
1СК-2,0 |
2,00 |
ВК-2,0 |
|||
|
1СК-3,2 |
3,20 |
ВК-3,2 |
|||
|
1СК-5,0 |
5,00 |
ВК-5,0 |
|||
|
1СК-6,3 |
6,30 |
ВК-6,3 |
|||
|
1СК-8,0 |
8,00 |
ВК-8,0 |
|||
|
1СК-10,0 |
10,00 |
ВК-10,0 |
|||
|
1СК-12,5 |
12,50 |
ВК-12,5 |
|||
|
1СК-16,0 |
16,00 |
ВК-16,0 |
|||
|
1СК-20,0 |
20,00 |
ВК-20,0 |
|||
Таблица
П.1.32
Конструктивные элементы двухветвевого
канатного стропа
|
Грузоподъемность стропа, т |
Поз. 1 |
Поз. 2 |
Поз. 3 (К1 или К2) |
||||
|
Ов1 |
Ов2 |
Т |
Рт1 |
||||
|
2СК-0,5 |
0,50 |
ВК-0,4 |
Принимается по грузоподъемности стропа |
Принимается по грузоподъемности ветви |
|||
|
2СК-0,63 |
0,63 |
ВК-0,5 |
|||||
|
2СК-0,8 |
0,80 |
ВК-0,63 |
|||||
|
2СК-1,0 |
1,00 |
ВК-0,8 |
|||||
|
2СК-1,6 |
1,60 |
ВК-1,25 |
|||||
|
2СК-2,0 |
2,00 |
ВК-1,6 |
|||||
|
2СК-3,2 |
3,20 |
ВК-2,5 |
|||||
|
2СК-5,0 |
5,00 |
ВК-4,0 |
|||||
|
2СК-6,3 |
6,30 |
ВК-5,0 |
|||||
|
2СК-8,0 |
8,00 |
ВК-6,3 |
|||||
|
2СК-10,0 |
10,00 |
ВК-8,0 |
|||||
|
2СК-12,5 |
12,50 |
ВК-10,0 |
|||||
|
2СК-16,0 |
16,00 |
ВК-12,5 |
|||||
|
2СК-20,0 |
20,00 |
ВК-20,0 |
|||||
Таблица П.1.33
Конструктивные элементы
трехветвевого канатного стропа (равномерная нагрузка на три ветви стропа)
|
Грузоподъемность стропа, т |
Поз. 1 |
Поз. 2 (Ов2) |
Поз. 3 (К1 или К2) |
|
|
3СК-0,63 |
0,63 |
ВК-0,32 |
Принимается по грузоподъемности стропа |
Принимается по грузоподъемности ветви |
|
3СК-0,8 |
0,80 |
ВК-0,4 |
||
|
3СК-1,0 |
1,00 |
ВК-0,5 |
||
|
3СК-1,6 |
1,60 |
ВК-0,8 |
||
|
3СК-2,0 |
2,00 |
ВК-1,0 |
||
|
3СК-3,2 |
3,20 |
ВК-1,6 |
||
|
3СК-5,0 |
5,00 |
ВК-2,5 |
||
|
3СК-6,3 |
6,30 |
ВК-3,2 |
||
|
3СК-8,0 |
8,00 |
ВК-1,0 |
||
|
3СК-10,0 |
10,00 |
ВК-5,0 |
||
|
3СК-12,5 |
12,50 |
ВК-6,3 |
||
|
3СК-16,0 |
16,00 |
ВК-8,0 |
||
|
3СК-20,0 |
20,00 |
ВК-10,0 |
Таблица П.1.34
Конструктивные элементы
трехветвевого канатного стропа (нагрузка на две ветви с максимальным углом
между ними 45°)
|
Грузоподъемность стропа, т |
Поз. 1 |
Поз. 2 (Ов2) |
Поз. 3 (К1 или К2) |
|
|
3СК-0,63 А |
0,63 |
ВК-0,5 |
Принимается по грузоподъемности стропа |
Принимается по грузоподъемности ветви |
|
3СК-0,8 А |
0,80 |
ВК-0,63 |
||
|
3СК-1,0 А |
1,00 |
ВК-0,8 |
||
|
3СК-1,6 А |
1,60 |
ВК-1,25 |
||
|
3СК-2,0 А |
2,00 |
ВК-1,6 |
||
|
3СК-3,2 А |
3,20 |
ВК-2,5 |
||
|
3СК-5,0 А |
5,00 |
ВК-4,0 |
||
|
3СК-6,3 А |
6,30 |
ВК-5,0 |
||
|
3СК-8,0 А |
8,00 |
ВК-6,3 |
||
|
3СК-10,0 А |
10,00 |
ВК-8,0 |
||
|
3СК-12,5 А |
12,50 |
ВК-10,0 |
||
|
3СК-16,0 А |
16,00 |
ВК-12,5 |
||
|
3СК-20,0 А |
20,00 |
ВК-16,0 |
Таблица П.1.35
Конструктивные
элементы четырехветвевого канатного стропа (равномерная нагрузка на четыре
ветви)
|
Грузоподъемность стропа, т |
Поз. 1 |
Поз. 2 (Т, Рт1) |
Поз. 3 (К1 или К2) |
|
|
4СК-0,63 |
0,63 |
ВК-0,32 |
Выбирается по грузоподъемности стропа |
Выбирается по грузоподъемности ветви |
|
4СК-0,8 |
0,80 |
ВК-0,32 |
||
|
4СК-1,0 |
1,00 |
ВК-0,4 |
||
|
4СК-2,0 |
2,00 |
ВК-0,8 |
||
|
4СК-3,2 |
3,20 |
ВК-1,25 |
||
|
4СК-5,0 |
5,00 |
ВК-1,6 |
||
|
4СК-6,3 |
6,30 |
ВК-2,5 |
||
|
4СК-8,0 |
8,00 |
ВК-3,2 |
||
|
4СК-12,5 |
12,50 |
ВК-5,0 |
||
|
4СК-16,0 |
16,00 |
ВК-6,3 |
||
|
4СК-20,0 |
20,00 |
ВК-8,0 |
||
|
4СК-25,0 |
25,00 |
ВК-10,0 |
Таблица П.1.36
Конструктивные элементы
четырехветвевого канатного стропа (нагрузка на две ветви с максимальным углом
между ними 45°)
|
Грузоподъемность стропа, т |
Поз. 1 |
Поз. 2 (Т, Рт1) |
Поз. 3 (К1 или К2) |
|
|
4СК-0,63 А |
0,63 |
ВК-0,5 |
Выбирается по грузоподъемности стропа |
Выбирается по грузоподъемности ветви |
|
4СК-0,8 А |
0,80 |
ВК-0,63 |
||
|
4СК-1,0 А |
1,00 |
ВК-0,8 |
||
|
4СК-2,0 А |
2,00 |
ВК-1,6 |
||
|
4СК-3,2 А |
3,20 |
ВК-2,5 |
||
|
4СК-5,0 А |
5,00 |
ВК-4,0 |
||
|
4СК-6,3 А |
6,30 |
ВК-5,0 |
||
|
4СК-8,0 А |
8,00 |
ВК-6,3 |
||
|
4СК-12,5 А |
12,50 |
ВК-10,0 |
||
|
4СК-16,0 А |
16,00 |
ВК-12,5 |
||
|
4СК-20,0 А |
20,00 |
ВК-16,0 |
||
|
4СК-25,0 А |
25,00 |
ВК-20,0 |
Таблица П.1.37
Основные параметры и размеры
стропа универсального, исполнение 1
|
Грузоподъемность стропа, т, при угле наклона к вертикали |
Допускаемая нагрузка на ветвь |
Расчетное разрывное усилие ветви каната |
Размеры, мм |
Диаметр канатов маркировочной группы 1770 (180), мм |
|
||||||||
|
L |
l |
l1 |
|||||||||||
|
a = 0° |
2a = 90° |
кН |
|
||||||||||
|
УСК1-0,5 |
0,50 |
0,35 |
4,90 |
29,4 |
1000 - 15000 |
240 |
60 |
7,6 |
8,5 |
- |
- |
7,2 |
|
|
УСК1-0,63 |
0,63 |
0,45 |
6,18 |
37,0 |
80 |
8,3 |
9,0 |
8,5 |
8,1 |
- |
|
||
|
УСК1-0,8 |
0,80 |
0,56 |
7,85 |
47,0 |
2000 - 20000 |
280 |
9,0 |
- |
- |
- |
8,6 |
|
|
|
УСК1-1,0 |
1,00 |
0,70 |
9,81 |
59,0 |
11,0 |
11,5 |
11,5 |
11,5 |
10,5 |
|
|||
|
УСК1-1,6 |
1,60 |
1,10 |
15,70 |
94,2 |
320 |
90 |
14,0 |
- |
13,5 |
13,5 |
13,0 |
|
|
|
УСК1-2,0 |
2,00 |
1,40 |
19,62 |
118,0 |
100 |
15,0 |
- |
15,5 |
- |
14,5 |
|
||
|
УСК1-3,2 |
3,20 |
2,30 |
31,40 |
188,0 |
3000 - 25000 |
400 |
130 |
19,5 |
- |
19,5 |
20,0 |
17,5 |
|
|
УСК1-5,0 |
5,00 |
3,55 |
49,05 |
294,0 |
190 |
24,0 |
- |
- |
23,5 |
23,0 |
|
||
|
УСК1-6,3 |
6,30 |
4,45 |
61,80 |
370,0 |
27,0 |
- |
27,0 |
27,0 |
25,0; 26,5 |
|
|||
|
УСК1-8,0 |
8,00 |
5,56 |
78,50 |
470,0 |
4000 - 30000 |
500 |
200 |
30,5 |
- |
30,5 |
31,0 |
30,0 |
|
|
УСК1-10,0 |
10,00 |
7,10 |
98,10 |
588,0 |
33,5 |
- |
35,0 |
33,0 |
32,5 |
|
|||
|
УСК1-12,5 |
12,50 |
8,50 |
122,60 |
735,0 |
37,0 |
- |
39,0 |
38,0 |
35,5; 36,5 |
|
|||
|
УСК1-16,0 |
16,00 |
11,30 |
157,00 |
941,7 |
600 |
320 |
42,0 |
- |
43,0 |
42,0 |
39,0 |
|
|
|
УСК1-20,0 |
20,00 |
14,15 |
196,20 |
1177,2 |
47,5 |
- |
50,0 |
46,5 |
45,5 |
|
|||
|
УСК1-25,0 |
25,00 |
17,70 |
245,25 |
1471,5 |
430 |
56,0 |
- |
54,0 |
53,5 |
49,0 |
|
||
|
УСК1-32,0 |
32,00 |
22,60 |
313,90 |
1833,5 |
- |
- |
62,0 |
60,5 |
57,0 |
|
|||
Таблица П.1.38
Основные параметры и размеры стропа универсального, исполнение 2
|
Грузоподъемность стропа, т, при угле наклона к вертикали |
Допускаемая нагрузка на ветвь |
Расчетное разрывное усилие ветви каната |
Размеры, мм |
Диаметр канатов маркировочной группы 1770 (180), мм |
|
||||||||
|
B |
L |
l |
|||||||||||
|
a = 0° |
2a = 90° |
кН |
|
||||||||||
|
УСК2-0,5 |
0,50 |
0,35 |
4,90 |
14,7 |
50 |
80 - 3000 |
60 |
5,6 |
5,8 |
5,8 |
- |
- |
|
|
УСК2-0,63 |
0,63 |
0,45 |
6,18 |
18,5 |
80 |
6,2 |
6,3 |
6,5 |
6,3 |
5,9 |
|
||
|
УСК2-0,8 |
0,80 |
0,56 |
7,85 |
23,5 |
6,9 |
7,6 |
- |
6,7 |
6,4 |
|
|||
|
УСК2-1,0 |
1,00 |
0,70 |
9,81 |
29,5 |
7,6 |
8,5 |
8,5 |
8,1 |
7,2 |
|
|||
|
УОК2-1,6 |
1,60 |
1,10 |
15,70 |
47,0 |
150 |
1500 - 30000 |
90 |
9,9 |
- |
- |
9,7 |
8,6 |
|
|
УСК2-2,0 |
2,00 |
1,40 |
19,62 |
59,0 |
100 |
11,0 |
63,4 |
11,5 |
11,5 |
10,5 |
|
||
|
УСК2-3,2 |
3,20 |
2,30 |
31,40 |
94,0 |
130 |
14,0 |
15,5 |
13,5 |
13,5 |
13,0 |
|
||
|
УСК2-5,0 |
5,00 |
3,55 |
49,05 |
147,0 |
200 |
2000 - 30000 |
190 |
16,5 |
- |
17,0 |
16,5 |
16,0 |
|
|
УСК2-6,3 |
6,30 |
4,45 |
61,80 |
185,0 |
19,5 |
- |
19,5 |
20,0 |
17,5 |
|
|||
|
УСК2-8,0 |
8,00 |
5,56 |
78,50 |
235,0 |
260 |
21,0 |
- |
21,5 |
22,0 |
19,5 |
|
||
|
УСК2-10,0 |
10,00 |
7,10 |
98,10 |
294,0 |
24,0 |
- |
25,0 |
23,5 |
23,0 |
|
|||
|
УСК2-12,5 |
12,50 |
8,50 |
122,60 |
368,0 |
320 |
27,0 |
- |
27,0 |
27,0 |
25,0 |
|
||
|
УСК2-16,0 |
16,00 |
11,30 |
157,00 |
470,0 |
250 |
30,5 |
- |
30,5 |
31,0 |
28,0 |
|
||
|
УСК2-20,0 |
20,00 |
14,15 |
196,20 |
589,0 |
430 |
33,5 |
- |
35,0 |
34,5 |
32,5 |
|
||
|
УСК2-25,0 |
25,00 |
17,70 |
245,25 |
736,0 |
37,0 |
- |
39,0 |
38,0 |
35,5 |
|
|||
|
УСК2-32,0 |
32,00 |
22,60 |
313,90 |
942,0 |
42,0 |
- |
43,0 |
42,0 |
39,0 |
|
|||
Рис.
П.1.21. Одноветвевой строп
а - заделка концов каната заплеткой, б - опрессовкой алюминиевой втулкой:
1 - канатная ветвь, 2 - звено, 3 - захват
Рис.
П.1.22. Двухветвевой строп:
1 - канатная ветвь, 2 - звено, 3 - захват
Рис.
П.1.23. Трехветвевой строп:
1 - канатная ветвь, 2 -
звено, 3 - захват
Рис.
П.1.24. Четырехветвевой строп:
1 - канатная ветвь, 2 -
звено, 3 - захват
Рис.
П.1.25. Универсальный строп, исполнение 1:
1 - канат грузовой, 2 - место заделки концов каната
Рис.
П.1.26. Универсальный строп, исполнение 2:
1 - канат грузовой, 2 -
место заделки концов каната
3. ЦЕПНЫЕ СТРОПЫ
3.1. Типы и основные
параметры
Типы и основные параметры
цепных стропов приведены в табл. П.1.39 - П.1.43 и на рис. П.1.27
- П.1.29.
Таблица П.1.39
Указатель основных
параметров, таблиц и рисунков цепных стропов
Таблица П.1.40
Конструктивные элементы
одноветвевого цепного стропа
|
Грузоподъемность, стропа, т |
Обозначение цепной ветви |
Поз. 2 |
Поз. 3 (К1 или К2) |
||||||
|
звено ОВ1 для цепей |
звено ОВ2 для цепей |
||||||||
|
ТУ 12.0173856.015, исполнение А2 |
ТУ 12.0173856.009 |
ТУ 12.0173855.015, исполнение А2 |
ТУ 12.0173856.009 |
||||||
|
тип 1 |
тип 3 |
тип 1 |
тип 3 |
||||||
|
1СЦ-0,5 |
0,50 |
ВЦ-0,5 |
ОВ1-0,5 |
- |
- |
ОВ2-0,5 |
- |
- |
Выбирается по грузоподъемности ветви |
|
1СЦ-0,63 |
0,63 |
ВЦ-0,63 |
ОВ1-0,63 |
- |
- |
ОВ2-0,63 |
- |
- |
|
|
1СЦ-0,8 |
0,80 |
ВЦ-0,8 |
ОВ1-0,8 |
ОВ1-0,8 |
- |
ОВ2-0,8 |
ОВ2-0,8 |
- |
|
|
1СЦ-1,0 |
1,00 |
ВЦ-1,0 |
- |
ОВ1-1,0 |
- |
- |
ОВ2-1,0 |
- |
|
|
1СЦ-1,25 |
1,25 |
ВЦ-1,25 |
ОВ1-1,0 ОВ1-1,6 |
ОВ1-1,0 ОВ1-1,6 |
- |
ОВ2-1,0 ОВ2-1,6 |
ОВ2-1,0 ОВ2-1,6 |
- |
|
|
1СЦ-1,6 |
1,60 |
ВЦ-1,6 |
- |
ОВ1-1,6 |
- |
- |
ОВ2-1,6 |
- |
|
|
1СЦ-2,0 |
2,00 |
ВЦ-2,0 |
ОВ1-2,0 |
ОВ1-2,0 |
ОВ1-2,0 |
ОВ2-2,0 |
ОВ2-2,0 |
ОВ2-2,0 |
|
|
1СЦ-2,5 |
2,50 |
ВЦ-2,5 |
ОВ1-3,2 |
ОВ1-3,2 |
ОВ1-3,2 |
ОВ2-3,2 |
ОВ2-3,2 |
ОВ2-3,2 |
|
|
1СЦ-3,2 |
3,20 |
ВЦ-3,2 |
- |
ОВ1-3,2 |
- |
- |
ОВ2-3,2 |
- |
|
|
1СЦ-4,0 |
4,00 |
ВЦ-4,0 |
- |
ОВ1-3,2 ОВ1-5,0 |
ОВ1-3,2 ОВ1-5,0 |
- |
ОВ2-3,2 ОВ2-5,0 |
ОВ2-3,2 ОВ2-5,0 |
|
|
1СЦ-5,0 |
5,00 |
ВЦ-5,0 |
- |
ОВ1-5,0 |
ОВ1-5,0 |
- |
ОВ2-5,0 |
ОВ2-5,0 |
|
|
1СЦ-6,3 |
6,30 |
ВЦ-6,3 |
- |
ОВ1-6,3 |
ОВ1-6,3 |
- |
ОВ2-6,3 |
ОВ2-6,3 |
|
|
1СЦ-8,0 |
8,00 |
ВЦ-8,0 |
- |
ОВ1-8,0 |
ОВ1-8,0 |
- |
ОВ2-8,0 |
ОВ2-8,0 |
|
|
1СЦ-10,0 |
10,00 |
ВЦ-10,0 |
- |
ОВ1-10,0 |
ОВ1-10,0 |
- |
ОВ2-10,0 |
ОВ2-10,0 |
|
|
1СЦ-12,5 |
12,50 |
ВЦ-12,5 |
- |
- |
ОВ1-12,5 ОВ1-16,0 |
- |
- |
ОВ2-12,5 ОВ2-16,0 |
|
Таблица П.1.41
Конструктивные элементы
двухветвевого цепного стропа
|
Грузоподъемность стропа, т |
Поз. 1 |
Поз. 2 |
Поз. 3 (К1 или К2) |
|||
|
ОВ1 |
ОВ2 |
Т |
||||
|
2СЦ-0,63 |
0,63 |
ВЦ-0,5 |
Выбирается по грузоподъемности стропа |
Выбирается по грузоподъемности ветви |
||
|
2СЦ-0,8 |
0,80 |
ВЦ-0,63 |
||||
|
2СЦ-1,0 |
1,00 |
ВЦ-0,8 |
||||
|
2СЦ-1,25 |
1,25 |
ВЦ-1,0 |
||||
|
2СЦ-1,6 |
1,60 |
ВЦ-1,25 |
||||
|
2СЦ-2,0 |
2,00 |
ВЦ-1,6 |
||||
|
2СЦ-2,5 |
2,50 |
ВЦ-2,0 |
||||
|
2СЦ-3,2 |
3,20 |
ВЦ-2,5 |
||||
|
2СЦ-4,0 |
4,00 |
ВЦ-3,2 |
||||
|
2СЦ-5,0 |
5,00 |
ВЦ-4,0 |
||||
|
2СЦ-6,3 |
6,30 |
ВЦ-5,0 |
||||
|
2СЦ-8,0 |
8,00 |
ВЦ-6,3 |
||||
|
2СЦ-10,0 |
10,00 |
ВЦ-8,0 |
||||
|
2СЦ-12,5 |
12,50 |
ВЦ-10,0 |
||||
|
2СЦ-16,0 |
16,00 |
ВЦ-12,5 |
||||
Таблица П.1.42
Конструктивные элементы
трехветвевого цепного стропа (равномерная нагрузка на три ветви стропа)
|
Грузоподъемность, т |
Поз. 1 |
Поз. 2 (ОВ2) |
Поз. 3 (К1 или К2) |
|
|
3СЦ-1,0 |
1,00 |
ВЦ-0,5 |
Выбирается по грузоподъемности стропа |
Выбирается по грузоподъемности ветви |
|
3СЦ-1,25 |
1,25 |
ВЦ-0,63 |
||
|
3СЦ-1,6 |
1,60 |
ВЦ-1,0 |
||
|
3СЦ-2,0 |
2,00 |
ВЦ-1,0 |
||
|
3СЦ-2,5 |
2,50 |
ВЦ-1,25 |
||
|
3СЦ-3,2 |
3,20 |
ВЦ-1,6 |
||
|
3СЦ-4,0 |
4,00 |
ВЦ-2,0 |
||
|
3СЦ-5,0 |
5,00 |
ВЦ-2,5 |
||
|
3СЦ-6,3 |
6,30 |
ВЦ-3,2 |
||
|
3СЦ-8,0 |
8,00 |
ВЦ-4,0 |
||
|
3СЦ-10,0 |
10,00 |
ВЦ-5,0 |
||
|
3СЦ-12,5 |
12,50 |
ВЦ-6,3 |
||
|
3СЦ-16,0 |
16,00 |
ВЦ-8,0 |
||
|
3СЦ-20,0 |
20,00 |
ВЦ-10,0 |
||
|
3СЦ-25,0 |
25,00 |
ВЦ-12,5 |
Таблица П.1.43
Конструктивные элементы
трехветвевого цепного стропа (нагрузка на две ветви с максимальным углом между
ними 45°)
|
Грузоподъемность стропа, т |
Поз. 1 |
Поз. 2 (ОВ2) |
Поз. 3 (К1 или К2) |
|
|
3СЦ-1,0 А |
1,00 |
ВЦ-0,8 |
Выбирается по грузоподъемности стропа |
Выбирается по грузоподъемности ветви |
|
3СЦ-1,25 А |
1,25 |
ВЦ-1,0 |
||
|
3СЦ-1,6 А |
1,60 |
ВЦ-1,25 |
||
|
3СЦ-2,0 А |
2,00 |
ВЦ-1,6 |
||
|
3СЦ-2,5 А |
2,50 |
ВЦ-2,0 |
||
|
3СЦ-3,2 А |
3,20 |
ВЦ-2,5 |
||
|
3СЦ-4,0 А |
4,00 |
ВЦ-3,2 |
||
|
3СЦ-5,0 А |
5,00 |
ВЦ-4,0 |
||
|
3СЦ-6,3 А |
6,30 |
ВЦ-5,0 |
||
|
3СЦ-8,0 А |
8,00 |
ВЦ-6,3 |
||
|
3СЦ-10,0 А |
10,00 |
ВЦ-8,0 |
||
|
3СЦ-12,5 А |
12,50 |
ВЦ-10,0 |
||
|
3СЦ-16,0 А |
16,00 |
ВЦ-12,5 |
||
|
3СЦ-20,0 А |
20,00 |
ВЦ-16,0 |
||
|
3СЦ-25,0 А |
25,00 |
ВЦ-20,0 |
Рис. П.1.27. Одноветвевой строп:
1 - цепная ветвь, 2 - звено, 3 – захват

Рис.
П.1.28. Духветвевой строп:
1 - цепная ветвь, 2 - звено, 3 – захват

Рис.
П.1.29. Трехветвевой строп:
1 - цепная ветвь, 2 - звено, 3 - захват
Все стропы, согласно п. 6.1
настоящего РД, должны иметь маркировочные бирки.
Бирки рекомендуется
выполнять из стальных листов - марка стали Ст3 по ГОСТ 380, толщина
1 - 1,5 мм.
Крепежные кольца для
навешивания бирок на строп рекомендуется выполнять из проволоки по ГОСТ
9389 III класса, нормальной точности, диаметром 2 - 3 мм.
Размеры бирок и колец для
стропов грузоподъемностью до 3,2 т приведены на рис. П.2.1, а и П.2.2, а, для сторопов грузоподъемностью свыше
3,2 т - на рис. П.2.1, б
и П.2.2. б.

Рис. П.2.1. Бирки
маркировочные:
а - для стропов грузоподъемностью до 3,2 т, б - свыше 3,2 т

Рис. П.2.2. Кольца крепежные:
а - для стропов грузоподъемностью до 3,2 т, б - свыше 3,2 т
Бирки рекомендуется крепить к звену стропа, навешиваемому на крюк крана, при помощи крепежного кольца или вплетать в канат универсального стропа.
Надписи на бирках следует
выполнять ударным способом. Для стропов грузоподъемностью до 3,2 т следует применять
шрифт 3-ПР 3 по ГОСТ
26.020, для стропов грузоподъемностью свыше 3,2 т - шрифт 5-ПР 3 по ГОСТ
26.020.
Если бирка утрачена и
необходимая информация не нанесена на концевом звене, то строп должен быть
изъят из эксплуатации.
Рекомендуемое
1.
ПЕРЕМЕЩЕНИЕ ГРУЗОВ С НЕПОСРЕДСТВЕННОЙ ОБВЯЗКОЙ ИХ СТРОПАМИ
1.1. При перемещении грузов,
имеющих острые ребра, с помощью канатных стропов между ребрами и канатами
следует размещать проставки, предохраняющие последние от повреждений (рис. П.3.1).
Рис.
П.3.1. Строповка грузов с непосредственной их обвязкой с использованием
деревянных проставок (а), проставок
из разрезанной трубы (б), проставок
из резинотканевых шлангов, плоских ремней и т.п. (в)
Рис. П.3.2. Строповка грузов цепными стропами
Рис. П.3.3. Обвязка грузов с
закруглениями
1.2. При обвязке грузов
цепными стропами не следует допускать изгиба звеньев на ребрах груза (рис. П.3.2).
1.3. При регулярном
использовании канатных стропов для обвязки грузов с закруглениями, радиусы
которых составляют менее 10 диаметров каната (рис. П.3.3), рекомендуется
снижать допускаемую нагрузку на ветви стропа в соответствии с табл. П.3.1.
Таблица
П.3.1
Рекомендуемое снижение
допускаемой нагрузки на ветви стропа
|
r/d |
Снижение нагрузки, % |
|
Менее 0,5 |
Не допускается |
|
От 0,5 до 1,0 |
50 |
|
От 1,0 до 2,0 |
35 |
|
От 2,0 до 2,5 |
20 |
|
Свыше 2,5 |
0 |
1.4. При строповке груза с
его затяжкой петлей канатного стропа (рис. П.3.4) рекомендуется снижать
его грузоподъемность на 20 %.
1.5. Перемещение грузов со
свободной укладкой их на петлевые стропы (рис. П.3.5) вне зависимости от
числа петель допускается только при наличии на грузе элементов, надежно
предотвращающих его от смещения в продольном направлении.
2. ПЕРЕМЕЩЕНИЕ ГРУЗА С ПОМОЩЬЮ ЧАЛОЧНЫХ
КРЮКОВ
2.1.
Для правильного зацепления рым-болтов, скоб и других элементов, предусмотренных
на грузе для подсоединения стропа (рис. П.3.6), зазоры D1 и D2 должны соответствовать:
D1 ³ 0,07h, но не менее 3 мм;
D2 ³ 0,1В, но не менее 3
мм.
(Измененная
редакция, Изм. № 1).
Рис. П.3.4. Строповка грузов
с затяжкой петлей
Рис.
П.3.5. Транспортирование грузов со свободной укладкой на петлевые стропы
Рис. П.3.6. Установка крюка
стропа в проушине
(Измененная
редакция, Изм. № 1).
|
Обозначение документа, на который дана ссылка |
Наименование документа |
Номер пункта, приложения, таблицы |
|
Шрифты для средств измерений и автоматизации. Начертания и основные размеры |
Приложение 2 |
|
|
ГОСТ 380-88 |
Сталь углеродистая обыкновенного качества. Марки |
П.2.3.2, приложение 2 |
|
Прокат сортовой, калиброванный, со специальной отделкой поверхности из углеродистой качественной конструкционной стали. Общие технические условия |
П.2.3.2., табл. П.1.1 |
|
|
Металлы. Методы испытания на растяжение |
П.5.7 |
|
|
Канат двойной свивки типа ЛК-Р конструкции 6´19(1 + 6 + 6 + 6) + 1 о.с. Сортамент |
||
|
Ящики дощатые неразборные для грузов массой до 500 кг. Общие технические условия |
П.6.4 |
|
|
Канат стальной двойной свивки типа ТК конструкции 6´37(1 + 6 + 12 + 18) + 1 о.с. Сортамент |
||
|
Канат двойной свивки типа ТЛК-О конструкции 6´37(1 + 6 + 15 + 15) + 1 о.с. Сортамент |
||
|
Канаты стальные. Технические условия |
П.2.2.3 |
|
|
ГОСТ 4784-74 |
Алюминий и сплавы алюминиевые деформируемые. Марки |
П.2.3.4 |
|
Ручная дуговая сварка. Соединения сварные. Основные типы, конструктивные элементы и размеры |
П.2.5.4 |
|
|
Эмали ПФ-115. Технические условия |
П.2.6.1 |
|
|
Сварные соединения. Методы определения механических свойств |
П.5.6 |
|
|
Канат двойной свивки типа ЛК-РО конструкции 6´36(1 + 7 + 7 + 7 + 14) + 1 о.с. Сортамент |
||
|
Канат двойной свивки типа ЛК-РО конструкции 6´36(1 + 7 + 7 + 7 + 14) + 7´7(1 + 6) Сортамент |
||
|
Поковки из конструкционной углеродистой и легированной стали. Общие технические условия |
П.2.4.11 |
|
|
Металлы. Методы определения твердости по Брюнелю |
П.5.7 |
|
|
ГОСТ 9389-75 |
Проволока стальная углеродистая пружинная. Технические условия |
Приложение 2 |
|
Металлы. Метод испытания на ударный изгиб при пониженных, комнатной и повышенных температурах |
||
|
ГОСТ 10198-91 |
Ящики деревянные для грузов массой от 200 до 20000 кг. Общие технические условия |
П.6.4. |
|
Заклепки с полукруглой головкой классов точности В и С. Технические условия |
Табл. П.1.15 |
|
|
Шайбы. Технические условия |
Табл. П.1.15 |
|
|
ГОСТ 14192-77 |
Маркировка грузов |
П.6.5 |
|
Машины, приборы и другие технические изделия. Исполнения для различных климатических районов |
||
|
Трубы прессованные из алюминия и алюминиевых сплавов. Технические условия |
Табл. П.1.29 |
|
|
Прокат из стали повышенной прочности. Общие технические условия |
П.2.3.2, табл. П.1.1 |
|
|
Эмали КО-811К. Технические условия |
П.2.6.1 |
|
|
ГОСТ Р 50090-92 |
Коуши стальные для стальных канатов. Технические условия |
П.2.2.5 |
|
РД 24.090-52-90 |
Подъемно-транспортные машины. Материалы для сварных конструкций |
П.2.3.1 |
|
ТУ 12.0173856.009-88 |
Цепи круглозвенные сварные общего назначения |
|
|
ТУ 12.0173856.015-88 |
Цепи круглозвенные грузовые и тяговые нормальной прочности |
|
|
Правила устройства и безопасной эксплуатации грузоподъемных кранов |
||
|
Правила аттестации сварщиков |
П. 2.5.5 |
Обязательное
|
Паспорт
_________________________ (наименование стропа) Разрешение (лицензия) на изготовление стропа №
___ от «__» ______________ 19__
г. (наименование и адрес органа, Грузоподъемность стропа. Номер нормативного документа (технологической
карты). Обозначение стропа по РД 10-33-93, или по
нормативной документации изготовителя. Товарный знак (эмблема) предприятия-изготовителя
стропа. Наименование изготовителя, его адрес. Чертеж стропа с указанием длины стропа. Масса стропа. Порядковый номер стропа по системе изготовителя. Год и месяц выпуска стропа. Дата испытаний стропа. Результаты испытаний. Гарантийный срок. Условия, при которых может эксплуатироваться
строп: наименьшая температура окружающего воздуха, °С наибольшая температура перемещаемого груза, °С Подпись руководителя предприятия-изготовителя(цеха), или начальника ОТК Печать, дата изготовления стропа. |
Примечания: 1. Паспорт должен постоянно храниться у владельца стропа.
2. При поставке партии однотипных стропов допускается изготавливать один паспорт на всю партию. При этом в нем должны быть указаны все порядковые номера стропов, входящих в данную партию.
Приложение 4.
(Введено дополнительно, Изм. № 1).
Рекомендуемое
|
Наименование стропа |
Порядковый № |
Дата |
Техническое состояние, содержание замечаний |
Должность |
Подпись |
Приложение 5.
(Введено дополнительно, Изм. № 1).
СОДЕРЖАНИЕ
|
|
|
|