Бесплатная библиотека стандартов и нормативов www.docload.ru

Все документы, размещенные на этом сайте, не являются их официальным изданием и предназначены исключительно для ознакомительных целей.
Электронные копии этих документов могут распространяться без всяких ограничений. Вы можете размещать информацию с этого сайта на любом другом сайте.
Это некоммерческий сайт и здесь не продаются документы. Вы можете скачать их абсолютно бесплатно!
Содержимое сайта не нарушает чьих-либо авторских прав! Человек имеет право на информацию!

 

ГОСУДАРСТВЕННЫЙ СТАНДАРТ СОЮЗА ССР

ПЕРЕВОДНИКИ
ДЛЯ НАСОСНО-КОМПРЕССОРНЫХ
ТРУБ

ТЕХНИЧЕСКИЕ УСЛОВИЯ

ГОСТ 23979-80

ГОСУДАРСТВЕННЫЙ КОМИТЕТ СССР ПО СТАНДАРТАМ

Москва

РАЗРАБОТАН Министерством нефтяной промышленности

ИСПОЛНИТЕЛИ

А.А. Рзаев, канд. техн. наук; А.Е. Сароян, д-р техн. наук; А.А. Мамедов, д-р техн. наук; А.А. Гусейнов, канд. техн. наук; Э.Л. Ханферян; В.Ф. Кузнецов; Д.Н. Палячек; канд. техн. наук; В.Я. Беньковский

ВНЕСЕН Министерством нефтяной промышленности

Зам. министра Э.М. Халимов

УТВЕРЖДЕН И ВВЕДЕН В ДЕЙСТВИЕ Постановлением Государственного комитета СССР по стандартам от 5 февраля 1980 г. № 555

ГОСУДАРСТВЕННЫЙ СТАНДАРТ СОЮЗА ССР

ПЕРЕВОДНИКИ ДЛЯ НАСОСНО-КОМПРЕССОРНЫХ ТРУБ

Технические условия

Sub for tubing. Specifications

ГОСТ
23979-80

Постановлением Государственного комитета СССР по стандартам от 5 февраля 1980 г. № 555 срок действия установлен

с 01.07.1980 г.

до 01.07.1985 г.

в части типов Г и Б

с 01.01.1983 г.

Несоблюдение стандарта преследуется по закону

Настоящий стандарт распространяется на переводники, предназначенные для соединения между собой насосно-компрессорных труб разных диаметров, а также подземного оборудования, имеющего присоединительные концы с резьбой насосно-компрессорных труб, используемого при эксплуатации нефтяных и газовых скважин.

1. ТИПЫ, ОСНОВНЫЕ ПАРАМЕТРЫ И РАЗМЕРЫ

1.1. Переводники должны изготовляться следующих типов:

П - переводники с резьбой треугольного профиля для соединения гладких труб и труб с высаженными наружу концами;

ПГ - переводники с трапецеидальной резьбой для соединения гладких высоко герметичных труб;

ПБ - переводники для соединения безмуфтовых труб с высаженными наружу концами

(Новая редакция, Изм. № 1)

1.2. Переводники типа П должны изготовляться следующих исполнений:

1 - с соотношением средних диаметров резьбы в основной плоскости муфты и ниппеля более 1 (черт. 1);

2 - с соотношением средних диаметров резьбы в основной плоскости муфты и ниппеля 0,6 - 0,7 (черт. 2);

3 - с соотношением средних диаметров резьбы в основной плоскости муфты и ниппеля 0,8 - 1,0 (черт. 3).

(Измененная редакция, Изм. № 1)

1.3. Основные параметры и размеры переводников типа П должны соответствовать указанным на черт. 1 - 3 и в табл. 1 - 3; типа ПГ - на черт. 4 и в табл. 4; типа ПБ - на черт. 5 и в табл. 5.

(Измененная редакция, Изм. № 1)

Черт.

Таблица 1

Размеры в мм.

Обозначение переводника

D0

D

d0

d

d1

b

L

l0

l

l1

l2

l3

l4

l5

Масса, кг, не более

П114´102

133,8

102,8

116,0

88,6

106,6

6,5

230

9,5

75

85

62

80

115

90

6,2

П114´89

89,9

76,0

60

75

85

5,9

П114´73

74,0

59,0

53

70

80

5,7

П102´89

122,2

89,9

103,5

76,0

93,5

6,5

220

9,5

70

80

60

75

105

85

5,4

П102´73

74,0

59,0

53

70

80

5,2

П89´73

108,0

74,0

90,6

59,0

81,5

6,5

200

8,0

68

78

53

70

100

80

4,0

П89´60

61,3

50,3

42

60

70

3,7

П73´60

90,0

61,3

74,7

50,3

66,0

6,5

190

8,0

66

76

42

60

95

70

2,9

П73´48

49,1

40,3

35

50

60

2,8

П60´48

74,0

49,1

62,0

40,3

54,0

5,0

170

8,0

55

65

35

50

90

60

2,1

П60´42

43,0

35,2

32

45

55

1,6

П48´42

57

43,0

50,0

35,2

42

2,5

165

8,0

45

55

32

45

95

55

1,2

П48´33

34,4

26,4

29

1,2

ПВ48´В42

64,5

46,8

55,0

35,2

47,5

3,5

170

8,0

47

57

35

50

95

60

2,0

ПВ48´В33

38,1

26,4

32

45

55

1,9

ПВ42´В33

57,0

38,1

47,5

26,4

40,5

3,5

165

8,0

45

55

32

45

95

55

1,3

ПВ42´В27

34,2

20,7

29

1,4

ПВЗЗ´В27

49,3

34,2

38,8

20,7

31,8

3,5

160

8,0

42

52

29

45

90

55

1,2

ПВ114´114

142,7

115,4

122,5

100,3

112,2

6,5

230

9,5

77

87

65

80

115

90

7,4

ПВ114´102

102,8

88,6

62

80

90

7,3

ПВ114´89

89,9

76,0

60

75

85

7,2

ПВ114´73

74,0

59,0

53

70

80

7,1

П114´В102

133,8

109,0

116,0

88,6

106,0

6,5

230

9,5

75

85

64

80

115

90

7,6

ПВ102´102

128,3

102,8

109,5

88,6

99,8

6,5

215

9,5

74

84

62

80

105

90

5,6

ПВ102´89

89,9

76,0

60

75

85

5,8

ПВ102´73

74,0

59,0

53

70

80

5,9

П42´33

53

34,4

43,9

26,4

35,9

3,0

165

8,0

40

50

29

45

95

55

1,2

ПВ114´В102

142,7

109,0

122,5

88,6

42,2

6,5

240

9,5

77

87

64

80

115

90

8,2

ПВ114´В89

96,3

73,0

60

75

85

8,1

ПВ114´В73

79,6

59,0

54

70

80

8,0

ПВ102´В89

128,3

96,3

109,5

73,0

99,8

6,5

220

9,5

74

84

60

75

105

85

6,8

ПВ102´В73

79,6

59,0

54

70

80

6,3

ПВ89´В73

115,4

79,6

97,0

59,0

87,2

6,5

210

9,5

70

80

54

70

100

80

5,2

ПВ89´В60

66,9

50,3

50

65

75

4,7

ПВ73´В60

94,0

66,9

80,0

50,3

71,0

5,5

190

9,5

64

74

50

65

95

75

3,2

ПВ73´В48

54, 2

40,3

37

50

60

2,9

ПВ60´В48

79,0

54,2

67,5

40,3

58,5

4,5

180

9,5

60

70

37

50

95

60

2,6

ПВ60´В42

46,8

35,2

35

50

2,5

П73´В60

90,0

66,9

74,7

50,3

66,0

6,5

200

8,0

66

76

50

65

95

75

3,2

ПВ60´60

79,0

61,3

67,5

50,3

58,3

4,5

180

9,5

60

70

42

60

95

70

2,8

ПВ60´48

49,1

40,3

35

50

60

2,5

П73´В48

90,0

54,2

74,7

40,3

66,0

6,5

190

8,0

66

76

37

50

95

60

3,1

П60´В48

74,0

54,2

62,0

40,3

54,0

5,0

180

8,0

55

65

37

50

95

60

2,7

ПВ48´48

64,5

49,1

55,0

40,3

47,5

3,5

170

8,0

47

57

35

50

95

60

1,9

ПВ48´42

43,0

35,2

32

45

55

1,5

ПВ48´33

34,4

26,4

29

45

55

1,6

П60´В42

74,0

46,8

62,0

35,2

54,0

5,0

180

8,0

55

65

35

50

95

60

2,7

П48´В42

57,0

46,8

50,0

35,2

42,5

3,5

170

8,0

45

55

35

50

95

60

2,1

ПВ42´42

57,0

43,0

47,5

35,2

40,5

3,5

165

8,0

45

55

32

45

95

55

1,2

ПВ42´33

34,4

26,4

29

40

50

1,3

П60´В33

74,0

38,1

62,0

26,4

54,0

5,0

180

8,0

55

65

32

50

95

60

2,2

П114´В89

133,8

96,3

116,0

73,0

106,0

6,5

225

9,5

75

85

60

75

115

85

5,3

П102´В89

123,2

96,3

103,5

88,6

93,5

6,5

220

9,5

75

85

60

75

115

85

5,2

ПВ89´89

115,4

89,9

97,0

76,0

87,2

6,5

210

9,5

70

80

60

75

100

85

5,0

ПВ89´73

115,4

74,0

97,0

59,0

87,2

6,5

210

9,5

70

80

53

70

100

80

4,8

ПВ89´60

61,3

50,3

42

60

70

4,6

П114´В73

133,8

79,6

116,0

59,0

106,0

6,5

230

9,5

75

85

54

70

115

80

5,8

П102´В73

123,2

79,6

103,5

59,0

93,5

6,5

215

9,5

75

85

54

70

105

80

5,2

П89´В73

108,0

79,6

90,5

59,0

81,5

6,5

200

8,0

68

78

54

70

100

80

4,3

ПВ73´73

94,0

74,0

80,0

59,0

71,0

5,5

190

9,5

64

74

53

70

95

80

3,1

ПВ73´60

61,3

50,3

42

60

70

2,8

В73´48

49,1

40,3

35

50

60

2,6

П102´В60

122,2

66,9

103,5

50,3

93,5

6,5

215

9,5

70

80

50

65

105

75

3,2

П89´В60

108,0

66,9

90,6

50,3

81,5

6,5

210

8,0

68

78

50

65

100

75

4,1

П48´В33

57,0

38,1

50,0

26,4

42,5

3,5

170

8,0

45

55

32

50

95

60

1,9

П42´В33

53

38,1

43,9

26,4

36

3,0

165

8,0

40

50

32

50

95

60

1,3

ПВ33´33

49,3

34,4

38,8

26,4

31,3

3,5

160

8,0

42

52

29

40

90

50

1,1

П48´В27

57,0

34,2

50,0

20,7

42,0

2,5

160

8,0

45

55

29

40

95

50

1,3

П42´В27

53,0

34,2

43,9

20,7

36

3,0

160

8,0

40

50

29

40

95

50

1,3

П33´В27

43,0

34,2

35,1

20,7

27

2,5

160

8,0

39

49

29

40

90

50

1,0

Черт. 2

Черт. 3

Таблица 2

Размеры в мм

Обозначение переводника

D0

D

d0

d

d1

b

L

l0

l

l1

l2

l3

l4

Масса, кг, не более

П60´89

74,0

89,0

62,0

76,0

54,0

5,0

210

8,0

55

65

60

155

100

3,1

П73´114

90,0

115,4

74,7

100,3

66,0

6,5

235

8,0

66

76

65

160

105

6,2

П89´114

108,0

115,4

90,6

100,3

81,5

6,5

245

8,0

68

78

65

165

110

6,4

Таблица 3

Размеры в мм

Обозначение переводника

D0

D

d0

d

d1

b

L

l0

l

l1

l2

l3

l4

Масса, кг, не более

П60´73

74,0

74,0

62,0

59,0

54,0

5,0

165

8,0

55

65

53

70

85

1,9

П73´89

90,0

89,9

74,7

76,0

66,0

6,5

175

8,0

66

76

60

75

85

2,6

П89´В89

108,0

96,3

90,6

76,0

81,5

6,5

180

8,0

68

78

60

75

90

3,4

Черт. 4


Таблица 4

Размеры в мм

Обозначение переводников

d1

d, (пред. откл. + 1,0)

d3

d4  (пред. откл. ± 0,5)

d5

d6

b

l

l1 (пред. откл. - 1,0)

l2

l3

l4

l5

l6

l7

L8

F (пред. откл. + 0,25)

Масса, кг, не более

(пред. откл. - 1,0)

ПГ114´Г102

132,5

115,6

112,475

100

88,6

94,617

6,5

250

82

96

120

10

75

90

10

100

1,6

6,6

ПГ114´Г89

75,9

81,917

75

90

100

6,7

ПП14´Г73

59

66,873

65

80

90

7,0

ПГ102´Г89

121

104

100,35

88

75,9

81,917

6,5

225

63

73

95

10

75

90

10

100

1,6

5,2

ПГ102´Г73

59

66,875

65

80

90

5,5

ПГ89´Г73

107

91

87,7

74

59

66,875

6,5

205

63

73

95

10

65

80

10

90

1,6

4,1

ПГ89´Г60

50,3

54,175

3,9

ПГ73´Г60

89

75

71,875

60

50,3

54,175

6,5

205

53

63

85

10

65

80

10

90

1,6

2,8

(Измененная редакция, Изм. № 1)


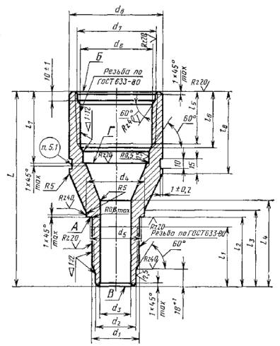
Черт. 5

(Измененная редакция, Изм. № 1)


Таблица 5

Размеры в мм

Обозначение переводников

d1

d2

d3

d4

d5

d7

d8

l1 не менее

l2(пред. откл. ± 0,5)

l3

l4

l5

l6 (пред. откл. ± 0,5)

l7(пред. откл. -0,5)

l8

L

А*

Б*

В*

Г*

Масса, кг, не более

ПБ114´Б102

101,75

98,75

88,6

116

108

120,8

130

67

75

85

95

61

65

75

100

225

3,25

3,75

3,0

4,0

5,9

ПБ114´Б89

88,75

85,75

72,9

104

95

3,75

4,0

6,2

ПБ114´Б73

72, 75

69,75

59

86

79

2,75

3,0

5,7

ПБ102´Б89

88,75

85,15

72,9

104

95

107,8

116

67

75

85

95

61

65

75

95

210

3,75

3,25

4,0

3,5

4,8

ПБ102´Б73

72,75

69,75

59

86

79

2,75

3,0

4,4

ПБ89´Б73

72,75

69,75

59

86

79

94,8

104

67

75

85

95

61

65

75

95

210

2,75

3,75

3,0

4,5

4,1

ПБ89´Б60

50,167

57,167

50,3

71

66

62

70

80

90

1,75

1,5

3,5

ПБ73´Б60

60,167

57,167

50,3

71

66

78,8

86

62

70

80

90

61

65

75

95

195

1,75

2,75

1,5

3,5

2,5

* Графы А, Б, В, Г (Исключены, Изм. № 1)

Примечание. Размеры резьбы труб и переводников выбираются по ГОСТ 633-80 для труб – по условному диаметру и типу, для переводников – по его условному обозначению.


(Введено дополнительно, Изм. № 1)

Пример условного обозначения переводника типа М условным диаметром 73 мм на муфтовом конце и 48 мм на ниппельном конце из стали группы прочности Е:

Переводник П73´48-Е ГОСТ 23979-80

То же, с высаженными наружу концами группы прочности Л:

Переводник ПВ 73´В48-Л ГОСТ 23979-80

То же, типа Г:

Переводник ПГ73´48-Л ГОСТ 23979-80

То же, типа Б:

Переводник ПБ73´48-Л ГОСТ 23979-80

2. ТЕХНИЧЕСКИЕ ТРЕБОВАНИЯ

2.1. Переводники для насосно-компрессорных труб должны изготовляться в соответствии с требованиями настоящего стандарта по рабочим чертежам, утвержденным в установленном порядке.

2.2. Переводники для насосно-компрессорных труб должны изготовляться из сталей, обеспечивающих механические свойства переводников в соответствии с группами прочности материала труб по ГОСТ 633-80.

2.3. На наружной и внутренней поверхностях переводников не должно быть трещин, плен, раковин, закатов, подрезов, расслоений, песочин и глубоких рисок.

Заварка, зачеканка или заделка дефектных мест не допускается.

2.4. Резьбы переводников должны выполняться в соответствии с требованиями ГОСТ 633-80.

2.5. Оси резьбы обоих концов переводника должны быть соосны. Отклонение от соосности не должно превышать 0,75 мм в плоскости торца.

2.6. Резьбы обоих концов переводника для предохранения от заедания должны быть фосфатированы. Требования по гальванопокрытию по ГОСТ 9.301-78.

2.7. Предельные отклонения размеров переводников должны соответствовать указанным в табл. 6.

2.8. Наружная поверхность переводников, кроме резьбы, должна быть окрашена влагостойкой краской по ГОСТ 10503-71. Качество лакокрасочного покрытия - VI класс по ГОСТ 9.032-74.

2.9. Срок службы переводников до списания - не менее 6 лет.

2.10. Торцы ниппельных концов и упорные уступы муфтовой части переводников типа ПГ, а также упорные поверхности А, Б, В, и Г переводников типа ПБ должны изготовляться в соответствии с требованиями ГОСТ 633-80.

(Введен дополнительно, Изм. № 1)

Таблица 6

Размеры в мм

Обозначение размеров

Предельные отклонения

D0, D

h8

d

H8

d0

+ 0,8

d1

± 0,5

b, l0

± 0,2

L

± 1,5

l1, l3, l4, l5

± 1,0

3. ПРАВИЛА ПРИЕМКИ

3.1. Для проверки соответствия переводников требованиям настоящего стандарта предприятие-изготовитель должно проводить приемосдаточные и периодические испытания.

3.2. При приемосдаточных испытаниях каждый переводник проверяют на соответствие требованиям пп. 1.3; 2.3; 2.4 (натяг); 2.6; 2.8 и 2.10.

На соответствие требованиям пп. 2.2; 2.4; 2.5 и 2.7 проверяют одни переходник от партии. Размер партии - не менее 30 переводников.

При получении неудовлетворительных результатов испытаний хотя бы по одному показателю, по нему следует проводить повторные испытания на удвоенном количестве переводников.

Результаты повторных испытаний распространяют на всю партию.

3.3. Периодические испытания проводят не реже одного раза в два года не менее чем на двух переводниках одного типоразмера, прошедших приемосдаточные испытания, на соответствие всем требованиям настоящего стандарта. Результаты испытаний являются окончательными.

Срок службы переводников (п. 2.10) определяют не реже одного раза в пять лет по результатам данных, полученных при эксплуатации или статистическим методом в соответствии с ГОСТ 16468-79.

3.4. Потребитель проводит проверку качества переводников по программе приемо-сдаточных испытаний.

(Новая редакция, Изм. № 1)

4. МЕТОДЫ ИСПЫТАНИЙ

4.1. Конструктивные размеры переводников проверяют универсальным мерительным инструментом, шаблонами и калибрами.

4.2. Механические свойства материала переводников должны проверяться по ГОСТ 10006-73 на коротких образцах, вырезанных вдоль оси заготовок переводников способом, не вызывающим изменение структуры и механических свойств металла.

4.3. Резьбу переводников проверяют в соответствии с требованиями ГОСТ 633-80.

Соосность резьб концов переводника контролируют следующим способом:

Переводник одним концом свинчивают с точно нарезанной и центрированной в приспособлении или в патроне токарного станка оправкой. На второй конец переводника навинчиваются другая оправка, имеющая проточенную цилиндрическую поверхность длиной не менее 250 мм. Вращая переводник, измеряют биение у торца переводника и у конца оправки индикатором часового типа с ценой деления 0,01 мм.

Отклонение от соосности равно половине величины биения.

Расхождение осей на расстоянии 1 м определяется расчетом величин биения у торцов переводника и оправки.

5. МАРКИРОВКА, УПАКОВКА, ТРАНСПОРТИРОВАНИЕ И ХРАНЕНИЕ

5.1. На каждом переводнике должны быть нанесены:

товарный знак предприятия-изготовителя;

обозначение типоразмера переводника без буквы П;

обозначение настоящего стандарта;

дата выпуска (месяц, год);

клеймо ОТК.

5.2. Буквы и цифры маркировки должны быть нанесены четко клеймами, шрифтом ПО-6 по ГОСТ 2930-62.

5.3. Резьбы переводников должны быть предохранены от коррозии в соответствии с требованиями ГОСТ 9.014-78, для изделия группы II, а от механических повреждений при транспортировании и хранении - предохранительными кольцами и ниппелями, используемыми для предохранения резьбовых элементов насосно-компрессорных труб (раздел 5, ГОСТ 633-80).

5.4. Переводники должны быть упакованы в ящики по ГОСТ 2991-76 массой брутто от 30 до 200 кг.

Переводники должны быть переложены деревянными или другими прокладками, исключающими  возможность перемещения изделий во время транспортирования.

(Новая редакция, Изм. № 1)

5.4.1. Транспортную маркировку располагают на одной из боковых сторон ящика и наносят краской по трафарету или другим способом, обеспечивающим сохранность надписей.

Транспортная маркировка должна содержать основные, дополнительные и информационные надписи в соответствии с требованиями ГОСТ 14192-77.

5.4.2. Переводники транспортируют железнодорожным, автомобильным и водным транспортом в соответствии с правилами перевозок грузов, действующими на транспорте данного вида, а при перевозке железнодорожным транспортом - и техническими условиями погрузки и крепления грузов.

5.4.3. Переводники, отправляемые в районы; Крайнего Севера и труднодоступные районы страны, должны быть упакованы по ГОСТ 15846-79.

5.4.4. Хранение переводников - по группе условий хранения ОЖ2 ГОСТ 15150-69.

5.4.1. - 5.4.4. (Введены дополнительно, Изм. № 1)

5.5. Каждая партия переводников должна сопровождаться документом, удостоверяющим соответствие их требованиям настоящего стандарта.

В документе должно быть указано:

наименование предприятия-изготовителя или товарный знак;

обозначение типоразмера переводника;

количество переводников в партии;

группа прочности стали;

результаты проверок и испытаний;

дата выпуска;

обозначение настоящего стандарта.

6. УКАЗАНИЯ ПО ЭКСПЛУАТАЦИИ

6.1. При необходимости составления комбинированных подъемных колонн из насосно-компрессорных труб с разницей в диаметрах, превышающей предусмотренную настоящим стандартом, необходимо составлять колонны с использованием двух и более переводников с установкой между ними по одной трубе. Например, в подъемной колонне, включающей трубы условного диаметра 114 мм и 60 мм, следует использовать переводники П114´89, одну трубу диаметром 89 мм и переводник П89´60.

6.2. В случаях предельных нагрузок на комбинированные подъемные колонны диаметром 114 и 73 мм, 102 и 73 мм, а также из труб с высаженными наружу концами при спусках на большие глубины для обеспечения плавного перехода жесткости, рекомендуется применять взамен одного переводника два - промежуточных размеров. Например, взамен П114´73 применять А114´89 и П89´73. Аналогичное сочетание и для труб с высаженными наружу концами.

В этих случаях рекомендуется также применять переводники из стали группы прочности на одну группу выше чем соединяемые трубы. Например, для труб из стали группы прочности Е использовать переводники из стали группы прочности Л.

СОДЕРЖАНИЕ

 




Rambler's Top100 Яндекс цитирования
  Copyright © 2008-2026, www.docload.ru