Бесплатная библиотека стандартов и нормативов www.docload.ru

Все документы, размещенные на этом сайте, не являются их официальным изданием и предназначены исключительно для ознакомительных целей.
Электронные копии этих документов могут распространяться без всяких ограничений. Вы можете размещать информацию с этого сайта на любом другом сайте.
Это некоммерческий сайт и здесь не продаются документы. Вы можете скачать их абсолютно бесплатно!
Содержимое сайта не нарушает чьих-либо авторских прав! Человек имеет право на информацию!

 

ГОСУДАРСТВЕННЫЙ СТАНДАРТ СОЮЗА ССР

МАРШИ И ПЛОЩАДКИ ЛЕСТНИЦ
ЖЕЛЕЗОБЕТОННЫЕ

ТЕХНИЧЕСКИЕ УСЛОВИЯ

ГОСТ 9818-85

ГОСУДАРСТВЕННЫЙ СТРОИТЕЛЬНЫЙ КОМИТЕТ СССР

Москва

ГОСУДАРСТВЕННЫЙ СТАНДАРТ СОЮЗА ССР

МАРШИ И ПЛОЩАДКИ ЛЕСТНИЦ
ЖЕЛЕЗОБЕТОННЫЕ

Технические условия

Reinforced concrete flights of steps and stair landings.
Specifications

ГОСТ
9818-85

Взамен
ГОСТ 9818.0-81

Постановлением Государственного комитета СССР по делам строительства от 14 марта 1985 г. № 28 срок ведения установлен

01.01.86

Несоблюдение стандарта преследуется по закону

Настоящий стандарт распространяется на железобетонные марши, площадки и накладные проступи (далее - элементы лестниц), изготовляемые из тяжелого бетона или легкого бетона (средней плотности от 1600 до 2000 кг/м3 включительно) и предназначенные для устройства лестниц в зданиях различного назначения.

Элементы лестниц, предназначенные для эксплуатации в среде с агрессивной степенью воздействия на железобетонные конструкции, должны удовлетворять дополнительным требованиям, установленным проектной документацией здания согласно требованиям СНиП 2.03.11-85.

(Измененная редакция, Изм. № 1).

1. ТИПЫ, ОСНОВНЫЕ ПАРАМЕТРЫ И РАЗМЕРЫ

1.1. Лестничные марши (далее - марши) подразделяют на следующие типы:

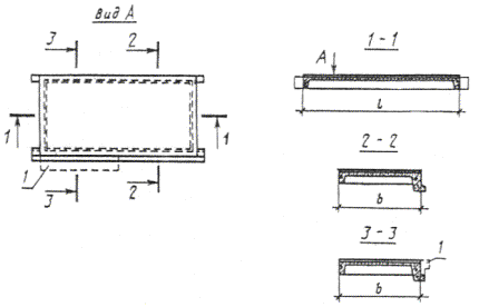
ЛМ - плоские без фризовых ступеней (черт. 1);

Марш типа ЛМ

Черт. 1

ЛМФ - ребристые с фризовыми ступенями (черт. 2);

Марш типа ЛМФ

Черт. 2

ЛМП - ребристые с полуплощадками (черт. 3).

Марш типа ЛМП с двумя полуплощадками

Марш типа ЛМП без нижней полуплощадки

Черт. 3

1.2. Лестничные площадки (далее - площадки) подразделяют на следующие типы:

1ЛП - плоские для маршей типа ЛМ (черт. 4);

Площадки типа 1ЛП

а - площадки длиной 2200 и 2800 мм; б - то же, длиной 2380 и 2980 мм; в - конечная площадка

Черт. 4

2ЛП - ребристые для маршей типа ЛМ (черт. 5);

Площадка типа 2ЛП

а - этажная или промежуточная площадка; б - конечная площадка; 1 - консоль для опирания площадки на кирпичную стену; 2 - отверстие для мусоропровода

Черт. 5

ЛПФ - ребристые для маршей типа ЛМФ (черт. 6);

Площадка типа ЛПФ

1 - консоль в конечной площадке

Черт. 6

ЛПП - ребристые площадки и полуплощадки для маршей типа ЛМП (черт. 7).

Площадка типа ЛПП

Черт. 7

1.3. Накладные проступи подразделяют на следующие типы:

1ЛН - для укладки на нижние и рядовые ступени маршей (черт. 8);

Накладная проступь типа 1ЛН

а - накладная проступь по серии 1.251.1-4, выпуск 1; б - то же, по серии 1.050.1-2, выпуск 1

Черт. 8

2ЛН - для укладки на площадки и верхние ступени маршей (черт. 9).

Накладная проступь типа 2ЛН

а - накладная проступь по серии 1.251.1-4, выпуск 1; б - то же, по серии 1.050.1-2, выпуск 1; 1 - скос для конечной проступи

Черт. 9

1.4. Форма и основные размеры маршей должны соответствовать:

типа ЛМ - указанным на черт. 1 и в табл. 1;

    »    ЛМФ        »          на черт. 2 и в табл. 2;

    »    ЛМП         »          на черт. 3 и в табл. 3.

1.5. Форма и основные размеры площадок должны соответствовать:

типа 1ЛП указанным на черт. 4 и в табл. 4;

    »    2ЛП          »          на черт. 5 и в табл. 5;

    »    ЛПФ         »          на черт. 6 и в табл. 6;

    »    ЛПП         »          на черт. 7 и в табл. 7.

1.6. Форма и основные размеры накладных проступей должны соответствовать:

типа 1ЛН указанным на черт. 8 и в табл. 8;

    »    2ЛН          »          на черт. 9 и в табл. 8.

1.4 - 1.6 (Измененная редакция, Изм. № 1).

1.7. Марши и площадки предназначены для применения в лестницах на расчетные временные нагрузки (при коэффициенте надежности по нагрузке γ = 1,2 и без учета собственного веса):

3,5 кПа (360 кгс/м2) - для жилых зданий;

4,7 кПа (480 кгс/м2) - для общественных зданий, производственных и вспомогательных зданий промышленных предприятий.

1.8. Элементы лестниц, при необходимости, изготовляют в двух вариантах исполнения: правом и левом - для лестниц с подъемом соответственно против часовой и по часовой стрелке.

1.9. Элементы лестниц изготовляют с отделкой верхних лицевых поверхностей следующих видов:

с гладкой поверхностью из тяжелого бетона на обычном цементе;

с шлифованной мозаичной поверхностью декоративного конструкционного слоя из бетона на обычном, белом или цветном цементах и на мраморном щебне (для площадок и накладных проступей);

с облицовкой керамической плиткой (для площадок).

(Измененная редакция, Изм. № 1).

1.10. Элементы лестниц обозначают марками в соответствии с требованиями ГОСТ 23009.

Марка элементов лестниц состоит из буквенно-цифровых групп, разделенных дефисами.

Первая группа содержит обозначение типа элемента лестницы и габаритные размеры: длину и ширину в дециметрах (значения которых округляют до целого числа), а для маршей дополнительно указывают координационную высоту марша (высоту вертикальной проекции) в дециметрах. Длину маршей типа ЛМП без нижней полуплощадки указывают в марке равной длине основного марша этого типа (с двумя полуплощадками). Для конечных площадок и накладных проступей, укладываемых на верхние конечные ступени маршей, первую группу дополняют строчной буквой «в».

Таблица 1

Код ОКП

Марка марша

Основные конструктивные и координационные размеры марша, мм

Расход материалов (справочный)

Масса марша (справочная), т

Обозначение серии и выпуска типовой проектной документации

l

b

hом

lом

Бетон, м3

Сталь, кг

58 9121 2544

ЛМ27.11.14-4

2720

1050

1400

2400

0,53

14,77

1,33

1.151.1-6

Выпуск 1

58 9121 2545

ЛМ27.12.14-4

1200

0,61

17,16

1,53

58 9122 0105

ЛМ27.11.14-4Л

1050

0,53

14,91

1,14

1.151.1-6

Выпуск 2

58 9122 0122

ЛМ27.12.14-4Л

1200

0,61

16,36

1,30

58 9121 2552

ЛМ30.11.15-4

3030

1050

1500

2700

0,59

16,25

1,48

1.151.1-7

Выпуск 1

58 9121 2554

ЛМ30.12.15-4

1200

0,68

18,31

1,70

Таблица 2

Код ОКП

Марка марша

Основные конструктивные и координационные размеры марша, мм

Расход материалов (справочный)

Масса марша (справочная), т

Обозначение серии и выпуска типовой проектной документации

l

b

hом

lом

Бетон, м3

Сталь, кг

58 9121 2555

ЛМФ39.12.17-5

3913

1200

1650

3000

0,52

28,49

1,30

1.251.1-2

Выпуск 1

58 9121 2556

ЛМФ39.14.17-5

1350

0,57

28,94

1,43

58 9121 2557

ЛМФ39.15.17-5

1500

0,62

35,79

1,55

58 9121 2558

ЛМФ42.12.18-5

4249

1200

1800

3300

0,56

40,32

1,40

1.251.1-4

Выпуск 1

58 9121 2559

ЛМФ42.14.18-5

1350

0,61

40,80

1,53

58 9121 2560

ЛМФ42.15.18-5

1500

0,67

43,63

1,68

58 9121 2561

ЛМФ49.14.21-5

4946

1350

2100

3900

0,77

40,90

1,93

58 9121 2578

ЛМФ49.15.21-5

1500

0,83

48,94

2,08

58 9121 2579

ЛМФ49.17.21-5

1650

0,89

50,16

2,23

Таблица 3

Код ОКП

Марка марша

Основные конструктивные и координационные размеры марша, мм

Расход материалов (справочный)

Масса марша (справочная), т

Обозначение серии и выпуска типовой проектной документации

l

b

hом

lом

l1

l2

Бетон, м3

Сталь, кг

58 9121 2580

ЛМП57.11.14-5

5650

1150

1400

2700

1475

1475

0,90

78,0

2,25

1.050.1-2

Выпуск 1

58 9121 2587

ЛМП57.11.15-5

1500

0,92

78,2

2,30

58 9121 2588

ЛМП57.11.17-5

1650

3000

1325

1325

0,95

79,0

2,38

58 9121 2589

ЛМП57.11.17-5-1

1450

1200

80,0

58 9121 2590

ЛМП57.11.17-5-2

1200

1450

78,7

58 9121 2591

58 9121 2592

ЛМП57.11.18-5

ЛМП57.11.18-5-1

1800

3300

1175

1450

1175

900

79,5

80,4

58 9121 2605

ЛМП57.11.18-5-2

900

1450

79,6

58 9121 2606

ЛМП60.11.15-5

5980

1500

2700

1640

1640

1,00

101,9

2,50

58 9121 2607

ЛМП60.11.17-5

1650

3000

1490

1490

104,1

58 9121 2608

ЛМП57.11.14-5-3

4475

1400

2700

1475

-

0,73

54,3

1,83

58 9121 2609

ЛМП57.11.15-5-3

1500

0,77

54,5

1,93

58 9121 3099

ЛМП57.11.17-5-3

4625

1650

3000

1325

-

0,80

55,8

2,00

58 9121 3132

ЛМП57.11.17-5-13

4750

1450

-

0,86

56,6

2,15

58 9121 3133

ЛМП57.11.18-5-3

4775

1800

3300

1175

-

0,83

57,1

2,08

58 9121 3134

ЛМП57.11.18-5-13

5050

1450

-

0,84

70,5

2,10

58 9121 2610

ЛМП60.11.15-5-3

4640

1500

2700

1640

-

0,81

55,0

2,03

58 9121 3135

ЛМП60.11.17-5-3

45790

1650

3000

1490

-

0,83

56,2

2,08

Таблица 4

Код ОКП

Марка площадки

Основные размеры площадки, мм

Расход материалов (справочный)

Масса площадки (справочная), т

Обозначение серии и выпуска типовой проектной документации

l

b

Бетон, м3

Сталь, кг

58 9121 2984

1ЛП22.13-4

2200

1300

0,59

15,79

1,48

1.152.1-8

Выпуск 5

58 9121 2985

1ЛП22.13-4-Ш

58 9121 2986

1ЛП22.13-4-К

58 9121 2987

1ЛП22.16-4

1600

0,73

16,47

1,83

58 9121 2988

1ЛП22.16-4-Ш

58 9121 2989

1ЛП22.16-4-К

58 9121 2990

1ЛП22.19-4

1900

0,86

18,79

2,15

58 9121 2991

1ЛП22.19-4-Ш

58 9121 2992

1ЛП22.19-4-К

58 9121 2546

1ЛП22.22-4

2200

0,95

19,35

2,38

58 9121 2547

1Лп22.22-4-Ш

58 9121 2392

1ЛП22.22-4-К

58 9121 2393

1ЛП28.13-4

2800

1300

0,76

24,52

1,90

58 9121 2394

1ЛП28.13-4-Ш

58 9121 2395

1ЛП28.13-4-К

58 9121 2396

1ЛП28.16-4

1600

0,93

26,91

2,33

58 9121 2397

1ЛП28.16-4-Ш

58 9121 2398

1ЛП28.16-4-К

58 9121 2399

1ЛП28.19-4

1900

1,10

28,60

2,75

58 9121 2400

1ЛП28.19-4-Ш

58 9121 2401

1ЛП28.19-4-К

58 9121 2402

1ЛП28.22-4

2200

1,21

29,52

3,03

58 9121 2403

1ЛП28.22-4-Ш

58 9121 2404

1ЛП28.22-4-К

58 9121 2405

1ЛП24.13-4

2380

1300

0,64

20,45

1,60

58 9121 2406

1ЛП24.-13-4-Ш

58 9121 2407

1ЛП24.13-4-К

58 9121 2408

1ЛП24.16-4

1600

0,78

21,52

1,95

58 9121 2409

1ЛП24.16-4-Ш

58 9121 2410

1ЛП24.16-4-К

58 9121 2411

1ЛП24.19-4

1900

0,92

23,91

2,30

58 9121 2412

1ЛП24.19-4-Ш

58 9121 2413

1ЛП24.19-4-К

58 9121 2414

1ЛП24.22-4

2200

1,01

24,85

2,53

58 9121 2415

1ЛП24.22-4-Ш

58 9121 2416

1ЛП24.22-4-К

58 9121 2417

1ЛП30.13-4

2980

1300

0,81

28,09

2,03

58 9121 2418

1ЛП30.13-4-Ш

58 9121 2419

1ЛП30.13-4-К

58 9121 2420

1ЛП30.16-4

1600

0,98

31,21

2,45

58 9121 2421

1ЛП30.16-4-Ш

58 9121 2422

1ЛП30.16-4-К

58 9121 2423

1ЛП30.19-4

1900

1,16

33,01

2,90

58 9121 2424

1ЛП30.19-4-Ш

58 9121 2425

1ЛП30.19-4-К

58 9121 2426

1ЛП30.22-4

2200

1,28

34,65

3,20

58 9121 2427

1ЛП30.22-4-Ш

58 9121 2428

1ЛП30.22-4-К

58 9121 2429

1ЛП24.13в-4

2380

1300

0,65

21,51

1,63

58 9121 2430

1ЛП24.13в-4-Ш

58 9121 2431

1ЛП24.13в-4-К

58 9121 2432

1ЛП24.16в-4

1600

0,79

22,58

1,98

58 9121 2433

1ЛП24.16в-4-Ш

58 9121 2434

1ЛП24.16в-4-К

58 9121 2435

1ЛП24.19в-4

1900

0,93

24,97

2,33

58 9121 2436

1ЛП24.19в-4-Ш

58 9121 2437

1ЛП24.19в-4-К

58 9121 2438

1ЛП24.22в-4

2200

1,02

25,91

2,55

58 9121 2439

1ЛП24.22в-4-Ш

58 9121 2440

1ЛП24.22в-4-К

58 9121 2441

1ЛП30.13в-4

2980

1300

0,82

29,68

2,05

58 9121 2442

1ЛП30.13в-4-Ш

58 9121 2443

1ЛП30.13в-4-К

58 9121 2444

1ЛП30.16в-4

1600

0,99

32,8

2,48

58 9121 2445

1ЛП30.16в-4-Ш

58 9121 2446

1ЛП30.16в-4-К

58 9121 2447

1ЛП30.19в-4

1900

1,17

34,60

2,93

58 9121 2448

1ЛП30.19в-4-Ш

58 9121 2449

1ЛП30.19в-4-К

58 9121 2450

1ЛП3-.22в-4

2200

1,29

36,24

3,23

58 9121 2451

1ЛП30.22в-4-Ш

58 9121 2452

1ЛП30.22в-4-К

58 9122 0645

1ЛП22.13-4Л

2200

1300

0,59

15,79

1,27

1.152.1-8

Выпуск 6

58 9122 0646

1ЛП22.13-4Л-Ш

58 9122 0647

1ЛП22.13-4Л-К

58 9122 0648

1ЛП22.16-4Л

1600

0,73

16,47

1,55

58 9122 0649

1ЛП22.16-4Л-Ш

58 9122 0650

1ЛП22.16-4Л-К

58 9122 0651

1ЛП22.19-4Л

1900

0,86

17,47

1,83

58 9122 0652

1ЛП22.19-4Л-Ш

58 9122 0653

1ЛП22.19-4Л-К

58 9122 0654

1ЛП22.22-4Л

2200

0,95

18,03

2,02

58 9122 0655

1ЛП22.22-4Л-Ш

58 9122 0656

1ЛП22.22-4Л-К

58 9122 0657

1ЛП28.13-4Л

2800

1300

0,76

22,04

1,64

58 9122 0658

1ЛП28.13-4Л-Ш

58 9122 0659

1ЛП28.13-4Л-К

58 9122 0660

1ЛП28.16-4Л

1600

0,93

23,11

1,99

58 9122 0661

1ЛП28.16-4Л-Ш

58 9122 0662

1ЛП28.16-4Л-К

58 9122 0663

1ЛП28.19-4Л

1900

1,10

24,80

2,35

58 9122 0664

1ЛП28.19-4Л-Ш

58 9122 0665

1ЛП28.19-4Л-К

58 9122 0666

1ЛП28.22-4Л

2200

1,21

27,04

2,59

58 9122 0667

1ЛП28.22-4Л-Ш

58 9122 0668

1ЛП28.22-4Л-К

58 9122 0669

1ЛП24.1-4Л

2380

1300

0,64

17,57

1,36

58 9122 0670

1ЛП24.13-4Л-Ш

58 9122 0671

1ЛП24.13-4Л-К

58 9122 0672

1ЛП24.16-4Л

1600

0,78

18,64

1,67

58 9122 0673

1ЛП24.16-4Л-Ш

58 9122 0674

1ЛП24.16-4Л-К

58 9122 0675

1ЛП24.19-4Л

1900

0,92

19,71

1,96

58 9122 0676

1ЛП24.19-4Л-Ш

58 9122 0677

1ЛП24.19-4Л-К

58 9122 0678

1ЛП24.22-4Л

2200

1,01

21,97

2,16

58 9122 0679

1ЛП24.22-4Л-Ш

58 9122 0680

1ЛП24.22-4Л-К

58 9122 0681

1ЛП30.13-4Л

2980

1300

0,81

24,87

1,73

58 9122 0682

1ЛП30.13-4Л-Ш

58 9122 0683

1ЛП30.13-4Л-К

58 9122 0684

1ЛП30.16-4Л

1600

0,98

26,67

2,10

58 9122 0685

1ЛП30.16-4Л-Ш

58 9122 0686

1ЛП30.16-4Л-К

58 9122 0687

1ЛП30.19-4Л

1900

1,16

29,79

2,48

58 9122 0688

1ЛП30.19-4Л-Ш

58 9122 0689

1ЛП30.19-4Л-К

58 9122 0690

1ЛП30.22-4Л

2200

1,28

31,43

2,73

58 9122 0691

1ЛП30.22-4Л-Ш

58 9122 0692

1ЛП30.22-4Л-К

58 9122 0693

1ЛП24.13в-4Л

2380

1300

0,65

18,63

1,38

58 9122 0694

1ЛП24.13в-4Л-Ш

58 9122 0695

1ЛП24.13в-4Л-К

58 9122 0696

1ЛП24.16в-4Л

1600

0,79

19,70

1,69

58 9122 0697

1ЛП24.16в-4Л-Ш

58 9122 0698

1ЛП24.16в-4Л-К

58 9122 0699

1ЛП24.19в-4Л

1900

0,93

20,77

1,98

58 9122 0700

1ЛП24.19в-4Л-Ш

58 9122 0701

1Лп24.19в-4Л-К

58 9122 0702

1ЛП24.22в-4Л

2200

1,02

23,03

2,18

58 9122 0703

1ЛП24.22в-4Л-Ш

58 9122 0704

1ЛП24.22в-4Л-К

58 9122 0705

1ЛП30.13в-4Л

2980

1300

0,82

26,46

1,75

58 9122 0706

1ЛП30.13в-4Л-Ш

58 9122 0707

1ЛП30.13в-4Л-К

58 9122 0708

1ЛП30.16в-4Л

1600

0,99

28,26

2,13

58 9122 0709

1ЛП30.16в-4Л-Ш

58 9122 0710

1ЛП30.16в-4Л-К

58 9122 0711

1ЛП30.19в-4Л

1900

1,17

31,38

2,40

58 9122 0712

1ЛП30.19в-4Л-Ш

58 9122 0713

1ЛП30.19в-4Л-К

58 9122 0714

1ЛП30.22в-4Л

2200

1,29

33,02

2,75

58 9122 0715

1ЛП30.22в-4Л-Ш

58 9122 0716

1ЛП30.22в-4Л-К

Таблица 5

Код ОКП

Марка площадки

Основные размеры площадки, мм

Расход материалов (справочный)

Масса площадки (справочная), т

Обозначение серии и выпуска типовой проектной документации

l

b

Бетон, м3

Сталь, кг

58 9121 2611

2ЛП22.13-4-к

2200

1300

0,41

16,27

1,03

1.152.1-8

Выпуск 1

58 9121 2612

2ЛП22.13-4-кШ

58 9121 2613

2ЛП22.13-4-кК

58 9121 2614

2ЛП22.16-4-к

1600

0,48

18,33

1,20

58 9121 2615

2ЛП22.16-4-кШ

58 9121 2616

2ЛП22.16-4-кК

58 9121 2617

2ЛП22.19-4-к

1900

0,55

20,52

1,38

58 9121 2618

2ЛП22.19-4-кШ

58 9121 2619

2ЛП22.19-4-кК

58 9121 2620

2ЛП22.13в-4-к

1300

0,42

16,27

1,05

58 9121 2621

2ЛП22.13в-4-кШ

58 9121 2622

2ЛП22.13в-4-кК

58 9121 2623

2ЛП22.16в-4-к

1600

0,49

18,33

1,23

58 9121 2624

2ЛП22.16в-4-кШ

58 9121 2625

2ЛП22.16в-4-кК

58 9121 2626

2ЛП22.19в-4-к

1900

0,56

20,52

1,40

58 9121 2627

2ЛП22.19в-4-кШ

58 9121 2628

2ЛП22.19в-4-кК

58 9121 2701

2ЛП25.13-4-к

2500

1300

0,46

18,66

1,15

58 9121 2702

2ЛП25.13-4-кШ

58 9121 2703

2ЛП25.13-4-кК

58 9121 2704

2ЛП25.16-4-к

1600

0,54

22,13

1,35

58 9121 2705

2ЛП25.16-4-кШ

58 9121 2706

2ЛП25.16-4-кК

58 9121 2707

2ЛП25.19-4-к

1900

0,61

25,46

1,53

58 9121 2708

2ЛП25.19-4-кШ

58 9121 2709

2ЛП25.19-4-кК

58 9121 2710

2ЛП25.13в-4-к

1300

0,47

18,66

1,18

58 9121 2711

2ЛП25.13в-4-кШ

58 9121 2712

2ЛП25.13в-4-кК

58 9121 2713

2ЛП25.16в-4-к

1600

0,55

22,13

1,38

58 9121 2714

2ЛП25.16в-4-кШ

58 9121 2715

2ЛП25.16в-4-кК

58 9121 2716

2ЛП25.19в-4-к

1900

0,62

25,46

1,55

58 9121 2717

2ЛП25.19в-4-кШ

58 9121 2718

2ЛП25.19в-4-кК

58 9121 2719

2ЛП25.19-4-км

1900

0,60

26,08

1,50

58 9121 2720

2ЛП25.19-4-кмШ

58 9121 2721

2ЛП25.19-4-кмК

58 9122 0124

2ЛП22.13-4Л-к

2200

1300

0,41

15,47

0,90

1.152.1-8

Выпуск 2

58 9122 0125

2ЛП22.13-4Л-кШ

58 9122 0126

2ЛП22.13-4Л-кК

58 9122 0127

2ЛП22.16-4Л-к

1600

0,48

17,62

1,04

58 9122 0140

2ЛП22.16-4Л-кШ

58 9122 0141

2ЛП22.16-4Л-кК

58 9122 0142

2ЛП22.19-4Л-к

1900

0,55

19,88

1,19

58 9122 0143

2ЛП22.19-4Л-кШ

58 9122 0144

2ЛП22.19-4Л-кК

58 9122 0145

2ЛП22.13в-4Л-к

1300

0,42

16,25

0,92

58 9122 0146

2ЛП22.13в-4Л-кШ

58 9122 0147

2ЛП22.13в-4Л-кК

58 9122 0148

2ЛП22.16в-4Л-к

1600

0,49

17,62

1,06

58 9122 0149

2ЛП22.16в-4Л-кШ

58 9122 0150

2ЛП22.16в-4Л-кК

58 9122 0151

2ЛП22.19в-4Л-к

1900

0,56

19,88

1,21

58 9122 0152

2ЛП22.19в-4Л-кШ

58 9122 0153

2ЛП22.19в-4Л-кК

58 9122 0154

2ЛП25.13-4Л-к

2500

1300

0,46

18,66

1,01

58 9122 0155

2ЛП25.13-4Л-кШ

58 9122 0156

2ЛП25.13-4Л-кК

58 9122 0157

2ЛП25.16-4Л-к

1600

0,54

20,13

1,17

58 9122 0158

2ЛП25.16-4Л-кШ

58 9122 0159

2ЛП25.16-4Л-кК

58 9122 0160

2ЛП25.19-4Л-к

1900

0,61

21,86

1,33

58 9122 0161

2ЛП25.19-4Л-кШ

58 9122 0162

2ЛП25.19-4Л-кК

58 9122 0163

2ЛП25.13в-4Л-к

1300

0,47

18,66

1,03

58 9122 0236

2ЛП25.13в-4Л-кШ

58 9122 0237

2ЛП25.13в-4Л-кК

58 9122 0238

2ЛП25.16в-4Л-к

1600

0,55

20,13

1,19

58 9122 0239

2ЛП25.16в-4Л-кШ

58 9122 0240

2ЛП25.16в-4Л-кК

58 9122 0241

2ЛП25.19в-4Л-к

1900

0,62

21,86

1,35

58 9122 0242

2ЛП25.19в-4Л-кШ

58 9122 0243

2ЛП25.19в-4Л-кК

58 9122 0244

2ЛП25.19-4Л-км

1900

0,60

22,48

1,30

58 9122 0245

2ЛП25.19-4Л-кмШ

58 9122 0246

2ЛП25.19-4Л-кмК

58 9121 2722

2ЛП22.13-4

2200

1300

0,39

17,02

0,98

1.152.1-8

Выпуск 3

58 9121 2723

2ЛП22.13-4-Ш

58 9121 2724

2ЛП22.13-4-К

58 9121 2725

2ЛП22.16-4

1600

0,45

20,53

1,13

58 9121 2726

2ЛП22.16-4-Ш

58 9121 2727

2ЛП22.16-4-К

58 9121 2728

2ЛП22.19-4

1900

0,52

23,39

1,30

58 9121 2729

2ЛП22.19-4-Ш

58 9121 2730

2ЛП22.19-4-К

58 9121 2731

2ЛП22.13в-4

1300

0,40

17,02

1,00

58 9121 2732

2ЛП22.13в-4-Ш

58 9121 2733

2ЛП22.13в-4-К

58 9121 2734

2ЛП22.16в-4

1600

0,46

20,53

1,15

58 9121 2735

2ЛП22.16в-4-Ш

58 9121 2736

2ЛП22.16в-4-К

58 9121 2737

2ЛП22.19в-4

1900

0,53

23,39

1,33

58 9121 2738

2ЛП22.19в-4-Ш

58 9121 2739

2ЛП22.19в-4-К

58 9121 2740

2ЛП25.13-4

2500

1300

0,44

20,72

1,10

58 9121 2741

2ЛП25.13-4-Ш

58 9121 2742

2ЛП25.13-4-К

58 9121 2869

2ЛП25.16-4

1600

0,51

22,95

1,28

58 9121 2870

2ЛП25.16-4-Ш

58 9121 2877

2ЛП25.16-4-К

58 9121 2878

2ЛП25.19-4

1900

0,58

25,30

1,45

58 9121 2879

2ЛП25.19-4-Ш

58 9121 2880

2ЛП25.19-4-К

58 9121 2881

2ЛП25.13в-4

1300

0,45

20,72

1,13

58 9121 2882

2ЛП25.13в-4-Ш

58 9121 2883

2ЛП25.13в-4-К

58 9121 2884

2ЛП25.16в-4

1600

0,52

22,95

1,30

58 9121 2976

2ЛП25.16в-4-Ш

58 9121 2977

2ЛП25.16в-4-К

58 9121 2978

2ЛП25.19в-4

1900

0,60

25,30

1,50

58 9121 2979

2ЛП25.19в-4-Ш

58 9121 2980

2ЛП25.19в-4-К

58 9121 2981

2ЛП25.19-4-м

0,57

25,92

1,43

58 9121 2982

2ЛП25.19-4-мШ

58 9121 2983

2ЛП25.19-4-мК

58 9122 0247

2ЛП22.13-4Л

2200

1300

0,39

16,20

0,84

1.152.1-8

Выпуск 4

58 9122 0248

2ЛП22.13-4Л-Ш

58 9122 0249

2ЛП22.13-4Л-К

58 9122 0250

2ЛП22.16-4Л

1600

0,45

18,35

0,99

58 9122 0251

2ЛП22.16-4Л-Ш

58 9122 0252

2ЛП22.16-4Л-К

58 9122 0253

2ЛП22.19-4Л

1900

0,52

20,54

1,13

58 9122 0254

2ЛП22.19-4Л-Ш

58 9122 0255

2ЛП22.19-4Л-К

58 9122 0256

2ЛП22.13в-4Л

1300

0,40

16,20

0,86

58 9122 0257

2ЛП22.13в-4Л-Ш

58 9122 0258

2ЛП22.13в-4Л-К

58 9122 0259

2ЛП22.16в-4Л

1600

0,46

18,35

1,01

58 9122 0260

3ЛП22.16в-4Л-Ш

58 9122 0261

2ЛП22.16в-4Л-К

58 9122 0262

2ЛП22.19в-4Л

1900

0,53

20,54

1,15

58 9122 0263

2ЛП22.19в-4Л-Ш

58 9122 0106

2ЛП22.19в-4Л-К

58 9122 0123

2ЛП25.13-4Л

2500

1300

0,44

20,72

0,95

58 9122 0625

2ЛП25.13-4Л-Ш

58 9122 0626

2ЛП25.16-4Л-К

58 9122 0627

2ЛП25.16-4Л

1600

0,51

22,95

1,12

58 9122 0628

2ЛП25.16-4Л-Ш

58 9122 0629

2ЛП25.16-4Л-К

58 9122 0630

2ЛП25.19-4Л

1900

0,58

25,30

1,28

58 9122 0631

2ЛП25.19-4Л-Ш

58 9122 0632

2ЛП25.19-4Л-К

58 9122 0633

2ЛП25.13в-4Л

1300

0,45

20,72

0,98

58 9122 0634

2ЛП25.13в-4Л-Ш

58 9122 0635

2ЛП25.13в-4Л-К

58 9122 0636

2ЛП25.16в-4Л

1600

0,52

22,95

1,14

58 9122 0637

2ЛП25.16в-4Л-Ш

58 9122 0638

2ЛП25.16в-4Л-К

58 9122 0639

2ЛП25.19в-4Л

1900

0,60

25,30

1,30

58 9122 0640

2ЛП25.19в-4Л-Ш

58 9122 0641

2ЛП25.19в-4Л-К

58 9122 0642

2ЛП25.19-4Л-м

1900

0,57

25,92

1,25

58 9122 0643

2ЛП25.19-4Л-мШ

58 9122 0644

2ЛП25.19-4Л-мК

Таблица 6

Код ОКП

Марка площадки

Основные размеры площадки, мм

Расход материалов (справочный)

Масса площадки (справочная), т

Обозначение серии и выпуска типовой проектной документации

l

b

Бетон, м3

Сталь, кг

58 9121 2469

ЛПФ25.10-5

2500

990

0,36

14,73

0,90

1.252.1-4

Выпуск 1

58 9121 2454

ЛПФ25.10в-5

0,42

16,15

1,05

58 9121 2470

ЛПФ25.11-5

1140

0,39

15,53

0,98

58 9121 2455

ЛПФ25.11в-5

0,45

16,96

1,13

58 9121 2471

ЛПФ25.13-5

1290

0,43

16,91

1,08

58 9121 2456

ЛПФ25.13в-5

0,49

18,53

1,23

58 9121 2472

ЛПФ28.11-5

2800

1140

0,44

18,87

1,10

58 9121 2475

ЛПФ28.11-5-у

0,46

17,23

1,15

58 9121 2457

ЛПФ28.11в-5

0,50

20,27

1,25

58 9121 2460

ЛПФ28.11в-5-у

0,53

18,63

1,33

58 9121 2473

ЛПФ28.13-5

1290

0,48

20,38

1,20

58 9121 2458

ЛПФ28.13в-5

0,54

22,00

1,35

58 9121 2474

ЛПФ31.13-5

3100

0,53

22,98

1,33

58 9121 2476

ЛПФ31.13-5-у

0,55

23,30

1,38

58 9121 2459

ЛПФ31.13в-5

0,60

24,59

1,50

58 9121 2461

ЛПФ31.13в-5-у

0,63

24,91

1,58

58 9121 2453

ЛПФ34.13-5-у

3400

0,60

25,10

1,50

58 9121 2462

ЛПФ34.13в-5-у

0,69

26,70

1,73

Таблица 7

Код ОКП

Марка площадки

Основные размеры площадки, мм

Расход материалов (справочный)

Масса площадки (справочная), т

Обозначение серии и выпуска типовой проектной документации

l

b

Бетон, м3

Сталь, кг

58 9121 2463

ЛПП14.12в-5

1440

1200

0,20

12,30

0,50

1.050.1-2

Выпуск 1

58 9121 2464

ЛПП14.13в-5

1325

0,24

14,40

0,60

58 9121 2465

ЛПП14.15в-5

1475

13,60

58 9121 2466

ЛПП15.15в-5

1540

1490

0,30

14,80

0,75

58 9121 2467

ЛПП16.15в-5

1610

1490

0,31

16,40

0,78

58 9121 2468

ЛПП16.16в-5

1640

0,29

16,90

0,73

Таблица 8

Код ОКП

Марка накладной проступи

Основные размеры накладной проступи, мм

Расход материалов (справочный)

Масса накладной проступи (справочная), кг

Обозначение серии и выпуска типовой проектной документации

l

b

Бетон, м3

Сталь, кг

58 9121 2477

1ЛН12.3

1200

325

0,014

0,21

35

1.251.1-4

Выпуск 1

58 9121 2478

1ЛН12.3-Ш

58 9121 2479

1ЛН12.2

220

0,009

0,18

23

58 9121 2480

1ЛН12.2-Ш

58 9121 2481

1ЛН14.3

1350

325

0,015

0,24

38

58 9121 2482

1ЛН14.3-Ш

58 9121 2483

1ЛН14.2

220

0,010

0,20

25

58 9121 2484

1ЛН14.2-Ш

58 9121 2485

1ЛН15.3

1500

325

0,017

0,27

43

58 9121 2486

1ЛН15.3-Ш

58 9121 2487

1ЛН15.2

220

0,012

0,22

30

58 9121 2488

1ЛН15.2-Ш

58 9121 2489

1ЛН17.3

1650

325

0,019

0,30

48

58 9121 2490

1ЛН17.3-Ш

58 9121 2491

1ЛН17.2

220

0,013

0,25

33

58 9121 2492

1ЛН17.2-Ш

58 9121 2493

2ЛН13.2

1310

245

0,011

0,21

28

58 9121 2494

2ЛН13.2-Ш

58 9121 2495

2ЛН12.2в

1200

0,010

0,19

25

58 9121 2496

2ЛН12.2в-Ш

58 9121 2497

2ЛН15.2

1470

0,013

0,24

33

58 9121 2498

2ЛН15.2-Ш

58 9121 2499

2ЛН14.2в

1350

0,012

0,22

30

58 9121 2500

2ЛН14.2в-Ш

58 9121 2562

2ЛН16.2

1620

0,014

0,26

35

58 9121 2563

2ЛН16.2-Ш

58 9121 2564

2ЛН15.2в

1500

0,013

0,25

33

58 9121 3052

2ЛН15.2в-Ш

58 9121 3053

2ЛН19.2

1870

0,016

0,31

40

58 9121 3054

2ЛН19.2-Ш

58 9121 3055

2ЛН16.2в

1650

0,014

0,27

35

58 9121 3056

2ЛН16.2в-Ш

58 9121 3057

1ЛН12.3

1210

320

0,017

0,3

44

1.050.1-2

Выпуск 1

58 9121 3058

1ЛН12.3-Ш

58 9121 3059

1ЛН13.3

1350

0,019

0,4

49

58 9121 3060

1ЛН13.3-Ш

58 9121 3061

2ЛН14.3

1385

330

0,018

0,4

45

58 9121 3062

2ЛН14.3-Ш

58 9121 3063

2ЛН14.5

470

0,026

65

58 9121 3064

2ЛН14.5-Ш

58 9121 0753

2ЛН13.3

1335

330

0,018

0,4

45

58 9121 0754

2ЛН13.3-Ш

58 9121 0755

2ЛН13.5

470

0,025

63

58 9121 0756

2ЛН13.5-Ш

58 9121 3065

2ЛН12.3

1285

330

0,017

0,4

43

58 9121 3066

2ЛН12.3-Ш

58 9121 3067

2ЛН12.5

470

0,024

60

58 9121 3068

2ЛН12.5-Ш

58 9121 3069

2ЛН9.5

930

460

0,017

0,3

43

58 9121 3070

2ЛН9.5-Ш

58 9121 3071

2ЛН9.6

535

0,020

0,3

50

58 9121 3072

2ЛН9.6-Ш

58 9121 3073

2ЛН14.3в

1385

330

0,018

0,4

45

58 9121 3074

2ЛН14.3в-Ш

58 9121 3075

2ЛН14.5в

470

0,026

0,4

65

58 9121 3076

2ЛН14.5в-Ш

58 9121 0765

2ЛН13.3в

1335

330

0,018

0,4

45

58 9121 0766

2ЛН13.3в-Ш

58 9121 0767

2ЛН13.5в

470

0,025

63

58 9121 0768

2ЛН13.5в-Ш

58 9121 3077

2ЛН12.3в

1285

330

0,017

0,3

43

58 9121 3078

2ЛН12.3в-Ш

58 9121 3079

2ЛН12.5в

470

0,024

0,4

60

58 9121 3080

2ЛН12.5в-Ш

58 9121 3089

2ЛН9.5в

930

460

0,017

0,3

43

58 9121 3090

2ЛН9.5в-Ш

Примечания к табл. 1 - 8:

1. Марки элементов лестниц в таблицах даны без указания варианта исполнения (п. 1.8).

2. Масса элементов лестниц приведена для элементов из тяжелого бетона средней плотности 2500 кг/м3, из легкого бетона - 1800 кг/м3.

Табл. 1 - 8 (Измененная редакция, Изм. № 1).

Во второй группе указывают:

для маршей и площадок - расчетную временную нагрузку, обозначаемую цифрами 4 при нагрузке 3,5 кПа (360 кгс/м2) и 5 при нагрузке 4,7 кПа (480 кгс/м2), а для маршей и площадок, изготовляемых из легкого бетона, - вид бетона, обозначаемый прописной буквой «Л»;

для накладных проступей - левое исполнение и вид отделки верхней лицевой поверхности.

В третьей группе указывают:

для маршей и площадок - левое исполнение и вид отделки верхней лицевой поверхности;

для площадок - наличие опорных консолей (при необходимости), отверстий для пропуска мусоропроводов и усиления узла для опирания маршей, обозначаемое соответственно строчными буквами «к», «м» и «у»;

для маршей типа ЛМП - цифрами обозначают: 1 - марш с верхней удлиненной полуплощадкой, 2 - марш с нижней удлиненной полуплощадкой, 3 - марш без нижней полуплощадки.

Виды отделки верхней лицевой поверхности элементов лестниц в марке обозначают следующими прописными буквами (за исключением гладкой бетонной поверхности, которую в марке не указывают):

Ш - шлифованная мозаичная поверхность;

К - облицованная керамической плиткой.

Левое исполнение элементов лестниц обозначают строчной буквой «л».

Для элементов лестниц, предназначенных для эксплуатации в среде с агрессивной степенью воздействия на железобетонные конструкции, в марке дополнительно указывают показатель проницаемости бетона (например, П - пониженной проницаемости), а для элементов лестниц, предназначенных для зданий с расчетной сейсмичностью 7 - 9 баллов, - строчную букву «с».

Пример условного обозначения (марки) марша типа ЛМ длиной 2720 мм, шириной 1050, высотой вертикальной проекции 1400 мм, под расчетную нагрузку 3,5 кПа (360 кгс/м2), из легкого бетона, с гладкой бетонной поверхностью:

ЛМ27.11.14-4Л

То же, марша типа ЛМФ длиной 4946 мм, шириной 1500 мм, высотой вертикальной проекции 2100 мм, под расчетную нагрузку 4,7 кПа (480 кгс/м2), из тяжелого бетона:

ЛМФ49.15.21-5

То же, марша типа ЛМП, длиной 5650 мм, шириной 1150 мм, высотой вертикальной проекции 1650 мм, под расчетную нагрузку 4,7 кПа (480 кгс/м2), из тяжелого бетона, с верхней удлиненной полуплощадкой:

ЛМП57.11.17-5-1

То же, площадки типа 1ЛП длиной 2980 мм, шириной 1300 мм, под расчётную нагрузку 3,5 кПа (360 кгс/м2), верхней, со шлифованной мозаичной поверхностью:

1ЛП30.13в-4-Ш

То же, площадки типа ЛПФ длиной 2500 мм, шириной 990 мм, под расчетную нагрузку 4,7 кПа (480 кгс/м2), с консолями, облицованные керамической плиткой:

ЛПФ25.10-5-кК

То же, накладной проступи типа 1ЛН длиной 1350 мм и шириной 320 мм со шлифованной мозаичной поверхностью:

1ЛН14.32-Ш

Примечание. Допускается принимать обозначения марок элементов лестниц в соответствии с рабочими чертежами конструкций до их пересмотра.

(Измененная редакция, Изм. № 1).

2. ТЕХНИЧЕСКИЕ ТРЕБОВАНИЯ

2.1. Элементы лестниц следует изготовлять в соответствии с требованиями настоящего стандарта и технологической документации, утвержденной в установленном порядке, по типовой проектной документации, указанной в табл. 1 - 8.

Допускается изготовлять элементы лестниц по проектной документации, утвержденной в установленном порядке, отличающиеся типами, основными размерами и показателями материалоемкости от указанных в табл. 1 - 8.

2.2. Элементы лестниц должны удовлетворять требованиям ГОСТ 13015.0:

по показателям фактической прочности бетона (в проектном возрасте и отпускной);

по морозостойкости и водонепроницаемости бетона;

по плотности легкого бетона;

по истираемости бетона;

к маркам сталей для арматурных и закладных изделий, в том числе для монтажных петель;

по отклонению толщины защитного слоя бетона до рабочей арматуры;

по защите от коррозии.

Элементы лестниц должны удовлетворять установленным при проектировании требованиям по прочности, жесткости и трещиностойкости. При этом испытания элементов лестниц нагружением не проводят.

2.3. Марши и площадки должны выпускаться с законченной отделкой верхних лицевых поверхностей, указанной в п. 1.9.

Допускается по согласованию с потребителем производить поставку маршей и площадок без уложенных накладных проступей, которые должны поставляться в комплекте с маршами или отдельно с предприятия-изготовителя накладных проступей и устанавливаться на марши на строительной площадке.

Примечание. Для лестниц общественных зданий в установленном порядке допускается применять накладные проступи из плит природного камня.

2.4. Элементы лестниц следует изготовлять из тяжелого бетона по ГОСТ 26633 или из легкого бетона плотной структуры по ГОСТ 25820.

2.1. - 2.4. (Измененная редакция, Изм. № 1).

2.5. (Исключен, Изм. № 1).

2.6. Нормируемая отпускная прочность бетона элементов лестниц должна составлять (в процентах от класса или марки бетона по прочности на сжатие):

70 - при поставке элементов лестниц в теплый период года;

80 - при поставке накладных проступей в холодный период года;

85 - при поставке маршей и площадок в холодный период года.

2.7. (Исключен, Изм. № 1).

2.8. Истираемость мозаичного декоративного конструкционного слоя бетона элементов лестниц на щебне из мрамора не должна превышать 1,8 г/см2.

(Измененная редакция, Изм. № 1).

2.9. Для армирования элементов лестниц следует применять:

стержневую горячекатаную арматурную сталь классов А-I, А-III по ГОСТ 5781 и А-IIIв, изготовляемую из арматурной стали класса А-III, упрочнением вытяжкой, с контролем величины напряжения и предельного удлинения;

стержневую термомеханически упрочненную арматурную сталь классов Ат-IIIС и Ат-IVС по ГОСТ 10884;

проволоку класса Вр-I по ГОСТ 6727 и класса Врп-I по ТУ 14-4-1322-85.

(Измененная редакция, Изм. № 1).

2.10. Значения действительных отклонений геометрических параметров элементов лестниц не должны превышать предельных, указанных в табл. 9.

2.11. В площадках с каналами для скрытой электропроводки диаметр канала должен быть не более 25 мм, а расстояние от поверхности канала до арматуры площадок - не менее 10 мм.

Таблица 9

мм

Наименование отклонения геометрического параметра

Наименование геометрического параметра

Предельное отклонение

Отклонение от линейного размера

Марши и площадки

 

Длина до 4000

±5

св. 4000

±6

Ширина

±5

Толщина

±3

Размеры ребер, полок, выступов, отверстий и каналов

±5

Положение выступов, выемок и отверстий

 

Положение закладных изделий:

5

в плоскости поверхности для закладных изделий размерами до 100

5

то же, для закладных изделий размерами св. 100

10

из плоскости поверхности

3

Накладные проступи

 

Длина

±5

Ширина

±3

Толщина

±2

Отклонение от прямолинейности

Прямолинейность профиля лицевой поверхности:

 

ступени марша, площадки или накладной проступи длиной до 2500 на участке 1000

2

марша или площадки длиной св. 2500 до 4000 на всей длине

±3

то же, длиной св. 4000 на всей длине

±4

2.12. Требования к качеству поверхностей и внешнему виду элементов лестниц - по ГОСТ 13015.0. При этом качество поверхностей конструкций (кроме поверхностей, отделываемых в процессе изготовления) должно удовлетворять требованиям, установленным для категорий:

А2 - лицевой, верхней;

А3 - лицевой, нижней и боковых;

А7 - нелицевой, невидимой в условиях эксплуатации.

По согласованию между изготовителем и потребителем могут быть установлены вместо указанных следующие категории поверхностей:

А1 - лицевой верхней, полной заводской готовности;

А5 - лицевой верхней, подготовленной под облицовку керамическими плитками;

А6 - лицевых, нижней и боковых, к которым не предъявляют требования по качеству отделки.

2.12.1. В бетоне элементов лестниц, поставляемых потребителю, трещины не допускаются, за исключением усадочных и других поверхностных технологических трещин на нижней и торцовых поверхностях элементов, ширина которых не должна превышать 0,2 мм.

2.12.2. Поверхность мозаичного декоративного конструкционного слоя площадок и накладных проступей должна иметь равномерное (или предусмотренное проектной документацией) распределение мраморного щебня. В первом случае участки без мраморного щебня площадью более 3 см2 не допускаются.

2.12., 2.12.1., 2.12.2. (Измененная редакция, Изм. № 1).

2.12.3. На поверхностях площадок, облицованных керамической плиткой, перепад между керамическими плитками по высоте и отклонению по толщине растворных швов не должен превышать 1 мм.

2.12.4. (Исключен, Изм. № 1).

2.13. Изделия и материалы, применяемые для отделки элементов лестниц, должны удовлетворять требованиям государственных стандартов или технических условий на эти изделия и материалы.

3. ПРАВИЛА ПРИЕМКИ

3.1. Приемку элементов лестниц следует проводить партиями в соответствии с требованиями ГОСТ 13015.1 и настоящего стандарта.

3.2. Приемку элементов лестниц по показателям морозостойкости и истираемости бетона, а также по водонепроницаемости бетона элементов лестниц, предназначенных для эксплуатации в среде с агрессивной степенью воздействия, следует производить по результатам периодических испытаний.

(Измененная редакция, Изм. № 1).

3.2.1. (Исключен, Изм. № 1).

3.3. Приемку элементов лестниц по показателям прочности (классу или марке по прочности на сжатие, отпускной прочности) бетона, средней плотности легкого бетона, соответствия арматурных и закладных изделий типовой проектной документации, прочности сварных соединений, точности геометрических параметров и толщины защитного слоя бетона до арматуры, ширины раскрытия трещин, категорий бетонной поверхности элементов лестниц следует проводить по результатам приемо-сдаточных испытаний и контроля.

3.3.1., 3.3.2. (Исключены, Изм. № 1).

4. МЕТОДЫ КОНТРОЛЯ И ИСПЫТАНИЙ

4.1. (Исключен, Изм. № 1).

4.2. Прочность бетона на сжатие следует определять по ГОСТ 10180 на серии образцов, изготовленных из бетонной смеси рабочего состава и хранившихся в условиях, установленных ГОСТ 18105.

При испытании элементов лестниц неразрушающими методами фактическую отпускную прочность бетона на сжатие следует определять ультразвуковым методом по ГОСТ 17624 или приборами механического действия по ГОСТ 22690, а также другими методами, предусмотренными стандартами на методы испытания бетона.

4.3. Морозостойкость бетона следует определять по ГОСТ 10060 на серии образцов, изготовленных из бетонной смеси рабочего состава.

4.2., 4.3. (Измененная редакция, Изм. № 1).

4.4. Водонепроницаемость бетона элементов лестниц, предназначенных для эксплуатации в среде с агрессивной степенью воздействия, следует определять по ГОСТ 12730.0 и ГОСТ 12730.5 на серии образцов, изготовленных из бетонной смеси рабочего состава.

4.5. (Исключен, Изм. № 1).

4.6. Среднюю плотность легкого бетона следует определять по ГОСТ 12730.0 и ГОСТ 12730.1 на серии образцов, изготовленных из бетонной смеси рабочего состава.

(Измененная редакция, Изм. № 1).

4.7. (Исключен, Изм. № 1).

4.8. Истираемость бетона элементов лестниц следует определять по ГОСТ 13087.

4.9. Методы контроля и испытаний сварных арматурных и закладных изделий - по ГОСТ 10922 и ГОСТ 23858.

4.10. Размеры и отклонения от прямолинейности поверхностей, ширину раскрытия технологических трещин, размеры раковин, наплывов и околов бетона элементов лестниц следует проверять методами, установленными ГОСТ 26433.0 и ГОСТ 26433.1.

(Измененная редакция, Изм. № 1).

4.11. Положение арматурных и закладных изделий, а также толщину защитного слоя бетона следует определять по ГОСТ 17625 и ГОСТ 22904. При отсутствии необходимых приборов допускается вырубка борозд и обнажение арматуры конструкции с последующей заделкой борозд.

5. МАРКИРОВКА, ХРАНЕНИЕ И ТРАНСПОРТИРОВАНИЕ

5.1. Маркировка элементов лестниц - по ГОСТ 13015.2. Маркировочные надписи и знаки следует наносить на боковых гранях маршей и площадок, обращенных к стене лестничной клетки, и на нелицевых поверхностях накладных проступей.

(Измененная редакция, Изм. № 1).

5.2. (Исключен, Изм. № 1).

5.3. Транспортировать и хранить элементы лестниц следует в соответствии с требованиями ГОСТ 13015.4 и настоящего стандарта.

5.3.1. Марши и площадки (кроме маршей типа ЛМП) следует транспортировать и хранить в штабелях в горизонтальном положении, при этом марши следует располагать ступенями вверх. Высота штабеля при хранении маршей и площадок не должна превышать 2,5 м.

Марши с полуплощадками (типа ЛМП) следует транспортировать и хранить в положении «на ребро». Допускается хранить марши других типов в положении «на ребро» при надежном их закреплении в этом положении.

Подкладки и прокладки между рядами маршей и площадок должны быть толщиной не менее 30 мм и установлены в местах расположения строповочных отверстий или монтажных петель.

5.3.2. Накладные проступи следует транспортировать и хранить в контейнерах или пакетах.

Допускается хранить накладные проступи без применения контейнеров. В этом случае они должны быть уложены в штабель попарно лицевыми поверхностями вплотную одна к другой. Подкладки под нижний ряд накладных проступей и прокладки между рядами должны быть толщиной не менее 25 мм и расположены на расстоянии 200 мм от торцов накладных проступей.

ИНФОРМАЦИОННЫЕ ДАННЫЕ

1. РАЗРАБОТАН И ВНЕСЕН Государственным комитетом по гражданскому строительству и архитектуре при Госстрое СССР

ИСПОЛНИТЕЛИ

Н.Б. Росинский, канд. техн. наук (руководитель темы); А.А. Тучнин, канд. техн. наук; В.Г. Панасьян; М.Ф. Евсеева; Э.Л. Шахова; В.Л. Морозенский, канд. техн. наук; Б.В. Карабанов, канд. техн. наук; В.М. Трахтенгерц; В.И. Деньщиков

2. УТВЕРЖДЕН И ВВЕДЕН В ДЕЙСТВИЕ Постановлением Государственного комитета СССР по делам строительства от 14 марта 1985 г. № 28

3. ВЗАМЕН ГОСТ 9818.0-81

4. ССЫЛОЧНЫЕ НОРМАТИВНО-ТЕХНИЧЕСКИЕ ДОКУМЕНТЫ

Обозначение НТД, на который дана ссылка

Номер пункта, подпункта

Обозначение НТД, на который дана ссылка

Номер пункта, подпункта

ГОСТ 5781-82

2.9

ГОСТ 13087-81

4.8

ГОСТ 6727-80

2.9

ГОСТ 17624-87

4.2

ГОСТ 10060-87

4.3

ГОСТ 17625-83

4.11

ГОСТ 10180-78

4.2

ГОСТ 18105-86

4.2

ГОСТ 10884-81

2.9

ГОСТ 22690-88

4.2

ГОСТ 10922-75

4.9

ГОСТ 22904-78

4.11

ГОСТ 12730.0-78

4.4, 4.6

ГОСТ 23009-78

1.10

ГОСТ 12730.1-78

4.6

ГОСТ 23858-79

4.9

ГОСТ 12730.5-84

4.4

ГОСТ 25820-83

2.4

ГОСТ 13015.0-83

2.2, 2.12

ГОСТ 26433.0-85

4.10

ГОСТ 13015.1-81

3.1

ГОСТ 26433.1-89

4.10

ГОСТ 13015.2-81

5.1

ГОСТ 26633-85

2.4

ГОСТ 13015.4-84

5.3

ТУ 14-4-1322-85

2.9

5. ПЕРЕИЗДАНИЕ (июль 1989 г.) с Изменениями № 1, утвержденными в декабре 1987 г. (ИУС № 4-88).

СОДЕРЖАНИЕ

 




Rambler's Top100 Яндекс цитирования
  Copyright © 2008-2026, www.docload.ru