Бесплатная библиотека стандартов и нормативов www.docload.ru

Все документы, размещенные на этом сайте, не являются их официальным изданием и предназначены исключительно для ознакомительных целей.
Электронные копии этих документов могут распространяться без всяких ограничений. Вы можете размещать информацию с этого сайта на любом другом сайте.
Это некоммерческий сайт и здесь не продаются документы. Вы можете скачать их абсолютно бесплатно!
Содержимое сайта не нарушает чьих-либо авторских прав! Человек имеет право на информацию!

 

ГОСУДАРСТВЕННЫЙ СТАНДАРТ СОЮЗА ССР

СВАИ ЖЕЛЕЗОБЕТОННЫЕ

ТЕХНИЧЕСКИЕ УСЛОВИЯ

ГОСТ 19804-91

ГОСУДАРСТВЕННЫЙ КОМИТЕТ СССР
ПО СТРОИТЕЛЬСТВУ И ИНВЕСТИЦИЯМ

Москва

 

ГОСУДАРСТВЕННЫЙ СТАНДАРТ СОЮЗА ССР

СВАИ ЖЕЛЕЗОБЕТОННЫЕ

Технические условия

Reinforced concrete piles.
Specifications

ГОСТ

19804-91

Дата введения 01.07.92

Настоящий стандарт распространяется на железобетонное забивные, буроопускные и опускные сваи, изготовляемые из тяжелого бетона и предназначаемые для свайных фундаментов зданий или сооружений.

Область применения свай приведена в приложении 1.

Требования настоящего стандарта являются обязательными, за исключением требований, изложенных в пп. 1.2.1 и 1.2.2, которые являются рекомендуемыми.

1. ТЕХНИЧЕСКИЕ ТРЕБОВАНИЯ

1.1. Сваи следует изготовлять в соответствии с требованиями настоящего стандарта, технологической документации, утвержденной предприятием-изготовителем, по рабочим чертежам серий 1.011.1-9, 1.011.1-10, УД-40-88, 3.500.1-1, 3.501.1 и ГОСТ 19804.2 - ГОСТ 19804.7.

Допускается изготовлять сваи, отличающиеся типами и размерами от приведенных в настоящем стандарте, по техническим условиям и рабочим чертежам, согласованным с институтом «Фундаментпроект» и утвержденным в установленном порядке.

1.2. Основные параметры и размеры

1.2.1. Сваи подразделяют на следующие типы:

С - квадратного сплошного сечения, цельные и составные, с поперечным армированием ствола;

СП - квадратного сечения с круглой полостью, цельные;

СК - полые круглого сечения диаметрами 400 - 800 мм, цельные и составные;

СО - сваи-оболочки диаметрами 1000 - 3000 мм, цельные и составные;

1СД - сваи-колонны квадратного сплошного сечения, двухконсольные, расположенные по крайним осям здания;

2СД - то же, расположенные по средним осям здания;

СЦ - квадратного сплошного сечения, цельные, без поперечного армирования ствола, с напрягаемой арматурой в центре сваи.

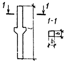
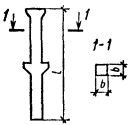
1.2.2. Форма и основные размеры свай должны соответствовать указанным в табл. 1.

Таблица 1

Тип и характеристика сваи

Эскиз сваи

Основные размеры сваи, мм

Обозначение стандарта или серии рабочих чертежей

b или d

l

Тип С. Цельная с ненапрягаемой арматурой

200

250

300

350

400

3000 - 6000

4000 - 6000

3000 - 12000

4000 - 16000

4000 - 18000

Серия 1.011.1-10, вып. 1;

УД-40-88;

3.500.1-1

Тип С. Цельная с напрягаемой арматурой

200

250

300

350

400

3000 - 6000

4500 - 6000

3000 - 15000

8000 - 20000

13000 - 20000

ГОСТ 19804.2

Серия 31500.1-1

Тип С. Составная с ненапрягаемой арматурой

300

14000 - 24000

Серия 1.011.1-10, вып. 8

350

1400 - 28000

400

Тип С. Составная с напрягаемой арматурой

300

14000 - 20000

Серия 1.011.1-9

350

14000 - 24000

400

14000 - 28000

Тип СП. Цельная с ненапрягаемой и напрягаемой арматурой

300

3000 - 12000

ГОСТ 19804.3

400

Тип СК. Цельная с ненапрягаемой арматурой

400

4000 - 18000

ГОСТ 19804.5

Серия 3.501.1

500

600

800

4000 - 12000

Тип СО. Цельная с ненапрягаемой арматурой

1000

6000 - 12000

1200

1500

1600

3000

Тип СК. Составная с ненапрягаемой арматурой

 

400

14000 - 26000

ГОСТ 19804.6

Серия 3.501.1

500

14000 - 30000

600

14000 - 40000

800

14000 - 48000

Тип СО. Составная с ненапрягаемой арматурой

1000

14000 - 48000

1200

1500

1600

3000

Тип 1СД

200

5000 - 6000

ГОСТ 19804.7

300

5000 - 7500

Тип 2СД

300

5000 - 7500

 

Тип СЦ

250

5000 - 6000

ГОСТ 19804.4

300

3000 - 9000

Примечания:

1. Сваи типов СК и СО изготовляют с наконечником и без него.

2. Допускается изготовлять цельные сваи типа С без острия. При этом область применения свай по грунтовым условиям должна соответствовать области применения свай типа СП.

3. Сваи квадратного сплошного сечения допускается изготовлять с технологическим уклоном двух противоположных граней не более 1:15 без изменения площади поперечного сечения. При этом сваи длимой более 12000 мм следует изготовлять только в разъемных формах.

1.2.3. Показатели расхода бетона и стали на сваи должны соответствовать указанным в рабочих чертежах на эти сваи.

1.2.4. Марки бетона по морозостойкости и водонепроницаемости свай в зависимости от режима их эксплуатации и значений расчетных температур наружного воздуха в районе строительства следует назначать в рабочих чертежах конкретного здания или сооружения согласно указаниям приложения 2.

1.2.5. Сваи обозначают марками в соответствии с требованиями ГОСТ 23009. Марка сваи состоит из буквенно-цифровых групп, разделенных дефисами.

В первой группе указывают обозначение типа сваи, ее длину в дециметрах и размер стороны (диаметр) поперечного сечения в сантиметрах; для сваи типа СД после длины дополнительно указывают размер от верха сваи до ее консоли в дециметрах.

Во второй группе указывают: для предварительно напряженной сваи - класс напрягаемой арматурной стали; для сваи с ненапрягаемой арматурой - порядковый номер варианта армирования в соответствии с рабочими чертежами.

В третьей группе указывают:

для сваи типа СК или СО - наличие наконечника, обозначаемое строчной буквой «н»;

для составной сваи - тип стыка, обозначаемый строчными буквами: б - болтовой стык, св - сварной стык, с - стаканный стык;

для свай всех типов (при необходимости) - дополнительные характеристики, отражающие особые условия применения или конструктивные особенности.

Пример условного обозначения (марки) сваи типа С длиной 6000 мм, размером поперечного сечения 350 мм, с напрягаемой арматурной сталью класса A-V:

С60.35-AV

То же, типа СО длиной 14000 мм, диаметром 1000 мм, третьего варианта армирования, с болтовыми стыками:

СО140.100-3-б

То же, типа 1СД длиной 7500 мм, размером от верха сваи до ее консоли 3500 мм, размером поперечного сечения 300 мм, четвертого варианта армирования:

1СД75.35.30-4

Примечание. Допускается принимать обозначения марок свай в соответствии с рабочими чертежами на эти сваи до их пересмотра.

1.3. Характеристики

1.3.1. Сваи должны удовлетворять требованиям ГОСТ 13015.0:

по показателям фактической прочности бетона: в проектном возрасте, передаточной и отпускной (пп. 7.2, 7.4 - 7.7);

по морозостойкости и водонепроницаемости бетона (п. 7.8);

к маркам сталей для арматурных и закладных изделий, в том числе для монтажных петель (пп. 8.5, 8.6);

по защите от коррозии (пп. 7.15, 8.7).

Сваи должны удовлетворять установленным при проектировании требованиям по трещиностойкости и выдерживать контрольные испытания, указанные в рабочих чертежах на эти сваи.

1.3.2. Сваи следует изготовлять из тяжелого бетона по ГОСТ 26633 классов по прочности на сжатие, указанных в рабочих чертежах на эти сваи.

При опирании свай на скальные и крупнообломочные грунты класс бетона по прочности на сжатие следует принимать не ниже В25 независимо от длины сваи.

1.3.3. В качестве крупного заполнителя для бетона свай должен применяться фракционированный щебень из естественного камня или гравия, при этом размер фракции не должен быть более 40 мм.

1.3.4. Передачу усилий обжатия на бетон (отпуск натяжения арматуры) в сваях с напрягаемой арматурой следует производить после достижения бетоном требуемой передаточной прочности.

Нормируемая передаточная прочность бетона должна быть не менее 70 % прочности, соответствующей классу бетона по прочности на сжатие.

1.3.5. Нормируемая отпускная прочность бетона свай должна быть равна 100 % класса бетона по прочности на сжатие.

1.3.6. Для армирования свай следует применять арматурную сталь следующих видов и классов:

в качестве напрягаемой продольной арматуры - термомеханически упрочненную стержневую классов Ат-V, Ат-VСК, Ат-IV, Ат-IVС и АТ-IVК по ГОСТ 10884, горячекатаную стержневую классов А-V и А-IV - по ГОСТ 5781;

арматурные канаты класса К-7 по ГОСТ 13840;

высокопрочную проволоку периодического профиля класса Вр-II по ГОСТ 7348;

в качестве ненапрягаемой продольной арматуры - стержневую горячекатаную периодического профиля классов А-III А-II и Ас-II по ГОСТ 5781, термомеханически упрочненную классов Ат-IIIC и Ат-IVС по ГОСТ 10884;

в качестве конструктивной арматуры (спирали, сетки, хомуты) - проволоку обыкновенную периодического профиля класса Вр-I по ГОСТ 6727, стержневую горячекатаную гладкую класса А-I по ГОСТ 5781.

Допускается в качестве ненапрягаемой продольной арматуры применять арматурную сталь класса А-I по ГОСТ 5781.

1.3.7. Значения действительных отклонений напряжений в напрягаемой арматуре не должны превышать предельных, указанных в рабочих чертежах на эти сваи.

1.3.8. Форма и размеры арматурных и закладных изделий и их положение в сваях должны соответствовать указанным в рабочих чертежах на эти сваи.

1.3.9. Сварные арматурные и закладные изделия должны удовлетворять требованиям ГОСТ 10922 (при классе точности свай 8) и настоящего стандарта.

1.3.10. Значения действительных отклонений от линейных размеров арматурных изделий и от размеров, определяющих положение этих изделии в сваях, не должны превышать предельных, указанных в табл. 2.

Таблица 2

мм

Наименование геометрического параметра

Пред. откл.

Сваи с ненапрягаемой арматурой

Расстояние от крайнего поперечного стержня (спирали, сетки, хомута) до конца каркаса

±10

Шаг спирали, сеток, хомутов при значении шага:

 

до 50 включ.

±10

св. 50 до 100 включ.

±15

« 100

±25

Сваи с напрягаемой арматурой

Расстояние от крайней сетей (хомута, витка, спирали) до торца сваи

±10

Шаг спирали, сеток хомутов при значении шага:

 

до 50 включ.

±10

св. 50 до 100 включ.

±25

« 100

±50

1.3.11. Значения действительных отклонений геометрических параметров свай не должны превышать предельных, указанных в табл. 3.

Таблица 3

мм

Наименование отклонения геометрического параметра сваи

Наименование геометрического параметра сваи

Пред. откл.

Отклонение от линейного размера

Длина призматической (цилиндрической) части сваи с ненапрягаемой арматурой при длине сваи:

 

 

до 8000 включ.

±25

 

св. 8000 до 16000 включ.

±30

 

« 16000

±40

 

То же, свай с напрягаемой арматурой

±50

 

Размер (наружный диаметр) поперечного сечения сваи:

 

 

до 250 включ.

+15; -6

 

св. 260 до 500 включ.

+20; -8

 

« 500 « 1000 «

+25; -10

 

” 1000 ” 1600 ”

+30; -12

 

” 1600 ” 2500 ”

+40; -15

 

” 2500

+50; -16

 

Толщина стенки сваи типов СП, СК и СО:

 

 

до 120 включ.

+10, -5

 

св. 120 до 250 включ.

+25, -6

 

Длина острия или наконечника

±30

 

Расстояние от центра острия или наконечника до боковой поверхности сваи

15

 

Расстояние от центра подъемной (монтажной) петли, штыря, втулки и отметки для строповки до концов сваи

50

Отклонение от прямолинейности профиля боковых граней призматической части ствола (направляющих цилиндрической поверхности) сваи на всей длине:

-

 

до 8000 включ.

 

±25

св. 8000 до 16000 включ.

 

±30

” 16000

 

±40

Отклонение от перпендикулярности торцевой плоскости

-

 

в голове сваи и сваи-оболочки

 

0,015 размера поперечного сечения сваи

в зоне стыка составной сваи сплошного квадратного сечения

 

0,01 размера поперечного сечения сваи

в зоне стыка составной сваи-оболочки

 

0,005 размера поперечного сечения сваи

1.3.12. На поверхности свай не допускается обнажение рабочей и конструктивной арматуры. Концы напрягаемой арматуры после отпуска натяжения должны быть срезаны заподлицо с торцевой поверхностью сваи.

Значения действительных отклонений толщины защитного слоя бетона до продольной арматуры не должны превышать предельных, мм:

+15; -5 - в сваях сплошного квадратного сечения с ненапрягаемой арматурой;

+10; -5 - то же, в сваях с напрягаемой арматурой на концевых участках;

+15, -5 - то же, в сваях с напрягаемой арматурой в средней части;

±5 - в сваях квадратного сечения с круглой полостью и в сваях-оболочках на концевых участках;

+10, -5 - то же, в средней части.

1.3.13. Требования к качеству бетонных поверхностей и внешнему виду свай (в том числе по ширине раскрытия поверхностных технологических трещин) - по ГОСТ 13015.0. При этом размеры раковин, местных впадин на бетонной поверхности и околов бетона ребер свай не должны превышать, мм:

диаметр или наибольший размер раковины................................. 20

глубина впадины.............................................................................. 10

глубина окола бетона ребра............................................................ 20

суммарная длина околов бетона на 1 м ребра, за исключением открытой поверхности (выравниваемой в процессе вибрирования) трапецеидальных свай............................................................................................................ 100

суммарная длина околов бетона на 1 м ребра открытой поверхности трапецеидальных свай..................................................................... не регламентируется

Высота наплывов на торцевой поверхности свай не должна быть более 5 мм.

1.4. Комплектность

Составные сваи доставляют потребителю в комплекте с соединительными изделиями, указанными в стандартах или рабочих чертежах на сваи.

1.5. Маркировка

Маркировка свай - по ГОСТ 13015.2. Маркировочные надписи и знаки следует наносить на боковые поверхности свай на расстоянии 500 мм от торца или на торце свай.

2. ПРИЕМКА

2.1. Приемка свай - по ГОСТ 13015.1 и настоящему стандарту. При этом сваи принимают:

по результатам периодических испытаний - по показателям трещиностойкости свай; морозостойкости и водонепроницаемости бетона;

по результатам приемосдаточных испытаний - по показателям прочности бетона (классу бетона по прочности на сжатие, передаточной и отпускной прочности), соответствия арматурных и закладных изделий рабочим чертежам, прочности сварных соединений, точности геометрических параметров, толщины защитного слоя бетона до арматуры, ширины раскрытия технологических трещин, категории бетонной поверхности.

2.2. Периодические испытания свай для контроля их трещиностойкости проводят перед началом массового изготовления свай и в дальнейшем при внесении в них конструктивных изменений и изменений технологии изготовления в соответствии с требованиями ГОСТ 13015.1.

В процессе серийного производства свай испытания на трещиностойкость проводят не реже одного раза в год.

2.3. Сваи по показателям точности геометрических параметров, толщины защитного слоя бетона до арматуры, категории бетонной поверхности и ширины раскрытия технологических трещин следует принимать по результатам выборочного контроля.

2.4. В документе о качестве свай по ГОСТ 13015.3 дополнительно должны быть приведены марки бетона по морозостойкости и водонепроницаемости (если эти показатели оговорены в заказе на изготовление свай).

3. МЕТОДЫ КОНТРОЛЯ

3.1. Испытания свай на трещиностойкость следует проводить нагружением по ГОСТ 8829 или без нагружения (при воздействии только собственного веса сваи) по схемам, установленным стандартами или рабочими чертежами на сваи конкретных типов. Число свай одного типа, отбираемых для испытаний на трещиностойкость, должно быть не менее двух.

3.2. Прочность бетона сваи определяют по ГОСТ 10180 на серии образцов, изготовленных из бетонной смеси рабочего состава и хранившихся в условиях, установленных ГОСТ 18105.

При испытании свай методами неразрушающего контроля фактическую, передаточную и отпускную прочность бетона на сжатие следует определять ультразвуковым методом по ГОСТ 17624 или приборами механического действия по ГОСТ 22690, а также другими методами, предусмотренными на методы испытаний бетона.

3.3. Морозостойкость бетона свай следует контролировать по ГОСТ 10060 или ультразвуковым методом по ГОСТ 26134 на серии образцов, изготовленных из бетонной смеси рабочего состава.

3.4. Водонепроницаемость бетона свай определяют по ГОСТ 12730.0 и ГОСТ 12730.5.

3.5. Контроль сварных арматурных и закладных изделий - по ГОСТ 10922.

3.6. Силу натяжения арматуры, контролируемую по окончании натяжения, измеряют по ГОСТ 22362.

3.7. Размеры, отклонения от прямолинейности боковых граней и от перпендикулярности торцевых граней свай, ширину раскрытия поверхностных технологических трещин, размеры раковин, наплывов и околов бетона свай следует проверять методами, установленными ГОСТ 26433.0 и ГОСТ 26433.1.

3.7.1. Положение острия (или наконечника) сваи относительно центра ее поперечного сечения проверяют измерением расстояния между осью острия (наконечника) и двумя стальными пластинами или угольниками, закрепленными струбцинами в нижней прямоугольной части сваи, или с помощью специального кондуктора.

3.8. Размеры и положение арматурных и закладных изделий, а также толщину защитного слоя бетона следует определять по ГОСТ 17625 и ГОСТ 22904.

Толщину защитного слоя бетона следует проверять по верхней и двум боковым граням сваи на двух участках, расположенных между подъемными петлями на расстоянии не менее 100 мм от петли вдоль оси сваи, а для свай с ненапрягаемой арматурой и в торце сваи - в местах расположения продольных стержней.

4. ТРАНСПОРТИРОВАНИЕ И ХРАНЕНИЕ

4.1. Транспортирование и хранение сваи - по ГОСТ 13015.4 и настоящему стандарту.

4.2. Сваи следует хранить в штабелях горизонтальными рядами с одинаковой ориентацией торцов свай.

4.3. Между горизонтальными рядами свай (при складировании и транспортировании) должны быть уложены прокладки, расположенные рядом с подъемными петлями, или, в случае отсутствия петель, в местах, предусмотренных для захвата свай при их транспортировании. При складировании полых круглых свай и свай-оболочек на концах прокладок должны быть укреплены брусья, препятствующие скатыванию свай.

4.4. Высота штабеля свай не должна превышать ширину штабеля более чем в два раза и не должна быть более:

2,5 м - для свай квадратного сечения;

4 рядов - для полых круглых свай диаметром 400 - 600 мм;

2 » - для полых круглых свай диаметром 800 мм и свай-оболочек.

4.5. Погрузку и разгрузку свай квадратного сечения следует производить за подъемные петли.

4.6. Подъем свай квадратного сечения на копер следует производить стропом, закрепленным за сваю у фиксирующего штыря или у верхней подъемной петли, если это допускается требованиями рабочих чертежей на сваи конкретного типа, при этом строповка непосредственно за подъемную петлю или штырь запрещается.

4.7. Подъем буроопускных свай для погружения в грунт осуществляют тросом, продетым в отверстие, образованное металлической втулкой и расположенное на расстоянии 250 мм от верхнего торца сваи.

4.8. Погрузку, разгрузку и подъем полых свай круглого сечения и свай-оболочек на копер следует производить захватами в местах, отмеченных краской в соответствии со схемами, приведенными в рабочих чертежах на сваи конкретного типа.

4.9. При спланированной поверхности строительной площадки допускается перемещение сваи к копру на расстояние не более 6 м.

ПРИЛОЖЕНИЕ 1

Обязательное

ОБЛАСТЬ ПРИМЕНЕНИЯ СВАЙ

1. Область применения свай в зависимости от конструкции надфундаментной части здания или сооружения и грунтовых условий площадки строительства приведена в табл. 4, в районах вечномерзлых грунтов - в табл. 5.

2. Полые круглые сваи и сваи-оболочки следует применять преимущественно при наличии слабых грунтов большой мощности, при необходимости передачи на сваи больших горизонтальных и вертикальных усилий, а также в качестве односвайных фундаментов под колонны.

Составные полые круглые сваи и сваи-оболочки следует применять в случаях, когда требуемая длина полых круглых свай и свай-оболочек более 12 м. Для их сборки следует использовать секции таких длин, при которых получается минимальное число стыков.

3. Составные сваи сплошного квадратного сечения должны состоять из двух элементов.

4. Стыки составных свай и свай-оболочек должны обеспечивать передачу усилий, возникающих при погружении свай в период строительства и эксплуатации.

5. Область применения свай по сейсмичности строительной площадки не ограничивается, кроме свай квадратного сечения составных, без поперечного армирования ствола и с круглой полостью, которые допускается применять для строительства на площадках с сейсмичностью до 6 баллов включ.

Таблица 4

Характеристика и тип сваи

Область применения свай

по конструкции надфундаментной части

по грунтовым условиям

Грунты, прорезаемые сваями

Грунты под нижними концами свай

Забивная цельная типа С

Забивная цельная и составная типа СК или СО

Для зданий или сооружений

Нескальные следующих подгрупп: песчаные, пылевато-глинистые, биогенные, насыпные, намывные

Скальные

Нескальные следующих подгрупп: крупнообломочные, песчаные, пылевато-глинистые (кроме илов)

Забивная составная типа С

Забивная типа СП

Для зданий или сооружений (кроме гидротехнических)

Пески мелкие и пылеватые, рыхлые и средней плотности; супеси пластичные и текучие; суглинки и глины от тугопластичных до текучих; илы; биогенные грунты

Допускается для цельных и нижних секций составных свай прорезание прослоев плотных песчаных и твердых пылевато-глинистых грунтов толщиной не более 0,5 м

Нескальные следующих подгрупп: песчаные, пылевато-глинистые (кроме илов)

Допускается опирание на скальные грунты: аргиллиты или алевролиты

Забивная типа СЦ

Для зданий или сооружений в фундаментах которых: сваи погружены на всю глубину в грунт; сваи выступают над поверхностью грунта на высоту не более 2 м и расположены внутри помещения с положительной расчетной температурой воздуха; на сваи не передаются растягивающие усилия

Пески средней крупности, мелкие и пылеватые, рыхлые и средней плотности; супеси пластичные и текучие; суглинки и глины от тугопластичных до текучих; илы; биогенные грунты

Нескальные следующих подгрупп: песчаные, пылевато-глинистые (кроме илов)

Забивная типа СД

В качестве колонн сельскохозяйственных зданий высотой до 6 м, пролетом до 21 м

Пески средней крупности, мелкие и пылеватые средней плотности; супеси пластичные; суглинки и глины от полутвердых до мягкопластичных

 

Таблица 5

Характеристика и тип сваи

Область применения свай

по принципу использования вечномерзлых грунтов в качестве основания

по способу погружения в грунт

по грунтовым условиям

Грунты, прорезаемые сваями

Грунты под нижними концами свай

Забивная типа С с ненапрягаемой арматурой

Принцип II

С допущением оттаивания вечномерзлых грунтов в процессе эксплуатации здания или сооружения

Забивной в предварительно оттаянные зоны грунта

Нескальные следующих подгрупп: пылевато-глинистые, песчаные, биогенные, насыпные, намывные

Скальные

Нескальные следующих подгрупп: крупнообломочные песчаные, пылевато-глинистые (кроме илов)

Опускная типа С с ненапрягаемой арматурой

Принцип I

С сохранением вечномерзлых грунтов в течение всего заданного периода эксплуатации здания или сооружения

С оттаиванием грунта; диаметр зоны оттаивания должен быть не более 2b, где b - размер наибольшей стороны поперечного сечения сваи

Нескальные следующих подгрупп: твердомерзлые мелкие и пылеватые пески, содержащие крупнообломочные включения не более 15 % (по массе) при средней температуре грунтов по длине сваи ниже минус 1,5 °С твердомерзлые пылевато-глинистые грунты при средней температуре грунтов по длине сваи от минус 1,5 °С и ниже.

Буроопускная типа С

Принцип I

С сохранением вечномерзлых грунтов в течение всего заданного периода эксплуатации здания или сооружения

Опусканием в заранее пробуренную скважину, диаметр которой не менее чем на 50 мм больше диагонали сечения сваи, с заполнением скважины грунтовым раствором

Нескальные грунты следующих подгрупп: крупнообломочные и песчаные, твердомерзлые при средней температуре грунта по длине сваи минус 0,5 °С и ниже их суммарной влажности:

40 %

100 %

пылевато-глинистые, пластичномерзлые при средней температуре грунта по длине сваи минус 0,5 °С и ниже


ПРИЛОЖЕНИЕ 2

Обязательное

МАРКИ БЕТОНА ПО МОРОЗОСТОЙКОСТИ И ВОДОНЕПРОНИЦАЕМОСТИ СВАЙ

Таблица 6

Условия эксплуатации свай в свайном фундаменте

Марка бетона, не ниже

Характеристика режима эксплуатации

Расчетная зимняя температура наружного воздуха (средняя температура наиболее холодной пятидневки) в районе строительства, °С

Показатель агрессивности жидкой среды по суммарному содержанию хлоридов, сульфатов, нитратов и других солей, г/л

по морозостойкости

по водонепроницаемости

Сваи типов СК, СО и СП

Сваи типов С, СД и СЦ

Сваи типов СК, СО и СП*

Сваи типов С, СД и СЦ

для зданий и сооружений класса по степени ответственности

I

II

III

I

II

III

I

II

III

I

II

III

Сваи, находящиеся в открытых водоемах при переменном уровне воды-среды, а также сваи, расположенные в сезонно-оттаивающем слое грунта в районах вечной мерзлоты

Ниже минус 40

До 5

От 5 до 15 и св. 150

От 15 до 35 и от 70 до 150 включ.

От 35 до 70

F400

F500

F600

F600

F300

F400

F500

F600

F200

F300

F400

F500

F300

F400

F500

F600

F200

F300

F400

F500

F150

F200

F300

F400

W6

W8

W8

W8

W4

W6

W8

W8

W4

W4

W6

W8

W6

W6

W8

W8

W4

W4

W6

W8

W2

W4

W4

W6

Ниже минус 20 до минус 40 включ.

До 5

От 5 до 15 и св. 150

От 15 до 35 и от 70 до 150 включ.

От 35 до 70

F300

F400

F500

F600

F200

F300

F400

F500

F150

F200

F300

F400

F200

F300

F400

F500

F150

F200

F300

F400

F100

F150

F200

F300

W4

W6

W6

W8

W4

W4

W6

W8

W4

W4

W4

W6

W2

W4

W6

W8

W2

W2

W4

W6

W2

W2

W2

W4

Ниже минус 5 до минус 20 включ.

До 5

От 5 до 15 и св. 150

От 15 до 35 и от 70 до 150 включ.

От 35 до 70

F150

F200

F300

F400

F100

F150

F200

F300

F75

F100

F150

F200

F150

F200

F300

F400

F100

F150

F200

F300

F75

F100

F200

F300

W4

W4

W4

W6

W4

W4

W4

W4

W4

W4

W4

W4

W2

W2

W4

W6

W2

W2

W2

W4

W2

W2

W2

W4

Минус 5 и выше

До 5

От 5 до 15 и св. 150

От 15 до 35 и от 70 до 150 включ.

От 35 до 70

F150

F200

F300

F400

F100

F150

F200

F300

F75

F100

F150

F200

F100

F150

F200

F300

F75

F100

F150

F200

F50

F75

F100

F150

W4

W4

W4

W6

W4

W4

W4

W4

W4

W4

W4

W4

W2

W2

W2

W4

W2

W2

W2

W4

W2

W2

W2

W2

Сваи, находящиеся вне помещений, являющиеся одновременно надземными опорами конструкций (высокий

свайный ростверк, эстакады и др.)

Ниже минус 40

До 5

От 5 до 15 и св. 150

От 15 до 35 и от 70 до 150 включ.

От 35 до 70

F300

F400

F500

F600

F200

F300

F400

F500

F150

F200

F300

F400

F200

F300

F400

F500

F150

F200

F300

F400

F100

F150

F200

F300

W4

W6

W8

W8

W4

W4

W6

W8

W4

W4

W4

W6

W6

W6

W6

W8

W4

W4

W4

W6

W2

W2

W4

W4

Ниже минус 20 до минус 40 включ.

До 5

От 5 до 15 и св. 150

От 15 до 35 и от 70 до 150 включ.

От 35 до 70

F200

F300

F400

F500

F150

F200

F300

F400

F100

F150

F200

F300

F150

F200

F300

F400

F100

F150

F200

F300

F75

F100

F150

F200

W4

W4

W6

W8

W4

W4

W4

W6

W4

W4

W4

W4

W2

W2

W4

W6

W2

W2

W2

W4

W2

W2

W2

W2

Ниже минус 5 до минус 20 включ.

До 5

От 5 до 15 и св. 150

От 15 до 35 и от 70 до 150 включ.

От 35 до 70

F150

F200

F300

F400

F100

F150

F200

F300

F75

F100

F150

F200

F100

F150

F200

F300

F75

F100

F150

F200

F50

F75

F100

F150

W4

W4

W4

W6

W4

W4

W4

W4

W4

W4

W4

W4

W2

W2

W2

W4

W2

W2

W2

W2

W2

W2

W2

W2

Минус 5 и выше

До 5

От 5 до 15 и св. 150

От 15 до 35 и от 70 до 150 включ.

От 35 до 70

F150

F200

F300

F400

F100

F150

F200

F300

F75

F100

F150

F200

F75

F100

F150

F200

F50

F75

F100

F150

F50

F75

F100

F150

W4

W4

W4

W4

W4

W4

W4

W4

W4

W4

W4

W4

W2

W2

W2

W2

W2

W2

W2

W2

W2

W2

W2

W2

Сваи, погружаемые на всю длину в грунт

Ниже минус 40

До 5

От 5 до 15 и св. 150

От 15 до 35 и от 70 до 150 включ.

От 35 до 70

F200

F300

F400

F500

F150

F200

F300

F400

F100

F150

F200

F300

F150

F200

F300

F400

F100

F150

F200

F300

F75

F100

F150

F200

W6

W6

W6

W8

W4

W4

W6

W6

W4

W4

W4

W4

W6

W6

W6

W6

W4

W4

W4

W4

W2

W2

W2

W4

Ниже минус 20 до минус 40 включ.

До 5

От 5 до 15 и св. 150

От 15 до 35 и от 70 до 150 включ.

От 35 до 70

F150

F200

F300

F400

F100

F150

F200

F300

F75

F100

F150

F200

F100

F150

F200

F300

F75

F100

F150

F200

F50

F75

F100

F150

W4

W4

W4

W6

W4

W4

W4

W4

W4

W4

W4

W4

W2

W2

W2

W4

W2

W2

W2

W2

W2

W2

W2

W2

Ниже минус 5 до минус 20 включ.

До 5

От 5 до 15 и св. 150

От 15 до 35 и от 70 до 150 включ.

От 35 до 70

F150

F200

F300

F400

F100

F150

F200

F300

F75

F100

F150

F200

F75

F100

F150

F200

F50

F75

F100

F150

F50

F75

F100

F150

W4

W4

W4

W6

W4

W4

W4

W4

W4

W4

W4

W4

W2

W2

W2

W2

W2

W2

W2

W2

W2

W2

W2

W2

Минус 5 и выше

До 5

От 5 до 15 и св. 150

От 15 до 35 и от 70 до 150 включ.

От 35 до 70

F150

F200

F300

F400

F100

F150

F200

F300

F75

F100

F150

F200

F75

F100

F150

F200

F50

F75

F100

F150

F50

F75

F100

F150

W4

W4

W4

W6

W4

W4

W4

W4

W4

W4

W4

W4

W2

W2

W2

W2

W2

W2

W2

W2

W2

W2

W2

W2

Сваи, выступающие над поверхностью грунта и находящиеся внутри помещений с положительными

температурами; подверженные воздействию температур ниже 0 °С в период строительства

Ниже минус 40

До 5

От 5 до 15 и св. 150

От 15 до 35 и от 70 до 150 включ.

От 35 до 70

F150

F200

F300

F400

F100

F150

F200

F300

F75

F100

F150

F200

F100

F150

F200

F300

F75

F100

F150

F200

F50

F75

F100

F150

W4

W4

W4

W6

W4

W4

W4

W4

W4

W4

W4

W4

W2

W2

W2

W4

W2

W2

W2

W2

W2

W2

W2

W2

Ниже минус 20 до минус 40 включ.

До 5

От 5 до 15 и св. 150

От 15 до 35 и от 70 до 150 включ.

От 35 до 70

F150

F200

F300

F400

F100

F150

F200

F300

F75

F100

F150

F200

F75

F100

F150

F200

F50

F75

F100

F150

F50

F75

F100

F150

W4

W4

W4

W6

W4

W4

W4

W4

W4

W4

W4

W4

W2

W2

W2

W2

W2

W2

W2

W2

W2

W2

W2

W2

Ниже минус 5 до минус 20 включ.

До 5

От 5 до 15 и св. 150

От 15 до 35 и от 70 до 150 включ.

От 35 до 70

F150

F200

F300

F400

F100

F150

F200

F300

F75

F100

F150

F200

F75

F100

F150

F200

F50

F75

F100

F150

F50

F75

F100

F150

W4

W4

W4

W6

W4

W4

W4

W4

W4

W4

W4

W4

W2

W2

W2

W2

W2

W2

W2

W2

W2

W2

W2

W2

Минус 5 и выше

До 5

От 5 до 15 и св. 150

От 15 до 35 и от 70 до 150 включ.

От 35 до 70

F150

F200

F300

F400

F100

F150

F200

F300

F75

F100

F150

F200

F75

F100

F150

F200

F50

F75

F100

F150

F50

F75

F100

F150

W4

W4

W4

W6

W4

W4

W4

W4

W4

W4

W4

W4

W2

W2

W2

W2

W2

W2

W2

W2

W2

W2

W2

W2

* Применение свай типа СП в открытых водоемах при переменном уровне воды-среды, а также в сезонно-оттаивающем слое грунта в районах вечной мерзлоты не допускается.


ИНФОРМАЦИОННЫЕ ДАННЫЕ

1.  РАЗРАБОТАН И ВНЕСЕН Государственным институтом по проектированию оснований и фундаментов (Фундаментпроект) Госстроя СССР.

РАЗРАБОТЧИКИ

М. Н. Пинк, канд. техн. наук (руководитель темы); В. К. Демидов; А. Л. Колосов, канд. техн. наук; В. Ф. Соколова; Е. И. Иттенберг; О. Г. Филиппов; Н. Л. Ремизова; В. А. Якушин, канд. техн. наук, М. М. Капкин, канд. техн. наук; Е. М. Чериковер, канд. техн. наук; Б. В. Бахолдин, канд. техн. наук; Л. М. Иванов; М. В. Самуэльсон; Т. В. Барабанова; В. И. Пименова; В. И. Деньщиков; В. Н. Сафонов.

2.  УТВЕРЖДЕН И ВВЕДЕН В ДЕЙСТВИЕ Постановлением Государственного комитета СССР по строительству и инвестициям от 28.11.91 № 23.

3.  ВЗАМЕН ГОСТ 19804.0-78

4.  ССЫЛОЧНЫЕ НОРМАТИВНО-ТЕХНИЧЕСКИЕ ДОКУМЕНТЫ

Обозначение НТД, на который дана ссылка

Номер пункта

ГОСТ 7581-82

1.3.5

ГОСТ 6727-80

1.3.5

ГОСТ 7348-81

1.3.5

ГОСТ 8829-85

3.1

ГОСТ 10060-87

3.3

ГОСТ 10180-78

3.2

ГОСТ 10884-81

1.3.5

ГОСТ 10922-90

1.3.8, 3.5

ГОСТ 12730.0-78

3.4

ГОСТ 12730.5-84

3.4

ГОСТ 13015.0-83

1.3.1, 1.3.12

ГОСТ 13015.1-81

2.1, 2.2

ГОСТ 13015.2-81

1.5

ГОСТ 13015.3-81

2.4

ГОСТ 13015.4-84

4.1

ГОСТ 13840-68

1.3.6

ГОСТ 17624-87

3.2

ГОСТ 17625-83

3.8

ГОСТ 18105-86

3.2

ГОСТ 19804.2-79

1.1, 1.2.2

ГОСТ 19804.3-80

1.1, 1.2.2

ГОСТ 19804.4-78

1.1, 1.2.2

ГОСТ 19804.5-83

1.1, 1.2.2

ГОСТ 19804.6-83

1.1, 1.2.2

ГОСТ 19804.7-83

1.1, 1.2.2

ГОСТ 22362-77

3.6

ГОСТ 22690-88

3.2

ГОСТ 22904-78

3.8

ГОСТ 23009-78

1.2.5

ГОСТ 26134-84

3.3

ГОСТ 26433.0-85

3.7

ГОСТ 26433.1-89

3.7

ГОСТ 26633-91

1.3.2

СОДЕРЖАНИЕ

 




Rambler's Top100 Яндекс цитирования
  Copyright © 2008-2026, www.docload.ru