Бесплатная библиотека стандартов и нормативов www.docload.ru

Все документы, размещенные на этом сайте, не являются их официальным изданием и предназначены исключительно для ознакомительных целей.
Электронные копии этих документов могут распространяться без всяких ограничений. Вы можете размещать информацию с этого сайта на любом другом сайте.
Это некоммерческий сайт и здесь не продаются документы. Вы можете скачать их абсолютно бесплатно!
Содержимое сайта не нарушает чьих-либо авторских прав! Человек имеет право на информацию!

 

ГОСУДАРСТВЕННЫЙ СТАНДАРТ СОЮЗА ССР

СВАИ ЗАБИВНЫЕ ЖЕЛЕЗОБЕТОННЫЕ

СВАИ-КОЛОННЫ ЖЕЛЕЗОБЕТОННЫЕ ДВУХКОНСОЛЬНЫЕ ДЛЯ СЕЛЬСКОХОЗЯЙСТВЕННЫХ ЗДАНИЙ

Конструкция и размеры

ГОСТ 19804.7-83

ИЗДАТЕЛЬСТВО СТАНДАРТОВ

москва

ГОСУДАРСТВЕННЫЙ СТАНДАРТ СОЮЗА ССР

СВАИ-КОЛОННЫ ЖЕЛЕЗОБЕТОННЫЕ ДВУХКОНСОЛЬНЫЕ ДЛЯ СЕЛЬСКОХОЗЯЙСТВЕННЫХ ЗДАНИЙ

Конструкция и размеры

Two-console reinforced concrete pile-pillars for agricultural buildings.
Construction and dimensions

ГОСТ
19804.7-83

Постановлением Государственного комитета СССР по делам строительства от 31 декабря 1982 г. № 342 срок введения установлен

с 01.07.83

Переиздание. Май 1995 г.

Настоящий стандарт распространяется на забивные железобетонные двухконсольные сваи-колонны квадратного сечения и устанавливает их конструкцию и размеры.

Сваи-колонны предназначены для применения в одноэтажных сельскохозяйственных зданиях, расположенных в I, II, III районах СССР по скоростному напору ветра и весу снегового покрова с сейсмичностью не выше 6 баллов, с неагрессивной средой, а также слабо- и среднеагрессивными газовыми средами.

Сваи-колонны должны отвечать требованиям ГОСТ 19804-91 и настоящего стандарта.

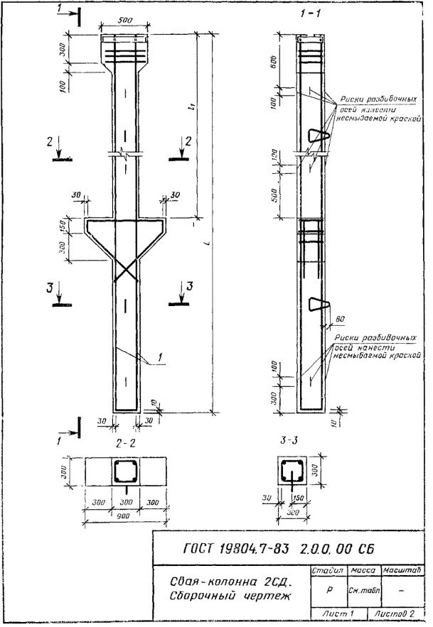
1. МАРКИ И ОСНОВНЫЕ РАЗМЕРЫ

1.1. Марки, форма свай-колонн, основные размеры и показатели должны соответствовать указанным в табл. 2.

1.2. Сваи-колонны обозначаются марками в соответствии с ГОСТ 23009-78 и ГОСТ 19804-91.

Таблица 1

Условное обозначение по несущей способности

Кол., диаметр и класс продольной арматуры

1 СД XX. XX. 20-

1 СД XX. XX. 30-

2 СД XX. XX. 30-

1

4Æ12AIII

4Æ12AIII

4Æ12AIII

2

4Æ14AIII

4Æ4AIII

4Æ6AIII

3

4Æ16AIII

4Æ16AIII

4Æ18AIII

4

4Æ18AIII

4Æ20AIII

-

5

4Æ20AIII

4Æ25AIII

-

Пример условного обозначения (марки) крайней (без уширения верха) сваи-колонны двухконсольной, длиной 5500 мм, размером от верха сваи-колонны до ее консолей 3400 мм, размером стороны поперечного сечения 200 мм, несущей способности 2:

1СД 55.34.20-2 ГОСТ 19804.7-83

То же, крайней (без уширения верха) сваи-колонны двухконсольной, длиной 7500 мм, размером от верха сваи-колонны до ее консолей 3500 мм, размером стороны поперечного сечения 300 мм, несущей способности 3, для зданий с агрессивной степенью воздействия газовой среды:

1СД 75.35.30-3-П ГОСТ 19804.7-83

Таблица 2

Марка сваи-колонны

Код ОКП

Размеры, мм

Расход материалов

Справочная масса, т

L

l1

b

h1

h2

Бетон М250, м3

Сталь, кг

1СД 50.28.20-1

58 1721 2752

5000

2800

200

200

200

0,22

31,7

0,56

1СД 50.28.20-2

58 1721 2753

38,1

1СД 55.28.20-1

58 1721 2754

5500

0,24

33,9

0,61

1СД 55.28.20-2

58 1721 2755

40,7

1СД 60.28.20-1

58 1721 2756

6000

0,26

35,8

0,66

1СД 60.28.20-2

58 1721 2757

43,4

1СД 55.31.20-1

58 1721 2758

5500

3100

0,24

33,9

0,61

1СД 55.31.20-2

58 1721 2759

40,7

1СД 55.31.20-3

58 1721 2760

49,1

1СД 60.31.20-1

58 1721 2761

6000

0,26

35,8

0,66

1СД 60.31.20-2

58 1721 2762

43,4

1СД 60.31.20-3

58 1721 2763

52,4

1СД 55.34.20-1

58 1721 2764

5500

3400

0,24

33,9

0,61

1СД 55.34.20-2

58 1721 2765

40,7

1СД 55.34.20-3

58 1721 2766

49,1

1СД 55.34.20-4

58 1721 2767

59,3

1СД 60.34.20-1

58 1721 2768

6000

0,26

35,8

0,66

1СД 60.34.20-2

58 1721 2769

43,4

1СД 60.34.20-3

58 1721 2770

52,4

1СД 60.34.20-4

58 1721 2771

63,6

1СД 60.37.20-1

58 1721 2772

3700

0,24

35,8

0,66

1СД 60.37.20-2

58 1721 2773

43,4

1СД 60.37.20-3

58 1721 2774

52,4

1СД 60.37.20-4

58 1721 2775

63,6

1СД 60.37.20-5

58 1721 2776

74,8

1СД 50.29.30-1

58 1721 2777

5000

2000

300

150

300

0,50

42,9

1,26

1СД 55.29.30-1

58 1721 2778

5500

0,55

45,1

1,37

1СД 60.29.30-1

58 1721 2779

6000

0,59

47,6

1,49

1СД 65.29.30-1

58 1721 2780

6500

0,64

49,9

1,60

1СД 70.29.30-1

58 1721 2781

7000

0,68

51,9

1,73

1СД 75.29.30-1

58 1721 2782

7500

0,73

54,2

1,82

1СД 55.32.30-1

58 1721 2783

5500

3200

0,55

45,1

1,37

1СД 55.32.30-2

58 1721 2784

51,9

1СД 60.32.30-1

58 1721 2785

6000

0,59

47,6

1,49

1СД 60.32.30-2

58 1721 2786

55,2

1СД 65.32.30-1

58 1721 2787

6500

0,64

49,9

1,60

1СД 65.32.30-2

58 1721 2788

57,9

1СД 70.32.30-1

58 1721 2789

7000

0,68

51,9

1,73

1СД 70.32.30-2

58 1721 2790

60,7

1СД 75.32.30-1

58 1721 2791

7500

0,73

54,2

1,82

1СД 75.32.30-2

58 1721 2792

63,4

1СД 55.35.30-1

58 1721 2793

5500

3500

0,55

45,1

1,37

1СД 55.35.30-2

58 1721 2794

51,9

1СД 55.35.30-3

58 1721 2795

60,3

1СД 60.35.30-1

58 1721 2796

6000

0,59

47,6

1,49

1СД 60.35.30-2

58 1721 2797

55,2

1СД 60.35.30-3

58 1721 2798

64,4

1СД 65.35.30-1

58 1721 2799

6500

0,64

49,9

1,60

1СД 65.35.30-2

58 1721 2800

57,9

1СД 65.35.30-3

58 1721 2801

67,5

1СД 70.35.30-1

58 1721 2802

7000

0,68

51,9

1,73

1СД 70.35.30-2

58 1721 2803

60,7

1СД 70.35.30-3

58 1721 2804

71,1

1СД 75.35.30-1

58 1721 2805

7500

0,73

54,2

1,82

1СД 75.35.30-2

58 1721 2806

63,4

1СД 75.35.30-3

58 1721 2807

74,6

1СД 65.41.30-1

58 1721 2808

6500

4100

0,64

49,9

1,60

1СД 65.41.30-2

58 1721 2809

57,9

1СД 65.41.30-3

58 1721 2810

67,5

1СД 65.41.30-4

58 1721 2811

93,5

1СД 70.41.30-1

58 1721 2812

7000

4100

0,68

51,9

1,73

1СД 70.41.30-2

58 1721 2813

60,7

1СД 70.41.30-3

58 1721 2814

71,1

1СД 70.41.30-4

58 1721 2815

98,7

1СД 75.41.30-1

58 1721 2816

7500

0,73

54,2

1,82

1СД 75.41.30-2

58 1721 2817

63,4

1СД 75.41.30-3

58 1721 2818

74,6

1СД 75.41.30-4

58 1721 2819

104,6

1СД 75.53.30-1

58 1721 2820

5300

54,2

1СД 75.53.30-2

58 1721 2821

63,4

1СД 75.53.3.03

58 1721 2822

74,6

1СД 75.53.30-4

58 1721 2823

104,6

1СД 75.53.30-5

58 1721 2824

155,6

2СД 50.29.30-l

58 1721 2825

5000

2900

300

150

300

0,51

46,6

1,29

2СД 55.29.30-1

58 1721 2826

5500

0,56

48,8

1,40

2СД 65.29.30-1

58 1721 2827

6600

0,65

53,6

1,63

2СД 75.29.30-1

58 1721 2828

7500

0,74

57,9

1,85

2СД 55.35.30-1

58 1721 2829

5500

3500

300

150

300

0,56

48,8

1,40

2СД 65.35.30-1

58 1721 2830

6500

0,65

53,6

1,63

2СД 75.35.30-1

58 1721 2831

7500

0,74

57,9

1,85

2СД 65.41.30-1

58 1721 2832

6500

4100

0,65

53,6

1,63

2СД 75.41.30-1

58 1721 2833

7500

0,74

57,9

1,85

2СД 75.47.30-1

58 1721 2834

4700

2СД 75.53.30-1

58 1721 2835

7500

5300

300

150

300

0,74

57,9

1,85

2СД 75.53.30-2

58 1721 2836

78,3

2СД 75.53.30-3

58 1721 2837

94,5

2 ТЕХНИЧЕСКИЕ ТРЕБОВАНИЯ

2.1. Сваи-колонны должны изготовляться в соответствии с требованиями настоящего стандарта по рабочим чертежам, приведенным в приложении.

2.2. Бетон

2.2.1. Для изготовления свай-колонн должен применяться тяжелый бетон марки по прочности на сжатие М250.

2.2.2. Материалы, применяемые для приготовления бетона, должны отвечать требованиям следующих стандартов:

цемент - ГОСТ 10178-85;

щебень, гравий - ГОСТ 20268-83 (максимальная крупность заполнителя не должна превышать 20 мм);

песок - ГОСТ 8736-85.

2.2.3. Бетон свай-колонн, предназначенных для работы в условиях воздействия слабо- или среднеагрессивных газовых сред, должен быть повышенной плотности (П) и удовлетворять требованиям СНиП II-28-73.

2.3. Арматура и закладные изделия

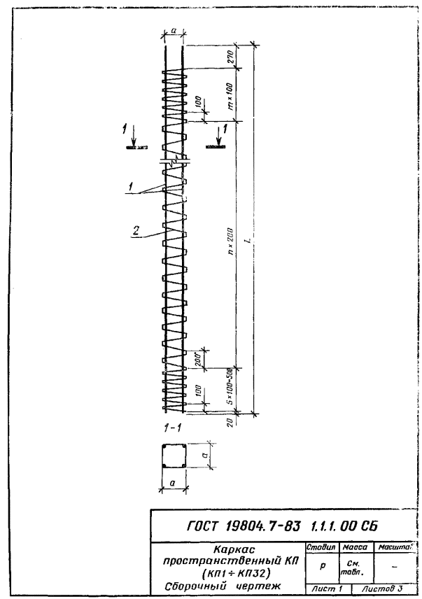
2.3.1. Сваи-колонны армируют пространственными каркасами.

2.3.2. В качестве продольной арматуры и арматуры консолей свай-колонн следует применять горячекатаную арматурную сталь класса A-III по ГОСТ 5781-82.

2.3.3. В качестве поперечной арматуры (спираль сваи-колонны) следует применять проволоку класса Вр-I по ГОСТ 6727-80 или горячекатаную арматурную сталь класса A-I по ГОСТ 5781-82.

2.3.4. Марки арматурной стали должны приниматься с учетом условий возведения и эксплуатации конструкций согласно приложению 3 главы СНиП II-21-75.

2.3.5. Поперечную арматуру приварить к продольным стержням в каждом пересечении контактной сваркой в соответствии с ГОСТ 14098-91.

2.3.6. Допускается заменять спиральную арматуру поперечными стержнями диаметром и шагом, равными диаметру и шагу спирали.

2.3.7. Для закладных изделий свай-колонн должна применяться углеродистая сталь класса С 38/23.

Марки прокатной стали следует принимать с учетом действующей на закладное изделие нагрузки и условий эксплуатации свай-колонн согласно приложению 4 главы СНиП II-21-75.

2.3.8. Закладные изделия следует изготовлять с применением дуговой полуавтоматической сварки порошковой проволокой типов ПП-АН2, ПП-АН4, ПП-АН8 или в углекислом газе проволокой Св-08Г2С. Сварные соединения должны выполняться в соответствии с ГОСТ 14771-76.

Допускается изготовлять закладные изделия с применением ручной дуговой сварки в соответствии с ГОСТ 5264-80 с электродами типа Э42А-Ф.

2.3.9. Закладное изделие сваи-колонны при сборке пространственного каркаса надеть на продольные стержни и приварить к этим стержням, используя зазор между стержнем и раззенковкой, ручной дуговой сваркой в соответствии с ГОСТ 5264-80 электродами типа Э42А-Ф.

Сварку следует выполнять с учетом требований СН 393-78.

2.4. Требования к изготовлению

2.4.1. Сваи-колонны должны изготовляться в стальных формах, удовлетворяющих требованиям ГОСТ 25781-83.

Допускается изготовлять сваи-колонны в неметаллических формах, обеспечивающих соблюдение требований настоящего стандарта к качеству и точности изготовления свай-колонн.

2.4.2. Проектное положение арматурных изделий и толщину защитного слоя бетона следует фиксировать прокладками из плотного цементно-песчаного раствора или пластмассовыми фиксаторами. Применение стальных фиксаторов не допускается.

2.4.3. По четырем граням сваи-колонны должны быть нанесены риски разбивочных осей.

2.4.4. Подъем свай-колонн на копер следует производить с помощью стропа, закрепленного за сваю-колонну у верхней подъемной петли.

Строповка свай-колонн при подъеме на копер непосредственно за подъемную петлю запрещается.

2.5. Точность изготовления

2.5.1. Отклонения фактических размеров свай колонн от проектных размеров не должны превышать, мм:

- по длине                                                                                       ±22

- по длине от верха сваи-колонны до ее консолей                    ±7

- по длине от консолей до низа сваи-колонны             ±15

- по размерам поперечного сечения и размерам консолей      ±5

2.5.2. Отклонение от прямой линии (непрямолинейность) боковых граней на длине от верха сваи-колонны до ее консолей не должно превышать 3 мм на длине 2 м.

2.5.3. Отклонения от проектного положения стальных закладных изделий не должны превышать, мм:

- в плоскости поверхности сваи-колонны                    5

- из плоскости поверхности сваи-колонны                  3

3. ПРАВИЛА ПРИЕМКИ

3.1. Приемку свай-колонн осуществляют в соответствии с требованиями ГОСТ 13015.1-81 и настоящего стандарта.

3.2. Приемочный контроль для каждой партии свай-колонн следует проводить неразрушающими методами.

3.3. При приемке свай-колонн по показателям точности геометрических размеров, отклонению от прямолинейности боковых граней, толщины защитного слоя бетона, расположения арматуры, качества бетонной поверхности применяют выборочный одноступенчатый контроль по ГОСТ 13015.1-81.

4. МЕТОДЫ КОНТРОЛЯ

4.1. Прочность бетона свай-колонн следует определять по ГОСТ 10180-90, ГОСТ 22690-88, ГОСТ 22690-88, ГОСТ 17624-87.

4.2. Плотность бетона следует определять по ГОСТ 12730.0-78 и ГОСТ 12730.1-78. Допускается определять плотность бетона по ГОСТ 17623-87.

4.3. Водонепроницаемость бетона следует определять по величине коэффициента фильтрации Кф согласно ГОСТ 12730.5-84.

Величины коэффициента фильтрации Кф, соответствующие маркам бетона по водонепроницаемости, следует принимать по главе СНиП II-21-75.

При отсутствии необходимого оборудования марку бетона по водонепроницаемости допускается определять по ГОСТ 12730.0-78 и ГОСТ 12730.5-84.

4.4. Водопоглощение бетона свай-колонн, предназначенных для применения в условиях воздействия агрессивной среды, следует определять по ГОСТ 12730.0-78 и ГОСТ 12730.3-78.

4.5. Толщину защитного слоя бетона и положение арматуры в бетоне свай-колонн следует определять по ГОСТ 17625-83 или ГОСТ 22904-78.

При отсутствии необходимых приборов допускается вырубка борозд и обнажение арматуры сваи-колонны с последующей заделкой борозд.

4.6. Методы контроля и испытаний арматурных и закладных изделий установлены в ГОСТ 10922-90.








Rambler's Top100 Яндекс цитирования
  Copyright © 2008-2026, www.docload.ru