МЕЖГОСУДАРСТВЕННЫЙ СТАНДАРТ
|
ПРИСПОСОБЛЕНИЯ К МЕТАЛЛОРЕЖУЩИМ СТАНКАМ. ОПРАВКИ С
РАЗРЕЗНЫМИ ЦАНГАМИ ДЛЯ ТОЧНЫХ РАБОТ
Основные параметры и
размеры
Attachments for
metall-cutting machine tools. Mandrels with split collets for precision
machining. Basic parameters and dimensions
|
ГОСТ
31.1066.02-85
|
Дата введения 01.01.86
1. Настоящий стандарт
распространяется на оправки с разрезными цангами, позволяющие за счет
деформации обеспечивать переналадку на большой диапазон диаметров
технологической базы, которые предназначены для установки заготовок типа колец,
втулок, гильз с цилиндрическим базовым отверстием при точной обработке их на
металлорежущих станках.
2. Оправки
должны изготовляться трех типов:
I - центровые с ручным зажимом;
II - шпиндельные с пневматическим зажимом;
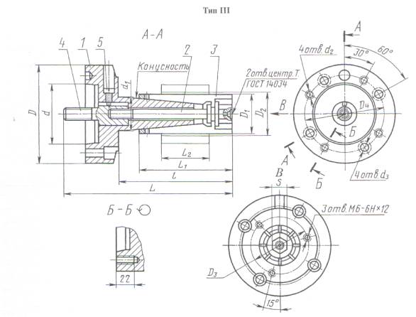
III - фланцевые с пневматическим зажимом, устанавливаемые
на фланцевые концы шпинделей станков, по ГОСТ
12593 и ГОСТ
12595.
3. Основные
параметры и размеры оправок должны соответствовать указанным на черт. 1, 2 и 3 и в табл. 1, 2 и 3.

1 -
вал; 2 - цанга
Черт. 1
Примечание. Чертеж не определяет
конструкцию оправок.
Таблица 1
Размеры, мм
|
Обозначение
оправки
|
D (поле допуска c9)
|
L
|
D1, (поле допуска f7)
|
L1
|
l
|
В
|
Разжим
цанги без заготовки, не более
|
Осевое
перемещение цанги, не более
|
Размеры
устанавливаемых заготовок
|
Масса,
кг, не более
|
|
D2
|
L2
|
|
наим.
|
наиб.
|
наим.
|
наиб.
|
|
7112-1451
|
14,10
|
155
|
15,80
|
70
|
5
|
12,0
|
2,2
|
33,0
|
16
|
18,00
|
14
|
56
|
0,235
|
|
7112-1452
|
15,77
|
17,78
|
13,5
|
2,3
|
34,5
|
18
|
20,08
|
0,291
|
|
7112-1453
|
17,53
|
165
|
19,78
|
80
|
15,0
|
20
|
22,08
|
16
|
63
|
0,387
|
|
7112-1454
|
19,23
|
21,75
|
16,5
|
22
|
24,05
|
0,462
|
|
7112-1455
|
20,90
|
23,75
|
18,0
|
24
|
26,05
|
0,546
|
|
7112-1456
|
22,63
|
25,75
|
19,5
|
26
|
28,05
|
0,635
|
|
7112-1457
|
24,30
|
175
|
27,72
|
90
|
21,0
|
28
|
32,02
|
18
|
71
|
0,789
|
|
7112-1458
|
27,07
|
195
|
29,72
|
10
|
23,5
|
3,0
|
45,0
|
30
|
32,72
|
1,049
|
|
7112-1459
|
28,87
|
205
|
31,72
|
100
|
25,0
|
32
|
34,72
|
20
|
80
|
1,258
|
|
7112-1461
|
30,50
|
33,70
|
26,5
|
34
|
36,70
|
1,404
|
|
7112-1462
|
32,17
|
35,70
|
27,5
|
36
|
38,50
|
1,560
|
|
7112-1463
|
33,90
|
215
|
37,70
|
110
|
29,0
|
38
|
40,70
|
22
|
85
|
1,835
|
|
7112-1464
|
36,57
|
230
|
39,66
|
31,5
|
4,0
|
60,0
|
40
|
43,66
|
2,224
|
|
7112-1465
|
38,30
|
41,66
|
33,0
|
42
|
45,66
|
2,439
|
|
7112-1466
|
40,90
|
44,66
|
35,5
|
45
|
48,66
|
2,776
|
|
7112-1467
|
43,40
|
240
|
47,60
|
120
|
37,5
|
48
|
51,60
|
24
|
95
|
3,291
|
|
7112-1468
|
45,03
|
49,60
|
39,0
|
50
|
53,60
|
3,550
|
|
7112-1469
|
48,67
|
255
|
52,60
|
42,0
|
5,0
|
75,0
|
53
|
57,60
|
95
|
4,307
|
|
7112-1471
|
51,43
|
260
|
55,55
|
125
|
44,5
|
56
|
60,55
|
25
|
100
|
4,914
|
|
7112-1472
|
54,63
|
265
|
59,55
|
130
|
47,0
|
60
|
64,55
|
26
|
105
|
5,691
|
|
7112-1473
|
57,27
|
62,55
|
49,5
|
63
|
67,55
|
6,265
|
|
7112-1474
|
60,60
|
275
|
66,50
|
140
|
52,5
|
67
|
71,50
|
28
|
110
|
7,298
|
|
7112-1475
|
65,03
|
300
|
70,50
|
150
|
56,5
|
6,0
|
90,0
|
71
|
76,50
|
30
|
120
|
9,086
|
|
7112-1476
|
68,47
|
74,50
|
59,5
|
75
|
80,50
|
10,075
|
|
7112-1477
|
72,83
|
310
|
79,45
|
160
|
63,5
|
80
|
85,45
|
32
|
130
|
11,793
|
|
7112-1478
|
77,10
|
84,45
|
67,5
|
85
|
90,45
|
13,224
|
|
7112-1479
|
82,27
|
340
|
89,40
|
170
|
15
|
72,0
|
7,0
|
105,0
|
90
|
96,40
|
34
|
135
|
16,396
|
|
7112-1481
|
86,63
|
94,40
|
76,0
|
95
|
101,40
|
18,137
|
|
7112-1482
|
91,90
|
365
|
99,35
|
180
|
80,0
|
8,0
|
120,0
|
100
|
107,35
|
36
|
145
|
21,805
|
Пример
условного обозначения оправки типа I, диаметром D = 14,10 мм:
Оправка 7112-1451-1 ГОСТ 31.1066.02-85

7 -
тяга; 2 - корпус; 3 - цанга; 4 - гайка по ГОСТ
5916
Черт. 2
Примечание. Чертеж не определяет
конструкцию оправок.
Таблица 2
Размеры, мм
|
Обозначение
оправки
|
D
(поле допуска h7)
|
d (поле допуска g6)
|
L
|
D1 (поле допуска f7)
|
L1
|
l
|
Конус
Морзе
|
Конусность
(пред. откл. ±3')
|
S
|
Разжим
цанги без заготовки, не более
|
Осевое
перемещение цанги, не более
|
Размеры
устанавливаемых заготовок
|
Масса
кг, не более
|
|
D2
|
L2
|
|
наим
|
наиб.
|
наим
|
наиб.
|
|
7112-1483
|
44
|
М12
|
268
|
31,72
|
100
|
117,0
|
4
|
1:7
|
17
|
2,3
|
16
|
32
|
34,02
|
20
|
80
|
1,149
|
|
7112-1484
|
46
|
269
|
33,70
|
117,7
|
34
|
36,00
|
1,221
|
|
7112-1485
|
52
|
294
|
35,70
|
118,0
|
5
|
1:6
|
2,5
|
15
|
36
|
38,20
|
1,995
|
|
7112-1486
|
54
|
307
|
37,70
|
110
|
129,8
|
2,8
|
17
|
38
|
40,50
|
22
|
85
|
2,314
|
|
7112-1487
|
56
|
39,70
|
40
|
42,50
|
2,372
|
|
7112-1488
|
58
|
М14
|
314
|
41,70
|
131,0
|
19
|
3,3
|
20
|
42
|
45,00
|
2,495
|
|
7112-1489
|
60
|
316
|
44,70
|
1:5
|
3,4
|
17
|
45
|
48,06
|
2,742
|
|
7112-1491
|
62
|
332
|
47,60
|
120
|
145,0
|
4,0
|
20
|
48
|
51,60
|
24
|
95
|
3,011
|
|
7112-1492
|
64
|
49,60
|
50
|
53,60
|
3,133
|
|
7112-1493
|
70
|
М16
|
387
|
52,60
|
6
|
53
|
56,60
|
5,246
|
|
7112-1494
|
71
|
390
|
55,55
|
125
|
150,0
|
22
|
4,6
|
23
|
56
|
60,15
|
25
|
100
|
5,951
|
|
7112-1495
|
74
|
М20
|
413
|
59,55
|
130
|
160,0
|
5,0
|
25
|
60
|
64,55
|
26
|
105
|
6,551
|
|
7112-1496
|
75
|
62,50
|
24
|
63
|
67,55
|
6,801
|
|
7112-1497
|
77
|
424
|
66,50
|
140
|
170,0
|
67
|
71,50
|
28
|
110
|
7,324
|
|
7112-1498
|
83
|
М24
|
450
|
70,50
|
150
|
182,0
|
1:4
|
6,0
|
24
|
71
|
76,50
|
30
|
120
|
7,967
|
|
7112-1499
|
85
|
74,50
|
27
|
75
|
80,50
|
8,548
|
|
7112-1501
|
90
|
462
|
79,45
|
160
|
192,0
|
80
|
85,45
|
32
|
130
|
9,386
|
|
7112-1502
|
95
|
463
|
84,45
|
30
|
85
|
90,45
|
10,324
|
|
7112-1503
|
100
|
479
|
89,40
|
170
|
206,0
|
7,0
|
28
|
90
|
96,40
|
34
|
135
|
11,454
|
|
7112-1504
|
105
|
M30
|
495
|
94,40
|
36
|
95
|
101,40
|
12,458
|
|
7112-1505
|
110
|
510
|
99,35
|
180
|
220,0
|
8,0
|
32
|
100
|
107,35
|
36
|
145
|
13,784
|
Пример условного обозначения оправки типа II, диаметром D - 44 мм:
Оправка 7112-1483-II ГОСТ
31.1066.02-85

1 - корпус; 2 - тяга; 3 - цанга; 4 - вал; 5 - винт по ГОСТ 17773
Черт. 3
Примечание. Чертеж не определяет
конструкцию оправок.
Таблица 3
Размеры, мм
|
Обозна-
чение оправки
|
Условный размер конца шпин
деля
|
D
|
d (пред. откл. ±0,004 -0,006)
|
L
|
D1
(поле
допуска h7)
|
D3
|
D4
|
d1 (поле допуска h7)
|
d2 (поле допуска H6)
|
d3 (поле допуска H12)
|
L1
|
l
|
S
|
Конус-
ность
|
Разжим цанги без заготовки,
не более
|
Осевое переме-
щение цанги, не более
|
Размеры устанавливаемых
заготовок
|
Масса, кг, не более
|
|
пред. откл. ±0,2
|
D2
|
L2
|
|
наим.
|
наиб
|
наим.
|
наиб
|
|
7112-1506
|
5
|
133
|
82,563
|
218
|
49,60
|
78
|
104,8
|
45,4
|
М10
|
10,5
|
120
|
148
|
19
|
1:5
|
4,0
|
20
|
50
|
53,60
|
24
|
95
|
4,955
|
|
7112-1507
|
52,60
|
48,0
|
53
|
56,60
|
5,141
|
|
7112-1508
|
223
|
55,55
|
50,8
|
125
|
153
|
22
|
4,6
|
23
|
56
|
60,15
|
25
|
100
|
5,373
|
|
7112-1509
|
233
|
59,55
|
55,0
|
130
|
163
|
5,0
|
25
|
60
|
64,55
|
26
|
105
|
5,844
|
|
7112-1511
|
62,55
|
57,6
|
24
|
63
|
67,55
|
6,168
|
|
7112-1512
|
243
|
66,50
|
61,0
|
140
|
173
|
67
|
71,50
|
28
|
110
|
6,698
|
|
7112-1513
|
252
|
70,50
|
65,4
|
150
|
182
|
1:4
|
6,0
|
24
|
71
|
76,50
|
30
|
120
|
7,102
|
|
7112-1514
|
74,50
|
68,8
|
27
|
75
|
80,50
|
7,958
|
|
7112-1515
|
6
|
165
|
106,375
|
272
|
79,45
|
110
|
133,4
|
73,2
|
М12
|
13
|
160
|
192
|
80
|
85,45
|
32
|
130
|
10,275
|
|
7112-1516
|
84,45
|
77,5
|
30
|
85
|
90,45
|
11,018
|
|
7112-1517
|
286
|
89,40
|
82,7
|
170
|
206
|
7,0
|
28
|
90
|
96,40
|
34
|
135
|
12,140
|
|
7112-1518
|
94,40
|
87,0
|
36
|
95
|
101,40
|
13,046
|
|
7112-1519
|
300
|
99,35
|
92,3
|
180
|
220
|
8,0
|
32
|
100
|
107,35
|
36
|
145
|
14,385
|
Пример условного обозначения оправки типа III, диаметром D = 133 мм, длиной L =
218 мм:
Оправка 7112-1506-III ГОСТ
31.1066.02-85
(Измененная редакция, Изм. № 2).
4. Оправки должны
изготовляться в соответствии с требованиями настоящего стандарта по рабочим
чертежам, утвержденным в установленном порядке.
5. Устанавливать заготовку
следует симметрично относительно торцов цанги.
6. Конструкция и основные
размеры деталей оправок приведены в приложении 1.
7. Достигаемая степень
точности обработки заготовок по форме и расположению поверхностей указана в приложении 2.
ПРИЛОЖЕНИЕ 1
Рекомендуемое
КОНСТРУКЦИЯ И ОСНОВНЫЕ РАЗМЕРЫ ДЕТАЛЕЙ ОПРАВОК С
РАЗРЕЗНЫМИ ЦАНГАМИ ДЛЯ ТОЧНЫХ РАБОТ
1. Конструкция и основные размеры деталей для оправок
типа I
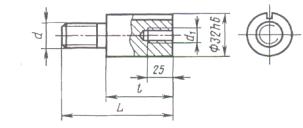
1.1. Конструкция и основные размеры вала
1.1.1. Конструкция и основные
размеры вала должны соответствовать указанным на черт. 1 и в табл. 1.

Черт. 1
Таблица 1
Размеры, мм
|
Обозначение оправки
|
D (поле допуска
е9)
|
L
|
В
|
Масса, кг, не более
|
|
7112-1451
|
14,10
|
155
|
12
|
0,184
|
|
7112-1452
|
15,77
|
13
|
0,229
|
|
7112-1453
|
17,53
|
165
|
15
|
0,303
|
|
7112-1454
|
19,23
|
16
|
0,365
|
|
7112-1455
|
20,90
|
18
|
0,432
|
|
7112-1456
|
22,63
|
19
|
0,505
|
|
7112-1457
|
24,30
|
175
|
21
|
0,620
|
|
7112-1458
|
27,07
|
195
|
23
|
0,859
|
|
7112-1459
|
28,87
|
205
|
25
|
1,027
|
|
7112-1461
|
30,50
|
26
|
1,144
|
|
7112-1462
|
32,17
|
27
|
1,270
|
|
7112-1463
|
33,90
|
215
|
29
|
1,480
|
|
7112-1464
|
36,57
|
230
|
31
|
1,840
|
|
7112-1465
|
38,30
|
33
|
2,020
|
|
7112-1466
|
40,90
|
35
|
2,310
|
|
7112-1467
|
43,40
|
240
|
37
|
2,710
|
|
7112-1468
|
45,03
|
39
|
2,920
|
|
7112-1469
|
48,67
|
255
|
42
|
3,610
|
|
7112-1471
|
51,43
|
260
|
44
|
4,130
|
|
7112-1472
|
54,63
|
265
|
47
|
4,750
|
|
7112-1473
|
57,27
|
49
|
5,210
|
|
7112-1474
|
60,60
|
275
|
52
|
6,060
|
|
7112-1475
|
65,03
|
300
|
56
|
7,610
|
|
7112-1476
|
68,47
|
59
|
8,440
|
|
7112-1477
|
72,83
|
310
|
63
|
9,860
|
|
7112-1478
|
77,10
|
67
|
11,050
|
|
7112-1479
|
82,27
|
340
|
72
|
13,800
|
|
7112-1481
|
86,63
|
76
|
15,270
|
|
7112-1482
|
91,90
|
365
|
80
|
18,490
|
1.1.2.
Материал - сталь марки 18ХГТ по ГОСТ
4543; допускается применять сталь марки 20Х по ГОСТ
4543.
1.1.3. Цементировать h 1,2...1,5
мм, твердость 57...63 НRСэ.
1.1.4. Допуски круглости и
профиля продольного сечения вала - по 2-й степени точности ГОСТ
24643, а радиального биения конуса относительно оси - по 1-й степени
точности ГОСТ
24643, кроме цилиндрической поверхности и центровых отверстий.
1.1.5. Неуказанные предельные
отклонения: h14, ± .
1.1.6. Покрытие - Хим. Окс.
прм по ГОСТ
9.306.
(Измененная редакция, Изм.
№ 1).
1.2. Конструкция и основные размеры
цанг
1.2.1. Конструкция и основные размеры
цанг должны соответствовать указанным на черт. 2 и в табл. 2.

Черт. 2
Таблица 2
Размеры, мм
|
Обозначение
оправки
|
D (поле
допуска f7)
|
d (поле
допуска Н9)
|
d1
|
L
|
l1
|
l (поле допуска
d9)
|
Количество
прорезей
|
Масса, кг, не более
|
|
7112-1451
|
15,80
|
11,3
|
12,3
|
70
|
12,0
|
7,8
|
6
|
0,051
|
|
7112-1452
|
17,78
|
12,9
|
14,0
|
13,0
|
9,0
|
0,062
|
|
7112-1453
|
19,78
|
14,6
|
15,8
|
80
|
14,0
|
10,0
|
0,084
|
|
7112-1454
|
21,75
|
16,4
|
17,5
|
12,5
|
8,0
|
8
|
0,097
|
|
7112-1455
|
23,75
|
18,0
|
19,2
|
13,5
|
8,8
|
0,114
|
|
7112-1456
|
25,75
|
19,7
|
20,9
|
14,0
|
9,6
|
0,130
|
|
7112-1457
|
27,72
|
21,3
|
22,6
|
90
|
15,0
|
10,4
|
0,169
|
|
7112-1458
|
29,72
|
23,0
|
24,4
|
16,0
|
11,2
|
0,190
|
|
7112-1459
|
31,72
|
24,9
|
26,1
|
100
|
14,5
|
9,4
|
10
|
0,231
|
|
7112-1461
|
33,70
|
26,5
|
27,8
|
15,0
|
10,0
|
0,260
|
|
7112-1462
|
35,70
|
28,1
|
29,5
|
16,0
|
10,6
|
0,290
|
|
7112-1463
|
37,70
|
29,8
|
31,2
|
110
|
16,5
|
11,2
|
0,355
|
|
7112-1464
|
39,66
|
31,4
|
32,9
|
17,5
|
11,8
|
0,384
|
|
7112-1465
|
41,66
|
33,1
|
34,6
|
18,0
|
12,4
|
0,419
|
|
7112-1466
|
44,66
|
35,8
|
37,2
|
16,5
|
11,0
|
12
|
0,466
|
|
7112-1467
|
47,60
|
38,2
|
39,7
|
120
|
18,0
|
11,8
|
0,581
|
|
7112-1468
|
49,60
|
39,8
|
41,4
|
18,5
|
12,3
|
0,630
|
|
7112-1469
|
52,60
|
42,4
|
44,0
|
19,0
|
13,0
|
0,697
|
|
7112-1471
|
55,55
|
45,1
|
46,8
|
125
|
20,0
|
11,8
|
14
|
0,784
|
|
7112-1472
|
59,55
|
48,3
|
50,5
|
130
|
12,7
|
0,941
|
|
7112-1473
|
62,55
|
50,9
|
52,6
|
20,5
|
13,4
|
1,025
|
|
7112-1474
|
66,50
|
54,3
|
56,0
|
140
|
19,5
|
12,4
|
16
|
1,238
|
|
7112-1475
|
70,50
|
57,7
|
59,4
|
150
|
20,0
|
12,9
|
1,476
|
|
7112-1476
|
74,50
|
61,1
|
62,5
|
20,5
|
13,7
|
1,635
|
|
7112-1477
|
79,45
|
65,5
|
67,2
|
160
|
20,0
|
13,0
|
18
|
1,933
|
|
7112-1478
|
84,45
|
69,7
|
71,5
|
21,0
|
13,8
|
2,174
|
|
7112-1479
|
89,40
|
73,8
|
75,7
|
170
|
22,0
|
14,7
|
2,596
|
|
7112-1481
|
94,40
|
78,1
|
80,0
|
23,0
|
15,6
|
2,867
|
|
7112-1482
|
99,35
|
82,4
|
84,3
|
180
|
22,5
|
14,5
|
20
|
3,315
|
1.2.2.
Материал - сталь марки 60С2ХФА по ГОСТ
14959; допускается применять сталь марок: 60С2А, 60С2ХА по ГОСТ
14959.
1.2.3. Твердость 41,5...45,5 HRCэ.
1.2.4. Допуски круглости
поверхностей наружной цилиндрической диаметром D и внутренней конической - по 2-й степени точности ГОСТ
24643.
1.2.5. Допуски профиля
продольного сечения поверхностей наружной цилиндрической диаметром D и внутренней конической - по 3-й степени точности ГОСТ
24643.
1.2.6. Допуск радиального
биения наружной цилиндрической поверхности диаметром D относительной оси конической внутренней поверхности -
по 2-й степени точности ГОСТ
24643.
1.2.7. Предельные отклонения
угла конуса при вершине конической поверхности, а также допуски форм и
расположения поверхностей проверять до прорезки перемычек.
1.2.8. Неуказанные предельные
отклонения: Н14, h14, ±
1.2.9. Покрытие - Хим. Окс.
прм по ГОСТ
9.306, кроме поверхностей наружной цилиндрической диаметром D и внутренней конической.
(Измененная редакция, Изм. № 1).
2. Конструкция и основные размеры
деталей для оправок типа II
2.1. Конструкция и основные размеры
тяги
2.1.1. Конструкция и основные размеры
тяги должны соответствовать указанным на черт. 3 и в табл. 3.

Черт. 3
Таблица 3
Размеры, мм
|
Обозначение оправки
|
D
|
d (поле
допуска g6)
|
d1
|
d2 (поле допуска g7)
|
L
|
l
|
l1
|
S
|
Масса, кг, не более
|
|
7112-1483
|
24
|
М12
|
12
|
14
|
268
|
35
|
19,0
|
17
|
0,319
|
|
7112-1484
|
269
|
20,0
|
0,321
|
|
7112-1485
|
294
|
21,0
|
0,353
|
|
7112-1486
|
307
|
22,0
|
0,357
|
|
7112-1487
|
23,0
|
0,359
|
|
7112-1488
|
32
|
М14
|
14
|
16
|
314
|
40
|
24,0
|
19
|
0,440
|
|
7112-1489
|
316
|
23,0
|
0,516
|
|
7112-1491
|
332
|
24,5
|
0,520
|
|
7112-1492
|
25,0
|
|
7112-1493
|
40
|
М16
|
16
|
22
|
387
|
45
|
0,681
|
|
7112-1494
|
390
|
26,0
|
22
|
0,943
|
|
7112-1495
|
45
|
М20
|
20
|
24
|
413
|
55
|
1,108
|
|
7112-1496
|
27,0
|
24
|
1,295
|
|
7112-1497
|
424
|
1,336
|
|
7112-1498
|
50
|
М24
|
24
|
28
|
450
|
65
|
28,0
|
1,373
|
|
7112-1499
|
27
|
1,669
|
|
7112-1501
|
462
|
1,724
|
|
7112-1502
|
463
|
30,0
|
30
|
2,076
|
|
7112-1503
|
479
|
31,0
|
2,159
|
|
7112-1504
|
60
|
М30
|
30
|
32
|
495
|
80
|
32,0
|
36
|
2,952
|
|
7112-1505
|
510
|
33,0
|
3,057
|
2.1.2.
Материал - сталь марки 40Х по ГОСТ
4543; допускается применять сталь марки 20Х по ГОСТ
4543.
2.1.3. Поверхности торцев А и диаметра d2 цементировать h 1,2... 1,5,
твердость 57...63 НRСэ. Твердость
поверхности шестигранника 41...45 HRCэ.
2.1.4. Допуск круглости
диаметра d - по 3-й степени точности ГОСТ
24643.
2.1.5. Неуказанные предельные
отклонения размеров: Н14, h14, ± .
2.1.6. Резьба метрическая - по
ГОСТ
24705, поле допуска резьбы - по ГОСТ
16093.
2.1.7. Сбеги, проточки, фаски
под резьбу - по ГОСТ 10549.
2.1.8. Покрытие поверхности В
- Хим. Окc. прм по ГОСТ
9.306.
(Измененная редакция, Изм.
№ 1).
2.2.
Конструкция и основные размеры корпуса
2.2.1. Конструкция и основные
размеры корпуса должны соответствовать указанным на черт. 4 и в табл. 4.

Черт. 4
Таблица 4
Размеры, мм
|
Обозначение
оправки
|
D
|
D1
|
d (поле допуска Н7)
|
L
|
l
|
l1
|
Конус
Морзе
|
Конусность
|
α (пред. откл. ±1,5')
|
Масса,
кг, не более
|
|
(поле допуска f7)
|
|
7112-1483
|
44
|
28,1
|
14
|
199
|
78
|
3
|
4
|
1:7
|
4°5'8"
|
0,642
|
|
7112-1484
|
46
|
29,9
|
0,693
|
|
7112-1485
|
52
|
32,0
|
223
|
77
|
5
|
1:6
|
4°45'49"
|
1,406
|
|
7112-1486
|
54
|
34,0
|
232
|
85
|
1,661
|
|
7112-1487
|
56
|
35,7
|
231
|
84
|
1,682
|
|
7112-1488
|
58
|
37,6
|
16
|
232
|
1,696
|
|
7112-1489
|
60
|
40,4
|
236
|
86
|
5
|
1:5
|
5°42'38"
|
1,817
|
|
7112-1491
|
62
|
43,7
|
246
|
95
|
1,979
|
|
7112-1492
|
64
|
45,4
|
94
|
2,065
|
|
7112-1493
|
70
|
48,0
|
22
|
296
|
3,955
|
|
7112-1494
|
71
|
50,8
|
299
|
97
|
6
|
4,335
|
|
7112-1495
|
74
|
55,0
|
24
|
306
|
103
|
4,625
|
|
7112-1496
|
75
|
57,6
|
305
|
102
|
4,609
|
|
7112-1497
|
77
|
61,0
|
314
|
110
|
4,888
|
|
7112-1498
|
83
|
65,4
|
28
|
327
|
119
|
8
|
1:4
|
7°7'30"
|
5,282
|
|
7112-1499
|
85
|
68,8
|
330
|
122
|
5,395
|
|
7112-1501
|
90
|
73,2
|
342
|
132
|
5,910
|
|
7112-1502
|
95
|
77,5
|
340
|
129
|
6,261
|
|
7112-1503
|
100
|
82,7
|
351
|
138
|
6,926
|
|
7112-1504
|
105
|
87,0
|
32
|
137
|
6,891
|
|
7112-1505
|
110
|
92,3
|
360
|
145
|
7,693
|
2.2.2.
Материал - сталь марки 18ХГТ по ГОСТ
4543; допускается применять сталь марки 20Х по ГОСТ
4543.
2.2.3. Цементировать h 1,2...1,5,
кроме внутренних поверхностей; твердость 57...63 НRСэ.
2.2.4. Допуски крутости
профиля продольного сечения конусов - по 2-й степени точности ГОСТ
24643.
2.2.5. Допуск радиального
биения поверхности метрического конуса относительно поверхности конуса Морзе -
по 2-й степени точности ГОСТ
24643.
2.2.6. Покрытие - Хим. Окс.
прм по ГОСТ
9.306, кроме конических поверхностей и поверхности диаметра d.
(Измененная редакция, Изм. № 1).
2.3. Конструкция и основные размеры
цанги
2.3.1. Конструкция и основные размеры
цанги должны соответствовать указанным на черт. 5 и в табл. 5.

Черт. 5
Таблица 5
Размеры, мм
|
Обозначение оправки
|
D (поле
допуска f7)
|
d (поле
допуска Н9)
|
L
|
l (поле допуска d9)
|
l1
|
Количество
прорезей
|
Конусность
|
α
(пред. откл. ±1,5')
|
Масса, кг, не более
|
|
7112-1483
|
31,72
|
26,1
|
100
|
9,4
|
19,0
|
10
|
1:7
|
4°5'8"
|
0,196
|
|
7112-1484
|
33,70
|
27,8
|
10,0
|
20,0
|
0,215
|
|
7112-1485
|
35,70
|
29,5
|
10,6
|
21,0
|
1:6
|
4°45'49"
|
0,246
|
|
7112-1486
|
37,70
|
31,2
|
110
|
11,2
|
22,0
|
0,296
|
|
7112-1487
|
39,66
|
32,9
|
11,8
|
23,0
|
0,331
|
|
7112-1488
|
41,66
|
34,6
|
12,4
|
24,0
|
0,359
|
|
7112-1489
|
44,66
|
37,2
|
11,0
|
23,0
|
12
|
1:5
|
5°42'38"
|
0,407
|
|
7112-1491
|
47,60
|
39,7
|
120
|
11,8
|
24,5
|
0,512
|
|
7112-1492
|
49,60
|
41,4
|
12,3
|
25,0
|
0,548
|
|
7112-1493
|
52,60
|
44,0
|
13,0
|
0,610
|
|
7112-1494
|
55,55
|
46,8
|
125
|
11,8
|
26,0
|
14
|
0,673
|
|
7112-1495
|
59,55
|
50,5
|
130
|
12,7
|
0,818
|
|
7112-1496
|
62,55
|
52,6
|
13,4
|
27,0
|
0,897
|
|
7112-1497
|
66,50
|
56,0
|
140
|
12,4
|
16
|
1,100
|
|
7112-1498
|
70,50
|
59,4
|
150
|
12,9
|
28,0
|
1:4
|
7°7'30"
|
1,312
|
|
7112-1499
|
74,50
|
62,5
|
13,7
|
1,484
|
|
7112-1501
|
79,45
|
67,2
|
160
|
13,0
|
18
|
1,752
|
|
7112-1502
|
84,45
|
71,5
|
13,8
|
30,0
|
1,987
|
|
7112-1503
|
89,40
|
75,7
|
170
|
14,7
|
31,0
|
2,369
|
|
7112-1504
|
94,40
|
80,0
|
15,6
|
32,0
|
2,615
|
|
7112-1505
|
99,35
|
84,3
|
180
|
14,5
|
33,0
|
20
|
3,034
|
2.3.2.
Материал - сталь марки 60С2ХФА по ГОСТ
14959; допускается применять сталь марок 60С2А, 60С2ХА по ГОСТ
14959.
2.3.3. Твердость 41,5...45,5 НRСэ.
2.3.4. Допуски круглости
наружной цилиндрической поверхности диаметром D и конической поверхности - по 2-й степени точности ГОСТ
24643.
2.3.5. Допуски профиля
продольного сечения наружной цилиндрической поверхности диаметром D и конической поверхности - по 3-й степени точности ГОСТ
24643.
2.3.6. Допуск радиального
биения наружной цилиндрической поверхности диаметром D относительно оси конической поверхности - по 2-й
степени точности ГОСТ
24643.
2.3.7. Предельные отклонения
угла конуса при вершине конической поверхности, а также допуски форм и
расположения поверхностей проверять до прорезки перемычек.
2.3.8. Неуказанные предельные
отклонения размеров: h14, ± .
3. Конструкция и основные размеры
деталей для оправок типа III
3.1. Конструкция и основные размеры
корпуса
3.1.1. Конструкция и основные размеры
должны соответствовать указанным на черт. 6 и в табл. 6.

Черт. 6
Таблица 6
Размеры, мм
|
Обозначение
оправки
|
Условный
размер конца шпинделя
|
D
|
D1 (пред. откл. ± 2)
|
D2
(пред. откл. ± 2)
|
d
(пред. откл. + 0,004 - 0,006)
|
d1
(поле допуска h7)
|
d2
(поле допуска h9)
|
d3
|
d3
(поле допуска H6)
|
d5
|
L
|
l
|
l1
|
Конусность
|
α
(пред,
откл. ±1,5')
|
Масса, кг, не более
|
|
7112-1506
|
5
|
133
|
78
|
104,8
|
82,563
|
45,4
|
16
|
16,5
|
М10
|
10,5
|
137
|
97
|
40
|
1:5
|
5°42'38"
|
3,817
|
|
7112-1507
|
|
48,0
|
3,935
|
|
7112-1508
|
50,8
|
138
|
98
|
4,060
|
|
7112-1509
|
55,0
|
146
|
106
|
4,354
|
|
7112-1511
|
57,6
|
20
|
145
|
105
|
4,415
|
|
7112-1512
|
61,0
|
153
|
113
|
4,691
|
|
7112-1513
|
65,4
|
159
|
119
|
1:4
|
7°7'30"
|
4,880
|
|
7112-1514
|
68,8
|
162
|
122
|
5,493
|
|
7112-1515
|
6
|
165
|
ПО
|
133,4
|
106,375
|
73,2
|
19,5
|
М12
|
13
|
172
|
132
|
50
|
7,403
|
|
7112-1516
|
77,5
|
169
|
129
|
7,806
|
|
7112-1517
|
82,7
|
178
|
138
|
8,494
|
|
7112-1518
|
87,0
|
177
|
137
|
8,938
|
|
7112-1519
|
92,3
|
185
|
145
|
9,750
|
3.1.2.
Материал - сталь марки 18ХГТ по ГОСТ
4543; допускается применять сталь марки 20Х по ГОСТ
4543.
3.1.3. Цементировать
поверхность Г h 1,2…1,5, твердость 56...63 HRCэ;
твердость остальных поверхностей 41...45 НRСэ.
3.1.4. Допуск круглости
наружной конической поверхности - по 2-й степени точности ГОСТ
24643.
3.1.5. Допуск профиля
продольного сечения наружной конической поверхности - по 2-й степени точности ГОСТ
24643.
3.1.6. Допуск радиального
биения поверхности отверстия диаметром Ø32Н7 относительно установочных
поверхностей корпуса - по 4-й степени точности ГОСТ
24643.
3.1.7. Неуказанные предельные
отклонения размеров: HI4, hl4, ± .
3.1.8. Резьба метрическая - по
ГОСТ
24705, поле допуска резьбы - по ГОСТ
16093.
3.1.9. Фаски под резьбу - по ГОСТ
10549.
3.1.10. Покрытие - Хим. Окc.
прм по ГОСТ
9.306, кроме сопрягаемых поверхностей.
(Измененная редакция, Изм.
№ 1).
3.2. Конструкция и основные размеры
тяги
3.2.1. Конструкция и основные размеры
тяги должны соответствовать указанным на черт. 7 и в табл. 7.

Черт. 7
Таблица 7
Размеры, мм
|
Обозначение оправки
|
D
|
d (поле
допуска 6g)
|
d1 (поле допуска с9)
|
L
|
l
|
S
|
Масса, кг, не более
|
|
7112-1506
|
30
|
М16
|
16
|
159
|
25
|
19
|
0,290
|
|
7112-1507
|
|
7112-1508
|
35
|
164
|
26
|
22
|
0,340
|
|
7112-1509
|
174
|
0,372
|
|
7112-1511
|
45
|
М20
|
20
|
27
|
24
|
0,556
|
|
7112-1512
|
184
|
0,607
|
|
7112-1513
|
193
|
28
|
0,610
|
|
7112-1514
|
50
|
27
|
0,681
|
|
7112-1515
|
|
7112-1516
|
55
|
30
|
30
|
0,804
|
|
7112-1517
|
207
|
31
|
0,856
|
|
7112-1518
|
60
|
32
|
36
|
1,072
|
|
7112-1519
|
221
|
33
|
1,180
|
3.2.2.
Материал - сталь марки 40Х по ГОСТ
4543; допускается применять сталь марки 20Х по ГОСТ
4543.
3.2.3. Поверхности торцев А цементировать h 1,2...1,5,
твердость 57...63 НRСэ. Твердость поверхности
шестигранника 41...45 НRСэ.
3.2.4. Неуказанные предельные
отклонения размеров: Н14, h14, ± .
3.2.5. Резьба метрическая - по
ГОСТ
24705, поле допуска резьбы - по ГОСТ
16093.
3.2.6. Сбеги, проточки, фаски
под резьбу - по ГОСТ 10549.
3.3. Конструкция и основные размеры цанги
3.3.1. Конструкция и основные размеры
цанги должны соответствовать указанным на черт. 5 и в табл. 8.
Таблица 8
Размеры, мм
|
Обозначение
оправки
|
D (поле допуска f7)
|
d (поле допуска Н9)
|
L
|
l (поле допуска d9)
|
l1
|
Количество
прорезей
|
Конусность
|
α
(пред.
откл. ±1,5')
|
Масса,
кг, не более
|
|
7112-1506
|
49,60
|
41,4
|
120
|
12,3
|
25
|
12
|
1:5
|
5°42'38"
|
0,548
|
|
7112-1507
|
52,60
|
44,0
|
13,0
|
0,610
|
|
7112-1508
|
55,55
|
46,8
|
125
|
11,8
|
26
|
14
|
0,673
|
|
7112-1509
|
59,55
|
50,5
|
130
|
12,7
|
0,818
|
|
7112-1511
|
62,55
|
52,6
|
13,4
|
27
|
0,897
|
|
7112-1512
|
66,50
|
56,0
|
140
|
12,4
|
16
|
1,100
|
|
7112-1513
|
70,50
|
59,4
|
150
|
12,9
|
28
|
1:4
|
7°7'30"
|
1,312
|
|
7112-1514
|
74,50
|
62,5
|
13,7
|
1,484
|
|
7112-1515
|
79,45
|
67,2
|
160
|
13,0
|
18
|
1,752
|
|
7112-1516
|
84,45
|
71,5
|
13,8
|
30
|
1,987
|
|
7112-1517
|
89,40
|
75,7
|
170
|
14,7
|
31
|
2,369
|
|
7112-1518
|
94,40
|
80,0
|
15,6
|
32
|
2,615
|
|
7112-1519
|
99,35
|
84,3
|
180
|
14,5
|
33
|
20
|
3,034
|
3.3.2.
Материал - сталь марки 60С2ХФА по ГОСТ
14959; допускается применять сталь
марок 60С2А, 60С2ХА по ГОСТ
14959.
3.3.3. Твердость 41,5...45,5 НRСэ.
3.3.4. Допуски круглости
наружной цилиндрической поверхности диаметром d и конической поверхности - по 2-й
степени точности ГОСТ
24643.
3.3.5. Допуски профиля
продольного сечения наружной цилиндрической поверхности диаметром D и конической поверхности - по 3-й степени точности ГОСТ
24643.
3.3.6. Допуск радиального
биения наружной цилиндрической поверхности диаметром D относительно оси конической поверхности - по 2-й
степени точности ГОСТ
24643.
3.3.7. Предельные отклонения
угла конуса при вершине конической поверхности, а также предельные отклонения
форм и расположения поверхностей проверять до прорезки перемычек.
3.3.8. Неуказанные предельные
отклонения размеров: h14, ± .
3.3.9. Покрытие - Хим. Окc. прм по ГОСТ
9.306, кроме поверхностей наружной цилиндрической диаметром D и конической.
(Измененная редакция, Изм. № 1).
3.4. Конструкция и размеры вала
3.4.1. Конструкция и размеры
вала должны соответствовать указанным на черт. 8 и в табл. 9.

Черт. 8
Таблица 9
Размеры, мм
|
Обозначение
оправки
|
d (поле допуска g6)
|
d1 (поле допуска Н6)
|
L
|
l
|
Масса,
кг, не более
|
|
7112-1506-7112-1509
|
М16
|
М16
|
86
|
40
|
0,300
|
|
7112-1511-7112-1519
|
М20
|
М20
|
106
|
50
|
0,421
|
3.4.2.
Материал - сталь марки 40Х по ГОСТ
4543, допускается применять сталь марки 20Х по ГОСТ
4543.
3.4.3. Твердость поверхностей
диаметром Ø32Н6 и шпоночного паза 40 НRСэ.
3.4.4. Неуказанные предельные
отклонения размеров: h14, ± .
3.4.5. Резьба метрическая - по
ГОСТ
24705, поле допуска резьбы - по ГОСТ
16093.
3.4.6. Сбеги, проточки, фаски
под резьбу - по ГОСТ 10549.
ПРИЛОЖЕНИЕ 2
Справочное
ДОСТИГАЕМАЯ
СТЕПЕНЬ ТОЧНОСТИ ОБРАБОТКИ ЗАГОТОВОК ПО ФОРМЕ И РАСПОЛОЖЕНИЮ ПОВЕРХНОСТЕЙ
|
Тип оправки
|
Допуск заготовки
после обработки
|
Вид механической
обработки
|
|
Вид допуска
|
Степень точности по
ГОСТ
24643
|
|
I
|
Допуск круглости наружного диаметра
|
2 - 4
|
Точение
|
|
1 - 4
|
Шлифование
|
|
II, III
|
3 - 5
|
Точение
|
|
2 - 5
|
Шлифование
|
|
I
|
Допуск соосности наружного диаметра относительно базового
отверстия
|
3 - 6
|
Точение
|
|
2 - 5
|
Шлифование
|
|
II, III
|
4 - 7
|
Точение
|
|
2 - 6
|
Шлифование
|
|
I
|
Допуск радиального биения наружной поверхности
относительно оси базового отверстия
|
3 - 6
|
Точение
|
|
2 - 5
|
Шлифование
|
|
II, III
|
4 - 7
|
Точение
|
|
2 - 6
|
Шлифование
|
|
I
|
Допуск полного торцового биения относительно оси базового
отверстия
|
4 - 7
|
Точение
|
|
3 - 7
|
Шлифование
|
|
II, III
|
4 - 7
|
Точение
|
|
3 - 7
|
Шлифование
|
Примечания:
1. Допуски определены с вероятностью 0,9 и надежностью 0,9.
2. Достигаемая точность обработки зависит от состояния баз
заготовок.
3. Под достигаемой точностью
обработки заготовки понимается наиболее вероятный результат, получаемый на
станках токарно-винторезных и токарных по ГОСТ
18097, круглошлифовальных по ГОСТ
11654 повышенной и высокой точности.
ПРИЛОЖЕНИЕ 2, (Измененная
редакция, Изм. № 2).
ИНФОРМАЦИОННЫЕ ДАННЫЕ
1. РАЗРАБОТАН И ВНЕСЕН
Министерством высшего и среднего специального образования СССР Министерством
станкостроительной и инструментальной промышленности СССР
2. УТВЕРЖДЕН И ВВЕДЕН В
ДЕЙСТВИЕ Постановлением Государственного комитета СССР по стандартам от
20.06.85 № 1814
3. ВВЕДЕН ВПЕРВЫЕ
4. ССЫЛОЧНЫЕ
НОРМАТИВНО-ТЕХНИЧЕСКИЕ ДОКУМЕНТЫ
5. Ограничение срока действия
снято Постановлением Госстандарта СССР от 05.06.90 № 1400
6. ИЗДАНИЕ с Изменениями №
1, 2, утвержденными в августе 1987
г., июне 1990
г. (ИУС 12-87, 9-90)
|