Бесплатная библиотека стандартов и нормативов www.docload.ru

Все документы, размещенные на этом сайте, не являются их официальным изданием и предназначены исключительно для ознакомительных целей.
Электронные копии этих документов могут распространяться без всяких ограничений. Вы можете размещать информацию с этого сайта на любом другом сайте.
Это некоммерческий сайт и здесь не продаются документы. Вы можете скачать их абсолютно бесплатно!
Содержимое сайта не нарушает чьих-либо авторских прав! Человек имеет право на информацию!

 

ГОСТ Р 50932-96

ГОСУДАРСТВЕННЫЙ СТАНДАРТ РОССИЙСКОЙ ФЕДЕРАЦИИ

Совместимость технических средств электромагнитная

УСТОЙЧИВОСТЬ ОБОРУДОВАНИЯ
ПРОВОДНОЙ СВЯЗИ
К ЭЛЕКТРОМАГНИТНЫМ ПОМЕХАМ

Требования и методы испытаний

ГОССТАНДАРТ РОССИИ

Москва

Предисловие

1 РАЗРАБОТАН Центральным научно-исследовательским институтом связи (ЦНИИС) Министерства связи Российской Федерации и Техническим комитетом по стандартизации в области электромагнитной совместимости технических средств (ТК ЭМС)

ВНЕСЕН Техническим комитетом по стандартизации в области электромагнитной совместимости технических средств

2 ПРИНЯТ И ВВЕДЕН В ДЕЙСТВИЕ Постановлением Госстандарта России от 30 июля 1996 г. № 495

3 Стандарт соответствует международным стандартам МЭК 1000-4-1, МЭК 801-2, МЭК 801-4 в части требований устойчивости к электромагнитным помехам и методов испытаний

4 ВВЕДЕН ВПЕРВЫЕ

5 ПЕРЕИЗДАНИЕ, апрель 2004 г.

СОДЕРЖАНИЕ

1 Область применения. 2

2 Нормативные ссылки. 2

3 Определения. 2

4 Технические требования. 3

4.1 Общие положения. 3

4.2 Степени жесткости испытаний на помехоустойчивость и критерии качества работы при испытаниях. 3

5 Методы испытаний. 4

5.1 Общие положения. 4

5.2 Испытания на устойчивость к электростатическим разрядам.. 5

5.3 Испытания на устойчивость к наносекундным импульсным помехам в цепях электропитания, линейных цепях и цепях сигнализации и управления. 5

5.4 Испытания на устойчивость к динамическим изменениям напряжения сети электропитания. 5

5.5 Испытания на устойчивость к микросекундным импульсным помехам большой энергии в цепях электропитания и линейных цепях. 5

5.6 Испытания на устойчивость к воздействию радиочастотных электромагнитных полей в полосе 26 - 1000 МГц. 7

6 Оценка результатов испытаний. 7

7 Требования безопасности. 7

ПРИЛОЖЕНИЕ А Критерии качества функционирования ТС при испытаниях на помехоустойчивость. 7

ПРИЛОЖЕНИЕ Б Форма протокола испытаний ТС на помехоустойчивость. 8

ГОСТ Р 50932-96

ГОСУДАРСТВЕННЫЙ СТАНДАРТ РОССИЙСКОЙ ФЕДЕРАЦИИ

Совместимость технических средств электромагнитная

УСТОЙЧИВОСТЬ ОБОРУДОВАНИЯ ПРОВОДНОЙ СВЯЗИ К ЭЛЕКТРОМАГНИТНЫМ ПОМЕХАМ

Требования и методы испытаний

Electromagnetic compatibility of technical equipment. Immunity of wire communication equipment to electromagnetic disturbances. Requirements and test methods

Дата введения:

для вновь разрабатываемых, модернизируемых и импортируемых ТС

- 1997-01-01

для изготавливаемых ТС

- 1997-07-01

1 Область применения

Настоящий стандарт распространяется на абонентское и групповое оборудование проводной связи (телефонные аппараты, факсимильную и телеграфную аппаратуру, аппаратуру передачи данных, модемы, мультиплексоры, концентраторы, оборудование АТС) [далее в тексте - технические средства (ТС)].

Стандарт устанавливает требования к ТС по обеспечению электромагнитной совместимости в части устойчивости к электромагнитным помехам (помехам), включая виды стандартизованных помех, степени жесткости испытаний для каждого вида, критерии качества функционирования при испытаниях, а также соответствующие методы испытаний.

Требования настоящего стандарта являются обязательными.

2 Нормативные ссылки

В настоящем стандарте использованы ссылки на следующие стандарты:

ГОСТ 7153-85 Аппараты телефонные общего применения. Общие технические условия

ГОСТ 15150-69 Машины, приборы и другие технические изделия. Исполнения для различных климатических районов. Категории, условия эксплуатации, хранения и транспортирования в части воздействия климатических факторов внешней среды

ГОСТ 17657-79 Передача данных. Термины и определения

ГОСТ 19472-88 Система автоматизированной телефонной связи общегосударственная. Термины и определения

ГОСТ 19542-93 Совместимость средств вычислительной техники электромагнитная. Термины и определения

ГОСТ 22515-77 Связь телеграфная. Термины и определения

ГОСТ 29037-91 Совместимость технических средств электромагнитная. Сертификационные испытания. Общие положения

ГОСТ Р 50397-92 Совместимость технических средств электромагнитная. Термины и определения

ГОСТ Р 51317.4.2-99 (МЭК 61000-4-2-95) Совместимость технических средств электромагнитная. Устойчивость к электростатическим разрядам. Требования и методы испытаний

ГОСТ Р 51317.4.3-99 (МЭК 61000-4-3-95) Совместимость технических средств электромагнитная. Устойчивость к радиочастотному электромагнитному полю. Требования и методы испытаний

ГОСТ Р 51317.4.4-99 (МЭК 61000-4-4-95) Совместимость технических средств электромагнитная. Устойчивость к наносекундным импульсным помехам. Требования и методы испытаний

ГОСТ Р 51317.4.5-99 (МЭК 61000-4-5-95) Совместимость технических средств электромагнитная. Устойчивость к микросекундным импульсным помехам большой энергии. Требования и методы испытаний

ГОСТ Р 51317.4.11-99 (МЭК 61000-4-11-95) Совместимость технических средств электромагнитная. Устойчивость к динамическим изменениям напряжения электропитания. Требования и методы испытаний.

3 Определения

В настоящем стандарте применяют термины, установленные в ГОСТ 7153, ГОСТ 17657, ГОСТ 19472, ГОСТ 19542, ГОСТ 22515, ГОСТ Р 50397, а также следующие:

- степень жесткости испытаний ТС на помехоустойчивость - условный номер, отражающий интенсивность воздействующей помехи с параметрами, регламентированными в нормативной документации;

- критерий качества функционирования ТС при испытаниях на помехоустойчивость - совокупность свойств и параметров, характеризующих работоспособность ТС при воздействии помех;

- цепь электропитания ТС - электрическая цепь, предназначенная для подключения к ТС линии электропитания;

- линейная цепь ТС - электрическая цепь, предназначенная для подключения к ТС абонентской (групповой) линии связи;

- цепь сигнализации и управления ТС - электрическая цепь, предназначенная для подключения к ТС линии сигнализации и управления;

- динамическое изменение напряжения сети электропитания (провал, прерывание, выброс) - помеха ТС, представляющая собой кратковременное отклонение напряжения в сети электропитания за регламентированный нижний и верхний пределы длительностью от полупериода частоты переменного тока до нескольких секунд с последующим возвращением к исходному значению;

- наносекундная импульсная помеха в цепях электропитания, линейных цепях и цепях сигнализации и управления ТС - импульсная помеха, длительность которой лежит в пределах от одной наносекунды до одной микросекунды;

- микросекундная импульсная помеха в цепях электропитания и линейных цепях - импульсная помеха, длительность которой лежит в пределах от одной микросекунды до одной миллисекунды.

4 Технические требования

4.1 Общие положения

4.1.1 Для обеспечения работоспособности в условиях эксплуатации ТС должны соответствовать установленным в настоящем стандарте требованиям устойчивости к воздействию электромагнитных помех следующих видов:

- электростатических разрядов по ГОСТ Р 51317.4.2;

- наносекундных импульсных помех по ГОСТ Р 317.4.4 в цепях электропитания переменного и постоянного тока, в линейных цепях и цепях сигнализации и управления;

- динамических изменений напряжения сети электропитания переменного тока по ГОСТ Р 51317.4.11;

- микросекундных импульсных помех большой энергии по ГОСТ Р 51317.4.5 с длительностью фронта импульса 1 мкс и длительностью импульса 50 мкс в цепях электропитания переменного тока и симметричных линейных цепях;

- радиочастотных электромагнитных полей по ГОСТ Р 51317.4.31).

1) Требование устанавливают с 1997-07-01.

Кроме того, ТС, которые в условиях эксплуатации могут быть подключены к линиям связи значительной протяженности (линиям сельских районов, включая воздушные линии), должны дополнительно удовлетворять требованиям устойчивости к микросекундным импульсным помехам большой энергии по 5.5.2 с длительностью фронта импульса 6,5 мкс и длительностью импульса 700 мкс в симметричных линейных цепях.

4.1.2 Требования устойчивости ТС к помехам включают степени жесткости испытаний на устойчивость к помехам видов, указанных в 4.1.1 (далее в тексте - испытания на помехоустойчивость) и критерии качества функционирования при испытаниях на помехоустойчивость.

4.1.3 Критерии качества функционирования ТС при испытаниях на помехоустойчивость установлены в приложении А.

4.1.4 В зависимости от устойчивости к помехам видов, указанных в 4.1.1, ТС подразделяют на группы I, II, указанные в 4.2, отличающиеся степенями жесткости испытаний на помехоустойчивость.

Группу по устойчивости к помехам, а также необходимость соответствия требованиям устойчивости к микросекундным импульсным помехам большой энергии по 5.5.2, устанавливает изготовитель ТС применительно к предполагаемым условиям эксплуатации ТС.

4.1.5 ТС группы I по устойчивости к помехам эксплуатируют в жилых зданиях, учреждениях, на предприятиях торговли, обслуживания и легкой промышленности. ТС группы II по устойчивости к помехам эксплуатируют на промышленных предприятиях.

Допускается применение ТС группы II по устойчивости к помехам в условиях, определенных для ТС I группы.

4.1.6 Группа ТС по устойчивости к помехам, включая требование устойчивости к микросекундным импульсным помехам большой энергии по 5.5.2, степени жесткости испытаний ТС на помехоустойчивость и критерии качества функционирования при испытаниях, должна быть приведена в технической документации на ТС конкретного вида.

Критерии качества функционирования А и В, приведенные в приложении А, должны быть конкретизированы с учетом назначения и условий применения ТС.

4.2 Степени жесткости испытаний на помехоустойчивость и критерии качества работы при испытаниях

Степени жесткости испытаний ТС I и II групп на помехоустойчивость при воздействии помех видов, указанных в 4.1.1, а также критерии качества функционирования ТС при испытаниях установлены в таблице 1.

Таблица 1

Вид помехи

Группа ТС по устойчивости к помехам

I

II

Степень жесткости испытаний

Амплитуда испытательного воздействия

Критерий качества функционирования

Степень жесткости испытаний

Амплитуда испытательного воздействия

Критерий качества функционирования

1 Электростатические разряды по ГОСТ Р 51317.4.2:

 

 

 

 

 

 

контактные разряды

2

4 кВ

В

2

4 кВ

В

воздушные разряды

3

8 кВ

В

3

8 кВ

В

2 Наносекундные импульсные помехи по ГОСТ Р 51317.4.4:

 

 

 

 

 

 

в цепях электропитания

2

1 кВ

в

3

2 кВ

в

в линейных цепях

2

0,5 кВ

в

3

1 кВ

в

в цепях сигнализации и управления1)

2

0,5 кВ

в

3

1 кВ

в

3 Динамические изменения напряжения сети электропитания по ГОСТ Р 51317.4.11:

 

 

 

 

 

 

прерывания напряжения

1

1,0 Uн2) (длительность 1 период/20 мс)

А

2

1,0 Uн2) (длительность 5 периодов/100 мс)

А

провалы напряжения

2

0,3 Uн2) (длительность 25 периодов/500 мс)

А

3

0,3 Uн2) (длительность 50 периодов/1000 мс)

А

выбросы напряжения

2

1,2 Uн2) (длительность 25 периодов/500 мс)

А

3

1,2 Uн2) (длительность 50 периодов/1000 мс)

А

4 Микросекундные импульсные помехи большой энергии:

 

 

 

 

 

 

длительностью фронта импульса 1 мкс и длительностью импульса 50 мкс по ГОСТ Р 51317.4.5:

 

 

 

 

 

 

в цепях электропитания по схеме провод - земля

2

1 кВ

В

3

2 кВ

В

в цепях электропитания по схеме провод - провод

-

-

-

2

1 кВ

В

в симметричных линейных цепях по схеме провод - земля

1

0,5 кВ

В

2

1 кВ

в

длительностью фронта импульса 6,5 мкс и длительностью импульса 700 мкс по 5.5.2 в симметричных линейных цепях по схеме провод - земля

2

1 кВ

в

2

1 кВ

в

5 Радиочастотные электромагнитные поля по ГОСТ Р 51317.4.3

2

3 В/м

А

3

10 В/м

А

1) При длине соединительного кабеля свыше 3 м.

2) Uн - номинальное напряжение сети электропитания.

5 Методы испытаний

5.1 Общие положения

5.1.1 Для оценки соответствия требованиям, установленным настоящим стандартом, ТС подлежат испытаниям на помехоустойчивость.

5.1.2 Испытания на помехоустойчивость проводят:

- серийно изготовляемых ТС - при сертификационных, периодических и типовых испытаниях;

- вновь разрабатываемых и модернизируемых ТС - при приемочных испытаниях;

- импортируемых ТС - при сертификационных испытаниях.

5.1.3 Сертификационные испытания ТС на соответствие требованиям помехоустойчивости проводят испытательные лаборатории, аккредитованные в установленном порядке. Порядок проведения сертификационных испытаний - по ГОСТ 29037.

5.1.4 Количество образцов ТС для испытаний на помехоустойчивость должно соответствовать следующим требованиям:

- при сертификационных испытаниях ТС число образцов выбирают из ряда: 31), 7, 14;

1) По согласованию с органом по сертификации при испытаниях дорогостоящей или крупногабаритной продукции.

- при испытаниях опытных ТС отбирают 2 %, но не менее трех образцов, если изготовлено более трех изделий, и все образцы, если изготовлено три и менее образцов;

- ТС единичного производства (импорта) испытывают каждое в отдельности.

Количество ТС, подвергаемых испытаниям на помехоустойчивость при периодических испытаниях, устанавливают в ТУ на ТС конкретного типа, при типовых испытаниях - в программе испытаний.

5.1.5 ТС испытывают на помехоустойчивость в комплекте, предусмотренном в ТУ и (или) эксплуатационной документации на ТС, совместно с минимально необходимым составом технических средств, функционально взаимодействующих с испытуемым ТС.

5.1.6 При испытаниях расположение и электрическое соединение изделий, входящих в состав испытуемого ТС, а также функционально взаимодействующих ТС должны соответствовать условиям, приведенным в ТУ и (или) эксплуатационной документации на ТС. Если расположение технических средств и соединительных кабелей не указано, то при испытаниях выбирают такое, которое соответствует типовому применению и при котором проявляется наибольшая восприимчивость ТС к воздействию помехи конкретного вида.

5.1.7 При испытаниях устанавливают режим работы ТС из предусмотренных в ТУ и (или) эксплуатационной документации на ТС, обеспечивающий наибольшую восприимчивость к воздействию помехи конкретного вида.

5.1.8 Для проверки помехоустойчивости ТС в различных режимах работы и выбора режима, при котором ТС имеет наибольшую восприимчивость к помехам, могут применяться тест-программы. При необходимости проводят испытания ТС для уточнения методики испытаний на помехоустойчивость.

5.1.9 Технические средства, функционально взаимодействующие с испытуемым ТС, или источники сигналов, необходимые для обеспечения функционирования ТС при проведении испытаний на помехоустойчивость, могут быть заменены имитаторами.

5.1.10 Состав ТС, функционально взаимодействующих с испытуемым ТС, применяемые имитаторы, режимы функционирования ТС при испытаниях на помехоустойчивость, цепи ТС, подвергаемые воздействию помех, а также порядок оценки качества функционирования ТС при испытаниях и его соответствия установленному критерию указывают:

- при испытаниях опытных образцов - в программе и методике испытаний;

- при периодических испытаниях серийных изделий - в ТУ;

- при типовых испытаниях серийных изделий - в программе и методике испытаний;

- при сертификационных испытаниях - в методике испытаний, разрабатываемой аккредитованной испытательной лабораторией.

5.1.11 Испытания ТС на помехоустойчивость проводят в нормальных климатических условиях в соответствии с требованиями ГОСТ 15150.

5.1.12 Электромагнитная обстановка в испытательной лаборатории не должна влиять на результаты испытаний ТС на помехоустойчивость.

5.1.13 Протоколы испытаний ТС на помехоустойчивость оформляют в соответствии с приложением Б.

5.2 Испытания на устойчивость к электростатическим разрядам

Испытательное оборудование и методы испытаний - в соответствии с требованиями ГОСТ Р 51317.4.2.

5.3 Испытания на устойчивость к наносекундным импульсным помехам в цепях электропитания, линейных цепях и цепях сигнализации и управления

Испытательное оборудование и методы испытаний - в соответствии с требованиями ГОСТ Р 51317.4.4.

5.4 Испытания на устойчивость к динамическим изменениям напряжения сети электропитания

Испытательное оборудование и методы испытаний - в соответствии с требованиями ГОСТ Р 51317.4.11.

5.5 Испытания на устойчивость к микросекундным импульсным помехам большой энергии в цепях электропитания и линейных цепях

5.5.1 Импульсные помехи с длительностью фронта 1 мкс и длительностью импульса 50 мкс

5.5.1.1 Испытательное оборудование и методы испытаний при воздействии импульсных помех на цепи электропитания - по ГОСТ Р 51317.4.5.

5.5.1.2 Испытательное оборудование и методы испытаний при воздействии импульсных помех на симметричные линейные цепи

При проведении испытаний применяют испытательный генератор (ИГ) по ГОСТ Р 51317.4.5 и устройство связи-развязки с разрядниками.

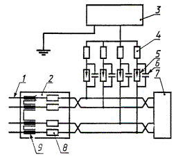
Схема устройства связи-развязки приведена на рисунке 1. Характеристики устройства связи-развязки должны быть следующими:

- сопротивление R в цепи связи для п симметричных линий (при п больше 2) вычисляют по формуле

R = п·r,

где п - количество цепей (2, 3, 4);

r - сопротивление в одной цепи связи, равное (40±2) Ом;

- сопротивление R должно быть не более (250±12,5) Ом;

- напряжение зажигания разрядников должно быть равным (90±9) В;

- конденсатор С в цепи связи должен иметь емкость не более 0,1 мкФ для частот передачи сигнала по линии ниже 5 кГц. При более высоких частотах конденсатор не применяют.

Испытательные импульсы подают на линейные цепи испытуемого ТС по схеме провод - земля.

Величина напряжения сигнала на проводах линии связи устройства связи-развязки должна обеспечивать нормальное функционирование испытуемого ТС в отсутствие помех.

При испытаниях подают по 10 импульсов положительной и отрицательной полярности.

5.5.2 Импульсные помехи с длительностью фронта 6,5 мкс и длительностью импульса 700 мкс. Для проведения испытаний при воздействии импульсных помех на симметричные линейные цепи применяют ИГ, схема которого приведена на рисунке 2.

1 - провода линии связи; 2 - цепь развязки; 3 - ИГ; 4 - сопротивление в цепи связи; 5 - разрядник; 6 - конденсатор в цепи связи; 7 - испытуемое ТС; 8 - активное сопротивление катушки индуктивности; 9 - индуктивность 20 мГн

Рисунок 1 - Схема устройства связи-развязки для подачи импульсных помех в симметричные линейные цепи ТС

1 - источник высокого напряжения; 2 - зарядный резистор; 3 - зарядный конденсатор; 4 - коммутирующий ключ; 5 - резистор, формирующий длительность импульса; 6 - согласующий резистор; 7 - конденсатор, определяющий длительность фронта импульса; 8 - ключ, замыкаемый при использовании внешнего согласующего сопротивления: 9 - согласующее сопротивление

Рисунок 2 - Схема ИГ

Характеристики ИГ должны быть следующими:

- параметры импульсов ИГ при холостом ходе (сопротивление нагрузки более 10 кОм):

амплитуда, В.................................................................. 500±50; 1000±100;

длительность фронта, мкс............................................. 6,5±1,95;

длительность импульса, мкс......................................... 700±210.

Форма импульса при холостом ходе ИГ приведена на рисунке 3;

Рисунок 3 - Форма испытательного импульса при холостом ходе ИГ

- параметры импульсов ИГ при коротком замыкании (сопротивление нагрузки менее 0,1 Ом):

амплитуда импульсов тока, А....................................... 12,5±1,25; 25±2,5;

длительность фронта, мкс............................................. 4±1,2;

длительность импульса, мкс......................................... 300±60.

Форма импульса при коротком замыкании ИГ приведена на рисунке 4. Полярность импульсов - положительная и отрицательная.

Период повторения импульсов должен быть не менее 1 мин.

Для подачи импульсов помехи в линейные симметричные цепи применяют устройство связи-развязки с разрядниками по 5.5.1.2. При испытаниях подают по 10 импульсов положительной и отрицательной полярности.

Рисунок 4 - Форма испытательного импульса при коротком замыкании ИГ

5.6 Испытания на устойчивость к воздействию радиочастотных электромагнитных полей в полосе 26 - 1000 МГц

Испытательное оборудование и методы испытаний - в соответствии с требованиями ГОСТ Р 51317.4.3.

6 Оценка результатов испытаний

6.1 Требования устойчивости к внешним помехам серийно изготовляемых ТС считают выполненными, если для всех видов помех число образцов, соответствующих требованиям устойчивости к помехам, будет не менее указанного в таблице 2.

Таблица 2

Число испытанных образцов

Число образцов, удовлетворяющих требованиям устойчивости к внешним помехам

3

3

7

7

14

13

6.2 В случае, если результаты испытаний не соответствуют требованиям таблицы 1, испытаниям может быть подвергнута вторая выборка ТС. Результаты испытаний двух выборок суммируют.

6.3 Требования устойчивости к помехам серийно изготовляемых и опытных ТС при числе испытанных образцов менее трех, а также ТС единичного производства считают выполненными, если для всех видов помех все испытанные образцы удовлетворяют требованиям устойчивости к помехам.

7 Требования безопасности

Испытания ТС на помехоустойчивость должны проводиться с соблюдением требований безопасности, установленных в стандартах системы ССБТ и в стандартах на методы испытаний.

ПРИЛОЖЕНИЕ А

(обязательное)

Критерии качества функционирования ТС при испытаниях на помехоустойчивость

Таблица А.1

Критерии качества функционирования ТС при испытаниях на помехоустойчивость

Качество функционирования ТС при испытаниях на помехоустойчивость

А

Нормальное функционирование ТС в соответствии с технической документацией во время и после прекращения воздействия помехи

В

Во время воздействия помехи допускается ухудшение качества функционирования ТС

Изменение выполняемой функции ТС (режима функционирования, хранимых данных) не допускается.

После прекращения воздействия помехи восстановление нормального функционирования ТС осуществляется без вмешательства оператора

ПРИЛОЖЕНИЕ Б

(рекомендуемое)

Форма протокола испытаний ТС на помехоустойчивость

Наименование организации, проводившей испытания

ПРОТОКОЛ № ______

испытаний на помехоустойчивость

1. Характеристика испытуемого ТС (наименование, тип, опытные или серийные образцы, наименование предприятия-изготовителя, его почтовый адрес, номер по системе нумерации предприятия-изготовителя, дата изготовления, обозначение НД на ТС, состав ТС).

2. Цель испытаний (категория испытаний, обозначение НД на соответствие которому проводятся испытания, с указанием пунктов, устанавливающих требования помехоустойчивости к ТС и методы испытаний).

3. Дата (год, месяц, число) и место проведения испытаний.

4. Применяемые испытательное оборудование и средства измерений (тип, номер оборудования, сведения о его аттестации и поверке).

5. Испытательные воздействия [степени жесткости испытаний и цепи (точки) ТС, подвергавшиеся воздействию помех каждого вида].

6. Режим работы ТС при проведении испытаний для каждого вида помех.

7. Результаты испытаний для каждого образца испытуемого ТС в виде таблицы, содержащей параметры испытательных воздействий, результаты воздействия помех, выводы о фактических критериях качества функционирования испытуемого ТС.

ЗАКЛЮЧЕНИЕ

соответствие показателей помехоустойчивости испытуемых образцов ТС требованиям НД

Приложения. Схемы испытаний и другие относящиеся к испытуемым ТС материалы, необходимость помещения которых определяет испытательная организация или заказчик.

Испытания проводили

___________________           ____________________            ___________________

должности                                                      фамилии                                                             подписи

Ключевые слова: оборудование проводной связи; совместимость технических средств электромагнитная; устойчивость к электромагнитным помехам; электростатические разряды; импульсные помехи; динамические изменения напряжения сети электропитания; радиочастотные электромагнитные поля




Rambler's Top100 Яндекс цитирования
  Copyright © 2008-2026, www.docload.ru