Бесплатная библиотека стандартов и нормативов www.docload.ru

Все документы, размещенные на этом сайте, не являются их официальным изданием и предназначены исключительно для ознакомительных целей.
Электронные копии этих документов могут распространяться без всяких ограничений. Вы можете размещать информацию с этого сайта на любом другом сайте.
Это некоммерческий сайт и здесь не продаются документы. Вы можете скачать их абсолютно бесплатно!
Содержимое сайта не нарушает чьих-либо авторских прав! Человек имеет право на информацию!

 

ГОСТ Р МЭК 61210-99

Устройства присоединительные

ЗАЖИМЫ ПЛОСКИЕ БЫСТРОСОЕДИНЯЕМЫЕ ДЛЯ МЕДНЫХ ЭЛЕКТРИЧЕСКИХ ПРОВОДНИКОВ

Требования безопасности

ГОССТАНДАРТ РОССИИ

Москва

Предисловие

1 РАЗРАБОТАН группой специалистов Акционерного общества открытого типа «НИИЭлектроаппарат» и доработан с участием рабочей группы ВНИИНМАШ

ВНЕСЕН Техническим комитетом по стандартизации ТК 330 «Электроустановочные изделия»

2 ПРИНЯТ И ВВЕДЕН В ДЕЙСТВИЕ Постановлением Госстандарта России от 27 декабря 1999 г. № 712-ст

3 Настоящий стандарт представляет собой аутентичный текст международного стандарта МЭК 61210, Публикация 1993-05, издание 1.0 «Устройства присоединительные. Зажимы плоские быстросоединяемые для медных электрических проводников. Требования безопасности»

4 ВВЕДЕН ВПЕРВЫЕ

Содержание

1 Область применения

2 Нормативные ссылки

3 Определения

4 Общая часть

5 Общие требования к испытаниям

6 Основные характеристики

7 Маркировка и информация

8 Требования к конструкции

9 Испытания

9.1 Усилия сочленения и расчленения

9.2 Стойкость к механической нагрузке (для вмонтированных штыревых или гнездовых наконечников)

9.3 Превышение температуры

9.4 Токовая нагрузка

9.5 Испытание повышенной температурой

9.6 Испытание на стойкость к натяжению обжатых наконечников

ПРИЛОЖЕНИЕ А (справочное) Максимально допустимая температура (максимальная рабочая температура)

ПРИЛОЖЕНИЕ В (справочное) Библиография

Введение

Настоящий стандарт представляет собой аутентичный текст международного стандарта МЭК 61210-93, издание 1.0 «Устройства присоединительные. Зажимы плоские быстросоединяемые для медных электрических проводников. Требования безопасности».

Настоящий стандарт не заменяет действующие на территории Российской Федерации ГОСТ 24566-86, ГОСТ 25154-82, ГОСТ 25671-83, имеющие иную область применения.

Текст настоящего стандарта набран шрифтом следующего начертания:

- пункты технических требований - прямым;

- пункты методов и условий испытаний - курсивным.

ГОСУДАРСТВЕННЫЙ СТАНДАРТ РОССИЙСКОЙ ФЕДЕРАЦИИ

Устройства присоединительные

ЗАЖИМЫ ПЛОСКИЕ БЫСТРОСОЕДИНЯЕМЫЕ ДЛЯ МЕДНЫХ ЭЛЕКТРИЧЕСКИХ ПРОВОДНИКОВ

Требования безопасности

Connecting devices. Flat quick-connect terminations for electrical copper conductors. Safety requirements

Дата введения 2001-01-01

1 Область применения

Настоящий стандарт распространяется на плоские быстросоединяемые зажимы (далее - плоские зажимы), состоящие из штыревого наконечника типоразмеров 2,8; 4,8; 6,3 и 9,5 мм и гнездового наконечника, используемые в качестве встроенного или составляющего единое целое с оборудованием или комплектующим узлом элемента, или самостоятельной части, предназначенные для присоединения медных электрических проводников в соответствии с инструкциями изготовителя.

Присоединяемые медные электрические проводники (далее - проводники) могут быть жесткими многожильными (площадью поперечного сечения до 6 мм2 включительно) или одножильными (площадью поперечного сечения до 2,5 мм2 включительно).

Значения номинального напряжения плоских зажимов при эксплуатации не должны превышать 1000 В переменного тока частотой до 1000 Гц включительно и 1500 В постоянного тока при диапазоне температур, допустимом для указанных в стандарте материалов.

Требования для изолированных штыревых наконечников находятся в стадии рассмотрения.

Примечания

1 Настоящий стандарт, при необходимости, может быть применен для проводников с жилами, изготовленными из других материалов, исключая алюминий.

2 В целях безопасности плоские зажимы, не входящие в область распространения настоящего стандарта, не должны сочленяться с наконечниками, соответствующими настоящему стандарту.

3 Настоящий стандарт не распространяется на гнездовые наконечники с принудительным защелкивающим устройством.

4 Плоские зажимы, соответствующие требованиям настоящего стандарта, не рассчитаны на разъединение посредством приложения усилия к проводнику, присоединенному к наконечнику.

Настоящий стандарт не распространяется на плоские зажимы для применения в электрических цепях, собранных по временным схемам.

Требования настоящего стандарта являются обязательными.

2 Нормативные ссылки

В настоящем стандарте использованы ссылки на следующие стандарты:

ГОСТ 9012-59 (ИСО 410-82, ИСО 6506-81) Металлы. Метод измерения твердости по Бринеллю

ГОСТ 28198-89 (МЭК 68-1-88) Основные методы испытаний на воздействие внешних факторов. Часть 1. Общие положения и руководство

3 Определения

В целях применения настоящего стандарта использованы следующие определения:

3.1 плоский быстросоединяемый зажим: Электрическое соединение, состоящее из штыревого и гнездового наконечников, сочленяемых и расчленяемых с помощью или без помощи инструмента.

3.2 штыревой наконечник (штекер): Часть быстросоединяемого плоского зажима, вводимого для сочленения в гнездовой наконечник.

3.3 испытательный штыревой наконечник: Штыревой наконечник, изготовленный с соответствующими допусками из специального материала без покрытия и предназначенный для проведения механических испытаний на гнездовых наконечниках, отобранных с производственной линии.

Примечания - В большинстве случаев может быть применен любой штыревой наконечник с покрытием или без покрытия, отобранный с производственной линии.

3.4 гнездовой наконечник (гнездо): Часть быстросоединяемого плоского зажима для ввода штыревого наконечника.

3.5 фиксирующий элемент: Углубление (выемка) или отверстие в штыревом наконечнике, которое взаимодействует с выступающей частью гнездового наконечника и обеспечивает фиксацию сочленяемых частей.

3.6 максимально допустимая температура (максимальная рабочая температура): Наибольшая температура плоского зажима при нормальной эксплуатации с учетом нагрева от окружающего воздуха и оборудования и нагрева, производимого самим зажимом.

4 Общая часть

Плоские зажимы должны быть сконструированы так, чтобы при нормальной эксплуатации их работа оставалась надежной и не представляла опасность для окружающего оборудования или обслуживающего персонала.

Соответствие требованию проверяют проведением всех указанных испытаний.

5 Общие требования к испытаниям

5.1 Испытания по настоящему стандарту являются типовыми.

5.2 Если не указано иное, образцы испытывают как готовые к поставке и соединенные как для обычной эксплуатации при температуре окружающего воздуха, значение которой составляет (20±5) ºС.

В случае разногласия, например между испытательными лабораториями или между изготовителем и испытательной лабораторией, применяют требования ГОСТ 28198-89.

5.3 Если изготовитель поставляет образцы не оконцованными проводниками, проводники должны быть присоединены к соответствующим частям специальным инструментом согласно инструкциям изготовителя.

5.4 Испытания проводят на каждом комплекте в последовательности, указанной в таблице 1, на самых сложных комбинациях штыревых и гнездовых соединений.

6 Основные характеристики

6.1 Плоские зажимы классифицируют по типоразмерам в соответствии с номинальной шириной штыревых наконечников.

Настоящий стандарт включает в себя штыревые наконечники следующих типоразмеров: 2,8; 4,8; 6,3; 9,5 мм.

Размеры штыревых и гнездовых наконечников должны соответствовать размерам, указанным в таблицах 10 и 11 и на рисунках 1 - 5.

Примечания - Размеры отдельных частей и их элементов могут иметь отличия от представленных на рисунках, поскольку указанные размеры не влияют друг на друга, и требования испытаний остаются одинаковыми, например как для рифленых, так и для изогнутых наконечников.

6.2 Предпочтительные сечения проводников должны быть 0,5; 0,75; 1,0; 1,5; 2,5; 4,0 и 6,0 мм2 или согласно американскому сортаменту проволоки и проводов (далее - AWG), как указано в таблице 2.

6.3 Предпочтительные соотношения между сечением подсоединяемых проводников и номинальной шириной штыревых наконечников указаны в таблице 3.

Таблица 1 - Последовательность испытаний и комплекты образцов

Комплекты образцов

Число новых образцов на один комплект

Последовательность испытаний

Штыревые наконечники

Гнездовые наконечники

Пункт настоящего стандарта

Наименование испытания

А

12 (6 двусторонних штыревых наконечников)

24

8.2,

9.3,

9.4,

9.5

Проверка размеров

Испытание на превышение

температуры

Испытание током нагрузки

Испытание повышенной

температурой

В

10 (испытательные штыревые наконечники)

10

8.2

9.1

9.6

Проверка размеров

Усилие сочленения и расчленения

Стойкость к натяжению обжатых соединений

С (наконечники в ряду)

10

-

8.2

9.6

Проверка размеров

Стойкость к натяжению обжатых соединений

D (встроенные штыревые и гнездовые наконечники)

12

12

8.2

9.2

Проверка размеров

Стойкость к механической нагрузке

Е (встроенные гнездовые наконечники)

12 (испытательные штыревые наконечники)

12

8.2

9.1

9.2

Проверка размеров

Усилие сочленения и расчленения

Стойкость к механической

нагрузке

Таблица 2 - Соотношение между площадью поперечного сечения проводника и сортаментом AWG

Площадь поперечного сечения проводника, мм2

AWG

Типоразмер

Приблизительный метрический эквивалент площади, мм2

0,5

20

0,5

0,75

18

0,8

1,0

-

-

1,5

16

1,3

2,5

14

2,1

4,0

12

3,3

6,0

10

5,3

Таблица 3 - Соответствие сечения проводников типоразмерам наконечников

Площадь поперечного сечения проводника, мм2

Номинальная ширина штыревого наконечника, мм

0,5

2,8/4,8/6,3

0,75

2,8/4,8/6,3

1,0

2,8/4,8/6,3

1,5

4,8/6,3

2,5

4,8/6,3

4,0

6,3/9,5

6,0

6,3/9,5

7 Маркировка и информация

Изготовитель штыревых и (или) гнездовых наконечников, поставляемых раздельно, и изготовитель комплектующего узла с встроенными штыревыми и (или) гнездовыми наконечниками должны представить достаточную информацию, чтобы гарантировать правильную эксплуатацию плоского зажима и чтобы испытательная организация могла проводить соответствующие испытания согласно требованиям настоящего стандарта.

7.1 Такая информация, конкретизируемая в 7.2, должна быть обеспечена следующим образом:

- маркировкой (Ма).

Информация должна быть представлена в виде ясной и четкой маркировки на штыревых и гнездовых наконечниках.

Примечания - В случае наконечников, встроенных, например, в выключатели для приборов, маркировка может быть расположена на самом выключателе;

- документацией (Do),

Информация должна быть представлена отдельным документом в виде этикетки, таблички или спецификации, раздельно или в упаковке с наконечниками.

Документы должны быть понятными для пользователя или изготовителя оборудования и комплектующего узла и, соответственно, для испытательной организации и иметь удобный формат. Формат документа не является предметом рассмотрения настоящего стандарта;

- декларацией (De).

Такая информация предназначена для испытательной организации для проведения испытаний в порядке, согласованном изготовителем и испытательной организацией.

В случае, когда штыревой или гнездовой наконечник составляет единое целое с оборудованием или комплектующим узлом, информацию получают путем измерений и осмотра.

Примечания - Информация для встроенных штыревых или гнездовых наконечников может быть поставлена вместе с оборудованием или комплектующим узлом.

7.2 Максимальный объем информации по условиям, установленным в 7.1:

а) Наименование изготовителя или товарный знак

Ма

b) Тип изделия

Do (см. примечание 1)

с) Номинальные серии

Do (см. примечание 1)

d) Максимально допустимая температура, если она выше,

Do

чем 85 ºС

 

е) Наиболее сложная комбинация штыревого и гнездового наконечников

Do, De

f) Тип и сечение проводника (проводников) (см. примечание 2), которые необходимо применить при эксплуатации зажима

Do

g) Рекомендуемый способ крепления проводника к наконечнику, например посредством инструмента, обжимной скобы или любым специальным устройством

Do

h) Материал (материалы) и тип покрытия

De

Примечания

1 Настоящая информация может иметь соответствующий код.

2 Изоляция проводника и токопроводящие пластиковые части должны соответствовать значению максимально допустимой температуры.

8 Требования к конструкции

8.1 Штыревые и гнездовые наконечники должны быть выполнены из материалов, механическая прочность, электропроводность и коррозионная стойкость которых соответствуют назначению деталей.

Соответствие требованию проверяют осмотром, испытаниями по 9.1 - 9.6 и, при необходимости, химическим анализом.

Исходя из условий эксплуатации, в том числе возможности нагрева, и влияния внешних воздействующих факторов, должны быть применены следующие материалы:

- медь (только для штыревых наконечников);

- сплав с содержанием не менее 58 % меди для деталей, изготовленных из проката (холодной штамповкой), или не менее 50 % меди для других деталей;

- легированная сталь с содержанием не менее 13 % хрома и не более 0,09 % углерода;

- сталь с гальваническим покрытием цинком (для заземляющего проводника) согласно ИСО 2081 [1];

- сталь с гальваническим покрытием никелем согласно ИСО 1456 [2];

- сталь с гальваническим покрытием оловом согласно ИСО 2093 [3].

Примечания - Выбор материала и покрытия остается за разработчиками плоских зажимов для конкретных условий с учетом степени загрязнения зажимов внутри оборудования или комплектующего узла.

8.2 Размеры штыревых наконечников должны соответствовать размерам наконечников, указанным в таблицах 10 и 11 и на рисунках 1 - 4. Размеры А, В, С, D, E, F, J, M, N и Q являются обязательными.

Размеры гнездовых наконечников должны соответствовать размерам наконечников, приведенным на рисунке 5, где L2, В3 и максимальный размер 1,5 мм являются обязательными. Соответствие требованиям проверяют осмотром и измерением.

8.3 Штыревые и гнездовые наконечники должны быть сконструированы так, чтобы иметь надежную фиксацию после сочленения; сочленение и расчленение гнездового и штыревого наконечников должно быть произведено без повреждений и потерь каких-либо деталей.

Соответствие требованиям проверяют испытанием на усилие сочленения и расчленения по 9.1.

8.4 Штыревые и гнездовые наконечники, вмонтированные в оборудование или комплектующие узлы, должны быть надежно зафиксированы в них.

Соответствие требованию проверяют испытанием на стойкость к механической нагрузке по 9.2.

8.5 Значения максимально допустимой температуры для штыревых и гнездовых наконечников в зависимости от применяемых материалов и (или) покрытий указаны в приложении А.

8.6 Штыревые и гнездовые наконечники должны быть сконструированы так, чтобы значения превышения температуры при нормальной эксплуатации не достигали значений, при которых ухудшается дальнейшая эксплуатация.

Соответствие требованию проверяют испытанием на превышение температуры по 9.3.

8.7 Штыревые и гнездовые наконечники должны быть сконструированы так, чтобы при нормальной эксплуатации их электрические характеристики не изменялись и дальнейшая работа не ухудшалась.

Соответствие требованию проверяют испытанием на токовую нагрузку по 9.4.

8.8 Штыревые и гнездовые наконечники, имеющие максимально допустимую температуру, значение которой выше чем 85 °С, должны быть сконструированы так, чтобы их электрические характеристики не изменялись и дальнейшая работа не ухудшалась.

Соответствие требованию проверяют испытанием повышенной температурой по 9.5.

8.9 Наконечники, закрепленные на проводниках, должны выдерживать механические нагрузки, возникающие при обычной эксплуатации.

Соответствие требованию проверяют испытанием на стойкость к натяжению по 9.6.

8.10 Штыревые и гнездовые наконечники должны быть сконструированы так, чтобы любое повреждение одножильного проводника не влияло на прочность соединения проводника и наконечника и его дальнейшая работа не ухудшалась.

Соответствие требованию должно быть проверено испытаниями. Испытания находятся в стадии изучения.

9 Испытания

9.1 Усилия сочленения и расчленения

Отбирают 10 штыревых и гнездовых наконечников. Штыревые испытательные наконечники должны быть специально изготовлены.

Испытательные штыревые наконечники должны быть изготовлены из полутвердой латуни без покрытия твердостью НВ 105 по ГОСТ 9012-59 и соответствовать требованиям рисунков 1 - 4 и таблиц 10 и 11, за исключением значения допуска на размер С, указанного в таблице 4; любое увеличение поверхности стопора должно отличаться не более чем на 0,025 мм от номинального значения (см. примечание к рисунку 1).

Испытательные штыревые наконечники не должны иметь покрытия.

Примечания - В большинстве случаев можно использовать штыревой наконечник, отобранный с производственной линии.

Таблица 4 - Допуски толщины штыревого испытательного наконечника

В миллиметрах

Номинальная толщина испытательного штыревого наконечника

Размер С. Максимальная и минимальная толщина

0,5

0,516

0,500

0,8

0,820

0,805

1,2

1,201

1,186

При испытании каждого гнездового наконечника должен быть использован новый испытательный штыревой наконечник.

При испытании каждой комбинации штыревого и гнездового наконечников штырь следует медленно и равномерно вводить и выводить при средней скорости движения, значение которой составляет приблизительно 1 мм/с.

Усилие сочленения и расчленения следует контролировать с помощью любого подходящего испытательного прибора, обеспечивающего точность соприкосновения и позволяющего считывать показания. Образец такого устройства приведен в приложении А МЭК 760 [4].

Соответствие требованиям проверяют следующим образом: усилия сочленения и расчленения должны быть в пределах, указанных в таблице 5.

Таблица 5 – Усилия сочленения и расчленения

Типоразмер, мм

Максимальное усилие сочленения, Н

Минимальное усилие расчленения, Н

2,8

53

5

4,8

67

9

6,3

80

18

9,5

100

20

9.2 Стойкость к механической нагрузке (для вмонтированных штыревых или гнездовых наконечников)

Осевое усилие, значение которого равно значениям, указанным в таблице 6, прикладывают плавно только один раз подходящим испытательным устройством. Не должно быть повреждения, влияющего на дальнейшую эксплуатацию штыревого или гнездового наконечника или оборудования с вмонтированным наконечником.

Соответствие требованию проверяют осмотром.

Таблица 6 – Удерживающее усилие

Типоразмер, мм

Удерживающее усилие, Н

нажатия

на разрыв

2,8

64

58

4,8

80

981)

6,3

96

88

9,5

120

110

1) Значение более высокое по сравнению с последующим значением обусловлено различием в конструкции.

Проектировщики могут увеличивать указанные значения для конструкции в целях повышения безопасности плоского зажима.

9.3 Превышение температуры

Испытание на превышение температуры проводят на штыревых и гнездовых наконечниках одного типоразмера, с присоединенными проводниками одного типа с наименьшей и наибольшей площадью поперечного сечения, указанной изготовителем.

Гнездовые наконечники испытывают с проводниками наибольшего сечения.

Для проверки характеристик гнездовых наконечников штыревые наконечники с раздвоенным концом отбирают с производственной линии.

Штыревые наконечники изготовляют из:

- полутвердой латуни без покрытия твердостью НВ 105 по ГОСТ 9012-59 для гнездовых наконечников, изготовленных из медного сплава с покрытием или без покрытия;

- стали с никелевым покрытием для гнездовых наконечников, изготовленных из легированной стали или стали с никелевым покрытием.

Испытания проводят на готовых к поставке штыревых и гнездовых наконечниках. Испытательные образцы не должны быть специально подготовленными к испытаниям, если только это не указано в документации.

Обжатие наконечником присоединяемого проводника должно быть проведено в течение не более 1 ч после снятия изоляции с применением инструмента опрессовки согласно инструкции изготовителя.

Отбирают 12 испытательных образцов на каждый типоразмер штыревого наконечника и каждый тип проводника. Все испытательные образцы подвергают контрольному осмотру и проверке размеров до присоединения проводника.

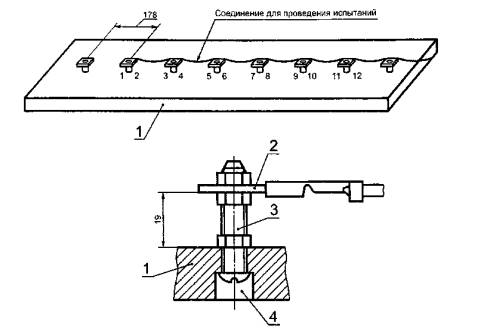
Испытательные образцы должны быть подсоединены к каждому концу на длину 178 мм медного изолированного проводника без покрытия. Изоляция проводника должна соответствовать требованиям изготовителя.

Испытательные образцы должны иметь в сборке тонкопроволочную термопару, расположенную так, чтобы не влиять на контакт или присоединительную площадь испытательного образца. Пример сборки показан на рисунке 7.

Во время испытаний образцы должны быть расположены в ряд и подсоединены, как показано на рисунках 6-8.

Испытательный ток, значение которого указано в таблице 7, пропускают через образцы до тех пор, пока не установится тепловое равновесие. Измеряют и записывают температуру образцов и окружающего воздуха.

Таблица 7 – Испытательный ток при испытании на превышение температуры

Сечение проводника, мм2

Испытательный ток, А

0,5

4

0,75

5,5

1,0

7,5

1,5

12

2,5

15

4,0

18

6,0

20

Соответствие требованиям проверяют следующим образом:

Превышение температуры каждого индивидуального соединения, значение которого не должно быть более 30 °С, рассчитывают следующим образом:

Превышение температуры равняется разнице между температурой соединения и температурой окружающего воздуха.

9.4 Токовая нагрузка

Испытание проводят на образцах, прошедших испытание на превышение температуры по 9.3.

Сечения, изоляция проводников и испытательная установка должны быть как для 9.3. 12 образцов испытывают циклами. Каждый цикл проводят при испытательной токовой нагрузке в течение 45 мин, как указано в таблице 8, и в течение 15 мин без токовой нагрузки.

Таблица 8 – Испытательная токовая нагрузка

Сечение проводника, мм2

Испытательный ток, А

0,5

8

0,75

11

1,0

15

1,5

24

2,5

30

4,0

36

6,0

40

Соответствие требованиям проверяют следующим образом:

Превышение температуры Δt1 любого отдельного соединения измеряют после проведения 24 циклов, а превышение температуры Δt2 любого отдельного соединения - после проведения 500 циклов. Значение Δt2 не должно превышать значение Δt1 более чем на 15 °С и значение превышения температуры не должно быть более 85 °С.

9.5 Испытание повышенной температурой

Испытания проводят в камере нагрева при указанной максимально допустимой температуре не ниже 45 °С на образцах с максимально допустимой температурой более 85 °С, прошедших испытания по 9.3 и 9.4.

Сечения, изоляция проводников и испытательная установка должны быть, как указано в 9.3.

Необходимо не повредить образцы, проводники и испытательную установку при их размещении в камере нагрева.

Образцы испытывают восемью циклами при повышенной температуре. Каждый цикл проводят в течение 23 ч при испытательном токе, значение которого указано в таблице 7, и в течение 1 ч без токовой нагрузки. После первого часа температуру нагрева камеры регулируют, при необходимости, до тех пор, пока не будет достигнута максимально допустимая температура.

Соответствие требованиям проверяют следующим образом:

После последнего цикла нагрева образцы охлаждают до температуры окружающего воздуха. Затем повторяют испытание на превышение температуры по 9.3. Значение превышения температуры при испытательном токе должно быть не более 45 ºС.

9.6 Испытание на стойкость к натяжению обжатых наконечников

Испытание проводят на 10 новых образцах.

Инструмент обжатия и тип проводника должны соответствовать указанным в инструкции изготовителя.

Все предусмотренные сечения проводников должны пройти испытания.

При взаимосоединении двух или более проводников каждый проводник испытывают отдельно, поочередно и в соответствии с требуемым усилием натяжения, зависящим от его площади поперечного сечения.

Усилие натяжения, указанное в таблице 9, прикладывают в течение 1 мин без резких рывков с помощью устройства для испытаний на разрыв с головкой, движущейся со скоростью 25 - 50 мм/мин.

Соответствие требованиям проверяют следующим образом:

Усилие, требуемое для отделения от наконечника обжатого проводника, должно быть не менее усилия натяжения по таблице 9.

Примечания

1 Если плоский быстросоединяемый наконечник имеет проводниковую изоляционную основу, то проведение настоящего испытания нецелесообразно.

2 Значения усилия натяжения для других способов соединения проводника находятся в стадии рассмотрения.

3 При любом способе соединения проводника другим устройством, чем предусмотренным изготовителем инструментом для обжатия, могут быть проведены специальные испытания, согласованные между изготовителями и испытательными лабораториями

Таблица 9 - Усилия натяжения для испытания обжатых наконечников

Сечение проводника, мм2

Усилие натяжения, Н

0,5

56

0,75

84

1,0

108

1,5

150

2,5

230

4,0

310

6,0

360

Таблица 10 - Размеры для штыревых наконечников

Линейные размеры в миллиметрах

Номинальные размеры

Способ фиксации

А

В

С

D

Е

F

J

М

N

P

Q

2,8×0,5

1

0,6

7,0

0,54

2,9

1,8

1,3

12°

1,7

1,4

1,4

8,1

2

0,3

0,47

2,7

1,3

1,1

1,4

1,0

0,3

1

0,6

7,0

0,54

2,9

1,8

1,3

12°

-

-

1,4

8,1

2

0,3

0,47

2,7

1,3

1,1

0,3

2,8×0,8

1

0,6

7,0

0,84

2,9

1,8

1,3

12°

1,7

1,4

1,4

8,1

2

0,3

0,77

2,7

1,3

1,1

1,4

1,0

0,3

1

0,6

7,0

0,84

2,9

1,8

1,3

12°

-

-

1,4

8,1

2

0,3

0,77

2,7

1,3

1,1

0,3

4,8×0,5

1

0,9

6,2

0,54

4,8

2,8

1,5

12°

1,7

1,5

1,7

7,2

2

0,6

0,47

4,6

2,3

1,3

1,4

1,2

0,6

1

0,9

6,2

0,54

4,9

3,4

1,5

12°

-

-

1,7

7,2

2

0,6

0,47

4,7

3,0

1,3

0,6

4,8×0,8

1

1,0

6,2

0,84

4,8

2,8

1,5

12°

1,7

1,5

1,8

7,2

2

0,7

0,77

4,6

2,3

1,3

1,4

1,2

0,7

1

1,0

6,2

0,84

4,9

3,4

1,5

12°

-

-

1,8

7,2

2

0,6

0,77

4,7

3,0

1,3

0,7

6,3×0,8

1

1,0

7,8

0,84

6,4

4,0

2,0

12°

2,5

2,0

1,8

8,9

2

0,7

0,77

6,2

3,6

1,6

2,2

1,8

0,7

1

1,0

7,8

0,84

6,4

4,7

2,0

12°

-

-

1,8

8,9

2

0,5

0,77

6,2

4,3

1,6

0,7

9,5×1,2

1

1,3

12,0

1,23

9,6

5,5

2,0

14°

-

-

2,0

13,1

2

0,7

1,17

9,4

4,5

1,7

1,0

Примечания

1 Способ фиксации: 1 – углублением, 2 - отверстием.

2 Пайка проводов к штыревому наконечнику и соответствующие изменения размеров, при необходимости, - в стадии рассмотрения.

Рисунок 1 - Размеры штыревых контактов (штекеров)

Примечания

1 Скос 45° не должен быть прямой линией, если находится в указанных пределах.

2 Размер L не задан и может быть установлен в зависимости от конструкции (например для фиксации).

3 Размер С может определяться толщиной применяемого материала при условии, что указанный размер отвечает требованиям настоящего стандарта.

Допускается скругление по продольному краю штекеров.

4 На рисунке указаны размеры элементов штекеров, но не приведена их конструкция.

5 Размер С - толщина штекера - может быть иным за пределами размеров Q и В + 1,14 мм.

6 Все части штекеров должны быть плоскими и не иметь заусенцев или выступов, за исключением выступа над допуском толщины в 0,025 мм с каждой стороны в области линии упора, на расстоянии 1,3 мм от нее.

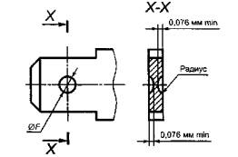
Рисунок 2 - Размеры круглых углублений фиксации (см. рисунок 1)

Допуск расположения углубления относительно центральных осей штекера 0,076 мм.

 

Рисунок 3 – Размеры прямоугольных углублений фиксации

Допуск расположения углублений относительно центральных осей штекера 0,13 мм.

Рисунок 4 - Размеры отверстий для фиксации

Допуск расположения отверстия относительно центральных осей штекера 0,076 мм.

* Размеры В3 и L2 являются обязательными.

Рисунок 5 - Размеры гнездовых наконечников

Примечания

1 Для определения размеров гнездового наконечника размеры В3 и L2 необходимо согласовать с размерами штыревого наконечника для гарантии обеспечения надежного сочленения в наихудших условиях (а также размеры элементов фиксации при их наличии).

2 Если предусмотрен упор на штыревом наконечнике, размер X определяется изготовителем исходя из обеспечения требований работоспособности соединения.

3 Гнездовые наконечники должны иметь конструкцию, позволяющую обеспечить правильную фиксацию при введении штыревого наконечника в гнездовой и исключить создание препятствия оконцованной частью проводника введению штыревого наконечника в гнездовой до полной фиксации соответствующими фиксирующими элементами.

4 Чертеж является общей рекомендацией для проектирования гнездового наконечника, при этом указанные на чертеже размеры являются обязательными.

Таблица 11 - Размеры гнездовых наконечников

В миллиметрах

Размеры штыревого наконечника

В3, максимальный

L2, максимальный

2,8×0,5

3,8

2,3

2,8×0,8

3,8

2,3

4,8×0,5

6,2

2,9

4,8×0,5

6,2

2,9

6,3×0,8

7,8

3,5

9,5×1,2

11,1

4.0

Рисунок 6 - Двухконцевой штекер

Рисунок 7 - Размещение термопар при испытаниях

1 - плита из текстолита толщиной 19 мм; 2 - двусторонний штыревой наконечник; 3 - винт и гайка из стали, 4 - зенкованное углубление

Рисунок 8 - Соединение при электрических испытаниях

ПРИЛОЖЕНИЕ А
(справочное)
Максимально допустимая температура (максимальная рабочая температура)

Материал и покрытие

Максимально допустимая температура, °С

Штыревые наконечник

Гнездовые наконечники

Штыревые наконечники

Гнездовые наконечники2)

встроенные 1)

в ряду2)

Медь

 

155

-

-

Латунь

Латунь

210

145

145

Медный сплав, покрытый оловом

Медный сплав, покрытый оловом

1603)

1603)

1603)

Медный сплав, покрытый никелем

 

185

-

-

 

 

 

 

 

Медь или медный сплав с покрытием серебром

Медь или медный сплав с покрытием серебром

205

-

205

Сталь с покрытием цинком

 

Только для заземления4)'

-

-

Окончание таблицы

Материал и покрытие

Максимально допустимая температура, °С

Штыревые наконечник

Гнездовые наконечники

Штыревые наконечник

Гнездовые наконечники

встроенные 1)

в ряду2)

Сталь с покрытием никелем

Сталь с покрытием никелем

400

-

400

Легированная сталь

 

400

-

400

1) Штыревые наконечники, встроенные в оборудование.

2) Наконечники, обжатые на проводниках.

3) Температура не выше 160 °С из-за плавления олова при более высокой температуре.

4) Наконечники как часть корпуса или оболочки.

Примечания

1 Превышение температуры при нормальной эксплуатации плоских быстросоединяемых наконечников, сконструированных согласно руководству данного приложения, не должно влиять на максимально допустимую температуру окружающих устройств.

2 Возможно использование других материалов и покрытий, имеющих не менее надежные электрические и механические свойства, особенно коррозионную стойкость и механическую прочность.

ПРИЛОЖЕНИЕ В
(справочное)
Библиография

[1] ИСО 2081, 1986 Металлические покрытия. Гальванические покрытия цинком по железу и стали1)

[2] ИСО 1456, 1988 Металлические покрытия. Гальванические покрытия никелем с хромом и меди с никелем и хромом1)

[3] ИСО 2093, 1986 Гальванические покрытия оловом. Требования и методы испытаний1)

[4] МЭК 760, 1989 Плоские быстросоединяемые зажимы1)

________________

1) Международные стандарты МЭК и ИСО и их переводы находятся во Всероссийском научно-исследовательском институте классификации, терминологии и информации по стандартизации и качеству (ВНИИКИ). Адрес: 103001, Москва, Гранатный пер., 4.

Ключевые слова: плоские быстросоединяемые зажимы, штыревые наконечники, гнездовые наконечники




Rambler's Top100 Яндекс цитирования
  Copyright © 2008-2026, www.docload.ru