Бесплатная библиотека стандартов и нормативов www.docload.ru

Все документы, размещенные на этом сайте, не являются их официальным изданием и предназначены исключительно для ознакомительных целей.
Электронные копии этих документов могут распространяться без всяких ограничений. Вы можете размещать информацию с этого сайта на любом другом сайте.
Это некоммерческий сайт и здесь не продаются документы. Вы можете скачать их абсолютно бесплатно!
Содержимое сайта не нарушает чьих-либо авторских прав! Человек имеет право на информацию!

 

ПРАВИЛА • МЕТОДИКИ • ИНСТРУКЦИИ

МОСКВА

«ЭНЕРГОСЕРВИС»

2004

МИНИСТЕРСТВО ЭНЕРГЕТИКИ

РОССИЙСКОЙ ФЕДЕРАЦИИ

УТВЕРЖДЕНЫ

Заместителем руководителя

Госэнергонадзора

В.Н. Белоусовым

27.12.2000

МЕТОДИЧЕСКИЕ УКАЗАНИЯ ПО КОНТРОЛЮ И АНАЛИЗУ КАЧЕСТВА ЭЛЕКТРИЧЕСКОЙ ЭНЕРГИИ В СИСТЕМАХ ЭЛЕКТРОСНАБЖЕНИЯ ОБЩЕГО НАЗНАЧЕНИЯ

Часть 1. Контроль качества электрической энергии

РД 153-34.0-15.501-00

СОГЛАСОВАНЫ

Директором ВНИИМСа

А.И. Асташенковым

РАЗРАБОТАНЫ

Научно-методическим

центром ООО «Научный

центр ЛИНВИТ»

МОСКВА

ЭНЕРГОСЕРВИС

2004

Настоящий документ РД 153-34.0-15.501-00 «Методические указания по контролю и анализу качества электрической энергии в системах электроснабжения общего назначения. Часть 1. Контроль качества электрической энергии» устанавливает порядок проведения работ, процедуры выполнения измерений, обработки и представления результатов при различных видах контроля и испытаний электрической энергии на соответствие требованиям ГОСТ 13109-97.

Методические указания предназначены для персонала энергоснабжающих и энергопотребляющих организаций, аккредитованных испытательных лабораторий, органов государственного энергетического надзора и органов государственного надзора за соблюдением требований государственных стандартов.

С введением в действие настоящих Методических указаний утрачивают силу на территории Российской Федерации РД 34.15.501-88 «Методические указания по контролю и анализу качества электрической энергии в электрических сетях общего назначения» (М.: СПО Союзтехэнерго, 1990 г.), Дополнение № 1 к указанным РД «Методика контроля и анализа качества электрической энергии в электрических сетях общего назначения» (Москва, Екатеринбург, 1995 г.) за исключением раздела 6 и приложений Ж, И, К, Л, М, Н, П, а также прекращают свое действие Изменения и дополнения к Дополнению № 1 (письмо Главгосэнергонадзора России от 05.02.98 № 32-04-05-135).

ОСНОВНЫЕ ИСПОЛНИТЕЛИ

Никифорова В.Н. - руководитель Научно-методического центра ООО «НЦ ЛИНВИТ»

Ярославский В.Н. - начальник отдела ВНИИМС

Штиллерман B.C. - ведущий инженер ВНИИМС

Кармашев B.C. - председатель Технического комитета 30 Госстандарта России

Мамошин P.P. -профессор МИИТ

Методические указания по контролю и анализу качества электрической энергии в системах электроснабжения общего назначения. Часть 1. Контроль качества электрической энергии

РД 153-34.0-15.501-00

Срок действия установлен

с 01.01.2001 г.

до 01.01.2006 г.

1. ОБЛАСТЬ ПРИМЕНЕНИЯ

1.1. Настоящая часть Методических указаний устанавливает основные положения по контролю качества электрической энергии в соответствии с требованиями ГОСТ 13109-97 в системах электроснабжения общего назначения однофазного и трехфазного переменного тока с частотой 50 Гц и определяет правила оценки соответствия установленным требованиям следующих показателей качества электрической энергии (далее - ПКЭ):

- установившееся отклонение напряжения;

- коэффициент n-ой гармонической составляющей напряжения;

- коэффициент искажения синусоидальности кривой напряжения;

- коэффициент несимметрии напряжений по обратной последовательности;

- коэффициент несимметрии напряжений по нулевой последовательности;

- отклонение частоты;

- длительность провала напряжения.

1.2. Настоящая часть Методических указаний (далее - указания) предназначена для применения энергоснабжающими и энергопотребляющими организациями в соответствии со своими полномочиями при осуществлении следующих видов контроля качества электрической энергии (далее - КЭ):

- периодический контроль КЭ;

- контроль КЭ при определении технических условий (далее - ТУ), разрешений или иных документов на присоединение;

- контроль КЭ при определении условий договора между энергоснабжающей организацией и потребителем (далее - договора энергоснабжения);

- контроль КЭ при допуске к эксплуатации электроустановок потребителей, ухудшающих КЭ;

- контроль КЭ при рассмотрении претензий к качеству электрической энергии.

1.3. Указания должны использоваться аккредитованными испытательными лабораториями, органами государственного энергетического надзора и органами государственного надзора за соблюдением требований государственных стандартов в соответствии со своими полномочиями при проведении сертификационных испытаний ЭЭ, арбитражных испытаниях ЭЭ, осуществлении инспекционного контроля за сертифицированной ЭЭ, а также при осуществлении государственного надзора за качеством электрической энергии и соблюдением обязательных требований государственных стандартов (далее - государственного надзора).

1.4. Указания могут быть также использованы энергоснабжающими и энергопотребляющими организациями для проведения технологического контроля или иных видов контроля КЭ при отсутствии соответствующих нормативных документов.

2. НОРМАТИВНЫЕ ССЫЛКИ

В указаниях использованы ссылки на следующие нормативные документы:

ГОСТ 13109-97 «Электрическая энергия. Совместимость технических средств электромагнитная. Нормы качества электрической энергии в системах электроснабжения общего назначения»;

ГОСТ Р 8.563-96 ГСИ Методики выполнения измерений;

ГОСТ 16263-70 ГСИ. Метрология. Термины и определения;

ГОСТ 16504-81 СГИП Испытания и контроль качества продукции. Основные термины и определения;

ГОСТ 22261-94 Средства измерений электрических и магнитных величин;

ГОСТ Р 50397-92 Совместимость технических средств электромагнитная. Термины и определения.

3. ТЕРМИНЫ И ОПРЕДЕЛЕНИЯ

В настоящих указаниях применяют следующие термины и определения:

3.1. Установленные требования - требования, установленные в нормативных документах, договорах энергоснабжения, технических условиях на присоединение, а также в иных документах.

3.2. Контроль КЭ - проверка соответствия показателей КЭ установленным требованиям.

3.3. Периодический контроль КЭ - контроль, осуществляемый в целях управления КЭ, при котором поступление информации о контролируемых показателях и их оценка происходит периодически с интервалами, определяемыми организацией, осуществляющей контроль КЭ, но не реже пределов, установленных ГОСТ 13109-97.

3.4. Технологический контроль КЭ - контроль КЭ с длительностью и (или) погрешностью измерений, которые могут отличаться от требований ГОСТ 13109-97.

3.5. Претензионные испытания ЭЭ - испытания, проводимые при рассмотрении претензий продавца или покупателя электрической энергии к ее качеству.

3.6. Арбитражные испытания ЭЭ - претенционные испытания ЭЭ, проводимые аккредитованными в установленном порядке испытательными лабораториями (центрами) по постановлению судов при рассмотрении претензий к КЭ, участвующих в споре сторон.

3.7. Сертификационные испытания ЭЭ - испытания ЭЭ, проводимые аккредитованными в установленном порядке испытательными лабораториями (центрами) в целях сертификации электрической энергии.

3.8. Испытания при инспекционном контроле за сертифицированной ЭЭ - испытания ЭЭ, проводимые аккредитованными в установленном порядке испытательными лабораториями (центрами) с целью подтверждения, что ЭЭ соответствует требованиям, которые были установлены при сертификации.

3.9. Испытания ЭЭ при осуществлении государственного надзора - испытания, проводимые органами государственного надзора с целью проверки соответствия ЭЭ установленным ГОСТ 13109-97 требованиям к ее качеству.

3.10. Пункт контроля КЭ - пункт электрической сети, в котором проводят измерение показателей КЭ при контроле качества ЭЭ.

В качестве пункта контроля КЭ может быть использована точка общего присоединения, граница раздела балансовой принадлежности, выводы приемников электрической энергии, а также другие точки электрической сети, в том числе выбранные по согласованию между энергоснабжающей организацией и потребителем.

3.11. Точка общего присоединения (далее - ТОП) - электрически ближайшая к рассматриваемому потребителю ЭЭ точка электрической сети энергоснабжающей организации, к которой присоединены или могут быть присоединены другие потребители ЭЭ.

3.12. Точка коммерческого контроля КЭ (далее - ТКЭ) - точка общего присоединения, граница раздела балансовой принадлежности, или другая точка электрической сети, принятая по согласованию между энергоснабжающей организацией и потребителем в качестве точки сети, в которой при наличии претензий какой-либо из сторон договора будет производиться проверка соблюдения договорных условий по КЭ и расчеты за их нарушение.

3.13. Центр питания (далее - ЦП) - распределительное устройство генераторного напряжения электростанции или распределительное устройство вторичного напряжения (6000 В и выше) подстанции энергоснабжающей организации, к которым присоединены электрические сети данного района (региона) по месторасположению потребителей.

ЦП и присоединенная к нему электрическая сеть могут принадлежать разным энергоснабжающим организациям.

3.14. Распределительная электрическая сеть - электрическая сеть, присоединенная к центру питания, обеспечивающая распределение электрической энергии между потребителями электрической энергии или обеспечивающая передачу электрической энергии организациям, заключающим договора энергоснабжения с потребителями.

3.15. Наибольшее (наименьшее) значение ПКЭ - наибольшее (наименьшее) из всех измеренных в течение 24 ч значений контролируемого ПКЭ.

3.16. Верхнее (нижнее) значение ПКЭ - верхняя (нижняя) граница отрезка, которому принадлежат 95 % измеренных в течение 24 ч значений контролируемого ПКЭ.

4. НОРМЫ КЭ, УСЛОВИЯ СООТВЕТСТВИЯ НОРМАМ И ФОРМЫ ПРЕДСТАВЛЕНИЯ РЕЗУЛЬТАТОВ КОНТРОЛЯ

4.1. Нормы качества электроэнергии

4.1.1. В соответствии с ГОСТ 13109-97 для ПКЭ установлены нормально допускаемые и (или) предельно допускаемые значения.

В зависимости от вида пункта контроля КЭ (выводы приемника электрической энергии, ТОП электрических сетей различных классов напряжения и др.) численные значения норм КЭ в общем случае различны и должны устанавливаться в договорах энергоснабжения с учетом необходимости выполнения норм ГОСТ 13109-97 в пунктах (точках) электрических сетей, установленных этим стандартом.

Для ПКЭ, указанных в 1.1, нормы КЭ в пунктах контроля определяются в соответствии с Приложением А.

4.2. Условия соответствия КЭ установленным нормам

4.2.1. Качество электрической энергии по отклонению частоты и установившемуся отклонению напряжения в пункте контроля считают соответствующим установленным требованиям, если одновременно выполняются следующие условия:

а) все измеренные в течение 24 ч значения контролируемого ПКЭ принадлежат интервалу, ограниченному предельно допускаемыми значениями ПКЭ;

б) 95 % измеренных в течение 24 ч значений ПКЭ принадлежат интервалу, ограниченному нормально допускаемыми значениями ПКЭ.

4.2.2 Качество электрической энергии по коэффициентам искажения кривой синусоидальности и n-ой гармонической составляющей напряжения, а также коэффициентам несимметрии напряжений по обратной и нулевой последовательностям в пункте контроля считают соответствующим установленным требованиям, если одновременно выполняются следующие условия:

а) наибольшее из всех измеренных в течение 24 ч значений контролируемого ПКЭ не превышает предельно допускаемого значения ПКЭ;

б) 95 % измеренных в течение 24 ч значений контролируемого ПКЭ не превышают нормально допускаемого значения ПКЭ.

4.3. Формы представления результатов контроля

4.3.1. Результаты контроля отклонений частоты должны быть представлены в виде:

- наибольшего и наименьшего значений (с учетом знака) за каждые 24 часа общей длительности измерений, а также

- верхнего и нижнего значений (с учетом знака) за каждые 24 часа общей длительности измерений.

4.3.2. Результаты измерений установившегося отклонения напряжения в пункте контроля должны быть представлены в виде:

- наибольшего и наименьшего значений (с учетом знака) установившегося отклонения напряжения отдельно в режимах наибольших и наименьших нагрузок ЦП за каждые 24 часа общей длительности измерений, а также

- верхнего и нижнего значений (с учетом знака) установившегося отклонения напряжения отдельно в режимах наибольших и наименьших нагрузок ЦП.

Примечание. Верхнее и нижнее значения установившегося отклонения напряжения являются границами отрезка, которому принадлежат 95 % значений, измеренных за интервал времени суток, соответствующий режимам наибольших (наименьших) нагрузок ЦП.

4.3.3. По согласованию между энергоснабжающей организацией и потребителем допускается результаты измерений установившегося отклонения напряжения представлять в виде:

- наибольшего и наименьшего значений (с учетом знака) за каждые 24 часа общей длительности измерений, а также

- верхнего и нижнего значений (с учетом знака) за каждые 24 часа общей длительности измерений.

4.3.4. Результаты измерений коэффициентов искажения кривой синусоидальности и n-ой гармонической составляющей напряжения, а также коэффициентов несимметрии напряжений по обратной и нулевой последовательностям должны быть представлены в виде:

- наибольшего значения контролируемого ПКЭ за каждые 24 часа общей длительности измерений, а также

- верхнего значения контролируемого ПКЭ за каждые 24 часа общей длительности измерений.

Примечание. Верхнее значение контролируемого ПКЭ является границей, ниже которой находятся 95 % измеренных за 24 часа значений.

4.3.5. Форма представления результатов контроля КЭ, указанная в пп 4.3.1 - 4.3.4, является обязательной при всех видах испытаний КЭ в сферах, подлежащих обязательному государственному контролю и надзору (сертификационные, арбитражные испытания, инспекционный контроль КЭ, государственный надзор за соблюдением обязательных требований государственных стандартов, измерения, используемые для установления скидок и надбавок при расчетах за электрическую энергию и т.п.).

4.3.6. При проведении периодического или технологического контроля допускается использовать условия соответствия КЭ установленным требованиям, основанные на измерении относительного времени выхода контролируемого показателя за нормально и предельно допускаемые значения.

В этих случаях качество электрической энергии в пункте контроля считают соответствующим установленным требованиям, если одновременно выполняются идентичные приведенным в пп 4.2.1 и 4.2.2 условия:

а) относительное время выхода значений ПКЭ, измеренных в течение 24 часов, за нормально допускаемые значения (значение) не превышает 5 %;

б) относительное время выхода значений ПКЭ, измеренных в течение 24 часов, за предельно допускаемые значения (значение) равно 0 %.

4.3.7. Качество электрической энергии по длительности провала напряжения считают соответствующим требованиям НД, если наибольшая из всех измеренных за продолжительный период наблюдения (например, в течение года) длительностей провалов напряжения не превышает предельно допускаемого значения.

Выполнение установленных требований к указанному ПКЭ при отсутствии измерений допускается проверять расчетом суммарной длительности выдержек времени срабатывания коммутационных аппаратов и уставок релейной защиты и автоматики.

5. ВЫБОР ПУНКТОВ КОНТРОЛЯ КАЧЕСТВА ЭЛЕКТРИЧЕСКОЙ ЭНЕРГИИ

5.1. Пункты контроля при периодическом контроле КЭ в электрических сетях энергоснабжающей организации

5.1.1. Пункты контроля качества закупаемой ЭЭ

В качестве пунктов контроля КЭ закупаемой энергоснабжающей организацией ЭЭ выбирают границы раздела балансовой принадлежности двух энергоснабжающих организаций или иные пункты, связывающие электрические сети этих организаций и позволяющие проводить измерения КЭ. Выбранные пункты контроля указывают в договоре энергоснабжения между этими энергоснабжающими организациями.

5.1.2. Пункты контроля качества поставляемой потребителям ЭЭ

Пунктами контроля КЭ, поставляемой потребителям, являются: ЦП, если он принадлежит энергоснабжающей организации, в чьем ведении находится распределительная электрическая сеть (далее - распределительная сеть), и характерные точки в распределительной сети, выбор которых осуществляют в соответствии с рекомендациями пп. 5.1.3 - 5.1.6.

5.1.3. Пункты контроля установившегося отклонения напряжения

Выбор контрольных пунктов в распределительной сети для измерения установившегося отклонения напряжения следует производить в следующем порядке.

5.1.3.1. Сгруппировать распределительные линии, отходящие от ЦП, если это возможно, по доминирующему характеру графиков нагрузки (линии с промышленной

нагрузкой и линии с нагрузкой общественных, научных, коммерческих учреждений, жилых зданий и др.).

5.1.3.2. Выбрать в каждой из групп распределительных линий следующие контрольные пункты:

- ТКЭ с потребителями, соответствующие точкам электрической сети, потери напряжения от ЦП до которых являются минимальными и максимальными в рассматриваемой группе распределительных линий в режимах наименьших и наибольших нагрузок ЦП;

- ТКЭ с потребителями, график нагрузки которых резко отличен от графика нагрузки ЦП;

- шины 0,4 кВ трансформаторных подстанций (ТП) 6 - 35/0,4 кВ, от которых осуществляется электроснабжение бытовых потребителей, потери напряжения от ЦП до которых являются минимальными и максимальными в рассматриваемой группе распределительных линий в режимах наибольших и наименьших нагрузок ЦП или вводно-распределительное устройство к этим бытовым потребителям.

5.1.3.3. Если на подстанции энергоснабжающей организации установлен трансформатор, осуществляющий один и тот же закон регулирования напряжения для нескольких распределительных устройств (трехобмоточный трансформатор, трансформатор с расщепленными обмотками), то пункты контроля выбирают в объединенной распределительной сети, присоединенной ко всем секциям (системам) шин вторичного напряжения данного трансформатора, используя положения п. 5.1.3.2.

В качестве пункта контроля в ЦП рекомендуется, выбрать секцию (систему) шин, в соответствии с нагрузкой которой осуществляют централизованное регулирование напряжения в объединенной распределительной сети.

5.1.3.4. При выборе пунктов контроля для измерения установившегося отклонения напряжения следует использовать:

- расчеты с учетом прогнозируемого роста нагрузок или измерения потерь напряжения в электрических сетях напряжением 6 - 35 и 0,4 кВ в режимах наибольших и наименьших нагрузок ЦП;

- сведения о загрузке распределительных трансформаторов 6 - 35/0,4 кВ и данные о регулировочных ответвлениях, установленных на этих трансформаторах;

- результаты измерений токов в распределительных линиях и напряжений на шинах 0,4 кВ трансформаторов 6 - 35/0,4 кВ и др.

5.1.4. Пункты контроля показателей несинусоидальности и коэффициента несимметрии напряжений по обратной последовательности

В качестве пунктов контроля в распределительной электрической сети для измерения показателей несинусоидальности и несимметрии напряжений по обратной последовательности следует выбирать ТОП (ТКЭ) с потребителями, являющимися источниками ухудшения качества электрической энергии (далее искажающие потребители).

Дополнительно следует рассмотреть целесообразность контроля КЭ в ТОП (ТКЭ) с восприимчивыми потребителями, ближайшими к искажающим потребителям, и точки электрической сети с установленными статическими компенсирующими устройствами.

5.1.5. Пункты контроля коэффициента несимметрии напряжений по нулевой последовательности

В качестве пунктов контроля коэффициента несимметрии напряжений по нулевой последовательности следует выбирать шины 0,4 кВ трансформаторов 6 - 35/0,4 кВ, питающих коммунально-бытовую нагрузку.

В качестве пунктов контроля могут быть также выбраны шины трехфазного вводно-распределительного устройства жилого дома.

Выбор конкретных пунктов контроля осуществляют с учетом результатов измерений токов в линиях 0,4 кВ и напряжений на шинах 0,4 кВ трансформаторов 6 - 35/0,4 кВ, проводимых энергоснабжающей организацией два раза в год в период наибольших и наименьших годовых нагрузок. При этом в первую очередь выбирают точки распределительной сети, в которых была зарегистрирована наибольшая несимметрия фазных токов и напряжений.

5.1.6. Пункты контроля отклонения частоты и длительности провала напряжения

В качестве пунктов контроля выбирают любой пункт электрических сетей, в том числе любые ТКЭ.

5.2. Пункты контроля КЭ при рассмотрении претензий к КЭ

В качестве пунктов контроля КЭ выбирают ТКЭ с потребителем, являющимся одной из сторон заявленной претензии.

При необходимости дополнительно могут быть выбраны другие пункты контроля, результаты измерений в которых позволяют установить обоснованность претензий, предъявляемых к КЭ участвующими в споре сторонами, например, ближайшая к рассматриваемому потребителю ТОП, если последняя не является ТКЭ с этим потребителем, точка в системе электроснабжения потребителя, приближенная к источнику ухудшения КЭ, точка электрической сети энергоснабжающей организации более высокого класса напряжения, электрически ближайшая к ТОП с рассматриваемым потребителем.

5.3. Пункты контроля КЭ при определении ТУ и договорных условий с потребителем, электроустановки которого ухудшают КЭ, а также при допуске в эксплуатацию электроустановок, ухудшающих КЭ

В качестве пункта контроля тех ПКЭ, по которым электроустановки потребителя ухудшают КЭ, выбирают ТОП с данным потребителем. Дополнительно в качестве пункта контроля при допуске к эксплуатации электроустановок, ухудшающих КЭ, может быть выбрана точка в системе электроснабжения потребителя, приближенная к этой электроустановке.

5.4. Пункты контроля КЭ в электрических сетях потребителя

5.4.1. Пункты контроля качества закупаемой ЭЭ

В качестве пунктов контроля КЭ закупаемой ЭЭ выбирают точку коммерческого контроля, если она располагается в сети потребителя, или границу раздела балансовой принадлежности или иной пункт, ближайший к границе раздела, в котором может быть осуществлен контроль КЭ.

5.4.2. Пункты контроля установившегося отклонения напряжения

В качестве пунктов контроля установившегося отклонения напряжения (дополнительно к пункту контроля закупаемой ЭЭ) рекомендуется выбирать выводы характерных электроприемников: ближайшего и наиболее удаленного к границе раздела, а также выводы электроприемников, характер нагрузки которых резко отличен от графиков нагрузки ЦП в интервалах времени наибольших и наименьших нагрузок, сообщаемых потребителю энергоснабжающей организацией.

При выборе характерных электроприемников рекомендуется пользоваться информацией, указанной в 5.1.3.4.

5.4.3. Пункты контроля показателей несинусоидальности и коэффициента несимметрии напряжений по обратной последовательности

В качестве пунктов контроля показателей несинусоидальности и коэффициента несимметрии напряжений по обратной последовательности (дополнительно к пункту контроля закупаемой ЭЭ) рекомендуется выбирать ТОП, к которым присоединены нелинейные и несимметричные электроприемники.

5.4.4. Пункты контроля коэффициента несимметрии напряжений по нулевой последовательности

В качестве пунктов контроля коэффициента несимметрии напряжений по нулевой последовательности следует выбирать шины 0,4 кВ трансформаторов 6 - 35/0,4 кВ, питающих одновременно трехфазную и однофазную нагрузки.

5.5. Пункты контроля при сертификационных испытаниях

В качестве пунктов контроля установившегося отклонения напряжения выбирают пункт(ы) контроля качества закупаемой ЭЭ (см.5.1.1) и выводы приемников электрической энергии бытовых потребителей, потери напряжения до которых являются минимальными и максимальными в режимах наибольших и наименьших нагрузок ЦП, или вводно-распределительные устройства к этим бытовым потребителям, или, при наличии обоснований (расчетов, данных измерений и др.), шины 0,4 кВ трансформаторных подстанций (ТП) 6 - 35/0,4 кВ, от которых осуществляется электроснабжение указанных бытовых потребителей.

Выбор пунктов контроля остальных ПКЭ осуществляют в соответствии с 5.1.4 - 5.1.6.

5.6. Органы государственного надзора за соблюдением обязательных требований государственных стандартов и органы государственного энергетического надзора выбирают пункты контроля КЭ по своему усмотрению.

6. ПРОДОЛЖИТЕЛЬНОСТЬ И ПЕРИОДИЧНОСТЬ КОНТРОЛЯ ПКЭ

6.1. При сертификационных и арбитражных испытаниях, а также инспекционном контроле за сертифицированной электрической энергией продолжительность непрерывных измерений ПКЭ должна составлять не менее 7 суток.

Органы государственного надзора за соблюдением обязательных требований государственных стандартов и органы государственного энергетического надзора устанавливают продолжительность непрерывных измерений ПКЭ по своему усмотрению, но не менее одних суток.

Соответствие установленным нормам проверяется по результатам измерений ПКЭ за каждые 24 ч в отдельности. При этом суммарный перерыв в измерениях ПКЭ за сутки, включая длительность провалов, перенапряжений и отключений прибора, должен составлять не более 5 мин.

6.2. При претензионных испытаниях электрической энергии общая продолжительность непрерывных измерений ПКЭ устанавливается соглашением между энергоснабжающей организацией и потребителями и должна составлять не менее одних суток.

6.3. Энергоснабжающая организация должна проводить периодический контроль качества поставляемой потребителям ЭЭ. Потребитель по своему усмотрению проводит контроль любых ПКЭ, установленных ГОСТ 13109-97, и обязан проводить периодический контроль КЭ по тем показателям, источником ухудшения которых он является (см. ГОСТ 13109-97, приложение Е).

6.4. При периодическом контроле КЭ рекомендуется, чтобы общая продолжительность непрерывного контроля ПКЭ составляла 7 суток.

Допускается уменьшение общей продолжительности контроля КЭ, если в недельном цикле достоверно определены сутки (несколько суток), результаты измерений КЭ за которые являются репрезентативными для недельного цикла. При этом минимальная продолжительность непрерывного контроля каждого из перечисленных в 1.1 ПКЭ (за исключением длительности провала напряжения) для определения их соответствия требованиям НД должна быть не менее 24 ч.

Интервал между очередными измерениями ПКЭ при периодическом контроле КЭ устанавливается энергоснабжающей организацией и должен составлять:

- для установившегося отклонения напряжения - не реже двух раз в год в зависимости от сезонного изменения нагрузок в распределительной сети центра питания, а при наличии автоматического встречного регулирования напряжения - не реже 1 раза в год. При незначительной динамике максимальной нагрузки ЦП (не более 10 % за год) и при отсутствии существенных изменений в электрической схеме сети и ее элементах в процессе эксплуатации допускается увеличивать интервал времени между двумя контрольными проверками установившегося отклонения напряжения, но не реже 1 раза в 2 года;

- для остальных ПКЭ за исключением отклонения частоты и длительности провала напряжения (см. 1.1) - не реже одного раза в два года при отсутствии изменений электрических схем сети и ее элементов в процессе эксплуатации и при незначительных изменениях нагрузки потребителя, ухудшающего КЭ.

Периодический контроль отклонений частоты при отсутствии организованного в энергоснабжающей организации постоянного контроля этого ПКЭ рекомендуется проводить не реже 2-х раз в год в режимах наибольших и наименьших годовых нагрузок. Интервал между контрольными проверками допускается увеличивать, но не реже 1 раза в 2 года.

6.5. Периодический контроль установившегося отклонения напряжения рекомендуется проводить одновременно во всех выбранных в рассматриваемой электрической сети пунктах контроля.

Если центр питания и распределительная электрическая сеть принадлежат разным энергоснабжающим организациям, то сроки проведения периодического контроля КЭ в этих организациях целесообразно согласовывать.

6.6. Продолжительность непрерывного контроля КЭ для определения ТУ на присоединение и договорных условий электроснабжения должна составлять не менее 24 ч и устанавливаться энергоснабжающей организацией таким образом, чтобы включить характерные суточные изменения ПКЭ в недельном цикле.

При допуске в эксплуатацию электроустановок потребителя, являющихся источниками ухудшения КЭ в ТОП, контроль ПКЭ требуется проводить до и после подключения этих электроустановок потребителя. Общая продолжительность измерений ПКЭ до и после подключения должна устанавливаться энергоснабжающей организацией с учетом характерных суточных изменений ПКЭ в недельном цикле и составлять не менее двух суток.

7. ТРЕБОВАНИЯ К ПОГРЕШНОСТИ ИЗМЕРЕНИЙ

Погрешность измерений должна соответствовать требованиям, указанным в ГОСТ 13109-97, пункты 7.1 и 7.2.

8. ТРЕБОВАНИЯ К СРЕДСТВАМ ИЗМЕРЕНИЙ

8.1 При всех видах испытаний, контроля и измерений КЭ, за исключением технологического контроля должны использоваться средства измерений, реализующие алгоритмы обработки измерительной информации в соответствии с требованиями ГОСТ 13109-97 и п. 8 настоящих указаний и имеющие метрологические характеристики не хуже указанных в таблице 8.1.

Таблица 8.1

Метрологические характеристики средств измерений

Наименование измеряемой величины, единица измерений

Метрологические характеристики

Диапазон измерений в единицах и; меряемой величины

Предел абсолютной допускаемой погрешности в единицах измеряемой величины

Предел относительной допускаемой погрешности, %

Интервал усреднения, с

1

2

3

4

5

1. Установившееся отклонение напряжения, %

от минус 20 до плюс 20

±0,2*

±0,5**

 

60

2. Коэффициент n-й гармонической составляющей напряжения, %

от 0 до 15

±0,05

при КU(n) < 1

±5

при КU(n) > 1

3

3. Коэффициент искажения синусоидальности кривой напряжения, %

от 0 до 15

±0,1

при КU < 1

±10

при КU > 1

3

4. Коэффициент несимметрии напряжений по обратной последовательности, %

от 0 до 5

±0,2*

±0,3**

-

3

5. Коэффициент несимметрии напряжений по нулевой последовательности, %

от 0 до 5

±0,2*

±0,5**

-

3

6. Отклонение частоты, Гц

от 49 до 51

±0,03

-

20

7. Длительность провала напряжения, с

от 0,01 до 60

0,01

-

-

* - для средств измерений, подключаемых к выходам измерительных трансформаторов напряжения,

** - для средств измерений, подключаемых непосредственно к электрическим сетям 380, 220 В,

КU, КU(n) - соответственно коэффициент искажения синусоидальности кривой напряжения и коэффициент n-ой гармонической составляющей напряжения.

8.2. При технологическом контроле КЭ допускается использовать средства измерений, динамические характеристики и погрешность которых отличаются от установленных в таблице 8.1. Однако погрешность используемых средств измерений не должна превышать установленную в таблице 8.1 для средств измерений, подключаемых непосредственно к электрическим сетям 380, 220 В.

8.3. В сферах, подлежащих обязательному государственному контролю и надзору (сертификационные, арбитражные испытания, инспекционный контроль КЭ, государственный надзор за соблюдением обязательных требований государственных стандартов, измерения, используемые для установления скидок и надбавок при расчетах за электрическую энергию, штрафных санкций и т.п.), при проведении работ в электрических сетях с номинальным напряжением выше 1000 В должны использоваться трансформаторы напряжения класса точности не хуже 0,5, поверенные в установленном порядке с неистекшими сроками поверки. При этом нагрузка вторичных цепей трансформаторов с учетом входных сопротивлений используемых средств измерений КЭ, должна находиться в пределах 25 - 100 % номинальной нагрузки, установленной для указанного класса точности. Неравномерность амплитудно-частотной характеристики трансформатора в полосе частот до 2 кГц не должна превышать 2 %. Коэффициенты n-ых гармонических составляющих напряжения до 40-ой включительно на выходе трансформатора при подаче на его вход синусоидального напряжения частотой 50 Гц должны быть не более 0,02 %.

При остальных видах испытаний и контроля могут использоваться установленные в электрических сетях и не подвергавшиеся периодической поверке трансформаторы напряжения класса точности 0,5, нагрузка вторичных измерительных цепей которых находится в пределах от 0,4 до 0,8 номинальной нагрузки, установленной для указанного класса точности.

8.4. Приборы должны обеспечивать измерения при следующих номинальных значениях напряжения на их входах:

- фазные напряжения 100/√3 и 220 В;

- междуфазные напряжения 100 и 380 В.

8.5. Средства измерений должны усреднять измеряемые ПКЭ на интервалах, указанных в таблице 8.1, с использованием следующих весовых функций (измерительных окон):

прямоугольное измерительное окно с шириной Tw, равной 0,32 с, без пробелов между окнами,

или измерительное окно Хеннинга с шириной Tw, равной 0,4 - 0,5 с, с перекрытием смежных окон на 50 %.

8.6. Средства измерений должны обеспечивать выявление кратковременных перенапряжений, провалов и отключений измеряемых напряжений длительностью более 0,01 с. В случае, если на интервале измерений, равном ширине измерительного окна по 8.5, происходит любое из этих явлений, результаты измерений в этом окне должны игнорироваться.

8.7. Средства измерений должны обеспечивать нормальную работу при характеристиках напряжения питания, изменяющихся в пределах, указанных в таблице 8.1, в том числе при снижении напряжения питания до 80 % от номинального напряжения. При большем снижении или исчезновении напряжения питания средства измерений должны обеспечивать сохранение установочных параметров, оперативных уставок, накопленной в памяти информации, а также отсчет текущего времени. При восстановлении напряжения питания до 80 % от номинального значения, средства измерений должны обеспечивать автоматическое восстановление нормальной работы.

8.8. Средства измерений должны обеспечивать накопление измерительной информации за время не менее 7 суток и хранение этой информации при отключенном питании не менее 15 суток.

8.9. Средства измерений должны обеспечивать регистрацию и отображение суммарной длительности событий, указанных в 8.6 и 8.7, в течение каждых календарных суток. При этом должно учитываться время выхода прибора на нормальный режим работы после восстановления питания.

8.10. Средства измерений должны обеспечивать представление протоколов измерений в форме, обеспечивающей проверку условий соответствия КЭ по п. 4.2 настоящих Указаний.

8.11. По устойчивости к климатическим воздействиям в рабочих условиях применения приборы должны соответствовать группе исполнения не ниже 3-й по ГОСТ 22261-94.

8.12. По устойчивости к воздействию внешних электромагнитных помех средства измерений должны удовлетворять требованиям следующих стандартов: ГОСТ Р 50317.4.2-99 (МЭК 61000-4-2-95), ГОСТ Р 50317.4.3-99 (МЭК 61000-4-3-95), ГОСТ Р 50317.4.4-99 (МЭК 61000-4-4-95), ГОСТ Р 50317.4.5-99 (МЭК 61000-4-5-95), ГОСТ Р 50317.4.11-99 (МЭК 61000-4-11-94), ГОСТ Р 50628- 2000, ГОСТ Р 50648-94 (МЭК 1000-4-8-93).

8.13. Средства измерений должны выдерживать на зажимах входных цепей и цепей сетевого питания длительное (не менее 24 ч) воздействие напряжения не менее удвоенного номинального значения.

8.14. Средства измерений должны выдерживать на зажимах входных цепей и цепей сетевого питания воздействие грозовых импульсов напряжения до 6 кВ.

8.15. Средства измерений должны обеспечивать защиту измерительной информации путем ограничения доступа к входным зажимам и органам управления, применением паролей, фиксацией в памяти моментов времени ввода команд, изменяющих режимы работы прибора.

9. МЕТОД ИЗМЕРЕНИЙ

9.1. При выполнении измерений используют метод непосредственной оценки ПКЭ, перечисленных в 1.1.

9.2. При контроле КЭ в трехфазных и однофазных электрических сетях следует измерять фазные напряжения.

При отсутствии в электрических сетях с изолированной нейтралью однофазных заземляемых или трехфазных заземляемых трансформаторов напряжения допускается измерять междуфазные напряжения.

10. ТРЕБОВАНИЯ БЕЗОПАСНОСТИ

10.1. При контроле ПКЭ должны быть соблюдены требования безопасности в соответствии с ГОСТ 12.3.019-80, ГОСТ 12.2.007-75, «Правилами эксплуатации электроустановок потребителей», «Правилами техники безопасности при эксплуатации электроустановок потребителей», «Правилами техники безопасности при эксплуатации электроустановок» и «Правилами технической эксплуатации электрических станций и сетей Российской Федерации».

10.2. Помещения, используемые при контроле ПКЭ, должны удовлетворять требованиям пожарной безопасности по ГОСТ 12.1.004-91.

10.3. Средства измерений, используемые при контроле ПКЭ, должны удовлетворять требованиям безопасности по ГОСТ 22261-94.

11. ТРЕБОВАНИЯ К КВАЛИФИКАЦИИ ОПЕРАТОРОВ

11.1. К выполнению измерений могут быть допущены лица, имеющие квалификацию не ниже 3-й группы (в установленных случаях 4-й группы) по электробезопасности. Эти лица должны быть аттестованы на право проведения контроля ПКЭ в установленном порядке.

11.2. Анализ результатов контроля ПКЭ и оформление протоколов может производиться лицами со средним специальным или высшим образованием.

12. УСЛОВИЯ ИЗМЕРЕНИЙ

12.1. Измерения ПКЭ проводят в нормальных и ремонтных режимах работы электрической сети.

12.2. При измерениях ПКЭ обеспечивают выполнение рабочих условий применения используемых СИ в пункте контроля.

13. ПОДГОТОВКА К ПРОВЕДЕНИЮ ИЗМЕРЕНИЙ

13.1. Перед началом измерений в электрических сетях напряжением выше 1000 В следует:

- установить тип измерительного трансформатора (трансформаторов) напряжения (ТН) в пункте контроля; номинальные напряжения первичной и вторичной обмоток ТН; схему соединений вторичных обмоток ТН; класс его точности, наличие действующего свидетельства о поверке или поверительного клейма (при необходимости, см. п 8.3 настоящих Указаний), схему соединения нагрузок вторичных обмоток ТН;

- определить нагрузку вторичных цепей ТН в соответствии с приложением Б. Нагрузка должна соответствовать требованиям п. 8.3 настоящих Указаний;

13.2. Перед началом измерений КЭ следует:

- проверить климатические условия, а также напряжение и частоту питания с тем, чтобы используемые средства измерений были размещены в таких климатических условиях и были обеспечены такие характеристики напряжения их питания, для которых в соответствии с технической документацией указанных средств измерений обеспечиваются нормы точности измерений по 8.1 настоящих Указаний;

- установить средства измерений, заземлить их и подготовить к работе в соответствии с инструкциями по эксплуатации, включая прогрев прибора, корректировку, при необходимости, текущего времени и даты, введение необходимых уставок. В качестве соединительных проводов между прибором и исследуемой сетью следует использовать стандартные соединительные кабели, входящие в комплект прибора, или в случае их отсутствия многожильные кабели. Сечение и длина соединительных проводов должны быть выбраны из условия, что потеря напряжения в них не превышает 0,05 %;

- принять меры для исключения влияния помех на измерительные цепи прибора. Напряжение помехи оценивают следующим образом. Один из входных зажимов измерительного кабеля, соответствующий каналу измерения, по которому осуществляется синхронизация прибора (как правило - это канал измерения напряжения фазы А), подключают к контролируемой цепи, остальные зажимы присоединяют к клемме заземления объекта (ТН или клеммное устройство, к которому подключают прибор). Действующее значение напряжения помехи на заземленных каналах измерений фазного (междуфазного) напряжения не должно превышать 0,1 % от номинального значения измеряемого напряжения.

- подключить контролируемое напряжение в соответствии с 9.2 настоящих указаний. Определить соответствие маркировки фаз измеряемой трехфазной сети правильному чередованию фаз с помощью фазоуказателя или средства измерений КЭ. Следование фаз входных сигналов должно совпадать с маркировкой соответствующих измерительных каналов напряжения прибора; - убедиться в работоспособности собранной схемы, проконтролировав текущие значения ПКЭ.

14. ВЫПОЛНЕНИЕ ИЗМЕРЕНИЙ

14.1. Выполнение измерений производят в соответствии с инструкцией по эксплуатации используемого СИ.

14.2. Климатические условия окружающей среды и напряжения питания прибора контролируются не менее 1 раза в сутки.

14.3. Продолжительность и периодичность измерений устанавливают в соответствии с разделом 6 настоящих Указаний.

14.4. Перед завершением измерений проверяют выполнение требований 6.1 по суммарному перерыву в измерениях ПКЭ, в случае невыполнения требований измерения повторяют.

15. ОБРАБОТКА РЕЗУЛЬТАТОВ ИЗМЕРЕНИЙ

Для оценки соответствия ПКЭ установленным требованиям согласно 4.2 настоящих указаний средства измерений должны обеспечивать обработку результатов измерений по следующему алгоритму:

15.1. Для показателей, имеющих норму в виде одного предела (коэффициент искажения синусоидальности кривой напряжения, коэффициент n-ой гармонической составляющей напряжения и др.), обработка результатов измерений ПКЭ выполняется в следующем порядке.

15.1.1. Все измеренные за 24 часа значения ПКЭ упорядочиваются на числовой оси и каждому упорядоченному значению присваивается номер от 1 до Nнб.

15.1.2. Определяют наибольшее значение ПКЭ - ПКЭнб, соответствующее наибольшему номеру Nнб.

15.1.3. Определяют верхнее значение ПКЭ (ПКЭв), соответствующее условию, что 95 % измеренных значений ПКЭ лежат ниже этого значения. Упорядоченный номер верхнего значения ПКЭ определяют по формуле:

Nв = Nнб - 0,05 N,

где N - общее число измерений ПКЭ за 24 часа.

15.2. Для показателей, имеющих норму в виде диапазона (установившееся отклонение напряжения, отклонение частоты) обработка результатов измерений ПКЭ выполняется в следующем порядке.

15.2.1. Все измеренные за 24 ч значения ПКЭ упорядочивают на числовой оси и каждому упорядоченному значению присваивают номер от 1 до Nнб.

15.2.2. Определяют число значений ПКЭ, выходящих за нижнее нормально допускаемое значение - тн и верхнее нормально допускаемое значение - тв.

15.2.3. Если тн = 0 и тв = 0, то упорядоченные номера, соответствующие нижнему и верхнему значениям ПКЭ, в пределах которых находятся 95 % измеренных значений ПКЭ, определяют по формулам:

Nн = 0,025 N

Nв = Nн + 0,95 N

15.2.4. Если условия по 15.2.3 не соблюдаются, но тн+ mв < 0,05N, то:

а) если тн = 0, то упорядоченные номера, соответствующие нижнему и верхнему значениям ПКЭ, определяют из выражений

Nн = (0,05 N + mв)/2

Nв = Nн + 0,95 N

б) если тв = 0, то упорядоченные номера, соответствующие нижнему и верхнему значениям ПКЭ определяют из выражений

Nн = (0,05 N - mн)/2

Nв = Nн + 0,95 N

15.2.5. Если условия по 15.2.3 не соблюдаются, но тн + тв > 0,05N, то упорядоченные номера, соответствующие верхнему и нижнему значениям, определяют по следующим формулам:

Nн = 0,05 Nmн/(mн + mв)

Nв = Nн + 0,95 N

16. ОФОРМЛЕНИЕ РЕЗУЛЬТАТОВ КОНТРОЛЯ ПОКАЗАТЕЛЕЙ КАЧЕСТВА ЭЛЕКТРИЧЕСКОЙ ЭНЕРГИИ

Результаты контроля ПКЭ оформляются в виде «Протокола испытаний (контроля) электрической энергии по показателям качества» (далее - протокол).

16.1. В протоколе приводят следующие данные:

а) наименование и адрес испытательной лаборатории (организации или подразделения), проводивших измерения КЭ;

б) наименование и адрес организации (подразделения энергоснабжающей организации), являющейся заказчиком испытаний (измерений) КЭ;

в) наименование и адрес объекта испытаний (пункта контроля качества ЭЭ);

г) наименование и адрес (номер) центра питания, распределительного пункта, трансформаторной подстанции и т.д.;

д) цель испытаний (категория испытаний - сертификационные, арбитражные, претензионные, периодический контроль и др.), наименование и номер нормативной документации (ГОСТ 13109-97 или договор энергоснабжения с указанием пунктов, устанавливающих допускаемые значения ПКЭ);

е) сроки проведения испытаний (год, месяц, число, время начала и окончания измерений);

ж) наименование и пункты нормативной документации, устанавливающей методы испытаний (контроля) КЭ;

и) средства измерений:

1) наименование, тип, номер прибора(ов) для измерений ПКЭ, сведения о погрешностях измерителей ПКЭ, дата последней поверки, срок действия свидетельства о поверке;

2) тип измерительного трансформатора напряжения (ТН), класс точности, сведения о погрешностях ТН и поверке;

3) ссылка на протокол измерения нагрузки ТН;

к) условия выполнения измерений:

1) температура окружающего воздуха, °С;

2) относительная влажность воздуха, %;

3) атмосферное давление, кПа (мм рт.ст.) - только для сертификационных и арбитражных испытаний;

4) частота сети электропитания средств измерений КЭ, Гц;

5) напряжение сети электропитания средств измерений КЭ, В;

л) требования к показателям качества электроэнергии в пункте контроля;

м) результаты измерений ПКЭ в пункте контроля за каждые 24 ч (результаты могут быть приведены в приложении к протоколу);

н) заключение по результатам контроля ПКЭ.

В приложениях к протоколу приводятся результаты испытаний ТН или его нагрузки, а также результаты измерений ПКЭ в пункте контроля за каждые 24 ч, описание мер, предпринятых для поддержания для СИ необходимых условий измерений, а также дополнительные сведения, необходимость представления которых определяют испытательная организация и (или) заказчик.

Рекомендуемые формы «Протокола сертификационных испытаний...» и «Приложения к протоколу» приведены в приложении В к настоящим Указаниям.

Приложение А

(обязательное)

ДОПУСКАЕМЫЕ ЗНАЧЕНИЯ ПКЭ В ПУНКТАХ КОНТРОЛЯ

А.1. ОБЩИЕ ПОЛОЖЕНИЯ

А.1.1. Нормы ГОСТ 13109-97 для всех ПКЭ, за исключением отклонения частоты и установившегося отклонения напряжения, установлены для ТОП.

А.1.2. Нормы ГОСТ 13109-97, установленные для отклонений частоты, действительны для всех точек электрической сети

А.1.3. Нормы ГОСТ 13109-97 для установившегося отклонения напряжения установлены для выводов электроприемников, в остальных точках электрической сети значения установившегося отклонения напряжения должны быть такими, чтобы обеспечивалось выполнение норм ГОСТ 13109-97 на выводах электроприемников.

А.1.4. В соответствии с разделом 5 настоящих Указаний в качестве пунктов контроля ПКЭ могут быть выбраны ТОП, ТКЭ с характерными потребителями, выводы электроприемников, а также другие точки электрической сети, выбранные по согласованию между энергоснабжающей организацией и потребителем.

А.2. СОКРАЩЕНИЯ И ОБОЗНАЧЕНИЯ

dUнб, dUнм - предельно допускаемые верхнее и нижнее значения dUy (границы интервала), в диапазоне которых с вероятностью 100 % должно поддерживаться установившиеся отклонения напряжения в пункте контроля (КП);

dUв, dUн - нормально допускаемые верхнее и нижнее значения dUу (границы интервала), в которых с вероятностью 95 % должно поддерживаться установившиеся отклонения напряжения в пункте контроля;

l(ll) - верхние индексы, соответствующие режиму наибольших (наименьших) нагрузок центра питания (ЦП);

в(н) - нижние индексы, соответствующие верхней (нижней) границе нормально допускаемых значений в пункте контроля;

dUЭП - установившееся отклонение напряжения на выводах электроприемника (ЭП);

dUВРУ - установившееся отклонение напряжения на вводно-распределительном устройстве (ВРУ) здания (жилого, общественного);

dUТП(0,4) - установившееся отклонение напряжения на шинах 0,4 кВ трансформаторной подстанции 6 - 10/0,4 кВ(ТП);

dUТП(6 - 10) - установившееся отклонение напряжения на шинах 6 - 10 кВ ТП;

dUПСТ - установившееся отклонение напряжения на шинах 6 - 10 кВ распределительной подстанции (РП) или трансформаторной подстанции 35 - 220/6 - 10 кВ (ЦП);

dUЭП.б - потери напряжения от ВРУ здания до ближайшего электроприемника;

dUвд- потери напряжения во внутридомовой сети;

dUнн.б, dUнн.у - потери напряжения в сети низкого напряжения от ТП до ближайшего и наиболее удаленного ЭП;

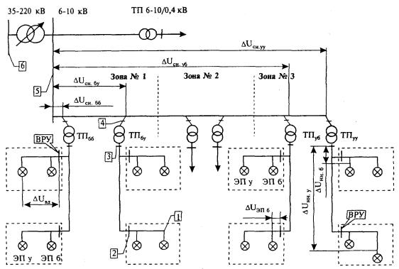
dUсн.бб и dUсн.уу - потери напряжения в сети среднего напряжения (6 - 10 кВ) от ЦП до ближайшей и наиболее удаленной ТП;

dUсн.бу - потери напряжения в сети среднего напряжения от ЦП до наиболее удаленной ТП ближайшего участка сети (см. п. А.4.8 и рисунок А2);

dUсн.уб - потери напряжения в сети среднего напряжения от ЦП до ближайшей ТП наиболее удаленного участка сети (см. п. А.4.8 и рисунок А2);

dUТ - потери напряжения в трансформаторе 6 - 10/0,4 кВ;

ЕТ - добавка напряжения на трансформаторе 6 - 10/0,4 кВ, соответствующую установленному на нем регулировочному ответвлению.

А.3. НОРМАЛЬНО И ПРЕДЕЛЬНО ДОПУСКАЕМЫЕ ЗНАЧЕНИЯ ОТКЛОНЕНИЙ ЧАСТОТЫ

А.3.1. Нормально и предельно допускаемые значения отклонений частоты в любом из пунктов контроля в электрической сети устанавливают в соответствии с ГОСТ 13109-97:

±0,2 Гц и ±0,4 Гц.

А.4. НОРМАЛЬНО И ПРЕДЕЛЬНО ДОПУСКАЕМЫЕ ЗНАЧЕНИЯ УСТАНОВИВШЕГОСЯ ОТКЛОНЕНИЯ НАПРЯЖЕНИЯ

А.4.1. Договорные условия между энергоснабжающей организацией и потребителем по установившемуся отклонению напряжения в ТОП (ТКЭ) устанавливаются в виде диапазонов допускаемых значений установившегося отклонения напряжения, фиксируемых отдельно:

для режимов наибольших нагрузок ЦП

dUIнб, dUIнм - предельно допускаемые значения и

dUIв, dUIн - нормально допускаемые значения;

для режимов наименьших нагрузок ЦП

dUIIнб, dUIIнм - предельно допускаемые значения и

dUIIв, dUIIн - нормально допускаемые значения.

Соблюдение установленных требований проверяется отдельно в режимах наибольших и наименьших нагрузок ЦП за каждые 24 часа периода наблюдений.

А.4.2. В случае, когда в ЦП осуществляется встречное регулирование напряжения, допускается по согласованию с потребителем проверку выполнения установленных требований производить без деления отдельно на режимы наибольших и наименьших нагрузок.

В этом случае все измеренные в течение каждых суток периода наблюдений значения установившегося отклонения напряжения должны находиться в пределах dUнб, dUнм, a 95 % измеренных значений должны находиться в пределах dUв, dUн, определяемых по формулам:

dUнб = dUIнб, dUнм = dUIIнм

dUв = dUIв, dUн = dUIIн

А.4.3. Интервалы времени наибольших и наименьших нагрузок ЦП определяют следующим образом:

- выбирают типовой суточный график нагрузки центра питания, к которому присоединена рассматриваемая распределительная сеть, для зимнего и летнего периода (рис. А1);

- на временном отрезке равном 24 часам, определяют среднее значение суточной нагрузки;

- интервалы времени, в течение которого действительная суточная нагрузка больше среднего ее значения, соответствуют интервалам наибольшей нагрузки (t2 - t3);

- интервалы времени, в течение которого действительная суточная нагрузка меньше, чем среднее ее значение, соответствуют интервалам наименьшей нагрузки (t1 - t2 и t3 - t4).

Рисунок А1. Типовой суточный график нагрузки центра питания

А.4.4. В соответствии с разделом 5 настоящих Указаний в качестве пунктов контроля могут рассматриваться:

- выводы электроприемников (ЭП);

- вводно-распределительное устройство 220 - 380 В (ВРУ);

- шины 0,4 кВ трансформаторной подстанции 6 - 10/0,4 (ТП);

- шины 6 - 10 кВ ТП;

- шины распределительных подстанций 6 - 10 кВ (РП);

- шины 6 - 10 кВ подстанций 35 - 220/6 - 10 кВ, являющихся центрами питания (ЦП) распределительных сетей;

- шины 35 - 220 кВ трансформаторных подстанций 35 - 220/6 - 10 кВ.

Для сети, представленной на рис. А2, нормально и предельно допускаемые значения установившегося отклонения напряжения в перечисленных пунктах контроля определяют по формулам, приведенным в таблице А1 и п. А.4.10.

А.4.5. Потери напряжения в сети, присоединенной к пункту контроля, могут быть определены расчетом на основе данных о нагрузках трансформаторов ТП и линиях 0,38 - 35 кВ или путем непосредственного их измерения.

В режиме наибольших нагрузок следует определять следующие потери напряжения:

во внутридомовой сети - от ВРУ до ближайшего и наиболее удаленного электроприемников - DUЭП.б и DUвд;

в сети 0,4 кВ ТП - суммарные потери напряжения до наиболее близкого и наиболее удаленного электроприемника, DUнн.б и DUнн.у;

в сети 6 - 10 кВ РП (ЦП) - потери напряжения до наиболее близкой и наиболее удаленной ТП - DUсн.бб и DUсн.yy, а также потери до ближайшей ТП наиболее удаленного участка сети, трансформаторы которого имеют наибольший номер ответвления ПБВ - DUсн.уб и потери напряжения до наиболее удаленной ТП ближайшего участка сети, трансформаторы которого имеют ответвление ПБВ, установленное на № 1 - DUсн.бу;

в трансформаторах - DUТ добавку напряжения ЕТ, соответствующую установленному регулировочному ответвлению.

А.4.6. С достаточной для практических расчетов точностью потери напряжения в элементах сети в режиме наименьших нагрузок ЦП могут быть определены по формуле:

DUII = bDUI

где II, III - нагрузка элемента сети соответственно в режиме наибольших и наименьших нагрузок ЦП;

DUI, DUII - потери напряжения на элементе сети соответственно в режиме наибольших и наименьших нагрузок ЦП.

Рисунок А.2. Схема распределительной электрической сети

А.4.7. Фактические значения потерь напряжения в элементах электрической сети, как правило, не должны превышать следующих значений:

- для внутридомовых сетей с учетом возможной несимметрии нагрузок - 3 %;

- для сетей напряжением до 1000 В, включая внутридомовые сети - 5 - 6 %;

- для электрических сетей напряжением 6 - 35 кВ, включая потери в трансформаторах 6 - 35/0,4 кВ, и с учетом возможной неоднородности нагрузок ТП - 5 - 6 %.

А.4.8. Выбор регулировочных ответвлений сетевых трансформаторов ТП следует осуществлять в зависимости от потерь напряжения в сети от ЦП до ближайшего и наиболее удаленного электроприемников в сети данного трансформатора в режиме наибольших нагрузок ЦП.

Рекомендуется следующий порядок выбора регулировочных ответвлений трансформаторов ТП:

- разделяют присоединенную к ЦП распределительную сеть на зоны шириной 2,5 % по потере напряжения от шин ЦП до ближайшего к шинам низкого напряжения ТП электроприемника;

Таблица А.1

Формулы для определения границ диапазона нормально допускаемых значений установившегося отклонения напряжения в пункте контроля

Пункт контроля, его номер в схеме на рисунке А2, обозначение установившегося отклонения напряжения в этом пункте

Границы нормально допускаемых значений установившегося отклонения напряжения в пункте контроля

Режим наибольшей нагрузки(I), %

Режим наименьшей нагрузки(II), %

Суточный режим, %

Верхняя граница

Нижняя граница

Верхняя граница

Нижняя граница

Верхняя граница

Нижняя граница

Вывод электроприемника - 1

dUЭП

dU+

dU-

dU+

dU-

dU+

dU-

Ввод в дом (ВРУ) - 2

dUBPУ

dU+ + DUIЭП.б

dU- + DUIвд

dU+ + DUIIЭП.б

dU- + DUIIвд

dU+ + DUIЭП.б

dU- + DUIIвд

Шины 0,4 кВ трансформаторной подстанции 6 - 10//0,4 кВ - 3

dUТП(0,4)

dU+ + DUIнн.б

dU- + DUIнн.у

dU+ + DUIIнн.б

dU- + DUIIнн.у

dU+ + DUIнн.б

dU- + DUIIнн.у

Шины 6 - 10 кВ трансформаторной подстанции 6 - 10/0,4 кВ - 4

dUТП(6 - 10)

dUIтп(0,4)в + DUIТ - ЕТ

dUIтп(0,4)н + DUIТ - ЕТ

dUIIтп(0,4)в + DUIIТ - ЕТ

dUIIтп(0,4)н + DUIIТ - ЕТ

dUIтп(0,4)в + DUIТ - ЕТ

dUIIтп(0,4)н + DUIIТ - ЕТ

Шины 6 - 10 кВ распределительного пункта - dUРП или шины 6 - 10 кВ трансформаторной подстанции 35 - 220/6 - 10 кВ - 5

dUпст

dUIТП(6 - 10)бб.в + DUIсн.бб

dUIТП(6 - 10)уу.н + DUIсн.уу

dUIIТП(6 - 10)уб.в + DUIIсн.уб

dUIIТП(6 - 10)бу.н + DUIIсн.бу

dUIТП(6 - 10)бб.в + DUIсн.бб

dUIТП(6 - 10)бу.н + DUIIсн.бу

Примечание: для упрощения обозначений нормально допускаемого значения установившегося отклонения напряжения в пункте контроля нижние индексы (нд) опущены

- принимают в каждой зоне для трансформаторов ТП одно и то же регулировочное ответвление. На трансформаторах, присоединенных к распределительной сети в зоне потерь напряжения от 0 до 2,5 % - регулировочное ответвление № 1, в зоне потерь напряжения от 2,5 до 5 % - № 2, от 5 до 7,5 - № 3 и т.д. (см. рисунок А2);

- определяют границы допускаемых значений установившегося отклонения напряжения в ЦП (см. таблица А1, строка 5), исходя из существующих потерь напряжения в сети и принятых регулировочных ответвлений трансформаторов;

- проверяют соответствие границ допускаемых значений установившегося отклонения напряжения в ЦП с фактически поддерживаемым режимом напряжения в ЦП и, при необходимости, проводят коррекцию регулировочных ответвлений сетевых трансформаторов или закона регулирования в ЦП с целью обеспечения требований ГОСТ 13109-97 на выводах электроприемников.

А.4.9. Добавку напряжения, соответствующую выбранному регулировочному ответвлению сетевого трансформатора определяют из таблицы А2.

Таблица А.2

Добавки напряжения трансформатора 6 - 10/0,4 кВ

Регулировочное ответвление обмотки первичного напряжения

Добавка напряжения

Порядковый номер

Обозначение на трансформаторе, %

Точное значение, %

Округленное значение, %

1

+5

0,25

0

2

+2,5

2,7

2,5

3

0

5,26

5

4

-2,5

7,96

7,5

5

-5

10,8

10

А.4.10 Если пунктом контроля являются шины 35 - 220 кВ трансформатора 35 - 220/6 - 10 кВ, то диапазон нормально допускаемых значений установившегося отклонения напряжения определяют при коэффициенте трансформации, соответствующем двум крайним положениям РПН (ПБВ).

В режиме наибольших нагрузок ЦП

в режиме наименьших нагрузок ЦП

где ,  - верхняя и нижняя границы нормально допускаемых значений установившегося отклонения напряжения на шинах 6 - 10 кВ подстанции 35 - 220/6 - 10 кВ, определенные в соответствии с Таблицей А1 (строка 5, столбцы, относящиеся к суточному режиму);

,  - номинальные напряжения сетей, присоединенных к шинам подстанции 35 - 220/6 - 10 кВ;

Ктр.кр - коэффициент трансформации трансформатора подстанции 35 - 220/6 - 10 кВ при двух крайних положениях РПН (ПБВ);

 () - наибольшие (наименьшие) потери в трансформаторе подстанции в режиме наибольших (наименьших) нагрузок ЦП при двух крайних положениях РПН (ПБВ).

А.4.11. При контроле установившегося отклонения напряжения в точке распределительной сети, отличной от указанных в таблице А.1, границы нормально допускаемых значений установившегося отклонения напряжения следует определять с учетом потерь напряжения между контрольным пунктом, указанным в таблице А.1, и выбранной точкой распределительной сети.

А.4.12. Предельно допускаемые значения установившегося отклонения напряжения, %, в пунктах контроля должны определяться по формулам:

при этом  не должно превышать отклонение напряжения, соответствующее наибольшему рабочему напряжению для электрической сети данного класса напряжения.

А.5. НОРМАЛЬНО И ПРЕДЕЛЬНО ДОПУСКАЕМЫЕ ЗНАЧЕНИЯ КОЭФФИЦИЕНТА ИСКАЖЕНИЯ СИНУСОИДАЛЬНОСТИ КРИВОЙ НАПРЯЖЕНИЯ

А.5.1. Нормально допускаемые и предельно допускаемые значения коэффициента искажения синусоидальности кривой напряжения в пунктах контроля, являющихся точками общего присоединения к электрическим сетям с разными номинальными напряжениями Uном, приведены в таблице А.2.

Таблица А.2

(В процентах)

Нормально допускаемое значение при Uном, кВ

Предельно допускаемое значение при Uном, кВ

0,38

6 - 20

35

110 - 330

0,38

6 - 20

35

110 - 330

8,0

5,0

4,0

2,0

12,0

8,0

6,0

3,0

А.5.2. При контроле коэффициента искажения синусоидальности кривой напряжения не в ТОП, а ином пункте контроля, согласованном между энергоснабжающей организацией и потребителем, не являющимся источником гармонических помех в ТОП, нормально и предельно допускаемые значения этого показателя принимают в соответствии с таблицей А.2.

А.5.3. В тех случаях, когда энергоснабжающая организация и потребитель, являющийся источником гармонических помех, согласовали пункт контроля, расположенный ближе к данному потребителю, а между ТОП и контрольным пунктом не присоединены какие-либо другие нагрузки, активные сопротивления элементов сети, располагающихся между ТОП и контрольным пунктом, пренебрежимо малы и характер их реактивных сопротивлений одинаков, нормально и предельно допускаемые значения этого показателя определяют по формулам:

где Sк.ТОП, Sк.КП - мощность короткого замыкания, соответственно в ТОП и пункте контроля;

Хк.ТОП, Хк.КП - входное сопротивление электрической сети энергоснабжающей организации относительно ТОП и контрольного пункта.

А.6. НОРМАЛЬНО И ПРЕДЕЛЬНО ДОПУСКАЕМЫЕ ЗНАЧЕНИЯ КОЭФФИЦИЕНТА n-ой ГАРМОНИЧЕСКОЙ СОСТАВЛЯЮЩЕЙ НАПРЯЖЕНИЯ

А.6.1. Нормально допускаемые значения коэффициента n-ой гармонической составляющей напряжения в пунктах контроля, являющихся точками общего присоединения к электрическим сетям с разными номинальными напряжениями Uном, приведены в таблице А.3.

А.6.2. Предельно допускаемое значение коэффициента n-ой гармонической составляющей напряжения вычисляют по формуле:

КU(n)пред = 1,5 КU(n)норм

где 5КU(n)норм - нормально допускаемое значение коэффициента n-ой гармонической составляющей напряжения, определяемое по таблице А.2.

А.6.3. Нормально и предельно допускаемые значения коэффициентов гармонических составляющих напряжения в пунктах контроля, отличных от ТОП, определяют в соответствии с пп. А.5.2 и А.5.3.

А.7. НОРМАЛЬНО И ПРЕДЕЛЬНО ДОПУСКАЕМЫЕ ЗНАЧЕНИЯ КОЭФФИЦИЕНТА НЕСИММЕТРИИ НАПРЯЖЕНИЙ ПО ОБРАТНОЙ ПОСЛЕДОВАТЕЛЬНОСТИ

А.7.1. Нормально допускаемое и предельно допускаемые значения коэффициента несимметрии напряжений по обратной последовательности в пунктах контроля, являющихся ТОП, равны соответственно 2,0 и 4,0 %.

Таблица A.3

В процентах

Нечетные гармоники, не кратные 3 при Uном, кВ

Нечетные гармоники, кратные 3* при Uном, кВ

Четные гармоники при Uном, кВ

n

0,38

6 - 20

35

110 - 330

n

0,38

6 - 20

35

110 - 330

n

0,38

6 - 20

35

110 - 330

5

6,0

4,0

3,0

1,5

3

5,0

3,0

3.0

1,5

2

2,0

1,5

1,0

0,5

7

5,0

3,0

2,5

1,0

9

1,5

1,0

1,0

0,4

4

1,0

0,7

0,5

0,3

11

3,5

2,0

2,0

1,0

15

0,3

0,3

0,3

0,2

6

0,5

0,3

0,3

0,2

13

3,0

2,0

1,5

0,7

21

0,2

0,2

0,2

0,2

8

0,5

0,3

0,3

0,2

17

2,0

1,5

1,0

0,5

> 21

0,2

0,2

0,2

0,2

10

0,5

0,3

0,3

0,2

19

1,5

1,0

1,0

0,4

 

 

 

 

 

12

0,2

0,2

0,2

0,2

23

1,5

1,0

1,0

0,4

 

 

 

 

 

> 12

0,2

0,2

0,2

0,2

25

1,5

1,0

1,0

0,4

 

 

 

 

 

 

 

 

 

 

> 25

0,2 + 1,3*

*25/n

0,2 + 0,8*

*25/n

0,2 + 0,6*

*25/n

0,2 + 0,2*

*25/n

 

 

 

 

 

 

 

 

 

 

 

 

 

 

 

 

 

 

 

 

 

 

 

 

 

 

 

 

 

 

n - номер гармонической составляющей напряжения

* - нормально допускаемые значения, приведенные для n, равных 3 и 9, относятся к однофазным электрическим сетям. В трехфазных трехпроводных электрических сетях эти значения принимают вдвое меньшими приведенных в таблице

А.7.2. Нормально допускаемое и предельно допускаемые значения коэффициента несимметрии напряжений по обратной последовательности в пунктах контроля, отличных от ТОП, определяют, руководствуясь положениями пп. А.5.2 и А.5.3.

А.8. НОРМАЛЬНО И ПРЕДЕЛЬНО ДОПУСКАЕМЫЕ ЗНАЧЕНИЯ КОЭФФИЦИЕНТА НЕСИММЕТРИИ НАПРЯЖЕНИЙ ПО НУЛЕВОЙ ПОСЛЕДОВАТЕЛЬНОСТИ

А.8.1. Нормально допускаемое и предельно допускаемое значения коэффициента несимметрии напряжений по нулевой последовательности в пунктах контроля, являющихся точками присоединения трехфазных потребителей (электроприемников) к четырехпроводным электрическим сетям с номинальным напряжением 0,38 кВ (шины 0,4 кВ трансформаторной подстанции или вводно-распределительное устройство дома), равны соответственно 2,0 и 4,0 %.

А.9. ПРЕДЕЛЬНО ДОПУСКАЕМОЕ ЗНАЧЕНИЕ ПРОВАЛА НАПРЯЖЕНИЯ

А.9.1 Предельно допускаемое значение длительности провала напряжения в пункте контроля, в сетях до и выше 1000 В, устанавливают в соответствии с выдержками времени релейной защиты, автоматики и отключающих аппаратов, установленных в рассматриваемой распределительной сети.

Приложение Б

(рекомендуемое)

МЕТОДИКА ОПРЕДЕЛЕНИЯ НАГРУЗКИ И КОЭФФИЦИЕНТА МОЩНОСТИ ВТОРИЧНЫХ ЦЕПЕЙ ТРАНСФОРМАТОРА НАПРЯЖЕНИЯ В РАБОЧИХ УСЛОВИЯХ ПРИМЕНЕНИЯ

Б.1. ОБЩИЕ ПОЛОЖЕНИЯ

Б.1.1. В трехфазных электрических сетях общего назначения с изолированной нейтралью и напряжением 6-35 кВ однофазные незаземляемые и заземляемые двух- и трехобмоточных и трехфазные двух- и трехобмоточные измерительные трансформаторы напряжения (ТН) включаются по схемам, представленным на рисунках Б.1 - Б.4.

Б.1.2. Для обеспечения безопасности персонала основные вторичные обмотки ТН всегда заземляются (см. рисунки Б.1 - Б.4). В условиях эксплуатации вместо заземления нулевой точки вторичных обмоток, соединенных в звезду, часто применяют заземление одной из фаз, как правило, фазы b.

Б.1.3. В соответствии с ГОСТ 1983 «Трансформаторы напряжения. Общие технические условия» для каждого ТН установлен один или несколько классов точности в зависимости от номинальных мощностей трансформатора.

За номинальную мощность двухобмоточных ТН принимают мощность вторичной обмотки трансформатора, а трехобмоточных ТН - суммарную мощность основной и дополнительной вторичных обмоток.

Для трехфазных ТН за номинальную мощность принимают трехфазные мощности, при этом для трехфазных трехобмоточных ТН классы точности установлены только для основной вторичной обмотки.

Для однофазных трехобмоточных ТН классы точности установлены для обеих вторичных обмоток.

Б.1.4. В зависимости от конкретного применения ТН и схем включения (рисунки Б.1 - Б.4) схемы соединения нагрузок основных вторичных обмоток ТН при трехпроводной схеме вторичных цепей представлены на рисунках Б.5 и Б.6.

Схема соединения нагрузок основных вторичных обмоток при четырехпроводной схеме вторичных цепей ТН представлена на рисунке Б.7.

Схема соединения нагрузок дополнительных вторичных обмоток представлена на рисунке Б.8.

Б.1.5. Полная мощность нагрузки ТН должна находиться в интервале допускаемых значений для требуемого класса точности: 25 и 100 % номинальной мощности или 40 - 80 % номинальной мощности (см. 8.3 настоящих Указаний).

В соответствии с ГОСТ 13109-97 требуемым классом точности ТН является класс 0,2. Допускается использовать ТН с классом точности 0,5.

Б.1.6. При любой схеме соединения нагрузок основных вторичных обмоток однофазных и трехфазных ТН и возможности использования при измерениях нулевой точки вторичных обмоток («выведенный нуль») нагрузку этих обмоток рекомендуется определять по результатам измерений значений фазных напряжений, токов, мощностей, в противном случае нагрузку основных вторичных обмоток ТН определяют приближенно по методике, изложенной в «Инструкции по проверке трансформаторов напряжения и их вторичных цепей», Союзтехэнерго, 1979.

Б.1.7. Проверку выполнения требований пункта 1.5 производят следующим образом.

При использовании однофазных двухобмоточных ТН (рисунки Б.1, Б.2) определяют полные мощности наиболее и наименее загруженных ТН и сопоставляют их нагрузку с предельными значениями нагрузки для интервала допускаемых значений в заданном классе точности.

При использовании однофазных трехобмоточных ТН полные мощности наиболее и наименее загруженных ТН суммируют с полной мощностью дополнительной вторичной обмотки, и полученные значения сопоставляют с предельными значениями нагрузки для интервала допускаемых значений в заданном классе точности.

При использовании трехфазных двухобмоточных ТН (рисунок Б.2) определяют полные мощности наиболее и наименее загруженных фаз и утроенные их значения сопоставляют с предельными значениями нагрузки для интервала допускаемых значений в заданном классе точности.

При использовании трехфазных трехобмоточных ТН (рисунок Б.3) утроенные значения полной мощности наиболее и наименее загруженных фаз ТН суммируют с полной мощностью дополнительной вторичной обмотки, и полученные значения сопоставляют с предельными значениями нагрузки для интервала допускаемых значений в заданном классе точности.

Использование утроенной мощности наиболее загруженной фазы для определения нагрузки трехфазных ТН приводит к завышенным результатам.

Б.1.8 При невыполнении условий установленных в 1.5 настоящего приложения, трехфазную нагрузку основных вторичных обмоток ТН и усредненный по трем фазам коэффициент мощности следует определять по формулам:

Р3 = Рa + Рb + Рc                                                            (Б.1)

Q3 = Qa + Qb + Qc                                                           (Б.2)

                                                                (Б.3)

                                                                     (Б.4)

где Р3, Q3, S3 - расчетные активная, реактивная и полная мощности нагрузки трехфазного ТН;

cosj3 - расчетный коэффициент мощности трехфазного ТН;

Pa, Pb, Pc, Qa, Qb, Qc - активные и реактивные мощности соответствующих фазных нагрузок ТН.

Рисунок Б.1. Схема включения однофазных незаземляемых двухобмоточных трансформаторов в трехфазных электрических сетях с изолированной нейтралью и напряжением 3 - 35 кВ

Рисунок Б.2. Схема включения однофазных заземляемых и трехфазных заземляемых двухобмоточных трансформаторов в трехфазных электрических сетях с изолированной нейтралью и напряжением 3 - 35 кВ

Рисунок Б.3. Схема включения трехфазных трехобмоточных трансформаторов в трехфазных электрических сетях с изолированной нейтралью и напряжением 3 - 35 кВ

Рисунок Б.4. Схема включения однофазных заземляемых трехобмоточных трансформаторов в трехфазных электрических сетях с изолированной нейтралью и напряжением 3 - 35 кВ

Рисунок Б.5. Схема соединения нагрузок ТН открытым треугольником для трехпроводной измерительной цепи

Рисунок Б.6. Схемы соединения нагрузок ТН треугольником для трехпроводной измерительной цепи

Рисунок Б.7. Схемы соединения нагрузок ТН для четырехпроводной измерительной цепи

Рисунок Б.8. Схема подключения фазных нагрузок к дополнительной вторичной обмотке однофазных трехобмоточных трансформаторов

Б.2. ТРЕБОВАНИЯ К ПОГРЕШНОСТИ ИЗМЕРЕНИЙ

Б.2.1. В соответствии с ГОСТ 8.216 «Трансформаторы напряжения. Методы поверки» предел допускаемой основной погрешности измерений активной и реактивной составляющих мощности нагрузки не должен превышать ±4 %.

Б.3. СРЕДСТВА ИЗМЕРЕНИЙ

Б.3.1. Для определения мощности нагрузки вторичных цепей ТН рекомендуется применять средства измерений, приведенные в таблице Б.1.

Б.3.2. При входных значениях тока и напряжения, отличающихся от номинальных значений, требования 2.1 Приложения Б выполняются, если средства измерений, перечисленные в таблице Б.1, используются при условиях, приведенных в таблице Б.2.

Б.3.3. Если условия, приведенные в 3.2, не выполняются, то следует использовать средства измерений, приведенные в таблице Б.3, применяемые при косвенном методе определения активных и реактивных составляющих мощностей нагрузок ТН.

При косвенных измерениях выбирают пределы измерений напряжения и силы тока таким образом, чтобы результаты измерений отсчитывались в последней трети шкалы измерений.

При выбранных таким образом пределах измерений погрешность определения полной мощности в диапазоне от 25 до 100 % номинальной нагрузки ТН не превышает ±1,5 %, активной мощности - ±2 %, реактивной мощности и коэффициента мощности - 3,5 %.

Б.4. МЕТОД ИЗМЕРЕНИЙ

Б.4.1. Для получения числовых значений полной мощности, а также активных и реактивных составляющих нагрузки основных вторичных обмоток ТН используют прямые и косвенные измерения.

Б.4.2 При прямых измерениях используется метод непосредственной оценки полной мощности фазных нагрузок ТН (Sa, Sb, Sc), и при необходимости (см. 1.8 настоящего Приложения Б) активных и реактивных нагрузок а, Pb, Pc, Qa, Qb, Qc), реализуемый с помощью средств измерений, приведенных в таблице Б.1, при условиях, указанных в таблице Б.2.

Таблица Б.1

Средства измерений

Порядковый номер и наименование средства измерений

Метрологические характеристики

Наименование измеряемой величины

Диапазон измерений

Погрешность измерений, %

1 Прибор для измерения показателей качества и учета электрической энергии «ЭРИС-КЭ.01.А» (ЭРИС-КЭ)

±106

±0,52)

Активная мощность1)

±106

±0,52)

Реактивная мощность1)

±106

±0,52)

Полная мощность1)

50 - 120 % Uном

±0,23)

Действующее значение напряжения

0 - 150 % Iном

±1,04)

Действующее значение тока

2 Измерительно-вычислительный комплекс «Омск» (ИВК «Омск»)

90 - 110 % Uном

±0,23)

Действующее значение напряжения

1 - 5 А

±1,03)

Действующее значение тока

±180 град

±1 град5)

Угол сдвига фаз между напряжением и током

3 Регистратор напряжения и тока Парма «РК6.05» (Парма «РК6.05»)

40 - 460 В

0,2 + 0,075(Uк/Uн -l)

Действующее значение напряжения

0,1 - 6 А

0,2 + 0,075(Iк/Iн - 1)

Действующее значение тока

±180 град

±1 град5)

Угол сдвига фаз между напряжением и током

(1) - указаны диапазоны с учетом масштабных коэффициентов внешних преобразователей;

(2) - указана погрешность, приведенная к номинальной мощности Sном = 3UномIном при измерениях в трех фазах или Sном = UномIном при измерениях в одной фазе;

(3) - указана относительная погрешность;

(4) - указана погрешность, приведенная к Iном, для прибора с токоизмерительными клещами;

(5) - указана абсолютная погрешность.

Таблица Б.2

Условия применения приборов, перечисленных в таблице А.1

Наименование средства измерений

Диапазон изменения напряжения на вторичной обмотке ТН, В

Диапазон изменения фазного тока нагрузки вторичной обмотки ТН, А

Диапазон изменения cosj фазной нагрузки вторичной обмотки ТН

ЭРИС - КЭ

90 - 110

³ 0,9

³ 0,8

0,5 - 1,0

0,8 - 1,0

ИВК «Омск»

45 - 70

³ 0,6

0,41 - 1,0

Парма «РК6.05»

³ 40

³ 0,3

³ 0,1

³ 0,06

0,41 - 1,0

0,6 - 1,0

0,98 - 1,0

Таблица Б.3

Средства измерений, применяемые при косвенных измерениях нагрузки ТН

Порядковый номер и наименование средства измерений

Метрологические характеристики

Наименование измеряемой величины

Пределы измерений

Класс точности

1 Вольтметр переменного тока

60, 75, 100, 150 В

0,5

Действующее значение напряжения

2 Амперметр переменного тока

100; 200 мА

0,5; 1; 2,5 А

0,5

Действующее значение тока

3 Ваттметр

1; 2 А,

75; 150 В

0,5

Активная мощность

Б.4.3. При косвенных измерениях методом непосредственной оценки с помощью средств измерений, приведенных в таблице Б.3, определяют Ua, Ub, Uc, Ia, Ib, Ic и, при необходимости, Рa, Рb, Рc, а затем вычисляют полные и, при необходимости, реактивные мощности фазных нагрузок по формулам:

полная мощность i-ой фазной нагрузки

Si = UiIi;

коэффициент мощности i-ой фазной нагрузки

реактивная мощность i-ой фазной нагрузки

Qi = Sisin(arccosji),

где i - фаза a, b, с.

Б.5. ТРЕБОВАНИЯ БЕЗОПАСНОСТИ, ОКРУЖАЮЩЕЙ СРЕДЫ

При выполнении измерений должны быть соблюдены требования безопасности, изложенные в разделе 10 настоящих Указаний.

Б.6. ТРЕБОВАНИЯ К КВАЛИФИКАЦИИ ОПЕРАТОРОВ

Квалификация операторов при выполнении измерений, обработке и анализе результатов измерений должна соответствовать требованиям, изложенным в разделе 11 настоящих Указаний.

Б.7. УСЛОВИЯ ИЗМЕРЕНИЙ

При выполнении измерений должны быть соблюдены условия, изложенные в разделе 12 настоящих Указаний.

Б.8. ПОДГОТОВКА К ВЫПОЛНЕНИЮ ИЗМЕРЕНИЙ

Б.8.1. При подготовке к выполнению прямых измерений нагрузки ТН проводят следующие работы:

- собирают схему измерений, представленную на рисунке Б.9;

- производят подготовку и проверку режимов работы средств измерений в соответствии с Инструкциями по их эксплуатации.

Б.8.2. При подготовке к выполнению косвенных измерений нагрузки ТН проводят следующие работы:

- отключают вторичную обмотку ТН от нагрузочных цепей с видимым разрывом;

- отключают первичную обмотку ТН от высоковольтной сети;

- собирают схему измерений, представленную на рисунке Б.10;

- производят подготовку и проверку режимов работы средств измерений в соответствии с Инструкциями по их эксплуатации.

Рисунок Б.9. Схема прямого измерения нагрузки вторичных цепей ТН

Рисунок Б.10. Схема косвенного измерения нагрузки вторичных цепей ТН

Б.9. ВЫПОЛНЕНИЕ ИЗМЕРЕНИЙ

Б.9.1. При выполнении прямых измерений нагрузки ТН производят следующие операции:

- вводят уставки в средства измерений: коэффициенты трансформации по напряжению и току, равные 1;

- проводят однократные измерения;

- выводят на печать результаты измерений полной активной и реактивной мощности, напряжения, тока и cosj в каждой фазе и заносят в протокол измерений, форма которого представлена в таблице Б.4.

Таблица Б.4.

Форма протокола прямых измерений нагрузки ТН

Измеряемые величины

Фаза а

Фаза b

Фаза с

Напряжение, В

 

 

 

Полная мощность, ВА

 

 

 

Активная мощность, Вт

 

 

 

Коэффициент мощности

 

 

 

Б.9.2. При выполнении косвенных измерений нагрузки ТН производят следующие операции:

- выводы 1 и 2 измерительной схемы, представленной на рисунке Б.10, поочередно соединяют с вводами цепей вторичной нагрузки ТН: ab, bc, ca, а0, b0, с0;

- с помощью ЛАТР (грубо) и реостата (точно) устанавливают для междуфазных вводов 100 В и фазных - 57,7 В;

- проводят однократные измерения и заносят в протокол значения тока, напряжения и активной мощности.

Таблица Б.5.

Форма протокола косвенных измерений нагрузки ТН

Показания приборов

Вводы нагрузочных цепей ТН

ab

bc

са

a0

b0

c0

Напряжение, U, В

 

 

 

 

 

 

Ток, I, А

 

 

 

 

 

 

Активная мощность, Р, Вт

 

 

 

 

 

 

Б.10. ОБРАБОТКА (ВЫЧИСЛЕНИЕ) РЕЗУЛЬТАТОВ ИЗМЕРЕНИЙ

Б.10.1. При обработке результатов прямых измерений нагрузки ТН производят следующие операции:

- пересчитывают полную и при необходимости (см. 1.8 настоящего Приложения Б) активную и реактивную мощности фазной нагрузки ТН на номинальное напряжение вторичной обмотки ТН (100/√3, 100 В) по формулам:

где Si, Pi, Qi - измеренные значения полной, активной и реактивной мощности фазной нагрузки ТН;

Ui - измеренное значение i-ого фазного напряжения ТН;

i = а, b, с;

- выбирают наиболее и наименее загруженные по значениям полной мощности фазы;

- сравнивают полученные значения с предельными значениями нагрузки однофазных ТН в заданном классе точности или утроенные значения полной мощности наиболее и наименее загруженных фаз с предельными значениями нагрузки трехфазных ТН;

- при невыполнении условий, установленных в 1.5 настоящего Приложения для трехфазных ТН, определяют расчетные активную и реактивную нагрузку ТН по формулам (Б.1, Б.2);

- определяют полную расчетную мощность нагрузки трехфазного ТН и расчетный коэффициент мощности по формулам (Б.3, Б.4) и сравнивают полученное по формуле (Б.3) значение полной мощности с предельными значениями нагрузки трехфазных ТН в заданном классе точности.

Б.10.2. При обработке косвенных измерений нагрузки ТН производят следующие операции:

- рассчитывают для каждого столбца таблицы Б.5 фазовый угол сдвига между напряжением и током по формуле:

- рассчитывают значения фазных токов по формулам:

- рассчитывают модули фазных токов и соответствующие фазовые углы по следующим формулам:

где i = a, b, c;

- рассчитывают мощности и cosj основных вторичных обмоток однофазных и трехфазных ТН по следующим формулам:

для схемы соединения нагрузок основных вторичных обмоток ТН представленной на рисунке Б.5

Sab = 100 Ia

cosjab = cos(120 - jab)

Sbc = 100 Ic

cosjbc = cos(-jbc)

для схем соединения нагрузок основных вторичных цепей, представленных на рисунках Б.6 и Б.7

Si = 100Ii, где i = a, b, c

cosja = cos(90 - ja)

cosjb = cos(-30 - jb)

cosjc = cos(-150 - jc)

Б.11. ОФОРМЛЕНИЕ РЕЗУЛЬТАТОВ ИЗМЕРЕНИЙ

Б.11.1. Результаты прямых измерений нагрузки ТН оформляют протоколом, форма которого представлена в таблице Б.4.

Б.11.2. Результаты косвенных измерений нагрузки ТН оформляют протоколом, в состав которого входят результаты измерений, оформленные в виде таблицы Б.5, и результаты обработки, представленные в виде таблиц Б.6 и Б.7 (для трех однофазных ТН) или Б.8 (для трехфазного ТН).

Б.11.3. Протоколы прямых или косвенных измерений нагрузки ТН должны содержать заключение о соответствии или несоответствии результатов измерений установленным требованиям.

Таблица Б.6.

Результаты вычисления модулей фазных токов и соответствующих фазовых углов сдвига

Ia

cosja

Ib

cosjb

Ic

cosjc

 

 

 

 

 

 

Таблица Б.7.

Результаты вычисления нагрузок основных вторичных обмоток однофазных ТН

Схема соединения

Sab

cosjab

Sbc

cosjbc

Sa

cosja

Sb

cosjb

Sc

cosjc

 

 

 

 

 

 

 

 

 

 

 

Таблица Б.8.

Результаты вычисления нагрузок основных вторичных обмоток трехфазных ТН

Фаза i

Si

cosji

Рi

Qi

P3

Q3

S3

cosj3

а

 

 

 

 

 

 

 

 

b

 

 

 

 

с

 

 

 

 

Приложение В

(рекоменуемое)

ФОРМА ПРОТОКОЛА СЕРТИФИКАЦИОННЫХ ИСПЫТАНИЙ ЭЛЕКТРИЧЕСКОЙ ЭНЕРГИИ ПО ПОКАЗАТЕЛЯМ КАЧЕСТВА

ООО «НАУЧНЫЙ ЦЕНТР ЛИНВИТ»

ИСПЫТАТЕЛЬНЫЙ ЦЕНТР ПО КАЧЕСТВУ ЭЛЕКТРИЧЕСКОЙ ЭНЕРГИИ (ИЦ КЭ)

111250, Москва

Авиамоторная, 8

тел: (095) 2738974

факс: (095) 3624234

e-mail: vir@srd.mtuci.ru

Аттестат аккредитации N РОСС.Р.0001.21АА07,

выдан Госстандартом России «17» июня 1999 г.

срок действия до «17» июня 2002 г.

 

«Утверждаю»

Руководитель ИЦ КЭ

__________ Воинов В.Н.

«____» _________ 2001 г.

Протокол № ____
сертификационных испытаний электрической энергии по показателям качества
, установленным ГОСТ 13109-97

(на n листах)

Настоящий протокол испытаний касается только электрической энергии в пункте контроля, указанном в п. 3, за период испытаний, определенный в п. 4.

Полная или частичная перепечатка настоящего протокола испытаний без разрешения ИЦ КЭ «ЛИНВИТ» не допускается.

1. Заказчик испытаний

Наименование:

Адрес:

2. Цель испытаний

Сертификационные испытания на соответствие требованиям ГОСТ 13109-97, пп. 5.4.1, 5.4.2, 5.5.1, 5.5.2, 5.6 и договора энергоснабжения № nn пп...

3. Идентификационные данные пункта контроля

Место (обозначение) в схеме:

Адрес:

Центр питания:

4. Сроки проведения испытаний

с «___»______2001 г. по «___»________2001 г.

5. Методика испытаний

Испытания проводились в соответствии с Дополнением № 1 к РД 34.15.501-88.

6. Перечень средств измерений (СИ)

Наименование СИ

Тип СИ

Заводской номер, год выпуска

№ свидетельства о поверке и дата поверки

 

 

 

 

 

 

 

 

Схема соединения обмоток ТН

Протокол испытаний ТН приведен в приложении № 1 к настоящему протоколу.

7. Условия проведения измерений (за весь период измерений)

Температура, °С

Атмосферное давление, мм рт.ст.

Относительная влажность, %

Напряжение питания, В

Наимен.

Наибол.

Наимен.

Наибол.

Наимен.

Наибол.

Наимен.

Наибол.

 

 

 

 

 

 

 

 

8. Результаты измерений за каждые сутки приведены в приложениях № 2 - 8

9. Заключение

Из результатов измерений ПКЭ, приведенных в Приложении 2, и сопоставления с требованиями НД, перечисленными в п. 2, в пункте контроля, указанном в п. 3, за период времени, определенный в п. 4, следует, что качество электрической энергии:

- по установившемуся отклонению напряжения - соответствует (не соответствует);

- по отклонениям частоты - соответствует (не соответствует);

- по коэффициенту искажения синусоидальности напряжения - соответствует (не соответствует);

- по коэффициенту n-й гармонической составляющей напряжения - соответствует (не соответствует);

- по коэффициенту несимметрии напряжений по обратной последовательности - соответствует (не соответствует);

- по коэффициенту несимметрии напряжений по нулевой последовательности - не соответствует (не соответствует).

Приложения

1. Результаты испытаний ТН или его нагрузки.

2. Результаты измерений ПКЭ в пункте контроля за каждые 24 часа.

3. Описание принятых мер по поддержанию условий измерений.

Инженер-испытатель                                               __________________

Техник-испытатель                                                   __________________

               Дата

ИСПЫТАТЕЛЬНЫЙ ЦЕНТР ПО КАЧЕСТВУ ЭЛЕКТРИЧЕСКОЙ ЭНЕРГИИ «ЛИНВИТ»

ПРИЛОЖЕНИЕ № N К ПРОТОКОЛУ ИЗМЕРЕНИЙ № N

Дата и время начала измерений:                         ДД.ММ. ГГГГ           ЧЧ: ММ

Дата и время окончания измерений:                  ДД.ММ. ГГГГ           ЧЧ: ММ

Интервалы времени наибольших нагрузок:       ЧЧ: ММ – ЧЧ: ММ

ЧЧ: ММ – ЧЧ: ММ

Таблица 1

Результаты испытаний электрической энергии по установившемуся отклонению напряжения в режимах наибольших и наименьших нагрузок

В процентах

Режим наибольших нагрузок

Режим наименьших нагрузок

Измеряемая характеристика

Результат измерений

Нормативное значение

Т1

Т2

Измеряемая характеристика

Результат измерений

Нормативное значение

Т1

Т2

Прямой последовательности

dUIн

 

 

 

XX

dUIIн

 

 

 

XX

dUIв

 

 

XX

dUIIв

 

 

XX

dUIнм

 

 

XX

 

dUIIнм

 

 

XX

 

dUIнб

 

 

XX

dUIIнб

 

 

XX

Фазное (междуфазное) А (АВ)

dUIн

 

 

 

XX

dUIIн

 

 

 

XX

dUIв

 

 

XX

dUIIв

 

 

XX

dUIнм

 

 

XX

 

dUIIнм

 

 

XX

 

dUIнб

 

 

XX

dUIIнб

 

 

XX

Фазное (междуфазное) В (ВС)

dUIн

 

 

 

XX

dUIIн

 

 

 

XX

dUIв

 

 

XX

dUIIв

 

 

XX

dUIнм

 

 

XX

 

dUIIнм

 

 

XX

 

dUIнб

 

 

XX

dUIIнб

 

 

XX

Фазное (междуфазное) С (СА)

dUIн

 

 

 

XX

dUIIн

 

 

 

XX

dUIв

 

 

XX

dUIIв

 

 

XX

dUIнм

 

 

XX

 

dUIIнм

 

 

XX

 

dUIнб

 

 

XX

dUIIнб

 

 

XX

Погрешность измерений

Обозначение

Результат

Нормативное значение

DdU

 

 

 

Таблица 1 (а)

Результаты испытаний электрической энергии по установившемуся отклонению напряжения за сутки

В процентах

Суточный режим нагрузок

Измеряемая характеристика

Результат измерений

Нормативное значение

 

 

Измеряемая характеристика

Результат измерений

Нормативное значение

Т1

Т2

Прямой последовательности

Фазное (междуфазное) А (АВ)

dUн

 

 

 

XX

dUн

 

 

 

XX

dUв

 

 

XX

dUв

 

 

XX

dUнм

 

 

XX

 

dUнм

 

 

XX

 

dUнб

 

 

XX

dUнб

 

 

XX

Фазное (междуфазное) В (ВС)

Фазное (междуфазное) С (СА)

dUн

 

 

 

XX

dUн

 

 

 

XX

dUв

 

 

XX

dUв

 

 

XX

dUнм

 

 

XX

 

dUнм

 

 

XX

 

dUнб

 

 

XX

dUнб

 

 

XX

Погрешность измерений

Обозначение

Результат

Нормативное значение

DdU

 

 

Таблица 2

Результаты испытаний электрической энергии по коэффициенту искажения синусоидальности кривой напряжения

В процентах

Измеряемая характеристика

Фаза «А»

Фаза «В»

Фаза «С»

Нормативное значение

Результат измерений

T1

T2

Результат измерений

T1

T2

Результат измерений

T1

T2

 

 

X

 

 

X

 

 

X

 

 

X

 

 

X

 

 

X

 

 

Погрешность измерений

Обозначение

Результат

Нормативное значение

DКu

 

 

Таблица 3

Результаты испытаний электрической энергии по коэффициенту несимметрии напряжений по обратной последовательности

В процентах

Измеряемая характеристика

Результат измерений

Нормативное значение

T1

T2

 

 

 

X

 

 

X

 

Погрешность измерений

Обозначение

Результат

Нормативное значение

DК2u

 

 

Таблица 4

Результаты испытаний электрической энергии по коэффициенту несимметрии напряжений по нулевой последовательности

В процентах

Измеряемая характеристика

Результат измерений

Нормативное значение

T1

T2

 

 

 

X

 

 

X

 

Погрешность измерений

Обозначение

Результат

Нормативное значение

DКou

 

 

Таблица 5

Результаты испытаний электрической энергии по отклонению частоты

В Герцах

Измеряемая характеристика

Результат измерений

Нормативное значение

T1

T2

Dfн

 

 

 

XX

Dfв

 

 

XX

Dfнм

 

 

XX

 

Dfнб

 

 

XX

Погрешность измерений

Обозначение

Результат

Нормативное значение

DDf

 

 

Таблица 6

Результаты испытаний электрической энергии по коэффициенту п-й гармонической составляющей напряжения

В процентах

n

Результат измерений

Нормативные значения

фаза «А»

фаза «В»

фаза «С»

KU(n

KU(n)нб

T1

T2

KU(n

KU(n)нб

T1

T2

KU(n

KU(n)нб

T1

T2

KU(n)нд

KU(n)пд

2

 

 

 

 

 

 

 

 

 

 

 

 

 

 

3

 

 

 

 

 

 

 

 

 

 

 

 

 

 

4

 

 

 

 

 

 

 

 

 

 

 

 

 

 

5

 

 

 

 

 

 

 

 

 

 

 

 

 

 

6

 

 

 

 

 

 

 

 

 

 

 

 

 

 

7

 

 

 

 

 

 

 

 

 

 

 

 

 

 

8

 

 

 

 

 

 

 

 

 

 

 

 

 

 

9

 

 

 

 

 

 

 

 

 

 

 

 

 

 

10

 

 

 

 

 

 

 

 

 

 

 

 

 

 

11

 

 

 

 

 

 

 

 

 

 

 

 

 

 

12

 

 

 

 

 

 

 

 

 

 

 

 

 

 

13

 

 

 

 

 

 

 

 

 

 

 

 

 

 

14

 

 

 

 

 

 

 

 

 

 

 

 

 

 

15

 

 

 

 

 

 

 

 

 

 

 

 

 

 

16

 

 

 

 

 

 

 

 

 

 

 

 

 

 

17

 

 

 

 

 

 

 

 

 

 

 

 

 

 

18

 

 

 

 

 

 

 

 

 

 

 

 

 

 

19

 

 

 

 

 

 

 

 

 

 

 

 

 

 

20

 

 

 

 

 

 

 

 

 

 

 

 

 

 

21

 

 

 

 

 

 

 

 

 

 

 

 

 

 

22

 

 

 

 

 

 

 

 

 

 

 

 

 

 

23

 

 

 

 

 

 

 

 

 

 

 

 

 

 

24

 

 

 

 

 

 

 

 

 

 

 

 

 

 

25

 

 

 

 

 

 

 

 

 

 

 

 

 

 

26

 

 

 

 

 

 

 

 

 

 

 

 

 

 

27

 

 

 

 

 

 

 

 

 

 

 

 

 

 

28

 

 

 

 

 

 

 

 

 

 

 

 

 

 

29

 

 

 

 

 

 

 

 

 

 

 

 

 

 

30

 

 

 

 

 

 

 

 

 

 

 

 

 

 

31

 

 

 

 

 

 

 

 

 

 

 

 

 

 

32

 

 

 

 

 

 

 

 

 

 

 

 

 

 

33

 

 

 

 

 

 

 

 

 

 

 

 

 

 

34

 

 

 

 

 

 

 

 

 

 

 

 

 

 

35

 

 

 

 

 

 

 

 

 

 

 

 

 

 

36

 

 

 

 

 

 

 

 

 

 

 

 

 

 

37

 

 

 

 

 

 

 

 

 

 

 

 

 

 

38

 

 

 

 

 

 

 

 

 

 

 

 

 

 

39

 

 

 

 

 

 

 

 

 

 

 

 

 

 

40

 

 

 

 

 

 

 

 

 

 

 

 

 

 

Погрешность измерений

Обозначение

Результат

Нормативное значение

DКu(n)

 

 

Инженер-испытатель                                            ______________

Техник-испытатель                                                ______________

содержание

1. ОБЛАСТЬ ПРИМЕНЕНИЯ.. 2

2. НОРМАТИВНЫЕ ССЫЛКИ.. 2

3. ТЕРМИНЫ И ОПРЕДЕЛЕНИЯ.. 2

4. НОРМЫ КЭ, УСЛОВИЯ СООТВЕТСТВИЯ НОРМАМ И ФОРМЫ ПРЕДСТАВЛЕНИЯ РЕЗУЛЬТАТОВ КОНТРОЛЯ.. 3

5. ВЫБОР ПУНКТОВ КОНТРОЛЯ КАЧЕСТВА ЭЛЕКТРИЧЕСКОЙ ЭНЕРГИИ.. 4

6. ПРОДОЛЖИТЕЛЬНОСТЬ И ПЕРИОДИЧНОСТЬ КОНТРОЛЯ ПКЭ.. 6

7. ТРЕБОВАНИЯ К ПОГРЕШНОСТИ ИЗМЕРЕНИЙ.. 7

8. ТРЕБОВАНИЯ К СРЕДСТВАМ ИЗМЕРЕНИЙ.. 7

9. МЕТОД ИЗМЕРЕНИЙ.. 8

10. ТРЕБОВАНИЯ БЕЗОПАСНОСТИ.. 8

11. ТРЕБОВАНИЯ К КВАЛИФИКАЦИИ ОПЕРАТОРОВ.. 8

12. УСЛОВИЯ ИЗМЕРЕНИЙ.. 8

13. ПОДГОТОВКА К ПРОВЕДЕНИЮ ИЗМЕРЕНИЙ.. 8

14. ВЫПОЛНЕНИЕ ИЗМЕРЕНИЙ.. 9

15. ОБРАБОТКА РЕЗУЛЬТАТОВ ИЗМЕРЕНИЙ.. 9

16. ОФОРМЛЕНИЕ РЕЗУЛЬТАТОВ КОНТРОЛЯ ПОКАЗАТЕЛЕЙ КАЧЕСТВА ЭЛЕКТРИЧЕСКОЙ ЭНЕРГИИ.. 10

Приложение А.. 10

ДОПУСКАЕМЫЕ ЗНАЧЕНИЯ ПКЭ В ПУНКТАХ КОНТРОЛЯ.. 10

Приложение Б. 15

МЕТОДИКА ОПРЕДЕЛЕНИЯ НАГРУЗКИ И КОЭФФИЦИЕНТА МОЩНОСТИ ВТОРИЧНЫХ ЦЕПЕЙ ТРАНСФОРМАТОРА НАПРЯЖЕНИЯ В РАБОЧИХ УСЛОВИЯХ ПРИМЕНЕНИЯ.. 15

Приложение В. 22

ФОРМА ПРОТОКОЛА СЕРТИФИКАЦИОННЫХ ИСПЫТАНИЙ ЭЛЕКТРИЧЕСКОЙ ЭНЕРГИИ ПО ПОКАЗАТЕЛЯМ КАЧЕСТВА.. 22

 




Rambler's Top100 Яндекс цитирования
  Copyright © 2008-2026, www.docload.ru