Бесплатная библиотека стандартов и нормативов www.docload.ru

Все документы, размещенные на этом сайте, не являются их официальным изданием и предназначены исключительно для ознакомительных целей.
Электронные копии этих документов могут распространяться без всяких ограничений. Вы можете размещать информацию с этого сайта на любом другом сайте.
Это некоммерческий сайт и здесь не продаются документы. Вы можете скачать их абсолютно бесплатно!
Содержимое сайта не нарушает чьих-либо авторских прав! Человек имеет право на информацию!

 

ГОСТ Р 51246-99

ГОСУДАРСТВЕННЫЙ СТАНДАРТ РОССИЙСКОЙ ФЕДЕРАЦИИ

ПЕРФОРАТОРЫ ПНЕВМАТИЧЕСКИЕ
ПЕРЕНОСНЫЕ

ТЕХНИЧЕСКИЕ ТРЕБОВАНИЯ И МЕТОДЫ ИСПЫТАНИЙ

ГОССТАНДАРТ РОССИИ

Москва

Предисловие

1 РАЗРАБОТАН Институтом горного дела имени А. А. Скочинского

ВНЕСЕН Главным управлением технической политики в области стандартизации Госстандарта России

2 ПРИНЯТ И ВВЕДЕН В ДЕЙСТВИЕ Постановлением Госстандарта России от 2 февраля 1999 г. № 25

3 ВВЕДЕН ВПЕРВЫЕ

СОДЕРЖАНИЕ

1 Область применения. 1

2 Нормативные ссылки. 2

3 Основные параметры и размеры.. 3

4 Общие технические требования. 4

4.1 Характеристики. 4

4.2 Комплектность. 4

4.3 Маркировка. 4

4.4 Упаковка. 4

5 Требования безопасности. 5

6 Правила приемки. 5

7 Методы испытаний. 6

7.1 Общие требования. 6

7.2 Порядок подготовки к испытаниям.. 7

7.3 Испытательные средства и средства измерений. 7

7.4 Требования безопасности. 7

7.5 Измерение параметров. 7

7.6 Обработка результатов измерений. 9

7.7 Оформление результатов испытаний. 9

8 Транспортирование и хранение. 10

9 Указания по эксплуатации. 10

10 Гарантии изготовителя. 10

Приложение А Схема установки перфоратора и точек измерения при определении шумовой характеристики перфоратора. 10

ГОСТ Р 51246-99

ГОСУДАРСТВЕННЫЙ СТАНДАРТ РОССИЙСКОЙ ФЕДЕРАЦИИ

ПЕРФОРАТОРЫ ПНЕВМАТИЧЕСКИЕ ПЕРЕНОСНЫЕ

Технические требования и методы испытаний

Pneumatic hammer drills.
Technical requirements and testing methods

Дата введения 1999-07-01

1 Область применения

Настоящий стандарт распространяется на перфораторы пневматические переносные (далее - перфораторы), предназначенные для бурения шпуров с пневматических поддержек или других установочно-подающих устройств при проходке горных выработок и добыче полезных ископаемых, и устанавливает требования к перфораторам, изготавливаемым для нужд экономики страны и экспорта.

2 Нормативные ссылки

В настоящем стандарте использованы ссылки на следующие стандарты:

ГОСТ 2.601-95 ЕСКД. Эксплуатационные документы

ГОСТ 2.602-95 ЕСКД. Ремонтные документы

ГОСТ 8.002-86 ГСИ. Государственный надзор и ведомственный контроль за средствами измерений. Основные положения

ГОСТ 8.513-84 ГСИ. Проверка средств измерений. Организация и порядок проведения

ГОСТ 9.014-78 ЕСЗКС. Временная противокоррозионная защита изделий. Общие требования

ГОСТ 9.032-74 ЕСЗКС. Покрытия лакокрасочные. Группы, технические требования и обозначения

ГОСТ 9.104-79 ЕСЗКС. Покрытия лакокрасочные. Группы условий эксплуатации

ГОСТ 9.303-84 ЕСЗКС. Покрытия металлические и неметаллические неорганические. Общие требования к выбору

ГОСТ 9.401-91 ЕСЗКС. Покрытия лакокрасочные. Общие требования и методы ускоренных испытаний на стойкость к воздействию климатических факторов

ГОСТ 9.402-80 ЕСЗКС. Покрытия лакокрасочные. Подготовка металлических поверхностей перед окрашиванием

ГОСТ 12.1.003-83 ССБТ. Шум. Общие требования безопасности

ГОСТ 12.1.005-88 ССБТ. Общие санитарно-гигиенические требования к воздуху рабочей зоны

ГОСТ 12.1.012-90 ССБТ. Вибрационная безопасность. Общие требования

ГОСТ 12.1.026-80 ССБТ. Шум. Определение шумовых характеристик источников шума в свободном звуковом поле над звукоотражающей плоскостью. Технический метод

ГОСТ 12.2.003-91 ССБТ. Оборудование производственное. Общие требования безопасности

ГОСТ 12.2.041-79 ССБТ. Оборудование буровое. Требования безопасности

ГОСТ 12.2.101-84 ССБТ. Пневмоприводы. Общие требования безопасности к конструкции

ГОСТ 12.3.001-85 ССБТ. Пневмоприводы. Общие требования безопасности к монтажу, испытаниям и эксплуатации

ГОСТ 12.4.002-97 ССБТ. Средства защиты рук от вибрации. Технические требования и методы испытаний

ГОСТ 12.4.051-87 ССБТ. Средства индивидуальной защиты органов слуха. Общие технические требования и методы испытаний

ГОСТ 2405-88 Манометры, вакуумметры, мановакуумметры, напоромеры, тягомеры и тягонапоромеры. Общие технические условия

ГОСТ 2991-85 Ящики дощатые неразборные для грузов массой до 500 кг. Общие технические условия

ГОСТ 10362-76 Рукава резиновые напорные с нитяным усилением, неармированные. Технические условия

ГОСТ 11446-75 Перфораторы переносные. Хвостовики буровых штанг и гнезда для них. Типы и размеры

ГОСТ 15150-69 Машины, приборы и другие технические изделия. Исполнения для различных климатических районов. Категории, условия эксплуатации, хранения и транспортирования в части воздействия климатических факторов внешней среды

ГОСТ 15151-69 Машины, приборы и другие технические изделия для районов с тропическим климатом. Общие технические условия

ГОСТ 15152-69 ЕСЗКС. Изделия резиновые технические для районов с тропическим климатом. Общие требования

ГОСТ 15841-88 Ящики деревянные для продукции сельскохозяйственного и тракторного машиностроения. Технические условия

ГОСТ 15846-79 Продукция, отправляемая в районы Крайнего Севера и труднодоступные районы. Упаковка, маркировка, транспортирование и хранение

ГОСТ 17168-82 Фильтры электронные октавные и третьоктавные. Общие технические требования и методы испытаний

ГОСТ 17187-81 Шумомеры. Общие технические требования и методы испытаний

ГОСТ 17770-86 Машины ручные. Требования к вибрационным характеристикам

ГОСТ 18698-79 Рукава резиновые напорные с текстильным каркасом. Технические условия

ГОСТ 21153.1-75 Породы горные. Метод определения коэффициента крепости по Протодьяконову

ГОСТ 23170-78 Упаковка для изделий машиностроения. Общие требования

ГОСТ 24104-88 Весы лабораторные общего назначения и образцовые. Общие технические условия

ГОСТ 29329-92 Весы для статического взвешивания. Общие технические требования

3 Основные параметры и размеры

3.1 Основные параметры и размеры перфораторов должны соответствовать указанным в таблице 1.

Таблица 1 - Основные параметры и типоразмеры перфораторов

Наименование параметра

Норма для типоразмера

36

54

63

Энергия удара, Дж, не менее

36

54

63

Частота ударов, с-1, не менее

38

Крутящий момент, Н×м, не менее

22

33

52

Номинальное давление сжатого воздуха, МПа

0,5

Удельный расход воздуха, м3×с-1×кВт-1, не более

0,029

Масса, кг, не более

20

28

32

Внутренний диаметр рукава, мм:

 

 

 

подводящего воздух

25

подводящего промывочную жидкость

 

12,5

 

отсасывающего пыль

 

25

 

Примечания

1 Параметры перфоратора указаны со средствами шумо- и виброзащиты без водяных коммуникаций и маслораспылителя.

2 Удельный расход воздуха указан без учета продувки шпура при атмосферном давлении (760±40) мм рт.ст. и температуре (20±10) °С.

3.2 Область преимущественного применения перфораторов указана в таблице 2.

Таблица 2 - Область преимущественного применения перфораторов

Типоразмер

Диаметр бурения, мм

Глубина бурения, м, не более

Коэффициент крепости горных пород, не более

36

32-40

2

12

54

40-46

5

14

63

6

20

Примечание - Коэффициент крепости горных пород - по шкале проф. М. М. Протодьяконова. Метод определения коэффициента - по ГОСТ 21153.1.

3.3 Условное обозначение перфоратора составляется по следующей структуре:

Перфоратор СППБ63 ГОСТ Р 51246-99

То же, с пылеподавлением водой:

Перфоратор СППБ63 В1 ГОСТ Р 51246-99

То же, в тропическом исполнении:

Перфоратор СППБ63 B1T ГОСТ Р 51246-99

4 Общие технические требования

4.1 Характеристики

4.1.1 Гнезда для шестигранных штанг должны соответствовать ГОСТ 11446.

4.1.2 Для подвода сжатого воздуха и промывочной жидкости к перфоратору следует применять рукав по ГОСТ 18698 или ГОСТ 10362.

4.1.3 Резинотехнические изделия для перфораторов в тропическом исполнении - по ГОСТ 15152.

4.1.4 Перфораторы следует подключать к пневмосистеме, снабженной фильтром - влагоотделителем и маслораспылителем.

4.1.5 Критерии отказов и предельных состояний перфораторов должны быть указаны в эксплуатационной документации.

4.1.6 Полный средний ресурс с использованием комплекта индивидуального ЗИП - не менее 1600 ч, средняя наработка на отказ - не менее 20 ч.

4.1.7 При изготовлении перфораторов в тропическом исполнении должны быть учтены требования ГОСТ 15151.

4.1.8 Наружные необработанные поверхности перфоратора должны иметь покрытия V класса по ГОСТ 9.032, в тропическом исполнении - по ГОСТ 9.401. Группа условий эксплуатации В5 - по ГОСТ 9.104.

Подготовка поверхностей перед окраской - по ГОСТ 9.402. Допускаются другие виды покрытий, не ухудшающие качество изделий.

4.1.9 Гальванические покрытия - по ГОСТ 9.303, группа условий эксплуатации - 5 по ГОСТ 15150.

4.1.10 Конструкция перфоратора должна обеспечивать виброзащиту в местах постоянного контакта рук оператора с машиной.

4.1.11 Конструкция перфоратора должна обеспечивать:

- запуск в любом положении и надежное отключение перфоратора;

- установку на пневматические поддержки;

- пылеподавление промывочной жидкостью с расходом не менее 4 л/мин при давлении 0,4 МПа или другим способом, обеспечивающим выполнение требований ГОСТ 12.1.005;

- регулирование расхода промывочной жидкости.

4.2 Комплектность

4.2.1 В комплект поставки должны входить:

- перфоратор;

- запасные части;

- паспорт;

- техническое описание и руководство по эксплуатации по ГОСТ 2.601 и ГОСТ 2.602.

4.2.2 Количество и перечень запасных частей определяет договор с заказчиком.

4.3 Маркировка

4.3.1 На каждом перфораторе должна быть нанесена маркировка, содержащая следующие данные:

- товарный знак предприятия-изготовителя;

- обозначение, типоразмер и модификацию перфоратора;

- год и месяц выпуска;

- порядковый номер перфоратора по системе нумерации предприятия-изготовителя;

- надпись «сделано в России».

4.3.2 Маркировку наносят на цилиндре перфоратора. Все подписи, кроме года, месяца выпуска и порядкового номера, должны быть выполнены выпуклыми буквами.

Номер и дату изготовления выбивают на площадке цилиндра.

4.4 Упаковка

4.4.1 Перфораторы, запасные части и инструмент должны быть законсервированы по ГОСТ 9.014 по группе изделий П-1. Вариант временной противокоррозионной защиты для внутренних поверхностей ВЗ-1, для наружных неокрашенных поверхностей и запчастей - ВЗ-4. Вариант внутренней упаковки ВУ-0, для запасных частей - ВЗ-1. Срок защиты без переконсервации - 3 г.

При поставке в тропики вариант внутренней упаковки ВУ-4. Допускаются другие варианты защиты и упаковки по ГОСТ 9.014, не ухудшающие качество консервации и упаковки.

4.4.2 Упаковка перфораторов - по ГОСТ 23170, упаковка перфораторов, предназначенных для районов Крайнего Севера и отдаленных районов, - по ГОСТ 15846.

4.4.3 Дата консервации, условия хранения и срок защиты без переконсервации должны быть указаны в паспорте изделия.

4.4.4 Перфораторы с запасными частями и технической документацией должны быть вложены по два в деревянный ящик, изготовленный по ГОСТ 2991 или ГОСТ 15841, или должны поставляться в таре, оговоренной договором на поставку с потребителем.

5 Требования безопасности

5.1 Общие требования безопасности к конструкции перфораторов должны соответствовать ГОСТ 12.2.003, ГОСТ 12.2.041 и ГОСТ 12.2.101.

5.2 Шумовые характеристики перфораторов не должны превышать значений, указанных в таблице 3.

Таблица 3 - Уровни допустимой звуковой мощности перфораторов

Уровень звуковой мощности, дБ, на средне-геометрических частотах октавных полос, Гц

Уровень звука, дБА

63

125

250

500

1000

2000

4000

8000

106

108

109

111

108

109

112

111

109

5.3 Вибрационные характеристики - уровни виброскорости в месте постоянного контакта руки оператора с рукояткой виброгасящего устройства перфоратора не должны превышать 117 дБ во всех октавных полосах частот.

Уровень виброскорости на корпусе крана перфоратора не должен превышать 123 дБ во всех октавных полосах частот.

5.4 Выхлоп отработанного воздуха не должен быть направлен в сторону лица и рук оператора.

5.5 Для уменьшения воздействия шума на рабочем месте при работе перфоратора следует применять индивидуальные средства защиты органа слуха по ГОСТ 12.4.051.

5.6 Для уменьшения воздействия вибрации при работе перфоратора следует применять индивидуальные средства защиты по ГОСТ 12.4.002.

5.7 В соответствии с требованиями ГОСТ 12.1.012, ГОСТ 17770 и вибрационными характеристиками потребитель обязан разработать конкретные режимы труда с учетом регламентированных перерывов в работе.

5.8 В конструкции перфоратора следует использовать материалы, обеспечивающие фрикционную и электростатическую искробезопасность.

5.9 Эксплуатация перфораторов на газоопасных пластах должна осуществляться с пылеподавлением только промывочной жидкостью.

6 Правила приемки

6.1 Предприятие-изготовитель должно проводить приемо-сдаточные и периодические испытания перфораторов для проверки соответствия их требованиям настоящего стандарта.

6.2 Приемо-сдаточным испытаниям подвергают каждый перфоратор по программе, указанной в таблице 4.

Таблица 4 - Программа приемо-сдаточных испытаний

Наименование испытаний и проверок

Пункты стандарта

технических требований

методов контроля

Контроль комплектности, маркировки, клеймения и наружный визуальный осмотр

4.2.1; 4.3.1; 4.3.2; 4.1.8

7.5.12

Проверка на запуск и отключение

4.1.11

7.5.11

Проверка давления сжатого воздуха

3.1

7.5.4

Контроль крутящего момента

3.1

7.5.6

Контроль расхода сжатого воздуха

3.1

7.5.3

6.3 Перфоратор считают принятым и годным для отправки потребителю, если он прошел приемо-сдаточные испытания с положительным результатом.

Результаты приемо-сдаточных испытаний должны быть занесены в паспорт перфоратора.

6.4 При неудовлетворительных результатах приемо-сдаточных испытаний должны быть устранены причины несоответствия. После устранения несоответствия перфораторы вновь должны быть предъявлены к приемо-сдаточным испытаниям.

6.5 Не прошедшие повторные приемо-сдаточные испытания перфораторы должны быть изолированы до дальнейшего принятия решения по их использованию руководством предприятия-изготовителя.

6.6 Периодические испытания

6.6.1 Периодические испытания должны проводиться раз в год и при каждом внесении изменений в конструкцию деталей и узлов перфоратора.

6.6.2 Периодическим испытаниям подвергают пять перфораторов, взятых со склада готовой продукции.

6.6.3 Периодические испытания проводит отдел технического контроля завода-изготовителя на стендах в заводских условиях или с привлечением сторонних организаций.

6.6.4 Периодические испытания следует проводить по программе, указанной в таблице 5.

Таблица 5 - Программа периодических испытаний

Наименование испытаний и проверок

Пункты стандарта

технических требований

методов контроля

Проверка энергии удара

3.1

7.5.1

Проверка частоты ударов

3.1

7.5.2

Проверка удельного расхода сжатого воздуха

3.1

7.5.3

Проверка массы

3.1

7.5.5

Проверка крутящего момента

3.1

7.5.6

Проверка шумовых характеристик

5.2

7.5.7

Проверка вибрационных характеристик

5.3

7.5.8

Расход промывочной жидкости

4.1.11

7.5.9

6.6.5 Показатели надежности по 4.1.6 определяют на основе ресурсных испытаний или данных эксплуатации.

Могут быть использованы результаты форсированных ресурсных испытаний.

6.6.6 Результаты периодических испытаний должны быть оформлены протоколом, утвержденным в установленном порядке.

6.6.7 При отрицательных результатах испытаний приемку и отгрузку перфораторов прекращают до устранения причин несоответствия.

6.6.8 Повторные периодические испытания после устранения несоответствия проводят на пяти перфораторах по полной программе испытаний.

6.6.9 Решение о дальнейшем использовании перфораторов, подвергнутых периодическим испытаниям, принимается руководителем предприятия-изготовителя.

7 Методы испытаний

7.1 Общие требования

7.1.1 Все средства измерений должны быть поверены органами метрологической службы по ГОСТ 8.002 и ГОСТ 8.513.

7.1.2 Методы испытаний распространяются на следующие виды испытаний: приемочные, периодические, приемо-сдаточные и сертификационные.

Измеряемые и контролируемые параметры и относительная погрешность измерений приведены в таблице 6.

Таблица 6 - Применяемость по видам испытаний и относительная погрешность измерений контролируемых показателей

Наименование параметров

Виды испытаний

приемочный, периодические, сертификационные

приемо-сдаточные

Измерение параметра

Относительная погрешность измерений, %

Измерение параметра

Относительная погрешность измерений, %

Параметры безопасности:

 

 

 

 

шумовые характеристики, дБ

+

1,5*

-

-

вибрационные характеристики, дБ

+

1,5*

-

-

Функциональные параметры:

 

 

 

 

масса, кг

+

1

-

-

энергия единичного удара, Дж

+

6

-

-

частота ударов, с-1

+

2

-

-

расход сжатого воздуха, м3/мин

+

5

+

8

давление сжатого воздуха, МПа

+

1,5

+

2,5

крутящий момент, Н×м

+

5

+

10

расход промывочной жидкости, л/мин

+

5

-

-

* Погрешность в децибелах.

7.1.3 При применении показывающих средств измерений число измерений должно быть не менее трех, а при регистрирующих и записывающих устройствах - не менее 10. При этом за результаты измерений принимают среднее арифметическое значение результатов измерений.

7.2 Порядок подготовки к испытаниям

7.2.1 На испытания, кроме приемо-сдаточных, должны быть представлены пять образцов перфоратора. Перфораторы должны соответствовать технической документации на изделие.

На каждый образец перфоратора должен быть представлен паспорт, а на группу испытуемых перфораторов - руководство по эксплуатации.

При проведении испытаний, кроме приемо-сдаточных, представляют рабочие чертежи перфоратора.

7.2.2 Перед испытаниями, кроме приемо-сдаточных, перфораторы в соответствии с инструкцией по эксплуатации разбирают, расконсервируют, смазывают и собирают. После сборки проводят опробование перфоратора при давлении (0,5±0,05) МПа в течение 30+20 с на стенде при бурении горной породы.

7.3 Испытательные средства и средства измерений

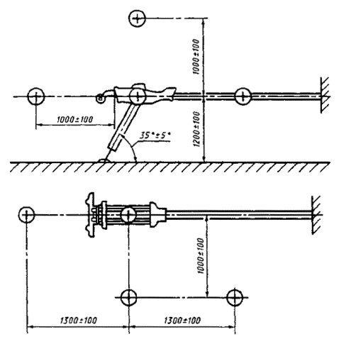
7.3.1 Измерение параметров (кроме крутящего момента) при испытаниях перфораторов проводят на буровом стенде при горизонтальном бурении с пневмоподдержки по схеме в соответствии с приложением А согласно инструкции по эксплуатации перфоратора.

7.3.2 В качестве обрабатываемого материала на буровом стенде используют блок горной породы. Крепость породы по шкале проф. М. М. Протодьяконова и диаметр крестовой коронки должны соответствовать 3.2 настоящего стандарта.

7.3.3 Бурение на стенде осуществляют крестовой коронкой диаметром, мм:

- 42±0,2 - при испытаниях перфораторов типоразмера 63;

- 41±0,2 - при испытаниях перфораторов типоразмера 54;

- 38±0,2 - при испытаниях перфораторов типоразмера 36.

7.3.4 Масса блока горной породы на буровом стенде должна быть не менее 250 кг. Блок на буровом стенде в процессе бурения должен быть закреплен неподвижно.

7.3.5 Перфоратор должен быть подсоединен к пневмосети рукавом по ГОСТ 18698 длиной не более 5 м. Рукав должен быть присоединен к пневмосети с участком для измерения давления сжатого воздуха.

7.3.6 Нижнее основание бурового стенда для упора пневмоподдержки не должно быть источником помех при измерении вибрационных и шумовых параметров перфораторов.

7.4 Требования безопасности

7.4.1 При измерениях следует соблюдать требования безопасности по ГОСТ 12.2.003 и ГОСТ 12.3.001.

7.4.2 Условия на рабочих местах

7.4.2.1 Уровень шума на рабочих местах не должен превышать требований ГОСТ 12.1.003, а вибрации, воздействующие на оператора, должны удовлетворять требованиям ГОСТ 12.1.012 и ГОСТ 17770.

7.4.2.2 Запыленность на рабочем месте не должна превышать значений, установленных ГОСТ 12.1.005.

7.4.3 Испытательные средства должны быть аттестованы.

7.5 Измерение параметров

7.5.1 Измерения энергии единичного удара

7.5.1.1 Энергию единичного удара А, Дж, рассчитывают по формуле

                                                                 (1)

где т - масса ударника, кг;

v - скорость ударника перед ударом, м/с.

7.5.1.2 Скорость ударника перед ударом n, м/с, определяют путем измерения времени t, с, прохождения между фиксированными точками перед ударом после открытия ударником выхлопных отверстий и рассчитывают по формуле

                                                                     (2)

где s - расстояние между двумя фиксированными точками, м, или другими способами, обеспечивающими необходимую точность.

7.5.1.3 Расстояние между фиксированными точками измеряют универсальными или специализированными средствами измерения. Вид средства измерения определяют в зависимости от условий измерений. Допустимая погрешность ±1 %.

7.5.1.4 Время следует измерять электромеханическими или электронными устройствами с допустимой погрешностью ±2 %.

7.5.1.5 Измерение скорости ударника перед ударом следует проводить при бурении на буровом стенде в соответствии с 7.3.

7.5.2 Измерение частоты ударов

7.5.2.1 Частоту ударов измеряют одновременно с измерением скорости ударника перед ударом по 7.3.

7.5.2.2 Частоту ударов измеряют электромеханическими или электронными счетчиками.

7.5.3 Измерение расхода сжатого воздуха

7.5.3.1 Расход сжатого воздуха измеряют в процессе бурения на буровом стенде одновременно с измерениями по 7.5.1 и 7.5.2.

7.5.3.2 При измерениях расхода сжатого воздуха следует применять:

- расходомеры переменного перепада давления (стандартные диафрагмы, сопла);

- поплавковые расходомеры;

- расходомеры турбинного типа.

7.5.3.3 Удельный расход сжатого воздуха q, м3×с-1 кВт-1, рассчитывают по формуле

                                                       (3)

где Q - расход воздуха перфоратором при бурении, м3×с-1;

Nуд - ударная мощность перфоратора, кВт;

Nвр - вращательная мощность перфоратора, кВт.

Ударную мощность перфоратора Nуд, кВт, рассчитывают по формуле

Nуд = A n 10-3,                                                             (4)

где А - энергия единичного удара, Дж;

п - частота ударов, с-1.

Вращательную мощность перфоратора с зависимым вращением , кВт, рассчитывают по формуле

                                                    (5)

где Mmax - максимальный крутящий момент, Н×м;

nвр - частота вращения бурового инструмента.

Вращательную мощность перфоратора с независимым вращением инструмента , кВт, рассчитывают по формуле

                                                        (6)

где М - номинальный вращающий момент, равный 0,75 Мmax, Н×м;

 - номинальная частота вращения бурового инструмента, с-1.

7.5.4 Измерение давления сжатого воздуха

7.5.4.1 При измерении давления воздуха в подводящей пневмосети место отбора давления должно быть расположено не далее 5 м от места подсоединения к перфоратору.

7.5.4.2 Для измерения давления следует применять манометры по ГОСТ 2405. Манометры должны быть защищены демпферным устройством от толчков и колебаний давления.

Точность измерения - 0,1 кгс/см2.

7.5.5 Измерение массы

Массу перфоратора следует измерять на весах для статического взвешивания по ГОСТ 29329 или ГОСТ 24104.

7.5.6 Измерение крутящего момента

7.5.6.1 Измерение крутящего момента проводят в горизонтальном положении перфоратора на отдельном стенде при длине хвостовика на 30 мм короче стандартного. Измерения проводят в безударном режиме работы перфоратора, т.е. без нанесения ударов по хвостовику ударником.

7.5.6.2 Измерение крутящего момента допускается проводить при отключенном ударном узле для перфораторов с независимым вращением.

7.5.6.3 Измерение крутящего момента следует проводить при плавном изменении нагрузки в течение не менее 2 с от нуля до значения, приводящего к полной остановке вращателя.

Крутящий момент следует определять по показаниям измерительных приборов в момент остановки вращателя.

7.5.7 Измерение шумовых характеристик

7.5.7.1 Шумовую характеристику перфоратора следует определять по ГОСТ 12.1.026 при горизонтальном бурении заглушенной штангой.

7.5.7.2 Для проведения измерений при определении шумовых характеристик следует использовать шумомеры по ГОСТ 17187 и октавные фильтры по ГОСТ 17168, а также регистрирующую аппаратуру.

7.5.7.3 Расположение измерительных точек и перфоратора должно соответствовать приложению А.

7.5.8 Измерение вибрационных характеристик

7.5.8.1 Измерение виброскорости проводят в соответствии с ГОСТ 12.1.012 при горизонтальном бурении.

7.5.8.2 Измерение виброскорости на рукоятке перфоратора проводят в трех направлениях: по оси перфоратора, перпендикулярно к оси перфоратора в горизонтальном и вертикальном направлениях.

7.5.8.3 Крепление вибропреобразователя к рукоятке перфоратора следует проводить с помощью хомута массой не более 100 г.

7.5.8.4 Измерение виброскорости на корпусе крана перфоратора проводят в трех направлениях: по оси перфоратора, перпендикулярно к оси перфоратора в горизонтальном и вертикальном направлениях.

7.5.8.5 Крепление вибропреобразователя к корпусу крана должно осуществляться резьбовым соединением или с помощью хомута массой не более 150 г.

7.5.9 Расход промывочной жидкости следует контролировать расходомером или мерной емкостью с относительной погрешностью измерения ±10 % при давлении жидкости 0,4 МПа в единицу времени. Давление промывочной жидкости контролируют манометром класса 2,5 по ГОСТ 2405.

7.5.10 Проверку надежности запуска и отключения определяют тремя последовательными включениями перфоратора в каждом из двух положений вертикально вниз и в горизонтальном.

7.5.11 При наружном визуальном осмотре определяют комплектность согласно паспорту, наличие и соответствия чертежам клейм и маркировки.

Контроль внешнего вида лакокрасочных покрытий проводят визуальным осмотром при дневном или искусственном рассеянном свете на расстоянии 0,3 м от предмета осмотра. Толщина лакокрасочных покрытий обеспечивается технологией нанесения покрытий и контролируется по данным ОТК.

7.6 Обработка результатов измерений

7.6.1 Энергию единичного удара определяют по среднеарифметическому значению предударной скорости в десяти следующих друг за другом циклах.

7.6.2 Измерения частоты ударов и расхода сжатого воздуха проводят с интервалами не менее 5 с и определяют по среднеарифметическому значению из пяти измерений.

7.6.3 Результаты измерений шумовых характеристик обрабатывают согласно ГОСТ 12.1.026 (раздел 6).

7.6.4 Обработка результатов измерений виброскорости - по ГОСТ 17770.

7.7 Оформление результатов испытаний

7.7.1 Обработку результатов измерений проводят согласно инструкциям по применению используемых средств измерений.

7.7.2 Обработанные результаты измерений каждого из испытуемых образцов перфораторов, проведенные при периодических испытаниях, оформляют протоколом за подписью руководителя измерительной группы и руководителя испытательной лаборатории.

7.7.3 По результатам испытаний (кроме приемо-сдаточных) образцов перфораторов составляют акт испытаний, где приводят представительные характеристики испытуемого типа перфоратора, определяемые как среднеарифметическое значение параметров отдельных образцов.

7.7.4 Представительные вибрационные характеристики определяют как корректированные значения по ГОСТ 17770 для испытуемой конструкции перфораторов.

8 Транспортирование и хранение

8.1 Транспортирование перфораторов допускается любым видом транспорта с предохранением их от воздействия атмосферных осадков и обеспечением сохранности.

8.2 При транспортировании все отверстия перфораторов должны быть закрыты заглушками.

8.3 Условия транспортирования и хранения перфораторов по ГОСТ 15150. Группа условий хранения перфораторов должна соответствовать для стран и районов с умеренным климатом - 7 (Ж 1), для стран с тропическим климатом - 9 (ОЖ 1).

8.4 Хранить перфораторы необходимо в сухом помещении, не содержащем паров и газов, вызывающих коррозию.

9 Указания по эксплуатации

9.1 Перфоратор следует эксплуатировать в соответствии с требованиями «Технического описания и руководства по эксплуатации», входящего в обязательный комплект поставки.

10 Гарантии изготовителя

10.1 Изготовитель должен гарантировать соответствие перфораторов требованиям настоящего стандарта при соблюдении условий эксплуатации, транспортирования и хранения.

10.2 Гарантийный срок эксплуатации перфораторов с комплектом запасных частей - 9 мес со дня ввода в эксплуатацию при односменной работе.

ПРИЛОЖЕНИЕ А

(обязательное)

Схема установки перфоратора и точек измерения при определении шумовой характеристики перфоратора

Примечание - Расположение измерительных точек отмечено знаком «+»

Рисунок А.1

Ключевые слова: стандарт, технические требования, методы испытаний, пневматические переносные перфораторы




Rambler's Top100 Яндекс цитирования
  Copyright © 2008-2026, www.docload.ru