Бесплатная библиотека стандартов и нормативов www.docload.ru

Все документы, размещенные на этом сайте, не являются их официальным изданием и предназначены исключительно для ознакомительных целей.
Электронные копии этих документов могут распространяться без всяких ограничений. Вы можете размещать информацию с этого сайта на любом другом сайте.
Это некоммерческий сайт и здесь не продаются документы. Вы можете скачать их абсолютно бесплатно!
Содержимое сайта не нарушает чьих-либо авторских прав! Человек имеет право на информацию!

 

РОССИЙСКОЕ ДОРОЖНОЕ АГЕНСТВО

ТИПОВЫЕ РЕШЕНИЯ
ПО ВОССТАНОВЛЕНИЮ НЕСУЩЕЙ СПОСОБНОСТИ
ЗЕМЛЯНОГО ПОЛОТНА И ОБЕСПЕЧЕНИЮ ПРОЧНОСТИ
И МОРОЗОУСТОЙЧИВОСТИ ДОРОЖНОЙ ОДЕЖДЫ
НА ПУЧИНИСТЫХ УЧАСТКАХ АВТОМОБИЛЬНЫХ ДОРОГ

РАЗРАБОТАНЫ
ОАО ГИПРОДОРНИИ
ГП РОСДОРНИИ

УТВЕРЖДЕНЫ РАСПОРЯЖЕНИЕМ
РОСАВТОДОРА ОТ 14.06.200 № 113-р

МОСКВА 2001

СОДЕРЖАНИЕ

Введение. 1

1. Общие положения. 2

2. Методика выявления и обследования участков пучинообразования. 4

2.1. Общие сведения. 4

2.2. Выявление участков пучинообразования и их обследование. 5

2.3. Определение величины пучения по номограммам.. 6

3. Противопучинные мероприятия. 10

4. Определение условной эффективности мероприятий по борьбе с пучинами. 11

5. Обеспечение прочности и морозоустойчивости дорожной одежды на пучинистых участках. 18

6. Конструкции по восстановлению несущей способности земляного полотна и обеспечению морозоустойчивости дорожной одежды.. 21

Гидроизоляция обочин. 21

Поперечный дренаж мелкого заложения. 22

Поперечный трубчатый дренаж.. 23

Отвод поверхностных вод. 24

Экран из водонепроницаемого грунта. 25

Теплоизолирующий слой из пенопласта. 26

Гидроизолирующие прослойки. 26

Армирующие прослойки. 27

Подкюветный траншейный дренаж.. 28

Прикромочный траншейный трубчатый дренаж.. 28

Прикромочный траншейный дренаж.. 29

7. Особенности технологии производства работ. 30

Приложение 1 Детальное обследование пучинистых участков. 34

Приложение 2 Перечень основных отечественных гидроизоляционных материалов. 38

Приложение 3 Перечень основных отечественных защитно-дренирующих геотекстильных материалов. 38

Приложение 4 Определение понижения уровня грунтовых вод с помощью траншейного дренажа. 39

Приложение 5 Расчет прикромочного продольного дренажа и поперечного дренажа мелкого заложения. 41

Приложение 6 Определение необходимой толщины морозозащитного слоя. 47

Приложение 7 Материалы и грунты для устройства морозозащитных слоев. 48

Приложение 8 Определение необходимой толщины теплоизолирующего слоя. 49

Приложение 9 Примеры расчета морозоустойчивости дорожной конструкции. 50

Перечень используемых нормативно-технических документов. 52

ВВЕДЕНИЕ

Типовые решения по восстановлению несущей способности земляного полотна и обеспечению прочности и морозоустойчивости дорожной одежды на пучинистых участках автомобильных дорог разработаны в соответствии с заданием Федеральной автомобильно-дорожной службы России (в настоящем Российское дорожное агентство).

Настоящие типовые решения предназначены для использования при ремонте или реконструкции пучинистых участков автомобильных дорог с одеждами нежесткого типа в районах сезонного промерзания грунтов на территории Российской Федерации. Типовые решения разработаны с учетом действующих нормативных документов, методических указаний и рекомендаций. В настоящей работе использованы типовые строительные конструкции ранее разработанных типовых проектов. В типовые решения вошли конструкции и мероприятия, проверенные временем, зарекомендовавшие себя при эксплуатации дорог и наиболее эффективные при выполнении затрат.

В данных типовых решениях в первую очередь рассматриваются вопросы снижения, влажности грунтов земляного полотна как одной из основных причин пучинообразования с помощью дренажа, гидроизоляции и совершенствования конструкций. Представлены также конструкции с морозозащитными и теплоизолирующими слоями и армирующими прослойками для обеспечения морозоустойчивости дорожной одежды и усиления несущей способности земляного полотна на пучинистых участках автомобильных дорог.

Исходными данными для выбора и разработки противопучинных мероприятий являются результаты обследования пучинистых участков, методика выявления и обследования которых описана ниже.

Типовые решения разработаны Гипродорнии и Росдорнии при участии д-ра техн. наук Рувинского В.И. (Союздорнии). В разработке типовых решений принимали участие: канд. техн. наук Перков Ю.Р. и Смуров Н.М., инж. Дугин Л.В. и Березняк В.А.

В работе использованы отдельные материалы исследований канд. техн. наук Пшеничниковой Е.С. (Союздорнии).

1. ОБЩИЕ ПОЛОЖЕНИЯ

1.1. Проектирование мероприятий по ремонту (реконструкции) пучинистых участков дороги следует начинать с установления требований по прочности и морозоустойчивости дорожной одежды на таких участках. Для установления этих требований нужно иметь следующую информацию: количество пучинистых участков на 1 км дороги и их суммарную протяженность, коэффициенты прочности дорожной одежды и сроки ее усиления на здоровых (непучинистых) участках дороги. На основе этой информации назначают тип требований к пучинистому участку дороги.

К первому типу относят отдельные участки автодороги, подверженные пучинообразованию и требующие ремонта, которые расположены на дороге, находящейся в удовлетворительном состоянии. В рамках этих требований конструкция дорожной одежды на пучинистом участке должна быть равноценна по прочности и морозоустойчивости конструкции на здоровых участках дороги. В этом случае требуемый модуль упругости дорожной конструкции на пучинистом участке должен быть не менее общего модуля упругости конструкции на соседнем здоровом участке дороги. Пучение грунта в местах сопряжения со здоровым участком дороги должно быть равным значению пучения на этом здоровом участке. Пучение грунта в средней части ремонтируемого (реконструируемого) участка не должно превышать допустимого значения для принятого типа покрытия. Интенсивность изменения величины пучения грунта по длине пучинистого участка не должна превышать допустимого значения. При выполнении этих требований повышается долговечность дорожной одежды и предотвращается появление трещин в покрытии в местах сопряжения со здоровым участком дороги из-за различий в величине пучения грунтов.

В расчет следует включать значение общего модуля упругости дорожной конструкции, полученное по данным испытания на здоровых участках дороги. Ожидаемое значение пучения грунтов на этих участках определяют по номограммам, приведенным ниже.

Ко второму типу относят участки автодороги, подверженные пучинообразованию, которые расположены на дороге, находящейся в неудовлетворительном состоянии и требуется усиление дорожной одежды в ближайшее время. В этом случае требуемый модуль упругости дорожной конструкции на пучинистом участке нужно принимать равным проектному значению общего модуля упругости конструкции на здоровых участках дороги после усиления дорожной одежды. При отсутствии таких данных требуемое значение модуля упругости дорожной одежды на пучинистом участке следует принимать по табл. 3.3 ВСН 46-83 "Инструкция по проектированию дорожных одежд нежесткого типа".

Допустимая величина пучения грунтов на пучинистом участке должна быть равна ожидаемой величине пучения грунтов на соседнем здоровом участке дороги после усиления дорожной одежды. При отсутствии таких данных следует принимать допустимую величину пучения грунтов на пучинистом участке с учетом ожидаемой величины пучения грунтов на здоровом участке дороги до усиления дорожной одежды.

Ожидаемую величину пучения грунтов на здоровом (непучинистом) участке дороги определяют по номограммам. Независимо от результатов расчета допустимая величина пучения грунтов на пучинистом участке дороги не должна превышать: 4 см при устройстве дорожной одежды капитального типа с асфальтобетонным покрытием и 6 см при устройстве дорожной одежды облегченного типа с асфальтобетонным покрытием.

При полном переустройстве дорожной одежды с заменой переувлажненных и разуплотненных грунтов на участке ремонта (реконструкции) дороги другим грунтом толщиной не менее 2/3 глубины промерзания земляного полотна и уплотнении этого грунта до нормативной плотности уменьшается неравномерность пучения. В этом случае можно принять допустимую величину пучения грунта равную 6 см при устройстве дорожной одежды капитального типа с асфальтобетонным покрытием.

Неравномерность пучения грунта уменьшается также под влиянием нагрузки от веса вышележащих мерзлых слоев земляного полотна и дорожной одежды. За счет этого можно повысить допустимую величину пучения грунта. Значения повышающих коэффициентов (Сдоп) приведены в табл. 5.

1.2. Для установления причин повреждения дорожной одежды на пучинистом участке необходимо провести обследование дороги (методика обследования приведена ниже) и сопоставить между собой конструкцию дорожной одежды и грунтово-гидрологические условия на пучинистом и здоровом участках дороги. При этом необходимо обратить внимание на:

- наличие подземных вод и глубину их залегания от низа дорожной одежды;

- участки с необеспеченным поверхностным стоком с определением расстояния от уреза воды до бровки земляного полотна;

- места с вогнутыми вертикальными кривыми и места уменьшения уклонов на участках с затяжными продольными уклонами, превышающими поперечные, где возможно движение воды в дренирующем слое вдоль дороги;

- наличие пучинистых грунтов и глубины их залегания от низа дорожной одежды.

На основе полученной информации следует установить источник переувлажнения грунтов или выявить другие причины повреждения дорожной одежды на пучинистом участке дороги.

1.3. В зависимости от выявленных причин повреждения дорожной одежды на пучинистом участке дороги назначают мероприятия по улучшению водно-теплового режима земляного полотна, к которым относятся:

- устройство по перехвату и отводу воды, поступающей с верховой стороны по слоям дорожной одежды из зернистых материалов, при наличии затяжных продольных уклонов и обратных уклонов (поперечные дрены);

- устройство по устранению влияния поверхностных вод на влажность грунтов рабочего слоя на участках с необеспеченным поверхностным стоком (бермы, уположенные откосы, экраны, кюветы);

- устройство по устранению влияния подземных вод на влажность грунтов рабочего слоя на участках с верховодкой и близким залеганием грунтовых вод (дренажи глубокого заложения, гидроизолирующие и капилляропрерывающие прослойки);

- устройство по уменьшению глубины промерзания земляного полотна (теплоизолирующие слои из пенопласта);

- замена пучинистых грунтов (песком, гравием и другими непучинистыми материалами).

1.4. Величина пучения грунтов на пучинистом участке дороги определяется по данным натурных обследований. Ожидаемую величину пучения с учетом расчетного срока службы дорожной одежды определяют по номограммам, представленным в настоящих типовых решениях. Методика расчета величины пучения по номограммам изложена в разделе 2.3. Для последующих расчетов при проектировании противопучинных мероприятий принимается максимальная величина пучения.

1.5. Для предварительной оценки эффективности того или иного мероприятия приведены коэффициенты снижения пучения для различных дорожно-климатических зон, типов увлажнения и видов грунтов. Значения коэффициентов снижения пучения представлены в таблицах раздела 4.

1.6. При разработке варианта дорожной одежды по условиям прочности он должен быть проверен на морозоустойчивость. Морозоустойчивость обеспечивается в том случае, когда пучение грунтов земляного полотна не превышает допустимой величины. Ожидаемую величину пучения грунтов устанавливают по номограммам в зависимости от местоположения пучинистого участка, конструкции дорожной одежды (наименование и толщина слоев), необходимой по условиям прочности, типа увлажнения рабочего слоя земляного полотна, глубины залегания расчетного уровня подземных вод от низа дорожной одежды в случае 3-го типа увлажнения, наименования грунта земляного полотна, определяемых по результатам детального обследования дороги.

При превышении величины пучения грунтов допустимого значения следует увеличить толщину покрытия или основания дорожной одежды или ввести в дорожную конструкцию дополнительный слой: морозозащитный или теплоизолирущий. Грунты и материалы, применяемые для устройства этих слоев, выбирают из перечня приведенного в приложении 7.

1.7. Дорожная одежда на пучинистом участке должна предусматривать устройство дренирующего слоя из зернистых материалов с коэффициентом фильтрации не менее 2 м/сут или устройство дренирующей прослойки из геотекстиля толщиной не менее 4 мм и водопроницаемостью 50 м/сут и более.

Дренирующий слой на пучинистых участках проектируют по принципу осушения. На таких участках не допускается устраивать дренирующий слой по принципу поглощения. Вода из-под дорожной одежды должна отводиться путем устройства дренирующих слоев, размещаемых на полную ширину земляного полотна, или с помощью трубчатых дрен за пределы земляного полотна. При устройстве дренирующей прослойки из геотекстильного материала нужно обеспечить выпуски полотнищ на откосы насыпи не менее чем на 0,5 м.

1.8. Проектирование дорожной одежды на пучинистом участке дороги следует проводить в следующем порядке. Нужно определить требуемое значение модуля упругости дорожной конструкции и допустимое значение пучения грунтов на пучинистом участке дороги. Кроме того, нужно установить причины повреждения дорожной одежды на основе результатов обследования дороги. После чего следует назначить мероприятия по устранению этих причин. С учетом этих мероприятий принимают расчетное значение модуля упругости грунтов рабочего слоя земляного полотна.

При проведении мероприятий по восстановлению несущей способности земляного полотна, не затрагивающих самой конструкции существующей дорожной одежды, которое возможно за счет продольного и поперечного водоотвода и защиты рабочего слоя земляного полотна от воды, проектирование мероприятий по обеспечению прочности дорожной одежды следует проводить в соответствии с ВСН 52-89 "Указания по оценке прочности и расчету усиления нежестких дорожных одежд". Проектирование новой дорожной одежды следует вести в соответствии с ВСН 46-83 "Инструкция по проектированию дорожных одежд нежесткого типа".

Далее переходят к оценке морозоустойчивости выбранного варианта конструкции дорожной одежды. При ожидаемой величине пучения грунтов, установленной по номограмме, более допустимого значения увеличивают толщину покрытия или основания дорожной одежды или включают в конструкцию морозозащитный или теплоизолирующий слой. Толщину этого слоя вычисляют исходя из того, чтобы пучение грунтов не превышало допустимого значения.

Следует разработать несколько вариантов конструкции дорожной одежды при различных способах регулирования водно-теплового режима земляного полотна. Эти конструкции нужно сравнить между собой по стоимостным показателям, технологичности, наличию потребных дорожно-строительных материалов и требуемым срокам строительства. По результатам такого сравнения вариантов нужно выбрать наиболее подходящую для конкретных условий строительства конструкцию дорожной одежды на пучинистом участке дороги.

2. МЕТОДИКА ВЫЯВЛЕНИЯ И ОБСЛЕДОВАНИЯ УЧАСТКОВ ПУЧИНООБРАЗОВАНИЯ

2.1. ОБЩИЕ СВЕДЕНИЯ

2.1.1. Пучинами называют деформации дорожных одежд и земляного полотна, проявляющиеся зимой во взбугривании и потере ровности покрытия, а в период оттаивания при проезде автомобилей - в проломах одежды, вызванных снижением прочности переувлажненных грунтов.

2.1.2. Внешними признаками пучинистых мест в зимний период являются неравномерное поднятие участков покрытия, образование отдельных бугров или группы бугров на покрытии, развитых по площади проезжей части с различной степенью интенсивности. Значительная часть из них, как правило, имеет сетку трещин, концентрирующуюся у вершины бугров пучения, которые разрушают покрытие на отдельные куски различной величины и формы. Образование пучин может развиваться как по ширине проезжей части, так и вдоль нее. Иногда пучины в большей степени развиваются на обочинах, и их поднятие может оказаться больше чем в зоне проезжей части. В весенний период после схода снега на пучинистых участках могут появляться влажные пятна, наблюдается иногда выход вместе с водой мелких частиц дренирующего слоя или грунта земляного полотна, а также волнообразные колебания дорожной конструкции при наезде транспортных средств. Эти участки имеют, как правило, значительно пониженную прочность и интенсивно разрушаются (образование выбоин, просадок и т.д.).

2.1.3. По относительному превышению пучинистых участков (по сравнению с зоной равномерного пучения) их делят на: бугры, впадины, перепады.

Рис. 1. Разновидности пучин:

а - равномерное пучение; б - бугор пучения; в - впадина; г - перепад;

1 - положение дорожной одежды после пучения; 2 - то же, до пучения; lр, lб, lв, lп - величины соответственно равномерного пучения, бугра пучения, впадин, перепада. Бугром называют вспученный локальный участок. Впадиной называют локальный участок с меньшим по сравнению с равномерным или нулевым поднятием, а границу между двумя зонами равномерного пучения с разной высотой поднятия - перепадом.

2.1.4. Наиболее пучиноопасными являются насыпи и выемки в пылеватых грунтах. Кроме того, опасны с позиций пучинообразования по:

а) гидрологическим и гидрогеологическим признакам:

- равнинные участки с поверхностным застоем воды в придорожной полосе;

- то же, с торфо-растительной прослойкой в основании насыпи;

- то же с высоко расположенным горизонтом грунтовых вод;

б) по орографическим, грунтовым, конструктивным и технологическим признакам:

- выпуклые и вогнутые переломы продольного профиля;

- затяжные уклоны автомобильных дорог;

- места пересечения микрологов, узких складок местности;

- места примыкания съездов или других нарушений режима потока поверхностной воды по кюветам или боковым канавам;

- места водосбросов, малых искусственных сооружений;

- места выхода грунтовых и наледных вод;

- места с дефектами при строительстве: перебор в скальной выемке, неправильное взаиморасположение грунтов в насыпи и т.д.;

- места пересечения автомобильных дорог с подземными инженерными коммуникациями;

- места натечных промышленно-хозяйственных вод и стоков.

2.2. ВЫЯВЛЕНИЕ УЧАСТКОВ ПУЧИНООБРАЗОВАНИЯ И ИХ ОБСЛЕДОВАНИЕ

2.2.1. Выявление и обследование пучинистых участков на предварительной стадии проводят визуальным осмотром дороги в весенний период после того, как покрытие очистилось от снега.

Существование пучин на данном участке дороги определяют по наличию характерных деформаций (см. пп. 2.1.2 и 2.1.3).

При обследовании в летний период выявление пучинистых участков возможно по наличию характерных трещин (см. п. 2.1.2).

2.2.2. Работы по п. 2.2.1. проводят для определения характера поражения участков дороги пучинами, степени их развития, состояния покрытия; оценивают возможные причины образования пучин (состояние водоотвода, наличие общей трещиноватости покрытия проезжей части, состояние обочин, рельеф местности и т.д.), необходимость введения неотложных мероприятий (закрытие дороги, ограничение движения и т.д.) для исключения интенсивного разрушения дорожной конструкции.

2.2.3. После выявления пучинистого участка ему присваивают номер и определяют его протяженность (от КМ+..... до КМ+).

2.2.4. По данным паспорта дороги и проектным данным на обследуемом участке выясняют дополнительные данные (толщину конструктивных слоев дорожной одежды, наличие и характеристики дренирующего слоя, вид подстилающего грунта, уровень грунтовых вод и т.д.).

2.2.5. По результатам анализа данных предварительного обследования устанавливают источники переувлажнения грунта на пучинистом участке дороги. Для этого нужно определить по приведенным ниже номограммам величину пучения грунта на этом участке при различных источниках увлажнения (атмосферные осадки, поверхностные и подземные воды, если они имеются) и сравнить эти величины с допустимыми значениями. При получении величины пучения более допустимого значения рассматриваемый источник увлажнения может быть источником переувлажнения грунта.

При наличии мест вогнутых переломов профиля на участках с затяжными продольными уклонами (более 30%) определяют величину пучения грунта при 2-м типе увлажнения рабочего слоя земляного полотна. При получении величины пучения более допустимого значения источником переувлажнения является вода, перемещающаяся в дренирующем слое с верховой стороны.

При наличии верховодки или грунтовых вод определяют величину пучения грунта при минимально возможном (по данным обследования участка дороги) расстоянии от поверхности этих вод до низа дорожной одежды. При получении величины пучения грунта более допустимого значения подземные воды являются источником переувлажнения грунта рабочего слоя земляного полотна.

Для устранения источника переувлажнения грунта назначают мероприятия по борьбе с пучинами (см. п. 3.2 настоящей работы).

2.2.6. Если на стадии предварительного обследования или с помощью номограмм (см. п. 2.2.5) не удается установить причины образования пучин и выбрать мероприятия для их ликвидации, то проводится детальное обследование согласно методике, изложенной в приложении 1.

2.2.7. По результатам детального обследования определяются:

- максимальная величина пучения, hпуч. макс.;

- минимальная величина пучения, hпуч. мин.;

- величина пучения в данной точке, hпуч.;

- средняя величина пучения, hпуч. ср.;

- относительная деформация пучения, Еfh;

- коэффициент неравномерности пучения, Кнер. пуч.;

- вид грунтов земляного полотна и его основания, их влажность и другие показатели;

- гидрогеологические условия;

- конструкция дорожной одежды и её модуль упругости.

2.3. ОПРЕДЕЛЕНИЕ ВЕЛИЧИНЫ ПУЧЕНИЯ ПО НОМОГРАММАМ

Для определения величины пучения по номограммам необходимы следующие исходные данные:

- географическое местоположение рассматриваемого участка дороги;

- конструкция существующей дорожной одежды (наименование и толщина слоев);

- тип увлажнения рабочего слоя земляного полотна (1, 2 или 3-й) и глубина залегания подземных вод от низа дорожной одежды на пучинистом участке дороги;

- наименование грунта земляного полотна на пучинистом участке дороги.

При залегании грунтов разных типов в пределах глубины промерзания следует включать в расчет показатели грунта с наибольшей степенью пучинистости. К пучинистым грунтам относятся: супесь песчанистая, суглинок тяжелый песчанистый, глина. К сильнопучинистым грунтам относятся: песок пылеватый, супесь пылеватая, суглинок тяжелый пылеватый. К чрезмерно пучинистым грунтам относятся: супесь пылеватая с содержанием песчаных частиц менее 20% по массе, суглинок легкий пылеватый.

Первый тип увлажнения рабочего слоя земляного полотна следует принимать в том случае, когда поверхностные воды находятся на безопасном расстоянии от подошвы насыпи (см. табл. 7), а подземные воды залегают на глубине более 3 м от низа дорожной одежды.

К первому типу увлажнения следует также относить выемки с продольным уклоном 20%о и более при условии залегания подземных вод на глубине более 3 м от низа дорожной одежды. В расчет следует принимать максимально возможный осенний уровень подземных вод перед промерзанием, установленный по данным разовых замеров на период изысканий и прогнозов, составляемых институтом ВСЕГИНГЕО.

Второй тип увлажнения рабочего слоя земляного полотна следует принимать в том случае, когда расстояние от подошвы насыпи до уреза воды на участке местности с необеспеченным стоком менее величин, приведенных в табл. 7, а подземные воды залегают на глубине более 3 м от низа дорожной одежды. Ко второму типу увлажнения следует также относить выемки с продольным уклоном менее 20%о при условии залегания подземных вод на глубине более 3 м от низа дорожной одежды.

Третий тип увлажнения рабочего слоя земляного полотна следует принимать в том случае, когда подземные воды залегают на глубине 3 м и менее от низа дорожной одежды.

Расчет величины пучения грунта (hпуч, см) проводят в следующем порядке.

1. Определяют по карте (рис. 2) номер изолинии, которая проходит через рассматриваемый участок дороги. При расположении участка между изолиниями определяют номера двух изолиний.

2. Вычисляют термическое сопротивление существующей дорожной одежды Rод(0), м2 К/Вт

                                                  (1)

где nод - количество конструктивных слоев дорожной одежды;

hод(i) - толщина отдельного слоя, м;

lод(i) - коэффициент теплопроводности отдельных слоев в мерзлом состоянии, Вт/(мК).

В расчет следует включать фактические замеренные значения lод(i). При отсутствии таких данных допускается включать в расчет значения lод(i) приведенные в табл. 1.

3. Вычисляют величину равную отношению Rод(тр)/(КодКувл), принимая Rод(тр)= Rод(0), где Код и Кувл - коэффициенты, приведенные в табл. 2.

Рис. 2. Карта изолиний требуемых значений термического сопротивления дорожной одежды:

I - Х - номера изолиний; 1 - граница сплошного распространения вечномерзлых грунтов; 2 - то же, островного (глубиной до 25 м); 3 - северный полярный круг

Таблица 1

Материал

Коэффициент теплопроводности lод(i) Вт/ (м К )

Цементобетон

1,74

Асфальтобетон:

 

горячий плотный

1,40

Пористый

1,25

высокопористый, в том числе битумопесчаная смесь

1,05

Одномерный гранитный щебень, обработанный вязким битумом

1,28

Слабопрочные известняки, укрепленные известью

1,16

Песок укрепленный

 

6-10% цемента, разномерный

1,86

10% цемента, мелкий одномерный

1,62

Супесь укрепленная

 

10% битумной эмульсией

1,45

8-10% цемента

1,51

Суглинок укрепленный:

 

6-12% цемента

1,45

2-6% цемента и 6-2% извести

1,33

Щебень:

 

из гранита

1,86

из известняка

1,39

Гравий

1,86

Гравийно-песчаная смесь

2,10

Песок крупный (мерзлый)

2,15

Песок средней крупности (мерзлый)

2,00

Таблица 2

№ изолинии на карте (рис. 2)

Значение коэффициента Код при сроке службы дорожной одежды

Значение коэффициента Кувл при типе увлажнения рабочего слоя земляного полотна

10 лет

20 лет

1 тип увлажнения

2 и 3 типы увлажнения

I

0,85

1,0

0,85

1,0

II

0,85

1,0

0,65

1,0

III

0,90

1,0

0,55

1,0

IV

0,90

1,0

0,45

1,0

V

0,90

1,0

0,40

1,0

VI

0,95

1,0

0.35

1,0

VII

0,95

1,0

0,30

1,0

VIII

0,95

1,0

0,30

1,0

IX

0,95

1,0

0,25

1,0

X

0,95

1,0

0,25

1,0

4. Определяют по номограмме (рис. 3) глубину промерзания земляного полотна от низа дорожной одежды (hпр(доп), см) в зависимости от величины Rод(тр)/(Код Кувл) по п. 3. В расчет включают кривую, соответствующую номеру изолинии на карте, которая проходит через рассматриваемый участок дороги. На номограмме (рис. 3) приведены ориентировочные значения глубин промерзания земляного полотна (hпр(доп), см). Точность их достаточна для учета влияния давления от веса мерзлых слоев земляного полотна на пучение грунта. Указанные значения hпр(доп.) на номограмме дают также представление о допустимой глубине промерзания, при которой пучение не превышает допустимых значений.

5. Определяют значение показателя пучинистости грунта (Спуч) по табл. 3.

При наличии грунтов особых разновидностей и при необходимости более точного определения указанного показателя следует использовать формулу

                                        (2)

где Efh - относительная деформация пучения грунта в %, определяемая по ГОСТ 28622-90 "Грунты. Метод лабораторного определения степени пучинистости" при непрерывном подтоке воды к образцу, на котором нет нагрузки; Спуч(табл) - табличное значение показателя пучинистости грунта в местах расположения изолинии на карте, проходящей через рассматриваемый участок дороги (табл. 3);  - табличное значение показателя пучинистости грунта в местах расположения изолинии № IV на карте (рис. 2).

Таблица 3

№ изолинии на карте (рис. 2)

Значение показателя Спуч(табл) для грунтов:

Пучинистых

Сильно пучинистых

Чрезмерно пучинистых

I

1,40

2,10

2,80

II

1,25

1,85

2,50

III

1,10

1,65

2,20

IV

1,00

1,50

2,00

V

0,90

1,35

1,80

VI

0,80

1,20

1,60

VII

0,70

1,05

1,40

VIII

0,60

0,90

1,20

IX

0,55

0,80

1,10

X

0,50

0,75

1,00

Рис. 3. Номограмма для определения величины пучения грунта hпуч и требуемого термического сопротивления дорожной одежды Rод(тр):

I - Х - номера изолиний на карте (рис. 2);

1 - кривая расчета для 1-го и 2-го типов увлажнения рабочего слоя земляного полотна;

Нg - глубина залегания подземных вод от низа дорожной одежды;

hпр(доп) - допустимая глубина промерзания грунта;

Спуч - показатель пучинистости грунта (табл. 3);

Ср - значение коэффициента в табл. 4.

6. Определяют значение коэффициента Ср, учитывающего влияние давления от веса дорожной одежды и мерзлых слоев земляного полотна на величину пучения грунта. Этот коэффициент устанавливают по табл. 4 в зависимости от толщины дорожной одежды (hод,м) и глубины промерзания земляного полотна (hпр(доп), см).

При толщине дорожной одежды, отличающейся от указанных в табл. 4, значение Ср следует принимать по интерполяции между соответствующими величинами.

Таблица 4

Грунт

Значение коэффициента Ср в зависимости от толщины дорожной одежды (hод, м ) и допустимой глубины промерзания земляного полотна (hпр(доп), см)

hод= 0,5

hод = 1,0

hод = 1,5

hод = 2,0

hпр(доп)

hпр(доп)

hпр(доп)

hпр(доп)

0-50

51-100

>100

0-100

>100

0-100

>100

0-100

>100

Песок пылеватый

0,60

0,55

0,50

0,50

0,45

0,45

0,40

0,40

0,35

Супесь легкая песчанистая

0,70

0,65

0,60

0,60

0,55

0,55

0,50

0,50

0,45

Супесь пылеватая

0,75

0,70

0,65

0,65

0,60

0,60

0,55

0,55

0,50

Суглинок легкий песчанистый, суглинок легкий пылеватый

0,80

0,75

0,70

0,70

0,65

0,65

0,60

0,60

0,55

Суглинок тяжелый песчанистый, суглинок тяжелый пылеватый, глина

0,85

0,80

0,75

0,75

0,70

0,70

0,65

0,65

0,60

Таблица 5

Допустимая глубина промерзания от низа дорожной одежды, hпр(доп), см

Значения коэффициента Сдоп при толщине дорожной одежды (hод, м)

hод = 0,5

hод = 1,0

hод = 1,5

hод = 2,0

0-50

1,0

1,0

1,0

1,1

51-100

1,0

1,0

1,1

1,2

>100

1,0

1,1

1,2

1,3

7. Определяют по номограмме (рис. 3) значение выражения A = hпуч/(Спуч Ср) в см в зависимости от величины Rод(тр)/(Код Кувл) (см. п. 3), номера изолинии на карте (рис. 2), типа увлажнения рабочего слоя земляного полотна и глубины залегания подземных вод (Нg, м) от низа дорожной одежды.

8. Вычисляют величину пучения грунта в см:

hпуч = А·Спуч Ср.                                                         (3)

При расположении рассматриваемого участка дороги между изолиниями на карте (рис. 2) определяют два значения hпуч, соответствующих этим изолиниям. Искомое значение hпуч определяют методом интерполяции в зависимости от расстояния рассматриваемого участка до одной из изолиний.

3. ПРОТИВОПУЧИННЫЕ МЕРОПРИЯТИЯ

3.1. Противопучинные мероприятия (кроме полной и частичной замены грунтов) направлены на снижение влажности грунтов или на их теплоизоляцию.

3.2. В зависимости от источников переувлажнения грунтов земляного полотна предлагаются следующие мероприятия по улучшению водно-теплового режима и повышению несущей способности земляного полотна, представленные в табл. 6.

Таблица 6

Тип пучин

Источники переувлажнения

Условия отнесения к данному типу пучин

Вид мероприятий

I

Атмосферные осадки, поступающие через покрытие и обочины при их неудовлетворительном состоянии (один источник переувлажнения грунтов)

Отсутствие дренирующих слоев дорожной одежды, устройств по отводу воды из слоев дорожной одежды из зернистых материалов, выход из дренирующих слоев и устройств закрыт глинистым грунтом. Поверхностные воды находятся на безопасном расстоянии (см. табл. 7). Подземные воды залегают на безопасной глубине

Ремонт покрытия, планировка и гидроизоляция обочин; отвод воды из слоев дорожной одежды из зернистых материалов

II

Вода, перемещающаяся в дренирующем слое с верховой стороны (один источник переувлажнения грунтов)

Места вогнутых переломов профиля на участках с затяжными продольными уклонами (более 30%о). Поверхностные воды находятся на безопасном расстоянии (см. табл. 7). Подземные воды залегают на безопасной глубине

Поперечный дренаж мелкого заложения; поперечный трубчатый дренаж; поперечный трубчатый дренаж совместно с продольными трубчатыми дренами

III

Поверхностная вода на участках местности с необеспеченным стоком (один источник переувлажнения грунтов)

Расстояние от подошвы насыпи до уреза поверхностной воды менее величины, приведенной в табл. 7.

Уклон кюветов в выемках менее 20%о. Отсутствует перемещение воды в дренирующем слое с верховой стороны. Подземные воды залегают на безопасной глубине

Профилирование и ремонт кюветов; уполаживание откосов насыпи;

устройство берм; устройство в подошве насыпи экрана из водонепроницаемого грунта; повышение высоты насыпи; устройство морозозащитного (дренирующего) или теплоизолирующего слоя;

устройство гидроизолирующей или капилляропрерывающей прослойки

IV

Подземные воды (верховодка или грунтовые воды) (один источник переувлажнения грунтов)

Расстояние от низа дорожной одежды до уровня подземных вод менее безопасной глубины залегания этих вод. Отсутствует перемещение воды в дренирующем слое с верховой стороны. Поверхностные воды находятся на безопасном расстоянии

Устройство траншейного дренажа (подкюветного или прикромочного); повышение высоты насыпи;

устройство морозозащитного (дренирующего) слоя; устройство гидроизолирующей и капилляропрерывающей прослоек;

устройство теплоизолирующего слоя

При сочетании различных типов пучин принимаются те же виды мероприятий, которые предлагаются для отдельных типов пучин.

Значения "безопасных" расстояний, при которых поверхностные воды не оказывают существенного влияния на влажность грунтов под дорожной одеждой, даны в табл. 7 для случая, когда эти воды находятся на поверхности земли только весной и осенью, а летом их нет (отсутствуют не менее 2/3 летнего периода). Указанные значения "безопасных" расстояний действительны при высоте насыпи не более 1,5 м.

Таблица 7

Грунт

Безопасное расстояние от уреза воды на поверхности земли до подошвы насыпи, м

Наименование грунта

Число пластичности

Супесь песчанистая,

1

10

супесь песчанистая,

3

9

супесь пылеватая,

5

7

супесь пылеватая

7

5

Суглинок легкий песчанистый, суглинок легкий пылеватый

7,1 - 12

5

Суглинок тяжелый пылеватый

12,1 - 17

5

Суглинок тяжелый песчанистый

12,1 -17

4

Глина легкая пылеватая

17,1 -27

4

Глина легкая песчанистая

17,1 -27

3

Глина тяжелая

>27

2

"Безопасную" глубину залегания подземных вод от низа дорожной одежды при различных допустимых значениях пучения грунтов определяют по номограмме, приведенной в разделе 2.3.

4. ОПРЕДЕЛЕНИЕ УСЛОВНОЙ ЭФФЕКТИВНОСТИ МЕРОПРИЯТИЙ ПО БОРЬБЕ С ПУЧИНАМИ

4.1. Эффективность того или иного мероприятия по борьбе с пучинами оценивают с помощью коэффициентов снижения пучения Кc, значения которых представлены в табл. 8.1 - 8.19.

4.2. Для определения величины пучения hпуч.кон. после проведения того или иного мероприятия необходимо исходную величину пучения hпуч., определяемую на стадии обследования (см. раздел 2), помножить на коэффициент снижения пучения Кс

hпуч.кон.с hпуч. .

Независимо от результатов расчета нужно принимать значение hпуч.кон. не менее ожидаемой величины пучения на участке 1-го типа увлажнения рабочего слоя земляного полотна, которую вычисляют по формуле (3).

4.3. Значения коэффициентов снижения пучения даны в табл. 8.1-8.16 для различных дорожно-климатических зон (ДКЗ), типов увлажнения рабочего слоя земляного полотна и типов грунтов. Грунты объединены в следующие типы:

1 - супесь песчанистая, супесь пылеватая;

2 - суглинок легкий песчанистый, суглинок тяжелый песчанистый, суглинок легкий пылеватый;

3 - суглинок тяжелый пылеватый, глины.

4.4. Значения коэффициентов снижения пучения даны для осредненных условий. При необходимости уточнения значений коэффициентов для конкретных условий их расчет можно выполнить по программе ЭВМ по регулированию водно-теплового режима, разработанной ГП Росдорнии и Союздорнии на основе "Пособия по проектированию методов регулирования водно-теплового режима верхней части земляного полотна (к СНиП 2.05.02-85)".

4.5. В качестве одного из мероприятий по борьбе с пучинами рассматриваются ремонт покрытия и ремонт обочин. Коэффициенты снижения пучения для этих мероприятий представлены для трех различных случаев состояния покрытия проезжей части и обочин до проведения ремонта: хорошее состояние покрытия - неудовлетворительное состояние обочин; неудовлетворительное состояние покрытия -хорошее состояние обочин; неудовлетворительное состояние покрытия -неудовлетворительное состояние обочин. Коэффициенты показывают снижение величины пучения при приведении в хорошее состояние покрытия и обочин.

4.6. Под неудовлетворительным состоянием покрытия следует понимать наличие частых поперечных или косых трещин, сетки трещин, выбоин или других дефектов, нарушающих целостность покрытия по всей его толщине и расположенных через расстояние в пределах 10 м. При расположении таких дефектов через расстояние 10-20 м значение коэффициентов снижения пучения следует принимать как среднее между табличной величиной и 1,0.

4.7. Под ремонтом покрытия следует понимать заделку всех трещин и других дефектов, поверхностную обработку и усиление покрытия.

4.8. Под ремонтом обочины следует понимать ее гидроизоляцию, устройство асфальтобетонного покрытия или ремонт старого асфальтобетонного покрытия по п. 4.7.

4.9. Дренажные сооружения (прикромочный дренаж, поперечные прорези и др.), играют существенную роль в снижении влажности, восстановлении несущей способности земляного полотна и повышении прочности дорожных одежд. Коэффициенты снижения величины пучения при использовании этого мероприятия даны в зависимости от вида грунтов земляного полотна, дорожно-климатической зоны и типа увлажнения рабочего слоя.

Коэффициент снижения пучения в результате проведения ремонта покрытия и обочин во П ДКЗ

Таблица 8.1

Состояние до ремонта: проезжая часть / обочина

Кс для следующих групп грунтов:

1

2

3

1 тип увлажнения рабочего слоя

Хор. / Неуд.

0,06

0,25

0,80

 

0,06

0,11

0,65

Неуд. / Хор.

0.12

0,22

0,33

 

0,17

0,14

0,14

Неуд. / Неуд.

0,06

0,22

0,33

 

0,06

0,11

0,11

2 тип увлажнения рабочего слоя, УГВ 2 м

Хор. / Неуд.

1,00

0,95

1,00

 

0,92

0,90

0,95

Неуд. / Хор.

1,00

0,95

1,00

 

0,92

0,90

0,86

Неуд. / Неуд.

1,00

0,95

1,00

 

0,92

0,90

0,86

3 тип увлажнения рабочего слоя, УГВ 3 м

Хор. / Неуд.

-

0,73

0,63

 

-

0,63

0,85

Неуд. / Хор.

-

0,70

1,00

 

-

0,63

0,85

Неуд. / Неуд.

-

0,70

0,81

 

 

0,60

0,85

Примечания: 1. Уровень грунтовых вод (УГВ) дан от низа дорожной одежды.

2. В верхней строке представлены данные при коэффициенте уплотнения 0,95, в нижней - при 0,90.

Коэффициент снижения пучения в условиях II ДКЗ

1 типа увлажнения рабочего слоя

Таблица 8.2

Противопучинные мероприятия

Кс для следующих групп грунтов:

1

2

3

Продольные прикромочные трубчатые дрены

0,07

0,25

0,60

0,07

0,20

0,87

Прикромочный траншейный дренаж

0,06

0,22

0,53

0,06

0,20

0,85

Поперечные прорези

0,14

0,15

0,71

0,13

0,10

0,40

Коэффициент снижения пучения в условиях II ДКЗ

2 типа увлажнения рабочего слоя

Таблица 8.3

Противопучинные мероприятия

Кс для следующих групп грунтов:

1

2

3

Продольные прикромочные трубчатые дрены

1,00

1,00

1,00

1,00

1,00

1,00

Прикромочный траншейный дренаж

0,90

0,90

1,00

0,90

0,90

1,00

Поперечные прорези

1,00

1,00

1,00

1,00

1,00

1,00

Отвод поверхностных вод

0,04

0,10

0,50

0,04

0,05

0,10

Коэффициент снижения пучения в условиях II ДКЗ

3 типа увлажнения рабочего слоя, УГВ 1 м

Таблица 8.4

Противопучинные мероприятия

Кс для следующих групп грутов:

1

2

3

Продольные прикромочные трубчатые дрены

1,00

1,00

1,00

0,97

1,00

1,00

Прикромочный траншейный дренаж

0,97

0,97

0,98

0,95

0,95

0,98

Поперечные прорези

1,00

1,00

1,00

1,00

1,00

1,00

Отвод поверхностных вод

1,00

1,00

1,00

1,00

1,00

1,00

Увеличение высоты насыпи на 0,5 м

0,77

0,89

0,70

0,77

0,89

0,70

Увеличение высоты насыпи на 1,0 м

0,13

0,54

0,69

0,03

0,50

0,53

Коэффициент снижения пучения в условиях II ДКЗ

3 типа увлажнения рабочего слоя, УГВ 2 м

Таблица 8.5

Противопучинные мероприятия

Кс для следующих групп грунтов:

1

2

3

Продольные прикромочные трубчатые дрены

1,00

1,00

1,00

0,97

0,95

0,95

Прикромочный траншейный дренаж

0,97

0,97

0,97

0,95

0,93

0,93

Поперечные прорези

1,00

1,00

1,00

0,97

0,95

0,95

Отвод поверхностных вод

0,92

0,59

0,60

0,92

0,56

0,56

Увеличение высоты насыпи на 0,5 м

0,63

0,74

0,62

0,27

0,47

0,47

Увеличение высоты насыпи на 1,0 м

0,06

0,53

0,62

0,03

0,21

0,47

Коэффициент снижения пучения в условиях II ДКЗ

3 типа увлажнения рабочего слоя, УГВ 3 м

Таблица 8.6

Противопучинные мероприятия

Кс для следующих групп грунтов:

2

3

Продольные прикромочные трубчатые дрены

0,93

0,95

0,87

0,89

Прикромочный траншейный дренаж

0,90

0,90

0,80

0,87

Поперечные прорези

0,93

1,00

0,92

1,00

Отвод поверхностных вод

0,70

1,00

0,57

0,85

Увеличение высоты насыпи на 0,5 м

0,57

0,70

0,50

0,58

Увеличение высоты насыпи на 1,0 м

0,14

0,35

0,10

0,12

Коэффициент снижения пучения в результате

проведения ремонта покрытия и обочин в III ДКЗ

Таблица 8.7

Состояние до ремонта: проезжая часть/обочина

Кс для следующих групп грунтов:

1

2

3

1 тип увлажнения рабочего слоя

Хор./ Неуд.

0,08

0,27

0,50

 

0,17

0,10

0,17

Неуд./ Хор.

0,19

0,15

0,12

 

0,17

0,19

0,06

Неуд./ Неуд.

0,08

0,14

0,12

 

0,07

0,09

0,06

3 тип увлажнения рабочего слоя, УГВ 2 м

Хор./ Неуд.

0,90

0,68

0,89

 

0,80

1,00

0,78

Неуд./ Хор.

0,90

0,72

0,80

 

0,80

0,77

0,61

Неуд./Неуд.

0,90

0,72

0,80

 

0,80

0,77

0,61

3 тип увлажнения рабочего слоя, УГВ 3 м

Хор./ Неуд.

-

0,76

0,86

 

-

0,14

0,50

Неуд./ Хор.

-

0,61

0,85

 

 

0,15

0,49

Неуд/ Неуд.

-

0,61

0,86

 

 

0,14

0,49

Коэффициент снижения пучения в условиях III ДКЗ

1 типа увлажнения рабочего слоя

Таблица 8.8

Противопучинные мероприятия

Кс для следующих групп грунтов:

1

2

3

Продольные прикромочные трубчатые дрены

0,80

0,78

0,67

0,80

0,91

0,52

Прикромочный траншейный дренаж

0,75

0,73

0,65

0,75

0,90

0,50

Поперечные прорези

0,80

0,78

0,67

0,71

1,00

0,96

Коэффициент снижения пучения в условиях Ш ДКЗ

2 типа увлажнения рабочего слоя

Таблица 8.9

Противопучинные мероприятия

Кс для следующих групп грунтов:

1

2

3

Продольные прикромочные трубчатые дрены

1,00

1,00

1,00

1,00

1,00

1,00

Прикромочный траншейный дренаж

0,98

0,98

0,98

0,98

0,98

0,98

Поперечные прорези

1,00

1,00

1,00

1,00

1,00

1,00

Отвод поверхностных вод

0,07

0,05

0,09

0,09

0,07

0,03

Коэффициент снижения пучения в условиях III ДКЗ

3 типа увлажнения рабочего слоя, УГВ 1 м

Таблица 8.10

Противопучинные мероприятия

Кс для следующих групп грунтов:

1

2

3

Продольные прикромочные трубчатые дрены

0,99

1,00

1,00

1,00

1,00

1,00

Прикромочный траншейный дренаж

0,95

0,98

0,98

0,98

0,98

0,98

Поперечные прорези

0,99

1,00

1,00

1,00

1,00

1,00

Отвод поверхностных вод

1,00

1,00

1,00

1,00

1,00

1,00

Увеличение высоты насыпи на 0,5 м

0,46

0,93

1,00

0,37

0,92

0,99

Увеличение высоты насыпи на 1,0 м

0,10

0,49

0,83

0,05

0,77

0,75

Коэффициент снижения пучения в условиях III ДКЗ

3 типа увлажнения рабочего слоя, УГВ 2 м

Таблица 8.11

Противопучинные мероприятия

Кс для следующих групп грунтов:

1

2

3

Продольные прикромочные трубчатые дрены

0,96

0,99

0,98

0,93

1,00

1,00

Прикромочный траншейный дренаж

0,93

0,95

0,95

0,90

0,98

0,93

Поперечные прорези

0,96

0,99

0,98

0,97

1,00

1,00

Отвод поверхностных вод

0,82

0,67

0,70

0,80

0,96

0,52

Увеличение высоты насыпи на 0,5 м

0,22

0,70

1,00

0,12

0,57

0,39

Увеличение высоты насыпи на 1,0 м

0,07

0,09

0,44

0,06

0,07

0,03

Коэффициент снижения пучения в условиях III ДКЗ

3 типа увлажнения рабочего слоя, УГВ 3 м

Таблица 8.12

Противопучинные мероприятия

Кс для следующих групп грунтов:

2

3

Продольные прикромочные трубчатые дрены

0,94

0,92

0,38

0,76

Прикромочный траншейный дренаж

0,92

0,90

0,37

0,70

Поперечные прорези

0,98

0,92

0,39

0,76

Отвод поверхностных вод

0,50

0,61

0,18

0,33

Увеличение высоты насыпи на 0,5 м

0,56

0,51

0,39

0,21

Увеличение высоты насыпи на 1,0 м

0,10

0,14

0,39

0,09

Коэффициент снижения пучения в результате

проведения ремонта покрытия и обочин в IV ДКЗ

Таблица 8.13

Состояние до ремонта: проезжая часть/обочина

Кс для следующих групп грунтов:

1

2

3

1 тип увлажнения рабочего слоя

Хор./ Неуд.

0,03

0

0,09

 

0,04

0,30

0,20

Неуд./ Хор.

0,05

0,05

0,08

 

0,07

0,03

0,10

Неуд./ Неуд.

0,03

0,05

0,07

 

0,03

0,03

0,10

3 тип увлажнения рабочего слоя, УГВ 2 м

Хор./ Неуд.

1,00

1,00

0,98

 

0,98

1,00

0,92

Неуд./ Хор.

0,97

0,86

0,98

 

0,93

0,77

0,93

Неуд./Неуд.

0,97

0,86

0,98

 

0,93

0,77

0,93

3 тип увлажнения рабочего слоя, УГВ 3 м

Хор./ Неуд.

-

1,00

0,93

 

-

1,00

1,00

Неуд./ Хор.

-

0,90

0,78

 

 

1,00

0,50

Неуд./ Неуд.

-

0,90

0,74

 

 

0,67

0,50

Коэффициент снижения пучения в условиях IV ДКЗ

1 типа увлажнения рабочего слоя

Таблица 8.14

Противопучинные мероприятия

Кс для следующих групп грунтов:

1

2

3

Продольные прикромочные трубчатые дрены

0,57

0,25

0,17

 

0,67

0,20

0

Прикромочный траншейный дренаж

0,53

0,22

0,15

 

0,63

0,18

0

Поперечные прорези

0,71

0,50

0

 

0,75

0,50

0

Коэффициент снижения пучения в условиях IV ДКЗ

2 типа увлажнения рабочего слоя

Таблица 8.15

Противопучинные мероприятия

Кс для следующих групп грунтов:

1

2

3

Продольные прикромочные трубчатые дрены

1,00

1,00

1,00

 

1,00

1,00

1,00

Прикромочный траншейный дренаж

0,95

0,95

0,95

 

0,95

0,95

0,95

Поперечные прорези

1,00

1,00

1,00

 

1,00

1,00

1,00

Отвод поверхностных вод

0,005

0,005

0,01

 

0,01

0,025

0,01

Коэффициент снижения пучения в условиях IV ДКЗ

3 типа увлажнения рабочего слоя, УГВ 1 м

Таблица 8.16

Противопучинные мероприятия

Кс для следующих групп грунтов:

1

2

3

Продольные прикромочные трубчатые дрены

1,00

1,00

0,95

 

1,00

1,00

1,00

Прикромочный траншейный дренаж

0,95

0,95

0,93

 

0,95

0,95

0,95

Поперечные прорези

1,00

1,00

0,90

 

1,00

1,00

1,00

Отвод поверхностных вод

1,00

0,50

0,61

 

1,00

0,20

0,35

Увеличение высоты насыпи на 0,5 м

0,26

0,95

0,80

 

0,18

1,00

1,00

Увеличение высоты насыпи на 1,0 м

0,005

0,15

0,30

 

0,01

0,67

0,01

Коэффициент снижения пучения в условиях IV ДКЗ

3 типа увлажнения рабочего слоя, УГВ 2 м

Таблица 8.17

Противопучинные мероприятия

Кс для следующих групп грунтов:

1

2

3

Продольные прикромочные трубчатые дрены

1,00

1,00

1,00

 

0,97

1,00

1,00

Прикромочный траншейный дренаж

1,00

1,00

0,99

 

0,95

0,98

0,98

Поперечные прорези

1,00

1,00

1,00

 

0,98

1,00

1,00

Отвод поверхностных вод

0,90

0,97

0,98

 

0,95

0,97

0,98

Увеличение высоты насыпи на 0,5 м

0,03

0,58

0,80

 

0,02

1,00

1,00

Увеличение высоты насыпи на 1,0 м

0,001

0,002

0,32

 

0,01

0,002

0,01

Коэффициент снижения пучения в условиях IV ДКЗ

3 типа увлажнения рабочего слоя, УГВ 3 м

Таблица 8.18

Противопучинные мероприятия

Кс для следующих групп грунтов:

2

3

Продольные прикромочные трубчатые дрены

1,00

0,93

 

1,00

1.00

Прикромочный траншейный дренаж

1,00

0,92

 

1,00

1,00

Поперечные прорези

1,00

0,93

 

1,00

1,00

Отвод поверхностных вод

0,46

0,68

 

0,35

0,34

Увеличение высоты насыпи на 0,5 м

0,04

0,93

 

0,002

0,75

Увеличение высоты насыпи на 1,0 м

0,01

0,28

 

0,002

0,02

Коэффициент снижения пучения в условиях

3 типа увлажнения рабочего слоя, после понижения УГВ

Таблица 8.19

ДКЗ

Исходный УГВ (осенний) м

УГВ после его понижения, м

Кс для следующих групп грунтов:

1

2

3

II

0,30

0,5

0,83

0,86

0,78

 

 

 

0,80

0,82

0,75

 

0,30

1,0

0,64

0,40

0,38

 

 

 

0,60

0,37

0,35

 

0,50

1,0

0,76

0,47

0,50

 

 

 

0,71

0,45

0,45

III

0,30

0,5

0,80

0,85

0,71

 

 

 

0,79

0,83

0,70

 

0,30

1,0

0,65

0,38

0,53

 

 

 

0,60

0,35

0,50

 

0,50

1,0

0,81

0,45

0,74

 

 

 

0,79

0,42

0,71

IV

0,30

0,5

0,76

0,84

0,68

 

 

 

0,72

0,82

0,65

 

0,30

1,0

0,72

0,30

0,51

 

 

 

0,70

0,28

0,49

 

0,50

1,0

0,94

0,35

0,76

 

 

 

0,92

0,33

0,72

5. ОБЕСПЕЧЕНИЕ ПРОЧНОСТИ И МОРОЗОУСТОЙЧИВОСТИ ДОРОЖНОЙ ОДЕЖДЫ НА ПУЧИНИСТЫХ УЧАСТКАХ

5.1. После улучшения или восстановления несущей способности земляного полотна на пучинистых участках автомобильной дороги необходимо восстановить прочность дорожной одежды и проверить ее морозоустойчивость.

Расчет конструкции дорожной одежды на прочность следует проводить согласно п. 1.8.

5.2. При расчете конструкции дорожной одежды на прочность и морозоустойчивость следует учитывать новые прочностные показатели грунта земляного полотна и новое положение поверхностных и подземных вод после запроектированных мероприятий по земляному полотну. Новые расчетные значения модуля упругости грунта рабочего слоя земляного полотна представлены в табл. 10.

5.3. На участках полного переустройства дорожной одежды повышение несущей способности земляного полотна может быть достигнуто путем восстановления нормативной плотности рабочего слоя земляного полотна. Толщина уплотняемого слоя грунта должна быть не менее 1,2 м от поверхности покрытия. Коэффициент уплотнения грунта в этом слое должен быть не менее 0,98 от максимальной плотности по ГОСТ 22733-90.

Для обеспечения таких требований, как правило, нужно: удалить переувлажненный и разуплотненный грунт до глубины не менее 1,2 м от поверхности покрытия; уложить гидроизолирующий слой по поверхности подстилающего грунта на высоте не менее 0,2 м от поверхности земли; подсушить или найти другой грунт с влажностью, отличающейся от оптимальной не более, чем указано в табл. 9, уложить и уплотнить этот грунт до указанной плотности по всей глубине рабочего слоя земляного полотна.

Таблица 9

Грунты

Отклонения от оптимальной влажности

Пески пылеватые, супеси песчанистые

0,80- 1,35

Супеси пылеватые

0,80 - 1,25

Суглинки легкие песчанистые и легкие пылеватые

0,85-1,15

Суглинки тяжелые песчанистые и тяжелые пылеватые

0,90- 1,05

Повышение несущей способности рабочего слоя земляного полотна может быть достигнуто путем укладки под дорожной одеждой армирующей прослойки из геотекстильного материала. В этом случае не требуется удаление грунта, а только его уплотнение с поверхности до максимальной величины, соответствующей его влажности. Укладка армирующих прослоек возможна на пучинистых участках с влажностью грунта не более 0,9 от границы текучести.

В зависимости от вида проведенных мероприятий на пучинистых участках дороги расчетные значения модуля упругости грунта следует принимать по табл. 10.

5.4. При недостаточности морозоустойчивости запроектированной конструкции дорожной одежды следует рассмотреть возможные варианты использования существующей дорожной одежды путем наращивания новых слоев, в т.ч. включения мероприятий по улучшению трещиностойкости нового покрытия (синтетические материалы, геосетки и т.д.), либо произвести расчет новой конструкции дорожной одежды с устройством морозозащитных слоев из непучинистых грунтов, зернистых материалов или с использованием теплоизолирующих материалов по представленной ниже методике.

Таблица 10

Вид мероприятий

Дорожно-климатическая зона

Наименование грунта рабочего слоя земляного полотна

Расчетные значения модуля упругости грунта рабочего слон земляного полотна в МПа на пучинистом участке дороги

В случае доуплотнения грунта под дорожной одеждой (до глубины 1,2м от поверхности покрытия) до величины не менее Ку=0,98

При наличии армирующей прослойки из геотекстиля Тай-пар марки 3857 под дорожной одеждой

При отсутствии армирующей прослойки

1

2

3

4

5

6

Ремонт покрытия, гидроизоляция обочин (I тип пучин); перехватывающий поперечный дренаж с верховой стороны пучинистого участка (II тип пучин); профилирование и ремонт кюветов, уполаживание откосов насыпи, устройство берм, устройство в подошве насыпи экрана из водонепроницаемого грунта (III тип пучин)

II

Песок пылеватый

-

-

65

 

Супесь песчанистая

-

-

46

 

Суглинок легкий песчанистый, суглинок тяжелый песчанистый, глина

-

-

29

 

Супесь пылеватая, суглинок легкий пылеватый, суглинок тяжелый пылеватый

-

-

27

III

Песок пылеватый

-

-

70

 

Супесь песчанистая

-

-

50

 

Суглинок легкий песчанистый, суглинок тяжелый песчанистый, глина

-

-

36

 

Супесь пылеватая, суглинок легкий пылеватый, суглинок тяжелый пылеватый

-

-

34

IV

Песок пылеватый

-

-

74

 

Супесь песчанистая

-

-

52

 

Суглинок легкий песчанистый, суглинок тяжелый песчанистый, глина

-

-

41

 

Супесь пылеватая, суглинок легкий пылеватый, суглинок тяжелый пылеватый

-

-

38

Уплотнение грунта под дорожной одеждой на толщину 1,2 м от поверхности покрытия с устройством гидроизолирующей прослойки на глубине не менее 1,2 м от поверхности покрытия (III и IV типы пучин)

II

Песок пылеватый

69

-

-

 

Супесь песчанистая

49

-

-

 

Суглинок легкий песчанистый, суглинок тяжелый песчанистый, глина

33

-

-

 

Супесь пылеватая, суглинок легкий пылеватый, суглинок тяжелый пылеватый

30

-

-

III

Песок пылеватый

76

-

-

 

Супесь песчанистая

54

-

-

 

Суглинок легкий песчанистый, суглинок тяжелый песчанистый, глина

41

-

-

 

 

Супесь пылеватая, суглинок легкий пылеватый, суглинок тяжелый пылеватый

40

-

-

 

IV

Песок пылеватый

79

-

-

 

 

Супесь песчанистая

55

-

-

 

 

Суглинок легкий песчанистый, суглинок тяжелый песчанистый, глина

47

-

-

 

 

Супесь пылеватая, суглинок легкий пылеватый, суглинок тяжелый пылеватый

46

-

-

Устройство морозозащитного (дренирующего) слоя с укладкой или без укладки армирующей прослойки по поверхности подстилающего грунта, устройство теплоизолирующего слоя с укладкой или без укладки армирующей прослойки по поверхности подстилающего грунта (III и IV типы пучин); устройство траншейного дренажа с укладкой теплоизолирующего слоя и армирующей прослойки или без укладки армирующей прослойки под дорожной одеждой (IV тип пучин)

II

Песок пылеватый

62

50

-

 

Супесь песчанистая

48

52

-

 

Суглинок легкий песчанистый, суглинок тяжелый песчанистый, глина

28

32

 

 

Супесь пылеватая, суглинок легкий пылеватый, суглинок тяжелый пылеватый

27

33

 

III

Песок пылеватый

70

50

-

 

Супесь песчанистая

50

52

-

 

Суглинок легкий песчанистый, суглинок тяжелый песчанистый, глина

36

32

-

 

Супесь пылеватая, суглинок легкий пылеватый, суглинок тяжелый пылеватый

34

33

-

IV

Песок пылеватый

74

50

-

 

Супесь песчанистая

52

52

-

 

Суглинок легкий песчанистый, суглинок тяжелый песчанистый, глина

41

32

 

 

Супесь пылеватая, суглинок легкий пылеватый, суглинок тяжелый пылеватый

38

33

-

*При устройстве армирующей прослойки из другого геотекстильного материала следует определять модуль упругости грунта экспериментальным путем.

5.5. При проектировании мероприятий по обеспечению морозоустойчивости дорожной конструкции следует иметь в виду, что равноценные по морозоустойчивости варианты конструкций не всегда одинаковы по условиям прочности и имеют не одинаковый запас прочности, влияющий на межремонтные сроки.

Оптимальный вариант конструкции дорожной одежды в этом случае следует принимать по минимальной сумме приведенных затрат.

5.6. Для обеспечения морозоустойчивости дорожной одежды необходимо, чтобы пучение грунтов не превышало допустимых значений в течение срока службы (периода между капитальными ремонтами) дорожной одежды. Номограммы, приведенные в разделе 2.3, позволяют определить максимальную величину пучения грунта повторяемостью 1 раз в течение 10 и 20 лет.

5.7. Для расчета морозоустойчивости дорожной одежды кроме данных, указанных в разделе 2.3, необходимы дополнительные исходные данные по соседнему здоровому участку дороги:

- конструкция дорожной одежды (наименование и толщина слоев);

- тип увлажнения рабочего слоя земляного полотна (1, 2 или 3-й) и глубина залегания подземных вод от низа дорожной одежды;

- наименование грунта земляного полотна.

5.8. Для обеспечения морозоустойчивости дорожной одежды на пучинистом участке дороги необходимо:

определить величину пучения грунтов (hпуч(зд), см) на здоровом участке дороги;

определить длину переходной зоны (jпз м) от здорового участка дороги до границы зоны, расположенной в средней части ремонтируемого (реконструируемого) участка с максимально допустимой величиной пучения грунта для принятого типа покрытия;

определить длину зоны (jв, м), расположенной в средней части ремонтируемого (реконструируемого) участка дороги, в пределах которой величина пучения грунта равна максимально допустимой величине;

определить требуемую толщину морозозащитного слоя (hмз(а), м) в местах сопряжения со здоровыми участками дороги;

определить требуемую толщину морозозащитного слоя (hмз(в), м) в зоне длиной jв, м.

Расчет ожидаемой величины пучения грунтов на здоровом участке дороги (hпуч(зд)) следует проводить согласно методике, приведенной в разделе 2.3.

Рис. 4. Схема расположения переходных зон при длине пучинистого участка более переходных зон

Определяем длину переходной зоны jпэ. Вначале устанавливают искомую величину предполагая, что (jпз(1) + jпз(2)) < jпуч, где jпз(1), jпз(2) - длина переходной зоны в начале и в конце пучинистого участка; jпуч - протяженность пучинистого участка дороги, м.

При указанных условиях длина переходной зоны равна

                                                      (4)

где hпуч(в) - заданная величина пучения на участке длиной jв, см; iпуч(пз) - допустимая интенсивность изменения величины пучения грунта в по длине переходной зоны, см/м.

Величина hпуч(в) может изменяться от значения hпуч(зд) до допустимого значения пучения грунта lдоп, указанного в п. 1.1.

В расчет следует включать следующие допустимые значения iпуч(пз), равного 0,2 см/м - при устройстве асфальтобетонных покрытий.

В случае получения величины (jпз(1) + jпз(2)) более значения jпуч длина переходной зоны принимается равной jпуч/2.

Далее находим длину зоны jв. Эту величину определяют по формуле

jв = jпуч - (jпз(1) + jпз(2))                                             (5)

В пределах этой зоны допустимая величина пучения грунта lдоп равна значениям, указанным выше.

При (jпз(1) + jпз(2)) > jпуч нужно вычислять допустимую величину пучения грунта lд в середине ремонтируемого участка по формуле

                                          (6)

Рис. 5. Схема расположения переходных зон при длине пучинистого участка менее переходных зон

При этом величина lдоп не может превышать значения lдоп, приведенного выше.

Определение требуемой толщины морозозащитного слоя в местах сопряжения со здоровыми участками дороги hмз/а и требуемой толщины морозозащитного слоя в зоне jв проводится согласно методике, изложенной в приложении 6.

При этом величина пучения в местах сопряжения со здоровыми участками принимается hпуч(зд), а величина пучения в зоне jв принимается hпуч(в), но не более lдоп, или равной значению lдоп.

Для обеспечения равномерного изменения величины пучения от hпуч(в) или lдоп до hпуч(зд) на участке переходной зоны необходима разбивка переходной зоны на дополнительные промежутки, для которых следует определить величину допустимого пучения в соответствии с выражением

li= hпуч(зд) + iпуч(пз) ji                                                    (7)

где li - величина допустимого пучения в точке i переходной зоны;

ji - расстояние от точки i до границы здорового участка (а).

Далее по величине пучения определяется толщина морозозащитного слоя в соответствии с указанной методикой в каждой заданной точке.

5.9. В качестве морозозащитных слоев могут использоваться непучинистые материалы слоев проектируемой дорожной конструкции. При ремонте существующей дорожной одежды на пучинистом участке и наличии в ней дренирующего слоя и удовлетворительной его работы устройство дополнительных морозозащитных слоев целесообразно выполнять за счет слоев покрытия или верхних слоев основания для обеспечения пропуска существующего движения.

Выбор материала морозозащитного слоя определяется на основе технико-экономического сравнения.

6. КОНСТРУКЦИИ ПО ВОССТАНОВЛЕНИЮ НЕСУЩЕЙ СПОСОБНОСТИ ЗЕМЛЯНОГО ПОЛОТНА И ОБЕСПЕЧЕНИЮ МОРОЗОУСТОЙЧИВОСТИ ДОРОЖНОЙ ОДЕЖДЫ

ГИДРОИЗОЛЯЦИЯ ОБОЧИН

1. Гидроизоляция обочин применяется в случаях, когда обочины не укрепляются с применением вяжущих материалов или покрытиями из асфальтобетона (1 тип пучин), а также в сочетании с другими мероприятиями.

2. Перечень основных отечественных гидроизоляционных материалов (ГМ), рекомендуемых для гидроизоляции обочин даны в приложении 2.

3. При укреплении обочин каменным материалом по верху гидроизоляционного материала из пленок или рулонных материалов устраиваются подстилающий и защитный слои толщиной не менее 0,1 м в плотном теле. При применении в качестве гидроизоляции нетканых материалов, обрабатываемых битумом, защитный слой можно не устраивать.

4. При укреплении обочин засевом трав толщина защитного слоя принимается не менее 0,2 м.

5. При недостаточной ширине полотна ГМ укладку ведут с перекрытием не менее 0,3 м.

6. При ширине обочины 1 м (В) и менее гидроизоляция выполняется на полную ширину, при ширине обочины более 3,75 м гидроизоляция выполняется на ширину не более 3 м.

ДРЕНАЖНЫЕ ПРОРЕЗИ НА ОБОЧИНАХ

ПОПЕРЕЧНЫЙ РАЗРЕЗ

Применяется на участках с недостаточной фильтрацией или заиливания выходов дренирующего слоя на откос насыпи, кювета, а также с целью отвода воды из дренирующего слоя в период оттаивания земляного полотна.

ПОПЕРЕЧНЫЙ ДРЕНАЖ МЕЛКОГО ЗАЛОЖЕНИЯ

0

a

40 %о

80°

60 %о

70°

80 %о

60°

ПОПЕРЕЧНЫЙ РАЗРЕЗ

1. Применяется на участках дороги с затяжными продольными уклонами, превышающими поперечные (П тип пучин), а также при снижении фильтрации дренирующего слоя дорожной одежды.

2. На участках вогнутых кривых и при снижении фильтрации дренирующего слоя дренажные прорези устраиваются перпендикулярно.

3. Конструкции поперечных сечений дренажа мелкого заложения даны далее.

ПОПЕРЕЧНЫЕ ДРЕНАЖИ МЕЛКОГО ЗАЛОЖЕНИЯ

1. Глубину заложения дренажа hp определяют в соответствии с методикой, изложенной в приложении 5, но не менее 0,4 м (тип А) и не менее 0,5 м (тип Б).

2. В качестве защитно-дренирующего геотекстильного материала, в который закладывается щебень или гравий, рекомендуется использовать нетканые материалы, представленные в приложении 3.

3. Перфорированная асбоцементная дренажная труба принимается по ТПР 503-0-43, лист 23.

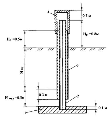
ПОПЕРЕЧНЫЙ ТРУБЧАТЫЙ ДРЕНАЖ

ПРОДОЛЬНЫЙ РАЗРЕЗ ПО ОСИ ДОРОГИ

1. Применяется на границе здорового и пучинистого участков для перехвата вод дренирующего слоя с верховой стороны в сочетании с устройством дренирующего (морозозащитного) слоя на пучинистом участке и позволяет уменьшить его толщину.

2. Толщина дренирующего (морозозащитного) слоя hп определяется расчетом согласно методике, изложенной в приложении 6.

3. Длина переходного участка определяется расчетом согласно методике, изложенной в разделе 5.

4. При использовании под дренирующим слоем армирующей прослойки уточняется прочность грунта земляного полотна согласно табл. 9.

5. При невозможности выпуска воды из трубчатого дренажа на откос насыпи или кювет малой насыпи и выемки устраивается продольный отвод воды до места, где возможен сброс воды на откос насыпи или кювет, по типу продольного трубчатого дренажа с поперечными выпусками. Протяжение продольного трубчатого дренажа определяется проектом. Конструкция продольного трубчатого дренажа и поперечных выпусков принимается по ТПР 503-0-43, листы 23, 24.

ОТВОД ПОВЕРХНОСТНЫХ ВОД

УПОЛАЖИВАНИЕ ОТКОСОВ

УСТРОЙСТВО БЕРМЫ

1. Отвод поверхностных вод применяется при III типе пучин путем устройства кюветов, кювет - резервов и отвода от бровки земляного полотна длительно стоящих поверхностных вод, расположенных ближе безопасного расстояния, за счет уполаживания откосов или устройства берм.

2. Значения "безопасных" расстояний, при которых поверхностные воды не оказывают существенного влияния на влажность грунтов под дорожной одеждой, даны в табл. 7 для случая, когда эти воды находятся на поверхности земли только весной и осенью, а летом менее 2/3 летнего периода. Указанные в этой таблице значения "безопасных" расстояний даны от уреза воды на поверхности земли до подошвы насыпи высотой не более 1,5 м.

3. Значения допустимых расстояний Lдоп. от бровки земляного полотна до уреза длительно стоящих поверхностных вод следует определять по формуле (8).

Допустимое расстояние от бровки земляного полотна до уровня длительно стоящих поверхностных вод

Определяется по формуле

                                 (8)

где Кф - коэффициент фильтрации для грунтов местности, м/сут;

rв - плотность воды, кг/м3;

Wпв - полная влагоемкость грунта, доли единицы;

, где rгр, rск, - плотность частиц грунта и плотность скелета грунта, кг/м3;

Wопт - оптимальная влажность грунта, доли единицы;

1,15 - коэффициент, увязывающий принятые размерности;

t - продолжительность стояния воды на поверхности земли в течение года, сут. Ориентировочно значение Кф можно принимать по табл. 11.

Таблица 11

Наименование грунта

Коэффициент фильтрации

Кф м/сут

Торф слаборазложившийся

4,50-1,00

Торф среднеразложившийся

1,00-1,15

Торф сильноразложившийся

1,00-0,15

Супесь

0,70-0,20

Суглинок

0,40-0,005

Глина легкая песчанистая

0,005

Глина пылеватая

9х10-6

Глина тяжелая

5х10-7

ЭКРАН ИЗ ВОДОНЕПРОНИЦАЕМОГО ГРУНТА

1. Применяется на участках местности с необеспеченным поверхностным стоком (Ш тип пучин).

2. При устройстве экрана расчет величины пучения ведется как при 1 типе пучин (атмосферные осадки).

3. Экран следует устраивать из глины тяжелой с числом пластичности более 27.

4. При наличии постоянного уровня поверхностных вод минимальное возвышение верха экрана 0,2 м принимается от данного уровня.

5. Величина заглубления экрана в слабоводопроницаемый грунт принимается по табл. 12.

Таблица 12

Наименование слабоводопроницаемых грунтов

Минимальная величина заглубления экрана (hзагл) в слабоводопроницаемый грунт при числе пластичности

Тяжелые суглинки и глины

12,1-14,0

14,1-17,0

17,1-27,0

hзагл, м

3.5

2,5

2

ТЕПЛОИЗОЛИРУЮЩИЙ СЛОЙ ИЗ ПЕНОПЛАСТА

1. Применяется на участках полного переустройства дорожной одежды, позволяет ограничить пучение допустимыми нормами или полностью предотвратить промерзание подстилающего грунта земляного полотна.

2. Толщина теплоизолирующего слоя определяется расчетом согласно методике, изложенной в разделе 10.

3. Теплоизолирующие слои нужно располагать на глубине не менее 0,5 м от поверхности покрытия для не превышения повторяемости образования гололеда по сравнению с соседними участками.

4. Длину переходного участка, от конструкции с теплоизолирующим слоем до конструкции без теплоизолирующего слоя, определяют расчетом согласно методике, изложенной в разделе 5. Переход осуществляется путем постепенного уменьшения толщины плит пенопласта. При отсутствии пенопласта различной толщины следует укладывать плиты в шахматном порядке с окнами без плит.

5. Для устройства теплоизолирующих слоев применяют пенопласты, удовлетворяющие следующим требованиям:

- прочность на сжатие при 10%-ной линейной деформации по ГОСТ 15888-86 не менее 0,4 МПа;

- предел прочности при изгибе по ГОСТ 17177-87 не менее 0,7 МПа;

- водопоглощение по ГОСТ 17177-87 не более 0,45%.

При коэффициенте теплопроводности 0,028-0,032 Вт/мК расчет необходимой толщины пенопласта проводят по номограммам согласно приложению 8. При других значениях коэффициента теплопроводности расчет толщины пенопласта нужно проводить согласно "Пособия по проектированию методов регулирования водно-теплового режима верхней части земляного полотна" (к СНиП 2.05.02-85).

Пенопласт должен сохранять свои свойства в течение срока службы дорожной одежды. Указанным требованиям полностью отвечает пенопласт стайрофоум марки фломэйт-500 (фирмы Дау Кемикал Компани), отлично зарекомендовавший себя в условиях России (технические показатели: плотность - 38 кг/м3, теплопроводность - 0,027 Вт/мК, прочность при 10%-ном сжатии - 0,5 МПа, прочность при изгибе - 0,72 МПа, водопоглощение всего листа - 0,2%, размеры: 1250х600х30мм, толщина - 40, 50, 60, 80 и 100 мм).

6. При укладке теплоизолирующего слоя непосредственно на грунт земляного полотна необходимо устройство выравнивающего технологического слоя из песка 3-5 см.

7. Для повышения несущей способности земляного полотна рекомендуется укладка армирующей геотекстильной прослойки под теплоизолирующим слоем по верху земляного полотна.

8. На участках высокого расположения подземных вод с целью лучшего отвода вод из-под теплоизолирующего слоя рекомендуется укладка фильтрующего геотекстильного материала с коэффициентом фильтрации не менее 20 м/сут и толщиной не менее 1,5 мм.

ГИДРОИЗОЛИРУЮЩИЕ ПРОСЛОЙКИ

Размеры зерен грунта, мм

Допустимое содержание зерен грунта крупнее данного размера в подстилающем и защитном слоях, %

Для изола

Для полиэтиленовой пленки

40

0

-

30

35

-

20

60

0

10

75

25

10

90

45

А

Применяется при I типе пучин, где источником переувлажнения грунтов являются атмосферные осадки, при полном переустройстве дорожной одежды с устройством основания из крупнозернистых материалов. Данная конструкция позволяет перехватить воду, поступающую через дорожную одежду и обочины, снизить влажность рабочего слоя земляного полотна и повысить его несущую способность.

Б

Применяется на участках местности с необеспеченным поверхностным стоком при высоком уровне стояния подземных вод (III и IV типы пучин). Данная конструкция может применятся при полном переустройстве рабочего слоя земляного полотна, позволяет уменьшить толщину морозозащитного слоя за счет снижения влажности грунта рабочего слоя земляного полотна.

1. При устройстве гидроизолирующих прослоек следует использовать полиэтиленовую пленку толщиной 0,2 мм, стабилизированную 2% канальной сажи, изол и материал типа "колентанш" (нетканый синтетический материал, обработанный битумом). Возможно использование других гидроизолирующих материалов, представленных в приложении 1.

2. При укладке гидроизолирующих прослоек следует предусматривать устройство подстилающих и защитных слоев, толщина которых должна быть не менее 0,1 м в плотном теле (кроме материалов типа "колентанш"). При использовании полиэтиленовой пленки толщиной 0,2 мм грунт этих слоев не должен содержать частиц крупнее 20 мм, изола - частиц крупнее 40 мм. Кривая зернового состава грунтов, имеющих частицы размером 5-40 мм, не должна выходить за пределы допустимого зернового состава, представленного в таблице.

АРМИРУЮЩИЕ ПРОСЛОЙКИ

1. Армирующие прослойки применяются для повышения несущей способности земляного полотна на пучинистых участках автомобильных дорог. Применение армирующих прослоек возможно при полном переустройстве конструкции дорожной одежды с целью устройства необходимого дренирующего, морозозащитного слоя. Армирующую прослойку укладывают непосредственно на грунт земляного полотна.

2. Применение данных прослоек позволяет уменьшить толщину морозозащитного (дренирующего) слоя или уменьшить толщину конструктивных слоев дорожной одежды за счет увеличения прочностных характеристик грунта земляного полотна в соответствии с табл. 10, а также позволяет уменьшить толщину морозозащитного (дренирующего) слоя за счет устранения заиливания материала этого слоя. Возможно применение в сочетании с другими мероприятиями по повышению несущей способности земляного полотна, в том числе и при устройстве теплоизолирующего слоя.

3. В качестве армирующих прослоек применяются защитно-дренирующие геотекстильные материалы, перечень которых дан в приложении 3. Из импортных материалов рекомендуется геотекстильный материал тайпар марки 3857, выпускаемый фирмой Дюпон. Данный материал выдерживает воздействие прямых солнечных лучей в течение нескольких месяцев. Не поддается воздействию кислот, щелочей и бактерий природного происхождения. Температурный диапазон эксплуатации - от минус 40°С до плюс 100°С; удельный вес -290 г/м2; размеры: 4,50 х 100 и 5,20х100 м; толщина при нагрузке до 2 кН/м2, 20 кН/м2, и 200 кН/м2 составляет соответственно 0,78; 0,75 и 0,72 мм.

ПОДКЮВЕТНЫЙ ТРАНШЕЙНЫЙ ДРЕНАЖ

1. Подкюветный траншейный дренаж применяется для понижения уровня грунтовых вод на пучинистых участках (тип IY пучин) автомобильных дорог, где условия рельефа позволяют осуществить сброс воды из трубчатых дрен в специальные выпускные устройства.

2. Понижение уровня грунтовых вод DН определяется в зависимости от вида дренажа (двусторонний или односторонний, несовершенный или совершенный) в соответствии с методикой, изложенной в приложении 4.

3. Коэффициенты снижения пучения при понижении УГВ в зависимости от вида грунта и величины понижения DН представлены в табл. 8.19 (раздел 4), величину пучения грунта hпуч, земляного полотна после понижения УГВ можно определить в соответствии с методикой, изложенной в разделе 2.3.

4. Варианты конструкции подкюветного траншейного дренажа даны ниже.

5. Конструкция выпускного сооружения принимается по ТПР 503-0-43, лист 21.

КОНСТРУКЦИИ ПОДКЮВЕТНОГО ТРАНШЕЙНОГО ДРЕНАЖА

Диаметр дренажной трубы определяется расчетом в зависимости 6т расхода воды в дренаже, определяемого по ТРП 503-0-43, листы 30-32.

Конструкции асбоцементных перфорированных труб принимаются по листу 35.

Диаметр трубы, мм

100

150

200

300

Ширина траншеи В, м

0,8

0,9

1,0

1,3

1 - связный грунт;

2 - гидроизолирующий материал;

3 - засыпка песком крупнозернистым с Кф > 5 м/сут;

4 - обсыпка щебнем или гравием фракции 10-20 мм;

5 - асбоцементная перфорированная труба d = 100-300 мм;

6 - засыпка песком с Кф = 3-5 м/сут;

7 - защитно-дренирующий геотекстильный материал;

8 - анкер.

ПРИКРОМОЧНЫЙ ТРАНШЕЙНЫЙ ТРУБЧАТЫЙ ДРЕНАЖ

1. Прикромочный траншейный трубчатый дренаж применяется для понижения уровня грунтовых вод и снижения влажности грунтов тела насыпи земляного полотна на пучинистых участках (тип 1Y) автомобильных дорог, где условия рельефа позволяют осуществить сброс воды из трубчатых дрен в специальные выпускные устройства.

2. Понижение уровня грунтовых вод DН определяется в зависимости от вида дренажа (двусторонний или односторонний, несовершенный или совершенный) в соответствии с методикой, изложенной в приложении 4.

3. Коэффициент снижения пучения при понижении УГВ в зависимости от вида грунта, представлены в табл. 8.2 - 8.6, 8.8 - 8.12 и 8.14 - 8.18 (раздела 4), величину пучения грунта hпуч земляного полотна после понижения УГВ можно определить в соответствии с методикой, изложенной в разделе 2.3.

4. Варианты конструкции прикромочного траншейного трубчатого дренажа даны на стр. 53.

5. Исходя из условий рельефа сброс воды из прикромочного трубчатого дренажа производится с помощью поперечных выпусков на местность либо в дополнительные промежуточные сооружения (коллекторы, дренажи), из которых сброс воды производится через выпускное сооружение. Конструкции указанных сооружений принимаются по ТПР 503-0-43, листы 24 и 21.

КОНСТРУКЦИИ ПРИКРОМОЧНОГО ТРАНШЕЙНОГО ТРУБЧАТОГО ДРЕНАЖА

Диаметр дренажной трубы определяется расчетом в зависимости от расхода воды в дренаже, определяемого по ТРП 503-0-43, листы 30-32. Конструкции асбоцементных перфорированных труб принимаются по листу 35.

Диаметр трубы, мм

100

150

200

300

Ширина траншеи В, м

1,0

1,1

1,2

1,5

1 - укрепление обочин с применением вяжущих материалов;

2 - обочина;

3 - дренирующий слой дорожной одежды;

4 - засыпка песком крупнозернистым с Кф > 5 м/сут;

5 - засыпка песком с Кф = 3-5 м/сут;

6 - обсыпка щебнем или гравием фракции 10-20 мм;

7 - асбоцементная перфорированная труба d = 100-300 мм;

8 - защитно-дренирующий геотекстильный материал;

9 - анкер

ПРИКРОМОЧНЫЙ ТРАНШЕЙНЫЙ ДРЕНАЖ

1. Прикромочный траншейный дренаж применяется для снижения влажности грунта земляного полотна и при низкой фильтрации или заиливания дренирующего слоя дорожной одежды. Данная конструкция дренажа позволяет производить работы без перерыва движения на дороге.

2. Коэффициенты снижения пучения при применении прикромочного траншейного дренажа в зависимости от вида грунта представлены в табл. 8.2-8.6, 8.8 - 8.12 и 8.14 - 8.18 (раздел 4).

3. Глубину заложения дренажа hp определяют расчетом в соответствии с методикой, изложенной в приложении 5, но не менее 0,5 м.

4. Конструкции перфорированных дренажных труб и поперечных выпускных устройств принимаются по ТПР 503-0-43, листы 23, 24.

1 - укрепление обочины с применением вяжущего материала;

2 - обочина;

3 - обочина, укрепленная каменным материалом или засевом трав;

4 - дренирующий слой дорожной одежды;

5 - гидроизоляционный материал;

6 - засыпка крупнозернистым песком с Кф > 3-5 м/сут;

7 - засыпка крупнозернистым песком с Кф >5 м/сут;

8 - асбоцементная перфорированная труба d = 80-150мм;

9 - заполнение щебнем или гравием фракции 40-70 мм;

10 - защитно-дренирующий геотекстильный материал.

7. ОСОБЕННОСТИ ТЕХНОЛОГИИ ПРОИЗВОДСТВА РАБОТ

7.1. В настоящем разделе рассматриваются только специфические виды работ, связанные с применением синтетических материалов. Вопросы технологии общепринятых видов работ (ремонт и усиление покрытия, профилирование и ремонт кюветов, повышение высоты насыпи, уполаживание откосов, устройство берм и т.д.) следует решать на основе существующих нормативных документов.

7.2. Основные операции по укреплению и гидроизоляции обочин автомобильных дорог выполняют в соответствии с положениями ВСН 39-79. Технические карты на производство работ составляют в зависимости от дорожной обстановки, плана и профиля дороги, конструкции укрепления, парка машин и применяемых дорожно-строительных материалов.

7.3. Машины и механизмы для производства работ, а также порядок их работы следует принимать в зависимости от способа и конструкции укрепления в соответствии с табл. 4.1-4.3 ВСН 39-79.

7.4. Работы по укреплению обочин с использованием гидроизолирующих материалов (ГМ) включают следующие операции:

- рыхление грунта (материала) обочины кирковщиком;

- устройство корыта с перемещением грунта (материала) на откосы или в валы на обочины для последующего вывоза или использования в конструкции укрепления;

- транспортировку, распределение по участку рулонов ГМ и их укладку;

- транспортировку и отсыпку (укладку) материалов слоев укрепления, их разравнивание, планировку и уплотнение.

7.5. Дно корыта перед укладкой ГМ не должно иметь колей, ям и других неровностей более 5 см от отметки поверхности в данной точке.

7.6. Рулоны ГМ транспортируют к месту производства работ перед укладкой и распределяют по длине участка работ через расстояние, соответствующее длине полотна в рулоне.

7.7. Раскатку рулонов ГМ по дну корыта и укладку полотен в рабочее положение выполняют трое рабочих вручную, начиная с низовой стороны по отношению к направлению стока воды. После раскатки первых метров рулона полотно прижимают к грунту у начала участка по ширине двумя-тремя анкерами (стержни длиной 15-20 см с отогнутым верхним и заостренным нижним концами) или присыпают материалом укрепления. При дальнейшей раскатке производят периодическое разравнивание полотна с небольшим продольным его натяжением и перемещением в проектное положение - к кромке дорожной одежды проезжей части.

Рулоны ГМ в проектном положении закрепляют прижатием полотна к грунту через 10-12 м анкерами, присыпкой грунтом, щебенкой. Прижатие производят во избежание смещения полотна при действии ветровой нагрузки, укладке вышележащих слоев укрепления, а также для сохранения небольшого предварительного его натяжения.

7.8. При ширине полотна ГМ менее дна корыта укладку смежных полотен в продольном направлении проводят с перекрытием не менее 0,3 м.

7.9. При устройстве прослоек из ГМ необходимо проверять качество планировки и соответствие поперечных уклонов проектным.

7.10. Отсыпку на ГМ материала вышележащего слоя укрепления должны вести с таким расчетом, чтобы ГМ находился под действием дневного света не более 4-5 ч. Отсыпку ведут по способу "от себя" без заезда строительных машин на открытые полотна. Материал укрепления выгружают непосредственно в корыто на уложенные полотна, надвигают, разравнивают и профилируют бульдозером и автогрейдером, после чего уплотняют. При строительстве избегают резких поворотов гусеничных машин, так как это может привести к повреждению полотен ГМ.

7.11. После уплотнения покрывающего ГМ слоя работы производят по обычной технологии в соответствии с положениями нормативных документов.

7.12. Ниже приводятся особенности технологии работ при устройстве траншейного дренажа с применением синтетических материалов. Следует отметить, что принципиальной разницы между технологиями работ по устройству траншейного дренажа глубокого и мелкого заложения в этом случае не существует.

7.13. Одним из основных наиболее часто встречающихся видов работ при использовании защитных синтетических материалов (СМ) в траншейном дренаже является создание синтетического фильтра вокруг перфорированной дренажной трубы. Операция производится бригадой из 4-5 человек. Перед началом работ рулон СМ раскатывается у кромки траншеи.

7.14. В зависимости от ширины имеющегося в распоряжении строительной организации материала возможны различные способы устройства фильтра. На рис. 6 показаны четыре таких варианта.

7.15. Первый способ использования CM малой ширины (1 –1,8 м) показан на рис.6, а. На дне траншеи по всей ее ширине раскладывают СМ, служащий одновременно основанием трубы и защитно-фильтрующей прослойкой (рис. 6, а1) между грунтом дна траншеи и дренирующим грунтом засыпки.

7.16. На первом слое СМ укладывают второй слой СМ шириной В, равной не менее, чем:

В=b+2рК-0,2 м,                                                     (9)

где b - ширина дна траншеи;

R - наружный радиус трубы.

Часть материала шириной 2pR - 0,2 м складывают у одной из стенок траншеи, как это показано на рис. 6, а2.

7.17. По оси дна траншеи укладывают перфорированную трубу (рис.6, а3).

7.18. Сложенной у стенки траншеи частью СМ шириной 2pR-0,2 м оборачивают трубу, укладывая оставшуюся после трубы часть материала на дне траншеи (рис. 6, а4) и прикрепляют СМ около трубы к грунту дна траншеи металлическими Г-образными анкерами длиной 25-30 см, изготовленными из стальной проволоки толщиной 3-4 мм. Крепление производят через каждые 8-10 м.

7.19. Первый способ использования СМ большой ширины (2-2,5 м) показан на рис. 6, б. Синтетический материал шириной не менее:

В = 2b + 2pR - 0,2м                                                     (10)

(условные обозначения те же, что в формуле 9) укладывают в два слоя на дне траншеи, а излишек материала складывают у одной из стенок траншеи, как это показано на рис. 6, б1.

7.20. По оси траншеи укладывают перфорированную трубу (рис. 6, б2).

7.21. Излишком материала оборачивают трубу и прикрепляют СМ к дну траншеи Г-образными металлическими анкерами (рис. 6, б3), как это сказано в п. 7.18.

7.22. Второй способ использования CM малой ширины показан на рис. 6, в. На дно траншеи укладывают первый слой СМ (рис. 6, в1), затем по ее оси кладут перфорированную трубу (рис.6, в2). Трубу перекрывают слоем СМ шириной не менее В= b + 2pR - 0,2м (обозначения по формуле 9) и с двух сторон крепят СМ (рис.6, в3) к дну траншеи металлическими анкерами, размером по п. 7.18.

7.23. Второй способ использования CM большой ширины показан на рис. 6, г. Синтетический материал шириной не менее В = 2b + 2pR - 0,2 м (обозначения по формуле 9) укладывают в один слой на дне траншеи, а излишек материала складывают у одной из стенок траншеи, как это показано на рис. 6, г1.

По оси траншеи укладывают дренажную трубу (рис. 6, г2), покрывают трубу излишками СМ, сложенными у стенки траншеи, как это показано на рис.6, г3, и крепят СМ с двух сторон трубы Г-образными металлическими анкерами (см. п. 7.18).

7.24. Последовательность операций по устройству траншейного дренажа с перфорированной трубой показана на рис. 7. В открытую траншею (рис. 7, а) укладывают СМ в один (рис. 7, б) или два слоя (рис. 7, в), кладут дренажную трубу (рис. 7, г) и производят устройство фильтра из СМ (рис. 7, д) по одному из способов, описанных в п.п. 15 - 23. При необходимости перед укладкой СМ устраивают песчаный выравнивающий слой толщиной 0,1-0,15 м. Производят засыпку траншеи песчаным или щебеночным дренирующим материалом в соответствии с выбранной конструкцией траншейного дренажа и производят его трамбование. В случае щебеночной засыпки последняя перекрывается песчаным материалом с уплотнением. На материал песчаной засыпки вдоль траншеи укладывают гидроизолирующий материал (ГМ), например, Армодор. Если ширина ГМ несколько больше ширины траншеи, края ГМ заводят на стенки траншеи в виде короба. На гидроизолирующий материал насыпают глинистый грунт и уплотняют его уплотняющими средствами на пневматических шинах либо колесами построечного транспорта. В случае невозможности использовать уплотняющие средства или построечный транспорт, уплотнение производят трамбованием.

7.25. Последовательность операций по устройству траншейного дренажа с оболочкой дренирующего материала из синтетического материала следующая.

На дно отрытой траншеи (рис. 8) укладывают вдоль нее защитно-фильтрующий СМ шириной

В=2(b+h)+0,3 м,                                                     (11)

где b - ширина траншеи;

h - высота крупнозернистой песчано-дренирующей засыпки.

Затем синтетический материал раскладывают по стенкам и дну траншеи с закреплением на стенках металлическими Г-образными анкерами. Траншею заполняют до требуемой высоты h щебнем (ПГС) (рис. 8, в) с его последующим трамбованием. Извлекают из стенок траншеи металлические анкера и закрывают материал засыпки синтетическим материалом с перекрытием полотен на 0,3 м (рис. 8, г). На синтетический материал отсыпают на требуемую высоту песок необходимой крупности и уплотняют его трамбованием.

Рис. 6. Последовательность операций при различных способах заворачивания дренажной трубы в защитно-фильтрующий синтетический материал:

а, в - при малой ширине материала; б, г - при большой ширине материала.

Рис. 7. Последовательность операций по устройству траншейного дренажа с перфорированной трубой с применением синтетических материалов:

1 - защитно-фильтрующий синтетический материал; 2 - перфорированная труба; 3 - металлический анкер; 4 - песок; 5 - гидроизолирующий материал; 6 - глинистый грунт

Рис. 8. Последовательность операций по устройству траншейного дренажа с защитным СМ вокруг дренирующего материала:

1 - защитно-фильтрующий синтетический материал; 2 - металлический анкер; 3 - песок крупный; 4 -песок средней крупности; 5 - гидроизолирующий материал; 6 - глинистый грунт

7.26. Гидроизолирующие материалы, используемые в конструкции дорожной одежды и земляном полотне (изол и полиэтиленовая пленка), без повреждений выдерживают нагрузки, возникающие при укладке и уплотнении вышележащих слоев грунта и дорожной одежды при условии, что плотность нижележащих слоев грунта не менее 0,95 максимальной плотности, установленной по методу стандартного уплотнения. Толщина слоя грунта над прослойкой должна быть не менее 0,25 м в уплотненном состоянии. Можно уменьшить эту толщину до 0,2 м при плотности грунта под прослойкой не менее 0,98 максимальной плотности. При укладке изола или полиэтиленовой пленки на армирующую прослойку толщина слоя грунта над гидроизолирующими материалами должна быть не менее 0,2 м.

7.27. Гидроизолирующие слои следует устраивать при положительных температурах. Укладывать полотнища полиэтиленовой пленки, изола при скорости ветра соответственно более 10 м/с и более 15 м/с не рекомендуется.

Поверхность подстилающего слоя следует поддерживать в состоянии, исключающем возможность образования скоплений и застоев воды.

В грунте подстилающего слоя нельзя оставлять скопления льда и снега, при оттаивании которых могут происходить неравномерные просадки. По подготовленному подстилающему слою проезд механизмов и автотранспорта не допускается. Перед укладкой гидроизолирующего слоя следует удалить посторонние предметы и крупные включения.

7.28. Гидроизолирующий материал укладывают на подготовленное основание, начиная с низовой (по направлению стока воды) стороны.

Полотнища изола необходимо укладывать внахлестку (5-8 см) и склеивать предварительно нагретым битумом БНД 90/130 (ГОСТ 22245-90 "Битумы нефтяные дорожные вязкие. Технические условия"). Стыки следует уплотнять.

Сваривать полотнища полиэтиленовой пленки можно с помощью горячего воздуха, инфракрасного излучения, ультразвука или аппаратами контактного нагрева. Режимы сварки подбирают опытным путем в зависимости от толщины полиэтиленового материала. Прочность сварного шва должна составлять не менее 60% прочности основного материала. Края свариваемых пленок соединяют между собой внахлестку или Т-образным швом. Ширину нахлеста следует принимать не менее 5 см.

Полотнища можно соединять лентой с липким слоем (СТУ 1422-64). Ширина нахлеста в этом случае 0,15-0,3 м.

Вместо сварки или склеивания полотнищ полиэтиленовой пленки допускается устраивать стыки внахлестку и скручиванием. Ширина нахлеста должна быть не менее 0,5 м. Пленку следует укладывать свободно, без натяжки; в ветреную погоду края полотнищ нужно закреплять. Ходить по полиэтиленовой пленке и изолу можно только в мягкой обуви.

7.29. Полиэтиленовая пленка не должна находится под воздействием прямой солнечной радиации более 2-3 ч, поэтому отсыпку и надвижку грунта следует вести узким фронтом. Изол следует засыпать в день его укладки.

7.30. Пенопласт теплоизолирующих слоев следует укладывать с обеспечением равномерного опирания плит на поверхность песчаного дренирующего (технологического) слоя или на армирующую прослойку. Плиты, находящиеся по краям теплоизолирующего слоя, следует закреплять кольями.

Слой песка над плитами нужно отсыпать на толщину не менее 0,25 м в плотном теле способом "от себя". Допускается отсыпать слой песка толщиной 0,20 см. В этом случае может произойти сжатие пенопласта в среднем на 2 мм.

7.31. При устройстве армирующих прослоек из геотекстильных материалов типа тайпара их полотнища скрепляют скобами при ширине нахлеста 0,1 м. Передвижение транспортных средств или строительных механизмов непосредственно по материалу тайпар не разрешается. Вышележащий слой песка следует устраивать путем надвижки грунта.

ПРИЛОЖЕНИЕ 1

ДЕТАЛЬНОЕ ОБСЛЕДОВАНИЕ ПУЧИНИСТЫХ УЧАСТКОВ

1. Детальное обследование включает виды работ:

- сбор материалов и подготовка, к детальным обследованиям;

- инженерно-геодезические;

- инженерно-геологические.

2. При подготовке к детальным обследованиям особое внимание следует уделять всестороннему изучению материалов, характеризующих обследуемый участок. Следует использовать проектные материалы и материалы возможных предыдущих обследований, данные лабораторных и полевых испытаний грунтов, инвентаризационные и дефектные ведомости, имеющиеся в проектной организации и эксплуатационной службе дороги.

3. При сборе материалов обращают внимание на:

- данные проектной и исполнительной документации по высоте насыпи или глубине выемки, крутизне откосов, виду грунта земляного полотна и его основания, физико-механическим свойствам грунтов, уклонам притрассовых резервов и кюветов, поверхностному водоотводу и дренажу, типу местности по условиям увлажнения, уровню грунтовых вод, типу укрепления обочин и откосов;

- данные эксплуатационных служб о наблюдениях за пучинообразованием, проходом паводков и длительным стоянием поверхностных вод, сведения о выполненных ремонтах и реконструкции дороги, об эффективности применявшихся мероприятий по усилению дороги, по борьбе с пучинами, по повышению устойчивости откосов;

- данные учета состава и интенсивности движения;

- данные ближайших метеостанций о климатических характеристиках расчетного периода года (среднесуточные и среднемесячные температуры, амплитуды их колебания, глубина промерзания, уровень грунтовых вод, влажность грунта и т.д.), подекадное изменение температуры воздуха в зимний период.

4. Собираемая документация оформляется в виде заверенных выписок из соответствующих документов или актами опроса местного населения и работников эксплуатационной службы.

5. Перед началом детального обследования должны быть в необходимом количестве подготовлены:

- инструменты для вскрытия и промеров дорожной одежды (перфораторы, ломы, лопаты, топоры, кувалды, рулетки и др.);

- инструменты для геодезической съемки поперечников (нивелиры, рейки, стальные ленты со штырями, рулетки и др.);

- инструменты для бурения скважин (при отсутствии буровой установки): бур геолога, мотобур, необходимые комплекты штанг, шнеков, буровых наконечников и т.д.;

- оборудование и материалы для отбора проб (бюксы, мешочки для проб, парафин, ведро, паяльная лампа, режущие кольца, изолента, марля, пробоотборники и т.д.);

- приборы для полевого определения физико-механических свойств грунтов (весы с разновесами, прибор Ковалева и др.);

- ограждения, стандартные переносные знаки, красные фонари, дорожные жилеты в соответствии с требованиями правил по технике безопасности.

6. Нивелировочные работы проводят два раза, в весенний и летний период, с целью определения поднятия дорожной одежды при относительно равномерном пучении и при отсутствии явных визуальных примет пучинообразования (см. п. 2.1.2). Существование относительно равномерного пучения может быть выявлено на данном участке или вблизи него по наличию деформаций пучения в виде перепадов (см. 2.1.3).

7. Перед проведением нивелировочных работ выбирают вблизи участка наблюдений репер, высотное и плановое положение которого не изменяется в процессе промерзания-оттаивания. В качестве репера могут быть использованы устои моста, оголовки трубы, цоколь здания с фундаментом, заложенным ниже границы промерзания, оголовок Сваи, смотровые колодцы. При отсутствии указанных сооружений ниже глубины промерзания закладывают специальный репер, конструкция которого показана на рис. 1.1.

8. Нивелировку проводят по поперечникам, закладываемым на характерных участках через 10 м, но не менее 3-х поперечников на участке пучинообразования.

Внутри поперечников отсчеты производят по характерным точкам (бугор, впадина, перепад), но не реже чем через 1,0 м. Во избежание нарушения картины пучения не следует размещать точки снятия отсчетов в выбоинах и колеях.

9. Результаты заносят в обычные журналы нивелировочных работ с составлением плана расположения точек отсчетов на поперечниках.

Рис. 1.1. Схема конструкции репера для нивелировочных работ на пучинистых участках:

1 - цементобетонная плита 500х500х150;

2 - неподвижная труба;

3 - подвижная труба;

4 - заглушка;

Нзагл. - заглубление в непромерзающий грунт;

Нпр. - глубина промерзания грунта;

Нр. - высота репера (неподвижной трубы);

Нп - высота подвижной трубы над поверхностью земли

10. Обработка результатов нивелировки заключается в определении средней величины пучения (hпуч.ср.), максимальной величины пучения (hпуч.макс), минимальной величины пучения (hпуч.мин) на участке, коэффициента пучения (Кпуч) и коэффициента неравномерности пучения(Кнер.пуч.). При наличии данных о глубине промерзания грунтов на пучинистом участке определяют относительную деформацию морозного пучения грунтов (efh).

11. Величину пучения находят в данной точке по формуле

hпуч.=hзим.(весен.)-hлет.(осен),                                            (1.1)

где h зим.(весен.), - отметка точки в зимне-весенний период;

h лет.(осен) - то же, в летне-осенний период.

12. Среднюю величину пучения определяют по формуле

                                                     (1.2)

где Shпуч - сумма величин пучения в каждой точке по поперечникам на данном участке;

N - количество точек на участке.

13. Относительную деформацию морозного пучения грунтов определяют по формуле

                                                         (1.3)

где hпромерз - глубина промерзания.

14. Коэффициент неравномерности пучения определяют по формуле

где hмакс и hмин – см. п. 10.

Допустимая величина коэффициента для дорог с асфальтобетонным покрытием Кнер.пуч.=0,35.

15. Грунтовые и гидрогеологические исследования на участке детального обследования производят путем проходки шурфов и скважин на поперечниках, их описания, проведения полевых испытаний или отбора проб для лабораторных испытаний.

16. Буровые скважины проходят с помощью передвижных буровых установок, мотобуров или буров геолога в теле насыпи и у ее подошвы.

17. При высоте насыпи до 2 м шурфы или скважины проходят на всю высоту насыпи, но не менее глубины промерзания плюс 1,0 м. При высоте насыпи 2 м и более все скважины в теле насыпи проходят на глубину промерзания плюс 1,0 м.

18. Глубина бурения у подошвы насыпи должна составлять:

- для глин, суглинков тяжелых и тяжелых пылеватых - глубина промерзания плюс 2,5 м;

- для суглинков легких, легких пылеватых, супесей тяжелых пылеватых - глубина промерзания плюс 2,0 м;

- для супесей легких, супесей легких крупных и песков пылеватых - глубина промерзания плюс 1,5 м.

19. Буровые скважины или шурфы проходят для определения грунтово-гидрогеологических условий под проезжей частью, на обочине (при необходимости) и в основании земляного полотна. Одной из основных задач обследования земляного полотна является определение уровня грунтовых вод.

Расчетный уровень грунтовых вод следует определять в соответствии с п. 2.3.7 "Руководства по совершенствованию методов регулирования и обеспечения требуемого водно-теплового режима земляного полотна на эксплуатируемых автомобильных дорогах".

20. Для уточнения границ однородного участка между скважинами на обочинах вдоль дороги проходят мелкие шурфы (закопушки) глубиной 0,5 - 0,7 м.

21. Физические свойства грунтов земляного полотна определяют путем проведения лабораторных анализов проб грунта, отобранных из скважин (шурфов).

22. Пробы грунта отбирают послойно из каждого типа грунта, встреченного скважиной (шурфом), но не реже, чем через 0,5 м по глубине. При этом первую пробу грунта земляного полотна после опробования дренирующего слоя дорожной одежды берут на глубине не более 0,3 м, считая от подошвы дренирующего слоя.

23. Порядок отбора проб грунта производят в соответствии с ГОСТ 12071 -84 "Грунты. Отбор, упаковка, транспортирование и хранение образцов".

24. Количество проб, необходимое для статистической обработки результатов, определяется ГОСТ 20522-96 "Грунты. Метод статистической обработки результатов определений характеристик" и "Пособием по проектированию оснований зданий и сооружений (к СНиП 2.02.01-84)".

25. Отобранные пробы грунтов подвергаются лабораторным испытаниям. Для песчаных грунтов, в том числе из песчаного дренирующего слоя, определяют:

- гранулометрический состав (ГОСТ 12536-79 "Грунты. Методы лабораторного определения гранулометрического (зернового) и микроагрегатного состава");

- коэффициент фильтрации (Изменение № 1 к ГОСТ 25584-90 "Грунты. Метод лабораторного определения коэффициента фильтрации").

Для связных грунтов определяют:

- гранулометрический состав (ГОСТ 12536-79 "Грунты. Методы лабораторного определения гранулометрического (зернового) и микроагрегатного состава)";

- естественную влажность и плотность (удельный вес) (ГОСТ 5180-84 "Грунты. Метод лабораторного определения физических характеристик" или в полевых условиях с помощью прибора Ковалева);

- в пределах рабочего слоя определяют средневзвешенную влажность по высоте по формуле

                                         (1.4)

где Wi - влажность в пределах слоя толщиной hi;

- влажность на пределе раскатывания (ГОСТ 5180-84 "Грунты. Метод лабораторного определения физических характеристик");

- влажность на пределе текучести (ГОСТ 5180-84);

- максимальную плотность и оптимальную влажность (ГОСТ 22733-77 "Грунты. Метод лабораторного определения максимальной плотности").

26. Пробы для определения влажности грунтов отбирают в бюксы. Объем отдельных проб для определения всех остальных физических свойств грунтов должен составлять не менее 2 кг.

27. Статистическую обработку результатов лабораторных испытаний проводят в соответствии с ГОСТ 20522-96 "Грунты. Метод статистической обработки результатов определений характеристик".

28. По результатам испытаний определяют фактическую относительную влажность Wф грунтов по формуле

Wф = W/WL,                                                       (1.5)

где W - естественная влажность грунта на момент проведения детального обследования;

WL - влажность на границе текучести.

29. По результатам полевых наблюдений (УГВ, длительно стоящие поверхностные воды и т.д.) определяют тип местности по условиям увлажнения рабочего слоя земляного полотна согласно табл. I приложения 2 СНиП 2.05.02-85 и раздела 2.3. "Руководства по совершенствованию методов регулирования и обеспечения требуемого водно-теплового режима земляного полотна на эксплуатируемых автомобильных дорогах".

30. По результатам испытаний гранулометрического состава грунта и его числа пластичности определяют тип грунта, а также с использованием других необходимых данных (типа местности по условиям увлажнения, дорожно-климатическая зоны, уровня проектной надежности и др.) и в соответствии с приложением 2 ВСН 46-83 "Инструкция по проектированию дорожных одежд нежесткого типа" определяют расчетную влажность грунта.

31. Если при обследовании в расчетный период фактическая влажность грунта Wф по п. 28 не совпадает со значением расчетной влажности по п. 30, за расчетную влажность принимают максимальное значение.

32. Наряду с обследованием пучинистого участка необходимо определить границы здоровых участков дороги, выявить на них конструкцию дорожной одежды и грунтово-гидрологические условия, определить модуль упругости. Определение приведенного фактического модуля упругости возможно выполнить по формуле 3.9 ВСН 52-89 "Указания по оценке прочности и расчету усиления нежестких дорожных одежд".

33. Помимо указанных данных для разработки ремонтных мероприятий приводят описание состояния дренажных сооружений и водоотвода.

ПРИЛОЖЕНИЕ 2

Перечень основных отечественных гидроизоляционных материалов

Материалы

Марка

Прочность при разрыве

Морозостойкость,

 °С

1

2

3

4

Термопластики (безосновные резинобитумные рулонные материалы)

Изол ГОСТ 10296-79

И-БД, И-ПД

0,55-0,6 МПа

-45

Бризол ГОСТ 17176-71

БР-С, БР-П

0,8 МПа

-15 - -20

Борулин

Б

30 н/ см

-20 - -30

Гидроизоляционный материал на основе полипропилена

ГМП-8, -10, 12

1-1,2 МПа

-30

Пленки (полимерные безосновные рулонные материалы)

Полиэтиленовая ГОСТ 10354-82

В, Н, СК, СИК, СТ, Т, М, СМ

10-45 МПа

-60 - -70

Поливинилхлоридная пластифицированная ГОСТ 16272-79

В, М-40, М-50, Э, С, Ф, Г, К

10-50 МПа

-20 - -50

Поливинилхлоридная ГОСТ 25250-82

П-74,ЭМ

29,4-39,2 МПа

-30

Полиамидная

А, Б, В

15-25 МПа

-20

Армодор-2 ТУ-63-178-112-87

-

39-60 н/см

-20

Основные рулонные материалы

Гидроизол ГОСТ 7415-86

ГИ-Г

60-70 н/см

-15

Рубероид ГОСТ 10923-82

РКП-350 а, б, РПП-300а, б, РПЗ-300

50-70 н/см

-15

Стеклорубероид ГОСТ 15879-70

С-РМ

60 н/см

-15

Бумага двуслойная упаковочная по ГОСТ 8828-75, обработанная битумом

-

70 н/см

-20

ПРИЛОЖЕНИЕ 3

Перечень основных отечественных защитно-дренирующих геотекстильных материалов

Материал

Ориентировочные характеристики

1.

Дорнит по ТУ 63.032-19-89, тип 1-3, нетканый, игло-пробивной из смеси волокон

Кф ³ 100 м/сут, b до 2,5 м, q = 500 г/м2

2.

Нетканый иглопробивной материал из капроамида по ТУ 6-06-С 105-84

b = 2,5 - 3,5 м, Кф = 80 м/сут

3.

Армодор Зс по ТУ 17-28-ОП-89 или по ТУ 17-14-255-Д иглопробивной, термоскрепленный

b £ 4,0 м, Кф = 40 м/сут, q = 160 г/м2

4.

Нетканый иглопробивной из полипропиленовых волокон по ТУ 6-06-С254-88

b = 2,5 м, Кф = 10 м/сут, q = 500 г/м2

5.

Нетканый конструкционный материал типа КМ

b = 2,4 м, Кф = 100 м/сут, q = 600 г/м2

Примечание:

b - ширина полотна; Кф - коэффициент фильтрации; q - поверхностная плотность

ПРИЛОЖЕНИЕ 4

ОПРЕДЕЛЕНИЕ ПОНИЖЕНИЯ УРОВНЯ ГРУНТОВЫХ ВОД С ПОМОЩЬЮ ТРАНШЕЙНОГО ДРЕНАЖА

Понижение DНугв уровня грунтовых вод (УГВ) при использовании траншейного дренажа (подкюветного или прикромочного) определяют с помощью номограмм на рис. 4.1 - 4.4. Каждый из этих рисунков относится к одной из разновидностей дренажа (совершенный, несовершенный, односторонний, двусторонний).

Совершенный дренаж в данном случае - это когда основание дренажа доходит до грунта, являющегося водоупором для всех вышерасположенных грунтов, подлежащих осушению. Несовершенный дренаж - основание дренажа не доходит до водоупора.

Определение DНугв выполняют в зависимости от:

- расстояния L от траншеи до оси земляного полотна для двустороннего или до дальней кромки проезжей части для одностороннего дренажа;

- вида грунта (каждому из них соответствует определенная шкала L1 – L6);

- расстояния DНт от начального УГВ до дна дренажной траншеи;

- расстояния Т от дна траншеи до водоупора (для совершенного дренажа Т = 0).

На рисунках, соответствующих несовершенному дренажу, каждому из выделенных значений DНт (от 1 до 4-4,5 м) соответствуют три кривых различных значений Т (1, 2, 3 м).

Для определения DНугв из точки на одной линии L (в зависимости от грунта L1 – L6), соответствующей реальному расстоянию от траншеи до оси дороги (для двустороннего дренажа) или до дальней кромки проезжей части (для одностороннего дренажа) проводят вертикальную прямую до кривой, соответствующей требуемым значениям DНт и Т. От точки пересечения проводят горизонтальную прямую до пересечения с осью ординат, на которой считывают искомое значение DНугв.

Рис. 4.1. Номограмма к расчету понижения УГВ (DНугв) для двустороннего несовершенного дренажа.
Шкалы расстояний: L, м; L1 - для песка; L2 - супеси; L3 - торфа слаборазложившегося; L4 - суглинка; L5 - торфа сильноразложившегося; L6 - глины. Цифры на кривых - величина Т, м.

Рис. 4.2. Номограмма к расчету (DНугв) для одностороннего несовершенного дренажа (обозначения см. на рис. 4.1.)

Рис. 4.3. Номограмма к расчету (DНугв) для двустороннего совершенного дренажа (обозначения см. на рис. 4.1.)

Рис. 4.4. Номограмма к расчету (DНугв) для одностороннего совершенного дренажа (Т=0), (обозначения см. на рис. 4.1.)

ПРИЛОЖЕНИЕ 5

РАСЧЕТ ПРИКРОМОЧНОГО ПРОДОЛЬНОГО ДРЕНАЖА И ПОПЕРЕЧНОГО ДРЕНАЖА МЕЛКОГО ЗАЛОЖЕНИЯ

Исходными данными для расчета являются значения пути фильтрации Lф, уклона iзп верха земляного полотна, коэффициента фильтрации Кg геотекстильного материала (ГМ) и коэффициента фильтрации Кф дренирующего материала (песка и др.).

При расчете прикромочного продольного дренажа за величину пути фильтрации Lф принимают расстояние от оси дороги до дренажа, а за величину уклона iзп - поперечный уклон верха земляного полотна.

При расчете поперечного дренажа за величину пути фильтрации Lф принимают расстояние между поперечными дренами, а за величину уклона iзп - продольный уклон верха земляного полотна.

Расчет проводят в следующей последовательности:

- определяют в соответствии с требованиями п.п. 5.14 - 5.16 Инструкции ВСН 46-83 значения удельного расхода воды q (л/м2 сут), поступающей в дренирующий слой дорожной одежды;

- по номограммам (рис. 5.1 - 5.8) определяют значения глубины фильтрационного потока h при фактических значениях q, Кg, Кф, iзп;

- вычисляют отношение глубины фильтрационного потока к длине пути фильтрации (h / Lф);

- по номограмме (рис. 5.9) определяют степень увлажнения С, которая соответствует удельному расходу воды, отводимой песком толщиной hзап;

- в соответствии с п. 5.4 ВСН 46 - 83 задаются толщиной запаса песка hзап;

- для вычисленной степени увлажнения С по номограммам (рис. 5.10-5.12) определяют глубину фильтрационного потока hр с учетом движения воды в капиллярной зоне hзап;

- находят общую толщину песка по формуле

hдр = hр + hзап.

В случае, если по расчету hдр < 0,20 м, общая толщина песка принимается равной hдр = 0,20 м.

Рис. 5.1. Номограммы для расчета дренирующих слоев с ГМ:

у кривых дано значение коэффициента фильтрации Кф дренирующего материала:

______ для случая Kg = 20 м/сут,

- - - - - для случая Kg = 20 м/сут.

Рис. 5.2. Номограммы для расчета дренирующих слоев с ГМ:

у кривых дано значение коэффициента фильтрации Кф дренирующего материала

____ для случая Kg = 20 м/сут (а), Kg = 60 м/ сут (б, в);

- - - - - для случая Kg = 40 м/ сут (а), Kg = 80 м/сут (б, в, г)

Рис. 5.3. Номограммы для расчета дренирующих слоев с ГМ:

у кривых дано значение коэффициента фильтрации Кф дренирующего материала:

______ для случая Kg = 20 м/ сут (в, г), Kg = 60M/сут (a, 6);

- - - - - - для случая Kg = 40 м/ сут (в, г), Kg = 80M/сут (a, 6)

Рис. 5.4. Номограммы для расчета дренирующих слоев с ГМ:

у кривых дано значение коэффициента фильтрации Кф дренирующего материала:

______для случая Кg = 20 м/сут (а, б, в), Кg = 60 м/сут (г);

- - - - - -для случая Кg = 40 м/сут (а, б, в), Кg = 80 м/сут (г)

Рис. 5.5. Номограммы для расчета дренирующих слоев с ГМ:

у кривых дано значение коэффициента фильтрации Кф дренирующего материала:

_______ для случая Кg =60 м/сут,

- - - - - - для случая Кg = 80 м/сут

Рис. 5.6. Номограммы для расчета дренирующих слоев с ГМ:

у кривых дано значение коэффициента фильтрации Кф дренирующего материала:

_______ для случая Кg = 20 м/сут,

- - - - - -для случая Кg = 40 м/сут

Рис. 5.7. Номограммы для расчета дренирующих слоев с ГМ:

у кривых дано значение коэффициента фильтрации Кg дренирующего материала:

________ для случая Кg =60 м/сут,

- - - - - - для случая Kg =80 м/сут

Рис. 5.8. Номограммы для расчета дренирующих слоев с ГМ:

у кривых дано значение коэффициента фильтрации Кф дренирующего материала:

______ для случая Кg = 20 м/сут (б). Кф = 60 м/сут (а);

- - - - - для случая Кg = 40 м/сут (б). Кф = 80 м/сут (а);

Рис. 5.9. Номограмма для расчета дренирующего слоя:

ha - расчетная глубина фильтрационного потока свободной воды;

Lф - длина пути фильтрации;

i - поперечный уклон верха земляного полотна;

С - коэффициент увлажнения

Рис. 5.10. Номограмма для расчета дренирующих слоев с учетом фильтрации в капиллярной зоне:

на кривых дано обозначение поперечного уклона

Рис. 5.11. Номограмма для расчета дренирующих слоев с учетом фильтрации в капиллярной зоне:

на кривых дано обозначение поперечного уклона

Рис. 5.12. Номограмма для расчета дренирующих слоев с учетом фильтрации в капиллярной зоне:

на кривых дано обозначение поперечного уклона

ПРИЛОЖЕНИЕ 6

ОПРЕДЕЛЕНИЕ НЕОБХОДИМОЙ ТОЛЩИНЫ МОРОЗОЗАЩИТНОГО СЛОЯ

Расчет толщины морозозащитного слоя (hмз, м) проводят в следующем порядке.

1. Определяют по карте номер изолинии (см. п. 1, раздел 2.3).

2. Вычисляют по формуле (1) термическое сопротивление дорожной одежды, запроектированной по условиям прочности на пучинистом участке дороги.

3. Вычисляют значение показателя пучинистости грунта (см. п. 5 раздел 2.3).

4. Задаются толщиной дорожной одежды (hод, м) вместе с морозозащитным слоем.

5. Определяют по табл. 4 значение коэффициента Ср при заданной толщине дорожной одежды и допустимой глубине промерзания земляного полотна hпр(доп) = 0-50 см. При толщине дорожной одежды, отличающейся от указанных в табл. 4 значений, следует принимать значение Ср по интерполяции между соответствующими величинами.

6. Вычисляют величину hпуч/(СпучСр) и при этой величине определяют по номограмме (рис. 3) допустимое значение глубины промерзания hпр(доп). Если эта глубина больше 50 см, нужно уточнить значения Ср по табл. 4 в зависимости от величины hпр(доп), полученной по номограмме. При определении толщины морозозащитного слоя hмз(а) в местах сопряжения со здоровым участком принимают величину hпуч = hпуч(а), которая равна hпуч(зд), полученной по формуле (3). При определении толщины морозозащитного слоя hмз(в) в зоне длиной jв принимают величину hпуч, равную значению пучения грунта hпуч(в) по п. 5.8.

7. Определяют требуемое термическое сопротивление дорожной одежды (Rод(тр), м2 К/Вт) на пучинистом участке. Для этого предварительно устанавливают по номограмме (рис. 3) значение выражения В = Rод(тр)/ (Код × Кувл.) в зависимости от типа увлажнения рабочего слоя земляного полотна, глубины залегания подземных вод (Нg, м) от низа дорожной одежды, номера изолинии на карте, допустимого значения пучения грунта, показателя пучинистости грунта (Спуч), коэффициента (Ср), учитывающего влияние давления от веса дорожной одежды и мерзлых слоев земляного полотна на величину пучения грунта. Затем определяют требуемое термическое сопротивление дорожной одежды на пучинистом участке дороги: Rод(тр) = В ×Код. × Кувл.

8. Определяют необходимую толщину морозозащитного слоя по формуле

hмз = (Rод(тр)-Rод(0)) × lмз.,                                             (6.1)

где lмз - коэффициент теплопроводности морозозащитного слоя в мерзлом состоянии, Вт / (м К).

9. Вычисляют общую толщину дорожной одежды вместе с морозозащитным слоем

hод = hод(0) + hмз.,                                                            (6.2)

где hод(0) - толщина дорожной одежды, необходимая по условиям прочности, м.

Сравнивают заданное значение hод, которое было принято в начале расчета, с величиной hод, полученной по формуле (6.2). При разнице между ними не более 5% расчет толщины морозозащитного слоя можно считать законченным. В противном случае нужно задаться новым значением hод и повторить расчет. При необходимости такой расчет повторяют несколько раз до тех пор, пока разница между заданным значением hод и полученным по формуле (6.2) не будет превышать 5%.

ПРИЛОЖЕНИЕ 7

МАТЕРИАЛЫ И ГРУНТЫ ДЛЯ УСТРОЙСТВА МОРОЗОЗАЩИТНЫХ СЛОЕВ

Для устройства морозозащитных слоев нужно применять материалы, используемые в конструкциях дорожных одежд для устройства покрытий и оснований, а при полном переустройстве дорожной одежды - непучинистые грунты и материалы (степень пучинистости менее 1,0%), которые отвечают нормативным требованиям по прочности и морозостойкости.

Указанным требованиям удовлетворяют пески следующего гранулометрического состава:

пески, содержащие зерна размером менее 0,14 мм не более 25% по массе, пылевидноглинистых частиц не более 5%, в том числе глинистых частиц для природного песка не более 0,5% и для дробленного - не более 1% по массе;

пески гравелистые, крупные и средней крупности с содержанием частиц мельче 0,05 мм до 2%.

Для решения вопроса о возможности использования песков другого гранулометрического состава нужно проводить их испытание на пучинистость согласно ГОСТ 28622-90 "Грунты. Метод лабораторного определения степени пучинистости".

Морозозащитный слой из песка может одновременно выполнять функцию дренирующего слоя. В этом случае пески должны удовлетворять нормативным требованиям по величине коэффициента фильтрации, который нужно определять согласно Изменения № 1 к ГОСТ 25584-90 "Грунты. Методы лабораторного определения коэффициента фильтрации". При совмещении функций морозозащитного и дренирующего слоя коэффициент фильтрации песка должен быть не менее 2 м/сут.

Для устройства морозозащитных слоев можно применять песчано-гравийные (песчано-щебеночные) смеси, отвечающие требованиям ГОСТ 25607-94 и табл. 7.1. Щебень (гравий), содержащийся в смесях, должен иметь марку по прочности не ниже 200 (Др. 24 для гравия или щебня из гравия) на дорогах I-III категорий.

Таблица 7.1

Номер сита

Полный остаток, % по массе, на ситах размером отверстий, мм

70

40

20

10

5

2,5

0,63

0,16

0,05

1

0

10-20

20-40

25-65

40-75

60-85

70-90

90-95

97-100

2

0

0-5

0-10

10-40

30-70

45-80

60-85

75-92

97-100

Для устройства морозозащитных слоев можно применять гравийные (дресвяные) грунты с заполнителем до 10%.

В районах, не обеспеченных непучинистыми зернистыми грунтами следует применять для устройства морозозащитных слоев грунты, укрепленные вяжущими, II и III классов прочности, показатели которых должны соответствовать табл. 35 и табл. 40 СНиП 2.05.02-85.

ПРИЛОЖЕНИЕ 8

ОПРЕДЕЛЕНИЕ НЕОБХОДИМОЙ ТОЛЩИНЫ ТЕПЛОИЗОЛИРУЮЩЕГО СЛОЯ

Расчет толщины теплоизолирующего слоя из пенопласта стайрофоум (hп, см) проводят в следующем порядке.

1. Определяют по карте номер изолинии (см. п. 1, раздел 2.3).

2. Вычисляют по формуле (1) термическое сопротивление дорожной одежды, запроектированной по условиям прочности.

3. Определяют по табл. 8.1 значение показателя пучинистости грунта Спуч.

Таблица 8.1

Грунт

Значения показателя Спуч (величина над чертой) и коэффициента Ср (под чертой) при глубине промерзания hпр(доп) по рис.3

0 - 50 см

51 100 см

101-160 см

Песок пылеватый

1,5/0,60

1,5/0,52

1,5/0,46

Супесь легкая песчанистая

1,0/0,70

1,0/0,59

1,0/0,51

Супесь пылеватая

1,5/0,72

1,5/0,63

1,5/0,54

Супесь пылеватая с содержанием песчаных частиц менее 20%

2,0/0,73

2,0/0,64

2,0/0,55

Суглинок легкий песчанистый

1,0/0,81

1,0/0,74

1,0/0,69

Суглинок легкий пылеватый

2,0/0,81

2,0/0,69

2,0/0,62

Суглинок тяжелый песчанистый

1,0/0,83

1,0/0,76

1,0/0,71

Суглинок тяжелый пылеватый

1,5/0,83

1,5/0,71

1,5/0,64

Глина

1,0/0,87

1,0/0,83

1,0/0,80

4. Определяют по табл. 8.1 значение коэффициента Ср при допустимой глубине промерзания земляного полотна hпр(доп) = 0 - 50 см.

5. Принимая hпуч =lоп, вычисляют величину hпуч / (Спуч × Ср) и при этой величине определяют по номограмме (рис. 3) допустимое значение глубины промерзания hпр(доп). Если эта глубина больше 50 см, нужно уточнить значение С по табл. 8.1 в зависимости от величины hпр(доп), полученной по номограмме. При определении толщины теплоизолирующего слоя hп(а) в местах сопряжения со здоровым участком принимают величину lдоп равную значению hпуч.(а), полученному по формуле (3).

При определении толщины теплоизолирующего слоя hп(в) в зоне длиной jв принимают величину lдоп., равную значению пучения грунта hпуч.(в) по п. 5.8.

6. Определяют по табл. 8.2 значение термического сопротивления дорожной одежды, при котором не происходит промерзание земляного полотна (Rод(мах), м2K/Bт). Это следует делать в том случае, когда нужно, чтобы hпуч = 0. В этом случае следует принимать Rод(тр) = Rод(мах).

Таблица 8.2

Номер изолинии на карте

I

II

III

IV

V

VI

VII

VIII

IX

X

Rод(мах), м2 К/Вт

1,05

1,40

1,65

1,95

2,20

2,40

2,65

2,90

3,05

3,25

7. Определяют по номограмме (рис. 8.1) необходимую толщину теплоизолирующего слоя из пенопласта стайрофоум (hп, см) в зависимости от требуемого термического сопротивления дорожной одежды (Rод(тр)) и термического сопротивления дорожной одежды без теплоизолирующего слоя (Rод(0), формула (1)).

При расположении рассматриваемого участка дороги между изолиниями на карте (рис. 2) определяют два значения hп, соответствующих этим изолиниям. Искомое значение hп определяют методом интерполяции в зависимости от расстояния рассматриваемого участка до одной из изолиний.

Рис. 8.1. График для определения необходимой толщины теплоизолирующего слоя (hп): Rод(тр) - требуемое термическое сопротивление дорожной одежды;

Rод(0) - термическое сопротивление дорожной одежды без теплоизолирующего слоя.

ПРИЛОЖЕНИЕ 9

ПРИМЕРЫ РАСЧЕТА МОРОЗОУСТОЙЧИВОСТИ ДОРОЖНОЙ КОНСТРУКЦИИ

1. Определение источников переувлажнения грунта

Исходные данные. Дорога проходит в низкой насыпи в районе Москвы при наличии верховодки на глубине 0,5 м от низа дорожной одежды. Конструкция дорожной одежды состоит из следующих слоев: плотный асфальтобетон толщиной 0,05 м, высокопористый асфальтобетон - 0,15 м, известняковый щебень - 0,30 м, среднезернистый песок - 0,20 м. Под дорожной одеждой залегают тяжелые пылеватые суглинки. Дорожная одежда разрушена в результате морозного пучения грунта.

Нужно определить источник переувлажнения грунта. Для этого следует провести расчет величины пучения грунта согласно методики, представленной в разделе 2.3.

В соответствии с п. 1, раздела 2.3 номер изолинии, которая проходит через рассматриваемый участок равен V.

В соответствии с п. 2 раздела 2.3 термическое сопротивление дорожной одежды равно

В соответствии с п. 3 раздела 2.3 величина Rод(тр) / (Код× Kyвл) = 0,49 / (0,90 1,0) = 0,54 м2К/Вт.

В соответствии с п. 4 раздела 2.3 имеем, что hпр(доп) > 100 см.

В соответствии с п. 5 раздела 2.3 имеем, что Спуч = 1,35.

В соответствии с п. 6 раздела 2.3 значение коэффициента Ср равно 0,73 для суглинка тяжелого пылеватого при толщине дорожной одежды 0,70 м и глубине промерзания более 100 см.

В соответствии с п. 7 раздела 2.3 имеем, что А = 13.

В соответствии с п. 8 раздела 2.3 величина пучения грунта равна

hпуч = 13 1,35 0,73=12,8 см.

В соответствии с п. 1.1 допустимая величина пучения Lдоп. = 1доп. Сдоп. = 4 1,04 = 4,2 см.

При hпуч = 12,8 см >Lдоп =4,2 см

верховодка является источником переувлажнения грунта рабочего слоя земляного полотна.

2. Назначение допускаемой величины пучения грунта

Нужно назначить допустимую величину пучения грунта для участка дороги, описанному в п. 1. Для этого следует предварительно вычислить величину пучения грунта на соседнем здоровом участке дороги. Этот здоровый участок характеризуется теми же показателями, что и пучинистый участок. Разница только в том, что нет верховодки, а участок дороги относится к 1-му типу увлажнения земляного полотна. Расчет проводим как и ранее согласно методике, представленной в разделе 2.3.

В соответствии с п. 1, раздела 2.3 номер изолинии, которая проходит через рассматриваемый участок, равен V.

В соответствии с п. 2 раздела 2.3 термическое сопротивление дорожной одежды равно Rод(0) = 0,49 м2 К/Вт.

В соответствии с п. 3 раздела 2.3 величина Rод(тр)/(KодKyвл) = 0,49 / (0,90 0,40) = 1.36 м2К/Вт.

В соответствии с п. 4 раздела 2.3 имеем, что глубина промерзания грунта находится в пределах hпр(доп) = 0¸50 см.

В соответствии с п. 5 раздела 2.3 имеем, что Спуч = 1,35.

В соответствии с п. 6 раздела 2.3 имеем, что Ср = 0,81.

В соответствии с п. 7 раздела 2.3 имеем, что А = 1,1.

В соответствии с п. 8 раздела 2.3 величина пучения грунта на здоровом участке дороги равна

hпуч =1,1 × 1,35 × 0,81 =1,2 см.

Допустимая величина пучения в местах сопряжения со здоровым участком дороги принимается равной lдоп =1,2 см.

В соответствии с п. 1 допустимая величина пучения в средней части ремонтируемого участка равна 4,2 см.

3. Определение необходимой толщины морозозащитного слоя

Нужно определить необходимую толщину морозозащитного слоя из среднезернистого песка на пучинистом участке дороги, описанном в п. 1. По условиям прочности конструкция дорожной одежды на участке ремонта (реконструкции) дороги такая же как на здоровом участке дороги. Дополнительная толщина морозозащитного слоя должна быть такой, чтобы величина пучения грунта не превышала 4,2 см.

Расчет проводим согласно методике изложенной в приложении 6.

В соответствии с п. 1 указанной методики номер изолинии, которая проходит через рассматриваемый участок, равен V.

В соответствии с п. 2 термическое сопротивление дорожной одежды без морозозащитного слоя равно Rод(0) = 0,49 м2К/Вт.

В соответствии с п. 3 имеет, что Спуч =1,35.

В соответствии с п. 4 нужно задаться толщиной дорожной одежды вместе с морозозащитным слоем. Принимаем hод =1,50 м.

В соответствии с п. 5 имеем, что Ср = 0,70.

Принимая hпуч = 1доп, вычисляем величину

hпуч /(Спуч × Ср) = 4,2 /(1,35 0,70) = 4,4.

При этой величине определяем по номограмме (рис. 3) допустимое значение глубины промерзания грунта hпр(доп) = 70 см. При этой глубине промерзания уточняем по табл. 4 значение коэффициента Ср. Из таблицы следует, что значение этого коэффициента то же, что и принятое ранее в расчет.

В соответствии с п. 7 определяем требуемое термическое сопротивление дорожной одежды.

По табл. 2 имеем, что Код = 0,90 и Кувл = 1,0.

При hпуч / (Спуч × Ср) = 4,4, Нg = 0,5 м и номере изолинии на карте, равном V, имеем

Rод(тр)/(Код×Кувл)=0,98 м2К/Вт (см. рис. 3), откуда Rод(тр)= 0,88 м2К/Вт

В соответствии с п. 8 определяем необходимую толщину морозозащитного слоя из среднезернистого песка.

По табл. 1 имеем, что lмз = 2,0 Вт/ мК.

По формуле (6.1) имеем                         hмз = (0,88 - 0,49) 2,0 = 0,78 м.

В соответствии с п. 9 вычисляем общую толщину дорожной одежды вместе с морозозащитным слоем.

По формуле 6.2 имеем                           hод = 0,70 + 0,78 = 1,48 м

Сравниваем заданное значение hод, которое было принято в начале расчета, с величиной hод, полученной по формуле 6.2. Задано hод = 1,50 м, получено hод = 1,48 м.

Разница между заданием и полученным значением толщины дорожной одежды не превышает 5%. Следовательно расчет толщины морозозащитного слоя закончен.

Необходимая толщина морозозащитного слоя равна 0,80 м.

4. Определение необходимой толщины теплоизолирующего слоя

Нужно определить необходимую толщину теплоизолирующего слоя из пенопласта стайрофоум на пучинистом участке дороги, описанном в п. 1. По условиям прочности конструкция дорожной одежды на участке ремонта (реконструкции) дороги такая же, как на здоровом участке дороги.

Расчет проводим согласно методике, изложенной в приложении 8.

В соответствии с п. 1 указанной методике номер изолинии, которая проходит через рассматриваемый участок дороги, равен V.

В соответствии с п. 2 термическое сопротивление дорожной одежды без теплоизолирующего слоя равно Rод(0) = 0,49 м2K/Bт.

В соответствии с п. 3 имеем, что Спуч =1,5.

В соответствии с п. 4 имеем, что Ср = 0,83.

В соответствии с п. 5 вычисляют величину

hпуч/(Cпуч×Cр)= 4,2/(1,5×0,83) =3,4.

При этой величине определяем по номограмме (рис. 3) допустимое значение глубины промерзания hпр(доп) = 60 см. При этой глубине промерзания уточняем по табл. 8.1 значение коэффициента Ср. Из таблицы следует, что значение этого коэффициента равно Ср = 0,78.

В соответствии с п. 3 раздела 2.3 определяем требуемое термическое сопротивление дорожной одежды (Rод(тр), м2К/Вт). По табл. 2 имеем, что Код = 0,90 и Кувл =1,0

При hпуч/(Спуч×Ср) = 3/4, Hg = 0,5 м и номере изолинии на карте равном V имеем

Rод(тр)/(Код×Кувл) = 0,98 м2Вт (см. рис. 3).

В соответствии с п. 8 определяем по номограмме (рис. 8.1) необходимую толщину теплоизолирующего слоя из пенопласта стайрофоум (hп, см). При требуемом значении термического сопротивления дорожной одежды равном Rод(тр) = 0,98 м2К/Вт и величине термического сопротивления дорожной одежды без теплоизолирующего слоя Rод(0) = 0,49 м2К/Вт получаем по номограмме (рис. 8.1), что толщина теплоизолирующего слоя равна h =2,5 см.

5. Определение длины переходной зоны

Нужно определить длину переходной зоны на пучинистом участке дороги, описанном в п. 1. Расчет проводим по формуле (4):

jпз = (4,2-1,2)/0,2=15м.

ПЕРЕЧЕНЬ ИСПОЛЬЗУЕМЫХ НОРМАТИВНО-ТЕХНИЧЕСКИХ ДОКУМЕНТОВ

СНиП 2.05.02-85. Автомобильные дороги/Госстрой СССР. - Введ. 01.01.87. - М., 1986.

СНиП 3.06.03-85. Автомобильные дороги / Госстрой СССР. - Взамен СНиП III-40-78; Введ. 01.01.86 - М., 1986.

Инструкция по проектированию дорожных одежд нежесткого типа: ВСН 46-83 / Минтрансстрой. - М.: Транспорт, 1985.

Типовая инструция по техническому учету и паспортизации автомобильных дорог общего пользования: ВСН 1-83/Минавтодор РСФСР. - М.: Транспорт, 1984.

Классификация работ по ремонту и содержанию автомобильных дорог общего пользования / ФДС России, 1997.

Руководство по сооружению земляного полотна автомобильных дорог/ Минтрансстрой. - М.: Транспорт, 1982.

Указания по оценке прочности и расчету усиления нежестких дорожных одежд: ВСН 52-89/ Минавтодор РСФСР. - М., 1989.

Пособие по проектированию методов регулирования водно-теплового режима верхней части земляного полотна (к СНиП 2.05.02-85)/ Минтрансстрой. - М.: Стройиздат, 1989.

Руководство по совершенствованию методов регулирования и обеспечения требуемого водно-теплового режима земляного полотна на эксплуатируемых автомобильных дорогах/ Минтранс России, 1995.

Технические правила ремонта и содержания автомобильных дорог: ВСН 24-88/ Минавтодор РСФСР. - М., 1989.

Указания по повышению несущей способности земляного полотна и дорожных одежд с применением синтетических материалов: ВСН 49-86/ Минавтодор РСФСР. - М., 1988.

Методические рекомендации по проектированию и устройству теплоизолирующих слоев на пучиноопасных участках автомобильных дорог/Минтрансстрой, 1976.

Методические рекомендации по проектированию оптимальных конструкций земляного полотна автомобильных дорог на основе методов регулирования водно-теплового режима/ Минтрансстрой, 1983.

Методические рекомендации по проектированию сопряжении участков автомобильных дорог с разной величиной пучения с помощью клиновидной конструкции теплоизоляции/ Минтрансстрой, 1980.

Методические рекомендации по применению теплоизолирующих слоев из пенопласта для снижения объема земляных работ / Минтрансстрой, 1988.

Рекомендации по расчету и технологии устройства оптимальных конструкций дорожных одежд с армирующими прослойками при строительстве, реконструкции и ремонте дорог с асфальтобетонными покрытиями / Минтранс России, 1993.

Типовые проектные решения «Дренажные устройства земляного полотна автомобильных дорог» 503-0-43/ Союздорпроект, 1997.




Rambler's Top100 Яндекс цитирования
  Copyright © 2008-2026, www.docload.ru