АЛЬБОМ ТИПОВЫХ КОНСТРУКЦИЙ
ШТУЦЕРА ДЛЯ СОСУДОВ И АППАРАТОВ СТАЛЬНЫХ СВАРНЫХ
Типы, основные параметры, размеры и
общие технические требования
АТК
24.218.06-90
СОДЕРЖАНИЕ
ПРЕДИСЛОВИЕ
1. РАЗРАБОТАН Акционерным обществом «Центральное
конструкторское бюро нефтеаппаратуры» (АО «ЦКБН»).
2. ПРИНЯТ И ВВЕДЕН В ДЕЙСТВИЕ Указанием Министерства тяжелого
машиностроения СССР от 20 сентября 1990 г. № ВА-002-1-8993.
3. ПЕРЕИЗДАНИЕ 1995 г. октябрь.
4. СРОК
ПРОВЕРКИ - 2000 г.
Периодичность
проверки - 5 лет.
АТК 24.218.06-90
АЛЬБОМ ТИПОВЫХ КОНСТРУКЦИЙ
ШТУЦЕРА
ДЛЯ СОСУДОВ И АППАРАТОВ СТАЛЬНЫХ СВАРНЫХ
Типы, основные
параметры, размеры и
общие технические требования
Настоящий альбом типовых
конструкций устанавливает типы, пределы применения, конструкцию и основные
размеры штуцеров для сосудов и аппаратов, применяемых в нефтеперерабатывающей,
нефтехимической, химической, газовой и других смежных отраслях промышленности
на условное давление от 0,6 до 16,0 МПа, температуру от минус 70 до 600 °С.
В настоящем стандарте
использованы ссылки на следующие стандарты:
ГОСТ 380-88 Сталь углеродистая
обыкновенного качества. Марки.
ГОСТ 550-75 Трубы стальные
бесшовные для нефтеперерабатывающей и нефтехимической промышленности.
Технические условия.
ГОСТ
1050-88 Прокат сортовой, калиброванный со специальной отделкой поверхности
на углеродистой качественной конструкционной стали. Общие технические условия.
ГОСТ
4543-71 Сталь легированная конструкционная. Марки и технические требования.
ГОСТ
5520-79 Сталь листовая углеродистая низколегированная и легированная для
котлов и сосудов, работающих под давлением. Технические условия.
ГОСТ
5632-72 Стали высоколегированные и сплавы коррозионностойкие, жаростойкие и
жаропрочные. Марки и технические требования.
ГОСТ 7350-77 Сталь
толстолистовая коррозионностойкая, жаростойкая и жаропрочная. Технические
условия.
ГОСТ
8479-70 Поковки на конструкционной углеродистой и легированной стали. Общие
технические условия.
ГОСТ 8731-87 Трубы стальные
бесшовные горячедеформированные и теплодеформированные. Технические условия.
ГОСТ 8733-87 Трубы стальные
бесшовные холоднодеформированные и теплодеформированные. Технические условия.
ГОСТ
9940-81 Трубы бесшовные горячедеформированные из коррозионностойкой стали.
Технические условия.
ГОСТ
9941-81 Трубы бесшовные холодно- и теплодеформированные из
коррозионностойкой стали. Технические условия.
ГОСТ
10706-76 Трубы стальные электросварные прямошовные. Технические требования.
ГОСТ
12816-80 Фланцы арматуры соединительных частей и трубопроводов на Ру
от 0,1 до 20,0 МПа (от 1 до 200 кгс/см2). Общие технические
требования.
ГОСТ 12620-80 Фланцы стальные
плоские приварные на Ру от 0,1 до 2,5 МПа (от 1 до 25 кгс/см2).
Конструкция и размеры.
ГОСТ
12821-80 Фланцы стальные приварные встык на Ру от 0,1 до
20,0 МПа (от 1 до 200 кгс/см2). Конструкция и размеры.
ГОСТ
14637-89 Прокат толстолистовой из углеродистой стали обыкновенного
качества. Технические условия.
ГОСТ 19201-89 Прокат из стали
повышенной прочности. Общие технические условия.
ГОСТ 25054-81 Поковки из
коррозионно-стойких сталей и сплавов. Общие технические условия.
ОСТ 26-291-94 Сосуды и аппараты
стальные сварные. Общие технические условия.
ОСТ
26-2043-91 Болты, шпильки, гайки и шайбы для фланцевых соединений.
Технические требования.
ТУ 14-3-460-75 Трубы стальные
бесшовные для паровых котлов и трубопроводов.
ТУ 14-3-1905-93 Трубы бесшовные
горячие и холоднодеформированные из коррозионностойкой стали марок
08Х22Н6Т(ЭП53), 08Х21Н6М2Т(ЭП54) и 10Х14Г14Н4Т (ЭИ711).
3.1. Альбом включает в себя
рисунки, таблицы штуцеров, патрубков и общие технические требования.
3.2. Штуцера по конструкции и
размерам предусматриваются пяти типов.
Типы штуцеров, номенклатура и
условия их применения в зависимости от давления и температуры должны
соответствовать таблице
1.
Тип 1 - штуцера с фланцами стальными плоскими
приварными на условное давление от 0,6 до 2,5 МПа и температуру от минус 70 до
300 °С (рисунки
1 - 5, таблицы 2 - 12);
Тип 2 - штуцера с фланцами стальными приварными встык
на условное давление от 0,6 до 16,0 МПа и температуру от минус 70 до 600 °С (рисунки 6 - 11,
таблицы 13 -
25);
Тип 3 - штуцера утолщенные цельнокованные прямые на
условное давление от 1,6 до 16,0 МПа и температуру от минус 70 до 600 °С (рисунки 12 - 15,
таблицы 26 -
31);
Тип 4 - штуцера с утолщенными патрубками с фланцами
приварными встык на условное давление от 1,6 до 16,0 МПа и температуру от минус
70 до 600 °С (рисунки
16 - 21, таблицы 32 - 43);
Тип 5 - штуцера цельнокованные с шейкой на условное
давление от 6,3 до 16,0 МПа и температуру от минус 70 до 600 °С (рисунок 22,
таблицы 44 -
46).
(Измененная редакция, Изм. № 1).
Таблица 1
Номенклатура
штуцеров
|
Наименование
|
Штуцера с фланцами
стальными плоскими приварными с соединительным выступом
|
Штуцера с фланцами
стальными плоскими приварными с выступом или впадиной
|
Штуцера с фланцами
стальными плоскими приварными с шипом или пазом
|
|
Тип 1
|

|

|

|
|
исполнение 1
|
исполнения 2, 3
|
исполнения 4, 5
|
|
Ру, МПа (кгс/см2)
|
0,6 (6)
|
1,0 (10)
|
1,6 (16)
|
2,5 (25)
|
0,6 (6)
|
1,0 (10)
|
1,6 (16)
|
2,5 (25)
|
4,0 (40)
|
|
0,6 (6)
|
1,0 (10)
|
1,6 (16)
|
2,5 (25)
|
|
Проход условный, Dy, мм
|
15
|
|
|
|
|
|
|
|
|
-
|
-
|
|
|
|
|
|
20
|
|
|
|
|
|
|
|
|
|
|
|
|
|
25
|
|
|
|
|
|
|
|
|
|
|
|
|
|
32
|
|
|
|
|
|
|
|
|
|
|
|
|
|
40
|
|
|
|
|
|
|
|
|
|
|
|
|
|
50
|
|
|
|
|
|
|
|
|
|
|
|
|
|
80
|
|
|
|
|
|
|
|
|
|
|
|
|
|
100
|
|
|
|
|
|
|
|
|
|
|
|
|
|
150
|
|
|
|
|
|
|
|
|
|
|
|
|
|
200
|
|
|
|
|
|
|
|
|
|
|
|
|
|
250
|
|
|
|
|
|
|
|
|
|
|
|
|
|
300
|
|
|
|
|
|
|
|
|
|
|
|
|
|
350
|
|
|
|
|
|
|
|
|
|
|
|
|
|
400
|
|
|
|
|
|
|
|
|
|
|
|
|
|
500
|
|
|
|
|
|
|
|
|
|
|
|
|
|
Температура, °С
|
От минус 70 до 300
|
Продолжение
табл. 1
|
Наименование
|
Штуцера с фланцами стальными приварными встык с соединительным
выступом
|
Штуцера с фланцами стальными приварными встык с выступом или
впадиной
|
Штуцера с фланцами стальными приварными встык с шипом или пазом
|
Штуцера с фланцами стальными приварными встык под прокладку
овального сечения
|
|
Тип 2
|

|

|

|

|
|
исполнение 1
|
исполнения 2, 3
|
исполнения 4, 5
|
Исполнение 6
|
|
Ру, МПа (кгс/см2)
|
1,0 (10)
|
1,6 (16)
|
2,5 (25)
|
4,0 (40)
|
0,6 (6)
|
1,0 (10)
|
1,6 (16)
|
2,5 (25)
|
4,0 (40)
|
6,3 (63)
|
0,6 (6)
|
1,0 (10)
|
1,6 (16)
|
2,5 (25)
|
4,0 (40)
|
6,3 (63)
|
6,3 (63)
|
10,0 (100)
|
16,0 (160)
|
|
|
Dy, мм
|
15
|
-
|
|
|
|
|
|
|
|
|
|
-
|
-
|
|
-
|
|
-
|
|
|
|
-
|
|
20
|
|
|
|
|
|
|
|
|
|
|
|
|
|
|
|
25
|
|
|
|
|
|
|
|
|
|
|
|
|
|
|
|
32
|
|
|
|
|
|
|
|
|
|
|
|
|
|
|
|
40
|
|
|
|
|
|
|
|
|
|
|
|
|
|
|
|
50
|
|
|
|
|
|
|
|
|
|
|
|
|
|
|
|
80
|
|
|
|
|
|
|
|
|
|
|
|
|
|
|
|
100
|
|
|
|
|
|
|
|
|
|
|
|
|
|
|
|
150
|
|
|
|
|
|
|
|
|
|
|
|
|
|
|
|
200
|
|
|
|
|
|
|
|
|
|
|
|
|
|
|
|
250
|
|
|
|
|
|
|
|
|
|
|
|
|
|
|
|
300
|
|
|
|
|
|
|
|
|
|
|
|
|
|
|
|
350
|
|
|
|
|
|
|
|
|
|
|
|
|
|
|
|
400
|
|
|
|
|
|
|
|
|
|
|
|
|
|
|
|
500
|
|
|
|
|
|
|
|
|
|
|
|
|
|
|
|
Температура, °С
|
От минус 70 до 600
|
Продолжение
табл. 1
|
Наименование
|
Штуцера утолщенные с соединительным выступом
|
Штуцера утолщенные с выступом или впадиной
|
Штуцера утолщенные под прокладку овального сечения
|
|
Тип 2
|

|

|

|
|
исполнение 1
|
исполнения 2, 3
|
исполнение 4
|
|
Ру, МПа (кгс/см2)
|
1,0 (10)
|
1,6 (16)
|
2,5 (25)
|
4,0 (40)
|
0,6 (6)
|
1,0 (10)
|
1,6 (16)
|
2,5 (25)
|
4,0 (40)
|
6,3 (63)
|
6,3 (63)
|
10,0 (100)
|
16,0 (160)
|
|
Dy, мм
|
15
|
-
|
-
|
-
|
|
-
|
-
|
-
|
-
|
|
|
|
|
|
|
20
|
|
|
|
|
|
|
|
25
|
|
|
|
|
|
|
|
32
|
|
|
|
|
|
|
|
40
|
|
|
|
|
|
|
|
50
|
|
|
|
|
|
|
|
80
|
|
|
|
|
|
|
|
100
|
|
|
|
|
|
|
|
150
|
|
|
|
|
|
|
|
200
|
|
|
|
|
|
|
|
250
|
|
|
|
|
|
|
|
300
|
|
|
|
|
|
|
|
350
|
|
|
|
|
|
|
|
400
|
|
|
|
|
|
|
|
500
|
|
|
|
|
|
|
|
Температура, °С
|
От минус 70 до 600
|
Продолжение
табл. 1
|
Наименование
|
Штуцера утолщенные с соединительным выступом
|
Штуцера утолщенные с выступом или впадиной
|
Штуцера с фланцами стальными приварными встык с шипом или пазом
|
Штуцера утолщенные под прокладку овального сечения
|
|
Тип 4
|

|

|

|

|
|
исполнение 1
|
исполнения 2, 3
|
исполнения 4, 5
|
Исполнение 6
|
|
Ру, МПа (кгс/см2)
|
1,0 (10)
|
1,6 (16)
|
2,5 (25)
|
4,0 (40)
|
0,6 (6)
|
1,0 (10)
|
1,6 (16)
|
2,5 (25)
|
4,0 (40)
|
6,3 (63)
|
0,6 (6)
|
1,0 (10)
|
1,6 (16)
|
2,5 (25)
|
4,0 (40)
|
6,3 (63)
|
6,3 (63)
|
10,0 (100)
|
16,0 (160)
|
|
Dy, мм
|
15
|
-
|
|
|
|
-
|
-
|
|
|
|
|
-
|
-
|
|
-
|
|
-
|
|
|
|
|
20
|
|
|
|
|
|
|
|
|
|
|
|
|
|
25
|
|
|
|
|
|
|
|
|
|
|
|
|
|
32
|
|
|
|
|
|
|
|
|
|
|
|
|
|
40
|
|
|
|
|
|
|
|
|
|
|
|
|
|
50
|
|
|
|
|
|
|
|
|
|
|
|
|
|
80
|
|
|
|
|
|
|
|
|
|
|
|
|
|
100
|
|
|
|
|
|
|
|
|
|
|
|
|
|
150
|
|
|
|
|
|
|
|
|
|
|
|
|
|
200
|
|
|
|
|
|
|
|
|
|
|
|
|
|
250
|
|
|
|
|
|
|
|
|
|
|
|
|
|
300
|
|
|
|
|
|
|
|
|
|
|
|
|
|
350
|
|
|
|
|
|
|
|
|
|
|
|
|
|
400
|
|
|
|
|
|
|
|
|
|
|
|
|
|
500
|
|
|
|
|
|
|
|
|
|
|
|
|
|
Температура, °С
|
От минус 70 до 600
|
Окончание табл. 1
|
Наименование
|
Штуцера цельнокованные под прокладку овального сечения
|
|
Тип 5
|

|
|
Ру, МПа (кгс/см2)
|
6,3 (63)
|
10,0 (100)
|
16,0 (160)
|
|
Dy, мм
|
15
|
|
|
|
|
20
|
|
|
|
|
25
|
|
|
|
|
32
|
|
|
|
|
40
|
|
|
|
|
50
|
|
|
|
|
80
|
|
|
|
|
100
|
|
|
|
|
150
|
|
|
|
|
200
|
|
|
|
|
250
|
|
|
|
|
300
|
|
|
|
|
350
|
|
|
|
|
400
|
|
|
|
|
500
|
|
|
|
|
Температура, °С
|
От минус 70 до 600
|
(Измененная редакция, Изм. № 1).
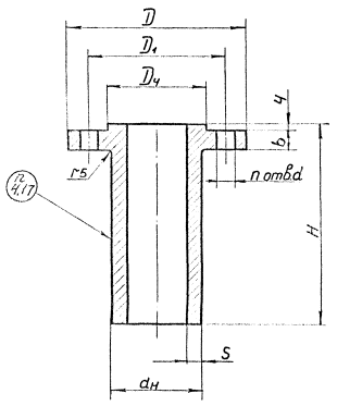
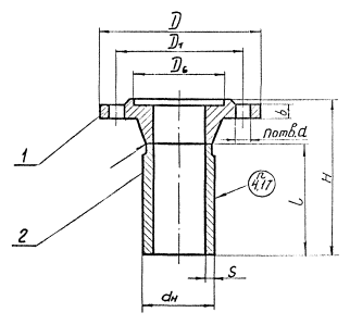
3.2.1. Штуцера типа 1 с
фланцами стальными плоскими приварными на условное давление от 0,6 до 2,5 МПа и
температуру от минус 70 до 300 °С имеют пять исполнений:
исполнение 1
- с соединительным выступом на условное
давление от 0,6 до 2,5 МПа (рисунок 1, таблицы 2 - 5);
исполнение 2
- с выступом на условное давление 1,0 до
2,5 МПа (рисунок
2, таблицы
6 - 8а);
исполнение 3
- с впадиной на условное давление от 1,0
до 2,5 МПа (рисунок
3, таблицы
6 - 8а);
исполнение 4
- с шипом на условное давление от 0,6 до
2,5 МПа (рисунок
4, таблицы
9 - 12);
исполнение 5
- с пазом на условное давление от 0,6 до
2,5 МПа (рисунок
5, таблицы
9 - 12).
Размеры уплотнительных
поверхностей «шип-паз» под фторопластовые прокладки должны соответствовать
указанным на рисунках
4, 5
и в таблице
47.
(Измененная редакция, Изм. № 1).
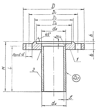
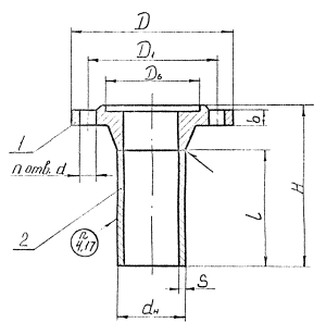
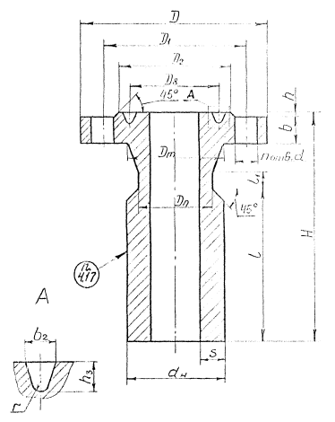
Тип 1
Исполнение 1

1 - фланец по ГОСТ
12820
2 - патрубок
Рисунок 1
Таблица
2
Рy 0,6 МПа (6 кгс/см2)
Размеры
в миллиметрах
|
Dy
|
dв
|
D
|
D1
|
D2
|
b
|
h
|
d
|
n
|
l
|
H
|
dн
|
S
|
Масса, кг
|
|
25
|
33
|
100
|
75
|
60
|
12
|
2
|
11
|
4
|
150
|
155
|
32
|
3,5
|
1,1
|
|
210
|
215
|
1,2
|
|
32
|
39
|
120
|
90
|
70
|
13
|
14
|
150
|
155
|
38
|
1,4
|
|
210
|
215
|
1,6
|
|
40
|
46
|
130
|
100
|
80
|
3
|
150
|
155
|
45
|
1,7
|
|
210
|
215
|
2,0
|
|
50
|
59
|
140
|
110
|
90
|
150
|
155
|
57
|
4,0
|
2,1
|
|
210
|
215
|
2,4
|
|
80
|
91
|
185
|
150
|
128
|
15
|
18
|
150
|
155
|
89
|
5,0
|
4,0
|
|
210
|
215
|
4,6
|
|
100
|
110
|
205
|
170
|
148
|
150
|
155
|
108
|
6,0
|
5,2
|
|
210
|
215
|
6,1
|
|
150
|
161
|
260
|
225
|
202
|
17
|
8
|
150
|
155
|
159
|
7,9
|
|
210
|
215
|
9,2
|
|
200
|
222
|
315
|
280
|
258
|
19
|
150
|
160
|
219
|
8,0
|
12,1
|
|
210
|
220
|
14,6
|
|
250
|
276
|
370
|
335
|
312
|
20
|
3
|
18
|
12
|
150
|
160
|
273
|
10
|
17,4
|
|
210
|
220
|
21,3
|
|
300
|
328
|
435
|
395
|
365
|
4
|
22
|
180
|
190
|
325
|
24,3
|
|
240
|
250
|
28,9
|
|
350
|
380
|
485
|
445
|
415
|
22
|
180
|
193
|
377
|
12
|
32,0
|
|
240
|
253
|
38,5
|
|
400
|
429
|
535
|
495
|
465
|
24
|
16
|
200
|
213
|
426
|
40,0
|
|
260
|
273
|
47,5
|
|
500
|
534
|
640
|
600
|
570
|
25
|
200
|
213
|
530
|
51,5
|
|
260
|
273
|
60,5
|
Таблица 3
Рy 1,0 МПа (10
кгс/см2)
Размеры
в миллиметрах
|
Dy
|
dв
|
D
|
D1
|
D2
|
b
|
h
|
d
|
n
|
l
|
H
|
dн
|
S
|
Масса, кг
|
|
200
|
222
|
335
|
295
|
268
|
21
|
3
|
22
|
8
|
180
|
190
|
219
|
8
|
15,5
|
|
240
|
250
|
18,0
|
|
250
|
276
|
390
|
350
|
320
|
23
|
12
|
180
|
191
|
273
|
10
|
22,4
|
|
240
|
251
|
26,3
|
|
300
|
328
|
440
|
400
|
370
|
24
|
4
|
200
|
211
|
325
|
28,4
|
|
260
|
271
|
33,0
|
|
350
|
380
|
500
|
450
|
430
|
16
|
200
|
213
|
377
|
12
|
37,5
|
|
260
|
273
|
44,0
|
|
400
|
429
|
565
|
515
|
482
|
26
|
26
|
200
|
213
|
426
|
46,0
|
|
260
|
273
|
53,5
|
|
500
|
534
|
670
|
620
|
585
|
28
|
20
|
230
|
243
|
530
|
63,0
|
|
290
|
303
|
72,0
|
Таблица 4
Рy 1,6 МПа(16 кгс/см2)
Размеры
в миллиметрах
|
Dy
|
dв
|
D
|
D1
|
D2
|
b
|
h
|
d
|
n
|
l
|
H
|
dн
|
S
|
Масса, кг
|
|
80
|
91
|
195
|
160
|
133
|
21
|
3
|
18
|
4
|
160
|
165
|
89
|
5
|
5,4
|
|
220
|
225
|
6,0
|
|
100
|
110
|
215
|
180
|
158
|
23
|
8
|
160
|
165
|
108
|
6
|
7,1
|
|
220
|
225
|
8,0
|
|
150
|
161
|
280
|
240
|
212
|
25
|
22
|
180
|
185
|
153
|
12,0
|
|
240
|
245
|
13,2
|
|
203
|
222
|
335
|
295
|
258
|
27
|
12
|
160
|
190
|
219
|
8
|
17,6
|
|
240
|
250
|
20,0
|
|
250
|
276
|
405
|
355
|
320
|
28
|
3
|
26
|
12
|
180
|
190
|
273
|
10
|
26,0
!
|
|
240
|
250
|
30,0
|
|
300
|
328
|
460
|
410
|
370
|
4
|
200
|
210
|
325
|
33,3
|
|
260
|
270
|
38,0
|
|
350
|
380
|
520
|
470
|
430
|
30
|
16
|
200
|
210
|
377
|
12
|
44,5
|
|
260
|
270
|
51,0
|
|
400
|
429
|
580
|
525
|
462
|
34
|
30
|
230
|
240
|
426
|
59,2
|
|
290
|
300
|
66,5
|
|
500
|
534
|
710
|
650
|
585
|
44
|
33
|
20
|
240
|
255
|
530
|
93,8
|
|
300
|
315
|
103,0
|
Таблица 5
Рy 2,5 МПа(25 кгс/см2)
Размеры
в миллиметрах
|
Dy
|
dв
|
D
|
D1
|
D2
|
b
|
h
|
d
|
n
|
l
|
H
|
dн
|
S
|
Масса, кг
|
|
15
|
19
|
95
|
65
|
47
|
14
|
2
|
14
|
4
|
150
|
155
|
18
|
3,5
|
0,9
|
|
210
|
215
|
1,0
|
|
20
|
26
|
105
|
75
|
58
|
16
|
150
|
155
|
25
|
1,3
|
|
210
|
215
|
1,4
|
|
25
|
33
|
115
|
85
|
68
|
150
|
155
|
32
|
1,6
|
|
210
|
215
|
1,7
|
|
32
|
39
|
135
|
100
|
78
|
18
|
18
|
160
|
165
|
38
|
2,3
|
|
220
|
225
|
2,4
|
|
40
|
46
|
145
|
110
|
88
|
19
|
3
|
160
|
165
|
45
|
2,8
|
|
220
|
225
|
3,0
|
|
50
|
59
|
160
|
125
|
102
|
21
|
160
|
165
|
57
|
4,0
|
3,5
|
|
220
|
225
|
3,9
|
|
80
|
91
|
195
|
160
|
133
|
23
|
8
|
160
|
165
|
89
|
5,0
|
5,8
|
|
220
|
225
|
6,4
|
|
100
|
110
|
230
|
190
|
158
|
25
|
22
|
180
|
185
|
108
|
6,0
|
8,6
|
|
240
|
245
|
9,6
|
|
150
|
161
|
300
|
250
|
212
|
27
|
3
|
26
|
8
|
180
|
185
|
159
|
6
|
14,3
|
|
240
|
245
|
15,6
|
|
200
|
222
|
360
|
310
|
278
|
29
|
12
|
180
|
190
|
219
|
8
|
20,9
|
|
240
|
250
|
23,4
|
|
250
|
276
|
425
|
370
|
335
|
31
|
30
|
180
|
190
|
273
|
10
|
30,6
|
|
240
|
250
|
34,5
|
|
300
|
328
|
485
|
430
|
390
|
32
|
4
|
16
|
200
|
210
|
325
|
39,5
|
|
260
|
270
|
44,2
|
|
350
|
380
|
550
|
490
|
450
|
38
|
33
|
230
|
243
|
377
|
12
|
59,2
|
|
290
|
303
|
65,7
|
|
400
|
429
|
610
|
550
|
505
|
40
|
250
|
263
|
426
|
75,3
|
|
310
|
323
|
82,6
|
|
500
|
534
|
730
|
660
|
615
|
48
|
39
|
20
|
260
|
273
|
530
|
107,2
|
|
320
|
333
|
116,4
|
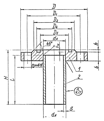
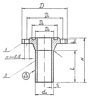
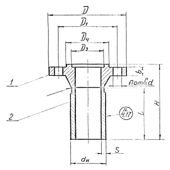
Тип 1
Исполнение 2

1 - фланец по ГОСТ
12820
2 - патрубок
Рисунок 2
Тип 1
Исполнение 3

1 - фланец по ГОСТ
12820
2 - патрубок
Рисунок 3
Таблица
6
Ру
1,0 МПа(10 кгс/см2)
Размеры
в миллиметрах
|
Dy
|
dв
|
D
|
D1
|
D2
|
D4
|
D6
|
h2
|
b
|
h
|
h1
|
d
|
n
|
l
|
H
|
dн
|
S
|
Масса, кг
|
|
Исполнение
|
|
2
|
3
|
|
200
|
222
|
335
|
295
|
268
|
259
|
260
|
3
|
21
|
3
|
4
|
22
|
8
|
180
|
190
|
219
|
8
|
16,0
|
15,5
|
|
240
|
250
|
18,5
|
18,0
|
|
250
|
276
|
390
|
350
|
320
|
312
|
313
|
23
|
12
|
180
|
190
|
273
|
10
|
22,5
|
22,0
|
|
240
|
250
|
26,5
|
26,0
|
|
300
|
328
|
440
|
400
|
370
|
363
|
364
|
4
|
24
|
4
|
5
|
200
|
210
|
325
|
28,5
|
28,0
|
|
260
|
270
|
33,0
|
32,5
|
|
350
|
380
|
500
|
460
|
430
|
421
|
422
|
16
|
200
|
210
|
377
|
12
|
37,5
|
37,0
|
|
260
|
270
|
44,0
|
43,0
|
|
400
|
429
|
565
|
515
|
482
|
473
|
474
|
26
|
26
|
200
|
210
|
426
|
46,0
|
45,0
|
|
260
|
270
|
53,5
|
52,5
|
|
500
|
534
|
670
|
620
|
585
|
575
|
576
|
28
|
20
|
230
|
240
|
530
|
63,5
|
62,5
|
|
290
|
300
|
72,5
|
71,5
|
Таблица 7
Ру
1,6 МПа(16 кгс/см2)
Размеры
в миллиметрах
|
Dy
|
dв
|
D
|
D1
|
D2
|
D4
|
D6
|
h2
|
b
|
h
|
h1
|
d
|
n
|
l
|
H
|
dн
|
S
|
Масса, кг
|
|
Исполнение
|
|
2
|
3
|
|
80
|
91
|
195
|
160
|
133
|
120
|
121
|
3
|
21
|
3
|
4
|
18
|
4
|
160
|
165
|
89
|
5
|
5,5
|
5,5
|
|
220
|
225
|
6,0
|
6,0
|
|
100
|
110
|
215
|
180
|
158
|
149
|
150
|
23
|
8
|
160
|
165
|
108
|
6
|
7,5
|
7,0
|
|
220
|
225
|
8,0
|
8,0
|
|
150
|
161
|
280
|
240
|
212
|
203
|
204
|
25
|
22
|
180
|
185
|
159
|
12,0
|
12,0
|
|
240
|
245
|
13,5
|
13,0
!
|
|
200
|
222
|
335
|
295
|
268
|
253
|
260
|
27
|
12
|
180
|
190
|
219
|
8
|
18,0
|
17,5
|
|
240
|
250
|
20,5
|
20,0
|
|
250
|
276
|
405
|
355
|
320
|
312
|
313
|
28
|
26
|
180
|
190
|
273
|
10
|
26,5
|
26,0
|
|
240
|
250
|
30,0
|
30,0
|
|
300
|
328
|
450
|
410
|
378
|
363
|
354
|
4
|
4
|
5
|
200
|
210
|
325
|
33,0
|
33,0
|
|
260
|
270
|
38,0
|
37,5
|
|
350
|
380
|
520
|
470
|
438
|
421
|
422
|
30
|
26
|
16
|
200
|
210
|
377
|
12
|
44,5
|
44,0
|
|
260
|
270
|
51,0
|
50,0
|
|
400
|
429
|
580
|
525
|
490
|
473
|
474
|
34
|
30
|
230
|
240
|
426
|
59,0
|
58,5
|
|
290
|
300
|
66,5
|
65,5
|
|
500
|
534
|
710
|
650
|
610
|
575
|
576
|
44
|
33
|
20
|
240
|
255
|
530
|
93,0
|
92,5
|
|
300
|
315
|
102,5
|
102,0
|
Таблица 8
Ру
2,5 МПа(25 кгс/см2)
Размеры
в миллиметрах
|
Dy
|
dв
|
D
|
D1
|
D2
|
D4
|
D6
|
h2
|
b
|
h
|
h1
|
d
|
n
|
l
|
H
|
dн
|
S
|
Масса, кг
|
|
Исполнение
|
|
2
|
3
|
|
15
|
19
|
95
|
65
|
47
|
39
|
40
|
3
|
14
|
2
|
4
|
14
|
4
|
150
|
155
|
18
|
3,5
|
0,9
|
0,9
|
|
210
|
215
|
1,0
|
1,0
|
|
20
|
26
|
105
|
75
|
58
|
50
|
51
|
16
|
150
|
155
|
25
|
1,3
|
1,3
|
|
210
|
215
|
1,4
|
1,4
|
|
25
|
33
|
115
|
85
|
68
|
57
|
58
|
150
|
155
|
32
|
1,6
|
1,6
|
|
210
|
215
|
1,7
|
1,7
|
|
32
|
39
|
135
|
100
|
78
|
65
|
66
|
18
|
18
|
160
|
165
|
38
|
2,3
|
2,2
|
|
220
|
225
|
2,5
|
2,5
|
|
40
|
46
|
145
|
110
|
88
|
75
|
76
|
19
|
3
|
160
|
165
|
45
|
2,8
|
2,8
|
|
220
|
225
|
3,0
|
2,9
|
|
50
|
59
|
160
|
125
|
102
|
87
|
88
|
21
|
160
|
165
|
57
|
4,0
|
3,4
|
3,5
|
|
220
|
225
|
3,7
|
3,8
|
|
80
|
91
|
195
|
160
|
133
|
120
|
121
|
23
|
8
|
160
|
165
|
89
|
5,0
|
5,7
|
5,7
|
|
220
|
225
|
6,3
|
6,3
|
|
100
|
110
|
230
|
190
|
158
|
149
|
150
|
25
|
22
|
180
|
185
|
108
|
6,0
|
8,6
|
8,5
|
|
240
|
245
|
9,5
|
9,4
|
|
150
|
161
|
300
|
250
|
212
|
203
|
204
|
3
|
27
|
26
|
180
|
185
|
159
|
6
|
14,5
|
14,0
|
|
240
|
245
|
16,0
|
15,5
|
|
200
|
222
|
30
|
310
|
278
|
259
|
260
|
29
|
12
|
180
|
190
|
219
|
8
|
21,0
|
21,0
|
|
240
|
250
|
23,5
|
23,0
|
|
250
|
276
|
425
|
370
|
335
|
312
|
313
|
31
|
30
|
180
|
190
|
273
|
10
|
30,5
|
30,5
|
|
240
|
250
|
34,5
|
34,5
|
|
300
|
328
|
485
|
430
|
390
|
363
|
364
|
4
|
32
|
4
|
5
|
16
|
200
|
210
|
325
|
39,0
|
39,0
|
|
260
|
270
|
44,0
|
43,5
|
|
350
|
380
|
550
|
490
|
450
|
421
|
422
|
38
|
33
|
230
|
243
|
377
|
12
|
59,5
|
59,0
|
|
290
|
303
|
66,0
|
65,5
|
|
400
|
429
|
610
|
550
|
473
|
474
|
474
|
40
|
250
|
263
|
426
|
75,0
|
74,а
|
|
310
|
323
|
82,0
|
82,0
|
|
500
|
534
|
730
|
660
|
575
|
576
|
576
|
48
|
39
|
20
|
260
|
273
|
530
|
106,0
|
106,0
|
|
320
|
333
|
116,0
|
115,0
|
Таблица 8а
Ру
0,6 МПа (6 кгс/см2)
Размеры
в миллиметрах
|
Dy
|
dв
|
D
|
D1
|
D2
|
D4
|
D6
|
h2
|
b
|
h
|
h1
|
d
|
n
|
l
|
H
|
dн
|
S
|
Масса, кг
|
|
Исполнение
|
|
2
|
3
|
|
200
|
222
|
315
|
280
|
258
|
249
|
250
|
3
|
19
|
3
|
4
|
18
|
8
|
180
|
190
|
219
|
8
|
13,4
|
13,1
|
|
240
|
250
|
15,9
|
15,6
|
|
250
|
276
|
370
|
335
|
312
|
303
|
304
|
20
|
12
|
180
|
190
|
273
|
10
|
19,1
|
18,8
|
|
240
|
250
|
23,0
|
22,7
|
|
300
|
328
|
435
|
395
|
365
|
356
|
357
|
4
|
4
|
5
|
22
|
200
|
210
|
325
|
25,5
|
25,1
|
|
260
|
270
|
30,1
|
29,8
|
|
350
|
380
|
485
|
445
|
415
|
406
|
407
|
22
|
200
|
210
|
377
|
12
|
33,8
|
33,4
|
|
260
|
270
|
40,3
|
39,9
|
|
400
|
429
|
535
|
495
|
465
|
456
|
457
|
24
|
16
|
200
|
210
|
426
|
39,2
|
38,8
|
|
260
|
270
|
46,6
|
46,1
|
|
500
|
534
|
640
|
600
|
570
|
561
|
562
|
25
|
230
|
240
|
530
|
54,2
|
53,6
|
|
290
|
300
|
63,4
|
62,8
|
(Измененная редакция, Изм. № 1).
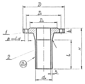
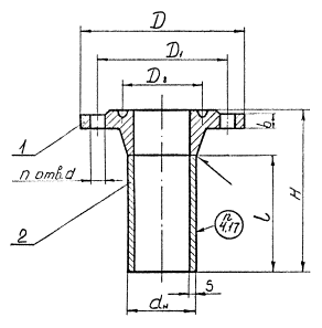
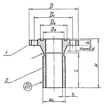
Тип 1
Исполнение 4

1 - фланец по ГОСТ
12820
2 - патрубок
Рисунок 4
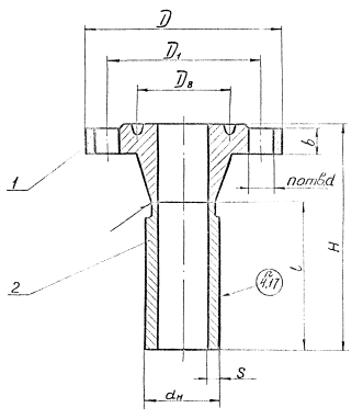
Тип 1
Исполнение 6

1 - фланец по ГОСТ
12820
2 - патрубок
Рисунок 5
Таблица 9
Ру
0,6 МПа(6 кгс/см2)
Размеры
в миллиметрах
|
Dy
|
dв
|
D
|
D1
|
D2
|
D3
|
D4
|
D5
|
D6
|
h2
|
b
|
h
|
h1
|
d
|
n
|
l
|
H
|
dн
|
S
|
Масса, кг
|
|
Исполнение
|
|
4
|
5
|
|
25
|
33
|
100
|
75
|
60
|
41
|
50
|
40
|
52
|
3
|
12
|
2
|
4
|
11
|
4
|
150
|
155
|
32
|
3,5
|
1,2
|
1,2
|
|
210
|
215
|
1,4
|
1,5
|
|
32
|
39
|
120
|
90
|
70
|
49
|
59
|
48
|
60
|
13
|
14
|
150
|
155
|
38
|
1,5
|
1,6
|
|
210
|
215
|
1,7
|
1,7
|
|
40
|
46
|
130
|
100
|
80
|
55
|
69
|
54
|
70
|
3
|
150
|
155
|
45
|
1,8
|
1,8
|
|
210
|
215
|
2,0
|
2,0
|
|
50
|
59
|
140
|
110
|
90
|
66
|
80
|
65
|
81
|
150
|
155
|
57
|
4,0
|
2,1
|
2,1
|
|
210
|
215
|
2,3
|
2,3
|
|
80
|
91
|
185
|
150
|
128
|
101
|
115
|
100
|
116
|
15
|
18
|
150
|
155
|
89
|
5,0
|
3,9
|
4,0
|
|
210
|
215
|
4,5
|
4,6
|
|
100
|
110
|
205
|
170
|
148
|
117
|
167
|
116
|
138
|
150
|
155
|
108
|
6,0
|
5,1
|
5,1
|
|
210
|
215
|
6,0
|
6,0
|
|
150
|
161
|
260
|
225
|
202
|
171
|
191
|
170
|
192
|
17
|
8
|
150
|
155
|
159
|
7,7
|
7,7
|
|
210
|
215
|
9,2
|
9,2
|
|
200
|
222
|
315
|
280
|
258
|
229
|
249
|
228
|
250
|
19
|
18
|
150
|
160
|
219
|
8
|
12,0
|
12,0
|
|
210
|
220
|
14,6
|
14,6
|
|
250
|
276
|
370
|
335
|
312
|
283
|
313
|
282
|
304
|
20
|
12
|
150
|
160
|
273
|
10
|
17,5
|
17,5
|
|
210
|
220
|
21,6
|
21,6
|
|
300
|
328
|
435
|
395
|
365
|
336
|
356
|
335
|
357
|
4
|
4
|
5
|
22
|
180
|
190
|
325
|
24,5
|
24,5
|
|
240
|
250
|
29,5
|
29,5
|
|
350
|
380
|
485
|
445
|
415
|
386
|
416
|
385
|
407
|
22
|
180
|
193
|
377
|
12
|
32,0
|
32,0
|
|
240
|
253
|
38,5
|
38,5
|
|
400
|
429
|
535
|
495
|
465
|
436
|
456
|
435
|
457
|
24
|
16
|
200
|
213
|
426
|
39,5
|
39,5
|
|
260
|
273
|
47,5
|
47,5
|
|
500
|
534
|
640
|
600
|
570
|
540
|
541
|
540
|
562
|
25
|
200
|
213
|
530
|
51.0
|
51.0
|
|
260
|
273
|
60,5
|
60,5
|
Таблица 10
Ру
1,0 МПа(10 кгс/см2)
Размеры
в миллиметрах
|
Dy
|
dв
|
D
|
D1
|
D2
|
D3
|
D4
|
D5
|
D6
|
h2
|
b
|
h
|
h1
|
d
|
n
|
l
|
H
|
dн
|
S
|
Масса, кг
|
|
Исполнение
|
|
4
|
5
|
|
50
|
59
|
160
|
125
|
102
|
73
|
87
|
72
|
88
|
3
|
15
|
3
|
4
|
18
|
4
|
150
|
155
|
57
|
4
|
2,8
|
2,8
|
|
210
|
215
|
3,2
|
3,2
|
|
80
|
91
|
195
|
160
|
133
|
106
|
120
|
105
|
121
|
17
|
150
|
155
|
89
|
5
|
4,7
|
4,8
|
|
210
|
215
|
5,3
|
5,3
|
|
100
|
110
|
215
|
180
|
158
|
129
|
149
|
128
|
150
|
19
|
8
|
150
|
155
|
108
|
6
|
6,5
|
6,5
|
|
210
|
215
|
7,1
|
7,1
|
|
150
|
161
|
280
|
240
|
212
|
183
|
203
|
182
|
204
|
21
|
22
|
180
|
185
|
159
|
10,5
|
11,0
|
|
240
|
245
|
12,0
|
12,0
|
|
200
|
222
|
335
|
295
|
268
|
239
|
259
|
238
|
260
|
180
|
190
|
219
|
8
|
15,3
|
15,3
|
|
240
|
250
|
18,0
|
18.0
|
|
250
|
276
|
390
|
350
|
320
|
292
|
312
|
291
|
313
|
23
|
12
|
180
|
190
|
273
|
10
|
22,5
|
22,5
|
|
240
|
250
|
28,5
|
28,5
|
|
300
|
328
|
440
|
400
|
370
|
343
|
363
|
342
|
364
|
4
|
24
|
4
|
5
|
22
|
12
|
200
|
210
|
325
|
10
|
28,0
|
28,5
|
|
260
|
270
|
33,0
|
33,0
|
|
350
|
380
|
500
|
460
|
430
|
395
|
421
|
394
|
422
|
16
|
200
|
210
|
377
|
12
|
37,3
|
37,3
|
|
260
|
270
|
43,8
|
43,8
|
|
400
|
429
|
565
|
515
|
482
|
447
|
473
|
446
|
474
|
26
|
27
|
200
|
210
|
426
|
46,0
|
45,5
|
|
260
|
270
|
48,5
|
48,5
|
|
500
|
534
|
670
|
620
|
585
|
549
|
575
|
548
|
576
|
28
|
20
|
230
|
240
|
530
|
63,8
|
63,8
|
|
230
|
300
|
72,8
|
72,8
|
Таблица 11
Ру
1,6 МПа(16 кгс/см2)
Размеры
в миллиметрах
|
Dy
|
dв
|
D
|
D1
|
D2
|
D3
|
D4
|
D5
|
D6
|
h2
|
b
|
h
|
h1
|
d
|
n
|
l
|
H
|
dн
|
S
|
Масса, кг
|
|
Исполнение
|
|
4
|
5
|
|
80
|
91
|
195
|
160
|
133
|
106
|
120
|
105
|
121
|
3
|
21
|
3
|
4
|
18
|
4
|
160
|
165
|
89
|
5
|
5,3
|
5,4
|
|
220
|
225
|
5,9
|
6,0
|
|
100
|
110
|
215
|
180
|
158
|
129
|
149
|
128
|
150
|
23
|
8
|
160
|
165
|
108
|
6
|
7,1
|
7,1
|
|
220
|
225
|
8,1
|
8,1
|
|
150
|
161
|
280
|
240
|
212
|
183
|
203
|
182
|
204
|
25
|
22
|
180
|
185
|
159
|
12,0
|
12,0
|
|
240
|
245
|
13,5
|
13,5
|
|
200
|
222
|
335
|
295
|
268
|
239
|
259
|
238
|
260
|
27
|
12
|
180
|
190
|
219
|
8
|
17,8
|
17,8
|
|
240
|
250
|
20,4
|
20,4
|
|
250
|
276
|
405
|
355
|
320
|
292
|
312
|
291
|
313
|
28
|
26
|
180
|
190
|
273
|
10
|
26,3
|
26,3
|
|
240
|
250
|
30,5
|
30,5
|
|
300
|
328
|
460
|
410
|
378
|
343
|
363
|
342
|
364
|
4
|
4
|
5
|
200
|
210
|
325
|
33,1
|
33,1
|
|
260
|
270
|
38,0
|
37,5
|
|
350
|
380
|
520
|
470
|
438
|
395
|
421
|
394
|
422
|
30
|
26
|
16
|
200
|
210
|
377
|
12
|
44,5
|
44,0
|
|
260
|
270
|
50,5
|
50,0
|
|
400
|
429
|
580
|
525
|
490
|
447
|
473
|
446
|
474
|
34
|
30
|
230
|
240
|
426
|
59,0
|
58,5
|
|
290
|
300
|
66,0
|
66,0
|
|
500
|
534
|
710
|
650
|
610
|
549
|
575
|
548
|
576
|
44
|
33
|
20
|
240
|
255
|
530
|
93,5
|
93,5
|
|
300
|
315
|
103,0
|
103,0
|
Таблица 12
Ру
2,5 МПа(25 кгс/см2)
Размеры
в миллиметрах
|
Dy
|
dв
|
D
|
D1
|
D2
|
D3
|
D4
|
D5
|
D6
|
h2
|
b
|
h
|
h1
|
d
|
n
|
l
|
H
|
dн
|
S
|
Масса, кг
|
|
Исполнение
|
|
4
|
5
|
|
15
|
19
|
95
|
65
|
47
|
29
|
39
|
28
|
40
|
3
|
14
|
2
|
4
|
14
|
4
|
150
|
155
|
18
|
3,5
|
0,9
|
0,9
|
|
210
|
215
|
1,0
|
1,0
|
|
20
|
26
|
105
|
75
|
58
|
36
|
50
|
35
|
51
|
16
|
150
|
155
|
25
|
1,4
|
1,3
|
|
210
|
215
|
1,5
|
1,4
|
|
25
|
33
|
115
|
85
|
68
|
43
|
57
|
42
|
58
|
150
|
155
|
32
|
1,6
|
1,5
|
|
210
|
215
|
1,8
|
1,8
|
|
32
|
39
|
135
|
100
|
78
|
51
|
65
|
50
|
66
|
18
|
18
|
160
|
165
|
38
|
2,3
|
2,3
|
|
220
|
225
|
2,5
|
2,5
|
|
40
|
46
|
145
|
110
|
88
|
61
|
75
|
60
|
76
|
19
|
3
|
160
|
165
|
45
|
2,8
|
2,8
|
|
220
|
225
|
3,0
|
3,0
|
|
50
|
59
|
160
|
125
|
102
|
73
|
87
|
72
|
88
|
21
|
160
|
165
|
57
|
4,0
|
3,4
|
3,5
|
|
220
|
225
|
3,7
|
3,7
|
|
80
|
91
|
195
|
160
|
133
|
106
|
120
|
105
|
121
|
23
|
8
|
160
|
165
|
89
|
5,0
|
5,6
|
5,7
|
|
220
|
225
|
6,3
|
6,4
|
|
100
|
110
|
230
|
190
|
158
|
129
|
149
|
128
|
150
|
25
|
22
|
180
|
185
|
108
|
6,0
|
8,5
|
8,5
|
|
240
|
245
|
9,5
|
9,5
|
|
150
|
161
|
300
|
250
|
212
|
183
|
203
|
182
|
204
|
27
|
26
|
180
|
185
|
159
|
14,0
|
14,0
|
|
240
|
245
|
15,5
|
15,5
|
|
200
|
222
|
360
|
310
|
278
|
239
|
259
|
238
|
260
|
29
|
12
|
180
|
190
|
219
|
8
|
20,8
|
20,8
|
|
240
|
250
|
23,5
|
23,5
|
|
250
|
278
|
425
|
370
|
335
|
292
|
312
|
291
|
313
|
31
|
30
|
180
|
190
|
273
|
10
|
30,5
|
31,0
|
|
240
|
250
|
34,5
|
35,0
|
|
300
|
328
|
485
|
430
|
390
|
343
|
363
|
342
|
364
|
4
|
32
|
4
|
5
|
16
|
200
|
210
|
325
|
39,0
|
39,5
|
|
260
|
270
|
44,0
|
44,5
|
|
350
|
380
|
550
|
490
|
450
|
395
|
421
|
294
|
422
|
38
|
33
|
230
|
243
|
377
|
12
|
59,0
|
59,5
|
|
290
|
303
|
65,5
|
66,0
|
|
400
|
429
|
610
|
550
|
505
|
447
|
473
|
446
|
474
|
40
|
250
|
263
|
426
|
74,5
|
75,0
|
|
310
|
323
|
82,5
|
82,5
|
|
500
|
534
|
730
|
660
|
615
|
549
|
575
|
548
|
576
|
48
|
39
|
20
|
260
|
273
|
530
|
107,5
|
108,5
|
|
320
|
333
|
116,5
|
117,5
|
Пример условного обозначения штуцера Dу 500 мм, Ру
1,0 МПа, типа 1, исполнения 4, l = 230 мм, фланец из стали 20, патрубок из стали 20:
Штуцер
500 - 1,0 - 1 - 4 - 230 - 20 АТК 24.218.06-90.
То же, фланец из стали 10Г2,
патрубок из стали 20:
Штуцер
500 - 1,0 - 1 - 4 - 230 - 10Г2 - 20 АТК 24.218.06-90.
То же, под фторопластовую
прокладку:
Штуцер
500 - Ф - 1 - 4 - 230 - 10Г2 - 20 АТК 24.218.06-90.
3.2.2. Штуцера типа 2 с фланцами
стальными приварными встык на условное давление от 0,6 до 16,0 МПа и
температуру от минус 70 до 600 °С имеют шесть исполнений:
исполнение 1
- с соединительным выступом на условное давление от 1,6 до 4,0 МПа (рисунок 6,
таблицы 13 -
15);
исполнение 2
- с выступом на условное давление от 0,6 до 6,3 МПа (рисунок 7, таблицы 16 - 20а);
исполнение 3
- с впадиной на условное давление от 0,6 до 6,3 МПа (рисунок 8, таблицы 16 - 20а);
исполнение 4
- с шипом на условное давление 1,6; 4,0 МПа (рисунок 9, таблицы 21;
22);
исполнение 5
- с пазом на условное давление 1,6; 4,0 МПа (рисунок 10, таблицы 21;
22);
исполнение 6
- под прокладку овального сечения на условное давление от 6,3 до 16,0 МПа (рисунок 11,
таблицы 23 -
25).
Размеры уплотнительные
поверхностей «шип-паз» под фторопластовые прокладки должны соответствовать
указанным на рисунках
9; 10 и в таблице 47.
(Измененная редакция, Изм. № 1).
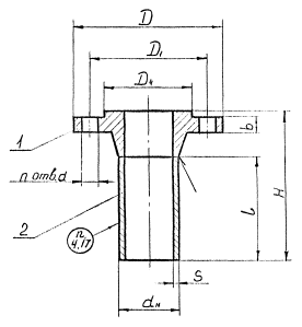
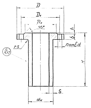
Тип 2
Исполнение 1

1 - фланец по ГОСТ
12820-80
2 - патрубок
Рисунок 6
Таблица 13
Ру
1,6 МПа (16 кгс/см2)
Размеры
в миллиметрах
|
Dy
|
D
|
D1
|
D2
|
b
|
d
|
n
|
l
|
H
|
dн
|
S
|
Масса, кг
|
|
80
|
195
|
160
|
133
|
17
|
18
|
4
|
120
|
173
|
89
|
5
|
5,4
|
|
180
|
233
|
6,1
|
|
100
|
215
|
180
|
158
|
8
|
120
|
173
|
108
|
6
|
6,7
|
|
180
|
233
|
7,6
|
|
150
|
280
|
240
|
212
|
19
|
22
|
120
|
180
|
159
|
11,0
|
|
180
|
240
|
12,5
|
|
200
|
335
|
295
|
268
|
21
|
12
|
120
|
181
|
219
|
8
|
16,8
|
|
180
|
241
|
19,3
|
|
250
|
405
|
355
|
320
|
23
|
26
|
120
|
188
|
273
|
10
|
25,2
|
|
180
|
248
|
29,0
|
|
300
|
460
|
410
|
370
|
24
|
150
|
220
|
325
|
34,5
|
|
210
|
280
|
39,0
|
|
350
|
520
|
470
|
430
|
28
|
16
|
150
|
224
|
377
|
12
|
48,2
|
|
210
|
284
|
54,7
|
|
400
|
580
|
525
|
482
|
32
|
30
|
160
|
239
|
426
|
62,6
|
|
220
|
299
|
70,0
|
|
500
|
710
|
650
|
585
|
38
|
33
|
20
|
180
|
274
|
530
|
98,5
|
|
240
|
334
|
107,8
|
Таблица 14
Ру
2,5 МПа (25 кгс/см2)
Размеры
в миллиметрах
|
Dy
|
D
|
D1
|
D2
|
b
|
d
|
n
|
l
|
H
|
dн
|
S
|
Масса, кг
|
|
100
|
230
|
190
|
158
|
21
|
22
|
8
|
120
|
132
|
108
|
6
|
8,3
|
|
180
|
242
|
9,3
|
|
150
|
300
|
250
|
212
|
25
|
26
|
120
|
192
|
159
|
15,2
|
|
180
|
252
|
16,6
|
|
200
|
360
|
310
|
278
|
27
|
12
|
120
|
199
|
219
|
8
|
22,5
|
|
180
|
259
|
25,0
|
|
250
|
425
|
370
|
335
|
29
|
30
|
120
|
199
|
273
|
10
|
32,2
|
|
180
|
259
|
36,1
|
|
300
|
485
|
430
|
390
|
32
|
16
|
150
|
234
|
325
|
45,0
|
|
210
|
294
|
49,6
|
|
350
|
550
|
490
|
450
|
36
|
33
|
150
|
239
|
377
|
12
|
63,0
|
|
210
|
299
|
69,5
|
|
400
|
610
|
550
|
505
|
40
|
160
|
264
|
426
|
84,5
|
|
220
|
324
|
92,0
|
|
500
|
730
|
660
|
615
|
44
|
39
|
20
|
180
|
284
|
530
|
116,5
|
|
240
|
344
|
125,7
|
Таблица 15
Ру
4,0 МПа (40 кгс/см2)
Размеры
в миллиметрах
|
Dy
|
D
|
D1
|
D2
|
b
|
d
|
n
|
l
|
H
|
dн
|
S
|
Масса, кг
|
|
15
|
95
|
65
|
47
|
14
|
14
|
4
|
120
|
155
|
18
|
3,5
|
0,9
|
|
180
|
215
|
1,0
|
|
20
|
105
|
75
|
58
|
120
|
156
|
25
|
1,2
|
|
180
|
216
|
1,3
|
|
25
|
115
|
85
|
66
|
120
|
158
|
32
|
1,5
|
|
180
|
218
|
1,7
|
|
32
|
135
|
100
|
78
|
16
|
18
|
120
|
165
|
38
|
2,2
|
|
160
|
225
|
2,4
|
|
40
|
145
|
110
|
63
|
120
|
168
|
45
|
2,7
|
|
180
|
228
|
2,9
|
|
50
|
160
|
125
|
102
|
17
|
120
|
168
|
57
|
4
|
3,5
|
|
180
|
228
|
3,8
|
|
80
|
195
|
160
|
133
|
21
|
8
|
120
|
178
|
89
|
5
|
6,1
|
|
180
|
238
|
6,7
|
Тип 2
Исполнение 2

1 - фланец по ГОСТ
12821
2 - патрубок
Рисунок 7
Тип 2
Исполнение 3

1 - фланец по ГОСТ
12821
2 - патрубок
Рисунок 8
Таблица 16
Ру
1,0 МПа (10 кгс/см2)
Размеры
в миллиметрах
|
Dy
|
D
|
D1
|
D4
|
D6
|
b
|
d
|
n
|
l
|
H
|
dн
|
S
|
Масса, кг
|
|
Исполнение
|
|
2
|
3
|
|
200
|
335
|
295
|
259
|
260
|
19
|
22
|
8
|
120
|
183
|
219
|
8
|
16,0
|
15,5
|
|
180
|
243
|
18,5
|
18,0
|
|
250
|
390
|
350
|
312
|
313
|
21
|
12
|
120
|
185
|
273
|
10
|
22,2
|
21,4
|
|
180
|
245
|
26,0
|
25,3
|
|
300
|
440
|
400
|
363
|
364
|
22
|
150
|
215
|
325
|
31,0
|
29,4
|
|
210
|
275
|
36,0
|
34,0
|
|
350
|
500
|
460
|
421
|
422
|
16
|
150
|
215
|
377
|
12
|
41,0
|
38,8
|
|
210
|
275
|
47,4
|
45,3
|
|
400
|
565
|
515
|
473
|
474
|
26
|
160
|
225
|
426
|
50,0
|
47,3
|
|
220
|
285
|
57,4
|
55,0
|
|
500
|
670
|
620
|
575
|
576
|
24
|
20
|
180
|
250
|
530
|
67,6
|
64,6
|
|
340
|
310
|
76,8
|
73,8
|
Таблица 17
Ру
1,6 МПа (16 кгс/см2)
Размеры
в миллиметрах
|
Dy
|
D
|
D1
|
D4
|
D6
|
b
|
d
|
n
|
l
|
H
|
dн
|
S
|
Масса, кг
|
|
Исполнение
|
|
2
|
3
|
|
80
|
195
|
160
|
120
|
121
|
17
|
18
|
4
|
120
|
175
|
89
|
5
|
5,4
|
5,3
|
|
180
|
235
|
6,1
|
6,0
|
|
100
|
215
|
180
|
149
|
150
|
8
|
120
|
175
|
108
|
6
|
6,6
|
6,5
|
|
180
|
235
|
7,5
|
7,4
|
|
150
|
280
|
240
|
203
|
204
|
19
|
22
|
120
|
182
|
159
|
11,0
|
10,5
|
|
180
|
242
|
12,5
|
12,0
|
|
200
|
335
|
295
|
259
|
260
|
21
|
12
|
120
|
183
|
219
|
8
|
17,0
|
16,5
|
|
180
|
243
|
19,2
|
18,8
|
|
250
|
405
|
355
|
312
|
313
|
23
|
26
|
120
|
190
|
273
|
10
|
23,0
|
22,0
|
|
180
|
250
|
27,0
|
26,0
|
|
300
|
460
|
410
|
363
|
364
|
24
|
150
|
221
|
325
|
32,3
|
32,5
|
|
210
|
281
|
39,0
|
37,5
|
|
350
|
520
|
470
|
421
|
422
|
28
|
16
|
150
|
225
|
377
|
12
|
48,2
|
45,6
|
|
210
|
285
|
54,7
|
52,1
|
|
400
|
580
|
525
|
473
|
474
|
32
|
30
|
160
|
240
|
426
|
62,2
|
60,7
|
|
220
|
300
|
69,6
|
68,0
|
|
500
|
710
|
650
|
575
|
576
|
38
|
33
|
20
|
180
|
275
|
530
|
98,0
|
96,7
|
|
240
|
335
|
107,1
|
105,8
|
Таблица 18
Ру
2,5 МПа (25 кгс/см2)
Размеры
в миллиметрах
|
Dy
|
D
|
D1
|
D4
|
D6
|
b
|
d
|
n
|
l
|
H
|
dн
|
S
|
Масса, кг
|
|
Исполнение
|
|
2
|
3
|
|
100
|
230
|
190
|
149
|
150
|
21
|
22
|
8
|
120
|
183
|
108
|
6
|
8,4
|
8,1
|
|
180
|
243
|
9,3
|
9,0
|
|
150
|
300
|
250
|
203
|
204
|
25
|
26
|
120
|
193
|
159
|
15,3
|
14,6
|
|
180
|
253
|
16,6
|
16,0
|
|
200
|
360
|
310
|
259
|
260
|
27
|
12
|
120
|
200
|
219
|
8
|
22,2
|
22,0
|
|
180
|
260
|
24,7
|
24,4
|
|
250
|
425
|
370
|
312
|
313
|
29
|
30
|
120
|
200
|
273
|
10
|
32,0
|
31,0
|
|
180
|
260
|
35,8
|
35,0
|
|
300
|
485
|
430
|
363
|
364
|
32
|
16
|
150
|
234
|
325
|
44,0
|
43,6
|
|
210
|
294
|
48,7
|
48,3
|
|
350
|
550
|
490
|
421
|
422
|
36
|
33
|
150
|
239
|
377
|
12
|
62,0
|
61,0
|
|
210
|
299
|
68,3
|
67,5
|
|
400
|
610
|
550
|
473
|
474
|
40
|
160
|
264
|
426
|
83,2
|
82,0
|
|
220
|
324
|
93,5
|
89,5
|
|
500
|
730
|
660
|
575
|
576
|
44
|
39
|
20
|
180
|
284
|
530
|
115,8
|
114,0
|
|
240
|
344
|
125,0
|
123,3
|
Таблица 19
Ру
4,0 МПа (40 кгс/см2)
Размеры
в миллиметрах
|
Dy
|
D
|
D1
|
D4
|
D6
|
b
|
d
|
n
|
l
|
H
|
dн
|
S
|
Масса, кг
|
|
Исполнение
|
|
2
|
3
|
|
15
|
95
|
65
|
39
|
40
|
14
|
14
|
4
|
120
|
157
|
18
|
3,5
|
0,9
|
0,9
|
|
180
|
217
|
1,0
|
0,9
|
|
20
|
105
|
75
|
50
|
51
|
120
|
158
|
25
|
1,3
|
1,2
|
|
180
|
218
|
1,4
|
1,3
|
|
25
|
115
|
85
|
57
|
58
|
120
|
160
|
32
|
15
|
1,4
|
|
180
|
220
|
1,7
|
1,6
|
|
32
|
135
|
100
|
65
|
66
|
16
|
18
|
120
|
167
|
38
|
2,2
|
2,1
|
|
180
|
227
|
2,4
|
2,3
|
|
40
|
145
|
110
|
75
|
76
|
120
|
169
|
45
|
2,6
|
2,5
|
|
180
|
229
|
2,8
|
2,7
|
|
50
|
160
|
125
|
67
|
88
|
17
|
120
|
169
|
57
|
4,0
|
3,4
|
3,3
|
|
180
|
229
|
3,7
|
3,6
|
|
80
|
195
|
160
|
120
|
121
|
21
|
8
|
120
|
179
|
89
|
5,0
|
6,1
|
5,8
|
|
180
|
239
|
6,7
|
6,5
|
|
100
|
230
|
190
|
149
|
150
|
23
|
22
|
120
|
190
|
108
|
6,0
|
8,9
|
8,7
|
|
180
|
250
|
9,8
|
9,6
|
|
150
|
300
|
250
|
203
|
204
|
27
|
26
|
120
|
193
|
159
|
16,0
|
15,5
|
|
180
|
253
|
17,5
|
17,0
|
|
200
|
375
|
320
|
259
|
260
|
35
|
30
|
12
|
120
|
210
|
219
|
8
|
29,0
|
28,5
|
|
180
|
270
|
31,5
|
31,0
|
|
250
|
445
|
385
|
312
|
313
|
39
|
33
|
120
|
223
|
273
|
10
|
45,0
|
44,5
|
|
180
|
283
|
49,0
|
48,2
|
|
300
|
510
|
450
|
363
|
364
|
42
|
16
|
150
|
267
|
325
|
62,2
|
62,0
|
|
210
|
327
|
67,0
|
66,5
|
|
350
|
570
|
510
|
421
|
422
|
48
|
150
|
271
|
377
|
12
|
86,0
|
84,2
|
|
210
|
331
|
92,5
|
91,0
|
|
400
|
655
|
585
|
473
|
474
|
54
|
39
|
180
|
320
|
426
|
128,0
|
127,0
|
|
240
|
380
|
135,0
|
134,5
|
|
500
|
755
|
670
|
575
|
576
|
50
|
45
|
20
|
180
|
325
|
530
|
14
|
160,0
|
158,0
|
|
240
|
385
|
171,0
|
169,0
|
Таблица 20
Ру
6,3 МПа (40 кгс/см2)
Размеры
в миллиметрах
|
Dy
|
D
|
D1
|
D4
|
D6
|
b
|
d
|
n
|
l
|
H
|
dн
|
S
|
Масса, кг
|
|
Исполнение
|
|
2
|
3
|
|
15
|
105
|
75
|
39
|
40
|
16
|
14
|
4
|
120
|
170
|
18
|
3,5
|
1,3
|
1,2
|
|
180
|
230
|
1,4
|
1,3
|
|
20
|
125
|
90
|
50
|
51
|
18
|
18
|
120
|
178
|
25
|
4,0
|
2,1
|
2,0
|
|
180
|
238
|
2,2
|
2,1
|
|
25
|
135
|
100
|
57
|
58
|
20
|
120
|
180
|
32
|
2,6
|
2,5
|
|
180
|
240
|
2,8
|
2,7
|
|
32
|
150
|
110
|
65
|
66
|
21
|
22
|
120
|
184
|
38
|
3,4
|
3,3
|
|
180
|
244
|
3,6
|
3,5
|
|
40
|
165
|
125
|
75
|
76
|
120
|
189
|
45
|
4,2
|
4,1
|
|
180
|
249
|
4,5
|
4,4
|
|
50
|
175
|
135
|
87
|
88
|
23
|
120
|
191
|
57
|
5,2
|
5,1
|
|
180
|
251
|
5,5
|
5,4
|
|
80
|
210
|
170
|
120
|
121
|
27
|
8
|
120
|
196
|
89
|
5,0
|
8,4
|
8,2
|
|
180
|
256
|
9,0
|
8,9
|
|
100
|
250
|
200
|
149
|
150
|
29
|
26
|
120
|
202
|
108
|
6
|
12,5
|
12,3
|
|
160
|
262
|
13,4
|
13,2
|
|
150
|
340
|
280
|
203
|
204
|
35
|
33
|
120
|
230
|
159
|
28,1
|
27,0
|
|
180
|
290
|
29,5
|
28,2
|
|
200
|
405
|
345
|
259
|
260
|
41
|
12
|
120
|
235
|
219
|
8
|
43,5
|
41,1
|
|
180
|
295
|
46,0
|
43,6
|
|
250
|
470
|
400
|
312
|
313
|
45
|
39
|
150
|
270
|
273
|
10
|
63,5
|
60,0
|
|
210
|
330
|
67,5
|
64,0
|
Таблица 20а
Ру
0,6 МПа (6 кгс/см2)
Размеры
в миллиметрах
|
Dy
|
D
|
D1
|
D4
|
D6
|
b
|
d
|
n
|
l
|
H
|
dн
|
S
|
Масса, кг
|
|
Исполнение
|
|
2
|
3
|
|
15
|
80
|
55
|
33
|
34
|
10
|
11
|
4
|
120
|
152
|
18
|
3,5
|
0,6
|
0,5
|
|
160
|
212
|
0,6
|
0,6
|
|
20
|
90
|
65
|
43
|
44
|
120
|
154
|
25
|
0,8
|
0,7
|
|
180
|
214
|
0,9
|
0,8
|
|
25
|
100
|
75
|
51
|
52
|
12
|
120
|
154
|
32
|
1,1
|
1,0
|
|
180
|
214
|
1,2
|
1,2
|
|
32
|
120
|
90
|
59
|
60
|
14
|
120
|
157
|
38
|
1,4
|
1,4
|
|
180
|
217
|
1,6
|
1,6
|
|
40
|
130
|
100
|
69
|
70
|
120
|
159
|
45
|
1,8
|
1,7
|
|
180
|
219
|
2,0
|
1,9
|
|
50
|
140
|
110
|
80
|
81
|
12
|
120
|
159
|
57
|
4
|
2,0
|
2,1
|
|
180
|
219
|
2,5
|
2,4
|
|
80
|
185
|
150
|
115
|
116
|
13
|
18
|
120
|
161
|
89
|
5
|
4,0
|
4,0
|
|
180
|
221
|
4,6
|
4,7
|
|
100
|
205
|
170
|
137
|
138
|
120
|
162
|
108
|
6
|
4,9
|
4,8
|
|
180
|
222
|
5,8
|
5,8
|
|
150
|
260
|
225
|
191
|
192
|
15
|
8
|
120
|
167
|
159
|
8,6
|
7,7
|
|
180
|
227
|
9,9
|
9,0
|
|
200
|
315
|
280
|
249
|
250
|
17
|
120
|
174
|
219
|
8
|
14,3
|
12,7
|
|
180
|
234
|
16,8
|
15,2
|
|
250
|
370
|
335
|
303
|
304
|
18
|
12
|
120
|
174
|
273
|
10
|
18,5
|
18,0
|
|
180
|
234
|
22,4
|
22,0
|
|
300
|
435
|
395
|
356
|
357
|
22
|
150
|
205
|
325
|
26,0
|
26,0
|
|
210
|
265
|
30,6
|
30,4
|
|
350
|
485
|
445
|
406
|
407
|
150
|
205
|
377
|
12
|
34,9
|
33,8
|
|
210
|
265
|
41,3
|
40,3
|
|
400
|
535
|
495
|
456
|
457
|
16
|
160
|
215
|
426
|
39,3
|
39,0
|
|
220
|
275
|
46,6
|
46,3
|
|
500
|
640
|
600
|
561
|
562
|
19
|
180
|
235
|
530
|
56,7
|
53,5
|
|
240
|
295
|
65,9
|
62,7
|
(Измененная редакция, Изм. № 1).
Тип 2
Исполнение 4

1 - фланец по ГОСТ
12821
2 - патрубок
Рисунок 9
Тип 2
Исполнение 5

1 - фланец по ГОСТ
12821
2 - патрубок
Рисунок 10
Таблица 21
Ру
1,6 МПа (16 кгс/см)
Размеры
в миллиметрах
|
Dy
|
D
|
D1
|
D3
|
D4
|
D5
|
D6
|
b
|
d
|
n
|
l
|
H
|
dн
|
S
|
Масса, кг
|
|
Исполнение
|
|
4
|
5
|
|
50
|
160
|
125
|
73
|
87
|
72
|
88
|
13
|
18
|
4
|
120
|
169
|
57
|
4
|
2,8
|
2,9
|
|
180
|
229
|
3,1
|
3,2
|
|
80
|
195
|
160
|
106
|
120
|
105
|
121
|
17
|
120
|
174
|
89
|
5
|
5,3
|
5,4
|
|
180
|
234
|
5,9
|
6,0
|
|
100
|
215
|
180
|
129
|
149
|
128
|
150
|
8
|
120
|
175
|
108
|
6
|
6,5
|
6,6
|
|
180
|
235
|
7,4
|
7,5
|
|
150
|
280
|
240
|
183
|
203
|
182
|
204
|
19
|
22
|
120
|
182
|
159
|
10,5
|
11,0
|
|
180
|
242
|
12,0
|
12,5
|
|
200
|
335
|
295
|
239
|
259
|
238
|
260
|
21
|
12
|
120
|
183
|
219
|
8
|
16,0
|
16,5
|
|
180
|
243
|
18,5
|
19,0
|
|
250
|
405
|
355
|
292
|
312
|
291
|
313
|
23
|
26
|
120
|
190
|
273
|
10
|
24,5
|
25,0
|
|
180
|
250
|
28,5
|
29,0
|
|
300
|
460
|
410
|
343
|
363
|
342
|
364
|
24
|
150
|
221
|
325
|
33,3
|
33,8
|
|
210
|
281
|
37,9
|
38,4
|
Таблица 22
Ру
4,0 МПа (40 кгс/см)
Размеры
в миллиметрах
|
Dy
|
D
|
D1
|
D3
|
D4
|
D5
|
D6
|
b
|
d
|
n
|
l
|
H
|
dн
|
S
|
Масса, кг
|
|
Исполнение
|
|
4
|
5
|
|
15
|
95
|
65
|
29
|
39
|
28
|
40
|
14
|
14
|
4
|
120
|
157
|
18
|
3,5
|
0,9
|
0,9
|
|
180
|
217
|
1,0
|
1,0
|
|
20
|
105
|
75
|
36
|
50
|
35
|
51
|
120
|
158
|
25
|
1,2
|
1,2
|
|
180
|
218
|
1,3
|
1,3
|
|
25
|
115
|
85
|
43
|
57
|
42
|
58
|
120
|
160
|
32
|
1,5
|
1,5
|
|
180
|
220
|
1,6
|
1,6
|
|
32
|
135
|
100
|
51
|
65
|
50
|
66
|
16
|
18
|
120
|
167
|
38
|
2,2
|
2,2
|
|
180
|
227
|
2,4
|
2,4
|
|
40
|
145
|
110
|
61
|
75
|
60
|
76
|
120
|
169
|
45
|
2,6
|
2,6
|
|
180
|
229
|
2,8
|
2,8
|
|
50
|
160
|
125
|
73
|
87
|
72
|
88
|
17
|
120
|
169
|
57
|
4,0
|
3,4
|
3,4
|
|
180
|
229
|
3,7
|
3,7
|
|
80
|
195
|
160
|
106
|
120
|
105
|
121
|
21
|
8
|
120
|
179
|
69
|
5,0
|
5,9
|
6,0
|
|
180
|
239
|
6,6
|
6,7
|
|
100
|
230
|
190
|
129
|
149
|
128
|
150
|
23
|
22
|
120
|
190
|
108
|
6
|
9,0
|
9,1
|
|
180
|
250
|
9,9
|
10,0
|
|
150
|
300
|
250
|
163
|
203
|
182
|
204
|
27
|
26
|
120
|
193
|
159
|
15,5
|
16,0
|
|
180
|
253
|
17,0
|
17,1
|
|
200
|
375
|
320
|
239
|
259
|
238
|
260
|
35
|
30
|
12
|
120
|
210
|
219
|
8
|
29,2
|
29,0
|
|
180
|
270
|
31,7
|
31,5
|
|
250
|
445
|
385
|
292
|
312
|
291
|
313
|
39
|
33
|
120
|
223
|
273
|
10
|
44,7
|
45,2
|
|
180
|
283
|
48,6
|
49,0
|
|
300
|
510
|
450
|
343
|
363
|
342
|
364
|
42
|
16
|
150
|
267
|
325
|
63,0
|
64,0
|
|
210
|
327
|
67,5
|
68,5
|
Тип 2
Исполнение 6

1 - фланец по ГОСТ
12821
2 - патрубок
Рисунок 11
Таблица 23
Ру
6,3 МПа (63 кгс/см2)
Размеры
в миллиметрах
|
Dy
|
D
|
D1
|
D8
|
b
|
d
|
n
|
l
|
H
|
dн
|
S
|
Масса, кг
|
|
50
|
175
|
135
|
85
|
23
|
22
|
4
|
120
|
190
|
57
|
4
|
5,2
|
|
180
|
250
|
5,5
|
|
80
|
210
|
170
|
115
|
27
|
8
|
120
|
195
|
89
|
5
|
8,1
|
|
180
|
255
|
8,8
|
|
100
|
250
|
200
|
145
|
29
|
25
|
120
|
200
|
108
|
6
|
12,3
|
|
180
|
260
|
13,2
|
|
150
|
340
|
280
|
205
|
35
|
33
|
120
|
228
|
159
|
27,0
|
|
180
|
288
|
28,3
|
|
200
|
405
|
345
|
285
|
41
|
12
|
120
|
233
|
219
|
8
|
41,0
|
|
180
|
293
|
43,5
|
|
250
|
470
|
400
|
320
|
45
|
39
|
150
|
268
|
273
|
10
|
60,0
|
|
210
|
328
|
63,7
|
|
300
|
530
|
460
|
375
|
50
|
16
|
180
|
304
|
325
|
20
|
94,1
|
|
240
|
364
|
103,0
|
|
350
|
595
|
525
|
420
|
56
|
39
|
180
|
324
|
377
|
20
|
128,1
|
|
240
|
384
|
138,7
|
|
400
|
670
|
585
|
480
|
62
|
45
|
180
|
339
|
426
|
22
|
174,4
|
|
240
|
399
|
187,5
|
Таблица 24
Ру
10,0 МПа (100 кгс/см2)
Размеры
в миллиметрах
|
Dy
|
D
|
D1
|
D8
|
b
|
d
|
n
|
l
|
H
|
dн
|
S
|
Масса, кг
|
|
50
|
195
|
145
|
85
|
25
|
26
|
4
|
120
|
191
|
57
|
7
|
7,0
|
|
180
|
251
|
7,5
|
|
80
|
230
|
180
|
115
|
31
|
8
|
120
|
210
|
89
|
8
|
11,7
|
|
180
|
270
|
12,7
|
|
100
|
265
|
210
|
145
|
35
|
30
|
120
|
220
|
108
|
10
|
17,3
|
|
180
|
280
|
18,8
|
|
150
|
350
|
290
|
205
|
43
|
33
|
12
|
120
|
248
|
159
|
12
|
37,0
|
|
180
|
308
|
39,7
|
|
200
|
430
|
360
|
265
|
51
|
39
|
150
|
293
|
219
|
18
|
67,2
|
|
210
|
353
|
72,5
|
|
250
|
500
|
430
|
320
|
57
|
150
|
313
|
273
|
20
|
104,1
|
|
210
|
373
|
111,6
|
|
300
|
585
|
500
|
375
|
66
|
45
|
16
|
180
|
354
|
325
|
154,8
|
|
240
|
424
|
163,8
|
|
350
|
655
|
560
|
420
|
72
|
52
|
180
|
379
|
377
|
20
|
201,2
|
|
240
|
439
|
211,8
|
|
400
|
715
|
620
|
480
|
76
|
180
|
384
|
426
|
22
|
290,6
|
|
240
|
444
|
263,7
|
Таблица 25
Ру
16,0 МПа (160 кгс/см2)
Размеры
в миллиметрах
|
Dy
|
D
|
D1
|
D8
|
b
|
d
|
n
|
l
|
H
|
dн
|
S
|
Масса, кг
|
|
15
|
105
|
75
|
35
|
18
|
14
|
4
|
120
|
172
|
18
|
3,5
|
1,4
|
|
180
|
232
|
1,5
|
|
20
|
125
|
90
|
45
|
20
|
18
|
120
|
178
|
25
|
4,0
|
2,3
|
|
180
|
233
|
2,4
|
|
25
|
135
|
100
|
50
|
22
|
120
|
178
|
32
|
2,8
|
|
180
|
238
|
2,9
|
|
32
|
150
|
110
|
65
|
22
|
120
|
187
|
38
|
5,0
|
3,5
|
|
180
|
247
|
3,7
|
|
40
|
165
|
125
|
75
|
25
|
120
|
195
|
45
|
4,6
|
|
180
|
255
|
4,9
|
|
50
|
195
|
145
|
95
|
27
|
26
|
120
|
198
|
57
|
7,0
|
7,4
|
|
180
|
258
|
7,9
|
|
80
|
230
|
180
|
130
|
33
|
8
|
120
|
213
|
89
|
8,0
|
12,1
|
|
180
|
273
|
13,0
|
|
100
|
265
|
210
|
160
|
37
|
30
|
120
|
223
|
108
|
10
|
18,0
|
|
180
|
283
|
19,5
|
|
150
|
350
|
290
|
205
|
47
|
33
|
12
|
120
|
253
|
159
|
12
|
39,1
|
|
180
|
313
|
41,8
|
|
200
|
430
|
360
|
275
|
57
|
39
|
150
|
298
|
219
|
18
|
71,2
|
|
210
|
358
|
76,6
|
|
250
|
500
|
430
|
330
|
65
|
150
|
318
|
273
|
20
|
111,0
|
|
210
|
378
|
118,5
|
|
300
|
585
|
500
|
380
|
74
|
45
|
16
|
180
|
369
|
325
|
22
|
166,2
|
|
240
|
429
|
176,1
|
Пример условного обозначения штуцера с
фланцем стальным приварным встык Dу 250 мм на Ру 1,6 МПа, типа 2
исполнения 4, l
= 180 мм, фланец из стали 20, патрубок из стали 20:
Штуцер
250 - 1,6 - 2 - 4 - 180 - 20 АТК 24.218.06-90.
То же, фланец из стали 10Г2,
патрубок из стали 20:
Штуцер
250 - 1,6 - 2 - 4 - 180 - 10Г2 - 20 АТК 24.218.06-90.
То же, под фторопластовую
прокладку:
Штуцер
250 - 1,6 - Ф - 2 - 4 - 180 - 10Г2 - 20 АТК 24.218.06-90.
3.2.3. Штуцера типа 3 утолщенные
цельнокованные прямые на условное давление от 1,6 до 16,0 МПа и температуру от
минус 70 до 600 °С имеют четыре исполнения:
исполнение 1
- с соединительным выступом на условное давление 4,0 МПа (рисунок 12,
таблица 26);
исполнение 2
- с выступом на условное давление 4,0; 6,3 MПa (рисунок 13,
таблицы 27;
28);
исполнение 3
- с впадиной на условное давление 4,0; 6.3 МПа (рисунок 14, таблицы 27;
28);
исполнение 4
- под прокладку овального сечения на условное давление от 6,3 до 16,0 МПа (рисунок 15,
таблицы 29 -
31).
Тип 3
Исполнение 1

Рисунок 12
Таблица 26
Py 4,0 МПа (40
кгс/см2)
Размеры
в миллиметрах
|
Dy
|
D
|
D1
|
D2
|
b
|
h
|
d
|
n
|
H
|
dн
|
S
|
Масса, кг
|
|
15
|
95
|
65
|
47
|
14
|
2
|
14
|
4
|
200
|
30
|
10
|
1,6
|
|
20
|
105
|
75
|
58
|
38
|
2,2
|
|
25
|
115
|
85
|
68
|
45
|
2,7
|
|
32
|
135
|
100
|
78
|
16
|
18
|
56
|
14
|
4,5
|
|
40
|
145
|
110
|
88
|
3
|
64
|
5,0
|
|
50
|
160
|
125
|
102
|
17
|
76
|
6,0
|
|
60
|
195
|
160
|
133
|
21
|
8
|
112
|
16
|
11,5
|
Тип 3
Исполнение 2

Рисунок 13
Тип 3
Исполнение 3

Рисунок 14
Таблица 27
Py 4,0 МПа (40
кгс/см2)
Размеры
в миллиметрах
|
Dy
|
D
|
D1
|
D2
|
D4
|
D6
|
b
|
d
|
n
|
l
|
H
|
dн
|
S
|
Масса, кг
|
|
Исполнение
|
|
2
|
3
|
|
15
|
95
|
65
|
47
|
39
|
40
|
14
|
2
|
14
|
4
|
200
|
30
|
10
|
1,8
|
1,7
|
|
20
|
105
|
75
|
58
|
50
|
51
|
38
|
2,6
|
2,5
|
|
25
|
115
|
85
|
68
|
57
|
58
|
45
|
2,7
|
2,6
|
|
32
|
135
|
100
|
78
|
65
|
66
|
16
|
18
|
56
|
14
|
4,1
|
4,0
|
|
40
|
145
|
110
|
88
|
75
|
76
|
3
|
64
|
4,9
|
4,8
|
|
50
|
160
|
125
|
102
|
87
|
88
|
17
|
76
|
6,3
|
6,2
|
|
80
|
195
|
160
|
133
|
120
|
121
|
21
|
8
|
112
|
16
|
11,0
|
11,0
|
Таблица 28
Py 6,3 МПа (63
кгс/см2)
Размеры
в миллиметрах
|
Dy
|
D
|
D1
|
D2
|
D4
|
D6
|
b
|
d
|
n
|
l
|
H
|
dн
|
S
|
Масса, кг
|
|
Исполнение
|
|
2
|
3
|
|
15
|
105
|
75
|
47
|
39
|
40
|
16
|
2
|
14
|
4
|
240
|
38
|
16
|
3,2
|
3,1
|
|
20
|
125
|
90
|
58
|
50
|
51
|
18
|
18
|
48
|
5,0
|
4,9
|
|
25
|
135
|
100
|
68
|
57
|
58
|
20
|
52
|
6,1
|
6,0
|
|
32
|
150
|
110
|
78
|
65
|
66
|
21
|
22
|
64
|
7,5
|
7,4
|
|
40
|
165
|
125
|
88
|
75
|
76
|
3
|
74
|
20
|
9,6
|
9,1
|
|
50
|
175
|
135
|
102
|
87
|
88
|
23
|
86
|
12,3
|
11,8
|
|
80
|
210
|
170
|
133
|
120
|
121
|
27
|
8
|
120
|
16,2
|
16,0
|
Тип 3
Исполнение 4

Рисунок
15
Таблица 29
Ру
6,3 МПа (63 кгс/см)
Размеры
в миллиметрах
|
Dy
|
D
|
D1
|
D9
|
D8
|
b
|
h
|
h3
|
b2
|
r
|
d
|
n
|
H
|
dн
|
S
|
Масса, кг
|
|
50
|
175
|
135
|
102
|
85
|
23
|
3
|
8
|
12
|
4
|
22
|
4
|
240
|
86
|
20
|
11,0
|
|
80
|
210
|
170
|
133
|
115
|
27
|
8
|
120
|
16,5
|
Таблица 30
Ру
10,0 МПа (100 кгс/см)
Размеры
в миллиметрах
|
Dy
|
D
|
D1
|
D9
|
D8
|
b
|
h
|
h3
|
b2
|
r
|
d
|
n
|
H
|
dн
|
S
|
Масса, кг
|
|
50
|
195
|
145
|
102
|
85
|
25
|
3
|
8
|
12
|
4,0
|
26
|
4
|
260
|
86
|
20
|
12,8
|
|
80
|
230
|
180
|
150
|
115
|
31
|
8
|
124
|
24
|
21,8
|
Таблица 31
Ру
16,0 МПа (160 кгс/см)
Размеры
в миллиметрах
|
Dy
|
D
|
D1
|
D9
|
D8
|
b
|
h
|
h3
|
b2
|
r
|
d
|
n
|
H
|
dн
|
S
|
Масса, кг
|
|
15
|
105
|
75
|
55
|
35
|
18
|
2
|
6,5
|
9
|
2,8
|
14
|
4
|
300
|
38
|
16
|
3,3
|
|
20
|
125
|
90
|
58
|
45
|
20
|
18
|
48
|
5,0
|
|
25
|
135
|
100
|
68
|
50
|
22
|
52
|
5,7
|
|
32
|
150
|
110
|
78
|
65
|
|
22
|
64
|
8,4
|
|
40
|
165
|
125
|
88
|
75
|
25
|
3
|
76
|
20
|
13,4
|
|
50
|
195
|
145
|
115
|
95
|
27
|
8,0
|
12
|
4,0
|
26
|
|
86
|
16,3
|
|
80
|
230
|
180
|
150
|
130
|
33
|
8
|
320
|
124
|
24
|
27,8
|
Пример условного обозначения штуцера
утолщенного, цельнокованного прямого Dy 50, на Ру 4,0 МПа, типа 3
исполнения 1, H
= 200 мм из стали 10Г2:
Штуцер
50 - 4,0 - 3 - 1 - 200 - 10Г2 АТК 24.21806-90.
3.2.4. Штуцера типа 4 с
утолщенными патрубками с фланцами приварными встык на условное давление от 1,6
до 16,0 МПа и температуру от минус 70 до 600 °С имеют шесть исполнений:
исполнение 1
- с соединительным выступом на условное давление от 1,6 до 4,0 МПа (рисунок 16,
таблицы 32 -
34);
исполнение 2
- с выступом на условное давление от 1,6 до 6,3 МПа (рисунок 17, таблицы 35 - 38);
исполнение 3
- с впадиной на условное давление от 1,6 до 6,3 МПа (рисунок 18, таблицы 35 - 38);
исполнение 4
- с шипом на условное давление 1,6; 4,0 МПа (рисунок 19, таблицы 39;
40);
исполнение 5
- с пазом на условное давление 1,6; 4,0 МПа (рисунок 20, таблицы 39;
40);
исполнение 6
- под прокладку овального сечения на условное давление от 6,3 до 16,0 МПа (рисунок 21,
таблицы 41 -
43).
Размеры уплотнительных
поверхностей «шип-паз» под фторопластовые прокладки должны соответствовать
указанным на рисунках
19; 20 и в таблице 47.
Тип 4
Исполнение 1

1 - фланец по ГОСТ
12821
2 - патрубок
Рисунок 16
Таблица 32
Ру
1,6 МПа (16 кгс/cм2)
Размеры
в миллиметрах
|
Dy
|
D
|
D1
|
D2
|
b
|
d
|
n
|
l
|
H
|
dн
|
S
|
Исполнение патрубка поз.
2
|
Масса, кг
|
|
80
|
195
|
160
|
133
|
17
|
18
|
4
|
180
|
233
|
95
|
10
|
2
|
8,1
|
|
100
|
215
|
180
|
158
|
8
|
114
|
9,5
|
|
150
|
280
|
240
|
212
|
19
|
22
|
240
|
168
|
12
|
17,0
|
|
200
|
335
|
295
|
268
|
21
|
12
|
241
|
228
|
14
|
25,5
|
|
245
|
22
|
34,0
|
|
250
|
405
|
355
|
320
|
23
|
26
|
200
|
268
|
286
|
16
|
39,0
|
|
299
|
22
|
47,0
|
|
300
|
460
|
410
|
370
|
24
|
220
|
290
|
335
|
16
|
51,0
|
|
351
|
25
|
66,0
|
|
350
|
520
|
470
|
430
|
28
|
16
|
260
|
334
|
395
|
22
|
84,0
|
|
412
|
30
|
3; 4
|
101,0
|
|
400
|
580
|
525
|
482
|
32
|
30
|
339
|
442
|
22
|
2
|
102,0
|
|
458
|
30
|
3; 4
|
118,0
|
|
500
|
710
|
650
|
585
|
38
|
33
|
20
|
310
|
404
|
545
|
22
|
2
|
159,0
|
|
573
|
36
|
3; 4
|
208,0
|
Таблица 33
Py 2,5 МПа (25
кгс/см2)
Размеры
в миллиметрах
|
Dy
|
D
|
D1
|
D2
|
b
|
d
|
n
|
l
|
H
|
dн
|
S
|
Исполнение патрубка поз. 2
|
Масса, кг
|
|
100
|
230
|
190
|
158
|
21
|
22
|
8
|
180
|
241
|
121
|
12
|
2
|
12,5
|
|
150
|
200
|
250
|
212
|
25
|
26
|
251
|
168
|
21,0
|
|
180
|
16
|
24,0
|
|
200
|
360
|
310
|
278
|
27
|
12
|
258
|
228
|
14
|
31,0
|
|
245
|
22
|
33,5
|
|
250
|
425
|
370
|
335
|
29
|
30
|
200
|
278
|
286
|
16
|
46,0
|
|
299
|
22
|
54,0
|
|
314
|
30
|
3;
4
|
61,4
|
|
300
|
485
|
430
|
390
|
32
|
16
|
260
|
344
|
335
|
16
|
2
|
66,5
|
|
351
|
25
|
84,5
|
|
363
|
30
|
3;
4
|
92,4
|
|
350
|
550
|
490
|
450
|
36
|
33
|
280
|
369
|
395
|
22
|
2
|
103,0
|
|
412
|
30
|
3;
4
|
121,4
|
|
432
|
40
|
143,6
|
|
400
|
610
|
550
|
505
|
40
|
300
|
404
|
442
|
22
|
2
|
133,0
|
|
458
|
30
|
3;
4
|
154,5
|
|
478
|
40
|
181,5
|
|
500
|
730
|
660
|
615
|
44
|
39
|
20
|
350
|
454
|
545
|
22
|
2
|
188,0
|
|
560
|
30
|
3;
4
|
220,0
|
|
590
|
45
|
278,2
|
Таблица 34
Py 4,0 МПа (40
кгс/см2)
Размеры
в миллиметрах
|
Dy
|
D
|
D1
|
D2
|
b
|
d
|
n
|
l
|
H
|
dн
|
S
|
Исполнение патрубка поз. 2
|
Масса, кг
|
|
15
|
95
|
65
|
47
|
14
|
14
|
4
|
180
|
215
|
32
|
10
|
2
|
2,0
|
|
20
|
105
|
75
|
58
|
216
|
38
|
2,5
|
|
25
|
115
|
85
|
68
|
218
|
45
|
2,8
|
|
32
|
135
|
100
|
78
|
16
|
18
|
225
|
50
|
3,7
|
|
40
|
145
|
110
|
88
|
228
|
57
|
4,3
|
|
50
|
160
|
125
|
102
|
17
|
68
|
5,4
|
|
80
|
195
|
160
|
133
|
21
|
8
|
238
|
95
|
8,7
|
Тип 4
Исполнение 2

1 - фланец по ГОСТ
12821
2 - патрубок
Рисунок 17
Тип 4
Исполнение 3

1 - фланец по ГОСТ
12821
2 - патрубок
Рисунок 18
Таблица 35
Py 1,6 МПа (16
кгс/см2)
Размеры
в миллиметрах
|
Dy
|
D
|
D1
|
D4
|
D6
|
b
|
d
|
n
|
l
|
H
|
dн
|
S
|
Исполнение патрубка поз.
2
|
Масса, кг
|
|
Исполнение
|
|
2
|
3
|
|
80
|
195
|
160
|
120
|
121
|
17
|
18
|
4
|
180
|
235
|
95
|
10
|
2
|
8,1
|
8,0
|
|
100
|
215
|
180
|
149
|
150
|
8
|
114
|
9,4
|
9,3
|
|
150
|
280
|
240
|
203
|
204
|
19
|
22
|
242
|
168
|
12
|
17,0
|
16,5
|
|
200
|
335
|
295
|
259
|
260
|
21
|
12
|
243
|
228
|
14
|
25,5
|
25,0
|
|
245
|
22
|
34,0
|
33,5
|
|
250
|
405
|
355
|
312
|
313
|
23
|
26
|
200
|
270
|
286
|
16
|
36,5
|
36,0
|
|
299
|
22
|
44,5
|
44,0
|
|
300
|
460
|
410
|
363
|
364
|
24
|
220
|
291
|
335
|
16
|
51,0
|
49,0
|
|
351
|
25
|
66,0
|
64,0
|
|
350
|
520
|
470
|
421
|
422
|
28
|
16
|
260
|
335
|
395
|
22
|
84,0
|
81,5
|
|
412
|
30
|
3; 4
|
101,0
|
98,5
|
|
400
|
580
|
525
|
473
|
474
|
32
|
30
|
340
|
442
|
22
|
2
|
102,0
|
100,0
|
|
458
|
30
|
3; 4
|
117,6
|
116,0
|
|
500
|
710
|
650
|
575
|
576
|
38
|
33
|
20
|
310
|
405
|
545
|
22
|
2
|
158,0
|
157,0
|
|
573
|
36
|
3; 4
|
207,3
|
206,0
|
Таблица 36
Py 2,5 МПа (25
кгс/см2)
Размеры
в миллиметрах
|
Dy
|
D
|
D1
|
D4
|
D6
|
b
|
d
|
n
|
l
|
H
|
dн
|
S
|
Исполнение патрубка поз. 2
|
Масса, кг
|
|
Исполнение
|
|
2
|
3
|
|
100
|
230
|
190
|
149
|
150
|
21
|
22
|
8
|
180
|
243
|
121
|
12
|
2
|
12,5
|
12,0
|
|
150
|
300
|
250
|
203
|
204
|
25
|
26
|
253
|
168
|
21,5
|
21,0
|
|
180
|
16
|
24,5
|
23,5
|
|
200
|
360
|
310
|
259
|
260
|
27
|
12
|
260
|
228
|
14
|
31,0
|
30,5
|
|
245
|
22
|
39,0
|
38,7
|
|
250
|
425
|
370
|
312
|
313
|
29
|
30
|
200
|
280
|
286
|
16
|
45,4
|
44,6
|
|
299
|
22
|
53,3
|
52,5
|
|
314
|
30
|
3;
4
|
61,1
|
60,3
|
|
300
|
485
|
430
|
363
|
364
|
32
|
16
|
260
|
345
|
335
|
16
|
2
|
65,1
|
64,6
|
|
351
|
25
|
84,5
|
83,0
|
|
363
|
30
|
3;
4
|
91,5
|
91,0
|
|
350
|
550
|
490
|
421
|
422
|
36
|
33
|
16
|
280
|
370
|
395
|
22
|
2
|
101,4
|
100,5
|
|
412
|
30
|
3;
4
|
120,4
|
119,5
|
|
432
|
40
|
142,6
|
141,7
|
|
403
|
610
|
550
|
473
|
474
|
40
|
300
|
405
|
442
|
22
|
2
|
132,0
|
131,0
|
|
458
|
30
|
3;
4
|
153,3
|
152,1
|
|
478
|
40
|
180,3
|
179,1
|
|
500
|
730
|
660
|
575
|
576
|
44
|
39
|
20
|
350
|
455
|
545
|
22
|
2
|
187,0
|
185,0
|
|
560
|
30
|
3;
4
|
219,2
|
217,5
|
|
590
|
45
|
277,5
|
275,8
|
Таблица 37
Py 4,0 МПа (40
кгс/см2)
Размеры
в миллиметрах
|
Dy
|
D
|
D1
|
D4
|
D6
|
b
|
d
|
n
|
l
|
H
|
dн
|
S
|
Исполнение патрубка поз. 2
|
Масса, кг
|
|
Исполнение
|
|
2
|
3
|
|
50
|
160
|
125
|
87
|
88
|
17
|
18
|
4
|
180
|
229
|
68
|
10
|
2
|
5,4
|
5,3
|
|
80
|
195
|
160
|
120
|
121
|
21
|
8
|
239
|
95
|
8,7
|
8,5
|
|
100
|
230
|
190
|
149
|
150
|
23
|
22
|
250
|
121
|
12
|
12,9
|
12,6
|
|
127
|
16
|
15,0
|
14,7
|
|
150
|
300
|
250
|
203
|
204
|
27
|
26
|
253
|
168
|
12
|
21,7
|
21,1
|
|
189
|
22
|
3;
4
|
30,1
|
29,5
|
|
200
|
375
|
320
|
259
|
260
|
35
|
30
|
12
|
190
|
280
|
228
|
14
|
2
|
38,0
|
37,6
|
|
245
|
22
|
47,0
|
46,6
|
|
260
|
30
|
3;
4
|
51,9
|
51,5
|
|
250
|
445
|
385
|
312
|
313
|
39
|
33
|
230
|
333
|
299
|
22
|
2
|
71,1
|
70,3
|
|
314
|
30
|
3;
4
|
76,8
|
76,0
|
|
325
|
36
|
88,7
|
87,9
|
|
300
|
510
|
450
|
363
|
364
|
42
|
16
|
270
|
387
|
344
|
22
|
2
|
97,1
|
96,8
|
|
363
|
30
|
3;
4
|
113,5
|
113,2
|
|
373
|
36
|
121,0
|
120,7
|
|
350
|
570
|
510
|
421
|
422
|
48
|
300
|
421
|
395
|
22
|
2
|
129,1
|
127,5
|
|
412
|
30
|
3;
4
|
150,2
|
148,6
|
|
442
|
45
|
184,0
|
182,4
|
|
400
|
655
|
585
|
473
|
474
|
54
|
39
|
330
|
470
|
442
|
22
|
2
|
180,3
|
179,8
|
|
458
|
30
|
3;
4
|
204,6
|
204,1
|
|
478
|
40
|
235,0
|
234,6
|
|
498
|
50
|
264,0
|
263,6
|
|
500
|
755
|
670
|
575
|
576
|
58
|
45
|
20
|
380
|
525
|
555
|
30
|
2
|
273,9
|
271,9
|
|
585
|
45
|
3;
4
|
335,9
|
333,9
|
|
605
|
55
|
375,3
|
373,3
|
Таблица 38
Py 6,3 МПа (63
кгс/см2)
Размеры
в миллиметрах
|
Dy
|
D
|
D1
|
D4
|
D6
|
b
|
d
|
n
|
l
|
H
|
dн
|
S
|
Исполнение патрубка поз. 2
|
Масса, кг
|
|
Исполнение
|
|
2
|
3
|
|
50
|
175
|
135
|
87
|
88
|
23
|
22
|
4
|
180
|
251
|
68
|
10
|
2
|
7,2
|
7,1
|
|
80
|
210
|
170
|
120
|
121
|
27
|
8
|
256
|
95
|
10
|
11,1
|
11,0
|
|
102
|
14
|
12,7
|
12,5
|
|
100
|
250
|
200
|
149
|
150
|
29
|
26
|
262
|
121
|
12
|
16,5
|
16,3
|
|
127
|
16
|
18,6
|
18,4
|
|
150
|
340
|
280
|
203
|
204
|
35
|
33
|
200
|
310
|
168
|
12
|
34,5
|
33,2
|
|
189
|
22
|
3;
4
|
42,3
|
41,0
|
|
200
|
405
|
345
|
259
|
260
|
41
|
12
|
240
|
355
|
228
|
14
|
2
|
56,2
|
53,8
|
|
245
|
22
|
67,5
|
65,1
|
|
260
|
30
|
3;
4
|
76,2
|
73,8
|
|
250
|
470
|
400
|
312
|
313
|
45
|
39
|
270
|
390
|
290
|
22
|
2
|
93,1
|
89,6
|
|
306
|
30
|
3;
4
|
105,3
|
101,8
|
|
318
|
36
|
113,8
|
110,3
|
Тип 4
Исполнение 4

1 - фланец по ГОСТ
12821
2 - патрубок
Рисунок 19
Тип 4
Исполнение 5

1 - фланец по ГОСТ
12821
2 - патрубок
Рисунок 20
Таблица 39
Ру
1,6 МПа (16 кгс/см2)
Размеры
в миллиметрах
|
Dy
|
D
|
D1
|
D3
|
D4
|
D5
|
D6
|
b
|
d
|
n
|
l
|
H
|
dн
|
S
|
Исполнение патрубка поз.
2
|
Масса, кг
|
|
Исполнение
|
|
4
|
5
|
|
80
|
195
|
160
|
106
|
120
|
105
|
121
|
17
|
18
|
4
|
180
|
235
|
95
|
10
|
2
|
8,0
|
8,1
|
|
100
|
215
|
180
|
129
|
149
|
128
|
150
|
8
|
114
|
9,3
|
9,4
|
|
150
|
280
|
240
|
183
|
203
|
182
|
204
|
19
|
22
|
242
|
168
|
12
|
16,5
|
16,6
|
|
200
|
335
|
295
|
239
|
259
|
238
|
260
|
21
|
12
|
243
|
228
|
14
|
24,5
|
24,7
|
|
245
|
22
|
32,8
|
33,0
|
|
250
|
405
|
355
|
292
|
312
|
291
|
313
|
23
|
26
|
200
|
270
|
286
|
16
|
38,0
|
38,2
|
|
299
|
22
|
45,9
|
46,1
|
|
300
|
460
|
410
|
343
|
363
|
342
|
364
|
24
|
220
|
291
|
335
|
16
|
49,3
|
49,8
|
|
351
|
25
|
64,6
|
65,1
|
Таблица 40
Ру
4,0 МПа (40 кгс/см2)
Размеры
в миллиметрах
|
Dy
|
D
|
D1
|
D3
|
D4
|
D5
|
D6
|
b
|
d
|
n
|
l
|
H
|
dн
|
S
|
Исполнение патрубка поз. 2
|
Масса, кг
|
|
Исполнение
|
|
4
|
5
|
|
50
|
160
|
125
|
73
|
87
|
72
|
88
|
17
|
18
|
4
|
180
|
229
|
68
|
10
|
2
|
5,3
|
5,4
|
|
80
|
195
|
160
|
106
|
120
|
105
|
121
|
21
|
8
|
239
|
95
|
8,6
|
8,7
|
|
100
|
230
|
190
|
129
|
149
|
128
|
150
|
23
|
22
|
250
|
121
|
12
|
13,0
|
13,1
|
|
127
|
16
|
15,1
|
15,2
|
|
150
|
300
|
250
|
183
|
203
|
182
|
204
|
27
|
26
|
253
|
168
|
12
|
21,4
|
21,5
|
|
189
|
22
|
3;
4
|
29,8
|
29,9
|
|
200
|
375
|
320
|
239
|
259
|
238
|
260
|
35
|
30
|
12
|
190
|
280
|
228
|
14
|
2
|
38,2
|
38,0
|
|
245
|
22
|
47,2
|
47,0
|
|
260
|
30
|
3;
4
|
52,7
|
51,9
|
|
250
|
445
|
385
|
292
|
312
|
291
|
313
|
39
|
33
|
230
|
333
|
299
|
22
|
2
|
70,7
|
71,2
|
|
314
|
30
|
3;
4
|
76,4
|
76,9
|
|
325
|
36
|
88,3
|
88,8
|
Тип 4
Исполнение 6

1 - фланец по ГОСТ
12821
2 - патрубок
Рисунок 21
Таблица 41
Ру
6,3 МПа (63 кгс/см2)
Размеры
в миллиметрах
|
Dy
|
D
|
D1
|
D8
|
b
|
d
|
n
|
l
|
H
|
dн
|
S
|
Исполнение патрубка поз.
2
|
Масса, кг
|
|
50
|
175
|
135
|
85
|
23
|
22
|
4
|
180
|
250
|
68
|
10
|
2
|
7,0
|
|
80
|
210
|
170
|
115
|
27
|
8
|
255
|
95
|
11,0
|
|
102
|
14
|
12,4
|
|
100
|
250
|
200
|
145
|
29
|
26
|
260
|
121
|
12
|
16,3
|
|
200
|
127
|
16
|
18,4
|
|
150
|
340
|
280
|
205
|
35
|
33
|
308
|
168
|
12
|
33,3
|
|
189
|
22
|
3; 4
|
41,1
|
|
200
|
405
|
345
|
265
|
41
|
12
|
240
|
353
|
228
|
14
|
2
|
53,7
|
|
245
|
22
|
65,0
|
|
260
|
30
|
3; 4
|
73,7
|
|
250
|
470
|
400
|
320
|
45
|
39
|
270
|
388
|
290
|
22
|
2
|
89,4
|
|
306
|
30
|
3; 4
|
101,5
|
|
318
|
35
|
113,3
|
|
300
|
530
|
460
|
375
|
50
|
16
|
300
|
424
|
351
|
30
|
2
|
136,6
|
|
373
|
40
|
3; 4
|
155,0
|
|
395
|
50
|
170,8
|
|
350
|
595
|
525
|
420
|
56
|
39
|
340
|
484
|
402
|
30
|
2
|
183,8
|
|
422
|
40
|
3; 4
|
214,6
|
|
432
|
45
|
228,3
|
|
442
|
50
|
241,8
|
|
400
|
670
|
585
|
400
|
62
|
45
|
370
|
529
|
446
|
30
|
2
|
247,6
|
|
466
|
40
|
3; 4
|
281,0
|
|
46
|
50
|
314,8
|
|
506
|
60
|
347,1
|
Таблица 42
Ру
10,0 МПа (100 кгс/см2)
Размеры
в миллиметрах
|
Dy
|
D
|
D1
|
D8
|
b
|
d
|
n
|
l
|
H
|
dн
|
S
|
Исполнение патрубка поз. 2
|
Масса, кг
|
|
50
|
195
|
145
|
85
|
25
|
26
|
4
|
180
|
251
|
68
|
10
|
2
|
8,6
|
|
80
|
233
|
180
|
115
|
31
|
8
|
200
|
290
|
102
|
14
|
15,9
|
|
114
|
20
|
3;
4
|
17,3
|
|
100
|
265
|
210
|
145
|
35
|
30
|
300
|
133
|
25,7
|
|
150
|
350
|
290
|
205
|
43
|
33
|
12
|
220
|
348
|
176
|
2
|
47,3
|
|
186
|
25
|
3;
4
|
51,8
|
|
200
|
430
|
360
|
265
|
51
|
39
|
260
|
403
|
234
|
22
|
2
|
83,8
|
|
250
|
30
|
3;
4
|
93,1
|
|
262
|
36
|
100,3
|
|
250
|
500
|
430
|
320
|
57
|
303
|
463
|
299
|
30
|
2
|
143,4
|
|
316
|
40
|
3;
4
|
160,1
|
|
325
|
45
|
167,9
|
|
300
|
585
|
500
|
375
|
66
|
45
|
16
|
330
|
514
|
344
|
30
|
2
|
203,5
|
|
363
|
40
|
3;
4
|
215,7
|
|
384
|
50
|
248,8
|
|
350
|
655
|
560
|
420
|
72
|
52
|
16
|
360
|
559
|
412
|
40
|
294,4
|
|
432
|
50
|
326,0
|
|
450
|
60
|
348,2
|
|
400
|
715
|
620
|
480
|
76
|
380
|
584
|
456
|
40
|
360,5
|
|
476
|
50
|
395,3
|
|
496
|
60
|
428,8
|
|
516
|
70
|
460,8
|
Таблица 43
Ру
16,0 МПа (160 кгс/см2)
Размеры
в миллиметрах
|
Dy
|
D
|
D1
|
D8
|
b
|
d
|
n
|
l
|
H
|
dн
|
S
|
Исполнение патрубка поз. 2
|
Масса, кг
|
|
15
|
105
|
75
|
35
|
18
|
14
|
4
|
220
|
272
|
36
|
12
|
2
|
2,8
|
|
44
|
16
|
3,6
|
|
20
|
125
|
90
|
45
|
20
|
18
|
278
|
42
|
12
|
4,0
|
|
50
|
16
|
5,0
|
|
25
|
135
|
100
|
50
|
22
|
49
|
12
|
4,8
|
|
57
|
16
|
6,0
|
|
30
|
150
|
110
|
65
|
22
|
287
|
12
|
5,9
|
|
63
|
16
|
7,0
|
|
40
|
165
|
125
|
75
|
25
|
295
|
12
|
7,2
|
|
77
|
20
|
10,2
|
|
50
|
195
|
145
|
95
|
27
|
26
|
298
|
70
|
12
|
10,1
|
|
85
|
20
|
13,3
|
|
80
|
230
|
180
|
130
|
33
|
26
|
8
|
220
|
313
|
102
|
14
|
2
|
16,9
|
|
114
|
20
|
3;
4
|
19,1
|
|
100
|
265
|
210
|
160
|
37
|
30
|
323
|
133
|
22
|
26,4
|
|
150
|
350
|
290
|
205
|
47
|
33
|
12
|
240
|
373
|
176
|
20
|
2
|
52,4
|
|
196
|
30
|
3;
4
|
60,5
|
|
200
|
430
|
360
|
275
|
57
|
39
|
290
|
438
|
250
|
30
|
102,0
|
|
280
|
45
|
123,4
|
|
250
|
500
|
430
|
330
|
65
|
335
|
503
|
308
|
36
|
168,2
|
|
346
|
55
|
206,4
|
|
300
|
585
|
500
|
380
|
74
|
45
|
16
|
360
|
549
|
363
|
40
|
243,0
|
|
384
|
50
|
270,0
|
|
414
|
65
|
306,7
|
Пример условного обозначения штуцера Dу 100 мм, на Ру
1,6 МПа, типа 4 исполнения 4, S = 10 мм, l
= 180 мм, фланец из стали 20, патрубок из стали 20:
Штуцер
100 - 1,6 - 4 - 4 - 10 - 180 - 20 АТК 24.218.06-90.
То же, фланец из стали 20,
патрубок из стали 10Г2:
Штуцер
100 - 1,6 - 4 - 4 - 10 - 180 - 20-10Г2 АТК 24.218.06-90.
То же под фторопластовую
прокладку:
Штуцер
100 - 16 - Ф -4 - 4 - 10 - 180 - 20 - 10Г2 АТК 24.218.06-90.
3.2.5. Штуцера типа 5
цельнокованные с шейкой, под прокладку овального сечения на условное давление
от 6,3 до 16,0 МПа (рисунок 22, таблицы 44 - 46).
Тип 5

Рисунок
22
Таблица 44
Ру
6,3 МПа (63 кгс/см2)
Размеры
в миллиметрах
|
Dy
|
D
|
D1
|
D2
|
D8
|
Dm
|
Dn
|
b
|
h
|
h3
|
b2
|
r
|
d
|
n
|
l
|
l1
|
H
|
dн
|
S
|
Масса, кг
|
|
100
|
250
|
200
|
158
|
145
|
140
|
110
|
29
|
3
|
8
|
12
|
4
|
26
|
8
|
153
|
42
|
260
|
121
|
12
|
16,3
|
|
127
|
16
|
18,4
|
|
150
|
340
|
280
|
212
|
205
|
206
|
161
|
35
|
33
|
173
|
308
|
189
|
22
|
41,1
|
|
200
|
405
|
345
|
285
|
265
|
264
|
222
|
41
|
12
|
213
|
353
|
245
|
65,0
|
|
46
|
260
|
30
|
73,7
|
|
250
|
470
|
400
|
345
|
320
|
316
|
278
|
45
|
39
|
243
|
50
|
388
|
290
|
22
|
89,4
|
|
306
|
30
|
101,5
|
|
237
|
56
|
318
|
36
|
113,3
|
|
300
|
530
|
460
|
410
|
375
|
370
|
330
|
50
|
4
|
16
|
274
|
50
|
424
|
351
|
30
|
136,6
|
|
264
|
60
|
373
|
40
|
155,0
|
|
254
|
70
|
395
|
50
|
170,8
|
|
350
|
595
|
525
|
465
|
420
|
430
|
382
|
56
|
314
|
56
|
484
|
402
|
30
|
188,8
|
|
304
|
66
|
422
|
40
|
214,6
|
|
299
|
71
|
432
|
45
|
228,3
|
|
294
|
76
|
442
|
50
|
241,8
|
|
400
|
670
|
585
|
535
|
480
|
484
|
432
|
62
|
45
|
344
|
58
|
529
|
446
|
30
|
247,6
|
|
334
|
68
|
466
|
40
|
281,0
|
|
324
|
78
|
486
|
50
|
314,8
|
|
314
|
88
|
506
|
60
|
347,1
|
Таблица 45
Ру
10,0 МПа (100 кгс/см2)
Размеры
в миллиметрах
|
Dy
|
D
|
D1
|
D2
|
D8
|
Dm
|
Dn
|
b
|
h
|
h3
|
b2
|
r
|
d
|
n
|
l
|
l1
|
H
|
dн
|
S
|
Масса, кг
|
|
100
|
265
|
210
|
158
|
145
|
146
|
110
|
35
|
3
|
8
|
12
|
4
|
30
|
8
|
173
|
46
|
300
|
133
|
20
|
25,7
|
|
150
|
350
|
290
|
212
|
205
|
214
|
161
|
43
|
33
|
12
|
193
|
348
|
176
|
47,3
|
|
186
|
25
|
51,8
|
|
200
|
430
|
360
|
285
|
265
|
276
|
222
|
51
|
39
|
233
|
57
|
403
|
234
|
22
|
83,8
|
|
250
|
30
|
93,1
|
|
227
|
63
|
262
|
36
|
100,3
|
|
250
|
500
|
430
|
345
|
320
|
340
|
276
|
57
|
273
|
57
|
463
|
299
|
30
|
143,4
|
|
263
|
67
|
316
|
40
|
160,1
|
|
258
|
73
|
325
|
45
|
167,9
|
|
300
|
585
|
500
|
410
|
375
|
400
|
330
|
66
|
4
|
45
|
16
|
304
|
57
|
514
|
344
|
30
|
203,5
|
|
294
|
67
|
363
|
40
|
215,7
|
|
284
|
77
|
384
|
50
|
248,8
|
|
350
|
655
|
560
|
465
|
420
|
460
|
382
|
72
|
11
|
17
|
5,8
|
52
|
324
|
67
|
559
|
412
|
40
|
294,4
|
|
314
|
77
|
432
|
50
|
326,0
|
|
304
|
87
|
450
|
60
|
348,2
|
|
400
|
715
|
620
|
535
|
480
|
510
|
432
|
76
|
344
|
67
|
584
|
456
|
40
|
360,5
|
|
334
|
77
|
476
|
50
|
395,3
|
|
324
|
87
|
496
|
60
|
428,8
|
|
314
|
97
|
516
|
70
|
460,8
|
Таблица 46
Ру
16,0 МПа (160 кгс/см2)
Размеры
в миллиметрах
|
Dy
|
D
|
D1
|
D2
|
D8
|
Dm
|
Dn
|
b
|
h
|
h3
|
b2
|
r
|
d
|
n
|
l
|
l1
|
H
|
dн
|
S
|
Масса, кг
|
|
100
|
265
|
210
|
158
|
160
|
146
|
110
|
37
|
3
|
8
|
12
|
4,0
|
30
|
8
|
193
|
49
|
323
|
133
|
22
|
26,4
|
|
150
|
350
|
290
|
212
|
205
|
214
|
161
|
47
|
10
|
14
|
4,2
|
33
|
12
|
213
|
46
|
373
|
176
|
20
|
52,4
|
|
196
|
30
|
60,5
|
|
200
|
430
|
360
|
285
|
275
|
276
|
222
|
57
|
11
|
17
|
5,8
|
39
|
263
|
50
|
438
|
250
|
102,0
|
|
248
|
65
|
280
|
45
|
123,4
|
|
250
|
500
|
430
|
345
|
330
|
340
|
278
|
65
|
302
|
59
|
503
|
308
|
36
|
168,2
|
|
283
|
78
|
346
|
55
|
206,4
|
|
300
|
585
|
500
|
410
|
380
|
400
|
330
|
74
|
4
|
14
|
23
|
3,5
|
45
|
16
|
324
|
65
|
549
|
363
|
40
|
243,0
|
|
314
|
75
|
384
|
50
|
270,0
|
|
299
|
90
|
414
|
65
|
306,7
|
Пример условного обозначения штуцера Dу 100 мм, на Pу 16,0 МПа,
типа 5, S = 22
мм, Н = 323 мм, из стали 10Г2:
Штуцер 100 - 16 - 5 - 22 - 323 -
10Г2 АТК 24.218.06-90.
Таблица 47
Размеры уплотнительных поверхностей «шип-паз» под
фторопластовые прокладки
|
Dy
|
Py, МПа
|
D3, D5
|
D4, D6
|
h1
|
h2
|
|
15
|
До 6,3
|
22
|
34
|
4
|
3
|
|
Св. 6,3 до 20
|
28
|
40
|
|
20
|
До 6,3
|
32
|
44
|
|
Св. 6,3 до 20
|
35
|
51
|
|
25
|
До 6,3
|
40
|
52
|
|
Св. 6,3 до 20
|
42
|
58
|
|
32
|
До 6,3
|
48
|
60
|
|
Св. 6,3 до 20
|
50
|
66
|
|
40
|
До 6,3
|
54
|
70
|
|
Св. 6,3 до 20
|
60
|
76
|
|
50
|
До 6,3
|
65
|
81
|
|
Св. 6,3 до 20
|
72
|
88
|
|
80
|
До 6,3
|
100
|
116
|
|
Св. 6,3 до 20
|
105
|
121
|
|
100
|
До 6,3
|
116
|
138
|
6
|
5
|
|
Св. 6,3 до 20
|
128
|
150
|
|
125
|
До 6,3
|
145
|
167
|
|
Св. 6,3 до 20
|
154
|
176
|
|
150
|
До 6,3
|
170
|
192
|
|
Св. 6,3 до 20
|
182
|
204
|
|
200
|
До 6,3
|
228
|
250
|
|
Св. 6,3 до 20
|
238
|
260
|
|
250
|
До 6,3
|
282
|
304
|
|
Св. 6,3 до 20
|
291
|
313
|
|
300
|
До 6,3
|
335
|
357
|
|
Св. 6,3 до 20
|
342
|
364
|
|
350
|
До 6,3
|
385
|
407
|
|
Св. 6,3 до 20
|
394
|
422
|
|
400
|
До 6,3
|
435
|
457
|
|
Св. 6,3 до 20
|
446
|
474
|
|
450
|
До 6,3
|
488
|
510
|
|
Св. 6,3 до 20
|
496
|
524
|
|
500
|
До 6,3
|
540
|
562
|
|
Св. 6,3 до 20
|
548
|
576
|
(Измененная редакция, Изм. № 1).
3.2.6. Патрубки штуцеров
разработаны на условное давление от 0,6 до 16,0 МПа и температуру от минус 70
до 600 °С.
По конструкции и размерам
патрубки предусматриваются четырех исполнений:
исполнение 1 - рисунок 23,
таблица 48;
исполнение 2 - рисунок 23,
таблица 49;
исполнение 3 - рисунок 23,
таблица 50;
исполнение 4 - рисунок 23,
таблица 50.


Рисунок 23
Таблица 48
Размеры в миллиметрах
|
Dy
|
dн
|
S
|
l
|
Масса, кг
|
|
15
|
18
|
3,5
|
120
|
0,2
|
|
150
|
|
180
|
|
210
|
0,3
|
|
20
|
25
|
120
|
0,2
|
|
150
|
0,3
|
|
180
|
|
210
|
0,4
|
|
4,0
|
120
|
0,2
|
|
180
|
0,4
|
|
25
|
32
|
3,5
|
120
|
0,3
|
|
150
|
0,4
|
|
180
|
|
210
|
0,5
|
|
4,0
|
120
|
0,3
|
|
180
|
0,5
|
|
32
|
38
|
3,5
|
120
|
0,4
|
|
150
|
|
160
|
0,5
|
|
180
|
|
210
|
0,6
|
|
220
|
0,7
|
|
4,0
|
120
|
0,4
|
|
180
|
0,6
|
|
5,0
|
120
|
0,5
|
|
180
|
0,7
|
|
40
|
45
|
3,5
|
120
|
0,4
|
|
150
|
0,5
|
|
160
|
0,6
|
|
180
|
|
210
|
0,8
|
|
220
|
|
4,0
|
120
|
0,5
|
|
180
|
0,7
|
|
5,0
|
120
|
0,6
|
|
180
|
0,9
|
|
50
|
57
|
4,0
|
120
|
0,6
|
|
150
|
0,8
|
|
160
|
|
180
|
0,9
|
|
210
|
1,1
|
|
220
|
1,2
|
|
7,0
|
120
|
1,0
|
|
180
|
1,6
|
|
80
|
89
|
5,0
|
120
|
1,2
|
|
150
|
1,6
|
|
160
|
1,7
|
|
180
|
1,9
|
|
210
|
2,2
|
|
220
|
2,3
|
|
8,0
|
120
|
1,9
|
|
180
|
2,9
|
|
100
|
108
|
6,0
|
120
|
1,8
|
|
150
|
2,3
|
|
160
|
2,4
|
|
180
|
2,7
|
|
210
|
3,2
|
|
220
|
3,3
|
|
240
|
3,6
|
|
10,0
|
120
|
2,9
|
|
180
|
4,4
|
|
150
|
159
|
6,0
|
120
|
2,7
|
|
150
|
3,4
|
|
180
|
4,1
|
|
210
|
4,8
|
|
240
|
5,4
|
|
12,0
|
120
|
5,2
|
|
180
|
7,8
|
|
200
|
219
|
8,0
|
120
|
5,0
|
|
150
|
6,2
|
|
180
|
7,5
|
|
210
|
8,7
|
|
240
|
10,0
|
|
18,0
|
150
|
13,4
|
|
210
|
18,7
|
|
250
|
273
|
10,0
|
120
|
7,8
|
|
150
|
9,7
|
|
180
|
11,7
|
|
210
|
13,6
|
|
240
|
15,6
|
|
20,0
|
150
|
18,7
|
|
210
|
26,2
|
|
300
|
325
|
10,0
|
150
|
11,7
|
|
180
|
14,0
|
|
200
|
15,5
|
|
210
|
16,3
|
|
240
|
18,6
|
|
260
|
20,2
|
|
20,0
|
180
|
27,1
|
|
240
|
36,1
|
|
22,0
|
180
|
29,6
|
|
240
|
39,5
|
|
350
|
377
|
12,0
|
150
|
16,2
|
|
180
|
19,4
|
|
200
|
21,6
|
|
210
|
22,7
|
|
230
|
24,8
|
|
240
|
25,9
|
|
260
|
28,1
|
|
290
|
31,3
|
|
320
|
34,6
|
|
20,0
|
180
|
31,7
|
|
200
|
35,2
|
|
240
|
42,3
|
|
60
|
45,8
|
|
400
|
426
|
12,0
|
160
|
19,6
|
|
180
|
22,1
|
|
200
|
24,5
|
|
220
|
27,0
|
|
230
|
28,2
|
|
240
|
29,4
|
|
250
|
30,6
|
|
260
|
31,9
|
|
290
|
35,5
|
|
310
|
38,0
|
|
22,0
|
180
|
39,5
|
|
240
|
52,6
|
|
500
|
530
|
12,0
|
180
|
27,6
|
|
200
|
30,7
|
|
230
|
35,3
|
|
240
|
36,8
|
|
260
|
39,9
|
|
290
|
44,5
|
|
300
|
46,0
|
|
320
|
49,1
|
|
14,0
|
180
|
32,1
|
|
240
|
42,8
|
Пример условного обозначения патрубка
исполнения 1, dн
= 32 мм, S = 3,5
мм, l = 150 мм,
из стали 10Г2:
Патрубок 1 - 32 - 3,5 - 150 - 10Г2 АТК 24.218.06-90.
Таблица 49
Размеры в миллиметрах
|
Dy
|
dн
|
S
|
Dт
|
l
|
Масса, кг
|
|
15
|
32
|
10
|
19
|
180
|
1,2
|
|
36
|
12
|
220
|
1,6
|
|
44
|
16
|
2,4
|
|
20
|
38
|
10
|
26
|
180
|
1,5
|
|
42
|
12
|
220
|
2,0
|
|
50
|
16
|
3,0
|
|
25
|
45
|
10
|
33
|
100
|
1,6
|
|
49
|
12
|
220
|
2,4
|
|
57
|
16
|
|
3,6
|
|
32
|
50
|
10
|
39
|
100
|
1,8
|
|
57
|
12
|
220
|
2,9
|
|
63
|
16
|
4,0
|
|
40
|
57
|
10
|
46
|
180
|
2,1
|
|
63
|
12
|
220
|
3,3
|
|
77
|
20
|
6,2
|
|
50
|
68
|
10
|
58
|
180
|
2,6
|
|
70
|
12
|
220
|
3,8
|
|
85
|
20
|
7,0
|
|
80
|
95
|
10
|
90
|
180
|
3,9
|
|
102
|
14
|
5,5
|
|
200
|
6,1
|
|
220
|
6,7
|
|
100
|
114
|
10
|
110
|
180
|
4,6
|
|
121
|
12
|
5,8
|
|
127
|
16
|
7,9
|
|
150
|
168
|
12
|
161
|
8,5
|
|
200
|
9,1
|
|
176
|
20
|
220
|
15,4
|
|
240
|
18,5
|
|
180
|
16
|
180
|
11,5
|
|
200
|
228
|
14
|
222
|
180
|
13,5
|
|
100
|
14,0
|
|
240
|
17,7
|
|
234
|
22
|
260
|
30,0
|
|
245
|
180
|
21,8
|
|
190
|
23,0
|
|
240
|
29,0
|
|
250
|
286
|
16
|
278
|
200
|
21,3
|
|
290
|
22
|
270
|
39,3
|
|
299
|
200
|
29,2
|
|
230
|
33,8
|
|
30
|
300
|
58,0
|
|
300
|
335
|
16
|
330
|
220
|
27,7
|
|
260
|
32,7
|
|
344
|
22
|
270
|
46,5
|
|
30
|
330
|
75,7
|
|
351
|
220
|
43,0
|
|
25
|
260
|
51,0
|
|
30
|
300
|
63,6
|
|
350
|
395
|
22
|
382
|
260
|
51,8
|
|
280
|
55,8
|
|
300
|
59,5
|
|
402
|
30
|
340
|
92,4
|
|
400
|
442
|
22
|
432
|
260
|
58,8
|
|
300
|
68,0
|
|
330
|
74,8
|
|
446
|
30
|
370
|
112,7
|
|
500
|
545
|
22
|
535
|
310
|
87,2
|
|
350
|
90,5
|
|
555
|
30
|
360
|
145,9
|
Пример условного обозначения патрубка
исполнения 2, dн
=12 мм, l = 180 мм,
из стали 10Г2:
Патрубок 2 - 57 - 12 - 180 - 10Г2 АТК 24.218.06-90.
Таблица 50
Размеры в миллиметрах
|
Dy
|
dн
|
S
|
Dn
|
l
|
h
|
r*
|
Масса, кг
|
|
80
|
114
|
20
|
90
|
200
|
20
|
12
|
7,1
|
|
220
|
8,9
|
|
100
|
133
|
110
|
200
|
10,2
|
|
22
|
220
|
11
|
11,3
|
|
150
|
186
|
25
|
161
|
13
|
19,9
|
|
189
|
22
|
180
|
14
|
13,6
|
|
200
|
16,9
|
|
196
|
30
|
240
|
18
|
26,6
|
|
200
|
250
|
222
|
260
|
14
|
39,3
|
|
290
|
44,2
|
|
260
|
190
|
19
|
27,9
|
|
240
|
37,7
|
|
262
|
36
|
260
|
20
|
46,4
|
|
280
|
45
|
290
|
29
|
65,5
|
|
250
|
306
|
30
|
278
|
270
|
14
|
51,4
|
|
308
|
36
|
335
|
21
|
15
|
76,0
|
|
314
|
30
|
200
|
20
|
18
|
37,0
|
|
230
|
39,5
|
|
316
|
40
|
300
|
21
|
19
|
74,7
|
|
318
|
36
|
270
|
20
|
20
|
60,0
|
|
325
|
230
|
24
|
51,4
|
|
45
|
300
|
22
|
23
|
82,5
|
|
346
|
55
|
335
|
34
|
114,2
|
|
300
|
363
|
30
|
330
|
260
|
20
|
17
|
59,1
|
|
270
|
62,9
|
|
40
|
330
|
24
|
97,0
|
|
360
|
106,4
|
|
373
|
36
|
270
|
20
|
22
|
70,4
|
|
40
|
300
|
26
|
88,0
|
|
384
|
50
|
330
|
23
|
27
|
121,1
|
|
360
|
133,4
|
|
305
|
300
|
20
|
33
|
103,8
|
|
414
|
65
|
360
|
23
|
42
|
170,1
|
|
350
|
412
|
30
|
382
|
260
|
20
|
15
|
69,1
|
|
280
|
74,8
|
|
300
|
80,6
|
|
40
|
360
|
25
|
124,8
|
|
422
|
340
|
20
|
118,2
|
|
432
|
280
|
25
|
97,0
|
|
45
|
340
|
131,9
|
|
50
|
360
|
25
|
156,4
|
|
442
|
45
|
300
|
20
|
30
|
114,4
|
|
50
|
340
|
145,3
|
|
450
|
60
|
360
|
26
|
34
|
178,7
|
|
400
|
456
|
40
|
432
|
380
|
28
|
12
|
149,4
|
|
458
|
30
|
260
|
20
|
13
|
75,0
|
|
300
|
89,7
|
|
330
|
99,1
|
|
466
|
40
|
370
|
23
|
17
|
146,1
|
|
476
|
50
|
380
|
28
|
22
|
184,2
|
|
478
|
40
|
432
|
300
|
20
|
23
|
116,7
|
|
330
|
129,6
|
|
486
|
50
|
370
|
23
|
27
|
179,9
|
|
496
|
60
|
380
|
28
|
32
|
217,7
|
|
498
|
50
|
330
|
20
|
33
|
158,6
|
|
506
|
60
|
370
|
23
|
37
|
212,2
|
|
516
|
70
|
380
|
28
|
42
|
249,7
|
|
500
|
560
|
30
|
535
|
350
|
20
|
13
|
131,0
|
|
573
|
36
|
310
|
19
|
137,0
|
|
585
|
45
|
380
|
25
|
207,9
|
|
590
|
350
|
28
|
189,3
|
|
605
|
55,
|
380
|
35
|
247,3
|
|
* Для исполнения 3.
|
Пример условного обозначения патрубка
исполнения 3, dн
= 114 мм, S = 20
мм, l = 200 мм,
из стали 10Г2:
Патрубок
3 - 114 - 20 - 200 - 10Г2 АТК 24.218.06-90.
То же исполнения 4:
Патрубок 4 - 114 - 20 - 200 - 10Г2 АТК 24.218.06-90.
4.1. Штуцера сосудов и аппаратов
должны изготавливаться в соответствии с требованиями настоящего альбома, ОСТ
26-291 по рабочим чертежам, утвержденным в установленном порядке.
4.2. Конструкция и размеры
плоских фланцев должны соответствовать ГОСТ
12820, фланцев приварных встык - ГОСТ
12821.
Технические требования на фланцы
должны соответствовать ГОСТ
12816, ГОСТ
12820, ГОСТ
12821.
4.3. Пределы применения штуцеров
выбираются в соответствии с пределами применения фланцев.
4.4. Требования к материалам,
виды их испытаний, назначение и условия их применения должны соответствовать
ОСТ 26-291.
4.5. Материалы фланцев должны
соответствовать указанным в таблице 51.
Таблица 51
4.6. Материалы патрубков должны
соответствовать указанным в таблице 52.
Таблица 52
|
Марка стали, обозначение стандарта или
технических условий
|
Технические требования к
материалу
|
Температура стенки, °С
|
|
Ст3сп; Ст3пс ГОСТ 380
|
ГОСТ 14637; ГОСТ 10706, Группа В
|
от минус 20 до 425
|
|
10,20 ГОСТ 1050
|
ГОСТ 8733, Группа В; ГОСТ 8731, Группа В; ТУ 14-3-460
|
от минус 30 до 475
|
|
20 ГОСТ 1050
|
ГОСТ 1050
|
от минус 20 до 425
|
|
10Г2 ГОСТ 4543
|
ГОСТ 550
|
от минус 70 до 475
|
|
09Г2С ГОСТ 5520
|
ГОСТ 5520
|
от минус 70 до 300
|
|
15ХМ ТУ 14-3-460
|
ТУ 14-3-460
|
от 0 до 560
|
|
16ГС ГОСТ 5520
|
ГОСТ 5520
|
от минус 40 до 300
|
|
12Х18Н10Т, 08Х18Н10Т,
10Х17Н13М2Т ГОСТ 5632
|
ГОСТ 9940; ГОСТ 9941; ГОСТ 7350, Группа М2б
|
от минус 70 до 600
|
|
08Х22Н6Т ГОСТ 5632
|
ГОСТ 9940; ГОСТ 9941; ТУ 14-3-1905; ГОСТ 7350, Группа М2б
|
от минус 40 до 300
|
|
08Х21Н6М2Т ГОСТ 5632
|
ГОСТ 7350, Группа М2б; ТУ
14-3-1905
|
от минус 40 до 300
|
Примечания к таблицам 51; 52:
1. Категория сталей марок Ст3, 20К, 16ГС, 09Г2С
выбирается при разработке конструкторской документации в зависимости от условий
эксплуатации.
2. Стали марок 10Г2; 09Г2 рекомендуется применять
при температуре стенки ниже минус 40 °С.
3. Фланцы из стали марки 20 допускается применять
при температуре ниже минус 30 до минус 40 °С при условии термообработки -
закалки и последующего высокого отпуска или нормализации после приварки фланцы
к патрубку.
4. Трубы по ГОСТ
10706 Группы В применяются только до температуры 400 °С.
5. Допускается применение патрубков толщиной не
более 12 мм из сталей марок 10; 20 до минус 40 °С.
4.7. Материалы цельнокованных
штуцеров и утолщенных патрубков должны соответствовать таблице 53.
Таблица 53
4.8. Допускается применение других
материалов в соответствии с ОСТ 26-291.
4.9. Допускается изготовление
штуцеров с уменьшенными или увеличенными длинами патрубков, при этом измененная
длина патрубка указывается в условном обозначении штуцера, масса штуцера
пересчитывается.
4.10. Масса штуцера подсчитана
при плотности стали 7850 кг/м3 и может отличаться от указанной в
пределах ± 3 %.
4.11. Пробное гидравлическое
испытание штуцеров производить совместно с аппаратом в соответствии с ОСТ
26-291.
4.12. Допускается подрезка
патрубков по внутреннему диаметру сосуда или аппарата.
4.13. Вылеты штуцеров приведены
в приложении
А рисунках А.1, А.2, А.3, таблицах А.1; А.2; А.3.
4.14. Разделка кромок и способ
приварки патрубка к фланцу определяются предприятием-изготовителем по
действующей нормативно-технической документации.
4.15. В технически обоснованных
случаях допускается заменять толщины патрубков, изготавливаемых из труб, в
сторону увеличения, при этом масса штуцеров пересчитывается.
4.16. Требования к крепежным
изделиям по ОСТ
26-2043.
4.17. Маркировать: условное
обозначение без наименования изделия, товарный знак предприятия-изготовителя.
Для штуцеров не имеющих
самостоятельной поставки, маркировку производить в порядке, принятом на
предприятии-изготовителе.
4.18. Штуцера с гладкой уплотнительной
поверхностью не допускается применять в сосудах 1-й и 2-й групп.
(Измененная редакция, Изм. №
1).
(рекомендуемое)
А.1. Вылеты штуцеров типов 1 и 2
должны соответствовать рисунку А.1, таблице A.1.

Рисунок A.1
Таблица A.1
Размеры в миллиметрах
|
Dy
|
Py, МПа (кгс/см2)
|
|
1,0 (10)
|
1,6 (16)
|
2,5 (25)
|
4,0 (40)
|
6,3 (63)
|
10 (100)
|
16 (160)
|
|
Н1
|
|
15
|
-
|

|

|

|

|
-
|

|
|
20
|
|
25
|
|
32
|
|
40
|

|

|
|
50
|

|

|

|
|
80
|

|

|
|
100
|

|

|
|
150
|

|

|

|

|
|
200
|

|

|

|

|
|
250
|

|

|

|
|
300
|

|

|

|

|
|
350
|

|
-
|
|
400
|

|

|

|
|
500
|

|
-
|
-
|
Примечание - Вылеты штуцеров на Ру 0,6 МПа
соответствуют вылету штуцеров на Ру 1,0 МПа.
4.2 Вылеты утолщенных штуцеров
типа 3 должны соответствовать рисунку А.2, таблице А.2.

Рисунок А.2
Таблица А.2
Размеры в миллиметрах
|
Dy
|
Py, МПа (кгс/см2)
|
|
4,0 (40)
|
6,3 (63)
|
10 (100)
|
16 (160)
|
|
Н1
|
|
15
|
150
|
180
|
-
|
180
|
|
20
|
|
25
|
|
32
|
|
40
|
|
50
|
180
|
|
80
|
200
|
200
|
А.3. Вылеты утолщенных штуцеров
типа 4 и 5 должны соответствовать рисунку А.3, таблице А.3.

Рисунок А.3
Таблица А.3
Размеры в миллиметрах
|
Dy
|
Py, МПа (кгс/см2)
|
|
1,6 (16)
|
2,5 (25)
|
4,0 (40)
|
6,3 (63)
|
10 (100)
|
16 (160)
|
|
Н1
|
|
15
|
-
|
-
|
180
|
-
|
-
|
180
|
|
20
|
|
25
|
|
32
|
|
40
|
|
50
|
180
|
180
|
|
80
|
180
|
200
|
200
|
|
100
|
180
|
200
|
200
|
220
|
|
150
|
200
|
200
|
220
|
250
|
260
|
|
200
|
220
|
270
|
300
|
340
|
|
250
|
220
|
220
|
270
|
300
|
360
|
400
|
|
300
|
260
|
320
|
340
|
410
|
450
|
|
350
|
250
|
290
|
340
|
390
|
450
|
-
|
|
400
|
260
|
320
|
380
|
420
|
470
|
|
500
|
300
|
350
|
410
|
-
|
-
|
|