Бесплатная библиотека стандартов и нормативов www.docload.ru

Все документы, размещенные на этом сайте, не являются их официальным изданием и предназначены исключительно для ознакомительных целей.
Электронные копии этих документов могут распространяться без всяких ограничений. Вы можете размещать информацию с этого сайта на любом другом сайте.
Это некоммерческий сайт и здесь не продаются документы. Вы можете скачать их абсолютно бесплатно!
Содержимое сайта не нарушает чьих-либо авторских прав! Человек имеет право на информацию!

 

ОТКРЫТОЕ АКЦИОНЕРНОЕ ОБЩЕСТВО
ОРДЕНА ТРУДОВОГО КРАСНОГО ЗНАМЕНИ ВСЕРОССИЙСКИЙ
НАУЧНО-ИССЛЕДОВАТЕЛЬСКИЙ ПРОЕКТНО-КОНСТРУКТОРСКИЙ ИНСТИТУТ тяжпромэлектропроект
имени Ф.Б. Якубовского

ПРОЕКТИРОВАНИЕ СИЛОВЫХ ЭЛЕКТРОУСТАНОВОК
ПРОМЫШЛЕННЫХ ПРЕДПРИЯТИЙ

Нормы технологического проектирования

нтп-99

Технический директор

А. Г. Смирнов

Начальник технического отдела

А. А. Шалыгин

Ответственный исполнитель

Л. Б. Годгельф

Москва 1999 г.

СОДЕРЖАНИЕ

1. Область применения. 1

2. Общие требования. 2

3. Подключение к электрической сети общего назначения электроприемников технологического оборудования, в том числе взаиморезервируемых электроприемников. 2

4. Питание подъемно-транспортных устройств. 7

5. Низковольтные комплектные устройства (НКУ) 10

6. Защитная и коммутационная аппаратура. 12

7. Выбор и защита проводников. 15

8. Управление силовыми электроустановками. 18

9. Управление поточно-транспортными системами. 19

10. Расположение электрооборудования в производственных зданиях и прокладка внутрицеховых сетей. 21

Приложение П-1. 24

Литература. 27

1. Область применения

1.1. Настоящие нормы технологического проектирования (НТП) содержат основные указания по проектированию подключенных к электрическим сетям напряжением до и свыше 1 кВ силовых электроустановок вновь строящихся и реконструируемых промышленных предприятий и приравненных к ним потребителей.

1.2. Настоящие НТП следует рассматривать совместно с нормами технологического проектирования систем электроснабжения промышленных предприятий [1], в которых содержатся указания по выполнению схем питания силовых электроустановок напряжением до и свыше 1 кВ, по расчету токов короткого замыкания (КЗ), определению электрических нагрузок и др.

Силовые электроустановки должны также отвечать требованиям глав «Правил устройства электроустановок» (ПУЭ).

1.3. Требованиями НТП следует руководствоваться при проектировании силовых электроустановок промышленных предприятий независимо от их отраслевой принадлежности, назначения и особенностей технологического процесса.

Требования НТП не распространяются на выбор электрооборудования, поставляемого комплектно заводами - изготовителями технологического оборудования. Выбор комплектуемого электрооборудования производится согласно конструкторской документации завода - изготовителя технологического оборудования. При разработке конструкторской документации рекомендуется учитывать отдельные требования настоящих НТП.

1.4. К силовым электроустановкам подземных, тяговых и других специальных установок могут быть предъявлены дополнительные требования.

1.5. НТП заменяют строительные нормы Госстроя СССР СН 357-77 («Инструкция по проектированию силового и осветительного электрооборудования промышленных предприятий») в части проектирования силового оборудования.

2. Общие требования

2.1. Параметры силовой электроустановки (напряжение, мощность, моменты, частота вращения и др.) должны соответствовать параметрам питающей сети и технологического оборудования во всех расчетных режимах работы последнего.

2.2. Электрооборудование и материалы должны быть стойкими к воздействию окружающей среды или должны быть защищены от этого воздействия.

2.3. Применяемые в силовых электроустановках электрооборудование и материалы должны соответствовать требованиям государственных стандартов или техническим условиям на их изготовление.

2.4. Элементы электроустановок (трансформаторы, электродвигатели, аппараты, кабели, провода, шины и т.п.) должны быть выбраны таким образом, чтобы при нормальной работе был исключен их нагрев, превышающий допустимое значение. Нормируемые перегрузки не должны приводить к разрушению изоляции.

2.5. Силовые электроустановки должны удовлетворять требованиям действующих норм и правил в части загрязнения ими окружающей среды, шума, вибрации, генерируемых электрических полей, электробезопасности, взрывопожарной безопасности.

2.6. При проектировании силовых электроустановок рекомендуется принимать прогрессивные технические решения и новое электрооборудование, освоенное или осваиваемое производством. Применение нового электрооборудования, не освоенного серийным производством, следует производить с согласия заказчика и завода-изготовителя.

2.7. При проектировании, как правило, следует применять комплектные электротехнические устройства.

2.8. В проекте должны предусматриваться мероприятия по выполнению электромонтажных работ индустриальными методами.

2.9. При наличии силовых электроустановок, ухудшающих качество электроэнергии в питающей их сети (вентильных преобразователей, дуговых электропечей, сварочных аппаратов и др.), должны приниматься меры по поддержанию показателей качества электроэнергии в нормируемых ГОСТ 13109-87 пределах.

2.10. Молниезащита зданий, в которых находятся силовые электроустановки, должна выполняться согласно указаниям по устройству молниезащиты зданий и сооружений [2].

2.11. Определения понятий и терминов, содержащихся в настоящих НТП, полностью соответствуют приведенным в главах ПУЭ.

2.12. Отступления от требований и рекомендаций НТП должны быть обоснованы в проекте. Отступления, касающиеся требований безопасности (электробезопасность, пожарная, экологическая и др.), должны быть согласованы в установленном порядке.

2.13. Оформление рабочей документации и ее состав при проектировании силовых электроустановок промышленных предприятий должны соответствовать требованиям государственных стандартов системы проектной документации для строительства (стандарты СПДС: 21.001-93, 21.101-97 и др.).

3. Подключение к электрической сети общего назначения электроприемников технологического оборудования, в том числе взаиморезервируемых электроприемников

3.1. Сечение линии, питающей электроприемник (ЭП), следует выбирать по номинальному току (установленной мощности) ЭП. Для ЭП, работающих в повторно-кратковременном режиме, - по току, приведенному к длительному режиму работы (см. также раздел 7). Для ЭП значительной мощности, если известна их фактическая загрузка, сечение питающей линии следует выбирать с учетом их загрузки. В случаях, когда на технологическом механизме установлены несколько ЭП, сечение питающей линии следует выбирать по суммарной установленной мощности одновременно работающих ЭП.

3.2. Защита питающих ЭП линий осуществляется защитными аппаратами, устанавливаемыми в РУ, на ответвлениях от шинопроводов или в других местах. При выборе аппаратов защиты следует руководствоваться требованиями раздела 7.

3.3. При установке нескольких параллельных технологических агрегатов или автоматических линий питание технологически связанных ЭП каждого агрегата, каждой линии следует осуществлять от трансформаторов и РУ, получающих питание в нормальном режиме от одного независимого источника питания.

3.4. При установке технологического оборудования с выносным комплектно поставляемым электрооборудованием питание от сети общего назначения следует подвести только к вводному устройству. Прокладка кабелей от вводного устройства до ЭП и другого электрооборудования, размещаемого на технологическом оборудовании, должна осуществляться по чертежам завода-изготовителя технологического оборудования.

3.5. Подключение к сети общего назначения ЭП, предъявляющих повышенные требования к нормируемым ГОСТ 13109-97 показателям качества электроэнергии, следует осуществлять с помощью специальных технических средств (стабилизаторов, автономных источников и др.

3.6. ЭП, функционирование которых необходимо для проведения электромонтажных работ при строительстве промышленного предприятия (краны, освещение, электроотопление и т.п.), рекомендуется подключать к подстанциям и РУ, входящим в состав I очереди строительства.

3.7. Надежность работы силовых электроустановок в значительной мере зависит от схем питания взаиморезервируемых электроприемников. Взаиморезервируемые механизмы, как правило, относятся к ЭП I категории и особой группе I категории по надежности электроснабжения. Значительно реже имеет место установка взаиморезервируемых механизмов, отнесенных по последствиям их отключения к ЭП II категории. Питание последних следует выполнять в соответствии с рекомендациями по резервированию ЭП, отнесенных к I категории, с заменой устройств АВР ручным управлением.

3.8. Требования к числу независимых источников питания (НИП) и устройству АВР для взаиморезервируемых ЭП могут относиться не к отдельным ЭП, а к питающим их секциям сборных шин РУ.

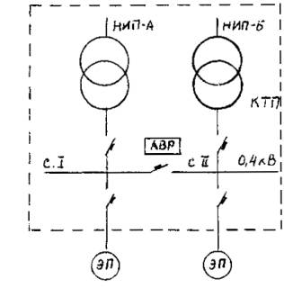
Рекомендуемое подключение взаиморезервируемых ЭП, отнесенных к I категории, приведено на рис. 3.1. - 3.5.

Для ЭП 6-35 кВ требование к числу НИП и устройству АВР следует относить к секциям сборных шин 6-35 кВ подстанции, к которой подключены ЭП (рис. 3.1).

Для ЭП до 1 кВ эти требования, как правило, следует относить к секциям сборных шин цеховых ТП (рис. 3.2), при этом также допускается подключение взаиморезервируемых ЭП к сборным шинам вторичных РУ до 1 кВ, например, к распределительным пунктам (рис. 3.3). В обоснованных случаях, например, при прокладке протяженных кабелей между КТП и вторичным РУ до 1 кВ в неблагоприятных условиях (рис. 3.4) или при применении однотрансформаторных цеховых подстанций (рис. 3.5) требование к числу НИП и устройству АВР следует относить к секциям сборных шин вторичного РУ до 1 кВ.

3.9. При подключении взаиморезервируемых ЭП, отнесенных к I категории, в зависимости от количества ЭП нужно учитывать рекомендации 3.9.1 - 3.9.4.

3.9.1. Два ЭП, один рабочий, другой резервный (рис. 3.1 - 3.5):

а) питание ЭП должно осуществляться радиальными линиями от двух секций сборных шин, подключенных к независимым источникам питания;

б) цепи управления каждого ЭП выполняются раздельно;

в) предусматривается автоматическое замещение - при аварийном отключении рабочего ЭП включается резервный ЭП.

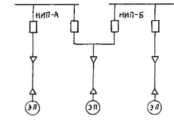
3.9.2. Три ЭП, два рабочих, один резервный или один рабочий, два резервных (рис. 3.6 и 3.7):

а) питание двух ЭП осуществляется радиальными линиями от двух секций сборных шин. Третий ЭП подключается через развилку из двух защитных аппаратов к обеим секциям сборных шин (рис. 3.6);

б) может быть выполнено также подключение каждого ЭП через развилку из двух защитных аппаратов к двум секциям сборных шин (рис. 3.7).

При обоих указанных подключениях ЭП должны выполняться требования пп. 3.9.1.б и 3.9.1.в.

Недостатком подключения согласно п. 3.9.2.а (рис. 3.6) является различие схем силовых цепей и цепей управления для взаимозаменяемых ЭП одной группы. Недостатком подключения согласно п. 3.9.2.б (рис. 3.7) является некоторое увеличение стоимости устанавливаемого электрооборудования. Подключения согласно пп. 3.9.2.а и 3.9.2.б могут быть выполнены как для ЭП напряжением свыше 1 кВ, так и для ЭП напряжением до 1 кВ.

3.9.3. Один ЭП. Технологическое резервирование невозможно. Рекомендуемые схемы представлены на рис. 3.3 и 3.9.

Согласно требованию гл. 5.3 ПУЭ не требуется резервировать кабельную линию, непосредственно питающую электродвигатель, независимо от категории надежности ЭП (рис. 3.8). Однако при единственном ЭП, отнесенном к I категории, рекомендуется при протяженной кабельной линии или неблагоприятных условиях ее прокладки выполнять резервирование кабельной линии (рис. 3.9). ЭП могут быть напряжением как свыше 1 кВ, так и до 1 кВ.

3.9.4. Четыре и больше взаиморезервируемых ЭП в группе при различных сочетания числа рабочих и резервных ЭП.

Рекомендуемые схемы подключения представлены на рис. 3.1 - 3.5.

3.10. При отнесении указанных на рис. 3.1 - 3.9. ЭП к особой группе I категории требование к числу НИП следует относить к питающим секциям сборных шин РУ. При отключении одного из двух источников питания (НИП-А или НИП-Б) оставшийся в работе НИП должен обеспечить питание всей нагрузки. При отключении обоих источников питания (НИП-А и НИП-Б) третий независимый источник питания должен автоматически подключаться к питающим секциям сборных шин РУ и обеспечить безаварийный останов производства. Допускается также ручное неавтоматическое подключение третьего НИП к секциям сборных шин РУ.

3.11. Кабельные линии к взаиморезервируемым ЭП, отнесенным к I категории и к особой группе I категории, следует прокладывать по изолированным в пожарном отношении трассам. Защитную и коммутационную аппаратуру для взаиморезервируемых ЭП рекомендуется размещать на разных панелях щитов, в разных шкафах.

Рис. 3.1

Рис. 3.2

Рис. 3.3

Рис. 3.4

Рис. 3.5

Рис. 3.6

Рис. 3.7

Рис. 3.8

Рис. 3.9

4. Питание подъемно-транспортных устройств

4.1. Питание устанавливаемых в цехах промышленных предприятий подъемно-транспортных устройств (ПТУ): мостовых кранов, кран-балок, передаточных тележек, электрических талей и т.п. - осуществляется, как правило, от внутрицеховых питающих электрических сетей общего назначения напряжением 380/220 В переменного тока через открытые главные троллеи, троллейные и монотроллейные шинопроводы или с помощью гибких кабельных токоподводов.

4.2. Открытые главные троллеи следует применять:

- для питания ПТУ, работающих с жидким или горячим металлом;

- в помещениях, содержащих токопроводящую пыль;

- в производственных помещениях с температурой окружающей среды в зоне прохождения троллеев выше 40 ЦЕЛ;

- во всех других помещениях, в которых прокладка троллейных или монотроллейных шинопроводов считается нецелесообразной.

4.3. Троллейные и монотроллейные шинопроводы рекомендуется применять для питания ПТУ, имеющих скорость передвижения менее 1 м/с и грузоподъемность до 50 т:

- в производственных помещениях с нормальной средой, кроме особо сырых;

- в помещениях с улучшенной отделкой;

- в электротехнических помещениях;

- в сборочных цехах для питания передвижного электроинструмента (только троллейные шинопроводы);

- допускается применение троллейных и монотроллейных шинопроводов, если это предусмотрено ТУ, в пожароопасных зонах классов П-IIa и П-III, в производственных помещениях с пыльной средой, в наружных установках (под навесом).

4.4. В производственных или других помещениях, когда применение открытых главных троллеев недопустимо из-за повышенной опасности поражения электрическим током или по условиям стесненности, могут быть применены троллейные и монотроллейные шинопроводы при условиях, отличающихся от указанных в п. 4.3, при предварительном согласовании с организацией - разработчиком шинопровода.

4.5. Гибкие кабельные токоподводы рекомендуется применять для одиночных редко работающих ПТУ с расчетными токами до 100 А и с ограниченной длиной перемещения (до 40 м), а также во взрывоопасных и пожароопасных зонах.

4.6. Выбор сечения главных троллеев, кабельных токоподводов, типа троллейных и монотроллейных шинопроводов производится по расчетному току с учетом допустимых потерь напряжения.

4.6.1. Расчетная мощность одного ПТУ принимается равной сумме номинальных мощностей двух наиболее мощных электроприводов, приведенных к ПВ = 1:

,

где Рн1, Рн2 - номинальные мощности двух наиболее мощных электроприводов при паспортной продолжительности включения ПВ1 и ПВ2.

Расчетный ток одного ПТУ

,

где Uн - номинальное напряжение сети;

cosφ - принимается равным 0,6 для двигателей с фазовым ротором и 0,7 - для короткозамкнутых.

4.6.2. Расчетная мощность нескольких ПТУ, подключенных к главным троллеям, к троллейному или монотроллейному шинопроводу, определяется согласно указаниям по расчету электрических нагрузок [3], [4].

4.6.3. Определение потерь напряжения выполняется при пиковом токе. Расчетное значение пикового тока группы электродвигателей определяется как сумма пускового тока наибольшего электродвигателя группы и расчетного тока всех остальных электродвигателей группы. При отсутствии заводских данных следует принимать кратность пускового тока двигателя с фазовым ротором - 2,5, короткозамкнутого двигателя - 6, двигателя постоянного тока - 2,5.

4.6.4. Допустимое значение потерь напряжения на зажимах крановых двигателей должно быть не более 15 % номинального напряжения. Для ориентировочных расчетов допускается принимать одинаковую допустимую потерю напряжения 5 % в питающей сети, главных троллеях и в пределах крана.

4.6.5. Токосъемник ПТУ, питающегося от троллейного шинопровода, выбирается по расчетному току двух наиболее мощных электродвигателей ПТУ.

Токосъемник ПТУ, питающегося от открытых главных троллеев, поставляется комплектно с ПТУ.

Допускается параллельная работа двух токосъемников для одного ПТУ.

4.7. Схемы троллеев и их конструктивное исполнение принимаются в зависимости от числа ПТУ, режимов их работы, значений расчетных токов и потерь напряжения, количества вводов питания и протяженности крановых пролетов.

При проектировании троллейных линий рекомендуется руководствоваться следующими положениями:

4.7.1. При одном ПТУ и незначительной длине пролета, как правило, следует применять несекционированную троллейную линию без ремонтных участков с одним вводом питания. При необходимости снижения потерь напряжения следует выполнить индукционную подпитку с помощью алюминиевой шины, прокладываемой параллельно с главными троллеями.

4.7.2. При одном ПТУ и значительной длине пролета, когда выполнение индукционной подпитки не обеспечивает требуемое снижение потерь напряжения, следует секционировать троллейную линию, при этом количество вводов питания должно соответствовать числу секций.

4.7.3. При двух ПТУ и незначительной длине пролета может быть принята несекционированная троллейная линия с двумя ремонтными участками в торцах, с одним вводом питания. При необходимости может быть выполнена индукционная подпитка.

4.7.4. При двух ПТУ и значительной длине пролета рекомендуется принимать секционированную (в середине пролета) троллейную линию с двумя ремонтными участками в торцах, с двумя вводами питания. При недостаточности индукционной подпитки следует рассмотреть целесообразность увеличения числа секций троллейной линии.

4.7.5. При трех ПТУ рекомендуется выполнять секционированную троллейную линию с тремя ремонтными участками (в торцах и в середине), с двумя вводами питания. При недостаточности индукционной подпитки может быть увеличено число секций троллейной линии.

4.7.6. При питании ответственных ПТУ, например, работающих с жидким металлом, следует, независимо от числа ПТУ, секционировать главные троллеи, а вводные линии выполнить взаиморезервируемыми и рассчитанными на питание всех ответственных ПТУ.

4.8. Выполнять безиндукционную подпитку кабелями или проводами в виде шлейфов вдоль главных троллеев не рекомендуется, особенно при высокой температуре окружающей среды в зоне прохождения троллеев и значительном расчетном токе. Более эффективной мерой снижения потерь напряжения в этих случаях является увеличение числа секций троллейной линии и вводов питания.

4.9. При нефиксированных зонах работы нескольких ПТУ в одном пролете в качестве расчетной схемы для определения потерь напряжения следует принять подключение двух ПТУ к секции троллейной линии, получающей питание по вводу смежной секции.

4.10. На вводах питания рекомендуется устанавливать автоматические выключатели, на ремонтных участках - рубильники. Для секционирования главных троллеев могут быть применены автоматические выключатели или рубильники.

4.11. Главные троллеи, как правило, следует выполнять из стального уголка, прокладываемого на троллеедержателях. Для технологических интенсивно работающих мостовых кранов, а также для кранов значительной грузоподъемности рекомендуется в качестве троллеев использовать стальные швеллер, двутавр, квадрат.

4.12. На протяженных троллейных линиях следует через каждые 30-40 м, а также в местах температурных швов здания устанавливать температурные компенсаторы.

4.13. Для сигнализации наличия напряжения на троллеях следует устанавливать светофоры. Светофоры устанавливаются через каждые 60-80 м на рабочих секциях и на каждом ремонтном участке.

4.14. Питание главных троллеев, троллейных и монотроллейных шинопроводов с расчетным током порядка 100 А и более рекомендуется осуществлять радиальными кабельными линиями от цеховых ТП или магистральных шинопроводов.

Питание ПТУ меньшей мощности может быть также выполнено и от вторичных РУ до 1 кВ и распределительных шинопроводов.

4.15. Питание напольных тележек рекомендуется выполнять с помощью троллейных шинопроводов, размещаемых в небольших каналах с частично съемным перекрытием, снимаемым во время ремонта троллеев. Ширину щели следует принимать не более 70 мм.

4.16. Питание электрических талей грузоподъемностью 10 т и однорельсовых тележек с кабиной грузоподъемностью 2-10 т может осуществляться как от открытых троллеев, так и от троллейных шинопроводов. Электрические тали меньшей грузоподъемности получают питание от троллейных шинопроводов. При изогнутых монорельсах троллейные шинопроводы не применяются.

4.17. В обоснованных случаях питание ПТУ может выполняться на напряжении 220 В выпрямленным током от специально устанавливаемых выпрямительных статических преобразовательных устройств.

4.18. Питание электропривода главного подъема мостового крана значительной грузоподъемности (порядка 300 т) рекомендуется осуществлять от стационарно установленного тиристорного преобразователя по специальной троллейной линии, прокладываемой на стороне пролета, противоположной главным троллеям.

5. Низковольтные комплектные устройства (НКУ)

5.1. Аппаратура управления приводами механизмов устанавливается в НКУ (щиты, шкафы, ящики, пульты). Эта аппаратура в сочетании с внешними командными аппаратами позволяет осуществлять дистанционное автоматизированное управление приводами, обеспечивая работу в заданных режимах, а также контроль за работой установки.

5.2. НКУ следует предусматривать только в тех случаях, когда это оправдано необходимостью осуществления автоматизации электропривода или необходимостью централизации места установки аппаратов управления для облегчения выполнения схем блокировок и диспетчерского управления, или необходимостью защиты аппаратов от воздействий окружающей среды.

В остальных случаях рекомендуется предусматривать магнитные пускатели с соответствующим исполнением кожухов для возможности установки пускателей в непосредственной близости к электроприемникам.

5.3. НКУ, выполняющие только функцию распределения электроэнергии, рекомендуется применять, как правило, в защищенном исполнении.

Такие НКУ выбираются по типовым схемам с параметрами аппаратов, указанными при заказе НКУ.

5.4. НКУ, выполняющие другую функцию или несколько функций, в том числе управления, рекомендуются применять в защищенном и открытом исполнениях (типовые и нетиповые).

5.5. Защищенные НКУ, удовлетворяющие требованиям защиты от воздействия окружающей среды, рекомендуется располагать непосредственно в цехе, в районе расположения управляемых механизмов.

Такому расположению НКУ следует отдавать предпочтение.

5.6. В открытых НКУ, располагаемых в электротехнических помещениях, устанавливаются аппараты в случаях, когда концентрация их в одном пункте, с точки зрения схемы распределения электроэнергии и схем автоматизации и диспетчеризации управления, технически и экономически целесообразна, а размещение их в НКУ, установленных непосредственно в цехах, недопустимо или затруднено ввиду особых условий окружающей среды (наличие взрывоопасных газов, мелкодисперсной пыли и т.п.).

Электропомещения должны быть оборудованы средствами, предотвращающими попадание пыли, влаги и химически активных газов внутрь помещения (тамбуры с уплотненными дверями, поддув чистого воздуха).

Возможна установка открытых НКУ на выгороженных участках цеха с нормальной средой.

5.7. Питание силовых НКУ должно осуществляться по радиальной схеме от КТП или распределительных пунктов, либо от магистралей.

5.8. Во всех случаях, когда нагрузка трансформаторной подстанции определяется, главным образом, электроприемниками, присоединенными к НКУ, как правило, следует предусматривать непосредственную стыковку выводов трансформаторов с шинами вводных панелей НКУ, избегая установки КТП со шкафами распределительного устройства до 1000 В.

5.9. Не следует предусматривать установку в конце лини (на вводе в шкаф управления, в силовой распределительный пункт, в щит станций управления и т.п.) аппарата, дублирующего аппарат защиты головного участка линии. В конце такой питающей линии следует предусматривать аппарат, в основном рубильник, для возможности отключения распределительного устройства. Такой аппарат на вводе цехового распределительного устройства разрешается не предусматривать в тех случаях, когда легко доступен для отключения аппарат головного участка питающей линии.

Автоматический выключатель вместо упомянутого рубильника разрешается устанавливать на вводе цехового распределительного устройства только при выполнении питания этого устройства глухим ответвлением от магистрали (шинопровода) или в тех случаям, когда такой выключатель необходим для осуществления АВР.

Не следует допускать применение автоматических выключателей без расцепителей максимального тока в качестве неавтоматических выключателей вследствие их большой стоимости и низкой динамической устойчивости к токам короткого замыкания (КЗ).

5.10. Номинальный ток силовой цепи НКУ должен быть не более:

2500 А - для защищенных НКУ;

6300 А - для открытых НКУ исполнения IP00.

5.11. Номинальное напряжение силовой цепи НКУ должно выбираться:

для переменного тока: 110, 220, 380, 660 В частотой 50 Гц,

для постоянного тока: 24, 48, 110, 220, 440 В.

5.12. Номинальное напряжение вспомогательных цепей НКУ должно быть не более:

660 В переменного тока (24, 42, 100, 110, 220, 380, 660 В);

440 В постоянного тока (5, 12, 15, 24, 48, 60, 110, 220, 440 В).

5.13. НКУ должно быть работоспособным при отклонении номинального напряжения силовых и вспомогательных цепей плюс 10 минус 15 %, отклонении номинальной частоты силовых и вспомогательных цепей +-2 %.

5.14. Условия эксплуатации НКУ:

- температура окружающего воздуха при установке внутри помещения должна быть не более плюс 40 ЦЕЛ и не менее минус 5 ЦЕЛ;

- температура окружающего воздуха при наружной установке должна быть не более плюс 40 ЦЕЛ и не менее минус 25 ЦЕЛ для умеренного климата.

5.15. Степень защиты НКУ:

- для НКУ, предназначенных для эксплуатации внутри помещений и не требующих защиты от проникновения воды, рекомендуются степени защиты: IP00, IP2X, IP3X, IP4X, IP5X (по ГОСТ 14254-96);

- для НКУ, эксплуатируемых вне помещений без дополнительной защиты, вторая цифра в обозначении степени защиты должна быть не менее 3.

5.16. НКУ является комбинацией низковольтных аппаратов и устройств управления, измерения, сигнализации, защиты, регулирования и т.п., смонтированных на единой конструктивной основе со всеми внутренними электрическими и механическими соединениями и конструктивными элементами.

5.17. Конструктивно НКУ делятся на щиты, шкафы, ящики, пульты управления.

5.18. Щиты, шкафы могут применяться как одностороннего, так и двустороннего обслуживания.

Предпочтительным является применение прислонных шкафов и щитов одностороннего обслуживания глубиной 600, 400 мм и щитов, шкафов с многорядным расположением аппаратуры с передним присоединением проводов и кабелей двустороннего обслуживания глубиной 800 мм.

Высота щитов, шкафов не должна превышать 2200 мм.

Щиты могут поставляться секциями с различным количеством встроенных панелей для установки аппаратуры.

Конструкция щитов, шкафов допускает установку аппаратуры на поворотных рамах, поворотных листах.

5.19. Конструкция щитов, шкафов допускает установку силовых шин, шин управления и шины заземления.

Силовые шины должны допускать ударный ток короткого замыкания:

16, 25, 50 кА - для щитов открытых;

10, 16, 25 кА - для щитов и шкафов защищенных.

Конкретное значение тока короткого замыкания указывается при заказе НКУ.

5.20. Конструкция НКУ обеспечивает возможность осуществления ввода проводов и кабелей сверху или (и) снизу. Выбранный подвод внешних проводников оговаривается при заказе.

5.21. НКУ в исполнении IP54 могут оснащаться съемными крышками люков снизу и сверху для удобства установки сальников и патрубков на месте монтажа.

5.22. Установку аппаратов в щитах, шкафах рекомендуется осуществлять в зоне от 400 до 2000 мм от уровня пола.

Допускается в технически обоснованных случаях устанавливать аппараты на высоте ниже 400 мм и выше 2000 мм от уровня пола.

Наборы зажимов следует устанавливать на высоте не менее 200 мм.

Дроссели, трансформаторы, резисторы, сирены и другие элементы, не требующие постоянного контроля и обслуживания, могут устанавливаться ниже 400 мм и выше 2000 мм.

Аппараты ручного оперативного управления (кнопки, переключатели и т.п.) должны находиться в зоне 700 - 1900 мм от уровня пола.

Измерительные приборы должны устанавливаться так, чтобы их шкалы находились на высоте от уровня пола:

от 1000 до 1800 мм - для работы стоя;

от 700 до 1400 мм - для работы сидя.

5.23. Ящики управления изготовляются только с передним обслуживанием аппаратов, устанавливаемых внутри НКУ.

Ящики изготовляются высотой до 1200, глубиной до 360, шириной до 800 мм.

5.24. Конструкция щитов, шкафов, ящиков позволяет размещение на двери НКУ аппаратов ручного управления, сигнализации, индикации, измерительных приборов и т.п.

5.25. Пульты управления электроустановками применяются двух конструктивных исполнений: для работы сидя и для работы стоя.

Отдельные пульты могут собираться секциями для организации сложных постов управления.

5.26. Элементной базой НКУ должна являться гамма низковольтной аппаратуры, приборов измерения, контроля, индикации, аппаратуры передачи данных и т.д.

5.27. В качестве силовой коммутационной аппаратуры должны использоваться: пускатели, контакторы, автоматические выключатели, пакетные выключатели, рубильники, переключатели, бесконтактные пускатели, тиристорные станции управления.

Применение бесконтактных силовых аппаратов рекомендуется в случаях, когда:

- контакторная аппаратура не в состоянии обеспечить требуемое быстродействие;

- частота включения аппаратуры не позволяет применение контактных аппаратов из-за малого срока службы;

- устройство выполняет функции регулирования, управления, защиты и т.д.

5.28. В качестве аппаратуры управления должны использоваться:

- промежуточные реле, реле времени, реле защиты;

- кнопочные, тумблерные выключатели и переключатели;

- программируемые контроллеры (микроПК).

Рекомендации по применению ПК даны в разделе 8.

5.29. В качестве аппаратуры сигнализации и индикации должны использоваться:

- световая арматура, табло, светодиоды;

- измерительные приборы (аналоговые и цифровые);

- цифровые индикаторы, цифробуквенные дисплеи.

5.30. В качестве устройств подключения внешних проводов и кабелей в НКУ могут использоваться клеммные зажимы, штепсельные разъемы.

5.31. Силовые внешние провода и кабели могут подключаться как непосредственно к зажимам силового аппарата, так и через силовые зажимы.

5.32. Контрольные внешние провода и кабели должны подключаться через клеммные зажимы.

Под один клеммный зажим, как правило, следует подключать один внешний проводник.

5.33. Каждое НКУ должно иметь устройство заземления.

5.34. Заземление НКУ должно выполняться в соответствии с требованиями ПУЭ и действующими государственными стандартами.

6. Защитная и коммутационная аппаратура

6.1. В соответствии с ПУЭ в качестве аппаратов защиты электрических сетей и электродвигателей напряжением до 1 кВ должны применяться автоматические выключатели или предохранители.

В качестве коммутационной аппаратуры в силовых цепях применяются контакторы, магнитные пускатели, тиристорные станции управления и другая аппаратура в зависимости от мощности и назначения электроприемников.

6.2. Аппараты защиты и коммутационные аппараты по своим параметрам (напряжение, ток, частота, механическая и электрическая износостойкость, режим работы и т.д.) должны удовлетворять условиям работы в проектируемой установке.

6.3. Аппараты защиты должны быть стойкими при максимальных токах короткого замыкания (КЗ), т.е. должны выдерживать воздействие этих токов, не подвергаясь электрическим или механическим повреждениям, а также деформациям, препятствующим их дальнейшей нормальной эксплуатации.

6.4. Аппараты защиты считаются стойкими при максимальных токах КЗ, если предельная коммутационная способность (ПКС) автоматических выключателей или наибольшая отключающая способность предохранителей больше, чем расчетное значение максимального тока КЗ в точке подключения аппаратов защиты к питающей сети.

6.5. При проектировании аппараты защиты необходимо выбирать стойкими не только для возможности их дальнейшей эксплуатации после отключения токов КЗ, но и для исключения аварийных ситуаций, которые могут возникнуть при КЗ в результате разрушения нестойких аппаратов защиты в случае их применения.

6.6. Автоматические выключатели рассчитаны на одно отключение тока КЗ, значение которого превышает значение ПКС, но не выходит за пределы одноразовой предельной коммутационной способности выключателя (ОПКС). Выключатель при отключении такого тока не разрушается, но может оказаться непригодным для дальнейшей работы.

Автоматический выключатель, выбранный по ОПКС (ОПКС больше, но ПКС меньше расчетного тока КЗ), не считается стойким при максимальном токе КЗ.

6.7. Допускается установка аппаратов защиты, нестойких при максимальных токах КЗ, но при этом нестойкие аппараты должны быть защищены ближайшим вышестоящим автоматическим выключателем. Такой выключатель может защищать сразу несколько нестойких аппаратов защиты (группу).

При установке нестойких аппаратов защиты должны выполняться следующие требования:

- защищающий нестойкие аппараты автоматический выключатель должен быть стойким при максимальных токах КЗ за защищаемыми аппаратами;

- защищающий автоматический выключатель должен иметь отсечку без выдержки времени;

- ток срабатывания этой отсечки должен быть меньше, чем ОПКС защищаемых автоматических выключателей и меньше, чем наибольшая отключающая способность защищаемых предохранителей;

- неселективное отключение всей группы защищаемых аппаратов не должно вызывать аварию или другие недопустимые последствия.

6.8. Стойкость аппаратов защиты определяется по отношению к значению трехфазного тока КЗ, расчет которого выполняется в соответствии с ГОСТ 28249-93.

Для проверки аппаратов защиты на стойкость при КЗ необходимо выполнять расчет токов КЗ на шинах всех распределительных устройств и распределительных пунктов проектируемой электроустановки.

6.9. Нестойкие при максимальных токах КЗ аппараты защиты, установленные в соответствии с п. 6.7, рекомендуется выносить на отдельно стоящие панели или силовые распределительные пункты, группируя их по технологическим потокам. Допускается размещение нестойких аппаратов защиты в пределах общего распределительного устройства (например, на щите станций управления), но по возможности на отдельных панелях.

6.10. Аппараты защиты должны устанавливаться в начале защищаемой линии.

Допускается установка аппаратов защиты на некотором расстоянии (по длине ответвления) от места присоединения к питающей линии при выполнении следующих условий:

- длина участка ответвления от места присоединения к питающей линии до аппарата защиты не превышает 3 м;

- ответвление на этом участке выполняется кабелем в оболочке, не распространяющей горение;

- электропроводка выполнена таким образом, что опасность возникновения короткого замыкания сведена до минимума, например, путем защиты ее от внешних воздействий;

- вблизи этого участка не располагаются горючие вещества.

6.11. При проектировании должны правильно использоваться возможности выбора и регулирования параметров автоматических выключателей в целях обеспечения наибольшей чувствительности защиты и необходимой селективности ее действия:

- кратность отсечки на автоматическом выключателе следует выбирать (или устанавливать) минимальной, но такой, которая обеспечивала бы отстройку от пусковых токов;

- выдержку времени селективных автоматических выключателей следует принимать минимально возможной по условиям селективности, не допуская необоснованного ее увеличения;

- время срабатывания автоматических выключателей при шестикратном токе (там, где возможна регулировка этого времени) следует принимать минимально возможным по условиям обеспечения пуска электродвигателя, т. к. увеличение уставки по времени срабатывания автоматического выключателя при пуске электродвигателя увеличивает и время срабатывания защиты при КЗ, что крайне нежелательно.

6.12. Автоматические выключатели с полупроводниковыми расцепителями, реагирующими на ток однофазных КЗ, обладают повышенной чувствительностью, и применение таких выключателей повышает надежность защиты.

6.13. При выборе контакторов и магнитных пускателей необходимо иметь в виду, что их номинальный ток снижается при увеличении напряжения главной цепи, при повышении степени защиты аппаратов от воздействия окружающей среды, а также при возрастании кратности токов, которые аппараты должны коммутировать в проектируемой установке.

Наиболее часто коммутационные аппараты используются в условиях, соответствующих категориям применения АС-1, АС-3, АС-4 (по ГОСТ 12434-93).

Каждой категории соответствует своя область применения:

АС-1 - включение и отключение активной или малоиндуктивной нагрузки;

AC-3 - прямой пуск электродвигателей с короткозамкнутым ротором, отключение вращающихся электродвигателей;

АС-4 - прямой пуск электродвигателей с короткозамкнутым ротором, отключение неподвижных или медленно вращающихся (в переходном процессе) электродвигателей, торможение противовключением.

При повышении категории применения от АС-1 до АС-4 (при переходе к более тяжелым условиям работы) номинальные рабочие токи коммутационных аппаратов в соответствии с техническими условиями на них должны снижаться. Это снижение может существенным и должно учитываться при проектировании в обязательном порядке. (См. ГОСТ 2491-82 на пускатели и ГОСТ 11206-93 на контакторы).

6.14. Категория применения аппарата определяется условиями его работы в нормальном режиме (в режиме нормальных коммутаций). Для категории АС-3, например, нормальным режимом работы является прямой пуск и отключение вращающегося электродвигателя с короткозамкнутым ротором. Возможность случайного отключения неподвижного или медленно вращающегося электродвигателя не является основанием для повышения категории применения. При неправильных действиях оператора или в аварийных случаях (в режиме редких коммутаций) аппараты могут включать и отключать токи, значение которых превышает их коммутационную способность в нормальном режиме, но число таких коммутаций ограничивается.

Предельные значения включаемых и отключаемых токов в режиме редких коммутаций оговариваются в технической документации на коммутационные аппараты.

6.15. Магнитные пускатели имеют несколько исполнений по коммутационной износостойкости. Чем выше износостойкость, тем большее количество серебра содержится в контактах пускателя.

Коммутационной износостойкостью определяется срок службы (ресурс) коммутационных аппаратов в каждой категории применения.

Для интенсивных режимов работы (большая частота включения, большие кратности коммутируемых токов) должны выбираться аппараты с большой коммутационной износостойкостью. При небольшой частоте включений и малых кратностях коммутируемых токов высокая коммутационная износостойкость не требуется, и применение в этих условиях аппаратов с повышенной износостойкостью экономически не оправдывается.

6.16. Катушки контакторов и магнитных пускателей могут включаться на междуфазное или фазное напряжение после аппарата защиты в силовой цепи, а также на напряжение, независимое от напряжения силовой цепи, если это оказывается целесообразным по каким-либо соображениям. В последнем случае во избежание непредусматриваемого самозапуска рекомендуется выполнять блокировку, Исключающую коммутационный аппарат при отключении автоматического выключателя или исчезновении напряжения в силовой цепи.

6.17. При защите ответвления к электродвигателю предохранителями необходимо с помощью тепловых реле выполнять защиту электродвигателя от перегрузки. Эта защита должна отключить коммутационный аппарат при перегорании предохранителя в силовой цепи, если возникнет перегрузка электродвигателя при работе на двух фазах.

6.18. Для электроприемников, не требующих самозапуска, рекомендуется осуществлять нулевую защиту: при исчезновении напряжения на электроприемнике коммутационный аппарат отключается и после восстановления напряжения может быть включен только обслуживающим персоналом. Контакторы и магнитные пускатели позволяют выполнять такую защиту.

Для электроприемников, не требующих самозапуска, но неожиданное отключение которых вызывает существенные негативные последствия, рекомендуется предусматривать нулевую защиту с небольшой (на время действия устройства АВР) выдержкой времени. Эта выдержка времени может осуществляться за счет установки дополнительного реле времени или специальных приставок к магнитным пускателям и контакторам.

6.19. Для обеспечения самозапуска электроприемников при восстановлении напряжения (когда такой самозапуск необходим) катушки коммутационных аппаратов должны включаться выключателями с длительной фиксацией в положении «включено» (без самовозврата).

6.20. При применении для управления электродвигателями аппаратов, не осуществляющих нулевую защиту, электродвигатели месте с сопряженными с ними механизмами должны быть доступны только квалифицированному персоналу (должны иметь, например, специальные ограждения, располагаться в отдельных помещениях и т.п.).

6.21. Включение и отключение электродвигателей автоматическими выключателями (вместо контакторов или магнитных пускателей) возможно, если такие операции предусматриваются в технических условиях на эти выключатели. При этом следует иметь в виду требования п. 6.20.

6.22. В соответствии с гл. 4.1 ПУЭ проектом должна предусматриваться возможность снятия напряжения с каждого автоматического выключателя для безопасной его ревизии, наладки, мелкого ремонта или демонтажа.

Не требуется предусматривать отключающий или разъединяющий аппарат перед каждым автоматическим выключателем, если по условиям бесперебойности питания допускается снятие напряжения общим аппаратом с группы выключателей, с секции щита, со всего щита или магистрали на время осмотра или отсоединения от сети ревизуемого выключателя.

Наличие «видимого разрыва» в отключающих или разъединяющих аппаратах необязательно, однако должна быть предусмотрена возможность наложения на время ремонта переносных заземлений.

Вместо разъединяющих аппаратов допускается предусматривать шинные накладки для установок, отключение которых для снятия накладок допускается по условиям технологического процесса.

Не требуется предусматривать снятие напряжения, если обеспечена возможность безопасного демонтажа выключателя под напряжением с помощью изолированного инструмента.

6.23. В проекте должны быть предусмотрены средства для безопасной смены плавких вставок, предохраняющие от случайного соприкосновения с токоведущими частями и от ожога при ошибочном включении плавкой вставки предохранителя на короткозамкнутую цепь.

В случаях, когда по условиям бесперебойности питания отключение всей установки или ее части на время смены любой группы плавких вставок предохранителей допустимо, в проекте должна предусматриваться возможность такого отключения.

7. Выбор и защита проводников

7.1. Под выбором проводников в настоящем разделе понимается определение их минимального сечения, допустимого по условиям нагрева и удовлетворяющего требованиям защиты.

7.2. Нагрев проводников любого назначения в процессе эксплуатации не должен превышать предельно допустимых (нормируемых) значений.

Допустимые длительные токи проводников, соответствующие их предельно допустимому нагреву, оговариваются в гл. 1.3 ПУЭ, которой и следует руководствоваться при выборе проводников в первую очередь.

7.3. При определении значений длительно допустимых токов по таблицам гл. 1.3 ПУЭ необходимо учитывать снижающие (или повышающие) коэффициенты, которые связаны с условиями прокладки проводников и температурой окружающей среды.

Допустимым длительным током проводника следует считать ток, определенный (в тех случаях, когда это требуется) с учетом понижающего или повышающего коэффициента.

7.4. Проводники питающих электрических сетей выбираются по расчетному току линии, а проводники ответвлений к электроприемникам с продолжительным режимом работы - по номинальному току электроприемника.

Длительно допустимый ток выбранного проводника должен быть нe меньше расчетного тока линии или номинального тока электроприемника. Причем, во взрывоопасных зонах длительно допустимый ток ответвлений к короткозамкнутым электродвигателям должен быть не менее 125 % номинального тока электродвигателя.

Если по потере напряжения, механической прочности или другим условиям необходимо большее сечение, чем выбранное по длительно допустимой нагрузке, то сечение проводника должно быть увеличено, чтобы удовлетворять всем нормативным требованиям.

7.5. При повторно-кратковременном режиме работы электроприемников (с общей длительностью цикла до 10 мин и длительностью рабочего периода не более 4 мин) в качестве расчетного тока для выбора сечения проводников по нагреву следует принимать:

- для медных проводников сечением до 6 мм**2 и алюминиевых сечением до 10 мм**2 - номинальный ток электроприемника, соответствующий принятой для расчета относительной продолжительности включения;

- для медных проводников сечением более 6 мм**2 и алюминиевых сечением более 10 мм**2 - ток электроприемника, приведенный к длительному режиму работы, который определяется умножением номинального тока электроприемника, соответствующего принятой для расчета относительной продолжительности включения, на  коэффициент

,

где       ПВ - относительная продолжительность включения в относительных единицах;

1,14 = 1/0,875 - коэффициент запаса.

Эта методика равноценна приводящейся в гл. 1.3 ПУЭ, но отличается от последней тем, что в ней (для проводников сечением более 6 и 10 мм**2) номинальный ток электроприемника в повторно кратковременном режиме приводится к эквивалентному по выделению тепла длительному току, который затем и сравнивается с длительно допустимым током проводника.

В гл. 1.3 ПУЭ делается наоборот: длительно допустимый ток проводника приводится к повторно-кратковременному режиму и сравнивается затем с номинальным током электроприемника в повторно-кратковременном режиме.

Для мелких сечений (до 6 и 10 мм**2) как по первой методике, так и по второй пересчета не делается и номинальный ток электроприемника в повторно-кратковременном режиме сравнивается с длительно допустимым током проводника.

7.6. В качестве аппаратов защиты электрических сетей до 1 кВ в соответствии с ПУЭ применяются автоматические выключатели или предохранители.

7.7. Номинальные токи плавких вставок предохранителей и токи уставок автоматических выключателей в целях повышения чувствительности защиты во всех случаях следует выбирать как должно меньшими, по расчетным токам линий или номинальным токам электроприемников, но таким образом, чтобы аппараты защиты не отключали электроустановки при кратковременных перегрузках, которые могут иметь место при эксплуатации проектируемой установки (пусковые токи, пики технологических нагрузок и т.п.).

Следует подчеркнуть, что уставки аппаратов защиты выбираются не по длительно допустимому току защищаемого проводника, а именно так, как указано выше: по расчетному току линии или по номинальному току электроприемника. И если, например, по потере напряжения или другим требованиям сечение пришлось увеличить и длительно допустимый ток проводника оказался вследствие этого намного больше расчетного, уставка аппарата защиты должна оставаться прежней, близкой к расчетному току.

7.8. В тех случаях, когда неселективное отключение аппаратов защиты может привести к авариям, серьезным нарушениям технологического процесса или другим тяжелым последствиям, необходимо обеспечивать селективность действия защиты.

7.9. Все электрические сети защищаются от токов короткого замыкания (КЗ).

Защита должна надежно отключать поврежденный участок при любом виде КЗ (трехфазном, двухфазном, однофазном) в конце защищаемой линии, для чего кратность минимального тока КЗ к уставкам защиты должна быть достаточной для приведения защиты в действие.

7.10. Кратности наименьшего расчетного тока КЗ нормируются ПУЭ. Наименьший расчетный ток короткого замыкания должен превышать номинальный ток плавкой вставки предохранителя или номинальный ток нерегулируемого расцепителя автоматического выключателя с обратнозависимой от тока характеристикой не менее чем в 3 раза. Если автоматический выключатель с обратнозависимой от тока характеристикой имеет регулируемый расцепитель, то наименьший расчетный ток короткого замыкания должен превышать не менее чем в 3 раза уставку по току срабатывания.

Для электрических сетей во взрывоопасных зонах должна обеспечиваться более высокая кратность, которая устанавливается в главе 7.3 ПУЭ.

Когда автоматический выключатель имеет только мгновенно действующий расцепитель (отсечку), наименьший расчетный ток КЗ должен быть не ниже уставки тока мгновенного срабатывания, умноженной на коэффициент, учитывающий разброс (по заводским данным), и на коэффициент запаса 1,1.

При отсутствии заводских данных для автоматических выключателей с номинальным током до 100 А кратность тока КЗ относительно уставки по току мгновенного срабатывания следует принимать не менее 1,4, а для автоматических выключателей с номинальным током более 100 А - не менее 1,25.

Указанные кратности должны проверяться расчетом минимального тока КЗ по ГОСТ 28249-93.

7.11. Если нормируемая кратность тока КЗ не обеспечивается при минимально возможной уставке защиты, нужно в целях уменьшена сопротивления цепи короткого замыкания или уменьшать длину ответвления (если возможна прокладка его по более короткой трассе или подключение к более близкому распределительному устройству), или повышать проводимость нулевой цепи, или увеличивать сечение защищаемых проводников.

7.12. Исходные данные для расчетов токов КЗ (особенно однофазных), как правило, отличаются значительной неопределенностью. К таким данным, например, можно отнести переходное сопротивление контактных соединений; сопротивление электрической дуги в месте КЗ; сопротивление цепи заземления, для которой используются конструктивные элементы зданий и сооружений или контур из стального проката.

Из-за неопределенности исходных данных результаты расчетов токов КЗ не всегда могут иметь высокую точность. Поэтому требования нормативных документов к кратности минимальных токов короткого замыкания должны выполняться при проектировании с достаточным запасом.

7.13. Не рекомендуется (особенно для протяженных электрических сетей) применять автоматические выключатели, имеющие только мгновенно действующий расцепитель, с кратностью отсечки более чем 3.

При отсутствии расцепителя с обратнозависимой от тока характеристикой защита является нечувствительной к малым токам КЗ, и эта зона нечувствительности тем больше, чем больше кратность отсечки.

7.14. В гл. 3.1 ПУЭ выделяются определенные категории электрических сетей, которые должны иметь защиту от перегрузки.

В сетях, защищаемых от перегрузки, уставки аппаратов защиты должны быть близки к длительно допустимым токам проводников. В некоторых случаях эти уставки должны быть даже меньше длительно допустимых токов.

Кратности уставок аппаратов защиты к длительно допустимым токам проводников в сетях, защищаемых от перегрузки, нормируются и не должны превышать значений, оговоренных в гл. 3.1 ПУЭ. Поэтому после выбора уставок защиты (см. п. 7.7) указанные кратности обеспечиваются выбором соответствующего сечения проводников. Может случиться, что сечение проводника, выбранное по длительно допустимому току, нужно будет увеличить, чтобы обеспечить кратность, нормируемую для защиты от перегрузки.

7.15. Применение для защиты сетей от перегрузки автоматических выключателей, имеющих только мгновенно действующий растлитель (отсечку), главой 3.1 ПУЭ не предусматривается.

Номинальный ток плавких вставок предохранителей в соответствии с требованиями гл. 3.1 ПУЭ должен быть меньше длительно допустимого тока проводников. Поэтому применение предохранителей для защиты сетей от перегрузки является нерациональным, т.к. вызывает необходимость завышения сечения выбранных по нагрузке проводников, особенно значительного в тех случаях, когда нужна отстройка защиты от пусковых токов.

8. Управление силовыми электроустановками

8.1. Системы управления силовыми электроустановками, как правило, должны обеспечивать централизацию управления и полное или частичное сокращение дежурного персонала.

8.2. При возможности следует предусматривать автоматизацию электроустановок, обеспечивающую их работу без постоянного дежурного персонала с централизованным контролем и управлением.

8.3. Могут иметь место следующие виды управления электроустановками:

- местное управление (МУ) с помощью аппаратов местного управления, расположенных вблизи технологических механизмов;

- дистанционное управление (ДУ), при котором управление всеми механизмами осуществляется оператором с дистанционного пульта управления (ДПУ). При ДУ местное управление разрешается при его выборе оператором на ДПУ;

- дистанционное автоматизированное управление (ДАУ), характеризуемое вводом команд оператором (избирание режима, пуск, останов), автоматической обработкой команд технологических датчиков, централизованным контролем работы установки на ДПУ;

- дистанционное групповое управление (ДГУ), при котором предусматривается режим опробования отдельных механизмов с поста управления данной группы.

Все силовые электроустановки должны иметь МУ.

В технически обоснованных случаях допускается кроме МУ иметь местное сблокированное управление (см. раздел 9).

8.4. Элементной базой управления могут быть релейно-контактные аппараты, бесконтактные устройства автоматики, программируемые контроллеры (ПК).

8.5. Релейно-контактная аппаратура, как правило, должна применяться для МУ в установках имеющих простые схемы, с кратковременным или длительным режимом работы механизмов, с простыми алгоритмами технологической автоматики.

8.6. ПК должны применяться для управления установками со сложными алгоритмами технологической автоматики, с дистанционным управлением, блокировками с другими установками со сложной схемой избирания режимов, для передачи уплотненной информации на диспетчерские пункты.

8.7. ДУ и ДАУ, как правило, следует проектировать на базе программируемых контроллеров.

8.8. Применение программируемых контроллеров кроме функций управления, сигнализации, защиты и измерения обеспечивает диагностику электрического оборудования, организацию уплотненной связи между отдельными низковольтными комплектными устройствами установки, обработку импульсных и аналоговых сигналов, сигналов низкого уровня, организацию ввода-вывода буквенно-цифровых сообщений на видеотерминалы и печатающие устройства, организацию ввода-вывода цифровых сигналов управления и индикации.

Применение программируемых контроллеров позволяет использование цифровых измерительных приборов.

Обработка аналоговых сигналов с выходом на цифровые приборы позволяет отказаться от вторичных контрольно-измерительных приборов (КИП).

В разветвленных автоматизированных установках рекомендуется централизованное управление с ЦПУ на базе дисплеев и функциональных клавиатур, кроме аппаратуры ручного вмешательства оператора.

8.9. В сложных системах ДАУ с математической обработкой сигналов технологических датчиков рекомендуется применение двухуровневой системы:

а) на нижнем уровне применяется релейно-контактная аппаратура и ПК, обеспечивающие режимы местного и дистанционного управления в части необходимых блокировок и алгоритмов выполнения требуемых технологических операций, а также выполнение оперативного управления установкой;

б) на верхнем уровне устанавливаются средства автоматизации (ПК, управляющие вычислительные средства), обеспечивающие обработку сигналов технологических датчиков, связь с оператором с помощью дисплеев и функциональных клавиатур.

8.10. В разветвленных системах ДАУ должна предусматриваться система диагностики с выводом результатов, как правило, на отдельный дисплей.

В отдельных случаях этот дисплей может быть совмещен с технологическим дисплеем на ЦПУ.

8.11. Все силовые схемы выполняются, как правило, с использованием контактных аппаратов (контакторов, пускателей).

Бесконтактные силовые схемы выполняются на базе бесконтактных станций управления в технически обоснованных случаях, когда применение контактных аппаратов оказывается неприемлемым (высокая частота включения, регулирование скорости и т.д.).

8.12. Силовые схемы должны включать в себя узлы стыковки силовых аппаратов с сигналами ПК.

Аварийные сигналы (конечные аварийные выключатели и технологические датчики) стыкуются с силовой схемой на релейно-конктактном уровне.

Аварийные контакты промежуточных реле, как правило, должны работать на размыкание.

Все силовые электроустановки должны иметь МУ. Возможно вместо МУ иметь ДГУ, при котором предусматривается режим опробования отдельных механизмов.

8.13. Входными сигналами ПК (выходными сигналами контактной схемы) являются:

- сигнал 10 мА, 24 В постоянного тока, коммутируемый сухим контактом реле;

- сигнал 24 В постоянного тока;

- унифицированные аналоговые сигналы низкого уровня (токовыe и напряжения);

- унифицированные сигналы термопар и термосопротивлений.

8.14. Выходными сигналами ПК (входными сигналами контактной схемы) являются:

- дискретные и импульсные сигналы уровня 24 В постоянного тока;

- унифицированные аналоговые сигналы низкого уровня.

8.15. В цепях управления и автоматизации работы электроприемников допускается применение:

а) как правило, напряжения не более 250 В (фаза - ноль для временного тока и др.);

б) в сетях с изолированной нейтралью и в простейших неразветвленных цепях управления одиночными электроприемниками допускается применение того же напряжения, что и в главных цепях электроприемника, но не более 660 В.

8.16. Схемы управления должны конструироваться таким образом, чтобы при исчезновении напряжения в главных цепях электроприемников отключались бы линейные аппараты этих цепей, и повторное их включение было бы возможно только по команде оператора или автоматически по установленной программе (нулевая защита).

Допускается предусматривать отключение упомянутых линейных аппаратов после небольшой выдержки времени, необходимой для обеспечения возможности самозапуска механизма при восстановлении напряжения после действия системы АВР.

Применение для управления электродвигателями аппаратов, не осуществляющих нулевую защиту, допускается в случаях, когда двигатели вместе с сопряженными с ними механизмами доступны только квалифицированному обслуживающему персоналу (например, имеют специальное ограждение, расположены в отдельных помещениях и т. п.).

8.17. Для управления электроприемниками длительного режима работы силовые аппараты должны быть рассчитаны на длительную эксплуатацию в условиях редкого включения пусковых токов и отключения номинальных токов. Они должны также быть способны в весьма редких случаях надежно отключать пусковые токи, однако при этом допустим повышенный износ их контактов (категория применения АС-3, ДС-2 по ГОСТ 11206-93).

Для управления электроприемниками повторно-кратковременного режима работы следует применять аппараты, рассчитанные на соответствующую частоту включений и длительную эксплуатацию в условиях не только включения, но и отключения пусковых токов категория применения АС-4, ДС-3 по ГОСТ 11206-93).

9. Управление поточно-транспортными системами

9.1. В настоящей главе содержатся общие требования к управлению механизмами поточно-транспортных систем (ПТС), обеспечивающих переработку, транспортировку и складирование материала.

9.2. Могут иметь место следующие виды управления механизмами ПТС:

- местное управление с помощью аппаратов местного управления, расположенных вблизи механизмов. Местное управление осуществляется при отсутствии электрических блокировок с другими механизмами;

- местное сблокированное управление с помощью аппаратов местного управления, но последовательность пуска механизмов и их дальнейшая работа определяются электрическими блокировками согласно технологической схеме;

- дистанционное групповое управление, при котором управление группой механизмов осуществляется с поста управления данной группы;

- дистанционное централизованное управление, при котором управление механизмами ПТС осуществляется оператором;

- дистанционное автоматизированное управление ПТС (ДАУ ПТС), характеризуемое вводом команд оператором (избирание, пуск, остановка, ввод блокировок и т.п.), автоматической отработкой команд, централизованным контролем работы ПТС.

9.3. В целях недопущения завалов механизмов и помещений материалом в системах управления механизмами ПТС должны предусматриваться следующие блокировки:

- последовательность пуска механизмов осуществляется в направлении, обратном направлению транспортировки материала;

- автоматический останов всех механизмов, предшествующих аварийно остановившемуся механизму.

9.4. Для механизмов, пуск которых в загруженном состоянии допускается, следует предусматривать при аварийной остановке тракта немедленное прекращение их загрузки, а сами механизмы включать специальной командой оператора или автоматически после разгрузки их от материала.

9.5. Механизмы, расположенные по технологической схеме перед клапаном, задвижкой, шибером и т.п., должны быть сблокированы с механизмами, на которые поступает материал после клапана, задвижки, шибера и т.п.

9.6. В системах управления механизмами, оборудованными аспирационными системами, следует предусматривать блокировку, запрещающую пуск этих механизмов до включения аспирационной системы. При остановке аспирационной системы во время работы ПТС должен подаваться аварийный сигнал.

9.7. В системах управления механизмами, оборудованными металлоулавливателями, должны предусматриваться блокировки, не допускающие прохождения металла через контролируемый участок.

9.8. В системах управления конвейерами следует предусматривать блокировки и аппаратуру аварийного отключения в соответствии с требованиями стандартов ССБТ.

9.9. При дистанционном управлении пуск механизмов ПТС должен осуществляться только после подачи предпускового предупредительного звукового сигнала для оповещения о предстоящем пуске. В местах с повышенным уровнем шума должна предусматриваться дублирующая световая сигнализация.

Предпусковая предупредительная сигнализация должна осуществляться при местном и местном сблокированном управлении при недостаточной видимости механизмов с места расположения аппаратов местного управления.

9.10. Если в составе ПТС имеются механизмы, пуск которых может осуществляться только в присутствии обслуживающего персонала, оператор должен получить из цеха разрешающие сигналы о готовности к пуску этих механизмов.

9.11. Для простых ПТС может оказаться достаточным применение местного сблокированного управления.

Для сложных ПТС, как правило, должно применяться дистанционное управление. Выбор вида дистанционного управления (групповое, централизованное, ДАУ ПТС) зависит от степени сложности ПТС и должен быть обоснован технико-экономическим сопоставлением. При централизованном управлении и ДАУ ПТС должно применяться местное управление для производства ремонтных и наладочных работ. Применение при этом местного сблокированного управления следует в проекте обосновывать.

9.12. При ДАУ ПТС рекомендуется предусматривать также управление основными общецеховыми установками.

9.13. При дистанционном управлении для связи оператора с цеховым обслуживающим персоналом должны предусматриваться сигнально-переговорные устройства телефонной и громкоговорящей связи. Операторский пункт должен быть оборудован также общезаводской телефонной связью.

9.14. ДАУ ПТС должно обеспечивать возможность аварийной остановки ПТС из операторского пункта. Аварийная остановка должна выполняться немедленно без предварительной разгрузки механизмов. При нормальном останове ДАУ ПТС должно обеспечивая разгрузку механизмов от материала.

9.15. В системах дистанционного управления ПТС должен предусматриваться контроль состояния всех механизмов ПТС посредством световой и звуковой сигнализации.

9.16. Следует предусматривать телеизмерения электрических и неэлектрических параметров (массы, производительности, скорости, уровня температуры и др.), необходимых для контроля и управления ПТС.

9.17. Для сложных ПТС могут быть применены системы ДАУ ПТС с программируемыми устройствами управления как для отдельных участков, так и ПТС в целом.

10. Расположение электрооборудования в производственных зданиях и прокладка внутрицеховых сетей

10.1. Электрооборудование, в том числе комплектные крупноблочные электротехнические устройства, устанавливаемое непосредственно в сухих или влажных производственных помещениях с нормальной средой (см. гл. 1.1 ПУЭ), должно иметь степень защиты оболочки не менее IP2X.

10.2. В производственных помещениях, характеризуемых как сырые, особо сырые, жаркие, пыльные, с химически активной средой, комплектные крупноблочные электротехнические устройства рекомендуется размещать в вентилируемых электропомещениях.

10.3. На промышленных предприятиях наиболее часто сооружаются следующие электропомещения:

а) помещения распределительных устройств и подстанций напряжением свыше 1 кВ, закрытые камеры. Устройство этих помещений должно отвечать требованиям гл. 4.2 ПУЭ;

б) помещения распределительных устройств напряжением до кВ переменного тока и до 1,5 кВ постоянного тока, помещения НКУ различного назначения, щитов управления, релейных щитов, пультов и т.п. Устройство этих помещений должно соответствовать требованиям гл. 4.1 ПУЭ;

в) электромашинные помещения (ЭМП), сооружаемые согласно требованиям гл. 5.1 ПУЭ.

10.4. В ЭМП могут устанавливаться:

а) электрические машины;

б) электромашинные преобразовательные агрегаты;

в) пусковые и пускорегулирующие устройства для электрических машин до 1 кВ и выше (автотрансформаторы, реакторы, реостаты и т.п.), в том числе маслонаполненные при массе масла до 600 кг в единице;

г) масляные трансформаторы КТП и другое маслонаполненное электрооборудование с массой масла до 2 т в единице, имеющее герметизацию баков, а также газовую защиту или реле давления (для трансформаторов и автотрансформаторов), работающие на сигнал. Допускается совместная установка в группе не более двух трансформаторов КТП при расстоянии между соседними группами не менее 10 м;

д) трансформаторы сухие или наполненные негорючими жидкостями;

е) статические преобразователи и комплектные электроприводы;

ж) управляющие программируемые устройства;

з) щиты открытые, щиты защищенные, щиты резисторов;

и) реакторы сухие и автоматические выключатели;

к) комплектные распределительные устройства до 1 кВ и выше;

л) батареи конденсаторов;

м) аккумуляторные батареи закрытого типа при условии устройства вытяжного приспособления или зарядки в специальных помещениях или шкафах;

н) неизолированные и изолированные токопроводы до 1 кВ и выше.

10.5. Указанное в п. 10.4 электрооборудование, а также другое маслонаполненное электрооборудование с массой масла более 60 кг в единице, может устанавливаться открыто в общем ЭМП, которое следует относить к категории Г. Маслонаполненное электрооборудование с массой масла более 50 кг в единице, а также маслонаполненное электрооборудование согласно пп. 10.4.в и 10.4.г, но с массой масла, превышающей указанные в этих пунктах значения, рекомендуется устанавливать в отдельных помещениях или камерах, которые следует относить к категории В. При размещении этого маслонаполненного электрооборудования не в отдельных помещениях, камерах, а открыто в общем ЭМП, последнее целиком следует относить к категории В.

10.6. ЭМП, отнесенное к категории Г, как правило, следует сооружать из строительных конструкций, в том числе ограждающих стен и перегородок, выполненных из негорючих (несгораемых) материалов, с пределами огнестойкости, соответствующими пределам огнестойкости конструкций зданий I, II и III степеней огнестойкости.

10.7. ЭМП, или входящие в его состав отдельные помещения, камеры, отнесенные к категории В, следует сооружать из строительных конструкций, в том числе ограждающих, с пределами огнестойкости не менее 0,75 ч.

10.8. ЭМП, отнесенное к категории Г, может сооружаться из легких ограждающих конструкций с трудногорючими утеплителями с пределами огнестойкости, соответствующими пределам огнестойкости конструкций зданий IIIa степени огнестойкости, при условиях, что в ЭМП не устанавливается маслонаполненное электрооборудование согласно пп. 10.4.в и 10.4.г, а также другое маслонаполненное электрооборудование с массой масла более 60 кг в единице, а число этажей ЭМП не превышает двух.

10.9. Электропомещения согласно пп. 10.3.а и 10.3.б, не содержащие маслонаполненного электрооборудования с массой масла более 60 кг в единице, следует относить к категории Г и сооружать из строительных конструкций согласно требованиям пп. 10.6 и 10.8. При размещении в этих электропомещениях маслонаполненного электрооборудования с массой масла более 60 кг в единице их следует относить к категории В и сооружать из строительных конструкций согласно требованию п. 10.7.

10.10. Электропомещения согласно п. 10.3, отнесенные к категории В, не следует относить по требованиям гл. 7.4 ПУЭ к пожароопасной зоне какого-либо класса.

10.11. Для энергоемких производств, характеризуемых высокой степенью автоматизации (например, прокатные цеха), в целях рационального использования производственных площадей рекомендуется сооружение многоэтажных ЭМП. Этажность, условия пристройки ЭМП, их размещение в производственных зданиях и помещениях определяются согласно требованиям СНиП 21-01-97 «Пожарная безопасность зданий и сооружений» и СНиП 2.09.02-85 «Производственные здания».

10.12. Для отдельных энергоемких производств может оказаться целесообразным сооружение при выполнении технико-экономического обоснования энергетических пролетов, вставок.

10.13. Электропомещения могут быть пристроенными, встроенными, внутрицеховыми. В обоснованных случаях они могут сооружаться отдельно стоящими, вблизи производственных зданий.

10.14. Размещение электропомещений в пожароопасных и взрывоопасных зонах следует производить согласно требованиям глав 7.4 и 7.3 ПУЭ.

10.15. В производственных помещениях с пыльной средой, особенно при токопроводящих пылях, с химически активной средой следует выполнять гарантированный подпор воздуха в электропомещениях.

10.16. Для транспортировки электрооборудования в электропомещения, как правило, следует предусматривать напольные транспортные средства. Применение подвесных кранов следует обосновывать в проекте.

10.17. При расположении значительного количества комплектного крупноблочного электрооборудования непосредственно в производственном помещении рекомендуется располагать его на антресолях, сооружаемых на отметке 2-2,5 м от уровня пола. При расположении комплектных крупноблочных устройств на нулевой отметке оно, как правило, должно быть ограждено. Не следует располагать электрооборудование в местах, где оно может быть повреждено транспортными средствами.

10.18. При размещении цеховых ТП следует учитывать следующие рекомендации.

Помещение некомплектной цеховой ТП следует выполнять пристроенным или встроенным в производственное здание, как правило, с сухими трансформаторами, выкатываемыми наружу. Трансформатор мощностью 1000 кВА и более должен размещаться в отдельной закрытой камере. Допускается установка трансформаторов открыто снаружи здания при обеспечении архитектурных и противопожарных требований.

В качестве внутрицеховых ТП рекомендуется применять КТП, желательно с сухими трансформаторами. КТП могут устанавливаться открыто в производственных помещениях либо, при неблагоприятной окружающей среде, - в электропомещениях. В случае установки масляных трансформаторов в составе внутрицеховых КТП следует учитывать содержащиеся в гл. 4.2 ПУЭ ограничения по мощности и количеству трансформаторов, их установке на этажах производственного здания.

Цеховые ТП следует располагать вблизи центров электрических нагрузок. Невыполнение этого требования приводит не только к удорожанию электроустановки и увеличению потерь электроэнергии, но и к снижению уровня пожарной безопасности здания. Выбор места расположения цеховых ТП следует производить совместно с технологами и строителями на ранних стадиях проектирования.

10.19. При выдаче чертежей строительных заданий на электропомещения, в которых устанавливаются трансформаторы, комплектные устройства и другое крупноблочное электрооборудование, должны указываться нагрузки от наиболее тяжелых частей этих устройств и места приложения этих нагрузок. Необходимо также указывать зоны передвижения этого электрооборудования при монтаже и эксплуатации с помощью цеховых подъемно-транспортных средств.

10.20. На чертежах расположения электрооборудования деланы быть обозначены границы взрывоопасных и пожароопасных зон класс помещения по условиям среды в соответствии с требованиями ПУЭ, категория и группа взрывоопасных смесей, могущих образоваться в этих помещениях.

10.21. В цехах промышленных предприятий кабели рекомендуется прокладывать открыто на кабельных конструкциях. При значительном числе кабелей, идущих в одном направлении, их прокладки следует осуществлять в кабельных тоннелях, шахтах. Сооружений кабельных каналов со съемными перекрытиями в производственных помещениях следует избегать за исключением цехов, где исключено загрязнение каналов при эксплуатации предприятия. На отдельных предприятиях, при необходимости прокладки значительного количества кабелей выше отметки пола, могут быть сооружены внутрицеховые проходные кабельные эстакады и частично закрытые кабельные галереи.

10.22. Во всех случаях, если этому не препятствует конструкция вводного устройства электрооборудования, следует применять верхние подводы кабелей к электрооборудованию.

10.23. Преимущественно трубная прокладка кабелей и проводов в цехах промпредприятий должна обосновываться в проекте.

10.24. Прокладку кабелей по технологическому оборудованию рекомендуется выполнять в кабельных коробах, гибких металлорукавах, в стальных тонкостенных трубах.

10.25. Открытую прокладку кабелей и проводов в производственных помещениях рекомендуется выполнять не распространяющими горение кабельными потоками*, обеспечивая соответствующие расстояния в свету между кабелями, пучками, рядами кабелей. При этом количество кабелей не ограничивается и устройство стационарных систем пожаротушения не требуется.

* Нужно иметь в виду, что выполнение кабельных потоков кабелями, не распространяющими горение, не является достаточном условием для того, чтобы относить такие потоки к не распространяющим горение. Вопрос о нераспространении горения кабельными потоками является сложным. В настоящее время существует несколько методов формирования не распространяющих горение кабельных потоков, которые могут приводить к отличающимся результатам. Вопросы, касающиеся нераспространения горения кабельными потоками, будут отражены в главах 2.1 и 2.3 следующего издания ПУЭ.

В главу 2.1, проект которой публиковался в наших инструктивных и информационных материалах в 1993 г. и которая в настоящее время перерабатывается вновь, входило приложение П-1. В приложении даны минимальные расстояния между кабелями, обеспечивающие нераспространение горения кабельных потоков. Это приложение в качестве справочного материала включено и в настоящую работу. Однако следует иметь в виду, что при отработке окончательной редакции главы 2.1 в приложение П-1 могут быть внесены изменения.

10.26. При невозможности выполнения не распространяющих горение потоков и при прокладке в наиболее загруженном поперечном сечении производственного помещения до 350 кабелей (в том числе не более 200 силовых) следует предусматривать средства пожаротушения кабельных потоков (переносные, передвижные, стационарные).

При количестве силовых кабелей более 200 или при общем количестве кабелей более 350 следует предусматривать кабельные сооружения.

10.27. При открытой прокладке по одной трассе более 12 кабелей на расстоянии менее 1 м от несущих металлических строительных конструкций следует выполнять огнезащитное покрытие этих конструкций либо самих кабелей.

10.28. В межферменном пространстве с несущими металлическими конструкциями покрытий и горючим или трудногорючим утеплителем по одной трассе можно прокладывать до 30 кабелей в не распространяющем горение потоке. При большем количестве кабелей их надо делить на потоки по 30 кабелей и прокладывать по разном трассам, изолированным в противопожарном отношении, или прокладывать в сплошных коробах, закрытых кабельных сооружениях. При невозможности выполнения в межферменном пространстве не распространяющих горение потоков, при открытой прокладке по любой трассе более 12 кабелей следует предусматривать стационарное водяное пожаротушение. При открытой прокладке более 50 кабелей следует предусматривать пожарную сигнализацию.

10.29. В электропомещениях способ прокладки кабелей принимается, в основном, в зависимости от количества прокладываемых кабелей: открыто на кабельных конструкциях, в кабельных каналах, в двойных полах, и при значительном количестве кабелей - в кабельных этажах, сооружаемых, как правило, под или над ЭМП.

10.30. На любом этаже ЭМП, в том числе подвальном, на котором размещается электрооборудование, может быть открыто проложено (в наиболее загруженном поперечном сечении этажа) до 350 кабелей, в том числе не более 200 силовых. Прокладка открыто проложенных кабелей должна быть выполнена не распространяющими горение кабельными потоками. При невозможности выполнения не распространяющих горение кабельных потоков, а также при большем количестве кабелей прокладка кабелей должна выполняться в кабельном сооружении (этаж, тоннель, канал, двойной пол).

В подвальных этажах ЭМП, в которых предусмотрена установка оборудования и открытая прокладка более 50 кабелей или в числе прокладываемых кабелей (независимо от их количества) прокладываются 25 и более силовых, должны предусматриваться дренчерные системы пожаротушения с ручным приводом. При прокладке в подвале по каждой трассе до 12 силовых кабелей и расстоянии между трассами не менее 1 м допускается системы пожаротушения не выполнять.

10.31. В кабельных этажах, тоннелях, закрытых галереях, шахтах, сооружаемых в производственных зданиях, при внутреннем объеме помещений более 100 м**3 должно быть выполнено автоматическое пожаротушение.

10.32. Автоматическая пожарная сигнализация должна предусматриваться во всех электропомещениях, а также в кабельных каналах и двойных полах, сооружаемых в электропомещениях.

ПРИЛОЖЕНИЕ П-1

(Справочное)

Минимальные расстояния в свету между кабелями, обеспечивающие нераспространение горения кабельных потоков (без применения пожаротушения)

Расположение кабелей в потоке

Назначение кабеля, напряжение

Исполнение кабеля

Минимальные расстояния в свету между кабелями в потоке при прокладке

 

горизонтальной

вертикальной

 

нормируемое

значение, мм

нормируемое

значение, мм

 

Одиночный однослойный ряд

Силовой, напряжение до 10 кВ

Общепромышленное

По горизонтали между кабелями в ряду

Дк

По горизонтали между кабелями в ряду

1,5 Дк

 

Общепромышленное с покрытием ОЗС

То же

Дк

То же

Дк

 

С индексом «НГ» и «НЛ»

То же

Дк

То же

Дк

 

Для вторичных цепей (контрольный, управления и т.п.)

Общепромышленное

То же

Не нормируется

То же

1,5 Дк

 

Общепромышленное с покрытием ОЗС

То же

Не нормируется

То же

Не нормируется

 

С индексом «НГ»

То же

Не нормируется

То же

Не нормируется

 

Одиночный многослойный ряд в лотке с неперфорированными бортами с высотой до 140 мм и перфорированным дном

Силовой, на напряжение до 1 кВ с сечением жил до 25 мм**2; для вторичных цепей (контрольный, управления и т.п.)

Общепромышленное

Между кабелями

Не нормируется

Между кабелями

Не нормируется

 

По вертикали между кабелями и перекрытием или покрытием

300

По горизонтали между кабелями и верхними кромками бортов лотка

0,7 высоты борта лотка

 

Общепромышленное с покрытием ОЗС

Между кабелями

Не нормируется

Между кабелями

Не нормируется

 

По вертикали между кабелями и перекрытием или покрытием

300

По горизонтали между кабелями и верхними кромками бортов лотка

Не нормируется

 

С индексом «НГ» и «НЛ»

Между кабелями

Не нормируется

Между кабелями

Не нормируется

 

По вертикали между кабелями и перекрытием или покрытием

300

По горизонтали между кабелями и верхними кромками бортов лотка

Не нормируется

Одиночный ряд пучков

Силовой, на напряжение до 1 кВ с сечением жил до 25 мм**2; для вторичных цепей (контрольный, управления и т.п.)

Общепромышленное

По горизонтали между пучками кабелей в ряду

Не нормируется

По горизонтали между пучками кабелей в ряду

1,5 Дп

 

По вертикали между кабелями и перекрытием или покрытием

300

-

-

 

Общепромышленное с покрытием ОЗС

По горизонтали между пучками кабелей в ряду

Не нормируется

По горизонтали между пучками кабелей в ряду

Не нормируется

 

По вертикали между кабелями и перекрытием или покрытием

300

-

-

 

 

С индексом «НГ» и «НЛ»

По горизонтали между пучками кабелей в ряду

Не нормируется

По горизонтали между пучками кабелей в ряду

Не нормируется

 

По вертикали между кабелями и перекрытием или покрытием

300

-

-

 

Одиночный пучок

Силовой на напряжение до 1 кВ с сечением жил до 25 мм**2; для вторичных цепей (контрольный, управления и т.п.)

Общепромышленное

Между кабелями в пучке

Без зазоров (вплотную)

Между кабелями в пучке

Без зазоров (вплотную)

 

То же

То же

То же

То же

Общепромышленное с покрытием ОЗС

С индексом «НГ» и «НЛ»

То же

То же

То же

То же

Многорядное в один слой в каждом ряду

Силовой, напряжение до 10 кВ

Общепромышленное

По вертикали между соседними рядами кабелей

250

По горизонтали между соседними рядами кабелей

300

 

 

 

По горизонтали между кабелями в ряду

Дк

По горизонтали между кабелями в ряду

1,5 Дк

По вертикали между кабелями и перекрытием или покрытием

300

-

-

 

Общепромышленное с покрытием ОЗС

По вертикали между соседними рядами кабелей

200

По горизонтали между соседними рядами кабелей

200

 

По горизонтали между кабелями в ряду

Дк

По горизонтали между кабелями в ряду

Дк

 

По вертикали между кабелями и перекрытием или покрытием

300

-

-

 

С индексом «НГ» и «НЛ»

По вертикали между соседними рядами кабелей

100

По горизонтали между соседними рядами кабелей

100

 

По горизонтали между кабелями в ряду

Дк

По горизонтали между кабелями а ряду

Дк

 

 

По вертикали между кабелями и перекрытием или покрытием

300

-

-

 

С индексом «НГ»

По вертикали между соседними рядами кабелей

250

По горизонтали между соседними рядами кабелей

300

 

По горизонтали между кабелями в ряду

Не нормируется

По горизонтали между кабелями в ряду

1,5 Дк

 

По вертикали между кабелями и перекрытием или покрытием

300

-

-

 

 

Общепромышленное с покрытием ОЗС

По вертикали между соседними рядами кабелей

200

По горизонтали между соседними рядами кабелей

200

 

По горизонтали между кабелями в ряду

Не нормируется

По горизонтали между кабелями в ряду

Не нормируется

 

По вертикали между кабелями и перекрытием или покрытием

300

-

-

С индексом «НГ»

По вертикали между соседними рядами кабелей

150

По горизонтали между соседними рядами кабелей

150

 

По горизонтали между кабелями в ряду

Не нормируется

По горизонтали между кабелями в ряду

Не нормируется

 

По вертикали между кабелями и перекрытием или покрытием

300

-

-

Многорядное многослойное в лотках с неперфорированными бортами высотой до 140 мм и перфорированным дном

Силовой на напряжение до 1 кВ с сечением жил до 25 мм**2;

для вторичных цепей (контрольный, управления и т.п.)

Общепромышленное

По вертикали между кабелями соседних лотков

250

По горизонтали между кабелями соседних лотков

300

 

Между кабелями в лотке

Не нормируется

Между кабелями в лотке

Не нормируется

 

По вертикали между кабелями верхнего лотка и перекрытием или покрытием

300

По горизонтали между кабелями и верхними кромками бортов лотка

0,7 высоты борта лотка

 

Общепромышленное с покрытием ОЗС

По вертикали между кабелями соседних лотков

200

По горизонтали между кабелями соседних лотков

200

 

По горизонтали между пучками в ряду

Не нормируется

По горизонтали между пучками в ряду

Не нормируется

 

По вертикали между кабелями верхнего лотка и перекрытием или покрытием

300

По горизонтали между кабелями и верхними кромками бортов лотка

Не нормируется

 

С индексом «НГ» и «НЛ»

По вертикали между кабелями соседних лотков

200

По горизонтали между соседними рядами пучков

200

 

Между кабелями в лотке

Не нормируется

Между кабелями в лотке

Не нормируется

 

По вертикали между кабелями верхнего лотка и перекрытием или покрытием

300

По горизонтали между кабелями и верхними кромками бортов лотка

Не нормируется

 

Многорядное пучками

Силовой на напряжение до 1 кВ с сечением жил до 25 мм**2;

Для вторичных цепей (контрольный, управления и т.п.)

Общепромышленное

По вертикали между соседними рядами пучков

250

По горизонтали между соседними рядами пучков

300

 

По горизонтали между пучками в ряду

1,5 Дп

По горизонтали между пучками в ряду

1,5 Дп

 

По вертикали между пучками верхнего ряда и перекрытием или покрытием

300

-

-

 

Общепромышленное с покрытием ОЗС

По вертикали между соседними рядами пучков

200

По горизонтали между соседними рядами пучков

200

 

По горизонтали между пучками в ряду

Не нормируется

По горизонтали между пучками в ряду

Не нормируется

 

По вертикали между пучками верхнего ряда и перекрытием или покрытие

300

-

-

 

 

 

С индексом «НГ» и «НЛ»

По вертикали между соседними рядами пучков

150

По горизонтали между соседними рядами пучков

150

 

По горизонтали между пучками в ряду

Не нормируется

По горизонтали между пучками в ряду

1,5 Дп

 

По вертикали между пучками верхнего ряда и перекрытием или покрытием

300

-

-

 

Многослойное в неперфорированном коробе (типа КП)

Силовой на напряжение до 1 кВ с сечением жил до 25 мм**2

для вторичных цепей (контрольный, управления и т.п.)

Общепромышленное

Между кабелями в коробе

Не нормируется

Между кабелями в коробе

Не нормируется

 

Между кабелями и крышкой короба

То же

Между кабелями и крышкой короба

Не более 0,3 высоты борта короба

 

Общепромышленное с ОЗС

Между кабелями в коробе

То же

Между кабелями в коробе

Не нормируется

 

Между кабелями и крышкой короба

То же

Между кабелями и крышкой короба

То же

 

 

 

С индексом «НГ» и «НЛ»

Между кабелями в коробе

Не нормируется

Между кабелями в коробе

Не нормируется

 

 

 

Между кабелями и крышкой короба

То же

 

То же

Примечание. Дк - наибольший диаметр кабеля; Дп - наибольший диаметр пучка; ОЗС - огнезащитный состав (типа ОПК-В).

ЛИТЕРАТУРА

1. Электроснабжение промышленных предприятий. Нормы технологического проектирования / Разработка ВНИПИ Тяжпромэлектропроект.

2. Инструкция по устройству молниезащиты зданий и сооружений (РД 34.21.122-87)// Инструктивные указания по проектированию электротехнических промышленных установок. 1988. № 6.

3. Указания по расчету электрических нагрузок. РТМ 36.18.32.4-92 (Разработка ВНИПИ Тяжпромэлектропроект) // Инструктивные и информационные материалы по проектированию электроустановок. № 7-8. 1992.

4. Пособие к «Указаниям по расчету электрических нагрузок» (вторая редакция) / Разработка ВНИПИ Тяжпромэлектропроект.




Rambler's Top100 Яндекс цитирования
  Copyright © 2008-2026, www.docload.ru